ΠΠ΅Π±ΡΠ΄ΠΊΠ° ΠΈΠ· ΡΡΠ°ΡΡΠ΅ΡΠ° ΡΠ²ΠΎΠΈΠΌΠΈ ΡΡΠΊΠ°ΠΌΠΈ: ΡΠ΅ΡΡΠ΅ΠΆΠΈ, ΡΠΎΡΠΎ ΠΈΠ·Π³ΠΎΡΠΎΠ²Π»Π΅Π½ΠΈΡ

Π‘Π°ΠΌΠΎΠ΄Π΅Π»ΡΠ½Π°Ρ Π»Π΅Π±ΡΠ΄ΠΊΠ° ΠΈΠ· ΡΡΠ°ΡΡΠ΅ΡΠ°: ΡΠ΅ΡΡΠ΅ΠΆΠΈ ΡΠ»Π΅ΠΊΡΡΠΎΠ»Π΅Π±ΡΠ΄ΠΊΠΈ, ΡΠΎΡΠΎ ΠΈΠ·Π³ΠΎΡΠΎΠ²Π»Π΅Π½ΠΈΡ ΡΠ°ΠΌΠΎΠ΄Π΅Π»ΠΊΠΈ ΡΠ²ΠΎΠΈΠΌΠΈ ΡΡΠΊΠ°ΠΌΠΈ.
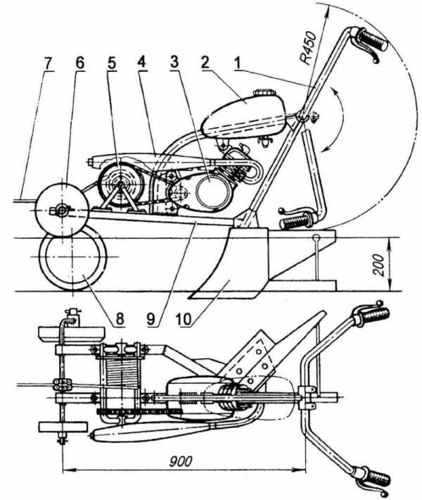
ΠΠ»Ρ ΠΈΠ·Π³ΠΎΡΠΎΠ²Π»Π΅Π½ΠΈΡ ΡΠ°ΠΌΠΎΠ΄Π΅Π»ΡΠ½ΠΎΠΉ Π»Π΅Π±ΡΠ΄ΠΊΠΈ Π°Π²ΡΠΎΡ ΠΈΡΠΏΠΎΠ»ΡΠ·ΠΎΠ²Π°Π» ΡΡΠ°ΡΡΠ΅Ρ ΠΎΡ ΠΠΠ 21015. ΠΠ²ΠΈΠ³Π°ΡΠ΅Π»Ρ ΠΎΡ ΡΡΠ°ΡΡΡΡΠ° Π°Π²ΡΠΎ ΡΠ°ΡΡΡΠΈΡΠ°Π½ Π½Π° ΠΊΡΠ°ΡΠΊΠΎΠ²ΡΠ΅ΠΌΠ΅Π½Π½ΡΡ ΡΠ°Π±ΠΎΡΡ ΠΈ Π±ΡΡΡΡΠΎ ΠΏΠ΅ΡΠ΅Π³ΡΠ΅Π²Π°Π΅ΡΡΡ, Π½ΠΎ Π²ΠΏΠΎΠ»Π½Π΅ ΠΏΠΎΠ΄Ρ
ΠΎΠ΄ΠΈΡ Π΄Π»Ρ ΠΈΠ·Π³ΠΎΡΠΎΠ²Π»Π΅Π½ΠΈΡ ΡΠ»Π΅ΠΊΡΡΠΎΠ»Π΅Π±ΡΠ΄ΠΊΠΈ.
Π’Π°ΠΊΠΆΠ΅ Π½Π°ΠΌ ΠΏΠΎΠ½Π°Π΄ΠΎΠ±ΠΈΡΡΡ ΠΏΠΎΠ½ΠΈΠΆΠ°ΡΡΠΈΠΉ ΡΠ΅Π΄ΡΠΊΡΠΎΡ ΠΎΡ ΠΏΠ΅ΡΡΠΎΡΠ°ΡΠΎΡΠ°, Π½Π°ΠΉΡΠΈ ΡΠ΅Π΄ΡΠΊΡΠΎΡ ΠΌΠΎΠΆΠ½ΠΎ Π½Π° Π±Π»ΠΎΡΠΈΠ½ΠΎΠΌ ΡΡΠ½ΠΊΠ΅, Π² Π΄Π°Π½Π½ΠΎΠΉ ΡΠ°ΠΌΠΎΠ΄Π΅Π»ΠΊΠ΅ Π°Π²ΡΠΎΡ Π²Π·ΡΠ» ΡΠ΅Π΄ΡΠΊΡΠΎΡ ΠΎΡ ΡΡΠ°ΡΠΎΠΉ Π΄ΡΠ΅Π»ΠΈ ΡΠΎΠ²Π΅ΡΡΠΊΠΎΠ³ΠΎ ΠΏΡΠΎΠΈΠ·Π²ΠΎΠ΄ΡΡΠ²Π° Ρ ΠΏΠ΅ΡΠ΅Π΄Π°ΡΠΎΡΠ½ΡΠΌ ΡΠΈΡΠ»ΠΎΠΌ 1 Ρ 20.

ΠΠ°Π» Π΄Π²ΠΈΠ³Π°ΡΠ΅Π»Ρ Π½ΡΠΆΠ½ΠΎ ΡΠΎΠ΅Π΄ΠΈΠ½ΠΈΡΡ Ρ Π²Π°Π»ΠΎΠΌ ΡΠ΅Π΄ΡΠΊΡΠΎΡΠ°, ΡΠ΄Π΅Π»Π°ΡΡ ΡΡΠΎ ΠΌΠΎΠΆΠ½ΠΎ Ρ ΠΏΠΎΠΌΠΎΡΡΡ ΠΏΠ΅ΡΠ΅Ρ ΠΎΠ΄Π½ΠΎΠΉ ΠΌΡΡΡΡ ΠΈ ΡΠΏΠ»ΠΈΠ½ΡΠΎΠ² ΠΈΠ»ΠΈ ΠΏΡΠΎΡΡΠΎ ΠΏΡΠΈΠ²Π°ΡΠΈΡΡ ΠΈΡ ΡΠ²Π°ΡΠΊΠΎΠΉ.

Π‘ΠΎΠ±ΡΠ°Π½ Π² Π΅Π΄ΠΈΠ½ΡΠΉ ΠΊΠΎΡΠΏΡΡ.

Π’Π΅ΠΏΠ΅ΡΡ ΡΠ΄Π΅Π»Π°Π΅ΠΌ Π±Π°ΡΠ°Π±Π°Π½ Π΄Π»Ρ Π»Π΅Π±ΡΠ΄ΠΊΠΈ ΠΈΠ· ΠΊΡΡΠΊΠ° ΠΌΠ΅ΡΠ°Π»Π»ΠΈΡΠ΅ΡΠΊΠΎΠΉ ΡΡΠ±Ρ ΠΈ Π»ΠΈΡΡΠΎΠ²ΠΎΠ³ΠΎ ΠΌΠ΅ΡΠ°Π»Π»Π° ΡΠΎΠ»ΡΠΈΠ½ΠΎΠΉΒ β 3 ΠΌΠΌ.
Π ΡΡΡΠ±Π΅ Π·Π°ΠΊΡΠ΅ΠΏΠ»ΡΠ½ Π±ΠΎΠ»Ρ ΠΏΠΎΠ΄ ΠΊΡΠ΅ΠΏΠ»Π΅Π½ΠΈΠ΅ ΡΡΠΎΡΠ°.

ΠΠ· ΠΌΠ΅ΡΠ°Π»Π»Π° Π²ΡΡΠ΅Π·Π°Π΅ΠΌ Π΄Π²Π° ΠΊΡΡΠ³Π° Ρ ΠΎΡΠ²Π΅ΡΡΡΠΈΠ΅ΠΌ ΠΏΠΎ ΡΠ΅ΡΠ΅Π΄ΠΈΠ½Π΅ ΠΈ ΠΏΡΠΈΠ²Π°ΡΠΈΠ²Π°Π΅ΠΌ ΠΈΡ ΠΊ ΡΡΡΠ±Π΅.

Π Π±Π°ΡΠ°Π±Π°Π½Ρ Π½ΡΠΆΠ½ΠΎ ΠΏΡΠΈΠ²Π°ΡΠΈΡΡ ΡΠ΅ΡΡΠ΅ΡΠ½Ρ Ρ Π²Π°Π»ΠΎΠΌ. Π ΡΡΠΎΠΉ ΡΠ°ΠΌΠΎΠ΄Π΅Π»ΠΊΠ΅ Π²Π°Π» Ρ ΡΠ΅ΡΡΠ΅ΡΠ½ΡΠΉ Π²Π·ΡΡ ΡΠΎ ΡΠΏΠΈΡΠ°Π½Π½ΠΎΠ³ΠΎ ΠΌΠ΅Ρ Π°Π½ΠΈΠ·ΠΌΠ° Π·Π°Π΄Π²ΠΈΠΆΠΊΠΈ Π½Π΅ΡΡΠ΅ΠΏΡΠΎΠ²ΠΎΠ΄Π°.

ΠΠ°ΡΠ°Π±Π°Π½ Π²ΡΠ°ΡΠ°Π΅ΡΡΡ Π½Π° Π΄Π²ΡΡ ΠΏΠΎΠ΄ΡΠΈΠΏΠ½ΠΈΠΊΠ°Ρ ΠΊΠΎΡΠΎΡΡΠ΅ ΠΏΡΠΈΠ²Π°ΡΠ΅Π½Ρ ΠΊ ΠΊΡΡΡΠΊΠ°ΠΌ ΡΡΠ°Π½ΠΈΠ½Ρ Π»Π΅Π±ΡΠ΄ΠΊΠΈ.

ΠΠΎΠΊΠΎΠ²ΡΠ΅ ΠΊΡΡΡΠΊΠΈ.

ΠΠ°ΡΠ°Π±Π°Π½ Ρ ΡΠ΅ΡΡΠ΅ΡΠ½ΡΠΉ Π² ΡΠ±ΠΎΡΠ΅.

ΠΠ°ΠΊ Π²Π°ΡΠΈΠ°Π½Ρ ΠΌΠΎΠΆΠ½ΠΎ Π²Π·ΡΡΡ ΡΠ΅ΡΡΠ΅ΠΆΠΈ Π±Π°ΡΠ°Π±Π°Π½Π° ΡΡΡΠ½ΠΎΠΉ Π»Π΅Π±ΡΠ΄ΠΊΠΈ.

Π§ΡΠΎΠ±Ρ ΡΡΠΎΡ Π½Π΅ ΡΠ»Π΅ΡΠ°Π» Ρ Π±Π°ΡΠ°Π±Π°Π½Π° ΠΊ ΠΊΠΎΡΠΏΡΡΡ Π»Π΅Π±ΡΠ΄ΠΊΠΈ ΠΏΡΠΈΠ²Π°ΡΠΈΠ²Π°Π΅ΠΌ Π½Π°ΠΏΡΠ°Π²Π»ΡΡΡΡΡ ΠΏΡΠΎΡΡΠΈΠ½Ρ.

Π£ΡΡΠ°Π½ΠΎΠ²Π»Π΅Π½Ρ ΡΠΏΠΈΠ»ΡΠΊΠΈ.

Π Π΅Π΄ΡΠΊΡΠΎΡ Π·Π°ΠΊΡΠ΅ΠΏΠ»ΡΠ½ Π½Π° ΡΡΠ°Π½ΠΈΠ½Π΅ Π»Π΅Π±ΡΠ΄ΠΊΠΈ, Π°Π²ΡΠΎΡ ΠΏΡΠΈΠΊΡΠ΅ΠΏΠΈΠ» ΡΠ΅Π΄ΡΠΊΡΠΎΡ Ρ ΠΏΠΎΠΌΠΎΡΡΡ ΡΡΡΠ±Π½ΠΎΠ³ΠΎ ΠΊΠ»ΡΠΏΠΏΠ° ΠΏΠΎΠ΄ Π½Π°ΡΠ΅Π·ΠΊΡ ΡΠ΅Π·ΡΠ±Ρ.

Π‘ΠΎΠΏΠΎΡΡΠ°Π²Π»ΡΠ΅ΠΌ ΡΠ΅ΡΡΠ΅ΡΡΠ½ΠΊΡ Π²Π°Π»Π° ΡΠ΅Π΄ΡΠΊΡΠΎΡΠ° Ρ ΡΠ΅ΡΡΠ΅ΡΡΠ½ΠΊΠΎΠΉ Π±Π°ΡΠ°Π±Π°Π½Π°. ΠΠ΅ΡΠ΅Π΄Π°ΡΠΎΡΠ½ΠΎΠ΅ ΡΠΈΡΠ»ΠΎ ΡΠ΅ΡΡΠ΅ΡΠ½ΠΈ 1 Ρ 5.

Π‘Ρ Π΅ΠΌΠ° ΠΏΠΎΠ΄ΠΊΠ»ΡΡΠ΅Π½ΠΈΡ ΡΠ΅Π²Π΅ΡΡΠ° Π½Π° Π»Π΅Π±ΡΠ΄ΠΊΠ΅.

Β
ΠΠ°ΠΌΠ°ΡΡΠ²Π°Π΅ΠΌ ΡΡΠΎΡ Π½Π° Π±Π°ΡΠ°Π±Π°Π½, ΡΠΎΠ»ΡΠΈΠ½Π° ΡΡΠΎΡΠ° 6 β 10 ΠΌΠΌ.

Π‘ΠΎΠ²Π΅Ρ! ΠΠ΅ ΠΏΠΎΠ΄ΠΊΠ»ΡΡΠ°ΠΉΡΠ΅ ΡΠ»Π΅ΠΊΡΡΠΎΠ»Π΅Π±ΡΠ΄ΠΊΡ ΠΊ Π°Π²ΡΠΎΠΌΠΎΠ±ΠΈΠ»ΡΠ½ΠΎΠΌΡ Π°ΠΊΠΊΡΠΌΡΠ»ΡΡΠΎΡΡ ΠΏΡΠΈ Π²ΡΠΊΠ»ΡΡΠ΅Π½Π½ΠΎΠΌ Π΄Π²ΠΈΠ³Π°ΡΠ΅Π»Π΅, Π°ΠΊΠΊΡΠΌΡΠ»ΡΡΠΎΡ ΡΠ°Π·ΡΡΠ΄ΠΈΡΡΡ Π·Π° Π½Π΅ΡΠΊΠΎΠ»ΡΠΊΠΎ ΠΌΠΈΠ½ΡΡ.
Π’Π°ΠΊΠΆΠ΅ Π½Π΅Π»ΡΠ·Ρ ΡΠ΅ΠΏΠ»ΡΡΡ Π·Π° ΠΌΠ΅ΡΠ°Π»Π»ΠΈΡΠ΅ΡΠΊΠΈΠΉ ΡΡΠΎΡ Π°Π²ΡΠΎΠΌΠΎΠ±ΠΈΠ»Ρ ΠΎΡ ΠΊΠΎΡΠΎΡΠΎΠ³ΠΎ Π·Π°ΠΏΠΈΡΠ°Π½Π° ΡΠ»Π΅ΠΊΡΡΠΎΠ»Π΅Π±ΡΠ΄ΠΊΠ°, ΠΊΠ°ΠΊ Π²Π°ΡΠΈΠ°Π½Ρ ΠΌΠΎΠΆΠ½ΠΎ Π²ΠΎΡΠΏΠΎΠ»ΡΠ·ΠΎΠ²Π°ΡΡΡΡ ΡΠΊΠ°Π½Π΅Π²ΡΠΌ ΡΡΠΎΡΠΎΠΌ ΠΈΠ»ΠΈ ΠΏΠ΅ΡΠ΅Π΄Π΅Π»Π°ΡΡ ΡΡΡΠΎΡΠ½ΡΠΉ ΡΠ·Π΅Π» Π½Π° ΡΠ»Π΅ΠΊΡΡΠΎΠ΄Π²ΠΈΠ³Π°ΡΠ΅Π»Π΅, ΠΈΠ·ΠΎΠ»ΠΈΡΠΎΠ²Π°ΡΡ ΠΌΠ°ΡΡΡ Π½Π° ΡΠ°ΠΌΠΎΠΉ Π»Π΅Π±ΡΠ΄ΠΊΠ΅.
Π‘Π°ΠΌΠΎΠ΄Π΅Π»ΡΠ½Π°Ρ Π»Π΅Π±ΡΠ΄ΠΊΠ° ΠΈΠ· ΡΡΠ°ΡΡΠ΅ΡΠ° ΡΠΏΠΎΠΊΠΎΠΉΠ½ΠΎ Π²ΡΡΠ°ΡΠΈΡ Π»Π΅Π³ΠΊΠΎΠ²ΠΎΠΉ Π°Π²ΡΠΎΠΌΠΎΠ±ΠΈΠ»Ρ ΠΈΠ· Π³ΡΡΠ·ΠΈ Π² ΡΠΎΠΌ ΡΠΈΡΠ»Π΅ ΠΈ Π£ΠΠ Β«Π±ΡΡ Π°Π½ΠΊΡΒ».
ΠΠ²ΡΠΎΡ ΡΠ°ΠΌΠΎΠ΄Π΅Π»ΠΊΠΈ: ΠΠΈΠΊΠΎΠ»Π°ΠΉ ΠΠ²Π΄ΠΎΠΊΠΈΠΌΠΎΠ².
ΠΠ½ΡΠ΅ΡΠ΅ΡΠ½ΠΎΠ΅ Π²ΠΈΠ΄Π΅ΠΎ: Π°Π²ΡΠΎΡ ΠΏΠΎΠΊΠ°Π·ΡΠ²Π°Π΅Ρ ΡΠ²ΠΎΡ ΡΠ°ΠΌΠΎΠ΄Π΅Π»ΡΠ½ΡΡ Π»Π΅Π±ΡΠ΄ΠΊΡ ΠΈΠ· ΡΡΠ°ΡΡΠ΅ΡΠ° ΠΠΠ 21010
sam-stroitel.com
Π ΡΡΠ½Π°Ρ Π±Π°ΡΠ°Π±Π°Π½Π½Π°Ρ Π»Π΅Π±Π΅Π΄ΠΊΠ° ΡΠ²ΠΎΠΈΠΌΠΈ ΡΡΠΊΠ°ΠΌΠΈ: ΡΡΠ°ΠΏΡ ΡΠ±ΠΎΡΠΊΠΈ, ΠΎΡΠ½ΠΎΠ²Π½ΡΠ΅ Π΄Π΅ΡΠ°Π»ΠΈ

ΠΡΠΎ ΠΈΠ· Π°Π²ΡΠΎΠ²Π»Π°Π΄Π΅Π»ΡΡΠ΅Π² Π² ΠΎΠ΄ΠΈΠ½ΠΎΡΠΊΡ ΠΈΠ»ΠΈ Ρ ΠΏΠ°ΡΡΠ°ΠΆΠΈΡΠ°ΠΌΠΈ, ΠΊΠΎΡΠΎΡΡΠ΅ Π½Π΅ Π² ΡΠΎΡΡΠΎΡΠ½ΠΈΠΈ ΠΎΠΊΠ°Π·Π°ΡΡ Π΄Π΅ΠΉΡΡΠ²Π΅Π½Π½ΡΡ ΠΏΠΎΠΌΠΎΡΡ, Π½Π΅ ΠΏΠΎΠΏΠ°Π΄Π°Π» Π² ΡΠΈΡΡΠ°ΡΠΈΠΈ, ΠΊΠΎΠ³Π΄Π° Π·Π°ΠΊΠ°Π½ΡΠΈΠ²Π°Π΅ΡΡΡ Π΄ΠΎΡΠΎΠ³Π°? ΠΠΎΡ ΡΡΡ ΠΈ Π·Π°Π΄ΡΠΌΠ°Π΅ΡΡΡΡ ΠΎ Π»Π΅Π±Π΅Π΄ΠΊΠ΅. ΠΠ°ΠΊ Ρ ΠΎΡΠΎΡΠΎ, ΠΊΠΎΠ³Π΄Π° ΠΎΠ½Π° ΠΏΠΎΠ΄ ΡΡΠΊΠ°ΠΌΠΈ. Π Π²Π΅Π΄Ρ Π½Π΅ Π²ΡΠ΅Π³Π΄Π° Π² ΡΡΠΎΠΌ ΡΠ»ΡΡΠ°Π΅ Π½ΡΠΆΠ½ΠΎ ΠΈΠΌΠ΅ΡΡ ΠΈΡΠΊΠ»ΡΡΠΈΡΠ΅Π»ΡΠ½ΠΎ Π²ΡΡΠΎΠΊΠΎΡΠ΅Ρ Π½ΠΎΠ»ΠΎΠ³ΠΈΡΠ½ΡΠΉ ΠΌΠ΅Ρ Π°Π½ΠΈΠ·ΠΌ, ΡΡΠΎΠ±Ρ ΡΠ΅ΡΠΈΡΡ ΠΏΡΠΎΠ±Π»Π΅ΠΌΡ Π΄Π°ΠΆΠ΅ Π² ΠΎΠ΄ΠΈΠ½ΠΎΡΠΊΡ.
Π Π°ΡΡΠΌΠΎΡΡΠΈΠΌ Π²Π°ΡΠΈΠ°Π½ΡΡ ΠΏΡΠΎΡΡΡΡ ΠΈ ΡΠ°ΠΌΠΎΠ΄Π΅Π»ΡΠ½ΡΡ Π»Π΅Π±Π΅Π΄ΠΎΠΊ. ΠΠΎ ΡΠΎΠ»ΡΠΊΠΎ ΡΡΠ°Π·Ρ ΠΎΠ³ΠΎΠ²ΠΎΡΠΈΠΌΡΡ, ΡΡΠΎ Π² ΡΡΠΎΠΉ ΡΡΠ°ΡΡΠ΅ ΡΠ΅ΡΡ ΠΏΠΎΠΉΠ΄Π΅Ρ ΠΎ Π»Π΅Π±Π΅Π΄ΠΊΠ°Ρ , ΡΠΎΠ·Π΄Π°Π²Π°Π΅ΠΌΡΡ Π΄Π»Ρ ΠΎΠ±Π»Π΅Π³ΡΠ΅Π½ΠΈΡ ΠΆΠΈΠ·Π½ΠΈ ΠΈΠΌΠ΅Π½Π½ΠΎ Π°Π²ΡΠΎΠ»ΡΠ±ΠΈΡΠ΅Π»ΡΠΌ.
ΠΡΠΎΡΡΠ΅ΠΉΡΠΈΠ΅ ΠΏΡΠΈΡΠΏΠΎΡΠΎΠ±Π»Π΅Π½ΠΈΡΠ² ΠΊΠ°ΡΠ΅ΡΡΠ²Π΅ ΡΡΡΠ½ΠΎΠΉΒ Π»Π΅Π±Π΅Π΄ΠΊΠΈ
ΠΠ½ΠΎΠ³Π΄Π° Π²ΠΌΠ΅ΡΡΠΎ Π»Π΅Π±Π΅Π΄ΠΊΠΈ Π΄ΠΎΡΡΠ°ΡΠΎΡΠ½ΠΎ Π±ΡΠ΄Π΅Ρ ΠΈΠΌΠ΅ΡΡ Π² Π±Π°Π³Π°ΠΆΠ½ΠΈΠΊΠ΅ ΠΌΠ°ΡΠΈΠ½Ρ ΠΌΠΎΡΠ½ΡΡ Π°Π²ΡΠΎΠΌΠΎΠ±ΠΈΠ»ΡΠ½ΡΡ ΡΡΡΠΆΠΊΡ.

ΠΠΎΡΠΎΠΉ ΡΠ°ΠΊΠ°Ρ ΡΡΡΠΆΠΊΠ°, ΠΊΡΠΎΠΌΠ΅ ΡΠ²ΠΎΠ΅Π³ΠΎ ΠΏΡΡΠΌΠΎΠ³ΠΎ Π½Π°Π·Π½Π°ΡΠ΅Π½ΠΈΡ, ΠΌΠΎΠΆΠ΅Ρ ΠΏΠΎΠΌΠΎΡΡ Π² ΠΎΡΠ²ΠΎΠ±ΠΎΠΆΠ΄Π΅Π½ΠΈΠΈ Π»Π΅Π³ΠΊΠΎΠ²ΡΡΠΊΠΈ ΠΈΠ· Π³ΡΡΠ·Π΅Π²ΠΎΠ³ΠΎ ΠΈΠ»ΠΈ ΡΠ½Π΅Π³ΠΎΠ²ΠΎΠ³ΠΎ ΠΏΠ»Π΅Π½Π°. Π£ΡΠΈΠ»ΠΈΠ΅ Π½Π° Π΅Π΅ Ρ ΡΠ°ΠΏΠΎΠ²ΠΎΠΌ ΠΌΠ΅Ρ Π°Π½ΠΈΠ·ΠΌΠ΅ ΡΠ°ΡΡΡΠΈΡΠ°Π½ΠΎ Π½Π° Π΄Π²Π΅ Ρ ΠΏΠΎΠ»ΠΎΠ²ΠΈΠ½ΠΎΠΉ ΡΠΎΠ½Π½Ρ, ΡΡΠΎ Π±ΠΎΠ»Π΅Π΅ ΡΠ΅ΠΌ Π΄ΠΎΡΡΠ°ΡΠΎΡΠ½ΠΎ Π΄Π»Ρ Π±ΠΎΠ»ΡΡΠΈΠ½ΡΡΠ²Π° ΠΌΠ°Π»ΠΎΠ»ΠΈΡΡΠ°ΠΆΠ΅ΠΊ. Π‘ΡΡΠΎΠΏΠ° Π²ΠΎΠΎΠ±ΡΠ΅ Π²ΡΠ΄Π΅ΡΠΆΠΈΠ²Π°Π΅Ρ Π΄ΠΎ ΡΠ΅ΡΡΡΠ΅Ρ Ρ ΠΏΠΎΠ»ΠΎΠ²ΠΈΠ½ΠΎΠΉ ΡΠΎΠ½Π½. ΠΠ° ΠΎΠ΄Π½Ρ Π½Π°Π²ΠΈΠ²ΠΊΡ, Π΄ΠΎ ΠΌΠΎΠΌΠ΅Π½ΡΠ°, ΠΊΠΎΠ³Π΄Π° Π½Π°ΡΠ½Π΅Ρ ΠΌΠ΅ΡΠ°ΡΡ ΡΠΈΠΊΡΠ°ΡΠΎΡ, ΡΠ°ΠΊΠ°Ρ ΡΡΡΠΆΠΊΠ° ΠΌΠΎΠΆΠ΅Ρ ΠΏΠΎΠ΄ΡΡΠ½ΡΡΡ Π°Π²ΡΠΎΠΌΠΎΠ±ΠΈΠ»Ρ ΡΠ°Π½ΡΠΈΠΌΠ΅ΡΡΠΎΠ² Π½Π° 50, ΡΠ΅Π³ΠΎ ΠΈΠ½ΠΎΠ³Π΄Π° Π±ΡΠ²Π°Π΅Ρ Π΄ΠΎΡΡΠ°ΡΠΎΡΠ½ΠΎ Π΄Π»Ρ ΡΠΎΠ³ΠΎ, ΡΡΠΎΠ±Ρ ΠΎΠ½ ΠΏΠΎΡΡΠ²ΡΡΠ²ΠΎΠ²Π°Π» ΠΏΠΎΠ΄ ΠΊΠΎΠ»Π΅ΡΠ°ΠΌΠΈ ΡΠ²Π΅ΡΠ΄ΡΡ Π΄ΠΎΡΠΎΠ³Ρ. ΠΠΎΡΠΎΠΌ Π²Π΅Π΄Ρ, ΠΏΡΠΎΡΠ΅Π΄ΡΡΡ ΠΌΠΎΠΆΠ½ΠΎ Π½Π΅ΠΎΠ΄Π½ΠΎΠΊΡΠ°ΡΠ½ΠΎ ΠΏΠΎΠ²ΡΠΎΡΠΈΡΡ, ΠΏΠΎΡΡΠ΅ΠΏΠ΅Π½Π½ΠΎ ΠΏΡΠΎΡΡΠ³ΠΈΠ²Π°Ρ ΠΎΡΠ²ΠΎΠ±ΠΎΠ΄ΠΈΠ²ΡΠΈΠΉΡΡ ΠΊΠΎΠ½Π΅Ρ ΡΡΡΠΎΠΏΡ. ΠΡΠ΅ ΡΡΠΎ ΠΎΡΠ»ΠΈΡΠ½ΠΎ ΡΠ°Π±ΠΎΡΠ°Π΅Ρ, Π΅ΡΠ»ΠΈ Π½Π° ΡΠ°ΡΡΡΠΎΡΠ½ΠΈΠΈ Π΄Π»ΠΈΠ½Ρ ΡΡΡΠΎΠΏΡ ΡΠ°ΡΡΠ΅Ρ Π΄ΠΎΡΡΠ°ΡΠΎΡΠ½ΠΎ ΠΌΠΎΡΠ½ΠΎΠ΅ Π΄Π΅ΡΠ΅Π²ΠΎ.
ΠΡΠ»ΠΈ ΠΏΠΎΠ΄Ρ ΠΎΠ΄ΡΡΠ΅Π΅ Π΄Π΅ΡΠ΅Π²ΠΎ ΡΠ»ΡΡΠ°ΠΉΠ½ΠΎ Π½Π΅ Π²ΡΡΠΎΡΠ»ΠΎ Π² Π½ΡΠΆΠ½ΠΎΠΌ Π²Π°ΠΌ ΠΌΠ΅ΡΡΠ΅, ΠΏΠΎΠ»Π΅Π·Π½ΠΎ ΠΈΠΌΠ΅ΡΡ Π² Π°Π²ΡΠΎΠΌΠΎΠ±ΠΈΠ»Π΅ Π½Π΅Π±ΠΎΠ»ΡΡΠΎΠΉ Π»ΠΎΠΌ ΠΈΠ»ΠΈ ΠΎΡΡΠ΅Π·ΠΎΠΊ ΡΡΡΠ±Ρ Π΄Π»ΠΈΠ½ΠΎΠΉ Π½Π΅ ΠΌΠ΅Π½Π΅Π΅ 700 β 800 ΠΌΠΌ ΠΈ ΡΠ²Π΅ΡΠΈΡΡΡΠΉ ΡΠΎΠΏΠΎΡΠΈΠΊ. ΠΠ±ΠΈΡΡΠ΅ Π² Π·Π΅ΠΌΠ»Ρ Π½Π° Π½ΡΠΆΠ½ΠΎΠΌ ΡΠ°ΡΡΡΠΎΡΠ½ΠΈΠΈ, ΠΎΠ½ΠΈ ΡΠΌΠΎΠ³ΡΡ ΠΏΠΎΡΠ»ΡΠΆΠΈΡΡ ΡΠΏΠΎΡΠΎΠΌ Π΄Π»Ρ ΠΊΡΠ΅ΠΏΠ»Π΅Π½ΠΈΡ ΡΡΡΠΎΠΏΡ. ΠΠΏΡΠΎΡΠ΅ΠΌ, Π΅ΡΠ»ΠΈ Π΄Π΅ΡΠ΅Π²Π° ΡΠ°ΠΊΠΈ Π½Π΅Ρ, ΡΠΎ ΡΠΎΡ ΠΆΠ΅ Π½Π°Π±ΠΎΡ Π½Π΅ΠΎΠ±Ρ ΠΎΠ΄ΠΈΠΌ ΠΈ Π΄Π»Ρ Π»Π΅Π±Π΅Π΄ΠΊΠΈ. ΠΠ±ΠΈΠ²Π°ΡΡ ΡΠΏΠΎΡ Π½ΡΠΆΠ½ΠΎ ΠΏΠΎΠ΄ Π½Π΅Π±ΠΎΠ»ΡΡΠΈΠΌ ΡΠ³Π»ΠΎΠΌ, Ρ Π½Π°ΠΊΠ»ΠΎΠ½ΠΎΠΌ Π²Π΅ΡΡ Π½Π΅ΠΉ ΡΠ°ΡΡΠΈ ΠΎΡ Π°Π²ΡΠΎΠΌΠΎΠ±ΠΈΠ»Ρ.
ΠΡΠΈ ΡΠ°ΠΊΠΎΠΌ ΠΆΠ΅ Π΄ΠΎΠΏΠΎΠ»Π½ΠΈΡΠ΅Π»ΡΠ½ΠΎΠΌ ΠΎΠ±ΠΎΡΡΠ΄ΠΎΠ²Π°Π½ΠΈΠΈ ΠΈ Π½Π°Π»ΠΈΡΠΈΠΈ ΡΡΠΎΡΠ° Π΄ΠΈΠ°ΠΌΠ΅ΡΡΠΎΠΌ 8 β 10 ΠΌΠΌ ΠΈΠ»ΠΈ ΠΌΠΎΡΠ½ΠΎΠ³ΠΎ Π°Π»ΡΠΏΠΈΠ½ΠΈΡΡΡΠΊΠΎΠ³ΠΎ ΠΊΠ°Π½Π°ΡΠ°, ΡΠΎΠ»Ρ Π»Π΅Π±Π΅Π΄ΠΊΠΈ ΠΌΠΎΠΆΠ΅Ρ Π²ΡΠΏΠΎΠ»Π½ΠΈΡΡ Π΄ΠΎΠΏΠΎΠ»Π½ΠΈΡΠ΅Π»ΡΠ½ΡΠΉ ΠΎΡΡΠ΅Π·ΠΎΠΊ ΡΡΡΠ±Ρ Π½Π΅ΠΌΠ½ΠΎΠ³ΠΎ Π±ΠΎΠ»ΡΡΠ΅Π³ΠΎ Π΄ΠΈΠ°ΠΌΠ΅ΡΡΠ°, ΡΠ΅ΠΌ ΡΠΏΠΎΡΠ½Π°Ρ ΡΡΡΠ±Π° ΠΈΠ»ΠΈ Π»ΠΎΠΌ. ΠΡΠΈΠ½ΡΠΈΠΏ ΡΠ°Π±ΠΎΡΡ ΡΠ°ΠΊΠΎΠΉ ΠΏΡΠΎΡΡΠ΅ΠΉΡΠ΅ΠΉ Π»Π΅Π±Π΅Π΄ΠΊΠΈ ΠΏΠΎΠ½ΡΡΠ΅Π½ ΠΈΠ· ΡΡ Π΅ΠΌΡ Π½Π° Π½ΠΈΠΆΠ΅.

ΠΡΠ΅Π½Ρ Π½Π΅ΠΏΠ»ΠΎΡ ΠΎ, ΠΊΠΎΠ³Π΄Π° ΡΡΠ° Π½Π°ΡΡΠΆΠ½Π°Ρ ΡΡΡΠ±Π° ΡΠ½Π°Π±ΠΆΠ΅Π½Π° Π½Π°Π΄Π΅ΠΆΠ½ΠΎ ΠΏΡΠΈΠ²Π°ΡΠ΅Π½Π½ΡΠΌ ΡΡ ΠΎΠΌ, Π² ΠΊΠΎΡΠΎΡΠΎΠ΅ ΠΌΠΎΠΆΠ½ΠΎ Π²ΡΡΠ°Π²ΠΈΡΡ Π½Π΅ ΠΌΠ΅Π½Π΅Π΅ Π½Π°Π΄Π΅ΠΆΠ½ΡΠΉ ΡΡΡΠ°Π³. ΠΠΏΡΠΎΡΠ΅ΠΌ, ΠΎΡΠ΅Π²ΠΈΠ΄Π½ΠΎ, ΡΡΠΎ Π΄Π»Ρ Π²ΡΠΏΠΎΠ»Π½Π΅Π½ΠΈΡ Π·Π°Π΄Π°ΡΠΈ, Π΄ΠΎΡΡΠ°ΡΠΎΡΠ½ΠΎ Π±ΡΠ΄Π΅Ρ ΠΏΡΠΎΡΡΠΎ Π²ΡΠΎΡΠΎΠΉ ΡΡΡΠ±Ρ, Π΅ΡΠ»ΠΈ Π²Ρ Π½Π΅ Π² ΠΏΡΡΡΡΠ½Π΅ ΠΈ ΠΏΠΎΠ΄Ρ ΠΎΠ΄ΡΡΠΈΠ΅ ΡΡΡΠ°Π³ΠΈ ΡΠ°ΡΡΡΡ Π½Π° Π½Π΅Π±ΠΎΠ»ΡΡΠΎΠΌ ΠΎΡΠ΄Π°Π»Π΅Π½ΠΈΠΈ ΠΎΡ ΠΌΠ΅ΡΡΠ°, Π² ΠΊΠΎΡΠΎΡΠΎΠΌ Π²Ρ Π·Π°ΡΡΡΡΠ»ΠΈ. Π’ΠΎΠΏΠΎΡΠΈΠΊ-ΡΠΎ ΡΠΆΠ΅ ΡΠΎΡΠ½ΠΎ Π² Π±Π°Π³Π°ΠΆΠ½ΠΈΠΊΠ΅?
Π ΡΡΠ½ΡΠ΅ Π±Π°ΡΠ°Π±Π°Π½Π½ΡΠ΅ Β Π»Π΅Π±Π΅Π΄ΠΊΠΈ Π²ΡΠΏΠΎΠ»Π½Π΅Π½Π½ΡΠ΅ ΡΠ²ΠΎΠΈΠΌΠΈ ΡΡΠΊΠ°ΠΌΠΈ
ΠΠ°ΡΠΈΠ°Π½ΡΠΎΠ² ΠΈΠ·Π³ΠΎΡΠΎΠ²Π»Π΅Π½ΠΈΡ ΡΡΡΠ½ΠΎΠΉ Π»Π΅Π±Π΅Π΄ΠΊΠΈ ΡΠ²ΠΎΠΈΠΌΠΈ ΡΡΠΊΠ°ΠΌΠΈ β Π²Π΅Π»ΠΈΠΊΠΎΠ΅ ΠΌΠ½ΠΎΠΆΠ΅ΡΡΠ²ΠΎ. ΠΡΠ°ΠΊΡΠΈΡΠ΅ΡΠΊΠΈ Π»ΡΠ±Π°Ρ ΠΆΠ΅ΡΡΠΊΠ°Ρ ΠΌΠ΅Ρ Π°Π½ΠΈΡΠ΅ΡΠΊΠ°Ρ ΠΏΠ΅ΡΠ΅Π΄Π°ΡΠ° Ρ Π±ΠΎΠ»ΡΡΠΈΠΌ ΠΏΠ΅ΡΠ΅Π΄Π°ΡΠΎΡΠ½ΡΠΌ ΠΎΡΠ½ΠΎΡΠ΅Π½ΠΈΠ΅ΠΌ: ΡΠ΅ΠΏΠ½Π°Ρ, Π·ΡΠ±ΡΠ°ΡΠ°Ρ, ΡΠ΅ΡΠ²ΡΡΠ½Π°Ρ, ΡΠΌΠΎΠΆΠ΅Ρ ΠΏΠΎΡΠ»ΡΠΆΠΈΡΡ ΠΎΡΠ½ΠΎΠ²ΠΎΠΉ ΡΡΡΠ½ΠΎΠΉ Π»Π΅Π±Π΅Π΄ΠΊΠΈ. ΠΡ ΡΠ°ΡΡΠΌΠΎΡΡΠΈΠΌ Π½Π°ΠΈΠ±ΠΎΠ»Π΅Π΅ ΠΏΠΎΠ½ΡΡΠ½ΡΠ΅ Π² ΡΠ΅Ρ Π½ΠΈΡΠ΅ΡΠΊΠΎΠΌ ΠΏΠ»Π°Π½Π΅ ΠΈ Π½Π΅ ΡΠ»ΠΈΡΠΊΠΎΠΌ ΡΠ»ΠΎΠΆΠ½ΡΠ΅ Π² ΠΈΠ·Π³ΠΎΡΠΎΠ²Π»Π΅Π½ΠΈΠΈ ΡΠΊΠ·Π΅ΠΌΠΏΠ»ΡΡΡ.
ΠΠ°ΡΠΈΠ°Π½Ρ β 1
ΠΡΠΈ Π±Π΅Π³Π»ΠΎΠΌ Π²Π·Π³Π»ΡΠ΄Π΅ Π½Π° ΡΠΎΡΠΎΠ³ΡΠ°ΡΠΈΠΈ ΠΌΠ΅Ρ Π°Π½ΠΈΠ·ΠΌΠ°, ΡΡΡΡΠΎΠΉΡΡΠ²ΠΎ ΡΡΠΎΠΉ ΡΡΡΠ½ΠΎΠΉ Π»Π΅Π±Π΅Π΄ΠΊΠΈ ΠΊΠ°ΠΆΠ΅ΡΡΡ Π΄ΠΎΡΡΠ°ΡΠΎΡΠ½ΠΎ ΡΠ»ΠΎΠΆΠ½ΡΠΌ. ΠΠΎ ΡΡΠΎ ΡΠΎΠ²ΡΠ΅ΠΌ Π½Π΅ ΡΠ°ΠΊ. Π‘Π°ΠΌ ΠΌΠ΅Ρ Π°Π½ΠΈΠ·ΠΌ ΠΎΡΠ΅Π½Ρ Π½Π°ΠΏΠΎΠΌΠΈΠ½Π°Π΅Ρ ΠΌΠ΅Ρ Π°Π½ΠΈΠ·ΠΌ ΡΠΏΠΎΠΌΡΠ½ΡΡΠΎΠΉ Π²ΡΡΠ΅ ΡΡΡΠΆΠΊΠΈ. Π’ΠΎΠ»ΡΠΊΠΎ ΡΡΡΠΊΠ°-ΡΡΡΠ°Π³ Π΄Π»ΠΈΠ½Π½Π΅Π΅ ΠΈ Π²ΡΠ½Π΅ΡΠ΅Π½Π° Π½Π°ΡΡΠΆΡ ΠΌΠ΅Ρ Π°Π½ΠΈΠ·ΠΌΠ°. ΠΠ° Π²ΠΌΠ΅ΡΡΠΎ ΡΡΡΠΎΠΏΡ Π½Π°Π²ΠΈΡ ΡΠΎΠ½ΠΊΠΈΠΉ ΡΡΠ°Π»ΡΠ½ΠΎΠΉ ΡΡΠΎΡ. ΠΠ²Π° Ρ ΡΠ°ΠΏΠΎΠ²ΠΈΠΊΠ° ΡΠ»ΡΠΆΠ°Ρ ΡΠ΅ΡΠΊΠ°ΠΌΠΈ Π±Π°ΡΠ°Π±Π°Π½Π°, Π½Π° ΠΊΠΎΡΠΎΡΡΠΉ ΠΎΠ½ Π½Π°Π²ΠΈΠ²Π°Π΅ΡΡΡ. ΠΠ° ΡΡΡΠ°Π³Π΅ β ΡΠΈΠΌΠΌΠ΅ΡΡΠΈΡΠ½ΡΠ΅ ΠΏΠΎΠ΄ΠΏΡΡΠΆΠΈΠ½Π΅Π½Π½ΡΠ΅ ΡΠΈΠΊΡΠ°ΡΠΎΡΡ. ΠΠΎΠ΄Π²ΠΈΠΆΠ½ΡΠΉ ΠΊΡΡΡΠΎΠΊ ΠΈ Π½Π°ΠΏΡΠ°Π²Π»ΡΡΡΠ°Ρ Π΄Π»Ρ ΡΡΠΎΡΠ°.
Π₯Π°ΡΠ°ΠΊΡΠ΅ΡΠ½ΠΎΠΉ ΠΎΡΠΎΠ±Π΅Π½Π½ΠΎΡΡΡΡ Π΄Π°Π½Π½ΠΎΠΉ ΠΌΠΎΠ΄Π΅Π»ΠΈ ΡΠ°ΠΌΠΎΠ΄Π΅Π»ΡΠ½ΠΎΠΉ Π»Π΅Π±Π΅Π΄ΠΊΠΈ Π΅ΡΡΡ Π΅Π΅ ΠΈΡΠΊΠ»ΡΡΠΈΡΠ΅Π»ΡΠ½Π°Ρ Π½Π°Π΄Π΅ΠΆΠ½ΠΎΡΡΡ Π²Π²ΠΈΠ΄Ρ ΠΎΡΡΡΡΡΡΠ²ΠΈΡ Π±ΠΎΠ»ΡΡΠΎΠ³ΠΎ ΡΠΈΡΠ»Π° ΡΠ°Π·Π±ΠΎΡΠ½ΡΡ ΡΠ·Π»ΠΎΠ². Π Π·Π°ΡΠ΅ΠΌ Π΅Π΅ ΡΠ°Π·Π±ΠΈΡΠ°ΡΡ? ΠΡΠΎ Π°Π²Π°ΡΠΈΠΉΠ½Π°Ρ Π»Π΅Π±Π΅Π΄ΠΊΠ°, ΠΊΠΎΡΠΎΡΠ°Ρ Π²ΡΠΏΠΎΠ»Π½ΠΈΡ ΡΠ²ΠΎΡ ΡΡΠ½ΠΊΡΠΈΡ Ρ Π΄Π΅ΡΡΡΠΎΠΊ ΡΠ°Π· Π·Π° Π²Π΅ΡΡ Π½Π΅ΠΌΠ°Π»ΡΠΉ ΡΡΠΎΠΊ Π΅Π΅ ΡΠΊΡΠΏΠ»ΡΠ°ΡΠ°ΡΠΈΠΈ.
ΠΠ°ΡΠΈΠ°Π½Ρ β 2
ΠΠ°Π΄Π°ΡΠ° ΠΏΠΎ ΡΠ°ΠΌΠΎΡΡΠΎΡΡΠ΅Π»ΡΠ½ΠΎΠΌΡ ΠΈΠ·Π³ΠΎΡΠΎΠ²Π»Π΅Π½ΠΈΡ ΠΌΠΎΡΠ½ΠΎΠΉ, Π½Π°Π΄Π΅ΠΆΠ½ΠΎΠΉ ΠΈ ΠΏΡΠΎΡΡΠΎΠΉ Β Π±Π°ΡΠ°Π±Π°Π½Π½ΠΎΠΉ Π»Π΅Π±Π΅Π΄ΠΊΠΈ Β Π·Π½Π°ΡΠΈΡΠ΅Π»ΡΠ½ΠΎ ΡΠΏΡΠΎΡΡΠΈΡΡΡ, Π΅ΡΠ»ΠΈ Π² Π²Π°ΡΠ΅ΠΌ ΡΠ°ΡΠΏΠΎΡΡΠΆΠ΅Π½ΠΈΠΈ Π±ΡΠ΄Π΅Ρ ΠΏΠΎΠ΄Ρ ΠΎΠ΄ΡΡΠ°Ρ ΡΠ΅ΡΠ²ΡΡΠ½Π°Ρ ΠΏΠ°ΡΠ°. ΠΡΠΎ ΠΎΡΠ½ΠΎΠ²Π½ΠΎΠΉ ΡΠ»Π΅ΠΌΠ΅Π½Ρ Π±ΠΎΠ»ΡΡΠΈΠ½ΡΡΠ²Π° ΠΏΠΎΠ½ΠΈΠΆΠ°ΡΡΠΈΡ ΡΠ΅Π΄ΡΠΊΡΠΎΡΠΎΠ². ΠΠΎΠ½Π΅ΡΠ½ΠΎ, Π΅ΡΠ»ΠΈ Π²Π°ΠΌ ΠΏΠΎΠΏΠ°Π΄Π΅ΡΡΡ Π½Π΅ ΠΎΡΠ΅Π½Ρ Π±ΠΎΠ»ΡΡΠΎΠΉ ΡΠ΅Π΄ΡΠΊΡΠΎΡ Π² ΡΠ±ΠΎΡΠ΅ β Π²Π°ΠΌ ΠΎΡΡΠ°Π½Π΅ΡΡΡ Π»ΠΈΡΡ ΡΠ»Π΅Π³ΠΊΠ° Π΅Π³ΠΎ Π΄ΠΎΡΠ°Π±ΠΎΡΠ°ΡΡ, Π½ΠΎ ΠΏΠΎΠΊΡΠΏΠ°ΡΡ ΡΠ°ΠΊΡΡ Π²Π΅ΡΡ ΡΠΈΠ»ΡΠ½ΠΎ Π·Π°ΡΡΠ°ΡΠ½ΠΎ ΠΈ Π΄Π»Ρ Π±ΡΡΠΎΠ²ΡΡ Π·Π°Π΄Π°Ρ ΠΎΠ½Π° Π½Π΅ Π½ΡΠΆΠ½Π°, ΠΈ Π½Π΅ ΠΎΠΊΡΠΏΠΈΡΡΡ, ΡΠΊΠΎΡΠ΅Π΅ Π²ΡΠ΅Π³ΠΎ, Π½ΠΈΠΊΠΎΠ³Π΄Π°. Π Π²ΠΎΡ ΠΈΡΠΏΠΎΠ»ΡΠ·ΠΎΠ²Π°ΡΡ ΡΡΠΎΡ ΠΌΠ΅Ρ Π°Π½ΠΈΠ·ΠΌ ΠΈΠ· ΡΡΠ°ΡΠΎΠ³ΠΎ ΡΠ΅Π΄ΡΠΊΡΠΎΡΠ°, ΠΊΠΎΡΠΎΡΡΠΉ Π²ΡΠ²Π΅Π΄Π΅Π½ ΠΈΠ· ΡΠΊΡΠΏΠ»ΡΠ°ΡΠ°ΡΠΈΠΈ, Π΄Π»Ρ Π½Π°ΡΠΈΡ ΡΠ΅Π»Π΅ΠΉ Π²ΠΏΠΎΠ»Π½Π΅ ΠΌΠΎΠΆΠ½ΠΎ, Π΄Π°ΠΆΠ΅ Π΅ΡΠ»ΠΈ ΠΎΠ½ Π΄ΠΎΡΡΠ°ΡΠΎΡΠ½ΠΎ ΠΈΠ·Π½ΠΎΡΠ΅Π½. ΠΠ»Ρ ΡΡΡΠ½ΠΎΠΉ Π»Π΅Π±Π΅Π΄ΠΊΠΈ ΠΏΠΎΠ΄ΠΎΠΉΠ΄Π΅Ρ.

ΠΠ΅Π±Π΅Π΄ΠΊΠ°, ΠΈΠ·Π³ΠΎΡΠΎΠ²Π»Π΅Π½Π½Π°Ρ Π½Π° Π±Π°Π·Π΅ ΡΠ΅ΡΠ²ΡΡΠ½ΠΎΠΉ ΠΏΠ°ΡΡ, ΡΠ²Π»ΡΠ΅ΡΡΡ ΡΠ°ΠΌΠΎΡΠΎΡΠΌΠΎΠ·ΡΡΠ΅ΠΉΡΡ, ΠΏΠΎΡΡΠΎΠΌΡ Π»ΠΈΡΠ΅Π½Π° Π΄ΠΎΠΏΠΎΠ»Π½ΠΈΡΠ΅Π»ΡΠ½ΡΡ ΡΠ»Π΅ΠΌΠ΅Π½ΡΠΎΠ², ΠΈΠΌΠ΅ΡΡΠΈΡ ΡΡ Π² Π±ΠΎΠ»ΡΡΠΈΠ½ΡΡΠ²Π΅ ΡΡΡΠ½ΡΡ Π»Π΅Π±Π΅Π΄ΠΎΠΊ Π΄ΡΡΠ³ΠΎΠ³ΠΎ ΡΠΈΠΏΠ°.

ΠΠ»Ρ ΠΈΠ·Π³ΠΎΡΠΎΠ²Π»Π΅Π½ΠΈΡ Π±Π°ΡΠ°Π±Π°Π½Π½ΠΎΠΉ Π»Π΅Π±Π΅Π΄ΠΊΠΈ, ΠΏΠΎΠΊΠ°Π·Π°Π½Π½ΠΎΠΉ Π½Π° ΡΠΎΡΠΎ Π²ΡΡΠ΅, Π½Π°ΠΌ ΠΏΠΎΠ½Π°Π΄ΠΎΠ±ΠΈΡΡΡ Π²ΡΠ΅Π³ΠΎ Π½Π΅ΡΠΊΠΎΠ»ΡΠΊΠΎ ΠΎΡΠ½ΠΎΠ²Π½ΡΡ Π΄Π΅ΡΠ°Π»Π΅ΠΉ. ΠΠ° ΡΠ΅ΡΡΠ΅ΠΆΠ΅ ΠΏΠΎΠΊΠ°Π·Π°Π½Ρ Π²ΡΠ΅ ΡΠ°Π·ΠΌΠ΅ΡΡ ΠΏΠΎΠ΄ Π·Π°Π΄Π°Π½Π½ΡΡ ΡΠ΅ΡΠ²ΡΡΠ½ΡΡ ΠΏΠ°ΡΡ. ΠΡΠ»ΠΈ Ρ ΠΈΠΌΠ΅ΡΡΠ΅ΠΉΡΡ Ρ Π²Π°Ρ Π±ΡΠ΄ΡΡ Π΄ΡΡΠ³ΠΈΠ΅ Π³Π°Π±Π°ΡΠΈΡΡ, Π²Π°ΠΌ Π½Π΅ ΡΠ»ΠΎΠΆΠ½ΠΎ Π±ΡΠ΄Π΅Ρ ΠΏΡΠΎΠΈΠ·Π²Π΅ΡΡΠΈ Π½Π΅Π·Π½Π°ΡΠΈΡΠ΅Π»ΡΠ½ΡΡ ΠΊΠΎΡΡΠ΅ΠΊΡΠΈΡ.

ΠΠΎΡΠΏΡΡ ΡΠ΅ΠΊΠΎΠΌΠ΅Π½Π΄ΡΠ΅ΠΌ ΠΈΠ·Π³ΠΎΡΠΎΠ²ΠΈΡΡ ΠΈΠ· ΡΡΠ°Π»ΡΠ½ΠΎΠ³ΠΎ Π»ΠΈΡΡΠ° ΡΠΎΠ»ΡΠΈΠ½ΠΎΠΉ 2,5 β 4 ΠΌΠΌ. ΠΡΠΈ ΠΌΠ΅Π½ΡΡΠ΅ΠΉ ΡΠΎΠ»ΡΠΈΠ½Π΅ ΠΌΠ΅ΡΠ°Π»Π»Π° ΠΊΠΎΠ½ΡΡΡΡΠΊΡΠΈΡ ΠΌΠΎΠΆΠ΅Ρ Π½Π΅ Π²ΡΠ΄Π΅ΡΠΆΠ°ΡΡ Π½Π°Π³ΡΡΠ·ΠΎΠΊ.
ΠΡΠ»ΠΈ Π²Π°ΡΠ° ΡΠ΅ΡΠ²ΡΡΠ½Π°Ρ ΠΏΠ°ΡΠ° Π½Π΅ ΠΈΠΌΠ΅Π΅Ρ Π²ΡΠ΅Ρ ΡΠ»Π΅ΠΌΠ΅Π½ΡΠΎΠ² Π΄Π»Ρ ΠΈΠΌΠ΅Π½Π½ΠΎ ΡΠ°ΠΊΠΎΠ³ΠΎ ΠΊΡΠ΅ΠΏΠ»Π΅Π½ΠΈΡ Π² ΠΊΠΎΡΠΏΡΡΠ΅ ΠΈΠ»ΠΈ Π΄ΠΈΠ°ΠΌΠ΅ΡΡ ΡΠ΅ΡΠ²ΡΡΠ½ΠΎΠ³ΠΎ Π²Π°Π»Π° Π½Π΅ ΡΠΎΠΎΡΠ²Π΅ΡΡΡΠ²ΡΠ΅Ρ Π΄ΠΈΠ°ΠΌΠ΅ΡΡΠ°ΠΌ ΠΎΡΠ²Π΅ΡΡΡΠΈΠΉ Π² Π½Π΅ΠΌ, ΡΠΎ Π΅Π³ΠΎ ΡΠ»Π΅Π΄ΡΠ΅Ρ, Π»ΠΈΠ±ΠΎ ΠΏΡΠΎΡΠΎΡΠΈΡΡ, Π»ΠΈΠ±ΠΎ Π½Π°Π²Π°ΡΠΈΡΡ Π½Π° Π½Π΅Π³ΠΎ ΡΠΎΠΎΡΠ²Π΅ΡΡΡΠ²ΡΡΡΠΈΠ΅ Π²ΡΡΠ»ΠΊΠΈ.

ΠΠΎΠ»Π΅ΡΠΎ ΡΠ΅ΡΠ²ΡΡΠ½ΠΎΠΉ ΠΏΠ°ΡΡ ΠΌΠΎΠΆΠ΅Ρ ΡΠΎΠ΅Π΄ΠΈΠ½ΡΡΡΡΡ Ρ Π±Π°ΡΠ°Π±Π°Π½ΠΎΠΌ, Π½Π° ΠΊΠΎΡΠΎΡΡΠΉ Π±ΡΠ΄Π΅Ρ Π½Π°Π²ΠΈΠ²Π°ΡΡΡΡ ΡΡΠΎΡ, Π»ΠΈΠ±ΠΎ ΠΏΠΎΡΡΠ΅Π΄ΡΡΠ²ΠΎΠΌ ΡΠΏΠΎΠ½ΠΊΠΈ, Π»ΠΈΠ±ΠΎ ΠΈΠ½ΡΠΌ ΡΠΏΠΎΡΠΎΠ±ΠΎΠΌ, ΠΈΡΠΊΠ»ΡΡΠ°ΡΡΠΈΠΌ Π²Π·Π°ΠΈΠΌΠ½ΡΡ ΠΏΠΎΠ΄Π²ΠΈΠΆΠ½ΠΎΡΡΡ ΡΡΠΈΡ ΡΠ»Π΅ΠΌΠ΅Π½ΡΠΎΠ².

Π’Π°ΠΊΠΆΠ΅ Π΄ΡΡΠ³ΠΈΠΌ ΠΌΠΎΠΆΠ΅Ρ Π±ΡΡΡ ΠΈ ΡΠΏΠΎΡΠΎΠ± ΠΊΡΠ΅ΠΏΠ»Π΅Π½ΠΈΡ ΡΡΡΠΊΠΈ, Π½Π° ΡΠ°Π±ΠΎΡΡ Π»Π΅Π±Π΅Π΄ΠΊΠΈ ΡΡΠΎ ΡΡΡΠ΅ΡΡΠ²Π΅Π½Π½ΠΎ Π½Π΅ ΠΏΠΎΠ²Π»ΠΈΡΠ΅Ρ. ΠΡΠΎΠΌΠ΅ ΡΡΠΎΠ³ΠΎ, ΠΏΠΎΡΠ°Π΄ΠΎΡΠ½ΡΠ΅ ΠΌΠ΅ΡΡΠ° Π² ΠΊΠΎΡΠΏΡΡΠ΅ ΠΌΠΎΠ³ΡΡ Π±ΡΡΡ Π² Π½Π΅ΠΊΠΎΡΠΎΡΠΎΠΉ ΠΌΠ΅ΡΠ΅ ΠΎΡΡΠ΅Π³ΡΠ»ΠΈΡΠΎΠ²Π°Π½Ρ Π²ΡΡΠ»ΠΊΠ°ΠΌΠΈ, ΠΊΠΎΡΠΎΡΡΠ΅ ΡΠΎΡΠ°ΡΡΡ Π»ΠΈΠ±ΠΎ ΠΈΠ· Π»Π°ΡΡΠ½ΠΈ, Π»ΠΈΠ±ΠΎ ΠΈΠ· Π±ΡΠΎΠ½Π·Ρ. ΠΠ°ΠΆΠ½ΠΎ ΠΏΠΎΠΌΠ½ΠΈΡΡ, ΡΡΠΎ Π΄Π»Ρ Π΄ΠΎΠ»Π³ΠΎΠ²Π΅ΡΠ½ΠΎΡΡΠΈ ΡΠ°Π±ΠΎΡΡ Π»Π΅Π±Π΅Π΄ΠΊΠΈ ΡΠΎΠ»ΡΠΈΠ½Π° ΡΡΠ΅Π½ΠΊΠΈ Π²ΡΡΠ»ΠΊΠΈ Π½Π΅ Π΄ΠΎΠ»ΠΆΠ½Π° Π±ΡΡΡ ΠΌΠ΅Π½ΡΡΠ΅ 3 ΠΌΠΌ. ΠΡΠ»ΠΈ ΡΡΠΎΡ ΠΏΠ°ΡΠ°ΠΌΠ΅ΡΡ Π½Π΅ ΡΠΎΠ±Π»ΡΠ΄Π°Π΅ΡΡΡ, ΡΠ²Π΅Π»ΠΈΡΡΡΠ΅ Π΄ΠΈΠ°ΠΌΠ΅ΡΡ ΠΎΡΠ²Π΅ΡΡΡΠΈΠΉ Π² ΠΊΠΎΡΠΏΡΡΠ΅.

Π ΡΡΠΊΡ ΠΌΠΎΠΆΠ΅ΡΠ΅ ΠΈΡΠΏΠΎΠ»ΡΠ·ΠΎΠ²Π°ΡΡ Π³ΠΎΡΠΎΠ²ΡΡ ΠΎΡ Π»ΡΠ±ΠΎΠ³ΠΎ Π΄ΡΡΠ³ΠΎΠ³ΠΎ ΡΡΡΡΠΎΠΉΡΡΠ²Π°. ΠΠ°ΠΆΠ½ΠΎ, ΡΡΠΎΠ±Ρ Π΅Π΅ ΠΏΠ»Π΅ΡΠΎ ΡΠΎΠΎΡΠ²Π΅ΡΡΡΠ²ΠΎΠ²Π°Π»ΠΎ ΠΎΡΠ½ΠΎΠ²Π½ΡΠΌ ΠΏΠ°ΡΠ°ΠΌΠ΅ΡΡΠ°ΠΌ ΠΈ Π³Π°Π±Π°ΡΠΈΡΠ°ΠΌ Π»Π΅Π±Π΅Π΄ΠΊΠΈ.

ΠΡΠ»ΠΈ Π²Ρ Π½Π΅ ΡΠ²Π΅ΡΠ΅Π½Ρ Π² ΠΏΡΠ°Π²ΠΈΠ»ΡΠ½ΠΎΡΡΠΈ ΠΏΠΎΠ΄Π±ΠΎΡΠ° Π΄Π»ΠΈΠ½Ρ Π³ΠΎΡΠΎΠ²ΠΎΠΉ ΡΡΡΠΊΠΈ, ΡΠΎΠ²Π΅ΡΡΠ΅ΠΌ ΠΎΠΏΡΠ΅Π΄Π΅Π»ΠΈΡΡ ΡΡΠΎ ΡΠΌΠΏΠΈΡΠΈΡΠ΅ΡΠΊΠΈΠΌ ΠΏΡΡΠ΅ΠΌ, ΡΠ΄Π΅Π»Π°Π² Π΅Π΅ ΠΈΠ· ΡΡΠ°Π»ΡΠ½ΠΎΠΉ ΠΏΠΎΠ»ΠΎΡΡ ΡΠΎΠ»ΡΠΈΠ½ΠΎΠΉ 4 β 6 ΠΌΠΌ Ρ Π½Π΅ΠΊΠΎΡΠΎΡΡΠΌ Π·Π°ΠΏΠ°ΡΠΎΠΌ Π΄Π»ΠΈΠ½Ρ. Π’ΠΎΠ»ΡΠΊΠΎ ΠΌΠ΅ΡΡΠΎ ΠΏΠΎΡΠ°Π΄ΠΊΠΈ Π΅Π΅ Π½Π° Π²Π°Π» Π½ΡΠΆΠ½ΠΎ Π±ΡΠ΄Π΅Ρ ΡΠ΄Π΅Π»Π°ΡΡ Π΄ΡΡΠ³ΠΈΠΌ. Π Π²ΠΎΡ ΠΏΠ»Π΅ΡΠΎ ΠΏΠΎΠ΄Π³ΠΎΠ½ΠΈΡΠ΅, ΠΈΡΠΏΡΡΠ°Π² Π²Π°ΡΡ Π±Π°ΡΠ°Π±Π°Π½Π½ΡΡ Π»Π΅Π±Π΅Π΄ΠΊΡ ΠΏΠΎΠ΄ Π΄ΠΎΡΡΠ°ΡΠΎΡΠ½ΠΎΠΉ Π½Π°Π³ΡΡΠ·ΠΊΠΎΠΉ.
ΠΡΠΎΡΠ΅ΡΡ ΡΠ±ΠΎΡΠΊΠΈ ΠΏΠΎΠ΄ΠΎΠ±Π½ΠΎΠΉ Π»Π΅Π±Π΅Π΄ΠΊΠΈ ΠΈΠ½ΡΡΠΈΡΠΈΠ²Π½ΠΎ ΠΏΠΎΠ½ΡΡΠ΅Π½, ΠΏΠΎΡΡΠΎΠΌΡ Π² Π΄ΠΎΠΏΠΎΠ»Π½ΠΈΡΠ΅Π»ΡΠ½ΡΡ ΡΠ°Π·ΡΡΡΠ½Π΅Π½ΠΈΡΡ Π½Π΅ Π½ΡΠΆΠ΄Π°Π΅ΡΡΡ. ΠΠ΄Π΅ΡΡ Π²Π°ΠΆΠ½ΠΎ ΠΎΡΠ΅Π½Ρ ΡΠΎΡΠ½ΠΎ Π²ΡΠ΄Π΅ΡΠΆΠ°ΡΡ ΡΡΠ»ΠΎΠ²ΠΈΡ ΡΠΎΠΏΡΡΠΆΠ΅Π½ΠΈΡ ΡΠ΅ΡΠ²ΡΡΠ½ΠΎΠΉ ΠΏΠ°ΡΡ. ΠΠΎΡΡΠΎΠΌΡ, Π΅ΡΠ»ΠΈ Π²Ρ Π½Π΅ ΠΎΡΠ΅Π½Ρ ΡΠ²Π΅ΡΠ΅Π½Ρ Π² ΠΏΡΠ°Π²ΠΈΠ»ΡΠ½ΠΎΡΡΠΈ ΡΠ°ΡΡΠ΅ΡΠΎΠ², ΡΠ²Π΅ΡΠ»Π΅Π½ΠΈΠ΅ ΠΎΡΠ²Π΅ΡΡΡΠΈΠΉ Π΄Π»Ρ ΡΠΎΠ΅Π΄ΠΈΠ½Π΅Π½ΠΈΡ ΠΊΠΎΡΠΏΡΡΠ° Π² ΡΠ»Π΅ΠΌΠ΅Π½ΡΠ°Ρ , ΠΈΠ·ΠΎΠ±ΡΠ°ΠΆΠ΅Π½Π½ΡΡ Π½Π° ΠΏΠ΅ΡΠ²ΠΎΠΌ ΠΈΠ·ΠΎΠ±ΡΠ°ΠΆΠ΅Π½ΠΈΠΈ ΠΈΠ· Π³ΡΡΠΏΠΏΡ ΡΠΎΡΠΎΠ³ΡΠ°ΡΠΈΠΉ Π²ΡΡΠ΅, ΡΠΎΠ²Π΅ΡΡΠ΅ΠΌ ΠΏΡΠΎΠ²ΠΎΠ΄ΠΈΡΡ Π² ΠΏΠΎΡΠ»Π΅Π΄Π½ΡΡ ΠΎΡΠ΅ΡΠ΅Π΄Ρ, ΠΏΡΠ°ΠΊΡΠΈΡΠ΅ΡΠΊΠΈ ΡΠΎΠ±ΡΠ°Π² ΠΈΠ·Π΄Π΅Π»ΠΈΠ΅ ΠΈ ΠΏΡΠΎΠ²Π΅ΡΠΈΠ² Π΅Π³ΠΎ ΡΠ°Π±ΠΎΡΠΎΡΠΏΠΎΡΠΎΠ±Π½ΠΎΡΡΡ Π±Π΅Π· Π½Π°Π³ΡΡΠ·ΠΊΠΈ. ΠΠΎΠΆΠ΅ΡΠ΅ ΠΈΡΠΏΠΎΠ»ΡΠ·ΠΎΠ²Π°ΡΡ Π΄Π»Ρ ΡΡΠΎΠ³ΠΎ Π½Π΅Π±ΠΎΠ»ΡΡΠΈΠ΅ ΡΡΡΡΠ±ΡΠΈΠ½Ρ.
ΠΠ°ΡΠΈΠ°Π½Ρ β 3
ΠΡΠΎΠΌΠ΅ ΡΠ΅ΡΠ²ΡΡΠ½ΡΡ , Π² Π²Π°ΡΠ΅ΠΌ ΡΠ°ΡΠΏΠΎΡΡΠΆΠ΅Π½ΠΈΠΈ ΠΌΠΎΠ³ΡΡ ΠΎΠΊΠ°Π·Π°ΡΡΡΡ:
- ΡΠ΅ΡΡΠ΅ΡΠ΅Π½ΡΠ°ΡΡΠ΅;
- ΡΠ΅ΠΏΠ½ΡΠ΅;
- ΠΊΠΎΠΌΠ±ΠΈΠ½ΠΈΡΠΎΠ²Π°Π½Π½ΡΠ΅ ΡΠ΅Π΄ΡΠΊΡΠΎΡΡβ¦
ΠΠΎΠ½ΠΈΠΌΠ°Ρ ΠΏΡΠΈΠ½ΡΠΈΠΏ ΡΠ°Π±ΠΎΡΡ, Π·Π½Π°Ρ Ρ ΠΊΠ°ΠΊΠΈΠΌ Π³ΡΡΠ·ΠΎΠΌ ΠΏΡΠΈΠ΄Π΅ΡΡΡ ΡΠ°Π±ΠΎΡΠ°ΡΡ Π²Π°ΡΠ΅ΠΉ Π»Π΅Π±Π΅Π΄ΠΊΠ΅, Π²Ρ ΡΠΌΠΎΠΆΠ΅ΡΠ΅ ΠΎΡΠ΅Π½ΠΈΡΡ ΠΏΡΠΈΠ³ΠΎΠ΄Π½ΠΎΡΡΡ ΡΠΎΠ³ΠΎ ΠΈΠ»ΠΈ ΠΈΠ½ΠΎΠ³ΠΎ ΡΠ΅Π΄ΡΠΊΡΠΎΡΠ° Π΄Π»Ρ ΡΠ΅ΡΠ΅Π½ΠΈΡ Π²Π°ΡΠ΅ΠΉ Π·Π°Π΄Π°ΡΠΈ.
ΠΡΡΡ Π΅ΡΠ΅ ΠΎΠ΄ΠΈΠ½ Π΄ΠΎΡΡΡΠΏΠ½ΡΠΉ Π±ΠΎΠ»ΡΡΠΈΠ½ΡΡΠ²Ρ Π°Π²ΡΠΎΠ²Π»Π°Π΄Π΅Π»ΡΡΠ΅Π², Π° Π³Π»Π°Π²Π½ΠΎΠ΅ Π°Π±ΡΠΎΠ»ΡΡΠ½ΠΎ ΠΏΠΎΠ½ΡΡΠ½ΡΠΉ ΡΠ΅Π΄ΡΠΊΡΠΎΡ:
ΠΏΠ»Π°Π½Π΅ΡΠ°ΡΠ½ΡΠΉ ΠΈΠ»ΠΈ Π΄ΠΈΡΡΠ΅ΡΠ΅Π½ΡΠΈΠ°Π»ΡΠ½ΡΠΉ.
ΠΠ½ ΠΆΠ΅ β Π·Π°Π΄Π½ΠΈΠΉ ΠΌΠΎΡΡ Π°Π²ΡΠΎΠΌΠΎΠ±ΠΈΠ»Ρ. ΠΡΠΈ ΡΡΠΎΠΌ ΡΠ΄Π΅Π»Π°ΡΡ ΠΈΠ· Π½Π΅Π³ΠΎ Π»Π΅Π±Π΅Π΄ΠΊΡ β ΡΠ΅Π³ΠΎ ΠΏΡΠΎΡΠ΅:
- ΠΎΠ΄Π½Ρ ΠΏΠΎΠ»ΡΠΎΡΡ Π²ΡΠ±ΡΠ°ΡΡΠ²Π°Π΅ΠΌ ΠΈ Π³Π»ΡΡΠΈΠΌ Π΅Π΅ Π²ΡΡ ΠΎΠ΄;
- Π²ΡΠΎΡΡΡ ΠΎΠ±ΡΠ΅Π·Π°Π΅ΠΌ Π½Π° Π½ΡΠΆΠ½ΡΡ Π΄Π»ΠΈΠ½Ρ ΠΈ Π΄Π΅Π»Π°Π΅ΠΌ ΠΈΠ· Π½Π΅Π΅ Π±Π°ΡΠ°Π±Π°Π½ Π΄Π»Ρ ΡΡΠΎΡΠ°;
- ΠΊ Ρ Π²ΠΎΡΡΠΎΠ²ΠΈΠΊΡ, Π²ΠΌΠ΅ΡΡΠΎ ΠΊΠ°ΡΠ΄Π°Π½Π½ΠΎΠ³ΠΎ Π²Π°Π»Π° ΠΊΡΠ΅ΠΏΠΈΠΌ ΡΡΡΠΊΡ;
- ΠΏΠΎΠΌΠ΅ΡΠ°Π΅ΠΌ Π²ΡΡ ΠΊΠΎΠ½ΡΡΡΡΠΊΡΠΈΡ Π² ΠΏΡΠΈΠΌΠΈΡΠΈΠ²Π½ΡΠΉ, Π½ΠΎ Π½Π°Π΄Π΅ΠΆΠ½ΡΠΉ ΠΊΠΎΡΠΏΡΡ β Π»Π΅Π±Π΅Π΄ΠΊΠ° Π³ΠΎΡΠΎΠ²Π°.
ΠΡΠΎΡΡΡΠ΅ ΡΠ»Π΅ΠΊΡΡΠΈΡΠ΅ΡΠΊΠΈΠ΅ Π°Π²ΡΠΎΠ»Π΅Π±Π΅Π΄ΠΊΠΈ
ΠΡΠ»ΠΈ Π²ΡΠ΅ ΠΆΠ΅ ΡΠ»Π΅ΠΊΡΡΠΈΡΠ΅ΡΠΊΠΈΠ΅, ΡΠΎ ΡΠΆΠ΅ Π½Π΅ ΡΠΎΠ²ΡΠ΅ΠΌ ΠΈ ΠΏΡΠΎΡΡΡΠ΅. Π₯ΠΎΡΡ, ΠΏΡΠΈΡΠΎΠ΅Π΄ΠΈΠ½ΠΈΠ² ΠΊ ΠΏΠΎΡΠ»Π΅Π΄Π½Π΅ΠΉ ΠΎΠΏΠΈΡΠ°Π½Π½ΠΎΠΉ ΡΡΡΠ½ΠΎΠΉ Π»Π΅Π±Π΅Π΄ΠΊΠ΅ ΡΠ»Π΅ΠΊΡΡΠΎΠ΄Π²ΠΈΠ³Π°ΡΠ΅Π»Ρ Π²ΠΌΠ΅ΡΡΠΎ ΡΡΡΠΊΠΈ, ΠΌΡ ΠΏΠΎΠ»ΡΡΠΈΠΌ ΠΏΡΠΈΠ»ΠΈΡΠ½ΠΎΠΉ ΠΌΠΎΡΠ½ΠΎΡΡΠΈ ΡΠ»Π΅ΠΊΡΡΠΎΠ»Π΅Π±Π΅Π΄ΠΊΡ. Π Π²ΠΎΠΎΠ±ΡΠ΅, Π΅ΡΠ»ΠΈ ΡΠ°ΡΡΠΌΠ°ΡΡΠΈΠ²Π°ΡΡ ΠΈΡ Π² ΠΊΠ°ΡΠ΅ΡΡΠ²Π΅ Π³Π°ΡΠ°ΠΆΠ½ΡΡ ΠΏΠΎΠΌΠΎΡΠ½ΠΈΠΊΠΎΠ² Π°Π²ΡΠΎΠ²Π»Π°Π΄Π΅Π»ΡΡΠ΅Π², ΡΠΎ Π²Π°ΡΠΈΠ°Π½ΡΠΎΠ² β ΠΌΠ°ΡΡΠ°: ΠΎΡ ΠΏΡΠΈΠΌΠ΅Π½Π΅Π½ΠΈΡ ΡΠ»Π΅ΠΊΡΡΠΎΠ΄ΡΠ΅Π»ΠΈ Π² ΠΊΠ°ΡΠ΅ΡΡΠ²Π΅ ΠΈΡΡΠΎΡΠ½ΠΈΠΊΠ° ΠΌΠ΅Ρ Π°Π½ΠΈΡΠ΅ΡΠΊΠΈΡ ΡΡΠΈΠ»ΠΈΠΉ, Π΄ΠΎ ΠΌΠΎΡΠ½ΡΡ ΡΠ»Π΅ΠΊΡΡΠΎΠ΄Π²ΠΈΠ³Π°ΡΠ΅Π»Π΅ΠΉ.
ΠΠ· ΠΏΠΎΡΠ»Π΅Π΄Π½ΠΈΡ ΠΌΠΎΠΆΠ΅ΠΌ ΠΏΡΠ΅Π΄ΡΡΠ°Π²ΠΈΡΡ Π²Π°ΡΠ΅ΠΌΡ Π²Π½ΠΈΠΌΠ°Π½ΠΈΡ Π²Π°ΡΠΈΠ°Π½ΡΡ Ρ ΠΈΡΠΏΠΎΠ»ΡΠ·ΠΎΠ²Π°Π½ΠΈΠ΅ΠΌ ΡΠ°Π·Π»ΠΈΡΠ½ΠΎΠ³ΠΎ ΡΠΈΠΏΠ° ΡΠ΅Π΄ΡΠΊΡΠΎΡΠΎΠ², ΡΠΏΠΎΠΌΡΠ½ΡΡΡΡ Π² ΠΏΡΠ΅Π΄ΡΠ΄ΡΡΠ΅ΠΌ ΡΠ°Π·Π΄Π΅Π»Π΅.
ΠΠΎ Π½Π°ΠΈΠ±ΠΎΠ»ΡΡΠΈΠΉ ΠΈΠ½ΡΠ΅ΡΠ΅Ρ Π²ΠΎ Π²ΡΠ΅ΠΌ ΡΠ°Π·Π½ΠΎΠΎΠ±ΡΠ°Π·ΠΈΠΈ ΡΠΈΡΡΠ΅ΠΌ ΠΈ ΠΏΠΎΠ΄Ρ ΠΎΠ΄ΠΎΠ², Π½Π° Π½Π°Ρ Π²Π·Π³Π»ΡΠ΄, ΠΏΡΠ΅Π΄ΡΡΠ°Π²Π»ΡΠ΅Ρ ΡΠ»Π΅ΠΊΡΡΠΈΡΠ΅ΡΠΊΠ°Ρ Π»Π΅Π±Π΅Π΄ΠΊΠ°, ΠΈΠ·Π³ΠΎΡΠΎΠ²Π»Π΅Π½Π½Π°Ρ ΠΈΠ· ΡΡΠ°ΡΡΠ΅ΡΠ° ΠΈ ΠΌΠ°Ρ ΠΎΠ²ΠΈΠΊΠ° Π»Π΅Π³ΠΊΠΎΠ²ΠΎΠ³ΠΎ Π°Π²ΡΠΎΠΌΠΎΠ±ΠΈΠ»Ρ.

ΠΠ°ΠΊΡΠ΅ΠΏΠ»Π΅Π½Π½ΡΠ΅ Π² Π½Π΅ ΡΠ»ΠΎΠΆΠ½ΠΎΠΌ, Π½ΠΎ ΠΌΠΎΡΠ½ΠΎΠΌ ΠΊΠΎΡΠΏΡΡΠ΅, Ρ ΠΏΡΠΈΠΊΡΡΡΠ΅Π½Π½ΡΠΌ ΠΏΡΡΠΌΠΎ ΠΊ ΠΌΠ°Ρ ΠΎΠ²ΠΈΠΊΡ Π±Π°ΡΠ°Π±Π°Π½ΠΎΠΌ Π΄Π»Ρ ΡΡΠΎΡΠ°, ΠΎΠ½ΠΈ ΠΏΡΠ΅Π΄ΡΡΠ°Π²Π»ΡΡΡ ΡΠΎΠ±ΠΎΠΉ ΠΈΠ΄Π΅Π°Π»ΡΠ½ΡΡ Π»Π΅Π±Π΅Π΄ΠΊΡ Π°Π²ΡΠΎΠ»ΡΠ±ΠΈΡΠ΅Π»Ρ. ΠΠΎΡΠ½ΡΡ, ΠΏΠΎΠ»Π½ΠΎΡΡΡΡ Π°Π΄Π°ΠΏΡΠΈΡΠΎΠ²Π°Π½Π½ΡΡ ΠΊ ΡΠΈΡΡΠ΅ΠΌΠ΅ ΡΠ»Π΅ΠΊΡΡΠΎΠΏΠΈΡΠ°Π½ΠΈΡ Π°Π²ΡΠΎΠΌΠΎΠ±ΠΈΠ»Ρ, ΠΏΠΎΠ½ΡΡΠ½ΡΡ Π»ΡΠ±ΠΎΠΌΡ Π°Π²ΡΠΎΠ²Π»Π°Π΄Π΅Π»ΡΡΡ, Π° Π³Π»Π°Π²Π½ΠΎΠ΅ ΠΈΡΠΊΠ»ΡΡΠΈΡΠ΅Π»ΡΠ½ΠΎ ΡΠ΅ΠΌΠΎΠ½ΡΠΎΠΏΡΠΈΠ³ΠΎΠ΄Π½ΡΡ ΡΠΈΡΡΠ΅ΠΌΡ. Π ΡΠ΅Π²Π΅ΡΡ Π½Π΅ ΡΠ»ΠΎΠΆΠ½ΠΎ ΠΎΡΠ³Π°Π½ΠΈΠ·ΠΎΠ²Π°ΡΡ, ΡΠ»Π΅Π³ΠΊΠ° Π΄ΠΎΡΠ°Π±ΠΎΡΠ°Π² ΡΡ Π΅ΠΌΡ ΠΏΠΎΠ΄ΠΊΠ»ΡΡΠ΅Π½ΠΈΡ.
ΠΠ°, ΡΡΠ° Π°Π²ΡΠΎΠ»Π΅Π±Π΅Π΄ΠΊΠ° Π±ΡΠ΄Π΅Ρ ΠΏΠΎΡΡΠΆΠ΅Π»Π΅Π΅ Π΄Π²ΡΡ ΡΡΡΠ± ΠΈ ΠΊΠ°Π½Π°ΡΠ°, Π½ΠΎ, ΠΎΡΠΏΡΠ°Π²Π»ΡΡΡΡ Π² ΠΏΡΡΠ΅ΡΠ΅ΡΡΠ²ΠΈΠ΅ Ρ ΠΏΡΠΎΠ³Π½ΠΎΠ·ΠΈΡΡΠ΅ΠΌΡΠΌΠΈ ΡΡΡΠ΄Π½ΠΎΡΡΡΠΌΠΈ ΠΏΡΠΎΡ ΠΎΠΆΠ΄Π΅Π½ΠΈΡ ΠΌΠ°ΡΡΡΡΡΠ°, ΡΡΠΎΠΈΡ ΠΎΡΠ²ΠΎΠ±ΠΎΠ΄ΠΈΡΡ ΠΈΠΌΠ΅Π½Π½ΠΎ Π΄Π»Ρ Π½Π΅Π΅ ΠΌΠ΅ΡΡΠΎ Π² Π±Π°Π³Π°ΠΆΠ½ΠΈΠΊΠ΅. ΠΠΎΠΆΠ΅Ρ ΠΎΠΊΠ°Π·Π°ΡΡΡΡ Π½Π΅Π·Π°ΠΌΠ΅Π½ΠΈΠΌΠΎΠΉ.
Π£Π²Π°ΠΆΠ°Π΅ΠΌΡΠ΅ ΡΠΈΡΠ°ΡΠ΅Π»ΠΈ, Π΅ΡΠ»ΠΈ Ρ Π²Π°Ρ ΠΎΡΡΠ°Π»ΠΈΡΡ Π²ΠΎΠΏΡΠΎΡΡ, Π·Π°Π΄Π°Π²Π°ΠΉΡΠ΅ ΠΈΡ , ΠΈΡΠΏΠΎΠ»ΡΠ·ΡΡ ΡΠΎΡΠΌΡ Π½ΠΈΠΆΠ΅. ΠΡ Π±ΡΠ΄Π΅ΠΌ ΡΠ°Π΄Ρ ΠΎΠ±ΡΠ΅Π½ΠΈΡ Ρ Π²Π°ΠΌΠΈ π
Π Π΅ΠΊΠΎΠΌΠ΅Π½Π΄ΡΠ΅ΠΌ Π΄ΡΡΠ³ΠΈΠ΅ ΡΡΠ°ΡΡΠΈ ΠΏΠΎ ΡΠ΅ΠΌΠ΅
stroi-specialist.ru
Π ΡΡΠ½Π°Ρ Π»Π΅Π±Π΅Π΄ΠΊΠ° ΡΠ²ΠΎΠΈΠΌΠΈ ΡΡΠΊΠ°ΠΌΠΈ: ΠΠΎΡΠ°Π³ΠΎΠ²Π°Ρ ΠΈΠ½ΡΡΡΡΠΊΡΠΈΡ ΠΈΠ·Π³ΠΎΡΠΎΠ²Π»Π΅Π½ΠΈΡ
ΠΠ΅Π±Π΅Π΄ΠΊΠ° β ΠΎΠ΄Π½ΠΎ ΠΈΠ· Π΄ΡΠ΅Π²Π½Π΅ΠΉΡΠΈΡ ΠΏΡΠΈΡΠΏΠΎΡΠΎΠ±Π»Π΅Π½ΠΈΠΉ, ΠΎΠ±Π»Π΅Π³ΡΠ°ΡΡΠΈΡ ΠΏΠ΅ΡΠ΅ΠΌΠ΅ΡΠ΅Π½ΠΈΠ΅ ΡΡΠΆΠ΅ΡΡΠ΅ΠΉ, ΠΈΠ·ΠΎΠ±ΡΠ΅ΡΠ΅Π½Π½ΠΎΠ΅ ΡΠ΅Π»ΠΎΠ²Π΅ΠΊΠΎΠΌ Π·Π½Π°ΡΠΈΡΠ΅Π»ΡΠ½ΠΎ ΡΠ°Π½ΡΡΠ΅, ΡΠ΅ΠΌ ΠΎΠ½ ΠΏΠΎΠ·Π½Π°Π» Π·Π°ΠΊΠΎΠ½Ρ ΡΠΈΠ·ΠΈΠΊΠΈ. ΠΡΠΈΠ½ΡΠΈΠΏ Π΄Π΅ΠΉΡΡΠ²ΠΈΡ Π»Π΅Π±Π΅Π΄ΠΊΠΈ ΠΎΡΠ½ΠΎΠ²Π°Π½ Π½Π° ΠΏΡΠ°Π²ΠΈΠ»Π΅ ΡΡΡΠ°Π³Π°: ΠΏΡΠΈΠΊΠ»Π°Π΄ΡΠ²Π°Ρ ΠΊ ΡΡΠΊΠΎΡΡΠΊΠ΅ Π½Π΅Π·Π½Π°ΡΠΈΡΠ΅Π»ΡΠ½ΡΠ΅ ΡΡΠΈΠ»ΠΈΡ ΠΌΠΎΠΆΠ½ΠΎ Π΄Π²ΠΈΠ³Π°ΡΡ ΠΈ ΠΏΠΎΠ΄Π½ΠΈΠΌΠ°ΡΡ Π΄ΠΎΠ²ΠΎΠ»ΡΠ½ΠΎ ΡΡΠΆΠ΅Π»ΡΠ΅ ΠΏΡΠ΅Π΄ΠΌΠ΅ΡΡ. ΠΠ΅Π±Π΅Π΄ΠΊΠΈ ΠΈ ΡΠ°Π»ΠΈ ΡΠΈΡΠΎΠΊΠΎ ΠΈΡΠΏΠΎΠ»ΡΠ·ΡΡΡΡΡ Π² Ρ ΠΎΠ·ΡΠΉΡΡΠ²Π΅ Π΄Π»Ρ ΠΏΠΎΠ΄Π½ΡΡΠΈΡ ΡΡΡΠΎΠΉΠΌΠ°ΡΠ΅ΡΠΈΠ°Π»ΠΎΠ², ΠΏΠ΅ΡΠ΅ΡΠ°ΡΠΊΠΈΠ²Π°Π½ΠΈΡ Π³ΡΡΠ·ΠΎΠ² ΠΈ Π΄Π°ΠΆΠ΅ Π΄Π»Ρ Π²ΡΠΏΠ°ΡΠΊΠΈ Π·Π΅ΠΌΠ»ΠΈ. ΠΠ΅Π±Π΅Π΄ΠΊΠΈ, ΡΠ°Π±ΠΎΡΠ°ΡΡΠΈΠ΅ ΠΎΡ ΡΡΡΠ½ΠΎΠ³ΠΎ ΠΈΠ»ΠΈ ΡΠ»Π΅ΠΊΡΡΠΈΡΠ΅ΡΠΊΠΎΠ³ΠΎ ΠΏΡΠΈΠ²ΠΎΠ΄Π° ΡΠ°ΠΊΠΆΠ΅ Π½Π΅Π·Π°ΠΌΠ΅Π½ΠΈΠΌΡ Π΄Π»Ρ Π»ΡΠ±ΠΈΡΠ΅Π»Π΅ΠΉ ΠΏΠΎΠ΅Π·Π΄ΠΎΠΊ ΠΏΠΎ Π±Π΅Π·Π΄ΠΎΡΠΎΠΆΡΡ.
Π ΡΡΠ½Π°Ρ Π»Π΅Π±Π΅Π΄ΠΊΠ°
ΠΡΠΏΠΈΡΡ Π»Π΅Π±Π΅Π΄ΠΊΡ ΠΈΠ»ΠΈ ΡΠ΄Π΅Π»Π°ΡΡ Π΅Π΅ ΡΠ°ΠΌΠΎΡΡΠΎΡΡΠ΅Π»ΡΠ½ΠΎ? ΠΠ°ΠΊΠ°Ρ ΠΊΠΎΠ½ΡΡΡΡΠΊΡΠΈΡ Π»Π΅Π±Π΅Π΄ΠΊΠΈ Π»ΡΡΡΠ΅? ΠΡΠ²Π΅ΡΡ Π½Π° ΡΡΠΈ Π²ΠΎΠΏΡΠΎΡΡ Π·Π°Π²ΠΈΡΡΡ ΠΎΡ ΡΠΎΠ³ΠΎ, ΠΊΠ°ΠΊ ΡΠ°ΡΡΠΎ Π²Ρ ΡΠΎΠ±ΠΈΡΠ°Π΅ΡΠ΅ΡΡ Π΅Π΅ ΠΈΡΠΏΠΎΠ»ΡΠ·ΠΎΠ²Π°ΡΡ, ΠΊΠ°ΠΊΠΈΠ΅ Π³ΡΡΠ·Ρ ΠΏΠ΅ΡΠ΅ΠΌΠ΅ΡΠ°ΡΡ. ΠΠ΅Π±Π΅Π΄ΠΊΠΈ Ρ ΡΡΡΠ½ΡΠΌ ΠΏΡΠΈΠ²ΠΎΠ΄ΠΎΠΌ ΡΡΠ΅Π±ΡΡΡ ΠΏΡΠΈΠ»ΠΎΠΆΠ΅Π½ΠΈΡ ΡΠΈΠ»Ρ, Π½ΠΎ Π½Π΅ Π·Π°Π²ΠΈΡΡΡ ΠΎΡ Π½Π°Π»ΠΈΡΠΈΡ ΡΠ»Π΅ΠΊΡΡΠΎΡΠ½Π΅ΡΠ³ΠΈΠΈ. ΠΠ΅Π±Π΅Π΄ΠΊΠ° Ρ ΡΠ»Π΅ΠΊΡΡΠΎΠΏΡΠΈΠ²ΠΎΠ΄ΠΎΠΌ ΠΌΠΎΠΆΠ΅Ρ ΠΏΠ΅ΡΠ΅ΠΌΠ΅ΡΠ°ΡΡ Π³ΡΡΠ·Ρ Ρ Π±ΠΎΠ»ΡΡΠΈΠΌ Π²Π΅ΡΠΎΠΌ Π±Π΅Π·ΠΎ Π²ΡΡΠΊΠΈΡ ΡΡΠΈΠ»ΠΈΠΉ Ρ Π²Π°ΡΠ΅ΠΉ ΡΡΠΎΡΠΎΠ½Ρ, Π½ΠΎ Π΅Π΅ Π½ΡΠΆΠ½ΠΎ ΠΏΠΎΠ΄ΠΊΠ»ΡΡΠ°ΡΡ ΠΊ ΡΠ΅ΡΠΈ ΠΈΠ»ΠΈ Π°ΠΊΠΊΡΠΌΡΠ»ΡΡΠΎΡΡ. ΠΠΈΠΆΠ΅ ΠΏΡΠΈΠ²Π΅Π΄Π΅Π½Ρ ΠΊΠΎΠ½ΡΡΡΡΠΊΡΠΈΠΈ Π½Π΅ΡΠΊΠΎΠ»ΡΠΊΠΈΡ Π»Π΅Π±Π΅Π΄ΠΎΠΊ, ΡΠ΄Π΅Π»Π°ΡΡ ΠΊΠΎΡΠΎΡΡΠ΅ ΠΌΠΎΠΆΠ½ΠΎ ΡΠ²ΠΎΠΈΠΌΠΈ ΡΡΠΊΠ°ΠΌΠΈ, ΠΊΠ°ΠΊΡΡ Π»Π΅Π±Π΅Π΄ΠΊΡ Π²ΡΠ±ΡΠ°ΡΡ β ΡΠ΅ΡΠ°ΡΡ Π²Π°ΠΌ.
ΠΠ΅Π±Π΅Π΄ΠΊΠ° ΠΈΠ· ΡΡΠΎΡΠ° ΠΈ ΠΊΡΡΠΊΠ° ΡΡΡΠ±Ρ
ΠΠ°ΡΠΈΠ°Π½Ρ ΠΏΡΠΎΡΡΠ΅ΠΉΡΠ΅ΠΉ Π»Π΅Π±Π΅Π΄ΠΊΠΈ, ΠΈΠ·Π³ΠΎΡΠΎΠ²ΠΈΡΡ ΠΊΠΎΡΠΎΡΡΠΉ ΠΌΠΎΠΆΠ½ΠΎ Π² Π±ΡΠΊΠ²Π°Π»ΡΠ½ΠΎΠΌ ΡΠΌΡΡΠ»Π΅ ΠΈΠ· ΠΏΠΎΠ΄ΡΡΡΠ½ΡΡ ΠΌΠ°ΡΠ΅ΡΠΈΠ°Π»ΠΎΠ² ΠΈ Π·Π° Π½Π΅ΡΠΊΠΎΠ»ΡΠΊΠΎ ΠΌΠΈΠ½ΡΡ, ΠΏΠΎΠΏΡΠ»ΡΡΠ΅Π½ Ρ Π°Π²ΡΠΎΠ»ΡΠ±ΠΈΡΠ΅Π»Π΅ΠΉ. ΠΡΠ° ΠΊΠΎΠ½ΡΡΡΡΠΊΡΠΈΡ ΠΏΡΠ΅Π΄ΡΡΠ°Π²Π»ΡΠ΅Ρ ΡΠΎΠ±ΠΎΠΉ ΡΡΠΎΡ, ΠΆΠ΅ΡΡΠΊΠΎ Π·Π°ΠΊΡΠ΅ΠΏΠ»Π΅Π½Π½ΡΠΉ Π½Π° ΠΎΡΡΠ΅Π·ΠΊΠ΅ ΡΡΡΠ±Ρ, Π½Π°Π΄Π΅ΡΠΎΠΉ Π½Π° ΠΎΡΡ. ΠΡΡ Π²Π±ΠΈΠ²Π°Π΅ΡΡΡ Π² Π·Π΅ΠΌΠ»Ρ ΠΈΠ»ΠΈ Π·Π°ΠΊΡΠ΅ΠΏΠ»ΡΠ΅ΡΡΡ ΠΈΠ½ΡΠΌ ΡΠΏΠΎΡΠΎΠ±ΠΎΠΌ. ΠΠΎΠ΄ Π½ΠΈΠΆΠ½ΠΈΠΉ Π²ΠΈΡΠΎΠΊ ΡΡΠΎΡΠ° ΠΏΠΎΠ΄ΡΠΎΠ²ΡΠ²Π°ΡΡ Π»ΡΠ±ΠΎΠΉ ΡΡΡΠ°Π³: ΡΠ΅ΡΠ΅Π½ΠΎΠΊ ΠΎΡ Π»ΠΎΠΏΠ°ΡΡ, ΡΡΡΠ±Ρ, ΠΏΡΠΎΡΠ½ΡΡ ΠΆΠ΅ΡΠ΄Ρ. ΠΡΠ°ΡΠ°Ρ ΡΡΡΠ°Π³ ΡΠ°ΠΊ, ΡΡΠΎΠ±Ρ ΡΡΠΎΡ Π½Π°ΠΌΠ°ΡΡΠ²Π°Π»ΡΡ Π½Π° ΡΡΡΠ±Ρ, Π²Ρ ΡΠΌΠΎΠΆΠ΅ΡΠ΅ ΡΠ΄Π²ΠΈΠ½ΡΡΡ Π΄ΠΎΡΡΠ°ΡΠΎΡΠ½ΠΎ ΡΡΠΆΠ΅Π»ΡΠΉ ΠΏΡΠ΅Π΄ΠΌΠ΅Ρ, Π½Π°ΠΏΡΠΈΠΌΠ΅Ρ, Π·Π°ΡΡΡΡΠ²ΡΠΈΠΉ Π°Π²ΡΠΎΠΌΠΎΠ±ΠΈΠ»Ρ. ΠΡΠΎ ΡΡΡΡΠΎΠΉΡΡΠ²ΠΎ Π½Π΅Π»ΡΠ·Ρ Π½Π°Π·Π²Π°ΡΡ ΠΏΠΎΠ»Π½ΠΎΡΠ΅Π½Π½ΠΎΠΉ Π»Π΅Π±Π΅Π΄ΠΊΠΎΠΉ, ΠΎΠ΄Π½Π°ΠΊΠΎ Π΅Π΅ ΡΡΠ½ΠΊΡΠΈΠΈ ΠΎΠ½ΠΎ Π²ΡΠΏΠΎΠ»Π½ΡΠ΅Ρ.

ΠΡΠΏΠΎΠ»ΡΠ·ΠΎΠ²Π°Π½ΠΈΠ΅ Π°Π²ΡΠΎΠΌΠΎΠ±ΠΈΠ»ΡΠ½ΠΎΠΉ Π»Π΅Π±Π΅Π΄ΠΊΠΈ
Π ΡΡΠ½Π°Ρ Π»Π΅Π±Π΅Π΄ΠΊΠ°
Π ΡΡΡΠ½ΡΠΌ Π»Π΅Π±Π΅Π΄ΠΊΠ°ΠΌ ΠΎΡΠ½ΠΎΡΡΡ Π»ΡΠ±ΡΠ΅ ΡΡΡΡΠΎΠΉΡΡΠ²Π°, ΠΏΠΎΠ·Π²ΠΎΠ»ΡΡΡΠΈΠ΅ ΠΏΠ΅ΡΠ΅Π΄Π²ΠΈΠ³Π°ΡΡ Π³ΡΡΠ·Ρ ΠΈ ΠΈΠΌΠ΅ΡΡΠΈΠ΅ ΡΡΡΠ½ΠΎΠΉ ΠΏΡΠΈΠ²ΠΎΠ΄. ΠΠ°ΠΈΠ±ΠΎΠ»Π΅Π΅ ΡΠ°ΡΡΠΎ Π²ΡΡΡΠ΅ΡΠ°ΡΡΡΡ Π»Π΅Π±Π΅Π΄ΠΊΠΈ Π±Π°ΡΠ°Π±Π°Π½Π½ΠΎΠ³ΠΎ ΡΠΈΠΏΠ°: Π½Π° ΠΊΠ°ΡΡΡΠΊΡ Π½Π°ΠΌΠ°ΡΡΠ²Π°Π΅ΡΡΡ ΡΡΠΎΡ, Π° Π²ΡΠ°ΡΠ΅Π½ΠΈΠ΅ ΠΊΠ°ΡΡΡΠΊΠΈ ΠΎΡΡΡΠ΅ΡΡΠ²Π»ΡΠ΅ΡΡΡ Ρ ΠΏΠΎΠΌΠΎΡΡΡ ΡΡΠΊΠΎΡΡΠΊΠΈ ΡΠ΅ΡΠ΅Π· ΡΠ΅Π΄ΡΠΊΡΠΎΡΠ½ΡΡ ΠΏΠ΅ΡΠ΅Π΄Π°ΡΡ: ΡΠ΅ΡΠ²ΡΡΠ½ΡΡ ΠΈΠ»ΠΈΒ ΡΠΈΡΡΠ΅ΠΌΡ Π·Π²Π΅Π·Π΄ΠΎΡΠ΅ΠΊ ΡΠ°Π·Π½ΠΎΠ³ΠΎΒ ΡΠ°Π·ΠΌΠ΅ΡΠ°. Π§Π΅ΠΌ Π±ΠΎΠ»ΡΡΠ΅ ΠΏΠ΅ΡΠ΅Π΄Π°ΡΠΎΡΠ½ΠΎΠ΅ ΡΠΈΡΠ»ΠΎ ΡΠ΅Π΄ΡΠΊΡΠΎΡΠ°, ΡΠ΅ΠΌ ΠΌΠ΅Π½ΡΡΠ΅Π΅ ΡΡΠΈΠ»ΠΈΠ΅ ΡΡΠ΅Π±ΡΠ΅ΡΡΡ ΠΏΡΠΈΠ»ΠΎΠΆΠΈΡΡ ΠΊ ΡΡΠΊΠΎΡΡΠΊΠ΅.
ΠΠ±ΡΠ°Π·Π΅Ρ ΡΡΡΠ½ΠΎΠΉ Π»Π΅Π±Π΅Π΄ΠΊΠΈ
ΠΠ»Ρ ΡΡΡΠ΅ΠΊΡΠΈΠ²Π½ΠΎΠΉ ΡΠΊΡΠΏΠ»ΡΠ°ΡΠ°ΡΠΈΠΈ ΡΡΡΠ½Π°Ρ Π»Π΅Π±Π΅Π΄ΠΊΠ° Π΄ΠΎΠ»ΠΆΠ½Π° Π±ΡΡΡ ΠΆΠ΅ΡΡΠΊΠΎ Π·Π°ΠΊΡΠ΅ΠΏΠ»Π΅Π½Π° Π½Π° Π½Π΅ΠΏΠΎΠ΄Π²ΠΈΠΆΠ½ΠΎΠΌΠΎΠ±ΡΠ΅ΠΊΡΠ΅, Π΄Π»Ρ ΡΡΠΎΠ³ΠΎ Π½Π° ΡΠ°ΠΌΠ΅ Π»Π΅Π±Π΅Π΄ΠΊΠΈ Π²ΡΠΏΠΎΠ»Π½ΡΡΡ ΠΊΡΠ΅ΠΏΠ΅ΠΆΠ½ΡΠ΅ ΠΎΡΠ²Π΅ΡΡΡΠΈΡ. Π ΡΠΊΠΎΡΡΠΊΠ° ΡΠΎΠ΅Π΄ΠΈΠ½ΡΠ΅ΡΡΡ Ρ Π²Π°Π»ΠΎΠΌ, Π½Π° ΠΊΠΎΡΠΎΡΠΎΠΌ ΠΆΠ΅ΡΡΠΊΠΎ Π·Π°ΠΊΡΠ΅ΠΏΠ»ΡΠ΅ΡΡΡ ΠΌΠ°Π»Π΅Π½ΡΠΊΠ°Ρ Π·Π²Π΅Π·Π΄ΠΎΡΠΊΠ°. ΠΠ°ΡΡΡΠΊΠ° ΠΆΠ΅ΡΡΠΊΠΎ ΡΠΎΠ΅Π΄ΠΈΠ½Π΅Π½Π° Ρ Π±ΠΎΠ»ΡΡΠΎΠΉ Π·Π²Π΅Π·Π΄ΠΎΡΠΊΠΎΠΉ, ΠΈΠΌΠ΅ΡΡΠ΅ΠΉ ΡΡΠ΅ΠΏΠ»Π΅Π½ΠΈΠ΅ Ρ ΠΌΠ°Π»Π΅Π½ΡΠΊΠΎΠΉ. Π’ΡΠΎΡ ΠΊΡΠ΅ΠΏΡΡ ΠΎΠ΄Π½ΠΈΠΌ ΠΊΠΎΠ½ΡΠΎΠΌ ΠΊ ΠΊΠ°ΡΡΡΠΊΠ΅, ΠΊΠΎ Π²ΡΠΎΡΠΎΠΌΡ ΠΊΠΎΠ½ΡΡ ΠΏΡΠΈΡΠ΅ΠΏΠ»ΡΡΡ ΠΊΠ°ΡΠ°Π±ΠΈΠ½ ΠΈΠ»ΠΈ ΠΊΡΡΠΊ.
ΠΠ΅Π±Π΅Π΄ΠΊΠ° Ρ ΡΡΡΠ½ΡΠΌ ΠΈΠ»ΠΈ ΡΠ»Π΅ΠΊΡΡΠΈΡΠ΅ΡΠΊΠΈΠΌ ΠΏΡΠΈΠ²ΠΎΠ΄ΠΎΠΌ ΡΠ²ΠΎΠΈΠΌΠΈ ΡΡΠΊΠ°ΠΌΠΈ
ΠΡΠΈ Π½Π°Π»ΠΈΡΠΈΠΈ Π½Π°Π²ΡΠΊΠΎΠ² ΡΠ°Π±ΠΎΡΡ ΡΠΎ ΡΠ²Π°ΡΠΎΡΠ½ΡΠΌ Π°ΠΏΠΏΠ°ΡΠ°ΡΠΎΠΌ ΠΌΠΎΠΆΠ½ΠΎ ΡΠ΄Π΅Π»Π°ΡΡ Π»Π΅Π±Π΅Π΄ΠΊΡ ΡΠ°ΠΌΠΎΡΡΠΎΡΡΠ΅Π»ΡΠ½ΠΎ ΠΈΠ· ΠΏΠΎΠ΄ΡΡΡΠ½ΡΡ ΠΌΠ°ΡΠ΅ΡΠΈΠ°Π»ΠΎΠ².
ΠΠ΅Π»Π°Π΅ΠΌ Π»Π΅Π±Π΅Π΄ΠΊΡ ΡΠ²ΠΎΠΈΠΌΠΈ ΡΡΠΊΠ°ΠΌΠΈ
ΠΠ°ΠΌ ΠΏΠΎΠ½Π°Π΄ΠΎΠ±ΠΈΡΡΡ:
- Π’ΡΡΠ±Π° ΠΏΡΡΠΌΠΎΡΠ³ΠΎΠ»ΡΠ½ΠΎΠ³ΠΎ ΡΠ΅ΡΠ΅Π½ΠΈΡ Π΄Π»Ρ Π²ΡΠΏΠΎΠ»Π½Π΅Π½ΠΈΡ ΡΠ°ΠΌΡ;
- Π’ΡΡΠ±Π° ΠΈΠ»ΠΈ Π³ΠΎΡΠΎΠ²ΡΠΉ Π²Π°Π» Π΄Π»Ρ Π±Π°ΡΠ°Π±Π°Π½Π°;
- ΠΠΈΡΡΠΎΠ²ΠΎΠΉ ΠΌΠ΅ΡΠ°Π»Π» Π΄Π»Ρ Π΄ΠΈΡΠΊΠΎΠ² Π±Π°ΡΠ°Π±Π°Π½Π°, ΡΠΎΠ»ΡΠΈΠ½Π° 3 ΠΌΠΌ;
- Π¨ΠΏΠΈΠ»ΡΠΊΠΈ Ρ ΡΠ΅Π·ΡΠ±ΠΎΠΉ Π10-Π12 Π΄Π»ΠΈΠ½ΠΎΠΉ 24 ΡΠΌ β 6 ΡΡΡΠΊ, Π³Π°ΠΉΠΊΠΈ;
- Π’ΡΡΠ±ΠΊΠ° Ρ Π΄ΠΈΠ°ΠΌΠ΅ΡΡΠΎΠΌ Γ14 β 6 ΠΎΠ΄ΠΈΠ½Π°ΠΊΠΎΠ²ΡΡ ΠΎΡΡΠ΅Π·ΠΊΠΎΠ² 20 ΡΠΌ;
- ΠΠΎΠ»ΡΡΠ°Ρ ΠΈ ΠΌΠ°Π»Π°Ρ Π·Π²Π΅Π·Π΄ΠΎΡΠΊΠΈ ΠΈ ΡΠ΅ΠΏΡ;
- Π‘ΡΡΠΏΠΈΡΡ Π΄Π»Ρ ΠΊΡΠ΅ΠΏΠ»Π΅Π½ΠΈΡ Π±Π°ΡΠ°Π±Π°Π½Π° Π½Π° Π²Π°Π»Ρ ΠΈ Π΄Π»Ρ ΠΊΡΠ΅ΠΏΠ»Π΅Π½ΠΈΡ Π²Π°Π»Π° ΠΊ ΡΠ°ΠΌΠ΅;
- Π ΡΡΠ°Π³ Π΄Π»Ρ ΡΡΡΠ½ΠΎΠ³ΠΎ ΠΏΡΠΈΠ²ΠΎΠ΄Π°, Π±Π΅Π½Π·ΠΈΠ½ΠΎΠ²ΡΠΉ ΠΈΠ»ΠΈ ΡΠ»Π΅ΠΊΡΡΠΈΡΠ΅ΡΠΊΠΈΠΉ Π΄Π²ΠΈΠ³Π°ΡΠ΅Π»Ρ, ΡΠ°Π±ΠΎΡΠ°ΡΡΠΈΠΉ ΠΎΡ ΡΠ΅ΡΠΈ ~220 Π ΠΈΠ»ΠΈ Π°Π²ΡΠΎΠΌΠΎΠ±ΠΈΠ»ΡΠ½ΠΎΠ³ΠΎ Π°ΠΊΠΊΡΠΌΡΠ»ΡΡΠΎΡΠ°;
- Π’ΡΠΎΡ Π½ΡΠΆΠ½ΠΎΠΉ Π΄Π»ΠΈΠ½Ρ Ρ ΠΊΠ°ΡΠ°Π±ΠΈΠ½ΠΎΠΌ Π½Π° ΠΊΠΎΠ½ΡΠ΅;
- Π‘Π²Π°ΡΠΎΡΠ½ΡΠΉ Π°ΠΏΠΏΠ°ΡΠ°Ρ ΠΈ ΡΠ»Π΅ΠΊΡΡΠΎΠ΄Ρ;
- ΠΠΎΠ»Π³Π°ΡΠΊΠ° Ρ ΠΎΡΡΠ΅Π·Π½ΡΠΌ ΠΈ ΡΠ»ΠΈΡΠΎΠ²Π°Π»ΡΠ½ΡΠΌ Π΄ΠΈΡΠΊΠΎΠΌ;
- ΠΡΠ°ΡΠΊΠ° ΠΈ Π³ΡΡΠ½ΡΠΎΠ²ΠΊΠ° ΠΏΠΎ ΠΌΠ΅ΡΠ°Π»Π»Ρ;
ΠΠ°Π±ΠΎΡ Π³Π°Π΅ΡΠ½ΡΡ ΠΊΠ»ΡΡΠ΅ΠΉ.
Π’Π΅Ρ Π½ΠΎΠ»ΠΎΠ³ΠΈΡ ΠΈΠ·Π³ΠΎΡΠΎΠ²Π»Π΅Π½ΠΈΡ Π»Π΅Π±Π΅Π΄ΠΊΠΈ:
- ΠΠΎ ΡΠ΅ΡΡΠ΅ΠΆΡ Π±ΠΎΠ»Π³Π°ΡΠΊΠΎΠΉ Π½Π°ΡΠ΅Π·Π°ΡΡ ΡΡΡΠ±Ρ ΠΏΡΡΠΌΠΎΡΠ³ΠΎΠ»ΡΠ½ΠΎΠ³ΠΎ ΡΠ΅ΡΠ΅Π½ΠΈΡ 20Ρ
20 ΠΌΠΌ Π΄Π»Ρ ΡΠ°ΠΌΡ. ΠΡΠ΅ ΡΠΎΠ΅Π΄ΠΈΠ½Π΅Π½ΠΈΡ, Π²ΡΠΏΠΎΠ»Π½Π΅Π½Π½ΡΠ΅ ΠΏΠ΅ΡΠΏΠ΅Π½Π΄ΠΈΠΊΡΠ»ΡΡΠ½ΠΎ, ΠΏΠΎΠ»ΡΡΠ°ΡΡ Ρ ΠΏΠΎΠΌΠΎΡΡΡ ΠΎΠ±ΡΠ΅Π·ΠΊΠΈ Π·Π°Π³ΠΎΡΠΎΠ²ΠΎΠΊ ΠΏΠΎΠ΄ ΡΠ³Π»ΠΎΠΌ 45 Π³ΡΠ°Π΄ΡΡΠΎΠ².
Π§Π΅ΡΡΠ΅ΠΆ ΠΊΠ°ΡΠΊΠ°ΡΠ° Π±ΡΠ΄ΡΡΠ΅ΠΉ Π»Π΅Π±Π΅Π΄ΠΊΠΈ
- Π Π°ΡΠΊΠ»Π°Π΄ΡΠ²Π°ΡΡ Π·Π°Π³ΠΎΡΠΎΠ²ΠΊΠΈ Π½Π° ΡΠΎΠ²Π½ΠΎΠΉ ΠΏΠΎΠ²Π΅ΡΡ
Π½ΠΎΡΡΠΈ. Π‘Π²Π°ΡΠΈΠ²Π°ΡΡ ΡΠ°ΠΌΡ Π»Π΅Π±Π΅Π΄ΠΊΠΈ Ρ ΠΏΠΎΠΌΠΎΡΡΡ ΡΠ²Π°ΡΠΎΡΠ½ΠΎΠ³ΠΎ Π°ΠΏΠΏΠ°ΡΠ°ΡΠ° ΡΠΎΡΠ΅ΡΠ½ΠΎ Π² ΠΌΠ΅ΡΡΠ΅ ΡΠΎΠ΅Π΄ΠΈΠ½Π΅Π½ΠΈΡ Π·Π°Π³ΠΎΡΠΎΠ²ΠΎΠΊ. ΠΡΠΎΠ²Π΅ΡΡΡΡ ΠΏΠ΅ΡΠΏΠ΅Π½Π΄ΠΈΠΊΡΠ»ΡΡΠ½ΠΎΡΡΡ ΡΠ³Π»ΠΎΠ² ΠΈ ΡΠΎΠΎΡΠ²Π΅ΡΡΡΠ²ΠΈΠ΅ ΡΠ°Π·ΠΌΠ΅ΡΠΎΠ², ΠΏΠΎΡΠ»Π΅ ΡΠ΅Π³ΠΎ ΠΏΠΎΠ»Π½ΠΎΡΡΡΡ ΠΏΡΠΎΠ²Π°ΡΠΈΠ²Π°ΡΡ ΡΠ²Ρ. ΠΡΠΈΠ²Π°ΡΠΈΠ²Π°ΡΡ ΠΏΠ»ΠΎΡΠ°Π΄ΠΊΡ ΠΈΠ· Π»ΠΈΡΡΠΎΠ²ΠΎΠ³ΠΎ ΠΌΠ΅ΡΠ°Π»Π»Π° Ρ ΠΏΡΠΎΠ΄ΠΎΠ»ΡΠ½ΡΠΌΠΈ ΠΏΠ°Π·Π°ΠΌΠΈ Π΄Π»Ρ ΠΊΡΠ΅ΠΏΠ»Π΅Π½ΠΈΡ ΡΠ»Π΅ΠΊΡΡΠΎΠ΄Π²ΠΈΠ³Π°ΡΠ΅Π»Ρ ΠΏΡΠΈΠ²ΠΎΠ΄Π°. Π£Π΄Π°Π»ΡΡΡ ΠΎΠΊΠ°Π»ΠΈΠ½Ρ ΠΈ Π·Π°ΡΡΠ΅Π½ΡΡ ΡΠ»ΠΈΡΠΎΠ²Π°Π»ΡΠ½ΡΠΌ ΠΊΡΡΠ³ΠΎΠΌ Π±ΠΎΠ»Π³Π°ΡΠΊΠΈ.
Π‘Π²Π°ΡΠΈΠ²Π°Π΅ΠΌ ΠΊΠ°ΡΠΊΠ°Ρ (ΡΠ°ΠΌΡ) Π»Π΅Π±Π΅Π΄ΠΊΠΈ Ρ ΠΏΠΎΠΌΠΎΡΡΡ ΡΠ²Π°ΡΠΎΡΠ½ΠΎΠ³ΠΎ Π°ΠΏΠΏΠ°ΡΠ°ΡΠ°
- ΠΠ°ΡΠΊΡΡΠΈΠ²Π°ΡΡ ΡΠ°ΠΌΡ, ΠΏΠΎΠΊΡΡΠ²Π°ΡΡ Π΅Π΅ Π³ΡΡΠ½ΡΠΎΠ²ΠΊΠΎΠΉ ΠΏΠΎ ΠΌΠ΅ΡΠ°Π»Π»Ρ, Π° ΠΏΠΎΡΠ»Π΅ Π²ΡΡΡΡ
Π°Π½ΠΈΡ β ΠΊΡΠ°ΡΠΊΠΎΠΉ ΠΈΠ»ΠΈ ΡΠΌΠ°Π»ΡΡ Π² Π΄Π²Π° ΡΠ»ΠΎΡ.
ΠΠ°ΡΠΊΡΡΠΈΠ²Π°Π΅ΠΌ ΡΠ°ΠΌΡ Π»Π΅Π±Π΅Π΄ΠΊΠΈ ΠΈ ΠΏΠΎΠΊΡΡΠ²Π°Π΅ΠΌ ΠΊΡΠ°ΡΠΊΠΎΠΉ
- ΠΡΠΈΡΡΡΠΏΠ°ΡΡ ΠΊ ΠΈΠ·Π³ΠΎΡΠΎΠ²Π»Π΅Π½ΠΈΡ Π±Π°ΡΠ°Π±Π°Π½Π°. ΠΠ· Π»ΠΈΡΡΠΎΠ²ΠΎΠ³ΠΎ ΠΌΠ΅ΡΠ°Π»Π»Π° Π²ΡΡΠ΅Π·Π°ΡΡ Π΄Π²Π° ΠΊΡΡΠ³Π° ΠΎΠ΄ΠΈΠ½Π°ΠΊΠΎΠ²ΠΎΠ³ΠΎ Π΄ΠΈΠ°ΠΌΠ΅ΡΡΠ° β ΠΏΡΠΈΠΌΠ΅ΡΠ½ΠΎ 30 ΡΠΌ. Π ΡΠ΅Π½ΡΡΠ΅ ΠΊΠ°ΠΆΠ΄ΠΎΠ³ΠΎ ΠΊΡΡΠ³Π° Π²ΡΡΠ²Π΅ΡΠ»ΠΈΠ²Π°ΡΡ ΠΎΡΠ²Π΅ΡΡΡΠΈΠ΅ ΠΏΠΎ Π΄ΠΈΠ°ΠΌΠ΅ΡΡΡ Π²Π°Π»Π°, ΡΠ°ΠΊΠΆΠ΅ Π²ΡΠΏΠΎΠ»Π½ΡΡΡ ΠΏΠΎ ΡΠ΅ΡΡΡ ΠΎΡΠ²Π΅ΡΡΡΠΈΠΉ Π½Π° ΡΠ°ΡΡΡΠΎΡΠ½ΠΈΠΈ 7-8 ΡΠΌ ΠΎΡ ΡΠ΅Π½ΡΡΠ°. Π Π°ΡΡΠ²Π΅ΡΠ»ΠΈΠ²Π°ΡΡ ΠΎΡΠ²Π΅ΡΡΡΠΈΡ Π΄Π»Ρ ΠΊΡΠ΅ΠΏΠ»Π΅Π½ΠΈΡ ΡΡΡΠΏΠΈΡ β ΠΏΠΎ 4 Π½Π° ΠΊΠ°ΠΆΠ΄ΠΎΠΌ Π΄ΠΈΡΠΊΠ΅. ΠΡΠ΅ΠΏΡΡ ΡΡΡΠΏΠΈΡΡ Π½Π° Π±ΠΎΠ»ΡΠΎΠ²ΠΎΠ΅ ΡΠΎΠ΅Π΄ΠΈΠ½Π΅Π½ΠΈΠ΅. Π‘ΠΊΡΠ΅ΠΏΠ»ΡΡΡ Π΄ΠΈΡΠΊΠΈ Π±Π°ΡΠ°Π±Π°Π½Π° Ρ ΠΏΠΎΠΌΠΎΡΡΡ ΡΠΏΠΈΠ»Π΅ΠΊ: Π·Π°ΠΊΡΠ΅ΠΏΠ»ΡΡΡ ΠΊΠ°ΠΆΠ΄ΡΡ ΡΠΏΠΈΠ»ΡΠΊΡ Π² ΠΎΠ΄Π½ΠΎΠΌ Π΄ΠΈΡΠΊΠ΅, Π½Π°Π΄Π΅Π²Π°ΡΡ Π½Π° Π½Π΅Π΅ ΡΡΡΠ±ΠΊΡ Γ14, ΠΏΠΎΡΠ»Π΅ ΡΠ΅Π³ΠΎ Π½Π°Π΄Π΅Π²Π°ΡΡ Π½Π° ΡΠΏΠΈΠ»ΡΠΊΠΈ Π²ΡΠΎΡΠΎΠΉ Π΄ΠΈΡΠΊ ΠΈ Π·Π°ΡΡΠ³ΠΈΠ²Π°ΡΡ Π½Π° Π³Π°ΠΉΠΊΠΈ ΠΈ ΠΊΠΎΠ½ΡΡΠ³Π°ΠΉΠΊΠΈ.
ΠΡΠΎΡΠ΅ΡΡ ΠΈΠ·Π³ΠΎΡΠΎΠ²Π»Π΅Π½ΠΈΡ Π±Π°ΡΠ°Π±Π°Π½Π° Π΄Π»Ρ Π»Π΅Π±Π΅Π΄ΠΊΠΈ
- ΠΠ°ΡΠ°Π±Π°Π½ ΠΊΡΠ΅ΠΏΡΡ Π½Π° Π²Π°Π»Ρ. ΠΠ°Π» ΠΌΠΎΠΆΠ½ΠΎ ΠΈΠ·Π³ΠΎΡΠΎΠ²ΠΈΡΡ ΠΈΠ· ΠΌΠ΅ΡΠ°Π»Π»ΠΈΡΠ΅ΡΠΊΠΎΠΉ ΡΡΡΠ±Ρ ΠΏΠΎΠ΄Ρ
ΠΎΠ΄ΡΡΠ΅Π³ΠΎ Π΄ΠΈΠ°ΠΌΠ΅ΡΡΠ° ΠΈΠ»ΠΈ ΠΈΡΠΏΠΎΠ»ΡΠ·ΠΎΠ²Π°ΡΡ Π³ΠΎΡΠΎΠ²ΡΠΉ Π²Π°Π» ΠΈΠ· Π²ΡΡΠΎΠΊΠΎΠΏΡΠΎΡΠ½ΠΎΠΉ ΡΡΠ°Π»ΠΈ ΠΎΡ Π»ΡΠ±ΠΎΠ³ΠΎ ΠΌΠ΅Ρ
Π°Π½ΠΈΠ·ΠΌΠ°. ΠΠ° Π²Π°Π»Ρ Ρ Π²Π½Π΅ΡΠ½Π΅ΠΉ ΡΡΠΎΡΠΎΠ½Ρ ΠΎΡ Π±Π°ΡΠ°Π±Π°Π½Π° Π·Π°ΠΊΡΠ΅ΠΏΠ»ΡΡΡ Π±ΠΎΠ»ΡΡΡΡ Π·Π²Π΅Π·Π΄ΠΎΡΠΊΡ β ΠΌΠΎΠΆΠ½ΠΎ ΠΈΡΠΏΠΎΠ»ΡΠ·ΠΎΠ²Π°ΡΡ Π·Π²Π΅Π·Π΄ΠΎΡΠΊΡ ΠΎΡ ΠΊΠΎΡΠΎΠ±ΠΊΠΈ ΠΏΠ΅ΡΠ΅Π΄Π°Ρ ΠΌΠΎΡΠΎΡΠΈΠΊΠ»Π°, Π½Π°ΠΏΡΠΈΠΌΠ΅Ρ. ΠΠ° Π²ΡΡΡΡΠΏΠ°ΡΡΠΈΠ΅ ΡΠ°ΡΡΠΈ Π²Π°Π»Π° ΡΡΡΠ°Π½Π°Π²Π»ΠΈΠ²Π°ΡΡ ΡΡΡΠΏΠΈΡΡ Π΄Π»Ρ Π·Π°ΠΊΡΠ΅ΠΏΠ»Π΅Π½ΠΈΡ Π±Π°ΡΠ°Π±Π°Π½Π° Π½Π° ΡΠ°ΠΌΠ΅.
ΠΡΠ΅ΠΏΠ»Π΅Π½ΠΈΠ΅ Π±Π°ΡΠ°Π±Π°Π½Π° Π½Π° Π²Π°Π»Ρ
- Π£ΡΡΠ°Π½Π°Π²Π»ΠΈΠ²Π°ΡΡ Π±Π°ΡΠ°Π±Π°Π½ Ρ Π²Π°Π»ΠΎΠΌ Π½Π° ΡΠ°ΠΌΡ, Π·Π°ΠΊΡΠ΅ΠΏΠ»ΡΡ ΠΈΡ
Ρ ΠΏΠΎΠΌΠΎΡΡΡ Π²Π½Π΅ΡΠ½ΠΈΡ
ΡΡΡΠΏΠΈΡ ΠΈ Π±ΠΎΠ»ΡΠΎΠ². ΠΠ° ΠΏΠ»ΠΎΡΠ°Π΄ΠΊΡ ΡΡΡΠ°Π½Π°Π²Π»ΠΈΠ²Π°ΡΡ ΡΠ»Π΅ΠΊΡΡΠΈΡΠ΅ΡΠΊΠΈΠΉ ΠΈΠ»ΠΈ Π±Π΅Π½Π·ΠΈΠ½ΠΎΠ²ΡΠΉ Π΄Π²ΠΈΠ³Π°ΡΠ΅Π»Ρ Ρ ΠΆΠ΅ΡΡΠΊΠΎ Π·Π°ΠΊΡΠ΅ΠΏΠ»Π΅Π½Π½ΠΎΠΉ Π½Π° Π²ΡΡ
ΠΎΠ΄Π½ΠΎΠΌ Π²Π°Π»Ρ ΠΌΠ°Π»ΠΎΠΉ Π·Π²Π΅Π·Π΄ΠΎΡΠΊΠΎΠΉ. ΠΠ°Π΄Π΅Π²Π°ΡΡ ΡΠ΅ΠΏΡ ΠΈ ΡΠ΅Π³ΡΠ»ΠΈΡΡΡΡ Π΅Π΅ Π½Π°ΡΡΠΆΠ΅Π½ΠΈΠ΅, ΠΏΠ΅ΡΠ΅Π΄Π²ΠΈΠ³Π°Ρ ΡΠ»Π΅ΠΊΡΡΠΎΠ΄Π²ΠΈΠ³Π°ΡΠ΅Π»Ρ ΠΏΠΎ ΠΏΠ»ΠΎΡΠ°Π΄ΠΊΠ΅ Π² ΠΏΡΡΠΌΠΎΡΠ³ΠΎΠ»ΡΠ½ΡΡ
ΠΊΡΠ΅ΠΏΠ΅ΠΆΠ½ΡΡ
ΠΏΠ°Π·Π°Ρ
Π΄ΠΎ ΠΎΠΏΡΠΈΠΌΠ°Π»ΡΠ½ΠΎΠ³ΠΎ ΠΏΠΎΠ»ΠΎΠΆΠ΅Π½ΠΈΡ. Π¦Π΅ΠΏΡ Π½Π΅ Π΄ΠΎΠ»ΠΆΠ½Π° ΠΏΡΠΎΠ²ΠΈΡΠ°ΡΡ, Π½ΠΎ ΠΈ ΡΠ»ΠΈΡΠΊΠΎΠΌ ΡΠΈΠ»ΡΠ½ΠΎΠ΅ Π½Π°ΡΡΠΆΠ΅Π½ΠΈΠ΅ Π½Π΅ΠΆΠ΅Π»Π°ΡΠ΅Π»ΡΠ½ΠΎ β ΡΠ²Π΅Π»ΠΈΡΠΈΡΡΡ ΠΈΠ·Π½ΠΎΡ Π·Π²Π΅Π·Π΄ΠΎΡΠ΅ΠΊ, ΡΠ°ΠΊΠΆΠ΅ ΠΌΠΎΠΆΠ΅Ρ ΠΏΡΠΎΠΈΠ·ΠΎΠΉΡΠΈ ΡΠ°Π·ΡΡΠ² ΡΠ΅ΠΏΠΈ. ΠΡΠΎΠ²Π΅ΡΠΈΡΡ Π½Π°ΡΡΠΆΠ΅Π½ΠΈΠ΅ ΡΠ΅ΠΏΠΈ ΠΌΠΎΠΆΠ½ΠΎ, ΠΏΠΎΠΊΡΡΡΠΈΠ² Π±Π°ΡΠ°Π±Π°Π½ ΡΡΠΊΠ°ΠΌΠΈ β ΠΎΠ½Π° Π½Π΅ Π΄ΠΎΠ»ΠΆΠ½Π° ΡΠ΄Π΅ΡΠΆΠΈΠ²Π°ΡΡ Π²ΡΠ°ΡΠ΅Π½ΠΈΡ Π±Π°ΡΠ°Π±Π°Π½Π° ΠΏΡΠΈ ΡΠ°Π·ΠΌΠ°ΡΡΠ²Π°Π½ΠΈΠΈ ΡΡΠΎΡΠ°.
ΠΡΠΎΡΠ΅ΡΡ ΠΏΡΠΈΡΠΎΠ΅Π΄ΠΈΠ½Π΅Π½ΠΈΡ Π΄Π΅ΡΠ°Π»Π΅ΠΉ Π»Π΅Π±Π΅Π΄ΠΊΠΈ ΠΊ ΡΠ°ΠΌΠ΅
- ΠΠ°ΠΌΠ°ΡΡΠ²Π°ΡΡ Π½Π° Π±Π°ΡΠ°Π±Π°Π½ ΡΡΠΎΡ, Π·Π°ΠΊΡΠ΅ΠΏΠΈΠ² Π΅Π³ΠΎ ΠΊΠΎΠ½Π΅Ρ Π½Π° Π²Π°Π»Ρ. ΠΡΠΎΡΠΎΠΉ ΠΊΠΎΠ½Π΅Ρ ΡΡΠΎΡΠ° ΡΠ½Π°Π±ΠΆΠ°ΡΡ ΠΏΡΠΎΡΠ½ΡΠΌ ΠΊΠ°ΡΠ°Π±ΠΈΠ½ΠΎΠΌ. ΠΠ»Ρ ΡΠ΄ΠΎΠ±ΡΡΠ²Π° ΠΏΠ΅ΡΠ΅Π΄Π²ΠΈΠΆΠ΅Π½ΠΈΡ Π»Π΅Π±Π΅Π΄ΠΊΡ Π·Π°ΠΊΡΠ΅ΠΏΠ»ΡΡΡ Π½Π° ΡΠ°ΠΌΡ Ρ ΠΊΠΎΠ»Π΅ΡΠ½ΠΎΠΉ ΠΏΠ°ΡΠΎΠΉ Ρ ΠΏΠΎΠΌΠΎΡΡΡ Ρ
Π²ΠΎΡΡΠΎΠ²ΠΈΠΊΠ°.
ΠΠ°ΠΌΠ°ΡΡΠ²Π°ΡΡ Π±Π°ΡΠ°Π±Π°Π½ Π½Π° ΡΡΠΎΡ
- Π₯Π²ΠΎΡΡΠΎΠ²ΠΈΠΊ Ρ ΠΏΡΠΎΡΠΈΠ²ΠΎΠΏΠΎΠ»ΠΎΠΆΠ½ΠΎΠΉ ΡΡΠΎΡΠΎΠ½Ρ ΠΏΡΠ΅Π΄Π½Π°Π·Π½Π°ΡΠ΅Π½ Π΄Π»Ρ ΠΊΡΠ΅ΠΏΠ»Π΅Π½ΠΈΡ Π»Π΅Π±Π΅Π΄ΠΊΠΈ ΠΊ Π°Π²ΡΠΎΠΌΠΎΠ±ΠΈΠ»Ρ. ΠΠ°ΡΠ°Π±Π°Π½ Π² ΡΡΠΎΠΌ ΡΠ»ΡΡΠ°Π΅ ΡΠ΅ΠΊΠΎΠΌΠ΅Π½Π΄ΡΠ΅ΡΡΡ Π·Π°ΠΊΡΡΡΡ Π·Π°ΡΠΈΡΠ½ΡΠΌ ΠΊΠΎΠΆΡΡ
ΠΎΠΌ, ΠΏΡΠ΅Π΄ΠΎΡΠ²ΡΠ°ΡΠ°ΡΡΠΈΠΌ ΠΏΠΎΠΏΠ°Π΄Π°Π½ΠΈΠ΅ Π³ΡΡΠ·ΠΈ ΠΈ ΠΎΡΠ°Π΄ΠΊΠΎΠ² Π½Π° ΡΡΠΎΡ.
ΠΡΠ΅ΠΏΠ»Π΅Π½ΠΈΠ΅ Π»Π΅Π±Π΅Π΄ΠΊΠΈ ΠΊ Π°Π²ΡΠΎΠΌΠΎΠ±ΠΈΠ»Ρ
- ΠΡΠ»ΠΈ ΠΏΡΠΈΠ²ΠΎΠ΄ ΠΏΠ»Π°Π½ΠΈΡΡΠ΅ΡΡΡ Π²ΡΠΏΠΎΠ»Π½ΠΈΡΡ ΡΠ½ΠΈΠ²Π΅ΡΡΠ°Π»ΡΠ½ΡΠΌ, ΡΠΎ Ρ Π²Π½Π΅ΡΠ½Π΅ΠΉ ΡΡΠΎΡΠΎΠ½Ρ Π²Π°Π»Π° ΠΌΠΎΠΆΠ½ΠΎ ΠΏΡΠ΅Π΄ΡΡΠΌΠΎΡΡΠ΅ΡΡ ΠΊΡΠ΅ΠΏΠ»Π΅Π½ΠΈΠ΅ ΡΡΠΊΠΎΡΡΠΊΠΈ. Π ΡΡΠΎΠΌ ΡΠ»ΡΡΠ°Π΅ ΠΏΡΠΈ ΠΎΡΡΡΡΡΡΠ²ΠΈΠΈ ΡΠΎΠΏΠ»ΠΈΠ²Π° ΠΈΠ»ΠΈ ΡΠ»Π΅ΠΊΡΡΠΎΡΠ½Π΅ΡΠ³ΠΈΠΈ ΠΌΠΎΠΆΠ½ΠΎΒ Π±ΡΠ΄Π΅Ρ ΠΈΡΠΏΠΎΠ»ΡΠ·ΠΎΠ²Π°ΡΡ Π»Π΅Π±Π΅Π΄ΠΊΡ Π²ΡΡΡΠ½ΡΡ.
ΠΡΠ΅Π΄ΡΡΠ°Π²Π»Π΅Π½Π½Π°Ρ ΠΊΠΎΠ½ΡΡΡΡΠΊΡΠΈΡ Π»Π΅Π±Π΅Π΄ΠΊΠΈ ΠΏΡΠΎΡΡΠ° ΠΈ Π½Π°Π΄Π΅ΠΆΠ½Π°, ΠΈ Ρ ΠΎΡΡ Π² Π½Π΅ΠΉ Π½Π΅Ρ Π²ΠΎΠ·ΠΌΠΎΠΆΠ½ΠΎΡΡΠΈ ΠΏΠ΅ΡΠ΅ΠΊΠ»ΡΡΠ΅Π½ΠΈΡ ΠΏΠ΅ΡΠ΅Π΄Π°ΡΠΎΡΠ½ΠΎΠ³ΠΎ ΡΠΈΡΠ»Π°, ΡΠ΅Π²Π΅ΡΡΠ° ΠΈ Π΄ΡΡΠ³ΠΈΡ Π²ΡΠΏΠΎΠΌΠΎΠ³Π°ΡΠ΅Π»ΡΠ½ΡΡ ΡΡΠ½ΠΊΡΠΈΠΉ, Π·Π°Π΄Π°ΡΡ ΠΏΠΎ ΠΏΠ΅ΡΠ΅ΠΌΠ΅ΡΠ΅Π½ΠΈΡ ΡΡΠΆΠ΅Π»ΡΡ Π³ΡΡΠ·ΠΎΠ² Π² Π³ΠΎΡΠΈΠ·ΠΎΠ½ΡΠ°Π»ΡΠ½ΠΎΠΉ ΠΏΠ»ΠΎΡΠΊΠΎΡΡΠΈ ΠΎΠ½Π° Π²ΡΠΏΠΎΠ»Π½ΡΠ΅Ρ ΠΎΡΠ»ΠΈΡΠ½ΠΎ. ΠΡΠΈ Π½Π΅ΠΎΠ±Ρ ΠΎΠ΄ΠΈΠΌΠΎΡΡΠΈ ΠΏΠΎΠ΄Π½ΡΡΡ Π³ΡΡΠ· Π½Π° Π±ΠΎΠ»ΡΡΡΡ Π²ΡΡΠΎΡΡ ΡΠ°ΠΊΡΡ Π»Π΅Π±Π΅Π΄ΠΊΡ ΠΌΠΎΠΆΠ½ΠΎ ΠΈΡΠΏΠΎΠ»ΡΠ·ΠΎΠ²Π°ΡΡ Π² ΡΠΎΡΠ΅ΡΠ°Π½ΠΈΠΈ Ρ ΡΡΡΠ½ΠΎΠΉ ΡΠ°Π»ΡΡ ΠΈΠ»ΠΈ ΠΏΡΠΎΡΡΠΎ ΠΏΠ΅ΡΠ΅ΠΊΠΈΠ½ΡΠ² ΡΡΠΎΡ ΡΠ΅ΡΠ΅Π· ΠΏΡΠΎΡΠ½ΡΡ ΠΎΠΏΠΎΡΡ.
Π’Π°ΠΊΠΈΠΌ ΠΎΠ±ΡΠ°Π·ΠΎΠΌ Π² ΡΠ΅Π³ΠΎΠ΄Π½ΡΡΠ½Π΅ΠΌ ΡΡΠΎΠΊΠ΅ ΠΌΡ ΡΠ°ΡΡΠΌΠΎΡΡΠ΅Π»ΠΈ ΡΠΎΠ·Π΄Π°Π½ΠΈΠ΅ ΡΡΡΠ½ΠΎΠΉ Π»Π΅Π±Π΅Π΄ΠΊΠΈ ΡΠ²ΠΎΠΈΠΌΠΈ ΡΡΠΊΠ°ΠΌΠΈ, ΠΏΠΎΠ΄ΠΏΠΈΡΡΠ²Π°ΠΉΡΠ΅ΡΡ Π½Π° Π½Π°ΡΡ Π³ΡΡΠΏΠΏΡ ΠΈ Π±ΡΠ΄ΡΡΠ΅ Π² ΠΊΡΡΡΠ΅ Π²ΡΠ΅Ρ Π·Π½Π°ΡΠΈΠΌΡΡ Π½ΠΎΠ²ΠΎΡΡΠ΅ΠΉ!.
stroyvopros.net
ΠΡΠΎΠ±Π΅Π½Π½ΠΎΡΡΠΈ ΠΈΠ·Π³ΠΎΡΠΎΠ²Π»Π΅Π½ΠΈΡ ΡΡΡΠ½ΠΎΠΉ Π±Π°ΡΠ°Π±Π°Π½Π½ΠΎΠΉ Π»Π΅Π±ΡΠ΄ΠΊΠΈ ΡΠ²ΠΎΠΈΠΌΠΈ ΡΡΠΊΠ°ΠΌΠΈ: Π²ΠΈΠ΄Ρ, ΠΏΡΠ΅ΠΈΠΌΡΡΠ΅ΡΡΠ²Π°, ΡΠ±ΠΎΡΠΊΠ°
Π‘ΠΈΠ»ΡΠ½ΠΎ Π·Π°Π±Π»ΡΠΆΠ΄Π°ΡΡΡΡ ΡΠ΅, ΠΊΡΠΎ ΡΡΠΈΡΠ°Π΅Ρ, ΡΡΠΎ ΡΠ΄Π΅Π»Π°ΡΡ ΡΠ²ΠΎΠΈΠΌΠΈ ΡΡΠΊΠ°ΠΌΠΈ ΡΡΡΠ½ΡΡ Π»Π΅Π±Π΅Π΄ΠΊΡ ΠΎΡΠ΅Π½Ρ ΡΠ»ΠΎΠΆΠ½ΠΎ. ΠΠ° ΡΠ°ΠΌΠΎΠΌ Π΄Π΅Π»Π΅ ΡΡΠΎ Π΄ΠΎΠ²ΠΎΠ»ΡΠ½ΠΎ ΠΏΡΠΎΡΡΠ°Ρ Π·Π°Π΄Π°ΡΠ°, Ρ ΠΊΠΎΡΠΎΡΠΎΠΉ Π»Π΅Π³ΠΊΠΎ ΠΌΠΎΠΆΠ΅Ρ ΡΠΏΡΠ°Π²ΠΈΡΡΡΡ ΠΊΠ°ΠΆΠ΄ΡΠΉ, ΠΊΡΠΎ Π·Π½Π°Π΅Ρ ΠΏΡΠΎΡΡΡΠ΅ Π·Π°ΠΊΠΎΠ½Ρ ΡΠΈΠ·ΠΈΠΊΠΈ ΠΈ ΠΌΠ΅Ρ
Π°Π½ΠΈΠΊΠΈ.
ΠΠ° ΠΏΠΎΡΠ»Π΅Π΄Π½ΠΈΠ΅ Π³ΠΎΠ΄Ρ ΡΡΡΠ½ΡΠ΅ Π»Π΅Π±Π΅Π΄ΠΊΠΈ ΠΏΠΎΠ»ΡΡΠΈΠ»ΠΈ ΡΠΈΡΠΎΠΊΠΎΠ΅ ΡΠ°ΡΠΏΡΠΎΡΡΡΠ°Π½Π΅Π½ΠΈΠ΅ Π² ΡΠ°Π·Π»ΠΈΡΠ½ΡΡ ΠΎΠ±Π»Π°ΡΡΡΡ . ΠΡ Π°ΠΊΡΠΈΠ²Π½ΠΎ ΠΏΡΠΈΠΌΠ΅Π½ΡΡΡ Π² ΡΡΡΠΎΠΈΡΠ΅Π»ΡΡΡΠ²Π΅, Π½Π° ΠΏΡΠΈΡΡΠ°Π΄Π΅Π±Π½ΡΡ ΡΡΠ°ΡΡΠΊΠ°Ρ . Π’Π°ΠΊΠΆΠ΅ ΠΎΠ½ΠΈ Π΅ΡΡΡ Ρ ΠΌΠ½ΠΎΠ³ΠΈΡ Π°Π²ΡΠΎΠ²Π»Π°Π΄Π΅Π»ΡΡΠ΅Π², ΠΊΠΎΡΠΎΡΡΠΌ ΠΎΠ½ΠΈ ΠΏΠΎΠΌΠΎΠ³Π°ΡΡ Π²ΡΠ±ΡΠ°ΡΡΡΡ ΠΈΠ· Π±Π΅Π·Π΄ΠΎΡΠΎΠΆΡΡ Π² ΠΏΡΡΠΈ.
ΠΠ»ΡΡΡ ΡΡΡΠ½ΠΎΠΉ Π»Π΅Π±Π΅Π΄ΠΊΠΈ
ΠΠ»Π°Π²Π½Π°Ρ ΠΏΡΠΈΡΠΈΠ½Π° Π²ΡΡΠΎΠΊΠΎΠΉ ΠΏΠΎΠΏΡΠ»ΡΡΠ½ΠΎΡΡΠΈ ΡΡΡΠ½ΡΡ
Π»Π΅Π±Π΅Π΄ΠΎΠΊ ΡΠ²ΡΠ·Π°Π½Π° Ρ ΠΈΡ
ΠΏΡΠ΅ΠΈΠΌΡΡΠ΅ΡΡΠ²Π°ΠΌΠΈ:
- ΠΠΎΠΌΠΏΠ°ΠΊΡΠ½ΠΎΡΡΡ. ΠΠ»Π°Π³ΠΎΠ΄Π°ΡΡ ΡΠ²ΠΎΠΈΠΌ Π½Π΅Π±ΠΎΠ»ΡΡΠΈΠΌ ΡΠ°Π·ΠΌΠ΅ΡΠ°ΠΌ ΡΡΠΎ ΠΏΡΠΈΡΠΏΠΎΡΠΎΠ±Π»Π΅Π½ΠΈΠ΅ ΠΌΠΎΠΆΠ½ΠΎ Π»Π΅Π³ΠΊΠΎ ΡΠ°Π·ΠΌΠ΅ΡΡΠΈΡΡ Π² Π±Π°Π³Π°ΠΆΠ½ΠΈΠΊΠ΅ ΡΠ²ΠΎΠ΅Π³ΠΎ Π°Π²ΡΠΎΠΌΠΎΠ±ΠΈΠ»Ρ;
- ΠΡΠΎΡΡΠΎΡΠ° ΠΏΡΠΈΠΌΠ΅Π½Π΅Π½ΠΈΡ. Π§ΡΠΎΠ±Ρ Π²ΠΎΡΠΏΠΎΠ»ΡΠ·ΠΎΠ²Π°ΡΡΡΡ ΡΡΡΠ½ΠΎΠΉ Π»Π΅Π±Π΅Π΄ΠΊΠΎΠΉ, Π½Π΅ Π½ΡΠΆΠ½ΠΎ ΡΡΠ°ΡΠΈΡΡ Π²ΡΠ΅ΠΌΡ Π½Π° Π΅Π΅ ΠΏΠΎΠ΄Π³ΠΎΡΠΎΠ²ΠΊΡ ΠΊ ΡΠ°Π±ΠΎΡΠ΅;
- ΠΠΎΠ±ΠΈΠ»ΡΠ½ΠΎΡΡΡ. ΠΡΠΈ Π½Π΅ΠΎΠ±Ρ ΠΎΠ΄ΠΈΠΌΠΎΡΡΠΈ ΡΡΠΎ ΠΏΡΠΈΡΠΏΠΎΡΠΎΠ±Π»Π΅Π½ΠΈΠ΅ Π²ΡΠ΅Π³Π΄Π° ΠΌΠΎΠΆΠ½ΠΎ ΡΠ°Π·Π²Π΅ΡΠ½ΡΡΡ Π² Π½ΡΠΆΠ½ΠΎΠΌ Π½Π°ΠΏΡΠ°Π²Π»Π΅Π½ΠΈΠΈ ΠΈ ΡΠΎΠ·Π΄Π°ΡΡ Π½Π΅ΠΎΠ±Ρ ΠΎΠ΄ΠΈΠΌΠΎΠ΅ ΡΡΠΈΠ»ΠΈΠ΅ Π² Π³ΠΎΡΠΈΠ·ΠΎΠ½ΡΠ°Π»ΡΠ½ΠΎΠΉ ΠΈ Π²Π΅ΡΡΠΈΠΊΠ°Π»ΡΠ½ΠΎΠΉ ΠΏΠ»ΠΎΡΠΊΠΎΡΡΡΡ ;
- Π£Π½ΠΈΠ²Π΅ΡΡΠ°Π»ΡΠ½ΠΎΡΡΡ. ΠΡΠ½ΠΎΠ²Π½ΠΎΠ΅ ΠΏΡΠ΅Π΄Π½Π°Π·Π½Π°ΡΠ΅Π½ΠΈΠ΅ ΡΡΡΠ½ΠΎΠΉ Π»Π΅Π±Π΅Π΄ΠΊΠΈ β ΡΡΠΎ ΡΡΠ½ΡΡΡ ΠΈ ΠΏΠΎΠ΄Π½ΠΈΠΌΠ°ΡΡ Π³ΡΡΠ·. ΠΡΠΈ ΡΡΠΎΠΌ Π½Π΅ ΠΈΠΌΠ΅Π΅Ρ Π½ΠΈΠΊΠ°ΠΊΠΎΠ³ΠΎ Π·Π½Π°ΡΠ΅Π½ΠΈΡ, ΠΊΠ°ΠΊΠΎΠΉ ΠΎΠ½ ΠΈΠΌΠ΅Π΅Ρ Π²Π΅Ρ. ΠΠ΄ΠΈΠ½ΡΡΠ²Π΅Π½Π½ΠΎΠ΅, Π² ΡΡΠΌ Π΄ΠΎΠ»ΠΆΠ΅Π½ Π±ΡΡΡ ΡΠ²Π΅ΡΠ΅Π½ Π²Π»Π°Π΄Π΅Π»Π΅Ρ ΡΡΠΎΠ³ΠΎ ΠΏΡΠΈΡΠΏΠΎΡΠΎΠ±Π»Π΅Π½ΠΈΡ β Π»Π΅Π±Π΅Π΄ΠΊΠ° ΡΠΌΠΎΠΆΠ΅Ρ ΡΠΎΠ·Π΄Π°ΡΡ Π½Π΅ΠΎΠ±Ρ ΠΎΠ΄ΠΈΠΌΠΎΠ΅ ΡΡΠ³ΠΎΠ²ΠΎΠ΅ ΡΡΠΈΠ»ΠΈΠ΅, ΡΡΠΎΠ±Ρ ΠΏΠ΅ΡΠ΅ΠΌΠ΅ΡΡΠΈΡΡ Π³ΡΡΠ· Π² Π½ΡΠΆΠ½ΠΎΠ΅ ΠΌΠ΅ΡΡΠΎ;
- ΠΡΠΎΡΡΠΎΡΠ° Π² ΠΎΠ±ΡΠ»ΡΠΆΠΈΠ²Π°Π½ΠΈΠΈ. ΠΠ°ΡΡΠΈΡΡΡΡ ΡΠ°Π±ΠΎΡΠ°ΡΡ Ρ ΡΡΠΈΠΌ ΡΡΡΡΠΎΠΉΡΡΠ²ΠΎΠΌ ΠΌΠΎΠΆΠ΅Ρ Π΄Π°ΠΆΠ΅ ΡΠ΅Π»ΠΎΠ²Π΅ΠΊ, ΠΊΠΎΡΠΎΡΡΠΉ Π½ΠΈΠΊΠΎΠ³Π΄Π° ΠΈΡ ΡΠ°Π½ΡΡΠ΅ Π½Π΅ Π²ΠΈΠ΄Π΅Π». ΠΡΠΈ ΡΡΠΎΠΌ Ρ Π²Π»Π°Π΄Π΅Π»ΡΡΠ° Π½Π΅ Π²ΠΎΠ·Π½ΠΈΠΊΠ½Π΅Ρ ΠΏΡΠΎΠ±Π»Π΅ΠΌ Ρ Π΅Π³ΠΎ ΡΠ΅ΠΌΠΎΠ½ΡΠΎΠΌ.
Π£Π±Π΅Π΄ΠΈΡΡΡΡ, ΡΡΠΎ ΠΈΠ·Π³ΠΎΡΠΎΠ²ΠΈΡΡ ΡΠ²ΠΎΠΈΠΌΠΈ ΡΡΠΊΠ°ΠΌΠΈ Π»Π΅Π±Π΅Π΄ΠΊΡ ΠΏΡΠΎΡΡΠΎ, ΠΌΠΎΠΆΠ΅Ρ ΠΊΠ°ΠΆΠ΄ΡΠΉ. ΠΠ»Ρ ΡΡΠΎΠ³ΠΎ Π΄ΠΎΡΡΠ°ΡΠΎΡΠ½ΠΎ Π½Π°ΠΉΡΠΈ Π»ΡΠ±ΡΡ ΠΈΠ½ΡΡΡΡΠΊΡΠΈΡ ΠΏΠΎ ΡΠ±ΠΎΡΠΊΠ΅ ΡΡΠΎΠ³ΠΎ ΠΏΡΠΈΡΠΏΠΎΡΠΎΠ±Π»Π΅Π½ΠΈΡ ΠΈ Π²Π½ΠΈΠΌΠ°ΡΠ΅Π»ΡΠ½ΠΎ ΠΎΠ·Π½Π°ΠΊΠΎΠΌΠΈΡΡΡΡ Ρ Π½Π΅ΠΉ.
ΠΠ΄Π½Π°ΠΊΠΎ ΠΏΡΠ΅ΠΆΠ΄Π΅ ΡΠ΅ΠΌ ΠΏΡΠΈΡΡΡΠΏΠ°ΡΡ ΠΊ ΠΏΡΠ°ΠΊΡΠΈΡΠ΅ΡΠΊΠΎΠΉ ΡΠ°ΡΡΠΈ ΡΡΠΎΠ³ΠΎ ΠΏΡΠΎΡΠ΅ΡΡΠ°, Π²Π½Π°ΡΠ°Π»Π΅ ΡΡΠΎΠΈΡ Π±ΠΎΠ»Π΅Π΅ ΠΏΠΎΠ΄ΡΠΎΠ±Π½ΠΎ ΠΎΠ·Π½Π°ΠΊΠΎΠΌΠΈΡΡΡΡ Ρ ΡΠ°Π·Π½ΠΎΠ²ΠΈΠ΄Π½ΠΎΡΡΡΠΌΠΈ, ΠΏΡΠΈΠ½ΡΠΈΠΏΠΎΠΌ ΡΠ°Π±ΠΎΡΡ, ΡΡΡΡΠΎΠΉΡΡΠ²ΠΎΠΌ ΠΈ ΠΏΠΎΡΠ°Π³ΠΎΠ²ΠΎΠΉ ΠΈΠ½ΡΡΡΡΠΊΡΠΈΠ΅ΠΉ ΠΏΠΎ ΠΈΠ·Π³ΠΎΡΠΎΠ²Π»Π΅Π½ΠΈΡ ΡΡΠΎΠ³ΠΎ ΠΏΡΠΈΡΠΏΠΎΡΠΎΠ±Π»Π΅Π½ΠΈΡ Π΄Π»Ρ ΠΏΠΎΠ΄ΡΠ΅ΠΌΠ° Π³ΡΡΠ·ΠΎΠ².
ΠΠΈΠ΄Ρ ΡΡΡΠ½ΡΡ Π»Π΅Π±Π΅Π΄ΠΎΠΊ
ΠΠ°ΠΊ Π±ΡΠ»ΠΎ ΡΠΊΠ°Π·Π°Π½ΠΎ Π²ΡΡΠ΅, ΠΎΡΠ½ΠΎΠ²Π½ΠΎΠ΅ ΠΏΡΠ΅Π΄Π½Π°Π·Π½Π°ΡΠ΅Π½ΠΈΠ΅ ΡΡΡΠ½ΠΎΠΉ ΠΈ ΡΠ»Π΅ΠΊΡΡΠΈΡΠ΅ΡΠΊΠΎΠΉ Π»Π΅Π±Π΅Π΄ΠΊΠΈ β ΠΏΠ΅ΡΠ΅ΠΌΠ΅ΡΠ΅Π½ΠΈΠ΅ Π³ΡΡΠ·ΠΎΠ² Π½Π° ΡΠ°Π·Π»ΠΈΡΠ½ΡΠ΅ ΡΠ°ΡΡΡΠΎΡΠ½ΠΈΡ. ΠΡΠΎ ΠΌΠΎΠΆΠ½ΠΎ Π΄Π΅Π»Π°ΡΡ ΠΊΠ°ΠΊ ΠΏΠΎ Π³ΠΎΡΠΈΠ·ΠΎΠ½ΡΠ°Π»ΠΈ, ΡΠ°ΠΊ ΠΈ ΠΏΠΎ Π²Π΅ΡΡΠΈΠΊΠ°Π»ΠΈ, ΠΈΡΠΏΠΎΠ»ΡΠ·ΡΡ ΡΠΏΠΎΡ ΠΈΠ»ΠΈ ΠΎΠ±Ρ
ΠΎΠ΄ΡΡΡ Π±Π΅Π· Π½Π΅Π³ΠΎ. ΠΠ° ΡΠ΅Π³ΠΎΠ΄Π½ΡΡΠ½ΠΈΠΉ Π΄Π΅Π½Ρ ΡΠ°ΡΠ΅ Π²ΡΠ΅Π³ΠΎ ΠΈΡΠΏΠΎΠ»ΡΠ·ΡΠ΅ΡΡΡ ΡΡΠΈ ΠΎΡΠ½ΠΎΠ²Π½ΡΡ
Π²ΠΈΠ΄Π° ΡΡΡΠ½ΡΡ
Π»Π΅Π±Π΅Π΄ΠΎΠΊ:
Π ΡΡΠ°ΠΆΠ½Π°Ρ
ΠΡΠ° ΡΠ°Π·Π½ΠΎΠ²ΠΈΠ΄Π½ΠΎΡΡΡ Π»Π΅Π±Π΅Π΄ΠΊΠΈ Π² ΠΎΡΠ»ΠΈΡΠΈΠ΅ ΠΎΡ ΡΠ»Π΅ΠΊΡΡΠΈΡΠ΅ΡΠΊΠΎΠΉ ΠΈΠΌΠ΅Π΅Ρ Π² ΡΠ²ΠΎΠ΅ΠΉ ΠΊΠΎΠ½ΡΡΡΡΠΊΡΠΈΠΈ Π½Π΅ΡΠΊΠΎΠ»ΡΠΊΠΎ ΠΎΠ±ΡΠ·Π°ΡΠ΅Π»ΡΠ½ΡΡ ΡΠ»Π΅ΠΌΠ΅Π½ΡΠΎΠ²: ΠΏΠΎΠΌΠΈΠΌΠΎ ΡΡΠΎΡΠ° Π² Π½Π΅ΠΉ ΠΏΡΠ΅Π΄ΡΡΠΌΠΎΡΡΠ΅Π½Π° ΡΡΠ΅ΡΠΎΡΠΊΠ° Π»ΠΈΠ±ΠΎ Ρ ΡΠ°ΠΏΠΎΠ²ΡΠΉ ΠΌΠ΅Ρ Π°Π½ΠΈΠ·ΠΌ, Π° ΡΠ°ΠΊΠΆΠ΅ ΡΡΡΠ°Π³. ΠΡ Π΄ΡΡΠ³ΠΈΡ Π²ΠΈΠ΄ΠΎΠ² Π»Π΅Π±Π΅Π΄ΠΎΠΊ ΠΎΠ½Π° ΠΎΡΠ»ΠΈΡΠ°Π΅ΡΡΡ ΡΠ΅ΠΌ, ΡΡΠΎ ΡΠΏΠΎΡΠΎΠ±Π½Π° ΡΠ°Π±ΠΎΡΠ°ΡΡ Π² ΠΏΠΎΠ΄Π²Π΅ΡΠ΅Π½Π½ΠΎΠΌ ΡΠΎΡΡΠΎΡΠ½ΠΈΠΈ ΠΈ Π΅Π΅ Π½Π΅ ΡΡΠ΅Π±ΡΠ΅ΡΡΡ Π·Π°ΠΊΡΠ΅ΠΏΠ»ΡΡΡ ΠΊ ΠΏΡΠΎΡΠ½ΠΎΠΌΡ ΠΎΡΠ½ΠΎΠ²Π°Π½ΠΈΡ.
ΠΠ»Ρ Π·Π°ΠΏΡΡΠΊΠ° Ρ ΡΠ°ΠΏΠΎΠ²ΠΎΠ³ΠΎ ΠΌΠ΅Ρ Π°Π½ΠΈΠ·ΠΌΠ° ΡΡΡΠ°Π³ΠΎΠΌ ΡΠΎΠ²Π΅ΡΡΠ°ΡΡΡΡ ΠΊΠ°ΡΠ°ΡΠ΅Π»ΡΠ½ΡΠ΅ Π΄Π²ΠΈΠΆΠ΅Π½ΠΈΡ. ΠΡΠ΅ Π² ΠΊΠΎΠ½ΡΡΡΡΠΊΡΠΈΠΈ ΡΡΠΎΠΉ ΡΠ°Π·Π½ΠΎΠ²ΠΈΠ΄Π½ΠΎΡΡΠΈ ΠΏΡΠ΅Π΄ΡΡΠΌΠΎΡΡΠ΅Π½ Π²ΡΡΡΠΎΠ΅Π½Π½ΡΠΉ Π±Π°ΡΠ°Π±Π°Π½, ΠΈΠΌΠ΅ΡΡΠΈΠΉ ΡΠΈΠΊΡΠ°ΡΠΎΡΡ-ΠΊΡΠ»Π°ΡΠΊΠΈ, Π½Π΅ Π΄Π°ΡΡΠΈΠ΅ Π΅ΠΌΡ ΡΠ°Π·ΠΌΠ°ΡΡΠ²Π°ΡΡΡΡ.
ΠΠ· Π½Π΅Π΄ΠΎΡΡΠ°ΡΠΊΠΎΠ², ΠΊΠΎΡΠΎΡΡΠΌΠΈ ΠΎΠ±Π»Π°Π΄Π°Π΅Ρ ΡΡΠ° ΡΠ°Π·Π½ΠΎΠ²ΠΈΠ΄Π½ΠΎΡΡΡ Π»Π΅Π±Π΅Π΄ΠΊΠΈ, Π³Π»Π°Π²Π½ΡΠΌ ΡΠ²Π»ΡΠ΅ΡΡΡ ΠΊΠΎΡΠΎΡΠΊΠΈΠΉ ΡΡΠΎΡ, Π΄Π»ΠΈΠ½Π° ΠΊΠΎΡΠΎΡΠΎΠ³ΠΎ Π΄ΠΎΡΡΠΈΠ³Π°Π΅Ρ 6 ΠΌ. ΠΠΎ Π·Π΄Π΅ΡΡ Π³ΠΎΡΠ°Π·Π΄ΠΎ Π²Π°ΠΆΠ½Π΅Π΅, ΠΊΠ°ΠΊΠΎΠ΅ ΡΡΠΈΠ»ΠΈΠ΅ ΠΎΠ½Π° ΡΠΎΠ·Π΄Π°Π΅Ρ Π² ΡΡΠ³Π΅. ΠΡΠΎΡ ΠΏΠ°ΡΠ°ΠΌΠ΅ΡΡ Ρ Π»Π΅Π±Π΅Π΄ΠΊΠΈ ΠΌΠΎΠΆΠ΅Ρ ΡΠΎΡΡΠ°Π²Π»ΡΡΡ ΠΎΡ 750 ΠΊΠ³ Π΄ΠΎ 4 ΡΠΎΠ½Π½ ΡΡΠΈΠ»ΠΈΠΉ. ΠΡΠΎΠ³ΠΎ Π΄ΠΎΡΡΠ°ΡΠΎΡΠ½ΠΎ Π΄Π»Ρ ΡΠΎΠ³ΠΎ, ΡΡΠΎΠ±Ρ ΠΏΠΎΠ΄Π½ΠΈΠΌΠ°ΡΡ Π³ΡΡΠ· Π½Π° Π²ΡΡΠΎΡΡ Π΄ΠΎ 4 ΠΌ.
ΠΠ°ΡΠ°Π±Π°Π½Π½Π°Ρ
ΠΡΠΎΡ ΡΠΈΠΏ Π»Π΅Π±Π΅Π΄ΠΊΠΈ ΠΏΠΎ ΡΡΠ°Π²Π½Π΅Π½ΠΈΡ Ρ ΡΠ»Π΅ΠΊΡΡΠΈΡΠ΅ΡΠΊΠΎΠΉ ΠΈΠΌΠ΅Π΅Ρ Π² ΡΠ²ΠΎΠ΅ΠΌ ΠΎΡΠ½Π°ΡΠ΅Π½ΠΈΠΈ ΡΠ»Π΅Π΄ΡΡΡΠΈΠ΅ ΠΎΡΠ½ΠΎΠ²Π½ΡΠ΅ ΡΠ»Π΅ΠΌΠ΅Π½ΡΡ β ΠΎΠΏΠΎΡΠ°, ΡΡΠΊΠΎΡΡΠΊΠ°, ΡΠ΅Π΄ΡΠΊΡΠΎΡ ΠΈ Π±Π°ΡΠ°Π±Π°Π½. ΠΠΎΡΠ»Π΅Π΄Π½ΠΈΠΉ ΡΠ»Π΅ΠΌΠ΅Π½Ρ Π±ΡΠ²Π°ΡΡ Π΄Π²ΡΡ ΡΠΈΠΏΠΎΠ² β Π·ΡΠ±ΡΠ°ΡΡΠ΅ ΠΈ ΡΠ΅ΡΠ²ΡΡΠ½ΡΠΉ. ΠΡΠΈΡΡΠΌ ΠΈΠΌΠ΅Π½Π½ΠΎ ΠΏΠ΅ΡΠ²ΡΠΉ Π±ΠΎΠ»Π΅Π΅ ΠΏΡΠ΅Π΄ΠΏΠΎΡΡΠΈΡΠ΅Π»Π΅Π½, ΠΏΠΎΡΠΊΠΎΠ»ΡΠΊΡ Π² ΡΡΠΎΠΌ ΡΠ»ΡΡΠ°Π΅ Π·Π½Π°ΡΠΈΡΠ΅Π»ΡΠ½ΠΎ ΡΠΎΠΊΡΠ°ΡΠ°Π΅ΡΡΡ ΠΈΠ·Π½ΠΎΡ Π±Π°ΡΠ°Π±Π°Π½Π°.
Π£ ΡΡΠΎΠΉ Π»Π΅Π±Π΅Π΄ΠΊΠΈ ΠΈΠΌΠ΅Π΅ΡΡΡ ΠΈ Π΄ΡΡΠ³ΠΎΠ΅ Π½Π°Π·Π²Π°Π½ΠΈΠ΅ β ΡΡΠΎΡΠΎΠ²Π°Ρ. ΠΠ½Π° ΠΏΠΎΠ»ΡΡΠΈΠ»Π° Π΅Π³ΠΎ Π½Π΅ΡΠ»ΡΡΠ°ΠΉΠ½ΠΎ, Π²Π΅Π΄Ρ ΠΎΠ½Π° ΠΎΡΠ½Π°ΡΠ΅Π½Π° Π±Π°ΡΠ°Π±Π°Π½ΠΎΠΌ Ρ Π΄Π»ΠΈΠ½Π½ΡΠΌ ΡΡΠΎΡΠΎΠΌ. ΠΡΠΈΠ½ΡΠΈΠΏ Π΅Π΅ ΡΠ°Π±ΠΎΡΡ Π·Π°ΠΊΠ»ΡΡΠ°Π΅ΡΡΡ Π² ΡΠ»Π΅Π΄ΡΡΡΠ΅ΠΌ: ΠΎΠΏΠ΅ΡΠ°ΡΠΎΡ Π²ΡΠ°ΡΠ°Π΅Ρ ΡΡΠΊΠΎΡΡΠΊΡ, ΡΠΎΠ·Π΄Π°Π²Π°Π΅ΠΌΠ°Ρ Π² ΡΠ΅Π·ΡΠ»ΡΡΠ°ΡΠ΅ Π²ΡΠ°ΡΠ΅Π½ΠΈΡ ΡΠ½Π΅ΡΠ³ΠΈΡ ΠΏΠ΅ΡΠ΅Π΄Π°Π΅ΡΡΡ ΡΠ΅ΡΠ΅Π· Π±Π°ΡΠ°Π±Π°Π½ ΡΠ΅Π΄ΡΠΊΡΠΎΡΡ, Π² ΡΠ΅Π·ΡΠ»ΡΡΠ°ΡΠ΅ Π±Π°ΡΠ°Π±Π°Π½ Π½Π°ΡΠΈΠ½Π°Π΅Ρ ΠΏΡΠΎΠΈΠ·Π²ΠΎΠ΄ΠΈΡΡ Π½Π΅ΠΎΠ±Ρ ΠΎΠ΄ΠΈΠΌΡΠ΅ ΡΡΠ³ΠΎΠ²ΡΠ΅ ΡΡΠΈΠ»ΠΈΡ.
ΠΠ΅ΡΠ΅Π΄ ΡΠ΅ΠΌ ΠΊΠ°ΠΊ Π½Π°ΡΠΈΠ½Π°ΡΡ ΡΠ°Π±ΠΎΡΡ Ρ Π»Π΅Π±Π΅Π΄ΠΊΠΎΠΉ, Π΅Π΅ Π½ΡΠΆΠ½ΠΎ Π½Π°Π΄Π΅ΠΆΠ½ΠΎ Π·Π°ΠΊΡΠ΅ΠΏΠΈΡΡ. Π ΠΊΠΎΠ½ΡΡΡΡΠΊΡΠΈΠΈ Π±Π°ΡΠ°Π±Π°Π½Π° ΠΏΡΠ΅Π΄ΡΡΠΌΠΎΡΡΠ΅Π½ Π²Π°ΠΆΠ½ΡΠΉ ΡΡΠΎΠΏΠΎΡΠ½ΡΠΉ ΠΌΠ΅Ρ Π°Π½ΠΈΠ·ΠΌ. ΠΠ½ ΠΏΡΠΈΡΡΡΡΡΠ²ΡΠ΅Ρ Π·Π΄Π΅ΡΡ Π½Π° ΡΠ»ΡΡΠ°ΠΉ Π½Π΅ΠΎΠΆΠΈΠ΄Π°Π½Π½ΠΎΠ³ΠΎ ΠΏΠ°Π΄Π΅Π½ΠΈΡ Π³ΡΡΠ·Π° ΠΈ Π°Π²ΡΠΎΠΌΠ°ΡΠΈΡΠ΅ΡΠΊΠΈ ΠΎΡΠΊΠ»ΡΡΠ°Π΅Ρ Π΅Π΅.
Π‘ΠΎΠ·Π΄Π°Π²Π°Π΅ΠΌΠΎΠ΅ Π² ΠΏΡΠΎΡΠ΅ΡΡΠ΅ ΠΈΡΠΏΠΎΠ»ΡΠ·ΠΎΠ²Π°Π½ΠΈΡ Π±Π°ΡΠ°Π±Π°Π½Π½ΠΎΠΉ Π»Π΅Π±Π΅Π΄ΠΊΠΈ ΡΡΠ³ΠΎΠ²ΠΎΠ΅ ΡΡΠΈΠ»ΠΈΠ΅ ΠΈΠΌΠ΅Π΅Ρ Π·Π½Π°ΡΠ΅Π½ΠΈΠ΅ ΠΎΡ 250 ΠΊΠ³ Π΄ΠΎ 5 ΡΠΎΠ½Π½. Π‘ΡΠ°Π½Π΄Π°ΡΡΠ½Π°Ρ Π΄Π»ΠΈΠ½Π° ΡΡΠΎΡΠ° ΡΠΎΡΡΠ°Π²Π»ΡΠ΅Ρ ΠΏΠΎΡΡΠ΄ΠΊΠ° 30-40 ΠΌ, Π° Π΅Π³ΠΎ ΡΠΎΠ»ΡΠΈΠ½Π° Π½Π΅ ΠΏΡΠ΅Π²ΡΡΠ°Π΅Ρ 15 ΠΌΠΌ.
ΠΠΎ ΠΌΠ΅ΡΠ΅ ΡΠ²Π΅Π»ΠΈΡΠ΅Π½ΠΈΡ ΡΠΎΠ»ΡΠΈΠ½Ρ ΡΡΠΎΡΠ° Π·Π°ΠΌΠ΅ΡΠ½ΠΎ ΡΠ°ΡΡΠΈΡΡΡΡΡΡ Π²ΠΎΠ·ΠΌΠΎΠΆΠ½ΠΎΡΡΠΈ ΠΎΠΏΠ΅ΡΠ°ΡΠΎΡΠ° ΠΏΠΎ ΠΈΡΠΏΠΎΠ»ΡΠ·ΠΎΠ²Π°Π½ΠΈΡ ΡΡΡΠ½ΠΎΠΉ Π»Π΅Π±Π΅Π΄ΠΊΠΈ. Π‘ Π΅Π΅ ΠΏΠΎΠΌΠΎΡΡΡ ΠΌΠΎΠΆΠ½ΠΎ Π²ΡΡΠ°ΡΠΈΡΡ Π°Π²ΡΠΎΠΌΠΎΠ±ΠΈΠ»Ρ ΠΈΠ· ΠΊΡΠ²Π΅ΡΠ°, Π° ΡΠ°ΠΊΠΆΠ΅ ΡΠΎΠ²Π΅ΡΡΠ°ΡΡ ΡΠ°Π·Π»ΠΈΡΠ½ΡΠ΅ ΠΌΠ°Π½ΠΈΠΏΡΠ»ΡΡΠΈΠΈ Ρ ΡΡΠΆΠ΅Π»ΡΠΌΠΈ Π±Π΅ΡΠΎΠ½Π½ΡΠΌΠΈ Π±Π»ΠΎΠΊΠ°ΠΌΠΈ, Π² ΡΠΎΠΌ ΡΠΈΡΠ»Π΅ ΠΏΠΎΠ΄Π½ΠΈΠΌΠ°ΡΡ ΠΈΡ Π½Π° Π²ΡΡΠΎΡΡ.
ΠΠΎΠ½ΡΠ°ΠΆΠ½ΠΎ-ΡΡΠ³ΠΎΠ²Π°Ρ
Π€Π°ΠΊΡΠΈΡΠ΅ΡΠΊΠΈ ΠΎΠ½Π° ΡΠ²Π»ΡΠ΅ΡΡΡ Π»Π΅Π±Π΅Π΄ΠΊΠΎΠΉ ΡΡΡΠ°ΠΆΠ½ΠΎΠ³ΠΎ ΡΠΈΠΏΠ°, Π½ΠΎ ΠΈΠΌΠ΅Π΅Ρ ΠΎΠ΄Π½ΠΎ ΠΎΡΠ»ΠΈΡΠΈΠ΅ β Ρ Π½Π΅Ρ Π½Π΅Ρ Π±Π°ΡΠ°Π±Π°Π½Π°. ΠΠ° ΠΊΠΎΡΠΏΡΡΠ΅ ΠΏΡΠΈΡΡΡΡΡΠ²ΡΡΡ Π·Π°ΠΆΠΈΠΌΡ-ΠΊΡΠ»Π°ΡΠΊΠΈ, ΠΏΠΎΡΡΠ΅Π΄ΡΡΠ²ΠΎΠΌ ΠΊΠΎΡΠΎΡΡΡ ΡΠΎΠ·Π΄Π°Π΅ΡΡΡ Π½Π΅ΠΎΠ±Ρ ΠΎΠ΄ΠΈΠΌΠΎΠ΅ ΡΡΠΈΠ»ΠΈΠ΅.
ΠΡΠ»Π°ΡΠΊΠΈ ΠΈΠΌΠ΅ΡΡ ΠΏΠ°ΡΠ°Π»Π»Π΅Π»ΡΠ½ΠΎΠ΅ ΡΠ°ΡΠΏΠΎΠ»ΠΎΠΆΠ΅Π½ΠΈΠ΅. ΠΡΠΎ ΠΎΠ±ΡΡΡΠ½ΡΠ΅Ρ, ΠΏΠΎΡΠ΅ΠΌΡ ΠΎΠΊΠ°Π·ΡΠ²Π°Π΅ΠΌΠΎΠ΅ Π½Π° ΡΡΠΎΡ Π΄Π°Π²Π»Π΅Π½ΠΈΠ΅ ΡΠ°ΡΠΏΡΠ΅Π΄Π΅Π»ΡΠ΅ΡΡΡ ΡΠ°Π²Π½ΠΎΠΌΠ΅ΡΠ½ΠΎ ΠΏΠΎ Π²ΡΠ΅ΠΌ Π½Π°ΠΏΡΠ°Π²Π»Π΅Π½ΠΈΡΠΌ, Π° ΡΡΠΎ ΠΏΡΠΎΠ΄Π»Π΅Π²Π°Π΅Ρ ΡΡΠΎΠΊ ΡΠ»ΡΠΆΠ±Ρ ΡΡΠΎΡΠ°.
ΠΡΠΈΡΡΡΡΡΠ²ΡΡΡΠΈΠΉ Π² ΠΊΠΎΠ½ΡΡΡΡΠΊΡΠΈΠΈ ΡΡΡΠ°Π³ ΠΏΠΎΠ·Π²ΠΎΠ»ΡΠ΅Ρ Π±Π»ΠΎΠΊΠΈΡΠΎΠ²Π°ΡΡ ΠΊΡΠ»Π°ΡΠΊΠΈ. Π ΡΡΠ°Π³ Π»Π΅Π±Π΅Π΄ΠΊΠΈ, ΠΊΠΎΡΠΎΡΡΠΉ Π΄ΠΎΠΏΠΎΠ»Π½ΠΈΡΠ΅Π»ΡΠ½ΠΎ ΠΎΡΠ½Π°ΡΠ΅Π½ ΡΠ΅Π·Π½ΡΠΌ ΡΡΠΈΡΡΠΎΠΌ, ΠΎΠ±Π΅ΡΠΏΠ΅ΡΠΈΠ²Π°Π΅Ρ Π½Π°Π΄Π΅ΠΆΠ½ΡΡ Π·Π°ΡΠΈΡΡ ΠΌΠ΅Ρ Π°Π½ΠΈΠ·ΠΌΠ° ΠΎΡ ΠΏΠ΅ΡΠ΅Π³ΡΡΠ·ΠΊΠΈ.
Π Π°ΡΡΠΌΠ°ΡΡΠΈΠ²Π°Π΅ΠΌΠ°Ρ ΡΠ°Π·Π½ΠΎΠ²ΠΈΠ΄Π½ΠΎΡΡΡ ΡΡΡΠ½ΠΎΠΉ Π»Π΅Π±Π΅Π΄ΠΊΠΈ ΡΠ²Π»ΡΠ΅ΡΡΡ Π½Π°ΠΈΠ±ΠΎΠ»Π΅Π΅ ΠΏΠΎΠΏΡΠ»ΡΡΠ½ΠΎΠΉ, ΠΏΠΎΡΠΊΠΎΠ»ΡΠΊΡ ΠΈΠΌΠ΅Π΅Ρ Π½Π°ΠΈΠ±ΠΎΠ»Π΅Π΅ ΠΏΡΠΎΠ΄ΡΠΌΠ°Π½Π½ΡΡ ΠΊΠΎΠ½ΡΡΡΡΠΊΡΠΈΡ ΠΈ ΠΌΠΎΠΆΠ΅Ρ ΠΈΡΠΏΠΎΠ»ΡΠ·ΠΎΠ²Π°ΡΡΡΡ Π΄Π»Ρ ΡΠ΅ΡΠ΅Π½ΠΈΡ ΡΠ°Π·Π»ΠΈΡΠ½ΡΡ Π·Π°Π΄Π°Ρ Π² Π»ΡΠ±ΠΎΠΉ ΡΡΠ΅ΡΠ΅.
ΠΠ»Ρ ΡΠΎΠ³ΠΎ ΡΡΠΎΠ±Ρ ΡΠ΅ΠΆΠ΅ ΠΏΡΠΈΡ ΠΎΠ΄ΠΈΠ»ΠΎΡΡ ΡΠ΅ΠΌΠΎΠ½ΡΠΈΡΠΎΠ²Π°ΡΡ ΡΠ°ΠΊΡΡ Π»Π΅Π±ΡΠ΄ΠΊΡ, Π΄ΠΎΡΡΠ°ΡΠΎΡΠ½ΠΎ Π²ΡΠΏΠΎΠ»Π½ΡΡΡ Π³Π»Π°Π²Π½ΠΎΠ΅ ΡΡΠ»ΠΎΠ²ΠΈΠ΅ β ΡΠ΅Π³ΡΠ»ΡΡΠ½ΠΎ ΡΠΌΠ°Π·ΡΠ²Π°ΡΡ Π΅Π΅ ΠΌΠ΅Ρ Π°Π½ΠΈΠ·ΠΌ.
ΠΠ°ΠΊ ΡΠ΄Π΅Π»Π°ΡΡ Π»Π΅Π±Π΅Π΄ΠΊΡ ΡΠ²ΠΎΠΈΠΌΠΈ ΡΡΠΊΠ°ΠΌΠΈ ΠΈΠ· ΡΡΠ°ΡΡΠ΅ΡΠ°?
ΠΠΎ ΡΠΎΠ³ΠΎ ΠΊΠ°ΠΊ ΠΏΠ΅ΡΠ΅ΠΉΡΠΈ ΠΊ ΠΏΡΠ°ΠΊΡΠΈΡΠ΅ΡΠΊΠΎΠΉ ΡΠ°ΡΡΠΈ ΠΈΠ·Π³ΠΎΡΠΎΠ²Π»Π΅Π½ΠΈΡ ΡΡΡΠ½ΠΎΠΉ Π»Π΅Π±Π΅Π΄ΠΊΠΈ ΠΈΠ· ΠΌΠ΅ΡΠ°Π»Π»Π° ΡΠ²ΠΎΠΈΠΌΠΈ ΡΡΠΊΠ°ΠΌΠΈ, ΡΡΠΎΠΈΡ ΡΠ°ΡΡΠΌΠΎΡΡΠ΅ΡΡ ΡΡΠ°ΡΡΠΉ Π΄Π΅Π΄ΠΎΠ²ΡΠΊΠΈΠΉ ΡΠΏΠΎΡΠΎΠ±, ΠΊΠΎΡΠΎΡΡΠΉ ΠΌΠΎΠΆΠ΅Ρ ΠΎΠΊΠ°Π·Π°ΡΡΡΡ ΠΎΡΠ΅Π½Ρ ΠΏΠΎΠ»Π΅Π·Π΅Π½ Π² ΡΠΎΠΌ ΡΠ»ΡΡΠ°Π΅, Π΅ΡΠ»ΠΈ ΠΌΠ΅Ρ Π°Π½ΠΈΠ·ΠΌΠ° ΡΡΠ΄ΠΎΠΌ Π½Π΅ ΠΎΠΊΠ°Π·Π°Π»ΠΎΡΡ, Π° ΠΈΠ·Π²Π»Π΅ΡΡ ΠΈΠ· Π³ΡΡΠ·ΠΈ Π°Π²ΡΠΎΠΌΠΎΠ±ΠΈΠ»Ρ ΡΡΠ΅Π±ΡΠ΅ΡΡΡ ΠΏΠΎΠ·Π°ΡΠ΅Π·:
ΠΠ΅ΡΠ²ΡΠΌ Π΄Π΅Π»ΠΎΠΌ ΡΠ»Π΅Π΄ΡΠ΅Ρ ΠΏΠΎΠ΄Π³ΠΎΡΠΎΠ²ΠΈΡΡ Π½Π΅ΠΎΠ±Ρ
ΠΎΠ΄ΠΈΠΌΡΠ΅ ΠΌΠ°ΡΠ΅ΡΠΈΠ°Π»Ρ ΠΈ ΠΈΠ½ΡΡΡΡΠΌΠ΅Π½ΡΡ β Π»ΠΎΠΌ, ΡΡΠΎΡ ΠΈ ΠΊΡΡΠΎΠΊ ΡΡΡΠ±Ρ.- Π Π·Π΅ΠΌΠ»Ρ Π½Π° ΠΌΠ°ΠΊΡΠΈΠΌΠ°Π»ΡΠ½ΡΡ Π³Π»ΡΠ±ΠΈΠ½Ρ Π²ΠΊΠ°ΠΏΡΠ²Π°Π΅ΠΌ Π»ΠΎΠΌ. Π ΠΊΠΎΠ½ΡΡΡΡΠΊΡΠΈΠΈ Π»ΠΎΠΌ Π±ΡΠ΄Π΅Ρ Π²ΡΠΏΠΎΠ»Π½ΡΡΡ ΡΡΠ½ΠΊΡΠΈΡ ΠΎΡΠΈ Π²ΡΠ°ΡΠ΅Π½ΠΈΡ.
- Π’Π΅ΠΏΠ΅ΡΡ Π½Π° ΡΡΠΎΡ ΡΡΠ΅ΡΠΆΠ΅Π½Ρ Π½ΡΠΆΠ½ΠΎ ΠΎΠ΄Π΅ΡΡ ΠΊΡΡΠΎΠΊ ΡΡΡΠ±Ρ. ΠΠ½ Π±ΡΠ΄Π΅Ρ Π²ΡΠΏΠΎΠ»Π½ΡΡΡ ΡΡΠ½ΠΊΡΠΈΡ ΡΡΡΠ°Π³Π°. ΠΠ΄Π½Π°ΠΊΠΎ ΠΈΠΌΠ΅ΠΉΡΠ΅ Π² Π²ΠΈΠ΄Ρ, ΡΡΠΎ ΡΠ°ΡΠΏΠΎΠ»Π°Π³Π°ΡΡΡΡ ΠΊΡΡΠΎΠΊ ΡΡΡΠ±Ρ Π΄ΠΎΠ»ΠΆΠ΅Π½ ΡΠ°ΠΊΠΈΠΌ ΠΎΠ±ΡΠ°Π·ΠΎΠΌ, ΡΡΠΎΠ±Ρ ΠΌΠ΅ΠΆΠ΄Ρ Π½ΠΈΠΌ ΠΈ Π»ΠΎΠΌΠΎΠΌ Π²ΠΎΠ·Π½ΠΈΠΊ ΡΠ³ΠΎΠ» 90 Π³ΡΠ°Π΄ΡΡΠΎΠ². Π’ΠΎΠ³Π΄Π° Π²Π°ΠΌ Π½Π΅ ΡΠΎΡΡΠ°Π²ΠΈΡ ΡΡΡΠ΄Π° Π²ΡΠ°ΡΠ°ΡΡ ΡΡΡ ΠΊΠΎΠ½ΡΡΡΡΠΊΡΠΈΡ Π² Π»ΡΠ±ΠΎΠΌ Π½Π°ΠΏΡΠ°Π²Π»Π΅Π½ΠΈΠΈ.
- Π‘Π»Π΅Π΄ΡΡΡΠΈΠΌ ΡΠ°Π³ΠΎΠΌ Π½Π΅ΠΎΠ±Ρ ΠΎΠ΄ΠΈΠΌΠΎ Π·Π°ΡΠΈΠΊΡΠΈΡΠΎΠ²Π°ΡΡ ΡΡΠΎΡ Ρ ΠΏΠΎΠΌΠΎΡΡΡ ΠΊΠ°ΡΠ°Π±ΠΈΠ½Π° ΠΊ Π»ΠΎΠΌΡ, Π° Π²ΡΠΎΡΠΎΠΉ Π΅Π³ΠΎ ΠΊΠΎΠ½Π΅Ρ Π½ΡΠΆΠ½ΠΎ ΠΏΠΎΠ΄Π²Π΅ΡΡΠΈ ΠΊ ΠΊΡΠ΅ΠΏΠ΅ΠΆΡ Π°Π²ΡΠΎΠΌΠΎΠ±ΠΈΠ»Ρ.
- ΠΡΠΏΠΎΠ»ΡΠ·ΡΡ ΡΡΡΠ°Π³, Π½Π°ΠΌΠ°ΡΡΠ²Π°Π΅ΠΌ ΡΡΠΎΡ Π½Π° Π»ΠΎΠΌ. Π§ΡΠΎΠ±Ρ Π²ΡΡ ΡΠ΄Π΅Π»Π°ΡΡ ΠΏΡΠ°Π²ΠΈΠ»ΡΠ½ΠΎ, Π²Π°ΠΌ ΡΠ»Π΅Π΄ΡΠ΅Ρ Π·Π½Π°ΡΡ ΠΎΠ± ΠΎΠ΄Π½ΠΎΠΌ Π½ΡΠ°Π½ΡΠ΅: ΠΆΠ΅Π»Π°ΡΠ΅Π»ΡΠ½ΠΎ ΠΈΡΠΏΠΎΠ»ΡΠ·ΠΎΠ²Π°ΡΡ ΡΡΡΠ°Π³ Π±ΠΎΠ»ΡΡΠ΅ΠΉ Π΄Π»ΠΈΠ½Ρ, Π² ΡΡΠΎΠΌ ΡΠ»ΡΡΠ°Π΅ Π²Π°ΠΌ Π±ΡΠ΄Π΅Ρ Π»Π΅Π³ΡΠ΅ Π½Π°ΠΊΡΡΡΠΈΠ²Π°ΡΡ ΡΡΠΎΡ. ΠΠΎ ΡΡΠΎΠΉ ΠΏΡΠΈΡΠΈΠ½Π΅ Π²ΡΠ±ΠΈΡΠ°ΠΉΡΠ΅ ΡΡΡΠ°Π³ Π΄Π»ΠΈΠ½ΠΎΠΉ ΠΎΠΊΠΎΠ»ΠΎ 1 ΠΌ.
ΠΠ΅ΡΠΌΠΎΡΡΡ Π½Π° ΡΠΎ, ΡΡΠΎ ΠΌΡ Π΄Π΅Π»Π°Π΅ΠΌ Π»Π΅Π±Π΅Π΄ΠΊΡ Ρ Π½Π΅ΠΊΠΎΡΠΎΡΡΠΌΠΈ ΠΎΡΡΡΡΠΏΠ»Π΅Π½ΠΈΡΠΌΠΈ ΠΎΡ ΠΏΡΠΈΠ½ΡΡΠΎΠΉ ΡΠ΅Ρ Π½ΠΎΠ»ΠΎΠ³ΠΈΠΈ, ΠΎΠ½Π° Π²ΡΡ-ΡΠ°ΠΊΠΈ Π±ΡΠ΄Π΅Ρ ΡΠ°Π±ΠΎΡΠ°ΡΡ ΠΏΠΎ ΡΠΎΠΌΡ ΠΆΠ΅ ΠΏΡΠΈΠ½ΡΠΈΠΏΡ, ΠΊΠΎΡΠΎΡΡΠΉ ΠΈΡΠΏΠΎΠ»ΡΠ·ΡΠ΅ΡΡΡ Π²ΠΎ Π²ΡΠ΅Ρ Π»Π΅Π±Π΅Π΄ΠΊΠ°Ρ .
ΠΠΎΠ½ΡΡΡΡΠΊΡΠΈΡ Π»Π΅Π±Π΅Π΄ΠΊΠΈ
Π’Π΅ΠΏΠ΅ΡΡ Π½Π°ΡΡΠ°Π»ΠΎ Π²ΡΠ΅ΠΌΡ ΠΏΠ΅ΡΠ΅ΠΉΡΠΈ ΠΊ ΡΠ±ΠΎΡΠΊΠ΅ Π»Π΅Π±Π΅Π΄ΠΊΠΈ ΠΈΠ· ΠΌΠ΅ΡΠ°Π»Π»Π°. ΠΠΎΠ½ΡΡΡΡΠΊΡΠΈΡ ΡΡΡΠ½ΠΎΠΉ Π»Π΅Π±Π΅Π΄ΠΊΠΈ ΠΈΠ· ΡΡΠ°ΡΡΠ΅ΡΠ° Π±ΡΠ΄Π΅Ρ Π²ΠΊΠ»ΡΡΠ°ΡΡ Π² ΡΠ΅Π±Ρ Π½Π΅ΡΠΊΠΎΠ»ΡΠΊΠΎ Π±Π°Π·ΠΎΠ²ΡΡ ΡΠ»Π΅ΠΌΠ΅Π½ΡΠΎΠ²: ΡΠ΅ΡΡΠ΅ΡΠ½Ρ, Π²Π°Π» Π΄Π»Ρ Π½Π°ΠΌΠΎΡΠΊΠΈ ΡΡΠΎΡΠ°, Π²ΡΡΠ»ΠΊΡ, ΡΡΡΠΊΡ ΠΈ ΠΊΠΎΡΠΏΡΡ.
Π Π°ΡΡΠΌΠΎΡΡΠΈΠΌ ΠΏΠΎΠ΄ΡΠΎΠ±Π½Π΅Π΅ ΠΎΡΠ½ΠΎΠ²Π½ΡΠ΅ ΠΊΠΎΠΌΠΏΠΎΠ½Π΅Π½ΡΡ ΡΡΠΎΠ³ΠΎ ΠΏΡΠΈΡΠΏΠΎΡΠΎΠ±Π»Π΅Π½ΠΈΡ:
ΠΡ ΡΠ΅ΡΡΠ΅ΡΠ½ΠΈ-Π³Π»ΠΈΡΡΡ Π²ΡΠ°ΡΠ°ΡΡΠΈΠΉ ΠΌΠΎΠΌΠ΅Π½Ρ ΠΏΠ΅ΡΠ΅Π΄Π°Π΅ΡΡΡ Π²Π°Π»Ρ, Π½Π° ΠΊΠΎΡΠΎΡΡΠΉ Π½Π°ΠΊΡΡΡΠΈΠ²Π°Π΅ΡΡΡ ΡΡΠΎΡ. Π Π·Π΄Π΅ΡΡ ΠΎΡΠ½ΠΎΠ²Π½Π°Ρ Π·Π°Π΄Π°ΡΠ° Π·Π°ΠΊΠ»ΡΡΠ°Π΅ΡΡΡ Π² ΠΏΡΠ°Π²ΠΈΠ»ΡΠ½ΠΎΠΌ Π²ΡΠ±ΠΎΡΠ΅ Π΄Π΅ΡΠ°Π»Π΅ΠΉ, ΠΈΠΌΠ΅ΡΡΠΈΠΌΠΈ ΠΊΡΠ΅ΠΏΠΊΠΈΠ΅ Π·ΡΠ±ΡΡ. ΠΠ½ΠΈ Π΄ΠΎΠ»ΠΆΠ½Ρ ΠΈΠΌΠ΅ΡΡ Π΄ΠΎΡΡΠ°ΡΠΎΡΠ½ΠΎ Π±ΠΎΠ»ΡΡΡΡ ΡΠΎΠ»ΡΠΈΠ½Ρ. ΠΡΠΎ ΠΏΠΎΠ·Π²ΠΎΠ»ΠΈΡ Π² Π·Π½Π°ΡΠΈΡΠ΅Π»ΡΠ½ΠΎΠΉ ΡΡΠ΅ΠΏΠ΅Π½ΠΈ ΡΠ²Π΅Π»ΠΈΡΠΈΡΡ Π·Π°ΠΏΠ°Ρ ΠΏΡΠΎΡΠ½ΠΎΡΡΠΈ.- ΠΠ°Π» Π½Π°ΠΌΠΎΡΠΊΠΈ ΡΡΠΎΡΠ°. ΠΠ³ΠΎ ΠΌΠΎΠΆΠ½ΠΎ ΠΈΠ·Π³ΠΎΡΠΎΠ²ΠΈΡΡ ΡΠ°ΠΌΠΎΡΡΠΎΡΡΠ΅Π»ΡΠ½ΠΎ, ΠΈΡΠΏΠΎΠ»ΡΠ·ΡΡ Π΄ΠΎΡΡΡΠΏΠ½ΡΠ΅ Π΄Π΅ΡΠ°Π»ΠΈ. ΠΠ°ΠΌ ΠΏΠΎΠ½Π°Π΄ΠΎΠ±ΠΈΡΡΡ Π»ΠΈΡΠΎΠΉ ΡΠΈΠ»ΠΈΠ½Π΄Ρ ΠΈΠ· ΠΌΠ΅ΡΠ°Π»Π»Π°. Π Π½Π΅ΠΌΡ Ρ ΠΎΠ΄Π½ΠΎΠΉ ΡΡΠΎΡΠΎΠ½Ρ ΠΏΡΠΈΠ²Π°ΡΠΈΠ²Π°Π΅ΡΡΡ Β«ΡΡ ΠΎΒ», ΠΊΠΎΡΠΎΡΠΎΠ΅ ΠΌΠΎΠΆΠ½ΠΎ ΡΠ΄Π΅Π»Π°ΡΡ ΠΈΠ· ΠΊΡΡΠ³Π»ΠΎΠ³ΠΎ Π»ΠΈΡΡΠ° ΠΌΠ΅ΡΠ°Π»Π»Π°. ΠΠ°ΠΆΠ½ΠΎ ΡΠ±Π΅Π΄ΠΈΡΡΡΡ, ΡΡΠΎ ΠΎΠ½ΠΎ ΠΏΠΎ Π΄ΠΈΠ°ΠΌΠ΅ΡΡΡ ΡΠΎΠΎΡΠ²Π΅ΡΡΡΠ²ΡΠ΅Ρ Π²Π½ΡΡΡΠ΅Π½Π½Π΅ΠΌΡ ΠΊΠΎΠ»ΡΡΡ ΡΠ΅ΡΡΠ΅ΡΠ½ΠΈ. ΠΠ±ΡΠ·Π°ΡΠ΅Π»ΡΠ½ΠΎ Π² Π²Π°Π»Π΅ Π½ΡΠΆΠ½ΠΎ ΡΠ΄Π΅Π»Π°ΡΡ ΡΠΊΠ²ΠΎΠ·Π½ΠΎΠ΅ ΠΎΡΠ²Π΅ΡΡΡΠΈΠ΅. Π’ΠΎΠ³Π΄Π° Ρ ΠΎΠΏΠ΅ΡΠ°ΡΠΎΡΠ° Π±ΡΠ΄Π΅Ρ Π²ΠΎΠ·ΠΌΠΎΠΆΠ½ΠΎΡΡΡ ΠΏΡΠΎΠ΄Π΅ΡΡ ΡΡΠΎΡ ΠΈ Π²ΠΏΠΎΡΠ»Π΅Π΄ΡΡΠ²ΠΈΠΈ Π·Π°ΡΠΈΠΊΡΠΈΡΠΎΠ²Π°ΡΡ Π΅Π³ΠΎ ΡΠ½Π°ΡΡΠΆΠΈ.
- ΠΡΡΠ»ΠΊΠ°. ΠΡΠ½ΠΎΠ²Π½Π°Ρ Π΅Π΅ Π·Π°Π΄Π°ΡΠ° Π·Π°ΠΊΠ»ΡΡΠ°Π΅ΡΡΡ Π² ΠΎΠ±Π΅ΡΠΏΠ΅ΡΠ΅Π½ΠΈΠΈ ΡΠΊΠΎΠ»ΡΠΆΠ΅Π½ΠΈΡ Π²Π°Π»Π° ΠΏΡΠΈ Π²ΡΠ°ΡΠ΅Π½ΠΈΠΈ. ΠΡΠ»ΠΈ Π²Π°ΠΌ Π½Π΅ΠΎΠ±Ρ ΠΎΠ΄ΠΈΠΌΠ° ΡΠ°ΠΌΠΎΠ΄Π΅Π»ΡΠ½Π°Ρ Π»Π΅Π±Π΅Π΄ΠΊΠ° Π΄Π»Ρ ΠΏΠΎΡΡΠΎΡΠ½Π½ΠΎΠΉ ΡΠΊΡΠΏΠ»ΡΠ°ΡΠ°ΡΠΈΠΈ, ΡΠΎ ΠΆΠ΅Π»Π°ΡΠ΅Π»ΡΠ½ΠΎ ΡΡΡΠ°Π½ΠΎΠ²ΠΈΡΡ Π² Π΅Π΅ ΠΊΠΎΠ½ΡΡΡΡΠΊΡΠΈΡ ΠΏΠΎΠ΄ΡΠΈΠΏΠ½ΠΈΠΊ ΠΊΠ°ΡΠ΅Π½ΠΈΡ. ΠΠ°ΠΆΠ΅ Π΅ΡΠ»ΠΈ ΠΎΠ½ Π²ΡΠΉΠ΄Π΅Ρ ΠΈΠ· ΡΡΡΠΎΡ, ΡΠΎ Π²Ρ Π»Π΅Π³ΠΊΠΎ ΡΠΌΠΎΠΆΠ΅ΡΠ΅ Π·Π°ΠΌΠ΅Π½ΠΈΡΡ Π΅Π³ΠΎ Π½ΠΎΠ²ΡΠΌ.
- ΠΠΎΡΠΏΡΡ. ΠΡΠΎΠΉ ΡΠ°ΡΡΠΈ ΡΡΡΠ½ΠΎΠΉ ΡΠ°ΠΌΠΎΠ΄Π΅Π»ΡΠ½ΠΎΠΉ Π»Π΅Π±Π΅Π΄ΠΊΠΈ ΡΠ°ΠΊΠΆΠ΅ ΡΡΠΎΠΈΡ ΡΠ΄Π΅Π»ΠΈΡΡ Π±ΠΎΠ»ΡΡΠΎΠ΅ Π²Π½ΠΈΠΌΠ°Π½ΠΈΠ΅. ΠΠΎ Π²ΡΠ΅ΠΌΡ ΠΈΠ·Π³ΠΎΡΠΎΠ²Π»Π΅Π½ΠΈΡ ΠΎΡΠ²Π΅ΡΡΡΠΈΠΉ Π΄Π»Ρ ΠΊΡΠ΅ΠΏΠ»Π΅Π½ΠΈΡ Π½Π΅ΠΎΠ±Ρ ΠΎΠ΄ΠΈΠΌΠΎ ΡΠ΄ΠΎΡΡΠΎΠ²Π΅ΡΠΈΡΡΡΡ, ΡΡΠΎ ΠΌΠ΅ΠΆΠ΄Ρ ΡΠ΅ΡΡΠ΅ΡΠ½Π΅ΠΉ, Π²Π°Π»ΠΎΠΌ, ΡΡΠΊΠΎΡΡΠΊΠΎΠΉ ΠΈ ΠΏΠΎΠ΄ΡΠΈΠΏΠ½ΠΈΠΊΠΎΠΌ/Π²ΡΡΠ»ΠΊΠΎΠΉ ΠΎΡΡΡΡΡΡΠ²ΡΡΡ Π·Π°Π·ΠΎΡΡ.
ΠΡΠΎΠ±ΠΎΠ΅ Π²Π½ΠΈΠΌΠ°Π½ΠΈΠ΅ ΠΎΠ±ΡΠ°ΡΠ°Π΅ΠΌ Π½Π° ΡΠΎ, ΡΡΠΎ ΡΠ°Π±ΠΎΡΠ° ΠΌΠ΅Ρ Π°Π½ΠΈΠ·ΠΌΠ° Π΄ΠΎΠ»ΠΆΠ½Π° ΠΎΡΡΡΠ΅ΡΡΠ²Π»ΡΡΡΡΡ ΠΏΠ»Π°Π²Π½ΠΎ. ΠΠ½ Π΄ΠΎΠ»ΠΆΠ΅Π½ ΠΈΠΌΠ΅ΡΡ ΠΏΠΎΠ΄Π²ΠΈΠΆΠ½ΡΡ ΠΈ Π² ΡΠΎ ΠΆΠ΅ Π²ΡΠ΅ΠΌΡ Π΄ΠΎΡΡΠ°ΡΠΎΡΠ½ΠΎ ΠΆΠ΅ΡΡΠΊΡΡ ΠΊΠΎΠ½ΡΡΡΡΠΊΡΠΈΡ, ΡΡΠΎΠ±Ρ ΠΌΠΎΠΆΠ½ΠΎ Π±ΡΠ»ΠΎ ΠΈΠ·Π±Π΅ΠΆΠ°ΡΡ ΠΏΡΠ΅ΠΆΠ΄Π΅Π²ΡΠ΅ΠΌΠ΅Π½Π½ΠΎΠ³ΠΎ ΠΈΡΡΠΈΡΠ°Π½ΠΈΡ ΡΠ»Π΅ΠΌΠ΅Π½ΡΠΎΠ² ΠΊΠΎΠ½ΡΡΡΡΠΊΡΠΈΠΈ Π΄ΡΡΠ³ ΠΎΡ Π΄ΡΡΠ³Π°.
Π’Π΅ΠΏΠ΅ΡΡ ΠΏΠΎΡΠ»Π΅ ΡΠ°ΡΡΠΌΠΎΡΡΠ΅Π½Π½ΡΡ Π²ΡΡΠ΅ ΠΌΠΎΠΌΠ΅Π½ΡΠΎΠ² ΠΌΠΎΠΆΠ½ΠΎ ΠΏΠ΅ΡΠ΅Ρ ΠΎΠ΄ΠΈΡΡ ΠΊ ΡΠΎΠΌΡ, ΠΊΠ°ΠΊ ΡΠΎΠ±ΠΈΡΠ°ΡΡ ΡΠ°ΠΌΠΎΠ΄Π΅Π»ΡΠ½ΡΡ Π»Π΅Π±Π΅Π΄ΠΊΡ.
ΠΡΠΎΡΠ΅ΡΡ ΡΠ±ΠΎΡΠΊΠΈ
ΠΠ»Ρ ΡΡΡΠ½ΠΎΠΉ ΡΠ°ΠΌΠΎΠ΄Π΅Π»ΡΠ½ΠΎΠΉ Π»Π΅Π±Π΅Π΄ΠΊΠΈ Π½Π°ΠΌ ΠΏΠΎΠ½Π°Π΄ΠΎΠ±ΠΈΡΡΡ ΡΡΠ°Π»ΡΠ½ΠΎΠΉ ΡΠ²Π΅Π»Π»Π΅Ρ ΠΈΠ»ΠΈ Π»ΠΈΡΡΠΎΠ²ΠΎΠΉ ΠΌΠ΅ΡΠ°Π»Π» ΡΠΎΠ»ΡΠΈΠ½ΠΎΠΉ 4 ΠΌΠΌ. ΠΠΎΡΠΏΡΡ Π±ΡΠ΄Π΅ΠΌ Π΄Π΅Π»Π°ΡΡ ΠΈΠ· ΠΊΠΎΡΠΎΡΠΊΠΎΠ³ΠΎ ΠΈ Π΄Π»ΠΈΠ½Π½ΠΎΠ³ΠΎ ΡΠ²Π΅Π»Π»Π΅ΡΠΎΠ², ΠΊΠΎΡΠΎΡΡΠ΅ ΡΠΊΡΠ΅ΠΏΠ»ΡΡΡ Ρ ΠΎΠ±Π΅ΠΈΠΌΠΈ ΠΏΠ»Π°ΡΡΠΈΠ½Π°ΠΌΠΈ ΠΊΠΎΡΠΏΡΡΠ° ΠΏΡΠΈ ΠΏΠΎΠΌΠΎΡΠΈ Π±ΠΎΠ»ΡΠΎΠ²ΡΡ ΡΠΎΠ΅Π΄ΠΈΠ½Π΅Π½ΠΈΠΉ.
ΠΠΎΡΠ°Π³ΠΎΠ²Π°Ρ ΠΈΠ½ΡΡΡΡΠΊΡΠΈΡ
ΠΠ»Ρ ΡΠ°ΠΌΠΎΠ΄Π΅Π»ΡΠ½ΠΎΠΉ Π»Π΅Π±Π΅Π΄ΠΊΠΈ Π½Π°ΠΌ ΠΏΠΎΠ½Π°Π΄ΠΎΠ±ΠΈΡΡΡ Π΄Π²Π° ΡΠ²Π΅Π»Π»Π΅ΡΠ°, ΠΎΠ΄ΠΈΠ½ ΠΈΠ· ΠΊΠΎΡΠΎΡΡΡ
Π΄ΠΎΠ»ΠΆΠ΅Π½ ΠΈΠΌΠ΅ΡΡ Π΄Π»ΠΈΠ½Ρ 40 ΡΠΌ, Π° Π΄ΡΡΠ³ΠΎΠΉ β 30 ΡΠΌ. Π‘Π°ΠΌΡΠΉ Π΄Π»ΠΈΠ½Π½ΡΠΉ ΠΈΠ· ΡΡΠΈΡ
ΡΡΠ°Π³ΠΌΠ΅Π½ΡΠΎΠ² ΡΡΠ°Π½Π΅Ρ ΠΏΡΠ°Π²ΠΎΠΉ ΡΠ°ΡΡΡΡ Π»Π΅Π±Π΅Π΄ΠΊΠΈ, Π½Π° ΠΊΠΎΡΠΎΡΡΡ ΠΌΡ Π²ΠΏΠΎΡΠ»Π΅Π΄ΡΡΠ²ΠΈΠΈ ΡΡΡΠ°Π½ΠΎΠ²ΠΈΠΌ ΡΠ΅ΡΡΠ΅ΡΠ½Ρ ΠΈ ΡΡΡΠΊΡ Π²ΡΠ°ΡΠ΅Π½ΠΈΡ;- Π’Π΅ΠΏΠ΅ΡΡ Π½Π°Π½ΠΎΡΠΈΠΌ ΠΌΠ΅ΡΠΊΠΈ Π½Π° ΡΠ²Π΅Π»Π»Π΅ΡΡ Π½Π° ΠΎΠ΄Π½ΠΎΠΌ ΡΡΠΎΠ²Π½Π΅, ΡΡΠΎΠ±Ρ ΠΏΠΎΡΠΎΠΌ ΡΠ΄Π΅Π»Π°ΡΡ ΡΠΊΠ²ΠΎΠ·Π½ΡΠ΅ ΠΎΡΠ²Π΅ΡΡΡΠΈΡ. Π£ΠΆΠ΅ Π² Π½ΠΈΡ Π² ΠΊΠΎΠ½ΡΠ΅ ΡΠ°Π±ΠΎΡΡ Π±ΡΠ΄Π΅Ρ Π²ΡΡΠ°Π²Π»Π΅Π½ Π²Π°Π».
- ΠΠ°Π»Π΅Π΅ Π½Π΅ΠΎΠ±Ρ ΠΎΠ΄ΠΈΠΌΠΎ Π² ΠΊΠ°ΠΆΠ΄ΠΎΠΌ ΡΠ²Π΅Π»Π»Π΅ΡΠ΅ ΠΏΡΠΎΠ΄Π΅Π»Π°ΡΡ ΠΎΡΠ²Π΅ΡΡΡΠΈΡ Π½Π° ΠΎΠ΄ΠΈΠ½Π°ΠΊΠΎΠ²ΠΎΠΌ ΡΡΠΎΠ²Π½Π΅, ΠΏΡΠΈΡΡΠΌ ΠΈΡ Π΄ΠΎΠ»ΠΆΠ½ΠΎ Π±ΡΡΡ ΡΠ΅ΡΡΡΠ΅. Π ΡΡΠΈΡ ΠΌΠ΅ΡΡΠ°Ρ ΠΌΡ ΡΠΎΠ΅Π΄ΠΈΠ½ΠΈΠΌ ΠΊΠΎΠ½ΡΡΡΡΠΊΡΠΈΡ Ρ ΠΏΠ°ΡΠ°Π»Π»Π΅Π»ΡΠ½ΡΠΌΠΈ ΠΏΠ»Π°ΡΡΠΈΠ½Π°ΠΌΠΈ ΠΊΠΎΡΠΏΡΡΠ° ΠΏΠΎΡΡΠ΅Π΄ΡΡΠ²ΠΎΠΌ Π±ΠΎΠ»ΡΠΎΠ²ΡΡ ΠΊΡΠ΅ΠΏΠ»Π΅Π½ΠΈΠΉ.
- ΠΠ°Π»Π΅Π΅ Π½Π°ΠΌ ΠΏΠΎΠ½Π°Π΄ΠΎΠ±ΠΈΡΡΡ ΠΎΠ±ΡΡΠ½ΡΠΉ ΠΌΠ΅ΡΠ°Π»Π»ΠΈΡΠ΅ΡΠΊΠΈΠΉ Π»ΠΈΡΡ ΡΠΎΠ»ΡΠΈΠ½ΠΎΠΉ 4 ΠΌΠΌ, ΠΈΠ· ΠΊΠΎΡΠΎΡΠΎΠ³ΠΎ Π½Π°ΠΌ Π½ΡΠΆΠ½ΠΎ Π±ΡΠ΄Π΅Ρ Π²ΡΡΠ΅Π·Π°ΡΡ Π΄Π²Π΅ Π΄Π΅ΡΠ°Π»ΠΈ. ΠΠΎ ΡΠ²ΠΎΠ΅ΠΌΡ Π²ΠΈΠ΄Ρ ΠΎΠ½ΠΈ Π΄ΠΎΠ»ΠΆΠ½Ρ Π²ΡΠ³Π»ΡΠ΄Π΅ΡΡ ΠΊΠ°ΠΊ ΠΏΡΡΠΌΠΎΡΠ³ΠΎΠ»ΡΠ½ΠΈΠΊ, Ρ ΠΊΠΎΡΠΎΡΠΎΠ³ΠΎ Π² ΠΏΡΠ°Π²ΠΎΠΌ Π½ΠΈΠΆΠ½Π΅ΠΌ ΡΠ³Π»Ρ Π΄ΠΎΠ»ΠΆΠ΅Π½ ΠΏΡΠΈΡΡΡΡΡΠ²ΠΎΠ²Π°ΡΡ Π²ΡΡΡΡΠΏ ΡΡΠ΅ΡΠ³ΠΎΠ»ΡΠ½ΠΎΠΉ ΡΠΎΡΠΌΡ. Π ΠΎΠ΄Π½ΠΎΠΉ ΡΠ°ΠΊΠΎΠΉ Π΄Π΅ΡΠ°Π»ΠΈ Π½ΡΠΆΠ½ΠΎ ΠΏΡΠΎΠ΄Π΅Π»Π°ΡΡ ΠΎΡΠ²Π΅ΡΡΡΠΈΠ΅, ΡΡΠΎΠ±Ρ Π²ΠΏΠΎΡΠ»Π΅Π΄ΡΡΠ²ΠΈΠΈ ΠΌΠΎΠΆΠ½ΠΎ Π±ΡΠ»ΠΎ ΡΡΠ°ΡΠΈΠΎΠ½Π°ΡΠ½ΠΎ Π·Π°ΡΠΈΠΊΡΠΈΡΠΎΠ²Π°ΡΡ ΡΡΠΎ ΠΏΡΠΈΡΠΏΠΎΡΠΎΠ±Π»Π΅Π½ΠΈΠ΅ . ΠΠΎΠΌΠΈΠΌΠΎ ΡΡΠΎΠ³ΠΎ, Π² Π΄Π²ΡΡ ΡΠ°ΠΊΠΈΡ Π΄Π΅ΡΠ°Π»ΡΡ Π½Π°ΠΌ ΠΏΡΠΈΠ΄Π΅ΡΡΡ ΠΏΡΠΎΠ΄Π΅Π»Π°ΡΡ ΡΠΊΠ²ΠΎΠ·Π½ΠΎΠ΅ ΠΎΡΠ²Π΅ΡΡΡΠΈΠ΅ Π½Π° ΠΎΠ΄Π½ΠΎΠΌ ΡΡΠΎΠ²Π½Π΅. ΠΠ½ΠΎ Π½Π°ΠΌ ΠΏΠΎΠ½Π°Π΄ΠΎΠ±ΠΈΡΡΡ Π΄Π»Ρ ΡΠΎΠ³ΠΎ, ΡΡΠΎΠ±Ρ ΡΡΡΠ°Π½ΠΎΠ²ΠΈΡΡ Π²Π°Π» ΡΠ΅ΡΡΠ΅ΡΠ½ΠΈ ΠΠ»ΠΈΡΡΠ°.
- Π’Π΅ΠΏΠ΅ΡΡ ΠΌΠΎΠΆΠ½ΠΎ Π½Π°Π΄Π΅ΡΡ Π½Π° Π²Π°Π» ΡΠ΅ΡΡΠ΅ΡΠ½ΠΈ ΠΠ»ΠΈΡΡΠ° Π΄Π²Π° ΠΏΠΎΠ΄ΡΠΈΠΏΠ½ΠΈΠΊΠ°. ΠΠΎΡΠ»Π΅ ΡΡΠΎΠ³ΠΎ Π½Π°ΡΡΠ°Π΅Ρ ΡΠ΅ΡΠ΅Π΄ ΠΌΠ΅ΡΠ°Π»Π»ΠΈΡΠ΅ΡΠΊΠΈΡ ΠΏΠ»Π°ΡΡΠΈΠ½ Ρ ΡΡΠ΅ΡΠ³ΠΎΠ»ΡΠ½ΡΠΌΠΈ Π²ΡΡΡΡΠΏΠ°ΠΌΠΈ, ΠΊΠΎΡΠΎΡΡΠ΅ Π½ΡΠΆΠ½ΠΎ ΠΎΠ΄Π΅ΡΡ Π½Π° Π²Π°Π» ΡΠ΅ΡΡΠ΅ΡΠ½ΠΈ ΠΠ»ΠΈΡΡΠ°. ΠΠ»Ρ Π±ΠΎΠ»ΡΡΠ΅ΠΉ Π½Π°Π΄Π΅ΠΆΠ½ΠΎΡΡΠΈ ΠΈΡ ΠΊΡΠ΅ΠΏΠΈΠΌ Π½Π° Π±ΠΎΠ»ΡΡ, ΠΏΡΡΠΆΠΈΠ½Π½ΡΠ΅ ΡΠ°ΠΉΠ±Ρ ΠΈΠ»ΠΈ Π³Π°ΠΉΠΊΠΈ.
- Π’Π΅ΠΏΠ΅ΡΡ Π½Π° Π²Π°Π» Π½Π°ΠΌΠΎΡΠΊΠΈ Π½ΡΠΆΠ½ΠΎ ΠΏΠΎΡΠ°Π΄ΠΈΡΡ ΡΠ΅ΡΡΠ΅ΡΠ½Ρ. Π Π·Π°Π²Π΅ΡΡΠ΅Π½ΠΈΠ΅ ΠΎΡΡΠ°Π½Π΅ΡΡΡ ΡΠΎΠ»ΡΠΊΠΎ Π½Π°Π΄Π΅ΡΡ ΠΌΠ΅ΡΠ°Π»Π»ΠΈΡΠ΅ΡΠΊΡΡ Π²ΡΡΠ»ΠΊΡ.
- Π’Π΅ΠΏΠ΅ΡΡ Π½ΡΠΆΠ½ΠΎ ΠΏΠΎΡΡΠ°Π²ΠΈΡΡ Π²Π°Π» Π² Π΄Π»ΠΈΠ½Π½ΡΠΉ ΡΠ²Π΅Π»Π»Π΅Ρ.
- ΠΠ°ΠΊΠ»ΡΡΠΈΡΠ΅Π»ΡΠ½ΡΠΌ Π½Π°ΡΠΈΠΌ Π΄Π΅ΠΉΡΡΠ²ΠΈΠ΅ΠΌ Π±ΡΠ΄Π΅Ρ ΡΡΡΠ°Π½ΠΎΠ²ΠΊΠ° ΠΊΠΎΡΠΎΡΠΊΠΎΠ³ΠΎ ΡΠ²Π΅Π»Π»Π΅ΡΠ° Π½Π° Π»Π°ΡΡΠ½Π½ΡΡ Π²ΡΡΠ»ΠΊΡ ΠΈ Π΅Π΅ ΠΊΡΠ΅ΠΏΠ»Π΅Π½ΠΈΠ΅ Ρ ΠΏΠΎΠΌΠΎΡΡΡ ΠΏΡΡΠΆΠΈΠ½Π½ΡΡ ΡΠ°ΠΉΠ±, Π³Π°Π΅ΠΊ ΠΈ Π±ΠΎΠ»ΡΠΎΠ².
ΠΠ°ΠΊΠ»ΡΡΠ΅Π½ΠΈΠ΅
Π ΡΡΠ½Π°Ρ Π»Π΅Π±Π΅Π΄ΠΊΠ° β ΠΎΡΠ΅Π½Ρ ΠΏΠΎΠ»Π΅Π·Π½ΠΎΠ΅ ΠΏΡΠΈΡΠΏΠΎΡΠΎΠ±Π»Π΅Π½ΠΈΠ΅. ΠΡΠ΅Π½ΠΈΡΡ Π΅Π΅ ΠΏΠΎ Π΄ΠΎΡΡΠΎΠΈΠ½ΡΡΠ²Ρ ΠΌΠΎΠΆΠ½ΠΎ Π² ΡΠ°ΠΌΡΡ
ΡΠ°Π·Π½ΡΡ
ΡΠΈΡΡΠ°ΡΠΈΡΡ
, ΠΊΠΎΠ³Π΄Π° Π²ΠΎΠ·Π½ΠΈΠΊΠ°Π΅Ρ Π½Π΅ΠΎΠ±Ρ
ΠΎΠ΄ΠΈΠΌΠΎΡΡΡ Π² ΠΏΠ΅ΡΠ΅ΠΌΠ΅ΡΠ΅Π½ΠΈΠΈ Π³ΡΡΠ·ΠΎΠ² Π·Π½Π°ΡΠΈΡΠ΅Π»ΡΠ½ΠΎΠ³ΠΎ Π²Π΅ΡΠ° ΠΈ Π³Π°Π±Π°ΡΠΈΡΠΎΠ².
ΠΡΠΈ ΠΆΠ΅Π»Π°Π½ΠΈΠΈ ΡΡΠΎ ΠΏΡΠΈΡΠΏΠΎΡΠΎΠ±Π»Π΅Π½ΠΈΠ΅ ΠΌΠΎΠΆΠ½ΠΎ ΠΈΠ·Π³ΠΎΡΠΎΠ²ΠΈΡΡ ΡΠ°ΠΌΠΎΡΡΠΎΡΡΠ΅Π»ΡΠ½ΠΎ, ΠΎΠ΄Π½Π°ΠΊΠΎ ΠΈΠ½ΠΎΠ³Π΄Π° Π½Π° ΡΡΠ°ΠΏΠ΅ ΡΠ΅Π°Π»ΠΈΠ·Π°ΡΠΈΠΈ ΡΡΠΎΠΉ ΠΈΠ΄Π΅ΠΈ ΠΌΠΎΠ³ΡΡ Π²ΠΎΠ·Π½ΠΈΠΊΠ°ΡΡ ΠΎΠΏΡΠ΅Π΄Π΅Π»Π΅Π½Π½ΡΠ΅ ΡΡΡΠ΄Π½ΠΎΡΡΠΈ. ΠΡΠΎ ΠΌΠΎΠΆΠ΅Ρ ΠΏΡΠΎΠΈΠ·ΠΎΠΉΡΠΈ Π΄Π°ΠΆΠ΅ Π² ΡΠΎΠΌ ΡΠ»ΡΡΠ°Π΅, Π΅ΡΠ»ΠΈ Π²Ρ ΡΠ΅ΡΠΈΠ»ΠΈ ΡΠ΄Π΅Π»Π°ΡΡ Π»Π΅Π±Π΅Π΄ΠΊΡ ΠΈΠ· ΡΡΠ°ΡΡΠ΅ΡΠ° ΡΠ²ΠΎΠΈΠΌΠΈ ΡΡΠΊΠ°ΠΌΠΈ.
Π§ΡΠΎΠ±Ρ ΠΈΠ·Π±Π΅ΠΆΠ°ΡΡ ΠΏΠΎΠ΄ΠΎΠ±Π½ΠΎΠ³ΠΎ, Π½Π΅ΠΎΠ±Ρ ΠΎΠ΄ΠΈΠΌΠΎ Π² ΡΠ°ΠΌΠΎΠΌ Π½Π°ΡΠ°Π»Π΅ ΠΎΠ·Π½Π°ΠΊΠΎΠΌΠΈΡΡΡΡ Ρ ΠΏΡΠΎΡΠ΅ΡΡΠΎΠΌ ΠΈΠ·Π³ΠΎΡΠΎΠ²Π»Π΅Π½ΠΈΡ ΡΡΡΠ½ΠΎΠΉ Π»Π΅Π±Π΅Π΄ΠΊΠΈ ΡΠ²ΠΎΠΈΠΌΠΈ ΡΡΠΊΠ°ΠΌΠΈ ΠΈΠ· ΡΡΠ°ΡΡΠ΅ΡΠ° ΠΎΡ Π£ΠΠ. ΠΡΠΎ Π² ΠΊΠΎΠ½Π΅ΡΠ½ΠΎΠΌ ΠΈΡΠΎΠ³Π΅ ΠΏΠΎΠΌΠΎΠΆΠ΅Ρ ΠΏΠΎΠ½ΡΡΡ, ΡΡΠΎ ΡΠΎΠ±ΠΎΠΉ ΠΏΡΠ΅Π΄ΡΡΠ°Π²Π»ΡΠ΅Ρ ΡΡΡΠ½Π°Ρ Π»Π΅Π±Π΅Π΄ΠΊΠ° ΠΈ ΠΊΠ°ΠΊ ΠΎΠ½Π° ΡΠ°Π±ΠΎΡΠ°Π΅Ρ, ΠΈ ΠΈΠ·Π±Π΅ΠΆΠ°ΡΡ ΠΌΠ½ΠΎΠ³ΠΈΡ Π³ΡΡΠ±ΡΡ ΠΎΡΠΈΠ±ΠΎΠΊ Π² ΠΏΡΠΎΡΠ΅ΡΡΠ΅ Π΅Π΅ ΠΈΠ·Π³ΠΎΡΠΎΠ²Π»Π΅Π½ΠΈΡ.
instrument.guru
ΠΠ΅Π±Π΅Π΄ΠΊΠ° ΡΠ²ΠΎΠΈΠΌΠΈ ΡΡΠΊΠ°ΠΌΠΈ ΡΠ»Π΅ΠΊΡΡΠΈΡΠ΅ΡΠΊΠ°Ρ, ΡΡΡΠ½Π°Ρ, ΠΈΠ· ΡΡΠ°ΡΡΠ΅ΡΠ°
ΠΠ²ΠΈΠΆΠ΅Π½ΠΈΠ΅ ΠΏΠΎ ΠΏΠ΅ΡΠ΅ΡΠ΅ΡΠ΅Π½Π½ΠΎΠΉ ΠΌΠ΅ΡΡΠ½ΠΎΡΡΠΈ Π΄Π°ΠΆΠ΅ Π½Π° Π²Π½Π΅Π΄ΠΎΡΠΎΠΆΠ½ΠΈΠΊΠ΅ Ρ Π²ΡΡΠΎΠΊΠΎΠΉ ΠΏΡΠΎΡ ΠΎΠ΄ΠΈΠΌΠΎΡΡΡΡ ΠΌΠΎΠΆΠ΅Ρ ΡΠΎΠ·Π΄Π°Π²Π°ΡΡ ΠΌΠ°ΡΡΡ ΠΏΡΠΎΠ±Π»Π΅ΠΌ. ΠΠ»Ρ ΠΏΠΎΠ²ΡΡΠ΅Π½ΠΈΡ ΠΏΡΠΎΡ ΠΎΠ΄ΠΈΠΌΠΎΡΡΠΈ ΠΎΡΠ΅Π½Ρ ΡΠ°ΡΡΠΎ ΠΏΡΠΎΠ²ΠΎΠ΄ΠΈΡΡΡ ΡΡΡΠ°Π½ΠΎΠ²ΠΊΠ° Π½Π° Π°Π²ΡΠΎΠΌΠΎΠ±ΠΈΠ»ΡΡ Π΄ΠΎΠΏΠΎΠ»Π½ΠΈΡΠ΅Π»ΡΠ½ΠΎΠ³ΠΎ ΠΎΠ±ΠΎΡΡΠ΄ΠΎΠ²Π°Π½ΠΈΡ, ΠΊΠΎΡΠΎΡΠΎΠ΅ ΠΏΠΎΠ·Π²ΠΎΠ»ΡΠ΅Ρ ΠΏΡΠ΅ΠΎΠ΄ΠΎΠ»Π΅Π²Π°ΡΡ ΡΠ»ΠΎΠΆΠ½ΡΠ΅ ΡΡΠ°ΡΡΠΊΠΈ ΠΏΡΡΠΈ. ΠΡΠΈΠΌΠ΅ΡΠΎΠΌ Π½Π°Π·ΠΎΠ²Π΅ΠΌ Π»Π΅Π±Π΅Π΄ΠΊΡ. Π‘Π΅Π³ΠΎΠ΄Π½Ρ ΡΡΡΠ°Π½Π°Π²Π»ΠΈΠ²Π°Π΅ΡΡΡ Π»Π΅Π±Π΅Π΄ΠΊΠ° Π½Π° Π£ΠΠ ΠΈ ΠΌΠ½ΠΎΠ³ΠΈΠ΅ Π΄ΡΡΠ³ΠΈΠ΅ Π°Π²ΡΠΎΠΌΠΎΠ±ΠΈΠ»ΠΈ. ΠΡΠΈ ΠΆΠ΅Π»Π°Π½ΠΈΠΈ ΠΈΠ·Π³ΠΎΡΠ°Π²Π»ΠΈΠ²Π°Π΅ΡΡΡ Π»Π΅Π±Π΅Π΄ΠΊΠ° ΡΠ²ΠΎΠΈΠΌΠΈ ΡΡΠΊΠ°ΠΌΠΈ ΠΈ ΡΡΡΠ°Π½Π°Π²Π»ΠΈΠ²Π°Π΅ΡΡΡ Π½Π΅ ΡΠΎΠ»ΡΠΊΠΎ Π½Π° ΠΠΈΠ²Ρ, Π½ΠΎ ΠΈ Π΄ΡΡΠ³ΠΈΠ΅ Π²Π½Π΅Π΄ΠΎΡΠΎΠΆΠ½ΠΈΠΊΠΈ. Π‘ΡΠΎΠΈΡ ΡΡΠΈΡΡΠ²Π°ΡΡ, ΡΡΠΎ ΡΠ°ΠΌΠΎΠ΄Π΅Π»ΡΠ½Π°Ρ Π»Π΅Π±Π΅Π΄ΠΊΠ° ΠΌΠΎΠΆΠ΅Ρ Π±ΡΡΡ ΠΏΡΠ΅Π΄Π½Π°Π·Π½Π°ΡΠ΅Π½Π° Π΄Π»Ρ ΠΏΠΎΠ΄ΡΠ΅ΠΌΠ° Π³ΡΡΠ·Π° ΠΈ Π΄ΡΡΠ³ΠΈΡ ΡΠ΅Π»Π΅ΠΉ. Π ΠΏΡΠΈΠΌΠ΅ΡΡ, Π΅ΡΡΡ ΠΏΠ΅ΡΠ΅Π½ΠΎΡΠ½ΡΠ΅ Π²Π°ΡΠΈΠ°Π½ΡΡ ΠΈΡΠΏΠΎΠ»Π½Π΅Π½ΠΈΡ, ΠΊΠΎΡΠΎΡΡΠ΅ ΠΌΠΎΠ³ΡΡ ΡΡΡΠ°Π½Π°Π²Π»ΠΈΠ²Π°ΡΡΡΡ Π½Π° ΠΊΠΎΠ»Π΅ΡΠΎ ΠΈΠ»ΠΈ Π΄ΡΡΠ³ΠΎΠΉ ΡΠ»Π΅ΠΌΠ΅Π½Ρ Π°Π²ΡΠΎΠΌΠΎΠ±ΠΈΠ»Ρ. Π Π°ΡΡΠΌΠΎΡΡΠΈΠΌ ΠΎΡΠΎΠ±Π΅Π½Π½ΠΎΡΡΠΈ ΠΈΠ·Π³ΠΎΡΠΎΠ²Π»Π΅Π½ΠΈΡ Π»Π΅Π±Π΅Π΄ΠΊΠΈ, Π΅Π΅ Π²ΠΈΠ΄Ρ ΠΈ ΠΌΠ½ΠΎΠ³ΠΈΠ΅ Π΄ΡΡΠ³ΠΈΠ΅ ΠΌΠΎΠΌΠ΅Π½ΡΡ ΠΏΠΎΠ΄ΡΠΎΠ±Π½Π΅Π΅.
ΠΠ΅Π±Π΅Π΄ΠΊΠ° ΡΠ²ΠΎΠΈΠΌΠΈ ΡΡΠΊΠ°ΠΌΠΈΠΠΎΠ½ΡΡΡΡΠΊΡΠΈΡ
ΠΡΠ΅ΠΆΠ΄Π΅ ΡΠ΅ΠΌ ΠΏΡΠΈΡΡΡΠΏΠ°ΡΡ ΠΊ ΠΈΠ·Π³ΠΎΡΠΎΠ²Π»Π΅Π½ΠΈΡ Π»Π΅Π±Π΅Π΄ΠΊΠΈ ΡΠ²ΠΎΠΈΠΌΠΈ ΡΡΠΊΠ°ΠΌΠΈ ΡΠ»Π΅Π΄ΡΠ΅Ρ ΡΠ°ΡΡΠΌΠΎΡΡΠ΅ΡΡ ΠΎΡΠΎΠ±Π΅Π½Π½ΠΎΡΡΠΈ ΠΊΠΎΠ½ΡΡΡΡΠΊΡΠΈΠΈ. Π£ΡΡΡΠΎΠΉΡΡΠ²ΠΎ Π»Π΅Π±Π΅Π΄ΠΊΠΈ Π΄Π»Ρ Π°Π²ΡΠΎ ΠΌΠΎΠΆΠ΅Ρ ΡΡΡΠ΅ΡΡΠ²Π΅Π½Π½ΠΎ ΠΎΡΠ»ΠΈΡΠ°ΡΡΡΡ, ΠΊ ΠΏΡΠΈΠΌΠ΅ΡΡ, ΠΏΠΎ ΡΠΈΠΏΡ ΠΈΡΠΏΠΎΠ»ΡΠ·ΡΠ΅ΠΌΠΎΠ³ΠΎ ΠΏΡΠΈΠ²ΠΎΠ΄Π° ΠΏΡΠΈ ΠΈΠ·Π³ΠΎΡΠΎΠ²Π»Π΅Π½ΠΈΠΈ.
ΠΠ»Π°ΡΡΠΈΡΠ΅ΡΠΊΠ°Ρ ΠΊΠΎΠ½ΡΡΡΡΠΊΡΠΈΡ Π°Π²ΡΠΎΠΌΠΎΠ±ΠΈΠ»ΡΠ½ΠΎΠΉ ΠΈΠ»ΠΈ ΠΌΠΎΡΠΎΠ»Π΅Π±Π΅Π΄ΠΊΠΈ ΠΈΠΌΠ΅Π΅Ρ ΡΠ»Π΅Π΄ΡΡΡΠΈΠ΅ ΠΎΡΠΎΠ±Π΅Π½Π½ΠΎΡΡΠΈ:
- ΠΠ°ΡΠ°Π±Π°Π½, Π½Π° ΠΊΠΎΡΠΎΡΡΠΉ ΠΏΡΠΎΠ²ΠΎΠ΄ΠΈΡΡΡ Π½Π°ΠΊΡΡΡΠΈΠ²Π°Π½ΠΈΠ΅ ΠΏΡΠΈΠΌΠ΅Π½ΡΠ΅ΠΌΠΎΠΉ Π»Π΅Π±Π΅Π΄ΠΊΠΈ. ΠΠ΅Π±Π΅Π΄ΠΊΠΈ ΡΠ°ΠΌΠΎΠ΄Π΅Π»ΡΠ½ΡΠ΅ Π΄Π»Ρ Π°Π²ΡΠΎΠΌΠΎΠ±ΠΈΠ»Ρ ΠΌΠΎΠ³ΡΡ ΠΈΠΌΠ΅ΡΡ ΡΠ°Π·Π»ΠΈΡΠ½ΡΠ΅ ΡΠ°Π·ΠΌΠ΅ΡΡ ΠΏΡΠΈΠΌΠ΅Π½ΡΠ΅ΠΌΠΎΠ³ΠΎ Π±Π°ΡΠ°Π±Π°Π½Π°. Π‘ΡΠΎΠΈΡ ΡΡΠΈΡΡΠ²Π°ΡΡ, Ρ ΡΠ²Π΅Π»ΠΈΡΠ΅Π½ΠΈΠ΅ΠΌ Π΅Π³ΠΎ ΡΠ°Π·ΠΌΠ΅ΡΠ° ΠΌΠΎΠΆΠ½ΠΎ ΠΏΡΠΎΠ²ΠΎΠ΄ΠΈΡΡ Π½Π°ΠΌΠ°ΡΡΠ²Π°Π½ΠΈΠ΅ Π±ΠΎΠ»ΡΡΠΎΠ³ΠΎ ΠΊΠΎΠ»ΠΈΡΠ΅ΡΡΠ²Π° ΡΡΠΎΡΠ°, Π½ΠΎ ΠΈ Π½Π°Π³ΡΡΠ·ΠΊΠ° ΡΠ°ΠΊΠΆΠ΅ ΠΏΠΎΠ²ΡΡΠ°Π΅ΡΡΡ.
- ΠΡΠΈΠ²ΠΎΠ΄. ΠΠΎΠ½ΡΡΡΡΠΊΡΠΈΡ ΠΏΡΠ΅Π΄ΡΡΠΌΠ°ΡΡΠΈΠ²Π°Π΅Ρ ΡΠΎΠ·Π΄Π°Π½ΠΈΠ΅ ΡΡΠΈΠ»ΠΈΡ, Π·Π° ΡΡΠ΅Ρ ΠΊΠΎΡΠΎΡΠΎΠ³ΠΎ ΠΈ ΠΏΡΠΎΠΈΡΡ ΠΎΠ΄ΠΈΡ Π½Π°ΠΌΠ°ΡΡΠ²Π°Π½ΠΈΠ΅ ΡΡΠΎΡΠ°. Π‘ΡΡΠ΅ΡΡΠ²ΡΡΡ ΡΠ°ΠΌΡΠ΅ ΡΠ°Π·Π»ΠΈΡΠ½ΡΠ΅ ΡΡ Π΅ΠΌΡ ΠΏΡΠΈΠ²ΠΎΠ΄Π°, Π²ΡΠ΅ ΠΎΠ½ΠΈ ΠΎΠ±Π»Π°Π΄Π°ΡΡ ΠΎΠΏΡΠ΅Π΄Π΅Π»Π΅Π½Π½ΡΠΌΠΈ Π΄ΠΎΡΡΠΎΠΈΠ½ΡΡΠ²Π°ΠΌΠΈ ΠΈ Π½Π΅Π΄ΠΎΡΡΠ°ΡΠΊΠ°ΠΌΠΈ.
- ΠΡΠ΅Π½Ρ ΡΠ°ΡΡΠΎ ΡΡΡΠ°Π½Π°Π²Π»ΠΈΠ²Π°Π΅ΡΡΡ ΡΠ΅Π΄ΡΠΊΡΠΎΡ. ΠΠ½Π° ΠΏΡΠ΅Π΄Π½Π°Π·Π½Π°ΡΠ΅Π½ Π΄Π»Ρ ΠΏΠΎΠ²ΡΡΠ΅Π½ΠΈΡ ΠΏΠ΅ΡΠ΅Π΄Π°Π²Π°Π΅ΠΌΠΎΠ³ΠΎ ΡΡΠΈΠ»ΠΈΡ Π½Π° Π±Π°ΡΠ°Π±Π°Π½.
- Π§Π΅ΡΡΠ΅ΠΆΠΈ ΠΏΡΠ΅Π΄ΡΡΠΌΠ°ΡΡΠΈΠ²Π°ΡΡ ΠΈ Π½Π°Π»ΠΈΡΠΈΠ΅ ΡΠ°ΠΌΠΎΠΉ ΡΠ°Π·Π»ΠΈΡΠ½ΠΎΠΉ ΠΎΡΠ½ΠΎΠ²Ρ. Π‘ΡΠΎΠΈΡ ΡΡΠΈΡΡΠ²Π°ΡΡ, ΡΡΠΎ ΡΠ°ΡΡΠΈ Π΄ΠΎΠ»ΠΆΠ½ΠΎ ΠΎΠ±Π»Π°Π΄Π°ΡΡ Π²ΡΡΠΎΠΊΠΎΠΉ ΡΡΡΠΎΠΉΡΠΈΠ²ΠΎΡΡΡΡ ΠΊ Π½Π°Π³ΡΡΠ·ΠΊΠ΅, Π½Π°Π΄Π΅ΠΆΠ½ΠΎ ΠΊΡΠ΅ΠΏΠΈΡΡΡΡ ΠΊ ΠΎΡΠ½ΠΎΠ²Π°Π½ΠΈΡ.
- Π‘Π°ΠΌΠΎΠ΄Π΅Π»ΡΠ½Π°Ρ ΡΠ°Π»Ρ.

- Π§Π΅ΡΡΠ΅ΠΆ ΡΠ°ΠΌΠΎΠ΄Π΅Π»ΡΠ½ΠΎΠΉ Π»Π΅Π±Π΅Π΄ΠΊΠΈ

- Π§Π΅ΡΡΠ΅ΠΆ Π»Π΅Π±Π΅Π΄ΠΊΠΈ
Π‘ΠΊΠ°ΡΠ°ΡΡ ΡΠ΅ΡΡΠ΅ΠΆΠΈ, ΠΏΠΎ ΠΊΠΎΡΠΎΡΡΠΌ Π±ΡΠ΄Π΅Ρ ΠΏΡΠΎΠ²ΠΎΠ΄ΠΈΡΡΡ ΡΠΎΠ·Π΄Π°Π½ΠΈΠ΅ ΠΊΠΎΠ½ΡΡΡΡΠΊΡΠΈΠΈ ΠΌΠΎΠΆΠ½ΠΎ Π² ΠΈΠ½ΡΠ΅ΡΠ½Π΅ΡΠ΅. Π’Π΅Ρ Π½ΠΎΠ»ΠΎΠ³ΠΈΡ ΡΠ±ΠΎΡΠΊΠΈ Π²ΠΎ ΠΌΠ½ΠΎΠ³ΠΎΠΌ Π·Π°Π²ΠΈΡΠΈΡ ΠΎΡ ΡΠ»ΠΎΠΆΠ½ΠΎΡΡΠΈ ΡΠ΅Π°Π»ΠΈΠ·ΡΠ΅ΠΌΠΎΠ³ΠΎ ΠΏΡΠΎΠ΅ΠΊΡΠ°.
ΠΠ·Π³ΠΎΡΠΎΠ²Π»Π΅Π½ΠΈΠ΅
ΠΠ½ΠΎΠ³ΠΈΠ΅ Π°Π²ΡΠΎΠΌΠΎΠ±ΠΈΠ»ΠΈΡΡΡ ΠΏΡΠΈΠ΄Π΅ΡΠΆΠΈΠ²Π°ΡΡΡΡ ΠΌΠ½Π΅Π½ΠΈΡ, ΡΡΠΎ ΡΠ°ΠΌΠΎΠ΄Π΅Π»ΡΠ½ΡΠ΅ Π»Π΅Π±Π΅Π΄ΠΊΠΈ Π±ΠΎΠ»Π΅Π΅ Π½Π°Π΄Π΅ΠΆΠ½ΡΠ΅ ΠΈ Π΄ΠΎΠ»Π³ΠΎΠ²Π΅ΡΠ½ΡΠ΅. ΠΡΠ»ΠΈ ΠΈ ΠΏΡΠΈΠΎΠ±ΡΠ΅ΡΠ°ΡΡ ΠΏΠΎΠ΄ΠΎΠ±Π½ΡΡ ΠΊΠΎΠ½ΡΡΡΡΠΊΡΠΈΡ Π½Π° Π°Π²ΡΠΎ, ΡΠΎ ΡΠ»Π΅Π΄ΡΠ΅Ρ ΠΎΡΠ΄Π°Π²Π°ΡΡ ΠΏΡΠ΅Π΄ΠΏΠΎΡΡΠ΅Π½ΠΈΠ΅ Π΄ΠΎΡΠΎΠ³ΠΈΠΌ Π²Π°ΡΠΈΠ°Π½ΡΠ°ΠΌ ΠΈΡΠΏΠΎΠ»Π½Π΅Π½ΠΈΡ ΠΎΡ ΠΈΠ·Π²Π΅ΡΡΠ½ΡΡ ΠΏΡΠΎΠΈΠ·Π²ΠΎΠ΄ΠΈΡΠ΅Π»Π΅ΠΉ.
ΠΠ°ΠΆΠ½ΡΠΌ ΠΊΠΎΠ½ΡΡΡΡΠΊΡΠΈΠ²Π½ΡΠΌ ΡΠ»Π΅ΠΌΠ΅Π½ΡΠΎΠΌ ΠΌΠΎΠΆΠ½ΠΎ Π½Π°Π·Π²Π°ΡΡ Π±Π°ΡΠ°Π±Π°Π½, Π½Π° ΠΊΠΎΡΠΎΡΡΠΉ Π½Π°ΠΌΠ°ΡΡΠ²Π°Π΅ΡΡΡ ΡΡΠΎΡ. ΠΠ·Π³ΠΎΡΠΎΠ²ΠΈΡΡ Π±Π°ΡΠ°Π±Π°Π½ Π΄Π»Ρ Π»Π΅Π±Π΅Π΄ΠΊΠΈ ΠΌΠΎΠΆΠ½ΠΎ ΡΠ²ΠΎΠΈΠΌΠΈ ΡΡΠΊΠ°ΠΌΠΈ ΠΏΡΠΈ ΠΏΡΠΈΠΌΠ΅Π½Π΅Π½ΠΈΠΈ ΡΡΡΠ±Ρ ΠΎΠΏΡΠ΅Π΄Π΅Π»Π΅Π½Π½ΠΎΠ³ΠΎ Π΄ΠΈΠ°ΠΌΠ΅ΡΡΠ° Π² ΠΊΠ°ΡΠ΅ΡΡΠ²Π΅ ΡΡΡΡΡ. Π’ΠΎΠ»ΡΠΈΠ½Π° ΡΡΠ΅Π½ΠΎΠΊ ΡΡΡΠ±Ρ Π΄ΠΎΠ»ΠΆΠ½Π° Π±ΡΡΡ Π½Π΅ ΠΌΠ΅Π½Π΅Π΅ 3 ΠΌΠΌ, ΡΠ°ΠΊ ΠΊΠ°ΠΊ Π² ΠΏΡΠΎΡΠΈΠ²Π½ΠΎΠΌ ΡΠ»ΡΡΠ°Π΅ Π±Π°ΡΠ°Π±Π°Π½ ΠΏΠΎΠ΄ Π²ΠΎΠ·Π΄Π΅ΠΉΡΡΠ²ΠΈΠ΅ΠΌ Π½Π°Π³ΡΡΠ·ΠΊΠΈ Π΄Π΅ΡΠΎΡΠΌΠΈΡΡΠ΅ΡΡΡ. Π Π΄Π°Π½Π½ΠΎΠΌ ΡΠ»ΡΡΠ°Π΅ ΠΏΠΎΠ½Π°Π΄ΠΎΠ±ΠΈΡΡΡ ΡΠ²Π°ΡΠΎΡΠ½ΡΠΉ ΠΈΠ½ΡΡΡΡΠΌΠ΅Π½Ρ, ΡΠ°ΠΊ ΠΊΠ°ΠΊ ΡΠ΅ΠΊΠΈ ΠΊΡΠ΅ΠΏΡΡΡΡ ΠΈΠΌΠ΅Π½Π½ΠΎ ΡΠ²Π°ΡΠΊΠΎΠΉ.
ΠΠ·Π³ΠΎΡΠ°Π²Π»ΠΈΠ²Π°Ρ Π»Π΅Π±Π΅Π΄ΠΊΡ ΡΠ²ΠΎΠΈΠΌΠΈ ΡΡΠΊΠ°ΠΌΠΈ ΡΠ°ΠΊΠΆΠ΅ ΠΏΡΠΈΡ ΠΎΠ΄ΠΈΡΡΡ ΠΏΡΠΎΠ²ΠΎΠ΄ΠΈΡΡ ΡΡΡΠ°Π½ΠΎΠ²ΠΊΡ ΡΠ΅Π΄ΡΠΊΡΠΎΡΠ°. Π‘Π΅Π³ΠΎΠ΄Π½Ρ ΡΠ°ΠΌΠΎΠ΄Π΅Π»ΡΠ½ΡΠΉ ΡΠ΅Π΄ΡΠΊΡΠΎΡ Π²ΡΡΡΠ΅ΡΠ°Π΅ΡΡΡ ΠΊΡΠ°ΠΉΠ½Π΅ ΡΠ΅Π΄ΠΊΠΎ, ΡΠ°ΠΊ ΠΊΠ°ΠΊ ΠΏΡΠΎΡΠ΅ Π²ΡΠ΅Π³ΠΎ Π΅Π³ΠΎ ΡΠ½ΡΡΡ Ρ Π΄ΡΡΠ³ΠΎΠ³ΠΎ ΠΌΠ΅Ρ Π°Π½ΠΈΠ·ΠΌΠ°. Π Π±ΠΎΠ»ΡΡΠΈΠ½ΡΡΠ²Π΅ ΡΠ»ΡΡΠ°Π΅Π² ΠΏΡΠΎΠ²ΠΎΠ΄ΠΈΡΡΡ ΡΡΡΠ°Π½ΠΎΠ²ΠΊΠ° ΡΠ΅Π΄ΡΠΊΡΠΎΡΠΎΠ², ΠΊΠΎΡΠΎΡΡΠ΅ ΠΏΡΠΈΠΌΠ΅Π½ΡΡΡΡΡ Π΄Π»Ρ ΠΎΡΠΊΡΡΡΠΈΡ ΠΈ Π·Π°ΠΊΡΡΡΠΈΡ Π΄Π²Π΅ΡΠ΅ΠΉ ΡΡΠΎΠ»Π»Π΅ΠΉΠ±ΡΡΠΎΠ². ΠΡΠΈ ΠΎΡΡΡΡΡΡΠ²ΠΈΠΈ ΠΏΠΎΠ΄ΠΎΠ±Π½ΠΎΠ³ΠΎ ΠΌΠ΅Ρ Π°Π½ΠΈΠ·ΠΌΠ° ΠΊ ΡΠ°ΡΡΠΌΠ°ΡΡΠΈΠ²Π°Π΅ΠΌΠΎΠΉ Π·Π°Π΄Π°ΡΠ΅ ΠΌΠΎΠΆΠ½ΠΎ ΠΏΡΠΈΡΠΏΠΎΡΠΎΠ±ΠΈΡΡ ΠΈ Π΄ΡΡΠ³ΠΈΠ΅ ΡΠ°Π·Π½ΠΎΠ²ΠΈΠ΄Π½ΠΎΡΡΠΈ ΡΠ΅Π΄ΡΠΊΡΠΎΡΠ°.
ΠΠ΅ΠΎΠ±Ρ ΠΎΠ΄ΠΈΠΌΡΠ΅ Π΄Π΅ΡΠ°Π»ΠΈ ΠΏΠΎΠ΄Π±ΠΈΡΠ°ΡΡΡΡ Π² Π·Π°Π²ΠΈΡΠΈΠΌΠΎΡΡΠΈ ΠΎΡ Π²ΡΠ±ΡΠ°Π½Π½ΠΎΠ³ΠΎ ΡΠ΅ΡΡΠ΅ΠΆΠ°. Π ΠΏΡΠΈΠΌΠ΅ΡΡ, Π»Π΅Π±Π΅Π΄ΠΊΠ° ΠΈΠ· Π΄ΡΠ΅Π»ΠΈ ΠΎΠ±Π»Π°Π΄Π°Π΅Ρ ΡΠ²ΠΎΠΈΠΌΠΈ ΠΎΡΠΎΠ±Π΅Π½Π½ΠΎΡΡΡΠΌΠΈ, Π² Π±ΠΎΠ»ΡΡΠ΅ΠΉ ΡΡΠ΅ΠΏΠ΅Π½ΠΈ ΠΏΠΎΠ΄Ρ ΠΎΠ΄ΠΈΡ Π΄Π»Ρ ΠΌΠΎΡΠΎΡΠΈΠΊΠ»Π°, ΡΠ°ΠΊ ΠΊΠ°ΠΊ ΡΡΡΠ°Π½ΠΎΠ²Π»Π΅Π½Π½ΡΠ΅ ΠΌΠ΅Ρ Π°Π½ΠΈΠ·ΠΌ Π½Π΅ ΡΠ°ΡΡΡΠΈΡΠ°Π½ Π½Π° Π²ΡΡΠΎΠΊΡΡ Π½Π°Π³ΡΡΠ·ΠΊΡ. Π Π°ΡΡΠΌΠ°ΡΡΠΈΠ²Π°Ρ ΡΠΏΠΎΡΠΎΠ±Ρ ΠΈΠ·Π³ΠΎΡΠΎΠ²Π»Π΅Π½ΠΈΡ ΡΡΠΎΠΈΡ ΡΡΠΈΡΡΠ²Π°ΡΡ, ΡΡΠΎ Π² Π±ΠΎΠ»ΡΡΠΈΠ½ΡΡΠ²Π΅ ΡΠ»ΡΡΠ°Π΅Π² ΠΏΡΠΈΠΌΠ΅Π½ΡΠ΅ΡΡΡ ΡΠ²Π°ΡΠΊΠ° Π΄Π»Ρ ΡΠΎΠ·Π΄Π°Π½ΠΈΡ Π½Π΅ΡΠ°Π·ΡΠ΅ΠΌΠ½ΠΎΠ³ΠΎ ΡΠΎΠ΅Π΄ΠΈΠ½Π΅Π½ΠΈΡ. ΠΠ΄Π½Π°ΠΊΠΎ, ΡΠ°ΠΌΠ° ΠΊΠΎΠ½ΡΡΡΡΠΊΡΠΈΡ ΠΊ Π±Π°ΠΌΠΏΠ΅ΡΡ ΠΊΡΠ΅ΠΏΠΈΡΡΡ Π·Π°ΡΠ°ΡΡΡΡ Π±ΠΎΠ»ΡΠ°ΠΌΠΈ, ΡΠ°ΠΊ ΠΊΠ°ΠΊ Π½ΡΠΆΠ½ΠΎ ΠΎΠ±Π΅ΡΠΏΠ΅ΡΠΈΡΡ Π²ΠΎΠ·ΠΌΠΎΠΆΠ½ΠΎΡΡΡ Π΄Π»Ρ ΠΎΠ±ΡΠ»ΡΠΆΠΈΠ²Π°Π½ΠΈΡ.
Π’ΠΈΠΏΡ Π»Π΅Π±Π΅Π΄ΠΎΠΊ
Π ΠΏΡΠΎΠ΄Π°ΠΆΠ΅ ΠΌΠΎΠΆΠ½ΠΎ Π²ΡΡΡΠ΅ΡΠΈΡΡ ΡΠ°ΠΌΡΠ΅ ΡΠ°Π·Π»ΠΈΡΠ½ΡΠ΅ Π²Π°ΡΠΈΠ°Π½ΡΡ ΠΈΡΠΏΠΎΠ»Π½Π΅Π½ΠΈΡ Π»Π΅Π±Π΅Π΄ΠΊΠΈ. ΠΡΠ½ΠΎΠ²Π½ΠΎΠΉ ΠΊΠ»Π°ΡΡΠΈΡΠΈΠΊΠ°ΡΠΈΠ΅ΠΉ ΠΏΡΠΈΠ½ΡΡΠΎ ΡΡΠΈΡΠ°ΡΡ ΡΠΎ, ΠΊΠ°ΠΊΠΎΠΉ ΡΡΡΠ°Π½Π°Π²Π»ΠΈΠ²Π°Π΅ΡΡΡ ΠΏΡΠΈΠ²ΠΎΠ΄. ΠΠΎ ΡΡΠΎΠΌΡ ΠΏΠΎΠΊΠ°Π·Π°ΡΠ΅Π»Ρ Π²ΡΠ΄Π΅Π»ΡΡΡ ΡΠ»Π΅Π΄ΡΡΡΠΈΠ΅ ΠΊΠΎΠ½ΡΡΡΡΠΊΡΠΈΠΈ:
- ΠΠ»Π΅ΠΊΡΡΠΈΡΠ΅ΡΠΊΠΈΠ΅ ΠΊΠΎΠ½ΡΡΡΡΠΊΡΠΈΠΈ Π½Π° ΡΠ΅Π³ΠΎΠ΄Π½ΡΡΠ½ΠΈΠΉ Π΄Π΅Π½Ρ ΠΏΠΎΠ»ΡΡΠΈΠ»ΠΈ ΡΠ°ΠΌΠΎΠ΅ ΡΠΈΡΠΎΠΊΠΎΠ΅ ΡΠ°ΡΠΏΡΠΎΡΡΡΠ°Π½Π΅Π½ΠΈΠ΅. ΠΡΠΎ ΡΠ²ΡΠ·Π°Π½ΠΎ Ρ ΡΠ΅ΠΌ, ΡΡΠΎ ΠΏΠΎΠ΄ΠΎΠ±Π½Π°Ρ ΠΊΠΎΠ½ΡΡΡΡΠΊΡΠΈΡ ΡΠΏΠΎΡΠΎΠ±Π½Π° ΡΠ°Π±ΠΎΡΠ°ΡΡ ΠΏΠΎΠ΄ Π²Π΅ΡΡΠΌΠ° Π²ΡΡΠΎΠΊΠΎΠΉ Π½Π°Π³ΡΡΠ·ΠΊΠΎΠΉ. ΠΠ°ΠΊ ΠΏΡΠ°Π²ΠΈΠ»ΠΎ, ΠΏΠΈΡΠ°Π½ΠΈΠ΅ ΡΡΡΠ°Π½ΠΎΠ²Π»Π΅Π½Π½ΠΎΠ³ΠΎ ΡΠ»Π΅ΠΊΡΡΠΎΠΌΠΎΡΠΎΡΠ° ΠΏΡΠΎΡ ΠΎΠ΄ΠΈΡ ΠΎΡ Π°ΠΊΠΊΡΠΌΡΠ»ΡΡΠΎΡΠ° ΡΡΠ°Π½ΡΠΏΠΎΡΡΠ½ΠΎΠ³ΠΎ ΡΡΠ΅Π΄ΡΡΠ²Π°, Π° Π±Π»ΠΎΠΊ ΡΠΏΡΠ°Π²Π»Π΅Π½ΠΈΡ ΠΌΠΎΠΆΠ΅Ρ Π±ΡΡΡ ΡΠ°ΡΠΏΠΎΠ»ΠΎΠΆΠ΅Π½ Π²Π½ΡΡΡΠΈ Π°Π²ΡΠΎΠΌΠΎΠ±ΠΈΠ»Ρ ΠΈΠ»ΠΈ ΡΠ½Π°ΡΡΠΆΠΈ.
- ΠΠ΅Ρ Π°Π½ΠΈΡΠ΅ΡΠΊΠ°Ρ Π»Π΅Π±Π΅Π΄ΠΊΠ° ΠΏΡΠΎΡΠ΅ Π²ΡΠ΅Π³ΠΎ Π² ΠΈΠ·Π³ΠΎΡΠΎΠ²Π»Π΅Π½ΠΈΠΈ. ΠΠΎΠ»ΡΡΠΎΠ΅ ΡΠ°ΡΠΏΡΠΎΡΡΡΠ°Π½Π΅Π½ΠΈΠ΅ ΠΏΠΎΠ»ΡΡΠΈΠ»Π° ΡΠ΅ΡΠ²ΡΡΠ½Π°Ρ ΠΊΠΎΠ½ΡΡΡΡΠΊΡΠΈΡ, ΠΊΠΎΠ³Π΄Π° Π΄Π»Ρ ΠΏΠ΅ΡΠ΅Π΄Π°ΡΠΈ ΡΡΠΈΠ»ΠΈΡ ΠΈ Π΅Π³ΠΎ ΡΠ²Π΅Π»ΠΈΡΠ΅Π½ΠΈΡ ΡΡΡΠ°Π½Π°Π²Π»ΠΈΠ²Π°Π΅ΡΡΡ ΡΠ΅Π΄ΡΠΊΡΠΎΡ. ΠΠ΅Π±ΠΎΠ»ΡΡΠ°Ρ Π°Π²ΡΠΎΠ»Π΅Π±Π΅Π΄ΠΊΠ° ΠΌΠ΅Ρ Π°Π½ΠΈΡΠ΅ΡΠΊΠΎΠ³ΠΎ ΡΠΈΠΏΠ° ΠΏΡΠ΅Π΄Π½Π°Π·Π½Π°ΡΠ΅Π½Π° Π΄Π»Ρ Π½Π΅Π±ΠΎΠ»ΡΡΠΎΠ³ΠΎ ΡΡΠΈΠ»ΠΈΡ.
- ΠΠΈΠ΄ΡΠ°Π²Π»ΠΈΡΠ΅ΡΠΊΠ°Ρ. ΠΡΡΡΠ΅ΡΠ°ΡΡΡΡ ΠΈ ΠΊΠΎΠ½ΡΡΡΡΠΊΡΠΈΠΈ Π³ΠΈΠ΄ΡΠ°Π²Π»ΠΈΡΠ΅ΡΠΊΠΎΠ³ΠΎ ΡΠΈΠΏΠ°. ΠΡ ΠΏΡΠΈΠ½ΡΠΈΠΏ ΡΠ°Π±ΠΎΡΡ ΠΎΡΠ½ΠΎΠ²Π°Π½ Π½Π° ΠΏΠΎΠ΄Π°ΡΠ΅ ΠΆΠΈΠ΄ΠΊΠΎΡΡΠΈ ΠΏΠΎΠ΄ Π±ΠΎΠ»ΡΡΠΈΠΌ Π΄Π°Π²Π»Π΅Π½ΠΈΠ΅ΠΌ, Π·Π° ΡΡΠ΅Ρ ΡΠ΅Π³ΠΎ ΠΏΡΠΎΠΈΡΡ ΠΎΠ΄ΠΈΡ ΠΏΠ΅ΡΠ΅ΠΌΠ΅ΡΠ΅Π½ΠΈΠ΅ ΠΏΠΎΠ΄Π²ΠΈΠΆΠ½ΠΎΠ³ΠΎ ΡΠ»Π΅ΠΌΠ΅Π½ΡΠ°. ΠΠ°ΠΊ ΠΏΡΠ°Π²ΠΈΠ»ΠΎ, Π³ΠΈΠ΄ΡΠ°Π²Π»ΠΈΡΠ΅ΡΠΊΠΈΠΉ ΠΏΡΠΈΠ²ΠΎΠ΄ ΡΡΡΠ°Π½Π°Π²Π»ΠΈΠ²Π°Π΅ΡΡΡ Π½Π° ΠΊΠΎΠ½ΡΡΡΡΠΊΡΠΈΡ, ΠΏΡΠ΅Π΄Π½Π°Π·Π½Π°ΡΠ΅Π½Π½ΡΡ Π΄Π»Ρ ΡΡΠ°Π½ΡΠΏΠΎΡΡΠΈΡΠΎΠ²ΠΊΠΈ Π³ΡΡΠ·Π°.
Π§Π°ΡΠ΅ Π²ΡΠ΅Π³ΠΎ ΡΠ°ΠΌΠΎΠ΄Π΅Π»ΡΠ½Π°Ρ ΠΊΠΎΠ½ΡΡΡΡΠΊΡΠΈΡ ΠΈΠΌΠ΅Π΅Ρ ΠΌΠ΅Ρ Π°Π½ΠΈΡΠ΅ΡΠΊΠΈΠΉ ΠΏΡΠΈΠ²ΠΎΠ΄, ΡΠ°ΠΊ ΠΊΠ°ΠΊ ΠΎΠ½ ΠΏΡΠΎΡΠ΅ Π² ΠΈΠ·Π³ΠΎΡΠΎΠ²Π»Π΅Π½ΠΈΠΈ ΠΈ ΡΡΡΠ°Π½ΠΎΠ²ΠΊΠ΅.
Π ΡΡΠ½Π°Ρ
Π ΡΡΠ½Π°Ρ Π»Π΅Π±Π΅Π΄ΠΊΠ° ΡΠ²ΠΎΠΈΠΌΠΈ ΡΡΠΊΠ°ΠΌΠΈ Π΄ΠΎΠ²ΠΎΠ»ΡΠ½ΠΎ ΠΏΡΠΎΡΡΠ° Π² ΠΈΠ·Π³ΠΎΡΠΎΠ²Π»Π΅Π½ΠΈΠΈ, ΡΡΠΎ ΠΎΠΏΡΠ΅Π΄Π΅Π»ΠΈΠ»ΠΎ Π΅Π΅ ΡΠΈΡΠΎΠΊΠΎΠ΅ ΡΠ°ΡΠΏΡΠΎΡΡΡΠ°Π½Π΅Π½ΠΈΠ΅. ΠΡΠ½ΠΎΠ²Π½ΡΠΌ Π½Π΅Π΄ΠΎΡΡΠ°ΡΠΊΠΎΠΌ ΠΊΠΎΠ½ΡΡΡΡΠΊΡΠΈΠΈ ΠΌΠΎΠΆΠ½ΠΎ Π½Π°Π·Π²Π°ΡΡ Π΅Π΅ Π΄ΠΎΠ²ΠΎΠ»ΡΠ½ΠΎ Π±ΠΎΠ»ΡΡΠΈΠ΅ Π³Π°Π±Π°ΡΠΈΡΠ½ΡΠ΅ ΡΠ°Π·ΠΌΠ΅ΡΡ. Π ΡΡΠ½Π°Ρ Π±Π°ΡΠ°Π±Π°Π½Π½Π°Ρ Π»Π΅Π±Π΅Π΄ΠΊΠ° ΠΌΠΎΠΆΠ΅Ρ ΡΡΡΠ΅ΡΡΠ²Π΅Π½Π½ΠΎ Π²ΡΡ ΠΎΠ΄ΠΈΡΡ Π·Π° ΠΏΡΠ΅Π΄Π΅Π»Ρ Π°Π²ΡΠΎΠΌΠΎΠ±ΠΈΠ»Ρ, Π° Π΄Π»Ρ Π΅Π΅ ΡΡΡΠ°Π½ΠΎΠ²ΠΊΠΈ ΡΡΠ΅Π±ΡΠ΅ΡΡΡ ΡΠΏΠ΅ΡΠΈΠ°Π»ΡΠ½ΡΠ΅ Π±Π°ΠΌΠΏΠ΅Ρ Ρ ΡΠΈΡΠΎΠΊΠΈΠΌ ΠΏΠΎΡΠ°Π΄ΠΎΡΠ½ΡΠΌ ΠΌΠ΅ΡΡΠΎΠΌ.
ΠΠ΅ ΡΡΠΎΠΈΡ Π·Π°Π±ΡΠ²Π°ΡΡ ΡΠ°ΠΊΠΆΠ΅ ΠΎ ΡΠΎΠΌ, ΡΡΠΎ ΠΊΠΎΠ½ΡΡΡΡΠΊΡΠΈΡ ΠΈΠΌΠ΅Π΅Ρ ΡΡΡΠ½ΠΎΠΉ ΠΏΡΠΈΠ²ΠΎΠ΄.
ΠΠ° ΠΌΠΎΠΌΠ΅Π½Ρ, ΠΊΠΎΠ³Π΄Π° Π°Π²ΡΠΎΠΌΠΎΠ±ΠΈΠ»Ρ Π·Π°ΡΡΡΡΠ» ΠΎΠ΄Π½ΠΎΠ²ΡΠ΅ΠΌΠ΅Π½Π½ΠΎ ΡΡΠ½ΡΡΡ ΠΈ ΡΠΏΡΠ°Π²Π»ΡΡΡ ΠΈΠΌ Π½Π΅ ΠΏΠΎΠ»ΡΡΠΈΡΡΡ. ΠΠΌΠ΅Π½Π½ΠΎ ΠΏΠΎΡΡΠΎΠΌΡ ΡΠ°ΡΡΠΌΠ°ΡΡΠΈΠ²Π°Π΅ΠΌΠ°Ρ ΠΊΠΎΠ½ΡΡΡΡΠΊΡΠΈΡ ΡΠ΅Π³ΠΎΠ΄Π½Ρ Π²ΡΡΡΠ΅ΡΠ°Π΅ΡΡΡ Π²ΡΠ΅ ΡΠ΅ΠΆΠ΅.

Π§Π΅ΡΡΠ΅ΠΆ ΡΡΡΠ½ΠΎΠΉ Π»Π΅Π±Π΅Π΄ΠΊΠΈ
ΠΠ»Π΅ΠΊΡΡΠΈΡΠ΅ΡΠΊΠ°Ρ
ΠΠ°ΠΊ ΡΠ°Π½Π΅Π΅ Π±ΡΠ»ΠΎ ΠΎΡΠΌΠ΅ΡΠ΅Π½ΠΎ, Π΄ΠΎΠ²ΠΎΠ»ΡΠ½ΠΎ Π±ΠΎΠ»ΡΡΠΎΠ΅ ΡΠ°ΡΠΏΡΠΎΡΡΡΠ°Π½Π΅Π½ΠΈΠ΅ ΠΏΠΎΠ»ΡΡΠΈΠ»Π° ΠΊΠΎΠ½ΡΡΡΡΠΊΡΠΈΡ Ρ ΡΠ»Π΅ΠΊΡΡΠΈΡΠ΅ΡΠΊΠΈΠΌ ΠΏΡΠΈΠ²ΠΎΠ΄ΠΎΠΌ. ΠΡΠΎ ΡΠ²ΡΠ·Π°Π½ΠΎ Ρ ΡΠ΅ΠΌ, ΡΡΠΎ ΡΠ°ΠΌΠΎΠ΄Π΅Π»ΡΠ½Π°Ρ ΡΠ»Π΅ΠΊΡΡΠΎΠ»Π΅Π±Π΅Π΄ΠΊΠ° ΠΊΠΎΠΌΡΠΎΡΡΠ½Π° Π² ΠΈΡΠΏΠΎΠ»ΡΠ·ΠΎΠ²Π°Π½ΠΈΠΈ ΠΈ ΡΠ°ΡΡΡΠΈΡΠ°Π½Π° Π½Π° Π΄ΠΎΡΡΠ°ΡΠΎΡΠ½ΠΎ Π²ΡΡΠΎΠΊΡΡ Π½Π°Π³ΡΡΠ·ΠΊΡ. ΠΠ΅ ΠΎΡΠΎΠ±Π΅Π½Π½ΠΎΡΡΡΠΌΠΈ Π½Π°Π·ΠΎΠ²Π΅ΠΌ ΡΠ»Π΅Π΄ΡΡΡΠΈΠ΅ ΠΌΠΎΠΌΠ΅Π½ΡΡ:
- ΠΡΡΠΎΠΊΠΈΠΉ ΠΏΠΎΠΊΠ°Π·Π°ΡΠ΅Π»Ρ ΠΠΠ ΠΎΠΏΡΠ΅Π΄Π΅Π»ΡΠ΅Ρ ΡΠΎ, ΡΡΠΎ ΠΊΠΎΠ½ΡΡΡΡΠΊΡΠΈΡ ΡΡΡΠ΅ΠΊΡΠΈΠ²Π½Π΅Π΅ ΡΠΏΡΠ°Π²Π»ΡΠ΅ΡΡΡ Ρ ΠΏΠΎΡΡΠ°Π²Π»Π΅Π½Π½ΡΠΌΠΈ Π·Π°Π΄Π°ΡΠ°ΠΌΠΈ.
- Π ΠΊΠ°ΡΠ΅ΡΡΠ²Π΅ ΠΈΡΡΠΎΡΠ½ΠΈΠΊΠ° ΡΡΠΈΠ»ΠΈΡ ΠΌΠΎΠΆΠ΅Ρ ΠΈΡΠΏΠΎΠ»ΡΠ·ΠΎΠ²Π°ΡΡΡΡ ΠΎΡΠ΄Π΅Π»ΡΠ½ΡΠΉ ΡΠ»Π΅ΠΊΡΡΠΎΠ΄Π²ΠΈΠ³Π°ΡΠ΅Π»Ρ ΠΈΠ»ΠΈ Π³Π΅Π½Π΅ΡΠ°ΡΠΎΡ. ΠΡΠΈ Π²ΡΠ±ΠΎΡΠ΅ Π²Π°ΡΠΈΠ°Π½ΡΠ° ΠΈΡΠΏΠΎΠ»Π½Π΅Π½ΠΈΡ, ΠΏΡΠΈ ΠΊΠΎΡΠΎΡΠΎΠΌ ΠΏΠΎΠ΄ΠΊΠ»ΡΡΠ΅Π½ΠΈΠ΅ Π»Π΅Π±Π΅Π΄ΠΊΠΈ ΠΏΡΠΎΠ²ΠΎΠ΄ΠΈΡΡΡ ΡΠ΅ΡΠ΅Π· Π³Π΅Π½Π΅ΡΠ°ΡΠΎΡ, ΡΠ»Π΅Π΄ΡΠ΅Ρ Π±ΡΡΡ ΠΎΡΡΠΎΡΠΎΠΆΠ½ΡΠΌ, ΡΠ°ΠΊ ΠΊΠ°ΠΊ ΡΡΠΎΡ ΡΠ·Π΅Π» ΡΡΠ°Π½ΡΠΏΠΎΡΡΠ½ΠΎΠ³ΠΎ ΡΡΠ΅Π΄ΡΡΠ²Π° Π²Π°ΠΆΠ΅Π½ ΠΈ Π½Π΅ Π²ΡΠ΄Π΅ΡΠΆΠΈΠ²Π°Π΅Ρ ΠΏΠ΅ΡΠ΅Π³ΡΡΠ·ΠΎΠΊ.
- ΠΠ»Π΅ΠΊΡΡΠΈΡΠ΅ΡΠΊΠ°Ρ Π°Π²ΡΠΎΠΌΠΎΠ±ΠΈΠ»ΡΠ½Π°Ρ Π»Π΅Π±Π΅Π΄ΠΊΠ° Π΄ΠΎΠ»ΠΆΠ½Π° ΠΎΠ±Π»Π°Π΄Π°ΡΡ Π²ΡΡΠΎΠΊΠΈΠΌ ΠΊΡΡΡΡΡΠΈΠΌ ΠΌΠΎΠΌΠ΅Π½ΡΠΎΠΌ. ΠΡΠΎΠΌΠ΅ ΡΡΠΎΠ³ΠΎ, ΡΠ΄Π΅Π»ΡΠ΅ΡΡΡ Π΄ΠΎΠ²ΠΎΠ»ΡΠ½ΠΎ ΠΌΠ½ΠΎΠ³ΠΎ Π²Π½ΠΈΠΌΠ°Π½ΠΈΡ ΠΏΠΎΠΊΠ°Π·Π°ΡΠ΅Π»Ρ ΠΏΠΎΡΡΠ΅Π±Π»Π΅Π½ΠΈΡ ΡΠ½Π΅ΡΠ³ΠΈΠΈ. ΠΡΠΎ ΡΠ²ΡΠ·Π°Π½ΠΎ Ρ ΡΠ΅ΠΌ, ΡΡΠΎ Π² Π½Π΅ΠΏΠΎΠ΄Π²ΠΈΠΆΠ½ΠΎΠΌ ΡΠΎΡΡΠΎΡΠ½ΠΈΠΈ ΡΡΠ°Π½ΡΠΏΠΎΡΡΠ½ΠΎΠ³ΠΎ ΡΡΠ΅Π΄ΡΡΠ²Π° Π±ΠΎΠ»ΡΡΠ°Ρ ΡΠ°ΡΡΡ ΠΏΠΈΡΠ°Π½ΠΈΡ Π±ΡΠ΄Π΅Ρ ΠΏΠΎΡΡΡΠΏΠ°ΡΡ Π½Π΅ ΠΎΡ Π³Π΅Π½Π΅ΡΠ°ΡΠΎΡΠ°, Π° Π°ΠΊΠΊΡΠΌΡΠ»ΡΡΠΎΡΠ°. Π‘Π»ΠΈΡΠΊΠΎΠΌ Π²ΡΡΠΎΠΊΠΈΠΉ ΠΏΠΎΠΊΠ°Π·Π°ΡΠ΅Π»Ρ ΡΠ»Π΅ΠΊΡΡΠΎΠΏΠΎΡΡΠ΅Π±Π»Π΅Π½ΠΈΡ ΠΌΠΎΠΆΠ΅Ρ ΡΡΠ°ΡΡ ΠΏΡΠΈΡΠΈΠ½ΠΎΠΉ Π±ΡΡΡΡΠΎΠΉ ΡΠ°Π·ΡΡΠ΄ΠΊΠΈ Π°ΠΊΠΊΡΠΌΡΠ»ΡΡΠΎΡΠ°. ΠΠ΄Π½Π°ΠΊΠΎ, ΡΠ»ΠΈΡΠΊΠΎΠΌ Π½ΠΈΠ·ΠΊΠΈΠΉ ΠΏΠΎΠΊΠ°Π·Π°ΡΠ΅Π»Ρ ΡΠ»Π΅ΠΊΡΡΠΎΠΏΠΎΡΡΠ΅Π±Π»Π΅Π½ΠΈΡ ΠΌΠΎΠΆΠ΅Ρ ΡΡΠ°ΡΡ ΠΏΡΠΈΡΠΈΠ½ΠΎΠΉ ΡΡΡΠ΅ΡΡΠ²Π΅Π½Π½ΠΎΠ³ΠΎ ΡΠ½ΠΈΠΆΠ΅Π½ΠΈΡ ΠΌΠΎΡΠ½ΠΎΡΡΠΈ ΡΡΡΡΠΎΠΉΡΡΠ²Π°.

Π‘Π°ΠΌΠΎΠ΄Π΅Π»ΡΠ½Π°Ρ Π»Π΅Π±Π΅Π΄ΠΊΠ°
Π ΠΏΠΎΡΠ»Π΅Π΄Π½Π΅Π΅ Π²ΡΠ΅ΠΌΡ Π±ΠΎΠ»ΡΡΠΎΠΉ ΠΏΠΎΠΏΡΠ»ΡΡΠ½ΠΎΡΡΡΡ ΡΡΠ°Π»ΠΈ ΠΏΠΎΠ»ΡΠ·ΠΎΠ²Π°ΡΡΡΡ Π²Π°ΡΠΈΠ°Π½ΡΡ ΠΈΡΠΏΠΎΠ»Π½Π΅Π½ΠΈΡ, ΠΊΠΎΡΠΎΡΡΠ΅ ΠΌΠΎΠ³ΡΡ ΠΏΠΈΡΠ°ΡΡΡΡ ΠΎΡ ΠΈΡΡΠΎΡΠ½ΠΈΠΊΠ° ΡΠ½Π΅ΡΠ³ΠΈΠΈ 12 Π²ΠΎΠ»ΡΡ. Π ΠΏΠΎΠ΄ΠΎΠ±Π½ΠΎΠΌ ΡΠ»ΡΡΠ°Π΅ ΡΡΡΡΠΎΠΉΡΡΠ²ΠΎ Π»Π΅Π±Π΅Π΄ΠΊΠΈ ΠΏΠΎΠ΄ΠΊΠ»ΡΡΠ°Π΅ΡΡΡ ΠΊ ΠΏΡΠΈΠΊΡΡΠΈΠ²Π°ΡΠ΅Π»Ρ ΠΈΠ»ΠΈ ΡΠΎΠΎΡΠ²Π΅ΡΡΡΠ²ΡΡΡΠ΅ΠΉ ΡΠΎΠ·Π΅ΡΠΊΠ΅ Π² Π°Π²ΡΠΎΠΌΠΎΠ±ΠΈΠ»Π΅ ΠΏΡΠΈ Π΅Π΅ Π½Π°Π»ΠΈΡΠΈΠΈ.
ΠΠΈΠ΄ΡΠ°Π²Π»ΠΈΡΠ΅ΡΠΊΠ°Ρ
ΠΠΈΠ΄ΡΠ°Π²Π»ΠΈΡΠ΅ΡΠΊΠ°Ρ Π»Π΅Π±Π΅Π΄ΠΊΠ° ΡΡΠΈΡΠ°Π΅ΡΡΡ Π½Π°ΠΈΠ±ΠΎΠ»Π΅Π΅ ΡΠ»ΠΎΠΆΠ½ΡΠΌ Π²Π°ΡΠΈΠ°Π½ΡΠΎΠΌ ΠΈΡΠΏΠΎΠ»Π½Π΅Π½ΠΈΡ, ΡΠ°ΠΊ ΠΊΠ°ΠΊ ΠΊΠΎΠ½ΡΡΡΡΠΊΡΠΈΡ ΠΏΡΠ΅Π΄ΡΡΠ°Π²Π»Π΅Π½Π° ΡΠΎΡΠ΅ΡΠ°Π½ΠΈΠ΅ΠΌ ΡΠ»Π΅Π΄ΡΡΡΠΈΡ ΡΠ»Π΅ΠΌΠ΅Π½ΡΠΎΠ²:
- ΠΠ°ΡΠ°Π±Π°Π½Π° Ρ ΡΡΠΎΡΠΎΠΌ.
- ΠΠ΅Ρ Π°Π½ΠΈΡΠ΅ΡΠΊΠΎΠ³ΠΎ ΡΠ»Π΅ΠΌΠ΅Π½ΡΠ°, ΠΏΠ΅ΡΠ΅Π΄Π°ΡΡΠ΅Π³ΠΎ Π²ΡΠ°ΡΠ΅Π½ΠΈΠ΅ Π±Π°ΡΠ°Π±Π°Π½Ρ.
- ΠΠΈΠ΄ΡΠ°Π²Π»ΠΈΡΠ΅ΡΠΊΠΎΠ³ΠΎ ΠΏΡΠΈΠ²ΠΎΠ΄Π°.
- ΠΠ°ΡΠ»ΡΠ½ΡΠΌ Π½Π°ΡΠΎΡΠΎΠΌ ΠΈΠ»ΠΈ ΠΊΠΎΠΌΠΏΡΠ΅ΡΡΠΎΡΠΎΠΌ.
- ΠΠ°ΠΊΠΎΠΌ Π΄Π»Ρ ΠΌΠ°ΡΠ»Π°.
ΠΡΠΎΠΌΠ΅ ΡΡΠΎΠ³ΠΎ, ΠΏΠΎΠ΄ΠΎΠ±Π½Π°Ρ Π°Π²ΡΠΎΠΌΠΎΠ±ΠΈΠ»ΡΠ½Π°Ρ Π»Π΅Π±Π΅Π΄ΠΊΠ° Π΄ΠΎΠ²ΠΎΠ»ΡΠ½ΠΎ ΡΠ»ΠΎΠΆΠ½Π° Π² ΠΈΠ·Π³ΠΎΡΠΎΠ²Π»Π΅Π½ΠΈΠΈ, ΠΈΠΌΠ΅Π΅Ρ Π±ΠΎΠ»ΡΡΠΈΠ΅ ΡΠ°Π·ΠΌΠ΅ΡΡ. Π‘Π»ΠΎΠΆΠ½ΠΎΡΡΡ ΠΊΠΎΠ½ΡΡΡΡΠΊΡΠΈΠΈ ΡΠ°ΠΊΠΆΠ΅ ΠΎΠΏΡΠ΅Π΄Π΅Π»ΡΠ΅Ρ Π½Π΅ΠΎΠ±Ρ ΠΎΠ΄ΠΈΠΌΠΎΡΡΡ Π² Π²ΡΠΏΠΎΠ»Π½Π΅Π½ΠΈΠΈ ΠΏΠ΅ΡΠΈΠΎΠ΄ΠΈΡΠ΅ΡΠΊΠΎΠ³ΠΎ ΠΎΠ±ΡΠ»ΡΠΆΠΈΠ²Π°Π½ΠΈΡ.
ΠΡΠ΅ΠΈΠΌΡΡΠ΅ΡΡΠ²ΠΎΠΌ Π²Π°ΡΠΈΠ°Π½ΡΠ° ΠΈΡΠΏΠΎΠ»Π½Π΅Π½ΠΈΡ Ρ Π³ΠΈΠ΄ΡΠ°Π²Π»ΠΈΡΠ΅ΡΠΊΠΈΠΌ ΠΏΡΠΈΠ²ΠΎΠ΄ΠΎΠΌ ΠΌΠΎΠΆΠ½ΠΎ Π½Π°Π·Π²Π°ΡΡ Π½ΠΈΠ·ΠΊΠΈΠΉ ΠΏΠΎΠΊΠ°Π·Π°ΡΠ΅Π»Ρ ΡΠ½Π΅ΡΠ³ΠΎΠΏΠΎΡΡΠ΅Π±Π»Π΅Π½ΠΈΡ ΠΈ Π±ΠΎΠ»Π΅Π΅ Π²ΡΡΠΎΠΊΡΡ ΠΌΠΎΡΠ½ΠΎΡΡΡ. ΠΠ΅Π±Π΅Π΄ΠΊΡ ΠΏΠΎΠ΄ΠΎΠ±Π½ΠΎΠ³ΠΎ ΡΠΈΠΏΠ° ΡΠ΅Π»Π΅ΡΠΎΠΎΠ±ΡΠ°Π·Π½ΠΎ ΡΡΡΠ°Π½Π°Π²Π»ΠΈΠ²Π°ΡΡ ΡΠΎΠ»ΡΠΊΠΎ Π½Π° ΠΊΡΡΠΏΠ½ΡΠ΅ Π²Π½Π΅Π΄ΠΎΡΠΎΠΆΠ½ΠΈΠΊΠΈ, ΠΊΠΎΡΠΎΡΡΠ΅ ΠΈΠΌΠ΅ΡΡ Π²ΡΡΠΎΠΊΠΈΠΉ ΠΏΠΎΠΊΠ°Π·Π°ΡΠ΅Π»Ρ ΡΠ½Π°ΡΡΠΆΠ΅Π½Π½ΠΎΠΉ ΠΌΠ°ΡΡΡ. ΠΡΠΎΠΌΠ΅ ΡΡΠΎΠ³ΠΎ, ΠΊΠΎΠ½ΡΡΡΡΠΊΡΠΈΡ ΠΏΠΎΠ΄Ρ ΠΎΠ΄ΠΈΡ Π΄Π»Ρ Π°Π²ΡΠΎΠΌΠΎΠ±ΠΈΠ»Π΅ΠΉ, ΠΊΠΎΡΠΎΡΡΠ΅ ΡΠ°ΡΡΠΎ ΠΏΡΠΈΠΌΠ΅Π½ΡΡΡΡΡ Π΄Π»Ρ Π΄Π²ΠΈΠΆΠ΅Π½ΠΈΡ ΠΏΠΎ ΠΏΠ΅ΡΠ΅ΡΠ΅ΡΠ΅Π½Π½ΠΎΠΉ ΠΌΠ΅ΡΡΠ½ΠΎΡΡΠΈ.
ΠΠ΅Π±Π΅Π΄ΠΊΠ° ΠΈΠ· ΡΡΠ°ΡΡΠ΅ΡΠ° ΡΠ²ΠΎΠΈΠΌΠΈ ΡΡΠΊΠ°ΠΌΠΈ
ΠΠΎΠ²ΠΎΠ»ΡΠ½ΠΎ Π±ΠΎΠ»ΡΡΠΎΠ΅ ΡΠ°ΡΠΏΡΠΎΡΡΡΠ°Π½Π΅Π½ΠΈΠ΅ ΠΏΠΎΠ»ΡΡΠΈΠ»Π° ΠΊΠΎΠ½ΡΡΡΡΠΊΡΠΈΡ, Π² ΠΊΠΎΡΠΎΡΠΎΠΉ ΠΏΡΠΈΠΌΠ΅Π½ΡΠ΅ΡΡΡ ΡΡΠ°ΡΡΠ΅Ρ Π΄Π»Ρ ΠΏΠ΅ΡΠ΅Π΄Π°ΡΠΈ ΡΡΠΈΠ»ΠΈΡ. ΠΠ΅Π±Π΅Π΄ΠΊΠ° ΠΈΠ· ΡΡΠ°ΡΡΠ΅ΡΠ° ΡΠ²ΠΎΠΈΠΌΠΈ ΡΡΠΊΠ°ΠΌΠΈ ΠΈΠ·Π³ΠΎΡΠ°Π²Π»ΠΈΠ²Π°Π΅ΡΡΡ Π² ΡΠΎΠΌ ΡΠ»ΡΡΠ°Π΅, ΠΊΠΎΠ³Π΄Π° Π½Π΅Π»ΡΠ·Ρ ΠΏΠΎΠ΄ΠΎΠ±ΡΠ°ΡΡ Π½Π°ΠΈΠ±ΠΎΠ»Π΅Π΅ ΠΏΠΎΠ΄Ρ ΠΎΠ΄ΡΡΠΈΠΉ ΡΠ΅Π΄ΡΠΊΡΠΎΡ.
Π Π°ΡΡΠΌΠ°ΡΡΠΈΠ²Π°Ρ ΡΠΎ, ΠΊΠ°ΠΊ ΡΠ΄Π΅Π»Π°ΡΡ Π»Π΅Π±Π΅Π΄ΠΊΡ ΠΈΠ· ΡΡΠ°ΡΡΠ΅ΡΠ° ΡΠ²ΠΎΠΈΠΌΠΈ ΡΡΠΊΠ°ΠΌΠΈ, ΠΎΡΠΌΠ΅ΡΠΈΠΌ Π½ΠΈΠΆΠ΅ΠΏΡΠΈΠ²Π΅Π΄Π΅Π½Π½ΡΠ΅ ΠΌΠΎΠΌΠ΅Π½ΡΡ:
- Π‘ΠΎΠ·Π΄Π°Π΅ΡΡΡ ΡΠ°ΡΡΠΈ ΡΠΎΠ³Π»Π°ΡΠ½ΠΎ ΡΠΊΠ°ΡΠ΅Π½Π½ΠΎΠΌΡ ΠΈΠ»ΠΈ ΡΠ°Π·ΡΠ°Π±ΠΎΡΠ°Π½Π½ΠΎΠΌΡ ΠΏΡΠΎΠ΅ΠΊΡΡ. Π‘ΠΎΠ΅Π΄ΠΈΠ½Π΅Π½ΠΈΠ΅ Π²ΡΠ΅Ρ ΡΠ»Π΅ΠΌΠ΅Π½ΡΠΎΠ² ΠΏΡΠΎΠ²ΠΎΠ΄ΠΈΡΡΡ ΡΠ²Π°ΡΠΊΠΎΠΉ.
- ΠΠ·Π³ΠΎΡΠ°Π²Π»ΠΈΠ²Π°Π΅ΡΡΡ Π±Π°ΡΠ°Π±Π°Π½. ΠΠ»Ρ ΡΡΠΎΠ³ΠΎ ΠΌΠΎΠΆΠ½ΠΎ ΠΈΡΠΏΠΎΠ»ΡΠ·ΠΎΠ²Π°ΡΡ ΡΡΡΠ±Ρ ΡΡΠ΅Π±ΡΠ΅ΠΌΠΎΠ³ΠΎ Π΄ΠΈΠ°ΠΌΠ΅ΡΡΠ°, Π½ΠΎ Π΅ΡΡΡ ΠΈ Π±ΠΎΠ»Π΅Π΅ ΡΠ»ΠΎΠΆΠ½ΡΠ΅ ΠΌΠ΅Ρ Π°Π½ΠΈΠ·ΠΌΡ.
- ΠΠ°ΡΠ°Π±Π°Π½ ΡΠΈΠΊΡΠΈΡΡΠ΅ΡΡΡ Π½Π° Π²Π°Π»Ρ ΡΠΎ Π·Π²Π΅Π·Π΄ΠΎΡΠΊΠΎΠΉ, Π½Π° ΠΊΠΎΡΠΎΡΡΡ Π±ΡΠ΄Π΅Ρ ΠΏΠ΅ΡΠ΅Π΄Π°Π²Π°ΡΡΡΡ ΡΡΠΈΠ»ΠΈΠ΅.
- ΠΠΎΠ½ΡΡΡΡΠΊΡΠΈΡ Π±Π°ΡΠ°Π±Π°Π½Π° ΠΊΡΠ΅ΠΏΠΈΡΡΡ Π½Π° ΠΊΠΎΡΠΏΡΡΠ΅ Π²ΠΌΠ΅ΡΡΠ΅ ΡΠΎ ΡΡΠ°ΡΡΠ΅ΡΠΎΠΌ.
- Π‘ΡΠ°ΡΡΠ΅Ρ ΡΠΎΠ΅Π΄ΠΈΠ½ΡΠ΅ΡΡΡ Ρ Π²Π°Π»ΠΎΠΌ.
- ΠΡΠΎΠ²ΠΎΠ΄ΠΈΡΡΡ ΠΏΠΎΠ΄ΠΊΠ»ΡΡΠ΅Π½ΠΈΠ΅ ΠΈΡΡΠΎΡΠ½ΠΈΠΊΠ° ΠΏΠΈΡΠ°Π½ΠΈΡ ΠΊ ΡΠΏΡΠ°Π²Π»ΡΡΡΠΈΠΌΠΈ Π±Π»ΠΎΠΊΡ, ΠΏΡΠΎΠ²Π΅ΡΡΠ΅ΡΡΡ ΡΠ°Π±ΠΎΡΠ° ΡΡΡΡΠΎΠΉΡΡΠ²Π°.
- Π‘ΠΎΠ·Π΄Π°ΡΡΡΡ Π·Π°ΡΠΈΡΠ½ΡΠ΅ ΡΠ»Π΅ΠΌΠ΅Π½ΡΡ ΠΎΡΠ½ΠΎΠ²Π½ΡΡ ΠΌΠ΅Ρ Π°Π½ΠΈΠ·ΠΌΠΎΠ². ΠΠ΅ ΡΡΠΎΠΈΡ Π·Π°Π±ΡΠ²Π°ΡΡ ΠΎ ΡΠΎΠΌ, ΡΡΠΎ ΠΏΡΠΈ Π΄Π²ΠΈΠΆΠ΅Π½ΠΈΠΈ ΠΏΠΎ ΠΏΠ΅ΡΠ΅ΡΠ΅ΡΠ΅Π½Π½ΠΎΠΉ ΠΌΠ΅ΡΡΠ½ΠΎΡΡΠΈ Π½Π° Π»Π΅Π±Π΅Π΄ΠΊΡ ΠΌΠΎΠΆΠ΅Ρ ΠΎΠΊΠ°Π·ΡΠ²Π°ΡΡΡΡ ΡΠ°Π·Π»ΠΈΡΠ½ΠΎΠ³ΠΎ ΡΠΎΠ΄Π° Π²ΠΎΠ·Π΄Π΅ΠΉΡΡΠ²ΠΈΠ΅. ΠΠ°ΡΠ΅ΡΡΠ²Π΅Π½Π½Π°Ρ Π·Π°ΡΠΈΡΠ° ΠΏΠΎΠ·Π²ΠΎΠ»ΡΠ΅Ρ ΡΡΡΠ΅ΡΡΠ²Π΅Π½Π½ΠΎ ΠΏΡΠΎΠ΄Π»ΠΈΡΡ ΡΡΠΎΠΊ ΡΠ»ΡΠΆΠ±Ρ ΠΊΠΎΠ½ΡΡΡΡΠΊΡΠΈΠΈ.
- ΠΠ΅Π±Π΅Π΄ΠΊΠ° ΡΡΡΠ°Π½Π°Π²Π»ΠΈΠ²Π°Π΅ΡΡΡ Π½Π° Π°Π²ΡΠΎΠΌΠΎΠ±ΠΈΠ»Π΅ ΠΈ ΠΏΡΠΎΠ²Π΅ΡΡΠ΅ΡΡΡ Π² Π΄Π΅Π»Π΅.

ΠΠ΅Π±Π΅Π΄ΠΊΠ° ΠΈΠ· ΡΡΠ°ΡΡΠ΅ΡΠ°
Π‘Π°ΠΌΠΎΠ΄Π΅Π»ΡΠ½Π°Ρ Π»Π΅Π±Π΅Π΄ΠΊΠ° ΠΈΠ· ΡΡΠ°ΡΡΠ΅ΡΠ° Ρ Π°ΡΠ°ΠΊΡΠ΅ΡΠΈΠ·ΡΠ΅ΡΡΡ ΠΎΡΠ½ΠΎΡΠΈΡΠ΅Π»ΡΠ½ΠΎ Π½Π΅Π±ΠΎΠ»ΡΡΠΈΠΌΠΈ Π³Π°Π±Π°ΡΠΈΡΠ½ΡΠΌΠΈ ΡΠ°Π·ΠΌΠ΅ΡΠ°ΠΌΠΈ, Π° ΡΠ°ΠΊΠΆΠ΅ Π²ΡΡΠΎΠΊΠΎΠΉ ΡΡΡΠ΅ΠΊΡΠΈΠ²Π½ΠΎΡΡΡΡ Π² ΠΏΡΠΈΠΌΠ΅Π½Π΅Π½ΠΈΠΈ. ΠΠΌΠ΅Π½Π½ΠΎ ΠΏΠΎΡΡΠΎΠΌΡ ΠΎΠ½Π° ΡΠΎΠ·Π΄Π°Π΅ΡΡΡ ΡΠ°ΡΠ΅ Π΄ΡΡΠ³ΠΈΡ ΠΊΠΎΠ½ΡΡΡΡΠΊΡΠΈΠΉ.
ΠΡΠ΅ΠΈΠΌΡΡΠ΅ΡΡΠ²Π° ΠΈ Π½Π΅Π΄ΠΎΡΡΠ°ΡΠΊΠΈ ΡΠ°ΠΌΠΎΠ΄Π΅Π»ΡΠ½ΠΎΠΉ Π»Π΅Π±Π΅Π΄ΠΊΠΈ
ΠΠ½ΠΎΠ³ΠΈΠ΅ Π°Π²ΡΠΎΠΌΠΎΠ±ΠΈΠ»ΠΈΡΡΡ Π·Π°Π΄Π°ΡΡΡΡ Π²ΠΎΠΏΡΠΎΡΠΎΠΌ, ΡΡΠΎΠΈΡ Π»ΠΈ ΠΈΠ·Π³ΠΎΡΠ°Π²Π»ΠΈΠ²Π°ΡΡ Π»Π΅Π±Π΅Π΄ΠΊΡ ΠΈΠ· ΠΏΠΎΠ΄ΡΡΡΠ½ΡΡ ΠΌΠ°ΡΠ΅ΡΠΈΠ°Π»ΠΎΠ² ΠΈΠ»ΠΈ Π»ΡΡΡΠ΅ ΠΏΡΠΈΠΎΠ±ΡΠ΅ΡΡΠΈ ΡΠΆΠ΅ Π³ΠΎΡΠΎΠ²ΡΠΉ Π²Π°ΡΠΈΠ°Π½Ρ ΠΈΡΠΏΠΎΠ»Π½Π΅Π½ΠΈΡ. ΠΠ»Ρ Π½Π°ΡΠ°Π»Π° ΠΎΡΠΌΠ΅ΡΠΈΠΌ, ΡΡΠΎ ΡΠ°ΠΌΠΎΠ΄Π΅Π»ΡΠ½Π°Ρ Π»Π΅Π±Π΅Π΄ΠΊΠ° ΠΎΠ±Π»Π°Π΄Π°Π΅Ρ Π½ΠΈΠΆΠ΅ΠΏΡΠΈΠ²Π΅Π΄Π΅Π½Π½ΡΠΌΠΈ Π΄ΠΎΡΡΠΎΠΈΠ½ΡΡΠ²Π°ΠΌΠΈ:
- ΠΡΡΠΎΠΊΠ°Ρ ΡΠ΅ΠΌΠΎΠ½ΡΠΎΠΏΡΠΈΠ³ΠΎΠ΄Π½ΠΎΡΡΡ. ΠΡΠ»ΠΈ ΡΡΡΡΠΎΠΉΡΡΠ²ΠΎ ΠΈΠ·Π³ΠΎΡΠΎΠ²Π»Π΅Π½ΠΎ ΡΠ²ΠΎΠΈΠΌΠΈ ΡΡΠΊΠ°ΠΌΠΈ, ΡΠΎ ΠΏΡΠΎΠ²Π΅ΡΡΠΈ Π΅Π³ΠΎ ΡΠ΅ΠΌΠΎΠ½Ρ Π±ΡΠ΄Π΅Ρ Π½Π΅ ΡΠ»ΠΎΠΆΠ½ΠΎ. ΠΡΠΈ ΡΡΠΎΠΌ Π²ΡΠ΅ Π½Π΅ΠΎΠ±Ρ ΠΎΠ΄ΠΈΠΌΡΠ΅ ΠΌΠ°ΡΠ΅ΡΠΈΠ°Π»Ρ ΡΠ°ΠΊΠΆΠ΅ Π±ΡΠ΄Π΅Ρ Π½Π°ΠΉΡΠΈ Π½Π΅ ΡΠ»ΠΎΠΆΠ½ΠΎ.
- ΠΠΈΠ·ΠΊΠ°Ρ ΡΡΠΎΠΈΠΌΠΎΡΡΡ. ΠΠΎΠΊΡΠΏΠ½ΡΠ΅ ΠΊΠΎΠ½ΡΡΡΡΠΊΡΠΈΠΈ ΠΎΠ±Ρ ΠΎΠ΄ΡΡΡΡ Π΄ΠΎΠ²ΠΎΠ»ΡΠ½ΠΎ Π΄ΠΎΡΠΎΠ³ΠΎ. ΠΠ΅Π±Π΅Π΄ΠΊΡ ΠΈΠ·Π³ΠΎΡΠΎΠ²ΠΈΡΡ ΡΠ°ΠΌΠΎΡΡΠΎΡΡΠ΅Π»ΡΠ½ΠΎ ΠΌΠΎΠΆΠ½ΠΎ ΠΏΡΠΈ ΠΈΡΠΏΠΎΠ»ΡΠ·ΠΎΠ²Π°Π½ΠΈΠΈ ΠΏΠΎΠ΄ΡΡΡΠ½ΡΡ ΠΌΠ°ΡΠ΅ΡΠΈΠ°Π»ΠΎΠ², ΡΡΠΎ ΡΡΡΠ΅ΡΡΠ²Π΅Π½Π½ΠΎ ΡΠ½ΠΈΠΆΠ°Π΅Ρ ΡΡΠΎΠΈΠΌΠΎΡΡΡ ΠΈΠ·Π΄Π΅Π»ΠΈΡ.
- ΠΡΠΎΡΠ΅ ΠΏΡΠΎΠ²Π΅ΡΡΠΈ ΡΡΡΠ°Π½ΠΎΠ²ΠΊΡ Π½Π° Π°Π²ΡΠΎΠΌΠΎΠ±ΠΈΠ»Π΅. Π‘Π°ΠΌΠΎΠ΄Π΅Π»ΡΠ½Π°Ρ Π»Π΅Π±Π΅Π΄ΠΊΠ° ΠΈΠ·Π½Π°ΡΠ°Π»ΡΠ½ΠΎ ΠΈΠ·Π³ΠΎΡΠ°Π²Π»ΠΈΠ²Π°Π΅ΡΡΡ ΠΏΠΎΠ΄ ΠΊΠΎΠ½ΠΊΡΠ΅ΡΠ½ΡΠΉ Π°Π²ΡΠΎΠΌΠΎΠ±ΠΈΠ»Ρ.
Π§ΡΠΎ ΠΊΠ°ΡΠ°Π΅ΡΡΡ ΠΏΠΎΠΊΡΠΏΠ½ΡΡ Π²Π°ΡΠΈΠ°Π½ΡΠΎΠ² ΠΈΡΠΏΠΎΠ»Π½Π΅Π½ΠΈΡ, ΡΠΎ ΠΎΠ½ΠΈ Π·Π°ΡΠ°ΡΡΡΡ ΠΎΠ±Π»Π°Π΄Π°ΡΡ Π±ΠΎΠ»Π΅Π΅ ΠΊΠΎΠΌΠΏΠ°ΠΊΡΠ½ΡΠΌΠΈ ΡΠ°Π·ΠΌΠ΅ΡΠ°ΠΌΠΈ ΠΈ Π²ΡΡΠΎΠΊΠΈΠΌ ΠΏΠΎΠΊΠ°Π·Π°ΡΠ΅Π»Π΅ΠΌ ΠΠΠ. ΠΠ½ΠΎΠ³ΠΈΠ΅ ΠΊΠΎΠ½ΡΡΡΡΠΊΡΠΈΠΈ ΡΠ°ΠΊΠΆΠ΅ ΠΏΡΠΈΠ³ΠΎΠ΄Π½ΡΠ΅ Π΄Π»Ρ ΡΠ΅ΠΌΠΎΠ½ΡΠ°. ΠΠ΄ΠΈΠ½ΡΡΠ²Π΅Π½Π½ΡΠΌ ΠΈΡ Π½Π΅Π΄ΠΎΡΡΠ°ΡΠΊΠΎΠΌ, ΠΊΠΎΠ½Π΅ΡΠ½ΠΎ ΠΆΠ΅, ΡΠ²Π»ΡΠ΅ΡΡΡ Π²ΡΡΠΎΠΊΠ°Ρ ΡΠ΅Π½Π°. ΠΡΠΎΠΌΠ΅ ΡΡΠΎΠ³ΠΎ, Π½Π΅ΠΊΠΎΡΠΎΡΡΠ΅ Π»Π΅Π±Π΅Π΄ΠΊΠΈ ΠΌΠΎΠ³ΡΡ ΡΡΡΠ°Π½Π°Π²Π»ΠΈΠ²Π°ΡΡΡΡ ΡΠΎΠ»ΡΠΊΠΎ Π½Π° ΠΏΠΎΠ΄Π³ΠΎΡΠΎΠ²Π»Π΅Π½Π½ΠΎΠ΅ ΠΌΠ΅ΡΡΠΎ, Π΄Π»Ρ ΡΠ΅Π³ΠΎ ΠΏΡΠΈΠ΄Π΅ΡΡΡ ΠΈΠ·ΠΌΠ΅Π½ΡΡΡ Π±Π°ΠΌΠΏΠ΅Ρ ΠΈΠ»ΠΈ ΠΏΡΠΈΠΎΠ±ΡΠ΅ΡΠ°ΡΡ Π½ΠΎΠ²ΡΠΉ.
ΠΡΠ»ΠΈ Π²Ρ Π½Π°ΡΠ»ΠΈ ΠΎΡΠΈΠ±ΠΊΡ, ΠΏΠΎΠΆΠ°Π»ΡΠΉΡΡΠ°, Π²ΡΠ΄Π΅Π»ΠΈΡΠ΅ ΡΡΠ°Π³ΠΌΠ΅Π½Ρ ΡΠ΅ΠΊΡΡΠ° ΠΈ Π½Π°ΠΆΠΌΠΈΡΠ΅ Ctrl+Enter.
stankiexpert.ru
ΡΠΎΡΠΎ ΠΏΠΎΡΠ°Π³ΠΎΠ²ΠΎΠ³ΠΎ ΠΈΠ·Π³ΠΎΡΠΎΠ²Π»Π΅Π½ΠΈΡ ΡΠ²ΠΎΠΈΠΌΠΈ ΡΡΠΊΠ°ΠΌΠΈ

ΠΡΠΎΡΡΠ°Ρ ΡΠ°ΠΌΠΎΠ΄Π΅Π»ΡΠ½Π°Ρ ΡΡΡΠ½Π°Ρ Π»Π΅Π±ΡΠ΄ΠΊΠ° ΠΊΠΎΡΠΎΡΡΡ ΠΌΠΎΠΆΠ΅Ρ ΡΠ΄Π΅Π»Π°ΡΡ ΠΊΠ°ΠΆΠ΄ΡΠΉ ΡΠ²ΠΎΠΈΠΌΠΈ ΡΡΠΊΠ°ΠΌΠΈ: ΡΠΎΡΠΎ ΠΈΠ·Π³ΠΎΡΠΎΠ²Π»Π΅Π½ΠΈΡ Ρ ΠΎΠΏΠΈΡΠ°Π½ΠΈΠ΅ΠΌ.
ΠΡΠ° ΡΠ°ΠΌΠΎΠ΄Π΅Π»ΠΊΠ° ΠΏΡΠΈΠ³ΠΎΠ΄ΠΈΡΡΡ Π² ΠΏΠ΅ΡΠ²ΡΡ ΠΎΡΠ΅ΡΠ΅Π΄Ρ Π°Π²ΡΠΎΠ»ΡΠ±ΠΈΡΠ΅Π»ΡΠΌ, Ρ ΠΏΠΎΠΌΠΎΡΡΡ ΡΡΡΠ½ΠΎΠΉ Π»Π΅Π±ΡΠ΄ΠΊΠΈ ΠΌΠΎΠΆΠ½ΠΎ Π²ΡΡΠ°ΡΠΈΡΡ Π°Π²ΡΠΎ ΠΈΠ· Π³ΡΡΠ·ΠΈ ΠΈΠ»ΠΈ ΡΡΠ³ΡΠΎΠ±Π°, Π΄Π° ΠΈ Π² Ρ ΠΎΠ·ΡΠΉΡΡΠ²Π΅ Π΅ΠΉ Π½Π°ΠΉΠ΄ΡΡΡΡ ΠΏΡΠΈΠΌΠ΅Π½Π΅Π½ΠΈΠ΅, ΠΏΠΎΠ΄Π½ΡΡΡ Π³ΡΡΠ· ΠΈ ΠΏΡΠΎΡΠΈΠ΅ ΡΡΠΆΠ΅ΡΡΠΈ.
ΠΠ»Ρ ΠΈΠ·Π³ΠΎΡΠΎΠ²Π»Π΅Π½ΠΈΡ ΡΠ°ΠΌΠΎΠ΄Π΅Π»ΠΊΠΈ ΠΏΠΎΠ½Π°Π΄ΠΎΠ±ΡΡΡΡ ΠΌΠ°ΡΠ΅ΡΠΈΠ°Π»Ρ:
- Π’ΡΠ΅ΡΠΎΡΠΊΠ° Π΄Π»Ρ Π³ΡΡΠ·ΠΎΠ²ΠΎΠ³ΠΎ Π°Π²ΡΠΎ.
- ΠΠ°ΡΠ° ΠΏΠΎΠ΄ΡΠΈΠΏΠ½ΠΈΠΊΠΎΠ².
- ΠΠΈΡΡΠΎΠ²ΠΎΠΉ ΠΌΠ΅ΡΠ°Π»Π».
- Π’ΡΠΎΡ.
- Π¨Π°ΠΉΠ±Ρ.
- ΠΡΡΠΊ.
ΠΠΎΡ ΡΠ°ΠΊΠ°Ρ ΡΡΠ΅ΡΠΎΡΠΊΠ° Π½Π°ΠΌ ΠΏΠΎΠ½Π°Π΄ΠΎΠ±ΠΈΡΡΡ, ΡΠ½ΠΈΠΌΠ°Π΅ΠΌ Ρ Π½Π΅Ρ Π±ΠΎΠΊΠΎΠ²ΡΠ΅ ΠΊΡΡΡΠΊΠΈ.


ΠΡΡ ΠΏΠΎΠ½Π°Π΄ΠΎΠ±ΠΈΡΡΡ Π²ΠΎΡ ΡΠ°ΠΊΠΎΠΉ ΡΡΠΎΡ.

ΠΡΡΠ°Π²Π»ΡΠ΅ΠΌ Π² ΡΡΠ΅ΡΠΎΡΠΊΡ ΠΊΡΡΠΎΠΊ ΡΡΡΠ±Ρ ΠΏΠΎΠ΄Ρ ΠΎΠ΄ΡΡΠ΅Π³ΠΎ Π΄ΠΈΠ°ΠΌΠ΅ΡΡΠ° ΠΈ ΠΏΡΠΈΠ²Π°ΡΠΈΠ²Π°Π΅ΠΌ ΡΡΡΠ±Ρ ΠΊ ΡΠ΅ΡΡΠ΅ΡΠ½Π΅.


ΠΠ°Π»Π΅Π΅ Π½Π°ΠΌ ΠΏΠΎΠ½Π°Π΄ΠΎΠ±ΡΡΡΡ Π²ΠΎΡ ΡΠ°ΠΊΠΈΠ΅ ΡΠ°ΠΉΠ±Ρ.

ΠΡΠΈΠ²Π°ΡΠΈΠ²Π°Π΅ΠΌ ΡΠ°ΠΉΠ±Ρ ΠΊ Π²Π°Π»Ρ, Π² ΡΠ΅Π·ΡΠ»ΡΡΠ°ΡΠ΅ ΠΏΠΎΠ»ΡΡΠ°ΡΡΡ Π΄Π²Π΅ ΠΊΠ°ΡΡΡΠΊΠΈ Π΄Π»Ρ Π½Π°ΠΌΠΎΡΠΊΠΈ ΡΡΠΎΡΠ°.

ΠΠ΅Π±ΡΠ΄ΠΊΡ ΠΏΠΎΠΊΡΠ°ΡΠΈΠΌ.


Π’Π΅ΠΏΠ΅ΡΡ ΠΈΠ·Π³ΠΎΡΠΎΠ²ΠΈΠΌ Π΅ΡΡ ΠΎΠ΄ΠΈΠ½ ΠΌΠ΅Ρ Π°Π½ΠΈΠ·ΠΌ, Π²ΠΎΠ·ΡΠΌΡΠΌ Π΄Π²Π΅ Π²Π½ΡΡΡΠ΅Π½Π½ΠΈΠ΅ ΠΎΠ±ΠΎΠΉΠΌΡ ΠΎΡ ΠΏΠΎΠ΄ΡΠΈΠΏΠ½ΠΈΠΊΠΎΠ².

ΠΡΠΈΠ²Π°ΡΠΈΠ²Π°Π΅ΠΌ ΠΊ ΠΏΠ»Π°ΡΡΠΈΠ½Π΅ ΠΎΠ±ΠΎΠΉΠΌΡ Π²ΠΎΡ ΡΠ°ΠΊΠΈΠΌ ΠΎΠ±ΡΠ°Π·ΠΎΠΌ.

Π ΠΏΠ»Π°ΡΡΠΈΠ½Π΅ Ρ ΠΎΠ±ΡΠ°ΡΠ½ΠΎΠΉ ΡΡΠΎΡΠΎΠ½Ρ ΠΏΡΠΈΠ²Π°ΡΠΈΠ²Π°Π΅ΠΌ ΠΊΡΡΠΊ.

ΠΠΎΡ ΠΈ Π²ΡΡ, ΡΠ°ΠΌΠΎΠ΄Π΅Π»ΡΠ½Π°Ρ ΡΡΡΠ½Π°Ρ Π»Π΅Π±ΡΠ΄ΠΊΠ° ΠΏΠΎΠ»Π½ΠΎΡΡΡΡ Π³ΠΎΡΠΎΠ²Π° ΠΊ ΠΈΡΠΏΠΎΠ»ΡΠ·ΠΎΠ²Π°Π½ΠΈΡ. Π’ΡΠΎΡ Ρ ΠΎΠ΄Π½ΠΎΠΉ ΡΡΠΎΡΠΎΠ½Ρ Π½Π°ΠΌΠ°ΡΡΠ²Π°Π΅ΠΌ Π½Π° ΠΊΠ°ΡΡΡΠΊΠΈ, Ρ ΠΎΠ±ΡΠ°ΡΠ½ΠΎΠΉ Π½Π°ΠΊΠΈΠ΄ΡΠ²Π°Π΅ΠΌ Π½Π° Π±Π»ΠΎΠΊ Ρ ΠΊΡΡΠΊΠΎΠΌ ΠΈ ΠΊΡΡΡΠΈΠΌ ΡΡΠ΅ΡΠΎΡΠΊΡ.


Π‘ ΠΏΠΎΠΌΠΎΡΡΡ ΡΠ°ΠΊΠΎΠΉ Π»Π΅Π±ΡΠ΄ΠΊΠΈ ΠΌΠΎΠΆΠ½ΠΎ Π²ΡΡΡΠ½ΡΡΡ Π·Π°ΡΡΡΡΠ²ΡΠΈΠΉ Π°Π²ΡΠΎΠΌΠΎΠ±ΠΈΠ»Ρ, Π»Π΅Π±ΡΠ΄ΠΊΠ° ΠΊΠΎΠΌΠΏΠ°ΠΊΡΠ½Π°Ρ ΠΈ Π½Π΅ Π·Π°ΠΉΠΌΡΡ ΠΌΠ½ΠΎΠ³ΠΎ ΠΌΠ΅ΡΡΠ° Π² Π±Π°Π³Π°ΠΆΠ½ΠΈΠΊΠ΅, ΠΌΠΎΠΆΠ΅Ρ ΠΏΡΠΈΠ³ΠΎΠ΄ΠΈΡΡΡΡ Π² Π½ΡΠΆΠ½ΡΠΉ ΠΌΠΎΠΌΠ΅Π½Ρ.

sam-stroitel.com
ΠΠ΅Π±Π΅Π΄ΠΊΠ° ΡΠ²ΠΎΠΈΠΌΠΈ ΡΡΠΊΠ°ΠΌΠΈ — Π΄Π΅Π»Π°Π΅ΠΌ ΠΈΠ· ΠΏΠΎΠ΄ΡΡΡΠ½ΡΡ ΠΌΠ°ΡΠ΅ΡΠΈΠ°Π»ΠΎΠ²
ΠΠ΅Π±Π΅Π΄ΠΊΠ° ΡΠ²Π»ΡΠ΅ΡΡΡ Π½Π΅ΠΎΡΡΠ΅ΠΌΠ»Π΅ΠΌΠΎΠΉ ΡΠ°ΡΡΡΡ Π»ΡΠ±ΠΎΠ³ΠΎ Π½Π°ΡΡΠΎΡΡΠ΅Π³ΠΎ Π²Π½Π΅Π΄ΠΎΡΠΎΠΆΠ½ΠΈΠΊΠ°. Π’Π°ΠΊ, Π»Π΅Π±Π΅Π΄ΠΊΠ° Π΄Π»Ρ Π£ΠΠΠ° ΠΈ Π°Π²ΡΠΎΠΌΠΎΠ±ΠΈΠ»Π΅ΠΉ ΠΏΠΎΠ΄ΠΎΠ±Π½ΡΡ Π΅ΠΌΡ ΡΠ²Π»ΡΠ΅ΡΡΡ Π½Π°ΡΡΠΎΡΡΠΈΠΌ ΠΏΠΎΠΌΠΎΡΠ½ΠΈΠΊΠΎΠΌ Π² Π½Π΅ΠΏΠΎΠ³ΠΎΠ΄Ρ. ΠΠΎ, ΡΡΠΎ Π΅ΡΠ»ΠΈ Π²Π°ΠΌ ΠΏΡΠΎΡΡΠΎ Π½ΡΠΆΠ΅Π½ ΠΏΡΠΎΡΡΠΎΠΉ ΠΈ Π΄Π΅ΡΠ΅Π²ΡΠΉ Π°Π³ΡΠ΅Π³Π°Ρ, ΠΊΠΎΡΠΎΡΡΠΉ Π²ΡΡΡΡΠΈΡ Π»Π΅Π³ΠΊΠΎΠ²ΠΎΠΉ Π°Π²ΡΠΎΠΌΠΎΠ±ΠΈΠ»Ρ Π½Π° ΠΏΡΠΎΡΠ΅Π»ΠΎΡΠ½ΠΎΠΉ Π΄ΠΎΡΠΎΠ³Π΅? ΠΠ»Ρ ΡΡΠΎΠ³ΠΎ ΠΎΡΠ»ΠΈΡΠ½ΠΎ ΠΏΠΎΠ΄ΠΎΠΉΠ΄Π΅Ρ Π»Π΅Π±Π΅Π΄ΠΊΠ° ΡΠ²ΠΎΠΈΠΌΠΈ ΡΡΠΊΠ°ΠΌΠΈ ΠΊΠ°ΠΊ ΡΠ»Π΅ΠΊΡΡΠΈΡΠ΅ΡΠΊΠ°Ρ, ΡΠ°ΠΊ ΠΈ ΡΡΡΠ½Π°Ρ. ΠΠ°Π²Π°ΠΉΡΠ΅ ΡΠ°Π·Π±Π΅ΡΠ΅ΠΌ Π½Π΅ΠΎΠ±Ρ ΠΎΠ΄ΠΈΠΌΡΠ΅ ΠΌΠ°ΡΠ΅ΡΠΈΠ°Π»Ρ ΠΈ ΠΏΡΠΎΡΠ΅ΡΡ ΠΈΠ·Π³ΠΎΡΠΎΠ²Π»Π΅Π½ΠΈΡ.
Π§ΡΠΎ Π²Π°ΠΌ ΠΏΠΎΠ½Π°Π΄ΠΎΠ±ΠΈΡΡΡ?
ΠΡΠ»ΠΈ Π²Π°Ρ Π·Π°ΠΈΠ½ΡΠ΅ΡΠ΅ΡΠΎΠ²Π°Π»Π° Π»Π΅Π±Π΅Π΄ΠΊΠ° ΡΠ²ΠΎΠΈΠΌΠΈ ΡΡΠΊΠ°ΠΌΠΈ ΠΈΠ· ΡΡΠ°ΡΡΠ΅ΡΠ°, ΠΌΠΎΠΆΠ½ΠΎ ΠΎΠ±ΠΎΠΉΡΠΈΡΡ Π΄Π΅ΡΠ΅Π²ΡΠΌΠΈ ΠΈ ΡΠ°ΡΠΏΡΠΎΡΡΡΠ°Π½Π΅Π½Π½ΡΠΌΠΈ Π²Π°ΡΠΈΠ°Π½ΡΠ°ΠΌΠΈ. Π ΠΊΠ°ΡΠ΅ΡΡΠ²Π΅ ΡΠΈΠ»ΠΎΠ²ΠΎΠ³ΠΎ Π°Π³ΡΠ΅Π³Π°ΡΠ° Ρ ΠΎΡΠΎΡΠΎ ΠΏΠΎΠ΄ΠΎΠΉΠ΄Π΅Ρ ΠΌΠΎΡΠΎΡ ΠΎΡ ΡΠ»Π΅ΠΊΡΡΠΎΡΡΠ°ΡΡΠ΅ΡΠ° ΠΠΠ-2101. ΠΠ½ΠΈ Π΄ΠΎΠ²ΠΎΠ»ΡΠ½ΠΎ ΡΠ°ΡΠΏΡΠΎΡΡΡΠ°Π½Π΅Π½Ρ ΠΈ ΡΡΠΎΡΡ Π΄Π΅ΡΠ΅Π²ΠΎ, ΠΎΠ΄Π½Π°ΠΊΠΎ Π±ΠΎΠ»ΡΡΠΎΠΉ ΠΌΠΎΡΠ½ΠΎΡΡΡΡ Π½Π΅ ΠΎΠ±Π»Π°Π΄Π°ΡΡ, Π½ΠΎ Π΄Π»Ρ Π½Π΅Π±ΠΎΠ»ΡΡΠΎΠ³ΠΎ ΡΠ΅Π΄Π°Π½Π° ΠΈΠ»ΠΈ Π²Π½Π΅Π΄ΠΎΡΠΎΠΆΠ½ΠΈΠΊΠ°, Π½Π°ΠΏΡΠΈΠΌΠ΅Ρ, ΠΠΠ 69, Π²ΠΏΠΎΠ»Π½Π΅ Ρ Π²Π°ΡΠΈΡ.
ΠΠ°Π»Π΅Π΅ ΡΡΠΎΠΈΡ ΠΏΡΠΈΡΠΌΠΎΡΡΠ΅ΡΡ ΡΠ΅Π΄ΡΠΊΡΠΎΡ. ΠΠΎΠΆΠ½ΠΎ Π²ΡΠ±ΡΠ°ΡΡ ΠΈ ΠΎΡ ΡΡΠ°ΡΠΎΠΉ ΡΠΎΠ²Π΅ΡΡΠΊΠΎΠΉ Π΄ΡΠ΅Π»ΠΈ. ΠΠ»Π°Π²Π½ΠΎΠ΅, ΡΡΠΎΠ±Ρ ΠΏΠ΅ΡΠ΅Π΄Π°ΡΠΎΡΠ½ΠΎΠ΅ ΡΠΈΡΠ»ΠΎ Π±ΡΠ»ΠΎ ΠΏΡΠΈΠΌΠ΅ΡΠ½ΠΎ 1 ΠΊ 20.

ΠΡΠ΅ Π½Π΅ΠΎΠ±Ρ ΠΎΠ΄ΠΈΠΌ Π²Π°Π» Ρ ΡΠ΅ΡΡΠ΅ΡΠ½Π΅ΠΉ ΠΈ ΠΏΠΎΠ΄ΡΠΈΠΏΠ½ΠΈΠΊΠ°ΠΌΠΈ, ΠΊΡΡΠΎΠΊ ΡΡΡΠ±Ρ Π΄Π»Ρ Π±Π°ΡΠ°Π±Π°Π½Π° ΠΈ Π΄Π²Π΅ ΠΊΡΡΠ³Π»ΡΠ΅ ΠΌΠ΅ΡΠ°Π»Π»ΠΈΡΠ΅ΡΠΊΠΈΠ΅ ΠΏΠ»Π°ΡΡΠΈΠ½Ρ. Π’Π°ΠΊΠΆΠ΅ ΠΏΠΎΡΡΠ΅Π±ΡΠ΅ΡΡΡ Π»ΠΈΡΡΠΎΠ²ΠΎΠΉ ΠΌΠ΅ΡΠ°Π», ΡΠ°Π·Π»ΠΈΡΠ½ΡΠ΅ ΡΡΠ΅ΡΠΆΠ½ΠΈ, Π±ΠΎΠ»ΡΡ ΠΈ Π³Π°ΠΉΠΊΠΈ.
ΠΠ·Π³ΠΎΡΠΎΠ²Π»Π΅Π½Π½Π°Ρ Π»Π΅Π±Π΅Π΄ΠΊΠ° ΡΠ»Π΅ΠΊΡΡΠΈΡΠ΅ΡΠΊΠ°Ρ ΡΠ²ΠΎΠΈΠΌΠΈ ΡΡΠΊΠ°ΠΌΠΈ Ρ ΠΎΡΠΎΡΠ° ΡΠ΅ΠΌ, ΡΡΠΎ Π΄Π»Ρ Π½Π΅Ρ ΠΌΠΎΠΆΠ½ΠΎ ΠΈΡΠΏΠΎΠ»ΡΠ·ΠΎΠ²Π°ΡΡ ΠΌΠ½ΠΎΠΆΠ΅ΡΡΠ²ΠΎ Π·Π°Π²Π°Π»ΡΠ²ΡΠΈΡ ΡΡ ΠΈ Π½Π΅Π½ΡΠΆΠ½ΡΡ ΠΌΠ°ΡΠ΅ΡΠΈΠ°Π»ΠΎΠ².
ΠΠ· ΠΈΠ½ΡΡΡΡΠΌΠ΅Π½ΡΠΎΠ² ΠΎΠ±ΡΠ·Π°ΡΠ΅Π»ΡΠ½ΠΎ Π½ΡΠΆΠ½Π° Π±ΠΎΠ»Π³Π°ΡΠΊΠ°, ΡΠ²Π°ΡΠΎΡΠ½ΡΠΉ Π°ΠΏΠΏΠ°ΡΠ°Ρ, Π° ΡΠ°ΠΊΠΆΠ΅ ΡΠ°Π·Π²ΠΎΠ΄Π½ΠΎΠΉ ΠΊΠ»ΡΡ.
ΠΠ΅Π±Π΅Π΄ΠΊΠ° Π·Π°ΡΠ°ΡΡΡΡ Π½ΡΠΆΠ½Π° Π² Π΄Π»ΠΈΡΠ΅Π»ΡΠ½ΠΎΠΉ ΠΈ ΡΠ»ΠΎΠΆΠ½ΠΎΠΉ ΠΏΠΎΠ΅Π·Π΄ΠΊΠ΅. ΠΡΠ»ΠΈ Π²Ρ Π»ΡΠ±ΠΈΡΠ΅ ΠΏΡΠΈΠΊΠ»ΡΡΠ΅Π½ΠΈΡ, Π²Π°ΠΌ ΡΠ°ΠΊΠΆΠ΅ Π±ΡΠ΄Π΅Ρ ΠΏΠΎΠ»Π΅Π·Π½ΠΎ ΡΠ·Π½Π°ΡΡ ΠΎ ΡΠΎΠΎΡΡΠΆΠ΅Π½ΠΈΠΈ ΡΠΊΡΠΏΠ΅Π΄ΠΈΡΠΈΠΎΠ½Π½ΠΎΠ³ΠΎ Π±Π°Π³Π°ΠΆΠ½ΠΈΠΊΠ°. Π§ΠΈΡΠ°ΠΉΡΠ΅ ΡΡΡ ΡΡΠ°ΡΡΡ. Π Π΄Π»Ρ ΠΏΠΎΠ΅Π·Π΄ΠΊΠΈ Π½Π° ΡΡΠ±Π°Π»ΠΊΡ ΠΏΠΎΠ½Π°Π΄ΠΎΠ±ΠΈΡΡΡΡ ΠΈ ΠΏΡΠΈΡΠ΅ΠΏ Π΄Π»Ρ Π»ΠΎΠ΄ΠΊΠΈ. Π§ΠΈΡΠ°ΠΉΡΠ΅ ΠΎΠ± ΠΈΠ·Π³ΠΎΡΠΎΠ²Π»Π΅Π½ΠΈΠΈ Π΅Π³ΠΎ ΡΠ²ΠΎΠΈΠΌΠΈ ΡΡΠΊΠ°ΠΌΠΈ Π·Π΄Π΅ΡΡ.
ΠΠΎΡΡΠ΄ΠΎΠΊ ΠΈΠ·Π³ΠΎΡΠΎΠ²Π»Π΅Π½ΠΈΡ Π»Π΅Π±Π΅Π΄ΠΊΠΈ
ΠΠ° ΡΠ°ΠΌΠΎΠΌ Π΄Π΅Π»Π΅, ΠΏΡΠΎΡΠ΅ΡΡ ΠΈΠ·Π³ΠΎΡΠΎΠ²Π»Π΅Π½ΠΈΡ Π»Π΅Π±Π΅Π΄ΠΊΠΈ Π΄ΠΎΠ²ΠΎΠ»ΡΠ½ΠΎ ΠΏΡΠΎΡΡ, ΠΎΠ΄Π½Π°ΠΊΠΎ ΡΡΠΎΠΈΡ ΠΏΡΠΈΠ΄Π΅ΡΠΆΠΈΠ²Π°ΡΡΡΡ ΠΏΠΎΡΡΠ΄ΠΊΠ°, ΡΡΠΎΠ±Ρ Π½Π΅ ΠΏΡΠΈΡΠ»ΠΎΡΡ ΠΏΠ΅ΡΠ΅Π΄Π΅Π»ΡΠ²Π°ΡΡ ΠΎΠ΄Π½Ρ ΠΈ ΡΡ ΠΆΠ΅ ΡΠ°Π±ΠΎΡΡ Π½Π΅ΡΠΊΠΎΠ»ΡΠΊΠΎ ΡΠ°Π·.

1. ΠΠ΅ΡΠ²ΡΠΌ Π΄Π΅Π»ΠΎΠΌ Π½Π΅ΠΎΠ±Ρ ΠΎΠ΄ΠΈΠΌΠΎ ΡΠΎΠ΅Π΄ΠΈΠ½ΠΈΡΡ ΡΠ»Π΅ΠΊΡΡΠΎΠ΄Π²ΠΈΠ³Π°ΡΠ΅Π»Ρ Ρ ΡΠ΅Π΄ΡΠΊΡΠΎΡΠΎΠΌ. ΠΠ»Ρ ΡΡΠΎΠ³ΠΎ ΠΊ ΡΠ΅ΡΡΠ΅ΡΠ½Π΅ Π΄Π²ΠΈΠ³Π°ΡΠ΅Π»Ρ ΠΏΡΠΈΠ²Π°ΡΠΈΠ²Π°Π΅ΡΠ΅ ΡΡΡΠ±ΠΊΡ. ΠΡΡΠ³ΠΎΠΉ Π΅Ρ ΠΊΠΎΠ½Π΅Ρ ΠΏΡΠΎΡΠ²Π΅ΡΠ»ΠΈΠ²Π°Π΅ΡΠ΅ Π½Π°ΡΠΊΠ²ΠΎΠ·Ρ ΠΈ ΠΏΡΠΈΠ²Π°ΡΠΈΠ²Π°Π΅ΡΠ΅ Π΄Π²Π΅ Π³Π°ΠΉΠΊΠΈ. ΠΠ°Π»Π΅Π΅ Π½Π°Π΄Π΅Π²Π°Π΅ΡΠ΅ ΡΡΡΠ±ΠΊΡ Π½Π° ΡΠ΅ΡΡΠ΅ΡΠ½Ρ ΡΠ΅Π΄ΡΠΊΡΠΎΡΠ° ΠΈ Π²Π²ΠΈΠ½ΡΠΈΠ²Π°Π΅ΡΠ΅ Π³Π°ΠΉΠΊΠΈ, ΠΊΠΎΡΠΎΡΡΠ΅ ΠΏΠΎΡΠ»ΡΠΆΠ°Ρ Π² ΠΊΠ°ΡΠ΅ΡΡΠ²Π΅ ΡΠΈΠΊΡΠ°ΡΠΎΡΠ°. Π§ΡΠΎΠ±Ρ Π½Π° Π²Π°Π» Π½ΠΈΡΠ΅Π³ΠΎ Π½Π΅ Π½Π°ΠΌΠΎΡΠ°Π»ΠΎ, ΡΡΠΎΠΈΡ ΡΠ΅ΠΌ-ΡΠΎ Π΅Π³ΠΎ Π·Π°ΠΊΡΡΡΡ. ΠΠ°ΠΏΡΠΈΠΌΠ΅Ρ, ΠΌΠΎΠΆΠ½ΠΎ ΠΎΠ±Π»Π΅Π·Π°ΡΡ ΠΊΡΡΠΎΠΊ ΡΠΎΠ½ΠΊΠΎΡΡΠ΅Π½Π½ΠΎΠΉ ΠΏΠ»Π°ΡΡΠΈΠΊΠΎΠ²ΠΎΠΉ ΡΡΡΠ±Ρ.

ΠΡΠ΅Π½Ρ Π²Π°ΠΆΠ½ΠΎ! ΠΠ΅ΡΠ΅Π΄ ΡΠ΅ΠΌ ΠΊΠ°ΠΊ ΡΠΈΠΊΡΠΈΡΠΎΠ²Π°ΡΡ, ΠΎΠ±ΡΠ·Π°ΡΠ΅Π»ΡΠ½ΠΎ ΠΏΡΠΎΠ²Π΅ΡΡΡΠ΅, ΡΡΠΎΠ±Ρ ΡΠ΅Π΄ΡΠΊΡΠΎΡ ΡΠΌΠ΅Π½ΡΡΠ°Π», Π° Π½Π΅ ΡΠ²Π΅Π»ΠΈΡΠΈΠ²Π°Π» ΡΠΊΠΎΡΠΎΡΡΡ Π΄Π²ΠΈΠ³Π°ΡΠ΅Π»Ρ.
2. Π’Π΅ΠΏΠ΅ΡΡ Π½Π΅ΠΎΠ±Ρ ΠΎΠ΄ΠΈΠΌΠΎ ΠΈΠ·Π³ΠΎΡΠΎΠ²ΠΈΡΡ Π²ΡΠΎΡΡΡ Π²Π°ΠΆΠ½ΡΡ ΡΠ°ΡΡΡ Π°Π²ΡΠΎ Π»Π΅Π±Π΅Π΄ΠΊΠΈ ΡΠ²ΠΎΠΈΠΌΠΈ ΡΡΠΊΠ°ΠΌΠΈ, Π° ΠΈΠΌΠ΅Π½Π½ΠΎ Π±Π°ΡΠ°Π±Π°Π½.

ΠΠ»Ρ ΡΡΠΎΠ³ΠΎ Π±Π΅ΡΠ΅ΠΌ ΠΎΠ±ΡΠ΅Π·ΠΎΠΊ ΡΡΡΠ±Ρ ΠΈ ΠΏΡΠΈΠ²Π°ΡΠΈΠ²Π°Π΅ΠΌ ΠΊ Π½Π΅ΠΌΡ ΠΏΠΎ Π±ΠΎΠΊΠ°ΠΌ Π΄Π²Π΅ ΠΌΠ΅ΡΠ°Π»Π»ΠΈΡΠ΅ΡΠΊΠΈΠ΅ ΠΊΡΡΠ³Π»ΡΠ΅ ΠΏΠ»Π°ΡΡΠΈΠ½Ρ, ΠΊΠΎΡΠΎΡΡΠ΅ Π±ΡΠ΄Ρ ΠΎΠ³ΡΠ°Π½ΠΈΡΠΈΠ²Π°ΡΡ Π²Π΅ΡΠ΅Π²ΠΊΡ. Π ΠΏΠ»Π°ΡΡΠΈΠ½Π°Ρ Π΄ΠΎΠ»ΠΆΠ½ΠΎ Π±ΡΡΡ ΡΠΊΠ²ΠΎΠ·Π½ΠΎΠ΅ ΠΎΡΠ²Π΅ΡΡΡΠΈΠ΅, ΡΠ΅ΡΠ΅Π· ΠΊΠΎΡΠΎΡΠΎΠ΅ ΠΏΡΠΎΠ΄Π΅Π²Π°Π΅ΠΌ Π²Π°Π» Ρ ΡΠ΅ΡΡΠ΅ΡΠ½Π΅ΠΉ ΠΈ ΠΏΡΠΈΠ²Π°ΡΠΈΠ²Π°Π΅ΠΌ Π΅Π³ΠΎ.

ΠΠ°ΠΆΠ½ΠΎ ΡΠΎΠ±Π»ΡΡΡΠΈ ΡΠΎΠΎΡΠ½ΠΎΡΡΡ, ΠΈΠ½Π°ΡΠ΅ Π²Π°Ρ Π²Π°Π» Π±ΡΠ΄Π΅Ρ Π±ΠΎΠ»ΡΠ°ΡΡΡΡ ΠΈ Π²ΡΠ·ΡΠ²Π°ΡΡ Π½Π΅Π½ΡΠΆΠ½ΡΠ΅ Π²ΠΈΠ±ΡΠ°ΡΠΈΠΈ.
3. ΠΠ°Π»Π΅Π΅ Π±Π΅ΡΠ΅ΠΌ Π΄Π²Π΅ ΠΌΠ΅ΡΠ°Π»Π»ΠΈΡΠ΅ΡΠΊΠΈΠ΅ ΠΊΠ²Π°Π΄ΡΠ°ΡΠ½ΡΠ΅ ΠΏΠ»Π°ΡΡΠΈΠ½Ρ, ΠΊΠΎΡΠΎΡΡΠ΅ Π² Π΄Π»ΠΈΠ½Π΅ Π±ΡΠ΄ΡΡ Π½Π΅ΠΌΠ½ΠΎΠ³ΠΎ Π±ΠΎΠ»ΡΡΠ΅, Π½Π΅ΠΆΠ΅Π»ΠΈ Π΄ΠΈΠ°ΠΌΠ΅ΡΡ ΠΏΠ»Π°ΡΡΠΈΠ½ Π±Π°ΡΠ°Π±Π°Π½Π°. ΠΡΠΎΠ΄Π΅Π»ΡΠ²Π°Π΅ΠΌ ΠΎΡΠ²Π΅ΡΡΡΠΈΠ΅ Π² ΡΠ΅Π½ΡΡΠ΅ ΠΈ Π² ΠΊΠ°ΠΆΠ΄ΠΎΠΌ ΡΠ³Π»Ρ.

ΠΠ° ΠΊΠ°ΠΆΠ΄ΠΎΠΉ ΠΏΠ»Π°ΡΡΠΈΠ½Π΅ ΠΏΡΠΈΠ²Π°ΡΠΈΠ²Π°Π΅ΠΌ Π΄Π²Π° ΠΏΠΎΠ΄ΡΠΈΠΏΠ½ΠΈΠΊΠ° (Π½ΠΎ Π½Π΅ Π²Π½ΡΡΡΠ΅Π½Π½Π΅ΠΉ ΡΠ°ΡΡΡΡ). ΠΠ°Π»Π΅Π΅ ΠΏΡΠΎΠ΄Π΅Π²Π°Π΅ΠΌ Π²Π°Π» Π±Π°ΡΠ°Π±Π°Π½Π° ΡΠ΅ΡΠ΅Π· ΠΏΠΎΠ΄ΡΠΈΠΏΠ½ΠΈΠΊΠΈ. Π§ΡΠΎΠ±Ρ ΡΠΎΠ±ΡΠ°ΡΡ Π²ΡΡ ΠΊΠΎΠ½ΡΡΡΡΠΊΡΠΈΡ, Π½ΡΠΆΠ½Ρ 4 Π±ΠΎΠ»ΡΠ°, ΠΊΠΎΡΠΎΡΡΠ΅ ΠΏΡΠΎΠ΄Π΅Π²Π°Π΅ΠΌ ΡΠ΅ΡΠ΅Π· ΠΎΡΠ²Π΅ΡΡΡΠΈΠ΅ Π² ΠΎΠ΄Π½ΠΎΠΉ ΠΈ Π΄ΡΡΠ³ΠΎΠΉ ΠΏΠ»Π°ΡΡΠΈΠ½Π΅, Π° Ρ Π΄ΡΡΠ³ΠΎΠΉ ΡΡΠΎΡΠΎΠ½Ρ Π½Π°ΠΊΡΡΡΠΈΠ²Π°Π΅ΠΌ Π³Π°ΠΉΠΊΡ. Π ΠΈΡΠΎΠ³Π΅ Π΄Π΅Π»Π°Π΅ΠΌ ΡΠ°ΠΊ Ρ 4-Ρ ΡΠ³Π»ΠΎΠ².

4. Β Π Π΅Π΄ΡΠΊΡΠΎΡ Π½Π΅ΠΎΠ±Ρ ΠΎΠ΄ΠΈΠΌΠΎ ΠΏΡΠΈΠΊΡΠ΅ΠΏΠΈΡΡ ΠΊ ΠΎΠ΄Π½ΠΎΠΉ ΠΈΠ· ΠΏΠ»Π°ΡΡΠΈΠ½ ΡΠ°ΠΊ, ΡΡΠΎΠ±Ρ ΠΎΠ½ ΡΠ²ΠΎΠ΅ΠΉ ΡΠ΅ΡΡΠ΅ΡΠ½Π΅ΠΉ ΡΡΠ΅ΠΏΠΈΠ»ΡΡ Ρ ΡΠ΅ΡΡΠ΅ΡΠ½Π΅ΠΉ Π²Π°Π»Π°.

5. Π Π·Π°Π²Π΅ΡΡΠ΅Π½ΠΈΠ΅ Π½Π΅ΠΎΠ±Ρ ΠΎΠ΄ΠΈΠΌΠΎ ΠΈΠ·Π³ΠΎΡΠΎΠ²ΠΈΡΡ ΠΊΠ°ΡΠΊΠ°Ρ. ΠΠ»Ρ ΡΡΠΎΠ³ΠΎ ΠΈΠ· ΠΊΠ²Π°Π΄ΡΠ°ΡΠ½ΡΡ ΠΏΡΠΎΡΠΈΠ»Π΅ΠΉ ΠΌΠΎΠΆΠ½ΠΎ ΠΈΠ·Π³ΠΎΡΠΎΠ²ΠΈΡΡ ΠΏΡΡΠΌΠΎΡΠ³ΠΎΠ»ΡΠ½ΠΈΠΊ ΠΈ ΠΏΡΠΈΠ²Π°ΡΠΈΡΡ ΠΊ Π½Π΅ΠΌΡ ΠΎΠ΄Π½ΠΎΠΉ ΡΡΠΎΡΠΎΠ½ΠΎΠΉ ΠΊΠ²Π°Π΄ΡΠ°ΡΠ½ΡΠ΅ ΠΏΠ»Π°ΡΡΠΈΠ½Ρ, Π° ΡΠ°ΠΊΠΆΠ΅ Π·Π°ΡΠΈΠΊΡΠΈΡΠΎΠ²Π°ΡΡ ΠΌΠΎΡΠΎΡ ΠΈ ΡΠ΅Π΄ΡΠΊΡΠΎΡ.
6. Π Π½Π°ΠΏΠΎΡΠ»Π΅Π΄ΠΎΠΊ ΠΈΠ·Π³ΠΎΡΠΎΠ²ΡΡΠ΅ ΠΏΡΠ»ΡΡ. ΠΠ»Ρ ΡΡΠΎΠ³ΠΎ Π΄ΠΎΡΡΠ°ΡΠΎΡΠ½ΠΎ Π²ΡΠ΅Π³ΠΎ ΠΎΠ΄Π½Π° ΠΊΠ½ΠΎΠΏΠΊΠ°, ΠΊΠΎΡΠΎΡΠ°Ρ Π±ΡΠ΄Π΅Ρ Π·Π°ΠΌΡΠΊΠ°ΡΡ ΠΊΠΎΠ½ΡΠ°ΠΊΡ. ΠΠ½ Π΄ΠΎΠ»ΠΆΠ½Π° Π±ΡΡΡ ΠΏΠΎΠ΄ΠΏΡΡΠΆΠΈΠ½Π΅Π½Π°, ΡΡΠΎΠ±Ρ ΠΏΡΠΈ ΠΎΡΠΏΡΡΠΊΠ°Π½ΠΈΠΈ Π΅Ρ ΠΊΠΎΠ½ΡΠ°ΠΊΡ ΡΠ°Π·ΠΌΡΠΊΠ°Π»ΡΡ.

7. Π’Π°ΠΊΠ°Ρ ΠΈΠ·Π³ΠΎΡΠΎΠ²Π»Π΅Π½Π½Π°Ρ Π»Π΅Π±Π΅Π΄ΠΊΠ° Π°Π²ΡΠΎΠΌΠΎΠ±ΠΈΠ»Ρ ΡΠ²ΠΎΠΈΠΌΠΈ ΡΡΠΊΠ°ΠΌΠΈ ΠΈΠΌΠ΅Π΅Ρ ΠΎΠ΄ΠΈΠ½ Π²Π°ΠΆΠ½ΡΠΉ Π½ΡΠ°Π½Ρ, Π° ΠΈΠΌΠ΅Π½Π½ΠΎ ΡΠΎ, Π΅Ρ Π½Π΅Π»ΡΠ·Ρ ΡΠΈΠΊΡΠΈΡΠΎΠ²Π°ΡΡ Π½Π΅ΠΏΠΎΡΡΠ΅Π΄ΡΡΠ²Π΅Π½Π½ΠΎ ΠΊ Π°Π²ΡΠΎΠΌΠΎΠ±ΠΈΠ»Ρ. Π ΠΊΠ°ΡΠΊΠ°ΡΡ ΠΏΡΠΈΠ΄ΡΡΡΡ ΠΊΡΠ΅ΠΏΠΈΡΡ ΡΠΊΠ°Π½Π΅Π²ΡΠΉ Π±ΡΠΊΡΠΈΡΠΎΠ²ΠΎΡΠ½ΡΠΉ ΡΡΠΎΡ, ΠΊΠΎΡΠΎΡΡΠΉ Π±ΡΠ΄Π΅Ρ Π²ΡΡΡΡΠΏΠ°ΡΡ Π² ΠΊΠ°ΡΠ΅ΡΡΠ²Π΅ ΠΈΠ·ΠΎΠ»ΡΡΠΎΡΠ°. Π§ΡΠΎΠ±Ρ ΠΈΠ·Π±Π°Π²ΠΈΡΡΡΡ ΠΎΡ Π΄Π°Π½Π½ΠΎΠ³ΠΎ Π½ΡΠ°Π½ΡΠ°, Π½Π΅ΠΎΠ±Ρ ΠΎΠ΄ΠΈΠΌΠΎ ΠΈΠ·ΠΎΠ»ΠΈΡΠΎΠ²Π°ΡΡ ΡΠ΅ΡΠΊΠΈ Π΄Π²ΠΈΠ³Π°ΡΠ΅Π»Ρ ΠΎΡ ΠΌΠ°ΡΡΡ.
Π ΡΡΠ½Π°Ρ Π»Π΅Π±Π΅Π΄ΠΊΠ°

ΠΠ΅Π±Π΅Π΄ΠΊΠ° ΡΡΡΠ½Π°Ρ ΡΠ²ΠΎΠΈΠΌΠΈ ΡΡΠΊΠ°ΠΌΠΈ ΠΊΠΎΠ½ΡΡΡΡΠΊΡΠΈΠ²Π½ΠΎ ΠΏΠΎΡ ΠΎΠΆΠ° Π½Π° ΡΠ»Π΅ΠΊΡΡΠΈΡΠ΅ΡΠΊΡΡ, Π±Π»Π°Π³ΠΎΠ΄Π°ΡΡ ΡΠ΅ΠΌΡ ΠΌΠΎΠΆΠ½ΠΎ ΠΏΡΠΈΠ΄Π΅ΡΠΆΠΈΠ²Π°ΡΡΡΡ ΠΈΠ½ΡΡΡΡΠΊΡΠΈΠΈ ΠΎΠΏΠΈΡΠ°Π½Π½ΠΎΠΉ Π²ΡΡΠ΅, ΠΎΠ΄Π½Π°ΠΊΠΎ, Π²ΠΌΠ΅ΡΡΠΎ ΡΠ»Π΅ΠΊΡΡΠΈΡΠ΅ΡΠΊΠΎΠ³ΠΎ Π΄Π²ΠΈΠ³Π°ΡΠ΅Π»Ρ Π½Π΅ΠΎΠ±Ρ ΠΎΠ΄ΠΈΠΌΠΎ ΠΏΡΠΈΡΠΎΠ΅Π΄ΠΈΠ½ΠΈΡΡ ΡΡΠΊΠΎΡΡΠΊΡ, ΠΊΠΎΡΠΎΡΡΡ ΠΏΡΠΈΠ΄Π΅ΡΡΡ Π²ΡΠ°ΡΠ°ΡΡ ΡΡΠΊΠ°ΠΌΠΈ. ΠΠ»Π°Π³ΠΎΠ΄Π°ΡΡ ΡΠ΅Π΄ΡΠΊΡΠΎΡΡ ΡΠ΄Π°ΡΡΡΡ ΡΡΡΠ΅ΡΡΠ²Π΅Π½Π½ΠΎ ΡΠ½ΠΈΠ·ΠΈΡΡ Π½Π°Π³ΡΡΠ·ΠΊΡ Π½Π° ΡΠ΅Π»ΠΎΠ²Π΅ΠΊΠ°, ΠΎΠ΄Π½Π°ΠΊΠΎ ΠΌΠΎΡΠ½ΠΎΡΡΡ ΡΠ°ΠΊΠΎΠΉ Π»Π΅Π±Π΅Π΄ΠΊΠΈ Π²ΡΠ΅ ΠΆΠ΅ Π±ΡΠ΄Π΅Ρ ΠΎΠΏΡΠ΅Π΄Π΅Π»ΡΡΡΡΡ ΠΈΠΌΠ΅Π½Π½ΠΎ ΠΌΡΡΠΊΡΠ»ΡΠ½ΠΎΠΉ ΡΠΈΠ»ΠΎΠΉ. ΠΡΠΎ ΡΡΠΎΠΈΡ ΡΡΠΈΡΡΠ²Π°ΡΡ, Π΅ΡΠ»ΠΈ Π²Ρ Π²Π»Π°Π΄Π΅ΡΠ΅ ΠΏΠΎΠ»Π½ΠΎΡΠ°Π·ΠΌΠ΅ΡΠ½ΡΠΌ ΠΊΡΠΎΡΡΠΎΠ²Π΅ΡΠΎΠΌ ΠΈΠ»ΠΈ Π²Π½Π΅Π΄ΠΎΡΠΎΠΆΠ½ΠΈΠΊΠΎΠΌ.

Π’Π΅ΠΏΠ΅ΡΡ Π²Ρ Π·Π½Π°Π΅ΡΠ΅ ΠΊΠ°ΠΊ ΡΠ΄Π΅Π»Π°ΡΡ Π»Π΅Π±Π΅Π΄ΠΊΡ ΡΠ²ΠΎΠΈΠΌΠΈ ΡΡΠΊΠ°ΠΌΠΈ. ΠΠ½Π° ΠΈΠΌΠ΅Π΅Ρ Π΄ΠΎΠ²ΠΎΠ»ΡΠ½ΠΎ ΠΏΡΠΎΡΡΡΡ ΠΊΠΎΠ½ΡΡΡΡΠΊΡΠΈΡ ΠΈ Π»Π΅Π³ΠΊΠΎ ΠΈΠ·Π³ΠΎΡΠ°Π²Π»ΠΈΠ²Π°Π΅ΡΡΡ ΠΈΠ· ΡΠ°ΡΠΏΡΠΎΡΡΡΠ°Π½Π΅Π½Π½ΡΡ ΠΈ Π΄Π΅ΡΠ΅Π²ΡΡ ΠΌΠ°ΡΠ΅ΡΠΈΠ°Π»ΠΎΠ², ΡΡΠΎ ΠΏΠΎΠ·Π²ΠΎΠ»ΠΈΡ Π±Π΅Π· Π»ΠΈΡΠ½ΠΈΡ Π·Π°ΡΡΠ°Ρ ΠΈΠ·Π³ΠΎΡΠΎΠ²ΠΈΡΡ Π΄Π°ΠΆΠ΅ Π²ΡΠ΅ΠΌΠ΅Π½Π½ΠΎΠ΅ ΡΠ΅ΡΠ΅Π½ΠΈΠ΅, ΠΏΠ΅ΡΠ΅Π΄ ΠΏΠΎΠΊΡΠΏΠΊΠΎΠΉ ΡΠΈΡΠΌΠ΅Π½Π½ΠΎΠ³ΠΎ Π°Π³ΡΠ΅Π³Π°ΡΠ°.
pulyaet.ru

ΠΠ΅ΡΠ²ΡΠΌ Π΄Π΅Π»ΠΎΠΌ ΡΠ»Π΅Π΄ΡΠ΅Ρ ΠΏΠΎΠ΄Π³ΠΎΡΠΎΠ²ΠΈΡΡ Π½Π΅ΠΎΠ±Ρ
ΠΎΠ΄ΠΈΠΌΡΠ΅ ΠΌΠ°ΡΠ΅ΡΠΈΠ°Π»Ρ ΠΈ ΠΈΠ½ΡΡΡΡΠΌΠ΅Π½ΡΡ β Π»ΠΎΠΌ, ΡΡΠΎΡ ΠΈ ΠΊΡΡΠΎΠΊ ΡΡΡΠ±Ρ.
ΠΡ ΡΠ΅ΡΡΠ΅ΡΠ½ΠΈ-Π³Π»ΠΈΡΡΡ Π²ΡΠ°ΡΠ°ΡΡΠΈΠΉ ΠΌΠΎΠΌΠ΅Π½Ρ ΠΏΠ΅ΡΠ΅Π΄Π°Π΅ΡΡΡ Π²Π°Π»Ρ, Π½Π° ΠΊΠΎΡΠΎΡΡΠΉ Π½Π°ΠΊΡΡΡΠΈΠ²Π°Π΅ΡΡΡ ΡΡΠΎΡ. Π Π·Π΄Π΅ΡΡ ΠΎΡΠ½ΠΎΠ²Π½Π°Ρ Π·Π°Π΄Π°ΡΠ° Π·Π°ΠΊΠ»ΡΡΠ°Π΅ΡΡΡ Π² ΠΏΡΠ°Π²ΠΈΠ»ΡΠ½ΠΎΠΌ Π²ΡΠ±ΠΎΡΠ΅ Π΄Π΅ΡΠ°Π»Π΅ΠΉ, ΠΈΠΌΠ΅ΡΡΠΈΠΌΠΈ ΠΊΡΠ΅ΠΏΠΊΠΈΠ΅ Π·ΡΠ±ΡΡ. ΠΠ½ΠΈ Π΄ΠΎΠ»ΠΆΠ½Ρ ΠΈΠΌΠ΅ΡΡ Π΄ΠΎΡΡΠ°ΡΠΎΡΠ½ΠΎ Π±ΠΎΠ»ΡΡΡΡ ΡΠΎΠ»ΡΠΈΠ½Ρ. ΠΡΠΎ ΠΏΠΎΠ·Π²ΠΎΠ»ΠΈΡ Π² Π·Π½Π°ΡΠΈΡΠ΅Π»ΡΠ½ΠΎΠΉ ΡΡΠ΅ΠΏΠ΅Π½ΠΈ ΡΠ²Π΅Π»ΠΈΡΠΈΡΡ Π·Π°ΠΏΠ°Ρ ΠΏΡΠΎΡΠ½ΠΎΡΡΠΈ.
ΠΠ»Ρ ΡΠ°ΠΌΠΎΠ΄Π΅Π»ΡΠ½ΠΎΠΉ Π»Π΅Π±Π΅Π΄ΠΊΠΈ Π½Π°ΠΌ ΠΏΠΎΠ½Π°Π΄ΠΎΠ±ΠΈΡΡΡ Π΄Π²Π° ΡΠ²Π΅Π»Π»Π΅ΡΠ°, ΠΎΠ΄ΠΈΠ½ ΠΈΠ· ΠΊΠΎΡΠΎΡΡΡ
Π΄ΠΎΠ»ΠΆΠ΅Π½ ΠΈΠΌΠ΅ΡΡ Π΄Π»ΠΈΠ½Ρ 40 ΡΠΌ, Π° Π΄ΡΡΠ³ΠΎΠΉ β 30 ΡΠΌ. Π‘Π°ΠΌΡΠΉ Π΄Π»ΠΈΠ½Π½ΡΠΉ ΠΈΠ· ΡΡΠΈΡ
ΡΡΠ°Π³ΠΌΠ΅Π½ΡΠΎΠ² ΡΡΠ°Π½Π΅Ρ ΠΏΡΠ°Π²ΠΎΠΉ ΡΠ°ΡΡΡΡ Π»Π΅Π±Π΅Π΄ΠΊΠΈ, Π½Π° ΠΊΠΎΡΠΎΡΡΡ ΠΌΡ Π²ΠΏΠΎΡΠ»Π΅Π΄ΡΡΠ²ΠΈΠΈ ΡΡΡΠ°Π½ΠΎΠ²ΠΈΠΌ ΡΠ΅ΡΡΠ΅ΡΠ½Ρ ΠΈ ΡΡΡΠΊΡ Π²ΡΠ°ΡΠ΅Π½ΠΈΡ;
