ΠΠ°ΠΊ ΡΠ΄Π΅Π»Π°ΡΡ ΠΎΠ±ΠΌΠ°Π½ΠΊΡ Π»ΡΠΌΠ±Π΄Π° Π·ΠΎΠ½Π΄Π° ΡΠ²ΠΎΠΈΠΌΠΈ ΡΡΠΊΠ°ΠΌΠΈ
ΠΠ°ΡΠ° ΠΏΡΠ±Π»ΠΈΠΊΠ°ΡΠΈΠΈ: .
ΠΠ°ΡΠ΅Π³ΠΎΡΠΈΡ: ΠΠ²ΡΠΎΡΠ΅Ρ
Π½ΠΈΠΊΠ°.
ΠΡΠΌΠ±Π΄Π° Π·ΠΎΠ½Π΄ (ΡΠ°ΠΊΠΆΠ΅ Π½Π°Π·ΡΠ²Π°Π΅ΡΡΡ ΠΊΠΈΡΠ»ΠΎΡΠΎΠ΄Π½ΡΠΌ ΠΊΠΎΠ½ΡΡΠΎΠ»Π»Π΅ΡΠΎΠΌ, Π΄Π°ΡΡΠΈΠΊΠΎΠΌ O2, ΠΠ) ΡΠ²Π»ΡΠ΅ΡΡΡ Π½Π΅ΠΎΡΡΠ΅ΠΌΠ»Π΅ΠΌΠΎΠΉ ΡΠ°ΡΡΡΡ Π²ΡΡ Π»ΠΎΠΏΠ½ΠΎΠΉ ΡΠΈΡΡΠ΅ΠΌΡ Π°Π²ΡΠΎΡΡΠ°Π½ΡΠΏΠΎΡΡΠ½ΡΡ ΡΡΠ΅Π΄ΡΡΠ², ΠΎΡΠ²Π΅ΡΠ°ΡΡΠΈΡ ΡΠΊΠΎΠ»ΠΎΠ³ΠΈΡΠ΅ΡΠΊΠΈΠΌ ΡΡΠ°Π½Π΄Π°ΡΡΠ°ΠΌ EURO-4 ΠΈ Π²ΡΡΠ΅. ΠΡΠΎ ΠΌΠΈΠ½ΠΈΠ°ΡΡΡΠ½ΠΎΠ΅ ΡΡΡΡΠΎΠΉΡΡΠ²ΠΎ (ΠΎΠ±ΡΡΠ½ΠΎ ΡΡΡΠ°Π½Π°Π²Π»ΠΈΠ²Π°Π΅ΡΡΡ 2 Π»ΡΠΌΠ±Π΄Π° Π·ΠΎΠ½Π΄Π° ΠΈ Π±ΠΎΠ»Π΅Π΅) ΠΊΠΎΠ½ΡΡΠΎΠ»ΠΈΡΡΠ΅Ρ ΡΠΎΠ΄Π΅ΡΠΆΠ°Π½ΠΈΠ΅ O2 Π² Π²ΡΡ Π»ΠΎΠΏΠ½ΡΡ ΡΠΌΠ΅ΡΡΡ Π°Π²ΡΠΎΡΡΠ°Π½ΡΠΏΠΎΡΡΠ½ΠΎΠ³ΠΎ ΡΡΠ΅Π΄ΡΡΠ²Π°, Π±Π»Π°Π³ΠΎΠ΄Π°ΡΡ ΡΠ΅ΠΌΡ Π·Π½Π°ΡΠΈΡΠ΅Π»ΡΠ½ΠΎ ΡΠ½ΠΈΠΆΠ°Π΅ΡΡΡ Π²ΡΠ±ΡΠΎΡ ΡΠ΄ΠΎΠ²ΠΈΡΡΡ ΠΎΡΡ ΠΎΠ΄ΠΎΠ² Π² Π°ΡΠΌΠΎΡΡΠ΅ΡΡ.

Π ΡΠ»ΡΡΠ°Π΅ Π½Π΅ΠΊΠΎΡΡΠ΅ΠΊΡΠ½ΠΎΠΉ ΡΠ°Π±ΠΎΡΡ ΠΠ ΠΈΠ»ΠΈ Π΅ΡΠ»ΠΈ ΠΏΡΠΎΠΈΠ·ΠΎΡΠ»ΠΎ ΠΎΡΠΊΠ»ΡΡΠ΅Π½ΠΈΠ΅ Π»ΡΠΌΠ±Π΄Π° Π·ΠΎΠ½Π΄Π°, ΡΡΠ½ΠΊΡΠΈΠΎΠ½ΠΈΡΠΎΠ²Π°Π½ΠΈΠ΅ ΡΠΈΠ»ΠΎΠ²ΠΎΠ³ΠΎ Π°Π³ΡΠ΅Π³Π°ΡΠ° ΠΌΠΎΠΆΠ΅Ρ Π±ΡΡΡ Π½Π°ΡΡΡΠ΅Π½ΠΎ, ΠΈΠ·-Π·Π° ΡΠ΅Π³ΠΎ ΠΌΠΎΡΠΎΡ ΠΏΠ΅ΡΠ΅ΠΉΠ΄Π΅Ρ Π² Π°Π²Π°ΡΠΈΠΉΠ½ΡΠΉ ΡΠ΅ΠΆΠΈΠΌ (Π½Π° ΠΏΠ°Π½Π΅Π»ΠΈ Π·Π°Π³ΠΎΡΠΈΡΡΡ Check Engine). Π§ΡΠΎΠ±Ρ ΡΠ°ΠΊΠΎΠ³ΠΎ Π½Π΅ ΡΠ»ΡΡΠΈΠ»ΠΎΡΡ, ΡΠΈΡΡΠ΅ΠΌΡ Π°Π²ΡΠΎΠΌΠΎΠ±ΠΈΠ»Ρ ΠΌΠΎΠΆΠ½ΠΎ ΠΏΠ΅ΡΠ΅Ρ ΠΈΡΡΠΈΡΡ, ΡΡΡΠ°Π½ΠΎΠ²ΠΈΠ² ΠΎΠ±ΠΌΠ°Π½ΠΊΡ.
ΠΠ΅Ρ Π°Π½ΠΈΡΠ΅ΡΠΊΠ°Ρ ΠΎΠ±ΠΌΠ°Π½ΠΊΠ° Π»ΡΠΌΠ±Π΄Π° Π·ΠΎΠ½Π΄Π° (Β«Π²Π²Π΅ΡΡΡΡΒ»)
Β«ΠΠ²Π΅ΡΡΡΡΒ» β ΡΡΠΎ Π²ΡΡΠ»ΠΊΠ°, ΠΈΠ·Π³ΠΎΡΠΎΠ²Π»Π΅Π½Π½Π°Ρ ΠΈΠ· Π±ΡΠΎΠ½Π·Ρ ΠΈΠ»ΠΈ ΡΠ΅ΠΏΠ»ΠΎΡΡΡΠΎΠΉΡΠΈΠ²ΠΎΠΉ ΡΡΠ°Π»ΠΈ. ΠΠ½ΡΡΡΠ΅Π½Π½ΡΡ ΡΠ°ΡΡΡ ΡΠ°ΠΊΠΎΠΉ Β«ΠΏΡΠΎΡΡΠ°Π²ΠΊΠΈΒ» ΠΈ Π΅Π΅ ΠΏΠΎΠ»ΠΎΡΡΠΈ Π·Π°ΠΏΠΎΠ»Π½ΡΡΡΡΡ ΠΊΠ΅ΡΠ°ΠΌΠΈΡΠ΅ΡΠΊΠΎΠΉ ΠΊΡΠΎΡΠΊΠΎΠΉ ΡΠΎ ΡΠΏΠ΅ΡΠΈΠ°Π»ΡΠ½ΡΠΌ ΠΊΠ°ΡΠ°Π»ΠΈΡΠΈΡΠ΅ΡΠΊΠΈΠΌ ΠΏΠΎΠΊΡΡΡΠΈΠ΅ΠΌ. ΠΠ»Π°Π³ΠΎΠ΄Π°ΡΡ ΡΡΠΎΠΌΡ ΠΎΡΡΠ°Π±ΠΎΡΠ°Π½Π½ΡΠ΅ Π³Π°Π·Ρ Π΄ΠΎΠΆΠΈΠ³Π°ΡΡΡΡ Π±ΡΡΡΡΠ΅Π΅, ΡΡΠΎ, Π² ΡΠ²ΠΎΡ ΠΎΡΠ΅ΡΠ΅Π΄Ρ, ΠΏΡΠΈΠ²ΠΎΠ΄ΠΈΡ ΠΊ ΡΠ°Π·Π½ΡΠΌ ΠΏΠΎΠΊΠ°Π·Π°ΡΠ΅Π»ΡΠΌ ΠΈΠΌΠΏΡΠ»ΡΡΠΎΠ² 1 ΠΈ 2 ΠΠ.
ΠΠ°ΠΆΠ½ΠΎ! ΠΡΠ±Π°Ρ ΠΎΠ±ΠΌΠ°Π½ΠΊΠ° ΡΡΡΠ°Π½Π°Π²Π»ΠΈΠ²Π°Π΅ΡΡΡ ΡΠΎΠ»ΡΠΊΠΎ Π½Π° ΠΈΡΠΏΡΠ°Π²Π½ΡΠΉ Π»ΡΠΌΠ±Π΄Π° Π·ΠΎΠ½Π΄.

Π‘Π°ΠΌΠΎΠ΄Π΅Π»ΡΠ½Π°Ρ ΠΎΠ±ΠΌΠ°Π½ΠΊΠ° Π»ΡΠΌΠ±Π΄Π° Π·ΠΎΠ½Π΄Π°, ΡΡ Π΅ΠΌΠ° ΠΊΠΎΡΠΎΡΠΎΠΉ ΠΏΡΠ΅Π΄ΡΡΠ°Π²Π»Π΅Π½Π° Π½ΠΈΠΆΠ΅, ΠΏΡΠΎΡΡΠ° Π² ΠΈΠ·Π³ΠΎΡΠΎΠ²Π»Π΅Π½ΠΈΠΈ. ΠΠ»Ρ ΡΡΠΎΠ³ΠΎ Π²Π°ΠΌ ΠΏΠΎΡΡΠ΅Π±ΡΠ΅ΡΡΡ ΠΏΠΎΠ΄Π³ΠΎΡΠΎΠ²ΠΈΡΡ:
- Π·Π°Π³ΠΎΡΠΎΠ²ΠΊΡ;
- ΠΎΡΠ²Π΅ΡΡΠΊΡ;
- Π½Π°Π±ΠΎΡ ΠΊΠ»ΡΡΠ΅ΠΉ.
ΠΠ΅Π»Π°Π΅ΡΡΡ ΠΎΠ±ΠΌΠ°Π½ΠΊΠ° Π½Π° ΠΎΠ±ΡΠ°Π±Π°ΡΡΠ²Π°ΡΡΠ΅ΠΌ ΡΠΎΠΊΠ°ΡΠ½ΠΎΠΌ ΡΡΠ°Π½ΠΊΠ΅. ΠΡΠ»ΠΈ ΡΠ°ΠΊΠΎΠ²ΠΎΠ³ΠΎ Π½Π΅Ρ, ΡΠΎ ΠΌΠΎΠΆΠ½ΠΎ ΠΎΠ±ΡΠ°ΡΠΈΡΡΡΡ ΠΊ ΡΠΏΠ΅ΡΠΈΠ°Π»ΠΈΡΡΡ, ΠΏΡΠ΅Π΄ΠΎΡΡΠ°Π²ΠΈΠ² Π΅ΠΌΡ ΡΠ΅ΡΡΠ΅ΠΆ.

ΠΠΎΠ»ΡΡΠ΅Π½Π½Π°Ρ Π΄Π΅ΡΠ°Π»Ρ ΡΠΎΠ²ΠΌΠ΅ΡΡΠΈΠΌΠ° Ρ Π±ΠΎΠ»ΡΡΠΈΠ½ΡΡΠ²ΠΎΠΌ Π²ΡΡ Π»ΠΎΠΏΠ½ΡΡ ΡΠΈΡΡΠ΅ΠΌ ΠΊΠ°ΠΊ ΠΎΡΠ΅ΡΠ΅ΡΡΠ²Π΅Π½Π½ΡΡ , ΡΠ°ΠΊ ΠΈ Π·Π°ΡΡΠ±Π΅ΠΆΠ½ΡΡ Π°Π²ΡΠΎΠΌΠΎΠ±ΠΈΠ»Π΅ΠΉ.
Π£ΡΡΠ°Π½ΠΎΠ²ΠΊΠ° ΠΎΠ±ΠΌΠ°Π½ΠΊΠΈ Π»ΡΠΌΠ±Π΄Π° Π·ΠΎΠ½Π΄Π° ΠΏΡΠΎΠΈΠ·Π²ΠΎΠ΄ΠΈΡΡΡ ΡΠ»Π΅Π΄ΡΡΡΠΈΠΌ ΠΎΠ±ΡΠ°Π·ΠΎΠΌ:
- ΠΠΎΠ΄Π½ΠΈΠΌΠΈΡΠ΅ Π°Π²ΡΠΎ Π½Π° ΡΡΡΠ°ΠΊΠ°Π΄Ρ.
- ΠΡΠΊΠ»ΡΡΠΈΡΠ΅ ΠΌΠΈΠ½ΡΡΠΎΠ²ΡΡ ΠΊΠ»Π΅ΠΌΠΌΡ Π½Π° ΠΠΠ.
- ΠΡΠΊΡΡΡΠΈΡΠ΅ ΠΏΠ΅ΡΠ²ΡΠΉ (Π²Π΅ΡΡ Π½ΠΈΠΉ) Π·ΠΎΠ½Π΄ (Π΅ΡΠ»ΠΈ ΠΈΡ Π΄Π²Π°, ΡΠΎ ΡΠ½ΠΈΠΌΠΈΡΠ΅ ΡΠΎΡ, ΠΊΠΎΡΠΎΡΡΠΉ ΡΠ°ΡΠΏΠΎΠ»ΠΎΠΆΠ΅Π½ ΠΌΠ΅ΠΆΠ΄Ρ ΠΊΠ°ΡΠ°Π»ΠΈΠ·Π°ΡΠΎΡΠΎΠΌ ΠΈ Π²ΡΠΏΡΡΠΊΠ½ΡΠΌ ΠΊΠΎΠ»Π»Π΅ΠΊΡΠΎΡΠΎΠΌ).
- ΠΠΊΡΡΡΠΈΡΠ΅ Π»ΡΠΌΠ±Π΄Π° Π·ΠΎΠ½Π΄ Π² Β«ΠΏΡΠΎΡΡΠ°Π²ΠΊΡΒ».
- Π£ΡΡΠ°Π½ΠΎΠ²ΠΈΡΠ΅ Β«ΡΡΠΎΠ²Π΅ΡΡΠ΅Π½ΡΡΠ²ΠΎΠ²Π°Π½Π½ΡΠΉΒ» Π΄Π°ΡΡΠΈΠΊ Π½Π° ΠΌΠ΅ΡΡΠΎ.
- ΠΠΎΠ΄ΠΊΠ»ΡΡΠΈΡΠ΅ ΠΊΠ»Π΅ΠΌΠΌΡ ΠΊ Π°ΠΊΠΊΡΠΌΡΠ»ΡΡΠΎΡΡ.
ΠΠΎΠ»Π΅Π·Π½ΠΎ! ΠΠ±ΡΡΠ½ΠΎ ΠΌΠ΅Ρ Π°Π½ΠΈΡΠ΅ΡΠΊΠ°Ρ ΠΎΠ±ΠΌΠ°Π½ΠΊΠ° Π²ΡΠΎΡΠΎΠ³ΠΎ Π»ΡΠΌΠ±Π΄Π° Π·ΠΎΠ½Π΄Π° Π½Π΅ Π²ΡΠΏΠΎΠ»Π½ΡΠ΅ΡΡΡ, ΡΠ°ΠΊ ΠΊΠ°ΠΊ ΡΡΠΎΡ ΠΠ Π·Π°ΡΠΈΡΠ΅Π½ ΠΊΠ°ΡΠ°Π»ΠΈΠ·Π°ΡΠΎΡΠΎΠΌ ΠΈ ΠΊΠΎΠ½ΡΡΠΎΠ»ΠΈΡΡΠ΅Ρ ΡΠΎΠ»ΡΠΊΠΎ Π΅Π³ΠΎ ΡΠΎΡΡΠΎΡΠ½ΠΈΠ΅. Π‘Π°ΠΌΡΠΌ ΡΡΡΠΊΠΈΠΌ ΡΠ²Π»ΡΠ΅ΡΡΡ ΠΈΠΌΠ΅Π½Π½ΠΎ ΠΏΠ΅ΡΠ²ΡΠΉ Π΄Π°ΡΡΠΈΠΊ, ΠΊΠΎΡΠΎΡΡΠΉ ΡΡΡΠ°Π½ΠΎΠ²Π»Π΅Π½ Π±Π»ΠΈΠΆΠ΅ Π²ΡΠ΅Π³ΠΎ ΠΊ ΠΊΠΎΠ»Π»Π΅ΠΊΡΠΎΡΡ.
ΠΠΎΡΠ»Π΅ ΡΡΠΎΠ³ΠΎ ΡΠΈΡΡΠ΅ΠΌΠ½Π°Ρ ΠΎΡΠΈΠ±ΠΊΠ° Β«Check EngineΒ» Π΄ΠΎΠ»ΠΆΠ½Π° ΠΈΡΡΠ΅Π·Π½ΡΡΡ. ΠΡΠ»ΠΈ ΡΡΠΎΡ ΡΠΏΠΎΡΠΎΠ± Π½Π΅ ΡΡΠ°Π±ΠΎΡΠ°Π», ΠΌΠΎΠΆΠ½ΠΎ Π²ΠΎΡΠΏΠΎΠ»ΡΠ·ΠΎΠ²Π°ΡΡΡΡ Π±ΠΎΠ»Π΅Π΅ Π΄ΠΎΡΠΎΠ³ΠΎΡΡΠΎΡΡΠ΅ΠΉ ΠΎΠ±ΠΌΠ°Π½ΠΊΠΎΠΉ.
ΠΠ»Π΅ΠΊΡΡΠΎΠ½Π½Π°Ρ ΠΎΠ±ΠΌΠ°Π½ΠΊΠ°
ΠΡΠ΅ ΠΎΠ΄ΠΈΠ½ ΡΠΏΠΎΡΠΎΠ± ΡΡΡΡΠ°Π½Π΅Π½ΠΈΡ ΠΏΡΠΎΠ±Π»Π΅ΠΌ Ρ ΠΠ β ΡΡΠΎ ΡΠ»Π΅ΠΊΡΡΠΎΠ½Π½Π°Ρ ΠΎΠ±ΠΌΠ°Π½ΠΊΠ° Π»ΡΠΌΠ±Π΄Π° Π·ΠΎΠ½Π΄Π°, ΡΡ Π΅ΠΌΠ° ΠΊΠΎΡΠΎΡΠΎΠΉ ΠΏΡΠ΅Π΄ΡΡΠ°Π²Π»Π΅Π½Π° ΡΡΡΡ Π½ΠΈΠΆΠ΅. Π’Π°ΠΊ ΠΊΠ°ΠΊ Π΄Π°ΡΡΠΈΠΊ ΠΊΠΈΡΠ»ΠΎΡΠΎΠ΄Π° ΠΏΠ΅ΡΠ΅Π΄Π°Π΅Ρ ΡΠΈΠ³Π½Π°Π» ΠΊΠΎΠ½ΡΡΠΎΠ»Π»Π΅ΡΡ, ΡΠΎ ΡΡ Π΅ΠΌΠ°-ΠΎΠ±ΠΌΠ°Π½ΠΊΠ°, ΠΏΠΎΠ΄ΠΊΠ»ΡΡΠ΅Π½Π½Π°Ρ ΠΊ ΠΏΡΠΎΠ²ΠΎΠ΄ΠΊΠ΅ ΠΎΡ Π΄Π°ΡΡΠΈΠΊΠ° ΠΊ ΡΠ°Π·ΡΠ΅ΠΌΡ, ΠΏΠΎΠ·Π²ΠΎΠ»ΠΈΡ Β«Π·Π°Π³ΡΡΠ±ΠΈΡΡΒ» ΡΠΈΡΡΠ΅ΠΌΡ. ΠΠ»Π°Π³ΠΎΠ΄Π°ΡΡ ΡΡΠΎΠΌΡ, Π² ΡΠΈΡΡΠ°ΡΠΈΠΈ, Π΅ΡΠ»ΠΈ Π»ΡΠΌΠ±Π΄Π° Π·ΠΎΠ½Π΄ Π±ΡΠ΄Π΅Ρ Π½Π΅ΠΈΡΠΏΡΠ°Π²Π΅Π½, ΡΠΈΠ»ΠΎΠ²ΠΎΠΉ Π°Π³ΡΠ΅Π³Π°Ρ Π±ΡΠ΄Π΅Ρ ΠΏΡΠΎΠ΄ΠΎΠ»ΠΆΠ°ΡΡ ΡΠ°Π±ΠΎΡΠ°ΡΡ ΠΊΠΎΡΡΠ΅ΠΊΡΠ½ΠΎ.
ΠΠΎΠ»Π΅Π·Π½ΠΎ! ΠΠ΅ΡΡΠ° ΡΡΡΠ°Π½ΠΎΠ²ΠΊΠΈ ΡΠ°ΠΊΠΎΠΉ ΠΎΠ±ΠΌΠ°Π½ΠΊΠΈ ΠΌΠΎΠ³ΡΡ ΠΎΡΠ»ΠΈΡΠ°ΡΡΡΡ Π² Π·Π°Π²ΠΈΡΠΈΠΌΠΎΡΡΠΈ ΠΎΡ ΠΌΠΎΠ΄Π΅Π»ΠΈ ΠΠ’Π‘. ΠΠ°ΠΏΡΠΈΠΌΠ΅Ρ, ΠΎΠ½Π° ΠΌΠΎΠΆΠ΅Ρ Π±ΡΡΡ ΠΌΠΎΠ½ΡΠΈΡΠΎΠ²Π°Π½Π° Π² ΡΠ΅Π½ΡΡΠ°Π»ΡΠ½ΡΠΉ ΡΠΎΠ½Π½Π΅Π»Ρ ΠΌΠ΅ΠΆΠ΄Ρ ΡΠΈΠ΄Π΅Π½ΡΡΠΌΠΈ, Π² ΡΠΎΡΠΏΠ΅Π΄Π΅ ΠΈΠ»ΠΈ ΠΌΠΎΡΠΎΡΠ½ΠΎΠΌ ΠΎΡΡΠ΅ΠΊΠ΅.
Π‘Ρ Π΅ΠΌΠ°-ΠΎΠ±ΠΌΠ°Π½ΠΊΠ° β ΡΡΠΎ ΠΎΠ΄Π½ΠΎΠΊΡΠΈΡΡΠ°Π»ΡΠ½ΡΠΉ ΠΌΠΈΠΊΡΠΎΠΏΡΠΎΡΠ΅ΡΡΠΎΡ, ΠΊΠΎΡΠΎΡΡΠΉ Π°Π½Π°Π»ΠΈΠ·ΠΈΡΡΠ΅Ρ ΠΏΡΠΎΡΠ΅ΡΡΡ Π² ΠΊΠ°ΡΠ°Π»ΠΈΠ·Π°ΡΠΎΡΠ΅, ΠΏΠΎΠ»ΡΡΠ°Π΅Ρ Π΄Π°Π½Π½ΡΠ΅ ΠΎΡ ΠΏΠ΅ΡΠ²ΠΎΠ³ΠΎ ΠΠ, ΠΎΠ±ΡΠ°Π±Π°ΡΡΠ²Π°Π΅Ρ ΠΈΡ , ΠΏΡΠ΅ΠΎΠ±ΡΠ°Π·ΡΠ΅Ρ Π΄ΠΎ ΠΏΠΎΠΊΠ°Π·Π°ΡΠ΅Π»Π΅ΠΉ Π²ΡΠΎΡΠΎΠ³ΠΎ Π΄Π°ΡΡΠΈΠΊΠ° ΠΈ Π²ΡΠ΄Π°Π΅Ρ Π½Π° ΠΏΡΠΎΡΠ΅ΡΡΠΎΡ Π°Π²ΡΠΎΠΌΠΎΠ±ΠΈΠ»Ρ ΡΠΎΠΎΡΠ²Π΅ΡΡΡΠ²ΡΡΡΠΈΠΉ ΡΠΈΠ³Π½Π°Π».
Π§ΡΠΎΠ±Ρ ΡΡΡΠ°Π½ΠΎΠ²ΠΈΡΡ ΠΎΠ±ΠΌΠ°Π½ΠΊΡ ΡΡΠΎΠ³ΠΎ ΡΠΈΠΏΠ°, Π²Π°ΠΌ ΠΏΠΎΡΡΠ΅Π±ΡΠ΅ΡΡΡ ΡΡ Π΅ΠΌΠ° ΠΏΠΎΠ΄ΠΊΠ»ΡΡΠ΅Π½ΠΈΡ Π»ΡΠΌΠ±Π΄Π° Π·ΠΎΠ½Π΄Π°, ΠΊΠΎΡΠΎΡΠ°Ρ Π²ΡΠ³Π»ΡΠ΄ΠΈΡ ΡΠ»Π΅Π΄ΡΡΡΠΈΠΌ ΠΎΠ±ΡΠ°Π·ΠΎΠΌ.

ΠΠ°ΠΊ Π²ΠΈΠ΄ΠΈΡΠ΅, Π±ΡΠ²Π°Π΅Ρ ΡΠ°Π·Π½Π°Ρ ΡΠ°ΡΠΏΠΈΠ½ΠΎΠ²ΠΊΠ° Π»ΡΠΌΠ±Π΄Π° Π·ΠΎΠ½Π΄Π° (4 ΠΏΡΠΎΠ²ΠΎΠ΄Π°, ΡΡΠΈ ΠΈ Π΄Π²Π°). Π¦Π²Π΅ΡΠ° ΠΏΡΠΎΠ²ΠΎΠ΄ΠΎΠ² ΠΌΠΎΠ³ΡΡ ΡΠ°ΠΊΠΆΠ΅ ΠΎΡΠ»ΠΈΡΠ°ΡΡΡΡ, ΡΠ°ΡΠ΅ Π²ΡΠ΅Π³ΠΎ Π²ΡΡΡΠ΅ΡΠ°ΡΡΡΡ ΠΈΠ·Π΄Π΅Π»ΠΈΡ Ρ 4 ΠΏΠΈΠ½Π°ΠΌΠΈ (2 ΡΠ΅ΡΠ½ΡΡ , Π±Π΅Π»ΡΠΉ ΠΈ ΡΠΈΠ½ΠΈΠΉ).
ΠΠ»Ρ ΠΈΠ·Π³ΠΎΡΠΎΠ²Π»Π΅Π½ΠΈΡ ΠΎΠ±ΠΌΠ°Π½Π½ΠΎΠ³ΠΎ ΡΡΡΡΠΎΠΉΡΡΠ²Π°, Π²Π°ΠΌ ΠΏΠΎΡΡΠ΅Π±ΡΠ΅ΡΡΡ:
- ΠΏΠ°ΡΠ»ΡΠ½ΠΈΠΊ Ρ ΠΌΠ΅Π»ΠΊΠΈΠΌ ΠΆΠ°Π»ΠΎΠΌ ΠΈ ΠΏΡΠΈΠΏΠΎΠΉ;
- ΠΊΠ°Π½ΠΈΡΠΎΠ»Ρ;
- Π½Π΅ΠΏΠΎΠ»ΡΡΠ½ΡΠΉ ΠΊΠΎΠ½Π΄Π΅Π½ΡΠ°ΡΠΎΡ Π΅ΠΌΠΊΠΎΡΡΡΡ 1 ΠΌΠΊΠ€ Y5V, +/- 20%;
- ΡΠ΅Π·ΠΈΡΡΠΎΡ (ΡΠΎΠΏΡΠΎΡΠΈΠ²Π»Π΅Π½ΠΈΠ΅) Π½Π° 1 ΠΌΠΠΌ, Π‘1-4 ΠΈΠΌΠΏ, 0,25 ΠΡ;
- Π½ΠΎΠΆ ΠΈ ΠΈΠ·ΠΎΠ»ΡΡΠΈΠΎΠ½Π½Π°Ρ Π»Π΅Π½ΡΠ°.
ΠΠΎΠ»Π΅Π·Π½ΠΎ! ΠΠ΅ΡΠ΅Π΄ ΡΡΡΠ°Π½ΠΎΠ²ΠΊΠΎΠΉ, ΡΡ Π΅ΠΌΡ Π»ΡΡΡΠ΅ Π²ΡΠ΅Π³ΠΎ ΠΏΠΎΠΌΠ΅ΡΡΠΈΡΡ Π² ΠΏΠ»Π°ΡΡΠΈΠΊΠΎΠ²ΡΠΉ ΠΊΠΎΡΠΏΡΡ ΠΈ Π·Π°Π»ΠΈΡΡ Π΅Π΅ Β«ΡΠΏΠΎΠΊΡΠΈΠ΄ΠΊΠΎΠΉΒ».
ΠΠ°Π»ΡΡΠ΅ ΡΠ»Π΅ΠΊΡΡΠΎΠ½Π½Π°Ρ ΠΎΠ±ΠΌΠ°Π½ΠΊΠ° Π½Π° Π»ΡΠΌΠ±Π΄Π° Π·ΠΎΠ½Π΄ ΡΠ²ΠΎΠΈΠΌΠΈ ΡΡΠΊΠ°ΠΌΠΈ ΠΌΠΎΠ½ΡΠΈΡΡΠ΅ΡΡΡ ΡΠ»Π΅Π΄ΡΡΡΠΈΠΌ ΠΎΠ±ΡΠ°Π·ΠΎΠΌ:
- ΠΡΠΊΠ»ΡΡΠΈΡΠ΅ ΠΌΠΈΠ½ΡΡΠΎΠ²ΡΡ ΠΊΠ»Π΅ΠΌΠΌΡ ΠΠΠ.
- Β«ΠΡΠ΅ΠΏΠ°ΡΠΈΡΡΠΉΡΠ΅Β» ΠΏΡΠΎΠ²ΠΎΠ΄, ΠΊΠΎΡΠΎΡΡΠΉ ΠΈΠ΄Π΅Ρ ΠΎΡ ΡΠ°ΠΌΠΎΠ³ΠΎ ΠΠ ΠΊ ΡΠ°Π·ΡΠ΅ΠΌΡ.
- Π Π°Π·ΡΠ΅ΠΆΡΡΠ΅ ΡΠΈΠ½ΠΈΠΉ ΠΏΡΠΎΠ²ΠΎΠ΄ ΠΈ ΠΏΠΎΠ΄ΡΠΎΠ΅Π΄ΠΈΠ½ΠΈΡΠ΅ Π΅Π³ΠΎ ΠΎΠ±ΡΠ°ΡΠ½ΠΎ ΡΠ΅ΡΠ΅Π· ΡΠ΅Π·ΠΈΡΡΠΎΡ.
- ΠΠΏΠ°ΡΠΉΡΠ΅ Π½Π΅ΠΏΠΎΠ»ΡΡΠ½ΡΠΉ ΠΊΠΎΠ½Π΄Π΅Π½ΡΠ°ΡΠΎΡ ΠΌΠ΅Π΄Ρ Π±Π΅Π»ΡΠΌ ΠΈ ΡΠΈΠ½ΠΈΠΌ ΠΏΡΠΎΠ²ΠΎΠ΄Π°ΠΌΠΈ.
- ΠΠ°ΠΈΠ·ΠΎΠ»ΠΈΡΡΠΉΡΠ΅ ΡΠΎΠ΅Π΄ΠΈΠ½Π΅Π½ΠΈΡ.
ΠΠΈΠΆΠ΅ ΠΏΡΠ΅Π΄ΡΡΠ°Π²Π»Π΅Π½Π° ΡΡ Π΅ΠΌΠ° ΠΎΠ±ΠΌΠ°Π½ΠΊΠΈ Π»ΡΠΌΠ±Π΄Π° Π·ΠΎΠ½Π΄Π° ΡΠ²ΠΎΠΈΠΌΠΈ ΡΡΠΊΠ°ΠΌΠΈ Π΄Π»Ρ ΡΠ°ΡΠΏΠΈΠ½ΠΎΠ²ΠΊΠΈ Π½Π° 4 ΠΏΡΠΎΠ²ΠΎΠ΄Π°.

ΠΠ° Π·Π°ΠΊΠ»ΡΡΠΈΡΠ΅Π»ΡΠ½ΠΎΠΌ ΡΡΠ°ΠΏΠ΅, Π΄ΠΎΠ»ΠΆΠ½ΠΎ ΠΏΠΎΠ»ΡΡΠΈΡΡΡΡ ΡΠ»Π΅Π΄ΡΡΡΠ΅Π΅.

Π’Π°ΠΊΠΈΠ΅ ΠΌΠ°Π½ΠΈΠΏΡΠ»ΡΡΠΈΠΈ Π½Π΅ ΡΡΠΎΠΈΡ Π²ΡΠΏΠΎΠ»Π½ΡΡΡ, Π΅ΡΠ»ΠΈ Ρ Π²Π°Ρ Π½Π΅Ρ Π΄ΠΎΠ»ΠΆΠ½ΠΎΠ³ΠΎ ΠΎΠΏΡΡΠ°. Π‘Π΅Π³ΠΎΠ΄Π½Ρ Π² ΠΌΠ°Π³Π°Π·ΠΈΠ½Π°Ρ ΠΏΡΠ΅Π΄ΡΡΠ°Π²Π»Π΅Π½Ρ Π³ΠΎΡΠΎΠ²ΡΠ΅ ΡΡ Π΅ΠΌΡ-ΠΎΠ±ΠΌΠ°Π½ΠΊΠΈ, ΠΊΠΎΡΠΎΡΡΠ΅ Π±Π΅Π· ΡΡΡΠ΄Π° ΡΠΌΠΎΠΆΠ΅Ρ ΡΡΡΠ°Π½ΠΎΠ²ΠΈΡΡ Π΄Π°ΠΆΠ΅ Π½Π°ΡΠΈΠ½Π°ΡΡΠΈΠΉ Π²ΠΎΠ΄ΠΈΡΠ΅Π»Ρ.
ΠΠ΅ΡΠ΅ΠΏΡΠΎΡΠΈΠ²ΠΊΠ° ΠΊΠΎΠ½ΡΡΠΎΠ»Π»Π΅ΡΠ°
ΠΠ΅ΠΊΠΎΡΠΎΡΡΠ΅ ΠΎΡΠΎΠ±ΠΎ ΠΈΡΠΊΡΡΠ΅Π½Π½ΡΠ΅ Π°Π²ΡΠΎΠ²Π»Π°Π΄Π΅Π»ΡΡΡ ΡΠ΅ΡΠ°ΡΡΡΡ Π½Π° ΠΏΠ΅ΡΠ΅ΠΏΡΠΎΡΠΈΠ²ΠΊΡ Π±Π»ΠΎΠΊΠ° ΡΠΏΡΠ°Π²Π»Π΅Π½ΠΈΡ, Π±Π»Π°Π³ΠΎΠ΄Π°ΡΡ ΡΠ΅ΠΌΡ Π±Π»ΠΎΠΊΠΈΡΡΠ΅ΡΡΡ ΠΎΠ±ΡΠ°Π±ΠΎΡΠΊΠ° ΡΠΈΠ³Π½Π°Π»ΠΎΠ² Π²ΡΠΎΡΠΎΠ³ΠΎ ΠΊΠΈΡΠ»ΠΎΡΠΎΠ΄Π½ΠΎΠ³ΠΎ Π΄Π°ΡΡΠΈΠΊΠ°. ΠΠ΄Π½Π°ΠΊΠΎ Π½Π΅ΠΎΠ±Ρ ΠΎΠ΄ΠΈΠΌΠΎ ΡΡΠΈΡΡΠ²Π°ΡΡ, ΡΡΠΎ Π»ΡΠ±ΡΠ΅ ΠΈΠ·ΠΌΠ΅Π½Π΅Π½ΠΈΡ Π°Π»Π³ΠΎΡΠΈΡΠΌΠ° ΡΠ°Π±ΠΎΡΡ ΡΠΈΡΡΠ΅ΠΌΡ ΠΌΠΎΠ³ΡΡ ΠΏΡΠΈΠ²Π΅ΡΡΠΈ ΠΊ Π½Π΅ΠΎΠ±ΡΠ°ΡΠΈΠΌΡΠΌ ΠΏΠΎΡΠ»Π΅Π΄ΡΡΠ²ΠΈΡΠΌ, ΡΠ°ΠΊ ΠΊΠ°ΠΊ Π²Π΅ΡΠ½ΡΡΡ Π·Π°Π²ΠΎΠ΄ΡΠΊΠΈΠ΅ Π½Π°ΡΡΡΠΎΠΉΠΊΠΈ Π±ΡΠ΄Π΅Ρ ΠΏΡΠ°ΠΊΡΠΈΡΠ΅ΡΠΊΠΈ Π½Π΅Π²ΠΎΠ·ΠΌΠΎΠΆΠ½ΠΎ ΠΈ Π·Π°ΡΡΠ°ΡΠ½ΠΎ. ΠΠΎΡΡΠΎΠΌΡ Π²ΡΠΏΠΎΠ»Π½ΡΡΡ ΡΠ°ΠΊΠΈΠ΅ ΠΌΠ°Π½ΠΈΠΏΡΠ»ΡΡΠΈΠΈ ΡΠ°ΠΌΠΎΡΡΠΎΡΡΠ΅Π»ΡΠ½ΠΎ Π½Π΅ ΡΠ΅ΠΊΠΎΠΌΠ΅Π½Π΄ΡΠ΅ΡΡΡ. Π’ΠΎ ΠΆΠ΅ ΡΠ°ΠΌΠΎΠ΅ ΠΊΠ°ΡΠ°Π΅ΡΡΡ ΠΈ Π³ΠΎΡΠΎΠ²ΡΡ ΠΏΡΠΎΡΠΈΠ²ΠΎΠΊ, ΠΊΠΎΡΠΎΡΡΠ΅ ΠΏΡΠΎΠ΄Π°ΡΡΡΡ Π² ΠΈΠ½ΡΠ΅ΡΠ½Π΅ΡΠ΅.
ΠΠΎΠ»Π΅Π·Π½ΠΎ! ΠΡΠΈ ΠΏΠ΅ΡΠ΅ΠΏΡΠΎΡΠΈΠ²ΠΊΠ΅ Π»ΡΠΌΠ±Π΄Π° Π·ΠΎΠ½Π΄Ρ ΡΠ΄Π°Π»ΡΡΡΡΡ.
ΠΡΠ»ΠΈ Π²Ρ Π²ΡΠ΅-ΡΠ°ΠΊΠΈ Ρ ΠΎΡΠΈΡΠ΅ ΠΏΡΠΎΠΈΠ·Π²Π΅ΡΡΠΈ ΠΏΠ΅ΡΠ΅ΠΏΡΠΎΡΠΈΠ²ΠΊΡ ΡΠΈΡΡΠ΅ΠΌΡ, ΡΠΎ ΠΎΠ±ΡΠ°ΡΠΈΡΠ΅ΡΡ ΠΊ Π³ΡΠ°ΠΌΠΎΡΠ½ΠΎΠΌΡ ΡΠΏΠ΅ΡΠΈΠ°Π»ΠΈΡΡΡ, ΠΊΠΎΡΠΎΡΡΠΉ ΡΠΌΠΎΠΆΠ΅Ρ ΠΎΡΠΊΠ»ΡΡΠΈΡΡ ΠΏΠΎΠ»ΡΡΠ΅Π½ΠΈΠ΅ Π΄Π°Π½Π½ΡΡ ΠΠ Ρ ΠΏΠΎΠΌΠΎΡΡΡ ΡΠΏΠ΅ΡΠΈΠ°Π»ΠΈΠ·ΠΈΡΠΎΠ²Π°Π½Π½ΠΎΠ³ΠΎ ΠΎΠ±ΠΎΡΡΠ΄ΠΎΠ²Π°Π½ΠΈΡ.

Π’Π°ΠΊΠΆΠ΅ ΡΡΠΎΠΈΡ ΡΡΠΈΡΡΠ²Π°ΡΡ, ΡΡΠΎ ΠΏΡΠ°ΠΊΡΠΈΡΠ΅ΡΠΊΠΈ Π»ΡΠ±ΠΎΠ΅ Π²ΠΌΠ΅ΡΠ°ΡΠ΅Π»ΡΡΡΠ²ΠΎ Π² ΡΠ°Π±ΠΎΡΡ ΡΠΈΡΡΠ΅ΠΌ, ΠΌΠΎΠΆΠ΅Ρ ΠΏΡΠΈΠ²Π΅ΡΡΠΈ ΠΊ Π½Π΅ ΡΠ°ΠΌΡΠΌ ΠΏΡΠΈΡΡΠ½ΡΠΌ ΠΏΠΎΡΠ»Π΅Π΄ΡΡΠ²ΠΈΡΠΌ.
ΠΠ°ΠΊΠΈΠ΅ ΠΏΠΎΡΠ»Π΅Π΄ΡΡΠ²ΠΈΡ Π±ΡΠ²Π°ΡΡ ΠΏΠΎΡΠ»Π΅ ΡΡΡΠ°Π½ΠΎΠ²ΠΊΠΈ ΠΎΠ±ΠΌΠ°Π½ΠΎΠΊ
ΠΡΠΆΠ½ΠΎ ΠΏΠΎΠ½ΠΈΠΌΠ°ΡΡ, ΡΡΠΎ Π»ΡΠ±Π°Ρ ΠΎΠ±ΠΌΠ°Π½ΠΊΠ° ΡΡΡΠ°Π½Π°Π²Π»ΠΈΠ²Π°Π΅ΡΡΡ Π½Π° ΡΡΡΠ°Ρ ΠΈ ΡΠΈΡΠΊ Π°Π²ΡΠΎΠ²Π»Π°Π΄Π΅Π»ΡΡΠ°. ΠΡΠ»ΠΈ ΠΌΠΎΠ½ΡΠ°ΠΆ Π±ΡΠ» ΠΏΡΠΎΠΈΠ·Π²Π΅Π΄Π΅Π½ Π½Π΅ΠΏΡΠ°Π²ΠΈΠ»ΡΠ½ΠΎ, ΡΠΎ Π²Ρ ΠΌΠΎΠΆΠ΅ΡΠ΅ ΡΡΠΎΠ»ΠΊΠ½ΡΡΡΡΡ ΡΠΎ ΡΠ»Π΅Π΄ΡΡΡΠΈΠΌΠΈ ΠΏΡΠΎΠ±Π»Π΅ΠΌΠ°ΠΌΠΈ:
- ΠΠ·-Π·Π° ΡΠΎΠ³ΠΎ, ΡΡΠΎ Π±ΠΎΡΡΠΎΠ²ΠΎΠΉ ΠΊΠΎΠΌΠΏΡΡΡΠ΅Ρ Π½Π΅ ΠΌΠΎΠΆΠ΅Ρ ΡΠ΅Π³ΡΠ»ΠΈΡΠΎΠ²Π°ΡΡ Π²ΠΏΡΡΡΠΊ ΠΆΠΈΠ΄ΠΊΠΎΡΡΠΈ, ΠΌΠΎΠΆΠ΅Ρ ΠΏΡΠΎΠΈΠ·ΠΎΠΉΡΠΈ Π½Π°ΡΡΡΠ΅Π½ΠΈΠ΅ ΡΠ°Π±ΠΎΡΡ ΠΌΠΎΡΠΎΡΠ°.
- ΠΡΠ»ΠΈ ΡΡ Π΅ΠΌΠ° Π½Π΅ΠΏΡΠ°Π²ΠΈΠ»ΡΠ½ΠΎ ΡΠΏΠ°ΡΠ½Π°, ΡΡΠΎ ΠΌΠΎΠΆΠ΅Ρ ΠΏΡΠΈΠ²Π΅ΡΡΠΈ ΠΊ ΠΏΠΎΠ²ΡΠ΅ΠΆΠ΄Π΅Π½ΠΈΡ ΡΠ»Π΅ΠΊΡΡΠΎΠΏΡΠΎΠ²ΠΎΠ΄ΠΊΠΈ.
- Π ΠΏΡΠΎΡΠ΅ΡΡΠ΅ ΡΡΡΠ°Π½ΠΎΠ²ΠΊΠΈ ΠΎΠ±ΠΌΠ°Π½ΠΊΠΈ Π²Ρ ΠΌΠΎΠΆΠ΅ΡΠ΅ ΠΏΠΎΠ²ΡΠ΅Π΄ΠΈΡΡ Π΄Π°ΡΡΠΈΠΊΠΈ ΠΊΠΈΡΠ»ΠΎΡΠΎΠ΄Π°, ΠΏΠΎΡΠ»Π΅ ΡΠ΅Π³ΠΎ Π΄Π°ΠΆΠ΅ Π½Π΅ ΡΠ·Π½Π°Π΅ΡΠ΅ ΠΎΠ± ΠΈΡ Π½Π΅ΠΈΡΠΏΡΠ°Π²Π½ΠΎΡΡΠΈ (ΡΠ°ΠΊ ΠΊΠ°ΠΊ Ρ Π²Π°Ρ ΡΠΆΠ΅ Π±ΡΠ΄Π΅Ρ ΡΡΡΠ°Π½ΠΎΠ²Π»Π΅Π½Π° ΠΎΠ±ΠΌΠ°Π½ΠΊΠ°).
- ΠΠΎΡΠ»Π΅ ΡΠ°ΠΊΠΈΡ Π²ΠΌΠ΅ΡΠ°ΡΠ΅Π»ΡΡΡΠ² (Π½Π΅ ΡΠΎΠ»ΡΠΊΠΎ ΠΏΡΠΈ ΠΏΠ΅ΡΠ΅ΠΏΡΠΎΡΠΈΠ²ΠΊΠ΅) ΠΌΠΎΠΆΠ΅Ρ ΠΏΡΠΎΠΈΠ·ΠΎΠΉΡΠΈ ΡΠ±ΠΎΠΉ Π² Π±ΠΎΡΡΠΎΠ²ΠΎΠΌ ΠΊΠΎΠΌΠΏΡΡΡΠ΅ΡΠ΅.
ΠΡΠ±Π°Ρ Π½Π΅ΡΠΎΡΠ½ΠΎΡΡΡ ΠΏΡΠΈΠ²Π΅Π΄Π΅Ρ ΠΊ ΠΏΠ»Π°ΡΠ΅Π²Π½ΡΠΌ ΠΏΠΎΡΠ»Π΅Π΄ΡΡΠ²ΠΈΡΠΌ, ΠΏΠΎΡΡΠΎΠΌΡ Π»ΡΡΡΠ΅ ΡΡΡΠ°Π½ΠΎΠ²ΠΈΡΡ Π±ΠΎΠ»Π΅Π΅ Π±Π΅Π·ΠΎΠΏΠ°ΡΠ½ΡΠΉ Π³ΠΎΡΠΎΠ²ΡΠΉ ΡΠΌΡΠ»ΡΡΠΎΡ. Π ΠΎΡΠ»ΠΈΡΠΈΠ΅ ΠΎΡ ΠΎΠ±ΠΌΠ°Π½ΠΊΠΈ, ΠΎΠ½ Π½Π΅ Β«ΠΎΠ±ΠΌΠ°Π½ΡΠ²Π°Π΅ΡΒ» Π±Π»ΠΎΠΊ ΡΠΏΡΠ°Π²Π»Π΅Π½ΠΈΡ, Π° Π»ΠΈΡΡ ΠΎΠ±Π΅ΡΠΏΠ΅ΡΠΈΠ²Π°Π΅Ρ Π΅Π³ΠΎ ΠΊΠΎΡΡΠ΅ΠΊΡΠ½ΡΡ ΡΠ°Π±ΠΎΡΡ, ΠΏΡΠ΅ΠΎΠ±ΡΠ°Π·ΡΡ ΡΠΈΠ³Π½Π°Π» ΠΠ. ΠΠ½ΡΡΡΠΈ ΡΠΌΡΠ»ΡΡΠΎΡΠ° ΡΠ°ΠΊΠΆΠ΅ ΡΡΡΠ°Π½ΠΎΠ²Π»Π΅Π½ ΠΌΠΈΠΊΡΠΎΠΏΡΠΎΡΠ΅ΡΡΠΎΡ (ΠΊΠ°ΠΊ ΠΈ Π² ΡΠ°ΠΌΠΎΠ΄Π΅Π»ΡΠ½ΠΎΠΉ ΡΠ»Π΅ΠΊΡΡΠΎΠ½Π½ΠΎΠΉ ΠΎΠ±ΠΌΠ°Π½ΠΊΠ΅), ΠΊΠΎΡΠΎΡΡΠΉ ΡΠΏΠΎΡΠΎΠ±Π΅Π½ ΠΎΡΠ΅Π½ΠΈΠ²Π°ΡΡ Π²ΡΡ Π»ΠΎΠΏΠ½ΡΠ΅ Π³Π°Π·Ρ ΠΈ Π°Π½Π°Π»ΠΈΠ·ΠΈΡΠΎΠ²Π°ΡΡ ΡΠΈΡΡΠ°ΡΠΈΡ.
Π Π·Π°ΠΊΠ»ΡΡΠ΅Π½ΠΈΠΈ
ΠΠ½ΠΎΠ³ΠΈΠ΅ Π°Π²ΡΠΎΠ²Π»Π°Π΄Π΅Π»ΡΡΡ ΡΡΡΠ°Π½Π°Π²Π»ΠΈΠ²Π°ΡΡ Π½Π° ΡΠ²ΠΎΠΈ ΠΌΠ°ΡΠΈΠ½Ρ ΡΠ°ΠΌΠΎΠ΄Π΅Π»ΡΠ½ΡΠ΅ ΠΎΠ±ΠΌΠ°Π½ΠΊΠΈ, ΡΡΠΎΠ±Ρ ΡΡΠΊΠΎΠ½ΠΎΠΌΠΈΡΡ Π½Π° ΠΏΠΎΠΊΡΠΏΠΊΠ΅ Π½ΠΎΠ²ΡΡ ΠΊΠΈΡΠ»ΠΎΡΠΎΠ΄Π½ΡΡ Π΄Π°ΡΡΠΈΠΊΠΎΠ². ΠΠ΄Π½Π°ΠΊΠΎ Π² ΡΠ°ΠΊΠΎΠΉ ΠΏΠΎΠ³ΠΎΠ½Π΅ Π·Π° Π²ΡΠ³ΠΎΠ΄ΠΎΠΉ, Π²Ρ Π²ΠΏΠΎΠ»Π½Π΅ ΠΌΠΎΠΆΠ΅ΡΠ΅ ΡΡΠΎΠ»ΠΊΠ½ΡΡΡΡΡ Ρ Π±ΠΎΠ»ΡΡΠΈΠΌΠΈ Π΄Π΅Π½Π΅ΠΆΠ½ΡΠΌΠΈ Π·Π°ΡΡΠ°ΡΠ°ΠΌΠΈ, Π΅ΡΠ»ΠΈ ΠΊΡΡΡΠ°ΡΠ½ΠΎΠ΅ ΡΡΡΡΠΎΠΉΡΡΠ²ΠΎ ΠΏΠΎΠ²Π»ΠΈΡΠ΅Ρ Π½Π° ΡΠ°Π±ΠΎΡΡ Β«ΠΆΠΈΠ·Π½Π΅Π½Π½ΠΎ-Π²Π°ΠΆΠ½ΡΡ Β» ΡΠΈΡΡΠ΅ΠΌ. ΠΠΎΡΡΠΎΠΌΡ ΡΡΡΠ°Π½Π°Π²Π»ΠΈΠ²Π°ΡΡ ΠΎΠ±ΠΌΠ°Π½ΠΊΠΈ ΡΠ΅ΠΊΠΎΠΌΠ΅Π½Π΄ΡΠ΅ΡΡΡ, ΡΠΎΠ»ΡΠΊΠΎ Π΅ΡΠ»ΠΈ Π²Ρ ΡΠΌΡΡΠ»ΠΈΡΠ΅ Π² ΡΠ°Π±ΠΎΡΠ°Ρ ΡΠ°ΠΊΠΎΠ³ΠΎ ΠΏΠ»Π°Π½Π°.
avto-moto-shtuchki.ru
ΠΠΌΡΠ»ΡΡΠΎΡ Π»ΡΠΌΠ±Π΄Π°-Π·ΠΎΠ½Π΄Π° ΡΠ²ΠΎΠΈΠΌΠΈ ΡΡΠΊΠ°ΠΌΠΈ | Audi Club Russia
Π£ ΠΌΠ΅Π½Ρ Π½Π°ΠΊΡΡΠ»Π°ΡΡ Π»ΡΠΌΠ±Π΄Π°, Π΄ΠΎΠ»Π³ΠΎ ΠΈΡΠΊΠ°Π» ΡΡ Π΅ΠΌΡ ΡΠΌΡΠ»ΡΡΠΎΡΠ° Π½Π° ΡΠ°Π·Π½ΡΡ ΡΠ°ΠΉΡΠ°Ρ , Π²ΡΠ΅ Ρ ΠΎΡΡΡ Π΄Π΅Π½Π΅Π³, Π½ΠΎ Ρ Π½Π°ΡΡΠ» Π½Π΅ΠΌΠ½ΠΎΠ³ΠΎ Ρ ΠΎΡΠΎΡΠ΅ΠΉ ΠΈΠ½Ρ. Ρ ΠΎΡΡ ΠΏΠΎΠ΄Π΅Π»ΠΈΡΡΡΡ ΠΌΠΎΠΆΠ΅Ρ ΠΊΠΎΠΌΡ ΠΏΡΠΈΠ³ΠΎΠ΄ΠΈΡΡΡ.WirSim1 ΠΡΠ»ΠΈΡΠΈΡΠ΅Π»ΡΠ½ΠΎΠΉ ΠΎΡΠΎΠ±Π΅Π½Π½ΠΎΡΡΡΡ Π΄Π°Π½Π½ΠΎΠ³ΠΎ Π²Π°ΡΠΈΠ°Π½ΡΠ° ΡΠ²Π»ΡΠ΅ΡΡΡ Π²ΠΎΠ·ΠΌΠΎΠΆΠ½ΠΎΡΡΡ Π½Π΅Π·Π°Π²ΠΈΡΠΈΠΌΠΎΠΉ ΡΠ΅Π³ΡΠ»ΠΈΡΠΎΠ²ΠΊΠΈ ΡΠΊΠ²Π°ΠΆΠ½ΠΎΡΡΠΈ Π³Π΅Π½Π΅ΡΠΈΡΡΠ΅ΠΌΡΡ ΠΈΠΌΠΏΡΠ»ΡΡΠΎΠ² Π½Π°ΠΏΡΡΠΆΠ΅Π½ΠΈΡ, ΡΡΠΎ Π΄ΠΎΡΡΠΈΠ³Π°Π΅ΡΡΡ ΡΠ°Π·Π΄Π΅Π»Π΅Π½ΠΈΠ΅ΠΌ Ρ ΠΏΠΎΠΌΠΎΡΡΡ Π΄ΠΈΠΎΠ΄ΠΎΠ² ΡΠ΅ΠΏΠ΅ΠΉ Π·Π°ΡΡΠ΄Π° ΠΈ ΡΠ°Π·ΡΡΠ΄Π° Π²ΡΠ΅ΠΌΡΠ·Π°Π΄Π°ΡΡΠ΅Π³ΠΎ ΠΊΠΎΠ½Π΄Π΅Π½ΡΠ°ΡΠΎΡΠ° Π‘.ΠΠΠΠΠΠΠ’ΠΠ Π ΠΠΠΠ’Π« ΠΠΠ’Π§ΠΠΠ Π‘ΠΠΠΠ ΠΠΠΠΠ― ΠΠΠ‘ΠΠΠ ΠΠΠ Π ΠΠ«Π₯ΠΠΠΠΠ«Π₯ ΠΠΠΠΠ₯.
ΠΠ½ΠΎΠ³ΠΈΠ΅ Π°Π²ΡΠΎΠ»ΡΠ±ΠΈΡΠ΅Π»ΠΈ ΡΠ΅ΡΡΡΡ Π½Π° ΠΎΡΡΡΡΡΡΠ²ΠΈΠ΅ Π² ΠΈΡ
Π°Π²ΡΠΎΠΌΠΎΠ±ΠΈΠ»Π΅ ΠΈΠ½Π΄ΠΈΠΊΠ°ΡΠΎΡΠ° ΡΠ°Π±ΠΎΡΡ Π΄Π°ΡΡΠΈΠΊΠ° ΡΠΎΠ΄Π΅ΡΠΆΠ°Π½ΠΈΡ ΠΊΠΈΡΠ»ΠΎΡΠΎΠ΄Π° Π² Π²ΡΡ
Π»ΠΎΠΏΠ½ΡΡ
Π³Π°Π·Π°Ρ
(Π2). ΠΡΠ»ΠΈ ΠΡ ΠΈΠΌΠ΅Π΅ΡΠ΅ ΡΠ°Π΄ΠΈΠΎΠ»ΡΠ±ΠΈΡΠ΅Π»ΡΡΠΊΠΈΠΉ ΠΎΠΏΡΡ, ΡΠΎ ΠΌΠΎΠΆΠ΅ΡΠ΅ ΡΠ°ΠΌΠΎΡΡΠΎΡΡΠ΅Π»ΡΠ½ΠΎ ΠΈΠ·Π³ΠΎΡΠΎΠ²ΠΈΡΡ ΠΈ ΡΡΡΠ°Π½ΠΎΠ²ΠΈΡΡ ΡΠ°ΠΊΠΎΠΉ ΠΈΠ½Π΄ΠΈΠΊΠ°ΡΠΎΡ. ΠΠ° Π ΠΈΡ.1 ΠΏΡΠ΅Π΄ΡΡΠ°Π²Π»Π΅Π½Π° ΠΏΡΠΈΠ½ΡΠΈΠΏΠΈΠ°Π»ΡΠ½Π°Ρ ΡΡ
Π΅ΠΌΠ° ΡΠ²Π΅ΡΠΎΠ΄ΠΈΠΎΠ΄Π½ΠΎΠ³ΠΎ ΠΈΠ½Π΄ΠΈΠΊΠ°ΡΠΎΡΠ° ΠΏΠΎΡΡΡΠΎΠ΅Π½Π½ΠΎΠ³ΠΎ Π½Π° ΠΌΠΈΠΊΡΠΎΡΡ
Π΅ΠΌΠ΅ LM3914.
ΠΡΠΈΠ±ΠΎΡ ΠΏΡΠ΅Π΄Π½Π°Π·Π½Π°ΡΠ΅Π½ Π΄Π»Ρ ΡΠ°Π±ΠΎΡΡ ΠΎΡ Π±ΠΎΡΡΠΎΠ²ΠΎΠΉ ΡΠ΅ΡΠΈ Π°Π²ΡΠΎΠΌΠΎΠ±ΠΈΠ»Ρ. ΠΠΈΠΎΠ΄ VD1 Π²ΡΠΏΠΎΠ»Π½ΡΠ΅Ρ ΡΠΎΠ»Ρ Π·Π°ΡΠΈΡΡ ΠΎΡ Π½Π΅ΠΏΡΠ°Π²ΠΈΠ»ΡΠ½ΠΎΠΉ ΠΏΠΎΠ»ΡΡΠ½ΠΎΡΡΠΈ ΠΏΠΎΠ΄ΠΊΠ»ΡΡΠ΅Π½ΠΈΡ ΠΊ ΡΠΈΠ½Π΅ ΠΏΠΈΡΠ°Π½ΠΈΡ (+12Π².). ΠΠΎΠ½Π΄Π΅Π½ΡΠ°ΡΠΎΡ Π‘1 ΡΡΡΠ°Π½ΠΎΠ²Π»Π΅Π½ Π΄Π»Ρ ΡΠ½ΠΈΠΆΠ΅Π½ΠΈΡ Π²ΠΎΠ·ΠΌΠΎΠΆΠ½ΡΡ
ΠΏΡΠ»ΡΡΠ°ΡΠΈΠΉ Π² Π±ΠΎΡΡΠΎΠ²ΠΎΠΉ ΡΠ΅ΡΠΈ. ΠΠΎΡΠ΅Π½ΡΠΈΠΎΠΌΠ΅ΡΡΠΎΠΌ R2 ΠΌΠΎΠΆΠ½ΠΎ ΠΎΡΠΊΠ°Π»ΠΈΠ±ΡΠΎΠ²Π°ΡΡ ΡΠΊΠ°Π»Ρ ΠΈΠ·ΠΌΠ΅ΡΠ΅Π½ΠΈΡ Π½Π° Π²Π΅ΡΡ
Π½Π΅ΠΌ ΡΡΠΎΠ²Π½Π΅ (1Π².), Π° Ρ ΠΏΠΎΠΌΠΎΡΡΡ R3 ΠΎΡΡΠ΅Π³ΡΠ»ΠΈΡΠΎΠ²Π°ΡΡ ΡΡΠΊΠΎΡΡΡ ΡΠ²Π΅ΡΠ΅Π½ΠΈΡ ΡΠ²Π΅ΡΠΎΠ΄ΠΈΠΎΠ΄ΠΎΠ².
ΠΡΠΈΠΌΠ΅Ρ:
VD2, VD3-VD4, VD5-VD8, VD9-VD10, VD11
ΠΠ»Ρ ΠΊΠ°Π»ΠΈΠ±ΡΠΎΠ²ΠΊΠΈ ΠΈΠ½Π΄ΠΈΠΊΠ°ΡΠΎΡΠ° Π»ΡΡΡΠ΅ Π²ΠΎΡΠΏΠΎΠ»ΡΠ·ΠΎΠ²Π°ΡΡΡΡ ΠΎΡΡΠΈΠ»Π»ΠΎΠ³ΡΠ°ΡΠΎΠΌ, Π° ΠΏΠΎΡΠ»Π΅ Π½Π°ΡΡΡΠΎΠΉΠΊΠΈ ΠΏΠΎΡΠ΅Π½ΡΠΈΠΎΠΌΠ΅ΡΡΡ Π·Π°ΠΌΠ΅Π½ΠΈΡΡ Π½Π° ΠΏΠΎΡΡΠΎΡΠ½Π½ΡΠ΅ ΡΠ΅Π·ΠΈΡΡΠΎΡΡ ΡΠΎΠΎΡΠ²Π΅ΡΡΡΠ²ΡΡΡΠ΅Π³ΠΎ ΡΠΎΠΏΡΠΎΡΠΈΠ²Π»Π΅Π½ΠΈΡ. ΠΠ΅ΡΠ΅Π΄ Π½Π°ΡΠ°Π»ΠΎΠΌ ΠΊΠ°Π»ΠΈΠ±ΡΠΎΠ²ΠΊΠΈ Π΄Π²ΠΈΠΆΠΊΠΈ ΠΏΠΎΡΠ΅Π½ΡΠΈΠΎΠΌΠ΅ΡΡΠΎΠ² ΡΠ»Π΅Π΄ΡΠ΅Ρ ΡΡΡΠ°Π½ΠΎΠ²ΠΈΡΡ Π² ΡΡΠ΅Π΄Π½Π΅Π΅ ΠΏΠΎΠ»ΠΎΠΆΠ΅Π½ΠΈΠ΅.
ΠΠΎΠ·ΠΌΠΎΠΆΠ½Π°Ρ ΠΊΠΎΠΌΠΏΠ»Π΅ΠΊΡΠ°ΡΠΈΡ:
D1 — LM3914
VD1 — ΠΠ209Π
VD2-VD11 — ΠΠ307
C1 — K50-16 50ΠΌΠΊΡ/50Π².
R1 — ΠΠΠ’ 0,25 1ΠΌΠΠΌ
R2,R3 — Π‘Π3-38Π° 4,7ΠΊΠΠΌ
P.S.
Π‘Π»Π΅Π΄ΡΠ΅Ρ ΡΡΠΈΡΡΠ²Π°ΡΡ, ΡΡΠΎ Π΄Π°Π½Π½ΡΠΉ ΠΏΡΠΈΠ±ΠΎΡ ΡΠ²Π»ΡΠ΅ΡΡΡ Π»ΠΈΡΡ ΠΈΠ½Π΄ΠΈΠΊΠ°ΡΠΎΡΠΎΠΌ ΡΡΡΠ΅Π΄Π½Π΅Π½Π½ΡΡ Π·Π½Π°ΡΠ΅Π½ΠΈΠΉ, Π° Π½Π΅ ΠΈΠ·ΠΌΠ΅ΡΠΈΡΠ΅Π»ΡΠ½ΡΠΌ ΠΏΡΠΈΠ±ΠΎΡΠΎΠΌ ΠΊΠ°ΠΊΠΎΠ³ΠΎ-ΡΠΎ ΠΊΠ»Π°ΡΡΠ° ΡΠΎΡΠ½ΠΎΡΡΠΈ. ΠΠ»Ρ ΡΠΎΡΠ½ΡΡ ΠΈΠ·ΠΌΠ΅ΡΠ΅Π½ΠΈΠΉ ΠΏΠΎΠ»ΡΠ·ΡΠΉΡΠ΅ΡΡ ΡΠΎΠΎΡΠ²Π΅ΡΡΡΠ²ΡΡΡΠΈΠΌΠΈ ΠΈΠ·ΠΌΠ΅ΡΠΈΡΠ΅Π»ΡΠ½ΡΠΌΠΈ ΠΏΡΠΈΠ±ΠΎΡΠ°ΠΌΠΈ ΠΏΡΠΎΠΌΡΡΠ»Π΅Π½Π½ΠΎΠ³ΠΎ ΠΏΡΠΎΠΈΠ·Π²ΠΎΠ΄ΡΡΠ²Π°.
ΠΡΠΎ ΡΡΠΎ ΠΈΠΌΠ΅Π΅Ρ Π²ΡΠΊΠ»Π°Π΄ΡΠ²Π°ΠΉΡΠ΅.
Β
www.audi-club.ru
ΠΠΌΡΠ»ΡΡΠΎΡ ΠΡΠΌΠ±Π΄Π°-ΠΠΎΠ½Π΄Π° β ΠΠ½ΡΠΈΠΊΠ»ΠΎΠΏΠ΅Π΄ΠΈΡ ΠΆΡΡΠ½Π°Π»Π° «ΠΠ° ΡΡΠ»Π΅ΠΌ»
ΠΠ· ΠΎΠΏΠΈΡΠ°Π½ΠΈΡ ΡΠ°Π±ΠΎΡΡ ΠΡΠΌΠ±Π΄Π°-Π·ΠΎΠ½Π΄Π° ΡΡΠ½ΠΎ, ΡΡΠΎ ΠΎΠ½, ΡΠ΅Π°Π³ΠΈΡΡΡ Π½Π° ΠΊΠΎΠ»ΠΈΡΠ΅ΡΡΠ²ΠΎ ΠΊΠΈΡΠ»ΠΎΡΠΎΠ΄Π° Π² Π²ΡΡ
Π»ΠΎΠΏΠ½ΡΡ
Π³Π°Π·Π°Ρ
, Π²ΡΠ΄Π°Π΅Ρ Π½Π°ΠΏΡΡΠΆΠ΅Π½ΠΈΠ΅ 0,1 β 0,2Π (Π±Π΅Π΄Π½Π°Ρ ΡΠΌΠ΅ΡΡ) ΠΈΠ»ΠΈ 0,8-0,9Π (Π±ΠΎΠ³Π°ΡΠ°Ρ ΡΠΌΠ΅ΡΡ). ΠΠ»Π΅ΠΊΡΡΠΎΠ½Π½ΡΠΉ ΠΠ»ΠΎΠΊ Π£ΠΏΡΠ°Π²Π»Π΅Π½ΠΈΡ (ΠΠΠ£) Π΄Π²ΠΈΠ³Π°ΡΠ΅Π»Ρ ΠΏΠΎΡΡΠΎΡΠ½Π½ΠΎ ΠΌΠ΅Π½ΡΠ΅Ρ ΠΊΠΎΠ»ΠΈΡΠ΅ΡΡΠ²ΠΎ Π²ΠΏΡΡΡΠΊΠΈΠ²Π°Π΅ΠΌΠΎΠ³ΠΎ ΡΠΎΠΏΠ»ΠΈΠ²Π° β Π±Π΅Π΄Π½ΡΡ ΡΠΌΠ΅ΡΡ ΠΎΠ±ΠΎΠ³Π°ΡΠ°Π΅Ρ, Π±ΠΎΠ³Π°ΡΡΡ ΠΎΠ±Π΅Π΄Π½ΡΠ΅Ρ. Π’Π°ΠΊΠΈΠΌ ΠΎΠ±ΡΠ°Π·ΠΎΠΌ ΠΏΠΎΠ΄Π΄Π΅ΡΠΆΠΈΠ²Π°Π΅ΡΡΡ ΠΎΠΏΡΠΈΠΌΡΠΌ, Π° ΡΠΈΠ³Π½Π°Π» Π½Π° ΠΡΠΌΠ±Π΄Π°-Π·ΠΎΠ½Π΄Π΅ ΠΏΡΠΈ ΡΡΠΎΠΌ Π²ΡΠ³Π»ΡΠ΄ΠΈΡ (ΠΌΠΎΠΆΠ½ΠΎ ΠΏΠΎΡΠΌΠΎΡΡΠ΅ΡΡ ΠΎΡΡΠΈΠ»Π»ΠΎΠ³ΡΠ°ΡΠΎΠΌ) ΠΊΠ°ΠΊ ΡΠ΅ΡΠΈΡ ΠΈΠΌΠΏΡΠ»ΡΡΠΎΠ² ΡΠ°Π²Π½ΠΎΠΉ Π΄Π»ΠΈΡΠ΅Π»ΡΠ½ΠΎΡΡΠΈ, ΠΏΠΎΡΡΠΈ ΠΏΡΡΠΌΠΎΡΠ³ΠΎΠ»ΡΠ½ΠΎΠΉ (Π²Π°ΠΆΠ½ΠΎ!) ΡΠΎΡΠΌΡ, ΡΠ°Π·ΠΌΠ°Ρ
ΠΎΠΌ ΠΎΡ 0,1 β 0,2Π Π΄ΠΎ 0,8-0,9Π.
ΠΠ»Ρ Π΄Π²ΠΈΠ³Π°ΡΠ΅Π»Ρ Ρ ΠΌΠΎΠ½ΠΎΠ²ΠΏΡΡΡΠΊΠΎΠΌ, Π²ΠΏΠΎΠ»Π½Π΅ Π΄ΠΎΡΡΠ°ΡΠΎΡΠ½ΠΎ ΠΏΡΠΎΡΡΠΎΠΉ ΡΠΆΠ΅ΠΊΡΠΎΡΠ½ΠΎΠΉ ΡΠΈΡΡΠ΅ΠΌΡ. Π’ΠΎΠ»ΡΠΊΠΎ Π²ΠΎΡ ΠΆΠ΅Π»ΡΠ°Ρ Π»Π°ΠΌΠΏΠΎΡΠΊΠ° Check Engine Π½Π°ΡΠΈΠ½Π°Π΅Ρ Π³ΠΎΡΠ΅ΡΡ ΠΏΠΎΡΡΠΎΡΠ½Π½ΠΎ, Π° ΠΏΡΠΈ Π΅Π·Π΄Π΅ Π½Π° Π±Π΅Π½Π·ΠΈΠ½Π΅ ΠΏΠΎΡΠ²Π»ΡΠ΅ΡΡΡ ΡΠΎΠ»ΠΈΠ΄Π½ΡΠΉ ΠΏΠ΅ΡΠ΅ΡΠ°ΡΡ ΠΎΠ΄.
ΠΡΡΡΠ΅Ρ ΠΌΠ½Π΅Π½ΠΈΠ΅, ΡΡΠΎ ΡΡΠΎ Π²ΠΈΠ½ΠΎΠ²Π°Ρ Π³Π°Π·. Π―ΠΊΠΎΠ±Ρ ΠΡΠΌΠ±Π΄Π°-ΠΠΎΠ½Π΄ Β«ΠΏΡΠΈΡΡΠ΅Π½Β» ΠΊ Π±Π΅Π½Π·ΠΈΠ½Ρ, Π° Β«Π½Π° Π³Π°Π·Ρ ΠΎΠ½ ΡΡ
ΠΎΠ΄ΠΈΡ Ρ ΡΠΌΠ°Β».
ΠΠ° ΡΠ°ΠΌΠΎΠΌ Π΄Π΅Π»Π΅ Π²ΡΡ Π³ΠΎΡΠ°Π·Π΄ΠΎ ΠΏΡΠΎΡΠ΅. ΠΡΠΌΠ±Π΄Π°-ΠΠΎΠ½Π΄Ρ Π½Π΅ Π²Π°ΠΆΠ½ΠΎ, ΠΊΠ°ΠΊΠΎΠ΅ ΡΠΎΠΏΠ»ΠΈΠ²ΠΎ ΡΠ³ΠΎΡΠ°Π΅Ρ. ΠΠ½ ΠΏΡΠΎΠ΄ΠΎΠ»ΠΆΠ°Π΅Ρ ΡΠ°ΠΊ ΠΆΠ΅ ΠΈΡΠΏΡΠ°Π²Π½ΠΎ ΡΠ΅Π°Π³ΠΈΡΠΎΠ²Π°ΡΡ Π½Π° ΠΊΠΎΠ»ΠΈΡΠ΅ΡΡΠ²ΠΎ ΠΊΠΈΡΠ»ΠΎΡΠΎΠ΄Π° Π² Π²ΡΡ
Π»ΠΎΠΏΠ΅. ΠΠΎΡ ΡΠΎΠ»ΡΠΊΠΎ Π΅Π³ΠΎ ΡΠ΅Π°ΠΊΡΠΈΡ Π½ΠΈΠΊΠ°ΠΊ Π½Π΅ ΡΠΊΠ°Π·ΡΠ²Π°Π΅ΡΡΡ Π½Π° ΡΠ°Π±ΠΎΡΠ΅ Π΄Π²ΠΈΠ³Π°ΡΠ΅Π»Ρ β Π²Π΅Π΄Ρ ΡΠ΅ΠΏΡ Π°Π²ΡΠΎΡΠ΅Π³ΡΠ»ΠΈΡΠΎΠ²Π°Π½ΠΈΡ ΡΠ°Π·ΠΎΡΠ²Π°Π½Π°. ΠΡΠ»ΠΈ ΡΠ°Π½ΡΡΠ΅, Π² ΠΎΡΠ²Π΅Ρ Π½Π° ΡΠΈΠ³Π½Π°Π» ΠΎ Π±ΠΎΠ³Π°ΡΠΎΠΉ ΡΠΌΠ΅ΡΠΈ, ΠΠΠ£ ΡΠΎΠΊΡΠ°ΡΠ°Π»ΠΎ ΠΏΠΎΠ΄Π°ΡΡ Π±Π΅Π½Π·ΠΈΠ½Π° (Π½Π° ΠΌΠ΅Π½ΡΡΠ΅Π΅ Π²ΡΠ΅ΠΌΡ Π²ΠΊΠ»ΡΡΠ°Ρ ΡΠΎΡΡΡΠ½ΠΊΡ) , Π° Π½Π° ΡΠΈΠ³Π½Π°Π» ΠΎ Π±Π΅Π΄Π½ΠΎΠΉ β ΠΎΠ±ΠΎΠ³Π°ΡΠ°Π»ΠΎ, ΠΏΠΎΠ΄Π΄Π΅ΡΠΆΠΈΠ²Π°Ρ ΡΡΠ΅Ρ
ΠΈΠΎΠΌΠ΅ΡΡΠΈΡΠ΅ΡΠΊΡΡ ΡΠΌΠ΅ΡΡ, ΡΠΎ ΠΏΡΠΈ ΡΠ°Π±ΠΎΡΠ΅ Ρ Π³Π°Π·ΠΎΠΌ ΠΠΠ£ Π½ΠΈΠΊΠ°ΠΊ Π½Π΅ ΠΌΠΎΠΆΠ΅Ρ ΠΏΠΎΠ²Π»ΠΈΡΡΡ Π½Π° ΡΠΆΠ΅ΠΊΡΠΎΡΠ½ΡΡ ΡΠΈΡΡΠ΅ΠΌΡ ΠΠΠ.
ΠΠ»Ρ Π½ΠΎΡΠΌΠ°Π»ΡΠ½ΠΎΠΉ ΡΠ°Π±ΠΎΡΡ Π΄Π²ΠΈΠ³Π°ΡΠ΅Π»Ρ Π½Π° Π³Π°Π·Π΅ ΠΊΠ°ΠΊ ΡΠ°Π· ΠΈ Π½ΡΠΆΠ΅Π½ ΠΠΌΡΠ»ΡΡΠΎΡ ΠΡΠΌΠ±Π΄Π°-ΠΠΎΠ½Π΄Π°. ΠΠ³ΠΎ Π·Π°Π΄Π°ΡΠ° — ΠΎΠ±ΠΌΠ°Π½ΡΡΡ ΠΠΠ£, ΠΏΡΠΈ ΡΠ°Π±ΠΎΡΠ΅ Π½Π° Π³Π°Π·Π΅ ΠΏΠΎΠΊΠ°Π·Π°ΡΡ, ΡΡΠΎ Π²ΡΡ Π² ΠΏΠΎΡΡΠ΄ΠΊΠ΅. ΠΠ΅Π»Π°Π΅Ρ ΡΡΠΎ ΠΎΠ½ ΠΎΡΠ΅Π½Ρ ΠΏΡΠΎΡΡΠΎ: Π²ΡΠ΄Π°Π΅Ρ ΡΠΈΠ³Π½Π°Π», ΠΏΠΎΡ ΠΎΠΆΠΈΠΉ Π½Π° ΡΠ΅Π°ΠΊΡΠΈΡ ΡΠ΅Π°Π»ΡΠ½ΠΎΠ³ΠΎ ΠΡΠΌΠ±Π΄Π°-Π·ΠΎΠ½Π΄Π° ΠΏΡΠΈ Π½ΠΎΡΠΌΠ°Π»ΡΠ½ΠΎΠΉ ΡΠ°Π±ΠΎΡΠ΅.
ΠΠΎΠΆΠ½ΠΎ ΠΊΡΠΏΠΈΡΡ Π³ΠΎΡΠΎΠ²ΡΠΉ ΡΠΌΡΠ»ΡΡΠΎΡ, ΠΌΠΎΠΆΠ½ΠΎ ΠΈΠ·Π³ΠΎΡΠΎΠ²ΠΈΡΡ ΡΠ°ΠΌΠΎΠΌΡ ΠΏΠΎ ΠΏΡΠΎΡΡΠΎΠΉ ΡΡ Π΅ΠΌΠ΅, Π³Π»Π°Π²Π½ΠΎΠ΅ β ΠΏΡΠ°Π²ΠΈΠ»ΡΠ½ΠΎ ΠΏΠΎΠ΄ΠΊΠ»ΡΡΠΈΡΡ.
ΠΡΠΎΡΡΠ°Ρ ΡΡ Π΅ΠΌΠ° ΠΠΌΡΠ»ΡΡΠΎΡΠ° ΠΡΠΌΠ±Π΄Π°-ΠΠΎΠ½Π΄Π°
ΠΠΌΡΠ»ΡΡΠΎΡ Π»ΡΠΌΠ±Π΄Π°-Π·ΠΎΠ½Π΄Π° ΡΠΎΠ±ΡΠ°Π½ Π½Π° ΡΠ°ΠΌΠΎΠΉ ΠΏΠΎΠΏΡΠ»ΡΡΠ½ΠΎΠΉ ΠΌΠΈΠΊΡΠΎΡΡ Π΅ΠΌΠ΅. Π Π΅Π·ΠΈΡΡΠΎΡ R1 ΡΡΡΠ°Π½Π°Π²Π»ΠΈΠ²Π°Π΅Ρ ΡΠ°ΡΡΠΎΡΡ ΠΈΠΌΠΏΡΠ»ΡΡΠΎΠ² (1-2 Π² ΡΠ΅ΠΊΡΠ½Π΄Ρ), ΡΠ²Π΅ΡΠΎΠ΄ΠΈΠΎΠ΄ ΠΈΠ½Π΄ΠΈΡΠΈΡΡΠ΅Ρ ΡΠ°Π±ΠΎΡΡ ΡΡΡΡΠΎΠΉΡΡΠ²Π°. ΠΡΠΈ Π½ΠΎΡΠΌΠ°Π»ΡΠ½ΠΎΠΉ ΡΠ°Π±ΠΎΡΠ΅ Π½Π°ΠΏΡΡΠΆΠ΅Π½ΠΈΠ΅ Π½Π° Π½Π΅ΠΌ Π½Π΅ ΠΏΡΠ΅Π²ΡΡΠ°Π΅Ρ 1,8Π. ΠΠ° ΡΠ΅Π·ΠΈΡΡΠΎΡΠ΅ R6 Π±ΡΠ΄Π΅Ρ ΡΠΎΠ²Π½ΠΎ ΠΏΠΎΠ»ΠΎΠ²ΠΈΠ½Π°, Ρ.Π΅ 0,9Π ΠΈΠ»ΠΈ 0Π.Π‘Ρ
Π΅ΠΌΠ° ΠΏΠΎΠ»ΡΡΠ°Π΅Ρ ΠΏΠΈΡΠ°Π½ΠΈΠ΅ ΠΎΡ Π²ΡΠΊΠ»ΡΡΠ°ΡΠ΅Π»Ρ ΠΠΠ, ΡΠ΅Π»Π΅ ΡΡΠ°Π±Π°ΡΡΠ²Π°Π΅Ρ ΠΈ ΡΠΎΠ΅Π΄ΠΈΠ½ΡΠ΅Ρ Π²ΡΡ
ΠΎΠ΄ ΡΡΡΡΠΎΠΉΡΡΠ²Π° (Π2) ΡΠΎ Π²Ρ
ΠΎΠ΄ΠΎΠΌ ΠΠΠ£(Π3).
ΠΡΠΈ Π²ΡΠΊΠ»ΡΡΠ΅Π½ΠΈΠΈ ΠΠΠ ΡΠ΅Π»Π΅ ΠΎΡΠΏΡΡΠΊΠ°Π΅Ρ ΠΈ Π²Ρ
ΠΎΠ΄ ΠΠΠ£ ΡΠΎΠ΅Π΄ΠΈΠ½ΡΠ΅ΡΡΡ Ρ Π»ΡΠΌΠ±Π΄Π° Π·ΠΎΠ½Π΄ΠΎΠΌ (Π1), Ρ.Π΅ ΡΡΡΡΠΎΠΉΡΡΠ²ΠΎ Π²ΠΊΠ»ΡΡΠ°Π΅ΡΡΡ Π² ΡΠ°Π·ΡΡΠ² ΠΏΡΠΎΠ²ΠΎΠ΄Π° ΠΎΡ ΠΡΠΌΠ±Π΄Π°-Π·ΠΎΠ½Π΄Π° Π½Π° ΠΠΠ£.
Π ΠΏΡΠΎΠ΄Π°ΠΆΠ΅ ΠΈΠΌΠ΅Π΅ΡΡΡ ΠΌΠ½ΠΎΠΆΠ΅ΡΡΠ²ΠΎ Π²Π°ΡΠΈΠ°Π½ΡΠΎΠ². ΠΠ΅ΠΊΠΎΡΠΎΡΠΎΠ΅ ΠΏΡΠΎΠΈΠ·Π²ΠΎΠ΄ΠΈΡΠ΅Π»ΠΈ Π²Π½Π΅Π΄ΡΡΡΡ Π΄ΠΎΠΏΠΎΠ»Π½ΠΈΡΠ΅Π»ΡΠ½ΠΎ Π΄Π²Π°-ΡΡΠΈ ΡΠ²Π΅ΡΠΎΠ΄ΠΈΠΎΠ΄Π°, ΡΠΈΠ³Π½Π°Π»ΠΈΠ·ΠΈΡΡΡΡΠΈΠ΅ ΠΎ ΠΊΠ°ΡΠ΅ΡΡΠ²Π΅ ΡΠΌΠ΅ΡΠΈ.
Π’Π°ΠΊΠΈΠΌ ΠΎΠ±ΡΠ°Π·ΠΎΠΌ ΠΌΠΎΠΆΠ½ΠΎ Π² ΠΏΠ΅ΡΠ²ΠΎΠΌ ΠΏΡΠΈΠ±Π»ΠΈΠΆΠ΅Π½ΠΈΠΈ ΠΎΠΏΡΠ΅Π΄Π΅Π»ΠΈΡΡ ΠΊΠ°ΡΠ΅ΡΡΠ²ΠΎ ΡΠΌΠ΅ΡΠΈ ΠΏΡΠΈ ΡΠ°Π±ΠΎΡΠ΅ Π½Π° Π³Π°Π·Π΅.
ΠΡΠ°ΠΊ, Π΅ΡΠ»ΠΈ Π²Ρ ΡΠ΅ΡΠΈΠ»ΠΈ ΠΏΠΎΡΡΠ°Π²ΠΈΡΡ ΡΠΆΠ΅ΠΊΡΠΎΡΠ½ΠΎΠ΅ ΠΠΠ Π½Π° Π΄Π²ΠΈΠ³Π°ΡΠ΅Π»Ρ Ρ Β«ΠΌΠΎΠ½ΠΎΠ²ΠΏΡΡΡΠΊΠΎΠΌΒ» Π±Π΅Π· ΠΠΌΡΠ»ΡΡΠΎΡΠ° ΠΡΠΌΠ±Π΄Π°-ΠΠΎΠ½Π΄Π° Π²Π°ΠΌ Π½Π΅ ΠΎΠ±ΠΎΠΉΡΠΈΡΡ.
ΠΠΎ Π²ΡΠ΅Ρ ΠΎΡΡΠ°Π»ΡΠ½ΡΡ ΡΠ»ΡΡΠ°ΡΡ (Π·Π°ΠΌΠ΅Π½Π° Π½Π΅ΠΈΡΠΏΡΠ°Π²Π½ΠΎΠ³ΠΎ Π-Π ΠΈΠ»ΠΈ ΡΡΠΎ-ΡΠΎ ΠΏΠΎΠ΄ΠΎΠ±Π½ΠΎΠ΅) ΠΎΠ½ Π°Π±ΡΠΎΠ»ΡΡΠ½ΠΎ Π±Π΅ΡΠΏΠΎΠ»Π΅Π·Π΅Π½.
ΠΠ°ΡΠ΅ΡΠΈΠ°Π» ΠΏΠΎΠ΄Π³ΠΎΡΠΎΠ²Π»Π΅Π½ ΠΏΡΠΈ ΡΡΠ°ΡΡΠΈΠΈ ΠΠΎΡΠΈΡΠ° Π‘Π°Π»ΠΎΡΡΠ΅ΠΉ
wiki.zr.ru
ΠΠ°ΠΊ ΡΠ΄Π΅Π»Π°ΡΡ ΠΎΠ±ΠΌΠ°Π½ΠΊΡ Π»ΡΠΌΠ±Π΄Π°-Π·ΠΎΠ½Π΄Π° ΡΠ²ΠΎΠΈΠΌΠΈ ΡΡΠΊΠ°ΠΌΠΈ
Π ΠΏΡΠΎΡΠ»ΠΎΠΌ ΠΌΠ°ΡΠ΅ΡΠΈΠ°Π»Π΅ ΠΌΡ ΡΠΆΠ΅ ΡΠ°ΡΡΠΊΠ°Π·Π°Π»ΠΈ ΠΎ ΡΠΎΠΌ, Π·Π°ΡΠ΅ΠΌ Π½ΡΠΆΠ½Ρ ΠΎΠ±ΠΌΠ°Π½ΠΊΠΈ Π»ΡΠΌΠ±Π΄Π°-Π·ΠΎΠ½Π΄ΠΎΠ², ΠΊΠ°ΠΊΠΈΠ΅ ΠΎΠ½ΠΈ Π±ΡΠ²Π°ΡΡ ΠΈ ΠΊΠ°ΠΊ ΡΠ°Π±ΠΎΡΠ°ΡΡ. ΠΠ° ΡΠ°ΠΌΠΊΠ°ΠΌΠΈ ΡΠΎΠΉ ΡΡΠ°ΡΡΠΈ ΠΎΡΡΠ°Π»ΡΡ Π²ΠΎΠΏΡΠΎΡ, ΠΊΠ°ΠΊ ΡΠ΄Π΅Π»Π°ΡΡ ΡΡΠΈ ΠΎΠ±ΠΌΠ°Π½ΠΊΠΈ ΡΠ²ΠΎΠΈΠΌΠΈ ΡΡΠΊΠ°ΠΌΠΈ. ΠΡΠΎ Π½Π΅ΡΠ»ΠΎΠΆΠ½ΠΎ ΠΈ Π΄ΠΎΡΡΡΠΏΠ½ΠΎ ΠΌΠ½ΠΎΠ³ΠΈΠΌ Π°Π²ΡΠΎΠ²Π»Π°Π΄Π΅Π»ΡΡΠ°ΠΌ. ΠΠ°ΠΊΠΎΠΉ ΡΠΌΡΡΠ» Π΄Π΅Π»Π°ΡΡ ΠΎΠ±ΠΌΠ°Π½ΠΊΠΈ ΡΠ°ΠΌΠΎΠΌΡ, Π΅ΡΠ»ΠΈ ΠΏΡΠΎΠ΄Π°ΡΡΡΡ ΡΠΆΠ΅ Π³ΠΎΡΠΎΠ²ΡΠ΅? ΠΡΠΈΡΠΈΠ½, ΠΊΠ°ΠΊ ΠΌΠΈΠ½ΠΈΠΌΡΠΌ Π΄Π²Π΅.
ΠΠ΅Ρ
Π°Π½ΠΈΡΠ΅ΡΠΊΠ°Ρ ΠΎΠ±ΠΌΠ°Π½ΠΊΠ° Π»ΡΠΌΠ±Π΄Π°-Π·ΠΎΠ½Π΄Π°1. ΠΠΎΡΠΎΠ²ΡΠ΅ ΠΈΠ·Π΄Π΅Π»ΠΈΡ Π² Π»ΡΠ±ΠΎΠΌ ΡΠ»ΡΡΠ°Π΅ Π±ΡΠ΄ΡΡ Π΄ΠΎΡΠΎΠΆΠ΅. ΠΡΠ»ΠΈ Π² ΡΠ»ΡΡΠ°Π΅ Ρ ΠΌΠ΅Ρ Π°Π½ΠΈΡΠ΅ΡΠΊΠΈΠΌΠΈ ΠΎΠ±ΠΌΠ°Π½ΠΊΠ°ΠΌΠΈ ΡΠ°Π·Π½ΠΈΡΠ° Π² ΡΡΠΎΠΈΠΌΠΎΡΡΠΈ ΠΌΠΎΠΆΠ΅Ρ Π±ΡΡΡ Π½Π΅ ΠΎΡΠ΅Π½Ρ Π²Π΅Π»ΠΈΠΊΠ°, ΡΠΎ Ρ ΡΠ»Π΅ΠΊΡΡΠΎΠ½Π½ΡΡ ΠΎΠ±ΠΌΠ°Π½ΠΎΠΊ ΠΎΠ½Π° Π·Π½Π°ΡΠΈΡΠ΅Π»ΡΠ½Π°Ρ.
2. ΠΠ΅ Π²ΡΠ΅Π³Π΄Π° ΠΌΠΎΠΆΠ½ΠΎ ΠΎΠΏΠ΅ΡΠ°ΡΠΈΠ²Π½ΠΎ Π½Π°ΠΉΡΠΈ Π² ΠΏΡΠΎΠ΄Π°ΠΆΠ΅ Π½ΡΠΆΠ½ΡΡ ΠΎΠ±ΠΌΠ°Π½ΠΊΡ. ΠΠΎΠ³Π΄Π° ΠΈΡΠΏΡΠ°Π²Π½ΡΠΉ Π°Π²ΡΠΎΠΌΠΎΠ±ΠΈΠ»Ρ Π½Π΅ΠΎΠ±Ρ ΠΎΠ΄ΠΈΠΌ ΡΡΠΎΡΠ½ΠΎ β ΠΏΠΎΡΠΎΠΉ Π±ΡΡΡΡΠ΅Π΅ ΡΠ΄Π΅Π»Π°ΡΡ ΠΎΠ±ΠΌΠ°Π½ΠΊΡ ΡΠ²ΠΎΠΈΠΌΠΈ ΡΡΠΊΠ°ΠΌΠΈ.
Π’ΠΈΠΏΠΎΠ² ΠΎΠ±ΠΌΠ°Π½ΠΎΠΊ, ΠΊΠ°ΠΊ ΠΌΡ ΡΠΆΠ΅ Π·Π½Π°Π΅ΠΌ β Π΄Π²Π°, ΠΏΠΎΡΡΠΎΠΌΡ Π±ΡΠ΄Π΅ΠΌ ΡΠ°Π·Π±ΠΈΡΠ°ΡΡ ΡΠ°ΠΌΠΎΡΡΠΎΡΡΠ΅Π»ΡΠ½ΡΠΉ Π²Π°ΡΠΈΠ°Π½Ρ ΠΈΠ·Π³ΠΎΡΠΎΠ²Π»Π΅Π½ΠΈΡ ΠΎΠ±ΠΎΠΈΡ .
ΠΠ·Π³ΠΎΡΠΎΠ²Π»Π΅Π½ΠΈΠ΅ ΠΌΠ΅Ρ Π°Π½ΠΈΡΠ΅ΡΠΊΠΎΠΉ ΠΎΠ±ΠΌΠ°Π½ΠΊΠΈ
ΠΠ°ΠΊ Π²Ρ ΠΏΠΎΠΌΠ½ΠΈΡΠ΅ ΠΈΠ· ΠΏΡΠΎΡΠ»ΠΎΠΉ ΡΡΠ°ΡΡΠΈ, ΠΎΡΠ½ΠΎΠ²Π° ΡΡΠΎΠ³ΠΎ ΡΠΈΠΏΠ° ΠΎΠ±ΠΌΠ°Π½ΠΎΠΊ ΠΌΠ΅ΡΠ°Π»Π»ΠΈΡΠ΅ΡΠΊΠ°Ρ Π²ΡΡΠ»ΠΊΠ°. ΠΠΏΡΠΈΠΌΠ°Π»ΡΠ½ΡΠΉ ΠΌΠ°ΡΠ΅ΡΠΈΠ°Π» Π΄Π»Ρ ΠΈΠ·Π³ΠΎΡΠΎΠ²Π»Π΅Π½ΠΈΡ Π±ΡΠΎΠ½Π·Π°, ΠΏΠΎΡΠΎΠΌΡ ΠΊΠ°ΠΊ ΠΈΠΌΠ΅Π½Π½ΠΎ ΠΎΠ½Π° Π»ΡΡΡΠ΅ Π²ΡΠ΅Π³ΠΎ ΠΏΡΠΎΡΠΈΠ²ΠΎΡΡΠΎΠΈΡ ΡΠ΅ΠΌΠΏΠ΅ΡΠ°ΡΡΡΠ½ΡΠΌ Π²ΠΎΠ·Π΄Π΅ΠΉΡΡΠ²ΠΈΡΠΌ. ΠΠ»Ρ ΡΠ°ΠΌΠΎΡΡΠΎΡΡΠ΅Π»ΡΠ½ΠΎΠ³ΠΎ ΠΈΠ·Π³ΠΎΡΠΎΠ²Π»Π΅Π½ΠΈΡ Π²ΡΡΠ»ΠΊΠΈ Π½ΡΠΆΠ΅Π½ ΡΠΎΠΊΠ°ΡΠ½ΡΠΉ ΡΡΠ°Π½ΠΎΠΊ ΠΈ ΠΎΠΏΡΡ ΡΠ°Π±ΠΎΡΡ Ρ Π½ΠΈΠΌ, Π½ΠΎ Π²ΡΠ΅Π³Π΄Π° ΠΌΠΎΠΆΠ½ΠΎ Π½Π°ΠΉΡΠΈ ΡΠΎΠΊΠ°ΡΡ, ΠΊΠΎΡΠΎΡΡΠΉ Π·Π° ΠΌΠΈΠ½ΠΈΠΌΠ°Π»ΡΠ½ΡΡ ΠΏΠ»Π°ΡΡ ΡΠ΄Π΅Π»Π°Π΅Ρ Π½ΡΠΆΠ½ΡΡ Π·Π°Π³ΠΎΡΠΎΠ²ΠΊΡ ΠΏΠΎ ΡΠ΅ΡΡΠ΅ΠΆΡ. Π§Π΅ΡΡΠ΅ΠΆ ΡΠ°ΠΊΠΎΠΉ.
Π§Π΅ΡΡΠ΅ΠΆ ΠΎΠ±ΠΌΠ°Π½ΠΊΠΈΠ‘ΠΎΠ±ΡΡΠ²Π΅Π½Π½ΠΎ, Π² ΠΏΡΠΎΡΡΠ΅ΠΉΡΠΈΡ ΡΠ»ΡΡΠ°ΡΡ ΡΠΆΠ΅ ΡΡΠΎΠ³ΠΎ Ρ Π²Π°ΡΠΈΡ, Π½ΠΎ ΠΎΠΏΡΠΈΠΌΠ°Π»ΡΠ½ΡΠΌ Π±ΡΠ΄Π΅Ρ Π·Π°ΠΏΠΎΠ»Π½ΠΈΡΡ ΠΏΠΎΠ»ΡΡ ΡΠ°ΡΡΡ Π²ΡΡΠ»ΠΊΠΈ ΠΊΠ΅ΡΠ°ΠΌΠΈΡΠ΅ΡΠΊΠΎΠΉ ΠΊΡΠΎΡΠΊΠΎΠΉ, Π½Π°ΠΉΡΠΈ ΠΊΠΎΡΠΎΡΡΡ Π½Π΅ ΠΏΡΠΎΠ±Π»Π΅ΠΌΠ°. Π£ΡΡΠ°Π½Π°Π²Π»ΠΈΠ²Π°Π΅ΡΡΡ ΡΠ°ΠΌΠΎΠ΄Π΅Π»ΡΠ½Π°Ρ ΠΎΠ±ΠΌΠ°Π½ΠΊΠ° ΡΠΎΡΠ½ΠΎ ΡΠ°ΠΊΠΆΠ΅ ΠΊΠ°ΠΊ ΠΈ ΠΊΡΠΏΠ»Π΅Π½Π½Π°Ρ β Π²ΡΠΊΡΡΡΠΈΠ²Π°Π΅ΠΌ Π΄Π°ΡΡΠΈΠΊ ΠΊΠΈΡΠ»ΠΎΡΠΎΠ΄Π°, Π½Π° Π΅Π³ΠΎ ΠΌΠ΅ΡΡΠΎ ΡΡΡΠ°Π½Π°Π²Π»ΠΈΠ²Π°Π΅ΠΌ Π²ΡΡΠ»ΠΊΡ, Π° Π² Π½Π΅Π΅ Π²ΠΊΡΡΡΠΈΠ²Π°Π΅ΠΌ ΡΠ°ΠΌ Π΄Π°ΡΡΠΈΠΊ.
Π£ΡΡΠ°Π½ΠΎΠ²Π»Π΅Π½Π½Π°Ρ ΠΎΠ±ΠΌΠ°Π½ΠΊΠ°ΠΠ΅ΠΎΠ±Ρ ΠΎΠ΄ΠΈΠΌΠΎΡΡΡ ΠΈΡΠΊΠ°ΡΡ ΡΠΎΠΊΠ°ΡΡ ΠΈ ΠΎΠ±ΡΠ°ΡΠ°ΡΡΡΡ ΠΊ Π½Π΅ΠΌΡ Π½Π΅ΡΠΊΠΎΠ»ΡΠΊΠΎ ΡΠ½ΠΈΠΆΠ°Π΅Ρ ΠΏΡΠΈΠ²Π»Π΅ΠΊΠ°ΡΠ΅Π»ΡΠ½ΠΎΡΡΡ ΡΠ°ΠΌΠΎΡΡΠΎΡΡΠ΅Π»ΡΠ½ΠΎΠ³ΠΎ ΠΈΠ·Π³ΠΎΡΠΎΠ²Π»Π΅Π½ΠΈΡ ΠΌΠ΅Ρ Π°Π½ΠΈΡΠ΅ΡΠΊΠΎΠΉ ΠΎΠ±ΠΌΠ°Π½ΠΊΠΈ, Π΄Π° ΠΈ ΡΠ°Π·Π½ΠΈΡΠ° ΠΏΠΎ ΡΡΠΎΠΈΠΌΠΎΡΡΠΈ ΠΏΠΎΠ»ΡΡΠΈΡΡΡ Π½Π΅ ΡΠ°ΠΊΠ°Ρ ΡΠΆ ΠΈ Π±ΠΎΠ»ΡΡΠ°Ρ, Π½ΠΎ ΡΠ°ΠΊΠΎΠΉ Π²Π°ΡΠΈΠ°Π½Ρ ΡΠΎΠΆΠ΅ ΠΈΠΌΠ΅Π΅Ρ ΠΏΡΠ°Π²ΠΎ Π½Π° ΡΡΡΠ΅ΡΡΠ²ΠΎΠ²Π°Π½ΠΈΠ΅, Π΅ΡΠ»ΠΈ ΠΏΠΎ ΠΊΠ°ΠΊΠΎΠΉ-ΡΠΎ ΠΏΡΠΈΡΠΈΠ½Π΅ Π½Π΅ ΡΡΡΡΠ°ΠΈΠ²Π°Π΅Ρ ΡΠ»Π΅ΠΊΡΡΠΎΠ½Π½Π°Ρ ΠΎΠ±ΠΌΠ°Π½ΠΊΠ°.
Π‘ΠΎΠ·Π΄Π°Π½Π½Π°Ρ ΡΠ²ΠΎΠΈΠΌΠΈ ΡΡΠΊΠ°ΠΌΠΈ ΠΎΠ±ΠΌΠ°Π½ΠΊΠ° Π»ΡΠΌΠ±Π΄ΡΠΠ·Π³ΠΎΡΠΎΠ²Π»Π΅Π½ΠΈΠ΅ ΡΠ»Π΅ΠΊΡΡΠΎΠ½Π½ΠΎΠΉ ΠΎΠ±ΠΌΠ°Π½ΠΊΠΈ
ΠΠ°Π·Π°Π»ΠΎΡΡ Π±Ρ, ΡΠ»Π΅ΠΊΡΡΠΎΠ½Π½ΡΠΉ Β«Π΄Π΅Π²Π°ΠΉΡΒ», ΠΊΠΎΡΠΎΡΡΠΉ ΠΈΠΌΠΈΡΠΈΡΡΠ΅Ρ ΡΠ°Π±ΠΎΡΡ Π»ΡΠΌΠ±Π΄Π°, Π΄ΠΎΠ»ΠΆΠ΅Π½ Π±ΡΡΡ ΠΎΡΠ΅Π½Ρ ΡΠ»ΠΎΠΆΠ½ΡΠΌ, Π½ΠΎ ΠΏΠΎ ΡΠ°ΠΊΡΡ ΡΡΠΎ ΠΎΡΠ΅Π½Ρ ΠΏΡΠΎΡΡΠ°Ρ ΠΈ ΠΏΡΠΈΠΌΠΈΡΠΈΠ²Π½Π°Ρ ΡΡ Π΅ΠΌΠ°, ΠΊΠΎΡΠΎΡΠ°Ρ, ΡΠ΅ΠΌ Π½Π΅ ΠΌΠ΅Π½Π΅Π΅, ΡΠ°Π±ΠΎΡΠ°Π΅Ρ. ΠΠ»Ρ ΠΈΠ·Π³ΠΎΡΠΎΠ²Π»Π΅Π½ΠΈΡ ΠΏΠΎΡΡΠ΅Π±ΡΠ΅ΡΡΡ ΡΡ Π΅ΠΌΠ° ΡΠ»Π΅ΠΊΡΡΠΎΠΏΡΠΎΠ²ΠΎΠ΄ΠΊΠΈ Π°Π²ΡΠΎΠΌΠΎΠ±ΠΈΠ»Ρ, ΠΏΠ°ΡΠ»ΡΠ½ΠΈΠΊ, Π½ΠΎΠΆ, ΠΊΠ°Π½ΠΈΡΠΎΠ»Ρ, Π½Π΅ΠΏΠΎΠ»ΡΡΠ½ΡΠΉ ΠΊΠΎΠ½Π΄Π΅Π½ΡΠ°ΡΠΎΡ Π½Π° 1ΠΌΠΊΠ€ ΠΈ ΡΠ΅Π·ΠΈΡΡΠΎΡ Π½Π° 1 ΠΌΠΠΌ ΠΈΠ»ΠΈ 150-200 ΠΊΠΠΌ. ΠΠ±ΡΡΠ½ΠΎ ΡΠΎΠ²Π΅ΡΡΡΡ Π±ΡΠ°ΡΡ ΡΠ΅Π·ΠΈΡΡΠΎΡ Π½Π° 1 ΠΌΠΠΌ, Π½ΠΎ Π½Π° Π½Π΅ΠΊΠΎΡΠΎΡΡΡ Π°Π²ΡΠΎΠΌΠΎΠ±ΠΈΠ»ΡΡ ΠΈΠΌΠΈΡΠΈΡΠΎΠ²Π°Π½ΠΈΠ΅ ΡΠΈΠ³Π½Π°Π»Π° ΠΏΠΎΠ»ΡΡΠ°Π΅ΡΡΡ Π½Π΅ ΠΎΡΠ΅Π½Ρ ΡΠΎΡΠ½ΡΠΌ, Β«ΡΠ΅ΠΊΒ» Π³Π°ΡΠΈΡΡΡ, Π½ΠΎ ΡΠΎΠΏΠ»ΠΈΠ²Π½Π°Ρ ΡΠΌΠ΅ΡΡ ΠΏΠΎΠ»ΡΡΠ°Π΅ΡΡΡ Π½Π΅ ΠΎΡΠ΅Π½Ρ ΠΏΡΠ°Π²ΠΈΠ»ΡΠ½ΠΎΠΉ, Π° ΡΠ°ΡΡ ΠΎΠ΄ β Π²ΡΡΠΎΠΊΠΈΠΌ. Π’ΠΎΠ³Π΄Π° Π½ΡΠΆΠ½ΠΎ Π±ΡΠ΄Π΅Ρ Π½Π΅ΠΌΠ½ΠΎΠ³ΠΎ ΠΏΠΎΡΠΊΡΠΏΠ΅ΡΠΈΠΌΠ΅Π½ΡΠΈΡΠΎΠ²Π°ΡΡ Ρ ΡΠ΅Π·ΠΈΡΡΠΎΡΠ°ΠΌΠΈ.
Π‘Ρ
Π΅ΠΌΠ° ΡΠ»Π΅ΠΊΡΡΠΎΠ½Π½ΠΎΠΉ ΠΎΠ±ΠΌΠ°Π½ΠΊΠΈΠΠ°Π»ΡΡΠ΅ ΡΠ°ΡΡΠΌΠΎΡΡΠΈΠΌ ΠΏΡΠΎΡΠ΅ΡΡ ΠΏΠΎ ΠΏΡΠ½ΠΊΡΠ°ΠΌ.
1. ΠΡΠΆΠ½ΠΎ Π² ΡΡ Π΅ΠΌΠ΅ ΡΠ»Π΅ΠΊΡΡΠΎΠΏΡΠΎΠ²ΠΎΠ΄ΠΊΠΈ Π²Π°ΡΠ΅Π³ΠΎ Π°Π²ΡΠΎΠΌΠΎΠ±ΠΈΠ»Ρ ΡΠ°Π·ΠΎΠ±ΡΠ°ΡΡΡΡ Ρ ΡΠ΅ΠΌ, ΡΠΊΠΎΠ»ΡΠΊΠΎ ΠΈ ΠΊΠ°ΠΊΠΈΠ΅ ΠΏΡΠΎΠ²ΠΎΠ΄Π° ΠΈΠ΄ΡΡ Π½Π° Π»ΡΠΌΠ±Π΄Π°-Π·ΠΎΠ½Π΄. ΠΡΠ²Π°Π΅Ρ ΠΎΡ Π΄Π²ΡΡ Π΄ΠΎ ΡΠ΅ΡΡΡΠ΅Ρ ΠΏΡΠΎΠ²ΠΎΠ΄ΠΎΠ², Π² Π·Π°Π²ΠΈΡΠΈΠΌΠΎΡΡΠΈ ΠΎΡ Π½Π°Π»ΠΈΡΠΈΡ Π΄ΠΎΠΏΠΎΠ»Π½ΠΈΡΠ΅Π»ΡΠ½ΠΎΠ³ΠΎ ΠΏΠΎΠ΄ΠΎΠ³ΡΠ΅Π²Π°. Π§Π°ΡΠ΅ Π²ΡΠ΅Π³ΠΎ Π²ΡΡΡΠ΅ΡΠ°ΡΡΡΡ ΠΈΠΌΠ΅Π½Π½ΠΎ ΡΠ΅ΡΡΡΠ΅Ρ ΠΊΠΎΠ½ΡΠ°ΠΊΡΠ½ΡΠ΅ Π΄Π°ΡΡΠΈΠΊΠΈ, ΠΈΠ· ΡΡΠΈΡ ΡΠ΅ΡΡΡΠ΅Ρ ΠΊΠΎΠ½ΡΠ°ΠΊΡΠΎΠ² Π΄Π²Π° ΠΎΡΠ²Π΅ΡΠ°ΡΡ Π·Π° ΠΏΠΎΠ΄ΠΎΠ³ΡΠ΅Π², ΠΎΠ½ΠΈ Π½Π°ΠΌ Π½Π΅ ΠΏΠΎΡΡΠ΅Π±ΡΡΡΡΡ, Π° Π½ΡΠΆΠ½Ρ ΡΠΈΠ³Π½Π°Π»ΡΠ½ΡΠΉ ΠΊΠΎΠ½ΡΠ°ΠΊΡ ΠΈ ΠΌΠ°ΡΡΠ°. ΠΠΎΡΡΠΈ Π²ΠΎ Π²ΡΠ΅Ρ ΡΡ Π΅ΠΌΠ°Ρ Π² ΠΈΠ½ΡΠ΅ΡΠ½Π΅ΡΠ΅ ΡΠΊΠ°Π·ΡΠ²Π°Π΅ΡΡΡ ΡΠ²Π΅Ρ ΠΏΡΠΎΠ²ΠΎΠ΄ΠΎΠ², Π½ΠΎ ΠΈΠΌΠ΅Π½Π½ΠΎ Π½Π° Π²Π°ΡΠ΅ΠΌ Π°Π²ΡΠΎ ΠΎΠ½ ΠΌΠΎΠΆΠ΅Ρ Π½Π΅ ΡΠΎΠ²ΠΏΠ°Π΄Π°ΡΡ, ΡΠ°ΠΊ ΡΡΠΎ Π½Π°ΠΉΡΠΈ ΡΠΈΠ³Π½Π°Π»ΡΠ½ΡΠΉ ΠΏΡΠΎΠ²ΠΎΠ΄ ΠΈ ΠΌΠ°ΡΡΡ Π½ΡΠΆΠ½ΠΎ ΠΏΠΎ ΡΡ Π΅ΠΌΠ΅.
ΠΠ»Π΅ΠΊΡΡΠΎΠ½Π½Π°Ρ ΠΎΠ±ΠΌΠ°Π½ΠΊΠ°2. ΠΠ°Π»ΡΡΠ΅ Π²ΠΎΠΎΡΡΠΆΠ°Π΅ΠΌΡΡ Π½ΠΎΠΆΠΎΠΌ ΠΈ ΠΏΠ°ΡΠ»ΡΠ½ΠΈΠΊΠΎΠΌ. Π ΡΠΈΠ³Π½Π°Π»ΡΠ½ΡΠΉ ΠΏΡΠΎΠ²ΠΎΠ΄ Π½ΡΠΆΠ½ΠΎ Π²ΠΏΠ°ΡΡΡ ΡΠ΅Π·ΠΈΡΡΠΎΡ, Π° ΠΌΠ΅ΠΆΠ΄Ρ ΡΠΈΠ³Π½Π°Π»ΡΠ½ΡΠΌ ΠΏΡΠΎΠ²ΠΎΠ΄ΠΎΠΌ ΠΈ ΠΌΠ°ΡΡΠΎΠΉ ΡΠΎ ΡΡΠΎΡΠΎΠ½Ρ ΠΠΠ£ β ΠΊΠΎΠ½Π΄Π΅Π½ΡΠ°ΡΠΎΡ. ΠΡΡΠ΅ΡΡΠ²Π΅Π½Π½ΠΎ, Π²ΡΠ΅ ΡΠΎΠ΅Π΄ΠΈΠ½Π΅Π½ΠΈΡ Π½ΡΠΆΠ½ΠΎ Π·Π°ΠΈΠ·ΠΎΠ»ΠΈΡΠΎΠ²Π°ΡΡ. Π ΠΏΡΠΈΠ½ΡΠΈΠΏΠ΅, ΡΠΆΠ΅ ΠΏΠΎΡΠ»Π΅ ΡΡΠΈΡ ΠΌΠ°Π½ΠΈΠΏΡΠ»ΡΡΠΈΠΉ Π²ΡΠ΅ Π΄ΠΎΠ»ΠΆΠ½ΠΎ Π·Π°ΡΠ°Π±ΠΎΡΠ°ΡΡ.
ΠΠ»Π΅ΠΊΡΡΠΎ-ΠΎΠ±ΠΌΠ°Π½ΠΊΠ° Π»ΡΠΌΠ±Π΄Ρ. Π€ΠΎΡΠΎ β drive23. Π’ΡΠ΅ΡΠΈΠΉ ΡΠ°Π³ Π½Π΅ΠΎΠ±ΡΠ·Π°ΡΠ΅Π»Π΅Π½, Π½ΠΎ ΠΊΡΠ°ΠΉΠ½Π΅ ΠΆΠ΅Π»Π°ΡΠ΅Π»Π΅Π½, ΠΏΠΎΡΠΎΠΌΡ ΡΡΠΎ ΠΌΠΎΠΆΠ΅Ρ ΠΏΡΠΎΠ΄Π»ΠΈΡΡ ΡΡΠΎΠΊ ΠΆΠΈΠ·Π½ΠΈ ΡΡ Π΅ΠΌΡ. ΠΠΎΠΏΠΎΠ»Π½ΠΈΡΠ΅Π»ΡΠ½ΡΠ΅ ΡΠ»Π΅ΠΌΠ΅Π½ΡΡ ΠΈ ΠΏΡΠΎΠ²ΠΎΠ΄Π° ΠΌΠΎΠΆΠ½ΠΎ ΡΠ°Π·ΠΌΠ΅ΡΡΠΈΡΡ Π² Π½Π΅Π±ΠΎΠ»ΡΡΠΎΠΉ ΠΏΠ»Π°ΡΡΠΈΠΊΠΎΠ²ΠΎΠΉ ΠΊΠΎΡΠΎΠ±ΠΊΠ΅ ΠΈΠ»ΠΈ ΠΊΠΎΠ½ΡΠ΅ΠΉΠ½Π΅ΡΠ΅ ΠΈ Π·Π°Π»ΠΈΡΡ ΡΠΏΠΎΠΊΡΠΈΠ΄ΠΊΠΎΠΉ.
ΠΡΠ΅ Π²Π°ΡΠΈΠ°Π½Ρ ΠΎΠ±ΠΌΠ°Π½ΠΊΠΈΠΠ°ΠΆΠ΅ ΡΠ°ΠΊΠ°Ρ ΠΏΡΠΈΠΌΠΈΡΠΈΠ²Π½Π°Ρ ΡΡ Π΅ΠΌΠ° ΠΎΡΠ»ΠΈΡΠ½ΠΎ ΡΠ°Π±ΠΎΡΠ°Π΅Ρ, Π° Π·Π°ΡΡΠ°ΡΡ Π½Π° Π΅Π΅ ΠΈΠ·Π³ΠΎΡΠΎΠ²Π»Π΅Π½ΠΈΠ΅ ΠΊΠΎΠΏΠ΅Π΅ΡΠ½ΡΠ΅. ΠΠΎΠΊΡΠΏΠ°ΡΡ ΡΠ»Π΅ΠΊΡΡΠΎΠ½Π½ΡΠΉ ΡΠΌΡΠ»ΡΡΠΎΡ Π±ΡΠ΄Π΅Ρ ΡΠΈΠ»ΡΠ½ΠΎ Π΄ΠΎΡΠΎΠΆΠ΅. ΠΠ°, ΡΠ°ΠΌ ΠΎΠ±ΡΡΠ½ΠΎ ΠΈΡΠΏΠΎΠ»ΡΠ·ΡΡΡΡΡ Π±ΠΎΠ»Π΅Π΅ ΠΏΡΠΎΠ΄Π²ΠΈΠ½ΡΡΡΠ΅ ΡΡ Π΅ΠΌΡ, ΠΈΠ½ΠΎΠ³Π΄Π° Ρ ΠΌΠΈΠΊΡΠΎΠΏΡΠΎΡΠ΅ΡΡΠΎΡΠ°ΠΌΠΈ, Π½ΠΎ ΡΠ°Π·Π½ΠΈΡΠ° Π² ΡΡΠΎΠΈΠΌΠΎΡΡΠΈ ΠΌΠΎΠΆΠ΅Ρ Π±ΡΡΡ Π΄Π΅ΡΡΡΠΈΠΊΡΠ°ΡΠ½ΠΎΠΉ. ΠΡΡΡ ΡΡΠΈΠΌΡΠ» ΡΠ°ΠΌΠΎΠΌΡ Π²Π·ΡΡΡΡΡ Π·Π° ΠΏΠ°ΡΠ»ΡΠ½ΠΈΠΊ.
Π ΠΎΠ±ΡΠ΅ΠΌ, ΠΈΠΌΠ΅Π½Π½ΠΎ ΡΠ»Π΅ΠΊΡΡΠΎΠ½Π½ΡΠΉ Π²Π°ΡΠΈΠ°Π½Ρ Π½Π°ΠΌ ΠΊΠ°ΠΆΠ΅ΡΡΡ ΡΠ°ΠΌΡΠΌ ΡΠ°Π·ΡΠΌΠ½ΡΠΌ Π΄Π»Ρ ΡΠ°ΠΌΠΎΡΡΠΎΡΡΠ΅Π»ΡΠ½ΠΎΠ³ΠΎ ΠΈΠ·Π³ΠΎΡΠΎΠ²Π»Π΅Π½ΠΈΡ, Π½ΡΠ°Π½ΡΡ ΠΌΠΎΠ³ΡΡ Π±ΡΡΡ ΡΠΎΠ»ΡΠΊΠΎ Π² ΠΏΠΎΠ΄Π±ΠΎΡΠ΅ ΡΠ΅Π·ΠΈΡΡΠΎΡΠ°, Π½ΠΎ ΠΎΠ½ΠΈ ΡΡΠΎΡΡ Π½Π΅Π΄ΠΎΡΠΎΠ³ΠΎ, ΠΏΠ΅ΡΠ΅ΠΏΠ°ΡΡΡ Π² ΡΡ Π΅ΠΌΠ΅ ΠΎΠ΄ΠΈΠ½ Π½Π° Π΄ΡΡΠ³ΠΎΠΉ ΡΠΎΠΆΠ΅ Π½Π΅ Π²Π΅Π»ΠΈΠΊΠ°Ρ ΡΡΡΠ΄Π½ΠΎΡΡΡ, ΡΠ°ΠΊ ΡΡΠΎ ΠΌΠΎΠΆΠ½ΠΎ ΠΏΠΎΡΠΊΡΠΏΠ΅ΡΠΈΠΌΠ΅Π½ΡΠΈΡΠΎΠ²Π°ΡΡ. Π ΠΈΡΠΎΠ³Π΅ ΠΏΠΎΠ»ΡΡΠΈΡΡΡ ΠΏΠΎΠ»Π½ΠΎΡΡΡΡ ΡΠ°Π±ΠΎΡΠΈΠΉ Β«Π³Π°Π΄ΠΆΠ΅ΡΒ» Π·Π° ΠΊΠΎΠΏΠ΅ΠΉΠΊΠΈ.
avtoexperts.ru
ΠΠ°ΠΊ ΡΠ΄Π΅Π»Π°ΡΡ ΠΎΠ±ΠΌΠ°Π½ΠΊΡ Π»ΡΠΌΠ±Π΄Π°-Π·ΠΎΠ½Π΄Π° ΡΠ²ΠΎΠΈΠΌΠΈ ΡΡΠΊΠ°ΠΌΠΈ

ΠΠΎΠ»ΡΡΠΈΠ½ΡΡΠ²ΠΎ ΡΠΎΠ²ΡΠ΅ΠΌΠ΅Π½Π½ΡΡ Π°Π²ΡΠΎΠΌΠΎΠ±ΠΈΠ»Π΅ΠΉ ΠΈΠΌΠ΅ΡΡ ΡΠΏΠ΅ΡΠΈΠ°Π»ΡΠ½ΡΠ΅ ΡΠ»Π΅ΠΊΡΡΠΎΠ½Π½ΡΠ΅ ΡΠΈΡΡΠ΅ΠΌΡ ΠΊΠΎΠ½ΡΡΠΎΠ»Ρ. ΠΠ½ΠΈ ΠΏΠΎΠ·Π²ΠΎΠ»ΡΡΡ ΡΠΊΠΎΠ½ΠΎΠΌΠΈΡΡ ΡΠ°ΡΡ ΠΎΠ΄ ΡΠΎΠΏΠ»ΠΈΠ²Π° ΠΈ ΠΎΠ±Π΅ΡΠΏΠ΅ΡΠΈΠ²Π°ΡΡ ΠΎΠΏΡΠΈΠΌΠ°Π»ΡΠ½ΡΡ ΡΠ°Π±ΠΎΡΡ Π΄Π²ΠΈΠ³Π°ΡΠ΅Π»Ρ. ΠΠ΄Π½ΠΈΠΌ ΠΈΠ· Π½Π΅ΠΎΡΡΠ΅ΠΌΠ»Π΅ΠΌΡΡ ΡΠ»Π΅ΠΌΠ΅Π½ΡΠΎΠ² ΡΠΈΡΡΠ΅ΠΌΡ Π²ΡΠΏΡΡΠΊΠ° Π³Π°Π·ΠΎΠ² ΡΠ²Π»ΡΠ΅ΡΡΡ Π»ΡΠΌΠ±Π΄Π°-Π·ΠΎΠ½Π΄. ΠΡΠΈ Π΅Π³ΠΎ ΠΏΠΎΠ»ΠΎΠΌΠΊΠ΅ Π΄Π²ΠΈΠ³Π°ΡΠ΅Π»Ρ Π½Π°ΡΠΈΠ½Π°Π΅Ρ ΡΠ°Π±ΠΎΡΠ°ΡΡ Π² Π°Π²Π°ΡΠΈΠΉΠ½ΠΎΠΌ ΡΠ΅ΠΆΠΈΠΌΠ΅. ΠΠΎΠΆΠ½ΠΎ Π»ΠΈ ΡΡΡΡΠ°Π½ΠΈΡΡ ΠΏΡΠΎΠ±Π»Π΅ΠΌΡ ΡΠ²ΠΎΠΈΠΌΠΈ ΡΡΠΊΠ°ΠΌΠΈ?
ΠΡΠΈΠ½ΡΠΈΠΏ Π΄Π΅ΠΉΡΡΠ²ΠΈΡ Π»ΡΠΌΠ±Π΄Π°-Π·ΠΎΠ½Π΄Π° ΠΈ Π²ΠΎΠΏΡΠΎΡΡ Π΅Π³ΠΎ ΡΠ΅ΠΌΠΎΠ½ΡΠ°
ΠΠ°ΡΡΠΈΠΊ ΡΠΈΠΊΡΠΈΡΡΠ΅Ρ ΠΊΠΎΠ»ΠΈΡΠ΅ΡΡΠ²ΠΎ ΠΊΠΈΡΠ»ΠΎΡΠΎΠ΄Π° Π² Π²ΡΡ Π»ΠΎΠΏΠ΅ Π°Π²ΡΠΎΠΌΠΎΠ±ΠΈΠ»Ρ ΠΈ ΠΏΠ΅ΡΠ΅Π΄Π°ΡΡ Π΅Π³ΠΎ Π½Π° ΠΏΡΠ»ΡΡ ΡΠΏΡΠ°Π²Π»Π΅Π½ΠΈΡ. Π Π·Π°Π²ΠΈΡΠΈΠΌΠΎΡΡΠΈ ΠΎΡ ΠΏΠΎΠΊΠ°Π·Π°Π½ΠΈΠΉ Π·ΠΎΠ½Π΄Π° ΠΊΠΎΠΌΠΏΡΡΡΠ΅Ρ ΡΠ΅Π³ΡΠ»ΠΈΡΡΠ΅Ρ ΡΡΠΎΠ²Π΅Π½Ρ ΠΎΠ±ΠΎΠ³Π°ΡΠ΅Π½ΠΈΡ ΡΠΌΠ΅ΡΠΈ, ΠΊΠΎΡΠΎΡΠ°Ρ ΠΏΠΎΠ΄Π°ΡΡΡΡ Π² ΠΊΠ°ΠΌΠ΅ΡΡ ΡΠ³ΠΎΡΠ°Π½ΠΈΡ. Π Π±ΠΎΠ»ΡΡΠΈΠ½ΡΡΠ²Π΅ ΠΌΠΎΠ΄Π΅Π»Π΅ΠΉ ΡΡΡΠ°Π½Π°Π²Π»ΠΈΠ²Π°ΡΡ Π΄Π²Π° Π·ΠΎΠ½Π΄Π°: ΠΎΠ΄ΠΈΠ½ ΠΏΠ΅ΡΠ΅Π΄ ΠΊΠ°ΡΠ°Π»ΠΈΠ·Π°ΡΠΎΡΠΎΠΌ, Π° Π²ΡΠΎΡΠΎΠΉ β Π·Π° Π½ΠΈΠΌ. Π ΠΏΡΠΎΡΠ΅ΡΡΠ΅ ΡΠΊΡΠΏΠ»ΡΠ°ΡΠ°ΡΠΈΠΈ ΠΊΠΈΡΠ»ΠΎΡΠΎΠ΄Π½ΡΠ΅ Π΄Π°ΡΡΠΈΠΊΠΈ Π²ΡΡ ΠΎΠ΄ΡΡ ΠΈΠ· ΡΡΡΠΎΡ, ΠΏΡΠΎΠΈΠ·Π²ΠΎΠ΄ΠΈΡΠ΅Π»ΠΈ ΡΠ΅ΠΊΠΎΠΌΠ΅Π½Π΄ΡΡΡ ΠΏΡΠΎΠ²ΠΎΠ΄ΠΈΡΡ ΡΠΈΡΡΠΊΡ ΡΡΡΡΠΎΠΉΡΡΠ² ΠΊΠ°ΠΆΠ΄ΡΠ΅ 30 ΡΡΡΡΡ ΠΊΠΈΠ»ΠΎΠΌΠ΅ΡΡΠΎΠ².
ΠΠ½ΠΎΠ³ΠΈΠ΅ Π°Π²ΡΠΎΠ»ΡΠ±ΠΈΡΠ΅Π»ΠΈ Π·Π°Π±ΡΠ²Π°ΡΡ ΠΎ ΠΏΠΎΠ΄ΠΎΠ±Π½ΡΡ ΡΠ΅ΠΊΠΎΠΌΠ΅Π½Π΄Π°ΡΠΈΡΡ ΠΈ ΡΡΠ°Π»ΠΊΠΈΠ²Π°ΡΡΡΡ Ρ ΠΏΡΠΎΠ±Π»Π΅ΠΌΠΎΠΉ ΡΠΆΠ΅ ΠΏΠΎΡΠ»Π΅ Π·Π°Π³ΠΎΡΠ°Π½ΠΈΡ Π°Π²Π°ΡΠΈΠΉΠ½ΠΎΠ³ΠΎ Π·Π½Π°ΠΊΠ° Π½Π° ΠΏΠ°Π½Π΅Π»ΠΈ. Π§Π°ΡΠ΅ Π²ΡΠ΅Π³ΠΎ Π»ΡΠΌΠ±Π΄Π°-Π·ΠΎΠ½Π΄ Π½Π΅ ΠΏΠΎΠ΄Π»Π΅ΠΆΠΈΡ ΡΠ΅ΠΌΠΎΠ½ΡΡ. Π‘ΡΠΎΠΈΠΌΠΎΡΡΡ ΡΡΡΡΠΎΠΉΡΡΠ²Π° Π½Π΅ΠΌΠ°Π»Π΅Π½ΡΠΊΠ°Ρ, ΠΈ Π΅Π³ΠΎ Π·Π°ΠΌΠ΅Π½Π° Π²ΡΠ΅Π³Π΄Π° ΠΎΡΠ΅Π½Ρ Π½Π΅ΠΊΡΡΠ°ΡΠΈ. ΠΠ°ΡΠΎΠ΄Π½ΡΠ΅ ΡΠΌΠ΅Π»ΡΡΡ Π½Π°ΡΠ»ΠΈ Π²ΡΡ ΠΎΠ΄ ΠΈΠ· ΡΡΠΎΠΉ Π½Π΅ΠΏΡΠΈΡΡΠ½ΠΎΠΉ ΡΠΈΡΡΠ°ΡΠΈΠΈ. ΠΠ½ΠΈ ΠΏΡΠ΅Π΄Π»Π°Π³Π°ΡΡ ΠΈΡΠΏΠΎΠ»ΡΠ·ΠΎΠ²Π°ΡΡ ΡΠΏΠ΅ΡΠΈΠ°Π»ΡΠ½ΡΡ Π°Π²ΡΠΎΠΌΠΎΠ±ΠΈΠ»ΡΠ½ΡΡ ΠΎΠ±ΠΌΠ°Π½ΠΊΡ, ΠΊΠΎΡΠΎΡΠ°Ρ ΠΏΠΎΠ·Π²ΠΎΠ»ΠΈΡ Π΄Π²ΠΈΠ³Π°ΡΠ΅Π»Ρ ΡΠ°Π±ΠΎΡΠ°ΡΡ Π² Π½ΠΎΡΠΌΠ°Π»ΡΠ½ΠΎΠΌ ΡΠΎΡΡΠΎΡΠ½ΠΈΠΈ ΠΈ ΠΎΡΠΊΠ»ΡΡΠΈΡ Π°Π²Π°ΡΠΈΠΉΠ½ΡΠΉ ΡΠΈΠ³Π½Π°Π» Check Engine.
Π‘ΠΎΠ²Π΅Ρ: ΠΠ΅ ΡΡΠΎΠΈΡ ΠΏΠΎΠ»Π½ΠΎΡΡΡΡ ΠΎΡΠΊΠ»ΡΡΠ°ΡΡ ΠΈΠ»ΠΈ Π±Π»ΠΎΠΊΠΈΡΠΎΠ²Π°ΡΡ ΠΎΠ΄ΠΈΠ½ ΠΈΠ· Π΄Π°ΡΡΠΈΠΊΠΎΠ², ΡΡΠΎ Π½Π΅ ΡΠ΅ΡΠΈΡ ΠΏΡΠΎΠ±Π»Π΅ΠΌΡ ΠΈ ΠΏΡΠΈΠ²Π΅Π΄ΡΡ Π»ΠΈΡΡ ΠΊ ΡΠ²Π΅Π»ΠΈΡΠ΅Π½Π½ΠΎΠΌΡ ΡΠ°ΡΡ ΠΎΠ΄Ρ ΡΠΎΠΏΠ»ΠΈΠ²Π° ΠΈ Π½Π΅ΡΡΠ°Π±ΠΈΠ»ΡΠ½ΠΎΠΉ ΡΠ°Π±ΠΎΡΠ΅ Π΄Π²ΠΈΠ³Π°ΡΠ΅Π»Ρ Π½Π° Ρ ΠΎΠ»ΠΎΡΡΠΎΠΌ Ρ ΠΎΠ΄Ρ.
ΠΠ°ΠΊ ΠΏΡΠ°Π²ΠΈΠ»ΡΠ½ΠΎ ΡΠ΄Π΅Π»Π°ΡΡ ΠΎΠ±ΠΌΠ°Π½ΠΊΡ ΠΊΠΈΡΠ»ΠΎΡΠΎΠ΄Π½ΠΎΠ³ΠΎ Π΄Π°ΡΡΠΈΠΊΠ°
Π‘Π΄Π΅Π»Π°ΡΡ ΠΎΠ±ΠΌΠ°Π½ΠΊΡ Π΄Π»Ρ Π±ΠΎΡΡΠΎΠ²ΠΎΠ³ΠΎ ΠΊΠΎΠΌΠΏΡΡΡΠ΅ΡΠ° ΡΠ²ΠΎΠΈΠΌΠΈ ΡΡΠΊΠ°ΠΌΠΈ ΠΌΠΎΠΆΠ½ΠΎ ΡΡΠ΅ΠΌΡ ΡΠΏΠΎΡΠΎΠ±Π°ΠΌΠΈ:
- ΡΡΡΠ°Π½ΠΎΠ²ΠΈΡΡ ΠΌΠ΅Ρ Π°Π½ΠΈΡΠ΅ΡΠΊΡΡ Π²ΡΡΠ»ΠΊΡ;
- ΠΏΠΎΠ΄ΠΊΠ»ΡΡΠΈΡΡ Π½Π΅ΡΠ»ΠΎΠΆΠ½ΡΡ ΡΠ»Π΅ΠΊΡΡΠΎΠ½Π½ΡΡ ΡΡ Π΅ΠΌΡ;
- ΡΠ΄Π΅Π»Π°ΡΡ ΠΏΠ΅ΡΠ΅ΠΏΡΠΎΡΠΈΠ²ΠΊΡ ΠΊΠΎΠ½ΡΡΠΎΠ»Π»Π΅ΡΠ°.
ΠΠ°ΠΆΠ΄ΡΠΉ ΠΈΠ· ΠΌΠ΅ΡΠΎΠ΄ΠΎΠ² Π²ΠΏΠΎΠ»Π½Π΅ ΡΡΡΠ΅ΠΊΡΠΈΠ²Π½ΠΎ ΡΠ΅ΡΠ°Π΅Ρ ΠΏΡΠΎΠ±Π»Π΅ΠΌΡ Π²ΡΡΠ΅Π΄ΡΠ΅Π³ΠΎ ΠΈΠ· ΡΡΡΠΎΡ Π΄Π°ΡΡΠΈΠΊΠ° ΠΈ Π²ΠΎΠ·Π²ΡΠ°ΡΠ°Π΅Ρ ΡΠ°Π±ΠΎΡΡ Π΄Π²ΠΈΠ³Π°ΡΠ΅Π»Ρ Π² Π½ΠΎΡΠΌΠ°Π»ΡΠ½ΠΎΠ΅ ΡΠΎΡΡΠΎΡΠ½ΠΈΠ΅.
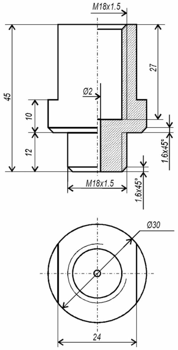
ΠΠ΅Ρ Π°Π½ΠΈΡΠ΅ΡΠΊΠΈΠΉ ΡΠΏΠΎΡΠΎΠ± (Ρ ΡΠ΅ΡΡΠ΅ΠΆΠ°ΠΌΠΈ Π²Π²ΡΡΡΡΡΠ°)
Π§ΡΠΎΠ±Ρ ΠΎΠ±ΠΌΠ°Π½ΡΡΡ ΠΊΠΎΠ½ΡΡΠΎΠ»Π»Π΅Ρ, Π½Π΅ΠΎΠ±Ρ ΠΎΠ΄ΠΈΠΌΠΎ ΡΡΡΠ°Π½ΠΎΠ²ΠΈΡΡ ΠΌΠ΅ΡΠ°Π»Π»ΠΈΡΠ΅ΡΠΊΡΡ Π²ΡΡΠ»ΠΊΡ ΠΌΠ΅ΠΆΠ΄Ρ Π²ΡΡ Π»ΠΎΠΏΠ½ΠΎΠΉ ΡΡΡΠ±ΠΎΠΉ ΠΈ Π»ΡΠΌΠ±Π΄Π°-Π·ΠΎΠ½Π΄ΠΎΠΌ. ΠΠ»Ρ ΠΈΠ·Π³ΠΎΡΠΎΠ²Π»Π΅Π½ΠΈΡ Π΄Π΅ΡΠ°Π»ΠΈ ΠΏΠΎΠ½Π°Π΄ΠΎΠ±ΠΈΡΡΡ:
- ΠΌΠ΅ΡΠ°Π»Π»ΠΈΡΠ΅ΡΠΊΠ°Ρ Π·Π°Π³ΠΎΡΠΎΠ²ΠΊΠ°;
- ΠΎΠ±ΡΠ°Π±Π°ΡΡΠ²Π°ΡΡΠΈΠΉ ΡΡΠ°Π½ΠΎΠΊ;
- ΠΎΡΠ²ΡΡΡΠΊΠ°;
- Π½Π°Π±ΠΎΡ ΠΊΠ»ΡΡΠ΅ΠΉ.
Π‘ΠΎΠ²Π΅Ρ: Π Π΅ΠΊΠΎΠΌΠ΅Π½Π΄ΡΠ΅ΠΌ ΠΈΡΠΏΠΎΠ»ΡΠ·ΠΎΠ²Π°ΡΡ Π·Π°Π³ΠΎΡΠΎΠ²ΠΊΡ ΠΈΠ· Π±ΡΠΎΠ½Π·Ρ ΠΈΠ»ΠΈ ΡΠ΅ΠΏΠ»ΠΎΡΡΡΠΎΠΉΡΠΈΠ²ΠΎΠΉ ΡΡΠ°Π»ΠΈ β ΡΡΠΈ ΠΌΠ΅ΡΠ°Π»Π»Ρ ΠΌΠΎΠ³ΡΡ Π²ΡΠ΄Π΅ΡΠΆΠΈΠ²Π°ΡΡ Π²ΡΡΠΎΠΊΡΡ ΡΠ΅ΠΌΠΏΠ΅ΡΠ°ΡΡΡΡ ΠΈ Π½Π΅ Π΄Π΅ΡΠΎΡΠΌΠΈΡΠΎΠ²Π°ΡΡΡΡ.

ΠΡΠΎΠ½Π·ΠΎΠ²ΡΡ ΠΌΠ΅Ρ Π°Π½ΠΈΡΠ΅ΡΠΊΡΡ ΠΎΠ±ΠΌΠ°Π½ΠΊΡ ΠΌΠΎΠΆΠ½ΠΎ ΡΠ΄Π΅Π»Π°ΡΡ Π²ΡΡΡΠ½ΡΡ ΠΈΠ»ΠΈ Π·Π°ΠΊΠ°Π·Π°ΡΡ Π΅Ρ ΠΈΠ·Π³ΠΎΡΠΎΠ²Π»Π΅Π½ΠΈΠ΅ ΡΠΏΠ΅ΡΠΈΠ°Π»ΠΈΡΡΡ
Π‘Π΄Π΅Π»Π°ΡΡ Π΄Π΅ΡΠ°Π»Ρ ΠΌΠΎΠΆΠ½ΠΎ Π΄Π°ΠΆΠ΅ Π±Π΅Π· ΡΠΏΠ΅ΡΠΈΠ°Π»ΡΠ½ΡΡ Π½Π°Π²ΡΠΊΠΎΠ² ΡΠ°Π±ΠΎΡΡ, Π³Π»Π°Π²Π½ΠΎΠ΅ β ΠΈΠΌΠ΅ΡΡ Ρ ΠΎΡΠΎΡΠΈΠΉ ΡΠΎΠΊΠ°ΡΠ½ΡΠΉ ΡΡΠ°Π½ΠΎΠΊ. Π ΠΊΡΠ°ΠΉΠ½Π΅ΠΌ ΡΠ»ΡΡΠ°Π΅ ΠΌΠΎΠΆΠ½ΠΎ Π·Π°ΠΊΠ°Π·Π°ΡΡ Π΅ΡΒ ΠΈΠ·Π³ΠΎΡΠΎΠ²Π»Π΅Π½ΠΈΠ΅ Ρ Π·Π½Π°ΠΊΠΎΠΌΠΎΠ³ΠΎ ΡΠΏΠ΅ΡΠΈΠ°Π»ΠΈΡΡΠ°.
Π€ΠΎΡΠΌΠ° ΠΈ ΡΠ°Π·ΠΌΠ΅ΡΡ Π²ΡΡΠ»ΠΊΠΈ ΠΏΠΎΠΊΠ°Π·Π°Π½Ρ Π½Π° ΡΠ΅ΡΡΠ΅ΠΆΠ΅.

ΠΠ΅ΡΠ°Π»Ρ Π΄ΠΎΠ»ΠΆΠ½Π° ΡΠΎΡΠ½ΠΎ ΡΠΎΠΎΡΠ²Π΅ΡΡΠ²ΠΎΠ²Π°ΡΡ ΡΡ Π΅ΠΌΠ΅ ΠΏΠΎ ΡΠΎΡΠΌΠ΅ ΠΈ ΡΠ°Π·ΠΌΠ΅ΡΠ°ΠΌ
Π§ΡΠΎΠ±Ρ ΡΡΡΠ°Π½ΠΎΠ²ΠΈΡΡ ΠΌΠ΅Ρ Π°Π½ΠΈΡΠ΅ΡΠΊΡΡ Π·Π°Π³Π»ΡΡΠΊΡ, Π½Π΅ΠΎΠ±Ρ ΠΎΠ΄ΠΈΠΌΠΎ ΡΠ΄Π΅Π»Π°ΡΡ ΡΠ»Π΅Π΄ΡΡΡΠ΅Π΅:
- ΠΠΎΠ΄Π½ΠΈΠΌΠ°Π΅ΠΌ Π°Π²ΡΠΎΠΌΠΎΠ±ΠΈΠ»Ρ Π½Π° ΡΡΡΠ°ΠΊΠ°Π΄Ρ.
- ΠΡΠΊΠ»ΡΡΠ°Π΅ΠΌ ΠΊΠ»Π΅ΠΌΠΌΡ Β«ΠΌΠΈΠ½ΡΡΒ» Π½Π° Π°ΠΊΠΊΡΠΌΡΠ»ΡΡΠΎΡΠ΅.
- ΠΡΠΊΡΡΡΠΈΠ²Π°Π΅ΠΌ Π·ΠΎΠ½Π΄.

ΠΠ»Ρ ΡΡΡΠ°Π½ΠΎΠ²ΠΊΠΈ ΠΌΠ΅Ρ Π°Π½ΠΈΡΠ΅ΡΠΊΠΎΠΉ ΠΎΠ±ΠΌΠ°Π½ΠΊΠΈ Π΄Π°ΡΡΠΈΠΊ Π½ΡΠΆΠ½ΠΎ Π²ΡΠΊΡΡΡΠΈΡΡ
- ΠΠ°ΠΊΡΡΡΠΈΠ²Π°Π΅ΠΌ Π·ΠΎΠ½Π΄ Π½Π° Π²ΡΡΠ»ΠΊΡ, ΠΊΠ°ΠΊ ΠΏΠΎΠΊΠ°Π·Π°Π½ΠΎ Π½Π° ΡΠΎΡΠΎ.

Π‘Π΄Π΅Π»Π°Π½Π½Π°Ρ ΡΠΎΡΠ½ΠΎ ΠΏΠΎ ΡΡ Π΅ΠΌΠ΅ Π΄Π΅ΡΠ°Π»Ρ Π½Π°ΠΊΡΡΡΠΈΠ²Π°Π΅ΡΡΡ Π½Π° Π»ΡΠΌΠ±Π΄Π°-Π·ΠΎΠ½Π΄
- Π£ΡΡΠ°Π½Π°Π²Π»ΠΈΠ²Π°Π΅ΠΌ Π΄Π°ΡΡΠΈΠΊ Π½Π° ΠΌΠ΅ΡΡΠΎ ΠΈ ΠΏΠΎΠ΄ΠΊΠ»ΡΡΠ°Π΅ΠΌ Π°ΠΊΠΊΡΠΌΡΠ»ΡΡΠΎΡ.
ΠΠΎΡΠ»Π΅ Π·Π°ΠΏΡΡΠΊΠ° Π΄Π²ΠΈΠ³Π°ΡΠ΅Π»Ρ ΡΠΈΠ³Π½Π°Π» Check Engine Π΄ΠΎΠ»ΠΆΠ΅Π½ ΠΏΠΎΡΡΡ Π½ΡΡΡ. Π’Π°ΠΊΠΈΠΌ ΠΎΠ±ΡΠ°Π·ΠΎΠΌ, Π΄Π°ΡΡΠΈΠΊ Π½Π΅ΠΌΠ½ΠΎΠ³ΠΎ ΠΎΡΠΎΠ΄Π²ΠΈΠ³Π°Π΅ΡΡΡ ΠΎΡ ΠΏΠΎΡΠΎΠΊΠ° Π²ΡΡ Π»ΠΎΠΏΠ½ΡΡ Π³Π°Π·ΠΎΠ². ΠΠ΅Ρ Π°Π½ΠΈΡΠ΅ΡΠΊΠ°Ρ ΠΎΠ±ΠΌΠ°Π½ΠΊΠ°-Π²Π²ΡΡΡΡΡ ΠΏΠΎΠ΄Ρ ΠΎΠ΄ΠΈΡ Π΄Π»Ρ Π±ΠΎΠ»ΡΡΠΈΠ½ΡΡΠ²Π° ΠΌΠΎΠ΄Π΅Π»Π΅ΠΉ Π°Π²ΡΠΎΠΌΠΎΠ±ΠΈΠ»Π΅ΠΉ, Π³Π»Π°Π²Π½ΠΎΠ΅, ΡΡΠΎΠ±Ρ Π΄Π°ΡΡΠΈΠΊ Π²ΠΊΡΡΡΠΈΠ²Π°Π»ΡΡ Π² ΠΊΠΎΡΠΏΡΡ.
ΠΠ°ΠΊ ΡΠ΄Π΅Π»Π°ΡΡ ΠΈ ΡΡΡΠ°Π½ΠΎΠ²ΠΈΡΡ ΡΠ»Π΅ΠΊΡΡΠΎΠ½Π½ΡΠΉ (ΡΠΎ ΡΡ Π΅ΠΌΠΎΠΉ)
Π’Π°ΠΊ ΠΊΠ°ΠΊ ΠΊΠΎΠ½ΡΡΠΎΠ»Π»Π΅Ρ ΠΏΡΠΈΠ½ΠΈΠΌΠ°Π΅Ρ ΡΠ»Π΅ΠΊΡΡΠΎΠ½Π½ΡΠ΅ ΡΠΈΠ³Π½Π°Π»Ρ, ΠΊΠΎΡΠΎΡΡΠ΅ ΠΊ Π½Π΅ΠΌΡ ΠΏΠΎΡΡΡΠΏΠ°ΡΡ ΠΎΡ Π»ΡΠΌΠ±Π΄Π°-Π·ΠΎΠ½Π΄Π°, ΠΌΠΎΠΆΠ½ΠΎ ΠΏΠΎΡΡΠ°Π²ΠΈΡΡ ΡΠΏΠ΅ΡΠΈΠ°Π»ΡΠ½ΡΡ ΡΡ Π΅ΠΌΡ-ΠΎΠ±ΠΌΠ°Π½ΠΊΡ. ΠΠ½Π° ΠΏΠΎΠ΄ΠΊΠ»ΡΡΠ°Π΅ΡΡΡ ΠΊ ΠΏΡΠΎΠ²ΠΎΠ΄Π°ΠΌ, ΠΊΠΎΡΠΎΡΡΠ΅ ΠΈΠ΄ΡΡ ΠΎΡ Π΄Π°ΡΡΠΈΠΊΠ° ΠΊ ΡΠ°Π·ΡΡΠΌΡ. ΠΠ΅ΡΡΠΎ ΡΡΡΠ°Π½ΠΎΠ²ΠΊΠΈ Ρ ΡΠ°Π·Π½ΡΡ ΠΌΠΎΠ΄Π΅Π»Π΅ΠΉ ΠΎΡΠ»ΠΈΡΠ°Π΅ΡΡΡ: ΡΡΠΎ ΠΌΠΎΠΆΠ΅Ρ Π±ΡΡΡ ΡΠ΅Π½ΡΡΠ°Π»ΡΠ½ΡΠΉ ΡΠΎΠ½Π½Π΅Π»Ρ ΠΌΠ΅ΠΆΠ΄Ρ ΡΠΈΠ΄Π΅Π½ΠΈΡΠΌΠΈ, ΡΠΎΡΠΏΠ΅Π΄Π° ΠΈΠ»ΠΈ ΠΌΠΎΡΠΎΡΠ½ΡΠΉ ΠΎΡΡΠ΅ΠΊ. Π§ΡΠΎΠ±Ρ ΡΠ΄Π΅Π»Π°ΡΡ ΡΠ»Π΅ΠΊΡΡΠΎΠ½Π½ΡΡ ΡΡ Π΅ΠΌΡ, ΠΏΡΠΈΠ³ΠΎΡΠΎΠ²ΡΡΠ΅ ΡΠ»Π΅Π΄ΡΡΡΠΈΠ΅ ΠΌΠ°ΡΠ΅ΡΠΈΠ°Π»Ρ:
- ΠΏΠ°ΡΠ»ΡΠ½ΠΈΠΊ Ρ ΡΠΎΠ½ΠΊΠΎΠΉ Π½Π°ΡΠ°Π΄ΠΊΠΎΠΉ;
- ΠΊΠΎΠ½Π΄Π΅Π½ΡΠ°ΡΠΎΡ ΡΠΌΠΊΠΎΡΡΡΡ 1 ΠΌΠΊΠ€;
- ΡΠ΅Π·ΠΈΡΡΠΎΡ Π½Π° 1 ΠΠΠΌ;
- Π½ΠΎΠΆ;
- ΠΊΠ°Π½ΠΈΡΠΎΠ»Ρ.

ΠΠ»Π΅ΠΊΡΡΠΎΠ½Π½Π°Ρ ΠΎΠ±ΠΌΠ°Π½ΠΊΠ° Π΄ΠΎΠ»ΠΆΠ½Π° Π±ΡΡΡ ΠΏΡΠ°Π²ΠΈΠ»ΡΠ½ΠΎ ΡΠΎΠ±ΡΠ°Π½Π° ΡΠΎΠ³Π»Π°ΡΠ½ΠΎ ΡΡ Π΅ΠΌΠ΅ ΠΏΠΎΠ΄ΠΊΡΡΠ΅Π½ΠΈΡ
ΠΠ΅ΡΠ΅Π΄ Π½Π°ΡΠ°Π»ΠΎΠΌ ΡΠ°Π±ΠΎΡΡ ΠΎΡΠΊΠ»ΡΡΠ°Π΅ΠΌ ΠΌΠΈΠ½ΡΡΠΎΠ²ΡΡ ΠΊΠ»Π΅ΠΌΠΌΡ. ΠΡΠ΅ ΡΠΎΠ΅Π΄ΠΈΠ½Π΅Π½ΠΈΡ Π½Π΅ΠΎΠ±Ρ ΠΎΠ΄ΠΈΠΌΠΎ Ρ ΠΎΡΠΎΡΠΎ ΠΈΠ·ΠΎΠ»ΠΈΡΠΎΠ²Π°ΡΡ. ΠΡΡΡΠΈΠΌ Π²Π°ΡΠΈΠ°Π½ΡΠΎΠΌ Π±ΡΠ΄Π΅Ρ ΠΏΠΎΠΌΠ΅ΡΡΠΈΡΡ ΡΡ Π΅ΠΌΡ Π² ΠΏΠ»Π°ΡΡΠΈΠΊΠΎΠ²ΡΡ ΡΠΎΡΠΌΡ ΠΈ Π·Π°Π»ΠΈΡΡ Π²ΡΠ΅ ΡΠΏΠΎΠΊΡΠΈΠ΄Π½ΡΠΌ ΠΊΠ»Π΅Π΅ΠΌ.

ΠΡΠ΅ ΡΠΎΠ΅Π΄ΠΈΠ½Π΅Π½ΠΈΡ ΡΠ»Π΅ΠΊΡΡΠΎΠ½Π½ΠΎΠΉ ΠΎΠ±ΠΌΠ°Π½ΠΊΠΈ Π΄ΠΎΠ»ΠΆΠ½Ρ Π±ΡΡΡ Ρ ΠΎΡΠΎΡΠΎ ΠΈΠ·ΠΎΠ»ΠΈΡΠΎΠ²Π°Π½Ρ
Π ΠΏΡΠΎΠ΄Π°ΠΆΠ΅ ΠΌΠΎΠΆΠ½ΠΎ Π²ΡΡΡΠ΅ΡΠΈΡΡ ΡΠΆΠ΅ Π³ΠΎΡΠΎΠ²ΡΠ΅ ΡΠ»Π΅ΠΊΡΡΠΎΠ½Π½ΡΠ΅ ΠΎΠ±ΠΌΠ°Π½ΠΊΠΈ. Π Π½ΠΈΡ ΠΈΡΠΏΠΎΠ»ΡΠ·ΡΠ΅ΡΡΡ Π½Π΅Π±ΠΎΠ»ΡΡΠΎΠΉ ΠΌΠΈΠΊΡΠΎΠΏΡΠΎΡΠ΅ΡΡΠΎΡ, ΠΊΠΎΡΠΎΡΡΠΉ Π°Π½Π°Π»ΠΈΠ·ΠΈΡΡΠ΅Ρ ΡΠΈΠ³Π½Π°Π» ΠΏΠ΅ΡΠ²ΠΎΠ³ΠΎ Π΄Π°ΡΡΠΈΠΊΠ°, ΠΎΠ±ΡΠ°Π±Π°ΡΡΠ²Π°Π΅Ρ Π΅Π³ΠΎ ΠΈ ΡΠΎΡΠΌΠΈΡΡΠ΅Ρ Π½ΡΠΆΠ½ΡΠ΅ ΠΏΠΎΠΊΠ°Π·Π°ΡΠ΅Π»ΠΈ Π΄Π»Ρ Π±ΠΎΡΡΠΎΠ²ΠΎΠ³ΠΎ ΠΊΠΎΠΌΠΏΡΡΡΠ΅ΡΠ°. Π’Π°ΠΊΠΈΠ΅ ΡΡΡΡΠΎΠΉΡΡΠ²Π° Π»Π΅Π³ΠΊΠΎ ΠΏΠΎΠ΄ΠΊΠ»ΡΡΠ°ΡΡΡΡ, Π½ΠΎ ΠΎΠ±ΠΎΠΉΠ΄ΡΡΡΡ Π΄ΠΎΡΠΎΠΆΠ΅ ΡΠ°ΠΌΠΎΠ΄Π΅Π»ΡΠ½ΠΎΠΉ ΡΡ Π΅ΠΌΡ.
ΠΠΈΠ΄Π΅ΠΎ ΠΈΠ·Π³ΠΎΡΠΎΠ²Π»Π΅Π½ΠΈΡΒ ΡΠ»Π΅ΠΊΡΡΠΎΠ½Π½ΠΎΠΉ ΠΎΠ±ΠΌΠ°Π½ΠΊΠΈ Π΄Π°ΡΡΠΈΠΊΠ° ΠΈ ΠΏΡΠΎΠ²Π΅ΡΠΊΠ° Π΅ΡΒ ΡΠ°Π±ΠΎΡΡ
ΠΠ΅ΡΠ΅ΠΏΡΠΎΡΠΈΠ²ΠΊΠ° ΠΊΠΎΠ½ΡΡΠΎΠ»Π»Π΅ΡΠ°: ΡΡΠΎΠΈΡ Π»ΠΈ Π΄Π΅Π»Π°ΡΡ ΡΠ²ΠΎΠΈΠΌΠΈ ΡΡΠΊΠ°ΠΌΠΈ
ΠΡΡΒ ΠΎΠ΄Π½ΠΈΠΌ Π²Π°ΡΠΈΠ°Π½ΡΠΎΠΌ ΠΎΠ±ΠΌΠ°Π½ΠΊΠΈ ΠΌΠΎΠΆΠ½ΠΎ Π½Π°Π·Π²Π°ΡΡ ΠΏΠ΅ΡΠ΅ΠΏΡΠΎΡΠΈΠ²ΠΊΡ ΡΠ°ΠΌΠΎΠ³ΠΎ Π±ΠΎΡΡΠΎΠ²ΠΎΠ³ΠΎ ΠΊΠΎΠΌΠΏΡΡΡΠ΅ΡΠ°. ΠΠ·ΠΌΠ΅Π½ΡΡ Π°Π»Π³ΠΎΡΠΈΡΠΌ ΡΠ°Π±ΠΎΡΡ ΡΡΡΡΠΎΠΉΡΡΠ²Π°, Π²Ρ Π±Π»ΠΎΠΊΠΈΡΡΠ΅ΡΠ΅ ΠΎΠ±ΡΠ°Π±ΠΎΡΠΊΡ ΡΠΈΠ³Π½Π°Π»ΠΎΠ² ΠΎΡ Π²ΡΠΎΡΠΎΠ³ΠΎ Π»ΡΠΌΠ±Π΄Π°-Π·ΠΎΠ½Π΄Π°. ΠΠΏΠ°ΡΠ½ΠΎΡΡΡ Π΄Π°Π½Π½ΠΎΠ³ΠΎ ΠΌΠ΅ΡΠΎΠ΄Π° ΡΠΎΡΡΠΎΠΈΡ Π² ΡΠΎΠΌ, ΡΡΠΎ ΠΏΡΠΈ Π½Π΅ΠΏΡΠ°Π²ΠΈΠ»ΡΠ½ΡΡ Π΄Π΅ΠΉΡΡΠ²ΠΈΡΡ Π±ΡΠ΄Π΅Ρ ΡΠ»ΠΎΠΆΠ½ΠΎ Π²ΠΎΡΡΡΠ°Π½ΠΎΠ²ΠΈΡΡ ΠΏΡΠ΅ΠΆΠ½ΡΡ ΡΠ°Π±ΠΎΡΡ ΠΊΠΎΠΌΠΏΡΡΡΠ΅ΡΠ°. ΠΡΠΈΠ³ΠΈΠ½Π°Π»ΡΠ½ΡΡ Π·Π°Π²ΠΎΠ΄ΡΠΊΡΡ ΠΏΡΠΎΡΠΈΠ²ΠΊΡ ΠΎΡΠ΅Π½Ρ ΡΠ»ΠΎΠΆΠ½ΠΎ Π΄ΠΎΡΡΠ°ΡΡ, ΠΈ ΡΡΠΎΠΈΠΌΠΎΡΡΡ Π΅ΡΒ Π΄ΠΎΠ²ΠΎΠ»ΡΠ½ΠΎ Π±ΠΎΠ»ΡΡΠ°Ρ. ΠΠΎΡΡΠΎΠΌΡ Π΄ΠΎΠ²Π΅ΡΠΈΡΡ ΡΠ°ΠΊΡΡ ΡΠ°Π±ΠΎΡΡ Π½ΡΠΆΠ½ΠΎ ΡΠΎΠ»ΡΠΊΠΎ ΠΎΠΏΡΡΠ½ΠΎΠΌΡ ΡΠΏΠ΅ΡΠΈΠ°Π»ΠΈΡΡΡ, ΠΊΠΎΡΠΎΡΠΎΠ³ΠΎ Π²Ρ Π·Π½Π°Π΅ΡΠ΅ Π»ΠΈΡΠ½ΠΎ.
ΠΠΎΡΠ»Π΅Π΄ΡΡΠ²ΠΈΡ ΡΡΡΠ°Π½ΠΎΠ²ΠΊΠΈ ΠΎΠ±ΠΌΠ°Π½ΠΎΠΊ ΡΠ°Π·Π½ΠΎΠ³ΠΎ ΡΠΈΠΏΠ°
ΠΡΠΈ ΡΡΡΠ°Π½ΠΎΠ²ΠΊΠ΅ ΠΎΠ±ΠΌΠ°Π½ΠΎΠΊ ΡΡΠΎΠΈΡ Π±ΡΠ°ΡΡ Π²ΠΎ Π²Π½ΠΈΠΌΠ°Π½ΠΈΠ΅, ΡΡΠΎ Π²ΡΠ΅ ΡΠ°Π±ΠΎΡΡ Π²ΡΠΏΠΎΠ»Π½ΡΡΡΡΡ Π½Π° ΡΠ²ΠΎΠΉ ΡΡΡΠ°Ρ ΠΈ ΡΠΈΡΠΊ. ΠΡΠΈ Π½Π΅ΠΏΡΠ°Π²ΠΈΠ»ΡΠ½ΠΎΠΉ ΡΡΡΠ°Π½ΠΎΠ²ΠΊΠ΅ ΠΏΠΎΠ΄ΠΎΠ±Π½ΡΡ ΡΡΡΡΠΎΠΉΡΡΠ² ΠΌΠΎΠ³ΡΡ Π²ΠΎΠ·Π½ΠΈΠΊΠ½ΡΡΡ ΡΠ»Π΅Π΄ΡΡΡΠΈΠ΅ Π½Π΅ΠΈΡΠΏΡΠ°Π²Π½ΠΎΡΡΠΈ:
- ΠΠ°ΡΡΡΠ΅Π½ΠΈΠ΅ ΡΠ°Π±ΠΎΡΡ Π΄Π²ΠΈΠ³Π°ΡΠ΅Π»Ρ ΠΈΠ·-Π·Π° Π½Π΅ΠΏΡΠ°Π²ΠΈΠ»ΡΠ½ΠΎΠΉ ΡΠ΅Π³ΡΠ»ΠΈΡΠΎΠ²ΠΊΠΈ Π²ΠΏΡΡΡΠΊΠ° Π±ΠΎΡΡΠΎΠ²ΡΠΌ ΠΊΠΎΠΌΠΏΡΡΡΠ΅ΡΠΎΠΌ.
- ΠΠΎΠ²ΡΠ΅ΠΆΠ΄Π΅Π½ΠΈΠ΅ ΡΠ»Π΅ΠΊΡΡΠΎΠΏΡΠΎΠ²ΠΎΠ΄ΠΊΠΈ ΠΈ ΠΊΠΎΠ½ΡΡΠΎΠ»Π»Π΅ΡΠ° ΠΏΡΠΈ Π½Π΅ΠΏΡΠ°Π²ΠΈΠ»ΡΠ½ΠΎ ΡΠΏΠ°ΡΠ½Π½ΠΎΠΉ ΡΡ Π΅ΠΌΠ΅.
- ΠΡΠΈΠ±ΠΊΠΈ ΠΏΡΠΈ ΡΠ°Π±ΠΎΡΠ΅ Π±ΠΎΡΡΠΎΠ²ΠΎΠ³ΠΎ ΠΊΠΎΠΌΠΏΡΡΡΠ΅ΡΠ°.
- ΠΠΎΠ²ΡΠ΅ΠΆΠ΄Π΅Π½ΠΈΠ΅ Π΄Π°ΡΡΠΈΠΊΠΎΠ².
Π Π°Π±ΠΎΡΡ Ρ ΠΊΠ°ΠΊΠΎΠΉ Π±Ρ ΡΠΎ Π½ΠΈ Π±ΡΠ»ΠΎ ΡΠ»Π΅ΠΊΡΡΠΎΠ½ΠΈΠΊΠΎΠΉ Π½Π΅ΠΎΠ±Ρ ΠΎΠ΄ΠΈΠΌΠΎ Π²ΡΠΏΠΎΠ»Π½ΡΡΡ ΠΊΡΠ°ΠΉΠ½Π΅ Π°ΠΊΠΊΡΡΠ°ΡΠ½ΠΎ. ΠΠ°ΠΆΠ΅ ΠΌΠ°Π»Π΅ΠΉΡΠ°Ρ Π½Π΅ΡΠΎΡΠ½ΠΎΡΡΡ ΠΌΠΎΠΆΠ΅Ρ ΠΏΡΠΈΠ²Π΅ΡΡΠΈ ΠΊ ΠΏΠΎΠ»ΠΎΠΌΠΊΠ΅, ΠΏΠΎΡΡΠΎΠΌΡ Π½ΡΠΆΠ½ΠΎ ΡΡΡΠΊΠΎ ΡΠ»Π΅Π΄ΠΎΠ²Π°ΡΡ ΠΈΠ½ΡΡΡΡΠΊΡΠΈΡΠΌ.
Π‘ΠΎΠ²Π΅Ρ: ΠΠ΅ ΡΡΠΎΠΈΡ Π·Π°ΠΊΠ°Π·ΡΠ²Π°ΡΡ ΠΎΠ±ΠΌΠ°Π½ΠΊΠΈ Π² ΠΈΠ½ΡΠ΅ΡΠ½Π΅ΡΠ΅ Π½Π° ΡΠΎΠΌΠ½ΠΈΡΠ΅Π»ΡΠ½ΡΡ ΡΠ°ΠΉΡΠ°Ρ . ΠΠΎΠ»ΡΡΠ°Ρ ΡΠ°ΡΡΡ ΠΈΠ· Π½ΠΈΡ ΠΏΠ»ΠΎΡ ΠΎ ΡΠ°Π±ΠΎΡΠ°Π΅Ρ ΠΈ Π½Π΅ ΠΏΡΠΈΠ½Π΅ΡΡΡ ΠΎΠΆΠΈΠ΄Π°Π΅ΠΌΠΎΠ³ΠΎ ΡΠ΅Π·ΡΠ»ΡΡΠ°ΡΠ°.
ΠΠ±ΠΌΠ°Π½ΠΊΠΈ Π»ΡΠΌΠ±Π΄Π°-Π·ΠΎΠ½Π΄ΠΎΠ² ΠΏΡΠ°ΠΊΡΠΈΠΊΡΡΡ ΠΌΠ½ΠΎΠ³ΠΈΠ΅ Π°Π²ΡΠΎΠ»ΡΠ±ΠΈΡΠ΅Π»ΠΈ. Π’Π°ΠΊΠΈΠ΅ ΡΡΡΡΠΎΠΉΡΡΠ²Π° ΠΏΠΎΠ·Π²ΠΎΠ»ΡΡΡ ΡΡΠΊΠΎΠ½ΠΎΠΌΠΈΡΡ Π½Π° Π·Π°ΠΌΠ΅Π½Π΅ Π²ΡΡΠ΅Π΄ΡΠΈΡ ΠΈΠ· ΡΡΡΠΎΡ Π΄Π°ΡΡΠΈΠΊΠΎΠ². ΠΠ°ΠΆΠ½ΠΎ ΠΏΡΠ°Π²ΠΈΠ»ΡΠ½ΠΎ ΡΠ΄Π΅Π»Π°ΡΡ ΠΎΠ±ΠΌΠ°Π½ΠΊΡ ΠΈ ΡΡΡΠ°Π½ΠΎΠ²ΠΈΡΡ Π΅Ρ, ΡΡΠΎΠ±Ρ Π½Π΅ Π²ΠΎΠ·Π½ΠΈΠΊΠ»ΠΎ Π½Π΅Π³Π°ΡΠΈΠ²Π½ΡΡ ΠΏΠΎΡΠ»Π΅Π΄Π½ΠΈΠΉ Π΄Π»Ρ Π±ΠΎΡΡΠΎΠ²ΠΎΠ³ΠΎ ΠΊΠΎΠΌΠΏΡΡΡΠ΅ΡΠ° ΠΈΠ»ΠΈ Π΄Π²ΠΈΠ³Π°ΡΠ΅Π»Ρ.
ΠΡΠ΅Π½ΠΈΡΠ΅ ΡΡΠ°ΡΡΡ: ΠΠΎΠ΄Π΅Π»ΠΈΡΠ΅ΡΡ Ρ Π΄ΡΡΠ·ΡΡΠΌΠΈ!motorltd.ru
ΠΠ»Π΅ΠΊΡΡΠΎΠ½Π½Π°Ρ ΠΎΠ±ΠΌΠ°Π½ΠΊΠ° Π»ΡΠΌΠ±Π΄Π° Π·ΠΎΠ½Π΄Π° ΡΠ²ΠΎΠΈΠΌΠΈ ΡΡΠΊΠ°ΠΌΠΈ
ΠΡΠ±Π»ΠΈΠΊΡΡ 2 ΡΠΏΠΎΡΠΎΠ±Π° ΡΠΎΠ·Π΄Π°Π½ΠΈΡ ΡΠ»Π΅ΠΊΡΡΠΎΠ½Π½ΠΎΠΉ ΠΎΠ±ΠΌΠ°Π½ΠΊΠΈ Π»ΡΠΌΠ±Π΄Π° Π·ΠΎΠ½Π΄Π° ΡΠ²ΠΎΠΈΠΌΠΈ ΡΡΠΊΠ°ΠΌΠΈ, Π½Π°ΠΉΠ΄Π΅Π½Π½ΡΠΌΠΈ Π² Π±Π»ΠΎΠ³Π°Ρ Π΄ΡΠ°ΠΉΠ²2.ΡΡ
ΠΠ°ΠΊΠΎΠ½Π΅Ρ-ΡΠΎ Π΄ΠΎΡΠ»ΠΈ ΡΡΠΊΠΈ Π΄ΠΎ Π΄Π°ΡΡΠΈΠΊΠ° Π²ΡΠΎΡΠΎΠ³ΠΎ Π»ΡΠΌΠ±Π΄Π° Π·ΠΎΠ½Π΄Π°
Π‘ΠΏΠ°ΡΠ» ΡΠ΅Π·ΠΈΡΡΠΎΡ ΠΈ ΠΊΠΎΠ½Π΄Π΅Π½ΡΠ°ΡΠΎΡ, ΡΠΎΠ³Π»Π°ΡΠ½ΠΎ ΡΡ Π΅ΠΌΡ
Π‘Ρ
Π΅ΠΌΠ° ΠΎΡΠ΅Π½Ρ ΠΏΡΠΎΡΡΠ°Ρ. ΠΠ·ΡΠ» ΠΈΠ· ΠΈΠ½ΡΠ΅ΡΠ½Π΅ΡΠ°)
ΠΠΎΡΡΠ΅Π±ΠΎΠ²Π°Π»ΠΎΡΡ:
β Π½Π΅ΠΏΠΎΠ»ΡΡΠ½ΡΠΉ ΠΊΠΎΠ½Π΄Π΅Π½ΡΠ°ΡΠΎΡ Π½Π° 1ΠΌΠΊΠ€ (ΠΌΠΈΠΊΡΠΎΡΠ°ΡΠ°Π΄)
β ΡΠΎΠΏΡΠΎΡΠΈΠ²Π»Π΅Π½ΠΈΠ΅ Π½Π° 1 ΠΠΠΌ (ΠΌΠ΅Π³Π°ΠΎΠΌ) 0,5 ΠΡ
β ΠΏΠ°ΡΠ»ΡΠ½ΠΈΠΊ
β 30 ΠΌΠΈΠ½ΡΡ (ΡΠ½ΡΡΡ Π·Π°ΡΠΈΡΡ ΠΊΠ°ΡΡΠ΅ΡΠ°, ΠΎΡΠΊΡΡΡΠΈΡΡ Π΄Π°ΡΡΠΈΠΊ, ΡΠΏΠ°ΡΡΡ)))

Π²ΡΠ΅ ΠΏΠΎ ΡΡ Π΅ΠΌΠ΅)

ΠΈ Π½Π° ΡΠ΅ΡΠΌΠΎΡΡΠ°Π΄ΠΊΡβ¦)
Π§Π΅ΠΊ ΠΏΠΎΠΊΠ° Π½Π΅ ΡΠΊΠΈΠ΄ΡΠ²Π°Π», Π½ΠΎ Π΄ΠΎΠ»ΠΆΠ½ΠΎ Π²ΡΠ΅ ΡΠ°Π±ΠΎΡΠ°ΡΡ)))
ΠΡΠΎΡΠΎΠΉ ΡΠΏΠΎΡΠΎΠ± (Π²Π»Π°Π΄Π΅Π»Π΅Ρ ΠΠΈΡΡΠ°Π½ ΠΡΠΈΠΌΠ΅ΡΠ°)
Π‘Ρ Π΅ΠΌΠ° ΡΠ° ΠΆΠ΅ ΡΠ°ΠΌΠ°Ρ, ΠΊΠ°ΠΊ ΠΈ Π² ΠΏΠ΅ΡΠ²ΠΎΠΌ ΡΠΏΠΎΡΠΎΠ±Π΅.
ΠΠ·ΠΌΠ΅Π½Π΅Π½ΠΈΡ ΠΊΠΎΡΠ½ΡΠ»ΠΈΡΡ Π½ΠΎΠΌΠΈΠ½Π°Π»ΠΎΠ² Π΄Π΅ΡΠ°Π»Π΅ΠΉ. Π Π΅Π·ΠΈΡΡΠΎΡ Π½ΡΠΆΠ΅Π½ Π½Π° 150-180 ΠΊΠΠΌ, ΠΊΠΎΠ½Π΄Π΅Π½ΡΠ°ΡΠΎΡ 1 ΠΌΠΊΠ€. ΠΠΎΠΈΡΠΊΠ°Π» ΠΏΠΎ ΡΠ°Π·Π±ΠΎΡΠΊΠ΅ (ΡΠ°Π±ΠΎΡΠ°Ρ Π² ΡΠ΅ΡΠ²ΠΈΡΠ½ΠΎΠΌ ΡΠ΅Π½ΡΡΠ΅ ΠΏΠΎ Π½ΠΎΡΡΠ±ΡΠΊΠ°ΠΌ ΠΈ ΠΏΡΠΎΡΠ΅ΠΉ ΡΠΈΡΡΠΎΠ²ΠΎΠΉ ΡΠ΅Ρ Π½ΠΈΠΊΠ΅), Π½Π°ΡΠ΅Π» Π½Π΅ΠΎΠ±Ρ ΠΎΠ΄ΠΈΠΌΠΎΠ΅.
ΠΠΎΡ ΡΡΠΎ ΠΏΠΎΠ»ΡΡΠΈΠ»ΠΎΡΡ:
ΠΠ±ΠΌΠ°Π½ΠΊΠ°ΠΠ±ΡΠ°Π±Π°ΡΡΠ²Π°Π΅ΠΌ Π²ΡΠ΅ ΡΡΠΎ Π΄ΠΎΠ±ΡΠΎ ΠΏΠΎΠΊΡΠΈΠΏΠΎΠ»ΠΎΠΌ, ΠΈ ΡΠΏΠ°ΠΊΠΎΠ²ΡΠ²Π°Π΅ΠΌ Π² ΡΠ΅ΡΠΌΠΎΡΡΡΠ±ΠΊΡ (ΠΌΠΎΠ½Π΅ΡΠΊΠ° Π΄Π»Ρ ΠΏΠΎΡΡΠ½Π΅Π½ΠΈΡ ΡΠ°Π·ΠΌΠ΅ΡΠΎΠ² ΠΊΠΎΠ½ΡΡΡΡΠΊΡΠΈΠΈ):
ΠΡΠΎΠ³ΠΎΠ²ΡΠΉ Π²ΠΈΠ΄ ΠΈΠ·Π΄Π΅Π»ΠΈΡΠΡΠΎΠ±Π΅Π³ Π½Π° Π½Π΅ΠΉ ΡΠΆΠ΅ Π±ΠΎΠ»Π΅Π΅ 10000 ΠΊΠΌ, Check Engine Π½Π΅ Π·Π°Π³ΠΎΡΠ°Π»ΡΡ Π½ΠΈ ΡΠ°Π·Ρ, ΡΠ°ΡΡ ΠΎΠ΄ Π² Π½ΠΎΡΠΌΠ΅. Π‘ΠΌΠΎΡΡΠ΅Π» ΠΎΡΡΠΈΠ»Π»ΠΎΠ³ΡΠ°ΠΌΠΌΡ Ρ ΠΏΠΎΠΌΠΎΡΡΡ ΠΏΡΠΎΠ²ΠΎΠ΄Π° VAG-COM ΠΈ ΠΏΡΠΎΠ³ΠΎΠΉ TECU3, Π³ΡΠ°ΡΠΈΠΊ Π²ΡΠΎΡΠΎΠΉ Π»ΡΠΌΠ±Π΄Ρ ΠΏΡΠ°ΠΊΡΠΈΡΠ΅ΡΠΊΠΈ ΠΈΠ΄Π΅Π½ΡΠΈΡΠ΅Π½ Π³ΡΠ°ΡΠΈΠΊΡ Ρ ΠΌΠ°ΡΠΈΠ½Ρ Ρ ΠΊΠ°ΡΠ°Π»ΠΈΠ·Π°ΡΠΎΡΠΎΠΌ.
Π Π΅ΠΊΠΎΠΌΠ΅Π½Π΄ΡΡ!
ΠΠ±ΠΌΠ°Π½ΠΊΠ° ΡΠ°Π±ΠΎΡΠ°Π΅Ρ Π½Π° Nissan Primera P12, Mitsubishi Lancer 9, Chevrolet Lacetti. ΠΠ»Ρ Π°Π΄Π°ΠΏΡΠ°ΡΠΈΠΈ ΠΊ Π΄ΡΡΠ³ΠΈΠΌ Π°Π²ΡΠΎ:
Π‘Π°ΠΌΡΠΉ ΠΏΡΠ°Π²ΠΈΠ»ΡΠ½ΡΠΉ ΠΏΠΎΠ΄Ρ ΠΎΠ΄ β ΡΠ½ΡΡΡ ΠΎΡΡΠΈΠ»Π»ΠΎΠ³ΡΠ°ΠΌΠΌΡ Ρ ΠΌΠ°ΡΠΈΠ½Ρ Ρ ΠΆΠΈΠ²ΡΠΌ ΠΊΠ°ΡΠ°Π»ΠΈΠ·Π°ΡΠΎΡΠΎΠΌ, ΡΠΎΠ±ΡΠ°ΡΡ ΠΎΠ±ΠΌΠ°Π½ΠΊΡ Ρ ΡΠ΅ΠΌΠΈ Π½ΠΎΠΌΠΈΠ½Π°Π»Π°ΠΌΠΈ ΡΡΠΎ Ρ ΠΏΡΠ΅Π΄Π»ΠΎΠΆΠΈΠ», ΠΈ ΡΡΠ°Π²Π½ΠΈΡΡ. ΠΡΠ»ΠΈ ΠΈΠΌΠΏΡΠ»ΡΡΡ Π²ΡΡΠ΅ ΡΠ΅ΠΌ Π΄ΠΎΠ»ΠΆΠ½Ρ Π±ΡΡΡ β ΡΠΎΠΏΡΠΎΡΠΈΠ²Π»Π΅Π½ΠΈΠ΅ ΡΠ΅Π·ΠΈΡΡΠΎΡΠ° ΡΠ²Π΅Π»ΠΈΡΠΈΡΡ, Π΅ΡΠ»ΠΈ Π½ΠΈΠΆΠ΅ β ΡΠΌΠ΅Π½ΡΡΠΈΡΡ, Π²ΠΎΡ ΠΈ Π²ΡΠ΅ =)
avtoclad.ru
Π£Π½ΠΈΠ²Π΅ΡΡΠ°Π»ΡΠ½ΡΠΉ ΡΠΌΡΠ»ΡΡΠΎΡ Π»ΡΠΌΠ±Π΄Π° Π·ΠΎΠ½Π΄Π° ΡΠ²ΠΎΠΈΠΌΠΈ ΡΡΠΊΠ°ΠΌΠΈ. ΠΠΈΠ΄Ρ ΠΎΠ±ΠΌΠ°Π½ΠΎΠΊ Π»ΡΠΌΠ±Π΄Π° Π·ΠΎΠ½Π΄Π°, ΠΈΠ·Π³ΠΎΡΠΎΠ²Π»Π΅Π½ΠΈΠ΅ ΡΠ²ΠΎΠΈΠΌΠΈ ΡΡΠΊΠ°ΠΌΠΈ, ΡΠ΅ΡΡΠ΅ΠΆΠΈ ΠΈ ΡΡ Π΅ΠΌΡ
ΠΠ±ΠΌΠ°Π½ΠΊΠΎΠΉ Π»ΡΠΌΠ±Π΄Π°-Π·ΠΎΠ½Π΄Π° (Π΄ΡΡΠ³ΠΈΠ΅ Π½Π°Π·Π²Π°Π½ΠΈΡ — ΡΠΌΡΠ»ΡΡΠΎΡ ΠΊΠ°ΡΠ°Π»ΠΈΠ·Π°ΡΠΎΡΠ°, ΠΎΠ±ΠΌΠ°Π½ΠΊΠ° ΠΊΠ°ΡΠ°Π»ΠΈΠ·Π°ΡΠΎΡΠ° ΠΈΠ»ΠΈ ΠΏΡΠΎΡΡΠΎ ΠΎΠ±ΠΌΠ°Π½ΠΊΠ° Π²ΡΠΎΡΠΎΠΉ Π»ΡΠΌΠ±Π΄Ρ) Π½Π°Π·ΡΠ²Π°Π΅ΡΡΡ ΡΡΡΡΠΎΠΉΡΡΠ²ΠΎ, ΠΊΠΎΡΠΎΡΠΎΠ΅ ΠΊΠΎΡΡΠ΅ΠΊΡΠΈΡΡΠ΅Ρ ΠΏΠΎΡΡΡΠΏΠ°ΡΡΠΈΠΉ Π² ΠΠΠ£ Π°Π²ΡΠΎΠΌΠΎΠ±ΠΈΠ»Ρ ΡΠΈΠ³Π½Π°Π» ΠΎΡ Π²ΡΠΎΡΠΎΠΉ Π»ΡΠΌΠ±Π΄Ρ (ΠΠ, Π΄Π°ΡΡΠΈΠΊΠ° ΠΊΠΈΡΠ»ΠΎΡΠΎΠ΄Π°).
Π£ΡΡΠ°Π½ΠΎΠ²ΠΊΠ° ΡΡΠΎΠ³ΠΎ ΡΡΡΡΠΎΠΉΡΡΠ²Π° — Π²ΡΠ½ΡΠΆΠ΄Π΅Π½Π½Π°Ρ ΠΌΠ΅ΡΠ°, Π½Π΅ΠΎΠ±Ρ ΠΎΠ΄ΠΈΠΌΠ°Ρ Π² ΡΠ»ΡΡΠ°Π΅ ΡΠ΄Π°Π»Π΅Π½ΠΈΡ ΠΊΠ°ΡΠ°Π»ΠΈΠ·Π°ΡΠΎΡΠ° ΠΈΠ»ΠΈ Π΅Π³ΠΎ Π·Π°ΠΌΠ΅Π½Ρ Π½Π° ΠΏΠ»Π°ΠΌΠ΅Π³Π°ΡΠΈΡΠ΅Π»Ρ. Π ΠΏΡΠΎΡΠΈΠ²Π½ΠΎΠΌ ΡΠ»ΡΡΠ°Π΅ Π²Π΅Π»ΠΈΡΠΈΠ½Ρ ΡΠΈΠ³Π½Π°Π»ΠΎΠ² ΠΎΡ ΠΏΠ΅ΡΠ²ΠΎΠΉ ΠΈ Π²ΡΠΎΡΠΎΠΉ Π»ΡΠΌΠ±Π΄Ρ ΡΠΎΠ²ΠΏΠ°Π΄ΡΡ ΠΈ ΡΠ»Π΅ΠΊΡΡΠΎΠ½ΠΈΠΊΠ° Π°Π²ΡΠΎΠΌΠΎΠ±ΠΈΠ»Ρ «ΠΏΠΎΠΉΠΌΠ΅Ρ», ΡΡΠΎ ΠΊΠ°ΡΠ°Π»ΠΈΠ·Π°ΡΠΎΡΠ° Π½Π΅Ρ Π»ΠΈΠ±ΠΎ ΠΎΠ½ Π½Π΅ ΡΠ°Π±ΠΎΡΠ°Π΅Ρ. Π ΡΠ΅Π·ΡΠ»ΡΡΠ°ΡΠ΅ Π±ΡΠ΄Π΅Ρ Π·Π°ΠΏΡΡΠ΅Π½ Π°Π²Π°ΡΠΈΠΉΠ½ΡΠΉ ΡΠ΅ΠΆΠΈΠΌ ΡΠ°Π±ΠΎΡΡ Π΄Π²ΠΈΠ³Π°ΡΠ΅Π»Ρ, ΡΡΠΎ ΠΏΠΎΠ²Π»Π΅ΡΠ΅Ρ ΡΠ΅Π·ΠΊΠΎΠ΅ ΡΠ²Π΅Π»ΠΈΡΠ΅Π½ΠΈΠ΅ ΡΠ°ΡΡ ΠΎΠ΄Π° ΡΠΎΠΏΠ»ΠΈΠ²Π° ΠΈ ΡΠΌΠ΅Π½ΡΡΠ΅Π½ΠΈΠ΅ ΠΎΠ±ΡΠ΅Π³ΠΎ ΡΠ΅ΡΡΡΡΠ° ΠΠΠ‘.
ΠΠ½ΠΈΠΌΠ°Π½ΠΈΠ΅! ΠΠ±ΠΌΠ°Π½ΠΊΠ° Π»ΡΠΌΠ±Π΄Π°-Π·ΠΎΠ½Π΄Π° ΡΡΠ°Π²ΠΈΡΡΡ ΡΠΎΠ»ΡΠΊΠΎ Π½Π° ΠΈΡΠΏΡΠ°Π²Π½ΡΠΉ Π»ΡΠΌΠ±Π΄Π°-Π·ΠΎΠ½Π΄! ΠΠ½Π° Π½Π΅ ΠΌΠΎΠΆΠ΅Ρ ΠΈΠ·Π±Π°Π²ΠΈΡΡ ΠΎΡ ΠΎΡΠΈΠ±ΠΎΠΊ ΠΏΠΎ Π»ΡΠΌΠ±Π΄Π΅ (P0130 — P0167) ΠΈ Π½Π΅ ΡΠ΄Π΅Π»Π°Π΅Ρ Π²ΠΎΠ·ΠΌΠΎΠΆΠ½ΠΎΠΉ ΡΠΊΡΠΏΠ»ΡΠ°ΡΠ°ΡΠΈΡ Π°Π²ΡΠΎΠΌΠΎΠ±ΠΈΠ»Ρ Ρ Π½Π΅ΠΈΡΠΏΡΠ°Π²Π½ΡΠΌ Π»ΡΠΌΠ±Π΄Π°-Π·ΠΎΠ½Π΄ΠΎΠΌ. ΠΡΠΎ Π²ΡΠ΅Π³ΠΎ Π»ΠΈΡΡ ΠΏΡΠΈΡΠΏΠΎΡΠΎΠ±Π»Π΅Π½ΠΈΠ΅, ΠΊΠΎΡΠΎΡΠΎΠ΅ ΠΈΠ·ΠΌΠ΅Π½ΡΠ΅Ρ Π½ΡΠΆΠ½ΡΠΌ ΠΎΠ±ΡΠ°Π·ΠΎΠΌ ΠΏΠΎΠΊΠ°Π·Π°Π½ΠΈΡ, ΠΏΠΎΠ»ΡΡΠ°Π΅ΠΌΡΠ΅ ΡΠ°Π±ΠΎΡΠ°ΡΡΠΈΠΌ Π΄Π°ΡΡΠΈΠΊΠΎΠΌ ΠΊΠΈΡΠ»ΠΎΡΠΎΠ΄Π°!
ΠΠ΅Ρ Π°Π½ΠΈΡΠ΅ΡΠΊΠ°Ρ ΠΎΠ±ΠΌΠ°Π½ΠΊΠ°
ΠΠΎ ΡΠΈΠΏΡ ΡΡΡΠΎΠ΅Π½ΠΈΡ ΡΠ°Π·Π»ΠΈΡΠ°ΡΡ Π΄Π²Π° ΡΠΈΠΏΠ° ΠΎΠ±ΠΌΠ°Π½ΠΎΠΊ — ΠΌΠ΅Ρ Π°Π½ΠΈΡΠ΅ΡΠΊΠΈΠ΅ ΠΈ ΡΠ»Π΅ΠΊΡΡΠΎΠ½Π½ΡΠ΅. ΠΠ΅ΡΠ²ΡΠΉ ΡΠΈΠΏ ΠΎΠ±ΠΌΠ°Π½ΠΎΠΊ ΠΏΠΎΠΊΠ°Π·Π°Π½ Π½Π° ΡΠΎΡΠΎ. ΠΡΠΎ Π²ΡΡΠΎΡΠ΅Π½Π½ΡΠ΅ ΠΈΠ· ΡΡΠΎΠΉΠΊΠΎΠΉ ΠΊ Π²ΡΡΠΎΠΊΠΈΠΌ ΡΠ΅ΠΌΠΏΠ΅ΡΠ°ΡΡΡΠ°ΠΌ ΡΡΠ°Π»ΠΈ Π½Π΅Π±ΠΎΠ»ΡΡΠΈΠ΅ ΠΏΡΠΎΡΡΠ°Π²ΠΊΠΈ Ρ ΠΊΠ°ΡΠ°Π»ΠΈΡΠΈΡΠ΅ΡΠΊΠΈΠΌ Π½Π°ΠΏΠΎΠ»Π½Π΅Π½ΠΈΠ΅ΠΌ ΠΏΠΎΠ΄ Π»ΡΠΌΠ±Π΄Π°-Π·ΠΎΠ½Π΄. ΠΠΎΠ»ΡΡΠ°Π΅ΡΡΡ, ΡΡΠΎ ΠΊΠΈΡΠ»ΠΎΡΠΎΠ΄Π½ΡΠΉ Π΄Π°ΡΡΠΈΠΊ Π½Π°ΡΠΈΠ½Π°Π΅Ρ Π°Π½Π°Π»ΠΈΠ·ΠΈΡΠΎΠ²Π°ΡΡ ΡΠΌΠ΅ΡΡ, ΠΊΠΎΡΠΎΡΠ°Ρ ΠΏΡΠΎΡΠ»Π° ΡΠ΅ΡΠ΅Π· ΠΌΠΈΠ½ΠΈΠΊΠ°ΡΠ°Π»ΠΈΠ·Π°ΡΠΎΡ. ΠΡΠΎ ΠΏΠΎΠ·Π²ΠΎΠ»ΡΠ΅Ρ ΠΏΠΎΠ»ΡΡΠ°ΡΡ Π½Π΅ΡΠΊΠΎΠ»ΡΠΊΠΎ Π·Π°Π½ΠΈΠΆΠ΅Π½Π½ΡΠΉ ΠΏΠΎΠΊΠ°Π·Π°ΡΠ΅Π»Ρ ΠΏΠΎ ΡΠΎΠ΄Π΅ΡΠΆΠ°Π½ΠΈΡ ΠΊΠΈΡΠ»ΠΎΡΠΎΠ΄Π° Π² ΡΠΌΠ΅ΡΠΈ ΠΈ ΡΠ»Π΅ΠΊΡΡΠΎΠ½ΠΈΠΊΠ° ΠΌΠ°ΡΠΈΠ½Π° ΡΡΠΈΡΠ°Π΅Ρ, ΡΡΠΎ ΠΊΠ°ΡΠ°Π»ΠΈΠ·Π°ΡΠΎΡ ΠΈΡΠΏΡΠ°Π²Π½ΠΎ Π΄ΠΎΠΆΠΈΠ³Π°Π΅Ρ ΠΈΠ·Π»ΠΈΡΠΊΠΈ CO ΠΈ CH.
ΠΠ»Π΅ΠΊΡΡΠΎΠ½Π½Π°Ρ ΠΎΠ±ΠΌΠ°Π½ΠΊΠ° Π²Π°ΡΠΈΠ°Π½Ρ 1
Π²Π°ΡΠΈΠ°Π½Ρ 2
ΠΠ»Π΅ΠΊΡΡΠΎΠ½Π½Π°Ρ ΠΎΠ±ΠΌΠ°Π½ΠΊΠ° ΠΏΡΠ΅Π΄ΡΡΠ°Π²Π»ΡΠ΅Ρ ΡΠΎΠ±ΠΎΠΉ Π½Π΅Π±ΠΎΠ»ΡΡΠΎΠΉ ΠΌΠΎΠ΄ΡΠ»Ρ ΡΠ°Π·ΠΌΠ΅ΡΠΎΠΌ ΡΠΎ ΡΠΏΠΈΡΠ΅ΡΠ½ΡΠΉ ΠΊΠΎΡΠΎΠ±ΠΎΠΊ (ΠΏΡΠΈΠΌΠ΅Ρ Π½Π° ΡΠΎΡΠΎ. ΠΠ½Π° ΠΏΡΠ΅ΠΎΠ±ΡΠ°Π·ΡΠ΅Ρ ΡΠΈΠ³Π½Π°Π», ΠΏΠΎΡΡΡΠΏΠ°ΡΡΠΈΠΉ ΠΎΡ Π»ΡΠΌΠ±Π΄Π°-Π·ΠΎΠ½Π΄Π° Π² Π±Π»ΠΎΠΊ ΡΠΏΡΠ°Π²Π»Π΅Π½ΠΈΡ, ΠΏΠΎ ΡΠΏΠ΅ΡΠΈΠ°Π»ΡΠ½ΠΎ Π·Π°Π»ΠΎΠΆΠ΅Π½Π½ΠΎΠΉ ΡΡ Π΅ΠΌΠ΅. Π ΠΈΡΠΎΠ³Π΅ Π³Π°ΡΠΈΡΡΡ ΠΎΡΠΈΠ±ΠΊΠ° ΠΊΠ°ΡΠ°Π»ΠΈΠ·Π°ΡΠΎΡΠ° (ΠΎΠ±ΡΡΠ½ΠΎ P0420), ΠΊΠΎΡΠΎΡΠ°Ρ Π½Π΅ΠΈΠ·Π±Π΅ΠΆΠ½Π° Π² ΡΠ»ΡΡΠ°Π΅ ΡΠ΄Π°Π»Π΅Π½ΠΈΡ Π½Π΅ΠΉΡΡΠ°Π»ΠΈΠ·Π°ΡΠΎΡΠ° Π³Π°Π·ΠΎΠ² ΠΈΠ· Π²ΡΡ Π»ΠΎΠΏΠ½ΠΎΠΉ ΡΠΈΡΡΠ΅ΠΌΡ.
Π‘ΡΡΠΎΠ΅Π½ΠΈΠ΅ ΠΈ ΡΠΊΡΠΏΠ»ΡΠ°ΡΠ°ΡΠΈΡ Π»ΡΠΌΠ±Π΄Π°-Π·ΠΎΠ½Π΄ΠΎΠ²:
ΠΡΠΌΠ±Π΄Π°-Π·ΠΎΠ½Π΄ Π΄Π΅ΠΉΡΡΠ²ΡΠ΅Ρ ΠΏΠΎ ΠΏΡΠΈΠ½ΡΠΈΠΏΡ Π³Π°Π»ΡΠ²Π°Π½ΠΈΡΠ΅ΡΠΊΠΎΠ³ΠΎ ΡΠ»Π΅ΠΌΠ΅Π½ΡΠ° Ρ ΡΠ²Π΅ΡΠ΄ΡΠΌ ΡΠ»Π΅ΠΊΡΡΠΎΠ»ΠΈΡΠΎΠΌ Π² Π²ΠΈΠ΄Π΅ ΠΊΠ΅ΡΠ°ΠΌΠΈΠΊΠΈ ΠΈΠ· Π΄ΠΈΠΎΠΊΡΠΈΠ΄Π° ΡΠΈΡΠΊΠΎΠ½ΠΈΡ (ZrO2). ΠΠ΅ΡΠ°ΠΌΠΈΠΊΠ° Π»Π΅Π³ΠΈΡΠΎΠ²Π°Π½Π° ΠΎΠΊΡΠΈΠ΄ΠΎΠΌ ΠΈΡΡΡΠΈΡ, Π° ΠΏΠΎΠ²Π΅ΡΡ Π½Π΅Ρ Π½Π°ΠΏΡΠ»Π΅Π½Ρ ΡΠΎΠΊΠΎΠΏΡΠΎΠ²ΠΎΠ΄ΡΡΠΈΠ΅ ΠΏΠΎΡΠΈΡΡΡΠ΅ ΡΠ»Π΅ΠΊΡΡΠΎΠ΄Ρ ΠΈΠ· ΠΏΠ»Π°ΡΠΈΠ½Ρ. ΠΡΡΠ΅ΠΊΡΠΈΠ²Π½ΠΎΠ΅ ΠΈΠ·ΠΌΠ΅ΡΠ΅Π½ΠΈΠ΅ ΠΊΠΎΠ½ΡΠ΅Π½ΡΡΠ°ΡΠΈΠΈ ΠΎΡΡΠ°ΡΠΎΡΠ½ΠΎΠ³ΠΎ ΠΊΠΈΡΠ»ΠΎΡΠΎΠ΄Π° Π² ΠΎΡΡΠ°Π±ΠΎΡΠ°Π²ΡΠΈΡ Π³Π°Π·Π°Ρ Π»ΡΠΌΠ±Π΄Π°-Π·ΠΎΠ½Π΄ ΠΎΠ±Π΅ΡΠΏΠ΅ΡΠΈΠ²Π°Π΅Ρ ΠΏΠΎΡΠ»Π΅ ΡΠ°Π·ΠΎΠ³ΡΠ΅Π²Π° Π΄ΠΎ ΡΠ΅ΠΌΠΏΠ΅ΡΠ°ΡΡΡΡ 300-400 Π³ΡΠ°Π΄ΡΡΠΎΠ² ΠΏΠΎ Π¦Π΅Π»ΡΡΠΈΡ. Π’ΠΎΠ»ΡΠΊΠΎ Π² ΡΠ°ΠΊΠΈΡ ΡΡΠ»ΠΎΠ²ΠΈΡΡ ΡΠΈΡΠΊΠΎΠ½ΠΈΠ΅Π²ΡΠΉ ΡΠ»Π΅ΠΊΡΡΠΎΠ»ΠΈΡ ΠΏΡΠΈΠΎΠ±ΡΠ΅ΡΠ°Π΅Ρ ΠΏΡΠΎΠ²ΠΎΠ΄ΠΈΠΌΠΎΡΡΡ, Π° ΠΈΠ·ΠΌΠ΅Π½Π΅Π½ΠΈΠ΅ ΠΊΠΎΠ½ΡΠ΅Π½ΡΡΠ°ΡΠΈΠΈ ΠΊΠΈΡΠ»ΠΎΡΠΎΠ΄Π° Π½Π° Π΅Π³ΠΎ ΠΏΠΎΠ²Π΅ΡΡ Π½ΠΎΡΡΠΈ ΠΏΡΠΈΠ²ΠΎΠ΄ΠΈΡ ΠΊ ΠΏΠΎΡΠ²Π»Π΅Π½ΠΈΡ Π½Π° ΡΠ»Π΅ΠΊΡΡΠΎΠ΄Π°Ρ Π»ΡΠΌΠ±Π΄Π°-Π·ΠΎΠ½Π΄Π° Π²ΡΡ ΠΎΠ΄Π½ΠΎΠ³ΠΎ Π½Π°ΠΏΡΡΠΆΠ΅Π½ΠΈΡ.
Π‘ΡΠΎΠΊ ΡΠ»ΡΠΆΠ±Ρ ΠΊΠΈΡΠ»ΠΎΡΠΎΠ΄Π½ΡΡ Π΄Π°ΡΡΠΈΠΊΠΎΠ² ΠΏΡΠ°ΠΊΡΠΈΡΠ΅ΡΠΊΠΈ ΠΏΠΎΠ»Π½ΠΎΡΡΡΡ Π·Π°Π²ΠΈΡΠΈΡ ΠΎΡ ΠΊΠ°ΡΠ΅ΡΡΠ²Π° Π±Π΅Π½Π·ΠΈΠ½Π°. ΠΡΠΈΡΠ°Π΄ΠΊΠΈ, ΠΏΡΠΈΡΡΡΡΡΠ²ΡΡΡΠΈΠ΅ Π² ΡΠ°Π»ΡΡΠΈΡΠΈΡΠΈΡΠΎΠ²Π°Π½Π½ΠΎΠΌ Π±Π΅Π½Π·ΠΈΠ½Π΅, Π²ΡΡΡΠΏΠ°ΡΡ Π² Ρ ΠΈΠΌΠΈΡΠ΅ΡΠΊΠΈΠΉ ΠΊΠΎΠ½ΡΠ°ΠΊΡ Ρ ΠΏΠ»Π°ΡΠΈΠ½ΠΎΠΉ. Π ΠΈΡΠΎΠ³Π΅ Π»ΡΠΌΠ±Π΄Π°-Π·ΠΎΠ½Π΄ ΠΏΡΠΈΡ ΠΎΠ΄ΠΈΡ Π² Π½Π΅ΡΠ°Π±ΠΎΡΠ΅Π΅ ΡΠΎΡΡΠΎΡΠ½ΠΈΠ΅.
ΠΡΠ΅ΠΌ ΠΌΠΈΡ)))
ΠΡΠΌΠ±Π΄Π°-Π·ΠΎΠ½Π΄ ΡΠ²Π»ΡΠ΅ΡΡΡ Π½Π΅ΠΎΡΡΠ΅ΠΌΠ»Π΅ΠΌΡΠΌ ΡΠ»Π΅ΠΌΠ΅Π½ΡΠΎΠΌ ΡΠΈΡΡΠ΅ΠΌΡ Π²ΡΠΏΡΡΠΊΠ° Π³Π°Π·ΠΎΠ² Π»ΡΠ±ΠΎΠ³ΠΎ ΡΠΎΠ²ΡΠ΅ΠΌΠ΅Π½Π½ΠΎΠ³ΠΎ Π°Π²ΡΠΎΠΌΠΎΠ±ΠΈΠ»Ρ. ΠΠ½ ΠΏΡΠ΅Π΄ΡΡΠ°Π²Π»ΡΠ΅Ρ ΡΠΎΠ±ΠΎΠΉ Π΄Π°ΡΡΠΈΠΊ ΡΡΠΎΠ²Π½Ρ ΠΊΠΈΡΠ»ΠΎΡΠΎΠ΄Π° Π² Π²ΡΡ Π»ΠΎΠΏΠ°Ρ ΠΌΠ°ΡΠΈΠ½Ρ. ΠΡΠΌΠ±Π΄Π°-Π·ΠΎΠ½Π΄ ΠΏΠ΅ΡΠ΅Π΄Π°Π΅Ρ ΠΏΠΎΠ»ΡΡΠ΅Π½Π½ΡΡ ΠΈΠ½ΡΠΎΡΠΌΠ°ΡΠΈΡ Π½Π° Π±ΠΎΡΡΠΎΠ²ΠΎΠΉ ΠΊΠΎΠΌΠΏΡΡΡΠ΅Ρ, ΠΊΠΎΡΠΎΡΡΠΉ, Π² ΡΠ²ΠΎΡ ΠΎΡΠ΅ΡΠ΅Π΄Ρ, ΠΎΠ±ΡΠ°Π±ΠΎΡΠ°Π² Π΅Π΅, ΡΠ΅Π³ΡΠ»ΠΈΡΡΠ΅Ρ ΠΎΠ±ΠΎΠ³Π°ΡΠ΅Π½ΠΈΠ΅ ΡΠΌΠ΅ΡΠΈ, ΠΏΠΎΠ΄Π°Π²Π°Π΅ΠΌΠΎΠΉ Π² ΡΠΈΠ»ΠΈΠ½Π΄ΡΡ.
ΠΠΎΠ»ΡΡΠΈΠ½ΡΡΠ²ΠΎ Π°Π²ΡΠΎΠΌΠΎΠ±ΠΈΠ»Π΅ΠΉ ΠΎΠ±ΠΎΡΡΠ΄ΠΎΠ²Π°Π½Ρ Π΄Π²ΡΠΌΡ Π΄Π°ΡΡΠΈΠΊΠ°ΠΌΠΈ. ΠΠ΄ΠΈΠ½ ΠΈΠ· Π½ΠΈΡ ΡΡΡΠ°Π½Π°Π²Π»ΠΈΠ²Π°Π΅ΡΡΡ ΠΏΠ΅ΡΠ΅Π΄ ΠΊΠ°ΡΠ°Π»ΠΈΠ·Π°ΡΠΎΡΠΎΠΌ, Π²ΡΠΎΡΠΎΠΉ β ΠΏΠΎΡΠ»Π΅ Π½Π΅Π³ΠΎ. ΠΠΌΠ΅Π½Π½ΠΎ ΠΏΠΎΡΠ»Π΅Π΄Π½ΠΈΠΉ Π²ΡΡ ΠΎΠ΄ΠΈΡ ΠΈΠ· ΡΡΡΠΎΡ ΡΠ°ΡΠ΅ Π²ΡΠ΅Π³ΠΎ. ΠΠΎΠ³Π΄Π° ΡΡΠΎ ΡΠ»ΡΡΠ°Π΅ΡΡΡ, ΡΠΈΡΡΠ΅ΠΌΠ° Π²ΡΠ΄Π°Π΅Ρ ΠΎΡΠΈΠ±ΠΊΡ, Π° Π΄Π²ΠΈΠ³Π°ΡΠ΅Π»Ρ Π½Π°ΡΠΈΠ½Π°Π΅Ρ ΡΠ°Π±ΠΎΡΠ°ΡΡ Π² Π°Π²Π°ΡΠΈΠΉΠ½ΠΎΠΌ ΡΠ΅ΠΆΠΈΠΌΠ΅.
Π§ΡΠΎΠ±Ρ Π½Π΅ Π·Π°ΠΌΠΎΡΠ°ΡΠΈΠ²Π°ΡΡΡΡ Ρ ΠΏΠΎΠΊΡΠΏΠΊΠΎΠΉ Π½ΠΎΠ²ΠΎΠ³ΠΎ Π»ΡΠΌΠ±Π΄Π°-Π·ΠΎΠ½Π΄Π°, ΠΊΠΎΡΠΎΡΡΠΉ ΡΡΠΎΠΈΡ ΡΠΎΠ²ΡΠ΅ΠΌ Π½Π΅Π΄Π΅ΡΠ΅Π²ΠΎ, ΠΈ Π΅Π³ΠΎ Π½Π°ΡΡΡΠΎΠΉΠΊΠΎΠΉ, Π½Π°ΡΠΈ ΡΠΌΠ΅Π»ΡΡΡ ΠΏΡΠΈΠ΄ΡΠΌΠ°Π»ΠΈ, ΠΊΠ°ΠΊ ΠΎΠ±ΠΌΠ°Π½ΡΡΡ ΠΊΠΎΠΌΠΏΡΡΡΠ΅Ρ, ΠΏΠΎΡΡΠ°ΡΠΈΠ² Π½Π° ΡΡΠΎ ΠΊΠΎΠΏΠ΅ΠΉΠΊΠΈ. ΠΠΌΡ ΡΡΠΎΠΌΡ ΠΈΠ·ΠΎΠ±ΡΠ΅ΡΠ΅Π½ΠΈΡ β ΠΎΠ±ΠΌΠ°Π½ΠΊΠ°.
ΠΠ±ΠΌΠ°Π½ΡΡΡ ΠΊΠΎΠΌΠΏΡΡΡΠ΅Ρ Π°Π²ΡΠΎ ΠΌΠΎΠΆΠ½ΠΎ ΡΡΠ΅ΠΌΡ ΡΠΏΠΎΡΠΎΠ±Π°ΠΌΠΈ:
- ΠΏΠ΅ΡΠ΅ΠΏΡΠΎΡΠΈΡΡ ΠΊΠΎΠΌΠΏΡΡΡΠ΅Ρ;
- ΡΡΡΠ°Π½ΠΎΠ²ΠΈΡΡ ΠΌΠ΅Ρ Π°Π½ΠΈΡΠ΅ΡΠΊΡΡ ΠΎΠ±ΠΌΠ°Π½ΠΊΡ;
- ΡΡΡΠ°Π½ΠΎΠ²ΠΈΡΡ ΠΎΠ±ΠΌΠ°Π½ΠΊΡ ΡΠ»Π΅ΠΊΡΡΠΎΠ½Π½ΠΎΠ³ΠΎ ΡΠΈΠΏΠ°.
ΠΠ΅ΡΠ΅ΠΏΡΠΎΡΠΈΠ²ΠΊΠ° Π±Π»ΠΎΠΊΠ° ΡΠ»Π΅ΠΊΡΡΠΎΠ½Π½ΠΎΠ³ΠΎ ΡΠΏΡΠ°Π²Π»Π΅Π½ΠΈΡ
Π‘ΡΡΡ ΡΡΠΎΠ³ΠΎ ΠΌΠ΅ΡΠΎΠ΄Π° Π·Π°ΠΊΠ»ΡΡΠ°Π΅ΡΡΡ Π² ΡΠΎΠΌ, ΡΡΠΎΠ±Ρ Π²ΠΎΠΉΡΠΈ Π² ΠΊΠΎΠΌΠΏΡΡΡΠ΅Ρ Π°Π²ΡΠΎΠΌΠΎΠ±ΠΈΠ»Ρ, ΠΎΡΠΊΠ»ΡΡΠΈΡΡ Π΄Π°ΡΡΠΈΠΊ ΠΊΠΈΡΠ»ΠΎΡΠΎΠ΄Π° ΡΠ»Π΅ΠΊΡΡΠΎΠ½Π½ΡΠΌ ΡΠΏΠΎΡΠΎΠ±ΠΎΠΌ, ΠΈ Π²Π½Π΅ΡΡΠΈ ΠΈΠ·ΠΌΠ΅Π½Π΅Π½ΠΈΡ Π² ΠΏΡΠΎΠ³ΡΠ°ΠΌΠΌΠ½ΠΎΠ΅ ΠΎΠ±Π΅ΡΠΏΠ΅ΡΠ΅Π½ΠΈΠ΅. ΠΠ»Ρ ΡΡΠΎΠ³ΠΎ, ΠΊΠΎΠ½Π΅ΡΠ½ΠΎ, ΠΏΠΎΡΡΠ΅Π±ΡΠ΅ΡΡΡ ΠΎΠ±ΡΠ°ΡΠΈΡΡΡΡ ΠΊ ΡΠΏΠ΅ΡΠΈΠ°Π»ΠΈΡΡΠ°ΠΌ, ΠΈΠΌΠ΅ΡΡΠΈΠΌ ΠΎΠΏΡΠ΅Π΄Π΅Π»Π΅Π½Π½ΡΠ΅ Π½Π°Π²ΡΠΊΠΈ ΠΈ ΡΠΎΠΎΡΠ²Π΅ΡΡΡΠ²ΡΡΡΠ΅Π΅ ΠΎΠ±ΠΎΡΡΠ΄ΠΎΠ²Π°Π½ΠΈΠ΅.
ΠΠ΅Ρ Π°Π½ΠΈΡΠ΅ΡΠΊΠ°Ρ ΠΎΠ±ΠΌΠ°Π½ΠΊΠ°
ΠΠ΅Ρ Π°Π½ΠΈΡΠ΅ΡΠΊΠ°Ρ ΠΎΠ±ΠΌΠ°Π½ΠΊΠ° Π»ΡΠΌΠ±Π΄Π°-Π·ΠΎΠ½Π΄Π° ΠΏΡΠ΅Π΄ΡΡΠ°Π²Π»ΡΠ΅Ρ ΡΠΎΠ±ΠΎΠΉ ΠΌΠ΅ΡΠ°Π»Π»ΠΈΡΠ΅ΡΠΊΡΡ ΠΏΡΠΎΡΡΠ°Π²ΠΊΡ (Π²ΡΡΠ»ΠΊΡ) ΠΌΠ΅ΠΆΠ΄Ρ Π²ΡΡ Π»ΠΎΠΏΠ½ΠΎΠΉ ΡΡΡΠ±ΠΎΠΉ ΠΈ ΡΠ°ΠΌΠΈΠΌ Π΄Π°ΡΡΠΈΠΊΠΎΠΌ.
ΠΠ·Π³ΠΎΡΠΎΠ²ΠΈΡΡ ΡΠ°ΠΊΡΡ Π²ΡΡΠ»ΠΊΡ ΠΌΠΎΠΆΠ΅Ρ Π»ΡΠ±ΠΎΠΉ ΡΠ΅Π»ΠΎΠ²Π΅ΠΊ, ΠΈΠΌΠ΅ΡΡΠΈΠΉ ΠΌΠ°Π»Π΅ΠΉΡΠ΅Π΅ ΠΏΡΠ΅Π΄ΡΡΠ°Π²Π»Π΅Π½ΠΈΠ΅ ΠΎ ΡΠΎΠΊΠ°ΡΠ½ΠΎΠΌ Π΄Π΅Π»Π΅. Π§Π°ΡΠ΅ Π²ΡΠ΅Π³ΠΎ Π΄Π»Ρ ΡΡΠΈΡ ΡΠ΅Π»Π΅ΠΉ ΠΈΡΠΏΠΎΠ»ΡΠ·ΡΡΡ Π±ΡΠΎΠ½Π·Ρ ΠΈΠ»ΠΈ ΡΠ΅ΠΏΠ»ΠΎΡΡΡΠΎΠΉΡΠΈΠ²ΡΡ ΡΡΠ°Π»Ρ.
ΠΠΈΠΆΠ΅ ΠΏΡΠ΅Π΄ΡΡΠ°Π²Π»Π΅Π½ ΡΠ΅ΡΡΠ΅ΠΆ ΠΏΡΠΎΡΡΠ°Π²ΠΊΠΈ Π΄Π»Ρ Π²ΡΠΎΡΠΎΠ³ΠΎ Π»ΡΠΌΠ±Π΄Π°-Π·ΠΎΠ½Π΄Π° Ρ ΡΠ°Π·ΠΌΠ΅ΡΠ°ΠΌΠΈ.
ΠΡΠΈΠ½ΡΠΈΠΏ ΡΡΠΎΠ³ΠΎ ΠΌΠ΅ΡΠΎΠ΄Π° Π΄ΠΎΠ²ΠΎΠ»ΡΠ½ΠΎ ΠΏΡΠΎΡΡΠΎΠΉ: ΠΈΡΠΏΠΎΠ»ΡΠ·ΡΡ Π²ΡΡΠ»ΠΊΡ Ρ ΠΎΡΠ²Π΅ΡΡΡΠΈΠ΅ΠΌ Π΄ΠΈΠ°ΠΌΠ΅ΡΡΠΎΠΌ 2 ΠΌΠΌ, ΠΌΡ ΠΎΡΠΎΠ΄Π²ΠΈΠ³Π°Π΅ΠΌ Π΄Π°ΡΡΠΈΠΊ ΠΏΠΎΠ΄Π°Π»ΡΡΠ΅ ΠΎΡ ΠΏΠΎΡΠΎΠΊΠ° Π²ΡΡ Π»ΠΎΠΏΠ½ΡΡ Π³Π°Π·ΠΎΠ².
Π£ΡΡΠ°Π½ΠΎΠ²ΠΈΡΡ ΠΏΡΠΎΡΡΠ°Π²ΠΊΡ ΡΠ°ΠΌΠΎΡΡΠΎΡΡΠ΅Π»ΡΠ½ΠΎ Π½Π΅ΡΠ»ΠΎΠΆΠ½ΠΎ. ΠΠ°Π³ΠΎΠ½ΡΠ΅ΠΌ ΠΌΠ°ΡΠΈΠ½Ρ Π½Π° ΡΠΌΡ ΠΈΠ»ΠΈ ΡΡΡΠ°ΠΊΠ°Π΄Ρ, ΠΎΡΠΊΠ»ΡΡΠ°Π΅ΠΌ ΠΌΠΈΠ½ΡΡΠΎΠ²ΡΡ ΠΊΠ»Π΅ΠΌΠΌΡ, Π½Π°Ρ ΠΎΠ΄ΠΈΠΌ Π΄Π°ΡΡΠΈΠΊ ΠΈ Π²ΡΠΊΡΡΡΠΈΠ²Π°Π΅ΠΌ Π΅Π³ΠΎ.
ΠΡΠ΅ΠΌ Π΄ΠΎΠ±ΡΠΎΠ³ΠΎ Π²ΡΠ΅ΠΌΠ΅Π½ΠΈ ΡΡΡΠΎΠΊ!Π ΠΏΡΠΎΡΠ»ΡΡ Π·Π°ΠΏΠΈΡΡΡ Ρ ΠΏΠΈΡΠ°Π» ΠΎ ΡΠΎΠΌ, ΡΡΠΎ Ρ ΠΎΡΡ ΡΡΡΠ°Π½ΠΎΠ²ΠΈΡΡ ΠΎΠ±ΠΌΠ°Π½ΠΊΡ Π»ΡΠΌΠ±Π΄Π° Π·ΠΎΠ½Π΄ (ΠΌΠ΅Ρ Π°Π½ΠΈΡΠ΅ΡΠΊΡΡ) Π½ΠΎ ΠΈΠ΄Π΅Ρ Π½Π΅ ΡΠ²Π΅Π½ΡΠ°Π»Π°ΡΡ ΡΡΠΏΠ΅Ρ ΠΎΠΌ β¦- Π½Π΅ ΡΠΌΠΎΠ³ ΠΎΡΠΊΡΡΡΠΈΡΡ Π΄Π°ΡΡΠΈΠΊΠΈβ¦
Π ΠΈΡΠΎΠ³Π΅ ΡΠ΅ΡΠΈΠ» ΡΠ΄Π΅Π»Π°ΡΡ ΡΠ»Π΅ΠΊΡΡΠΎΠ½Π½ΡΡ ΠΎΠ±ΠΌΠ°Π½ΠΊΡ ΠΈ ΠΏΠΎΡΡΠ°Π²ΠΈΡΡ Π΅Π΅, ΠΏΡΠΎΡΠΈΡΠ°Π» ΠΌΠ½ΠΎΠ³ΠΎ ΠΈΠ½ΡΡ Π² ΠΈΠ½ΡΠ΅ΡΠ½Π΅ΡΠ΅, ΠΏΠΎΡΠΎΠ²Π΅ΡΠΎΠ²Π°Π»ΡΡ Ρ ΡΠΌΠ½ΡΠΌΠΈ Π»ΡΠ΄ΡΠΌΠΈ ΠΈ Π½Π°ΡΠ°Π» Π²Π½Π΅Π΄ΡΡΡΡ ΠΎΠ±ΠΌΠ°Π½ΠΊΡ =)
ΠΊΠΎΠΌΠΏΠΎΠ½Π΅Π½ΡΡ ΠΎΠ±ΠΌΠ°Π½ΠΊΠΈ
ΠΈΡΠΎΠ³ΠΎΠ²ΡΠΉ Π²Π°ΡΠΈΠ°Π½Ρ, ΠΎΡΡΠ°Π»ΠΎΡΡ ΠΈΠ·ΠΎΠ»ΠΈΡΠΎΠ²Π°ΡΡ ΠΈ Π²ΠΏΠ°ΡΡΡ Π² ΡΠ΅ΠΏΡ
ΡΡ Π΅ΠΌΠ°, ΠΊΠ°ΠΊΠΈΡ Π² ΠΈΠ½ΡΠ΅ΡΠ½Π΅ΡΠ΅ ΠΏΠΎΠ»Π½ΠΎβ¦
ΡΠΎΡΠΎ Ρ ΡΡΡΠ°Π½ΠΎΠ²ΠΊΠΈ Π½Π΅ΡΡ, Π½Π΅ ΡΡΠΏΠ΅Π» ΡΠ΄Π΅Π»Π°ΡΡ ΡΠΎ ΡΡ Π΅ΠΌΡ Π²ΡΠ΅ ΠΏΠΎΠ½ΡΡΠ½ΠΎ ΠΊΠ°ΠΊ Π΅Π΅ ΡΡΠ°Π²ΠΈΡΡ
Π‘ΡΠ°Π·Ρ ΡΠΊΠ°ΠΆΡ Π½Π΅ΡΠΊΠΎΠ»ΡΠΊΠΎ Π½ΡΠ°Π½ΡΠΎΠ²:
1.ΠΏΡΠΎΠ²ΠΎΠ΄Π° Ρ Π½Π°Ρ ΡΠ΅ΡΠ½ΡΠΉ(ΡΠΈΠ³Π½Π°Π»), ΡΠ΅ΡΡΠΉ(Π·Π΅ΠΌΠ»Ρ) ΠΈ 2 Π±Π΅Π»ΡΡ (ΠΏΠΎΠ΄ΠΎΠ³ΡΠ΅Π²)
2. ΠΎΠΏΡΡΠ½ΡΠΌ ΠΏΡΡΠ΅ΠΌ ΠΈ ΠΏΠΎ ΡΠΎΠ²Π΅ΡΡ «Π±ΡΠ²Π°Π»ΡΡ » Π²ΡΡΡΠ½ΠΈΠ»ΠΎΡΡ, ΡΡΠΎ Π²ΡΠ΅ ΡΡ Π΅ΠΌΡ ΠΊΠΎΡΠΎΡΡΠ΅ Π² ΠΈΠ½ΡΠ΅ΡΠ½Π΅ΡΠ΅ — ΡΡΡΡ β¦ΡΡΡΠ°Π½ΠΎΠ²ΠΊΠ° Π²Π΅ΡΠ½Π°Ρ, Π½ΠΎ ΠΊΠΎΠΌΠΏΠΎΠ½Π΅Π½ΡΡ Π½Π΅ ΡΠ΅β¦
ΠΠ΅Π·Π΄Π΅ ΠΏΠΈΡΡΡ ΡΡΠΎ Π½ΡΠΆΠ½ΠΎ ΡΡΠ°Π²ΠΈΡΡ Π½Π΅ ΠΏΠΎΠ»ΡΡΠ½ΡΠΉ ΠΊΠΎΠ½Π΄Π΅Π½ΡΠ°ΡΠΎΡ- Ρ ΡΡΠΈΠΌ Ρ ΡΠΎΠ³Π»Π°ΡΠ΅Π½, Π½ΠΎ ΡΠ΅Π·ΠΈΡΡΠΎΡ Π½Π° 1ΠΠΠΌ Π΄Π°Π΅Ρ Π½Π΅ ΡΠΎΠ²ΡΠ΅ΠΌ ΡΠΎΡΠ½ΡΡ Π°ΠΌΠΏΠ»ΠΈΡΡΠ΄Ρ Π½Π° ΠΎΡΡΠΈΠ»Π»ΠΎΠ³ΡΠ°ΡΠ΅β¦, Π΄Π° Π² ΡΠ»ΡΡΠ°Π΅ ΠΏΠΎΡΠ²Π»Π΅Π½ΠΈΠΈ ΠΠΆΠ΅ΠΊΠΈ-Π§Π°Π½Π° ΡΠ°ΠΊΠΎΠΉ Π²Π°ΡΠΈΠ°Π½Ρ ΠΏΡΠΎΠΊΠ°ΡΠΈΡ, Π½ΠΎ Π΄Π°ΡΡΠΈΠΊ Π±ΡΠ΄Π΅Ρ ΡΠ°Π±ΠΎΡΠ°ΡΡ Π½Π΅ ΡΠΎΠ²ΡΠ΅ΠΌ ΡΠΎΡΠ½ΠΎβ¦
Π Π²ΠΎΡ ΠΏΡΠΈ ΡΡΡΠ°Π½ΠΎΠ²ΠΊΠ΅ ΡΠ΅Π·ΠΈΡΡΠΎΡΠ° Π½Π° 150ΠΊΠΠΌ Π°ΠΌΠΏΠ»ΠΈΡΡΠ΄Π° ΡΡΠ°Π½Π΅Ρ ΠΏΠΎΡΡΠΈ ΡΡ
ΠΎΠΆΠ° Ρ Π°ΠΌΠΏΠ»ΠΈΡΡΠ΄ΠΎΠΉ ΠΊΠΎΠ³Π΄Π° Π΅ΡΡΡ ΠΊΠ°ΡΠ°Π»ΠΈΠ·Π°ΡΠΎΡβ¦
Π² ΠΎΠ±ΡΠ΅ΠΌ Π΄ΡΠΌΠ°ΠΉΡΠ΅ ΡΠ°ΠΌΠΈβ¦ΡΠ΅ΡΠΈΠ» ΠΏΠΎΠΏΡΠΎΠ±ΠΎΠ²Π°ΡΡ ΠΎΠ±Π° Π²Π°ΡΠΈΠ°Π½ΡΠ°β¦1 ΠΎΡΠΏΠ°Π» ΡΡΠ°Π·Ρ, Ρ.ΠΊ ΠΏΠΎΠΊΠ°ΡΠ°Π²ΡΠΈΡΡ ΠΏΠ°ΡΡ Π΄Π½Π΅ΠΉ- ΡΠ°Π·Π½ΠΈΡΡ Π²ΠΎΠΎΠ±ΡΠ΅ Π½Π΅ Π·Π°ΠΌΠ΅ΡΠΈΠ», Π° ΠΊΠΎΠ³Π΄Π° ΠΏΠΎΡΡΠ°Π²ΠΈΠ» Π²ΡΠΎΡΠΎΠΉ Π²Π°ΡΠΈΠ°Π½Ρβ¦ΡΠΎ ΡΡΡ ΡΠΎΠ²Π΅ΡΡΠ΅Π½Π½ΠΎ Π΄ΡΡΠ³ΠΎΠ΅ Π΄Π΅Π»ΠΎ! ΠΠ·ΠΆΡ ΡΠΆΠ΅ Ρ Π½ΠΈΠΌ ΠΎΠΊΠΎΠ»ΠΎ Π½Π΅Π΄Π΅Π»ΠΈ, ΠΏΠΎΠΊΠ° ΡΠ°ΡΡ ΠΎΠ΄ ΡΠΏΠ°Π», Π½ΠΎ Π½Π΅ Π½Π° ΠΌΠ½ΠΎΠ³ΠΎβ¦ΡΠ°Π½ΡΡΠ΅ ΠΏΡΠΈ Π°ΠΊΡΠΈΠ²Π½ΠΎΠΉ Π΅Π·Π΄Π΅ ΠΠ ΠΏΠΎΠΊΠ°Π·ΡΠ²Π°Π» Π±ΠΎΠ»Π΅Π΅ 13 Π»ΠΈΡΡΠΎΠ²β¦ΡΡΠΎ Π½Π΅ ΡΠ°Π΄ΠΎΠ²Π°Π»ΠΎ, ΡΠ΅ΠΉΡΠ°Ρ 10.5 ΠΏΡΠΈ Π°ΠΊΡΠΈΠ²Π½ΠΎΠΉ,9 ΠΏΡΠΈ ΡΠ΅ΠΆΠΈΠΌΠ΅ «Π΄Π΅Π΄» Π² ΠΎΠ±ΡΠ΅ΠΌ ΡΠ°ΡΡ ΠΎΠ΄ ΡΠΏΠ°Π» ΠΈ Π½Π΅ ΡΠ°ΡΡΠ΅Ρ =)
ΠΡΠ΄Π΅ΡΠΆΠΊΠ° ΠΈΠ· ΠΌΡΡΠ·ΠΈΠ»ΠΊΠΈ:
ΠΠ·Π±ΡΡΠΎΠΊ Π²ΠΎΠ·Π΄ΡΡ Π° Π² ΡΠΌΠ΅ΡΠΈ ΠΈΠ·ΠΌΠ΅ΡΡΠ΅ΡΡΡ Π²Π΅ΡΡ
kurskavtoservis.ru



