Π’Π΅Ρ Π½ΠΈΡΠ΅ΡΠΊΠΈΠ΅ Ρ Π°ΡΠ°ΠΊΡΠ΅ΡΠΈΡΡΠΈΠΊΠΈ ΠΈ Π³Π°Π±Π°ΡΠΈΡΡ ΠΠΠΠ 21213; 21214; 2131

Β Β Β Β Β Β Β ΠΠΠ-21213 ΠΈ Π΅Π³ΠΎ ΠΌΠΎΠ΄ΠΈΡΠΈΠΊΠ°ΡΠΈΠΈ β Π»Π΅Π³ΠΊΠΎΠ²ΡΠ΅ Π°Π²ΡΠΎΠΌΠΎΠ±ΠΈΠ»ΠΈ ΠΏΠΎΠ²ΡΡΠ΅Π½Π½ΠΎΠΉ ΠΏΡΠΎΡ ΠΎΠ΄ΠΈΠΌΠΎΡΡΠΈ.
ΠΡΠ΅ ΠΊΠΎΠ»Π΅ΡΠ° β ΠΏΠΎΡΡΠΎΡΠ½Π½ΠΎ Π²Π΅Π΄ΡΡΠΈΠ΅ (Π½Π΅ΠΎΡΠΊΠ»ΡΡΠ°Π΅ΠΌΡΠΉ ΠΏΠΎΠ»Π½ΡΠΉ ΠΏΡΠΈΠ²ΠΎΠ΄), Π΅ΡΡΡ ΡΠ΅ΠΆΠΈΠΌ Π±Π»ΠΎΠΊΠΈΡΠΎΠ²ΠΊΠΈ ΠΌΠ΅ΠΆΠΎΡΠ΅Π²ΠΎΠ³ΠΎ Π΄ΠΈΡΡΠ΅ΡΠ΅Π½ΡΠΈΠ°Π»Π°.
ΠΡΠ·ΠΎΠ² β Π½Π΅ΡΡΡΠΈΠΉ, ΡΠ΅Π»ΡΠ½ΠΎΠΌΠ΅ΡΠ°Π»Π»ΠΈΡΠ΅ΡΠΊΠΈΠΉ, ΡΠ²Π°ΡΠ½ΠΎΠΉ.
ΠΠ²ΠΈΠ³Π°ΡΠ΅Π»Ρ β ΡΠ΅ΡΡΡΠ΅Ρ ΡΠΈΠ»ΠΈΠ½Π΄ΡΠΎΠ²ΡΠΉ, ΡΡΠ΄Π½ΡΠΉ, Π±Π΅Π½Π·ΠΈΠ½ΠΎΠ²ΡΠΉ, ΡΠ΅ΡΡΡΠ΅Ρ ΡΠ°ΠΊΡΠ½ΡΠΉ; ΡΠ°ΡΠΏΠΎΠ»ΠΎΠΆΠ΅Π½ΠΈΠ΅ β ΠΏΠ΅ΡΠ΅Π΄Π½Π΅Π΅, ΠΏΡΠΎΠ΄ΠΎΠ»ΡΠ½ΠΎΠ΅.
ΠΠ° ΠΠΠ-21213 ΡΡΡΠ°Π½Π°Π²Π»ΠΈΠ²Π°Π΅ΡΡΡ ΠΊΠ°ΡΠ±ΡΡΠ°ΡΠΎΡΠ½ΡΠΉ Π΄Π²ΠΈΠ³Π°ΡΠ΅Π»Ρ ΠΌΠΎΠ΄. 21213 ΡΠ°Π±ΠΎΡΠΈΠΌ ΠΎΠ±ΡΠ΅ΠΌΠΎΠΌ 1,7 Π», Π½Π° ΠΠΠ-21214 β Π΄Π²ΠΈΠ³Π°ΡΠ΅Π»Ρ 21214 ΡΠΎΠ³ΠΎ ΠΆΠ΅ ΠΎΠ±ΡΠ΅ΠΌΠ° Ρ ΡΠ°ΡΠΏΡΠ΅Π΄Π΅Π»Π΅Π½Π½ΡΠΌ Π²ΠΏΡΡΡΠΊΠΎΠΌ ΡΠΎΠΏΠ»ΠΈΠ²Π°. (Π Π°Π½Π΅Π΅ Π½Π° Π°Π²ΡΠΎΠΌΠΎΠ±ΠΈΠ»ΠΈ ΠΠΠ-21214 ΡΡΡΠ°Π½Π°Π²Π»ΠΈΠ²Π°Π»ΡΡ Π΄Π²ΠΈΠ³Π°ΡΠ΅Π»Ρ 21214 Ρ ΡΠ΅Π½ΡΡΠ°Π»ΡΠ½ΡΠΌ Π²ΠΏΡΡΡΠΊΠΎΠΌ ΡΠΎΠΏΠ»ΠΈΠ²Π° ΠΈ ΠΌΠΈΠΊΡΠΎΠΏΡΠΎΡΠ΅ΡΡΠΎΡΠ½ΠΎΠΉ ΡΠΈΡΡΠ΅ΠΌΠΎΠΉ Π·Π°ΠΆΠΈΠ³Π°Π½ΠΈΡ).
ΠΠΠ-21215 (ΠΏΠΎΡΡΠ°Π²Π»ΡΠ΅ΡΡΡ Π½Π° ΡΠΊΡΠΏΠΎΡΡ) ΠΎΡΠ½Π°ΡΠ΅Π½ Π΄ΠΈΠ·Π΅Π»ΡΠ½ΡΠΌ Π΄Π²ΠΈΠ³Π°ΡΠ΅Π»Π΅ΠΌ XUD-9SD ΡΠ°Π±ΠΎΡΠΈΠΌ ΠΎΠ±ΡΠ΅ΠΌΠΎΠΌ 1,9 Π» ΠΊΠΎΠ½ΡΠ΅ΡΠ½Π° Β«ΠΠ΅ΠΆΠΎ-Π‘ΠΈΡΡΠΎΠ΅Π½Β».
ΠΠ΅Π½Π·ΠΈΠ½ΠΎΠ²ΡΠΉ Π΄Π²ΠΈΠ³Π°ΡΠ΅Π»Ρ Ρ ΡΠ΅Π½ΡΡΠ°Π»ΡΠ½ΡΠΌ Π²ΠΏΡΡΡΠΊΠΎΠΌ ΠΈ Π΄ΠΈΠ·Π΅Π»ΡΠ½ΡΠΉ Π² Π ΠΎΡΡΠΈΠΈ ΠΏΡΠ°ΠΊΡΠΈΡΠ΅ΡΠΊΠΈ Π½Π΅ Π²ΡΡΡΠ΅ΡΠ°ΡΡΡΡ ΠΈ Π² Π½Π°ΡΡΠΎΡΡΠ΅ΠΌ ΡΡΠΊΠΎΠ²ΠΎΠ΄ΡΡΠ²Π΅ Π½Π΅ ΠΎΠΏΠΈΡΠ°Π½Ρ.Β
ΠΠ° Π°Π²ΡΠΎΠΌΠΎΠ±ΠΈΠ»ΡΡ ΠΠΠ-21214 ΡΡΡΠ°Π½ΠΎΠ²Π»Π΅Π½Π° ΡΠΈΡΡΠ΅ΠΌΠ° ΡΠ½ΠΈΠΆΠ΅Π½ΠΈΡ ΡΠΎΠΊΡΠΈΡΠ½ΠΎΡΡΠΈ Ρ ΡΡΠ΅Ρ ΠΊΠΎΠΌΠΏΠΎΠ½Π΅Π½ΡΠ½ΡΠΌ Π½Π΅ΠΉΡΡΠ°Π»ΠΈΠ·Π°ΡΠΎΡΠΎΠΌ.
ΠΠΎ ΠΈΠ·Π±Π΅ΠΆΠ°Π½ΠΈΠ΅ Π²ΡΡ ΠΎΠ΄Π° ΠΈΠ· ΡΡΡΠΎΡ Π½Π΅ΠΉΡΡΠ°Π»ΠΈΠ·Π°ΡΠΎΡΠ° ΠΈ ΠΊΠΈΡΠ»ΠΎΡΠΎΠ΄Π½ΠΎΠ³ΠΎ Π΄Π°ΡΡΠΈΠΊΠ° Π·Π°ΠΏΡΠ΅ΡΠ°Π΅ΡΡΡ ΡΠΊΡΠΏΠ»ΡΠ°ΡΠ°ΡΠΈΡ ΡΡΠΈΡ Π°Π²ΡΠΎΠΌΠΎΠ±ΠΈΠ»Π΅ΠΉ Π½Π° ΡΡΠΈΠ»ΠΈΡΠΎΠ²Π°Π½Π½ΠΎΠΌ Π±Π΅Π½Π·ΠΈΠ½Π΅.
Β
|
ΠΠ°ΡΠ°ΠΌΠ΅ΡΡΡ |
ΠΠΠ-21213 |
ΠΠΠ-21214 |
|
ΠΡΠ·ΠΎΠ² |
Π¦Π΅Π»ΡΠ½ΠΎΠΌΠ΅ΡΠ°Π»Π»ΠΈΡΠ΅ΡΠΊΠΈΠΉ, Π½Π΅ΡΡΡΠΈΠΉ, Π΄Π²ΡΡ ΠΎΠ±ΡΠ΅ΠΌΠ½ΡΠΉ |
|
|
Π§ΠΈΡΠ»ΠΎ Π΄Π²Π΅ΡΠ΅ΠΉ |
3 |
|
|
ΠΠΎΠ»ΠΈΡΠ΅ΡΡΠ²ΠΎ ΠΌΠ΅ΡΡ (ΠΏΡΠΈ ΡΠ»ΠΎΠΆΠ΅Π½Π½ΡΡ Π·Π°Π΄Π½ΠΈΡ ΡΠΈΠ΄Π΅Π½ΡΡΡ ) |
4-5 (2) |
|
|
Π‘Π½Π°ΡΡΠΆΠ΅Π½Π½Π°Ρ ΠΌΠ°ΡΡΠ°, ΠΊΠ³ |
1210 |
|
|
ΠΡΡΠ·ΠΎΠΏΠΎΠ΄ΡΠ΅ΠΌΠ½ΠΎΡΡΡ, ΠΊΠ³ |
400 |
|
|
ΠΠΎΠ»Π½Π°Ρ ΠΌΠ°ΡΡΠ°, ΠΊΠ³ |
1610 |
|
|
ΠΠΎΡΠΎΠΆΠ½ΡΠΉ ΠΏΡΠΎΡΠ²Π΅Ρ Π°Π²ΡΠΎΠΌΠΎΠ±ΠΈΠ»Ρ Ρ ΠΏΠΎΠ»Π½ΠΎΠΉ Π½Π°Π³ΡΡΠ·ΠΊΠΎΠΉ ΠΏΡΠΈ ΡΡΠ°ΡΠΈΡΠ΅ΡΠΊΠΎΠΌ ΡΠ°Π΄ΠΈΡΡΠ΅ ΡΠΈΠ½ 315 ΠΌΠΌ (175/80R16)/ 322 ΠΌΠΌ (6,96-16), Π½Π΅ ΠΌΠ΅Π½Π΅Π΅, ΠΌΠΌ: |
||
|
221/228 |
|
|
213/220 |
|
|
ΠΠΎΠ»Π½Π°Ρ ΠΌΠ°ΡΡΠ° Π±ΡΠΊΡΠΈΡΡΠ΅ΠΌΠΎΠ³ΠΎ ΠΏΡΠΈΡΠ΅ΠΏΠ°, ΠΊΠ³: |
||
|
400 |
|
|
1490 |
|
|
ΠΠ°ΠΈΠΌΠ΅Π½ΡΡΠΈΠΉ ΡΠ°Π΄ΠΈΡΡ ΠΏΠΎΠ²ΠΎΡΠΎΡΠ° ΠΏΠΎ ΡΠ»Π΅Π΄Ρ Π½Π°ΡΡΠΆΠ½ΠΎΠ³ΠΎ ΠΏΠ΅ΡΠ΅Π΄Π½Π΅Π³ΠΎ ΠΊΠΎΠ»Π΅ΡΠ°, ΠΌ |
5,5 |
|
|
ΠΠ°ΠΊΡΠΈΠΌΠ°Π»ΡΠ½Π°Ρ ΡΠΊΠΎΡΠΎΡΡΡ*, ΠΊΠΌ/Ρ: |
||
|
137 |
|
|
135 |
|
|
ΠΡΠ΅ΠΌΡ ΡΠ°Π·Π³ΠΎΠ½Π°* Ρ ΠΌΠ΅ΡΡΠ° Π΄ΠΎ 100 ΠΊΠΌ/Ρ, Ρ: |
||
|
19 |
|
|
21 |
|
|
ΠΠ°ΠΊΡΠΈΠΌΠ°Π»ΡΠ½ΡΠΉ ΠΏΠΎΠ΄ΡΠ΅ΠΌ, ΠΏΡΠ΅ΠΎΠ΄ΠΎΠ»Π΅Π²Π°Π΅ΠΌΡΠΉ Π°Π²ΡΠΎΠΌΠΎΠ±ΠΈΠ»Π΅ΠΌ Ρ ΠΏΠΎΠ»Π½ΠΎΠΉ Π½Π°Π³ΡΡΠ·ΠΊΠΎΠΉ Π±Π΅Π· ΡΠ°Π·Π³ΠΎΠ½Π° Π½Π° ΠΏΠ΅ΡΠ²ΠΎΠΉ ΠΏΠ΅ΡΠ΅Π΄Π°ΡΠ΅, % |
58 |
|
| Π’ΠΎΡΠΌΠΎΠ·Π½ΠΎΠΉ ΠΏΡΡΡ Π°Π²ΡΠΎΠΌΠΎΠ±ΠΈΠ»Ρ ΠΏΡΠΈ ΡΠΊΡΡΡΠ΅Π½Π½ΠΎΠΌ ΡΠΎΡΠΌΠΎΠΆΠ΅Π½ΠΈΠΈ Ρ ΡΠ°Π·ΡΠ΅ΡΠ΅Π½Π½ΠΎΠΉ ΠΌΠ°ΠΊΡΠΈΠΌΠ°Π»ΡΠ½ΠΎΠΉ ΠΌΠ°ΡΡΠΎΠΉ ΡΠΎ ΡΠΊΠΎΡΠΎΡΡΠΈ 80 ΠΊΠΌ/Ρ Π½Π° Π³ΠΎΡΠΈΠ·ΠΎΠ½ΡΠ°Π»ΡΠ½ΠΎΠΌ ΡΡΠ°ΡΡΠΊΠ΅ ΡΠΎΠ²Π½ΠΎΠ³ΠΎ Π°ΡΡΠ°Π»ΡΡΠΈΡΠΎΠ²Π°Π½Π½ΠΎΠ³ΠΎ ΡΠΎΡΡΠ΅, Π½Π΅ Π±ΠΎΠ»Π΅Π΅, ΠΌ: | ||
|
40 |
|
|
90 |
|
|
Β |
Β |
|
|
Π Π°ΡΡ ΠΎΠ΄ ΡΠΎΠΏΠ»ΠΈΠ²Π°* Π½Π° 100 ΠΊΠΌ ΠΏΡΡΠΈ Π½Π΅ Π±ΠΎΠ»Π΅Π΅, Π»: |
||
|
8,3 |
8,3 |
|
11,5 |
11,2 |
|
10,3 |
10,2 |
ΠΠ²ΠΈΠ³Π°ΡΠ΅Π»Ρ
|
ΠΠ°ΡΠ°ΠΌΠ΅ΡΡΡ |
ΠΠΠ-21213 |
ΠΠΠ-21214** |
|
Π’ΠΈΠΏ |
Π§Π΅ΡΡΡΠ΅Ρ ΡΠ°ΠΊΡΠ½ΡΠΉ Π±Π΅Π½Π·ΠΈΠ½ΠΎΠ²ΡΠΉ |
Π§Π΅ΡΡΡΠ΅Ρ ΡΠ°ΠΊΡΠ½ΡΠΉ Π±Π΅Π½Π·ΠΈΠ½ΠΎΠ²ΡΠΉ |
|
Π§ΠΈΡΠ»ΠΎ ΠΈ ΡΠ°ΡΠΏΠΎΠ»ΠΎΠΆΠ΅Π½ΠΈΠ΅ ΡΠΈΠ»ΠΈΠ½Π΄ΡΠΎΠ² |
4, Π² ΡΡΠ΄ |
4, Π² ΡΡΠ΄ |
|
ΠΠΎΡΡΠ΄ΠΎΠΊ ΡΠ°Π±ΠΎΡΡ ΡΠΈΠ»ΠΈΠ½Π΄ΡΠΎΠ² |
1-3-4-2 |
1-3-4-2 |
|
ΠΠΈΠ°ΠΌΠ΅ΡΡ ΡΠΈΠ»ΠΈΠ½Π΄ΡΠ° ΠΈ Ρ ΠΎΠ΄ ΠΏΠΎΡΡΠ½Ρ, ΠΌΠΌ |
82Ρ 80 |
82Ρ 80 |
|
Π Π°Π±ΠΎΡΠΈΠΉ ΠΎΠ±ΡΠ΅ΠΌ, Π» |
1,69 |
1,69 |
|
Π‘ΡΠ΅ΠΏΠ΅Π½Ρ ΡΠΆΠ°ΡΠΈΡ |
9,3 |
9,3 |
|
ΠΠΎΠΌΠΈΠ½Π°Π»ΡΠ½Π°Ρ ΠΌΠΎΡΠ½ΠΎΡΡΡ ΠΏΠΎ ΠΠΠ‘Π’ 14846β81 (Π½Π΅ΡΡΠΎ), ΠΊΠΡ (Π».Ρ.) |
58,0 (78,9) |
59,5 (80,9) |
|
Π§Π°ΡΡΠΎΡΠ° Π²ΡΠ°ΡΠ΅Π½ΠΈΡ ΠΊΠΎΠ»Π΅Π½ΡΠ°ΡΠΎΠ³ΠΎ Π²Π°Π»Π° ΠΏΡΠΈ Π½ΠΎΠΌΠΈΠ½Π°Π»ΡΠ½ΠΎΠΉ ΠΌΠΎΡΠ½ΠΎΡΡΠΈ, ΠΌΠΈΠ½Β β1 |
5200 |
5200 |
|
ΠΠ°ΠΊΡΠΈΠΌΠ°Π»ΡΠ½ΡΠΉ ΠΊΡΡΡΡΡΠΈΠΉ ΠΌΠΎΠΌΠ΅Π½Ρ, Π.ΠΌ (ΠΊΠ³Ρ.ΠΌ) ΠΏΠΎ ΠΠΠ‘Π’ 14846β81 (Π½Π΅ΡΡΠΎ) |
127 (12,9) |
127,5 (13,0) |
|
Π§Π°ΡΡΠΎΡΠ° Π²ΡΠ°ΡΠ΅Π½ΠΈΡ ΠΊΠΎΠ»Π΅Π½ΡΠ°ΡΠΎΠ³ΠΎ Π²Π°Π»Π° ΠΏΡΠΈ ΠΌΠ°ΠΊΡΠΈΠΌΠ°Π»ΡΠ½ΠΎΠΌ ΠΊΡΡΡΡΡΠ΅ΠΌ ΠΌΠΎΠΌΠ΅Π½ΡΠ΅, ΠΌΠΈΠ½Β β1 |
3000 |
4000 |
|
ΠΠΈΠ½ΠΈΠΌΠ°Π»ΡΠ½Π°Ρ ΡΠ°ΡΡΠΎΡΠ° Π²ΡΠ°ΡΠ΅Π½ΠΈΡ ΠΊΠΎΠ»Π΅Π½ΡΠ°ΡΠΎΠ³ΠΎ Π²Π°Π»Π° Π½Π° ΡΠ΅ΠΆΠΈΠΌΠ΅ Ρ ΠΎΠ»ΠΎΡΡΠΎΠ³ΠΎ Ρ ΠΎΠ΄Π°, ΠΌΠΈΠ½Β β1 |
750β800 |
820β880 |
|
Π‘ΠΈΡΡΠ΅ΠΌΠ° ΠΏΠΈΡΠ°Π½ΠΈΡ |
Π‘ ΠΊΠ°ΡΠ±ΡΡΠ°ΡΠΎΡΠΎΠΌ |
Π Π°ΡΠΏΡΠ΅Π΄Π΅Π»Π΅Π½Π½ΡΠΉ Π²ΠΏΡΡΡΠΊ |
|
Π’ΠΎΠΏΠ»ΠΈΠ²ΠΎ |
ΠΠ΅Π½Π·ΠΈΠ½ Ρ ΠΎΠΊΡΠ°Π½ΠΎΠ²ΡΠΌ ΡΠΈΡΠ»ΠΎΠΌ 92β95 |
ΠΠ΅ΡΡΠΈΠ»ΠΈΡΠΎΠ²Π°Π½Π½ΡΠΉ Π±Π΅Π½Π·ΠΈΠ½ Ρ ΠΎΠΊΡΠ°Π½ΠΎΠ²ΡΠΌ ΡΠΈΡΠ»ΠΎΠΌ 92β95 |
|
ΠΠ°ΠΆΠΈΠ³Π°Π½ΠΈΠ΅ |
ΠΠ΅ΡΠΊΠΎΠ½ΡΠ°ΠΊΡΠ½Π°Ρ |
ΠΠΈΠΊΡΠΎΠΏΡΠΎΡΠ΅ΡΡΠΎΡΠ½Π°Ρ |
|
ΠΠ°ΡΠ°Π»ΡΠ½ΡΠΉ ΡΠ³ΠΎΠ» ΠΎΠΏΠ΅ΡΠ΅ΠΆΠ΅Π½ΠΈΡ Π·Π°ΠΆΠΈΠ³Π°Π½ΠΈΡ, Π³ΡΠ°Π΄ΡΡ |
1Β±1Β° |
Π Π΅Π³ΡΠ»ΠΈΡΠΎΠ²ΠΊΠ΅ Π½Π΅ ΠΏΠΎΠ΄Π»Π΅ΠΆΠΈΡ |
Π’ΡΠ°Π½ΡΠΌΠΈΡΡΠΈΡ
|
Π‘ΡΠ΅ΠΏΠ»Π΅Π½ΠΈΠ΅ |
ΠΠ΄Π½ΠΎΠ΄ΠΈΡΠΊΠΎΠ²ΠΎΠ΅, ΡΡΡ ΠΎΠ΅, Ρ Π΄ΠΈΠ°ΡΡΠ°Π³ΠΌΠ΅Π½Π½ΠΎΠΉ Π½Π°ΠΆΠΈΠΌΠ½ΠΎΠΉ ΠΏΡΡΠΆΠΈΠ½ΠΎΠΉ |
|
ΠΡΠΈΠ²ΠΎΠ΄ Π²ΡΠΊΠ»ΡΡΠ΅Π½ΠΈΡ ΡΡΠ΅ΠΏΠ»Π΅Π½ΠΈΡ |
ΠΠΈΠ΄ΡΠ°Π²Π»ΠΈΡΠ΅ΡΠΊΠΈΠΉ |
|
ΠΠΎΡΠΎΠ±ΠΊΠ° ΠΏΠ΅ΡΠ΅Π΄Π°Ρ |
ΠΠ΅Ρ Π°Π½ΠΈΡΠ΅ΡΠΊΠ°Ρ; ΠΏΡΡΡ ΠΏΠ΅ΡΠ΅Π΄Π°Ρ ΠΏΠ΅ΡΠ΅Π΄Π½Π΅Π³ΠΎ Ρ ΠΎΠ΄Π°, ΠΎΠ΄Π½Π° β Π·Π°Π΄Π½Π΅Π³ΠΎ; Π²ΡΠ΅ ΠΏΠ΅ΡΠ΅Π΄Π°ΡΠΈ ΠΏΠ΅ΡΠ΅Π΄Π½Π΅Π³ΠΎ Ρ ΠΎΠ΄Π° ΡΠΈΠ½Ρ ΡΠΎΠ½ΠΈΠ·ΠΈΡΠΎΠ²Π°Π½Ρ |
|
ΠΠ΅ΡΠ΅Π΄Π°ΡΠΎΡΠ½ΡΠ΅ ΡΠΈΡΠ»Π° ΠΊΠΎΡΠΎΠ±ΠΊΠΈ ΠΏΠ΅ΡΠ΅Π΄Π°Ρ: |
|
|
3,67 |
|
|
2,1 |
|
|
1,36 |
|
|
1 |
|
|
0,82 |
|
|
3,53 |
|
|
Π Π°Π·Π΄Π°ΡΠΎΡΠ½Π°Ρ ΠΊΠΎΡΠΎΠ±ΠΊΠ° |
ΠΠ²ΡΡ ΡΡΡΠΏΠ΅Π½ΡΠ°ΡΠ°Ρ; Ρ ΠΌΠ΅ΠΆΠΎΡΠ΅Π²ΡΠΌ Π΄ΠΈΡΡΠ΅ΡΠ΅Π½ΡΠΈΠ°Π»ΠΎΠΌ Ρ ΠΏΡΠΈΠ½ΡΠ΄ΠΈΡΠ΅Π»ΡΠ½ΠΎΠΉ Π±Π»ΠΎΠΊΠΈΡΠΎΠ²ΠΊΠΎΠΉ |
|
ΠΠ΅ΡΠ΅Π΄Π°ΡΠΎΡΠ½ΡΠ΅ ΡΠΈΡΠ»Π° ΡΠ°Π·Π΄Π°ΡΠΎΡΠ½ΠΎΠΉ ΠΊΠΎΡΠΎΠ±ΠΊΠΈ: |
Β |
|
1, 2 |
|
2, 135 |
|
ΠΡΠΎΠΌΠ΅ΠΆΡΡΠΎΡΠ½ΡΠΉ Π²Π°Π» (ΠΎΡ ΠΊΠΎΡΠΎΠ±ΠΊΠΈ ΠΏΠ΅ΡΠ΅Π΄Π°Ρ ΠΊ ΡΠ°Π·Π΄Π°ΡΠΎΡΠ½ΠΎΠΉ ΠΊΠΎΡΠΎΠ±ΠΊΠ΅) |
Π‘ ΡΠ»Π°ΡΡΠΈΡΠ½ΠΎΠΉ ΠΌΡΡΡΠΎΠΉ ΠΈ ΡΠ°ΡΠ½ΠΈΡΠΎΠΌ ΡΠ°Π²Π½ΡΡ ΡΠ³Π»ΠΎΠ²ΡΡ ΡΠΊΠΎΡΠΎΡΡΠ΅ΠΉ |
|
ΠΠ΅ΡΠ΅Π΄Π½ΠΈΠΉ ΠΈ Π·Π°Π΄Π½ΠΈΠΉ ΠΊΠ°ΡΠ΄Π°Π½Π½ΡΠ΅ Π²Π°Π»Ρ (ΠΎΡ ΡΠ°Π·Π΄Π°ΡΠΎΡΠ½ΠΎΠΉ ΠΊΠΎΡΠΎΠ±ΠΊΠΈ ΠΊ ΠΏΠ΅ΡΠ΅Π΄Π½Π΅ΠΌΡ ΠΈ Π·Π°Π΄Π½Π΅ΠΌΡ ΠΌΠΎΡΡΠ°ΠΌ) |
Π’ΡΡΠ±ΡΠ°ΡΠΎΠ³ΠΎ ΡΠ΅ΡΠ΅Π½ΠΈΡ, Ρ Π΄Π²ΡΠΌΡ ΠΊΠ°ΡΠ΄Π°Π½Π½ΡΠΌΠΈ ΡΠ°ΡΠ½ΠΈΡΠ°ΠΌΠΈ Π½Π° ΠΈΠ³ΠΎΠ»ΡΡΠ°ΡΡΡ ΠΏΠΎΠ΄ΡΠΈΠΏΠ½ΠΈΠΊΠ°Ρ Ρ ΠΏΡΠ΅ΡΡ-ΠΌΠ°ΡΠ»Π΅Π½ΠΊΠ°ΠΌΠΈ |
|
ΠΠ»Π°Π²Π½Π°Ρ ΠΏΠ΅ΡΠ΅Π΄Π°ΡΠ° (ΠΏΠ΅ΡΠ΅Π΄Π½Π΅Π³ΠΎ ΠΈ Π·Π°Π΄Π½Π΅Π³ΠΎ ΠΌΠΎΡΡΠΎΠ²) |
ΠΠΎΠ½ΠΈΡΠ΅ΡΠΊΠ°Ρ, Π³ΠΈΠΏΠΎΠΈΠ΄Π½Π°Ρ |
|
ΠΠ΅ΡΠ΅Π΄Π°ΡΠΎΡΠ½ΠΎΠ΅ ΡΠΈΡΠ»ΠΎ Π³Π»Π°Π²Π½ΠΎΠΉ ΠΏΠ΅ΡΠ΅Π΄Π°ΡΠΈ |
3,9 |
|
ΠΡΠΈΠ²ΠΎΠ΄ ΠΏΠ΅ΡΠ΅Π΄Π½ΠΈΡ ΠΊΠΎΠ»Π΅Ρ |
ΠΡΠΊΡΡΡΡΠΌΠΈ Π²Π°Π»Π°ΠΌΠΈ Ρ ΡΠ°ΡΠ½ΠΈΡΠ°ΠΌΠΈ ΡΠ°Π²Π½ΡΡ ΡΠ³Π»ΠΎΠ²ΡΡ ΡΠΊΠΎΡΠΎΡΡΠ΅ΠΉ |
|
ΠΡΠΈΠ²ΠΎΠ΄ Π·Π°Π΄Π½ΠΈΡ ΠΊΠΎΠ»Π΅Ρ |
ΠΠΎΠ»ΡΠΎΡΡΠΌΠΈ, ΠΏΡΠΎΡ ΠΎΠ΄ΡΡΠΈΠΌΠΈ Π² Π±Π°Π»ΠΊΠ΅ Π·Π°Π΄Π½Π΅Π³ΠΎ ΠΌΠΎΡΡΠ° |
ΠΠΎΠ΄Π²Π΅ΡΠΊΠ°, Ρ ΠΎΠ΄ΠΎΠ²Π°Ρ ΡΠ°ΡΡΡ
|
ΠΠ΅ΡΠ΅Π΄Π½ΡΡ ΠΏΠΎΠ΄Π²Π΅ΡΠΊΠ° |
ΠΠ΅Π·Π°Π²ΠΈΡΠΈΠΌΠ°Ρ, Π½Π° ΠΏΠΎΠΏΠ΅ΡΠ΅ΡΠ½ΡΡ ΡΡΡΠ°Π³Π°Ρ , Ρ ΡΠΈΠ»ΠΈΠ½Π΄ΡΠΈΡΠ΅ΡΠΊΠΈΠΌΠΈ ΠΏΡΡΠΆΠΈΠ½Π°ΠΌΠΈ, Ρ ΡΠ΅Π»Π΅ΡΠΊΠΎΠΏΠΈΡΠ΅ΡΠΊΠΈΠΌΠΈ Π³ΠΈΠ΄ΡΠ°Π²Π»ΠΈΡΠ΅ΡΠΊΠΈΠΌΠΈ Π°ΠΌΠΎΡΡΠΈΠ·Π°ΡΠΎΡΠ°ΠΌΠΈ ΠΈ ΡΡΠ°Π±ΠΈΠ»ΠΈΠ·Π°ΡΠΎΡΠΎΠΌ ΠΏΠΎΠΏΠ΅ΡΠ΅ΡΠ½ΠΎΠΉ ΡΡΡΠΎΠΉΡΠΈΠ²ΠΎΡΡΠΈ |
|
ΠΠ°Π΄Π½ΡΡ ΠΏΠΎΠ΄Π²Π΅ΡΠΊΠ° |
ΠΠ°Π²ΠΈΡΠΈΠΌΠ°Ρ (ΠΆΠ΅ΡΡΠΊΠ°Ρ Π±Π°Π»ΠΊΠ°), Π½Π° ΡΠ΅ΡΡΡΠ΅Ρ ΠΏΡΠΎΠ΄ΠΎΠ»ΡΠ½ΡΡ ΠΈ ΠΎΠ΄Π½ΠΎΠΌ ΠΏΠΎΠΏΠ΅ΡΠ΅ΡΠ½ΠΎΠΌ ΡΡΡΠ°Π³Π°Ρ , Ρ ΡΠΈΠ»ΠΈΠ½Π΄ΡΠΈΡΠ΅ΡΠΊΠΈΠΌΠΈ ΠΏΡΡΠΆΠΈΠ½Π°ΠΌΠΈ ΠΈ ΡΠ΅Π»Π΅ΡΠΊΠΎΠΏΠΈΡΠ΅ΡΠΊΠΈΠΌΠΈ Π³ΠΈΠ΄ΡΠ°Π²Π»ΠΈΡΠ΅ΡΠΊΠΈΠΌΠΈ Π°ΠΌΠΎΡΡΠΈΠ·Π°ΡΠΎΡΠ°ΠΌΠΈ |
|
ΠΠΎΠ»Π΅ΡΠ°: |
ΠΠΈΡΠΊΠΎΠ²ΡΠ΅ ΡΡΠ°ΠΌΠΏΠΎΠ²Π°Π½Π½ΡΠ΅ ΠΈΠ»ΠΈ ΠΈΠ· Π»Π΅Π³ΠΊΠΈΡ ΡΠΏΠ»Π°Π²ΠΎΠ² |
|
Π Π°Π·ΠΌΠ΅Ρ ΠΎΠ±ΠΎΠ΄Π° |
127J-406 (5JΡ 16) ΠΈΠ»ΠΈ 51/2JΡ 16 (ΡΠΎΠ»ΡΠΊΠΎ Π΄Π»Ρ ΠΊΠΎΠ»Π΅Ρ ΠΈΠ· Π»Π΅Π³ΠΊΠΈΡ ΡΠΏΠ»Π°Π²ΠΎΠ²) |
|
ΠΡΠ»Π΅Ρ, ΠΠ’ (ΡΠ°ΡΡΡΠΎΡΠ½ΠΈΠ΅ ΠΎΡ ΠΏΡΠΈΠ²Π°Π»ΠΎΡΠ½ΠΎΠΉ ΠΏΠ»ΠΎΡΠΊΠΎΡΡΠΈ Π΄ΠΈΡΠΊΠ° Π΄ΠΎ ΡΠ΅ΡΠ΅Π΄ΠΈΠ½Ρ ΠΎΠ±ΠΎΠ΄Π°), ΠΌΠΌ |
58 ΠΈΠ»ΠΈ 48β58 (ΡΠΎΠ»ΡΠΊΠΎ Π΄Π»Ρ ΠΊΠΎΠ»Π΅Ρ ΠΈΠ· Π»Π΅Π³ΠΊΠΈΡ ΡΠΏΠ»Π°Π²ΠΎΠ²) |
|
Π¨ΠΈΠ½Ρ |
ΠΠΈΠ°Π³ΠΎΠ½Π°Π»ΡΠ½ΡΠ΅ ΠΈΠ»ΠΈ ΡΠ°Π΄ΠΈΠ°Π»ΡΠ½ΡΠ΅ |
|
Π Π°Π·ΠΌΠ΅Ρ ΡΠΈΠ½ |
175-406 (6,95-16) β Π΄ΠΈΠ°Π³ΠΎΠ½Π°Π»ΡΠ½ΡΠ΅;Β |
Π ΡΠ»Π΅Π²ΠΎΠ΅ ΡΠΏΡΠ°Π²Π»Π΅Π½ΠΈΠ΅
|
Π ΡΠ»Π΅Π²ΠΎΠΉ ΠΌΠ΅Ρ Π°Π½ΠΈΠ·ΠΌ |
ΠΠ»ΠΎΠ±ΠΎΠΈΠ΄Π°Π»ΡΠ½ΡΠΉ ΡΠ΅ΡΠ²ΡΠΊ Ρ Π΄Π²ΡΡ Π³ΡΠ΅Π±Π½Π΅Π²ΡΠΌ ΡΠΎΠ»ΠΈΠΊΠΎΠΌ |
|
ΠΠ΅ΡΠ΅Π΄Π°ΡΠΎΡΠ½ΠΎΠ΅ ΡΠΈΡΠ»ΠΎ ΡΡΠ»Π΅Π²ΠΎΠ³ΠΎ ΠΌΠ΅Ρ Π°Π½ΠΈΠ·ΠΌΠ° |
16,4 |
|
Π ΡΠ»Π΅Π²ΠΎΠΉ ΠΏΡΠΈΠ²ΠΎΠ΄ |
Π’ΡΠ΅Ρ Π·Π²Π΅Π½Π½ΡΠΉ: Ρ ΠΎΠ΄Π½ΠΎΠΉ ΡΡΠ΅Π΄Π½Π΅ΠΉ ΠΈ Π΄Π²ΡΠΌΡ Π±ΠΎΠΊΠΎΠ²ΡΠΌΠΈ ΡΠ°Π·ΡΠ΅Π·Π½ΡΠΌΠΈ ΡΡΠ³Π°ΠΌΠΈ; Ρ ΠΌΠ°ΡΡΠ½ΠΈΠΊΠΎΠ²ΡΠΌ ΡΡΡΠ°Π³ΠΎΠΌ |
Π’ΠΎΡΠΌΠΎΠ·Π½Π°Ρ ΡΠΈΡΡΠ΅ΠΌΠ°
|
Π Π°Π±ΠΎΡΠ°Ρ ΡΠΎΡΠΌΠΎΠ·Π½Π°Ρ ΡΠΈΡΡΠ΅ΠΌΠ° |
ΠΠΈΠ΄ΡΠ°Π²Π»ΠΈΡΠ΅ΡΠΊΠ°Ρ, Ρ Π²Π°ΠΊΡΡΠΌΠ½ΡΠΌ ΡΡΠΈΠ»ΠΈΡΠ΅Π»Π΅ΠΌ, Π΄Π²ΡΡ ΠΊΠΎΠ½ΡΡΡΠ½Π°Ρ |
|
ΠΠ΅ΡΠ΅Π΄Π½ΠΈΠΉ ΡΠΎΡΠΌΠΎΠ· |
ΠΠΈΡΠΊΠΎΠ²ΡΠΉ, Π½Π΅Π²Π΅Π½ΡΠΈΠ»ΠΈΡΡΠ΅ΠΌΡΠΉ, Ρ ΠΏΠΎΠ΄Π²ΠΈΠΆΠ½ΡΠΌ ΡΡΠΏΠΏΠΎΡΡΠΎΠΌ, ΡΡΠ΅Ρ ΠΏΠΎΡΡΠ½Π΅Π²ΠΎΠΉ |
|
ΠΠ°Π΄Π½ΠΈΠΉ ΡΠΎΡΠΌΠΎΠ· |
ΠΠ°ΡΠ°Π±Π°Π½Π½ΡΠΉ, Ρ Π°Π²ΡΠΎΠΌΠ°ΡΠΈΡΠ΅ΡΠΊΠΎΠΉ ΡΠ΅Π³ΡΠ»ΠΈΡΠΎΠ²ΠΊΠΎΠΉ Π·Π°Π·ΠΎΡΠ° ΠΌΠ΅ΠΆΠ΄Ρ ΠΊΠΎΠ»ΠΎΠ΄ΠΊΠ°ΠΌΠΈ ΠΈ Π±Π°ΡΠ°Π±Π°Π½ΠΎΠΌ |
|
Π‘ΡΠΎΡΠ½ΠΎΡΠ½ΡΠΉ ΡΠΎΡΠΌΠΎΠ· |
Π‘ ΡΡΠΎΡΠΎΠ²ΡΠΌ ΠΏΡΠΈΠ²ΠΎΠ΄ΠΎΠΌ Π½Π° ΠΊΠΎΠ»ΠΎΠ΄ΠΊΠΈ Π·Π°Π΄Π½Π΅Π³ΠΎ ΡΠΎΡΠΌΠΎΠ·Π° |
ΠΠ»Π΅ΠΊΡΡΠΎΠΎΠ±ΠΎΡΡΠ΄ΠΎΠ²Π°Π½ΠΈΠ΅
|
Π‘Ρ Π΅ΠΌΠ° ΡΠ»Π΅ΠΊΡΡΠΎΠΎΠ±ΠΎΡΡΠ΄ΠΎΠ²Π°Π½ΠΈΡ |
ΠΠ΄Π½ΠΎΠΏΡΠΎΠ²ΠΎΠ΄Π½Π°Ρ; ΠΎΡΡΠΈΡΠ°ΡΠ΅Π»ΡΠ½ΡΠ΅ Π²ΡΠ²ΠΎΠ΄Ρ ΠΈΡΡΠΎΡΠ½ΠΈΠΊΠΎΠ² ΠΏΠΈΡΠ°Π½ΠΈΡ ΠΈ ΠΏΠΎΡΡΠ΅Π±ΠΈΡΠ΅Π»Π΅ΠΉ ΡΠΎΠ΅Π΄ΠΈΠ½Π΅Π½Ρ Ρ Β«ΠΌΠ°ΡΡΠΎΠΉΒ» β ΠΊΡΠ·ΠΎΠ²ΠΎΠΌ ΠΈ ΡΠΈΠ»ΠΎΠ²ΡΠΌ Π°Π³ΡΠ΅Π³Π°ΡΠΎΠΌ |
|
ΠΠΎΠΌΠΈΠ½Π°Π»ΡΠ½ΠΎΠ΅ Π½Π°ΠΏΡΡΠΆΠ΅Π½ΠΈΠ΅, Π |
12 |
|
ΠΠΊΠΊΡΠΌΡΠ»ΡΡΠΎΡ |
ΠΠΌΠΊΠΎΡΡΡΡ 55 Π.Ρ ΠΏΡΠΈ 20-ΡΠ°ΡΠΎΠ²ΠΎΠΌ ΡΠ΅ΠΆΠΈΠΌΠ΅ ΡΠ°Π·ΡΡΠ΄Π° |
|
ΠΠ΅Π½Π΅ΡΠ°ΡΠΎΡ |
ΠΠ΅ΡΠ΅ΠΌΠ΅Π½Π½ΠΎΠ³ΠΎ ΡΠΎΠΊΠ° ΡΠΎ Π²ΡΡΡΠΎΠ΅Π½Π½ΡΠΌ Π²ΡΠΏΡΡΠΌΠΈΡΠ΅Π»Π΅ΠΌ ΠΈ ΡΠ΅Π³ΡΠ»ΡΡΠΎΡΠΎΠΌ Π½Π°ΠΏΡΡΠΆΠ΅Π½ΠΈΡ, ΠΌΠ°ΠΊΡΠΈΠΌΠ°Π»ΡΠ½ΡΠΉ ΡΠΎΠΊ ΠΎΡΠ΄Π°ΡΠΈ 55 Π ΠΏΡΠΈ ΡΠ°ΡΡΠΎΡΠ΅ Π²ΡΠ°ΡΠ΅Π½ΠΈΡ ΡΠΎΡΠΎΡΠ° 5000 ΠΌΠΈΠ½Β -1 |
|
Π‘ΡΠ°ΡΡΠ΅Ρ |
ΠΠΎΡΡΠΎΡΠ½Π½ΠΎΠ³ΠΎ ΡΠΎΠΊΠ°, Ρ ΡΠ»Π΅ΠΊΡΡΠΎΠΌΠ°Π³Π½ΠΈΡΠ½ΡΠΌ ΡΡΠ³ΠΎΠ²ΡΠΌ ΡΠ΅Π»Π΅ ΠΈ ΠΌΡΡΡΠΎΠΉ ΡΠ²ΠΎΠ±ΠΎΠ΄Π½ΠΎΠ³ΠΎ Ρ ΠΎΠ΄Π°. ΠΠΎΡΠ½ΠΎΡΡΡ 1,3 ΠΊΠΡ |
Β

ΠΠ΅ Π½Π°Π΄ΠΎ Π·Π°Π±ΡΠ²Π°ΡΡ, ΡΡΠΎ ΠΏΡΠΎΠ³ΡΠ΅ΡΡ ΠΈΠ΄Π΅Ρ Π²ΠΏΠ΅ΡΠ΅Π΄ ΠΈ Π½Π΅ΠΊΠΎΡΠΎΡΡΠ΅ Π΄Π°Π½Π½ΡΠ΅ ΡΠΊΠ°Π·Π°Π½Π½ΡΠ΅ Π² ΡΡΠΎΠΉ ΡΡΠ°ΡΡΠ΅ ΠΌΠΎΠ³Π»ΠΈ ΡΡΡΠ°ΡΠ΅ΡΡ, ΠΏΡΠΈΡΠ΅ΡΠΏΠ΅ΡΡ ΠΈΠ·ΠΌΠ΅Π½Π΅Π½ΠΈΡ ΠΈΠ»ΠΈ ΡΡΠ°ΡΡ ΠΏΡΠΎΡΡΠΎ Π½Π΅Π°ΠΊΡΡΠ°Π»ΡΠ½ΡΠΌΠΈ.
ΠΡΠΎΡΠΌΠΎΡΡΠΎΠ²: 12238
ΠΠ°ΡΠ°: ΠΡΠΎΡΠ½ΠΈΠΊ, 22 ΠΠ°ΡΡΠ° 2016
www.niva-lada4x4.ru
| Β | Β Β Β Β Β Β Β Β ΠΠΎΠ»Π΅Π΅ ΠΏΠΎΠ»Π½ΡΠ΅ Π³Π°Π±Π°ΡΠΈΡΠ½ΡΠ΅ ΡΠ°Π·ΠΌΠ΅ΡΡ Π΄Π»Ρ Π²ΡΠ΅Ρ Π²ΠΈΠ΄ΠΎΠ² ΠΊΡΠ·ΠΎΠ²Π° ΠΠ ΠΠ’ΠΠΠ Π₯ΠΠ ΠΠΠ’ΠΠ ΠΠ‘Π’ΠΠΠ ΠΠ LADA 4X4 (3 Π΄Π²Π΅ΡΠΈ) 1.7 Π 8 ΠΠ. (83 Π.Π‘.), 5ΠΠ’ (2017 Π³)
ΠΠ ΠΠ’ΠΠΠ Π₯ΠΠ ΠΠΠ’ΠΠ ΠΠ‘Π’ΠΠΠ ΠΠ LADA 4X4 (5 Π΄Π²Π΅ΡΠ΅ΠΉ)
ΠΠ ΠΠ’ΠΠΠ Π₯ΠΠ ΠΠΠ’ΠΠ ΠΠ‘Π’ΠΠΠ ΠΠ LADA 4X4 Urban (3 Π΄Π²Π΅ΡΠΈ)
ΠΠΠΠ ΠΠΠΠ«Π Π’ΠΠ₯ΠΠΠ§ΠΠ‘ΠΠΠ Π₯ΠΠ ΠΠΠ’ΠΠ ΠΠ‘Π’ΠΠΠ ΠΠΠ’ΠΠΠΠΠΠΠΠ ΠΠΠ-21213 ΠΈ 21214 ΠΠΠ-21213 ΠΈ Π΅Π³ΠΎ ΠΌΠΎΠ΄ΠΈΡΠΈΠΊΠ°ΡΠΈΠΈ β Π»Π΅Π³ΠΊΠΎΠ²ΡΠ΅ Π°Π²ΡΠΎΠΌΠΎΠ±ΠΈΠ»ΠΈ ΠΏΠΎΠ²ΡΡΠ΅Π½Π½ΠΎΠΉ ΠΏΡΠΎΡ ΠΎΠ΄ΠΈΠΌΠΎΡΡΠΈ. ΠΡΠ΅ ΠΊΠΎΠ»Π΅ΡΠ° β ΠΏΠΎΡΡΠΎΡΠ½Π½ΠΎ Π²Π΅Π΄ΡΡΠΈΠ΅ (Π½Π΅ΠΎΡΠΊΠ»ΡΡΠ°Π΅ΠΌΡΠΉ ΠΏΠΎΠ»Π½ΡΠΉ ΠΏΡΠΈΠ²ΠΎΠ΄), Π΅ΡΡΡ ΡΠ΅ΠΆΠΈΠΌ Π±Π»ΠΎΠΊΠΈΡΠΎΠ²ΠΊΠΈ ΠΌΠ΅ΠΆΠΎΡΠ΅Π²ΠΎΠ³ΠΎ Π΄ΠΈΡΡΠ΅ΡΠ΅Π½ΡΠΈΠ°Π»Π°. ΠΡΠ·ΠΎΠ² β Π½Π΅ΡΡΡΠΈΠΉ, ΡΠ΅Π»ΡΠ½ΠΎΠΌΠ΅ΡΠ°Π»Π»ΠΈΡΠ΅ΡΠΊΠΈΠΉ, ΡΠ²Π°ΡΠ½ΠΎΠΉ. ΠΠ²ΠΈΠ³Π°ΡΠ΅Π»Ρ β ΡΠ΅ΡΡΡΠ΅Ρ ΡΠΈΠ»ΠΈΠ½Π΄ΡΠΎΠ²ΡΠΉ, ΡΡΠ΄Π½ΡΠΉ, Π±Π΅Π½Π·ΠΈΠ½ΠΎΠ²ΡΠΉ, ΡΠ΅ΡΡΡΠ΅Ρ ΡΠ°ΠΊΡΠ½ΡΠΉ; ΡΠ°ΡΠΏΠΎΠ»ΠΎΠΆΠ΅Π½ΠΈΠ΅ β ΠΏΠ΅ΡΠ΅Π΄Π½Π΅Π΅, ΠΏΡΠΎΠ΄ΠΎΠ»ΡΠ½ΠΎΠ΅. ΠΠ° ΠΠΠ-21213 ΡΡΡΠ°Π½Π°Π²Π»ΠΈΠ²Π°Π΅ΡΡΡ ΠΊΠ°ΡΠ±ΡΡΠ°ΡΠΎΡΠ½ΡΠΉ Π΄Π²ΠΈΠ³Π°ΡΠ΅Π»Ρ ΠΌΠΎΠ΄. 21213 ΡΠ°Π±ΠΎΡΠΈΠΌ ΠΎΠ±ΡΠ΅ΠΌΠΎΠΌ 1,7 Π», Π½Π° ΠΠΠ-21214 β Π΄Π²ΠΈΠ³Π°ΡΠ΅Π»Ρ 21214 ΡΠΎΠ³ΠΎ ΠΆΠ΅ ΠΎΠ±ΡΠ΅ΠΌΠ° Ρ ΡΠ°ΡΠΏΡΠ΅Π΄Π΅Π»Π΅Π½Π½ΡΠΌ Π²ΠΏΡΡΡΠΊΠΎΠΌ ΡΠΎΠΏΠ»ΠΈΠ²Π°. (Π Π°Π½Π΅Π΅ Π½Π° Π°Π²ΡΠΎΠΌΠΎΠ±ΠΈΠ»ΠΈ ΠΠΠ-21214 ΡΡΡΠ°Π½Π°Π²Π»ΠΈΠ²Π°Π»ΡΡ Π΄Π²ΠΈΠ³Π°ΡΠ΅Π»Ρ 21214 Ρ ΡΠ΅Π½ΡΡΠ°Π»ΡΠ½ΡΠΌ Π²ΠΏΡΡΡΠΊΠΎΠΌ ΡΠΎΠΏΠ»ΠΈΠ²Π° ΠΈ ΠΌΠΈΠΊΡΠΎΠΏΡΠΎΡΠ΅ΡΡΠΎΡΠ½ΠΎΠΉ ΡΠΈΡΡΠ΅ΠΌΠΎΠΉ Π·Π°ΠΆΠΈΠ³Π°Π½ΠΈΡ). ΠΠΠ-21215 (ΠΏΠΎΡΡΠ°Π²Π»ΡΠ΅ΡΡΡ Π½Π° ΡΠΊΡΠΏΠΎΡΡ) ΠΎΡΠ½Π°ΡΠ΅Π½ Π΄ΠΈΠ·Π΅Π»ΡΠ½ΡΠΌ Π΄Π²ΠΈΠ³Π°ΡΠ΅Π»Π΅ΠΌ XUD-9SD ΡΠ°Π±ΠΎΡΠΈΠΌ ΠΎΠ±ΡΠ΅ΠΌΠΎΠΌ 1,9 Π» ΠΊΠΎΠ½ΡΠ΅ΡΠ½Π° Β«ΠΠ΅ΠΆΠΎ-Π‘ΠΈΡΡΠΎΠ΅Π½Β». ΠΠ° Π°Π²ΡΠΎΠΌΠΎΠ±ΠΈΠ»ΡΡ ΠΠΠ-21214 ΡΡΡΠ°Π½ΠΎΠ²Π»Π΅Π½Π° ΡΠΈΡΡΠ΅ΠΌΠ° ΡΠ½ΠΈΠΆΠ΅Π½ΠΈΡ ΡΠΎΠΊΡΠΈΡΠ½ΠΎΡΡΠΈ Ρ ΡΡΠ΅Ρ ΠΊΠΎΠΌΠΏΠΎΠ½Π΅Π½ΡΠ½ΡΠΌ Π½Π΅ΠΉΡΡΠ°Π»ΠΈΠ·Π°ΡΠΎΡΠΎΠΌ. ΠΠΎ ΠΈΠ·Π±Π΅ΠΆΠ°Π½ΠΈΠ΅ Π²ΡΡ ΠΎΠ΄Π° ΠΈΠ· ΡΡΡΠΎΡ Π½Π΅ΠΉΡΡΠ°Π»ΠΈΠ·Π°ΡΠΎΡΠ° ΠΈ ΠΊΠΈΡΠ»ΠΎΡΠΎΠ΄Π½ΠΎΠ³ΠΎ Π΄Π°ΡΡΠΈΠΊΠ° Π·Π°ΠΏΡΠ΅ΡΠ°Π΅ΡΡΡ ΡΠΊΡΠΏΠ»ΡΠ°ΡΠ°ΡΠΈΡ ΡΡΠΈΡ Π°Π²ΡΠΎΠΌΠΎΠ±ΠΈΠ»Π΅ΠΉ Π½Π° ΡΡΠΈΠ»ΠΈΡΠΎΠ²Π°Π½Π½ΠΎΠΌ Π±Π΅Π½Π·ΠΈΠ½Π΅.
ΠΠ²ΠΈΠ³Π°ΡΠ΅Π»Ρ
Π’ΡΠ°Π½ΡΠΌΠΈΡΡΠΈΡ
ΠΠΎΠ΄Π²Π΅ΡΠΊΠ°, Ρ ΠΎΠ΄ΠΎΠ²Π°Ρ ΡΠ°ΡΡΡ
Π ΡΠ»Π΅Π²ΠΎΠ΅ ΡΠΏΡΠ°Π²Π»Π΅Π½ΠΈΠ΅
Π’ΠΎΡΠΌΠΎΠ·Π½Π°Ρ ΡΠΈΡΡΠ΅ΠΌΠ°
ΠΠ»Π΅ΠΊΡΡΠΎΠΎΠ±ΠΎΡΡΠ΄ΠΎΠ²Π°Π½ΠΈΠ΅
* ΠΠ°ΠΌΠ΅ΡΡΠ΅ΡΡΡ ΠΏΠΎ ΡΠΏΠ΅ΡΠΈΠ°Π»ΡΠ½ΠΎΠΉ ΠΌΠ΅ΡΠΎΠ΄ΠΈΠΊΠ΅.
ΠΠΈΠ΄Π΅ΠΎ | Π’Π΅Ρ Π½ΠΈΡΠ΅ΡΠΊΠΈΠ΅ Ρ Π°ΡΠ°ΠΊΡΠ΅ΡΠΈΡΡΠΈΠΊΠΈ ΠΠ°Π±Π°ΡΠΈΡΠ½ΡΠ΅ ΡΠ°Π·ΠΌΠ΅ΡΡ ΠΠ΄Π΅Π½ΡΠΈΡΠΈΠΊΠ°ΡΠΈΠΎΠ½Π½ΡΠ΅ Π½ΠΎΠΌΠ΅ΡΠ° Π Π°ΡΠΏΠΎΠ»ΠΎΠΆΠ΅Π½ΠΈΠ΅ ΡΠ·Π»ΠΎΠ² ΠΈ Π°Π³ΡΠ΅Π³Π°ΡΠΎΠ² ΠΡΠ³Π°Π½Ρ ΡΠΏΡΠ°Π²Π»Π΅Π½ΠΈΡ ΠΠΎΠΌΠ±ΠΈΠ½Π°ΡΠΈΡ ΠΏΡΠΈΠ±ΠΎΡΠΎΠ² ΠΠΎΠΌΠ΅Π½ΡΡ Π·Π°ΡΡΠΆΠΊΠΈ ΠΠ°Π½Π½ΡΠ΅ Π΄Π»Ρ ΡΠ΅Π³ΡΠ»ΠΈΡΠΎΠ²ΠΎΠΊ ΠΠΎΠ΄Ρ Π½Π΅ΠΈΡΠΏΡΠ°Π²Π½ΠΎΡΡΠ΅ΠΉ ΠΡΠΈΠΌΠ΅Π½ΡΠ΅ΠΌΡΠ΅ ΠΆΠΈΠ΄ΠΊΠΎΡΡΠΈ ΠΈ ΠΈΡ ΠΎΠ±ΡΡΠΌΡ ΠΡΠΈΠΌΠ΅Π½ΡΠ΅ΠΌΡΠ΅ ΡΠ°Π»ΡΠ½ΠΈΠΊΠΈ ΠΡΠΈΠΌΠ΅Π½ΡΠ΅ΠΌΡΠ΅ ΠΏΠΎΠ΄ΡΠΈΠΏΠ½ΠΈΠΊΠΈ ΠΡΠΈΠΌΠ΅Π½ΡΠ΅ΠΌΡΠ΅ Π»Π°ΠΌΠΏΡ ΠΡΠΈΠΌΠ΅Π½ΡΠ΅ΠΌΡΠ΅ ΡΠ²Π΅ΡΠΈ Π Π°Π·ΠΌΠ΅ΡΡ ΡΠΈΠ½ ΠΈ Π΄ΠΈΡΠΊΠΎΠ² ΠΠ°ΠΏΠ°ΡΠ½ΠΎΠ΅ ΠΊΠΎΠ»Π΅ΡΠΎ ΠΠ²Π΅ΡΠΈ, ΠΊΠ°ΠΏΠΎΡ, Π±Π΅Π½Π·ΠΎΠ±Π°ΠΊ Π‘ΠΈΠ΄Π΅Π½ΡΡ Π ΠΎΠ·Π΅ΡΠΊΠΈ ΠΡΠΎΡΠΈΠ²ΠΎΡΠ³ΠΎΠ½Π½Π°Ρ ΡΠΈΡΡΠ΅ΠΌΠ° ΠΠΠ‘-4 ΠΠ·Π΄Π° Π½Π° Π°Π²ΡΠΎΠΌΠΎΠ±ΠΈΠ»Π΅ ΠΠ΅ΡΠ΅ΠΊΠ»ΡΡΠ΅Π½ΠΈΠ΅ ΠΏΠ΅ΡΠ΅Π΄Π°Ρ ΠΈ ΡΠ°Π·Π΄Π°ΡΠΊΠΈ ΠΠ±ΠΊΠ°ΡΠΊΠ° Π½ΠΎΠ²ΠΎΠ³ΠΎ Π°Π²ΡΠΎΠΌΠΎΠ±ΠΈΠ»Ρ ΠΠΎΠ»ΡΠ·ΠΎΠ²Π°Π½ΠΈΠ΅ ΠΊΠΎΠ½Π΄ΠΈΡΠΈΠΎΠ½Π΅ΡΠΎΠΌ ΠΡΠΎΠ±Π΅Π½Π½ΠΎΡΡΠΈ ΠΠ‘Π£Π ΠΠ°ΠΌΠ΅Π½Π° Π»Π°ΠΌΠΏ Π Π΅Π³Π»Π°ΠΌΠ΅Π½Ρ Π’Π ΠΠ»Π΅ΠΊΡΡΡΡ Π΅ΠΌΠ° ΠΠΠβ21213 ΠΠ»Π΅ΠΊΡΡΠΎΡΡ Π΅ΠΌΠ° ΠΠ‘Π£Π ΠΠΠ-21214 ΠΠ»Π΅ΠΊΡΡΠΎΡΡ Π΅ΠΌΠ° ΠΠΠ 2121 Π₯Π°ΡΠ°ΠΊΡΠ΅ΡΠΈΡΡΠΈΠΊΠΈ Π±ΡΠΎΠ½ΠΈΡΠΎΠ²Π°Π½Π½ΠΎΠΉ ΠΠΈΠ²Ρ Π₯Π°ΡΠ°ΠΊΡΠ΅ΡΠΈΡΡΠΈΠΊΠΈ ΠΏΠΎΠΆΠ°ΡΠ½ΠΎΠΉ ΠΠΈΠ²Ρ Π₯Π°ΡΠ°ΠΊΡΠ΅ΡΠΈΡΡΠΈΠΊΠΈ ΠΠΈΠ²Ρ ΠΠΈΠΊΠ°ΠΏ Π₯Π°ΡΠ°ΠΊΡΠ΅ΡΠΈΡΡΠΈΠΊΠΈ Π±ΠΎΡΡΠΎΠ²ΠΎΠΉ ΠΠΈΠ²Ρ Π₯Π°ΡΠ°ΠΊΡΠ΅ΡΠΈΡΡΠΈΠΊΠΈ ΠΠΈΠ²Ρ Π€ΡΡΠ³ΠΎΠ½ Π₯Π°ΡΠ°ΠΊΡΠ΅ΡΠΈΡΡΠΈΠΊΠΈ ΠΠΈΠ²Ρ Π‘Π½Π΅Π³ΠΎΠ±ΠΎΠ»ΠΎΡΠΎΡ ΠΎΠ΄Π° ΠΠ·Π°ΠΈΠΌΠΎΠ·Π°ΠΌΠ΅Π½ΡΠ΅ΠΌΠΎΡΡΡ Π΄Π΅ΡΠ°Π»Π΅ΠΉ (95 Π³.) ΠΠ΅ΡΠ°Π»ΠΈ Π΄Π²ΠΈΠ³Π°ΡΠ΅Π»Ρ ΠΠ΅ΡΠ°Π»ΠΈ ΡΡΠ°Π½ΡΠΌΠΈΡΡΠΈΠΈ ΠΠ΅ΡΠ°Π»ΠΈ ΠΏΠΎΠ΄Π²Π΅ΡΠΊΠΈ ΠΠ΅ΡΠ°Π»ΠΈ ΡΡΠ»Π΅Π²ΠΎΠ³ΠΎ ΡΠΏΡΠ°Π²Π»Π΅Π½ΠΈΡ ΠΠ΅ΡΠ°Π»ΠΈ ΡΠΎΡΠΌΠΎΠ·Π½ΠΎΠΉ ΡΠΈΡΡΠ΅ΠΌΡ ΠΠ΅ΡΠ°Π»ΠΈ ΡΠ»Π΅ΠΊΡΡΠΎΠΎΠ±ΠΎΡΡΠ΄ΠΎΠ²Π°Π½ΠΈΡ |
lada-niva.ru
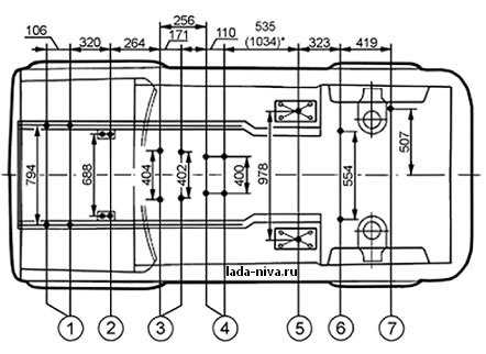
ΠΠΎΠ½ΡΡΠΎΠ»ΡΠ½ΡΠ΅ ΡΠ°Π·ΠΌΠ΅ΡΡ, ΡΠΎΡΠΊΠΈ ΠΊΡΠ΅ΠΏΠ»Π΅Π½ΠΈΡ, Π³Π΅ΠΎΠΌΠ΅ΡΡΠΈΡ ΠΊΡΠ·ΠΎΠ²Π°, ΡΠ΅ΡΠ΅Π½ΠΈΡ ΠΊΡΠ·ΠΎΠ²Π½ΡΡ Π΄Π΅ΡΠ°Π»Π΅ΠΉ, Π·Π°Π·ΠΎΡΡ ΠΈ ΠΏΡ.
Β Β Β Β Β Β
Π Π°Π·ΠΌΠ΅ΡΡ ΠΏΡΠΎΡΠΌΠΎΠ² ΠΈ Π·Π°Π·ΠΎΡΡ ΡΠΎΠΏΡΡΠ³Π°Π΅ΠΌΡΡ
Π΄Π΅ΡΠ°Π»Π΅ΠΉ ΠΊΡΠ·ΠΎΠ²Π° Π°Π²ΡΠΎΠΌΠΎΠ±ΠΈΠ»Ρ ΠΌΠΎΠ΄Π΅Π»ΠΈ ΠΠΠ-2121
Π’ΠΎΡΠΊΠΈ ΠΊΡΠ΅ΠΏΠ»Π΅Π½ΠΈΡ Π΄Π²ΠΈΠ³Π°ΡΠ΅Π»Ρ ΠΈ ΠΏΠΎΠ΄Π²Π΅ΡΠΎΠΊ Π½Π° ΠΊΡΠ·ΠΎΠ²Π΅ Π°Π²ΡΠΎΠΌΠΎΠ±ΠΈΠ»Ρ ΠΌΠΎΠ΄Π΅Π»ΠΈ ΠΠΠ-2121

Π’ΠΎΡΠΊΠΈ ΠΊΡΠ΅ΠΏΠ»Π΅Π½ΠΈΡ Π΄Π²ΠΈΠ³Π°ΡΠ΅Π»Ρ ΠΈ ΠΏΠΎΠ΄Π²Π΅ΡΠΎΠΊ Π½Π° ΠΊΡΠ·ΠΎΠ²Π΅ 21214 ΠΈ 2131

1 β ΠΊΡΠ΅ΠΏΠ»Π΅Π½ΠΈΠ΅ ΠΏΠΎΠΏΠ΅ΡΠ΅ΡΠΈΠ½Ρ ΠΏΠ΅ΡΠ΅Π΄Π½Π΅ΠΉ ΠΏΠΎΠ΄Π²Π΅ΡΠΊΠΈ; 2 β ΠΊΡΠ΅ΠΏΠ»Π΅Π½ΠΈΠ΅ ΡΡΠ°Π±ΠΈΠ»ΠΈΠ·Π°ΡΠΎΡΠ° ΠΏΠΎΠΏΠ΅ΡΠ΅ΡΠ½ΠΎΠΉ
ΡΡΡΠΎΠΉΡΠΈΠ²ΠΎΡΡΠΈ; 3 β ΠΊΡΠ΅ΠΏΠ»Π΅Π½ΠΈΠ΅ Π·Π°Π΄Π½Π΅ΠΉ ΠΏΠΎΠ΄Π²Π΅ΡΠΊΠΈ ΡΠΈΠ»ΠΎΠ²ΠΎΠ³ΠΎ Π°Π³ΡΠ΅Π³Π°ΡΠ°; 4 β ΠΊΡΠ΅ΠΏΠ»Π΅Π½ΠΈΠ΅
ΡΠ°Π·Π΄Π°ΡΠΎΡΠ½ΠΎΠΉ ΠΊΠΎΡΠΎΠ±ΠΊΠΈ; 5 β ΠΊΡΠ΅ΠΏΠ»Π΅Π½ΠΈΠ΅ Π½ΠΈΠΆΠ½ΠΈΡ
ΠΏΡΠΎΠ΄ΠΎΠ»ΡΠ½ΡΡ
ΡΡΠ°Π½Π³; 6 β ΠΊΡΠ΅ΠΏΠ»Π΅Π½ΠΈΠ΅ Π²Π΅ΡΡ
Π½ΠΈΡ
ΠΏΡΠΎΠ΄ΠΎΠ»ΡΠ½ΡΡ
ΡΡΠ°Π½Π³; 7 β ΡΠΎΡΠΊΠ° ΠΊΡΠ΅ΠΏΠ»Π΅Π½ΠΈΡ ΠΏΠΎΠΏΠ΅ΡΠ΅ΡΠ½ΠΎΠΉ ΡΡΠ°Π½Π³ΠΈ Π·Π°Π΄Π½Π΅ΠΉ ΠΏΠΎΠ΄Π²Π΅ΡΠΊΠΈ.
( )* β ΡΠ°Π·ΠΌΠ΅Ρ ΠΏΡΠΈΠ²Π΅Π΄Π΅Π½ Π΄Π»Ρ ΠΊΡΠ·ΠΎΠ²Π° 2131
Π’ΠΎΡΠΊΠΈ ΠΊΡΠ΅ΠΏΠ»Π΅Π½ΠΈΡ Π΄Π²ΠΈΠ³Π°ΡΠ΅Π»Ρ ΠΈ ΠΏΠΎΠ΄Π²Π΅ΡΠΎΠΊ Π½Π° ΠΊΡΠ·ΠΎΠ²Π΅ 21214Π, 2131Π

7 β ΠΊΡΠ΅ΠΏΠ»Π΅Π½ΠΈΠ΅ Π·Π°Π΄Π½ΠΈΡ
Π°ΠΌΠΎΡΡΠΈΠ·Π°ΡΠΎΡΠΎΠ²; 8 β ΡΠΎΡΠΊΠ° ΠΊΡΠ΅ΠΏΠ»Π΅Π½ΠΈΡ
ΠΏΠΎΠΏΠ΅ΡΠ΅ΡΠ½ΠΎΠΉ ΡΡΠ°Π½Π³ΠΈ Π·Π°Π΄Π½Π΅ΠΉ ΠΏΠΎΠ΄Π²Π΅ΡΠΊΠΈ.
( )* β ΡΠ°Π·ΠΌΠ΅Ρ ΠΏΡΠΈΠ²Π΅Π΄Π΅Π½ Π΄Π»Ρ ΠΊΡΠ·ΠΎΠ²Π° 2131Π
Π Π°Π·ΠΌΠ΅ΡΡ ΠΏΡΠΎΠ΅ΠΌΠΎΠ² ΠΈ Π·Π°Π·ΠΎΡΡ ΡΠΎΠΏΡΡΠ³Π°Π΅ΠΌΡΡ Π΄Π΅ΡΠ°Π»Π΅ΠΉ ΠΊΡΠ·ΠΎΠ²ΠΎΠ² 2121,21213, 2131

| Π | Π | Π | Π | Π | Π |
| 1112Β±5 | 1320Β±5 | 955Β±4 | 782Β±2 | 883Β±2 | 1710Β±6 |
| Π | 3 | Π | Π | Π | Π |
| 938Β±2 | 1420Β±4 | 575Β±2 | 1420Β±4 | 780Β±2 | 1395Β±5 |
| Π | Π | Π | Π | Π‘ | Π’ |
| 950Β±4 | 1250Β±5 | 1090Β±5 | 855Β±4 | 480Β±2 | 570Β±2 |
Π’ΠΎΡΠΊΠΈ ΠΊΡΠ΅ΠΏΠ»Π΅Π½ΠΈΡ ΡΠ·Π»ΠΎΠ² ΠΈ Π°Π³ΡΠ΅Π³Π°ΡΠΎΠ² ΠΊ ΠΊΡΠ·ΠΎΠ²Ρ ΠΈ ΡΠ°Π·ΠΌΠ΅ΡΡ ΠΌΠ΅ΠΆΠ΄Ρ Π½ΠΈΠΌΠΈ — ΠΠΠ-21213 (ΠΊΠ»ΠΈΠΊΠ°Π±Π΅Π»ΡΠ½ΠΎ)


Π‘Π΅ΡΠ΅Π½ΠΈΡ ΠΊΡΠ·ΠΎΠ²Π½ΡΡ Π΄Π΅ΡΠ°Π»Π΅ΠΉ

ΠΠ°Π·ΠΎΡΡ Π΄Π²Π΅ΡΠΈ, ΠΊΠ°ΠΏΠΎΡΠ°, Π΄Π²Π΅ΡΠΈ Π·Π°ΠΌΠΊΠ° Ρ ΡΠΎΠΏΡΡΠ³Π°Π΅ΠΌΡΠΌΠΈ Π΄Π΅ΡΠ°Π»ΡΠΌΠΈ (ΡΠΊΠ°Π·Π°Π½ΠΎ Π² ΠΌΠΌ.)

ΠΠΎΠ»ΡΡΠΎΠΉ ΠΏΠ»Π°ΠΊΠ°Ρ Ρ ΠΊΠΎΠ½ΡΡΠΎΠ»ΡΠ½ΡΠΌΠΈ ΡΠΎΡΠΊΠ°ΠΌΠΈ, ΡΠ³Π»Π°ΠΌΠΈ, Π³ΡΠ°Π΄ΡΡΠ°ΠΌΠΈ

Β
ΠΠΈΠ΄Π΅ΠΎ
lada-niva.ru
ΠΠΠ 2121 ΠΠΈΠ²Π° 4Ρ 4 ΡΠ΅Ρ Π½ΠΈΡΠ΅ΡΠΊΠΈΠ΅ Ρ Π°ΡΠ°ΠΊΡΠ΅ΡΠΈΡΡΠΈΠΊΠΈ
Π’Π΅Ρ Π½ΠΈΡΠ΅ΡΠΊΠΈΠ΅ Ρ Π°ΡΠ°ΠΊΡΠ΅ΡΠΈΡΡΠΈΠΊΠΈ ΠΠΠ 2121 4×4 ΠΠΈΠ²Π°

ΠΠΊΡΠΏΠ»ΡΠ°ΡΠ°ΡΠΈΠΎΠ½Π½ΡΠ΅ Ρ
Π°ΡΠ°ΠΊΡΠ΅ΡΠΈΡΡΠΈΠΊΠΈ ΠΠΠ 2121 ΠΠΈΠ²Π° 4Ρ
4 Π²Π½Π΅Π΄ΠΎΡΠΎΠΆΠ½ΠΈΠΊ
ΠΠ°ΠΊΡΠΈΠΌΠ°Π»ΡΠ½Π°Ρ ΡΠΊΠΎΡΠΎΡΡΡ: 137 ΠΊΠΌ/Ρ
ΠΡΠ΅ΠΌΡ ΡΠ°Π·Π³ΠΎΠ½Π° Π΄ΠΎ 100 ΠΊΠΌ/Ρ: 19 c
Π Π°ΡΡ
ΠΎΠ΄ ΡΠΎΠΏΠ»ΠΈΠ²Π° Π½Π° 100ΠΊΠΌ ΠΏΠΎ Π³ΠΎΡΠΎΠ΄Ρ: 11 Π»
ΠΠ±ΡΠ΅ΠΌ Π±Π΅Π½Π·ΠΎΠ±Π°ΠΊΠ°: 42 Π»
Π‘Π½Π°ΡΡΠΆΠ΅Π½Π½Π°Ρ ΠΌΠ°ΡΡΠ° Π°Π²ΡΠΎΠΌΠΎΠ±ΠΈΠ»Ρ: 1210 ΠΊΠ³
ΠΠΎΠΏΡΡΡΠΈΠΌΠ°Ρ ΠΏΠΎΠ»Π½Π°Ρ ΠΌΠ°ΡΡΠ°: 1610 ΠΊΠ³
Π Π°Π·ΠΌΠ΅Ρ ΡΠΈΠ½: 175/80 R16
Π₯Π°ΡΠ°ΠΊΡΠ΅ΡΠΈΡΡΠΈΠΊΠΈ Π΄Π²ΠΈΠ³Π°ΡΠ΅Π»Ρ
Π Π°ΡΠΏΠΎΠ»ΠΎΠΆΠ΅Π½ΠΈΠ΅: ΡΠΏΠ΅ΡΠ΅Π΄ΠΈ, ΠΏΡΠΎΠ΄ΠΎΠ»ΡΠ½ΠΎ
ΠΠ±ΡΠ΅ΠΌ Π΄Π²ΠΈΠ³Π°ΡΠ΅Π»Ρ: 1690 ΡΠΌ3
ΠΠΎΡΠ½ΠΎΡΡΡ Π΄Π²ΠΈΠ³Π°ΡΠ΅Π»Ρ: 79 Π».Ρ.
ΠΠΎΠ»ΠΈΡΠ΅ΡΡΠ²ΠΎ ΠΎΠ±ΠΎΡΠΎΡΠΎΠ²: 5400
ΠΡΡΡΡΡΠΈΠΉ ΠΌΠΎΠΌΠ΅Π½Ρ: 127/3200 Π½*ΠΌ
Π‘ΠΈΡΡΠ΅ΠΌΠ° ΠΏΠΈΡΠ°Π½ΠΈΡ: Π Π°ΡΠΏΡΠ΅Π΄Π΅Π»Π΅Π½Π½ΡΠΉ Π²ΠΏΡΡΡΠΊ
Π’ΡΡΠ±ΠΎΠ½Π°Π΄Π΄ΡΠ²: Π½Π΅Ρ
ΠΠ°Π·ΠΎΡΠ°ΡΠΏΡΠ΅Π΄Π΅Π»ΠΈΡΠ΅Π»ΡΠ½ΡΠΉ ΠΌΠ΅Ρ
Π°Π½ΠΈΠ·ΠΌ: Π½Π΅Ρ
Π Π°ΡΠΏΠΎΠ»ΠΎΠΆΠ΅Π½ΠΈΠ΅ ΡΠΈΠ»ΠΈΠ½Π΄ΡΠΎΠ²: Π ΡΠ΄Π½ΡΠΉ
ΠΠΎΠ»ΠΈΡΠ΅ΡΡΠ²ΠΎ ΡΠΈΠ»ΠΈΠ½Π΄ΡΠΎΠ²: 4
ΠΠΈΠ°ΠΌΠ΅ΡΡ ΡΠΈΠ»ΠΈΠ½Π΄ΡΠ°: 82 ΠΌΠΌ
Π₯ΠΎΠ΄ ΠΏΠΎΡΡΠ½Ρ: 80 ΠΌΠΌ
Π‘ΡΠ΅ΠΏΠ΅Π½Ρ ΡΠΆΠ°ΡΠΈΡ: 8
ΠΠΎΠ»ΠΈΡΠ΅ΡΡΠ²ΠΎ ΠΊΠ»Π°ΠΏΠ°Π½ΠΎΠ² Π½Π° ΡΠΈΠ»ΠΈΠ½Π΄Ρ: 2
Π Π΅ΠΊΠΎΠΌΠ΅Π½Π΄ΡΠ΅ΠΌΠΎΠ΅ ΡΠΎΠΏΠ»ΠΈΠ²ΠΎ: ΠΠ-92
Π’ΠΎΡΠΌΠΎΠ·Π½Π°Ρ ΡΠΈΡΡΠ΅ΠΌΠ°
ΠΠ΅ΡΠ΅Π΄Π½ΠΈΠ΅ ΡΠΎΡΠΌΠΎΠ·Π°: ΠΠΈΡΠΊΠΎΠ²ΡΠ΅
ΠΠ°Π΄Π½ΠΈΠ΅ ΡΠΎΡΠΌΠΎΠ·Π°: ΠΠ°ΡΠ°Π±Π°Π½Π½ΡΠ΅
Π ΡΠ»Π΅Π²ΠΎΠ΅ ΡΠΏΡΠ°Π²Π»Π΅Π½ΠΈΠ΅
Π’ΠΈΠΏ ΡΡΠ»Π΅Π²ΠΎΠ³ΠΎ ΡΠΏΡΠ°Π²Π»Π΅Π½ΠΈΡ: Π§Π΅ΡΠ²ΡΡΠ½ΡΠΉ ΡΠ΅Π΄ΡΠΊΡΠΎΡ
Π£ΡΠΈΠ»ΠΈΡΠ΅Π»Ρ ΡΡΠ»Ρ: Π½Π΅Ρ
Π’ΡΠ°Π½ΡΠΌΠΈΡΡΠΈΡ
ΠΠ΅ΡΠ΅Π΄Π°ΡΠΎΡΠ½ΠΎΠ΅ ΠΎΡΠ½ΠΎΡΠ΅Π½ΠΈΠ΅ Π³Π»Π°Π²Π½ΠΎΠΉ ΠΏΠ°ΡΡ: 4.1
ΠΡΠΈΠ²ΠΎΠ΄: ΠΠΎΠ»Π½ΡΠΉ ΠΏΠΎΠ΄ΠΊΠ»ΡΡΠ°Π΅ΠΌΡΠΉ
ΠΠΎΠ»ΠΈΡΠ΅ΡΡΠ²ΠΎ ΠΏΠ΅ΡΠ΅Π΄Π°Ρ: ΠΌΠ΅Ρ
Π°Π½ΠΈΡΠ΅ΡΠΊΠ°Ρ ΠΊΠΎΡΠΎΠ±ΠΊΠ° — 5
ΠΠΎΠ΄Π²Π΅ΡΠΊΠ°
ΠΠ΅ΡΠ΅Π΄Π½ΡΡ ΠΏΠΎΠ΄Π²Π΅ΡΠΊΠ°: ΠΠΈΠ½ΡΠΎΠ²Π°Ρ ΠΏΡΡΠΆΠΈΠ½Π°
ΠΠ°Π΄Π½ΡΡ ΠΏΠΎΠ΄Π²Π΅ΡΠΊΠ°: ΠΠΈΠ½ΡΠΎΠ²Π°Ρ ΠΏΡΡΠΆΠΈΠ½Π°
ΠΡΠ·ΠΎΠ²
Π’ΠΈΠΏ ΠΊΡΠ·ΠΎΠ²Π°: Π²Π½Π΅Π΄ΠΎΡΠΎΠΆΠ½ΠΈΠΊ
ΠΠΎΠ»ΠΈΡΠ΅ΡΡΠ²ΠΎ Π΄Π²Π΅ΡΠ΅ΠΉ: 3
ΠΠΎΠ»ΠΈΡΠ΅ΡΡΠ²ΠΎ ΠΌΠ΅ΡΡ: 5
ΠΠ»ΠΈΠ½Π° ΠΌΠ°ΡΠΈΠ½Ρ: 3720 ΠΌΠΌ
Π¨ΠΈΡΠΈΠ½Π° ΠΌΠ°ΡΠΈΠ½Ρ: 1680 ΠΌΠΌ
ΠΡΡΠΎΡΠ° ΠΌΠ°ΡΠΈΠ½Ρ: 1640 ΠΌΠΌ
ΠΠΎΠ»Π΅ΡΠ½Π°Ρ Π±Π°Π·Π°: 2200 ΠΌΠΌ
ΠΠΎΠ»Π΅Ρ ΠΏΠ΅ΡΠ΅Π΄Π½ΡΡ: 1430 ΠΌΠΌ
ΠΠΎΠ»Π΅Ρ Π·Π°Π΄Π½ΡΡ: 1400 ΠΌΠΌ
ΠΠΎΡΠΎΠΆΠ½ΡΠΉ ΠΏΡΠΎΡΠ²Π΅Ρ (ΠΊΠ»ΠΈΡΠ΅Π½Ρ): 228 ΠΌΠΌ
ΠΠ±ΡΠ΅ΠΌ Π±Π°Π³Π°ΠΆΠ½ΠΈΠΊΠ° ΠΌΠ°ΠΊΡΠΈΠΌΠ°Π»ΡΠ½ΡΠΉ: 585 Π»
ΠΠ±ΡΠ΅ΠΌ Π±Π°Π³Π°ΠΆΠ½ΠΈΠΊΠ° ΠΌΠΈΠ½ΠΈΠΌΠ°Π»ΡΠ½ΡΠΉ: 265 Π»
ΠΡΠΎΠΈΠ·Π²ΠΎΠ΄ΡΡΠ²ΠΎ
ΠΠΎΠ΄ Π²ΡΠΏΡΡΠΊΠ°: Ρ 1993
kuruh.ru
«ΠΠΈΠ²Π°»: Π³Π°Π±Π°ΡΠΈΡΡ ΠΈ ΡΠ΅Ρ Π½ΠΈΡΠ΅ΡΠΊΠΈΠ΅ Ρ Π°ΡΠ°ΠΊΡΠ΅ΡΠΈΡΡΠΈΠΊΠΈ
ΠΡΠ΅ΡΠ΅ΡΡΠ²Π΅Π½Π½ΡΠΉ Π°Π²ΡΠΎΠΏΡΠΎΠΌ Π½Π΅ ΡΠ°ΡΡΠΎ ΡΠ°Π΄ΠΎΠ²Π°Π» ΠΏΠΎΡΡΠ΅Π±ΠΈΡΠ΅Π»Ρ ΠΊΠ°ΡΠ΅ΡΡΠ²Π΅Π½Π½ΡΠΌΠΈ ΠΌΠ°ΡΠΈΠ½Π°ΠΌΠΈ. ΠΠ΄Π½Π°ΠΊΠΎ Π΅ΡΡΡ ΠΎΠ±ΡΠ°Π·ΡΡ, ΠΊΠΎΡΠΎΡΡΠΌ ΡΡΠΎΠΈΡ ΡΠ΄Π΅Π»ΠΈΡΡ ΠΏΡΠΈΡΡΠ°Π»ΡΠ½ΠΎΠ΅ Π²Π½ΠΈΠΌΠ°Π½ΠΈΠ΅. ΠΠ°ΠΏΡΠΈΠΌΠ΅Ρ, Π°Π²ΡΠΎΠΌΠΎΠ±ΠΈΠ»Ρ Β«ΠΠΈΠ²Π°Β», Π³Π°Π±Π°ΡΠΈΡΡ ΠΊΠΎΡΠΎΡΠΎΠ³ΠΎ ΡΠΎΠΎΡΠ²Π΅ΡΡΡΠ²ΡΡΡ ΡΠ°Π·ΠΌΠ΅ΡΠ°ΠΌ Π²Π½Π΅Π΄ΠΎΡΠΎΠΆΠ½ΠΈΠΊΠ°. ΠΠ°Π½Π½Π°Ρ ΡΠ΅ΡΠΈΡ ΠΈΠΌΠ΅Π΅Ρ Π½Π΅ΡΠΊΠΎΠ»ΡΠΊΠΎ ΠΌΠΎΠ΄ΠΈΡΠΈΠΊΠ°ΡΠΈΠΉ, ΠΊΠΎΡΠΎΡΡΠ΅ Π΄ΠΎ ΡΠΈΡ ΠΏΠΎΡ ΠΏΠΎΠ»ΡΠ·ΡΡΡΡΡ ΡΠΏΡΠΎΡΠΎΠΌ Ρ Π½Π°ΡΠ΅Π»Π΅Π½ΠΈΡ. Π Π°ΡΡΠΌΠΎΡΡΠΈΠΌ ΡΡΡΡΠΎΠΉΡΡΠ²ΠΎ ΠΈ ΠΎΡΠΎΠ±Π΅Π½Π½ΠΎΡΡΠΈ ΡΡΠΎΠ³ΠΎ Π°Π²ΡΠΎΠΌΠΎΠ±ΠΈΠ»Ρ.

ΠΡΡΠΎΡΠΈΡ ΡΠΎΠ·Π΄Π°Π½ΠΈΡ
ΠΠ΅ΡΠ²Π°Ρ ΡΠ΅ΡΠΈΠΉΠ½Π°Ρ ΠΌΠΎΠ΄Π΅Π»Ρ Π°Π²ΡΠΎ Β«ΠΠΈΠ²Π°Β», Π³Π°Π±Π°ΡΠΈΡΡ ΠΊΠΎΡΠΎΡΠΎΠ³ΠΎ ΠΎΡΠ½ΠΎΡΡΡΡΡ ΠΊ ΠΊΠ°ΡΠ΅Π³ΠΎΡΠΈΠΈ Π²Π½Π΅Π΄ΠΎΡΠΎΠΆΠ½ΠΈΠΊΠΎΠ², Π²ΡΡΠ»Π° Π² 1977 Π³ΠΎΠ΄Ρ ΠΏΠΎΠ΄ ΠΈΠ½Π΄Π΅ΠΊΡΠΎΠΌ ΠΠΠ-2121. ΠΠ°ΡΠΈΠ½Π° Π²ΡΠΏΠΎΠ»Π½Π΅Π½Π° Π² ΠΊΡΠ·ΠΎΠ²Π΅ Β«ΡΠ½ΠΈΠ²Π΅ΡΡΠ°Π»Β», ΠΈΠΌΠ΅Π΅Ρ ΡΡΠΈ Π΄Π²Π΅ΡΠΈ. ΠΡΠ½ΠΎΠ²Π½ΡΠΌ ΠΎΡΠ»ΠΈΡΠΈΠ΅ΠΌ ΠΎΡ ΡΠΎΠ±ΡΠ°ΡΡΠ΅Π² ΡΠ²Π»ΡΠ΅ΡΡΡ Π½Π°Π»ΠΈΡΠΈΠ΅ ΠΏΠΎΠ»Π½ΠΎΠ³ΠΎ ΠΏΡΠΈΠ²ΠΎΠ΄Π°. ΠΠ΅ΠΊΠΎΡΠΎΡΡΠ΅ Π΄Π΅ΡΠ°Π»ΠΈ ΠΏΠΎΠ·Π°ΠΈΠΌΡΡΠ²ΠΎΠ²Π°Π½Ρ Ρ Β«ΡΠ΅ΡΡΠ΅ΡΠΊΠΈΒ». Π£ΡΠΈΡΡΠ²Π°Ρ ΡΠΊΡΠΎΠΌΠ½ΡΠ΅ ΡΠ΅Ρ Π½ΠΈΡΠ΅ΡΠΊΠΈΠ΅ ΠΏΠ°ΡΠ°ΠΌΠ΅ΡΡΡ, ΡΡΠΎΠΈΡ ΠΎΡΠΌΠ΅ΡΠΈΡΡ Π²ΡΡΠΎΠΊΠΈΠ΅ ΠΊΠ°ΡΠ΅ΡΡΠ²Π° ΠΏΡΠΎΡ ΠΎΠ΄ΠΈΠΌΠΎΡΡΠΈ ΡΡΠΎΠ³ΠΎ ΡΡΠ°Π½ΡΠΏΠΎΡΡΠ½ΠΎΠ³ΠΎ ΡΡΠ΅Π΄ΡΡΠ²Π°. ΠΠΎΠ΄ΠΈΡΠΈΠΊΠ°ΡΠΈΡ Π½Π°ΡΡΠΎΠ»ΡΠΊΠΎ ΠΏΡΠΈΠΆΠΈΠ»Π°ΡΡ Π² Π½Π°ΡΠΎΠ΄Π΅, ΡΡΠΎ Π²ΡΠ΅ ΠΏΠΎΡΠ»Π΅Π΄ΡΡΡΠΈΠ΅ Π²Π°ΡΠΈΠ°ΡΠΈΠΈ Π²ΡΠΏΡΡΠΊΠ°Π»ΠΈΡΡ Π±Π΅Π· ΡΡΡΠ΅ΡΡΠ²Π΅Π½Π½ΡΡ ΠΈΠ·ΠΌΠ΅Π½Π΅Π½ΠΈΠΉ Π² ΠΊΡΠ·ΠΎΠ²Π΅.
ΠΠΎΠ½Π²Π΅ΠΉΠ΅ΡΠ½ΡΠΉ Π²ΡΠΏΡΡΠΊ ΠΠΠ-2121 ΠΏΡΠΎΠ΄ΠΎΠ»ΠΆΠ°Π»ΡΡ Π΄ΠΎ 1994 Π³ΠΎΠ΄Π°. ΠΠΎΠ½ΡΡΡΡΠΊΡΠΎΡΡ ΠΏΠΎΡΡΠΎΡΠ½Π½ΠΎ ΡΠ»ΡΡΡΠ°Π»ΠΈ ΠΌΠΎΡΠΎΡ, ΡΡΠ°Π½ΡΠΌΠΈΡΡΠΈΡ ΠΈ ΠΏΡΠΎΡΠΈΠ΅ ΠΎΡΠ½ΠΎΠ²Π½ΡΠ΅ ΡΠ·Π»Ρ. ΠΠ° ΡΠΌΠ΅Π½Ρ Π΄Π°Π½Π½ΠΎΠΉ ΠΌΠΎΠ΄Π΅Π»ΠΈ ΠΏΡΠΈΡΠ΅Π» ΠΎΠ±Π½ΠΎΠ²Π»Π΅Π½Π½ΡΠΉ Π²Π°ΡΠΈΠ°Π½Ρ Π²Π½Π΅Π΄ΠΎΡΠΎΠΆΠ½ΠΈΠΊΠ° ΠΏΠΎΠ΄ ΠΌΠ°ΡΠΊΠ°ΠΌΠΈ 2123 ΠΈ 2124. Π‘ 2006 Π³ΠΎΠ΄Π° Π²ΡΠ΅ ΠΌΠΎΠ΄ΠΈΡΠΈΠΊΠ°ΡΠΈΠΈ Π²ΡΠΏΡΡΠΊΠ°ΡΡΡΡ ΠΏΠΎΠ΄ ΡΠ½ΠΈΠ²Π΅ΡΡΠ°Π»ΡΠ½ΡΠΌ ΠΈΠ½Π΄Π΅ΠΊΡΠΎΠΌ Β«4 Ρ 4Β».
Β«ΠΠΈΠ²Π°Β»: Π³Π°Π±Π°ΡΠΈΡΡ
Π Π°Π·ΠΌΠ΅ΡΡ Π°Π²ΡΠΎΠΌΠΎΠ±ΠΈΠ»Ρ Π΄Π°ΡΡ Π²ΠΎΠ·ΠΌΠΎΠΆΠ½ΠΎΡΡΡ ΠΏΡΠΈΡΠΈΡΠ»ΠΈΡΡ Π΅Π³ΠΎ ΠΊ Π³ΡΡΠΏΠΏΠ΅ ΠΊΠΎΠΌΠΏΠ°ΠΊΡΠ½ΡΡ Π²Π½Π΅Π΄ΠΎΡΠΎΠΆΠ½ΠΈΠΊΠΎΠ² Ρ Π½Π΅ΡΡΡΠΈΠΌ ΠΊΡΠ·ΠΎΠ²ΠΎΠΌ. Π Π΄Π»ΠΈΠ½Ρ Π±Π°Π·ΠΎΠ²Π°Ρ ΠΌΠΎΠ΄ΠΈΡΠΈΠΊΠ°ΡΠΈΡ ΠΈΠΌΠ΅Π΅Ρ 3740 ΠΌΠΈΠ»Π»ΠΈΠΌΠ΅ΡΡΠΎΠ². ΠΡΡΠΎΡΠ° ΠΈ ΡΠΈΡΠΈΠ½Π° ΡΡΠ°Π½ΡΠΏΠΎΡΡΠ½ΠΎΠ³ΠΎ ΡΡΠ΅Π΄ΡΡΠ²Π° ΡΠΎΡΡΠ°Π²Π»ΡΡΡ 1680 ΠΈ 1640 ΠΌΠΌ ΡΠΎΠΎΡΠ²Π΅ΡΡΡΠ²Π΅Π½Π½ΠΎ. ΠΠΎΡΠΎΠΆΠ½ΡΠΉ ΠΏΡΠΎΡΠ²Π΅Ρ Π² Π΄Π²Π°Π΄ΡΠ°ΡΡ Π΄Π²Π° ΡΠ°Π½ΡΠΈΠΌΠ΅ΡΡΠ° ΠΎΠ±Π΅ΡΠΏΠ΅ΡΠΈΠ²Π°Π΅Ρ Π²ΡΡΠΎΠΊΠΈΠ΅ ΠΏΠΎΠΊΠ°Π·Π°ΡΠ΅Π»ΠΈ ΠΏΡΠΎΡ ΠΎΠ΄ΠΈΠΌΠΎΡΡΠΈ Π°Π²ΡΠΎ.

ΠΡΠ΄Π΅Π»ΡΠ½ΠΎ ΡΡΠΎΠΈΡ ΠΎΡΠΌΠ΅ΡΠΈΡΡ ΠΌΠΎΠ΄Π΅Π»Ρ ΠΠΠ-2131. ΠΠ½Π° Π²ΡΠΏΠΎΠ»Π½Π΅Π½Π° Π² ΠΊΡΠ·ΠΎΠ²Π΅ Ρ ΠΏΡΡΡΡ Π΄Π²Π΅ΡΡΠΌΠΈ, ΡΡΠΎ ΠΎΠ±ΡΡΠ»Π°Π²Π»ΠΈΠ²Π°Π΅Ρ ΡΠ²Π΅Π»ΠΈΡΠ΅Π½ΠΈΠ΅ Π΄Π»ΠΈΠ½Ρ Π½Π° ΠΏΡΡΡΡΠΎΡ ΠΌΠΈΠ»Π»ΠΈΠΌΠ΅ΡΡΠΎΠ². ΠΡΡΠ°Π»ΡΠ½ΡΠ΅ Π³Π°Π±Π°ΡΠΈΡΠ½ΡΠ΅ ΡΠ°Π·ΠΌΠ΅ΡΡ ΠΎΡΡΠ°Π»ΠΈΡΡ Π±Π΅Π· ΠΈΠ·ΠΌΠ΅Π½Π΅Π½ΠΈΠΉ.
Π‘ΠΈΠ»ΠΎΠ²ΠΎΠΉ Π°Π³ΡΠ΅Π³Π°Ρ
Β«ΠΠΈΠ²Π°Β», Π³Π°Π±Π°ΡΠΈΡΡ ΠΊΠΎΡΠΎΡΠΎΠΉ Π΄ΠΎΠ²ΠΎΠ»ΡΠ½ΠΎ ΡΠΊΡΠΎΠΌΠ½ΡΠ΅, Π² ΠΏΠ΅ΡΠ²ΠΎΠΌ ΠΏΠΎΠΊΠΎΠ»Π΅Π½ΠΈΠΈ ΠΎΡΠ½Π°ΡΠ°Π»Π°ΡΡ ΠΌΠΎΡΠΎΡΠΎΠΌ ΠΎΡ ΠΠΠ-2106. Π‘Π»Π΅Π΄ΡΡΡΠΈΠ΅ ΠΌΠΎΠ΄ΠΈΡΠΈΠΊΠ°ΡΠΈΠΈ ΠΈΠΌΠ΅Π»ΠΈ ΠΌΠΎΠ΄Π΅ΡΠ½ΠΈΠ·ΠΈΡΠΎΠ²Π°Π½Π½ΡΠ΅ ΡΠΈΠ»ΠΎΠ²ΡΠ΅ ΡΡΡΠ°Π½ΠΎΠ²ΠΊΠΈ. ΠΠ²ΠΈΠΆΠΎΠΊ Π² ΡΠ΅ΡΠΈΠΈ 2123 ΠΎΠ±ΠΎΡΡΠ΄ΠΎΠ²Π°Π½ Π½ΠΎΠ²ΠΎΠΉ ΡΠΈΡΡΠ΅ΠΌΠΎΠΉ Π·Π°ΠΆΠΈΠ³Π°Π½ΠΈΡ ΠΈ ΠΏΠΈΡΠ°Π½ΠΈΡ, ΡΡΠΎ ΠΏΠΎΠ»ΠΎΠΆΠΈΡΠ΅Π»ΡΠ½ΠΎ ΠΎΡΡΠ°Π·ΠΈΠ»ΠΎΡΡ Π½Π° ΡΠ°ΡΡ ΠΎΠ΄Π΅ Π³ΠΎΡΡΡΠ΅Π³ΠΎ. ΠΡΠΈ ΡΡΠΎΠΌ ΡΠ°ΠΌΠ° ΡΠΈΠ»ΠΎΠ²Π°Ρ ΡΡΡΠ°Π½ΠΎΠ²ΠΊΠ° ΠΏΠΎΠ»ΡΡΠΈΠ»Π° ΡΠ²Π΅Π»ΠΈΡΠ΅Π½Π½ΡΠΉ ΠΎΠ±ΡΠ΅ΠΌ ΠΎΡΡΠ΅ΠΊΠΎΠ² ΡΠ³ΠΎΡΠ°Π½ΠΈΡ.
ΠΠ±ΡΠ΅ΠΌ ΠΌΠΎΡΠΎΡΠ° Π½Π° ΠΏΠΎΡΠ»Π΅Π΄Π½ΠΈΡ ΠΏΠΎΠΊΠΎΠ»Π΅Π½ΠΈΡΡ ΡΠΎΡΡΠ°Π²Π»ΡΠ΅Ρ 1,7 Π»ΠΈΡΡΠ°, ΠΎΠ½ ΠΈΠΌΠ΅Π΅Ρ ΠΊΠ°ΡΠ±ΡΡΠ°ΡΠΎΡΠ½ΡΡ ΡΠΈΡΡΠ΅ΠΌΡ ΠΏΠΈΡΠ°Π½ΠΈΡ ΠΈ Π±Π΅ΡΠΊΠΎΠ½ΡΠ°ΠΊΡΠ½ΡΠΉ Π±Π»ΠΎΠΊ Π·Π°ΠΆΠΈΠ³Π°Π½ΠΈΡ. ΠΠΎΡΠ½ΠΎΡΡΡ, ΠΊΠΎΡΠΎΡΡΡ ΡΠΏΠΎΡΠΎΠ±Π΅Π½ ΡΠ°Π·Π²ΠΈΡΡ Π΄Π²ΠΈΠ³Π°ΡΠ΅Π»Ρ, Π΄ΠΎΡΡΠΈΠ³Π°Π΅Ρ 82 Π»ΠΎΡΠ°Π΄ΠΈΠ½ΡΡ ΡΠΈΠ». ΠΠ° Π²Π°ΡΠΈΠ°ΡΠΈΠΈ 2124 ΠΌΠΎΡΠΎΡ ΠΎΡΡΠ°Π»ΡΡ ΠΏΡΠ΅ΠΆΠ½ΠΈΠΌ, Π½ΠΎ ΠΏΠΎΠ»ΡΡΠΈΠ» ΡΠ΅Π½ΡΡΠ°Π»ΠΈΠ·ΠΎΠ²Π°Π½Π½ΡΠΉ Π²ΠΏΡΡΡΠΊ ΡΠΎΠΏΠ»ΠΈΠ²Π°. Π‘Π°ΠΌΡΠ΅ ΠΏΠΎΡΠ»Π΅Π΄Π½ΠΈΠ΅ ΡΠΈΠ»ΠΎΠ²ΡΠ΅ Π°Π³ΡΠ΅Π³Π°ΡΡ Β«ΠΠΈΠ²ΡΒ» ΠΈΠΌΠ΅ΡΡ ΠΎΠ±ΡΠ΅ΠΌ 1,8 Π»ΠΈΡΡΠ° ΠΈ ΠΌΠΎΡΠ½ΠΎΡΡΡ 84 Π»ΠΎΡΠ°Π΄ΠΈΠ½ΡΠ΅ ΡΠΈΠ»Ρ.
Π£Π·Π΅Π» ΡΡΠ°Π½ΡΠΌΠΈΡΡΠΈΠΈ
ΠΠ²ΡΠΎΠΌΠΎΠ±ΠΈΠ»Ρ Β«ΠΠΈΠ²Π°Β», Π³Π°Π±Π°ΡΠΈΡΡ (ΡΠ°Π·ΠΌΠ΅ΡΡ) ΠΊΡΠ·ΠΎΠ²Π° ΠΊΠΎΡΠΎΡΠΎΠ³ΠΎ ΠΏΡΠ°ΠΊΡΠΈΡΠ΅ΡΠΊΠΈ ΠΎΠ΄ΠΈΠ½Π°ΠΊΠΎΠ²Ρ Π½Π° Π²ΡΠ΅Ρ ΠΌΠΎΠ΄ΠΈΡΠΈΠΊΠ°ΡΠΈΡΡ , Π² ΠΏΠ΅ΡΠ²ΠΎΠΌ ΠΏΠΎΠΊΠΎΠ»Π΅Π½ΠΈΠΈ ΠΎΡΠ½Π°ΡΠ°Π»ΡΡ ΠΌΠ΅Ρ Π°Π½ΠΈΡΠ΅ΡΠΊΠΎΠΉ ΠΊΠΎΡΠΎΠ±ΠΊΠΎΠΉ ΠΏΠ΅ΡΠ΅Π΄Π°Ρ Ρ Π΄Π²ΡΡ ΡΡΡΠΏΠ΅Π½ΡΠ°ΡΠΎΠΉ Β«ΡΠ°Π·Π΄Π°ΡΠΊΠΎΠΉΒ», Π° ΡΠ°ΠΊΠΆΠ΅ Π²ΠΎΠ·ΠΌΠΎΠΆΠ½ΠΎΡΡΡΡ Π±Π»ΠΎΠΊΠΈΡΠΎΠ²Π°Π½ΠΈΡ ΠΌΠ΅ΠΆΠΎΡΠ΅Π²ΠΎΠ³ΠΎ Π΄ΠΈΡΡΠ΅ΡΠ΅Π½ΡΠΈΠ°Π»Π°.

ΠΠΎΡΠ»Π΅ Π²ΡΡ ΠΎΠ΄Π° ΠΌΠΎΠ΄Π΅Π»ΠΈ 2123 ΠΌΠ°ΡΠΈΠ½Π° ΠΎΠ±ΠΎΡΡΠ΄ΡΠ΅ΡΡΡ ΠΏΡΡΠΈΡΡΡΠΏΠ΅Π½ΡΠ°ΡΠΎΠΉ ΠΠΠ. ΠΠ½Π°Π»ΠΎΠ³ΠΈΡΠ½ΡΠΉ ΡΡΠ°Π½ΡΠΌΠΈΡΡΠΈΠΎΠ½Π½ΡΠΉ Π±Π»ΠΎΠΊ ΡΡΡΠ°Π½ΠΎΠ²Π»Π΅Π½ Π½Π° ΡΠ΄Π»ΠΈΠ½Π΅Π½Π½ΠΎΠΉ Π²Π΅ΡΡΠΈΠΈ ΠΈ Π½Π° ΠΠΠ-2124. ΠΡΠΈΠ²ΠΎΠ΄ Ρ Π²ΡΠ΅Ρ ΠΌΠ°ΡΠΈΠ½ ΡΡΠΎΠ³ΠΎ ΠΊΠ»Π°ΡΡΠ° Π½Π° ΠΎΠ±Π° ΠΌΠΎΡΡΠ°.
ΠΡΠ½ΠΎΠ²Π½ΡΠ΅ ΡΡΠ³ΠΎΠ²ΡΠ΅ ΠΏΠΎΠΊΠ°Π·Π°ΡΠ΅Π»ΠΈ Π²Π½Π΅Π΄ΠΎΡΠΎΠΆΠ½ΠΈΠΊΠ°:
- ΠΏΡΠ΅Π΄Π΅Π»ΡΠ½Π°Ρ ΡΠΊΠΎΡΠΎΡΡΡ β 135 ΠΊΠΈΠ»ΠΎΠΌΠ΅ΡΡΠΎΠ² Π² ΡΠ°Ρ;
- ΡΠ°Π·Π³ΠΎΠ½ Π΄ΠΎ ΡΠΎΡΠ½ΠΈ ΠΊΠΈΠ»ΠΎΠΌΠ΅ΡΡΠΎΠ² β 19 ΡΠ΅ΠΊΡΠ½Π΄;
- ΠΏΠΎΡΡΠ΅Π±Π»Π΅Π½ΠΈΠ΅ Π³ΠΎΡΡΡΠ΅Π³ΠΎ ΡΠΎΡΡΠ°Π²Π»ΡΠ΅Ρ 10-12 Π»ΠΈΡΡΠΎΠ² Π½Π° 100 ΠΊΠΌ;
- Π³ΡΡΠ·ΠΎΠΏΠΎΠ΄ΡΠ΅ΠΌΠ½ΠΎΡΡΡ β ΡΠ΅ΡΡΡΠ΅ΡΡΠ° ΠΊΠΈΠ»ΠΎΠ³ΡΠ°ΠΌΠΌ;
- ΠΏΠΎΠ»Π½Π°Ρ ΠΌΠ°ΡΡΠ° β 1,6 ΡΠΎΠ½Π½Ρ.
Π£Π΄Π»ΠΈΠ½Π΅Π½Π½Π°Ρ ΠΌΠΎΠ΄Π΅Π»Ρ 2131 Ρ ΠΌΠΎΡΠΎΡΠΎΠΌ 1,8 Π»ΠΈΡΡΠ° ΠΌΠΎΠΆΠ΅Ρ ΡΠ°Π·ΠΎΠ³Π½Π°ΡΡΡΡ Π΄ΠΎ 140 ΠΊΠΌ/Ρ ΠΏΡΠΈ Π½Π°Π±ΠΎΡΠ΅ ΡΠΊΠΎΡΠΎΡΡΠΈ Π΄ΠΎ ΡΠΎΡΠ½ΠΈ ΠΊΠΈΠ»ΠΎΠΌΠ΅ΡΡΠΎΠ² Π·Π° Π΄Π²Π°Π΄ΡΠ°ΡΡ ΡΠ΅ΠΊΡΠ½Π΄.
Π₯ΠΎΠ΄ΠΎΠ²ΡΠ΅ Π²ΠΎΠ·ΠΌΠΎΠΆΠ½ΠΎΡΡΠΈ
ΠΠ²ΡΠΎΠΌΠΎΠ±ΠΈΠ»Ρ Β«ΠΠΈΠ²Π°Β», Π³Π°Π±Π°ΡΠΈΡΡ ΡΠ°Π»ΠΎΠ½Π° ΠΊΠΎΡΠΎΡΠΎΠ³ΠΎ ΠΏΠΎΠ·Π²ΠΎΠ»ΡΡΡ Π²ΠΌΠ΅ΡΡΠΈΡΡ Π΄ΠΎ ΠΏΡΡΠΈ ΡΠ΅Π»ΠΎΠ²Π΅ΠΊ, Π½Π΅ ΠΎΡΠ½ΠΎΡΠΈΡΡΡ ΠΊ ΡΠΊΠΎΡΠΎΡΡΠ½ΡΠΌ ΡΡΠ΅Π΄ΡΡΠ²Π°ΠΌ ΠΏΠ΅ΡΠ΅Π΄Π²ΠΈΠΆΠ΅Π½ΠΈΡ. ΠΠ³ΠΎ Ρ Π°ΡΠ°ΠΊΡΠ΅ΡΠΈΡΡΠΈΠΊΠΈ ΡΠ°ΡΡΡΠΈΡΠ°Π½Ρ Π½Π° ΠΏΡΠ΅ΠΎΠ΄ΠΎΠ»Π΅Π½ΠΈΠ΅ Π±Π΅Π·Π΄ΠΎΡΠΎΠΆΡΡ. ΠΡΡ ΡΠΏΠΎΡΠΎΠ±Π½ΠΎΡΡΡ ΠΎΠ±Π΅ΡΠΏΠ΅ΡΠΈΠ²Π°ΡΡ ΡΠ²Π΅Π»ΠΈΡΠ΅Π½Π½ΡΠΉ ΠΊΠ»ΠΈΡΠ΅Π½Ρ, Π½Π΅Π·Π°Π²ΠΈΡΠΈΠΌΠ°Ρ ΡΡΠΎΠ½ΡΠ°Π»ΡΠ½Π°Ρ ΠΏΠΎΠ΄Π²Π΅ΡΠΊΠ° Ρ ΠΏΠΎΠΏΠ΅ΡΠ΅ΡΠ½ΡΠΌΠΈ ΡΡΡΠ°Π³Π°ΠΌΠΈ, Π° ΡΠ°ΠΊΠΆΠ΅ ΡΡΠ°Π±ΠΈΠ»ΠΈΠ·Π°ΡΠΎΡ ΡΡΡΠΎΠΉΡΠΈΠ²ΠΎΡΡΠΈ. ΠΠ°Π΄Π½ΠΈΠΉ ΡΠ»Π΅ΠΌΠ΅Π½Ρ ΠΏΠΎΠ΄Π²Π΅ΡΠΊΠΈ — Π·Π°Π²ΠΈΡΠΈΠΌΠΎΠ³ΠΎ ΡΠΈΠΏΠ° Ρ ΠΏΡΠΎΠ΄ΠΎΠ»ΡΠ½ΡΠΌ ΠΈ ΠΏΠΎΠΏΠ΅ΡΠ΅ΡΠ½ΡΠΌ ΡΡΡΠ°ΠΆΠ½ΡΠΌ ΡΡΡΡΠΎΠΉΡΡΠ²ΠΎΠΌ.
Π‘ ΠΏΠΎΡΠ²Π»Π΅Π½ΠΈΠ΅ΠΌ ΠΌΠΎΠ΄Π΅Π»ΠΈ ΠΠΠ-21213 ΡΠ°Π·ΡΠ°Π±ΠΎΡΡΠΈΠΊΠΈ Π½Π°ΡΠ°Π»ΠΈ ΡΠ΄Π΅Π»ΡΡΡ Π±ΠΎΠ»ΡΡΠ΅ Π²Π½ΠΈΠΌΠ°Π½ΠΈΡ ΡΡΠ΅Π±ΠΎΠ²Π°Π½ΠΈΡΠΌ Π±Π΅Π·ΠΎΠΏΠ°ΡΠ½ΠΎΡΡΠΈ Π°Π²ΡΠΎ. ΠΠ½ΠΎ ΡΡΠ°Π»ΠΎ ΠΎΠ±ΠΎΡΡΠ΄ΠΎΠ²Π°ΡΡΡΡ Π΄ΠΈΠ°Π³ΠΎΠ½Π°Π»ΡΠ½ΠΎΠΉ ΡΡ Π΅ΠΌΠΎΠΉ ΡΠΎΡΠΌΠΎΠ·ΠΎΠ² Ρ ΡΡΡΠ°Π½ΠΎΠ²Π»Π΅Π½Π½ΠΎΠΉ ΡΠΈΡΡΠ΅ΠΌΠΎΠΉ Π°Π²ΡΠΎΠΌΠ°ΡΠΈΡΠ΅ΡΠΊΠΎΠΉ Π±Π»ΠΎΠΊΠΈΡΠΎΠ²ΠΊΠΈ. Π ΡΠ»Ρ ΠΈΠΌΠ΅Π΅Ρ Π³ΠΈΠ΄ΡΠ°Π²Π»ΠΈΡΠ΅ΡΠΊΠΈΠΉ ΡΡΠΈΠ»ΠΈΡΠ΅Π»Ρ. Π‘ΡΠΎΠΈΡ ΠΎΡΠΌΠ΅ΡΠΈΡΡ, ΡΡΠΎ Π°Π²ΡΠΎ Β«ΠΠΈΠ²Π°Β» (Π³Π°Π±Π°ΡΠΈΡΡ Π½ΠΎΠ²ΠΎΠ³ΠΎ ΠΎΠ±ΡΠ°Π·ΡΠ° Π½Π΅ ΠΈΠ·ΠΌΠ΅Π½ΠΈΠ»ΠΈΡΡ), ΠΏΡΠΎΠ΄ΠΎΠ»ΠΆΠ°Π΅Ρ Π²ΡΠΏΡΡΠΊΠ°ΡΡΡΡ. ΠΡΠΈ ΡΡΠΎΠΌ ΡΠΎΠ²Π΅ΡΡΠ΅Π½ΡΡΠ²ΡΡΡΡΡ Π²ΡΠ΅ ΠΎΡΠ½ΠΎΠ²Π½ΡΠ΅ ΡΠ·Π»Ρ ΠΈ Π΄Π΅ΡΠ°Π»ΠΈ.

ΠΠΎΠ΄ΡΠΎΠ±Π½Π΅Π΅ ΠΎ Β«ΠΠΈΠ²Π΅Β» Ρ ΡΠ΄Π»ΠΈΠ½Π΅Π½Π½ΠΎΠΉ Π±Π°Π·ΠΎΠΉ
ΠΠΠ-2131 ΠΈΠΌΠ΅Π΅Ρ ΡΠ²Π΅Π»ΠΈΡΠ΅Π½Π½ΡΡ Π±Π°Π·Ρ (4,24 ΠΌΠ΅ΡΡΠ°). ΠΡΠΎΠΌΠ΅ ΡΠΎΠ³ΠΎ, ΠΏΠΎΠ΄ ΠΊΠ°ΠΏΠΎΡΠΎΠΌ ΡΡΠΎΠΈΡ Π±ΠΎΠ»Π΅Π΅ ΠΌΠΎΡΠ½ΡΠΉ, ΡΠ΅ΠΌ Ρ ΠΏΡΠ΅Π΄ΡΠ΅ΡΡΠ²Π΅Π½Π½ΠΈΠΊΠΎΠ² ΠΌΠΎΡΠΎΡ (1,8 Π»ΠΈΡΡΠ°). Π Π°Π±ΠΎΡΠΈΠΉ Ρ ΠΎΠ΄ ΠΏΠΎΡΡΠ½Ρ ΡΠΎΡΡΠ°Π²Π»ΡΠ΅Ρ 85 ΠΌΠΈΠ»Π»ΠΈΠΌΠ΅ΡΡΠΎΠ² ΠΏΡΠΈ ΠΌΠ°ΠΊΡΠΈΠΌΠ°Π»ΡΠ½ΠΎΠΌ ΠΊΡΡΡΡΡΠ΅ΠΌ ΠΌΠΎΠΌΠ΅Π½ΡΠ΅ 3 200 Π²ΡΠ°ΡΠ΅Π½ΠΈΠΉ Π² ΠΌΠΈΠ½ΡΡΡ. ΠΠ±ΡΠ΅ΠΌ Π±Π°ΠΊΠ° (65 Π»), Π° ΡΠ°ΠΊΠΆΠ΅ ΡΠ°ΡΡ ΠΎΠ΄ ΡΠΎΠΏΠ»ΠΈΠ²Π° ΠΈ ΡΠΊΠΎΡΠΎΡΡΠ½ΡΠ΅ ΠΏΠΎΠΊΠ°Π·Π°ΡΠ΅Π»ΠΈ β ΠΏΡΠ°ΠΊΡΠΈΡΠ΅ΡΠΊΠΈ ΡΠ°ΠΊΠΈΠ΅ ΠΆΠ΅, ΠΊΠ°ΠΊ ΠΈ Ρ ΠΎΡΡΠ°Π»ΡΠ½ΡΡ ΠΌΠΎΠ΄ΠΈΡΠΈΠΊΠ°ΡΠΈΠΉ.
Β«ΠΠΈΠ²Π°Β», Π³Π°Π±Π°ΡΠΈΡΡ ΠΊΠΎΡΠΎΡΠΎΠΉ ΡΠ²Π΅Π»ΠΈΡΠ΅Π½Ρ, ΠΏΡΠ΅Π΄ΡΡΠ°Π²Π»ΡΠ΅Ρ ΡΠΎΠ±ΠΎΠΉ ΠΏΡΡΠΈΠΌΠ΅ΡΡΠ½ΡΠΉ ΡΠ½ΠΈΠ²Π΅ΡΡΠ°Π» Ρ ΡΡΡΠΎΠΉΡΠΈΠ²ΠΎΠΉ ΠΊΠΎΠ»Π΅ΡΠ½ΠΎΠΉ Π±Π°Π·ΠΎΠΉ. ΠΠ°ΡΠΈΠ½Π° ΡΠ°ΡΡΡΠΈΡΠ°Π½Π° Π½Π° ΠΏΡΠ΅ΠΎΠ΄ΠΎΠ»Π΅Π½ΠΈΠ΅ ΡΠ°Π·Π»ΠΈΡΠ½ΡΡ Π½Π΅ΡΠΎΠ²Π½ΠΎΡΡΠ΅ΠΉ Π½Π° Π΄ΠΎΡΠΎΠ³Π°Ρ Π±Π΅Π· Π²ΡΠ΅Π΄Π° Π΄Π»Ρ ΡΡΠ°Π½ΡΠΏΠΎΡΡΠ½ΠΎΠ³ΠΎ ΡΡΠ΅Π΄ΡΡΠ²Π°. ΠΠ±ΡΠ΅ΠΌ Π±Π°Π³Π°ΠΆΠ½ΠΎΠ³ΠΎ ΠΎΡΡΠ΅ΠΊΠ° ΡΠΎΡΡΠ°Π²Π»ΡΠ΅Ρ 420 Π»ΠΈΡΡΠΎΠ², Π° ΠΏΡΠΈ ΡΠ±ΡΠ°Π½Π½ΡΡ Π·Π°Π΄Π½ΠΈΡ ΡΠΈΠ΄Π΅Π½ΠΈΡΡ Π΅Π³ΠΎ Π²ΠΌΠ΅ΡΡΠΈΠΌΠΎΡΡΡ Π΄ΠΎΡΡΠΈΠ³Π°Π΅Ρ 780 Π». ΠΡΡΠ·ΠΎΠΏΠΎΠ΄ΡΠ΅ΠΌΠ½ΠΎΡΡΡ ΠΠΠ-2131 ΡΠΎΡΡΠ°Π²Π»ΡΠ΅Ρ ΠΏΠΎΠ»ΡΠΎΠ½Π½Ρ ΠΏΡΠΈ ΠΌΠ°ΡΡΠ΅ ΡΠ°ΠΌΠΎΠ³ΠΎ Π°Π²ΡΠΎ 1,35 Ρ.
ΠΡΠΊΠ»ΠΈΠΊΠΈ Π²Π»Π°Π΄Π΅Π»ΡΡΠ΅Π²
Π‘ΡΠ΄Ρ ΠΏΠΎ ΠΎΡΠ·ΡΠ²Π°ΠΌ ΠΏΠΎΡΡΠ΅Π±ΠΈΡΠ΅Π»Π΅ΠΉ ΠΎ ΠΌΠ°ΡΠΈΠ½Π΅ Β«ΠΠΈΠ²Π°Β», ΠΎΠ½Π° ΡΠ²Π»ΡΠ΅ΡΡΡ Π½Π°Π΄Π΅ΠΆΠ½ΡΠΌ ΠΎΡΠ΅ΡΠ΅ΡΡΠ²Π΅Π½Π½ΡΠΌ Π²Π½Π΅Π΄ΠΎΡΠΎΠΆΠ½ΠΈΠΊΠΎΠΌ, ΠΎΡΠ»ΠΈΡΠ½ΠΎ ΠΏΡΠΈΡΠΏΠΎΡΠΎΠ±Π»Π΅Π½Π½ΡΠΌ ΠΊ Π΅Π·Π΄Π΅ ΠΏΠΎ ΠΏΡΠΎΠ±Π»Π΅ΠΌΠ½ΡΠΌ ΡΡΠ°ΡΡΠ°ΠΌ. ΠΠΎΠΌΠΏΠ°ΠΊΡΠ½ΠΎΡΡΡ, Π²ΡΡΠΎΠΊΠ°Ρ ΠΏΡΠΎΡ ΠΎΠ΄ΠΈΠΌΠΎΡΡΡ, ΡΡΡΠΎΠΉΡΠΈΠ²ΠΎΡΡΡ β ΠΎΡΠ½ΠΎΠ²Π½ΡΠ΅ ΠΏΡΠ΅ΠΈΠΌΡΡΠ΅ΡΡΠ²Π° ΡΡΠΎΠ³ΠΎ ΡΡΠ°Π½ΡΠΏΠΎΡΡΠ½ΠΎΠ³ΠΎ ΡΡΠ΅Π΄ΡΡΠ²Π°. ΠΠΎΠΏΡΠ»ΡΡΠ½ΠΎΡΡΡ Π°Π²ΡΠΎΠΌΠΎΠ±ΠΈΠ»Ρ Ρ Π½Π°ΡΠΎΠ΄Π° ΠΎΠ±ΡΡΠ»ΠΎΠ²Π»Π΅Π½Π° Π΅Π³ΠΎ Π΄ΠΎΡΡΡΠΏΠ½ΠΎΠΉ ΡΠ΅Π½ΠΎΠΉ ΠΈ ΠΎΡΡΡΡΡΡΠ²ΠΈΠ΅ΠΌ ΠΏΡΠΎΠ±Π»Π΅ΠΌ Ρ Π·Π°ΠΏΠ°ΡΠ½ΡΠΌΠΈ ΡΠ°ΡΡΡΠΌΠΈ.
ΠΡΡΠ°Π²Π»ΡΡΡ ΠΆΠ΅Π»Π°ΡΡ Π»ΡΡΡΠ΅Π³ΠΎ ΠΎΡΠ½Π°ΡΠ΅Π½ΠΈΠ΅ ΡΠ°Π»ΠΎΠ½Π° ΠΈ ΡΠΈΠ»ΠΎΠ²ΠΎΠΉ Π°Π³ΡΠ΅Π³Π°Ρ. ΠΠ΄Π½Π°ΠΊΠΎ Ρ ΠΎΡΠ½ΠΎΠ²Π½ΡΠΌΠΈ ΡΠ²ΠΎΠΈΠΌΠΈ Π·Π°Π΄Π°ΡΠ°ΠΌΠΈ ΠΎΠ½ΠΈ ΡΠΏΡΠ°Π²Π»ΡΡΡΡΡ Π½Π΅ΠΏΠ»ΠΎΡ ΠΎ. ΠΡΠΈ ΡΡΠΎΠΌ ΠΊΠΎΠ½ΡΡΡΡΠΊΡΠΎΡΡ ΠΏΠΎΡΡΠΎΡΠ½Π½ΠΎ Π΄ΠΎΡΠ°Π±Π°ΡΡΠ²Π°ΡΡ ΠΈ ΠΌΠΎΠ΄Π΅ΡΠ½ΠΈΠ·ΠΈΡΡΡΡ Π³Π»Π°Π²Π½ΡΠ΅ ΡΠ·Π»Ρ.

ΠΠ°ΠΊΠ»ΡΡΠ΅Π½ΠΈΠ΅
ΠΠ²ΡΠΎΠΌΠΎΠ±ΠΈΠ»Ρ Β«ΠΠΈΠ²Π°Β» β ΡΡΠΎ Π»Π΅Π³Π΅Π½Π΄Π° ΠΎΡΠ΅ΡΠ΅ΡΡΠ²Π΅Π½Π½ΠΎΠΉ Π°Π²ΡΠΎΠΌΠΎΠ±ΠΈΠ»ΡΠ½ΠΎΠΉ ΠΏΡΠΎΠΌΡΡΠ»Π΅Π½Π½ΠΎΡΡΠΈ. ΠΠ½ Π²ΡΠΏΡΡΠΊΠ°Π΅ΡΡΡ ΡΠΆΠ΅ Π½Π΅ΡΠΊΠΎΠ»ΡΠΊΠΎ Π΄Π΅ΡΡΡΠΈΠ»Π΅ΡΠΈΠΉ ΠΈ Π½Π΅ ΡΠ΅ΡΡΠ΅Ρ ΠΏΠΎΠΏΡΠ»ΡΡΠ½ΠΎΡΡΠΈ Ρ Π½Π°ΡΠ΅Π»Π΅Π½ΠΈΡ, Π½Π΅Π²Π·ΠΈΡΠ°Ρ Π½Π° ΡΠ²ΠΎΡ ΠΏΡΠΎΡΡΠΎΡΡ. Π‘ΡΠ΅Π΄ΠΈ Π±ΡΠ΄ΠΆΠ΅ΡΠ½ΡΡ Π²Π°ΡΠΈΠ°ΡΠΈΠΉ ΡΠ»ΠΎΠΆΠ½ΠΎ Π½Π°ΠΉΡΠΈ Π±ΠΎΠ»Π΅Π΅ ΠΏΠΎΠ΄Ρ ΠΎΠ΄ΡΡΠ΅Π΅ ΡΡΠ°Π½ΡΠΏΠΎΡΡΠ½ΠΎΠ΅ ΡΡΠ΅Π΄ΡΡΠ²ΠΎ Π΄Π»Ρ ΠΏΠ΅ΡΠ΅Π΄Π²ΠΈΠΆΠ΅Π½ΠΈΡ ΠΏΠΎ ΡΠ΅Π»ΡΡΠΊΠΈΠΌ ΠΈ ΠΏΡΠΎΠ±Π»Π΅ΠΌΠ½ΡΠΌ Π΄ΠΎΡΠΎΠ³Π°ΠΌ. ΠΠ°ΠΆΠ½ΡΠΌ ΠΌΠΎΠΌΠ΅Π½ΡΠΎΠΌ ΡΠ²Π»ΡΠ΅ΡΡΡ ΡΠΎΡ ΡΠ°ΠΊΡ, ΡΡΠΎ Π°Π²ΡΠΎ ΠΌΠΎΠΆΠ΅Ρ ΡΠΊΡΠΏΠ»ΡΠ°ΡΠΈΡΠΎΠ²Π°ΡΡΡΡ Π² ΡΠ°ΠΌΡΡ ΡΡΡΠΎΠ²ΡΡ ΠΊΠ»ΠΈΠΌΠ°ΡΠΈΡΠ΅ΡΠΊΠΈ ΡΠ΅Π³ΠΈΠΎΠ½Π°Ρ .
fb.ru
LADA 4Π₯4 Urban 5-Π΄Π². (ΠΠ°Π΄Π° «ΠΠΈΠ²Π°» Π£ΡΠ±Π°Π½ 5-Π΄Π².)
ΠΠΎΠ΄ΠΈΡΠΈΠΊΠ°ΡΠΈΠΈ Π°Π²ΡΠΎΠΌΠΎΠ±ΠΈΠ»Ρ | 21213 1.7 | 21214 1.7 i | 21217 1.6 |
ΠΠ²ΠΈΠ³Π°ΡΠ΅Π»Ρ | |||
Π Π°ΡΠΏΠΎΠ»ΠΎΠΆΠ΅Π½ΠΈΠ΅ Π΄Π²ΠΈΠ³Π°ΡΠ΅Π»Ρ | Π‘ΠΏΠ΅ΡΠ΅Π΄ΠΈ ΠΏΡΠΎΠ΄ΠΎΠ»ΡΠ½ΠΎ | ||
ΠΠ±ΡΠ΅ΠΌ Π΄Π²ΠΈΠ³Π°ΡΠ΅Π»Ρ | 1690 ΡΠΌ3 | 1569 ΡΠΌ3 | |
ΠΠΎΠ»ΠΈΡΠ΅ΡΡΠ²ΠΎ ΡΠΈΠ»ΠΈΠ½Π΄ΡΠΎΠ² / ΠΠ»Π°ΠΏΠ°Π½ΠΎΠ² Π½Π° ΡΠΈΠ»ΠΈΠ½Π΄Ρ | 4 / 2 | ||
Π₯ΠΎΠ΄ ΠΏΠΎΡΡΠ½Ρ | 82 ΠΌΠΌ | 79 ΠΌΠΌ | |
ΠΠΈΠ°ΠΌΠ΅ΡΡ ΡΠΈΠ»ΠΈΠ½Π΄ΡΠ° | 80 | ||
CΡΠ΅ΠΏΠ΅Π½Ρ ΡΠΆΠ°ΡΠΈΡ | 9.3 | 8.5 | |
Π‘ΠΈΡΡΠ΅ΠΌΠ° ΠΏΠΈΡΠ°Π½ΠΈΡ | ΠΠ°ΡΠ±ΡΡΠ°ΡΠΎΡ | Π Π°ΡΠΏΡΠ΅Π΄Π΅Π»Π΅Π½Π½ΡΠΉ Π²ΠΏΡΡΡΠΊ | ΠΠ°ΡΠ±ΡΡΠ°ΡΠΎΡ |
ΠΠΎΡΠ½ΠΎΡΡΡ (Π».Ρ / ΠΎΠ±. ΠΌΠΈΠ½) | 79 / 5400 | 81 / 5000 | 73 / 5400 |
ΠΡΡΡΡΡΠΈΠΉ ΠΌΠΎΠΌΠ΅Π½Ρ (ΠΠΌ / ΠΎΠ±.ΠΌΠΈΠ½) | 130 / 3400 | 128 / 4000 | 114 / 3400 |
Π’ΠΈΠΏ ΡΠΎΠΏΠ»ΠΈΠ²Π° | ΠΠ-92 | ΠΠ-95 | ΠΠ-92 |
Π’ΡΠ°Π½ΡΠΌΠΈΡΡΠΈΡ | |||
ΠΠΎΠ»Π΅ΡΠ½Π°Ρ ΡΠΎΡΠΌΡΠ»Π° / Π²Π΅Π΄ΡΡΠΈΠ΅ ΠΊΠΎΠ»Π΅ΡΠ° | 4Π₯4 / ΠΏΠΎΡΡΠΎΡΠ½Π½ΡΠΉ ΠΏΠΎΠ»Π½ΡΠΉ ΠΏΡΠΈΠ²ΠΎΠ΄ | ||
ΠΠΎΡΠΎΠ±ΠΊΠ° ΠΏΠ΅ΡΠ΅Π΄Π°Ρ | ΠΌΠ΅Ρ Π°Π½ΠΈΡΠ΅ΡΠΊΠ°Ρ | ||
Π§ΠΈΡΠ»ΠΎ ΠΏΠ΅ΡΠ΅Π΄Π°Ρ | 5 | ||
ΠΠ΅ΡΠ΅Π΄Π°ΡΠΈ Π Π | 1 Π²ΡΡΡΠ°Ρ, 1 Π½ΠΈΠ·ΡΠ°Ρ | ||
Π ΡΠ»Π΅Π²ΠΎΠ΅ ΡΠΏΡΠ°Π²Π»Π΅Π½ΠΈΠ΅ | |||
Π’ΠΈΠΏ | Π§Π΅ΡΠ²ΡΡΠ½ΡΠΉ ΡΠ΅Π΄ΡΠΊΡΠΎΡ | ||
Π£ΡΠΈΠ»ΠΈΡΠ΅Π»Ρ | Β | ||
Π’ΠΎΡΠΌΠΎΠ·Π½Π°Ρ ΡΠΈΡΡΠ΅ΠΌΠ° | |||
ΠΠ΅ΡΠ΅Π΄Π½ΠΈΠ΅ ΡΠΎΡΠΌΠΎΠ·Π° | ΠΠΈΡΠΊΠΎΠ²ΡΠ΅ | ||
ΠΠ°Π΄Π½ΠΈΠ΅ ΡΠΎΡΠΌΠΎΠ·Π° | ΠΠ°ΡΠ°Π±Π°Π½Π½ΡΠ΅ | ||
ΠΠΎΠ΄Π²Π΅ΡΠΊΠ° | |||
Π’ΠΈΠΏ ΠΏΠ΅ΡΠ΅Π΄Π½Π΅ΠΉ ΠΏΠΎΠ΄Π²Π΅ΡΠΊΠΈ | ΠΠΈΠ½ΡΠΎΠ²Π°Ρ ΠΏΡΡΠΆΠΈΠ½Π° | ||
Π’ΠΈΠΏ Π·Π°Π΄Π½Π΅ΠΉ ΠΏΠΎΠ΄Π²Π΅ΡΠΊΠΈ | ΠΠΈΠ½ΡΠΎΠ²Π°Ρ ΠΏΡΡΠΆΠΈΠ½Π° | ||
ΠΡΠ·ΠΎΠ² | |||
Π’ΠΈΠΏ ΠΊΡΠ·ΠΎΠ²Π° / ΠΊΠΎΠ»ΠΈΡΠ΅ΡΡΠ²ΠΎ Π΄Π²Π΅ΡΠ΅ΠΉ | Π£Π½ΠΈΠ²Π΅ΡΡΠ°Π» / 3 | ||
ΠΠΎΠ»-Π²ΠΎ ΠΏΠΎΡΠ°Π΄ΠΎΡΠ½ΡΡ ΠΌΠ΅ΡΡ | 5 | ||
ΠΠ»ΠΈΠ½Π° | 3720 ΠΌΠΌ | ||
Π¨ΠΈΡΠΈΠ½Π° | 1680 ΠΌΠΌ | ||
ΠΡΡΠΎΡΠ° | 1640 ΠΌΠΌ | ||
ΠΠΎΠ»Π΅ΡΠ½Π°Ρ Π±Π°Π·Π° | 2200 ΠΌΠΌ | ||
ΠΠΎΠ»Π΅Ρ ΠΏΠ΅ΡΠ΅Π΄Π½ΠΈΡ ΠΊΠΎΠ»Π΅Ρ, ΠΌΠΌ | 1430 ΠΌΠΌ | ||
ΠΠΎΠ»Π΅Ρ Π·Π°Π΄Π½ΠΈΡ ΠΊΠΎΠ»Π΅Ρ, ΠΌΠΌ | 1400 ΠΌΠΌ | ||
ΠΠ»ΠΈΡΠ΅Π½Ρ | 220 ΠΌΠΌ | ||
ΠΠ±ΡΠ΅ΠΌ Π±Π°Π³Π°ΠΆΠ½ΠΈΠΊΠ° | 265 / 980 | ||
Π‘Π½Π°ΡΡΠΆΠ΅Π½Π½Π°Ρ ΠΌΠ°ΡΡΠ° | 1210 | ||
ΠΠΎΠΏΡΡΡΠΈΠΌΠ°Ρ ΠΌΠ°ΡΡΠ° | 1610 | ||
ΠΠΊΡΠΏΠ»ΡΠ°ΡΠ°ΡΠΈΠΎΠ½Π½ΡΠ΅ Ρ Π°ΡΠ°ΠΊΡΠ΅ΡΠΈΡΡΠΈΠΊΠΈ | |||
ΠΡΠ΅ΠΌΡ ΡΠ°Π·Π³ΠΎΠ½Π° Π΄ΠΎ 100 ΠΊΠΌ / Ρ | 19 Ρ | 17 c | 23 c |
ΠΠ°ΠΊΡΠΈΠΌΠ°Π»ΡΠ½Π°Ρ ΡΠΊΠΎΡΠΎΡΡΡ | 137 ΠΊΠΌ / Ρ | 132 ΠΊΠΌ / Ρ | |
Π Π°Π·ΠΌΠ΅Ρ ΡΠΈΠ½ | R16 175 / 80 | ||
Π Π°ΡΡ ΠΎΠ΄ ΡΠΎΠΏΠ»ΠΈΠ²Π° Π³ΠΎΡΠΎΠ΄ΡΠΊΠΎΠΉ ΡΠΈΠΊΠ» (Π» / 100 ΠΊΠΌ) | 9,7 | 10,6 | 11 |
Π Π°ΡΡ ΠΎΠ΄ ΡΠΎΠΏΠ»ΠΈΠ²Π° Π·Π°Π³ΠΎΡΠΎΠ΄Π½ΡΠΉ ΡΠΈΠΊΠ» (Π» / 100 ΠΊΠΌ) | 8,3 | 8,6 | Β |
ΠΠ±ΡΠ΅ΠΌ Π±Π°ΠΊΠ° | 43 | ||
www.vazdriver.ru
ΠΠΈΠ²Π° 2131: ΡΠ΅Ρ Π½ΠΈΡΠ΅ΡΠΊΠΈΠ΅ Ρ Π°ΡΠ°ΠΊΡΠ΅ΡΠΈΡΡΠΈΠΊΠΈ 5-Π΄Π²Π΅ΡΠ½ΠΎΠ³ΠΎ Π°Π²ΡΠΎ
ΠΡΡΠΈΠ΄Π²Π΅ΡΠ½Π°Ρ ΠΠ°Π΄Π° ΠΠΈΠ²Π° 4Ρ 4 β ΠΊΠΎΠΌΠΏΠ°ΠΊΡΠ½ΡΠΉ, Π½Π΅ΠΏΡΠΈΡ ΠΎΡΠ»ΠΈΠ²ΡΠΉ, Π½Π°Π΄Π΅ΠΆΠ½ΡΠΉ Π²Π½Π΅Π΄ΠΎΡΠΎΠΆΠ½ΠΈΠΊ, ΠΏΡΠ΅Π΄Π½Π°Π·Π½Π°ΡΠ΅Π½Π½ΡΠΉ Π΄Π»Ρ ΠΏΠ΅ΡΠ΅Π²ΠΎΠ·ΠΊΠΈ ΠΏΠ°ΡΡΠ°ΠΆΠΈΡΠΎΠ² ΠΈ Π±Π°Π³Π°ΠΆΠ° ΠΏΡΠΈ ΡΠ΅ΠΌΠΏΠ΅ΡΠ°ΡΡΡΠ΅ Π²ΠΎΠ·Π΄ΡΡ Π° ΠΎΡ -40 Β°Π‘ Π΄ΠΎ +45 Β°Π‘. ΠΡΠΎΡ Π°Π²ΡΠΎΠΌΠΎΠ±ΠΈΠ»Ρ ΠΎΡΠ»ΠΈΡΠ°Π΅ΡΡΡ ΠΏΠΎΠ΄Π²Π΅ΡΠΊΠΎΠΉ, ΠΊΠΎΡΠΎΡΠ°Ρ ΠΎΠ±Π΅ΡΠΏΠ΅ΡΠΈΠ²Π°Π΅Ρ ΠΎΡΠ»ΠΈΡΠ½ΡΡ ΠΏΠ»Π°Π²Π½ΠΎΡΡΡ Ρ ΠΎΠ΄Π° ΠΈ Π°Π±ΡΠΎΠ»ΡΡΠ½ΡΡ Π½Π΅Π²ΠΎΡΠΏΡΠΈΠΈΠΌΡΠΈΠ²ΠΎΡΡΡ ΠΊ Π΄ΠΎΡΠΎΠΆΠ½ΡΠΌ Π½Π΅ΡΠΎΠ²Π½ΠΎΡΡΡΠΌ. ΠΡΡΠΈΠ΄Π²Π΅ΡΠ½ΡΠΉ ΠΠΠ 2131 ΡΠ²Π»ΡΠ΅ΡΡΡ ΡΠ°ΠΌΡΠΌ Π²ΠΌΠ΅ΡΡΠΈΡΠ΅Π»ΡΠ½ΡΠΌ Π°Π²ΡΠΎΠΌΠΎΠ±ΠΈΠ»Π΅ΠΌ Π² Π»ΠΈΠ½Π΅ΠΉΠΊΠ΅ Β«ΠΠΈΠ²Π° 4Ρ 4Β».
ΠΠ΅ΡΠ½ΡΡΡΡΡ ΠΊ ΠΎΠ³Π»Π°Π²Π»Π΅Π½ΠΈΡΠΠ°Π±Π°ΡΠΈΡΡ, Π²Π΅Ρ, Π³ΡΡΠ·ΠΎΠΏΠΎΠ΄ΡΠ΅ΠΌΠ½ΠΎΡΡΡ
Π’ΡΠ°Π½ΡΠΏΠΎΡΡΠ½ΠΎΠ΅ ΡΡΠ΅Π΄ΡΡΠ²ΠΎ ΠΈΠΌΠ΅Π΅Ρ ΡΠ°ΠΊΠΈΠ΅ Ρ Π°ΡΠ°ΠΊΡΠ΅ΡΠΈΡΡΠΈΠΊΠΈ, ΠΊΠ°ΠΊ Π΄Π»ΠΈΠ½Π°, ΡΠΈΡΠΈΠ½Π°, Π²ΡΡΠΎΡΠ°. ΠΠ°Π½Π½ΡΠ΅ ΠΏΠΎΠΊΠ°Π·Π°ΡΠ΅Π»ΠΈ ΠΏΠΎΠΌΠΎΠ³Π°ΡΡ Π²ΠΎΠ΄ΠΈΡΠ΅Π»Ρ ΠΎΡΠ΅Π½ΠΈΡΡ, ΠΊΠ°ΠΊΠΎΠ΅ ΠΏΡΠΎΡΡΡΠ°Π½ΡΡΠ²ΠΎ Π·Π°Π½ΠΈΠΌΠ°Π΅Ρ Π°Π²ΡΠΎ Π½Π° Π΄ΠΎΡΠΎΠ³Π΅. ΠΠ»ΠΈΠ½Π° β ΡΡΠΎ ΡΠ°ΡΡΡΠΎΡΠ½ΠΈΠ΅ ΠΌΠ΅ΠΆΠ΄Ρ ΠΌΠ°ΠΊΡΠΈΠΌΠ°Π»ΡΠ½ΠΎ Π²ΡΡΡΡΠΏΠ°ΡΡΠΈΠΌΠΈ Π΄Π΅ΡΠ°Π»ΡΠΌΠΈ Π²ΠΏΠ΅ΡΠ΅Π΄ΠΈ ΠΈ ΡΠ·Π°Π΄ΠΈ. Π¨ΠΈΡΠΈΠ½Π° ΠΎΠΏΡΠ΅Π΄Π΅Π»ΡΠ΅ΡΡΡ ΠΏΠΎ Π³ΡΠ°Π½ΠΈΡΠ°ΠΌ Π±ΠΎΠΊΠΎΠ²ΡΡ Π·Π΅ΡΠΊΠ°Π». ΠΡΡΠΎΡΠ° ΠΈΠ·ΠΌΠ΅ΡΡΠ΅ΡΡΡ ΠΎΡ ΠΏΠΎΠ²Π΅ΡΡ Π½ΠΎΡΡΠΈ, Π½Π° ΠΊΠΎΡΠΎΡΠΎΠΉ Π½Π°Ρ ΠΎΠ΄ΠΈΡΡΡ Π°Π²ΡΠΎΠΌΠΎΠ±ΠΈΠ»Ρ, Π΄ΠΎ ΡΠ°ΠΌΠΎΠΉ Π²Π΅ΡΡ Π½Π΅ΠΉ ΡΠΎΡΠΊΠΈ Π½Π° ΠΊΡΡΡΠ΅ ΡΡΠ°Π½ΡΠΏΠΎΡΡΠ½ΠΎΠ³ΠΎ ΡΡΠ΅Π΄ΡΡΠ²Π°.
ΠΡΠ΅ ΡΡΠΈ Π΄Π°Π½Π½ΡΠ΅ Π½Π΅ ΡΡΡΠ΄Π½ΠΎ Π½Π°ΠΉΡΠΈ Π² ΡΡΠΊΠΎΠ²ΠΎΠ΄ΡΡΠ²Π΅ ΠΏΠΎ ΡΠΊΡΠΏΠ»ΡΠ°ΡΠ°ΡΠΈΠΈ Π’Π‘. ΠΠ°Π±Π°ΡΠΈΡΡ ΠΠΈΠ²Π° 2131:
- Π΄Π»ΠΈΠ½Π° β 4240 ΠΌΠΌ;
- ΡΠΈΡΠΈΠ½Π° β 1814 ΠΌΠΌ;
- Π²ΡΡΠΎΡΠ° β 1640 ΠΌΠΌ.
ΠΠ°Π±Π°ΡΠΈΡΠ½ΡΠ΅ ΡΠ°Π·ΠΌΠ΅ΡΡ
ΠΠ»Ρ ΠΠΈΠ²Ρ 2131 Π²Π½Π΅ΡΠ½ΠΈΠΉ ΠΌΠΈΠ½ΠΈΠΌΠ°Π»ΡΠ½ΡΠΉ ΡΠ°Π΄ΠΈΡΡ ΠΏΠΎΠ²ΠΎΡΠΎΡΠ° ΠΏΠΎ ΠΎΡΠΈ ΡΠ»Π΅Π΄Π° ΠΏΠ΅ΡΠ΅Π΄Π½Π΅Π³ΠΎ ΠΊΠΎΠ»Π΅ΡΠ° β 6,45 ΠΌ. ΠΠ΅ ΠΌΠ΅Π½Π΅Π΅ Π²Π°ΠΆΠ½ΡΠΌΠΈ ΠΏΠΎΠΊΠ°Π·Π°ΡΠ΅Π»ΡΠΌΠΈ ΡΡΠΈΡΠ°ΡΡΡΡ Π²Π΅Ρ (ΡΠ½Π°ΡΡΠΆΠ΅Π½Π½Π°Ρ ΠΌΠ°ΡΡΠ°) ΠΈ Π³ΡΡΠ·ΠΎΠΏΠΎΠ΄ΡΠ΅ΠΌΠ½ΠΎΡΡΡ. ΠΠ΅ΡΠ²ΠΎΠ΅ β ΡΡΠΎ ΡΠΎΠ²ΠΎΠΊΡΠΏΠ½Π°Ρ ΠΌΠ°ΡΡΠ° Π½Π°Π±ΠΎΡΠ° ΡΡΠ°Π½Π΄Π°ΡΡΠ½ΠΎΠ³ΠΎ ΠΎΠ±ΠΎΡΡΠ΄ΠΎΠ²Π°Π½ΠΈΡ, Π²ΡΠ΅Ρ Π½Π΅ΠΎΠ±Ρ ΠΎΠ΄ΠΈΠΌΡΡ ΡΠ°ΡΡ ΠΎΠ΄Π½ΡΡ ΠΌΠ°ΡΠ΅ΡΠΈΠ°Π»ΠΎΠ² (Π² ΡΠΎΠΌ ΡΠΈΡΠ»Π΅ ΠΌΠΎΡΠΎΡΠ½ΠΎΠ³ΠΎ ΠΌΠ°ΡΠ»Π°, ΡΠΎΠΏΠ»ΠΈΠ²Π° ΠΈ Ρ. ΠΏ.), Π° ΡΠ°ΠΊΠΆΠ΅ Π²Π΅Ρ Π²ΠΎΠ΄ΠΈΡΠ΅Π»Ρ. ΠΠ°Π³Π°ΠΆ ΠΈ ΠΏΠ°ΡΡΠ°ΠΆΠΈΡΡ Π½Π΅ ΡΡΠΈΡΡΠ²Π°ΡΡΡΡ. 5-Π΄Π²Π΅ΡΠ½Π°Ρ ΠΠ°Π΄Π° ΠΠΈΠ²Π° 4Ρ 4 Π²Π΅ΡΠΈΡ 1370 ΠΊΠ³.
ΠΡΡΠ·ΠΎΠΏΠΎΠ΄ΡΠ΅ΠΌΠ½ΠΎΡΡΡ β ΡΡΠΎ ΡΠ°Π·Π½ΠΈΡΠ° ΠΌΠ΅ΠΆΠ΄Ρ ΡΠ°Π·ΡΠ΅ΡΠ΅Π½Π½ΠΎΠΉ ΠΌΠ°ΠΊΡΠΈΠΌΠ°Π»ΡΠ½ΠΎΠΉ ΠΌΠ°ΡΡΠΎΠΉ ΠΈ ΡΠ½Π°ΡΡΠΆΠ΅Π½Π½ΠΎΠΉ ΠΌΠ°ΡΡΠΎΠΉ. ΠΠ»Ρ ΠΠ°Π΄Π° ΠΠΈΠ²Π° 2131 ΠΏΠ΅ΡΠ²ΡΠΉ ΠΏΠΎΠΊΠ°Π·Π°ΡΠ΅Π»Ρ ΡΠ°Π²Π΅Π½ 1870 ΠΊΠ³, ΡΠ»Π΅Π΄ΠΎΠ²Π°ΡΠ΅Π»ΡΠ½ΠΎ, Π³ΡΡΠ·ΠΎΠΏΠΎΠ΄ΡΠ΅ΠΌΠ½ΠΎΡΡΡ Π΄Π°Π½Π½ΠΎΠ³ΠΎ ΡΡΠ°Π½ΡΠΏΠΎΡΡΠ½ΠΎΠ³ΠΎ ΡΡΠ΅Π΄ΡΡΠ²Π° β 500 ΠΊΠ³. Π Π°Π·ΡΠ΅ΡΠ΅Π½Π½Π°Ρ ΠΌΠ°ΠΊΡΠΈΠΌΠ°Π»ΡΠ½Π°Ρ ΠΌΠ°ΡΡΠ° (Π ΠΠ) Π²ΡΡΠΈΡΠ»ΡΠ΅ΡΡΡ ΠΊΠ°ΠΊ ΡΡΠΌΠΌΠ° ΡΠ½Π°ΡΡΠΆΠ΅Π½Π½ΠΎΠΉ ΠΌΠ°ΡΡΡ Π°Π²ΡΠΎ ΠΈ ΠΌΠ°ΠΊΡΠΈΠΌΠ°Π»ΡΠ½ΠΎΠΉ ΠΎΠ±ΡΠ΅ΠΉ ΠΌΠ°ΡΡΡ Π±Π°Π³Π°ΠΆΠ° ΠΈ ΠΏΠ°ΡΡΠ°ΠΆΠΈΡΠΎΠ² (Π² ΠΊΠΎΠ»ΠΈΡΠ΅ΡΡΠ²Π΅, ΠΏΡΠ΅Π΄ΡΡΠΌΠΎΡΡΠ΅Π½Π½ΠΎΠΌ ΠΊΠΎΠ½ΡΡΡΡΠΊΡΠΈΠ΅ΠΉ).
ΠΠ΅ΡΠ½ΡΡΡΡΡ ΠΊ ΠΎΠ³Π»Π°Π²Π»Π΅Π½ΠΈΡΠΠΎΠ»ΡΠ·ΠΎΠ²Π°ΡΠ΅Π»ΡΡΠΊΠΈΠ΅ ΠΏΠ°ΡΠ°ΠΌΠ΅ΡΡΡ
Π’Π΅Ρ Π½ΠΈΡΠ΅ΡΠΊΠΈΠ΅ Ρ Π°ΡΠ°ΠΊΡΠ΅ΡΠΈΡΡΠΈΠΊΠΈ ΠΠΈΠ²Π° 2131 Π²ΠΊΠ»ΡΡΠ°ΡΡ Π² ΡΠ΅Π±Ρ ΡΠΊΡΠΏΠ»ΡΠ°ΡΠ°ΡΠΈΠΎΠ½Π½ΡΠ΅ ΠΎΡΠΎΠ±Π΅Π½Π½ΠΎΡΡΠΈ, ΡΠ²ΠΎΠΉΡΡΠ²Π° Π΄Π²ΠΈΠ³Π°ΡΠ΅Π»Ρ ΠΈ ΡΠΎΠΏΠ»ΠΈΠ²Π½ΠΎ-ΡΠΊΠΎΡΠΎΡΡΠ½ΡΠ΅ ΠΏΠ°ΡΠ°ΠΌΠ΅ΡΡΡ.
ΠΡΠ½ΠΎΠ²Π½ΡΠ΅ Π΄Π°Π½Π½ΡΠ΅ ΠΏΠΎ ΡΠ°ΡΡΠΌΠ°ΡΡΠΈΠ²Π°Π΅ΠΌΠΎΠΉ ΠΌΠΎΠ΄Π΅Π»ΠΈ ΠΏΡΠ΅Π΄ΡΡΠ°Π²Π»Π΅Π½Ρ Π² ΡΠ°Π±Π»ΠΈΡΠ΅:
| ΠΠΎΠΊΠ°Π·Π°ΡΠ΅Π»Ρ | ΠΠΏΡΠ΅Π΄Π΅Π»Π΅Π½ΠΈΠ΅ |
| Π’ΠΈΠΏ ΠΊΡΠ·ΠΎΠ²Π° | ΡΠ΅Π»ΡΠ½ΠΎΠΌΠ΅ΡΠ°Π»Π»ΠΈΡΠ΅ΡΠΊΠΈΠΉ, Π½Π΅ΡΡΡΠΈΠΉ, 5-Π΄Π²Π΅ΡΠ½ΡΠΉ ΡΠ½ΠΈΠ²Π΅ΡΡΠ°Π» |
| ΠΠ»Π°ΡΡ ΠΊΡΠ·ΠΎΠ²Π° | Π²Π½Π΅Π΄ΠΎΡΠΎΠΆΠ½ΠΈΠΊ |
| Π‘Ρ Π΅ΠΌΠ° ΠΊΠΎΠΌΠΏΠΎΠ½ΠΎΠ²ΠΊΠΈ | ΠΏΠΎΠ»Π½ΠΎΠΏΡΠΈΠ²ΠΎΠ΄Π½ΡΠΉ, Ρ ΠΏΡΠΎΠ΄ΠΎΠ»ΡΠ½ΡΠΌ ΡΠ°ΡΠΏΠΎΠ»ΠΎΠΆΠ΅Π½ΠΈΠ΅ΠΌ Π΄Π²ΠΈΠ³Π°ΡΠ΅Π»Ρ |
| ΠΠΎΠ»ΠΈΡΠ΅ΡΡΠ²ΠΎ ΠΌΠ΅ΡΡ, ΡΠ΅Π». | 5, ΠΏΡΠΈ ΡΠ»ΠΎΠΆΠ΅Π½Π½ΡΡ ΡΠΏΠΈΠ½ΠΊΠ°Ρ Π·Π°Π΄Π½ΠΈΡ ΡΠΈΠ΄Π΅Π½ΠΈΠΉ β 2 |
| ΠΠ±ΡΠ΅ΠΌ Π±Π°Π³Π°ΠΆΠ½ΠΈΠΊΠ°, Π» | 420, ΠΏΡΠΈ ΡΠ»ΠΎΠΆΠ΅Π½Π½ΡΡ ΡΠΈΠ΄Π΅Π½ΠΈΡΡ β 780 |
| Π’ΠΈΠΏ ΡΡΠ°Π½ΡΠΌΠΈΡΡΠΈΠΈ | 5ΠΠ’ |
| ΠΠΎΠ»Π΅ΡΠ½Π°Ρ Π±Π°Π·Π°, ΠΌΠΌ | 2700 |
| ΠΠΎΠ»Π΅Ρ ΠΏΠ΅ΡΠ΅Π΄Π½ΠΈΡ /Π·Π°Π΄Π½ΠΈΡ ΠΊΠΎΠ»Π΅Ρ, ΠΌΠΌ | 1440/1420 |
| ΠΠ΅ΡΠ΅Π΄Π½ΠΈΠ΅/Π·Π°Π΄Π½ΠΈΠ΅ ΡΠΎΡΠΌΠΎΠ·Π° | ΠΠΈΡΠΊΠΎΠ²ΡΠ΅/Π±Π°ΡΠ°Π±Π°Π½Π½ΡΠ΅ |
ΠΠΎΡΠΎΠΆΠ½ΡΠΉ ΠΏΡΠΎΡΠ²Π΅Ρ ΡΡΠ°Π½ΡΠΏΠΎΡΡΠ½ΠΎΠ³ΠΎ ΡΡΠ΅Π΄ΡΡΠ²Π° (ΠΊΠ»ΠΈΡΠ΅Π½Ρ) ΠΏΡΠΈ ΡΡΠ°ΡΠΈΡΠ΅ΡΠΊΠΎΠΌ ΡΠ°Π΄ΠΈΡΡΠ΅ ΡΠΈΠ½ 314 ΠΌΠΌ (185/75R16) ΡΠΎΡΡΠ°Π²Π»ΡΠ΅Ρ:
- Π΄ΠΎ ΠΏΠΎΠΏΠ΅ΡΠ΅ΡΠΈΠ½Ρ ΠΏΠ΅ΡΠ΅Π΄Π½Π΅ΠΉ ΠΏΠΎΠ΄Π²Π΅ΡΠΊΠΈ β Π½Π΅ ΠΌΠ΅Π½Π΅Π΅ 221 ΠΌΠΌ,
- Π΄ΠΎ Π±Π°Π»ΠΊΠΈ Π·Π°Π΄Π½Π΅Π³ΠΎ ΠΌΠΎΡΡΠ° β 213 ΠΌΠΌ.
ΠΠΎΠ΄Π²Π΅ΡΠΊΠ°:
- ΠΏΠ΅ΡΠ΅Π΄Π½ΡΡ β Π½Π΅Π·Π°Π²ΠΈΡΠΈΠΌΠ°Ρ, Π½Π° ΠΏΠΎΠΏΠ΅ΡΠ΅ΡΠ½ΡΡ ΡΡΡΠ°Π³Π°Ρ , ΠΏΡΡΠΆΠΈΠ½Π½Π°Ρ, Ρ Π³ΠΈΠ΄ΡΠ°Π²Π»ΠΈΡΠ΅ΡΠΊΠΈΠΌΠΈ ΡΠ΅Π»Π΅ΡΠΊΠΎΠΏΠΈΡΠ΅ΡΠΊΠΈΠΌΠΈ Π°ΠΌΠΎΡΡΠΈΠ·Π°ΡΠΎΡ
xn--44-6kchdmw3bgiawoo4b.xn--p1ai
ΠΠΈΠ²Π° 2131: ΡΠ΅Ρ Π½ΠΈΡΠ΅ΡΠΊΠΈΠ΅ Ρ Π°ΡΠ°ΠΊΡΠ΅ΡΠΈΡΡΠΈΠΊΠΈ 5-Π΄Π²Π΅ΡΠ½ΠΎΠ³ΠΎ Π°Π²ΡΠΎ
ΠΡΡΠΈΠ΄Π²Π΅ΡΠ½Π°Ρ ΠΠ°Π΄Π° ΠΠΈΠ²Π° 4Ρ 4 β ΠΊΠΎΠΌΠΏΠ°ΠΊΡΠ½ΡΠΉ, Π½Π΅ΠΏΡΠΈΡ ΠΎΡΠ»ΠΈΠ²ΡΠΉ, Π½Π°Π΄Π΅ΠΆΠ½ΡΠΉ Π²Π½Π΅Π΄ΠΎΡΠΎΠΆΠ½ΠΈΠΊ, ΠΏΡΠ΅Π΄Π½Π°Π·Π½Π°ΡΠ΅Π½Π½ΡΠΉ Π΄Π»Ρ ΠΏΠ΅ΡΠ΅Π²ΠΎΠ·ΠΊΠΈ ΠΏΠ°ΡΡΠ°ΠΆΠΈΡΠΎΠ² ΠΈ Π±Π°Π³Π°ΠΆΠ° ΠΏΡΠΈ ΡΠ΅ΠΌΠΏΠ΅ΡΠ°ΡΡΡΠ΅ Π²ΠΎΠ·Π΄ΡΡ Π° ΠΎΡ -40 Β°Π‘ Π΄ΠΎ +45 Β°Π‘. ΠΡΠΎΡ Π°Π²ΡΠΎΠΌΠΎΠ±ΠΈΠ»Ρ ΠΎΡΠ»ΠΈΡΠ°Π΅ΡΡΡ ΠΏΠΎΠ΄Π²Π΅ΡΠΊΠΎΠΉ, ΠΊΠΎΡΠΎΡΠ°Ρ ΠΎΠ±Π΅ΡΠΏΠ΅ΡΠΈΠ²Π°Π΅Ρ ΠΎΡΠ»ΠΈΡΠ½ΡΡ ΠΏΠ»Π°Π²Π½ΠΎΡΡΡ Ρ ΠΎΠ΄Π° ΠΈ Π°Π±ΡΠΎΠ»ΡΡΠ½ΡΡ Π½Π΅Π²ΠΎΡΠΏΡΠΈΠΈΠΌΡΠΈΠ²ΠΎΡΡΡ ΠΊ Π΄ΠΎΡΠΎΠΆΠ½ΡΠΌ Π½Π΅ΡΠΎΠ²Π½ΠΎΡΡΡΠΌ. ΠΡΡΠΈΠ΄Π²Π΅ΡΠ½ΡΠΉ ΠΠΠ 2131 ΡΠ²Π»ΡΠ΅ΡΡΡ ΡΠ°ΠΌΡΠΌ Π²ΠΌΠ΅ΡΡΠΈΡΠ΅Π»ΡΠ½ΡΠΌ Π°Π²ΡΠΎΠΌΠΎΠ±ΠΈΠ»Π΅ΠΌ Π² Π»ΠΈΠ½Π΅ΠΉΠΊΠ΅ Β«ΠΠΈΠ²Π° 4Ρ 4Β».
ΠΠ΅ΡΠ½ΡΡΡΡΡ ΠΊ ΠΎΠ³Π»Π°Π²Π»Π΅Π½ΠΈΡ
ΠΠ°Π±Π°ΡΠΈΡΡ, Π²Π΅Ρ, Π³ΡΡΠ·ΠΎΠΏΠΎΠ΄ΡΠ΅ΠΌΠ½ΠΎΡΡΡ
Π’ΡΠ°Π½ΡΠΏΠΎΡΡΠ½ΠΎΠ΅ ΡΡΠ΅Π΄ΡΡΠ²ΠΎ ΠΈΠΌΠ΅Π΅Ρ ΡΠ°ΠΊΠΈΠ΅ Ρ Π°ΡΠ°ΠΊΡΠ΅ΡΠΈΡΡΠΈΠΊΠΈ, ΠΊΠ°ΠΊ Π΄Π»ΠΈΠ½Π°, ΡΠΈΡΠΈΠ½Π°, Π²ΡΡΠΎΡΠ°. ΠΠ°Π½Π½ΡΠ΅ ΠΏΠΎΠΊΠ°Π·Π°ΡΠ΅Π»ΠΈ ΠΏΠΎΠΌΠΎΠ³Π°ΡΡ Π²ΠΎΠ΄ΠΈΡΠ΅Π»Ρ ΠΎΡΠ΅Π½ΠΈΡΡ, ΠΊΠ°ΠΊΠΎΠ΅ ΠΏΡΠΎΡΡΡΠ°Π½ΡΡΠ²ΠΎ Π·Π°Π½ΠΈΠΌΠ°Π΅Ρ Π°Π²ΡΠΎ Π½Π° Π΄ΠΎΡΠΎΠ³Π΅. ΠΠ»ΠΈΠ½Π° β ΡΡΠΎ ΡΠ°ΡΡΡΠΎΡΠ½ΠΈΠ΅ ΠΌΠ΅ΠΆΠ΄Ρ ΠΌΠ°ΠΊΡΠΈΠΌΠ°Π»ΡΠ½ΠΎ Π²ΡΡΡΡΠΏΠ°ΡΡΠΈΠΌΠΈ Π΄Π΅ΡΠ°Π»ΡΠΌΠΈ Π²ΠΏΠ΅ΡΠ΅Π΄ΠΈ ΠΈ ΡΠ·Π°Π΄ΠΈ. Π¨ΠΈΡΠΈΠ½Π° ΠΎΠΏΡΠ΅Π΄Π΅Π»ΡΠ΅ΡΡΡ ΠΏΠΎ Π³ΡΠ°Π½ΠΈΡΠ°ΠΌ Π±ΠΎΠΊΠΎΠ²ΡΡ Π·Π΅ΡΠΊΠ°Π». ΠΡΡΠΎΡΠ° ΠΈΠ·ΠΌΠ΅ΡΡΠ΅ΡΡΡ ΠΎΡ ΠΏΠΎΠ²Π΅ΡΡ Π½ΠΎΡΡΠΈ, Π½Π° ΠΊΠΎΡΠΎΡΠΎΠΉ Π½Π°Ρ ΠΎΠ΄ΠΈΡΡΡ Π°Π²ΡΠΎΠΌΠΎΠ±ΠΈΠ»Ρ, Π΄ΠΎ ΡΠ°ΠΌΠΎΠΉ Π²Π΅ΡΡ Π½Π΅ΠΉ ΡΠΎΡΠΊΠΈ Π½Π° ΠΊΡΡΡΠ΅ ΡΡΠ°Π½ΡΠΏΠΎΡΡΠ½ΠΎΠ³ΠΎ ΡΡΠ΅Π΄ΡΡΠ²Π°.
ΠΡΠ΅ ΡΡΠΈ Π΄Π°Π½Π½ΡΠ΅ Π½Π΅ ΡΡΡΠ΄Π½ΠΎ Π½Π°ΠΉΡΠΈ Π² ΡΡΠΊΠΎΠ²ΠΎΠ΄ΡΡΠ²Π΅ ΠΏΠΎ ΡΠΊΡΠΏΠ»ΡΠ°ΡΠ°ΡΠΈΠΈ Π’Π‘. ΠΠ°Π±Π°ΡΠΈΡΡ ΠΠΈΠ²Π° 2131:
- Π΄Π»ΠΈΠ½Π° β 4240 ΠΌΠΌ;
- ΡΠΈΡΠΈΠ½Π° β 1814 ΠΌΠΌ;
- Π²ΡΡΠΎΡΠ° β 1640 ΠΌΠΌ.

ΠΠ°Π±Π°ΡΠΈΡΠ½ΡΠ΅ ΡΠ°Π·ΠΌΠ΅ΡΡ
ΠΠ»Ρ ΠΠΈΠ²Ρ 2131 Π²Π½Π΅ΡΠ½ΠΈΠΉ ΠΌΠΈΠ½ΠΈΠΌΠ°Π»ΡΠ½ΡΠΉ ΡΠ°Π΄ΠΈΡΡ ΠΏΠΎΠ²ΠΎΡΠΎΡΠ° ΠΏΠΎ ΠΎΡΠΈ ΡΠ»Π΅Π΄Π° ΠΏΠ΅ΡΠ΅Π΄Π½Π΅Π³ΠΎ ΠΊΠΎΠ»Π΅ΡΠ° β 6,45 ΠΌ. ΠΠ΅ ΠΌΠ΅Π½Π΅Π΅ Π²Π°ΠΆΠ½ΡΠΌΠΈ ΠΏΠΎΠΊΠ°Π·Π°ΡΠ΅Π»ΡΠΌΠΈ ΡΡΠΈΡΠ°ΡΡΡΡ Π²Π΅Ρ (ΡΠ½Π°ΡΡΠΆΠ΅Π½Π½Π°Ρ ΠΌΠ°ΡΡΠ°) ΠΈ Π³ΡΡΠ·ΠΎΠΏΠΎΠ΄ΡΠ΅ΠΌΠ½ΠΎΡΡΡ. ΠΠ΅ΡΠ²ΠΎΠ΅ β ΡΡΠΎ ΡΠΎΠ²ΠΎΠΊΡΠΏΠ½Π°Ρ ΠΌΠ°ΡΡΠ° Π½Π°Π±ΠΎΡΠ° ΡΡΠ°Π½Π΄Π°ΡΡΠ½ΠΎΠ³ΠΎ ΠΎΠ±ΠΎΡΡΠ΄ΠΎΠ²Π°Π½ΠΈΡ, Π²ΡΠ΅Ρ Π½Π΅ΠΎΠ±Ρ ΠΎΠ΄ΠΈΠΌΡΡ ΡΠ°ΡΡ ΠΎΠ΄Π½ΡΡ ΠΌΠ°ΡΠ΅ΡΠΈΠ°Π»ΠΎΠ² (Π² ΡΠΎΠΌ ΡΠΈΡΠ»Π΅ ΠΌΠΎΡΠΎΡΠ½ΠΎΠ³ΠΎ ΠΌΠ°ΡΠ»Π°, ΡΠΎΠΏΠ»ΠΈΠ²Π° ΠΈ Ρ. ΠΏ.), Π° ΡΠ°ΠΊΠΆΠ΅ Π²Π΅Ρ Π²ΠΎΠ΄ΠΈΡΠ΅Π»Ρ. ΠΠ°Π³Π°ΠΆ ΠΈ ΠΏΠ°ΡΡΠ°ΠΆΠΈΡΡ Π½Π΅ ΡΡΠΈΡΡΠ²Π°ΡΡΡΡ. 5-Π΄Π²Π΅ΡΠ½Π°Ρ ΠΠ°Π΄Π° ΠΠΈΠ²Π° 4Ρ 4 Π²Π΅ΡΠΈΡ 1370 ΠΊΠ³.
ΠΡΡΠ·ΠΎΠΏΠΎΠ΄ΡΠ΅ΠΌΠ½ΠΎΡΡΡ β ΡΡΠΎ ΡΠ°Π·Π½ΠΈΡΠ° ΠΌΠ΅ΠΆΠ΄Ρ ΡΠ°Π·ΡΠ΅ΡΠ΅Π½Π½ΠΎΠΉ ΠΌΠ°ΠΊΡΠΈΠΌΠ°Π»ΡΠ½ΠΎΠΉ ΠΌΠ°ΡΡΠΎΠΉ ΠΈ ΡΠ½Π°ΡΡΠΆΠ΅Π½Π½ΠΎΠΉ ΠΌΠ°ΡΡΠΎΠΉ. ΠΠ»Ρ ΠΠ°Π΄Π° ΠΠΈΠ²Π° 2131 ΠΏΠ΅ΡΠ²ΡΠΉ ΠΏΠΎΠΊΠ°Π·Π°ΡΠ΅Π»Ρ ΡΠ°Π²Π΅Π½ 1870 ΠΊΠ³, ΡΠ»Π΅Π΄ΠΎΠ²Π°ΡΠ΅Π»ΡΠ½ΠΎ, Π³ΡΡΠ·ΠΎΠΏΠΎΠ΄ΡΠ΅ΠΌΠ½ΠΎΡΡΡ Π΄Π°Π½Π½ΠΎΠ³ΠΎ ΡΡΠ°Π½ΡΠΏΠΎΡΡΠ½ΠΎΠ³ΠΎ ΡΡΠ΅Π΄ΡΡΠ²Π° β 500 ΠΊΠ³. Π Π°Π·ΡΠ΅ΡΠ΅Π½Π½Π°Ρ ΠΌΠ°ΠΊΡΠΈΠΌΠ°Π»ΡΠ½Π°Ρ ΠΌΠ°ΡΡΠ° (Π ΠΠ) Π²ΡΡΠΈΡΠ»ΡΠ΅ΡΡΡ ΠΊΠ°ΠΊ ΡΡΠΌΠΌΠ° ΡΠ½Π°ΡΡΠΆΠ΅Π½Π½ΠΎΠΉ ΠΌΠ°ΡΡΡ Π°Π²ΡΠΎ ΠΈ ΠΌΠ°ΠΊΡΠΈΠΌΠ°Π»ΡΠ½ΠΎΠΉ ΠΎΠ±ΡΠ΅ΠΉ ΠΌΠ°ΡΡΡ Π±Π°Π³Π°ΠΆΠ° ΠΈ ΠΏΠ°ΡΡΠ°ΠΆΠΈΡΠΎΠ² (Π² ΠΊΠΎΠ»ΠΈΡΠ΅ΡΡΠ²Π΅, ΠΏΡΠ΅Π΄ΡΡΠΌΠΎΡΡΠ΅Π½Π½ΠΎΠΌ ΠΊΠΎΠ½ΡΡΡΡΠΊΡΠΈΠ΅ΠΉ).
ΠΠ΅ΡΠ½ΡΡΡΡΡ ΠΊ ΠΎΠ³Π»Π°Π²Π»Π΅Π½ΠΈΡ
ΠΠΎΠ»ΡΠ·ΠΎΠ²Π°ΡΠ΅Π»ΡΡΠΊΠΈΠ΅ ΠΏΠ°ΡΠ°ΠΌΠ΅ΡΡΡ
Π’Π΅Ρ Π½ΠΈΡΠ΅ΡΠΊΠΈΠ΅ Ρ Π°ΡΠ°ΠΊΡΠ΅ΡΠΈΡΡΠΈΠΊΠΈ ΠΠΈΠ²Π° 2131 Π²ΠΊΠ»ΡΡΠ°ΡΡ Π² ΡΠ΅Π±Ρ ΡΠΊΡΠΏΠ»ΡΠ°ΡΠ°ΡΠΈΠΎΠ½Π½ΡΠ΅ ΠΎΡΠΎΠ±Π΅Π½Π½ΠΎΡΡΠΈ, ΡΠ²ΠΎΠΉΡΡΠ²Π° Π΄Π²ΠΈΠ³Π°ΡΠ΅Π»Ρ ΠΈ ΡΠΎΠΏΠ»ΠΈΠ²Π½ΠΎ-ΡΠΊΠΎΡΠΎΡΡΠ½ΡΠ΅ ΠΏΠ°ΡΠ°ΠΌΠ΅ΡΡΡ.
ΠΡΠ½ΠΎΠ²Π½ΡΠ΅ Π΄Π°Π½Π½ΡΠ΅ ΠΏΠΎ ΡΠ°ΡΡΠΌΠ°ΡΡΠΈΠ²Π°Π΅ΠΌΠΎΠΉ ΠΌΠΎΠ΄Π΅Π»ΠΈ ΠΏΡΠ΅Π΄ΡΡΠ°Π²Π»Π΅Π½Ρ Π² ΡΠ°Π±Π»ΠΈΡΠ΅:
| ΠΠΎΠΊΠ°Π·Π°ΡΠ΅Π»Ρ | ΠΠΏΡΠ΅Π΄Π΅Π»Π΅Π½ΠΈΠ΅ |
| Π’ΠΈΠΏ ΠΊΡΠ·ΠΎΠ²Π° | ΡΠ΅Π»ΡΠ½ΠΎΠΌΠ΅ΡΠ°Π»Π»ΠΈΡΠ΅ΡΠΊΠΈΠΉ, Π½Π΅ΡΡΡΠΈΠΉ, 5-Π΄Π²Π΅ΡΠ½ΡΠΉ ΡΠ½ΠΈΠ²Π΅ΡΡΠ°Π» |
| ΠΠ»Π°ΡΡ ΠΊΡΠ·ΠΎΠ²Π° | Π²Π½Π΅Π΄ΠΎΡΠΎΠΆΠ½ΠΈΠΊ |
| Π‘Ρ Π΅ΠΌΠ° ΠΊΠΎΠΌΠΏΠΎΠ½ΠΎΠ²ΠΊΠΈ | ΠΏΠΎΠ»Π½ΠΎΠΏΡΠΈΠ²ΠΎΠ΄Π½ΡΠΉ, Ρ ΠΏΡΠΎΠ΄ΠΎΠ»ΡΠ½ΡΠΌ ΡΠ°ΡΠΏΠΎΠ»ΠΎΠΆΠ΅Π½ΠΈΠ΅ΠΌ Π΄Π²ΠΈΠ³Π°ΡΠ΅Π»Ρ |
| ΠΠΎΠ»ΠΈΡΠ΅ΡΡΠ²ΠΎ ΠΌΠ΅ΡΡ, ΡΠ΅Π». | 5, ΠΏΡΠΈ ΡΠ»ΠΎΠΆΠ΅Π½Π½ΡΡ ΡΠΏΠΈΠ½ΠΊΠ°Ρ Π·Π°Π΄Π½ΠΈΡ ΡΠΈΠ΄Π΅Π½ΠΈΠΉ β 2 |
| ΠΠ±ΡΠ΅ΠΌ Π±Π°Π³Π°ΠΆΠ½ΠΈΠΊΠ°, Π» | 420, ΠΏΡΠΈ ΡΠ»ΠΎΠΆΠ΅Π½Π½ΡΡ ΡΠΈΠ΄Π΅Π½ΠΈΡΡ β 780 |
| Π’ΠΈΠΏ ΡΡΠ°Π½ΡΠΌΠΈΡΡΠΈΠΈ | 5ΠΠ’ |
| ΠΠΎΠ»Π΅ΡΠ½Π°Ρ Π±Π°Π·Π°, ΠΌΠΌ | 2700 |
| ΠΠΎΠ»Π΅Ρ ΠΏΠ΅ΡΠ΅Π΄Π½ΠΈΡ /Π·Π°Π΄Π½ΠΈΡ ΠΊΠΎΠ»Π΅Ρ, ΠΌΠΌ | 1440/1420 |
| ΠΠ΅ΡΠ΅Π΄Π½ΠΈΠ΅/Π·Π°Π΄Π½ΠΈΠ΅ ΡΠΎΡΠΌΠΎΠ·Π° | ΠΠΈΡΠΊΠΎΠ²ΡΠ΅/Π±Π°ΡΠ°Π±Π°Π½Π½ΡΠ΅ |
ΠΠΎΡΠΎΠΆΠ½ΡΠΉ ΠΏΡΠΎΡΠ²Π΅Ρ ΡΡΠ°Π½ΡΠΏΠΎΡΡΠ½ΠΎΠ³ΠΎ ΡΡΠ΅Π΄ΡΡΠ²Π° (ΠΊΠ»ΠΈΡΠ΅Π½Ρ) ΠΏΡΠΈ ΡΡΠ°ΡΠΈΡΠ΅ΡΠΊΠΎΠΌ ΡΠ°Π΄ΠΈΡΡΠ΅ ΡΠΈΠ½ 314 ΠΌΠΌ (185/75R16) ΡΠΎΡΡΠ°Π²Π»ΡΠ΅Ρ:
- Π΄ΠΎ ΠΏΠΎΠΏΠ΅ΡΠ΅ΡΠΈΠ½Ρ ΠΏΠ΅ΡΠ΅Π΄Π½Π΅ΠΉ ΠΏΠΎΠ΄Π²Π΅ΡΠΊΠΈ β Π½Π΅ ΠΌΠ΅Π½Π΅Π΅ 221 ΠΌΠΌ,
- Π΄ΠΎ Π±Π°Π»ΠΊΠΈ Π·Π°Π΄Π½Π΅Π³ΠΎ ΠΌΠΎΡΡΠ° β 213 ΠΌΠΌ.
ΠΠΎΠ΄Π²Π΅ΡΠΊΠ°:
- ΠΏΠ΅ΡΠ΅Π΄Π½ΡΡ β Π½Π΅Π·Π°Π²ΠΈΡΠΈΠΌΠ°Ρ, Π½Π° ΠΏΠΎΠΏΠ΅ΡΠ΅ΡΠ½ΡΡ ΡΡΡΠ°Π³Π°Ρ , ΠΏΡΡΠΆΠΈΠ½Π½Π°Ρ, Ρ Π³ΠΈΠ΄ΡΠ°Π²Π»ΠΈΡΠ΅ΡΠΊΠΈΠΌΠΈ ΡΠ΅Π»Π΅ΡΠΊΠΎΠΏΠΈΡΠ΅ΡΠΊΠΈΠΌΠΈ Π°ΠΌΠΎΡΡΠΈΠ·Π°ΡΠΎΡΠ°ΠΌΠΈ ΠΈ ΡΡΠ°Π±ΠΈΠ»ΠΈΠ·Π°ΡΠΎΡΠΎΠΌ ΠΏΠΎΠΏΠ΅ΡΠ΅ΡΠ½ΠΎΠΉ ΡΡΡΠΎΠΉΡΠΈΠ²ΠΎΡΡΠΈ;
- Π·Π°Π΄Π½ΡΡ β Π·Π°Π²ΠΈΡΠΈΠΌΠ°Ρ, ΡΡΡΠ°ΠΆΠ½Π°Ρ, ΠΏΡΡΠΆΠΈΠ½Π½Π°Ρ, Ρ Π³ΠΈΠ΄ΡΠ°Π²Π»ΠΈΡΠ΅ΡΠΊΠΈΠΌΠΈ ΡΠ΅Π»Π΅ΡΠΊΠΎΠΏΠΈΡΠ΅ΡΠΊΠΈΠΌΠΈ Π°ΠΌΠΎΡΡΠΈΠ·Π°ΡΠΎΡΠ°ΠΌΠΈ.
ΠΠ»Ρ Π°Π²ΡΠΎΠΌΠΎΠ±ΠΈΠ»Ρ Ρ ΠΊΠΎΠ»Π΅ΡΠ½ΠΎΠΉ ΡΠΎΡΠΌΡΠ»ΠΎΠΉ 4Γ4 Π½Π° ΠΊΠΎΠ»Π΅ΡΠ° ΠΏΡΠΈΡ ΠΎΠ΄ΠΈΡΡΡ 100% Π²Π΅ΡΠ°. ΠΠΌΠ΅Π½Π½ΠΎ ΠΏΠΎΡΡΠΎΠΌΡ Ρ ΠΏΠΎΠ»Π½ΠΎΠΏΡΠΈΠ²ΠΎΠ΄Π½ΠΎΠ³ΠΎ ΡΡΠ°Π½ΡΠΏΠΎΡΡΠ½ΠΎΠ³ΠΎ ΡΡΠ΅Π΄ΡΡΠ²Π° ΡΠ΅Π°Π»ΠΈΠ·ΡΠ΅ΠΌΠΎΠ΅ ΡΡΠ³ΠΎΠ²ΠΎΠ΅ ΡΡΠΈΠ»ΠΈΠ΅ ΠΏΡΠΈΠΌΠ΅ΡΠ½ΠΎ Π² 2 ΡΠ°Π·Π° Π±ΠΎΠ»ΡΡΠ΅, ΡΠ΅ΠΌ Ρ ΠΌΠ°ΡΠΈΠ½Ρ Ρ ΠΊΠΎΠ»Π΅ΡΠ½ΠΎΠΉ ΡΠΎΡΠΌΡΠ»ΠΎΠΉ 4Γ2. ΠΠ»Π°Π³ΠΎΠ΄Π°ΡΡ ΠΏΠ΅ΡΠ΅Π΄Π½ΠΈΠΌ ΠΊΠΎΠ»Π΅ΡΠ°ΠΌ, ΡΡΡΠ°Π½ΠΎΠ²Π»Π΅Π½Π½ΡΠΌ ΠΏΠΎΠ΄ ΠΎΠΏΡΠ΅Π΄Π΅Π»Π΅Π½Π½ΡΠΌΠΈ ΡΠ³Π»Π°ΠΌΠΈ ΠΎΡΠ½ΠΎΡΠΈΡΠ΅Π»ΡΠ½ΠΎ Π΄Π΅ΡΠ°Π»Π΅ΠΉ ΠΊΡΠ·ΠΎΠ²Π° ΠΈ ΠΏΠΎΠ΄Π²Π΅ΡΠΊΠΈ, Π΄Π°Π½Π½ΠΎΠ΅ Π°Π²ΡΠΎ ΠΈΠΌΠ΅Π΅Ρ Ρ ΠΎΡΠΎΡΡΡ ΡΡΡΠΎΠΉΡΠΈΠ²ΠΎΡΡΡ ΠΈ ΡΠΏΡΠ°Π²Π»ΡΠ΅ΠΌΠΎΡΡΡ. ΠΡΠΎΠ±Π΅Π½Π½ΠΎΡΡΡΡ ΠΌΠΎΠ΄Π΅Π»ΠΈ 2131 ΡΠ²Π»ΡΠ΅ΡΡΡ Π·Π°ΠΏΡΠ΅Ρ Π±ΡΠΊΡΠΈΡΠΎΠ²ΠΊΠΈ ΠΏΡΠΈΡΠ΅ΠΏΠ°. ΠΠ°ΡΠ°ΠΌΠ΅ΡΡΡ ΠΌΠΎΡΠΎΡΠ° ΠΈΠΌΠ΅ΡΡ ΡΠ»Π΅Π΄ΡΡΡΠΈΠ΅ Ρ Π°ΡΠ°ΠΊΡΠ΅ΡΠΈΡΡΠΈΠΊΠΈ:
- Π’ΠΈΠΏ ΡΠΈΠ»ΠΎΠ²ΠΎΠ³ΠΎ Π°Π³ΡΠ΅Π³Π°ΡΠ° β 4-ΡΠΈΠ»ΠΈΠ½Π΄ΡΠΎΠ²ΡΠΉ, ΡΡΠ΄Π½ΡΠΉ, 4-ΡΠ°ΠΊΡΠ½ΡΠΉ.
- Π Π°Π±ΠΎΡΠΈΠΉ ΠΎΠ±ΡΠ΅ΠΌ Π΄Π²ΠΈΠ³Π°ΡΠ΅Π»Ρ, Π» β 1,69.
- ΠΠΎΡΠ½ΠΎΡΡΡ, Π». Ρ. β 83.
- ΠΠΈΠ°ΠΌΠ΅ΡΡ ΡΠΈΠ»ΠΈΠ½Π΄ΡΠ° ΠΈ Ρ ΠΎΠ΄ ΠΏΠΎΡΡΠ½Ρ, ΠΌΠΌ β 82Ρ 80.
- Π‘ΡΠ΅ΠΏΠ΅Π½Ρ ΡΠΆΠ°ΡΠΈΡ β 9,3.
- Π‘ΠΈΡΡΠ΅ΠΌΠ° ΠΏΠΈΡΠ°Π½ΠΈΡ/Π·Π°ΠΆΠΈΠ³Π°Π½ΠΈΡ β ΡΠ°ΡΠΏΡΠ΅Π΄Π΅Π»Π΅Π½Π½ΡΠΉ Π²ΠΏΡΡΡΠΊ ΡΠΎΠΏΠ»ΠΈΠ²Π°.
Π‘ΠΎΠ³Π»Π°ΡΠ½ΠΎ ΡΡΠΊΠΎΠ²ΠΎΠ΄ΡΡΠ²Ρ ΠΏΠΎ ΡΠΊΡΠΏΠ»ΡΠ°ΡΠ°ΡΠΈΠΈ, Π²Π΅Π»ΠΈΡΠΈΠ½Π° ΠΏΡΠ΅Π΄Π΅Π»ΡΠ½ΠΎΠ³ΠΎ ΡΠ°ΡΡ ΠΎΠ΄Π° ΠΌΠΎΡΠΎΡΠ½ΠΎΠ³ΠΎ ΠΌΠ°ΡΠ»Π° ΡΠΎΡΡΠ°Π²Π»ΡΠ΅Ρ 0,7 Π» Π½Π° 1000 ΠΊΠΌ. ΠΠ°Π½Π½ΠΎΠ΅ Π·Π½Π°ΡΠ΅Π½ΠΈΠ΅ ΡΠ²ΠΈΠ΄Π΅ΡΠ΅Π»ΡΡΡΠ²ΡΠ΅Ρ ΠΎΠ± ΠΈΠ·Π½ΠΎΡΠ΅ Π΄Π΅ΡΠ°Π»Π΅ΠΉ Π΄Π²ΠΈΠ³Π°ΡΠ΅Π»Ρ ΠΈ Π½Π΅ΠΎΠ±Ρ ΠΎΠ΄ΠΈΠΌΠΎΡΡΠΈ ΡΠ΅ΠΌΠΎΠ½ΡΠ°.
Π’ΠΎΠΏΠ»ΠΈΠ²Π½ΠΎ-ΡΠΊΠΎΡΠΎΡΡΠ½ΡΠ΅ Ρ Π°ΡΠ°ΠΊΡΠ΅ΡΠΈΡΡΠΈΠΊΠΈ Π°Π²ΡΠΎΠΌΠΎΠ±ΠΈΠ»Ρ ΠΠ°Π΄Π° ΠΠΈΠ²Π° 2131:
- ΠΠ°ΠΏΡΠ°Π²ΠΎΡΠ½ΡΠΉ ΠΎΠ±ΡΠ΅ΠΌ ΡΠΎΠΏΠ»ΠΈΠ²Π½ΠΎΠ³ΠΎ Π±Π°ΠΊΠ°, Π» β 65.
- Π’ΠΈΠΏ ΡΠΎΠΏΠ»ΠΈΠ²Π° β Π±Π΅Π½Π·ΠΈΠ½ (ΠΠ-95).
- ΠΠ°ΠΊΡΠΈΠΌΠ°Π»ΡΠ½Π°Ρ ΡΠΊΠΎΡΠΎΡΡΡ, ΠΊΠΌ/Ρ β 137.
- ΠΡΠ΅ΠΌΡ ΡΠ°Π·Π³ΠΎΠ½Π° Π΄ΠΎ 100 ΠΊΠΌ/Ρ, Ρ. β 19,0.
Π Π°ΡΡ ΠΎΠ΄ ΡΠΎΠΏΠ»ΠΈΠ²Π°:
- ΠΏΡΠΈ ΡΠΌΠ΅ΡΠ°Π½Π½ΠΎΠΌ ΡΠΈΠΊΠ»Π΅, Π»/100 ΠΊΠΌ β 11,2;
- ΠΏΡΠΈ Π³ΠΎΡΠΎΠ΄ΡΠΊΠΎΠΌ β Π»/100 ΠΊΠΌ β 12,1;
- ΠΏΡΠΈ Π·Π°Π³ΠΎΡΠΎΠ΄Π½ΠΎΠΌ β Π»/100 ΠΊΠΌ β 8,3.
ΠΠΎ ΡΠ΅Ρ Π½ΠΈΡΠ΅ΡΠΊΠΈΠΌ Ρ Π°ΡΠ°ΠΊΡΠ΅ΡΠΈΡΡΠΈΠΊΠ°ΠΌ ΠΠ°Π΄Π° ΠΠΈΠ²Π° 2131 Π½Π΅ ΡΡΡΡΠΏΠ°Π΅Ρ Π±ΠΎΠ»Π΅Π΅ Π΄ΠΎΡΠΎΠ³ΠΈΠΌ Π°Π½Π°Π»ΠΎΠ³Π°ΠΌ.
ΠΠ΅ΡΠ½ΡΡΡΡΡ ΠΊ ΠΎΠ³Π»Π°Π²Π»Π΅Π½ΠΈΡ
ΠΠΊΡΡΠ΅ΡΡΠ΅Ρ Π°Π²ΡΠΎΠΌΠΎΠ±ΠΈΠ»Ρ
Π‘ ΠΌΠΎΠΌΠ΅Π½ΡΠ° Π½Π°ΡΠ°Π»Π° ΠΏΡΠΎΠΈΠ·Π²ΠΎΠ΄ΡΡΠ²Π° Π°Π²ΡΠΎ Π΅Π³ΠΎ Π²Π½Π΅ΡΠ½ΠΈΠΉ Π²ΠΈΠ΄ ΠΏΡΠ°ΠΊΡΠΈΡΠ΅ΡΠΊΠΈ Π½Π΅ ΠΈΠ·ΠΌΠ΅Π½ΠΈΠ»ΡΡ. Π ΡΠΎΠ²ΡΠ΅ΠΌΠ΅Π½Π½ΠΎΠΌ Π΄ΠΈΠ·Π°ΠΉΠ½Π΅ ΡΡΠ°Π½ΡΠΏΠΎΡΡΠ½ΡΡ ΡΡΠ΅Π΄ΡΡΠ² ΠΊΠ²Π°Π΄ΡΠ°ΡΠ½Π°Ρ ΡΠΎΡΠΌΠ° ΠΊΡΠ·ΠΎΠ²Π°, ΠΊΡΡΠ³Π»ΡΠ΅ ΡΠ°ΡΡ, Π»Π°ΠΊΠΎΠ½ΠΈΡΠ½ΡΠ΅ Π±Π°ΠΌΠΏΠ΅ΡΠ° ΠΏΡΠ΅Π΄ΡΡΠ°Π²Π»ΡΡΡ ΡΠΎΠ±ΠΎΠΉ ΠΊΠ»Π°ΡΡΠΈΡΠ΅ΡΠΊΠΈΠΉ Π²Π°ΡΠΈΠ°Π½Ρ. ΠΠ»Ρ ΡΡΠΎΠΉ ΠΌΠΎΠ΄Π΅Π»ΠΈ ΠΏΡΠ΅Π΄ΡΡΠΌΠΎΡΡΠ΅Π½Ρ Π·Π°Π΄Π½ΠΈΠ΅ Π΄Π²Π΅ΡΠΈ ΠΏΠΎ Π»Π΅Π²ΠΎΠΌΡ ΠΈ ΠΏΡΠ°Π²ΠΎΠΌΡ Π±ΠΎΡΡΡ. ΠΡΠΎ ΠΎΠ±Π»Π΅Π³ΡΠ°Π΅Ρ ΠΏΠΎΡΠ°Π΄ΠΊΡ ΠΈ Π²ΡΡΠ°Π΄ΠΊΡ ΠΏΠ°ΡΡΠ°ΠΆΠΈΡΠΎΠ². Π£Π²Π΅Π»ΠΈΡΠ΅Π½Π½Π°Ρ ΠΊΠΎΠ»Π΅ΡΠ½Π°Ρ Π±Π°Π·Π° ΠΏΠΎΠ²ΡΡΠΈΠ»Π° ΠΏΠ»Π°Π²Π½ΠΎΡΡΡ Ρ ΠΎΠ΄Π°, ΡΠΌΠ΅Π½ΡΡΠΈΠ»Π° ΡΠ°ΡΠΊΠ°ΡΠΈΠ²Π°Π½ΠΈΠ΅ Π²ΠΎΠΊΡΡΠ³ Π³ΠΎΡΠΈΠ·ΠΎΠ½ΡΠ°Π»ΡΠ½ΠΎΠΉ ΠΏΠΎΠΏΠ΅ΡΠ΅ΡΠ½ΠΎΠΉ ΠΎΡΠΈ.
ΠΠΎΡΠΎΡΠΊΠΈΠ΅ ΡΠ²Π΅ΡΡ ΠΊΡΠ·ΠΎΠ²Π°, Π° ΡΠ°ΠΊΠΆΠ΅ Π½Π΅Π²ΡΡΡΡΠΏΠ°ΡΡΠΈΠ΅ Π±Π°ΠΌΠΏΠ΅ΡΡ ΠΎΠ±Π΅ΡΠΏΠ΅ΡΠΈΠ²Π°ΡΡ Π·Π½Π°ΠΌΠ΅Π½ΠΈΡΡΡ Π³Π΅ΠΎΠΌΠ΅ΡΡΠΈΡΠ΅ΡΠΊΡΡ ΠΏΡΠΎΡ ΠΎΠ΄ΠΈΠΌΠΎΡΡΡ Π΄Π°Π½Π½ΠΎΠ³ΠΎ Π°Π²ΡΠΎ. ΠΠΈΠ½ΠΈΠΌΠ°Π»ΡΠ½ΠΎΠ΅ ΠΊΠΎΠ»ΠΈΡΠ΅ΡΡΠ²ΠΎ ΠΏΠ»Π°ΡΡΠΈΠΊΠΎΠ²ΡΡ ΡΠ»Π΅ΠΌΠ΅Π½ΡΠΎΠ² ΡΠ½ΠΈΠΆΠ°Π΅Ρ ΡΠΈΡΠΊ ΠΈΡ ΠΏΠΎΠ²ΡΠ΅ΠΆΠ΄Π΅Π½ΠΈΡ, Π° Π²Π΅Π»ΠΈΡΠΈΠ½Π° ΠΊΠ»ΠΈΡΠ΅Π½ΡΠ° ΠΎΠ±ΡΡΠ»Π°Π²Π»ΠΈΠ²Π°Π΅Ρ Ρ ΠΎΡΠΎΡΡΡ ΠΏΡΠΎΡ ΠΎΠ΄ΠΈΠΌΠΎΡΡΡ Π² Π³ΠΎΡΠΈΡΡΠΎΠΉ ΠΌΠ΅ΡΡΠ½ΠΎΡΡΠΈ. ΠΠΎΠΏΠΎΠ»Π½ΠΈΡΠ΅Π»ΡΠ½ΡΠ΅ ΡΠ»Π΅ΠΌΠ΅Π½ΡΡ ΡΠΊΡΡΠ΅ΡΡΠ΅ΡΠ° ΠΏΠΎΠΌΠΎΠ³ΡΡ ΠΎΠ±Π΅ΡΠΏΠ΅ΡΠΈΡΡ ΠΊΠΎΠΌΡΠΎΡΡ, ΡΡΠ½ΠΊΡΠΈΠΎΠ½Π°Π»ΡΠ½ΠΎΡΡΡ ΠΈ Π±Π΅Π·ΠΎΠΏΠ°ΡΠ½ΠΎΡΡΡ ΠΌΠΎΠ΄Π΅Π»ΠΈ.
ΠΠ΅ΡΠ½ΡΡΡΡΡ ΠΊ ΠΎΠ³Π»Π°Π²Π»Π΅Π½ΠΈΡ
ΠΠ½ΡΠ΅ΡΡΠ΅Ρ ΠΠΈΠ²Ρ 2131
ΠΠ½ΡΡΡΠ΅Π½Π½ΠΈΠΉ Π²ΠΈΠ΄ Π°Π²ΡΠΎ ΠΏΡΠΎΡΡ, Π½ΠΎ ΡΡΠ½ΠΊΡΠΈΠΎΠ½Π°Π»Π΅Π½. ΠΡΠΈΠ±ΠΎΡΠ½Π°Ρ ΠΏΠ°Π½Π΅Π»Ρ Ρ Π°Π½Π°Π»ΠΎΠ³ΠΎΠ²ΡΠΌΠΈ ΡΠΊΠ°Π»Π°ΠΌΠΈ ΠΈ ΡΠ°Ρ ΠΎΠΌΠ΅ΡΡΠΎΠΌ Π΄ΠΎΡΡΠ°ΡΠΎΡΠ½ΠΎ ΠΈΠ½ΡΠΎΡΠΌΠ°ΡΠΈΠ²Π½Π°, ΡΠΈΡΠ°Π΅ΡΡΡ Π»Π΅Π³ΠΊΠΎ Π·Π° ΡΡΠ΅Ρ ΠΊΡΡΠΏΠ½ΠΎΠΉ ΠΎΡΠΈΡΡΠΎΠ²ΠΊΠΈ. ΠΠ»ΠΎΠΊ ΠΊΠ»ΠΈΠΌΠ°ΡΠΈΡΠ΅ΡΠΊΠΎΠΉ ΡΠΈΡΡΠ΅ΠΌΡ, ΠΊΠ»Π°Π²ΠΈΡΠΈ ΡΠΏΡΠ°Π²Π»Π΅Π½ΠΈΡ ΡΠ²Π΅ΡΠΎΠΌ ΠΈ ΠΎΠ±ΠΎΠ³ΡΠ΅Π²ΠΎΠΌ Π·Π°Π΄Π½Π΅Π³ΠΎ ΡΡΠ΅ΠΊΠ»Π° ΡΠ°ΡΠΏΠΎΠ»ΠΎΠΆΠ΅Π½Ρ Π½Π° ΡΠ΅Π½ΡΡΠ°Π»ΡΠ½ΠΎΠΉ ΠΊΠΎΠ½ΡΠΎΠ»ΠΈ. ΠΠ°Π½Π½ΡΠ΅ ΡΠ»Π΅ΠΌΠ΅Π½ΡΡ ΠΎΡΠ³Π°Π½ΠΈΠ·ΠΎΠ²Π°Π½Ρ ΠΊΠΎΠΌΠΏΠ°ΠΊΡΠ½ΠΎ, ΠΈ ΠΏΡΠΎΠ±Π»Π΅ΠΌ Ρ ΠΈΡ ΠΈΡΠΏΠΎΠ»ΡΠ·ΠΎΠ²Π°Π½ΠΈΠ΅ΠΌ Π½Π΅ Π²ΠΎΠ·Π½ΠΈΠΊΠ°Π΅Ρ.
ΠΠ»Π°Π²Π½ΠΎΠ΅ ΠΏΡΠ΅ΠΈΠΌΡΡΠ΅ΡΡΠ²ΠΎ ΠΠ°Π΄Π° ΠΠΈΠ²Π° 2131 4Γ4 β ΡΡΠΎ Π²ΠΌΠ΅ΡΡΠΈΡΠ΅Π»ΡΠ½ΡΠΉ ΡΠ°Π»ΠΎΠ½. ΠΠ΅ΡΠ΅Π΄Π½ΠΈΠ΅ ΡΠΈΠ΄Π΅Π½ΡΡ Π½Π΅ ΠΈΠΌΠ΅ΡΡ ΠΏΡΠΎΡΠΈΠ»Ρ, Π½ΠΎ ΠΎΠΏΡΠΈΠΌΠ°Π»ΡΠ½Π°Ρ ΠΆΠ΅ΡΡΠΊΠΎΡΡΡ ΠΈ Π½Π°Π»ΠΈΡΠΈΠ΅ Π²Π°Π»ΠΈΠΊΠΎΠ² Π±ΠΎΠΊΠΎΠ²ΠΎΠΉ ΠΏΠΎΠ΄Π΄Π΅ΡΠΆΠΊΠΈ ΠΎΠ±Π΅ΡΠΏΠ΅ΡΠΈΠ²Π°ΡΡ Π΄ΠΎΡΡΠ°ΡΠΎΡΠ½ΡΠΉ ΠΊΠΎΠΌΡΠΎΡΡ. ΠΠ° Π°Π²ΡΠΎΠΌΠΎΠ±ΠΈΠ»ΠΈ ΡΡΡΠ°Π½Π°Π²Π»ΠΈΠ²Π°ΡΡΡΡ ΠΎΡΠΈΠ³ΠΈΠ½Π°Π»ΡΠ½ΡΠ΅ ΡΡΠ°Π½ΡΡΠΎΡΠΌΠΈΡΡΠ΅ΠΌΡΠ΅ Π·Π°Π΄Π½ΠΈΠ΅ ΡΠΈΠ΄Π΅Π½ΡΡ, ΠΊΠΎΡΠΎΡΡΠ΅ ΠΏΠΎΠ·Π²ΠΎΠ»ΡΡΡ Π² ΡΠ»ΡΡΠ°Π΅ Π½Π΅ΠΎΠ±Ρ ΠΎΠ΄ΠΈΠΌΠΎΡΡΠΈ ΡΠ²Π΅Π»ΠΈΡΠΈΡΡ ΠΏΠ»ΠΎΡΠ°Π΄Ρ Π±Π°Π³Π°ΠΆΠ½ΠΎΠ³ΠΎ ΠΎΡΠ΄Π΅Π»Π΅Π½ΠΈΡ.
Π ΠΎΠ²Π½ΡΠΉ ΠΏΠΎΠ» ΠΈ ΡΠΈΡΠΎΠΊΠΈΠΉ ΠΏΡΠΎΠ΅ΠΌ ΡΠΏΠΎΡΠΎΠ±ΡΡΠ²ΡΡΡ ΠΏΠ΅ΡΠ΅Π²ΠΎΠ·ΠΊΠ΅ ΠΊΡΡΠΏΠ½ΠΎΠ³Π°Π±Π°ΡΠΈΡΠ½ΡΡ Π³ΡΡΠ·ΠΎΠ². ΠΠ°ΠΏΠ°ΡΠ½ΠΎΠ΅ ΠΊΠΎΠ»Π΅ΡΠΎ ΡΠ°ΡΠΏΠΎΠ»Π°Π³Π°Π΅ΡΡΡ ΠΏΠΎΠ΄ ΠΊΠ°ΠΏΠΎΡΠΎΠΌ, ΡΡΠΎ ΠΏΠΎΠ·Π²ΠΎΠ»ΡΠ΅Ρ ΠΌΠ°ΠΊΡΠΈΠΌΠ°Π»ΡΠ½ΠΎ ΡΠΎΡ ΡΠ°Π½ΠΈΡΡ ΠΏΠΎΠ»Π΅Π·Π½ΠΎΠ΅ ΠΏΡΠΎΡΡΡΠ°Π½ΡΡΠ²ΠΎ. ΠΠΎΠ΄Π΅ΡΠ½ΠΈΠ·Π°ΡΠΈΡ Π΄Π°Π½Π½ΠΎΠ³ΠΎ Π°Π²ΡΠΎΠΌΠΎΠ±ΠΈΠ»Ρ ΠΏΡΠΈΠ²Π΅Π»Π° ΠΊ ΡΠΎΠΌΡ, ΡΡΠΎ Π² Π»ΡΠΊΡΠΎΠ²ΡΡ ΠΊΠΎΠΌΠΏΠ»Π΅ΠΊΡΠ°ΡΠΈΡΡ ΠΏΠΎΡΠ²ΠΈΠ»ΠΈΡΡ ΠΊΠΎΠ½Π΄ΠΈΡΠΈΠΎΠ½Π΅Ρ ΠΈ ΡΠ»Π΅ΠΊΡΡΠΎΡΡΠ΅ΠΊΠ»ΠΎΠΏΠΎΠ΄ΡΠ΅ΠΌΠ½ΠΈΠΊΠΈ.
ΠΠ΅ΡΠ½ΡΡΡΡΡ ΠΊ ΠΎΠ³Π»Π°Π²Π»Π΅Π½ΠΈΡ
ΠΠΎΡΡΠΎΠΈΠ½ΡΡΠ²Π° ΠΈ Π½Π΅Π΄ΠΎΡΡΠ°ΡΠΊΠΈ Π°Π²ΡΠΎ
ΠΠΈΠ²Π° 2131 Π·Π°ΡΠ΅ΠΊΠΎΠΌΠ΅Π½Π΄ΠΎΠ²Π°Π»Π° ΡΠ΅Π±Ρ Π½Π΅ ΡΠΎΠ»ΡΠΊΠΎ Π² Π ΠΎΡΡΠΈΠΈ, Π½ΠΎ ΠΈ Π·Π° ΡΡΠ±Π΅ΠΆΠΎΠΌ. ΠΠ²ΡΠΎΠ²Π»Π°Π΄Π΅Π»ΡΡΡ Π²ΡΡΠ²ΠΈΠ»ΠΈ ΠΊΠ°ΠΊ ΠΏΠΎΠ»ΠΎΠΆΠΈΡΠ΅Π»ΡΠ½ΡΠ΅, ΡΠ°ΠΊ ΠΈ ΠΎΡΡΠΈΡΠ°ΡΠ΅Π»ΡΠ½ΡΠ΅ Ρ Π°ΡΠ°ΠΊΡΠ΅ΡΠΈΡΡΠΈΠΊΠΈ Π΄Π°Π½Π½ΠΎΠ³ΠΎ Π°Π²ΡΠΎ.
| ΠΠΎΡΡΠΎΠΈΠ½ΡΡΠ²Π° | ΠΠ΅Π΄ΠΎΡΡΠ°ΡΠΊΠΈ |
| ΠΡΠ½ΠΎΡΠΈΡΠ΅Π»ΡΠ½ΠΎ Π½ΠΈΠ·ΠΊΠ°Ρ ΡΠ΅Π½Π° Π² ΡΡΠ°Π²Π½Π΅Π½ΠΈΠΈ Ρ Π·Π°ΡΡΠ±Π΅ΠΆΠ½ΡΠΌΠΈ Π²Π½Π΅Π΄ΠΎΡΠΎΠΆΠ½ΠΈΠΊΠ°ΠΌΠΈ. | Π‘Π»Π°Π±Π°Ρ ΡΡΡΠΎΠΉΡΠΈΠ²ΠΎΡΡΡ ΠΊΡΠ·ΠΎΠ²Π° ΠΊ ΠΊΠΎΡΡΠΎΠ·ΠΈΠΈ. |
| ΠΡΠΎΡΡΠΎΡΠ½ΡΠΉ ΡΠ°Π»ΠΎΠ½. | ΠΠ»ΠΎΡ Π°Ρ ΡΡΠΌΠΎΠΈΠ·ΠΎΠ»ΡΡΠΈΡ. |
| ΠΠΌΠ΅ΡΡΠΈΡΠ΅Π»ΡΠ½ΡΠΉ Π±Π°Π³Π°ΠΆΠ½ΠΈΠΊ. | |
| ΠΠ°Π΄Π΅ΠΆΠ½Π°Ρ Ρ ΠΎΠ΄ΠΎΠ²Π°Ρ ΡΠ°ΡΡΡ Π²ΡΠ΄Π΅ΡΠΆΠΈΠ²Π°Π΅Ρ ΡΠΊΡΡΡΠ΅ΠΌΠ°Π»ΡΠ½ΡΡ ΡΠΊΡΠΏΠ»ΡΠ°ΡΠ°ΡΠΈΡ ΠΏΠΎ ΡΠ°ΠΌΡΠΌ ΡΠ°Π·Π½ΡΠΌ Π΄ΠΎΡΠΎΠ³Π°ΠΌ ΠΈ ΠΌΠ΅ΡΡΠ½ΠΎΡΡΠΈ. | |
| ΠΡΡΠΎΠΊΠ°Ρ ΡΠ΅ΠΌΠΎΠ½ΡΠΎΠΏΡΠΈΠ³ΠΎΠ΄Π½ΠΎΡΡΡ. |
Π ΡΠΎΠ²ΡΠ΅ΠΌΠ΅Π½Π½ΡΡ ΠΌΠΎΠ΄Π΅Π»ΡΡ ΡΡΠΎΠ³ΠΎ Π²Π½Π΅Π΄ΠΎΡΠΎΠΆΠ½ΠΈΠΊΠ° Π°Π½ΡΠΈΠΊΠΎΡΡΠΎΠ·ΠΈΠΉΠ½Π°Ρ Π·Π°ΡΠΈΡΠ° ΡΡΠ°Π»Π° Π±ΠΎΠ»Π΅Π΅ ΡΡΡΠ΅ΠΊΡΠΈΠ²Π½ΠΎΠΉ, Π° ΠΊΡΠ΅ΡΡΠΎΠ²ΠΈΠ½Ρ Π² ΠΊΠ°ΡΠ΄Π°Π½Π΅ Π·Π°ΠΌΠ΅Π½Π΅Π½Ρ Π½Π° Π¨Π Π£Π‘Ρ (ΡΠ°ΡΠ½ΠΈΡΡ ΡΠ°Π²Π½ΡΡ ΡΠ³Π»ΠΎΠ²ΡΡ ΡΠΊΠΎΡΠΎΡΡΠ΅ΠΉ). ΠΠ½Π΅Π΄ΠΎΡΠΎΠΆΠ½ΠΈΠΊ ΠΠ°Π΄Π° ΠΠΈΠ²Π° 2131 4Ρ 4 β Π»Π΅Π³Π΅Π½Π΄Π°ΡΠ½ΡΠΉ Π²Π΅Π·Π΄Π΅Ρ ΠΎΠ΄, ΡΠ²Π΅ΡΠ΅Π½Π½ΠΎ ΠΏΡΠ΅ΠΎΠ΄ΠΎΠ»Π΅Π²Π°ΡΡΠΈΠΉ Π±Π΅Π·Π΄ΠΎΡΠΎΠΆΡΠ΅. ΠΠΈΡΡΠ΅ΡΠ΅Π½ΡΠΈΠ°Π»ΡΠ½ΡΠΉ ΠΏΠΎΠ»Π½ΡΠΉ ΠΏΡΠΈΠ²ΠΎΠ΄, ΠΏΠ΅ΡΠ΅Π΄Π½ΡΡ Π½Π΅Π·Π°Π²ΠΈΡΠΈΠΌΠ°Ρ ΠΏΠΎΠ΄Π²Π΅ΡΠΊΠ°, Π½Π°Π»ΠΈΡΠΈΠ΅ ΠΏΠΎΠ½ΠΈΠΆΠ°ΡΡΠ΅ΠΉ ΠΏΠ΅ΡΠ΅Π΄Π°ΡΠΈ β ΡΡΠΎ ΡΠΎΠ»ΡΠΊΠΎ Π½Π΅ΠΊΠΎΡΠΎΡΡΠ΅ Π΄ΠΎΡΡΠΎΠΈΠ½ΡΡΠ²Π° Π΄Π°Π½Π½ΠΎΠ³ΠΎ Π°Π²ΡΠΎ. Π’ΡΠ°Π½ΡΠΏΠΎΡΡΠ½ΠΎΠ΅ ΡΡΠ΅Π΄ΡΡΠ²ΠΎ ΠΏΡΠ΅ΠΊΡΠ°ΡΠ½ΠΎ ΠΏΠΎΠ΄Ρ ΠΎΠ΄ΠΈΡ ΠΈ Π΄Π»Ρ Π³ΠΎΡΠΎΠ΄ΡΠΊΠΎΠΉ ΠΌΠ΅ΡΡΠ½ΠΎΡΡΠΈ, ΠΈ Π΄Π»Ρ ΡΠ΅Π»ΡΡΠΊΠΎΠΉ.
expertvaz.ru





