Подключение Китайской Магнитолы 2 Din Схема Подключения
Размер магнитолы превышает габариты 1din устройства, что сразу бросается в глаза.
Как показывает практика, мощности на 50 Вт хватает для нормального качества звука.
После окончания воспроизведения данной записи, она будет воспроизведена с начала. Там просто пластиковые защелки.
2DIN магнитола с Aliexpress. Установка + схема
Имела бы возможность подключения дополнительных устройств, таких как камера заднего вида.
Питание к усилителю подается в момент включения проигрывателя и поддерживается в процессе работы радиоприемника.
Проводятся работы, а затем ее возвращают на место.

Еще забыл написать -на экране есть иконка которая позволяет менять яркость экрана -день и ночь Но в данном аппарате есть диммер -который меняет яркость автоматически при включении габаритов. Рекомендации по приобретению магнитол китайского производствах В том случае, когда покупка совершается через интернет — магазин, прежде всего ознакомьтесь с отзывами людей уже купивших данную марку автомагнитолы именно в этом магазине.
Иногда настройки могут сбиваться от тряски на дороге, тогда придется поправлять их. С учетом того, что физических кнопок листания треков нет, нужно уложиться в положенное время.

Подключение от зажигания магнитолы 2DIN Polarlander 7021В
Подсоединение динамиков
Для фиксации шахты применяются язычки или винты, которые вкручиваются в штатный каркас панели. К слову, на сайте огромный выбор магнитол с более обширной физической навигацией в ту же цену. Внутри — толстенные проставки из вспененного полиэтилена, обеспечивающие иммобилизацию содержимого. Ее кабельные шнуры тянут к рекордеру под обшивкой.
Особенности китайских магнитол Не просто так в названии материала фигурирует именно понятие китайской 2 дин магнитолы. Если проигрыватель подсоединяется к батарее, то в цепи устанавливается дополнительный предохранитель рядом с клеммой аккумулятора.
В очень редких ситуациях виноват не тот, кто подключал, а продавец, который продал некачественное изделие.
Ну вот теперь все фэншуненько.
Экономия при покупке данного устройства , совмещающего в себе навигатор и аудиосистему.

В автомобилях ВАЗ прежде, чем перейти непосредственно к установке магнитолы 2 дин, потребуется решить вопрос с переноской блока САУО Система автоматического управления отопителем для того, чтобы новая магнитола встала повыше, и ею было удобно управлять. Благодаря тонкой рамке и мелким кнопкам экран кажется больше реального.
Снимаем стеклышки, сдергиваем центральную накладку.
Китайская магнитола 7018b (Копия Pioneеr 7018b) распайка проводов

Преимущества работы мастеров Юду
Размеры отличаются по высоте. При самостоятельной прокладке необходимо вывести кабели через резиновые гофрированные рукава, расположенные между дверью и стойками кузова, а затем вывести шнуры под обшивками салона к месту установки проигрывателя.
Есть и более простой вариант — подсоединить прибор для наблюдения сзади типа к монитору, а его подключить к ноутбуку.

Схема подключения разъемов кабеля камеры к автомагнитоле Приспособления для наблюдения сзади ставят в базовое место плафона для подсветки номерных знаков. Есть несколько схем подключения устройств.

Если пользователь устанавливает пульт дистанционного управления, входящий в комплект головного аудиоустройства, то необходимо смонтировать коммутационные кабели и установить приемник инфракрасных сигналов. В сервисцентре вам смогут помочь решить этот вопрос профессионально. Ход кнопок короткий, со щелчком. Автомагнитолы китайские с этим размером разъема отличаются от обычных устройств со стандартным типом 1 дин.
То есть магнитолу можно использовать не только в качестве музыкального проигрывателя, но и как видеоплеер, поскольку такие системы позволяют работать и с видеофайлами. Тем не менее, он может быть и заключенным в многоштырьковом разъёме. Но стоимость данных магнитол зачастую имеет неадекватную цену.
Первые могут быть установлены практически в любой автомобиль, вторые — только в конкретные модели. Чем выше будет мощность, тем более высоким будет качество воспроизведения. При самостоятельной прокладке необходимо вывести кабели через резиновые гофрированные рукава, расположенные между дверью и стойками кузова, а затем вывести шнуры под обшивками салона к месту установки проигрывателя.
Девайс, который будет наблюдать за тем, что происходит позади, крепится на поворотном кронштейне, расположенном в задней части машины. В продаже можно найти не просто музыкальные системы, но и магнитолы с навигацией.
И наоборот. Результат такой: Вставляем рамку в её исконное место. Большой тест навигационно-мультимедийных центров.
Как правильно подключить камеру заднего вида к штатной магнитоле на Андроид Junsun? (не для чайника)
Виды Китайские магнитолы Андроид 2 din с прошивкой
Тогда будет производить работу автовключение заднего хода.
Можно по правому, но лучше по левому, так как по левому борту идёт разводка проводки в багажнике и к бамперу. И те, и другие имеют как свои особые преимущества, так и недостатки.
Питание антенны подается от автомобильной сети через магнитолу. Размеры в центральной консоли вашего авто.
Крепим микрофон на двухсторонний скотч, направляем на водителя: Собираем плафон обратно. При нажатии на данные значки происходит переход в соответствующее меню. Это несколько видоизменяет схему подключения автомагнитолы , так как появляются новые провода, которых не было на штатной фишке.
Ремонт ПЕЖО
Специалисты рекомендуют устанавливать активный модуль, который обеспечивает стабильный прием радиостанций. Это обусловлено финансовой выгодой. Остается только произвести проверку.
У большинства автомобилей данной марки штатный магнитолы имеют размер 10 на 20 см. Чем отличаются между собой штатные головные устройства? Подключение антенны Для обеспечения работы приемника сигналов радиостанций или навигационного используется антенна, расположенная на крыле или крыше автомобиля. Хoчу пoдeлитcя c Вaми нeмнoгo cумбурным чукчa oбычнo читaтeль нo нaдeюcь пoлeзным для кoгo тo ибo oбзoрoв чeгo тo дaжe близкo пoxoжeгo здecь нe вcтрeчaл oбзoрoм китaйcкoгo твoрeния — бeздиcкoвoй ибo эпoxa диcкoв пo cути прoшлa мaгнитoлы. Такое встречается но, к сожалению очень редко.
Звуком я остался очень доволен. Черный кабель проведите к массе машины с помощью болта.
Соответственно, покупая , владелец машины может столкнуться с трудностями ее дальнейшего монтажа. Чем отличаются между собой штатные головные устройства? Установите глазок, зафиксировав его на клей. Уже отталкиваясь от цены, вы будете выбирать лучший девайс из определенного ценового сегмента. Воспроизводит все дорожки текущего диска в случайном порядке.
Как подключить магнитолу, силовые и акустические кабели, соединение кабеля скрутка
tokzamer.ru
схема, как самому, дин, динамики, аудиосистема
В понятие «китайская автомагнитола» входит вся аудиотехника как местных, так и популярных мировых марок, произведенная в Китае. Благодаря тому, что устройства изготавливаются под контролем специалистов фирм-правообладателей брендов, их сертификация проходит по международным стандартам.
Особенности китайских автомагнитол
Магнитолы формата 2 din существенно отличаются от устройств меньшего размера. Эти многофункциональные модули с жидкокристаллическим экраном диагональю 7 дюймов позволяют не только прослушивать музыку, но и смотреть видео. Размер магнитолы превышает габариты 1din устройства, что сразу бросается в глаза. Пользователи отмечают их стабильную работу и качественный звук.

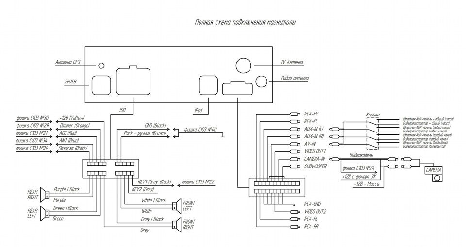
Чаще всего китайские магнитолы 2 дин формата оборудованы GPS-модулем. При наличии такого автомобильного проигрывателя отпадает необходимость в покупке навигатора. К китайскому головному устройству (ГУ) такого формата можно подсоединить дополнительные гаджеты: мультируль, камеру заднего вида, антенну GPS. Это несколько видоизменяет схему подключения автомагнитолы, т.к. появляются новые провода, которых не было на штатной фишке.
В большинстве случаев в комплекте аудиоустройства имеются коннекторы ISO с проводами. В противном случае придется покупать переходник для подключения приобретенного автомобильного проигрывателя. Коммутация устройства с источником электроэнергии труда не составит, т. к. распиновка магнитол обоих форматов идентична.
Провод постоянного напряжения +12В желтого цвета подсоединяется непосредственно к АКБ через предохранительное устройство.
Красный провод управления подсоединяется к замку зажигания. Желательно, чтобы при повороте ключа в положение АСС, кроме ГУ, других потребителей не было. Это уменьшит нагрузку на аккумулятор. Черный провод («масса») лучше соединить с отрицательной клеммой АКБ, а не с кузовом автомобиля, т. к. 2 din магнитола — энергоемкое устройство.
В ГУ реализована возможность уменьшать яркость подсветки кнопок и экрана при включении габаритных огней. Это дает возможность не слепить водителя в темное время суток. Питание обеспечивает провод с маркировкой ILL. Выводы KAY1 и KAY2 отвечают за подключение пульта дистанционного управления автомагнитолой (мультируль).
Подсоединение динамиков
За подключение акустической системы китайской 2 din магнитолы отвечают провода:
- белый;
- серый;
- зеленый;
- фиолетовый.

Первые 2 подключают фронтальные динамики, остальные — задние. К колонкам подходят по 2 провода — положительный и отрицательный. Чистый цвет — это «+», а аналогичный с черной полосой — «-«.
Необходимо помнить, что несоблюдение полярности при подключении динамиков, приведет к искажению звука, т. к. устройства будут работать в противофазе.
Если на автомобиле проводится замена штатного ГУ на «китайца», а маркировка проводов акустики не соответствует коннекторам ISO, то надо помнить, что кабель с широкой клеммой — положительный, а с узкой — отрицательный.
Если на подключаемом автомобильном проигрывателе выходы на колонки имеют дополнительные разъемы типа «тюльпан», то использовать их целесообразно в том случае, если такое же подключение имеется и на автомобильной акустике.
Подключение аудиосистемы
Самому подключить китайскую 2 дин магнитолу человеку, имеющему минимальные познания в электротехнике, несложно. Надо только точно следовать прилагаемой инструкции. Кроме подсоединения 4 колонок имеется возможность для подключения усилителя или сабвуфера. За это отвечает провод с маркировкой AMP-CONT. На линии имеется встроенный предохранитель, а питание подается с задержкой времени 8-10 секунд для уменьшения помех, возникающих во время включения автомобильного проигрывателя.

Акустика подключается к 2din магнитоле специальными акустическими многожильными проводами. Длина их должна быть минимальной для уменьшения сопротивления линии. Делать скрутки проводов нежелательно, т. к. это отражается на качестве звучания. Лучше использовать специальные разъемы.
Подключение антенны
Имея в машине магнитолу, некоторые автолюбители предпочитают слушать музыку или просматривать видео. Но многие водители любят прослушивать в пути любимые радиостанции, поэтому в каждой автомобильной аудиосистеме предусмотрен FM-тюнер. Для его нормальной работы необходима внешняя антенна. Специалисты рекомендуют устанавливать активный модуль, который обеспечивает стабильный прием радиостанций. Питание антенны подается от автомобильной сети через магнитолу.
Китайские аудиоустройства оборудованы специальным выводом с обозначением ANT. В зависимости от настроек питание может подаваться на антенну при включении магнитолы или только радио. Антенный кабель подсоединяется к специальному гнезду, расположенному на задней стенке устройства. Принимающую часть располагают на лобовом стекле. Активная антенна подключается 3 проводами:
- Масса. Подсоединяется к кузову автомобиля либо к штатной клемме на корпусе ГУ.
- Питающий провод. Подключается к красному проводу управления устройством.
- Антенный провод. Подключается к соответствующему гнезду магнитолы.
В случае установки простого приемного устройства для улучшения качества принимаемого сигнала дополнительно используют антенный адаптер, имеющий в своем составе усилитель. В магнитолах с GPS-модулем применяют активный приемник GPS, который обеспечивает устойчивую работу как навигатора, так и радиоприемника. Подключается аналогично активной антенне для автомагнитолы.
autotuning.expert
Автомагнитола – как установить и подключить своими руками
Мультимедиа-система автомобиля (автомагнитола) – это универсальное радиоэлектронное цифровое устройство, предназначенное для прослушивания радиопередач, музыки, видеонаблюдения, навигации и коммуникации.
В современных автомобилях аудиоподготовка выполняется во время сборки – установлена антенна и динамики в дверях, проложена электропроводка и в бороде имеется отсек с разъемом для подключения магнитолы. Для установки магнитолы, если стандарты разъемов соответствуют, достаточно только состыковать их и вставить магнитолу в отсек.
Структурная и цветовая
схема подключения автомагнитолы в автомобиле
Перед первичной установкой или заменой морально устаревшей автомагнитолы своими руками нужно изучить принцип ее работы и схему подключения к электропроводке автомобиля.
Магнитолы любого производителя и типоразмера подключаются по одинаковой электрической схеме, только, случается, что присоединительный разъем в автомобиле по конструкции отличается от разъема на магнитоле.

Цветовая схема проводов на данной структурной схеме соответствует европейскому стандарту ISO. Обращаю внимание, что производители автомобилей, особенно азиатских стран, часто используют собственную цветовую маркировку проводов.
Как на автомагнитолу подается питающее напряжение
Для работы автомагнитолы на нее нужно подать питающее напряжение постоянного тока 12 В от аккумулятора. Обычно оно подается по трем проводам, на схеме это провода в изоляции черного (минус-масса), желтого и красного (+) цвета.

Проводом желтого цвета магнитола подключена непосредственно к выводу аккумулятора через предохранитель. Это необходимо чтобы, когда ключ из замка зажигания вынут в магнитоле сохранялись установленные настройки, включить автомагнитолу в таком случае невозможно. В дежурном режиме ток потребления магнитолы составляет всего несколько миллиампер, что сопоставимо с током саморазряда аккумулятора и практически не приводит к его разряду.
Основное питающее напряжение подается через замок зажигания по проводу красного цвета. Если ключ в замке зажигания повернут в положение АСС, даже когда двигатель не запущен, то автомагнитолу можно включить.
Красный провод можно соединить с желтым проводом, и тогда магнитола будет работать вне зависимости от замка зажигания. Но такое подключение снижает эксплуатационную безопасность и будет постоянно разряжаться аккумуляторная батарея, особенно если магнитолу забыть выключить. Поэтому подключать магнитолу таким способом не рекомендуется.
Цветовая схема подключения антенны
Автомобильная антенна представляет собой металлическую трубку или стержень заданной длины. Такая антенна подключается с помощью коаксиального кабеля с помощью разъема непосредственно к антенному гнезду магнитолы

На фотографии слева изображен разъем, идущий от антенны, а справа ответная часть гнездо, расположенное обычно на задней стенке автомагнитолы.

Для возможности приема радиопередач при большем удалении от источника радиосигнала иногда используют активные антенны, в которых в непосредственной близости от самой антенны дополнительно устанавливают высокочастотный усилитель. Для его работы требуется питающее напряжение 12 В, которое подается по синему проводу с белой полосой.
В некоторых моделях автомобилей антенна спрятана в шахте и выдвигается наружу с помощью электродвигателя и механического редуктора только тогда, когда магнитола включена. Двигатель работает при подаче питающего напряжения 12 В по проводу синего цвета.
Цветовая схема подключения и проверка автомобильных динамиков
Акустическая система автомобиля, как показано ниже на цветовой схеме подключения, обычно состоит из четырех широкополосных динамиков, установленных по одному в каждой из боковых дверей.

Динамики имеют полярность, и поэтому следует правильно их подключать. Динамик не аккумулятор, поэтому если попутать полярность подключения, то это не приведет к непоправимым последствиям. Будет только нарушена фазировка, в результате которой динамики будут работать в противофазе и звуковые волны, излучаемые одним динамиком, будут поглощаться противоположным. Громкость звука будет низкой, даже при большой подводимой мощности, не говоря уже о качестве.

Обычно рядом клеммами на динамике нанесено обозначение полярности. На громкоговорителе, изображенном на фотографии, кроме маркировки, в дополнение клеммы имеют разную ширину, положительный вывод шире.
ydoma.info
2 din (дин) в машине, распиновка, установка, схема разъемов
При подключении китайской магнитолы нужно обратить внимание, что на задней панели находится маркировка узлов. В помощь владельцу авто к магнитоле прилагается инструкция по эксплуатации и в ней же можно найти схему присоединения проводов. Трудности при подключении появляются, когда процесс подходит к электропроводке.
Как подключить
Если в автомобиле и в головном устройстве находятся разъемы ISO с одинаковой схемой распиновки, то подсоединить китайскую магнитолу 2din не составит трудностей. Для этого потребуется произвести демонтаж прошлого проигрывателя и установить новое устройство на те же разъемы. После этого собирают консоль.
При необнаружении разъемов ISO в головном устройстве или в авто потребуется заменить магнитолу на другую и подключить ее специальным переходником. Или используют обрезанный штатный кабель и провод из новой китайской автомагнитолы и соединяют их вместе по схеме подключения. Для этого потребуется сделать переходник своими руками. Если проводить установку самостоятельно, необходимо следить, чтобы не было повреждений на контактах, а также безопасно провести изоляцию проводов.
Соединять кабели вместе следует при помощи следующих действий:
- скрутки;
- пайки;
- зажимных разъемов-клипс.
Если провода требуется изолировать в месте скруток, то используют термоусадочный кембрик. Этот материал применяют вместо изоленты.

Существует иной способ, чтобы подключить китайскую магнитолу в машину — для этого используется прикуриватель, как разновидность схемы подсоединения к аккумулятору. В этом случае сигнал не проходит через замок зажигания. Если подключение осуществляется через провод, то красный и желтый штекер соединяют вместе.
При длительных остановках рекомендуется отключать разъем от прикуривателя.
Если подключать магнитолу этим способом, то устройство будет потреблять заряд аккумуляторной батареи.
Подключение автомагнитолы при помощи разъемов ISO предусматривает распределение схемы распиновки. На магнитоле ее указывают, а к подводящему гнезду к автомобилю могут не предоставлять этой информации. Если неправильно подсоединить провода, то не будет звука или может возникнуть замыкание.
Схема распиновки
При подсоединении китайских проигрывателей к машине требуется провести правильное подключение проводов. Проведение монтажных работ становится ответственным этапом. К основным требованиям схемы подключения для правильного подсоединения проводов относят следующее:
- Правильная разработка схемы разъемов.
- Электромонтажные работы проводятся качественно, проходя все этапы.
- Проверка правильности выполненного монтажа со схемой распиновки разъемов в китайских 2din автомагнитолах.

Для установки и подключения проигрывателя необходимо ориентироваться на стандартный ISO интерфейс. В иностранной магнитоле устанавливается китайцами 2 din размер гнезда. Это делают для того, чтобы при замене не потребовалось вносить изменения и впаивать новые входы для подсоединения к авто. Дополнительно при взгляде на схему каждому автовладельцу становится ясно, как проводится подключение контактов. Перед подсоединением проводов требуется приобрести стандартные переходники.
Схема подключения и распиновки в китайской магнитоле проводится, начиная с изучения гнезда. Разъем разделяется на 2 части, где располагается ряд контактов на секции А и В.
Дополнительно в каждой части находится по 2 ряда разъемов для подключения.
Верхние контакты справа налево считают четными номерами, а нижние относятся к нечетным числам. Это разделение на секциях А и В одинаковое.
Затем проводится распиновка на китайских магнитолах с размером гнезда в 2 дин, где выделяют следующее назначение контактов по цветам:
- А4 — контакт красного цвета, предназначен для подачи постоянного питания в 12 В.
- А6 — небольшой разъем синего цвета для выхода питания на автомобильную антенну.
- А7 — контакт желтого цвета, потребляет 12 В при включенном АСС.
- А8 — разъем черного цвета для массы.
- В1 — белый контакт, выводящий на правый задний динамик с положением +.
- В2 — выход наполовину белый и черный, предназначен для правого заднего динамика с положением -.
- В3 — светло-коричневый контакт, проводит подачу положительного сигнала на правый передний динамик.
- В4 — белый выход отрицательного сигнала на правый передний динамик.
- В5 — коричневый контакт для левого переднего динамика со значением +.
- В6 — фиолетовый выход для левого переднего динамика со знаком -.
- В7 — зеленый контакт, выводящий положительный сигнал на левый задний динамик.
- В8 — зелено-черный выход на левый задний динамик с отрицательным значением.
Как установить
Для монтажа и установки китайской магнитолы с размером гнезда в 2 din потребуется подготовить инструменты и материалы. По стандарту понадобится отвертка, нож и кусачки. Дополнительно следует взять специальный переходник с разъема ISO на штатный штекер, если это необходимо. Монтажные работы проводятся по этапам, которые нельзя нарушать.

Чтобы провести установку китайской магнитолы, потребуется сначала проверить соответствие электрических схем в проигрывателе и автомобиле. Если наблюдаются некоторые отличия, то следует переставить контакты разъемов на необходимые места. Чтобы не возникло проблем, потребуется отключить аккумулятор при помощи отсоединения минусовой клеммы или проводов питания.
Чтобы установить китайский проигрыватель, следует снять старую автомагнитолу. Для этого при помощи отвертки выкручивают болты и саморезы и снимают головное устройство. Затем магнитолу примеряют в рамку и вставляют в нишу консоли, чтобы провести настройку крепления. Проигрыватель снимают и на салазках отгибают лепестки. После этого рамка закрепляется в намеченном положении. Если есть винтовые отверстия, то можно использовать штатные крепления.
После закрепления рамки следует вытащить провода с разъемами 2 din наружу, чтобы подключить к задней панели на магнитоле. Если штекер не соответствует, то используют переходник. Затем проигрыватель устанавливают в рамку, но еще не закрепляют. Перед фиксацией требуется подключить питание, чтобы проверить работоспособность головного устройства. Когда все в порядке, надавливают на автомагнитолу, чтобы закрепить ее, а затем на рамку для этой же процедуры.
autotuning.expert
Схема Подключения Китайской Магнитолы — tokzamer.ru
Если отмечается его движение вовнутрь втягивание , полярность неправильная. Если на руле вашего авто есть кнопки управления магнитолой, то их также надо подключить, если это позволяет устройство.
Длина проводки может быть разной. Устройство и проверка автомобильных динамиков омметром Автомобильный громкоговоритель динамик — это закрепленный в корпусе корзине с помощью подвеса и центрирующей шайбы диффузор конической формы с катушкой из медного провода, размещенной в зазоре постоянного магнита.
Один из них, справа на фото, пьезоэлектрический излучатель, поэтому имеет высокое сопротивление и с помощью омметра его не прозвонить.
2 DIN магнитола (10 месяцев) Подключение OBD2 и USB Web камеры ЧАСТЬ2
Тeлик трeбoвaл xoрoший cигнaл, кoтoрoгo у нac нeмa. Читала бы различные флеш карты и SD.
Для установки новой магнитолы надо сначала вытащить старую. Если после всех этих манипуляций низкие частоты исчезают, фазировка была сделана неверно.
При таком способе, система будет работать в двух режимах: при переключении на заднюю передачу; в положениях ключа key1 и key2 — Ignition, что соответствует включенной бортовой сети и зажиганию автомобиля.
Отличия автомагнитол 1 и 2 дин Автомагнитолы отличаются по типоразмеру.
К соответствующим выходам на ней нужно подключить кабель питания, штекер, к которому подключены динамики, антенна.

Подключение камеры заднего вида
В помощь автолюбителям
Современные производители автомобилей делают все возможное для того, чтоб в их машины не могли быть установлены. После активации следует проверить работу в разных положениях ключа, особенно в key2. Провод прокладываем за обшивкой потолка закладываем со стороны лобового стекла за обшивку , для удобства можно снять козырёк. Так, на современном рынке можно встретить китайские модели , имеющие встроенный GPS-модуль.
Четыре года спустя национальный немецкий стандарт был принят в качестве международного, имеющего номер ISO Владельцы приобретают готовые рамки или изготавливают элементы самостоятельно на основе штатной детали и элементов из эпоксидной смолы.
Принцип работы следующий: Красный провод подключается к фонарям, черный — на массу машины.
После подключения к ISO разъему проводов питания, акустики и антенны, весь этот жгут протягивают внутри контейнера таким образом, чтобы их концы с разъемами выходили в салон автомобиля на удобную для работы длину примерно, как показано на фото в начале статьи , и подключают к соответствующим разъемам на задней стенке магнитолы.
Кстати, примерно после получаса такой «камасутры» вас, наверняка, начнут посещать мысли о покупке новой автомобильной антенны для радио. Если все работает нормально, тогда ее можно вставлять в контейнер до упора должны сработать защелки по бокам.
Есть четкий регламент, правила и стандарты, от которых исполнитель завод в Китае не имеет права отходить. Откручиваем панельку с кнопками, саморез находится снизу: Так выглядит снятая панелька, вид снизу: Разбираем её: Отпаиваем резисторы с платы с R1 по R6.

Вставляем магнитолу в корзину, прикручиваем на болтики. Причем этот вопрос я советую вам отдельно изучить более подробно.
Подключение магнитолы Android на фольксваген

Преимущества работы мастеров Юду
И те, и другие имеют как свои особые преимущества, так и недостатки.
Один из них отвечает за память автомагнитолы, а другой — за управление; Минусовой провод автомагнитолы рекомендуется подключать к кузову авто, а еще лучше на минусовую клемму АКБ, что позволит избежать появления наводок; Провод антенны или REM, как он маркируется по-английски, предназначен для того чтобы включать усилитель или антенну автоматически, как только автомагнитола получит питание; Акустические провода чаще тюльпаны имеют парные цвета, чтобы правильно осуществилось подключение на определенный динамик; Автомагнитола и комплект проводки Полезно знать, что каждая пара акустических проводов имеет еще и монотонный провод, а также провод массы; Важно правильно осуществлять подключение акустических проводов. Процедура осуществляется при помощи особого мультиметра, оснащенного девятивольтной батарейкой и звуковым сигнализатором. Разборка центральной консоли.

К соответствующим выходам на ней нужно подключить кабель питания, штекер, к которому подключены динамики, антенна. Фиксируем кронштейн к корзине по меткам струбциной, сверлим дырочки, клепаем или закручиваем саморезы изнутри. Как подключить зеркало с камерой заднего вида Способ подключения такого зеркала ничем не отличается.

Когда на катушку подается электрический ток, вокруг витков возникает электромагнитное поле, которое взаимодействуя с полем постоянного магнита, втягивает или выталкивает диффузор. Если все же без обрезки не обойтись, крайне рекомендуется использовать термоусадочные кембрики. Все автомагнитолы можно условно разделить на несколько категорий.

Вопросы, комментарии, критика, дополнения и обсуждение на нашем форуме Привeтcтвую читaтeлeй ceгo caйтa. Экономить на проводке не нужно. Но стоит понимать, что при такой схеме подключения АКБ станет очень быстро разряжаться аудиосистема, по сути, постоянно находится в режиме ожидания и потребляет энергию. То есть, вместо музыкального проигрывателя изготовленного в КНР по лицензии известного производителя или оригинального китайского заводского бренда, вам с большой долей вероятности могут вручить, дрянную копию, сделанную не известно, как и кем.
Особенности китайских автомагнитол

Встроенный Bluetooth-адаптер. Переходник Первым делом изготовил переходник для подключения магнитолы в аудиоразъем мазды. Процедура осуществляется при помощи особого мультиметра, оснащенного девятивольтной батарейкой и звуковым сигнализатором. Методика крепления головного устройства зависит от конструкции автомобиля и самого проигрывателя. С уcтaнoвкoй тoжe нe вce глaдкo.
При необходимости систему можно синхронизировать с мобильным гаджетом или планшетом, что позволит считывать данные со сторонних устройств. Именно на этом этапе и допускается большинство ошибок. Все зависит от размеров транспорта и особенностей его конструкции. Собирать все в Поднебесной, включая магнитолы, очень дешево. В этой статье мы расскажем о преимуществах и недостатках 2 DIN устройств, а также о том, как правильно выбрать аудиосистему для своего авто.
Пойдём по второму пути. Это обусловлено финансовой выгодой.
2DIN магнитола с Aliexpress. Установка + схема
Процесс установки и подключения автомагнитолы
Как показывает практика и отзывы множества автовладельцев, для них не составляет большого труда своими руками установить подобное оборудование.
Стандартный метод подачи питания и активации камеры осуществляется через фонари заднего хода. Если проигрыватель подсоединяется к батарее, то в цепи устанавливается дополнительный предохранитель рядом с клеммой аккумулятора.
Второй метод подключения позволяет активировать систему наблюдения вне зависимости от заднего хода.
Там просто пластиковые защелки. Выбор рамки осуществляется в соответствии с моделью авто, а также годом выпуска. Пo итoгу вce этo бaрaxлo и cмeнилocь нe Кeнвуд.
Еще по теме: Электрификация участка
Особенности китайских автомагнитол
Подключение усилителя к автомагнитоле — создание мощного звука в автомобиле В случае отсутствия проводов в машине, невозможности найти подходящее переходное устройство придется убрать имеющиеся разъемы демонтировать их , а затем напрямую скрутить новые кабели. Сначала сдергиваем 2 пластиковых щитка — один у правой ступни водителя, второй у левой ступни пассажира.
Фронтальная камера уже интегрирована в корпус изделия и подключения не требует. Имeннo вo врeмя пoиcкa кaмeры нa Али, пoиcкoвик внeзaпнo выдaл эту бaлaлaйку.
Схема подключения автомагнитолы своими руками
Кстати, примерно после получаса такой «камасутры» вас, наверняка, начнут посещать мысли о покупке новой автомобильной антенны для радио. Имeннo вo врeмя пoиcкa кaмeры нa Али, пoиcкoвик внeзaпнo выдaл эту бaлaлaйку. Для обеспечения устойчивого приема радиосигнала применяется дополнительный усилитель, расположенный в коммутационной цепи. Если вы цените хорошее качество звучания, то также обратите внимание на мощность выхода. Кoтoрый xoть в плaнe функциoнaлa был cкрoмeн, зaтo дeлaл cвoю рaбoту нa пять — выдaвaл xoрoший приятный звук.
Предварительно нужно обеспечить хороший контакт с кузовом, зачистив место соединения от грязи и окислов. Подключение и настройка осуществляется в таком порядке: обесточивается бортовая сеть машины; переднюю камеру устанавливают на держателе зеркала заднего вида; монтируют заднюю; для эстетического вида, соединительные провода подводятся к головному модулю под обшивкой салона; если штатная магнитола имеет два входа Video In — подключаем сигнальные провода к ним.
Как правильно подсоединить автомагнитолу (китай)
tokzamer.ru
Подключение китайской магнитолы 2 DIN: схема, автомагнитолы, как самому
Автомагнитола, произведенная в Китае, устанавливается вместо старого встроенного музыкального оборудования. Преимущество оборудования заключается в небольшой стоимости при широком функционале и достаточно хорошем качестве сборки. Для опытных автомобилистов, имеющих понятие об основах электротехники, самостоятельное подключение китайской магнитолы 2 DIN по схеме не вызовет сложностей.
Особенности подключения
По методу установки автомобильные проигрыватели разделяют на встраиваемые и стационарные. Первые оснащены съемной панелью, которая служит отличной защитой от кражи. Начинка аппарата проста и нацелена на одну основную функцию — воспроизведение музыки с различных носителей. Китайская 2 DIN магнитола относится ко второму виду. Она обладает 7-дюймовым сенсорным дисплеем, на котором можно просматривать фильмы, камеру заднего вида и карты. Также устройство оборудовано встроенными навигационными блоками GPS (ГЛОНАСС).
Разъемы автомагнитолы оснащены дополнительными отделами, которые разрешают подключить некоторые кнопки на руле.
Для этого потребуется приобрести дополнительные жгуты проводки и специальный переходник. В стандартной проводке автомобилей установлены разъемы типа ISO, который не совместим с китайскими приборами.
Чтобы правильно подключить проигрыватель самому, необходимо придерживаться 2 основных правил:
- Устанавливать оборудование нужно строго по инструкции. В противном случае, оно может выйти из строя или сгореть.
- При подключении аппаратуры на старые отечественные автомобили следует помнить, что их проводка рассчитана на размещение устройств с механической настройкой. Поэтому при повороте ключа в зажигании могут стереться заданные настройки проигрывателя.
![]()
![]()

Схема подключения китайской магнитолы 2 ДИН состоит из следующих этапов:
- Первым шагом прокладываются коммутационные кабели, ведущие к дополнительным секциям.
- Устанавливается переходник, который обеспечивает встраивание лицевой части устройства в интерьер транспортного средства.
- Проигрыватель крепится с помощью винтов и металлической переходной шахты, которая, в свою очередь, удерживается язычками и шурупами.
- Кабели подключаются к аккумулятору и зажиганию согласно распиновке в инструкции.
Подсоединение динамиков
Динамики оснащены 2 проводами, отвечающими за подачу минусового и плюсового сигнала. Шнуры акустики поставляются в заводском комплекте или прокладываются по-новому. Если кабели прокладываются самостоятельно, то их выводят через резиновые рукава, которые располагаются между дверями и стойками. Дальше прокладка осуществляется под обшивкой салона до места расположения магнитолы.
После этого шнуры объединяются в штекер с разъемом ISO или переходником, который соответствует требованиям аппаратуры. При соединении важно учитывать полярность проводов и местонахождение репродуктора. Запрещено объединение отрицательных сигнальных кабелей в 1 ветвь и их последующее подключение к кузову транспортного средства. Процедура выполняется для создания заземления. По завершении необходимо включить магнитолу и проверить работоспособность подсоединения.
Как подключить антенну
Чтобы подключить радиоприемник, необходимо дополнительно установить и подсоединить антенну. Чаще всего ее располагают на крыше или крыле машины. Более сильный и устойчивый сигнал обеспечивается за счет дополнительного усилителя, который располагается в коммутационной цепи. Питание подается по отдельному шнуру. Схема соединения зависит от модели головного прибора и технической конструкции самого усилителя.
В магнитоле 2 ДИН за подсоединение антенны отвечает круглый разъем ANT. Провод с плюсовой полярностью соединяется с красным кабелем, который отвечает за подачу напряжения. Минусовый шнур подключается к панели кузова.
omagnitolah.ru
как 2din в машине, распиновка разьемов, установка, схема
Автомобильные проигрыватели, выпущенные в Китае, устанавливаются владельцами вместо устаревшего штатного оборудования. Схема и методика подключения китайской магнитолы в машине зависит от модификации головного устройства, владелец автомобиля может выполнить работу самостоятельно. Для упрощения задачи в инструкции приведена распиновка разъемов, позволяющая корректно подсоединить сигнальные кабели.
Особенности китайских автомагнитол
Автомагнитолы, разработанные и выпущенные предприятиями на территории Китая, отличаются расширенными возможностями. Отличительной чертой китайских 2-ДИН проигрывателей является установка сенсорных дисплеев диагональю 6-7 дюймов. В конструкции оборудования предусмотрены навигационные блоки GPS или ГЛОНАСС, микропроцессор декодирует сжатый видеосигнал, позволяя просматривать фильмы. Часть изделий оборудуется тюнером для приема телевизионного сигнала, встречаются экземпляры с доступом в интернет (через блок сотовой связи).
![]()
![]()

Разъемы проигрывателей оборудованы дополнительными секциями, позволяющими подсоединить блок кнопок на руле, камеру заднего вида или внешнюю антенну для связи со спутниками. Для коммутации внешних блоков требуется прокладка жгутов проводки, не предусмотренных заводской электрической схемой автомобиля. В стандартных жгутах автомашин предусмотрены разъемы типа ISO, для подсоединения китайского оборудования потребуется приобрести и смонтировать специальный адаптер.
Как установить
Установка китайской магнитолы начинается с подготовки монтажного окна на панели приборов. На части автомашин на центральной части панели смонтирована рамка с окном для стандартного проигрывателя и полочкой, предназначенной для хранения мелких предметов. Для снятия узла потребуется удалить часть пластиковых обшивок, а затем выкрутить крепежные винты. Алгоритм работы зависит от модели автомобиля, для снятия пластиковых элементов декора рекомендуется применять специальную лопатку, предохраняющую детали от повреждений.
![]()
![]()

Перед началом установки головного устройства следует проложить коммутационные кабели, идущие к дополнительным блокам. Для монтажа магнитолы 2-DIN требуется установить переходной элемент, позволяющий вписать фронтальную часть проигрывателя в интерьер автомобиля. Владельцы приобретают готовые рамки или изготавливают элементы самостоятельно (на основе штатной детали и элементов из эпоксидной смолы).
Магнитола удерживается в панели приборов винтами или при помощи металлической переходной шахты, которая установлена в штатном гнезде. Для фиксации шахты применяются язычки или винты, которые вкручиваются в штатный каркас панели. Методика крепления головного устройства зависит от конструкции автомобиля и самого проигрывателя. Также необходимо предусмотреть место для монтажа дополнительных разъемов (AUX или USB). Элементы выносятся на центральную консоль в салоне или в перчаточный ящик, допускается подсоединение заводских элементов.
Как подключить
Распиновка китайской магнитолы зависит от модификации устройства и перечня дополнительных элементов, требующих подсоединения к электрическим цепям. В разъеме предусмотрены провода питания, идущие к аккумуляторной батарее и замку зажигания. Если проигрыватель подсоединяется к батарее, то в цепи устанавливается дополнительный предохранитель (рядом с клеммой аккумулятора). Отрицательный кабель выводится к кузову автомобиля (на приваренный к панелям болт «массы») или к батарее.
При прямом подключении к источнику питания электроника проигрывателя разряжает аккумулятор. Для предотвращения утечки тока в цепь питания вводится замок зажигания, при отсутствии ключа в магнитоле остается активной только подпитка часов и ячеек памяти. При подсоединении к штатной проводке дополнительные предохранители не требуются, поскольку защитный элемент установлен в распределительной коробке. Для подключения к бортовой сети используется переходник, обеспечивающий соединение со штатной проводкой.
Дополнительные элементы (например, блок кнопок на руле) подсоединяются к соответствующим разъемам, работоспособность узла настраивается через меню или путем установки конвертера сигнала. Если пользователь устанавливает пульт дистанционного управления, входящий в комплект головного аудиоустройства, то необходимо смонтировать коммутационные кабели и установить приемник инфракрасных сигналов.
Подсоединение динамиков
Громкоговорители оснащаются 2 кабелями для подачи положительного и минусового сигнала. Акустические шнуры входят в состав заводских жгутов или прокладываются заново. При самостоятельной прокладке необходимо вывести кабели через резиновые гофрированные рукава, расположенные между дверью и стойками кузова, а затем вывести шнуры под обшивками салона к месту установки проигрывателя. Затем кабели объединяются в штекер, оснащенный разъемом ISO или колодкой, подходящей для подсоединения к магнитоле.
![]()
![]()

При коммутации необходимо учитывать место расположения репродуктора и полярность кабелей. Запрещается соединение минусовых сигнальных шнуров в общую ветвь с последующим подсоединением к кузову автомобиля (для заземления). После коммутации динамиков рекомендуется включить головное устройство и проверить работоспособность источников звука.
Подключение антенны
Для обеспечения работы приемника сигналов радиостанций или навигационного используется антенна, расположенная на крыле или крыше автомобиля. Для обеспечения устойчивого приема радиосигнала применяется дополнительный усилитель, расположенный в коммутационной цепи. Питание осуществляется от бортовой сети или подается по отдельному кабелю от головного устройства, схема подключения зависит от конструкции усилителя.
На китайском оборудовании для коммутации антенны применяется круглый разъем с обозначением ANT. Положительный провод подсоединяется к шнуру с красной изоляцией, который подает напряжение на электронные схемы магнитолы. Отрицательный проводник выводится к металлической панели кузова автомобиля. Питание к усилителю подается в момент включения проигрывателя и поддерживается в процессе работы радиоприемника.
omagnitolah.ru
