Принцип работы дмрв
Датчик массового расхода воздуха: принцип работы, диагностика
ДМРВ — это датчик массового расхода воздуха. Он служит для определения количество воздуха, идущего на заполнение цилиндров при работе двигателя. Датчик установлен во впускном тракте после воздушного фильтра и является одним из главных при работе системы впрыска. Большинство датчиков массового расхода воздуха имеют две высокочувствительные нагревательные нити (терморезисторы). Они изготавливаются из платины или вольфрама, и на них подается электрический ток для нагрева до определенной температуры.
- Датчик массового расхода воздуха: принцип работы, диагностика
- Проведение обслуживания
- Недостатки датчика расхода воздуха
- Источники:
Одна нить сенсора располагается непосредственно в воздушной магистрали, а вторая защищена специальным экраном от прямого воздушного потока. При работе двигателя поток воздуха, проходящий через датчик, охлаждает открытую нить сильнее.
Между терморезисторами возникает разница температур, и для открытой нити для восстановления нужной температуры требуется большее количество тока.
Датчик массового расхода воздуха стоит во впускном тракте автомобиля, между воздушным фильтром и дроссельной заслонкой, и закреплен непосредственно на корпусе воздушного фильтра.
Виды ДМРВ их конструктивные особенности и принцип работы
Наибольшее распространение получили три вида волюметров:
- Проволочные или нитевые.
- Пленочные.
- Объемные.
В первых двух принцип работы построен на получении сведений о массе воздушного потока путем измерения его температуры. В последних может быть задействовано два варианта учета:
- Путем изменения положения ползунка, приводимого в действие специальной лопастью, на которую воздействует воздушный поток, проходящий через прибор. Учитывая наличие трущихся механизмов, уровень надежности таких конструкций довольно низкий.
Это стало основной причиной для отказа производителей авто от датчиков данного типа. Для ознакомления приведем упрощенный пример конструкции объемного расходомера. - Подсчетом вихрей Кармана. Они образуются в том случае, если ламинарный воздушный поток будет омывать препятствие, кромки которого достаточно острые. Частота срывающихся с них вихрей напрямую связана со скоростью потока воздуха, проходящего через устройство.
Конструкция вихревого датчика
Обозначения:
- А – датчик измерения давления, для фиксации прохождения вихря. На выходе при помощи АЦП аналоговый сигнал преобразовывается в цифровой и передается в ЭБУ.
- В – специальные трубки, формирующие воздушный поток, близкий по свойствам к ламинарному.
- С – обводные воздуховоды.
- D – колона с острыми кромками, на которых формируются вихри Кармана.
- Е – отверстия, служащее для замера давления.

- F – направление воздушного потока.
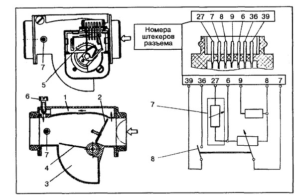
Проволочные датчики
Они устанавливались на отечественных автомобилях модельного ряда ГАЗ и ВАЗ.
Конструкция волюметра ИВКШ 407282.000
Обозначения:
- А – Электронная плата.
- В – Разъем для подключения ДМРВ к ЭБУ.
- С – Регулировка CO.
- D – Кожух расходомера.
- Е – Кольцо.
- F – Проволока из платины.
- G – Резистор для термокомпенсации.
- Н – Держатель для кольца.
- I – Кожух электронной платы.
Типовая функциональная схема проволочного ДМРВ
Обозначения:
- Q- измеряемый воздушный поток.
- У – усилитель сигнала.
- RT – проволочное термосопротивление, как правило изготавливается из платиновой или вольфрамовой нити, толщина которой находится в пределах 5,0-20,0 мкм.

- RR – термокомпенсатор.
- R1-R3 – обычные сопротивления.
Пленочные воздухомеры
Пленочный ДМРВ работает по тому же принципу, что и нитевой. Основные отличия заключаются в конструктивном исполнении. В частности, вместо проволочного сопротивления из платиновой нити используется кремневый кристалл.
Он покрыт несколькими слоями платинового напыления, каждый из которых играет определенную функциональную роль, а именно:
- Температурного датчика.
- Термосопротивления (как правило, их два).
- Нагревательного (компенсационного) резистора.
Данный кристалл устанавливается в защитный кожух и помещается в специальный канал, через который проходит воздушная смесь. Геометрия канала выполнена таким образом, чтобы температурные измерения снимались не только с входного потока, а и отраженного. Благодаря созданным условиям достигается высокая скорость движения воздушной смеси, что не способствует отложению пыли или грязи на защитном корпусе кристалла.
Конструктивные особенности пленочного ДМРВ
Обозначения:
- А – Корпус расходомера, в который вставляется измерительное приспособление (Е).
- В – Контакты разъема, который подключается к ЭБУ.
- С – Чувствительный элемент (кремневый кристалл с несколькими слоями напыления, помещенный в защитный кожух).
- D – Электронный контролер, при помощи которого производится предварительная обработка сигналов.
- Е – Корпус измерительного приспособления.
- F – Канал, сконфигурированный таким образом, чтобы снимать тепловые показатели с отраженного и входного потока.
- G – Измеряемый поток воздушной смеси.
Как проверить датчик расхода воздуха (3 способы проверки)
Порядок демонтажа:
- Ослабить хомут,
- Снять воздушный патрубок,
- Открутить винты крепления датчика к корпусу воздушного фильтра.
- Перед тем как отключить электрический разъем, необходимо снять минусовую клемму с аккумуляторной батареи.
Это нужно сделать, чтобы электронный блок управления двигателем не выдал ошибку, и не загорелась лампа «чэка».
Способ №1. Визуальный контроль
Для этого необходимо снять датчик и внимательно его осмотреть на наличие механических повреждений или посторонних предметов, мусора. Также стоит визуально оценить целостность сенсоров нагревательных нитей или нагревательной плёнки.
Подобные проблемы могут возникнуть из-за негерметичного корпуса воздушного фильтра, или из-за некачественного воздушного фильтра.
При выявлении видимых повреждений – датчик необходимо заменить. А при наличии в нём мусора или загрязнений – ДМРВ можно очистить специальными средствами (спрей на спиртовой основе). Сенсоры ДМРВ очень хрупкие, поэтому будьте осторожны – не стоит их чистить механическим образом. Датчик ремонту не подлежит!
Способ №2. Отключение подачи питания
Самый простой способ проверить датчик массового расхода воздуха — отключить от него питание. При неработающем двигателе, отсоединяем электрический разъем на датчике массового расхода воздуха.
Затем запускаем двигатель.
В данной ситуации блок управления двигателем переходит на резервный режим работы и заменяет показания отключенного датчика на запрограммированные заводом изготовителем.
В этом случае работа двигателя должна нормализоваться и обороты холостого хода увеличатся. Для дополнительной проверки можно проехать на автомобиле с отключенным разъёмом ДМРВ – 100-200 метров. Если все симптомы неисправности датчика массового расхода воздуха пропали, то значит датчик передает некорректные данные – он признается нерабочим и требует замены.
При проверке ДМРВ этим способом, после отключении электрического разъёма от датчика – на панели приборов загорится лампа ошибки двигателя «Check». После завершения проверки или его замены, необходимо будет сбросить ошибку. Для этого можно отключить минусовую клемму АКБ на несколько минут (осторожно собьются абсолютно все настройки). В некоторых моделях автомобилей – сбросить ошибку можно только в сервисном центре, специальным сканером, подключенным к диагностическому разъему автомобиля.
Способ №3. Проверка мультиметром
Чтобы проверить датчик расхода воздуха мультиметром – необходимо знать какие именно параметры измерять и с каких контактов электрического разъема. У каждой марки автомобиля они могут отличаться. Расположение проводов и клемм датчика можно посмотреть в электрической схеме автомобиля.
Можно проверить напряжение (V) между входящим сигналом и заземлением на разъёме ДМРВ.
Для этого необходимо:
- Включить зажигание автомобиля, но двигатель не запускать,
- Подключить красный (+) щуп мультиметра к жёлтому проводу,
- Чёрный (-) щуп – к зелёному проводу разъёма.
- Переключатель режимов на мультиметре устанавливаем на измерение минимального постоянного тока.
Напряжение на контактах должно находиться в пределах 1,00-1,04 Вольта. Если показания окажутся выше, то датчик требует замены.
Дополнительно можно снять датчик не отключая электрического разъема и подать струю воздуха на датчик со стороны воздушного фильтра.
Напряжение должно возрасти до 1,3 Вольта, в этом случае датчик расхода воздуха считается рабочим.
В зависимости от устройства датчика, еще возможно произвести замер сопротивления на резисторах. Причем результаты замеров при разной температуре воздуха будут разными. Точные данные об оптимальных величинах показаний сопротивления, температуры измерений и расположение контактов на разъёме – как правило указывается либо в специальной технической литературе, либо в инструкции по ремонту автомобиля.
Проведение обслуживания
Как такового обслуживания датчик не требует. Меры для очистки системы предпринимает электронный блок управления. И если датчик расхода воздуха сломался, то в нем будет скапливаться много грязи и пыли. Воздух, попадающий в трубку, до конца не способен очиститься никаким фильтром. Поэтому предусмотрен способ, при помощи которого вся грязь, скапливающаяся на платиновой проволоке, испаряется в прямом смысле. В алгоритме работы электронного блока управления имеется небольшая особенность.
Когда вы глушите двигатель, на платиновую проволоку подается напряжение, способное раскалить ее до 1000 градусов. Накал происходит в течение секунды, этого времени оказывается достаточно, чтобы избавиться от всей скопившейся грязи на поверхности проволоки. Если решите самостоятельно провести восстановление датчика, то вам нужно тщательно очищать провод и сетку. При проведении работ запрещается дотрагиваться до этих предметов, иначе придется только менять прибор целиком, работать нормально он не сможет.
Недостатки датчика расхода воздуха
Он не поддается ремонту.
Не измеряет массу воздуха.
Источники:
- Asutpp
- Drive2.ru
- http://seite1.ru/
- MASHINAPRO
- SYL.ru
- DRIVE2
- ПроАвтопром
- Устройство автомобиля
- АвтоНоватор
- remontpeugeot.ru
- 1gai.ru
- ОкейДрайв
Понравилась статья? Расскажите друзьям:
Оцените статью, для нас это очень важно:
Проголосовавших: 1 чел.
Средний рейтинг: 5 из 5.
Что такое ДМРВ, предназначение, устройство, принцип работы
«Датчик массового расхода воздуха (ДМРВ) — что это такое и для чего он нужен?» — вопрос, интересующий многих начинающих автолюбители. Вкратце ответ таков: датчик массового расхода является важным элементом системы управления ДВС с микропроцессорной системой зажигания (ЭБУ). Его задача — измерение количества воздуха, поступающего в цилиндры двигателя. На основании показаний ДМРВ контроллер двигателя рассчитывает количество топлива, которое должна подать форсунка. Обычное месторасположение расходомера — после фильтра очистки воздуха и перед дроссельной заслонкой.
Для чего нужен ДМРВ
Если попробовать поджечь что-нибудь в камере, где полностью отсутствует кислород, то из этой затеи ничего не выйдет. Для поддержания процесса горения нужен окислитель, в нашем случае О2. В ДВС в качестве окислителя используется атмосферный воздух, в котором и содержится кислород .
Мало просто сжечь топливо — необходимо, чтобы оно сгорело без остатка. Правильная пропорция топливно-воздушной смеси — залог максимальной отдачи двигателя. Количество необходимого воздуха и топлива для бензиновых двигателей определено, как 14,7 к 1 (по массе). Топливо-воздушная смесь такого состава называется стехиометрической.
В современных моторах управление дозировкой топлива доверено компьютеру. Чтобы точно определить количество горючего, которое нужно впрыснуть форсунке, ему нужны данные о количестве воздуха, попавшего во впускной коллектор двигателя. ДМРВ и отвечает за получение этих данных.
Принцип действия
Действие датчика основано на измерении электрической мощности, которая необходима для поддержания температуры нагревательного элемента, расположенного в корпусе. Набегающий воздух охлаждает элемент в датчике, а контроллер ДВС стремится поддержать температуру, подавая электрический ток. Чем больше воздуха пропускает через себя датчик, тем большая мощность требуется для поддержания его температуры.
Мощность преобразуется в сигнал, который получает контроллер блока управления. На основании полученного сигнала ЭБУ рассчитывает количество топлива, которое форсунка должна подать во впускной тракт. Количество проходящего воздуха зависит от угла, на который открыта дроссельная заслонка.
Конструкция датчика
Датчик массового расхода воздуха состоит из двух частей — корпуса и измерительного элемента. Корпус ДМРВ круглого сечения имеет на концах резиновые уплотнительные кольца. Они нужны для того, чтобы не допустить подсос воздуха в обход воздушного фильтра.
Измерительный элемент может быть двух типов:
- с проволочным нагревательным элементом
- с пленочным нагревательным элементом
И в случае с проволокой, и в случае с пленкой материалом служит платина. Это объясняет довольно высокую стоимость ДМРВ.
В измерительном элементе смонтирована электрическая схема, которая формирует и отправляет частотно-импульсный сигнал контроллеру двигателя.
Признаки неисправности
Срок службы расходомера производителем не регламентируется, и зависит от следующих факторов:
- количество отложений на нагревательном элементе;
- стабильность подаваемого напряжения.

Неисправности электроцепи ДМРВ фиксируются контроллером и записываются в память ЭБУ в виде кодов ошибок. Их можно считать тестером при диагностике двигателя.
Признаками того, что датчик неисправен, могут служить:
- неровная работа двигателя в режиме холостого хода;
- провалы в работе двигателя при изменении положения дроссельной заслонки;
- повышенный расход топлива;
- самопроизвольная остановка мотора при переключении передач в движении.
Когда возникает ошибка в работе ДМРВ, блок управления двигателем переходит в режим аварийной работы. В этом случае для вычисления объема воздуха контроллер использует данные датчика положения дроссельной заслонки (ДПДЗ) и датчика положения коленчатого вала. Точно вычислить объем по показаниям этих датчиков не удается, поэтому расход топлива резко возрастает.
Ремонт или замена
Датчик очень чувствителен к отложениям на нагревательном элементе. Если причиной неверного сигнала послужили именно они, можно попробовать отмыть их.
Для очистки термоэлемента используют этиловый спирт. Но промывка в большинстве случаев не дает долговременного эффекта. Через некоторое время его все равно потребуется заменить на новый. Для того, чтобы датчик прослужил долго, необходимо тщательно следить за состоянием фильтра очистки воздуха и вовремя его менять.
Бывает, что в некорректной работе мотора виноват воздух, который подсасывается через уплотнение после расходомера. Тогда для восстановления нормальной работы достаточно восстановить его герметичность.
Введение в расходомеры
Измерение расхода жидкостей является критической необходимостью во многих промышленных приложениях. В некоторых операциях способность проводить точные измерения потока настолько важна, что может иметь значение между получением прибыли или получением убытка. В других случаях неточные измерения расхода или невыполнение измерений могут привести к серьезным (или даже катастрофическим) результатам.
В большинстве приборов для измерения расхода жидкости скорость потока определяется логическим путем путем измерения скорости жидкости или изменения кинетической энергии. Скорость зависит от перепада давления, который заставляет жидкость проходить через трубу или канал. Поскольку площадь поперечного сечения трубы известна и остается постоянной, средняя скорость является показателем скорости потока. Основное соотношение для определения расхода жидкости в таких случаях:
Q = В x А
Где
Q = расход жидкости по трубе
В = Средняя скорость потока
A = площадь поперечного сечения трубы
Другие факторы, влияющие на расход жидкости, включают вязкость и плотность жидкости, а также трение жидкости при контакте с трубой.
Что такое расходомер?
Расходомер (или датчик расхода) — это прибор, который используется для определения количества жидкости, газа или пара, проходящего через трубу или канал, путем измерения линейного, нелинейного, массового или объемного расхода.
Поскольку регулирование расхода часто имеет важное значение, измерение расхода жидкостей и газов является критической потребностью во многих промышленных приложениях, и существует множество различных типов расходомеров, которые можно использовать в зависимости от характера приложения.
При выборе расходомера следует учитывать такие нематериальные факторы, как осведомленность персонала завода, его опыт калибровки и технического обслуживания, доступность запасных частей, среднее время наработки на отказ и т. д. на конкретной площадке завода. Также рекомендуется рассчитывать стоимость установки только после выполнения этих шагов. Одной из наиболее распространенных ошибок при измерении расхода является обратная последовательность: вместо выбора датчика, который будет работать должным образом, предпринимается попытка оправдать использование устройства тем, что оно дешевле. Эти «недорогие» покупки могут оказаться самыми дорогостоящими установками.
Как выбрать расходомер
Основой правильного выбора расходомера является четкое понимание требований конкретного применения.
Поэтому следует уделить время полной оценке характера технологической среды и установки в целом. Разработка спецификаций, устанавливающих требования приложения, должна быть систематическим, поэтапным процессом.
Начальные шаги
Первым шагом в процессе выбора датчика расхода является определение того, должна ли информация о расходе быть непрерывной или суммированной, и нужна ли эта информация локально или удаленно. Если удаленно, то должна ли передача быть аналоговой, цифровой или общей? И, если совместно, какова необходимая (минимальная) частота обновления данных? После получения ответов на эти вопросы следует провести оценку свойств и характеристик потока технологической жидкости, а также трубопровода, в котором будет установлен расходомер (таблица 1).
Таблица 1: Таблица оценки расходомера
Характеристики жидкости и потока
Жидкость и температура ее давления, допустимый перепад давления, плотность (или удельный вес), проводимость, вязкость (ньютоновская или нет?) и давление пара при максимальной рабочей температуре перечислены вместе с указанием того, как эти свойства могут изменяться или взаимодействовать.
. Кроме того, должна быть предоставлена вся информация о безопасности или токсичности вместе с подробными данными о составе жидкости, наличии пузырьков, твердых частиц (абразивных или мягких, размерах частиц, волокон), склонности к образованию налета и свойствах светопропускания (непрозрачность, полупрозрачность). или прозрачный?).
Диапазоны давления и температуры
Ожидаемые минимальные и максимальные значения давления и температуры следует указывать в дополнение к нормальным рабочим значениям. Возможен ли обратный поток, не всегда ли он заполняет трубу, может ли развиваться снарядный поток (воздух-твердые вещества-жидкость), вероятны ли аэрация или пульсация, возможны ли резкие перепады температуры, необходимы ли особые меры предосторожности при очистке и содержание, эти факты тоже должны быть констатированы.
Зона трубопроводов и установки
Относительно трубопровода и области, где должен быть расположен расходомер, должна быть указана следующая информация: Для трубопровода, его направление (избегайте нисходящего потока в жидкостях), размер, материал, график, номинальное давление на фланце, доступность, повороты вверх или вниз по течению, клапаны, регуляторы и доступные длины прямых участков трубопровода.
В связи с областью инженер, определяющий спецификацию, должен знать, присутствуют ли или возможны вибрации или магнитные поля, имеется ли электрическая или пневматическая энергия, классифицируется ли зона как взрывоопасная или существуют ли другие особые требования, такие как соответствие с санитарными нормами или правилами очистки на месте (CIP).
Скорость потока и точность
Следующим шагом является определение требуемого диапазона расходомера путем определения минимального и максимального расхода (массового или объемного), которые будут измеряться. После этого определяется требуемая точность измерения расхода. Как правило, точность указывается в процентах от фактических показаний (AR), в процентах от калиброванного диапазона (CS) или в процентах от полной шкалы (FS). Требования к точности должны быть указаны отдельно для минимального, нормального и максимального расхода. Если вы не знаете этих требований, характеристики вашего измерителя могут оказаться неприемлемыми во всем его диапазоне.
Точность и воспроизводимость
В приложениях, где продукты продаются или покупаются на основе показаний счетчика, абсолютная точность имеет решающее значение. В других приложениях повторяемость может быть важнее абсолютной точности. Поэтому рекомендуется отдельно устанавливать требования к точности и воспроизводимости для каждого приложения и указывать их в спецификациях.
Если точность расходомера выражается в единицах % CS или % FS, его абсолютная погрешность будет возрастать по мере снижения измеренного расхода. Если погрешность расходомера указана в % AR, погрешность в абсолютном выражении остается одинаковой при высоком или низком расходе. Поскольку полная шкала (FS) всегда больше, чем калиброванная шкала (CS), датчик с характеристикой % FS всегда будет иметь большую ошибку, чем датчик с той же спецификацией % CS. Поэтому, чтобы справедливо сравнить все ставки, рекомендуется преобразовать все приведенные заявления об ошибках в одни и те же единицы % AR.
Также рекомендуется, чтобы пользователь сравнивал установки на основе общей ошибки контура. Например, погрешность диафрагмы указывается в % AR, а погрешность соответствующей ячейки d/p — в % CS или % FS. Точно так же погрешность измерителя Кориолиса представляет собой сумму двух ошибок, одна из которых указана в % AR, а другая — в % значения FS. Общая погрешность рассчитывается путем извлечения корня из суммы квадратов погрешностей компонентов при требуемом расходе.
В хорошо подготовленных спецификациях расходомера все заявления о точности преобразуются в единые единицы % AR, и эти требования % AR указываются отдельно для минимального, нормального и максимального расхода. Все спецификации и заявки на расходомеры должны четко указывать как точность, так и воспроизводимость расходомера при минимальном, нормальном и максимальном расходе.
В таблице 1 представлены данные о диапазоне чисел Рейнольдса (Re или RD), в пределах которого могут работать расходомеры различных конструкций.
При выборе подходящего расходомера одним из первых шагов является определение как минимального, так и максимального числа Рейнольдса для конкретного применения. Максимальное значение RD получается путем расчета, когда расход и плотность максимальны, а вязкость минимальна. И наоборот, минимальный RD получается при использовании минимального расхода и плотности и максимальной вязкости.
Если приемлемую производительность можно получить при использовании двух разных категорий расходомеров, и одна из них не имеет движущихся частей, выберите расходомер без движущихся частей. Подвижные части являются потенциальным источником проблем не только по очевидным причинам износа, смазки и чувствительности к покрытию, но и потому, что для движущихся частей требуются зазоры, которые иногда вызывают «проскальзывание» измеряемого потока. Даже с хорошо обслуживаемыми и откалиброванными расходомерами этот неизмеряемый расход зависит от изменений вязкости и температуры жидкости. Изменения температуры также изменяют внутренние размеры счетчика и требуют компенсации.
Кроме того, если можно получить одинаковую производительность как от полного расходомера, так и от точечного датчика, обычно рекомендуется использовать расходомер. Поскольку точечные датчики не смотрят на весь поток, они точно считывают показания только в том случае, если они вставлены на глубину, где скорость потока является средним значением профиля скорости в трубе. Даже если эта точка будет тщательно определена во время калибровки, вряд ли она останется неизменной, поскольку профили скорости меняются в зависимости от расхода, вязкости, температуры и других факторов.
Если все остальные соображения одинаковы, но одна конструкция обеспечивает меньшую потерю давления, рекомендуется выбрать эту конструкцию. Частично причина заключается в том, что за потерю давления придется платить более высокими эксплуатационными расходами насоса или компрессора в течение всего срока службы установки. Другая причина заключается в том, что перепад давления вызывается любым ограничением на пути потока, и везде, где труба сужается, она становится потенциальным местом для скопления материала, закупорки или кавитации.
Единицы измерения массы или объема
Перед определением расходомера рекомендуется также определить, будет ли информация о расходе более полезной, если она будет представлена в единицах массы или объема. При измерении потока сжимаемых материалов объемный расход не имеет большого значения, если плотность (а иногда и вязкость) не является постоянной. При измерении скорости (объемного расхода) несжимаемых жидкостей наличие взвешенных пузырьков вызовет ошибку, поэтому воздух и газ должны быть удалены до того, как жидкость достигнет расходомера. В других датчиках скорости проблемы могут возникнуть из-за обшивки трубопровода (ультразвук), или счетчик может перестать работать, если число Рейнольдса слишком низкое (для расходомеров вихреобразования требуется RD > 20 000).
Принимая во внимание эти соображения, следует помнить о массовых расходомерах, которые нечувствительны к изменениям плотности, давления и вязкости и не зависят от изменений числа Рейнольдса. Также недостаточно используются в химической промышленности различные лотки, которые могут измерять расход в частично заполненных трубах и могут пропускать крупные плавающие или осаждающиеся твердые частицы.
Обслуживание расходомера
Ряд факторов влияет на требования к техническому обслуживанию и ожидаемый срок службы расходомеров. Главным фактором, конечно же, является соответствие правильного прибора конкретному приложению. Плохо выбранные устройства неизбежно вызовут проблемы на ранней стадии. Расходомеры без движущихся частей обычно требуют меньше внимания, чем устройства с движущимися частями. Но все расходомеры со временем требуют обслуживания.
Для первичных элементов расходомеров дифференциального давления требуются обширные трубопроводы, клапаны и фитинги, когда они соединяются со своими вторичными элементами, поэтому в таких установках может потребоваться постоянное техническое обслуживание. Импульсные линии могут засориться или подвергнуться коррозии, и их необходимо очистить или заменить. А неправильное расположение вторичного элемента может привести к ошибкам измерения. Перемещение элемента может быть дорогостоящим.
Расходомеры с подвижными частями требуют периодической внутренней проверки, особенно если измеряемая жидкость грязная или вязкая.
Установка фильтров перед такими агрегатами поможет свести к минимуму загрязнение и износ. У приборов без препятствий, таких как ультразвуковые или электромагнитные счетчики, могут возникнуть проблемы с электронными компонентами вторичного элемента. Датчики давления, связанные с вторичными элементами, следует периодически снимать и проверять.
Области применения, в которых могут возникать покрытия, также являются потенциальными проблемами для беспрепятственных инструментов, таких как магнитные или ультразвуковые устройства. Если покрытие является изолирующим, работа магнитных расходомеров в конечном итоге будет нарушена, если электроды будут изолированы от жидкости. Это состояние можно предотвратить путем периодической очистки. У ультразвуковых расходомеров могут изменяться углы преломления, и звуковая энергия, поглощаемая покрытием, приводит к выходу из строя расходомера.
Расходомер воздуха | Инструменты PCE
Тип измерения: Направление (6) Домашняя область (1) Скорость (22) Скорость, направление (1) Скорость, температура (1) Скорость, температура, объем/расход (4) Скорость, температура, объем/расход, влажность , Точка росы, Смоченный термометр (4) Скорость, Температура, Объем/расход, Влажность, Точка росы, Смоченный термометр, Давление (1) Скорость, Температура, Объем/расход, Давление (2)
Тип датчика: крыльчатый (23) Чашечная лопасть и лопасть (1) Горячая проволока/термо (2) Рабочее колесо (10) Трубка Пито (2) Лопасть (6)
Память: — Нет (35) Да (1) Да (встроенная) (8)
Интерфейс: — Нет (8) Да (выход Гц и Ом) (1) Да (выход Гц) (1) Да (выход мА) ) (6)Да (выход Ом) (1)Да (опционально RS-485 Modbus) (13)Да (RS-232) (4)Да (USB) (5)Да (выход В) (5)
Номер заказа: PCE-HWA 30
Расходомер воздуха PCE-HWA 30
Расходомер воздуха измеряет скорость потока по принципу нагреваемой проволоки.
Это гарантирует особенно компактную конструкцию. Помимо расхода, расходомер воздуха может измерять объемный расход и температуру окружающей среды.
— Диапазон измерения: 0,3 … 30,0 м/с / 0,98 … 98,4 фут/с
— Длина зонда: 270 … 990 мм / 10,63 … 38,98 / 29,1″
— Диаметр зонда: Ø 900 0,8 … 1,2 мм / 0,031 x 0,047″
— Память данных на 960 измеренных значений
— Скорость ветра
— Объемный расход
— Измерение температуры
Производитель: PCE Instruments
218,00 £
НДС и. поставка
2 года гарантии
Номер заказа: PCE-A420
Расходомер воздуха PCE-A420
Без сомнения, основным преимуществом этого ручного крыльчатого расходомера воздуха является то, что его не нужно держать точно в направлении ветер. Расходомер воздуха с крыльчаткой, как правило, необходимо держать точно в направлении воздушного потока, чтобы проводить точные измерения.
Цифровой расходомер воздуха с чашечными лопастями, направление ветра не повлияет на измерение.
— от 0,9 до 35,0 м/с
— от 2,5 до 126,0 км/ч
— от 1,4 до 68,0 узлов
— от 1,6 до 78,2 миль/ч
Производитель: PCE Instruments
149,00 £
Без учета цены. НДС и. поставка
2 года гарантии
Номер заказа: PCE-A420-ICA
Расходомер воздуха PCE-A420-ICA вкл. Сертификат калибровки ISO
Несомненно, главное преимущество этого ручного крыльчатого расходомера воздуха заключается в том, что его не нужно держать строго по направлению ветра. Расходомер воздуха с крыльчаткой, как правило, необходимо держать точно в направлении воздушного потока, чтобы проводить точные измерения. Цифровой расходомер воздуха с чашечными лопастями, направление ветра не повлияет на измерение.
— от 0,9 до 35,0 м/с
— от 2,5 до 126,0 км/ч
— от 1,4 до 68,0 узлов
— от 1,6 до 78,2 миль/ч
— вкл.
Сертификат калибровки ISO
Производитель: PCE Instruments
149,00 фунтов стерлингов
НДС и. поставка
2 года гарантии
Номер заказа: PCE-HWA 30-ICA
Расходомер воздуха PCE-HWA 30-ICA вкл. Сертификат калибровки ISO
Расходомер воздуха измеряет скорость потока по принципу нагреваемой проволоки. Это гарантирует особенно компактную конструкцию. Помимо расхода, расходомер воздуха может измерять объемный расход и температуру окружающей среды.
— Диапазон измерения: 0,3 … 30,0 м/с / 0,98 … 98,4 фут/с
— Длина зонда: 270 … 990 мм / 10,63 … 38,98 / 29,1″
— Диаметр зонда: Ø 900 .8 … 1,2 мм / 0,031 x 0,047″
— Память данных на 960 измеренных значений
— Скорость ветра
— Объемный расход
— Измерение температуры
— вкл. Сертификат калибровки ISO (только функция скорость ветра )
Производитель: PCE Instruments
334,00 £
НДС и.
поставка
2 года гарантии
№ для заказа: PCE-VA 11
Расходомер воздуха PCE-VA 11
Расходомер воздуха PCE-VA 11 является широко используемым измерительным прибором. Этот расходомер воздуха дает возможность определять скорость воздуха, температуру воздуха и инфракрасную температуру. ЖК-дисплей с подсветкой обеспечивает удобство чтения и облегчает использование в плохо освещенных местах.
— Диапазон скорости воздуха: 0,4 … 30 м/с / 0,9 … 67 миль/ч
— Диапазон расхода воздуха: 0 … 9999 CFM / CMM
— Диапазон температуры воздуха: -10 … 60°C / 14 … 140°F
— Диапазон температур ИК-излучения: -50 … 500°C / -58 … 932°F
Производитель: PCE Instruments
180,00 £
Без учета цены. НДС и. поставка
2 года гарантии
Номер заказа: PCE-VA 11-ICA
Расходомер воздуха PCE-VA 11-ICA вкл.
Сертификат калибровки ISO
Расходомер воздуха PCE-VA 11 — полезное и универсальное устройство для измерения скорости воздуха, температуры воздуха и инфракрасной температуры. Благодаря быстрому времени отклика устройства измерение в реальном времени возможно без проблем. Большой дисплей обеспечивает точный обзор измеренных значений.
— Диапазон скорости воздуха: 0,4 … 30 м/с / 0,9 … 67 миль/ч
— Диапазон расхода воздуха: 0 … 9999 CFM / CMM
— Диапазон температуры воздуха: -10 … 60°C / 14 … 140°F
— Диапазон температур ИК: -50 … 500°C / -58 … 932°F
— Интерфейс USB
— Вкл. Сертификат калибровки ISO
Производитель: PCE Instruments
356,00 фунтов стерлингов
НДС и. поставка
2 года гарантии
Номер заказа: PCE-VA 20
Многофункциональный расходомер воздуха PCE-VA 20
PCE-VA 20 — это многофункциональный расходомер воздуха для оценки ветра, погоды, климатических условий внутри и снаружи помещений, а также для испытаний.
системы отопления, вентиляции и кондиционирования или охлаждения (HVAC). Этот комбинированный анемометр-гигрометр-термометр имеет диаметр 10 см / 3,9 дюйма.» Ø крыльчатка вентилятора, легко читаемый ЖК-дисплей с подсветкой и такие функции, как удержание дисплея, среднее значение, максимальное значение, минимальное значение, автоматическое отключение питания для экономии заряда батареи, индикатор низкого заряда батареи и выбор метрической или британской единицы измерения.
— Измеряет скорость воздушного потока, объемный расход, относительную влажность, температуру воздуха, температуру росы
— температуру точки и температуру по влажному термометру
— Диапазон скорости воздушного потока: 0,2 … 30 м/с (39,4 … 5905,5 футов в минуту)
— Точность: ±(1,5% от измеренного значения + 0,3 м/с), если менее 20 м/с, ±(3% от
измеренное значение + 0,3 м/с), если более 20 м/с
— Разрешение: 0,1
Производитель: PCE Instruments
240,00 £
НДС и.
поставка
2 года гарантии
Номер заказа: PCE-VA 20-SET
Многофункциональный расходомер воздуха с улавливающими кожухами PCE-VA 20-SET
PCE-VA 20-SET — многофункциональный расходомер воздуха с улавливающими кожухами для оценки и балансировки отопления , системы вентиляции и кондиционирования или охлаждения (HVAC). Этот комбинированный гигрометр-анемометр-термометр имеет 10 см / 3,9крыльчатка вентилятора диаметром » и яркий ЖК-дисплей с подсветкой. Функции устройства измерения расхода воздуха включают удержание дисплея, среднее значение, максимальное значение, минимальное значение, автоматическое отключение для экономии заряда батареи, отображение низкого заряда батареи и выбор между метрическими и британскими единицами измерения.
— Измеряет скорость воздушного потока, объемный расход, относительную влажность, температуру воздуха, температуру росы
— точечную температуру и температуру смоченного термометра
— Диапазон скоростей воздушного потока: 0,2–30 м/с (39,4–5905,5 фут/мин) )
— Точность: ±(1,5% от измеренного значения + 0,3 м/с), если менее 20 м/с, ±(3% от
измеренное значение + 0,3 м/с), если более 20 м/с
— Разрешение: 0,1°C / 0,18°F
— Включает 2 улавливающих кожуха (1 круглый 210 мм / 8,3 дюйма в диаметре, 1 квадратный 346 x 346
мм / 13,6 x 13,6 дюйма)
Производитель: PCE Instruments
351,00 £
НДС и.
поставка
2 года гарантии
Номер заказа: PCE-VA 20-ICA
Многофункциональный расходомер воздуха PCE-VA 20-ICA вкл. Калибровка ISO …
PCE-VA 20 — универсальный многофункциональный расходомер воздуха для определения условия окружающей среды, такие как ветер, температура и влажность. это дополнительно используется для проверки систем отопления, вентиляции и кондиционирования воздуха/ системы охлаждения (HVAC). Это тройной термометр-гигрометр-анемометр устройство оснащено крыльчаткой вентилятора диаметром 10 см / 3,9 дюйма и четким ЖК-дисплеем с подсветкой. Доступные функции включают удержание дисплея, среднее / максимальное / минимальное значение. значение, автоматическое отключение, предупреждение о низком заряде батареи и выбор метрической / имперской системы.
— Измеряет скорость воздушного потока, объемный расход, относительную влажность, температуру воздуха, температуру росы
— точечную температуру и температуру по влажному термометру
— Диапазон скорости воздушного потока: 0,2 .
.. 30 м/с (39,4 … 5905,5 футов в минуту) )
— Точность: ±(1,5% от измеренного значения + 0,3 м/с) при скорости менее 20 м/с, ±
(3% от измеренного значения + 0,3 м/с) при скорости более 20 м/с
— Разрешение: 0,1
— Вкл. Сертификат калибровки ISO
Производитель: PCE Instruments
405,00 фунтов стерлингов
Цена не включает НДС и. поставка
2 года гарантии
№ для заказа: PCE-FWS 20N-2
Станция расходомера воздуха PCE-FWS 20N-2
Эта станция расходомера воздуха с датчиком наружного воздуха действительно универсальна. Беспроводная станция расходомера воздуха с наружным датчиком легко собирается в соответствии с прилагаемой инструкцией.
Вам не нужно быть профессионалом, чтобы управлять беспроводной станцией расходомера воздуха и наружными датчиками.
Метеоданные станции расходомера воздуха с наружным датчиком по различным параметрам передаются по радиосигналу на расстояние до 100 метров на главную станцию.
— 3 дисплея
— Температура в помещении в градусах Цельсия или Фаренгейта
— Температура наружного воздуха в градусах Цельсия или Фаренгейта
— Влажность воздуха в помещении / влажность наружного воздуха
— Манометр в дюймах ртутного столба или гПа
— Отображение абсолютного или относительного атмосферного давления по выбору
— Индикация осадков в мм или дюймах
— Индикатор осадков за 1 час, 24 часа, 1 неделю, 1 месяц
— Скорость ветра в милях в час, км/ч, м/с, узлах …
— Индикатор направления ветра
— Указатель температуры ветром и охлаждением
— Прогноз погоды, индикатор тренда, предупреждение о шторме
— и многое другое…
Производитель: PCE Instruments
241,00 £
Без учета цены. НДС и. поставка
2 года гарантии
Номер заказа: PCE-WSAC 50
Контроллер сигнализации расходомера воздуха PCE-WSAC 50
PCE-WSAC 50 представляет собой контроллер сигнализации расходомера воздуха, который отображает текущую скорость ветра, а также среднюю скорость ветра в помещении.
последние 2 и 5 минут. Этот контроллер сигнализации расходомера воздуха позволяет измерять малейшие движения ветра. PCE-WSAC 50 используется для различных приложений мониторинга ветра в таких отраслях, как строительство, горнодобывающая промышленность, возобновляемые источники энергии и производство.
— Предварительная и полная сигнализация с визуальными и звуковыми предупреждениями
— Дополнительный интерфейс Modbus RS-485 для передачи данных
— Диапазон измерения: 0 … 50 м/с или 0 … 110 миль/ч
— Вкл. Сертификат калибровки ISO
Производитель: PCE Instruments
378,00 фунтов стерлингов
НДС и. поставка
2 года гарантии
Номер заказа: PCE-WSAC 50-110
Расходомер воздуха PCE-WSAC 50-110
Расходомер воздуха PCE-WSAC 50-110 можно использовать в различных областях применения. При использовании расходомер воздуха производит измерения по малейшим движениям ветра.
Расходомер воздуха можно использовать для контроля и оповещения о текущей скорости ветра.
— Напряжение питания: 230 В перем. тока
— Входной сигнал: 4 … 20 мА
— 2 типа сигналов тревоги
— Питание датчиков через устройство обработки данных
— Степень защиты: IP66
— Вкл. Сертификат калибровки ISO
Производитель: PCE Instruments
378,00 £
НДС и. поставка
2 года гарантии
Номер заказа: PCE-WSAC 50-120
Расходомер воздуха PCE-WSAC 50-120
Расходомер воздуха PCE-WSAC 50-120 можно использовать в различных областях применения. При использовании расходомер воздуха производит измерения по малейшим движениям ветра. Расходомер воздуха можно использовать для контроля и оповещения о текущей скорости ветра.
— Ветромер с регулируемой сигнализацией
— 2 типа сигнализации
— Напряжение питания: 230 В перем.
тока
— Входной сигнал: 0 … 10 В защита: IP66
— Вкл. Сертификат калибровки ISO
Производитель: PCE Instruments
378,00 £
НДС и. поставка
2 года гарантии
Номер заказа: PCE-WSAC 50-210
Расходомер воздуха PCE-WSAC 50-210
Расходомер воздуха PCE-WSAC 50-210 можно использовать в различных областях применения. При использовании расходомер воздуха производит измерения по малейшим движениям ветра. Расходомер воздуха можно использовать для контроля и оповещения о текущей скорости ветра.
— Ветромер с регулируемой сигнализацией
— 2 типа сигнализации
— Напряжение питания: 115 В перем. тока
— Входной сигнал: 4 … 20 мА
— Питание датчика через устройство обработки данных
— Степень защиты: IP66
— Вкл.
Сертификат калибровки ISO
Производитель: PCE Instruments
378,00 £
НДС и. поставка
2 года гарантии
Номер заказа: PCE-WSAC 50-220
Расходомер воздуха PCE-WSAC 50-220
Расходомер воздуха PCE-WSAC 50-220 можно использовать в различных областях применения. При использовании расходомер воздуха производит измерения по малейшим движениям ветра. Расходомер воздуха можно использовать для контроля и оповещения о текущей скорости ветра.
— Ветромер с регулируемой сигнализацией
— 2 типа сигнализации
— Напряжение питания: 115 В перем. тока
— Входной сигнал: 0 … 10 В защита: IP66
— Вкл. Сертификат калибровки ISO
Производитель: PCE Instruments
378,00 £
НДС и. поставка
2 года гарантии
Номер заказа: PCE-WSAC 50-310
Расходомер воздуха PCE-WSAC 50-310
Расходомер воздуха PCE-WSAC 50-310 можно использовать в различных областях применения.
При использовании расходомер воздуха производит измерения по малейшим движениям ветра. Расходомер воздуха можно использовать для контроля и оповещения о текущей скорости ветра.
— Ветромер с регулируемой сигнализацией
— 2 типа сигнализации
— Напряжение питания: 24 В пост. тока
— Входной сигнал: 4 … 20 мА
— Питание датчика через устройство обработки данных
— Степень защиты: IP66
— Вкл. Сертификат калибровки ISO
Производитель: PCE Instruments
378,00 £
НДС и. поставка
2 года гарантии
Номер заказа: PCE-WSAC 50-320
Расходомер воздуха PCE-WSAC 50-320
Расходомер воздуха PCE-WSAC 50-320 можно использовать в различных областях применения. При использовании расходомер воздуха производит измерения по малейшим движениям ветра. Расходомер воздуха можно использовать для контроля и оповещения о текущей скорости ветра.
— Ветромер с регулируемой сигнализацией
— 2 типа сигнализации
— Напряжение питания: 24 В пост. тока
— Входной сигнал: 0 … 10 В защита: IP66
— Вкл. Сертификат калибровки ISO
Производитель: PCE Instruments
378,00 £
НДС и. поставка
2 года гарантии
Номер заказа: PCE-WSAC 50-111
Расходомер воздуха PCE-WSAC 50-111
Расходомер воздуха PCE-WSAC 50-111 можно использовать в различных областях применения. При использовании расходомер воздуха производит измерения по малейшим движениям ветра. Расходомер воздуха можно использовать для контроля и оповещения о текущей скорости ветра.
— Ветромер с регулируемой сигнализацией
— 2 типа сигнализации
— Напряжение питания: 230 В перем. тока
— Входной сигнал: 4 .
.. 20 мА
— Связь: RS485
— Питание датчика через устройство обработки данных
— Степень защиты: IP66
— Вкл. Сертификат калибровки ISO
Производитель: PCE Instruments
440,00 £
НДС и. поставка
2 года гарантии
Номер заказа: PCE-WSAC 50-121
Расходомер воздуха PCE-WSAC 50-121
Расходомер воздуха PCE-WSAC 50-121 можно использовать в различных областях применения. При использовании расходомер воздуха производит измерения по малейшим движениям ветра. Расходомер воздуха можно использовать для контроля и оповещения о текущей скорости ветра.
— Устройство измерения ветра с регулируемой сигнализацией
— 2 типа сигнализации
— Напряжение питания: 230 В перем.0032 — Питание датчика через устройство обработки данных
— Степень защиты: IP66
— Вкл.
Сертификат калибровки ISO
Производитель: PCE Instruments
440,00 £
НДС и. поставка
2 года гарантии
Номер заказа: PCE-WSAC 50-211
Расходомер воздуха PCE-WSAC 50-211
Расходомер воздуха PCE-WSAC 50-211 можно использовать в различных областях применения. При использовании расходомер воздуха производит измерения по малейшим движениям ветра. Расходомер воздуха можно использовать для контроля и оповещения о текущей скорости ветра.
— Ветромер с регулируемой сигнализацией
— 2 типа сигнализации
— Напряжение питания: 115 В перем. тока
— Входной сигнал: 4 … 20 мА
— Связь: RS485
9 — 9 питание датчика через устройство оценки
— Степень защиты: IP66
— Вкл. Сертификат калибровки ISO
Производитель: PCE Instruments
440,00 £
НДС и.
