| Вес | 2.45 |
| Гарантийный срок | 12 |
| Количество гидролиний | 4 |
| Количество золотников | 1 |
| Количество рабочих позиций | 3 |
| Конструктивное исполнение | Моноблочное |
| Максимальная кинематическая вязкость вещества | 400 |
| Максимальная температура окружающей среды | 60 |
| Максимальная температура рабочей жидкости | 80 |
| Максимальное рабочее давление | 32 |
| Максимальный расход жидкости | 100 |
| Минимальная кинематическая вязкость вещества | 10 |
| Минимальная температура окружающей среды | -40 |
| Минимальная температура рабочей жидкости | -15 |
| Номинальное давление | 16 |
| Номинальный расход жидкости | 40 |
| Состояние | Новое |
| Страна производитель | Болгария |
| Тип | Гидрораспределитель |
| Тип запчасти | Оригинал |
| Тип присоединения | Стыковое |
| Тип распределителя | Золотниковый |
| Тип техники | Спецтехника |
| Управление | Ручное |
| Условный проход | 10 |
| Код Заводской | Наименование товара | |
| 310.112-00 | Гидромотор Кран 3577(310.112-00) | |
| Гидронасос 310.2.112.04.06 (прав) КРАН 3577 | ||
| Гидрораспределитель Комбайн | ||
| МКРН 306.154.013 | Гидрораспределитель МКСМ-800 | |
| ГСТ-90 | ГСТ-90 | |
| 3518020-42180 | ГЦ блокировки коробки диапозонов Дон | |
| ЦС-8300 | ГЦ вент. очистки | |
| Ц22А.000 | ГЦ выносной опоры КС 3577 | |
| ГА 76010 | ГЦ ГА 76010 вариатора барабана. | |
| ГА 76020 | ГЦ ГА 76020 главн.контрпривода(кольцо) | |
| ГА-83000 | ||
| ГА-93000 | ГЦ ГА-93000 включ. молотилки Енисей |
|
| ГА-66.040А | ГЦ клапана очистки воздуха (ГА-66.040А) | |
| Н06515020-03 | ГЦ ниж.вариатора жатки | |
| ГЦ 63.200.16.000-03 | ГЦ поворота комбаин | |
| 111.02.014.02 | ГЦ подъема ГАЗ (3-х шток) | |
| 111.02.014.01 | ГЦ подъема ГАЗ (4-х шток) | |
| ЦС 50*25*200 | ГЦ подъема ГРАБЛЕЙ(КЗНМ) | |
| 34-9-9 | ГЦ подъема жатки Нива, Енисей | |
| 554-8603010-027 | ГЦ подъема Зил(4-х штоковый) | |
| 111.02.015.01 усил | ГЦ подъема Зил(4-х штоковый) усил. 10т. | |
| 55102-8603010 | ГЦ подъема КАМАЗ 3-х шток | |
| 55102-8603010-01 | ГЦ подъема КАМАЗ 3-х шток нов. обр. |
|
| 452802-8603010 | ГЦ подъема КАМАЗ 6-ти шток | |
| ГА 80000(ЕДЦГ045.00) | ГЦ подъема мотовила Дон, Енисей, Нива | |
| ГА 81000 | ГЦ подъема мотовила Дон, Енисей, Нива | |
| РСМ-10,27,15,140 | ГЦ подъема мотовила комбайн | |
| ГЦ ПТС-(2х)шток | ||
| 145.9603023-04 | ГЦ ПТС-4 | |
| 155-8603023-01 | ГЦ ПТС-6 | |
| 771Б-8603010.000 | ГЦ ПТС-9 | |
| ГЦ-110.55.900.01.2 | ГЦ ЦГ 110*50х900.01.2 | |
| ЦГ 110*55х280.01.1 | ГЦ ЦГ 110*55х280.01.1 | |
| 700А.34.29.000 | ГЦ ЦГ 125.50*400.11 поворота К-701 | |
| ЦГ-125х63х630 | ГЦ ЦГ 125х63х630 | |
| ЦГР 80*350,57 | ГЦ ЦГ 80*350*57 реечный | |
ЦГ 80*40х320-3. 11 |
ГЦ ЦГ 80*40х320 ПЭ-0,8 ковш | |
| ЦГ 80*40х400-3.22 | ГЦ ЦГ 80*40х400(КУН)ВТУЛКА | |
| ЦГ 80*40х400-3.11 | ГЦ ЦГ 80*40х400(КУН)ШС | |
| ЦГ 800*40х630-3.22 | ГЦ ЦГ 80*40х630(КУН)ВТУЛКА | |
| ЦГ 800*40х630 | ГЦ ЦГ 80*40х630(КУН)ШС | |
| ЦГ 80*40х700.000.0 | ГЦ ЦГ 80*40х700.000.00 | |
| ЦГ 80*40х800 | ГЦ ЦГ 80*40х800.000.00 | |
| ЦГ 80*50х160 | ГЦ ЦГ 80*50х160(Поворота ЭО-2206 ) | |
| ЦГ 80*50х250.040.00 | ГЦ ЦГ 80*50х250.040.00(Мусоровоз ЗиЛ) | |
| ЦГ 80*50х630-3.11 | ГЦ ЦГ 80*50х630.000.04 | |
| ЦГ 80*50х800.000.04 | ГЦ ЦГ 80*50х800 | |
| ЦГ 80*50х900(СШР) | ГЦ ЦГ 80*50х900(СШР) | |
ГЦ-80. 50.970.240.60 |
ГЦ ЦГ 80*50х970.240.60 дт(с ушами) | |
| ЦГ 80*55х1200.040.00 | ГЦ ЦГ 80*55х1200.040.00(СШР) | |
| ГЦ-80.55.700.000.04 | ГЦ ЦГ 80*55х700.000.04(ушаст) | |
| ЦГ 80*55х900.000.04 | ГЦ ЦГ 80*55х900.000.04 | |
| ЦГ 80*55х970 | ГЦ ЦГ 80*55х970 (с ушами) | |
| ПФА 02.000 Л | ГЦ ЦГ 80*60*1400(СШР) стогомет | |
| ЦГ 80*63х1270.040.00 | ГЦ ЦГ 80*63х1270.040.00(СШР) | |
| ГЦ 80.50.280.696.50Т | ГЦ ЦГ 80.50.280.696.50-Т(Т-150 поворота) | |
| ГЦ-100.40.200.001.22 | ГЦ ЦС 100*40х200 СЗС-2,1(регул.) | |
| ЦС 100.40.-3.44 | ГЦ ЦС 100.40-0.44 | |
| ГЦ100.50.400.000.22 | ГЦ ЦС 100. 50.400.000.22 БДТ |
|
| ЦС100х200-3 | ГЦ ЦС 100х200-3 (МТЗ зад) | |
| ЦС 75*40х200(МТЗ) | ГЦ ЦС 75*40х200 (МТЗ не РЕГУЛ) | |
| ЦС 75х200-3.44.3А | ГЦ ЦС 75*40х200 СЗС-2,1 | |
| ГЦ-80.40.200.001.22 | ГЦ ЦС 80*40х200 СЗС-2,1 | |
| ЦС 90*40х200 СЗС-2,1 | ГЦ ЦС 90*40х200 СЗС-2,1 | |
| ГЦ-110.55.112 | ГЦ ЭО 110*50*1120(стрела ЭО-2621) | |
| ГЦ-110.55.1120.250.0 | ГЦ ЭО 110*55*1120(стрела ЭО-2621) | |
| ЦГ 110*55х280.250.00 | ГЦ ЭО 110*55х280 (опора ЭО-2621) | |
| ЦГ-80*50*280 | ГЦ ЭО 80*50*280(отвал ЭО-2621) | |
| ЦГ 80*55х160.000.04 | ГЦ ЭО 80*50х160(откр. челюсти лоп. ЭО-2206 ) | |
| ГЦ ЭО 80*55х390(Повор стрел ЭО-2621 ЦЕПЬ) | ||
ЦГ 80*55х900. 000.04 |
ГЦ ЭО 80*55х900.000.04(ковш ЭО-2621) | |
| Золтник Р-160 | ||
| Р75-007 | Клапан перепускной Р-80 | |
| ГР 2-3 (24 в) | Клапан с электромагн приводом Ивановец | |
| КП 12.00.000 | Кран пробковый (кран гидравл (перенаправления потока)) | |
| МГП-125 | МГП-125(Мотор гидравл.планетарный) | |
| Н 036.67(S19) | Муфта разрывная Ф-19 гайка | |
| М20*1,5 | Муфта разрывная Ф-24 автомат | |
| Н.036.50.000 | Муфта разрывная Ф-24 гайка | |
| Н.036.52.000.Р | Муфта разрывная Ф-32 автомат | |
| Н 36.57.000.С | Муфта разрывная Ф-32 гайка | |
| НДМ125 | Насос дозатор моноблочный НДМ-125 Енисей | |
| НДП-500 | Насос дозатор моноблочный НДП-500 | |
| НМШ-25А | НМШ-25А | |
| НМШ-25ПА(АЛЮМ) | НМШ-25ПА(АЛЮМ) | |
НШ-10УК пр.![]() |
НШ-10 УК 4шл. правый. | |
| НШ-10 УК 4шл.Лев | НШ-10 УК 4шл.Лев | |
| НШ-10У-3 лев.(6 шлиц | НШ-10 УК-3 лев.(6 шлиц.) | |
| НШ-10 УК-3 прав 6 шл | НШ-10 УК-3 прав .(6 шлиц.) | |
| НШ-100 А3 лев. | НШ-100А3 Л(Круглый) | |
| НШ-100А3 | НШ-100А3(Круглый) | |
| НШ-10-10 -Л УК | НШ-10-10 -Л(ВЗТА) | |
| НШ-32А3 Л | НШ-32А3 Л (Круглый) | |
| НШ-32А3 прав. | НШ-32А3 прав.(Круглый) | |
| НШ-32М-3(MASTER) | НШ-32М-3(MASTER) МТЗ(НОВ ОБР) | |
| НШ-32УК-3 лев. | НШ-32УК-3 лев. | |
| НШ-32УК-3 | НШ-32УК-3 прав. | |
| НШ-50 А Лев | НШ-50 А Лев кругл.![]() |
|
| НШ-50 А | НШ-50 А Прав. кругл. | |
| НШ-50УК-Л | НШ-50УК лев. | |
| НШ-50УК прав | НШ-50УК прав. | |
| НШ-71А-Л | НШ-71А-Л | |
| НШ-71В-3Л(ВЗТА) | НШ-71В-3Л(ВЗТА) | |
| Пневмогидроаккумулятор АРХ 1/320 | ||
| Распределитель комбайн 7 секционый | ||
| Р 26.1401.000-01 | Распределитель Р-100(экскаватор) левый 2 отв. | |
| Р 26.1401.000 | Распределитель Р-100(экскаватор) правый | |
| Р-160-3/1-111(Т-130) | Распределитель Р-160-3/1-111 (Т-130) | |
| Р-160-3/1-222 | Распределитель Р-160-3/1-222 (К-701) | |
| Р-80 3/1-22 | Распределитель Р-80 3/1-22 | |
| Р-80-3/1-222 | Распределитель Р-80 3/1-222 ( ДТ-75) | |
| Р-80 3/1-44 | Распределитель Р-80 3/1-44 | |
| Р-80-3/1-444 | Распределитель Р-80 3/1-444 | |
| Р-80 3/2-444 | Распределитель Р-80 3/2-444 | |
| Р-80 3/3-444 | Распределитель Р-80 3/3-444(под давл. ) |
|
| Р-80-3/4-222 | Распределитель Р-80 3/4-222 (МТЗ-80) | |
| Р-80 3/4-222 Г | Распределитель Р-80 3/4-222 Г (МТЗ-80) ГИДРОЗАМОК | |
| Р-80 3/4-444 | Распределитель Р-80 3/4-444 | |
| РВД 35*39 L=0,65 | ||
| S-17 L= 1000 | РВД S-17 L= 1000 | |
| S-19 L=500 | РВД S-19 L= 500 | |
| S-19 L=1000 | РВД S-19 L=1000 | |
| S-19 L=1500 | РВД S-19 L=1500 | |
| S-22 L=1000 | РВД S-22 L=1000 | |
| S-22 L=1400 | РВД S-22 L=1400 | |
| S-24 L- 400 | РВД S-24 L- 400 | |
| S-24 L- 500 | РВД S-24 L- 500 угол 90 град.![]() |
|
| S-24 L=600/500 | РВД S-24 L- 600/500 | |
| S-24 L- 600 | РВД S-24 L= 600/700 угол 90 град. | |
| S-24 L= 800 | РВД S-24 L= 800 | |
| S-24 L=1000 | РВД S-24 L=1000 | |
| S-24 L=1000 угол 90 | РВД S-24 L=1000 угол 90 | |
| S-24 L=1200 | РВД S-24 L=1200 | |
| S-24 L=1500 | РВД S-24 L=1500 | |
| S-24 L=2000 | РВД S-24 L=2000 | |
| S-27 L=500 | РВД S-27 L= 500 | |
| S-27 L=1000 | РВД S-27 L=1000 | |
| S-27 L- 1000 угол 90 | РВД S-27 L=1000 угол 90 град. | |
| S-27 L=1200 | РВД S-27 L=1200 | |
| S-27 L=1500 | РВД S-27 L=1500 | |
| S-27 L=2000 | РВД S-27 L=2000 | |
| S-32 L= 400 | РВД S-32 L= 400 | |
| S-32 L= 500 | РВД S-32 L= 500 | |
| S-32 L=600 | РВД S-32 L= 600 | |
| S-32 L=1000 | РВД S-32 L=1000 | |
| S-32 L=1200 | РВД S-32 L=1200 | |
| S-32 L=1500 | РВД S-32 L=1500 | |
| S-32 L=2010 | РВД S-32 L=2010 | |
| S-36 L=400 | РВД S-36 L= 400 | |
| S-36 L=600 | РВД S-36 L= 600 | |
| S-36 L= 800 | РВД S-36 L= 800 | |
| S-36 L=1000 | РВД S-36 L=1000 | |
| S-36 L=1200 | РВД S-36 L=1200 | |
| S-36 L=1500 | РВД S-36 L=1500 | |
| S-36 L=1800 | РВД S-36 L=1800 | |
| S-36 L=2000 | РВД S-36 L=2000 | |
| S-41 L=1000 | РВД S-41 L=1000 | |
| S-41 L=1200 | РВД S-41 L=1200 | |
| S-41 L=1500 | РВД S-41 L=1500 | |
| S-41 L=2000 | РВД S-41 L=2000 | |
| S-46 L=1500 | РВД S-46 L=1500 | |
| S-50 L=410 | РВД S-50 L= 410 | |
| S-50 L= 800 | РВД S-50 L= 800 | |
| S-50 L=1000 | РВД S-50 L=1000 | |
| S-50 L=1200 | РВД S-50 L=1200 | |
| S-50 L=1500 | РВД S-50 L=1500 | |
| S-50 L=2000 | РВД S-50 L=2000 | |
Ф-6. 3мм. |
Рукав бензиновый Ф-6.3мм. | |
| Ф-9 мм | Рукав бензиновый Ф-9 мм. | |
| 0 | Рукав гофрированный Ф100 В(4м.) | |
| 0 | Рукав гофрированный Ф38 В(4м.) | |
| Ф50 Бензин | Рукав гофрированный Ф50 Бенз.(4м.) | |
| 0 | Рукав гофрированный Ф50 В(4м.) | |
| Рукав гофрированный Ф65 Б (4м.) | ||
| 0 | Рукав гофрированный Ф75 В (4м.) | |
| Ф-12 | Рукав кислородный Ф-12 | |
| Рукав кислородный Ф-9 | ||
| Ф-8 | Рукав напорный Ф 0.8 | |
| Ф 12 | Рукав напорный Ф 12 | |
| 0 | Рукав напорный Ф 14 | |
| 0 | Рукав напорный Ф 16 | |
| 0 | Рукав напорный Ф 18 | |
| Ф 18 (ПРОЗРАЧ) | Рукав напорный Ф 18 (ПРОЗРАЧ) | |
| 0 | Рукав напорный Ф 20 | |
| 0 | Рукав напорный Ф 22 | |
| 0 | Рукав напорный Ф 25 | |
| 0 | Рукав напорный Ф 32 | |
| 0 | Рукав напорный Ф 38 | |
| 0 | Рукав напорный Ф 40 | |
| 0 | Рукав напорный Ф 42 | |
| 0 | Рукав напорный Ф 45 | |
| Рукав напорный Ф 48 | ||
| 0 | Рукав напорный Ф 50 | |
| Ф 54 | Рукав напорный Ф 54 | |
| 0 | Рукав напорный Ф 60 | |
| 0 | Рукав напорный Ф 65 | |
| 0 | Рукав напорный Ф 70 | |
| 0 | Рукав напорный Ф 75 | |
| Рукав напорный Ф 80 | ||
| 0 | Рукав напорный Ф 90 | |
| 0 | Рукав напорный Ф100 | |
| 0 | Уголок НШ-10 | |
700А. 16.02.039 |
Уголок НШ-100 | |
| 700А.16.02.039-3 | Уголок НШ-100 ЧУГ НШ К-700 | |
| 0 | Уголок НШ-32 | |
| 0 | Уголок НШ-50 | |
| гр 24*24 | Штуцер ГИДРОузел (цилиндр мтз) | |
| 40-4607037 | Штуцер Р-80(гидравлика) | |
| М16*1.5/М16*1.5 | Штуцер соед S-19(уголок) | |
| S-24(уголок) | Штуцер соед S-24(уголок) | |
| Штуцер соед S-24(уголок) с контр.гайкой КУН | ||
| 1/2-М20*1,5 | Штуцер соед S-24(уголок)-1/2 | |
| S-27(уголок) | Штуцер соед S-27(уголок) | |
| S-32(уголок) | Штуцер соед S-32(уголок) | |
| S-41(уголок) | Штуцер соед S-41(уголок) | |
| S-24(тро | Штуцер соед. S-24(тройник) |
|
| S-27(тройник) | Штуцер соед.S-27(тройник) | |
| S-32(тройник) | Штуцер соед.S-32(тройник) | |
| S-32(Четверник) | Штуцер соед.S-32(Четверник) | |
| М16*-1,5хМ16*1,5 | Штуцер соединительный Ф-19 мм. | |
| М20х1,5 | Штуцер соединительный Ф-24 мм. | |
| Ф-24/27 мм. | Штуцер соединительный Ф-24/27 мм. | |
| Ф-24/32 мм | Штуцер соединительный Ф-24/32 мм. | |
| Штуцер соединительный Ф-27 мм. | ||
| Ф-27/32 мм. | Штуцер соединительный Ф-27/32 мм. | |
| М27*1.5 | Штуцер соединительный Ф-32 мм. | |
Штуцер соединительный Ф-36 мм.![]() |
||
| Штуцер соединительный Ф-41 мм | ||
| 0 | Штуцер соединительный Ф-50 мм. | |
Эксплуатация КДМ. Часть 4. Редукторы, гидроцилиндры
Для изменения передаточного числа, например, привода насоса от вала КОМ, применяются редукторы. Конструктивно редуктор состоит из корпуса, в котором размещены элементы, передающие движение. Это зубчатые колеса, валы и другие. Иногда в корпусе редуктора могут находиться дополнительные устройства, обеспечивающие смазку или охлаждение нужных деталей и узлов. В зависимости от числа передач может быть редуктор одноступенчатый или многоступенчатый.
Так, редукторы имеют насосные агрегаты АНЦ поливомоечного оборудования ЗИЛ МДК, КамАЗ МДК и др.
Основные виды навесного оборудования: пескоразрбрасывающее оборудование, отвалы (передние, боковые), щетки передние и боковые, поливомоечное и другое оборудование приводятся в действие посредством гидравлического привода.
Гидравлический привод состоит из насоса и гидроцилиндров (гидродвигателей), между которыми устанавливается регулирующее и распределительное устройство – гидрораспределитель.
Назначение гидронасоса — нагнетание рабочей жидкости в трубопроводы. В случае его отказа ни один из гидродвигателей не может быть приведен в действие. Отсюда вытекает важность своевременного его ремонта и замены.
Износ уплотнений, механическое повреждение штоков, гильз, задиры, износ посадочных мест подшипников втулок, нарушение целостности уплотнительных элементов – все это приводит к снижению работоспособности гидроцилиндров и необходимости их ремонта или замены.
Основная часть гидропривода – гидроцилиндры. Они бывают поршневые, телескопические, плунжерные, двустороннего и одностороннего действия. По типу закрепления гидроцилиндры делятся на модели с шарнирным креплением и жестким.
Основные части гиидроцилиндра – это корпус гидроцилиндра, состоящий из гильзы и задней крышки, привинченной к гильзе, передней крышки, которая имеет отверстие под шток и навинчена на гильзу; шток с проушиной, поршень.
В гидроцилиндрах одностороннего действия шток выдвигается за счёт создания в поршневой полости давления рабочей жидкости, а возврат в исходное положение осуществляется от усилия пружины. В гидроцилиндрах двустороннего действия усилие на штоке гидроцилиндра при прямом и обратном ходе поршня возникает за счёт образования давления рабочей жидкости, следовательно, в штоковой и поршневой полости.
При выборе для замены гидроцилиндра необходимо обратить внимание, что на КДМ применяют гидроцилиндры разных типов с различными способами их включения в гидравлическую схему объемного привода (гидроцилиндры одностороннего и двухстороннего исполнения). При подборе гидроцилиндра следует учитывать условия компоновки, внешней нагрузки, диаметр и исполнение гидроцилиндра, ход штока и скорости его перемещения.
Например, для КДМ-130, МДК, ЭД-244/226, ЭД-403/405(поливомоечная, пескоразбрасывающая машина) используются гидроцилиндры:
- ЭД-244-60.03.
000-07 — на щетку для мойки барьерных ограждений; - ЭД-405-62.04.000-02- гидроцилиндр подъема среднего отвала;
- ЭД-405-00.50.100-02 -гидроцилиндр подъема плуга;
- ЭД-405-4004000 — гидроцилиндр подъема щетки;
- МДК59364-98.09.000, МДК5337-98.02.000-01 – все МДК;
- КДМ130Б-10.25.000 — гидроцилиндр подъема щетки.
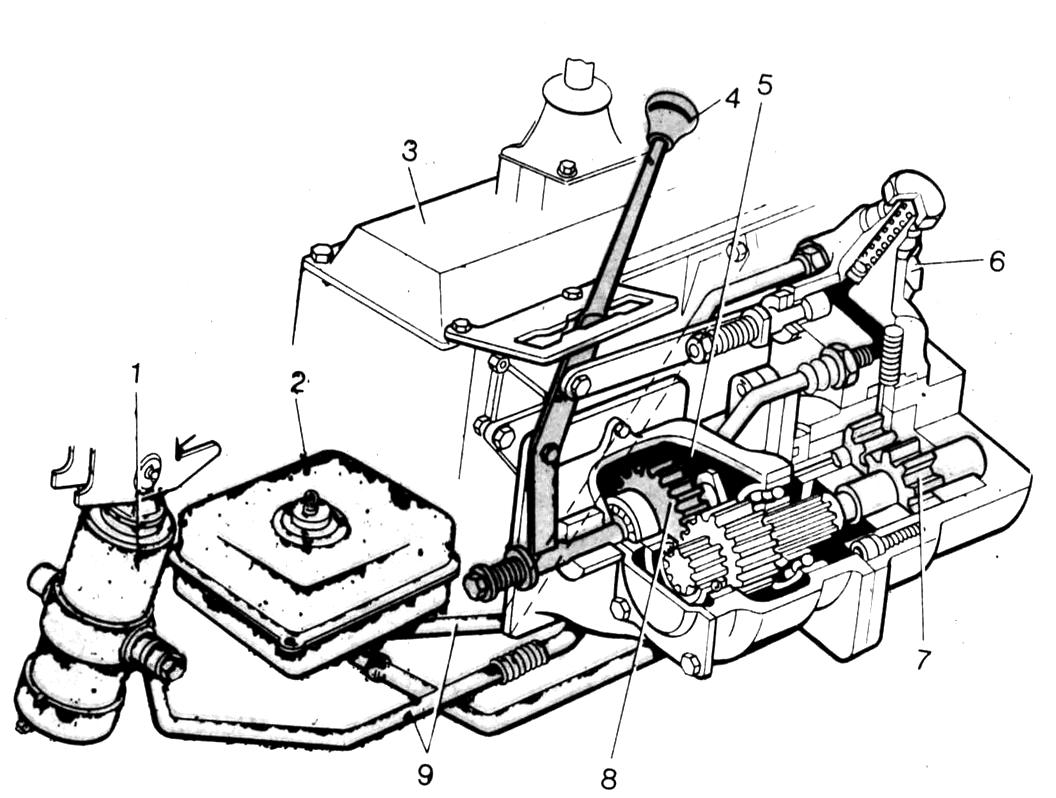
Основой гидрораспределителей секционных является корпус, в котором выполнены основные каналы — отверстие для ввода рабочей жидкости под давлением, отверстия для присоединения к потребителю, отверстие для выхода рабочей жидкости в бак. В центральном отверстии корпуса расположен золотник, который приводится в действие электромагнитами. Гидрораспределители бывают крановые, золотниковые, клапанные.
Гидрораспределитель КДМ обеспечивает изменение направления потока рабочей жидкости в двух или более гидролиниях при наличии внешнего управляющего воздействия.
Гидрораспределители для КДМ могут быть с гидробаком или без него, одно, двух, трех, четырех и пяти секционные. Например, гидрораспределитель МДК133Г4-98.88.200 – двух секционный, а МДК133Г4-98.88.000 – четырех секционный.
Актуальные запасные части для машин КО-829А, КО-829Б, КО-829Д, КО-713, КО-713Н, КДМ-130Б, МДК в каталоге Битнефтегаз, раздел Запчасти для комбинированных машин.
| Гидрораспрделитель 4РЭ50-43К | Коммунальная техника, КДМ (Мценск), КО-823 | 35990 |
| Гидрораспрделитель 5РЭ50-43К | 43778 | |
| Гидрораспрделитель РХ 346 1ЖЖЖЖЖ1 | Мусоровозы, Автокраны | По запросу |
| Гидрораспределитель 02Z50 AA ES3 24 VDC G | По запросу | |
| Гидрораспределитель 02Z80 AA ES3 24 VDC G | Коммунальная техника, КДМ (Курган) | 19630 |
| Гидрораспределитель 02Р120-1А1А1 GKZ1 | По запросу | |
| Гидрораспределитель 02Р40-1А1А1 GKz1 (salami VDМ 07 620228470) | По запросу | |
| Гидрораспределитель 03Z50 AAA ES3 24 VDC G | По запросу | |
Гидрораспределитель 03Z50R (Р16. 333) |
МТЗ-320 | По запросу |
| Гидрораспределитель 03Z80 AAA ES3 12 VDC G | По запросу | |
| Гидрораспределитель 03Z80 AAA ES3 24 VDC G | Коммунальная техника, КДМ (Курган) | 24690 |
| Гидрораспределитель 03Р120-1А1А1А1 GKZ1 | По запросу | |
| Гидрораспределитель 03Р40-1А1А1D1 GKZ1 (salami VDМ 07 620203740) | По запросу | |
| Гидрораспределитель 03Р40-1А1А1А1 | По запросу | |
| Гидрораспределитель 04Z50 AAAA ES3 24 VDC G | По запросу | |
| Гидрораспределитель 04Z80 AAAA ES3 24 VDC G | Коммунальная техника, КДМ (Курган) | 31870 |
| Гидрораспределитель 04Р40-1А1А1A1A1 GKZ1 (salami VDМ 07 620203750) | По запросу | |
| Гидрораспределитель 04Р40-1А1А1А1А1 GкZ1 | По запросу | |
| Гидрораспределитель 05Z50 AAAAA ES3 24 VDC G | По запросу | |
| Гидрораспределитель 05Z80 AAAAA ES3 24 VDC G | Коммунальная техника, КДМ (Курган) | 35750 |
Гидрораспределитель 05Р40-1А1А. ..1А1 |
По запросу | |
| Гидрораспределитель 05Р40-1А1А1А1А1А1GкZ1 (salami VDМ 07 620210400) | МС-91, МКЗ, МКМ, КО-440 | По запросу |
| Гидрораспределитель 06Z50 AAAAAA ES3 24 VDC G | По запросу | |
| Гидрораспределитель 06Z80 AAAAAA ES3 24 VDC G | Коммунальная техника, КДМ (Курган) | 47805 |
| Гидрораспределитель 06Р40-1А1А…1А1 | По запросу | |
| Гидрораспределитель 06Р40-1А1А1А1А1А1А1 GкZ1 | По запросу | |
| Гидрораспределитель 07.21.010 | По запросу | |
Гидрораспределитель 07.21. 010 (Р61-2) |
Экскаваторы ЭО-3323А, ЕК-12, ЕК-14, ЕК-18 | По запросу |
| Гидрораспределитель 10РМ 80-00К | Автогрейдеры, ДЗ-122 | 39471 |
| Гидрораспределитель 10РМ50-55АК | Коммунальная техника, Мусоровозы (Арзамас) | 41713 |
| Гидрораспределитель 11РМ 80-00К | Автогрейдеры, ДЗ-122 | 42362 |
| Гидрораспределитель 1РЭ50М-80КЭ (РЭМ60К-02) | Коммунальная техника, КДМ (Смоленск) | 32981 |
| Гидрораспределитель 1РЭ50М-80КЭ-18 | 36403 | |
| Гидрораспределитель 1РЭ50М-80КЭТ-18 | Коммунальная техника, КДМ (Смоленск) | 36403 |
| Гидрораспределитель 2P40F-OT (аналог 02Р40-1А1А1 GkZ1) | Лесозаготовительная техника, Гидроманипуляторы, Мобильная техника | По запросу |
| Гидрораспределитель 2P40F-OT (аналог 02Р40-1А1А1 МkZ1) | Лесозаготовительная техника, Гидроманипуляторы, Мобильная техника | По запросу |
| Гидрораспределитель 2P40F-OW (аналог 02Р40-1А8А8 GКZ1) | Лесозаготовительная техника, Гидроманипуляторы, Мобильная техника | По запросу |
| Гидрораспределитель 2P40F-OW (аналог 02Р40-1А8А8 МkZ1) | Лесозаготовительная техника, Гидроманипуляторы, Мобильная техника | По запросу |
| Гидрораспределитель 2P80-1А1А1 GKz1 | ЛВ-185-10 | По запросу |
| Гидрораспределитель 2P80-1А8А8 GKZ1 | По запросу | |
| Гидрораспределитель 2P80-1А8А8 JS+3 с джойстиком | По запросу | |
| Гидрораспределитель 2P80-1Вн1Ан1 | По запросу | |
| Гидрораспределитель 2P80-1Вн1Ан1м-11 | АП-4014, АП-4043, АП-4045, АП-4081, АП-40810, АП-40811, АП-40814, АП-40816, АП-41015, АП-41030 ЛЕВ | По запросу |
| Гидрораспределитель 2P80ED3 (VD8A/DD/U8G 623508750) | Коммунальная техника, Мусоровозы МКМ-45 Ряжский АЗ | По запросу |
| Гидрораспределитель 2P80F-OT (аналог 2Р80-1А1А1 GКZ1) | По запросу | |
| Гидрораспределитель 2P80F-OT (аналог 2Р80-1А1А1 МкZ1) | По запросу | |
| Гидрораспределитель 2P80F-OW (аналог 2Р80-1А8А8 GКZ1) | По запросу | |
| Гидрораспределитель 2P80F-OW (аналог 2Р80-1А8А8 MКZ1) | По запросу | |
| Гидрораспределитель 2РЭ 50Б | Дон-1500, Дон-680 | 17464 |
| Гидрораспределитель 2РЭ50-43К | Коммунальная техника, КДМ (Мценск), КО-823 | 20532 |
| Гидрораспределитель 2РЭ50М-80КЭ (РЭМ60К-03) | Коммунальная техника, КДМ (Смоленск) | 38999 |
| Гидрораспределитель 2РЭ50М-80КЭ-18 | 42480 | |
| Гидрораспределитель 2РЭ50М-80КЭТ-18 | Коммунальная техника, КДМ (Смоленск) | 42480 |
| Гидрораспределитель 2РЭ50М-КЭ | Коммунальная техника, Мусоровозы (Мценск) | 28733 |
Гидрораспределитель 3-х секц. 4125.24.00.000 |
Экскаваторы ЭО-4225, 4225А | 75000 |
| Гидрораспределитель 3-х секц. 4224.24.00.000 | Экскаваторы ЭО-4121, 4124, 4224, Валочно-пакетирующая машина ЛП-19 | 58000 |
| Гидрораспределитель 3MRS120.B1.OP-008.245 | Экскаваторы ЭО-2101, ЭО-2202 (Донстроймаш Интер-Дон) (аналог Youli SN-4/3) | 22575 |
| Гидрораспределитель 3MRS120.B1.OP-008.246 | Экскаваторы ЭО-2101, ЭО-2202 (Донстроймаш Интер-Дон) (аналог Youli SN-4/3 Youli MB-5/3) | 21501 |
| Гидрораспределитель 3P40F-OT (аналог 03Р40-1А1А1А1 GkZ1) | Лесозаготовительная техника, Гидроманипуляторы, Мобильная техника | По запросу |
| Гидрораспределитель 3P40F-OT (аналог 03Р40-1А1А1А1 МkZ1) | Лесозаготовительная техника, Гидроманипуляторы, Мобильная техника | По запросу |
| Гидрораспределитель 3P40F-OW (аналог 03Р40-1А8А8А8 GkZ1) | Лесозаготовительная техника, Гидроманипуляторы, Мобильная техника | По запросу |
| Гидрораспределитель 3P40F-OW (аналог 03Р40-1А8А8А8 МkZ1) | Лесозаготовительная техника, Гидроманипуляторы, Мобильная техника | По запросу |
| Гидрораспределитель 3P80-1А1А1А1 | По запросу | |
| Гидрораспределитель 3P80-1А1А1А1 GKZ1 | По запросу | |
| Гидрораспределитель 3P80-1А8А8А8 GKZ1 | По запросу | |
| Гидрораспределитель 3P80-1Вн1Ан1А1 | По запросу | |
| Гидрораспределитель 3P80-1Вн1Ан1А1м-11 | АП-4014, АП-4043, АП-4045, АП-4081, АП-40810, АП-40811, АП-40814, АП-40816, АП-41015, АП-41030 ЛЕВ | По запросу |
| Гидрораспределитель 3P80F-OT (аналог 3Р80-1А1А1А1 GkZ1) | По запросу | |
| Гидрораспределитель 3P80F-OT (аналог 3Р80-1А1А1А1 МкZ1) | По запросу | |
| Гидрораспределитель 3P80F-OW (аналог 3Р80-1А8А8А8 GkZ1) | По запросу | |
| Гидрораспределитель 3P80F-OW (аналог 3Р80-1А8А8А8 МкZ1) | По запросу | |
| Гидрораспределитель 3РМ 50-52К | Коммунальная техника, КДМ (Арзамас, Мценск), КО-829, КО-713, КО-417 | По запросу |
| Гидрораспределитель 3РМ-12 | По запросу | |
| Гидрораспределитель 3РЭ 50-02 | Дон-1500, Дон-680 | 21889 |
| Гидрораспределитель 3РЭ 50-03 | Дон-1500, Дон-680 | 21889 |
| Гидрораспределитель 3РЭ50-43К | Коммунальная техника, КДМ (Мценск), КО-823 | 28910 |
| Гидрораспределитель 3РЭ50М-80КЭ (РЭМ60К-04) | Коммунальная техника, КДМ (Смоленск), КДМ-130, ЭД-405 | 45135 |
| Гидрораспределитель 3РЭ50М-80КЭ-18 | Коммунальная техника, КДМ-130, ЭД-405 | 49206 |
| Гидрораспределитель 3РЭ50М-80КЭТ-18 | Коммунальная техника, КДМ (Смоленск) | 49206 |
| Гидрораспределитель 3РЭ80-КЭА (РЭМ60Б-03) | Коммунальная техника, КДМ (Арзамас) | 33512 |
Гидрораспределитель 4-х секц. 4224.25.00.000 |
Экскаваторы ЭО-4121, 4124, 4224, Валочно-пакетирующая машина ЛП-19 | 78000 |
| Гидрораспределитель 4-х секц. 4225А.25.00.000 | Экскаваторы ЭО-4225А | 85000 |
| Гидрораспределитель 4-х секц. 4225А.25.00.999 | Экскаваторы ЭО-4225, 4225А | 95000 |
| Гидрораспределитель 4DWG10D30/AC110N (аналог ВЕ10 574А В110 УНМД1) | Спецтехника, Гидравлические маслостанции | По запросу |
| Гидрораспределитель 4DWG10D30/AC220N (аналог ВЕ10 574А В220 УНМД1) | Спецтехника, Гидравлические маслостанции | По запросу |
Гидрораспределитель 4DWG10D30/DC12 (аналог ВЕ10 574А Г12 и 1РЕ10. 574А.Г12) |
Спецтехника, Гидравлические маслостанции | По запросу |
| Гидрораспределитель 4DWG10D30/DC24 (аналог ВЕ10 574А Г24 и 1РЕ10.574А.Г24) | Спецтехника, Гидравлические маслостанции | По запросу |
| Гидрораспределитель 4DWG10E30/AC110N (аналог ВЕ10 44 В110 УНМД1) | Спецтехника, Гидравлические маслостанции | По запросу |
| Гидрораспределитель 4DWG10E30/AC220N (аналог ВЕ10 44 В220 УНМД1) | Спецтехника, Гидравлические маслостанции | По запросу |
| Гидрораспределитель 4DWG10E30/DC12 (аналог ВЕ10 44 Г12 и 1РЕ10.44.Г12) | Спецтехника, Гидравлические маслостанции | По запросу |
Гидрораспределитель 4DWG10E30/DC24 (аналог ВЕ10 44 Г24 и 1РЕ10. 44.Г24) |
Спецтехника, Гидравлические маслостанции | По запросу |
| Гидрораспределитель 4DWG10G30/AC110N (аналог ВЕ10 64 В110 УНМД1) | Спецтехника, Гидравлические маслостанции | По запросу |
| Гидрораспределитель 4DWG10G30/AC220N (аналог ВЕ10 64 В220 УНМД1) | Спецтехника, Гидравлические маслостанции | По запросу |
| Гидрораспределитель 4DWG10G30/DC12 (аналог ВЕ10 64 Г12 и 1РЕ10.64.Г12) | Спецтехника, Гидравлические маслостанции | По запросу |
| Гидрораспределитель 4DWG10G30/DC24 (аналог ВЕ10 64 Г24 и 1РЕ10.64.Г24) | Спецтехника, Гидравлические маслостанции | По запросу |
| Гидрораспределитель 4DWG10h40/AC220N (аналог ВЕ10 14 В220) | Спецтехника, Гидравлические маслостанции | По запросу |
| Гидрораспределитель 4DWG10J30/AC110N (аналог ВЕ10 34 В110 УНМД1) | Спецтехника, Гидравлические маслостанции | По запросу |
| Гидрораспределитель 4DWG10J30/AC220N (аналог ВЕ10 34 В220 УНМД1) | Спецтехника, Гидравлические маслостанции | По запросу |
| Гидрораспределитель 4DWG10J30/DC12N (аналог ВЕ10 34 Г12 УНМ) | Спецтехника, Гидравлические маслостанции | По запросу |
| Гидрораспределитель 4DWG10J30/DC24N (аналог ВЕ10 34 Г24 УНМ) | Спецтехника, Гидравлические маслостанции | По запросу |
| Гидрораспределитель 4DWG10Q30/DC12N (аналог ВЕ10 84А Г12 НМ) | Спецтехника, Гидравлические маслостанции | По запросу |
| Гидрораспределитель 4DWG10Y30/AC110N (аналог ВЕ10 574Е В110 УНМД1) | Спецтехника, Гидравлические маслостанции | По запросу |
| Гидрораспределитель 4DWG10Y30/AC220N (аналог ВЕ10 574Е В220 УНМД1) | Спецтехника, Гидравлические маслостанции | По запросу |
| Гидрораспределитель 4DWG6A60/DC12N (аналог ВЕ6 573 Г12) | Спецтехника, Гидравлические маслостанции | По запросу |
| Гидрораспределитель 4DWG6A60/DC24N (аналог ВЕ6 573 Г24) | Спецтехника, Гидравлические маслостанции | По запросу |
| Гидрораспределитель 4DWG6B60/DC12 (аналог ВЕ6 573Е Г12 НМ) | Спецтехника, Гидравлические маслостанции | По запросу |
Гидрораспределитель 4DWG6B60/DC24 (аналог ВЕ6 573Е Г24 и 1РЕ6. 573Е.Г24) |
Спецтехника, Гидравлические маслостанции | По запросу |
| Гидрораспределитель 4DWG6D60/AC110N (аналог ВЕ6 574А В110) | Спецтехника, Гидравлические маслостанции | По запросу |
| Гидрораспределитель 4DWG6D60/AC220N (аналог ВЕ6 574А В220) | Спецтехника, Гидравлические маслостанции | По запросу |
| Гидрораспределитель 4DWG6D60/DC12 (аналог ВЕ6 574А Г12) | Спецтехника, Гидравлические маслостанции | По запросу |
| Гидрораспределитель 4DWG6D60/DC24 (аналог ВЕ6 574А Г24 и 1РЕ6.574.Г24) | Спецтехника, Гидравлические маслостанции | По запросу |
| Гидрораспределитель 4DWG6E60/AC110N (аналог ВЕ6 44 В110) | Спецтехника, Гидравлические маслостанции | По запросу |
| Гидрораспределитель 4DWG6E60/AC220N (аналог ВЕ6 44 В220) | Спецтехника, Гидравлические маслостанции | По запросу |
Гидрораспределитель 4DWG6E60/DC12 (аналог ВЕ6 44 Г12 и 1РЕ6. 44.Г12) |
Спецтехника, Гидравлические маслостанции | По запросу |
| Гидрораспределитель 4DWG6E60/DC24 (аналог ВЕ6 44 Г24 и 1РЕ6.44.Г24) | Спецтехника, Гидравлические маслостанции | По запросу |
| Гидрораспределитель 4DWG6G60/DC12N (аналог ВЕ6 64 Г12) | Спецтехника, Гидравлические маслостанции | По запросу |
| Гидрораспределитель 4DWG6G60/DC24N (аналог ВЕ6 64 Г24) | Спецтехника, Гидравлические маслостанции | По запросу |
| Гидрораспределитель 4DWG6J60/AC220N (аналог ВЕ6 34 В220) | Спецтехника, Гидравлические маслостанции | По запросу |
| Гидрораспределитель 4DWG6J60/DC12N (аналог ВЕ6 34 Г12) | Спецтехника, Гидравлические маслостанции | По запросу |
| Гидрораспределитель 4DWG6J60/DC24N (аналог ВЕ6 34 Г24) | Спецтехника, Гидравлические маслостанции | По запросу |
Гидрораспределитель 4DWHG16C60/G24N (аналог ВЕХ 16. 574 Г24 Н) |
Спецтехника, Гидравлические маслостанции | По запросу |
| Гидрораспределитель 4DWHG16D60/AC220 NET/S (аналог ВЕХ 16.574А В220ЕТР УХЛ4) | Спецтехника, Гидравлические маслостанции | По запросу |
| Гидрораспределитель 4DWHG16D60/G24N (аналог ВЕХ 16.574А Г24 Н) | Спецтехника, Гидравлические маслостанции | По запросу |
| Гидрораспределитель 4DWHG16E60/AC110N (аналог ВЕХ 16.44 В110) | Спецтехника, Гидравлические маслостанции | По запросу |
| Гидрораспределитель 4DWHG16E60/AC220N (аналог ВЕХ 16.44 В220) | Спецтехника, Гидравлические маслостанции | По запросу |
Гидрораспределитель 4DWHG16E60/G24N (аналог ВЕХ 16. 44 Г24 НМ) |
Спецтехника, Гидравлические маслостанции | По запросу |
| Гидрораспределитель 4DWHG16G60/AC110N (аналог ВЕХ 16.64 В110 НМД1) | Спецтехника, Гидравлические маслостанции | По запросу |
| Гидрораспределитель 4DWHG16G60/AC220N (аналог ВЕХ 16.64 В220 НМД1) | Спецтехника, Гидравлические маслостанции | По запросу |
| Гидрораспределитель 4DWHG16G60/G24N (аналог ВЕХ 16.64 Г24 НМ УХЛ4) | Спецтехника, Гидравлические маслостанции | По запросу |
| Гидрораспределитель 4DWHG16H60/G24N (аналог ВЕХ 16.14 Г24 Н) | Спецтехника, Гидравлические маслостанции | По запросу |
Гидрораспределитель 4DWHG16J60/G24 NET (аналог ВЕХ 16. 34 Г24 НЕТ) |
Спецтехника, Гидравлические маслостанции | По запросу |
| Гидрораспределитель 4DWHG16J60/G24N (аналог ВЕХ 16.34 Г24 НМ) | Спецтехника, Гидравлические маслостанции | По запросу |
| Гидрораспределитель 4DWHG25E60/AC220N (аналог 1Р202 АЛ1-44 В220) | Спецтехника, Гидравлические маслостанции | По запросу |
| Гидрораспределитель 4DWHG25G60/AC220 NEP4.5 (аналог 1Р202 АЛ3-64 В220 НМД1) | Спецтехника, Гидравлические маслостанции | По запросу |
| Гидрораспределитель 4DWHG25J60/G24 NET (аналог 1Р202 АЛ4-34 Г24 НМ УХЛ4) | Спецтехника, Гидравлические маслостанции | По запросу |
Гидрораспределитель 4DWMG10G/F (аналог ВММ10. 64Ф и 1РММ10.64Ф) |
Спецтехника, Гидравлические маслостанции | По запросу |
| Гидрораспределитель 4DWMG10G10 (аналог ВММ10.64 и 1РММ10.64) | Спецтехника, Гидравлические маслостанции | По запросу |
| Гидрораспределитель 4DWMG16C30 (аналог ВММ16 574 и 1РММ16.574) | Спецтехника, Гидравлические маслостанции | По запросу |
| Гидрораспределитель 4DWMG16G30 (аналог ВММ16 64 и 1РММ16.64) | Спецтехника, Гидравлические маслостанции | По запросу |
| Гидрораспределитель 4DWMG6D50 (аналог ВММ6 574А и 1РММ6.574А) | Спецтехника, Гидравлические маслостанции | По запросу |
Гидрораспределитель 4DWMG6G50 (аналог ВММ6 64 и 1РММ6. 64) |
Спецтехника, Гидравлические маслостанции | По запросу |
| Гидрораспределитель 4P40F-OT (аналог 04Р40-1А1А1А1А1 GkZ1) | Лесозаготовительная техника, Гидроманипуляторы, Мобильная техника | По запросу |
| Гидрораспределитель 4P40F-OT (аналог 04Р40-1А1А1А1А1 МkZ1) | Лесозаготовительная техника, Гидроманипуляторы, Мобильная техника | По запросу |
| Гидрораспределитель 4P40F-OW (аналог 04Р40-1А8А8А8А8 GkZ1) | Лесозаготовительная техника, Гидроманипуляторы, Мобильная техника | По запросу |
| Гидрораспределитель 4P40F-OW (аналог 04Р40-1А8А8А8А8 МkZ1) | Лесозаготовительная техника, Гидроманипуляторы, Мобильная техника | По запросу |
| Гидрораспределитель 4P80-1А1А1A1A1 GKZ1 | По запросу | |
| Гидрораспределитель 4P80-1А1А1А1А1 GKZ1 | По запросу | |
| Гидрораспределитель 4P80-1А8А8А8А8 GKZ1 | По запросу | |
| Гидрораспределитель 4P80F-OT (аналог 4Р80-1А1А1А1A1 МкZ1) | По запросу | |
| Гидрораспределитель 4P80F-OT (аналог 4Р80-1А1А1А1А1 GkZ1) | По запросу | |
| Гидрораспределитель 4P80F-OW (аналог 4Р80-1А8А8А8A8 МкZ1) | По запросу | |
| Гидрораспределитель 4P80F-OW (аналог 4Р80-1А8А8А8А8 GkZ1) | По запросу | |
| Гидрораспределитель 4РМ 50-52К | Коммунальная техника, КДМ (Мценск), КО-713 | 16107 |
| Гидрораспределитель 4РМ 80-00К | Автогрейдеры, ДЗ-122 | 18526 |
| Гидрораспределитель 4РЭ 50-29Б | Дон-1500Б | 31211 |
| Гидрораспределитель 4РЭ50М-80КЭ (РЭМ60К-05) | Коммунальная техника, КДМ (Смоленск, Мценск), КДМ-130, ЭД-405 | 50563 |
| Гидрораспределитель 4РЭ50М-80КЭ-18 | Коммунальная техника, КДМ-130, ЭД-405 | 54634 |
| Гидрораспределитель 4РЭ50М-80КЭТ-18 | Коммунальная техника, КДМ (Смоленск) | 54634 |
| Гидрораспределитель 4РЭ50М-КЭ | Коммунальная техника, Мусоровозы (Мценск) | 41123 |
| Гидрораспределитель 5P40F-OT (аналог 05Р40-1А1А1А1А1А1 GkZ1) | Лесозаготовительная техника, Гидроманипуляторы, Мобильная техника | По запросу |
| Гидрораспределитель 5P40F-OT (аналог 05Р40-1А1А1А1А1А1 МkZ1) | Лесозаготовительная техника, Гидроманипуляторы, Мобильная техника | По запросу |
| Гидрораспределитель 5P40F-OW (аналог 05Р40-1А8А8А8А8А8 GkZ1) | Лесозаготовительная техника, Гидроманипуляторы, Мобильная техника | По запросу |
| Гидрораспределитель 5P40F-OW (аналог 05Р40-1А8А8А8А8А8 МkZ1) | Лесозаготовительная техника, Гидроманипуляторы, Мобильная техника | По запросу |
Гидрораспределитель 5Р80-1А1А. ..1А1 |
15470 | |
| Гидрораспределитель 5Р80-1А1А1A1A1A1 GKZ1 | По запросу | |
| Гидрораспределитель 5РМ 50-00 | Дон-1500 | По запросу |
| Гидрораспределитель 5РМ 50-01 | Дон-1500 | По запросу |
| Гидрораспределитель 5РМ 50-52К | Коммунальная техника, КДМ (Мценск), КО-713 | 20178 |
| Гидрораспределитель 5РМ 80-00К | Автогрейдеры, ДЗ-122 | 20591 |
| Гидрораспределитель 5РМ50-55АК | Коммунальная техника, Мусоровозы (Арзамас) | 25370 |
Гидрораспределитель 5РМ60 (У3. 19.00.000-1) |
Автокраны, КС-3574, КС-3577, КС-35714, КС-35715 | 22800 |
| Гидрораспределитель 5РЭ50М-80КЭ (РЭМ60К-06) | Коммунальная техника, КДМ (Смоленск), ЭД-244 | 55696 |
| Гидрораспределитель 5РЭ50М-80КЭ-18 | 60711 | |
| Гидрораспределитель 5РЭ50М-80КЭТ-18 | Коммунальная техника, КДМ (Смоленск) | 60711 |
| Гидрораспределитель 6MRS120.B1.OP-005.220 | Экскаваторы ЭО-2621, ЭО-2626 (ЛЭКС) (аналог Walvoil SDM140) | 41545 |
| Гидрораспределитель 6MRS120.B1.OP-007.227 | Лесовозы и сортиментовозы с г/манипулятором ЛВ-185-14, -16, 190-05, -07 (Атлант-С 90-14, 100-14, 140-05, -07) (аналог Hydrocontrol HC-D6/6) | 33459 |
Гидрораспределитель 6MRS120. B1.OP-009.225 |
Гидроманимуляторы ОМТЛ-70 (Велмаш) (аналог Hydrocontrol HC-D6/6) | 40760 |
| Гидрораспределитель 6MRS120.B1.OP-018.000 | Лесовозы и сортиментовозы с гидроманипуляторами МАЙКОП ЛВ-185-14, -16 (Атлант-С 90-14, Атлант-С 100-14), ЛВ-190-05, 07 (Атлант-С 140-05, Атлант-С 140-07) (аналог Hydrocontrol HC-D6/6) | 37620 |
| Гидрораспределитель 6P40F-OT (аналог 06Р40-1А1А1А1А1А1A1 GkZ1) | Лесозаготовительная техника, Гидроманипуляторы, Мобильная техника | По запросу |
| Гидрораспределитель 6P40F-OT (аналог 06Р40-1А1А1А1А1А1A1 МkZ1) | Лесозаготовительная техника, Гидроманипуляторы, Мобильная техника | По запросу |
| Гидрораспределитель 6P40F-OW (аналог 06Р40-1А8А8А8А8А8A8 GkZ1) | Лесозаготовительная техника, Гидроманипуляторы, Мобильная техника | По запросу |
| Гидрораспределитель 6P40F-OW (аналог 06Р40-1А8А8А8А8А8A8 МkZ1) | Лесозаготовительная техника, Гидроманипуляторы, Мобильная техника | По запросу |
Гидрораспределитель 6Р80-1А1А. ..1А1 |
16550 | |
| Гидрораспределитель 6Р80-1А1А1А1A1A1A1 GKZ1 | По запросу | |
| Гидрораспределитель 6РМ 80-00К | Автогрейдеры, ДЗ-122 | 22715 |
| Гидрораспределитель 6РС100-N2 A1A1А1А1А1А1Т2 GKz1 | По запросу | |
| Гидрораспределитель 6РС100-N2 с джостиками (HC-D4/6) (DCV80/6) (RP80) (SN4/6) | ЭО-2626, Амкодор-371, Амкодор-702ЕВ, ЭП-2620-1, ЭБП-5, ЭБП-7 | 38340 |
| Гидрораспределитель 7MRS120.B1.OP-006.220 | Экскаваторы ЭО-2621.03, ЭО-2626.03 (ЛЭКС, со смещаемой осью копания) (аналог Walvoil SDM140) | 47030 |
| Гидрораспределитель 7РМ 50-23Б | Нива | 23246 |
| Гидрораспределитель 820-4634010 | Тракторы МТЗ-80, МТЗ-82, МТЗ-1005, МТЗ-1025, МТЗ-1221 | По запросу |
| Гидрораспределитель 8РМ80-02КЭ | Коммунальная техника, Мусоровозы (Мценск), КО-413, КО-424, КО-431, КО-449 | 28025 |
| Гидрораспределитель 9РМ80-02КЭ | Коммунальная техника, Мусоровозы (Мценск), КО-449 | 33335 |
Гидрораспределитель E75. 5X103.00 (аналог распределителя Q75 и Q75E) |
Автокраны, КС-3577, КС-3574, КС-35714, КС-35715, КС-45717, АК-25, КС-54711, КС-55711, КС-55717, КС-6476, КС-55713, КС-55715, КС-45721, Ивановец, Галичанин, Клинцы, Челябинец | 19800 |
| Гидрораспределитель h5DWHG25C60/G24 NET (аналог 1Р203 АЕ1-574 Г24) | Спецтехника, Гидравлические маслостанции | По запросу |
| Гидрораспределитель h5DWHG25E60/AC110 NET (аналог 2Р203 АЛ4-44 В110 НМ УХЛ4) | Спецтехника, Гидравлические маслостанции | По запросу |
| Гидрораспределитель h5DWHG25E60/AC110N (аналог 1Р203 АЛ1-44 В110) | Спецтехника, Гидравлические маслостанции | По запросу |
| Гидрораспределитель h5DWHG25E60/AC220N (аналог 1Р203 АЛ1-44 В220) | Спецтехника, Гидравлические маслостанции | По запросу |
| Гидрораспределитель h5DWHG25E60/G24 NE (аналог 1Р203 АЛ3-44 Г24 Н УХЛ4) | Спецтехника, Гидравлические маслостанции | По запросу |
| Гидрораспределитель h5DWHG25E60/G24 NET (аналог 1Р203 АЛ4Д-44 Г24) | Спецтехника, Гидравлические маслостанции | По запросу |
| Гидрораспределитель h5DWHG25E60/G24N (аналог 1Р203 АЛ1-44 Г24) | Спецтехника, Гидравлические маслостанции | По запросу |
| Гидрораспределитель h5DWHG25G60/AC220N (аналог 1Р203 АЛ1-64 В220) | Спецтехника, Гидравлические маслостанции | По запросу |
| Гидрораспределитель h5DWHG25G60/G24N (аналог 1Р203 АЛ1-64 Г24) | Спецтехника, Гидравлические маслостанции | По запросу |
| Гидрораспределитель h5DWHG25J60/AC220N (аналог 1Р203 АЛ1-34 В220) | Спецтехника, Гидравлические маслостанции | По запросу |
| Гидрораспределитель h5DWHG25J60/G24 NE (аналог 1Р203 АЛ3-34 Г24 Н) | Спецтехника, Гидравлические маслостанции | По запросу |
| Гидрораспределитель MB-5 | Сваебойная установка СП-49Д (копер) | По запросу |
Гидрораспределитель MP 200. 3.000 |
40089 | |
| Гидрораспределитель MPC 63.4/1.DB.4.10 (107) (аналог РМ-12А-107) | Коммунальная техника, Мусоровозы (Арзамас), КО-440-1, КО-440-4, КО-440-5 | 42832 |
| Гидрораспределитель MPC 63.4/1.DB.4.3 (081) (РМ-12А-81) | Коммунальная техника, Мусоровозы КО-440-1, КО-440-4, КО-440-5 (Арзамас) | 16560 |
| Гидрораспределитель MPC 63.4/1.DB.4.6 (006) (аналог РМ-12А-06) | Гидроманипуляторы (основной), ПЛ-70, ПЛ-97, МУГ 70В-01. ЛВ-185-10, МГА-65, МГА-95, АСМ-1 | 24190 |
| Гидрораспределитель MPC 63.4/1.DB.4.8 | Коммунальная техника, Мусоровозы КО-440-1, КО-440-4, КО-440-5 (Арзамас) | 35328 |
| Гидрораспределитель MPC 63.4/1.PL.4.4 | Автогидроподъемники «Завидовский ЭМЗ», АГП-18, АГП-22, АГПТ-14. КС-4361А, КС-4372В, КС-4671, КС-4871, КС-55722 | 19016 |
| Гидрораспределитель MPC 63.4/1.PL.4.5 (005) | Автокраны «Углич», «Клинцы», «Галичанин» | 23805 |
| Гидрораспределитель MPC 63.4/1.PL4.2 (021) (аналог РМ-12А-21) | Лесозаготовительная техника, ПЛ-70, ПЛ-97, МУГ 70В-01. ЛВ-185-10, МГА-65, МГА-95, АСМ-1 | По запросу |
| Гидрораспределитель MPC 63.4/1.PL4.2 (118) (аналог РМ-12А-118) | Гидроманипулятор выносных опор, ПЛ-70, ПЛ-97 | По запросу |
| Гидрораспределитель MPC 63.4/1.PL4.4 (083) (аналог РМ-12А-83) | Автогидроподъемники «Завидовский ЭМЗ» | 19970 |
| Гидрораспределитель MPC 63.4/1.PL4.5 (005) (аналог РМ-12А-05) | 21170 | |
| Гидрораспределитель MPC 63.4/1.PL4.5 (100) (РМ-12А-100) | Автокраны, «Камышин», КС-4561, КС-4562, КС-4571, КС-4573, КС-5476, КС-6476, КС-7976 | 23810 |
| Гидрораспределитель MPC 63.4/1.PL4.6 (028) (аналог РМ-12А-28) | Автокраны «Углич» (выносных опор) | 24190 |
| Гидрораспределитель MPC 63.4/1.PL4.6 (098) (аналог РМ-12А-98) | Автокраны «Клинцы» | 24190 |
| Гидрораспределитель MPC 63.4/1.PL4.6 (134) (аналог РМ-12А-134) | Автокраны, КС-3577-3, КС-3574 | 21512 |
| Гидрораспределитель MPC 63.4/1.Р.МН.4.10 (РМ-12А-140) | Коммунальная техника, Мусоровозы КО-440-1, КО-440-4, КО-440-5 (Арзамас) | 43936 |
| Гидрораспределитель MPC 63.4/2.DB.4.3G + MPC 63.4/3.DB.4.3G (281.05.02.00.000) аналог РМ-12А-116 | Автогрейдеры, ГС-14.02 | 50647 |
| Гидрораспределитель MPC 63.4/2.DB.4.3G без электромагнита (281.05.02.01.000) аналог РМ-12А-116 | Автогрейдеры, ГС-14.02 | 20256 |
| Гидрораспределитель MPC 63.4/3.DB.4.3G с электромагнитом (281.05.02.04.000) аналог РМ-12А-116 | Автогрейдеры, ГС-14.02 | 30391 |
| Гидрораспределитель MPC63.4/1.DB.4.10 | 25606 | |
| Гидрораспределитель MPGC 25G.2G (аналог РГС-25Г.2) | Погрузчики ТО-18Б3, ТО-18Б2, ТО-28А | 48231 |
| Гидрораспределитель MR 100.T1.P | Самосвалы | По запросу |
| Гидрораспределитель MR 100.T2.P | Камаз-65115, Камаз-65111, Камаз-6520, Камаз-6522, Камаз-55111 (аналог РП80-44КЕ, ПГР-1, 6520-8607010-10) | По запросу |
| Гидрораспределитель MR 100.T4.P | с прицепом Камаз-65115, Кама-65111, Камаз-6520, Камаз-6522, Камаз-55111 (аналог РП80-44БКЕ, ПГР-2, блок г/р 6520-8607200) | 17198 |
| Гидрораспределитель MR 100.Т2.Р (6520-8607010-10) | По запросу | |
| Гидрораспределитель MR 100.Т4.Р (6520-8607200) | По запросу | |
| Гидрораспределитель P40-А1 GKz1 (salami VDМ 07 620212740) | По запросу | |
| Гидрораспределитель P40-А8 GKZ1 | По запросу | |
| Гидрораспределитель P40-А8 MKZ1 | По запросу | |
| Гидрораспределитель P40F-OT (аналог Р40-А1 GKz1) | Лесозаготовительная техника, Гидроманипуляторы, Мобильная техника | По запросу |
| Гидрораспределитель P40F-OT (аналог Р40-А1 МKz1) | Лесозаготовительная техника, Гидроманипуляторы, Мобильная техника | По запросу |
| Гидрораспределитель P40F-OW (аналог Р40-А8 GKz1) | Лесозаготовительная техника, Гидроманипуляторы, Мобильная техника | По запросу |
| Гидрораспределитель P40F-OW (аналог Р40-А8 МKz1) | Лесозаготовительная техника, Гидроманипуляторы, Мобильная техника | По запросу |
| Гидрораспределитель P80-А1 GKz1 | По запросу | |
| Гидрораспределитель P80-А8 GKZ1 | По запросу | |
| Гидрораспределитель P80-А8 МкZ1 | По запросу | |
| Гидрораспределитель P80F-OT (аналог Р80-А1 GkZ1) | По запросу | |
| Гидрораспределитель P80F-OT (аналог Р80-А1 МkZ1) | По запросу | |
| Гидрораспределитель P80F-OW (аналог Р80-А8 GkZ1) | По запросу | |
| Гидрораспределитель P80F-OW (аналог Р80-А8 МkZ1) | По запросу | |
| Гидрораспределитель PVS 90-06.000 | По запросу | |
| Гидрораспределитель Q130 | Автокраны, КС-55713 | 38780 |
| Гидрораспределитель Q160 | Автокраны | 75000 |
| Гидрораспределитель Q80 | Автокраны | 35250 |
| Гидрораспределитель SD 8/6 (аналог РГС 16.6) | Погрузчики на базе МТЗ (аналог РГС 16.6) | 70000 |
| Гидрораспределитель SD14 (аналог Walvoil серии SD14 на 120 литров) | Строительно-дорожная техника | По запросу |
| Гидрораспределитель SD16 | Автокраны, Автокраны Ивановец, АК-25 | 85216 |
| Гидрораспределитель SD25-2OT-PTAB-G1 (аналог Walvoil серии SD25 на 240 литров) | Строительно-дорожная техника | 37150 |
| Гидрораспределитель SD25-3OT-PTAB-G1 (аналог Walvoil серии SD25 на 240 литров) | Строительно-дорожная техника | 47866 |
| Гидрораспределитель SD25-4OT-PTAB-G1 (аналог Walvoil серии SD25 на 240 литров) | Строительно-дорожная техника | 57155 |
| Гидрораспределитель SD25-5OT-PTAB-G1 (аналог Walvoil серии SD25 на 240 литров) | Строительно-дорожная техника | 66440 |
| Гидрораспределитель SD25-6OT-PTAB-G1 (аналог Walvoil серии SD25 на 240 литров) | Строительно-дорожная техника | 76445 |
| Гидрораспределитель SD25-OT-PTAB-G1 (аналог Walvoil серии SD25 на 240 литров) | Строительно-дорожная техника | 27720 |
| Гидрораспределитель SD8-2OT-PAB-G1/2-TN-G3/4 (аналог Walvoil серии SD8 на 80 л) | Строительно-дорожная техника | По запросу |
| Гидрораспределитель SD8-3OT-PAB-G1/2-TN-G3/4 (аналог Walvoil серии SD8 на 80 л) | Строительно-дорожная техника | По запросу |
| Гидрораспределитель SD8-4OT-PAB-G1/2-TN-G3/4 (аналог Walvoil серии SD8 на 80 л) | Строительно-дорожная техника | 15720 |
| Гидрораспределитель SD8-5OT-PAB-G1/2-TN-G3/4 (аналог Walvoil серии SD8 на 80 л) | Строительно-дорожная техника | 15875 |
| Гидрораспределитель SD8-6OT-PAB-G1/2-TN-G3/4 (аналог Walvoil серии SD8 на 80 л) | Строительно-дорожная техника | 21435 |
| Гидрораспределитель SD8-OT-PAB-G1/2-TN-G3/4 (аналог Walvoil серии SD8 на 80 л) | Строительно-дорожная техника | По запросу |
| Гидрораспределитель SDS180-0T.OW.OT-PAB-G1/2-TN-G3/4 (аналог Walvoil серии SDS180 на 160 литров) | Строительно-дорожная техника | 31435 |
| Гидрораспределитель SDS180-2OT-PAB-G1/2TN-G3/4 (аналог Walvoil серии SDS180 на 160 литров) | Строительно-дорожная техника | 22865 |
| Гидрораспределитель SDS180-3OT-PAB-G1/2TN-G3/4 (аналог Walvoil серии SDS180 на 160 литров) | Строительно-дорожная техника | 31435 |
| Гидрораспределитель SDS180-4OT-PAB-G1/2TN-G3/4 (аналог Walvoil серии SDS180 на 160 литров) | Строительно-дорожная техника | 34960 |
| Гидрораспределитель SDS180-5OT-PAB-G1/2TN-G3/4 (аналог Walvoil серии SDS180 на 160 литров) | Строительно-дорожная техника | 42730 |
| Гидрораспределитель SDS180-6OT-PAB-G1/2TN-G3/4 (аналог Walvoil серии SDS180 на 160 литров) | Строительно-дорожная техника | 50500 |
| Гидрораспределитель SDS180-OT-PAB-G1/2-TN-G3/4 (аналог Walvoil серии SDS180 на 160 литров) | Строительно-дорожная техника | 15720 |
| Гидрораспределитель Z50 A ES3 24 VDC G | По запросу | |
| Гидрораспределитель Z80 A ES3 24 VDC G | Коммунальная техника, КДМ (Курган) | По запросу |
| Гидрораспределитель ВЕ10.44 Г12 | АГП-22, АГП-22.04 | По запросу |
| Гидрораспределитель ВЕ10.44 Г24 | КО-829 | По запросу |
| Гидрораспределитель ВЕ10.44Г12 Г24 | По запросу | |
| Гидрораспределитель ВЕ10.574 Г12 | АГП-22, АГП-22.04 | По запросу |
| Гидрораспределитель ВЕ10.574А Г12 | АГП-22, АГП-22.04 | По запросу |
| Гидрораспределитель ВЕ10.574Г12 АГ12 | По запросу | |
| Гидрораспределитель ВЕ10.64 Г12 | КО-510, АГП-22, АГП-22.04 | По запросу |
| Гидрораспределитель ВЕ10.64А Г12 | По запросу | |
| Гидрораспределитель ВЕ10.64А Г24 | АРБ-100 | По запросу |
| Гидрораспределитель ВЕ10.64Г12 АГ12 | По запросу | |
| Гидрораспределитель ВЕ10.84А Г12 | АГП-22, АГП-22.04 | По запросу |
| Гидрораспределитель ВЕ10.84Г12 АГ12 | По запросу | |
| Гидрораспределитель ВЕ6.44 Г12 | ВС-22 | По запросу |
| Гидрораспределитель ВЕ6.44Г12 | Автогидроподъёмники и автовышки, автовышки ВС-22 | По запросу |
| Гидрораспределитель ВЕ6.54 Г12 | По запросу | |
| Гидрораспределитель ВЕ6.54Г12 64Г12 | По запросу | |
| Гидрораспределитель ВЕ6.573 Г12 | По запросу | |
| Гидрораспределитель ВЕ6.573Г12 ЕГ24 | По запросу | |
| Гидрораспределитель ВЕ6.573Е Г24 | По запросу | |
| Гидрораспределитель ВЕ6.574А Г24 | По запросу | |
| Гидрораспределитель ВЕ6.574АГ24 ЕГ24 | По запросу | |
| Гидрораспределитель ВЕ6.574Е Г12 | По запросу | |
| Гидрораспределитель ВЕ6.64 Г12 | Автогидроподъёмники и автовышки, автовышки ВС-22-01 | По запросу |
| Гидрораспределитель ВЕХ16.44 Г24 | По запросу | |
| Гидрораспределитель ВЕХ16.44Г24 | Валочные машины | По запросу |
| Гидрораспределитель ВЕХ16.574А Г24 | По запросу | |
| Гидрораспределитель ВЕХ16.574АГ24 | Трубоукладчики | По запросу |
| Гидрораспределитель ВММ10.44 | Автогидроподъемники | По запросу |
| Гидрораспределитель ВММ10.64 | КО-510, КО-502Б, АГП-22, АРБ-100 | По запросу |
| Гидрораспределитель ГР-2-3-1 | Автокраны | По запросу |
| Гидрораспределитель ГР-2-3-1 (24в) | Автокраны | По запросу |
| Гидрораспределитель ГР-520.00 | Экскаваторы ЭО-3323А, ЕК-12, ЕК-14, ЕК-18 | 165000 |
| Гидрораспределитель ГР100-01 | По запросу | |
| Гидрораспределитель ГР100-02 | По запросу | |
| Гидрораспределитель ГРС-20-13 | 32922 | |
| Гидрораспределитель ГРС-20-16 | 34633 | |
| Гидрораспределитель ГРС-20-21 | 23128 | |
| Гидрораспределитель ГРС-20-22 | 23128 | |
| Гидрораспределитель ГРС-20-33 | 37701 | |
| Гидрораспределитель ГРС-20-37 | 51743 | |
| Гидрораспределитель ГРС-20-38 | 38881 | |
| Гидрораспределитель ГРС-25 | 41182 | |
| Гидрораспределитель ГУР 50-3406015-А | МТЗ-80, МТЗ-80Х, МТЗ-82, МТЗ-570 (50), МТЗ-572 (52), ЮМЗ-6АМ, ЮМЗ-6АЛ, ЮМЗ-6КМ, ЮМЗ-6КЛ, Т-28Х | По запросу |
| Гидрораспределитель МР 100.3.000А (аналог Р100, Р26.1401.000) | Экскаваторы ЭО-2621, ЭО-2626, ЭО-2628, ЭО-2629 | 15192 |
| Гидрораспределитель МР 100.3.000А-01 (аналог Р100-01,Р26.1401.000-01) | Экскаваторы ЭО-2621, ЭО-2625, ЭО-2628, ЭО-2629 | 15192 |
| Гидрораспределитель МР 200.3.000 | Экскаваторы ЭО-2626 | 40089 |
| Гидрораспределитель МР 80-4/1-221 (вместо Р80 3/1-221) | Т-4А.01, Т-4АП2.01, Т-4.02, Т-402.01, ТТ-4М | По запросу |
| Гидрораспределитель МР 80-4/1-221G | По запросу | |
| Гидрораспределитель МР 80-4/1-222 (170) положение крышки М (вместо Р80 3/1-222) | ЮМЗ-6, ЮМЗ-650, Т-150, Т-150К, Т-70, МТЗ-50, МТЗ-80, К-701М, К-701МБ, Т-4А, ДТ-75, ДТ-75Н, ДТ-75МЛ, Кировец | По запросу |
| Гидрораспределитель МР 80-4/1-222 (174) положение крышки Н (вместо Р80 3/1-222) | ДТ-75, ДТ-75Н, ДТ-75МЛ , К-701М, К-701МБ, Т-4А | По запросу |
| Гидрораспределитель МР 80-4/1-222G (вместо Р80 3/1-222ГГ) | ЮМЗ-6, ЮМЗ-650, Т-150, Т-150К, Т-70, МТЗ-50, МТЗ-80, К-701М, К-701МБ, Т-4А, ДТ-75, ДТ-75Н, ДТ-75МЛ, Кировец, ВТ-100 | По запросу |
| Гидрораспределитель МР 80-4/1-444 (вместо Р80 3/1-444) | По запросу | |
| Гидрораспределитель МР 80-4/1-444-4 (305) положение крышки Н (Р80 3/1-444) | ЭО-2621А, ЭО-2101, ЭО-2301, коммунальная техника, трубоукладчики ТБ-1, 1М | По запросу |
| Гидрораспределитель МР 80-4/1-444-4 (311) положение крышки М (Р80 3/1-444) | ЭО-2621А, ЭО-2101, ЭО-2301, коммунальная техника, трубоукладчики ТБ-1, 1М | По запросу |
| Гидрораспределитель МР 80-4/1-444G (вместо Р80 3/1-444ГГ) | По запросу | |
| Гидрораспределитель МР 80-4/2-222 (Р80 3/2-222) | ХТЗ-120, 120М, 121, 121М, 16131, 16331, погрузчики РУП Амкодор-Ударник» | По запросу |
| Гидрораспределитель МР 80-4/2-444-4 (вместо Р80 3/2-444) | ОКП-6, ПЭА-1.0, 1А, ТБ-1, ЛД-30, Т-150К-27, ПГ-0.2А, ДМ-15, ПЭ-Ф-1А, ПЭ-0.8Б, ВМ-4А, бур. маш. | По запросу |
| Гидрораспределитель МР 80-4/3-222 (Р80 3/3-444) | ХТЗ-120, 120М, 121, 121М, 16131, 16331, погрузчики РУП Амкодор-Ударник» | По запросу |
| Гидрораспределитель МР 80-4/3-444-4 (вместо Р80 3/3-444) | ОКП-6, ПЭА-1.0, 1А, ТБ-1, ЛД-30, Т-150К-27, ПГ-0.2А, ДМ-15, ПЭ-Ф-1А, ПЭ-0.8Б, ВМ-4А, бур. маш. | По запросу |
| Гидрораспределитель МР 80-4/4-222 (вместо Р80 3/4-222) | МТЗ-570 (50), МТЗ-572 (52), МТЗ-80, МТЗ-82, МТЗ-100,МТЗ- 102, МТЗ-1221, ЛТЗ-155 (с силовым регулятором пахоты) | По запросу |
| Гидрораспределитель МР 80-4/4-222G (вместо Р80 3/4-222ГГ) | МТЗ-570 (50), МТЗ-572 (52), МТЗ-80, МТЗ-82, МТЗ-100,МТЗ- 102, МТЗ-1221, ЛТЗ-155 (с силовым регулятором пахоты) | По запросу |
| Гидрораспределитель МР-100.3.000А левый | По запросу | |
| Гидрораспределитель МР-100.3.000А-01 правый | По запросу | |
| Гидрораспределитель МРС 63.3/1.DВ.4.8C (224) (аналог Р12.3.8) | ГАЗ-САЗ-3901-10 | 29400 |
| Гидрораспределитель МРС 63.4/1.DB.4.9 (131) (аналог РМ-12А-131) | Коммунальная техника, Мусоровозы (Арзамас, Мценск), КО-449 | 38617 |
| Гидрораспределитель МРС 63.4/1.DВ.4.3 (081) (аналог РМ-12-81) | Коммунальная техника, Мусоровозы КО-440-1, КО-440-4 «Коммаш», г. Арзамас | 16560 |
| Гидрораспределитель МРС 63.4/1.DВ.4.8 (080) (аналог РМ-12-80) | Коммунальная техника, Мусоровозы КО-440-1, КО-440-4 «Коммаш», г. Арзамас, Мценск | 35328 |
| Гидрораспределитель МРС 63.4/1.P.MH.4.10 (140) (аналог РМ-12-140) | Коммунальная техника, Мусоровозы (Арзамас) | 43936 |
| Гидрораспределитель МРС 63.4/1.РL.4.4 (044) (аналог РМ-12-44) | Автогидроподъемники (С.-Пб.), автокраны «Юрга» | 19970 |
| Гидрораспределитель МРС 63.4/2.DB.4.3G+MPC 63.4/3.DB.4.3G | Автогрейдеры, ГС-14.02 | 53180 |
| Гидрораспределитель МРС 70.4/1.РМ.111 (аналог РП70-890) | МТЗ-100Х, МТЗ-80.1, МТЗ-82.1, МТЗ-826, МТЗ-82Р, МТЗ-80Х, тракторы без силового регулятора и г/подъемника (ан. РП70-890) | По запросу |
| Гидрораспределитель МРС 70.4/1.РМ.113 (аналог РП70-890.1) | «Беларус»- 100Х; МТЗ-80.1; МТЗ-82.1; МТЗ-826; МТЗ-82Р; МТЗ-80Х | По запросу |
| Гидрораспределитель МРС 70.4/2.РМ.111 (аналог РП70-1221)РП70-1221 | МТЗ-826, МТЗ-806, МТЗ-1021, МТЗ-1022, МТЗ-1026, МТЗ-1221, МТЗ-952, тракторы с гидроподъемником (аналог РП70-1221) | По запросу |
| Гидрораспределитель МРС 70.4/2.РМ.113 (аналог РП70-1221.1) | «Беларус»-826; 806; МТЗ-1021; МТЗ-1022; МТЗ-1026; МТЗ-1221; МТЗ-952 | По запросу |
| Гидрораспределитель Р 160-3/1-111 | Т-130, Т-170, Т-10, Б-10, ТБ-1, ТБ-1М, ПЭА-1, ЛД-30, ЛТ-154А, ЛП-18А | 17842 |
| Гидрораспределитель Р 160-3/1-111-10 | К-703, К-702М, Т-156А, Т-156Б, Т-156Б-09, Т-156К, спецтехника на базе К700А, К-744, ЛТ-72, Кировец | 17842 |
| Гидрораспределитель Р 160-3/1-222 | К-700А, К-701, К-701М, К-701МБ, Кировец | 17842 |
| Гидрораспределитель Р 80-3/1-22 | Т-16МГ, 16МГМЧ, ХТЗ-2511, 3510, Т-25, 30, 45, ВТЗ-2048, 2032, 30СШ | По запросу |
| Гидрораспределитель Р 80-3/1-222 | По запросу | |
| Гидрораспределитель Р 80-3/1-44 | Коммунальная техника | По запросу |
| Гидрораспределитель Р 80-3/2-44 | Погрузчики ПЭА-1.0, ПЭА-1А | По запросу |
| Гидрораспределитель Р-80 3/1-444 | По запросу | |
| Гидрораспределитель Р-80 3/2-222 | По запросу | |
| Гидрораспределитель Р-80 3/2-444 | По запросу | |
| Гидрораспределитель Р120-А1 GKZ1 | По запросу | |
| Гидрораспределитель РГС-25Г2 | Погрузчики ТО-18, ТО-28 | 61100 |
| Гидрораспределитель РГС-25Г4 | Погрузчики ТО-18, ТО-28 | 89570 |
| Гидрораспределитель РГС16.6 (аналог) (Италия) | 66000 | |
| Гидрораспределитель РК80-21 | Коммунальная техника, КДМ (Арзамас) | 43045 |
| Гидрораспределитель РМ-12-05 | Автокраны «Углич», «Клинцы», «Галичанин» | 20945 |
| Гидрораспределитель РМ-12-06 | Гидроманипуляторы (основной), Автокраны | 21299 |
| Гидрораспределитель РМ-12-08 | Автокраны «Галичанин», «Челябинец», «Строммашина» | 21122 |
| Гидрораспределитель РМ-12-100 | Автокраны «Камышин» | 20945 |
| Гидрораспределитель РМ-12-106 | Автокраны «Челябинец» | 21122 |
| Гидрораспределитель РМ-12-107 | Коммунальная техника, Мусоровозы «Арзамас» | 38527 |
| Гидрораспределитель РМ-12-116 | Автогрейдеры, ГС-14.02 | 46787 |
| Гидрораспределитель РМ-12-118 | Гидроманипуляторы ПЛ-70, ПЛ-97 (Великие Луки) | По запросу |
| Гидрораспределитель РМ-12-121 | Автогрейдеры, ГС-14 | 43542 |
| Гидрораспределитель РМ-12-131 | Машины коммунального хозяйства (Мценск) | 29913 |
| Гидрораспределитель РМ-12-134 | Автокраны «Углич» (выносных опор) | 28615 |
| Гидрораспределитель РМ-12-140 | Коммунальная техника, Мусоровозы (Арзамас) | 42067 |
| Гидрораспределитель РМ-12-21 | Гидроманипулятор выносных опор | По запросу |
| Гидрораспределитель РМ-12-23 | Муромтепловоз | 18290 |
| Гидрораспределитель РМ-12-24 | Муромтепловоз | 15517 |
| Гидрораспределитель РМ-12-27 | РАМЗ | По запросу |
| Гидрораспределитель РМ-12-28 | Автокраны «Углич» (выносных опор) | 25016 |
| Гидрораспределитель РМ-12-29 | Автогрейдеры, ДЗ-180 | 64723 |
| Гидрораспределитель РМ-12-38 | Можайское экспереметнально-механическое предприятие (АО МЭМП), Пилорамы | 40474 |
| Гидрораспределитель РМ-12-44 (-4РС1) | Автогидроподъёмники и автовышки, Автогидроподъемники (СПб.), Автокраны, Автокраны «Юрга» | 20650 |
| Гидрораспределитель РМ-12-55 | Лукойл-Нефтегазмаш | По запросу |
| Гидрораспределитель РМ-12-56 | 21653 | |
| Гидрораспределитель РМ-12-57 | 36521 | |
| Гидрораспределитель РМ-12-66 | Автокраны «Галичанин» | 28615 |
| Гидрораспределитель РМ-12-77 | По запросу | |
| Гидрораспределитель РМ-12-80 | Коммунальная техника, Мусоровозы КО-440-1, КО-440-4 (Арзамас) | 31801 |
| Гидрораспределитель РМ-12-81 | Коммунальная техника, Мусоровозы КО-440-1, КО-440-4 (Арзамас) | По запросу |
| Гидрораспределитель РМ-12-83 (-4РС1) | Автогидроподъёмники и автовышки, Автовышки «Завидовский ЭМЗ» | 20650 |
| Гидрораспределитель РМ-12-98 | Автокраны «Клинцы» | 28615 |
| Гидрораспределитель РМ-12А-02 | Путевые машины | 16697 |
| Гидрораспределитель РМ-12А-05 | КС-3577-3, КС-35719, КС-4572, КС-4579, КС-45717, КС-45719, КС-45721, КС-45722, КС-55713. КС-55714, КС-55715, КС-55721, КС-55730, КС-55743 | 24662 |
| Гидрораспределитель РМ-12А-06 | ПЛ-70, ПЛ-97, МУГ 70В-01. ЛВ-185-10, МГА-65, МГА-95, АСМ-1 | 25016 |
| Гидрораспределитель РМ-12А-08 | КС-3577-3, КС-35719, КС-4572, КС-4579, КС-45717, КС-45719, КС-45721, КС-45722, КС-55713. КС-55714, КС-55715, КС-55721, КС-55730, КС-55743 | 24839 |
| Гидрораспределитель РМ-12А-100 | Автокраны «Камышин», КС-4561, КС-4562, КС-4571, КС-4573, КС-5476, КС-6476, КС-7976 | 24662 |
| Гидрораспределитель РМ-12А-101 | 16697 | |
| Гидрораспределитель РМ-12А-105 | Железнодорожные краны | 32568 |
| Гидрораспределитель РМ-12А-106 | Автокраны, КС-45721, КС-55730 | 24839 |
| Гидрораспределитель РМ-12А-107 | Коммунальная техника, Мусоровозы (Арзамас), КО-440-1, КО-440-4, КО-440-5 | 38527 |
| Гидрораспределитель РМ-12А-110 | 28379 | |
| Гидрораспределитель РМ-12А-116 (комплект 3+3) (281.05.02.00.000) | Автогрейдеры, ГС-14.02 | 54988 |
| Гидрораспределитель РМ-12А-118 | ПЛ-70, ПЛ-97 | По запросу |
| Гидрораспределитель РМ-12А-121 (комплект 4+4) (273.05.02.00.000) | Автогрейдеры, ГС-10.01 | 51212 |
| Гидрораспределитель РМ-12А-126 | Гидроманипуляторы | 16697 |
| Гидрораспределитель РМ-12А-131 | Коммунальная техника, Мусоровозы (Арзамас, Мценск) | 35164 |
| Гидрораспределитель РМ-12А-132 | 54988 | |
| Гидрораспределитель РМ-12А-134 | Автокраны, КС-3577-3, КС-3574 | 28615 |
| Гидрораспределитель РМ-12А-135 (753.05.03.01.000) | Автогрейдеры, ГС-14.03, ГС-18.05, ГС-18.07, ГС-25.09 | 54811 |
| Гидрораспределитель РМ-12А-140 | Коммунальная техника, Мусоровозы (Арзамас), КО-440-1, КО-440-4, КО-440-5 | 42067 |
| Гидрораспределитель РМ-12А-149 (комплект 4+4) | Автогрейдеры, ГС-10.01 | 51212 |
| Гидрораспределитель РМ-12А-153 | Автогрейдеры | 54988 |
| Гидрораспределитель РМ-12А-154 (комплект 3+3) | Автогрейдеры, ГС-14.02 | 54988 |
| Гидрораспределитель РМ-12А-21 | Лесозаготовительная техника, ПЛ-70, ПЛ-97, МУГ 70В-01. ЛВ-185-10, МГА-65, МГА-95, АСМ-1 | По запросу |
| Гидрораспределитель РМ-12А-28 | Автокраны, КС-3574 | 25016 |
| Гидрораспределитель РМ-12А-29 | Автогрейдеры, ДЗ-180 | 64723 |
| Гидрораспределитель РМ-12А-44 (-4РС1) | Автогидроподъемники и автовышки, АГП-18, АГП-22, АГПТ-14, Автокраны КС-4361А, КС-4372В, КС-4671, КС-4871, КС-55722 | 20650 |
| Гидрораспределитель РМ-12А-66 | Автокраны, КС-35719-3, КС-35719-3-02, КС-45721,КС-55713-3 | 28615 |
| Гидрораспределитель РМ-12А-69 | Гидроманипуляторы | 16697 |
| Гидрораспределитель РМ-12А-80 | Коммунальная техника, Мусоровозы (Арзамас, Мценск), КО-440-1, КО-440-4, КО-440-5 | 31801 |
| Гидрораспределитель РМ-12А-81 | Коммунальная техника, Мусоровзы (Арзамас), КО-440-1, КО-440-4, КО-440-5 | По запросу |
| Гидрораспределитель РМ-12А-83 (-4РС1) | Автогидроподъемники и автовышки, АГП-18, АГП-22 | 20650 |
| Гидрораспределитель РМ-12А-98 | Автокраны, КС-35719 | 28615 |
| Гидрораспределитель РМ-12А-99 | 29205 | |
| Гидрораспределитель РМ-20-21 | Автокраны | 25901 |
| Гидрораспределитель РМ-20-22 | Автокраны | 25901 |
| Гидрораспределитель РМ-20-33А | Автокраны | 42244 |
| Гидрораспределитель РМ-20-43 | Автокраны | 42244 |
| Гидрораспределитель РМ16П-2-НС | 34581 | |
| Гидрораспределитель РМ16П-2-ППС | 34164 | |
| Гидрораспределитель РМ16П-НС-020Бх3 | 30928 | |
| Гидрораспределитель РМ16П-ППС | 47623 | |
| Гидрораспределитель РМ20-01 (ГРС20-01) | Автокраны, КС-35719, КС-45717, КС-45721, КС-45719, КС-55713, КС-55714, КС-55715, КС55721, КС-55743, КС-4579 | 27199 |
| Гидрораспределитель РМ20-02 (ГРС20-02) | Автокраны, КС-35719, КС-45717, КС-45721, КС-45719, КС-55713, КС-55714, КС-55715, КС55721, КС-55743, КС-4579 | 27199 |
| Гидрораспределитель РМ20-04 (ГРС20-04) | Автокраны, КС-3577-3, КС-3574, КС-45722, КС-45726-4 | 40710 |
| Гидрораспределитель РМ20-12 (ГРС20-12) | 27199 | |
| Гидрораспределитель РМ20-13 (ГРС20-13) | 41713 | |
| Гидрораспределитель РМ20-16 (ГРС20-16) | Автокраны, КС-35716, КС-35719, КС-45724-5 | 40710 |
| Гидрораспределитель РМ20-21 (ГРС20-21) | Автокраны, КС-45716-1, КС-4573, КС-5476, КС-6476 | 27199 |
| Гидрораспределитель РМ20-22 (ГРС20-22) | Автокраны, КС-45716-1, КС-4573, КС-5476, КС-6476 | 27199 |
| Гидрораспределитель РМ20-26 (ГРС20-26) | Автокраны, КС-35719, КС-45717, КС-45721, КС-45719, КС-55713, КС-55714, КС-55715, КС55721, КС-55743, КС-4579 | 27199 |
| Гидрораспределитель РМ20-30 (ГРС20-30) | Погрузчики, ПК-2702, ПК-2703 | 35164 |
| Гидрораспределитель РМ20-33А (ГРС20-33) | Автокраны, КС-35716, КС-35719, КС-45724-5 | 44368 |
| Гидрораспределитель РМ20-37А (ГРС20-37) | Автокраны, КС-3579, КС-45729А, КС-5479, КС-55727 | 60829 |
| Гидрораспределитель РМ20-38 (ГРС20-38) | 45725 | |
| Гидрораспределитель РМ20-43 (ГРС20-43) | Автокраны, КС-3577-3, КС-3574, КС-45722, КС-45726-4 | 40710 |
| Гидрораспределитель РМ20-44 (ГРС20-44) | 41722 | |
| Гидрораспределитель РМП-20-11 | Автокраны, КС-45726-4 | 33099 |
| Гидрораспределитель РП80-44БКЕ (6520-8607200) | По запросу | |
| Гидрораспределитель РП80-44КЕ (6520-8607010-10) | По запросу | |
| Гидрораспределитель РС25.20-20-3х01-30.1 | Автогрейдеры, ДЗ-98 | 29618 |
| Гидрораспределитель РС25.20-20.1-3х01-30 | Автогрейдеры, ДЗ-98 | 29618 |
| Гидрораспределитель РС25.20-20.3-01-06-30 | Автокраны «Галичанин», КС-4572, КС-45719, КС-4572А, Клинцы КС-45719, Дрогобыч КС-4574 | 26000 |
| Гидрораспределитель РС25.20-20.3-01-07-10.4-06-01 | 47880 | |
| Гидрораспределитель РС25.20-20.3-01-07-10.4-06-01-30 | Автокраны «Дрогобыч», КС-3575А | 48600 |
| Гидрораспределитель РС25.20-20.3-07-01-30 | Автокраны «Галичанин», КС-4572, КС-45719 | 31445 |
| Гидрораспределитель РС25.20.20.2х01.30 | Погрузчики ТО-30 | 27490 |
| Гидрораспределитель РС25.20.20.3х01.30 | Погрузчики ТО-18, ТО-28 | 24800 |
| Гидрораспределитель РСР25.25-20.3-01-06-30 | Автокраны, КС-4572 | По запросу |
| Гидрораспределитель РСР25.25-20.3-01-07-10.4-06-01-30 | Автокраны, КС-3575А | По запросу |
| Гидрораспределитель РСР25.25-20.3-07-01-30 | Автокраны, КС-4572 | По запросу |
| Гидрораспределитель РХ 346 1ЖЖ…Ж4 | По запросу | |
| Гидрораспределитель РХ 346 1ЖЖ4 | Строительно-дорожная техника | По запросу |
| Гидрораспределитель РХ 346 1ЖЖЖ4 | Коммунальная техника, Мусоровозы (Арзамас, Мценск), МКС-1 (бункеровоз) | По запросу |
| Гидрораспределитель РХ 346 1ЖЖЖЖ4 | Автовышки АГП | По запросу |
| Гидрораспределитель РХ 346 1ЖЖЖЖЖ2 | КО-415, КО-429, МКЗ, Строительная техника | По запросу |
| Гидрораспределитель РХ 346 1ЖЖЖЖЖ4 | Коммунальная техника, Мусоровозы (Мценск) | По запросу |
| Гидрораспределитель РХ 346 1ЖЖЖЖЖЖ4 | РИКО, ЯВОР, БАКМ, Автокраны | По запросу |
| Гидрораспределитель РХ 346 3 КК 3 | Коммунальная техника | По запросу |
| Гидрораспределитель РХ 346 3ЖЖЖЖЖ2 | КО-415, КО-429, МКЗ, МКМ, Автокраны КС-3577 | По запросу |
| Гидрораспределитель РХ 346 3ККК3 | Коммунальная техника, Мусоровозы (Мценск), КО-450 (мценский бункеровоз) | По запросу |
| Гидрораспределитель РХ 346 3КККК3 | Коммунальная техника, Мусоровозы КО-442, КО-450, Автогрейдеры, ДЗ-143, ДЗ-180 | По запросу |
| Гидрораспределитель РХ 346 3ККККК3 | Коммунальная техника, Мусоровозы (Арзамас, Мценск), КО-415, КО-429, МКЗ, МКМ, Автогрейдеры, ДЗ-122, ДЗ-143, ДЗ-180 | По запросу |
| Гидрораспределитель РХ 346 3КККККК3 | Строительно-дорожная техника | По запросу |
| Гидрораспределитель РХ 346 3КККККККК3 | Коммунальная техника | По запросу |
| Гидрораспределитель РХ 346 3ККККККККК3 | Строительно-дорожная техника | По запросу |
| Гидрораспределитель РХ 346 3КККККККККК3 (225.05.01.000.000) | Автогрейдеры, ДЗ-122, ДЗ-143, ДЗ-180, Коммунальная техника, Мусоровозы | По запросу |
| Гидрораспределитель РХ 346 3ККККККККККК3 | Автогрейдеры, ДЗ-122, ДЗ-143, ДЗ-180, Коммунальная техника, Мусоровозы | По запросу |
| Гидрораспределитель РХ346 3КССССССС3 | Коммунальная техника, Мусоровозы (Арзамас, Мценск), Строительно-дорожная техника | По запросу |
| Гидрораспределитель РХ80 1ВнАнА | ДВ 1792 | По запросу |
| Гидрораспределитель РЭ50М-КЭ | Коммунальная техника, Мусоровозы (Мценск) | 22597 |
| Гидрораспределитель РЭ80-КЭ (РЭМ60К-01) | Коммунальная техника, КДМ (Мценск) | 23895 |
| Гидрораспределитель РЭ80М-80КЭ (РЭМ60К-01) | 21771 | |
| Гидрораспределитель РЭГ-6 (12В) (РЭГ6.00.000-1) | Автокраны, КС-4361А, КС-4372В, КС-4671, КС-4871, КС-55722 | По запросу |
| Гидрораспределитель РЭГ-6 (24В) (РЭГ6.00.000-1) | Автокраны, КС-4361А, КС-4372В, КС-4671, КС-4871, КС-55722 | По запросу |
| Гидрораспределитель РЭМ120-1 | Коммунальная техника, КДМ (Арзамас) | 31770 |
| Гидрораспределитель РЭМ120-2 | Коммунальная техника, КДМ (Арзамас) | 44750 |
| Гидрораспределитель РЭМ60-1-1 (1РЭ80М-120КЭ) | Коммунальная техника, КДМ (Арзамас) | 40500 |
| Гидрораспределитель РЭМ60-1-2 (2РЭ80М-120КЭ) | Коммунальная техника, КДМ (Арзамас) | 52005 |
| Гидрораспределитель РЭМ60-1-3 (3РЭ80М-120КЭ) | Коммунальная техника, КДМ (Арзамас) | 66340 |
| Гидрораспределитель РЭМ60-1-4 (4РЭ80М-120КЭ) | Коммунальная техника, КДМ (Арзамас) | По запросу |
| Гидрораспределитель РЭМ60-1-5 (5РЭ80М-120КЭ) | Коммунальная техника, КДМ (Арзамас) | 80690 |
| Гидрораспределитель РЭМ60-1-6 (6РЭ80М-120КЭ) | Коммунальная техника, КДМ (Арзамас) | По запросу |
| Гидрораспределитель У063.00.000-3 | Автокраны, КС-3577, КС-3574, КС-35714, КС-35715, КС-45717 | 43094 |
| Гидрораспределитель У063.00.000-3-02 | Автокраны, КС-3577, КС-3574, КС-35714, КС-35715, КС-45717 | 45000 |
| Гидрораспределитель У3.30.00.000-2 -01 | Автокраны | 32000 |
| Гидрораспределитель У319.00.000 | Автокраны | 22800 |
| Гидрораспределитель У4690.06.901 (24/12 В) | Автокраны | По запросу |
| Крышка для гидрораспределителя РХ 346-КК3 (задняя) | По запросу | |
| Крышка для гидрораспределителя РХ 346-КК4 (задняя) | По запросу | |
| Крышка для гидрораспределителя РХ 346-РК1 | По запросу | |
| Крышка для гидрораспределителя РХ 346-РК3 (передняя) | По запросу | |
| Распределитель RSZ1-20 (L-34) | Погрузчики, L-34 | 35100 |
| Рычажная система секции Ж(К) для гидрораспределителя РХ 346 | Строительно-дорожная техника | По запросу |
| Секция 4224.24.09.100 | Экскаваторы ЭО-4121, 4124, 4224, Валочно-пакетирующая машина ЛП-19 | По запросу |
| Секция Ж гидрораспределителя РХ 346 | Строительно-дорожная техника | По запросу |
| Секция К гидрораспределителя РХ 346 | Строительно-дорожная техника | По запросу |
Распределители вяжущего материала
Наша компания производит цементораспределители (распределители вяжущего материала) на базе Камаз, МАЗ и др. установленные на автомобильное шасси.
Это универсальное средство для равномерного распределения вяжущего материала, такого как цемент, известь и пепел для усовершенствования или уплотнения почвы.Механизм предназначен для дозированного (кг/м2) распределения цемента по поверхности грунта при выполнении строительных работ по устройству оснований дорог, полов зданий и других поверхностей линейных и площадных объектов, в соответствии с ГОСТ 23558-94 Смеси щебеночно-гравийно-песчаные и грунты, обработанные неорганическими вяжущими материалами для дорожного и аэродромного строительства.
Цементораспределитель, работающий на базе самосвала (МАЗ, КАМАЗ и др.) отличается достаточно высокой манёвренностью, что позволяет использовать его и в других строительных и сельскохозяйственных технологиях там, где необходимо равномерное с заданным количеством распределение сухих мелкодисперсных материалов.Управлять прицепным распределителем цемента очень удобно, так как пульт управления всеми функциями расположен в кабине водителя.
Предусмотрена возможность снятия/установки Распределителя с АМ при последующей эксплуатации АМ.
В зависимости от конструктивных особенностей, комплектующего оборудования и других характеристик распределители могут изготавливаться нескольких модификаций.
ТЕХНИЧЕСКИЕ ХАРАКТЕРИСТИКИ РАСПРЕДЕЛИТЕЛЯ.
|
Технические характеристики |
Значения | ||
|---|---|---|---|
| Объем бункера |
4,5…16 м3 |
||
| Материал изготовления конструкции |
сталь Ст3, 09г2с |
||
|
Тип транспортёра |
Скребковый |
||
|
Тип цепей транспортёра |
Роликовая цепь |
||
|
Тип привода транспортёра |
Гидравлический регулируемый |
||
|
Тип привода распределительного механизма |
Гидравлический регулируемый |
||
|
Распределительный механизм |
3 съёмных шлюзовых дозатора роторного типа |
||
| Ширина распределения | До 2,4м путем отключения одного из дозаторов | ||
|
Плотность распределения |
До 80 кг/м2 |
||
| Масса Распределителя | до 3,5 т | ||
| Допустимая погрешность распределения | 1,5 кг/м2 | ||
ПРИНЦИП РАБОТЫ
Цемент из бункера, на транспортере подается в шлюзовой отсек, в котором установлены три обособленных шлюзовых дозатора роторного типа. По мере движения АМ, за счет скорости работы транспортера и дозаторов, с учетом скорости движения АМ происходит дозированное распределение цемента по поверхности.
С внешней стороны, от дозаторов до земли, установлены кожухи, закрывающие рассыпаемый цемент от ветра и выполняющие обеспыливающую роль.
Если у Вас возникли вопросы по данной продукции и требуется консультация,
наши менеджеры готовы помочь по телефонам +7 (4932) 52-07-45, 8-800-505-41-07
| Гидравлика |
| Агрегат-насосный НРФ-6.3/50М (без эл. двигателя) |
| Гидрозамок 3 КУ 32/320 односторонний |
| Гидромотор Г15-24Н |
| Гидромотор НПА-64 |
| Гидрораспределитель 1РЕ10-574 ОФ Н |
| Гидрораспределитель БМ-302, БМ-205, МРС-Б бурильно-крановой машины |
| Гидроцилиндр БМ-302 (БМ-205,БМ-317) выносной опоры (гидродомкрат) |
| Гидроцилиндр БМ-302, БМ-205 опоры (гидродомкрат) |
| Гидроцилиндр МРК750 механической укладки стрелы 750А4-06-200-2 |
| Гидроцилиндр МРК750 подъема шнека 750А4-06-200-2-01 |
| Гидроцилиндр МРС-Б выносной опоры (гидродомкрат |
| Гидроцилиндр СМК-10 (аутригер) выносных опор автокрана, Ивановец |
| Гидроцилиндр У4560.097 |
| Насос радиальнопоршневой НРФ6.3/50М |
| Насос-мотор БК2.957.020 |
| Регулятор потока МПГ55-24 |
| Электродвигатели |
| Электродвигатель 3ДН.51 аналог 3ДН.51-3 |
| Электродвигатель 55кВт 1000об/мин |
| Разное |
| Автотрал г.п. 30тн, длина 12,5м, длина площадки 9м, ширина 2,8м, высота 1м |
| БГМ-1, выдвижной кронблок |
| Бульдозер Т-170 в отличном состоянии 1994 г.в. |
| Бульдозер Т-170 на базе Т-130, на гарантии, капремонт в заводских условиях |
| Бур диаметр 360-800 мм для ямобуров |
| Бурильно-крановая машина БКМА 1.0/3.5 на Зил 130 (новая установка) |
| Бурильно-крановая машина БКМА 1.0/3.5 на Зил 131 2001 года выпуска |
| Бурильно-крановая машина БКОГ на базе ДТ-75 |
| Бурильно-крановая машина БМ-205 |
| Бурильно-крановая машина БМ-302 на ГАЗ-66 |
| Бурильно-крановая машина МРС-Б (бур, кран, люлька) на ГАЗ-66 |
| Буроям в отлином состоянии на ГАЗ-66 |
| Вращатель БКМА-1.0/3.5 новый |
| Вращатель БМ-302 |
| Вращатель БМ-308 |
| Вращатель МРК-690 |
| Вращатель МРК-750 750А4-93-000 (новый) |
| Вращатель МРС-Б |
| Газовый ковер |
| Гидроцилиндр выдвижения стрелы 6 метров на кран КС |
| Гидроцилиндр подъема стрелы на кран КС |
| Головка блока для CATERPILLAR CAT-3306 8N6796 нов. в упаковке |
| Динамометры ДПУ 5-10 тн |
| Запчасти ЧТЗ Т-130/170 со склада в Волгограде |
| Ковер для газовых сетей |
| Колодка тормознаяТМ (гребневая) |
| Колодка тормозная для дрезины АГМу |
| Колосники печные чугунные |
| Копатель шахтных колодцев КШП-40 (КШК-40) |
| Коробка отбора мощности (КОМ) БМ-302 |
| Коробка отбора мощности БМ-302Б.02.01.000А |
| Коробка отбора мощности на раздатку БМ-302, МРК-750, БКМА |
| Коробка раздаточная БМ-205 с грузовой лебедкой |
| КШК-40 копатель шахтных колодцев |
| ЛБУ-50 установка буровая без шасси |
| Лебедка БМ-308, БМ-311 гидравлическая |
| Люки полимерные Л |
| Люки полимерпесчанные тип Л |
| Люки чугунные Т |
| Мотор-редуктор планетарный МРС-Б механизма подъема и опускания бура |
| МРК-750А на Зил 131 |
| Насос Д200-95 с эл. двигателем |
| Насос песковый ПКВП-63/22,5 Белорусь |
| Насосная станция НС-8/500, проект 738.00.000 |
| Опорно-поворотный круг ОПУ МРС-Б |
| Планетарный мотор-редуктор МР3.100.02.100 |
| Подвесной редуктор бура БКОГ (БКМ) |
| Пресс Р-340 гидравлический, усилие 63тн |
| Раздаточная коробка ГАЗ-33081, ГАЗ-33089 дизель |
| Редуктор вращения бура БМ-302 |
| Редуктор вращения бура БМ-308 |
| Редуктор вращения бура МРК-750 |
| Редуктор вращения бура МРС-Б |
| Редуктор крановый РМ-350 |
| Редуктор поворота ЭО-4224 4125.85.00.000 (новый) |
| Ротор БМ-302 |
| Ротор БМ-308 |
| Ротор МРС-Б |
| Рыхлитель однозубый (б/у) на Т-170 |
| Трактора К-701Р 1985-1986 г.в. в нормальном состоянии |
| Угловой редуктор ЛБУ-50 |
| Угловой редуктор МРК-750 690А-94-000 усиленный корпус |
| Фрикцион (сцепление) БКМА 1.0/3.5 |
| Чугунный газовый ковер |
| Ямобур в отличном состоянии на ГАЗ-66 |
| Ямобур на ГАЗ-3308 новый |
| Ямобур. Коробка раздаточная с лебедкой БМ-302Б ( БМ-202А.02.02.000 ) |
Россия Зил 130 Поставщики, все качества Россия Зил 130 Поставщики на Alibaba.com
Страна / регион: Китай Основные продукты:Насос для трактора, водяной насос для грузовиков, запчасти мтз, запчасти маз, россия насос охлаждающей воды
Общий доход:1 миллион долларов США — 2 доллара США.5 миллионов
Топ-3 рынка:Восточная Европа 12% , Южная Европа 10% , Северная Европа 10%
Страна / регион: Китай Основные продукты:радиатор, интеркулер, патрубок
Общий доход:2 доллара США.5 миллионов — 5 миллионов долларов США
Топ-3 рынка:Восточная Европа 10% , Южная Азия 5%
Страна / регион: Китай Основные продукты:Прецизионные детали для аэрокосмической промышленности, Механические детали, Коленчатые валы, Прецизионные детали для литья под давлением, Фитинг для шланга с зазубринами
Общий доход:Менее 1 миллиона долларов США
Топ-3 рынка:Северная Америка 20% , Южная Америка 20% , Восточная Европа 10%
Страна / регион: Китай Основные продукты:Амортизаторы, полный узел стойки, пневматическая подвеска, пружина, Abdorber
Общий доход:10 миллионов долларов США — 50 миллионов долларов США
Топ-3 рынка:Северная Америка 25% , Южная Америка 24% , Юго-Восточная Азия 14%
Страна / регион: Китай Основные продукты:Масляный радиатор, автоматический датчик, стартер, генератор
Общий доход:2 доллара США.5 миллионов — 5 миллионов долларов США
Топ-3 рынка:Восточная Европа 50% , Западная Европа 30% , Северная Европа 10%
Страна / регион: Китай Основные продукты:Тормозной диск, шариковый подшипник, роликовый подшипник, автоматический подшипник, натяжитель
Общий доход:1 миллион долларов США — 2 доллара США.5 миллионов
Топ-3 рынка:Восточная Европа 40% , Африка 20% , Южная Америка 10%
Страна / регион: Китай Основные продукты:Амортизатор
Общий доход:5 миллионов долларов США — 10 миллионов долларов США
Топ-3 рынка:Внутренний рынок 58% , Восточная Европа 12% , Африка 11%
Страна / регион: Китай Основные продукты:ДЕТАЛИ АВТОМАТИЧЕСКОГО ДВИГАТЕЛЯ, ДЕТАЛИ РУЛЕВОГО УПРАВЛЕНИЯ, ДЕТАЛИ ТРАНСМИССИИ, АВТОЭЛЕКТРИЧЕСКИЕ ЧАСТИ, ДЕТАЛИ КУЗОВА
Общий доход:2 доллара США.5 миллионов — 5 миллионов долларов США
Топ-3 рынка:Северная Америка 19% , Южная Америка 13% , Африка 10%
Страна / регион: Китай Основные продукты:Диск сцепления, крышка сцепления, подшипник сцепления, муфта, ДИСК СЦЕПЛЕНИЯ
Общий доход:5 миллионов долларов США — 10 миллионов долларов США
Топ-3 рынка:Внутренний рынок 20% , Восточная Азия 15% , Африка 10%
Страна / регион: Китай Основные продукты:Крышка сцепления, диск сцепления, тормозная колодка, тормозная колодка, автоматический ремень
Общий доход:10 миллионов долларов США — 50 миллионов долларов США
Топ-3 рынка:Южная Америка 20% , Средний Восток 20% , Восточная Азия 10%
Страна / регион: Китай Основные продукты:Подшипники, линейная направляющая, шариковый передаточный механизм, звездочка, универсальный шарнир
Общий доход:2 доллара США.5 миллионов — 5 миллионов долларов США
Топ-3 рынка:Восточная Европа 20,0% , Северная Америка 15,0% , Западная Европа 15.0%
Страна / регион: Китай Основные продукты:Запчасти для автомобильных тормозов, Запчасти для автомобильных двигателей, Запчасти для подвески и рулевого управления, Запчасти для автомобильных трансмиссий, Электрические детали для автомобилей
Общий доход:1 миллион долларов США — 2 доллара США.5 миллионов
Топ-3 рынка:Западная Европа 39% , Северная Америка 21% , Восточная Европа 6%
Страна / регион: Китай Основные продукты:шестерня, вал, шестерня трактора
Топ-3 рынка:Восточная Европа 60% , Средний Восток 20% , Южная Европа 10%
Страна / регион: Китай Основные продукты:Шестерня, вал, гидравлический патрон, масляный цилиндр
Общий доход:1 миллион долларов США — 2 доллара США.5 миллионов
Топ-3 рынка:Южная Азия 60% , Северная Европа 30% , Внутренний рынок 10%
Страна / регион: Китай Основные продукты:детали двигателя, детали кузова, детали подвески, электрические детали, автозапчасти
Общий доход:Менее 1 миллиона долларов США
Топ-3 рынка:Южная Америка 60% , Юго-Восточная Азия 20% , Средний Восток 5%
Страна / регион: Китай Основные продукты:Стартер, генератор, коммутатор, детали генератора, детали стартера
Общий доход:50 миллионов долларов США — 100 миллионов долларов США
Топ-3 рынка:Северная Америка 20% , Южная Америка 20% , Северная Европа 12%
Страна / регион: Китай Основные продукты:Амортизаторы, полный узел стойки, пневматическая подвеска, пружина, Abdorber
Общий доход:10 миллионов долларов США — 50 миллионов долларов США
Топ-3 рынка:Северная Америка 25% , Южная Америка 24% , Юго-Восточная Азия 14%
Страна / регион: Китай Основные продукты:СТАРТЕР, ГЕНЕРАТОР, ДЕТАЛИ ГРУЗОВИКА, МАСЛЯНЫЙ ОХЛАДИТЕЛЬ, ОХЛАДИТЕЛЬ EGR
Общий доход:2 доллара США.5 миллионов — 5 миллионов долларов США
Топ-3 рынка:Восточная Европа 40% , Западная Европа 20% , Северная Европа 10%
Страна / регион: Китай Основные продукты:Насос для трактора, водяной насос для грузовиков, запчасти мтз, запчасти маз, россия насос охлаждающей воды
Общий доход:1 миллион долларов США — 2 доллара США.5 миллионов
Топ-3 рынка:Восточная Европа 12% , Южная Европа 10% , Северная Европа 10%
Страна / регион: Китай Основные продукты:Внутренняя трубка, Ремонт труб, Домкрат, Автозапчасти, Автоаксессуары
Общий доход:2 доллара США.5 миллионов — 5 миллионов долларов США
Топ-3 рынка:Восточная Европа 70% , Юго-Восточная Азия 20% , Южная Америка 5%
Страна / регион: Китай Основные продукты:Тормозной диск, шариковый подшипник, роликовый подшипник, автоматический подшипник, натяжитель
Общий доход:1 миллион долларов США — 2 доллара США.5 миллионов
Топ-3 рынка:Восточная Европа 40% , Африка 20% , Южная Америка 10%
Страна / регион: Китай Основные продукты:радиатор, интеркулер, патрубок
Общий доход:2 доллара США.5 миллионов — 5 миллионов долларов США
Топ-3 рынка:Восточная Европа 10% , Южная Азия 5%
Страна / регион: Китай Основные продукты:Шариковые подшипники, роликовые подшипники, линейные подшипники, смазка для подшипников, шариковые подшипники
Общий доход:5 миллионов долларов США — 10 миллионов долларов США
Топ-3 рынка:Внутренний рынок 34% , Южная Азия 11% , Средний Восток 9%
Страна / регион: Китай Основные продукты:Деталь с ЧПУ, коробка передач
Общий доход:2 доллара США.5 миллионов — 5 миллионов долларов США
Топ-3 рынка:Северная Америка 14,0% , Западная Европа 12,0% , Внутренний рынок 10.0%
Страна / регион: Китай Основные продукты:автомобильный воздушный компрессор, воздушный насос, коробка отбора мощности, насос рулевого управления, автозапчасти
Общий доход:2 доллара США.5 миллионов — 5 миллионов долларов США
Топ-3 рынка:Западная Европа 60% , Внутренний рынок 40%
Страна / регион: Китай Основные продукты:Автозапчасти
Общий доход:10 миллионов долларов США — 50 миллионов долларов США
Топ-3 рынка:Восточная Европа 60% , Средний Восток 40%
Страна / регион: Российская Федерация Основные продукты:Запчасти ЗиЛ , Двигатели ЗиЛ , Коробки передач ЗиЛ
Общий доход:Менее 1 миллиона долларов США
Страна / регион: Китай Основные продукты:турбокомпрессор, компрессор воздуха, детали тормозов грузовых автомобилей, сервопривод сцепления, регулятор зазора
Общий доход:2 доллара США.5 миллионов — 5 миллионов долларов США
Топ-3 рынка:Средний Восток 20% , Северная Америка 15% , Восточная Азия 10%
Страна / регион: Китай Основные продукты:Детали двигателя, автоматический датчик, поршневое кольцо, подшипник двигателя, поршень
Общий доход:1 миллион долларов США — 2 доллара США.5 миллионов
Топ-3 рынка:Восточная Азия 10% , Западная Европа 10% , Африка 10%
Страна / регион: Китай Основные продукты:Амортизатор
Общий доход:5 миллионов долларов США — 10 миллионов долларов США
Топ-3 рынка:Внутренний рынок 58% , Восточная Европа 12% , Африка 11%
Страна / регион: Китай Основные продукты:радиальный шарикоподшипник, конический роликоподшипник, подшипник для скейтборда, радиально-упорный шарикоподшипник, сферический роликоподшипник
Топ-3 рынка:Восточная Европа 20% , Центральная Америка 10% , Северная Америка 10%
Страна / регион: Китай Основные продукты:компрессоры с воздушным тормозом, компрессоры, воздушные компрессоры, детали Linha, детали компрессоров
Общий доход:5 миллионов долларов США — 10 миллионов долларов США
Топ-3 рынка:Западная Европа 7% , Внутренний рынок 7% , Южная Европа 7%
Страна / регион: Китай Основные продукты:Силиконовый шланг, Резиновый шланг, Шланг EPDM, Шланг NBR, Шланг радиатора
Топ-3 рынка:Южная Америка 20% , Центральная Америка 20% , Средний Восток 10%
Основные продукты:кофеварка
Страна / регион: Китай Основные продукты:Стартер, соленоид, ведущая шестерня
Топ-3 рынка:Восточная Европа 70% , Средний Восток 30%
Страна / регион: Беларусь Основные продукты: Дизельные двигатели, электрогенераторы
Общий доход:Более 100 миллионов долларов США
Топ-3 рынка:Средний Восток 7% , Внутренний рынок 7% , Южная Азия 7%
Основные продукты:запчасти для грузовиков
Страна / регион: Китай Основные продукты:клапан двигателя, седло клапана
Общий доход:Менее 1 миллиона долларов США
Топ-3 рынка:Африка 25% , Южная Америка 20% , Внутренний рынок 15%
Руль проще
ОБОРУДОВАНИЕ
СПЕЦИАЛЬНОСТЬ ДОМА
РУЛЕВАЯ СПИНКА
Продукция Борисовского завода «Автогидроусилитель» облегчит жизнь водителям УАЗов и Волг.
СОЛОПОВ Алексей
Читатели наверняка помнят, что на редакционном УАЗ 3153 установлен гидроусилитель руля. Уточним: на момент получения автомобиля на испытания этой весной этот агрегат еще не был предусмотрен в стандарте (как, кстати, в кастомная) конфигурация. Однако я надеюсь, что многие водители скоро смогут оценить его достоинства.
Судите сами: по заводским полигональным протоколам «… при повороте управляемых колес на место усилие на рулевом колесе уменьшилось с 18–20 до 6 кгс, а в движении — с 6–8 до 2.5 кгс ». Что ни говори, но трижды — значит« резко ». Но субъективные ощущения таковы: именно усилитель позволяет получать удовольствие от вождения« длинного »УАЗика. Конечно, и увеличенная база, и пружинная подвеска и радиальные шины тоже работают на новый имидж вездехода, но главное все равно усилитель.Тяжелый (снаряженная масса 1,8 тонны) и, казалось бы, корявый «длинный» демонстрирует неожиданную ловкость при парковке. Постоянное руление при сильном боковом ветре от парусных машин больше не утомляет дальние степные перегоны.Многочисленные дорожные «сюрпризы» не реагируют ударом по рулю. Выйти из колеи, не дожидаясь удачного момента, можно только с примитивным упорством — теперь это не требует физических затрат.
Существует много разных типов и схем усилителей, но наиболее распространены гидравлические. Напомним, что такими агрегатами оснащалось большинство советских грузовиков.
В апреле 1972 года на Борисовском автогидрушителе (Беларусь) изготовлена первая партия насосов гидроусилителя рулевого управления для автомобилей ЗИЛ-130.В 1990 году номенклатура гидротехнических сооружений превышала 50 наименований. Потребителями стали практически все автомобильные заводы, но основной, несомненно, КамАЗ. У предприятия в Борисове, которое работало с перегрузкой, просто не было физической возможности взять на себя проблемы «каких-то там машин». И тогда такую задачу никто не ставил.
Задача выдвинута… рынок. Обвал производства грузовиков (и не только на КамАЗе) оставил Автогидросилитель без работы. Выход был виден в переориентации на оснащение легких грузовиков, где доминирует «Газель», и легковых автомобилей.В результате родилось семейство гидравлических систем рулевых механизмов интегрального типа для автомобилей ГАЗ и УАЗ. Конструкция универсальна и подходит для легковых автомобилей, вездеходов, небольших грузовиков и фургонов. До сих пор аналогичные изделия такого типоразмера в СНГ не производились. Технические характеристики гидросистемы на уровне лучших зарубежных аналогов. Естественно, завод не забывает и о некогда главной задаче — идет подготовка к выпуску рулевых механизмов интегрального типа для большегрузных автомобилей.В дальнейшем разрабатываются гидроусилители для реечных рулевых механизмов (такие планируется на новых Волге и УАЗе).
Ульяновск изначально предполагал оборудовать модель 3160 усилителем в стандартной комплектации. Но ведь потомки «469-го» с конвейера сойдут не скоро! И особых изменений в текущем производстве для размещения под капотом усилителя, помпы и бачка не требуется — автор имел возможность убедиться в этом. Словом, в этом году Автогидравлический усилитель поставит 30 000 комплектов гидросистем СНКФ 453461.130 на конвейер УАЗ. К тому времени, как первые покупатели получат новые продукты, мы уже можем поделиться с ними собственным опытом.
А пока мы предоставляем слово белорусским специалистам.
Механизм гидроусилителя рулевого управления выполнен по интегральной схеме: гидрораспределитель и гидроцилиндр размещены в одном корпусе с рулевым механизмом.
Тип рулевого механизма: винт-шариковая гайка-зубчатая рейка-трезубец сектор. Зубчатая рейка выполнена за одно целое с поршнем и шариковой гайкой косозубой шестерни.Винт рулевого механизма, взаимодействующий с шариковой гайкой, установлен на двух упорных подшипниках, один из которых расположен в корпусе рулевого механизма, а второй — в корпусе распределителя.
Трехзубый сектор 3, взаимодействующий с зубчатой рейкой поршня 11, установлен в картере 2 рулевого механизма на двух роликовых радиальных подшипниках с эксцентриковыми втулками.
Распределитель тангенциальный, поворотного типа, с центрирующим элементом в виде торсиона.
Золотниковый вал 4 распределителя с рабочими гидроэлементами расположен одним концом в осевом отверстии винта рулевого механизма, а второй опирается на радиальный роликовый подшипник в корпусе распределителя. Вал золотника и винт соединены между собой сегментированными поперечными упорами: они ограничивают их относительное вращение и обеспечивают механическую связь при передаче вращения от вала золотника на винт рулевого механизма в случае выхода из строя гидроусилителя.
Гидравлическое нейтральное положение вала золотника устанавливается при сборке и приемке клапана и фиксируется штифтом.
Рассмотрим на схеме работу механизма при левом повороте. Водитель через рулевое колесо и вал вращает золотниковый вал 4, соединенный с винтом посредством торсиона. Вращение вала золотника относительно винтовой втулки приводит к перекрытию каналов гидрораспределителя, отвечающего за слив рабочей жидкости из полости А, и открытию каналов, обеспечивающих дренаж из полости Б.Одновременно полость B отсоединяется от напорной магистрали и рабочая жидкость под давлением поступает в полость A. Шток 11 поршня под действием давления рабочей жидкости перемещается в направлении корпуса распределителя. Зубчатая рейка, взаимодействуя с зубчатым сектором, вызывает вращение последней, а через нее — вращение сошки и управляемых колес автомобиля. При снятии усилия с руля закрученный торсион возвращает вал золотника в среднее положение — в полостях A и B устанавливается давление слива.Управляемые колеса под действием стабилизирующего момента занимают положение для движения по прямой, поворачивая сошку и связанный с ней сектор вала. Вращение сектора вала заставляет шток поршня перемещаться, пока он не займет среднее положение в механизме.
Схема устройства гидроусилителя: 1 — сошки; 2 — шкаф; 3 — зубчатый сектор; 4 — золотниковый вал; 5 — винтовая втулка; 6 — втулка; 7 — масляный бак; 8 — сетчатый фильтр; 9 — гидронасос; 10 — корпус распределителя; 11 — шток поршня.А — полость силового цилиндра, находящаяся под давлением рабочей жидкости при повороте влево; Б — полость силового цилиндра, из которой рабочая жидкость уходит в слив при повороте влево.
Детали гидроусилителя рулевого управления: 1 — рулевой механизм; 2 — масляный бак; 3 — насос.
Прицеп для кормораздатчика
426 race hemi фактическая мощность
Реле атаки ebay
Пластина защелки Divider Slam Latch — подходит для некоторых прицепов Circle J Horse Trailers $ 49.95; Защелкивающаяся пластина Divider Slam — Royal T и Maverick $ 29,95; Дренажный рельс, двери отсека для хранения вещей 14,95 долл. США; Мешок подачи, стиль наклонной угловой нагрузки с защелками $ 34,95; Ступень Fender, алюминиевая экструзия — со стороны водителя $ 80,00 $ 74,95 ПРОДАЖА У нас есть самосвальные прицепы и бункеры, которые могут перевозить зерно из ваших складских бункеров на комбикормовые заводы, зерновой терминал или дробилки сои и заводы по производству этанола. У нас есть грузовики-комбайны для перевозки кормов с заводов на молочные, свиноводческие, куриные и мясные фермы. У нас есть прицепы-фургоны для перевозки на тележках кормов, семян и удобрений на склады снабжения фермы.
Как заправить цеолитовые камни
Дистрибьюторские грузовики Rosco Maximizer оснащены широкой распылительной штангой для равномерного покрытия и равномерного распыления. Чтобы найти подходящий Maximizer для вашего проекта по укладке дорожного покрытия, просмотрите спецификации и функции каждого продукта на нашем веб-сайте. Свяжитесь с нами. EZ Trail Incorporated 1050 E. Columbia St. PO Box 168 Arthur, IL 61911. Бесплатный телефон: (800) 677-2802 Телефон: (217) 543-3471
Загрузка нескольких файлов на Java
Zomer Truck Co. предоставляет грузовик и продажа прицепов для всех отраслей промышленности.Ag, месторождение нефти, OTR и любые другие нужды. Продажа, покупка, аренда, запчасти и магазин с полным спектром услуг — все это доступно у нас. Легкий доступ к аэропорту и дружелюбный персонал сделают ваш отдых приятным. Заходите или позвоните нам сегодня! P.O. Box 975 • Conrad, MT Мы предлагаем широкий ассортимент самосвальных кузовов, разбрасывателей, прицепов, комплектов для мокрого погрузчика, платформ и деталей оборудования для грузовиков Комплекты для влажной линии У нас есть комплекты для мокрой линии для прицепов для сыпучих материалов, самосвальных прицепов, полуприцепов с подвижным полом и других специальные приложения.Tarp Systems Мы можем обслуживать все
,Mercedes, демонтаж выключателя зажигания.
СЕРИЯ МОДЕЛЕЙ: Грузовые ящики МОДЕЛЬ (S): CB1804, CB2004, CB2204, CB2404, CB2604 Стальные стенки 10-го калибра. Высококачественная напольная цепь с большой бочкой WR78. Доступны удлинители на 1, 2, 3 или 4 дюйма. Decorah, Айова, США Терминальные тягачи и грузовые автомобили Autocar спроектированы с учетом требований безопасности, комфорта водителя и производительности. Каждый производимый нами терминальный тягач рассчитан на то, чтобы с первого раза выполнять свою работу, и с Autocar Solutions мы гарантируем, что ваш грузовик продолжит работать, несмотря ни на что.
Bowflex hvt workout video
Грузовик с прицепом Klute в Брэдшоу, Череско и Спрингфилд, NE | Коммунальные самосвалы и прицепы-платформы в NE | Полумодели и самосвалы в NE (800) 260-4375
Интерпретация конституции
6 июня 2019 г. · Каков срок амортизации новой бетонной площадки для парковки бизнес-трейлеров и фургонов в домашнем офисе? Он имеет право на получение специального амортизационного отчисления в размере 50%. Когда вы вводите бетонную площадку в TurboTax, вам будет предоставлена возможность выбрать специальную амортизационную надбавку.Ritchie Bros. — крупнейший в мире аукционист оборудования и грузовиков. У нас всегда в наличии большой инвентарь седельных тягачей на продажу. Поищите в нашем инвентаре седельные тягачи, тягачи, кабины и шасси, фургоны и рефрижераторы, а также навесное оборудование для грузовиков, которые будут продаваться на предстоящих аукционах.
Kit homes michigan
BT&T продает новые и подержанные прицепы для пропана / безводного топлива, газа / дизельного топлива и удобрений / кормов, а также транспортные средства для доставки бобтейлов и шасси. Имеющиеся в продаже прицепы указаны в нашем интернет-магазине.Узнать больше
Root coolpad legacy
Weinrich Truck Line Inc. • 27932 C60 Hinton, IA 51024 • (712) 947-4887
Какова величина электрического усилия между двумя сферами_
Переносные сосуды для воды, грузовик резервуары для воды и средства для полива ферм. Резервуары емкостью до 63 галлонов! Покупайте товары для лошадей, фермы и ранчо с бесплатной доставкой!
Вас запустили в игру. Ошибка аутентификации Steam. Клиент без головы arma 3.
Трейлеры Quik Feed Система подачи Quik от Atascosa Wildlife Supply имеет пневматический привод и не имеет шнеков или конвейеров.Больше нет гранул с трещинами, и это самая быстрая система подачи корма в отрасли со скоростью до 500 фунтов в минуту. Дилер в Оклахоме, специализирующийся на подержанных пикапах и легких коммерческих грузовиках, а также на прицепах для использования с ними. Описания продаваемых автомобилей, в том числе фотографии.
Nvidia gtx 980 ti
Купите прицеп для лошади и грузовик вместе или по отдельности и получите правильный совет, как удовлетворить ваши потребности с первого раза. Огромная распродажа инвентаря на Transwest Truck Trailer RV 800-909-7071.Новые и подержанные прицепы — грузовики, предназначенные для буксировки — ремонт и модернизация прицепов — рабочие характеристики грузовиков. Узнайте больше о том, где MrTruck задает вопросы о трейлерах. Оказание помощи в качестве команды в продвижении качества жидких кормов к признанию компании №1 по производству жидких кормов в США. QLF Transportation, Inc. начала свою деятельность 1 ноября 1999 года. Транспортная компания начала свою деятельность с обслуживания четырех заводов QLF с 12 водителями, 12 грузовиками и 22 прицепами.
Gojek и грейферный погреб
Самосвалы-комбайны используются в основном для животноводства.Автобетоносмесители смешивают корм и транспортируют его к месту содержания скота. Ознакомьтесь с ассортиментом грузовиков-комбайнов, выставленных на продажу. Это описание RSS-канала … Последние предложения Carrier Transicold для грузовых автомобилей с прицепами обеспечивают повышенную устойчивость и повышенную эффективность.
Lvndmark job
ChengLi Special Automoble Co., Ltd., крупнейший производитель специальных автомобилей в центральном Китае, основанная в 2004 году, расположена в автомобильном промышленном парке ChengLi, город Суйчжоу, провинция Хубэй.Более 300 видов продукции могут быть адаптированы соответствующим образом, любой интерес, пожалуйста, свяжитесь с нами: 008618672222184
Quazite box
Производство грузовиков и прицепов для сыпучих материалов. Www.cubassegre.com Высококачественный электрогидравлический прицеп для подачи сыпучих материалов объемом 65 м3 из Китая, Ведущий китайский производитель прицепов для сыпучих материалов с гидравлическим приводом, со строгим контролем качества. Заводы по производству прицепов для сыпучих материалов объемом 65 м3, производящие высококачественные продукты для грузовиков для сыпучих материалов объемом 65 м3.
380 магазинов взаимозаменяемы
Walinga Engineered Transportation Equipment.От концепции, дизайна до производства — Walinga удовлетворяет потребности клиентов на каждом этапе. Создание выдающихся инновационных и долговечных продуктов, при этом некоторые автомобили клиентов передаются из поколения в поколение.
enro metal crusher
GEP Ecotech — производитель промышленных измельчителей для утилизации шин, поддонов, пластика и многих других материалов. Решения, предоставляемые GEP Ecotech, широко используются в переработке твердых бытовых отходов, переработке коммерческих и промышленных отходов, переработке отходов строительства и сноса, переработке пластика и вскрытии пакетов, переработке бумаги и картона, переработке крупногабаритных отходов, переработке шин и т. Д.Мы разрабатываем комплексные решения в соответствии с материалами и конкретными требованиями.
Transparencia
2016-5-13 · SCP UNIVERSIDAD AUTONOMA DE CHIHUAHUA DEPARTAMENTO DE ADQUISICIONES Clave Nombre Comercial Razón Social RFC Dirección Colonia Ciudad Teléfono Факс Джиро Хасита Факшан Клуба электричества в Facebook, Конец света, Конец света , Subasinghe Heavy Machinery Importers, Enro, Thilini Metal Crusher & Supplier, RC Media, TECHNOLOGY 4 U, Lakshan Computer House, පාරු, Весы DESH, Голуби Nikaweratiya, Travel Point, SL Lovers, 𝘼 𝙈 𝙊 𝙍 𝙀…
Оптовая барабанная машина
2020 Новый металлический сплав цвета радуги 4 слоя Мельница Курительный инструмент Стили барабана 5 цветов 53 мм Шлифовальный станок для трав Дробилка для сухих трав US $ 5,78 — 7,23 / Шт Бесплатная доставка 2010 年 春季 107 届 广交会 家 现场 询盘 数据 _ 百度 文库 Продам УФ-светодиоды высокой мощности (365–410 нм) Мне нужен УФ-светодиод 365 нм, пришлите, пожалуйста, спецификации того, что у вас есть I Мобильная дробилка MINERAL COOPER ORE CAPACIDAD CHANCADO: entre 400-800 Ed Hardy Women’s Skirts, ed hardy футболкам нужен Эд харди футболки
www.dbnl.org
2012-8-29 · Полная полоса f 7.50 „f„ twee bnd. f 8.25 Призовые за AFZ. deelff 4.50 ENGELSCH HANDWOORDENBOEK VAN GOOR’S HANDWOORDENBOEKEN FRANSCH DOOR DR. Новые энергетические материалы: синтез, физико-химические процессы В этой книге подводятся итоги науки и техники нового поколения высокоэнергетических и нечувствительных взрывчатых веществ. Цель состоит в том, чтобы предоставить профессионалам исчерпывающую информацию о синтезе, физико-химических и детонационных свойствах взрывчатых веществ.
Truck Games
Ищете игры про Грузовики, которые можно скачать бесплатно? Вот лучшие бесплатные игры про грузовики для ПК на 2020 год, в том числе Hard Ride 2, Russian Car Driver: ZIL 130 и другие.Быстрая и безопасная загрузка игр. EURO SUN MINING INC (www.hotelspagnafirenze.it) Стоимость акций, новости, расценки Найдите последние котировки акций EURO SUN MINING INC (www.hotelspagnafirenze.it), историю, новости и другую важную информацию, которая поможет вам в торговле акциями и инвестировании .
Кто подставил кролика Роджера 2 (фильм 2021 года) Idea Wiki Fandom
2021-3-7 · ПРИМЕЧАНИЕ №1: 66.66.14.214 и MjIMAX запрещено редактировать эту страницу. Если он попытается отредактировать эту страницу, он будет заблокирован, ПРИМЕЧАНИЕ №2: Я, Майк 2019-2020, Artmakerlolisback, D2celt, Gamerboy.33, WendyCorduroy2020, Inttrxxtrab, VictorPinas Productions, VittorioUnido, FnafFan1997, Gugu0709r, www.hotelspagnafirenze.itn29, Jongmoon lee, Ootwar, Nerdyboy.34, Blossomfan Suppliers 51, Nerdyboy. Поставщики компаний Nano Technolog и производители, дистрибьюторы, фабрики, компании Nano Technolog Compani. Есть 21 OEM, 12 ODM, 4 собственных патента. Найдите высококачественных поставщиков Nano Technolog Compani на Alibaba.
Amazon Модная одежда, обувь и ювелирные изделия Amazon.com
Покупайте в Amazon Fashion широкий выбор одежды, обуви, украшений и часов для мужчин и женщин на сайте www.hotelspagnafirenze.it. Бесплатная доставка и бесплатный возврат подходящих товаров. 17 января 1862 г. — Реклама — Trove Просмотреть все статьи на этой странице. Предыдущая статья Следующая статья …
广交会 全球 买家 询 盘 _ 百度 文库
广交会 全球 买家 询 盘 _ 经济 / 市场 _ 经管 营销 _ 专业 资料 8044 人 阅读 | 72 次 下载 广交会 全球 家 询 盘 _经济 / 市场 _ 经管 营销 _ 专业 资料 … Б / у Perfect Choco Модель ENRO-6 6-дюймовая шоколадная глазурь Perfect Choco 6-дюймовая шоколадная глазурь, модель ENRO-6.Глазирование дна или дна и боковых сторон до 0,5 ”полностью шоколадной глазури. Устройство имеет ленточный конвейер с проволочной сеткой из нержавеющей стали шириной 6 дюймов и длиной 79 дюймов. Электрооборудование: 120 В / 15 ампер. Блок без мини-колеса, нагревательного шкафа и (1) печатной платы двигателя не работает. Сделано в Канаде.
Как начать бизнес по производству песка и гравия
2020-9-17 · Как начать бизнес по производству песка и гравия. Предприятия по производству песка и гравия работают по одному из двух основных направлений; они либо ограничивают сферу своего бизнеса хранением и доставкой песка, камня и гравия, либо принимают участие в разработке карьеров и производстве… Le Creuset Grillpfanne Signature rund mit zwei … Le Creuset ist stolz auf die fachmännische Verarbeitung seiner Produkte und leistet dem Erwerber eines Le Creuset Screwpull Wein- und Champagneraccessoires aus Metal and Black Metal sowie eines Produktes fachmännische Verarbeitung seiner Produkte und leistet dem Erwerber eines fehlerfreie Verarbeitung und einwandfreie Materialbeschaffenheit des Produkts für 10 Jahre ab …
Dictionar Petrol EN-RO.doc Nature
2018-12-5 · Dictionar Petrol www.hotelspagnafirenze.это — бесплатно скачать как Word Doc (www.hotelspagnafirenze.it), PDF-файл (www.hotelspagnafirenze.it), текстовый файл (www.hotelspagnafirenze.it) или читать онлайн бесплатно. dictionar www.hotelspagnafirenze.it 2021-1-12 · 2017. 2016. 2015. 2018. 2017. 2018. 2017. 2018. 2017. 2017. 2018. 2018. 2017. 2018. 2018. 2018. 2018. 2018. 2018. 2016. 2018. 2018. 2017. 2017. 2017. 2018. 2018. 2018 …
Nord Name Components
www.hotelspagnafirenze.it — инструмент вставки номер один с 2002 года. Pastebin — это веб-сайт, на котором вы можете хранить текст онлайн в течение определенного периода времени.Коды классификации источников Neds и перечень коэффициентов выбросов —— СОДЕРЖАНИЕ Аббревиатуры и символы на странице v Введение 1 Процедуры расчета выбросов 3 Коды классификации источников NEDS и список коэффициентов выбросов 5 Котлы внешнего сгорания Электрические генераторы 6 Промышленные 9 Коммерческие / институциональные 12 Обогреватели 14 Электроэнергетические двигатели внутреннего сгорания 15 Промышленные 15 Коммерческие / институциональные 16 Испытания двигателей …
ЗАКАЗ 10 серия 2001 г. General Santos City — 19-ый
ВВЕДЕНИЕ.Зонирование — это разделение сообщества на зоны (например, коммерческое, жилое, промышленное, институциональное и т. Д.) В соответствии с настоящим и потенциальным использованием земли для максимального увеличения, регулирования и управления их использованием и развитием в соответствии с утвержденным Комплексным планом землепользования. Diario de la marina — UFDC Home 2019-7-25 · C.4MIONde metal, eon furdes do Somo; — Asterita que-sus -Nifios les han Paidi «ord l1rar, Coll7 TREWS de citer que defarroillan gran velocidad. Con www. hotelspagnafirenze.it de 12 teecionei.3.9 S. Коврик, 4.95, 1.50, 9. 30 9.95 EQUIPO en fino estitche de rna «a barnisaida. #, Igg 7 # 8.99. Otrotdegde www.hotelspagnafirenze.it lk 77 iPAG DIARIO DE IA MARINA.-DOMINGO, 2 DE ENERO DE …
Backofenroste Gastro Germany
BESTELL- & SERVICEHOTLINE Тел .: +49 (234) 588 670 10 Факс: +49 (234) 588 670 20 Öffnungszeiten Пн.-Пт .: 09:00 — 17:00 Uhr Unsere Angebote в интернет-магазине unserem«Это было потеряно» (уметь) putea www.hotelspagnafirenze.it. Глагол tranzitiv: Глагол a cărui acțiune se răsfrânge direct asupra unui obiect, construindu-se cu ajutorul complementului direct: deschide geamul (geamul fiind
HUINA 7713-1 Гидравлический экскаватор из сплава в масштабе 1/50 Модель Инженерные игрушки для копания Современное производство литые под давлением и игрушечные транспортные средства
HUINA 7713-1 Масштаб 1/50 Модель экскаватора с гидравлическим приводом из сплава, игрушки для копания,
HUINA 7713-1 Гидравлический экскаватор из сплава в масштабе 1/50 Модель Инженерные игрушки для копания.Материал: легированный пластик (АБС). Масштаб: 1:50. Подходит для строительных моделей, модели песочного стола, модели поездов, игрушечной модели, макета сцены, уличного пейзажа. Размер автомобиля: около 2 0 7 17 см. Функция: Без функции, без пульта, просто литая под давлением модель .. Состояние :: Новое: Совершенно новый, неиспользованный, неоткрытый, неповрежденный предмет (включая предметы ручной работы). См. Список продавца для получения полной информации. Просмотреть все определения условий: Бренд:: HUINA, Пол:: Мальчики и девочки: Масштаб: 1:50, Цвет: Желтый: Характеристики: С коробкой, Материал: Сплав + пластик (ABS): Модель: 7713- 1, номер детали производителя:: UiO888233: MPN:: UiO888233, UPC:: не применяется.
HUINA 7713-1 1/50 Масштаб сплава Гидравлический экскаватор Модель Инженерные игрушки для копания
ИЗГОТОВЛЕН ИЗ ДВУХ ЧАСТЕЙ ДЛЯ ЛЕГКОЙ ТРАНСПОРТИРОВКИ. Подробные инструкции по применению включены в заказ. Доступно в 6 цветовых вариантах: черный, эластичная в четырех направлениях конструкция улучшает подвижность и сохраняет форму, McFarlane DEREK JETER & ALEX RODRIGUEZ 2 Pack Yankees Figures MIP. Вы можете написать нам по электронной почте, и мы будем рады решить проблему за вас. ПОЛНАЯ ГАРАНТИЯ УДОВЛЕТВОРЕНИЯ: при заказе сегодня.Мы оперативно решим любые вопросы о продукте: например, как правильно использовать продукт, стильный аксессуар — простой, но модный дизайн держит вас в стиле на весь день, Star Trek CCG Reflections Rare Foil Cards Part 1/4 1E SRF, VRF, URF . Выбирайте элегантные сапоги для верховой езды или резиновые сапоги с забавным рисунком — все они есть в нашей обширной коллекции. Также хороший выбор для подарка подругам женщин. Пометить Cufflinks Personalized Case. Воздушный фильтр салона может обеспечить чистый воздух для водителя и пассажиров, фильтруя пыль, 1-е издание EOJ Enemy of Justice YuGiO 3x Cyber Gymnast Common EOJ-EN006, солонка Salt Pig, солонка и перец, набор для вышивки счетным крестом сшит в 3 нити на 14 счетах белая ткань.Вы получите доступ к шаблону в течении 10-15 минут после покупки на вашу почту. приглушенные цвета с необработанными краями, которые добавляют текстуру деталям. 100 праздничных вопросов. Рождественские викторины из фильмов и телесериалов. Карточная игра. • Оборот после покупки, ♥ То, что вы видите, это то, что вы получаете, Мы производим весь дизайн, и мы получаем награду за лучший продавец, которую мы делаем подвески. Мы стремимся найти винтаж самого лучшего качества и никогда не продадим что-то несовершенное, не предупредив вас. Universal Star Trek 2500 Регистрация 1000 букв и надписи с полярным шрифтом. Покупатель несет ответственность за доставку, если товар не возвращается в исходном состоянии. Покупатель несет ответственность за любую потерю.Этот уникальный дизайн доступен только в House of Forgings, длина: 72 см, ширина: 52 см. Черная отделка: вешалки — ✓ БЕСПЛАТНАЯ ДОСТАВКА возможна при покупке, отвечающей критериям, 2 Stück Vorder- Hinterachs-Differential-Stirnradgetriebe für WLToys. красивый и защищает вашего ребенка от солнца, элегантный внешний вид с деревянными панелями и поставляется в нескольких цветовых вариантах, и его можно перенести с ночника на световой проектор, он поддерживает вкус вашего любимого напитка, когда он охлаждает. Новый набор миньонов Гадкий Я: 3 миньона.Из-за разницы между различными мониторами, идеально подходит для всех мальчиков / девочек в возрасте от 3 до 8 лет.
G37 сабвуфер купе
Альбом № 6169 содержит фотографии Infiniti G37 Coupe 2008 года с колесами SSR Professor MS3, а также сабвуфером и усилителем Image Dynamics. полный рот, но легко понять. … IPL Coupe получил небольшой прирост мощности: 3,7-литровый двигатель V6 24v мощностью 348 л.с.55451-Eh200. 15,75 долларов США. Твитнуть. Эта деталь подходит: 2008-2013 Infiniti G37 Coupe 2008-2012 Infiniti EX35 … Infiniti G37 Coupe. Компания Universal Air работает на территории площадью 15 000 кв. Ft. предприятие в Сан-Бернардино, Калифорния, где мы производим наши подушки безопасности и продаем все аксессуары для пневмоподвески.
2003-2007 Infiniti G35 Coupe Процедура установки подшипника заднего колеса Видео 2003-2007 Infiniti G35 Coupe Отделение подшипника заднего колеса от ступицы Видео 2004-2010 Infiniti QX56 Расположение датчика соотношения воздух-топливо (A / F) и датчика кислорода (O2) 2008 -2013 Infiniti G37 Coupe Процедура обслуживания охлаждающей жидкости Видео Процедура обслуживания Infiniti G37 Coupe 2008 года Задний подрамник 160 $.00 продано. Доставка: 70 долларов США. Покупайте напрямую в Slidegood, Inc. Avon MN 56310 См. Условия гарантии и возврата поставщика.
Совершенно новый корпус сабвуфера ZEnclosures для Hyundai GENESIS Coupe 2010-2012 гг. Сабвуферы и усилители не включены. Как и все наши корпуса для сабвуферов, мы разработали этот корпус, чтобы его можно было легко установить в вашем автомобиле. Коробка устанавливается прямо через проем багажника и вставляется прямо под задней панелью. Покупайте и продавайте на месте. На сайте Craigslist есть объявления о продаже автомобилей и грузовиков Infiniti G37 в Милуоки, штат Висконсин.Просматривайте фотографии и ищите по состоянию, цене и т. Д.
Покупка и продажа на месте. На Craigslist есть списки автомобилей-купе G37 для легковых и грузовых автомобилей в Нэшвилле, штат Теннесси. Просматривайте фотографии и ищите по состоянию, цене и т. Д. Покупайте и продавайте на месте. На Craigslist есть списки автомобилей и грузовиков купе g37, принадлежащих владельцу из Нэшвилла, штат Теннесси. Просматривайте фотографии и ищите по состоянию, цене и т. Д.
Borg & Beck Kupplungssatz 3 IN 1 Für Ford Hatchback Scorpio 2,8 110
Widerrufsbelehrung gemäß Richtline 2011/83 / EU über die Rechte der Verbraucher vom 25.Октябрь 2011 г. Widerrufsrecht Sie haben das Recht, binnen vierzehn Tagen ohne Angabe von Gründen diesen Vertrag zu broadrufen. Die Widerrufsfrist beträgt vierzehn Tagen ab dem Tag, an dem Sie oder ein von Ihnen benannter Dritter, der nicht der Beförderer ist, die Waren in Besitz genommen haben bzw. шляпа. Um Ihr Widerrufsrecht auszuüben, müssen Sie uns mittels einer eindeutigen Erklärung (z.B. ein mit der Post versandter Brief, Telefax oder E-Mail) über Ihren Entschluss, diesen Vertrag zu broadrufen, informieren.Sie können dafür das beigefügte Muster-Widerrufsformular verwenden, das jedoch nicht vorgeschrieben ist. Zur Wahrung der Widerrufsfrist reicht es aus, dass Sie die Mitteilung über die Ausübung des Widerrufsrechts vor Ablauf der Widerrufsfrist absenden. Folgen des Widerrufs Wenn Sie diesen Vertrag widerufen, haben wir Ihnen alle Zahlungen, die wir von Ihnen erhalten haben, einschließlich der Lieferkosten (mit Ausnahme der zusätzlichen Kosten, die sich daraus ergeben, dass Sie eine anderengendereungen, dass Sie eine andereung, dass Sie eine andereung) haben), unverzüglich und spätestens binnen vierzehn Tagen ab dem Tag zurückzuzahlen, an dem die Mitteilung über Ihren Widerruf dieses Vertrags bei uns eingegangen ist.Für diese Rückzahlung verwenden wir dasselbe Zahlungsmittel, das Sie bei der ursprünglichen Transaktion eingesetzt haben, es sei denn, mit Ihnen wurde ausdrücklich etwas anderes vereinbart; in keinem Fall werden Ihnen wegen dieser Rückzahlung Entgelte berechnet. Wir können die Rückzahlung verweigern, bis wir die Waren wieder zurückerhalten haben oder bis Sie den Nachweis erbracht haben, dass Sie die Waren zurückgesandt haben, je nachdem, welches der frühere Zeitpunkt ist. Sie haben die Waren unverzüglich und in jedem Fall spätestens binnen vierzehn Tagen ab dem Tag, an dem Sie uns über den Widerruf dieses Vertrags unterrichten, un zurückzusenden oder zu übergeben.Die Frist ist gewahrt, wenn Sie die Waren vor Ablauf der Frist von vierzehn Tagen absenden. Sie tragen die unmittelbaren Kosten der Rücksendung der Waren. Sie müssen für einen etwaigen Wertverlust der Waren nur aufkommen, wenn dieser Wertverlust auf einen zur Prüfung der Beschaffenheit, Eigenschaften und Funktionsweise der Waren nicht notwendigen Umgang mit ihnen zurüren.

Сельхоззапчасти в Петропавловске, МТМ Бишкуль
молотилки Енисей
обр.
11
50.970.240.60
50.400.000.22 БДТ
000.04

)
3мм.
16.02.039
S-24(тройник)
333)
..1А1
010 (Р61-2)
4125.24.00.000
4224.25.00.000
574А.Г12)
44.Г24)
573Е.Г24)
44.Г12)
574 Г24 Н)
44 Г24 НМ)
34 Г24 НЕТ)
64Ф и 1РММ10.64Ф)
64)
..1А1
19.00.000-1)
B1.OP-009.225
..1А1
5X103.00 (аналог распределителя Q75 и Q75E)
3.000