Nissan Diesel CD20ET и регулировка ТНВД ZEXEL
В начале 90х годов на внутреннем рынке Японии было представлено большое количество дизельных моторов у всех именитых фирм (не считая HONDA, SUBARU, SUZUKI и прочие “мотоциклетные фирмы”). Дизельный мотор “ценился” во времена “халявы”: когда дизтопливо можно было сливать бочками по цене “как договоришься”. С Японии привозили большое количество автомобилей, оборудованных дизельными моторами. Это касалось практически всех внедорожников и полноприводных минивенов. Очевидно, что в таком исполнении они были экономичней бензиновых моделей. На легковых машинах такая тенденция встречалась реже. Вот в европейских моделях дизельные моторы получали намного большее преимущество. Можно сказать, что некоторые дизеля были сделаны для Европы и никогда не встречались в Японии.
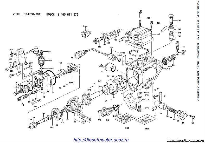
Если с моторами TOYOTA все было понятно, то NISSAN для многих оставался загадкой — а именно дизель CD20. Необычность конструкции этой серии в расположении топливного насоса высокого давления (ТНВД) — он устанавливался сзади мотора.
Первая особенность — это расположение и, соответственно, второй ремень ГРМ. Только уже не ГРМ, а ТНВД, получается.
Вторая общая особенность: отсутствие меток для его установки. Нет, метки есть на шестерне привода ТНВД, но их нет на корпусе мотора. Получается, что установить ремень ТНВД можно двумя способами: купить оригинальный с метками на ремне или считать зубья этого ремня. А бывают разновидности этого мотора с двумя обводными роликами или одним (не считая привода вакуумного насоса). Иными словами — конструкция непростая.
Если с механическим ТНВД было все более менее понятно (CD20, CD20T — с турбокомпрессором), то так называемый электронный ТНВД (CD20E и CD20ET — с турбокомпрессором) устанавливался совсем по другим меткам. Была еще модификация CD20ETi — с интеркулером, совместимая с обычными CD20ET. И проблема была везде одна и та же: после снятия насоса для ремонта, каждый раз искали метки методом проб и ошибок — т.е ставили на зуб туда, потом обратно. Конечно, можно поставить насос индикатором, но у кого он есть в гараже? Им еще и пользоваться надо уметь.
Итак, NISSAN SERENA C23 1998 года оснащена таким мотором. А проблема выражена так: на холостых после прогрева немного плавают обороты, может в диапазоне 50 оборотов. Вы скажете «ТНВД!» и будете правы, но только отчасти. Так как ТНВД перебирался ДВА раза (!) и тестировался на всех стендах еще в два раза больше, чем ремонтировался. Вердикт всех дизелистов такой — насос исправен.
Насос снять на этом моторе непросто — очень трудоемкая операция. Поэтому экспериментировать со снятием-установкой ТНВД надоедает быстро.
Винты покрашены с последней проверки и не раз.
Непонятно, кому верить. Но обороты плавают. Все грешат на блок управления двигателем. Но такой блок и найти-то непросто для подмены. Да и ломаться там нечему.
Но то, что обороты немного плавают, это, оказывается, не самая главная проблема — есть и поважнее! Мотор иногда не заводится «на горячую». Иногда отлично, иногда не заводится, хоть крути его пять минут. Живет своей жизнью. Жалобы на динамику и потерю мощности уже не воспринимаются всерьез. С динамикой разгона трудно сравнить эту машину с какой-то другой, для сравнения нужен подобный аппарат. Хотя на взгляд динамика разгона слабовата. Но это субъективно — может так и должно быть. А вот потеря мощности — это из другой оперы: автоматическая трансмиссия переходит в аварийный режим на D передачу. Понятно, что это не потеря мощности, а потеря передач. Об этом позже — так как мотор тут не причем.
Рассмотрим вкратце отличие этого электронного насоса от механического. Отличие простое — кольцом протечки, положением которого определяется объем впрыска топлива плунжером в линию форсунок, в этом насосе управляет сервопривод.
Кроме этого, опережением впрыска тоже заведует электронный регулятор, но он не оказывает влияния на запуск. Все режимы работы, в т.ч. и запуск, осуществляются сервоприводом.
Конструкция сервопривода показана ниже.
Здесь CONTROL SLEEVE и есть кольцо (на фото обозначено стрелкой).
Сам сервопривод выполнен в крышке и зацепляет кольцо круглым штифтом.
Сервопривод — это электрическая машина, в которой обмотки под действием электрического тока создают магнитное поле, вращающее вал со штифтом. За счет эксцентричного сдвига штифта вращение вала переходит в поступательное движение кольца на оси плунжера. Чем больше кольцо перекрывает канал слива в плунжере (вправо) , тем больше топлива подается в магистраль. И наоборот — перемещение кольца влево уменьшает объем впрыска.
Все казалось бы просто, но мы видим, что верхняя часть с сервоприводом имеет широкие овальные окна фиксирующих винтов:
Откуда можно сделать вывод, что это — регулировка.
Вот здесь и возникает первая проблема. Как отрегулировать крышку (сервопривод), ведь от нее зависит вся работа мотора. На стенде, после переборки насоса, крышку выставляют по стартовой подаче. Начальным положением крышки определяется стартовая подача. При включении зажигания сервопривод двигает кольцо плунжера на стартовый объем впрыска, но положение кольца неизвестно. Мы можем понять его положение только по объему впрыска при стартерном режиме. Если на механическом ТНВД есть отдельный винт объема, который можно крутить, то тут это возможно только сдвигом крышки по отношению к корпусу насоса. Речь идет о таких величинах, как ДЕСЯТЫЕ миллиметра. Сдвиг на полмиллиметра приводит к совершенно разным результатам. А миллиметр — к полному отсутствию запуска. Хорошо, когда есть сканер.
И пример совсем неудачного положения крышки мы сразу видим:
Это означает, что положение крышки выходит за пределы регулирования даже при стартерном режиме.
Положением крышки можно добиться следующей картины — хороший пуск, но гуляют обороты холостого хода. Мало того, сброс оборотов происходит медленно. Обороты “зависают”, и очень неохотно снижаются к уровню холостого хода. Тут вторая строка — неизбежный спутник регулировщика. Но стоит чуть сдвинуть крышку — обороты падают быстрее, но намного хуже пусковой режим. Двигатель начинает плохо заводиться, особенно на горячую. Неоднократно приходилось видеть сообщения о плохом запуске на горячую. Многие владельцы и сервисы “подсовывали” обманку к датчику температуры, чтобы убедить блок управления в низкой температуре для лучшего старта. Но это все неправильно, так как хороший старт напрямую связан с динамикой. А мы не забываем про динамику разгона, ведь она тоже оставляет желать лучшего…
Так как “родной” ТНВД только мы отвозили в проверку два раза в разные сервисы на стенды, и все стендисты вынесли заключении — ТНВД полностью исправен, (а сколько до этого его носили — никто не помнит, не говоря, что его перебирали несколько раз), решено было приобрести контрактный ТНВД.

Смотрим на ТНВД и замечаем двухконтактный разъем. Это регулировочное сопротивление. Он так и называется ADJUSTING REZISTANCE. При снятии разъема с него сканер текстом пишет эту ошибку. Аналогичный стоит и на насосе DENSO TOYOTA. Что это такое ? В общих чертах: это компенсационный резистор для регулирования глубины обратной связи по управлению сервопозиционером в крышке. Все насосы механически разные, как и сервоприводы. На стенде (в Японии), они регулируют эти насосы и на каждый ставят этот компенсационный резистор, подбирая его в процессе регулировки.
Достоверно неизвестно, по каким параметрам это делается, но факт в том, что этот элемент очень сильно влияет на работу ТНВД.
Внутри находится обычный резистор мощностью рассеяния около 1 ватт.
Сопротивление варьируется в очень широких пределах.
Экспериментально, в процессе поездок выяснилось, что значение этого резистора очень сильно влияет как на сброс оборотов, так и на динамику. А на динамику он влияет просто катастрофически. Один из резисторов был 337 ом, другой 1340 ом. С первым динамика была ощутимо лучше, чем со вторым. Но со вторым лучше падали обороты к уровню холостого хода. Понятно, что устраивать заезды, подбирая это сопротивление — не лучший вариант. Потому как поездки субъективны. Но ведь как-то японцы настраивают этот насос (хоть и на стенде)? Поэтому было найдено определенное решение по его подстройке. Если кто найдет лучше — может открыто поделиться в Сети, но пока такой информации нигде не встречал.
Итак, регулируем крышкой стартерный пуск на горячем моторе, установив вместо этого резистора подстроечный.
Добиваемся лучшего пуска и отсутствия плавания оборотов — выворачивая резистор к нулевому сопротивлению. Глушим мотор, ждем 10 сек (норма для инициализации), заводим и медленно крутим подстроечник в сторону увеличения сопротивления.
В каком то положении обороты начнут увеличиваться, а потом уменьшаться. Это максимум. Проверяем этот максимум, начиная уже с ближайшего положения резистора (не с нулевого). Каждый раз глушим и ждем 10 сек перед запуском. Убедившись, что максимум найден, можно подстроить крышку и повторить настройку. После окончательной настройки измеряем сопротивление и подбираем ближайшее.
Его можно впаять вместо родного.
По поводу значения этого сопротивления. Предположим, у вас получилось 456 Ом. Такое сопротивление найти сложно. Все сопротивления имеют классификацию по рядам . Самый распространенный E24 с точностью 5% имеет фиксированную шкалу в сотнях : 100, 110, 120, 130, а следующее значение только 150, потом 160, 180 и 200. А выше — пропуски еще больше: 390, 430, 470 , 510 и т.д. Ряд определяет шаг и точность. Но даже в ряду E192 c точностью полпроцента вы не найдете 456 Ом, будет 453, а следующее 459. Но это и не нужно. Во первых, такая точность не нужна и не используется, во вторых, все системы с обратной связью имеют «петлю регулирования», границы которой намного шире.
Пример подобной системы с обратной связью — электронный дроссель, описание можете посмотреть здесь — autodata.ru/article/all/d4_reguliruem_zaslonku/
Поэтому можно подобрать любое ближайшее значение. Но проще сделать так: взять ряд E24 , и методом перебора выбрать ближайший резистор точным омметром. Потому что 430 Ом +5% это уже 451,5 Ом. А если взять ряд E12 10% , то еще проще подобрать требуемое значение. Точный резистор E192 просто не найти, да и стоить он будет немало.
После подбора таким методом динамика машины выросла очень существенно. Можно сказать, что стал-тест вырос почти на 200 оборотов, в сравнении с каким попало резистором. Но важно еще сказать, что реакция на педаль газа изменилась в лучшую сторону. Раскручиваться мотор стал как бензиновый.
После установки момента впрыска индикатором (ход плунжера на метке 0,89 мм +- 0,08) и вот такой регулировки с подстройкой дали машине вторую жизнь. Со слов владельца: “она никогда так не ехала”. Сложились все три параметра — начальная установка индикатором, регулировка крышки и подстройка обратной связи резистором.
В этой системе это все имеет большое значение. Почему с электронным насосом нужно ставить момент начального впрыска (или ход плунжера) индикатором — ответ один. На “слух”, как это делают опытные дизелисты с механическими насосами, его поставить нельзя. Электроника вмешивается по датчику коленвала (а распредвальный по сути стоит в самом ТНВД), поэтому дизель на слух с таким насосом тарахтит как и раньше, крути его как хочешь. Точная работа возможна при базовых установках.
Утверждения о плохом пуске на горячем моторе тоже не соответствуют истине. На вложенном видео мотор запускается при температуре 95 градусов после 15 минутной стоянки. Температура топлива по датчику 67 градусов. Реакция на набор оборотов и сброс тоже видна.
ГАДЖИЕВ А.О
© Легион-Автодата
Гаджиев Арид Омарович,
г. Москва, ул.Ермакова Роща 7А
территория 14 ТМП
www.
nissan-A-service.ru
тел. +79265256300
е-mail: [email protected]
Союз автомобильных диагностов
Ремонт ТНВД Zexel с электронным управлением в Нижнем Новгороде
Главная / Услуги / Регулировка ТНВД / ZEXEL
Регулировка и ремонт ТНВД ZEXEL с электронным управлением в Нижнем Новгороде
У Вас дизельный мотор от японских фирм (TOYOTA, NISSAN и пр.)? Появились проблемы с топливным насосом высокого давления? Компания «Агродок» к Вашим услугам. Мы специализируемся на дизельных моторах и осуществляем все виды работ по ТНВД. Учитывая низкие цены на дизтопливо в 90-х годах, в России очень популярны автомобили, оборудованные дизельными моторами. В первую очередь – это относится к крупным авто: внедорожникам и минивенам, так как такое исполнение было куда выгодней бензиновых моделей. Сейчас ситуация по стоимости горючего выровнялась, но любовь граждан к моделям легковых машин с дизельным мотором осталась неизменной.
Дизель экономней и более долговечен, но с другой стороны – он сложен в ремонте. Поэтому в случае возникновения проблем мы рекомендуем обращаться на СТО.
Тем более, японские моторы всегда отличались сложными конструкциями. Например, дизелю серии CD20 характерно особенное расположение ТНВД: он устанавливается с тыльной стороны мотора.
Из-за такой уникальной особенности расположения возникает и другая – наличие второго ремня ГРМ (по факту – это ремень не ГРМ, а ТНВД).
Третья особенность – отсутствие меток для установки агрегата. Метки можно найти только на шестерне привода, но они отсутствуют на корпусе мотора, что сильно усложняет обратную сборку. На самом деле, чтобы поставить ремень ТНВД можно воспользоваться одним из двух трудоемких способов: купить оригинальный ремень с метками или отсчитывать пазы от имеющегося ремня. Также, определенные сложности вызывают и разные виды мотора CD20: с одним обводным роликом (без учета привода вакуумного насоса), с двумя. Конструкция на самом деле очень запутана.
При этом с механическими ТНВД работать несколько проще. А вот электронные ТНВД вызывают вопросы. Такие модификации устанавливаются по другим меткам, которые не совместимы с обычными. Проблему можно решить только на СТО, где есть специальные индикаторы для насоса. В ином случае при снятии насоса в своем гараже метки придется искать наугад – методом проб и ошибок. Даже при наличии специального оборудования, нужен опыт в его использовании. Именно поэтому не рекомендуется производить ремонт машин с электронными насосами самостоятельно. Это может привести к целой серии проблем, вплоть до установки машины на простой из-за невозможности починить насос. Тем более, насос в любом случае будет требовать регулировку, которую может провести только специалист на подготовленном компьютерном стенде.
Обслуживание ТНВД
Помимо прочего, недостаток опыта, базы знаний и непрофессиональный подход грозят некачественной диагностикой. Например, уже упомянутый мотор CD20, которым оснащены некоторые Ниссаны, после прогрева перестает держать обороты (начинают «плавать» в пределах до 50 пунктов).
При этом стенд не находит неисправностей ТНВД. На всех проверках показывает: «Насос исправен». Более того, винты могут иметь свежие следы краски, оставленные после последней диагностики.
При этом учтите, что просто так снять насос на данном виде мотора – это крайне нецелесообразно. В данном случае только снятие-установка ТНВД своими силами может занять несколько дней.
Если обороты так и плавают – причиной может быть блок управления двигателем. Но по факту, там просто нечему ломаться, и тем более, найти новый такой блок – это сложный вопрос.
В то же время, если вовремя не исправить ситуацию, плавающие обороты перерастут в более серьезные неисправности: мотор часто не станет заводиться на горячую. В некоторых случаях хватит и пол оборота замка зажигания, в других – не поможет ничего. Вопрос с потерей мощности уже даже не будет восприниматься как что-то существенное. Нюанс также и в том, что машина с CD20 уникальна по своей сути и для нормального сравнения динамики разгона нужен такой же аппарат.
В данном случае потеря мощности и ухудшение динамики разгона – это следствие автоматической трансмиссии, которая в аварийном режиме переходит на D передачу. Но ведь тогда падение мощности – это уже вопросы не к мотору, а к коробке передач, что путает еще больше.
Тут важно учитывать отличия электронных насосов от механических. В первом случае в насосе есть кольцо протечки, управляемое сервоприводом. Его функция – контроль объема впрыска топлива плунжером в форсунки. То есть, все режимы авто (в том числе и запуск) контролируются сервоприводом. Также нужно учесть, что здесь есть электронный регулятор, который никак не влияет на запуск, но отвечает за опережение впрыска.
Конструкция сервопривода на рисунке.
Кольцо обозначено как CONTROL SLEEVE.
Сервопривод (выполнен в крышке) цепляет кольцо с помощью круглого штифта.
Сервопривод – это уникальная электрическая машина, где есть обмотки, которые под влиянием электрического тока провоцируют создание магнитного поля, действующего на вал со штифтом.
За счет сдвига штифта вал способствует созданию поступательного движения кольца на оси плунжера. То есть, если кольцо перемещается вправо, закрывая канал слива в плунжере, количество топлива в магистрали увеличивается. При перемещении кольца влево – объем уменьшается.
На бумаге все проще, чем есть на самом деле. Так, в верхней части сервопривода есть окна для фиксирующих винтов, что немного усложняет задачу по обслуживанию.
То есть, такие окна, есть не что иное, как регулировка. Это и приводит к первой и самой сложной проблеме: как правильно отрегулировать крышку (сервопривод)? От положения крышки зависит работа всего мотора. Сделать это можно только на стенде. После разборки насоса данную крышку нужно выставить на стартовую подачу. То есть, качество стартовой подачи зависит именно от первого положения крышки. Но сразу при включении зажигания сервопривод начинает двигать кольцо плунжера на стартовый объем впрыска, и при этом положение кольца остается неизвестным. Определить его точное местоположение можно только при фиксации объема впрыска на стартерном режиме.
Механические ТНВД в этом отношении проще, там есть винт объема, который крутится в обе стороны. В нашем случае необходимо сдвигать крышку по отношению к корпусу насоса, и тут нюанс в том, что необходима абсолютная точность до десятых миллиметра. Например, превышение значения хотя бы на один мм приведет к отсутствию запуска.
Вручную, без сканера, установить крышку невозможно.
Если крышка не соответствует нужным пределам регулирования хотя бы для стартерного режима – это вызовет ряд вопросов (в том числе и в рабочем режиме). Здесь возможно все, начиная от плавающих оборотов холостого хода и заканчивая ошибкой мотора.
Если у мастера нет опыта, он может изменить положение крышки так, чтобы получить нормальный пуск, но при этом обороты на холостом ходу так и будут плавать. Сброс оборотов станет медленным (то есть, обороты зависают, и крайне неохотно снижаются до уровня холостого хода). Чтобы этого не произошло, регулировщик должен смотреть на вторую строку. При этом стоит только немного подвинуть крышку – обороты придут в норму, но ухудшится пусковой режим.
Двигатель перестанет заводиться. При появлении таких вопросов с запуском неквалифицированные сервисы ставят обманку на датчик температуры, и это позволяет обмануть блок управления (он получает данные о низкой температуре, что улучшает старт). Но на самом деле, хороший старт здесь зависит от нормализации динамики разгона.
Чтобы привести в порядок динамику, нужно разобрать вопросы с ТНВД. Но что делать, если он проходит проверку в стендах на сервисе, где показывает, что ТНВД исправен? В данной ситуации владелец пожелал приобрести другой ТНВД. Так как блок управления также протестирован приборами (сигналы соответствуют режимам плавания оборотов), а проблемы своего ТНВД не были исправлены: обороты плавают, старт плохой, на горячем моторе возможно полное отсутствие запуска (особенно характерно нагретому мотору после небольшой стоянки). Новый ТНВД также вызывал вопросы. Всего после месяца эксплуатации ТНВД, при горячем моторе сразу после включения передачи мотор стал глохнуть. Из двух, решено было восстановить новый насос, для этого – заменить плунжер.
Но после замены плунжера и регулировки крышки, мотор стал нормально заводиться, а динамика разгона осталась неудовлетворительной. То есть, как уже указано, можно сделать нормальным старт и при этом получить неохотный сброс оборотов, а можно – нормальный сброс оборотов и плохой старт. Не имея базы знаний, опыта и умений, установить крышкой нормальный старт и качественный сброс оборотов невозможно (имеется ввиду хороший старт при пуске на горячую, так как при холодном моторе проблем нет). То есть, при плохом запуске горячего мотора нужно подвинуть крышку для улучшения пуска, но почти всегда это вызывает плавающие обороты и их медленный сброс.
Решение задачи
На рассматриваемых ТНВД есть регулировочное сопротивление (представлено в виде двухконтактного разъема). Во время его снятия сканер сразу находит эту ошибку (такой разъем стоит на многих насосах от японцев). Что же это такое? По факту – это резистор для регулирования обратной связи с сервопозиционером, который находится в крышке.
Но это также вызывает ряд сложностей, так как чисто механически, все насосы и сервоприводы отличаются один от другого. На стендах в Японии каждый насос регулируют отдельно и в процессе подбирают к нему свой резистор.
Параметры данного элемента оказывают ключевое влияние на общую работу ТНВД. При несовпадении – возникают описанные выше неисправности.
Внутри расположен стандартный резистор с мощностью рассеяния до 1 Ватт.
Но само сопротивление настраивается в широком диапазоне. Опять-таки, самостоятельно настроить резистор очень сложно, нужное значение можно определить только путем экспериментов в процессе поездок (чтобы прочувствовать влияние резистора на динамику и качество сброса оборотов). Но подбирать сопротивление для улучшения динамики и приведения в порядок оборотов к уровню холостого хода – это сомнительный вариант. Тем более, оценка по поездке может быть субъективной. Насос должен настраиваться только на стенде. При этом у мастера должен быть опыт в настройке.
Как решает задачу компания «Агродок»? Мы регулируем крышкой пуск на прогретом моторе, установив при этом подстроечный резистор.
Далее находим положение для лучшего пуска при условии отсутствия нестабильных оборотов (при этом резистор настраивается на нулевое сопротивление). После этого мотор останавливается на 10 секунд (для инициализации) и повторно заводится. Теперь подстроечник постепенно крутится на повышение сопротивления. При достижении максимума, обороты станут повышаться, а затем – уменьшаться. Далее мастер проверяет данный максимум ближайшими положениями резистора и каждый раз ДВС глушится ровно на 10 сек. перед новым запуском. По окончанию настройки измеряется и подбирается сопротивление.
По необходимости, оно впаивается вместо того, что было.
Важное уточнение по поводу сопротивления. При испытаниях можно найти точное значение, вплоть до единицы. Например – 456 Ом. Но именно такое сопротивление найти нереально, так как все виды сопротивлений классифицируют по рядам с определенной разбежкой (минимальная разбежка – 0.
5%). То есть, существует фиксированная шкала. Чем выше Ом – тем больше пропуски. Например: 430 и 470, или другой, более точный ряд: 453 и 459. Точного значения 456 не существует в принципе, однако тут нужно учесть, что системам с обратной связью характерно наличие петли регулирования с широкими границами (система подстраивается самостоятельно, главное найти похожее значение). Если у Вас возникли другие неисправности ТНВД – Вы также можете обратиться в компанию «Агродок». Интересующую информацию ищите на странице по ссылке.
В данном случае нужно подобрать любое ближайшее значение из имеющихся резисторов. Для этого нужен точный омметр и тогда методом перебора можно выбрать подходящее значение. При этом можно подобрать ряд с разбежкой до 10% (чем больше разбежка, тем ниже будет стоить резистор, и тем проще его найти).
Фирма «Агродок» гарантирует, что при использовании данного метода перебора резисторов наши мастера улучшат динамику машины и приведут в порядок обороты. Также улучшится реакция на педаль газа, можно даже провести сравнение мотора с ДВС бензинового типа (также быстро реагирует на подгазовку).
При правильной установке индикатора и определении хода плунжера такая регулировка дарит машине второе дыхание. Вы, как владелец, совершенно точно останетесь довольны результатом. Мы имеет опыт в подстройке всех параметров: установка индикатора, регулировка крышки и поиск нужного резистора. В данной системе важна каждая мелочь. Без качественного определения хода плунжера по индикатору, электронный насос просто не будет работать. При этом, «на глаз», как это могут делать дизелисты на механических насосах, выставить его нельзя. Дело в том, что электроника работает по датчику коленвала (при этом распредвальный стоит в нем) и дизель с данным видом насоса будет звучать всегда одинаково, независимо от смены положений. Правильная установка требует особой точности в работе.
Решим все Ваши вопросы с плохим пуском мотора. Гарантируем, что мотор будет запускаться при любой температуре ДВС (даже при 95 градусах), независимо от времени стоянки авто. Также, ДВС больше не будет зависеть от температуры топлива, а значит, перед датчиком не нужно будет ставить обманку для «снижения» градусов.
Улучшим реакцию авто на набор и сброс оборотов.
(PDF) Руководство по обслуживанию регулятора Zexel Diesel Pump Rsv — UFO … · издание Руководства по обслуживанию регулятора Zexel Diesel Pump Rsv … руководство по ремонту роторного дизельного насоса bosh, kubota
из 2/2
Служба регулятора дизельного насоса Zexel Rsv Загрузка руководства Документ о загрузке руководства по обслуживанию регулятора Zexel Diesel Pump Rsv доступен в печатном и цифровом изданиях. Эта электронная книга в формате pdf является одним из цифровых изданий руководства по обслуживанию регулятора Zexel Diesel Pump Rsv, которое можно найти в Интернете в Google, Bing, Yahoo и других основных поисковых системах. Это специальное издание дополнено другим документом, таким как: 1975 руководство по обслуживанию honda goldwing, руководство john deere s82, руководство по обслуживанию ktm 150, механические вибрации, руководство graham kelly sol, руководство minolta 501, руководство по учету решений 4e wiley kimmel, руководство по математике для 9-го класса, руководство для 1986 honda shadow vt750, руководство extjs для новички, руководство по подсчету очков пива vmi 6, вечное учебное пособие по подкладке, ответы на ключи, руководство stihl fc 65 edger, руководство mitsubishi lancer haynes 2017 года, руководство по обслуживанию case 880d, научное практическое руководство класса x, лабораторное руководство по биологии b prentice hall, технические руководства, cxt275 руководство по эксплуатации кобры, руководство по ремонту volvo xc70 haynes 2017 года, руководство по морскому обслуживанию Onan, руководство по эксплуатации двигателя cummins, руководство по эксплуатации орлиного когтя, руководство по запчастям, празднование schaerer, руководство по модификации поведения, руководство по курсу сертификата оператора национального бассейна, руководство по капитальному ремонту gtsio 520, руководство по лаборатории симбиоза pearson ответы по биологии, путеводитель staar средняя школа, 1977 yz80 руководство, Haynes руководство Dodge Dakota, руководство по обслуживанию mercedes w210, руководство по датчику alco iv, руководство по эксплуатации hyosung, руководство по эксплуатации toyota tacoma, руководство по ремонту bmw 325xi 2017 года, руководство по изучению тайны соснового парка, руководство по математике m n mine, обслуживание harley davidson sportster 883 1997 года руководство, руководство по изучению элементарной статистики, руководство по terex xt, руководство по функциональным навыкам edexcel для учителей, руководство по просмотру beth moore esther, руководство по эксплуатации автомобиля haynes kit, руководство по обслуживанию 555 b, руководство по обслуживанию дизельного двигателя hatz e, руководство по ремонту газонокосилки honda hru216d, suzuki grand nomade руководство по ремонту, руководство по ремонту роторного дизельного ТНВД bosh, руководство по обслуживанию kubota b6200 hst, 1999 руководство по обслуживанию polaris xplorer, руководство по цилиндрической шлифовальной машине tos but63, руководство по ремонту honda cr80, руководство по ремонту roketa, руководство по компрессору vilter 450xl, руководство по решению College алгебры Blitzer 5th edition, учебное пособие lumen gentium, руководство по эксплуатации бензопилы shindaiwa 377, руководство пользователя по модели 638r с мокрым набором, Учебное пособие mktg 6, руководство по ремонту сиденья ibiza 04, путеводитель по одинокой планете в Камбодже, руководство по датчику давления Druck 10k psi, руководство по обслуживанию Meriva, руководство mitsubishi k4c, руководство по обслуживанию Mariner 30 л.
, руководство по ремонту и обслуживанию opel corsa 1000cc, руководство по аудиту личных навыков, e39Руководство по регулировке топливного насоса для впрыска дизельного топлива bosch pdf — zexel vrz — регулировка впрыскивающего насоса zexel для дизельного топлива malabon pdf — вопросы для чтения книг по топливному насосу zexel — соленоид остановки cummins 4bt и дизельного двигателя zexel sa-3999-24 sa-4014-24 1752es обзор — zex parts zexel насос | ebay bosch zexel инжекторный насос руководство — бесплатно электронные книги соленоид отключения zexel sa-3999-12 sa-4014-12 bosch руководство по ремонту топливного насоса — бесплатно электронные книги zexel дизельный насос rsv губернатор руководство по обслуживанию pdf zexel bosch руководство по обслуживанию covec-f rsv zexel nippondenso | руководство по обслуживанию дизельного насоса micromax zexel — бесплатные электронные книги впрыска топлива | д&в 1 / 2
частей инжекционного насоса Zexel — ремонт морского дизельного двигателя
ОпубликованоЕсли вы ищете труднодоступные детали для инжекторных насосов Zexel, позвоните в RPM Diesel Engine Company. RPM Diesel Engine Company имеет большой запас запчастей для инжекторных насосов Zexel. Возможно, вы ищете новый инъекционный насос Zexel или просто ремонт или техническое обслуживание. Компания RPM Diesel Engine Company также продает запасные части для дизельных двигателей Bosch и других ведущих дизельных инжекторных систем. У нас есть большой ассортимент запчастей для инъекционных насосов Zexel на складе, и если у нас их нет, мы можем быстро доставить их для вас.
- Прокладки насоса Zexel
- Комплекты для обслуживания инъекций Zexel
- Форсунки для впрыскивающих насосов Zexel
- Элементы впрыскивающего насоса Zexel
- Электромагнитные клапаны инжекторного насоса Zexel
- Дозирующие клапаны для инъекционных насосов Zexel
- Вкладыши инъекционных насосов Zexel
- Мембраны инъекционных насосов Zexel
- Пружины рычага ТНВД Zexel
Если вам не нужны детали для впрыскивающих насосов Zexel, но вы, возможно, ищете другие ведущие детали для впрыскивающих насосов для дизельного топлива, позвоните нам, и мы поможем вам.
