Renault Sport о топливных системах двигателей Формулы 1
Мотористы Renault рассказали об основных принципах работы топливной системы двигателя RS27.
Какова функция топливной системы?
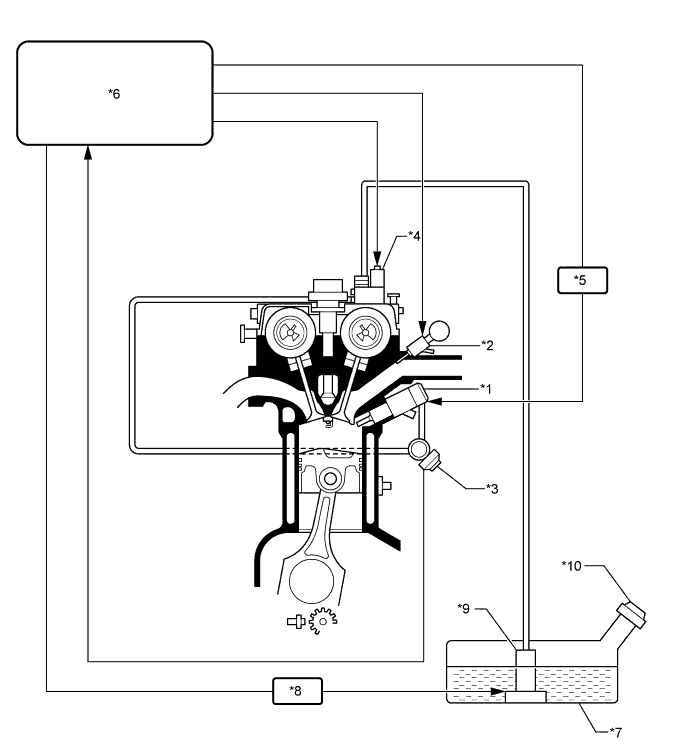
Задача топливной системы двигателя заключается в том, чтобы доставить топливо из бака в двигатель, где оно распыляется во впускном тракте, смешиваясь с воздухом на пути в цилиндр. Там эта смесь воспламеняется, что в итоге приводит к созданию крутящего момента. Топливо должно быть доставлено к форсункам под определённым давлением, его количество необходимо точно дозировать, для чего используется механический насос.
Топливная система начинается с топливной ячейки (бака), которая находится внутри монокока между гонщиком и двигателем. Это большая герметичная эластичная емкость, изготовленная из материалов, аналогичных тем, что применяют в военной промышленности, в которой размещено всё топливо, необходимое для гонки (около 160 кг, или 230 л). На топливопроводах, по которым бензин подаётся в двигатель, установлены специальные муфты, препятствующие его утечке из бака, если при аварии двигатель оторвёт от шасси.
Топливо внутри ячейки испытывает боковые и продольные перегрузки в поворотах при ускорениях и торможениях и перемещается из стороны в сторону, что осложняет его подачу, особенно при низком уровне бензина. Поэтому внутри ячейки находятся 3 или 4 электронасоса низкого давления, которые выкачивают топливо из разных углов бака. Топливоприёмники этих насосов оборудованы фильтрами, защищающими двигатель от повреждений, которые могут быть вызваны посторонними примесями. Насосы подают топливо в емкость относительно небольшого размера, так называемый «коллектор», расположенный внутри топливного элемента и вмещающий 2,5 кг (или 3 литра).
Топливо в коллекторе находится под давлением, и его там достаточно, чтобы непрерывно обеспечивать основной насос, даже если электронасосы начинают работать с перебоями из-за низкого уровня топлива. При этом стоит учесть, что двигатель на полных оборотах потребляет до 3,5 литров топлива в минуту.
На следующем этапе топливо поступает из коллектора в насос, который в свою очередь подаёт его к форсункам.
Насос полностью механический и защищён фильтром тонкой очистки. Этот насос подаёт топливо пропорционально оборотам двигателя. Но зависимость эта не линейная, и чтобы количество поставляемого топлива соответствовало требуемому количеству, основной насос снабжён специальным сложным устройством, регулирующим давление.
После прохождения насоса и фильтра тонкой очистки топливо поступает к форсункам под высоким давлением (95 бар). Технический регламент запрещает давление выше 100 бар. Форсунки — это высокоточные электромеханические соленоиды, которые управляются SECU (Standard Electronic Control Unit – стандартный электронный блок управления). Оборудование и контрольное программное обеспечение SECU – единое для всех двигателей Формулы 1, но его настройки допускаются в пределах, установленных FIA.
В момент включения соленоида топливо под высоким давлением впрыскивается в воздушную камеру. Для достижения оптимального наполнения цилиндров и подготовки смеси это происходит в определённый момент рабочего цикла двигателя, что в конечном счёте способствует эффективному сгоранию смеси и, следовательно, повышению эффективности мотора.
Как менялись топливные системы моторов V8?
За исключением усовершенствований, вызванных ежегодной доработкой машин, в целом схема работы системы осталась практически неизменной, разве что размер топливной ячейки был увеличен после запрета дозаправок. Ранее бак мог быть меньше, так как вмещал столько топлива, сколько машина тратила между пит-стопами (около 70 кг), но теперь ячейка должна быть достаточно большой, чтобы вместить всё топливо, необходимое для гонки.
Значительные размеры ячейки поставили перед инженерами новые задачи. В частности, при большом объёме ячейки осложнен процесс забора топлива при его низком уровне. Кроме того, отдельного внимания потребовала проблема температуры топлива. Оно нагревается из-за двигателя, системы выхлопа и так далее. Высокая температура топлива снижает эффективность двигателя, а кроме того осложняет подачу топлива в коллектор.
Все эти проблемы пришлось решать, в том числе путём изменения конструкции машины, а также за счет дополнительного ограничения химического состава топлива и улучшения конструкций топливной ячейки и насосов.
А если бы не было моратория на модернизацию двигателей?
На самом деле развитие топливных систем больше ограничено техническим регламентом, чем мораторием на модернизацию двигателей. Давление впрыска может быть максимум 100 бар (что в 100 раз выше нормального атмосферного давления на уровне моря), а на каждый цилиндр приходится только одна форсунка, расположенная во впускном тракте.
Эти правила поставили вне закона использование системы впрыска со сверхвысоким давлением, а также применение непосредственного впрыска в камеру сгорания. При большей технической свободе, вполне вероятно, были бы разработаны более сложные системы впрыска, с давлением в 500 бар. В результате моторы были бы более мощными, управляемыми и экономичными.
ТОТАЛ ВОСТОК: Топливные системы дизельных двигателей: влияние их работы на моторное масло и диагностика неисправностей
Ю.И. Бачурин, технический специалист, ООО «ТОТАЛ ВОСТОК»
В статье рассматриваются основные типы топливных систем дизельных двигателей и их возможные неисправности, а также влияние неисправной работы топливной аппаратуры на эксплуатационные свойства моторного масла и методы обнаружения неисправностей.
Моторное масло, циркулирующее в двигателе, можно уподобить крови в организме человека. По такой же аналогии сгорание топлива можно сопоставить с процессом пищеварения живого организма. Всем нам известно, что неправильное питание или нарушенное пищеварение непременно сказываются на состоянии организма и составе нашей крови. Ровно так же неисправности топливной системы могут оказать негативное влияние на работу системы смазки и на моторное масло в частности. Технические проблемы, в числе которых рост расхода масла или падение давления в системе смазки, не всегда объясняются применением смазочного материала ненадлежащего качества, а могут быть вызваны сбоями в работе топливной системы.
Виды топливных систем дизельных двигателей
1. Топливный насос высокого давления (ТНВД) и форсунки
Особенность устройства: топливо подается насосом высокого давления к каждой форсунке отдельно
Преимущества: простота и дешевизна
Недостатки: низкое давление впрыска, непостоянное давление впрыска
В настоящее время такие топливные системы практически не применяются при производстве автомобилей из-за несоответствия действующим экологическим стандартам
2.
Насос-форсунки и насосные секцииа) насос-форсунки
Особенность устройства: насос высокого давления и форсунка совмещены в одном устройстве, которое крепится непосредственно на блок цилиндров
Преимущества: высокое давление впрыска (за счет сокращения пути топлива под высоким давлением и уменьшения гидравлических потерь)
Недостатки: дороговизна и сложность в обслуживании
В настоящее время насос-форсунки устанавливаются на двигатели грузовиков и внедорожной техники фирм Volvo, Scania, DAF, Iveco, Mercedes, Hyundai, Renault, Caterpillar, Perkins. Насос-форсунки устанавливались на двигатели легковых автомобилей концерна VAG в период 1998–2008 гг., но были заменены на более перспективную систему Common Rail (см. далее).
б) насосные секции
Особенность устройства:
насосы вынесены в отдельную секцию и располагаются на некотором удалении от форсунокПреимущества: высокая ремонтопригодность в сравнении с насос-форсункой благодаря облегченному доступу к насосной секции.
Недостатки: так как форсунка располагается на некотором удалении от насоса, создать такое высокое давление, как насос-форсункой, не удается.
Сегодня насосные секции можно встретить на автомобилях RENAULT Magnum, DAF XF 85 и XF 95, MERCEDES Axor, Actros и Atego.
в) насос-форсунки с гидравлическим приводом
Особенность устройства: вместо кулачка распредвала усилие для создания давления создает масло, поступающее из системы смазки двигателя и подаваемое по специальной магистрали отдельным масляным насосом
Преимущества: возможность регулирования момента впрыска независимо от положения распредвала.
Недостатки: сложность конструкции из-за наличия дополнительной масляной магистрали высокого давления.
Такими системами оснащаются некоторые дизельные моторы «Caterpillar», Perkins, а также двигатели автомобилей Isuzu.
3. Common Rail
Особенность устройства: наличие топливной рампы, в которой топливо находится постоянно под высоким давлением
Преимущества: соответствие давления впрыска скоростному и нагрузочному режимам работы двигателя.
Недостатки: более громоздкая конструкция по сравнению с насос-форсунками.
Эта система является наиболее перспективной и находит применение на большинстве современных дизелей.
Влияние работы систем впрыска на моторное масло
Зачастую при оценке состояния двигателя вся «вина» за образовавшиеся отложения и изношенные детали ошибочно перекладывается на моторное масло. При этом полагают, что масло не выполняет свои главные функции: не защищает двигатель от износа и не препятствует образованию отложений. Более же тщательная диагностика позволяет выявить неисправности в других системах двигателя, которые так или иначе могли бы привести к потере свойств масла, изначально заложенных в нем производителем.
Ни для кого не секрет, что в процессе работы моторное масло под влиянием различных факторов неизбежно теряет свои свойства. Тем не менее обычно оно служит до своего срока замены, сохраняя уровень свойств, достаточный для выполнения своих функций.
Однако бывает так, что масло перестает работать значительно раньше. Этому может быть великое множество причин и одна из них – неисправная работа системы впрыска.
Одной из причин того, что масло досрочно теряет свои свойства в процессе эксплуатации техники, является неисправная работа топливной аппаратуры!
Что происходит при неисправной работе топливной системы?
В случае нарушения технологии впрыска топлива может снижаться мощность двигателя и увеличиваться токсичность выхлопных газов. Кроме того, нештатная работа топливной системы зачастую приводит к снижению эксплуатационных свойств моторного масла в результате попадания в него несгоревшего топлива и образовавшейся сажи. Все это может стать причиной ускоренного износа двигателя и его последующего выхода из строя.
Приведенная ниже схема наглядно демонстрирует вышеупомянутую связь:
Таким образом, масло является лишь промежуточным звеном в цепочке неисправностей на пути от топливной системы к деталям двигателя.
Причины нарушений в работе топливных систем и методы диагностики неисправностей
В современных условиях состояние топливной системы позволяет отследить лабораторный анализ моторного масла, работающего в двигателе. Для этого оцениваются такие показатели, как содержание в нем сажи и топлива. Компания TOTAL предлагает такую услугу своим клиентам, она называется ANAC. В нашей лаборатории содержание топлива в масле измеряется методом хроматографического анализа, который является наиболее точным при определении данного показателя.
ANAC – система диагностики состояния двигателя. Лаборатория ANAC сотрудничает со многими производителями двигателей внутреннего сгорания, а также имеет собственную базу данных для корректной интерпретации результатов анализа масла. Например, в лаборатории имеются нормы содержания топлива в масле для различных двигателей.
Система ANAC помимо отслеживания исправности топливной аппаратуры позволяет контролировать состояние масла и определять интенсивность изнашивания двигателя, а также дать рекомендации по дальнейшему обслуживанию техники.
Таким образом, периодический отбор проб моторного масла и его анализ в лаборатории TOTAL ANAC позволяет избежать затрат на внеплановый ремонт двигателя и сократить количество простоев техники.
ООО «ТОТАЛ ВОСТОК»
тел.: +7 (495) 937-37-84
e-mail: Адрес электронной почты защищен от спам-ботов. Для просмотра адреса в вашем браузере должен быть включен Javascript.
www.total-lub.ru
Ключевые слова: ТОТАЛ ВОСТОК топливные системы, устройство, устранение неисправностей
Журнал «Горная Промышленность» №2 (138) 2018, стр.58
Запуск дизельных двигателей А-01М, А-41. Статьи компании «ООО «СибТехКом»»
1. Подготовка к работе дизеля А-01М, А-41
При установке на машину дизель А-01М, А-41 должен быть доукомплектован водяным и масляным радиаторами, глушителями шума выпуска, манометром для замера давления масла, термометрами для замера температуры охлаждающей жидкости и масла, не входящими в комплект поставляемых дизелей.
Для заправки и смазки применяйте только смазочные материалы рекомендуемые заводом изготовителем.
Смазочные материалы не должны содержать посторонних примесей, поэтому их необходимо предохранить от засорения и атмосферных осадков. Заправляйте масло закрытым способом или через воронку с мелкой сеткой. Для каждой марки масла используйте отдельную тару. Перед заправкой очистите масленки и места у заправочных отверстий. При заправке пластичными смазками применяйте рычажно-плунжерный шприц. Надежная работа дизеля гарантируется только при применении рекомендованных смазочных материалов.
Для заправки применяйте следующее топливо по ГОСТ 305-82: при температуре окружающего воздуха выше 273К (0 с) – дизельное «Л»: от 273 до 253К (от 0 до -20 С) дизельное «З» ниже 253К (-20 С) – дизельное «А».
При отсутствие топлива «А» допускается применять топливо «З» с добавлением до 50% керосина ГОСТ 18499-73. Для пускового двигателя применяйте смесь бензина А-80 с моторным масло в соотношении 20:1 (по объему). Масло смешивайте в отдельной посуде для получения однородной смеси. Раздельная заправка бачка пускового двигателя бензином и маслом, а также применение чистого бензина не допускается.
Топливные баки заправляйте топливом, отстоянным не менее 48 часов. Перед заправкой очистите заливные горловины и заправьте закрытым способом или через воронку см елкой сеткой. Не допускается полное расходования топлива из баков.
Для заправки систем охлаждения применяйте чистую пресную воду, при низкой температуре — низкозамерзающую жидкость (антифриз). Жесткую воду (колодезную и ключевую) смягчите кипячением или добавлением 40г каустической соды на 60 л воды с последующей фильтрацией. Систему охлаждения заполняйте водой полностью а антифризом на 5-6% меньше ее вместимости так как антифриз обладает высоким коэффициентом объемного расширения. Заливайте охлаждающую жидкость через воронку с мелкой сеткой.
1.1. Подготовка дизеля А-01М, А-41 к пуску
Перед пуском нового или капитально отремонтируемого дизеля выполните следующие операции:
- Осмотрите и очистите дизель от пыли и грязи
- Расконсервируйте дизель
- Удалите масло с наружных законсервированных поверхностей, установите поршень пускового двигателя в ВМТ, залейте через заливной краник 30-50г смеси из 20 частей бензина и одной части масла и отверните пробку продувочного канала.
Проверните коленчатый вал пускового двигателя не менее шести раз при открытом заливном кранике для спуска масла. При температуре окружающего воздуха не ниже 293°К (20°C) допускается расконсервация следующим образом: без заливки топливной смеси провернуть коленчатый вал при открытом заливном кранике и отвернутой пробкой в картере.
- Удалите масло с наружных законсервированных поверхностей, установите поршень пускового двигателя в ВМТ, залейте через заливной краник 30-50г смеси из 20 частей бензина и одной части масла и отверните пробку продувочного канала.
- Заправьте систему охлаждения охлаждающей жидкостью
- Проверьте уровень масла и при необходимости долейте
- в нижнюю крышку картера дизеля.
- В топливный насос
- В поддон воздухоочистителя
- В редуктор пускового двигателя.
- Смажьте подшипники муфты включения и водяного насоса
- Проверьте и при необходимости отрегулируйте натяжение ремней вентилятора и генератора.
- Проверьте и при необходимости подтяните наружные резьбовые соединения дизеля (в том числе болты муфты привода топливного насоса)
- Прослушайте дизель и визуально проверьте показание контрольных приборов на соответствие установленным нормам.

1.2. Пуск дизеля А-01М, А-41 с пусковым двигателем ПД-10У
- Выполните операции по подготовке дизеля к пуску (см п. 1.1).
- Установите рычаг регулятора частоты вращения в положение выключенной подачи топлива, рычаг включения муфты сцепления пускового двигателя — в нейтральное положение
- Включите механизм декомпрессии
- Введите шестерню включения в зацепление с венцом маховика; если шестерня включения не входит в зацепление с венцом маховика мгновенным включением и выключением электростартера с одновременным включением муфты редуктора, слегка проверните вал редуктора, после чего повторите включение шестерни. Не допускается включать шестерню включения при работающем дизеле
- Произведите пуск пускового двигателя стартером или шнуром, предварительно открыв крышку воздушного патрубка и приоткрыв воздушную и дроссельную заслонки карбюратора.
- Прогрейте пусковой двигатель в течении2-3 мин, полностью открыв воздушную заслонку.

- Плавно и быстро включите первую передачу редуктора дизеля А-01М, через 1-2 мин вторую; на дизеле А-41 – включите передачу. При этом необходимо удерживать рычаг Во включенном состоянии
- Прокрутите 1-2 мин коленчатый вал дизеля до появления давления в системе смазки и выключите механизм декомпрессии
- Включите подачу топлива, повернув рычаг регулятора влево до упора. При затрудненном пуске вытяните кнопку валика пускового обогатителя.
- Как только дизель начнет устойчиво работать, установите рычаг включения муфты сцепления пускового двигателя в нейтральное положение Если дизель после нескольких вспышек остановится , повторите вышеуказанные операции.
- Остановите пусковой двигатель, закрыв дроссельную заслонку карбюратора и выключите зажигание. Не отпуская кнопки выключения зажигания, закройте воздушную заслонку и крышку воздушного патрубка карбюратора. Закройте кран топливного бака пускового двигателя.
- Через 1-3 мин. После пуска и достижения в системе смазки давления не менее, МПа (3,0 кгс/см2) осуществляйте после пусковой прогрев при средних и номинальных частотах вращения с нагрузкой 50-70% от эксплуатационной мощности от эксплуатационной мощности.

- Прослушайте дизель и визуально проверьте показание контрольных приборов на соответствие установленным нормам
- Дизель считается прогретым и полностью готовым к принятию нагрузки, если температура охлаждающей жидкости равна 333-343К (60-70 С), а давление масла при номинальной частоте вращения 0,3-0,5 МПа (3-5 кгс/см2) Не допускается длительная (более 5 мин) работа дизеля после пуска на холостом ходу с целью его прогрева. В случае затруднительного пуска продолжительность непрерывной работы пускового двигателя под нагрузкой не должна превышать 15 мин.
При пуске дизеля пусковым двигателем ПД-10 не допускается
- Препятствовать отключению шестерни механизма включения и удерживать ее в зацеплении с зубчатым венцом маховика, так как это может вывести из строя редуктор пускового двигателя при возрастании частоты вращения дизеля
- Пускать дизель без предварительного прокручивания коленчатого вала, особенно в холодное время года, когда масло густое и поступает в подшипники с запозданием Это может привести к задирам подшипников.

- Пускать дизель без охлаждающей жидкости в системе охлаждения, так как это может привести к задиру поршня пускового двигателя и появлению трещин в головках цилиндров дизеля.
- Допускать длительную работу дизеля при номинальной частоте вращения на холостом ходу. Перед остановкой дизеля дайте ему проработать без нагрузки в течении 5 мин , снижая частоту вращения до минимальной на холостом ходу, затем остановите, выключив подачу топлива.
1.3. Пуск дизеля А-01М, А-41 со стартером СТ-142Б
- Откройте запорный кран топливного бака
- Выпустите воздух из топливной системы насосом ручной прокачки топлива
- Включите выключатель «массы»
- Включите максимальную подачу топлива, для чего установите рычаг регулятора влево до упора и при необходимости вытяните кнопку валика обогатителя
- Нажмите на кнопку выключателя стартера
- После начала самостоятельной работы дизеля отпустите кнопку стартера. Время непрерывной работы стартера не должно превышать 20 с.

- Если дизель не запустился с трех попыток, длительностью по 20 с. каждая отключите выключатель стартера . Найдите неисправность, устраните ее и повторите запуск.
Для приработки трущихся деталей каждый новый двигатель перед пуском в эксплуатацию с полной нагрузкой должен быть обкатан. Обкатка заключается в том, что дизель нагружают до полной нагрузки постепенно, в течение первых 30-ти часов.
Не допускается работа дизеля с полной нагрузкой без проведения обкатки, так как это приводит к быстрому износу трущихся поверхностей деталей, задирам гильз цилиндров и поршней или заклиниванию коленчатого вала.
Правильно проведенная обкатка обеспечивает надежную длительную работу двигателя.
1.4. Обкатка должна проводится под наблюдением механика в 3 этапа:
- Обкатка на холостом ходу 10-15 мин.
- Обкатка с машиной работающей без нагрузки – 5 часов
- Обкатка под нагрузкой, с постепенным увеличением нагрузки не превышающей 75% эксплуатационной мощности в конце времени обкатки
Система смазки ТНВД
Тема не большая но важная! Хочется поговорить о ТНВД (топливный насос высокого давления).
А именно о системе смазки ТНВД.
В связи с постоянным развитием систем дизельного впрыска появилось многообразие различных систем. Это и рядные ТНВД и ТНВД распределительного впрыска, насос форсунка и ТНВД управляемые электроникой, а также система общей рампы. Но развивая все технологии иногда разработчики забывают элементарные правила — не надо менять то, что работает надежно и долговечно. Я хочу сказать о системе смазки рядных ТНВД. Изначально была система смазки ТНВД индивидуальная — т.е. заливаешь масло в топливный насос и забыл про него, лишь изредка нужно проверить уровень масла и долить или поменять через определенный период. Что же предлагают нам сегодня: Мозги конструкторов полностью пошли в противоположном направлении. А именно они сделали централизованную смазку от двигателя. Что это значит? А давайте поразмыслим. Всем известно, что при сгорании дизельного топлива образуется сажа, которая хочешь не хочешь попадает в масло. Потом вместе с маслом попадает в ТНВД. А что такое сажа? – это абразив который разрушает поверхности в местах трения (подшипники, плунжерные пары в нижней части где работает смазка, втулки, кулачковый вал, толкатели и многое другое).
А если не, дай Бог, пойдет дизельное топливо через ТННД или под плунжерную пару то накрылось масло в двигателе, иди покупай новое, а если вовремя не заметил так и вовсе двигатель накрыться может. И нужно ответить себе на вопрос, а зачем мне это надо? Так гораздо проще приобрести ТНВД с индивидуальной системой смазки и забыть про все беды. Залил 200-300 грамм хорошего масла и забыл про все проблемы. Этот больной вопрос особенно актуален сегодня, т.к. в последнее время разбирая насос для ремонта встречаются насосы в которых приклеивается плунжер к втулке из-за некачественного масла. И еще актуален вопрос для районов с низкими температурами, я бы рекомендовал им тоже ТНВД с индивидуальной смазкой.
Система питания двигателей ВАЗ-21114 и ВАЗ-21124
Описание конструкции
Схема подачи топлива в двигатель ВАЗ-21124
1 – штуцер для проверки давления в системе питания
2 – топливная рампа
3 – форсунки
4 – топливопровод
5 – топливный бак
6 – модуль топливного насоса (в топливном баке)
7 – топливный фильтр
8 – тройник
Системы питания двигателей ВАЗ-21114 и ВАЗ-21124 не имеют возвратной топливной магистрали.
Модуль электрического топливного насоса установлен в топливном баке и включает в себя электрический топливный насос, сетчатый фильтр, заборную камеру, регулятор давления топлива и датчик указателя уровня топлива.
Модуль топливного насоса в сборе
1 – встроенный регулятор давления топлива
2 – штуцеры под установку топливопроводов с быстросъемными наконечниками
3 – электрический разъем
4 – датчик указателя уровня топлива
Регулятор давления топлива, устанавливаемый в модуль топливного насоса
Электрический топливный насос при работе развивает давление не менее 3,8 бар (380 кПа). От насоса топливо под давлением подается по гибкому шлангу к фильтру тонкой очистки –– неразборному, в металлическом корпусе, с бумажным фильтрующим элементом. На корпусе фильтра нанесена стрелка, которая должна совпадать с направлением движения топлива.
После фильтра бензин поступает через тройник топлипровода в топливную рампу, которая служит для подачи топлива к форсункам.
Тройник соединяет топливную магистраль с регулятором давления, установленным в топливном модуле. Повышение давления приводит к перепуску топлива из магистрали обратно в бак. Форсунки крепятся к рампе пружинными фиксаторами через уплотнительные резиновые кольца.
Топливные рампы двигателей ВАЗ-21114 и ВАЗ-21124 не взаимозаменяемы между собой. Обе рампы изготовлены из нержавеющей стали и не имеют штуцеров слива топлива в бак. Штуцеры для проверки давления топлива выполнены так, чтобы проверять давление топлива манометром было максимально удобно.
Топливная рампа двигателя ВАЗ-21114
Топливная рампа двигателя ВАЗ-21124
Форсунки двигателей ВАЗ-21114 и ВАЗ-21124 не взаимозаменяемы с форсунками двигателей ВАЗ-2111 и ВАЗ-2112, а также различны между собой: на двигатель ВАЗ-21114 устанавливаются одноструйные форсунки, на двигатель ВАЗ-21124 –– двухструйные.
Форсунки двигателей ВАЗ-21124 (слева) и ВАЗ-21114 (справа)
Дроссельные узлы двигателей ВАЗ-21114 и ВАЗ-21124 (В) отличаются от дроссельных узлов двигателей ВАЗ-2111 и ВАЗ-2112 (А) отсутствием отверстия (1) подвода воздуха к ресиверу (впускному трубопроводу) в обход дроссельной заслонки.
Также изменилась форма присоединительного фланца (2) дроссельного узла
Перед обслуживанием и ремонтом топливной аппаратуры необходимо сбросить давление в системе питания.
Порядок сбрасывания давления в системе питания
ПОРЯДОК ВЫПОЛНЕНИЯ
Отсоединяем колодку проводов питания от модуля топливного насоса.
Пускаем двигатель и даем ему поработать на холостом ходу до остановки из-за выработки топлива
Включаем на 3 с стартер для стравливания давления в трубопроводах
После завершения работы присоединяем колодку проводов к модулю топливного насоса.
Проверка давления в системе питания
Проверка давления в системах питания двигателей ВАЗ-21114 и ВАЗ-21124 проводится примерно одинаково. Работа показана на примере двигателя ВАЗ-21124.
Для наглядности пластмассовая крышка двигателя снята.
ПОРЯДОК ВЫПОЛНЕНИЯ
Отворачиваем и снимаем защитный колпачок со штуцера топливной рампы.
Сбрасываем давление в системе питания.
Затем вновь присоединяем колодку проводов топливного насоса.
Металлическим колпачком колесного вентиля выворачиваем из штуцера золотник.
При этом из штуцера может вытечь немного топлива, — удаляем его с деталей двигателя ветошью.
Полностью выворачиваем золотник и вынимаем его.
Надеваем на штуцер топливной рампы шланг манометра с хомутом (можно использовать шинный манометр и армированный шланг из маслобензостойкой резины)…
…и затягиваем хомут.
Удерживая манометр (работаем вдвоем с помощником), пускаем двигатель и проверяем давление топлива.
Давление в системе питания исправного двигателя должно составлять 2,8–3,2 бар (2,8–3,2 атм).
Сбрасываем давление в системе питания, как описано выше.
Ослабляем затяжку хомута и снимаем шланг манометра со штуцера.
Тщательно удаляем вытекшее топливо с деталей двигателя.
Заворачиваем золотник и устанавливаем защитный колпачок на штуцер.
Замена топливного фильтра
ПОРЯДОК ВЫПОЛНЕНИЯ
Сбрасываем давление в системе питания.
Устанавливаем автомобиль на смотровую канаву или на подъемник.
Нажав пальцем на пружинный фиксатор (А), снимаем наконечник отводящего топливопровода от штуцера топливного фильтра.
Обратите внимание: топливные фильтры с резьбовыми штуцерами крепления топливных шлангов на автомобилях с двигателями ВАЗ-21114 и ВАЗ-21124 применяться не могут.
Аналогично отсоединяем и снимаем наконечник подводящего топливопровода.
Ключом «на 10» отворачиваем стяжной болт хомута крепления топливного фильтра.
Вынимаем болт и расположенную под ним пружинную шайбу.
Вынимаем фильтр из хомута крепления в направлении стрелки на корпусе фильтра (или по направлению движения топлива –– от левого к правому борту автомобиля).
Так же должен быть расположен фильтр при установке
ПОРЯДОК ВЫПОЛНЕНИЯ
Устанавливаем топливный фильтр в обратной последовательности.
Наконечники топливопроводов надеваем на штуцеры топливного фильтра до щелчков пружинных фиксаторов.
Подсоединив колодку проводов к модулю топливного насоса, пускаем двигатель и проверяем герметичность соединений топливного фильтра.
Снятие и разборка модуля топливного насоса
ПОРЯДОК ВЫПОЛНЕНИЯ
В салоне автомобиля поднимаем (а лучше вынимаем из салона) подушку заднего сиденья (см. Снятие заднего сиденья и деталей его крепления).
Крестообразной отверткой отворачиваем два самореза крепления крышки лючка в полу кузова под задним сиденьем.
Снимаем крышку лючка.
Отсоединяем колодку проводов от модуля топливного насоса.
Сбрасываем давление в системе питания.
Отсоединяем клемму «минусового» провода от вывода аккумуляторной батареи.
Нажимая на пружинные фиксаторы, поочередно отсоединяем наконечники топливопроводов от штуцеров крышки модуля топливного насоса.
Головкой «на 10» с удлинителем отворачиваем восемь гаек крепления модуля топливного насоса.
Снимаем гайки и расположенные под ними пружинные шайбы.
Снимаем прижимную пластину…
…и вынимаем модуль топливного насоса из бака.
Снимаем резиновую прокладку.
При необходимости замены снимаем кольцевую пластмассовую проставку.
Обратите внимание: при последующей установке проставки ее разрез должен совпасть с выступом на крышке модуля топливного насоса.
Освободившееся отверстие в топливном баке желательно сразу прикрыть, чтобы в бак не попали посторонние предметы.
В проточке одной из направляющих стоек крышки модуля расположено стопорное кольцо.Снимаем его, поддев лезвием отвертки.
Теперь крышку можно немного отодвинуть от корпуса модуля.
Отжимаем пальцем фиксирующую пластину с внутренней стороны крышки модуля…
…и отсоединяем общую колодку проводов.
Отсоединяем наконечник двух проводов «массы» от вывода на корпусе регулятора давления топлива.
Отсоединяем колодку проводов от топливного насоса.
Освободив пальцами два фиксатора…
…выдвигаем из пазов корпуса модуля…
…и снимаем узел датчика указателя уровня топлива вместе с проводами и колодками проводов.
Поддев отверткой, …
…снимаем скобу крепления регулятора давления топлива.
Вынимаем регулятор давления топлива.
Снимаем два уплотнительных кольца регулятора: большего и меньшего диаметра.
Дальнейшая разборка модуля топливного насоса не рекомендуется. Если топливный насос вышел из строя, лучше заменить модуль в сборе.
Номер модуля топливного насоса по каталогу — 21101-1139009.
ПОРЯДОК ВЫПОЛНЕНИЯ
Устанавливаем снятые детали и модуль топливного насоса на автомобиль в обратной последовательности.
Перед установкой уплотнительных колец регулятора давления топлива наносим на них тонкий слой пластичной смазки или моторного масла.
Обратите внимание: установочная стрелка на крышке модуля топливного насоса (помечена синим) должна указывать назад (против хода автомобиля). Стрелки на выступах штуцеров (помечены красным) указывают направление движения топлива.
Установочная стрелка модуля топливного насоса (увеличено)
Топливопроводы надеваем на штуцеры модуля до щелчков пружинных фиксаторов.
Подсоединив клемму «минусового» провода к выводу аккумуляторной батареи, пускаем двигатель и проверяем герметичность соединений модуля топливного насоса.
Снятие топливной рампы двигателя ВАЗ-21124
ПОРЯДОК ВЫПОЛНЕНИЯ
Снимаем впускной трубопровод.
Сжав лепестки держателя колодки жгута проводов форсунок, вынимаем держатель из отверстия в кронштейне.
Отсоединяем колодку жгута проводов форсунок от жгута проводов системы управления двигателем.
Сбрасываем давление в системе питания.
Удерживая шестигранник топливной рампы ключом «на 17», отворачиваем штуцер топливопровода ключом того же размера.
Шестиграником «на 5» отворачиваем два винта крепления рампы (винты показаны стрелками).
Потянув рампу вдоль осей форсунок, вынимаем все четыре форсунки из отверстий головки блока цилиндров…
…и снимаем рампу с форсунками и проводами.
Устанавливаем снятые детали в обратной последовательности.
Штуцер крепления топливопровода к рампе заворачиваем моментом (20–34) Н•м.
Снятие форсунок
Снятие форсунок двигателей ВАЗ-21114 и ВАЗ-21124 выполняется одинаково.
Операции показаны на примере рампы и форсунок двигателя ВАЗ-21124.
ПОРЯДОК ВЫПОЛНЕНИЯ
Снимаем топливную рампу.
Нажав на пружинный фиксатор, отсоединяем колодку проводов от форсунки.
Поддев отверткой…
…снимаем фиксатор форсунки.
Вынимаем форсунку из рампы.
Посадочные места форсунки в рампе и головке блока цилиндров уплотняются резиновыми кольцами
Если уплотнительные кольца затвердели и снимаются с трудом, их можно разрезать.
Маркировка форсунки для двигателя ВАЗ-21124 VAZ20735 4318АО4321.
Проверка работоспособности форсунок двигателей ВАЗ-21114 и ВАЗ-21124 осуществляется так же, как и на двигателях ВАЗ-2111 и ВАЗ-2112 (см. Проверка форсунок двигателя). Отличие состоит в том, что электрическое сопротивление обмоток форсунок двигателей рабочим объемом 1,6 л должно находиться в пределах 11,4–12,6 Ом.
Неисправные форсунки следует заменить.
ПОРЯДОК ВЫПОЛНЕНИЯ
Устанавливаем снятые детали в обратной последовательности.
На новые уплотнительные кольца при установке их на форсунку наносим немного моторного масла (не допускайте попадания моторного масла внутрь форсунки).
Форсунку утапливаем в гнездо рампы до тех пор, пока пружинный фиксатор не сможет войти в прорези форсунки и одновременно в зацепление с буртиком на рампе.
Снятие корпуса воздушного фильтра
Снятие корпуса воздушного фильтра на двигателях ВАЗ-21114 и ВАЗ-21124 выполняется одинаково.
Операции показаны на примере двигателя ВАЗ-21124.
ПОРЯДОК ВЫПОЛНЕНИЯ
Отсоединяем клемму «минусового» провода от вывода аккумуляторной батареи.
Отсоединяем колодку проводов датчика массового расхода воздуха.
Крестообразной отверткой ослабляем затяжку хомута…
…и отсоединяем воздуховод от патрубка датчика массового расхода воздуха.
Поддеваем отверткой…
…и вынимаем стопорные штифты двух пистонов крепления козырька воздухозаборного шланга.
Снимаем козырек.
Выталкиваем три резиновые опоры корпуса воздушного фильтра из отверстий в кузове и кронштейне. Обычно опоры выходят из отверстий с трудом, поэтому рекомендуется предварительно смочить их мыльным раствором или проникающей жидкостью типа WD-40 и извлечь опоры с помощью шлицевой отвертки.
Снимаем корпус воздушного фильтра.
Отворачиваем и снимаем с патрубка корпуса фильтра воздухозаборный шланг.
Отворачиваем и снимаем с воздухозаборного шланга пластмассовый фланец.
Устанавливаем снятые детали в обратной последовательности.
Fass Топливные насосы 2001-2016 6,6 л Duramax
DMAX-7001
Усилитель потока дизельного топливного насоса FASS D-Max GM | 01-10 Chevy 6.6L Duramax
Дизельные двигатели Duramax не поставляются с заводским подъемным насосом, поэтому владельцы Duramax видят такие высокие характеристики и экономичность после установки послепродажного подъемного насоса для дизельного топлива.
Когда заводской ТНВД CP3 нагнетает топливо под вакуумом, он может ввести в топливо воздух и пар, что может привести к выходу из строя форсунки.Усилитель потока D-Max Flow Enhancer был разработан для обеспечения вашего двигателя Duramax постоянным давлением топлива 8 фунтов на квадратный дюйм, помогая системе впрыска сокращать объем работы, которую должен выполнять заводской топливный насос, продлевая его ожидаемый срок службы и улучшая прирост производительности от вторичного рынка. тюнинг товаров. Поскольку D-Max Flow Enhancer является «толкающим» насосом, все топливо находится под давлением, что помогает предотвратить попадание воздуха и пара.
D-Max хорошо разработан для серийных грузовиков или покупателей с ограниченным бюджетом, однако рекомендуется, чтобы владельцы дизельных двигателей Duramax установили один из наших насосов серии Titanium, если у вас есть несколько обновлений заправки или если вы ищете улучшенную фильтрацию и все преимущества, которые поставляются с нашими самыми продаваемыми дизельными насосами FASS серии Titanium.
FA C09 095G
Регулируемый дизельный топливоподкачивающий насос FASS 95GPH GM | 01-14 Chevy 6.6L Duramax
Наши регулируемые дизельные топливные насосы FASS спроектированы как самый универсальный высокопроизводительный топливный насос на рынке, который позволяет регулировать давление топлива для удовлетворения требований высокопроизводительных систем GM Duramax 6.6L. Этот регулируемый топливный насос, изготовленный с тем же двигателем, который используется в наших насосах серии Titanium, рассчитан на 95 галлонов дизельного топлива в час и предлагает регулируемое давление топлива от 1 до 75 фунтов на квадратный дюйм, чтобы настроить подачу топлива для гоночных или соревновательных дизельных двигателей.Чтобы обеспечить надлежащую производительность, мы встроили порт компенсации наддува, давление воздуха из вашего впускного коллектора повышает давление топлива при полностью открытой дроссельной заслонке, поддерживая давление топлива, когда это наиболее важно.
FA C09 150G
Регулируемый дизельный топливоподкачивающий насос FASS 150 галлонов в час GM | 01-14 Chevy 6.6L Duramax
Наши регулируемые дизельные топливные насосы FASS разработаны как самый универсальный высокопроизводительный топливный насос на рынке, который позволяет регулировать давление топлива в соответствии с требованиями высокопроизводительных двигателей GM Duramax 6.6L приложений. Этот регулируемый топливный насос, изготовленный с тем же двигателем, который используется в наших насосах серии Titanium, рассчитан на 150 галлонов дизельного топлива в час и предлагает регулируемое давление топлива от 1 до 75 фунтов на квадратный дюйм, чтобы настроить подачу топлива для гоночных или соревновательных дизельных двигателей. Чтобы обеспечить надлежащую производительность, мы встроили порт компенсации наддува, давление воздуха из вашего впускного коллектора повышает давление топлива при полностью открытой дроссельной заслонке, поддерживая давление топлива, когда это наиболее важно.
т C10 100 г
FASS Титановый подъемный насос для дизельного топлива, 100 галлонов в час GM | 01-10 Chevy 6.6 л Duramax
Топливные системы FASS могут быть полезным обновлением для вашего дизельного двигателя GM Duramax 6,6 л, потому что ваш Duramax не поставляется с заводским подъемным насосом, как другие дизели. Это требует, чтобы ваш впрыскивающий насос CP3 откачивал топливо под вакуумом, что добавляло дополнительную нагрузку на насос CP3 и создавало риск попадания дополнительного воздуха в топливо. Здесь на помощь приходит топливный насос Titanium FASS.
Подъемный насос для дизельного топлива серии Titanium был разработан FASS Fuel Systems как наиболее производительная, долговечная и надежная система фильтрации послепродажного обслуживания в дизельной промышленности.Подъемный насос серии Titanium, рассчитанный на производительность 100 галлонов в час и подкрепленный нашей ограниченной пожизненной гарантией, способен поддерживать ваш дизельный двигатель GM Duramax 6,6 л с достаточным количеством топлива для многократных обновлений топливной системы.
Подъемный насос серии Titanium также предлагает улучшенные преимущества фильтрации, которые помогут защитить ваши системы впрыска Duramax, эффективно продлив срок службы вашего нагнетательного насоса и форсунок. Эти преимущества включают улучшенный рейтинг фильтрации до 3 микрон, встроенный водоотделительный фильтр и запатентованный FASS Fuel Systems процесс удаления воздуха / паров.Дизельные двигатели Duramax известны тем, что имеют проблемы с отказом форсунок; это может быть вызвано несколькими различными факторами, и системы фильтрации FASS предназначены для устранения тех, которые связаны с топливом.
Дизельные топливные насосы серии Titanium представляют собой превосходные топливные насосы и системы фильтрации в дизельной промышленности. Это потому, что здесь, в FASS Fuel Systems, мы фокусируемся на совершенствовании наших насосов и их конструкции, предпринимая дополнительные шаги, которые наши конкуренты игнорируют, когда они спешат выпустить продукт.Благодаря этому коэффициент отказов нашего двигателя составляет менее 2%, а в конструкции реализованы уникальные конструктивные особенности, которые можно получить только с FASS Fuel Systems
.
т C10 150 г
FASS Титановый подъемный насос для дизельного топлива, 150 галлонов в час GM | 01-10 Chevy 6.6L Duramax
Топливные системы FASS могут быть полезным обновлением для вашего дизельного двигателя GM Duramax 6,6 л, потому что ваш Duramax не поставляется с заводским подъемным насосом, как другие дизели. Это требует, чтобы ваш впрыскивающий насос CP3 откачивал топливо под вакуумом, что добавляло дополнительную нагрузку на насос CP3 и создавало риск попадания дополнительного воздуха в топливо.Здесь на помощь приходит топливный насос Titanium FASS.
Подъемный насос для дизельного топлива серии Titanium был разработан FASS Fuel Systems как наиболее производительная, долговечная и надежная система фильтрации послепродажного обслуживания в дизельной промышленности. Подъемный насос серии Titanium, рассчитанный на производительность 150 галлонов в час и подкрепленный нашей ограниченной пожизненной гарантией, способен поддерживать ваш дизельный двигатель GM Duramax 6,6 л с достаточным количеством топлива для многократных обновлений топливной системы.
Подъемный насос серии Titanium также предлагает улучшенные преимущества фильтрации, которые помогут защитить ваши системы впрыска Duramax, эффективно продлив срок службы вашего нагнетательного насоса и форсунок.Эти преимущества включают улучшенный рейтинг фильтрации до 3 микрон, встроенный водоотделительный фильтр и запатентованный FASS Fuel Systems процесс удаления воздуха / паров. Дизельные двигатели Duramax известны тем, что имеют проблемы с отказом форсунок; это может быть вызвано несколькими различными факторами, и системы фильтрации FASS предназначены для устранения тех, которые связаны с топливом.
Дизельные топливные насосы серии Titanium представляют собой превосходные топливные насосы и системы фильтрации в дизельной промышленности. Это потому, что здесь, в FASS Fuel Systems, мы фокусируемся на совершенствовании наших насосов и их конструкции, предпринимая дополнительные шаги, которые наши конкуренты игнорируют, когда они спешат выпустить продукт.Благодаря этому коэффициент отказов нашего двигателя составляет менее 2%, а в конструкции реализованы уникальные конструктивные особенности, которые можно получить только с FASS Fuel Systems
.
FA C09 220G
Регулируемый дизельный топливоподкачивающий насос FASS 220GPH GM | 01-14 Chevy 6.6L Duramax
Наши регулируемые дизельные топливные насосы FASS спроектированы как самый универсальный высокопроизводительный топливный насос на рынке, который позволяет регулировать давление топлива в соответствии с требованиями высокопроизводительных двигателей GM Duramax 6.6L приложений. Этот регулируемый топливный насос, изготовленный с тем же двигателем, который используется в наших насосах серии Titanium, рассчитан на 220 галлонов дизельного топлива в час и предлагает регулируемое давление топлива от 1 до 75 фунтов на квадратный дюйм, чтобы настроить подачу топлива для гоночных или соревновательных дизельных двигателей. Чтобы обеспечить надлежащую производительность, мы встроили порт компенсации наддува, давление воздуха из вашего впускного коллектора повышает давление топлива при полностью открытой дроссельной заслонке, поддерживая давление топлива, когда это наиболее важно.
В этот комплект входит FASS STK-1002 (комплект переборки и всасывающей трубки).Изготовленный из алюминиевой заготовки 6061 T-6, фитинг переборки функционирует как всасывающая и возвратная труба, а также имеет всасывающую трубку диаметром 5/8 дюйма и возвратное отверстие для топлива диаметром ½ дюйма. Эта новая и улучшенная версия нашего предыдущего комплекта всасывающих трубок позволяет пользователю подсоединять обратную линию FASS непосредственно к фитингу переборки, исключая любые обрезки наливной горловины и значительно ускоряя процесс установки. Всасывающая трубка изготовлена из тефлона PTFE, который можно легко разрезать, чтобы приспособить к разной глубине топливных баков.При правильной установке вы можете безопасно использовать примерно 1/8 бака топлива.
FA C09 260G
Регулируемый подъемный дизельный топливный насос FASS 260GPH GM | 01-14 Chevy 6.6L Duramax
Наши регулируемые дизельные топливные насосы FASS спроектированы как самый универсальный высокопроизводительный топливный насос на рынке, который позволяет регулировать давление топлива для удовлетворения требований высокопроизводительных систем GM Duramax 6.
6L. Этот регулируемый топливный насос, изготовленный с тем же двигателем, который используется в наших насосах серии Titanium, рассчитан на 260 галлонов дизельного топлива в час и предлагает регулируемое давление топлива от 1 до 75 фунтов на квадратный дюйм, чтобы настроить подачу топлива для гоночных или соревновательных дизельных двигателей.Чтобы обеспечить надлежащую производительность, мы встроили порт компенсации наддува, давление воздуха из вашего впускного коллектора повышает давление топлива при полностью открытой дроссельной заслонке, поддерживая давление топлива, когда это наиболее важно.
В этот комплект входит FASS STK-1002 (комплект переборки и всасывающей трубки). Изготовленный из алюминиевой заготовки 6061 T-6, фитинг переборки функционирует как всасывающая и возвратная труба, а также имеет всасывающую трубку диаметром 5/8 дюйма и возвратное отверстие для топлива диаметром ½ дюйма. Эта новая и улучшенная версия нашего предыдущего комплекта всасывающих трубок позволяет пользователю подсоединять обратную линию FASS непосредственно к фитингу переборки, исключая любые обрезки наливной горловины и значительно ускоряя процесс установки.
Всасывающая трубка изготовлена из тефлона PTFE, который можно легко разрезать, чтобы приспособить к разной глубине топливных баков. При правильной установке вы можете безопасно использовать примерно 1/8 бака топлива.
т C10 220 г
FASS Дизельный топливоподкачивающий насос серии Titanium 220GPH GM | 01-10 Chevy 6.6L Duramax
Топливные системы FASS могут быть полезным обновлением для вашего дизельного двигателя GM Duramax, потому что ваш Duramax не поставляется с заводским подъемным насосом, как другие дизели.Это требует, чтобы ваш впрыскивающий насос CP3 откачивал топливо под вакуумом, что добавляло дополнительную нагрузку на насос CP3 и создавало риск попадания дополнительного воздуха в топливо. Здесь на помощь приходит топливный насос Titanium FASS.
Подъемный насос для дизельного топлива серии Titanium был разработан FASS Fuel Systems как наиболее производительная, долговечная и надежная система фильтрации послепродажного обслуживания в дизельной промышленности.
Подъемный насос серии Titanium, рассчитанный на расход 220 галлонов в час и имеющий нашу ограниченную пожизненную гарантию, способен поддерживать ваш GM Duramax 6.Дизельный двигатель объемом 6 л с достаточным количеством топлива для многократных обновлений топливной системы. Подъемный насос серии Titanium также предлагает улучшенные преимущества фильтрации, которые помогут защитить ваши системы впрыска Duramax, эффективно продлив срок службы вашего нагнетательного насоса и форсунок. Эти преимущества включают улучшенный рейтинг фильтрации до 3 микрон, встроенный водоотделительный фильтр и запатентованный FASS Fuel Systems процесс удаления воздуха / паров. Дизельные двигатели Duramax известны тем, что имеют проблемы с отказом форсунок; это может быть вызвано несколькими различными факторами, и системы фильтрации FASS предназначены для устранения тех, которые связаны с топливом.
В этот комплект входит FASS STK-1002 (комплект переборки и всасывающей трубки). Изготовленный из алюминиевой заготовки 6061 T-6, фитинг переборки функционирует как всасывающая, так и обратная труба и имеет всасывающую трубку 5/8 «вместе с отверстием для возврата топлива ½» «.
Эта новая и улучшенная версия нашего предыдущего комплекта всасывающих трубок позволяет пользователю подсоединять обратную линию FASS непосредственно к фитингу переборки, исключая любые обрезки наливной горловины и значительно ускоряя процесс установки.Всасывающая трубка изготовлена из тефлона PTFE, который можно легко разрезать, чтобы приспособить к разной глубине топливных баков. При правильной установке вы можете безопасно использовать примерно 1/8 бака топлива.
Дизельные топливные насосы серии Titanium представляют собой превосходные топливные насосы и системы фильтрации в дизельной промышленности. Это потому, что здесь, в FASS Fuel Systems, мы фокусируемся на совершенствовании наших насосов и их конструкции, предпринимая дополнительные шаги, которые наши конкуренты игнорируют, когда они спешат выпустить продукт.Благодаря этому коэффициент отказов нашего двигателя составляет менее 2%, а в конструкции реализованы уникальные конструктивные особенности, которые можно получить только с FASS Fuel Systems
.
т C10 290G
FASS Дизельный топливный насос серии FASS 290GPH GM | 01-14 Chevy 6.6L Duramax
Топливные системы FASS могут быть полезным обновлением для вашего дизельного двигателя GM Duramax, потому что ваш Duramax не поставляется с заводским подъемным насосом, как другие дизели. Это требует, чтобы ваш впрыскивающий насос CP3 откачивал топливо под вакуумом, что добавляло дополнительную нагрузку на насос CP3 и создавало риск попадания дополнительного воздуха в топливо.Здесь на помощь приходит топливный насос Titanium FASS.
Подъемный насос для дизельного топлива серии Titanium был разработан FASS Fuel Systems как наиболее производительная, долговечная и надежная система фильтрации послепродажного обслуживания в дизельной промышленности. Подъемный насос серии Titanium, рассчитанный на производительность 260 галлонов в час и имеющий нашу ограниченную пожизненную гарантию, способен поддерживать ваш дизельный двигатель GM Duramax 6,6 л с достаточным количеством топлива для многократных обновлений топливной системы.
Подъемный насос серии Titanium также предлагает улучшенные преимущества фильтрации, которые помогут защитить ваши системы впрыска Duramax, эффективно продлив срок службы вашего нагнетательного насоса и форсунок.Эти преимущества включают улучшенный рейтинг фильтрации до 3 микрон, встроенный водоотделительный фильтр и запатентованный FASS Fuel Systems процесс удаления воздуха / паров. Дизельные двигатели Duramax известны тем, что имеют проблемы с отказом форсунок; это может быть вызвано несколькими различными факторами, и системы фильтрации FASS предназначены для устранения тех, которые связаны с топливом.
В этот комплект входит FASS STK-1002 (комплект переборки и всасывающей трубки). Изготовленный из алюминиевой заготовки 6061 T-6, фитинг переборки функционирует как всасывающая, так и обратная труба и имеет всасывающую трубку 5/8 «вместе с отверстием для возврата топлива ½» «.Эта новая и улучшенная версия нашего предыдущего комплекта всасывающих трубок позволяет пользователю подсоединять обратную линию FASS непосредственно к фитингу переборки, исключая любые обрезки наливной горловины и значительно ускоряя процесс установки.
Всасывающая трубка изготовлена из тефлона PTFE, который можно легко разрезать, чтобы приспособить к разной глубине топливных баков. При правильной установке вы можете безопасно использовать примерно 1/8 бака топлива.
Дизельные топливные насосы серии Titanium представляют собой превосходные топливные насосы и системы фильтрации в дизельной промышленности.Это потому, что здесь, в FASS Fuel Systems, мы фокусируемся на совершенствовании наших насосов и их конструкции, предпринимая дополнительные шаги, которые наши конкуренты игнорируют, когда они спешат выпустить продукт. Благодаря этому коэффициент отказов нашего двигателя составляет менее 2%, а в конструкции реализованы уникальные конструктивные особенности, которые можно получить только с FASS Fuel Systems
. Магазин— Магазин по категориям — Топливная система — Страница 1
Топливная система
Одной из самых важных систем вашего грузовика Duramax будет топливная система.
В конце концов, он отвечает за хранение, фильтрацию и доставку дизельного топлива на ваш Duramax. Когда один из многих компонентов вашей топливной системы выходит из строя, это может привести к невозможности запуска и даже к угрозе безопасности. У Merchant Automotive будет все необходимое для ремонта, замены или восстановления компонентов топливной системы Duramax.
Ваша топливная система Duramax будет состоять из множества различных компонентов, которые работают вместе, чтобы подавать топливо в ваш двигатель. Это будет включать ваш топливный бак, топливные магистрали, топливный фильтр, форсунки, форсунки и форсунки.За вашей топливной системой следует обращаться должным образом, чтобы ваша топливная система оставалась чистой, работала наилучшим образом и обеспечивала надлежащее заправку двигателя. Это включает в себя своевременную замену топливного фильтра и добавление высококачественной топливной присадки, такой как наша присадка MA, каждые 3000-5000 миль. Вы также захотите визуально осмотреть все трубопроводы и компоненты вашей топливной системы на предмет утечек или признаков износа, чтобы заменить их до того, как повреждение станет еще более серьезным.
Утечка топлива или повреждение вашей топливной системы могут стать большой угрозой безопасности, если ее не устранить вовремя.
Есть ли у Duramax топливный насос в баке?
В отличие от многих транспортных средств, грузовики Duramax имеют топливный насос в баке. Вместо этого в грузовиках Duramax используется насос впрыска CP3 или CP4 для откачки топлива за счет вакуума от бака до двигателя. Хотя эта система отлично зарекомендовала себя на грузовиках Duramax, были проблемы с ТНВД CP4. Кроме того, топливный насос Duramax является местом большинства утечек топлива. Грузовики Duramax могут использовать подъемные насосы, которые помогают быстрее подавать топливо в двигатель.Это очень распространенное обновление в сообществе Duramax, и некоторые говорят, что Duramax должны были поставляться с ними с завода.
В каком году у Duramax возникли проблемы с CP4?
Если вы были на сцене Duramax, вы, скорее всего, слышали о жалобах на топливный насос CP4.
Насос CP4 заменил старый насос CP3, но многие из них возвращаются к CP3 с помощью комплектов для преобразования для повышения эффективности CP3. У грузовиков Duramax 2011-2016 годов были проблемы с ТНВД CP4.Насос CP3 использовался в большинстве двигателей Duramax 2001-2010 годов и даже в некоторых дизельных двигателях Cummin 2003-2018 годов. Большинство вышедших из строя CP4 создают проблемы на пробеге около 100 000 миль и обычно разрушают всю топливную систему. Это означает, что вам нужно будет заменить большинство компонентов в вашей топливной системе, что будет стоить вам тысячи долларов.
Каковы симптомы проблемы с топливом в Duramax?
Проблемы с топливом могут варьироваться от отказа CP4, вызывающего катастрофический отказ, до чего-то столь же простого, как засорение топливного фильтра.Большинство проблем с топливной системой проявляются в жестких условиях запуска, отсутствии запуска, резком холостом ходу и других проблемах с управляемостью. Эти симптомы могут различаться в зависимости от того, какая часть вашей топливной системы выходит из строя или неисправна.
Если вы испытываете какие-либо проблемы с управляемостью, топливная система — отличное место для начала диагностики. Утечки и видимый износ могут быть легко обнаружены большинством начинающих владельцев Duramax, но другие технические проблемы, возможно, потребуется диагностировать у профессионала.
Комплект модуля топливного насоса для заготовок
Хотите преобразовать безвозвратную топливную систему OBD2 вашего Jeep в систему с возвратом? Комплект модуля топливного насоса BWE Billet позволяет безболезненно переоборудовать, а также перейти на более мощный топливный насос вместе с совместимостью с E85 (насос и поддон OEM не входят в комплект).— Зачем переходить на топливную систему обратного типа?
- Регулируемое давление топлива: заводская топливная система OBD2 Jeep использует фиксированный регулятор давления, который постоянно установлен на крышке топливного модуля на баке.Давление установлено на заводе около 49 фунтов на квадратный дюйм. Хотя это отлично работает для полностью штатной установки двигателя, она не идеальна для замены двигателя, которая требует более высокого базового давления (например, замена LS) или настроек принудительной индукции.
Преобразование в систему возвратного типа позволяет использовать встроенный внешний регулятор (не входит в комплект). Это не только позволяет вам регулировать базовое давление топлива, но и позволяет использовать опорный порт вакуума / наддува.
- Проблема принудительной индукции: переход на системы обратного типа для приложений с принудительной индукцией не является чем-то новым.Неотъемлемая проблема возникает из-за разницы давлений, которая создается между впуском и выпуском топливной форсунки при наддуве. На диаграмме ниже (любезно предоставлено Haltech USA) эта проблема подробно показана. По сути, при базовом давлении 45 фунтов и 10 фунтах наддува, проходящих через двигатель, эффективное давление топлива в форсунке составляет всего 35 фунтов! Это может вызвать непоследовательную настройку и резко снизить общее количество топлива, которое может протекать форсунка. Если вы хотите узнать больше, мы рекомендуем посмотреть отличное видео, снятое Haltech, здесь: https: // youtu.
be / aWuFFhKuQZs
- Замок от паров. Распространенная проблема с топливной системой Jeep вызвана тем, что топливная рампа находится непосредственно над горячим выпускным коллектором. Это тепло может стать настолько сильным, что приводит к кипению топлива в топливной рампе, вызывая остановку двигателя или препятствуя его повторному запуску до тех пор, пока топливо не остынет. Jeep даже решил эту проблему, установив на некоторых более поздних моделях основной тепловой экран вокруг форсунок и частей топливной рампы.В то время как тепловая защита действительно отлично справляется с уменьшением количества впитывания тепла, переход на систему возвратного типа предотвращает полное кипение топлива в направляющей за счет протекания избыточного топлива через направляющую и обратно в бак.
— Конструкция: В крышке алюминиевого модуля Billet используется болт на кронштейне из нержавеющей стали, который позволяет удерживать алюминиевый поддон OEM. Это важно, потому что поддон не только является опорой для датчика уровня топлива, но также включает в себя обратный клапан для предотвращения топливного голодания даже при низком уровне топлива в баке.
Клапан также удерживает топливный насос в окружении топлива, что помогает охлаждать топливный насос, продлевая его срок службы.
В конструкции OEM используется небольшой зажим, который удерживает топливный насос на месте. По этой причине наш комплект разработан для топливного насоса, совместимого с AEM PN: 50-1220 E85, мощностью 320 л / ч. На рынке могут быть и другие насосы, которые работают, но этот агрегат AEM имеет те же размеры, что и агрегат OEM.
— Что требуется (не входит в комплект):
- Модуль топливного насоса OEM: Комплект также будет работать со многими из вторичного рынка сменные модули: только убедитесь, что в нем есть алюминиевый поддон!
- Топливный насос: мы настоятельно рекомендуем AEM 340 л / ч (номер детали: 50-1220), так как он имеет такие же габариты как заводские.К тому же они удивительно тихие!
- Новые внутренние и внешние сетчатые фильтры насоса: Airtex PN: FS221 и FS220 (или аналогичные)
- Топливная рампа / внешний регулятор давления: хотя можно использовать топливную рампу / регулятор OBD1,
мы настоятельно рекомендуем использовать алюминиевую топливную рампу NRT Billet или приваривать стальной фитинг 6AN.
до конца топливной рампы для обратной линии. Внешнее давление с повышением скорости 1: 1
Регулятор также настоятельно рекомендуется, особенно для приложений с повышенным уровнем мощности. http://www.nrtautosports.com/product/97-01-jeep-4-0-billet-aluminium-performance-fuel-rail - Линии подачи и возврата 6AN: если вы собираетесь использовать E85, убедитесь, что ты используешь линии, совместимые с этанолом.Добавление встроенного топливного фильтра также является отличным дополнением, но не обязательный.
Щелкните ссылку ниже, чтобы получить копию инструкции по установке:
GM Duramax — 01-04 LB7 Duramax — Fuel System
Комплект адаптера CAT / Donaldson НовыйОбъявленная цена действительна ТОЛЬКО для адаптера CAT. Пожалуйста, используйте «Выбрать опции продукта», чтобы выбрать полный комплект.
Номер товара: CATA-1005. Lincoln Diesel Specialites *доллар США 79.99 79,99 1 79,99
Описание: Цена указана ТОЛЬКО для адаптера CAT.
Пожалуйста, используйте «Выбрать опции продукта», чтобы выбрать полный комплект.
Номер товара: CATA-1005
Состояние: Новый
Комплект топливного поддона LDS с возвратным отверстием НовыйПодходит: универсальный * Время установки колеблется от 30 до 45 минут
Номер позиции: LDS-SUMP Фирменные блюда Lincoln Dieselдоллар США 149.99 149,99 1 149,99
Описание: Подходит: Универсальный * Время установки колеблется от 30 до 45 минут.
Номер позиции: LDS-SUMP
Состояние: Новый
Пробка LDS для воды в топливе (WIF) 2001-2016 НовыйПодходит: GM / Duramax 2001-2016
Номер позиции: LDS-WIFP Lincoln Diesel Specialites *доллар США 24.99 24,99 1 24,99
Описание: Подходит: GM / Duramax 2001-2016
Номер товара: LDS-WIFP
Состояние: Новый
Алюминиевый сливной винт топливного фильтра Новый Номер товара: BLEE-1003. Lincoln Diesel Specialites * доллар США
9.
99
9,99
1
9,99
Номер товара: BLEE-1003
.Состояние: Новый
Модернизированный комплект универсального топливного модуля AirDog Dodge (1998.5-2012) Новыйподходит: 1998,5-2012 Dodge / Cummins
Номер товара: 901-01-0520? AirDogдоллар США 99.00 99.00 1 99.00
Описание: Подходит: 1998.5-2012 Dodge / Cummins
Номер товара: 901-01-0520
.Состояние: Новый
Фитинг AirDog, соединение, нажимной замок, 1/2 » Новый Номер товара: 001-4A-1-0027. AirDogдоллар США 8.11 8,11 1 8,11
Номер товара: 001-4A-1-0027
Состояние: Новый
Комплект всасывающей трубки AirDog (вытяжка соломы) НовыйПодходит: универсальный
Номер товара: 901-01-0351-QC AirDogдоллар США 44.00 44.00 1 44.00
Описание: Подходит: Универсальный
Номер товара: 901-01-0351-QC
Состояние: Новый
Универсальный топливный отстойник Airdog Новый Номер товара: DRX09SMP AirDog доллар США
99.
99
99,99
1
99,99
Номер товара: DRX09SMP
Состояние: Новый
Комплект двойного топливного бака ATS (без насоса) НовыйПодходит: 2004.5-10 GM / Duramax LLY / LBZ / LMM
Пункт #: 7018004290. Производительность дизельного двигателя ATSдоллар США 1309.75 1309,75 1 1309,75
Описание: Подходит: 2004.5-10 GM / Duramax LLY / LBZ / LMM
Номер товара: 7018004290
.Состояние: Новый
Комплект подогревателя топлива BD-Power Flow-Max (универсальный) НовыйПодходит: для использования в топливных системах AirDog Универсал
Номер товара: 1050347? BD Diesel Performanceдоллар США 204.95 204,95 1 204,95
Описание: Подходит: для использования в топливных системах AirDog. Универсальный
Номер товара: 1050347
.Состояние: Новый
Комплект подогревателя топлива BD-Power Flow-Max * НовыйДля использования в топливных системах FASS Универсал
Номер товара: 1050348? BD Diesel Performance доллар США
204.
95
204,95
1
204,95
Описание: Для использования в топливных системах FASS. Универсальный
Номер товара: 1050348
.Состояние: Новый
Комплект проставок для адаптера CAT (2001-2010) НовыйGM / Duramax: 2001-2010
Номер товара: LDS-SPACER-0110 Lincoln Diesel Specialites *доллар США 9.99 9,99 1 9,99
Описание: GM / Duramax: 2001-2010
Номер товара: LDS-SPACER-0110
Состояние: Новый
FASS .460 бусинка x бусинка .460 штуцер * Новый Номер товара: DB-4646. Фассдоллар США 12.35 год 12,35 1 12,35
Номер товара: DB-4646
.Состояние: Новый
FASS 1/2 Push Lok x 1/2 борта Новый Номер товара: PLB-1212. Фассдоллар США 9,50 9,50 1 9,50
Номер товара: PLB-1212
Состояние: Новый
FASS 1/2 Push Lok x 3/8 борта Новый Номер товара: PLB-1238. Фассдоллар США 9.50 9,50 1 9,50
Номер товара: PLB-1238
Состояние: Новый
Комплект возвратной линии с двойным вентиляционным отверстием FASS (2001-2018) НовыйПодходит: 2001-2018 универсальные (пользовательские приложения для гонок)
Номер товара: FLK-S06 Фасс доллар США
153.
90
153,90
1
153,90
Описание: Подходит для: 2001-2018 Универсал (пользовательские приложения для сборки гонок)
Номер товара: FLK-S06
Состояние: Новый
Удаление топливного фильтра FASS Duramax Новый Номер товара: DFD-4000. Фассдоллар США 77.90 77,90 1 77,90
Номер товара: DFD-4000
.Состояние: Новый
Комплект электронагревателя FASS (универсальный) НовыйПодходит: универсальный
Номер товара: HK-1001 Фассдоллар США 151,05 151,05 1 151.05
Описание: Подходит: Универсальный
Номер товара: HK-1001
Состояние: Новый
FASS Fuel 5/8 «Комплект всасывающих трубок топливного модуля с переборкой (универсальный) НовыйПодходит: универсальный
Номер товара: STK-1003 Фассдоллар США 94.05 94,05 1 94,05
Описание: Подходит: Универсальный
Номер позиции: STK-1003
Состояние: Новый
Всасывающая трубка для топлива FASS 5/8 «(универсальная) НовыйПодходит: универсальный
Номер товара: STK-1003B Фасс доллар США
56.
05
56,05
1
56,05
Описание: Подходит: Универсальный
Номер товара: STK-1003B
Состояние: Новый
Комплект всасывающей трубки FASS 5/8 «для топлива с переборкой (универсальный) НовыйПодходит: универсальный
Номер товара: STK-1002 Фассдоллар США 84.55 84,55 1 84,55
Описание: Подходит: Универсальный
Номер позиции: STK-1002
Состояние: Новый
Диск нагревателя высокой мощности FASS (универсальный) НовыйПодходит: универсальный
Номер товара: HK-1002 Фассдоллар США 151.05 151,05 1 151,05
Описание: Подходит: Универсальный
Номер товара: HK-1002
Состояние: Новый
Запасной элемент FASS для Титанового электронагревателя FASS НовыйПодходит: универсальный
Номер товара: 32283? Фассдоллар США 118.75 118,75 1 118,75
Описание: Подходит: Универсальный
Номер товара: 32283
.
Состояние: Новый
Адаптер топливного фильтра FASS НовыйПодходит: универсальный
Номер товара: FSN-2001. Фассдоллар США 7.05 7,05 1 7,05
Описание: Подходит: Универсальный
Номер товара: FSN-2001
.Состояние: Новый
Втулка нагревателя FASS Новый Номер товара: HB-1001. Фассдоллар США 11,40 11.40 1 11,40
Номер позиции: HB-1001
Состояние: Новый
Комплект разветвителя для двойного электрического нагревателя FASS Titanium / Titanium Signature НовыйПодходит: универсальный для Fass Titanium и Titanium Signature Series
Номер товара: HKS-1001. Фассдоллар США 37.05 37,05 1 37,05
Описание: Подходит: универсальный для серии Fass Titanium & Titanium Signature
Номер товара: HKS-1001
Состояние: Новый
Комплект для всасывания топливного насоса из алюминиевой заготовки PPE Новыйподходит: 2001-2005 GM / Duramax LB7 / LLY
Номер товара: 113051000? Pacific Performance Engineering доллар США
167.
39
167,39
1
167,39
Описание: Подходит: 2001-2005 GM / Duramax LB7 / LLY
Номер товара: 113051000
.Состояние: Новый
Комплект для всасывания топливного насоса из алюминиевой заготовки PPE Новыйподходит: 2001-2005 GM / Duramax Использование с подъемным насосом
Номер товара: 113053000? Pacific Performance Engineeringдоллар США 202.49 202,49 1 202,49
Описание: Подходит: 2001-2005 GM / Duramax Использование с подъемным насосом
Номер товара: 113053000
.Состояние: Новый
Комплект трубопровода подачи топлива насоса PPE CP3 1/2 дюйма (2001-2010) НовыйПодходит: 2001-2010 GM / Duramax
Пункт #: 113060902 Pacific Performance Engineeringдоллар США 35.99 35,99 1 35,99
Описание: Подходит: 2001-2010 GM / Duramax
Номер товара: 113060902
.Состояние: Новый
Комплект трубопровода подачи топлива насоса PPE CP3 3/8 дюйма (2001-2010) НовыйПодходит: 2001-2010 GM / Duramax
Номер товара: 113060900? Pacific Performance Engineering доллар США
35.
99
35,99
1
35,99
Описание: Подходит: 2001-2010 GM / Duramax
Номер товара: 113060900
.Состояние: Новый
Входной фитинг насоса PPE CP3 1/2 » Новыйподходит: 2001-2010 Gm / Duramax Примечание: ЗАКОНОДАТЕЛЬСТВО В КАЛИФОРНИИ ИСПОЛЬЗУЕТСЯ ТОЛЬКО ДЛЯ ГОНОЧНЫХ ТРАНСПОРТНЫХ СРЕДСТВ, КОТОРЫЕ НИКОГДА НЕ МОГУТ ИСПОЛЬЗОВАТЬСЯ, ИЛИ ЗАРЕГИСТРИРОВАТЬСЯ ИЛИ ЛИЦЕНЗИРОВАТЬ ДЛЯ ИСПОЛЬЗОВАНИЯ НА ШОССЕ ИЛИ ВНЕ ДОРОГ.
Номер товара: 113060601? Pacific Performance Engineeringдоллар США 22,49 22,49 1 22,49
Описание: Подходит: 2001-2010 Gm / Duramax Примечание: ЗАКОНОДАТЕЛЬСТВО В КАЛИФОРНИИ ИСПОЛЬЗУЕТСЯ ТОЛЬКО ДЛЯ ГОНОЧНЫХ ТРАНСПОРТНЫХ СРЕДСТВ, КОТОРЫЕ НИКОГДА НЕ МОГУТ ИСПОЛЬЗОВАТЬСЯ, ИЛИ ЗАРЕГИСТРИРОВАТЬСЯ ИЛИ ЛИЦЕНЗИРОВАТЬ ДЛЯ ИСПОЛЬЗОВАНИЯ НА ШОССЕ ИЛИ ВНЕ ДОРОГ.
Номер товара: 113060601
.Состояние: Новый
Входной фитинг насоса PPE CP3 3/8 дюйма Новыйподходит: 2001-2010 Gm / Duramax Примечание: ЗАКОНОДАТЕЛЬСТВО В КАЛИФОРНИИ ТОЛЬКО ДЛЯ ГОНКОВЫХ ТРАНСПОРТНЫХ СРЕДСТВ, КОТОРЫЕ НИКОГДА НЕ МОГУТ ИСПОЛЬЗОВАТЬСЯ, ИЛИ ЗАРЕГИСТРИРОВАТЬСЯ ИЛИ ЛИЦЕНЗИРОВАТЬ ДЛЯ ИСПОЛЬЗОВАНИЯ НА ШОССЕ ИЛИ ВНЕ ДОРОГ
Номер товара: 113060501? Pacific Performance Engineering доллар США
17.
99
17,99
1
17,99
Описание: Подходит: 2001-2010 Gm / Duramax Примечание: ЗАКОН В КАЛИФОРНИИ ТОЛЬКО ДЛЯ ГОНКОВ, КОТОРЫЕ НИКОГДА НЕ МОГУТ ИСПОЛЬЗОВАТЬСЯ, ИЛИ ЗАРЕГИСТРИРОВАТЬСЯ ИЛИ ЛИЦЕНЗИРОВАТЬ ДЛЯ ИСПОЛЬЗОВАНИЯ НА АВТОМОБИЛЕ ИЛИ ВНЕ ДОРОГ
Номер товара: 113060501
.Состояние: Новый
Универсальный дизельный топливоподкачивающий насос PPE НовыйПодходит: универсальный
Номер товара: 113050000? Pacific Performance Engineeringдоллар США 299.95 299,95 1 299,95
Описание: Подходит: Универсальный
Номер товара: 113050000
.Состояние: Новый
Комплект PPE Dual Fueler CP3 (без насоса) (только 01) НовыйПодходит: только 2001 GM / Duramax LB7
Номер товара: 113064100? Pacific Performance Engineeringдоллар США 989.00 989,00 1 989,00
Описание: Подходит: только 2001 GM / Duramax LB7
Номер товара: 113064100
.Состояние: Новый
Гайка шкива двойного топливного бака PPE M18-1.
5
Новый Пункт #: 113061021
Pacific Performance Engineeringдоллар США 17.99 17,99 1 17,99
Номер товара: 113061021
.Состояние: Новый
Топливный шланг PPE 30R10, внутренний диаметр 5/8 дюйма — 1 фут Новый Номер товара: 514580100? Pacific Performance Engineeringдоллар США 3,59 3,59 1 3.59
Номер товара: 514580100
.Состояние: Новый
Топливный клапан PPE LB7 Race НовыйПодходит: 2001-2004 GM / Duramax LB7
Номер товара: 113072800? Pacific Performance Engineeringдоллар США 41,39 41,39 1 41.39
Описание: Подходит: 2001-2004 GM / Duramax LB7
Номер товара: 113072800
.Состояние: Новый
Комплект сдвоенных реле подъемного насоса PPE НовыйПодходит: 2001-2010 GM / Duramax
Номер товара: 113050200? Pacific Performance Engineeringдоллар США 22.49 22,49 1 22,49
Описание: Подходит: 2001-2010 GM / Duramax
Номер товара: 113050200
.
Состояние: Новый
Комплект для установки топливопровода подъемного насоса PPE (1/2 дюйма) 2001-2010 НовыйПодходит: 2001-2010 GM / Duramax
Номер товара: 113058000? Pacific Performance Engineeringдоллар США 35.99 35,99 1 35,99
Описание: Подходит: 2001-2010 GM / Duramax
Номер товара: 113058000
.Состояние: Новый
Комплект для установки подъемного насоса СИЗ НовыйПодходит: 2001-2010 GM / Duramax
Номер товара: 113058100? Pacific Performance Engineeringдоллар США 35.99 35,99 1 35,99
Описание: Подходит: 2001-2010 GM / Duramax
Номер товара: 113058100
.Состояние: Новый
PPE Performance 7Y-Spoke Style Billet алюминиевый шкив (2001-2016) НовыйПодходит: 2006-2010 GM / Duramax
Пункт #: 113061072 Pacific Performance Engineeringдоллар США 179.99 179,99 1 179,99
Описание: Подходит: 2006-2010 GM / Duramax
Номер товара: 113061072
.
Состояние: Новый
Алюминиевый шкив PPE Performance Billet Wheel 816 Style (2001-2016) НовыйПодходит: 2001-2016 GM / Duramax
Пункт #: 113061071 Pacific Performance Engineeringдоллар США 179.99 179,99 1 179,99
Описание: Подходит: 2001-2016 GM / Duramax
Номер товара: 113061071
.Состояние: Новый
Сменный топливный бак большой емкости S&B на 62 галлона, CC, SB (2001-2010) НовыйПодходит: 2001-2010 GM / Duramax CC, SB
Номер товара: 10-1006? Фильтры S&Bдоллар США 1349.00 1349,00 1 1349,00
Описание: Подходит: 2001-2010 GM / Duramax CC, SB
Номер позиции: 10-1006
Состояние: Новый
Шкив Wehrli Custom Fab из анодированной заготовки CP3 с глубоким смещением (2001-2016) Новыйподходит: 2001-2016 GM / Duramax LB7 через LML Этот товар не может быть доставлен в Калифорнию
. Номер товара: WCF100271. WCFabдоллар США 286.15 286,15 1 286,15
Описание: Подходит: 2001-2016 GM / Duramax LB7 через LML Этот продукт не может быть доставлен в Калифорнию.
Номер товара: WCF100271
.Состояние: Новый
Шкив Wehrli Custom Fab Black из анодированной заготовки CP3, мелкое смещение (2001-2016) Новыйподходит: 2001-2016 GM / Duramax LB7 через LML Этот товар не может быть доставлен в Калифорнию
. Номер товара: WCF100272. WCFabдоллар США 286.15 286,15 1 286,15
Описание: Подходит: 2001-2016 GM / Duramax LB7 через LML Этот продукт не может быть доставлен в Калифорнию.
Номер товара: WCF100272
.Состояние: Новый
Контроллер Wehrli Custom Fab Duramax Triple CP3 (2001-2016) Новыйподходит: 2001-2016 GM / Duramax Товар не может быть доставлен в Калифорнию »
Номер товара: WCF100091. WCFabдоллар США 371.42 371,42 1 371,42
Описание: Подходит: 2001-2016 GM / Duramax Товар не может быть доставлен в Калифорнию »
Номер товара: WCF100091
.Состояние: Новый
Комплект для перемещения топливного фильтра Wehrli Custom Fab (сдвоенный комплект 2001-2016) Новыйподходит: 2001-2010 GM / Duramax Товар не может быть доставлен в Калифорнию
Номер товара: WCF100448. WCFabдоллар США 44.10 44,10 1 44,10
Описание: Подходит: 2001-2010 GM / Duramax Товар не может быть доставлен в Калифорнию
Номер товара: WCF100448
.Состояние: Новый
Комплект для удаления клапана сброса давления топлива Wehrli Custom Fab для LB7 (2001-2004) * Новыйподходит: 2001-2004 GM / Duramax Товар не может быть доставлен в Калифорнию
Номер товара: WCF100023. WCFabдоллар США 63.05 63,05 1 63,05
Описание: Подходит: 2001-2004 GM / Duramax Товар не может быть доставлен в Калифорнию
Номер товара: WCF100023
Состояние: Новый
Фитинги высокого давления Wehrli Custom Fab (2001-2005 гг.) (2011-2016 гг.) * Новыйподходит: 2001-2005 и 2011-2016 GM / Duramax LB7, LLY, LML Товар не может быть доставлен в Калифорнию
Номер товара: WCF100229. WCFabдоллар США 37.83 37,83 1 37,83
Описание: Подходит: 2001-2005 и 2011-2016 GM / Duramax LB7, LLY, LML Товар не может быть доставлен в Калифорнию
Номер товара: WCF100229
.Состояние: Новый
Гайка Wehrli Custom Fab из нержавеющей стали (2001-2016) * Новыйподходит: 2001-2016 GM / Duramax *** Только гайка, на фото со шкивом ***
Номер товара: WCF100370. WCFabдоллар США 20.37 20,37 1 20,37
Описание: Подходит: 2001-2016 GM / Duramax *** Только гайка, на фото со шкивом ***
Номер товара: WCF100370
.Состояние: Новый
Контроллер Wehrli Custom Fab Twin CP3 (2001-2004,5) * НовыйПодходит: 2001-2004 гг.5 GM / Duramax LB7 / LLY Товар не может быть доставлен в Калифорнию »
Номер товара: WCF100093. WCFabдоллар США 193,03 193,03 1 193,03
Описание: Подходит: 2001-2004,5 GM / Duramax LB7 / LLY Товар не может быть доставлен в Калифорнию »
Номер товара: WCF100093
Состояние: Новый
Комплект Wehrli Custom Fab Twin CP3 для установки переменного тока (без компрессора переменного тока) (2001-2016) НовыйПодходит: 2001-2016 GM / Duramax
Номер товара: WCF100250. WCFabдоллар США 1127.00 1127,00 1 1127,00
Описание: Подходит: 2001-2016 GM / Duramax
Номер товара: WCF100250
.Состояние: Новый
Регулируемый регулятор давления топлива в байпасе серии Fuelab Velocity, 4-12 фунтов на кв. Дюйм (2001-2018) НовыйПодходит: 2001-2018 GM / Duramax
Номер товара: 50101-1? Топливная лабораториядоллар США 168.00 168,00 1 168,00
Описание: Подходит: 2001-2018 GM / Duramax
Номер товара: 50101-1
.Состояние: Новый
Комплект трубопровода для раздачи соломы Fuelabs, ½ «(2001-2018) НовыйПодходит: 2001-2018 GM / Duramax
Номер товара: 21101? Топливная лабораториядоллар США 53.45 53,45 1 53,45
Описание: Подходит: 2001-2018 GM / Duramax
Номер товара: 21101
.Состояние: Новый
Запасной установочный комплект Fuelabs (100 топливных систем) (2001-2018) НовыйПодходит: 2001-2018 GM / Duramax
Номер товара: 60301? Топливная лабораториядоллар США 72.45 72,45 1 72,45
Описание: Подходит: 2001-2018 GM / Duramax
Номер товара: 60301
.Состояние: Новый
Запасной установочный комплект Fuelabs (200 топливных систем) (2001-2018) НовыйПодходит: 2001-2018 GM / Duramax
Номер товара: 60302? Топливная лабораториядоллар США 82.95 82,95 1 82,95
Описание: Подходит: 2001-2018 GM / Duramax
Номер товара: 60302
.Состояние: Новый
Фитинг подачи топлива 1/2 «CP3 из нетканого материала (универсальный) * НовыйПодходит: 1998-2019 Универсальный
Номер позиции: FPE-CP3-FEED Флисдоллар США 15.95 15,95 1 15,95
Описание: Подходит: 1998-2019 Универсал
Номер позиции: FPE-CP3-FEED
Состояние: Новый
Флисовый возвратный фитинг CP3 3/8 дюйма (универсальный) * НовыйПодходит: 1998-2019 Универсальный
Номер товара: FPE-CP3-RTRN Флисдоллар США 15.95 15,95 1 15,95
Описание: Подходит: 1998-2019 Универсал
Номер позиции: FPE-CP3-RTRN
Состояние: Новый
P0171 — Значение, причины, симптомы и способы устранения
КодP0171 Определение
В блоке 1 слишком много воздуха или недостаточно топлива.
Что означает P0171?
Двигатели внутреннего сгорания работают наиболее эффективно, когда они поддерживают соотношение воздух-топливо 14,7 частей воздуха на 1 часть топлива. Когда в топливовоздушной смеси содержится более 14,7 частей воздуха на 1 часть топлива, возникает бедное состояние и срабатывает код P0171. Бедное состояние может быть вызвано утечкой вакуума, которая вводит больше воздуха в топливовоздушную смесь, или слабой топливной системой, которая не вводит достаточное количество топлива в топливовоздушную смесь.Чтобы двигатель работал должным образом, модуль управления трансмиссией (PCM) пытается компенсировать обедненную смесь, впрыскивая больше топлива в смесь, чтобы поддерживать надлежащее соотношение 14,7: 1. Когда эти настройки становятся слишком большими, срабатывает код P0171.
Каковы симптомы P0171?
- Проверьте, горит ли свет двигателя
- Отсутствие мощности от двигателя
- Неровный холостой ход
- Двигатель кашляет
- Пропуски зажигания в двигателе
В чем причина ошибки P0171?
- Грязный или неисправный датчик массового расхода воздуха
- Утечки вакуума — шланги PCV, вакуумные шланги, прокладка впускного коллектора.
- Слабый топливный насос
- Засоренные или грязные топливные форсунки
- Забит топливный фильтр
- Утечка выхлопных газов
- Неисправен датчик кислорода
- Неисправен датчик топливовоздушного отношения
Насколько серьезен код P0171? — Умеренный
Можно управлять автомобилем с кодом P0171 в течение короткого периода времени, но вождение с этим кодом в течение длительного периода времени может привести к перегреву двигателя и вызвать внутреннее повреждение двигателя.
P0171 КодРаспространенные ошибки диагностики
При диагностировании P0171 важно завершить весь процесс диагностики. Многие люди заменяют датчик воздух-топливо или датчик O2, как только получают плохие показания, но основной причиной часто является грязный или неисправный датчик массового расхода воздуха или утечка вакуума, что приводит к тому, что датчик O2 или A / F показывает по-разному. компенсировать. Чтение и анализ топливных корректировок и данных стоп-кадра является ключом к правильной диагностике P0171.
Инструменты, необходимые для диагностики P0171
- Инструменты, которые у вас уже могут быть:
- инструментов, которые могут вам понадобиться (лучший выбор FIXD на Amazon):
Как диагностировать код P0171
Сложность диагностики и ремонта — 3 из 5
- Используйте FIXD для сканирования вашего автомобиля, чтобы убедиться, что P0171 — единственный существующий код.Если присутствуют другие коды, их нужно адресовать в первую очередь.
- Осмотрите все вакуумные линии и шланги на предмет утечек и убедитесь, что они правильно подсоединены. Если есть утечка, вы услышите шипение, хотя его может быть трудно услышать при работающем двигателе. Если вы подозреваете утечку вакуума, но не можете ее найти, ознакомьтесь с этим подробным руководством по поиску утечек вакуума.
- Снова подсоедините все отсоединенные вакуумные линии и замените все поврежденные вакуумные линии, которые протекают, затем используйте FIXD для очистки кода светового индикатора двигателя P0171.Если индикатор проверки двигателя с кодом P0171 срабатывает снова, проверьте остальные вакуумные линии на утечки и продолжайте остальную часть процесса диагностики.
- Снимите датчик массового расхода воздуха и очистите датчик с помощью очистителя массового расхода воздуха или контактного очистителя.
- Установите на место датчик массового расхода воздуха и отключите контрольную лампу двигателя с помощью FIXD. Если контрольная лампа двигателя снова загорится с кодом P0171, продолжите процесс диагностики.
- Если вы подтверждаете, что утечек вакуума нет, у вас чистый датчик массового расхода воздуха и ваша топливная система функционирует должным образом, проверьте выхлоп на утечки перед датчиками соотношения воздух-топливо или кислородными датчиками, если вы обнаружите какие-либо утечки, устраните их.
- На этом этапе, если код все еще сохраняется, вы можете подумать о замене датчика A / F или датчиков O2.
Сметная стоимость ремонта
Для кода ошибки P0171 может потребоваться один или несколько из указанных ниже ремонтов для решения основной проблемы. Для каждого возможного ремонта сметная стоимость ремонта включает стоимость соответствующих деталей и стоимость труда, необходимого для ремонта.
- Утечка вакуума 100-200 долларов США
- Чистый MAF $ 100
- Заменить MAF 300 $
- Топливный насос $ 1300-1700 $
- Регулятор давления топлива $ 200- $ 400
- Ремонт выхлопа 100-200 $ (при ремонте приварка)
- Датчик уровня топлива или кислорода 200-300 долларов США
Окончательный отчет о ремонте автомобиля
Планируете ли вы ремонт своими руками или сходите к ближайшему механику, этот бесплатный отчет содержит ценную информацию для всех водителей.Скачайте The Savvy Motorist Report прямо сейчас, чтобы узнать:
✅ Контрольный список из 6 шагов, чтобы получить лучшую цену на ремонт
✅ 8 механических афер и как их избежать
✅ Как мгновенно диагностировать контрольную лампу двигателя на смартфоне
✅ И многое другое
230 галлонов в час 01-10 Комплект дизельного топливного насоса Duramax
Описание
Дизельлифтный насос Aeromotive был разработан для решения некоторых ключевых проблем на рынке дизельных подъемных насосов, в первую очередь проблемы бака, проблемы контроля давления и отказов уплотнения вала двигателя.Компания Aeromotive выбрала проточную конструкцию для устранения неисправности уплотнения вала, что означает отсутствие уплотнения вала, которое могло бы выйти из строя или протечь. Для платформы Duramax характерен «отказоустойчивый» клапан. В случае неисправности или отсутствия работы клапан откроется и позволит топливу пройти в обход насоса. Это позволяет транспортному средству продолжать движение и доставить вас к месту назначения, исключая счета за буксировку. Благодаря бесщеточной конструкции двигателя Aeromotive повысила производительность и долговечность, которые можно ожидать от дизельного лифт-насоса.Модель с одним фильтром упрощает конструкцию и снижает затраты на обслуживание. Наш дизельный насос оснащен 2-микронным фильтром Caterpillar 1R-0750 для улавливания мельчайших твердых частиц. Со стандартной резьбой головки фильтра 1 ”-14 конечный пользователь может использовать фильтр по своему выбору. Этот продукт не разрешен к продаже или использованию на транспортных средствах с ограничением выбросов, за исключением случаев, когда он используется в качестве прямой заменяемой детали, соответствующей спецификациям OEM.
В комплект входит
1 узел топливного насоса (130 галлонов в час)
1 узел возвратного шланга 1? 2 дюйма
1 узел питающего шланга 1? 2 дюйма
1 узел всасывающего шланга 5/8 дюйма
1 узел Обратный узел в баке
1 шт. В коробке, узел приемной трубы
1 шт. Жгут проводов
1 шт. Кронштейн рамы 1
1 шт. Кронштейн рамы 2
1 шт. Трубка захвата 3 × 4 дюйма
1 шт. Перегородка нижней пластины
2 шт. Распорки кронштейна 2 дюйма
1 шт. 2-дюймовая крышка топливопровода
1 шт. Жгут питания насоса
2 шт. По каталогу 15129 AN10 на 1-2 дюйма J2044 Quick Connect
1 шт. По каталогу 15130 AN12 на 5/8 ”J2044 Quick Connect
1 шт. 15632 0- 15 фунтов на кв. Дюйм, 1/8 дюйма, манометр давления топлива
1 корзина
1 стержень из пеноматериала
3 штуки 3 / 8-16 оцинкованная стопорная гайка
2 штуки кольцевое уплотнение AN-10
1 штука кольцевое уплотнение AN-12
3 болта 3 / 8-16 x 4 дюйма с шестигранной головкой
2 штуки 3 / 8-16 x 3 дюйма Винт с головкой под торцевой ключ с конической головкой
12 стяжек
3 штуки оцинкованная стопорная шайба
Монтажная конфигурация: Внешний
| CARB или EFI | Сумматор мощности | ТОПЛИВО | Мощность |
|---|
Подвеска топливного насоса, EVO X
НАЖМИТЕ ЗДЕСЬ, чтобы просмотреть видео по установке от сторонних производителей.
Щелкните здесь, чтобы просмотреть инструкции по подвеске топлива, снятые с производства 20-031X-XX EVO X
СОВМЕСТИМОСТЬ
08-15 Mitsubishi Lancer Evolution X
ОБЗОР
Новая подвеска топливного насоса Radium Engineering для Mitsubishi EVO X была переработана, чтобы улучшить сбор топлива и упростить установку.Он полностью заменяет заводской модуль топливного насоса в баке и позволяет использовать 1 или 2 дополнительных топливных насоса. Датчик уровня OEM, температура топлива и датчик давления в топливном баке сохраняются для обеспечения заводской функциональности. Обратите внимание, что товар может незначительно отличаться от того, что изображено на фотографиях и видео.
Чтобы получить полную и всеобъемлющую систему подачи топлива для EVO X, НАЖМИТЕ ЗДЕСЬ.
ХАРАКТЕРИСТИКИ
-8AN ORB Отверстие для откачки с внутренней резьбой
-6AN ORB с внутренней резьбой
-Коллекционная коробка с 1-ходовым клапаном наполнения
-Сифон струйного насоса Вентури
-Одинарный слив топливного насоса
-Сильноточные электрические соединения
-Черные анодированные переходные фитинги
-Крепление датчика уровня топлива и температуры
-Совместимость с двойным топливным насосом
-Нержавеющая фурнитура и зажимы
-Совместимость с альтернативным топливом
САНТЕХНИКА
Для прямого подключения к топливопроводам OEM, переходные фитинги (показанные ниже) включены во все конфигурации.
Подвеска для топлива также может использоваться с входящими в комплект переходными фитингами 8AN и 6AN, показанными ниже, для установки неоригинальных шлангов типа AN.
Radium Engineering рекомендует модернизировать линии подачи и возврата при использовании нескольких насосов.
ПРИМЕЧАНИЕ. На цилиндре находится датчик давления OEM (Mitsubishi 8651A025), соответствующий североамериканским стандартам выбросов. Для международных транспортных средств, которые не поставлялись с этим стандартом, требуется 20-0421 EVO X ЗАГЛУШКА ДАВЛЕНИЯ ТОПЛИВНОГО БАКА .
ПРЕДОТВРАЩЕНИЕ ГОЛОДА ТОПЛИВА
В комплект входит цельная анодированная алюминиевая коллекторная коробка, которая упрощает установку и удерживает топливо вокруг впускных отверстий насоса. Как показано ниже, в нижней части коллектора встроен односторонний заправочный клапан на 355 л / ч, который пропускает топливо, но не выходит. Коллектор постоянно пополняется топливом, возвращающимся из регулятора давления.
ПРИМЕЧАНИЯ О СТРУЙНОМ НАСОСЕ VENTURI
1.OEM-струйный насос Вентури в обратной линии создает ограничение для стандартного модуля топливного насоса EVO X.
2. Компания Radium Engineering изменила конструкцию сифонной системы, чтобы устранить это ограничение, но по-прежнему эффективно очищает топливо. Это означает, что насосы с более высокой производительностью можно безопасно использовать без проблем с давлением топлива.
3. В зависимости от давления топлива струйный насос Вентури потребляет 15-45 л / ч. Учтите эту потерю топлива при выборе размеров топливных насосов.
4. Если важно, чтобы давление топлива оставалось стабильным после выключения двигателя, установите один из этих ОБРАТНЫХ КЛАПАНОВ где-нибудь в топливной системе.
ПРИМЕЧАНИЯ О КОНФИГУРАЦИИ НАСОСА
Для конфигураций «Насосы в комплект не входят»:
— Компонентов, включенных в эту опцию, будет достаточно для использования 1 или 2 топливных насосов. В зависимости от настройки некоторые детали просто не будут использоваться.
— Для правильной установки необходимо использовать гибкий носок фильтра топливного насоса, подобный этому ЗДЕСЬ.
Для конфигураций «Насосы в комплекте»:
— Блок будет доставлен в готовом виде, после чего потребуется лишь небольшая сборка.Если агрегат приобретается с 1 насосом, потребуются дополнительные детали для установки второго насоса.
ПРИМЕЧАНИЯ О ФИЛЬТРАЦИИ
1. Если выбрана конфигурация с включенными топливными насосами, комплект будет поставляться предварительно собранным, и на впускных отверстиях топливных насосов будут установлены фильтры с отверстиями диаметром 65 микрон.
2. Этот комплект устраняет фильтр топливного насоса OEM «post». Для защиты форсунок от мусора следует установить вторичный топливный фильтр с малым размером микрон.
3. В перечисленные ниже дополнительные комплекты трубопровода для подачи топлива входят пост-насосный фильтр.
ПРИМЕЧАНИЯ К ЭЛЕКТРОПРОВОДКЕ
1. В установках с одним топливным насосом можно повторно использовать проводку контроллера топливного насоса OEM.
2. Radium рекомендует модернизировать проводку, чтобы насосы работали на полную мощность.
3. Комплекты проводов универсального топливного насоса можно найти ЗДЕСЬ. Выберите по одному для каждого используемого вторичного насоса.
ДОПОЛНИТЕЛЬНЫЕ ДОПОЛНЕНИЯ
20-0246-XX ПОДАЧА ТОПЛИВНОЙ ПОДВЕСКИ, EVO X
В комплект для подачи входят высокопоточный шланг из ПТФЭ 8AN и топливный фильтр для беспрепятственной линии подачи топлива (содержание комплекта показано ниже).Двигатель должен быть оборудован топливной рампой, которая может принимать подающий шланг 8AN, такой как этот.
В зависимости от выбранного комплекта (-01, -03, -05) топливный фильтр будет собран с одним из трех различных элементов.
Какой вариант топливного фильтра выбрать?
В комплект входит специально разработанный монтажный кронштейн для топливного фильтра, в котором используются монтажные отверстия OEM, поэтому для установки не требуется сверление или доработка шасси.
ВКЛЮЧАЕТ:
-Radium Engineering Filter (-01 Целлюлоза, -03 Нержавеющая сталь, -05 Microglass)
-Адаптерные фитинги Radium Engineering 8AN (x2)
-Radium Engineering 2-компонентный зажим для фильтра 60 мм
-Radium Engineering Алюминиевый фильтр EVOX Кронштейн
-8AN Замена шланга подачи топлива из ПТФЭ (x2)
-Фурнитура из нержавеющей стали и алюминия
20-0249 ВОЗВРАТ ТОПЛИВНОЙ ПОДВЕСКИ, EVO X
Возвратный комплект топливной подвески включает в себя все необходимые шланги, фитинги и оборудование для преобразования топливопровода OEM Evo X для использования в качестве возврата линия.Точное содержимое этого набора показано на фото ниже. Это метод замены ограничительного возвратного шланга OEM 1/4 дюйма (6,5 мм), критически важный для правильной работы регулятора. В моторном отсеке возвратный шланг из PTFE -6AN подключается непосредственно к радиевому регулятору прямого монтажа (номер детали 20 -0623-0X) при установке в верхний порт топливной рампы из радия.Два быстроразъемных фитинга SAE позволяют легко и без утечек подсоединить каждый конец питающей линии OEM к остальной части комплекта.
ВКЛЮЧАЕТ:
-6AN Замена шланга PTFE
-SAE Быстроразъемные резьбовые соединения (2 шт.)
-Амортизирующий зажим из нержавеющей стали
20-0421 ЗАГЛУШКА ДАВЛЕНИЯ ТОПЛИВНОГО БАКА
Многие автомобили за пределами Северной Америки не поставлялись в стандартной комплектации с датчиком давления в топливном баке OEM.Эта деталь необходима для закупоривания люка на крышке топливного бака.

Проверните коленчатый вал пускового двигателя не менее шести раз при открытом заливном кранике для спуска масла. При температуре окружающего воздуха не ниже 293°К (20°C) допускается расконсервация следующим образом: без заливки топливной смеси провернуть коленчатый вал при открытом заливном кранике и отвернутой пробкой в картере.




Преобразование в систему возвратного типа позволяет использовать встроенный внешний регулятор (не входит в комплект). Это не только позволяет вам регулировать базовое давление топлива, но и позволяет использовать опорный порт вакуума / наддува.
be / aWuFFhKuQZs
до конца топливной рампы для обратной линии. Внешнее давление с повышением скорости 1: 1
Регулятор также настоятельно рекомендуется, особенно для приложений с повышенным уровнем мощности. http://www.nrtautosports.com/product/97-01-jeep-4-0-billet-aluminium-performance-fuel-rail