Что такое диодный мост [+ схема подключения], для чего нужен и как работает
Диодный мост – электрическое устройство, предназначенное выпрямления тока, то есть для преобразования переменного тока в постоянный.
Содержание статьи
Диодные мосты – важная часть электронных приборов, питающихся от бытовой электросети напряжением 220 В и частотой 50 (60) Гц. Его второе название – двухполупериодный выпрямитель. Диодный мост состоит из полупроводниковых выпрямительных диодов или из диодов Шоттки. Элементы могут отдельно распаиваться на плате. Однако современный вариант – объединение диодов в одном корпусе, который носит название «диодная сборка». Диодные мосты активно используются в электронике, трансформаторных и импульсных блоках питания, люминесцентных лампах. В сварочные аппараты устанавливают мощные полупроводниковые сборки, которые крепятся к теплоотводящему устройству.
Схема диодного моста из 4 диодов
Что такое диодный мост и из каких элементов он состоит
Диодный мост в схемах, применяемых в сетях с однофазным напряжением, состоит из четырех диодов, представляющих собой полупроводниковый элемент с одним p-n переходом.
Устройство диода
Диод Шоттки – еще один вид полупроводниковых элементов, используемых в диодных мостах. Его основным отличием является переход металл-полупроводник, называемый «барьером Шоттки». Как и переход p-n, он обеспечивает проводимость в одну сторону. Для изготовления устройств Шоттки применяют арсенид галлия, кремний и металлы: золото, платину, вольфрам, палладий. При приложении небольших напряжений – до 60 В – диод Шоттки отличается малым падением напряжения на переходе (не более 0,4 В) и быстродействием. При бытовом напряжении 220 В он ведет себя как обычный кремниевый выпрямительный полупроводник.
Как работает диодный мост: для чайников, просто и коротко
На вход диодного моста подается переменный ток, полярность которого в бытовой электросети меняется с частотой 50 Гц. Диодная сборка «срезает» часть синусоиды, которая для прибора «является» обратной, и меняет ее знак на противоположный. В результате на выходе к нагрузке подается пульсирующий ток одной полярности.
Обозначение диодного моста на схеме
Частота этих пульсаций в 2 раза превышает частоту колебаний переменного тока и равна в данном случае 100 Гц.
Работа диодного моста
На рисунке а) изображена обычная синусоида напряжения переменного тока. На рисунке б) – срезанные положительные полуволны, полученные при использовании выпрямительного диода, который пропускает через себя положительную полуволну и запирается при прохождении отрицательной полуволны.
Пульсирующий ток строго назвать постоянным нельзя. Пульсации мешают работе электроники, поэтому для их сглаживания после прохождения диодного моста в схему нужно включить фильтры. Простейший тип фильтра – электролитические конденсаторы значительной емкости.
На печатных платах и принципиальных схемах диодный мост, в зависимости от того, как он устроен (отдельные элементы или сборка), может обозначаться по-разному. Если он состоит из отдельно впаянных диодов, то их обозначают буквами VD, рядом с которыми указывают порядковый номер – 1-4.
Буквами VDS обозначают сборки, иначе –VD.
Чем можно заменить диодный мост-сборку
Вместо диодного моста, собранного в одном корпусе, можно впаять в схему 4 кремниевых выпрямительных диода или 4 полупроводника Шоттки. Однако вариант диодной сборки более эффективен, благодаря:
- меньшей площади, занимаемой сборкой на схеме;
- упрощению работы сборщика схемы;
- единому тепловому режиму для всех четырех полупроводниковых устройств.
Различные варианты сборки диодного моста
У такого схемотехнического решения есть и минус – в случае выхода из строя хотя бы одного полупроводника придется заменять всю сборку.
Для чего нужен диодный мост в генераторе автотехники
Диодный мост в генераторе
Это схемотехническое решение используется в электрических схемах автомобилей и мотоциклов. Диодный мост, устанавливаемый на генераторе переменного тока, нужен для преобразования вырабатываемого им переменного напряжения в постоянное.
Постоянный ток служит для подзарядки АКБ и питания всех электропотребителей, имеющихся в современном транспорте. Требуемая мощность полупроводников в мостовой схеме определяется номинальным током, вырабатываемым генератором. В зависимости от этого показателя, полупроводниковые приборы разделяют на следующие группы по мощности:
- маломощные – до 300 мА;
- средней мощности – от 300 мА до 10 А;
- высокомощные – выше 10 А.
Для автотехники обычно применяют мосты из кремниевых диодов, способных отвечать эксплуатационным требованиям в широком температурном диапазоне – от -60°C до +150°C.
Чем заменить диодный мост в генераторе
В большинстве моделей авто- и мототехники мостовые сборки впаивают в алюминиевый радиатор, поэтому в случае выхода из строя их придется выпаивать и выпрессовывать из радиаторной пластины и заменять на новый. Поскольку это довольно сложная процедура, лучше избегать возникновения факторов, из-за которых сгорает диодный мост.
Наиболее часто встречающиеся причины этой проблемы:
- на плату попала жидкость;
- грязь вместе с маслом проникла к полупроводникам и вызвала короткое замыкание;
- изменение положения полюсов контактов на АКБ.
Видео: принцип работы диодного моста
Была ли статья полезна?
Да
Нет
Оцените статью
Что вам не понравилось?
Другие материалы по теме
Анатолий Мельник
Специалист в области радиоэлектроники и электронных компонентов. Консультант по подбору деталей в компании РадиоЭлемент.
Диодный мост | Принцип работы, обозначение, виды
Что такое диодный мост
Словосочетание “диодный мост” образуется от слова “диод“. Значит, диодный мост – это радиодеталь, которая состоит из диодов. Здесь очень важно то, как соединены эти диоды, иначе диодный мост превратится просто в кучку из диодов.
Диод на электрических схемах обозначается вот так.
Самый простой диодный мост состоит из 4 диодов, которые соединяются вот так.
Эта рисунок также является самой распространенным обозначением диодного моста на электрических схемах.
Упрощенный вариант выглядит вот так.
Можно увидеть на схемах даже что-то типа этого.
Для правильной эксплуатации диодного моста, мы должны его правильно подсоединить. Правильное подключение диодного моста выглядит таким образом.
Как вы видите, на вход диодного моста мы подаем переменное напряжение, а на выходе диодного моста снимаем постоянное напряжение.
Отсюда можно сделать вывод:
Диодный мост используется в схемах для того, чтобы получить из переменного тока постоянный ток.
Видео на тему: Что такое диодный мост:
Принцип работы диодного моста
Диод в цепи переменного напряжения
Итак, в статье про диод мы рассматривал, что будет на выходе диода, если подать на него переменный ток. Для этого мы даже собирали вот такую схему, где G – это синусоидальный генератор. С клемм X1 и X2 уже снимали сигнал.
Мы на диод подавали переменное напряжение.
А на выходе после диода получали уже вот такой сигнал.
То есть у нас получилось вот так.
Да, мы получили постоянный ток из переменного, но стоило ли это того? В этом случае у нас получился постоянный пульсирующий ток, где половина мощности сигнала была вообще вырезана.
Как работает диодный мост в теории
Как вы знаете, переменный ток меняет свое направление несколько раз в секунду.
Поэтому, его можно разбить на положительные полуволны и отрицательные полуволны. Положительные полуволны я пометил красным, а отрицательные – синим.
Для того, чтобы диодный мост работал, ему нужна какая-либо нагрузка. Пусть это будет резистор. Следовательно, когда на диодный мост приходит положительная полуволна, протекание тока через него будет выглядеть вот так.
Как вы видите, при положительной полуволне не задействованы диоды, которые я показал штриховой линией.
После положительной полуволны приходит отрицательная полуволна, и в этом случае протекание тока в диодном мосте выглядит так.
В этом случае, диоды, которые работали при положительной полуволне, при отрицательной полуволне они отдыхают). Эстафету принимает на себя другая пара диодов. Можно даже сказать, что в диодном мосте они работают попарно. Одна пара диодов работает на положительную полуволну, а другая пара – на отрицательную.
Обратите внимание на нагрузку. На нее всегда приходит одна и та же полярность тока при любом стечении обстоятельств.
Работа диодного моста на практике
Давайте и мы посмотрим, что получается на выходе диодного моста, если подать на него переменное напряжение. Для этого возьмем 4 простых кремниевых диода и соединим их в диодный мост. Важно, чтобы диоды были одной марки.
На вход диодного моста будем подавать переменное напряжение, и посмотрим, что у нас получается на выходе.
Итак, на вход я подаю вот такой сигнал.
На выходе получаю постоянное пульсирующее напряжение.
Здесь мы видим, что отрицательная полуволна в диодном мосте не срезается, а превращается в положительную. Мощность сигнала при этом не теряется, так как отрицательная полуволна просто инвертируется в положительную полуволну. Ну разве не чудо?
Наблюдательный читатель также может заметить, что амплитуда сигнала чуть-чуть просела. Если мы на вход подавали синусоидальный сигнал с амплитудой в 6 Вольт, то на выходе диодного моста имеем чуть меньше 6 Вольт, а точнее где-то 4,8 Вольта.
Почему так произошло? Дело все в том, что на кремниевом диоде падает напряжение 0,6-0,7 Вольт. Так как переменное напряжение проходит через 2 диода при каждой полуволне, то на каждом диоде падает по 0,6 Вольт. 2×0,6=1,2 Вольта. 6-1,2=4,8 Вольта.
Теперь можно с гордостью нарисовать рисунок.
Виды диодных мостов
Примерно так выглядит импортный и советский диодные мосты.
Например, на советском показаны контакты, на которые надо подавать переменное напряжение значком ” ~ “, а контакты, с которых сниамем постоянное пульсирующее напряжение значком “+” и “-“.
Существует множество видов диодных мостов в разных корпусах.
Есть даже диодный мост для трехфазного напряжения.
Как вы могли заметить, такой трехфазный выпрямитель имеет пять выводов. Три вывода на фазы, а два другие – на постоянное напряжение.
Он собирается по так называемой схеме Ларионова и состоит из 6 диодов.
В основном трехфазные мосты используются в силовой электронике.
Характеристики диодного моста
Как мы уже с вами разобрали, в электронике встречаются диодные мосты в разных корпусах и имеют разные габариты.
Почему так? Дело в том, что каждый диодный мост обладает какими-то своими характеристиками, о которых мы и поговорим в этой главе.
Чтобы далеко не ходить, давайте рассмотрим диодный мост GBU6K и рассмотрим на его примере, как читать характеристики.
Для того, чтобы понять, что это за фрукт и с чем его едят, надо скачать на него техническое описание (даташит). Вот ссылка на этот диодный мост. Ниже рассмотрим основные характеристики диодного моста, которых будет достаточно для рядового электронщика.
Распиновка и корпус
Итак, на главной странице мы видим распиновку выводов. Распиновка – это какие выводы за что отвечают и как правильно их соединять с внешней цепью.
Как вы видите, на средний выводы подаем переменное напряжение, а с крайних выводов снимаем постоянное напряжение.
Также на рисунке показано, как соединяются диоды в этом диодном мосте. Нам эта информация еще очень пригодится.
Чуть ниже мы видим вот такую табличку, которая показывает нам самые главные первичные характеристики.
Package – тип корпуса. Корпуса GBU выглядят вот так.
Максимальный ток
Итак, с этим разобрались. Далее следующий параметр. IF(AV) – максимальный ток, который может “протащить” через себя этот диодный мост. В даташите есть таблички и графики, какие условия должны соблюдаться, чтобы мост смог протащить через себя этот ток без вреда для своего здоровья.
Поэтому, диодные мосты в больших металлических корпусах способны “протащить” через себя очень большую силу тока. Если же маленький диодный мост вставить в какой-нибудь мощный блок питания, то скорее всего он просто-напросто сгорит.
В промышленности в силовой электронике стараются использовать диодные моста большой мощности, например, вот такой диодный мост может “протащить” через себя силу тока в 50 Ампер.
Максимальное пиковое обратное напряжение
Грубо говоря, это обратное напряжение диода. Если его превысить, то произойдет пробой и диоду, а следовательно и диодному мосту, придет “кирдык”. Этому параметру также следует уделять внимание, когда вы будете выпрямлять сетевое напряжение. Если вы будете подавать на диодный мост 220 Вольт, то его пиковое значение будет составлять 310 Вольт (220 × √2). Так как у меня диодный мост GBU6K, то надо смотреть табличку ниже. Как вы видите, пиковое обратное напряжение диодов составляет 800 Вольт. Значит, такой диодный мост вполне подойдет для выпрямления сетевого напряжения.
Как проверить диодный мост
1-ый способ.
Как вы теперь знаете, однофазный диодный мост состоит из 4 диодов. Для того, чтобы узнать их расположение, мы должны скачать даташит на данный диод и посмотреть, как расположены диоды в данном диодном мосте. Например, для моего моста GBU6K диоды расположены вот так.
То есть все, что мне надо сделать – это просто прозвонить каждый диод с помощью мультиметра. Как это сделать, я писал еще в этой статье.
Второй способ.
Он же 100%. Но для этого потребуется осциллограф, ЛАТР или понижающий трансформатор, а также резистор, желательно 5-10 КОм. После того, как мы нашли его расположение выводов, на “+” и “-” припаиваем резистор 5-10 КОм. С этих же выводов снимаем осциллограмму.
То есть все должно выглядеть вот так.
Смотрим осциллограмму
Значит, диодный мост исправен.
Диодный мост генератора
Диодный мост генератора в автомобилях выпрямляет переменное напряжение, которое поступает от обмоток статора генератора. То есть грубо говоря, без диодного моста получается трехфазный мини-генератор.
Диодный мост генератора ВАЗ 2110
В этой статье будем рассматривать диодный мост от генератора ВАЗ 2110.
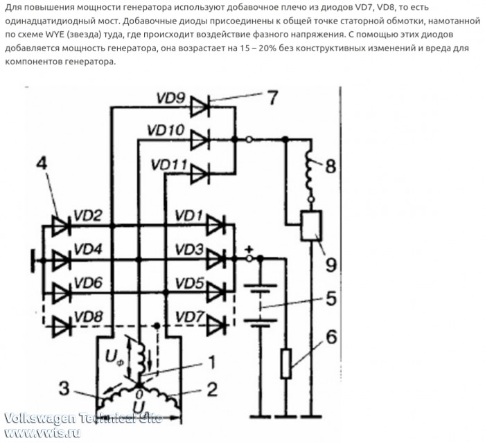
Он сделан по схеме Ларионова с некоторым дополнением в виде 3 дополнительных диодов.
Как проверить диодный мост генератора
Для проверки диодного моста генератора есть два способа.
Проверка с помощью лампы накаливания
Этот способ считается самым простым, и все его могут применить, так как под рукой всегда найдется аккумулятор и лампа на 12 В. Иначе откуда у вас автомобильный генератор?)
Предварительно лучше запаять или прикрепить к лампе два провода, чтобы было проще производить проверку. Итак, собираем наш прибор для проверки диодного моста генератора из лампы и аккумулятора вот по такой схеме.
Далее, все что нам надо сделать – это просто проверить каждый диод. Итак, вспоминаем, что диод в одном направлении проводит электрический ток, а в другом нет. Получается, нам надо в каждый диод “тыкнуться” два раза, чтобы узнать исправен ли он. Так мы и сделаем.
Вместо аккумулятора у меня будет лабораторный блок питания на 12 Вольт, что в принципе не играет никакой роли.
Мой “прибор” для проверки диодов выглядит вот так.
Красные крокодил – это плюс от аккумулятора, в моем случае – от блока питания, а черный – это минус.
Поехали! У нас имеется 9 диодов. Начнем, пожалуй, с больших диодов-таблеток, которые вмонтированы в металлические пластины. Цепляюсь одним выводом-крокодилом к пластине, на которой вмонтирован один конец диода
а другим выводом, который идет от лампы накаливания касаюсь другого вывода диода и вуаля! Лампа зажглась!
Теперь надо обязательно поменять выводы наших проводов с самопального прибора местами и снова повторить это действие.
Как вы видите, наша лампа не горит, и это замечательно! Потому что мы сейчас только что убедились в том, что наш диод абсолютно здоров и готов выполнять свою задачу на 100%.
Таким же образом проверяем все диоды таблетки.
Маленькие черные диоды проверяются точь-в-точь таким же способом.
Меняем выводы и убеждаемся, что диод рабочий.
Правила:
1) Если лампочка не горит ни так ни сяк, значит диод неисправен.
2) Если лампочка горит и так и сяк, значит диод тоже неисправен.
3) Если лампочка горит, а при смене щупов не горит, значит диод исправен.
Проверка с помощью мультиметра
Не у всех есть такой замечательный прибор, как мультиметр, но он должен быть у каждого уважающего себя электрика и электронщика.
В каждом хорошем мультиметре есть функция прозвонки диодов. Как я уже говорил, наш автомобильный диодный мост будет исправен, если все его диоды будут исправны.
Берем в руки мультиметр и ставим его в режим прозвонки диодов.
И начинаем проверять все диоды друг за другом на исправность. В одном направлении диод должен показать значение от 0,4 и до 0,7 Вольт. В нашем случае 0,552 Вольта, что вполне приемлемо.
Далее меняем щупы местами и видим, что мультиметр показывает нам OL, что говорит нам о том, что превышен предел измерения. Значит, диод жив и здоров).
Таким же образом проверяем все оставшиеся диоды.
Похожие статьи по теме “диодный мост”
Автомобильное зарядное устройство
Как получить постоянное напряжение из переменного
Как проверить диод и светодиод мультиметром
Простой блок питания
Как правильно проверить диодный мост мультиметром
Диодный мост есть практически в любой аппаратуре, и выход его из строя – очень распространенная причина поломки электронного прибора. Проверка же и замена диодного моста в мастерской стоят неоправданно дорого. Тем не менее самостоятельно выявить неисправность выпрямительного блока и при необходимости починить или заменить мост можно самостоятельно с минимальными затратами. Для этого нужно знать, как проверить диодный мост. Именно эту задачу мы и постараемся сегодня решить.
Что такое диодный мост и что у него внутри
Прежде чем мы займемся проверкой диодного моста, необходимо узнать, что вообще такое диодный мост и из чего он состоит. Мост представляет собой схему, собранную из четырех диодов, соединенных определенным образом, и служит для преобразования переменного напряжения в постоянное. Используется такая схема практически во всей аппаратуре, питающейся от сети – ведь почти всей электронике для своего питания нужно постоянное напряжение, а в сети оно переменное. Но для начала выясним, что такое диод и какими свойствами он обладает.
Диод и принцип его работы
Диод – двухэлектродный полупроводниковый прибор, способный проводить ток только в одном направлении. Его часто так и называют – полупроводник. Если включить полупроводник в цепь постоянного тока анодом к плюсовому выводу источника питания, то через него потечет ток. Если к минусовому – тока в цепи не будет. Во втором случае говорят, что диод закрыт. А теперь включим наш полупроводник в цепь переменного напряжения.
Из рисунка хорошо видно, что полупроводник пропустил положительную полуволну и срезал отрицательную. Если включить его в другой полярности, то срезанной окажется положительная полуволна.
Чем диодный мост лучше диода
Теоретически используя лишь один полупроводник, ты смог бы преобразовать переменное напряжение в постоянное. Практически же ты получишь на выходе сильно пульсирующее напряжение, которое мало годится для питания электронных схем. Но если включить несколько диодов определенным образом, то лишнюю полуволну можно не срезать, а в буквальном смысле перевернуть ее. А теперь взгляни на схему ниже:
Диодный мост по схеме Гретца
При положительной полуволне работают диоды под номером 1 и 3: первый пропускает плюс, второй – минус. Полупроводники 2 и 4 в это время заперты и в процессе не участвуют – к ним приложено обратное напряжение, и сопротивление их pn-переходов велико.
При отрицательной полуволне в работу включаются диоды 2 и 4. Первый перенаправляет отрицательную полуволну на положительный выход, второй служит минусом. На этом этапе запираются приборы 1 и 3. В результате отрицательная полуволна не пропадает, а просто переворачивается:
Вот так при помощи трех дополнительных полупроводников мы повысили эффективность выпрямления вдвое. Конечно, напряжение на выходе все равно пульсирующее, но с такой пульсацией легко справится сглаживающий конденсатор относительно небольшой емкости.
к содержанию ↑Как найти диодный мост на плате
Прежде чем прозвонить диодный мост, его необходимо сначала найти на плате. Для этого, конечно, нужно знать, как он может выглядеть. Внешний вид у него зависит от разновидности корпуса. Выпрямители могут состоять как из четырех отдельных полупроводников, впаянных рядышком, так и из диодов, собранных в одном корпусе. Такой сборный прибор так и называют – выпрямительная сборка.
Вот лишь несколько видов таких сборок:
Несмотря на обилие форм, распознать интегральный диодный мост несложно. Он, как ты заметил, четырехвыводной, и два его вывода отмечены знаками «+» и «-». Это выход выпрямителя. На входные выводы подается переменное напряжение, поэтому они обозначаются символом «~», буквами «АС» (аббревиатура от английского «переменный ток») либо могут не обозначаться совсем.
Располагается диодный мост рядом с проводами подачи переменного напряжения: с трансформатора либо для импульсных блоков питания непосредственно из розетки (сетевой шнур).
Мнение эксперта
Алексей Бартош
Специалист по ремонту, обслуживанию электрооборудования и промышленной электроники.
Задать вопрос экспертуКак правило, рядом с выпрямителем ставится сглаживающий электролитический конденсатор – такой бочонок относительно больших размеров.
На рисунках, приведенных ниже, выпрямительные диодные мосты обозначены зеленой стрелкой:
Примеры расположения выпрямительных диодных сборок и мостов на дискретных элементах
к содержанию ↑Как проверить диодный мост
Проверить диодный мост можно двумя способами:
- При помощи тестера (мультиметра).

- При помощи лампочки.
Первый способ, конечно, предпочтительнее: он весьма точен и безопасен для диодного моста. Но если с мультиметром проблемы, то можно воспользоваться лампой от карманного фонаря и батарейкой на напряжение 5-12 В.
Теперь если диодный мост найден, прежде всего нужно провести внешний осмотр всей платы устройства. Элементы должны иметь естественный цвет, не быть обуглены или разрушены. Осмотри место пайки и целостность дорожек: важно, чтобы ничего не отпаялось и не лопнуло. Заодно внимательно осмотри электролитические конденсаторы (те самые бочонки). Они тоже должны быть в порядке: не поврежденные и не вздувшиеся. Если какой-то конденсатор вздулся или взорвался, его надо выпаять – все равно он потребует замены, чтобы не мешал проведению измерений.
Если конденсатор взорвался, после его демонтажа всю плату нужно тщательно промыть спиртом. Разлетевшиеся части конденсатора – это электролит, который не только проводит ток, но и имеет свойства кислоты.
Прозвонка диодного моста при помощи тестера
Теперь переходим к проверке, или, как говорят, к прозвонке диодного моста, которую нередко приходится проводить в два этапа:
- Предварительная прозвонка на месте.
- Точная проверка.
Первый этап удобен тем, что диодный мост можно не выпаивать, а проверять его прямо в схеме. Второй метод более трудоемок, но в случае неудачи с первым вариантом поможет провести точную проверку.
Для работы нам понадобится тестер: стрелочный или цифровой. В первом случае прибор должен уметь измерять сопротивление, во втором – иметь режим проверки полупроводников. Этот режим обозначается значком диода:
Проверить диодный мост можно лишь в этом положении переключателяМнение эксперта
Алексей Бартош
Специалист по ремонту, обслуживанию электрооборудования и промышленной электроники.
Задать вопрос экспертуНикогда не проверяй полупроводниковые приборы цифровым тестером в режиме измерения сопротивления.
В этом режиме практически все подобные приборы проводят измерение переменным током, и прозвонка полупроводников ничего не покажет.
Прозвонка диодного моста на месте
Итак, стрелочный прибор переводим в режим сопротивления на предел измерения около 1 кОм, цифровой включаем на проверку диодов. Теперь вспоминаем схему диодного моста:
Электрическая схема диодного мостаТвоя задача – прозвонить каждый из диодов, подключив к нему щупы тестера сначала в одной, а потом в другой полярности. Как видно из схемы, добраться до каждого диодика в отдельности не составляет труда, достаточно лишь выбрать соответствующие ножки сборки. Если выпрямитель собран на отдельных полупроводниках, проблемы вообще нет: просто прозванивай каждый, касаясь щупами прибора его выводов.
Что говорят измерения после прозвонки? Для каждого из отдельных полупроводников результат измерений должен быть следующим: в одном направлении тестер показывает маленькое сопротивление (значение около 200-700 Ом), в другом невозможно прозвонить вообще – прибор показывает «бесконечность».
Мнение эксперта
Алексей Бартош
Специалист по ремонту, обслуживанию электрооборудования и промышленной электроники.
Задать вопрос экспертуНа самом деле цифровой тестер в режиме проверки диодов показывает не сопротивление цепи, а величину падения напряжения на открытом диоде. Это имеет большое значение для измерения параметров полупроводников, но совершенно не существенно для прозвонки. Таким образом, алгоритм работы с любым типом тестера одинаков, а напряжение падения можешь принимать хоть за милливольты, хоть за Омы.
Если самостоятельно вычислить каждый из диодов по выводам тебе сложно, то ориентируйся на картинку ниже, в которой в качестве примера показана прозвонка диодной сборки GBU25M.
Прозвонка диодного моста при помощи мультиметраОбрати внимание, что цифры на экране тестера, изображенного на рисунке, условны. Падение напряжения на диоде и его сопротивление могут колебаться и зависят от типа полупроводника и его рабочего напряжения.
Точная проверка
Если результаты твоих измерений совпали с теми, которые описал я, то диодный мост можно считать исправным.
Но если что-то пошло не так и ты не получил желаемых результатов, то диодный мост придется выпаять и провести проверку еще раз. Дело в том, что большинство схемотехнических решений предусматривают «обвязку» выпрямителя дополнительными элементами: конденсаторами, фильтрами, катушками и пр. Все это может внести искажения в измерения, и ты просто не увидишь, почему и что не так.
Включаем паяльник и выпаиваем диодный мост. Если он состоит из отдельных диодов, то их достаточно отпаять лишь с одной стороны, приподняв по одной ножке каждого диода над платой. Теперь проводи повторное измерение. Методика та же, что и в первом случае: каждый из диодов прозванивай в обе стороны, меняя полярность подключения щупов прибора.
Если и сейчас показания прибора не соответствуют норме, можно с полной уверенностью сказать, что сборка или отдельный диод неисправны. Если в обоих направлениях измерения высокие значения сопротивления, переход диода выгорел, он в обрыве. Звонится в обе стороны – диод пробит, замкнут накоротко.
Если пробита диодная сборка, то придется заменить ее целиком. Если диоды стоят отдельно, достаточно заменить неисправный прибор однотипным.
Мнение эксперта
Алексей Бартош
Специалист по ремонту, обслуживанию электрооборудования и промышленной электроники.
Задать вопрос экспертуВ Интернете полно поисковых запросов типа «как проверить диодный мост индикаторной отверткой». Индикаторная отвертка, точнее, указатель напряжения предназначен для абсолютно других целей, и проверять диоды с его помощью не только бессмысленно, но и опасно!
Прозвонка моста индикаторной лампой
Если в твоем распоряжении не оказалось мультиметра, то для проверки диодного моста можно обойтись и подручными средствами: лампочкой и батарейкой. Тебе понадобится батарейка или кассета с несколькими пальчиковыми батарейками с общим напряжением 5-12 В и маломощная лампочка накаливания приблизительно с таким же, как у батареи, напряжением питания.
Лампу нужно брать минимальной мощности, чтобы не сжечь диод чрезмерно большим током.
Подойдет, к примеру, лампочка от маломощного карманного фонаря. Если в качестве батареи ты используешь аккумулятор на 12 В, то подойдет и лампочка от подсветки приборной панели или габаритных фар («подфарников»).
Ты, конечно, помнишь, что диод проводит ток в одну сторону, поэтому взгляни на две предложенные мной схемы:
Схема проверки диода при помощи лампы накаливанияНа схеме слева диод включен в прямом направлении и пропускает ток – лампа должна загореться. На правом рисунке диод включен в обратном направлении и тока не пропускает – лампа погашена. Понял идею? Собирай тестер и щупами А1 и А2 прозванивай диодный мост, ориентируясь не на экран мультиметра, а на лампу. Горит – маленькое сопротивление, погашена – большое. Вот и вся хитрость.
к содержанию ↑Проверка диодного моста генератора автомобиля
Если у тебя есть автомобиль, то тебя наверняка заинтересует этот раздел статьи. Выход из строя генератора авто – серьезная проблема, решение которой стоит немалых денег.
Но и тут причиной поломки может оказаться неисправность диода выпрямительного моста, который установлен в генераторе. А это значит, что вопрос можно попытаться решить своими силами. Взглянем на упрощенную схему генератора:
Перед тобой такой же диодный мост, только трехфазный, с шестью, а не с четырьмя диодами. Это означает, что прозвонить его не составит никакого труда!
Итак, разбирай генератор и снимай диодный мост, который выглядит примерно вот так:
Диодный мост автомобильного генератораЗелеными стрелками я отметил силовые диоды, но еще есть три вспомогательных, они помечены красными стрелками. Звонить будем и те и другие – все на виду и легкодоступны.
Промывай подковку в бензине, чтобы смыть всю грязь и масло, которые могут быть причиной неисправности. Когда мост высохнет, начинай прозванивать каждый диод, используя методику, описанную выше. Для работы можно использовать как мультиметр, так и лампу от габаритов в комплекте с автомобильным аккумулятором.
Мнение эксперта
Алексей Бартош
Специалист по ремонту, обслуживанию электрооборудования и промышленной электроники.
Задать вопрос экспертуОбрати внимание! Диоды, стоящие на разных подковках, только с виду одинаковые. На самом деле у одних на центральном выводе анод, у других – катод. Это сделано для того, чтобы диоды можно было расположить на одной подковке, одновременно исполняющей роль радиатора, без изолирующих прокладок.
к содержанию ↑Техника безопасности
Подавляющее большинство современной аппаратуры имеет импульсные высоковольтные блоки питания. Это означает, что диодные мосты в них работают под напряжением до 300 В. Поэтому, прежде чем начать измерение, отключи прибор от сети и, главное, разряди сглаживающие электролитические конденсаторы, которые могут «держать» опасный для жизни заряд часами. Для наглядности я пометил их красными стрелками:
Плата блока питания ПК с диодным мостом и сглаживающими конденсаторамиЧтобы разрядить их, замкни на секунду выводы конденсатора отверткой, держа ее за изолирующую ручку.
В противном случае ты не только сожжешь мультиметр, но и можешь попасть под смертельное напряжение.
И последний совет: после ремонта прибора не спеши втыкать сетевую вилку в розетку. Для начала включи его в сеть через лампу накаливания мощностью 150-200 Вт. Если все сделано правильно, лампа будет едва светиться. О неудавшемся ремонте лампа просигнализирует тебе ярким светом в полный накал, указывающим на короткое замыкание.
Делая всевозможные сетевые переключения, береги глаза. Очень многие элементы импульсных блоков питания при неудачном ремонте способны взрываться не хуже осколочной гранаты. А разрыв электролитического конденсатора, как я уже писал выше, грозит огромным разлетом не только осколков алюминия и клочьев бумаги, но и разбрызгиванием кислоты.
Вот ты и научился проверять исправность диодных мостов. Надеюсь, в будущем эти знания будут полезны и сохранят не только твои деньги и время, но и нервы. Провести самостоятельную дефектовку электронного прибора, а затем и его ремонт – это круто.
Не так ли? Пиши ответ в комментариях
Задать новый вопрос
ПредыдущаяВопросы экспертуКак правильно менять лампочки в подвесном потолке
СледующаяВопросы экспертуКак правильно заземлить ванну в квартире?
Справочник диодных мостов импортных.Диодные мосты для генераторов авто.Отечественные производители диодных мостов | В справочник по диодным мостам включены однофазные и трехфазные импортные диодные мосты для поверхностного монтажа, в DIP корпусе, с выводами для пайку в плату и для внешнего монтажа с штыревыми выводами. Диодные мосты на токи более 5 ампер, как правило, предназначены для монтажа на теплоотвод. Стоимость диодного моста можно узнать, используя форму в левом углу страницы. При загрузке datasheet с характеристиками на выбранный компонент в форму автоматически заносится его наименование. И при клике по кнопке «Узнать цену» посылается запрос в несколько популярных интернет-магазинов. | ||||
| Наименование | Imax, A | Umax, В | Примеч. | Краткое описание диодных мостов | |
| Однофазные диодные мосты. | |||||
| MB1S — MB10S | 0.5 | 50 — 1000 | диодный мост для поверхностного монтажа MB1S, MB2S, MB3S, MB4S …. MB10S | ||
| DB101S — DB107S | 1 | 50 — 1000 | диодные мосты для поверхностного монтажа DB101S — DB107S. Подробные параметры приведены в datasheet. | ||
| DB101 — DB107 | 1 | 50 — 1000 | диодные мосты в DIP корпусе DB101 — DB107. | ||
| DB151S — DB157S | 1.5 | 50 — 1000 | диодные мосты для поверхностного монтажа DB151S — DB157S | ||
| DB151 — DB157 | 1. 5 | 50 — 1000 | |||
| W005M — W10M | 1.5 | 50 — 1000 | |||
| RС201 — RС207 | 2 | 50 — 1000 | |||
| RS201 — RS207, KBP005-KBP10 | 2 | 50 — 1000 | |||
| KBP200 — KBP210 | 2 | 50 — 1000 | |||
| KBPС1005 — KBPC110 | 3 | 50 — 1000 | мосты диодные KBPC1005, KBPC101, KBPC102, KBPC103, KBPC104…KBPC110 на ток до 3А и напряжение до 1000В | ||
| BR305 — BR310 | 3 | 50 — 1000 | |||
| KBL005 — KBL10 | 4 | 50 — 1000 | |||
| RS401 — RS407 | 4 | 50 — 1000 | |||
| RS501 — RS507 | 5 | 50 — 1000 | |||
| KBU6A — KBU6M | 6 | 50 — 1000 | |||
| RS601 — RS607 | 6 | 50 — 1000 | |||
| KBPC600 — KBPC610 | 6 | 50 — 1000 | характеристики мостов диодных KBPC600, KBPC601, KBPC602, KBPC603, KBPC604. ..KBPC610 на ток до 6А и напряжение до 1000В | ||
| BR605 — BR610 | 6 | 50 — 1000 | |||
| KBPC1001 — KBPC1010 | 10 | 50 — 1000 | справочные данные мостов диодных KBPC1001, KBPC1002, KBPC1003, KBPC1004, KBPC1005…KBPC1010 на ток до 10А и напряжение до 1000В | ||
| BR1005 — BR1010 | 10 | 50 — 1000 | |||
| KBPC1500W — KBPC1510W KBPC1500 — KBPC1510 | 15 15 | 50 — 1000 50 — 1000 | справочные данные диодных мостов KBPC1500, KBPC1501, KBPC1502, KBPC1503, KBPC1504…KBPC1510 на ток до 15А и напряжение до 1000В | ||
| MB1505W — MB1510W MB1505 — MB1510 | 15 15 | 50 — 1000 50 — 1000 | |||
| GSIB2520 — GSIB2580 | 25 | 200 — 800 | |||
| KBPC2501 — KBPC2510 | 25 | 50 — 1000 | характеристики мостов диодных KBPC2501, KBPC2502, KBPC2503, KBPC2504, KBPC2505. ..KBPC2510 на ток до 25А и напряжение до 1000В | ||
| MB251 — MB2510 | 25 | 50 — 1000 | характеристики однофазных диодных мостов MB, аналогов KBPC | ||
| 26MB20 — 26MB120 | 25 | 200 — 1200 | |||
| KBPC3500 — KBPC3510 | 35 | 50 — 1000 | справочные данные диодных мостов KBPC3500, KBPC3501, KBPC3502, KBPC3503, KBPC3504…KBPC3510 на ток до 35А и напряжение до 1000В | ||
| MB351 — MB3510 | 35 | 50 — 1000 | однофазный диодный мост MB (аналог мостов KBPC) на токи до 35А | ||
| 36MB20 — 36MB120 | 35 | 200 — 1200 | |||
| KBPC5000 — KBPC5012 | 50 | 50 — 1200 | справочные данные диодных мостов KBPC5000, KBPC5001, KBPC5002, KBPC5003, KBPC5004…KBPC5012 на ток до 50А и напряжение до 1200В | ||
| MB501 — MB5010 | 50 | 50 — 1000 | |||
| Трехфазные диодные мосты | |||||
| RM10TA | 20 | 1200, 1600 | трехфазный диодный мост RM10TA на ток до 20А с штыревыми выводами | ||
| DBI25-04 — DBI25-16 | 25 | 50 — 1600 | трехфазный диодный мост для пайки в плату DBI25 | ||
| 26MT10 — 26MT160 | 25 | 100 — 1600 | трехфазный диодный мост 26MT с штыревыми выводами | ||
| 36MT10 — 36MT160 | 35 | 100 — 1600 | трехфазный диодный мост 36MT на ток до 35А с ножевыми клеммами | ||
| 60MT80 — 60MT160 | 60 | 800 — 1600 | трехфазный диодный мост 60MT на ток до 60А под винт | ||
| 110MT80 — 110MT160 | 110 | 800 — 1600 | трехфазный диодный мост 110MT на ток до 110А под винт | ||
Диодные мосты генераторов авто. (показать)БВО11 и БВО21 — производства «ВТН» (Винница, Украина) БВО2…БВО8, МП, БПВ — производства ОАО»Орбита» (Саранск) БВО105, БПВ — производства ООО «Астро» (Пенза) | В техническом описании на диодные мосты генераторов ВАЗ, ГАЗ, МАЗ, КАМАЗ приведены следующие данные: модели автомобилей, на которые ставился данный выпрямительный блок, номинальное и максимальное напряжения, максимальный выходной ток, падение напряжения на диодах, электрическая схема, габаритный чертеж и фотография. | ||||
| Применяемость мостов БВО11, БВО21 | (совместимые генераторы, аналоги из серий БВО3…БВО-8, БПВ | ||||
| БВО3-БВО8, МП, БПВ | на какие авто ставятся) | ||||
| БВО11-150-02 БВО4-105-01 | 120 | 20-24 | ВАЗ | характеристики, схема БВО11-150-02 (диодного моста для генератора ВАЗ 2110, ВАЗ 2111, ВАЗ 2112) | |
| БВО11-150-04 | 150 | 20-24 | Daewoo | характеристики, электрическая схема, габаритный чертеж БВО11-150-04 (выпрямительный блок для генератора автомобилей Daewoo Nexia, ZAZ Lanos, Chevrolet Lanos, Chevrolet Aveo) | |
| БВО11-150-07 БВО3-105-01 | 120 | 20-24 | ВАЗ | характеристики и схема диодного моста БВО11-150-07 (применяется на ВАЗ 2108, ВАЗ 2109, ВАЗ 2111, ВАЗ 2112, ВАЗ 2121) | |
| БВО11-150-08 БВО3-105-08 | 120 | 20-24 | ВАЗ | БВО11-150-08 — диодный мост для ВАЗ 2110, ВАЗ 2108, ВАЗ 2109 ВАЗ 2111, ВАЗ 2112, ВАЗ 2113, ВАЗ 2114, ВАЗ 2115, ВАЗ 2121, Daewoo Sens, Славута, Таврия.![]() | |
| БВО11-150-13 БВО3-105-06 БВО3-105-09 | 150 | 20-24 | ВАЗ | характеристики и схема диодного моста БВО11-150-13 (применяется на генераторах автомобилей ВАЗ 2110, ВАЗ 2111, ВАЗ 2112, Daewoo Sens, УАЗ) | |
| БВО11-150-15 БВО3-105-03 | 120 | 20-24 | ГАЗ | БВО11-150-15 — диодный мост для автомобилей ГАЗ | |
| БВО11-150-16 БВО3-105-02 | 150 | 20-24 | ГАЗ, УАЗ | характеристики БВО11-150-16 (диодный мост генераторов ГАЗ, УАЗ) | |
| БВО11-150-18М БВО8-105-01 | 120 | 20-24 | «Приора» «Калина» | технические характеристики БВО11-150-18, диодного моста генератора ВАЗ 1117, ВАЗ 1118, ВАЗ 1119 («Калина»), ВАЗ 2170, ВАЗ 2171, ВАЗ 2172 («Приора») | |
| БВО11-150-20М БПВ 076. 1.105-02 | 120 | 36-41 | МАЗ | схема и характеристики БВО11-150-20 (диодного моста генератора МАЗ) | |
| БВО11-150-22 | 150 | 36-41 | МАЗ | характеристики блока выпрямительного БВО11-150-22 (диодного моста генератора МАЗ) | |
| БВО11-150-23 БВО7-110-02 | 120 | 36-41 | КАМАЗ | электрическая схема БВО11-150-23, диодного моста для генератора КАМАЗ | |
| БВО21-150-09 БВО8-105-01 | 120 | 20-24 | «Калина» | БВО21-150-09, выпрямительный блок (диодный мост) генераторов авто ВАЗ 1117, ВАЗ 1118, ВАЗ 1119 (Калина) | |
| БВО21-150-14 БПВ56-65-02Г | 85 | ? | ВАЗ | электрическая схема и характеристики БВО21-150-14, диодного моста генератора автомобилей ВАЗ 2110, ВАЗ 2108, ВАЗ 2109, “Ока”, ВАЗ 21213 | |
| БВО21-150-14А БПВ56-65-02А | 85 | ? | ВАЗ до 91г | выпрямительный блок для авто ВАЗ 2101, ВАЗ 2102, ВАЗ 2103, ВАЗ 2104, ВАЗ 2105, ВАЗ 2107, «Таврия» до 91г.в. | |
| БВО21-150-14Б БПВ56-65-02Б | 85 | ? | ВАЗ | электрическая схема диодного моста для генератора авто ВАЗ-2108, ВАЗ-2109, “Ока”, ВАЗ-2121. Электрические характеристики БПВ56-65-02Б (выпрямительный блок для генератора ВАЗ 2108, ВАЗ 2109, ВАЗ 2110) | |
| БВ21-150-14 БПВ56-65-02Г | 85 | ? | ВАЗ | характеристики диодного моста для 2110, а так же для авто ВАЗ-2108, ВАЗ-2109, “Ока”, ВАЗ-21213. Характеристики и подробное описание выпрямительного блока БПВ-56-65 для ВАЗ 2108, ВАЗ 2109, ВАЗ 2110. | |
| БВ21-150-14А БПВ56-65-02А | 85 | ? | ВАЗ до 91г | для авто ВАЗ-2101, ВАЗ-2102, ВАЗ-2103, ВАЗ-2104, ВАЗ-2105, ВАЗ-2107, “Таврия” до 91 г.в. Диодный мост генератора ВАЗ БВП56-65-02А для моделей ВАЗ 2101, ВАЗ 2102, ВАЗ 2103, ВАЗ 2104, ВАЗ 2105, ВАЗ 2107 | |
| БВ21-150-14Б БПВ56-65-02Б | 85 | ? | ВАЗ | выпрямительный блок для генераторов авто ВАЗ-2108, ВАЗ-2109, “Ока”, ВАЗ-2121 | |
| БВ21-150-14В БПВ56-65-02Г | 85 | ? | ВАЗ | характеристики и схема БВ21-150-14, диодного моста генраторов ВАЗ-2108, ВАЗ-2109, ВАЗ-2110,“Ока”, ВАЗ-21213 | |
| На главную | |||||
диодный мост генератора
Диодный мост генератора устанавливается на любом современном автомобиле или мотоцикле с генератором переменного тока и предназначен для выпрямления переменного тока (вырабатываемого генератором) в постоянный, который необходим для зарядки аккумуляторной батареи и для питания всех потребителей любого современного транспортного средства.
В этой статье, больше рассчитанной на новичков, будет подробно описано, что из себя представляет диодный мост современных машин, его устройство, проверка работоспособности, возможный ремонт и другие нюансы.
Примерно в середине прошлого века начали появляться более мощные и в то же время более лёгкие генераторы переменного тока, взамен старых коллекторных генераторов постоянного тока. Но у новых более мощных генераторов не стало коллектора, работающего в качестве выпрямителя и потребовалось оснащать новые генераторы устройством, которое бы выравнивало пульсирующий переменный ток в постоянный, так необходимый для зарядки аккумулятора и питания потребителей автомобиля или мотоцикла.
Так и появился диодный мост генератора — состоящий из нескольких выпрямителей переменного тока — полупроводниковых диодов.
Основными элементами любого выпрямителя в современном генераторе автомобиля или мотоцикла являются полупроводниковые диоды, которые способны проводить ток только в одном направлении и тем самым выпрямлять его.
Сам по себе полупроводниковый диод это и есть выпрямитель, который используется для преобразования переменного тока в постоянный.
Но полупроводниковый выпрямительный диод применяют не только в генераторах переменного тока транспортных средств, а так же в различных цепях управления, в том числе и в сильноточных цепях, умножителях напряжения и других электронных устройствах.
Мощность диодов, применяемых в автомобильных генераторах (и не только) зависит от номинала максимального тока, который способен вырабатывать генератор. Выпрямительные диоды можно условно разделить на полупроводниковые приборы малой мощности (примерно до 300 mA), средней мощности (от 300 mА до 10 Ампер) и большой мощности (более 10 Ампер).
Подбор полупроводниковых выпрямительных диодов нужной мощности конечно же зависит от мощности автомобильного генератора и чем она больше, тем мощнее используемые диоды в генераторе. Ну а по типу используемого материала в полупроводниковых диодах, они бывают кремниевые и германиевые.
Кремниевые диоды имеют во много раз меньшие обратные токи и ощутимо более высокую величину допустимого обратного напряжения, которое может доходить даже и 1000, а иногда и 1500 Вольт, а у германиевых допустимый вольтаж составляет максимум 400 Вольт.
Разница ощутимая и в последнее время всё чаще начали применять кремниевые выпрямительные диоды. К тому же работоспособность кремниевых полупроводниковых диодов сохраняется при диапазоне температур от -60 до +150 градусов С, а у германиевых диодов диаппазон поменьше, от -60 до +85 градусов С.
В генераторах современных автомобилей и мотоциклов используют несколько диодов, закрепляемых на алюминиевых пластинах, служащих радиаторами охлаждения диодов (так называемый диодный мост или подкова, так как пластины имеют форму подковы). Сами диоды на большинстве авто-мото генераторов запрессовывают на заводе в алюминиевые радиаторные пластины, которые имеют чуть меньшие по диаметру отверстия, чем корпуса диодов.
И в случае ремонта ( о ремонте ниже) вышедшие из строя диоды нужно будет отпаять и затем выпрессовать.
Но сначала нужно проверить их работоспособность и выявить неисправность.
Диодный мост генератора — устройство и проверка неисправности.
Диодный мост современного генератора (как проверить работоспособность генератора читаем тут) состоит из двух алюминиевых пластин, которые служат радиаторами охлаждения и которые изолированы друг от друга диелектриком. К каждой из двух пластин (на большинстве генераторов) подключены по три диода одним из своих выводов (на некоторых по 4 пары диодов).
Вторые выводы каждого из трёх диодов соединяются между собой общей точкой соединения (см. электросхему слева) и далее в каждой точке выводы ещё соединяются с тремя выводами трёхфазной обмотки статора генератора.
К этим же точкам ещё подключаются три дополнительных диода (более мелких — см. электросхему слева и видеоролик чуть ниже).
Ну и вторые выводы трёх дополнительных диодов (служащих для питания реле или обмотки возбуждения) соединяются в одну точку и подключаются к шине, а та в свою очередь подключается к проводу, идищему к реле-регулятору напряжения (как проверить исправность реле-регулятора я подробно описал вот здесь).
Вся схема подключена по мостовой схеме и поэтому и называется диодный мост генератора и именно диодный мост в целом и служит выпрямителем переменного тока генератора в постоянный ток, необходимый для зарядки батареи и питания потребителей.
У генератора могут быть несколько неисправностей, о которых можно почитать вот здесь (а о ремонте генератора читаем вот в этой статье) и одной из неисправностей генератора автомобиля, или мотоцикла, является выход из строя выпрямительных диодов.
При их проверке основываются на том, что выпрямительный диод — это электронный прибор, который в исправном состоянии в одном направлении пропускает ток, а в другом нет. И именно на этом и основана проверка исправности диодного моста генератора, которая буде описана ниже и которую так же можно посмотреть в видеоролике выше.
Для проверки полупроводниковых диодов потребуется снять диодный мост (подкову) с генератора и так же потребуется обыкновенный тестер мультиметр (как его выбрать новички могут почитать вот тут). Перед работой прибор следует включить в режим проверки диодов — тоесть установить переключатель в положении напротив значка, означающего диод. А провода щупов подключаем в гнёзда для замера сопротивления (как в показано видеоролике выше).
При проверке исправности диодного моста лучше всего проверять каждый диод по отдельности и для этого щупы тестера нужно подключать непосредственно к каждому диоду (один щуп, например красный, подключаем к корпусу (донышку) проверяемого диода, а второй чёрный щуп подключаем к выводу диода.
При этом мы видим на экране тестера какое то условное сопротивление ( на разных генераторах по разному и зависит от мощности — примерно в пределах 400 — 800 Ом) и это значит что проверяемый диод в этом направлении пропускает ток. Теперь следует поменять местам щупы тестера (красный щуп к выводу, а чёрный к корпусу проверяемого диода). При таком подключении щупов мы видим на экране тестера единицу, означающую, что в этом направлении диод заперт и не пропускает ток и это значит что такой диод исправен.
Аналогично проверяем остальные два диода, расположенные на этой же алюминиевой пластине. Все они должны работать так же, то есть при проверке пропускать ток только в одном направлении.
На второй пластине три других диода работают наоборот (подключены в обратной полярности и полупроводник развёрнут и подключен наоборот), но проверка их тестером отличается лишь тем, что при подсоединении красного щупа тестера к корпусу, а чёрного к выводу проверяемого диода, ток не должен проходить (тестер показывает единицу, означающую, что проверяемый диод закрыт), а если поменять местами щупы, то тестер должен показать сопротивление (ток проходит). Проверяем также и два остальных диода, впресованных в эту же алюминиевую пластину.
Если же при подключениях щупов в любом виде к какому то диоду, цифровой тестер показывает единицу (в обоих направлениях) то такой диод пробит и его следует заменить. Если же при подключении щупов тестера в любом виде (в обоих направлениях) мы видим какое то значение на тестере, то такой диод имеет короткое замыкание и его тоже следует менять. Также проверяются и три дополнительных диода (маленьких).
Следует учесть, что при показаниях тестера (в положении когда ток проходит) должны быть сопротивления как можно ближе одинаковые по значениям. А чем больше отличия в показаниях тестера при проверке диодов одной пластины, тем больше вероятность неисправности диодов (тех, которые ощутимо отличаются по показаниям сопротивления от других диодов).
А допустимые отклонения при проверке каждого диода желательно не должны быть более 5 единиц в показаниях тестера и если какой то диод отличается по показаниям от остальных, то его желательно заменить, так как при больших токах, когда генератор будет работать, такой диод будет работать плохо и будут проблемы с зарядкой.
Чтобы заменить дефектный диод, его нужно отпаять и выпрессовать, затем запрессовать новый диод и припаять его — подробнее об этом я напишу ниже в разделе ремонт диодного моста.
Ну и ещё можно проверить диодный мост полностью, подключив оба щупа тестера к двум разным алюминиевым пластинам. При этом например красный щуп подключаем к одной из пластин, а чёрный к другой и видим , что тестер показывает какое то сопротивление. Далее меняем щупы местами и подключаем к тем же пластинам и при этом тестер должен показать единицу, то есть все диоды заперты, исправны и проводят ток только в одном направлении.
Если же при обоих подключениях щупов (при замене их местами) тестер показывает какое то значение сопротивления (близкое по значению при обоих подключениях щупов) то такой диодный мост генератора неисправен.
Следует сказать, что проверки с помощью тестера, которые я описал выше являются лишь примерными и более точную проверку следует производить под нагрузкой. Для этого следует подключить через диоды лампу (которая потребляет примерно пять ампер), согдасно приведённой мной электросхеме на рисунке слева и затем подать напряжение от аккумулятора.
И если лампа, при подключении к ней диодного моста будет гореть в одном направлении (при одной полярности) и гаснуть при другом направлении (при обратной полярности) то такой диодный мост можно считать исправным.
Диодный мост генератора : ремонт — замена неисправных диодов.
Проверив диодный мост вашего генератора, как было описано выше и выявив неисправные диоды, конечно же гораздо проще купить новый диодный мост и заменить его полностью. Для отечественных автомобилей он стоит не дорого, а вот для некоторых иномарок цена на новый диодный мост может неприятно удивить. И кто не хочет платить свои кровные, то есть смысл заменить только лишь вышедшие из строя диоды, которые стоят ощутимо дешевле всего диодного моста.
Для работы потребуется паяльник, мощностью не менее 50 ватт, стальная или легкосплавная трубка диаметром 12 — 15 мм. (зависит от диаметра диодов), выколотка (в качестве выколотки подойдёт медная, или латунная трубка, или пруток потоньше, диаметром 8-10 мм) а так же желательно использовать краску (лучше термостойкую кремнийорганическую краску) которой нужно будет потом покрыть места спаек, чтобы исключить коррозию олова.
Ну и конечно же потребуются сами новые диоды, которые имеют маркировку и номинал мощности такой же, как и вышедшие из строя диоды с вашего диодного моста. Следует отметить, что мощные диоды (на 50 ампер) в авто-магазинах найти не так то просто.
Максимум что вам могут предложить в большинстве магазинов — это диоды на 30 — 35 ампер, которые предназначены для не слишком мощных генераторов (80 — 100 А). Но мощные диоды можно найти и заказать в некоторых интернет магазинах (например в интернет-каталоге «CARGO»). Требуемый номинал диода можно вычислить по мануалу своего автомобиля.
Для мощных генераторов на 140 ампер, установленных на некоторых иномарках потребуется 12 диодов (6+6), а для более слабых по мощности генераторов на 80 ампер нужно будет найти всего 6 диодов (3+3). Но все диоды можно и не менять, а всего лишь заменить вышедшие из строя (как их проверить было написано выше)..
Основная трудность при замене диодов заключается в том, что они запрессованы в алюминиевые пластины с натягом и чтобы их заменить, потребуется выбить старые и затем запрессовать новые. Для того, чтобы выбить неисправный диод, следует сначала отпаять от него вывод (контактную пластину) и после этого аккуратно отогнуть контактную пластину.
Отпаяв и отогнув в сторону контактную пластину от вывода диода, затем для удобства отрезаем от диода вывод. Далее укладываем пластину (подкову) на трубку диаметром 12-15 мм, зажатую в тиски да так, чтобы диод, который нужно выбить, расположился внутри отверстия трубки, а пластина (подкова) полностью легла на торец трубки. Теперь следует упереть выколтку (трубка или пруток — диаметр 8 мм) в донышко диода и выбить его несильными ударами молотка.
После этого заново укладываем пластину на торец трубки (завальцовка на пластине, с отверстием от старого диода, тоже должна вставиться внутрь трубки) берём новый диод, устанавливаем его в отверстие от старого диода и опять же используем 8-ми миллиметровую медную трубку или пруток, уперев его в донышко нового диода и аккуратно запрессовываем его в отверстие пластины (подковы), нанося несильные удары по трубке.
Далее остаётся немного укоротить вывод нового диода и затем разогнуть контактную пластину, чтобы она коснулась (лучше наделась) на вывод нового диода и спаять их вместе. Место спайки желательно закрасить термостойкой краской. Заменив диоды, остаётся вернуть диодный мост на своё место под крышкой генератора и подсоединить все выводы (о правильной замене диодного моста показано в видео ниже).
Многих водителей интересует вопрос, почему выходит из строя один или несколько диодов в диодном мосту генератора. Причин может быть несколько, но наиболее частая причина — это попадание воды в полость генератора. Крышка, под которой расположен диодный мост генератора имеет вентиляционные отверстия, а генератор расположен на некоторых машинах в месте, которое омывается потоками воды. Чтобы хоть как то исключить попадание влаги на генератор дождливой осенью, желательно установить на свой автомобиль защиту картера.
Надеюсь данная статья будет полезна начинающим водителям, или ремонтникам, и поможет заменить, или отремонтировать диодный мост генератора, успехов всем.
Диодный мост генератора как проверить и заменить
Автомобильный генератор – важнейшая часть автомашины, обеспечивающая электричеством все основные и вспомогательные узлы транспортного средства. Диодный мост генератора его основная составляющая, важность которой практически невозможно переоценить.
Что такое диодный мост генератора и зачем он нужен?
Диодный мост генератора
Диодным мостом называется деталь, устанавливаемая на выходе генератора. Запчасть необходима для того, чтобы преобразовывать переменный ток.
Конструктивно деталь представляет собой диодную сборку (схема очень проста три отрицательных, три положительных, три дополнительных), установленную последовательно. Она пропускает ток только в одну сторону, не выпускает обратно.
Надо сказать, что диодный мост генератора цена невелика, но от его исправности зависит работоспособность автомобиля.
Причины выхода из строя выпрямляющего моста.
Замена диодного моста генератора имеет некоторые сложности. Первоначально нужно выяснить причину, по которой он вышел из строя.
Основные проблемы могут быть в следующем:
- Перегрев в следствии плохого охлаждения.
- Чрезмерная тряска, вибрация на бездорожье.
- Запуск от «прикуривателя» или перепутанные клеммы аккумулятора.
- Физическое повреждение или коррозия.
Диодный мост генератора неисправности проверка
Основные признаки неисправности диодного моста генератора.
Задуматься о ремонте узла нужно если присутствует:
- Низкое напряжение при работающем двигателе на выходе (меньше 13,5 вольт).
- Аккумулятор быстро разряжается (не заряжается вовсе).
- Бортовой компьютер показывает ошибку по электрической сети, вольтметр выдает крайне низкие значения.
- Гудящий звук от агрегата.
Как проверить состояние диодного моста?
Перед диагностикой деталь должна быть отсоединена от других элементов. Для качественной проверки работоспособности изделия необходимо иметь на руках автомобильный тестер способный работать в режиме омметра, либо контрольную лампу (не более 5 Ватт, напряжение 12 Вольт). Естественно, что с помощью тестера проверка выйдет быстрее, точнее, но с помощью контрольного провода можно обнаружить неисправность.
Заменить и купить данную деталь генератора лучше всего в нашей компании. Всегда имеется большое количество различных запасных частей, присутствуют необходимые сертификаты качества, действует длительная гарантия.
Мы выполняем ремонт за 1 час!
Звоните нам по телефону +7 (495) 645-60-46, и Вы быстро почините свой автомобиль.
Как можно проверить диодный мост на генераторе. Как проверить диодный мост генератора в гараже. Основные признаки неисправности генератора.
Методика проверки диодного моста
Поскольку в электронике всё чаще применяются диодные мосты в одном корпусе, то встаёт вопрос о методике их проверки. Мне частенько задают вопрос: «Как проверить диодный мост?». О проверке обычных диодов я уже рассказывал , но тему проверки диодных сборок как-то упустил из виду. Заполним этот пробел.
Мосты обычно имеют 3 положительных силовых диода, 3 отрицательных силовых диода и 3 положительных диода для схемы возбуждения. Держатель щетки также прикреплен к задней крышке, с новыми генераторами и регулятором напряжения. Начало и конец проводов намотки ротора привариваются к кольцам коллектора. Защитная пластиковая крышка прикреплена к задней крышке.
Ротор образует якорь «зажим» — рисунки 1, 2, 3, его опоры для полюсов изготовлены из магнитно-мягкой стали с содержанием С менее 0, 05%, чтобы сделать их почти постоянными магнитами. Магнитная мягкая сталь ведет себя ретентивно. Это означает, что он поддерживает только очень слабое остаточное магнитное поле, которое позволит возбуждать генератор переменного тока, но при более высокой скорости холостого хода двигателя. Внутри намотана цилиндрическая катушка обмотки обмотки, и через генератор переменного тока проходит относительно слабый электрический ток.
Для начала вспомним основные свойства диода и схему диодного моста (так называемую схему Гретца).
Как известно, диод пропускает ток только в одном направлении — это его основное свойство. Схема диодного моста по схеме Гретца приведена на рисунке.
Для первоначального возбуждения магнитного потока после запуска двигателя обычно это электрический ток, проходящий через зарядную лампу. Обычно лопасти вентилятора прикреплены к ротору с обеих сторон. В более старых версиях вентилятор был частью шкива. Мощные новые генераторы переменного тока имеют встроенное колесо свободного хода в шкивах. Это в целом снижает колебания и неравномерность передачи частоты вращения двигателя на роторе генератора, например, также при переключении передач, остановке двигателя.
Это колесо свободного хода способствует общему улучшению работы генератора. Это облегчает регулирование напряжения, снижает напряжение и т.д. рис. Небольшая часть новых генераторов также может быть вакуумным насосом, создает вакуум для усилителя тормозов и т.д. — Рис. 4а.
К выводам со значком «~» подводится переменное напряжение, полярность подключения тут не важна. Проще говоря, два вывода «~», это вход переменного напряжения.
С выводов «+ » и «— » снимается уже постоянное напряжение. На самом деле оно пульсирующее, но сейчас не об этом.
Иногда выводы для подключения переменного напряжения (~) маркируются также AC , что означает A lternating C urrent — в переводе с английского «переменный ток ».
Одновременно изготовленные генераторы обычно имеют электронный стабилизатор напряжения в заднем щите, который образует узел с держателями угольных щеток. Таким образом, стабилизатор напряжения электрически соединен непосредственно с началом и концом обмотки катушки возбуждения с помощью собирающих колец и угольных щеток. Электронные регуляторы постепенно развиваются как гибридные, монолитные и новейшие многоцелевые регуляторы напряжения.
Регулятор напряжения подключен к тем же клеммам. Генератор переменного тока, благодаря электрическому току, протекающему через лампу заряда, подает электроэнергию на холостом ходу двигателя. Токовый зажим В соединен сильным проводником с полюсом аккумулятора.
Итак, память освежили, теперь подумаем о том, как же нам проверить диодный мост мультиметром.
Включаем мультиметр в режим проверки диода. Обычно он совмещён с режимом «прозвонки» и обозначен на панели прибора символом диода.
Чтобы было более наглядно, нарисуем схему диодного моста на бумаге и будем ориентироваться на рисунок. Далее проверим диоды, которые на рисунке обозначены под номером 1 и 2. Для этого подключаем к минусовому выводу диодного моста плюсовой щуп мультиметра (красный ). А минусовой щуп (чёрный ) подключаем к выводам моста со значком «~» или аббревиатурой AC. Так как диода два, то проделываем эту операцию по очереди.
На рисунках 1-4 показано описание функциональных частей электрической цепи генератора. Обращаясь к схемам, показанным на фиг. 5-8, постепенно объясняется работа генератора переменного тока. На рисунке 5 представлена композиция и схема подключения. После тщательного введения в основную композицию и привлечение генератора может продолжаться на рисе. В режиме ожидания, электрический ток протекать от клеммы аккумулятора только 30 зажигания. После включения переключателя, т.е. когда загорается лампа зарядки, электрическая цепь подключается к клемме 15 коробки переключателя.
Так как в таком случае диоды будут включены в прямом (проводящем) направлении, то на дисплее мультиметра мы увидим числа вроде 0,562V (562 mV). Это падение напряжения на P-N переходе открытого диода. Его ещё называют пороговым , т.е. чтобы открыть диод, нужно превысить данное напряжение. В зарубежных даташитах этот параметр называется Forward Voltage или Forward Voltage Drop (сокращённо V f ), что в вольном переводе означает «падение напряжения в прямом включении».
В начале двигателя ротор генератора начинает вращаться и вместе с ним его магнитное поле. Его линии электропередачи начинают пересекать электрические проводники статора, и они начнут электрический ток. На следующей фазе этот индуцированный переменный трехфазный электрический ток протекает и управляется возбуждающими и отрицательными диодами. Поскольку напряжение генератора постепенно равно напряжению батареи, оно ослабляется, а эл. Ток на лампе зарядки, и это погаснет. Интенсивность потока электрического тока через отмеченную окружность обмотки возбуждения регулируется регулятором напряжения при увеличении скорости вращения ротора.
Для кремниевых диодов пороговое напряжение (V f ) составляет 400…1000 mV.
Теперь подключаем чёрный щуп к другому выводу моста со значком «~» или сокращением AC. Результат должен быть аналогичный. Вот взгляните.
Как видим, этот диод также проводит ток в прямом включении, а величина порогового напряжения чуть-чуть отличается (566 mV), это нормально.
В зависимости от ослабления интенсивности потока электрического тока через обмотки возбуждения интенсивность магнитного поля уменьшается и наоборот. В нормальных условиях это почти всегда одно и то же.
Помните, что логическая базовая предпосылка для надлежащего ухода, включая определение причин дефектов и хороший ремонт, — это реальное знание функции, построение и эксплуатация всех частей исходной системы, но разработка новых систем продолжается!
Чтобы 100% удостовериться в исправности диодов 1 и 2, проверим их при обратном включении. Для этого к минусовому выводу моста («— «) подключаем минусовой, чёрный щуп мультиметра, а красный плюсовой щуп поочерёдно подключаем к выводам, обозначенным символом «~».
Проверка одного диода…
Генератор с самозатухающим и демпфирующим диодом. 1 — обмотка обмотки ротора; 2 — ток; 3-фазная обмотка статора; 3 — демпфирующий диод; 4 — основные выпрямительные диоды; 5 — диоды для питания обмотки возбуждения Генератор с внешним возбуждением батареи и так называемый плюс контроль. Генератор с собственным возбуждением и так называемым отрицательным регулированием. Генератор с внешним возбуждением батареи и так называемое отрицательное регулирование. Рис. 14 Инверторный генератор эл.
Если максимальное заданное напряжение контроллера не достигнуто, генератор производит и направляет выпрямляющий электрический ток на аккумулятор и подключенные устройства. При достижении максимального заданного напряжения электронный ограничитель через тиристоры соединяет обмотку статора в течение короткого времени, и генератор прекращает подавать электрический ток на аккумулятор и приборы в этот момент.
Перед промывкой моторного отсека осторожно накройте генератор гидроизоляцией, предпочтительно растягивая стрейч-пленкой. По этой причине мы также должны обеспечить целостность и идеальный контакт электрических проводов на всех клеммах и разъемах, соединяющих генератор переменного тока с батареей, включая заземление генератора и аккумулятора. Батарея не будет случайно разрушена, когда аккумулятор отключится, когда генератор находится в данный момент отсоединение аккумулятора подключается к достаточно крупным приборам, что фактически предотвращает прерывание электрического тока генератором. Напротив, самоиндукция высокого напряжения используется по желанию, например, при зажигании батареи по принципу мгновенного прерывания тока в цепи катушки зажигания. Дуговая сварка на автомобиле без полного отключения генератора! Напряжение разомкнутой цепи для дуговой сварки до 90 В — это может повредить генераторные диоды. Мы изолируем клемму электропроводки от батареи В от короткого замыкания. Мы никогда не продолжим работать или нормально работать, если индикатор зарядки горит во время работы двигателя. Это может произойти, например, из-за перфорации диода при следующем прогоне из-за перегрева до прерывистого короткого замыкания или электрического разрыва на землю. Если мы выполняем какие-либо манипуляции с любой частью цепи зарядки на тракторе или самоходной машине, например, при проверке проводимости и зажимах зажимов, отсоедините аккумулятор от отсоединения аккумулятора от скелета трактора. Это устраняет случайные замыкания на клеммах. Например, при тестировании функции батареи генератор переменного тока может не разбудить генератор с неэлектрическим источником питания, не подключая его к аккумулятору. Также повреждайте диоды!
- При стирке распылите воду в генератор.
- Мы всегда правильно подключаемся как второй полюс к скелету.
- Отключайте или прерывайте соединение с батареей во время работы двигателя!
Второго.
В обоих случаях на дисплее будет отображаться единица, что свидетельствует о высоком сопротивлении P-N перехода. В таком включении диоды ток не пропускают. Они исправны .
Итак, диоды под номером 1 и 2 мы проверили и убедились в том, что они пропускают ток в одном направлении.
Предписанная служба включает в себя регулярную проверку и регулировку натяжения и / или замены приводного ремня. Контролируйте работу управления напряжением точным вольтметром, подключенным параллельно клеммам аккумулятора. Сначала измерьте требуемое напряжение аккумулятора. После запуска двигателя и постепенного увеличения скорости необходимо соблюдать постоянное увеличение напряжения.
Чрезвычайная ситуация, по крайней мере, путем постепенного включения электроприборов, например освещения транспортных средств, вентиляции и т.д. Если он пройдет, положительный диод сломается! Оригинальные аналоговые осциллографы не позволяли сохранять данные — если у них не было экрана памяти.
Теперь проверяем другую часть моста — диоды 3 и 4. Для этого к плюсовому выводу моста подключаем минусовой щуп мультиметра и по очереди соединяем красный щуп мультиметра с выводами AC диодной сборки. Это будет проверка диодов при прямом включении.
Процедура неразборки работы генератора переменного тока. Чаще всего мы сталкиваемся с осциллографами, предназначенными в первую очередь для диагностики зажигания, которые обычно имеют измерительный зонд и кабели для диагностики генератора. Когда осциллограф подключен и установлен осциллограф, двигатель включается и все приборы включаются. Оценка состояния производится по шаблону осциллограммы. Правильная функция или неисправности, которые могут быть считаны с осциллограммы, показаны на рисунке 23.
Диагностика также может обнаруживать механические дефекты, особенно в ременной передаче генератора. Например: износ шкивов — предпочтительно с использованием формовочной матрицы от производителя ленты. Параллельное и угловое отклонение шкивов и натяжных шкивов является наиболее точным с помощью лазерного измерительного прибора. Визуальный осмотр состояния износа приводного ремня и натяжения. При более быстрых оборотах эти дефекты внешне отражаются при скольжении ремня и выраженном свисте, увеличиваясь вместе с ростом оборотов двигателя.
Как видим, диоды 3 и 4 исправны. Для большей уверенности меняем щупы и проверяем их при обратном включении, аналогично тому, как это делали с диодами 1 и 2. В обоих случаях на дисплее должна быть единица.
Многим такая методика проверки может показаться сложной и нудной. Да, я бы назвал такую проверку «дотошной», но она очень эффективна, так как мы проверяем все диоды сборки по отдельности.
Раннее обнаружение чрезмерного износа отдельных компонентов предотвращает серьезный отказ генератора. Это повышает эксплуатационную надежность всей системы электроснабжения, а также значительно снижает эксплуатационные расходы автомобиля или машины. Контролируя угольные щетки и их своевременную замену, мы предотвращаем загорание загара. С новыми генераторами, то есть со встроенным регулятором напряжения, угольные щетки являются частью регулятора напряжения. Их своевременная замена предотвращает серьезные повреждения всего ротора и статора. Огонь также может вызвать плохой контакт между проводниками на клеммах и разъемах. В случае большего износа необходимо сверлить или заменить сборные кольца. . Первичным сигналом отказа источника переменного тока является неправильная работа лампы заряда.
Быстрая проверка диодного моста.
Есть и более быстрый вариант проверки диодного моста. На рисунке, что на фото, видно, что диоды 1 и 3 включены последовательно. Значит можно проверить их сразу. Вот так.
Подключаем к минусовому выводу моста плюсовой щуп мультиметра, а к плюсовому — минусовой щуп. На дисплее должно отобразиться что-то вроде этого.
Так как диоды 1 и 3 включены последовательно, то пороговые напряжения переходов будут складываться. В данном случае оно равно 1,045V. Но не будем спешить! Диоды 2 и 4 тоже включены последовательно и в прямом включении. Мало того, они соединены параллельно последовательной ветке из диодов 1 и 3. А это значит, что измерительный ток разделится и также потечёт и через эту ветку. Таким образом, мы проверяем сразу все 4 диода. Если хотя бы один из диодов будет пробит, то мы уже получим на дисплее не значение около 1 вольта, а минимум в два раза меньше, около 0,5V. В дальнейшем мы в этом убедимся, а пока поменяем щупы местами и проверим диоды в обратном включении.
Как видим, прибор показывает единицу — сопротивление диодов велико.
А теперь возьмём заведомо неисправный диодный мост. У меня в наличии оказался диодный мост с маркировкой KBL06 . Один из его диодов пробит. Проводим быструю проверку.
Как видим на фото, пороговое напряжение двух последовательно включенных диодов равно 554 милливольтам (554 mV). В таком случае, величина порогового напряжения на одном диоде будет равно около 277 mV, что для кремниевых диодов маловато. А теперь внимание! Перекинем плюсовой щуп на соседние выводы AC диодного моста. На одном из них прибор покажет нулевое сопротивление, и прибор противно запищит! Мы нашли пробитый диод внутри диодной сборки.
Меняем щупы мультиметра местами, чтобы проверить диод в обратном включении. Напомню, что в обратном включении диод ток не пропускает, он закрыт.
На дисплее тоже, что и раньше. Сопротивление P-N перехода диода равно 0. Мы убедились в том, что один из диодов (3 или 4) сборки пробит. Такой мост нельзя применять, он неисправен.
Как видим, диодный мост можно проверить и быстро, но это не факт, что он окажется исправен. Представьте ситуацию, когда будут пробиты диоды 1 и 4. В таком случае при быстрой проверке прибор нам покажет на дисплее значение около 200 mV (для выпрямительных кремниевых диодов). В обратном включении прибор покажет единицу, так как исправные диоды 3 и 4 не пропустят ток в обратном направлении. Закрыв глаза на весьма малое значение в 200 mV, мы допустим ошибку, и сделаем неверный вывод об исправности моста. Поэтому в особо важных случаях желательно проводить полную проверку диодного моста.
Как уже было сказано, наиболее часто диоды выходят из строя по причине пробоя P-N перехода. Но на практике может встретиться другая неисправность диода — обрыв. Обрыв, это когда диод не проводит ток ни в прямом, ни в обратном включении, он является своего рода изолятором. В таком случае, мультиметр при проверке диода в прямом и обратном включении всегда будет отображать единицу (высокое сопротивление).
Автомобильный генератор может выйти из строя по следующим причинам:
- износ втулок ротора катушки возбуждения;
- неисправность регулятора напряжения;
- пробой диодов выпрямительного моста;
- короткое замыкание или обрыв обмоток;
- неисправность коллекторной зоны.
Большинство из этих неисправностей можно диагностировать, не снимая генератор с машины, поскольку эта работа в некоторых автомобилях требует наличия специнструмента, доступ со стороны днища, сложных слесарных операций.
Диагностирование износа втулок ротора катушки возбуждения
Износ втулок ротора (якоря) катушки возбуждения приводят к увеличению трения скольжения, и как итог, перегреванию генератора, уменьшению коэффициента полезного действия преобразования механической энергии в электрическую, увеличению нагрузки на двигатель автомобиля.
Видео — как проверить зарядку аккумулятора от генератора:
В самом критическом случае возможен разлом втулки и заклинивание ротора. Это может вызвать обрыв ремня генератора, который в свою очередь может привести к серьезным проблемам с двигателем.
Именно поэтому своевременная профилактика генератора начинается с втулок. Иногда вместо них используются подшипники, хотя втулки надежнее.
Износ втулок обычно диагностируют по характерному металлическому звону при работе генератора, увеличению растяжения ремня генератора.
Проще снять ремень и рукой проверить биение шкива генератора, двигая его перпендикулярно оси. Наличие даже небольшого люфта свидетельствует о необходимости замены втулок или подшипников.
Неисправность регулятора напряжения
Регулятор напряжения обеспечивает постоянный уровень напряжения на выводах генератора при различных оборотах двигателя. Если посмотреть на типовую схему генератора, регулятор напряжения управляет током катушки возбуждения.
Генератор представляет собой саморегулирующую систему. Если увеличиваются обороты, напряжение на регуляторе увеличивается, он уменьшает ток, протекающий через катушку возбуждения. Согласно закону индукции уменьшается напряжение на катушках статора, следовательно, и напряжение на выходе генератора.
Видео — как проверить генератор на машине не снимая:
При нормальной работе генератор обеспечивает при работающем двигателе стабильное напряжение на аккумуляторе в пределах от 13,3 до 14,5 Вольт независимо от оборотов двигателя.
Превышение, как и меньший уровень напряжения, говорит о возможной неисправности регулятора, его необходимо проверять.
Конструктивно регулятор может быть выполнен в виде блока со щетками либо без них.
Иногда его называют «таблеткой» или «шоколадкой».
В большинстве случаев его легко демонтировать, не снимая генератор, и проверить в домашних либо гаражных условиях. Типовая схема проверки регулятора напряжения изображена на рисунке.
В качестве лампы 6 можно использовать любую салонную лампочку. 1 – аккумулятор, 2 — реле-регулятор, 3 – электронный блок, 5 – клемма для подключения тонкого провода, идущего к генератору. Если лампа светится, следовательно, регулятор работает. Но если при этом напряжение заряда аккумулятора более 15 Вольт, регулятор напряжения все равно необходимо менять.
Видео — проверка генератора на автомобиле мультиметром:
Также необходимо поменять регулятор, если сильно изношены щетки. Однако, если вы обладаете некоторым опытом ремонта электроинструмента, можно попробовать поменять изношенную щетку (лучше обе щетки сразу).
Практически в половине случаев неисправность генератора обусловлена отказом регулятора напряжения.
Пробой диодов выпрямительного моста
Пожалуй, это самая опасная и трудно устраняемая неисправность. Очень часто она происходит при переполюсовке аккумулятора. Это, когда клеммы аккумулятора подключают в обратной полярности. При этом могут перегореть еще несколько предохранителей и блоков автомобиля.
Видео — проверка генератора в домашних условиях:
Обычно диоды выходят из строя парами, так как пробой одного влечет подачу прямого напряжения на последовательный диод. Когда диод пробивается, его сопротивление становится почти нулевым.
В этом случае генератор начинает перегреваться, увеличивается нагрузка на аккумулятор. Пробой диодного моста может вызвать замыкание электропроводки, возгорание .
Если из области генератора чувствуется запах гари, генератор чрезмерно нагревается, немедленно отключайте все провода, идущие к генератору, особенно толстый провод. Тщательно их изолируйте и следуйте к месту стоянки.
Видео — как проверить диодный мост на генераторе авто:
Проверить пробой диодов выпрямительного моста просто. Генератор должен «прозваниваться», как диод. Для этого переключите мультиметр в положение «Диод». Затем отсоедините все клеммы от генератора. Сначала щупы мультиметра включите между клеммой толстого провода и массой автомобиля в одном, затем обратном направлении. В одном направлении должно «звониться» (сопротивление от 200 до 1000 Ом, как у диодов в прямом включении), в обратном нет (сопротивление очень большое, более сотни килоОм).
Конечно, лучше снять генератор, разобрать его, демонтировать диодный мост и прозвонить каждый диод по отдельности.
Иногда диодные мосты генераторов называют «подкова», ясно почему. Кругленькие (6 штук)– это силовые диоды, они обычно перегорают, их менять трудно. При их монтаже используется не пайка, а сварка. На худой конец, неисправную пару из них можно просто выкусить, не меняя. Генератор будет все равно работать, хоть и не на полную мощность. Диоды цилиндрической формы обслуживают регулятор напряжения. Выходят из строя реже, но проверять также надо, как описано выше.
Короткое замыкание или обрыв обмоток
Если обрыв обмотки еще можно как-то обнаружить с помощью мультиметра, и то, разобрав генератор, то короткое замыкание диагностируется плохо, так как сопротивление обмоток мало.
Видео — как проверить работает ли генератор на машине не снимая:
Основной признак неисправности обмоток генератора – изменение цвета лаковой изоляции медных проводников обмотки генератора. При повышенных токах короткого замыкания цвет проводов становится значительно темнее. Это сопровождается запахом гари при эксплуатации генератора.
Можно отдать генератор на перемотку, но стоит это сейчас дорого. Если есть возможность купить аналогичный или с совпадающими посадочными размерами от другого автомобиля, лучше не перематывать.
Изменение цвета обмоток можно обнаружить визуально. В генераторе много технологических отверстий для охлаждения, при хорошем освещении можно исследовать цвет обмоток.
Неисправность коллекторной зоны
Коллектор – это латунные цилиндрические контакты возбуждающей обмотки, по которым движутся щетки
Обычно они изнашиваются неравномерно. Это приводит к искрению в области щеток, перегреву коллектора, еще большему изнашиванию щеток и коллектора.
В процессе обслуживания генераторов коллекторы растачивают и шлифуют. Бесконечно это делать нельзя, поэтому после нескольких ремонтов коллекторы меняют.
Видео — быстрая проверка генератора не устанавливая на авто:
Диагностировать изношенность коллектора можно при разобранном генераторе. Если снять регулятор напряжения со щетками, можно пальцем прощупать область коллектора. Если она «горбатая», следует думать о профилактике.
Обнаружить искрение щеток при заведенном двигателе, а это свидетельство изношенности коллектора, можно ночью, отключив все осветительные приборы.
Генератор – один из наиболее консервативных узлов автомобиля. Его конструкция практически не изменялась уже более пятидесяти лет. Если вовремя проводить регламентные работы (чистка, замена подшипников или втулок, ремня, щеток), он прослужит долго.
Видео — как прозвонить генератор мультиметром:
Может заинтересовать:
Как защитить себя от слепящего солнца и фар за рулем?
Что такое генераторные диоды и для чего они нужны?
по [email protected] 20. ноября 2018 04:14Диоды — небольшая, но важная часть вашего дизельного генератора. Генератор работает путем преобразования механической энергии в электрическую в генераторе переменного тока. Внутри генератора переменного тока магнитное поле (перемещаемое механической энергией) преобразует механическую энергию в электрическую.
Что такое генераторные диоды?
Диоды — это устройства, помещенные в электрическую цепь постоянного тока.Они позволяют току легко двигаться в одном направлении, но не в другом. Когда диод вставлен в цепь таким образом, что позволяет току течь через цепь, он смещен в прямом направлении, а когда диод блокирует ток от завершения цепи, он смещается в обратном направлении. Как поясняет All About Circuits, «диод можно рассматривать как переключатель:« замкнут »при прямом смещении и« разомкнут »при обратном смещении».
Что делают диоды в генераторе переменного тока?
Диоды используются в процессе выпрямления или преобразования переменного тока в постоянный.Это возможно, потому что диоды пропускают ток только в одном направлении. Переменный ток, или переменный ток, включает в себя ток, текущий как вперед, так и назад, создавая полную синусоидальную волну. Постоянный или постоянный ток движется только в одном направлении. Блокируя половину синусоидальной волны переменного тока, диоды эффективно преобразовывают ток в постоянный ток.
Этот процесс необходим для работы генератора переменного тока, поскольку магнитное поле зависит от мощности постоянного тока. Выход переменного тока возбудителя должен быть преобразован в мощность постоянного тока, прежде чем его можно будет использовать для выработки электроэнергии.Этот процесс происходит в автоматическом регуляторе напряжения генераторной установки. Регулятор согласовывает выходную мощность возбудителя с необходимой выходной мощностью, поэтому генератор не вырабатывает больше мощности, чем необходимо в данный момент. Это помогает предотвратить износ компонентов, в том числе диодов генератора.
Диоды в автоматическом стабилизаторе напряжения собраны в группу, называемую выпрямительными диодами. Имеется равное количество диодов с прямым и обратным смещением. Это позволяет генераторам использовать обе половины синусоидальной волны переменного тока.Когда мощность течет в одном направлении, она проходит через диоды с прямым смещением. Другая половина синусоидальной волны тока проходит через диоды с обратной связью. Вместе выпрямительные диоды позволяют магнитному полю использовать всю мощность переменного тока для выработки электричества, а не только половину мощности переменного тока.
60b9269c-6c8c-4dee-b6e3-dc934808d90b | 2 | 4.5
Теги:
Генератор
Принципиальная схема, типы, работа и применение
Схема выпрямителя используется для преобразования переменного (переменного тока) в постоянный (постоянный ток).Выпрямители в основном подразделяются на три типа: полуволновые, двухполупериодные и мостовые выпрямители. Основная функция всех этих выпрямителей такая же, как преобразование тока, но они неэффективно преобразовывают ток из переменного в постоянный. Двухполупериодный выпрямитель с центральным ответвлением и мостовой выпрямитель эффективно преобразуют. Схема мостового выпрямителя — обычная часть электронных источников питания. Многие электронные схемы требуют выпрямленного источника питания постоянного тока для питания различных основных электронных компонентов от доступной сети переменного тока.Мы можем найти этот выпрямитель в большом количестве электронных устройств питания переменного тока, таких как бытовая техника, контроллеры двигателей, процесс модуляции, сварочные аппараты и т. Д. В этой статье обсуждается обзор мостового выпрямителя и его работы.
Что такое мостовой выпрямитель?
Мостовой выпрямитель — это преобразователь переменного тока в постоянный (DC), который выпрямляет входной переменный ток сети в выход постоянного тока. Мостовые выпрямители широко используются в источниках питания, которые обеспечивают необходимое постоянное напряжение для электронных компонентов или устройств.Они могут быть сконструированы с четырьмя или более диодами или любыми другими управляемыми твердотельными переключателями.
Мостовой выпрямитель
В зависимости от требований тока нагрузки выбирается соответствующий мостовой выпрямитель. Номинальные характеристики и характеристики компонентов, напряжение пробоя, диапазоны температур, номинальный переходный ток, номинальный прямой ток, требования к установке и другие факторы принимаются во внимание при выборе источника питания выпрямителя для соответствующей области применения электронной схемы.
Конструкция
Конструкция мостового выпрямителя показана ниже. Эта схема может быть спроектирована с четырьмя диодами, а именно D1, D2, D3 и D4, а также с нагрузочным резистором (RL). Подключение этих диодов может быть выполнено по схеме с обратной связью для эффективного преобразования переменного (переменного тока) в постоянный (постоянный ток). Основное преимущество такой конструкции — отсутствие эксклюзивного трансформатора с центральным отводом. Таким образом, размер, как и стоимость, уменьшится.
После того, как входной сигнал подается на два терминала, например A и B, сигнал постоянного тока o / p может быть получен через RL.Здесь нагрузочный резистор подключен между двумя клеммами, такими как C и D. Расположение двух диодов может быть выполнено таким образом, что электричество будет проводиться двумя диодами в течение каждого полупериода. Пары диодов, такие как D1 и D3, будут проводить электрический ток в течение положительного полупериода. Точно так же диоды D2 и D4 будут проводить электрический ток в течение отрицательного полупериода.
Схема мостового выпрямителя
Основным преимуществом мостового выпрямителя является то, что он выдает почти вдвое большее выходное напряжение, чем в случае двухполупериодного выпрямителя, использующего трансформатор с центральным отводом.Но этой схеме не нужен трансформатор с центральным отводом, поэтому она напоминает недорогой выпрямитель.
Схема мостового выпрямителя состоит из различных каскадов устройств, таких как трансформатор, диодный мост, фильтрация и регуляторы. Как правило, комбинация всех этих блоков называется регулируемым источником постоянного тока, питающим различные электронные устройства.
Первым каскадом схемы является трансформатор понижающего типа, который изменяет амплитуду входного напряжения.В большинстве электронных проектов используется трансформатор 230/12 В для понижения напряжения сети переменного тока с 230 В до 12 В переменного тока. Схема мостового выпрямителя
Следующим этапом является диодно-мостовой выпрямитель, в котором используются четыре или более диодов в зависимости от типа мостового выпрямителя. При выборе конкретного диода или любого другого переключающего устройства для соответствующего выпрямителя необходимо учитывать некоторые особенности устройства, такие как пиковое обратное напряжение (PIV), прямой ток If, номинальное напряжение и т. Д. Оно отвечает за создание однонаправленного или постоянного тока на нагрузке путем проведения набор диодов для каждого полупериода входного сигнала.
Так как выход после диодных мостовых выпрямителей имеет пульсирующий характер, и для его создания как чистого постоянного тока необходима фильтрация. Фильтрация обычно выполняется с одним или несколькими конденсаторами, подключенными к нагрузке, как вы можете видеть на рисунке ниже, где выполняется сглаживание волны. Этот номинал конденсатора также зависит от выходного напряжения.
Последней ступенью этого регулируемого источника постоянного тока является регулятор напряжения, который поддерживает выходное напряжение на постоянном уровне.Предположим, микроконтроллер работает при 5 В постоянного тока, но выход после мостового выпрямителя составляет около 16 В, поэтому для снижения этого напряжения и поддержания постоянного уровня — независимо от изменений напряжения на входе — необходим регулятор напряжения.
Работа мостового выпрямителя
Как мы обсуждали выше, однофазный мостовой выпрямитель состоит из четырех диодов, и эта конфигурация подключается через нагрузку. Чтобы понять принцип работы мостового выпрямителя, мы должны рассмотреть приведенную ниже схему в демонстрационных целях.
Во время положительного полупериода входных диодов переменного тока D1 и D2 смещены в прямом направлении, а D3 и D4 — в обратном. Когда напряжение, превышающее пороговый уровень диодов D1 и D2, начинает проводить — ток нагрузки начинает течь через него, как показано на пути красной линии на диаграмме ниже.
Работа схемыВо время отрицательного полупериода входного сигнала переменного тока диоды D3 и D4 смещены в прямом направлении, а D1 и D2 — в обратном направлении. Ток нагрузки начинает течь через диоды D3 и D4, когда эти диоды начинают проводить, как показано на рисунке.
Мы можем заметить, что в обоих случаях направление тока нагрузки одинаково, то есть вверх-вниз, как показано на рисунке — так однонаправлено, что означает постоянный ток. Таким образом, с помощью мостового выпрямителя входной переменный ток преобразуется в постоянный. Выход на нагрузке с этим мостовым выпрямителем имеет пульсирующий характер, но для получения чистого постоянного тока требуется дополнительный фильтр, такой как конденсатор. Такая же операция применима для разных мостовых выпрямителей, но в случае управляемых выпрямителей срабатывание тиристоров необходимо для подачи тока на нагрузку.
Типы мостовых выпрямителей
Двухфазные выпрямители подразделяются на несколько типов в зависимости от следующих факторов: типа источника питания, возможностей управления, конфигураций промежуточных цепей и т. Д. Мостовые выпрямители в основном подразделяются на однофазные и трехфазные. Оба эти типа далее подразделяются на неуправляемые, полууправляемые и полностью управляемые выпрямители. Некоторые из этих типов выпрямителей описаны ниже.
Однофазные и трехфазные выпрямители
Характер питания, т.е.То есть однофазное или трехфазное питание решает эти выпрямители. Однофазный мостовой выпрямитель состоит из четырех диодов для преобразования переменного тока в постоянный, тогда как трехфазный выпрямитель использует шесть диодов, как показано на рисунке. Это могут быть неуправляемые или управляемые выпрямители, в зависимости от компонентов схемы, таких как диоды, тиристоры и т. Д.
Однофазные и трехфазные выпрямителиНеуправляемые мостовые выпрямители
В этом мостовом выпрямителе используются диоды для выпрямления входа, как показано на рисунке.Поскольку диод — это однонаправленное устройство, которое позволяет току течь только в одном направлении. Такая конфигурация диодов в выпрямителе не позволяет мощности изменяться в зависимости от требований к нагрузке. Таким образом, этот тип выпрямителя используется в постоянных или фиксированных источниках питания.
Неуправляемые мостовые выпрямителиУправляемые мостовые выпрямители
В выпрямителях этого типа, преобразователях переменного / постоянного тока или выпрямителях вместо неуправляемых диодов используются управляемые твердотельные устройства, такие как тиристоры, полевые МОП-транзисторы, IGBT и т. Д.используются для изменения выходной мощности при разных напряжениях. Посредством срабатывания этих устройств в различные моменты времени выходная мощность на нагрузке изменяется соответствующим образом.
Управляемый мостовой выпрямительМостовой выпрямитель IC
Мостовой выпрямитель, такой как конфигурация выводов IC RB-156, обсуждается ниже.
Контакт-1 (фаза / линия): Это входной контакт переменного тока, где можно подключить фазный провод от источника переменного тока к этому фазовому контакту.
Контакт 2 (нейтраль): Это контакт входа переменного тока, где можно подключить нейтральный провод от источника переменного тока к этому нейтральному контакту.
Контакт 3 (положительный): Это выходной контакт постоянного тока, где положительное напряжение постоянного тока выпрямителя получается с этого положительного контакта.
Контакт 4 (отрицательный / земля): Это выходной контакт постоянного тока где напряжение заземления выпрямителя получается с этого отрицательного вывода.
Технические характеристики
Подкатегории этого мостового выпрямителя RB-15 варьируются от RB15 до RB158. Из этих выпрямителей наиболее часто используется RB156.Технические характеристики мостового выпрямителя РБ-156 включают следующее.
- Выходной постоянный ток составляет 1,5 А
- Максимальное пиковое обратное напряжение составляет 800 В
- Выходное напряжение: (√2 × VRMS) — 2 В
- Максимальное входное напряжение составляет 560 В
- Падение напряжения для каждого моста составляет 1 В при 1 А
- Импульсный ток составляет 50 А
Этот RB-156 — наиболее часто используемый компактный, недорогой однофазный мостовой выпрямитель. Эта ИС имеет самое высокое напряжение переменного тока i / p, например 560 В, поэтому ее можно использовать для однофазной сети питания во всех странах.Максимальный постоянный ток этого выпрямителя — 1,5 А. Эта микросхема — лучший выбор в проектах для преобразования переменного тока в постоянный и обеспечивает до 1,5 А.
Характеристики мостового выпрямителя
Характеристики мостового выпрямителя включают следующие:
- Коэффициент пульсаций
- Пиковое обратное напряжение (PIV)
- КПД
Коэффициент пульсаций
Плавность выходного сигнала постоянного тока измеряется с использованием коэффициента называется фактором пульсации.Здесь плавный сигнал постоянного тока можно рассматривать как сигнал постоянного тока o / p, включающий небольшое количество пульсаций, тогда как сигнал постоянного тока с высокой пульсацией может рассматриваться как сигнал постоянного тока с высокой частотой, включающий высокие пульсации. Математически его можно определить как долю пульсационного напряжения и чистого постоянного напряжения.
Для мостового выпрямителя коэффициент пульсаций может быть задан как
Γ = √ (Vrms2 / VDC) −1
Значение коэффициента пульсаций мостового выпрямителя составляет 0,48
PIV (Peak Inverse Voltage)
Пиковое обратное напряжение или PIV может быть определено как максимальное значение напряжения, которое исходит от диода, когда он подключен в режиме обратного смещения в течение отрицательного полупериода.Мостовая схема включает четыре диода типа D1, D2, D3 и D4.
В положительном полупериоде два диода, такие как D1 и D3, находятся в проводящем положении, тогда как оба диода D2 и D4 находятся в непроводящем положении. Аналогично, в отрицательном полупериоде диоды, подобные D2 и D4, находятся в проводящем положении, тогда как диоды, подобные D1 и D3, находятся в непроводящем положении.
КПД
КПД выпрямителя в основном определяет, насколько правильно выпрямитель преобразует переменный ток (переменный ток) в постоянный (постоянный ток).КПД выпрямителя можно определить как; это соотношение мощности постоянного тока и мощности переменного тока. Максимальный КПД мостового выпрямителя составляет 81,2%.
η = DC o / p Power / AC i / p Power
Форма волны мостового выпрямителя
Из принципиальной схемы мостового выпрямителя мы можем заключить, что протекание тока через нагрузочный резистор одинаково на всем положительном и отрицательном полюсах. отрицательные полупериоды. Полярность сигнала постоянного тока o / p может быть либо полностью положительной, либо отрицательной.В данном случае это абсолютно положительно. Когда направление диода меняется на противоположное, может быть достигнуто полное отрицательное напряжение постоянного тока.
Таким образом, этот выпрямитель позволяет протекать току в течение как положительных, так и отрицательных циклов сигнала переменного тока i / p. Формы выходных сигналов мостового выпрямителя показаны ниже.
Почему он называется мостовым выпрямителем?
По сравнению с другими выпрямителями, это наиболее эффективный тип выпрямительной схемы. Это тип двухполупериодного выпрямителя, как следует из названия, в нем используются четыре диода, которые соединены в виде моста.Поэтому такой выпрямитель называется мостовым выпрямителем.
Почему мы используем 4 диода в мостовом выпрямителе?
В мостовом выпрямителе четыре диода используются для создания схемы, которая обеспечивает двухполупериодное выпрямление без использования трансформатора с центральным отводом. Этот выпрямитель в основном используется для обеспечения двухполупериодного выпрямления в большинстве приложений.
Расположение четырех диодов может быть выполнено в замкнутом контуре для эффективного преобразования переменного тока в постоянный. Основным преимуществом такой схемы является отсутствие трансформатора с центральным отводом, поэтому размер и стоимость будут уменьшены.
Преимущества
К преимуществам мостового выпрямителя можно отнести следующее.
- Эффективность выпрямления двухполупериодного выпрямителя в два раза выше, чем у полуволнового выпрямителя.
- Более высокое выходное напряжение, более высокая выходная мощность и более высокий коэффициент использования трансформатора в случае двухполупериодного выпрямителя.
- Пульсации напряжения низкие и более высокие частоты, в случае двухполупериодного выпрямителя требуется простая схема фильтрации
- Во вторичной обмотке трансформатора не требуется центральный отвод, поэтому в случае мостового выпрямителя требуется более простой трансформатор .Если повышение или понижение напряжения не требуется, можно даже отказаться от трансформатора.
- Для заданной выходной мощности в случае мостового выпрямителя можно использовать силовой трансформатор меньшего размера, поскольку ток как в первичной, так и во вторичной обмотке трансформатора питания протекает в течение всего цикла переменного тока.
- Эффективность выпрямления вдвое больше по сравнению с однополупериодным выпрямителем
- В нем используются простые схемы фильтрации для высокой частоты и низкого напряжения пульсаций
- TUF выше по сравнению с выпрямителем с центральным отводом
- Трансформатор с центральным отводом не требуется
Недостатки
К недостаткам мостового выпрямителя можно отнести следующее.
- Требуется четыре диода.
- Использование двух дополнительных диодов вызывает дополнительное падение напряжения, тем самым уменьшая выходное напряжение.
- Для этого выпрямителя требуется четыре диода, поэтому стоимость выпрямителя будет высокой.
- Схема не подходит, если необходимо выпрямить небольшое напряжение, потому что соединение двух диодов может быть выполнено последовательно и обеспечивает двойное падение напряжения из-за их внутреннего сопротивления.
- Эти схемы очень сложные
- По сравнению с выпрямителем с центральным отводом мостовой выпрямитель имеет большие потери мощности.
Приложение — преобразование переменного тока в постоянный с помощью мостового выпрямителя
Регулируемый источник постоянного тока часто требуется для многих электронных приложений. Один из самых надежных и удобных способов — преобразовать имеющийся источник питания переменного тока в источник постоянного тока. Это преобразование сигнала переменного тока в сигнал постоянного тока выполняется с помощью выпрямителя, который представляет собой систему диодов. Это может быть однополупериодный выпрямитель, который выпрямляет только половину сигнала переменного тока, или двухполупериодный выпрямитель, выпрямляющий оба цикла сигнала переменного тока.Двухполупериодный выпрямитель может быть выпрямителем с центральным отводом, состоящим из двух диодов, или мостовым выпрямителем, состоящим из 4 диодов.
Здесь демонстрируется мостовой выпрямитель. Устройство состоит из 4 диодов, расположенных таким образом, что аноды двух соседних диодов соединены для обеспечения положительного питания на выходе, а катоды двух других соседних диодов соединены для подачи отрицательного питания на выход. Анод и катод двух других соседних диодов подключены к плюсу источника переменного тока, тогда как анод и катод двух других соседних диодов подключены к минусу источника переменного тока.Таким образом, 4 диода расположены в виде моста, так что в каждом полупериоде два чередующихся диода проводят ток, создавая постоянное напряжение с отталкиванием.
Данная схема состоит из мостового выпрямителя, чей нерегулируемый выход постоянного тока подается на электролитный конденсатор через токоограничивающий резистор. Напряжение на конденсаторе контролируется с помощью вольтметра и продолжает увеличиваться по мере заряда конденсатора, пока не будет достигнут предел напряжения. Когда нагрузка подключается к конденсатору, конденсатор разряжается, чтобы обеспечить необходимый входной ток для нагрузки.В этом случае в качестве нагрузки подключается лампа.
A Регулируемый источник питания постоянного тока
Регулируемый источник постоянного тока состоит из следующих компонентов:
- Понижающий трансформатор для преобразования переменного тока высокого напряжения в переменный ток низкого напряжения.
- Мостовой выпрямитель для преобразования переменного тока в пульсирующий постоянный ток.
- Схема фильтра, состоящая из конденсатора для удаления пульсаций переменного тока.
- Регулятор IC 7805 для получения регулируемого постоянного напряжения 5 В.
Понижающий трансформатор преобразует сетевое напряжение 230 В переменного тока в 12 В переменного тока.Это 12 В переменного тока подается на схему мостового выпрямителя, так что чередующиеся диоды проводят в течение каждого полупериода, создавая пульсирующее напряжение постоянного тока, состоящее из пульсаций переменного тока. Конденсатор, подключенный к выходу, позволяет сигналу переменного тока проходить через него и блокирует сигнал постоянного тока, тем самым действуя как фильтр верхних частот. Таким образом, выходной сигнал через конденсатор представляет собой нерегулируемый фильтрованный сигнал постоянного тока. Этот выход может использоваться для управления электрическими компонентами, такими как реле, двигатели и т. Д. Регулятор IC 7805 подключен к выходу фильтра.Он дает постоянный регулируемый выход 5 В, который можно использовать для ввода многих электронных схем и устройств, таких как транзисторы, микроконтроллеры и т. Д. Здесь 5 В используется для смещения светодиода через резистор.
Это все о теории мостовых выпрямителей, их типах, схемах и принципах работы. Мы надеемся, что этот полезный материал по этой теме будет полезен при создании студентами электронных или электрических проектов, а также при наблюдении за различными электронными устройствами или приборами.Благодарим вас за внимание и сосредоточенность на этой статье. И поэтому, пожалуйста, напишите нам для выбора требуемых характеристик компонентов в этом мостовом выпрямителе для вашего приложения и для получения любых других технических рекомендаций.
Теперь мы надеемся, что у вас есть представление о концепции мостового выпрямителя и его применениях, если какие-либо дополнительные вопросы по этой теме или концепции электрических и электронных проектов оставьте комментарии в разделе ниже.
Фото:
Диодный мостовой выпрямитель | Electrical4U
Большинство используемых нами аппаратов — это устройства переменного тока.Для работы им требуется питание переменного тока. У нас не так много устройств, которые работают от источников постоянного тока. Но с развитием электроники постоянный ток приобретает все большее значение, поскольку эти устройства предоставляют эффективный метод преобразования переменного тока в постоянный. Раньше мы использовали синхронный преобразователь, но процесс преобразования довольно неэффективен и требует потерь. Но теперь электронные устройства, такие как диоды, используются для преобразования переменного тока в постоянный. Нам требуется источник постоянного тока для устройств постоянного тока, таких как компьютер, зарядное устройство и т. Д. Все это возможно с развитием полупроводниковой технологии.
Теперь выпрямитель — это процесс преобразования постоянного тока в переменный. Это второй этап конверсионного процесса. Он преобразует форму волны переменного напряжения в выпрямленное напряжение.
Теперь у нас есть и другие методы исправления, которые также можно использовать. Итак, мы можем подумать, зачем нам этот метод, если доступны другие методы? Ответ на этот вопрос заключается в том, что он обеспечивает определенные преимущества, такие как отсутствие необходимости в трансформаторе с центральным ответвлением, высокий коэффициент использования трансформатора, поэтому он используется в качестве преимуществ по сравнению с другими методами.
Принцип диодного мостового выпрямителя
Здесь мы подключили четыре диода, как показано на рис. Трансформатор используется для понижения напряжения до желаемого уровня на выходе, к которому подключена нагрузка, потребляющая мощность. Рис. — Схема мостового выпрямителя и форма волны (выпрямленная). Когда верхний конец вторичной обмотки трансформатора положительный, диоды D 1 и D 3 смещены в прямом направлении, и через них течет ток. Ток поступает через D 1 и выходит из D 3 на другой терминал аналогично, в течение другого полупериода D 2 и D 4 смещены в прямом направлении, ток входит через D 2 и уходит через D 4 к первоисточнику.
Здесь конденсатор используется в качестве фильтра, который отфильтровывает частоты пульсаций и обеспечивает постоянное напряжение с меньшей частотой пульсаций. Чтобы получить на выходе стабилизированное постоянное напряжение, мы должны использовать регулятор напряжения после операции фильтрации.
Математический анализ диодного мостового выпрямителя
Пиковый ток через нагрузку, если диод имеет прямое сопротивление R F , затем
Здесь мы получаем удвоенное прямое сопротивление. Предполагая, что все диоды имеют одинаковое прямое сопротивление, два диода используются для одного полупериода, в два раза превышающего прямое сопротивление в выражении.
Выходной ток
Где
I dc — значение постоянного тока, протекающего через нагрузку, а Im — пиковое значение переменного тока.
Выходное напряжение постоянного тока
Где
В, постоянного тока, — выходное постоянное напряжение, I постоянного тока, — постоянный ток, протекающий в цепи, а R — сопротивление нагрузки, подключенной к цепи.
RMS выходной ток
RMS выходное напряжение
Форм-фактор и коэффициент амплитуды
Форм-фактор,
Где, V avg — это среднее или постоянное напряжение.
Выходная частота
Где f out — выходная частота, а f in — входная частота или частота питания.
Эффективность выпрямления
Коэффициент пульсации
TUF или коэффициент использования трансформатора
Преимущества диодного мостового выпрямителя
- Двойная эффективность выпрямления по сравнению с полуволновым выпрямителем.
- Низкое напряжение пульсаций и более высокая частота, поэтому требуются простые схемы фильтров.
- Высшее TUF, затем выпрямитель с центральным отводом.
- Трансформатор центрального отвода не требуется.
- PIV или пиковое обратное напряжение составляет половину от среднего отвода.
Недостатки диодного мостового выпрямителя
Требуются четыре диода, следовательно, стоимость выпрямителя будет выше.
Мостовые выпрямители: что это такое? (Принципиальная электрическая схема и принцип работы)
Что такое мостовой выпрямитель?
Мостовые выпрямители — это схемы, которые преобразуют переменный ток (AC) в постоянный (DC) с помощью диодов, расположенных в конфигурации мостовой схемы.Мостовые выпрямители обычно состоят из четырех или более диодов. Генерируемая выходная волна имеет одинаковую полярность независимо от полярности на входе.Мостовые выпрямители относятся к тому же классу электроники, что и однополупериодные и двухполупериодные выпрямители. На рисунке 1 показан такой мостовой выпрямитель, состоящий из четырех диодов D 1 , D 2 , D 3, и D 4 , в котором вход подается на две клеммы A и B на рисунке, а выход — собраны на нагрузочном резисторе R L , подключенном между выводами C и D.
Теперь рассмотрим случай, когда на входе переменного тока появляется положительный импульс, то есть клемма A является положительной, а клемма B — отрицательной. Это вызывает прямое смещение диодов D 1 и D 3 , и в то же время диоды D 2 и D 4 будут смещены в обратном направлении.
В результате ток течет по короткозамкнутому пути, создаваемому диодами D 1 и D 3 (считая диоды идеальными), как показано на рисунке 2a.Таким образом, напряжение, развиваемое на нагрузочном резисторе R L , будет положительным на конце, подключенном к клемме D, и отрицательным на конце, подключенном к клемме C.
Затем, если отрицательный импульс появляется на входе переменного тока, тогда клеммы A и B отрицательны и положительны соответственно. Это прямое смещение смещает диоды D 2 и D 4 , в то время как обратное смещение D 1 и D 3 заставляет ток течь в направлении, показанном на рисунке 2b.
В этот момент следует отметить, что полярность напряжения, развиваемого на R L , идентична полярности, возникающей, когда входящий импульс переменного тока был положительным по своей природе. Это означает, что как для положительного, так и для отрицательного импульса выход мостового выпрямителя будет идентичным по полярности, как показано формами волны на Рисунке 3.
Однако следует отметить, что постоянный ток мостового выпрямителя будет пульсирующим по своей природе. . Чтобы получить постоянный ток в чистом виде, необходимо использовать конденсатор в сочетании с мостовой схемой (рис. 4).
В этой конструкции положительный импульс на входе заставляет конденсатор заряжаться через диоды D 1 и D 3 . Однако, когда отрицательный импульс поступает на вход, заряд конденсатора прекращается, и он начинает разряжаться через R L .
Это приводит к генерации выходного сигнала постоянного тока, который будет иметь пульсации, как показано на рисунке. Этот коэффициент пульсаций определяется как отношение составляющей переменного тока к составляющей постоянного тока в выходном напряжении.Кроме того, математическое выражение для напряжения пульсаций дается уравнением
, где
В, r представляет пульсирующее напряжение.
I l представляет собой ток нагрузки.
f представляет частоту пульсации, которая будет вдвое больше входной частоты.
C — емкость.
Кроме того, мостовые выпрямители в основном бывают двух типов, а именно однофазные выпрямители и трехфазные выпрямители. Кроме того, каждый из них может быть либо неконтролируемым, либо полууправляемым, либо полностью управляемым.
Мостовые выпрямители для конкретного применения выбираются с учетом требований тока нагрузки. Эти мостовые выпрямители весьма выгодны, поскольку они могут быть сконструированы с трансформатором или без него и подходят для приложений высокого напряжения.
Однако здесь два диода будут проводить каждый полупериод, поэтому падение напряжения на диодах будет выше. Наконец, следует отметить, что помимо преобразования переменного тока в постоянный, мостовые выпрямители также используются для определения амплитуды модулированных радиосигналов и подачи поляризованного напряжения для сварочных работ.
Диодный мостовой выпрямитель, трехфазный выпрямитель
C&H Technology специализируется на сильноточных диодных мостовых выпрямителях, однофазных и трехфазных диодных мостовых выпрямителях. Типичные области применения этих входных выпрямительных мостов: сварка, генератор, зарядное устройство, привод двигателей переменного тока и тяга. Мостовые выпрямители в сборе с воздушным и водяным охлаждением до 20 000 ампер.
Диодный мост или мостовой выпрямитель — это система из четырех диодов в мостовой конфигурации, которая обеспечивает одинаковую полярность выходного напряжения для любой полярности входного напряжения.При использовании в наиболее распространенном применении для преобразования входного переменного тока (AC) в выход постоянного тока (DC) он известен как мостовой выпрямитель. Мостовой выпрямитель обеспечивает двухполупериодное выпрямление от двухпроводного входа переменного тока, что приводит к снижению стоимости и веса по сравнению с конструкцией трансформатора с центральным отводом.
Однофазный диодный мостовой выпрямитель
- Ток: от 1А до 50А
- Изолированное основание для прямого монтажа на радиаторе
- Клеммы: быстроразъемные, винтовые, под пайку для печатной платы
- 100% не содержит свинца и соответствует требованиям RoHS
- Сертификат UL для промышленного оборудования E78996
Трехфазный диодный мостовой выпрямитель
- Ток: от 25А до 200А
- Изолированное основание для непосредственного монтажа на радиаторе
- Клеммы: быстроразъемные, винтовые, под пайку для печатной платы
- 100% не содержит свинца и соответствует требованиям RoHS
- Сертификат UL для промышленного оборудования E78996
Трехфазный тиристор
- Цепи тиристорного моста и переключателя переменного тока
- Ток: от 55А до 110А
- Изолированное основание для непосредственного монтажа на радиаторе
- Клеммы: быстроразъемные, винтовые, под пайку для печатной платы
- 100% не содержит свинца и соответствует требованиям RoHS
- Сертификат UL для промышленного оборудования E78996
Для получения дополнительной информации о нашем опыте и решениях в области диодных мостовых выпрямителей свяжитесь с нами сегодня.
Какая причина отказа вращающегося выпрямителя генераторной установки?
После использования в течение определенного периода времени вращающийся выпрямитель дизель-генераторной установки может выйти из строя, что часто приводит к нарушению нормальной работы всей генераторной установки.
Какова функция вращающегося выпрямителя дизель-генераторной установки?
Ротационный выпрямитель — это устройство, которое вращается соосно с возбудителем переменного тока. Его основная функция заключается в преобразовании трехфазного переменного тока возбуждения, выдаваемого якорем возбудителя переменного тока, в постоянный ток через диод выпрямителя, питание обмотки ротора в качестве источника питания для тока возбуждения.Благодаря применению вращающегося выпрямителя синхронный генератор переменного тока избавляется от заедания щетки, больше не имеет проблем с частым обслуживанием и заменой деталей, а также расширяет возможности применения синхронного генератора переменного тока .
Некоторые вращающиеся выпрямители синхронных генераторов переменного тока устанавливаются снаружи возбудителя переменного тока и закрепляются на валу винтами для облегчения установки и обслуживания.Некоторые вращающиеся выпрямители генераторов устанавливаются с внутренней стороны задней торцевой крышки и закрепляются непосредственно на болтах, выступающих из сердечника якоря возбудителя, что делает конструкцию более компактной. Существует два типа цепей вращающегося выпрямителя: трехфазный полуволновой и трехфазный мостовой выпрямитель. Если используется трехфазная мостовая схема выпрямителя, чтобы облегчить установку, уменьшить длину соединительной линии между выпрямительными элементами и повысить надежность работы генератора, выпрямительные диоды имеют два типа трубок, положительные и отрицательные полюса точно противоположны. , что удобно для разводки.
Что происходит при выходе из строя вращающегося выпрямителя?
Ротационный выпрямитель обычно состоит из кремниевых выпрямительных элементов. Если один или несколько вращающихся кремниевых элементов в цепи повреждены, поврежденный кремниевый элемент потеряет одностороннюю проводимость (как положительную, так и отрицательную), что приведет к короткому замыканию в цепи. После короткого замыкания вращающегося кремниевого элемента генератор не имеет выходного напряжения во время работы устройства.Если вовремя не обнаружить и устранить неисправности, обмотка якоря возбудителя переменного тока сгорит, и генератор будет вынужден остановиться.
В чем причина s неисправности вращающегося выпрямителя?
1. Кремниевый выпрямительный диод вращающегося выпрямителя поврежден из-за перенапряжения или перегрузки по току.
2. При установке кремниевого выпрямительного элемента вращающегося выпрямителя крутящий момент слишком велик, что приводит к деформации оболочки трубки и повреждению внутренней кремниевой пластины.
3. Коэффициент мощности нагрузки слишком низкий, из-за чего ток возбуждения на длительное время превышает номинальный ток кремниевого выпрямительного элемента и приводит к его повреждению.
Как решать проблемы?
1. Вращающиеся кремниевые элементы должны быть предусмотрены в соответствии с текущим уровнем, указанным на чертеже. Если под рукой нет данных для чертежей, можно положиться на стандартный кремниевый элемент в соответствии со значением тока возбуждения основного генератора.В настоящее время общие характеристики вращающихся выпрямителей, производимых в Китае, составляют 16А, 25А, 40А, 70А и 200А.
2. Уровень напряжения вращающегося кремниевого элемента должен быть выбран разумно, а обратное пиковое напряжение urn вращающегося кремниевого элемента должно быть в 10-15 раз больше напряжения возбуждения UIN.
3. Затяните гайку вращающегося силиконового элемента с надлежащим крутящим моментом и затяните гайку гаечным ключом постоянного крутящего момента. Величина момента затяжки гайки вращающегося силиконового элемента должна соответствовать положениям, приведенным в руководстве, предоставленном поставщиком.
4. Примите меры по защите от перенапряжения. Защита от перенапряжения обычно оснащена варистором или цепью поглощения емкостного сопротивления на стороне постоянного тока вращающегося выпрямителя.
Надеюсь, статья будет вам полезна. Производитель Starlight Power также поставляет дизель-генераторные установки, крышки Cummins, Volvo, Perkins, Deutz, Yuchai, Shangchai, Ricardo, Weichai, MTU, Doosan и т. Д. Диапазон мощности от 20 до 3000 кВт. Свяжитесь с нами по электронной почте [email protected], мы будем работать с вами.
Комплект диодов моста выпрямителя напряжения генератора70A RSK6001 для генератора Stamford
Диодный выпрямитель Stamford RSK6001 отвечает за подачу питания на ротор генератора переменного тока, чтобы он мог наводить напряжение на главную обмотку генератора переменного тока Stamford.
Выпрямитель мостового генератора Stamford RSK6001 подходит для генераторов Stamford серии HC634, HC644, HC734, HC744 и Frame 8.
RSK6001 Генераторный мостовой выпрямитель RSK6001 включает:
положительных диодов * 3
отрицательных диодов * 3
ограничитель перенапряжения (варистор) * 2
Диоды на основном выпрямительном мосте Stamford RSK6001 в сборе можно проверить с помощью мультиметра.Гибкие провода, подключенные к каждому диоду, следует отсоединить на конце клеммы и проверить прямое и обратное сопротивление. (См. Раздел 2, тестирование диодов). Узел выпрямителя разделен на две пластины, положительную и отрицательную, и главный ротор подключен через эти пластины. Каждая пластина имеет 3 диода, отрицательная пластина несет отрицательные диоды, а положительная пластина несет положительные диоды. Необходимо следить за тем, чтобы на каждой пластине были установлены три диода одинаковой полярности.При установке диодов на пластины они должны быть достаточно плотно прилегающими, чтобы обеспечить хороший механический и электрический контакт, но не должны быть чрезмерно затянуты. Рекомендуемый момент затяжки составляет от 4,06 до 4,74 Нм (от 14 до 17 кг / см).
Ограничитель перенапряжения (варистор) выпрямителя RSK6001 «Стэмфорд Бридж» — это защитное устройство, которое предотвращает повреждение диодов главного выпрямителя при переходных процессах высокого напряжения. Переходные процессы высокого напряжения возникают из-за неисправностей в распределительной системе.Переходное напряжение возвращается обратно к выходным клеммам генератора, входит в обмотки главного статора и за счет взаимной индуктивности передается на обмотки главного ротора и основной выпрямительный узел.
Ограничитель перенапряжения мостового выпрямителя Stamford RSK6001 можно проверить с помощью мультиметра на мегомном диапазоне. Хороший ограничитель перенапряжения должен иметь очень высокое сопротивление (более 100 МОм в любом направлении). Неисправный ограничитель перенапряжения будет либо иметь разомкнутую цепь (обычно с признаками возгорания), либо короткое замыкание в обоих направлениях.
Главный выпрямитель диодного моста Stamford RSK6001 будет нормально работать, если это устройство удалено. Тем не менее, его следует заменить как можно скорее, чтобы избежать отказа диода в случае дальнейших переходных состояний неисправности. Иногда очень высокий переходный процесс может полностью вывести из строя ограничитель перенапряжения. Это может произойти из-за экстремальных условий неисправности, таких как молния (гроза), вблизи воздушных распределительных линий или несинхронизация фазы генератора при параллельном подключении к нескольким системам генераторов (или к электросети, энергосистеме и питанию).
Установка для выпрямительного моста Stamford




5
..KBPC610 на ток до 6А и напряжение до 1000В
..KBPC2510 на ток до 25А и напряжение до 1000В
(показать)
1.105-02