Устройство электромобилей — Электромобили
Устройство электромобилей
|
Как сделать электромобиль своими руками » общая и электрическая схема электромобиля. « ЭлектроХобби
Как сделать электромобиль своими руками » общая и электрическая схема электромобиля. « ЭлектроХоббиБлог Электричество и транспорт
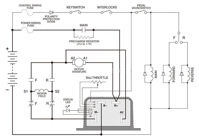
Давайте посмотрим и разберём общую электрическую схему электрического автомобиля. После чего у Вас появятся обобщённые представления, что к чему и куда именно двигаться в этом плане. Итак, электрика электромобиля состоит из нескольких принципиально важных частей.
Это — электропитающий элемент (аккумуляторная батарея), электрический двигатель постоянного тока, блок управления работой двигателя (контроллер), потенциометр (реостат, реагирующий на нажатие педали газа и тормоза). Каждая из этих частей имеет важное принципиальное значение. Каждая часть должна быть правильно подобрана и должным образом настроена. От этого зависит работа электромобиля в целом. Это даст возможность ответить на вопрос — как сделать электромобиль правильно.
Поскольку общая мощность электрической системы (в первую очередь электродвигателя) для электромобиля лежит в пределах 5-10кВт, а то и больше, то будем исходить из этих данных. Электромотор выбираем под эту мощность. От напряжения питания мотора зависит конкретная схема контроллера и количество аккумуляторных батарей (тип соединения их между собой). Учтите, что не следует идти по принципу — чем больше мощности электродвигатель поставляю, тем лучше и сильнее будет автомобиль. Появятся дополнительные проблемы с аккумуляторами.
Выберите оптимальный вариант, опираясь на имеющуюся массу машины, необходимых технических характеристик, скорости, дальность езды на одном цикле заряда и т.д.
Как сделать электромобиль своими руками в плане механики, это уже дело творчества и электромеханических навыком мастера. А мы разберём наиболее сложные элементы в этой системе с точки зрения электрики. И этой частью есть контроллер. Почему? Да потому, что именно от него зависят тонкости работы всего электромобиля. Контроллер представляет собой электрическую (электронную) схему, основная задача которой заключается в управлением частоты вращение электродвигателя. Если напрямую подключить аккумулятор к электродвигателю, то мы получим максимальные его обороты без возможности управлять скоростью движения. Это не правильно и нехорошо. Если управление производит обычным мощным переменным резистором, то в этом случае «срезаемая» электроэнергия будет попросту теряться на тепло. Экономией здесь не пахнет.
Как же сделать электромобиль своими руками всё таки? Наиболее приемлемый вариант управления скоростью электромобиля является специальная схема контроллера.
Схема состоит из маломощного переменного сопротивления, непосредственной схемы задания частоты вращения (импульсная схема) и силовой части, которая и подаёт на электродвигатель нужное количество электроэнергии. Силовая часть может быт состоять из мощных тиристоров, симисторов, биполярных или полевых транзисторов. Важно то, что всё схема контроллера должна правильно реагировать на измерения переменного сопротивления и плавно выдавать ту необходимую порцию энергии, которая будет подаваться на электрический тяговый двигатель электромобиля.
В этой статье, как вы видите, приведены две электрические принципиальные схемы контроллеров. Общий принцип действия у них похожий. Различие лишь в том, что одна собрана по более упрощённой схеме и на одно напряжение питания, а вторая более сложнее и имеет в своём составе иные электронные элементы. Если нет желания самому возиться и изобретать схемы, то можно приобрести уже готовый преобразователь, не мороча себе голову с самоделками.
P.S. Прежде чем приступать к созданию своего электромобиля для начала обязательно продумайте все свои пожелания, а именно — каким именно должен обладать параметрами ваш будущий девайс. Это Вам позволит значительно сэкономить время, силы и финансы.
Поиск по сайту
Меню разделов
Диаграмма электроэнергии— Bilder und stockfotos
Bilder
- Bilder
- Fotos
- Grafiken
- Vektoren
- Videos
Durchstöbern SE 162
Durchstöbern SE 162
Durchstöbern SE 162
. Oder starten Sie eine neuesuche, um noch mehr Stock-Photografie und Bilder zu entdecken.Sortieren nach:
Am beliebtesten
technischer cutaway für elektrische generikafahrzeuge — схема электромобиля стоковые фотографии и изображенияTechnischer Cutaway für elektrische Generikafahrzeuge
technischer cutaway für elektrische generikafahrzeuge — electric car diagram stock-fotos und bilderTechnischer Cutaway für elektrische Generikafahrzeuge
elektroschaltplan haus — electric car diagram stock-grafiken, -clipart, -cartoons und -symboleElektroschaltplan Haus
EV Auto Einfaches Diagramm in der Oberen Ansicht — схема электромобиля Stock-grafiken, -clipart, -cartoons und -symboleev Auto einfaches Diagramm in der Oberen Ansicht
elektroauto technischer schnitt 3d-рендеринг.
— схема электрического автомобиля стоковые фотографии и изображениеЭлектроавто технический Schnitt 3D-рендеринга.
Электрические генераторы Автомобильные технологии 3D-рендеринг в разрезе со всеми необходимыми деталями для систем электромобилей с эффектом присутствия. Perspektivische Ansicht auf weißem Hintergrund.
steigende energiekosten — рост цен на электроэнергию — схема электромобиля фото и изображенияSteigende Energiekosten — рост цен на энергию
elektroauto technischer schnitt 3d-рендеринг. драуфсихт. — схема электромобиля стоковые фото и изображенияЭлектроавтотехника Schnitt 3D-рендеринга. Драуфсихт.
Электрические общие автомобильные технологии Cutaway 3D-рендеринг с любыми деталями систем EV в Geistereffect mit Zeichnung. Draufsicht auf weißem Hintergrund.
technischer cutaway für elektrische generikafahrzeuge — схема электромобиля стоковые фото и изображения0016 Elektroauto-Schema Vereinfachtes Diagramm der Komponenten konzept der globalen erwärmung, vektorillustration im linienstil — схема электрического автомобиля stock-grafiken, -clipart, -cartoons und -symbole -Vektorillustration technischer cutaway für elektrische generikafahrzeuge — схема электрического автомобиля стоковые фотографии и изображенияTechnischer Cutaway für elektrische Generikafahrzeuge
elektroauto technischer schnitt 3d-рендеринг.
— схема электрического автомобиля стоковые фотографии и изображениеЭлектроавто технический Schnitt 3D-рендеринга.
Электрические общие автомобильные технологии Cutaway 3D-рендеринг с любыми деталями систем EV в Geistereffect mit Zeichnung. Seitliche Vogelperspektive auf weißem Hintergrund.
technischer cutaway für elektrische generikafahrzeuge — схема электромобиля стоковые фотографии и изображенияTechnischer Cutaway für elektrische Generikafahrzeuge
elektrische ladefortschrittsleiste, elektrofahrzeug-oder telefonbatterieanzeige mit steigender akkuladung. die batterieanzeige zeigt, dass es bis zu 50% — схема электромобиля стоковые фото и изображенияElektrische Ladefortschrittsleiste, Elektrofahrzeug- oder…
grünes energiekonzept, linienstil-vektorillustration — схема электромобиля стоковая графика, -клипарт, -мультфильмы и -symboleGrünes Energiekonzept, Linienstil-Vektorillustration
Green Energy Konzept, Line Style Vektorillustration
electric automobilbranche wachstum — схема электромобиля стоковая графика, клипарт, мультфильмы и символыElectric Automobilbranche Wachstum
Графика с электроавто.
Das Netzkabel fungiert als Wachstumspfeil. Vollständig skalierbare Vektorillustration.
Steckertypen für das Laden von Elektrofahrzeugen auf der ganzen…
Steckverbindertypen für das Laden von Elektrofahrzeugen auf der ganzen Welt. Диаграммы стандартных типов для переменного тока, постоянного тока и США, Европы, Китая и Японии.
elektroauto-ladegerät draufsicht. vektorsymbol für batterieauto-hybrid-aufladevektor — схема электромобиля стоковая графика, -клипарт, -мультфильмы и -символElektroauto-Ladegerät Draufsicht. Vektorsymbol für Batterieauto-Hy
Ladegerät für Elektroautos Draufsicht. Аккумулятор-Авто-Гибрид-Ладевектор-Символ.
Infrastruktur für elektrofahrzeuge — схема электромобиля, графика, клипарт, мультфильмы и символы.
Jedes Fahrzeug ist ein elektrisches Ladegerät angeschlossen, während die Karte darunter ein Straßennetz sowie die Stromerzeugungs- und Übertragungsinfrastruktur zeigt. Alle Fahrzeuge und Ausrüstungen sind generic; Es sind keine spezifischen Hersteller vertreten. Der Vektor wird in isometrischer Ansicht dargestellt. 9Erneuerbare Skizzen Diagramm
Skizzen von erneuerbaren Energiequellen (Windkraftanlage, Solar-/Photovoltaik-Panel, Wärme-/Wärmepumpe) über einem modernen Villa
Технический разрез для электрического генератора — схема электромобиля стоковые фото и изображения Perspektivische Draufsicht auf weißem Hintergrund. elektroauto-konzept-vektor-infografik-design mit symboloptionen oder schritten für stock illustration — электрическая схема автомобиля stock-grafiken, -clipart, -cartoons und -symboleElektroauto-Konzept-Vektor-Infografik-Design mit Symboloptionen…
grünes energiekonzept, linienstil-vektorillustration — схема электромобиля, графика, -клипарт, -мультфильмы и -символGrünes Energiekonzept, Linienstil-Vektorillustration
Green Energy Konzept, Line Style Vektorillustration
elektroauto-konzept-vektor-infografik-design mit symboloptionen oder schritten für stock illustration — электрическая схема автомобиля stock-grafiken, -clipart, -cartoons und -symbole Elektroauto-Konzept-Vektor-Infografik-Design mit Symboloptionen.
..
Электроавтобаннер с информационными элементами. Postervorlage mit…
Elektroauto-Banner mit Infografik-Elementen. Плакат с Flussdiagramm, Datenvisualisierung, Timeline, Workflow, Illustration. Vektor-Infografiken Design von Marketingmaterialien Konzept
dreifaches icon-paket mit ökologie-liniensatz — схема электромобиля сток-график, -клипарт, -мультфильмы и -symbole Линенсетс электроавтоконцептбаннер с информационными элементами. Ladestation und vorteile von elektroautos. Postervorlage mit grafischer datenvisualisierung, zeitleiste, workflow. векторная иллюстрация — электрическая схема автомобиля, графика, клипарт, мультфильмы и символы Elektroauto-Konzeptbanner mit Infografikelementen.
Ladestation…
Elektroauto-Konzeptbanner mit Infografik-Elementen. Ladestation und Vorteile des Elektroautos. Плакат с графическими данными, графиком, рабочим процессом. Векториллюстрация
elektrofahrzeug regeneratives bremssystem zeichen vektor — electric car diagram stock-grafiken, -clipart, -cartoons und -symboleElektrofahrzeug regeneratives Bremssystem Zeichen Vektor
Vorzeichenvektor für regeneratives Bremssystem für Elektrofahrzeuge
hand hält einen technologiebildschirm, virtual-reality-konzept für elektroautos — схема электромобиля стоковые фото и изображенияРучная ручка Technologiebildschirm, Virtual-Reality-Konzept für
Ручная, die einen Technologiebildschirm hält, Elektroauto-Virtual-Reality-Konzept
dreifaches icon-paket mit ökologie-liniensatz — схема электромобиля stock-grafiken, -clipart, -cartoons und -symbole (ausschnitt) — графика электромобиля, графика, клипарт, мультфильмы и символы0003 statistiken über ladestationen für elektrofahrzeuge (ausgeschnitten) — electric car diagram stock-grafiken, -clipart, -cartoons und -symboleStatistiken über Ladestationen für Elektrofahrzeuge (ausgeschnitte
Ladestation für Elektroautos mit blauem Blitzsymbol und isoliertem Ladekabel, das auf einem Tortendiagramm liegt
festkörper-lithium-batteriezelle mit kathode — схема электромобиля, фото и изображенияFestkörper-Lithium-Batteriezelle mit Kathode
Festkörper-Lithium-Batteriezelle mit Kathode, Anode und Trennschicht 3D-Darstellung, Forschungs- und Entwicklungskonzept einer neuen Energiespeichertechnologielösung für die Elektrofahrzeugindustrie
arten von elektrofahrzeugen infografik.
— Схема электромобиля — графика, -клипарт, -мультфильмы и -символArten von Elektrofahrzeugen Infografik.
Дизайн иконок линии зеленой энергии — схема электромобиля сток-график, -клипарт, -мультфильмы и -символДизайн иконок линии зеленой энергии
set-line иерархическая органограмма-диаграмма, ftp-einstellungsordner und elektroauto-symbol. вектор — электрическая схема автомобиля графика, -клипарт, -мультфильмы и -символSet-Line Hierarchie Organogramm-Diagramm, FTP-Einstellungsordner
Lineie festlegen Organogrammdiagramm FTP-Einstellungsordner und Elektroauto-Symbol. Вектор.
festkörper-lithium-batteriezelle mit kathode — схема электромобиля, фото и изображенияFestkörper-Lithium-Batteriezelle mit Kathode
Festkörper-Lithium-Batteriezelle mit Kathode, Anode und Trennschicht 3D-Darstellung, Forschungs- und Entwicklungskonzept einer neuen Energiespeichertechnologielösung für die Elektrofahrzeugindustrie
festkörper-lithium-batteriezelle mit kathode — electric car diagram stock-fotos und bilderFestkörper-Lithium-Batteriezelle mit Kathode
Festkörper-Lithium-Batteriezelle mit Kathode, Anode und Trennschicht 3D-Illustration, Forschungs- und Entwicklungskonzept neuer Energiespeichertechnologielösung für die Elektrofahrzeugindustrie
elektroauto konzept векторный инфографический дизайн с иконками.
— схема электромобиля сток-график, -клипарт, -мультфильмы и -символElektroauto Konzept Vectorlinie Infografik Design mit Icons.
Электроавтоконцепция Vector Line Infografik Design mit Symbolen.
хэв — аббревиатура гибридного электромобиля. — схема электромобиля — графика, -клипарт, -мультфильмы и -символHEV — Hybrid Electric Vehicle Akronym.
HEV — сокращенное название гибридного электромобиля. Hintergrund des Geschäftskonzepts. Vektorillustrationskonzept mit Schlagworten und Icons. Иллюстрация с иконками для веб-баннера, листовки, Landung
festkörper-lithium-batteriezelle mit kathode — electric car diagram stock-fotos und bilderFestkörper-Lithium-Batteriezelle mit Kathode
Festkörper-Lithium-Batteriezelle mit Kathode, Anode und Trennschicht 3D-Illustration, Forschungs- und Entwicklungskonzept neuer Energiespeichertechnologielösung für die Elektrofahrzeugindustrie
elektroauto-konzeptbanner mit infografikelementen.
Ladestation und vorteile von elektroautos. Postervorlage mit grafischer datenvisualisierung, zeitleiste, workflow. вектор-иллюстрация — схема электромобиля сток-график, -клипарт, -мультфильмы и -символElektroauto-Konzeptbanner mit Infografikelementen. Ladestation…
quad-icon-paket mit ökologie-liniensatz — схемы электрических автомобилей стоковые графики, -клипарты, -мультфильмы и -символыQuad-Icon-Paket mit Ökologie-Liniensatz
Quad Icon Pack des Ecology Line Sets
smart autos fahren auf der straße, fahrerlose fahrzeuge, top-ansicht. адас, его-система. smart car (hud) , iot, autonome selbstfahrende modus fahrzeug auf der stadt straße iot konzept mit grafischen Датчик Radarsignal — электрическая схема автомобиля stock-grafiken, -clipart, -cartoons und -symboleSmart Autos fahren auf der Straße, fahrerlose Fahrzeuge, Top-Ansic
Intelligente Autos, die auf der der Straße fahren, fahrerlose Fahrzeuge, Draufsicht.
ADAS, ITS-система. Smart Car (HUD), IoT, дом
Elektroauto Konzept Vectorline Infografik Design mit Icons. 7…
Электроавтоконцепция Vector Line Infografik Design mit Symbolen. 7 Optionen oder Schritte für Präsentation, Banner, Workflow-Layout, Flussdiagramm usw.
ladediagramm für elektroautos — схемы электромобилей стоковые фото и изображения0016 Haus mit Elektroauto und Photovoltaik-Panels Hausdiagramm… ev-wartungsvektor infografik-vorlage. — схема электромобиля сток-график, -клипарт, -мультфильмы и -символEV-Wartungsvektor Infografik-Vorlage.
Infografikvorlage für EV-Wartungsvektoren.
Grüne Fahrspuren Präsentation Skizzieren Designelemente. Datenvisualisierung в 5 Шрифтах. Infodiagramm zur Prozesszeitachse. Workflow-Layout mit Liniensymbolen
Fusebox
Autosicherungskasten Nahaufnahme. Mehrere Reihen verschiedener Sicherungen, ein Stecker und ein Teil eines Relais sichtbar.
elektroauto konzept векторный инфографический дизайн с иконками. 5 дополнительных опций для создания презентаций, баннеров, макета рабочего процесса, диаграммы потока США. — схема электромобиля сток-график, -клипарт, -мультфильмы и -символElektroauto Konzept Vectorlinie Infografik Design mit Icons. 5…
Электроавтоконцепция Vector Line Infografik Design mit Symbolen. 5 Optionen oder Schritte für Präsentation, Banner, Workflow-Layout, Flussdiagramm usw.
ev тенденции вектор инфографики vorlage. — схема электромобиля сток-график, -клипарт, -мультфильмы и -символ EV Trends Vektor Infografik Vorlage.
Ecocity-Symbol, Infografik.
Штекер и батарея с диаграммой часового механизма, 3D-рендеринг Изоляция на дальней заправочной станции для электроавтомобилей — схема электромобиля Фото со стока и изображениеШтекер и аккумуляторная диаграмма с часовым механизмом, 3D-рендеринг…
elektroauto konzept векторный инфографический дизайн с иконками. 5 дополнительных опций для создания презентаций, баннеров, макета рабочего процесса, диаграммы потока США. — схема электромобиля сток-график, -клипарт, -мультфильмы и -символElektroauto Konzept Vectorlinie Infografik Design mit Icons. 5…
Электроавтоконцепция Vector Line Infografik Design mit Symbolen. 5 Optionen oder Schritte für Präsentation, Banner, Workflow-Layout, Flussdiagramm usw.
elektroauto-ladegerät — схема электромобиля, фото и изображенияElektroauto-Ladegerät
house, das mit electrocar Diagramm — схема электромобиля Stock-grafiken, -clipart, -cartoons und -symbole der zukunft flache sanieren konzept, векторная иллюстрация — электрическая схема автомобиля, графика, клипарт, мультфильмы и символы Zukunftskonzept, Smart Auto warne Fahrer für Energie undsuche.
..
Ökologie und Umwelt Konzept Vektorlinie Infografik Design mit…
elektroauto-banner mit infografikelementen. постер с диаграммой потока, визуализацией даты, временем, рабочим процессом, иллюстрацией. вектор-информация-график-дизайн маркетинговых материалов-концептов — электрическая схема автомобиля графика, -клипарт, -мультфильмы и -символElektroauto-Banner mit Infografikelementen. Плакат с…
из 3Переход на электромобили
Переход на электромобили
Ежегодно производители автомобилей выпускают ряд полностью электрических и гибридных электрических моделей. Мы знаем, что эти новые автомобили ставят перед покупателями новые и разные вопросы, и Chase Auto здесь, чтобы помочь вам ориентироваться в быстро ускоряющемся мире электромобилей.
Изучите новейшие инструменты и информацию для перехода на электромобиль.
Существует три типа автомобильных технологий, в которых используется слово «электрический»: гибридный электрический, подключаемый гибридный электрический и полностью электрический. Эти автомобили предоставляют ряд возможностей для потребителей.
Поиск бонусов
Введите свой почтовый индекс, чтобы найти бонусы EV, доступные рядом с вами.
Продолжить
Спланируйте свой маршрут
Путешествуйте без одной зарядки с растущей сетью общественных зарядных станций.
Продолжить
Зарядка дома
Вы можете зарядить машину дома, пока спите. Вот как это работает.
Продолжитьоткрывается в том же окне для зарядки и диапазона
открывается в том же окне открывается в том же окне
Yahoo Finance
Генеральный директор Fisker: Стремление увеличить производство электромобилей, поскольку «у нас больше спроса, чем мы рассчитывали» Теперь за ним следуют крупные автопроизводители.
Прочитать статью
Журнал Discover
Когда электромобили станут мейнстримом
Прочитать статью
Показать больше статей
Automotive Daily
Электрический седан McLaren составит конкуренцию Porsche Taycan
Прочитать статью
Mercom
В 2022 году по всему миру будет продано более 10 миллионов электромобилей, что на 60% больше, чем в предыдущем году: BNEF
Прочитать статью
TechStory
Jaguar Land Rover tech наймет уволенных разработчиков EV
Прочитать статью
Показать меньше статей
Часто задаваемые вопросы
Вопросы
Достаточно ли у электромобилей запаса хода, чтобы доставить меня туда, куда мне нужно?
Средний пробег электромобиля с полностью заряженной батареей составляет примерно 250 миль.
Ссылка на той же странице на ссылку в сноске 1 Приблизительно 46 000 общественных зарядных станций в Соединенных Штатах позволяют легко ездить на работу и на дальние расстояния в большинстве электромобилей. Ссылка на той же странице для сноски 2
Я люблю путешествовать. Доступны ли зарядные станции в большинстве мест?
В США около 46 000 зарядных станций. Большинство из них сосредоточено в густонаселенных городских районах, но во всех 50 штатах есть общественные зарядные станции. Ссылка на той же странице и ссылка на сноску 3 Чтобы найти зарядные устройства при планировании следующей поездки, воспользуйтесь этим картографическим инструментом, который покажет вам все зарядные устройства на вашем маршруте, а также их доступность в режиме реального времени.
Какова средняя дальность полета электромобиля? Что произойдет, если у вас закончится сила?
Средний пробег электромобиля с полностью заряженной батареей составляет примерно 250 миль.
Ссылка на той же странице на ссылку в сноске 4 Если у вас кончится энергия в электромобиле, он просто перестанет двигаться. Подобно тому, как автомобиль с бензиновым двигателем буксируют на ближайшую заправочную станцию, электромобиль можно отбуксировать к ближайшей зарядной станции для подзарядки. Ссылка на ту же страницу в сноске 5
Увеличит ли электромобиль мой счет за электричество?
Электромобиль обычно добавит к вашему ежемесячному счету за электричество от 30 до 60 долларов. Ссылка на той же странице в сноске 6
Как оценивается страхование электромобиля? Рассматривают ли страховые компании электромобили иначе, чем традиционные автомобили?
Страхование электромобилей, как правило, обходится немного дороже, чем аналогичные автомобили с бензиновым двигателем.
Ссылка на той же странице на ссылку в сноске 7 Это связано с тем, что у страховщиков нет долгосрочных данных об оценке рисков для электромобилей, как для автомобилей с бензиновым двигателем. Ссылка на той же странице в сноске 8
Какова средняя стоимость электромобиля?
Средняя цена электромобиля составляет примерно 56 000 долларов. Ссылка на той же странице на ссылку в сноске 9 Это выше, чем средняя цена традиционного нового автомобиля, которая составляет примерно 47 000 долларов. Ссылка на той же странице для сноски 10
Предусмотрены ли какие-либо скидки или скидки, помогающие закрыть ценовой разрыв?
В настоящее время федеральное правительство предлагает скидку до 7500 долларов на стоимость полностью электрического автомобиля, и подключаемые гибриды также имеют право на скидку, в зависимости от емкости их батареи.
Эта скидка доступна только для автомобилей с окончательной сборкой в Северной Америке. Чтобы просмотреть список транспортных средств, которые соответствуют требованиям, нажмите здесь.
Могут быть дополнительные льготы и скидки, предлагаемые вашим штатом, местным муниципалитетом или местным поставщиком электроэнергии. Они могут включать дополнительные скидки на стоимость автомобиля, скидки на домашние системы зарядки, скидки на тарифы на зарядку электромобилей или привилегии, такие как привилегированная парковка или доступ к полосе для автомобилей.
Узнайте, на какую экономию вы можете претендовать, используя этот инструмент поиска поощрений.
Как Закон о снижении инфляции влияет на налоговый кредит для электромобилей?
Закон о снижении инфляции предусматривает налоговую льготу в размере до 7500 долларов США для новых электромобилей и налоговую льготу в размере 4000 долларов США для подержанных электромобилей.
Новые электромобили, подпадающие под налоговую льготу, должны быть собраны в Северной Америке и потенциально соответствовать другим производственным требованиям. Чтобы узнать, какие транспортные средства соответствуют требованиям, обратитесь к этому ресурсу Министерства энергетики США.
Начиная с 1 января 2023 г. новые автомобильные кредиты будут предоставляться только налогоплательщикам, подающим декларацию с единой регистрацией, с годовым доходом не более 150 000 долларов США или менее 300 000 долл. США для налогоплательщиков, подающих совместную декларацию. Кредиты на подержанные автомобили будут предоставляться только налогоплательщикам с единой регистрацией с годовым доходом не более 75 000 долларов США или менее 150 000 долларов США для налогоплательщиков, подающих совместную декларацию. налоговый кредит. Внедорожники, фургоны и пикапы не должны превышать MSRP в размере 80 000 долларов США, чтобы соответствовать требованиям. Подержанные электромобили имеют право на участие, если их стоимость не превышает 25 000 долларов.
Ссылка на ту же страницу в сноске 11
Сколько стоит зарядка?
В США средняя стоимость киловатта энергии составляет примерно 13 центов. Ссылка на той же странице на ссылку в сноске 12 Если вы проезжаете 1000 миль в месяц, стоимость топлива для вашего электромобиля составит чуть более 30 долларов. Однако стоимость зарядки электромобиля зависит от многих факторов, включая ваше местоположение, транспортное средство и источник питания. Зарядка дома и зарядка с помощью общедоступного зарядного устройства также имеют разную стоимость.
Нужен ли гараж для зарядки дома?
Короткий ответ: нет, электромобили можно заряжать везде, где есть розетка. Однако для горожан, проживающих в высотном жилом комплексе, таунхаусе или любом другом многоквартирном доме, домашняя зарядка потребует дополнительного планирования.
Поскольку электромобили продолжают становиться все более распространенными, в новых зданиях с большей вероятностью будут предлагаться варианты домашней зарядки для жителей, управляющих электромобилями. Ссылка на ту же страницу в сноске 13
Однако, если вы живете в многоэтажной квартире с гаражом, который не обеспечивает доступ к домашней зарядке, вы можете обсудить с домоуправлением практичность и возможность установки домашнего зарядного оборудования на территории здания. Некоторые штаты и города предлагают программы, которые помогут покрыть расходы, связанные с установкой домашней зарядки на вашей парковке, а такие стратегии, как выделенная парковка для владельцев электромобилей, могут сделать домашнюю зарядку удобной и простой для жителей. Ссылка на ту же страницу в сноске 14
Другие варианты для владельцев электромобилей без гаража включают поиск зарядной станции рядом с домом, зарядку в месте, близком к работе, или сотрудничество с вашим работодателем для согласования зарядной станции на территории компании.
Куда я могу отнести свой электромобиль, когда мне нужен ремонт? Требуют ли электромобили большего обслуживания?
9Затраты на техническое обслуживание 0016 EV обычно ниже, чем у обычных автомобилей. Владельцы электромобилей экономят в среднем 4600 долларов на ремонте и техническом обслуживании в течение всего срока службы автомобиля по сравнению с автомобилем с бензиновым двигателем. Ссылка на той же странице в сноске 15 Выбор места для ремонта электромобилей зависит от марки и модели автомобиля и характера проблемы. Для стандартного ремонта, такого как перестановка шин, осмотр подвески или замена салонных фильтров и щеток стеклоочистителя, может помочь любой местный магазин. Однако по вопросам, связанным с аккумулятором электромобиля или другой технологией электромобиля, вам следует доставить свой автомобиль к местному дилеру или другому квалифицированному механику.
Что такое PHEV?
PHEV— это подключаемые гибридные электромобили, у них есть как бензиновый двигатель, так и электродвигатель, который заряжается при подключении к розетке. Ссылка на той же странице на ссылку в сноске 16 Некоторые PHEV работают на электричестве до тех пор, пока батарея почти не разрядится, а затем переключаются на свой бензиновый двигатель. Другие PHEV, иногда называемые PHEV со «смешанным режимом», одновременно используют бензин и электричество для питания автомобиля, пока аккумулятор заряжен. В любом случае, PHEV могут работать только на бензине, даже когда электрическая батарея полностью разряжена.
Источники
Ссылка на ту же страницу возвращает ссылку на сноску 1 Управление транспортных технологий
Ссылка на ту же страницу возвращает к ссылке в сноске 2 Министерство энергетики США
Ссылка на ту же страницу возвращает к ссылке в сноске 3 Министерство энергетики США
Ссылка на ту же страницу возвращает ссылку на сноску 4 Офис автомобильных технологий
Ссылка на ту же страницу возвращает ссылку на сноску 5 Plug in America
Ссылка на ту же страницу возвращает ссылку на сноску 6 Investopedia
Ссылка на ту же страницу возвращает ссылку на сноску 7 Прогрессивная
Ссылка на ту же страницу возвращает ссылку на сноску 8 Consumer Reports
Ссылка на ту же страницу возвращает ссылку на сноску 9 CNBC
Ссылка на ту же страницу возвращает ссылку на сноску 10 Consumer Reports
Ссылка на ту же страницу возвращает к сноске 11 Закон о снижении инфляции
Ссылка на ту же страницу возвращает к ссылке в сноске 12 Ассоциация энергетической информации
Ссылка на ту же страницу возвращает ссылку на сноску 13 McKinsey & Company
Ссылка на ту же страницу возвращает ссылку на сноску 14 Чикаго.


В Электромобиль конструкции ВНИИ электромеханики и некоторых зарубежныхЭлектромобиль имеются устройства для рекуперации электроэнергии (например, при рекуперативном торможении, езде накатом и на спусках) и для подзарядки БА (без съёма её с Электромобиль) от городской трёхфазной электросети. Для устранения сложной пускорегулирующей аппаратуры в Электромобиль иногда сочетают электродвигатель с автомобильной гидротрансмиссией, которая регулирует тяговое усилие и скорость движения. Существуют также т. н. «гибридные» Электромобиль с ДВС, работающим на постоянном малотоксичном режиме, генератором, приводимым от него тяговым электродвигателем и небольшой БА (рис. 2). ДВС служит для движения с установившейся скоростью и подзарядки БА, а последняя — в качестве дополнительного источника энергии для разгона Электромобиль, преодоления подъёмов, обгона. Сложность «гибридных» Электромобиль и наличие в них, хоть и малотоксичного, ДВС ограничивают их распространение. Наряду с предотвращением загрязнения воздуха и уменьшением шума в городах внедрение Электромобиль обеспечивает экономию жидкого топлива.

Эффективность топливных элементов несколько снижается, но зато не меняется вся инфраструктура топливозаправочного хозяйства. КПД топливных элементов при этом все равно очень высок – около 50%. Такие топливные элементы и конверторы разработаны, в частности, и российскими предприятиями, с которыми сотрудничают авторы статьи.
Это делает массу топливных элементов для реальных мощностей, необходимых автомобилям, очень большой. Например, для электромобиля с максимальной потребной мощностью 100 кВт и электробуса с максимальной потребной мощностью 200 кВт, это соответствует массам топливных элементов 1670 и 3330 кг, соответственно. Если прибавить массы тяговых электродвигателей, примерно равные 150 и 400 кг, соответственно, то получаются массы силовых агрегатов, совершенно неприемлемые для легкового электромобиля, и требующие пятитонного прицепа для электробуса.

Электромашина 3 через сложный дифференциальный механизм 4 с мультипликатором 5 связана с маховиком 6 накопителя и главной передачей 7. В результате масса источника тока 1, например, топливного элемента, может быть выбрана исходя из удельной энергии, а не удельной мощности, что снижает ее для электромобиля и электробуса с пробегом, соответственно, 400 и 600 км до 100…150 и 700…1000 кг. Это вполне приемлемо для данных транспортных средств.


Для упомянутых выше легкового электромобиля и электробуса это соответствует 15 и 20 кВт. Благодаря высокой частоте вращения разгонного электродвигателя – до 35000 об/мин для легкового электромобиля и 25000 об/мин для электробуса, что соответствует частоте вращения разгоняемых супермаховиков для накопителей этих машин, масса их весьма мала, соответственно 15 и 30 кг (это обычные показатели для отечественных конструкций авиационного назначения).
Вредные выхлопы у топливных элементов практически отсутствуют. Примерно такие же преимущества у электромобилей новой концепции по сравнению с аккумуляторными электромобилями, с той разницей, что вредные выбросы последних имеют место не на самой машине, а на электростанциях.
В особенности это касается процесса рекуперации энергии при торможении, в результате которого кинетическая энергия машины переходит в супермаховик. Ни по частотной полноте передачи этой энергии, ни по КПД этого процесса, электротрансмиссия не идет ни в какое сравнение с механическим вариатором. И последнее преимущество, о котором уже говорилось – почти традиционная автомобильная схема и соизмеримые габаритно-массовые показатели нового энергетического блока с существующими двигателями, позволяют легко заменять один вид источника энергии на другой, получая при этом как автомобиль (с обычной или гибридной схемой двигателя), так и гибридный экономичный и динамичный электромобиль новой концепции.
2 структурной схеме.
Это позволяет изготовлять супермаховик из такого стабильного и сравнительно дешевого материала, как стальная углеродистая проволока. Выход из строя (разрыв) супермаховика настолько безопасен, что тяжелого защитного кожуха, существенно превышающего по массе сам маховик, и необходимого при маховике из углепластиков, не требуется. Вариатор позволяет тяговому электродвигателю работать в эффективном диапазоне крутящих моментов и частот вращения, передавая только часть мощности, необходимой для движения электробуса, что благоприятно для его работы.
The international review of electric and hybrid vehicle design and development. UK & International press. – 1995. – 304 с.