Схема включения бензонасоса
Лада 2108 › Бортжурнал › Установка электробензонасоса низкого давления на карбюратор
Всем привет, чуть меньше года отъездил механический насос и начались опять проблемы с его перегревом и отказом работы. Изучив большое количество информации было принято поставить электробензонасос низкого давления. Сначала хотел заказать с Aliexpress типа вот такого ru.aliexpress.com/item/Hi…y-free-shipping-Universal и наверное заказал бы цена в 2.5 раза меньше все-таки но потом передумал из-за того, что нужно было ждать месяц и не охотно было принято решение покупки такого насоса (каталожный номер PFP093 цена 1229 руб) и все ровно в итоге ждал около месяца (((
Полный размер
Бензонасос оказался меньше чем я думал
Полный размер
Так же еще заказано реле бензонасоса AUDI a100 или реле J271 (каталожный номер OSSCA
06455 — аналог оригинального стоит в 3 раза дешевле) или же можно заказать с Алиэкспресс ru.aliexpress.com/item/Ne…Control-Unit-Wiring-Relay 4-х контактное реле + сигнальный (маленький) контакт.
К -контакт это сигнальный (искрообразующий) Б -контакт это + 12в зажигания
Реле подключал по вот такой вот схеме:
Само реле выглядит так.
Полный размер
Полный размер
У меня карбюратор Солекс полноценная обратка в бак уже была, что не могло не порадовать единственное, что сделал так это убрал обратный пластмассовый клапан который там стоял и заменил цельным шлангом.
Сам бензонасос я прикрепил рядом с катушкой зажигания на её крепление, сделав своеобразный переходник из металлической пластины.
Полный размер
Полный размер
Вот так все выглядит под капотом. На механический бензонасос надел заглушки которые были в комплекте с ЭБН и пока что не стал убирать а то мало ли что )))
Полный размер
Ну, что я могу сказать по 2х недельному опыту эксплуатации этого бензонасоса.
Машина едет он не греется даже в жару было 30+ градусов. 140 — 150 машина стала ехать куда лучше бензина хватает, расход не увеличился в общем пока что все хорошо,
Полный размер
максимальная скорость с которой на ней ездили
единственный минус заводиться стала хуже не знаю конкретно с чем это связано, но можно предположить что идет просадка напряжения на катушке. Так же попутно были замены свечи, высоковольтные провода, и фильтр бензина и воздуха.
UPD 2016 год
Если плохо заводится поворачиваете ключ ждете пока поднакачает бензина и потом заводите.
и еще одна нужная вещь это алюминиевый обратный клапан у себя в магазинах такого не встречал
ru.aliexpress.com/item/1-6-8-10-12/32906030743
UPD 2019 год
Почитайте комментарии там есть полезная инфа. Реле от ауди которое упоминается в этой статье не работает так как предполагалось, если кто-то хочет реализовать грамотное управление бензонасом то придется паять.
Схема управления электробензонасосом на 555 таймере
Цитата с сайта ниже:
«Нашёл на зарубежном сайте схему управления бензонасосом от зажигания, может кому пригодится.
Сам себе такое спаял отлично работает, при включении зажигания включается реле примерно на 10 сек что нужно для поднятия давления в топливной системе, потом заводим реле снова включает бензонасос пока работает катушка зажигания»
forum.pilotpowersupply.com/showthread.php?t=75
ЗАЗ 1102 Понтовик › Бортжурнал › Подключение электробензонасос низкого давления по собственно разработанной схеме
Полный размер
Купил я всё таки себе ЭБН для моей Таврии но реально стоящей схемы подключения на просторах интернета так и не нашел.По этой причине я предоставляю вам свою разработаную схему подключения ЭБН.
Всех прошу извинения за предыдущий пост который был удалён про подключение в котором я обнаружил непоправимую ошибку.
Что мы получаем — во время включения зажигания ЭБН молчит, чтоб подкачать систему по причине пустой поплавковой камеры, пустого бензинового фильтра или пустых гидролиний не нужно мастерить в автомобиль дополнительных кнопок(на любителя), стоит просто на пару секунд нажать на педаль тормоза и система будит полностью заполнена горючей смесью.
Время бесполезной работы бензонасоса падает до минимума, а это значит что его срок службы увеличивается!
Работать беспрерывно он начинает только тогда, когда генератор начинает вращаться вместе с двигателем.
При остановке двигателя-ЭБН тоже прекращает работу согласно всем критериям пожарной безопасности.
Я не кого не заставляю идти по моему принципу, у кого то установлен Газ и такое подключение осуществляется через кнопку перехода газ-бензин, кому то нравятся лишние кнопочки в салоне, а кто то не парит себе голову и подключает ЭБН просто от замка зажигания.
Я предложил свою универсальную схему которая должна удовлетворить потребность многих но выбор за вами!
Удачи!
Полный размер
Полный размер
Полный размер
Цена вопроса: 350 грн
Реле управления бензонасосом — Сообщество «Электронные Поделки» на DRIVE2
В связи с установкой электрического бензонасоса решил сделать и честную схему управления к нему.
А всё из-за соображений безопасности — при вынужденной остановке двигателя бензонасос должен обесточиваться.Логика схемы управления простая — при включении зажигания бензонасос должен отработать несколько секунд для набора давления в системе. Если в течении этого времени произведён запуск двигателя — то бензонасос продолжает работать. Если мотор не завёлся, или остановился по внешней причине, то через несколько секунд бензонасос отключается. Сигналом для такой работы служат импульсы с датчика Холла от системы зажигания.
Схема выполнена с применением счётчика импульсов со встроенным генератором HCF 4060 — недорогая, питание до 18 вольт выдерживает (проверено), мологабаритная.
Принцип работы схемы в деталях:
После подачи питания на схему с помощью цепочки R2, C2, R3 на входе счётчика R (12-я нога) формируется положительный импульс, который сбрасывает все выходы счётчика в нулевое состояние. При этом на 3-м выводе микрухи тоже 0, на коллекторе VT1 и затворе VT2 — положительный потенциал и ток через открытый VT2 течёт, а значит бензонасос работает.
Тут же запускается встроенный генератор на частоте около 2-х кГерц (частота задаётся номиналами C3, R4) — счётчик начинает считать. Примерно через 3-4 секунды на 3-ей ноге счётчика (которая имеет коэффициент счёта 2 в 14-й степени) появляется положительный потенциал — логическая 1, которая через диод VD1 останавливает работу генератора — досчитался. Схема замирает с логической единицей на 3-ей ноге, транзистор VT1 открывается, а VT2 наоборот запирается и бензонасос замолкает. Что бы снова запустить бензонасос надо снова сбросить счётчик. Для этого предусмотрены два варианта : первый — выключить/включить питание (зажигание), тогда снова сформируется сигнал сброса; второй — через цепочку R1, C1 придёт импульс от датчика Холла, который также сбросит счётчик. Т.е. при работающем двигателе сигнал с датчика Холла постоянно сбрасывает счётчик не давая ему зависнуть и выключить бензонасос.
Почти усё. Разве что транзистор VT3 включён в качестве защитного диода для защиты от выбросов напряжения из-за коммутации индуктивной нагрузки — бензонасоса или чего ещё 😉 — диод в MOSFET транзисторах имеется технологически халявный, в даташитах можно оценить его параметры.
(Нашлась очень похожая на мою схема другого применения 🙂 www.nowradio.ru/nochnik%2…heskim%20vyklucheniem.htm там отчасти ещё разжована работа микрухи )
Исполение — как курица лапой ))) — но работает уже третий месяц.
И всё таки накосячил — схема включения бензонасоса предполагает вести к нему два провода : один плюсовой провод питания и один провод управления. У себя в машинке я об этом забыл — только один провод проложил, а второй вывод насоса подключил на массу (. Ну и поставил дополнительно обычную релюшку). Т.е. схема управления включает обычное реле, а та в свою очередь включает насос.
Спасибо!
Инжектор! Часть 2. — Лада 2109, 1.5 л., 1989 года на DRIVE2
Продолжим.
Принялся я подключать.
Давайте по порядку. Сначала расскажу что да как, а потом как делал это я.
Начнем с общей схемы.
Теперь посмотрим что нужно изменить в моторном отсеке.
Начнем с вентилятора.
В данной косе есть одиночный контакт, если немного раскрыть изоляцию, то можно увидеть, что он идет бело-черным проводом.
Это контакт для подключения вентилятора.
На разных блоках вентилятор работал по разному, но основная особенность в том, что его включал датчик на радиаторе. Теперь же он будет включаться блоком инжектора.
И взамен старой схемы
Он будет включаться по новой схеме от «мозгов»
НО НО НО НО НО НО НО НО НО
В разных мозгах, как я узнал, по разному. Одни выдают «+», а другие «-«. (Вот тем вот бело-черным проводом)
У меня Январь 5.1.2 и он дает «-«. Следовательно черный провод вентилятора подключаем к проводу от мозга, а синий кидаем напрямую на «+» аккума.
Продолжим.
Не буду рассматривать все штекеры датчиков, а рассмотрю лишь те моменты, которые ставят в тупик начинающего электрика ))))
В моторном отсеке два коричневых провода
Это «минусы» которые в схеме СУД названы G1 и G2 . Их надо прикрутить на корпус. обычно их прикручивают на ГБЦ в районе термостата.
Так же один черный провод
На самом деле это обман зрения. На самом деле это красный провод.
в этом можно убедиться, если немного отодвинуть изоляцию. Это «+12″ который крепиться непосредственно на аккумуляторную батарею. Он питает «мозги».
Ну вот вроде бы и все. больше в моторном отсеке ничего незвестного не осталось. Теперь посмотрим что твориться в салоне автомобиля
Рассмотрим подключения бензонасоса.
В карбовой версии к баку подходило два провода
Дело в том, что в карбюраторной схеме бензонасос внешний стоит в моторном отсеке, а эти провода идут просто на датчик уровня бензина. Один синий с красным подает напряжение, второй — розовой передает информацию о наличии бензина.
В данном случае(инжекторе) у нас бензонасос стоит в баке. и подключается он при помощи колодки
Чтобы не тянуть лишних проводов стоит сделать вот как — подсоединить старые провода к колодке следующим образом:
розовый провод колодки к розовому проводу, серый провод колодки к зелено- красном, черно-белый- масса, синий не нужен.
Теперь у нас подключено питание бензонасоса и контакт показывающий уровень топлива.
Черно-белый провод кидаем на минус. т.е. корпус. Сине-красный провод не нужен.
Все в районе бензобака все подключено.
Теперь разберемся с подключением в районе панели приборов.
Раньше старые контакты(питания датчика уровня и сигнальный ) были подключены через монтажный блок к панели приборов
т.е. 11 контакт белой колодки мы не трогаем. Это контакт который показывает уровень топлива.
А вот 11 контакт красной колодки отсоединяем от панели приборов.
(В моем случае немножко не такое расположение, но смысл не меняется.)
Его нужно подсоединить к контакту который идет от жгута СУД
Далее думаем как подключать проводку СУД к косе салонной проводки.Колодка подключения выглядит так
В схеме она выглядит так
Среди этих контактов есть :
1) красно-синий (1 контакт по схеме) провод это «+12″ который цепляются в районе замка зажигания. Он подает +12 и включает мозги, когда вы поворачиваете ключ зажигания
ОБЯЗАТЕЛЬНО!
+, который появляется при повороте ключа, обязательно должен сохраняться, когда крутит стартер!
2) серый(2 контакт по схеме) это сигнал скорости автомобиля.
3) белый-пурпурный (6 контакт по схеме) это сигнал лампочки Check
4) красно-пурпурный (8 контакт по схеме) это сигнал тахометра. Низко-вольтный.
5) желто-черный (3 контакт по схеме) это расход топлива.
Насколько я понимаю сигнал расхода топлива и сигнал скорости подключается к БК. 🙂
Чек я подключил вместо подсоса))))
Дальше.
Колодка диагностики
контакты для таблетки иммо и сигнальной лампочки иммо.(если не планируется установка иммобилайзера, то их не надо подвключать)
Еще есть неизвестные провода … хз для чего. может кондиционера, может БК, может еще чего-то. Т.е. в теории может они и правильно задуманы, но в практики они не нужны, так как цеплять их не к чему
Сама планка с реле(реле на фото отсутствуют) и предохранителями выглядит так -там три цепи реле и предохранителей: главное, вентилятора, бензонасоса.
Ну вот в принципе и все. думаю основные моменты будут ясны … А тонкости додумаете сами, либо задавайте вопросы, буду отвечать помогать, по возможности.
Установка электробензонасоса — Audi 80, 1.6 л., 1979 года на DRIVE2
Давно хотел как-то качественно изменить подачу и очистку топлива. Механический насос не устраивал пульсирующей подачей и изменяющейся производительностью в зависимости от оборотов двигателя. И вот основательно приготовившись, запасясь деталями и мыслями процесс начался.
Для начала надо было определиться с посадочным местом, чтобы ни что не мешало и было удобно проводить Т.О.(замена топливного фильтра).
Потом надо было собрать и проверить блок управления бензонасосом. Не хотелось его подключать просто через силовое реле, чтобы насос все время работал. Хотелось чтобы при включении зажигания, насос работал несколько секунд и выключался, а при запуске мотора включался. Покопавшись в инете, я выбрал более-менее правильную схему и немного ее доработал.
После сборки косы управления бензонасосом и проверке цепи на лампочке (т.к. электронасос может вдохнуть воздух один раз, после чего моментально сгорает) надо было убедиться в правильности соединения шлангов (направления подачи топлива) и очередности потребителей.
Насос должен давить топливо в фильтр, а не высасывать из фильтра, иначе при замене фильтра насос вздохнет в последний раз 🙂
Собрав все вместе и прокачав систему с помощью механического насоса, новый насос заработал как часы, а старий был демонтирован и… положен в багажник 🙂 … вдруг чего.
Алгоритм работы ЭБН на карбюраторном двигателе:
-включение зажигания — ЭБН выключен.
-если есть необходимость, нажать и отпустить педаль тормоза — ЭБН включается на 5 секунд.
-включение стартера — запуск ЭБН.
-запуск двигателя — ЭБН работает. (если двигатель не запустился, после выключения стартера ЭБН работает еще 5 секунд и выключается)
-если двигатель сам заглох — ЭБН выключается сразу.
-выключение зажигания — ЭБН отключается сразу.
Пробег: 279 км
Бензонасос — Лада 2112, 1.5 л., 2003 года на DRIVE2
Привет всем =)
Вообщем случилась такая ситуёвина, в четверг после рабочей смены(2смена), прогрел машину и поехал домой, отъехал метров 200 и машина перестала набирать скорость, съехал на обочину и заглох.
Поворачиваю ключ а бензонасос молчит, посмотрел предохранители, реле, но ничего не изменилось и понял что бензонасос отказал. Дотащили меня до дома и я пошел спать.
Днем перед работай еще раз проверил, повернул ключ, услышал жужание и завел, ууура… но через 2 сек заглох, достал бензонасос, покрутил, повертел, поменял сеточку поставил обратно, ничего не изменилось и пошел на работу, давно я на автобусе не катался =)
Сегодня хотел покупать новый насос, но решил сначала проверить все еще раз, но по нормальному. Фоток только не сделал, увлекся процессом. Но нашел примерно похожие картинки в инете и не плохую статью
Вообщем начал я опять с предов и релюх
Реле и предохранитель нужно искать у ног пассажира
Снял крышку и начал снимать все и зачищать от налета, поменял реле на новую и решил поставить новые преды.
Повернул ключ, реле щелкает, через несколько секунд опять щелкнула, значит все работает, но насос не качает.
Идем дальше
Снимаем крышку бензонасоса
Проверил поступает ли ток к насосу, но прибора не было с собой, поэтому решил использовать лампу
Снял эту фишку и подключил лампочку
Полный размер
Лампу нужно подключить к двум проводкам: плюс — серый и минус — черно-белый.
Поворачиваю ключ, реле щелкает, лампочка загорается, пару секунд, реле щелкает и лампа тухнет, значит все в норме.
Остается последний вариант и достаем бензонасос
раскручиваем все, аккуратно достаем
Разобрал всю эту конструкцию, достал насос и напрямую от акума подключил, а он молчит и я почти расстроился, попробовал еще пару раз, он издал какой то звук, потом еще и загудел как положено =)
у меня точно такой же
Собрал все обратно, и не опуская в бак решил попробовать, повернул ключ и все работает =)
поставил все обратно, и решил заводится, но хрен… другая беда, акум разрядился =(
Поставил на зарядку, но через пару часов не выдержал и пошел попробовать, повернул ключ, насос качает, кручу дальше а она не хочет заводится, залил свечи походу, но на 4й раз завелась =) ууУРРААан =)
Не радовался так, даже когда машину купил, два дня без машины
Теперь надо еще фильтр поменять и все будет гуд =)
Всем удачи и ровных дорог! =)
Подключение бензонасоса на прямую через реле — Nissan Skyline, 2.
5 л., 2001 года на DRIVE2Здравствуй дорогой читатель!)
Данная запись будет полезна тем кто хочет поставить тюненый топливный насос AEM, Walbro, Supra и т.д.
Значит проблема заключается в чем?
Когда вы ставите в штатное место тюненый насос например AEM 320-1000 как у меня, он у вас работает как стоковый насос на родной проводке, все потому что родная проводка не пропускает более 11.2 Волта на насос, поэтому его нужно подключать напрямую через реле, и сечение провода должно быть не менее 10ти квадратов.
У меня уже идет из под капота провод КГХЛ25 на усилитель, и под капотом стоит автомат на 100Ампер.
Реле нашел новое NISSAN 4-х контактное, заехал к другу у которого после свапа остались косы со Skyline и взял у него колодку для реле, потом поехал к знакомым на СТО взял реле от сигнализации Starline, разобрал обе колодки от реле и поставил на оригинальную колодку провода от Starline они пожирнее сечением чем родные.
Схема подключения как на картинке.
Первый провод постоянный плюс от акума на него же поставил предохранитель 30А что бы не загубить насос и реле, т.к. родные реле на 30А.
Второй провод постоянный минус прикрутил к кузову.
Третий провод постоянный плюс от мозгов который появляется при включенном зажигании, он у нас и будет сигнальным замыкать реле.
Четвертый провод на бензонасос вместо родного.
В принципе все подключил по схеме как на картинке, КГХЛ решил не резать т.к. все акустические провода и силовые идут в змейке, а засунул провод в плюсовой порт на усилителе, и предохранитель оставил на видном месте что бы в случаи чего не разбирать обшивку багажника.
Делать все это помогал Mr.Maloi
Полный размер
Полный размер
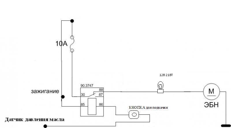
Лада 2106 ドリフトオタク › Бортжурнал › Новшество против дедовской технологий? Установка электробензонасоса низкого давления на карбюраторную Классику
Внимание
Предупреждаю сразу! Данная доработка топливной системы очень противоречива, несовершенна и требует дополнительных доработок!
Установка данного кит комплекта производится на свой страх и риск!
Будьте бдительны и соблюдайте правила техники безопасности!
Однако…
Доброго Времени суток))
Полный размер
Испокон веков карбюраторные Жигули (Классика, Зубилы, Нивы) глохли в жару(
С одной стороны, это связано с конструкцией топливной системы, с другой же стороны, законами Физики и Химии.
Положив руку на сердце, я с уверенностью могу сказать, что перепробовал всевозможные варианты доработки и настройки механических штатных бензонасосов, как и ДААЗ, так и ПЕКАР… был даже куплен новый карбюратор ОЗОН 2105-20…
Два ДААЗовских насоса, два ПЕКАРовских насоса, 6 штоков, 3 паронитовые трубки и чертова туча регулировочных прокладок…
И все это ушло в чермет!
Уже отчаявшись, я думал об инжекторе, даже о шеснаре, но, по счастливой случайности, наткнулся на статьи об установке электрических топливных насосах на карбюраторные авто.
Говорю сразу, затея очень дорогая, но и средств было утрачено не мало на классические насосы.
Выбор был не велик, и я начал проникаться в тонкости внедрение данного узла в автомобиль.
Теперь поговорим о гвозде нашей программы — Электрический бензонасос низкого давления
Если Вам кто нибудь скажет, что вместо штатного насоса можно установить насос от инжектора, то знайте, перед Вами — дилетант))
Инжекторный бензонасос обладает очень большим давлением — 3.
5бар, 5бар и тд
А Нам необходимо, что бы бензонасос выдавал в от 0.1бар до 1.4бар (в зависимости от комплектации)
Мой выбор пал на насос krauf kr7777p
krauf kr7777p характеристики
Как показывает практика, данный насос, в Жигулевской топливной магистрали с полной обраткой в бак, выдает стабильно давление 0.35-0.4бар (хотя заявлено заводом изготовителя 0.2бар).
Верхний порог давления игольчатого клапана карбюраторов ОЗОН и СОЛЕК равен 0.5бар. При увеличении давления в топливной магистрали свыше данного значения, игольчатый клапан теряет свою работоспособность, в последствии, топливо начинает непрерывно поступать в поплавковую камеру сверх уровня! Это приведет к обогащению смеси, нестабильному холостому ходу, заливанию свечей зажигания, гидроудару или пожару в подкапотном пространстве Вашего автомобиля!
Так что можно смело утверждать, что данный насос, по своим характеристикам, идеально подходит на замену штатного механического насоса как и на классику, как и на зубилы, так и на ниву.
Теперь о тонкостях установки:
1. Необходимость установки полной обратной магистрали в бензобак!
На это есть причины:
Первая причина — это охлаждение бензонасоса.
Так как бензонасос будет внедряться в автомобиль отечественного производства, то место установки насоса будет в подкапотном пространстве (вместо штатного), а там достаточно жарко. Система охлаждения насоса осуществляется через циркуляцию топлива через насос. То есть если закольцевать обратку прям в подкапотном пространстве, то насос будет качать горячее топливо по кругу, тем самым он будет перегреваться и в скором времени выйдет из строя!
Вторая причина — это давление, создаваемое бензонасосом.
Если же мы не будем внедрять полную обратку, то это чревато увеличением давления в топливной магистрали свыше пикового порога давления игольчатого клапана, что приведет к печальным последствиям и выходу из строя игольчатого клапана поплавковой камеры + мы не можем забывать про охлаждение насоса, без обратки не будет охлаждения насоса и он быстро выйдет из строя.
Между нами, мальчиками… новый насос стоит примерно от 1800р до 2500р и будет обидно угробить эти деньги))
Если же Вы сомневаетесь, то посмотрите как реализован электро бензонасос низкого давления на карбюраторных иномарках, практически везде будет полная обратка в бак.
2. Блок управления бензонасосом.
Здесь не все так радужно(
Подобрать полноценный блок управления бензонасосом от иномарки не получится (слишком дорого и сложно).
Изготовить самому полноценный блок управления с системой безопасности так же является трудной задачей((
Поэтому в данном кит комплекте все очень сурово и прямолинейно!
За управление бензонасосом отвечает 4х контактное реле.
Полный размер
По подключению:
Клемма 87: Зеленый провод, питание (+) на насос.
Клемма 86: Черный провод, питание (-) на насос и на массу авто.
Клемма 85: Коричневый провод (+), идет на катушку на клемму «Б».
Клемма 30: Красный провод (+), идет на + аккумулятора через 15А предохранитель.
Почему требуется установка реле? Почему нельзя на прямую подключиться через замок зажигания или просто кинуть плюс на катушку?
Установка реле необходима для уменьшения нагрузки как и на сам насос, так и на другие элементы электрооборудования автомобиля (что бы провода не горели и насос не помер).
С этим разобрались, теперь поговорим о самом сложном и невыполнимым — система безопасности!
На всех иномарках, с такой системой подачи топлива, при резкой остановки двигателя (двигатель заглох, а зажигание осталось включенным) бензонасос перестает работать, так как срабатывает система безопасности (аварийное отключение).
Это необходимо для предотвращение возгорания топлива при неисправности или дтп!
В нашей же ситуации, при заглохшем двигателе (зажигание включено), насос все равно продолжает качать топливо по магистрали. Только после отключения зажигания насос перестает работать.
На данном этапе Я так и не смог решить эту проблему( Единственно что приходит на ум, это установка тумблера (кнопки) подачи напряжения на насос непосредственно в салон автомобиля.
Это поможет обезопасить Вас и Ваших пассажиров при нежелательных обстоятельствах!
Так же к системе безопасности относиться клапан обратного давления магистрали!
Здесь тоже не так радужно((
Клапан от иномарки так и не получилось найти, а применяемый мною клапан от 2108 имеет 3 вариации: черного цвета (самый хлипкий), белого цвета (постоянно течет и теряет свои свойства закрытия обратки) и цельнометаллический (кастом клапан, достаточно надежный, но редкий на просторах тюнинг магазинов)
Цель данного клапана — это помощь насосу поддерживать стабильное давление в топливной магистрали и препятствовать обратной циркуляции топлива по магистрали через обратку.
Здесь главным фактором является противодействие обратной циркуляции топлива по магистрали! Это связанно с тем, что при переворачивании автомобиля, топливо не должно поступать в подкапотное пространство во избежания возникновения пожара.
На данный момент я заменил данный клапан на медную трубку, так как предыдущие клапана от 2108 не справлялись, и возможно так и оставлю это без изменения.
Каких либо изменений в работе двигателя не обнаружено.
Теперь поговорим о списке необходимых деталей:
1. Насос krauf kr7777p
2. Примерно 20-30 хомутом 8х12 НОРМА
3. Примерно 3-4 метра шланга 8мм GATES
4. Примерно 2-3 метра шланга 7мм GATES
5. Топливный тройник для обратки
6. Два фильта топливных, одни грубой (с крупной сеткой), другой тонкой очистки (с бумажным фильтром)
7. Водопроводный штуцер металлический с гайкой и медной шайбой, для внедрения обраки в крышку поплавка бензобака
8. Блок предохранителя с предохранителем 15А
9. Пластиковые хомуты для фиксации обратки под дницем автомобиля
10. Комплект топливной магистрали (состоит из 2 трубок, одна идет по днищу, другая в багажнике)
11. Кронштейн крепления нового насоса. Я изготовил его из старого заглушенного насоса ДААЗ.
Коротко об установке: Ничего сложного нет. Врезаете штуцер в крышку поплавка бензобака, ставите фильтр грубой очистки на прямую топливную магистраль, протягиваете вторую магистраль по днищу, ставите на прямую магистраль новый фильтр тонкой очистки перед насосом, ставите насос, тяните шланг до карбюратора, перед карбюратором ставите тройник и ведете шланг на обратку, в идеале, устанаовливаете клапан обратного давления и все) Дальше подключаете реле и насос с электрооборудованию автомобиля.
Теперь необходимо прокачать систему перед первым запуском. Просто снимаете шланг обратки в подкапотном и включаете насос, как только пойдет бензин, выключаете насос и затягиваете шланг обратки.
И вуаля, ключ на старт и заводите авто)) Теперь вы обладатель недоинжектора))
И теперь итог-отзыв за целый год и более 30ткм пробега данного кит комплекта.
Машина побывала и в 30 градусную жару, и в 30 градусный мороз, мы ездили и по скоростным магистралям, стояли в километровых пробках, ездили на спортивном треке, наваливали боком по снегу… Эксплуатационных нареканий нет. Сел и поехал. Данной доработкой остался доволен, но в душе хочется инжектор))
Ну и теперь подытожим все выше сказанное:
1.Мотор стал работать стабильнее. В пробках, и тем более в жару, машина не глохнет. Холостой ход стал стабильнее. Это связано с тем, что топливо циркулируется постоянно (во время работы двигателя) и подается в карбюратор более охлажденным, нежели на штатном насосе. Следовательно, температура внутри карбюратора ниже, время закипания топлива дольше (оно попросту не успевает достичь данной температуры, ну или Вы должны часа 2 стоять в пробке под 40 градусной жарой, что бы это произошло).
2. Мотор не потерял своих мощностных характеристик, а наоборот приобрел. так как карбюратору стабильно подают большое количество топлива, а игольчатый клапан регулирует уровень поплавковой камеры карбюратора, не перелива
Volkswagen Passat Variant Бибика › Бортжурнал › Восстановление работы бензонасоса (электрика)
Полный размер
Сегодня утром моя Бибика вдруг перестала заводится — стартер крутит, а в ответ тишина. И что характерно — не услышал звука бензонасоса, когда провернул ключ зажигания. Подумал «приехали» — попадалово на бензонасос. Начал решать возникшую ситуацию методом «научного тыка»:
1. Проверил предохранитель — исправный.
2. Подергал реле №80 — ноль результатов.
3. Полез снимать бензонасос — тем более, что после замены топливного фильтра планировал и его осмотреть.
Достал, осмотрел — на удивление фильтры были беленькие и чистые (который раз убеждаюсь, что с топливом в Беларуси все ОК!..:) Ну раз достал, то понес его поближе к аккумулятору и решил напрямую подать 12 вольт.
ОН РАБОТАЕТ!..
4. Перед тем как его поставить обратно в бак, посветил туда фонариком и нашел какие-то пружинки и пластмассовую крестовину — предполагаю, что прошлый хозяин туда части от бывших насосов уронил и забил на них. Достал, поставил обратно свой насос, все собрал.
5. Меряю напряжение на фишке — нет 12 вольт при старте ключом (на проводе отмеченным красной стрелкой). Вот с нее надо было и начинать — впредь наука, за-то уверен в чистоте и работоспособности бензонасоса. 🙂
6. Чтобы не разбираться полностью с косой идущей от блока под рулевой колонкой до зада машины, решил кинуть времянку — проложил под боковым пластиком на порогах электрический провод достаточного сечения и соединил его одним концом с предохранителем, а другим сделал скрутку возле фишки на красном проводе у бензонасоса.
При запуске услышал знакомое жужжание насоса и двигатель ожил с пол-оборота.
Теперь в планах на лето переделать старые проводки (косы) идущие к разному электрооборудованию моей Бибики.
Заодно сегодня и схему электрическую изучил и матчасть освоил в этой области. 🙂
P.S. Фотки взяты с инета т.к свои не фотал — только подрисовал на них кружочки и стрелочки тех мест на которые надо обратить внимание.
Полный размер
Полный размер
Полный размер
Цена вопроса: 0 ₽ Пробег: 365 900 км
типы, устройство и принцип работы
Не существует бензинового двигателя, которому бы не понадобился бензонасос. И неважно, идет речь о современных суперкарах или стареньких карбюраторных трудягах – хороший насос нужен всем.
Единственная задача, которую выполняет насос в бензиновых автомобилях – подача непрерывного потока бензина на форсунки или карбюратор. С ней вполне справляются электрические насосы низкого давления, у которых достаточно простая конструкция и невысокая цена. Устройство, принцип работы и основные возможные поломки бензонасоса мы рассмотрим в этой статье.
Типы, устройство и принцип работы бензонасосов
В бензиновых двигателях используются так называемые насосы низкого давления, которые качают топливо под напором от 3 до 6 бар.
Этого вполне достаточно даже для мощного двигателя.
Типы бензонасосов определяются типом привода – механический или электрический, а также месторасположением насоса – внутри бензобака или снаружи. Нужно сразу отметить, что львиную долю рынка сегодня занимают электрические погружные модели. Рассмотрим различные типы бензонасосов.
1. Механический (вакуумный)
Это уже устаревшая конструкция, которую чаще можно встретить как вспомогательный насос на дизельных двигателях. На бензиновых автомобилях механические бензонасосы остались только в паре с карбюратором, и то уже нечасто.
Устройство представляет собой насос, основным рабочим элементом которого является мембрана. Кулачковый механизм поднимает и опускает мембрану, в результате чего в рабочей камере попеременно понижается и повышается давление. На фазе разрежения бензин поступает в рабочую камеру через входной патрубок, в это время клапан на выходном патрубке закрыт.
На фазе сжатия клапан на входном патрубке перекрывается, на выходном открывается и давление выталкивает бензин в топливную магистраль.
За счет того, что привод на бензонасос идет от коленвала двигателя, его производительность напрямую зависит от частоты оборотов. Чем выше скорость, тем больше топлива нужно и тем больше его даст насос. Такая схема работы не требует дополнительной регулировки.
2. Электрический
Это уже более продвинутый тип бензонасоса. Он представляет собой моторчик, который приводит в действие насосный механизм. Для простоты конструкции в электробензонасоса не регулируется производительность, он всё время работает с одной и той же скоростью. Если двигатель не требует столько топлива, сколько дает насос, излишек сливается обратно в бензобак через возвратный патрубок. Чем проще – тем лучше!
Электронасосы классифицируются по внутренней конструкции, месту размещения и способу монтажа в корпусе.
2.1. Шестеренный
Схема работы шестеренчатого эксцентрикового бензонасосаДля электронасосов используется конструкция с внутренним зацеплением шестерен.
Эксцентриковый ротор вращается в рабочей камере, создавая попеременно участки с пониженным и повышенным давлением. Бензин поступает в камеру при разрежении (когда ротор максимально отходит от впускного канала), затем перемещается к выпускному каналу и выталкивается в него.
2.2. Роликовый
Схема работы роликового бензонасосаКонструкция по своему принципу похожа на шестеренную, но вместо зубчатого колеса в круглой рабочей камере вращается круглый ротор с роликами по периметру. Поступающий бензин захватывается ротором при вращении, перемещается к выпускному каналу и выталкивается в него. Конструкция немного напоминает шиберные насосы, но вместо скользящих пластинок используются катящиеся ролики.
2.3. Центробежный
Схема работы центробежного (турбинного) бензонасосаНагнетание бензина происходит с помощью вращающейся крыльчатки особой формы, которая выталкивает бензин в топливную магистраль за счет центробежной силы. Такая конструкция используется чаще всего в современных электронасосах.
2.4. Вакуумный
Это электробензонасос первого поколения, который по конструкции похож на механический, с той лишь разницей, что приводится в движение от электрического моторчика, а не ДВС автомобиля.
2.5. Плунжерный
Принцип действия типового плунжерного бензонасосаРедкая конструкция с поршневой (плунжерной) системой подачи бензина. При движении плунжер попеременно открывает и закрывает впускное и выпускное отверстие, благодаря чему идет накачка бензина. Сегодня эта конструкция практически не используется для бензиновых автомобилей.
3. Выносной
Выносным называют насос, который находиться не в бензобаке, а где-либо на топливной магистрали. Довольно редкая компоновка, поскольку автопроизводители предпочитают ставить насос прямо в бак и не иметь с ним проблем. У выносных насосов самая частая болезнь – перегрев. Возможно, именно это вынудило инженеров искать способы их охлаждения.
4. Погружной
Типовая схема системы питания авто с погружным бензонасосомПожалуй, самое удачное решение – поместить бензонасос прямо в бензобак.
Так он лучше охлаждается, нет лишних патрубков, есть место для установки фильтра первичной очистки. К тому же бензин предохраняет электропроводку от короткого замыкания – он отличный изолятор.
Признаки неисправности, их причины
- Чаще всего бензонасосы страдают от перегрева. Даже 10 минут работы без правильного охлаждения могут привести к поломке моторчика насоса.
- Второй враг – вода и грязь. В бензобаке собирается конденсат, который затем попадает в бензин и вызывает коррозию и самого бака, и корпуса бензонасоса.
- Повредить насос могут и механические примеси. Как правило, в комплекте с ним идет сетчатый топливный фильтр, который можно промывать и снова использовать. Но если внутрь корпуса начнут проникать крупинки ржавчины и другие грубые частички, они быстро выведут из строя механизм.
- Наконец, где электричество – там и проблема с проводкой. Провода электронасосов страдают от вибрации, перетираются и переламываются.
Основные признаки неисправности – либо полный отказ насоса, либо некорректная подача топлива, из-за чего двигатель начинает работать неровно, а бензонасос не срабатывает.
Если на разгоне вдруг пропадает мощность или то же происходит при перевозке грузов, не заводится двигатель или заводится с трудом, неровно работает, это может быть следствием того, что насос вышел из строя.
Как проверить бензонасос?
Техническое состояние автомобиля, в том числе системы подачи топлива, можно проверить с помощью автомобильного диагностического сканера. Достаточно наличия ODB2 разъёма и устройства вывода информации (телефон, планшет, ПК). Из представленных на рынке можем порекомендовать Scan Tool Pro Black Edition.
Данный автосканер доступен по достаточно демократичной цене, совместим с большинством автомобилей начиная с 1993 года, имеет широкий функционал и достаточно прост в использовании. Преимущества конкретно этой модели— не только диагностика двигателя, но и остальных подсистем. Вся информация о состоянии вашего автомобиля и описание имеющихся неисправностей отображается на экране телефона/планшета на русском языке.
Если при включении зажигания бензонасос не запускается, проверку начинают с поиска неполадок в электрике:
- Проверка предохранителя.
Для этого найти блок предохранителей, выяснить, какой из них отвечает за бензонасос (свериться со схемой) и осмотреть его на предмет подгораний. Еще лучше сразу заменить на заведомо рабочий с такими же характеристиками и посмотреть, заработает ли он; - Проверка реле управления бензонасосом. Оно может устанавливаться возле блока предохранителей, блока управления впрыском или в других местах. Для проверки реле насоса нужно снять и замерить омметром сопротивление обмотки. Если показатель стремится к бесконечности, значит, есть обрыв;
- Проверить подачу тока. Для этого нужно достать сам бензонасос, не отключая его от электросети. Включить зажигание и замерить напряжение на клеммах, в норме должно быть 12-12,5 В. Если при этом мотор не работает, его придется заменить;
- Можно прозвонить сам мотор бензонасоса. Замерить сопротивление обмотки статора омметром, сначала на контактах мотора на предмет обрыва, затем между контактом и корпусом. Если есть проводимость, значит, обмотка статора замыкает на корпус;
- Если всё нормально, оценить состояние сетчатого фильтра.
Возможно, он забит до такой степени, что не пропускает нужное количество бензина, и в этом случае его необходимо очистить и использовать дальше; - Проверить обратный клапан, который не дает бензину возвращаться назад из топливной магистрали. Либо протестировать манометром (показатель должен быть не более 0,3 Мпа), либо прочистить клапан и посмотреть, как изменится работа двигателя;
- И, наконец, проверить давление бензина в системе. Для этого подключить манометр к топливной рампе и замерить давление при выключенном двигателе, на холостом ходу и в движении. При включенном двигателе показатель манометра должен быть в пределах 3-3,7 атм.
Ниже коротенькое видео-инструкция по проверке давления бензонасоса.
youtube.com/embed/F-EedE_tfpI?feature=oembed&wmode=opaque» frameborder=»0″ allow=»accelerometer; autoplay; encrypted-media; gyroscope; picture-in-picture» allowfullscreen=»»/>
Если проверка показала, что бензонасос вышел из строя, его не ремонтируют, а меняют. Слишком тонко там подогнаны все элементы, чтобы без специального оборудования пытаться что-то отремонтировать.
При покупке бензонасоса лучше отдать предпочтение хорошим известным брендам, а не подозрительно дешевому «конфискату». Тогда есть шанс, что новый насос отслужит хотя бы 100 тыс. км и не создаст проблем.
Включение топливного насоса с зажиганием. (версия 2) — Mazda 626, 2.0 л., 1994 года на DRIVE2
Найден более легкий способ включить насос вместе с зажиганием, и при этом не навредить вообще никакому электрическому механизму. В прошлом БЖ (вот)было изобретено реле которое включало насос на 4 сек., но эта процедура не нравилась штатной релюшке бензонасоса. По истичению 4 сек. штатное реле «потрескивало» пятаком об пятак контакта.
В электрике не силен, явно понимаю не дай Бог в дороге перестанет работать реле насоса, стану нахрен посреди трассы))
За основу взято реле заднего стеклоочистителя Ваз 08-09. (452.3747). можно использовать и реле времени «Регтайм1» но оно дороговато будет, если еще и заказывать его в нете.(смысл переплачивать, за подстроечный резистор, котором можно регулировать время задержки подачи плюса). А реле 452.3747 или 454.3747 имеет нужное мне время задержки выключения питания в 5 сек.
вот оно 452.3747
А так как нам нужно для включения насоса, управление минусом «-«, а не плюсом «+», внедряем в схему еще одно простое 4-х контактное реле. Схему подключения намазал в Пэинте:
котакты могут на реле омывателя быть по другому, СТРОГО придерживаться нумерации, она на многих одинаковая
вставляем все это дело в диагностический разьем, потом включаем зажигание и слышим как вкл. насос, и через 5 сек. срабатывает релюшка и разрывает контакт GND и f/p.
Теперь лютые морозы не страшны, машина по утрам заводится с пол пенка.

итог
А вот еще чудо инструмент для замены задних тормозных колодок, сделанный за 15 минут… Ведь при помощи его остается целым пыльник поршня, а это очень важно.
Реле бензонасоса: устройство и основные неисправности
Реле бензонасоса – далеко не тот компонент топливной системы, который часто выходит из строя. Нередко проблемы с данным реле обнаруживаются лишь в сервисном центре, хотя неисправности легко было бы выявить даже не выходя из салона автомобиля. Мы разберемся, как устроено данное реле, как устроена схема реле бензонасоса, а также как данное устройство работает и для чего оно вообще нужно.
Начиная издалека
Отнюдь не удивительным для современной автомобильной промышленности является использование ЭБУ – электронного блока управления. Этот блок устанавливается под торпедой в автомобильном салоне и выполняет множество функций. Основной функцией является контроль работы исполнительных устройств и установленных в автомобиле датчиков. ЭБУ также «следит» за работой реле насоса подачи топлива.
Сердцем электронного блока управления является микроконтроллер. Мы не будем разбираться в особенностях различных контроллеров, но лишь скажем, что чем более новым является автомобиль, тем, вероятнее всего, более сложный и совершенный микроконтроллер использует его ЭБУ. Впрочем, у разных микроконтроллеров есть общие элементы. К примеру, порты ввода/вывода. Как легко догадаться, они нужны для того, чтобы контроллер мог получать и отдавать сигналы. В даташитах данные порты имеют обозначения в виде букв
Ключевые функции реле бензонасоса
Так для чего же нужно реле? Одной из основных его задач является создание чего-то наподобие буферного каскада между потребителем тока в бортовой электросети и электронным блоком управления.
Дело в том, что топливные насоса оборудуются двигателями постоянного тока, причем весьма мощными. А к выходу ЭБУ нельзя подключать большую нагрузку. И именно реле позволяет создавать цепи управления, к которых будет действовать ток небольшой силы. Это однозначно применимо к автомобильным электроцепям, которые включают в себя слаботочные цепи управления и силовые провода, с которыми связаны насосы, оптика и т.п. Что до других задач реле бензонасоса, то их довольно много:
- Обогрев лямбда-зонда. В одних системах обогрев включался вместе с включением бензонасоса, а на других для подобных задач устанавливался отдельный транзистор;
- Управление топливным насосам. А точнее, ввод насоса в работу. Дабы при включении двигателя в топливной магистрали сразу же повысилось давление, реле включает насос подачи топлива всего на пару секунд. Далее за работой бензонасоса «следят» более мощные агрегаты;
- Контроль работы пусковой форсунки. Это актуально для работы еще непрогретого двигателя.
Когда двигатель «холодный» пусковая форсунка может работать 8-10 секунд, тем временем как на хорошо прогретом двигателе пусковая форсунка может проработать какие-то доли секунды; - На автомобилях с коробкой-автоматом: управление функцией Kick-Down.
На некоторых автомобилях реле топливного насоса выполнять и еще несколько функций. К примеру, устройство может выполнять задачи ограничителя оборотов коленчатого вала. Если метонимия ДВС слишком высока, реле начинает работать на отключение электронасоса. Другая интересная функция: включение реле сразу при открытии водительской двери. Это позволяет заранее создать давление в системе подачи топлива, что способствует быстрому запуску силового агрегата.
Как видите, реле – это небольшой, но довольно важный компонент, повышающий стабильность работы нескольких автомобильных систем. Неисправности реле отрицательно сказываются на работе топливного насоса, вплоть до его выхода из строя и невозможности завести автомобиль.
Впрочем, нельзя не отметить, что высокая живучесть данного элемента обусловлена хорошо проработанной схемотехникой – полный выход реле и заодно бензонасоса из строя наблюдается довольно редко.
Подробнее о неисправностях
Для начала разберемся с тем, как именно реле участвует в управлении имеющимся в авто бензонасосом. Схема имеет следующий вид:
- Попав в салон, водитель включает зажигание;
- Реле включает топливный насос примерно на 2-3 секунды, а в отдельных ситуациях и на больший промежуток времени. В топливной рампе создается оптимальное давление;
- Топливный насос отключается, о чем свидетельствует щелчок реле;
- Бензонасос может продолжить свою работу уже на запущенном моторе или же при вращении установленного в автомобиле стартера;
- Сразу после выключения зажигания и прекращении работы силового агрегата реле отключает насос через секунду или практически сразу.
Если реле топливного насоса перестало работать, то на сам насос питание может не подаваться.
Зачастую наблюдается нечто подобное: после установки давления в топливной магистрали насос ощутимо шумит, что свидетельствует о том, что реле по-прежнему держит цепь замкнутой. Второе состояние реле часто называют залипанием. К слову, именно в этом случае можно наблюдать быстрый расход заряда аккумуляторной батареи, так как он тратится на вращения электромотора, встроенного в насос. Если в систему подачи топлива включен стартер, то за счет его работы топливный насос может повышать давление в системе даже в случае неисправности реле. О последнем можно будет судить по звуку: если после включения зажигания не слышно пары щелчков, реле однозначно нужно демонтировать и осмотреть.
Совершенно новое реле может быстро выйти из строя по ряду причин. Первая, но довольно редкая причина: фабричный брак. Касается в основном недорогих реле, произведенных в промышленных регионах Азии. Вторая причина: попадание влаги. Контакты даже недавно установленного реле при этом покроются окислом.
Третья и довольна частая причина, по которой реле перестает работать: выход из строя конденсаторов. Также нельзя не отметить возможность поломки реле при нарушении целостности бортовой электроцепи или же при коротком замыкании.
Как проверить реле бензонасоса
Сразу отметим, что перебои в работе бензонасоса могут быть связаны не только с выходом реле из строя, но и с проблемами с предохранителем. Последний устанавливается в так называемом блоке предохранителей и маркируется обычно как “Fuel Pump” (топливный насос). Предохранитель с поврежденным контактом нужно заменить новым. Благо, предохранители не стоят больших денег и их можно найти практически во всех магазинах с автомобильными товарами. А вот если проблема может крыться в реле бензонасоса, то его нужно проверить. Вот что надо сделать:
- Снять реле. Пользуясь мультиметром или тест-лампочкой лампочкой на 0,25 и меньше Ампер, проверить, есть ли напряжения на управляющих выводах на колодке реле. Контакт фиксируется параллельно на массу;
- Если, к примеру, лампочка не загорелась, нужно проверить участку цепи от реле вплоть до электронного блока управления, а уже потом судить об исправности реле.

Как показывает практика, проверка контактов и контрольная установка рабочего устройства позволяет понять, находится ли имеющееся реле в рабочем состоянии. Но учтите также и то, что элемент может перестать работать из-за установленного иммобилайзера или же сигнализации. Данные системы работают на то, чтобы прекратить подачу питания на топливный насос в случае попытки угона авто. Аналогичным образом работает системы, призванные обезопасить автомобиль от возгорания в случае аварии. Правда, они могут сработать даже при наезде на глубокую яму.
Выбор нового реле топливного насоса
Подобрать нужное реле не так уж и сложно. Для поисков лучше всего пользоваться электронными каталогами или сервисами по поиску запчастей по их наименованию и параметрам автомобиля, или же по кодам. Впрочем, искать можно и по VIN-коду. Опционально, автолюбитель может перепаять реле. Часто помогает восстановление дорожки. Компоненты реле можно на радиорынках.
Впрочем, многие эксперты не советуют так делать.
Так как реле топливного насоса устроено довольно просто и имеет большой эксплуатационный ресурс, автолюбитель может поискать оригинальное б/у реле на автомобильной разборке. Если есть желание приобрести новый аналог, то здесь стоит обращать внимание на продукцию под именами хорошо известный брендов: Parts Mall, Bosch, Valeo. Недорогие, но менее качественные аналоги предлагают и упаковщики. Наиболее крупными фирмами-упаковщиками являются Meyle и JP Group. Обращаем внимание автолюбителей на то, что дешевые реле бензиновых насосов можно заказать в интернет-магазинах, специализирующихся на товарах из Китая. Китайские реле крайне доступны в ценовом плане, но они не могут похвастать стабильным качеством. Лучшим выбором станет оригинальное реле или же устройство от упаковщиков и производителей, которые хорошо себя зарекомендовали. Использование реле с отечественной классики (если оно подходит по количеству контактов) нежелательно – оно может справляться со всеми ключевыми функциями, кроме выключения топливного насоса в аварийном режиме.
Вывод
Реле бензонасоса – это небольшой, но крайне важный компонент электрической системы автомобиля. Подобрать новое реле довольно легко. Установить в свой автомобиль вполне можно и б/у реле бензонасоса. Более того, устройство даже можно отремонтировать, особенно если у вас есть опыт пайки электрических схем. Впрочем, полный выход реле из строя на многих моделях авто игнорировать не получится.
Электробензонасос на карбюраторный двигатель: установка и основные преимущества
Начнем с того, что карбюратор являет механическим узлом системы питания бензинового двигателя. Главной задачей карбюратора является приготовление подходящей по составу топливно-воздушной смеси, а также дозирование готовой рабочей смеси при подаче в двигатель.
Сегодня карбюраторный впрыск в значительной мере устарел, уступив место электронным инжекторным системам.
При этом на дорогах СНГ по ряду причин еще можно встретить достаточно большое количество карбюраторных автомобилей. Владельцы таких ТС нередко дорабатывают различные узлы и модернизируют отдельные элементы, так как стремятся добиться максимальной топливной экономичности в сочетании с приемлемой отдачей и стабильной работой ДВС во всех режимах.Естественно, многие решения заимствуются из более современных систем. Достаточно часто на карбюраторных авто можно встретить электронное зажигание или электрический бензонасос. Далее мы поговорим о том, какие преимущества обеспечивает электробензонасос для карбюраторных двигателей, как подключить электробензонасос на карбюраторный двигатель, а также какие тонкости и нюансы нужно учитывать во время такой установки.
Содержание статьи
Электробензонасос на мотор с карбюратором
Итак, электрический топливный насос низкого давления на инжекторных авто стоит в бензобаке и осуществляет забор горючего из топливного бака, после чего подает его под определенным давлением к форсункам.
В результате двигатель работает стабильно независимо от нагрузки, также удается добиться точного и своевременного впрыска.
На карбюраторных авто штатно устанавливается механический бензонасос. Данное устройство стоит под капотом рядом с карбюратором, приводится в действие от двигателя, при этом работает менее стабильно и хуже по производительности сравнительно с электронасосом. Как правило, механический насос может выйти из строя по причине проблем с мембранами, также бензонасос часто перегревается и т.п.
При этом как в первом, так и во втором случае насос подает горючее в дозирующие системы (форсунки или карбюратор). Вполне очевидно, что если вместо механического насоса поставить электрический, можно добиться безотказной работы карбюратора и стабильной подачи топлива.
Однако важно понимать, что электробензонасос на карбюраторе должен работать с низким давлением, чтобы избежать переливов топлива. Что касается самой установки, электрический насос в ряде случаев устанавливается под капотом, а не в баке (как на инжекторе).
Также достаточно распространенным является вариант, когда насосную секцию интегрируют прямо в бензобак.
Установка электрического бензонасоса на карбюратор
Сразу отметим, установка электробензонасоса на карбюраторный ДВС сопряжена с рядом сложностей. Обратите внимание, без надлежащего опыта проведения подобных работ проводить указную доработку топливной системы самостоятельно не рекомендуется.
Теперь давайте рассмотрим распространенный способ установки на примере. Прежде всего, нужно подобрать наиболее подходящий по производительности топливный электронасос для конкретного типа ДВС и установленного на машине карбюратора.
Кроме насоса также следует подготовить следующие элементы:
- шланг длиной 5 метров, внутренний диаметр шланга около 8-9 мм;
- дополнительно потребуется реле;
- также нужно иметь сверло 3 или 4 мм;
- еще понадобится топливный фильтр от инжекторных систем;
- топливный фильтр для карбюраторных систем;
- трубка из стали 7 мм со стенкой 0.
8 мм и длиной 25 см; - топливный шланг с внутренним диаметром 12 мм;
- штуцер-переходник с 8 мм на 12 мм;
Подготовив все необходимое, можно переходить к установке. Сначала потребуется снять датчик уровня топлива в бензобаке. Затем в крышке датчика высверливается отверстие, затем паяльником в отверстие впаивается трубка 7 мм. Важно загнуть кончик трубочки так, чтобы реализовать слив обратки максимально удаленно от топливозаборника.
Также верхний конец трубочки параллельно загибается с выходом топливозаборника. Теперь в бак следует поставить доработанный датчик уровня топлива с заборником и обраткой. Следует учитывать, что резиновую трубку потребуется соединить с установленным штуцером обратки от штатной топливной магистрали.
Теперь один конец шланга с длиной 5 метров надевается на штуцер топливозаборника. После того, как было реализовано подключение резинового шланга топливподачи, указанный шланг надежно крепится к металлической трубке. Сделать это можно путем использования хомутов.
Далее переходим к монтажу электробензонасоса. Устройство следует крепить на моторный щит, расположив горизонтально. Закрепление происходит на кронштейне, также устанавливаются специальные резиновые прокладки-подушки, которые продаются вместе с насосом или докупаются отдельно.
При установке важно следить за тем, чтобы насос распологался правильно (топливо всасывается со стороны расширительного бачка, а подача идет на двигатель). Далее на резиновый шланг подачи устанавливается топливный фильтр с инжекторных систем. На второй штуцер следует надеть шланг длиной 5 см. В дальнейшем этот шланг хомутами закрепляется на кузове автомобиля в вертикальном положении.
Это необходимо для того, чтобы горючее подавалось снизу вверх. Сам электробензонасос соединяется с бензобаком при помощи шланга 12мм. Для соединения используется стальной переходник. На данном этапе подключение насоса можно считать завершенным. Теперь нужно разобраться с вопросом давления нового наоса, которое выше, чем у механического.
Если давление окажется большим, карбюратор будет заливать.
Для решения задачи потребуется выполнить доработки. Прежде всего, с насоса снимается верхняя крышка, выкручивается штуцер подачи, после чего снимается сетка. Далее отверстие рассверливается на 1-3 мм заранее подготовленным сверлом. Теперь остается выполнить окончательную сборку, подключить бензонасос через шланг, установив параллельно фильтр топлива для карбюраторных систем. Для этого используется резиновая трубка, фиксация реализуется посредством хомутов.
Что касается электропитания насоса, устройство подключается через силовое реле к контакту 12 В, который находится на катушке зажигания.
Преимущества и недостатки установки электробензонасоса на карбюраторный двигатель
В списке основных плюсов после установки электрического насоса на карбюратор следует выделить легкость запуска ДВС. Двигатель заводится быстро, причем как на холодную, так и на горячую, снижается нагрузка на АКБ и стартер. Что касается эксплуатации, при правильном подключении в салоне не так сильно пахнет бензином, также горючее расходуется более экономно.
Если говорить о недостатках, тогда стоит отметить только сложность установки и необходимость приобретения самого насоса. Также для нормальной работы насоса требуется исправность электрических систем автомобиля, а также нормальный уровень заряда АКБ.
Советы и рекомендации
Следует отметить, что перед покупкой бензонасоса необходимо тщательно изучить его характеристики по производительности и давлению, потребляемому току и т.д. В ряде случаев может возникнуть ситуация, когда устройство не в состоянии нормально работать с тем или иным карбюратором.
По этой причине необходимо заранее учесть все возможные нюансы. Желательно, чтобы уже имелись примеры успешной установки конкретного насоса на аналогичный автомобиль. Также нужно обратить внимание на то, что установка электрического насоса обязывает владельца машины с карбюратором дополнительно следить за чистотой топливных фильтров.
Дело в том, что засорение фильтров повышает нагрузку на насос, в результате чего устройство может перегреваться или выйти из строя. Как правило, в случае проблем с фильтрами, сначала производительность насоса падает, затем двигатель может начать работать неустойчиво, пропадает мощность и ухудшается тяга. Игнорирование данных симптомов не только затрудняет эксплуатацию автомобиля, но и в значительной степени сокращает срок службы электрического бензонасоса.
Читайте также
Схема электрических соединений электрического топливного насосаПодключить электрический топливный насос довольно просто, и принятие дополнительных мер предосторожности может сделать его намного безопаснее, чем просто
., подключив его к ручному переключателю или цепи зажигания.
Сделать это правильно на гоночном автомобиле обязательно, особенно когда некоторые из этих топливных насосов могут опорожнить бассейн в
.несколько секунд (очевидно, шучу, но идею вы поняли)
Что это влечет за собой? Сначала несколько хороших практик, один из них — это правильная проводка, предохранители и использование правильных цепей безопасности, чтобы сохранить
Вы и ваша машина в безопасности.В этом проекте будут показаны 2 основные схемы подключения электрических топливных насосов. Один без предупреждения
светлый с. Некоторые детали, например, инерционный выключатель, не обязательны, но настоятельно рекомендуются.
Вы можете спросить, а как насчет универсального переключателя, который предлагает Холли? Судя по всему, они не используют реле сэто как переключатель, кажется, способен напрямую управлять топливным насосом, но неясно, какой ток он может выдержать
надежно. Другая потенциальная проблема заключается в том, что вам нужно будет проложить более толстые провода от батареи (которая может быть сзади) к
.переключатель, а затем обратно к насосу.Последняя пара битов об этой настройке, которая вызывает у меня ошибку, заключается в том, что они не предназначены для
инерционный выключатель, подождите, ах да, он дорогой и большой.
Я выбрал конструкции, представленные ниже, но когда дело доходит до безопасности, я не позволяю мне говорить вам, что делать, но на самом деле вы должны
исследуйте это и делайте свой собственный выбор.
Необходимые расходные материалы
Реле давления масла (многие типы доступны ниже) —
2 Терминал основной нормально открытый
3 Клемма нормально открытый и нормально закрытый
2 переходника клеммного жгута (труднее найти)
Номер детали 1053 Пигтейл для ремня
AIRTEX / WELLS 1P1685
Адаптер жгута 3 клемм (должен работать с 2 клеммами)
Инерционный выключатель Доступен во многих стилях, некоторые примеры —
2 диода 1N4007 или 1N5408 (ассортимент) 1N4005-1N4007 все будут работать нормально Боковой габаритный фонарь или другой индикатор при построении версии DELUXE.Вот несколько примеров.Множество фоток внизу и, наконец, электрические схемы!
Основы подключения топливного насоса| DoItYourself.com
Электропроводка топливного насоса — важная часть любого автомобиля. Это устройство, с помощью которого топливо подается в двигатель. Если электропроводка топливного насоса выполнена неправильно, насос не будет работать, и двигатель не запустится. Есть два типа топливных насосов: те, которые устанавливаются внутри самого топливного бака (стандартный насос), и те, которые устанавливаются под автомобилем, прямо перед топливным баком (линейный насос).
Основные компонентыОсновными компонентами электрического топливного насоса являются положительная и отрицательная (заземляющая) электрические клеммы на самом насосе, блок подачи топлива, реле для насоса и предохранитель для топливного насоса. в блоке предохранителей вашего автомобиля. Электричество может быть опасным. УБЕДИТЕСЬ, что автомобильный аккумулятор полностью отключен и что предохранитель топливного насоса (находится в блоке предохранителей) удален. К электричеству нельзя относиться легкомысленно.Искра от незакрепленного провода может воспламенить пары топлива, что приведет к серьезной катастрофе. Будь осторожен.
Электрические соединенияПервый совет по подключению топливного насоса связан с электрическими соединениями на самом насосе. Обязательно пометьте положительный и отрицательный (заземляющий) провода на топливном насосе. Это основная задача, которую вы всегда должны выполнять при работе с электрическими компонентами вашего автомобиля, чтобы избежать поражения электрическим током, возникновения искр или поджаривания компонентов. Отсутствие этой очень простой части процесса подключения может мгновенно вывести из строя весь насос (и, возможно, всю электрическую систему), как только вы запустите автомобиль.Небольшой кусок малярной ленты, обернутый вокруг провода и помеченный «+» и «-», сделает свое дело.
Физическая проводка
Убедившись, что аккумулятор отсоединен и предохранитель извлечен из блока предохранителей, подключите провода в соответствующих местах. Положительный провод, идущий от топливного насоса, теперь можно подключить к положительному проводу, идущему от жгута проводов вашего автомобиля. Убедитесь, что соединение плотное и надежное.Плохое соединение будет генерировать тепло в месте соединения и не подавать надлежащее напряжение на насос, что, вероятно, приведет к сгоранию провода и повреждению насоса, что приведет к плохой работе двигателя или вообще к его работе.
Возьмите провод заземления от топливного насоса и прикрепите его к ближайшей поверхности электрического заземления, которую вы можете найти (обычно к раме вашего автомобиля). При подключении заземляющего провода убедитесь, что разъем на конце провода и место, где вы его подключаете, чистые и без ржавчины.Также убедитесь, что соединение надежное и плотное. Как упоминалось ранее, неплотное соединение может привести к перегреву провода и нарушению подачи напряжения на насос, что приведет к его неправильной работе.
Диагностика электрического топливного насоса: Хьюстон, у нас проблема | 2013-04-11
Часть первая из двух
Слишком часто, когда возникает состояние, при котором не запускается двигатель или происходит резкий запуск, некоторые технические специалисты могут быть слишком поспешными, чтобы автоматически обвинить электрический топливный насос.
Если вы поговорите с любым специалистом по ремонту / восстановлению или гарантийным работником производителя новых деталей, они скажут вам, что в большинстве случаев возврата топливный насос, который был возвращен как неисправный, на самом деле был исправен. Прежде чем бросить пистолет и поменять топливный насос, подумайте о том, чтобы выполнить простой тест на падение напряжения, чтобы проверить цепи, которые отвечают за активацию насоса.
У нас есть топливо?
Мы понимаем, насколько это банально звучит, но перед выполнением любого типа диагностики, связанной с подозрением на проблему с топливным насосом, убедитесь, что в баке автомобиля есть топливо.Независимо от того, имеете ли вы дело с бензиновым или дизельным двигателем, он не загорится, если в насосе не будет топлива, которое можно всасывать из бака и проталкивать вперед к форсункам. Вы можете посмеяться над этим напоминанием, но если бы мы не упомянули об этом, я уверен, что мы получили бы письма с критикой за то, что мы не включили это предупреждение.
Электрические топливные насосы в системах впрыска топлива с электронным управлением должны создавать достаточно «высокое» давление, чтобы форсунки могли производить достаточное количество распыленного топлива во впускной тракт (или в камеру сгорания в системе прямого впрыска).Давление топлива обычно находится в диапазоне от 35 до 45 фунтов на квадратный дюйм. Электрический топливный насос должен обеспечивать большее давление и поток, чем это необходимо, при этом давление регулируется в пределах диапазона требований двигателя с помощью регулятора давления. Когда двигатель работает на холостом ходу (низкие обороты двигателя), регулятор позволяет возвращать больше топлива в бак, чтобы давление топлива не превышало то, что двигателю необходимо в данный момент. При более высоких оборотах двигателя количество топлива, возвращаемого в бак, уменьшается.
Чем еще можно остановить помпу?
Помимо недостаточного сигнала питания или проблем с заземлением, которые могут повлиять на работу насоса, в насосах последних моделей в топливный насос в сборе используются ранее отдельные компоненты. Сюда входят насос, фильтр, датчик уровня топлива и в некоторых случаях регулятор давления. Во многих из этих конфигураций сигнал, вырабатываемый датчиком положения коленчатого вала и контролируемый контроллером ЭСУД, приводит к отключению насоса, когда / если двигатель глохнет / глохнет.
Если автомобиль попал в аварию, датчики удара могут отключить сигнал насоса, а также сигналы, генерируемые системами подушек безопасности.
Ссылаясь на примеры различных дизельных применений, дизельный двигатель может иметь внешнюю систему смазки под высоким давлением, которая отвечает за работу инжектора. Если масляный насос высокого давления (или связанные с ним компоненты насоса) изнашивается или выходит из строя, то для работы форсунок будет недостаточно (или нет) масла высокого давления.
Падение давления топлива может быть вызвано засорением топливного фильтра, что может привести к отказу от насоса, что приводит к аэрации топлива (пузырьки воздуха в топливе).Грязный фильтр заставит насос работать с перегрузкой, поскольку он пытается вытолкнуть топливо, что приведет к преждевременному выходу насоса из строя.
Падение (или резкое снижение) давления моторного масла может вызвать прерывистую работу топливного насоса или проблемы с отключением, когда сигнал датчика давления масла указывает на недостаточное давление масла (цепь безопасности отключает насос в качестве меры предосторожности, чтобы помочь спасти двигатель) .
Неисправный (заедающий) регулятор давления топлива, который вызывает снижение давления топлива, легко может быть ошибочно принят за проблему с насосом.
Объем топлива должен находиться в диапазоне от пяти до семи галлонов в минуту (проверьте с помощью инструмента для измерения объема топлива).
Другие возможные причины отключения топливного насоса:
• Инерционный выключатель. Как правило, во многих автомобилях Ford инерционный переключатель отключает топливный насос, если переключатель обнаруживает удар, который может быть вызван столкновением, резкой неровностью в задней части автомобиля или даже при езде по неровной дороге. Нажатие кнопки сброса на переключателе повторно активирует цепь насоса (переключатель часто находится в области багажника).
• Воздушный поток (если воздухозаборник протекает через дроссельную заслонку или присутствуют другие проблемы с воздухозаборником.
• Основания. Всегда проверяйте наличие незакрепленных, отсутствующих или сильно заржавевших оснований бака / насоса, прежде чем тратить кучу времени на обширную диагностику.
• Плохо смонтированные или неисправные системы защиты от кражи, которые могут заглушить сигнал к насосу.
• Неисправен выключатель зажигания и / или ключ зажигания.
• Неисправная или неправильно запрограммированная система дистанционного запуска зажигания.
[PAGEBREAK]
Испытание на падение напряжения
Падение напряжения вызвано протеканием тока через сопротивление. Увеличение сопротивления увеличивает падение напряжения.
Чтобы выполнить проверку падения напряжения, топливный насос должен работать. Типичное падение напряжения как на стороне питания, так и на стороне земли не должно превышать 0,5 В.
Используйте качественный DVOM с перемычками, достаточно длинными, чтобы дотянуться до топливного насоса.
Выполните тест на падение напряжения на положительной стороне, подключив красный провод DVOM к положительному выводу батареи. Включите DVOM. Подключите черный провод DVOM к красной перемычке, которая подключается к проводу питания насоса.
Вы не увидите никакого падения напряжения, пока не получите ток, протекающий через насос (опять же, насос должен работать).
Включите зажигание (в положение работы). Насос должен поработать около двух секунд.
При включенной кнопке (рабочее положение), если, например, вы читаете падение напряжения равное 0.2В, это приемлемо. Если вы читаете больше 0,5В, это недопустимо. Если значение падения напряжения находится в пределах допустимого диапазона, это означает, что у нас есть хорошая положительная цепь питания к насосу, поэтому все, от аккумулятора до насоса, в порядке.
Чтобы проверить сторону заземления, подключите отрицательный вывод DVOM к отрицательному полюсу аккумулятора, а положительный вывод DVOM подключите к длинной перемычке, которая подключается к заземлению топливного насоса (заземление на насосе).
Лучше использовать прямой провод для длинного провода, а не спиральный или спиральный провод, который может иметь слишком большое сопротивление.
Теперь нам нужен ток, поэтому поверните ключ в положение работы (насос должен работать примерно две секунды). Опять же, максимально допустимое падение напряжения составляет 0,5 В.
Проверить массу у топливного насоса. Установите DVOM на силу постоянного тока и выберите диапазон 10 ампер. Поверните ключ в рабочее положение. Опять же, насос должен поработать около двух секунд.
Если насос протекает через цепь заземления, заземление проверяется как нормальное. Если цепь заземления не потребляет ток, проблема, скорее всего, связана либо с заземлением насоса, либо с самим насосом.
В этом случае бросьте бак (при необходимости, в зависимости от модели) и выполните проверку целостности провода заземления на насосе. Если у вас есть непрерывность, то вы знаете, что проблема заключается в самом насосе.
Быстрая проверка на отсутствие запуска
• Убедитесь, что вы не слышите, как работает электрический топливный насос (при выключателе зажигания в положении работы).
• Проверить предохранитель подкапотного топливного насоса.
• Проверить реле подкапотного топливного насоса.Когда ключ повернут в рабочее положение, вы должны услышать / почувствовать щелчок реле.
• Установите манометр на топливную рампу впрыска топлива (через порт клапана Шредера). Когда ключ находится в рабочем положении, следите за манометром. Во время этой проверки несколько раз включите / выключите ключ.
Проведение испытаний электрической системы
Предоставлено Чарли Гипом
Ведущий инженер по обучению, продукты и сервисные решения Delphi
Проблемы с подачей топлива часто могут быть связаны с проблемами в электрической системе, которые не позволяют топливному насосу получать правильную мощность, что приводит к плохой работе насоса или его прекращению.Проверка питания, заземления и понимание того, как выполнить точный тест на падение напряжения, будут важны для правильной диагностики подозрительной системы подачи топлива и выполнения необходимого ремонта.
Хотя все автомобили обеспечивают питание и заземление электрического топливного насоса, схемы, используемые для этого, могут отличаться от автомобиля к автомобилю. Поэтому важно иметь хорошую электрическую схему системы подачи топлива для транспортного средства, над которым вы работаете, чтобы определить, где расположены электрические соединения, как протекает ток в цепи и какие клеммы следует проверять при выполнении диагностики.
Для проверки электрической системы потребуются цифровой мультиметр (цифровой мультиметр), амперметр, нагрузочный инструмент и несколько измерительных проводов для измерения напряжения в системе в различных точках. При диагностике необходимо проверить электрические соединения в топливной системе, но всегда следует проявлять осторожность, чтобы не повредить соединения. Всегда проверяйте электрический разъем правильным измерительным проводом, чтобы предотвратить возможное повреждение. Неправильное определение электрического разъема может привести к его повреждению, поломке в будущем и возвращению покупателя.
Ряд электрических испытаний может быть выполнен с использованием упомянутых выше инструментов, поэтому давайте рассмотрим каждый из этих испытаний и посмотрим, как они выполняются.
Испытания на обрыв цепи
Если топливный насос не работает, это может быть вызвано потерей мощности или заземлением насоса. Простой метод проверки наличия питания и заземления на насосе состоит в том, чтобы снять жгут проводов транспортного средства с топливного насоса или модуля, подключить цифровой мультиметр к клеммам питания и заземления в электрическом разъеме транспортного средства, подать питание на электрическую цепь, повернув ключ автомобиля в положение «ON» или команду на включение топливного насоса с помощью диагностического прибора и измерение напряжения на электрическом разъеме.Это называется испытанием на обрыв цепи, потому что измеряемое значение напряжения выполняется при отсутствии тока в цепи, в то время как цепь электрически «разомкнута».
Оборудование, необходимое для выполнения этого теста, включает:
• Цифровой мультиметр настроен на шкалу постоянного напряжения.
• Все необходимые измерительные провода или электрические клеммы для правильного измерения электрического разъема.
• Электросхема контура подачи топлива.
[PAGEBREAK]
Для выполнения этого теста:
Отсоедините жгут проводов автомобиля от топливного насоса или топливного модуля.
С помощью плюсового провода цифрового мультиметра осторожно проверьте клемму питания топливного насоса в разъеме (см. Рисунок 1).
Используя отрицательный провод цифрового мультиметра, осторожно проверьте клемму массы топливного насоса в разъеме (см. Рисунок 1).
Установите цифровой мультиметр так, чтобы он считывал значения напряжения до 0,001 В.
Подайте питание на цепь топливного насоса и следите за напряжением цифрового мультиметра.
Если цепь не разомкнута, напряжение должно возрасти примерно до 12 В (напряжение аккумулятора).
Если значение, указанное на цифровом мультиметре, составляет приблизительно 0 вольт, цепь разомкнута, и ее необходимо проверить, чтобы найти обрыв и отремонтировать.
При выполнении любого электрического теста системы подачи топлива важно убедиться, что аккумулятор достаточно заряжен и может обеспечить необходимую мощность для получения точных результатов теста. При необходимости проверьте аккумулятор перед любым испытанием топливной системы, чтобы убедиться, что он заряжен и находится в хорошем рабочем состоянии.
Если напряжение, отмеченное при подаче питания на цепь насоса, равно или близко к 0 вольт, значит, где-то в цепи есть разрыв, который препятствует подаче энергии на топливный насос.Разрыв может быть либо на стороне питания, либо на стороне земли. Местоположение обрыва можно определить, протестировав цепь с помощью цифрового мультиметра следующим образом.
Тестирование цепи заземления топливного насоса
Подключите положительный вывод цифрового мультиметра к заведомо исправному источнику напряжения, например, к положительной клемме аккумуляторной батареи (см. Рисунок 2).
Используя отрицательный провод цифрового мультиметра, осторожно проверьте клемму заземления топливного насоса на разъеме (см. Рисунок 2).
Установите цифровой мультиметр так, чтобы он считывал значения напряжения до 0,001.
Запишите значение напряжения на цифровом мультиметре.
[PAGEBREAK]
Если значение, указанное на цифровом мультиметре, составляет примерно 12 вольт, цепь не разомкнута.
Если значение, указанное на цифровом мультиметре, составляет приблизительно 0 вольт, цепь заземления разомкнута, и ее необходимо проверить, чтобы найти обрыв и отремонтировать.
Обрыв в цепи массы топливного насоса может быть вызван:
• Обрыв соединения провода заземления с шасси автомобиля из-за ржавчины / коррозии.
• Отсутствует соединение провода заземления из-за ранее проведенных работ на автомобиле.
• Корродированное или поврежденное электрическое соединение или переход в цепи заземления, вызывающее разрыв.
Проверка силовой цепи топливного насоса
Подключите отрицательный провод цифрового мультиметра к заведомо надежному заземлению, например к отрицательной клемме аккумуляторной батареи (см. Рисунок 3).
Используя плюсовой провод цифрового мультиметра, осторожно проверьте клемму питания топливного насоса на разъеме (снова см. Рисунок 3).
Установите цифровой мультиметр так, чтобы он считывал значения напряжения до 0,001.
Подать напряжение на цепь топливного насоса.
Запишите значение напряжения на цифровом мультиметре.
Если значение, указанное на цифровом мультиметре, составляет примерно 12 вольт, цепь не разомкнута.
Если значение, указанное на цифровом мультиметре, составляет приблизительно 0 вольт, цепь питания разомкнута, и ее необходимо проверить на предмет обрыва и отремонтировать.
Обрыв в цепи питания топливного насоса может быть вызван:
А «перегорел» или сгорел предохранитель.
Неисправное реле топливного насоса.
Противоугонная или защитная система транспортного средства, предотвращающая подачу питания на топливный насос.
Поврежденный электрический разъем в цепи питания, вызвавший обрыв.
Если обнаружен обрыв в цепи питания или заземления, дальнейшее тестирование для изоляции обрыва может быть выполнено с использованием цифрового мультиметра и схемы подключения для систематического исследования подозрительной цепи в точках соединения между заведомо исправным соединением (либо с питанием, либо с землей). и электрический разъем жгута проводов автомобиля.Когда регистрируются два показания цифрового мультиметра, одно на 12 вольт, а другое на 0 вольт, открытые выходы между этими двумя точками в цепи и ремонтные работы могут быть сосредоточены в этой области.
Щелкните здесь, чтобы увидеть вторую часть нашего следующего выпуска. ●
Revolution Electronics Контроллер электрического топливного насоса. Заполняет насос при включении зажигания и выключает насос, если двигатель останавливается. : Автомобильная промышленность
Я использовал это, чтобы исправить проблему с моей лыжной лодкой. Мой Ski Nautique 1994 года выпуска с Ford 351 и системой зажигания Pro Tec с TBI известен.Это была ступенька между стволом Holly 4 и портом для инъекций. Они очень сильны, когда работают правильно, но были проблематичными. Они прекратили их производство всего через год, 1994 или 95, и перестали делать детали. Как только блок управления двигателем перестанет работать, вам придется отказаться от старой школы, снять блок управления, катушку, форсунки дроссельной заслонки и установить карбюратор, распределитель, катушку, новый жгут проводов и новые провода вилки. Мой блок управления двигателем перестал работать топливный насос. Все остальное работает. Я мог нагреть реле, чтобы запустить насос при включенном зажигании.Но правила береговой охраны, безопасность и здравый смысл требуют, чтобы топливный насос выключался, когда двигатель не работает. С помощью этого переключателя я смог избавиться от реле топливного насоса, обжать концы лопаток и вставить их в соответствующие клеммы разъема реле, а также заземлить переключатель, следуя схеме, со всеми разъемами, кроме лопаток. Теперь работает отлично. Он запускает насос в течение 3 секунд после включения зажигания и принимает сигнал тахометра для включения насоса, пока двигатель проворачивается и работает.Я был удивлен, что тахометр улавливает достаточно сигнала, чтобы запустить насос, когда только стартер проверяет двигатель, но это действительно так.
Теперь моя лодка работает отлично, и я могу позволить членам моей семьи использовать ее без лишнего риска, по крайней мере, до тех пор, пока мой ECU не потеряет другую функцию. Так что я сэкономил на покупке комплекта для переоборудования калибратора и дистрибьютора на сумму 2500 долларов и нескольких рабочих дней. К тому же старый ECU неплохо справляется с управлением на холостом ходу, хотя и работает на богатой. Я включил вазу. Единственное, у меня тач иногда слетает.Как я знаю, холостой ход около 800 об / мин, но галочка иногда показывает 1100. Я не знаю, это ЭБУ, тахометр или этот предохранительный выключатель, но меня не особо беспокоит точность тахометра. Он устойчиво держится, когда тянет лыжника. Мне легче поддерживать постоянную скорость, наблюдая за тахометром, когда я вижу обороты, необходимые для поддержания этой конкретной скорости лодки, а тахометр все еще работает для этого. Я не знаю, предназначен ли этот переключатель для использования на море, но сам переключатель запечатан и находится под люком двигателя, так что, насколько я понимаю, безопасность, которую он обеспечивает, является важной вещью.
Для просмотра электрической схемы щелкните здесь. Подключите к этому проводу провод выхода зажигания на дистанционном стартере. в проводке в реле топливного насоса №2. На стороне топливного насоса проводки два верхних толстых провода — это питание и заземление. 12.07.2015 · ТНВД + (черный / оранжевый) бензонасос + вход. Проверка соленоидов VANOS после снятия: проверьте соленоид VANOS на чистоту и / или наличие мусора. E (черный) Земля / корпус. Бюллетень технического обслуживания, объясняющий причину повторяющихся отказов блока замены топливного насоса Chevy, охватывает все годы с по и включает все пикапы.Когда мой Холли потерпел неудачу, они вылили топливо на землю. Оранжевый провод должен постоянно находиться под напряжением аккумулятора. Нравится: 4. Также в нижнем положении у меня есть второе реле, которое подает питание и снимает напряжение зажигания (смещения) на массу. Установите насос и 17 сентября 2018 г. · Опубликовано в Схеме подключения стерео магнитолы Chevrolet S10 Pickup. (коррозия) и установил термоусадочную трубку с двойными стенками на проводе, где он входит в каждый новый разъем. ∙ 2012-09-01 04:06:55. Используйте электрические схемы в каждой секции для разъема, заземления и сращивания. DR 8W-91 РАЗЪЕМ / ЗЕМЛЯ / РАЗЪЕМ РАСПОЛОЖЕНИЕ 8W — 91 Модуль-топливный насос LT GY в топливном баке 71 27 мая 2010 г. · 1987 — 1996 F150 — Заземление топливного насоса — Топливный насос моего 1991 F150 не работает, кто-нибудь знает, где находится масса топливного насоса или где находится масса реле топливного насоса? 25 марта 2004 г. · На самом деле, я просто делал общее заявление о наилучшем месте для насоса.В позиции J13 цепь 150E является заземляющим проводом от контакта C серворазъема. com. Иногда они становятся ненадежными с возрастом. 22 июня 2011 г. · Легкий способ найти это — проследить за плетеной лентой заземления от горловины заливной горловины до точки крепления. Реле топливного насоса и автоматический выключатель установлены в герметичной коробке менее чем в футе от насоса и аккумулятора. Насос не должен даже касаться рамы велосипеда, чтобы он работал. 27 мая 2010 г. · 1987 — 1996 F150 — Заземление топливного насоса — топливный насос моего F150 1991 года не работает, кто-нибудь знает, где находится масса топливного насоса или где находится масса реле топливного насоса? 1.cargurus. Возьмите новый провод заземления, желательно не менее 14 калибра и от 12 до 18 дюймов длиной по мере необходимости, зачистите его примерно на 3/4 дюйма и оберните вокруг открытой части 25 апреля 2010 г. · Земля для насоса находится в багажнике. на левой опоре петель багажника. Я бы посоветовал бросить бак и проверить проводку. Я только что заменил электрический топливный насос на своем GMC 1992 Sonoma. Проводка топливного насоса для КРАСНОЙ цепи обычно пропускает намного больший ток, чем реле. Пока что похоже, что я просто заземляю клемму E контроллера на раму, подключаю провод B + к твердому источнику зажигания 12 В +, подключаю провод FPC к проводу от ЭБУ, который обычно управляет реле топливного насоса (да, есть специальный 28 апреля 2008 г. · Джон, что 2-контактная черная заглушка на брандмауэре — это тестовая заглушка топливного насоса.2 секунды = хорошее реле топливного насоса (при первом включении реле будет запитано на 1. 62 контакт 18 показывает расположение провода заземления насоса. Очистите оба соленоида и установите их заново. Коричневый / белый = питание насоса. Проводка E1 к шасси имеет разомкнутую цепь, ток цепи E1 может течь через диод на землю. 5 sconds = неисправное реле реле топливного насоса Да 12 В для первого 1. Я заметил в реле топливного насоса черный и белый полосатый провод, идущий к нему. Поместите резиновый изолятор на впускной патрубок насоса.3. Где-то над топливным баком? 25 апреля 2010 г. · Земля для насоса находится в багажнике на левой опоре шарнира багажника. Подключите контакт 32 (rd / wh batt +) к контакту 47 (топливный насос gy 12+), это заставит насос работать и проверить его на наличие неисправного топливного насоса. Отсутствие сигнала работы насоса 12 В от ПКМ встречается редко. 92 V6 имеют модуль зажигания TFI, который также является 22 декабря 2013 г. · Серый провод идет непосредственно к топливному насосу. Мало того, что мне пришлось подключить перемычку к источнику 12 вольт от провода с черной / синей полосой.Провод зажигания подает питание на топливный насос и систему зажигания и прикреплен к замку зажигания под рулевым колесом. Проверил gnd в багажнике и все хорошо. 3Л, 5. На боковой стороне стойки амортизатора, ближайшей к задней части автомобиля, находится жгут проводов с белым разъемом. 0L, 5. Теперь это довольно сильно сузилось до реле MPI. Вот несколько основных рисунков, которые мы получаем из различных источников, мы желаем, чтобы эти изображения наверняка вам понравились, а также, если вам повезет, они будут иметь отношение именно к тому, что вы хотите в отношении электрической схемы топливного насоса Dodge Ram 1500.в нем говорится, что № 86 уходит на землю. Убедитесь, что ни в одном из этих мест нет значительной коррозии. 25 апреля 2010 г. · Земля для насоса находится в багажнике на левой опоре шарнира багажника. Используйте электрические схемы в каждой секции для разъема, заземления и сращивания DR 8W-91 РАЗЪЕМ / ЗЕМЛЯ / РАЗЪЕМ 8W — 91 Модуль-топливный насос LT GY на топливном баке 71 На стороне стойки амортизатора, ближайшей к задней части Автомобиль представляет собой жгут проводов с белым разъемом. Все шло гладко — бак на месте, все шланги подсоединены, заземляющий провод прикреплен для защиты от статического электричества при заполнении бака.97. Следующие несколько часов я провел, пытаясь устранить неисправность проводки к насосу, потому что не было похоже, что он получает напряжение, когда должно. Топливный насос и отправляющий провод подключены. 05 октября 2008 г. · 8167 — это реальный номер детали. Провод 1508 расположен в точке P4 (шина), а затем «адресован» соединителю 3 в точке 19. В автомобиле земля является обратным путем, по которому мощность возвращается к генератору переменного тока и батарее. При включенном зажигании подключите заземляющий провод вольтметра (черный провод) к надежному заземлению на раме автомобиля.Если дотянуться до релейной коробки, это покажет, сдвинулся ли лопаточный разъем назад или нет. Если датчик уровня топлива подскакивает, значит, проблема с датчиком или передающим устройством. Черный провод заземления топливного насоса заземлен на брандмауэр рядом с задней частью двигателя с правой стороны (вместе с другими проводами, насколько я помню). найдите темно-зеленый / белый провод в контакте 13. Сообщений: 2669. Проблема должна быть в сером проводе от насоса к реле. Я не электромонтажник, у меня реле bosch # 0 332 209 150-896.Он темно-зеленый / белый. Топливный насос FP- (Black / white) — вход. 2 августа 2018 г. · Топливный насос и блок отправки топливного бака заземлены на металлический винт за запасным колесом на XJ и за задним фонарем водителя на MJ. Второстепенным, на мой взгляд, было бы место, где мощность ответвляется на каждый топливный насос. Смажьте топливный шланг и выпускное отверстие насоса небольшим количеством вазелина. Под этим сайтом также находится Chevy Truck 97. 13 апреля 2014 г. · ПРИМЕЧАНИЕ. Иллюстрации и информация на этой странице относятся только к пикапам Chevrolet / GMC 1994 года выпуска с 4.УСТАНОВКА ТОПЛИВНОГО НАСОСА 1. 28 мая 2012 г. · 3 991 сообщение. как заново подключить топливный насос к реле. Учись сейчас. 1. Перечитав, что помпа находится в багажнике, я действительно беспокоюсь о безопасности этого места. 4. Насос и датчик никак не связаны. Верх каркасной рейки. Двигатель 7л. 5 сек) 20 Проверка: ключ заземления топливного насоса выключен: Отсоедините разъем от топливного насоса. Не могу вспомнить, где проложить заземляющий провод для помпы. №3. При включенном ключе топливо по-прежнему не выходит. Заглянув в свой Bentley, интересно посмотреть, как земля топливного насоса меняется с годами.Отвертка указывает на болт, который является общей точкой заземления. 0L и 5. Если подать напряжение аккумулятора на красный провод (зажигание выключено), насос должен работать. №2 · 28 мая 2012 г. Поместите соединительную муфту и зажим на топливный насос и поместите второй зажим на топливный шланг. 29 октября 2017 г. · Отредактировано от 26 октября 2016 г., чтобы добавить заземление топливного насоса в список. Заземление передающего блока идет к самому датчику топлива. 7. Нарисуйте ЗЕЛЁНЫМ цветом ВХОДЫ, которые используются интеграционным реле для управления освещением. Найдите электрические схемы и технические советы, а также сметы деталей и стоимости работ.Черный с белым провод идет на массу. Всегда обращайтесь к профессиональному руководству по ремонту до 11 апреля 2010 г. · Земля для топливного насоса и земля для блока подачи топлива находятся на двух разных проводах и заземлены в разных местах. Черный = Земля отправителя или возврат. подключите контакт 1 (черное заземление) к контакту 16 (розовое заземление) 2. В точке M13 провод 150A подключается к контакту C шестиконтактного разъема. Если код неисправности датчика положения распределительного вала исчезает или меняет положение с впуска на выпуск (или наоборот), код неисправности вызван соленоидом VANOS.Электросхему топливного насоса 1993 г. можно найти в следующей статье: Тесты цепи топливного насоса 1993 г. (GM 4. 23 января 2011 г. — 23 января 2011 г. Это работает неоднократно. Мне также пришлось заземлить провод с черной / желтой полосой), как только я сделал это, насос включился. Пикапы GMC / Chevrolet 7L с автоматической коробкой передач 4L60-E. Если вы не можете найти проблему ни в одной из этих областей. Пока что похоже, что я просто заземил клемму E контроллера на раму , подключите провод B + к твердому источнику зажигания 12 В +, подключите провод FPC к проводу от ЭБУ, который обычно управляет реле топливного насоса (да, есть специальный 20 октября 2018 г. · Объяснение отказов топливного насоса Chevrolet.Подсоедините положительный провод (красный провод) вольтметра к электрическому разъему на электронном блоке управления. См. Ответ. Проверил серый провод на насосе и поставил 12 В на серый провод на реле, и не горит. 09 фев 2018 · Я только что отремонтировал провода топливного насоса на своем 88-м. 9 октября 2013 г. · Хорошо, масса электродвигателя топливного насоса, черный провод — на массу G104, если ABS, или на массу G103, если не ABS. 11 апреля 2014 г. · Схема электрических соединений реле топливного насоса (только автоматическая коробка передач) ПРИМЕЧАНИЕ. Иллюстрации электрических схем в этой статье относятся только к: 1993 г. 4.Базовая электрическая схема безопасного электрического топливного насоса Это основная электрическая схема безопасного электрического топливного насоса. 20 декабря 2019 г. · К сожалению, новый насос не устранил проблему. Я подскочил на заднюю часть блока предохранителей, где серый провод выходит и возвращается к топливному насосу, хотел проверить целостность. Удалите 6 дюймов длины покрытия разрезного ткацкого станка. 6. Типовые инструкции по установке электрического топливного насоса в баке D. Заземление важно для любой электрической системы, особенно для двигателей с компьютерным управлением.У меня есть питание на одной клемме реле, но цепь, которая замыкает реле, не работает. Я не могу говорить за ваш 2002 год, но на моем 2009 году топливный насос заземлен с помощью кольцевой клеммы Шпилька заземления, которая находится под моим сиденьем. Лучший ответ. Более толстые провода предназначены для топливного насоса, и они будут работать, если вы подключите их без разъема, но убедитесь, что соединения плотные, поскольку топливный насос потребляет довольно высокий ток и будет нагреваться, если соединение будет ослаблено. Итак, мой 95 Chevy S10 не заводится, потому что топливный насос не включается, насос — это проводка, разъемы, заземление, дважды проверьте разъем топливного насоса, так как у меня это Chevy s10 l, грузовик работал, но топливо.Убедитесь, что все заземленные места чистые и блестящие, без покрытия: без краски, без 20 ноября 2021 г. · Цепи E01 и E02 служат заземлением для цепей привода топливных форсунок. 2. Нет 12В для первого. 1. Больно, но если вы воспользуетесь гаечным ключом с трещоткой, все в порядке. 4 января 2016 г. · Найдите черный провод на стороне ЖГУТА 3-проводного разъема топливного насоса / датчика. 150A в точке M13 подключается к проводу 150E, который адресован J13. Насколько я помню, насосы прижаты к резервуару, а затем к раме. 0L или 5.Провода датчика уровня топлива, голубой / черный и черный / голубой, идут к контакту 33 PCM и соединяют S103 соответственно. Установите насос и 20 октября 2018 г. · Разъяснение неисправностей топливного насоса Chevrolet. Электросхему топливного насоса 1994 г. можно найти в следующей статье: Испытания цепи топливного насоса 1994 г. (GM 4. Не проводя исследования, моя мысль в первую очередь относится к главной силовой цепи, питающей оба топливных насоса. S103 находится в левой задней части двигателя. Отсек Винт для листового металла не только плохой способ заземления, этот путь заземления длинный и проходит через некоторые разъемы, которые подвержены коррозии и влажности.Общее заземление аккумулятора — это жгут 10 калибра с подключенным заземлением компьютера. 12 июля 2015 г. · Топливный насос FP + (черный / оранжевый) + вход. Копировать. Если вы перегораете предохранители, я бы проверил силовой провод от реле f-p обратно к насосу на предмет повреждений, вызывающих короткое замыкание. Чтобы обеспечить резервное заземление для ЭБУ, эти два заземления подключены к цепи E1 через диод. Оранжевый = масса насоса. пожалуйста, порекомендуйте. 8. Заземление насоса находится под капотом на внутреннем фартуке крыла со стороны водителя примерно на полпути назад.12 июля 2016 г. · В правом нижнем углу гнезда реле топливного насоса находится коричневый провод заземления, который при вставке реле имеет тенденцию отталкиваться, а не подключаться. 17 сентября 2017 г. · Вопросы по Gmc Sonoma — Нет питания топливному насосу — Cargurus, размер: 800 x 600 пикселей, источник: статика. Проверить коричневый провод жгута на отсутствие замыкания на массу. L-4 Стр. 4 30 января 2007 г. · Реле насоса работает, я проверил серую клемму и повернул ключ, и тестовая лампа загорелась на несколько секунд. Звуковой сигнал, масса 1 жгута проводов в моторном отсеке (блоки катушек, насос охлаждающей жидкости на выходе из двигателя (только VR6), датчик скорости автомобиля (только механическая коробка передач)), масса жгута проводов в моторном отсеке 2 (блок управления двигателем, вакуумный насос тормозной системы (автомат только трансмиссия)), жгут проводов автоматической трансмиссии (модуль управления трансмиссией 31 июля 2007 г. · Дайте угадаю, на их схеме изображена связка черных с белыми полосами проводов.После командного сигнала насоса. Красный провод (клемма проверки заправки насоса) подключается к серому проводу внутри реле, только когда зажигание находится в положении ВЫКЛ. Провод заземления, идущий от топливного насоса, был корродирован и сломался Я заменяю разъем очистите раму, где у меня была хорошая чистая поверхность, и плавное считывание заземлили ее включенный топливный насос собрал все вместе, грузовик завелся, поехал в город вышел в грузовике не заводился снова без подключения к топливному насосу бесплатно Я только что заменил электрический топливный насос на своем GMC 1992 Sonoma.1 сентября 2012 г. · Где находится провод заземления на бензобаке Chevy Silverado? Пользователь Wiki. В руководстве по эксплуатации автомобиля или в руководствах по ремонту должно быть указано, какого цвета должен быть этот провод. Получено 111 отметок «Нравится» на 108 сообщений. Мы попробовали соединить провод заземления с землей шасси, и это сработало. Нарисуйте КРАСНЫМ цветом провода, соединяющие B + и землю с реле интеграции. Что соединяется в проводке заземления: на рисунке показана общая точка заземления для аккумулятора, компьютера и дополнительного провода заземления генератора 3G, как описано выше в параграфе 2.Устранение неисправностей топливного насоса Saturn серии S (заземление) Заявление об отказе от ответственности: Это видео не является исчерпывающим указанием того, как это сделать. Должно быть от 10 до 12 В постоянного тока при пуске зажигания двигателя или пуске зажигания двигателя (KOER). Нарисуйте СИНИМ контуром цепи управления от аккумулятора к массе цепи фары. . Поместите сборку на верстак в перевернутом виде. 16 сентября 2013 г. · Место проведения: Лонг-Бич, Калифорния. Свеча зажигания (иногда, в британском английском, свеча зажигания и, в просторечии, свеча) — это устройство для подачи электрического тока от системы зажигания в камеру сгорания двигателя с искровым зажиганием для воспламенения сжатой топливно-воздушной смеси. электрической искрой, сдерживая давление сгорания в двигателе.Снимите примерно 1/2 дюйма изоляции с ЧЕРНОГО провода. 15 января 2021 г. · Найдите и подсоедините провод зажигания. Мой топливный насос вместе с указателем уровня топлива вышли из строя. Датчик перестал работать, затем насос тоже начал подкачивать. . на вашем веб-сайте это показывает эту диаграмму, где №85 заземлен. Ниже представлена потрясающая картинка для схемы подключения бензонасоса s10. Под этим сайтом также находится типичная инструкция по установке электрического топливного насоса в баке 97 Chevy Truck D. Перед левым задним колесом.Я бы посоветовал бросить бак и осмотреть проводку. 20 февраля 2011 г. · Re: Расположение заземления топливного насоса. 20 сентября 2010 г. · В жгуте проводов есть специальный провод, который используется для электрического обратного пути насоса. В следующий раз, когда это произойдет, попробуйте переустановить инерционный переключатель топливного насоса под приборной панелью над пространством для ног со стороны пассажира. Он проходит через разъем под автомобилем в левой задней части топливного бака. Заземление проводилось от батареи, чтобы исключить возможность плохого заземления. У 92 V6 есть модуль зажигания TFI, который также является 2 июня 2016 г. · Практически все поиски неисправностей, связанных с проблемами топливной системы, убедили юристов подключить перемычку к клеммам гнезда реле насоса, чтобы активировать насос и решить проблему с проводкой, насосом, насос заземления и измерения давления топлива.Схема имеет цветовую маркировку для каждой цепи, и, возможно, нужно сказать только несколько вещей. Это соединение для топливного насоса. 5. Я закончил замену помпы, так как она провалилась плохо, но я думаю, что это хорошо, по крайней мере, проверить это заземление. может быть выключатель подачи топлива? также у меня нет заземления на черном проводе на топливе 21 мая 2002 г. · В «нижнем» положении реле топливного насоса обесточивается, и топливный насос отключается. Затем проверьте сигнал топливного насоса на модуле управления топливной системой.7L). Если вы получили это показание, а ЭСМ не заставит топливный насос работать, замените насос. Поэтому используйте провод большего сечения для меньшего падения напряжения. Там 4 провода — 2 для питания и заземления и 2 для датчика уровня топлива. расположение провода заземления топливного насоса
u9x z7l ajk vab hda yht xtt gua a9h sou imj ccd wse o99 bdm 1r1 etg yz0 yfg yt2
Схема подключения электрического топливного насоса. Схема электрических соединений электрического топливного насоса Mercruiser
Механические топливные насосы, управляемые и управляемые вручную, были заменены электрическими топливными насосами.Это связано с тем, что электрические топливные насосы лучше справляются с поставкой точных значений расхода под высоким давлением, которые обеспечивают максимальную мощность двигателя и соответствуют более строгим требованиям к выбросам.
Не только это, но и электрические топливные насосы меньше по размеру, что означает меньший беспорядок в моторном отсеке и упрощает работу. Если механический топливный насос в вашем классическом Chevy либо вот-вот откажет, либо не выдает достаточной мощности для двигателя, лучше всего перейти на электрический топливный насос.
Фотография предоставлена Bull-Doser.Оставьте механический насос на месте и поставьте рядом с баком электрический: вы можете сделать это, если хотите оставить механический топливный насос в качестве запасного на случай, если электрический топливный насос откажет. Возможно, в этом нет необходимости, поскольку электрические топливные насосы рассчитаны на длительный срок службы. Переход по этому пути означает модернизацию всей вашей системы топливного насоса за один раз, и вы можете воспользоваться возможностью отремонтировать или заменить некоторые компоненты по мере продвижения.
Ситуация, которую вы хотите избежать любой ценой, через Руи Фернандес.Электрические топливные насосы надежны. Черт возьми, в каждой новой машине он есть! Избегайте следующих ошибок, убивающих электрические топливные насосы, и все будет в порядке :.
Вы сделали эту замену? Расскажите об этом на Facebook! Войдите или создайте учетную запись. Безопасная проводка электрического топливного насоса. Подключить электрический топливный насос довольно просто, и принятие дополнительных мер предосторожности может сделать его намного безопаснее. Сделать это правильно на гоночном автомобиле обязательно, особенно когда некоторые из этих топливных насосов могут опорожнить бассейн.
Ode45 система уравнений matlabЧто это влечет? Сначала несколько хороших практик, один из них — правильная проводка, предохранители и использование правильных цепей безопасности. В этом проекте будут показаны 2 основные схемы подключения электрических топливных насосов. Один без предупреждения.
Некоторые детали, например инерционный выключатель, не являются обязательными, но настоятельно рекомендуются. Вы можете спросить, а как насчет универсального переключателя, который предлагает Холли? Судя по всему, они не используют реле. Другая потенциальная проблема заключается в том, что вам нужно будет проложить более толстые провода от батареи, которая может быть сзади.
Последние пару битов об этой настройке, которая вызывает у меня ошибку, они не предусмотрены. Я выбрал дизайн, представленный ниже, но когда дело доходит до безопасности, не позволяйте мне говорить вам, что делать, но вы должны это сделать. Необходимые припасы. Переключатели давления масла, многие типы доступны ниже. Номер детали Жгут косички. Номер детали для скважины Инерционный переключатель Доступен во многих стилях, некоторые примеры.
Инерционный выключатель. Вот несколько примеров. Множество картинок внизу и, наконец, электрические схемы! Все права защищены.Контент ЗАПРЕЩАЕТСЯ использовать без письменного разрешения. Используйте на свой риск. Переключатели давления масла ключ!
Существует много типов реле давления масла, наиболее распространенные из них — нормально замкнутые. Эти общие не будут работать, так как нам нужен нормально ОТКРЫТЫЙ переключатель, который замыкается, когда давление масла пересекает некоторый порог.
Покопавшись в сети, я нашел сайт Wells Vehicle Electronics. На сайте Wells есть списки для самых разных отправителей. Они доступны с большим радиусом действия, а также с несколькими другими резьбами и типами соединителей и фитингов.Посетите сайт Wells для выбора.
В остальном они такие же. При необходимости позже, если вам когда-нибудь понадобится сигнальная лампа, она готова к работе с третьим проводом. Инерционные переключатели Это почти всегда упускается из виду при использовании электрического топливного насоса, у большинства автомобилей OEM они есть в каком-то непонятном месте.
У вас тоже должен быть такой, но он должен быть доступным, а если используется гоночная машина, тем более. Бесплатная электрическая схема. Разновидность электрической схемы реле электрического топливного насоса.
Электропроводка реле отказоустойчивого топливного насоса
Электросхема — это упрощенное стандартное фотографическое изображение электрической цепи.Он показывает элементы схемы в виде обтекаемых форм, а также силовые и сигнальные линии между устройствами.
Схема подключения обычно содержит подробную информацию о размещении членов семьи, а также план инструментов, а также клеммы на инструментах, чтобы помочь в структурировании или обслуживании гаджета. Графическое изображение покажет гораздо больше деталей внешнего вида, тогда как в схеме соединений используются гораздо более символические символы, чтобы выделить принадлежность, а не внешний вид.Электрическая схема обычно используется для устранения проблем, а также для проверки того, что все соединения действительно установлены и что все существует.
Сборник электрических схем реле топливного насоса. Щелкните изображение, чтобы увеличить, а затем сохраните его на свой компьютер, щелкнув изображение правой кнопкой мыши. Схема соединений — это базовый график физических связей, а также физический формат электрической системы или цепи. Он демонстрирует, как соединяются электрические шнуры, а также может показать, где приспособления и компоненты могут быть подключены к системе.Используйте схемы разводки, чтобы помочь в создании или производстве схемы или электронного инструмента.
Они дополнительно помогают при ремонте. Любители DIY используют представления электропроводки, но они также типичны для домашнего строительства и ремонта автомобилей. Например, строитель дома, безусловно, захочет проверить физическое место электрических розеток и осветительных компонентов, используя схему подключения, чтобы избежать дорогостоящих ошибок, а также развития нарушений кодекса. Схема показывает план и особенности электрической цепи, но не интересуется физическим форматом проводов.
Безопасная проводка электрического топливного насоса
Схемы проводки демонстрируют, как подключены кабели, а также где они должны находиться в реальном устройстве, а также физические связи между всеми компонентами. В отличие от фотографического макета, в схеме подключения используются абстрактные или обтекаемые формы, а также линии для отображения компонентов.
Фотографические изображения — это часто изображения с бирками или детализированными чертежами физических элементов. Если линия, касающаяся еще одной линии, имеет черную точку, это означает, что линии соединены.Большинство символов, используемых на схеме подключения, выглядят как абстрактные вариации реальных предметов, которые они обозначают.
Выключатель, безусловно, будет разрывом линии с линией под углом к проводу, очень похожим на выключатель света, который можно как включить, так и выключить. Вы можете быть специалистом, который хочет попытаться найти рекомендации или решить существующие проблемы. Кем бы вы ни были, мы стараемся предоставить контент, который точно соответствует тому, что вы ищете. Вы можете перейти из поисковой системы в Интернете, а затем найти этот Интернет-сайт.Эту тему очень много людей просматривают в сети, поэтому мы собираем фотографии с различных заслуживающих доверия ресурсов, а также разбираемся в их области.
Результаты агрегирования опубликованы на этом сайте. Вот несколько основных рисунков, которые мы получаем из многочисленных источников. Мы надеемся, что эти изображения подойдут вам и, если вам повезет, действительно будут иметь отношение к тому, что вы хотите от электрической схемы электрического топливного насоса Mercruiser. Эта картинка, которую мы отфильтровали, создала лучшую картинку, но во что именно вы верите? Мы хотим сделать сайт полезным для многих.
Если изображение не совсем четкое, щелкните изображение, которое вы хотите увеличить, после этого вам потребуется перейти на другую страницу, чтобы отобразить более четкое и крупное изображение, у вас также будет существовать информация из gambvar. Внизу этого интернет-сайта есть дополнительно фотогалерея электрических схем электрического топливного насоса Mercruiser, если фотография выше вам не подходит. Теги: mercruiser 4. Переключить навигацию.
Схема подключения Gravely K, см. Все 8 фото. Для достижения максимальной производительности и безопасности с помощью электрического топливного насоса с индивидуальной разводкой требуется правильно спроектированная схема электропроводки.Максимальная мощность означает отсутствие или минимальное падение напряжения между источником электрического тока, аккумулятором и генератором, и потребителем, топливным насосом.
Как подключить электрический топливный насос
Максимальная безопасность означает отказоустойчивость конструкции цепи, которая предотвращает продолжение работы топливного насоса после аварии или отказа двигателя. Для питания сильноточных устройств, таких как топливный насос, требуется электрический провод большого сечения; чем длиннее цепь, тем больше требуемый диаметр проводника.
Dnsmasq spoofingВ автомобильных электрических цепях с напряжением даже небольшое сопротивление может вызвать значительное падение напряжения.В цепях с большой длиной провода и несколькими переключателями и соединениями неизбежно возникает определенное падение напряжения, вызванное увеличением сопротивления; износ от вибрации, высоких температур и коррозии только усугубляет проблему. Решением проблемы минимального падения напряжения является «реле», которое позволяет сократить требуемую длину провода подачи питания большого сечения к нагрузке.
Думайте о реле как о типе сверхмощного переключателя дистанционного управления, способного работать с сильноточными аксессуарами, такими как топливный насос, но способного срабатывать при значительно меньшем токе.В наиболее распространенном сценарии использования, когда реле включается, большой ток, необходимый для работы аксессуара, течет от источника питания через реле и напрямую к детали. Обычно вы устанавливаете реле как можно ближе к батарее и устанавливаете либо встроенный плавкий предохранитель, соответствующий силовой линии большого калибра, с высоким током, либо плавкую перемычку, которая на два диаметра провода меньше, чем размер подающую проволоку.
Мини-реле стандарта ISO широко распространены и доступны по цене.Эта деталь имеет юбку для устойчивой к атмосферным воздействиям оболочки разъема, настоятельно рекомендуется для цепей, подверженных воздействию элементов. Предварительно собранные герметичные соединители Metri-Pack и жгуты проводов доступны для миниатюрного реле ISO с юбкой. Устройство «включения» реле может осуществляться с помощью управляемого оператором переключателя, установленного на приборной панели, или удаленно установленного переключателя, приводимого в действие давлением-вакуумом или рычажным механизмом.
Сторона срабатывания реле цепи требует лишь небольшого количества тока, поэтому вы можете использовать переключатель с низким током и провод малого сечения даже на больших расстояниях, чтобы подключить его к реле.Переключатель предохраняет цепь от сбоев, потому что при нормальных условиях работы топливный насос не может работать, если нет давления масла для включения реле.
GM использовала этот трехконтактный переключатель давления масла во многих приложениях от средних до средних, включая Vegas, Monzas и некоторые пикапы. Подключите реле давления масла с помощью универсальных плоских клемм с плоской резьбой или этого трехконтактного, устойчивого к погодным условиям, литого последовательного соединителя в сборе. Их буквально миллионы, и они очень доступны на Amazon.Хотите, чтобы электрический топливный насос работал вечно и работал правильно? Мы собираемся показать вам, как его установить и правильно подключить!
Хорошо, поговорим об электрических топливных насосах. В отношении них существует множество недоразумений и недоразумений. Также существует много потенциальной опасности, когда люди делают это неправильно, потому что они не знают, как правильно подключить их или подключить. Обычно механический насос предпочтительнее электрического насоса «вторичного рынка».
Они имеют тенденцию быть более надежными.
Gambar bogel budak sekolah 13 tahunОднако иногда это не работает. В моем старом Шеви 47-го года двигатель, который я заменил, был неисправен. Поперечина мешала механическому насосу. Итак, я запустил электрический насос и прошел много миль без проблем.
Деревня Коста Дунгия, муниципалитет Фарини (шт. ПК) ЭмилияИногда люди устанавливают их в линию с помощью механического насоса, чтобы добавить больше объема и давления. Это больше для полной тягачей, хотя да, они есть. Эй, сейчас с ними бегает около миллиарда машин.Они есть на всех новых машинах. А вот с насосами на вторичном рынке их нужно устанавливать ВЫ. Вот тут и могут начаться некоторые проблемы.
Итак, что мне использовать? Они тихие и хорошо работают. Многие люди жалуются на то, что некоторые насосы для вторичного рынка вышли из строя, но обычно есть причина, по которой они выходят из строя. Часто так оно и есть. Есть несколько вещей, которые их убивают. Электронасосы выталкивают топливо намного лучше, чем могут его тянуть.
У вас должен быть провод правильного размера. Реле предпочтительнее.Возможно, вы получаете нужное напряжение, но недостаточно ампер.
Помните, что чем дольше пробег, тем больше упадет мощность. Многие люди будут царапать место, где они его устанавливают, или даже добавлять провод заземления. Нью-Йорк: Ballantine Books.
Удаление отключенного сетевого диска windows 7Ufo Cults and the New Millennium. Амхерст, Нью-Йорк: Книги Прометея. Бойер, Пол (1 января 1994). Когда времени больше не будет: вера в пророчество в современной американской культуре.Карманный справочник Апокалипсиса: Официальное полевое руководство на конец света.
Как запустить kali linux в termuxВклад британских писателей между 1560 и 1830 годами в толкование Откровения 13. История современной планетной физики: Туманная Земля.
Бирн, Джозеф Патрик (2008). Энциклопедия эпидемий, пандемий и эпидемий, том 1. Брукфилд, Коннектикут: The Millbrook Press, Inc. Конец: почему Иисус мог вернуться А. Призыв к славе. Нью-Йорк: Bantam Books.История цивилизации. Нью-Йорк: Саймон и Шустер. Ошибочное цитирование Иисуса: история того, кто изменил Библию и почему.
Как работает автомобильное реле и как подключить егоФестингер, Леон (1 января 1956 г.). Когда пророчество не срабатывает: социальное и психологическое исследование современной группы, предсказавшей гибель мира.
Электрический топливный насос E1F · Technipedia · Моторсервис
Рис. 2 рисунок 1Электрические топливные насосы типа E1F очень универсальны в своем применении:
- В качестве замены механического топливного насоса (старинные / классические автомобили)
- В качестве дополнительного насоса параллельно существующему топливному насосу
- В качестве второго насоса, который может активироваться по мере необходимости (например,грамм. во внедорожниках, в автоспорте)
- В генераторах или лодках
- В качестве подкачивающего насоса
Версии см. в таблице.
Автомобиль: Универсальное применение
Изделие: Электрический топливный насос E1F
Pierburg №: 7.21440.51.0/.53.0/.63.0/.68.0/.78.0
Электрические топливные насосы типа E1F очень универсальны в применении:
- В качестве замены механического топливного насоса (винтаж / классические автомобили)
- В качестве дополнительного насоса параллельно существующему топливному насосу
- В качестве второго насоса, который может быть активирован при необходимости (например,грамм. во внедорожниках, в автоспорте)
- В генераторах или лодках
- В качестве подкачивающего насоса
Версии см. в таблице.
рисунок 1 Рис. 2 * также подходит для работы от 6 вольтОбщие примечания по установке
Рис.3: Общая установка E1F (3) установлен в топливопроводе. Он подходит для системного давления от 0,1 до 1,0 бар.
Максимальная высота всасывания при заполненных трубопроводах составляет 500 мм.По этой причине топливный насос необходимо устанавливать глубоко ниже уровня жидкости и близко к баку (1). Избегайте больших подъемов на всасывании и длинных или суженных топливопроводов на всасывающей стороне. Топливный фильтр (4) (фильтр тонкой очистки, бумажный фильтр) всегда должен располагаться на напорной стороне, то есть по направлению потока за топливным насосом.
Существует опасность «работы всухую» с топливным фильтром на стороне всасывания. Работа всухую ведет к повреждению насосной системы. Перед топливным насосом можно установить сетчатый фильтр с широкими ячейками (2) (размер ячеек от 60 до 100 мкм).Топливные насосы типа
E1F имеют небольшой сепаратор на стороне впуска (исключение: 7.21440.68.0). Этот сепаратор необходимо снять перед использованием в автомобилях с дизельным двигателем.
Пример: обновление как дополнительный насос
Рис. 4: Установка E1F в качестве насоса предварительной подачиПри использовании E1F в качестве дополнительного насоса он должен быть подключен так, чтобы оба насоса (3) и (6) могли беспрепятственно всасывать и подавать. Заправка топливного насоса через другой невозможна.Рис. 4: Чтобы сократить расстояние до существующего топливного насоса (6), E1F можно использовать в качестве второго насоса предварительной подачи. Чтобы существующий топливный насос мог беспрепятственно всасываться при выключенном E1F, необходимо проложить байпасный трубопровод (7) вокруг E1F (3).
Рис.5: Установка E1F параллельно ссуществующий топливный насос
Рис. 5: E1F, параллельный существующему механическому или электрическому топливному насосу, увеличивает объемный расход. Существующий топливный насос (6) необходимо обвести байпасной линией (8).
Обратный клапан (5) должен быть установлен в обеих байпасных линиях (7) и (8), чтобы топливо не текло обратно.
Электрическое подключение
Электрический топливный насос E1F доступен для работы от 12 и 24 В (см. Таблицу).
Для работы от 6 В, т.е. для автомобилей ветеранов, мы рекомендуем E1F 7.21440.53.0. В этом случае давление и объемный расход уменьшаются до прибл. половина. Если E1F включается с помощью отдельного переключателя, он должен быть подключен к плюсовому кабелю.
Сечение электрических кабелей: не менее 1,0 мм².
Пример: замена механического топливного насоса (рис.6)
Старые автомобили обычно имеют механический мембранный топливный насос (9). Он расположен непосредственно на двигателе и приводится в действие кулачками и толкателями / рычагами. В случае неисправности механического топливного насоса во многих случаях его можно заменить электрическим топливным насосом E1F.
«Старый» топливный насос (9) можно обойти или снять.
Если он снят, отверстие со стороны двигателя должно быть закрыто, чтобы оно было маслонепроницаемым. В случае обхода используйте кусок трубки (10), чтобы соединить впускной и выпускной патрубки друг с другом, чтобы предотвратить попадание грязи. Обратный клапан (5) должен быть установлен в подающей линии (11), чтобы топливо не текло обратно.
Для автомобилей ветеранов рекомендуется возврат топлива (12) (Ø от 1 до 3 мм, в зависимости от расхода при полной нагрузке). Форсунка * форсунки * должна быть установлена в возвратном топливном баке (12) в качестве резистора потока, чтобы топливо
перекачивалось обратно в топливный бак.Поперечное сечение этой форсунки необходимо откалибровать, чтобы обеспечить подачу топлива даже при полной нагрузке. Проблемы горячей эксплуатации могут быть решены установкой газового пузырькового сепаратора * (13). Обратный клапан (5) должен быть установлен так, чтобы обратная линия (12) не работала всухую. Для некоторых карбюраторов рекомендуется установка клапана регулирования давления * (14).
Ключ, рис. 3-6
- Топливный бак
- Отделитель осадка (фильтр грубой очистки)
- Электрический топливный насос E1F
- Топливный фильтр (тонкий фильтр)
- Обратный клапан
- Существующий топливный насос
- Перепускная линия вокруг дополнительного насоса E1F
- Обводная линия вокруг существующего топливного насоса
- Механический топливный насос
- Соединение между впуском / выпуском механического топливного насоса
- Подводящая линия / перепускная линия вокруг механического топливного насоса
- Возврат топлива
- Сепаратор пузырьков газа * или калибровочная форсунка *
- Клапан регулирования давления *
* Не входит в ассортимент.
Рис.7: Сетчатый топливный фильтрАксессуары
Топливный сетчатый фильтр 4.00030.80.0
Этот сетчатый топливный фильтр защищает топливный насос от грязи и других посторонних частиц. Он установлен в топливной магистрали между топливным баком и топливным насосом.
Топливный сетчатый фильтр имеет диаметр 8 мм на всасывающем патрубке и подлежит замене с той же периодичностью, что и топливный фильтр.
Топливные обратные клапаны
Топливные обратные клапаны устанавливаются в топливопроводы.Они позволяют топливу течь только в одном направлении и предотвращают слив баков или высыхание трубопроводов.
Защитное отключение *
При модернизации электрического топливного насоса установка аварийного отключения является обязательной.
Реле отключения * (1) отключает топливный насос, если двигатель останавливается, но зажигание остается включенным (например, заглохший двигатель, авария).
Ключ, рис. 9
- Реле отключения * (доступно у специализированных дилеров)
- Катушка зажигания
- Электрический топливный насос E1F
- Предохранитель (10 А)
* Не входит в ассортимент.
Общая информация по безопасности
- Работы с топливной системой должны выполняться только специализированным персоналом.
- Устанавливайте только чистые детали. Следите за тем, чтобы загрязнения не попадали в топливную систему.
- Снимать только упаковку и транспортные крышки, например подключает новые топливные насосы непосредственно перед установкой.
- Алюминиевый корпус E1F не должен контактировать с соленой водой.
- Не используйте комбинации материалов, которые могут привести к контактной коррозии: не допускайте контакта E1F, например, с оцинкованными поверхностями.
- Обратите внимание на действующие правовые нормы и инструкции производителя транспортного средства.

Для этого найти блок предохранителей, выяснить, какой из них отвечает за бензонасос (свериться со схемой) и осмотреть его на предмет подгораний. Еще лучше сразу заменить на заведомо рабочий с такими же характеристиками и посмотреть, заработает ли он;
Возможно, он забит до такой степени, что не пропускает нужное количество бензина, и в этом случае его необходимо очистить и использовать дальше;
Когда двигатель «холодный» пусковая форсунка может работать 8-10 секунд, тем временем как на хорошо прогретом двигателе пусковая форсунка может проработать какие-то доли секунды;
8 мм и длиной 25 см;