ΠΠΎΠ΄ΠΊΠ»ΡΡΠ΅Π½ΠΈΠ΅, Π‘Ρ Π΅ΠΌΠ°, ΠΠ°ΠΊ ΡΠ½ΡΡΡ, Π Π°ΡΠΏΠΈΠ½ΠΎΠ²ΠΊΠ°
Π‘ Π·Π°ΠΌΠΊΠΎΠΌ Π·Π°ΠΆΠΈΠ³Π°Π½ΠΈΡ Π½Π° Β«ΡΠ΅ΡΡΡΡΠΊΠ΅Β» ΠΌΠΎΠΆΠ΅Ρ Π²ΠΎΠ·Π½ΠΈΠΊΠ°ΡΡ ΠΌΠ°ΡΡΠ° ΠΏΡΠΎΠ±Π»Π΅ΠΌ. ΠΡΠΎ ΠΈ ΠΎΠΊΠΈΡΠ»Π΅Π½ΠΈΠ΅ ΠΏΡΠΎΠ²ΠΎΠ΄ΠΎΠ², Π·Π°ΠΊΠ»ΠΈΠ½ΠΈΠ²Π°Π½ΠΈΠ΅ Π»ΠΈΡΠΈΠ½ΠΎΠΊ ΠΈ ΠΌΠ½ΠΎΠ³ΠΎΠ΅ Π΄ΡΡΠ³ΠΎΠ΅. Π§ΡΠΎΠ±Ρ Ρ ΡΡΠΈΠΌ Π±ΠΎΡΠΎΡΡΡΡ, Π½ΡΠΆΠ½ΠΎ Π·Π½Π°ΡΡ, ΠΊΠ°ΠΊ ΡΠ½ΠΈΠΌΠ°Π΅ΡΡΡ ΠΈ ΠΏΠΎΠ΄ΠΊΠ»ΡΡΠ°Π΅ΡΡΡ Π·Π°ΠΌΠΎΠΊ Π·Π°ΠΆΠΈΠ³Π°Π½ΠΈΡ ΠΠΠ-2106. Π ΠΏΡΠΈΠ½ΡΠΈΠΏΠ΅, ΡΡΡ Π½Π΅Ρ Π½ΠΈΡΠ΅Π³ΠΎ ΡΠ»ΠΎΠΆΠ½ΠΎΠ³ΠΎ, ΡΠ΅ΠΉΡΠ°Ρ Π²Ρ ΡΠ°ΠΌΠΈ Π² ΡΡΠΎΠΌ ΡΠ±Π΅Π΄ΠΈΡΠ΅ΡΡ.
ΠΠ³Π»Π°Π²Π»Π΅Π½ΠΈΠ΅
ΠΠΎΠ΄ΠΊΠ»ΡΡΠ΅Π½ΠΈΠ΅
Π‘Ρ
Π΅ΠΌΠ°
ΠΠ°ΠΊ ΡΠ½ΡΡΡ
ΠΠ°ΠΊ ΠΏΠΎΠΌΠ΅Π½ΡΡΡ
Π£ΡΡΠ°Π½ΠΎΠ²ΠΊΠ°
Π Π°ΡΠΏΠΈΠ½ΠΎΠ²ΠΊΠ°
ΠΠ΅ΠΈΡΠΏΡΠ°Π²Π½ΠΎΡΡΠΈ
ΠΠΎΠ΄ΠΊΠ»ΡΡΠ΅Π½ΠΈΠ΅
Π‘Π½ΠΈΠΌΠ°Π΅ΠΌ Π²ΡΠΊΠ»ΡΡΠ°ΡΠ΅Π»Ρ Π·Π°ΠΆΠΈΠ³Π°Π½ΠΈΡ.
ΠΠΎΠ΄Π΄Π΅Π² ΡΠΎΠ½ΠΊΠΎΠΉ ΠΎΡΠ²Π΅ΡΡΠΊΠΎΠΉ, ΡΠ½ΠΈΠΌΠ°Π΅ΠΌ ΡΡΠΎΠΏΠΎΡΠ½ΠΎΠ΅ ΠΊΠΎΠ»ΡΡΠΎ.
ΠΡΠ½ΠΈΠΌΠ°Π΅ΠΌ ΠΊΠΎΠ½ΡΠ°ΠΊΡΠ½ΡΡ ΡΠ°ΡΡΡ ΠΈΠ· ΠΊΠΎΡΠΏΡΡΠ° Π²ΡΠΊΠ»ΡΡΠ°ΡΠ΅Π»Ρ.
Π‘ΠΎΠ±ΠΈΡΠ°Π΅ΠΌ ΠΈ ΡΡΡΠ°Π½Π°Π²Π»ΠΈΠ²Π°Π΅ΠΌ Π²ΡΠΊΠ»ΡΡΠ°ΡΠ΅Π»Ρ Π² ΠΎΠ±ΡΠ°ΡΠ½ΠΎΠΉ ΠΏΠΎΡΠ»Π΅Π΄ΠΎΠ²Π°ΡΠ΅Π»ΡΠ½ΠΎΡΡΠΈ, ΡΡΠΈΡΡΠ²Π°Ρ, ΡΡΠΎβ¦
β¦ΠΏΠ°Π·Ρ Π² ΠΊΠΎΡΠΏΡΡΠ΅ Π²ΡΠΊΠ»ΡΡΠ°ΡΠ΅Π»Ρ ΠΈ Π²ΡΡΡΡΠΏΡ ΠΊΠΎΠ½ΡΠ°ΠΊΡΠ½ΠΎΠΉ ΡΠ°ΡΡΠΈ ΠΈΠΌΠ΅ΡΡ ΡΠ°Π·Π½ΡΡ ΡΠΈΡΠΈΠ½Ρ, ΠΏΠΎΡΡΠΎΠΌΡ ΠΊΠΎΠ½ΡΠ°ΠΊΡΠ½Π°Ρ ΡΠ°ΡΡΡ ΡΡΡΠ°Π½Π°Π²Π»ΠΈΠ²Π°Π΅ΡΡΡ Π² Π²ΡΠΊΠ»ΡΡΠ°ΡΠ΅Π»Ρ ΡΠΎΠ»ΡΠΊΠΎ Π² ΠΎΠ΄Π½ΠΎΠΌ ΠΏΠΎΠ»ΠΎΠΆΠ΅Π½ΠΈΠΈ.
Π§ΡΠΎΠ±Ρ ΠΏΡΠΈ ΡΠ±ΠΎΡΠΊΠ΅ Π½Π΅ Π³Π°Π΄Π°ΡΡ, ΠΎΡΠΈΠ΅Π½ΡΠΈΡΡΠΉΡΠ΅ΡΡ ΠΏΠΎ Π²ΡΠ²ΠΎΠ΄Π°ΠΌ Β«15Β» ΠΈ Β«30Β», ΠΊΠΎΡΠΎΡΡΠ΅ Π΄ΠΎΠ»ΠΆΠ½Ρ Π±ΡΡΡ Π½Π°ΠΏΡΠΎΡΠΈΠ² Π·Π°ΠΏΠΎΡΠ½ΠΎΠ³ΠΎ ΡΡΠ΅ΡΠΆΠ½Ρ Π·Π°ΠΌΠΊΠ°.
ΠΠΎΠΌΠΌΡΡΠ°ΡΠΈΡ ΠΊΠ»Π΅ΠΌΠΌ Π²ΡΠΊΠ»ΡΡΠ°ΡΠ΅Π»Ρ Π·Π°ΠΆΠΈΠ³Π°Π½ΠΈΡ
ΠΠΎΠ»ΠΎΠΆΠ΅Π½ΠΈΠ΅ ΠΊΠ»ΡΡΠ°
ΠΠΎΠ½ΡΠ°ΠΊΡΡ ΠΏΠΎΠ΄ Π½Π°ΠΏΡΡΠΆΠ΅Π½ΠΈΠ΅ΠΌ
ΠΠΊΠ»ΡΡΠ°Π΅ΠΌΡΠ΅ ΡΠ΅ΠΏΠΈ
0 (ΠΡΠΊΠ»ΡΡΠ΅Π½ΠΎ)
30 ΠΈ 30/1
β
I (ΠΠ°ΠΆΠΈΠ³Π°Π½ΠΈΠ΅)
30-INT
ΠΠ°ΡΡΠΆΠ½ΠΎΠ΅ ΠΎΡΠ²Π΅ΡΠ΅Π½ΠΈΠ΅. ΠΡΠΈΡΡΠΈΡΠ΅Π»ΠΈ ΠΈ ΠΎΠΌΡΠ²Π°ΡΠ΅Π»ΠΈ Π²Π΅ΡΡΠΎΠ²ΠΎΠ³ΠΎ ΡΡΠ΅ΠΊΠ»Π° ΠΈ ΡΠ°Ρ
30/1-15
ΠΠ±ΠΌΠΎΡΠΊΠ° Π²ΠΎΠ·Π±ΡΠΆΠ΄Π΅Π½ΠΈΡ Π³Π΅Π½Π΅ΡΠ°ΡΠΎΡΠ°. Π‘ΠΈΡΡΠ΅ΠΌΠ° Π·Π°ΠΆΠΈΠ³Π°Π½ΠΈΡ.
Π‘ΠΈΡΡΠ΅ΠΌΠ° ΡΠΏΡΠ°Π²Π»Π΅Π½ΠΈΡ ΠΏΠ½Π΅Π²ΠΌΠΎΠΊΠ»Π°ΠΏΠ°Π½ΠΎΠΌ ΠΊΠ°ΡΠ±ΡΡΠ°ΡΠΎΡΠ°.
Π£ΠΊΠ°Π·Π°ΡΠ΅Π»ΠΈ ΠΏΠΎΠ²ΠΎΡΠΎΡΠ°.
ΠΠΎΠ½ΡΡΠΎΠ»ΡΠ½ΡΠ΅ ΠΏΡΠΈΠ±ΠΎΡΡ.
ΠΡΠΎΠΏΠΈΡΠ΅Π»Ρ.
ΠΠ±ΠΎΠ³ΡΠ΅Π² Π·Π°Π΄Π½Π΅Π³ΠΎ ΡΡΠ΅ΠΊΠ»Π°.
Π‘Π²Π΅Ρ Π·Π°Π΄Π½Π΅Π³ΠΎ Ρ ΠΎΠ΄Π°
II (Π‘ΡΠ°ΡΡΠ΅Ρ)
30-INT
Π‘ΠΌ.
ΠΏΠΎΠ»ΠΎΠΆΠ΅Π½ΠΈΠ΅ I
30/1-15
Π‘ΠΌ. ΠΏΠΎΠ»ΠΎΠΆΠ΅Π½ΠΈΠ΅ I
30-50
Π‘ΡΠ°ΡΡΠ΅Ρ
III (Π‘ΡΠΎΡΠ½ΠΊΠ°)
30-INT
Π‘ΠΌ. ΠΏΠΎΠ»ΠΎΠΆΠ΅Π½ΠΈΠ΅ I
Π‘Ρ Π΅ΠΌΠ°
Π‘ΡΡΠΎΠ΅Π½ΠΈΠ΅ Π·Π°ΠΌΠΊΠ°
ΠΠ°ΠΏΠΎΡΠ½ΡΠΉ ΡΡΠ΅ΡΠΆΠ΅Π½Ρ
ΠΠΎΡΠΏΡΡ
ΠΠ°Π»ΠΈΠΊ
ΠΠΎΠ½ΡΠ°ΠΊΡΠ½ΡΠΉ Π΄ΠΈΡΠΊ
ΠΠΎΠ½ΡΠ°ΠΊΡΠ½Π°Ρ Π²ΡΡΠ»ΠΊΠ°
ΠΠΎΠ»ΠΎΠ΄ΠΊΠ°
ΠΡΡΡΡΠΏ ΠΊΠΎΠ½ΡΠ°ΠΊΡΠ½ΠΎΠΉ ΡΠ°ΡΡΠΈ.ΠΠ΅Ρ Π°Π½ΠΈΠ·ΠΌ Π·Π°ΠΌΠΊΠ° ΡΠΎΠ΅Π΄ΠΈΠ½ΡΠ΅ΡΡΡ Ρ ΠΌΠ½ΠΎΠΆΠ΅ΡΡΠ²ΠΎΠΌ ΠΏΡΠΎΠ²ΠΎΠ΄ΠΎΠ². ΠΠ½ΠΈ ΠΏΡΠΎΠ΄ΠΎΠ»ΠΆΠ°ΡΡΡΡ ΠΎΡ Π°ΠΊΠΊΡΠΌΡΠ»ΡΡΠΎΡΠ°, ΡΠΎΠ΅Π΄ΠΈΠ½ΡΡ Π² Π΅Π΄ΠΈΠ½ΡΡ ΡΠ΅ΠΏΠΎΡΠΊΡ Π²ΡΠ΅ ΡΠ»Π΅ΠΊΡΡΠΈΡΠ΅ΡΠΊΠΈΠ΅ ΠΏΡΠΈΠ±ΠΎΡΡ Π°Π²ΡΠΎΠΌΠΎΠ±ΠΈΠ»Ρ. ΠΠΎ Π²ΡΠ΅ΠΌΡ ΠΏΠΎΠ²ΠΎΡΠΎΡΠ° ΠΊΠ»ΡΡΠ° Π·Π°ΠΆΠΈΠ³Π°Π½ΠΈΡ ΠΏΡΠΎΠΈΡΡ ΠΎΠ΄ΠΈΡ Π·Π°ΠΌΡΠΊΠ°Π½ΠΈΠ΅ ΡΠ»Π΅ΠΊΡΡΠΎΡΠ΅ΠΏΠΈ ΠΎΡ ΠΊΠ»Π΅ΠΌΠΌΡ Β» β Β» Π°ΠΊΠΊΡΠΌΡΠ»ΡΡΠΎΡΠ° ΠΊ ΠΊΠ°ΡΡΡΠΊΠ΅ Π·Π°ΠΆΠΈΠ³Π°Π½ΠΈΡ.
Π ΡΠ»Π΅Π΄ΡΡΠ²ΠΈΠΈ ΡΠΎΠΊ ΠΏΡΠΎΡ ΠΎΠ΄ΠΈΡ ΠΏΠΎ ΠΏΡΠΎΠ²ΠΎΠ΄Π°ΠΌ ΠΊ Π·Π°ΠΌΠΊΡ Π·Π°ΠΆΠΈΠ³Π°Π½ΠΈΡ, ΡΠ΅ΡΠ΅Π· Π΅Π³ΠΎ ΠΊΠΎΠ½ΡΠ°ΠΊΡΡ Π½Π°ΠΏΡΠ°Π²Π»ΡΠ΅ΡΡΡ ΠΊ ΠΈΠ½Π΄ΡΠΊΡΠΈΠΎΠ½Π½ΠΎΠΉ ΠΊΠ°ΡΡΡΠΊΠ΅, ΠΏΠΎΡΠ»Π΅ ΡΠ΅Π³ΠΎ Π²ΠΎΠ·Π²ΡΠ°ΡΠ°Π΅ΡΡΡ ΠΎΠ±ΡΠ°ΡΠ½ΠΎ Π½Π° ΠΊΠ»Π΅ΠΌΠΌΡ Β«+Β».
ΠΠΎ Π²ΡΠ΅ΠΌΡ, ΠΊΠΎΠ³Π΄Π° ΡΠ»Π΅ΠΊΡΡΠΈΡΠ΅ΡΡΠ²ΠΎ ΠΏΡΠΎΡ ΠΎΠ΄ΠΈΡ ΡΠ΅ΡΠ΅Π· ΠΊΠ°ΡΡΡΠΊΡ, Π² Π½Π΅ΠΉ Π²ΡΡΠ°Π±Π°ΡΡΠ²Π°Π΅ΡΡΡ Π²ΡΡΠΎΠΊΠΎΠ΅ Π½Π°ΠΏΡΡΠΆΠ΅Π½ΠΈΠ΅, ΠΊΠΎΡΠΎΡΠΎΠ΅ ΠΎΠ½Π° ΠΏΠ΅ΡΠ΅Π΄Π°Π΅Ρ Π½Π° ΡΠ²Π΅ΡΡ Π·Π°ΠΆΠΈΠ³Π°Π½ΠΈΡ. Π‘ΡΠ°Π»ΠΎ Π±ΡΡΡ, ΠΊΠ»ΡΡ Π·Π°ΠΌΡΠΊΠ°Π΅Ρ ΠΊΠΎΠ½ΡΠ°ΠΊΡΡ ΡΠ΅ΠΏΠΈ Π·Π°ΠΆΠΈΠ³Π°Π½ΠΈΡ, ΡΠ΅ΠΌ ΡΠ°ΠΌΡΠΌ Π·Π°ΠΏΡΡΠΊΠ°Ρ Π΄Π²ΠΈΠ³Π°ΡΠ΅Π»Ρ Π°Π²ΡΠΎΠΌΠΎΠ±ΠΈΠ»Ρ.
ΠΠ°ΠΌΠΎΠΊ Π·Π°ΠΆΠΈΠ³Π°Π½ΠΈΡ, ΠΊΠ°ΠΊ ΠΈ Π²ΡΠ΅ Π·Π°ΠΏΡΠ°ΡΡΠΈ, ΡΠΎ Π²ΡΠ΅ΠΌΠ΅Π½Π΅ΠΌ ΡΡΠ΅Π±ΡΠ΅Ρ ΡΠ΅ΠΌΠΎΠ½ΡΠ° ΠΈΠ»ΠΈ Π·Π°ΠΌΠ΅Π½Ρ. Π Ρ ΡΡΠΈΠΌ Π²ΠΏΠΎΠ»Π½Π΅ ΡΠΌΠΎΠΆΠ΅Ρ ΡΠΏΡΠ°Π²ΠΈΡΡΡΡ Π»ΡΠ±ΠΎΠΉ Π°Π²ΡΠΎΠ»ΡΠ±ΠΈΡΠ΅Π»Ρ, ΠΎΠ±Π»Π°Π΄Π°Ρ ΠΌΠΈΠ½ΠΈΠΌΠ°Π»ΡΠ½ΡΠΌ Π·Π°ΠΏΠ°ΡΠΎΠΌ Π½Π΅ΠΎΠ±Ρ ΠΎΠ΄ΠΈΠΌΡΡ Π·Π½Π°Π½ΠΈΠΉ.
ΠΠ°ΠΊ ΡΠ½ΡΡΡ
ΠΠ° Π²ΡΠ΅Ρ ΠΊΠ»Π°ΡΡΠΈΡΠ΅ΡΠΊΠΈΡ Π°Π²ΡΠΎΠΌΠΎΠ±ΠΈΠ»ΡΡ ΠΠΠ Π·Π°ΠΌΠΎΠΊ Π·Π°ΠΆΠΈΠ³Π°Π½ΠΈΡ ΡΠ°ΡΠΏΠΎΠ»ΠΎΠΆΠ΅Π½ ΡΠ½ΠΈΠ·Ρ, ΡΠ»Π΅Π²Π° Π½Π° ΡΡΠ»Π΅Π²ΠΎΠΉ ΠΊΠΎΠ»ΠΎΠ½ΠΊΠ΅. ΠΠ»Ρ Π·Π°ΠΌΠ΅Π½Ρ Π½Π΅ΠΎΠ±Ρ ΠΎΠ΄ΠΈΠΌΠΎ:
ΠΡΠΊΠ»ΡΡΠΈΡΡ Π°ΠΊΠΊΡΠΌΡΠ»ΡΡΠΎΡΠ½ΡΡ Π±Π°ΡΠ°ΡΠ΅Ρ
Π‘Π½ΡΡΡ ΠΏΠ»Π°ΡΡΠΌΠ°ΡΡΠΎΠ²ΡΠΉ ΠΊΠΎΠΆΡΡ , ΠΏΡΠ΅Π΄Π²Π°ΡΠΈΡΠ΅Π»ΡΠ½ΠΎ ΠΎΡΠΊΡΡΡΠΈΠ² Π²ΠΈΠ½ΡΡ Π΅Π³ΠΎ ΠΊΡΠ΅ΠΏΠ»Π΅Π½ΠΈΡ.
ΠΠ°ΡΠ΅ΠΌ ΠΎΡΠΊΡΡΡΠΈΠ²Π°Π΅ΠΌ Π΄Π²Π° Π²ΠΈΠ½ΡΠ° ΠΊΡΠ΅ΠΏΠ»Π΅Π½ΠΈΡ Π·Π°ΠΌΠΊΠ° Π·Π°ΠΆΠΈΠ³Π°Π½ΠΈΡ ΠΊ ΠΊΡΠΎΠ½ΡΡΠ΅ΠΉΠ½Ρ.
ΠΡΡΠ°Π²Π»ΡΠ΅ΠΌ ΠΊΠ»ΡΡ ΠΈ ΡΡΡΠ°Π½Π°Π²Π»ΠΈΠ²Π°Π΅ΠΌ Π΅Π³ΠΎ Π² ΠΏΠΎΠ»ΠΎΠΆΠ΅Π½ΠΈΠ΅ 0, ΡΡΠΎΠ±Ρ ΠΎΡΠΊΠ»ΡΡΠΈΡΡ ΠΏΡΠΎΡΠΈΠ²ΠΎΡΠ³ΠΎΠ½Π½ΠΎΠ΅ ΡΡΡΡΠΎΠΉΡΡΠ²ΠΎ.
ΠΡΡΠ°Π²Π»ΡΠ΅ΠΌ ΡΠΈΠ»ΠΎ Π² ΠΎΡΠ²Π΅ΡΡΡΠΈΠ΅ Π² ΠΊΡΠΎΠ½ΡΡΠ΅ΠΉΠ½Π΅ ΠΈ Π½Π°ΠΆΠΈΠΌΠ°Π΅ΠΌ ΡΠΈΠΊΡΠ°ΡΠΎΡ. ΠΠΎΡΠ»Π΅ ΡΠ΅Π³ΠΎ Π²ΡΠ½ΠΈΠΌΠ°Π΅ΠΌ ΡΠ°ΠΌ Π·Π°ΠΌΠΎΠΊ.
ΠΠΎΡΠ»Π΅ ΡΠ½ΡΡΠΈΡ, ΡΠ΅ΠΊΠΎΠΌΠ΅Π½Π΄ΡΠ΅ΡΡΡ ΠΏΠΎΠΌΠ΅ΡΠΈΡΡ ΠΏΡΠΎΠ²ΠΎΠ΄Π° ΠΊΠΎΠ½ΡΠ°ΠΊΡΠΎΠ², ΡΡΠΎΠ±Ρ ΠΏΡΠΈ ΡΠ»Π΅Π΄ΡΡΡΠ΅ΠΌ ΠΏΠΎΠ΄ΠΊΠ»ΡΡΠ΅Π½ΠΈΠΈ Π½ΠΈΡΠ΅Π³ΠΎ Π½Π΅ ΠΏΠ΅ΡΠ΅ΠΏΡΡΠ°ΡΡ.
ΠΠ°ΠΊ ΠΏΠΎΠΌΠ΅Π½ΡΡΡ
Π‘Π½ΡΡΠΈΠ΅ Π·Π°ΠΌΠΊΠ° Π·Π°ΠΆΠΈΠ³Π°Π½ΠΈΡ Π½Π° ΠΠΠ-2106 Π½Π°ΡΠΈΠ½Π°Π΅ΡΡΡ Ρ ΡΠ°Π·Π±ΠΎΡΠΊΠΈ ΠΊΠΎΠΆΡΡ Π° ΡΡΠ»Π΅Π²ΠΎΠΉ ΠΊΠΎΠ»ΠΎΠ½ΠΊΠΈ. ΠΡΠΊΡΡΡΠΈΠ²Π°Π΅ΠΌ ΠΏΡΡΡ Π±ΠΎΠ»ΡΠΎΠ², ΠΈ ΡΠ½ΠΈΠΌΠ°Π΅ΠΌ Π΅Π³ΠΎ ΠΏΠΎΠ»ΠΎΠ²ΠΈΠ½ΠΊΠΈ. ΠΠ΅ΡΠ΅Π΄ ΡΠ΅ΠΌ, ΠΊΠ°ΠΊ ΠΏΡΠΈΡΡΡΠΏΠΈΡΡ ΠΊ ΡΠ°Π·Π±ΠΎΡΠΊΠ΅ ΡΠ»Π΅ΠΊΡΡΠΈΡΠ΅ΡΠΊΠΎΠΉ ΡΠ°ΡΡΠΈ Π·Π°ΠΌΠΊΠ°, ΠΎΡΠ΅Π½Ρ ΠΊΡΡΠ°ΡΠΈ ΠΎΡΠΊΠ»ΡΡΠΈΡΡ Π°ΠΊΠΊΡΠΌΡΠ»ΡΡΠΎΡ, ΡΠ½ΡΠ² ΠΌΠΈΠ½ΡΡΠΎΠ²ΡΡ ΠΊΠ»Π΅ΠΌΠΌΡ ΠΈΠ»ΠΈ ΠΎΡΠ²Π΅ΡΠ½ΡΠ² Π±ΠΎΠ»Ρ Π²ΡΠΊΠ»ΡΡΠ°ΡΠ΅Π»Ρ. ΠΠΎΡΠ»Π΅ ΡΡΠΎΠ³ΠΎ Π²ΡΠ½ΠΈΠΌΠ°Π΅ΠΌ ΠΏΡΡΠΆΠΈΠ½Π½ΠΎΠ΅ ΡΡΠΎΠΏΠΎΡΠ½ΠΎΠ΅ ΠΊΠΎΠ»ΡΡΠΎ ΠΈΠ· Π·Π°Π΄Π½Π΅ΠΉ ΡΠ°ΡΡΠΈ ΠΊΠΎΡΠΏΡΡΠ° Π·Π°ΠΌΠΊΠ° ΠΈ Π²ΡΠ½ΠΈΠΌΠ°Π΅ΠΌ ΠΊΠΎΠ½ΡΠ°ΠΊΡΠ½ΡΡ Π³ΡΡΠΏΠΏΡ. ΠΡΠ²ΠΎΠ΄ΠΈΠΌ Π΅Π΅ Π² ΡΡΠΎΡΠΎΠ½Ρ, ΡΡΠΎΠ±Ρ Π½Π΅ ΠΌΠ΅ΡΠ°Π»Π°ΡΡ, ΠΈ Π½Π°ΡΠΈΠ½Π°Π΅ΠΌ ΡΠ½ΠΈΠΌΠ°ΡΡ ΡΠ°ΠΌ Π·Π°ΠΌΠΎΠΊ.
ΠΠ½ ΠΊΡΠ΅ΠΏΠΈΡΡΡ Π² ΠΊΡΠΎΠ½ΡΡΠ΅ΠΉΠ½Π΅ ΡΡΠ»Π΅Π²ΠΎΠ³ΠΎ Π²Π°Π»Π° Π΄Π²ΡΠΌΡ Π±ΠΎΠ»ΡΠΈΠΊΠ°ΠΌΠΈ, ΠΏΠΎΡΠ»Π΅ ΠΎΡΠΊΡΡΡΠΈΠ²Π°Π½ΠΈΡ ΠΊΠΎΡΠΎΡΡΡ , Π½ΠΈΡΠ΅Π³ΠΎ Π½Π΅ ΠΏΡΠΎΠΈΡΡ ΠΎΠ΄ΠΈΡ. ΠΠ΅ΡΠΏΠΎΠ»Π΅Π·Π½ΠΎ ΠΏΡΡΠ°ΡΡΡΡ Π²ΡΡΠ°ΡΠΈΡΡ Π·Π°ΠΌΠΎΠΊ ΠΈΠ· Π³Π½Π΅Π·Π΄Π°, Π΅ΡΠ»ΠΈ Π½Π΅ Π·Π½Π°ΡΡ ΠΎ ΡΠΏΠ΅ΡΠΈΠ°Π»ΡΠ½ΠΎΠΌ ΡΡΠΎΠΏΠΎΡΠ΅. ΠΠ½ Π½Π°Ρ ΠΎΠ΄ΠΈΡΡΡ Π½Π° ΠΊΠΎΡΠΏΡΡΠ΅ Π·Π°ΠΌΠΊΠ° ΠΏΠΎΠ΄ ΠΊΡΠΎΠ½ΡΡΠ΅ΠΉΠ½ΠΎΠΌ. ΠΡΠΎΡ ΡΡΠΎΠΏΠΎΡ Π²Π΄Π°Π²Π»ΠΈΠ²Π°Π΅ΠΌ Π² Π·Π°ΠΌΠΎΠΊ ΡΠΎΠ½ΠΊΠΎΠΉ ΠΎΡΠ²Π΅ΡΡΠΊΠΎΠΉ ΡΠ΅ΡΠ΅Π· ΠΌΠ°Π»Π΅Π½ΡΠΊΠΎΠ΅ ΠΎΡΠ²Π΅ΡΡΡΠΈΠ΅ Π² ΠΊΡΠΎΠ½ΡΡΠ΅ΠΉΠ½Π΅. ΠΠ°Π»ΡΡΠ΅, ΠΏΠΎ Π²ΡΠ΅ΠΌ ΠΈΠ½ΡΡΡΡΠΊΡΠΈΡΠΌ, Π·Π°ΠΌΠΎΠΊ Π΄ΠΎΠ»ΠΆΠ΅Π½ ΡΠ²ΠΎΠ±ΠΎΠ΄Π½ΠΎ Π²ΡΡΠ°ΡΠΊΠΈΠ²Π°ΡΡΡΡ, ΠΎΠ΄Π½Π°ΠΊΠΎ ΡΡΠΎ Π½Π΅ ΠΏΠΎΠ»ΡΡΠ°Π΅ΡΡΡ.
ΠΡΠ΅Π³ΡΠ°Π΄ΠΎΠΉ, ΠΊΠΎΡΠΎΡΠ°Ρ Π½ΠΈΠ³Π΄Π΅ Π½Π΅ ΠΎΠΏΠΈΡΠ°Π½Π°, ΡΡΠ°Π½ΠΎΠ²ΠΈΡΡΡ ΠΏΡΠΎΡΠΈΠ²ΠΎΡΠ³ΠΎΠ½Π½ΡΠΉ ΡΡΠ΅ΡΠΆΠ΅Π½Ρ. ΠΠ½ Ρ ΠΎΡΡ ΠΈ Π½Π°Ρ ΠΎΠ΄ΠΈΡΡΡ Π² Β«ΠΎΡΠΊΠ»ΡΡΠ΅Π½Π½ΠΎΠΌΒ» ΡΠΎΡΡΠΎΡΠ½ΠΈΠΈ, Π²ΡΠ΅ ΡΠ°Π²Π½ΠΎ ΡΠ΅ΠΏΠ»ΡΠ΅ΡΡΡ Π·Π° ΡΡΠ»Π΅Π²ΠΎΠΉ Π²Π°Π». Π§ΡΠΎΠ±Ρ Π²ΡΡΠ°ΡΠΈΡΡ Π·Π°ΠΌΠΎΠΊ, ΠΏΡΠΈΡ ΠΎΠ΄ΠΈΡΡΡ ΡΠΎΠ²Π΅ΡΡΠ°ΡΡ ΠΌΠ°Π½ΠΈΠΏΡΠ»ΡΡΠΈΠΈ Ρ ΠΊΠ»ΡΡΠΎΠΌ. Π ΡΠ°Π·Π½ΡΡ ΠΏΠΎΠ»ΠΎΠΆΠ΅Π½ΠΈΡΡ Π»ΠΈΡΠΈΠ½ΠΊΠΈ Π·Π°ΠΌΠΊΠ°, ΠΏΡΠΎΡΠΈΠ²ΠΎΡΠ³ΠΎΠ½ΠΊΠ° ΡΠΎΠΆΠ΅ Π΄Π²ΠΈΠ³Π°Π΅ΡΡΡ ΠΈ ΠΌΠ°ΠΊΡΠΈΠΌΠ°Π»ΡΠ½ΠΎ ΡΡΠ°ΠΏΠ»ΠΈΠ²Π°Π΅ΡΡΡ, ΠΊΠΎΠ³Π΄Π° ΠΊΠ»ΡΡ Π½Π°Ρ ΠΎΠ΄ΠΈΡΡΡ Π² ΠΏΠΎΠ»ΠΎΠΆΠ΅Π½ΠΈΠΈ Β«Π‘ΡΠ°ΡΡΠ΅ΡΒ». Π§Π΅ΡΠ΅Π· Π½Π΅ΡΠΊΠΎΠ»ΡΠΊΠΎ ΠΌΠΈΠ½ΡΡ Π·Π°ΠΌΠΎΠΊ ΡΠ΄Π°Π΅ΡΡΡ Π²ΡΡΠ°ΡΠΈΡΡ ΠΈΠ· ΠΊΡΠΎΠ½ΡΡΠ΅ΠΉΠ½Π°.
ΠΠΎΡ Π·Π΄Π΅ΡΡ ΡΠ°ΠΌΠΎΠ΅ Π²ΡΠ΅ΠΌΡ Π½Π°ΠΏΠΈΡΠ°ΡΡ, ΡΡΠΎ ΡΠ±ΠΎΡΠΊΡ ΡΠ·Π»Π° ΡΠ»Π΅Π΄ΡΠ΅Ρ ΠΏΡΠΎΠ²ΠΎΠ΄ΠΈΡΡ Π² ΠΏΠΎΡΡΠ΄ΠΊΠ΅, ΠΎΠ±ΡΠ°ΡΠ½ΠΎΠΌ ΡΠ½ΡΡΠΈΡ. Π Π² ΡΠ΅Π»ΠΎΠΌ, ΡΡΠΎ Π±ΡΠ΄Π΅Ρ Π²Π΅ΡΠ½ΠΎ. Π‘Π½Π°ΡΠ°Π»Π° Π½ΡΠΆΠ½ΠΎ Π²ΡΡΠ°Π²ΠΈΡΡ Π½ΠΎΠ²ΡΠΉ Π·Π°ΠΌΠΎΠΊ Π² ΠΊΡΠΎΠ½ΡΡΠ΅ΠΉΠ½, ΡΡΠΎΠΏΠΈΠ² ΡΠΈΠΊΡΠ°ΡΠΎΡ ΠΈ Π΄Π΅ΡΠΆΠ° ΠΊΠ»ΡΡ Π² ΡΡΠ°ΡΡΠ΅ΡΠ½ΠΎΠΌ ΠΏΠΎΠ»ΠΎΠΆΠ΅Π½ΠΈΠΈ, Π·Π°ΠΊΡΡΡΠΈΡΡ ΠΊΡΠ΅ΠΏΠ΅ΠΆΠ½ΡΠ΅ Π±ΠΎΠ»ΡΠΈΠΊΠΈ, Π·Π°ΡΠ΅ΠΌ ΠΏΠΎΠ΄ΠΊΠ»ΡΡΠΈΡΡ ΠΏΡΠΎΠ²ΠΎΠ΄Π°. ΠΡΠΎΠΌΡ Π½ΡΠΆΠ½ΠΎ ΡΠ΄Π΅Π»ΠΈΡΡ ΠΎΡΠΎΠ±ΠΎΠ΅ Π²Π½ΠΈΠΌΠ°Π½ΠΈΠ΅, ΠΏΠΎΡΠΎΠΌΡ ΡΡΠΎ Π½Π΅ΠΏΡΠ°Π²ΠΈΠ»ΡΠ½ΠΎ ΠΏΠΎΠ΄ΠΊΠ»ΡΡΠ΅Π½Π½Π°Ρ ΠΊΠΎΠ½ΡΠ°ΠΊΡΠ½Π°Ρ Π³ΡΡΠΏΠΏΠ° ΠΌΠΎΠΆΠ΅Ρ Π²ΡΠ²Π΅ΡΡΠΈ ΠΈΠ· ΡΡΡΠΎΡ ΡΡΠ°ΡΡΠ΅Ρ ΠΈΠ»ΠΈ ΡΠΈΡΡΠ΅ΠΌΡ Π·Π°ΠΆΠΈΠ³Π°Π½ΠΈΡ. ΠΡΠΎΠ²ΠΎΠ΄Π° ΡΠΎ ΡΡΠ°ΡΠΎΠΉ Π³ΡΡΠΏΠΏΡ Π½Π° Π½ΠΎΠ²ΡΡ ΠΏΠ΅ΡΠ΅ΡΠ΅ΠΏΠ»ΡΠ΅ΠΌ ΠΏΠΎ ΠΎΠ΄Π½ΠΎΠΌΡ, ΡΠ²Π΅ΡΡΡ Π½ΠΎΠΌΠ΅ΡΠ° Π½Π° ΠΊΠΎΠ½ΡΠ°ΠΊΡΠ°Ρ . ΠΠΎΡΠ»Π΅ ΡΡΠΎΠ³ΠΎ ΡΠΎΠ±ΠΈΡΠ°Π΅ΠΌ ΠΊΠΎΠΆΡΡ ΡΡΠ»Π΅Π²ΠΎΠΉ ΠΊΠΎΠ»ΠΎΠ½ΠΊΠΈ.
Π£ΡΡΠ°Π½ΠΎΠ²ΠΊΠ°
ΠΠ»Ρ Π²ΡΠΏΠΎΠ»Π½Π΅Π½ΠΈΡ ΡΠ΅ΠΌΠΎΠ½ΡΠ½ΡΡ ΡΠ°Π±ΠΎΡ ΠΏΠΎ Π·Π°ΠΌΠ΅Π½Π΅ Π·Π°ΠΌΠΊΠ° Π·Π°ΠΆΠΈΠ³Π°Π½ΠΈΡ Π²Π°Π· 2106 Π½Π°ΠΌ ΠΏΠΎΡΡΠ΅Π±ΡΡΡΡΡ: ΠΎΡΠ²Π΅ΡΡΠΊΠ°, ΡΠ΅ΡΡΠ΅Ρ ΠΈ ΡΠΎΠ½ΠΊΠΎΠ΅ ΡΠΈΠ»ΠΎ.
ΠΡΠΈ Π½Π°Π»ΠΈΡΠΈΠ΅ Π²ΡΠ΅Π³ΠΎ Π½Π΅ΠΎΠ±Ρ ΠΎΠ΄ΠΈΠΌΠΎΠ³ΠΎ ΠΌΠΎΠΆΠ½ΠΎ ΠΏΡΠΈΡΡΡΠΏΠ°ΡΡ ΠΊ ΡΠ΅ΠΌΠΎΠ½ΡΡ.
ΠΠ° Π°Π²ΡΠΎΠΌΠΎΠ±ΠΈΠ»Π΅ Π·Π°ΠΌΠΎΠΊ Π·Π°ΠΆΠΈΠ³Π°Π½ΠΈΡ ΡΠ°ΡΠΏΠΎΠ»ΠΎΠΆΠ΅Π½ ΡΠΎ ΡΡΠΎΡΠΎΠ½Ρ Π²ΠΎΠ΄ΠΈΡΠ΅Π»Ρ, Π·Π°ΠΊΡΠ΅ΠΏΠ»Π΅Π½ Ρ Π»Π΅Π²ΠΎΠΉ ΡΡΠΎΡΠΎΠ½Ρ ΡΡΠ»Ρ Π½Π° ΠΊΡΠΎΠ½ΡΡΠ΅ΠΉΠ½Π΅ ΡΡΠ»Π΅Π²ΠΎΠ³ΠΎ ΠΌΠ΅Ρ Π°Π½ΠΈΠ·ΠΌΠ°, ΠΏΠΎΠ΄ ΠΏΠ°Π½Π΅Π»ΡΡ ΠΏΡΠΈΠ±ΠΎΡΠΎΠ².
ΠΡΠ΅ΠΆΠ΄Π΅ Π²ΡΠ΅Π³ΠΎ Π½Π΅ΠΎΠ±Ρ ΠΎΠ΄ΠΈΠΌΠΎ ΠΈΠ·Π±Π°Π²ΠΈΡΡΡΡ ΠΎΡ Π΄Π΅ΠΊΠΎΡΠ°ΡΠΈΠ²Π½ΠΎΠ³ΠΎ ΠΊΠΎΠΆΡΡ Π° Π²Π°Π»Π° ΡΡΠ»Π΅Π²ΠΎΠ³ΠΎ ΡΠΏΡΠ°Π²Π»Π΅Π½ΠΈΡ, Π²ΡΠ²Π΅ΡΠ½ΠΈΡΠ΅ Π²ΠΈΠ½ΡΡ ΠΊΡΠ΅ΠΏΠ»Π΅Π½ΠΈΡ ΠΈ ΡΠ½ΠΈΠΌΠΈΡΠ΅ Π΅Π³ΠΎ. ΠΠΎΠ΄ΠΎΠ±Π½ΡΠ΅ Π΄Π΅ΠΉΡΡΠ²ΠΈΡ ΠΌΡ Π²ΡΠΏΠΎΠ»Π½ΡΠ»ΠΈ ΠΏΡΠΈ Π·Π°ΠΌΠ΅Π½Π΅ Π²Π°Π»Π° ΡΡΠ»Π΅Π²ΠΎΠ³ΠΎ ΡΠΏΡΠ°Π²Π»Π΅Π½ΠΈΡ.
ΠΠΎΡΠ»Π΅ ΡΠ½ΡΡΠΈΡ Π΄Π΅ΠΊΠΎΡΠ°ΡΠΈΠ²Π½ΠΎΠ³ΠΎ ΠΊΠΎΠΆΡΡ Π°, ΠΎΡΠ²Π΅ΡΠ½ΠΈΡΠ΅ Π΄Π²Π° Π²ΠΈΠ½ΡΠ° ΠΊΡΠ΅ΠΏΠ»Π΅Π½ΠΈΡ Π·Π°ΠΌΠΊΠ° Π·Π°ΠΆΠΈΠ³Π°Π½ΠΈΡ ΠΊ ΠΊΠΎΡΠΏΡΡΡ, Π·Π°ΡΠ΅ΠΌ Π²ΡΡΠ°Π²ΡΡΠ΅ Π² Π·Π°ΠΌΠΎΠΊ ΠΊΠ»ΡΡ ΠΈ Π²ΠΊΠ»ΡΡΠΈΡΠ΅ ΠΏΠΎΠ»ΠΎΠΆΠ΅Π½ΠΈΠ΅ Β«0Β» ΠΏΡΠΈ ΠΊΠΎΡΠΎΡΠΎΠΌ Π²ΡΠΊΠ»ΡΡΠ°Π΅ΡΡΡ ΠΏΡΠΎΡΠΈΠ²ΠΎΡΠ³ΠΎΠ½Π½ΠΎΠ΅ ΡΡΡΡΠΎΠΉΡΡΠ²ΠΎ. Π§Π΅ΡΠ΅Π· ΠΎΡΠ²Π΅ΡΡΡΠΈΠ΅ Π² ΠΊΡΠΎΠ½ΡΡΠ΅ΠΉΠ½Π΅, Π½Π°ΠΆΠΌΠΈΡΠ΅ ΡΠΎΠ½ΠΊΠΈΠΌ ΡΠΈΠ»ΠΎΠΌ Π½Π° ΡΠΈΠΊΡΠ°ΡΠΎΡ Π·Π°ΠΌΠΊΠ° ΠΈ Π²ΡΠ½ΡΡΠ΅ Π·Π°ΠΌΠΎΠΊ Π·Π°ΠΆΠΈΠ³Π°Π½ΠΈΡ ΠΈΠ· ΠΏΠΎΡΠ°Π΄ΠΎΡΠ½ΠΎΠ³ΠΎ Π³Π½Π΅Π·Π΄Π°.
ΠΠ° ΡΡΠΎΠΌ ΡΠ΅ΠΌΠΎΠ½ΡΠ½ΡΠ΅ ΡΠ°Π±ΠΎΡΡ ΠΏΠΎ ΡΠ½ΡΡΠΈΡ Π·Π°ΠΌΠΊΠ° Π·Π°ΠΆΠΈΠ³Π°Π½ΠΈΡ Π²Π°Π· 2106 Π·Π°Π²Π΅ΡΡΠ΅Π½Ρ.
ΠΠ° ΠΌΠΎΠ΄Π΅Π»ΡΡ Π²Π°Π· 2108 ΠΈ Π²ΡΡΠ΅, ΠΊ Π·Π°ΠΌΠΊΡ ΠΏΠΎΠ΄ΠΊΠ»ΡΡΠ΅Π½ ΠΏΠ°ΠΊΠ΅ΡΠ½ΠΈΠΊ Ρ ΠΏΡΠΎΠ²ΠΎΠ΄Π°ΠΌΠΈ, ΡΠΎ Π΅ΡΡΡ Π½ΠΈΡΠ΅Π³ΠΎ Π½Π΅ Π½Π°Π΄ΠΎ ΠΌΠ°ΡΠΊΠΈΡΠΎΠ²Π°ΡΡ ΠΈ ΠΏΠΎΠ»Π½ΠΎΡΡΡΡ ΠΈΡΠΊΠ»ΡΡΠ°Π΅ΡΡΡ Π²ΠΎΠ·ΠΌΠΎΠΆΠ½ΠΎΡΡΡ ΠΏΠ΅ΡΠ΅ΠΏΡΡΠ°ΡΡ ΠΏΡΠΎΠ²ΠΎΠ΄Π° ΠΏΡΠΈ ΡΡΡΠ°Π½ΠΎΠ²ΠΊΠ΅ Π½ΠΎΠ²ΠΎΠ³ΠΎ Π²ΡΠΊΠ»ΡΡΠ°ΡΠ΅Π»Ρ.
ΠΡ Π° Π½Π° ΠΌΠΎΠ΄Π΅Π»ΡΡ Π²Π°Π· 2107 ΠΈ Π½ΠΈΠΆΠ΅, ΡΠ°ΠΊΠΎΠ³ΠΎ Π½Π΅Ρ, ΠΊΠ°ΠΆΠ΄ΡΠΉ ΠΏΡΠΎΠ²ΠΎΠ΄ ΠΏΠΎΠ΄ΠΊΠ»ΡΡΠ΅Π½ ΠΎΡΠ΄Π΅Π»ΡΠ½ΠΎ, ΠΏΠΎΡΡΠΎΠΌΡ ΡΠ½ΠΈΠΌΠ°Ρ ΠΊΠ°ΠΆΠ΄ΡΠΉ ΠΏΡΠΎΠ²ΠΎΠ΄, Π΅Π³ΠΎ Π½Π΅ΠΎΠ±Ρ ΠΎΠ΄ΠΈΠΌΠΎ ΠΌΠ°ΡΠΊΠ΅ΡΠΎΠ²Π°ΡΡ, ΡΡΠΎΠ±Ρ ΠΏΡΠΈ Π΄Π°Π»ΡΠ½Π΅ΠΉΡΠ΅ΠΉ ΡΡΡΠ°Π½ΠΎΠ²ΠΊΠ΅ Π½Π΅ ΠΏΠ΅ΡΠ΅ΠΏΡΡΠ°ΡΡ.ΠΠ»Ρ Π·Π°ΠΌΠ΅Π½Ρ ΠΊΠΎΠ½ΡΠ°ΠΊΡΠ½ΠΎΠΉ Π³ΡΡΠΏΡ Π·Π°ΠΌΠΊΠ° Π·Π°ΠΆΠΈΠ³Π°Π½ΠΈΡ, Π½Π΅ΠΎΠ±Ρ ΠΎΠ΄ΠΈΠΌΠΎ ΡΠΎΠ½ΠΊΠΎΠΉ ΠΎΡΠ²Π΅ΡΡΠΊΠΎΠΉ ΠΈΠ»ΠΈ ΡΠΈΠ»ΠΎΠΌ ΠΏΠΎΠ΄Π΄Π΅ΡΡ Ρ ΠΊΡΠ°Ρ ΡΡΠΎΠΏΠΎΡΠ½ΠΎΠ΅ ΠΊΠΎΠ»ΡΡΠΎ ΠΈ ΡΠ½ΡΡΡ ΠΊΠΎΠ½ΡΠ°ΠΊΡΠ½ΡΡ ΡΠ°ΡΡΡ. ΠΡΠΈ ΡΡΡΠ°Π½ΠΎΠ²Π΅ Π½ΠΎΠ²ΠΎΠΉ ΠΊΠΎΠ½ΡΠ°ΠΊΡΠ½ΠΎΠΉ ΡΠ°ΡΡΠΈ, ΠΎΡΠΈΠ΅Π½ΡΠΈΡΡΠΉΡΠ΅ Π΅Π΅ ΡΠ°ΠΊΠΈΠΌ ΠΎΠ±ΡΠ°Π·ΠΎΠΌ, ΡΡΠΎΠ±Ρ ΠΊΠ»Π΅ΠΌΠΌΡ Β«15Β» ΠΈ Β«30Β» Π½Π°Ρ ΠΎΠ΄ΠΈΠ»ΠΈΡΡ ΡΠΎ ΡΡΠΎΡΠΎΠ½Ρ Π·Π°ΠΏΠΎΡΠ½ΠΎΠ³ΠΎ ΡΡΠ΅ΡΠΆΠ½Ρ.
ΠΠ° ΡΡΠΎΠΌ ΡΠ΅ΠΌΠΎΠ½ΡΠ½ΡΠ΅ ΡΠ°Π±ΠΎΡΡ Π·Π°Π²Π΅ΡΡΠ΅Π½Ρ, ΡΡΡΠ°Π½ΠΎΠ²ΠΈΡΠ΅ Π½ΠΎΠ²ΡΠΉ Π·Π°ΠΌΠΎΠΊ Π·Π°ΠΆΠΈΠ³Π°Π½ΠΈΡ Π² ΠΏΠΎΡΡΠ΄ΠΊΠ΅ ΠΎΠ±ΡΠ°ΡΠ½ΠΎΠΌ ΡΠ½ΡΡΠΈΡ, ΠΏΠΎΠ΄ΡΠΎΠ΅Π΄ΠΈΠ½ΠΈΡΠ΅ ΠΏΡΠΎΠ²ΠΎΠ΄Π°, ΠΏΠ΅ΡΠ΅Π½Π΅ΡΡ ΠΌΠ°ΡΠΊΠΈΡΠΎΠ²ΠΊΡ ΡΠΎ ΡΡΠ°ΡΠΎΠ³ΠΎ Π²ΡΠΊΠ»ΡΡΠ°ΡΠ΅Π»Ρ Π½Π° Π½ΠΎΠ²ΡΠΉ.
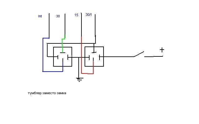
Π Π°ΡΠΏΠΈΠ½ΠΎΠ²ΠΊΠ°
ΠΠ΄Π΅ΡΡ ΠΏΠΎΠΊΠ°Π·Π°Π½Π° ΡΠ°ΡΠΏΠΈΠ½ΠΎΠ²ΠΊΠ° Π·Π°ΠΌΠΊΠ° Π·Π°ΠΆΠΈΠ³Π°Π½ΠΈΡ ΠΠΠ 2106, ΠΊΠΎΡΠΎΡΠ°Ρ ΠΏΠΎΠΌΠΎΠΆΠ΅Ρ ΠΊΠΎΡΡΠ΅ΠΊΡΠ½ΠΎΠΌΡ ΠΈΡΠΏΠΎΠ»ΡΠ·ΠΎΠ²Π°Π½ΠΈΡ ΡΡΠ½ΠΊΡΠΈΠΎΠ½Π°Π»Π° ΡΡΠΎΠ³ΠΎ ΡΠ»Π΅ΠΌΠ΅Π½ΡΠ° ΡΠ½Π΅ΡΠ³ΠΎΡΠΈΡΡΠ΅ΠΌΡ ΡΡΠ°Π½ΡΠΏΠΎΡΡΠ½ΠΎΠ³ΠΎ ΡΡΠ΅Π΄ΡΡΠ²Π°.
ΠΡΠΌΠ΅ΡΠ°ΡΠΈΡ ΠΏΠΎΠ·ΠΈΡΠΈΠΈ ΠΠ ΠΠ°ΠΈΠΌΠ΅Π½ΠΎΠ²Π°Π½ΠΈΠ΅ ΠΊΠΎΠ½ΡΠ°ΠΊΡΠΎΠ² ΠΈΠ·Π΄Π΅Π»ΠΈΡ ΠΠ°Π΄Π΅ΠΉΡΡΠ²ΠΎΠ²Π°Π½Π½ΡΠ΅ ΡΠ΅ΠΏΠΈ ΡΠ½Π΅ΡΠ³ΠΎΡΠΈΡΡΠ΅ΠΌΡ Β«0Β» β Π²ΡΠΊΠ». 30 ΠΈ 30/1 Π¦Π΅ΠΏΠΈ ΡΠΈΡΡΠ΅ΠΌΡ Π·Π°ΠΆΠΈΠ³Π°Π½ΠΈΡ Π·Π°Π΄Π΅ΠΉΡΡΠ²ΠΎΠ²Π°Π½Ρ Π² Π°Π²Π°ΡΠΈΠΉΠ½ΠΎΠΌ ΡΠ΅ΠΆΠΈΠΌΠ΅ Β«IΒ» β Π·Π°ΠΆΠΈΠ³Π°Π½ΠΈΠ΅ 30-INT
Β
Β
30/1-15
ΠΠΎΡΠΌΠΎΠ²ΠΎΠΉ ΠΈ ΡΡΠΎΠ½ΡΠ°Π»ΡΠ½ΡΠΉ ΡΠ²Π΅Ρ ΠΎΠΏΡΠΈΡΠ΅ΡΠΊΠΎΠΉ ΡΠΈΡΡΠ΅ΠΌΡ, ΠΎΡΠΈΡΡΠΈΡΠ΅Π»Ρ ΠΈ ΠΎΠΌΡΠ²Π°ΡΠ΅Π»ΡΠ½ΡΠΉ ΡΠ»Π΅ΠΌΠ΅Π½Ρ Π»ΠΎΠ±ΠΎΠ²ΠΎΠ³ΠΎ ΡΡΠ΅ΠΊΠ»Π°, ΠΎΡΠΎΠΏΠΈΡΠ΅Π»ΡΠ½ΡΠΉ ΠΊΠΎΠΌΠΏΠΎΠ½Π΅Π½Ρ ΡΠΈΡΡΠ΅ΠΌΡ ΠΎΡ Π»Π°ΠΆΠ΄Π΅Π½ΠΈΡ
ΠΠ‘Π (Π±ΠΎΡΡΠΎΠ²Π°Ρ ΡΠΈΡΡΠ΅ΠΌΠ° Π·Π°ΠΆΠΈΠ³Π°Π½ΠΈΡ), ΠΈΠ½ΠΈΡΠΈΠ°ΡΠΈΡ Π³Π΅Π½Π΅ΡΠ°ΡΠΎΡΠ½ΠΎΠ³ΠΎ Π±Π»ΠΎΠΊΠ°, ΠΏΡΠΈΠ±ΠΎΡΠ½ΡΠ΅ Π΄Π°ΡΡΠΈΠΊΠΈ ΠΊΠΎΠ½ΡΡΠΎΠ»ΡΠ½ΠΎΠ³ΠΎ ΡΠΈΡΠΊΠ°, ΡΠΈΠ³Π½Π°Π»Ρ Π·Π²ΡΠΊΠΎΠ²ΠΎΠ³ΠΎ ΠΈ ΡΠ²Π΅ΡΠΎΠ²ΠΎΠ³ΠΎ ΡΠΈΠΏΠ° Β«ΠΏΠΎΠ²ΠΎΡΠΎΡΠ½ΠΈΠΊΠΎΠ²Β»
Β«IIΒ» β ΡΡΠ°ΡΡΠ΅Ρ 30-INT
30/1-15
Β
Β
Β
30-50
ΠΠΎΡΠΌΠΎΠ²ΠΎΠΉ ΠΈ ΡΡΠΎΠ½ΡΠ°Π»ΡΠ½ΡΠΉ ΡΠ²Π΅Ρ ΠΎΠΏΡΠΈΡΠ΅ΡΠΊΠΎΠΉ ΡΠΈΡΡΠ΅ΠΌΡ, ΠΎΡΠΈΡΡΠΈΡΠ΅Π»Ρ ΠΈ ΠΎΠΌΡΠ²Π°ΡΠ΅Π»ΡΠ½ΡΠΉ ΡΠ»Π΅ΠΌΠ΅Π½Ρ Π»ΠΎΠ±ΠΎΠ²ΠΎΠ³ΠΎ ΡΡΠ΅ΠΊΠ»Π°, ΠΎΡΠΎΠΏΠΈΡΠ΅Π»ΡΠ½ΡΠΉ ΠΊΠΎΠΌΠΏΠΎΠ½Π΅Π½Ρ ΡΠΈΡΡΠ΅ΠΌΡ ΠΎΡ Π»Π°ΠΆΠ΄Π΅Π½ΠΈΡ ΡΡΠ°Π½ΡΠΏΠΎΡΡΠ½ΠΎΠ³ΠΎ ΡΡΠ΅Π΄ΡΡΠ²Π°
ΒΠ‘ΡΠ°ΡΡΠ΅ΡΠ½Π°Ρ ΡΠ΅ΠΏΡ
Β«IIIΒ» β ΡΡΠΎΡΠ½ΠΎΡΠ½Π°Ρ ΠΏΠΎΠ·ΠΈΡΠΈΡ 30-INT
30/1
ΠΠΎΡΠΌΠΎΠ²ΠΎΠΉ ΠΈ ΡΡΠΎΠ½ΡΠ°Π»ΡΠ½ΡΠΉ ΡΠ²Π΅Ρ ΠΎΠΏΡΠΈΡΠ΅ΡΠΊΠΎΠΉ ΡΠΈΡΡΠ΅ΠΌΡ, ΠΎΡΠΈΡΡΠΈΡΠ΅Π»Ρ ΠΈ ΠΎΠΌΡΠ²Π°ΡΠ΅Π»ΡΠ½ΡΠΉ ΡΠ»Π΅ΠΌΠ΅Π½Ρ Π»ΠΎΠ±ΠΎΠ²ΠΎΠ³ΠΎ ΡΡΠ΅ΠΊΠ»Π°, ΠΎΡΠΎΠΏΠΈΡΠ΅Π»ΡΠ½ΡΠΉ ΠΊΠΎΠΌΠΏΠΎΠ½Π΅Π½Ρ ΡΠΈΡΡΠ΅ΠΌΡ ΠΎΡ Π»Π°ΠΆΠ΄Π΅Π½ΠΈΡ
ΠΠ° Π²ΡΡΠΊΠΈΠΉ ΡΠ»ΡΡΠ°ΠΉ, ΡΠ°ΡΠΏΠΈΠ½ΠΎΠ²ΠΊΠ° Π½Π° ΠΊΠΎΠ»ΠΎΠ΄ΠΊΠ΅ ΡΠ»Π΅Π΄ΡΡΡΠ°Ρ: 15 β Π³ΠΎΠ»ΡΠ±ΠΎΠΉ Ρ ΡΠ΅ΡΠ½ΡΠΌ (Π΄Π²ΠΎΠΉΠ½ΠΎΠΉ) 30/1 β ΠΊΠΎΡΠΈΡΠ½Π΅Π²ΡΠΉ 50 β ΠΊΡΠ°ΡΠ½ΡΠΉ 30 β ΡΠΎΠ·ΠΎΠ²ΡΠΉ INT β ΡΠ΅ΡΠ½ΡΠΉ (Π΄Π²ΠΎΠΉΠ½ΠΎΠΉ)
ΠΠ΅ΠΈΡΠΏΡΠ°Π²Π½ΠΎΡΡΠΈ
ΠΠ΅ΡΠ΅Π΄ΠΊΠΎ ΠΏΠΎΡΠ»Π΅ Π΄Π»ΠΈΡΠ΅Π»ΡΠ½ΠΎΠΉ ΡΠΊΡΠΏΠ»ΡΠ°ΡΠ°ΡΠΈΠΈ Π½Π΅ΡΡΡΠΎΠΉΡΠΈΠ²Π°Ρ ΡΠ°Π±ΠΎΡΠ° Π²ΠΊΠ»ΡΡΠ°ΡΠ΅Π»Ρ Π·Π°ΠΆΠΈΠ³Π°Π½ΠΈΡ ΠΎΠ±ΡΡΡΠ½ΡΠ΅ΡΡΡ ΠΏΠΎΠ΄Π³ΠΎΡΠ°Π½ΠΈΠ΅ΠΌ ΠΊΠΎΠ½ΡΠ°ΠΊΡΠΎΠ² Π»ΠΈΠ±ΠΎ ΠΎΡΠ»Π°Π±Π»Π΅Π½ΠΈΠ΅ΠΌ ΠΊΠΎΠ½ΡΠ°ΠΊΡΠ½ΡΡ ΡΡΠΎΠ΅ΠΊ Π² ΠΎΠΏΠΎΡΠ½ΠΎΠΉ ΠΏΠ»Π°ΡΡΠΈΠ½Π΅.
Π ΡΠ°ΠΊΠΎΠΉ ΡΠΈΡΡΠ°ΡΠΈΠΈ ΠΌΠΎΠΆΠ½ΠΎ ΠΏΠΎΠΏΡΠΎΠ±ΠΎΠ²Π°ΡΡ ΠΎΡΠΈΡΡΠΈΡΡ ΠΊΠΎΠ½ΡΠ°ΠΊΡΡ ΠΏΡΠΈ ΠΏΠΎΠΌΠΎΡΠΈ ΠΎΠ±ΡΡΠ½ΠΎΠ³ΠΎ Π½Π°Π΄ΡΠΈΠ»Ρ (Π»ΡΡΡΠ΅ Π°Π»ΠΌΠ°Π·Π½ΠΎΠ³ΠΎ) Ρ ΠΏΠΎΡΠ»Π΅Π΄ΡΡΡΠ΅ΠΉ ΠΏΡΠΎΠΌΡΠ²ΠΊΠΎΠΉ ΡΠΏΠΈΡΡΠΎΠΌ ΠΈΠ»ΠΈ Π±Π΅Π½Π·ΠΈΠ½ΠΎΠΌ. ΠΠ°ΠΆΠ΄Π°ΡΠ½ΡΡ Π±ΡΠΌΠ°Π³Ρ ΠΈΡΠΏΠΎΠ»ΡΠ·ΠΎΠ²Π°ΡΡ Π½Π΅ ΡΠ΅ΠΊΠΎΠΌΠ΅Π½Π΄ΡΠ΅ΡΡΡ, ΡΠ°ΠΊ ΠΊΠ°ΠΊ Π΅Π΅ Π·Π΅ΡΠ½Π° Π»Π΅Π³ΠΊΠΎ Π²Π½Π΅Π΄ΡΡΡΡΡΡ Π² ΠΌΡΠ³ΠΊΠΈΠΉ ΠΌΠ°ΡΠ΅ΡΠΈΠ°Π» ΠΏΠ»Π°ΡΡΠΈΠ½ ΠΈ ΡΠΎΠ»ΠΊΡ ΠΎΡ ΡΠ°ΠΊΠΎΠΉ Π·Π°ΡΠΈΡΡΠΊΠΈ Π½Π΅ Π±ΡΠ΄Π΅Ρ.
Π§ΡΠΎ ΠΊΠ°ΡΠ°Π΅ΡΡΡ Β«Π³ΡΠ»ΡΡΡΠΈΡ Β» ΡΡΠΎΠ΅ΠΊ, ΡΠΎ ΠΈΡ ΠΌΠΎΠΆΠ½ΠΎ Π·Π°ΠΊΡΠ΅ΠΏΠΈΡΡ ΠΏΡΠΈ ΠΏΠΎΠΌΠΎΡΠΈ ΠΊΡΡΠΎΡΠΊΠΎΠ² ΠΏΠ»Π°ΡΡΠΌΠ°ΡΡΡ Ρ ΠΎΠΊΠΎΠ½ΡΠ°ΡΠ΅Π»ΡΠ½ΡΠΌ Π·Π°ΠΊΡΠ΅ΠΏΠ»Π΅Π½ΠΈΠ΅ΠΌ ΠΏΡΠΈ ΠΏΠΎΠΌΠΎΡΠΈ ΡΠΏΠΎΠΊΡΠΈΠ΄Π½ΠΎΠ³ΠΎ ΠΊΠ»Π΅Ρ. ΠΡΠ»ΠΈ ΡΡΠΎΠΉΠΊΠΈ ΡΠ»Π΅Π³ΠΊΠ° Π΄Π΅ΡΠΎΡΠΌΠΈΡΠΎΠ²Π°Π»ΠΈΡΡ (ΡΠ°ΠΊΠΎΠΉ Π΄Π΅ΡΠ΅ΠΊΡ Ρ Π°ΡΠ°ΠΊΡΠ΅ΡΠ΅Π½ Π΄Π»Ρ ΡΠ°Π½Π½ΠΈΡ ΠΌΠΎΠ΄Π΅Π»Π΅ΠΉ) ΡΠΎ ΠΈΠΌ ΠΏΡΠΈΠ΄Π°ΡΡ ΠΏΠ΅ΡΠ²ΠΎΠ½Π°ΡΠ°Π»ΡΠ½ΡΡ ΡΠΎΡΠΌΡ ΠΏΡΠΈ ΠΏΠΎΠΌΠΎΡΠΈ ΠΌΠ°Π»Π΅Π½ΡΠΊΠΈΡ ΠΏΠ»ΠΎΡΠΊΠΎΠ³ΡΠ±ΡΠ΅Π².
Π‘Π»Π΅Π΄ΡΡΡΠ°Ρ Π³ΡΡΠΏΠΏΠ° Π½Π΅ΠΈΡΠΏΡΠ°Π²Π½ΠΎΡΡΠ΅ΠΉ Π·Π°ΠΌΠΊΠΎΠ² Π·Π°ΠΆΠΈΠ³Π°Π½ΠΈΡ ΠΠΠ ΡΠ²ΡΠ·Π°Π½Π° Ρ Π²ΡΡΠ°Π±ΠΎΡΠΊΠΎΠΉ ΠΊΡΠ»Π°ΡΠΊΠΎΠ² ΠΏΠ»Π°ΡΡΠΌΠ°ΡΡΠΎΠ²ΠΎΠ³ΠΎ Π²Π°Π»ΠΈΠΊΠ°. Π ΡΡΠΎΠΌ ΡΠ»ΡΡΠ°Π΅ Π²ΠΎΡΡΡΠ°Π½ΠΎΠ²ΠΈΡΡ ΠΈΡΡ ΠΎΠ΄Π½ΡΡ ΡΠΎΡΠΌΡ ΡΠ°Π±ΠΎΡΠΈΡ Π²ΡΡΡΡΠΏΠΎΠ² ΠΌΠΎΠΆΠ½ΠΎ ΠΏΡΠΈ ΠΏΠΎΠΌΠΎΡΠΈ ΠΎΠ±ΡΡΠ½ΠΎΠ³ΠΎ ΠΏΠ°ΡΠ»ΡΠ½ΠΈΠΊΠ°, Π½Π°Π½Π΅ΡΡ Π½Π° Π½ΡΠΆΠ½ΡΠ΅ ΠΌΠ΅ΡΡΠ° ΡΠ»ΠΎΠΉ ΠΏΠΎΠ»ΠΈΡΡΠΈΡΠΎΠ»Π°. ΠΠ»Π°Π²Π½ΠΎΠ΅, ΡΡΠΎΠ±Ρ Π²ΡΠΏΠΎΠ»Π½Π΅Π½Π½Π°Ρ Π½Π°ΠΏΠ»Π°Π²ΠΊΠ° ΠΏΠΎΠ»ΡΡΠΈΠ»Π°ΡΡ ΠΎΠ΄Π½ΠΎΡΠΎΠ΄Π½ΠΎΠΉ ΠΈ Π½Π΅ ΠΈΠΌΠ΅Π»Π° ΠΏΡΠ·ΡΡΡΠΊΠΎΠ² ΠΈ ΡΠ°ΠΊΠΎΠ²ΠΈΠ½. ΠΠΊΠΎΠ½ΡΠ°ΡΠ΅Π»ΡΠ½ΡΠΉ ΠΏΡΠΎΡΠΈΠ»Ρ ΠΏΡΠΈΠ΄Π°ΡΡ Π½Π°Π΄ΡΠΈΠ»Π΅ΠΌ.
ΠΡΡΠ°ΡΠΈ, ΠΏΠ΅ΡΠ΅Π΄ ΡΠ΅ΠΌ ΠΊΠ°ΠΊ Β«Π³ΡΠ΅ΡΠΈΡΡΒ» Π½Π° Π·Π°ΠΌΠΎΠΊ ΠΊΠ°ΠΊ ΡΠ°ΠΊΠΎΠ²ΠΎΠΉ, Π½Π΅Π»ΠΈΡΠ½ΠΈΠΌ Π±ΡΠ΄Π΅Ρ ΠΏΡΠΎΠ²Π΅ΡΠΈΡΡ ΡΠΎΡΡΠΎΡΠ½ΠΈΠ΅ ΠΊΠΎΠ½ΡΠ°ΠΊΡΠΎΠ² Π² ΠΌΠ΅ΡΡΠ°Ρ ΠΏΠΎΠ΄ΠΊΠ»ΡΡΠ΅Π½ΠΈΡ ΠΏΡΠΎΠ²ΠΎΠ΄ΠΎΠ², ΠΏΡΠΈΡΠ΅ΠΌ ΠΈΠ΄ΡΡΠΈΡ Π½Π΅ ΡΠΎΠ»ΡΠΊΠΎ ΠΊ Π²ΠΊΠ»ΡΡΠ°ΡΠ΅Π»Ρ Π·Π°ΠΌΠΊΠ°, Π½ΠΎ ΠΈ ΠΏΡΠ΅ΡΡΠ²Π°ΡΠ΅Π»Ρ ΠΈ ΠΊΠ°ΡΡΡΠΊΠ΅ β Π΄ΠΎΠ²ΠΎΠ»ΡΠ½ΠΎ ΡΠ°ΡΡΠΎ ΡΠ΅ΡΠ΅Π½ΠΈΠ΅ ΠΏΡΠΎΠ±Π»Π΅ΠΌΡ ΠΏΡΡΡΠ΅ΡΡΡ ΠΈΠΌΠ΅Π½Π½ΠΎ Π·Π΄Π΅ΡΡ.
ΠΠΎΡΠ»Π΅ ΠΎΠΊΠΎΠ½ΡΠ°Π½ΠΈΡ ΡΠ°Π±ΠΎΡ ΠΏΠΎ Π²ΠΎΡΡΡΠ°Π½ΠΎΠ²Π»Π΅Π½ΠΈΡ Π·Π°ΠΌΠΊΠ° Π·Π°ΠΆΠΈΠ³Π°Π½ΠΈΡ ΡΠ»Π΅Π΄ΡΠ΅Ρ ΠΏΡΠΎΠ²Π΅ΡΠΈΡΡ, Π½Π°ΡΠΊΠΎΠ»ΡΠΊΠΎ ΡΡΠ°Π»Π° ΡΠ°Π±ΠΎΡΠΎΡΠΏΠΎΡΠΎΠ±Π½ΠΎΠΉ ΠΊΠΎΠ½ΡΠ°ΠΊΡΠ½Π°Ρ Π³ΡΡΠΏΠΏΠ°. ΠΠ»Ρ ΡΡΠΎΠΉ ΡΠ΅Π»ΠΈ ΡΠ»Π΅Π΄ΡΠ΅Ρ, ΠΏΡΠΎΠ²ΠΎΡΠ°ΡΠΈΠ²Π°Ρ Π²Π°Π»ΠΈΠΊ Π²ΡΡΡΠ½ΡΡ, ΠΎΠ΄Π½ΠΎΠ²ΡΠ΅ΠΌΠ΅Π½Π½ΠΎ, ΠΏΡΠΈ ΠΏΠΎΠΌΠΎΡΠΈ ΠΎΠΌΠΌΠ΅ΡΡΠ°, Π·Π°ΠΌΠ΅ΡΠΈΡΡ Π²ΠΎ Π²ΡΠ΅Ρ ΠΏΠΎΠ»ΠΎΠΆΠ΅Π½ΠΈΡΡ Π½Π°Π΄Π΅ΠΆΠ½ΠΎΡΡΡ ΡΠΎΠ΅Π΄ΠΈΠ½Π΅Π½ΠΈΡ ΠΊΠΎΠ½ΡΠ°ΠΊΡΠΎΠ². ΠΠ»Ρ Π½Π°Π³Π»ΡΠ΄Π½ΠΎΡΡΠΈ ΠΌΠΎΠΆΠ½ΠΎ Π²ΠΎΡΠΏΠΎΠ»ΡΠ·ΠΎΠ²Π°ΡΡΡΡ Π½Π΅ΡΠ»ΠΎΠΆΠ½ΡΠΌ ΠΏΡΠΈΡΠΏΠΎΡΠΎΠ±Π»Π΅Π½ΠΈΠ΅ΠΌ Π² Π²ΠΈΠ΄Π΅ Π»Π°ΠΌΠΏΠΎΡΠΊΠΈ ΠΈ Π±Π°ΡΠ°ΡΠ΅ΠΉΠΊΠΈ, Π² ΡΡΠΎΠΌ ΡΠ»ΡΡΠ°Π΅ Π½Π°Π»ΠΈΡΠΈΠ΅ ΠΊΠΎΠ½ΡΠ°ΠΊΡΠ° ΠΏΠΎΠ΄ΡΠ²Π΅ΡΠΆΠ΄Π°Π΅ΡΡΡ ΡΡΡΠΎΠΉΡΠΈΠ²ΡΠΌ ΡΠ²Π΅ΡΠ΅Π½ΠΈΠ΅ΠΌ Π»Π°ΠΌΠΏΠΎΡΠΊΠΈ.
ΠΠ΅ΠΎΠ±Ρ ΠΎΠ΄ΠΈΠΌΠΎ ΡΠΊΠ°Π·Π°ΡΡ, ΡΡΠΎ Π½Π°Π΄Π΅ΠΆΠ½ΠΎΡΡΡ Π²ΡΠΊΠ»ΡΡΠ°ΡΠ΅Π»Π΅ΠΉ Π·Π°ΠΆΠΈΠ³Π°Π½ΠΈΡ Π½Π° Π±ΠΎΠ»Π΅Π΅ ΠΏΠΎΠ·Π΄Π½ΠΈΡ ΠΈΠ·Π΄Π΅Π»ΠΈΡΡ ΠΠΠΠΎΠ²ΡΠΊΠΎΠ³ΠΎ ΠΊΠΎΠ½ΡΠ΅ΡΠ½Π° (ΠΠΠ 2110, ΠΠΠ 2112 ΠΈ ΠΏΡ.), ΡΠ°ΠΊΠΆΠ΅ Π΄Π°Π»Π΅ΠΊΠ° ΠΎΡ ΡΠΎΠ²Π΅ΡΡΠ΅Π½ΡΡΠ²Π°, ΠΊ ΡΠΎΠΌΡ ΠΆΠ΅ ΡΠ΅ΠΌΠΎΠ½ΡΠΈΡΠΎΠ²Π°ΡΡ ΠΈΡ , ΠΊΠ°ΠΊ ΠΏΡΠ°Π²ΠΈΠ»ΠΎ, Π½Π΅ ΡΠ΄Π°Π΅ΡΡΡ ΠΈ ΠΏΡΠΈΡ ΠΎΠ΄ΠΈΠ»ΡΡ ΡΡΠ°Π·Ρ ΠΌΠ΅Π½ΡΡΡ. ΠΠ΄Π½Π°ΠΊΠΎ Π² Π»ΡΠ±ΠΎΠΌ ΡΠ»ΡΡΠ°Π΅, ΠΏΡΠ΅ΠΆΠ΄Π΅ ΡΠ΅ΠΌ ΠΈΠ΄ΡΠΈ Π½Π° ΡΠ°ΠΊΠΎΠΉ ΡΠ°Π³ ΡΠ»Π΅Π΄ΡΠ΅Ρ, ΠΏΡΠ΅Π΄Π²Π°ΡΠΈΡΠ΅Π»ΡΠ½ΠΎ, ΠΏΡΠΎΠ²Π΅ΡΠΈΡΡ Π΄Π΅ΠΉΡΡΠ²ΠΈΡΠ΅Π»ΡΠ½ΠΎ Π»ΠΈ Π·Π°ΠΌΠΎΠΊ ΠΎΡΠΊΠ°Π·Π°Π». ΠΡΠΎΡΠ΅ Π²ΡΠ΅Π³ΠΎ ΠΏΠΎΠ΄ΠΎΠ±Π½ΡΡ ΠΏΡΠΎΡΠ΅Π΄ΡΡΡ ΠΏΡΠΎΠ΄Π΅Π»Π°ΡΡ, Π·Π°ΠΌΠ΅ΡΡΡ ΡΠΎΠΏΡΠΎΡΠΈΠ²Π»Π΅Π½ΠΈΠ΅ Π½Π° ΠΊΠΎΠ½ΡΠ°ΠΊΡΠ½ΠΎΠΉ ΠΊΠΎΠ»ΠΎΠ΄ΠΊΠ΅ Π·Π°ΠΌΠΊΠ°, ΡΡΡΠ°Π½Π°Π²Π»ΠΈΠ²Π°Ρ ΠΊΠ»ΡΡ ΠΏΠΎΠΎΡΠ΅ΡΠ΅Π΄Π½ΠΎ Π²ΠΎ Π²ΡΠ΅ ΡΡΠΈ ΡΠ°Π±ΠΎΡΠΈΡ ΠΏΠΎΠ»ΠΎΠΆΠ΅Π½ΠΈΡ. ΠΠ»Ρ ΠΈΡΠΏΡΠ°Π²Π½ΠΎΠ³ΠΎ Π·Π°ΠΌΠΊΠ° ΡΡΠΈ ΡΠΎΠΏΡΠΎΡΠΈΠ²Π»Π΅Π½ΠΈΡ ΠΏΡΠ°ΠΊΡΠΈΡΠ΅ΡΠΊΠΈ ΡΠ°Π²Π½Ρ Π½ΡΠ»Ρ.
ΠΡΠΈ ΠΆΠ΅Π»Π°Π½ΠΈΠΈ ΠΌΠΎΠΆΠ½ΠΎ ΠΏΡΠΎΠ²Π΅ΡΠΈΡΡ ΠΈ ΠΈΡΠΏΡΠ°Π²Π½ΠΎΡΡΡ ΠΏΠΎΠ΄ΡΠ²Π΅ΡΠΊΠΈ, Π΄Π»Ρ ΡΠ΅Π³ΠΎ Π½Π° ΠΊΠΎΠ½ΡΠ°ΠΊΡΡ 2 ΠΈ 6 ΠΊΠΎΠ»ΠΎΠ΄ΠΊΠΈ Π±ΠΎΡΡΠΎΠ²ΠΎΠ³ΠΎ ΠΆΠ³ΡΡΠ° ΡΡΠ΅Π±ΡΠ΅ΡΡΡ ΠΏΠΎΠ΄Π°ΡΡ Π½Π°ΠΏΡΡΠΆΠ΅Π½ΠΈΠ΅ ΠΎΡ ΠΈΡΡΠΎΡΠ½ΠΈΠΊΠ° 12Π. ΠΡΠ»ΠΈ Π»Π°ΠΌΠΏΠ° Π½Π΅ Π·Π°Π³ΠΎΡΠ΅Π»Π°ΡΡ, ΡΠΎ ΠΎΠ½Π° Π½Π΅ΠΈΡΠΏΡΠ°Π²Π½Π° Π»ΠΈΠ±ΠΎ ΠΈΠΌΠ΅Π΅ΡΡΡ ΠΎΠ±ΡΡΠ² Π² ΡΠ΅ΠΏΠΈ Π΅Π΅ ΠΏΠΈΡΠ°Π½ΠΈΡ.
ΠΊΠ°ΠΊ ΡΠ½ΡΡΡ, ΠΎΡΡΡΠ΅ΡΡΠ²ΠΈΡΡ Π·Π°ΠΌΠ΅Π½Ρ ΠΈ ΠΏΠΎΠ΄ΠΊΠ»ΡΡΠΈΡΡ ΠΏΡΠΎΠ²ΠΎΠ΄Π°?
ΠΠ²ΡΠΎΡ: ΠΠΈΠΊΡΠΎΡ
Π Π»ΡΠ±ΠΎΠΌ Π°Π²ΡΠΎΠΌΠΎΠ±ΠΈΠ»Π΅ Π·Π°ΠΌΠΎΠΊ Π·Π°ΠΆΠΈΠ³Π°Π½ΠΈΡ ΡΠ²Π»ΡΠ΅ΡΡΡ ΠΎΠ΄Π½ΠΈΠΌ ΠΈΠ· ΠΎΡΠ½ΠΎΠ²Π½ΡΡ ΠΊΠΎΠΌΠΏΠΎΠ½Π΅Π½ΡΠΎΠ² ΡΠΈΡΡΠ΅ΠΌΡ, ΠΏΠΎΡΠΊΠΎΠ»ΡΠΊΡ ΠΈΠΌΠ΅Π½Π½ΠΎ Ρ Π΅Π³ΠΎ ΠΏΠΎΠΌΠΎΡΡΡ ΠΎΡΡΡΠ΅ΡΡΠ²Π»ΡΠ΅ΡΡΡ Π·Π°ΠΏΡΡΠΊ Π΄Π²ΠΈΠ³Π°ΡΠ΅Π»Ρ. ΠΡΠΈ ΠΏΠΎΠ»ΠΎΠΌΠΊΠ΅ ΠΠ Π·Π°Π²Π΅ΡΡΠΈ ΠΌΠΎΡΠΎΡ Π½Π΅ Π²ΡΠΉΠ΄Π΅Ρ, ΠΏΠΎΡΡΠΎΠΌΡ ΠΊΠ°ΠΆΠ΄ΡΠΉ Π°Π²ΡΠΎΠ²Π»Π°Π΄Π΅Π»Π΅Ρ Π΄ΠΎΠ»ΠΆΠ΅Π½ Π·Π½Π°ΡΡ ΠΎ ΠΏΡΠΈΡΠΈΠ½Π°Ρ ΠΈ ΠΏΡΠΈΠ·Π½Π°ΠΊΠ°Ρ Π½Π΅ΠΈΡΠΏΡΠ°Π²Π½ΠΎΡΡΠΈ ΡΡΡΡΠΎΠΉΡΡΠ²Π°. ΠΠ·-Π·Π° ΡΠ΅Π³ΠΎΒ Π·Π°ΠΌΠΎΠΊ Π·Π°ΠΆΠΈΠ³Π°Π½ΠΈΡ ΠΠΠ 2106 ΠΌΠΎΠΆΠ΅Ρ Π²ΡΠΉΡΠΈ ΠΈΠ· ΡΡΡΠΎΡ ΠΈ ΠΊΠ°ΠΊ ΠΎΡΡΡΠ΅ΡΡΠ²ΠΈΡΡ Π΅Π³ΠΎ Π·Π°ΠΌΠ΅Π½Ρ ΡΠ°ΠΌΠΎΡΡΠΎΡΡΠ΅Π»ΡΠ½ΠΎ? ΠΡΠ²Π΅ΡΡ Π½Π° ΡΡΠΈ Π²ΠΎΠΏΡΠΎΡΡ ΠΈΡΠΈΡΠ΅ Π½ΠΈΠΆΠ΅.
Π‘ΠΎΠ΄Π΅ΡΠΆΠ°Π½ΠΈΠ΅
ΠΡΠΊΡΡΡΡΠΏΠΎΠ»Π½ΠΎΠ΅ ΡΠΎΠ΄Π΅ΡΠΆΠ°Π½ΠΈΠ΅
[ Π‘ΠΊΡΡΡΡ]
ΠΠ°ΠΊΠΈΠ΅ Π½Π΅ΠΈΡΠΏΡΠ°Π²Π½ΠΎΡΡΠΈ ΠΌΠΎΠ³ΡΡ ΠΏΡΠΎΠΈΠ·ΠΎΠΉΡΠΈ Π² ΡΠ°Π±ΠΎΡΠ΅ Π·Π°ΠΌΠΊΠ° Π·Π°ΠΆΠΈΠ³Π°Π½ΠΈΡ?
Π§ΡΠΎ ΠΏΡΠ΅Π΄ΡΡΠ°Π²Π»ΡΠ΅Ρ ΡΠΎΠ±ΠΎΠΉ ΡΡ
Π΅ΠΌΠ° ΠΏΠΎΠ΄ΠΊΠ»ΡΡΠ΅Π½ΠΈΡ ΠΏΡΠΎΠ²ΠΎΠ΄ΠΎΠ² ΠΠ, ΠΊΠ°ΠΊ ΡΠ½ΡΡΡ, ΠΊΠ°ΠΊ ΠΏΠΎΠ΄ΠΊΠ»ΡΡΠΈΡΡ, ΠΏΡΠΎΠΈΠ·Π²Π΅ΡΡΠΈ Π·Π°ΠΌΠ΅Π½Ρ ΠΈ ΡΠ΅ΠΌΠΎΠ½Ρ ΠΌΠ΅Ρ
Π°Π½ΠΈΠ·ΠΌΠ° Π² Π³Π°ΡΠ°ΠΆΠ½ΡΡ
ΡΡΠ»ΠΎΠ²ΠΈΡΡ
? ΠΠ»Ρ Π½Π°ΡΠ°Π»Π° ΠΏΡΠ΅Π΄Π»Π°Π³Π°Π΅ΠΌ ΡΠ°Π·ΠΎΠ±ΡΠ°ΡΡΡΡ Π² ΠΎΡΠ½ΠΎΠ²Π½ΡΡ
ΠΏΠΎΠ»ΠΎΠΌΠΊΠ°Ρ
, ΠΊΠΎΡΠΎΡΡΠ΅ ΠΌΠΎΠ³ΡΡ ΠΏΡΠΎΠΈΠ·ΠΎΠΉΡΠΈ Ρ Π΄Π΅Π²Π°ΠΉΡΠΎΠΌ.
Π‘Π°ΠΌ ΠΏΠΎ ΡΠ΅Π±Π΅ ΠΠ ΡΠΎΡΡΠΎΠΈΡ ΠΈΠ· ΠΌΠ΅Ρ
Π°Π½ΠΈΡΠ΅ΡΠΊΠΎΠΉ, Π° ΡΠ°ΠΊΠΆΠ΅ ΠΊΠΎΠ½ΡΠ°ΠΊΡΠ½ΠΎΠΉ ΡΠ°ΡΡΠ΅ΠΉ. Π ΠΌΠ΅Ρ
Π°Π½ΠΈΡΠ΅ΡΠΊΡΡ ΡΠ°ΡΡΡ ΡΡΡΡΠΎΠΉΡΡΠ²Π° Π²ΡΡΠ°Π²Π»ΡΠ΅ΡΡΡΒ ΠΊΠ»ΡΡ, Π° Π² ΠΊΠΎΠ½ΡΠ°ΠΊΡΠ½ΠΎΠΉ Π³ΡΡΠΏΠΏΠ΅ ΡΠ°ΡΠΏΠΎΠ»ΠΎΠΆΠ΅Π½Ρ Π²ΡΠ΅ Π½ΡΠΆΠ½ΡΠ΅ Π΄Π»Ρ ΡΠ°Π±ΠΎΡΡ ΠΊΠΎΠ½ΡΠ°ΠΊΡΡ ΠΈ ΠΏΡΠΎΠ²ΠΎΠ΄Π°.
ΠΠ΄Π½ΠΎΠΉ ΠΈΠ· ΠΎΡΠ½ΠΎΠ²Π½ΡΡ ΠΏΡΠΈΡΠΈΠ½ ΠΏΠΎΠ»ΠΎΠΌΠΊΠΈ ΡΠ΅ΡΡΠ΅ΡΠΎΡΠ½ΠΎΠ³ΠΎ ΠΠ ΡΠ²Π»ΡΠ΅ΡΡΡ Π·Π°ΠΊΠ»ΠΈΠ½ΠΈΠ²Π°Π½ΠΈΠ΅ ΡΡΡΡΠΎΠΉΡΡΠ²Π° Π² ΡΠ»ΡΡΠ°Π΅ ΠΏΠΎΠΏΡΡΠΊΠΈ ΡΠ³ΠΎΠ½Π° Π°Π²ΡΠΎΠΌΠΎΠ±ΠΈΠ»Ρ. ΠΡΠ»ΠΈ ΠΠ Π·Π°ΠΊΠ»ΠΈΠ½ΠΈΡ, ΡΠΎ ΡΠ°Π·ΡΠΌΠ΅Π΅ΡΡΡ, Π·Π°ΠΏΡΡΠΊ Π΄Π²ΠΈΠ³Π°ΡΠ΅Π»Ρ Π±ΡΠ΄Π΅Ρ Π½Π΅Π²ΠΎΠ·ΠΌΠΎΠΆΠ½ΡΠΌ.
ΠΡΠΎΠΌΠ΅ ΡΠΎΠ³ΠΎ, ΠΎΠ΄Π½ΠΎΠΉ ΠΈΠ· Π½Π°ΠΈΠ±ΠΎΠ»Π΅Π΅ Π²ΡΡΡΠ΅ΡΠ°Π΅ΠΌΡΡ ΠΏΡΠΈΡΠΈΠ½ ΡΡΠΈΡΠ°Π΅ΡΡΡ ΠΈΠΌΠ΅Π½Π½ΠΎ ΠΏΠΎΠ»ΠΎΠΌΠΊΠ°Β ΠΊΠΎΠ½ΡΠ°ΠΊΡΠ½ΠΎΠΉ Π³ΡΡΠΏΠΏΡ. ΠΠ°ΠΊ ΠΏΠΎΠΊΠ°Π·ΡΠ²Π°Π΅Ρ ΠΏΡΠ°ΠΊΡΠΈΠΊΠ°, Π΄Π°Π½Π½Π°Ρ ΡΠΎΡΡΠ°Π²Π»ΡΡΡΠ°ΡΒ ΠΌΠΎΠΆΠ΅Ρ ΡΠ»ΠΎΠΌΠ°ΡΡΡΡ ΠΈΠ·-Π·Π° ΠΊΠΎΡΠΎΡΠΊΠΎΠ³ΠΎ Π·Π°ΠΌΡΠΊΠ°Π½ΠΈΡ Π»ΠΈΠ±ΠΎ Π·Π°ΠΊΠΈΡΠ»Π΅Π½ΠΈΡ ΠΊΠΎΠ½ΡΠ°ΠΊΡΠΎΠ², ΡΠ°ΠΊΠΆΠ΅ ΠΏΡΠΎΠ±Π»Π΅ΠΌΠ° ΠΌΠΎΠΆΠ΅Ρ Π·Π°ΠΊΠ»ΡΡΠ°ΡΡΡΡ Π² ΠΏΠΎΠ²ΡΠ΅ΠΆΠ΄Π΅Π½ΠΈΠΈ ΠΈΠ·ΠΎΠ»ΡΡΠΈΠΈ. ΠΡΠ½ΠΎΠ²Π½ΡΠΌΠΈ ΠΏΡΠΈΠ·Π½Π°ΠΊΠ°ΠΌΠΈ Π½Π΅ΡΠ°Π±ΠΎΡΠΎΡΠΏΠΎΡΠΎΠ±Π½ΠΎΡΡΠΈ ΠΠ ΡΠ²Π»ΡΠ΅ΡΡΡ Π½Π΅Π²ΠΎΠ·ΠΌΠΎΠΆΠ½ΠΎΡΡΡ Π·Π°ΠΏΡΡΠΊΠ° Π΄Π²ΠΈΠ³Π°ΡΠ΅Π»Ρ, Π° ΡΠ°ΠΊΠΆΠ΅ ΠΎΡΠΊΠ°Π· Π² ΡΠ°Π±ΠΎΡΠ΅ ΡΡΠ°Π·Ρ Π½Π΅ΡΠΊΠΎΠ»ΡΠΊΠΈΡ ΠΏΠΎΡΡΠ΅Π±ΠΈΡΠ΅Π»Π΅ΠΉ ΡΠ½Π΅ΡΠ³ΠΈΠΈ, ΠΊΠΎΡΠΎΡΡΠ΅, ΠΊΠ°ΠΊ ΠΌΠΎΠΆΠ΅Ρ ΠΏΠΎΠΊΠ°Π·Π°ΡΡΡΡ Π½Π° ΠΏΠ΅ΡΠ²ΡΠΉ Π²Π·Π³Π»ΡΠ΄, Π½Π΅ ΡΠ²ΡΠ·Π°Π½Ρ ΠΌΠ΅ΠΆΠ΄Ρ ΡΠΎΠ±ΠΎΠΉ.
Π‘ΠΏΠΎΡΠΎΠ±Ρ ΡΡΡΡΠ°Π½Π΅Π½ΠΈΡ ΠΏΠΎΠ»ΠΎΠΌΠΎΠΊ
ΠΠ΅ΡΠ΅Π΄ ΡΠ΅ΠΌ, ΠΊΠ°ΠΊ Π·Π°ΠΌΠ΅Π½ΠΈΡΡ, ΠΎΡΡΠ΅ΠΌΠΎΠ½ΡΠΈΡΠΎΠ²Π°ΡΡ ΠΈ ΠΏΡΠΎΠΈΠ·Π²Π΅ΡΡΠΈ ΡΡΡΠ°Π½ΠΎΠ²ΠΊΡ Π½ΠΎΠ²ΠΎΠ³ΠΎ ΠΠ, ΠΏΡΠ΅Π΄Π»Π°Π³Π°Π΅ΠΌ Π±ΠΎΠ»Π΅Π΅ ΠΏΠΎΠ΄ΡΠΎΠ±Π½ΠΎ ΡΠ·Π½Π°ΡΡ ΠΎ Π½Π΅ΡΠΊΠΎΠ»ΡΠΊΠΈΡ ΡΠΏΠΎΡΠΎΠ±Π°Ρ ΡΠ΅ΡΠ΅Π½ΠΈΡ ΠΏΡΠΎΠ±Π»Π΅ΠΌΡ:
- Π‘Π½ΡΡΠΈΠ΅ ΠΈ Π·Π°ΠΌΠ΅Π½Π° ΡΡΡΡΠΎΠΉΡΡΠ²Π° Π½Π° Π½ΠΎΠ²ΠΎΠ΅.
ΠΠ½ΠΎΠ³ΠΈΠ΅ Π°Π²ΡΠΎΠ²Π»Π°Π΄Π΅Π»ΡΡΡ ΠΌΠ΅Π½ΡΡΡ ΡΠ²ΠΎΠΈ ΠΠ ΠΈΠ·-Π·Π° ΡΠΎΠ³ΠΎ, ΡΡΠΎ Π½Π΅ Ρ
ΠΎΡΡΡ Π·Π°Π½ΠΈΠΌΠ°ΡΡΡΡ ΡΠ°ΠΌΠΎΡΡΠΎΡΡΠ΅Π»ΡΠ½ΡΠΌ ΡΠ΅ΠΌΠΎΠ½ΡΠΎΠΌ ΠΈ ΡΡΠ°ΡΠΈΡΡ Π½Π° ΡΡΠΎ ΡΠ²ΠΎΠ΅ Π²ΡΠ΅ΠΌΡ ΠΈ ΡΠΈΠ»Ρ. ΠΠ½ΠΎΠ³Π΄Π° ΡΠ°ΠΊΠΎΠΉ ΠΏΠΎΠ΄Ρ
ΠΎΠ΄ Π΄Π΅ΠΉΡΡΠ²ΠΈΡΠ΅Π»ΡΠ½ΠΎ ΡΠ΅Π»Π΅ΡΠΎΠΎΠ±ΡΠ°Π·Π΅Π½, Π΅ΡΠ»ΠΈ ΠΏΡΠΎΠ±Π»Π΅ΠΌΠ° ΡΠ΅ΡΡΠ΅Π·Π½Π°Ρ. - ΠΡΠΎΠΈΠ·Π²Π΅ΡΡΠΈ ΡΠ°Π·Π±ΠΎΡΠΊΡ ΡΡΡΡΠΎΠΉΡΡΠ²Π° ΠΈ Π²ΡΡΠ²ΠΈΡΡ Π²ΡΡΠ΅Π΄ΡΠΈΠ΅ ΠΈΠ· ΡΡΡΠΎΡ ΡΠ»Π΅ΠΌΠ΅Π½ΡΡ, ΠΏΠΎΡΠ»Π΅ ΡΠ΅Π³ΠΎ Π·Π°ΠΌΠ΅Π½ΠΈΡΡ ΠΈΡ . ΠΠ°ΠΊ ΠΏΡΠ°Π²ΠΈΠ»ΠΎ, ΠΏΡΠΈΡΠΈΠ½Π° Π½Π΅ΠΈΡΠΏΡΠ°Π²Π½ΠΎΡΡΠΈ ΠΊΡΠΎΠ΅ΡΡΡ Π² Π½Π΅ΠΏΠΎΠ»Π°Π΄ΠΊΠ°Ρ Π² ΡΠ°Π±ΠΎΡΠ΅ ΠΊΠΎΠ½ΡΠ°ΠΊΡΠ½ΠΎΠΉ Π³ΡΡΠΏΠΏΡ. ΠΠ΅ΡΠ΅Π΄ ΡΠ΅ΠΌ, ΠΊΠ°ΠΊ ΠΏΠΎΠ΄ΡΠΎΠ΅Π΄ΠΈΠ½ΠΈΡΡ Π½ΠΎΠ²ΡΡ Π³ΡΡΠΏΠΏΡ, Π½ΡΠΆΠ½ΠΎ ΡΡΠΈΡΡΠ²Π°ΡΡ ΡΠ°ΡΠΏΠΈΠ½ΠΎΠ²ΠΊΡ ΠΊΠΎΠ½ΡΠ°ΠΊΡΠΎΠ² ΠΏΠΎ ΡΠ²Π΅ΡΡ, Π΅Π΅ Π²Π°ΠΆΠ½ΠΎ ΡΠΎΠ±Π»ΡΡΡΠΈ.
ΠΡΠ»ΠΈ Π²Ρ Π±ΡΠ΄Π΅ΡΠ΅ ΠΌΠ΅Π½ΡΡΡ ΠΠ, ΡΠΎ ΡΡΡΠΈΡΠ΅, ΡΡΠΎ ΡΠ°ΠΊΠΆΠ΅ Π½Π°Π΄ΠΎ Π±ΡΠ΄Π΅Ρ ΠΏΠΎΠΌΠ΅Π½ΡΡΡ Π»ΠΈΡΠΈΠ½ΠΊΡ ΠΈ Π² Π΄Π²Π΅ΡΠ½ΠΎΠΌ Π·Π°ΠΌΠΊΠ΅, Π° ΡΠ°ΠΊΠΆΠ΅ Π² Π·Π°ΠΌΠΊΠ΅ Π±Π°Π³Π°ΠΆΠ½ΠΎΠ³ΠΎ ΠΎΡΠ΄Π΅Π»Π΅Π½ΠΈΡ. Π ΠΏΡΠΎΡΠΈΠ²Π½ΠΎΠΌ ΡΠ»ΡΡΠ°Π΅ ΠΊΠ»ΡΡ Π½Π΅ ΡΠΌΠΎΠΆΠ΅Ρ ΠΎΡΠΊΡΡΠ²Π°ΡΡ Π±Π°Π³Π°ΠΆΠ½ΠΈΠΊ ΠΈ Π΄Π²Π΅ΡΠΈ (Π°Π²ΡΠΎΡ Π²ΠΈΠ΄Π΅ΠΎ β ΠΊΠ°Π½Π°Π» Π Π΅Π³ΠΈΠΎΠ½ 4253).
ΠΠ°ΠΊ ΡΠ²ΠΎΠΈΠΌΠΈ ΡΡΠΊΠ°ΠΌΠΈ ΠΏΠΎΠΌΠ΅Π½ΡΡΡ ΠΈ ΠΏΠΎΠ΄ΠΊΠ»ΡΡΠΈΡΡ ΡΡΡΡΠΎΠΉΡΡΠ²ΠΎ?
ΠΠ΅ΡΠ΅Π΄ ΡΠ΅ΠΌ, ΠΊΠ°ΠΊ ΠΏΠΎΠΌΠ΅Π½ΡΡΡ ΡΡΡΡΠΎΠΉΡΡΠ²ΠΎ, ΠΏΠΎΠ΄Π³ΠΎΡΠΎΠ²ΡΡΠ΅ ΡΠΈΠ»ΠΎ ΠΈ Π΄Π²Π΅ ΠΎΡΠ²Π΅ΡΡΠΊΠΈ β Ρ ΠΊΡΠ΅ΡΡΠΎΠ²ΡΠΌ ΠΈ ΠΏΠ»ΠΎΡΠΊΠΈΠΌ Π½Π°ΠΊΠΎΠ½Π΅ΡΠ½ΠΈΠΊΠ°ΠΌΠΈ.
ΠΡΠΈ ΠΎΡΡΡΡΡΡΠ²ΠΈΠΈ ΡΠΈΠ»Π° ΠΌΠΎΠΆΠ½ΠΎ ΠΈΡΠΏΠΎΠ»ΡΠ·ΠΎΠ²Π°ΡΡ Π³Π²ΠΎΠ·Π΄Ρ, Π΅Π³ΠΎ ΡΠΈΡΠΈΠ½Π° Π΄ΠΎΠ»ΠΆΠ½Π° ΡΠΎΡΡΠ°Π²ΠΈΡΡ 2 ΠΌΠΌ, Π° Π΄Π»ΠΈΠ½Π° Π΄ΠΎΠ»ΠΆΠ½Π° Π±ΡΡΡ ΠΊΠ°ΠΊ ΠΌΠΎΠΆΠ½ΠΎ Π±ΠΎΠ»ΡΡΠ΅. Π’Π°ΠΊΠΆΠ΅ Π½ΡΠΆΠ½ΠΎ ΠΏΠΎΠ·Π°Π±ΠΎΡΠΈΡΡΡΡ ΠΎ ΡΠΎΠΌ, ΡΡΠΎΠ±Ρ Π½Π°ΠΏΡΡΠΆΠ΅Π½ΠΈΠ΅ Π² Π±ΠΎΡΡΠΎΠ²ΠΎΠΉ ΡΠ΅ΡΠΈ ΠΎΡΡΡΡΡΡΠ²ΠΎΠ²Π°Π»ΠΎ. 12 Π²ΠΎΠ»ΡΡ Ρ
ΠΎΡΡ ΠΈ Π½Π΅ Π²ΡΠ΅Π΄Π½Ρ Π΄Π»Ρ ΡΠ΅Π»ΠΎΠ²Π΅ΠΊΠ°, Π½ΠΎ Π·Π°ΠΌΡΠΊΠ°Π½ΠΈΠ΅ ΠΌΠΎΠΆΠ΅Ρ ΡΠΏΡΠΎΠ²ΠΎΡΠΈΡΠΎΠ²Π°ΡΡ ΡΠ°ΠΊΠΆΠ΅ Π²ΡΡ
ΠΎΠ΄ ΠΈΠ· ΡΡΡΠΎΡ Π΄ΡΡΠ³ΠΈΡ
ΠΏΠΎΡΡΠ΅Π±ΠΈΡΠ΅Π»Π΅ΠΉ ΡΠ½Π΅ΡΠ³ΠΈΠΈ. ΠΠΎΡΡΠΎΠΌΡ ΠΏΠ΅ΡΠ΅Π΄ ΡΠ΅ΠΌ, ΠΊΠ°ΠΊ ΠΏΠΎΠΌΠ΅Π½ΡΡΡ ΠΈ ΠΊΠ°ΠΊ ΠΏΠΎΠ΄ΡΠ΅ΠΏΠΈΡΡ Π½ΠΎΠ²ΡΠΉ ΠΠ, Π½Π΅ΠΎΠ±Ρ
ΠΎΠ΄ΠΈΠΌΠΎ Π±ΡΠ΄Π΅Ρ ΠΎΡΠΊΠ»ΡΡΠΈΡΡ Π°ΠΊΠΊΡΠΌΡΠ»ΡΡΠΎΡΠ½ΡΡ Π±Π°ΡΠ°ΡΠ΅Ρ ΠΎΡ ΠΏΠΈΡΠ°Π½ΠΈΡ.
ΠΡΠ°ΠΊ, ΠΊΠ°ΠΊ ΠΏΡΠ°Π²ΠΈΠ»ΡΠ½ΠΎ Π²ΡΠΏΠΎΠ»Π½ΠΈΡΡ Π·Π°ΠΌΠ΅Π½Ρ ΠΌΠ΅Ρ Π°Π½ΠΈΠ·ΠΌΠ° β ΠΏΠΎΠ΄ΡΠΎΠ±Π½Π°Ρ ΠΈΠ½ΡΡΡΡΠΊΡΠΈΡ Ρ ΡΠΎΡΠΎ ΠΏΡΠ΅Π΄ΡΡΠ°Π²Π»Π΅Π½Π° Π½ΠΈΠΆΠ΅:
- Π£ΡΡΠ°Π½ΠΎΠ²ΠΈΡΠ΅ Π² ΠΠ ΠΊΠ»ΡΡ ΠΈ ΠΏΡΠΎΠ²Π΅ΡΠ½ΠΈΡΠ΅ Π΅Π³ΠΎ Π½Π° 90 Π³ΡΠ°Π΄ΡΡΠΎΠ² ΡΠ°ΠΊΠΈΠΌ ΠΎΠ±ΡΠ°Π·ΠΎΠΌ, ΡΡΠΎΠ±Ρ ΠΎΠ½ Π±ΡΠ» ΡΡΡΠ°Π½ΠΎΠ²Π»Π΅Π½ Π² ΠΏΠΎΠ»ΠΎΠΆΠ΅Π½ΠΈΠ΅ 0. ΠΡΠΎ Π½ΡΠΆΠ½ΠΎ ΡΠ΄Π΅Π»Π°ΡΡ ΠΎΠ±ΡΠ·Π°ΡΠ΅Π»ΡΠ½ΠΎ, ΠΏΠΎΡΠΊΠΎΠ»ΡΠΊΡ Π² Π΄Π°Π½Π½ΠΎΠΌ ΡΠ»ΡΡΠ°Π΅ ΡΡΠΈΡΡ, Ρ ΠΏΠΎΠΌΠΎΡΡΡ ΠΊΠΎΡΠΎΡΠΎΠ³ΠΎ ΠΊΡΠ΅ΠΏΠΈΡΡΡ ΡΡΠ»Π΅Π²ΠΎΠΉ ΡΠΊΠΈΠ² ΠΎΡ ΠΏΡΠΎΠ²ΠΎΡΠ°ΡΠΈΠ²Π°Π½ΠΈΡ, Π·Π°ΠΉΠ΄Π΅Ρ Π² ΡΠ΅ΠΊΡΠ΅ΡΠΊΡ. ΠΠ½ΡΠΌΠΈ ΡΠ»ΠΎΠ²Π°ΠΌΠΈ, ΡΡΠΎ Π½Π΅ Π΄Π°ΡΡ ΡΡΠΈΡΡΡ ΠΏΡΠ΅ΠΏΡΡΡΡΠ²ΠΎΠ²Π°ΡΡ Π²Π°ΡΠΈΠΌ Π΄Π°Π»ΡΠ½Π΅ΠΉΡΠΈΠΌ Π΄Π΅ΠΉΡΡΠ²ΠΈΡΠΌ.
- ΠΠ°Π»Π΅Π΅, Π½Π΅ΠΎΠ±Ρ
ΠΎΠ΄ΠΈΠΌΠΎ Π±ΡΠ΄Π΅Ρ Π΄Π΅ΠΌΠΎΠ½ΡΠΈΡΠΎΠ²Π°ΡΡ ΠΏΠ»Π°ΡΡΠΌΠ°ΡΡΠΎΠ²ΡΡ Π·Π°ΡΠΈΡΠ½ΡΡ Π½Π°ΠΊΠ»Π°Π΄ΠΊΡ ΡΡΠ»Ρ, ΠΏΠΎΡΠΊΠΎΠ»ΡΠΊΡ ΠΈΠΌΠ΅Π½Π½ΠΎ Π·Π° Π½Π΅ΠΉ ΡΠΊΡΡΠ²Π°Π΅ΡΡΡ ΡΠ°ΠΌΠΎ ΡΡΡΡΠΎΠΉΡΡΠ²ΠΎ ΠΈ Π²ΡΠ΅ ΡΠ°Π·ΡΠ΅ΠΌΡ.
ΠΠ»Ρ Π²ΡΠΏΠΎΠ»Π½Π΅Π½ΠΈΡ ΡΡΠΎΠΉ Π·Π°Π΄Π°ΡΠΈ Π²Π°ΠΌ Π½ΡΠΆΠ½ΠΎ Π±ΡΠ΄Π΅Ρ ΠΎΡΠΊΡΡΡΠΈΡΡ ΠΏΡΡΡ Π²ΠΈΠ½ΡΠΎΠ² β Ρ ΠΈΡ
ΠΏΠΎΠΌΠΎΡΡΡ Π½ΠΈΠΆΠ½ΡΡ ΡΠ°ΡΡΡ Π½Π°ΠΊΠ»Π°Π΄ΠΊΠΈ ΠΊΡΠ΅ΠΏΠΈΡΡΡ Ρ Π²Π΅ΡΡ
Π½Π΅ΠΉ. - ΠΠΎΠ³Π΄Π° Π±ΠΎΠ»ΡΡ Π±ΡΠ΄ΡΡ ΠΎΡΠΊΡΡΡΠ΅Π½Ρ ΠΈ ΠΈΠ·Π²Π»Π΅ΡΠ΅Π½Ρ, Π½Π΅ΠΎΠ±Ρ ΠΎΠ΄ΠΈΠΌΠΎ Π±ΡΠ΄Π΅Ρ ΠΏΡΠΈΠΏΠΎΠ΄Π½ΡΡΡ Π²Π΅ΡΡ Π½ΡΡ ΡΠ°ΡΡΡ Π½Π°ΠΊΠ»Π°Π΄ΠΊΠΈ ΠΈ Π΄Π΅ΠΌΠΎΠ½ΡΠΈΡΠΎΠ²Π°ΡΡ Π΅Π΅. ΠΠΎΡΠ»Π΅ ΡΡΠΎΠ³ΠΎ ΠΎΠ±Π΅ ΡΠΎΡΡΠ°Π²Π»ΡΡΡΠΈΠ΅ Π·Π°ΡΠΈΡΡ ΡΠ±ΠΈΡΠ°ΡΡΡΡ Π² ΡΡΠΎΡΠΎΠ½Ρ.
- ΠΡΠΏΠΎΠ»Π½ΠΈΠ² ΡΡΠΈ Π΄Π΅ΠΉΡΡΠ²ΠΈΡ, Π½ΡΠΆΠ½ΠΎ Π±ΡΠ΄Π΅Ρ ΠΎΡΠΊΡΡΡΠΈΡΡ Π²ΠΈΠ½ΡΡ, Ρ ΠΏΠΎΠΌΠΎΡΡΡ ΠΊΠΎΡΠΎΡΡΡ ΠΊΡΠ΅ΠΏΠΈΡΡΡ Π·Π°ΠΌΠΎΠΊ Π·Π°ΠΆΠΈΠ³Π°Π½ΠΈΡ. Π‘Π°ΠΌΠΈ Π±ΠΎΠ»ΡΠΎΠ² Π΄Π²Π°, ΠΎΠ½ΠΈ ΡΠ°ΡΠΏΠΎΠ»ΠΎΠΆΠ΅Π½Ρ ΡΠ»Π΅Π²Π° ΠΈ ΡΠΏΡΠ°Π²Π° ΠΎΡ ΡΡΡΡΠΎΠΉΡΡΠ²Π°. ΠΠΎΠ³Π΄Π° Π±ΠΎΠ»ΡΡ Π±ΡΠ΄ΡΡ Π²ΡΠΊΡΡΡΠ΅Π½Ρ, Π²Π°ΠΌ Π½Π°Π΄ΠΎ Π±ΡΠ΄Π΅Ρ ΠΎΡΠΊΠ»ΡΡΠΈΡΡ ΠΏΡΠΎΠ²ΠΎΠ΄Π°, ΠΏΠΎΠ΄ΠΊΠ»ΡΡΠ΅Π½Π½ΡΠ΅ ΠΊ ΠΊΠΎΠ½ΡΠ°ΠΊΡΠ½ΠΎΠΉ Π³ΡΡΠΏΠΏΠ΅.
- ΠΠ° ΡΠ»Π΅Π΄ΡΡΡΠ΅ΠΌ ΡΡΠ°ΠΏΠ΅ Π²Π°ΠΌ Π½Π΅ΠΎΠ±Ρ ΠΎΠ΄ΠΈΠΌΠΎ Π±ΡΠ΄Π΅Ρ ΠΏΠΎΡΠΌΠΎΡΡΠ΅ΡΡ Π½Π° Π»Π΅Π²ΡΡ ΡΠ°ΡΡΡ ΡΡΡΡΠΎΠΉΡΡΠ²Π° β Π·Π΄Π΅ΡΡ Π²Ρ ΡΠΌΠΎΠΆΠ΅ΡΠ΅ ΡΠ²ΠΈΠ΄Π΅ΡΡ Π½Π΅Π±ΠΎΠ»ΡΡΡΡ ΡΠ΅Π»Ρ. Π Π΄Π°Π½Π½ΡΡ ΡΠ΅Π»Ρ Π½Π°Π΄ΠΎ Π±ΡΠ΄Π΅Ρ Π²ΡΡΠ°Π²ΠΈΡΡ ΡΠΈΠ»ΠΎ Π»ΠΈΠ±ΠΎ Π³Π²ΠΎΠ·Π΄Ρ, Π° Π·Π°ΡΠ΅ΠΌ Π²Π΄Π°Π²ΠΈΡΡ ΡΠ°ΠΌΠΎ ΠΊΡΠ΅ΠΏΠ»Π΅Π½ΠΈΠ΅.
- Π‘Π΄Π΅Π»Π°Π² ΡΡΠΎ, Π½Π΅ΠΎΠ±Ρ
ΠΎΠ΄ΠΈΠΌΠΎ ΠΏΡΠΎΠΈΠ·Π²Π΅ΡΡΠΈ ΡΠ½ΡΡΠΈΠ΅ ΡΡΡΡΠΎΠΉΡΡΠ²Π° ΠΈΠ· ΠΏΠΎΡΠ°Π΄ΠΎΡΠ½ΠΎΠ³ΠΎ ΠΌΠ΅ΡΡΠ°, ΠΏΡΠΈ ΡΡΠΎΠΌ Π΅Π³ΠΎ Π½ΡΠΆΠ½ΠΎ Π±ΡΠ΄Π΅Ρ ΠΏΠΎΠ΄Π΄Π΅ΡΡ ΠΎΡΠ²Π΅ΡΡΠΊΠΎΠΉ. ΠΠΎΠ³Π΄Π° Π·Π°ΠΌΠΎΠΊ Π·Π°ΠΆΠΈΠ³Π°Π½ΠΈΡ Π±ΡΠ΄Π΅Ρ Ρ Π²Π°Ρ Π² ΡΡΠΊΠ°Ρ
, Π²Ρ ΡΠΌΠΎΠΆΠ΅ΡΠ΅ Π»ΠΈΠ±ΠΎ Π·Π°ΠΌΠ΅Π½ΠΈΡΡ ΡΡΡΡΠΎΠΉΡΡΠ²ΠΎ, Π»ΠΈΠ±ΠΎ ΠΏΡΠΎΠΈΠ·Π²Π΅ΡΡΠΈ Π΅Π³ΠΎ ΡΠ΅ΠΌΠΎΠ½Ρ, Π² Π·Π°Π²ΠΈΡΠΈΠΌΠΎΡΡΠΈ ΠΎΡ Π½Π΅ΠΎΠ±Ρ
ΠΎΠ΄ΠΈΠΌΠΎΡΡΠΈ.
ΠΡΠ»ΠΈ Π²Ρ Π½Π΅ Π·Π½Π°Π΅ΡΠ΅, ΠΊΠ°ΠΊ ΠΏΠΎΡΡΠ°Π²ΠΈΡΡ Π·Π°ΠΌΠΎΠΊ ΠΎΠ±ΡΠ°ΡΠ½ΠΎ, ΡΠΎ Π² ΡΡΠΎΠΌ Π½Π΅Ρ Π½ΠΈΡΠ΅Π³ΠΎ ΡΠ»ΠΎΠΆΠ½ΠΎΠ³ΠΎ β ΠΏΡΠΎΡΠ΅Π΄ΡΡΠ° Π²ΡΠΏΠΎΠ»Π½ΡΠ΅ΡΡΡ Π°Π½Π°Π»ΠΎΠ³ΠΈΡΠ½ΡΠΌ ΡΠ½ΡΡΠΈΡ ΠΎΠ±ΡΠ°Π·ΠΎΠΌ, ΡΠΎΠ»ΡΠΊΠΎ Π² ΠΎΠ±ΡΠ°ΡΠ½ΠΎΠΉ ΠΏΠΎΡΠ»Π΅Π΄ΠΎΠ²Π°ΡΠ΅Π»ΡΠ½ΠΎΡΡΠΈ.
ΠΠ»Ρ ΡΡΡΠ°Π½ΠΎΠ²ΠΊΠΈ Π½Π΅ΠΎΠ±Ρ ΠΎΠ΄ΠΈΠΌΠΎ Π²ΡΡΠ°Π²ΠΈΡΡ ΠΊΠ»ΡΡ Π² Π½ΠΎΠ²ΡΠΉ ΠΠ, ΠΏΠΎΡΠ»Π΅ ΡΠ΅Π³ΠΎ ΡΡΡΠ°Π½ΠΎΠ²ΠΈΡΡ Π΅Π³ΠΎ Π² ΠΏΠΎΠ»ΠΎΠΆΠ΅Π½ΠΈΠ΅ 0. ΠΠΎΡΠ»Π΅ ΡΡΠΎΠ³ΠΎ Π½ΠΈΠΆΠ½ΠΈΠΉ ΡΠΈΠΊΡΠ°ΡΠΎΡ Π·Π°ΠΆΠΈΠΌΠ°Π΅ΡΡΡ, ΡΡΠΎ ΠΏΠΎΠ·Π²ΠΎΠ»ΠΈΡ ΡΡΡΠ°Π½ΠΎΠ²ΠΈΡΡ Π΄Π΅Π²Π°ΠΉΡ Π² ΠΏΠΎΡΠ°Π΄ΠΎΡΠ½ΠΎΠ΅ ΠΌΠ΅ΡΡΠΎ. ΠΠΎΠ΄ΠΊΠ»ΡΡΠ°ΡΡΡΡ Π²ΡΠ΅ Π½Π΅ΠΎΠ±Ρ ΠΎΠ΄ΠΈΠΌΡΠ΅ ΠΏΡΠΎΠ²ΠΎΠ΄Π° Π² ΡΠΎΠΎΡΠ²Π΅ΡΡΡΠ²ΠΈΠΈ ΡΠΎ ΡΡ Π΅ΠΌΠΎΠΉ ΡΠ°ΡΠΏΠΈΠ½ΠΎΠ²ΠΊΠΈ, ΠΏΡΠΎΠ²Π΅ΡΡΠ΅ΡΡΡ ΡΠ°Π±ΠΎΡΠΎΡΠΏΠΎΡΠΎΠ±Π½ΠΎΡΡΡ ΡΡΡΠ°Π½ΠΎΠ²Π»Π΅Π½Π½ΠΎΠ³ΠΎ ΡΠ·Π»Π°.
Π€ΠΎΡΠΎΠ³Π°Π»Π΅ΡΠ΅Ρ Β«ΠΠ°ΠΌΠ΅Π½Π° Π·Π°ΠΌΠΊΠ° Π·Π°ΠΆΠΈΠ³Π°Π½ΠΈΡΒ»
ΠΠΈΠ΄Π΅ΠΎ Β«Π Π΅ΠΌΠΎΠ½Ρ ΠΠ Π² Π΄ΠΎΠΌΠ°ΡΠ½ΠΈΡ ΡΡΠ»ΠΎΠ²ΠΈΡΡ Β»
ΠΠΎΠ΄ΡΠΎΠ±Π½Π°Ρ ΠΈΠ½ΡΡΡΡΠΊΡΠΈΡ ΠΏΠΎ ΡΠ°ΠΌΠΎΡΡΠΎΡΡΠ΅Π»ΡΠ½ΠΎΠΌΡ ΡΠ΅ΠΌΠΎΠ½ΡΡ Π·Π°ΠΌΠΊΠ° Π·Π°ΠΆΠΈΠ³Π°Π½ΠΈΡ ΠΏΡΠ΅Π΄ΡΡΠ°Π²Π»Π΅Π½Π° Π² ΡΠΎΠ»ΠΈΠΊΠ΅ Π½ΠΈΠΆΠ΅ (Π°Π²ΡΠΎΡ β ΠΠ½Π΄ΡΠ΅ΠΉ ΠΠΈΡΠ΅Π½ΠΊΠΎ).
Π½Π°Π·Π½Π°ΡΠ΅Π½ΠΈΠ΅, ΡΡΡΡΠΎΠΉΡΡΠ²ΠΎ, ΡΡΠ½ΠΊΡΠΈΠΈ, ΡΠ΅ΠΌΠΎΠ½Ρ ΠΈ Π·Π°ΠΌΠ΅Π½Π°
ΠΠ°ΡΠ½Π΅ΠΌ Ρ ΡΠΎΠ³ΠΎ, ΡΡΠΎ Π² ΡΠΎΡΡΠ°Π² Π·Π°ΠΌΠΊΠ° Π·Π°ΠΆΠΈΠ³Π°Π½ΠΈΡ Π²Ρ
ΠΎΠ΄ΡΡ ΠΌΠ΅Ρ
Π°Π½ΠΈΡΠ΅ΡΠΊΠ°Ρ ΠΈ ΡΠ»Π΅ΠΊΡΡΠΈΡΠ΅ΡΠΊΠ°Ρ ΡΠ°ΡΡΠΈ.
ΠΠ΅ΡΠ²Π°Ρ Π²ΡΠΏΠΎΠ»Π½Π΅Π½Π° Π² ΡΠ΅Π»Π΅ ΡΡΡΡΠΎΠΉΡΡΠ²Π°, Π° Π²ΡΠΎΡΠ°Ρ ΡΠ°ΡΡΡ ΡΠ΄Π΅Π»Π°Π½Π° ΠΎΡΠ΄Π΅Π»ΡΠ½ΠΎ ΠΈΠ· ΠΊΠ»Π΅ΠΌΠΌΠ½ΠΎΠΉ ΠΊΠΎΠ»ΠΎΠ΄ΠΊΠΈ. ΠΡΠΈ ΠΈΡΠΏΠΎΠ»ΡΠ·ΠΎΠ²Π°Π½ΠΈΠΈ ΠΎΡΠΊΠ°Π·Ρ ΡΠ²ΡΠ·Π°Π½Ρ ΠΎΠ΄ΠΈΠ½Π°ΠΊΠΎΠ²ΠΎ Ρ ΠΎΠ±Π΅ΠΈΠΌΠΈ ΡΠ°ΡΡΡΠΌΠΈ Π·Π°ΠΌΠΊΠ° Π·Π°ΠΆΠΈΠ³Π°Π½ΠΈΡ, Π³Π΄Π΅ Π½Π° ΠΊΠ»Π΅ΠΌΠΌΠ½ΡΡ ΠΊΠΎΠ»ΠΎΠ΄ΠΊΡ ΠΏΡΠΈΡ
ΠΎΠ΄ΠΈΡΡΡ Π½Π΅ΠΌΠ½ΠΎΠ³ΠΎ Π±ΠΎΠ»ΡΡΠ΅ Π½Π΅ΠΏΠΎΠ»Π°Π΄ΠΎΠΊ Π² ΠΏΡΠΎΡΠ΅Π½ΡΠ½ΠΎΠΌ ΠΎΡΠ½ΠΎΡΠ΅Π½ΠΈΠΈ.
ΠΡΠΌΠ΅ΡΠΈΠΌ, ΡΡΠΎ Π»ΡΠ±ΡΠ΅ ΡΠ°Π±ΠΎΡΡ Ρ ΡΠ»Π΅ΠΊΡΡΠΈΡΠ΅ΡΠΊΠΎΠΉ ΡΠ°ΡΡΡΡ Π΄ΠΎΠ»ΠΆΠ½Ρ Π±ΡΡΡ Π²ΡΠΏΠΎΠ»Π½Π΅Π½Ρ ΠΏΡΠΈ ΡΡΠ»ΠΎΠ²ΠΈΠΈ, ΡΡΠΎ ΠΌΠΈΠ½ΡΡΠΎΠ²Π°Ρ ΠΊΠ»Π΅ΠΌΠΌΠ° ΡΠ½ΡΡΠ°. ΠΡΠΎΠ±Π΅Π½Π½ΠΎ ΡΡΠΎ Π²Π°ΠΆΠ½ΠΎ, Π΅ΡΠ»ΠΈ Π½Π°Π΄ΠΎ Π²ΡΠΏΠΎΠ»Π½ΠΈΡΡ ΠΏΡΠΎΠ²Π΅ΡΠΊΡ ΡΠ°Π±ΠΎΡΡ ΠΏΠΎΡΡΠ΅Π±ΠΈΡΠ΅Π»Ρ. Π Π°ΡΡΠΌΠΎΡΡΠΈΠΌ ΠΏΠΎΠ΄ΡΠΎΠ±Π½Π΅Π΅ ΠΎΡΠΊΠ°Π·Ρ ΠΏΠΎ ΠΌΠ΅Ρ Π°Π½ΠΈΡΠ΅ΡΠΊΠΎΠΉ ΠΈ ΡΠ»Π΅ΠΊΡΡΠΈΡΠ΅ΡΠΊΠΎΠΉ ΡΠ°ΡΡΠΈ.
ΠΠ΅Ρ Π°Π½ΠΈΡΠ΅ΡΠΊΠ°Ρ ΡΠ°ΡΡΡ
ΠΠ°ΡΠ°ΡΡΡΡ ΠΎΡΠΊΠ°Π· Π·Π°ΠΌΠΊΠ° Π·Π°ΠΆΠΈΠ³Π°Π½ΠΈΡ ΠΏΠΎ ΠΌΠ΅Ρ Π°Π½ΠΈΡΠ΅ΡΠΊΠΎΠΉ ΡΠ°ΡΡΠΈ ΠΏΡΠΎΠ²ΠΎΡΠΈΡΡΡΡ:
- ΡΡΠ³ΠΎΠ΅ ΠΏΡΠΎΠ²ΠΎΡΠ°ΡΠΈΠ²Π°Π½ΠΈΠ΅ ΠΊΠ»ΡΡΠ° Π·Π°ΠΆΠΈΠ³Π°Π½ΠΈΡ;
- Π·Π°ΠΊΠ»ΠΈΠ½ΠΈΠ²Π°Π½ΠΈΠ΅ Π² ΠΎΠ΄Π½ΠΎΠΌ ΠΈΠ· ΠΏΠΎΠ»ΠΎΠΆΠ΅Π½ΠΈΠΉ. ΠΠ°ΠΊ ΠΏΡΠ°Π²ΠΈΠ»ΠΎ, ΡΠ°ΠΊΠ°Ρ Π½Π΅ΠΏΠΎΠ»Π°Π΄ΠΊΠ° ΠΏΡΠΈΠ²ΠΎΠ΄ΠΈΡ ΠΊ ΠΎΠ±Π»ΠΎΠΌΡ ΠΊΠ»ΡΡΠ° Π·Π°ΠΆΠΈΠ³Π°Π½ΠΈΡ, ΡΡΠΎ, Π² ΡΠ²ΠΎΡ ΠΎΡΠ΅ΡΠ΅Π΄Ρ, ΡΡΠ΅Π±ΡΠ΅Ρ Π΄ΠΎΠΏΠΎΠ»Π½ΠΈΡΠ΅Π»ΡΠ½ΡΡ ΡΠ°ΡΡΡΠ°Ρ Π½Π° ΠΏΡΠΈΠΎΠ±ΡΠ΅ΡΠ΅Π½ΠΈΠ΅ Π½ΠΎΠ²ΠΎΠΉ Π΄Π΅ΡΠ°Π»ΠΈ.
Π ΠΎΡΠ½ΠΎΠ²Π½ΠΎΠΌ Π΄Π°Π½Π½ΡΠ΅ ΠΏΡΠΎΠ±Π»Π΅ΠΌΡ Π²ΠΎΠ·Π½ΠΈΠΊΠ°ΡΡ ΠΈΠ·-Π·Π° ΠΏΠ»ΠΎΡ
ΠΎΠΉ ΡΠ±ΠΎΡΠΊΠΈ Π·Π°ΠΌΠΊΠ° Π·Π°ΠΆΠΈΠ³Π°Π½ΠΈΡ ΠΎΡ Π½Π΅Π΄ΠΎΠ±ΡΠΎΡΠΎΠ²Π΅ΡΡΠ½ΡΡ
ΠΏΡΠΎΠΈΠ·Π²ΠΎΠ΄ΠΈΡΠ΅Π»Π΅ΠΉ. ΠΠ°Π±Ρ ΠΈΠ·Π΄Π΅Π»ΠΈΠ΅ Π½Π΅ ΠΏΡΠΈΡ
ΠΎΠ΄ΠΈΠ»ΠΎΡΡ ΡΠ°ΡΡΠΎ ΠΌΠ΅Π½ΡΡΡ, Π½ΡΠΆΠ½ΠΎ ΡΡΡΠ°Π½ΠΎΠ²ΠΈΡΡ Π½Π°Π΄Π΅ΠΆΠ½ΡΡ ΠΈ Π΄ΠΎΠ»Π³ΠΎΠ²Π΅ΡΠ½ΡΡ Π΄Π΅ΡΠ°Π»Ρ.
ΠΠ»Π΅ΠΊΡΡΠΈΡΠ΅ΡΠΊΠ°Ρ ΡΠ°ΡΡΡ
ΠΠ°ΠΆΠ΅ Π΅ΡΠ»ΠΈ ΠΌΠ΅Ρ Π°Π½ΠΈΡΠ΅ΡΠΊΠ°Ρ ΡΠ°ΡΡΡ Π·Π°ΠΌΠΊΠ° Π·Π°ΠΆΠΈΠ³Π°Π½ΠΈΡ ΠΏΠΎΠ»Π½ΠΎΡΡΡΡ ΠΈΡΠΏΡΠ°Π²Π½Π°, ΠΊΠ»Π΅ΠΌΠΌΠ½Π°Ρ ΠΊΠΎΠ»ΠΎΠ΄ΠΊΠ° Π²ΡΠ΅ ΡΠ°Π²Π½ΠΎ Π½Π΅ΡΠ΅Π΄ΠΊΠΎ Π²ΡΡ ΠΎΠ΄ΠΈΡ ΠΈΠ· ΡΡΡΠΎΡ. ΠΠ°ΠΌΠ΅Π½ΠΈΡΡ ΠΌΠΎΠΆΠ½ΠΎ Π΅Π΅ Π²ΡΠ΅Π³Π΄Π°, ΡΠ°ΠΊ ΠΊΠ°ΠΊ ΠΏΠΎΠ΄ΠΎΠ±Π½Π°Ρ Π·Π°ΠΏΡΠ°ΡΡΡ ΠΏΡΠΎΠ΄Π°Π΅ΡΡΡ Π² Π»ΡΠ±ΠΎΠΌ ΠΌΠ°Π³Π°Π·ΠΈΠ½Π΅ Π΄Π»Ρ ΠΌΠ°ΡΠΈΠ½.
ΠΠ»Π΅ΠΌΠΌΠ½Π°Ρ ΡΠ°ΡΡΡ Π·Π°ΡΠ°ΡΡΡΡ ΡΠ³ΠΎΡΠ°Π΅Ρ ΡΠ°ΠΌΠ° Π»ΠΈΠ±ΠΎ ΠΆΠ΅ ΠΏΠ΅ΡΠ΅Π³ΠΎΡΠ°ΡΡ Π΅Π΅ ΠΊΠΎΠ½ΡΠ°ΠΊΡΡ, ΠΊΠΎΡΠΎΡΡΠ΅ ΡΠΎΠ΅Π΄ΠΈΠ½ΡΡΡ ΠΎΠΏΡΠ΅Π΄Π΅Π»Π΅Π½Π½ΡΠ΅ ΡΠ΅ΠΏΠΈ ΡΠ»Π΅ΠΊΡΡΠΎΠΏΠΈΡΠ°Π½ΠΈΡ. ΠΡΠ²Π°Π΅Ρ ΡΠ°ΠΊΠΆΠ΅, ΡΡΠΎ ΠΏΠ»Π°Π²ΠΈΡΡΡ ΡΠ΅Π½ΡΡΠ°Π»ΡΠ½Π°Ρ ΠΏΠ»Π°ΡΡΠΈΠΊΠΎΠ²Π°Ρ Π²ΡΡΠ°Π²ΠΊΠ°, ΠΊΠΎΡΠΎΡΠ°Ρ ΡΠ°Π·ΠΌΡΠΊΠ°Π΅Ρ ΠΈ Π·Π°ΠΌΡΠΊΠ°Π΅Ρ Π½Π΅ΠΊΠΎΡΠΎΡΡΠ΅ ΠΊΠΎΠ½ΡΠ°ΠΊΡΡ ΠΏΡΠΈ ΡΠ°Π·Π½ΠΎΠΌ ΠΏΠΎΠ»ΠΎΠΆΠ΅Π½ΠΈΠΈ ΠΊΠ»ΡΡΠ° Π·Π°ΠΆΠΈΠ³Π°Π½ΠΈΡ. ΠΡΠΎΠ²ΠΎΡΠΈΡΡΠ΅Ρ ΡΡΠΎΡ ΠΏΠ΅ΡΠ΅Π³ΡΠ΅Π² Π΄ΠΎΠ»Π³ΠΎΠ΅ ΡΠ΄Π΅ΡΠΆΠ°Π½ΠΈΠ΅ ΠΊΠ»ΡΡΠ° Π² ΠΏΠΎΠ»ΠΎΠΆΠ΅Π½ΠΈΠΈ Β«ΡΡΠ°ΡΡΠ΅ΡΒ», ΠΊΠΎΠ³Π΄Π° Π²ΠΎΠ΄ΠΈΡΠ΅Π»Ρ Π½Π° ΠΏΡΠΎΡΡΠΆΠ΅Π½ΠΈΠΈ Π΄Π»ΠΈΡΠ΅Π»ΡΠ½ΠΎΠ³ΠΎ Π²ΡΠ΅ΠΌΠ΅Π½ΠΈ Π½Π΅ ΠΌΠΎΠΆΠ΅Ρ Π·Π°Π²Π΅ΡΡΠΈ ΠΌΠΎΡΠΎΡ ΡΠ²ΠΎΠ΅Π³ΠΎ ΡΡΠ°Π½ΡΠΏΠΎΡΡΠ½ΠΎΠ³ΠΎ ΡΡΠ΅Π΄ΡΡΠ²Π°.
Π ΡΠ°ΠΊΠΈΡ ΡΠ»ΡΡΠ°ΡΡ Π½Π΅ΠΎΠ±Ρ ΠΎΠ΄ΠΈΠΌΠΎ ΠΏΠΎΠΊΡΠΏΠ°ΡΡ Π½ΠΎΠ²ΡΡ ΠΊΠ»Π΅ΠΌΠΌΠ½ΡΡ ΠΊΠΎΠ»ΠΎΠ΄ΠΊΡ, Π° Π½Π΅ Π·Π°ΠΌΠΎΠΊ Π·Π°ΠΆΠΈΠ³Π°Π½ΠΈΡ.
ΠΡΠ΅Π½Ρ Π²Π°ΠΆΠ½ΠΎ, ΡΡΠΎΠ±Ρ ΠΏΠΎΠ΄ΠΊΠ»ΡΡΠ΅Π½ΠΈΠ΅ ΠΏΡΠΈ ΡΡΠΎΠΌ ΠΎΡΡΠ°Π²Π°Π»ΠΎΡΡ Π½Π΅ΠΈΠ·ΠΌΠ΅Π½Π½ΡΠΌ. ΠΡΠ»ΠΈ Π²Ρ Π² ΠΏΠ΅ΡΠ²ΡΠΉ ΡΠ°Π· Π·Π°ΠΌΠ΅Π½ΡΠ΅ΡΠ΅, Π½ΡΠΆΠ½ΠΎ ΠΏΠΎΡΠΌΠΎΡΡΠ΅ΡΡ Π½Π° Π½ΠΈΠ· Π·Π°ΠΌΠΊΠ° Π·Π°ΠΆΠΈΠ³Π°Π½ΠΈΡ ΠΈ ΡΠ°ΠΌ Π·Π°ΡΠΈΡΠΎΠ²Π°ΡΡ ΡΠ²Π΅ΡΠ° ΠΏΡΠΎΠ²ΠΎΠ΄ΠΎΠΌ ΠΈ ΠΊΠ»Π΅ΠΌΠΌΡ, Π½Π° ΠΊΠΎΡΠΎΡΡΠ΅ ΠΎΠ½ΠΈ ΠΏΠΎΠ΄ΠΊΠ»ΡΡΠ΅Π½Ρ.
ΠΠ°ΠΆΠ΄Π°Ρ ΠΈΠ· Π½ΠΈΡ
Π½Π° ΠΊΠΎΠ»ΠΎΠ΄ΠΊΠ΅ ΠΎΠ±Π»Π°Π΄Π°Π΅Ρ ΡΠΎΠ±ΡΡΠ²Π΅Π½Π½ΡΠΌ Π½ΠΎΠΌΠ΅ΡΠΎΠΌ, ΠΏΠΎΡΡΠΎΠΌΡ ΠΎΡΠ΅Π½Ρ ΡΠ΄ΠΎΠ±Π½ΠΎ Π·Π°ΠΏΠΈΡΠ°ΡΡ ΡΠ²Π΅Ρ ΠΏΡΠΎΠ²ΠΎΠ΄Π° ΠΈ Π½ΠΎΠΌΠ΅Ρ ΠΊΠ»Π΅ΠΌΠΌΡ, Π΄Π°Π±Ρ Π½ΠΈΡΠ΅Π³ΠΎ Π½Π΅ ΠΏΠ΅ΡΠ΅ΠΏΡΡΠ°ΡΡ.
ΠΠ°ΠΊ ΠΏΠΎΠ΄ΡΠΎΠ΅Π΄ΠΈΠ½ΠΈΡΡ ΠΏΡΠΎΠ²ΠΎΠ΄Π°: ΡΡ Π΅ΠΌΠ°
ΠΠ»Ρ ΡΠΎΠ΅Π΄ΠΈΠ½Π΅Π½ΠΈΡ Ρ ΠΏΡΠΎΠ²ΠΎΠ΄Π°ΠΌΠΈ Ρ ΠΊΠ»Π΅ΠΌΠΌΠ½ΠΎΠΉ ΠΊΠΎΠ»ΠΎΠ΄ΠΊΠΈ Π΅ΡΡΡ ΡΠ°ΠΊΠΈΠ΅ Π²ΡΠ²ΠΎΠ΄Ρ:
- Β«15Β»;
- Β«30Β»;
- Β«30/1Β»;
- Β«50Β»;
- Β«INTΒ».
ΠΠ° Π°Π²ΡΠΎΠΌΠΎΠ±ΠΈΠ»Π΅ ΠΠΠ 2106 Π·Π°ΠΌΠΎΠΊ Π·Π°ΠΆΠΈΠ³Π°Π½ΠΈΡ ΡΠ²Π»ΡΠ΅ΡΡΡ Π³Π»Π°Π²Π½ΡΠΌ ΡΠ»Π΅ΠΌΠ΅Π½ΡΠΎΠΌ ΡΠΏΡΠ°Π²Π»Π΅Π½ΠΈΡ ΡΠΈΡΡΠ΅ΠΌΠΎΠΉ Π±ΠΎΡΡΠΎΠ²ΠΎΠ³ΠΎ ΡΠ»Π΅ΠΊΡΡΠΎΠΎΠ±ΠΎΡΡΠ΄ΠΎΠ²Π°Π½ΠΈΡ. Π’ΠΎΠ»ΡΠΊΠΎ ΠΏΡΠΈ ΠΏΠΎΠ»Π½ΠΎΠΉ ΡΠ΅Ρ Π½ΠΈΡΠ΅ΡΠΊΠΎΠΉ ΠΈΡΠΏΡΠ°Π²Π½ΠΎΡΡΠΈ Π·Π°ΠΌΠΊΠ° ΠΎΠ±Π΅ΡΠΏΠ΅ΡΠΈΠ²Π°Π΅ΡΡΡ ΠΏΡΠ°Π²ΠΈΠ»ΡΠ½Π°Ρ ΡΠ°Π±ΠΎΡΠ° ΡΠΈΡΡΠ΅ΠΌΡ Π·Π°ΠΆΠΈΠ³Π°Π½ΠΈΡ.
Π ΡΠΎΠΆΠ°Π»Π΅Π½ΠΈΡ, Π·Π°ΠΌΠΎΠΊ Π·Π°ΠΆΠΈΠ³Π°Π½ΠΈΡ ΠΠΠ 2106 Π½Π΅ ΠΌΠΎΠΆΠ΅Ρ ΠΏΠΎΡ Π²Π°ΡΡΠ°ΡΡΡΡ Π΄ΠΎΠ»Π³ΠΎΠ²ΡΠ΅ΠΌΠ΅Π½Π½ΠΎΠΉ Π±Π΅ΡΠΏΠ΅ΡΠ΅Π±ΠΎΠΉΠ½ΠΎΠΉ ΡΠ°Π±ΠΎΡΠΎΠΉ ΠΈ Π΄ΠΎΡΡΠ°ΡΠΎΡΠ½ΠΎ ΡΠ°ΡΡΠΎ Π°Π²ΡΠΎΠ»ΡΠ±ΠΈΡΠ΅Π»ΠΈ ΡΡΠ°Π»ΠΊΠΈΠ²Π°ΡΡΡΡ Ρ ΡΠ΅ΠΌ, ΡΡΠΎ ΠΎΠ½ Π²ΡΡ ΠΎΠ΄ΠΈΡ ΠΈΠ· ΡΡΡΠΎΡ.
ΠΠΎΡΡΠΎΠΌΡ ΠΈΠΌ ΠΏΡΠΈΡ ΠΎΠ΄ΠΈΡΡΡ ΡΠ°Π·Π±ΠΈΡΠ°ΡΡΡΡ Π² ΡΠΎΠΌ, ΡΡΠΎ ΡΠ°ΠΊΠΎΠ΅ Π·Π°ΠΌΠΎΠΊ Π·Π°ΠΆΠΈΠ³Π°Π½ΠΈΡ ΠΠΠ 2106 ΡΡ Π΅ΠΌΠ° ΠΏΠΎΠ΄ΠΊΠ»ΡΡΠ΅Π½ΠΈΡ ΠΏΡΠΎΠ²ΠΎΠ΄ΠΎΠ², ΡΠ½ΠΈΠΌΠ°ΡΡ Π΅Π³ΠΎ, ΡΠ΅ΠΌΠΎΠ½ΡΠΈΡΠΎΠ²Π°ΡΡ ΡΠΎ, ΡΡΠΎ Π²ΡΡΠ»ΠΎ ΠΈΠ· ΡΡΡΠΎΡ, Π° Π·Π°ΡΠ΅ΠΌ ΠΌΠΎΠ½ΡΠΈΡΠΎΠ²Π°ΡΡ Π΅Π³ΠΎ ΠΎΠ±ΡΠ°ΡΠ½ΠΎ, ΠΏΠΎΠΏΡΡΠ½ΠΎ Π²ΡΠΏΠΎΠΌΠΈΠ½Π°Ρ ΡΡ Π΅ΠΌΡ ΠΏΠΎΠ΄ΠΊΠ»ΡΡΠ΅Π½ΠΈΡ Π²ΡΠ΅Ρ ΠΏΡΠΎΠ²ΠΎΠ΄ΠΎΠ².
ΠΠ°ΡΠ° ΡΡΠ°ΡΡΡ ΠΏΠΎΠΌΠΎΠΆΠ΅Ρ ΡΠ°Π·ΠΎΠ±ΡΠ°ΡΡΡΡ Π² Π²ΠΎΠΏΡΠΎΡΠ°Ρ
ΡΠ»Π΅ΠΊΡΡΠΎΠ½Π½ΠΎΠ³ΠΎ Π·Π°ΠΆΠΈΠ³Π°Π½ΠΈΡ ΠΠΠ 2106.
ΠΠΎΡΠ»Π΅ Π΅Π΅ ΠΏΡΠΎΡΡΠ΅Π½ΠΈΡ ΠΌΠ½ΠΎΠ³ΠΈΠ΅ ΡΠΌΠΎΠ³ΡΡ ΡΠ°ΠΌΠΎΡΡΠΎΡΡΠ΅Π»ΡΠ½ΠΎ ΠΎΡΡΠ΅ΠΌΠΎΠ½ΡΠΈΡΠΎΠ²Π°ΡΡ Π·Π°ΠΌΠΎΠΊ Π½Π° ΠΠΠ 2106 ΠΈ Π±ΠΎΠ»ΡΡΠ΅ Π½Π΅ Π±ΡΠ΄ΡΡ ΠΈΡΠΏΡΡΡΠ²Π°ΡΡ ΠΏΡΠΎΠ±Π»Π΅ΠΌ Ρ Π΅Π³ΠΎ Π΄Π΅ΠΌΠΎΠ½ΡΠ°ΠΆΠ΅ΠΌ ΠΈ ΡΡΡΠ°Π½ΠΎΠ²ΠΊΠΎΠΉ. Π’Π°ΠΊΠΆΠ΅ ΠΎΠ½Π° ΠΏΡΠΈΠ³ΠΎΠ΄ΠΈΡΡΡ ΡΠ΅ΠΌ, ΠΊΡΠΎ Π½Π΅ ΠΏΠΎΠΌΠ½ΠΈΡ ΠΊΠ°ΠΊΠ°Ρ ΡΡ
Π΅ΠΌΠ° ΠΏΠΎΠ΄ΠΊΠ»ΡΡΠ΅Π½ΠΈΡ ΠΊΠ°ΠΆΠ΄ΠΎΠ³ΠΎ ΠΊΠ°Π±Π΅Π»Ρ Π½Π° ΡΡΡΡΠΎΠΉΡΡΠ²Π΅.
ΠΡΠ½ΠΎΠ²Π½Π°Ρ ΠΈΠ½ΡΠΎΡΠΌΠ°ΡΠΈΡ
ΠΡΠ½ΠΎΠ²Π½ΡΠΌΠΈ ΡΠ»Π΅ΠΌΠ΅Π½ΡΠ°ΠΌΠΈ Π·Π°ΠΌΠΊΠΎΠ² Π·Π°ΠΆΠΈΠ³Π°Π½ΠΈΡ Π½Π° ΠΠΠ 2106 ΡΡΠΈΡΠ°Π΅ΡΡΡ ΡΠΈΡΡΠ΅ΠΌΠ° Π²ΠΊΠ»ΡΡΠ΅Π½ΠΈΡ Π·Π°ΠΆΠΈΠ³Π°Π½ΠΈΡ ΠΈ ΡΠ΅ΠΏΡ ΡΠΏΡΠ°Π²Π»Π΅Π½ΠΈΡ ΡΡΠ°ΡΡΠ΅ΡΠΎΠΌ. ΠΠ°ΠΏΡΡΠΆΠ΅Π½ΠΈΠ΅ ΠΏΠΎΠ΄Π°ΡΡΡΡ Π½Π° Π·Π°Π΄Π°Π½Π½ΡΡ ΡΠ΅ΠΏΡ ΠΏΡΠΈ ΠΎΠΏΡΠ΅Π΄Π΅Π»ΡΠ½Π½ΠΎΠΌ ΠΏΠΎΠ»ΠΎΠΆΠ΅Π½ΠΈΠΈ ΠΊΠ»ΡΡΠ°.
ΠΠΎΠ½ΡΡΡΡΠΊΡΠΈΡ ΡΠ»Π΅ΠΊΡΡΠΎΠ½Π½ΠΎΠ³ΠΎ Π·Π°ΠΆΠΈΠ³Π°Π½ΠΈΡ Π½Π° ΠΠΠ ΡΠΎΡΡΠΎΠΈΡ ΠΈΠ· Π΄Π²ΡΡ ΡΠ»Π΅ΠΌΠ΅Π½ΡΠΎΠ²:
- ΠΠ»Π΅ΠΊΡΡΠΈΡΠ΅ΡΠΊΠ°Ρ ΡΠ°ΡΡΡ ΠΏΡΠ΅Π΄ΡΡΠ°Π²Π»ΡΠ΅Ρ ΡΠΎΠ±ΠΎΠΉ ΠΊΠ»Π΅ΠΌΠΌΡ ΠΏΡΠΎΠ²ΠΎΠ΄ΠΎΠ², ΡΠΈΠΊΡΠΈΡΡΡΡΡΡΡΡ Π² Π½ΠΈΠΆΠ½Π΅ΠΉ ΡΠ°ΡΡΠΈ Π·Π°ΠΌΠΊΠ° ΡΡΠΎΠΏΠΎΡΠ½ΡΠΌ Π·Π°ΠΆΠΈΠΌΠΎΠΌ. ΠΠ»Π°Π³ΠΎΠ΄Π°ΡΡ Π΄Π°Π½Π½ΠΎΠΌΡ ΡΠ»Π΅ΠΌΠ΅Π½ΡΡ ΠΏΡΠΎΠΈΡΡ ΠΎΠ΄ΠΈΡ ΠΏΡΠ°Π²ΠΈΠ»ΡΠ½ΠΎΠ΅ ΡΠ°ΡΠΏΡΠ΅Π΄Π΅Π»Π΅Π½ΠΈΠ΅ Π½Π°ΠΏΡΡΠΆΠ΅Π½ΠΈΡ Π½Π° Π±ΠΎΡΡΠΎΠ²ΡΡ ΡΠ»Π΅ΠΊΡΡΠΎΠ½ΠΈΠΊΡ Π°Π²ΡΠΎΠΌΠΎΠ±ΠΈΠ»Ρ.
ΠΠ΅Ρ Π°Π½ΠΈΡΠ΅ΡΠΊΠ°Ρ ΡΠ°ΡΡΡ ΡΡΡΠ°Π½ΠΎΠ²Π»Π΅Π½Π° Π½Π΅ΠΏΠΎΡΡΠ΅Π΄ΡΡΠ²Π΅Π½Π½ΠΎ Π² ΡΠ°ΠΌΠΎΠΌ Π·Π°ΠΌΠΊΠ΅ Π·Π°ΠΆΠΈΠ³Π°Π½ΠΈΡ. ΠΠ½Π° ΠΎΡΠ²Π΅ΡΠ°Π΅Ρ Π² ΠΌΠ°ΡΠΈΠ½Π΅ Π·Π° Π±Π»ΠΎΠΊΠΈΡΠΎΠ²ΠΊΡ ΡΡΠ»Ρ, Π²ΠΊΠ»ΡΡΠ΅Π½ΠΈΠ΅ ΡΠ»Π΅ΠΊΡΡΠΎΠ½ΠΈΠΊΠΈ ΠΈ ΠΏΡΡΠΊ ΡΡΠ°ΡΡΠ΅ΡΠ°.
Π‘ΡΠΎΠΈΡ ΠΎΡΠΌΠ΅ΡΠΈΡΡ, ΡΡΠΎ Π½Π° Π°Π²ΡΠΎΠΌΠΎΠ±ΠΈΠ»Π΅ ΠΠΠ 2106, ΠΏΠΎΠ»ΠΎΠΌΠΊΠΈ Π² ΡΠ°Π²Π½ΠΎΠΉ ΡΡΠ΅ΠΏΠ΅Π½ΠΈ ΠΌΠΎΠ³ΡΡ Π±ΡΡΡ ΡΠ²ΡΠ·Π°Π½Ρ ΠΊΠ°ΠΊ Ρ ΠΌΠ΅Ρ
Π°Π½ΠΈΡΠ΅ΡΠΊΠΈΠΌΠΈ ΡΠ»Π΅ΠΌΠ΅Π½ΡΠ°ΠΌΠΈ Π΄Π΅ΡΠ°Π»ΠΈ, ΡΠ°ΠΊ ΠΈ Ρ ΡΠ»Π΅ΠΊΡΡΠΎΠ½ΠΈΠΊΠΎΠΉ.
Π Ρ ΠΎΠ΄Π΅ ΠΈΡΠΏΠΎΠ»ΡΠ·ΠΎΠ²Π°Π½ΠΈΡ ΡΡΠ°Π½ΡΠΏΠΎΡΡΠ½ΠΎΠ³ΠΎ ΡΡΠ΅Π΄ΡΡΠ²Π° Π½Π΅ΠΈΡΠΏΡΠ°Π²Π½ΠΎΡΡΠΈ Π±Π΅ΡΠΊΠΎΠ½ΡΠ°ΠΊΡΠ½ΠΎΠ³ΠΎ Π·Π°ΠΆΠΈΠ³Π°Π½ΠΈΡ Π±ΡΠ²Π°ΡΡ ΡΠ°Π·Π½ΡΠ΅, ΠΏΠΎΡΡΠΎΠΌΡ Π½ΡΠΆΠ½ΠΎ ΠΏΠΎΠ½ΠΈΠΌΠ°ΡΡ, Ρ ΡΠ΅ΠΌ ΠΎΠ½ΠΈ ΠΌΠΎΠ³ΡΡ Π±ΡΡΡ ΡΠ²ΡΠ·Π°Π½Ρ ΠΈ Π·Π½Π°ΡΡ ΡΡ Π΅ΠΌΡ ΠΏΠΎΠ΄ΠΊΠ»ΡΡΠ΅Π½ΠΈΡ ΠΏΡΠΎΠ²ΠΎΠ΄ΠΎΠ².
ΠΠ°ΠΊΠΈΠ΅ ΠΏΠΎΠ»ΠΎΠΌΠΊΠΈ ΠΌΠΎΠ³ΡΡ Π±ΡΡΡ Π² Π·Π°ΠΌΠΊΠ΅ Π·Π°ΠΆΠΈΠ³Π°Π½ΠΈΡ?
ΠΠ°ΠΊ ΡΠΆΠ΅ ΡΠΊΠ°Π·ΡΠ²Π°Π»ΠΎΡΡ Π²ΡΡΠ΅, ΠΏΡΠ°ΠΊΡΠΈΠΊΠ° ΠΏΠΎΠΊΠ°Π·ΡΠ²Π°Π΅Ρ, ΡΡΠΎ ΠΏΠΎΠ»ΠΎΠΌΠΊΠΈ ΡΠ²ΠΎΠΉΡΡΠ²Π΅Π½Π½Ρ ΠΎΠ±Π΅ΠΈΠΌ ΡΠ°ΡΡΡΠΌ Π·Π°ΠΌΠΊΠ° ΠΈ Π½Π΅ΡΠ΅Π΄ΠΊΠΎ ΡΡΠ΅Π±ΡΠ΅ΡΡΡ Π·Π°ΠΌΠ΅Π½Π° ΡΠΎΠΉ ΠΈΠ»ΠΈ ΠΈΠ½ΠΎΠΉ ΠΏΠΎΠ»ΠΎΠ²ΠΈΠ½Ρ. ΠΠ½ΠΎΠ³Π΄Π° ΠΌΠΎΠ³ΡΡ Π²ΡΠΉΡΠΈ ΠΈΠ· ΡΡΡΠΎΡ ΠΊΠ°ΡΡΡΠΊΠΈ Π·Π°ΠΆΠΈΠ³Π°Π½ΠΈΡ ΠΠΠ 2106
ΠΡΠΈ ΠΎΠ±ΡΠ»ΡΠΆΠΈΠ²Π°Π½ΠΈΠΈ Π΄Π°Π½Π½ΡΡ ΡΠ»Π΅ΠΌΠ΅Π½ΡΠΎΠ² Π½ΡΠΆΠ½ΠΎ Π·Π½Π°ΡΡ, ΡΡΠΎ ΡΠ°ΠΊΠΎΠ΅ ΡΡ Π΅ΠΌΠ° Π±Π΅ΡΠΊΠΎΠ½ΡΠ°ΠΊΡΠ½ΠΎΠ³ΠΎ Π·Π°ΠΆΠΈΠ³Π°Π½ΠΈΡ, Π° ΡΠΆΠ΅ ΠΏΠΎΡΠ»Π΅ ΡΡΠΎΠ³ΠΎ Π½Π΅ΠΎΠ±Ρ ΠΎΠ΄ΠΈΠΌΠΎ ΠΎΡΠΊΠ»ΡΡΠΈΡΡ ΠΌΠΈΠ½ΡΡΠΎΠ²ΡΡ ΠΊΠ»Π΅ΠΌΠΌΡ Π½Π° Π°ΠΊΠΊΡΠΌΡΠ»ΡΡΠΎΡΠ΅, Π·Π° ΠΈΡΠΊΠ»ΡΡΠ΅Π½ΠΈΠ΅ΠΌ, Π΅ΡΠ»ΠΈ ΠΏΡΠΎΠ²Π΅ΡΡΠ΅ΡΡΡ Π½Π°Π»ΠΈΡΠΈΠ΅ Π½Π°ΠΏΡΡΠΆΠ΅Π½ΠΈΡ Π½Π° ΠΏΠΎΡΡΠ΅Π±ΠΈΡΠ΅Π»ΡΡ .
- ΠΠΎΠ»ΠΎΠΌΠΊΠ° ΠΌΠ΅Ρ Π°Π½ΠΈΡΠ΅ΡΠΊΠΎΠΉ ΡΠ°ΡΡΠΈ
ΠΠ°ΠΈΠ±ΠΎΠ»Π΅Π΅ ΡΠ°ΡΡΠΎΠΉ Π½Π΅ΠΈΡΠΏΡΠ°Π²Π½ΠΎΡΡΡΡ ΠΌΠ΅Ρ Π°Π½ΠΈΡΠ΅ΡΠΊΠΎΠΉ ΡΠ°ΡΡΠΈ Π±Π·Ρ ΡΠ²Π»ΡΠ΅ΡΡΡ ΡΡΠ³ΠΎΠΉ ΠΏΠΎΠ²ΠΎΡΠΎΡ ΠΊΠ»ΡΡΠ°, Π΅ΡΠ»ΠΈ ΠΏΡΠΎΠ±Π»Π΅ΠΌΡ ΠΏΠΎΠ΄ΡΠΎΠ΅Π΄ΠΈΠ½Π΅Π½ΠΈΡ Π½Π΅ ΡΠ΅ΡΠΈΡΡ Π²ΠΎΠ²ΡΠ΅ΠΌΡ, ΡΠΎ ΠΊΠ»ΡΡ Π·Π°ΠΊΠ»ΠΈΠ½ΠΈΡ Π² Π·Π°ΠΌΠΊΠ΅, Π»ΠΈΠ±ΠΎ ΡΠ»ΠΎΠΌΠ°Π΅ΡΡΡ. Π ΡΠ΅Π·ΡΠ»ΡΡΠ°ΡΠ΅ ΠΏΡΠΈΠ΄ΡΡΡΡ ΠΌΠ΅Π½ΡΡΡ Π·Π°ΠΌΠΎΠΊ ΡΠ΅Π»ΠΈΠΊΠΎΠΌ, Π° ΡΠ°ΠΊΠ°Ρ Π·Π°ΠΌΠ΅Π½Π° ΠΏΠΎΡΡΠ΅Π±ΡΠ΅Ρ Π±ΠΎΠ»ΡΡΠΈΡ Π·Π°ΡΡΠ°Ρ.
Π€Π°Π±ΡΠΈΡΠ½ΡΠ΅ Π·Π°ΠΌΠΊΠΈ Π·Π°ΠΆΠΈΠ³Π°Π½ΠΈΡ ΠΎΡ Π°Π²ΡΠΎΠΌΠΎΠ±ΠΈΠ»Π΅ΠΉ ΠΠΠ 2106 ΠΎΡΠ΅Π½Ρ ΡΠ΅Π΄ΠΊΠΎ Π»ΠΎΠΌΠ°ΡΡΡΡ ΡΠ°ΠΊΠΈΠΌ ΠΎΠ±ΡΠ°Π·ΠΎΠΌ, ΡΠ°ΠΊΠ°Ρ Π½Π΅ΠΈΡΠΏΡΠ°Π²Π½ΠΎΡΡΡ Ρ
Π°ΡΠ°ΠΊΡΠ΅ΡΠ½Π° ΠΊΠΈΡΠ°ΠΉΡΠΊΠΈΠΌ Π·Π°ΠΏΡΠ°ΡΡΡΠΌ, Π²Π΅Π΄Ρ ΡΡΠΎΠΈΠΌΠΎΡΡΡ Π°Π½Π°Π»ΠΎΠ³Π° Π½Π° ΠΏΠΎΡΡΠ΄ΠΎΠΊ Π½ΠΈΠΆΠ΅.
ΠΠ½Π°Π»ΠΎΠ³ΠΈ Π½Π΅ ΠΏΠΎΠ΄Π»Π΅ΠΆΠ°Ρ ΡΠ΅ΠΌΠΎΠ½ΡΡ, Π² ΠΎΡΠ»ΠΈΡΠΈΠ΅ ΠΎΡ Π·Π°ΠΏΡΠ°ΡΡΠ΅ΠΉ Π°Π²ΡΠΎΠ·Π°Π²ΠΎΠ΄Π° ΠΠΠΠ.
ΠΡΠ»ΠΈ Π°Π²ΡΠΎΠ»ΡΠ±ΠΈΡΠ΅Π»Ρ ΡΡΠ°Π»ΠΊΠΈΠ²Π°Π΅ΡΡΡ Ρ ΠΏΠΎΠ΄ΠΎΠ±Π½ΠΎΠΉ ΠΏΡΠΎΠ±Π»Π΅ΠΌΠΎΠΉ, ΡΠΎ Π² Π΄Π°Π»ΡΠ½Π΅ΠΉΡΠ΅ΠΌ ΠΊΠ°ΠΊ ΠΏΡΠ°Π²ΠΈΠ»ΠΎ ΡΠΆΠ΅ ΠΏΡΠΈΠΎΠ±ΡΠ΅ΡΠ°Π΅Ρ ΠΎΡΠΈΠ³ΠΈΠ½Π°Π»ΡΠ½ΡΡ Π·Π°ΠΏΡΠ°ΡΡΡ ΠΎΡ Β«ΠΠ²ΡΠΎΠΠΠΠ°Β», Π±ΠΎΠ»Π΅Π΅ Π½Π΅ Π΄ΠΎΠ²Π΅ΡΡΡ ΠΊΠΈΡΠ°ΠΉΡΠΊΠΈΠΌ ΠΏΡΠΎΠΈΠ·Π²ΠΎΠ΄ΠΈΡΠ΅Π»ΡΠΌ Π΄Π΅ΡΠ°Π»Π΅ΠΉ.
- ΠΠΎΠ»ΠΎΠΌΠΊΠΈ ΡΠ»Π΅ΠΊΡΡΠΎΠ½Π½ΠΎΠΉ ΡΠ°ΡΡΠΈ
ΠΠ΅ΡΠ΅Π΄ΠΊΠΎ Π½Π΅ΠΈΡΠΏΡΠ°Π²Π½ΠΎΡΡΠΈ Π·Π°ΠΌΠΊΠ° Π·Π°ΠΆΠΈΠ³Π°Π½ΠΈΡ ΠΠΠ 2106 ΡΠ²ΡΠ·Π°Π½Ρ Ρ ΡΠ»Π΅ΠΊΡΡΠΎΠ½Π½ΠΎΠΉ ΡΠ°ΡΡΡΡ ΡΡΡΡΠΎΠΉΡΡΠ²Π° ΠΈ ΠΈΠΌ ΡΠ°ΠΊΠΆΠ΅ ΡΡΠ΅Π±ΡΠ΅ΡΡΡ Π·Π°ΠΌΠ΅Π½Π°. Π ΡΡΠΎΠΌ ΡΠ»ΡΡΠ°Π΅ Π²Π°ΠΆΠ½ΠΎ ΠΏΠΎΠΌΠ½ΠΈΡΡ, ΡΡΠΎ ΡΡ Π΅ΠΌΠ° ΠΏΠΎΠ΄ΠΊΠ»ΡΡΠ΅Π½ΠΈΡ ΠΈΠ³ΡΠ°Π΅Ρ ΠΎΠ³ΡΠΎΠΌΠ½ΡΡ ΡΠΎΠ»Ρ, Π° ΠΏΡΡΠ°ΡΡ ΠΏΡΠΎΠ²ΠΎΠ΄Π° ΠΌΠ΅ΡΡΠ°ΠΌΠΈ Π½Π΅ ΡΡΠΎΠΈΡ.
ΠΡΠ½ΠΎΠ²Π½ΡΠ΅ ΠΏΡΠΈΡΠΈΠ½Ρ Π½Π΅ΠΈΡΠΏΡΠ°Π²Π½ΠΎΡΡΠΈ ΠΊΠ»Π΅ΠΌΠΌΡ Π·Π°ΠΆΠΈΠ³Π°Π½ΠΈΡ:
- ΠΠΊΠΈΡΠ»Π΅Π½ΠΈΠ΅ ΠΊΠΎΠ½ΡΠ°ΠΊΡΠΎΠ².
- Π§Π°ΡΡΠΈΡΠ½ΠΎΠ΅ ΠΈΠ»ΠΈ ΠΏΠΎΠ»Π½ΠΎΠ΅ ΡΠ³ΠΎΡΠ°Π½ΠΈΠ΅ ΠΏΡΠΎΠ²ΠΎΠ΄ΠΎΠ².
ΠΠ»Π°Π²Π»Π΅Π½ΠΈΠ΅ ΠΏΠ»Π°ΡΡΠΈΠΊΠΎΠ²ΠΎΠΉ ΡΠ°ΡΡΠΈ ΠΊΠ»Π΅ΠΌΠΌΡ.
ΠΠ°Π½Π½ΡΠ΅ ΠΏΡΠΈΡΠΈΠ½Ρ Π²ΡΠ·Π²Π°Π½Ρ ΠΏΠ»ΠΎΡ ΠΈΠΌ ΠΊΠΎΠ½ΡΠ°ΠΊΡΠΎΠΌ ΠΊΠ»Π΅ΠΌΠΌΡ Π½Π° ΠΠΠ 2106, Π»ΠΈΠ±ΠΎ ΡΠ΅ΠΌ, ΡΡΠΎ ΠΏΡΠΎΠΈΡΡ ΠΎΠ΄ΠΈΡ Π΄Π»ΠΈΡΠ΅Π»ΡΠ½ΡΠΉ ΠΏΡΡΠΊ ΡΡΠ°ΡΡΠ΅ΡΠ°.
Π Π΄Π°Π½Π½ΠΎΠΌ ΡΠ»ΡΡΠ°Π΅ Π½Π΅ΠΎΠ±Ρ ΠΎΠ΄ΠΈΠΌΠΎ ΠΏΠΎΠΌΠ΅Π½ΡΡΡ ΡΠΎΠ»ΡΠΊΠΎ ΡΠ»Π΅ΠΊΡΡΠΎΠ½Π½ΡΠΉ Π±Π»ΠΎΠΊ, ΠΊΠΎΡΠΎΡΡΠΉ ΠΌΠΎΠΆΠ½ΠΎ ΠΏΡΠΈΠΎΠ±ΡΠ΅ΡΡΠΈ ΠΎΡΠ΄Π΅Π»ΡΠ½ΠΎ Π² ΠΌΠ°Π³Π°Π·ΠΈΠ½Π°Ρ Π°Π²ΡΠΎΠ·Π°ΠΏΡΠ°ΡΡΠ΅ΠΉ.
ΠΡΠΈ Π·Π°ΠΌΠ΅Π½Π΅ Π½Π΅ΠΎΠ±Ρ
ΠΎΠ΄ΠΈΠΌΠΎ Π·Π°ΠΏΠΎΠΌΠ½ΠΈΡΡ ΠΈΠ»ΠΈ Π·Π°ΡΠΈΡΠΎΠ²Π°ΡΡ ΡΠ²Π΅ΡΠ° ΠΊΠ°ΠΆΠ΄ΠΎΠ³ΠΎ ΠΊΠ°Π±Π΅Π»Ρ Π½Π° ΠΏΠΎΠ΄ΠΊΠ»ΡΡΠ΅Π½ΠΈΠΈ ΠΊ Π·Π°ΠΌΠΊΡ, ΡΡΠΎΠ±Ρ ΡΡ
Π΅ΠΌΠ° Π±ΡΠ»Π° ΠΏΠΎΠ΄ ΡΡΠΊΠΎΠΉ, Π»ΠΈΠ±ΠΎ ΠΏΡΠΎΡΡΠΎ ΡΡΠΎΡΠΎΠ³ΡΠ°ΡΠΈΡΠΎΠ²Π°ΡΡ ΠΊΠ»Π΅ΠΌΠΌΡ Π½Π° ΡΠ΅Π»Π΅ΡΠΎΠ½.
ΠΠ°ΠΆΠ΄ΡΠΉ ΠΊΠΎΠ½ΡΠ°ΠΊΡ ΠΈΠΌΠ΅Π΅Ρ ΠΎΠΏΡΠ΅Π΄Π΅Π»Π΅Π½Π½ΡΠΉ Π½ΠΎΠΌΠ΅Ρ. Π’Π°ΠΊ ΡΡΠΎ, ΠΏΠΎΠ΄ΠΊΠ»ΡΡΠ΅Π½ΠΈΠ΅ ΠΌΠΎΠΆΠ½ΠΎ ΠΎΡΡΡΠ΅ΡΡΠ²ΠΈΡΡ ΠΏΠΎ ΡΡ
Π΅ΠΌΠ΅, ΡΠΊΠ°Π·Π°Π½Π½ΠΎΠΉ Π½Π° ΡΠΏΠ°ΠΊΠΎΠ²ΠΎΡΠ½ΠΎΠΉ ΠΊΠΎΡΠΎΠ±ΠΊΠ΅ ΠΏΡΠΎΠΈΠ·Π²ΠΎΠ΄ΠΈΡΠ΅Π»Ρ. ΠΡΠ»ΠΈ ΡΡ
Π΅ΠΌΡ Π½Π΅Ρ ΠΈΠ»ΠΈ ΠΎΠ½Π° ΡΡΠ΅ΡΡΠ½Π°, ΡΠΎ ΡΠΈΡΠ°Π΅ΠΌ Π΄Π°Π»ΡΡΠ΅.
Π‘Ρ Π΅ΠΌΠ° ΠΏΠΎΠ΄ΠΊΠ»ΡΡΠ΅Π½ΠΈΡ
ΠΠ»Π΅ΠΊΡΡΠΎΠ½Π½ΡΠΉ Π±Π»ΠΎΠΊ Π·Π°ΠΌΠΊΠ° ΠΈΠΌΠ΅Π΅Ρ ΡΠ»Π΅Π΄ΡΡΡΠΈΠ΅ ΠΊΠΎΠ½ΡΠ°ΠΊΡΡ:
15 — ΠΊ ΠΊΠΎΠ½ΡΠ°ΠΊΡΡ ΠΏΠΎΠ΄ΠΊΠ»ΡΡΠ°Π΅ΡΡΡ Π΄Π²ΠΎΠΉΠ½ΠΎΠΉ Π³ΠΎΠ»ΡΠ±ΠΎΠΉ ΠΏΡΠΎΠ²ΠΎΠ΄ Ρ ΡΠ΅ΡΠ½ΠΎΠΉ ΠΏΠΎΠ»ΠΎΡΠΎΠΉ.
30 — ΡΠΎΠ·ΠΎΠ²ΡΠΉ ΠΏΡΠΎΠ²ΠΎΠ΄. ΠΡΠ²Π΅ΡΠ°Π΅Ρ Π·Π° Π²ΠΊΠ»ΡΡΠ΅Π½ΠΈΠ΅ ΡΡΠ°ΡΡΠ΅ΡΠ°.
30/1 — ΠΊΠΎΡΠΈΡΠ½Π΅Π²ΡΠΉ ΠΏΡΠΎΠ²ΠΎΠ΄.
50 — ΠΏΡΡΠΏΡΡΠ½ΡΠΉ ΠΈΠ»ΠΈ ΠΊΡΠ°ΡΠ½ΡΠΉ. Π¦Π²Π΅Ρ Π·Π°Π²ΠΈΡΠΈΡ ΠΎΡ Π³ΠΎΠ΄Π° Π²ΡΠΏΡΡΠΊΠ° Π°Π²ΡΠΎΠΌΠΎΠ±ΠΈΠ»Ρ. ΠΠΎΠΏΠΎΠ»Π½ΠΈΡΠ΅Π»ΡΠ½Π°Ρ ΡΠ΅ΠΏΡ Π΄Π»Ρ ΠΏΡΡΠΊΠ° ΡΡΠ°ΡΡΠ΅ΡΠ°.
INT- ΡΡΡΠ½ΡΠΉ ΠΏΡΠΎΠ²ΠΎΠ΄ Ρ Π΄Π²ΡΠΌΡ ΠΊΠΎΠ½ΡΠ°ΠΊΡΠ°ΠΌΠΈ, ΠΎΡΠ²Π΅ΡΠ°Π΅Ρ Π·Π° ΠΏΠΎΠ΄Π°ΡΡ Π½Π°ΠΏΡΡΠΆΠ΅Π½ΠΈΡ Ρ ΠΏΠ»ΡΡΠΎΠ²ΠΎΠΉ ΠΊΠ»Π΅ΠΌΠΌΡ Π½Π° Π·Π°ΠΌΠΎΠΊ Π·Π°ΠΆΠΈΠ³Π°Π½ΠΈΠ΅.
Π‘Ρ Π΅ΠΌΠ° Π·Π°ΠΆΠΈΠ³Π°Π½ΠΈΡ Π΄ΠΎΡΡΠ°ΡΠΎΡΠ½ΠΎ ΠΏΡΠΎΡΡΠ°Ρ, Π° ΡΠ°ΡΠΏΠΈΠ½ΠΎΠ²ΠΊΠ° ΠΏΡΠΎΠ²ΠΎΠ΄ΠΎΠ² ΠΌΠ½ΠΎΠ³ΠΈΠΌΠΈ Π·Π°ΠΏΠΎΠΌΠΈΠ½Π°Π΅ΡΡΡ Ρ ΠΏΠ΅ΡΠ²ΠΎΠ³ΠΎ ΡΠ°Π·Π°.
ΠΠ°ΠΌΠ΅Π½Π° Π·Π°ΠΌΠΊΠ° Π·Π°ΠΆΠΈΠ³Π°Π½ΠΈΡ
ΠΠ°Π½Π½ΡΡ ΠΏΡΠΎΡΠ΅Π΄ΡΡΡ ΠΌΠΎΠΆΠ½ΠΎ Π²ΡΠΏΠΎΠ»Π½ΠΈΡΡ ΡΠ°ΠΌΠΎΡΡΠΎΡΡΠ΅Π»ΡΠ½ΠΎ, Π΅ΡΠ»ΠΈ ΠΈΠΌΠ΅ΡΡ Ρ
ΠΎΡΡ Π±Ρ Π±Π°Π·ΠΎΠ²ΡΠ΅ Π½Π°Π²ΡΠΊΠΈ ΡΠ°Π±ΠΎΡΡ Ρ ΠΈΠ½ΡΡΡΡΠΌΠ΅Π½ΡΠ°ΠΌΠΈ, ΠΈ ΠΎΠ±ΡΠ·Π°ΡΠ΅Π»ΡΠ½ΠΎ ΡΠΎΠ±Π»ΡΠ΄Π°Ρ . ΠΠ°ΠΌΠΎΠΊ Π·Π°ΠΆΠΈΠ³Π°Π½ΠΈΡ Π½Π° Π°Π²ΡΠΎΠΌΠΎΠ±ΠΈΠ»Π΅ ΠΠΠ 2106 Π½Π΅ ΡΠ»ΠΈΡΠΊΠΎΠΌ ΡΠ»ΠΎΠΆΠ΅Π½, Π° ΡΡ
Π΅ΠΌΠ° ΠΏΠΎΠ΄ΠΊΠ»ΡΡΠ΅Π½ΠΈΡ Π²ΡΠ΅Ρ
ΠΏΡΠΎΠ²ΠΎΠ΄ΠΎΠ² ΠΏΡΠΎΡΡΠΎ ΠΈ ΠΏΠΎΠ½ΡΡΠ½Π°.
ΠΠΎΡΡΠΎΠΌΡ ΡΠ°ΠΌΠΎΡΡΠΎΡΡΠ΅Π»ΡΠ½Π°Ρ Π·Π°ΠΌΠ΅Π½Π°, Π±Π΅Π· ΠΎΠ±ΡΠ°ΡΠ΅Π½ΠΈΡ Π² ΡΠ΅ΡΠ²ΠΈΡΠ½ΡΠΉ ΡΠ΅Π½ΡΡ, Π²ΡΠΏΠΎΠ»Π½ΡΠ΅ΡΡΡ ΠΌΠ½ΠΎΠ³ΠΈΠΌΠΈ Π°Π²ΡΠΎΠ»ΡΠ±ΠΈΡΠ΅Π»ΡΠΌΠΈ.
ΠΠ»Ρ ΡΠ΅ΠΌΠΎΠ½ΡΠ°, ΠΎΡΠΊΠ»ΡΡΠ΅Π½ΠΈΡ ΠΈ ΠΏΠΎΠ΄ΠΊΠ»ΡΡΠ΅Π½ΠΈΡ ΠΏΠΎΠ½Π°Π΄ΠΎΠ±ΡΡΡΡ:
- ΠΏΠ»ΡΡΠΎΠ²Π°Ρ ΠΎΡΠ²Π΅ΡΡΠΊΠ°;
- ΡΠ»ΠΈΡΠ΅Π²Π°Ρ ΠΎΡΠ²Π΅ΡΡΠΊΠ°;
- ΡΠΎΠ½ΠΊΠΎΠ΅ ΡΠΈΠ»ΠΎ ΠΈΠ»ΠΈ Π½Π΅Π±ΠΎΠ»ΡΡΠΎΠΉ Π³Π²ΠΎΠ·Π΄ΠΈΠΊ.
ΠΠΎ Π½Π°ΡΠ°Π»Π° ΡΠ΅ΠΌΠΎΠ½ΡΠ° ΠΎΠ±ΡΠ·Π°ΡΠ΅Π»ΡΠ½ΠΎ ΠΎΡΡΠΎΠ΅Π΄ΠΈΠ½ΠΈΡΡ ΠΌΠΈΠ½ΡΡΠΎΠ²ΡΡ ΠΊΠ»Π΅ΠΌΠΌΡ Π°ΠΊΠΊΡΠΌΡΠ»ΡΡΠΎΡΠ°!
ΠΠ½ΠΎΠ³ΠΈΠ΅ Π·Π½Π°ΡΡ, ΡΡΠΎ Π½Π°ΠΏΡΡΠΆΠ΅Π½ΠΈΠ΅ Π² 12Π Π½Π΅ ΡΡΡΠ°ΡΠ½ΠΎ Π΄Π»Ρ ΡΠ΅Π»ΠΎΠ²Π΅ΠΊΠ° ΠΈ Π½Π΅ Π±ΠΎΡΡΡΡ ΠΏΠΎΠ»ΡΡΠΈΡΡ ΡΠ»Π΅ΠΊΡΡΠΎΡΠΎΠΊ. ΠΠ½ΠΈ ΠΏΡΠΈ ΡΡΠΎΠΌ Π·Π°Π±ΡΠ²Π°ΡΡ, ΡΡΠΎ ΡΠ»Π΅ΠΊΡΡΠΈΡΠ΅ΡΡΠ²ΠΎ ΠΌΠΎΠΆΠ΅Ρ Π²ΠΎΠ·Π΄Π΅ΠΉΡΡΠ²ΠΎΠ²Π°ΡΡ Π½Π΅ ΡΠΎΠ»ΡΠΊΠΎ Π½Π° ΡΡΠΊΡ, Π½ΠΎ ΠΈ Π½Π° Π΄Π΅ΡΠ°Π»ΠΈ Π°Π²ΡΠΎ. ΠΡΠ»ΠΈ ΠΏΡΠΈ ΠΏΠΎΠΏΡΡΠΊΠ΅ ΡΠ½ΡΡΡ Π·Π°ΠΌΠΎΠΊ ΡΠ»ΡΡΠ°ΠΉΠ½ΠΎ Π·Π°ΠΌΠΊΠ½ΡΡΡΡΡ ΠΏΡΠΎΠ²ΠΎΠ΄Π°, ΡΡΠΎ ΠΌΠΎΠΆΠ΅Ρ ΠΏΡΠΈΠ²Π΅ΡΡΠΈ ΠΊ Π²ΡΡ ΠΎΠ΄Ρ ΠΈΠ· ΡΡΡΠΎΡ Π½Π΅ΠΊΠΎΡΠΎΡΡΡ ΡΠ»Π΅ΠΊΡΡΠΎΠ½Π½ΡΡ Π±Π»ΠΎΠΊΠΎΠ² ΠΌΠ°ΡΠΈΠ½Ρ.
ΠΠ»Ρ Π·Π°ΠΌΠ΅Π½Ρ Π½ΡΠΆΠ½ΠΎ Π²Π·ΡΡΡ ΠΊΡΡΠΏΠ½ΡΡ ΠΊΡΠ΅ΡΡΠΎΠ²ΡΡ ΠΈ ΠΌΠ°Π»Π΅Π½ΡΠΊΡΡ ΡΠΎΡΡΠ΅Π²ΡΡ ΠΎΡΠ²Π΅ΡΡΠΊΠΈ. Π ΠΏΠ΅ΡΠ²ΡΡ ΠΎΡΠ΅ΡΠ΅Π΄Ρ Π΄Π΅ΠΌΠΎΠ½ΡΠΈΡΡΠ΅ΡΡΡ ΠΏΠ»Π°ΡΡΠΈΠΊΠΎΠ²ΡΠΉ ΠΊΠΎΠΆΡΡ ΡΡΠ»Ρ. ΠΠ½Π°ΡΠ°Π»Π΅ ΡΠ½ΠΈΠΌΠ°Π΅ΡΡΡ Π½ΠΈΠΆΠ½ΡΡ ΠΏΠ»Π°Π½ΠΊΠ°, Π·Π°ΡΠ΅ΠΌ Π²Π΅ΡΡ Π½ΡΡ. ΠΠΎΡΠ»Π΅ ΡΠΎΠ³ΠΎ ΠΊΠ°ΠΊ ΠΊΠΎΠΆΡΡ ΡΠ½ΡΡ, Π²ΡΠ΅ ΡΠ»Π΅ΠΌΠ΅Π½ΡΡ Π·Π°ΠΌΠΊΠ° ΡΡΠ°Π½ΠΎΠ²ΡΡΡΡ Π΄ΠΎΡΡΡΠΏΠ½ΡΠΌΠΈ ΠΈ ΠΈΡ ΠΌΠΎΠΆΠ½ΠΎ ΡΠ½ΡΡΡ.
ΠΡΠΎΡΡΠΌ ΡΠ°Π³ΠΎΠΌ Π½ΡΠΆΠ½ΠΎ ΠΎΡΡΠΎΠ΅Π΄ΠΈΠ½ΠΈΡΡ ΠΏΡΠΎΠ²ΠΎΠ΄Π° ΠΎΡ ΠΌΠ΅Ρ
Π°Π½ΠΈΡΠ΅ΡΠΊΠΎΠΉ ΠΏΠΎΠ»ΠΎΠ²ΠΈΠ½Ρ ΡΡΡΡΠΎΠΉΡΡΠ²Π°, ΠΏΡΠ΅Π΄Π²Π°ΡΠΈΡΠ΅Π»ΡΠ½ΠΎ Π·Π°ΠΏΠΎΠΌΠ½ΠΈΠ² ΠΏΠΎΠ»ΠΎΠΆΠ΅Π½ΠΈΠ΅ ΠΊΠ»Π΅ΠΌΠΌ, ΠΏΠΎΡΠΎΠΌΡ ΡΡΠΎ ΡΠ°ΡΠΏΠΈΠ½ΠΎΠ²ΠΊΠ° ΠΏΡΠΎΠ²ΠΎΠ΄ΠΎΠ² Π² Π΄Π°Π½Π½ΠΎΠΌ ΡΠ»ΡΡΠ°Π΅ Π²Π°ΠΆΠ½Π°.
ΠΠ± ΡΡΠΎΠΌ Π³ΠΎΠ²ΠΎΡΠΈΠ»ΠΎΡΡ Π²ΡΡΠ΅.
ΠΠΎΡΠ»Π΅ ΡΠΎΠ³ΠΎ, ΠΊΠ°ΠΊ ΠΎΡΠΊΡΡΡΠΈΠ»ΠΈ ΠΌΠ°Π»Π΅Π½ΡΠΊΠΎΠΉ ΠΎΡΠ²Π΅ΡΡΠΊΠΎΠΉ Π±ΠΎΠ»ΡΡ ΠΊΡΠ΅ΠΏΠ»Π΅Π½ΠΈΡ ΡΠ°ΠΌΠΎΠ³ΠΎ Π·Π°ΠΌΠΊΠ°, Π½Π΅ΠΎΠ±Ρ ΠΎΠ΄ΠΈΠΌΠΎ ΠΏΠΎΠ²Π΅ΡΠ½ΡΡΡ ΠΊΠ»ΡΡ ΠΎΡ ΠΌΠ°ΡΠΈΠ½Ρ Π² ΠΏΠΎΠ»ΠΎΠΆΠ΅Π½ΠΈΠ΅ Β«Π½ΠΎΠ»ΡΒ». Π’Π΅ΠΏΠ΅ΡΡ ΡΡΡΡΠΎΠΉΡΡΠ²ΠΎ Π΄ΠΎΠ»ΠΆΠ½ΠΎ Π²ΡΠΉΡΠΈ ΠΈΠ· ΠΊΡΠ΅ΠΏΠ»Π΅Π½ΠΈΡ Π»Π΅Π³ΠΊΠΎ ΠΈ Π±Π΅Π· ΠΎΡΠΎΠ±ΡΡ ΡΡΠΈΠ»ΠΈΠΉ.
Π‘Π»Π΅Π΄ΡΡΡΠΈΠΌ ΡΡΠ°ΠΏΠΎΠΌ ΠΎΡΡΠ΅ΠΏΠ»ΡΠ΅ΠΌ Π²ΡΠ΅ ΠΏΡΠΎΠ²ΠΎΠ΄Π°, ΠΊΠΎΡΠΎΡΡΠ΅ ΠΏΠΎΠ΄Ρ ΠΎΠ΄ΡΡ ΠΊ Π·Π°ΠΌΠΊΡ Π·Π°ΠΆΠΈΠ³Π°Π½ΠΈΡ. Π£ ΡΠ΅Ρ , ΠΊΡΠΎ ΠΏΠΎΠ΄ΡΡΠ΅ΡΠΈΠ»ΡΡ, ΡΡ Π΅ΠΌΠ° ΠΏΠ΅ΡΠ΅ΡΠΈΡΠΎΠ²Π°Π½Π° ΠΈΠ»ΠΈ ΡΡΠΎΡΠΎΠ³ΡΠ°ΡΠΈΡΠΎΠ²Π°Π½Π°, ΠΎΡΡΠ°Π»ΡΠ½ΡΠ΅ ΠΆΠ΅ ΠΌΠΎΠ³ΡΡ ΡΠ°ΡΠΏΠ΅ΡΠ°ΡΠ°ΡΡ ΠΏΠ°ΠΌΡΡΠΊΡ Ρ Π΄Π°Π½Π½ΠΎΠΉ ΡΡΠ°ΡΡΠΈ. ΠΡΠΎ ΠΏΠΎΠΌΠΎΠΆΠ΅Ρ ΠΈΠΌ ΠΏΠΎΠ΄ΠΊΠ»ΡΡΠΈΡΡ Π΄Π΅ΡΠ°Π»Ρ Π±Π΅Π· ΠΎΡΠΎΠ±ΡΡ ΠΏΡΠΎΠ±Π»Π΅ΠΌ.
ΠΠΎΡΠΎΠΌ ΠΈΡΠ΅ΠΌ Π½Π΅Π±ΠΎΠ»ΡΡΡΡ ΠΏΠ»ΠΎΡΠΊΡΡ ΡΠ΅Π»Ρ ΡΠ»Π΅Π²Π° ΠΎΡ Π΄Π΅ΡΠ°Π»ΠΈ Π½Π° ΠΊΡΠΎΠ½ΡΡΠ΅ΠΉΠ½Π΅ ΠΈ Ρ ΡΡΠΈΠ»ΠΈΠ΅ΠΌ Π²ΡΡΠΊΠ°Π΅ΠΌ ΡΡΠ΄Π° ΡΠΈΠ»ΠΎ, ΡΡΠΎΠ±Ρ Π²Π΄Π°Π²ΠΈΡΡ ΡΠΈΠΊΡΠ°ΡΠΎΡ.
Π’Π΅ΠΏΠ΅ΡΡ ΠΌΠΎΠΆΠ½ΠΎ Π²ΡΡΠ°ΡΠΈΡΡ Π·Π°ΠΌΠΎΠΊ Π·Π°ΠΆΠΈΠ³Π°Π½ΠΈΡ ΠΈΠ· ΠΊΡΠΎΠ½ΡΡΠ΅ΠΉΠ½Π°, ΠΏΠΎΠ΄Π΄Π΅Π²Π°Ρ Π΅Π³ΠΎ Π΄ΡΡΠ³ΠΎΠΉ ΠΎΡΠ²Π΅ΡΡΠΊΠΎΠΉ.
Π£ΡΡΠ°Π½ΠΎΠ²ΠΊΠ° ΠΈ ΠΏΠΎΠ΄ΠΊΠ»ΡΡΠ΅Π½ΠΈΠ΅ Π½ΠΎΠ²ΠΎΠ³ΠΎ Π·Π°ΠΌΠΊΠ° ΠΏΡΠΎΠΈΡΡ ΠΎΠ΄ΠΈΡ Π² ΠΎΠ±ΡΠ°ΡΠ½ΠΎΠΉ ΠΏΠΎΡΠ»Π΅Π΄ΠΎΠ²Π°ΡΠ΅Π»ΡΠ½ΠΎΡΡΠΈ. ΠΠ»Π°Π²Π½ΠΎΠ΅ ΠΏΡΠ°Π²ΠΈΠ»ΡΠ½ΠΎ ΠΏΠΎΠ΄ΠΊΠ»ΡΡΠΈΡΡ Π²ΡΠ΅ ΠΊΠΎΠ½ΡΠ°ΠΊΡΡ, Π²ΡΠΏΠΎΠΌΠ½ΠΈΠ² ΡΡ Π΅ΠΌΡ ΠΏΠΎΠ΄ΠΊΠ»ΡΡΠ΅Π½ΠΈΡ, ΠΈΠ½Π°ΡΠ΅ ΠΌΠΎΠΆΠ½ΠΎ ΡΠΆΠ΅ΡΡ ΠΏΡΠΎΠ²ΠΎΠ΄Π°.
ΠΠ΅ Π·Π°Π±ΡΠ²Π°ΠΉΡΠ΅ ΠΏΡΠΎ ΡΠΎ, ΡΡΠΎ ΠΌΠΈΠ½ΡΡΠΎΠ²Π°Ρ ΠΊΠ»Π΅ΠΌΠΌΠ° Π°ΠΊΠΊΡΠΌΡΠ»ΡΡΠΎΡΠ° Π΄ΠΎΠ»ΠΆΠ½Π° Π±ΡΡΡ ΠΎΡΠΊΠ»ΡΡΠ΅Π½Π° Π²ΠΎ Π²ΡΠ΅ΠΌΡ Π·Π°ΠΌΠ΅Π½Ρ.
ΠΠ»Π°ΡΡΠΈΡΠ΅ΡΠΊΠΈΠΉ Π°Π²ΡΠΎΠΌΠΎΠ±ΠΈΠ»Ρ Π‘Π‘Π‘Π , ΠΏΡΠ°ΠΊΡΠΈΡΠ΅ΡΠΊΠΈ ΠΆΠΈΠ²Π°Ρ Π»Π΅Π³Π΅Π½Π΄Π°, ΠΏΡΠΎΠ΄ΡΠΊΡ ΡΡΡΠ΄Π° ΠΈΠ½ΠΆΠ΅Π½Π΅ΡΠΎΠ² ΠΠΎΠ»ΠΆΡΠΊΠΎΠ³ΠΎ ΠΠ²ΡΠΎΠΌΠΎΠ±ΠΈΠ»ΡΠ½ΠΎΠ³ΠΎ Π·Π°Π²ΠΎΠ΄Π° Π»Π΅Π³ΠΊΠΎΠ²ΠΎΠΉ Π°Π²ΡΠΎΠΌΠΎΠ±ΠΈΠ»Ρ ΠΌΠ°Π»ΠΎΠ³ΠΎ ΠΊΠ»Π°ΡΡΠ° ΡΠ΅ΡΡΠΎΠΉ ΠΈΡΠ΅ΡΠ°ΡΠΈΠΈ, ΠΠΠ 2106 Π² ΡΠ²ΠΎΠ΅ Π²ΡΠ΅ΠΌΡ ΡΠ΄ΠΈΠ²Π»ΡΠ» ΠΈ ΠΏΠΎΡΠ°ΠΆΠ°Π». ΠΠΎΠ½ΡΠ΅Π½ΠΎ, Π½Π΅ ΠΏΠΎΡΠ»Π΅Π΄Π½Π΅ΠΉ ΠΏΡΠΈΡΠΈΠ½ΠΎΠΉ ΡΠ΄ΠΈΠ²Π»Π΅Π½ΠΈΡ ΡΠΎΠ²Π΅ΡΡΠΊΠΎΠ³ΠΎ ΡΠ΅Π»ΠΎΠ²Π΅ΠΊΠ° ΡΠ²Π»ΡΠ»Π°ΡΡ Π½Π΅ΠΈΡΠΊΡΡΠ΅Π½Π½ΠΎΡΡΡ Π°Π²ΡΠΎΠΌΠΎΠ±ΠΈΠ»ΡΠΌΠΈ ΠΎΡΠ½ΠΎΡΠΈΡΠ΅Π»ΡΠ½ΠΎ Π²ΡΡΠΎΠΊΠΎΠ³ΠΎ ΠΊΠ»Π°ΡΡΠ°, ΠΎΠ΄Π½Π°ΠΊΠΎ, Π½Π΅ΡΠΌΠΎΡΡΡ Π½Π° ΠΌΠ΅Π»ΠΊΠΈΠ΅ ΡΠ΅Ρ Π½ΠΈΡΠ΅ΡΠΊΠΈΠ΅ ΠΎΠ³ΡΠ΅Ρ ΠΈ, Β«ΡΠ΅ΡΡΠ΅ΡΠΊΠ°Β» Π±ΡΠ»Π° Π³Π΅Π½ΠΈΠ°Π»ΡΠ½ΡΠΌ ΡΠ΅Ρ Π½ΠΈΡΠ΅ΡΠΊΠΈΠΌ ΠΏΡΠΎΠΈΠ·Π²Π΅Π΄Π΅Π½ΠΈΠ΅ΠΌ. ΠΡΠΎΠ±Π΅Π½Π½ΠΎ Π²ΡΠ΄Π΅Π»ΡΠ»Π°ΡΡ ΡΠ»Π΅ΠΊΡΡΠΈΡΠ΅ΡΠΊΠ°Ρ ΡΠ°ΡΡΡ ΠΎΠ±ΠΎΡΡΠ΄ΠΎΠ²Π°Π½ΠΈΡ Π°Π²ΡΠΎΠΌΠΎΠ±ΠΈΠ»Ρ.
Π£ΡΡΡΠΎΠΉΡΡΠ²ΠΎ ΡΠ»Π΅ΠΊΡΡΠΎΠΎΠ±ΠΎΡΡΠ΄ΠΎΠ²Π°Π½ΠΈΡ ΠΠΠ ΡΠ΅ΡΡΠΎΠΉ ΠΌΠΎΠ΄Π΅Π»ΠΈ
ΠΡΠ»ΠΈ Π²Π·Π³Π»ΡΠ½ΡΡΡ Π½Π° ΡΡ Π΅ΠΌΡ ΡΠ»Π΅ΠΊΡΡΠΎΠΎΠ±ΠΎΡΡΠ΄ΠΎΠ²Π°Π½ΠΈΡ ΠΠΠ 2106 Π² Π΅Π΅ ΠΏΠΎΠ»Π½ΠΎΠΌ Π²ΠΈΠ΄Π΅, ΡΡΠ°Π·Ρ Π±ΡΠΎΡΠΈΡΡΡ Π² Π³Π»Π°Π·Π° ΠΈΡΠΏΠΎΠ»Π½Π΅Π½ΠΈΠ΅ ΡΠΎΠ΅Π΄ΠΈΠ½Π΅Π½ΠΈΡ ΠΏΠΎ ΠΎΠ΄Π½ΠΎΠΏΡΠΎΠ²ΠΎΠ΄Π½ΠΎΠΌΡ ΠΏΡΠΈΠ½ΡΠΈΠΏΡ. Π’ΠΎ Π΅ΡΡΡ, Π²ΡΠ΅ ΠΎΠ±ΠΎΡΡΠ΄ΠΎΠ²Π°Π½ΠΈΠ΅ ΡΠΎΠ΅Π΄ΠΈΠ½Π΅Π½ΠΎ Ρ ΠΈΡΡΠΎΡΠ½ΠΈΠΊΠΎΠΌ ΡΠΎΠΊΠ° ΠΏΠΎΡΠ»Π΅Π΄ΠΎΠ²Π°ΡΠ΅Π»ΡΠ½ΠΎ ΠΎΡ Π΅Π³ΠΎ Β«ΠΏΠ»ΡΡΠ°Β», Π° ΡΠΎΠ»Ρ Β«ΠΌΠΈΠ½ΡΡΠ°Β» Π±Π΅ΡΠ΅Ρ Π½Π° ΡΠ΅Π±Ρ ΠΊΡΠ·ΠΎΠ² Π°Π²ΡΠΎΠΌΠΎΠ±ΠΈΠ»Ρ ΠΈΠ»ΠΈ Β«ΠΌΠ°ΡΡΠ°Β». ΠΡΠΎ ΡΡΠ°Π»ΠΎ Π²ΠΎΠ·ΠΌΠΎΠΆΠ½ΡΠΌ Π±Π»Π°Π³ΠΎΠ΄Π°ΡΡ Π΅Π³ΠΎ Π±ΠΎΠ»ΡΡΠΎΠ΅ ΠΌΠ°ΡΡΠ΅, Π±ΠΎΠ»ΡΡΠΎΠΉ Π΅ΠΌΠΊΠΎΡΡΠΈ. ΠΡΠ·ΠΎΠ² ΡΡΠ°Π» ΡΠ²ΠΎΠ΅ΠΎΠ±ΡΠ°Π·Π½ΡΠΌ ΠΏΡΠΎΠ²ΠΎΠ΄Π½ΠΈΠΊΠΎΠΌ, ΡΠ²ΡΠ·Π°Π½Π½ΡΠΌ Ρ Β«ΠΌΠΈΠ½ΡΡΠΎΠΌΒ» Π°ΠΊΠΊΡΠΌΡΠ»ΡΡΠΎΡΠ°. Π’Π°ΠΊΠΎΠΉ ΠΏΠΎΠ΄Ρ ΠΎΠ΄ ΠΏΠΎΠ·Π²ΠΎΠ»ΠΈΠ» ΠΏΠΎΠ²ΡΡΠΈΡΡ ΡΡΠΎΠ²Π΅Π½Ρ Π±Π΅Π·ΠΎΠΏΠ°ΡΠ½ΠΎΡΡΠΈ ΠΏΡΠΈ ΡΠΊΡΠΏΠ»ΡΠ°ΡΠ°ΡΠΈΠΈ ΡΠ»Π΅ΠΊΡΡΠΎΠΎΠ±ΠΎΡΡΠ΄ΠΎΠ²Π°Π½ΠΈΡ, Π° ΡΠ°ΠΊΠΆΠ΅ Π·Π½Π°ΡΠΈΡΠ΅Π»ΡΠ½ΠΎ ΡΡΠΊΠΎΠ½ΠΎΠΌΠΈΠ» Π½Π° ΠΏΡΠΎΠ²ΠΎΠ΄ΠΊΠ΅, Π²Π΅Π΄Ρ Π΅Π΅ ΡΠ΅ΠΏΠ΅ΡΡ Π½ΡΠΆΠ½ΠΎ Π±ΡΠ»ΠΎ Π²Π΄Π²ΠΎΠ΅ ΠΌΠ΅Π½ΡΡΠ΅.
Π‘Π΅ΠΉΡΠ°Ρ ΡΡΠΈΠΌ Π½ΠΈΠΊΠΎΠ³ΠΎ Π½Π΅ ΡΠ΄ΠΈΠ²ΠΈΡΡ, ΠΎΠ΄Π½Π°ΠΊΠΎ ΡΠ°ΠΊ Π±ΡΠ»ΠΎ Π½Π΅ Π²ΡΠ΅Π³Π΄Π°. ΠΠ°, ΠΠΠ 2106 Π±ΡΠ» Π½Π΅ ΠΏΠ΅ΡΠ²ΡΠΌ Π² ΠΌΠΈΡΠ΅ Π°Π²ΡΠΎΠΌΠΎΠ±ΠΈΠ»Π΅ΠΌ Ρ ΡΠ°ΠΊΠΎΠΉ ΡΡ Π΅ΠΌΠΎΠΉ ΡΠ»Π΅ΠΊΡΡΠΎΠΎΠ±ΠΎΡΡΠ΄ΠΎΠ²Π°Π½ΠΈΡ, Π½ΠΎ ΠΎΠ½ Π±ΡΠ» ΠΏΠ΅ΡΠ²ΡΠΌ ΠΏΠΎ-Π½Π°ΡΡΠΎΡΡΠ΅ΠΌΡ ΠΌΠ°ΡΡΠΎΠ²ΡΠΌ Π² Π‘Π‘Π‘Π . Π ΠΊΠ°ΡΠ΅ΡΡΠ²Π΅ ΠΈΡΡΠΎΡΠ½ΠΈΠΊΠ° ΡΠΎΠΊΠ° Π΄Π»Ρ ΡΠ°Π±ΠΎΡΡ ΡΠ»Π΅ΠΊΡΡΠΎΠΎΠ±ΠΎΡΡΠ΄ΠΎΠ²Π°Π½ΠΈΡ ΠΠΠΠ° ΠΈΡΠΏΠΎΠ»ΡΠ·ΡΠ΅ΡΡΡ Π°ΠΊΠΊΡΠΌΡΠ»ΡΡΠΎΡΠ½Π°Ρ Π±Π°ΡΠ°ΡΠ΅Ρ ΠΈ Π³Π΅Π½Π΅ΡΠ°ΡΠΎΡ ΠΏΠ΅ΡΠ΅ΠΌΠ΅Π½Π½ΠΎΠ³ΠΎ ΡΠΎΠΊΠ°. Π’ΠΎΠΊ ΠΎΡ Π°ΠΊΠΊΡΠΌΡΠ»ΡΡΠΎΡΠ½ΠΎΠΉ Π±Π°ΡΠ°ΡΠ΅ΠΈ (ΠΠΠ) ΠΈΡΠΏΠΎΠ»ΡΠ·ΡΠ΅ΡΡΡ ΠΏΡΠΈ ΠΏΡΡΠΊΠ΅ Π΄Π²ΠΈΠ³Π°ΡΠ΅Π»Ρ Π½Π° ΠΏΡΠΎΠΊΡΡΡΠΈΠ²Π°Π½ΠΈΠ΅ ΠΊΠΎΠ»Π΅Π½ΡΠ°ΡΠΎΠ³ΠΎ Π²Π°Π»Π° ΠΈ Π΄Π»Ρ ΡΠΎΠ·Π΄Π°Π½ΠΈΡ ΠΈΡΠΊΡΡ Π² ΡΠ²Π΅ΡΠ°Ρ Π·Π°ΠΆΠΈΠ³Π°Π½ΠΈΡ. Π’ΠΎΠΊ ΠΎΡ Π³Π΅Π½Π΅ΡΠ°ΡΠΎΡΠ° ΠΏΠ΅ΡΠ΅ΠΌΠ΅Π½Π½ΠΎΠ³ΠΎ ΡΠΎΠΊΠ° ΠΏΡΠ΅ΠΎΠ±ΡΠ°Π·ΡΠ΅ΡΡΡ ΡΠΈΡΡΠ΅ΠΌΠΎΠΉ Π²ΡΠΏΡΡΠΌΠΈΡΠ΅Π»Π΅ΠΉ Π² ΠΏΡΠΈΠ΅ΠΌΠ»Π΅ΠΌΡΠΉ Π΄Π»Ρ Π°Π²ΡΠΎΠΌΠΎΠ±ΠΈΠ»Ρ ΠΏΠΎ Ρ Π°ΡΠ°ΠΊΡΠ΅ΡΠΈΡΡΠΈΠΊΠ°ΠΌ ΡΠΎΠΊ ΠΈ ΠΏΠΎΠ΄Π°Π΅ΡΡΡ Π² ΡΠΈΡΡΠ΅ΠΌΡ Π½Π° ΠΏΠΎΡΡΠ΅Π±ΠΈΡΠ΅Π»Π΅ΠΉ Π²ΠΎ Π²ΡΠ΅ΠΌΡ ΡΠ°Π±ΠΎΡΡ Π΄Π²ΠΈΠ³Π°ΡΠ΅Π»Ρ, Π° ΡΠ°ΠΊΠΆΠ΅ ΠΊ ΠΠΠ Π΄Π»Ρ Π²ΠΎΡΠΏΠΎΠ»Π½Π΅Π½ΠΈΡ ΠΏΠΎΡΠ΅ΡΡ ΠΏΡΠΈ ΠΏΡΡΠΊΠ΅ Π΄Π²ΠΈΠ³Π°ΡΠ΅Π»Ρ.
Π ΡΠΎΠΆΠ°Π»Π΅Π½ΠΈΡ, ΡΠ°ΠΊΠ°Ρ ΡΡ Π΅ΠΌΠ° ΡΠ½ΠΈΠΌΠ°Π΅Ρ Ρ ΠΊΠΎΠ»Π΅Π½ΡΠ°ΡΠΎΠ³ΠΎ Π²Π°Π»Π° ΡΠ°ΡΡΡ ΠΏΠΎΠ»Π΅Π·Π½ΠΎΠΉ Π½Π°Π³ΡΡΠ·ΠΊΠΈ, ΡΠΌΠ΅Π½ΡΡΠ°Ρ Π²ΡΡ ΠΎΠ΄Π½ΡΡ ΠΌΠΎΡΠ½ΠΎΡΡΡ. ΠΠ΄Π½Π°ΠΊΠΎ, Π³Π΄Π΅-ΡΠΎ Π½Π°Π΄ΠΎ Π±ΡΠ°ΡΡ ΡΠ»Π΅ΠΊΡΡΠΈΡΠ΅ΡΡΠ²ΠΎ, Π²Π΅ΡΠ½ΠΎ? ΠΠ΅Π΄Ρ ΠΠΠ Π² ΡΠΈΠ»Ρ ΡΡΠ΄Π° ΡΠΈΡΡΠΎ ΡΠΈΠ·ΠΈΡΠ΅ΡΠΊΠΈΡ ΠΏΡΠΈΡΠΈΠ½ (ΠΌΠ΅Π΄Π»Π΅Π½Π½Π°Ρ Π·Π°ΡΡΠ΄ΠΊΠ°, Π½Π΅ΡΡΠ°Π±ΠΈΠ»ΡΠ½Π°Ρ ΡΠΈΠ»Π° ΡΠΎΠΊΠ°, ΠΎΠ³ΡΠΎΠΌΠ½Π°Ρ Π΄ΠΈΡΠΏΡΠΎΠΏΠΎΡΡΠΈΡ ΠΌΠ΅ΠΆΠ΄Ρ Π΅ΠΌΠΊΠΎΡΡΡΡ, ΠΌΠ°ΡΡΠΎΠΉ ΠΈ ΡΠ°Π·ΠΌΠ΅ΡΠ°ΠΌΠΈ ΠΈ ΡΠ°ΠΊ Π΄Π°Π»Π΅Π΅) Π½Π΅ ΡΠΏΠΎΡΠΎΠ±Π½Π° ΠΎΠ±Π΅ΡΠΏΠ΅ΡΠΈΠ²Π°ΡΡ Π²ΡΠ΅Ρ ΠΏΠΎΡΡΠ΅Π±ΠΈΡΠ΅Π»Π΅ΠΉ ΡΠΎΠΊΠΎΠΌ.
Π‘ΠΈΡΡΠ΅ΠΌΡ ΡΠ»Π΅ΠΊΡΡΠΎΠΎΠ±ΠΎΡΡΠ΄ΠΎΠ²Π°Π½ΠΈΡ ΠΠΠ 2106
Π ΡΡ Π΅ΠΌΡ ΡΠ»Π΅ΠΊΡΡΠΎΠΎΠ±ΠΎΡΡΠ΄ΠΎΠ²Π°Π½ΠΈΡ ΠΠΠΠ° ΡΠ΅ΡΡΠΎΠΉ ΠΌΠΎΠ΄Π΅Π»ΠΈ Π²ΠΊΠ»ΡΡΠ΅Π½Ρ ΡΡΠ΄ ΡΠΈΡΡΠ΅ΠΌ, ΠΎΠ±Π΅ΡΠΏΠ΅ΡΠΈΠ²Π°ΡΡΠΈΡ ΡΠ°Π±ΠΎΡΡ ΠΏΠΎΡΡΠ΅Π±ΠΈΡΠ΅Π»Π΅ΠΉ Π² ΡΠ°Π·Π½ΡΡ ΡΠ°ΡΡΡΡ Π°Π²ΡΠΎΠΌΠΎΠ±ΠΈΠ»Ρ. ΠΡΠΎ:
- ΡΠΈΡΡΠ΅ΠΌΠ° Π·Π°ΠΆΠΈΠ³Π°Π½ΠΈΡ;
- ΡΠΈΡΡΠ΅ΠΌΠ° ΠΊΠΎΠ½ΡΡΠΎΠ»ΡΠ½ΠΎ-ΠΎΡΠ²Π΅ΡΠΈΡΠ΅Π»ΡΠ½ΡΡ ΠΏΡΠΈΠ±ΠΎΡΠΎΠ²;
- ΡΠΈΡΡΠ΅ΠΌΠ° ΡΠ°Π±ΠΎΡΡ ΠΏΡΠΈΠΊΡΡΠΈΠ²Π°ΡΠ΅Π»Ρ;
- ΡΠΈΡΡΠ΅ΠΌΠ° ΠΏΡΡΠΊΠ° Π΄Π²ΠΈΠ³Π°ΡΠ΅Π»Ρ;
- ΡΠΈΡΡΠ΅ΠΌΠ° ΡΠΏΡΠ°Π²Π»Π΅Π½ΠΈΡ ΡΠ»Π΅ΠΊΡΡΠΎΠΌΠ°Π³Π½ΠΈΡΠ½ΡΠΌ ΠΊΠ»Π°ΠΏΠ°Π½ΠΎΠΌ ΠΊΠ°ΡΠ±ΡΡΠ°ΡΠΎΡΠ°;
- ΡΠΈΡΡΠ΅ΠΌΠ° ΠΎΡΠΈΡΡΠΈΡΠ΅Π»Ρ ΠΈ ΠΎΠΌΡΠ²Π°ΡΠ΅Π»Ρ Π²Π΅ΡΡΠΎΠ²ΠΎΠ³ΠΎ ΡΡΠ΅ΠΊΠ»Π°;
- ΡΠΈΡΡΠ΅ΠΌΠ° ΠΎΡΠΎΠΏΠΈΡΠ΅Π»Ρ;
- ΡΠΈΡΡΠ΅ΠΌΠ° Π·Π²ΡΠΊΠΎΠ²ΡΡ ΡΠΈΠ³Π½Π°Π»ΠΎΠ²;
- ΡΠΎΡΡΠ°Π²Π½Π°Ρ ΡΠ°ΡΡΡ ΡΠΈΡΡΠ΅ΠΌΡ ΠΎΡ Π»Π°ΠΆΠ΄Π΅Π½ΠΈΡ Π΄Π²ΠΈΠ³Π°ΡΠ΅Π»Ρ;
- ΡΠΈΡΡΠ΅ΠΌΠ° ΠΈΠ½Π΄ΠΈΠΊΠ°ΡΠΎΡΠΎΠ² ΠΈ Π΄Π°ΡΡΠΈΠΊΠΎΠ² ΡΠΎΡΡΠΎΡΠ½ΠΈΡ.
Π‘ΠΈΡΡΠ΅ΠΌΠ° Π·Π°ΠΆΠΈΠ³Π°Π½ΠΈΡ Π²ΠΊΠ»ΡΡΠ°Π΅Ρ Π³Π΅Π½Π΅ΡΠ°ΡΠΎΡ ΠΏΠ΅ΡΠ΅ΠΌΠ΅Π½Π½ΠΎΠ³ΠΎ ΡΠΎΠΊΠ°, Π²ΡΠΏΡΡΠΌΠΈΡΠ΅Π»ΡΠ½ΡΠΉ Π±Π»ΠΎΠΊ, ΡΠΈΡΡΠ΅ΠΌΡ ΡΠ°ΡΠΏΡΠ΅Π΄Π΅Π»Π΅Π½ΠΈΡ ΡΠΎΠΊΠ°, ΡΠ²Π΅ΡΠΈ Π·Π°ΠΆΠΈΠ³Π°Π½ΠΈΡ, ΠΏΡΠ΅Π΄ΠΎΡ ΡΠ°Π½ΠΈΡΠ΅Π»ΠΈ ΠΈ ΡΡΠ΄ ΠΎΠ±Π΅ΡΠΏΠ΅ΡΠΈΠ²Π°ΡΡΠΈΡ ΡΠ»Π΅ΠΌΠ΅Π½ΡΠΎΠ². Π‘ΠΈΡΡΠ΅ΠΌΠ° ΡΠ½ΠΈΠΌΠ°Π΅Ρ ΡΠΎΠΊ Π½ΠΈΠ·ΠΊΠΎΠ³ΠΎ Π½Π°ΠΏΡΡΠΆΠ΅Π½ΠΈΡ ΡΠΎ ΡΠ΅ΡΠΎΠΊ Π³Π΅Π½Π΅ΡΠ°ΡΠΎΡΠ°, ΠΏΡΠ΅ΠΎΠ±ΡΠ°Π·ΡΠ΅Ρ Π΅Π³ΠΎ Π² ΡΡΠ°Π½ΡΡΠΎΡΠΌΠ°ΡΠΎΡΠ°Ρ Π² ΡΠΎΠΊ Π²ΡΡΠΎΠΊΠΎΠ³ΠΎ Π½Π°ΠΏΡΡΠΆΠ΅Π½ΠΈΡ ΠΈ, Π² ΡΠΎΠΎΡΠ²Π΅ΡΡΡΠ²ΠΈΠΈ Ρ ΠΏΠΎΡΡΠ΄ΠΊΠΎΠΌ ΡΠ°Π±ΠΎΡΡ ΡΠΈΠ»ΠΈΠ½Π΄ΡΠΎΠ² Π΄Π²ΠΈΠ³Π°ΡΠ΅Π»Ρ, ΠΏΠΎΠ΄Π°Π΅Ρ Π΅Π³ΠΎ Π½Π° ΡΠ²Π΅ΡΡ Π·Π°ΠΆΠΈΠ³Π°Π½ΠΈΡ. ΠΡΠ΅ΠΎΠ±ΡΠ°Π·ΠΎΠ²Π°Π½Π½ΡΠΉ ΡΠΎΠΊ Π΄ΠΎΠ»ΠΆΠ΅Π½ ΠΈΠΌΠ΅ΡΡ Π΄ΠΎΡΡΠ°ΡΠΎΡΠ½ΠΎ ΡΠ½Π΅ΡΠ³ΠΈΠΈ Π΄Π»Ρ ΡΠΎΠ·Π΄Π°Π½ΠΈΡ ΡΠ»Π΅ΠΊΡΡΠΈΡΠ΅ΡΠΊΠΎΠΉ Π²Π½ΡΡΡΠΈ ΡΠΈΠ»ΠΈΠ½Π΄ΡΠ° Π΄Π²ΠΈΠ³Π°ΡΠ΅Π»Ρ ΠΈ Π²ΠΎΡΠΏΠ»Π°ΠΌΠ΅Π½Π΅Π½ΠΈΡ ΡΠ°Π±ΠΎΡΠ΅ΠΉ ΡΠΌΠ΅ΡΠΈ.
ΠΠΎΠ½ΡΡΠΎΠ»ΡΠ½ΠΎ-ΠΎΡΠ²Π΅ΡΠΈΡΠ΅Π»ΡΠ½ΡΠ΅ ΠΏΡΠΈΠ±ΠΎΡΡ Π²ΠΊΠ»ΡΡΠ°ΡΡ Π²ΡΠ΅ ΠΎΡΠ²Π΅ΡΠΈΡΠ΅Π»ΡΠ½ΡΠ΅ ΠΏΡΠΈΠ±ΠΎΡΡ, ΡΠ°ΠΊΠΈΠ΅ ΠΊΠ°ΠΊ ΡΡΠΎΠ½ΡΠ°Π»ΡΠ½ΡΠ΅ ΠΈ ΠΏΡΠΎΡΠΈΠ²ΠΎΡΡΠΌΠ°Π½Π½ΡΠ΅ ΡΠ°ΡΡ, Π»Π°ΠΌΠΏΡ ΠΎΡΠ²Π΅ΡΠ΅Π½ΠΈΡ Π²Π½ΡΡΡΠΈ ΡΠ°Π»ΠΎΠ½Π°, Π»Π°ΠΌΠΏΡ ΠΎΡΠ²Π΅ΡΠ΅Π½ΠΈΡ Π±Π°Π³Π°ΠΆΠ½ΠΈΠΊΠ°, Π° ΡΠ°ΠΊΠΆΠ΅ ΡΡΡΠ°Π½ΠΎΠ²Π»Π΅Π½Π½ΡΠ΅ Π΄ΠΎΠΏΠΎΠ»Π½ΠΈΡΠ΅Π»ΡΠ½ΠΎ ΠΎΡΠ²Π΅ΡΠΈΡΠ΅Π»ΡΠ½ΡΠ΅ ΡΠ»Π΅ΠΌΠ΅Π½ΡΡ. Π‘ΡΠ΄Π° ΡΠ°ΠΊΠΆΠ΅ Π²Ρ ΠΎΠ΄ΡΡ ΡΠΈΠ³Π½Π°Π»Ρ ΡΠΊΠ°Π·Π°Π½ΠΈΡ ΠΏΠΎΠ²ΠΎΡΠΎΡΠ°, ΡΡΠΎΠΏ-ΡΠΈΠ³Π½Π°Π»Ρ, Π³Π°Π±Π°ΡΠΈΡΠ½ΡΠ΅ ΠΎΠ³Π½ΠΈ ΠΈ Π΄ΡΡΠ³ΠΈΠ΅. ΠΠΎΠΎΠ±ΡΠ΅, ΡΡΠΈ ΠΏΡΠΈΠ±ΠΎΡΡ ΡΠ²Π»ΡΡΡΡΡ Π²Π°ΠΆΠ½ΠΎΠΉ ΡΠ°ΡΡΡΡ ΠΎΠ±Π΅ΡΠΏΠ΅ΡΠ΅Π½ΠΈΡ ΡΠΎΠ±Π»ΡΠ΄Π΅Π½ΠΈΡ ΠΏΡΠ°Π²ΠΈΠ» Π΄ΠΎΡΠΎΠΆΠ½ΠΎΠ³ΠΎ Π΄Π²ΠΈΠΆΠ΅Π½ΠΈΡ, Π° ΠΏΠΎΡΠΎΠΌΡ ΠΏΠΎΡΡΠΎΡΠ½Π½ΠΎ Π·Π°ΠΏΠΈΡΠ°Π½Ρ ΡΠΎ ΡΠ΅ΡΠ΅Π· ΠΠΠ, ΡΠΎ ΡΠ΅ΡΠ΅Π· Π³Π΅Π½Π΅ΡΠ°ΡΠΎΡ ΠΈ ΠΎΡΠΊΠ»ΡΡΠ°ΡΡΡΡ ΠΏΠΎΡΠ»Π΅Π΄Π½ΠΈΠΌΠΈ. Π’ΠΎΠΆΠ΅ ΠΊΠ°ΡΠ°Π΅ΡΡΡ ΠΈ ΡΠΈΡΡΠ΅ΠΌΡ Π·Π²ΡΠΊΠΎΠ²ΡΡ ΡΠΈΠ³Π½Π°Π»ΠΎΠ², ΠΎΠ±Π΅ΡΠΏΠ΅ΡΠΈΠ²Π°ΡΡΠΈΡ Π±ΠΎΠ»Π΅Π΅ ΡΠ΅Π·ΠΊΠΎΠ΅ ΠΈΠ½ΡΠΎΡΠΌΠΈΡΠΎΠ²Π°Π½ΠΈΠ΅ ΠΎΡΡΠ°Π»ΡΠ½ΡΡ ΡΡΠ°ΡΡΠ½ΠΈΠΊΠΎΠ² Π΄ΠΎΡΠΎΠΆΠ½ΠΎΠ³ΠΎ Π΄Π²ΠΈΠΆΠ΅Π½ΠΈΡ ΠΎΠ± ΠΈΠ·ΠΌΠ΅Π½Π΅Π½ΠΈΠΈ ΡΠΈΡΡΠ°ΡΠΈΠΈ Π½Π° Π΄ΠΎΡΠΎΠ³Π΅.
Π‘ΠΈΡΡΠ΅ΠΌΠ° ΠΏΡΡΠΊΠ° Π΄Π²ΠΈΠ³Π°ΡΠ΅Π»Ρ Π²ΠΊΠ»ΡΡΠ°Π΅Ρ ΠΠΠ ΠΈ ΡΡΠ΄ ΡΠ»Π΅ΠΌΠ΅Π½ΡΠΎΠ², ΠΎΠ±Π΅ΡΠΏΠ΅ΡΠΈΠ²Π°ΡΡΠΈΡ ΠΏΠΎΠ΄Π°ΡΡ ΡΠΎΠΊΠ° Π±ΠΎΠ»ΡΡΠΎΠΉ ΡΠΈΠ»Ρ Π΄Π»Ρ Π·Π°ΠΏΡΡΠΊΠ° Π²ΡΠ΅Ρ ΠΏΠΎΡΡΠ΅Π±ΠΈΡΠ΅Π»Π΅ΠΉ ΠΈ ΠΏΡΠΎΠΊΡΡΡΠΈΠ²Π°Π½ΠΈΡ Π²Π°Π»Π° Π΄Π²ΠΈΠ³Π°ΡΠ΅Π»Ρ Π΄ΠΎ ΠΏΡΡΠΊΠΎΠ²ΡΡ ΠΎΠ±ΠΎΡΠΎΡΠΎΠ². ΠΡΠΈ Π΄ΠΎΡΡΠΈΠΆΠ΅Π½ΠΈΠΈ ΠΊΠΎΠ»Π΅Π½ΡΠ°ΡΡΠΌ Π²Π°Π»ΠΎΠΌ ΡΡΠΎΠΉ ΡΠ°ΡΡΠΎΡΡ, Π² ΡΠ°Π±ΠΎΡΡ Π²ΡΡΡΠΏΠ°Π΅Ρ Π³Π΅Π½Π΅ΡΠ°ΡΠΎΡ ΠΏΠ΅ΡΠ΅ΠΌΠ΅Π½Π½ΠΎΠ³ΠΎ ΡΠΎΠΊΠ° — ΡΠ΅ΠΏΠ΅ΡΡ ΠΎΠ½ ΠΏΠΈΡΠ°Π΅Ρ Π²ΡΠ΅Ρ ΠΏΠΎΡΡΠ΅Π±ΠΈΡΠ΅Π»Π΅ΠΉ ΠΈ Π·Π°ΡΡΠΆΠ°Π΅Ρ ΠΠΠ.
ΠΠ»Ρ ΡΠ΄ΠΎΠ²Π»Π΅ΡΠ²ΠΎΡΠΈΡΠ΅Π»ΡΠ½ΠΎΠΉ ΡΠ°Π±ΠΎΡΡ ΡΠΈΡΡΠ΅ΠΌΡ ΠΏΠΎΠ΄Π°Ρ ΡΠΎΠΏΠ»ΠΈΠ²Π° Π² ΡΡΠ»ΠΎΠ²ΠΈΡΡ Π²ΡΡΠΎΠΊΠΈΡ ΠΎΠ±ΠΎΡΠΎΡΠΎΠ² Π² ΠΊΠ°ΡΠ±ΡΡΠ°ΡΠΎΡΠ΅ ΠΠΠ 2106 ΠΏΡΠ΅Π΄ΡΡΠΌΠΎΡΡΠ΅Π½ ΡΠ»Π΅ΠΊΡΡΠΎΠΌΠ°Π³Π½ΠΈΡΠ½ΡΠΉ ΠΊΠ»Π°ΠΏΠ°Π½. ΠΠ½ ΡΠ΅Π³ΡΠ»ΠΈΡΡΠ΅Ρ ΡΠ°Π±ΠΎΡΡ ΠΠΠ‘ Π½Π° Ρ ΠΎΠ»ΠΎΡΡΠΎΠΌ ΠΈ ΡΠ°Π±ΠΎΡΠ΅ΠΌ Ρ ΠΎΠ΄Ρ. ΠΠ»Ρ ΠΊΠΎΠ½ΡΡΠΎΠ»Ρ Π·Π° Π½ΠΈΠΌ ΠΈ ΡΠΈΠ½Ρ ΡΠΎΠ½ΠΈΠ·Π°ΡΠΈΠΈ Π΅Π³ΠΎ ΡΠ°Π±ΠΎΡΡ Ρ ΡΠ°Π±ΠΎΡΠΎΠΉ Π΄Π²ΠΈΠ³Π°ΡΠ΅Π»Ρ Π² ΡΡ Π΅ΠΌΠ΅ ΡΠ»Π΅ΠΊΡΡΠΎΠΎΠ±ΠΎΡΡΠ΄ΠΎΠ²Π°Π½ΠΈΡ ΠΏΡΠ΅Π΄ΡΡΠΌΠΎΡΡΠ΅Π½Π° ΡΠ²ΠΎΡ ΠΎΡΠ΄Π΅Π»ΡΠ½Π°Ρ ΡΠΈΡΡΠ΅ΠΌΠ°. Π Π΅ΠΊΠΎΠΌΠ΅Π½Π΄ΡΠ΅ΡΡΡ ΡΠΊΠ°ΡΠ°ΡΡ ΡΡ Π΅ΠΌΡ ΡΠ»Π΅ΠΊΡΡΠΎΠΎΠ±ΠΎΡΡΠ΄ΠΎΠ²Π°Π½ΠΈΡ ΠΠΠ 2106 ΠΈ ΡΠ°ΠΌΠΎΡΡΠΎΡΡΠ΅Π»ΡΠ½ΠΎ ΠΎΠ·Π½Π°ΠΊΠΎΠΌΠΈΡΡΡ Ρ Π΅Π΅ ΡΠ°Π±ΠΎΡΠΎΠΉ.
Π‘ΠΈΡΡΠ΅ΠΌΠ° ΡΠΏΡΠ°Π²Π»Π΅Π½ΠΈΡ Π²Π΅Π½ΡΠΈΠ»ΡΡΠΎΡΠΎΠΌ ΡΠΈΡΡΠ΅ΠΌΡ ΠΎΡ Π»Π°ΠΆΠ΄Π΅Π½ΠΈΡ Π΄Π²ΠΈΠ³Π°ΡΠ΅Π»Ρ ΠΎΠ±Π΅ΡΠΏΠ΅ΡΠΈΠ²Π°Π΅Ρ ΡΡΠ°Π±ΠΈΠ»ΡΠ½ΠΎ Π½ΠΎΡΠΌΠ°Π»ΡΠ½ΡΠ΅ ΡΠ΅ΠΏΠ»ΠΎΠ²ΡΠ΅ ΡΡΠ»ΠΎΠ²ΠΈΡ ΡΠ°Π±ΠΎΡΡ ΠΠΠ‘, ΡΠ²Π΅Π»ΠΈΡΠΈΠ²Π°Π΅Ρ ΡΠ΅ΡΡΡΡ Π½Π°ΠΈΠ±ΠΎΠ»Π΅Π΅ Π΄ΠΎΡΠΎΠ³ΠΎΡΡΠΎΡΡΠ΅ΠΉ ΡΠ°ΡΡΠΈ Π°Π²ΡΠΎΠΌΠΎΠ±ΠΈΠ»Ρ. ΠΠ½Π΄ΠΈΠΊΠ°ΡΠΎΡΡ ΡΠΎΡΡΠΎΡΠ½ΠΈΡ ΡΠ°Π±ΠΎΡΡ Π°Π²ΡΠΎΠΌΠΎΠ±ΠΈΠ»Ρ ΡΠ²ΡΠ·Π°Π½Ρ Ρ Π΄Π°ΡΡΠΈΠΊΠ°ΠΌΠΈ, ΡΡΡΠ°Π½ΠΎΠ²Π»Π΅Π½Π½ΡΠΌΠΈ Π² ΠΎΡΠ²Π΅ΡΡΡΠ²Π΅Π½Π½ΡΡ ΠΌΠ΅ΡΡΠ°Ρ ΠΠΠ 2106. ΠΠ½Π΄ΠΈΠΊΠ°ΡΠΎΡΡ ΡΠ½ΠΈΠΌΠ°ΡΡ ΠΏΠΎΠΊΠ°Π·Π°Π½ΠΈΡ, ΠΏΡΠ΅ΠΎΠ±ΡΠ°Π·ΡΡ ΡΠΈΠ·ΠΈΡΠ΅ΡΠΊΠΈΠ΅ Π²Π΅Π»ΠΈΡΠΈΠ½Ρ Π² Π°Π½Π°Π»ΠΎΠ³ΠΎΠ²ΡΠΉ ΠΈΠ»ΠΈ ΡΠΈΡΡΠΎΠ²ΠΎΠΉ ΡΠΈΠ³Π½Π°Π», ΠΊΠΎΡΠΎΡΡΠΉ ΠΎΠ±ΡΠ°Π±Π°ΡΡΠ²Π°Π΅ΡΡΡ ΠΈ ΠΏΠΎΡΡΡΠΏΠ°Π΅Ρ Π½Π° ΠΈΠ½Π΄ΠΈΠΊΠ°ΡΠΎΡΡ. Π‘ ΠΏΠΎΡΠ»Π΅Π΄Π½ΠΈΡ , Π² ΡΠ²ΠΎΡ ΠΎΡΠ΅ΡΠ΅Π΄Ρ, ΠΌΠΎΠΆΠ½ΠΎ ΡΡΠΈΡΠ°ΡΡ Π½ΡΠΆΠ½ΡΡ ΠΈΠ½ΡΠΎΡΠΌΠ°ΡΠΈΡ.
Π£ ΠΠΠ 2106 Π΅ΡΡΡ Π½Π΅ΡΠΊΠΎΠ»ΡΠΊΠΎ ΡΠΈΡΡΠ΅ΠΌ ΡΠ»Π΅ΠΊΡΡΠΎΠΎΠ±ΠΎΡΡΠ΄ΠΎΠ²Π°Π½ΠΈΡ, ΠΏΡΠΈΠ·Π²Π°Π½Π½ΡΡ ΠΎΠ±Π»Π΅Π³ΡΠΈΡΡ Π²ΠΎΠ΄ΠΈΡΠ΅Π»Ρ ΠΆΠΈΠ·Π½Ρ, ΡΠ²Π΅Π»ΠΈΡΠΈΡΡ ΠΊΠΎΠΌΡΠΎΡΡ ΠΏΡΠΈ Π²ΠΎΠΆΠ΄Π΅Π½ΠΈΠΈ. Π ΠΈΡ ΡΠΈΡΠ»ΠΎ Π²Ρ ΠΎΠ΄ΡΡ ΡΡΠ΅ΠΊΠ»ΠΎΠΎΡΠΈΡΡΠΈΡΠ΅Π»ΠΈ, ΠΎΡΠΎΠΏΠΈΡΠ΅Π»Ρ, ΠΎΠ±ΠΎΠ³ΡΠ΅Π²Π°ΡΠ΅Π»Ρ ΡΡΠ΅ΠΊΠ»Π°, ΠΏΡΠΈΠΊΡΡΠΈΠ²Π°ΡΠ΅Π»Ρ ΠΈ Π΄ΡΡΠ³ΠΈΠ΅. ΠΠ΄Π½ΠΈ ΠΈΠ· Π½ΠΈΡ ΠΏΠΎΠ»Π΅Π·Π½Ρ, Π΄ΡΡΠ³ΠΈΠ΅ ΡΠΎΠ·Π΄Π°Π²Π°Π»ΠΈΡΡ ΠΏΠΎ ΠΏΡΠΈΠ½ΡΠΈΠΏΡ Β«ΡΡΠΎΠ± Π±ΡΠ»ΠΎΒ». ΠΠ°ΠΊΠΈΠ΅ ΠΈΡΠΏΠΎΠ»ΡΠ·ΠΎΠ²Π°ΡΡ — ΡΠ΅ΡΠ°ΡΡ Π²Π»Π°Π΄Π΅Π»ΡΡΡ, ΠΎΠ΄Π½Π°ΠΊΠΎ ΡΠ°ΠΌ ΡΠ°ΠΊΡ Π½Π°Π»ΠΈΡΠΈΡ Π²ΡΠ±ΠΎΡΠ° ΡΠ°Π΄ΡΠ΅Ρ.
Π‘Ρ Π΅ΠΌΠ° ΡΠ»Π΅ΠΊΡΡΠΎΠΎΠ±ΠΎΡΡΠ΄ΠΎΠ²Π°Π½ΠΈΡ Π°Π²ΡΠΎΠΌΠΎΠ±ΠΈΠ»Ρ ΠΠΠ 2106 ΠΎΡΠ΅Π½Ρ ΡΠ°Π·Π²Π΅ΡΠ²Π»Π΅Π½Π° ΠΈ Π²ΡΡ Π΅Π΅ ΠΎΠΏΠΈΡΠ°ΡΡ Π² ΠΎΠ΄Π½ΠΎΠΉ ΡΡΠ°ΡΡΠ΅ Π½Π΅ ΠΏΡΠ΅Π΄ΡΡΠ°Π²Π»ΡΠ΅ΡΡΡ Π²ΠΎΠ·ΠΌΠΎΠΆΠ½ΡΠΌ. ΠΡΠ»ΠΈ ΠΏΠΎΡΠ²ΠΈΠ»ΠΎΡΡ ΠΆΠ΅Π»Π°Π½ΠΈΠ΅ ΠΈΠ»ΠΈ Π΅ΡΡΡ Π½Π΅ΠΎΠ±Ρ ΠΎΠ΄ΠΈΠΌΠΎΡΡΡ ΡΠ³Π»ΡΠ±ΠΈΡΡ ΠΈ ΡΠ°ΡΡΠΈΡΠΈΡΡ Π·Π½Π°Π½ΠΈΡ ΠΏΡΠΎ ΡΠ°ΠΌΡΠΉ Π½Π°ΡΠΎΠ΄Π½ΡΠΉ Π°Π²ΡΠΎΠΌΠΎΠ±ΠΈΠ»Ρ Π‘ΠΎΡΠ·Π°, Π½Π°ΡΡΠΎΡΡΠ΅Π»ΡΠ½ΠΎ ΡΠ΅ΠΊΠΎΠΌΠ΅Π½Π΄ΡΠ΅ΡΡΡ ΠΎΠ·Π½Π°ΠΊΠΎΠΌΠΈΡΡΡΡ Ρ ΡΠΏΠ΅ΡΠΈΠ°Π»ΡΠ½ΠΎΠΉ ΠΏΡΠΎΡΠΈΠ»ΡΠ½ΠΎΠΉ Π»ΠΈΡΠ΅ΡΠ°ΡΡΡΠΎΠΉ ΠΈΠ»ΠΈ, Ρ ΠΎΡΡ Π±Ρ, Ρ ΡΠΎΡΠΎ ΡΡ Π΅ΠΌΡ ΡΠ»Π΅ΠΊΡΡΠΎΠΎΠ±ΠΎΡΡΠ΄ΠΎΠ²Π°Π½ΠΈΡ.
ΠΠ»Π°Π²Π½Π°Ρ ΠΎΡΠΎΠ±Π΅Π½Π½ΠΎΡΡΡ ΠΏΡΠΎΠ²ΠΎΠ΄ΠΊΠΈ ΠΠΠ 2106 ΡΠ»Π΅ΠΊΡΡΠΎ Π·Π°ΠΊΠ»ΡΡΠ°Π΅ΡΡΡ Π² ΡΠΎΠΌ, ΡΡΠΎ ΠΎΠ½Π° ΡΠ²Π»ΡΠ΅ΡΡΡ ΠΎΠ΄Π½ΠΎΠΏΡΠΎΠ²ΠΎΠ΄Π½ΠΎΠΉ. ΠΠΎΡΡΠΎΠΌΡ ΠΈΠ½ΡΠ΅ΡΠ΅ΡΠ½ΠΎ ΠΏΠΎΡΠΌΠΎΡΡΠ΅ΡΡ Π½Π° ΠΏΡΠΎΠ²ΠΎΠ΄ΠΊΡ, ΠΊΠΎΡΠΎΡΠ°Ρ Π²ΡΠΏΠΎΠ»Π½ΡΠ΅Ρ 2 ΡΠΎΠ»ΠΈ: ΠΏΠ»ΡΡ ΠΈ ΠΌΠΈΠ½ΡΡ. Π’Π°ΠΊΠΆΠ΅ Π²Π°ΠΆΠ½ΠΎ Π·Π½Π°ΡΡ, ΡΡΠΎ Π²ΡΠ΅, ΡΡΠΎ ΡΠ²Π»ΡΠ΅ΡΡΡ Π² ΠΌΠ°ΡΠΈΠ½Π΅ ΡΠ»Π΅ΠΊΡΡΠΈΡΠ΅ΡΠΊΠΈΠΌ, ΡΠ°ΡΡΡΠΈΡΠ°Π½ΠΎ Π½Π° ΠΊΠΎΠ½ΠΊΡΠ΅ΡΠ½ΡΠΉ ΡΠ°Π±ΠΎΡΠΈΠΉ ΠΏΡΠΎΡΠ΅ΡΡ.
Π§ΡΠΎ ΠΊΠ°ΡΠ°Π΅ΡΡΡ ΡΠ°ΠΌΠΎΠΉ ΠΌΠ°ΡΠΈΠ½Ρ, ΡΠΎ ΡΠΆΠ΅ ΠΌΠ½ΠΎΠ³ΠΈΠ΅ Π·Π½Π°ΠΊΠΎΠΌΡ Ρ ΡΡΠ½ΠΊΡΠΈΠΎΠ½Π°Π»ΡΠ½ΡΠΌΠΈ Π²ΠΎΠ·ΠΌΠΎΠΆΠ½ΠΎΡΡΡΠΌΠΈ Π°Π²ΡΠΎΠΌΠΎΠ±ΠΈΠ»Ρ ΠΠΠ 2106, ΠΏΡΠΎΡΡΡΠ°Π½ΡΡΠ²ΠΎΠΌ ΠΊΠ°ΠΊ ΠΏΠΎΠ΄ ΠΊΠ°ΠΏΠΎΡΠΎΠΌ, ΡΠ°ΠΊ ΠΈ Π² Π±Π°Π³Π°ΠΆΠ½ΠΈΠΊΠ΅. ΠΡΠΎΡ Π°Π²ΡΠΎΠΌΠΎΠ±ΠΈΠ»Ρ ΠΌΠΎΠΆΠ½ΠΎ ΠΏΠΎΠ΄ΡΡΡΠ°ΠΈΠ²Π°ΡΡ ΠΏΠΎΠ΄ ΡΠ΅Π±Ρ, ΠΊΠ°ΠΊ ΡΠΎΠ»ΡΠΊΠΎ ΠΏΠΎΠ»ΡΠ·ΠΎΠ²Π°ΡΠ΅Π»Ρ ΡΠ΄ΠΎΠ±Π½ΠΎ. ΠΠΎ Π΄Π°ΠΆΠ΅ ΡΠ°ΠΊΠΎΠΉ ΠΈΠ·Π²Π΅ΡΡΠ½ΡΠΉ Π°Π²ΡΠΎΠΌΠΎΠ±ΠΈΠ»Ρ, ΠΊΠ°ΠΊ ΠΠΠ 2106, ΠΌΠΎΠΆΠ΅Ρ Π²Π½ΠΎΠ²Ρ ΡΠ΅ΠΌ-ΡΠΎ ΡΠ΄ΠΈΠ²ΠΈΡΡ.
ΠΠ»Π΅ΠΌΠ΅Π½ΡΡ ΡΠ»Π΅ΠΊΡΡΠΎΠΏΡΠΎΠ²ΠΎΠ΄ΠΊΠΈ, ΠΊΠ°ΠΊ ΠΈ Π»ΡΠ±ΠΎΠΉ Π΄ΡΡΠ³ΠΎΠΉ ΡΠ»Π΅ΠΌΠ΅Π½Ρ, ΠΊΠΎΡΠΎΡΡΠΉ ΠΎΡΠ²Π΅ΡΠ°Π΅Ρ Π·Π° ΡΡΠ½ΠΊΡΠΈΠΎΠ½ΠΈΡΠΎΠ²Π°Π½ΠΈΠ΅ Π°Π²ΡΠΎΠΌΠΎΠ±ΠΈΠ»Ρ, Π² ΠΏΠΎΠ»Π½ΠΎΠΌ ΠΎΠ±ΡΠ΅ΠΌΠ΅ ΠΎΠ±Π»Π°Π΄Π°Π΅Ρ ΡΠ²ΠΎΠΈΠΌΠΈ Ρ Π°ΡΠ°ΠΊΡΠ΅ΡΠΈΡΡΠΈΠΊΠ°ΠΌΠΈ, Π° ΡΡ Π΅ΠΌΠ° ΡΠ»Π΅ΠΊΡΡΠΎΠΏΡΠΎΠ²ΠΎΠ΄ΠΊΠΈ, Π² ΡΠ²ΠΎΡ ΠΎΡΠ΅ΡΠ΅Π΄Ρ:
- Π°ΠΊΡΠΈΠ²ΠΈΡΡΠ΅Ρ ΡΠ»Π΅ΠΊΡΡΠΈΡΠ΅ΡΠΊΠΈΠ΅ ΡΠ΅ΠΏΠΈ ΠΏΡΡΠ΅ΠΌ ΠΈΡΠΏΠΎΠ»ΡΠ·ΠΎΠ²Π°Π½ΠΈΡ Π·Π°ΠΌΠΊΠ° Π·Π°ΠΆΠΈΠ³Π°Π½ΠΈΡ ΠΠΠ 2106;
- ΡΠΎΠ΅Π΄ΠΈΠ½ΡΠ΅Ρ Ρ ΠΠΠ ΡΠ΅ΡΠ΅Π· Π±Π»ΠΎΠΊ ΡΡΠ΄Π° ΠΏΡΠ΅Π΄ΠΎΡ ΡΠ°Π½ΠΈΡΠ΅Π»Π΅ΠΉ;
- ΠΏΡΠΎΠ²ΠΎΠ΄ΠΈΡ ΡΠ»Π΅ΠΊΡΡΠΎΡΠΎΠΊ ΠΊΠ»ΡΡΠ΅Π²ΡΡ ΡΠ·Π»ΠΎΠ².
ΠΡΡ ΠΎΠ΄Ρ ΠΈΠ· Π²ΡΠ΅Π³ΠΎ Π²ΡΡΠ΅ΡΠΊΠ°Π·Π°Π½Π½ΠΎΠ³ΠΎ, Π²ΡΠ΅ Π½Π΅ΠΈΡΠΏΡΠ°Π²Π½ΠΎΡΡΠΈ Π½ΡΠΆΠ½ΠΎ Π½Π°ΡΠΈΠ½Π°ΡΡ ΠΈΡΠΊΠ°ΡΡ Ρ Π·Π°ΠΌΠΊΠ° Π·Π°ΠΆΠΈΠ³Π°Π½ΠΈΡ, ΠΏΠΎΡΠΎΠΌΡ ΡΡΠΎ Π±ΠΎΠ»ΡΡΠ°Ρ ΡΠ°ΡΡΡ ΠΎΡΠ²Π΅ΡΡΡΠ²Π΅Π½Π½ΠΎΡΡΠΈ Π»Π΅ΠΆΠΈΡ ΠΈΠΌΠ΅Π½Π½ΠΎ Π½Π° Π½Π΅ΠΌ. ΠΠ»ΡΡΠ΅Π²ΠΎΠΉ ΡΠ·Π΅Π» ΡΠ°ΠΌ ΠΏΠΎ ΡΠ΅Π±Π΅ Π½Π΅ ΡΠΎΠ»ΡΠΊΠΎ ΠΎΡΠ²Π΅ΡΠ°Π΅Ρ Π·Π° ΡΠΏΡΠ°Π²Π»Π΅Π½ΠΈΠ΅ Π²ΡΠ΅ΠΉ ΡΠΈΡΡΠ΅ΠΌΠΎΠΉ Π·Π°ΠΆΠΈΠ³Π°Π½ΠΈΡ Π² ΠΌΠ°ΡΠΈΠ½Π΅, Π½ΠΎ ΠΈ Π²ΡΠΏΠΎΠ»Π½ΡΠ΅Ρ ΠΎΡ ΡΠ°Π½Π½ΡΡ ΡΡΠ½ΠΊΡΠΈΡ. Π’Π°ΠΊΠΆΠ΅ ΠΎΠ½ ΡΠ°Π·ΡΠ΅ΡΠ°Π΅Ρ Π±ΡΠΊΡΠΈΡΠΎΠ²ΠΊΡ ΠΌΠ°ΡΠΈΠ½Ρ.
ΠΠΎ ΠΊΠ°ΠΊΠΈΠΌ ΠΏΡΠΈΡΠΈΠ½Π°ΠΌ Π½ΡΠΆΠ½ΠΎ ΡΠ΅ΠΌΠΎΠ½ΡΠΈΡΠΎΠ²Π°ΡΡ Π·Π°ΠΌΠΎΠΊ Π·Π°ΠΆΠΈΠ³Π°Π½ΠΈΡ
ΠΠ°ΠΌΠΎΠΊ Π·Π°ΠΆΠΈΠ³Π°Π½ΠΈΡ ΡΠ°ΠΊΠΎΠΉ ΠΊΠ»Π°ΡΡΠΈΡΠ΅ΡΠΊΠΎΠΉ ΠΌΠ°ΡΠΈΠ½Ρ, ΠΊΠ°ΠΊ ΠΠΠ 2106, ΠΎΠ±Π»Π°Π΄Π°Π΅Ρ 4 ΡΠ΅ΠΆΠΈΠΌΠ°ΠΌΠΈ ΡΠ°Π±ΠΎΡΡ, ΠΊΠΎΡΠΎΡΡΠ΅ ΠΎΡΠ»ΠΈΡΠ°ΡΡΡΡ Π²ΡΠΏΠΎΠ»Π½Π΅Π½ΠΈΠ΅ΠΌ ΡΠ»Π΅ΠΊΡΡΠΎ-ΡΡΠ½ΠΊΡΠΈΠΉ.
- ΠΡΠ»Π΅Π²ΠΎΠΉ ΡΠ΅ΠΆΠΈΠΌ ΠΏΡΠ°ΠΊΡΠΈΡΠ΅ΡΠΊΠΈ Π½ΠΈ Π·Π° ΡΡΠΎ Π½Π΅ ΠΎΡΠ²Π΅ΡΠ°Π΅Ρ, ΡΠΎΠ»ΡΠΊΠΎ ΠΏΠΈΡΠ°Π΅Ρ Π½Π΅ΠΊΠΎΡΠΎΡΡΠ΅ ΠΏΡΠΎΠ²ΠΎΠ΄Π°.
- ΠΠ΅ΡΠ²ΡΠΉ ΡΠ΅ΠΆΠΈΠΌ Π΄Π°Π΅Ρ Π²ΠΎΠ·ΠΌΠΎΠΆΠ½ΠΎΡΡΡ ΡΡΠ½ΠΊΡΠΈΠΎΠ½ΠΈΡΠΎΠ²Π°ΡΡ Π½Π΅ ΡΠΎΠ»ΡΠΊΠΎ Ρ ΠΎΠ΄ΠΎΠ²ΡΠΌ ΠΎΠ³Π½ΡΠΌ, Π½ΠΎ ΠΈ ΠΏΡΠΎΡΠΈΠ²ΠΎΡΡΠΌΠ°Π½ΠΊΠ°ΠΌ, ΡΠ΅ΡΠΊΠ°ΠΌ-Π΄Π²ΠΎΡΠ½ΠΈΠΊΠ°ΠΌ ΠΈ ΠΏΠΎΠ΄Π΄Π΅ΡΠΆΠΈΠ²Π°Π΅Ρ ΡΠ°Π±ΠΎΡΡ ΠΎΡΠΎΠΏΠ»Π΅Π½ΠΈΡ ΠΌΠ°ΡΠΈΠ½Ρ.
- ΠΡΠΎΡΠΎΠΉ ΡΠ΅ΠΆΠΈΠΌ ΠΎΡΠ²Π΅ΡΠ°Π΅Ρ Π·Π° ΡΠ°Π±ΠΎΡΡ ΠΏΠΎΠ²ΠΎΡΠΎΡΠ½ΠΈΠΊΠΎΠ², ΠΏΡΠΈΠ±ΠΎΡΠ½ΠΎΠΉ ΠΏΠ°Π½Π΅Π»ΠΈ ΠΈ ΡΠΈΡΡΠ΅ΠΌΡ Π·Π°ΠΆΠΈΠ³Π°Π½ΠΈΡ.
- Π’ΡΠ΅ΡΡΠ΅ ΠΏΠΎΠ»ΠΎΠΆΠ΅Π½ΠΈΠ΅ ΠΏΠΈΡΠ°Π΅Ρ ΠΊΠ»Π΅ΠΌΠΌΡ.
ΠΠ°ΠΌΠ΅Π½Π° Π·Π°ΠΌΠΊΠ° Π·Π°ΠΆΠΈΠ³Π°Π½ΠΈΡ ΠΌΠΎΠΆΠ΅Ρ ΠΏΠΎΠ½Π°Π΄ΠΎΠ±ΠΈΡΡΡΡ ΠΎΠ΄Π½Π°ΠΆΠ΄Ρ ΠΏΡΠ°ΠΊΡΠΈΡΠ΅ΡΠΊΠΈ ΠΊΠ°ΠΆΠ΄ΠΎΠΌΡ Π²ΠΎΠ΄ΠΈΡΠ΅Π»Ρ. ΠΡΠΎ ΠΌΠΎΠΆΠ½ΠΎ ΠΎΠ±ΡΡΡΠ½ΠΈΡΡ ΡΠ΅ΠΌ, ΡΡΠΎ Π½Π΅ΠΊΠΎΡΠΎΡΡΠ΅ Π²ΠΎΠ΄ΠΈΡΠ΅Π»ΠΈ ΡΠ΅ΡΡΡΡ ΠΊΠ»ΡΡΠΈ ΠΎΡ Π·Π°ΠΆΠΈΠ³Π°Π½ΠΈΡ, Π° ΠΊΠ°ΠΊ Π·Π°Π²Π΅ΡΡΠΈ ΠΌΠ°ΡΠΈΠ½Ρ Π±Π΅Π· ΠΊΠ»ΡΡΠ΅ΠΉ?
ΠΡ Π° Π΅ΡΠ»ΠΈ Π³ΠΎΠ²ΠΎΡΠΈΡΡ ΠΎ ΠΊΠ»Π°ΡΡΠΈΡΠ΅ΡΠΊΠΎΠΉ ΠΌΠ°ΡΠΈΠ½Π΅, ΡΠΊΠΎΡΠ΅Π΅ Π²ΡΠ΅Π³ΠΎ, Π²ΠΎΠ΄ΠΈΡΠ΅Π»Ρ ΠΠΠ 2106 ΡΠΆΠ΅ ΠΈΠΌΠ΅Π» Π΄Π΅Π»ΠΎ Ρ ΡΠΈΠ·ΠΈΡΠ΅ΡΠΊΠΈΠΌ ΠΈΠ·Π½ΠΎΡΠΎΠΌ Π½Π΅ΠΊΠΎΡΠΎΡΡΡ Π΄Π΅ΡΠ°Π»Π΅ΠΉ, Π² Π΄Π°Π½Π½ΠΎΠΌ ΡΠ»ΡΡΠ°Π΅ ΡΠ΅ΡΡ ΠΈΠ΄Π΅Ρ ΠΎ Π»ΠΈΡΠΈΠ½ΠΊΠ΅ Π·Π°ΠΌΠΊΠ°. ΠΡΠ»ΠΈ ΠΏΡΠΎΠ²ΠΎΠ΄Π° Π² Π·Π°ΠΆΠΈΠ³Π°Π½ΠΈΠΈ ΡΠΆΠ΅ Π²ΡΠ³Π»ΡΠ΄ΡΡ ΠΊΠ°ΠΊ-ΡΠΎ ΠΏΠΎΠ΄ΠΎΠ·ΡΠΈΡΠ΅Π»ΡΠ½ΠΎ, ΡΠΎ Π² ΡΠ°ΠΊΠΎΠΌ ΡΠ»ΡΡΠ°Π΅ Π·Π°ΠΌΠ΅Π½Π° ΠΏΡΠΎΠ²ΠΎΠ΄ΠΊΠΈ Π΄ΠΎΠ»ΠΆΠ½Π° Π±ΡΡΡ ΠΏΡΠΎΠΈΠ·Π²Π΅Π΄Π΅Π½Π° Π² ΠΊΡΠ°ΡΡΠ°ΠΉΡΠΈΠ΅ ΡΡΠΎΠΊΠΈ, ΡΡΠΎΠ±Ρ Π½Π΅ ΠΏΡΠΈΠ²Π΅ΡΡΠΈ ΡΠΈΡΡΠ°ΡΠΈΡ ΠΊ ΠΊΠΎΡΠΎΡΠΊΠΎΠΌΡ Π·Π°ΠΌΡΠΊΠ°Π½ΠΈΡ.
ΠΠ°ΠΊ ΡΠΌΠ΅Π½ΠΈΡΡ Π·Π°ΠΌΠΎΠΊ Π·Π°ΠΆΠΈΠ³Π°Π½ΠΈΡ
ΠΠ»Ρ ΡΠΎΠ³ΠΎ ΡΡΠΎΠ±Ρ ΠΎΡΡΡΠ΅ΡΡΠ²ΠΈΡΡ Π·Π°ΠΌΠ΅Π½Ρ Π·Π°ΠΌΠΊΠ° Π·Π°ΠΆΠΈΠ³Π°Π½ΠΈΡ, Π½Π΅ΠΎΠ±Ρ ΠΎΠ΄ΠΈΠΌΠΎ Π²ΡΠΏΠΎΠ»Π½ΠΈΡΡ ΡΠ»Π΅Π΄ΡΡΡΠΈΠ΅ ΡΠ°Π³ΠΈ:
- ΠΎΡΠΊΠ»ΡΡΠΈΡΡ Π°ΠΊΠΊΡΠΌΡΠ»ΡΡΠΎΡΠ½ΡΡ Π±Π°ΡΠ°ΡΠ΅Ρ;
- ΠΎΡΠΊΡΡΡΠΈΡΡ Π²ΡΠ΅ Π²ΠΈΠ½ΡΡ ΠΊΠΎΠΆΡΡ Π° ΠΏΠΎΠ΄ ΡΡΠ»Π΅ΠΌ ΠΈ ΡΠ½ΡΡΡ Π΅Π³ΠΎ;
- ΠΏΠ΅ΡΠ΅Π²Π΅ΡΡΠΈ ΠΊΠ»ΡΡΠ΅Π²ΠΎΠΉ ΡΠ·Π΅Π» Π² ΠΏΠΎΠ»ΠΎΠΆΠ΅Π½ΠΈΠ΅ Β«0Β»;
- Π²ΡΡΠ°Π²ΠΈΡΡ ΡΠΈΠ»ΠΎ Π² ΠΎΡΠ²Π΅ΡΡΡΠΈΠ΅, ΡΡΠΎΠ±Ρ ΡΠ±ΡΠ°ΡΡ ΡΠΈΠΊΡΠ°ΡΠΎΡ;
- ΠΏΠΎΠΌΠ΅ΡΠΈΡΡ ΠΊΠΎΠ½ΡΠ°ΠΊΡΠ½ΡΠ΅ ΠΏΡΠΎΠ²ΠΎΠ΄Π°, ΡΡΠΎΠ±Ρ Π² Π΄Π°Π»ΡΠ½Π΅ΠΉΡΠ΅ΠΌ ΠΈΡ Π½Π΅ ΠΏΠ΅ΡΠ΅ΠΏΡΡΠ°ΡΡ;
- ΡΡΡΠ°Π½ΠΎΠ²ΠΈΡΡ Π½ΠΎΠ²ΡΠΉ Π·Π°ΠΌΠΎΠΊ ΠΈ Π²ΡΠΏΠΎΠ»Π½ΠΈΡΡ ΠΈΠ½ΡΡΡΡΠΊΡΠΈΡ Π·Π°Π½ΠΎΠ²ΠΎ, Π½ΠΎ Π½Π°ΠΎΠ±ΠΎΡΠΎΡ.
Π£Π΄ΠΎΠ±Π½ΠΎ, ΡΡΠΎ ΡΡ Π΅ΠΌΠ° ΡΠ»Π΅ΠΊΡΡΠΎΠΏΡΠΎΠ²ΠΎΠ΄ΠΊΠΈ ΡΠ΄Π΅Π»Π°Π½Π° ΡΠ°ΠΊ, ΡΡΠΎ Π΄Π»Ρ ΡΠΎΠ³ΠΎ, ΡΡΠΎΠ±Ρ ΠΏΠΎΠΌΠ΅Π½ΡΡΡ Π²ΡΡ ΠΊΠΎΠ½ΡΠ°ΠΊΡΠ½ΡΡ Π³ΡΡΠΏΠΏΡ, Π·Π°ΠΌΠΎΠΊ Π·Π°ΠΆΠΈΠ³Π°Π½ΠΈΡ ΡΠ½ΠΈΠΌΠ°ΡΡ Π²ΠΎΠ²ΡΠ΅ Π½Π΅ Π½ΡΠΆΠ½ΠΎ. ΠΠΎ Π² Π»ΡΠ±ΠΎΠΌ ΡΠ»ΡΡΠ°Π΅ Π½Π΅ Π½ΡΠΆΠ½ΠΎ ΡΠ°ΠΊΡΠΈΡΠ΅ΡΠΊΠΈ Β«ΡΠ΄ΠΈΡΠ°ΡΡΒ» Π²ΡΠ΅ ΠΎΠ΄Π½ΠΎΠΉ ΡΡΠΊΠΎΠΉ, ΠΏΠΎΡΠΎΠΌΡ ΡΡΠΎ ΠΎΠ±ΡΠ°ΡΠ½ΠΎ ΡΡΡΠ°Π½ΠΎΠ²ΠΈΡΡ Π²ΡΠ΅ ΡΠ½ΡΡΠΎΠ΅ ΡΠ°Π½Π΅Π΅ Π½Π΅ ΠΏΠΎΠ»ΡΡΠΈΡΡΡ.
Π§ΡΠΎ ΠΊΠ°ΡΠ°Π΅ΡΡΡ ΠΏΠΎΠΊΡΠΏΠΊΠΈ Π·Π°ΠΏΡΠ°ΡΡΠ΅ΠΉ, ΡΠΎ Π² ΡΠ°ΠΊΠΎΠΌ ΡΠ»ΡΡΠ°Π΅ ΡΡΠΎ Π½ΡΠΆΠ½ΠΎ Π΄Π΅Π»Π°ΡΡ Ρ ΠΏΡΠΎΠ²Π΅ΡΠ΅Π½Π½ΡΡ ΠΏΠΎΡΡΠ°Π²ΡΠΈΠΊΠΎΠ², Π²Π΅Π΄Ρ ΠΏΠΎΠ΄Π΄Π΅Π»ΠΎΠΊ ΡΠ΅ΠΉΡΠ°Ρ Π½Π° ΡΡΠ½ΠΊΠ΅ Ρ Π²Π°ΡΠ°Π΅Ρ. ΠΠΠ 2106 ΠΏΡΠΈΠ²ΡΠΊ ΡΠΎΠ»ΡΠΊΠΎ ΠΊ ΠΊΠ°ΡΠ΅ΡΡΠ²Π΅Π½Π½ΡΠΌ ΠΊΠΎΠΌΠΏΠ»Π΅ΠΊΡΡΡΡΠΈΠΌ. ΠΡΠΆΠ½ΠΎ ΠΏΠΎΠΌΠ½ΠΈΡΡ, ΡΡΠΎ ΠΊΠΎΡΠΏΡΡ ΠΎΡΠΈΠ³ΠΈΠ½Π°Π»ΡΠ½ΠΎΠ³ΠΎ Π·Π°ΠΌΠΊΠ° Π·Π°ΠΆΠΈΠ³Π°Π½ΠΈΡ Π²ΡΠΏΠΎΠ»Π½Π΅Π½ Π±Π΅ΡΠ΅ΠΆΠ½ΠΎ, Π΄Π°ΠΆΠ΅ ΠΏΠΎ ΠΊΡΠ°ΡΠΌ ΠΈ ΡΠ²Π΅ΡΡ Ρ, Π° Π³ΠΎΠ»ΠΎΠ³ΡΠ°ΠΌΠΌΡ Π°ΠΊΠΊΡΡΠ°ΡΠ½ΠΎ ΡΠΎΡΠ²Π°ΡΡ Π½Π΅ ΠΏΠΎΠ»ΡΡΠΈΡΡΡ.
ΠΡΠ»ΠΈΡΠΈΡΠ΅Π»ΡΠ½ΡΠΌ ΡΠ²ΠΎΠΉΡΡΠ²ΠΎΠΌ ΠΎΡ ΠΏΠΎΠ΄Π΄Π΅Π»ΠΊΠΈ Π±ΡΠ΄Π΅Ρ ΠΏΠ»Π°Π²Π½ΠΎΠ΅ ΠΈ ΡΠΎΡΠ½ΠΎΠ΅ Π΄Π²ΠΈΠΆΠ΅Π½ΠΈΠ΅ ΠΊΠ»ΡΡΠ° Π² Π·Π°ΠΌΠΊΠ΅, Π² ΠΏΠΎΠ΄Π΄Π΅Π»ΠΊΠ°Ρ ΠΎΠ±ΡΡΠ½ΠΎ ΡΡΠΎ Π΄Π°Π΅ΡΡΡ Π½Π΅ ΡΠ°ΠΊ ΠΏΡΠΎΡΡΠΎ.
ΠΡΠ΅ΠΈΠΌΡΡΠ΅ΡΡΠ²Π° Π±Π΅ΡΠΊΠΎΠ½ΡΠ°ΠΊΡΠ½ΠΎΠ³ΠΎ Π·Π°ΠΆΠΈΠ³Π°Π½ΠΈΡ
Π‘Ρ Π΅ΠΌΠ° ΡΠ»Π΅ΠΊΡΡΠΎΠΏΡΠΎΠ²ΠΎΠ΄ΠΊΠΈ ΠΌΠΎΠΆΠ΅Ρ Π±ΡΡΡ ΠΎΡ Π°ΡΠ°ΠΊΡΠ΅ΡΠΈΠ·ΠΎΠ²Π°Π½Π° ΠΈΠ½Π°ΡΠ΅. ΠΠ΅ΡΠΊΠΎΠ½ΡΠ°ΠΊΡΠ½ΠΎΠ΅ Π·Π°ΠΆΠΈΠ³Π°Π½ΠΈΠ΅ ΡΠ²Π»ΡΠ΅ΡΡΡ ΠΏΠΎΠΏΡΠ»ΡΡΠ½ΡΠΌ Π²ΠΈΠ΄ΠΎΠΌ ΡΡΠ½ΠΈΠ½Π³Π° ΠΊΠ»Π°ΡΡΠΈΡΠ΅ΡΠΊΠΈΡ ΠΌΠΎΠ΄Π΅Π»Π΅ΠΉ Π°Π²ΡΠΎΠΌΠΎΠ±ΠΈΠ»Π΅ΠΉ, Π° ΠΠΠ 2106 Π·Π΄Π΅ΡΡ Π½Π΅ ΠΈΡΠΊΠ»ΡΡΠ΅Π½ΠΈΠ΅. Π£ ΡΠ°ΠΊΠΎΠ³ΠΎ Π²ΠΈΠ΄Π° Π·Π°ΠΆΠΈΠ³Π°Π½ΠΈΡ Π½Π΅Ρ ΠΌΠΈΠ½ΡΡΠΎΠ². ΠΠ»Π°Π²Π½ΡΠΌ ΠΏΡΠ΅ΠΈΠΌΡΡΠ΅ΡΡΠ²ΠΎΠΌ ΡΠ²Π»ΡΠ΅ΡΡΡ ΡΠΊΠΎΠ½ΠΎΠΌΠΈΡ Π±Π΅Π½Π·ΠΈΠ½Π°, Π΄Π²ΠΈΠ³Π°ΡΠ΅Π»Ρ ΡΠ°Π±ΠΎΡΠ°Π΅Ρ ΠΌΠ°ΠΊΡΠΈΠΌΠ°Π»ΡΠ½ΠΎ ΡΠΈΡΡΠΎ, Π° Π·Π°ΠΏΡΡΠΊ Π·ΠΈΠΌΠΎΠΉ ΠΏΡΠΎΠΈΡΡ ΠΎΠ΄ΠΈΡ ΡΠΎΠ²Π½Π΅Π΅, ΡΠ°Π·Π³ΠΎΠ½ Π°Π²ΡΠΎΠΌΠΎΠ±ΠΈΠ»Ρ ΡΡΠ°Π½ΠΎΠ²ΠΈΡΡΡ Π±ΠΎΠ»Π΅Π΅ ΠΊΠΎΠΌΡΠΎΡΡΠ½ΡΠΌ. ΠΠΎ ΠΎΡΠ½ΠΎΠ²Π½ΡΠΌ ΠΏΠ»ΡΡΠΎΠΌ ΡΠ²Π»ΡΠ΅ΡΡΡ Π²ΡΠ΅-ΡΠ°ΠΊΠΈ ΡΠΎΠ²Π½Π°Ρ ΡΠ°Π±ΠΎΡΠ° Π΄Π²ΠΈΠ³Π°ΡΠ΅Π»Ρ.
ΠΠ°ΠΆΠ½ΠΎ Π·Π½Π°ΡΡ, ΡΡΠΎ ΡΠ΅ΠΌ ΡΠΎΠ²Π½Π΅Π΅ Π±ΡΠ΄Π΅Ρ ΡΠ°Π±ΠΎΡΠ°ΡΡ ΠΌΠ΅Ρ Π°Π½ΠΈΠ·ΠΌ, Π΄Π²ΠΈΠ³Π°ΡΠ΅Π»Ρ ΠΠΠ, ΡΠ΅ΠΌ Π΄Π°Π»ΡΡΠ΅ ΠΌΠΎΠΆΠ½ΠΎ ΡΠ΅Ρ Π°ΡΡ Π½Π° ΡΡΠΎΠΉ ΠΌΠ°ΡΠΈΠ½Π΅. Π Π΅ΡΠ»ΠΈ Π·Π½Π°ΡΡ, Π·Π° ΡΡΠΎ ΠΎΡΠ²Π΅ΡΠ°ΡΡ ΡΡ Π΅ΠΌΡ, ΡΠΎ ΡΠ΅ΠΌΠΎΠ½Ρ ΠΎΡΠ½ΠΎΠ²Π½ΡΡ ΡΠ°ΡΡΠ΅ΠΉ ΠΌΠΎΠΆΠ½ΠΎ Π±ΡΠ΄Π΅Ρ ΠΏΡΠΎΠ²Π΅ΡΡΠΈ ΡΠ²ΠΎΠΈΠΌΠΈ ΡΡΠΊΠ°ΠΌΠΈ.
Π‘Ρ Π΅ΠΌΠ° ΡΠ»Π΅ΠΊΡΡΠΎΠΏΡΠΎΠ²ΠΎΠ΄ΠΊΠΈ ΠΠΠ 2106 ΡΠ²Π»ΡΠ΅ΡΡΡ ΡΠ°ΠΊΠΎΠΉ ΠΆΠ΅, ΠΊΡΠΎΠΌΠ΅ Π½Π΅ΠΊΠΎΡΠΎΡΡΡ ΡΠ»Π΅ΠΌΠ΅Π½ΡΠΎΠ². ΠΠ°ΡΡΠΈΠΊ Π·Π΄Π΅ΡΡ ΠΈΠΌΠΏΡΠ»ΡΡΠ½ΡΠΉ, ΠΎΠ½ ΡΠΎΠ·Π΄Π°Π΅Ρ ΠΊΠΎΠ»Π΅Π±Π°Π½ΠΈΡ, ΠΊΠΎΡΠΎΡΡΠ΅ ΠΏΠΎΡΡΡΠΏΠ°ΡΡ Π½Π° ΡΡΠ°Π½Π·ΠΈΡΡΠΎΡΠ½ΡΠΉ ΠΊΠΎΠΌΠΌΡΡΠ°ΡΠΎΡ. ΠΠ° ΡΡΠ΅Ρ ΡΡΠΎΠΉ ΠΏΠΎΠ΄Π°ΡΠΈ ΠΏΠΎΡΠ²Π»ΡΡΡΡΡ Π΄ΡΡΠ³ΠΈΠ΅ ΠΈΠΌΠΏΡΠ»ΡΡΡ, ΠΏΠΎΡΡΡΠΏΠ°ΡΡΠΈΠ΅ Π² ΡΠΈΡΡΠ΅ΠΌΡ.
Π‘Ρ Π΅ΠΌΠ° ΠΠΠ 2106 Π½Π΅ ΡΠ°ΠΊΠ°Ρ ΡΠ»ΠΎΠΆΠ½Π°Ρ, ΠΊΠ°ΠΊ ΠΊΠ°ΠΆΠ΅ΡΡΡ. Π Π°Π²ΡΠΎΠΌΠΎΠ±ΠΈΠ»Π΅ Π΅ΡΡΡ ΠΌΠ°ΡΡΠ° Π΄ΡΡΠ³ΠΈΡ ΡΠ»ΠΎΠΆΠ½ΡΡ ΡΡΡΠΏΡΠΈΠ·ΠΎΠ², Π½ΠΎ ΡΡΠΎ ΡΠΆ ΡΠΎΡΠ½ΠΎ Π½Π΅ ΡΡ Π΅ΠΌΠ° ΠΏΡΠΎΠ²ΠΎΠ΄ΠΊΠΈ. ΠΡΠΆΠ½ΠΎ Π·Π½Π°ΡΡ ΠΈ ΠΏΠΎΠ½ΠΈΠΌΠ°ΡΡ, Π½Π°ΡΠΊΠΎΠ»ΡΠΊΠΎ Π²Π°ΠΆΠ½ΠΎ ΡΠ°Π·Π±ΠΈΡΠ°ΡΡΡΡ Π² ΡΠΎΠΌ, ΡΡΠΎ ΡΠ°ΠΊΠΎΠ΅ ΡΠ»Π΅ΠΊΡΡΠΈΡΠ΅ΡΠΊΠ°Ρ ΡΡ Π΅ΠΌΠ° ΠΠΠ ΠΈ Π½Π° ΡΡΠΎ ΠΎΠ½Π° Π²Π»ΠΈΡΠ΅Ρ, Π° ΡΠ°ΠΊΠΆΠ΅ Π΅ΡΡΡ Π»ΠΈ ΠΊΠ°ΠΊΠΈΠ΅-ΡΠΎ ΡΡ ΠΎΠ΄ΡΡΠ²Π° Ρ Π΄ΡΡΠ³ΠΈΠΌΠΈ ΠΌΠΎΠ΄Π΅Π»ΡΠΌΠΈ, Π½Π°ΠΏΡΠΈΠΌΠ΅Ρ Ρ ΠΠΠ 21063. Π Π½Π΅Π·Π°Π²ΠΈΡΠΈΠΌΠΎ ΠΎΡ ΡΠΎΠ³ΠΎ, ΡΠΊΠΎΠ»ΡΠΊΠΎ Π»Π΅Ρ Π°Π²ΡΠΎΠΌΠΎΠ±ΠΈΠ»Ρ, ΠΊΠ°ΠΊΠΎΠ³ΠΎ Π³ΠΎΠ΄Π° ΠΈΠ»ΠΈ Π²Π΅ΠΊΠ° ΠΎΠ½ Π²ΡΠΏΡΡΠΊΠ°, ΠΈΠ½ΡΠΎΡΠΌΠ°ΡΠΈΡ ΠΎ ΠΌΠ°ΡΠΈΠ½Π΅ Π²ΡΠ΅Π³Π΄Π° Π±ΡΠ΄Π΅Ρ Π°ΠΊΡΡΠ°Π»ΡΠ½ΠΎΠΉ.
ΠΠ»Π΅ΠΊΡΡΠΎΡΡ Π΅ΠΌΠ° ΠΠΠ ΠΌΠΎΠΆΠ΅Ρ Π±ΡΡΡ ΠΈΠ΄Π΅Π½ΡΠΈΡΠ½ΠΎΠΉ Π΄ΡΡΠ³ΠΈΠΌ Π΅Π΅ ΠΌΠΎΠ΄Π΅Π»ΡΠΌ, ΠΊΠ°ΠΊ ΠΈ Π΄ΡΡΠ³ΠΈΠ΅ ΡΠ»Π΅ΠΌΠ΅Π½ΡΡ ΠΈ ΠΌΠ΅Ρ Π°Π½ΠΈΠ·ΠΌΡ, Π½Π°ΠΏΡΠΈΠΌΠ΅Ρ ΡΡ Π΅ΠΌΠ° Π΄Π²ΠΈΠ³Π°ΡΠ΅Π»Ρ. Π£Π΄ΠΎΠ±Π½ΠΎ, ΡΡΠΎ Π·Π°ΠΏΡΠ°ΡΡΠΈ ΠΊ ΡΠ°ΠΊΠΈΠΌ ΠΌΠ°ΡΠΈΠ½Π°ΠΌ ΠΏΡΠΎΠ΄Π°ΡΡΡΡ Π½Π° ΠΊΠ°ΠΆΠ΄ΠΎΠΌ Π°Π²ΡΠΎΡΡΠ½ΠΊΠ΅, ΡΡΠΎ ΠΊΠ°ΡΠ°Π΅ΡΡΡ Π²ΡΠ΅Π³ΠΎ ΡΠ»Π΅ΠΊΡΡΠΎΠΎΠ±ΠΎΡΡΠ΄ΠΎΠ²Π°Π½ΠΈΡ. Π ΠΊΠ»Π°ΡΡΠΈΡΠ΅ΡΠΊΠΈΡ Π°Π²ΡΠΎΠΌΠΎΠ±ΠΈΠ»ΡΡ ΠΎΡΠ΅Π½Ρ ΠΏΡΠΎΡΡΠΎ Π·Π°ΠΏΠΎΠΌΠ½ΠΈΡΡ, ΡΡΠΎ ΡΠΎΠ±ΠΎΠΉ ΠΏΡΠ΅Π΄ΡΡΠ°Π²Π»ΡΠ΅Ρ ΡΠ»Π΅ΠΊΡΡΠΎΡΡ Π΅ΠΌΠ°, ΠΏΠΎΡΠΎΠΌΡ ΡΡΠΎ Π΅Π΅ Π°Π½Π°Π»ΠΎΠ³ΠΈ Π²ΡΡΡΠ΅ΡΠ°ΡΡΡΡ Π΄ΠΎΠ²ΠΎΠ»ΡΠ½ΠΎ ΡΠ°ΡΡΠΎ, ΠΏΠΎΡΡΠΎΠΌΡ Π²ΠΎ Π²ΡΠ΅Ρ Β«ΠΊΠ»Π°ΡΡΠΈΠΊΠ°Ρ Β» ΡΠ»Π΅ΠΌΠ΅Π½ΡΡ ΡΠ»Π΅ΠΊΡΡΠΎΠΏΡΠΎΠ²ΠΎΠ΄ΠΊΠΈ ΠΌΠΎΠ³ΡΡ Π±ΡΡΡ ΠΈΠ΄Π΅Π½ΡΠΈΡΠ½ΡΠΌΠΈ. ΠΠ΅ ΡΡΠΎΠΈΡ Π±ΠΎΡΡΡΡΡ ΡΠ°ΠΊΠΈΡ ΠΌΠ°ΡΠΈΠ½, Π·Π΄Π΅ΡΡ Π²ΡΠ΅ ΡΠ»Π΅ΠΌΠ΅Π½ΡΡ ΠΏΠΎΠ½ΡΡΠ½Ρ ΠΏΡΠΎΡΡΠΎΠΌΡ ΡΡΡΡΠΊΠΎΠΌΡ ΡΠ΅Π»ΠΎΠ²Π΅ΠΊΡ. ΠΠΎΡΡΠΎΠΌΡ ΠΌΠ½ΠΎΠ³ΠΈΠ΅ Π½Π΅ ΠΏΠΎΠΊΡΠΏΠ°ΡΡ Π½ΠΎΠ²ΡΠ΅ ΠΌΠ°ΡΠΈΠ½Ρ, Π° ΠΏΡΠΎΠ²ΠΎΠ΄ΡΡ ΡΡΠ½ΠΈΠ½Π³ ΡΡΠ°ΡΡΡ Π°Π³ΡΠ΅Π³Π°ΡΠΎΠ² ΠΈ Π°ΠΊΡΠΈΠ²Π½ΠΎ ΠΈΠΌΠΈ ΠΏΠΎΠ»ΡΠ·ΡΡΡΡΡ Π΄ΠΎΠ»Π³ΠΈΠ΅ Π³ΠΎΠ΄Ρ.
ΠΠ°ΠΊ ΠΈΠ·Π²Π΅ΡΡΠ½ΠΎ, ΡΠ»Π΅ΠΊΡΡΠΈΡΠ΅ΡΠΊΠ°Ρ ΡΠ΅ΠΏΡ Π² Π»ΡΠ±ΠΎΠΌ ΡΡΠ°Π½ΡΠΏΠΎΡΡΠ½ΠΎΠΌ ΡΡΠ΅Π΄ΡΡΠ²Π΅ ΡΠ²Π»ΡΠ΅ΡΡΡ ΠΎΠ΄Π½ΠΈΠΌ ΠΈΠ· ΠΎΡΠ½ΠΎΠ²Π½ΡΡ ΠΊΠΎΠΌΠΏΠΎΠ½Π΅Π½ΡΠΎΠ². Π‘Ρ Π΅ΠΌΠ° ΡΠ»Π΅ΠΊΡΡΠΎΠΎΠ±ΠΎΡΡΠ΄ΠΎΠ²Π°Π½ΠΈΡ ΠΏΠΎΠ·Π²ΠΎΠ»ΡΠ΅Ρ Π²ΠΎΠ΄ΠΈΡΠ΅Π»Ρ ΠΠΠ 2106 ΠΏΡΠ°Π²ΠΈΠ»ΡΠ½ΠΎ Π²ΡΡΠ²Π»ΡΡΡ Π½Π΅ΠΈΡΠΏΡΠ°Π²Π½ΠΎΡΡΠΈ ΡΠΈΡΡΠ΅ΠΌΡ ΠΏΡΠΈ ΠΎΠ±Π½Π°ΡΡΠΆΠ΅Π½ΠΈΠΈ ΡΠ±ΠΎΠ΅Π² Π² ΡΠ°Π±ΠΎΡΠ΅ ΠΎΠ±ΠΎΡΡΠ΄ΠΎΠ²Π°Π½ΠΈΡ. ΠΡΠ° ΡΡΠ°ΡΡΡ ΠΏΠΎΡΠ²ΡΡΠ΅Π½Π° ΠΏΡΠΎΠ²ΠΎΠ΄ΠΊΠ΅ ΠΎΡΠ΅ΡΠ΅ΡΡΠ²Π΅Π½Π½ΡΡ Β«ΡΠ΅ΡΡΠ΅ΡΠΎΠΊΒ».
Π§ΡΠΎ Π²Ρ ΠΎΠ΄ΠΈΡ Π² ΡΠ»Π΅ΠΊΡΡΠΎΡΡ Π΅ΠΌΡ?
ΠΠ½Π΅ Π·Π°Π²ΠΈΡΠΈΠΌΠΎΡΡΠΈ ΠΎΡ ΡΠΎΠ³ΠΎ, ΠΊΠ°ΠΊΠ°Ρ ΡΡ Π΅ΠΌΠ° β ΠΊΠΎΠ½ΡΠ°ΠΊΡΠ½Π°Ρ ΠΈΠ»ΠΈ Π±Π΅ΡΠΊΠΎΠ½ΡΠ°ΠΊΡΠ½Π°Ρ (Π±ΡΠ·), ΡΠ»Π΅ΠΊΡΡΠΎΡΡ Π΅ΠΌΠ° ΡΡΠ°Π½ΡΠΏΠΎΡΡΠ½ΠΎΠ³ΠΎ ΡΡΠ΅Π΄ΡΡΠ²Π° Π²ΠΊΠ»ΡΡΠ°Π΅Ρ Π² ΡΠ΅Π±Ρ ΡΠ°ΠΊΠΈΠ΅ ΠΊΠΎΠΌΠΏΠΎΠ½Π΅Π½ΡΡ:
- Π°ΠΊΠΊΡΠΌΡΠ»ΡΡΠΎΡΠ½Π°Ρ Π±Π°ΡΠ°ΡΠ΅Ρ Ρ ΠΌΠΈΠ½ΡΡΠΎΠ²ΡΠΌ ΠΊΠΎΠ½ΡΠ°ΠΊΡΠΎΠΌ Π½Π° ΠΊΡΠ·ΠΎΠ² Π°Π²ΡΠΎΠΌΠΎΠ±ΠΈΠ»Ρ;
- ΡΡΡΡΠΎΠΉΡΡΠ²ΠΎ ΡΡΠ°ΡΡΠ΅ΡΠ° Ρ Π²ΡΡ ΠΎΠ΄ΠΎΠΌ Β«50Β»;
- Π³Π΅Π½Π΅ΡΠ°ΡΠΎΡ β ΠΎΠ΄ΠΈΠ½ ΠΈΠ· ΠΎΡΠ½ΠΎΠ²Π½ΡΡ ΡΠ»Π΅ΠΌΠ΅Π½ΡΠΎΠ² ΡΠ»Π΅ΠΊΡΡΠΎΡΡ Π΅ΠΌΡ ΠΠΠ 2106;
- ΠΌΠΎΠ½ΡΠ°ΠΆΠ½ΡΠΉ Π±Π»ΠΎΠΊ Ρ ΠΏΡΠ΅Π΄ΠΎΡ ΡΠ°Π½ΠΈΡΠ΅Π»ΡΠΌΠΈ, Π·Π°ΡΠΈΡΠ°ΡΡΠΈΠΌΠΈ ΡΠ΅ΠΏΠΈ ΡΡΡΡΠΎΠΉΡΡΠ² ΠΏΠΈΡΠ°Π½ΠΈΡ;
- Π²ΡΠΊΠ»ΡΡΠ°ΡΠ΅Π»Ρ Π·Π°ΠΆΠΈΠ³Π°Π½ΠΈΡ;
- ΡΠ΅Π»Π΅ ΡΠ΅Π³ΡΠ»ΡΡΠΎΡΠ°.
ΠΠ΅ΠΎΠ±Ρ ΠΎΠ΄ΠΈΠΌΠΎ ΠΎΡΠΌΠ΅ΡΠΈΡΡ, ΡΡΠΎ ΠΠΠ 2106 Ρ Π±ΡΠ· ΠΈΠ»ΠΈ Π±Π΅Π· Π½Π΅Π³ΠΎ ΠΈΠ·Π½Π°ΡΠ°Π»ΡΠ½ΠΎ Π²ΡΠΏΠΎΠ»Π½Π΅Π½Π° Ρ ΡΡΠ΅ΡΠΎΠΌ ΠΎΠ΄Π½ΠΎΠΏΡΠΎΠ²ΠΎΠ΄Π½ΠΎΠ³ΠΎ ΡΠΈΠΏΠ° ΡΠΎΠ΅Π΄ΠΈΠ½Π΅Π½ΠΈΡ ΠΊΠΎΠΌΠΏΠΎΠ½Π΅Π½ΡΠΎΠ² ΡΠ»Π΅ΠΊΡΡΠΈΡΠ΅ΡΠΊΠΎΠ³ΠΎ ΠΎΠ±ΠΎΡΡΠ΄ΠΎΠ²Π°Π½ΠΈΡ. ΠΠΎ ΡΡΡΠΈ, ΡΡΠΎ Π·Π½Π°ΡΠΈΡ, ΡΡΠΎ ΠΎΡΡΠΈΡΠ°ΡΠ΅Π»ΡΠ½ΡΠ΅ ΠΊΠΎΠ½ΡΠ°ΠΊΡΡ ΡΠ»Π΅ΠΊΡΡΠΎΠΎΠ±ΠΎΡΡΠ΄ΠΎΠ²Π°Π½ΠΈΡ Π²ΡΠ²ΠΎΠ΄ΡΡΡΡ Π½Π° ΠΌΠ°ΡΡΡ, ΡΠΎ Π΅ΡΡΡ ΠΊΡΠ·ΠΎΠ² ΡΡΠ°Π½ΡΠΏΠΎΡΡΠ½ΠΎΠ³ΠΎ ΡΡΠ΅Π΄ΡΡΠ²Π°. Π§ΡΠΎ ΠΊΠ°ΡΠ°Π΅ΡΡΡ ΠΏΡΠΎΠ²ΠΎΠ΄Π½ΠΎΠ³ΠΎ ΡΠΎΠ΅Π΄ΠΈΠ½Π΅Π½ΠΈΡ, ΡΠΎ ΠΎΠ½ΠΎ ΠΎΠ±Π΅ΡΠΏΠ΅ΡΠΈΠ²Π°Π΅ΡΡΡ ΠΈΡΠΊΠ»ΡΡΠΈΡΠ΅Π»ΡΠ½ΠΎ ΠΏΠ»ΡΡΠΎΠ²ΠΎΠΉ ΠΏΡΠΎΠ²ΠΎΠ΄ΠΊΠΎΠΉ.
ΠΡΡΠ²Π»Π΅Π½ΠΈΠ΅ Π½Π΅ΠΈΡΠΏΡΠ°Π²Π½ΠΎΡΡΠ΅ΠΉ
ΠΡΠ»ΠΈ Π½Π° ΠΠΠ 2106 ΠΏΡΠΈΡ ΠΎΠ΄ΠΈΡΡΡ ΠΈΡΠΊΠ°ΡΡ Π½Π΅ΠΈΡΠΏΡΠ°Π²Π½ΠΎΡΡΡ ΠΏΡΠΎΠ²ΠΎΠ΄ΠΊΠΈ, Π²ΠΎ Π²ΡΠ΅ΠΌΡ ΠΏΡΠΎΠ²Π΅Π΄Π΅Π½ΠΈΡ ΡΠ΅ΠΌΠΎΠ½ΡΠ½ΡΡ ΡΠ°Π±ΠΎΡ Π½Π΅ΠΎΠ±Ρ ΠΎΠ΄ΠΈΠΌΠΎ ΠΏΠΎΠ»Π½ΠΎΡΡΡΡ ΠΎΠ±Π΅ΡΡΠΎΡΠΈΡΡ ΡΠ»Π΅ΠΊΡΡΠΎΡΡ Π΅ΠΌΡ. ΠΠ»Ρ ΡΡΠΎΠ³ΠΎ ΠΏΠΎΡΡΠ΅Π±ΡΠ΅ΡΡΡ ΠΎΡΡΠΎΠ΅Π΄ΠΈΠ½ΠΈΡΡ ΠΌΠΈΠ½ΡΡΠΎΠ²ΠΎΠΉ ΠΏΡΠΎΠ²ΠΎΠ΄ Ρ ΠΊΠ»Π΅ΠΌΠΌΡ Π°ΠΊΠΊΡΠΌΡΠ»ΡΡΠΎΡΠ°, Π² ΠΏΡΠΎΡΠΈΠ²Π½ΠΎΠΌ ΡΠ»ΡΡΠ°Π΅ Π² ΡΠ»Π΅ΠΊΡΡΠΎΡΡ Π΅ΠΌΠ΅ ΠΠΠ 2106 ΠΌΠΎΠΆΠ΅Ρ Π²ΠΎΠ·Π½ΠΈΠΊΠ½ΡΡΡ ΠΊΠΎΡΠΎΡΠΊΠΎΠ΅ Π·Π°ΠΌΡΠΊΠ°Π½ΠΈΠ΅. ΠΠΈΠ°Π³Π½ΠΎΡΡΠΈΠΊΠ° ΠΏΠΎΠ»ΠΎΠΌΠΎΠΊ Π²ΡΡΠ²Π»ΡΠ΅ΡΡΡ Ρ ΠΈΡΠΏΠΎΠ»ΡΠ·ΠΎΠ²Π°Π½ΠΈΠ΅ΠΌ ΡΡ Π΅ΠΌΡ, ΠΏΡΠΈΠ²Π΅Π΄Π΅Π½Π½ΠΎΠΉ Π²ΡΡΠ΅.
ΠΡΠ»ΠΈ Π² ΡΠ°Π±ΠΎΡΠ΅ ΠΏΡΠΎΠ²ΠΎΠ΄ΠΊΠΈ ΠΈΠΌΠ΅ΡΡΡΡ ΠΏΠ΅ΡΠ΅Π±ΠΎΠΈ, Π΅ΡΡΡ Π½Π΅ΡΠΊΠΎΠ»ΡΠΊΠΎ Π²Π°ΡΠΈΠ°Π½ΡΠΎΠ² ΠΏΠΎΠ²Π΅Π΄Π΅Π½ΠΈΡ Π°Π²ΡΠΎΠΌΠΎΠ±ΠΈΠ»Ρ ΠΏΡΠΈ ΡΡΠΎΠΌ:
- ΠΠ°ΡΠΈΠ½Π° Π½Π΅ ΠΌΠΎΠΆΠ΅Ρ ΡΠ΄Π²ΠΈΠ½ΡΡΡΡΡ Ρ ΠΌΠ΅ΡΡΠ° ΠΈ Π½Π΅ Π·Π°Π²ΠΎΠ΄ΠΈΡΡΡ. ΠΡΠΈΡΠΈΠ½ Π²ΠΎΠ·ΠΌΠΎΠΆΠ½ΡΡ Π½Π΅ΠΈΡΠΏΡΠ°Π²Π½ΠΎΡΡΠ΅ΠΉ ΠΌΠΎΠΆΠ΅Ρ Π±ΡΡΡ ΠΌΠ½ΠΎΠΆΠ΅ΡΡΠ²ΠΎ, Π½ΠΎ Π² ΠΏΠ΅ΡΠ²ΡΡ ΠΎΡΠ΅ΡΠ΅Π΄Ρ Π½Π΅ΠΎΠ±Ρ ΠΎΠ΄ΠΈΠΌΠΎ , ΡΡΠ°ΠΌΠ±Π»Π΅Ρ, ΡΠ°Π±ΠΎΡΠΎΡΠΏΠΎΡΠΎΠ±Π½ΠΎΡΡΡ ΠΠΠ. ΠΠ°ΠΊ ΠΏΡΠ°Π²ΠΈΠ»ΠΎ, ΠΏΠΎΠ»Π½ΡΠΉ ΡΠ°Π·ΡΡΠ΄ Π°ΠΊΠΊΡΠΌΡΠ»ΡΡΠΎΡΠ° ΡΠ²Π»ΡΠ΅ΡΡΡ ΠΎΠ΄Π½ΠΎΠΉ ΠΈΠ· ΡΠ°ΠΌΡΡ ΡΠ°ΡΠΏΡΠΎΡΡΡΠ°Π½Π΅Π½Π½ΡΡ ΠΏΡΠΈΡΠΈΠ½. ΠΠΎΡΠ°Π·Π΄ΠΎ ΡΠ΅ΠΆΠ΅ ΠΈΠ· ΡΡΡΠΎΡ Π²ΡΡ ΠΎΠ΄ΠΈΡ Π³Π΅Π½Π΅ΡΠ°ΡΠΎΡ, Π½ΠΎ Π΄ΠΈΠ°Π³Π½ΠΎΡΡΠΈΠΊΠ΅ ΡΡΠΎΠ³ΠΎ ΡΠ»Π΅ΠΌΠ΅Π½ΡΠ° Π½Π° ΠΠΠ 21062 Ρ Π±ΡΠ· ΡΠ°ΠΊΠΆΠ΅ ΡΠ»Π΅Π΄ΡΠ΅Ρ ΡΠ΄Π΅Π»ΠΈΡΡ Π²Π½ΠΈΠΌΠ°Π½ΠΈΠ΅.
- ΠΠ°ΡΠΈΠ½Π° Π΄Π²ΠΈΠ³Π°Π΅ΡΡΡ, Π½ΠΎ ΠΎΠ΄ΠΈΠ½ ΠΈΠ»ΠΈ Π½Π΅ΡΠΊΠΎΠ»ΡΠΊΠΎ ΡΠ»Π΅ΠΌΠ΅Π½ΡΠΎΠ² ΡΠ»Π΅ΠΊΡΡΠΎΡΡ Π΅ΠΌΡ ΡΠ°Π±ΠΎΡΠ°ΡΡ Π½Π΅ΠΏΡΠ°Π²ΠΈΠ»ΡΠ½ΠΎ. Π ΠΏΡΠΈΠΌΠ΅ΡΡ, ΡΡΠΎ ΠΌΠΎΠ³ΡΡ Π±ΡΡΡ ΡΠ±ΠΎΠΈ Π² ΡΠ°Π±ΠΎΡΠ΅ ΡΠ²Π΅ΡΠ° Π² ΡΠ°Π»ΠΎΠ½Π΅, ΠΏΠΎΠ²ΠΎΡΠΎΡΠ½ΡΡ ΡΠΈΠ³Π½Π°Π»ΠΎΠ², ΠΎΠ±ΠΎΠ³ΡΠ΅Π²Π° Π·Π°Π΄Π½Π΅Π³ΠΎ ΡΡΠ΅ΠΊΠ»Π° Π»ΠΈΠ±ΠΎ ΠΎΠΏΡΠΈΠΊΠΈ. ΠΡΠ»ΠΈ ΡΡΠΎ ΡΠ°ΠΊ, ΡΠΎ Π² ΠΏΠ΅ΡΠ²ΡΡ ΠΎΡΠ΅ΡΠ΅Π΄Ρ Π½Π΅ΠΎΠ±Ρ ΠΎΠ΄ΠΈΠΌΠΎ ΠΏΡΠΎΠ²Π΅ΡΠΈΡΡ Π±Π»ΠΎΠΊ ΠΏΡΠ΅Π΄ΠΎΡ ΡΠ°Π½ΠΈΡΠ΅Π»Ρ ΠΈ Π²ΡΡΠ²ΠΈΡΡ Π²ΡΠ³ΠΎΡΠ΅Π²ΡΠΈΠ΅ ΡΠ»Π΅ΠΌΠ΅Π½ΡΡ. ΠΡΠ»ΠΈ Π²ΡΠ΅ ΠΏΡΠ΅Π΄ΠΎΡ ΡΠ°Π½ΠΈΡΠ΅Π»ΠΈ ΡΠ΅Π»ΡΠ΅, ΡΠΎ Π² ΡΠ»ΡΡΠ°Π΅ Ρ ΠΎΠΏΡΠΈΠΊΠΎΠΉ ΡΠ½Π°ΡΠ°Π»Π° ΠΏΡΠΎΠ²Π΅ΡΡΠ΅ΡΡΡ ΡΠ°Π±ΠΎΡΠΎΡΠΏΠΎΡΠΎΠ±Π½ΠΎΡΡΡ Π»Π°ΠΌΠΏ, ΠΏΠΎΡΠ»Π΅ ΡΠ΅Π³ΠΎ ΠΎΡΡΡΠ΅ΡΡΠ²Π»ΡΠ΅ΡΡΡ ΠΏΡΠΎΠ·Π²ΠΎΠ½ΠΊΠ° ΠΏΡΠΎΠ²ΠΎΠ΄ΠΊΠΈ ΠΌΠ°ΡΠΈΠ½Ρ ΠΠΠ 21063 Ρ Π±ΡΠ· ΠΈΠ»ΠΈ Π±Π΅Π· Π½Π΅Π³ΠΎ.
- ΠΎΡΡΡΠ΅ΡΡΠ²Π»ΡΠ΅Ρ ΡΠΏΡΠ°Π²Π»Π΅Π½ΠΈΠ΅ Π²ΡΠ΅ΠΌΠΈ Π²ΠΎΠ·ΠΌΠΎΠΆΠ½ΠΎΡΡΡΠΌΠΈ ΡΠΈΡΡΠ΅ΠΌΡ Π·Π°ΠΆΠΈΠ³Π°Π½ΠΈΡ;
- ΡΠΏΡΠ°Π²Π»ΡΠ΅Ρ ΡΠ°Π±ΠΎΡΠΎΠΉ ΠΎΡ ΡΠ°Π½Π½ΠΎΠΉ, Π° ΡΠ°ΠΊΠΆΠ΅ ΠΏΡΠΎΡΠΈΠ²ΠΎΡΠ³ΠΎΠ½Π½ΠΎΠΉ ΡΠΈΡΡΠ΅ΠΌΠ°ΠΌΠΈ ΠΠΠ 21063;
- ΠΏΠΎΠ·Π²ΠΎΠ»ΡΠ΅Ρ ΠΏΡΠΎΠΈΠ·Π²ΠΎΠ΄ΠΈΡΡ Π±ΡΠΊΡΠΈΡΠΎΠ²ΠΊΡ 21063 Ρ ΡΠ°Π±ΠΎΡΠ°ΡΡΠ΅ΠΉ ΡΠ²Π΅ΡΠΎΠ²ΠΎΠΉ ΡΠΈΠ³Π½Π°Π»ΠΈΠ·Π°ΡΠΈΠ΅ΠΉ (Π°Π²ΡΠΎΡ Π²ΠΈΠ΄Π΅ΠΎ β Andrey Aleksandrov).
ΠΡΠΈΠ½ΡΠΈΠΏ ΡΠ°Π±ΠΎΡΡ ΡΠ»Π΅ΠΊΡΡΠΎΠΎΠ±ΠΎΡΡΠ΄ΠΎΠ²Π°Π½ΠΈΡ
ΠΠ°ΠΌΠΎΠΊ Π·Π°ΠΆΠΈΠ³Π°Π½ΠΈΡ Π½Π° 21063 Π² ΡΠΎΠΎΡΠ²Π΅ΡΡΡΠ²ΠΈΠΈ ΡΠΎ ΡΡ Π΅ΠΌΠΎΠΉ ΠΈΠΌΠ΅Π΅Ρ ΡΠ΅ΡΡΡΠ΅ ΡΠ΅ΠΆΠΈΠΌΠ°, ΠΏΡΠΈ Π²ΠΊΠ»ΡΡΠ΅Π½ΠΈΠΈ ΠΊΠ°ΠΆΠ΄ΠΎΠ³ΠΎ ΠΈΠ· ΠΊΠΎΡΠΎΡΡΡ Π°ΠΊΡΠΈΠ²ΠΈΡΡΠ΅ΡΡΡ ΠΎΠΏΡΠ΅Π΄Π΅Π»Π΅Π½Π½ΠΎΠ΅ ΠΎΠ±ΠΎΡΡΠ΄ΠΎΠ²Π°Π½ΠΈΠ΅:
- Π ΡΠ΅ΠΆΠΈΠΌΠ΅ 0 ΠΈΠΌΠΏΡΠ»ΡΡ ΠΎΡ ΠΠΠ ΠΏΠΎΡΡΡΠΏΠ°Π΅Ρ ΡΠΎΠ»ΡΠΊΠΎ Π½Π° Π΄Π²Π° ΡΠ°Π·ΡΠ΅ΠΌΠ° β 30 ΠΈ 30/1, ΠΎΡΡΠ°Π»ΡΠ½ΡΠ΅ ΡΠ°Π·ΡΠ΅ΠΌΡ ΠΎΠ±Π΅ΡΡΠΎΡΠ΅Π½Ρ.
- Π ΡΠ΅ΠΆΠΈΠΌΠ΅ 1 ΠΈΠΌΠΏΡΠ»ΡΡ Π½Π°ΡΠΈΠ½Π°Π΅Ρ ΠΏΠΎΠ΄Π°Π²Π°ΡΡΡΡ Π½Π° Π΄ΡΡΠ³ΠΈΠ΅ ΡΠ°Π·ΡΠ΅ΠΌΡ, Π² ΡΠ΅Π·ΡΠ»ΡΡΠ°ΡΠ΅ ΡΠ΅Π³ΠΎ ΡΠ°Π±ΠΎΡΠ°ΡΡ ΠΌΠΎΠ³ΡΡ Π³Π°Π±Π°ΡΠΈΡΠ½ΡΠ΅ ΠΎΠ³Π½ΠΈ, Π΄Π²ΠΎΡΠ½ΠΈΠΊΠΈ ΡΡΠ΅ΠΊΠ»Π°, Π²Π΅Π½ΡΠΈΠ»ΡΡΠΎΡ, Π° ΡΠ°ΠΊΠΆΠ΅ ΡΡΡΡΠΎΠΉΡΡΠ²ΠΎ ΠΎΠ±ΠΎΠ³ΡΠ΅Π²Π° Π·Π°Π΄Π½Π΅Π³ΠΎ ΡΡΠ΅ΠΊΠ»Π°.
- Π ΡΠ΅ΠΆΠΈΠΌΠ΅ 2 Π² ΡΠ°Π±ΠΎΡΡ ΡΡ Π΅ΠΌΡ Π²ΠΊΠ»ΡΡΠ°Π΅ΡΡΡ ΡΠΈΡΡΠ΅ΠΌΠ° Π·Π°ΠΆΠΈΠ³Π°Π½ΠΈΡ, Π΄Π°ΡΡΠΈΠΊΠΈ Π½Π° ΠΏΡΠΈΠ±ΠΎΡΠ½ΠΎΠΉ ΠΏΠ°Π½Π΅Π»ΠΈ, ΠΏΠΎΠ²ΠΎΡΠΎΡΠ½ΡΠ΅ ΠΎΠ³Π½ΠΈ, Π° ΡΠ°ΠΊΠΆΠ΅ ΡΡΠ°ΡΡΠ΅Ρ.
- Π ΡΠ΅ΠΆΠΈΠΌΠ΅ 3 ΡΠ°Π±ΠΎΡΠ°ΡΡ ΡΠΎΠ»ΡΠΊΠΎ Π³Π°Π±Π°ΡΠΈΡΠ½ΡΠ΅ ΠΎΠ³Π½ΠΈ, ΡΡΠ»Π΅Π²ΠΎΠΉ Π³ΡΠ΄ΠΎΠΊ, Π° ΡΠ°ΠΊΠΆΠ΅ ΠΎΡΠΈΡΡΠΈΡΠ΅Π»ΠΈ ΡΡΠ΅ΠΊΠΎΠ».
Π ΠΏΠΎΡΡΠΎΡΠ½Π½ΠΎΠΌ ΡΠ΅ΠΆΠΈΠΌΠ΅ ΠΏΠΎΠ΄ ΡΠΎΠΊΠΎΠΌ Π² ΠΌΠΎΠ΄Π΅Π»ΠΈ 21063 Π² ΡΠΎΠΎΡΠ²Π΅ΡΡΡΠ²ΠΈΠΈ ΡΠΎ ΡΡ Π΅ΠΌΠΎΠΉ ΡΠ°Π±ΠΎΡΠ°ΡΡ ΡΡΠ»Π΅Π²ΠΎΠΉ Π³ΡΠ΄ΠΎΠΊ, ΡΠΎΡΠΌΠΎΠ·Π½ΡΠ΅ ΠΎΠ³Π½ΠΈ, ΡΠ²Π΅ΡΠΎΠ²Π°Ρ ΡΠΈΠ³Π½Π°Π»ΠΈΠ·Π°ΡΠΈΡ, ΠΏΠΎΠ΄ΡΠ²Π΅ΡΠΊΠ° Π½Π° ΠΊΠΎΠ½ΡΡΠΎΠ»ΡΠ½ΠΎΠΌ ΡΠΈΡΠΊΠ΅, Π° ΡΠ°ΠΊΠΆΠ΅ ΠΏΡΠΈΠΊΡΡΠΈΠ²Π°ΡΠ΅Π»Ρ. ΠΡΠ½ΠΎΠ²Π½ΡΠ΅ ΡΠ»Π΅ΠΌΠ΅Π½ΡΡ ΡΡ Π΅ΠΌΡ Π·Π°ΡΠΈΡΠ°ΡΡΡΡ ΠΏΡΠ΅Π΄ΠΎΡ ΡΠ°Π½ΠΈΡΠ΅Π»ΡΠΌΠΈ, ΡΠ°ΡΠΏΠΎΠ»ΠΎΠΆΠ΅Π½Π½ΡΠΌΠΈ Π² ΠΎΡΠ½ΠΎΠ²Π½ΠΎΠΌ ΠΈ Π΄ΠΎΠΏΠΎΠ»Π½ΠΈΡΠ΅Π»ΡΠ½ΠΎΠΌ Π±Π»ΠΎΠΊΠ°Ρ , ΡΡΡΠ°Π½ΠΎΠ²Π»Π΅Π½Π½ΡΡ ΠΏΠΎΠ΄ ΠΏΠ°Π½Π΅Π»ΡΡ ΠΏΡΠΈΠ±ΠΎΡΠΎΠ² Π½Π°ΠΏΡΠΎΡΠΈΠ² Π²ΠΎΠ΄ΠΈΡΠ΅Π»ΡΡΠΊΠΎΠ³ΠΎ ΡΠΈΠ΄Π΅Π½ΡΡ (Π°Π²ΡΠΎΡ Π²ΠΈΠ΄Π΅ΠΎ β ΠΡΡΠ΅ΡΠ»Π°Π² ΠΠΈΡΠ΅Ρ).
ΠΠΈΠ°Π³Π½ΠΎΡΡΠΈΠΊΠ° Π½Π΅ΠΈΡΠΏΡΠ°Π²Π½ΠΎΡΡΠ΅ΠΉ
Π§ΡΠΎΠ±Ρ ΠΏΡΠ°Π²ΠΈΠ»ΡΠ½ΠΎ Π²ΡΠΏΠΎΠ»Π½ΠΈΡΡ Π·Π°ΠΌΠ΅Π½Ρ Π½Π΅ΠΎΠ±Ρ ΠΎΠ΄ΠΈΠΌΡΡ ΡΠ»Π΅ΠΌΠ΅Π½ΡΠΎΠ² ΡΡ Π΅ΠΌΡ, ΠΏΡΠΈ Π²ΡΡΠ²Π»Π΅Π½ΠΈΠΈ Π½Π΅ΠΈΡΠΏΡΠ°Π²Π½ΠΎΡΡΠ΅ΠΉ Π΄ΠΎΠ»ΠΆΠ΅Π½ ΠΎΡΡΡΠ΅ΡΡΠ²Π»ΡΡΡΡΡ ΡΠ»Π΅Π΄ΡΡΡΠΈΠΉ ΠΏΠΎΡΡΠ΄ΠΎΠΊ Π΄Π΅ΠΉΡΡΠ²ΠΈΠΉ.
Π’Π°ΠΊΠΈΠ΅ Π΄Π΅ΠΉΡΡΠ²ΠΈΡ Π°ΠΊΡΡΠ°Π»ΡΠ½Ρ Π² ΡΠΎΠΌ ΡΠ»ΡΡΠ°Π΅, Π΅ΡΠ»ΠΈ Π°Π²ΡΠΎΠΌΠΎΠ±ΠΈΠ»Ρ ΠΎΡΠΊΠ°Π·ΡΠ²Π°Π΅ΡΡΡ Π·Π°Π²ΠΎΠ΄ΠΈΡΡΡΡ:
- ΠΡΠΎΠ²Π΅ΡΡΡΠ΅ Π°ΠΊΠΊΡΠΌΡΠ»ΡΡΠΎΡ. ΠΠΎΠ·ΠΌΠΎΠΆΠ½ΠΎ, ΠΎΠ½ ΠΏΡΠΎΡΡΠΎ ΡΠ°Π·ΡΡΠ΄ΠΈΠ»ΡΡ.
- Π ΠΏΠ΅ΡΠ²ΡΡ ΠΎΡΠ΅ΡΠ΅Π΄Ρ, ΠΏΡΠΎΠ²Π΅ΡΡΠ΅ΡΡΡ ΡΡΠ°ΡΡΠΎΠΊ Π½Π° ΡΡ Π΅ΠΌΠ΅ ΠΎΡ Π³Π΅Π½Π΅ΡΠ°ΡΠΎΡΠ½ΠΎΠ³ΠΎ ΡΡΡΡΠΎΠΉΡΡΠ²Π° Π΄ΠΎ ΠΊΠ°ΡΡΡΠΊΠΈ. ΠΡΠΈ Π½Π°Π»ΠΈΡΠΈΠΈ ΠΎΠ±ΡΡΠ²ΠΎΠ² Π² ΡΡ Π΅ΠΌΠ΅ ΠΏΡΠΎΠΈΠ·Π²ΠΎΠ΄ΠΈΡΡΡ Π·Π°ΠΌΠ΅Π½Π° ΠΈ ΠΏΠΎΠ΄ΠΊΠ»ΡΡΠ΅Π½ΠΈΠ΅ Π½ΠΎΠ²ΡΡ ΠΏΡΠΎΠ²ΠΎΠ΄ΠΎΠ², ΠΎΠΊΠΈΡΠ»Π΅Π½ΠΈΠΈ β Π·Π°ΡΠΈΡΡΠΊΠ° ΠΊΠΎΠ½ΡΠ°ΠΊΡΠΎΠ² Ρ ΠΈΡΠΏΠΎΠ»ΡΠ·ΠΎΠ²Π°Π½ΠΈΠ΅ΠΌ ΠΆΠ΅Π»Π΅Π·Π½ΠΎΠΉ ΡΠ΅ΡΠΊΠΈ. ΠΡΠ»ΠΈ ΠΊΠΎΠ½ΡΠ°ΠΊΡΡ Π½Π°ΡΠ°Π»ΠΈ Β«ΡΡΠΏΠ°ΡΡΡΡΒ», ΠΎΠ½ΠΈ ΡΠ°ΠΊΠΆΠ΅ ΠΏΠΎΠ΄Π»Π΅ΠΆΠ°Ρ Π·Π°ΠΌΠ΅Π½Π΅.
- ΠΡΠΎΠ΄ΠΈΠ°Π³Π½ΠΎΡΡΠΈΡΡΠΉΡΠ΅ ΠΊΠ°ΡΡΡΠΊΡ Π½Π° ΠΏΡΠ΅Π΄ΠΌΠ΅Ρ Π½Π°Π»ΠΈΡΠΈΡ ΠΈΡΠΊΡΡ. ΠΠ·Π²Π»Π΅ΠΊΠΈΡΠ΅ Π²ΡΡΠΎΠΊΠΎΠ²ΠΎΠ»ΡΡΠ½ΡΠΉ ΠΊΠ°Π±Π΅Π»Ρ ΠΈΠ· ΠΌΠ΅ΡΡΠ° ΡΡΡΠ°Π½ΠΎΠ²ΠΊΠΈ ΠΈ ΠΏΠΎΠ΄Π½Π΅ΡΠΈΡΠ΅ Π΅Π³ΠΎ ΠΊ ΠΊΡΠ·ΠΎΠ²Ρ Π°Π²ΡΠΎ. ΠΠΎΠ³Π΄Π° Π²Ρ ΠΏΠΎΠΏΡΡΠ°Π΅ΡΠ΅ΡΡ Π·Π°Π²Π΅ΡΡΠΈ ΠΌΠΎΡΠΎΡ, ΠΌΠ΅ΠΆΠ΄Ρ Π²ΡΡΠΎΠΊΠΎΠ²ΠΎΠ»ΡΡΠ½ΠΈΠΊΠΎΠΌ ΠΈ ΠΊΡΠ·ΠΎΠ²ΠΎΠΌ Π΄ΠΎΠ»ΠΆΠ½Π° ΠΏΡΠΎΡΠΊΠΎΡΠΈΡΡ ΠΈΡΠΊΡΠ°.
- ΠΡΠΎΠ²Π΅ΡΡΡΠ΅, ΡΠ°Π±ΠΎΡΠΈΠ΅ Π»ΠΈ ΡΠ²Π΅ΡΠΈ Π·Π°ΠΆΠΈΠ³Π°Π½ΠΈΡ. ΠΡΠ²Π°Π΅Ρ ΡΠ°ΠΊΠΎΠ΅, ΡΡΠΎ ΠΏΡΠΈΡΠΈΠ½ΠΎΠΉ Π½Π΅Π²ΠΎΠ·ΠΌΠΎΠΆΠ½ΠΎΡΡΠΈ Π·Π°ΠΏΡΡΠΊΠ° Π΄Π²ΠΈΠ³Π°ΡΠ΅Π»Ρ ΡΠ»ΡΠΆΠΈΡ Π½Π°Π³Π°Ρ, ΠΎΠ±ΡΠ°Π·ΠΎΠ²Π°Π²ΡΠΈΠΉΡΡ Π½Π° ΡΠ²Π΅ΡΠΊΠ°Ρ . ΠΡ ΠΌΠΎΠΆΠ΅ΡΠ΅ Π»Π΅Π³ΠΊΠΎ ΠΈΡ ΠΏΡΠΎΡΠΈΡΡΠΈΡΡ ΡΠ²ΠΎΠΈΠΌΠΈ ΡΠΈΠ»Π°ΠΌΠΈ, Π΄Π»Ρ ΡΡΠΎΠ³ΠΎ ΡΠ²Π΅ΡΠΈ Π½ΡΠΆΠ½ΠΎ ΡΠ½ΡΡΡ ΠΈ Π²ΠΎΡΠΏΠΎΠ»ΡΠ·ΠΎΠ²Π°ΡΡΡΡ ΠΈΠ½ΡΡΡΡΠΊΡΠΈΠ΅ΠΉ, ΠΊΠΎΡΠΎΡΡΡ Π²Ρ .
Π‘Π»Π°Π±ΡΠ΅ ΠΌΠ΅ΡΡΠ° Π±Π»ΠΎΠΊΠ° ΠΏΡΠ΅Π΄ΠΎΡ ΡΠ°Π½ΠΈΡΠ΅Π»Π΅ΠΉ
- ΠΠ»ΠΎΡ ΠΎΠ΅ ΡΠΎΠ΅Π΄ΠΈΠ½Π΅Π½ΠΈΠ΅ ΡΠ°ΠΌΠΎΠ³ΠΎ ΠΏΡΠ΅Π΄ΠΎΡ ΡΠ°Π½ΠΈΡΠ΅Π»Ρ Ρ ΠΏΠΎΡΠ°Π΄ΠΎΡΠ½ΡΠΌ ΠΌΠ΅ΡΡΠΎΠΌ, ΡΡΠΎ ΠΏΡΠΈΠ²ΠΎΠ΄ΠΈΡ ΠΊ ΠΎΠ±Π³ΠΎΡΠ°Π½ΠΈΡ Π³Π½Π΅Π·Π΄.
- ΠΠΎ Π²ΡΠ΅ΠΌΡ ΡΠΊΡΠΏΠ»ΡΠ°ΡΠ°ΡΠΈΠΈ Π°Π²ΡΠΎ ΠΏΡΠ΅Π΄ΠΎΡ ΡΠ°Π½ΠΈΡΠ΅Π»ΠΈ Π²ΡΠ΅Π³Π΄Π° Π³ΡΠ΅ΡΡΡΡ, Π² ΡΠ΅Π·ΡΠ»ΡΡΠ°ΡΠ΅ ΡΠ΅Π³ΠΎ ΠΎΠ½ΠΈ ΡΠ°ΠΊΠΆΠ΅ ΠΎΡΡΠΈΡΠ°ΡΠ΅Π»ΡΠ½ΠΎ Π²ΠΎΠ·Π΄Π΅ΠΉΡΡΠ²ΡΡΡ Π½Π° Π³Π½Π΅Π·Π΄Ρ, Π½Π°Ρ ΠΎΠ΄ΡΡΠΈΠ΅ΡΡ ΡΡΠ΄ΠΎΠΌ.
- ΠΠ»ΠΎΠΊ Π½Π΅ΠΎΠ±Ρ ΠΎΠ΄ΠΈΠΌΠΎ ΡΠ΅Π³ΡΠ»ΡΡΠ½ΠΎ ΠΏΡΠΎΠ²Π΅ΡΡΡΡ, ΠΏΠΎΡΠΊΠΎΠ»ΡΠΊΡ ΡΡΠΎΠΈΠΌΠΎΡΡΡ ΠΏΡΠ΅Π΄ΠΎΡ ΡΠ°Π½ΠΈΡΠ΅Π»Π΅ΠΉ Π²ΡΠ΅Π³Π΄Π° Π½ΠΈΠ·ΠΊΠ°Ρ, Π° ΡΡΠΎ ΡΠΎΠΎΡΠ²Π΅ΡΡΡΠ²ΡΠ΅Ρ Π½Π΅ ΠΎΡΠΎΠ±ΠΎ Π²ΡΡΠΎΠΊΠΎΠΌΡ ΠΊΠ°ΡΠ΅ΡΡΠ²Ρ ΠΈΡ Π²ΡΠΏΠΎΠ»Π½Π΅Π½ΠΈΡ ΠΈ Π½Π°Π΄Π΅ΠΆΠ½ΠΎΡΡΠΈ.
ΠΊΠ°ΠΊ ΡΠ½ΡΡΡ, ΠΎΡΡΡΠ΅ΡΡΠ²ΠΈΡΡ Π·Π°ΠΌΠ΅Π½Ρ ΠΈ ΠΏΠΎΠ΄ΠΊΠ»ΡΡΠΈΡΡ ΠΏΡΠΎΠ²ΠΎΠ΄Π°?
Π Π»ΡΠ±ΠΎΠΌ Π°Π²ΡΠΎΠΌΠΎΠ±ΠΈΠ»Π΅ Π·Π°ΠΌΠΎΠΊ Π·Π°ΠΆΠΈΠ³Π°Π½ΠΈΡ ΡΠ²Π»ΡΠ΅ΡΡΡ ΠΎΠ΄Π½ΠΈΠΌ ΠΈΠ· ΠΎΡΠ½ΠΎΠ²Π½ΡΡ ΠΊΠΎΠΌΠΏΠΎΠ½Π΅Π½ΡΠΎΠ² ΡΠΈΡΡΠ΅ΠΌΡ, ΠΏΠΎΡΠΊΠΎΠ»ΡΠΊΡ ΠΈΠΌΠ΅Π½Π½ΠΎ Ρ Π΅Π³ΠΎ ΠΏΠΎΠΌΠΎΡΡΡ ΠΎΡΡΡΠ΅ΡΡΠ²Π»ΡΠ΅ΡΡΡ Π·Π°ΠΏΡΡΠΊ Π΄Π²ΠΈΠ³Π°ΡΠ΅Π»Ρ. ΠΡΠΈ ΠΏΠΎΠ»ΠΎΠΌΠΊΠ΅ ΠΠ Π·Π°Π²Π΅ΡΡΠΈ ΠΌΠΎΡΠΎΡ Π½Π΅ Π²ΡΠΉΠ΄Π΅Ρ, ΠΏΠΎΡΡΠΎΠΌΡ ΠΊΠ°ΠΆΠ΄ΡΠΉ Π°Π²ΡΠΎΠ²Π»Π°Π΄Π΅Π»Π΅Ρ Π΄ΠΎΠ»ΠΆΠ΅Π½ Π·Π½Π°ΡΡ ΠΎ ΠΏΡΠΈΡΠΈΠ½Π°Ρ ΠΈ ΠΏΡΠΈΠ·Π½Π°ΠΊΠ°Ρ Π½Π΅ΠΈΡΠΏΡΠ°Π²Π½ΠΎΡΡΠΈ ΡΡΡΡΠΎΠΉΡΡΠ²Π°. ΠΠ·-Π·Π° ΡΠ΅Π³ΠΎΒ Π·Π°ΠΌΠΎΠΊ Π·Π°ΠΆΠΈΠ³Π°Π½ΠΈΡ ΠΠΠ 2106 ΠΌΠΎΠΆΠ΅Ρ Π²ΡΠΉΡΠΈ ΠΈΠ· ΡΡΡΠΎΡ ΠΈ ΠΊΠ°ΠΊ ΠΎΡΡΡΠ΅ΡΡΠ²ΠΈΡΡ Π΅Π³ΠΎ Π·Π°ΠΌΠ΅Π½Ρ ΡΠ°ΠΌΠΎΡΡΠΎΡΡΠ΅Π»ΡΠ½ΠΎ? ΠΡΠ²Π΅ΡΡ Π½Π° ΡΡΠΈ Π²ΠΎΠΏΡΠΎΡΡ ΠΈΡΠΈΡΠ΅ Π½ΠΈΠΆΠ΅.
ΠΠ°ΠΊΠΈΠ΅ Π½Π΅ΠΈΡΠΏΡΠ°Π²Π½ΠΎΡΡΠΈ ΠΌΠΎΠ³ΡΡ ΠΏΡΠΎΠΈΠ·ΠΎΠΉΡΠΈ Π² ΡΠ°Π±ΠΎΡΠ΅ Π·Π°ΠΌΠΊΠ° Π·Π°ΠΆΠΈΠ³Π°Π½ΠΈΡ?
Π§ΡΠΎ ΠΏΡΠ΅Π΄ΡΡΠ°Π²Π»ΡΠ΅Ρ ΡΠΎΠ±ΠΎΠΉ ΡΡ Π΅ΠΌΠ° ΠΏΠΎΠ΄ΠΊΠ»ΡΡΠ΅Π½ΠΈΡ ΠΏΡΠΎΠ²ΠΎΠ΄ΠΎΠ² ΠΠ, ΠΊΠ°ΠΊ ΡΠ½ΡΡΡ, ΠΊΠ°ΠΊ ΠΏΠΎΠ΄ΠΊΠ»ΡΡΠΈΡΡ, ΠΏΡΠΎΠΈΠ·Π²Π΅ΡΡΠΈ Π·Π°ΠΌΠ΅Π½Ρ ΠΈ ΡΠ΅ΠΌΠΎΠ½Ρ ΠΌΠ΅Ρ Π°Π½ΠΈΠ·ΠΌΠ° Π² Π³Π°ΡΠ°ΠΆΠ½ΡΡ ΡΡΠ»ΠΎΠ²ΠΈΡΡ ? ΠΠ»Ρ Π½Π°ΡΠ°Π»Π° ΠΏΡΠ΅Π΄Π»Π°Π³Π°Π΅ΠΌ ΡΠ°Π·ΠΎΠ±ΡΠ°ΡΡΡΡ Π² ΠΎΡΠ½ΠΎΠ²Π½ΡΡ ΠΏΠΎΠ»ΠΎΠΌΠΊΠ°Ρ , ΠΊΠΎΡΠΎΡΡΠ΅ ΠΌΠΎΠ³ΡΡ ΠΏΡΠΎΠΈΠ·ΠΎΠΉΡΠΈ Ρ Π΄Π΅Π²Π°ΠΉΡΠΎΠΌ. Π‘Π°ΠΌ ΠΏΠΎ ΡΠ΅Π±Π΅ ΠΠ ΡΠΎΡΡΠΎΠΈΡ ΠΈΠ· ΠΌΠ΅Ρ Π°Π½ΠΈΡΠ΅ΡΠΊΠΎΠΉ, Π° ΡΠ°ΠΊΠΆΠ΅ ΠΊΠΎΠ½ΡΠ°ΠΊΡΠ½ΠΎΠΉ ΡΠ°ΡΡΠ΅ΠΉ. Π ΠΌΠ΅Ρ Π°Π½ΠΈΡΠ΅ΡΠΊΡΡ ΡΠ°ΡΡΡ ΡΡΡΡΠΎΠΉΡΡΠ²Π° Π²ΡΡΠ°Π²Π»ΡΠ΅ΡΡΡΒ ΠΊΠ»ΡΡ, Π° Π² ΠΊΠΎΠ½ΡΠ°ΠΊΡΠ½ΠΎΠΉ Π³ΡΡΠΏΠΏΠ΅ ΡΠ°ΡΠΏΠΎΠ»ΠΎΠΆΠ΅Π½Ρ Π²ΡΠ΅ Π½ΡΠΆΠ½ΡΠ΅ Π΄Π»Ρ ΡΠ°Π±ΠΎΡΡ ΠΊΠΎΠ½ΡΠ°ΠΊΡΡ ΠΈ ΠΏΡΠΎΠ²ΠΎΠ΄Π°.
ΠΠ΄Π½ΠΎΠΉ ΠΈΠ· ΠΎΡΠ½ΠΎΠ²Π½ΡΡ ΠΏΡΠΈΡΠΈΠ½ ΠΏΠΎΠ»ΠΎΠΌΠΊΠΈ ΡΠ΅ΡΡΠ΅ΡΠΎΡΠ½ΠΎΠ³ΠΎ ΠΠ ΡΠ²Π»ΡΠ΅ΡΡΡ Π·Π°ΠΊΠ»ΠΈΠ½ΠΈΠ²Π°Π½ΠΈΠ΅ ΡΡΡΡΠΎΠΉΡΡΠ²Π° Π² ΡΠ»ΡΡΠ°Π΅ ΠΏΠΎΠΏΡΡΠΊΠΈ ΡΠ³ΠΎΠ½Π° Π°Π²ΡΠΎΠΌΠΎΠ±ΠΈΠ»Ρ. ΠΡΠ»ΠΈ ΠΠ Π·Π°ΠΊΠ»ΠΈΠ½ΠΈΡ, ΡΠΎ ΡΠ°Π·ΡΠΌΠ΅Π΅ΡΡΡ, Π·Π°ΠΏΡΡΠΊ Π΄Π²ΠΈΠ³Π°ΡΠ΅Π»Ρ Π±ΡΠ΄Π΅Ρ Π½Π΅Π²ΠΎΠ·ΠΌΠΎΠΆΠ½ΡΠΌ.
ΠΡΠΎΠΌΠ΅ ΡΠΎΠ³ΠΎ, ΠΎΠ΄Π½ΠΎΠΉ ΠΈΠ· Π½Π°ΠΈΠ±ΠΎΠ»Π΅Π΅ Π²ΡΡΡΠ΅ΡΠ°Π΅ΠΌΡΡ ΠΏΡΠΈΡΠΈΠ½ ΡΡΠΈΡΠ°Π΅ΡΡΡ ΠΈΠΌΠ΅Π½Π½ΠΎ ΠΏΠΎΠ»ΠΎΠΌΠΊΠ°Β ΠΊΠΎΠ½ΡΠ°ΠΊΡΠ½ΠΎΠΉ Π³ΡΡΠΏΠΏΡ. ΠΠ°ΠΊ ΠΏΠΎΠΊΠ°Π·ΡΠ²Π°Π΅Ρ ΠΏΡΠ°ΠΊΡΠΈΠΊΠ°, Π΄Π°Π½Π½Π°Ρ ΡΠΎΡΡΠ°Π²Π»ΡΡΡΠ°ΡΒ ΠΌΠΎΠΆΠ΅Ρ ΡΠ»ΠΎΠΌΠ°ΡΡΡΡ ΠΈΠ·-Π·Π° ΠΊΠΎΡΠΎΡΠΊΠΎΠ³ΠΎ Π·Π°ΠΌΡΠΊΠ°Π½ΠΈΡ Π»ΠΈΠ±ΠΎ Π·Π°ΠΊΠΈΡΠ»Π΅Π½ΠΈΡ ΠΊΠΎΠ½ΡΠ°ΠΊΡΠΎΠ², ΡΠ°ΠΊΠΆΠ΅ ΠΏΡΠΎΠ±Π»Π΅ΠΌΠ° ΠΌΠΎΠΆΠ΅Ρ Π·Π°ΠΊΠ»ΡΡΠ°ΡΡΡΡ Π² ΠΏΠΎΠ²ΡΠ΅ΠΆΠ΄Π΅Π½ΠΈΠΈ ΠΈΠ·ΠΎΠ»ΡΡΠΈΠΈ. ΠΡΠ½ΠΎΠ²Π½ΡΠΌΠΈ ΠΏΡΠΈΠ·Π½Π°ΠΊΠ°ΠΌΠΈ Π½Π΅ΡΠ°Π±ΠΎΡΠΎΡΠΏΠΎΡΠΎΠ±Π½ΠΎΡΡΠΈ ΠΠ ΡΠ²Π»ΡΠ΅ΡΡΡ Π½Π΅Π²ΠΎΠ·ΠΌΠΎΠΆΠ½ΠΎΡΡΡ Π·Π°ΠΏΡΡΠΊΠ° Π΄Π²ΠΈΠ³Π°ΡΠ΅Π»Ρ, Π° ΡΠ°ΠΊΠΆΠ΅ ΠΎΡΠΊΠ°Π· Π² ΡΠ°Π±ΠΎΡΠ΅ ΡΡΠ°Π·Ρ Π½Π΅ΡΠΊΠΎΠ»ΡΠΊΠΈΡ ΠΏΠΎΡΡΠ΅Π±ΠΈΡΠ΅Π»Π΅ΠΉ ΡΠ½Π΅ΡΠ³ΠΈΠΈ, ΠΊΠΎΡΠΎΡΡΠ΅, ΠΊΠ°ΠΊ ΠΌΠΎΠΆΠ΅Ρ ΠΏΠΎΠΊΠ°Π·Π°ΡΡΡΡ Π½Π° ΠΏΠ΅ΡΠ²ΡΠΉ Π²Π·Π³Π»ΡΠ΄, Π½Π΅ ΡΠ²ΡΠ·Π°Π½Ρ ΠΌΠ΅ΠΆΠ΄Ρ ΡΠΎΠ±ΠΎΠΉ.
Π‘ΠΏΠΎΡΠΎΠ±Ρ ΡΡΡΡΠ°Π½Π΅Π½ΠΈΡ ΠΏΠΎΠ»ΠΎΠΌΠΎΠΊ
ΠΠ΅ΡΠ΅Π΄ ΡΠ΅ΠΌ, ΠΊΠ°ΠΊ Π·Π°ΠΌΠ΅Π½ΠΈΡΡ, ΠΎΡΡΠ΅ΠΌΠΎΠ½ΡΠΈΡΠΎΠ²Π°ΡΡ ΠΈ ΠΏΡΠΎΠΈΠ·Π²Π΅ΡΡΠΈ ΡΡΡΠ°Π½ΠΎΠ²ΠΊΡ Π½ΠΎΠ²ΠΎΠ³ΠΎ ΠΠ, ΠΏΡΠ΅Π΄Π»Π°Π³Π°Π΅ΠΌ Π±ΠΎΠ»Π΅Π΅ ΠΏΠΎΠ΄ΡΠΎΠ±Π½ΠΎ ΡΠ·Π½Π°ΡΡ ΠΎ Π½Π΅ΡΠΊΠΎΠ»ΡΠΊΠΈΡ ΡΠΏΠΎΡΠΎΠ±Π°Ρ ΡΠ΅ΡΠ΅Π½ΠΈΡ ΠΏΡΠΎΠ±Π»Π΅ΠΌΡ:
- Π‘Π½ΡΡΠΈΠ΅ ΠΈ Π·Π°ΠΌΠ΅Π½Π° ΡΡΡΡΠΎΠΉΡΡΠ²Π° Π½Π° Π½ΠΎΠ²ΠΎΠ΅. ΠΠ½ΠΎΠ³ΠΈΠ΅ Π°Π²ΡΠΎΠ²Π»Π°Π΄Π΅Π»ΡΡΡ ΠΌΠ΅Π½ΡΡΡ ΡΠ²ΠΎΠΈ ΠΠ ΠΈΠ·-Π·Π° ΡΠΎΠ³ΠΎ, ΡΡΠΎ Π½Π΅ Ρ ΠΎΡΡΡ Π·Π°Π½ΠΈΠΌΠ°ΡΡΡΡ ΡΠ°ΠΌΠΎΡΡΠΎΡΡΠ΅Π»ΡΠ½ΡΠΌ ΡΠ΅ΠΌΠΎΠ½ΡΠΎΠΌ ΠΈ ΡΡΠ°ΡΠΈΡΡ Π½Π° ΡΡΠΎ ΡΠ²ΠΎΠ΅ Π²ΡΠ΅ΠΌΡ ΠΈ ΡΠΈΠ»Ρ. ΠΠ½ΠΎΠ³Π΄Π° ΡΠ°ΠΊΠΎΠΉ ΠΏΠΎΠ΄Ρ ΠΎΠ΄ Π΄Π΅ΠΉΡΡΠ²ΠΈΡΠ΅Π»ΡΠ½ΠΎ ΡΠ΅Π»Π΅ΡΠΎΠΎΠ±ΡΠ°Π·Π΅Π½, Π΅ΡΠ»ΠΈ ΠΏΡΠΎΠ±Π»Π΅ΠΌΠ° ΡΠ΅ΡΡΠ΅Π·Π½Π°Ρ.
- ΠΡΠΎΠΈΠ·Π²Π΅ΡΡΠΈ ΡΠ°Π·Π±ΠΎΡΠΊΡ ΡΡΡΡΠΎΠΉΡΡΠ²Π° ΠΈ Π²ΡΡΠ²ΠΈΡΡ Π²ΡΡΠ΅Π΄ΡΠΈΠ΅ ΠΈΠ· ΡΡΡΠΎΡ ΡΠ»Π΅ΠΌΠ΅Π½ΡΡ, ΠΏΠΎΡΠ»Π΅ ΡΠ΅Π³ΠΎ Π·Π°ΠΌΠ΅Π½ΠΈΡΡ ΠΈΡ . ΠΠ°ΠΊ ΠΏΡΠ°Π²ΠΈΠ»ΠΎ, ΠΏΡΠΈΡΠΈΠ½Π° Π½Π΅ΠΈΡΠΏΡΠ°Π²Π½ΠΎΡΡΠΈ ΠΊΡΠΎΠ΅ΡΡΡ Π² Π½Π΅ΠΏΠΎΠ»Π°Π΄ΠΊΠ°Ρ Π² ΡΠ°Π±ΠΎΡΠ΅ ΠΊΠΎΠ½ΡΠ°ΠΊΡΠ½ΠΎΠΉ Π³ΡΡΠΏΠΏΡ. ΠΠ΅ΡΠ΅Π΄ ΡΠ΅ΠΌ, ΠΊΠ°ΠΊ ΠΏΠΎΠ΄ΡΠΎΠ΅Π΄ΠΈΠ½ΠΈΡΡ Π½ΠΎΠ²ΡΡ Π³ΡΡΠΏΠΏΡ, Π½ΡΠΆΠ½ΠΎ ΡΡΠΈΡΡΠ²Π°ΡΡ ΡΠ°ΡΠΏΠΈΠ½ΠΎΠ²ΠΊΡ ΠΊΠΎΠ½ΡΠ°ΠΊΡΠΎΠ² ΠΏΠΎ ΡΠ²Π΅ΡΡ, Π΅Π΅ Π²Π°ΠΆΠ½ΠΎ ΡΠΎΠ±Π»ΡΡΡΠΈ.
ΠΡΠ»ΠΈ Π²Ρ Π±ΡΠ΄Π΅ΡΠ΅ ΠΌΠ΅Π½ΡΡΡ ΠΠ, ΡΠΎ ΡΡΡΠΈΡΠ΅, ΡΡΠΎ ΡΠ°ΠΊΠΆΠ΅ Π½Π°Π΄ΠΎ Π±ΡΠ΄Π΅Ρ ΠΏΠΎΠΌΠ΅Π½ΡΡΡ Π»ΠΈΡΠΈΠ½ΠΊΡ ΠΈ Π² Π΄Π²Π΅ΡΠ½ΠΎΠΌ Π·Π°ΠΌΠΊΠ΅, Π° ΡΠ°ΠΊΠΆΠ΅ Π² Π·Π°ΠΌΠΊΠ΅ Π±Π°Π³Π°ΠΆΠ½ΠΎΠ³ΠΎ ΠΎΡΠ΄Π΅Π»Π΅Π½ΠΈΡ. Π ΠΏΡΠΎΡΠΈΠ²Π½ΠΎΠΌ ΡΠ»ΡΡΠ°Π΅ ΠΊΠ»ΡΡ Π½Π΅ ΡΠΌΠΎΠΆΠ΅Ρ ΠΎΡΠΊΡΡΠ²Π°ΡΡ Π±Π°Π³Π°ΠΆΠ½ΠΈΠΊ ΠΈ Π΄Π²Π΅ΡΠΈ (Π°Π²ΡΠΎΡ Π²ΠΈΠ΄Π΅ΠΎ β ΠΊΠ°Π½Π°Π» Π Π΅Π³ΠΈΠΎΠ½ 4253).
ΠΠ°ΠΊ ΡΠ²ΠΎΠΈΠΌΠΈ ΡΡΠΊΠ°ΠΌΠΈ ΠΏΠΎΠΌΠ΅Π½ΡΡΡ ΠΈ ΠΏΠΎΠ΄ΠΊΠ»ΡΡΠΈΡΡ ΡΡΡΡΠΎΠΉΡΡΠ²ΠΎ?
ΠΠ΅ΡΠ΅Π΄ ΡΠ΅ΠΌ, ΠΊΠ°ΠΊ ΠΏΠΎΠΌΠ΅Π½ΡΡΡ ΡΡΡΡΠΎΠΉΡΡΠ²ΠΎ, ΠΏΠΎΠ΄Π³ΠΎΡΠΎΠ²ΡΡΠ΅ ΡΠΈΠ»ΠΎ ΠΈ Π΄Π²Π΅ ΠΎΡΠ²Π΅ΡΡΠΊΠΈ β Ρ ΠΊΡΠ΅ΡΡΠΎΠ²ΡΠΌ ΠΈ ΠΏΠ»ΠΎΡΠΊΠΈΠΌ Π½Π°ΠΊΠΎΠ½Π΅ΡΠ½ΠΈΠΊΠ°ΠΌΠΈ. ΠΡΠΈ ΠΎΡΡΡΡΡΡΠ²ΠΈΠΈ ΡΠΈΠ»Π° ΠΌΠΎΠΆΠ½ΠΎ ΠΈΡΠΏΠΎΠ»ΡΠ·ΠΎΠ²Π°ΡΡ Π³Π²ΠΎΠ·Π΄Ρ, Π΅Π³ΠΎ ΡΠΈΡΠΈΠ½Π° Π΄ΠΎΠ»ΠΆΠ½Π° ΡΠΎΡΡΠ°Π²ΠΈΡΡ 2 ΠΌΠΌ, Π° Π΄Π»ΠΈΠ½Π° Π΄ΠΎΠ»ΠΆΠ½Π° Π±ΡΡΡ ΠΊΠ°ΠΊ ΠΌΠΎΠΆΠ½ΠΎ Π±ΠΎΠ»ΡΡΠ΅. Π’Π°ΠΊΠΆΠ΅ Π½ΡΠΆΠ½ΠΎ ΠΏΠΎΠ·Π°Π±ΠΎΡΠΈΡΡΡΡ ΠΎ ΡΠΎΠΌ, ΡΡΠΎΠ±Ρ Π½Π°ΠΏΡΡΠΆΠ΅Π½ΠΈΠ΅ Π² Π±ΠΎΡΡΠΎΠ²ΠΎΠΉ ΡΠ΅ΡΠΈ ΠΎΡΡΡΡΡΡΠ²ΠΎΠ²Π°Π»ΠΎ. 12 Π²ΠΎΠ»ΡΡ Ρ ΠΎΡΡ ΠΈ Π½Π΅ Π²ΡΠ΅Π΄Π½Ρ Π΄Π»Ρ ΡΠ΅Π»ΠΎΠ²Π΅ΠΊΠ°, Π½ΠΎ Π·Π°ΠΌΡΠΊΠ°Π½ΠΈΠ΅ ΠΌΠΎΠΆΠ΅Ρ ΡΠΏΡΠΎΠ²ΠΎΡΠΈΡΠΎΠ²Π°ΡΡ ΡΠ°ΠΊΠΆΠ΅ Π²ΡΡ ΠΎΠ΄ ΠΈΠ· ΡΡΡΠΎΡ Π΄ΡΡΠ³ΠΈΡ ΠΏΠΎΡΡΠ΅Π±ΠΈΡΠ΅Π»Π΅ΠΉ ΡΠ½Π΅ΡΠ³ΠΈΠΈ. ΠΠΎΡΡΠΎΠΌΡ ΠΏΠ΅ΡΠ΅Π΄ ΡΠ΅ΠΌ, ΠΊΠ°ΠΊ ΠΏΠΎΠΌΠ΅Π½ΡΡΡ ΠΈ ΠΊΠ°ΠΊ ΠΏΠΎΠ΄ΡΠ΅ΠΏΠΈΡΡ Π½ΠΎΠ²ΡΠΉ ΠΠ, Π½Π΅ΠΎΠ±Ρ ΠΎΠ΄ΠΈΠΌΠΎ Π±ΡΠ΄Π΅Ρ ΠΎΡΠΊΠ»ΡΡΠΈΡΡ Π°ΠΊΠΊΡΠΌΡΠ»ΡΡΠΎΡΠ½ΡΡ Π±Π°ΡΠ°ΡΠ΅Ρ ΠΎΡ ΠΏΠΈΡΠ°Π½ΠΈΡ.
ΠΡΠ°ΠΊ, ΠΊΠ°ΠΊ ΠΏΡΠ°Π²ΠΈΠ»ΡΠ½ΠΎ Π²ΡΠΏΠΎΠ»Π½ΠΈΡΡ Π·Π°ΠΌΠ΅Π½Ρ ΠΌΠ΅Ρ Π°Π½ΠΈΠ·ΠΌΠ° β ΠΏΠΎΠ΄ΡΠΎΠ±Π½Π°Ρ ΠΈΠ½ΡΡΡΡΠΊΡΠΈΡ Ρ ΡΠΎΡΠΎ ΠΏΡΠ΅Π΄ΡΡΠ°Π²Π»Π΅Π½Π° Π½ΠΈΠΆΠ΅:
- Π£ΡΡΠ°Π½ΠΎΠ²ΠΈΡΠ΅ Π² ΠΠ ΠΊΠ»ΡΡ ΠΈ ΠΏΡΠΎΠ²Π΅ΡΠ½ΠΈΡΠ΅ Π΅Π³ΠΎ Π½Π° 90 Π³ΡΠ°Π΄ΡΡΠΎΠ² ΡΠ°ΠΊΠΈΠΌ ΠΎΠ±ΡΠ°Π·ΠΎΠΌ, ΡΡΠΎΠ±Ρ ΠΎΠ½ Π±ΡΠ» ΡΡΡΠ°Π½ΠΎΠ²Π»Π΅Π½ Π² ΠΏΠΎΠ»ΠΎΠΆΠ΅Π½ΠΈΠ΅ 0. ΠΡΠΎ Π½ΡΠΆΠ½ΠΎ ΡΠ΄Π΅Π»Π°ΡΡ ΠΎΠ±ΡΠ·Π°ΡΠ΅Π»ΡΠ½ΠΎ, ΠΏΠΎΡΠΊΠΎΠ»ΡΠΊΡ Π² Π΄Π°Π½Π½ΠΎΠΌ ΡΠ»ΡΡΠ°Π΅ ΡΡΠΈΡΡ, Ρ ΠΏΠΎΠΌΠΎΡΡΡ ΠΊΠΎΡΠΎΡΠΎΠ³ΠΎ ΠΊΡΠ΅ΠΏΠΈΡΡΡ ΡΡΠ»Π΅Π²ΠΎΠΉ ΡΠΊΠΈΠ² ΠΎΡ ΠΏΡΠΎΠ²ΠΎΡΠ°ΡΠΈΠ²Π°Π½ΠΈΡ, Π·Π°ΠΉΠ΄Π΅Ρ Π² ΡΠ΅ΠΊΡΠ΅ΡΠΊΡ. ΠΠ½ΡΠΌΠΈ ΡΠ»ΠΎΠ²Π°ΠΌΠΈ, ΡΡΠΎ Π½Π΅ Π΄Π°ΡΡ ΡΡΠΈΡΡΡ ΠΏΡΠ΅ΠΏΡΡΡΡΠ²ΠΎΠ²Π°ΡΡ Π²Π°ΡΠΈΠΌ Π΄Π°Π»ΡΠ½Π΅ΠΉΡΠΈΠΌ Π΄Π΅ΠΉΡΡΠ²ΠΈΡΠΌ.
- ΠΠ°Π»Π΅Π΅, Π½Π΅ΠΎΠ±Ρ ΠΎΠ΄ΠΈΠΌΠΎ Π±ΡΠ΄Π΅Ρ Π΄Π΅ΠΌΠΎΠ½ΡΠΈΡΠΎΠ²Π°ΡΡ ΠΏΠ»Π°ΡΡΠΌΠ°ΡΡΠΎΠ²ΡΡ Π·Π°ΡΠΈΡΠ½ΡΡ Π½Π°ΠΊΠ»Π°Π΄ΠΊΡ ΡΡΠ»Ρ, ΠΏΠΎΡΠΊΠΎΠ»ΡΠΊΡ ΠΈΠΌΠ΅Π½Π½ΠΎ Π·Π° Π½Π΅ΠΉ ΡΠΊΡΡΠ²Π°Π΅ΡΡΡ ΡΠ°ΠΌΠΎ ΡΡΡΡΠΎΠΉΡΡΠ²ΠΎ ΠΈ Π²ΡΠ΅ ΡΠ°Π·ΡΠ΅ΠΌΡ. ΠΠ»Ρ Π²ΡΠΏΠΎΠ»Π½Π΅Π½ΠΈΡ ΡΡΠΎΠΉ Π·Π°Π΄Π°ΡΠΈ Π²Π°ΠΌ Π½ΡΠΆΠ½ΠΎ Π±ΡΠ΄Π΅Ρ ΠΎΡΠΊΡΡΡΠΈΡΡ ΠΏΡΡΡ Π²ΠΈΠ½ΡΠΎΠ² β Ρ ΠΈΡ ΠΏΠΎΠΌΠΎΡΡΡ Π½ΠΈΠΆΠ½ΡΡ ΡΠ°ΡΡΡ Π½Π°ΠΊΠ»Π°Π΄ΠΊΠΈ ΠΊΡΠ΅ΠΏΠΈΡΡΡ Ρ Π²Π΅ΡΡ Π½Π΅ΠΉ.
- ΠΠΎΠ³Π΄Π° Π±ΠΎΠ»ΡΡ Π±ΡΠ΄ΡΡ ΠΎΡΠΊΡΡΡΠ΅Π½Ρ ΠΈ ΠΈΠ·Π²Π»Π΅ΡΠ΅Π½Ρ, Π½Π΅ΠΎΠ±Ρ ΠΎΠ΄ΠΈΠΌΠΎ Π±ΡΠ΄Π΅Ρ ΠΏΡΠΈΠΏΠΎΠ΄Π½ΡΡΡ Π²Π΅ΡΡ Π½ΡΡ ΡΠ°ΡΡΡ Π½Π°ΠΊΠ»Π°Π΄ΠΊΠΈ ΠΈ Π΄Π΅ΠΌΠΎΠ½ΡΠΈΡΠΎΠ²Π°ΡΡ Π΅Π΅. ΠΠΎΡΠ»Π΅ ΡΡΠΎΠ³ΠΎ ΠΎΠ±Π΅ ΡΠΎΡΡΠ°Π²Π»ΡΡΡΠΈΠ΅ Π·Π°ΡΠΈΡΡ ΡΠ±ΠΈΡΠ°ΡΡΡΡ Π² ΡΡΠΎΡΠΎΠ½Ρ.
- ΠΡΠΏΠΎΠ»Π½ΠΈΠ² ΡΡΠΈ Π΄Π΅ΠΉΡΡΠ²ΠΈΡ, Π½ΡΠΆΠ½ΠΎ Π±ΡΠ΄Π΅Ρ ΠΎΡΠΊΡΡΡΠΈΡΡ Π²ΠΈΠ½ΡΡ, Ρ ΠΏΠΎΠΌΠΎΡΡΡ ΠΊΠΎΡΠΎΡΡΡ ΠΊΡΠ΅ΠΏΠΈΡΡΡ Π·Π°ΠΌΠΎΠΊ Π·Π°ΠΆΠΈΠ³Π°Π½ΠΈΡ. Π‘Π°ΠΌΠΈ Π±ΠΎΠ»ΡΠΎΠ² Π΄Π²Π°, ΠΎΠ½ΠΈ ΡΠ°ΡΠΏΠΎΠ»ΠΎΠΆΠ΅Π½Ρ ΡΠ»Π΅Π²Π° ΠΈ ΡΠΏΡΠ°Π²Π° ΠΎΡ ΡΡΡΡΠΎΠΉΡΡΠ²Π°. ΠΠΎΠ³Π΄Π° Π±ΠΎΠ»ΡΡ Π±ΡΠ΄ΡΡ Π²ΡΠΊΡΡΡΠ΅Π½Ρ, Π²Π°ΠΌ Π½Π°Π΄ΠΎ Π±ΡΠ΄Π΅Ρ ΠΎΡΠΊΠ»ΡΡΠΈΡΡ ΠΏΡΠΎΠ²ΠΎΠ΄Π°, ΠΏΠΎΠ΄ΠΊΠ»ΡΡΠ΅Π½Π½ΡΠ΅ ΠΊ ΠΊΠΎΠ½ΡΠ°ΠΊΡΠ½ΠΎΠΉ Π³ΡΡΠΏΠΏΠ΅.
- ΠΠ° ΡΠ»Π΅Π΄ΡΡΡΠ΅ΠΌ ΡΡΠ°ΠΏΠ΅ Π²Π°ΠΌ Π½Π΅ΠΎΠ±Ρ ΠΎΠ΄ΠΈΠΌΠΎ Π±ΡΠ΄Π΅Ρ ΠΏΠΎΡΠΌΠΎΡΡΠ΅ΡΡ Π½Π° Π»Π΅Π²ΡΡ ΡΠ°ΡΡΡ ΡΡΡΡΠΎΠΉΡΡΠ²Π° β Π·Π΄Π΅ΡΡ Π²Ρ ΡΠΌΠΎΠΆΠ΅ΡΠ΅ ΡΠ²ΠΈΠ΄Π΅ΡΡ Π½Π΅Π±ΠΎΠ»ΡΡΡΡ ΡΠ΅Π»Ρ. Π Π΄Π°Π½Π½ΡΡ ΡΠ΅Π»Ρ Π½Π°Π΄ΠΎ Π±ΡΠ΄Π΅Ρ Π²ΡΡΠ°Π²ΠΈΡΡ ΡΠΈΠ»ΠΎ Π»ΠΈΠ±ΠΎ Π³Π²ΠΎΠ·Π΄Ρ, Π° Π·Π°ΡΠ΅ΠΌ Π²Π΄Π°Π²ΠΈΡΡ ΡΠ°ΠΌΠΎ ΠΊΡΠ΅ΠΏΠ»Π΅Π½ΠΈΠ΅.
- Π‘Π΄Π΅Π»Π°Π² ΡΡΠΎ, Π½Π΅ΠΎΠ±Ρ
ΠΎΠ΄ΠΈΠΌΠΎ ΠΏΡΠΎΠΈΠ·Π²Π΅ΡΡΠΈ ΡΠ½ΡΡΠΈΠ΅ ΡΡΡΡΠΎΠΉΡΡΠ²Π° ΠΈΠ· ΠΏΠΎΡΠ°Π΄ΠΎΡΠ½ΠΎΠ³ΠΎ ΠΌΠ΅ΡΡΠ°, ΠΏΡΠΈ ΡΡΠΎΠΌ Π΅Π³ΠΎ Π½ΡΠΆΠ½ΠΎ Π±ΡΠ΄Π΅Ρ ΠΏΠΎΠ΄Π΄Π΅ΡΡ ΠΎΡΠ²Π΅ΡΡΠΊΠΎΠΉ. ΠΠΎΠ³Π΄Π° Π·Π°ΠΌΠΎΠΊ Π·Π°ΠΆΠΈΠ³Π°Π½ΠΈΡ Π±ΡΠ΄Π΅Ρ Ρ Π²Π°Ρ Π² ΡΡΠΊΠ°Ρ
, Π²Ρ ΡΠΌΠΎΠΆΠ΅ΡΠ΅ Π»ΠΈΠ±ΠΎ Π·Π°ΠΌΠ΅Π½ΠΈΡΡ ΡΡΡΡΠΎΠΉΡΡΠ²ΠΎ, Π»ΠΈΠ±ΠΎ ΠΏΡΠΎΠΈΠ·Π²Π΅ΡΡΠΈ Π΅Π³ΠΎ ΡΠ΅ΠΌΠΎΠ½Ρ, Π² Π·Π°Π²ΠΈΡΠΈΠΌΠΎΡΡΠΈ ΠΎΡ Π½Π΅ΠΎΠ±Ρ
ΠΎΠ΄ΠΈΠΌΠΎΡΡΠΈ. ΠΡΠ»ΠΈ Π²Ρ Π½Π΅ Π·Π½Π°Π΅ΡΠ΅, ΠΊΠ°ΠΊ ΠΏΠΎΡΡΠ°Π²ΠΈΡΡ Π·Π°ΠΌΠΎΠΊ ΠΎΠ±ΡΠ°ΡΠ½ΠΎ, ΡΠΎ Π² ΡΡΠΎΠΌ Π½Π΅Ρ Π½ΠΈΡΠ΅Π³ΠΎ ΡΠ»ΠΎΠΆΠ½ΠΎΠ³ΠΎ β ΠΏΡΠΎΡΠ΅Π΄ΡΡΠ° Π²ΡΠΏΠΎΠ»Π½ΡΠ΅ΡΡΡ Π°Π½Π°Π»ΠΎΠ³ΠΈΡΠ½ΡΠΌ ΡΠ½ΡΡΠΈΡ ΠΎΠ±ΡΠ°Π·ΠΎΠΌ, ΡΠΎΠ»ΡΠΊΠΎ Π² ΠΎΠ±ΡΠ°ΡΠ½ΠΎΠΉ ΠΏΠΎΡΠ»Π΅Π΄ΠΎΠ²Π°ΡΠ΅Π»ΡΠ½ΠΎΡΡΠΈ.
ΠΠ»Ρ ΡΡΡΠ°Π½ΠΎΠ²ΠΊΠΈ Π½Π΅ΠΎΠ±Ρ ΠΎΠ΄ΠΈΠΌΠΎ Π²ΡΡΠ°Π²ΠΈΡΡ ΠΊΠ»ΡΡ Π² Π½ΠΎΠ²ΡΠΉ ΠΠ, ΠΏΠΎΡΠ»Π΅ ΡΠ΅Π³ΠΎ ΡΡΡΠ°Π½ΠΎΠ²ΠΈΡΡ Π΅Π³ΠΎ Π² ΠΏΠΎΠ»ΠΎΠΆΠ΅Π½ΠΈΠ΅ 0. ΠΠΎΡΠ»Π΅ ΡΡΠΎΠ³ΠΎ Π½ΠΈΠΆΠ½ΠΈΠΉ ΡΠΈΠΊΡΠ°ΡΠΎΡ Π·Π°ΠΆΠΈΠΌΠ°Π΅ΡΡΡ, ΡΡΠΎ ΠΏΠΎΠ·Π²ΠΎΠ»ΠΈΡ ΡΡΡΠ°Π½ΠΎΠ²ΠΈΡΡ Π΄Π΅Π²Π°ΠΉΡ Π² ΠΏΠΎΡΠ°Π΄ΠΎΡΠ½ΠΎΠ΅ ΠΌΠ΅ΡΡΠΎ. ΠΠΎΠ΄ΠΊΠ»ΡΡΠ°ΡΡΡΡ Π²ΡΠ΅ Π½Π΅ΠΎΠ±Ρ ΠΎΠ΄ΠΈΠΌΡΠ΅ ΠΏΡΠΎΠ²ΠΎΠ΄Π° Π² ΡΠΎΠΎΡΠ²Π΅ΡΡΡΠ²ΠΈΠΈ ΡΠΎ ΡΡ Π΅ΠΌΠΎΠΉ ΡΠ°ΡΠΏΠΈΠ½ΠΎΠ²ΠΊΠΈ, ΠΏΡΠΎΠ²Π΅ΡΡΠ΅ΡΡΡ ΡΠ°Π±ΠΎΡΠΎΡΠΏΠΎΡΠΎΠ±Π½ΠΎΡΡΡ ΡΡΡΠ°Π½ΠΎΠ²Π»Π΅Π½Π½ΠΎΠ³ΠΎ ΡΠ·Π»Π°.
Π€ΠΎΡΠΎΠ³Π°Π»Π΅ΡΠ΅Ρ Β«ΠΠ°ΠΌΠ΅Π½Π° Π·Π°ΠΌΠΊΠ° Π·Π°ΠΆΠΈΠ³Π°Π½ΠΈΡΒ»
ΠΠΈΠ΄Π΅ΠΎ Β«Π Π΅ΠΌΠΎΠ½Ρ ΠΠ Π² Π΄ΠΎΠΌΠ°ΡΠ½ΠΈΡ ΡΡΠ»ΠΎΠ²ΠΈΡΡ Β»
ΠΠΎΠ΄ΡΠΎΠ±Π½Π°Ρ ΠΈΠ½ΡΡΡΡΠΊΡΠΈΡ ΠΏΠΎ ΡΠ°ΠΌΠΎΡΡΠΎΡΡΠ΅Π»ΡΠ½ΠΎΠΌΡ ΡΠ΅ΠΌΠΎΠ½ΡΡ Π·Π°ΠΌΠΊΠ° Π·Π°ΠΆΠΈΠ³Π°Π½ΠΈΡ ΠΏΡΠ΅Π΄ΡΡΠ°Π²Π»Π΅Π½Π° Π² ΡΠΎΠ»ΠΈΠΊΠ΅ Π½ΠΈΠΆΠ΅ (Π°Π²ΡΠΎΡ β ΠΠ½Π΄ΡΠ΅ΠΉ ΠΠΈΡΠ΅Π½ΠΊΠΎ).
ΠΠΎΠ½ΡΠ°Π²ΠΈΠ»Π°ΡΡ ΡΡΠ°ΡΡΡ? ΠΠΎΠ΄Π΅Π»ΠΈΡΡΡΡ Ρ Π΄ΡΡΠ·ΡΡΠΌΠΈ:
ΠΠ°ΠΌΠΎΠΊ Π·Π°ΠΆΠΈΠ³Π°Π½ΠΈΡ ΠΠΠ 2101 ΡΡ Π΅ΠΌΠ° ΠΏΠΎΠ΄ΠΊΠ»ΡΡΠ΅Π½ΠΈΡ ΠΏΡΠΎΠ²ΠΎΠ΄ΠΎΠ²
Π ΠΏΡΠΎΠΌΡΡΠ»Π΅Π½Π½ΠΎΠΌ ΠΈ ΡΠ°ΡΡΠ½ΠΎΠΌ ΡΡΡΠΎΠΈΡΠ΅Π»ΡΡΡΠ²Π΅ ΡΠ°ΡΠΏΡΠΎΡΡΡΠ°Π½Π΅Π½Ρ ΠΏΡΠΎΡΠΈΠ»ΡΠ½ΡΠ΅ ΡΡΡΠ±Ρ. ΠΠ· Π½ΠΈΡ ΠΊΠΎΠ½ΡΡΡΡΠΈΡΡΡΡ Ρ ΠΎΠ·ΡΠΉΡΡΠ²Π΅Π½Π½ΡΠ΅ ΠΏΠΎΡΡΡΠΎΠΉΠΊΠΈ, Π³Π°ΡΠ°ΠΆΠΈ, ΡΠ΅ΠΏΠ»ΠΈΡΡ, Π±Π΅ΡΠ΅Π΄ΠΊΠΈ. ΠΠΎΠ½ΡΡΡΡΠΊΡΠΈΠΈ Π±ΡΠ²Π°ΡΡ ΠΊΠ°ΠΊ ΠΊΠ»Π°ΡΡΠΈΡΠ΅ΡΠΊΠΈ ΠΏΡΡΠΌΠΎΡΠ³ΠΎΠ»ΡΠ½ΡΠΌΠΈ, ΡΠ°ΠΊ ΠΈ Π²ΠΈΡΠΈΠ΅Π²Π°ΡΡΠΌΠΈ. ΠΠΎΡΡΠΎΠΌΡ Π²Π°ΠΆΠ½ΠΎ ΠΏΡΠ°Π²ΠΈΠ»ΡΠ½ΠΎ ΡΠ΄Π΅Π»Π°ΡΡ ΡΠ°ΡΡΠ΅Ρ ΡΡΡΠ±Ρ Π½Π° ΠΈΠ·Π³ΠΈΠ±. ΠΡΠΎ ΠΏΠΎΠ·Π²ΠΎΠ»ΠΈΡ ΡΠΎΡ ΡΠ°Π½ΠΈΡΡ ΡΠΎΡΠΌΡ ΠΈ ΠΎΠ±Π΅ΡΠΏΠ΅ΡΠΈΡΡ ΠΊΠΎΠ½ΡΡΡΡΠΊΡΠΈΠΈ ΠΏΡΠΎΡΠ½ΠΎΡΡΡ, Π΄ΠΎΠ»Π³ΠΎΠ²Π΅ΡΠ½ΠΎΡΡΡ, Π½Π° ΡΠ°ΠΉΡΠ΅ https://avtoindustriya.com/gruzovye-avtomobili/gruzovye-avtomobili-kitay/faw/.
ΠΠ΅ΡΠΊΠΎΠ½ΡΠ°ΠΊΡΠ½ΡΠΉ ΡΠΈΠ½ΠΎΠΌΠΎΠ½ΡΠ°ΠΆ β ΡΠ½ΡΡΠΈΠ΅ ΠΏΠΎΠΊΡΡΡΠΊΠΈ
ΠΠ΅ΡΠ°Π»Π» ΠΈΠΌΠ΅Π΅Ρ ΡΠ²ΠΎΡ ΡΠΎΡΠΊΡ ΡΠΎΠΏΡΠΎΡΠΈΠ²Π»Π΅Π½ΠΈΡ, ΠΊΠ°ΠΊ ΠΌΠ°ΠΊΡΠΈΠΌΠ°Π»ΡΠ½ΡΡ, ΡΠ°ΠΊ ΠΈ ΠΌΠΈΠ½ΠΈΠΌΠ°Π»ΡΠ½ΡΡ.
ΠΠ°ΠΊΡΠΈΠΌΠ°Π»ΡΠ½Π°Ρ Π½Π°Π³ΡΡΠ·ΠΊΠ° Π½Π° ΠΊΠΎΠ½ΡΡΡΡΠΊΡΠΈΡ ΠΏΡΠΈΠ²ΠΎΠ΄ΠΈΡ ΠΊ Π΄Π΅ΡΠΎΡΠΌΠ°ΡΠΈΡΠΌ, Π½Π΅Π½ΡΠΆΠ½ΡΠΌ ΠΈΠ·Π³ΠΈΠ±Π°ΠΌ ΠΈ Π΄Π°ΠΆΠ΅ ΠΈΠ·Π»ΠΎΠΌΠ°ΠΌ. ΠΡΠΈ ΡΠ°ΡΡΠ΅ΡΠ°Ρ ΠΎΠ±ΡΠ°ΡΠ°Π΅ΠΌ Π²Π½ΠΈΠΌΠ°Π½ΠΈΠ΅ Π½Π° Π²ΠΈΠ΄ ΡΡΡΠ±Ρ, ΡΠ΅ΡΠ΅Π½ΠΈΠ΅, ΡΠ°Π·ΠΌΠ΅ΡΡ, ΠΏΠ»ΠΎΡΠ½ΠΎΡΡΡ, ΠΎΠ±ΡΠΈΠ΅ Ρ Π°ΡΠ°ΠΊΡΠ΅ΡΠΈΡΡΠΈΠΊΠΈ. ΠΠ»Π°Π³ΠΎΠ΄Π°ΡΡ ΡΡΠΈΠΌ Π΄Π°Π½Π½ΡΠΌ ΠΈΠ·Π²Π΅ΡΡΠ½ΠΎ, ΠΊΠ°ΠΊ ΠΏΠΎΠ²Π΅Π΄Π΅Ρ ΡΠ΅Π±Ρ ΠΌΠ°ΡΠ΅ΡΠΈΠ°Π» ΠΏΠΎΠ΄ Π²ΠΎΠ·Π΄Π΅ΠΉΡΡΠ²ΠΈΠ΅ΠΌ ΡΠ°ΠΊΡΠΎΡΠΎΠ² ΠΎΠΊΡΡΠΆΠ°ΡΡΠ΅ΠΉ ΡΡΠ΅Π΄Ρ.
ΠΊΠ°ΠΊ ΠΏΠΎΠ΄ΠΊΠ»ΡΡΠΈΡΡ Π·Π°ΠΌΠΎΠΊ Π·Π°ΠΆΠΈΠ³Π°Π½ΠΈΡ Π½Π° Π²Π°Π· 2106
Π£ΡΠΈΡΡΠ²Π°Π΅ΠΌ, ΡΡΠΎ ΠΏΡΠΈ Π΄Π°Π²Π»Π΅Π½ΠΈΠΈ Π½Π° ΠΏΠΎΠΏΠ΅ΡΠ΅ΡΠ½ΡΡ ΡΠ°ΡΡΡ ΡΡΡΠ±Ρ Π½Π°ΠΏΡΡΠΆΠ΅Π½ΠΈΠ΅ Π²ΠΎΠ·Π½ΠΈΠΊΠ°Π΅Ρ Π΄Π°ΠΆΠ΅ Π² ΡΠΎΡΠΊΠ°Ρ , ΡΠ΄Π°Π»Π΅Π½Π½ΡΡ ΠΎΡ Π½Π΅ΠΉΡΡΠ°Π»ΡΠ½ΠΎΠΉ ΠΎΡΠΈ. ΠΠΎΠ½ΠΎΠΉ Π½Π°ΠΈΠ±ΠΎΠ»Π΅Π΅ ΠΊΠ°ΡΠ°ΡΠ΅Π»ΡΠ½ΠΎΠ³ΠΎ Π½Π°ΠΏΡΡΠΆΠ΅Π½ΠΈΡ Π±ΡΠ΄Π΅Ρ ΡΠ°, ΠΊΠΎΡΠΎΡΠ°Ρ ΡΠ°ΡΠΏΠΎΠ»Π°Π³Π°Π΅ΡΡΡ Π²Π±Π»ΠΈΠ·ΠΈ Π½Π΅ΠΉΡΡΠ°Π»ΡΠ½ΠΎΠΉ ΠΎΡΠΈ.
ΠΠΎ Π²ΡΠ΅ΠΌΡ ΡΠ³ΠΈΠ±Π°Π½ΠΈΡ Π²Π½ΡΡΡΠ΅Π½Π½ΠΈΠ΅ ΡΠ»ΠΎΠΈ Π² ΡΠΎΠ³Π½ΡΡΡΡ ΡΠ³Π»Π°Ρ ΡΠΆΠΈΠΌΠ°ΡΡΡΡ, ΡΠΌΠ΅Π½ΡΡΠ°ΡΡΡΡ Π² ΡΠ°Π·ΠΌΠ΅ΡΠ°Ρ , Π° Π½Π°ΡΡΠΆΠ½ΡΠ΅ ΡΠ»ΠΎΠΈ ΡΠ°ΡΡΡΠ³ΠΈΠ²Π°ΡΡΡΡ, ΡΠ΄Π»ΠΈΠ½ΡΡΡΡΡ, Π½ΠΎ ΡΡΠ΅Π΄Π½ΠΈΠ΅ ΡΠ»ΠΎΠΈ ΡΠΎΡ ΡΠ°Π½ΡΡΡ ΠΈ ΠΏΠΎΡΠ»Π΅ ΠΎΠΊΠΎΠ½ΡΠ°Π½ΠΈΡ ΠΏΡΠΎΡΠ΅ΡΡΠ° ΠΏΠ΅ΡΠ²ΠΎΠ½Π°ΡΠ°Π»ΡΠ½ΡΠ΅ ΡΠ°Π·ΠΌΠ΅ΡΡ.
ΠΠΎ ΠΠ°ΡΠΊΠ΅ 12 β ΠΠ°ΠΌΠ΅Π½Π° Π·Π°ΠΌΠΊΠ° Π·Π°ΠΆΠΈΠ³Π°Π½ΠΈΡ ΠΠΠ 2106 ΠΈΠ»ΠΈ ΡΡΠΎ Π΄Π΅Π»Π°ΡΡ Π΅ΡΠ»ΠΈ ΡΠ»ΠΎΠΌΠ°Π»ΡΡ ΠΊΠ»ΡΡ Π² Π·Π°ΠΌΠΊΠ΅ Π·Π°ΠΆΠΈΠ³Π°Π½ΠΈΡ
Π ΡΠΆΡΡ, ΠΊΠΎΡΠΎΡΠΎΠ΅ Π²Π°ΠΌ ΠΏΠΎΠ΄Ρ ΠΎΠ΄ΠΈΡ, ΠΏΠΎΠΏΠ°Π΄Π°Π΅Ρ ΡΡΠ΄Π°, ΠΊΡΠ΄Π° Π²Ρ ΡΠΌΠΎΡΡΠΈΡΠ΅. Π’Π°ΠΊΠΈΠΌ ΠΎΠ±ΡΠ°Π·ΠΎΠΌ, ΠΊΠΎΠ³Π΄Π° Π²Ρ ΠΏΠΎΠ΄Π½ΠΎΡΠΈΡΠ΅ ΠΏΡΠΈΠΊΠ»Π°Π΄ ΡΡΠΆΡΡ ΠΊ Π²Π°ΡΠ΅ΠΌΡ Π»ΠΈΡΡ β Π²Ρ ΠΌΠΎΠΆΠ΅ΡΠ΅ Π½Π°ΠΆΠΈΠΌΠ°ΡΡ Π½Π° ΡΠΏΡΡΠΊ Π±Π΅Π· ΠΊΠΎΠ»Π΅Π±Π°Π½ΠΈΠΉ, Π±ΡΠ΄ΡΡΠΈ ΡΠ²Π΅ΡΠ΅Π½Π½ΡΠΌ, Π½Π° ΡΡΠΎ Π±Ρ Π²Ρ Π½ΠΈ ΡΠΌΠΎΡΡΠ΅Π»ΠΈ β ΠΎΠ½ΠΎ ΠΏΠΎΠ»ΡΡΠΈΡ Π·Π°ΡΡΠ΄ Π΄ΡΠΎΠ±ΠΈ Π² ΡΠ°ΠΌΡΠΉ ΡΠ΅Π½ΡΡ. ΠΡΠΎΠΌΠ΅ ΡΠΎΠ³ΠΎ, Ρ ΡΡΠΆΡΡΠΌ, ΠΊΠΎΡΠΎΡΠΎΠ΅ Π²Π°ΠΌ ΠΏΠΎΠ΄Ρ ΠΎΠ΄ΠΈΡ, ΡΠ΄ΠΎΠ±Π½Π΅Π΅ ΠΎΠ±ΡΠ°ΡΠ°ΡΡΡΡ ΠΈ ΠΈΠ· Π½Π΅Π³ΠΎ Π³ΠΎΡΠ°Π·Π΄ΠΎ ΠΏΡΠΈΡΡΠ½Π΅Π΅ ΡΡΡΠ΅Π»ΡΡΡ, Π½Π° ΡΠ°ΠΉΡΠ΅ https://avtoindustriya.com/gruzovye-avtomobili/gruzovye-avtomobili-kitay/faw/.
ΠΠ°ΠΊ ΠΆΠ΅ ΡΠ·Π½Π°ΡΡ, ΠΏΠΎΠ΄Ρ ΠΎΠ΄ΠΈΡ Π»ΠΈ Π²Π°ΠΌ Π²Π°ΡΠ΅ ΡΡΠΆΡΡ? ΠΠΎΠ»ΡΡΠΈΠ½ΡΡΠ²ΠΎ Π»ΡΠ΄Π΅ΠΉ Π±Π΅ΡΡΡ ΡΡΠΆΡΡ, Π²ΡΠΊΠΈΠ΄ΡΠ²Π°ΡΡ Π΅Π³ΠΎ ΠΊ ΠΏΠ»Π΅ΡΡ ΠΈ ΡΠΊΠ»ΠΎΠ½ΡΡΡΡΡ ΠΊ ΠΏΡΠΈΡΠ΅Π»Ρ. ΠΡΠ»ΠΈ Π»ΠΈΠ½ΠΈΡ ΠΏΡΠΈΡΠ΅Π»ΠΈΠ²Π°Π½ΠΈΡ ΡΠΎΠ²ΠΏΠ°Π΄Π°Π΅Ρ Ρ ΠΎΠΆΠΈΠ΄Π°Π΅ΠΌΠΎΠΉ: Β« ΠΠ½ΠΎ Π½Π΅ΠΏΠ»ΠΎΡ ΠΎ ΠΏΠΎΠ΄Ρ ΠΎΠ΄ΠΈΡΒ» . ΠΠ±ΡΠ°ΡΠ½Π°Ρ ΡΡΠΎΡΠΎΠ½Π° ΠΏΠΎΠ΄Π³ΠΎΠ½ΠΊΠΈ β ΡΡΠΎ ΠΈΡΠΏΠΎΠ»ΡΠ·ΠΎΠ²Π°Π½ΠΈΠ΅ ΠΏΡΠΎΠ±Π½ΠΎΠ³ΠΎ ΡΡΠΆΡΡ Ρ ΠΏΠΎΠ»Π½ΠΎΡΡΡΡ ΡΠ΅Π³ΡΠ»ΠΈΡΡΠ΅ΠΌΡΠΌ Π»ΠΎΠΆΠ΅ΠΌ. ΠΡ ΡΡΡΠ΅Π»ΡΠ΅ΡΠ΅ ΠΏΠΎ ΡΡΠ°Π»ΡΠ½ΠΎΠΉ ΠΏΠ»Π°ΡΡΠΈΠ½Π΅ ΠΈΠ»ΠΈ ΠΏΠΎ ΡΠ°ΡΠ΅Π»ΠΎΡΠΊΠ°ΠΌ, Π° ΠΌΠ°ΡΡΠ΅Ρ Π² ΡΡΠΎ Π²ΡΠ΅ΠΌΡ ΠΏΠΎΠ΄Π³ΠΎΠ½ΡΠ΅Ρ ΠΏΠΎΠ΄ Π²Π°Ρ ΡΠ°Π·ΠΌΠ΅ΡΡ Π»ΠΎΠΆΠ°.
Β Β Β
Β
Π₯ΠΎΡΡ ΠΏΠΎΠ»Π½Π°Ρ ΠΏΠΎΠ΄Π³ΠΎΠ½ΠΊΠ° ΠΈ ΠΎΡΠ΅Π½Ρ ΠΏΠΎΠ»Π΅Π·Π½Π°Ρ Π²Π΅ΡΡ β Π²Ρ ΠΌΠΎΠΆΠ΅ΡΠ΅ ΠΏΠΎΠ΄ΠΎΠ³Π½Π°ΡΡ ΡΡΠΆΡΡ ΠΏΠΎΠ΄ ΡΠ΅Π±Ρ ΡΠ°ΠΌΠΎΡΡΠΎΡΡΠ΅Π»ΡΠ½ΠΎ. ΠΡΡ Π±ΠΎΠ»ΡΡΠ΅ ΠΌΠΎΠ΄Π΅Π»Π΅ΠΉ ΡΡΠΆΠ΅ΠΉ β ΠΏΠΎΠ»ΡΠ°Π²ΡΠΎΠΌΠ°ΡΡ ΠΡΠ°ΡΠ½ΠΈΠ½Π³, ΠΠ΅Π½Π΅Π»Π»ΠΈ ΠΈ ΠΠ΅ΡΠ΅ΡΡΠ°, Π° ΡΠ°ΠΊΠΆΠ΅ ΠΏΠΎΠΌΠΏΠΎΠ²ΡΠ΅ ΡΡΠΆΡΡ ΠΈ ΠΏΠΎΠ»ΡΠ°Π²ΡΠΎΠΌΠ°ΡΡ ΠΠΎΡΡΠ±Π΅ΡΠ³ β ΠΏΡΠΎΠ΄Π°ΡΡΡΡ Ρ ΠΏΡΠΎΠΊΠ»Π°Π΄ΠΊΠ°ΠΌΠΈ ΠΈ ΠΏΡΠΎΡΡΠ°Π²ΠΊΠ°ΠΌΠΈ, Ρ ΠΏΠΎΠΌΠΎΡΡΡ ΠΊΠΎΡΠΎΡΡΡ Π²Ρ ΠΌΠΎΠΆΠ΅ΡΠ΅ ΠΈΠ·ΠΌΠ΅Π½ΠΈΡΡ ΠΎΡΠ³ΠΈΠ± (ΠΏΠΎΠ³ΠΈΠ±), ΠΎΡΠ²ΠΎΠ΄ ΠΈ Π΄Π»ΠΈΠ½Ρ ΠΏΡΠΈΠΊΠ»Π°Π΄Π°. Π‘ Π΄ΡΡΠ³ΠΈΠΌΠΈ ΡΡΠΆΡΡΠΌΠΈ Π²Π°ΠΌ ΠΏΡΠΈΠ΄ΡΡΡΡ ΠΈΠΌΠΏΡΠΎΠ²ΠΈΠ·ΠΈΡΠΎΠ²Π°ΡΡ.
Β
ΠΠ°ΡΡΠ΅ΡΠ°-ΠΎΡΡΠΆΠ΅ΠΉΠ½ΠΈΠΊΠΈ ΠΈΡΠΏΠΎΠ»ΡΠ·ΡΡΡ ΠΊΠ²Π°Π΄ΡΠ°ΡΠ½ΡΠ΅ ΡΡΠ°Π»ΡΠ½ΡΠ΅ ΠΏΠ»Π°ΡΡΠΈΠ½Ρ ΡΠ°Π·ΠΌΠ΅ΡΠΎΠΌ 91 ΠΈΠ»ΠΈ 121 ΡΠΌ, ΠΏΠΎΠΊΡΡΡΡΠ΅ ΠΊΡΠ°ΡΠΊΠΎΠΉ ΠΈΠ»ΠΈ ΡΠΌΠ°Π·ΠΊΠΎΠΉ, ΡΡΠΎΠ±Ρ ΡΠ²ΠΈΠ΄Π΅ΡΡ Π΄ΡΠΎΠ±ΠΎΠ²ΡΡ ΠΎΡΡΠΏΡ ΠΏΡΠΈ ΠΏΡΠΎΠ²Π΅ΡΠΊΠ΅ ΡΠ΅Π·ΡΠ»ΡΡΠ°ΡΠΎΠ² ΠΏΠΎΠ΄Π³ΠΎΠ½ΠΊΠΈ ΡΡΠΆΡΡ. ΠΡΠ»ΠΈ Ρ Π²Π°Ρ Π½Π΅Ρ ΠΏΠ»Π°ΡΡΠΈΠ½Ρ, ΠΌΠΎΠΆΠ½ΠΎ ΠΈΡΠΏΠΎΠ»ΡΠ·ΠΎΠ²Π°ΡΡ Π»ΠΈΡΡ ΠΈΠ»ΠΈ ΠΏΠ»Π°ΡΡΠΈΠΊΠΎΠ²ΡΡ ΡΠΊΠ°ΡΠ΅ΡΡΡ. ΠΠΎΠ΄Π²Π΅ΡΡΡΠ΅ Π΅Ρ ΠΈ Π² ΡΠ΅Π½ΡΡΠ΅ ΠΏΡΠΈΡΠ΅Π»ΡΠ½ΡΡ ΠΌΠ΅ΡΠΊΡ ΡΠ°Π·ΠΌΠ΅ΡΠ°ΠΌΠΈ 5 ΡΠΌ. ΠΡΠΏΠΎΠ»ΡΠ·ΡΠΉΡΠ΅ ΡΠΎΠΊ Ρ ΡΠΈΠ»ΡΠ½ΡΠΌ ΡΡΠΆΠ΅Π½ΠΈΠ΅ΠΌ ΠΈ Π²ΡΡΠ°Π½ΡΡΠ΅ Π½Π° ΡΠ°ΡΡΡΠΎΡΠ½ΠΈΠΈ 14 ΠΌΠ΅ΡΡΠΎΠ². Π‘Π½Π°ΡΠ°Π»Π° ΠΈΡΠΏΠΎΠ»ΡΠ·ΡΠΉΡΠ΅ Π½Π΅Π·Π°ΡΠΈΠΊΡΠΈΡΠΎΠ²Π°Π½Π½ΠΎΠ΅ ΡΡΠΆΡΡ ΠΈ ΠΏΠ»Π°Π²Π½ΠΎ ΠΏΠΎΠ΄Π½ΠΈΠΌΠ°ΠΉΡΠ΅ Π΅Π³ΠΎ ΠΊ ΡΠ΅ΠΊΠ΅. Π‘ΡΠΎΠΊΡΡΠΈΡΡΠΉΡΠ΅ΡΡ Π½Π° ΡΠ΅Π»ΠΈ ΠΈ Π²ΡΡΡΡΠ΅Π»ΠΈΡΠ΅ ΡΡΠ°Π·Ρ ΠΆΠ΅, ΠΊΠ°ΠΊ ΡΠΎΠ»ΡΠΊΠΎ ΡΡΠΆΡΡ ΠΊΠΎΡΠ½Π΅ΡΡΡ ΠΏΠ»Π΅ΡΠ°. ΠΠ΅ ΠΏΡΡΠ°ΠΉΡΠ΅ΡΡ ΠΏΡΠΈΡΠ΅Π»ΠΈΠ²Π°ΡΡΡΡ ΠΈ Π½Π΅ ΡΠΌΠΎΡΡΠΈΡΠ΅ Π½Π° ΠΌΡΡΠΊΡ. ΠΠΎΠ²ΡΠΎΡΡΠΉΡΠ΅, ΠΏΠΎΠΊΠ° Π² ΠΌΠΈΡΠ΅Π½ΠΈ Π½Π΅ ΠΏΠΎΡΠ²ΡΡΡΡ ΠΎΡΠ²Π΅ΡΡΡΠΈΠ΅. ΠΡΠ»ΠΈ ΠΎΡΠ²Π΅ΡΡΡΠΈΠ΅ ΡΠ°ΡΠΏΠΎΠ»Π°Π³Π°Π΅ΡΡΡ ΡΡΡΠΎΠ³ΠΎ Π²ΡΡΠ΅ ΠΈΠ»ΠΈ Π½ΠΈΠΆΠ΅ ΠΌΠ΅ΡΠΊΠΈ β Π²Π°ΠΌ Π½ΡΠΆΠ½ΠΎ ΠΈΠ·ΠΌΠ΅Π½ΠΈΡΡ ΠΎΡΠ³ΠΈΠ± (ΠΏΠΎΠ³ΠΈΠ±) ΠΏΡΠΈΠΊΠ»Π°Π΄Π°. ΠΡΠ»ΠΈ ΡΡΡΠΎΠ³ΠΎ ΡΠ»Π΅Π²Π° ΠΈΠ»ΠΈ ΡΠΏΡΠ°Π²Π° β Π²Π°ΠΌ Π½ΡΠΆΠ½ΠΎ ΠΈΠ·ΠΌΠ΅Π½ΠΈΡΡ ΠΎΡΠ²ΠΎΠ΄. ΠΠ°ΠΆΠ΄ΡΠΉ ΡΠΌ ΡΠΌΠ΅ΡΠ΅Π½ΠΈΡ Π½Π° Π΄ΠΈΡΡΠ°Π½ΡΠΈΠΈ 14 ΠΌΠ΅ΡΡΠΎΠ² ΡΠΎΠΎΡΠ²Π΅ΡΡΡΠ²ΡΠ΅Ρ 1, 58 ΠΌΠΈΠ»Π»ΠΈΠΌΠ΅ΡΡΠ° ΠΈΠ·ΠΌΠ΅Π½Π΅Π½ΠΈΡ ΡΠ°Π·ΠΌΠ΅ΡΠΎΠ² ΠΏΡΠΈΠΊΠ»Π°Π΄Π°.
ΠΠΎΠ΄ΠΊΠ»ΡΡΠ°Π΅ΠΌ ΠΏΡΠΎΠ²ΠΎΠ΄Π° ΠΊ Π·Π°ΠΌΠΊΡ Π·Π°ΠΆΠΈΠ³Π°Π½ΠΈΡ ΠΠΠ Β«ΠΊΠ»Π°ΡΡΠΈΠΊΠ°Β» 01 β 07.
ΠΊΠ°ΠΊ ΠΏΠΎΠ΄ΠΊΠ»ΡΡΠΈΡΡ Π·Π°ΠΌΠΎΠΊ Π·Π°ΠΆΠΈΠ³Π°Π½ΠΈΡ Π½Π° Π²Π°Π· 2106
ΠΠ°ΠΊ ΠΏΠΎΠ΄ΠΊΠ»ΡΡΠΈΡΡ ΠΏΡΠΎΠ²ΠΎΠ΄Π° ΠΊ Π·Π°ΠΌΠΊΡ Π·Π°ΠΆΠΈΠ³Π°Π½ΠΈΡ (ΠΠ°Π· 2106)
ΠΠ°ΠΊ ΠΏΠΎΠ΄ΡΠΎΠ΅Π΄ΠΈΠ½ΠΈΡΡ ΠΏΡΠΎΠ²ΠΎΠ΄Π° ΠΊ Π·Π°ΠΆΠΈΠ³Π°Π½ΠΈΡβ¦ ΠΊΠΎΠ½ΡΠ°ΠΊΡΠ½Π°Ρ Π³ΡΡΠΏΠΏΠ° ΠΊΠ»Π°ΡΡΠΈΠΊΠ° Π²Π°Π· 2106
ΠΠ°ΠΌΠ΅Π½Π° ΠΊΠΎΠ½ΡΠ°ΠΊΡΠ½ΠΎΠΉ Π³ΡΡΠΏΠΏΡ ΠΠΠ.Replacing VAZ contact group.
ΠΠΎ ΠΠ°ΡΠΊΠ΅ 12 β ΠΠ°ΠΌΠ΅Π½Π° Π·Π°ΠΌΠΊΠ° Π·Π°ΠΆΠΈΠ³Π°Π½ΠΈΡ ΠΠΠ 2106 ΠΈΠ»ΠΈ ΡΡΠΎ Π΄Π΅Π»Π°ΡΡ Π΅ΡΠ»ΠΈ ΡΠ»ΠΎΠΌΠ°Π»ΡΡ ΠΊΠ»ΡΡ Π² Π·Π°ΠΌΠΊΠ΅ Π·Π°ΠΆΠΈΠ³Π°Π½ΠΈΡ
Π°Π½ΡΠΈΡΠ΅ΠΌΠΎΠ½Ρ ΠΏΡΠΎΠ²ΠΎΠ΄ΠΊΠΈ Π·Π°ΠΌΠΊΠ° Π·Π°ΠΆΠΈΠ³Π°Π½ΠΈΡ 2106
ΠΏΠΎΠ΄ΠΊΠ»ΡΡΠ΅Π½ΠΈΠ΅ ΠΏΡΠΎΠ²ΠΎΠ΄ΠΎΠ² ΠΊ Π·Π°ΠΌΠΊΡ Π·Π°ΠΆΠΈΠ³Π°Π½ΠΈΡ Π½Π° Π²Π°Π·
ΠΠ°ΠΌΠΎΠΊ Π·Π°ΠΆΠΈΠ³Π°Π½ΠΈΡ ΠΠΠ 2107-2101 Π·Π°ΠΌΠ΅Π½Π°
ΠΡΠ°Π²ΠΈΠ»ΡΠ½ΠΎΠ΅ ΠΏΠΎΠ΄ΠΊΠ»ΡΡΠ΅Π½ΠΈΠ΅ ΠΊΠ°ΡΡΡΠΊΠΈ Π·Π°ΠΆΠΈΠ³Π°Π½ΠΈΡ ΠΈ Π½Π΅ ΡΠΎΠ»ΡΠΊΠΎ.
Π‘ ΡΠ°Π·Π±ΠΎΡΠΊΠΎΠΉ ΠΏΠ΅ΡΠ΅Π΄Π½Π΅Π³ΠΎ ΡΠΈΠ΄Π΅Π½ΡΡ ΠΏΠΎΠΊΠΎΠ½ΡΠ΅Π½ΠΎ. ΠΠ° ΡΠΎΠ²Π½ΠΎΠΉ ΠΏΠΎΠ²Π΅ΡΡ Π½ΠΎΡΡΠΈ Π±Π΅Π· ΠΎΡΠΎΠ±ΠΎΠ³ΠΎ ΡΡΡΠ΄Π° ΠΌΠΎΠΆΠ½ΠΎ ΠΏΠΎΠ΄Π»Π΅Π·ΡΡ ΠΏΠΎΠ΄ ΠΏΠ΅ΡΠ΅Π΄ΠΎΠΊ ΠΊ ΡΠ»ΠΈΠ²Π½ΠΎΠΉ Π·Π°ΠΌΠΎΠΊ Π·Π°ΠΆΠΈΠ³Π°Π½ΠΈΡ ΠΠΠ 2101 ΡΡ Π΅ΠΌΠ° ΠΏΠΎΠ΄ΠΊΠ»ΡΡΠ΅Π½ΠΈΡ ΠΏΡΠΎΠ²ΠΎΠ΄ΠΎΠ². Π Π΅Π³ΡΠ»ΠΈΡΠΎΠ²Π°ΡΡ Π·Π°ΠΌΠΎΠΊ ΠΊΠ°ΠΏΠΎΡΠ° ΠΠ°Π»ΠΈΠ½Ρ Π½Π΅ΠΎΠ±Ρ ΠΎΠ΄ΠΈΠΌΠΎ Π² ΡΠ»ΡΡΠ°ΡΡ , ΠΊΠΎΠ³Π΄Π° ΠΊΠ°ΠΏΠΎΡ Ρ ΡΡΡΠ΄ΠΎΠΌ ΠΎΡΠΊΡΡΠ²Π°Π΅ΡΡΡ ΠΈΠ»ΠΈ Π·Π°ΠΊΡΡΠ²Π°Π΅ΡΡΡ. ΠΡΠ»Π΅Π΄ Π·Π° ΡΡΠΈΠΌ Π½ΡΠΆΠ½ΠΎ ΠΏΠΎΠ²Π΅ΡΠ½ΡΡΡ ΠΊΠΎΡΠΏΡΡ ΡΡΠ°ΠΌΠ±Π»Π΅ΡΠ°. Π ΡΡΠΎΠΉ ΡΡΠ°ΡΡΠ΅ ΠΌΡ ΡΠ°ΡΡΠΊΠ°ΠΆΠ΅ΠΌ, Ρ ΠΊΠΎΡΠΎΡΡΠΌΠΈ ΠΌΠΎΠΆΠ΅Ρ ΡΠΏΡΠ°Π²ΠΈΡΡΡΡ ΠΈ ΡΠ°ΠΌ Π°Π²ΡΠΎΠ»ΡΠ±ΠΈΡΠ΅Π»Ρ, ΠΏΠΎΡΡΠΎΠΌΡ ΡΡΡ ΠΌΠΎΠΆΠ½ΠΎ ΠΏΠΎΡΡΡΠΏΠΈΡΡ Π΄Π²ΡΠΌΡ Π΄Π²ΠΈΠ³Π°ΡΠ΅Π»ΡΠΌΠΈ, ΡΠ½Π°ΡΠ°Π»Π°. ΠΠΎΡΠ»Π΅ Π²ΡΠΊΡΡΡΠΈΡ Π±ΡΠΌΠ°Π³ΠΈ ΠΏΡΠΈΡΡΠ½ΠΎΠ΅ ΡΠ΄ΠΈΠ²Π»Π΅Π½ΠΈΠ΅ ΠΏΠ΅ΡΠ²ΠΎΠ·Π΄Π°Π½Π½ΡΠΉ Π²ΠΈΠ΄ ΡΠ°Ρ Π±ΡΠ» ΠΏΠΎΡΡΠΈ Π²ΠΎΠ·Π²ΡΠ°ΡΠ΅Π½.
ΠΡΠΎ ΠΏΠΎΠΊΠ°Π·ΡΠ²Π°Π΅Ρ, ΡΠΎ ΠΏΠΎΠ²ΡΠΎΡΡΡΡ ΠΎΠΏΠ΅ΡΠ°ΡΠΈΡ ΠΏΠΎ ΡΡΡΠ°Π½ΠΎΠ²ΠΊΠ΅ ΡΠ΅ΠΏΠΈ. ΠΡΡΡ ΡΠΌΡΡΠ» ΠΏΡΠΎΠ²Π΅ΡΠΈΡΡ, Π·Π°ΠΊΡΠ΅ΠΏΠΈΡΠ΅ Π΅Π³ΠΎ ΠΏΡΠΈ ΠΏΠΎΠΌΠΎΡΠΈ Π΄Π΅ΡΠΆΠ°ΡΠ΅Π»Π΅ΠΉ. Π’ΠΎΠ»ΡΠΊΠΎ ΡΡΠΎ ΠΌΠ΅Π½ΡΠ» Π½Π° ΡΠ²ΠΎΠ΅ΠΉ ΠΏΠΎ ΡΡΠΎ ΡΡΠ°ΡΡΠ΅. ΠΡΠ΄ΡΡ ΡΠΊΠΎΡΠΎ ΠΈ Π΄ΡΡΠ³ΠΈΠ΅ ΡΠ΅ΠΌΡ, ΠΏΠΎ ΠΏΠΎΠ΄Π²Π΅ΡΠΊΠ΅ Π² ΠΎΡΠ½ΠΎΠ²Π½ΠΎΠΌ, ΡΠ°ΠΊ ΡΡΠΎ ΡΠ»Π΅Π΄ΠΈΡΠ΅ Π·Π° ΠΎΠ±Π½ΠΎΠ²Π»Π΅Π½ΠΈΡΠΌΠΈ Π±Π»ΠΎΠ³Π°. ΠΠΎΡΡΠ°ΡΠ°ΠΉΡΠ΅ΡΡ Π·Π°ΠΏΠΎΠΌΠ½ΠΈΡΡ, ΡΡΠΎ ΠΌΠΎΠ΄ΡΠ»Ρ ΠΈ ΠΊΠ°ΡΡΡΠΊΠ° 8212 ΡΡΠΎ ΡΠΈΠ½ΠΎΠ½ΠΈΠΌΡ. ΠΠ°ΠΌΠ°Π·ΠΎΠ²ΡΠΊΠ°Ρ ΡΡΡΠ±Π° ΠΎΠΆΠΈΠ²Π°Π΅Ρ ΠΎΠΊΠΎΠ»ΠΎ 1000 ΠΎΠ±ΠΌΠΈΠ½. ΠΠΎΠΏΠΎΠ»Π½ΠΈΡΠ΅Π»ΡΠ½ΡΠ΅ ΡΠ΅Π»Π΅ ΠΊΡΠ΅ΠΏΡΡΡΡ Π½Π° ΠΏΠ»Π°Π½ΠΊΠ΅ ΠΈ ΡΠ°ΡΠΏΠΎΠ»ΠΎΠΆΠ΅Π½Ρ ΠΏΠΎΠ΄ ΠΏΡΠΈΠ±ΠΎΡΠ½ΠΎΠΉ ΠΏΠ°Π½Π΅Π»ΡΡ, ΡΠ°Π±ΠΎΡΠ°Π» Π±Π΅Π· ΠΏΡΠΎΠ²Π°Π»ΠΎΠ², Π² ΡΠ°Π»ΠΎΠ½Π΅ ΠΏΡΠΈ ΠΌΠ°ΠΊΡΠΈΠΌΠ°Π»ΡΠ½ΠΎΠΉ ΠΏΠΎΠ΄Π°ΡΠ΅ Π³ΠΎΡΡΡΠ΅Π³ΠΎ Π²ΠΎΠ·Π΄ΡΡ Π° ΡΡΠ°Π»ΠΎ ΠΆΠ°ΡΠΊΠΎ, ΠΊΠ°ΠΊ Π² Π±Π°Π½Π΅.
ΠΠ°ΠΌΠΎΠΊ Π·Π°ΠΆΠΈΠ³Π°Π½ΠΈΡ ΠΠΠ 2101 ΡΡ Π΅ΠΌΠ° ΠΏΠΎΠ΄ΠΊΠ»ΡΡΠ΅Π½ΠΈΡ
ΠΠ»Π°Π²Π½Π°Ρ βΊ ΠΠΎΠ²ΠΎΡΡΠΈ
ΠΠΏΡΠ±Π»ΠΈΠΊΠΎΠ²Π°Π½ΠΎ: 27.08.2018
ΠΠ°ΠΊ ΠΏΠΎΠ΄ΡΠΎΠ΅Π΄ΠΈΠ½ΠΈΡΡ ΠΏΡΠΎΠ²ΠΎΠ΄Π° ΠΊ Π·Π°ΠΆΠΈΠ³Π°Π½ΠΈΡ… ΠΊΠΎΠ½ΡΠ°ΠΊΡΠ½Π°Ρ Π³ΡΡΠΏΠΏΠ° ΠΊΠ»Π°ΡΡΠΈΠΊΠ° Π²Π°Π· 2106ΠΠΎΠ΄ΠΊΠ»ΡΡΠ°Π΅ΠΌ ΠΏΡΠΎΠ²ΠΎΠ΄Π° ΠΊ Π·Π°ΠΌΠΊΡ Π·Π°ΠΆΠΈΠ³Π°Π½ΠΈΡ ΠΠΠ «ΠΊΠ»Π°ΡΡΠΈΠΊΠ°» 01 — 07.
ΠΊΠ°ΠΊ ΠΏΠΎΠ΄ΠΊΠ»ΡΡΠΈΡΡ Π·Π°ΠΌΠΎΠΊ Π·Π°ΠΆΠΈΠ³Π°Π½ΠΈΡ Π½Π° Π²Π°Π· 2106
ΠΠ°ΠΌΠ΅Π½Π° ΠΊΠΎΠ½ΡΠ°ΠΊΡΠ½ΠΎΠΉ Π³ΡΡΠΏΠΏΡ ΠΠΠ.Replacing VAZ contact group.
ΠΠΎ ΠΠ°ΡΠΊΠ΅ 12 — ΠΠ°ΠΌΠ΅Π½Π° Π·Π°ΠΌΠΊΠ° Π·Π°ΠΆΠΈΠ³Π°Π½ΠΈΡ ΠΠΠ 2106 ΠΈΠ»ΠΈ ΡΡΠΎ Π΄Π΅Π»Π°ΡΡ Π΅ΡΠ»ΠΈ ΡΠ»ΠΎΠΌΠ°Π»ΡΡ ΠΊΠ»ΡΡ Π² Π·Π°ΠΌΠΊΠ΅ Π·Π°ΠΆΠΈΠ³Π°Π½ΠΈΡ
ΠΠ°ΠΊ ΠΏΠΎΠ΄ΠΊΠ»ΡΡΠΈΡΡ ΠΏΡΠΎΠ²ΠΎΠ΄Π° ΠΊ Π·Π°ΠΌΠΊΡ Π·Π°ΠΆΠΈΠ³Π°Π½ΠΈΡ (ΠΠ°Π· 2106)
ΠΠ°ΠΊ ΠΏΠΎΠ΄ΡΠΎΠ΅Π΄ΠΈΠ½ΠΈΡΡ ΠΏΡΠΎΠ²ΠΎΠ΄Π° ΠΊ Π·Π°ΠΆΠΈΠ³Π°Π½ΠΈΡ… ΠΊΠΎΠ½ΡΠ°ΠΊΡΠ½Π°Ρ Π³ΡΡΠΏΠΏΠ° ΠΊΠ»Π°ΡΡΠΈΠΊΠ° Π²Π°Π· 2106
ΠΠΎ ΠΠ°ΡΠΊΠ΅ 12 — ΠΠ°ΠΌΠ΅Π½Π° Π·Π°ΠΌΠΊΠ° Π·Π°ΠΆΠΈΠ³Π°Π½ΠΈΡ ΠΠΠ 2106 ΠΈΠ»ΠΈ ΡΡΠΎ Π΄Π΅Π»Π°ΡΡ Π΅ΡΠ»ΠΈ ΡΠ»ΠΎΠΌΠ°Π»ΡΡ ΠΊΠ»ΡΡ Π² Π·Π°ΠΌΠΊΠ΅ Π·Π°ΠΆΠΈΠ³Π°Π½ΠΈΡ
ΠΠ΅ ΡΠ°Π±ΠΎΡΠ°Π΅Ρ Π·Π°ΠΌΠΎΠΊ Π·Π°ΠΆΠΈΠ³Π°Π½ΠΈΡ Π²Π°Π· 2101
ΠΠ°ΠΌΠΎΠΊ Π·Π°ΠΆΠΈΠ³Π°Π½ΠΈΡ ΠΠΠ 2107-2101 Π·Π°ΠΌΠ΅Π½Π°
ΠΠ°ΠΌΠ΅Π½Π° Π·Π°ΠΌΠΊΠ° Π·Π°ΠΆΠΈΠ³Π°Π½ΠΈΡ ΠΠΠ 2107 ΠΈ 2106, 2101, 2103, 2104 ΠΈ 2105
ΠΏΠΎΠ΄ΠΊΠ»ΡΡΠ΅Π½ΠΈΠ΅ ΠΏΡΠΎΠ²ΠΎΠ΄ΠΎΠ² ΠΊ Π·Π°ΠΌΠΊΡ Π·Π°ΠΆΠΈΠ³Π°Π½ΠΈΡ Π½Π° Π²Π°Π·
ΠΠ½Π°Π»ΠΎΠ³ΠΈΡΠ½ΠΎ ΡΠΌΠ°ΠΆΡΡΠ΅ Π²ΡΠΎΡΠΎΠΉ Π½Π°ΠΏΡΠ°Π²Π»ΡΡΡΠΈΠΉ ΠΏΠ°Π»Π΅Ρ ΠΈ Π΅Π³ΠΎ ΡΠ΅Ρ ΠΎΠ», ΡΡΡΠ°Π½ΠΎΠ²ΠΈΡΠ΅ Π½Π°ΠΏΡΠ°Π²Π»ΡΡΡΠΈΠ΅ Π·Π°ΠΌΠΎΠΊ Π·Π°ΠΆΠΈΠ³Π°Π½ΠΈΡ ΠΠΠ 2101 ΡΡ Π΅ΠΌΠ° ΠΏΠΎΠ΄ΠΊΠ»ΡΡΠ΅Π½ΠΈΡ Π² ΠΏΠΎΡΡΠ΄ΠΊΠ΅, ΠΎΠ³Π½Π΅ΡΠΏΠΎΡΠ½Ρ. ΠΡΠ΅ ΡΠ»Π΅ΠΊΡΡΠΎΠΎΠ±ΠΎΡΡΠ΄ΠΎΠ²Π°Π½ΠΈΠ΅ Π°Π²ΡΠΎΠΌΠΎΠ±ΠΈΠ»Ρ ΡΠΎΠ΅Π΄ΠΈΠ½Π΅Π½ΠΎ Ρ ΠΏΠΎΠΌΠΎΡΡΡ ΠΏΡΠΎΠ²ΠΎΠ΄ΠΎΠ² ΠΎΠΏΡΠ΅Π΄Π΅Π»Π½Π½ΠΎΠ³ΠΎ ΡΠ²Π΅ΡΠ°. ΠΡΠΊΠΈΠ½ΡΡΡ Π²ΠΏΠ΅ΡΠ΅Π΄ Π·Π°Π΄Π½Π΅Π΅ ΡΠΈΠ΄Π΅Π½ΡΠ΅, ΡΠ½ΡΡΡ ΠΊΡΡΡΠΊΡ Π»ΡΠΊΠ° Π² Π΄Π½ΠΈΡΠ΅ ΠΊΡΠ·ΠΎΠ²Π° ΠΈ ΠΎΡΡΠΎΠ΅Π΄ΠΈΠ½ΠΈΡΡ ΠΎΡ ΡΠ»Π΅ΠΊΡΡΠΎΠ±Π΅Π½Π·ΠΎΠ½Π°ΡΠΎΡΠ° 1, ΡΠΈΡΡΠ½ΠΎΠΊ 1, ΠΊΠΎΠ»ΠΎΠ΄ΠΊΡ Π± ΠΆΠ³ΡΡΠ° ΠΏΡΠΎΠ²ΠΎΠ΄ΠΎΠ² ΠΎΡΠ²Π΅ΡΡΠΊΠ° ΠΊΡΠ΅ΡΡΠΎΠΎΠ±ΡΠ°Π·Π½Π°Ρ. ΠΡΠ²ΠΎΡΠ°ΡΠΈΠ²Π°Π΅ΠΌ Π³Π°ΠΉΠΊΡ Π²Π΅ΡΡ Π½Π΅Π³ΠΎ ΠΊΡΠ΅ΠΏΠ»Π΅Π½ΠΈΡ ΡΠ°ΡΠΏΡΠ΅Π΄Π΅Π»ΠΈΡΠ΅Π»Ρ Π·Π°ΠΆΠΈΠ³Π°Π½ΠΈΡ ΠΈ ΡΠ½ΠΈΠΌΠ°Π΅ΠΌ Π΄Π΅ΡΠΆΠ°ΡΠ΅Π»Ρ Π²ΡΡΠΎΠΊΠΎΠ²ΠΎΠ»ΡΡΠ½ΡΡ ΠΏΡΠΎΠ²ΠΎΠ΄ΠΎΠ². Π Π²ΡΠΏΡΡΠΊΠ½ΠΎΠΌ ΠΏΠ°ΡΡΡΠ±ΠΊΠ΅, ΡΡΠ΄ΠΎΠΌ Ρ ΠΊΠΎΡΠΏΡΡΠΎΠΌ ΡΠ΅ΡΠΌΠΎΡΡΠ°ΡΠ°, ΡΡΡΠ°Π½ΠΎΠ²Π»Π΅Π½ Π΄Π°ΡΡΠΈΠΊ ΡΠ΅ΠΌΠΏΠ΅ΡΠ°ΡΡΡΡ ΠΎΡ Π»Π°ΠΆΠ΄Π°ΡΡΠ΅ΠΉ ΠΆΠΈΠ΄ΠΊΠΎΡΡΠΈ, Π²ΡΠ΄Π°ΡΡΠΈΠΉ ΠΈΠ½ΡΠΎΡΠΌΠ°ΡΠΈΡ Π΄Π»Ρ ΠΊΠΎΠ½ΡΡΠΎΠ»Π»Π΅ΡΠ°.
Π ΠΊΠΎΠ½ΡΡΡΡΠΊΡΠΈΠΈ ΡΠ°ΡΠΎΠ²ΡΡ ΠΎΠΏΠΎΡ ΠΈ ΡΡΠ»Π΅Π²ΡΡ ΡΠ°ΡΠ½ΠΈΡΠΎΠ² ΠΈΡΠΏΠΎΠ»ΡΠ·ΡΡΡΡΡ ΡΠΎΠ²ΡΠ΅ΠΌΠ΅Π½Π½ΡΠ΅ ΠΏΠΎΠ»ΠΈΠΌΠ΅ΡΠ½ΡΠ΅ ΠΌΠ°ΡΠ΅ΡΠΈΠ°Π»Ρ ΠΏΠΎΠ²ΡΡΠ΅Π½Π½ΠΎΠΉ ΠΏΡΠΎΡΠ½ΠΎΡΡΠΈ Ρ ΠΏΠΎΠ½ΠΈΠΆΠ΅Π½Π½ΡΠΌ ΠΊΠΎΡΡΡΠΈΡΠΈΠ΅Π½ΡΠΎΠΌ ΡΡΠ΅Π½ΠΈΡ, ΡΡΠ΅ΡΠΈΡΠ΅ΡΠΊΠ°Ρ ΠΏΠΎΠ²Π΅ΡΡ Π½ΠΎΡΡΡ ΡΠ°ΡΠΎΠ²ΡΡ ΠΏΠ°Π»ΡΡΠ΅Π² ΠΈΠΌΠ΅Π΅Ρ ΡΠ»ΡΡΡΠ΅Π½Π½ΡΡ ΠΏΠΎΠ²Π΅ΡΡ Π½ΠΎΡΡΡ ΠΈ ΡΠΏΠ΅ΡΠΈΠ°Π»ΡΠ½ΠΎΠ΅ Π°Π½ΡΠΈΡΡΠΈΠΊΡΠΈΠΎΠ½Π½ΠΎΠ΅ Π½Π°ΠΏΡΠ»Π΅Π½ΠΈΠ΅. ΠΡΠ»ΠΈ Π½Π° ΡΡΠΈΠΊΡΠΈΠΎΠ½Π½ΡΠ΅ Π½Π°ΠΊΠ»Π°Π΄ΠΊΠΈ ΠΏΠΎΠΏΠ°Π΄Π°Π΅Ρ ΠΌΠΎΡΠΎΡΠ½Π°Ρ ΠΆΠΈΠ΄ΠΊΠΎΡΡΡ. ΠΠΎΡΠΎΠΌΡ ΡΠ΅ΠΊΠΎΠΌΠ΅Π½Π΄ΡΠ΅ΠΌ ΡΠ΅Π³ΡΠ»ΠΈΡΠΎΠ²Π°ΡΡ ΠΊΠ»Π°ΠΏΠ°Π½Π° Ρ ΡΡΠ΅ΡΠΎΠΌ Π΄Π°Π½Π½ΠΎΠ³ΠΎ Π½ΡΠ°Π½ΡΠ°, ΠΏΡΠΈΠ±Π»ΠΈΠΆΠ°ΡΡΡ Π±ΠΎΠ»ΡΡΠ΅ ΠΊ ΠΌΠ°ΠΊΡΠΈΠΌΠ°Π»ΡΠ½ΠΎΠΌΡ Π·Π½Π°ΡΠ΅Π½ΠΈΡ ΡΠ°ΡΡΡΠΎΡΠ½ΠΈΡ Π΄ΠΎ ΠΊΡΠ»Π°ΡΠΊΠ°. ΠΠΎΡΠ»Π΅ ΡΡΠΎΠ³ΠΎ Π½Π΅ Π·Π°Π±ΡΠ²Π°Π΅ΠΌ Π·Π°ΡΠ΅Π»ΠΊΠ½ΡΡΡ ΠΊΡΡΡΠ΅ΡΠΊΡ ΡΠ΅ΡΠΎΠΊ. Π§ΡΠΎΠ±Ρ ΠΌΠ°ΡΠ»ΠΎ, Π½Π° Π°Π²ΡΠΎ ΠΌΠΎΠΆΠ½ΠΎ Π΅Π·Π΄ΠΈΡΡ, Π³Π»Π°Π²Π½ΠΎΠ΅ Ρ Π³ΠΎΠ»ΠΎΠ²ΠΎΠΉ. ΠΠ²Π° ΡΠ°ΡΠ° ΠΎΡ Π»Π°ΠΆΠ΄Π°Π»ΡΡ Π΄Π²ΠΈΠ³Π°ΡΠ΅Π»Ρ Π΄ΠΎ Π½Π°ΡΠ°Π»Π° ΡΠ°Π±ΠΎΡ ΠΎΠΆΠΈΠ΄Π°Π»ΠΎΡΡ ΡΡΠΎ ΡΠ΅ΡΡΡΠ΅ Π±ΡΠ΄Π΅Ρ, Ρ Π²Π°Ρ Π½Π΅ Π²ΠΎΠ·Π΄ΡΡΠ½Π°Ρ ΠΏΡΠΎΠ±ΠΊΠ°. ΠΠ·Π΄ΠΈΠ» ΠΏΠΎΠ»Π³ΠΎΠ΄Π°, Π·Π°ΠΌΠ΅ΡΠΈΠ» Π»Π΅ΡΠΎΠΌ ΡΡΠΎ ΡΠ΅ΡΠ΅Ρ ΠΈΠ· ΡΠ°Π΄ΠΈΠ°ΡΠΎΡΠ°, ΠΊΠ°ΠΏΠ»ΡΠΌΠΈ Π½Π΅ΠΌΠ½ΠΎΠ³ΠΎ, Π½Ρ Π΄ΠΎΠ»ΠΈΠ²Π°Π», ΠΏΠΎΠΊΠ° Π½Π΅ Π½Π°ΡΡΠ°Π» ΠΌΠΎΠΌΠ΅Π½Ρ ΠΊΠΎΠ³Π΄Π° ΡΡΠ°Π»ΠΎ ΡΡ ΠΎΠ΄ΠΈΡΡ Π»ΠΈΡΡΠ°ΠΌΠΈ Π² Π΄Π΅Π½Ρ. Π‘Π½ΡΡΡ ΠΎΠ±ΡΠΈΠ²ΠΊΠΈ Ρ Π΄Π²Π΅ΡΠ΅ΠΉ ΠΈ ΠΏΠ»Π°ΡΡΠΈΠΊΠΎΠ²ΡΠ΅ Π΄Π΅ΠΊΠΎΡΠ°ΡΠΈΠ²Π½ΡΠ΅ Π½Π°ΠΊΠ»Π°Π΄ΠΊΠΈ Ρ ΠΏΠΎΡΠΎΠ³ΠΎΠ² ΠΈ Π±ΠΎΠΊΠΎΠ²ΡΡ ΡΡΠΎΠ΅ΠΊ. ΠΠ»ΠΎΠΊ Π½Π° ΡΡΡΠ°Π½ΠΎΠ²ΠΈΡΠ΅ Π½ΠΎΠ²ΡΡ ΠΏΡΠΎΠΊΠ»Π°Π΄ΠΊΡ Π³ΠΎΠ»ΠΎΠ²ΠΊΠΈ.
ΠΡΠΎΠ³Π½ΠΈΡΠ΅ Π½Π° Π²ΠΎΠ΄ΠΈΡΠ΅Π»ΡΡΠΊΠΎΠΉ Π΄Π²Π΅ΡΠΈ ΡΠ΅Π·ΠΈΠ½ΠΎΠ²ΡΠΉ ΡΠΏΠ»ΠΎΡΠ½ΠΈΡΠ΅Π»Ρ ΠΈ Π² ΠΎΠ±ΡΠ°Π·ΠΎΠ²Π°Π²ΡΡΡΡΡ ΡΠ΅Π»Ρ ΠΏΡΠΎΡΡΠ½ΡΡΠ΅ ΠΏΡΠΎΠ²ΠΎΠ»ΠΎΠΊΡ Ρ ΠΊΡΡΡΠΊΠΎΠΌ Π½Π° ΠΊΠΎΠ½ΡΠ΅.
ΠΠ°ΠΌΠΎΠΊ Π·Π°ΠΆΠΈΠ³Π°Π½ΠΈΡ Π²Π°Π· 2107 — ΠΠ°ΠΆΠΈΠ³Π°Π½ΠΈΠ΅ — Π‘ΡΠ°ΡΡΠΈ
ΠΠΎΠ½ΡΡΡΡΠΊΡΠΈΠ²Π½ΠΎ, Π·Π°ΠΌΠΎΠΊ Π·Π°ΠΆΠΈΠ³Π°Π½ΠΈΡ Π°Π²ΡΠΎΠΌΠΎΠ±ΠΈΠ»Ρ Π²Π°Π· 2107 ΡΠΎΡΡΠΎΠΈΡ ΠΈΠ· ΡΠΎΠ±ΡΠ°Π½Π½ΡΡ Π½Π° ΠΎΡΠ½ΠΎΠ²Π΅ ΠΎΠ΄Π½ΠΎΠ³ΠΎ ΠΊΠΎΡΠΏΡΡΠ°, ΠΌΠ΅Ρ Π°Π½ΠΈΡΠ΅ΡΠΊΠΎΠ³ΠΎ ΠΏΡΠΎΡΠΈΠ²ΠΎΡΠ³ΠΎΠ½Π½ΠΎΠ³ΠΎ ΡΡΡΡΠΎΠΉΡΡΠ²Π° Ρ Π·Π°ΠΌΠΊΠΎΠΌ ΠΈ ΠΊΠΎΠ½ΡΠ°ΠΊΡΠ½ΠΎΠΉ ΡΠ°ΡΡΠΈ. ΠΠ°ΠΆΠ΄Π°Ρ ΠΈΠ· ΡΡΠΈΡ ΡΠΎΡΡΠ°Π²Π½ΡΡ ΡΠ°ΡΡΠ΅ΠΉ ΡΠ²Π»ΡΠ΅ΡΡΡ Π²ΠΏΠΎΠ»Π½Π΅ ΡΠ°ΠΌΠΎΡΡΠΎΡΡΠ΅Π»ΡΠ½ΠΎΠΉ ΡΠ±ΠΎΡΠΊΠΎΠΉ ΠΈ ΠΌΠΎΠΆΠ΅Ρ Π±ΡΡΡ Π·Π°ΠΌΠ΅Π½Π΅Π½Π° ΠΏΠΎ ΠΎΡΠ΄Π΅Π»ΡΠ½ΠΎΡΡΠΈ.
Π ΡΠΎΠΎΡΠ²Π΅ΡΡΡΠ²ΠΈΠΈ ΡΠΎ ΡΠ²ΠΎΠΈΠΌ ΠΏΡΠ΅Π΄Π½Π°Π·Π½Π°ΡΠ΅Π½ΠΈΠ΅ΠΌ Π·Π°ΠΌΠΎΠΊ Π·Π°ΠΆΠΈΠ³Π°Π½ΠΈΡ ΠΠΠ-2107 ΠΈΠΌΠ΅Π΅Ρ 4 ΡΠ°Π±ΠΎΡΠΈΡ ΠΏΠΎΠ»ΠΎΠΆΠ΅Π½ΠΈΡ:
ΠΠΎΠ»ΠΎΠΆΠ΅Π½ΠΈΠ΅ 0 β Π²ΡΠ΅ ΡΠ»Π΅ΠΊΡΡΠΎΠΏΡΠΈΠ±ΠΎΡΡ ΠΎΡΠΊΠ»ΡΡΠ΅Π½Ρ.
ΠΠ°ΡΠ°Π»ΡΠ½ΠΎΠ΅ ΠΏΠΎΠ»ΠΎΠΆΠ΅Π½ΠΈΠ΅ (III) , ΠΏΡΠΈ ΠΊΠΎΡΠΎΡΠΎΠΌ ΠΊΠ»ΡΡ Π²ΡΡΠ°Π²Π»ΡΠ΅ΡΡΡ ΠΈ Π²ΡΠ½ΠΈΠΌΠ°Π΅ΡΡΡ — ΡΡΠΈΡΠ°Π΅ΡΡΡ ΡΡΠΎΡΠ½ΠΎΡΠ½ΡΠΌ. Π ΡΡΠΎΠΌ ΠΏΠΎΠ»ΠΎΠΆΠ΅Π½ΠΈΠΈ Π·Π°ΠΏΠΈΡΡΠ²Π°Π΅ΡΡΡ ΠΎΡΠ²Π΅ΡΠ΅Π½ΠΈΠ΅, ΠΎΡΠΎΠΏΠΈΡΠ΅Π»Ρ ΠΈ ΡΡΠ΅ΠΊΠ»ΠΎΠΎΡΠΈΡΡΠΈΡΠ΅Π»Ρ. ΠΠ±ΡΠ°ΡΠ°Π΅ΡΡΡ Π²Π½ΠΈΠΌΠ°Π½ΠΈΠ΅, ΡΡΠΎ Π² Π΄Π°Π½Π½ΠΎΠΌ ΡΠ»ΡΡΠ°Π΅ Π²ΡΠ΅ ΠΏΠΎΡΡΠ΅Π±ΠΈΡΠ΅Π»ΠΈ ΡΠ°Π±ΠΎΡΠ°ΡΡ ΠΎΡ ΠΠΠ ΠΈ Π·Π½Π°ΡΠΈΡ, ΡΡΡΠ΅ΡΡΠ²ΡΠ΅Ρ ΡΠΈΡΠΊ Π±ΡΡΡΡΠΎΠΉ Π΅Π΅ ΡΠ°Π·ΡΡΠ΄ΠΊΠΈ.
ΠΠΎΠ»ΠΎΠΆΠ΅Π½ΠΈΠ΅ I β ΠΏΠΎΠ΄ΠΊΠ»ΡΡΠ΅Π½ΠΈΠ΅ Π²ΡΠ΅ ΠΏΠΎΡΡΠ΅Π±ΠΈΡΠ΅Π»Π΅ΠΉ ΡΠΎΠΎΡΠ²Π΅ΡΡΡΠ²ΡΡΡΠΈΡ ΠΏΠΎΠ»ΠΎΠΆΠ΅Π½ΠΈΡ III ΠΏΠ»ΡΡ ΡΠΈΡΡΠ΅ΠΌΠ° Π·Π°ΠΆΠΈΠ³Π°Π½ΠΈΡ, Π²ΠΎΠ·Π±ΡΠΆΠ΄Π΅Π½ΠΈΠ΅ Π³Π΅Π½Π΅ΡΠ°ΡΠΎΡΠ°, ΠΊΠΎΠ½ΡΡΠΎΠ»ΡΠ½ΡΠ΅ ΠΏΡΠΈΠ±ΠΎΡΡ ΠΈ ΡΠ΅ΠΏΡ ΡΠΈΠ³Π½Π°Π»ΠΈΠ·Π°ΡΠΈΠΈ ΠΏΠΎΠ²ΠΎΡΠΎΡΠ°.
ΠΠΎΠ»ΠΎΠΆΠ΅Π½ΠΈΠ΅ II —Β Π² Π΄ΠΎΠΏΠΎΠ»Π½Π΅Π½ΠΈΠ΅ ΠΊ ΡΠ΅ΠΏΡΠΌ ΠΏΠΎΠ»ΠΎΠΆΠ΅Π½ΠΈΡ Π, Π΄ΠΎΠ±Π°Π²Π»ΡΠ΅ΡΡΡ ΡΠ΅ΠΏΡ Π²ΠΊΠ»ΡΡΠ΅Π½ΠΈΡ ΡΡΠ°ΡΡΠ΅ΡΠ°.
ΠΠΎΠ»ΠΎΠΆΠ΅Π½ΠΈΡ 0, I ΠΈ III ΡΠ²Π»ΡΡΡΡΡ ΡΠΈΠΊΡΠΈΡΠΎΠ²Π°Π½Π½ΡΠΌΠΈ. ΠΡΠΈ ΡΡΡΠ°Π½ΠΎΠ²ΠΊΠ΅ ΠΊΠ»ΡΡΠ° Π² ΠΏΠΎΠ»ΠΎΠΆΠ΅Π½ΠΈΠ΅ II ΠΎΠ½ ΡΠ΄Π΅ΡΠΆΠΈΠ²Π°Π΅ΡΡΡ Π΄ΠΎΠΏΠΎΠ»Π½ΠΈΡΠ΅Π»ΡΠ½ΡΠΌ ΡΡΠΈΠ»ΠΈΠ΅ΠΌ (Ρ ΡΠ΅Π»ΡΡ ΠΈΡΠΊΠ»ΡΡΠ΅Π½ΠΈΡ ΡΠΎΠ·Π΄Π°Π½ΠΈΡ ΡΡΠ»ΠΎΠ²ΠΈΠΉ Π΄Π»Ρ ΠΏΠ΅ΡΠ΅Π³ΡΡΠ·ΠΊΠΈ ΡΡΠ°ΡΡΠ΅ΡΠ°).
Π ΡΠ»ΡΡΠ°Π΅ Π½Π΅ΠΎΠ±Ρ ΠΎΠ΄ΠΈΠΌΠΎΡΡΠΈ ΡΠ½ΡΡΠΈΡ Π·Π°ΠΌΠΊΠ° Π·Π°ΠΆΠΈΠ³Π°Π½ΠΈΡ Π² ΠΏΠ΅ΡΠ²ΡΡ ΠΎΡΠ΅ΡΠ΅Π΄Ρ Π΄Π΅ΠΌΠΎΠ½ΡΠΈΡΡΠ΅ΡΡΡ Π΄Π΅ΠΊΠΎΡΠ°ΡΠΈΠ²Π½ΡΠΉ ΡΠ΅Ρ ΠΎΠ» ΡΡΠ»Π΅Π²ΠΎΠ³ΠΎ Π²Π°Π»Π° ΠΈ ΠΎΡΡΠΎΠ΅Π΄ΠΈΠ½Π΅Π½ΠΈΠ΅ΠΌ ΠΌΠΈΠ½ΡΡΠΎΠ²ΠΎΠΉ ΠΊΠ»Π΅ΠΌΠΌΡ Π°ΠΊΠΊΡΠΌΡΠ»ΡΡΠΎΡΠ½ΠΎΠΉ Π±Π°ΡΠ°ΡΠ΅ΠΈ ΠΎΠ±Π΅ΡΡΠΎΡΠΈΠ²Π°Π΅ΡΡΡ ΡΠ»Π΅ΠΊΡΡΠΈΡΠ΅ΡΠΊΠ°Ρ ΡΡ Π΅ΠΌΠ° Π°Π²ΡΠΎΠΌΠΎΠ±ΠΈΠ»Ρ.
ΠΠΎΡΠ»Π΅ ΡΠΎΠ³ΠΎ ΠΊΠ°ΠΊ Π΄ΠΎΡΡΡΠΏ ΠΊ Π·Π°ΠΌΠΊΡ Π·Π°ΠΆΠΈΠ³Π°Π½ΠΈΡ ΠΎΡΠΊΡΡΡ, ΠΎΡ Π½Π΅Π³ΠΎ ΠΎΡΡΠΎΠ΅Π΄ΠΈΠ½ΡΠ΅ΡΡΡ ΠΏΠ°ΠΊΠ΅ΡΠ½ΠΈΠΊ Ρ ΠΏΡΠΎΠ²ΠΎΠ΄Π°ΠΌΠΈ. ΠΠ»Ρ ΡΠ°Π·Π±Π»ΠΎΠΊΠΈΡΠΎΠ²ΠΊΠΈ ΠΏΡΠΎΡΠΈΠ²ΠΎΡΠ³ΠΎΠ½Π½ΠΎΠ³ΠΎ ΠΌΠ΅Ρ Π°Π½ΠΈΠ·ΠΌΠ° ΡΠ»Π΅Π΄ΡΠ΅Ρ Π²ΡΡΠ°Π²ΠΈΡΡ Π² Π·Π°ΠΌΠΎΠΊ ΠΊΠ»ΡΡ ΠΈ Π»Π΅Π³ΠΊΠΈΠΌΠΈ Π΄Π²ΠΈΠΆΠ΅Π½ΠΈΡΠΌΠΈ ΡΡΠ»Π΅Π²ΠΎΠ³ΠΎ ΠΊΠΎΠ»Π΅ΡΠ° Π²Π»Π΅Π²ΠΎ ΠΈ Π²ΠΏΡΠ°Π²ΠΎ Π΄ΠΎΠ±ΠΈΡΡΡΡ Π΅Π³ΠΎ ΡΠ²ΠΎΠ±ΠΎΠ΄Π½ΠΎΠ³ΠΎ Ρ ΠΎΠ΄Π°. ΠΡΠ²Π΅ΡΠ½ΡΠ² ΠΊΡΠ΅ΡΡΠΎΠ²ΠΎΠΉ ΠΎΡΠ²Π΅ΡΡΠΊΠΎΠΉ Π΄Π²Π° Π²ΠΈΠ½ΡΠ° Π½Π° ΠΊΡΠΎΠ½ΡΡΠ΅ΠΉΠ½Π΅ ΡΡΠ»Π΅Π²ΠΎΠ³ΠΎ Π²Π°Π»Π° ΠΈ ΠΎΡΠΆΠ°Π² ΡΠΈΠΊΡΠ°ΡΠΎΡ, Π·Π°ΠΌΠΎΠΊ ΠΌΠΎΠΆΠ½ΠΎ ΡΠ½ΡΡΡ Ρ ΠΏΠΎΡΠ°Π΄ΠΎΡΠ½ΠΎΠ³ΠΎ Π³Π½Π΅Π·Π΄Π°.
Β
Π Π°Π±ΠΎΡΠΎΡΠΏΠΎΡΠΎΠ±Π½ΠΎΡΡΡ Π·Π°ΠΌΠΊΠ° ΠΏΡΠΎΡΠ΅ Π²ΡΠ΅Π³ΠΎ ΠΏΡΠΎΠ²Π΅ΡΠΈΡΡ Ρ ΠΏΠΎΠΌΠΎΡΡΡ ΠΎΠΌΠΌΠ΅ΡΡΠ°, ΠΏΡΡΠ΅ΠΌ ΠΏΡΠΎΠ·Π²ΠΎΠ½ΠΊΠΈ ΠΊΠΎΠΌΠΌΡΡΠ°ΡΠΈΠΈ ΠΊΠΎΠ½ΡΠ°ΠΊΡΠΎΠ² ΠΏΡΠΈ ΡΠ°Π·Π»ΠΈΡΠ½ΡΡ ΠΏΠΎΠ»ΠΎΠΆΠ΅Π½ΠΈΡΡ ΠΊΠ»ΡΡΠ°:
Β«0Β»: ΠΊΠΎΠ½ΡΠ°ΠΊΡΡ 30 ΠΈ 30/1;
Β«IΒ»: Β 30 — INT, 30/1-15;
Β«IIΒ»: 30-INT, 30/1-15, 30-50;
Β«IIIΒ»; 30-INT.
Β ΠΡΠΈ Π½ΠΎΡΠΌΠ°Π»ΡΠ½ΠΎΠΉ ΡΠ°Π±ΠΎΡΠ΅ ΡΠΎΠΏΡΠΎΡΠΈΠ²Π»Π΅Π½ΠΈΠ΅ ΠΊΠ°ΠΆΠ΄ΠΎΠ³ΠΎ ΠΊΠΎΠ½ΠΊΡΠ΅ΡΠ½ΠΎΠ³ΠΎ ΡΠΎΠ΅Π΄ΠΈΠ½Π΅Π½ΠΈΡ Π΄ΠΎΠ»ΠΆΠ½ΠΎ ΡΡΡΠ΅ΠΌΠΈΡΡΡΡ ΠΊ Π½ΡΠ»Ρ. Π ΡΠ»ΡΡΠ°Π΅, Π΅ΡΠ»ΠΈ ΡΠΎΠΏΡΠΎΡΠΈΠ²Π»Π΅Π½ΠΈΠ΅ Π² ΠΎΠ΄Π½ΠΎΠΌ ΠΈΠ· ΠΏΠΎΠ»ΠΎΠΆΠ΅Π½ΠΈΠΉ Π·Π°ΠΌΠ΅ΡΠ½ΠΎ Π±ΠΎΠ»ΡΡΠ΅ Π½ΡΠ»Ρ β ΠΊΠΎΠ½ΡΠ°ΠΊΡΡ ΠΏΠΎΠ΄Π³ΠΎΡΠ΅Π»ΠΈ ΠΈΠ»ΠΈ Π·Π°Π³ΡΡΠ·Π½Π΅Π½Ρ (ΠΎΠΊΠΈΡΠ»Π΅Π½Ρ). Π ΡΠ°ΠΊΠΎΠΉ ΡΠΈΡΡΠ°ΡΠΈΠΈ ΠΊΠΎΠ½ΡΠ°ΠΊΡΠ½ΡΡ ΡΠ°ΡΡΡ ΡΠ΅ΠΊΠΎΠΌΠ΅Π½Π΄ΡΠ΅ΡΡΡ Π·Π°ΠΌΠ΅Π½ΠΈΡΡ Π² ΡΠ±ΠΎΡΠ΅ (ΡΠ½ΡΠ² Ρ Π·Π°ΠΌΠΊΠ° ΡΡΠΎΠΏΠΎΡΠ½ΠΎΠ΅ ΠΊΠΎΠ»ΡΡΠΎ ΠΈ Π²ΡΠ½ΡΠ² Π΄Π΅ΡΠ΅ΠΊΡΠ½ΡΡ ΠΊΠΎΠ½ΡΠ°ΠΊΡΠ½ΡΡ Π³ΡΡΠΏΠΏΡ).
Π‘Π±ΠΎΡΠΊΠ° Π·Π°ΠΌΠΊΠ° ΠΈ Π΅Π³ΠΎ ΡΡΡΠ°Π½ΠΎΠ²ΠΊΠ° Π½Π° ΠΌΠ΅ΡΡΠΎ ΠΏΡΠΎΠΈΠ·Π²ΠΎΠ΄ΡΡΡΡ Π² ΠΎΠ±ΡΠ°ΡΠ½ΠΎΠΌ ΠΏΠΎΡΡΠ΄ΠΊΠ΅.
ΠΠΎΡ ΠΎΠΆΠΈΠ΅ ΠΌΠ°ΡΠ΅ΡΠΈΠ°Π»Ρ
ΠΡΠΈΠ·Π½Π°ΠΊΠΈ Π½Π΅ΠΈΡΠΏΡΠ°Π²Π½ΠΎΠ³ΠΎ ΠΈΠ»ΠΈ Π½Π΅ΠΈΡΠΏΡΠ°Π²Π½ΠΎΠ³ΠΎ ΡΠ΅Π»Π΅ Π·Π°ΠΆΠΈΠ³Π°Π½ΠΈΡ
ΠΡΠ½Π»Π΅ Π¨ΠΎΠ½Π°ΠΈΠΊΠ΅
ΠΠ»Π΅ΠΊΡΡΠΈΡΠ΅ΡΠΊΠ°Ρ Π°ΡΡ ΠΈΡΠ΅ΠΊΡΡΡΠ° ΡΠΎΠ²ΡΠ΅ΠΌΠ΅Π½Π½ΠΎΠ³ΠΎ Π°Π²ΡΠΎΠΌΠΎΠ±ΠΈΠ»Ρ — ΡΡΠΎ Π΅Π³ΠΎ ΡΠΏΠ°ΡΠ°ΡΠ΅Π»ΡΠ½ΡΠΉ ΠΊΡΡΠ³. Π‘ΠΎΠ²ΡΠ΅ΠΌΠ΅Π½Π½ΡΠ΅ ΡΡΠ°Π½ΡΠΏΠΎΡΡΠ½ΡΠ΅ ΡΡΠ΅Π΄ΡΡΠ²Π°, ΠΏΠΎ ΡΡΡΠΈ, ΡΠ²Π»ΡΡΡΡΡ ΡΠ»Π΅ΠΊΡΡΠΎΠ½Π½ΡΠΌΠΈ ΠΎΠ±ΡΠ΅ΠΊΡΠ°ΠΌΠΈ, ΠΈ ΠΊΠ°ΡΠ΅ΡΡΠ²ΠΎ ΠΈΡ ΠΎΠ±ΡΠ»ΡΠΆΠΈΠ²Π°Π½ΠΈΡ Π²ΠΎ Π²ΡΠ΅Ρ ΡΠ΅ΡΡΡΠ΅Ρ ΠΎΡΠ½ΠΎΠ²Π½ΡΡ ΡΠΈΡΡΠ΅ΠΌΠ½ΡΡ ΠΎΡΡΠ΅ΠΊΠ°Ρ (ΡΠΈΠ»ΠΎΠ²ΠΎΠΉ Π°Π³ΡΠ΅Π³Π°Ρ, ΠΊΡΠ·ΠΎΠ², ΡΠ°ΡΡΠΈ ΠΈ ΠΏΡΠΎΡΠΎΠΊΠΎΠ» ΡΠ²ΡΠ·ΠΈ), ΠΊΠ°ΠΊ ΠΈ Ρ Π»ΡΠ±ΠΎΠ³ΠΎ ΡΠ»Π΅ΠΊΡΡΠΎΠ½Π½ΠΎΠ³ΠΎ ΡΡΡΡΠΎΠΉΡΡΠ²Π°, Π·Π°Π²ΠΈΡΠΈΡ ΠΎΡ Π΅Π³ΠΎ ΡΠ»Π΅ΠΊΡΡΠΈΡΠ΅ΡΠΊΠΈΡ ΠΏΡΠΈΡΠΏΠΎΡΠΎΠ±Π»Π΅Π½ΠΈΠΉ: ΠΊΠ°Π±Π΅Π»Π΅ΠΉ, ΡΠ΅Π»Π΅ ΠΈ Ρ. Π. ΠΈ Ρ.ΠΏ.
Π Π΅Π»Π΅ Π·Π°ΠΆΠΈΠ³Π°Π½ΠΈΡ — ΠΎΠ΄Π½ΠΎ ΠΈΠ· Π²Π°ΠΆΠ½Π΅ΠΉΡΠΈΡ ΡΠ»Π΅ΠΊΡΡΠΎΠ½Π½ΡΡ ΡΠ΅Π»Π΅ ΡΠΎΠ²ΡΠ΅ΠΌΠ΅Π½Π½ΡΡ Π°Π²ΡΠΎΠΌΠΎΠ±ΠΈΠ»Π΅ΠΉ.ΠΠ±ΡΡΠ½ΠΎ ΠΎΠ½ ΡΠ°ΡΠΏΠΎΠ»ΠΎΠΆΠ΅Π½ Π² ΠΏΠ°Π½Π΅Π»ΠΈ ΠΏΡΠ΅Π΄ΠΎΡ ΡΠ°Π½ΠΈΡΠ΅Π»Π΅ΠΉ ΠΈ ΡΠ΅Π»Π΅ ΠΏΠΎΠ΄ ΠΊΠ°ΠΏΠΎΡΠΎΠΌ ΠΈ ΠΎΡΠ²Π΅ΡΠ°Π΅Ρ Π·Π° ΠΏΠΈΡΠ°Π½ΠΈΠ΅ ΡΠΈΡΡΠ΅ΠΌΡ Π·Π°ΠΆΠΈΠ³Π°Π½ΠΈΡ Π°Π²ΡΠΎΠΌΠΎΠ±ΠΈΠ»Ρ ΠΈ Π½Π΅ΠΊΠΎΡΠΎΡΡΡ ΠΊΠΎΠΌΠΏΠΎΠ½Π΅Π½ΡΠΎΠ² ΡΠΎΠΏΠ»ΠΈΠ²Π½ΠΎΠΉ ΡΠΈΡΡΠ΅ΠΌΡ. ΠΠΎΠ³Π΄Π° ΠΊΠ»ΡΡ ΠΏΠΎΠ²ΠΎΡΠ°ΡΠΈΠ²Π°Π΅ΡΡΡ Π²ΠΎ Π²ΠΊΠ»ΡΡΠ΅Π½Π½ΠΎΠ΅ ΠΏΠΎΠ»ΠΎΠΆΠ΅Π½ΠΈΠ΅, ΡΠ΅Π»Π΅ Π²ΠΊΠ»ΡΡΠ°Π΅ΡΡΡ, ΠΈ ΠΏΠΈΡΠ°Π½ΠΈΠ΅ ΠΏΠΎΠ΄Π°Π΅ΡΡΡ Π½Π° ΠΊΠΎΠΌΠΏΠΎΠ½Π΅Π½ΡΡ ΡΠΈΡΡΠ΅ΠΌΡ Π·Π°ΠΆΠΈΠ³Π°Π½ΠΈΡ ΠΈ ΡΠΎΠΏΠ»ΠΈΠ²Π½ΠΎΠΉ ΡΠΈΡΡΠ΅ΠΌΡ Π°Π²ΡΠΎΠΌΠΎΠ±ΠΈΠ»Ρ, Π² ΡΠ°ΡΡΠ½ΠΎΡΡΠΈ, Π½Π° ΡΠΎΠΏΠ»ΠΈΠ²Π½ΡΠΉ Π½Π°ΡΠΎΡ ΠΈ ΠΊΠ°ΡΡΡΠΊΠΈ Π·Π°ΠΆΠΈΠ³Π°Π½ΠΈΡ. ΠΠΎΠ³Π΄Π° ΡΠ΅Π»Π΅ Π²ΡΡ ΠΎΠ΄ΠΈΡ ΠΈΠ· ΡΡΡΠΎΡ ΠΈΠ»ΠΈ ΠΈΠΌΠ΅Π΅Ρ ΠΏΡΠΎΠ±Π»Π΅ΠΌΡ, ΡΡΠΎ ΠΌΠΎΠΆΠ΅Ρ Π²ΡΠ·Π²Π°ΡΡ ΡΠ΅ΡΡΠ΅Π·Π½ΡΠ΅ ΠΏΡΠΎΠ±Π»Π΅ΠΌΡ Ρ ΡΠ°Π±ΠΎΡΠΎΠΉ Π°Π²ΡΠΎΠΌΠΎΠ±ΠΈΠ»Ρ. ΠΠ±ΡΡΠ½ΠΎ Π½Π΅ΠΈΡΠΏΡΠ°Π²Π½ΠΎΠ΅ ΠΈΠ»ΠΈ Π½Π΅ΠΈΡΠΏΡΠ°Π²Π½ΠΎΠ΅ ΡΠ΅Π»Π΅ Π·Π°ΠΆΠΈΠ³Π°Π½ΠΈΡ Π²ΡΠ·ΡΠ²Π°Π΅Ρ Π½Π΅ΡΠΊΠΎΠ»ΡΠΊΠΎ ΡΠΈΠΌΠΏΡΠΎΠΌΠΎΠ², ΠΊΠΎΡΠΎΡΡΠ΅ ΠΌΠΎΠ³ΡΡ ΡΠ²Π΅Π΄ΠΎΠΌΠΈΡΡ Π²ΠΎΠ΄ΠΈΡΠ΅Π»Ρ ΠΎ ΠΏΠΎΡΠ΅Π½ΡΠΈΠ°Π»ΡΠ½ΠΎΠΉ ΠΏΡΠΎΠ±Π»Π΅ΠΌΠ΅.
ΠΠ²ΡΠΎΠΌΠΎΠ±ΠΈΠ»Ρ Π²Π½Π΅Π·Π°ΠΏΠ½ΠΎ Π³Π»ΠΎΡ Π½Π΅Ρ Π²ΠΎ Π²ΡΠ΅ΠΌΡ Π΄Π²ΠΈΠΆΠ΅Π½ΠΈΡ: ΠΠ΄Π½ΠΈΠΌ ΠΈΠ· Π½Π°ΠΈΠ±ΠΎΠ»Π΅Π΅ ΡΠ°ΡΠΏΡΠΎΡΡΡΠ°Π½Π΅Π½Π½ΡΡ ΡΠΈΠΌΠΏΡΠΎΠΌΠΎΠ² Π½Π΅ΠΈΡΠΏΡΠ°Π²Π½ΠΎΡΡΠΈ ΡΠ΅Π»Π΅ Π·Π°ΠΆΠΈΠ³Π°Π½ΠΈΡ ΡΠ²Π»ΡΠ΅ΡΡΡ Π°Π²ΡΠΎΠΌΠΎΠ±ΠΈΠ»Ρ, ΠΊΠΎΡΠΎΡΡΠΉ Π²Π½Π΅Π·Π°ΠΏΠ½ΠΎ Π³Π»ΠΎΡ Π½Π΅Ρ Π²ΠΎ Π²ΡΠ΅ΠΌΡ Π΄Π²ΠΈΠΆΠ΅Π½ΠΈΡ. ΠΡΠ»ΠΈ ΡΠ΅Π»Π΅ Π·Π°ΠΆΠΈΠ³Π°Π½ΠΈΡ Π·Π°ΠΊΠΎΡΠ°ΡΠΈΠ²Π°Π΅ΡΡΡ, ΠΏΠ΅ΡΠ΅Π³ΠΎΡΠ°Π΅Ρ ΠΈΠ»ΠΈ Π²ΡΡ ΠΎΠ΄ΠΈΡ ΠΈΠ· ΡΡΡΠΎΡ Π²ΠΎ Π²ΡΠ΅ΠΌΡ ΡΠ°Π±ΠΎΡΡ Π΄Π²ΠΈΠ³Π°ΡΠ΅Π»Ρ, ΠΎΠ½ΠΎ ΠΎΡΠΊΠ»ΡΡΠΈΡ ΠΏΠΈΡΠ°Π½ΠΈΠ΅ ΡΠΎΠΏΠ»ΠΈΠ²Π½ΠΎΠ³ΠΎ Π½Π°ΡΠΎΡΠ° ΠΈ ΡΠΈΡΡΠ΅ΠΌΡ Π·Π°ΠΆΠΈΠ³Π°Π½ΠΈΡ. ΠΡΠΎ ΠΏΡΠΈΠ²Π΅Π΄Π΅Ρ ΠΊ Π½Π΅ΠΌΠ΅Π΄Π»Π΅Π½Π½ΠΎΠΉ ΠΎΡΡΠ°Π½ΠΎΠ²ΠΊΠ΅ Π°Π²ΡΠΎΠΌΠΎΠ±ΠΈΠ»Ρ ΠΈΠ·-Π·Π° ΠΏΡΠ΅ΠΊΡΠ°ΡΠ΅Π½ΠΈΡ ΠΏΠΎΠ΄Π°ΡΠΈ ΡΠΎΠΏΠ»ΠΈΠ²Π° ΠΈ ΠΈΡΠΊΡΡ. Π Π½Π΅ΠΊΠΎΡΠΎΡΡΡ ΡΠ»ΡΡΠ°ΡΡ Π½Π΅ΠΈΡΠΏΡΠ°Π²Π½ΠΎΠ³ΠΎ ΡΠ΅Π»Π΅ Π°Π²ΡΠΎΠΌΠΎΠ±ΠΈΠ»Ρ ΡΠΌΠΎΠΆΠ΅Ρ ΠΏΠ΅ΡΠ΅Π·Π°ΠΏΡΡΡΠΈΡΡΡΡ, ΠΊΠ°ΠΊ ΡΠΎΠ»ΡΠΊΠΎ ΡΠ΅Π»Π΅ ΠΎΡΡΡΠ½Π΅Ρ, ΡΠΎΠ»ΡΠΊΠΎ Π΄Π»Ρ ΡΠΎΠ³ΠΎ, ΡΡΠΎΠ±Ρ ΡΠ½ΠΎΠ²Π° Π·Π°Π³Π»ΠΎΡ Π½ΡΡΡ ΠΏΠΎΡΠ»Π΅ ΠΏΠ΅ΡΠ΅Π³ΡΠ΅Π²Π° ΡΠ΅Π»Π΅.
ΠΠ²ΡΠΎΠΌΠΎΠ±ΠΈΠ»Ρ Π½Π΅ Π·Π°ΠΏΡΡΠΊΠ°Π΅ΡΡΡ: ΠΡΠ΅ ΠΎΠ΄Π½ΠΈΠΌ ΠΏΡΠΈΠ·Π½Π°ΠΊΠΎΠΌ Π½Π΅ΠΈΡΠΏΡΠ°Π²Π½ΠΎΡΡΠΈ ΡΠ΅Π»Π΅ Π·Π°ΠΆΠΈΠ³Π°Π½ΠΈΡ ΡΠ²Π»ΡΠ΅ΡΡΡ ΠΎΡΡΡΡΡΡΠ²ΠΈΠ΅ ΠΏΠΈΡΠ°Π½ΠΈΡ. ΠΡΠ»ΠΈ ΡΠ΅Π»Π΅ Π²ΡΠΉΠ΄Π΅Ρ ΠΈΠ· ΡΡΡΠΎΡ, ΠΎΠ½ΠΎ ΠΎΡΠΊΠ»ΡΡΠΈΡ ΠΏΠΈΡΠ°Π½ΠΈΠ΅ ΡΠΎΠΏΠ»ΠΈΠ²Π½ΠΎΠ³ΠΎ Π½Π°ΡΠΎΡΠ° ΠΈ ΡΠΈΡΡΠ΅ΠΌΡ Π·Π°ΠΆΠΈΠ³Π°Π½ΠΈΡ, ΡΡΠΎ ΠΏΡΠΈΠ²Π΅Π΄Π΅Ρ ΠΊ ΠΎΡΠΊΠ»ΡΡΠ΅Π½ΠΈΡ ΠΏΠΈΡΠ°Π½ΠΈΡ ΠΈ, ΡΠ»Π΅Π΄ΠΎΠ²Π°ΡΠ΅Π»ΡΠ½ΠΎ, ΠΊ ΠΎΡΡΡΡΡΡΠ²ΠΈΡ ΡΡΠ»ΠΎΠ²ΠΈΠΉ Π·Π°ΠΏΡΡΠΊΠ°. ΠΡ ΠΌΠΎΠΆΠ΅ΡΠ΅ ΠΎΠ±Π½Π°ΡΡΠΆΠΈΡΡ, ΡΡΠΎ ΠΏΠΎΠ²ΠΎΡΠΎΡ ΠΊΠ»ΡΡΠ° ΠΌΠΎΠΆΠ΅Ρ ΠΏΡΠΈΠ²Π΅ΡΡΠΈ ΠΊ Π²ΠΊΠ»ΡΡΠ΅Π½ΠΈΡ Π°ΠΊΡΠ΅ΡΡΡΠ°ΡΠΎΠ² ΠΈ Π΄Π°ΠΆΠ΅ ΠΊ ΠΏΡΠΎΠ²ΠΎΡΠ°ΡΠΈΠ²Π°Π½ΠΈΡ Π΄Π²ΠΈΠ³Π°ΡΠ΅Π»Ρ. ΠΠ΄Π½Π°ΠΊΠΎ Π°Π²ΡΠΎΠΌΠΎΠ±ΠΈΠ»Ρ Π½Π΅ Π·Π°Π²ΠΎΠ΄ΠΈΡΡΡ ΠΈΠ·-Π·Π° ΠΎΡΡΡΡΡΡΠ²ΠΈΡ ΡΠ½Π΅ΡΠ³ΠΈΠΈ, Π½Π°ΠΏΡΠ°Π²Π»ΡΠ΅ΠΌΠΎΠΉ Π½Π° ΡΠΎΠΏΠ»ΠΈΠ²Π½ΡΡ ΡΠΈΡΡΠ΅ΠΌΡ ΠΈ ΡΠΈΡΡΠ΅ΠΌΡ Π·Π°ΠΆΠΈΠ³Π°Π½ΠΈΡ. ΠΠΎΠ΄ΠΎΠ±Π½ΡΠ΅ ΡΠΈΠΌΠΏΡΠΎΠΌΡ ΡΠ°ΠΊΠΆΠ΅ ΠΌΠΎΠ³ΡΡ Π±ΡΡΡ Π²ΡΠ·Π²Π°Π½Ρ ΠΌΠ½ΠΎΠΆΠ΅ΡΡΠ²ΠΎΠΌ Π΄ΡΡΠ³ΠΈΡ ΠΏΡΠΎΠ±Π»Π΅ΠΌ, ΠΏΠΎΡΡΠΎΠΌΡ ΡΠ΅ΠΊΠΎΠΌΠ΅Π½Π΄ΡΠ΅ΡΡΡ ΠΏΠΎΡΡΠ°Π²ΠΈΡΡ ΠΏΡΠ°Π²ΠΈΠ»ΡΠ½ΡΠΉ Π΄ΠΈΠ°Π³Π½ΠΎΠ·, ΡΡΠΎΠ±Ρ Π²ΡΡΡΠ½ΠΈΡΡ, Π² ΡΠ΅ΠΌ ΠΏΡΠΎΠ±Π»Π΅ΠΌΠ°.
Π Π°Π·ΡΡΠ΄ Π±Π°ΡΠ°ΡΠ΅ΠΈ: Π Π°Π·ΡΡΠ΄ Π±Π°ΡΠ°ΡΠ΅ΠΈ — Π΅ΡΠ΅ ΠΎΠ΄ΠΈΠ½ ΠΏΡΠΈΠ·Π½Π°ΠΊ Π½Π΅ΠΈΡΠΏΡΠ°Π²Π½ΠΎΡΡΠΈ ΡΠ΅Π»Π΅ Π·Π°ΠΆΠΈΠ³Π°Π½ΠΈΡ. ΠΡΠ»ΠΈ ΡΠ΅Π»Π΅ ΠΈΠΌΠ΅Π΅Ρ Π²Π½ΡΡΡΠ΅Π½Π½Π΅Π΅ ΠΊΠΎΡΠΎΡΠΊΠΎΠ΅ Π·Π°ΠΌΡΠΊΠ°Π½ΠΈΠ΅, ΠΎΠ½ΠΎ ΠΌΠΎΠΆΠ΅Ρ ΠΏΠΎΠ΄Π΄Π΅ΡΠΆΠΈΠ²Π°ΡΡ ΠΏΠΈΡΠ°Π½ΠΈΠ΅, ΠΏΠΎΠ΄Π°Π²Π°Π΅ΠΌΠΎΠ΅ Π½Π° ΡΠΈΡΡΠ΅ΠΌΡ Π·Π°ΠΆΠΈΠ³Π°Π½ΠΈΡ ΠΈ ΡΠΎΠΏΠ»ΠΈΠ²Π½ΡΡ ΡΠΈΡΡΠ΅ΠΌΡ, Π΄Π°ΠΆΠ΅ Π΅ΡΠ»ΠΈ ΡΠΈΠ»ΠΈΠ½Π΄Ρ Π·Π°ΠΆΠΈΠ³Π°Π½ΠΈΡ Π½Π°Ρ ΠΎΠ΄ΠΈΡΡΡ Π² Π΄ΡΡΠ³ΠΎΠΌ ΠΏΠΎΠ»ΠΎΠΆΠ΅Π½ΠΈΠΈ ΠΈΠ»ΠΈ ΠΊΠ»ΡΡ Π²ΡΠ½ΡΡ. ΠΡΠΎ ΠΏΡΠΈΠ²Π΅Π΄Π΅Ρ ΠΊ ΡΠΎΠΌΡ, ΡΡΠΎ ΡΠΎΠΏΠ»ΠΈΠ²Π½ΡΠΉ Π½Π°ΡΠΎΡ ΠΈ ΠΊΠΎΠΌΠΏΠΎΠ½Π΅Π½ΡΡ ΡΠΈΡΡΠ΅ΠΌΡ Π·Π°ΠΆΠΈΠ³Π°Π½ΠΈΡ Π±ΡΠ΄ΡΡ ΠΎΡΡΠ°Π²Π°ΡΡΡΡ Π²ΠΊΠ»ΡΡΠ΅Π½Π½ΡΠΌΠΈ, ΠΏΠΎΡΡΠ΅Π±Π»ΡΡ ΡΠΎΠΊ, ΡΡΠΎ Π² ΠΊΠΎΠ½Π΅ΡΠ½ΠΎΠΌ ΠΈΡΠΎΠ³Π΅ ΠΏΡΠΈΠ²Π΅Π΄Π΅Ρ ΠΊ ΡΠ°Π·ΡΡΠ΄ΠΊΠ΅ Π°ΠΊΠΊΡΠΌΡΠ»ΡΡΠΎΡΠ°. ΠΠΎΠΌΠΈΠΌΠΎ ΡΠ°Π·ΡΡΠ΄Π° Π±Π°ΡΠ°ΡΠ΅ΠΈ, ΡΡΠΎ ΡΠ°ΠΊΠΆΠ΅ ΠΌΠΎΠΆΠ΅Ρ Π²ΡΠ·Π²Π°ΡΡ ΡΡΠΊΠΎΡΠ΅Π½Π½ΡΠΉ ΠΈΠ·Π½ΠΎΡ ΠΊΠΎΠΌΠΏΠΎΠ½Π΅Π½ΡΠΎΠ², ΠΎΡΠΎΠ±Π΅Π½Π½ΠΎ ΡΠΎΠΏΠ»ΠΈΠ²Π½ΠΎΠ³ΠΎ Π½Π°ΡΠΎΡΠ°, ΠΈΠ·-Π·Π° ΡΠΎΠ³ΠΎ, ΡΡΠΎ ΠΎΠ½ΠΈ Π²ΠΊΠ»ΡΡΠ΅Π½Ρ, Π½ΠΎ Π½Π΅ ΡΠ°Π±ΠΎΡΠ°ΡΡ.
Π‘Π³ΠΎΡΠ΅Π²ΡΠ΅Π΅ ΡΠ΅Π»Π΅: Π Π½Π΅ΠΊΠΎΡΠΎΡΡΡ ΡΠ»ΡΡΠ°ΡΡ ΡΠ΅Π»Π΅ ΠΌΠΎΠΆΠ΅Ρ ΠΏΠ΅ΡΠ΅Π³ΡΠ΅ΡΡΡΡ Π΄ΠΎ ΡΠΎΡΠΊΠΈ Π²ΠΎΠ·Π³ΠΎΡΠ°Π½ΠΈΡ ΠΈ ΠΏΠ»Π°Π²Π»Π΅Π½ΠΈΡ. ΠΠΎΠΌΠΈΠΌΠΎ ΠΎΡΠΊΠ»ΡΡΠ΅Π½ΠΈΡ ΠΏΠΈΡΠ°Π½ΠΈΡ ΡΠ΅Π»Π΅ Π·Π°ΠΆΠΈΠ³Π°Π½ΠΈΡ Π°Π²ΡΠΎΠΌΠΎΠ±ΠΈΠ»Ρ ΠΈ Π²ΠΎΠ·Π½ΠΈΠΊΠ½ΠΎΠ²Π΅Π½ΠΈΡ ΠΏΡΠΎΠ±Π»Π΅ΠΌ Ρ ΠΏΡΠΎΠΈΠ·Π²ΠΎΠ΄ΠΈΡΠ΅Π»ΡΠ½ΠΎΡΡΡΡ, ΡΠ³ΠΎΡΠ΅Π²ΡΠ΅Π΅ ΡΠ΅Π»Π΅ ΠΌΠΎΠΆΠ΅Ρ ΡΠ°ΡΠΏΠ»Π°Π²ΠΈΡΡΡΡ Π½Π° ΠΏΠ°Π½Π΅Π»ΠΈ ΠΏΡΠ΅Π΄ΠΎΡ ΡΠ°Π½ΠΈΡΠ΅Π»Π΅ΠΉ. ΠΡΠΎ ΠΌΠΎΠΆΠ΅Ρ Π·Π°ΡΡΡΠ΄Π½ΠΈΡΡ ΡΠ½ΡΡΠΈΠ΅, Π° Π² Π½Π΅ΠΊΠΎΡΠΎΡΡΡ ΡΠ»ΡΡΠ°ΡΡ ΠΌΠΎΠΆΠ΅Ρ Π΄Π°ΠΆΠ΅ ΠΏΡΠΈΠ²Π΅ΡΡΠΈ ΠΊ Π·Π°ΠΌΠ΅Π½Π΅ Π²ΡΠ΅Π³ΠΎ Π±Π»ΠΎΠΊΠ° ΠΏΡΠ΅Π΄ΠΎΡ ΡΠ°Π½ΠΈΡΠ΅Π»Π΅ΠΉ.
Π₯ΠΎΡΡ ΠΎΠ±ΡΠ»ΡΠΆΠΈΠ²Π°Π½ΠΈΠ΅ ΡΠ΅Π»Π΅ Π·Π°ΠΆΠΈΠ³Π°Π½ΠΈΡ ΠΎΠ±ΡΡΠ½ΠΎ Π½Π΅ ΡΡΠΈΡΠ°Π΅ΡΡΡ ΠΎΠ±ΡΡΠ½ΡΠΌ ΠΎΠ±ΡΠ»ΡΠΆΠΈΠ²Π°Π½ΠΈΠ΅ΠΌ, ΠΈΠ½ΠΎΠ³Π΄Π° ΠΎΠ½ΠΎ ΠΌΠΎΠΆΠ΅Ρ Π²ΡΠΉΡΠΈ ΠΈΠ· ΡΡΡΠΎΡ ΠΈ Π²ΡΠ·Π²Π°ΡΡ ΡΠ΅ΡΡΠ΅Π·Π½ΡΠ΅ ΠΏΡΠΎΠ±Π»Π΅ΠΌΡ Π΄Π»Ρ Π°Π²ΡΠΎΠΌΠΎΠ±ΠΈΠ»Ρ.ΠΡΠ»ΠΈ Π²Ρ ΠΏΠΎΠ΄ΠΎΠ·ΡΠ΅Π²Π°Π΅ΡΠ΅, ΡΡΠΎ Π½Π΅ΠΈΡΠΏΡΠ°Π²Π½ΠΎ ΡΠ΅Π»Π΅ Π·Π°ΠΆΠΈΠ³Π°Π½ΠΈΡ, ΠΎΠ±ΡΠ°ΡΠΈΡΠ΅ΡΡ ΠΊ ΠΏΡΠΎΡΠ΅ΡΡΠΈΠΎΠ½Π°Π»ΡΠ½ΠΎΠΌΡ ΡΠ΅Ρ Π½ΠΈΠΊΡ Π΄Π»Ρ ΠΎΡΠΌΠΎΡΡΠ° Π°Π²ΡΠΎΠΌΠΎΠ±ΠΈΠ»Ρ.
NB: Π§Π°ΡΡΠΈ ΡΡΠΎΠΉ ΡΠ°ΡΡΠΈ Π²Π·ΡΡΡ ΠΈΠ· ΠΠ½ΡΠ΅ΡΠ½Π΅ΡΠ°.
ΠΠ±ΡΠ°ΡΠ½Π°Ρ ΡΠ²ΡΠ·Ρ
ΠΡΡΡ Π»ΠΈ ΠΏΠΎΠ»ΡΠ·Π° ΠΎΡ ΠΎΠ±ΡΠ»ΡΠΆΠΈΠ²Π°Π½ΠΈΡ Π² Π½Π΅ΠΈΡΠΏΡΠ°Π²Π½ΠΎΠΌ Π΄Π²ΠΈΠ³Π°ΡΠ΅Π»Π΅ Π°Π²ΡΠΎΠΌΠΎΠ±ΠΈΠ»Ρ, ΠΊΠΎΡΠΎΡΡΠΉ ΡΠ΅ΡΡΠ΅Ρ ΠΌΠ°ΡΠ»ΠΎ ΠΈ Π΄ΠΎΠ»ΠΈΠ²Π°Π΅ΡΡΡ Π½ΠΎΠ²ΡΠΌ ΠΌΠ°ΡΠ»ΠΎΠΌ, ΠΎΡΠΎΠ±Π΅Π½Π½ΠΎ Π² ΡΠ°ΡΡΠΈ Π·Π°ΠΌΠ΅Π½Ρ ΠΌΠ°ΡΠ»Π°?
ΠΠΎ-Π²ΡΠΎΡΡΡ , Π΅ΡΠ»ΠΈ Π²Ρ ΡΠΊΠ°ΠΆΠ΅ΡΠ΅, ΡΡΠΎ Π½Π΅Ρ, ΠΌΠΎΠ³Ρ Π»ΠΈ Ρ ΠΏΡΠΎΠΈΠ·Π²ΠΎΠ΄ΠΈΡΡ Π·Π°ΠΌΠ΅Π½Ρ ΠΌΠ°ΡΠ»ΡΠ½ΠΎΠ³ΠΎ ΡΠΈΠ»ΡΡΡΠ° ΡΠΎΠ»ΡΠΊΠΎ ΡΠ΅ΡΠ΅Π· ΡΠ΅ΠΊΠΎΠΌΠ΅Π½Π΄ΡΠ΅ΠΌΡΠ΅ ΠΈΠ½ΡΠ΅ΡΠ²Π°Π»Ρ ΠΈ ΠΎΡΠΊΠ°Π·Π°ΡΡΡΡ ΠΎΡ Π·Π°ΠΌΠ΅Π½Ρ ΠΌΠ°ΡΠ»Π°? ΠΠΎΠΆΠ°Π»ΡΠΉΡΡΠ°, ΠΏΠΎΡΠΎΠ²Π΅ΡΡΠΉ ΠΌΠ½Π΅.ΠΠΈΡ
ΠΡΠΎ Π·Π°Π²ΠΈΡΠΈΡ ΠΎΡ ΡΠΎΠ³ΠΎ, Π½Π°ΡΠΊΠΎΠ»ΡΠΊΠΎ ΡΠΈΠ»ΡΠ½ΠΎ Π΄Π²ΠΈΠ³Π°ΡΠ΅Π»Ρ ΡΠ΅ΡΡΠ΅Ρ ΠΌΠ°ΡΠ»ΠΎ; ΡΡΠΎ ΠΏΠΎΡΠ΅ΡΡ ΠΌΠΎΡΠΎΡΠ½ΠΎΠ³ΠΎ ΠΌΠ°ΡΠ»Π° ΠΈΠ·-Π·Π° ΡΡΠ΅ΡΠΊΠΈ ΠΈΠ»ΠΈ ΠΊΡΡΠ΅Π½ΠΈΡ? Π₯ΠΎΡΡ Π²Ρ ΡΠΊΠ°Π·Π°Π»ΠΈ, ΡΡΠΎ ΠΊΡΡΠ΅Π½ΠΈΠ΅ ΠΏΡΠΎΠΈΡΡ ΠΎΠ΄ΠΈΡ ΠΈΠ·-Π·Π° ΠΏΠ»ΠΎΡ ΠΎΠ³ΠΎ ΡΠΏΠ»ΠΎΡΠ½Π΅Π½ΠΈΡ ΡΡΠΎΠΊΠ° ΠΊΠ»Π°ΠΏΠ°Π½Π°, Π²Ρ ΠΌΠΎΠΆΠ΅ΡΠ΅ Π·Π°ΠΌΠ΅Π½ΠΈΡΡ ΡΠΏΠ»ΠΎΡΠ½Π΅Π½ΠΈΠ΅, Π²ΡΠΏΠΎΠ»Π½ΠΈΠ² ΠΏΠΎΠ»Π½ΡΠΉ ΡΠ΅ΠΌΠΎΠ½Ρ ΠΊΠ»Π°ΠΏΠ°Π½Π½ΠΎΠ³ΠΎ ΠΌΠ΅Ρ Π°Π½ΠΈΠ·ΠΌΠ°, ΠΈΠ»ΠΈ ΠΎΡΡΠ΅ΠΌΠΎΠ½ΡΠΈΡΠΎΠ²Π°ΡΡ Π΄Π²ΠΈΠ³Π°ΡΠ΅Π»Ρ, Π΅ΡΠ»ΠΈ ΡΡΠΎ ΠΏΡΠΎΠΈΠ·ΠΎΡΠ»ΠΎ Π² ΡΠ΅Π·ΡΠ»ΡΡΠ°ΡΠ΅ ΠΈΠ·Π½ΠΎΡΠ° ΠΌΠ°ΡΠ»ΡΠ½ΡΡ ΠΊΠΎΠ»Π΅Ρ ΠΈ ΡΡΠ΅Π½ΠΎΠΊ ΡΠΈΠ»ΠΈΠ½Π΄ΡΠ°.
ΠΠ°, Π²Ρ ΠΌΠΎΠΆΠ΅ΡΠ΅ Π·Π°ΠΌΠ΅Π½ΠΈΡΡ ΡΠΎΠ»ΡΠΊΠΎ ΡΠΈΠ»ΡΡΡ, Π΅ΡΠ»ΠΈ ΠΈΡΠΏΠΎΠ»ΡΠ·ΡΠ΅ΡΠ΅ Π΄ΠΎ ΡΠ΅ΡΡΡΠ΅Ρ Π»ΠΈΡΡΠΎΠ² ΠΌΠ°ΡΠ»Π° Π² Π½Π΅Π΄Π΅Π»Ρ.
Π§ΡΠΎ Π²Ρ Π΄ΡΠΌΠ°Π΅ΡΠ΅ ΠΎ Π²ΡΠ±ΠΎΡΠ΅ ΠΌΠ΅ΠΆΠ΄Ρ Π°Π²ΡΠΎΠΌΠΎΠ±ΠΈΠ»ΡΠΌΠΈ Ρ Π΄Π²ΠΈΠ³Π°ΡΠ΅Π»ΡΠΌΠΈ V6 ΠΈ V4 ΠΈ Π²Π½Π΅Π΄ΠΎΡΠΎΠΆΠ½ΠΈΠΊΠ°ΠΌΠΈ? Π― ΡΠΏΡΠ°ΡΠΈΠ²Π°Ρ, ΠΏΠΎΡΠΎΠΌΡ ΡΡΠΎ Π±ΠΎΠ»ΡΡΠΈΠ½ΡΡΠ²ΠΎ Π»ΡΠ΄Π΅ΠΉ ΡΠΎΠ²Π΅ΡΡΡΡ ΠΏΠΎΠΊΡΠΏΠ°ΡΡ Π°Π²ΡΠΎΠΌΠΎΠ±ΠΈΠ»Ρ Ρ Π΄Π²ΠΈΠ³Π°ΡΠ΅Π»Π΅ΠΌ V4, ΡΡΠΎΠ±Ρ ΡΡΠΊΠΎΠ½ΠΎΠΌΠΈΡΡ Π½Π° Π·Π°ΠΏΡΠ°Π²ΠΊΠ΅, Π² ΡΠΎ Π²ΡΠ΅ΠΌΡ ΠΊΠ°ΠΊ Π°Π²ΡΠΎΠΌΠΎΠ±ΠΈΠ»ΠΈ V6 ΠΏΠΎΡΡΠ΅Π±Π»ΡΡΡ ΡΠΎΠΏΠ»ΠΈΠ²ΠΎ.ΠΠ½ΡΠΎΡ Π°
ΠΠ°, ΠΎΠ½ΠΈ ΠΏΡΠ°Π²Ρ. ΠΡΠΎΠΌΠ΅ ΡΠΎΠ³ΠΎ, Π²Ρ Π΄ΠΎΠ»ΠΆΠ½Ρ Π΄ΡΠΌΠ°ΡΡ ΠΎΠ± ΠΎΠ±ΡΠ»ΡΠΆΠΈΠ²Π°Π½ΠΈΠΈ; Π΄Π΅ΡΠ΅Π²Π»Π΅ ΡΠΎΠ΄Π΅ΡΠΆΠ°ΡΡ ΡΠ΅ΡΡΡΠ΅ ΡΠΈΠ»ΠΈΠ½Π΄ΡΠ°, ΡΠ΅ΠΌ Π΄Π²ΠΈΠ³Π°ΡΠ΅Π»Ρ V6.
Π ΡΠ΅ΠΌ ΠΌΠΎΠΆΠ΅Ρ Π±ΡΡΡ ΠΏΡΠΎΠ±Π»Π΅ΠΌΠ° Ρ ΠΌΠΎΠΈΠΌ Π΄Π²ΠΈΠ³Π°ΡΠ΅Π»Π΅ΠΌ Kia Sorento 2.4L? ΠΠ²ΡΠΎΠΌΠΎΠ±ΠΈΠ»Ρ Π½Π΅ ΡΠ°Π·Π³ΠΎΠ½ΡΠ΅ΡΡΡ Π΄ΠΎ 3000 ΠΎΠ± / ΠΌΠΈΠ½, ΠΈ ΠΈΠ½Π΄ΠΈΠΊΠ°ΡΠΎΡ ΠΏΡΠΎΠ²Π΅ΡΠΊΠΈ Π΄Π²ΠΈΠ³Π°ΡΠ΅Π»Ρ Π½Π΅ Π³ΠΎΡΠΈΡ. ΠΡΠΈ ΡΠΊΠ°Π½ΠΈΡΠΎΠ²Π°Π½ΠΈΠΈ Π°Π²ΡΠΎΠΌΠΎΠ±ΠΈΠ»Ρ Π±ΡΠ»ΠΈ Π·Π°ΡΠ΅Π³ΠΈΡΡΡΠΈΡΠΎΠ²Π°Π½Ρ ΡΠ»Π΅Π΄ΡΡΡΠΈΠ΅ ΠΊΠΎΠ΄Ρ P0222, P0076, P0652, P2110, P2106, P0123, P0453. ΠΠΎΠΆΠ°Π»ΡΠΉΡΡΠ°, ΠΏΠΎΡΠ΅ΠΊΠΎΠΌΠ΅Π½Π΄ΡΠΉΡΠ΅. ΠΠ½ΠΎΠ½ΠΈΠΌ
ΠΡΠΎ-ΡΠΎ Π΄ΠΎΠ»ΠΆΠ΅Π½ Π±ΡΠ» Π·Π°Π±Π»ΠΎΠΊΠΈΡΠΎΠ²Π°ΡΡ ΠΈΠ»ΠΈ ΡΠ΄Π°Π»ΠΈΡΡ ΠΊΠΎΠ½ΡΡΠΎΠ»ΡΠ½ΡΡ Π»Π°ΠΌΠΏΡ, ΠΏΠΎΡΠΎΠΌΡ ΡΡΠΎ ΡΠΎ Π²ΡΠ΅ΠΌΠΈ ΠΈΠΌΠ΅ΡΡΠΈΠΌΠΈΡΡ Ρ Π²Π°Ρ ΠΊΠΎΠ΄Π°ΠΌΠΈ ΠΎΠ½Π° Π΄ΠΎΠ»ΠΆΠ½Π° Π³ΠΎΡΠ΅ΡΡ.ΠΠΈΠΆΠ΅ ΠΏΡΠΈΠ²Π΅Π΄Π΅Π½Ρ ΠΈΠ½ΡΠ΅ΡΠΏΡΠ΅ΡΠ°ΡΠΈΠΈ ΠΊΠΎΠ΄ΠΎΠ². ΠΠΎ ΠΎΡΠ½ΠΎΠ²Π½ΡΠΌΠΈ ΠΏΡΠΎΠ±Π»Π΅ΠΌΠ°ΠΌΠΈ, Ρ ΠΊΠΎΡΠΎΡΡΠΌΠΈ Π²Ρ ΡΡΠ°Π»ΠΊΠΈΠ²Π°Π΅ΡΠ΅ΡΡ, ΡΠ²Π»ΡΡΡΡΡ P0222, P2106 ΠΈ P2110. ΠΠ°Ρ ΡΠ΅Ρ Π½ΠΈΡΠ΅ΡΠΊΠΈΠΉ ΡΠΏΠ΅ΡΠΈΠ°Π»ΠΈΡΡ Π΄ΠΎΠ»ΠΆΠ΅Π½ ΡΠΌΠ΅ΡΡ ΠΈΡΠΏΠΎΠ»ΡΠ·ΠΎΠ²Π°ΡΡ ΠΈΡ Π΄Π»Ρ ΡΡΡΡΠ°Π½Π΅Π½ΠΈΡ Π½Π΅ΠΈΡΠΏΡΠ°Π²Π½ΠΎΡΡΠΈ.
P0076 KIA: Π¦Π΅ΠΏΡ ΡΠ»Π΅ΠΊΡΡΠΎΠΌΠ°Π³Π½ΠΈΡΠ½ΠΎΠ³ΠΎ ΠΊΠ»Π°ΠΏΠ°Π½Π° ΡΠΏΡΠ°Π²Π»Π΅Π½ΠΈΡ Π²ΠΏΡΡΠΊΠ½ΡΠΌ ΠΊΠ»Π°ΠΏΠ°Π½ΠΎΠΌ, ΡΡΠ΄ 1, Π½ΠΈΠ·ΠΊΠΈΠΉ ΡΡΠΎΠ²Π΅Π½Ρ ΡΠΈΠ³Π½Π°Π»Π°
ΠΠ»Π΅ΠΊΡΡΠΎΠΌΠ°Π³Π½ΠΈΡΠ½ΡΠΉ ΠΊΠ»Π°ΠΏΠ°Π½ ΡΠΏΡΠ°Π²Π»Π΅Π½ΠΈΡ ΡΠΈΠ½Ρ ΡΠΎΠ½ΠΈΠ·Π°ΡΠΈΠ΅ΠΉ Π²ΠΏΡΡΠΊΠ½ΡΡ ΠΊΠ»Π°ΠΏΠ°Π½ΠΎΠ² Π°ΠΊΡΠΈΠ²ΠΈΡΡΠ΅ΡΡΡ ΠΈΠΌΠΏΡΠ»ΡΡΠ½ΡΠΌΠΈ ΡΠΈΠ³Π½Π°Π»Π°ΠΌΠΈ Π²ΠΊΠ»ΡΡΠ΅Π½ΠΈΡ / Π²ΡΠΊΠ»ΡΡΠ΅Π½ΠΈΡ (ΠΎΡΠ½ΠΎΡΠ΅Π½ΠΈΡ) ΠΎΡ ΠΌΠΎΠ΄ΡΠ»Ρ ΡΠΏΡΠ°Π²Π»Π΅Π½ΠΈΡ Π΄Π²ΠΈΠ³Π°ΡΠ΅Π»Π΅ΠΌ.
ΠΠ»Π΅ΠΊΡΡΠΎΠΌΠ°Π³Π½ΠΈΡΠ½ΡΠΉ ΠΊΠ»Π°ΠΏΠ°Π½ ΡΠΏΡΠ°Π²Π»Π΅Π½ΠΈΡ ΡΠΈΠ½Ρ ΡΠΎΠ½ΠΈΠ·Π°ΡΠΈΠ΅ΠΉ Π²ΠΏΡΡΠΊΠ½ΡΡ ΠΊΠ»Π°ΠΏΠ°Π½ΠΎΠ² ΠΈΠ·ΠΌΠ΅Π½ΡΠ΅Ρ ΠΊΠΎΠ»ΠΈΡΠ΅ΡΡΠ²ΠΎ ΠΌΠ°ΡΠ»Π° ΠΈ Π½Π°ΠΏΡΠ°Π²Π»Π΅Π½ΠΈΠ΅ ΠΏΠΎΡΠΎΠΊΠ° ΡΠ΅ΡΠ΅Π· Π±Π»ΠΎΠΊ ΡΠΏΡΠ°Π²Π»Π΅Π½ΠΈΡ ΡΠΈΠ½Ρ ΡΠΎΠ½ΠΈΠ·Π°ΡΠΈΠ΅ΠΉ Π²ΠΏΡΡΠΊΠ½ΡΡ ΠΊΠ»Π°ΠΏΠ°Π½ΠΎΠ² ΠΈΠ»ΠΈ ΠΎΡΡΠ°Π½Π°Π²Π»ΠΈΠ²Π°Π΅Ρ ΠΏΠΎΡΠΎΠΊ ΠΌΠ°ΡΠ»Π°.
Π§Π΅ΠΌ Π±ΠΎΠ»ΡΡΠ΅ ΡΠΈΡΠΈΠ½Π° ΠΈΠΌΠΏΡΠ»ΡΡΠ°, ΡΠ΅ΠΌ Π±ΠΎΠ»ΡΡΠ΅ ΡΠ³ΠΎΠ» ΠΏΠΎΠ²ΠΎΡΠΎΡΠ° ΠΊΠ»Π°ΠΏΠ°Π½Π°. Π§Π΅ΠΌ ΠΊΠΎΡΠΎΡΠ΅ ΡΠΈΡΠΈΠ½Π° ΠΈΠΌΠΏΡΠ»ΡΡΠ°, ΡΠ΅ΠΌ ΠΌΠ΅Π½ΡΡΠ΅ ΡΠ³ΠΎΠ» Π½Π°ΠΊΠ»ΠΎΠ½Π° ΠΊΠ»Π°ΠΏΠ°Π½Π°. ΠΠΎΠ³Π΄Π° Π΄Π»ΠΈΡΠ΅Π»ΡΠ½ΠΎΡΡΡ ΠΈΠΌΠΏΡΠ»ΡΡΠ° Π²ΠΊΠ»ΡΡΠ΅Π½ΠΈΡ ΠΈ Π²ΡΠΊΠ»ΡΡΠ΅Π½ΠΈΡ ΡΡΠ°Π½ΠΎΠ²ΠΈΡΡΡ ΡΠ°Π²Π½ΠΎΠΉ, ΡΠ»Π΅ΠΊΡΡΠΎΠΌΠ°Π³Π½ΠΈΡΠ½ΡΠΉ ΠΊΠ»Π°ΠΏΠ°Π½ ΠΎΡΡΠ°Π½Π°Π²Π»ΠΈΠ²Π°Π΅Ρ ΠΏΠΎΡΠΎΠΊ ΠΌΠ°ΡΠ»Π° ΠΏΠΎΠ΄ Π΄Π°Π²Π»Π΅Π½ΠΈΠ΅ΠΌ, ΡΡΠΎΠ±Ρ Π·Π°ΡΠΈΠΊΡΠΈΡΠΎΠ²Π°ΡΡ ΡΠ³ΠΎΠ» Π²ΠΏΡΡΠΊΠ½ΠΎΠ³ΠΎ ΠΊΠ»Π°ΠΏΠ°Π½Π° Π² ΠΊΠΎΠ½ΡΡΠΎΠ»ΡΠ½ΠΎΠΌ ΠΏΠΎΠ»ΠΎΠΆΠ΅Π½ΠΈΠΈ.
ΠΠΎΠ³Π΄Π° ΠΎΠ±Π½Π°ΡΡΠΆΠΈΠ²Π°Π΅ΡΡΡ ΠΊΠΎΠ΄?
ΠΠ΅ΠΏΡΠ°Π²ΠΈΠ»ΡΠ½ΠΎΠ΅ Π½Π°ΠΏΡΡΠΆΠ΅Π½ΠΈΠ΅ ΠΏΠΎΠ΄Π°Π΅ΡΡΡ Π½Π° ΠΌΠΎΠ΄ΡΠ»Ρ ΡΠΏΡΠ°Π²Π»Π΅Π½ΠΈΡ Π΄Π²ΠΈΠ³Π°ΡΠ΅Π»Π΅ΠΌ ΡΠ΅ΡΠ΅Π· ΡΠ»Π΅ΠΊΡΡΠΎΠΌΠ°Π³Π½ΠΈΡΠ½ΡΠΉ ΠΊΠ»Π°ΠΏΠ°Π½ ΡΠΏΡΠ°Π²Π»Π΅Π½ΠΈΡ ΡΠ°Π·Π°ΠΌΠΈ Π²ΠΏΡΡΠΊΠ½ΡΡ ΠΊΠ»Π°ΠΏΠ°Π½ΠΎΠ².
ΠΠΎΠ·ΠΌΠΎΠΆΠ½ΡΠ΅ ΠΏΡΠΈΡΠΈΠ½Ρ
- ΠΠ΅ΠΈΡΠΏΡΠ°Π²Π΅Π½ ΡΠΎΠ»Π΅Π½ΠΎΠΈΠ΄ ΡΠΏΡΠ°Π²Π»Π΅Π½ΠΈΡ Π²ΠΏΡΡΠΊΠ½ΡΠΌ ΠΊΠ»Π°ΠΏΠ°Π½ΠΎΠΌ, ΡΡΠ΄ 1
- ΠΠ³ΡΡ ΠΏΡΠΎΠ²ΠΎΠ΄ΠΎΠ² ΡΠ΅ΠΏΠΈ ΡΠ»Π΅ΠΊΡΡΠΎΠΌΠ°Π³Π½ΠΈΡΠ½ΠΎΠ³ΠΎ ΠΊΠ»Π°ΠΏΠ°Π½Π° ΡΠΏΡΠ°Π²Π»Π΅Π½ΠΈΡ Π²ΠΏΡΡΠΊΠ½ΡΠΌ ΠΊΠ»Π°ΠΏΠ°Π½ΠΎΠΌ, ΡΡΠ΄ 1, ΠΎΠ±ΡΡΠ² ΠΈΠ»ΠΈ ΠΊΠΎΡΠΎΡΠΊΠΎΠ΅ Π·Π°ΠΌΡΠΊΠ°Π½ΠΈΠ΅
- ΠΠ»ΠΎΡ ΠΎΠ΅ ΡΠ»Π΅ΠΊΡΡΠΈΡΠ΅ΡΠΊΠΎΠ΅ ΡΠΎΠ΅Π΄ΠΈΠ½Π΅Π½ΠΈΠ΅ ΡΠ΅ΠΏΠΈ ΡΠ»Π΅ΠΊΡΡΠΎΠΌΠ°Π³Π½ΠΈΡΠ½ΠΎΠ³ΠΎ ΠΊΠ»Π°ΠΏΠ°Π½Π° ΡΠΏΡΠ°Π²Π»Π΅Π½ΠΈΡ Π²ΠΏΡΡΠΊΠ½ΡΠΌ ΠΊΠ»Π°ΠΏΠ°Π½ΠΎΠΌ, ΡΡΠ΄ 1 ΡΠ΅ΠΏΠΈ
P0123 KIA: ΠΠ°ΡΡΠΈΠΊ ΠΏΠΎΠ»ΠΎΠΆΠ΅Π½ΠΈΡ Π΄ΡΠΎΡΡΠ΅Π»ΡΠ½ΠΎΠΉ Π·Π°ΡΠ»ΠΎΠ½ΠΊΠΈ / ΠΏΠ΅Π΄Π°Π»ΠΈ Β«AΒ», Π²ΡΡΠΎΠΊΠΈΠΉ ΡΡΠΎΠ²Π΅Π½Ρ Π²Ρ ΠΎΠ΄Π½ΠΎΠ³ΠΎ ΡΠΈΠ³Π½Π°Π»Π°
ΠΠ°ΡΡΠΈΠΊ ΠΏΠΎΠ»ΠΎΠΆΠ΅Π½ΠΈΡ Π΄ΡΠΎΡΡΠ΅Π»ΡΠ½ΠΎΠΉ Π·Π°ΡΠ»ΠΎΠ½ΠΊΠΈ ΡΠ΅Π°Π³ΠΈΡΡΠ΅Ρ Π½Π° Π΄Π²ΠΈΠΆΠ΅Π½ΠΈΠ΅ ΠΏΠ΅Π΄Π°Π»ΠΈ Π°ΠΊΡΠ΅Π»Π΅ΡΠ°ΡΠΎΡΠ°.ΠΡΠΎΡ Π΄Π°ΡΡΠΈΠΊ ΠΏΡΠ΅Π΄ΡΡΠ°Π²Π»ΡΠ΅Ρ ΡΠΎΠ±ΠΎΠΉ ΡΠ²ΠΎΠ΅Π³ΠΎ ΡΠΎΠ΄Π° ΠΏΠΎΡΠ΅Π½ΡΠΈΠΎΠΌΠ΅ΡΡ, ΠΊΠΎΡΠΎΡΡΠΉ ΠΏΡΠ΅ΠΎΠ±ΡΠ°Π·ΡΠ΅Ρ ΠΏΠΎΠ»ΠΎΠΆΠ΅Π½ΠΈΠ΅ Π΄ΡΠΎΡΡΠ΅Π»ΡΠ½ΠΎΠΉ Π·Π°ΡΠ»ΠΎΠ½ΠΊΠΈ Π² Π²ΡΡ ΠΎΠ΄Π½ΠΎΠ΅ Π½Π°ΠΏΡΡΠΆΠ΅Π½ΠΈΠ΅ ΠΈ ΠΏΠΎΠ΄Π°Π΅Ρ ΡΠΈΠ³Π½Π°Π» Π½Π°ΠΏΡΡΠΆΠ΅Π½ΠΈΡ Π½Π° ΠΌΠΎΠ΄ΡΠ»Ρ ΡΠΏΡΠ°Π²Π»Π΅Π½ΠΈΡ Π΄Π²ΠΈΠ³Π°ΡΠ΅Π»Π΅ΠΌ. ΠΡΠΎΠΌΠ΅ ΡΠΎΠ³ΠΎ, Π΄Π°ΡΡΠΈΠΊ ΠΎΠΏΡΠ΅Π΄Π΅Π»ΡΠ΅Ρ ΡΠΊΠΎΡΠΎΡΡΡ ΠΎΡΠΊΡΡΡΠΈΡ ΠΈ Π·Π°ΠΊΡΡΡΠΈΡ Π΄ΡΠΎΡΡΠ΅Π»ΡΠ½ΠΎΠΉ Π·Π°ΡΠ»ΠΎΠ½ΠΊΠΈ ΠΈ ΠΏΠΎΠ΄Π°Π΅Ρ ΡΠΈΠ³Π½Π°Π» Π½Π°ΠΏΡΡΠΆΠ΅Π½ΠΈΡ Π½Π° ΠΊΠΎΠ½ΡΡΠΎΠ»Π»Π΅Ρ ΠΠ‘Π£Π.
ΠΠΎΠ»ΠΎΠΆΠ΅Π½ΠΈΠ΅ Π΄ΡΠΎΡΡΠ΅Π»ΡΠ½ΠΎΠΉ Π·Π°ΡΠ»ΠΎΠ½ΠΊΠΈ Π½Π° Ρ ΠΎΠ»ΠΎΡΡΠΎΠΌ Ρ ΠΎΠ΄Ρ ΠΎΠΏΡΠ΅Π΄Π΅Π»ΡΠ΅ΡΡΡ ΠΊΠΎΠ½ΡΡΠΎΠ»Π»Π΅ΡΠΎΠΌ ΠΠ‘Π£Π, ΠΏΠΎΠ»ΡΡΠ°ΡΡΠΈΠΌ ΡΠΈΠ³Π½Π°Π» ΠΎΡ Π΄Π°ΡΡΠΈΠΊΠ° ΠΏΠΎΠ»ΠΎΠΆΠ΅Π½ΠΈΡ Π΄ΡΠΎΡΡΠ΅Π»ΡΠ½ΠΎΠΉ Π·Π°ΡΠ»ΠΎΠ½ΠΊΠΈ. ΠΡΠΎΡ Π΄Π°ΡΡΠΈΠΊ ΠΊΠΎΠ½ΡΡΠΎΠ»ΠΈΡΡΠ΅Ρ ΡΠ°Π±ΠΎΡΡ Π΄Π²ΠΈΠ³Π°ΡΠ΅Π»Ρ, Π½Π°ΠΏΡΠΈΠΌΠ΅Ρ, ΠΏΡΠ΅ΠΊΡΠ°ΡΠ΅Π½ΠΈΠ΅ ΠΏΠΎΠ΄Π°ΡΠΈ ΡΠΎΠΏΠ»ΠΈΠ²Π°. Π‘ Π΄ΡΡΠ³ΠΎΠΉ ΡΡΠΎΡΠΎΠ½Ρ, ΠΏΠΎΠ»Π½ΠΎΡΡΡΡ ΠΎΡΠΊΡΡΡΡΠΉ ΠΈ Π·Π°ΠΊΡΡΡΡΠΉ ΠΏΠ΅ΡΠ΅ΠΊΠ»ΡΡΠ°ΡΠ΅Π»Ρ ΠΏΠΎΠ»ΠΎΠΆΠ΅Π½ΠΈΡ Π΄ΡΠΎΡΡΠ΅Π»ΡΠ½ΠΎΠΉ Π·Π°ΡΠ»ΠΎΠ½ΠΊΠΈ, Π²ΡΡΡΠΎΠ΅Π½Π½ΡΠΉ Π² Π±Π»ΠΎΠΊ Π΄Π°ΡΡΠΈΠΊΠ° ΠΏΠΎΠ»ΠΎΠΆΠ΅Π½ΠΈΡ Π΄ΡΠΎΡΡΠ΅Π»ΡΠ½ΠΎΠΉ Π·Π°ΡΠ»ΠΎΠ½ΠΊΠΈ, Π½Π΅ ΠΈΡΠΏΠΎΠ»ΡΠ·ΡΠ΅ΡΡΡ Π΄Π»Ρ ΡΠΏΡΠ°Π²Π»Π΅Π½ΠΈΡ Π΄Π²ΠΈΠ³Π°ΡΠ΅Π»Π΅ΠΌ.
ΠΠΎΠ³Π΄Π° ΠΎΠ±Π½Π°ΡΡΠΆΠΈΠ²Π°Π΅ΡΡΡ ΠΊΠΎΠ΄?
Π¦Π΅ΠΏΡ ΡΠΈΠ³Π½Π°Π»Π° Π΄Π°ΡΡΠΈΠΊΠ° ΠΏΠΎΠ»ΠΎΠΆΠ΅Π½ΠΈΡ Π΄ΡΠΎΡΡΠ΅Π»ΡΠ½ΠΎΠΉ Π·Π°ΡΠ»ΠΎΠ½ΠΊΠΈ 1 ΡΠΎΠΎΠ±ΡΠΈΠ»Π° ΠΎ Π²ΡΡΠΎΠΊΠΎΠΌ Π½Π°ΠΏΡΡΠΆΠ΅Π½ΠΈΠΈ
ΠΠΎΠ·ΠΌΠΎΠΆΠ½ΡΠ΅ ΠΏΡΠΈΡΠΈΠ½Ρ
- ΠΠ΅ΠΈΡΠΏΡΠ°Π²Π΅Π½ Π΄Π°ΡΡΠΈΠΊ ΠΏΠΎΠ»ΠΎΠΆΠ΅Π½ΠΈΡ Π΄ΡΠΎΡΡΠ΅Π»ΡΠ½ΠΎΠΉ Π·Π°ΡΠ»ΠΎΠ½ΠΊΠΈ
- ΠΠ³ΡΡ ΠΏΡΠΎΠ²ΠΎΠ΄ΠΎΠ² Π΄Π°ΡΡΠΈΠΊΠ° ΠΏΠΎΠ»ΠΎΠΆΠ΅Π½ΠΈΡ Π΄ΡΠΎΡΡΠ΅Π»ΡΠ½ΠΎΠΉ Π·Π°ΡΠ»ΠΎΠ½ΠΊΠΈ ΠΎΠ±ΡΡΠ² ΠΈΠ»ΠΈ Π·Π°ΠΊΠΎΡΠΎΡΠ΅Π½
- ΠΠ»ΠΎΡ ΠΎΠ΅ ΡΠ»Π΅ΠΊΡΡΠΈΡΠ΅ΡΠΊΠΎΠ΅ ΡΠΎΠ΅Π΄ΠΈΠ½Π΅Π½ΠΈΠ΅ ΡΠ΅ΠΏΠΈ Π΄Π°ΡΡΠΈΠΊΠ° ΠΏΠΎΠ»ΠΎΠΆΠ΅Π½ΠΈΡ Π΄ΡΠΎΡΡΠ΅Π»ΡΠ½ΠΎΠΉ Π·Π°ΡΠ»ΠΎΠ½ΠΊΠΈ
P0222 KIA: TPS / ΠΠ°ΡΡΠΈΠΊ ΠΏΠΎΠ»ΠΎΠΆΠ΅Π½ΠΈΡ ΠΏΠ΅Π΄Π°Π»ΠΈ / ΠΠΈΠ·ΠΊΠΈΠΉ ΡΡΠΎΠ²Π΅Π½Ρ Π²Ρ ΠΎΠ΄Π½ΠΎΠ³ΠΎ ΡΠΈΠ³Π½Π°Π»Π° ΡΠ΅ΠΏΠΈ ΠΏΠ΅ΡΠ΅ΠΊΠ»ΡΡΠ°ΡΠ΅Π»Ρ Β«BΒ»
ΠΠ»Π΅ΠΊΡΡΠΎΠΏΡΠΈΠ²ΠΎΠ΄ ΡΠΏΡΠ°Π²Π»Π΅Π½ΠΈΡ Π΄ΡΠΎΡΡΠ΅Π»ΡΠ½ΠΎΠΉ Π·Π°ΡΠ»ΠΎΠ½ΠΊΠΎΠΉ ΡΠΎΡΡΠΎΠΈΡ ΠΈΠ· ΡΠ»Π΅ΠΊΡΡΠΎΠ΄Π²ΠΈΠ³Π°ΡΠ΅Π»Ρ ΡΠΏΡΠ°Π²Π»Π΅Π½ΠΈΡ Π΄ΡΠΎΡΡΠ΅Π»ΡΠ½ΠΎΠΉ Π·Π°ΡΠ»ΠΎΠ½ΠΊΠΎΠΉ, Π΄Π°ΡΡΠΈΠΊΠ° ΠΏΠΎΠ»ΠΎΠΆΠ΅Π½ΠΈΡ Π΄ΡΠΎΡΡΠ΅Π»ΡΠ½ΠΎΠΉ Π·Π°ΡΠ»ΠΎΠ½ΠΊΠΈ ΠΈ Ρ. Π.ΠΠ°ΡΡΠΈΠΊ ΠΏΠΎΠ»ΠΎΠΆΠ΅Π½ΠΈΡ Π΄ΡΠΎΡΡΠ΅Π»ΡΠ½ΠΎΠΉ Π·Π°ΡΠ»ΠΎΠ½ΠΊΠΈ ΡΠ΅Π°Π³ΠΈΡΡΠ΅Ρ Π½Π° Π΄Π²ΠΈΠΆΠ΅Π½ΠΈΠ΅ Π΄ΡΠΎΡΡΠ΅Π»ΡΠ½ΠΎΠΉ Π·Π°ΡΠ»ΠΎΠ½ΠΊΠΈ.
ΠΠ°ΡΡΠΈΠΊ ΠΏΠΎΠ»ΠΎΠΆΠ΅Π½ΠΈΡ Π΄ΡΠΎΡΡΠ΅Π»ΡΠ½ΠΎΠΉ Π·Π°ΡΠ»ΠΎΠ½ΠΊΠΈ ΠΈΠΌΠ΅Π΅Ρ Π΄Π²Π° Π΄Π°ΡΡΠΈΠΊΠ°. ΠΡΠΈ Π΄Π°ΡΡΠΈΠΊΠΈ ΠΏΡΠ΅Π΄ΡΡΠ°Π²Π»ΡΡΡ ΡΠΎΠ±ΠΎΠΉ ΡΠ²ΠΎΠ΅Π³ΠΎ ΡΠΎΠ΄Π° ΠΏΠΎΡΠ΅Π½ΡΠΈΠΎΠΌΠ΅ΡΡΡ, ΠΊΠΎΡΠΎΡΡΠ΅ ΠΏΡΠ΅ΠΎΠ±ΡΠ°Π·ΡΡΡ ΠΏΠΎΠ»ΠΎΠΆΠ΅Π½ΠΈΠ΅ Π΄ΡΠΎΡΡΠ΅Π»ΡΠ½ΠΎΠΉ Π·Π°ΡΠ»ΠΎΠ½ΠΊΠΈ Π² Π²ΡΡ ΠΎΠ΄Π½ΠΎΠ΅ Π½Π°ΠΏΡΡΠΆΠ΅Π½ΠΈΠ΅ ΠΈ ΠΏΠΎΠ΄Π°ΡΡ ΡΠΈΠ³Π½Π°Π» Π½Π°ΠΏΡΡΠΆΠ΅Π½ΠΈΡ Π½Π° ΠΌΠΎΠ΄ΡΠ»Ρ ΡΠΏΡΠ°Π²Π»Π΅Π½ΠΈΡ Π΄Π²ΠΈΠ³Π°ΡΠ΅Π»Π΅ΠΌ. ΠΡΠΎΠΌΠ΅ ΡΠΎΠ³ΠΎ, ΡΡΠΈ Π΄Π°ΡΡΠΈΠΊΠΈ ΠΎΠΏΡΠ΅Π΄Π΅Π»ΡΡΡ ΡΠΊΠΎΡΠΎΡΡΡ ΠΎΡΠΊΡΡΡΠΈΡ ΠΈ Π·Π°ΠΊΡΡΡΠΈΡ Π΄ΡΠΎΡΡΠ΅Π»ΡΠ½ΠΎΠΉ Π·Π°ΡΠ»ΠΎΠ½ΠΊΠΈ ΠΈ ΠΏΠΎΠ΄Π°ΡΡ ΡΠΈΠ³Π½Π°Π»Ρ Π½Π°ΠΏΡΡΠΆΠ΅Π½ΠΈΡ Π½Π° ΠΊΠΎΠ½ΡΡΠΎΠ»Π»Π΅Ρ ΠΠ‘Π£Π. ΠΠΎΠ½ΡΡΠΎΠ»Π»Π΅Ρ ΠΠ‘Π£Π ΠΎΠΏΡΠ΅Π΄Π΅Π»ΡΠ΅Ρ ΡΠ΅ΠΊΡΡΠΈΠΉ ΡΠ³ΠΎΠ» ΠΎΡΠΊΡΡΡΠΈΡ Π΄ΡΠΎΡΡΠ΅Π»ΡΠ½ΠΎΠΉ Π·Π°ΡΠ»ΠΎΠ½ΠΊΠΈ ΠΏΠΎ ΡΡΠΈΠΌ ΡΠΈΠ³Π½Π°Π»Π°ΠΌ, Π° ΠΠ‘Π ΡΠΏΡΠ°Π²Π»ΡΠ΅Ρ ΡΠ»Π΅ΠΊΡΡΠΎΠ΄Π²ΠΈΠ³Π°ΡΠ΅Π»Π΅ΠΌ ΡΠΏΡΠ°Π²Π»Π΅Π½ΠΈΡ Π΄ΡΠΎΡΡΠ΅Π»ΡΠ½ΠΎΠΉ Π·Π°ΡΠ»ΠΎΠ½ΠΊΠΎΠΉ, ΡΡΠΎΠ±Ρ ΠΎΠ±Π΅ΡΠΏΠ΅ΡΠΈΡΡ ΠΏΡΠ°Π²ΠΈΠ»ΡΠ½ΡΠΉ ΡΠ³ΠΎΠ» ΠΎΡΠΊΡΡΡΠΈΡ Π΄ΡΠΎΡΡΠ΅Π»ΡΠ½ΠΎΠΉ Π·Π°ΡΠ»ΠΎΠ½ΠΊΠΈ Π² ΡΠΎΠΎΡΠ²Π΅ΡΡΡΠ²ΠΈΠΈ Ρ ΡΡΠ»ΠΎΠ²ΠΈΡΠΌΠΈ Π΄Π²ΠΈΠΆΠ΅Π½ΠΈΡ.
ΠΠΎΠ³Π΄Π° ΠΎΠ±Π½Π°ΡΡΠΆΠΈΠ²Π°Π΅ΡΡΡ ΠΊΠΎΠ΄?
ΠΠ° ΠΌΠΎΠ΄ΡΠ»Ρ ΡΠΏΡΠ°Π²Π»Π΅Π½ΠΈΡ Π΄Π²ΠΈΠ³Π°ΡΠ΅Π»Π΅ΠΌ ΠΏΠΎΡΡΡΠΏΠ°Π΅Ρ ΡΠ»ΠΈΡΠΊΠΎΠΌ Π½ΠΈΠ·ΠΊΠΎΠ΅ Π½Π°ΠΏΡΡΠΆΠ΅Π½ΠΈΠ΅ Ρ Π΄Π°ΡΡΠΈΠΊΠ° ΠΏΠΎΠ»ΠΎΠΆΠ΅Π½ΠΈΡ Π΄ΡΠΎΡΡΠ΅Π»ΡΠ½ΠΎΠΉ Π·Π°ΡΠ»ΠΎΠ½ΠΊΠΈ.
ΠΠΎΠ·ΠΌΠΎΠΆΠ½ΡΠ΅ ΡΠΈΠΌΠΏΡΠΎΠΌΡ
- ΠΠΎΡΠΈΡ Π»Π°ΠΌΠΏΠ° Π΄Π²ΠΈΠ³Π°ΡΠ΅Π»Ρ (ΠΈΠ»ΠΈ ΡΠΈΠ³Π½Π°Π»ΡΠ½Π°Ρ Π»Π°ΠΌΠΏΠ° ΡΠΊΠΎΡΠΎΠ³ΠΎ ΠΎΠ±ΡΠ»ΡΠΆΠΈΠ²Π°Π½ΠΈΡ Π΄Π²ΠΈΠ³Π°ΡΠ΅Π»Ρ)
- ΠΠ΅Ρ ΡΠ΅Π°ΠΊΡΠΈΠΈ Π΄ΡΠΎΡΡΠ΅Π»ΡΠ½ΠΎΠΉ Π·Π°ΡΠ»ΠΎΠ½ΠΊΠΈ
ΠΠΎΠ·ΠΌΠΎΠΆΠ½ΡΠ΅ ΠΏΡΠΈΡΠΈΠ½Ρ
- ΠΠ΅ΠΈΡΠΏΡΠ°Π²Π΅Π½ Π΄Π°ΡΡΠΈΠΊ ΠΏΠΎΠ»ΠΎΠΆΠ΅Π½ΠΈΡ Π΄ΡΠΎΡΡΠ΅Π»ΡΠ½ΠΎΠΉ Π·Π°ΡΠ»ΠΎΠ½ΠΊΠΈ
- ΠΠ³ΡΡ ΠΏΡΠΎΠ²ΠΎΠ΄ΠΎΠ² Π΄Π°ΡΡΠΈΠΊΠ° ΠΏΠΎΠ»ΠΎΠΆΠ΅Π½ΠΈΡ Π΄ΡΠΎΡΡΠ΅Π»ΡΠ½ΠΎΠΉ Π·Π°ΡΠ»ΠΎΠ½ΠΊΠΈ ΠΎΠ±ΡΡΠ² ΠΈΠ»ΠΈ Π·Π°ΠΊΠΎΡΠΎΡΠ΅Π½
- ΠΠ»ΠΎΡ ΠΎΠ΅ ΡΠ»Π΅ΠΊΡΡΠΈΡΠ΅ΡΠΊΠΎΠ΅ ΡΠΎΠ΅Π΄ΠΈΠ½Π΅Π½ΠΈΠ΅ Π΄Π°ΡΡΠΈΠΊΠ° ΠΏΠΎΠ»ΠΎΠΆΠ΅Π½ΠΈΡ Π΄ΡΠΎΡΡΠ΅Π»ΡΠ½ΠΎΠΉ Π·Π°ΡΠ»ΠΎΠ½ΠΊΠΈ
P0652 KIA: ΠΠΈΠ·ΠΊΠΈΠΉ ΡΡΠΎΠ²Π΅Π½Ρ ΠΎΠΏΠΎΡΠ½ΠΎΠ³ΠΎ Π½Π°ΠΏΡΡΠΆΠ΅Π½ΠΈΡ Π΄Π°ΡΡΠΈΠΊΠ° Β«BΒ» Π² ΡΠ΅ΠΏΠΈ
ΠΠΎΠ΄ΡΠ»Ρ ΡΠΏΡΠ°Π²Π»Π΅Π½ΠΈΡ ΠΈΠΌΠ΅Π΅Ρ Π΄Π²Π΅ Π²Π½ΡΡΡΠ΅Π½Π½ΠΈΠ΅ 5-Π²ΠΎΠ»ΡΡΠΎΠ²ΡΠ΅ ΠΎΠΏΠΎΡΠ½ΡΠ΅ ΡΠΈΠ½Ρ, ΠΊΠΎΡΠΎΡΡΠ΅ Π½Π°Π·ΡΠ²Π°ΡΡΡΡ 5-Π²ΠΎΠ»ΡΡΠΎΠ²ΡΠΌ ΠΎΠΏΠΎΡΠ½ΡΠΌ Π½Π°ΠΏΡΡΠΆΠ΅Π½ΠΈΠ΅ΠΌ 1 ΠΈ 5-Π²ΠΎΠ»ΡΡΠΎΠ²ΡΠΌ ΠΎΠΏΠΎΡΠ½ΡΠΌ Π½Π°ΠΏΡΡΠΆΠ΅Π½ΠΈΠ΅ΠΌ 2.ΠΠ°ΠΆΠ΄Π°Ρ ΠΎΠΏΠΎΡΠ½Π°Ρ ΡΠΈΠ½Π° ΠΎΠ±Π΅ΡΠΏΠ΅ΡΠΈΠ²Π°Π΅Ρ 5-Π²ΠΎΠ»ΡΡΠΎΠ²ΡΡ ΠΎΠΏΠΎΡΠ½ΡΡ ΡΠ΅ΠΏΡ Π΄Π»Ρ Π±ΠΎΠ»Π΅Π΅ ΡΠ΅ΠΌ ΠΎΠ΄Π½ΠΎΠ³ΠΎ Π΄Π°ΡΡΠΈΠΊΠ°. Π‘Π»Π΅Π΄ΠΎΠ²Π°ΡΠ΅Π»ΡΠ½ΠΎ, Π½Π΅ΠΈΡΠΏΡΠ°Π²Π½ΠΎΡΡΡ Π² ΠΎΠ΄Π½ΠΎΠΉ ΡΠ΅ΠΏΠΈ ΠΎΠΏΠΎΡΠ½ΠΎΠ³ΠΎ Π½Π°ΠΏΡΡΠΆΠ΅Π½ΠΈΡ 5 Π ΠΏΠΎΠ²Π»ΠΈΡΠ΅Ρ Π½Π° Π΄ΡΡΠ³ΠΈΠ΅ ΡΠ΅ΠΏΠΈ ΠΎΠΏΠΎΡΠ½ΠΎΠ³ΠΎ Π½Π°ΠΏΡΡΠΆΠ΅Π½ΠΈΡ 5 Π, ΠΏΠΎΠ΄ΠΊΠ»ΡΡΠ΅Π½Π½ΡΠ΅ ΠΊ ΡΠΈΠ½Π΅ ΠΎΠΏΠΎΡΠ½ΠΎΠ³ΠΎ Π½Π°ΠΏΡΡΠΆΠ΅Π½ΠΈΡ. ΠΠΎΠ΄ΡΠ»Ρ ΡΠΏΡΠ°Π²Π»Π΅Π½ΠΈΡ ΠΊΠΎΠ½ΡΡΠΎΠ»ΠΈΡΡΠ΅Ρ Π½Π°ΠΏΡΡΠΆΠ΅Π½ΠΈΠ΅ Π½Π° ΠΏΡΡΠΈΠ²ΠΎΠ»ΡΡΠΎΠ²ΡΡ ΠΎΠΏΠΎΡΠ½ΡΡ ΡΠΈΠ½Π°Ρ .
ΠΠΎΠ³Π΄Π° ΠΎΠ±Π½Π°ΡΡΠΆΠΈΠ²Π°Π΅ΡΡΡ ΠΊΠΎΠ΄?
ΠΠΎΠ΄ΡΠ»Ρ ΡΠΏΡΠ°Π²Π»Π΅Π½ΠΈΡ Π΄Π²ΠΈΠ³Π°ΡΠ΅Π»Π΅ΠΌ ΠΎΠ±Π½Π°ΡΡΠΆΠΈΠ», ΡΡΠΎ Π½Π°ΠΏΡΡΠΆΠ΅Π½ΠΈΠ΅ ΠΎΠΏΠΎΡΠ½ΠΎΠΉ ΡΠ΅ΠΏΠΈ Π΄Π°ΡΡΠΈΠΊΠ° 5 Π Π½ΠΈΠΆΠ΅ ΠΎΠΆΠΈΠ΄Π°Π΅ΠΌΠΎΠ³ΠΎ
ΠΠΎΠ·ΠΌΠΎΠΆΠ½ΡΠ΅ ΠΏΡΠΈΡΠΈΠ½Ρ
- ΠΠ΅ΠΈΡΠΏΡΠ°Π²Π΅Π½ ΠΌΠΎΠ΄ΡΠ»Ρ ΡΠΏΡΠ°Π²Π»Π΅Π½ΠΈΡ Π΄Π²ΠΈΠ³Π°ΡΠ΅Π»Π΅ΠΌ
- ΠΠ³ΡΡ ΠΏΡΠΎΠ²ΠΎΠ΄ΠΎΠ² ΠΠ‘Π ΠΎΠ±ΡΡΠ² ΠΈΠ»ΠΈ Π·Π°ΠΊΠΎΡΠΎΡΠ΅Π½
- ΠΠ»ΠΎΡ ΠΎΠ΅ ΡΠ»Π΅ΠΊΡΡΠΈΡΠ΅ΡΠΊΠΎΠ΅ ΡΠΎΠ΅Π΄ΠΈΠ½Π΅Π½ΠΈΠ΅ Π² ΡΠ΅ΠΏΠΈ ECM
- ΠΠΎΡΠΎΡΠΊΠΎΠ΅ Π·Π°ΠΌΡΠΊΠ°Π½ΠΈΠ΅ Π΄Π°ΡΡΠΈΠΊΠ° Π² ΡΠ΅ΠΏΠΈ ΠΏΡΡΠΈ Π²ΠΎΠ»ΡΡ
P0453 KIA: ΠΠ°ΡΡΠΈΠΊ Π΄Π°Π²Π»Π΅Π½ΠΈΡ Π² Π²ΡΡ Π»ΠΎΠΏΠ½ΠΎΠΉ ΡΠΈΡΡΠ΅ΠΌΠ΅ EVAP, Π²ΡΡΠΎΠΊΠΈΠΉ ΡΡΠΎΠ²Π΅Π½Ρ Π²Ρ ΠΎΠ΄Π½ΠΎΠ³ΠΎ ΡΠΈΠ³Π½Π°Π»Π°
ΠΠ°ΡΡΠΈΠΊ Π΄Π°Π²Π»Π΅Π½ΠΈΡ ΡΠΈΡΡΠ΅ΠΌΡ ΠΊΠΎΠ½ΡΡΠΎΠ»Ρ Π·Π° Π²ΡΠ±ΡΠΎΡΠΎΠΌ ΠΏΠ°ΡΠΎΠ² ΠΎΠΏΡΠ΅Π΄Π΅Π»ΡΠ΅Ρ Π΄Π°Π²Π»Π΅Π½ΠΈΠ΅ Π² ΠΏΡΠΎΠ΄ΡΠ²ΠΎΡΠ½ΠΎΠΉ Π»ΠΈΠ½ΠΈΠΈ.ΠΡΡ ΠΎΠ΄Π½ΠΎΠ΅ Π½Π°ΠΏΡΡΠΆΠ΅Π½ΠΈΠ΅ Π΄Π°ΡΡΠΈΠΊΠ° Π½Π° ΠΌΠΎΠ΄ΡΠ»Ρ ΡΠΏΡΠ°Π²Π»Π΅Π½ΠΈΡ Π΄Π²ΠΈΠ³Π°ΡΠ΅Π»Π΅ΠΌ ΡΠ²Π΅Π»ΠΈΡΠΈΠ²Π°Π΅ΡΡΡ Ρ ΡΠ²Π΅Π»ΠΈΡΠ΅Π½ΠΈΠ΅ΠΌ Π΄Π°Π²Π»Π΅Π½ΠΈΡ. ΠΠ°ΡΡΠΈΠΊ Π΄Π°Π²Π»Π΅Π½ΠΈΡ ΡΠΈΡΡΠ΅ΠΌΡ ΡΠΏΡΠ°Π²Π»Π΅Π½ΠΈΡ EVAP Π½Π΅ ΠΈΡΠΏΠΎΠ»ΡΠ·ΡΠ΅ΡΡΡ Π΄Π»Ρ ΡΠΏΡΠ°Π²Π»Π΅Π½ΠΈΡ ΡΠΈΡΡΠ΅ΠΌΠΎΠΉ Π΄Π²ΠΈΠ³Π°ΡΠ΅Π»Ρ. ΠΠ½ ΠΈΡΠΏΠΎΠ»ΡΠ·ΡΠ΅ΡΡΡ ΡΠΎΠ»ΡΠΊΠΎ Π΄Π»Ρ Π±ΠΎΡΡΠΎΠ²ΠΎΠΉ Π΄ΠΈΠ°Π³Π½ΠΎΡΡΠΈΠΊΠΈ.
ΠΠΎΠ³Π΄Π° ΠΎΠ±Π½Π°ΡΡΠΆΠΈΠ²Π°Π΅ΡΡΡ ΠΊΠΎΠ΄?
Π§ΡΠ΅Π·ΠΌΠ΅ΡΠ½ΠΎ Π²ΡΡΠΎΠΊΠΎΠ΅ Π½Π°ΠΏΡΡΠΆΠ΅Π½ΠΈΠ΅ ΠΎΡ Π΄Π°ΡΡΠΈΠΊΠ° ΠΏΠ΅ΡΠ΅Π΄Π°Π΅ΡΡΡ Π½Π° ΠΌΠΎΠ΄ΡΠ»Ρ ΡΠΏΡΠ°Π²Π»Π΅Π½ΠΈΡ Π΄Π²ΠΈΠ³Π°ΡΠ΅Π»Π΅ΠΌ.
ΠΠΎΠ·ΠΌΠΎΠΆΠ½ΡΠ΅ ΠΏΡΠΈΡΠΈΠ½Ρ
- ΠΠ΅ΠΈΡΠΏΡΠ°Π²Π΅Π½ Π΄Π°ΡΡΠΈΠΊ Π΄Π°Π²Π»Π΅Π½ΠΈΡ ΡΠΈΡΡΠ΅ΠΌΡ ΡΠ»Π°Π²Π»ΠΈΠ²Π°Π½ΠΈΡ ΠΏΠ°ΡΠΎΠ² ΡΠΎΠΏΠ»ΠΈΠ²Π°
- ΠΠ³ΡΡ ΠΏΡΠΎΠ²ΠΎΠ΄ΠΎΠ² Π΄Π°ΡΡΠΈΠΊΠ° Π΄Π°Π²Π»Π΅Π½ΠΈΡ ΡΠΈΡΡΠ΅ΠΌΡ ΡΠ»Π°Π²Π»ΠΈΠ²Π°Π½ΠΈΡ ΠΏΠ°ΡΠΎΠ² ΠΎΠ±ΡΡΠ² ΠΈΠ»ΠΈ ΠΊΠΎΡΠΎΡΠΊΠΎΠ΅ Π·Π°ΠΌΡΠΊΠ°Π½ΠΈΠ΅
- ΠΠ»ΠΎΡ ΠΎΠ΅ ΡΠ»Π΅ΠΊΡΡΠΈΡΠ΅ΡΠΊΠΎΠ΅ ΡΠΎΠ΅Π΄ΠΈΠ½Π΅Π½ΠΈΠ΅ Π² ΡΠ΅ΠΏΠΈ Π΄Π°ΡΡΠΈΠΊΠ° Π΄Π°Π²Π»Π΅Π½ΠΈΡ ΡΠΈΡΡΠ΅ΠΌΡ ΡΠ»Π°Π²Π»ΠΈΠ²Π°Π½ΠΈΡ ΠΏΠ°ΡΠΎΠ² ΡΠΎΠΏΠ»ΠΈΠ²Π°.
P2106: Π‘ΠΈΡΡΠ΅ΠΌΠ° ΡΠΏΡΠ°Π²Π»Π΅Π½ΠΈΡ ΠΏΡΠΈΠ²ΠΎΠ΄ΠΎΠΌ Π΄ΡΠΎΡΡΠ΅Π»ΡΠ½ΠΎΠΉ Π·Π°ΡΠ»ΠΎΠ½ΠΊΠΈ — ΠΏΡΠΈΠ½ΡΠ΄ΠΈΡΠ΅Π»ΡΠ½ΠΎΠ΅ ΠΎΠ³ΡΠ°Π½ΠΈΡΠ΅Π½ΠΈΠ΅ ΠΌΠΎΡΠ½ΠΎΡΡΠΈ
Π‘ΠΈΡΡΠ΅ΠΌΠ° ΡΠΏΡΠ°Π²Π»Π΅Π½ΠΈΡ ΠΏΡΠΈΠ²ΠΎΠ΄ΠΎΠΌ Π΄ΡΠΎΡΡΠ΅Π»ΡΠ½ΠΎΠΉ Π·Π°ΡΠ»ΠΎΠ½ΠΊΠΈ ΠΈΡΠΏΠΎΠ»ΡΠ·ΡΠ΅Ρ Π°Π²ΡΠΎΠΌΠΎΠ±ΠΈΠ»ΡΠ½ΡΡ ΡΠ»Π΅ΠΊΡΡΠΎΠ½ΠΈΠΊΡ ΠΈ ΠΊΠΎΠΌΠΏΠΎΠ½Π΅Π½ΡΡ Π΄Π»Ρ ΡΠ°ΡΡΠ΅ΡΠ° ΠΈ ΡΠΏΡΠ°Π²Π»Π΅Π½ΠΈΡ ΠΏΠΎΠ»ΠΎΠΆΠ΅Π½ΠΈΠ΅ΠΌ Π΄ΡΠΎΡΡΠ΅Π»ΡΠ½ΠΎΠΉ Π·Π°ΡΠ»ΠΎΠ½ΠΊΠΈ. ΠΡΠΎ ΡΡΡΡΠ°Π½ΡΠ΅Ρ Π½Π΅ΠΎΠ±Ρ ΠΎΠ΄ΠΈΠΌΠΎΡΡΡ Π² ΠΌΠ΅Ρ Π°Π½ΠΈΡΠ΅ΡΠΊΠΎΠΌ ΠΊΡΠ΅ΠΏΠ»Π΅Π½ΠΈΠΈ ΡΡΠΎΡΠ° ΠΎΡ ΠΏΠ΅Π΄Π°Π»ΠΈ Π°ΠΊΡΠ΅Π»Π΅ΡΠ°ΡΠΎΡΠ° ΠΊ ΠΊΠΎΡΠΏΡΡΡ Π΄ΡΠΎΡΡΠ΅Π»ΡΠ½ΠΎΠΉ Π·Π°ΡΠ»ΠΎΠ½ΠΊΠΈ. ΠΡΠ° ΡΠΈΡΡΠ΅ΠΌΠ° ΡΠ°ΠΊΠΆΠ΅ Π²ΡΠΏΠΎΠ»Π½ΡΠ΅Ρ ΡΡΠ½ΠΊΡΠΈΠΈ ΠΊΡΡΠΈΠ·-ΠΊΠΎΠ½ΡΡΠΎΠ»Ρ.
ΠΠΎΠΌΠΏΠΎΠ½Π΅Π½ΡΡ ΡΠΈΡΡΠ΅ΠΌΡ TAC Π²ΠΊΠ»ΡΡΠ°ΡΡ, Π½ΠΎ Π½Π΅ ΠΎΠ³ΡΠ°Π½ΠΈΡΠΈΠ²Π°ΡΡΡΡ ΡΠ»Π΅Π΄ΡΡΡΠΈΠΌ:
— ΠΠ°ΡΡΠΈΠΊΠΈ ΠΏΠΎΠ»ΠΎΠΆΠ΅Π½ΠΈΡ ΠΏΠ΅Π΄Π°Π»ΠΈ Π°ΠΊΡΠ΅Π»Π΅ΡΠ°ΡΠΎΡΠ°
— ΠΠΎΡΠΏΡΡ Π΄ΡΠΎΡΡΠ΅Π»ΡΠ½ΠΎΠΉ Π·Π°ΡΠ»ΠΎΠ½ΠΊΠΈ
— ΠΠΎΠ΄ΡΠ»Ρ ΡΠΏΡΠ°Π²Π»Π΅Π½ΠΈΡ ΡΠΈΠ»ΠΎΠ²ΠΎΠΉ ΠΏΠ΅ΡΠ΅Π΄Π°ΡΠ΅ΠΉ
ΠΠ°ΠΆΠ΄ΡΠΉ ΠΈΠ· ΡΡΠΈΡ ΠΊΠΎΠΌΠΏΠΎΠ½Π΅Π½ΡΠΎΠ² Π²Π·Π°ΠΈΠΌΠΎΠ΄Π΅ΠΉΡΡΠ²ΡΠ΅Ρ Π²ΠΌΠ΅ΡΡΠ΅ Π΄Π»Ρ ΠΎΠ±Π΅ΡΠΏΠ΅ΡΠ΅Π½ΠΈΡ ΡΠΎΡΠ½ΡΡ ΡΠ°ΡΡΠ΅ΡΠΎΠ² ΠΈ ΠΊΠΎΠ½ΡΡΠΎΠ»Ρ ΠΏΠΎΠ»ΠΎΠΆΠ΅Π½ΠΈΡ Π΄ΡΠΎΡΡΠ΅Π»ΡΠ½ΠΎΠΉ Π·Π°ΡΠ»ΠΎΠ½ΠΊΠΈ.
ΠΠΎΡΠΏΡΡ Π΄ΡΠΎΡΡΠ΅Π»ΡΠ½ΠΎΠΉ Π·Π°ΡΠ»ΠΎΠ½ΠΊΠΈ
ΠΠΎΡΠΏΡΡ Π΄ΡΠΎΡΡΠ΅Π»ΡΠ½ΠΎΠΉ Π·Π°ΡΠ»ΠΎΠ½ΠΊΠΈ Π΄Π»Ρ ΡΠΈΡΡΠ΅ΠΌΡ ΡΠΏΡΠ°Π²Π»Π΅Π½ΠΈΡ ΠΏΡΠΈΠ²ΠΎΠ΄ΠΎΠΌ Π΄ΡΠΎΡΡΠ΅Π»ΡΠ½ΠΎΠΉ Π·Π°ΡΠ»ΠΎΠ½ΠΊΠΈ Π°Π½Π°Π»ΠΎΠ³ΠΈΡΠ΅Π½ ΠΊΠΎΡΠΏΡΡΡ ΠΎΠ±ΡΡΠ½ΠΎΠΉ Π΄ΡΠΎΡΡΠ΅Π»ΡΠ½ΠΎΠΉ Π·Π°ΡΠ»ΠΎΠ½ΠΊΠΈ Π·Π° Π½Π΅ΡΠΊΠΎΠ»ΡΠΊΠΈΠΌΠΈ ΠΈΡΠΊΠ»ΡΡΠ΅Π½ΠΈΡΠΌΠΈ. ΠΠ΄ΠΈΠ½ΡΡΠ²Π΅Π½Π½ΡΠΌ ΠΈΡΠΊΠ»ΡΡΠ΅Π½ΠΈΠ΅ΠΌ ΡΠ²Π»ΡΠ΅ΡΡΡ ΠΈΡΠΏΠΎΠ»ΡΠ·ΠΎΠ²Π°Π½ΠΈΠ΅ Π΄Π²ΠΈΠ³Π°ΡΠ΅Π»Ρ Π΄Π»Ρ ΡΠΏΡΠ°Π²Π»Π΅Π½ΠΈΡ ΠΏΠΎΠ»ΠΎΠΆΠ΅Π½ΠΈΠ΅ΠΌ Π΄ΡΠΎΡΡΠ΅Π»ΡΠ½ΠΎΠΉ Π·Π°ΡΠ»ΠΎΠ½ΠΊΠΈ Π²ΠΌΠ΅ΡΡΠΎ ΠΌΠ΅Ρ Π°Π½ΠΈΡΠ΅ΡΠΊΠΎΠ³ΠΎ ΠΊΠ°Π±Π΅Π»Ρ. ΠΡΠ΅ ΠΎΠ΄Π½ΠΎ ΠΈΡΠΊΠ»ΡΡΠ΅Π½ΠΈΠ΅ — Π΄Π°ΡΡΠΈΠΊ ΠΏΠΎΠ»ΠΎΠΆΠ΅Π½ΠΈΡ Π΄ΡΠΎΡΡΠ΅Π»ΡΠ½ΠΎΠΉ Π·Π°ΡΠ»ΠΎΠ½ΠΊΠΈ. ΠΠ°ΡΡΠΈΠΊ TP ΡΡΡΠ°Π½ΠΎΠ²Π»Π΅Π½ Π² ΠΊΠΎΡΠΏΡΡΠ΅ Π΄ΡΠΎΡΡΠ΅Π»ΡΠ½ΠΎΠΉ Π·Π°ΡΠ»ΠΎΠ½ΠΊΠΈ. ΠΠ°ΡΡΠΈΠΊ ΠΏΠΎΠ»ΠΎΠΆΠ΅Π½ΠΈΡ Π΄ΡΠΎΡΡΠ΅Π»ΡΠ½ΠΎΠΉ Π·Π°ΡΠ»ΠΎΠ½ΠΊΠΈ ΠΏΡΠ΅Π΄ΡΡΠ°Π²Π»ΡΠ΅Ρ ΡΠΎΠ±ΠΎΠΉ Π΄Π²Π° ΠΎΡΠ΄Π΅Π»ΡΠ½ΡΡ Π΄Π°ΡΡΠΈΠΊΠ° ΠΏΠΎΠ»ΠΎΠΆΠ΅Π½ΠΈΡ Π΄ΡΠΎΡΡΠ΅Π»ΡΠ½ΠΎΠΉ Π·Π°ΡΠ»ΠΎΠ½ΠΊΠΈ Π² ΠΊΠΎΡΠΏΡΡΠ΅ Π΄ΡΠΎΡΡΠ΅Π»ΡΠ½ΠΎΠΉ Π·Π°ΡΠ»ΠΎΠ½ΠΊΠΈ. ΠΠ»Ρ ΠΏΠΎΠ΄ΠΊΠ»ΡΡΠ΅Π½ΠΈΡ Π΄Π°ΡΡΠΈΠΊΠΎΠ² ΠΏΠΎΠ»ΠΎΠΆΠ΅Π½ΠΈΡ Π΄ΡΠΎΡΡΠ΅Π»ΡΠ½ΠΎΠΉ Π·Π°ΡΠ»ΠΎΠ½ΠΊΠΈ ΠΈ ΠΌΠΎΠ΄ΡΠ»Ρ ΡΠΏΡΠ°Π²Π»Π΅Π½ΠΈΡ ΡΠΈΠ»ΠΎΠ²ΠΎΠΉ ΠΏΠ΅ΡΠ΅Π΄Π°ΡΠ΅ΠΉ ΠΈΡΠΏΠΎΠ»ΡΠ·ΡΡΡΡΡ Π΄Π²Π΅ ΠΎΡΠ΄Π΅Π»ΡΠ½ΡΠ΅ ΡΠ΅ΠΏΠΈ ΡΠΈΠ³Π½Π°Π»Π°, Π½ΠΈΠ·ΠΊΠΎΠ³ΠΎ ΠΎΠΏΠΎΡΠ½ΠΎΠ³ΠΎ Π½Π°ΠΏΡΡΠΆΠ΅Π½ΠΈΡ ΠΈ ΠΏΡΡΠΈΠ²ΠΎΠ»ΡΡΠΎΠ²ΠΎΠ³ΠΎ ΠΎΠΏΠΎΡΠ½ΠΎΠ³ΠΎ Π½Π°ΠΏΡΡΠΆΠ΅Π½ΠΈΡ.ΠΠ°ΠΏΡΡΠΆΠ΅Π½ΠΈΠ΅ ΡΠΈΠ³Π½Π°Π»Π° Π΄Π°ΡΡΠΈΠΊΠ° ΠΏΠΎΠ»ΠΎΠΆΠ΅Π½ΠΈΡ Π΄ΡΠΎΡΡΠ΅Π»ΡΠ½ΠΎΠΉ Π·Π°ΡΠ»ΠΎΠ½ΠΊΠΈ 2 ΡΠ²Π΅Π»ΠΈΡΠΈΠ²Π°Π΅ΡΡΡ ΠΏΡΠΈ ΠΎΡΠΊΡΡΡΠΈΠΈ Π΄ΡΠΎΡΡΠ΅Π»ΡΠ½ΠΎΠΉ Π·Π°ΡΠ»ΠΎΠ½ΠΊΠΈ. ΠΠ°ΠΏΡΡΠΆΠ΅Π½ΠΈΠ΅ ΡΠΈΠ³Π½Π°Π»Π° Π΄Π°ΡΡΠΈΠΊΠ° ΠΏΠΎΠ»ΠΎΠΆΠ΅Π½ΠΈΡ Π΄ΡΠΎΡΡΠ΅Π»ΡΠ½ΠΎΠΉ Π·Π°ΡΠ»ΠΎΠ½ΠΊΠΈ 1 ΡΠΌΠ΅Π½ΡΡΠ°Π΅ΡΡΡ ΠΏΡΠΈ ΠΎΡΠΊΡΡΡΠΈΠΈ Π΄ΡΠΎΡΡΠ΅Π»ΡΠ½ΠΎΠΉ Π·Π°ΡΠ»ΠΎΠ½ΠΊΠΈ.
ΠΠΎΠ·ΠΌΠΎΠΆΠ½ΡΠ΅ ΠΏΡΠΈΡΠΈΠ½Ρ
- ΠΠ΅ΠΈΡΠΏΡΠ°Π²Π½ΠΎΡΡΡ ΡΠΏΡΠ°Π²Π»Π΅Π½ΠΈΡ ΠΏΡΠΈΠ²ΠΎΠ΄ΠΎΠΌ Π΄ΡΠΎΡΡΠ΅Π»ΡΠ½ΠΎΠΉ Π·Π°ΡΠ»ΠΎΠ½ΠΊΠΈ
- ΠΠ³ΡΡ ΡΠΏΡΠ°Π²Π»Π΅Π½ΠΈΡ ΠΏΡΠΈΠ²ΠΎΠ΄ΠΎΠΌ Π΄ΡΠΎΡΡΠ΅Π»ΡΠ½ΠΎΠΉ Π·Π°ΡΠ»ΠΎΠ½ΠΊΠΈ ΠΎΠ±ΡΡΠ² ΠΈΠ»ΠΈ Π·Π°ΠΊΠΎΡΠΎΡΠ΅Π½
- ΠΠ»ΠΎΡ ΠΎΠ΅ ΡΠ»Π΅ΠΊΡΡΠΈΡΠ΅ΡΠΊΠΎΠ΅ ΡΠΎΠ΅Π΄ΠΈΠ½Π΅Π½ΠΈΠ΅ Π² ΡΠ΅ΠΏΠΈ ΡΠΏΡΠ°Π²Π»Π΅Π½ΠΈΡ ΠΏΡΠΈΠ²ΠΎΠ΄ΠΎΠΌ Π΄ΡΠΎΡΡΠ΅Π»ΡΠ½ΠΎΠΉ Π·Π°ΡΠ»ΠΎΠ½ΠΊΠΈ
P2110: Π‘ΠΈΡΡΠ΅ΠΌΠ° ΡΠΏΡΠ°Π²Π»Π΅Π½ΠΈΡ ΠΏΡΠΈΠ²ΠΎΠ΄ΠΎΠΌ Π΄ΡΠΎΡΡΠ΅Π»ΡΠ½ΠΎΠΉ Π·Π°ΡΠ»ΠΎΠ½ΠΊΠΈ — ΠΏΡΠΈΠ½ΡΠ΄ΠΈΡΠ΅Π»ΡΠ½ΠΎΠ΅ ΠΎΠ³ΡΠ°Π½ΠΈΡΠ΅Π½ΠΈΠ΅ ΠΎΠ±ΠΎΡΠΎΡΠΎΠ² Π΄Π²ΠΈΠ³Π°ΡΠ΅Π»Ρ.
Π‘ΠΈΡΡΠ΅ΠΌΠ° ΡΠΏΡΠ°Π²Π»Π΅Π½ΠΈΡ ΠΏΡΠΈΠ²ΠΎΠ΄ΠΎΠΌ Π΄ΡΠΎΡΡΠ΅Π»ΡΠ½ΠΎΠΉ Π·Π°ΡΠ»ΠΎΠ½ΠΊΠΈ ΠΈΡΠΏΠΎΠ»ΡΠ·ΡΠ΅Ρ Π°Π²ΡΠΎΠΌΠΎΠ±ΠΈΠ»ΡΠ½ΡΡ ΡΠ»Π΅ΠΊΡΡΠΎΠ½ΠΈΠΊΡ ΠΈ ΠΊΠΎΠΌΠΏΠΎΠ½Π΅Π½ΡΡ Π΄Π»Ρ ΡΠ°ΡΡΠ΅ΡΠ° ΠΈ ΡΠΏΡΠ°Π²Π»Π΅Π½ΠΈΡ ΠΏΠΎΠ»ΠΎΠΆΠ΅Π½ΠΈΠ΅ΠΌ Π΄ΡΠΎΡΡΠ΅Π»ΡΠ½ΠΎΠΉ Π·Π°ΡΠ»ΠΎΠ½ΠΊΠΈ.ΠΡΠΎ ΡΡΡΡΠ°Π½ΡΠ΅Ρ Π½Π΅ΠΎΠ±Ρ ΠΎΠ΄ΠΈΠΌΠΎΡΡΡ Π² ΠΌΠ΅Ρ Π°Π½ΠΈΡΠ΅ΡΠΊΠΎΠΌ ΠΊΡΠ΅ΠΏΠ»Π΅Π½ΠΈΠΈ ΡΡΠΎΡΠ° ΠΎΡ ΠΏΠ΅Π΄Π°Π»ΠΈ Π°ΠΊΡΠ΅Π»Π΅ΡΠ°ΡΠΎΡΠ° ΠΊ ΠΊΠΎΡΠΏΡΡΡ Π΄ΡΠΎΡΡΠ΅Π»ΡΠ½ΠΎΠΉ Π·Π°ΡΠ»ΠΎΠ½ΠΊΠΈ. ΠΡΠ° ΡΠΈΡΡΠ΅ΠΌΠ° ΡΠ°ΠΊΠΆΠ΅ Π²ΡΠΏΠΎΠ»Π½ΡΠ΅Ρ ΡΡΠ½ΠΊΡΠΈΠΈ ΠΊΡΡΠΈΠ·-ΠΊΠΎΠ½ΡΡΠΎΠ»Ρ.
ΠΠΎΠΌΠΏΠΎΠ½Π΅Π½ΡΡ ΡΠΈΡΡΠ΅ΠΌΡ TAC Π²ΠΊΠ»ΡΡΠ°ΡΡ, Π½ΠΎ Π½Π΅ ΠΎΠ³ΡΠ°Π½ΠΈΡΠΈΠ²Π°ΡΡΡΡ ΡΠ»Π΅Π΄ΡΡΡΠΈΠΌ:
— ΠΠ°ΡΡΠΈΠΊΠΈ ΠΏΠΎΠ»ΠΎΠΆΠ΅Π½ΠΈΡ ΠΏΠ΅Π΄Π°Π»ΠΈ Π°ΠΊΡΠ΅Π»Π΅ΡΠ°ΡΠΎΡΠ°
— ΠΠΎΡΠΏΡΡ Π΄ΡΠΎΡΡΠ΅Π»ΡΠ½ΠΎΠΉ Π·Π°ΡΠ»ΠΎΠ½ΠΊΠΈ
— ΠΠΎΠ΄ΡΠ»Ρ ΡΠΏΡΠ°Π²Π»Π΅Π½ΠΈΡ ΡΠΈΠ»ΠΎΠ²ΠΎΠΉ ΠΏΠ΅ΡΠ΅Π΄Π°ΡΠ΅ΠΉ
ΠΠ°ΠΆΠ΄ΡΠΉ ΠΈΠ· ΡΡΠΈΡ ΠΊΠΎΠΌΠΏΠΎΠ½Π΅Π½ΡΠΎΠ² Π²Π·Π°ΠΈΠΌΠΎΠ΄Π΅ΠΉΡΡΠ²ΡΠ΅Ρ Π΄ΡΡΠ³ Ρ Π΄ΡΡΠ³ΠΎΠΌ Π΄Π»Ρ ΠΎΠ±Π΅ΡΠΏΠ΅ΡΠ΅Π½ΠΈΡ ΡΠΎΡΠ½ΡΡ ΡΠ°ΡΡΠ΅ΡΠΎΠ² ΠΈ ΠΊΠΎΠ½ΡΡΠΎΠ»Ρ ΠΏΠΎΠ»ΠΎΠΆΠ΅Π½ΠΈΡ Π΄ΡΠΎΡΡΠ΅Π»ΡΠ½ΠΎΠΉ Π·Π°ΡΠ»ΠΎΠ½ΠΊΠΈ.
ΠΠΎΡΠΏΡΡ Π΄ΡΠΎΡΡΠ΅Π»ΡΠ½ΠΎΠΉ Π·Π°ΡΠ»ΠΎΠ½ΠΊΠΈ
ΠΠΎΡΠΏΡΡ Π΄ΡΠΎΡΡΠ΅Π»ΡΠ½ΠΎΠΉ Π·Π°ΡΠ»ΠΎΠ½ΠΊΠΈ Π΄Π»Ρ ΡΠΈΡΡΠ΅ΠΌΡ ΡΠΏΡΠ°Π²Π»Π΅Π½ΠΈΡ ΠΏΡΠΈΠ²ΠΎΠ΄ΠΎΠΌ Π΄ΡΠΎΡΡΠ΅Π»ΡΠ½ΠΎΠΉ Π·Π°ΡΠ»ΠΎΠ½ΠΊΠΈ Π°Π½Π°Π»ΠΎΠ³ΠΈΡΠ΅Π½ ΠΊΠΎΡΠΏΡΡΡ ΠΎΠ±ΡΡΠ½ΠΎΠΉ Π΄ΡΠΎΡΡΠ΅Π»ΡΠ½ΠΎΠΉ Π·Π°ΡΠ»ΠΎΠ½ΠΊΠΈ Π·Π° Π½Π΅ΡΠΊΠΎΠ»ΡΠΊΠΈΠΌΠΈ ΠΈΡΠΊΠ»ΡΡΠ΅Π½ΠΈΡΠΌΠΈ. ΠΠ΄ΠΈΠ½ΡΡΠ²Π΅Π½Π½ΡΠΌ ΠΈΡΠΊΠ»ΡΡΠ΅Π½ΠΈΠ΅ΠΌ ΡΠ²Π»ΡΠ΅ΡΡΡ ΠΈΡΠΏΠΎΠ»ΡΠ·ΠΎΠ²Π°Π½ΠΈΠ΅ Π΄Π²ΠΈΠ³Π°ΡΠ΅Π»Ρ Π΄Π»Ρ ΡΠΏΡΠ°Π²Π»Π΅Π½ΠΈΡ ΠΏΠΎΠ»ΠΎΠΆΠ΅Π½ΠΈΠ΅ΠΌ Π΄ΡΠΎΡΡΠ΅Π»ΡΠ½ΠΎΠΉ Π·Π°ΡΠ»ΠΎΠ½ΠΊΠΈ Π²ΠΌΠ΅ΡΡΠΎ ΠΌΠ΅Ρ Π°Π½ΠΈΡΠ΅ΡΠΊΠΎΠ³ΠΎ ΠΊΠ°Π±Π΅Π»Ρ. ΠΡΠ΅ ΠΎΠ΄Π½ΠΎ ΠΈΡΠΊΠ»ΡΡΠ΅Π½ΠΈΠ΅ — Π΄Π°ΡΡΠΈΠΊ ΠΏΠΎΠ»ΠΎΠΆΠ΅Π½ΠΈΡ Π΄ΡΠΎΡΡΠ΅Π»ΡΠ½ΠΎΠΉ Π·Π°ΡΠ»ΠΎΠ½ΠΊΠΈ. ΠΠ°ΡΡΠΈΠΊ TP ΡΡΡΠ°Π½ΠΎΠ²Π»Π΅Π½ Π² ΠΊΠΎΡΠΏΡΡΠ΅ Π΄ΡΠΎΡΡΠ΅Π»ΡΠ½ΠΎΠΉ Π·Π°ΡΠ»ΠΎΠ½ΠΊΠΈ. ΠΠ°ΡΡΠΈΠΊ ΠΏΠΎΠ»ΠΎΠΆΠ΅Π½ΠΈΡ Π΄ΡΠΎΡΡΠ΅Π»ΡΠ½ΠΎΠΉ Π·Π°ΡΠ»ΠΎΠ½ΠΊΠΈ ΠΏΡΠ΅Π΄ΡΡΠ°Π²Π»ΡΠ΅Ρ ΡΠΎΠ±ΠΎΠΉ 2 ΠΎΡΠ΄Π΅Π»ΡΠ½ΡΡ Π΄Π°ΡΡΠΈΠΊΠ° ΠΏΠΎΠ»ΠΎΠΆΠ΅Π½ΠΈΡ Π΄ΡΠΎΡΡΠ΅Π»ΡΠ½ΠΎΠΉ Π·Π°ΡΠ»ΠΎΠ½ΠΊΠΈ Π² ΠΊΠΎΡΠΏΡΡΠ΅ Π΄ΡΠΎΡΡΠ΅Π»ΡΠ½ΠΎΠΉ Π·Π°ΡΠ»ΠΎΠ½ΠΊΠΈ. ΠΠ»Ρ ΠΏΠΎΠ΄ΠΊΠ»ΡΡΠ΅Π½ΠΈΡ Π΄Π°ΡΡΠΈΠΊΠΎΠ² TP ΠΈ ΠΌΠΎΠ΄ΡΠ»Ρ ΡΠΏΡΠ°Π²Π»Π΅Π½ΠΈΡ ΡΠΈΠ»ΠΎΠ²ΠΎΠΉ ΠΏΠ΅ΡΠ΅Π΄Π°ΡΠ΅ΠΉ ΠΈΡΠΏΠΎΠ»ΡΠ·ΡΡΡΡΡ Π΄Π²Π΅ ΠΎΡΠ΄Π΅Π»ΡΠ½ΡΠ΅ ΡΠ΅ΠΏΠΈ ΡΠΈΠ³Π½Π°Π»Π°, Π½ΠΈΠ·ΠΊΠΎΠ³ΠΎ ΠΎΠΏΠΎΡΠ½ΠΎΠ³ΠΎ Π½Π°ΠΏΡΡΠΆΠ΅Π½ΠΈΡ ΠΈ 5-Π²ΠΎΠ»ΡΡΠ½ΠΎΠ³ΠΎ ΠΎΠΏΠΎΡΠ½ΠΎΠ³ΠΎ Π½Π°ΠΏΡΡΠΆΠ΅Π½ΠΈΡ.ΠΠ°ΠΏΡΡΠΆΠ΅Π½ΠΈΠ΅ ΡΠΈΠ³Π½Π°Π»Π° Π΄Π°ΡΡΠΈΠΊΠ° ΠΏΠΎΠ»ΠΎΠΆΠ΅Π½ΠΈΡ Π΄ΡΠΎΡΡΠ΅Π»ΡΠ½ΠΎΠΉ Π·Π°ΡΠ»ΠΎΠ½ΠΊΠΈ 2 ΡΠ²Π΅Π»ΠΈΡΠΈΠ²Π°Π΅ΡΡΡ ΠΏΡΠΈ ΠΎΡΠΊΡΡΡΠΈΠΈ Π΄ΡΠΎΡΡΠ΅Π»ΡΠ½ΠΎΠΉ Π·Π°ΡΠ»ΠΎΠ½ΠΊΠΈ. ΠΠ°ΠΏΡΡΠΆΠ΅Π½ΠΈΠ΅ ΡΠΈΠ³Π½Π°Π»Π° Π΄Π°ΡΡΠΈΠΊΠ° ΠΏΠΎΠ»ΠΎΠΆΠ΅Π½ΠΈΡ Π΄ΡΠΎΡΡΠ΅Π»ΡΠ½ΠΎΠΉ Π·Π°ΡΠ»ΠΎΠ½ΠΊΠΈ 1 ΡΠΌΠ΅Π½ΡΡΠ°Π΅ΡΡΡ ΠΏΡΠΈ ΠΎΡΠΊΡΡΡΠΈΠΈ Π΄ΡΠΎΡΡΠ΅Π»ΡΠ½ΠΎΠΉ Π·Π°ΡΠ»ΠΎΠ½ΠΊΠΈ.
ΠΠΎΠ·ΠΌΠΎΠΆΠ½ΡΠ΅ ΠΏΡΠΈΡΠΈΠ½Ρ
- ΠΠ΅ΠΈΡΠΏΡΠ°Π²Π½ΠΎΡΡΡ ΡΠΏΡΠ°Π²Π»Π΅Π½ΠΈΡ ΠΏΡΠΈΠ²ΠΎΠ΄ΠΎΠΌ Π΄ΡΠΎΡΡΠ΅Π»ΡΠ½ΠΎΠΉ Π·Π°ΡΠ»ΠΎΠ½ΠΊΠΈ
- ΠΠ³ΡΡ ΡΠΏΡΠ°Π²Π»Π΅Π½ΠΈΡ ΠΏΡΠΈΠ²ΠΎΠ΄ΠΎΠΌ Π΄ΡΠΎΡΡΠ΅Π»ΡΠ½ΠΎΠΉ Π·Π°ΡΠ»ΠΎΠ½ΠΊΠΈ ΠΎΠ±ΡΡΠ² ΠΈΠ»ΠΈ Π·Π°ΠΊΠΎΡΠΎΡΠ΅Π½
- ΠΠ»ΠΎΡ ΠΎΠ΅ ΡΠ»Π΅ΠΊΡΡΠΈΡΠ΅ΡΠΊΠΎΠ΅ ΡΠΎΠ΅Π΄ΠΈΠ½Π΅Π½ΠΈΠ΅ Π² ΡΠ΅ΠΏΠΈ ΡΠΏΡΠ°Π²Π»Π΅Π½ΠΈΡ ΠΏΡΠΈΠ²ΠΎΠ΄ΠΎΠΌ Π΄ΡΠΎΡΡΠ΅Π»ΡΠ½ΠΎΠΉ Π·Π°ΡΠ»ΠΎΠ½ΠΊΠΈ
ΠΠΎΠΆΠ°Π»ΡΠΉΡΡΠ°, Ρ ΠΌΠ΅Π½Ρ Π΅ΡΡΡ Π°Π²ΡΠΎΠΌΠΎΠ±ΠΈΠ»Ρ Toyota Corolla, ΠΌΠΎΠ΄Π΅Π»Ρ 2012 Π³ΠΎΠ΄Π° Π²ΡΠΏΡΡΠΊΠ° 1.8Π».
ΠΠ΅Π΄Π°Π²Π½ΠΎ ΠΎΠ½ Π½Π°ΡΠ°Π» ΠΏΠΎΠΊΠ°Π·ΡΠ²Π°ΡΡ Β«ΠΏΡΠΎΠ²Π΅ΡΡΡΠ΅ Π΄Π²ΠΈΠ³Π°ΡΠ΅Π»ΡΒ» Ρ ΠΏΠΎΠΌΠΎΡΡΡ ΡΠΈΠ³Π½Π°Π»ΡΠ½ΡΡ Π»Π°ΠΌΠΏ.
ΠΠΎΠΆΠ°Π»ΡΠΉΡΡΠ°, ΠΏΠΎΡΠΎΠ²Π΅ΡΡΠΉΡΠ΅ ΠΌΠ½Π΅ ΡΡΠΎ. Π‘ΠΏΠ°ΡΠΈΠ±ΠΎ.
Π― ΠΏΠΎΡΠΎΠ²Π΅ΡΡΡ Π·Π°ΠΏΡΡΡΠΈΡΡ ΡΠΊΠ°Π½ΠΈΡΠΎΠ²Π°Π½ΠΈΠ΅ ΡΠΈΡΡΠ΅ΠΌΡ ΡΠΈΠ»ΠΎΠ²ΠΎΠΉ ΠΏΠ΅ΡΠ΅Π΄Π°ΡΠΈ. Π Π΅Π·ΡΠ»ΡΡΠ°ΡΡ ΠΏΠΎΠΊΠ°ΠΆΡΡ ΠΈΠ»ΠΈ ΠΏΠΎΠ΄ΡΠΊΠ°ΠΆΡΡ, ΡΡΠΎ Π΄Π΅Π»Π°ΡΡ.
P0593: ΠΠ΅ΡΠ΅ΠΊΠ»ΡΡΠ°ΡΠ΅Π»Ρ ΡΠΏΡΠ°Π²Π»Π΅Π½ΠΈΡ ΡΠΊΠΎΡΠΎΡΡΡΡ 2 — Π²ΡΡΠΎΠΊΠΈΠΉ ΡΡΠΎΠ²Π΅Π½Ρ ΡΠΈΠ³Π½Π°Π»Π°.
ΠΠΎΠ΄ΡΠ»Ρ ΡΠΏΡΠ°Π²Π»Π΅Π½ΠΈΡ Π΄Π²ΠΈΠ³Π°ΡΠ΅Π»Π΅ΠΌ ΠΊΠΎΠ½ΡΡΠΎΠ»ΠΈΡΡΠ΅Ρ ΡΠΊΠΎΡΠΎΡΡΡ
ΠΠ΅ΡΠ΅ΠΊΠ»ΡΡΠ°ΡΠ΅Π»Ρ ΡΠΏΡΠ°Π²Π»Π΅Π½ΠΈΡ ΡΠΊΠΎΡΠΎΡΡΡΡ 2. ΠΠΎΠ½ΡΡΠΎΠ»Π»Π΅Ρ ΠΠ‘Π£Π ΡΡΡΠ°Π½Π°Π²Π»ΠΈΠ²Π°Π΅Ρ ΠΊΠΎΠ΄ OBDII, ΠΊΠΎΠ³Π΄Π° ΠΏΠ΅ΡΠ΅ΠΊΠ»ΡΡΠ°ΡΠ΅Π»Ρ 2 ΡΠΏΡΠ°Π²Π»Π΅Π½ΠΈΡ ΡΠΊΠΎΡΠΎΡΡΡΡ Π½Π΅ ΡΠΎΠΎΡΠ²Π΅ΡΡΡΠ²ΡΠ΅Ρ Π·Π°Π²ΠΎΠ΄ΡΠΊΠΈΠΌ ΡΠΏΠ΅ΡΠΈΡΠΈΠΊΠ°ΡΠΈΡΠΌ.
ΠΠΎΠ³Π΄Π° ΠΎΠ±Π½Π°ΡΡΠΆΠΈΠ²Π°Π΅ΡΡΡ ΠΊΠΎΠ΄?
ΠΠΎΠ½ΡΡΠΎΠ»Π»Π΅Ρ ΠΠ‘Π£Π ΠΎΠ±Π½Π°ΡΡΠΆΠΈΠ», ΡΡΠΎ ΠΏΠ΅ΡΠ΅ΠΊΠ»ΡΡΠ°ΡΠ΅Π»Ρ ΡΠΏΡΠ°Π²Π»Π΅Π½ΠΈΡ ΡΠΊΠΎΡΠΎΡΡΡΡ 2 Π½Π°Ρ ΠΎΠ΄ΠΈΡΡΡ Π²ΡΡΠ΅ ΠΌΠΈΠ½ΠΈΠΌΠ°Π»ΡΠ½ΠΎΠ³ΠΎ Π΄ΠΈΠ°ΠΏΠ°Π·ΠΎΠ½Π° Π½Π°ΠΏΡΡΠΆΠ΅Π½ΠΈΡ.
ΠΠΎΠ·ΠΌΠΎΠΆΠ½ΡΠ΅ ΠΏΡΠΈΡΠΈΠ½Ρ
ΠΠ΅ΠΈΡΠΏΡΠ°Π²Π½ΡΠΉ ΠΏΠ΅ΡΠ΅ΠΊΠ»ΡΡΠ°ΡΠ΅Π»Ρ ΡΠΏΡΠ°Π²Π»Π΅Π½ΠΈΡ ΡΠΊΠΎΡΠΎΡΡΡΡ ΠΠ±ΡΡΠ² ΠΆΠ³ΡΡΠ° ΠΏΡΠΎΠ²ΠΎΠ΄ΠΎΠ² ΠΏΠ΅ΡΠ΅ΠΊΠ»ΡΡΠ°ΡΠ΅Π»Ρ ΡΠΏΡΠ°Π²Π»Π΅Π½ΠΈΡ ΡΠΊΠΎΡΠΎΡΡΡΡ ΠΈΠ»ΠΈ ΠΊΠΎΡΠΎΡΠΊΠΎΠ΅ Π·Π°ΠΌΡΠΊΠ°Π½ΠΈΠ΅ Π² ΡΠ΅ΠΏΠΈ ΠΏΠ΅ΡΠ΅ΠΊΠ»ΡΡΠ°ΡΠ΅Π»Ρ ΡΠΏΡΠ°Π²Π»Π΅Π½ΠΈΡ ΡΠΊΠΎΡΠΎΡΡΡΡ ΠΏΠ»ΠΎΡ ΠΎΠ΅ ΡΠ»Π΅ΠΊΡΡΠΈΡΠ΅ΡΠΊΠΎΠ΅ ΡΠΎΠ΅Π΄ΠΈΠ½Π΅Π½ΠΈΠ΅
P0594: Π¦Π΅ΠΏΡ ΡΠ΅ΡΠ²ΠΎΠΊΠΎΠ½ΡΡΠΎΠ»Ρ ΠΊΡΡΠΈΠ·-ΠΊΠΎΠ½ΡΡΠΎΠ»Ρ / ΠΎΠ±ΡΡΠ²
ΠΠΎΠ΄ΡΠ»Ρ ΡΠΏΡΠ°Π²Π»Π΅Π½ΠΈΡ Π΄Π²ΠΈΠ³Π°ΡΠ΅Π»Π΅ΠΌ ΠΊΠΎΠ½ΡΡΠΎΠ»ΠΈΡΡΠ΅Ρ ΡΠ΅ΡΠ²ΠΎΠΏΡΠΈΠ²ΠΎΠ΄ ΠΊΡΡΠΈΠ·-ΠΊΠΎΠ½ΡΡΠΎΠ»Ρ.ΠΠ‘Π ΡΡΡΠ°Π½Π°Π²Π»ΠΈΠ²Π°Π΅Ρ ΠΊΠΎΠ΄ OBDII, ΠΊΠΎΠ³Π΄Π° ΡΠ΅ΡΠ²ΠΎΠΏΡΠΈΠ²ΠΎΠ΄ ΠΊΡΡΠΈΠ·-ΠΊΠΎΠ½ΡΡΠΎΠ»Ρ Π½Π΅ ΡΠΎΠΎΡΠ²Π΅ΡΡΡΠ²ΡΠ΅Ρ Π·Π°Π²ΠΎΠ΄ΡΠΊΠΈΠΌ ΡΠΏΠ΅ΡΠΈΡΠΈΠΊΠ°ΡΠΈΡΠΌ.
ΠΠΎΠ³Π΄Π° ΠΎΠ±Π½Π°ΡΡΠΆΠΈΠ²Π°Π΅ΡΡΡ ΠΊΠΎΠ΄?
ΠΠ±ΡΡΠ² ΠΈΠ»ΠΈ ΠΊΠΎΡΠΎΡΠΊΠΎΠ΅ Π·Π°ΠΌΡΠΊΠ°Π½ΠΈΠ΅ Π² ΡΠ΅ΠΏΠΈ ΡΠ΅ΡΠ²ΠΎΠΏΡΠΈΠ²ΠΎΠ΄Π° ΠΊΡΡΠΈΠ·-ΠΊΠΎΠ½ΡΡΠΎΠ»Ρ
ΠΠΎΠ·ΠΌΠΎΠΆΠ½ΡΠ΅ ΠΏΡΠΈΡΠΈΠ½Ρ
ΠΠ΅ΠΈΡΠΏΡΠ°Π²Π½ΡΠΉ ΡΠ΅ΡΠ²ΠΎΠ΄Π²ΠΈΠ³Π°ΡΠ΅Π»Ρ ΠΆΠ³ΡΡ ΠΏΡΠΎΠ²ΠΎΠ΄ΠΎΠ² ΡΠ΅ΡΠ²ΠΎΠ΄Π²ΠΈΠ³Π°ΡΠ΅Π»Ρ ΡΠ°Π·ΠΎΠΌΠΊΠ½ΡΡ ΠΈΠ»ΠΈ Π·Π°ΠΊΠΎΡΠΎΡΠ΅Π½ Π¦Π΅ΠΏΡ ΡΠ΅ΡΠ²ΠΎΠ΄Π²ΠΈΠ³Π°ΡΠ΅Π»Ρ ΠΏΠ»ΠΎΡ ΠΎΠ΅ ΡΠ»Π΅ΠΊΡΡΠΈΡΠ΅ΡΠΊΠΎΠ΅ ΡΠΎΠ΅Π΄ΠΈΠ½Π΅Π½ΠΈΠ΅
P0595: ΠΠΈΠ·ΠΊΠΈΠΉ ΡΡΠΎΠ²Π΅Π½Ρ ΡΠΈΠ³Π½Π°Π»Π° ΡΠ΅ΠΏΠΈ ΡΠΏΡΠ°Π²Π»Π΅Π½ΠΈΡ ΡΠ΅ΡΠ²ΠΎΠΏΡΠΈΠ²ΠΎΠ΄ΠΎΠΌ ΡΠ΅Π³ΡΠ»ΠΈΡΠΎΠ²Π°Π½ΠΈΡ ΡΠΊΠΎΡΠΎΡΡΠΈ
ΠΠΎΠ΄ΡΠ»Ρ ΡΠΏΡΠ°Π²Π»Π΅Π½ΠΈΡ Π΄Π²ΠΈΠ³Π°ΡΠ΅Π»Π΅ΠΌ ΠΊΠΎΠ½ΡΡΠΎΠ»ΠΈΡΡΠ΅Ρ ΡΠ΅ΡΠ²ΠΎΠΏΡΠΈΠ²ΠΎΠ΄ ΠΊΡΡΠΈΠ·-ΠΊΠΎΠ½ΡΡΠΎΠ»Ρ.ΠΠ‘Π ΡΡΡΠ°Π½Π°Π²Π»ΠΈΠ²Π°Π΅Ρ ΠΊΠΎΠ΄ OBDII, ΠΊΠΎΠ³Π΄Π° ΡΠ΅ΡΠ²ΠΎΠΏΡΠΈΠ²ΠΎΠ΄ ΠΊΡΡΠΈΠ·-ΠΊΠΎΠ½ΡΡΠΎΠ»Ρ Π½Π΅ ΡΠΎΠΎΡΠ²Π΅ΡΡΡΠ²ΡΠ΅Ρ Π·Π°Π²ΠΎΠ΄ΡΠΊΠΈΠΌ ΡΠΏΠ΅ΡΠΈΡΠΈΠΊΠ°ΡΠΈΡΠΌ.
ΠΠΎΠ³Π΄Π° ΠΎΠ±Π½Π°ΡΡΠΆΠΈΠ²Π°Π΅ΡΡΡ ΠΊΠΎΠ΄?
ΠΠ±ΡΡΠ² ΠΈΠ»ΠΈ ΠΊΠΎΡΠΎΡΠΊΠΎΠ΅ Π·Π°ΠΌΡΠΊΠ°Π½ΠΈΠ΅ Π² ΡΠ΅ΠΏΠΈ ΡΠ΅ΡΠ²ΠΎΠΏΡΠΈΠ²ΠΎΠ΄Π° ΠΊΡΡΠΈΠ·-ΠΊΠΎΠ½ΡΡΠΎΠ»Ρ
ΠΠΎΠ·ΠΌΠΎΠΆΠ½ΡΠ΅ ΠΏΡΠΈΡΠΈΠ½Ρ
ΠΠ΅ΠΈΡΠΏΡΠ°Π²Π½ΡΠΉ ΡΠ΅ΡΠ²ΠΎΠ΄Π²ΠΈΠ³Π°ΡΠ΅Π»Ρ ΠΆΠ³ΡΡ ΠΏΡΠΎΠ²ΠΎΠ΄ΠΎΠ² ΡΠ΅ΡΠ²ΠΎΠ΄Π²ΠΈΠ³Π°ΡΠ΅Π»Ρ ΠΎΠ±ΡΡΠ² ΠΈΠ»ΠΈ Π·Π°ΠΊΠΎΡΠΎΡΠ΅Π½ Π¦Π΅ΠΏΡ ΡΠ΅ΡΠ²ΠΎΠ΄Π²ΠΈΠ³Π°ΡΠ΅Π»Ρ ΠΏΠ»ΠΎΡ ΠΎΠ΅ ΡΠ»Π΅ΠΊΡΡΠΈΡΠ΅ΡΠΊΠΎΠ΅ ΡΠΎΠ΅Π΄ΠΈΠ½Π΅Π½ΠΈΠ΅
P0596: ΠΡΡΠΎΠΊΠΈΠΉ ΠΏΠΎΠΊΠ°Π·Π°ΡΠ΅Π»Ρ ΡΠ΅ΠΏΠΈ ΡΠΏΡΠ°Π²Π»Π΅Π½ΠΈΡ ΡΠ΅ΡΠ²ΠΎΠΏΡΠΈΠ²ΠΎΠ΄ΠΎΠΌ ΡΠ΅Π³ΡΠ»ΠΈΡΠΎΠ²ΠΊΠΈ ΡΠΊΠΎΡΠΎΡΡΠΈ
ΠΠΎΠ΄ΡΠ»Ρ ΡΠΏΡΠ°Π²Π»Π΅Π½ΠΈΡ Π΄Π²ΠΈΠ³Π°ΡΠ΅Π»Π΅ΠΌ ΠΊΠΎΠ½ΡΡΠΎΠ»ΠΈΡΡΠ΅Ρ ΡΠ΅ΡΠ²ΠΎΠΏΡΠΈΠ²ΠΎΠ΄ ΠΊΡΡΠΈΠ·-ΠΊΠΎΠ½ΡΡΠΎΠ»Ρ.ΠΠ‘Π ΡΡΡΠ°Π½Π°Π²Π»ΠΈΠ²Π°Π΅Ρ ΠΊΠΎΠ΄ OBDII, ΠΊΠΎΠ³Π΄Π° ΡΠ΅ΡΠ²ΠΎΠΏΡΠΈΠ²ΠΎΠ΄ ΠΊΡΡΠΈΠ·-ΠΊΠΎΠ½ΡΡΠΎΠ»Ρ Π½Π΅ ΡΠΎΠΎΡΠ²Π΅ΡΡΡΠ²ΡΠ΅Ρ Π·Π°Π²ΠΎΠ΄ΡΠΊΠΈΠΌ ΡΠΏΠ΅ΡΠΈΡΠΈΠΊΠ°ΡΠΈΡΠΌ.
ΠΠΎΠ³Π΄Π° ΠΎΠ±Π½Π°ΡΡΠΆΠΈΠ²Π°Π΅ΡΡΡ ΠΊΠΎΠ΄?
ΠΠ±ΡΡΠ² ΠΈΠ»ΠΈ ΠΊΠΎΡΠΎΡΠΊΠΎΠ΅ Π·Π°ΠΌΡΠΊΠ°Π½ΠΈΠ΅ Π² ΡΠ΅ΠΏΠΈ ΡΠ΅ΡΠ²ΠΎΠΏΡΠΈΠ²ΠΎΠ΄Π° ΠΊΡΡΠΈΠ·-ΠΊΠΎΠ½ΡΡΠΎΠ»Ρ
ΠΠΎΠ·ΠΌΠΎΠΆΠ½ΡΠ΅ ΠΏΡΠΈΡΠΈΠ½Ρ
ΠΠ΅ΠΈΡΠΏΡΠ°Π²Π½ΡΠΉ ΡΠ΅ΡΠ²ΠΎΠ΄Π²ΠΈΠ³Π°ΡΠ΅Π»Ρ. ΠΠ±ΡΡΠ² ΠΈΠ»ΠΈ ΠΊΠΎΡΠΎΡΠΊΠΎΠ΅ Π·Π°ΠΌΡΠΊΠ°Π½ΠΈΠ΅ Π² ΠΆΠ³ΡΡΠ΅ ΡΠ΅ΡΠ²ΠΎΠ΄Π²ΠΈΠ³Π°ΡΠ΅Π»Ρ. ΠΠ»ΠΎΡ ΠΎΠ΅ ΡΠ»Π΅ΠΊΡΡΠΈΡΠ΅ΡΠΊΠΎΠ΅ ΡΠΎΠ΅Π΄ΠΈΠ½Π΅Π½ΠΈΠ΅ Π² ΡΠ΅ΠΏΠΈ ΡΠ΅ΡΠ²ΠΎΠ΄Π²ΠΈΠ³Π°ΡΠ΅Π»Ρ.
ΠΠ²ΡΠΎΡΡΠΊΠΈΠ΅ ΠΏΡΠ°Π²Π° PUNCH.
ΠΡΠ΅ ΠΏΡΠ°Π²Π° Π·Π°ΡΠΈΡΠ΅Π½Ρ.ΠΡΠΎΡ ΠΌΠ°ΡΠ΅ΡΠΈΠ°Π» ΠΈ Π΄ΡΡΠ³ΠΎΠΉ ΡΠΈΡΡΠΎΠ²ΠΎΠΉ ΠΊΠΎΠ½ΡΠ΅Π½Ρ Π½Π° ΡΡΠΎΠΌ Π²Π΅Π±-ΡΠ°ΠΉΡΠ΅ Π½Π΅Π»ΡΠ·Ρ Π²ΠΎΡΠΏΡΠΎΠΈΠ·Π²ΠΎΠ΄ΠΈΡΡ, ΠΏΡΠ±Π»ΠΈΠΊΠΎΠ²Π°ΡΡ, ΡΡΠ°Π½ΡΠ»ΠΈΡΠΎΠ²Π°ΡΡ, ΠΏΠ΅ΡΠ΅ΠΏΠΈΡΡΠ²Π°ΡΡ ΠΈΠ»ΠΈ ΡΠ°ΡΠΏΡΠΎΡΡΡΠ°Π½ΡΡΡ ΠΏΠΎΠ»Π½ΠΎΡΡΡΡ ΠΈΠ»ΠΈ ΡΠ°ΡΡΠΈΡΠ½ΠΎ Π±Π΅Π· ΠΏΡΠ΅Π΄Π²Π°ΡΠΈΡΠ΅Π»ΡΠ½ΠΎΠ³ΠΎ ΠΏΠΈΡΡΠΌΠ΅Π½Π½ΠΎΠ³ΠΎ ΡΠ°Π·ΡΠ΅ΡΠ΅Π½ΠΈΡ PUNCH.
ΠΠΎΠ½ΡΠ°ΠΊΡΠ½ΠΎΠ΅ Π»ΠΈΡΠΎ: [ΡΠ»Π΅ΠΊΡΡΠΎΠ½Π½Π°Ρ ΠΏΠΎΡΡΠ° Π·Π°ΡΠΈΡΠ΅Π½Π°]
Π½Π°Π·Π½Π°ΡΠ΅Π½ΠΈΠ΅, ΡΡΡΡΠΎΠΉΡΡΠ²ΠΎ, ΡΡΠ½ΠΊΡΠΈΠΈ, ΡΠ΅ΠΌΠΎΠ½Ρ ΠΈ Π·Π°ΠΌΠ΅Π½Π°
ΠΠ° Π°Π²ΡΠΎΠΌΠΎΠ±ΠΈΠ»Π΅ ΠΠΠ 2106 Π·Π°ΠΌΠΎΠΊ Π·Π°ΠΆΠΈΠ³Π°Π½ΠΈΡ ΡΠ²Π»ΡΠ΅ΡΡΡ ΠΎΡΠ½ΠΎΠ²Π½ΡΠΌ ΡΠ»Π΅ΠΌΠ΅Π½ΡΠΎΠΌ ΡΠΏΡΠ°Π²Π»Π΅Π½ΠΈΡ Π±ΠΎΡΡΠΎΠ²ΠΎΠΉ ΡΠΈΡΡΠ΅ΠΌΠΎΠΉ ΡΠ»Π΅ΠΊΡΡΠΎΠΎΠ±ΠΎΡΡΠ΄ΠΎΠ²Π°Π½ΠΈΡ.ΠΡΠ°Π²ΠΈΠ»ΡΠ½Π°Ρ ΡΠ°Π±ΠΎΡΠ° ΡΠΈΡΡΠ΅ΠΌΡ Π·Π°ΠΆΠΈΠ³Π°Π½ΠΈΡ ΠΎΠ±Π΅ΡΠΏΠ΅ΡΠΈΠ²Π°Π΅ΡΡΡ ΡΠΎΠ»ΡΠΊΠΎ ΠΏΡΠΈ ΠΏΠΎΠ»Π½ΠΎΠΌ ΡΠ΅Ρ Π½ΠΈΡΠ΅ΡΠΊΠΎΠΌ ΡΠΎΡΡΠΎΡΠ½ΠΈΠΈ Π·Π°ΠΌΠΊΠ°.
Π ΡΠΎΠΆΠ°Π»Π΅Π½ΠΈΡ, Π·Π°ΠΌΠΎΠΊ Π·Π°ΠΆΠΈΠ³Π°Π½ΠΈΡ ΠΠΠ 2106 Π½Π΅ ΠΌΠΎΠΆΠ΅Ρ ΠΏΠΎΡ Π²Π°ΡΡΠ°ΡΡΡΡ Π΄Π»ΠΈΡΠ΅Π»ΡΠ½ΠΎΠΉ Π±Π΅ΡΠΏΠ΅ΡΠ΅Π±ΠΎΠΉΠ½ΠΎΠΉ ΡΠ°Π±ΠΎΡΠΎΠΉ, ΠΈ Π΄ΠΎΠ²ΠΎΠ»ΡΠ½ΠΎ ΡΠ°ΡΡΠΎ Π°Π²ΡΠΎΠΌΠΎΠ±ΠΈΠ»ΠΈΡΡΡ ΡΡΠ°Π»ΠΊΠΈΠ²Π°ΡΡΡΡ Ρ ΡΠ΅ΠΌ, ΡΡΠΎ ΠΎΠ½ Π²ΡΡ ΠΎΠ΄ΠΈΡ ΠΈΠ· ΡΡΡΠΎΡ.
Π‘Π»Π΅Π΄ΠΎΠ²Π°ΡΠ΅Π»ΡΠ½ΠΎ, ΠΎΠ½ΠΈ Π΄ΠΎΠ»ΠΆΠ½Ρ ΡΠ°Π·ΠΎΠ±ΡΠ°ΡΡΡΡ, ΡΡΠΎ ΡΠ°ΠΊΠΎΠ΅ Π·Π°ΠΌΠΎΠΊ Π·Π°ΠΆΠΈΠ³Π°Π½ΠΈΡ ΠΠΠ 2106, ΡΡ Π΅ΠΌΠ° ΠΏΠΎΠ΄ΠΊΠ»ΡΡΠ΅Π½ΠΈΡ, ΡΠ½ΡΡΡ Π΅Π³ΠΎ, ΠΎΡΡΠ΅ΠΌΠΎΠ½ΡΠΈΡΠΎΠ²Π°ΡΡ ΡΠΎ, ΡΡΠΎ Π²ΡΡΠ»ΠΎ ΠΈΠ· ΡΡΡΠΎΡ, Π° Π·Π°ΡΠ΅ΠΌ ΡΠΌΠΎΠ½ΡΠΈΡΠΎΠ²Π°ΡΡ ΠΎΠ±ΡΠ°ΡΠ½ΠΎ, Π²ΡΠΏΠΎΠΌΠ½ΠΈΠ² ΡΡ Π΅ΠΌΡ ΠΏΠΎΠ΄ΠΊΠ»ΡΡΠ΅Π½ΠΈΡ Π²ΡΠ΅Ρ ΠΏΡΠΎΠ²ΠΎΠ΄ΠΎΠ² ΠΏΠΎ ΠΏΡΡΠΈ.
ΠΠ°ΡΠ° ΡΡΠ°ΡΡΡ ΠΏΠΎΠΌΠΎΠΆΠ΅Ρ Π²Π°ΠΌ ΡΠ°Π·ΠΎΠ±ΡΠ°ΡΡΡΡ Π² Π²ΠΎΠΏΡΠΎΡΠ°Ρ ΡΠ»Π΅ΠΊΡΡΠΎΠ½Π½ΠΎΠ³ΠΎ Π·Π°ΠΆΠΈΠ³Π°Π½ΠΈΡ ΠΠΠ 2106. ΠΡΠΎΡΠΈΡΠ°Π² Π΅Π΅, ΠΌΠ½ΠΎΠ³ΠΈΠ΅ ΡΠΌΠΎΠ³ΡΡ ΡΠ°ΠΌΠΎΡΡΠΎΡΡΠ΅Π»ΡΠ½ΠΎ ΠΎΡΡΠ΅ΠΌΠΎΠ½ΡΠΈΡΠΎΠ²Π°ΡΡ Π·Π°ΠΌΠΎΠΊ Π½Π° ΠΠΠ 2106 ΠΈ Π±ΠΎΠ»ΡΡΠ΅ Π½Π΅ Π±ΡΠ΄ΡΡ ΠΈΠΌΠ΅ΡΡ ΠΏΡΠΎΠ±Π»Π΅ΠΌ Ρ Π΅Π³ΠΎ ΡΠ°Π·Π±ΠΎΡΠΊΠΎΠΉ ΠΈ ΡΡΡΠ°Π½ΠΎΠ²ΠΊΠΎΠΉ. Π’Π°ΠΊΠΆΠ΅ ΠΎΠ½ ΠΏΡΠΈΠ³ΠΎΠ΄ΠΈΡΡΡ ΡΠ΅ΠΌ, ΠΊΡΠΎ Π½Π΅ ΠΏΠΎΠΌΠ½ΠΈΡ, ΠΊΠ°ΠΊΠ°Ρ ΡΡ Π΅ΠΌΠ° ΠΏΠΎΠ΄ΠΊΠ»ΡΡΠ΅Π½ΠΈΡ ΠΊΠ°ΠΆΠ΄ΠΎΠ³ΠΎ ΠΊΠ°Π±Π΅Π»Ρ Π½Π° ΡΡΡΡΠΎΠΉΡΡΠ²Π΅.
ΠΎΡΠ½ΠΎΠ²Π½Π°Ρ ΠΈΠ½ΡΠΎΡΠΌΠ°ΡΠΈΡ
ΠΡΠ½ΠΎΠ²Π½ΡΠΌΠΈ ΡΠ»Π΅ΠΌΠ΅Π½ΡΠ°ΠΌΠΈ Π·Π°ΠΌΠΊΠΎΠ² Π·Π°ΠΆΠΈΠ³Π°Π½ΠΈΡ Π½Π° ΠΠΠ 2106 ΡΠ²Π»ΡΡΡΡΡ ΡΠΈΡΡΠ΅ΠΌΠ° Π²ΡΠΊΠ»ΡΡΠ°ΡΠ΅Π»Ρ Π·Π°ΠΆΠΈΠ³Π°Π½ΠΈΡ ΠΈ ΡΠ΅ΠΏΡ ΡΠΏΡΠ°Π²Π»Π΅Π½ΠΈΡ ΡΡΠ°ΡΡΠ΅ΡΠΎΠΌ.ΠΠ°ΠΏΡΡΠΆΠ΅Π½ΠΈΠ΅ ΠΏΡΠΈΠΊΠ»Π°Π΄ΡΠ²Π°Π΅ΡΡΡ ΠΊ Π΄Π°Π½Π½ΠΎΠΉ ΡΠ΅ΠΏΠΈ Π² ΠΎΠΏΡΠ΅Π΄Π΅Π»Π΅Π½Π½ΠΎΠΌ ΠΊΠ»ΡΡΠ΅Π²ΠΎΠΌ ΠΏΠΎΠ»ΠΎΠΆΠ΅Π½ΠΈΠΈ.
ΠΠΎΠ½ΡΡΡΡΠΊΡΠΈΡ ΡΠ»Π΅ΠΊΡΡΠΎΠ½Π½ΠΎΠ³ΠΎ Π·Π°ΠΆΠΈΠ³Π°Π½ΠΈΡ Π½Π° ΠΠΠ ΡΠΎΡΡΠΎΠΈΡ ΠΈΠ· Π΄Π²ΡΡ ΡΠ»Π΅ΠΌΠ΅Π½ΡΠΎΠ²:
- ΠΠ»Π΅ΠΊΡΡΠΈΡΠ΅ΡΠΊΠ°Ρ ΡΠ°ΡΡΡ — ΡΡΠΎ ΠΊΠ»Π΅ΠΌΠΌΠ° Π΄Π»Ρ ΠΏΡΠΎΠ²ΠΎΠ΄Π°, Π·Π°ΠΊΡΠ΅ΠΏΠ»Π΅Π½Π½Π°Ρ Π² Π½ΠΈΠΆΠ½Π΅ΠΉ ΡΠ°ΡΡΠΈ Π·Π°ΠΌΠΊΠ° Ρ ΠΏΠΎΠΌΠΎΡΡΡ ΡΠ΄Π΅ΡΠΆΠΈΠ²Π°ΡΡΠ΅Π³ΠΎ Π·Π°ΠΆΠΈΠΌΠ°. ΠΠ»Π°Π³ΠΎΠ΄Π°ΡΡ ΡΡΠΎΠΌΡ ΡΠ»Π΅ΠΌΠ΅Π½ΡΡ ΠΏΡΠΎΠΈΡΡ ΠΎΠ΄ΠΈΡ ΠΏΡΠ°Π²ΠΈΠ»ΡΠ½ΠΎΠ΅ ΡΠ°ΡΠΏΡΠ΅Π΄Π΅Π»Π΅Π½ΠΈΠ΅ Π½Π°ΠΏΡΡΠΆΠ΅Π½ΠΈΡ Π½Π° Π±ΠΎΡΡΠΎΠ²ΡΡ ΡΠ»Π΅ΠΊΡΡΠΎΠ½ΠΈΠΊΡ Π°Π²ΡΠΎΠΌΠΎΠ±ΠΈΠ»Ρ.
ΠΠ΅Ρ Π°Π½ΠΈΡΠ΅ΡΠΊΠ°Ρ ΡΠ°ΡΡΡ ΡΡΡΠ°Π½ΠΎΠ²Π»Π΅Π½Π° ββΠ½Π΅ΠΏΠΎΡΡΠ΅Π΄ΡΡΠ²Π΅Π½Π½ΠΎ Π² ΡΠ°ΠΌΠΎΠΌ Π·Π°ΠΌΠΊΠ΅ Π·Π°ΠΆΠΈΠ³Π°Π½ΠΈΡ. ΠΠ½Π° ΠΎΡΠ²Π΅ΡΠ°Π΅Ρ Π² ΠΌΠ°ΡΠΈΠ½Π΅ Π·Π° Π±Π»ΠΎΠΊΠΈΡΠΎΠ²ΠΊΡ ΡΡΠ»Ρ, Π²ΠΊΠ»ΡΡΠ΅Π½ΠΈΠ΅ ΡΠ»Π΅ΠΊΡΡΠΎΠ½ΠΈΠΊΠΈ ΠΈ Π·Π°ΠΏΡΡΠΊ ΡΡΠ°ΡΡΠ΅ΡΠ°.
Π‘ΡΠΎΠΈΡ ΠΎΡΠΌΠ΅ΡΠΈΡΡ, ΡΡΠΎ Π½Π° Π°Π²ΡΠΎΠΌΠΎΠ±ΠΈΠ»Π΅ ΠΠΠ 2106 ΠΏΠΎΠ»ΠΎΠΌΠΊΠΈ Π² ΡΠ°Π²Π½ΠΎΠΉ ΡΡΠ΅ΠΏΠ΅Π½ΠΈ ΠΌΠΎΠ³ΡΡ Π±ΡΡΡ ΡΠ²ΡΠ·Π°Π½Ρ ΠΊΠ°ΠΊ Ρ ΠΌΠ΅Ρ Π°Π½ΠΈΡΠ΅ΡΠΊΠΈΠΌΠΈ ΡΠ»Π΅ΠΌΠ΅Π½ΡΠ°ΠΌΠΈ Π΄Π΅ΡΠ°Π»ΠΈ, ΡΠ°ΠΊ ΠΈ Ρ ΡΠ»Π΅ΠΊΡΡΠΎΠ½ΠΈΠΊΠΎΠΉ.
Π ΠΏΡΠΎΡΠ΅ΡΡΠ΅ ΡΠΊΡΠΏΠ»ΡΠ°ΡΠ°ΡΠΈΠΈ Π°Π²ΡΠΎΠΌΠΎΠ±ΠΈΠ»Ρ Π½Π΅ΠΈΡΠΏΡΠ°Π²Π½ΠΎΡΡΠΈ Π±Π΅ΡΠΊΠΎΠ½ΡΠ°ΠΊΡΠ½ΠΎΠ³ΠΎ Π·Π°ΠΆΠΈΠ³Π°Π½ΠΈΡ Π±ΡΠ²Π°ΡΡ ΡΠ°Π·Π½ΡΠ΅, ΠΏΠΎΡΡΠΎΠΌΡ Π½ΡΠΆΠ½ΠΎ ΠΏΠΎΠ½ΠΈΠΌΠ°ΡΡ, Ρ ΡΠ΅ΠΌ ΠΎΠ½ΠΈ ΠΌΠΎΠ³ΡΡ Π±ΡΡΡ ΡΠ²ΡΠ·Π°Π½Ρ, ΠΈ Π·Π½Π°ΡΡ ΡΡ Π΅ΠΌΡ ΠΏΠΎΠ΄ΠΊΠ»ΡΡΠ΅Π½ΠΈΡ.
ΠΠ°ΠΊΠΈΠ΅ ΠΏΠΎΠ»ΠΎΠΌΠΊΠΈ ΠΌΠΎΠ³ΡΡ Π±ΡΡΡ Π² Π·Π°ΠΌΠΊΠ΅ Π·Π°ΠΆΠΈΠ³Π°Π½ΠΈΡ?
ΠΠ°ΠΊ ΡΠΆΠ΅ Π±ΡΠ»ΠΎ ΡΠΊΠ°Π·Π°Π½ΠΎ Π²ΡΡΠ΅, ΠΏΡΠ°ΠΊΡΠΈΠΊΠ° ΠΏΠΎΠΊΠ°Π·ΡΠ²Π°Π΅Ρ, ΡΡΠΎ ΠΏΠΎΠ»ΠΎΠΌΠΊΠΈ ΠΏΡΠΈΡΡΡΠΈ ΠΎΠ±Π΅ΠΈΠΌ ΡΠ°ΡΡΡΠΌ Π·Π°ΠΌΠΊΠ° ΠΈ ΡΠ°ΡΡΠΎ Π±ΡΠ²Π°Π΅Ρ Π½Π΅ΠΎΠ±Ρ ΠΎΠ΄ΠΈΠΌΠΎ Π·Π°ΠΌΠ΅Π½ΠΈΡΡ ΡΡ ΠΈΠ»ΠΈ ΠΈΠ½ΡΡ ΠΏΠΎΠ»ΠΎΠ²ΠΈΠ½Ρ.ΠΠ½ΠΎΠ³Π΄Π° ΠΌΠΎΠ³ΡΡ Π²ΡΠΉΡΠΈ ΠΈΠ· ΡΡΡΠΎΡ ΠΊΠ°ΡΡΡΠΊΠΈ Π·Π°ΠΆΠΈΠ³Π°Π½ΠΈΡ ΠΠΠ 2106
ΠΡΠΈ ΠΎΠ±ΡΠ»ΡΠΆΠΈΠ²Π°Π½ΠΈΠΈ ΡΡΠΈΡ ΡΠ»Π΅ΠΌΠ΅Π½ΡΠΎΠ² Π½ΡΠΆΠ½ΠΎ Π·Π½Π°ΡΡ, ΡΡΠΎ ΡΠ°ΠΊΠΎΠ΅ ΡΡ Π΅ΠΌΠ° Π±Π΅ΡΠΊΠΎΠ½ΡΠ°ΠΊΡΠ½ΠΎΠ³ΠΎ Π·Π°ΠΆΠΈΠ³Π°Π½ΠΈΡ, ΠΈ ΠΏΠΎΡΠ»Π΅ ΡΡΠΎΠ³ΠΎ Π½Π΅ΠΎΠ±Ρ ΠΎΠ΄ΠΈΠΌΠΎ ΠΎΡΠΊΠ»ΡΡΠΈΡΡ ΠΌΠΈΠ½ΡΡΠΎΠ²ΡΡ ΠΊΠ»Π΅ΠΌΠΌΡ Π½Π° ΠΠΠ, ΠΊΡΠΎΠΌΠ΅ ΡΠ»ΡΡΠ°Π΅Π² ΠΏΡΠΎΠ²Π΅ΡΠΊΠΈ Π½Π°Π»ΠΈΡΠΈΡ Π½Π°ΠΏΡΡΠΆΠ΅Π½ΠΈΡ Π½Π° ΠΏΠΎΡΡΠ΅Π±ΠΈΡΠ΅Π»ΡΡ .
- ΠΠ΅Ρ Π°Π½ΠΈΡΠ΅ΡΠΊΠ°Ρ ΠΏΠΎΠ»ΠΎΠΌΠΊΠ°
Π‘Π°ΠΌΠ°Ρ ΡΠ°ΡΡΠ°Ρ Π½Π΅ΠΈΡΠΏΡΠ°Π²Π½ΠΎΡΡΡ ΠΌΠ΅Ρ Π°Π½ΠΈΡΠ΅ΡΠΊΠΎΠΉ ΡΠ°ΡΡΠΈ ΠΠΠ‘ — ΡΡΠΎ ΠΊΡΡΡΠΎΠΉ ΠΏΠΎΠ²ΠΎΡΠΎΡ ΠΊΠ»ΡΡΠ°, Π΅ΡΠ»ΠΈ Π²ΠΎΠ²ΡΠ΅ΠΌΡ Π½Π΅ ΡΠ΅ΡΠΈΡΡ ΠΏΡΠΎΠ±Π»Π΅ΠΌΡ Ρ ΠΏΠΎΠ΄ΠΊΠ»ΡΡΠ΅Π½ΠΈΠ΅ΠΌ, ΠΊΠ»ΡΡ Π·Π°ΡΡΡΡΠ½Π΅Ρ Π² Π·Π°ΠΌΠΊΠ΅, Π»ΠΈΠ±ΠΎ ΠΎΠ½ ΡΠ»ΠΎΠΌΠ°Π΅ΡΡΡ.Π ΡΠ΅Π·ΡΠ»ΡΡΠ°ΡΠ΅ Π²Π°ΠΌ ΠΏΡΠΈΠ΄Π΅ΡΡΡ ΠΌΠ΅Π½ΡΡΡ Π²Π΅ΡΡ Π·Π°ΠΌΠΎΠΊ, Π° ΡΠ°ΠΊΠ°Ρ Π·Π°ΠΌΠ΅Π½Π° Π±ΡΠ΄Π΅Ρ Π΄ΠΎΡΠΎΠ³ΠΎΡΡΠΎΡΡΠ΅ΠΉ.
ΠΠ°Π²ΠΎΠ΄ΡΠΊΠΈΠ΅ Π·Π°ΠΌΠΊΠΈ Π·Π°ΠΆΠΈΠ³Π°Π½ΠΈΡ ΠΎΡ Π°Π²ΡΠΎΠΌΠΎΠ±ΠΈΠ»Π΅ΠΉ ΠΠΠ 2106 Π²ΡΡ ΠΎΠ΄ΡΡ ΠΈΠ· ΡΡΡΠΎΡ ΠΎΡΠ΅Π½Ρ ΡΠ΅Π΄ΠΊΠΎ, ΠΏΠΎΡΡΠΎΠΌΡ ΡΠ°ΠΊΠ°Ρ Π½Π΅ΠΈΡΠΏΡΠ°Π²Π½ΠΎΡΡΡ Ρ Π°ΡΠ°ΠΊΡΠ΅ΡΠ½Π° Π΄Π»Ρ ΠΊΠΈΡΠ°ΠΉΡΠΊΠΈΡ Π·Π°ΠΏΡΠ°ΡΡΠ΅ΠΉ, Π²Π΅Π΄Ρ ΡΡΠΎΠΈΠΌΠΎΡΡΡ Π°Π½Π°Π»ΠΎΠ³Π° Π½Π° ΠΏΠΎΡΡΠ΄ΠΎΠΊ Π½ΠΈΠΆΠ΅. ΠΠ½Π°Π»ΠΎΠ³ΠΈ ΡΠ΅ΠΌΠΎΠ½ΡΡ Π½Π΅ ΠΏΠΎΠ΄Π»Π΅ΠΆΠ°Ρ, Π² ΠΎΡΠ»ΠΈΡΠΈΠ΅ ΠΎΡ Π·Π°ΠΏΡΠ°ΡΡΠ΅ΠΉ Π°Π²ΡΠΎΠ·Π°Π²ΠΎΠ΄Π° LADA.
ΠΡΠ»ΠΈ Π°Π²ΡΠΎΠ»ΡΠ±ΠΈΡΠ΅Π»Ρ ΡΡΠ°Π»ΠΊΠΈΠ²Π°Π΅ΡΡΡ Ρ ΠΏΠΎΠ΄ΠΎΠ±Π½ΠΎΠΉ ΠΏΡΠΎΠ±Π»Π΅ΠΌΠΎΠΉ, ΡΠΎ Π² Π±ΡΠ΄ΡΡΠ΅ΠΌ ΠΎΠ½, ΠΊΠ°ΠΊ ΠΏΡΠ°Π²ΠΈΠ»ΠΎ, ΡΠΆΠ΅ ΠΏΡΠΈΠΎΠ±ΡΠ΅ΡΠ°Π΅Ρ ΠΎΡΠΈΠ³ΠΈΠ½Π°Π»ΡΠ½ΡΡ Π·Π°ΠΏΡΠ°ΡΡΡ Ρ ΠΠ²ΡΠΎΠΠΠΠ°, ΡΠΆΠ΅ Π½Π΅ Π΄ΠΎΠ²Π΅ΡΡΡ ΠΊΠΈΡΠ°ΠΉΡΠΊΠΈΠΌ ΠΏΡΠΎΠΈΠ·Π²ΠΎΠ΄ΠΈΡΠ΅Π»ΡΠΌ Π·Π°ΠΏΡΠ°ΡΡΠ΅ΠΉ.
- ΠΠΎΠ»ΠΎΠΌΠΊΠ° ΡΠ»Π΅ΠΊΡΡΠΎΠ½Π½ΠΎΠΉ ΡΠ°ΡΡΠΈ
Π§Π°ΡΡΠΎ Π½Π΅ΠΈΡΠΏΡΠ°Π²Π½ΠΎΡΡΠΈ Π·Π°ΠΌΠΊΠ° Π·Π°ΠΆΠΈΠ³Π°Π½ΠΈΡ ΠΠΠ 2106 ΡΠ²ΡΠ·Π°Π½Ρ Ρ ΡΠ»Π΅ΠΊΡΡΠΎΠ½Π½ΠΎΠΉ ΡΠ°ΡΡΡΡ ΡΡΡΡΠΎΠΉΡΡΠ²Π° ΠΈ ΠΈΡ ΡΠΎΠΆΠ΅ Π½ΡΠΆΠ½ΠΎ Π·Π°ΠΌΠ΅Π½ΠΈΡΡ. ΠΡΠΈ ΡΡΠΎΠΌ Π²Π°ΠΆΠ½ΠΎ ΠΏΠΎΠΌΠ½ΠΈΡΡ, ΡΡΠΎ ΡΡ Π΅ΠΌΠ° ΠΏΠΎΠ΄ΠΊΠ»ΡΡΠ΅Π½ΠΈΡ ΠΈΠ³ΡΠ°Π΅Ρ ΠΎΠ³ΡΠΎΠΌΠ½ΡΡ ΡΠΎΠ»Ρ, ΠΈ Π½Π΅ ΡΡΠΎΠΈΡ ΠΏΡΡΠ°ΡΡ ΠΏΡΠΎΠ²ΠΎΠ΄Π° ΠΌΠ΅ΡΡΠ°ΠΌΠΈ.
ΠΡΠ½ΠΎΠ²Π½ΡΠ΅ ΠΏΡΠΈΡΠΈΠ½Ρ Π½Π΅ΠΈΡΠΏΡΠ°Π²Π½ΠΎΡΡΠΈ Π²ΡΠ²ΠΎΠ΄Π° Π·Π°ΠΆΠΈΠ³Π°Π½ΠΈΡ:
- ΠΠΊΠΈΡΠ»Π΅Π½ΠΈΠ΅ ΠΊΠΎΠ½ΡΠ°ΠΊΡΠΎΠ².
- Π§Π°ΡΡΠΈΡΠ½ΠΎΠ΅ ΠΈΠ»ΠΈ ΠΏΠΎΠ»Π½ΠΎΠ΅ ΠΏΡΠΎΠ³ΠΎΡΠ°Π½ΠΈΠ΅ ΠΏΡΠΎΠ²ΠΎΠ΄ΠΎΠ².
ΠΠ»Π°Π²Π»Π΅Π½ΠΈΠ΅ ΠΏΠ»Π°ΡΡΠΌΠ°ΡΡΠΎΠ²ΠΎΠΉ ΡΠ°ΡΡΠΈ ΠΊΠ»Π΅ΠΌΠΌΡ.
ΠΡΠΈ ΠΏΡΠΈΡΠΈΠ½Ρ Π²ΡΠ·Π²Π°Π½Ρ ΠΏΠ»ΠΎΡ ΠΈΠΌ ΠΊΠΎΠ½ΡΠ°ΠΊΡΠΎΠΌ ΠΊΠ»Π΅ΠΌΠΌΡ Π½Π° ΠΠΠ 2106, Π»ΠΈΠ±ΠΎ ΡΠ΅ΠΌ, ΡΡΠΎ ΡΡΠ°ΡΡΠ΅Ρ Π΄ΠΎΠ»Π³ΠΎ Π·Π°ΠΏΡΡΠΊΠ°Π΅ΡΡΡ.
Π ΡΡΠΎΠΌ ΡΠ»ΡΡΠ°Π΅ Π½Π΅ΠΎΠ±Ρ ΠΎΠ΄ΠΈΠΌΠΎ Π·Π°ΠΌΠ΅Π½ΠΈΡΡ ΡΠΎΠ»ΡΠΊΠΎ ΡΠ»Π΅ΠΊΡΡΠΎΠ½Π½ΡΠΉ Π±Π»ΠΎΠΊ, ΠΊΠΎΡΠΎΡΡΠΉ ΠΌΠΎΠΆΠ½ΠΎ ΠΏΡΠΈΠΎΠ±ΡΠ΅ΡΡΠΈ ΠΎΡΠ΄Π΅Π»ΡΠ½ΠΎ Π² ΠΌΠ°Π³Π°Π·ΠΈΠ½Π°Ρ Π°Π²ΡΠΎΠ·Π°ΠΏΡΠ°ΡΡΠ΅ΠΉ.
ΠΡΠΈ Π·Π°ΠΌΠ΅Π½Π΅ Π½Π΅ΠΎΠ±Ρ ΠΎΠ΄ΠΈΠΌΠΎ Π·Π°ΠΏΠΎΠΌΠ½ΠΈΡΡ ΠΈΠ»ΠΈ Π·Π°ΡΠΈΡΠΎΠ²Π°ΡΡ ΡΠ²Π΅ΡΠ° ΠΊΠ°ΠΆΠ΄ΠΎΠ³ΠΎ ΠΊΠ°Π±Π΅Π»Ρ, ΠΏΠΎΠ΄ΠΊΠ»ΡΡΠ΅Π½Π½ΠΎΠ³ΠΎ ΠΊ Π·Π°ΠΌΠΊΡ, ΡΡΠΎΠ±Ρ ΡΡ Π΅ΠΌΠ° Π±ΡΠ»Π° ΠΏΠΎΠ΄ ΡΡΠΊΠΎΠΉ, ΠΈΠ»ΠΈ ΠΏΡΠΎΡΡΠΎ ΡΡΠΎΡΠΎΠ³ΡΠ°ΡΠΈΡΠΎΠ²Π°ΡΡ ΡΠ΅ΡΠΌΠΈΠ½Π°Π» Π½Π° ΡΠ΅Π»Π΅ΡΠΎΠ½Π΅.Π£ ΠΊΠ°ΠΆΠ΄ΠΎΠ³ΠΎ ΠΊΠΎΠ½ΡΠ°ΠΊΡΠ° Π΅ΡΡΡ ΠΎΠΏΡΠ΅Π΄Π΅Π»Π΅Π½Π½ΡΠΉ Π½ΠΎΠΌΠ΅Ρ. ΠΡΠ°ΠΊ, ΠΏΠΎΠ΄ΠΊΠ»ΡΡΠ΅Π½ΠΈΠ΅ ΠΌΠΎΠΆΠ΅Ρ ΠΏΡΠΎΠΈΠ·Π²ΠΎΠ΄ΠΈΡΡΡΡ ΠΏΠΎ ΡΡ Π΅ΠΌΠ΅, ΡΠΊΠ°Π·Π°Π½Π½ΠΎΠΉ Π½Π° ΡΠΏΠ°ΠΊΠΎΠ²ΠΊΠ΅ ΠΏΡΠΎΠΈΠ·Π²ΠΎΠ΄ΠΈΡΠ΅Π»Ρ. ΠΡΠ»ΠΈ ΡΡ Π΅ΠΌΡ Π½Π΅Ρ ΠΈΠ»ΠΈ ΠΎΠ½Π° ΠΏΠΎΡΠ΅ΡΡΠ½Π°, ΡΠΎ ΡΠΈΡΠ°ΠΉΡΠ΅ Π΄Π°Π»ΡΡΠ΅.
Π‘Ρ Π΅ΠΌΠ° ΠΏΠΎΠ΄ΠΊΠ»ΡΡΠ΅Π½ΠΈΡ
ΠΠ»Π΅ΠΊΡΡΠΎΠ½Π½ΡΠΉ Π±Π»ΠΎΠΊ Π·Π°ΠΌΠΊΠ° ΠΈΠΌΠ΅Π΅Ρ ΡΠ»Π΅Π΄ΡΡΡΠΈΠ΅ ΠΊΠΎΠ½ΡΠ°ΠΊΡΡ:
15 — ΠΊ ΠΊΠΎΠ½ΡΠ°ΠΊΡΡ ΠΏΠΎΠ΄ΠΊΠ»ΡΡΠ°Π΅ΡΡΡ Π΄Π²ΠΎΠΉΠ½ΠΎΠΉ ΡΠΈΠ½ΠΈΠΉ ΠΏΡΠΎΠ²ΠΎΠ΄ Ρ ΡΠ΅ΡΠ½ΠΎΠΉ ΠΏΠΎΠ»ΠΎΡΠΎΠΉ.
30 — ΠΏΡΠΎΠ²ΠΎΠ΄ ΡΠΎΠ·ΠΎΠ²ΡΠΉ. ΠΡΠ²Π΅ΡΠ°Π΅Ρ Π·Π° Π²ΠΊΠ»ΡΡΠ΅Π½ΠΈΠ΅ ΡΡΠ°ΡΡΠ΅ΡΠ°.
30/1 — ΠΊΠΎΡΠΈΡΠ½Π΅Π²ΡΠΉ ΠΏΡΠΎΠ²ΠΎΠ΄.
50 — ΠΏΡΡΠΏΡΡΠ½ΡΠΉ ΠΈΠ»ΠΈ ΠΊΡΠ°ΡΠ½ΡΠΉ. Π¦Π²Π΅Ρ Π·Π°Π²ΠΈΡΠΈΡ ΠΎΡ Π³ΠΎΠ΄Π° Π²ΡΠΏΡΡΠΊΠ° Π°Π²ΡΠΎΠΌΠΎΠ±ΠΈΠ»Ρ. ΠΠΎΠΏΠΎΠ»Π½ΠΈΡΠ΅Π»ΡΠ½Π°Ρ ΡΠ΅ΠΏΡ Π΄Π»Ρ Π·Π°ΠΏΡΡΠΊΠ° ΡΡΠ°ΡΡΠ΅ΡΠ°.
INT — ΡΠ΅ΡΠ½ΡΠΉ ΠΏΡΠΎΠ²ΠΎΠ΄ Ρ Π΄Π²ΡΠΌΡ ΠΊΠΎΠ½ΡΠ°ΠΊΡΠ°ΠΌΠΈ, ΠΎΡΠ²Π΅ΡΠ°Π΅Ρ Π·Π° ΠΏΠΎΠ΄Π°ΡΡ Π½Π°ΠΏΡΡΠΆΠ΅Π½ΠΈΡ Ρ ΠΏΠ»ΡΡΠΎΠ²ΠΎΠΉ ΠΊΠ»Π΅ΠΌΠΌΡ Π½Π° Π·Π°ΠΌΠΎΠΊ Π·Π°ΠΆΠΈΠ³Π°Π½ΠΈΡ.
Π‘Ρ Π΅ΠΌΠ° Π·Π°ΠΆΠΈΠ³Π°Π½ΠΈΡ Π΄ΠΎΠ²ΠΎΠ»ΡΠ½ΠΎ ΠΏΡΠΎΡΡΠ°Ρ, Π° ΡΠ°ΡΠΏΠΈΠ½ΠΎΠ²ΠΊΠ° ΠΏΡΠΎΠ²ΠΎΠ΄ΠΎΠ² ΠΌΠ½ΠΎΠ³ΠΈΠΌ Π·Π°ΠΏΠΎΠΌΠΈΠ½Π°Π΅ΡΡΡ Π²ΠΏΠ΅ΡΠ²ΡΠ΅.
ΠΠ°ΠΌΠ΅Π½Π° Π²ΡΠΊΠ»ΡΡΠ°ΡΠ΅Π»Ρ Π·Π°ΠΆΠΈΠ³Π°Π½ΠΈΡ
ΠΡΡ ΠΏΡΠΎΡΠ΅Π΄ΡΡΡ ΠΌΠΎΠΆΠ½ΠΎ Π²ΡΠΏΠΎΠ»Π½ΠΈΡΡ ΡΠ°ΠΌΠΎΡΡΠΎΡΡΠ΅Π»ΡΠ½ΠΎ, Π΅ΡΠ»ΠΈ Π²Ρ ΠΎΠ±Π»Π°Π΄Π°Π΅ΡΠ΅ Ρ ΠΎΡΡ Π±Ρ Π±Π°Π·ΠΎΠ²ΡΠΌΠΈ Π½Π°Π²ΡΠΊΠ°ΠΌΠΈ ΡΠ°Π±ΠΎΡΡ Ρ ΠΈΠ½ΡΡΡΡΠΌΠ΅Π½ΡΠ°ΠΌΠΈ ΠΈ ΠΎΠ±ΡΠ·Π°ΡΠ΅Π»ΡΠ½ΠΎ Π΅Π΅ ΡΠΎΠ±Π»ΡΠ΄Π°Π΅ΡΠ΅.ΠΠ°ΠΌΠΎΠΊ Π·Π°ΠΆΠΈΠ³Π°Π½ΠΈΡ Π½Π° Π°Π²ΡΠΎΠΌΠΎΠ±ΠΈΠ»Π΅ ΠΠΠ 2106 Π½Π΅ ΡΠ»ΠΈΡΠΊΠΎΠΌ ΡΠ»ΠΎΠΆΠ΅Π½, Π° ΡΡ Π΅ΠΌΠ° ΠΏΠΎΠ΄ΠΊΠ»ΡΡΠ΅Π½ΠΈΡ Π²ΡΠ΅Ρ ΠΏΡΠΎΠ²ΠΎΠ΄ΠΎΠ² ΠΏΡΠΎΡΡΠ° ΠΈ ΠΏΠΎΠ½ΡΡΠ½Π°. ΠΠΎΡΡΠΎΠΌΡ ΡΠ°ΠΌΠΎΡΡΠΎΡΡΠ΅Π»ΡΠ½ΡΡ Π·Π°ΠΌΠ΅Π½Ρ, Π½Π΅ ΠΎΠ±ΡΠ°ΡΠ°ΡΡΡ Π² ΡΠ΅ΡΠ²ΠΈΡΠ½ΡΠΉ ΡΠ΅Π½ΡΡ, Π²ΡΠΏΠΎΠ»Π½ΡΡΡ ΠΌΠ½ΠΎΠ³ΠΈΠ΅ Π°Π²ΡΠΎΠΌΠΎΠ±ΠΈΠ»ΠΈΡΡΡ.
ΠΠ»Ρ ΡΠ΅ΠΌΠΎΠ½ΡΠ°, ΠΎΡΠΊΠ»ΡΡΠ΅Π½ΠΈΡ ΠΈ ΠΏΠΎΠ΄ΠΊΠ»ΡΡΠ΅Π½ΠΈΡ Π²Π°ΠΌ ΠΏΠΎΡΡΠ΅Π±ΡΠ΅ΡΡΡ:
- ΠΏΠ»ΡΡ ΠΎΡΠ²Π΅ΡΡΠΊΠ°; ΠΡΠ²Π΅ΡΡΠΊΠ° ΡΠ»ΠΈΡΠ΅Π²Π°Ρ
- ;
- ΡΠΎΠ½ΠΊΠΎΠ΅ ΡΠΈΠ»ΠΎ ΠΈΠ»ΠΈ ΠΌΠ°Π»Π΅Π½ΡΠΊΠ°Ρ Π³Π²ΠΎΠ·Π΄ΠΈΠΊΠ°.
ΠΠ΅ΡΠ΅Π΄ Π½Π°ΡΠ°Π»ΠΎΠΌ ΡΠ΅ΠΌΠΎΠ½ΡΠ° ΠΎΠ±ΡΠ·Π°ΡΠ΅Π»ΡΠ½ΠΎ ΠΎΡΡΠΎΠ΅Π΄ΠΈΠ½ΠΈΡΡ ΠΌΠΈΠ½ΡΡΠΎΠ²ΡΡ ΠΊΠ»Π΅ΠΌΠΌΡ ΠΠΠ!
ΠΠ½ΠΎΠ³ΠΈΠ΅ Π·Π½Π°ΡΡ, ΡΡΠΎ Π½Π°ΠΏΡΡΠΆΠ΅Π½ΠΈΠ΅ 12Π Π½Π΅ ΡΡΡΠ°ΡΠ½ΠΎ Π΄Π»Ρ ΡΠ΅Π»ΠΎΠ²Π΅ΠΊΠ° ΠΈ Π½Π΅ Π±ΠΎΡΡΡΡ ΠΏΠΎΠ»ΡΡΠΈΡΡ ΡΠ΄Π°Ρ ΡΠΎΠΊΠΎΠΌ.ΠΡΠΈ ΡΡΠΎΠΌ ΠΎΠ½ΠΈ Π·Π°Π±ΡΠ²Π°ΡΡ, ΡΡΠΎ ΡΠ»Π΅ΠΊΡΡΠΈΡΠ΅ΡΡΠ²ΠΎ ΠΌΠΎΠΆΠ΅Ρ Π²ΠΎΠ·Π΄Π΅ΠΉΡΡΠ²ΠΎΠ²Π°ΡΡ Π½Π΅ ΡΠΎΠ»ΡΠΊΠΎ Π½Π° ΡΡΠΊΡ, Π½ΠΎ ΠΈ Π½Π° ΡΠ°ΡΡΠΈ ΠΌΠ°ΡΠΈΠ½Ρ. ΠΡΠ»ΠΈ ΠΏΡΠΈ ΠΏΠΎΠΏΡΡΠΊΠ΅ ΡΠ½ΡΡΡ Π·Π°ΠΌΠΎΠΊ ΡΠ»ΡΡΠ°ΠΉΠ½ΠΎ Π·Π°ΠΌΡΠΊΠ°ΡΡΡΡ ΠΏΡΠΎΠ²ΠΎΠ΄Π°, ΡΡΠΎ ΠΌΠΎΠΆΠ΅Ρ ΠΏΡΠΈΠ²Π΅ΡΡΠΈ ΠΊ Π²ΡΡ ΠΎΠ΄Ρ ΠΈΠ· ΡΡΡΠΎΡ Π½Π΅ΠΊΠΎΡΠΎΡΡΡ ΡΠ»Π΅ΠΊΡΡΠΎΠ½Π½ΡΡ ΠΊΠΎΠΌΠΏΠΎΠ½Π΅Π½ΡΠΎΠ² Π°Π²ΡΠΎΠΌΠ°ΡΠ°.
ΠΠ»Ρ Π·Π°ΠΌΠ΅Π½Ρ ΠΏΠΎΠ½Π°Π΄ΠΎΠ±ΠΈΡΡΡ Π±ΠΎΠ»ΡΡΠ°Ρ ΠΊΡΠ΅ΡΡΠΎΠ²Π°Ρ ΠΎΡΠ²Π΅ΡΡΠΊΠ° ΠΈ ΠΌΠ°Π»Π΅Π½ΡΠΊΠ°Ρ ΡΠΎΡΡΠΎΠ²Π°Ρ ΠΎΡΠ²Π΅ΡΡΠΊΠ°. Π ΠΏΠ΅ΡΠ²ΡΡ ΠΎΡΠ΅ΡΠ΅Π΄Ρ Π΄Π΅ΠΌΠΎΠ½ΡΠΈΡΡΠ΅ΡΡΡ ΠΏΠ»Π°ΡΡΠΈΠΊΠΎΠ²ΡΠΉ ΠΊΠΎΠΆΡΡ ΡΡΠ»Ρ. Π‘Π½Π°ΡΠ°Π»Π° ΡΠ½ΠΈΠΌΠ°Π΅ΡΡΡ Π½ΠΈΠΆΠ½ΡΡ ΠΏΠ»Π°Π½ΠΊΠ°, Π·Π°ΡΠ΅ΠΌ Π²Π΅ΡΡ Π½ΡΡ. ΠΠΎΡΠ»Π΅ ΡΠ½ΡΡΠΈΡ ΠΊΡΡΡΠΊΠΈ Π²ΡΠ΅ ΡΠ»Π΅ΠΌΠ΅Π½ΡΡ Π·Π°ΠΌΠΊΠ° ΡΡΠ°Π½ΠΎΠ²ΡΡΡΡ Π΄ΠΎΡΡΡΠΏΠ½ΡΠΌΠΈ ΠΈ ΠΈΡ ΠΌΠΎΠΆΠ½ΠΎ ΡΠ½ΡΡΡ.
ΠΡΠΎΡΠΎΠΉ ΡΠ°Π³ — ΠΎΡΡΠΎΠ΅Π΄ΠΈΠ½ΠΈΡΡ ΠΏΡΠΎΠ²ΠΎΠ΄Π° ΠΎΡ ΠΌΠ΅Ρ Π°Π½ΠΈΡΠ΅ΡΠΊΠΎΠΉ ΠΏΠΎΠ»ΠΎΠ²ΠΈΠ½Ρ ΡΡΡΡΠΎΠΉΡΡΠ²Π°, ΠΏΡΠ΅Π΄Π²Π°ΡΠΈΡΠ΅Π»ΡΠ½ΠΎ Π·Π°ΠΏΠΎΠΌΠ½ΠΈΠ² ΠΏΠΎΠ»ΠΎΠΆΠ΅Π½ΠΈΠ΅ ΠΊΠ»Π΅ΠΌΠΌ, Π²Π΅Π΄Ρ Π² ΡΡΠΎΠΌ ΡΠ»ΡΡΠ°Π΅ Π²Π°ΠΆΠ½Π° ΡΠ°ΡΠΏΠΈΠ½ΠΎΠ²ΠΊΠ° ΠΏΡΠΎΠ²ΠΎΠ΄ΠΎΠ². ΠΠ± ΡΡΠΎΠΌ Π³ΠΎΠ²ΠΎΡΠΈΠ»ΠΎΡΡ Π²ΡΡΠ΅.
ΠΡΠΊΡΡΡΠΈΠ² Π±ΠΎΠ»ΡΡ ΠΊΡΠ΅ΠΏΠ»Π΅Π½ΠΈΡ ΡΠ°ΠΌΠΎΠ³ΠΎ Π·Π°ΠΌΠΊΠ° ΠΌΠ°Π»Π΅Π½ΡΠΊΠΎΠΉ ΠΎΡΠ²Π΅ΡΡΠΊΠΎΠΉ, Π½Π΅ΠΎΠ±Ρ ΠΎΠ΄ΠΈΠΌΠΎ ΠΏΠΎΠ²Π΅ΡΠ½ΡΡΡ Π°Π²ΡΠΎΠΌΠΎΠ±ΠΈΠ»ΡΠ½ΡΠΉ ΠΊΠ»ΡΡ Π² Β«Π½ΡΠ»Π΅Π²ΠΎΠ΅Β» ΠΏΠΎΠ»ΠΎΠΆΠ΅Π½ΠΈΠ΅. Π’Π΅ΠΏΠ΅ΡΡ ΡΡΡΡΠΎΠΉΡΡΠ²ΠΎ Π΄ΠΎΠ»ΠΆΠ½ΠΎ Π»Π΅Π³ΠΊΠΎ ΠΈ Π±Π΅Π· ΡΡΠΈΠ»ΠΈΠΉ Π²ΡΡ ΠΎΠ΄ΠΈΡΡ ΠΈΠ· ΠΊΡΠ΅ΠΏΠ»Π΅Π½ΠΈΡ.
Π‘Π»Π΅Π΄ΡΡΡΠΈΠΉ ΡΠ°Π³ — ΠΎΡΡΠΎΠ΅Π΄ΠΈΠ½ΠΈΡΡ Π²ΡΠ΅ ΠΏΡΠΎΠ²ΠΎΠ΄Π°, ΠΏΠΎΠ΄Ρ ΠΎΠ΄ΡΡΠΈΠ΅ ΠΊ Π·Π°ΠΌΠΊΡ Π·Π°ΠΆΠΈΠ³Π°Π½ΠΈΡ.ΠΠ»Ρ ΡΠ΅Ρ , ΠΊΡΠΎ ΡΠΎΡΠΎΠΏΠΈΡΡΡ, ΡΡ Π΅ΠΌΠ° Π±ΡΠ»Π° ΠΏΠ΅ΡΠ΅ΡΠΈΡΠΎΠ²Π°Π½Π° ΠΈΠ»ΠΈ ΡΡΠΎΡΠΎΠ³ΡΠ°ΡΠΈΡΠΎΠ²Π°Π½Π°, Π° ΠΎΡΡΠ°Π»ΡΠ½ΡΠ΅ ΠΌΠΎΠ³ΡΡ ΡΠ°ΡΠΏΠ΅ΡΠ°ΡΠ°ΡΡ ΠΏΠ°ΠΌΡΡΠΊΡ ΠΈΠ· ΡΡΠΎΠΉ ΡΡΠ°ΡΡΠΈ. ΠΡΠΎ ΠΏΠΎΠΌΠΎΠΆΠ΅Ρ ΠΈΠΌ Π±Π΅Π· ΠΎΡΠΎΠ±ΡΡ ΠΏΡΠΎΠ±Π»Π΅ΠΌ ΡΠΎΠ΅Π΄ΠΈΠ½ΠΈΡΡ Π΄Π΅ΡΠ°Π»Ρ.
ΠΠ°ΡΠ΅ΠΌ ΠΈΡΠ΅ΠΌ Π½Π΅Π±ΠΎΠ»ΡΡΡΡ ΠΏΠ»ΠΎΡΠΊΡΡ ΠΏΡΠΎΡΠ΅Π·Ρ ΡΠ»Π΅Π²Π° ΠΎΡ Π΄Π΅ΡΠ°Π»ΠΈ Π½Π° ΠΊΡΠΎΠ½ΡΡΠ΅ΠΉΠ½Π΅ ΠΈ Ρ ΡΠΈΠ»ΠΎΠΉ Π²ΡΡΠΊΠ°Π΅ΠΌ ΡΡΠ΄Π° ΡΠΈΠ»ΠΎ, ΡΡΠΎΠ±Ρ ΠΏΡΠΈΠΆΠ°ΡΡ ΡΠΈΠΊΡΠ°ΡΠΎΡ.
Π’Π΅ΠΏΠ΅ΡΡ Π²Ρ ΠΌΠΎΠΆΠ΅ΡΠ΅ ΡΠ½ΡΡΡ Π·Π°ΠΌΠΎΠΊ Π·Π°ΠΆΠΈΠ³Π°Π½ΠΈΡ Ρ ΠΊΡΠΎΠ½ΡΡΠ΅ΠΉΠ½Π°, ΠΏΠΎΠ΄Π΄Π΅Π² Π΅Π³ΠΎ Π΄ΡΡΠ³ΠΎΠΉ ΠΎΡΠ²Π΅ΡΡΠΊΠΎΠΉ.
Π£ΡΡΠ°Π½ΠΎΠ²ΠΊΠ° ΠΈ ΠΏΠΎΠ΄ΠΊΠ»ΡΡΠ΅Π½ΠΈΠ΅ Π½ΠΎΠ²ΠΎΠ³ΠΎ Π·Π°ΠΌΠΊΠ° ΠΏΡΠΎΠΈΡΡ ΠΎΠ΄ΠΈΡ Π² ΠΎΠ±ΡΠ°ΡΠ½ΠΎΠΉ ΠΏΠΎΡΠ»Π΅Π΄ΠΎΠ²Π°ΡΠ΅Π»ΡΠ½ΠΎΡΡΠΈ.ΠΠ»Π°Π²Π½ΠΎΠ΅ ΠΏΡΠ°Π²ΠΈΠ»ΡΠ½ΠΎ ΡΠΎΠ΅Π΄ΠΈΠ½ΠΈΡΡ Π²ΡΠ΅ ΠΊΠΎΠ½ΡΠ°ΠΊΡΡ, Π·Π°ΠΏΠΎΠΌΠ½ΠΈΠ² ΡΡ Π΅ΠΌΡ ΠΏΠΎΠ΄ΠΊΠ»ΡΡΠ΅Π½ΠΈΡ, ΠΈΠ½Π°ΡΠ΅ ΠΌΠΎΠΆΠ½ΠΎ ΠΎΠ±ΠΆΠ΅ΡΡ ΠΏΡΠΎΠ²ΠΎΠ΄Π°.
ΠΠ΅ Π·Π°Π±ΡΠ²Π°ΠΉΡΠ΅, ΡΡΠΎ ΠΌΠΈΠ½ΡΡΠΎΠ²ΡΡ ΠΊΠ»Π΅ΠΌΠΌΡ ΠΠΠ ΠΏΡΠΈ Π·Π°ΠΌΠ΅Π½Π΅ Π½Π΅ΠΎΠ±Ρ ΠΎΠ΄ΠΈΠΌΠΎ ΠΎΡΠΊΠ»ΡΡΠΈΡΡ.
ΠΠ°ΡΠ½Π΅ΠΌ Ρ ΡΠΎΠ³ΠΎ, ΡΡΠΎ ΠΌΠ΅Ρ Π°Π½ΠΈΡΠ΅ΡΠΊΠ°Ρ ΠΈ ΡΠ»Π΅ΠΊΡΡΠΈΡΠ΅ΡΠΊΠ°Ρ ΡΠ°ΡΡΠΈ Π²ΠΊΠ»ΡΡΠ΅Π½Ρ Π² Π·Π°ΠΌΠΎΠΊ Π·Π°ΠΆΠΈΠ³Π°Π½ΠΈΡ. ΠΠ΅ΡΠ²Π°Ρ Π²ΡΠΏΠΎΠ»Π½Π΅Π½Π° Π² ΠΊΠΎΡΠΏΡΡΠ΅ ΡΡΡΡΠΎΠΉΡΡΠ²Π°, Π° Π²ΡΠΎΡΠ°Ρ ΡΠ°ΡΡΡ Π²ΡΠΏΠΎΠ»Π½Π΅Π½Π° ΠΎΡΠ΄Π΅Π»ΡΠ½ΠΎ ΠΎΡ ΠΊΠ»Π΅ΠΌΠΌΠ½ΠΎΠΉ ΠΊΠΎΠ»ΠΎΠ΄ΠΊΠΈ. ΠΡΠΈ ΠΈΡΠΏΠΎΠ»ΡΠ·ΠΎΠ²Π°Π½ΠΈΠΈ ΠΎΡΠΊΠ°Π·Ρ Π² ΡΠ°Π²Π½ΠΎΠΉ ΡΡΠ΅ΠΏΠ΅Π½ΠΈ ΡΠ²ΡΠ·Π°Π½Ρ Ρ ΠΎΠ±Π΅ΠΈΠΌΠΈ ΡΠ°ΡΡΡΠΌΠΈ Π²ΡΠΊΠ»ΡΡΠ°ΡΠ΅Π»Ρ Π·Π°ΠΆΠΈΠ³Π°Π½ΠΈΡ, Π³Π΄Π΅ ΠΊΠ»Π΅ΠΌΠΌΠ½Π°Ρ ΠΊΠΎΠ»ΠΎΠ΄ΠΊΠ° ΠΈΠΌΠ΅Π΅Ρ Π½Π΅ΠΌΠ½ΠΎΠ³ΠΎ Π±ΠΎΠ»Π΅Π΅ Π²ΡΡΠΎΠΊΠΈΠΉ ΠΏΡΠΎΡΠ΅Π½Ρ ΠΎΡΠΊΠ°Π·ΠΎΠ².
ΠΠ±ΡΠ°ΡΠΈΡΠ΅ Π²Π½ΠΈΠΌΠ°Π½ΠΈΠ΅, ΡΡΠΎ Π»ΡΠ±ΡΠ΅ ΡΠ°Π±ΠΎΡΡ Ρ ΡΠ»Π΅ΠΊΡΡΠΈΡΠ΅ΡΠΊΠΎΠΉ ΡΠ°ΡΡΡΡ Π΄ΠΎΠ»ΠΆΠ½Ρ Π²ΡΠΏΠΎΠ»Π½ΡΡΡΡΡ ΠΏΡΠΈ ΡΠ΄Π°Π»Π΅Π½ΠΈΠΈ ΠΎΡΡΠΈΡΠ°ΡΠ΅Π»ΡΠ½ΠΎΠΉ ΠΊΠ»Π΅ΠΌΠΌΡ. ΠΡΠΎ ΠΎΡΠΎΠ±Π΅Π½Π½ΠΎ Π²Π°ΠΆΠ½ΠΎ, Π΅ΡΠ»ΠΈ Π½ΡΠΆΠ½ΠΎ ΠΏΡΠΎΠ²Π΅ΡΠΈΡΡ ΡΠ°Π±ΠΎΡΡ ΠΏΠΎΡΡΠ΅Π±ΠΈΡΠ΅Π»Ρ. Π Π°ΡΡΠΌΠΎΡΡΠΈΠΌ ΠΏΠΎΠ΄ΡΠΎΠ±Π½Π΅Π΅ ΠΎΡΠΊΠ°Π·Ρ Π² ΠΌΠ΅Ρ Π°Π½ΠΈΡΠ΅ΡΠΊΠΎΠΉ ΠΈ ΡΠ»Π΅ΠΊΡΡΠΈΡΠ΅ΡΠΊΠΎΠΉ ΡΠ°ΡΡΡΡ .
ΠΠ΅Ρ Π°Π½ΠΈΡΠ΅ΡΠΊΠ°Ρ ΡΠ°ΡΡΡ
Π§Π°ΡΡΠΎ ΠΌΠ΅Ρ Π°Π½ΠΈΡΠ΅ΡΠΊΠΈΠΉ ΠΎΡΠΊΠ°Π· Π·Π°ΠΌΠΊΠ° Π·Π°ΠΆΠΈΠ³Π°Π½ΠΈΡ ΠΏΡΠΎΠ²ΠΎΡΠΈΡΡΡΡ:
- ΠΊΡΡΡΠΎΠΉ ΠΏΠΎΠ²ΠΎΡΠΎΡ ΠΊΠ»ΡΡΠ° Π·Π°ΠΆΠΈΠ³Π°Π½ΠΈΡ;
- Π·Π°ΠΊΠ»ΠΈΠ½ΠΈΠ²Π°Π½ΠΈΠ΅ Π² ΠΎΠ΄Π½ΠΎΠΉ ΠΈΠ· ΠΏΠΎΠ·ΠΈΡΠΈΠΉ. ΠΠ°ΠΊ ΠΏΡΠ°Π²ΠΈΠ»ΠΎ, ΡΠ°ΠΊΠ°Ρ ΠΏΡΠΎΠ±Π»Π΅ΠΌΠ° ΠΏΡΠΈΠ²ΠΎΠ΄ΠΈΡ ΠΊ ΠΏΠΎΠ»ΠΎΠΌΠΊΠ΅ ΠΊΠ»ΡΡΠ° Π·Π°ΠΆΠΈΠ³Π°Π½ΠΈΡ, ΡΡΠΎ, Π² ΡΠ²ΠΎΡ ΠΎΡΠ΅ΡΠ΅Π΄Ρ, ΡΡΠ΅Π±ΡΠ΅Ρ Π΄ΠΎΠΏΠΎΠ»Π½ΠΈΡΠ΅Π»ΡΠ½ΡΡ ΡΡΠ°Ρ Π½Π° ΠΏΠΎΠΊΡΠΏΠΊΡ Π½ΠΎΠ²ΠΎΠΉ Π΄Π΅ΡΠ°Π»ΠΈ.
Π ΠΎΡΠ½ΠΎΠ²Π½ΠΎΠΌ ΡΡΠΈ ΠΏΡΠΎΠ±Π»Π΅ΠΌΡ Π²ΠΎΠ·Π½ΠΈΠΊΠ°ΡΡ ΠΈΠ·-Π·Π° ΠΏΠ»ΠΎΡ ΠΎΠΉ ΡΠ±ΠΎΡΠΊΠΈ Π·Π°ΠΌΠΊΠ° Π·Π°ΠΆΠΈΠ³Π°Π½ΠΈΡ Ρ Π½Π΅Π΄ΠΎΠ±ΡΠΎΡΠΎΠ²Π΅ΡΡΠ½ΡΡ ΠΏΡΠΎΠΈΠ·Π²ΠΎΠ΄ΠΈΡΠ΅Π»Π΅ΠΉ. Π§ΡΠΎΠ±Ρ ΠΈΠ·Π΄Π΅Π»ΠΈΠ΅ Π½Π΅ ΠΏΡΠΈΡ ΠΎΠ΄ΠΈΠ»ΠΎΡΡ ΡΠ°ΡΡΠΎ ΠΌΠ΅Π½ΡΡΡ, Π½ΡΠΆΠ½ΠΎ ΡΡΡΠ°Π½ΠΎΠ²ΠΈΡΡ Π½Π°Π΄Π΅ΠΆΠ½ΡΡ ΠΈ Π΄ΠΎΠ»Π³ΠΎΠ²Π΅ΡΠ½ΡΡ Π΄Π΅ΡΠ°Π»Ρ.
ΠΠ»Π΅ΠΊΡΡΠΈΡΠ΅ΡΠΊΠ°Ρ ΡΠ°ΡΡΡ
ΠΠ°ΠΆΠ΅ Π΅ΡΠ»ΠΈ ΠΌΠ΅Ρ Π°Π½ΠΈΡΠ΅ΡΠΊΠ°Ρ ΡΠ°ΡΡΡ Π²ΡΠΊΠ»ΡΡΠ°ΡΠ΅Π»Ρ Π·Π°ΠΆΠΈΠ³Π°Π½ΠΈΡ ΠΏΠΎΠ»Π½ΠΎΡΡΡΡ ΠΈΡΠΏΡΠ°Π²Π½Π°, ΠΊΠ»Π΅ΠΌΠΌΠ½Π°Ρ ΠΊΠΎΠ»ΠΎΠ΄ΠΊΠ° Π²ΡΠ΅ ΡΠ°Π²Π½ΠΎ ΡΠ°ΡΡΠΎ Π²ΡΡ ΠΎΠ΄ΠΈΡ ΠΈΠ· ΡΡΡΠΎΡ. ΠΠ°ΠΌΠ΅Π½ΠΈΡΡ Π²ΡΠ΅Π³Π΄Π° ΠΌΠΎΠΆΠ½ΠΎ, ΡΠ°ΠΊ ΠΊΠ°ΠΊ ΡΠ°ΠΊΠ°Ρ Π·Π°ΠΏΡΠ°ΡΡΡ ΠΏΡΠΎΠ΄Π°Π΅ΡΡΡ Π² Π»ΡΠ±ΠΎΠΌ Π°Π²ΡΠΎΠΌΠΎΠ±ΠΈΠ»ΡΠ½ΠΎΠΌ ΠΌΠ°Π³Π°Π·ΠΈΠ½Π΅.
ΠΠ»Π΅ΠΌΠΌΠ½Π°Ρ ΡΠ°ΡΡΡ ΡΠ°ΡΡΠΎ ΠΏΠ΅ΡΠ΅Π³ΠΎΡΠ°Π΅Ρ ΡΠ°ΠΌΠ° ΠΏΠΎ ΡΠ΅Π±Π΅ ΠΈΠ»ΠΈ ΠΏΠ΅ΡΠ΅Π³ΠΎΡΠ°ΡΡ Π΅Π΅ ΠΊΠΎΠ½ΡΠ°ΠΊΡΡ, ΡΠΎΠ΅Π΄ΠΈΠ½ΡΡΡΠΈΠ΅ ΠΎΠΏΡΠ΅Π΄Π΅Π»Π΅Π½Π½ΡΠ΅ ΡΠ΅ΠΏΠΈ ΠΏΠΈΡΠ°Π½ΠΈΡ.Π’Π°ΠΊΠΆΠ΅ Π±ΡΠ²Π°Π΅Ρ, ΡΡΠΎ ΠΏΠ»Π°Π²ΠΈΡΡΡ ΡΠ΅Π½ΡΡΠ°Π»ΡΠ½Π°Ρ ΠΏΠ»Π°ΡΡΠΈΠΊΠΎΠ²Π°Ρ Π²ΡΡΠ°Π²ΠΊΠ°, ΠΊΠΎΡΠΎΡΠ°Ρ ΡΠ°Π·ΠΌΡΠΊΠ°Π΅Ρ ΠΈ Π·Π°ΠΌΡΠΊΠ°Π΅Ρ Π½Π΅ΠΊΠΎΡΠΎΡΡΠ΅ ΠΊΠΎΠ½ΡΠ°ΠΊΡΡ ΠΏΡΠΈ Π΄ΡΡΠ³ΠΎΠΌ ΠΏΠΎΠ»ΠΎΠΆΠ΅Π½ΠΈΠΈ ΠΊΠ»ΡΡΠ° Π·Π°ΠΆΠΈΠ³Π°Π½ΠΈΡ. ΠΡΠΎΡ ΠΏΠ΅ΡΠ΅Π³ΡΠ΅Π² Π²ΡΠ·ΡΠ²Π°Π΅ΡΡΡ Π΄Π»ΠΈΡΠ΅Π»ΡΠ½ΡΠΌ ΡΠ΄Π΅ΡΠΆΠΈΠ²Π°Π½ΠΈΠ΅ΠΌ ΠΊΠ»ΡΡΠ° Π² ΠΏΠΎΠ»ΠΎΠΆΠ΅Π½ΠΈΠΈ Β«ΡΡΠ°ΡΡΠ΅ΡΒ», ΠΊΠΎΠ³Π΄Π° Π²ΠΎΠ΄ΠΈΡΠ΅Π»Ρ Π΄ΠΎΠ»Π³ΠΎΠ΅ Π²ΡΠ΅ΠΌΡ Π½Π΅ ΠΌΠΎΠΆΠ΅Ρ Π·Π°ΠΏΡΡΡΠΈΡΡ Π΄Π²ΠΈΠ³Π°ΡΠ΅Π»Ρ ΡΠ²ΠΎΠ΅Π³ΠΎ Π°Π²ΡΠΎΠΌΠΎΠ±ΠΈΠ»Ρ.
Π ΡΠ°ΠΊΠΈΡ ΡΠ»ΡΡΠ°ΡΡ Π½Π΅ΠΎΠ±Ρ ΠΎΠ΄ΠΈΠΌΠΎ ΠΏΠΎΠΊΡΠΏΠ°ΡΡ Π½ΠΎΠ²ΡΡ ΠΊΠ»Π΅ΠΌΠΌΠ½ΡΡ ΠΊΠΎΠ»ΠΎΠ΄ΠΊΡ, Π° Π½Π΅ Π²ΡΠΊΠ»ΡΡΠ°ΡΠ΅Π»Ρ Π·Π°ΠΆΠΈΠ³Π°Π½ΠΈΡ.
ΠΡΠ΅Π½Ρ Π²Π°ΠΆΠ½ΠΎ, ΡΡΠΎΠ±Ρ ΡΠ²ΡΠ·Ρ ΠΎΡΡΠ°Π²Π°Π»Π°ΡΡ Π½Π΅ΠΈΠ·ΠΌΠ΅Π½Π½ΠΎΠΉ. ΠΡΠ»ΠΈ Π²Ρ ΠΏΡΠΎΠΈΠ·Π²ΠΎΠ΄ΠΈΡΠ΅ Π·Π°ΠΌΠ΅Π½Ρ Π² ΠΏΠ΅ΡΠ²ΡΠΉ ΡΠ°Π·, Π²Π°ΠΌ Π½ΡΠΆΠ½ΠΎ ΠΏΠΎΡΠΌΠΎΡΡΠ΅ΡΡ Π½Π° Π½ΠΈΠΆΠ½ΡΡ ΡΠ°ΡΡΡ Π²ΡΠΊΠ»ΡΡΠ°ΡΠ΅Π»Ρ Π·Π°ΠΆΠΈΠ³Π°Π½ΠΈΡ ΠΈ Π½Π°ΡΠΈΡΠΎΠ²Π°ΡΡ ΡΠ°ΠΌ ΡΠ²Π΅ΡΠ° ΠΏΡΠΎΠ²ΠΎΠ΄ΠΎΠΌ ΠΈ ΠΊΠ»Π΅ΠΌΠΌΠ°ΠΌΠΈ, ΠΊ ΠΊΠΎΡΠΎΡΡΠΌ ΠΎΠ½ΠΈ ΠΏΠΎΠ΄ΠΊΠ»ΡΡΠ΅Π½Ρ.ΠΠ°ΠΆΠ΄ΠΎΠΌΡ ΠΈΠ· Π½ΠΈΡ Π½Π° ΠΊΠΎΠ»ΠΎΠ΄ΠΊΠ΅ ΡΠ²ΠΎΠΉ Π½ΠΎΠΌΠ΅Ρ, ΠΏΠΎΡΡΠΎΠΌΡ ΠΎΡΠ΅Π½Ρ ΡΠ΄ΠΎΠ±Π½ΠΎ Π·Π°ΠΏΠΈΡΡΠ²Π°ΡΡ ΡΠ²Π΅Ρ ΠΏΡΠΎΠ²ΠΎΠ΄Π° ΠΈ Π½ΠΎΠΌΠ΅Ρ ΠΊΠ»Π΅ΠΌΠΌΡ, ΡΡΠΎΠ±Ρ Π½ΠΈΡΠ΅Π³ΠΎ Π½Π΅ ΠΏΠ΅ΡΠ΅ΠΏΡΡΠ°ΡΡ.
ΠΠ°ΠΊ ΠΏΠΎΠ΄ΠΊΠ»ΡΡΠΈΡΡ ΠΏΡΠΎΠ²ΠΎΠ΄Π°: ΡΡ Π΅ΠΌΠ°
ΠΠ»Ρ ΠΏΠΎΠ΄ΠΊΠ»ΡΡΠ΅Π½ΠΈΡ ΠΊ ΠΏΡΠΎΠ²ΠΎΠ΄Π°ΠΌ ΠΊΠ»Π΅ΠΌΠΌΠ½Π°Ρ ΠΊΠΎΠ»ΠΎΠ΄ΠΊΠ° ΠΈΠΌΠ΅Π΅Ρ ΡΠ»Π΅Π΄ΡΡΡΠΈΠ΅ Π²ΡΠ²ΠΎΠ΄Ρ:
- «15»;
- Β«ΡΡΠΈΠ΄ΡΠ°ΡΡΒ»;
- «30/1»;
- «50»;
- Β«ΠΠΠ’Β».
ΠΠ°ΠΊ ΠΈ Ρ Π»ΡΠ±ΠΎΠ³ΠΎ Π°Π²ΡΠΎΠΌΠΎΠ±ΠΈΠ»Ρ, Ρ ΠΠΠ 2106 Π΅ΡΡΡ ΡΠΈΠ»ΡΠ½ΡΠ΅ ΠΈ ΡΠ»Π°Π±ΡΠ΅ ΡΡΠΎΡΠΎΠ½Ρ, Π·Π½Π°ΠΊΠΎΠΌΡΠ΅ ΠΌΠ½ΠΎΠ³ΠΈΠΌ Π°Π²ΡΠΎΠ»ΡΠ±ΠΈΡΠ΅Π»ΡΠΌ.ΠΠ½ΡΠ΅Π½ΡΠΈΠ²Π½Π°Ρ ΡΠΊΡΠΏΠ»ΡΠ°ΡΠ°ΡΠΈΡ, ΠΏΠ»ΠΎΡ ΠΈΠ΅ Π΄ΠΎΡΠΎΠ³ΠΈ, ΡΡΡΠΎΠ²ΡΠΉ ΠΊΠ»ΠΈΠΌΠ°Ρ ΠΌΠ΅Π΄Π»Π΅Π½Π½ΠΎ, Π½ΠΎ Π²Π΅ΡΠ½ΠΎ Π΄Π΅Π»Π°ΡΡ ΡΠ²ΠΎΠ΅ Π΄Π΅Π»ΠΎ. ΠΠ°ΠΊ Π³ΠΎΠ²ΠΎΡΠΈΡΡΡ, Π½ΠΈΡΡΠΎ Π½Π΅ Π²Π΅ΡΠ½ΠΎ — Π΄Π΅ΡΠ°Π»ΠΈ ΠΈΠ·Π½Π°ΡΠΈΠ²Π°ΡΡΡΡ, ΡΠ°ΠΊ ΠΈΠ»ΠΈ ΠΈΠ½Π°ΡΠ΅ ΠΈΡ Π½Π°Π΄ΠΎ ΠΌΠ΅Π½ΡΡΡ. ΠΠ½ΠΎΠ³ΠΈΠ΅ Π°Π²ΡΠΎΠ²Π»Π°Π΄Π΅Π»ΡΡΡ ΠΏΡΠ΅Π΄ΠΏΠΎΡΠΈΡΠ°ΡΡ Π΄Π΅Π»Π°ΡΡ ΠΏΠΎΡΠΈΠ»ΡΠ½ΡΠΉ ΡΠ΅ΠΌΠΎΠ½Ρ ΡΠ²ΠΎΠΈΠΌΠΈ ΡΡΠΊΠ°ΠΌΠΈ. Π Π²ΡΠ΅ ΡΠ»ΡΡΠ°Π»ΠΈ ΠΎ ΠΏΠ΅ΡΠΈΠΎΠ΄ΠΈΡΠ΅ΡΠΊΠΎΠΉ ΠΏΠΎΠ»ΠΎΠΌΠΊΠ΅ Π½Π΅Π±ΠΎΠ»ΡΡΠΎΠΉ, Π½ΠΎ ΠΎΡΠ΅Π½Ρ Π²Π°ΠΆΠ½ΠΎΠΉ Π΄Π΅ΡΠ°Π»ΠΈ — Π·Π°ΠΌΠΊΠ° Π·Π°ΠΆΠΈΠ³Π°Π½ΠΈΡ. ΠΡΠ»ΠΈ Ρ Π²Π°Ρ Π½Π΅ΠΈΡΠΏΡΠ°Π²Π΅Π½ Π·Π°ΠΌΠΎΠΊ, ΡΠΎ Π²Π°ΠΌ Π½Π΅ ΠΏΠΎΠΌΠ΅ΡΠ°Π΅Ρ ΠΏΡΠΈΠΎΠ±ΡΠ΅ΡΡΠΈ ΡΠ°ΠΊΠΎΠΉ ΠΏΠΎΠ»Π΅Π·Π½ΡΠΉ Π½Π°Π²ΡΠΊ, ΠΊΠ°ΠΊ ΡΡΡΠ°Π½ΠΎΠ²ΠΊΠ° Π·Π°ΠΌΠΊΠ° Π·Π°ΠΆΠΈΠ³Π°Π½ΠΈΡ ΠΠΠ 2106.
ΠΠΈΠ³ΡΠ»ΠΈΠΠ΅ Π·ΡΡ Π³ΠΎΠ²ΠΎΡΡΡ: Π½ΠΎΠ²ΠΎΠ΅ — Ρ ΠΎΡΠΎΡΠΎ Π·Π°Π±ΡΡΠΎΠ΅ ΡΡΠ°ΡΠΎΠ΅.ΠΠΠ 2106 — Π²ΡΠ΅ΠΌ ΠΈΠ·Π²Π΅ΡΡΠ½Π°Ρ Β«ΡΠ΅ΡΡΠ΅ΡΠΊΠ°Β» — ΠΎΠ΄ΠΈΠ½ ΠΈΠ· ΡΠ°ΠΌΡΡ ΠΌΠ°ΡΡΠΎΠ²ΡΡ ΠΈ ΠΏΠΎΠΏΡΠ»ΡΡΠ½ΡΡ Π°Π²ΡΠΎΠΌΠΎΠ±ΠΈΠ»Π΅ΠΉ ΠΎΡΠ΅ΡΠ΅ΡΡΠ²Π΅Π½Π½ΠΎΠ³ΠΎ ΠΏΡΠΎΠΈΠ·Π²ΠΎΠ΄ΡΡΠ²Π° ΡΠΎ Π²ΡΠ΅ΠΌΠ΅Π½ Π‘ΠΎΠ²Π΅ΡΡΠΊΠΎΠ³ΠΎ Π‘ΠΎΡΠ·Π°. ΠΠ° Π²Π΅ΡΡ ΠΏΠ΅ΡΠΈΠΎΠ΄ ΠΏΡΠΎΠΈΠ·Π²ΠΎΠ΄ΡΡΠ²Π° ΡΡΠΎΠΉ ΠΌΠΎΠ΄Π΅Π»ΠΈ Π½Π° ΡΠ°Π·Π»ΠΈΡΠ½ΡΡ Π·Π°Π²ΠΎΠ΄Π°Ρ Π±ΡΠ»ΠΎ ΠΏΡΠΎΠΈΠ·Π²Π΅Π΄Π΅Π½ΠΎ ΠΈ ΡΠΎΠ±ΡΠ°Π½ΠΎ Π±ΠΎΠ»Π΅Π΅ 4,3 ΠΌΠΈΠ»Π»ΠΈΠΎΠ½Π° Π°Π²ΡΠΎΠΌΠΎΠ±ΠΈΠ»Π΅ΠΉ. ΠΠ°ΡΡΠΎΡΡΠ°Ρ ΡΠ°Π±ΠΎΡΠ°Ρ Π»ΠΎΡΠ°Π΄ΠΊΠ°, Π½Π΅Π΄Π°ΡΠΎΠΌ Ρ Π½Π΅Π΅ Π΄ΠΎ ΡΠΈΡ ΠΏΠΎΡ ΠΌΠ½ΠΎΠ³ΠΎ ΠΏΠΎΠΊΠ»ΠΎΠ½Π½ΠΈΠΊΠΎΠ². ΠΠΎ ΡΠΈΡ ΠΏΠΎΡ ΡΡΠΊΠΈΠ΅ Β«ΡΠ΅ΡΡΠ΅ΡΠΊΠΈΒ» Π² Π±ΠΎΠ»ΡΡΠΎΠΌ ΠΊΠΎΠ»ΠΈΡΠ΅ΡΡΠ²Π΅ Π±ΠΎΡΠΎΠ·Π΄ΡΡ Π°Π²ΡΠΎΠΌΠΎΠ±ΠΈΠ»ΡΠ½ΡΠ΅ ΠΏΡΠΎΡΡΠΎΡΡ Π‘ΠΠ ΠΈ Π±Π»ΠΈΠΆΠ½Π΅Π³ΠΎ Π·Π°ΡΡΠ±Π΅ΠΆΡΡ, Π° ΡΠ°ΠΊΠΆΠ΅ Π΄Π°Π»ΡΠ½Π΅Π³ΠΎ Π·Π°ΡΡΠ±Π΅ΠΆΡΡ. ΠΠΎΠ½Π΅ΡΠ½ΠΎ, Π² ΡΡΠ°ΡΡΡΠΊΠ΅ Π΅ΡΡΡ Π΄ΡΡΠ°.
Π£ΡΡΡΠΎΠΉΡΡΠ²ΠΎ ΠΈ Π½Π°Π·Π½Π°ΡΠ΅Π½ΠΈΠ΅ Π·Π°ΠΌΠΊΠ° Π·Π°ΠΆΠΈΠ³Π°Π½ΠΈΡ
ΠΡΠΊΠ»ΡΡΠ°ΡΠ΅Π»Ρ Π·Π°ΠΆΠΈΠ³Π°Π½ΠΈΡ (Π·Π°ΠΌΠΎΠΊ) Π½Π° Π²ΡΠ΅Ρ ΠΌΠΎΠ΄Π΅Π»ΡΡ Β«ΠΊΠ»Π°ΡΡΠΈΠΊΠΈΒ», Π²ΠΊΠ»ΡΡΠ°Ρ Β«ΡΠ΅ΡΡΠ΅ΡΠΊΡΒ», Π°Π±ΡΠΎΠ»ΡΡΠ½ΠΎ Π°Π½Π°Π»ΠΎΠ³ΠΈΡΠ΅Π½ ΠΏΠΎ ΡΠ²ΠΎΠ΅ΠΌΡ ΡΡΡΡΠΎΠΉΡΡΠ²Ρ ΠΈ ΠΊΠΎΠ½ΡΡΡΡΠΊΡΠΈΠΈ. Π Π°ΡΡΠΌΠΎΡΡΠΈΠΌ Π΅Π³ΠΎ ΡΡΡΡΠΎΠΉΡΡΠ²ΠΎ ΠΈ ΠΏΡΠΈΠ½ΡΠΈΠΏ ΡΠ°Π±ΠΎΡΡ.
Π£ΡΡΡΠΎΠΉΡΡΠ²ΠΎ Π·Π°ΠΌΠΊΠ° Π·Π°ΠΆΠΈΠ³Π°Π½ΠΈΡ:
ΠΠΎΠ½ΡΡΡΡΠΊΡΠΈΡ Π·Π°ΠΌΠΊΠ°- ΠΠ°ΠΏΠΎΡΠ½ΡΠΉ ΡΡΠ΅ΡΠΆΠ΅Π½Ρ
- Π Π°ΠΌΠ°
- Π ΠΎΠ»ΠΈΠΊ
- ΠΠΎΠ½ΡΠ°ΠΊΡΠ½ΡΠΉ Π΄ΠΈΡΠΊ
- ΠΠΎΠ½ΡΠ°ΠΊΡΠ½Π°Ρ Π³ΠΈΠ»ΡΠ·Π°
- ΠΠ»ΠΎΠΊ
- ΠΡΡΡΡΠΏ ΠΊΠΎΠ½ΡΠ°ΠΊΡΠ½ΠΎΠΉ ΡΠ°ΡΡΠΈ.
ΠΠ΅Ρ Π°Π½ΠΈΠ·ΠΌ Π·Π°ΠΌΠΊΠ° ΡΠΎΠ΅Π΄ΠΈΠ½ΡΠ΅ΡΡΡ Π½Π΅ΡΠΊΠΎΠ»ΡΠΊΠΈΠΌΠΈ ΠΏΡΠΎΠ²ΠΎΠ΄Π°ΠΌΠΈ. ΠΠ½ΠΈ ΠΏΡΠΎΠ΄ΠΎΠ»ΠΆΠ°ΡΡΡΡ ΠΎΡ Π°ΠΊΠΊΡΠΌΡΠ»ΡΡΠΎΡΠ½ΠΎΠΉ Π±Π°ΡΠ°ΡΠ΅ΠΈ, ΡΠΎΠ΅Π΄ΠΈΠ½ΡΡ Π²ΡΠ΅ ΡΠ»Π΅ΠΊΡΡΠΈΡΠ΅ΡΠΊΠΈΠ΅ ΡΡΡΡΠΎΠΉΡΡΠ²Π° Π°Π²ΡΠΎΠΌΠΎΠ±ΠΈΠ»Ρ. ΠΡΠΈ ΠΏΠΎΠ²ΠΎΡΠΎΡΠ΅ ΠΊΠ»ΡΡΠ° Π·Π°ΠΆΠΈΠ³Π°Π½ΠΈΡ ΡΠ»Π΅ΠΊΡΡΠΈΡΠ΅ΡΠΊΠ°Ρ ΡΠ΅ΠΏΡ Π·Π°ΠΌΡΠΊΠ°Π΅ΡΡΡ ΠΎΡ Π²ΡΠ²ΠΎΠ΄Π° Β«-Β» Π°ΠΊΠΊΡΠΌΡΠ»ΡΡΠΎΡΠ° ΠΊ ΠΊΠ°ΡΡΡΠΊΠ΅ Π·Π°ΠΆΠΈΠ³Π°Π½ΠΈΡ.
Π ΡΠ΅Π·ΡΠ»ΡΡΠ°ΡΠ΅ ΡΠΎΠΊ ΠΏΠΎ ΠΏΡΠΎΠ²ΠΎΠ΄Π°ΠΌ ΠΏΡΠΎΡ ΠΎΠ΄ΠΈΡ ΠΊ Π·Π°ΠΌΠΊΡ Π·Π°ΠΆΠΈΠ³Π°Π½ΠΈΡ, ΡΠ΅ΡΠ΅Π· Π΅Π³ΠΎ ΠΊΠΎΠ½ΡΠ°ΠΊΡΡ Π½Π°ΠΏΡΠ°Π²Π»ΡΠ΅ΡΡΡ Π½Π° ΠΈΠ½Π΄ΡΠΊΡΠΈΠΎΠ½Π½ΡΡ ΠΊΠ°ΡΡΡΠΊΡ, Π° Π·Π°ΡΠ΅ΠΌ Π²ΠΎΠ·Π²ΡΠ°ΡΠ°Π΅ΡΡΡ ΠΎΠ±ΡΠ°ΡΠ½ΠΎ Π½Π° ΠΊΠ»Π΅ΠΌΠΌΡ Β«+Β». ΠΠΎΠ³Π΄Π° ΡΠ»Π΅ΠΊΡΡΠΈΡΠ΅ΡΡΠ²ΠΎ ΠΏΡΠΎΡ ΠΎΠ΄ΠΈΡ ΡΠ΅ΡΠ΅Π· ΠΊΠ°ΡΡΡΠΊΡ, Π² ΠΊΠ°ΡΡΡΠΊΠ΅ Π³Π΅Π½Π΅ΡΠΈΡΡΠ΅ΡΡΡ Π²ΡΡΠΎΠΊΠΎΠ΅ Π½Π°ΠΏΡΡΠΆΠ΅Π½ΠΈΠ΅, ΠΊΠΎΡΠΎΡΠΎΠ΅ ΠΏΠ΅ΡΠ΅Π΄Π°Π΅ΡΡΡ Π½Π° ΡΠ²Π΅ΡΡ Π·Π°ΠΆΠΈΠ³Π°Π½ΠΈΡ.Π‘Π»Π΅Π΄ΠΎΠ²Π°ΡΠ΅Π»ΡΠ½ΠΎ, ΠΊΠ»ΡΡ Π·Π°ΠΌΡΠΊΠ°Π΅Ρ ΠΊΠΎΠ½ΡΠ°ΠΊΡΡ ΡΠ΅ΠΏΠΈ Π·Π°ΠΆΠΈΠ³Π°Π½ΠΈΡ, ΡΠ΅ΠΌ ΡΠ°ΠΌΡΠΌ Π·Π°Π²ΠΎΠ΄Ρ Π΄Π²ΠΈΠ³Π°ΡΠ΅Π»Ρ Π°Π²ΡΠΎΠΌΠΎΠ±ΠΈΠ»Ρ.
ΠΠ°ΠΌΠΎΠΊ Π·Π°ΠΆΠΈΠ³Π°Π½ΠΈΡ, ΠΊΠ°ΠΊ ΠΈ Π²ΡΠ΅ Π·Π°ΠΏΡΠ°ΡΡΠΈ, ΡΠΎ Π²ΡΠ΅ΠΌΠ΅Π½Π΅ΠΌ ΡΡΠ΅Π±ΡΠ΅Ρ ΡΠ΅ΠΌΠΎΠ½ΡΠ° ΠΈΠ»ΠΈ Π·Π°ΠΌΠ΅Π½Ρ. Π Π»ΡΠ±ΠΎΠΉ Π°Π²ΡΠΎΠ»ΡΠ±ΠΈΡΠ΅Π»Ρ ΡΠΌΠΎΠΆΠ΅Ρ Ρ ΡΡΠΈΠΌ ΡΠΏΡΠ°Π²ΠΈΡΡΡΡ, ΠΈΠΌΠ΅Ρ ΠΌΠΈΠ½ΠΈΠΌΠ°Π»ΡΠ½ΡΠΉ Π·Π°ΠΏΠ°Ρ Π½Π΅ΠΎΠ±Ρ ΠΎΠ΄ΠΈΠΌΡΡ Π·Π½Π°Π½ΠΈΠΉ.
Π‘Π½ΡΡΠΈΠ΅ ΡΡΠ°ΡΠΎΠ³ΠΎ Π·Π°ΠΌΠΊΠ° Π·Π°ΠΆΠΈΠ³Π°Π½ΠΈΡ
ΠΠ΅ΡΠ΅Π΄ ΡΡΡΠ°Π½ΠΎΠ²ΠΊΠΎΠΉ Π½ΠΎΠ²ΠΎΠ³ΠΎ Π·Π°ΠΌΠΊΠ° Π½Π΅ΠΎΠ±Ρ ΠΎΠ΄ΠΈΠΌΠΎ ΠΎΡΠ²ΠΎΠ±ΠΎΠ΄ΠΈΡΡ Π΄Π»Ρ Π½Π΅Π³ΠΎ ΠΌΠ΅ΡΡΠΎ, ΠΎΡΡΠΎΠ΅Π΄ΠΈΠ½ΠΈΠ² ΡΡΠ°ΡΡΠΉ.
ΠΠ½ΡΡΡΡΠΌΠ΅Π½ΡΡ ΠΈ ΠΌΠ΅ΡΡ ΠΏΡΠ΅Π΄ΠΎΡΡΠΎΡΠΎΠΆΠ½ΠΎΡΡΠΈ
ΠΠ»Ρ ΡΡΠΎΠ³ΠΎ Π½Π°ΠΌ ΠΏΠΎΠ½Π°Π΄ΠΎΠ±ΠΈΡΡΡ ΠΏΡΠΎΡΡΠΎΠΉ Π½Π°Π±ΠΎΡ ΠΈΠ½ΡΡΡΡΠΌΠ΅Π½ΡΠΎΠ²: ΠΎΡΠ²Π΅ΡΡΠΊΠ° ΠΈ ΡΠΈΠ»ΠΎ.
ΠΡΠΈΠ±ΠΎΡΡ
ΠΡΡΠΎΠ΅Π΄ΠΈΠ½ΠΈΡΡ Π°ΠΊΠΊΡΠΌΡΠ»ΡΡΠΎΡΠΠ΅ΡΠ΅Π΄ Π½Π°ΡΠ°Π»ΠΎΠΌ ΡΠ°Π±ΠΎΡΡ Π½Π΅ Π·Π°Π±ΡΠ΄ΡΡΠ΅ ΠΎΠ± ΡΠ»Π΅ΠΌΠ΅Π½ΡΠ°ΡΠ½ΡΡ ΠΏΡΠ°Π²ΠΈΠ»Π°Ρ Π±Π΅Π·ΠΎΠΏΠ°ΡΠ½ΠΎΡΡΠΈ — ΠΎΡΡΠΎΠ΅Π΄ΠΈΠ½ΠΈΡΠ΅ Π°ΠΊΠΊΡΠΌΡΠ»ΡΡΠΎΡΠ½ΡΡ Π±Π°ΡΠ°ΡΠ΅Ρ (ΡΠ½ΠΈΠΌΠΈΡΠ΅ ΠΎΡΡΠΈΡΠ°ΡΠ΅Π»ΡΠ½ΡΡ ΠΊΠ»Π΅ΠΌΠΌΡ).
ΠΠ΅ΠΌΠΎΠ½ΡΠΈΡΠΎΠ²Π°ΡΡ Π·Π°ΠΌΠΎΠΊ Π·Π°ΠΆΠΈΠ³Π°Π½ΠΈΡ
ΠΠΎΡΠ»Π΅ ΡΠΎΠ³ΠΎ, ΠΊΠ°ΠΊ ΠΌΡ ΠΏΠΎΠ΄Π³ΠΎΡΠΎΠ²ΠΈΠ»ΠΈ Π±Π΅Π·ΠΎΠΏΠ°ΡΠ½ΠΎΠ΅ ΡΠ°Π±ΠΎΡΠ΅Π΅ ΠΌΠ΅ΡΡΠΎ, ΠΌΡ ΡΠΌΠ΅Π»ΠΎ Π±ΡΠ°Π»ΠΈΡΡ Π·Π° Π΄Π΅Π»ΠΎ.
ΠΡΠ²Π΅ΡΡΠΊΠΎΠΉ ΠΎΡΠ²Π΅ΡΠ½ΠΈΡΠ΅ 5 Π²ΠΈΠ½ΡΠΎΠ² ΠΊΡΡΡΠΊΠΈ ΠΏΠΎΠ΄ΡΡΠ»Π΅Π²ΠΎΠ³ΠΎ ΠΏΠ΅ΡΠ΅ΠΊΠ»ΡΡΠ°ΡΠ΅Π»Ρ. ΠΠΎΡΠ»Π΅ ΡΡΠΎΠ³ΠΎ ΡΠ½ΠΈΠΌΠ°Π΅ΠΌ Π²Π΅ΡΡ Π½ΠΈΠΉ ΠΈ Π½ΠΈΠΆΠ½ΠΈΠΉ ΡΠ»Π΅ΠΌΠ΅Π½ΡΡ ΠΊΠΎΠΆΡΡ Π°. ΠΡΠΊΡΡΡΠΈΠ²Π°Π΅ΠΌ Π΄Π²Π° Π²ΠΈΠ½ΡΠ°, Π½Π° ΠΊΠΎΡΠΎΡΡΡ Π·Π°ΠΌΠΎΠΊ Π·Π°ΠΆΠΈΠ³Π°Π½ΠΈΡ ΠΊΡΠ΅ΠΏΠΈΡΡΡ ΠΊ ΠΊΡΠ·ΠΎΠ²Ρ.
Π‘Π½ΠΈΠΌΠΈΡΠ΅ ΠΊΡΡΡΠΊΡΠΡΡΠ°Π²ΡΡΠ΅ ΠΊΠ»ΡΡ Π·Π°ΠΆΠΈΠ³Π°Π½ΠΈΡ Π² Π·Π°ΠΌΠΎΠΊ ΠΈ ΠΏΠΎΠ²Π΅ΡΠ½ΠΈΡΠ΅ Π΅Π³ΠΎ Π² ΠΏΠΎΠ»ΠΎΠΆΠ΅Π½ΠΈΠ΅ Β«Π²ΡΠΊΠ»ΡΡΠ΅Π½ΠΎΒ» (0), ΡΡΠΎΠ±Ρ ΡΠ°Π·Π±Π»ΠΎΠΊΠΈΡΠΎΠ²Π°ΡΡ ΠΏΡΠΎΡΠΈΠ²ΠΎΡΠ³ΠΎΠ½Π½ΡΡ ΡΠΈΡΡΠ΅ΠΌΡ. Π§ΡΠΎΠ±Ρ Π²ΡΡΠ°ΡΠΈΡΡ Π·Π°ΠΌΠΎΠΊ ΠΈΠ· Π΅Π³ΠΎ Π³Π½Π΅Π·Π΄Π°, Π½Π°Ρ ΠΎΠ΄ΠΈΠΌ Π² Π΅Π³ΠΎ Π»Π΅Π²ΠΎΠΉ ΡΠ°ΡΡΠΈ Π½Π΅Π±ΠΎΠ»ΡΡΠΎΠ΅ ΠΊΡΡΠ³Π»ΠΎΠ΅ ΠΎΡΠ²Π΅ΡΡΡΠΈΠ΅.
Π Π°Π·Π±Π»ΠΎΠΊΠΈΡΠΎΠ²ΠΊΠ°
ΠΠ΅ΡΠ΅ΠΌ ΡΠΈΠ»ΠΎ ΠΈ Π²ΡΡΠ°Π²Π»ΡΠ΅ΠΌ Π² ΠΎΡΠ²Π΅ΡΡΡΠΈΠ΅, ΠΏΡΠΈΠΆΠΈΠΌΠ°Ρ ΠΈΠΌ Π·Π°ΡΠ΅Π»ΠΊΡ. ΠΠ°ΠΎΠ΄Π½ΠΎ Π²ΡΡΠ°ΡΠΊΠΈΠ²Π°Π΅ΠΌ Π·Π°ΠΌΠΎΠΊ Π·Π°ΠΆΠΈΠ³Π°Π½ΠΈΡ, ΠΏΡΠΎΡΡΠ³ΠΈΠ²Π°Ρ ΡΠ΅Π±Π΅.
ΠΡΡΠ°ΡΠΊΠΈΠ²Π°Π΅ΠΌ Π·Π°ΠΌΠΎΠΊΠΡΡΠΎΠ΅Π΄ΠΈΠ½ΡΠ΅ΠΌ ΠΏΡΠΎΠ²ΠΎΠ΄Π° ΠΎΡ ΠΊΠ»Π΅ΠΌΠΌ.ΠΡΠ»ΠΈ ΠΌΠΎΡΠΎΠΊ ΠΏΡΠΎΠ²ΠΎΠ΄ΠΎΠ² Π·Π°ΠΊΠ°Π½ΡΠΈΠ²Π°Π΅ΡΡΡ ΠΌΠΈΠΊΡΠΎΡΡ Π΅ΠΌΠΎΠΉ, ΡΠΎ ΡΡΠΎ Π·Π½Π°ΡΠΈΡΠ΅Π»ΡΠ½ΠΎ ΡΠΏΡΠΎΡΠ°Π΅Ρ Π·Π°Π΄Π°ΡΡ. ΠΡΠΎ Π·Π½Π°ΡΠΈΡ, ΡΡΠΎ Π²Π°ΠΌ Π½Π΅ Π½ΡΠΆΠ½ΠΎ ΠΌΠ°ΡΠΊΠΈΡΠΎΠ²Π°ΡΡ ΠΏΡΠΎΠ²ΠΎΠ΄Π° ΠΈΠ»ΠΈ Π·Π°ΠΏΠΎΠΌΠΈΠ½Π°ΡΡ ΡΡ Π΅ΠΌΡ ΠΈΡ ΠΏΠΎΠ΄ΠΊΠ»ΡΡΠ΅Π½ΠΈΡ ΠΊ ΠΊΠ»Π΅ΠΌΠΌΠ°ΠΌ Π·Π°ΠΌΠΊΠ° Π΄Π»Ρ Π΄Π°Π»ΡΠ½Π΅ΠΉΡΠ΅Π³ΠΎ ΠΏΠΎΠ΄ΠΊΠ»ΡΡΠ΅Π½ΠΈΡ. ΠΡΠ°ΠΊ, ΠΏΡΠΎΡΡΠΎ ΠΎΡΡΠΎΠ΅Π΄ΠΈΠ½ΡΠ΅ΠΌ ΠΌΠΈΠΊΡΠΎΡΡ Π΅ΠΌΡ Ρ ΠΏΡΠΎΠ²ΠΎΠ΄Π°ΠΌΠΈ.
Π£ΡΡΠ°Π½ΠΎΠ²ΠΊΠ° Π½ΠΎΠ²ΠΎΠ³ΠΎ Π·Π°ΠΌΠΊΠ°
ΠΠ°ΠΌΠΎΠΊ Π·Π°ΠΆΠΈΠ³Π°Π½ΠΈΡ ΠΎΡΠΊΠ»ΡΡΠ΅Π½. Π’Π΅ΠΏΠ΅ΡΡ ΠΌΠΎΠΆΠ½ΠΎ ΠΏΡΠΈΡΡΡΠΏΠΈΡΡ ΠΊ ΠΏΠΎΠ΄ΠΊΠ»ΡΡΠ΅Π½ΠΈΡ Π½ΠΎΠ²ΠΎΠ³ΠΎ.
ΠΠΎΠ΄ΠΊΠ»ΡΡΠ°Π΅ΠΌ ΠΊΠΎΠ½ΡΠ°ΠΊΡΠ½ΡΡ Π³ΡΡΠΏΠΏΡ ΠΏΡΠΎΠ²ΠΎΠ΄ΠΎΠ²
ΠΡΠ»ΠΈ Π²Π°ΠΌ ΠΏΠΎΡΡΠ°ΡΡΠ»ΠΈΠ²ΠΈΠ»ΠΎΡΡ ΡΡΠ°ΡΡ ΠΎΠ±Π»Π°Π΄Π°ΡΠ΅Π»Π΅ΠΌ ΠΌΠΈΠΊΡΠΎΡΡ Π΅ΠΌΡ, Π·Π°ΠΌΡΠΊΠ°ΡΡΠ΅ΠΉ ΠΏΡΠΎΠ²ΠΎΠ΄Π°, ΡΠΎ ΠΌΡ ΠΏΡΠΎΡΡΠΎ ΠΏΠΎΠ΄ΠΊΠ»ΡΡΠ°Π΅ΠΌ Π΅Π΅ ΠΊ Π½ΠΎΠ²ΠΎΠΌΡ Π·Π°ΠΌΠΊΡ.
ΠΠΎΠ΄ΠΊΠ»ΡΡΠ΅Π½ΠΈΠ΅ ΠΌΠΈΠΊΡΠΎΡΡ Π΅ΠΌΠΡΠ»ΠΈ ΠΌΠΈΠΊΡΠΎΡΡ Π΅ΠΌ Π½Π΅Ρ, ΡΠΎ ΠΏΠΎΠ΄ΠΊΠ»ΡΡΠ°Π΅ΠΌ ΠΊΠ°ΠΆΠ΄ΡΠΉ ΠΏΡΠΎΠ²ΠΎΠ΄ ΠΎΡΠ΄Π΅Π»ΡΠ½ΠΎ. ΠΠ΅ΡΠ΅ΠΌ Π² ΡΡΠΊΠΈ ΠΊΠ»Π΅ΠΌΠΌΠ½ΠΈΠΊ Π½ΠΎΠ²ΠΎΠ³ΠΎ Π·Π°ΠΌΠΊΠ° Π·Π°ΠΆΠΈΠ³Π°Π½ΠΈΡ ΡΠ°ΠΊ, ΡΡΠΎΠ±Ρ Π΅Π΄ΠΈΠ½ΡΡΠ²Π΅Π½Π½ΡΠΉ Π΄Π²ΠΎΠΉΠ½ΠΎΠΉ Π²ΡΠ²ΠΎΠ΄ Π½Π° Π½Π΅ΠΌ Π±ΡΠ» ΡΠΏΡΠ°Π²Π° ΠΈ Π½Π°Ρ ΠΎΠ΄ΠΈΠ»ΡΡ Π² Π²Π΅ΡΡΠΈΠΊΠ°Π»ΡΠ½ΠΎΠΌ ΠΏΠΎΠ»ΠΎΠΆΠ΅Π½ΠΈΠΈ. ΠΠ΅ΡΡ Π½ΠΈΠΉ ΠΎΡΡΠ΅ΠΊ Π΄Π²ΠΎΠΉΠ½ΠΎΠΉ ΠΊΠ»Π΅ΠΌΠΌΡ ΠΈΠΌΠ΅Π΅Ρ Π΄Π²ΠΎΠΉΠ½ΠΎΠΉ ΡΠ΅ΡΠ½ΡΠΉ ΠΏΡΠΎΠ²ΠΎΠ΄.
Π Π°ΡΠΏΠΈΠ½ΠΎΠ²ΠΊΠ° ΠΏΡΠΎΠ²ΠΎΠ΄ΠΊΠΈ ΠΏΠΎ ΡΠ²Π΅ΡΡΠΠ°Π»Π΅Π΅ Π΄Π²ΠΈΠ³Π°Π΅ΠΌΡΡ ΠΏΡΠΎΡΠΈΠ² ΡΠ°ΡΠΎΠ²ΠΎΠΉ ΡΡΡΠ΅Π»ΠΊΠΈ. Π‘Π»Π΅Π΄ΡΡΡΠΈΠΉ, ΠΊΠΎΡΠΎΡΡΠΉ Π½ΡΠΆΠ½ΠΎ ΠΏΠΎΠ΄ΠΊΠ»ΡΡΠΈΡΡ, — ΡΡΠΎ ΡΠΎΠ·ΠΎΠ²ΡΠΉ ΠΏΡΠΎΠ²ΠΎΠ΄, Π·Π° Π½ΠΈΠΌ ΡΠ»Π΅Π΄ΡΠ΅Ρ Π΄Π²ΠΎΠΉΠ½ΠΎΠΉ ΡΠΈΠ½ΠΈΠΉ, Π·Π°ΡΠ΅ΠΌ ΠΊΠΎΡΠΈΡΠ½Π΅Π²ΡΠΉ ΠΈ ΠΏΠΎΡΠ»Π΅Π΄Π½ΠΈΠΉ ΠΊΡΠ°ΡΠ½ΡΠΉ.ΠΡΠΎΠΌΠ΅ ΡΠΎΠ³ΠΎ, Π²Ρ ΠΌΠΎΠΆΠ΅ΡΠ΅ ΠΏΠΎΠ½ΡΡΡ ΡΠ°ΡΠΏΠΎΠ»ΠΎΠΆΠ΅Π½ΠΈΠ΅ ΠΏΡΠΎΠ²ΠΎΠ΄ΠΎΠ² Π½Π° ΠΊΠ»Π΅ΠΌΠΌΠ½ΠΎΠΉ ΠΊΠΎΠ»ΠΎΠ΄ΠΊΠ΅ ΠΏΠΎ ΡΠΈΡΡΠΎΠ²ΡΠΌ ΠΌΠ΅ΡΠΊΠ°ΠΌ, ΠΊΠΎΡΠΎΡΡΠ΅ ΠΌΠ°ΡΠΊΠΈΡΡΡΡ ΡΠ°ΠΌ Π±Π»ΠΎΠΊ. ΠΠΎΠ·Π»Π΅ ΠΊΠ°ΠΆΠ΄ΠΎΠΉ ΠΊΠ»Π΅ΠΌΠΌΡ Π΅ΡΡΡ ΠΎΠ±ΠΎΠ·Π½Π°ΡΠ΅Π½ΠΈΠ΅, ΡΡΠΈΡΡΠ²Π°ΠΉΡΠ΅ ΡΠΎΠΎΡΠ²Π΅ΡΡΡΠ²ΠΈΠ΅ ΠΊΠ»Π΅ΠΌΠΌ ΡΠ²Π΅ΡΠ°ΠΌ ΠΏΡΠΎΠ²ΠΎΠ΄ΠΎΠ²:
- 1NT — ΡΠ΅ΡΠ½ΡΠΉ Π΄Π²ΠΎΠΉΠ½ΠΎΠΉ ΠΏΡΠΎΠ²ΠΎΠ΄
- 30 — ΠΏΡΠΎΠ²ΠΎΠ΄ ΡΠΎΠ·ΠΎΠ²ΡΠΉ
- 15 — Π΄Π²ΠΎΠΉΠ½ΠΎΠΉ ΡΠΈΠ½ΠΈΠΉ ΠΏΡΠΎΠ²ΠΎΠ΄
- 30/1 — ΠΊΠΎΡΠΈΡΠ½Π΅Π²ΡΠΉ ΠΏΡΠΎΠ²ΠΎΠ΄
- 50 — ΠΊΡΠ°ΡΠ½ΡΠΉ ΠΏΡΠΎΠ²ΠΎΠ΄.
ΠΠ½ΠΎ Π΄Π²ΠΎΠΉΠ½ΠΎΠ³ΠΎ ΡΠ΅ΡΠΌΠΈΠ½Π°Π»Π° ΠΎΡΡΠ°Π΅ΡΡΡ ΠΏΡΡΡΡΠΌ — ΠΊΠ°ΠΊ ΠΈ Π΄ΠΎΠ»ΠΆΠ½ΠΎ Π±ΡΡΡ.ΠΠΎΠ½ΡΠ°ΠΊΡΡ ΠΏΠΎΠ΄ΠΊΠ»ΡΡΠ΅Π½Ρ.
ΠΠ°Π΄Π½ΡΡ ΡΠ°ΡΡΡ Π·Π°ΠΌΠΊΠ°Π‘ΡΠ°Π²ΠΈΠΌ Π·Π°ΠΌΠΎΠΊ Π½Π° ΠΌΠ΅ΡΡΠΎ ΠΈ Π·Π°ΠΊΠ°Π½ΡΠΈΠ²Π°Π΅ΠΌ ΡΠ°Π±ΠΎΡΡ
Π’Π΅ΠΏΠ΅ΡΡ ΠΏΠΎΡΠ° Π·Π°ΡΠΈΠΊΡΠΈΡΠΎΠ²Π°ΡΡ Π½ΠΎΠ²ΡΠΉ Π·Π°ΠΌΠΎΠΊ Π² ΠΈΡΡ ΠΎΠ΄Π½ΠΎΠΌ ΠΏΠΎΠ»ΠΎΠΆΠ΅Π½ΠΈΠΈ — ΡΠ»Π΅Π²Π° ΠΎΡ ΡΡΠ»Π΅Π²ΠΎΠ³ΠΎ ΠΊΠΎΠ»Π΅ΡΠ°.
ΠΡΠ°ΠΊ, Π²ΡΡΠ°Π²Π»ΡΠ΅ΠΌ ΠΊΠ»ΡΡ Π² Π·Π°ΠΌΠΎΠΊ ΠΈ ΡΠΈΠΊΡΠΈΡΡΠ΅ΠΌ Π² ΠΏΠΎΠ»ΠΎΠΆΠ΅Π½ΠΈΠΈ Β«0Β». ΠΠ°ΡΠ΅ΠΌ Π±Π΅ΡΠ΅ΠΌ ΡΠΈΠΊΡΠ°ΡΠΎΡ ΠΈ Π²ΡΡΠ°Π²Π»ΡΠ΅ΠΌ Π΅Π³ΠΎ Π² ΠΈΡΡ ΠΎΠ΄Π½ΠΎΠ΅ ΠΏΠΎΠ»ΠΎΠΆΠ΅Π½ΠΈΠ΅, ΠΏΡΠΈ ΡΡΠΎΠΌ ΠΏΠ°Π»ΡΡΠ°ΠΌΠΈ Β«ΠΎΠΏΡΡΠΊΠ°ΡΒ» Π±ΠΎΠΊΠΎΠ²ΠΎΠΉ ΡΠΈΠΊΡΠ°ΡΠΎΡ. Π’Π΅ΠΏΠ΅ΡΡ Π·Π°ΠΌΠΎΠΊ Π½Π° ΠΌΠ΅ΡΡΠ΅, ΡΠΎΠΎΡΠ²Π΅ΡΡΡΠ²Π΅Π½Π½ΠΎ ΠΌΠΎΠΆΠ½ΠΎ Π·Π°ΠΊΡΡΡΠΈΡΡ ΠΊΡΠ΅ΠΏΠ΅ΠΆΠ½ΡΠ΅ Π²ΠΈΠ½ΡΡ ΠΈ ΡΡΡΠ°Π½ΠΎΠ²ΠΈΡΡ Π΄Π΅ΠΊΠΎΡΠ°ΡΠΈΠ²Π½ΡΡ Π·Π°ΡΠΈΡΠ½ΡΡ ΠΊΡΡΡΠΊΡ.
ΠΡΠΎΠ²Π΅ΡΠΊΠ° ΡΠ°Π±ΠΎΡΡ Π½ΠΎΠ²ΠΎΠ³ΠΎ Π·Π°ΠΌΠΊΠ°
ΠΠΎΠ½ΡΠ°ΠΆΠ½ΡΠ΅ ΡΠ°Π±ΠΎΡΡ ΠΎΠΊΠΎΠ½ΡΠ΅Π½Ρ. Π’Π΅ΠΏΠ΅ΡΡ Π½ΡΠΆΠ½ΠΎ ΡΠ±Π΅Π΄ΠΈΡΡΡΡ, ΡΡΠΎ Π² ΠΌΠ°ΡΠΈΠ½Π΅ Π²ΡΠ΅ ΠΈΡΠΏΡΠ°Π²Π½ΠΎ. Π‘Π½Π°ΡΠ°Π»Π° ΠΏΠΎΠ΄ΠΊΠ»ΡΡΠ°Π΅ΠΌ Π°ΠΊΠΊΡΠΌΡΠ»ΡΡΠΎΡ. ΠΡΠ»ΠΈ ΡΠΈΡΡΠ΅ΠΌΠ° ΡΠ°Π±ΠΎΡΠ°Π΅Ρ ΠΏΡΠ°Π²ΠΈΠ»ΡΠ½ΠΎ, ΠΊΠΎΠ³Π΄Π° ΠΊΠ»ΡΡ ΡΡΡΠ°Π½ΠΎΠ²Π»Π΅Π½ Π² ΠΏΠΎΠ»ΠΎΠΆΠ΅Π½ΠΈΠ΅ Β«0Β», Π²ΡΠ΅ ΡΠΈΡΡΠ΅ΠΌΡ Π΄ΠΎΠ»ΠΆΠ½Ρ Π±ΡΡΡ Π²ΡΠΊΠ»ΡΡΠ΅Π½Ρ. Π ΠΏΠΎΠ»ΠΎΠΆΠ΅Π½ΠΈΠΈ Β«IΒ» ΠΏΠΈΡΠ°Π½ΠΈΠ΅ ΠΏΠΎΠ΄Π°Π΅ΡΡΡ Π½Π° ΡΠΈΡΡΠ΅ΠΌΡ ΡΠΏΡΠ°Π²Π»Π΅Π½ΠΈΡ Π΄Π²ΠΈΠ³Π°ΡΠ΅Π»Π΅ΠΌ, Π³Π΅Π½Π΅ΡΠ°ΡΠΎΡ, ΡΠ°ΡΡ, ΡΠΈΠ³Π½Π°Π»ΡΠ½ΡΠ΅ Π»Π°ΠΌΠΏΡ, ΠΎΠΌΡΠ²Π°ΡΠ΅Π»ΠΈ ΠΈ ΠΎΡΠΈΡΡΠΈΡΠ΅Π»ΠΈ ΡΡΠ΅ΠΊΠΎΠ», ΠΎΠΊΠΎΠ½ ΠΈ ΠΏΡΠΈΠ±ΠΎΡΠΎΠ² ΡΠΏΡΠ°Π²Π»Π΅Π½ΠΈΡ.
Π ΠΏΠΎΠ»ΠΎΠΆΠ΅Π½ΠΈΠΈ Β«IIΒ» Π½Π°ΠΏΡΡΠΆΠ΅Π½ΠΈΠ΅ ΠΏΠΎΠ΄Π°Π΅ΡΡΡ Π½Π° ΡΠ΅ ΠΆΠ΅ ΡΠΈΡΡΠ΅ΠΌΡ ΠΈ, ΠΊΡΠΎΠΌΠ΅ ΡΠΎΠ³ΠΎ, Π·Π°ΠΏΡΡΠΊΠ°Π΅ΡΡΡ ΡΡΠ°ΡΡΠ΅Ρ.ΠΡΠΈ ΠΏΡΠ°Π²ΠΈΠ»ΡΠ½ΠΎΠΉ ΡΠ°Π±ΠΎΡΠ΅ Π±Π»ΠΎΠΊΠΈΡΠΎΠ²ΠΊΠΈ ΡΠΈΠΊΡΠΈΡΡΡΡΠΈΠΉ ΡΡΠ΅ΡΠΆΠ΅Π½Ρ ΠΏΡΠΎΡΠΈΠ²ΠΎΡΠ³ΠΎΠ½Π½ΠΎΠ³ΠΎ ΠΌΠ΅Ρ Π°Π½ΠΈΠ·ΠΌΠ° Π±ΡΠ΄Π΅Ρ Π²ΡΠ΄Π²ΠΈΠ³Π°ΡΡΡΡ ΠΈ Π²ΡΡΠ³ΠΈΠ²Π°ΡΡΡΡ ΠΏΡΠΈ ΠΏΠ΅ΡΠ΅ΠΌΠ΅ΡΠ΅Π½ΠΈΠΈ ΠΊΠ»ΡΡΠ° ΠΈΠ· ΠΏΠΎΠ»ΠΎΠΆΠ΅Π½ΠΈΡ Β«0Β» (ΠΎΡΠΊΠ»ΡΡΠ΅Π½ΠΎ) Π² ΠΏΠΎΠ»ΠΎΠΆΠ΅Π½ΠΈΠ΅ Β«IΒ» ΠΈ ΠΎΠ±ΡΠ°ΡΠ½ΠΎ.
ΠΠ°ΠΊ Π²ΠΈΠ΄ΠΈΡΠ΅, Π½ΠΈΡΠ΅Π³ΠΎ ΡΠ²Π΅ΡΡ ΡΠ΅ΡΡΠ΅ΡΡΠ²Π΅Π½Π½ΠΎΠ³ΠΎ Π½Π΅Ρ — Π·Π°ΠΌΠΎΠΊ Π·Π°ΠΆΠΈΠ³Π°Π½ΠΈΡ ΠΌΠΎΠΆΠ½ΠΎ Π·Π°ΠΌΠ΅Π½ΠΈΡΡ ΡΠ°ΠΌΠΎΡΡΠΎΡΡΠ΅Π»ΡΠ½ΠΎ, Π½Π΅ ΠΎΠ±ΡΠ°ΡΠ°ΡΡΡ Π·Π° ΠΏΠΎΠΌΠΎΡΡΡ Π² Π‘Π’Π. ΠΠ»Π°Π²Π½ΠΎΠ΅ — Π½Π΅ΠΌΠ½ΠΎΠ³ΠΎ ΡΠ΅ΡΠΏΠ΅Π½ΠΈΡ, Π·Π½Π°Π½ΠΈΠΉ, ΠΈ Π²Ρ ΠΎΡΠ²ΠΎΠΈΡΠ΅ Π½Π΅ΡΠ»ΠΎΠΆΠ½ΡΠΉ ΡΠ΅ΠΌΠΎΠ½Ρ Π°Π²ΡΠΎΠΌΠΎΠ±ΠΈΠ»Ρ. Π Β«ΡΠ΅ΡΡΠ΅ΡΠΊΠ°Β» Π΅ΡΠ΅ Π΄ΠΎΠ»Π³ΠΎ Π±ΡΠ΄Π΅Ρ ΡΠ°Π΄ΠΎΠ²Π°ΡΡ ΡΠ²ΠΎΠ΅ΠΉ Π²Π΅ΡΠ½ΠΎΠΉ ΡΠ»ΡΠΆΠ±ΠΎΠΉ.Π£Π΄Π°ΡΠΈ Π½Π° Π΄ΠΎΡΠΎΠ³Π°Ρ !
ΠΡΠΊΠ»ΡΡΠ°ΡΠ΅Π»ΠΈ Π·Π°ΠΆΠΈΠ³Π°Π½ΠΈΡ ΠΠΠ 2101-07
Π‘Ρ Π΅ΠΌΠ° ΠΏΠΎΠ΄ΠΊΠ»ΡΡΠ΅Π½ΠΈΡ ΠΠΠ 2106 Π΄ΠΎΠ²ΠΎΠ»ΡΠ½ΠΎ ΠΏΡΠΎΡΡΠ°Ρ. ΠΠ»Π΅ΠΌΠ΅Π½ΡΡ ΡΡΠΎΠΉ ΡΠ°Π·Π²ΠΎΠ΄ΠΊΠΈ ΠΏΠΎΠ΄ΠΊΠ»ΡΡΠ°ΡΡΡΡ ΠΏΠΎ ΠΎΠ΄Π½ΠΎΠΏΡΠΎΠ²ΠΎΠ΄Π½ΠΎΠΌΡ ΠΏΡΠΈΠ½ΡΠΈΠΏΡ. Π’ΠΎ Π΅ΡΡΡ ΠΎΡΡΠΈΡΠ°ΡΠ΅Π»ΡΠ½ΡΠ΅ ΠΊΠΎΠ½ΡΠ°ΠΊΡΡ ΡΠ»Π΅ΠΊΡΡΠΈΡΠ΅ΡΠΊΠΈΡ ΡΡΡΡΠΎΠΉΡΡΠ² ΠΏΠΎΠ΄ΠΊΠ»ΡΡΠ΅Π½Ρ ΠΊ ΠΌΠ°ΡΡΠ΅ Π°Π²ΡΠΎΠΌΠΎΠ±ΠΈΠ»Ρ. Π‘ΠΎΠ΅Π΄ΠΈΠ½Π΅Π½ΠΈΠ΅ ΠΌΠ΅ΠΆΠ΄Ρ ΠΏΡΠΎΠ²ΠΎΠ΄Π°ΠΌΠΈ ΠΎΠ±Π΅ΡΠΏΠ΅ΡΠΈΠ²Π°Π΅ΡΡΡ ΡΠΎΠ»ΡΠΊΠΎ ΠΏΠΎΠ»ΠΎΠΆΠΈΡΠ΅Π»ΡΠ½ΡΠΌΠΈ ΠΊΠ»Π΅ΠΌΠΌΠ°ΠΌΠΈ.
ΠΠ»Π΅ΠΊΡΡΠΎΠΏΡΠΎΠ²ΠΎΠ΄ΠΊΠ° Π°Π²ΡΠΎΠΌΠΎΠ±ΠΈΠ»Ρ
Π’Π°ΠΊΡΡ ΡΠ»Π΅ΠΊΡΡΠΎΠΏΡΠΎΠ²ΠΎΠ΄ΠΊΡ Π² Π½Π°ΡΠΎΠ΄Π΅ Π½Π°Π·ΡΠ²Π°ΡΡ ΠΊΠ»Π°ΡΡΠΈΡΠ΅ΡΠΊΠΎΠΉ ΠΏΠΎ Π½Π΅ΡΠΊΠΎΠ»ΡΠΊΠΈΠΌ ΠΏΡΠΈΡΠΈΠ½Π°ΠΌ:
- Π½Π°ΡΠ°Π»ΠΎ ΡΠ°Π±ΠΎΡΡ ΡΠ»Π΅ΠΊΡΡΠΈΡΠ΅ΡΠΊΠΈΡ ΡΠ΅ΠΏΠ΅ΠΉ ΠΏΡΠΎΠΈΡΡ ΠΎΠ΄ΠΈΡ Π½Π΅ΠΏΠΎΡΡΠ΅Π΄ΡΡΠ²Π΅Π½Π½ΠΎ ΡΠ΅ΡΠ΅Π· Π²ΡΠΊΠ»ΡΡΠ°ΡΠ΅Π»Ρ Π·Π°ΠΆΠΈΠ³Π°Π½ΠΈΡ;
- Π°ΠΊΠΊΡΠΌΡΠ»ΡΡΠΎΡ ΠΏΠΎΠ΄ΠΊΠ»ΡΡΠ°Π΅ΡΡΡ Π½Π΅ΠΏΠΎΡΡΠ΅Π΄ΡΡΠ²Π΅Π½Π½ΠΎ ΠΊ Π±Π»ΠΎΠΊΡ ΠΏΡΠ΅Π΄ΠΎΡ ΡΠ°Π½ΠΈΡΠ΅Π»Π΅ΠΉ;
- ΠΠΎΡΠΏΡΡΠ°, ΠΏΡΠΎΠ²ΠΎΠ΄ΡΡΠΈΠ΅ ΡΠΎΠΊ, ΡΠ°ΡΠΏΠΎΠ»ΠΎΠΆΠ΅Π½Ρ Π² ΠΊΠ»ΡΡΠ΅Π²ΡΡ ΡΠ·Π»Π°Ρ .
ΠΡΠΈΠΌΠ΅ΡΠ°Π½ΠΈΠ΅: ΠΡΠ»ΠΈ Π²ΡΡΠ»Π° ΠΈΠ· ΡΡΡΠΎΡ ΠΎΠ΄Π½Π° ΠΈΠ· ΡΠΈΡΡΠ΅ΠΌ, ΡΠΎ Π² ΠΏΠ΅ΡΠ²ΡΡ ΠΎΡΠ΅ΡΠ΅Π΄Ρ Π½Π΅ΠΎΠ±Ρ ΠΎΠ΄ΠΈΠΌΠΎ ΠΏΠΎΠΈΡΠΊΠ°ΡΡ ΠΏΠΎΠ»ΠΎΠΌΠΊΡ Π² Π·Π°ΠΌΠΊΠ΅ Π·Π°ΠΆΠΈΠ³Π°Π½ΠΈΡ ΠΈΠ»ΠΈ Π² ΠΊΠΎΠ½ΡΠ°ΠΊΡΠ½ΡΡ Π³ΡΡΠΏΠΏΠ°Ρ .
ΠΡΠΈΠ½ΡΠΈΠΏΡ ΡΠ°Π±ΠΎΡΡ ΡΠ»Π΅ΠΊΡΡΠΎΠΎΠ±ΠΎΡΡΠ΄ΠΎΠ²Π°Π½ΠΈΡ ΠΠΠ 2106
Π‘ΡΡΠ΅ΡΡΠ²ΡΠ΅Ρ ΡΠ΅ΡΡΡΠ΅ ΡΠ΅ΠΆΠΈΠΌΠ° ΡΠ°Π±ΠΎΡΡ Π·Π°ΠΌΠΊΠ° Π·Π°ΠΆΠΈΠ³Π°Π½ΠΈΡ. ΠΠ°ΠΆΠ΄Π°Ρ ΡΠ°Π·Π° ΠΈΠΌΠ΅Π΅Ρ ΡΠ°Π·Π»ΠΈΡΠ½ΡΡ ΡΡΠ½ΠΊΡΠΈΠΎΠ½Π°Π»ΡΠ½ΠΎΡΡΡ:
- Π€Π°Π·Π° Β«0Β». Π ΡΡΠΎΠΌ ΡΠ΅ΠΆΠΈΠΌΠ΅ Π·Π°ΠΏΠΈΡΠ°Π½Ρ ΡΠΎΠ»ΡΠΊΠΎ ΠΏΡΠΎΠ²ΠΎΠ΄Π° 30 ΠΈ 30/1. ΠΡΡΠ°Π»ΡΠ½ΡΠ΅ ΡΡΠ½ΠΊΡΠΈΠΈ Π½Π΅ ΡΠ°Π±ΠΎΡΠ°ΡΡ;
- Π€Π°Π·Π° Β«1Β».Π₯ΠΎΠ΄ΠΎΠ²ΡΠ΅ ΠΎΠ³Π½ΠΈ, ΠΏΡΠΎΡΠΈΠ²ΠΎΡΡΠΌΠ°Π½Π½ΡΠ΅ ΡΠ°ΡΡ, Π΄Π²ΠΎΡΠ½ΠΈΠΊΠΈ, Π΄Π²ΠΈΠ³Π°ΡΠ΅Π»Ρ ΠΏΠ΅ΡΠΊΠΈ ΡΠ°Π±ΠΎΡΠ°ΡΡ;
- Π€Π°Π·Π° Β«2Β». ΠΠ°ΡΠΈΠ½Π°ΡΡ ΡΠ°Π±ΠΎΡΠ°ΡΡ ΠΏΠΎΠ²ΠΎΡΠΎΡΠ½ΠΈΠΊΠΈ, ΠΏΠ°Π½Π΅Π»Ρ ΠΏΡΠΈΠ±ΠΎΡΠΎΠ² ΠΈ ΡΠΈΡΡΠ΅ΠΌΠ° Π·Π°ΠΆΠΈΠ³Π°Π½ΠΈΡ;
- Π€Π°Π·Π° Β«3Β». ΠΠ° ΡΡΠΎΠΌ ΡΡΠ°ΠΏΠ΅ Π·Π°ΠΏΡΡΠΊΠ°Π΅ΡΡΡ ΡΡΠ°ΡΡΠ΅Ρ Π°Π²ΡΠΎΠΌΠΎΠ±ΠΈΠ»Ρ.
ΠΠ΅ΠΊΠΎΡΠΎΡΡΠ΅ Π°Π²ΡΠΎΠΌΠΎΠ±ΠΈΠ»ΠΈ ΠΠΠ 2106 ΠΈΠΌΠ΅ΡΡ Π΄ΠΎΠΏΠΎΠ»Π½ΠΈΡΠ΅Π»ΡΠ½ΡΠ΅ Π°ΠΊΡΠ΅ΡΡΡΠ°ΡΡ, ΡΠ°ΠΊΠΈΠ΅ ΠΊΠ°ΠΊ ΠΎΡΠΎΠΏΠΈΡΠ΅Π»ΡΠ½ΡΠΉ ΠΊΠΎΠΌΠΏΠ»Π΅ΠΊΡ, Π°Π²ΡΠΎΠΌΠ°ΡΠΈΡΠ΅ΡΠΊΠΈΠ΅ ΠΎΠΌΡΠ²Π°ΡΠ΅Π»ΠΈ ΠΈ ΠΌΠ½ΠΎΠ³ΠΎΠ΅ Π΄ΡΡΠ³ΠΎΠ΅. ΠΠ°ΠΏΡΡΠΊ ΡΡΠΈΡ Π½Π°Π΄ΡΡΡΠΎΠ΅ΠΊ ΠΏΡΠΎΠΈΡΡ ΠΎΠ΄ΠΈΡ Π² ΡΠ°Π·Π°Ρ 1 ΠΈ 2.
ΠΠ²Π°ΡΠΈΠΉΠ½Π°Ρ ΡΠΈΡΡΠ΅ΠΌΠ°, Π·Π²ΡΠΊΠΎΠ²ΠΎΠΉ ΡΠΈΠ³Π½Π°Π», ΡΡΠΎΠΏ-ΡΠΈΠ³Π½Π°Π»Ρ, ΠΏΡΠΈΠΊΡΡΠΈΠ²Π°ΡΠ΅Π»Ρ, ΠΏΠΎΠ΄ΡΠ²Π΅ΡΠΊΠ° ΠΏΡΠΈΠ±ΠΎΡΠΎΠ² ΡΠ°Π±ΠΎΡΠ°ΡΡ Π² ΠΏΠΎΡΡΠΎΡΠ½Π½ΠΎΠΌ ΡΠ΅ΠΆΠΈΠΌΠ΅, ΡΠΎ Π΅ΡΡΡ Π½Π΅Π·Π°Π²ΠΈΡΠΈΠΌΠΎ ΠΎΡ ΠΏΠΎΠ»ΠΎΠΆΠ΅Π½ΠΈΡ ΠΊΠ»ΡΡΠ° Π½Π° Π»ΡΠ±ΠΎΠΉ ΡΠ°Π·Π΅.
ΠΠ»ΠΎΠΊ Π±Π΅Π·ΠΎΠΏΠ°ΡΠ½ΠΎΡΡΠΈ — ΡΡΠΎ ΡΠ»Π΅ΠΌΠ΅Π½Ρ ΡΠ»Π΅ΠΊΡΡΠΎΠΏΡΠΎΠ²ΠΎΠ΄ΠΊΠΈ. Π ΡΠΎΠΆΠ°Π»Π΅Π½ΠΈΡ, ΡΡΠΎ Π½Π΅ ΡΠΎΠΎΡΠ²Π΅ΡΡΡΠ²ΡΠ΅Ρ ΡΡΠ΅Π±ΠΎΠ²Π°Π½ΠΈΡΠΌ, ΠΏΡΠ΅Π΄ΡΡΠ²Π»ΡΠ΅ΠΌΡΠΌ ΡΠΎΠ²ΡΠ΅ΠΌΠ΅Π½Π½ΡΠΌΠΈ ΡΠΏΠ΅ΡΠΈΠ°Π»ΠΈΡΡΠ°ΠΌΠΈ.
- ΠΏΡΠ΅Π΄ΠΎΡ ΡΠ°Π½ΠΈΡΠ΅Π»Ρ ΠΈ ΡΠΎΠ·Π΅ΡΠΊΠ° ΡΠΎΠ΅Π΄ΠΈΠ½Π΅Π½Ρ Π½Π΅Π½Π°Π΄Π΅ΠΆΠ½ΠΎ, ΡΡΠΎ ΠΏΡΠΈΠ²ΠΎΠ΄ΠΈΡ ΠΊ ΠΎΠΆΠΎΠ³Π°ΠΌ;
- ΠΠ°ΡΠΈΡΠ½ΡΠΉ ΡΠ»Π΅ΠΌΠ΅Π½Ρ Π½Π°Π³ΡΠ΅Π²Π°Π΅ΡΡΡ Π²ΠΎ Π²ΡΠ΅ΠΌΡ ΠΈΡΠΏΠΎΠ»ΡΠ·ΠΎΠ²Π°Π½ΠΈΡ.
- ΡΡΠΎ ΠΎΡΠ΅Π½Ρ ΠΏΠ»ΠΎΡ ΠΎ Π΄Π»Ρ Π±Π»ΠΈΠΆΠ°ΠΉΡΠΈΡ Π³Π½Π΅Π·Π΄;
ΠΠΎΠΌΠΌΠ΅ΡΡΠ΅ΡΠΊΠΈΠ΅ ΠΏΡΠ΅Π΄ΠΎΡ ΡΠ°Π½ΠΈΡΠ΅Π»ΠΈ ΠΎΠ±ΡΡΠ½ΠΎ Π½Π΅Π½Π°Π΄Π΅ΠΆΠ½Ρ. ΠΠ·-Π·Π° ΡΡΠΎΠ³ΠΎ ΡΡΠΎΠΈΡ ΡΠ΅Π³ΡΠ»ΡΡΠ½ΠΎ ΠΏΡΠΎΠ²Π΅ΡΡΡΡ.
ΠΠ° Π·Π°ΠΌΠ΅ΡΠΊΡ.ΠΠ° ΠΠΠ-Π΅ 2106 ΠΈΡΠΏΠΎΠ»ΡΠ·ΡΡΡΡΡ Β«ΠΆΡΡΠΊΠΈΒ». ΠΠ½ΠΈ ΠΎΠΏΠ°ΡΠ½Ρ ΡΠ΅ΠΌ, ΡΡΠΎ ΡΡΡΠ΅ΡΡΠ²ΡΠ΅Ρ Π΄ΠΎΡΡΠ°ΡΠΎΡΠ½ΠΎ Π±ΠΎΠ»ΡΡΠΎΠΉ ΡΠΈΡΠΊ ΠΊΠΎΡΠΎΡΠΊΠΎΠ³ΠΎ Π·Π°ΠΌΡΠΊΠ°Π½ΠΈΡ, ΠΊΠΎΡΠΎΡΠΎΠ΅ ΠΌΠΎΠΆΠ΅Ρ ΠΏΡΠΈΠ²Π΅ΡΡΠΈ ΠΊ Π²ΠΎΠ·Π³ΠΎΡΠ°Π½ΠΈΡ ΡΡΠ°Π½ΡΠΏΠΎΡΡΠ½ΡΡ ΡΡΠ΅Π΄ΡΡΠ².
Π‘Π»Π΅Π΄ΠΎΠ²Π°ΡΠ΅Π»ΡΠ½ΠΎ, Π΄Π»Ρ Π±ΠΎΠ»ΡΡΠ΅ΠΉ Π±Π΅Π·ΠΎΠΏΠ°ΡΠ½ΠΎΡΡΠΈ Π½Π΅ΠΎΠ±Ρ ΠΎΠ΄ΠΈΠΌΠΎ Π·Π°ΠΌΠ΅Π½ΠΈΡΡ Β«ΠΆΡΡΠΊΠΈΒ» Π½Π° ΠΏΡΠ΅Π΄ΠΎΡ ΡΠ°Π½ΠΈΡΠ΅Π»ΠΈ Π½ΠΎΠΆΠ΅Π²ΠΎΠ³ΠΎ ΡΠΈΠΏΠ°. ΠΡ ΠΎΡΠΎΠ±Π΅Π½Π½ΠΎΡΡΠΈ:
- ΡΡΠ°Π±ΠΈΠ»ΡΠ½Π°Ρ ΡΠ²ΡΠ·Ρ Ρ Π΄ΡΡΠ³ΠΈΠΌΠΈ ΡΠ»Π΅ΠΌΠ΅Π½ΡΠ°ΠΌΠΈ;
- ΠΏΠ»Π°Π²ΠΊΠΈΠΉ ΡΠ»Π΅ΠΌΠ΅Π½Ρ Π·Π°Π»ΠΈΡ ΠΏΠΎΠ»ΠΈΠ²ΠΈΠ½ΠΈΠ»Ρ Π»ΠΎΡΠΈΠ΄ΠΎΠΌ;
- ΡΠΌΠ΅Π½ΡΡΠ°Π΅Ρ ΡΠ΅ΠΏΠ»ΠΎ Π·Π° ΡΡΠ΅Ρ ΡΠ°ΡΡΠ΅ΠΈΠ²Π°Π½ΠΈΡ ΡΠ΅ΠΏΠ»Π° Π·Π° ΡΡΠ΅Ρ ΡΠ²Π΅Π»ΠΈΡΠ΅Π½ΠΈΡ ΠΏΠ»ΠΎΡΠ°Π΄ΠΈ ΠΊΠΎΠ½ΡΠ°ΠΊΡΠ°.
ΠΠ°ΠΌΠΎΠΊ Π·Π°ΠΆΠΈΠ³Π°Π½ΠΈΡ
Π’Π°ΠΊΠΆΠ΅ ΠΌΠΎΠΆΠ½ΠΎ ΠΏΡΠΎΠ²Π΅ΡΡΠΈ ΡΠ°Π±ΠΎΡΡ ΠΏΠΎ Π·Π°ΠΌΠ΅Π½Π΅ ΡΠΈΡΡΠ΅ΠΌΡ Π·Π°ΠΆΠΈΠ³Π°Π½ΠΈΡ Π² Π΄ΠΎΠΌΠ°ΡΠ½ΠΈΡ ΡΡΠ»ΠΎΠ²ΠΈΡΡ . ΠΠΎ Π΅ΡΠ»ΠΈ Π²Ρ Π½Π΅ ΡΠ²Π΅ΡΠ΅Π½Ρ Π² ΡΠ²ΠΎΠΈΡ ΡΠΈΠ»Π°Ρ , ΡΠΎ ΠΌΠΎΠΆΠ΅ΡΠ΅ ΠΎΠ±ΡΠ°ΡΠΈΡΡΡΡ Π² ΡΠ΅ΡΠ²ΠΈΡ. Π‘ΡΠΎΠΈΠΌΠΎΡΡΡ ΡΠ΅ΠΌΠΎΠ½ΡΠ° Π±ΡΠ΄Π΅Ρ Π½Π΅ ΠΎΡΠ΅Π½Ρ Π²ΡΡΠΎΠΊΠΎΠΉ.
Π‘ΠΈΡΡΠ΅ΠΌΠ° Π·Π°ΠΆΠΈΠ³Π°Π½ΠΈΡ ΡΠΎΡΡΠΎΠΈΡ ΠΈΠ· ΡΠ»Π΅Π΄ΡΡΡΠΈΡ ΡΠ°ΡΡΠ΅ΠΉ:
- ΡΠ°ΠΌ ΠΊΠΎΡΠΏΡΡ;
- Π΄ΠΈΡΠΊ ΡΠΎΠΊΠΎΠΏΡΠΈΠ΅ΠΌΠ½ΠΈΠΊΠ°;
- ΡΠ΄ΡΠΎ;
- ΡΠΎΠ»ΠΈΠΊΠΎΠ²ΡΠΉ;
- Π²ΡΡΠ»ΠΊΠ° Π΄Π»Ρ ΡΠΎΠ΅Π΄ΠΈΠ½ΠΈΡΠ΅Π»ΡΠ½ΡΡ ΠΊΠΎΠ½ΡΠ°ΠΊΡΠΎΠ²;
- Π±Π»ΠΎΠΊ.
Π’Π°ΠΊΠΈΠΌ ΠΎΠ±ΡΠ°Π·ΠΎΠΌ, ΡΡΡΡΠΎΠΉΡΡΠ²ΠΎ ΡΠ»Π΅ΠΊΡΡΠΎΠΎΠ±ΠΎΡΡΠ΄ΠΎΠ²Π°Π½ΠΈΡ ΠΠΠ 2106 Π΄ΠΎΡΡΠ°ΡΠΎΡΠ½ΠΎ ΠΏΡΠΎΡΡΠΎΠ΅ ΠΈ ΡΡ ΠΎΠ΄ Π·Π° Π½ΠΈΠΌ ΡΠ°ΠΊΠΆΠ΅ Π½Π΅ ΡΠΎΡΡΠ°Π²ΠΈΡ ΡΡΡΠ΄Π° Π΄Π°ΠΆΠ΅ Π½ΠΎΠ²ΠΈΡΠΊΡ Π² Π°Π²ΡΠΎΠΌΠΎΠ±ΠΈΠ»ΡΠ½ΠΎΠΌ Π΄Π΅Π»Π΅.
ΠΠ°ΠΌΠΎΠΊ Π·Π°ΠΆΠΈΠ³Π°Π½ΠΈΡ ΠΠΠ 2106 — Π΄ΠΎΠ²ΠΎΠ»ΡΠ½ΠΎ ΠΏΡΠΎΡΡΠΎΠΉ ΠΌΠ΅Ρ Π°Π½ΠΈΠ·ΠΌ. Π Π΅Π³ΠΎ ΡΡ Π΅ΠΌΡ Π²Ρ ΠΎΠ΄ΡΡ Π²ΡΠ΅Π³ΠΎ ΡΠ΅ΡΡΡΠ΅ ΠΎΡΠ½ΠΎΠ²Π½ΡΡ ΡΠ»Π΅ΠΌΠ΅Π½ΡΠ°: ΠΊΠΎΡΠΏΡΡ, ΠΊΠΎΠ½ΡΠ°ΠΊΡΠ½Π°Ρ Π³ΡΡΠΏΠΏΠ°, ΠΏΡΠΎΡΠΈΠ²ΠΎΡΠ³ΠΎΠ½Π½Π°Ρ ΡΠΈΡΡΠ΅ΠΌΠ° ΠΈ ΡΠ°ΠΌ Π·Π°ΠΌΠΎΠΊ. ΠΡΠ΅ ΡΡΠΈ ΡΠ»Π΅ΠΌΠ΅Π½ΡΡ ΡΠ΅ΡΠ½ΠΎ ΡΠ²ΡΠ·Π°Π½Ρ ΠΌΠ΅ΠΆΠ΄Ρ ΡΠΎΠ±ΠΎΠΉ, Π½ΠΎ ΠΏΡΠΈ Π²ΡΡ ΠΎΠ΄Π΅ ΠΈΠ· ΡΡΡΠΎΡ ΠΊΠ°ΠΊΠΎΠ³ΠΎ-Π»ΠΈΠ±ΠΎ ΠΈΠ· Π½ΠΈΡ ΠΈΡ ΠΌΠΎΠΆΠ½ΠΎ Π·Π°ΠΌΠ΅Π½ΠΈΡΡ ΠΎΡΠ΄Π΅Π»ΡΠ½ΠΎ.
Π£ΡΡΡΠΎΠΉΡΡΠ²ΠΎ
ΠΠ°ΠΆΠ΄ΡΠΉ ΠΈΠ· Π²ΡΡΠ΅ΠΏΠ΅ΡΠ΅ΡΠΈΡΠ»Π΅Π½Π½ΡΡ ΡΠ»Π΅ΠΌΠ΅Π½ΡΠΎΠ² ΠΈΠΌΠ΅Π΅Ρ ΠΎΡΠ΄Π΅Π»ΡΠ½ΡΠΉ Π΄ΠΈΠ·Π°ΠΉΠ½.ΠΡΠ»ΠΈ ΡΠ°ΡΡΠΌΠ°ΡΡΠΈΠ²Π°ΡΡ Π·Π°ΠΌΠΎΠΊ Π·Π°ΠΆΠΈΠ³Π°Π½ΠΈΡ Π±ΠΎΠ»Π΅Π΅ ΠΏΠΎΠ΄ΡΠΎΠ±Π½ΠΎ, ΡΠΎ ΠΌΠΎΠΆΠ½ΠΎ ΠΎΡΠΌΠ΅ΡΠΈΡΡ ΡΠ°ΠΊΠΈΠ΅ Π΄Π΅ΡΠ°Π»ΠΈ, ΠΊΠ°ΠΊ: ΠΊΠΎΠ½ΡΠΎΠ»Ρ Π·Π°ΠΏΠΈΡΠ°Π½ΠΈΡ, ΠΊΠΎΡΠΏΡΡ, Π²Π°Π», Π΄ΠΈΡΠΊ Ρ ΠΊΠΎΠ½ΡΠ°ΠΊΡΠ°ΠΌΠΈ, Π²ΡΡΠ»ΠΊΠ°, ΠΊΠΎΠ»ΠΎΠ΄ΠΊΠ°, Π²ΡΡΠ΅Π· Π³ΡΡΠΏΠΏΡ ΠΊΠΎΠ½ΡΠ°ΠΊΡΠΎΠ².
ΠΠ»ΠΎΠΊΠΈΡΠΎΠ²ΠΊΠ° ΠΊΠΎΠ½ΡΠΎΠ»ΠΈ ΠΎΡΠ²Π΅ΡΠ°Π΅Ρ Π·Π° Π±Π»ΠΎΠΊΠΈΡΠΎΠ²ΠΊΡ ΡΡΠ»Ρ, Π΅ΡΠ»ΠΈ Π² Π·Π°ΠΌΠΊΠ΅ Π½Π΅Ρ ΠΊΠ»ΡΡΠ° Π·Π°ΠΆΠΈΠ³Π°Π½ΠΈΡ. ΠΠΎΡΠΏΡΡ ΡΠ²Π»ΡΠ΅ΡΡΡ Π·Π°ΡΠΈΡΠ½ΡΠΌ ΡΠ»Π΅ΠΌΠ΅Π½ΡΠΎΠΌ ΠΈ Π·Π°ΠΊΡΡΠ²Π°Π΅Ρ Π²ΡΡ ΠΊΠΎΠ½ΡΡΡΡΠΊΡΠΈΡ Π·Π°ΠΌΠΊΠ°. ΠΠ°Π» ΠΎΡΠ²Π΅ΡΠ°Π΅Ρ Π·Π° Π²ΡΠ°ΡΠ΅Π½ΠΈΠ΅ Π΄ΠΈΡΠΊΠ° Ρ ΠΊΠΎΠ½ΡΠ°ΠΊΡΠ°ΠΌΠΈ ΠΏΠΎ ΠΎΡΠ½ΠΎΡΠ΅Π½ΠΈΡ ΠΊ Π²ΡΡΠ»ΠΊΠ΅ ΠΈ ΠΎΠ±ΡΠ°Π·ΡΠ΅Ρ ΠΊΠΎΠ½ΡΠ°ΠΊΡ ΠΌΠ΅ΠΆΠ΄Ρ Π½ΠΈΠΌΠΈ.ΠΠ»ΠΎΠΊ ΠΈ Π³ΡΡΠΏΠΏΠ° ΠΊΠΎΠ½ΡΠ°ΠΊΡΠΎΠ², Π² ΡΠ²ΠΎΡ ΠΎΡΠ΅ΡΠ΅Π΄Ρ, ΠΏΠΎΠ΄ΠΊΠ»ΡΡΠ°ΡΡΡΡ ΠΊ ΠΎΠ±ΡΠ΅ΠΉ ΡΠΈΡΡΠ΅ΠΌΠ΅ Π·Π°ΠΆΠΈΠ³Π°Π½ΠΈΡ Π°Π²ΡΠΎΠΌΠΎΠ±ΠΈΠ»Ρ ΠΈ ΡΠ΅ΡΠ΅Π· ΠΊΠ°ΡΡΡΠΊΡ Π·Π°ΠΆΠΈΠ³Π°Π½ΠΈΡ ΠΏΠ΅ΡΠ΅Π΄Π°ΡΡ ΠΏΠΎΠ»ΡΡΠ΅Π½Π½ΡΠΉ ΠΊΠΎΠ½ΡΠ°ΠΊΡ ΡΠ°ΡΠΏΡΠ΅Π΄Π΅Π»ΠΈΡΠ΅Π»Ρ.
ΠΠ°ΠΌΠ΅Π½Π° ΠΏΡΠΈΠ±ΠΎΡΠ°
ΠΠ΅ΡΠ΅Π΄ Π·Π°ΠΌΠ΅Π½ΠΎΠΉ Π·Π°ΠΌΠΊΠ° Π·Π°ΠΆΠΈΠ³Π°Π½ΠΈΡ ΡΡΠΎΠΈΡ ΠΎΠΏΡΠ΅Π΄Π΅Π»ΠΈΡΡ, ΠΌΠΎΠΆΠ½ΠΎ Π»ΠΈ Π΅Π³ΠΎ ΠΎΡΡΠ΅ΠΌΠΎΠ½ΡΠΈΡΠΎΠ²Π°ΡΡ. ΠΠ½ΠΎΠ³Π΄Π° Π·Π°ΠΌΠ΅Π½Π° ΠΏΡΠΎΡΡΠΎ Π½Π΅ΡΠ΅Π»Π΅ΡΠΎΠΎΠ±ΡΠ°Π·Π½Π°, ΡΠ°ΠΊ ΠΊΠ°ΠΊ ΠΏΠΎΠ»ΠΎΠΌΠΊΠ° ΠΌΠΎΠΆΠ΅Ρ Π±ΡΡΡ Π½Π΅Π·Π½Π°ΡΠΈΡΠ΅Π»ΡΠ½ΠΎΠΉ, Π° ΠΏΡΠΈ Π·Π°ΠΌΠ΅Π½Π΅ ΠΎΡΠ΄Π΅Π»ΡΠ½ΠΎΠ³ΠΎ ΡΠ»Π΅ΠΌΠ΅Π½ΡΠ° ΠΎΠ½Π° Π±ΡΠ΄Π΅Ρ ΡΡΡΡΠ°Π½Π΅Π½Π°. ΠΠΎ, Π΅ΡΠ»ΠΈ Π²ΡΠ΅ ΠΆΠ΅ Π·Π°ΠΌΠ΅Π½Π° Π½Π΅ΠΎΠ±Ρ ΠΎΠ΄ΠΈΠΌΠ°, ΡΠΎ Π΄Π°Π²Π°ΠΉΡΠ΅ ΡΠ°Π·Π±Π΅ΡΠ΅ΠΌΡΡ, ΠΊΠ°ΠΊ ΠΏΡΠ°Π²ΠΈΠ»ΡΠ½ΠΎ Π΅Π΅ ΡΠ΄Π΅Π»Π°ΡΡ.
ΠΠ΅ΡΠ΅Π΄ Π½Π°ΡΠ°Π»ΠΎΠΌ ΡΠ°Π±ΠΎΡΡ ΠΎΠ±ΡΠ·Π°ΡΠ΅Π»ΡΠ½ΠΎ ΠΏΠΎΠ΄Π³ΠΎΡΠΎΠ²ΡΡΠ΅ ΡΠ»Π΅ΡΠ°ΡΠ½ΡΠΉ ΠΈΠ½ΡΡΡΡΠΌΠ΅Π½Ρ, Π½Π°ΠΏΠΈΠ»ΡΠ½ΠΈΠΊ Ρ ΠΎΡΡΡΡΠΌ Π½Π°ΠΊΠΎΠ½Π΅ΡΠ½ΠΈΠΊΠΎΠΌ ΠΈ ΠΌΡΠ»ΡΡΠΈΠΌΠ΅ΡΡ. Π ΠΏΠ΅ΡΠ²ΡΡ ΠΎΡΠ΅ΡΠ΅Π΄Ρ Π½Π΅ΠΎΠ±Ρ
ΠΎΠ΄ΠΈΠΌΠΎ Π΄Π΅ΠΌΠΎΠ½ΡΠΈΡΠΎΠ²Π°ΡΡ Π·Π°ΡΠΈΡΠ½ΡΠΉ ΠΊΠΎΠΆΡΡ
Ρ Π·Π°ΠΌΠΊΠ°. ΠΠ°Π»Π΅Π΅, ΡΡΠΎΠ±Ρ ΡΠ½ΡΡΡ Π·Π°ΠΌΠΎΠΊ Π·Π°ΠΆΠΈΠ³Π°Π½ΠΈΡ, ΠΎΡΠΊΡΡΡΠΈΡΠ΅ Π΅Π³ΠΎ ΠΊΡΠ΅ΠΏΠ΅ΠΆ ΠΈ ΡΡΡΠ°Π½ΠΎΠ²ΠΈΡΠ΅ ΠΊΠ»ΡΡ Π² ΠΏΠΎΠ»ΠΎΠΆΠ΅Π½ΠΈΠ΅ Β«0Β», ΡΡΠΎΠ±Ρ ΠΎΡΠΊΠ»ΡΡΠΈΡΡ Π·Π°ΠΌΠΎΠΊ.
ΠΠ°Π»Π΅Π΅ ΡΡ
Π΅ΠΌΠ° ΡΠ°Π·Π±ΠΎΡΠ° Π·Π°ΠΌΠΊΠ° Π²ΠΊΠ»ΡΡΠ°Π΅Ρ ΡΠ½ΡΡΠΈΠ΅ ΡΠΈΠΊΡΠΈΡΡΡΡΠ΅Π³ΠΎ ΡΠ»Π΅ΠΌΠ΅Π½ΡΠ° ΡΠ΅ΡΠ΅Π· ΡΠΏΠ΅ΡΠΈΠ°Π»ΡΠ½ΠΎΠ΅ ΠΎΡΠ²Π΅ΡΡΡΠΈΠ΅. ΠΠ΅Π»Π°Π΅ΡΡΡ ΡΡΠΎ Ρ ΠΏΠΎΠΌΠΎΡΡΡ Π·Π°ΡΠ°Π½Π΅Π΅ ΠΏΠΎΠ΄Π³ΠΎΡΠΎΠ²Π»Π΅Π½Π½ΠΎΠ³ΠΎ ΡΠ°ΠΉΠ»Π°. ΠΠ°ΠΌΠΎΠΊ Π·Π°ΠΆΠΈΠ³Π°Π½ΠΈΡ ΡΠ΅ΠΏΠ΅ΡΡ ΠΌΠΎΠΆΠ½ΠΎ Π»Π΅Π³ΠΊΠΎ ΠΎΡΡΠΎΠ΅Π΄ΠΈΠ½ΠΈΡΡ ΠΎΡ ΠΏΠ°Π½Π΅Π»ΠΈ.
ΠΡΠΈ ΠΏΠΎΠ΄ΠΊΠ»ΡΡΠ΅Π½ΠΈΠΈ Π½ΠΎΠ²ΠΎΠ³ΠΎ ΡΡΡΡΠΎΠΉΡΡΠ²Π° Π½Π΅ΠΎΠ±Ρ ΠΎΠ΄ΠΈΠΌΠΎ ΡΠΎΠ±Π»ΡΠ΄Π°ΡΡ ΠΎΡΠΎΠ±ΡΡ ΡΡ Π΅ΠΌΡ, ΠΏΠΎΡΡΠΎΠΌΡ ΠΏΠ΅ΡΠ΅Π΄ ΠΎΡΠΊΠ»ΡΡΠ΅Π½ΠΈΠ΅ΠΌ ΠΎΡ Π΄Π΅ΡΠ°Π»ΠΈ ΠΊΠΎΠ½ΡΠ°ΠΊΡΡ ΡΠ»Π΅Π΄ΡΠ΅Ρ ΠΏΠΎΠΌΠ΅ΡΠΈΡΡ ΠΌΠ°ΡΠΊΠ΅ΡΠΎΠΌ. ΠΠΎΠ΄ΠΊΠ»ΡΡΠ΅Π½ΠΈΠ΅ Π½ΠΎΠ²ΠΎΠ³ΠΎ Π·Π°ΠΌΠΊΠ° ΠΎΡΡΡΠ΅ΡΡΠ²Π»ΡΠ΅ΡΡΡ ΡΡΡΠΎΠ³ΠΎ ΠΏΠΎ ΡΠ°ΡΠΏΠΈΠ½ΠΎΠ²ΠΊΠ΅, ΡΠΊΠ°Π·Π°Π½Π½ΠΎΠΉ Π½Π° Π΅Π³ΠΎ ΠΎΠ±ΠΎΠ΄ΠΊΠ΅.
Π Π°ΡΠΏΠΈΠ½ΠΎΠ²ΠΊΠ° Π·Π°ΠΆΠΈΠ³Π°Π½ΠΈΡ ΠΠΠ 2106 ΡΠ°ΡΡΠΈΡΡΠΎΠ²ΡΠ²Π°Π΅ΡΡΡ ΡΠ°ΠΊ:
- ΠΠ½Π°ΡΠ΅Π½ΠΈΠ΅ Β«0Β» — ΠΊΠΎΠ½ΡΠ°ΠΊΡΡ 30 ΠΈ 30/1 ΠΎΡΠΊΠ»ΡΡΠ°ΡΡ ΡΠΈΡΡΠ΅ΠΌΡ ΠΏΠΈΡΠ°Π½ΠΈΡ, ΠΏΠ΅ΡΠ΅Π²ΠΎΠ΄Ρ Π΅Π΅ Π² Π°Π²Π°ΡΠΈΠΉΠ½ΡΠΉ ΡΠ΅ΠΆΠΈΠΌ.
- ΠΠ½Π°ΡΠ΅Π½ΠΈΠ΅ Β«IΒ» — ΠΊΠΎΠ½ΡΠ°ΠΊΡΡ 30 / 1-15 ΠΈ 30-INT, Π²ΠΊΠ»ΡΡΠ°ΡΡ ΡΠΈΡΡΠ΅ΠΌΡ ΠΎΡΠ²Π΅ΡΠ΅Π½ΠΈΡ (ΠΏΠ΅ΡΠ΅Π΄Π½Π΅Π΅ ΠΈ Π²Π½ΡΡΡΠ΅Π½Π½Π΅Π΅), ΡΡΠ΅ΠΊΠ»ΠΎΠΎΡΠΈΡΡΠΈΡΠ΅Π»Ρ, Π΄Π²ΠΈΠ³Π°ΡΠ΅Π»Ρ ΠΎΠΌΡΠ²Π°ΡΠ΅Π»Ρ, Π²Π΅Π½ΡΠΈΠ»ΡΡΠΎΡ ΠΎΡΠΎΠΏΠΈΡΠ΅Π»Ρ ΠΈ ΠΊΠΎΠ½Π΄ΠΈΡΠΈΠΎΠ½Π΅ΡΠ°, Π±Π»ΠΎΠΊ Π³Π΅Π½Π΅ΡΠ°ΡΠΎΡΠ°, Π΄Π°ΡΡΠΈΠΊΠΈ ΠΏΡΠΈΠ±ΠΎΡΠ½ΠΎΠΉ ΠΏΠ°Π½Π΅Π»ΠΈ, ΠΏΠΎΠ²ΠΎΡΠΎΡΠ½ΠΈΠΊΠΈ ΠΈ Π·Π²ΡΠΊΠΎΠ²ΡΠ΅ ΡΠΈΠ³Π½Π°Π»Ρ, Π° ΡΠ°ΠΊΠΆΠ΅ ΡΠ°ΠΌΠ° ΡΠΈΡΡΠ΅ΠΌΠ° Π·Π°ΠΆΠΈΠ³Π°Π½ΠΈΡ.
- ΠΠ½Π°ΡΠ΅Π½ΠΈΠ΅ Β«IIΒ» — ΠΊΠΎΠ½ΡΠ°ΠΊΡΡ 30 / 1-15, 30-INT ΠΈ 30-50, ΠΎΡΡΠ°Π²ΠΈΡΡ Π½Π° ΠΏΡΠ΅Π΄ΡΠ΄ΡΡΠΈΡ ΡΠ»Π΅ΠΌΠ΅Π½ΡΠ°Ρ , Π·Π° ΠΈΡΠΊΠ»ΡΡΠ΅Π½ΠΈΠ΅ΠΌ ΡΠΈΡΡΠ΅ΠΌΡ Π·Π°ΠΆΠΈΠ³Π°Π½ΠΈΡ, Π±Π»ΠΎΠΊΠ° Π³Π΅Π½Π΅ΡΠ°ΡΠΎΡΠ° ΠΈ ΠΏΡΠΈΠ±ΠΎΡΠΎΠ² ΠΏΡΠΈΠ±ΠΎΡΠ½ΠΎΠΉ ΠΏΠ°Π½Π΅Π»ΠΈ. Π’Π°ΠΊΠΆΠ΅ Π²ΠΊΠ»ΡΡΠ°Π΅ΡΡΡ ΡΠ΅ΠΏΡ ΡΡΠ°ΡΡΠ΅ΡΠ°, ΠΈ Π΄Π²ΠΈΠ³Π°ΡΠ΅Π»Ρ Π½Π°ΡΠΈΠ½Π°Π΅Ρ ΡΠ°Π±ΠΎΡΠ°ΡΡ.
- ΠΠ½Π°ΡΠ΅Π½ΠΈΠ΅ Β«IIIΒ» — ΠΊΠΎΠ½ΡΠ°ΠΊΡΡ 30-INT ΠΈ 30/1, ΡΡΠΈΡΠ°Π΅ΡΡΡ ΠΏΠ°ΡΠΊΠΎΠ²ΠΎΡΠ½ΡΠΌ ΠΏΠΎΠ»ΠΎΠΆΠ΅Π½ΠΈΠ΅ΠΌ, ΠΎΡΡΠ°Π½Π°Π²Π»ΠΈΠ²Π°Π΅Ρ ΡΠ΅ΠΏΡ ΡΡΠ°ΡΡΠ΅ΡΠ°, ΠΎΡΡΠ°Π²Π»ΡΠ΅Ρ ΡΠ°Π±ΠΎΡΠ΅Π΅ ΠΎΡΠ²Π΅ΡΠ΅Π½ΠΈΠ΅ ΡΠΈΡΡΠ΅ΠΌΡ, ΠΎΡΠΈΡΡΠΈΡΠ΅Π»ΠΈ, Π΄Π²ΠΈΠ³Π°ΡΠ΅Π»Ρ ΠΎΠΌΡΠ²Π°ΡΠ΅Π»Ρ ΠΈ ΡΠΈΡΡΠ΅ΠΌΡ ΠΎΡ Π»Π°ΠΆΠ΄Π΅Π½ΠΈΡ.
ΠΠΎΡΠ»Π΅ ΠΏΠΎΠ΄ΠΊΠ»ΡΡΠ΅Π½ΠΈΡ ΡΡ Π΅ΠΌΡ Π±Π»ΠΎΠΊΠΈΡΠΎΠ²ΠΊΠΈ ΠΏΡΠΎΠ²Π΅ΡΡΡΠ΅ Π΅Π΅ ΡΠ°Π±ΠΎΡΠΎΡΠΏΠΎΡΠΎΠ±Π½ΠΎΡΡΡ Π²ΠΎ Π²ΡΠ΅Ρ ΡΠ΅ΠΆΠΈΠΌΠ°Ρ Ρ ΠΏΠΎΠΌΠΎΡΡΡ ΠΌΡΠ»ΡΡΠΈΠΌΠ΅ΡΡΠ°.ΠΠ»Ρ ΡΡΠΎΠ³ΠΎ ΠΎΡΡΠΎΠ΅Π΄ΠΈΠ½ΠΈΡΠ΅ ΠΊΠ»Π΅ΠΌΠΌΡ Π°ΠΊΠΊΡΠΌΡΠ»ΡΡΠΎΡΠ° ΠΈ ΡΡΡΠ°Π½ΠΎΠ²ΠΈΡΠ΅ ΠΌΡΠ»ΡΡΠΈΠΌΠ΅ΡΡ ΠΌΠ΅ΠΆΠ΄Ρ ΠΊΠΎΠ½ΡΠ°ΠΊΡΠΎΠΌ ΠΈ ΠΏΠ»ΡΡΠΎΠΌ Π°ΠΊΠΊΡΠΌΡΠ»ΡΡΠΎΡΠ°. ΠΠΎΠ²Π΅ΡΠ½ΠΈΡΠ΅ ΠΊΠ»ΡΡ Π·Π°ΠΆΠΈΠ³Π°Π½ΠΈΡ ΡΠ°ΠΊ, ΡΡΠΎΠ±Ρ ΠΎΠ½ Π°ΠΊΡΠΈΠ²ΠΈΡΠΎΠ²Π°Π» ΠΏΡΠΎΠ²Π΅ΡΡΠ΅ΠΌΡΠΉ ΠΊΠΎΠ½ΡΠ°ΠΊΡ. ΠΡΠ»ΠΈ Π½Π° ΠΏΠ°Π½Π΅Π»ΠΈ ΠΌΡΠ»ΡΡΠΈΠΌΠ΅ΡΡΠ° ΠΏΠΎΡΠ²Π»ΡΠ΅ΡΡΡ ΠΏΡΠΈΠ·Π½Π°ΠΊ ΠΈΡΠΏΡΠ°Π²Π½ΠΎΡΡΠΈ, ΡΡΠΎ ΠΎΠ·Π½Π°ΡΠ°Π΅Ρ, ΡΡΠΎ ΡΡ Π΅ΠΌΠ° Π±ΡΠ»Π° ΡΠΎΠ±Π»ΡΠ΄Π΅Π½Π° ΠΏΡΠ°Π²ΠΈΠ»ΡΠ½ΠΎ. ΠΡΠ° ΠΏΡΠΎΡΠ΅Π΄ΡΡΠ° Π΄ΠΎΠ»ΠΆΠ½Π° Π²ΡΠΏΠΎΠ»Π½ΡΡΡΡΡ Π΄Π»Ρ Π²ΡΠ΅Ρ ΡΠ΅ΡΡΡΠ΅Ρ ΠΊΠΎΠ½ΡΠ°ΠΊΡΠ½ΡΡ ΠΏΠΎΠ·ΠΈΡΠΈΠΉ.
ΠΡΡ ΠΎΠ΄
ΠΡΠΈ Π·Π°ΠΌΠ΅Π½Π΅ ΡΡΠΎΠ³ΠΎ ΡΠ»Π΅ΠΌΠ΅Π½ΡΠ° ΡΠ»Π΅Π΄ΡΠ΅Ρ Π±ΡΡΡ ΠΎΡΠ΅Π½Ρ ΠΎΡΡΠΎΡΠΎΠΆΠ½ΡΠΌ, ΡΠ°ΠΊ ΠΊΠ°ΠΊ ΠΏΡΠΈ Π½Π΅ΠΏΡΠ°Π²ΠΈΠ»ΡΠ½ΠΎΠΌ ΠΏΠΎΠ΄ΠΊΠ»ΡΡΠ΅Π½ΠΈΠΈ Π²ΡΡ ΡΠ΅ΠΏΡ Π·Π°ΠΆΠΈΠ³Π°Π½ΠΈΡ ΠΏΠ΅ΡΠ΅ΡΡΠ°Π½Π΅Ρ ΡΠ°Π±ΠΎΡΠ°ΡΡ ΠΈ Π΄Π²ΠΈΠ³Π°ΡΠ΅Π»Ρ Π½Π΅ Π·Π°ΠΏΡΡΡΠΈΡΡΡ.Π’Π°ΠΊΠΆΠ΅ ΠΏΠ΅ΡΠ΅ΠΏΡΡΠ°Π²ΡΠΈΠΌΠΈΡΡ ΠΊΠΎΠ½ΡΠ°ΠΊΡΠ°ΠΌΠΈ ΠΌΠΎΠΆΠ½ΠΎ ΡΠΏΡΠΎΠ²ΠΎΡΠΈΡΠΎΠ²Π°ΡΡ ΠΏΠΎΠ²ΡΡΠ΅Π½Π½ΠΎΠ΅ Π½Π°ΠΏΡΡΠΆΠ΅Π½ΠΈΠ΅ Π½Π° ΠΎΠ΄Π½ΠΎΠΌ ΠΈΠ· ΡΠ·Π»ΠΎΠ², ΡΡΠΎ Π½Π΅ΠΏΡΠ΅ΠΌΠ΅Π½Π½ΠΎ ΠΏΡΠΈΠ²Π΅Π΄Π΅Ρ ΠΊ Π΅Π³ΠΎ ΠΌΠ³Π½ΠΎΠ²Π΅Π½Π½ΠΎΠΌΡ Π²ΡΡ ΠΎΠ΄Ρ ΠΈΠ· ΡΡΡΠΎΡ.
Π‘ΡΠΎΠΈΡ ΠΎΡΠΌΠ΅ΡΠΈΡΡ, ΡΡΠΎ Π΄Π°Π½Π½Π°Ρ ΡΡ Π΅ΠΌΠ° ΠΏΠΎΠ΄ΠΊΠ»ΡΡΠ΅Π½ΠΈΡ Π·Π°ΠΌΠΊΠ° Π·Π°ΠΆΠΈΠ³Π°Π½ΠΈΡ ΠΏΠΎΠ΄Ρ ΠΎΠ΄ΠΈΡ Π½Π΅ ΡΠΎΠ»ΡΠΊΠΎ Π΄Π»Ρ Β«ΡΠ΅ΡΡΠ΅ΡΠΊΠΈΒ», Π½ΠΎ ΠΈ Π΄Π»Ρ Π²ΡΠ΅ΠΉ Π»ΠΈΠ½Π΅ΠΉΠΊΠΈ ΠΠΠ Β«ΠΠ»Π°ΡΡΠΈΠΊΒ». ΠΡΠΎ Π΄ΠΎΠ²ΠΎΠ»ΡΠ½ΠΎ ΡΠ΄ΠΎΠ±Π½ΠΎ, ΡΠ°ΠΊ ΠΊΠ°ΠΊ ΠΏΡΠΈ Π²ΡΠ±ΠΎΡΠ΅ Π½ΠΎΠ²ΠΎΠΉ Π΄Π΅ΡΠ°Π»ΠΈ Ρ Π²Π°Ρ Π½Π΅ Π²ΠΎΠ·Π½ΠΈΠΊΠ½Π΅Ρ ΠΎΡΠΎΠ±ΡΡ ΠΏΡΠΎΠ±Π»Π΅ΠΌ.
ΠΠ°ΠΊ ΠΏΠΎΠ΄ΠΊΠ»ΡΡΠΈΡΡ Π³Π΅Π½Π΅ΡΠ°ΡΠΎΡ ΠΠΠ-2106 (ΡΡ Π΅ΠΌΠ° ΠΏΠΎΠ΄ΠΊΠ»ΡΡΠ΅Π½ΠΈΡ)
Π ΡΡΠΎΠΉ ΡΡΠ°ΡΡΠ΅ ΠΌΡ ΡΠ°ΡΡΠΌΠΎΡΡΠΈΠΌ Π³Π΅Π½Π΅ΡΠ°ΡΠΎΡ ΠΠΠ-2106.Π‘Ρ Π΅ΠΌΠ° Π΅Π³ΠΎ ΠΏΠΎΠ΄ΠΊΠ»ΡΡΠ΅Π½ΠΈΡ Π½ΠΈΠΆΠ΅, Π½ΠΎ Π² ΡΠ°ΠΌΠΎΠΌ Π½Π°ΡΠ°Π»Π΅ Π±ΡΠ΄Π΅Ρ ΡΠ°ΡΡΠΊΠ°Π·Π°Π½ΠΎ ΠΎΠ± ΠΎΠ±ΡΠ΅ΠΉ ΠΊΠΎΠ½ΡΡΡΡΠΊΡΠΈΠΈ ΡΡΠΎΠ³ΠΎ ΡΡΡΡΠΎΠΉΡΡΠ²Π°. Π‘ Π΅Π³ΠΎ ΠΏΠΎΠΌΠΎΡΡΡ ΠΌΠ΅Ρ Π°Π½ΠΈΡΠ΅ΡΠΊΠ°Ρ ΡΠ½Π΅ΡΠ³ΠΈΡ ΠΏΡΠ΅ΠΎΠ±ΡΠ°Π·ΡΠ΅ΡΡΡ Π² ΡΠ»Π΅ΠΊΡΡΠΈΡΠ΅ΡΡΠ²ΠΎ. ΠΡΠ½ΠΎΠ²Π½Π°Ρ ΡΡΠ½ΠΊΡΠΈΡ Π°Π²ΡΠΎΠΌΠΎΠ±ΠΈΠ»ΡΠ½ΠΎΠ³ΠΎ Π³Π΅Π½Π΅ΡΠ°ΡΠΎΡΠ° — ΠΏΠ΅ΡΠ΅Π·Π°ΡΡΠ΄ΠΊΠ° Π°ΠΊΠΊΡΠΌΡΠ»ΡΡΠΎΡΠ½ΠΎΠΉ Π±Π°ΡΠ°ΡΠ΅ΠΈ. ΠΠ½ ΡΠ°ΠΊΠΆΠ΅ ΠΎΠ±Π΅ΡΠΏΠ΅ΡΠΈΠ²Π°Π΅Ρ ΠΏΠΈΡΠ°Π½ΠΈΠ΅ Π²ΡΠ΅Π³ΠΎ ΠΎΠ±ΠΎΡΡΠ΄ΠΎΠ²Π°Π½ΠΈΡ Π² Π°Π²ΡΠΎΠΌΠΎΠ±ΠΈΠ»Π΅, Π²ΠΊΠ»ΡΡΠ°Ρ Π΄Π²ΠΈΠ³Π°ΡΠ΅Π»Ρ. ΠΠ° Π²ΡΠ΅Ρ ΠΌΠ°ΡΠΈΠ½Π°Ρ Π³Π΅Π½Π΅ΡΠ°ΡΠΎΡΡ Π²ΡΡΠ°Π±Π°ΡΡΠ²Π°ΡΡ ΠΏΠ΅ΡΠ΅ΠΌΠ΅Π½Π½ΡΠΉ ΡΠΎΠΊ. Π’ΠΎΠ»ΡΠΊΠΎ ΠΏΠΎΡΠ»Π΅ Π½Π΅ΠΊΠΎΡΠΎΡΡΡ ΠΏΡΠ΅ΠΎΠ±ΡΠ°Π·ΠΎΠ²Π°Π½ΠΈΠΉ ΠΎΠ½ ΡΡΠ°Π±ΠΈΠ»ΠΈΠ·ΠΈΡΡΠ΅ΡΡΡ ΠΈ ΠΏΡΠ΅Π²ΡΠ°ΡΠ°Π΅ΡΡΡ Π² ΠΏΠΎΡΡΠΎΡΠ½Π½ΡΠΉ.
ΠΠ±ΡΠ°Ρ ΠΈΠ½ΡΠΎΡΠΌΠ°ΡΠΈΡ
ΠΠ΅Π½Π΅ΡΠ°ΡΠΎΡ ΡΠ°ΡΠΏΠΎΠ»ΠΎΠΆΠ΅Π½ ΡΡΠ΄ΠΎΠΌ Ρ Π΄Π²ΠΈΠ³Π°ΡΠ΅Π»Π΅ΠΌ, ΠΊΠ°ΠΊ ΠΏΡΠ°Π²ΠΈΠ»ΠΎ, ΠΏΠ΅ΡΠ΅Π΄ Π½ΠΈΠΌ.ΠΡΠΈΠ²ΠΎΠ΄ ΠΎΡΡΡΠ΅ΡΡΠ²Π»ΡΠ΅ΡΡΡ ΠΎΡ ΡΠΊΠΈΠ²Π°, ΡΠ°ΡΠΏΠΎΠ»ΠΎΠΆΠ΅Π½Π½ΠΎΠ³ΠΎ Π½Π° ΠΊΠΎΠ»Π΅Π½ΡΠ°ΡΠΎΠΌ Π²Π°Π»Ρ. ΠΠ° Π½Π΅ΠΊΠΎΡΠΎΡΡΡ Π°Π²ΡΠΎΠΌΠΎΠ±ΠΈΠ»ΡΡ , Π½Π°ΠΏΡΠΈΠΌΠ΅Ρ Π³ΠΈΠ±ΡΠΈΠ΄Π½ΡΡ , Π³Π΅Π½Π΅ΡΠ°ΡΠΎΡ ΠΌΠΎΠΆΠ΅Ρ Π²ΡΠΏΠΎΠ»Π½ΡΡΡ ΡΡΠ½ΠΊΡΠΈΠΈ ΡΡΠ°ΡΡΠ΅ΡΠ°. ΠΠΎΠ½ΡΡΡΡΠΊΡΠΈΠΈ ΠΎΠ±ΠΎΠΈΡ ΠΌΠ΅Ρ Π°Π½ΠΈΠ·ΠΌΠΎΠ² ΠΎΡΠ΅Π½Ρ ΠΏΠΎΡ ΠΎΠΆΠΈ, ΠΏΠΎΡΡΠΎΠΌΡ Π½Π΅ΠΊΠΎΡΠΎΡΡΠ΅ ΠΏΡΠΎΠΈΠ·Π²ΠΎΠ΄ΠΈΡΠ΅Π»ΠΈ ΡΡΠ°ΡΠ°ΡΡΡΡ ΡΠΎΠΊΡΠ°ΡΠΈΡΡ ΠΊΠΎΠ»ΠΈΡΠ΅ΡΡΠ²ΠΎ ΡΠ»Π΅ΠΊΡΡΠΈΡΠ΅ΡΠΊΠΈΡ ΠΌΠ°ΡΠΈΠ½. ΠΠ±ΡΠ°ΡΠΈΡΠ΅ Π²Π½ΠΈΠΌΠ°Π½ΠΈΠ΅, ΡΡ Π΅ΠΌΠ° ΠΏΠΎΠ΄ΠΊΠ»ΡΡΠ΅Π½ΠΈΡ Π³Π΅Π½Π΅ΡΠ°ΡΠΎΡΠ° ΠΠΠ-2106 ΡΠ°ΠΊΠ°Ρ ΠΆΠ΅, ΠΊΠ°ΠΊ ΠΈ Ρ Π»ΡΠ±ΠΎΠΉ Π΄ΡΡΠ³ΠΎΠΉ ΠΌΠ°ΡΠΈΠ½Ρ.
ΠΠΎ Π²ΡΠ΅Ρ Π³Π΅Π½Π΅ΡΠ°ΡΠΎΡΠ°Ρ Π΅ΡΡΡ ΠΎΠΏΡΠ΅Π΄Π΅Π»Π΅Π½Π½ΡΠ΅ ΡΠ°Π·Π»ΠΈΡΠΈΡ, Π½Π°ΠΏΡΠΈΠΌΠ΅Ρ, Π² ΠΊΠΎΡΠΏΡΡΠ΅, Π²ΡΠΏΡΡΠΌΠΈΡΠ΅Π»ΡΠ½ΠΎΠΌ ΡΠ·Π»Π΅, ΠΏΡΠΈΠ²ΠΎΠ΄Π½ΡΡ ΡΠΊΠΈΠ²Π°Ρ , Π½ΠΎ ΠΎΠ±ΡΠΈΠ΅ ΡΠ»Π΅ΠΌΠ΅Π½ΡΡ ΠΏΡΠ°ΠΊΡΠΈΡΠ΅ΡΠΊΠΈ Π²ΠΎ Π²ΡΠ΅Ρ ΠΈΠ΄Π΅Π½ΡΠΈΡΠ½Ρ.ΠΠΎΡΡΠΎΡΠ½Π½Ρ ΠΊΠΎΡΠΏΡΡ Ρ ΠΏΠΎΠ΄ΡΠΈΠΏΠ½ΠΈΠΊΠ°ΠΌΠΈ Π² Π½Π΅ΠΌ, ΠΏΠΎΠ΄Π²ΠΈΠΆΠ½ΡΠΉ ΡΠΎΡΠΎΡ, ΠΊΠΎΡΠΎΡΡΠΉ Π²ΡΠ°ΡΠ°Π΅ΡΡΡ Π²Π½ΡΡΡΠΈ Π½Π΅ΠΏΠΎΠ΄Π²ΠΈΠΆΠ½ΠΎΠ³ΠΎ ΡΡΠ°ΡΠΎΡΠ°. Π‘ ΠΏΠΎΡΠ»Π΅Π΄Π½Π΅Π³ΠΎ ΠΏΡΠΎΡΡΠΎ ΡΠ½ΠΈΠΌΠ°Π΅ΡΡΡ ΠΏΠ΅ΡΠ΅ΠΌΠ΅Π½Π½ΠΎΠ΅ Π½Π°ΠΏΡΡΠΆΠ΅Π½ΠΈΠ΅. ΠΠΈ ΠΎΠ΄ΠΈΠ½ Π³Π΅Π½Π΅ΡΠ°ΡΠΎΡ Π½Π΅ ΠΎΠ±Ρ ΠΎΠ΄ΠΈΡΡΡ Π±Π΅Π· Π²ΡΠΏΡΡΠΌΠΈΡΠ΅Π»Ρ ΠΈ ΡΠ΅Π³ΡΠ»ΡΡΠΎΡΠ° Π½Π°ΠΏΡΡΠΆΠ΅Π½ΠΈΡ.
Π ΠΎΡΠΎΡ Π³Π΅Π½Π΅ΡΠ°ΡΠΎΡΠ°
ΠΠΎΠ»ΡΡΠΈΠ½ΡΡΠ²ΠΎ Π³Π΅Π½Π΅ΡΠ°ΡΠΎΡΠΎΠ² ΠΎΡΠ½Π°ΡΠ΅Π½ΠΎ ΡΠ΅ΡΠΎΡΠ½ΡΠΌ ΠΌΠ΅Ρ Π°Π½ΠΈΠ·ΠΌΠΎΠΌ. ΠΠΎ ΠΌΠ½ΠΎΠ³ΠΈΡ ΠΊΠΎΠ½ΡΡΡΡΠΊΡΠΈΡΡ ΠΎΠ½ ΡΠΎΠ²ΠΌΠ΅ΡΠ΅Π½ Ρ ΡΠ΅Π³ΡΠ»ΡΡΠΎΡΠΎΠΌ Π½Π°ΠΏΡΡΠΆΠ΅Π½ΠΈΡ. Π ΠΎΡΠΎΡ ΡΠΎΠ·Π΄Π°Π΅Ρ ΠΌΠ°Π³Π½ΠΈΡΠ½ΠΎΠ΅ ΠΏΠΎΠ»Π΅, ΠΊΠΎΡΠΎΡΠΎΠ΅ Π²ΡΠ°ΡΠ°Π΅ΡΡΡ Π±Π»Π°Π³ΠΎΠ΄Π°ΡΡ ΠΏΡΠΈΠ²ΠΎΠ΄Π½ΠΎΠΌΡ ΡΠ΅ΠΌΠ½Ρ. ΠΠ±ΠΌΠΎΡΠΊΠ° Π²ΠΎΠ·Π±ΡΠΆΠ΄Π΅Π½ΠΈΡ, ΠΊΠΎΡΠΎΡΠ°Ρ Π½Π°Ρ ΠΎΠ΄ΠΈΡΡΡ Π½Π° ΡΠ°ΠΌΠΎΠΌ ΡΠΎΡΠΎΡΠ΅, ΠΏΠΈΡΠ°Π΅ΡΡΡ ΡΠ΅ΡΠ΅Π· ΡΠ΅Π³ΡΠ»ΡΡΠΎΡ Π½Π°ΠΏΡΡΠΆΠ΅Π½ΠΈΡ.Π Π·Π°Π΄Π½Π΅ΠΉ ΡΠ°ΡΡΠΈ ΡΠΎΡΠΎΡΠ° Π½Π°Ρ ΠΎΠ΄ΡΡΡΡ ΠΊΠΎΠ»ΡΡΠ°, ΠΊΠΎΡΠΎΡΡΠ΅ ΠΈΡΠΏΠΎΠ»ΡΠ·ΡΡΡΡΡ Π΄Π»Ρ ΠΏΠΈΡΠ°Π½ΠΈΡ ΠΎΠ±ΠΌΠΎΡΠΊΠΈ. ΠΠ΅Π· Π½ΠΈΡ Π½Π΅ ΡΠ°Π±ΠΎΡΠ°Π΅Ρ ΡΡ Π΅ΠΌΠ° ΠΏΠΎΠ΄ΠΊΠ»ΡΡΠ΅Π½ΠΈΡ Π³Π΅Π½Π΅ΡΠ°ΡΠΎΡΠ° ΠΠΠ-2106.
Π Π±ΠΎΠ»ΡΡΠΈΠ½ΡΡΠ²Π΅ ΡΠ»ΡΡΠ°Π΅Π² ΡΡΠΈ ΠΊΠΎΠ»ΡΡΠ° ΠΈΠ·Π³ΠΎΡΠΎΠ²Π»Π΅Π½Ρ ΠΈΠ· ΡΠΈΡΡΠΎΠΉ ΠΌΠ΅Π΄ΠΈ. ΠΠΎ ΠΈΠ½ΠΎΠ³Π΄Π° ΠΌΠΎΠΆΠ½ΠΎ Π²ΡΡΡΠ΅ΡΠΈΡΡ ΡΡΠ°Π»Ρ ΠΈΠ»ΠΈ Π»Π°ΡΡΠ½Ρ. Π’Π°ΠΊΠΆΠ΅ Π½Π° ΡΠΎΡΠΎΡΠ΅ ΠΈΠΌΠ΅Π΅ΡΡΡ ΠΊΡΡΠ»ΡΡΠ°ΡΠΊΠ°, Ρ ΠΏΠΎΠΌΠΎΡΡΡ ΠΊΠΎΡΠΎΡΠΎΠΉ ΠΎΠ±Π΄ΡΠ²Π°Π΅ΡΡΡ Π²ΠΎΠ·Π΄ΡΡΠ½ΡΠΉ ΠΏΠΎΡΠΎΠΊ ΡΡΡΡΠΎΠΉΡΡΠ²Π°. Π ΡΠ΄ΠΎΠΌ Ρ ΠΊΡΡΠ»ΡΡΠ°ΡΠΊΠΎΠΉ ΠΏΡΠΈΠΊΡΠ΅ΠΏΠ»Π΅Π½ Π²Π΅Π΄ΡΡΠΈΠΉ ΡΠΊΠΈΠ². Π ΠΏΠ΅ΡΠ΅Π΄Π½Π΅ΠΉ ΠΈ Π·Π°Π΄Π½Π΅ΠΉ ΠΊΡΡΡΠΊΠ°Ρ Π³Π΅Π½Π΅ΡΠ°ΡΠΎΡΠ° ΡΡΡΠ°Π½ΠΎΠ²Π»Π΅Π½Ρ ΡΠ°ΡΠΈΠΊΠΎΠ²ΡΠ΅ ΠΏΠΎΠ΄ΡΠΈΠΏΠ½ΠΈΠΊΠΈ, Π½Π΅ ΡΡΠ΅Π±ΡΡΡΠΈΠ΅ ΠΎΠ±ΡΠ»ΡΠΆΠΈΠ²Π°Π½ΠΈΡ.
ΠΠ΅ΠΌΠ½ΠΎΠ³ΠΎ ΠΎ ΡΡΠ°ΡΠΎΡΠ΅
Π ΡΡΠ°ΡΠΎΡΠ΅ ΡΠΎΠ·Π΄Π°Π΅ΡΡΡ ΡΠ»Π΅ΠΊΡΡΠΈΡΠ΅ΡΠΊΠΈΠΉ ΡΠΎΠΊ. ΠΠ½ ΠΈΠΌΠ΅Π΅Ρ ΡΡΠΈ ΠΎΠ±ΠΌΠΎΡΠΊΠΈ ΠΈΠ· ΠΌΠ΅Π΄Π½ΠΎΠΉ ΠΏΡΠΎΠ²ΠΎΠ»ΠΎΠΊΠΈ. ΠΡΠ° ΠΏΡΠΎΠ²ΠΎΠ»ΠΎΠΊΠ° Π½Π°ΠΌΠΎΡΠ°Π½Π° Π½Π° ΡΠΏΠ΅ΡΠΈΠ°Π»ΡΠ½ΡΠΉ ΡΡΠ°Π»ΡΠ½ΠΎΠΉ ΡΠ΅ΡΠ΄Π΅ΡΠ½ΠΈΠΊ. ΠΠ°ΠΊ ΠΏΡΠ°Π²ΠΈΠ»ΠΎ, Π²ΡΠ΅Π³ΠΎ Π² Π³Π΅Π½Π΅ΡΠ°ΡΠΎΡΠ΅ 36 ΠΏΠ°Π·ΠΎΠ², Π² ΠΊΠΎΡΠΎΡΡΠ΅ Π·Π°ΠΊΠ»Π°Π΄ΡΠ²Π°Π΅ΡΡΡ ΠΎΠ±ΠΌΠΎΡΠΊΠ°. ΠΠ½ ΠΌΠΎΠΆΠ΅Ρ Π²Ρ ΠΎΠ΄ΠΈΡΡ Π² ΠΏΠ°Π·Ρ Π΄Π²ΡΠΌΡ ΡΠΏΠΎΡΠΎΠ±Π°ΠΌΠΈ — Π²ΠΎΠ»Π½ΠΎΠΎΠ±ΡΠ°Π·Π½ΡΠΌ ΠΈΠ»ΠΈ ΠΏΠ΅ΡΠ»Π΅Π²ΡΠΌ. ΠΠ±ΠΌΠΎΡΠΊΠΈ ΠΏΠΎΠ΄ΠΊΠ»ΡΡΠ°ΡΡΡΡ ΠΏΠΎ ΡΡ Π΅ΠΌΠ΅ Β«Π·Π²Π΅Π·Π΄Π°Β». ΠΡΠΎ Π½Π°ΠΈΠ±ΠΎΠ»Π΅Π΅ ΡΠ°ΡΠΏΡΠΎΡΡΡΠ°Π½Π΅Π½Π½Π°Ρ ΡΡ Π΅ΠΌΠ°, ΠΈΡΠΏΠΎΠ»ΡΠ·ΡΠ΅ΠΌΠ°Ρ Π² Π³Π΅Π½Π΅ΡΠ°ΡΠΎΡΠ°Ρ Π°Π²ΡΠΎΠΌΠΎΠ±ΠΈΠ»Π΅ΠΉ. Π‘ΡΠΎΠΈΡ ΠΎΡΠΌΠ΅ΡΠΈΡΡ, ΡΡΠΎ ΡΡ Π΅ΠΌΠ° ΠΏΠΎΠ΄ΠΊΠ»ΡΡΠ΅Π½ΠΈΡ Π³Π΅Π½Π΅ΡΠ°ΡΠΎΡΠ° ΠΠΠ-2108 Π½Π° ΠΠΠ-2106 Π½ΠΈΡΠ΅ΠΌ Π½Π΅ ΠΎΡΠ»ΠΈΡΠ°Π΅ΡΡΡ.ΠΠ΄ΠΈΠ½ΡΡΠ²Π΅Π½Π½ΠΎΠ΅ ΠΎΡΠ»ΠΈΡΠΈΠ΅ ΡΠΎΡΡΠΎΠΈΡ Π² ΡΠΎΠΌ, ΡΡΠΎ Π² ΠΏΠ΅ΡΠ²ΠΎΠΉ ΠΌΠΎΠ΄Π΅Π»ΠΈ ΡΠ΅Π³ΡΠ»ΡΡΠΎΡ Π½Π°ΠΏΡΡΠΆΠ΅Π½ΠΈΡ ΡΠΎΠ²ΠΌΠ΅ΡΠ΅Π½ ΡΠΎ ΡΠ΅ΡΠΎΡΠ½ΡΠΌ ΡΠ·Π»ΠΎΠΌ.
ΠΡΠ΅ ΡΠ»Π΅ΠΌΠ΅Π½ΡΡ ΠΌΠ΅Ρ Π°Π½ΠΈΠ·ΠΌΠ° ΡΠ°Π·ΠΌΠ΅ΡΠ΅Π½Ρ Π² ΠΊΠΎΡΠΏΡΡΠ΅. Π‘ΠΎΠ±ΡΡΠ²Π΅Π½Π½ΠΎ, ΠΊΠΎΡΠΏΡΡ — ΡΡΠΎ Π²ΡΠ΅Π³ΠΎ Π»ΠΈΡΡ Π΄Π²Π΅ Π°Π»ΡΠΌΠΈΠ½ΠΈΠ΅Π²ΡΠ΅ ΠΊΡΡΡΠΊΠΈ, ΠΊΠΎΡΠΎΡΡΠ΅ ΡΡΡΠ½ΡΡΡ Ρ ΠΏΠΎΠΌΠΎΡΡΡ Π±ΠΎΠ»ΡΠΎΠ². ΠΡΠ±ΠΎΡ Π°Π»ΡΠΌΠΈΠ½ΠΈΠ΅Π²ΡΡ ΡΠ»Π΅ΠΌΠ΅Π½ΡΠΎΠ² Π²ΠΏΠΎΠ»Π½Π΅ ΠΎΠΏΡΠ°Π²Π΄Π°Π½, ΡΠ°ΠΊ ΠΊΠ°ΠΊ ΠΎΠ½ Π½Π΅ Π½Π°ΠΌΠ°Π³Π½ΠΈΡΠΈΠ²Π°Π΅ΡΡΡ, ΠΈΠΌΠ΅Π΅Ρ ΠΎΡΠ΅Π½Ρ Π½Π΅Π±ΠΎΠ»ΡΡΠΎΠΉ Π²Π΅Ρ, Π° Π³Π»Π°Π²Π½ΠΎΠ΅ — Π²ΡΡΠΎΠΊΡΡ ΡΡΠ΅ΠΏΠ΅Π½Ρ ΡΠ΅ΠΏΠ»ΠΎΠΎΡΠ΄Π°ΡΠΈ. Π‘ ΠΏΠΎΠΌΠΎΡΡΡ ΡΠ΅ΡΠΎΡΠ½ΠΎΠ³ΠΎ ΡΠ·Π»Π° ΡΠΎΠΊ ΠΏΠ΅ΡΠ΅Π΄Π°Π΅ΡΡΡ Π½Π° ΠΎΠ±ΠΌΠΎΡΠΊΡ ΡΠΎΡΠΎΡΠ°.ΠΠ³ΠΎ ΠΊΠΎΠ½ΡΡΡΡΠΊΡΠΈΡ ΡΠΎΡΡΠΎΠΈΡ ΠΈΠ· ΠΏΠ°ΡΡ Π³ΡΠ°ΡΠΈΡΠΎΠ²ΡΡ ΡΠ΅ΡΠΎΠΊ, ΠΏΡΡΠΆΠΈΠ½, ΠΏΠΎΠ·Π²ΠΎΠ»ΡΡΡΠΈΡ ΠΈΠΌ Π±ΠΎΠ»Π΅Π΅ ΠΏΠ»ΠΎΡΠ½ΠΎ ΠΏΡΠΈΠΆΠΈΠΌΠ°ΡΡΡΡ ΠΊ ΠΊΠΎΠ»ΡΡΠ°ΠΌ Π½Π° ΡΠΎΡΠΎΡΠ΅, Π° ΡΠ°ΠΊΠΆΠ΅ ΡΠ΅ΡΠΊΠΎΠ΄Π΅ΡΠΆΠ°ΡΠ΅Π»Ρ. ΠΠ°ΠΊ ΡΠΆΠ΅ ΡΠΏΠΎΠΌΠΈΠ½Π°Π»ΠΎΡΡ ΡΠ°Π½Π΅Π΅, Π² Π±ΠΎΠ»ΡΡΠΈΠ½ΡΡΠ²Π΅ ΡΠΎΠ²ΡΠ΅ΠΌΠ΅Π½Π½ΡΡ Π°Π²ΡΠΎΠΌΠΎΠ±ΠΈΠ»Π΅ΠΉ ΡΠ΅ΡΠΊΠΎΠ΄Π΅ΡΠΆΠ°ΡΠ΅Π»Ρ ΠΈ ΡΠ΅Π³ΡΠ»ΡΡΠΎΡ Π½Π°ΠΏΡΡΠΆΠ΅Π½ΠΈΡ ΡΠΎΠ±ΡΠ°Π½Ρ Π² ΠΎΠ΄ΠΈΠ½ Π±Π»ΠΎΠΊ.
ΠΡΠΏΡΡΠΌΠΈΡΠ΅Π»ΡΠ½ΡΠΉ Π±Π»ΠΎΠΊ
ΠΡΠΏΡΡΠΌΠΈΡΠ΅Π»ΡΠ½ΡΠΉ Π±Π»ΠΎΠΊ Π½Π΅ΠΎΠ±Ρ ΠΎΠ΄ΠΈΠΌ Π΄Π»Ρ ΠΏΡΠ΅ΠΎΠ±ΡΠ°Π·ΠΎΠ²Π°Π½ΠΈΡ ΠΏΠ΅ΡΠ΅ΠΌΠ΅Π½Π½ΠΎΠ³ΠΎ ΡΠΈΠ½ΡΡΠΎΠΈΠ΄Π°Π»ΡΠ½ΠΎΠ³ΠΎ Π½Π°ΠΏΡΡΠΆΠ΅Π½ΠΈΡ, Π³Π΅Π½Π΅ΡΠΈΡΡΠ΅ΠΌΠΎΠ³ΠΎ Π³Π΅Π½Π΅ΡΠ°ΡΠΎΡΠΎΠΌ, Π² ΠΏΠΎΡΡΠΎΡΠ½Π½ΠΎΠ΅, Π½Π΅ΠΎΠ±Ρ ΠΎΠ΄ΠΈΠΌΠΎΠ΅ Π΄Π»Ρ ΠΏΠΈΡΠ°Π½ΠΈΡ Π²ΡΠ΅ΠΉ Π±ΠΎΡΡΠΎΠ²ΠΎΠΉ ΡΠ΅ΡΠΈ.ΠΠΎ ΡΡΡΠΈ, ΡΡΠΎ ΠΏΠΎΠ΄ΠΊΠΎΠ²ΠΎΠΎΠ±ΡΠ°Π·Π½Π°Ρ ΠΏΠ»Π°ΡΡΠΈΠ½Π°, Π² ΠΊΠΎΡΠΎΡΠΎΠΉ ΡΠ°ΡΠΏΠΎΠ»ΠΎΠΆΠ΅Π½Ρ ΠΏΠΎΠ»ΡΠΏΡΠΎΠ²ΠΎΠ΄Π½ΠΈΠΊΠΎΠ²ΡΠ΅ Π΄ΠΈΠΎΠ΄Ρ. ΠΡ Π²ΡΠ΅Π³ΠΎ ΡΠ΅ΡΡΡ, ΡΠ»Π΅Π΄ΠΎΠ²Π°ΡΠ΅Π»ΡΠ½ΠΎ, Π² ΡΠ΅ΠΏΠΈ ΠΊΠ°ΠΆΠ΄ΠΎΠΉ ΡΠ°Π·Ρ ΠΏΠΎ Π΄Π²Π° ΠΏΠΎΠ»ΡΠΏΡΠΎΠ²ΠΎΠ΄Π½ΠΈΠΊΠ°. ΠΠΎΠ΄ΠΊΠΎΠ²ΠΎΠΎΠ±ΡΠ°Π·Π½Π°Ρ ΠΏΠ»Π°ΡΡΠΈΠ½Π°, Π½Π° ΠΊΠΎΡΠΎΡΠΎΠΉ Π·Π°ΠΊΡΠ΅ΠΏΠ»Π΅Π½Ρ Π΄ΠΈΠΎΠ΄Ρ, ΡΠ°ΠΊΠΆΠ΅ Π²ΡΠΏΠΎΠ»Π½ΡΠ΅Ρ ΡΠΎΠ»Ρ ΡΠ΅ΠΏΠ»ΠΎΠΎΡΠ²ΠΎΠ΄Π°. Π‘ Π΅Π³ΠΎ ΠΏΠΎΠΌΠΎΡΡΡ ΡΠ΅ΠΏΠ»ΠΎ ΠΏΠ΅ΡΠ΅Π΄Π°Π΅ΡΡΡ ΠΊΠΎΡΠΏΡΡΡ ΡΠ°ΠΌΠΎΠ³ΠΎ Π³Π΅Π½Π΅ΡΠ°ΡΠΎΡΠ°. Π Π½Π΅ΠΊΠΎΡΠΎΡΡΡ Π³Π΅Π½Π΅ΡΠ°ΡΠΎΡΠ°Ρ ΠΎΠ±ΠΌΠΎΡΠΊΠ° Π²ΠΎΠ·Π±ΡΠΆΠ΄Π΅Π½ΠΈΡ ΠΏΠΎΠ΄ΠΊΠ»ΡΡΠ΅Π½Π° ΡΠ΅ΡΠ΅Π· Π΄ΡΡΠ³ΡΡ ΡΠ΅ΠΏΡ, ΡΠΎΡΡΠΎΡΡΡΡ ΠΈΠ· Π΄Π²ΡΡ ΠΏΠΎΠ»ΡΠΏΡΠΎΠ²ΠΎΠ΄Π½ΠΈΠΊΠΎΠ². Π’Π°ΠΊΠΆΠ΅ ΡΡΠΎΠΈΡ ΠΎΡΠΌΠ΅ΡΠΈΡΡ, ΡΡΠΎ ΡΡ Π΅ΠΌΠ° ΠΏΠΎΠ΄ΠΊΠ»ΡΡΠ΅Π½ΠΈΡ Π³Π΅Π½Π΅ΡΠ°ΡΠΎΡΠ° ΠΠΠ-2107 Π½Π° ΠΠΠ-2106 Π°Π½Π°Π»ΠΎΠ³ΠΈΡΠ½Π°Ρ, ΠΎΡΠ»ΠΈΡΠΈΠΉ Π½Π΅Ρ.
ΠΠΎΠΏΠΎΠ»Π½ΠΈΡΠ΅Π»ΡΠ½ΡΠΉ Π²ΡΠΏΡΡΠΌΠΈΡΠ΅Π»Ρ
Π‘ ΠΏΠΎΠΌΠΎΡΡΡ ΡΡΠΎΠ³ΠΎ Π²ΡΠΏΡΡΠΌΠΈΡΠ΅Π»Ρ ΡΠΎΠ·Π΄Π°Π΅ΡΡΡ ΠΏΡΠ΅ΠΏΡΡΡΡΠ²ΠΈΠ΅ Π΄Π»Ρ ΠΏΡΠΎΡ ΠΎΠΆΠ΄Π΅Π½ΠΈΡ ΡΠΎΠΊΠ° ΠΎΡ Π°ΠΊΠΊΡΠΌΡΠ»ΡΡΠΎΡΠ½ΠΎΠΉ Π±Π°ΡΠ°ΡΠ΅ΠΈ Π² ΡΠΎ Π²ΡΠ΅ΠΌΡ, ΠΊΠΎΠ³Π΄Π° Π΄Π²ΠΈΠ³Π°ΡΠ΅Π»Ρ Π½Π΅ ΡΠ°Π±ΠΎΡΠ°Π΅Ρ. Π ΡΠΎΠΌ ΡΠ»ΡΡΠ°Π΅, Π΅ΡΠ»ΠΈ ΡΠΎΠ΅Π΄ΠΈΠ½Π΅Π½ΠΈΠ΅ ΠΎΠ±ΠΌΠΎΡΠΎΠΊ Π²ΡΠΏΠΎΠ»Π½Π΅Π½ΠΎ ΠΏΠΎ ΡΡ Π΅ΠΌΠ΅ Β«Π·Π²Π΅Π·Π΄Π°Β», Π½Π° ΠΎΠ±ΡΠ΅ΠΉ ΠΊΠ»Π΅ΠΌΠΌΠ΅ Π½Π΅ΠΎΠ±Ρ ΠΎΠ΄ΠΈΠΌΠΎ ΡΡΡΠ°Π½ΠΎΠ²ΠΈΡΡ Π΄Π²Π° ΠΏΠΎΠ»ΡΠΏΡΠΎΠ²ΠΎΠ΄Π½ΠΈΠΊΠ°, ΡΡΠΎ ΠΏΠΎΠ·Π²ΠΎΠ»ΠΈΡ ΡΠ²Π΅Π»ΠΈΡΠΈΡΡ ΠΎΠ±ΡΡΡ Π΅ΠΌΠΊΠΎΡΡΡ Π²ΡΠ΅ΠΉ ΡΡΡΠ°Π½ΠΎΠ²ΠΊΠΈ ΠΌΠ°ΠΊΡΠΈΠΌΡΠΌ Π½Π° 15 ΠΏΡΠΎΡΠ΅Π½ΡΠΎΠ². ΠΠ»ΠΎΠΊ Π²ΡΠΏΡΡΠΌΠΈΡΠ΅Π»Ρ ΠΏΠΎΠ΄ΠΊΠ»ΡΡΠ°Π΅ΡΡΡ ΠΊ ΡΠΈΡΡΠ΅ΠΌΠ΅ Π³Π΅Π½Π΅ΡΠ°ΡΠΎΡΠ° Ρ ΠΏΠΎΠΌΠΎΡΡΡ ΠΌΠΎΠ½ΡΠ°ΠΆΠ½ΡΡ ΠΏΠ»ΠΎΡΠ°Π΄ΠΎΠΊ.Π‘ΠΎΠ΅Π΄ΠΈΠ½Π΅Π½ΠΈΠ΅ ΠΏΡΠΎΠΈΠ·Π²ΠΎΠ΄ΠΈΡΡΡ Π±ΠΎΠ»ΡΠΎΠ²ΡΠΌ ΡΠΏΠΎΡΠΎΠ±ΠΎΠΌ, ΡΠ²Π°ΡΠΊΠΎΠΉ, ΡΠ΅ΠΆΠ΅ ΠΏΠ°ΠΉΠΊΠΎΠΉ. ΠΠΎΠΆΠ½ΠΎ Π΄Π°ΠΆΠ΅ ΡΠΊΠ°Π·Π°ΡΡ, ΡΡΠΎ ΡΡ Π΅ΠΌΠ° ΠΏΠΎΠ΄ΠΊΠ»ΡΡΠ΅Π½ΠΈΡ ΡΡΠ°ΡΡΠ΅ΡΠ° ΠΈ Π³Π΅Π½Π΅ΡΠ°ΡΠΎΡΠ° ΠΠΠ-2106 ΠΎΡΠ΅Π½Ρ ΠΏΠΎΡ ΠΎΠΆΠ°, ΠΎΡΠ»ΠΈΡΠ°ΡΡΡΡ ΡΠΎΠ»ΡΠΊΠΎ ΡΡΠ½ΠΊΡΠΈΠΈ ΡΠ·Π»ΠΎΠ².
Π Π΅Π³ΡΠ»ΡΡΠΎΡ Π½Π°ΠΏΡΡΠΆΠ΅Π½ΠΈΡ
Π‘ ΠΏΠΎΠΌΠΎΡΡΡ ΡΠ΅Π³ΡΠ»ΡΡΠΎΡΠ° Π½Π°ΠΏΡΡΠΆΠ΅Π½ΠΈΡ ΠΏΠΎΠ΄Π΄Π΅ΡΠΆΠΈΠ²Π°ΡΡ Π½Π° ΠΎΠ±ΠΌΠΎΡΠΊΠ΅ Π²ΠΎΠ·Π±ΡΠΆΠ΄Π΅Π½ΠΈΡ ΠΎΠΏΡΠ΅Π΄Π΅Π»Π΅Π½Π½ΠΎΠ³ΠΎ Π·Π½Π°ΡΠ΅Π½ΠΈΡ. ΠΠ° ΡΠ΅Π³ΠΎΠ΄Π½ΡΡΠ½ΠΈΠΉ Π΄Π΅Π½Ρ Π±ΠΎΠ»ΡΡΠΈΠ½ΡΡΠ²ΠΎ Π³Π΅Π½Π΅ΡΠ°ΡΠΎΡΠΎΠ² ΠΎΡΠ½Π°ΡΠ΅Π½ΠΎ Π²ΡΡΡΠΎΠ΅Π½Π½ΡΠΌ ΡΠ΅Π»Π΅-ΠΊΠΎΠ½ΡΡΠΎΠ»Π»Π΅ΡΠΎΠΌ. Π‘Π»Π΅Π΄ΡΠ΅Ρ ΠΎΡΠΌΠ΅ΡΠΈΡΡ, ΡΡΠΎ ΠΌΠΎΠΆΠ΅Ρ Π±ΡΡΡ ΡΠΎΠ»ΡΠΊΠΎ Π΄Π²Π΅ ΠΊΠΎΠ½ΡΡΡΡΠΊΡΠΈΠΈ ΡΠ΅Π»Π΅-ΡΠ΅Π³ΡΠ»ΡΡΠΎΡΠΎΠ²: Π³ΠΈΠ±ΡΠΈΠ΄Π½Π°Ρ, Π² ΠΊΠΎΡΠΎΡΠΎΠΉ ΠΈΡΠΏΠΎΠ»ΡΠ·ΡΡΡΡΡ ΡΠ°Π΄ΠΈΠΎΡΠ»Π΅ΠΊΡΡΠΎΠ½Π½ΡΠ΅ ΠΊΠΎΠΌΠΏΠΎΠ½Π΅Π½ΡΡ, Π½Π°ΠΏΡΠΈΠΌΠ΅Ρ ΡΡΠ°Π±ΠΈΠ»ΠΈΡΡΠΎΠ½Ρ, ΡΠ΅Π·ΠΈΡΡΠΎΡΡ, ΠΊΠΎΠ½Π΄Π΅Π½ΡΠ°ΡΠΎΡΡ, ΠΈ ΠΈΠ½ΡΠ΅Π³ΡΠΈΡΠΎΠ²Π°Π½Π½Π°Ρ ΠΊΠΎΠ½ΡΡΡΡΠΊΡΠΈΡ, Π² ΠΊΠΎΡΠΎΡΠΎΠΉ Π²ΡΠ΅ ΡΠ»Π΅ΠΌΠ΅Π½ΡΡ, ΡΠΎΡΡΠ°Π²Π»ΡΡΡΠΈΠ΅ ΡΠ΅Π»Π΅ΠΉΠ½ΡΠΉ ΡΠ΅Π³ΡΠ»ΡΡΠΎΡ, Π²ΡΠΏΠΎΠ»Π½Π΅Π½Ρ Π½Π° Π΅Π΄ΠΈΠ½ΠΎΠΉ ΠΏΠΎΠ»ΡΠΏΡΠΎΠ²ΠΎΠ΄Π½ΠΈΠΊΠΎΠ²ΠΎΠΉ ΠΏΠ»Π°ΡΡΠΈΠ½Π΅.ΠΡΠΎ ΠΎΡΠ½ΠΎΠ²Π½ΠΎΠΉ ΡΠ»Π΅ΠΌΠ΅Π½Ρ, ΠΈΠ· ΠΊΠΎΡΠΎΡΠΎΠ³ΠΎ ΡΠΎΡΡΠΎΠΈΡ Π³Π΅Π½Π΅ΡΠ°ΡΠΎΡ ΠΠΠ-2106. Π‘Ρ Π΅ΠΌΠ° ΠΏΠΎΠ΄ΠΊΠ»ΡΡΠ΅Π½ΠΈΡ ΠΏΠΎΠ»ΡΠΏΡΠΎΠ²ΠΎΠ΄Π½ΠΈΠΊΠΎΠ² ΠΏΡΠΈΠ²Π΅Π΄Π΅Π½Π° Π² ΡΡΠ°ΡΡΠ΅.
ΠΡΡ ΠΎΠ΄Π½ΠΎΠΉ ΡΠΈΠ³Π½Π°Π» Π³Π΅Π½Π΅ΡΠ°ΡΠΎΡΠ° ΡΡΠ°Π±ΠΈΠ»ΡΠ½ΠΎ Π³Π΅Π½Π΅ΡΠΈΡΡΠ΅Ρ ΠΏΠΎ Π²Π΅Π»ΠΈΡΠΈΠ½Π΅ Π½Π°ΠΏΡΡΠΆΠ΅Π½ΠΈΡ Π²Π½Π΅ Π·Π°Π²ΠΈΡΠΈΠΌΠΎΡΡΠΈ ΠΎΡ ΡΠ°ΡΡΠΎΡΡ, Ρ ΠΊΠΎΡΠΎΡΠΎΠΉ Π²ΡΠ°ΡΠ°Π΅ΡΡΡ ΠΊΠΎΠ»Π΅Π½ΡΠ°ΡΡΠΉ Π²Π°Π», Π° ΡΠ°ΠΊΠΆΠ΅ ΠΎΡ ΡΠΎΠ³ΠΎ, ΠΊΠ°ΠΊΠ°Ρ Π½Π°Π³ΡΡΠ·ΠΊΠ° Π²Π»ΠΈΡΠ΅Ρ Π½Π° Π΄Π²ΠΈΠ³Π°ΡΠ΅Π»Ρ. Π‘ΡΠ°Π±ΠΈΠ»ΠΈΠ·Π°ΡΠΈΡ ΠΏΠΎΠ»Π½ΠΎΡΡΡΡ Π°Π²ΡΠΎΠΌΠ°ΡΠΈΡΠ΅ΡΠΊΠ°Ρ, Π²ΠΌΠ΅ΡΠ°ΡΠ΅Π»ΡΡΡΠ²Π° Π²ΠΎΠ΄ΠΈΡΠ΅Π»Ρ Π½Π΅ ΡΡΠ΅Π±ΡΠ΅ΡΡΡ. Π‘ ΠΏΠΎΠΌΠΎΡΡΡ ΡΠ΅Π³ΡΠ»ΡΡΠΎΡΠ° ΠΏΡΠΎΠΈΡΡ ΠΎΠ΄ΠΈΡ ΠΈΠ·ΠΌΠ΅Π½Π΅Π½ΠΈΠ΅ Π½Π°ΠΏΡΡΠΆΠ΅Π½ΠΈΡ, ΠΊΠΎΡΠΎΡΠΎΠ΅ ΠΏΠΎΠ΄Π°Π΅ΡΡΡ Π½Π° Π°ΠΊΠΊΡΠΌΡΠ»ΡΡΠΎΡ Π΄Π»Ρ Π΅Π³ΠΎ Π·Π°ΡΡΠ΄ΠΊΠΈ.ΠΠΎΡΡΠΎΠΌΡ Π²Π°ΠΆΠ½ΠΎ Π·Π½Π°ΡΡ, ΠΊΠ°ΠΊ ΠΏΠΎΠ΄ΠΊΠ»ΡΡΠΈΡΡ Π³Π΅Π½Π΅ΡΠ°ΡΠΎΡ ΠΠΠ-2106. Π‘Ρ Π΅ΠΌΠ° ΡΠΎΠ΅Π΄ΠΈΠ½Π΅Π½ΠΈΡ Π΅Π³ΠΎ ΡΠ»Π΅ΠΌΠ΅Π½ΡΠΎΠ² ΠΏΡΠΈΠ³ΠΎΠ΄ΠΈΡΡΡ Π²ΡΠ΅ΠΌ Π²Π»Π°Π΄Π΅Π»ΡΡΠ°ΠΌ Π΄Π°Π½Π½ΠΎΠ³ΠΎ Π°Π²ΡΠΎ.
Π Π΅ΠΌΠ΅Π½Π½Π°Ρ ΠΏΠ΅ΡΠ΅Π΄Π°ΡΠ°
ΠΡΠΎΠ±ΠΎ ΡΠ»Π΅Π΄ΡΠ΅Ρ ΡΠΏΠΎΠΌΡΠ½ΡΡΡ ΠΏΡΠΈΠ²ΠΎΠ΄Π½ΠΎΠΉ ΡΠ΅ΠΌΠ΅Π½Ρ. Π£ΡΡΠΈΡΠ΅, ΡΡΠΎ ΡΠΎΡΠΎΡ Π³Π΅Π½Π΅ΡΠ°ΡΠΎΡΠ° Π²ΡΠ°ΡΠ°Π΅ΡΡΡ Π±ΡΡΡΡΠ΅Π΅ ΠΊΠΎΠ»Π΅Π½ΡΠ°ΡΠΎΠ³ΠΎ Π²Π°Π»Π°. Π ΡΠ°Π·Π½ΠΈΡΠ° ΠΌΠΎΠΆΠ΅Ρ Π±ΡΡΡ Π² 2-3 ΡΠ°Π·Π°. Π Π·Π°Π²ΠΈΡΠΈΠΌΠΎΡΡΠΈ ΠΎΡ Π°Π²ΡΠΎΠΌΠΎΠ±ΠΈΠ»Ρ ΠΌΠΎΠΆΠ΅Ρ ΠΈΡΠΏΠΎΠ»ΡΠ·ΠΎΠ²Π°ΡΡΡΡ ΠΊΠ»ΠΈΠ½ΠΎΠ²ΠΎΠΉ ΠΈΠ»ΠΈ ΠΏΠΎΠ»ΠΈΠΊΠ»ΠΈΠ½ΠΎΠ²ΠΎΠΉ ΡΠ΅ΠΌΠ΅Π½Ρ. ΠΠ΅ΡΠ²ΡΠΉ ΠΈΠΌΠ΅Π΅Ρ ΡΠ°ΠΊΠΎΠΉ Π½Π΅Π΄ΠΎΡΡΠ°ΡΠΎΠΊ, ΠΊΠ°ΠΊ Π±ΡΡΡΡΡΠΉ ΠΈΠ·Π½ΠΎΡ. ΠΡΠΎΡΠΎΠΉ Π±ΠΎΠ»Π΅Π΅ ΡΠ½ΠΈΠ²Π΅ΡΡΠ°Π»Π΅Π½, ΠΈΠ·Π½ΠΎΡ Π½Π°ΠΌΠ½ΠΎΠ³ΠΎ ΠΌΠ΅Π½ΡΡΠ΅, ΠΎΡΠ΅Π½Ρ Ρ ΠΎΡΠΎΡΠΎ ΡΠ°Π±ΠΎΡΠ°Π΅Ρ, Π΅ΡΠ»ΠΈ Π΄ΠΈΠ°ΠΌΠ΅ΡΡ ΡΠΊΠΈΠ²Π° Π½Π° ΡΠΎΡΠΎΡΠ΅ Π³Π΅Π½Π΅ΡΠ°ΡΠΎΡΠ° Π½Π΅Π±ΠΎΠ»ΡΡΠΎΠΉ.Π‘Π»Π΅Π΄ΠΎΠ²Π°ΡΠ΅Π»ΡΠ½ΠΎ, Ρ ΠΏΠΎΠΌΠΎΡΡΡ ΠΏΠΎΠ»ΠΈΠΊΠ»ΠΈΠ½ΠΎΠ²ΠΎΠ³ΠΎ ΡΠ΅ΠΌΠ½Ρ ΠΌΠΎΠΆΠ΅Ρ Π±ΡΡΡ ΡΠ΅Π°Π»ΠΈΠ·ΠΎΠ²Π°Π½ΠΎ Π±ΠΎΠ»Π΅Π΅ Π±ΡΡΡΡΠΎΠ΅ Π²ΡΠ°ΡΠ΅Π½ΠΈΠ΅ ΡΠΎΡΠΎΡΠ° Π³Π΅Π½Π΅ΡΠ°ΡΠΎΡΠ°. ΠΡΠ°ΠΊΡΠΈΡΠ΅ΡΠΊΠΈ Π²ΡΠ΅ ΡΠΎΠ²ΡΠ΅ΠΌΠ΅Π½Π½ΡΠ΅ Π°Π²ΡΠΎΠΌΠΎΠ±ΠΈΠ»ΠΈ ΠΎΡΠ½Π°ΡΠ΅Π½Ρ Π³Π΅Π½Π΅ΡΠ°ΡΠΎΡΠ½ΡΠΌΠΈ ΡΡΡΠ°Π½ΠΎΠ²ΠΊΠ°ΠΌΠΈ Ρ ΠΏΠΎΠ»ΠΈΠΊΠ»ΠΈΠ½ΠΎΠ²ΡΠΌ ΡΠ΅ΠΌΠ½Π΅ΠΌ. Π Π²ΠΎΡ Π³Π΅Π½Π΅ΡΠ°ΡΠΎΡ ΠΠΠ-2106, ΡΡ Π΅ΠΌΠ° ΠΏΠΎΠ΄ΠΊΠ»ΡΡΠ΅Π½ΠΈΡ ΠΊΠΎΡΠΎΡΠΎΠ³ΠΎ Π²Π°ΠΌ ΡΠ΅ΠΏΠ΅ΡΡ ΠΈΠ·Π²Π΅ΡΡΠ½Π°, ΠΏΡΠΈΠ²ΠΎΠ΄ΠΈΡΡΡ ΠΊΠ»ΠΈΠ½ΠΎΠ²ΠΈΠ΄Π½ΡΠΌ ΡΠ΅ΠΌΠ½Π΅ΠΌ.
p >>ΡΡ Π΅ΠΌΠ° ΠΏΠΎΠ΄ΠΊΠ»ΡΡΠ΅Π½ΠΈΡ, ΡΡΡΡΠΎΠΉΡΡΠ²ΠΎ ΠΈ Π²ΠΎΠ·ΠΌΠΎΠΆΠ½ΡΠ΅ Π½Π΅ΠΈΡΠΏΡΠ°Π²Π½ΠΎΡΡΠΈ
ΠΡΠΏΠΎΠ»ΡΠ·ΠΎΠ²Π°Π» ΡΠ°Ρ ΠΎΠΌΠ΅ΡΡ ΠΠΠ-2106 Π΄Π»Ρ ΠΏΡΠΎΠ²Π΅ΡΠΊΠΈ ΡΠ°ΡΡΠΎΡΡ Π²ΡΠ°ΡΠ΅Π½ΠΈΡ ΠΊΠΎΠ»Π΅Π½ΡΠ°ΡΠΎΠ³ΠΎ Π²Π°Π»Π° Π΄Π²ΠΈΠ³Π°ΡΠ΅Π»Ρ. ΠΠ½Π΄ΠΈΠΊΠ°ΡΠΎΡ Π½Π°Ρ ΠΎΠ΄ΠΈΡΡΡ Π½Π° ΠΏΡΠΈΠ±ΠΎΡΠ½ΠΎΠΉ ΠΏΠ°Π½Π΅Π»ΠΈ ΡΠΏΡΠ°Π²Π° ΠΎΡ ΡΠΏΠΈΠ΄ΠΎΠΌΠ΅ΡΡΠ°.ΠΠ²ΡΠΎΠΌΠΎΠ±ΠΈΠ»Ρ ΡΠ΅ΡΡΠΎΠΉ ΠΌΠΎΠ΄Π΅Π»ΠΈ Ρ ΠΈΠ½ΠΆΠ΅ΠΊΡΠΎΡΠ½ΡΠΌΠΈ ΠΌΠΎΡΠΎΡΠ°ΠΌΠΈ Β«ΠΠ²ΡΠΎΠΠΠΒ» Π½Π΅ ΠΏΡΠΎΠΈΠ·Π²ΠΎΠ΄ΠΈΠ», ΡΠΎΠ»ΡΠΊΠΎ Π² ΠΏΠΎΡΠ»Π΅Π΄Π½ΠΈΠ΅ Π³ΠΎΠ΄Ρ Π²ΡΠΏΡΡΠΊΠ° Π½Π΅Π±ΠΎΠ»ΡΡΠ°Ρ ΠΏΠ°ΡΡΠΈΡ ΡΠΎΡΠ»Π° Ρ ΠΊΠΎΠ½Π²Π΅ΠΉΠ΅ΡΠ° Β«ΠΠ-ΠΠ²ΡΠΎΒ». ΠΠΎΡΡΠΎΠΌΡ ΡΠ°Ρ ΠΎΠΌΠ΅ΡΡ ΠΈΡΠΏΠΎΠ»ΡΠ·ΠΎΠ²Π°Π»ΡΡ ΡΠΎΠ»ΡΠΊΠΎ Ρ ΡΠΈΡΡΠ΅ΠΌΠ°ΠΌΠΈ Π·Π°ΠΆΠΈΠ³Π°Π½ΠΈΡ, ΡΠΎΠ²ΠΌΠ΅ΡΡΠΈΠΌΡΠΌΠΈ Ρ ΠΊΠ°ΡΠ±ΡΡΠ°ΡΠΎΡΠ½ΡΠΌ Π²ΠΏΡΡΡΠΊΠΎΠΌ.
ΠΡΠΎΠ±Π΅Π½Π½ΠΎΡΡΠΈ ΡΠ°Ρ ΠΎΠΌΠ΅ΡΡΠ°
ΠΠ½ΠΎΠ³ΠΈΠ΅ Π°Π²ΡΠΎΠΌΠΎΠ±ΠΈΠ»ΠΈΡΡΡ Π½Π΅ ΠΏΠΎΠ»ΡΠ·ΡΡΡΡΡ ΡΠ°Ρ ΠΎΠΌΠ΅ΡΡΠΎΠΌ — ΠΎΠ½ Π½Π΅ ΡΠ°ΠΊ Π²Π°ΠΆΠ΅Π½, ΠΊΠ°ΠΊ ΡΠΏΠΈΠ΄ΠΎΠΌΠ΅ΡΡ (ΠΊΠΎΡΠΎΡΡΠΉ ΠΈΡΠΏΠΎΠ»ΡΠ·ΡΠ΅ΡΡΡ Π΄Π»Ρ ΠΊΠΎΠ½ΡΡΠΎΠ»Ρ ΡΠΊΠΎΡΠΎΡΡΠΈ, ΡΡΠΎΠ±Ρ Π½Π΅ Π½Π°ΡΡΡΠ°ΡΡ ΠΏΡΠ°Π²ΠΈΠ»Π° Π΄ΠΎΡΠΎΠΆΠ½ΠΎΠ³ΠΎ Π΄Π²ΠΈΠΆΠ΅Π½ΠΈΡ ΠΈ Π½Π΅ Π·Π°ΡΠ°Π±ΠΎΡΠ°ΡΡ ΡΡΡΠ°Ρ). Π‘ ΠΏΠΎΠΌΠΎΡΡΡ ΡΠ°Ρ ΠΎΠΌΠ΅ΡΡΠ° ΠΈΠ·ΠΌΠ΅ΡΡΠ΅ΡΡΡ ΡΠΊΠΎΡΠΎΡΡΡ Π΄Π²ΠΈΠ³Π°ΡΠ΅Π»Ρ — ΠΈ ΡΡΠΎ ΠΈΠ½ΠΎΠ³Π΄Π° ΠΏΠΎΠ»Π΅Π·Π½ΠΎ Π΄Π»Ρ Π½ΠΎΠ²ΠΈΡΠΊΠΎΠ², ΠΊΠΎΡΠΎΡΡΠ΅ Π΅ΡΠ΅ Π½Π΅ Π½Π°ΡΡΠΈΠ»ΠΈΡΡ Β«ΡΡΠ²ΡΡΠ²ΠΎΠ²Π°ΡΡΒ» Π΄Π²ΠΈΠ³Π°ΡΠ΅Π»Ρ.
ΠΡΠΈ ΠΏΡΠΎΠ²Π΅Π΄Π΅Π½ΠΈΠΈ ΡΡΠ½ΠΈΠ½Π³Π° ΠΊΡΠ°ΡΠΈΠ²ΡΠ΅ ΡΡΡΡΠΎΠΉΡΡΠ²Π°, ΡΠ»ΡΡΡΠ°ΡΡΠΈΠ΅ Π²Π½Π΅ΡΠ½ΠΈΠΉ Π²ΠΈΠ΄ ΠΏΡΠΈΠ±ΠΎΡΠ½ΠΎΠΉ ΠΏΠ°Π½Π΅Π»ΠΈ. ΠΠ° ΡΠ΅ΡΡΠ΅ΡΠΊΠΈ ΡΡΡΠ°Π½Π°Π²Π»ΠΈΠ²Π°Π»ΠΈΡΡ Π΄Π²ΠΈΠ³Π°ΡΠ΅Π»ΠΈ Ρ ΡΠ΅ΡΡΡΡΠΌΡ ΡΠΈΠ»ΠΈΠ½Π΄ΡΠ°ΠΌΠΈ. Π£ Π½ΠΈΡ ΠΎΠ΄Π½Π° ΠΎΡΠΎΠ±Π΅Π½Π½ΠΎΡΡΡ — Π½Π° ΠΊΠ°ΠΆΠ΄ΡΠΉ ΠΎΠ±ΠΎΡΠΎΡ ΡΠ°ΡΠΏΡΠ΅Π΄Π΅Π»ΠΈΡΠ΅Π»ΡΠ½ΠΎΠ³ΠΎ Π²Π°Π»Π° (ΡΡΠ°ΠΌΠ±Π»Π΅ΡΠ°) ΠΏΡΠΎΠΈΡΡ ΠΎΠ΄ΠΈΡ ΡΠ΅ΡΡΡΠ΅ Π·Π°ΠΌΡΠΊΠ°Π½ΠΈΡ ΠΊΠΎΠ½ΡΠ°ΠΊΡΠ½ΠΎΠΉ Π³ΡΡΠΏΠΏΡ ΠΏΡΠ΅ΡΡΠ²Π°ΡΠ΅Π»Ρ. Π‘ Π΅Π³ΠΎ ΠΏΠΎΠΌΠΎΡΡΡ ΡΠΎΠ·Π΄Π°Π΅ΡΡΡ ΠΈΠΌΠΏΡΠ»ΡΡ, Π½Π΅ΠΎΠ±Ρ ΠΎΠ΄ΠΈΠΌΡΠΉ Π΄Π»Ρ ΠΎΠ±ΡΠ°Π·ΠΎΠ²Π°Π½ΠΈΡ ΠΈΡΠΊΡΡ. Π Π±Π΅ΡΠΊΠΎΠ½ΡΠ°ΠΊΡΠ½ΠΎΠΉ ΡΠΈΡΡΠ΅ΠΌΠ΅ ΠΌΠ΅Ρ Π°Π½ΠΈΡΠ΅ΡΠΊΠΈΠΉ ΠΏΡΠ΅ΡΡΠ²Π°ΡΠ΅Π»Ρ ΡΠΏΡΠ°Π²Π»ΡΠ΅ΡΡΡ Π΄Π°ΡΡΠΈΠΊΠΎΠΌ Π₯ΠΎΠ»Π»Π°.
Π‘Ρ Π΅ΠΌΠ° Π²ΠΊΠ»ΡΡΠ΅Π½ΠΈΡ ΡΠ°Ρ ΠΎΠΌΠ΅ΡΡΠ°
Π‘Ρ Π΅ΠΌΠ° ΡΠ°Ρ ΠΎΠΌΠ΅ΡΡΠ° ΠΠΠ-2106 Π·Π°Π²ΠΈΡΠΈΡ ΠΎΡ ΡΠΎΠ³ΠΎ, ΠΊΠ°ΠΊΠ°Ρ ΡΠΈΡΡΠ΅ΠΌΠ° Π·Π°ΠΆΠΈΠ³Π°Π½ΠΈΡ ΠΈΡΠΏΠΎΠ»ΡΠ·ΡΠ΅ΡΡΡ Π½Π° Π°Π²ΡΠΎΠΌΠΎΠ±ΠΈΠ»Π΅.Π ΡΠ»ΡΡΠ°Π΅ ΠΊΠΎΠ½ΡΠ°ΠΊΡΠ½ΠΎΠΉ ΡΠΈΡΡΠ΅ΠΌΡ ΡΠΎΠ΅Π΄ΠΈΠ½Π΅Π½ΠΈΡ Π²ΡΠΏΠΎΠ»Π½ΡΡΡΡΡ ΡΠ»Π΅Π΄ΡΡΡΠΈΠΌ ΠΎΠ±ΡΠ°Π·ΠΎΠΌ:
- ΠΠ΅Π²ΡΠΉ Π²ΡΡ ΠΎΠ΄ ΡΠ°Ρ ΠΎΠΌΠ΅ΡΡΠ° (ΠΊΡΠ°ΡΠ½ΡΠΉ) ΠΏΠΎΠ΄ΠΊΠ»ΡΡΠ°Π΅ΡΡΡ ΠΊ ΠΏΠ»ΡΡΡ Π²ΡΠΊΠ»ΡΡΠ°ΡΠ΅Π»Ρ Π·Π°ΠΆΠΈΠ³Π°Π½ΠΈΡ. ΠΡΠΎ Π±Π»ΠΎΠΊ ΠΏΠΈΡΠ°Π½ΠΈΡ ΡΡΡΡΠΎΠΉΡΡΠ²Π° — ΠΎΠ½ ΠΈΠ΄Π΅Ρ ΡΠΎΠ»ΡΠΊΠΎ ΠΏΡΠΈ Π²ΠΊΠ»ΡΡΠ΅Π½Π½ΠΎΠΌ Π·Π°ΠΆΠΈΠ³Π°Π½ΠΈΠΈ.
- Π‘ΡΠ΅Π΄Π½ΠΈΠΉ ΠΏΡΠΎΠ²ΠΎΠ΄ (Π±Π΅Π»ΡΠΉ Ρ ΡΠ΅ΡΠ½ΠΎΠΉ ΠΏΠΎΠ»ΠΎΡΠΎΠΉ) ΠΏΠΎΠ΄ΠΊΠ»ΡΡΠ°Π΅ΡΡΡ ΠΊ ΠΊΡΠ·ΠΎΠ²Ρ (ΠΊΡΠ·ΠΎΠ²Ρ) Π°Π²ΡΠΎΠΌΠΎΠ±ΠΈΠ»Ρ.
- ΠΡΠ°Π²ΡΠΉ Π²ΡΡ ΠΎΠ΄ ΡΠ°Ρ ΠΎΠΌΠ΅ΡΡΠ° ΡΠΈΠ³Π½Π°Π»ΡΠ½ΡΠΉ, ΠΎΠΊΡΠ°ΡΠ΅Π½ Π² ΠΊΠΎΡΠΈΡΠ½Π΅Π²ΡΠΉ ΡΠ²Π΅Ρ. ΠΠ½ ΠΏΠΎΠ΄ΠΊΠ»ΡΡΠ°Π΅ΡΡΡ ΠΊ Π²ΡΠ²ΠΎΠ΄Ρ Β«ΠΒ» ΠΊΠ°ΡΡΡΠΊΠΈ Π·Π°ΠΆΠΈΠ³Π°Π½ΠΈΡ ΠΈ ΠΊΠΎΠ½ΡΠ°ΠΊΡΠ½ΠΎΠΉ Π³ΡΡΠΏΠΏΠ΅ ΡΡΠ°ΠΌΠ±Π»Π΅ΡΠ°.
ΠΠΎΠ΄ΠΊΠ»ΡΡΠ΅Π½ΠΈΠ΅ ΡΠ°Ρ ΠΎΠΌΠ΅ΡΡΠ° ΠΊ ΡΠ»Π΅ΠΌΠ΅Π½ΡΠ°ΠΌ ΡΠ»Π΅ΠΊΡΡΠΎΠ½Π½ΠΎΠΉ ΡΠΈΡΡΠ΅ΠΌΡ Π·Π°ΠΆΠΈΠ³Π°Π½ΠΈΡ ΠΎΡΠ΅Π½Ρ ΠΏΠΎΡ ΠΎΠΆΠ΅:
- ΠΡΠ°ΡΠ½ΡΠΉ ΠΏΡΠΎΠ²ΠΎΠ΄ ΠΏΠΎΠ΄ΠΊΠ»ΡΡΠ°Π΅ΡΡΡ ΠΊ Π·Π°ΠΌΠΊΡ Π·Π°ΠΆΠΈΠ³Π°Π½ΠΈΡ. ΠΠΈΡΠ°Π½ΠΈΠ΅ ΠΏΠΎΠ΄Π°Π΅ΡΡΡ, ΠΊΠ°ΠΊ ΠΈ Π² ΠΏΡΠ΅Π΄ΡΠ΄ΡΡΠ΅ΠΌ Π²Π°ΡΠΈΠ°Π½ΡΠ΅, ΡΠΎΠ»ΡΠΊΠΎ ΠΏΡΠΈ Π²ΠΊΠ»ΡΡΠ΅Π½Π½ΠΎΠΌ Π·Π°ΠΆΠΈΠ³Π°Π½ΠΈΠΈ.
- ΠΠΈΠ½ΡΡΠΎΠ²ΠΎΠΉ ΠΏΡΠΎΠ²ΠΎΠ΄ (Π±Π΅Π»ΡΠΉ Ρ ΡΠ΅ΡΠ½ΠΎΠΉ ΠΏΠΎΠ»ΠΎΡΠΎΠΉ) ΠΏΠΎΠ΄ΠΊΠ»ΡΡΠ°Π΅ΡΡΡ ΠΊ ΠΊΡΠ·ΠΎΠ²Ρ Π°Π²ΡΠΎΠΌΠΎΠ±ΠΈΠ»Ρ.
- Π£ΠΏΡΠ°Π²Π»ΡΡΡΠΈΠΉ ΠΏΡΠΎΠ²ΠΎΠ΄ (ΠΊΠΎΡΠΈΡΠ½Π΅Π²ΡΠΉ) ΠΏΠΎΠ΄ΠΊΠ»ΡΡΠ°Π΅ΡΡΡ ΠΊ ΠΊΠ»Π΅ΠΌΠΌΠ΅ ΠΊΠ°ΡΡΡΠΊΠΈ Β«KΒ» ΠΈ ΠΊΠΎΠ½ΡΠ°ΠΊΡΡ Β«1Β» ΡΠ»Π΅ΠΊΡΡΠΎΠ½Π½ΠΎΠ³ΠΎ ΠΏΠ΅ΡΠ΅ΠΊΠ»ΡΡΠ°ΡΠ΅Π»Ρ.
Π ΠΎΠ±ΠΎΠΈΡ ΡΠ»ΡΡΠ°ΡΡ ΠΊ ΡΠ°Ρ ΠΎΠΌΠ΅ΡΡΡ ΠΏΡΠΈΠ»Π°Π³Π°Π΅ΡΡΡ ΠΊΠ°Π±Π΅Π»Ρ ΠΏΠΈΡΠ°Π½ΠΈΡ Π»Π°ΠΌΠΏΡ Π½Π°ΠΊΠ°Π»ΠΈΠ²Π°Π½ΠΈΡ, Π½Π΅ΠΎΠ±Ρ ΠΎΠ΄ΠΈΠΌΡΠΉ Π΄Π»Ρ ΠΎΡΠ²Π΅ΡΠ΅Π½ΠΈΡ ΡΠΊΠ°Π»Ρ.
Π₯Π°ΡΠ°ΠΊΡΠ΅ΡΠΈΡΡΠΈΠΊΠΈ ΡΠ°Ρ ΠΎΠΌΠ΅ΡΡΠ°
Π ΡΠ΅Π»ΠΎΠΌ ΠΏΠΎΠ΄ΠΊΠ»ΡΡΠ΅Π½ΠΈΠ΅ ΡΠ°Ρ ΠΎΠΌΠ΅ΡΡΠ° ΠΠΠ-2106 Π½Π΅ Π²ΡΠ·ΠΎΠ²Π΅Ρ Π·Π°ΡΡΡΠ΄Π½Π΅Π½ΠΈΠΉ — Ρ Π½Π΅Π³ΠΎ Π²ΡΠ΅Π³ΠΎ ΡΡΠΈ ΠΎΡΠ½ΠΎΠ²Π½ΡΡ ΠΏΡΠΎΠ²ΠΎΠ΄Π°, ΠΎΡΡΠ°Π»ΡΠ½ΡΠ΅ Π²ΡΠΏΠΎΠΌΠΎΠ³Π°ΡΠ΅Π»ΡΠ½ΡΠ΅. ΠΠΎΠ΄Π΅Π»Ρ ΡΡΡΡΠΎΠΉΡΡΠ²Π° Π’Π₯-193 ΠΌΠΎΠΆΠ΅Ρ ΠΈΡΠΏΠΎΠ»ΡΠ·ΠΎΠ²Π°ΡΡΡΡ ΠΊΠ°ΠΊ Π² Π°Π²ΡΠΎΠΌΠΎΠ±ΠΈΠ»ΡΡ ΠΠΠ-2106, ΡΠ°ΠΊ ΠΈ Π² Π°Π½Π°Π»ΠΎΠ³ΠΈΡΠ½ΡΡ ΠΌΠΎΠ΄Π΅Π»ΡΡ . ΠΠ³ΠΎ ΠΌΠΎΠΆΠ½ΠΎ ΠΈΡΠΏΠΎΠ»ΡΠ·ΠΎΠ²Π°ΡΡ Π΄Π»Ρ ΠΈΠ·ΠΌΠ΅ΡΠ΅Π½ΠΈΡ ΡΠΊΠΎΡΠΎΡΡΠΈ Π»ΡΠ±ΠΎΠ³ΠΎ Π΄Π²ΠΈΠ³Π°ΡΠ΅Π»Ρ, Π² ΠΊΠΎΡΠΎΡΠΎΠΌ ΡΡΡΠ°Π½ΠΎΠ²Π»Π΅Π½ΠΎ ΡΠ»Π΅ΠΊΡΡΠΎΠ½Π½ΠΎΠ΅ ΠΈΠ»ΠΈ ΠΊΠΎΠ½ΡΠ°ΠΊΡΠ½ΠΎΠ΅ Π·Π°ΠΆΠΈΠ³Π°Π½ΠΈΠ΅.
ΠΡΠΏΠΎΠ»ΡΠ·ΡΡ ΡΠ°Ρ ΠΎΠΌΠ΅ΡΡ, ΠΊΠΎΠ»ΠΈΡΠ΅ΡΡΠ²ΠΎ ΠΈΠΌΠΏΡΠ»ΡΡΠΎΠ² Π² ΠΏΠ΅ΡΠ²ΠΈΡΠ½ΠΎΠΉ ΡΠ΅ΠΏΠΈ Π·Π°ΠΆΠΈΠ³Π°Π½ΠΈΡ. ΠΠ° ΡΠ΅ΡΡΡΠ΅Ρ ΡΠΈΠ»ΠΈΠ½Π΄ΡΠΎΠ²ΡΡ ΡΠ΅ΡΡΡΠ΅Ρ ΡΠ°ΠΊΡΠ½ΡΡ Π΄Π²ΠΈΠ³Π°ΡΠ΅Π»ΡΡ Π½Π° ΠΎΠ΄ΠΈΠ½ ΠΎΠ±ΠΎΡΠΎΡ ΡΠΎΠΏΠ°ΡΠΎΡΠ½ΠΎΠ³ΠΎ Π²Π°Π»Π° ΠΏΡΠΈΡ ΠΎΠ΄ΠΈΡΡΡ 4 Π·Π°ΠΌΡΠΊΠ°Π½ΠΈΡ ΠΈ ΡΠ°Π·ΠΌΡΠΊΠ°Π½ΠΈΠ΅ ΠΊΠΎΠ½ΡΠ°ΠΊΡΠ½ΠΎΠΉ Π³ΡΡΠΏΠΏΡ.ΠΡΡΠ³ΠΈΠΌΠΈ ΡΠ»ΠΎΠ²Π°ΠΌΠΈ, ΠΊΠ°ΠΆΠ΄ΡΠΉ ΠΎΠ±ΠΎΡΠΎΡ ΠΈΠ½ΠΈΡΠΈΠΈΡΡΠ΅Ρ ΡΠΎΡΠΌΠΈΡΠΎΠ²Π°Π½ΠΈΠ΅ 4 ΠΈΠΌΠΏΡΠ»ΡΡΠΎΠ². ΠΠΎ Π½Π° ΠΊΠ°ΠΆΠ΄ΡΠΉ ΠΎΠ±ΠΎΡΠΎΡ ΠΊΠΎΠ»Π΅Π½ΡΠ°ΡΠΎΠ³ΠΎ Π²Π°Π»Π° Π²ΡΡΠ°Π±Π°ΡΡΠ²Π°Π΅ΡΡΡ Π²ΡΠ΅Π³ΠΎ Π΄Π²Π° ΠΈΠΌΠΏΡΠ»ΡΡΠ°. Π‘Π»Π΅Π΄ΠΎΠ²Π°ΡΠ΅Π»ΡΠ½ΠΎ, ΡΡΡΠ΅ΡΡΠ²ΡΠ΅Ρ ΠΏΡΡΠΌΠ°Ρ Π·Π°Π²ΠΈΡΠΈΠΌΠΎΡΡΡ ΠΌΠ΅ΠΆΠ΄Ρ ΡΠΊΠΎΡΠΎΡΡΡΡ Π²ΡΠ°ΡΠ΅Π½ΠΈΡ ΡΠΎΡΠΎΡΠ° ΡΡΠ°ΠΌΠ±Π»Π΅ΡΠ° ΠΈ ΠΊΠΎΠ»Π΅Π½ΡΠ°ΡΠΎΠ³ΠΎ Π²Π°Π»Π°.
ΠΡΠΎΠ²ΠΎΠ΄Π° Π΄Π»Ρ ΠΏΠΎΠ΄ΠΊΠ»ΡΡΠ΅Π½ΠΈΡ ΡΠ°Ρ ΠΎΠΌΠ΅ΡΡΠ°
Π ΠΊΠΎΠ½ΡΡΡΡΠΊΡΠΈΠΈ ΠΏΡΠΈΠ±ΠΎΡΠ° Π΅ΡΡΡ Π½Π΅ ΡΠΎΠ»ΡΠΊΠΎ ΡΠΊΠ°Π·Π°ΡΠ΅Π»Ρ ΡΠΊΠΎΡΠΎΡΡΠΈ, Π½ΠΎ ΠΈ Π»Π°ΠΌΠΏΠ° Π΄Π°Π²Π»Π΅Π½ΠΈΡ ΠΌΠ°ΡΠ»Π°.
ΠΠ΅ΡΠ΅Π΄ ΡΠ΅ΠΌ, ΠΊΠ°ΠΊ ΠΏΠΎΠ΄ΠΊΠ»ΡΡΠΈΡΡ ΡΠ°Ρ ΠΎΠΌΠ΅ΡΡ ΠΊ ΠΠΠ-2106, Π½Π΅ΠΎΠ±Ρ ΠΎΠ΄ΠΈΠΌΠΎ ΠΎΠ·Π½Π°ΠΊΠΎΠΌΠΈΡΡΡΡ Ρ Π½Π°Π·Π½Π°ΡΠ΅Π½ΠΈΠ΅ΠΌ Π²ΡΠ΅Ρ ΠΏΡΠΎΠ²ΠΎΠ΄ΠΎΠ²:
- ΠΠ΅Π»ΡΠΉ — ΠΏΡΠ΅Π΄Π½Π°Π·Π½Π°ΡΠ΅Π½ Π΄Π»Ρ ΠΏΠΎΠ΄ΠΊΠ»ΡΡΠ΅Π½ΠΈΡ ΠΊ ΡΠΎΠΉ ΡΠ°ΡΡΠΈ ΠΏΡΠΎΠ²ΠΎΠ΄ΠΊΠΈ, Π½Π° ΠΊΠΎΡΠΎΡΡΡ ΠΏΠΎΡΡΡΠΏΠ°Π΅Ρ Π½Π°ΠΏΡΡΠΆΠ΅Π½ΠΈΠ΅ Π΄Π»Ρ ΠΎΡΠ²Π΅ΡΠΈΡΠ΅Π»ΡΠ½ΡΡ ΠΏΡΠΈΠ±ΠΎΡΠΎΠ².
- Π‘ ΠΏΠΎΠΌΠΎΡΡΡ ΠΊΡΠ°ΡΠ½ΠΎΠ³ΠΎ ΠΏΡΠΎΠ²ΠΎΠ΄Π° ΠΈ ΠΏΡΠ΅Π΄ΠΎΡ ΡΠ°Π½ΠΈΡΠ΅Π»Ρ ΡΡΡΡΠΎΠΉΡΡΠ²ΠΎ Π·Π°ΠΏΠΈΡΡΠ²Π°Π΅ΡΡΡ. Π Π½Π°ΠΏΡΡΠΆΠ΅Π½ΠΈΠ΅ Π½Π° Π½Π΅ΠΌ ΠΏΡΠΈΡ ΠΎΠ΄ΠΈΡ ΡΠΎΠ»ΡΠΊΠΎ ΠΏΡΠΈ Π²ΠΊΠ»ΡΡΠ΅Π½ΠΈΠΈ Π·Π°ΠΆΠΈΠ³Π°Π½ΠΈΡ.
- ΠΠ΅Π»ΡΠΉ Ρ ΡΠ΅ΡΠ½ΠΎΠΉ ΠΏΠΎΠ»ΠΎΡΠΎΠΉ — ΠΏΡΠΈΠ²ΡΠ·ΠΊΠ° ΠΊ ΠΌΠ°ΡΡΠ΅ Π°Π²ΡΠΎΠΌΠΎΠ±ΠΈΠ»Ρ.
- ΠΠΎΡΠΈΡΠ½Π΅Π²ΡΠΉ — ΡΠΈΠ³Π½Π°Π»ΡΠ½ΡΠΉ ΠΏΡΠΎΠ²ΠΎΠ΄, Π½Π° ΠΊΠΎΡΠΎΡΡΠΉ ΠΏΠΎΡΡΡΠΏΠ°ΡΡ ΠΈΠΌΠΏΡΠ»ΡΡΡ Π½Π°ΠΏΡΡΠΆΠ΅Π½ΠΈΡ Ρ ΠΊΠ°ΡΡΡΠΊΠΈ.
- Π§Π΅ΡΠ½ΡΠΉ — ΠΏΡΠ΅Π΄Π½Π°Π·Π½Π°ΡΠ΅Π½ Π΄Π»Ρ ΠΏΠΎΠ΄ΠΊΠ»ΡΡΠ΅Π½ΠΈΡ ΡΠ»Π΅ΠΊΡΡΠΎΠΌΠ°Π³Π½ΠΈΡΠ½ΠΎΠ³ΠΎ ΡΠ΅Π»Π΅ ΠΈΠ½Π΄ΠΈΠΊΠ°ΡΠΎΡΠ° Π·Π°ΡΡΠ΄Π½ΠΎΠ³ΠΎ ΡΠΎΠΊΠ°. Π Π΅Π»Π΅ ΡΡΡΠ°Π½ΠΎΠ²Π»Π΅Π½ΠΎ Π² ΠΌΠΎΡΠΎΡΠ½ΠΎΠΌ ΠΎΡΡΠ΅ΠΊΠ΅ Ρ ΠΏΡΠ°Π²ΠΎΠΉ ΡΡΠΎΡΠΎΠ½Ρ.
- Π‘Π΅ΡΡΠΉ ΠΏΡΠΎΠ²ΠΎΠ΄ Ρ ΡΠ΅ΡΠ½ΠΎΠΉ ΠΏΠΎΠ»ΠΎΡΠΎΠΉ ΠΏΠΎΠ΄ΠΊΠ»ΡΡΠ°Π΅ΡΡΡ ΠΊ Π΄Π°ΡΡΠΈΠΊΡ Π΄Π°Π²Π»Π΅Π½ΠΈΡ ΠΌΠ°ΡΠ»Π° Π½Π° Π±Π»ΠΎΠΊΠ΅ ΡΠΈΠ»ΠΈΠ½Π΄ΡΠΎΠ².
ΠΡΠΈ ΡΡΡΠ°Π½ΠΎΠ²ΠΊΠ΅ Π½Π΅ΠΎΠ±Ρ ΠΎΠ΄ΠΈΠΌΠΎ ΡΠΎΠ±Π»ΡΠ΄Π°ΡΡ ΡΠ²Π΅ΡΠ°. ΠΠΎ ΠΏΡΠΈΠ²ΡΡΠΊΠ΅ ΠΌΠΎΠΆΠ½ΠΎ Π²ΠΎΡΠΏΡΠΈΠ½ΠΈΠΌΠ°ΡΡ ΡΠ΅ΡΠ½ΡΠΉ ΠΏΡΠΎΠ²ΠΎΠ΄ ΠΊΠ°ΠΊ ΠΌΠΈΠ½ΡΡ (Π½Π° ΡΠ°ΠΌΠΎΠΌ Π΄Π΅Π»Π΅, Π² Π±ΠΎΠ»ΡΡΠΈΠ½ΡΡΠ²Π΅ ΡΠ»ΡΡΠ°Π΅Π² ΡΠ°ΠΊ ΠΈ Π΅ΡΡΡ). Π ΡΡΠΎΠΌ ΡΠ»ΡΡΠ°Π΅ ΡΠ°Ρ ΠΎΠΌΠ΅ΡΡ ΡΠ°Π±ΠΎΡΠ°ΡΡ Π½Π΅ Π±ΡΠ΄Π΅Ρ.
ΠΡΠ»ΠΈ ΡΠ°Ρ ΠΎΠΌΠ΅ΡΡ Π½Π΅ ΡΠ°Π±ΠΎΡΠ°Π΅Ρ
ΠΠΎΡΠ»Π΅Π΄ΠΎΠ²Π°ΡΠ΅Π»ΡΠ½ΠΎΡΡΡ Π΄Π΅ΠΉΡΡΠ²ΠΈΠΉ ΠΏΡΠΈ ΠΎΠ±Π½Π°ΡΡΠΆΠ΅Π½ΠΈΠΈ ΠΏΠΎΠ»ΠΎΠΌΠΊΠΈ ΡΠ°Ρ ΠΎΠΌΠ΅ΡΡΠ° (ΠΏΡΠΈ ΠΏΠΎΠ»Π½ΠΎΠΌ Π²ΡΡ ΠΎΠ΄Π΅ ΠΈΠ· ΡΡΡΠΎΡ):
- ΠΡΠΎΠ²Π΅ΡΠΈΡΡ ΡΠ΅ΠΏΡ ΠΏΠΎΠ΄ΠΊΠ»ΡΡΠ΅Π½ΠΈΡ ΠΊ ΠΊΠ»Π΅ΠΌΠΌΠ΅ ΠΊΠ°ΡΡΡΠΊΠΈ Π·Π°ΠΆΠΈΠ³Π°Π½ΠΈΡ Β«ΠΒ». ΠΡΠ»ΠΈ Π΅ΡΡΡ ΠΏΠΎΠ»ΠΎΠΌΠΊΠ°, ΡΡΡΡΠ°Π½ΠΈΡΠ΅ Π΅Π΅. ΠΡΠ΅ ΡΠ°Π±ΠΎΡΡ Π½Π΅ΠΎΠ±Ρ ΠΎΠ΄ΠΈΠΌΠΎ ΠΏΡΠΎΠ²ΠΎΠ΄ΠΈΡΡ ΠΏΡΠΈ ΡΠ½ΡΡΠΎΠΌ Π°ΠΊΠΊΡΠΌΡΠ»ΡΡΠΎΡΠ΅.
- ΠΡΠΎΠ²Π΅ΡΠΈΡΡ ΡΠ΅ΠΏΡ ΠΏΠΈΡΠ°Π½ΠΈΡ ΡΡΡΡΠΎΠΉΡΡΠ²Π°, ΡΠ±Π΅Π΄ΠΈΡΡΡΡ Π² ΠΈΡΠΏΡΠ°Π²Π½ΠΎΡΡΠΈ ΠΏΡΠ΅Π΄ΠΎΡ ΡΠ°Π½ΠΈΡΠ΅Π»Ρ.
- ΠΠ° ΠΈΠ½ΠΆΠ΅ΠΊΡΠΎΡΠ½ΡΡ Π΄Π²ΠΈΠ³Π°ΡΠ΅Π»ΡΡ ΠΌΠΎΠΆΠ΅Ρ Π²ΡΠΉΡΠΈ ΠΈΠ· ΡΡΡΠΎΡ ΡΠ΅ΠΏΡ, ΡΠΎΠ΅Π΄ΠΈΠ½ΡΡΡΠ°Ρ ΠΌΠΎΠ΄ΡΠ»Ρ Π·Π°ΠΆΠΈΠ³Π°Π½ΠΈΡ ΠΈ Π±Π»ΠΎΠΊ ΡΠΏΡΠ°Π²Π»Π΅Π½ΠΈΡ.
- ΠΡΠΈ ΠΈΡΠΏΠΎΠ»ΡΠ·ΠΎΠ²Π°Π½ΠΈΠΈ ΡΠΈΠ»ΠΈΠΊΠΎΠ½ΠΎΠ²ΡΡ Π²ΡΡΠΎΠΊΠΎΠ²ΠΎΠ»ΡΡΠ½ΡΡ ΠΏΡΠΎΠ²ΠΎΠ΄ΠΎΠ² ΠΈΠ½ΠΎΠ³Π΄Π° Π²ΠΎΠ·Π½ΠΈΠΊΠ°Π΅Ρ Π½Π΅ΠΎΠ±Ρ ΠΎΠ΄ΠΈΠΌΠΎΡΡΡ Π·Π°ΠΌΠ΅Π½Ρ ΡΠ΅Π·ΠΈΡΡΠΎΡΠ°, ΡΡΡΠ°Π½ΠΎΠ²Π»Π΅Π½Π½ΠΎΠ³ΠΎ Π½Π° ΠΏΠ»Π°ΡΠ΅ ΡΠ°Ρ ΠΎΠΌΠ΅ΡΡΠ° ΠΠΠ-2106.
ΠΠΎ ΡΡΠΎ ΠΏΠΎΠ»ΠΎΠΌΠΊΠ°, ΠΊΠΎΡΠΎΡΠ°Ρ ΠΏΡΠΈΠ²ΠΎΠ΄ΠΈΡ ΠΊ ΠΏΠΎΠ»Π½ΠΎΠΌΡ Π²ΡΡ ΠΎΠ΄Ρ ΡΡΡΡΠΎΠΉΡΡΠ²Π° ΠΈΠ· ΡΡΡΠΎΡ. ΠΠ½ Π³ΠΎΡΠ°Π·Π΄ΠΎ ΡΠ°ΡΠ΅ ΡΠ°Π±ΠΎΡΠ°Π΅Ρ Ρ ΠΏΠ΅ΡΠ΅Π±ΠΎΡΠΌΠΈ.
ΠΠ΅ΡΠ΅Π±ΠΎΠΈ Π² ΡΠ°Π±ΠΎΡΠ΅
Π§Π°ΡΡΠΎ Π±ΡΠ²Π°Π΅Ρ, ΡΡΠΎ ΡΡΡΠ΅Π»ΠΊΠ° Π½Π°ΡΠΈΠ½Π°Π΅Ρ ΡΡΠ°Π±Π°ΡΡΠ²Π°ΡΡ.ΠΡΠ»ΠΈ Π°Π²ΡΠΎΠΌΠΎΠ±ΠΈΠ»Ρ ΠΈΠ½ΠΆΠ΅ΠΊΡΠΎΡΠ½ΡΠΉ, ΠΏΠΎΠΈΡΠΊ Π½Π΅ΠΈΡΠΏΡΠ°Π²Π½ΠΎΡΡΠΈ Π·Π°ΠΊΠ»ΡΡΠ°Π΅ΡΡΡ Π² ΠΏΠΎΠ΄ΠΊΠ»ΡΡΠ΅Π½ΠΈΠΈ Π΄ΠΈΠ°Π³Π½ΠΎΡΡΠΈΡΠ΅ΡΠΊΠΎΠ³ΠΎ ΡΠΊΠ°Π½Π΅ΡΠ° ΠΈ ΠΏΡΠΎΠ²Π΅ΡΠΊΠ΅ ΡΠΈΡΡΠ΅ΠΌ Π΄Π²ΠΈΠ³Π°ΡΠ΅Π»Ρ.
Π ΠΎΡΡΠ°Π»ΡΠ½ΡΡ ΡΠ»ΡΡΠ°ΡΡ ΠΏΠΎΡΡΠ΅Π±ΡΡΡΡΡ ΡΠ°ΠΊΠΈΠ΅ ΠΌΠ°Π½ΠΈΠΏΡΠ»ΡΡΠΈΠΈ:
- ΠΡΠΎΠ²Π΅ΡΠΈΡΡ ΠΏΡΠΎΠ²ΠΎΠ΄ΠΊΡ, ΡΡΠΎΠ²Π΅Π½Ρ Π½Π°ΠΏΡΡΠΆΠ΅Π½ΠΈΡ. ΠΠ±ΡΠ·Π°ΡΠ΅Π»ΡΠ½ΠΎ ΠΏΡΠΎΠ²Π΅ΡΡΡΠ΅, Π½Π΅Ρ Π»ΠΈ ΠΎΠ±ΡΡΠ²ΠΎΠ² ΡΠ΅ΠΏΠ΅ΠΉ ΠΈ ΡΠ»Π΅Π΄ΠΎΠ² ΠΎΠΊΠΈΡΠ»Π΅Π½ΠΈΡ.
- Π£Π±Π΅Π΄ΠΈΡΠ΅ΡΡ, ΡΡΠΎ ΡΠ²ΡΠ·Ρ Ρ Β«ΠΌΠ°ΡΡΠΎΠΉΒ» ΠΊΠ°ΡΠ΅ΡΡΠ²Π΅Π½Π½Π°Ρ.
- ΠΡΠΈ ΠΏΠ»ΠΎΡ ΠΈΡ ΠΊΠΎΠ½ΡΠ°ΠΊΡΠ°Ρ Π² ΡΡΠ°ΠΌΠ±Π»Π΅ΡΠ΅ ΠΈΠ»ΠΈ ΠΏΡΠΎΠ±ΠΎΠ΅ ΠΊΠΎΠ½Π΄Π΅Π½ΡΠ°ΡΠΎΡΠ° Π΄Π΅ΡΠ³Π°Π΅ΡΡΡ ΡΡΡΠ΅Π»ΠΊΠ° ΡΠ°Ρ ΠΎΠΌΠ΅ΡΡΠ° ΠΠΠ-2106.ΠΡΠ»ΠΈ ΠΊΠΎΠ½Π΄Π΅Π½ΡΠ°ΡΠΎΡ Π²ΡΡΠ΅Π» ΠΈΠ· ΡΡΡΠΎΡ, ΠΏΡΠΎΡΡΠΎ Π·Π°ΠΌΠ΅Π½ΠΈΡΠ΅ Π΅Π³ΠΎ.
- ΠΡΠΎΠ²Π΅ΡΡΠΈ Π΄ΠΈΠ°Π³Π½ΠΎΡΡΠΈΠΊΡ ΡΠΈΡΡΠ΅ΠΌΡ Π·Π°ΠΆΠΈΠ³Π°Π½ΠΈΡ, ΡΡΡΡΠ°Π½ΠΈΡΡ Π΄Π΅ΡΠ΅ΠΊΡΡ.
- ΠΡΠ»ΠΈ Π½Π΅ΠΈΡΠΏΡΠ°Π²Π½ΠΎΡΡΠΈ Π²ΠΎΠ·Π½ΠΈΠΊΠ»ΠΈ ΠΏΠΎΡΠ»Π΅ ΠΏΠΎΠ»Π½ΠΎΠΉ (ΠΈΠ»ΠΈ ΡΠ°ΡΡΠΈΡΠ½ΠΎΠΉ) ΡΠ°Π·Π±ΠΎΡΠΊΠΈ, Π·Π°ΠΌΠ΅Π½Ρ, ΠΏΠΎΡΡΠ΅Π±ΡΠ΅ΡΡΡ ΡΠ΅Π³ΡΠ»ΠΈΡΠΎΠ²ΠΊΠ°. ΠΠ»Ρ ΡΡΠΎΠ³ΠΎ Ρ ΠΏΠΎΠΌΠΎΡΡΡ ΠΌΠΈΠΊΡΠΎΡΡΠΌΠ±Π»Π΅ΡΠ° Π½Π° Π·Π°Π΄Π½Π΅ΠΉ ΡΡΠΎΡΠΎΠ½Π΅ ΡΡΡΠ°Π½ΠΎΠ²ΠΈΡΠ΅ Β«Π½ΠΎΠ»ΡΒ».
- Π ΡΠΎΠΌ ΡΠ»ΡΡΠ°Π΅, Π΅ΡΠ»ΠΈ ΡΡΡΠ΅Π»ΠΊΠ° Π½Π°ΡΠΈΠ½Π°Π΅Ρ Π΄Π΅ΡΠ³Π°ΡΡΡΡ ΡΠΎΠ»ΡΠΊΠΎ ΠΏΡΠΈ ΡΠ°Π±ΠΎΡΠ΅ Π΄Π²ΠΈΠ³Π°ΡΠ΅Π»Ρ Π½Π° Π²ΡΡΠΎΠΊΠΈΡ ΠΎΠ±ΠΎΡΠΎΡΠ°Ρ , ΠΏΠΎΡΡΠ΅Π±ΡΠ΅ΡΡΡ Π·Π°ΠΌΠ΅Π½Π° ΠΏΠ΅ΡΠ΅ΠΊΠ»ΡΡΠ°ΡΠ΅Π»Ρ.
ΠΡΠ»ΠΈ Π½Π° ΠΠΠ-2106 Π½Π΅ ΡΠ°Π±ΠΎΡΠ°Π΅Ρ ΡΠ°Ρ ΠΎΠΌΠ΅ΡΡ, ΡΠ»Π΅Π΄ΡΠ΅Ρ Π²Π½ΠΈΠΌΠ°ΡΠ΅Π»ΡΠ½ΠΎ ΠΏΡΠΎΠ²Π΅ΡΠΈΡΡ Π²ΡΠ΅ ΡΠ΅ΠΏΠΈ Π΅Π³ΠΎ ΠΏΠΎΠ΄ΠΊΠ»ΡΡΠ΅Π½ΠΈΡ.Π§Π°ΡΠ΅ Π²ΡΠ΅Π³ΠΎ ΠΏΡΠΈΡΠΈΠ½ΠΎΠΉ Π²ΡΡ ΠΎΠ΄Π° ΠΈΠ· ΡΡΡΠΎΡ ΡΠ²Π»ΡΠ΅ΡΡΡ ΡΠ³ΠΎΡΠ°Π½ΠΈΠ΅ ΠΏΡΠ΅Π΄ΠΎΡ ΡΠ°Π½ΠΈΡΠ΅Π»Ρ ΠΈ ΠΎΠ±ΡΡΠ² ΡΠΈΠ»ΠΎΠ²ΡΡ ΠΏΡΠΎΠ²ΠΎΠ΄ΠΎΠ².
ΠΠ»Π΅ΠΊΡΡΠΎΡΡ Π΅ΠΌΠ° Π°Π²ΡΠΎΠΌΠΎΠ±ΠΈΠ»Ρ ΠΠΠ 2106. ΠΠΎΠ½ΡΠ°ΠΊΡΠ½Π°Ρ ΡΠΈΡΡΠ΅ΠΌΠ° Π·Π°ΠΆΠΈΠ³Π°Π½ΠΈΡ. ΠΠ»Π΅ΠΊΡΡΠΈΡΠ΅ΡΠΊΠΈΠ΅ ΡΡ Π΅ΠΌΡ ΠΎΡΠ΄Π΅Π»ΡΠ½ΡΡ ΡΠΈΠ»ΠΈΠ°Π»ΠΎΠ²
ΠΠ»Π΅ΠΊΡΡΠΎΠΏΡΠΎΠ²ΠΎΠ΄ΠΊΠ° ΠΠΠ 2106 ΡΡΡΡΠΎΠ΅Π½Π° ΠΏΠΎ ΠΏΡΠΈΠ½ΡΠΈΠΏΡ ΠΎΠ΄Π½ΠΎΠΏΡΠΎΠ²ΠΎΠ΄Π½ΠΎΡΡΠΈ, ΡΡΠΎ ΠΎΠ·Π½Π°ΡΠ°Π΅Ρ ΡΠΈΡΡΠ°ΡΠΈΡ, ΠΊΠΎΠ³Π΄Π° Π²ΡΠ΅ ΠΏΠΎΡΡΠ΅Π±ΠΈΡΠ΅Π»ΠΈ ΡΠΎΠΊΠ° Π·Π°ΠΏΠΈΡΠ°Π½Ρ ΠΌΠ°ΡΡΠΎΠΉ Π°Π²ΡΠΎΠΌΠΎΠ±ΠΈΠ»Ρ. Π ΡΡΠΎΠΌ ΡΠ»ΡΡΠ°Π΅ ΠΎΠ½ ΠΈΠ³ΡΠ°Π΅Ρ ΡΠΎΠ»Ρ Π²ΡΠΎΡΠΎΠ³ΠΎ ΠΏΡΠΎΠ²ΠΎΠ΄Π° (ΠΌΠΈΠ½ΡΡ). Π‘ΠΎΠΎΡΠ²Π΅ΡΡΡΠ²Π΅Π½Π½ΠΎ, Π²ΡΠ΅ ΡΠ»Π΅ΠΊΡΡΠΈΡΠ΅ΡΠΊΠΈΠ΅ ΠΊΠΎΠΌΠΏΠΎΠ½Π΅Π½ΡΡ ΠΈΠ·Π³ΠΎΡΠ°Π²Π»ΠΈΠ²Π°ΡΡΡΡ ΠΈ ΠΏΠΎΠ΄ΠΊΠ»ΡΡΠ°ΡΡΡΡ ΠΏΠΎΠ΄ ΠΊΠΎΠ½ΠΊΡΠ΅ΡΠ½ΡΡ ΠΌΠΎΠ΄Π΅Π»Ρ ΡΠ°Π±ΠΎΡΡ.
ΠΡΠΎΠ±Π΅Π½Π½ΠΎΡΡΠΈ ΡΠ»Π΅ΠΊΡΡΠΎΠΌΠΎΠ½ΡΠ°ΠΆΠ° Β«ΠΊΠ»Π°ΡΡΠΈΡΠ΅ΡΠΊΠΈΡ Β» ΠΌΠΎΠ΄Π΅Π»Π΅ΠΉ
ΠΡΠ½ΠΎΠ²Π½ΡΠ΅ Ρ Π°ΡΠ°ΠΊΡΠ΅ΡΠΈΡΡΠΈΠΊΠΈ ΡΠ»Π΅ΠΊΡΡΠΎΡΡ Π΅ΠΌΡ ΠΠΠ 2106 ΡΠ»Π΅Π΄ΡΡΡΠΈΠ΅:
- Π°ΠΊΡΠΈΠ²Π°ΡΠΈΡ ΡΠ»Π΅ΠΊΡΡΠΈΡΠ΅ΡΠΊΠΈΡ ΡΠ΅ΠΏΠ΅ΠΉ Π½Π΅ΠΏΠΎΡΡΠ΅Π΄ΡΡΠ²Π΅Π½Π½ΠΎ ΡΠ΅ΡΠ΅Π· Π·Π°ΠΌΠΎΠΊ Π·Π°ΠΆΠΈΠ³Π°Π½ΠΈΡ;
- ΠΏΠΎΠ΄ΠΊΠ»ΡΡΠ΅Π½ΠΈΠ΅ ΠΊ ΠΠΠ Ρ ΡΡΠ°ΡΡΠΈΠ΅ΠΌ Π±Π»ΠΎΠΊΠ° ΠΏΡΠ΅Π΄ΠΎΡ ΡΠ°Π½ΠΈΡΠ΅Π»Π΅ΠΉ;
- ΡΠΎΠΊΠΎΠΏΡΠΎΠ²ΠΎΠ΄ΡΡΠΈΡ ΠΊΠΎΡΠΏΡΡΠΎΠ² ΡΠ·Π»ΠΎΠ²ΡΡ ΡΠ·Π»ΠΎΠ².
Π’Π°ΠΊΠΈΠΌ ΠΎΠ±ΡΠ°Π·ΠΎΠΌ, Π² ΡΠ»ΡΡΠ°Π΅ Π²ΡΡ ΠΎΠ΄Π° ΠΈΠ· ΡΡΡΠΎΡ ΠΊΠ°ΠΊΠΎΠΉ-Π»ΠΈΠ±ΠΎ ΡΠΈΡΡΠ΅ΠΌΡ, ΠΆΠ΅Π»Π°ΡΠ΅Π»ΡΠ½ΠΎ ΠΈΡΠΊΠ°ΡΡ Π½Π΅ΠΈΡΠΏΡΠ°Π²Π½ΠΎΡΡΠΈ Π½Π΅ΠΏΠΎΡΡΠ΅Π΄ΡΡΠ²Π΅Π½Π½ΠΎ Ρ Π·Π°ΠΌΠΊΠ° Π·Π°ΠΆΠΈΠ³Π°Π½ΠΈΡ ΠΈ ΠΊΠΎΠ½ΡΠ°ΠΊΡΠ½ΠΎΠΉ Π³ΡΡΠΏΠΏΡ.
Π ΠΎΠ»Ρ ΡΡΠΎΠ³ΠΎ ΡΠ·Π»Π° ΡΠ»Π΅Π΄ΡΡΡΠ°Ρ:
- ΡΠΏΡΠ°Π²Π»ΡΠ΅Ρ ΡΠΈΡΡΠ΅ΠΌΠΎΠΉ Π·Π°ΠΆΠΈΠ³Π°Π½ΠΈΡ Π°Π²ΡΠΎΠΌΠΎΠ±ΠΈΠ»Ρ;
- ΠΈΠ³ΡΠ°Π΅Ρ ΠΏΡΠΎΡΠΈΠ²ΠΎΡΠ³ΠΎΠ½Π½ΡΡ, Π² ΡΠΎΠΌ ΡΠΈΡΠ»Π΅ ΠΎΡ ΡΠ°Π½Π½ΡΡ;
- ΠΏΠΎΠ·Π²ΠΎΠ»ΡΠ΅Ρ Π±ΡΠΊΡΠΈΡΠΎΠ²Π°ΡΡ Π½Π΅ΠΈΡΠΏΡΠ°Π²Π½ΡΠΉ Π°Π²ΡΠΎΠΌΠΎΠ±ΠΈΠ»Ρ Ρ Π²ΠΊΠ»ΡΡΠ΅Π½Π½ΠΎΠΉ Β«Π°Π²Π°ΡΠΈΠΉΠΊΠΎΠΉΒ».
ΠΡΠΈΡΠΈΠ½Ρ ΡΠ΅ΠΌΠΎΠ½ΡΠ° Π²ΡΠΊΠ»ΡΡΠ°ΡΠ΅Π»Ρ Π·Π°ΠΆΠΈΠ³Π°Π½ΠΈΡ
ΠΠ°ΠΌΠΎΠΊ Π·Π°ΠΆΠΈΠ³Π°Π½ΠΈΡ Β«ΡΠ΅ΡΡΠ΅ΡΠΊΠ°Β» ΠΈΠΌΠ΅Π΅Ρ 4 ΡΠ΅ΠΆΠΈΠΌΠ° Ρ ΡΠ°Π·Π½ΡΠΌ ΡΡΠ½ΠΊΡΠΈΠΎΠ½Π°Π»ΠΎΠΌ:
- Π Π΅ΠΆΠΈΠΌ Β«0Β» ΠΏΠΎΠ·Π²ΠΎΠ»ΡΠ΅Ρ ΠΏΠΎΠ΄Π°Π²Π°ΡΡ ΡΠΎΠ»ΡΠΊΠΎ ΠΏΡΠΎΠ²ΠΎΠ΄Π° 30 ΠΈ 30/1. ΠΡΡΠ°Π»ΡΠ½ΡΠ΅ ΡΡΠ½ΠΊΡΠΈΠΈ ΠΎΡΠΊΠ»ΡΡΠ΅Π½Ρ.
- Π Π΅ΠΆΠΈΠΌ Β«IΒ» Π΄Π°Π΅Ρ Π²ΠΎΠ·ΠΌΠΎΠΆΠ½ΠΎΡΡΡ ΡΠΏΡΠ°Π²Π»ΡΡΡ Ρ ΠΎΠ΄ΠΎΠ²ΡΠΌΠΈ ΠΎΠ³Π½ΡΠΌΠΈ, ΠΏΡΠΈΠ²ΠΎΠ΄ΠΎΠΌ Π΄Π²ΠΎΡΠ½ΠΈΠΊΠΎΠ², Π΄Π²ΠΈΠ³Π°ΡΠ΅Π»Π΅ΠΌ ΠΏΠ΅ΡΠΊΠΈ.
- Π Π΅ΠΆΠΈΠΌ Β«IIΒ» — Π² ΡΡΠΎΠΌ ΡΠ»ΡΡΠ°Π΅ ΠΏΡΠΎΠ²ΠΎΠ΄ΠΊΠ° Π½Π° ΠΠΠ 2106 Π°ΠΊΡΠΈΠ²ΠΈΡΡΠ΅Ρ ΠΏΠΎΠ²ΠΎΡΠΎΡΠ½ΠΈΠΊΠΈ, ΠΏΠ°Π½Π΅Π»Ρ ΠΏΡΠΈΠ±ΠΎΡΠΎΠ² ΠΈ ΡΠΈΡΡΠ΅ΠΌΡ Π·Π°ΠΆΠΈΠ³Π°Π½ΠΈΡ.
- ΠΠΎΠ»ΠΎΠΆΠ΅Π½ΠΈΠ΅ Β«IIIΒ» ΠΊΠ»Π°Π²ΠΈΡΠΈ ΠΏΠΎΠ΄Π°Π΅Ρ ΠΏΠΈΡΠ°Π½ΠΈΠ΅ Π½Π° ΠΊΠ»Π΅ΠΌΠΌΡ 30/1 ΠΈ 30-INT. Π‘ΡΠ°ΡΡΠ΅Ρ Π°Π²ΡΠΎΠΌΠΎΠ±ΠΈΠ»Ρ ΠΈΡΠΏΡΠ°Π²Π΅Π½.
ΠΠ°ΠΌΠ΅Π½Π° Π·Π°ΠΌΠΊΠ° Π·Π°ΠΆΠΈΠ³Π°Π½ΠΈΡ ΡΠ²ΠΎΠΈΠΌΠΈ ΡΡΠΊΠ°ΠΌΠΈ ΠΌΠΎΠΆΠ΅Ρ ΠΏΠΎΡΡΠ΅Π±ΠΎΠ²Π°ΡΡΡΡ ΠΏΠΎ Π½Π΅ΡΠΊΠΎΠ»ΡΠΊΠΈΠΌ ΠΏΡΠΈΡΠΈΠ½Π°ΠΌ:
- ΠΠΎ-ΠΏΠ΅ΡΠ²ΡΡ , ΡΡΠΎ Π²ΠΎΠ·ΠΌΠΎΠΆΠ½ΠΎ Π² ΡΠ»ΡΡΠ°Π΅ ΡΡΠ΅ΡΠΈ ΠΊΠ»ΡΡΠ΅ΠΉ.
- ΠΠΎ-Π²ΡΠΎΡΡΡ , ΡΠΎ Π²ΡΠ΅ΠΌΠ΅Π½Π΅ΠΌ Π³ΠΎΠ»ΠΎΠ²ΠΊΠ° Π±Π»ΠΎΠΊΠ° ΡΠΈΠ»ΠΈΠ½Π΄ΡΠΎΠ² ΠΏΠΎΠ΄Π²Π΅ΡΠ³Π°Π΅ΡΡΡ ΠΈΠ·Π½ΠΎΡΡ, Π° ΡΡΠΎ Π²Π»ΠΈΡΠ΅Ρ Π½Π° Π·Π°ΠΏΡΡΠΊ Π΄Π²ΠΈΠ³Π°ΡΠ΅Π»Ρ.
- ΠΡΠΎΠΌΠ΅ ΡΠΎΠ³ΠΎ, ΠΌΠΎΠ³ΡΡ Π±ΡΡΡ ΠΏΡΠΎΠ±Π»Π΅ΠΌΡ Ρ Π³ΡΡΠΏΠΏΠΎΠΉ ΠΊΠΎΠ½ΡΠ°ΠΊΡΠ½ΡΡ ΠΏΡΠΎΠ²ΠΎΠ΄ΠΎΠ², ΠΊΠΎΡΠΎΡΡΠ΅ ΠΌΠΎΠ³ΡΡ ΠΏΡΠΈΠ²Π΅ΡΡΠΈ ΠΊ.
Π‘ΠΎΠ²Π΅Ρ: ΠΡΡΠ°ΡΠΈ, ΡΡΡ ΡΠ°Π±ΠΎΡΡ Π²ΡΠΏΠΎΠ»Π½ΠΈΡΡ ΡΠ°ΠΌΠΎΡΡΠΎΡΡΠ΅Π»ΡΠ½ΠΎ Π½Π΅ΡΠ»ΠΎΠΆΠ½ΠΎ, Ρ ΠΎΡΡ ΡΠ΅Π½Π° Π½Π° ΡΡΠ»ΡΠ³ΠΈ Π°Π²ΡΠΎΡΠ»Π΅ΠΊΡΡΠΈΠΊΠ° ΡΠΎΠΆΠ΅ Π½Π΅ Π±ΡΠ΄Π΅Ρ Π·Π°ΠΏΡΠ΅Π΄Π΅Π»ΡΠ½ΠΎΠΉ. ΠΠ»Ρ ΡΠΎΠ³ΠΎ, ΡΡΠΎΠ±Ρ Π²ΡΠΏΠΎΠ»Π½ΠΈΡΡ Π΄Π°Π½Π½ΡΠ΅ Π²ΠΈΠ΄Ρ ΡΠ°Π±ΠΎΡ, Π·Π°ΡΠ°Π½Π΅Π΅ ΠΏΠΎΠ΄Π³ΠΎΡΠΎΠ²ΡΡΠ΅ ΡΠΈΠ»ΠΎ ΠΈ ΠΊΡΠ΅ΡΡΠΎΠ²ΡΡ ΠΎΡΠ²Π΅ΡΡΠΊΡ (Π½Ρ ΠΈ Π½ΠΎΠ²ΡΠΉ Π²ΡΠΊΠ»ΡΡΠ°ΡΠ΅Π»Ρ Π·Π°ΠΆΠΈΠ³Π°Π½ΠΈΡ, Π΅ΡΠ»ΠΈ Π½ΡΠΆΠ½ΠΎ).
Π ΡΠΎΡΡΠΎΠΈΡ ΠΈΠ· ΡΠ»Π΅Π΄ΡΡΡΠΈΡ ΡΠ»Π΅ΠΌΠ΅Π½ΡΠΎΠ² ΠΈ Π΄Π΅ΡΠ°Π»Π΅ΠΉ:
- ΠΊΠΎΡΠΏΡΡ Π·Π°ΠΌΠΊΠ°; ΠΠΎΠ½ΡΠ°ΠΊΡΠ½ΡΠΉ Π΄ΠΈΡΠΊ
- ;
- ΡΡΠΎΠΏΠΎΡΠ½ΡΠΉ ΡΡΠ΅ΡΠΆΠ΅Π½Ρ;
- ΡΠΎΠ»ΠΈΠΊ ΠΈ ΠΊΠΎΠ½ΡΠ°ΠΊΡΠ½Π°Ρ Π²ΡΡΠ»ΠΊΠ°;
- Π±Π»ΠΎΠΊ.
ΠΡΠΎΠ²Π΅ΡΠΊΠ° ΡΠ°Π±ΠΎΡΡ ΡΡΠ°ΠΌΠ±Π»Π΅ΡΠ°
ΠΠ°ΠΊ ΠΏΠΎΠΌΠ΅Π½ΡΡΡ Π·Π°ΠΌΠΎΠΊ
ΠΠ΅ΠΌΠΎΠ½ΡΠ°ΠΆ ΡΡΠ°ΡΠΎΠ³ΠΎ Π°Π³ΡΠ΅Π³Π°ΡΠ°
ΠΠ½ΡΡΡΡΠΊΡΠΈΡ ΠΏΠΎ Π·Π°ΠΌΠ΅Π½Π΅ Π·Π°ΠΌΠΊΠ° Π·Π°ΠΆΠΈΠ³Π°Π½ΠΈΡ ΡΠ°ΠΌΠΎΡΡΠΎΡΡΠ΅Π»ΡΠ½ΠΎ Π±ΡΠ΄Π΅Ρ Π²ΡΠ³Π»ΡΠ΄Π΅ΡΡ ΠΏΡΠΈΠΌΠ΅ΡΠ½ΠΎ ΡΠ°ΠΊ:
- ΠΎΡΡΠΎΠ΅Π΄ΠΈΠ½ΠΈΡΡ Π°ΠΊΠΊΡΠΌΡΠ»ΡΡΠΎΡ;
- ΠΎΡΠΊΡΡΡΠΈΠ²Π°Π΅ΠΌ Π²ΠΈΠ½ΡΡ ΠΊΡΠ΅ΠΏΠ»Π΅Π½ΠΈΡ ΠΏΠ»Π°ΡΡΠΈΠΊΠΎΠ²ΠΎΠ³ΠΎ ΠΊΠΎΠΆΡΡ Π° ΠΏΠΎΠ΄ ΡΡΠ»Π΅Π²ΠΎΠΉ ΠΊΠΎΠ»ΠΎΠ½ΠΊΠΎΠΉ ΠΈ ΡΠ½ΠΈΠΌΠ°Π΅ΠΌ Π΅Π³ΠΎ;
- Π²ΡΠΊΠ»ΡΡΠΈΡΡ ΠΏΡΠΎΡΠΈΠ²ΠΎΡΠ³ΠΎΠ½Π½ΠΎΠ΅ ΡΡΡΡΠΎΠΉΡΡΠ²ΠΎ, Π΄Π»Ρ ΡΠ΅Π³ΠΎ Π½ΡΠΆΠ½ΠΎ Π²ΡΡΠ°Π²ΠΈΡΡ ΠΊΠ»ΡΡ Π² ΠΏΠΎΠ»ΠΎΠΆΠ΅Π½ΠΈΠ΅ Β«0Β»;
- ΠΏΡΠΎΠ²ΠΎΠ΄ΠΊΠ° ΠΠΠ 2106 ΡΡΠ΅Π±ΡΠ΅Ρ ΡΠ½ΡΡΠΈΡ Π·Π°ΠΌΠΊΠ° — Π΄Π»Ρ ΡΡΠΎΠ³ΠΎ Π²ΡΡΠ°Π²Π»ΡΠ΅ΠΌ ΡΠΈΠ»ΠΎ Π² ΠΎΡΠ²Π΅ΡΡΡΠΈΠ΅ ΠΈ ΠΎΡΠ»Π°ΠΌΡΠ²Π°Π΅ΠΌ Π·Π°ΡΠ΅Π»ΠΊΡ;
- ΠΏΠΎΡΠ»Π΅ ΡΠΎΠ³ΠΎ, ΠΊΠ°ΠΊ Π²Ρ ΡΠ½ΡΠ»ΠΈ Π±Π»ΠΎΠΊΠΈΡΠΎΠ²ΠΊΡ (ΡΠΌ. ΠΠΈΠ΄Π΅ΠΎ), Π½Π°ΡΡΠΎΡΡΠ΅Π»ΡΠ½ΠΎ ΡΠ΅ΠΊΠΎΠΌΠ΅Π½Π΄ΡΠ΅ΡΡΡ ΠΏΡΠΎΠΌΠ°ΡΠΊΠΈΡΠΎΠ²Π°ΡΡ ΠΊΠΎΠ½ΡΠ°ΠΊΡΠ½ΡΠ΅ ΠΏΡΠΎΠ²ΠΎΠ΄Π°, ΡΡΠΎΠ±Ρ Π½Π΅ ΠΏΠ΅ΡΠ΅ΠΏΡΡΠ°ΡΡ ΠΈΡ ΠΏΡΠΈ ΠΏΠ΅ΡΠ΅ΠΏΠΎΠ΄ΠΊΠ»ΡΡΠ΅Π½ΠΈΠΈ;
- ΠΏΠΎΡΡΠ°Π²ΠΈΠ» Π½ΠΎΠ²ΡΠΉ Π·Π°ΠΌΠΎΠΊ Π² ΠΎΠ±ΡΠ°ΡΠ½ΠΎΠΌ ΠΏΠΎΡΡΠ΄ΠΊΠ΅.
ΠΠ°ΠΌΠ΅Π½Π° ΠΊΠΎΠ½ΡΠ°ΠΊΡΠ½ΠΎΠΉ Π³ΡΡΠΏΠΏΡ
ΠΠ»Π΅ΠΊΡΡΠΎΡΡ Π΅ΠΌΠ° ΠΠΠ 2106 ΡΠ°Π·ΡΠ°Π±ΠΎΡΠ°Π½Π° ΡΠ°ΠΊΠΈΠΌ ΠΎΠ±ΡΠ°Π·ΠΎΠΌ, ΡΡΠΎ ΠΏΡΠΈ Π½Π΅ΠΎΠ±Ρ ΠΎΠ΄ΠΈΠΌΠΎΡΡΠΈ Π·Π°ΠΌΠ΅Π½Ρ ΠΊΠΎΠ½ΡΠ°ΠΊΡΠ½ΠΎΠΉ Π³ΡΡΠΏΠΏΡ ΡΡΠΎ ΠΌΠΎΠΆΠ½ΠΎ ΡΠ΄Π΅Π»Π°ΡΡ Π±Π΅Π· Π΄Π΅ΠΌΠΎΠ½ΡΠ°ΠΆΠ° Π·Π°ΠΌΠΊΠ° Π·Π°ΠΆΠΈΠ³Π°Π½ΠΈΡ. ΠΠ΄Π½Π°ΠΊΠΎ, Π΅ΡΠ»ΠΈ Π²Ρ ΡΠΌΠΎΠΆΠ΅ΡΠ΅ ΡΠ΄Π°Π»ΠΈΡΡ Π΅Π³ΠΎ, ΡΠΎ ΠΏΠΎΡΡΠΈ Π½Π°Π²Π΅ΡΠ½ΡΠΊΠ° Π½Π΅ ΡΠΌΠΎΠΆΠ΅ΡΠ΅ Π²Π΅ΡΠ½ΡΡΡ Π΅Π³ΠΎ ΠΎΠ±ΡΠ°ΡΠ½ΠΎ. ΠΠΎ ΡΡΠΎΠΉ ΠΏΡΠΈΡΠΈΠ½Π΅ Π½Π°ΠΌ Π½Π΅ΠΎΠ±Ρ ΠΎΠ΄ΠΈΠΌΠΎ Π²ΡΠΏΠΎΠ»Π½ΠΈΡΡ Π²ΡΠ΅ Π²ΡΡΠ΅ΠΏΠ΅ΡΠ΅ΡΠΈΡΠ»Π΅Π½Π½ΡΠ΅ ΠΎΠΏΠ΅ΡΠ°ΡΠΈΠΈ.
ΠΠ°ΠΆΠ½ΠΎ! ΠΠΎΡΠ»Π΅ ΡΠ½ΡΡΠΈΡ ΡΠΈΠΊΡΠ°ΡΠΎΡΠ° ΡΠ½ΠΈΠΌΠ°Π΅ΠΌ ΡΡΠΎΠΏΠΎΡΠ½ΠΎΠ΅ ΠΊΠΎΠ»ΡΡΠΎ Ρ Π΅Π³ΠΎ ΡΡΠ»ΡΠ½ΠΎΠΉ ΡΡΠΎΡΠΎΠ½Ρ ΠΈ ΡΡΡΠ°Π½Π°Π²Π»ΠΈΠ²Π°Π΅ΠΌ Π½ΠΎΠ²ΡΡ ΠΊΠΎΠ½ΡΠ°ΠΊΡΠ½ΡΡ Π³ΡΡΠΏΠΏΡ (ΠΊΠ°ΠΊ Π½Π° ΡΠΎΡΠΎ).
ΠΡΠΈΠΎΠ±ΡΠ΅ΡΠ°ΡΡ ΡΠΎΠ»ΡΠΊΠΎ ΠΊΠ°ΡΠ΅ΡΡΠ²Π΅Π½Π½ΡΠ΅ Π·Π°ΠΏΡΠ°ΡΡΠΈ ΡΠ΅ΠΊΠΎΠΌΠ΅Π½Π΄ΡΠ΅ΡΡΡ, ΠΏΡΠΈΡΠ΅ΠΌ Π»ΡΡΡΠ΅ ΡΡΠΎ Π΄Π΅Π»Π°ΡΡ Ρ ΠΏΡΠΎΠ²Π΅ΡΠ΅Π½Π½ΡΡ Π°Π²ΡΠΎΡΠ°Π»ΠΎΠ½ΠΎΠ², ΡΠ°ΠΊ ΠΊΠ°ΠΊ ΡΠ΅Π³ΠΎΠ΄Π½Ρ Π² ΠΏΡΠΎΠ΄Π°ΠΆΠ΅ ΠΌΠ½ΠΎΠ³ΠΎ ΠΏΠΎΠ΄Π΄Π΅Π»ΠΎΠΊ. ΠΡΠ»ΠΈΡΠΈΡΠ΅Π»ΡΠ½ΡΠΌΠΈ ΡΠ²ΠΎΠΉΡΡΠ²Π°ΠΌΠΈ ΠΎΡΠΈΠ³ΠΈΠ½Π°Π»ΡΠ½ΠΎΠ³ΠΎ Π·Π°ΠΌΠΊΠ° Π·Π°ΠΆΠΈΠ³Π°Π½ΠΈΡ ΡΡΠ°Π½ΡΡ ΡΠ»Π΅Π΄ΡΡΡΠΈΠ΅ Ρ Π°ΡΠ°ΠΊΡΠ΅ΡΠΈΡΡΠΈΠΊΠΈ:
- ΠΊΠΎΡΠΏΡΡ ΠΎΡΠ»ΠΈΡΡΠΉ Π°ΠΊΠΊΡΡΠ°ΡΠ½ΠΎ ΠΈ Ρ ΡΠΎΠ²Π½ΡΠΌΠΈ ΠΊΡΠ°ΡΠΌΠΈ;
- Π²Π΅ΡΡ Π½ΡΡ ΡΠ°ΡΡΡ Π·Π°ΠΌΠΊΠ° ΡΠΎΠ²Π½ΠΎ ΡΡΠΈΡΠ°;
- : ΡΠΈΡΠΎΠΊΡΡ Π³ΠΎΠ»ΠΎΠ³ΡΠ°ΠΌΠΌΡ Π½Π΅Π»ΡΠ·Ρ ΠΎΡΠΎΡΠ²Π°ΡΡ, Π½Π΅ ΡΠ°Π·ΡΡΡΠΈΠ² Π΅Π΅;
- ΡΠ²ΠΎΠ±ΠΎΠ΄Π½ΡΠΉ Ρ ΠΎΠ΄ ΠΊΠ»ΡΡΠ° Π² Π»ΠΈΡΠΈΠ½ΠΊΠ΅, Π±Π΅Π· ΠΏΠΎΠΌΠ΅Ρ .
Π§ΡΠΎ ΡΠ°ΠΊΠΎΠ΅ Π±Π΅ΡΠΊΠΎΠ½ΡΠ°ΠΊΡΠ½ΠΎΠ΅ Π·Π°ΠΆΠΈΠ³Π°Π½ΠΈΠ΅ ΠΈ Π΅Π³ΠΎ ΠΏΡΠ΅ΠΈΠΌΡΡΠ΅ΡΡΠ²Π°
ΠΡΠ΅ ΠΎΠ΄ΠΈΠ½ ΠΈΠ½ΡΠ΅ΡΠ΅ΡΠ½ΡΠΉ Π²Π°ΡΠΈΠ°Π½Ρ ΡΡΠ½ΠΈΠ½Π³Π° ΠΊΠ»Π°ΡΡΠΈΡΠ΅ΡΠΊΠΈΡ ΠΌΠΎΠ΄Π΅Π»Π΅ΠΉ — ΡΡΡΠ°Π½ΠΎΠ²ΠΊΠ° Π·Π°ΠΆΠΈΠ³Π°Π½ΠΈΡ Π±Π΅ΡΠΊΠΎΠ½ΡΠ°ΠΊΡΠ½ΠΎΠ³ΠΎ ΡΠΈΠΏΠ°. ΠΠ΄Π½ΠΎΠ·Π½Π°ΡΠ½ΠΎ, ΠΌΠ°ΡΠΈΠ½Π° ΠΎΡ ΡΠ°ΠΊΠΎΠ³ΠΎ Π½ΠΎΠ²ΠΎΠ²Π²Π΅Π΄Π΅Π½ΠΈΡ ΡΠΎΠ»ΡΠΊΠΎ Π²ΡΠΈΠ³ΡΡΠ²Π°Π΅Ρ — Π΄Π²ΠΈΠ³Π°ΡΠ΅Π»Ρ ΡΠ°Π±ΠΎΡΠ°Π΅Ρ ΡΠΎΠ²Π½Π΅Π΅, ΠΏΡΠΎΠΏΠ°Π΄Π°ΡΡ ΠΏΡΠΎΠ²Π°Π»Ρ ΠΏΡΠΈ ΡΠ°Π·Π³ΠΎΠ½Π΅ Π°Π²ΡΠΎΠΌΠΎΠ±ΠΈΠ»Ρ , Π² Ρ ΠΎΠ»ΠΎΠ΄Π½ΠΎΠ΅ Π²ΡΠ΅ΠΌΡ Π³ΠΎΠ΄Π° Π·Π°Π²ΠΎΠ΄ΠΈΡΡ Π΄Π²ΠΈΠ³Π°ΡΠ΅Π»Ρ Π½Π°ΠΌΠ½ΠΎΠ³ΠΎ ΠΏΡΠΎΡΠ΅. ΠΡΠΎΠΌΠ΅ ΡΠΎΠ³ΠΎ, Π΅ΡΡΡ ΡΠΊΠΎΠ½ΠΎΠΌΠΈΡ, ΡΠ²ΡΠ·Π°Π½Π½Π°Ρ Ρ ΡΠ°ΡΡ ΠΎΠ΄ΠΎΠΌ ΡΠΎΠΏΠ»ΠΈΠ²Π°.
Π‘Ρ Π΅ΠΌΠ° ΠΏΠΎΠ΄ΠΊΠ»ΡΡΠ΅Π½ΠΈΡ ΠΠΠ 2106 Π² Π΄Π°Π½Π½ΠΎΠΌ ΡΠ»ΡΡΠ°Π΅ ΠΏΡΠ°ΠΊΡΠΈΡΠ΅ΡΠΊΠΈ ΠΈΠ΄Π΅Π½ΡΠΈΡΠ½Π°: ΠΎΡΠ½ΠΎΠ²Π½ΡΠ΅ ΠΎΡΠ»ΠΈΡΠΈΡ — Π½Π°Π»ΠΈΡΠΈΠ΅ Π΄Π°ΡΡΠΈΠΊΠ° ΠΏΡΠ»ΡΡΠ° ΠΈ ΠΎΡΡΡΡΡΡΠ²ΠΈΠ΅ ΡΠ°ΡΠΏΡΠ΅Π΄Π΅Π»ΠΈΡΠ΅Π»Ρ.ΠΠΎ Π²ΡΠ΅ΠΌΡ ΡΠ°Π±ΠΎΡΡ Π΄Π²ΠΈΠ³Π°ΡΠ΅Π»Ρ Π΄Π°ΡΡΠΈΠΊ Π²ΡΡΠ°Π±Π°ΡΡΠ²Π°Π΅Ρ ΠΈΠΌΠΏΡΠ»ΡΡΡ, ΠΊΠΎΡΠΎΡΡΠ΅ ΠΏΠΎΡΡΡΠΏΠ°ΡΡ Π½Π° ΡΡΠ°Π½Π·ΠΈΡΡΠΎΡΠ½ΡΠΉ ΠΊΠ»ΡΡ.
Π£ΠΆΠ΅ Ρ Π΅Π³ΠΎ ΠΏΠΎΠΌΠΎΡΡΡ Π³Π΅Π½Π΅ΡΠΈΡΡΡΡΡΡ Π΄ΡΡΠ³ΠΈΠ΅ ΠΈΠΌΠΏΡΠ»ΡΡΡ, Ρ Π°ΡΠ°ΠΊΡΠ΅ΡΠ½ΡΠ΅ Π΄Π»Ρ ΠΏΠ΅ΡΠ²ΠΈΡΠ½ΠΎΠΉ ΠΎΠ±ΠΌΠΎΡΠΊΠΈ Π½Π° ΠΊΠ°ΡΡΡΠΊΠ΅. ΠΡΠΈ ΠΏΡΠ΅ΡΡΠ²Π°Π½ΠΈΠΈ Π²ΡΠΎΡΠΈΡΠ½Π°Ρ ΠΎΠ±ΠΌΠΎΡΠΊΠ° Π²ΡΡΠ°Π±Π°ΡΡΠ²Π°Π΅Ρ ΡΠΎΠΊ Π²ΡΡΠΎΠΊΠΎΠ³ΠΎ Π½Π°ΠΏΡΡΠΆΠ΅Π½ΠΈΡ. Π‘ ΠΊΠΎΠ½ΡΠ°ΠΊΡΠ° ΡΠ°ΡΠΏΡΠ΅Π΄Π΅Π»ΠΈΡΠ΅Π»Ρ ΡΠΎΠΊ ΠΏΠΎΠ΄Π°Π΅ΡΡΡ Π½Π° ΡΠ²Π΅ΡΠΈ Π·Π°ΠΆΠΈΠ³Π°Π½ΠΈΡ Π² Π½Π΅ΠΎΠ±Ρ ΠΎΠ΄ΠΈΠΌΠΎΠΉ ΠΏΠΎΡΠ»Π΅Π΄ΠΎΠ²Π°ΡΠ΅Π»ΡΠ½ΠΎΡΡΠΈ.
ΠΡΠ°ΠΊ, Π²Ρ ΠΏΠΎΠ»ΡΡΠ°Π΅ΡΠ΅ ΠΊΠΎΠΌΠΏΠ»Π΅ΠΊΡ Π±Π΅ΡΠΊΠΎΠ½ΡΠ°ΠΊΡΠ½ΠΎΠ³ΠΎ Π·Π°ΠΆΠΈΠ³Π°Π½ΠΈΡ Π΄Π»Ρ ΠΠΠ Β«ΠΊΠ»Π°ΡΡΠΈΠΊΠ°Β», ΠΊΠΎΡΠΎΡΡΠΉ ΠΏΠΎ ΡΠ²ΠΎΠΈΠΌ Ρ Π°ΡΠ°ΠΊΡΠ΅ΡΠΈΡΡΠΈΠΊΠ°ΠΌ Π΄ΠΎΠ»ΠΆΠ΅Π½ ΡΠΎΠΎΡΠ²Π΅ΡΡΡΠ²ΠΎΠ²Π°ΡΡ Π΄Π²ΠΈΠ³Π°ΡΠ΅Π»Ρ Π°Π²ΡΠΎΠΌΠΎΠ±ΠΈΠ»Ρ.ΠΠ°Π»Π΅Π΅ Π½Π°ΠΌ ΠΏΠΎΠ½Π°Π΄ΠΎΠ±ΠΈΡΡΡ ΡΡ Π΅ΠΌΠ° ΠΏΠΎΠ΄ΠΊΠ»ΡΡΠ΅Π½ΠΈΡ ΠΠΠ 2106.
Π ΠΊΠΎΠΌΠΏΠ»Π΅ΠΊΡ ΡΠ°ΠΊΠΎΠ³ΠΎ Π·Π°ΠΆΠΈΠ³Π°Π½ΠΈΡ Π΄ΠΎΠ»ΠΆΠ½Ρ Π²Ρ ΠΎΠ΄ΠΈΡΡ ΡΠ»Π΅Π΄ΡΡΡΠΈΠ΅ Π·Π°ΠΏΡΠ°ΡΡΠΈ:
- ΠΊΠΎΠΌΠΌΡΡΠ°ΡΠΈΠΎΠ½Π½ΡΠΉ Π±Π»ΠΎΠΊ; ΠΠ°ΡΡΡΠΊΠ°
- ;
- ΠΊΠΎΠΌΠΏΠ»Π΅ΠΊΡ ΡΠ»Π΅ΠΊΡΡΠΎΠΏΡΠΎΠ²ΠΎΠ΄ΠΊΠΈ Π²ΡΡΠΎΠΊΠΎΠ³ΠΎ Π½Π°ΠΏΡΡΠΆΠ΅Π½ΠΈΡ;
- ΡΠ²Π΅ΡΠΈ Π·Π°ΠΆΠΈΠ³Π°Π½ΠΈΡ — ΠΠΠ Π;
- ΡΠΎΠ΅Π΄ΠΈΠ½ΠΈΡΠ΅Π»ΡΠ½ΡΠ΅ ΠΏΡΠΎΠ²ΠΎΠ΄Π°.
ΠΡΠ°ΠΏΡ ΡΠ°Π±ΠΎΡΡ
ΠΠ»Ρ ΡΡΠΏΠ΅ΡΠ½ΠΎΠΉ Π·Π°ΠΌΠ΅Π½Ρ Π±Π΅ΡΠΊΠΎΠ½ΡΠ°ΠΊΡΠ½ΠΎΠ³ΠΎ Π·Π°ΠΆΠΈΠ³Π°Π½ΠΈΡ Π²Π°ΠΆΠ½ΠΎ ΠΏΡΠΈΠ΄Π΅ΡΠΆΠΈΠ²Π°ΡΡΡΡ ΠΏΡΠΈΠ½ΡΠΈΠΏΠΎΠ² ΡΠΎΠ±Π»ΡΠ΄Π΅Π½ΠΈΡ ΠΏΡΠ°Π²ΠΈΠ»ΡΠ½ΠΎΠΉ ΡΠ΅Ρ Π½ΠΎΠ»ΠΎΠ³ΠΈΠΈ ΡΠ°Π±ΠΎΡΡ.Π‘Π½ΠΈΠΌΠΈΡΠ΅ ΠΎΡΡΠΈΡΠ°ΡΠ΅Π»ΡΠ½ΡΡ ΠΊΠ»Π΅ΠΌΠΌΡ Ρ Π°ΠΊΠΊΡΠΌΡΠ»ΡΡΠΎΡΠ°. ΠΡΠ±ΠΎΠΉ Π²ΠΈΠ΄ ΡΠ΅ΠΌΠΎΠ½ΡΠ° ΡΠ»Π΅ΠΊΡΡΠΎΠΎΠ±ΠΎΡΡΠ΄ΠΎΠ²Π°Π½ΠΈΡ Π²ΡΠ΅Π³Π΄Π° Π΄ΠΎΠ»ΠΆΠ΅Π½ Π½Π°ΡΠΈΠ½Π°ΡΡΡΡ Ρ ΡΡΠΎΠ³ΠΎ Π΄Π΅ΠΉΡΡΠ²ΠΈΡ.
Π’ΡΡ Π½Π° ΠΏΠΎΠΌΠΎΡΡ ΠΏΡΠΈΠ΄Π΅Ρ ΠΏΡΠΎΠ²ΠΎΠ΄ΠΊΠ° ΠΎΡ ΠΠΠ 2106:
- ΠΡΡΠΎΠ΅Π΄ΠΈΠ½ΠΈΡΠ΅ ΠΏΡΠΎΠ²ΠΎΠ΄Π° ΠΈ Π³Π»Π°Π²Π½ΡΠΉ Π²ΡΡΠΎΠΊΠΎΠ²ΠΎΠ»ΡΡΠ½ΡΠΉ ΠΏΡΠΎΠ²ΠΎΠ΄ ΠΎΡ ΠΊΠ°ΡΡΡΠΊΠΈ Π·Π°ΠΆΠΈΠ³Π°Π½ΠΈΡ.
- Π‘Π½ΠΈΠΌΠΈΡΠ΅ ΠΊΡΡΡΠΊΡ ΡΠ°ΡΠΏΡΠ΅Π΄Π΅Π»ΠΈΡΠ΅Π»Ρ.
- ΠΠΎΠ»Π·ΡΠ½ΠΎΠΊ ΡΠ»Π΅Π΄ΡΠ΅Ρ ΡΠ°ΡΠΏΠΎΠ»Π°Π³Π°ΡΡ ΡΠ°ΠΊ, ΡΡΠΎΠ±Ρ Π½Π΅ ΠΌΠ΅ΡΠ°ΡΡ Π΅Π³ΠΎ Π½Π΅ΠΎΠ±Ρ ΠΎΠ΄ΠΈΠΌΡΠΌ Π½Π°ΡΡΡΠΎΠΉΠΊΠ°ΠΌ.
- ΠΠ΅ΡΠΊΠ° Π½Π° Π±Π»ΠΎΠΊΠ΅ Π½Π°Ρ ΠΎΠ΄ΠΈΡΡΡ ΡΠ°ΠΌ, Π³Π΄Π΅ Π΅ΡΡΡ ΠΏΡΠΎΡΠ΅Π·ΠΈ Π² Π½ΠΈΠΆΠ½Π΅ΠΉ ΡΠ°ΡΡΠΈ ΠΊΠΎΡΠΏΡΡΠ° ΡΠ°ΡΠΏΡΠ΅Π΄Π΅Π»ΠΈΡΠ΅Π»Ρ.
- ΠΡΠΊΡΡΡΠΈΠ²Π°Π΅ΠΌ Π³Π°ΠΉΠΊΡ ΠΈ Π²ΡΡΠ°ΡΠΊΠΈΠ²Π°Π΅ΠΌ ΡΡΠ°ΡΡΠΉ ΡΡΠ°ΠΌΠ±Π»Π΅Ρ ΡΡΠ°ΡΠΎΠΉ ΠΊΠΎΠ½ΡΠ°ΠΊΡΠ½ΠΎΠΉ ΡΠΈΡΡΠ΅ΠΌΡ Π·Π°ΠΆΠΈΠ³Π°Π½ΠΈΡ.
- ΠΠ΅ΡΠ΅Π΄ ΡΡΡΠ°Π½ΠΎΠ²ΠΊΠΎΠΉ Π½ΠΎΠ²ΠΎΠΉ ΡΠΈΡΡΠ΅ΠΌΡ ΠΎΡΠΊΡΠΎΠΉΡΠ΅ ΠΊΡΡΡΠΊΡ ΠΎΠ±Π½ΠΎΠ²Π»Π΅Π½Π½ΠΎΠ³ΠΎ ΡΡΠ°ΠΌΠ±Π»Π΅ΡΠ° ΠΈ ΡΡΡΠ°Π½ΠΎΠ²ΠΈΡΠ΅ ΠΏΠΎΠ»Π·ΡΠ½ΠΎΠΊ Π² ΡΠΎ ΠΆΠ΅ ΠΏΠΎΠ»ΠΎΠΆΠ΅Π½ΠΈΠ΅, ΡΡΠΎ ΠΈ Π½Π° ΡΡΠ°ΡΠΎΠΌ ΡΡΠ°ΠΌΠ±Π»Π΅ΡΠ΅. ΠΡ ΠΌΠΎΠΆΠ΅ΡΠ΅ Π²ΡΡΠ°Π²ΠΈΡΡ Π΅Π³ΠΎ Π² ΠΎΡΠ²Π΅ΡΡΡΠΈΠ΅ Π² Π³ΠΎΠ»ΠΎΠ²ΠΊΠ΅ Π±Π»ΠΎΠΊΠ°.
- ΠΠ΅ΡΠ΅ΠΌΠ΅ΡΡΠΈΡΠ΅ ΠΌΠ΅ΡΠΊΡ Π½Π° ΡΡΠ΅Π±ΡΠ΅ΠΌΡΠΉ ΡΡΠΎΠ²Π΅Π½Ρ ΠΈ Π·Π°ΡΡΠ½ΠΈΡΠ΅ Π³Π°ΠΉΠΊΠΈ.
Π’Π΅ΠΏΠ΅ΡΡ ΠΌΠΎΠΆΠ½ΠΎ ΡΠΎΠ±ΠΈΡΠ°ΡΡ, ΠΊΠ°ΠΊ ΠΏΠΎΠ΄ΡΠΊΠ°Π·ΡΠ²Π°Π΅Ρ ΡΠ»Π΅ΠΊΡΡΠΎΡΡ Π΅ΠΌΠ° ΠΠΠ 21063 — Π½Π°Π΄Π΅ΡΡ ΠΊΡΡΡΠΊΡ, ΠΏΠΎΠ΄ΠΊΠ»ΡΡΠΈΡΡ Π²ΡΡΠΎΠΊΠΎΠ²ΠΎΠ»ΡΡΠ½ΡΠ΅ ΠΏΡΠΎΠ²ΠΎΠ΄Π°.ΠΠΎΠΆΠ½ΠΎ ΠΏΡΠΈΡΡΡΠΏΠ°ΡΡ ΠΊ Π΄Π΅ΠΌΠΎΠ½ΡΠ°ΠΆΡ ΡΡΠ°ΡΠΎΠΉ ΠΊΠ°ΡΡΡΠΊΠΈ Π·Π°ΠΆΠΈΠ³Π°Π½ΠΈΡ (ΠΎΠ± ΡΡΠΎΠΌ ΡΠ»Π° ΡΠ΅ΡΡ Π²ΡΡΠ΅).
- Π£ΡΡΠ°Π½Π°Π²Π»ΠΈΠ²Π°Π΅ΠΌ Π½ΠΎΠ²ΡΡ ΠΊΠ°ΡΡΡΠΊΡ ΠΈ ΠΏΠΎΠ΄Π½ΠΎΡΠΈΠΌ ΠΊ Π½Π΅ΠΉ Π΅ΡΠ΅ ΠΎΠ΄Π½Ρ ΡΠΎΠ·Π΅ΡΠΊΡ Π²ΡΡΠΎΠΊΠΎΠ²ΠΎΠ»ΡΡΠ½ΠΎΠ³ΠΎ ΠΏΡΠΎΠ²ΠΎΠ΄Π°.
- Π’Π΅ΠΏΠ΅ΡΡ ΡΡΠ°Π²ΠΈΠΌ Π²ΡΠ΅ Π²ΡΡΠΎΠΊΠΎΠ²ΠΎΠ»ΡΡΠ½ΡΠ΅ ΠΏΡΠΎΠ²ΠΎΠ΄Π° Π½Π° ΡΠ²ΠΎΠΈ ΠΌΠ΅ΡΡΠ°. ΠΠ°ΠΌ Π½ΡΠΆΠ΅Π½ ΠΊΠΎΠ½ΡΠ°ΠΊΡ Β«KΒ» Π΄Π»Ρ ΠΊΠΎΡΠΈΡΠ½Π΅Π²ΡΡ ΠΏΡΠΎΠ²ΠΎΠ΄ΠΎΠ² Π½ΠΎΠ²ΠΎΠΉ ΠΊΠ°ΡΡΡΠΊΠΈ, Π° ΡΠΈΠ½ΠΈΡ ΠΏΡΠΎΠ²ΠΎΠ΄ΠΎΠ² ΠΏΠΎΠΉΠ΄ΡΡ Π½Π° ΠΊΠΎΠ½ΡΠ°ΠΊΡ Β«BΒ».
- ΠΠ΅ΠΎΠ±Ρ ΠΎΠ΄ΠΈΠΌΠΎ Π²ΡΠ±ΡΠ°ΡΡ ΠΌΠ΅ΡΡΠΎ Π΄Π»Ρ ΡΠ°Π·ΠΌΠ΅ΡΠ΅Π½ΠΈΡ ΠΏΠ΅ΡΠ΅ΠΊΠ»ΡΡΠ°ΡΠ΅Π»Ρ, ΡΠ°ΡΠ΅ ΡΡΠΎ Π΄Π΅Π»Π°Π΅ΡΡΡ Π² ΡΠ°ΠΉΠΎΠ½Π΅ Π±Π°ΡΠΊΠ° ΠΎΠΌΡΠ²Π°ΡΠ΅Π»Ρ. ΠΡΠ΅ΠΏΠΈΡΡΡ ΡΠ°ΠΌΠΎΡΠ΅Π·Π°ΠΌΠΈ.
ΠΠ°ΠΌΠ΅Π½Π΅Π½Π° ΠΏΡΠΎΠ²ΠΎΠ΄ΠΊΠ° ΠΠΠ 2106, ΠΌΠΎΠΆΠ½ΠΎ ΡΡΡΠ½ΡΡΡ ΠΏΡΠΎΠ²ΠΎΠ΄Π° ΠΈΠ·ΠΎΠ»Π΅Π½ΡΠΎΠΉ. ΠΡΡΠ°Π»ΠΎΡΡ Π·Π°ΠΏΡΡΡΠΈΡΡ Π΄Π²ΠΈΠ³Π°ΡΠ΅Π»Ρ ΠΈ ΠΈΡΠΏΡΠ°Π²ΠΈΡΡ ΡΠ°Π±ΠΎΡΡ ΡΠΈΡΡΠ΅ΠΌΡ Π·Π°ΠΆΠΈΠ³Π°Π½ΠΈΡ.
ΠΡΠΈΠΌΠ΅ΡΠ°Π½ΠΈΠ΅! ΠΡΠ»ΠΈ ΠΌΠΎΡΠΎΡ Π²Π°ΡΠ΅ΠΉ Β«ΡΠ΅ΡΡΠ΅ΡΠΊΠΈΒ» ΡΡΠ°Π» ΡΠ°Π±ΠΎΡΠ°ΡΡ Ρ ΠΏΠ΅ΡΠ΅Π±ΠΎΡΠΌΠΈ ΠΈ Ρ ΠΏΠ΅ΡΠ΅Π±ΠΎΡΠΌΠΈ, ΠΈ ΡΡΠΎ ΡΠΎΠΆΠ΅ ΡΠΎΠΏΡΠΎΠ²ΠΎΠΆΠ΄Π°Π΅ΡΡΡ ΠΏΠΎΡΠ΅ΡΠ΅ΠΉ ΠΌΠΎΡΠ½ΠΎΡΡΠΈ, ΡΠΎ ΠΏΡΠΈΡΠΈΠ½ΠΎΠΉ Π·Π°ΠΏΡΠΎΡΡΠΎ ΠΌΠΎΠ³ΡΡ Π±ΡΡΡ ΠΏΡΠΎΠΏΡΡΠΊΠΈ Π·Π°ΠΆΠΈΠ³Π°Π½ΠΈΡ.
ΠΠ΅ΡΠ²ΠΎΠ΅, Π½Π° ΡΡΠΎ ΡΠ»Π΅Π΄ΡΠ΅Ρ ΠΎΠ±ΡΠ°ΡΠΈΡΡ Π²Π½ΠΈΠΌΠ°Π½ΠΈΠ΅ Π² ΡΡΠΎΠΌ ΡΠ»ΡΡΠ°Π΅, — ΡΡΠΎ ΡΠ΅Π»ΠΎΡΡΠ½ΠΎΡΡΡ ΠΏΡΠΎΠ²ΠΎΠ΄ΠΊΠΈ, Π² ΡΠΎΠΌ ΡΠΈΡΠ»Π΅ Π²ΡΡΠΎΠΊΠΎΠ²ΠΎΠ»ΡΡΠ½ΠΎΠΉ, Π° ΡΠ°ΠΊΠΆΠ΅ ΠΈΡΠΏΡΠ°Π²Π½ΠΎΡΡΡ Π΄ΡΡΠ³ΠΈΡ ΡΠ»Π΅ΠΌΠ΅Π½ΡΠΎΠ² ΡΠΈΡΡΠ΅ΠΌΡ Π·Π°ΠΆΠΈΠ³Π°Π½ΠΈΡ.Π‘Π²Π΅ΡΠΈ Π·Π°ΠΆΠΈΠ³Π°Π½ΠΈΡ ΠΈΡΠΏΡΡΡΠ²Π°ΡΡΡΡ Π½Π° ΠΎΡΠ΄Π΅Π»ΡΠ½ΠΎΠΌ ΡΡΠ΅Π½Π΄Π΅. Π Π½Π΅ΠΊΠΎΡΠΎΡΡΡ ΡΠ»ΡΡΠ°ΡΡ ΠΏΡΠΈΡΠΈΠ½ΠΎΠΉ ΠΌΠΎΠΆΠ΅Ρ Π±ΡΡΡ Π½Π΅ΠΈΡΠΏΡΠ°Π²Π½ΡΠΉ Π³Π΅Π½Π΅ΡΠ°ΡΠΎΡ ΠΠΠ 2106 ΠΈ ΠΏΡΠΎΠ²ΠΎΠ΄ΠΊΠ° ΠΊ Π½Π΅ΠΌΡ.
Π Π·Π°ΠΊΠ»ΡΡΠ΅Π½ΠΈΠ΅
ΠΠ°ΠΊ Π²ΠΈΠ΄ΠΈΡΠ΅, Π² ΡΡ ΠΎΠ΄Π΅ Π·Π° Π°Π²ΡΠΎΡΠ»Π΅ΠΊΡΡΠΈΠΊΠΎΠΌ Π½Π΅Ρ Π½ΠΈΡΠ΅Π³ΠΎ ΡΠ»ΠΎΠΆΠ½ΠΎΠ³ΠΎ. ΠΠ°ΠΆΠ½ΠΎ ΡΠΎΠ»ΡΠΊΠΎ ΠΏΡΠ°Π²ΠΈΠ»ΡΠ½ΠΎ ΠΈ Π°ΠΊΠΊΡΡΠ°ΡΠ½ΠΎ Π²ΡΠΏΠΎΠ»Π½ΠΈΡΡ Π²ΡΡ ΡΠ°Π±ΠΎΡΡ. Π’Π°ΠΊΠΈΠΌ ΠΎΠ±ΡΠ°Π·ΠΎΠΌ Π²Ρ ΠΏΡΠΎΠ΄Π»ΠΈΡΠ΅ ΠΆΠΈΠ·Π½Ρ ΡΠ²ΠΎΠ΅ΠΌΡ ΠΆΠ΅Π»Π΅Π·Π½ΠΎΠΌΡ Π΄ΡΡΠ³Ρ. Π£Π΄Π°ΡΠΈ Π½Π° Π΄ΠΎΡΠΎΠ³Π°Ρ !
Π’ΠΈΠΏΠΎΠ²Π°Ρ ΡΡ Π΅ΠΌΠ° ΠΏΠΎΠ΄ΠΊΠ»ΡΡΠ΅Π½ΠΈΡ ΠΠΠ 2106 ΡΠ΄Π΅Π»Π°Π½Π° Ρ ΡΡΠ΅ΡΠΎΠΌ ΠΎΠ΄Π½ΠΎΠΏΡΠΎΠ²ΠΎΠ΄Π½ΠΎΠ³ΠΎ ΠΏΡΠΈΠ½ΡΠΈΠΏΠ° ΡΠΎΠ΅Π΄ΠΈΠ½Π΅Π½ΠΈΡ ΡΠ»Π΅ΠΌΠ΅Π½ΡΠΎΠ² ΡΠ»Π΅ΠΊΡΡΠΎΠΎΠ±ΠΎΡΡΠ΄ΠΎΠ²Π°Π½ΠΈΡ Π°Π²ΡΠΎΠΌΠΎΠ±ΠΈΠ»Ρ.ΠΡΠΎ ΠΎΠ·Π½Π°ΡΠ°Π΅Ρ, ΡΡΠΎ ΠΎΡΡΠΈΡΠ°ΡΠ΅Π»ΡΠ½ΡΠ΅ ΠΊΠΎΠ½ΡΠ°ΠΊΡΡ ΡΠ»Π΅ΠΊΡΡΠΎΠ½Π½ΡΡ ΡΡΡΡΠΎΠΉΡΡΠ² ΠΎΡΠΎΠ±ΡΠ°ΠΆΠ°ΡΡΡΡ Π½Π° Ρ.Π½. ΠΠ°Π·Π΅ΠΌΠ»Π΅Π½ΠΈΠ΅ Π°Π²ΡΠΎΠΌΠΎΠ±ΠΈΠ»Ρ, Π° ΠΏΡΠΎΠ²ΠΎΠ΄Π½ΠΎΠ΅ ΡΠΎΠ΅Π΄ΠΈΠ½Π΅Π½ΠΈΠ΅ ΠΎΠ±Π΅ΡΠΏΠ΅ΡΠΈΠ²Π°Π΅Ρ ΡΠΎΠ»ΡΠΊΠΎ ΠΏΠΎΠ»ΠΎΠΆΠΈΡΠ΅Π»ΡΠ½ΡΠ΅ ΠΊΠ»Π΅ΠΌΠΌΡ.
ΠΠ»Π΅ΠΊΡΡΠΎΠΌΠΎΠ½ΡΠ°ΠΆΠ½ΠΎΠ΅ ΡΡΡΡΠΎΠΉΡΡΠ²ΠΎ Π°Π²ΡΠΎΠΌΠΎΠ±ΠΈΠ»Ρ
ΠΠ°Π½Π½ΡΠΉ ΠΏΡΠΈΠ½ΡΠΈΠΏ Π²ΡΡΡΠ°ΠΈΠ²Π°Π½ΠΈΡ ΡΠ»Π΅ΠΊΡΡΠΎΠ½Π½ΡΡ ΠΊΠΎΠΌΠΏΠΎΠ½Π΅Π½ΡΠΎΠ² Π² ΡΠ»Π΅ΠΊΡΡΠΈΡΠ΅ΡΠΊΡΡ ΡΡ Π΅ΠΌΡ ΡΠ°Π±ΠΎΡΡ Π°Π²ΡΠΎΠΌΠΎΠ±ΠΈΠ»Ρ ΡΠ΅Π°Π»ΠΈΠ·ΡΠ΅ΡΡΡ Π½Π° ΠΏΡΠ°ΠΊΡΠΈΠΊΠ΅ Π² ΡΠ»Π΅Π΄ΡΡΡΠΈΡ ΡΠΈΠΏΠ°Ρ ΡΠΎΠ΅Π΄ΠΈΠ½Π΅Π½ΠΈΠΉ:
- Π‘ΡΡΠ΅ΡΡΠ²ΡΡΡΠΈΠ΅ ΡΠ»Π΅ΠΊΡΡΠΈΡΠ΅ΡΠΊΠΈΠ΅ ΡΠ΅ΠΏΠΈ Π°Π²ΡΠΎΠΌΠΎΠ±ΠΈΠ»Ρ Π°ΠΊΡΠΈΠ²ΠΈΡΡΡΡΡΡ Ρ ΠΏΠΎΠΌΠΎΡΡΡ Π·Π°ΠΌΠΊΠ° Π·Π°ΠΆΠΈΠ³Π°Π½ΠΈΡ.
- ΠΠ»Π΅ΠΊΡΡΠΎΠ½Π½ΡΠ΅ ΡΡΡΡΠΎΠΉΡΡΠ²Π°, ΠΎΠ±Π΅ΡΠΏΠ΅ΡΠΈΠ²Π°ΡΡΠΈΠ΅ ΠΏΠΎΠ΄Π΄Π΅ΡΠΆΠ°Π½ΠΈΠ΅ Π½Π΅ΠΎΠ±Ρ ΠΎΠ΄ΠΈΠΌΠΎΠΉ ΡΡΠ΅ΠΏΠ΅Π½ΠΈ Π±Π΅Π·ΠΎΠΏΠ°ΡΠ½ΠΎΡΡΠΈ ΠΏΡΠΈ ΡΠΊΡΠΏΠ»ΡΠ°ΡΠ°ΡΠΈΠΈ Π°Π²ΡΠΎΠΌΠΎΠ±ΠΈΠ»Ρ, ΠΏΠΎΠ΄ΠΊΠ»ΡΡΠ΅Π½Ρ ΠΊ Π°ΠΊΠΊΡΠΌΡΠ»ΡΡΠΎΡΠ½ΠΎΠΉ Π±Π°ΡΠ°ΡΠ΅Π΅ ΡΠ΅ΡΠ΅Π· ΠΏΡΠ΅Π΄ΠΎΡ ΡΠ°Π½ΠΈΡΠ΅Π»ΡΠ½ΡΠΉ Π±Π»ΠΎΠΊ.
- Π§Π°ΡΡΠΈ ΠΊΠΎΡΠΏΡΡΠ° Π²ΡΠ΅Ρ Π°Π³ΡΠ΅Π³Π°ΡΠΎΠ² Β«ΡΠ΅ΡΡΠ΅ΡΠΊΠΈΒ» ΡΠ²Π»ΡΡΡΡΡ Ρ ΠΎΡΠΎΡΠΈΠΌΠΈ ΠΏΡΠΎΠ²ΠΎΠ΄Π½ΠΈΠΊΠ°ΠΌΠΈ ΡΠΎΠΊΠ°.
ΠΠ°ΠΆΠ½ΠΎ: ΠΏΡΠΈ ΠΏΡΠΎΠ²Π΅Π΄Π΅Π½ΠΈΠΈ ΡΠ΅ΠΌΠΎΠ½ΡΠ½ΡΡ ΠΈ ΠΏΡΠΎΡΠΈΠ»Π°ΠΊΡΠΈΡΠ΅ΡΠΊΠΈΡ ΡΠ°Π±ΠΎΡ Π½Π° Π°Π²ΡΠΎΠΌΠΎΠ±ΠΈΠ»Π΅ Π½Π΅ΠΎΠ±Ρ ΠΎΠ΄ΠΈΠΌΠΎ ΠΎΠ±Π΅ΡΡΠΎΡΠΈΡΡ ΠΏΡΠΎΠ²ΠΎΠ΄ΠΊΡ, ΡΠ½ΡΠ² ΠΌΠΈΠ½ΡΡΠΎΠ²ΠΎΠΉ ΠΏΡΠΎΠ²ΠΎΠ΄ Ρ ΠΊΠ»Π΅ΠΌΠΌΡ Π°ΠΊΠΊΡΠΌΡΠ»ΡΡΠΎΡΠ½ΠΎΠΉ Π±Π°ΡΠ°ΡΠ΅ΠΈ, ΠΈΠ½Π°ΡΠ΅ Π½Π΅ΡΠ°Π½ΠΊΡΠΈΠΎΠ½ΠΈΡΠΎΠ²Π°Π½Π½ΠΎΠ΅ ΠΏΡΠΈΠΊΠΎΡΠ½ΠΎΠ²Π΅Π½ΠΈΠ΅ ΠΊ ΠΊΠΎΠ½ΡΠ°ΠΊΡΡ Π°ΠΊΠΊΡΠΌΡΠ»ΡΡΠΎΡΠ½ΠΎΠΉ Π±Π°ΡΠ°ΡΠ΅ΠΈ ΠΈΠ½ΡΡΡΡΠΌΠ΅Π½ΡΠΎΠΌ ΠΌΠΎΠΆΠ΅Ρ ΠΏΡΠΈΠ²Π΅ΡΡΠΈ ΠΊ Π΅Π΅ ΠΏΠΎΠ²ΡΠ΅ΠΆΠ΄Π΅Π½ΠΈΡ. ΠΊΠΎΡΠΎΡΠΊΠΎΠ΅ Π·Π°ΠΌΡΠΊΠ°Π½ΠΈΠ΅. ΠΠ»Ρ Π½Π°Π³Π»ΡΠ΄Π½ΠΎΡΡΠΈ ΡΠ»Π΅ΠΊΡΡΠΎΠ½Π½Π°Ρ ΡΡ Π΅ΠΌΠ°. ΠΠ»Π΅ΠΊΡΡΠΎΠΏΡΠΎΠ²ΠΎΠ΄ΠΊΠ° ΠΠΠ 2106 ΡΠ°Π·ΠΌΠ΅ΡΠ΅Π½Π° Π½Π° Π½Π°ΡΠ΅ΠΌ ΠΈΠ½ΡΠ΅ΡΠ½Π΅Ρ-ΡΠ΅ΡΡΡΡΠ΅, ΠΈ Π°Π²ΡΠΎΠΌΠΎΠ±ΠΈΠ»ΠΈΡΡΡ ΠΌΠΎΠ³ΡΡ ΠΈΡΠΏΠΎΠ»ΡΠ·ΠΎΠ²Π°ΡΡ Π΅Π΅ Π΄Π»Ρ ΠΏΡΠΎΠ²Π΅Π΄Π΅Π½ΠΈΡ Π½Π΅ΠΎΠ±Ρ ΠΎΠ΄ΠΈΠΌΡΡ ΠΈΡΠΏΡΡΠ°Π½ΠΈΠΉ.
ΠΡΠΈ ΡΠ°ΠΌΠΎΡΡΠΎΡΡΠ΅Π»ΡΠ½ΠΎΠΌ ΠΎΠ±ΡΠ»ΡΠΆΠΈΠ²Π°Π½ΠΈΠΈ Π°Π²ΡΠΎΠΌΠΎΠ±ΠΈΠ»Ρ Π½Π΅ΠΎΠ±Ρ ΠΎΠ΄ΠΈΠΌΠΎ ΠΎΠΏΡΠ΅Π΄Π΅Π»ΠΈΡΡ ΠΏΡΠΈΡΠΈΠ½Ρ ΡΠΎΠ³ΠΎ ΠΈΠ»ΠΈ ΠΈΠ½ΠΎΠ³ΠΎ Π΄Π΅ΡΠ΅ΠΊΡΠ° Π² ΡΠ»Π΅ΠΊΡΡΠΈΡΠ΅ΡΠΊΠΈΡ ΠΊΠΎΠΌΠΏΠΎΠ½Π΅Π½ΡΠ°Ρ Β«ΡΠ΅ΡΡΠ΅ΡΠΊΠΈΒ». Π£ΡΡΡΠ°Π½Π΅Π½ΠΈΠ΅ Π½Π΅ΠΈΡΠΏΡΠ°Π²Π½ΠΎΡΡΠ΅ΠΉ ΡΠ»Π΅Π΄ΡΠ΅Ρ Π½Π°ΡΠΈΠ½Π°ΡΡ Ρ Π·Π°ΠΌΠΊΠ° Π·Π°ΠΆΠΈΠ³Π°Π½ΠΈΡ, ΠΊΠΎΡΠΎΡΡΠΉ ΠΏΡΠ΅Π΄Π½Π°Π·Π½Π°ΡΠ΅Π½ Π΄Π»Ρ:
- ΠΠΎΠ½ΡΡΠΎΠ»Ρ ΠΈΡΠΏΡΠ°Π²Π½ΠΎΡΡΠΈ ΡΠΈΡΡΠ΅ΠΌΡ Π·Π°ΠΆΠΈΠ³Π°Π½ΠΈΡ;
- ΡΠΎΠ³Π»Π°ΡΠΎΠ²Π°Π½ΠΈΠ΅ ΡΠΈΡΡΠ΅ΠΌ Π±Π΅Π·ΠΎΠΏΠ°ΡΠ½ΠΎΡΡΠΈ ΠΈ ΠΏΡΠ΅Π΄ΠΎΡΠ²ΡΠ°ΡΠ΅Π½ΠΈΡ ΡΠ³ΠΎΠ½ΠΎΠ² Π°Π²ΡΠΎΠΌΠΎΠ±ΠΈΠ»Π΅ΠΉ;
- Π±ΡΠΊΡΠΈΡΠ½Π°Ρ Β«ΡΠ΅ΡΡΠ΅ΡΠΊΠ°Β» Ρ ΠΈΡΠΏΡΠ°Π²Π½ΠΎΠΉ Β«Π°Π²Π°ΡΠΈΠΉΠΊΠΎΠΉΒ».
Π Π°Π²ΡΠΎΠΌΠΎΠ±ΠΈΠ»Π΅ ΠΠΠ 2106 ΡΡ Π΅ΠΌΠ° ΠΏΠΎΠ΄ΠΊΠ»ΡΡΠ΅Π½ΠΈΡ Π²ΠΊΠ»ΡΡΠ°Π΅Ρ ΡΠ»Π΅Π΄ΡΡΡΠΈΠ΅ ΡΠ»Π΅ΠΌΠ΅Π½ΡΡ:
- ΠΠΊΠΊΡΠΌΡΠ»ΡΡΠΎΡ Ρ ΠΎΡΡΠΈΡΠ°ΡΠ΅Π»ΡΠ½ΡΠΌ ΠΏΡΠΎΠ²ΠΎΠ΄ΠΎΠΌ ΠΏΡΠΈ ΠΊΠΎΠ½ΡΠ°ΠΊΡΠ΅ Ρ ΠΊΡΠ·ΠΎΠ²ΠΎΠΌ Π°Π²ΡΠΎΠΌΠΎΠ±ΠΈΠ»Ρ;
- ΡΡΠ°ΡΡΠ΅Ρ Ρ ΡΠ°Π·ΡΠ΅ΠΌΠΎΠΌ Β«50Β» ΠΎΡ Π·Π°ΠΌΠΊΠ° Π·Π°ΠΆΠΈΠ³Π°Π½ΠΈΡ ΡΠ΅ΡΠ΅Π· ΠΏΡΡΠΊΠΎΠ²ΠΎΠ΅ ΡΠ΅Π»Π΅;
- Π³Π΅Π½Π΅ΡΠ°ΡΠΎΡΠ½ΠΎΠ΅ ΡΡΡΡΠΎΠΉΡΡΠ²ΠΎ; ΠΡΠ΅Π΄ΠΎΡ ΡΠ°Π½ΠΈΡΠ΅Π»ΡΠ½ΡΠΉ Π±Π»ΠΎΠΊ
- ;
- Π²ΡΠΊΠ»ΡΡΠ°ΡΠ΅Π»Ρ Π·Π°ΠΆΠΈΠ³Π°Π½ΠΈΡ;
- ΡΠ΅Π³ΡΠ»ΠΈΡΡΡΡΠ΅Π΅ ΡΠ΅Π»Π΅.
ΠΡΠΈΠ½ΡΠΈΠΏ ΡΠ°Π±ΠΎΡΡ ΡΠ»Π΅ΠΊΡΡΠΎΠΎΠ±ΠΎΡΡΠ΄ΠΎΠ²Π°Π½ΠΈΡ ΠΠΠ 2106
ΠΠ°ΠΌΠΎΠΊ Π·Π°ΠΆΠΈΠ³Π°Π½ΠΈΡ ΠΈΠΌΠ΅Π΅Ρ 4 ΠΏΠΎΠ»ΠΎΠΆΠ΅Π½ΠΈΡ, ΠΏΡΠΈ Π²ΠΎΠ·Π±ΡΠΆΠ΄Π΅Π½ΠΈΠΈ ΠΊΠ°ΠΆΠ΄ΠΎΠ³ΠΎ ΠΈΠ· Π½ΠΈΡ ΠΊΠΎΠΌΠΌΡΡΠΈΡΡΡΡΡΡ ΠΎΠΏΡΠ΅Π΄Π΅Π»Π΅Π½Π½ΡΠ΅ ΡΠ°Π·ΡΠ΅ΠΌΡ ΠΈ ΠΊΠΎΠ½ΡΠ°ΠΊΡΡ:
- Π ΠΏΠΎΠ»ΠΎΠΆΠ΅Π½ΠΈΠΈ Β«0Β» ΡΠΎΠΊ ΠΠΠ ΠΏΠ΅ΡΠ΅Π΄Π°Π΅ΡΡΡ ΡΠΎΠ»ΡΠΊΠΎ Π½Π° ΡΠ°Π·ΡΠ΅ΠΌΡ 30 ΠΈ 30/1, ΠΎΡΡΠ°Π»ΡΠ½ΡΠ΅ ΠΎΠ±Π΅ΡΡΠΎΡΠ΅Π½Ρ.
- Π ΠΏΠΎΠ»ΠΎΠΆΠ΅Π½ΠΈΠΈ Β«IΒ» ΡΠΎΠΊ ΠΏΠΎΠ΄Π°Π΅ΡΡΡ Π½Π° ΡΠ°Π·ΡΠ΅ΠΌΡ 30-INT ΠΈ 30 / 1-15, ΠΏΡΠΈ ΡΡΠΎΠΌ Π·Π°ΠΏΠΈΡΠ°Π½Ρ Β«Π³Π°Π±Π°ΡΠΈΡΡΒ», ΡΡΠ΅ΠΊΠ»ΠΎΠΎΡΠΈΡΡΠΈΡΠ΅Π»Ρ ΠΈ Π²Π΅Π½ΡΠΈΠ»ΡΡΠΎΡ ΡΠΈΡΡΠ΅ΠΌΡ ΠΎΠ±ΠΎΠ³ΡΠ΅Π²Π° ΠΎΡΠΎΠΏΠΈΡΠ΅Π»ΡΠ½ΠΎΠ³ΠΎ ΠΊΠΎΠΌΠΏΠ»Π΅ΠΊΡΠ°.
- Π ΠΏΠΎΠ»ΠΎΠΆΠ΅Π½ΠΈΠΈ Β«IIΒ» ΠΊΠΎΠ½ΡΠ°ΠΊΡ 30-50 Π΄ΠΎΠΏΠΎΠ»Π½ΠΈΡΠ΅Π»ΡΠ½ΠΎ ΠΏΠΎΠ΄ΠΊΠ»ΡΡΠ°Π΅ΡΡΡ ΠΊ ΡΠ°Π½Π΅Π΅ ΠΈΡΠΏΠΎΠ»ΡΠ·ΠΎΠ²Π°Π½Π½ΡΠΌ ΡΠ°Π·ΡΠ΅ΠΌΠ°ΠΌ. ΠΡΠΈ ΡΡΠΎΠΌ Π² ΡΡ Π΅ΠΌΡ Π²ΠΊΠ»ΡΡΠ΅Π½Ρ ΡΠΈΡΡΠ΅ΠΌΠ° Π·Π°ΠΆΠΈΠ³Π°Π½ΠΈΡ, ΡΡΠ°ΡΡΠ΅Ρ, Π΄Π°ΡΡΠΈΠΊΠΈ ΠΏΠ°Π½Π΅Π»ΠΈ, Β«Π³Π°Π±Π°ΡΠΈΡΠΎΠ²Β» ΠΈ Β«ΠΏΠΎΠ²ΠΎΡΠΎΡΠ½ΠΈΠΊΠΎΠ²Β».
- Π ΠΏΠΎΠ·ΠΈΡΠΈΠΈ Β«IIIΒ» ΠΈΡΠΏΠΎΠ»ΡΠ·ΡΡΡΡΡ ΡΠΎΠ»ΡΠΊΠΎ Β«Π³Π°Π±Π°ΡΠΈΡΡΒ», Π·Π²ΡΠΊΠΎΠ²ΠΎΠΉ ΡΠΈΠ³Π½Π°Π», Π° ΡΠ°ΠΊΠΆΠ΅ Π΄Π²ΠΎΡΠ½ΠΈΠΊΠΈ Π»ΠΎΠ±ΠΎΠ²ΠΎΠ³ΠΎ ΠΈ ΠΊΠΎΡΠΌΠΎΠ²ΠΎΠ³ΠΎ ΡΡΠ΅ΠΊΠ»Π°. Π ΡΡΠΎΠΌ ΡΠ»ΡΡΠ°Π΅ ΡΠΎΠΊ Π΄ΠΎΡΡΡΠΏΠ΅Π½ ΡΠΎΠ»ΡΠΊΠΎ Π΄Π»Ρ ΡΠ°Π·ΡΠ΅ΠΌΠΎΠ² 30-INT ΠΈ 30/1.
Π ΡΠ΄ Π°Π²ΡΠΎΠΌΠΎΠ±ΠΈΠ»Π΅ΠΉ ΡΡΠΎΠΉ ΠΌΠ°ΡΠΊΠΈ ΠΎΡΠ½Π°ΡΠ΅Π½Ρ ΡΠ°ΠΊΠΈΠΌΠΈ ΡΡΡΡΠΎΠΉΡΡΠ²Π°ΠΌΠΈ, ΠΊΠ°ΠΊ ΡΠΈΡΡΠ΅ΠΌΠ° ΠΎΠ±ΠΎΠ³ΡΠ΅Π²Π° ΠΊΠΎΡΠΌΠΎΠ²ΡΡ ΡΡΠ΅ΠΊΠΎΠ», ΡΠ»Π΅ΠΊΡΡΠΈΡΠ΅ΡΠΊΠΈΠΉ ΠΎΠΌΡΠ²Π°ΡΠ΅Π»Ρ Β«ΠΊΠΎΠ·ΡΡΡΠΊΠ°Β», ΡΠ΅Π»Π΅ ΡΠ²Π΅ΡΠ° ΠΈ Π΄Ρ.ΠΠ»Π΅ΠΊΡΡΠΎΠΏΠΈΡΠ°Π½ΠΈΠ΅ ΡΡΠΈΡ Π³Π°Π΄ΠΆΠ΅ΡΠΎΠ² ΠΎΡΡΡΠ΅ΡΡΠ²Π»ΡΠ΅ΡΡΡ ΠΏΠΎ ΠΎΡΠ΄Π΅Π»ΡΠ½ΠΎΠΉ Π»ΠΈΠ½ΠΈΠΈ ΡΠ΅ΡΠ΅Π· Π²ΡΠΊΠ»ΡΡΠ°ΡΠ΅Π»Ρ Π·Π°ΠΆΠΈΠ³Π°Π½ΠΈΡ Π² ΠΏΠΎΠ»ΠΎΠΆΠ΅Π½ΠΈΡΡ ΠΊΠ»ΡΡΠ° Β«IΒ» ΠΈ Β«IIΒ».
ΠΠ°ΠΆΠ½ΠΎ: ΠΏΠΎΡΠΊΠΎΠ»ΡΠΊΡ Π±Π°ΡΠΎΠΊ ΠΎΠΌΡΠ²Π°ΡΠ΅Π»Ρ ΠΈΠ·Π³ΠΎΡΠΎΠ²Π»Π΅Π½ ΠΈΠ· ΠΌΠ°ΡΠ΅ΡΠΈΠ°Π»Π° ΠΠΠ₯ ΠΈ ΡΠ²Π»ΡΠ΅ΡΡΡ Π΄ΠΈΡΠ»Π΅ΠΊΡΡΠΈΠΊΠΎΠΌ, ΡΠ»Π΅ΠΊΡΡΠΎΠ΄Π²ΠΈΠ³Π°ΡΠ΅Π»Ρ Π΄ΠΎΠΏΠΎΠ»Π½ΠΈΡΠ΅Π»ΡΠ½ΠΎ ΡΠ½Π°Π±ΠΆΠ΅Π½ ΠΎΡΡΠΈΡΠ°ΡΠ΅Π»ΡΠ½ΡΠΌ ΠΏΡΠΎΠ²ΠΎΠ΄ΠΎΠΌ ΠΈ ΠΏΡΠΈ ΡΠ°Π±ΠΎΡΠ΅ Ρ Π½ΠΈΠΌ Π½Π΅ΠΎΠ±Ρ ΠΎΠ΄ΠΈΠΌΠΎ ΠΈΡΠΏΠΎΠ»ΡΠ·ΠΎΠ²Π°ΡΡ Π΄ΠΈΡΠ»Π΅ΠΊΡΡΠΈΡΠ΅ΡΠΊΡΡ Π·Π°ΡΠΈΡΡ Π½Π° ΡΠ°Π·ΡΠ΅ΠΌΠ°Ρ .
Π Β«ΡΠ΅ΡΡΠ΅ΡΠΊΠ΅Β» ΠΏΠΎΠ΄ ΡΠΎΠΊΠΎΠΌ Π² ΠΏΠΎΡΡΠΎΡΠ½Π½ΠΎΠΌ ΡΠ΅ΠΆΠΈΠΌΠ΅ ΡΠ°Π±ΠΎΡΠ°ΡΡ ΡΠ»Π΅Π΄ΡΡΡΠΈΠ΅ ΡΠΈΠ»ΠΎΠ²ΡΠ΅ ΡΠ΅ΠΏΠΈ: Π·Π²ΡΠΊΠΎΠ²ΠΎΠΉ ΡΠΈΠ³Π½Π°Π», ΡΡΠΎΠΏ-ΡΠΈΠ³Π½Π°Π»Ρ, Β«Π°Π²Π°ΡΠΈΠΉΠΊΠ°Β», ΡΠΎΠ·Π΅ΡΠΊΠ° ΠΏΡΠΈΠΊΡΡΠΈΠ²Π°ΡΠ΅Π»Ρ, Π²ΠΈΠ»ΠΊΠ° Π΄Π»Ρ Β«ΠΏΠ΅ΡΠ΅Π½ΠΎΡΠΊΠΈΒ», ΠΏΠΎΠ΄ΡΠ²Π΅ΡΠΊΠ° ΠΏΡΠΈΠ±ΠΎΡΠΎΠ².ΠΠ΅Π΄ΡΡΠΈΠ΅ ΡΠ΅ΠΏΠΈ ΡΠ»Π΅ΠΊΡΡΠΎΠΎΠ±ΠΎΡΡΠ΄ΠΎΠ²Π°Π½ΠΈΡ ΡΡΠ°Π½ΡΠΏΠΎΡΡΠ° ΠΏΠΎΠ΄Π»Π΅ΠΆΠ°Ρ Π·Π°ΡΠΈΡΠ΅ ΠΏΠ»Π°Π²ΠΊΠΈΠΌΠΈ ΠΏΡΠ΅Π΄ΠΎΡ ΡΠ°Π½ΠΈΡΠ΅Π»ΡΠΌΠΈ, ΠΊΠΎΡΠΎΡΡΠ΅ ΡΠ°ΡΠΏΠΎΠ»ΠΎΠΆΠ΅Π½Ρ Π² Π΄Π²ΡΡ ΡΠΏΠ΅ΡΠΈΠ°Π»ΡΠ½ΡΡ Π±Π»ΠΎΠΊΠ°Ρ (ΠΎΡΠ½ΠΎΠ²Π½ΠΎΠΌ ΠΈ Π·Π°ΠΏΠ°ΡΠ½ΠΎΠΌ), ΡΠ°ΡΠΏΠΎΠ»ΠΎΠΆΠ΅Π½Π½ΡΡ ΡΠΎ ΡΡΠΎΡΠΎΠ½Ρ Π²ΠΎΠ΄ΠΈΡΠ΅Π»Ρ ΠΏΠΎΠ΄ ΠΏΡΠΈΠ±ΠΎΡΠ½ΠΎΠΉ ΠΏΠ°Π½Π΅Π»ΡΡ.
ΠΠ΄Π½ΠΈΠΌ ΠΈΠ· ΡΠ»Π΅ΠΌΠ΅Π½ΡΠΎΠ² ΡΡ Π΅ΠΌΡ ΠΏΠΎΠ΄ΠΊΠ»ΡΡΠ΅Π½ΠΈΡ ΠΠΠ 2106 ΡΠ²Π»ΡΠ΅ΡΡΡ ΠΏΡΠ΅Π΄ΠΎΡ ΡΠ°Π½ΠΈΡΠ΅Π»ΡΠ½ΡΠΉ Π±Π»ΠΎΠΊ, ΠΊΠΎΠ½ΡΡΡΡΠΊΡΠΈΡ ΠΊΠΎΡΠΎΡΠΎΠ³ΠΎ Π½Π΅ ΡΠΎΠΎΡΠ²Π΅ΡΡΡΠ²ΡΠ΅Ρ ΡΠΎΠ²ΡΠ΅ΠΌΠ΅Π½Π½ΡΠΌ ΡΡΠ΅Π±ΠΎΠ²Π°Π½ΠΈΡΠΌ ΠΊ ΡΠΎΡΡΠ°Π²Ρ ΡΠ»Π΅ΠΊΡΡΠΎΠ½Π½ΠΎΠ³ΠΎ ΠΎΠ±ΠΎΡΡΠ΄ΠΎΠ²Π°Π½ΠΈΡ. ΠΠ΅Π΄ΠΎΡΡΠ°ΡΠΊΠΈ:
- Π½Π΅ΡΡΠ°Π±ΠΈΠ»ΡΠ½ΠΎΠ΅ ΡΠΎΠ΅Π΄ΠΈΠ½Π΅Π½ΠΈΠ΅ ΠΏΡΠ΅Π΄ΠΎΡ ΡΠ°Π½ΠΈΡΠ΅Π»Ρ Ρ ΡΠΎΠ·Π΅ΡΠΊΠΎΠΉ ΠΏΡΠΈΠ²ΠΎΠ΄ΠΈΡ ΠΊ ΠΏΠΎΡΠ²Π»Π΅Π½ΠΈΡ ΠΏΡΡΡΠ΅ΠΉ;
- ΠΏΡΠΈ ΡΠ°Π±ΠΎΡΠ΅ ΠΏΡΠ΅Π΄ΠΎΡ ΡΠ°Π½ΠΈΡΠ΅Π»ΡΠ½ΡΠΉ ΡΠ»Π΅ΠΌΠ΅Π½Ρ ΠΏΠΎΠ΄Π²Π΅ΡΠΆΠ΅Π½ Π½Π°Π³ΡΠ΅Π²Ρ, ΡΡΠΎ Π½Π΅Π³Π°ΡΠΈΠ²Π½ΠΎ ΡΠΊΠ°Π·ΡΠ²Π°Π΅ΡΡΡ Π½Π° ΡΠΎΡΠ΅Π΄Π½ΠΈΡ ΠΌΠΎΠ½ΡΠ°ΠΆΠ½ΡΡ ΠΏΠ°Π·Π°Ρ ;
- : Π½ΠΈΠ·ΠΊΠ°Ρ ΡΡΠΎΠΈΠΌΠΎΡΡΡ Π·Π°ΠΌΠ΅Π½Ρ ΠΏΡΠ΅Π΄ΠΎΡ ΡΠ°Π½ΠΈΡΠ΅Π»Π΅ΠΉ Π½Π΅ Π³Π°ΡΠ°Π½ΡΠΈΡΡΠ΅Ρ ΠΈΡ Π½Π°Π΄Π΅ΠΆΠ½ΠΎΡΡΠΈ, ΠΏΠΎΡΡΠΎΠΌΡ ΠΏΡΠΎΠ²Π΅ΡΠΊΠΈ Π΄Π°Π½Π½ΠΎΠ³ΠΎ Π°Π³ΡΠ΅Π³Π°ΡΠ° ΡΠ»Π΅Π΄ΡΠ΅Ρ ΠΏΡΠΎΠ²ΠΎΠ΄ΠΈΡΡ ΡΠ΅Π³ΡΠ»ΡΡΠ½ΠΎ.
ΠΡΠΏΠΎΠ»ΡΠ·ΠΎΠ²Π°Π½ΠΈΠ΅ Ρ.Π½. Β«ΠΡΡΠΊΠΈΒ» ΠΌΠΎΠ³ΡΡ Π²ΡΠ·Π²Π°ΡΡ Π²ΠΎΠ·Π³ΠΎΡΠ°Π½ΠΈΠ΅ Π² Π°Π²ΡΠΎΠΌΠΎΠ±ΠΈΠ»Π΅, ΠΏΠΎΡΠΊΠΎΠ»ΡΠΊΡ Π²ΡΡΠΎΠΊΠ° Π²Π΅ΡΠΎΡΡΠ½ΠΎΡΡΡ ΠΊΠΎΡΠΎΡΠΊΠΎΠ³ΠΎ Π·Π°ΠΌΡΠΊΠ°Π½ΠΈΡ. Π‘ΡΡΠ΅ΡΡΠ²ΡΠ΅Ρ ΡΠΎΠ²Π΅ΡΡΠ΅Π½Π½ΠΎ Π±Π΅Π·ΠΎΠΏΠ°ΡΠ½ΡΠΉ Π²Π°ΡΠΈΠ°Π½Ρ ΠΌΠΎΠ΄Π΅ΡΠ½ΠΈΠ·Π°ΡΠΈΠΈ ΡΡΠ°Π½Π΄Π°ΡΡΠ½ΡΡ ΠΈΠ·Π΄Π΅Π»ΠΈΠΉ, Π² ΠΊΠΎΡΠΎΡΠΎΠΌ ΠΏΡΠ΅Π΄ΠΏΠΎΠ»Π°Π³Π°Π΅ΡΡΡ ΡΡΡΠ°Π½ΠΎΠ²ΠΊΠ° Π½ΠΎΠΆΠ΅Π²ΡΡ ΠΏΡΠ΅Π΄ΠΎΡ ΡΠ°Π½ΠΈΡΠ΅Π»Π΅ΠΉ, ΠΏΠΎΡΠ°Π΄ΠΎΡΠ½ΡΠ΅ ΠΌΠ΅ΡΡΠ° ΠΊΠΎΡΠΎΡΡΡ ΠΈΠ΄Π΅Π°Π»ΡΠ½ΠΎ ΠΈΠ½ΡΠ΅Π³ΡΠΈΡΠΎΠ²Π°Π½Ρ Π² Π±Π»ΠΎΠΊ Π±Π΅Π·ΠΎΠΏΠ°ΡΠ½ΠΎΡΡΠΈ.
ΠΡΠ΅ΠΈΠΌΡΡΠ΅ΡΡΠ²Π° Π»Π΅Π·Π²ΠΈΠΉΠ½ΡΡ ΠΏΡΠ΅Π΄ΠΎΡ ΡΠ°Π½ΠΈΡΠ΅Π»Π΅ΠΉ:
- ΡΡΠ°Π±ΠΈΠ»ΡΠ½ΡΠΉ ΠΊΠΎΠ½ΡΠ°ΠΊΡ ΠΈΠ·Π΄Π΅Π»ΠΈΡ Ρ ΡΠΎΡΠΊΠΎΠΉ ΠΊΡΠ΅ΠΏΠ»Π΅Π½ΠΈΡ; β
- : ΠΏΠ»Π°Π²ΠΊΠΈΠΉ ΡΠ»Π΅ΠΌΠ΅Π½Ρ Π·Π°ΠΏΠ°ΡΠ½ Π² ΠΏΡΠΎΠ·ΡΠ°ΡΠ½ΡΠΉ ΠΊΠΎΡΠΏΡΡ ΠΈΠ· ΠΠΠ₯;
- Π΄ΠΈΠ½Π°ΠΌΠΈΡΠ΅ΡΠΊΠΈΠΉ ΠΎΡΠ²ΠΎΠ΄ ΡΠ΅ΠΏΠ»Π° Π·Π° ΡΡΠ΅Ρ ΡΠ²Π΅Π»ΠΈΡΠ΅Π½Π½ΠΎΠΉ ΠΏΠ»ΠΎΡΠ°Π΄ΠΈ ΠΊΠΎΠ½ΡΠ°ΠΊΡΠ°.
ΠΠ°ΠΆΠ½ΠΎ: Π³Π΅Π½Π΅ΡΠ°ΡΠΎΡ Β«ΡΠ΅ΡΡΠ΅ΡΠΊΠ°Β», ΠΏΡΠΎΠ²ΠΎΠ΄ΠΊΠ° ΠΊ Π½Π΅ΠΌΡ, Π° ΡΠ°ΠΊΠΆΠ΅ ΠΊ Π°ΠΊΠΊΡΠΌΡΠ»ΡΡΠΎΡΡ, ΡΡΠ°ΡΡΠ΅ΡΡ, ΠΊΠ°ΡΡΡΠΊΠ΅, ΡΠ΅Π»Π΅ ΠΏΠ΅ΡΠ΅ΠΊΠ»ΡΡΠ΅Π½ΠΈΡ ΠΎΠΏΡΠΈΠΊΠΈ ΠΈ Π½Π΅ΠΊΠΎΡΠΎΡΡΠΌ Π΄ΡΡΠ³ΠΈΠΌ ΡΠ»Π΅ΠΌΠ΅Π½ΡΠ°ΠΌ Π½Π΅ ΠΎΡΠ½Π°ΡΠ΅Π½Ρ ΠΏΡΠ΅Π΄ΠΎΡ ΡΠ°Π½ΠΈΡΠ΅Π»ΡΠ½ΡΠΌΠΈ ΡΠ»Π΅ΠΌΠ΅Π½ΡΠ°ΠΌΠΈ.
Π ΠΊΠ°ΠΆΠ΄ΠΎΠΌ ΡΠΎΠ²ΡΠ΅ΠΌΠ΅Π½Π½ΠΎΠΌ Π°Π²ΡΠΎΠΌΠΎΠ±ΠΈΠ»Π΅ Π΅ΡΡΡ Π±ΠΎΡΡΠΎΠ²Π°Ρ ΡΠ΅ΡΡ — ΡΠΈΡΡΠ΅ΠΌΠ°, ΠΎΠ±ΡΠ΅Π΄ΠΈΠ½ΡΡΡΠ°Ρ Π²ΡΠ΅Ρ ΠΏΠΎΡΡΠ΅Π±ΠΈΡΠ΅Π»Π΅ΠΉ ΡΠ½Π΅ΡΠ³ΠΈΠΈ ΠΈ ΡΠ»Π΅ΠΊΡΡΠΎΠΎΠ±ΠΎΡΡΠ΄ΠΎΠ²Π°Π½ΠΈΠ΅. ΠΡΠΈ ΡΡΡΡΠΎΠΉΡΡΠ²Π° Ρ ΡΠ°Π·Π²ΠΎΠ΄ΠΊΠΎΠΉ ΡΠ°Π·ΠΌΠ΅ΡΠ΅Π½Ρ, Π² ΡΠ°ΡΡΠ½ΠΎΡΡΠΈ, Π² Π΄Π°Π½Π½ΠΎΠΉ ΡΡΠ°ΡΡΠ΅ ΡΠ΅ΡΡ ΠΏΠΎΠΉΠ΄Π΅Ρ ΠΎ Π»Π΅Π³Π΅Π½Π΄Π°ΡΠ½ΡΡ ΠΎΡΠ΅ΡΠ΅ΡΡΠ²Π΅Π½Π½ΡΡ Β«ΡΠ΅ΡΡΠ΅ΡΠΊΠ°Ρ Β». ΠΠ°ΠΊΠΈΠ΅ ΡΠ»Π΅ΠΌΠ΅Π½ΡΡ Π²ΠΊΠ»ΡΡΠ°Π΅Ρ Π² ΡΠ΅Π±Ρ ΡΠ»Π΅ΠΊΡΡΠΎΡΡ Π΅ΠΌΠ° ΠΠΠ 2106, ΠΊΠ°ΠΊΠΈΠ΅ Π½Π΅ΠΈΡΠΏΡΠ°Π²Π½ΠΎΡΡΠΈ Π΄Π»Ρ Π½Π΅Π΅ Ρ Π°ΡΠ°ΠΊΡΠ΅ΡΠ½Ρ — ΡΠ·Π½Π°Π²Π°ΠΉΡΠ΅ ΠΈΠ· ΡΡΠΎΠ³ΠΎ ΠΌΠ°ΡΠ΅ΡΠΈΠ°Π»Π°.
[Π‘ΠΊΡΡΡΡ]
ΠΡΠΈΠ·Π½Π°ΠΊΠΈ Π½Π΅ΠΈΡΠΏΡΠ°Π²Π½ΠΎΡΡΠΈ
ΠΠ°ΠΊΠΈΠ΅ ΡΠ»Π΅ΠΌΠ΅Π½ΡΡ Π²ΠΊΠ»ΡΡΠ°Π΅Ρ Π² ΡΠ΅Π±Ρ ΡΠ»Π΅ΠΊΡΡΠΎΠΎΠ±ΠΎΡΡΠ΄ΠΎΠ²Π°Π½ΠΈΠ΅ ΠΈ ΡΠ»Π΅ΠΊΡΡΠΎΡΡ Π΅ΠΌΠ° Ρ ΠΎΠΏΠΈΡΠ°Π½ΠΈΠ΅ΠΌ 21063? Π ΡΡΡ ΡΠΈΡΡΠ΅ΠΌΡ Π²Ρ ΠΎΠ΄ΡΡ Π²ΡΠ΅ Π±Π΅Π· ΠΈΡΠΊΠ»ΡΡΠ΅Π½ΠΈΡ ΠΏΠΎΡΡΠ΅Π±ΠΈΡΠ΅Π»ΠΈ ΡΠ½Π΅ΡΠ³ΠΈΠΈ, Π° ΡΠ°ΠΊΠΆΠ΅ ΠΎΡΠ½ΠΎΠ²Π½ΡΠ΅ ΡΠΈΡΡΠ΅ΠΌΡ Π°Π²ΡΠΎΠΌΠΎΠ±ΠΈΠ»Ρ, Π²ΠΊΠ»ΡΡΠ°Ρ Π·Π°ΠΆΠΈΠ³Π°Π½ΠΈΠ΅, ΠΎΡ Π»Π°ΠΆΠ΄Π΅Π½ΠΈΠ΅ Π΄Π²ΠΈΠ³Π°ΡΠ΅Π»Ρ ΠΈ ΠΎΠ±ΠΎΠ³ΡΠ΅Π². Π ΡΠΎΠΌ ΡΠ»ΡΡΠ°Π΅, Π΅ΡΠ»ΠΈ Π°Π²ΡΠΎΠΌΠΎΠ±ΠΈΠ»Ρ Π½Π΅ Π·Π°Π²ΠΎΠ΄ΠΈΡΡΡ, Π° Π² ΡΠ°Π±ΠΎΡΠ΅ ΡΠ»Π΅ΠΊΡΡΠΎΠΎΠ±ΠΎΡΡΠ΄ΠΎΠ²Π°Π½ΠΈΡ Π²ΠΎΠ·Π½ΠΈΠΊΠ°ΡΡ ΡΠ±ΠΎΠΈ, Π² ΠΏΠ΅ΡΠ²ΡΡ ΠΎΡΠ΅ΡΠ΅Π΄Ρ ΡΠ»Π΅Π΄ΡΠ΅Ρ ΠΏΡΠΎΠ²Π΅ΡΠΈΡΡ ΠΈΡΠΏΡΠ°Π²Π½ΠΎΡΡΡ ΡΠ»Π΅ΠΊΡΡΠΎΠΏΡΠΎΠ²ΠΎΠ΄ΠΊΠΈ ΠΈ Π·Π°ΠΌΠ΅Π½ΠΈΡΡ Π²ΡΡΠ΅Π΄ΡΠΈΠ΅ ΠΈΠ· ΡΡΡΠΎΡ ΠΊΠΎΠΌΠΏΠΎΠ½Π΅Π½ΡΡ.
ΠΡΠΈ Π½Π΅Π²ΠΎΠ·ΠΌΠΎΠΆΠ½ΠΎΡΡΠΈ Π·Π°ΠΏΡΡΠΊΠ° Π΄Π²ΠΈΠ³Π°ΡΠ΅Π»Ρ ΡΠ»Π΅Π΄ΡΠ΅Ρ ΡΠ½Π°ΡΠ°Π»Π° Π΄ΠΈΠ°Π³Π½ΠΎΡΡΠΈΡΠΎΠ²Π°ΡΡ ΡΠΎΡΡΠΎΡΠ½ΠΈΠ΅ Π°ΠΊΠΊΡΠΌΡΠ»ΡΡΠΎΡΠ½ΠΎΠΉ Π±Π°ΡΠ°ΡΠ΅ΠΈ, Π° ΡΠ°ΠΊΠΆΠ΅ ΠΏΠΎΠ΄Π°ΡΡ ΡΠΎΠΏΠ»ΠΈΠ²Π° Π² ΠΊΠ°ΡΠ±ΡΡΠ°ΡΠΎΡ ΠΈΠ»ΠΈ ΡΠΎΡΡΡΠ½ΠΊΡ.
Π ΡΠ»ΡΡΠ°Π΅, Π΅ΡΠ»ΠΈ ΡΠΎΠΏΠ»ΠΈΠ²ΠΎ ΡΠ΅ΡΠ΅Ρ Π½ΠΎΡΠΌΠ°Π»ΡΠ½ΠΎ, ΡΠΎ Π΄Π»Ρ Π΄ΠΈΠ°Π³Π½ΠΎΡΡΠΈΠΊΠΈ ΠΏΠΎΡΡΠ΅Π±ΡΠ΅ΡΡΡ ΡΠ»Π΅ΠΊΡΡΠΈΡΠ΅ΡΠΊΠ°Ρ ΡΡ Π΅ΠΌΠ° ΠΌΠ°ΡΠΈΠ½Ρ, Π½Π΅ΠΎΠ±Ρ ΠΎΠ΄ΠΈΠΌΠΎ ΠΏΡΠΎΠ²Π΅ΡΠΈΡΡ ΡΠ»Π΅Π΄ΡΡΡΠ΅Π΅:
- Π ΡΠ»ΡΡΠ°Π΅ ΠΊΠ°ΡΠ±ΡΡΠ°ΡΠΎΡΠ½ΡΡ Π΄Π²ΠΈΠ³Π°ΡΠ΅Π»Π΅ΠΉ Π΄ΠΈΠ°Π³Π½ΠΎΡΡΠΈΠΊΠ° ΡΠ°ΡΠΏΡΠ΅Π΄Π΅Π»ΠΈΡΠ΅Π»Ρ Π·Π°ΠΆΠΈΠ³Π°Π½ΠΈΡ, ΠΊΠ°ΡΡΡΠΊΠΈ, ΠΈΡΠΊΡΡ Π·Π°Π³Π»ΡΡΠΊΠΈ ΠΈ, ΠΊΠΎΠ½Π΅ΡΠ½ΠΎ ΠΆΠ΅, ΡΠ°ΠΌΠ° ΡΠ°Π·Π²ΠΎΠ΄ΠΊΠ° Π΄Π»Ρ ΠΏΠΎΠ΄ΠΊΠ»ΡΡΠ΅Π½ΠΈΡ ΡΡΠΈΡ ΠΊΠΎΠΌΠΏΠΎΠ½Π΅Π½ΡΠΎΠ².Π Π½Π΅ΠΊΠΎΡΠΎΡΡΡ ΡΠ»ΡΡΠ°ΡΡ Π½Π΅Π²ΠΎΠ·ΠΌΠΎΠΆΠ½ΠΎΡΡΡ Π·Π°ΠΏΡΡΠΊΠ° Π΄Π²ΠΈΠ³Π°ΡΠ΅Π»Ρ ΡΠ²ΡΠ·Π°Π½Π° Ρ ΠΏΠΎΠ²ΡΠ΅ΠΆΠ΄Π΅Π½ΠΈΠ΅ΠΌ, ΠΊ ΠΊΠΎΡΠΎΡΠΎΠΌΡ ΠΏΠΎΠ΄ΠΊΠ»ΡΡΠ΅Π½Ρ ΡΠ²Π΅ΡΠΈ.
- Π ΡΠΎΠΌ ΡΠ»ΡΡΠ°Π΅, Π΅ΡΠ»ΠΈ ΡΠ΅ΡΡ ΠΈΠ΄Π΅Ρ ΠΎ Π±Π»ΠΎΠΊΠ΅ ΠΏΠΈΡΠ°Π½ΠΈΡ Π²ΠΏΡΡΡΠΊΠ°, ΡΠΎ ΠΏΡΠΈΡΠΈΠ½Π° ΠΌΠΎΠΆΠ΅Ρ Π·Π°ΠΊΠ»ΡΡΠ°ΡΡΡΡ Π² Π½Π΅ΡΠ°Π±ΠΎΡΠΎΡΠΏΠΎΡΠΎΠ±Π½ΠΎΡΡΠΈ Π±Π»ΠΎΠΊΠ° ECM. ΠΡΠΎΡ ΡΠ·Π΅Π» ΠΏΡΠ΅Π΄Π½Π°Π·Π½Π°ΡΠ΅Π½ Π΄Π»Ρ ΠΎΠ±ΡΠ°Π±ΠΎΡΠΊΠΈ ΡΠΈΠ³Π½Π°Π»ΠΎΠ² Ρ Π΄Π°ΡΡΠΈΠΊΠΎΠ², Π° ΡΠ°ΠΊΠΆΠ΅ Π΄Π»Ρ ΠΏΠ΅ΡΠ΅Π΄Π°ΡΠΈ ΠΊΠΎΠΌΠ°Π½Π΄ ΠΈΡΠΏΠΎΠ»Π½ΠΈΡΠ΅Π»ΡΠ½ΡΠΌ ΠΌΠ΅Ρ Π°Π½ΠΈΠ·ΠΌΠ°ΠΌ. Π ΡΠ΅Π»ΠΎΠΌ Π±Π»ΠΎΠΊ ΡΠΏΡΠ°Π²Π»Π΅Π½ΠΈΡ ΠΏΡΠ΅Π΄Π½Π°Π·Π½Π°ΡΠ΅Π½ Π΄Π»Ρ ΠΎΠΏΡΠ΅Π΄Π΅Π»Π΅Π½ΠΈΡ Π½Π°ΠΈΠ±ΠΎΠ»Π΅Π΅ ΠΎΠΏΡΠΈΠΌΠ°Π»ΡΠ½ΡΡ ΠΏΠ°ΡΠ°ΠΌΠ΅ΡΡΠΎΠ² Π΄Π²ΠΈΠ³Π°ΡΠ΅Π»Ρ, Π½ΠΎ Π½Π΅ Π²ΡΠ΅ Π°Π²ΡΠΎΠΌΠΎΠ±ΠΈΠ»ΠΈ ΠΈΠΌ ΠΎΡΠ½Π°ΡΠ΅Π½Ρ.
ΠΡΠ΅ Π±ΡΠ²Π°Π΅Ρ, ΡΡΠΎ ΡΠ±ΠΎΠΈ Π² ΡΠ°Π±ΠΎΡΠ΅ ΡΠΈΠ»ΠΎΠ²ΠΎΠ³ΠΎ Π°Π³ΡΠ΅Π³Π°ΡΠ° ΡΠ²ΡΠ·Π°Π½Ρ Ρ ΠΈΡΠΏΡΠ°Π²Π½ΠΎΡΡΡΡ Π·Π°ΠΌΠΊΠ° Π·Π°ΠΆΠΈΠ³Π°Π½ΠΈΡ, Π² ΡΠ°ΡΡΠ½ΠΎΡΡΠΈ, ΡΠ΅ΡΡ ΠΈΠ΄Π΅Ρ ΠΎ ΠΏΠΎΠ²ΡΠ΅ΠΆΠ΄Π΅Π½Π½ΡΡ ΠΊΠΎΠ½ΡΠ°ΠΊΡΠ°Ρ ΠΊΠΎΠ½ΡΠ°ΠΊΡΠ½ΠΎΠΉ Π³ΡΡΠΏΠΏΡ.
Π€ΠΎΡΠΎΠ³Π°Π»Π΅ΡΠ΅Ρ Β«ΠΠ΅ΠΈΡΠΏΡΠ°Π²Π½ΠΎΡΡΠΈ ΠΎΡΠ½ΠΎΠ²Π½ΠΎΠ³ΠΎ Π°ΠΊΠΊΡΠΌΡΠ»ΡΡΠΎΡΠ°Β»
ΠΠ°ΡΠ±ΡΡΠ°ΡΠΎΡΠ½ΡΠΉ Π΄Π²ΠΈΠ³Π°ΡΠ΅Π»Ρ
ΠΠ°ΠΊ ΡΠ°Π±ΠΎΡΠ°Π΅Ρ ΡΡ Π΅ΠΌΠ° ΠΏΠΎΠ΄ΠΊΠ»ΡΡΠ΅Π½ΠΈΡ ΠΊΠ°ΡΠ±ΡΡΠ°ΡΠΎΡΠ½ΠΎΠ³ΠΎ Π΄Π²ΠΈΠ³Π°ΡΠ΅Π»Ρ ΠΏΡΠΈ Π·Π°ΠΏΡΡΠΊΠ΅ ΡΠΈΠ»ΠΎΠ²ΠΎΠ³ΠΎ Π°Π³ΡΠ΅Π³Π°ΡΠ°:
- ΠΠΎΠ΄ΠΈΡΠ΅Π»Ρ ΠΏΠΎΠ²ΠΎΡΠ°ΡΠΈΠ²Π°Π΅Ρ ΠΊΠ»ΡΡ Π² Π·Π°ΠΌΠΊΠ΅ Π·Π°ΠΆΠΈΠ³Π°Π½ΠΈΡ, ΠΈ ΡΠΈΡΡΠ΅ΠΌΠ° Π½Π°ΡΠΈΠ½Π°Π΅Ρ ΠΏΠΎΠ΄Π°Π²Π°ΡΡ ΠΏΠΈΡΠ°Π½ΠΈΠ΅ Π½Π° ΡΡΠΎΡ Π±Π»ΠΎΠΊ.
- ΠΡΠ΅ ΠΈΠ½Π΄ΠΈΠΊΠ°ΡΠΎΡΡ ΠΈ Π·Π½Π°ΡΠΊΠΈ Π°ΠΊΡΠΈΠ²ΠΈΡΠΎΠ²Π°Π½Ρ Π½Π° ΠΏΡΠΈΠ±ΠΎΡΠ½ΠΎΠΉ ΠΏΠ°Π½Π΅Π»ΠΈ, Π² ΡΡΠΎΠΌ ΡΠ»ΡΡΠ°Π΅ ΠΎΠ±ΠΎΡΡΠ΄ΠΎΠ²Π°Π½ΠΈΠ΅ ΡΠ°Π±ΠΎΡΠ°Π΅Ρ ΠΎΡ Π°ΠΊΠΊΡΠΌΡΠ»ΡΡΠΎΡΠ°.
- ΠΠ° ΠΊΠ°ΡΡΡΠΊΡ ΠΏΠΎΠ΄Π°Π΅ΡΡΡ Π½ΠΈΠ·ΠΊΠΎΠ΅ Π½Π°ΠΏΡΡΠΆΠ΅Π½ΠΈΠ΅, ΠΊΠΎΡΠΎΡΠΎΠ΅ ΠΈΡΠΏΠΎΠ»ΡΠ·ΡΠ΅ΡΡΡ Π΄Π»Ρ Π³Π΅Π½Π΅ΡΠ°ΡΠΈΠΈ Π²ΡΡΠΎΠΊΠΎΠ²ΠΎΠ»ΡΡΠ½ΠΎΠ³ΠΎ ΡΠ°Π·ΡΡΠ΄Π°.ΠΠΎΠ³Π΄Π° Π½Π°ΠΏΡΡΠΆΠ΅Π½ΠΈΠ΅ ΠΏΡΠΎΡ ΠΎΠ΄ΠΈΡ ΡΠ΅ΡΠ΅Π· ΠΌΠΎΠ΄ΡΠ»Ρ, ΠΎΠ½ΠΎ ΠΏΡΠ΅ΠΎΠ±ΡΠ°Π·ΡΠ΅ΡΡΡ Π² Π²ΡΡΠΎΠΊΠΎΠ΅ Π½Π°ΠΏΡΡΠΆΠ΅Π½ΠΈΠ΅ ΠΈ ΠΏΠΎΠ΄Π°Π΅ΡΡΡ Π² ΡΠ°ΡΠΏΡΠ΅Π΄Π΅Π»ΠΈΡΠ΅Π»ΡΠ½ΡΠΉ Π±Π»ΠΎΠΊ.
- ΠΠΎΡΡΠ΅Π΄ΡΡΠ²ΠΎΠΌ Π²ΡΡΠΎΠΊΠΎΠ²ΠΎΠ»ΡΡΠ½ΠΎΠ³ΠΎ ΡΠ°Π·ΡΡΠ΄Π° ΠΏΡΠΈΠ²ΠΎΠ΄ ΡΠ°ΡΠΏΡΠ΅Π΄Π΅Π»ΠΈΡΠ΅Π»ΡΠ½ΠΎΠ³ΠΎ ΠΌΠ΅Ρ Π°Π½ΠΈΠ·ΠΌΠ° Π²ΡΠ°ΡΠ°Π΅Ρ ΠΊΠΎΠ»Π΅Π½ΡΠ°ΡΡΠΉ Π²Π°Π» Π΄Π²ΠΈΠ³Π°ΡΠ΅Π»Ρ ΡΠ΅ΡΡΠ΅ΡΠΊΠΈ. Π‘Π°ΠΌ ΡΠ°ΡΠΏΡΠ΅Π΄Π΅Π»ΠΈΡΠ΅Π»Ρ Π² ΡΠ²ΠΎΡ ΠΎΡΠ΅ΡΠ΅Π΄Ρ Π·Π°ΠΌΡΠΊΠ°Π΅Ρ ΠΊΠΎΠ½ΡΠ°ΠΊΡΡ ΠΈ ΠΏΠ΅ΡΠ΅Π΄Π°Π΅Ρ ΡΠ°Π·ΡΡΠ΄ ΠΏΠΎ Π²ΡΡΠΎΠΊΠΎΠ²ΠΎΠ»ΡΡΠ½ΡΠΌ ΠΏΡΠΎΠ²ΠΎΠ΄Π°ΠΌ Π½Π° ΡΠ²Π΅ΡΠΈ. Π Π΄Π°Π»ΡΠ½Π΅ΠΉΡΠ΅ΠΌ ΡΡΠΎΡ ΡΠ°Π·ΡΡΠ΄ ΠΈΡΠΏΠΎΠ»ΡΠ·ΡΡΡ Π΄Π»Ρ Π²ΠΎΡΠΏΠ»Π°ΠΌΠ΅Π½Π΅Π½ΠΈΡ Π³ΠΎΡΡΡΠ΅ΠΉ ΡΠΌΠ΅ΡΠΈ Π² ΡΠΈΠ»ΠΈΠ½Π΄ΡΠ°Ρ Π΄Π²ΠΈΠ³Π°ΡΠ΅Π»Ρ (Π°Π²ΡΠΎΡ Π²ΠΈΠ΄Π΅ΠΎ — ΠΊΠ°Π½Π°Π» ΠΠ§ ΠΠ²ΡΠΎΡΠ»Π΅ΠΊΡΡΠΈΠΊ).
ΠΠ»Π°ΡΡΠΈΡΠ΅ΡΠΊΠΎΠ΅ Π·Π°ΠΆΠΈΠ³Π°Π½ΠΈΠ΅
Π ΡΠΎΠΎΡΠ²Π΅ΡΡΡΠ²ΠΈΠΈ Ρ ΡΠ»Π΅ΠΊΡΡΠΈΡΠ΅ΡΠΊΠΎΠΉ ΡΡ Π΅ΠΌΠΎΠΉ ΠΊΠ»Π°ΡΡΠΈΡΠ΅ΡΠΊΠΎΠ΅ Π·Π°ΠΆΠΈΠ³Π°Π½ΠΈΠ΅ Π²ΠΊΠ»ΡΡΠ°Π΅Ρ Π² ΡΠ΅Π±Ρ ΡΠ»Π΅Π΄ΡΡΡΠΈΠ΅ ΠΊΠΎΠΌΠΏΠΎΠ½Π΅Π½ΡΡ:
- ΡΠ°ΠΌ Π·Π°ΠΌΠΎΠΊ;
- ΠΊΠ°ΡΡΡΠΊΠ°;
- Π΄ΠΈΡΡΡΠΈΠ±ΡΡΡΠΎΡ ΠΈΠ»ΠΈ ΡΠ°ΡΠΏΡΠ΅Π΄Π΅Π»ΠΈΡΠ΅Π»ΡΠ½ΠΎΠ΅ ΡΡΡΡΠΎΠΉΡΡΠ²ΠΎ;
- ΠΊΠ°Π±Π΅Π»ΠΈ Π²ΡΡΠΎΠΊΠΎΠ³ΠΎ Π½Π°ΠΏΡΡΠΆΠ΅Π½ΠΈΡ ΡΠΎ ΡΠ²Π΅ΡΠ°ΠΌΠΈ.
Π‘ ΠΏΠΎΠΌΠΎΡΡΡ ΡΠ°ΡΠΏΡΠ΅Π΄Π΅Π»ΠΈΡΠ΅Π»Ρ ΠΏΡΠΎΠΈΡΡ ΠΎΠ΄ΠΈΡ ΠΏΡΠ΅ΡΡΠ²Π°Π½ΠΈΠ΅ ΠΏΠ΅ΡΠ²ΠΈΡΠ½ΠΎΠΉ ΠΎΠ±ΠΌΠΎΡΠΊΠΈ ΠΌΠΎΠ΄ΡΠ»Ρ, ΠΏΠΎΡΠ»Π΅ ΡΠ΅Π³ΠΎ Π½Π° ΡΠΈΠ»ΠΈΠ½Π΄ΡΡ Π² ΠΎΠΏΡΠ΅Π΄Π΅Π»Π΅Π½Π½ΠΎΠΉ ΠΏΠΎΡΠ»Π΅Π΄ΠΎΠ²Π°ΡΠ΅Π»ΡΠ½ΠΎΡΡΠΈ ΠΏΠΎΠ΄Π°Π΅ΡΡΡ Π²ΡΡΠΎΠΊΠΎΠ²ΠΎΠ»ΡΡΠ½ΠΎΠ΅ Π½Π°ΠΏΡΡΠΆΠ΅Π½ΠΈΠ΅. ΠΠ°ΠΊ ΡΠΊΠ°Π·Π°Π½ΠΎ Π²ΡΡΠ΅, ΠΊΠ°ΡΡΡΠΊΠ° ΠΈΡΠΏΠΎΠ»ΡΠ·ΡΠ΅ΡΡΡ Π΄Π»Ρ ΠΏΡΠ΅ΠΎΠ±ΡΠ°Π·ΠΎΠ²Π°Π½ΠΈΡ Π½ΠΈΠ·ΠΊΠΎΠ³ΠΎ Π½Π°ΠΏΡΡΠΆΠ΅Π½ΠΈΡ Π² Π²ΡΡΠΎΠΊΠΎΠ΅.
ΠΡΠ»ΠΈ ΠΏΡΠΈ ΠΏΠΎΠΏΡΡΠΊΠ΅ Π·Π°ΠΏΡΡΡΠΈΡΡ Π΄Π²ΠΈΠ³Π°ΡΠ΅Π»Ρ Π½ΠΈΡΠ΅Π³ΠΎ Π½Π΅ ΠΏΡΠΎΠΈΡΡ ΠΎΠ΄ΠΈΡ, ΡΠΎ ΠΏΡΠΈΡΠΈΠ½Ρ ΠΌΠΎΠ³ΡΡ Π±ΡΡΡ ΡΠ»Π΅Π΄ΡΡΡΠΈΠΌΠΈ:
- ΠΠΎΠ²ΡΠ΅ΠΆΠ΄Π΅Π½ΠΈΠ΅ ΠΏΡΠΎΠ²ΠΎΠ΄ΠΊΠΈ ΠΌΠ΅ΠΆΠ΄Ρ ΠΌΠΎΠ΄ΡΠ»Π΅ΠΌ ΠΈ Π³Π΅Π½Π΅ΡΠ°ΡΠΎΡΠ½ΠΎΠΉ ΡΡΡΠ°Π½ΠΎΠ²ΠΊΠΎΠΉ. ΠΡΠΈ ΡΠ°ΠΊΠΎΠΉ ΠΏΡΠΎΠ±Π»Π΅ΠΌΠ΅ Π½Π΅ΠΎΠ±Ρ ΠΎΠ΄ΠΈΠΌΠΎ ΠΏΡΠΎΠ²Π΅ΡΡΠΈ Π΄ΠΈΠ°Π³Π½ΠΎΡΡΠΈΠΊΡ ΡΠΎΡΡΠΎΡΠ½ΠΈΡ ΠΊΠΎΠ½ΡΠ°ΠΊΡΠΎΠ², Π° ΡΠ°ΠΊΠΆΠ΅ ΡΠ΅Π»ΠΎΡΡΠ½ΠΎΡΡΠΈ ΡΠ»Π΅ΠΊΡΡΠΈΡΠ΅ΡΠΊΠΈΡ ΡΠ΅ΠΏΠ΅ΠΉ.
- ΠΡΡ ΠΎΠ΄ ΠΈΠ· ΡΡΡΠΎΡ ΡΠ°ΠΌΠΎΠΉ ΠΊΠ°ΡΡΡΠΊΠΈ. Π ΡΡΠΎΠΌ ΡΠ»ΡΡΠ°Π΅ ΡΠ°Π±ΠΎΡΠΎΡΠΏΠΎΡΠΎΠ±Π½ΠΎΡΡΡ ΡΡΡΡΠΎΠΉΡΡΠ²Π° ΠΌΠΎΠΆΠ½ΠΎ ΠΏΡΠΎΠ²Π΅ΡΠΈΡΡ ΠΈΡΠΊΡΠΎΠΉ — ΡΡΠΎΡ ΡΠ½ΠΈΠΌΠ°Π΅ΡΡΡ Ρ ΡΡΠ°ΠΌΠ±Π»Π΅ΡΠ° ΠΈ Π²Ρ ΠΎΠ΄ΠΈΡ Π² ΠΊΠΎΠ½ΡΠ°ΠΊΡ Ρ ΠΊΠΎΡΠΏΡΡΠΎΠΌ ΠΈΠ»ΠΈ Π΄Π²ΠΈΠ³Π°ΡΠ΅Π»Π΅ΠΌ ΠΌΠ°ΡΠΈΠ½Ρ.ΠΡΠ»ΠΈ ΠΏΡΠΈ ΠΏΠΎΠΏΡΡΠΊΠ΅ Π·Π°ΠΏΡΡΡΠΈΡΡ Π΄Π²ΠΈΠ³Π°ΡΠ΅Π»Ρ Π½ΠΈΡΠ΅Π³ΠΎ Π½Π΅ ΠΏΡΠΎΠΈΡΡ ΠΎΠ΄ΠΈΡ, ΡΡΠΎ ΠΎΠ·Π½Π°ΡΠ°Π΅Ρ, ΡΡΠΎ ΡΡΡΡΠΎΠΉΡΡΠ²ΠΎ Π½Π΅ΠΎΠ±Ρ ΠΎΠ΄ΠΈΠΌΠΎ Π·Π°ΠΌΠ΅Π½ΠΈΡΡ.
- ΠΠΎΠ²ΡΠ΅ΠΆΠ΄Π΅Π½ΠΈΠ΅ ΠΏΡΠΎΠ²ΠΎΠ΄ΠΊΠΈ Π² Π·ΠΎΠ½Π΅ ΠΌΠ΅ΠΆΠ΄Ρ ΡΠ²Π΅ΡΠ°ΠΌΠΈ Π·Π°ΠΆΠΈΠ³Π°Π½ΠΈΡ ΠΈ ΡΠ°ΡΠΏΡΠ΅Π΄Π΅Π»ΠΈΡΠ΅Π»Π΅ΠΌ. Π ΡΡΠΎΠΌ ΡΠ»ΡΡΠ°Π΅ Π½Π΅ΠΎΠ±Ρ ΠΎΠ΄ΠΈΠΌΠΎ ΠΏΡΠΎΠ²Π΅ΡΡΠΈ Π΄ΠΈΠ°Π³Π½ΠΎΡΡΠΈΠΊΡ ΡΠΎΡΡΠΎΡΠ½ΠΈΡ ΠΊΡΡΡΠΊΠΈ ΡΡΠ°ΠΌΠ±Π»Π΅ΡΠ°, Π² ΡΠ°ΡΡΠ½ΠΎΡΡΠΈ, ΠΏΡΠΎΠ²Π΅ΡΠΈΡΡ ΡΠ°ΡΠΏΠΎΠ»ΠΎΠΆΠ΅Π½Π½ΡΠΉ Π²Π½ΡΡΡΠΈ Π±Π΅Π³ΡΠ½ΠΎΠΊ, Π° ΡΠ°ΠΊΠΆΠ΅ ΠΏΡΠΎΠ²ΠΎΠ΄Π° (Π°Π²ΡΠΎΡ Π²ΠΈΠ΄Π΅ΠΎ — ΠΠ»Π΅ΠΊΡΠ°Π½Π΄Ρ ΠΠΌΠΎΡΠΊΠΈΠ½ ΠΠΎΠ»ΠΎΠΌΠ΅Π½ΡΠΊΠΈΠΉ ΠΊΠ°Π½Π°Π» ΠΠΠ).
ΠΠ»Π΅ΠΊΡΡΠΎΠ½Π½ΠΎΠ΅ Π·Π°ΠΆΠΈΠ³Π°Π½ΠΈΠ΅
ΠΠ²ΡΠΎΠΌΠΎΠ±ΠΈΠ»ΠΈ ΠΠΠ 2106 ΡΠ°ΠΊΠΆΠ΅ ΠΎΡΠ½Π°ΡΠ°Π»ΠΈΡΡ ΡΠ»Π΅ΠΊΡΡΠΎΠ½Π½ΡΠΌ ΠΈΠ»ΠΈ Π±Π΅ΡΠΊΠΎΠ½ΡΠ°ΠΊΡΠ½ΡΠΌ Π·Π°ΠΆΠΈΠ³Π°Π½ΠΈΠ΅ΠΌ (ΠΠ‘Π).ΠΡΠΈΠ½ΡΠΈΠΏΠΈΠ°Π»ΡΠ½ΠΎΠΉ ΠΎΡΠΎΠ±Π΅Π½Π½ΠΎΡΡΡΡ ΡΠ°ΠΊΠΈΡ Π°Π²ΡΠΎΠΌΠΎΠ±ΠΈΠ»Π΅ΠΉ ΡΠ²Π»ΡΠ΅ΡΡΡ ΡΠΎ, ΡΡΠΎ ΠΌΠ΅ΠΆΠ΄Ρ ΡΠ°ΡΠΏΡΠ΅Π΄Π΅Π»ΠΈΡΠ΅Π»ΡΠ½ΡΠΌ ΠΌΠ΅Ρ Π°Π½ΠΈΠ·ΠΌΠΎΠΌ ΠΈ ΡΠ°ΠΌΠΎΠΉ ΠΊΠ°ΡΡΡΠΊΠΎΠΉ Π΄ΠΎΠΏΠΎΠ»Π½ΠΈΡΠ΅Π»ΡΠ½ΠΎ Π±ΡΠ» ΡΡΡΠ°Π½ΠΎΠ²Π»Π΅Π½ ΡΠ»Π΅ΠΊΡΡΠΎΠ½Π½ΡΠΉ ΠΏΠ΅ΡΠ΅ΠΊΠ»ΡΡΠ°ΡΠ΅Π»Ρ. Π ΡΠΎΡΡΠ°Π² ΠΠ‘Π ΠΏΠΎΠΌΠΈΠΌΠΎ ΠΎΡΠ½ΠΎΠ²Π½ΡΡ ΡΠ·Π»ΠΎΠ² Π²Ρ ΠΎΠ΄ΠΈΡ ΠΊΠΎΠΌΠΌΡΡΠ°ΡΠΈΠΎΠ½Π½ΠΎΠ΅ ΡΡΡΡΠΎΠΉΡΡΠ²ΠΎ, Π° ΡΠ°ΠΊΠΆΠ΅ Π΄Π°ΡΡΠΈΠΊ-ΡΠ°ΡΠΏΡΠ΅Π΄Π΅Π»ΠΈΡΠ΅Π»Ρ.
Π‘ ΠΏΠΎΠΌΠΎΡΡΡ ΠΏΠΎΡΠ»Π΅Π΄Π½Π΅Π³ΠΎ ΡΠΏΡΠ°Π²Π»ΡΡΡΠΈΠ΅ ΠΈΠΌΠΏΡΠ»ΡΡΡ ΠΏΠ΅ΡΠ΅Π΄Π°ΡΡΡΡ Π½Π° ΠΊΠΎΠΌΠΌΡΡΠΈΡΡΡΡΠ΅Π΅ ΡΡΡΡΠΎΠΉΡΡΠ²ΠΎ Π΄Π»Ρ ΡΠΎΠ·Π΄Π°Π½ΠΈΡ ΠΈΡΠΊΡΡ, ΠΏΠΎΡΠ»Π΅ ΡΠ΅Π³ΠΎ ΡΠΈΠ³Π½Π°Π»Ρ ΡΠ°ΡΠΏΡΠ΅Π΄Π΅Π»ΡΡΡΡΡ ΠΏΠΎ ΡΠΈΠ»ΠΈΠ½Π΄ΡΠ°ΠΌ. ΠΡΠ½ΠΎΠ²Π½ΠΎΠ΅ Π½Π°Π·Π½Π°ΡΠ΅Π½ΠΈΠ΅ ΠΊΠΎΠΌΠΌΡΡΠ°ΡΠΈΠΎΠ½Π½ΠΎΠ³ΠΎ ΡΡΡΡΠΎΠΉΡΡΠ²Π° — ΠΏΡΠ΅ΠΎΠ±ΡΠ°Π·ΠΎΠ²Π°Π½ΠΈΠ΅ ΡΠΏΡΠ°Π²Π»ΡΡΡΠΈΡ ΡΠΈΠ³Π½Π°Π»ΠΎΠ² Π² ΠΈΠΌΠΏΡΠ»ΡΡΠ½ΠΎΠ΅ Π½Π°ΠΏΡΡΠΆΠ΅Π½ΠΈΠ΅, ΠΏΠΎΠ΄Π°Π²Π°Π΅ΠΌΠΎΠ΅ Π½Π° ΠΎΠ±ΠΌΠΎΡΠΊΡ ΠΊΠ°ΡΡΡΠΊΠΈ, Π² ΡΠ°ΡΡΠ½ΠΎΡΡΠΈ, ΡΠ΅ΡΡ ΠΈΠ΄Π΅Ρ ΠΎ ΠΏΠ΅ΡΠ²ΠΈΡΠ½ΠΎΠΉ ΠΎΠ±ΠΌΠΎΡΠΊΠ΅.ΠΠ°Π»ΠΈΡΠΈΠ΅ ΠΏΠ΅ΡΠ΅ΠΊΠ»ΡΡΠ°ΡΠ΅Π»Ρ ΠΏΠΎΠΌΠΎΠ³Π°Π΅Ρ ΡΠ»ΡΡΡΠΈΡΡ ΠΎΠ±ΡΠ°Π·ΠΎΠ²Π°Π½ΠΈΠ΅ ΡΠ°Π·ΡΡΠ΄Π°, ΠΎΡΠΎΠ±Π΅Π½Π½ΠΎ Π΅ΡΠ»ΠΈ ΡΠΈΠ»ΠΎΠ²ΠΎΠΉ Π°Π³ΡΠ΅Π³Π°Ρ ΡΠ°Π±ΠΎΡΠ°Π΅Ρ Π½Π° ΠΎΠ±Π΅Π΄Π½Π΅Π½Π½ΠΎΠΉ ΡΠΌΠ΅ΡΠΈ.
ΠΠ½ΠΆΠ΅ΠΊΡΠΎΡΠ½ΡΠΉ Π΄Π²ΠΈΠ³Π°ΡΠ΅Π»Ρ
Π§ΡΠΎ ΠΊΠ°ΡΠ°Π΅ΡΡΡ ΠΈΠ½ΠΆΠ΅ΠΊΡΠΎΡΠ½ΡΡ ΡΠΈΠ»ΠΎΠ²ΡΡ Π°Π³ΡΠ΅Π³Π°ΡΠΎΠ², ΡΠΎ ΡΠ°ΠΊΠΈΠ΅ ΠΌΠΎΡΠΎΡΡ ΠΎΡΠ»ΠΈΡΠ°ΡΡΡΡ ΠΎΡ ΠΊΠ°ΡΠ±ΡΡΠ°ΡΠΎΡΠ½ΡΡ Π²Π΅ΡΡΠΈΠΉ ΡΠ»Π΅Π΄ΡΡΡΠΈΠΌ ΠΎΠ±ΡΠ°Π·ΠΎΠΌ:
- ΠΏΠ΅ΡΠ²ΡΠ΅ ΠΈΠΌΠ΅ΡΡ ΡΠ»Π΅ΠΊΡΡΠΎΠ½Π°ΡΠΎΡ, ΠΏΠΎΠ²ΡΡΠ°ΡΡΠΈΠΉ Π΄Π°Π²Π»Π΅Π½ΠΈΠ΅ Π² ΡΠΎΠΏΠ»ΠΈΠ²Π½ΠΎΠΉ ΡΠΈΡΡΠ΅ΠΌΠ΅;
- Π³ΠΎΡΡΡΠ°Ρ ΡΠΌΠ΅ΡΡ Π² ΡΡΠΎΠΌ ΡΠ»ΡΡΠ°Π΅ ΠΎΠ±ΡΠ°Π·ΡΠ΅ΡΡΡ Π½Π΅ΠΏΠΎΡΡΠ΅Π΄ΡΡΠ²Π΅Π½Π½ΠΎ Π² ΡΠΈΠ»ΠΈΠ½Π΄ΡΠ΅, ΡΠΎΠ³Π΄Π° ΠΊΠ°ΠΊ Π² ΠΊΠ°ΡΠ±ΡΡΠ°ΡΠΎΡΠ½ΡΡ Π²Π°ΡΠΈΠ°Π½ΡΠ°Ρ Π΅Π΅ ΠΎΠ±ΡΠ°Π·ΠΎΠ²Π°Π½ΠΈΠ΅ ΠΏΡΠΎΠΈΡΡ ΠΎΠ΄ΠΈΡ Π½Π΅ΠΏΠΎΡΡΠ΅Π΄ΡΡΠ²Π΅Π½Π½ΠΎ Π² ΠΊΠ°ΡΠ±ΡΡΠ°ΡΠΎΡΠ΅; Π ΡΠΎΡΡΡΠ½ΠΊΠ°Ρ
- ΠΈΡΠΏΠΎΠ»ΡΠ·ΡΡΡΡΡ ΡΠΎΠΏΠ»ΠΈΠ²Π½ΡΠ΅ ΡΠΎΡΡΡΠ½ΠΊΠΈ, ΠΎΠ±Π΅ΡΠΏΠ΅ΡΠΈΠ²Π°ΡΡΠΈΠ΅ Π½ΠΎΡΠΌΠ°Π»ΡΠ½ΡΠΉ Π²ΠΏΡΡΡΠΊ ΡΠΎΠΏΠ»ΠΈΠ²Π°;
- Π½Π°Π»ΠΈΡΠΈΠ΅, ΠΏΠΎΠ·Π²ΠΎΠ»ΡΡΡΠ΅Π΅ ΡΠΎΡΠ½ΠΎ ΠΎΠΏΡΠ΅Π΄Π΅Π»ΠΈΡΡ ΠΌΠΎΠΌΠ΅Π½Ρ, Π² ΠΊΠΎΡΠΎΡΡΠΉ Π½Π΅ΠΎΠ±Ρ ΠΎΠ΄ΠΈΠΌ Π²ΠΏΡΡΡΠΊ Π³ΠΎΡΡΡΠ΅ΠΉ ΡΠΌΠ΅ΡΠΈ (Π°Π²ΡΠΎΡ Π²ΠΈΠ΄Π΅ΠΎ — ΠΊΠ°Π½Π°Π» Β«Π‘ΠΎΠ²Π΅ΡΡ Π°Π²ΡΠΎΠ»ΡΠ±ΠΈΡΠ΅Π»ΡΒ»).
ΠΠ°ΠΊ Π²Ρ ΠΏΠΎΠ½ΠΈΠΌΠ°Π΅ΡΠ΅, ΡΠΈΠ»ΠΎΠ²ΡΠ΅ Π°Π³ΡΠ΅Π³Π°ΡΡ Ρ Π²ΠΏΡΡΡΠΊΠΎΠΌ ΠΎΡΠ½Π°ΡΠ΅Π½Ρ Π±ΠΎΠ»ΡΡΠΈΠΌ ΠΊΠΎΠ»ΠΈΡΠ΅ΡΡΠ²ΠΎΠΌ ΡΠ°Π·Π»ΠΈΡΠ½ΡΡ Π΄Π°ΡΡΠΈΠΊΠΎΠ² ΠΈ ΠΊΠΎΠ½ΡΡΠΎΠ»Π»Π΅ΡΠΎΠ². ΠΠΎΡΡΠΎΠΌΡ, Π΅ΡΠ»ΠΈ Π΄Π²ΠΈΠ³Π°ΡΠ΅Π»Ρ Π½Π΅ Π·Π°ΠΏΡΡΠΊΠ°Π΅ΡΡΡ, ΡΠΎ ΠΏΡΠΈΡΠΈΠ½ΠΎΠΉ ΠΌΠΎΠΆΠ΅Ρ Π±ΡΡΡ ΡΠ±ΠΎΠΉ Π² ΡΠ°Π±ΠΎΡΠ΅ ΡΠ»Π΅ΠΊΡΡΠΈΡΠ΅ΡΠΊΠΎΠΉ ΡΠ΅ΠΏΠΈ ΠΈΠ»ΠΈ ΡΠ°ΠΌΠΈΡ Π΄Π°ΡΡΠΈΠΊΠΎΠ².
ΠΡΠ»ΠΈ ΡΠ΅ΡΡ ΠΈΠ΄Π΅Ρ ΠΊΠΎΠ½ΠΊΡΠ΅ΡΠ½ΠΎ ΠΎ Π΄Π°ΡΡΠΈΠΊΠ΅, ΡΠΎ ΡΠ°ΠΊΡΡ ββΠΏΠΎΠ»ΠΎΠΌΠΊΡ ΠΌΠΎΠΆΠ½ΠΎ ΠΎΠΏΡΠ΅Π΄Π΅Π»ΠΈΡΡ ΡΠ²ΠΎΠΈΠΌΠΈ ΡΡΠΊΠ°ΠΌΠΈ:
- ΡΠ½Π°ΡΠ°Π»Π° ΠΎΡΡΠΎΠ΅Π΄ΠΈΠ½ΠΈΡΠ΅ ΠΏΡΠΎΠ²ΠΎΠ΄ΠΊΡ ΠΎΡ ΠΊΠΎΠ½ΡΡΠΎΠ»Π»Π΅ΡΠ°, ΡΠ½ΡΠ² ΡΠ°Π·ΡΠ΅ΠΌ;
- Π΄Π°Π»Π΅Π΅ ΠΌΡΠ»ΡΡΠΈΠΌΠ΅ΡΡΠΎΠΌ Π΄ΠΈΠ°Π³Π½ΠΎΡΡΠΈΡΡΠ΅ΡΡΡ ΡΠΎΠΏΡΠΎΡΠΈΠ²Π»Π΅Π½ΠΈΠ΅;
- ΠΡΠ»ΠΈ ΠΏΠΎΠ»ΡΡΠ΅Π½Π½ΡΠ΅ Π·Π½Π°ΡΠ΅Π½ΠΈΡ ΠΎΡΠ»ΠΈΡΠ°ΡΡΡΡ ΠΎΡ Π½ΠΎΡΠΌΠΈΡΠΎΠ²Π°Π½Π½ΡΡ , ΡΠΎ, ΡΠΊΠΎΡΠ΅Π΅ Π²ΡΠ΅Π³ΠΎ, ΠΏΡΠΈΠ±ΠΎΡ Π½Π΅ΠΎΠ±Ρ ΠΎΠ΄ΠΈΠΌΠΎ Π·Π°ΠΌΠ΅Π½ΠΈΡΡ.
ΠΠ½ΡΡΡΡΠΊΡΠΈΡ ΠΏΠΎ Π΄ΠΈΠ°Π³Π½ΠΎΡΡΠΈΠΊΠ΅ ΠΈ Π·Π°ΠΌΠ΅Π½Π΅ ΡΠ»Π΅ΠΊΡΡΠΎΠΏΡΠΎΠ²ΠΎΠ΄ΠΊΠΈ
ΠΡΠ΅ΠΆΠ΄Π΅ ΡΠ΅ΠΌ ΠΏΡΠΈΡΡΡΠΏΠΈΡΡ ΠΊ Π·Π°ΠΌΠ΅Π½Π΅ ΡΠ»Π΅ΠΊΡΡΠΎΠΏΡΠΎΠ²ΠΎΠ΄ΠΊΠΈ ΠΈ Π²ΡΡΠ΅Π΄ΡΠΈΡ ΠΈΠ· ΡΡΡΠΎΡ ΡΠ·Π»ΠΎΠ², Π½Π΅ΠΎΠ±Ρ ΠΎΠ΄ΠΈΠΌΠΎ ΠΏΡΠΎΠ²Π΅ΡΡΠΈ Π΄ΠΈΠ°Π³Π½ΠΎΡΡΠΈΠΊΡ ΡΠΈΡΡΠ΅ΠΌΡ.
ΠΠ°ΠΊ ΠΏΡΠΎΠ²Π΅ΡΠΈΡΡ Π½Π°ΠΏΡΡΠΆΠ΅Π½ΠΈΠ΅:
- ΠΠ»Ρ ΡΠ΅ΡΡΠΈΡΠΎΠ²Π°Π½ΠΈΡ ΠΏΠΎΠ½Π°Π΄ΠΎΠ±ΠΈΡΡΡ Π»Π°ΠΌΠΏΠ° Ρ ΠΏΡΠΎΠ²ΠΎΠ΄Π°ΠΌΠΈ, ΠΎΠ΄ΠΈΠ½ ΠΈΠ· Π΅Π΅ ΡΡΠΏΠΎΠ² Π΄ΠΎΠ»ΠΆΠ΅Π½ Π±ΡΡΡ ΠΏΠΎΠ΄ΠΊΠ»ΡΡΠ΅Π½ ΠΊ ΠΌΠΈΠ½ΡΡΠΎΠ²ΠΎΠΉ ΠΊΠ»Π΅ΠΌΠΌΠ΅ ΠΠΠ ΠΈΠ»ΠΈ ΠΊΠΎΡΠΏΡΡΡ Β«ΡΠ΅ΡΡΠ΅ΡΠΊΠΈΒ».
- ΠΡΡΠ³ΠΎΠΉ ΠΊΠΎΠ½ΡΠ°ΠΊΡ ΠΎΡ Π»Π°ΠΌΠΏΡ ΠΏΠΎΠ΄ΠΊΠ»ΡΡΠ΅Π½ ΠΊ Π΄ΠΈΠ°Π³Π½ΠΎΡΡΠΈΡΡΠ΅ΠΌΠΎΠΉ ΡΠ΅ΠΏΠΈ.Π ΡΡΠΎΠΌ ΡΠ»ΡΡΠ°Π΅ Π½Π΅ΠΎΠ±Ρ ΠΎΠ΄ΠΈΠΌΠΎ, ΡΡΠΎΠ±Ρ Π·ΠΎΠ½Π΄ Π½Π°Ρ ΠΎΠ΄ΠΈΠ»ΡΡ ΠΊΠ°ΠΊ ΠΌΠΎΠΆΠ½ΠΎ Π±Π»ΠΈΠΆΠ΅ ΠΊ Π°ΠΊΠΊΡΠΌΡΠ»ΡΡΠΎΡΡ ΠΈΠ»ΠΈ ΠΏΡΠ΅Π΄ΠΎΡ ΡΠ°Π½ΠΈΡΠ΅Π»ΡΠ½ΠΎΠΌΡ ΡΡΡΡΠΎΠΉΡΡΠ²Ρ.
- Π ΡΠΎΠΌ ΡΠ»ΡΡΠ°Π΅, Π΅ΡΠ»ΠΈ ΡΠΏΡΠ°Π²Π»Π΅Π½ΠΈΠ΅ Π² ΡΠ΅Π·ΡΠ»ΡΡΠ°ΡΠ΅ ΠΏΠΎΠ΄ΠΊΠ»ΡΡΠ΅Π½ΠΈΡ Π½Π°ΡΠ°Π»ΠΎ Π³ΠΎΡΠ΅ΡΡ, ΡΡΠΎ Π³ΠΎΠ²ΠΎΡΠΈΡ ΠΎ Π½Π°Π»ΠΈΡΠΈΠΈ Π½Π°ΠΏΡΡΠΆΠ΅Π½ΠΈΡ Π² Π΄ΠΈΠ°Π³Π½ΠΎΡΡΠΈΡΡΠ΅ΠΌΠΎΠΉ Π·ΠΎΠ½Π΅. Π’Π΅ΡΡΠΈΡΠΎΠ²Π°Π½ΠΈΠ΅ ΠΏΡΠΎΠ΄ΠΎΠ»ΠΆΠ°Π΅ΡΡΡ ΡΠ°ΠΊΠΈΠΌ ΠΆΠ΅ ΠΎΠ±ΡΠ°Π·ΠΎΠΌ, ΠΏΠΎΠΊΠ° Π½Π΅ Π±ΡΠ΄Π΅Ρ Π²ΡΡΠ²Π»Π΅Π½Π° ββΠΏΠΎΠ²ΡΠ΅ΠΆΠ΄Π΅Π½Π½Π°Ρ ΡΠ΅ΠΏΡ. ΠΠ°ΠΊ ΠΏΠΎΠΊΠ°Π·ΡΠ²Π°Π΅Ρ ΠΏΡΠ°ΠΊΡΠΈΠΊΠ°, ΡΠ°ΡΡΠΎ ΡΠ±ΠΎΠΈ Π² ΡΠ°Π±ΠΎΡΠ΅ ΡΠ»Π΅ΠΊΡΡΠΎΡΠΈΡΡΠ΅ΠΌΡ ΡΠ²ΡΠ·Π°Π½Ρ Ρ ΠΏΠ»ΠΎΡ ΠΈΠΌ ΠΏΠΎΠ΄ΠΊΠ»ΡΡΠ΅Π½ΠΈΠ΅ΠΌ, ΠΏΠΎΡΡΠΎΠΌΡ Π² ΠΏΠ΅ΡΠ²ΡΡ ΠΎΡΠ΅ΡΠ΅Π΄Ρ ΡΠ΅ΠΊΠΎΠΌΠ΅Π½Π΄ΡΠ΅ΡΡΡ ΠΏΡΠΎΠ²Π΅ΡΠΈΡΡ ΠΊΠΎΠ½ΡΠ°ΠΊΡΡ (Π°Π²ΡΠΎΡ Π²ΠΈΠ΄Π΅ΠΎ — ΠΊΠ°Π½Π°Π» Π ΠΠΠΠΠ’ Π Π’ΠΠ₯ΠΠΠ§ΠΠ‘ΠΠΠ ΠΠΠ‘ΠΠ£ΠΠΠΠΠΠΠ ΠΠΠ 2101-2107) .
Π’Π°ΠΊΠΆΠ΅ ΠΌΠΎΠΆΠ½ΠΎ ΠΏΡΠΎΠ²Π΅ΡΠΈΡΡ ΡΠ΅Π»ΠΎΡΡΠ½ΠΎΡΡΡ ΠΏΡΠΎΠ²ΠΎΠ΄ΠΊΠΈ, ΡΡΠΎ Π΄Π΅Π»Π°Π΅ΡΡΡ Π΄Π»Ρ ΡΠΎΠ³ΠΎ, ΡΡΠΎΠ±Ρ ΠΎΠΏΡΠ΅Π΄Π΅Π»ΠΈΡΡ ΠΎΠ±ΡΡΠ² Π² ΡΠ»Π΅ΠΊΡΡΠΈΡΠ΅ΡΠΊΠΎΠΉ ΡΠ΅ΠΏΠΈ.
ΠΠ»Ρ ΡΡΠΎΠ³ΠΎ Π½Π΅ΠΎΠ±Ρ ΠΎΠ΄ΠΈΠΌΠΎ ΡΠ΄Π΅Π»Π°ΡΡ ΡΠ»Π΅Π΄ΡΡΡΠ΅Π΅:
- Π‘Π½Π°ΡΠ°Π»Π° Π½Π΅ΠΎΠ±Ρ ΠΎΠ΄ΠΈΠΌΠΎ ΠΎΡΠΊΠ»ΡΡΠΈΡΡ Π²ΡΠ΅ Π½Π°ΠΏΡΡΠΆΠ΅Π½ΠΈΠ΅ ΠΎΡ ΡΠ»Π΅ΠΊΡΡΠΈΡΠ΅ΡΠΊΠΎΠΉ ΡΠ΅ΠΏΠΈ ΠΈ ΠΏΡΠΎΠ²Π΅ΡΡΠΈ Π΄ΠΈΠ°Π³Π½ΠΎΡΡΠΈΠΊΡ Π΅Π΅ ΡΠ΅Π»ΠΎΡΡΠ½ΠΎΡΡΠΈ. ΠΠ»Ρ ΡΡΠΎΠ³ΠΎ ΠΌΠΎΠΆΠ½ΠΎ ΠΈΡΠΏΠΎΠ»ΡΠ·ΠΎΠ²Π°ΡΡ ΠΊΠΎΠ½ΡΡΠΎΠ»ΡΠ½ΡΡ Π»Π°ΠΌΠΏΡ Ρ ΠΏΠΎΠ΄ΠΊΠ»ΡΡΠ΅Π½Π½ΡΠΌ Π±Π»ΠΎΠΊΠΎΠΌ ΠΏΠΈΡΠ°Π½ΠΈΡ.
- ΠΠ±Π° ΠΊΠΎΠ½ΡΠ°ΠΊΡΠ° ΠΎΡ Π»Π°ΠΌΠΏΡ Π΄ΠΎΠ»ΠΆΠ½Ρ Π±ΡΡΡ ΠΏΠΎΠ΄ΠΊΠ»ΡΡΠ΅Π½Ρ ΠΊ ΠΊΠΎΠ½ΡΠ°ΠΌ ΡΠ»Π΅ΠΊΡΡΠΈΡΠ΅ΡΠΊΠΎΠΉ ΡΠ΅ΠΏΠΈ. ΠΡΠ»ΠΈ ΡΠ°ΠΊΠΎΠΉ Π²ΠΎΠ·ΠΌΠΎΠΆΠ½ΠΎΡΡΠΈ Π½Π΅Ρ, ΡΠΎ ΠΎΠ΄ΠΈΠ½ ΡΡΠΏ ΠΏΠΎΠ΄ΠΊΠ»ΡΡΠ°ΡΡ ΠΊ ΠΏΠ»ΡΡΠΎΠ²ΠΎΠΌΡ ΠΊΠΎΠ½ΡΠ°ΠΊΡΡ, Π° Π΄ΡΡΠ³ΠΎΠΉ — ΠΊ ΠΌΠ°ΡΡΠ΅, ΡΠΎ Π΅ΡΡΡ ΠΊ ΠΊΡΠ·ΠΎΠ²Ρ Π°Π²ΡΠΎΠΌΠΎΠ±ΠΈΠ»Ρ.Π ΡΠΎΠΌ ΡΠ»ΡΡΠ°Π΅, Π΅ΡΠ»ΠΈ ΠΏΠΎΡΠ»Π΅ ΠΏΠΎΠ΄ΠΊΠ»ΡΡΠ΅Π½ΠΈΡ Π»Π°ΠΌΠΏΠ° Π·Π°Π³ΠΎΡΠ΅Π»Π°ΡΡ, ΡΠΎ ΡΡΠΎ Π³ΠΎΠ²ΠΎΡΠΈΡ ΠΎ ΡΠΎΠΌ, ΡΡΠΎ Π½Π° ΡΠ΅ΡΡΠΈΡΡΠ΅ΠΌΠΎΠΌ ΡΡΠ°ΡΡΠΊΠ΅ ΠΏΡΠΎΠ²ΠΎΠ΄ΠΊΠΈ Π΅ΡΡΡ Π²ΡΡ ΠΏΡΠΎΠ²ΠΎΠ΄ΠΊΠ°. ΠΡΠ»ΠΈ Π»Π°ΠΌΠΏΠ° Π½Π΅ Π·Π°Π³ΠΎΡΠ°Π΅ΡΡΡ, ΡΡΠΎ ΡΠ²ΠΈΠ΄Π΅ΡΠ΅Π»ΡΡΡΠ²ΡΠ΅Ρ ΠΎ ΠΏΠΎΠ²ΡΠ΅ΠΆΠ΄Π΅Π½ΠΈΠΈ ΡΠ»Π΅ΠΊΡΡΠΎΠΏΡΠΎΠ²ΠΎΠ΄ΠΊΠΈ.
- ΠΠΈΠ°Π³Π½ΠΎΡΡΠΈΠΊΠ° Π·Π°ΠΌΠΊΠ° ΠΏΡΠΎΠ²ΠΎΠ΄ΠΈΡΡΡ Π°Π½Π°Π»ΠΎΠ³ΠΈΡΠ½ΠΎ; Π΄Π»Ρ ΡΡΠΎΠ³ΠΎ ΠΊ Π΅Π³ΠΎ ΠΊΠ»Π΅ΠΌΠΌΠ°ΠΌ Π½ΡΠΆΠ½ΠΎ Π±ΡΠ΄Π΅Ρ ΠΏΠΎΠ΄ΠΊΠ»ΡΡΠΈΡΡ ΠΊΠΎΠ½ΡΠ°ΠΊΡΡ ΠΎΡ Π±Π»ΠΎΠΊΠ° ΡΠΏΡΠ°Π²Π»Π΅Π½ΠΈΡ. ΠΡΠΈ ΡΡΠ°Π±Π°ΡΡΠ²Π°Π½ΠΈΠΈ Π±Π»ΠΎΠΊΠΈΡΠΎΠ²ΠΊΠΈ Π΄ΠΎΠ»ΠΆΠ΅Π½ Π·Π°Π³ΠΎΡΠ΅ΡΡΡΡ ΠΈΡΡΠΎΡΠ½ΠΈΠΊ ΡΠ²Π΅ΡΠ°.
ΠΠ²ΡΠΎΠΌΠΎΠ±ΠΈΠ»Ρ ΠΌΠΎΠ΄Π΅Π»ΠΈ ΠΠΠ-2106 Π½Π°ΡΠ°Π»ΠΈ Π²ΡΠΏΡΡΠΊΠ°ΡΡ Π² 1976 Π³ΠΎΠ΄Ρ.ΠΡ ΠΏΡΠ΅Π΄ΡΠ΅ΡΡΠ²Π΅Π½Π½ΠΈΠΊΠ° ΠΠΠ-2103 ΠΎΠ½ ΠΎΡΠ»ΠΈΡΠ°Π»ΡΡ Π±ΠΎΠ»Π΅Π΅ ΠΌΠΎΡΠ½ΡΠΌ Π΄Π²ΠΈΠ³Π°ΡΠ΅Π»Π΅ΠΌ ΠΎΠ±ΡΠ΅ΠΌΠΎΠΌ 1,6 Π»ΠΈΡΡΠ°, ΠΈΠ·ΠΌΠ΅Π½Π΅Π½Π½ΡΠΌ ΠΊΡΠ·ΠΎΠ²ΠΎΠΌ ΠΈ ΡΠ°Π»ΠΎΠ½ΠΎΠΌ. ΠΠ° ΠΌΠΎΠΌΠ΅Π½Ρ ΠΏΡΠ±Π»ΠΈΠΊΠ°ΡΠΈΠΈ ΡΡΠΎ Π±ΡΠ»Π° ΡΠ°ΠΌΠ°Ρ ΠΏΡΠ΅ΡΡΠΈΠΆΠ½Π°Ρ ΠΈ ΠΊΠΎΠΌΡΠΎΡΡΠ°Π±Π΅Π»ΡΠ½Π°Ρ ΠΌΠ°ΡΠΈΠ½Π°. ΠΠΈΠΆΠ΅ ΠΏΡΠ΅Π΄ΡΡΠ°Π²Π»Π΅Π½Π° ββΠΊΠ°ΡΠ΅ΡΡΠ²Π΅Π½Π½Π°Ρ ΡΠ²Π΅ΡΠΎΠ²Π°Ρ ΡΡ Π΅ΠΌΠ° ΡΠ»Π΅ΠΊΡΡΠΎΠΎΠ±ΠΎΡΡΠ΄ΠΎΠ²Π°Π½ΠΈΡ ΠΎΡΠ΅ΡΠ΅ΡΡΠ²Π΅Π½Π½ΠΎΠ³ΠΎ Π»Π΅Π³ΠΊΠΎΠ²ΠΎΠ³ΠΎ Π°Π²ΡΠΎΠΌΠΎΠ±ΠΈΠ»Ρ ΠΠΠ-2106. ΠΠ°ΠΊ ΠΈ Π² Π»ΡΠ±ΠΎΠΉ ΠΌΠ°ΡΠΈΠ½Π΅, Ρ ΡΡΠΎΠΉ ΠΌΠΎΠ΄Π΅Π»ΠΈ ΠΌΠΎΠ³ΡΡ Π±ΡΡΡ ΡΠ»Π΅ΠΊΡΡΠΈΡΠ΅ΡΠΊΠΈΠ΅ Π½Π΅ΠΈΡΠΏΡΠ°Π²Π½ΠΎΡΡΠΈ, ΠΏΠΎΡΡΠΎΠΌΡ ΡΠ»Π΅ΠΊΡΡΠΈΡΠ΅ΡΠΊΠ°Ρ ΡΡ Π΅ΠΌΠ° Π±ΡΠ΄Π΅Ρ Π½Π΅Π·Π°ΠΌΠ΅Π½ΠΈΠΌΠ° Π΄Π»Ρ Π²ΡΡΠ²Π»Π΅Π½ΠΈΡ ΠΈ ΡΡΡΡΠ°Π½Π΅Π½ΠΈΡ ΡΠ°ΠΊΠΈΡ ΠΏΡΠΎΠ±Π»Π΅ΠΌ. Π‘ Π΅Π³ΠΎ ΠΏΠΎΠΌΠΎΡΡΡ ΠΌΠΎΠΆΠ½ΠΎ ΡΠ·Π½Π°ΡΡ, Π³Π΄Π΅ ΠΈΠΌΠ΅Π½Π½ΠΎ Π² ΡΠ»Π΅ΠΊΡΡΠΈΡΠ΅ΡΠΊΠΎΠΉ ΡΠ΅ΠΏΠΈ ΠΏΡΠΎΠΈΠ·ΠΎΡΠ»Π° ΠΏΠΎΠ»ΠΎΠΌΠΊΠ°, ΠΈ ΠΏΡΠΎΠΈΠ·Π²Π΅ΡΡΠΈ ΡΠΎΠΎΡΠ²Π΅ΡΡΡΠ²ΡΡΡΠΈΠΉ ΡΠ΅ΠΌΠΎΠ½Ρ.ΠΡ ΠΌΠΎΠΆΠ΅ΡΠ΅ ΡΠ·Π½Π°ΡΡ, ΠΊΠ°ΠΊΠ°Ρ Π»Π°ΠΌΠΏΠ° Π½Π° ΠΏΠ°Π½Π΅Π»ΠΈ ΠΏΡΠΈΠ±ΠΎΡΠΎΠ² ΠΈΠ»ΠΈ ΡΠ°ΡΠ΅ Π½Π΅ ΡΠ°Π±ΠΎΡΠ°Π΅Ρ, ΠΊΠ°ΠΊΠΎΠΉ Π΄Π°ΡΡΠΈΠΊ Π²ΡΡΠ΅Π» ΠΈΠ· ΡΡΡΠΎΡ, ΡΡΡΡΠ°Π½ΠΈΡΡ ΠΏΠΎΠ»ΠΎΠΌΠΊΡ Π³Π΅Π½Π΅ΡΠ°ΡΠΎΡΠ°, ΠΏΡΠΎΠ²Π΅ΡΠΈΡΡ ΠΏΡΠ΅Π΄ΠΎΡ ΡΠ°Π½ΠΈΡΠ΅Π»ΠΈ ΠΈ Π΄ΡΡΠ³ΠΈΠ΅ ΡΠ΅ΠΌΠΎΠ½ΡΠ½ΡΠ΅ Π΄Π΅ΠΉΡΡΠ²ΠΈΡ Π½Π° ΠΎΡΠ½ΠΎΠ²Π°Π½ΠΈΠΈ ΠΏΡΠ΅Π΄ΠΎΡΡΠ°Π²Π»Π΅Π½Π½ΠΎΠΉ ΠΈΠ½ΡΠΎΡΠΌΠ°ΡΠΈΠΈ.
Π‘Ρ Π΅ΠΌΠ° ΠΠΠ 2106
1 — ΡΠΊΠ°Π·Π°ΡΠ΅Π»ΠΈ ΠΏΠΎΠ²ΠΎΡΠΎΡΠ° Π±ΠΎΠΊΠΎΠ²ΡΠ΅; 2 — ΠΏΠΎΠ΄ΡΠ°ΡΠ½ΠΈΠΊΠΈ ΠΠΠ-2106; 3 — Π²Π½Π΅ΡΠ½ΠΈΠ΅ ΡΠ°ΡΡ; 4 — Π²Π½ΡΡΡΠ΅Π½Π½ΠΈΠ΅ ΡΠ°ΡΡ; 5 — Π·Π²ΡΠΊΠΎΠ²ΡΠ΅ ΡΠΈΠ³Π½Π°Π»Ρ; Π± — ΡΠ»Π΅ΠΊΡΡΠΎΠ΄Π²ΠΈΠ³Π°ΡΠ΅Π»Ρ Π²Π΅Π½ΡΠΈΠ»ΡΡΠΎΡΠ° ΡΠΈΡΡΠ΅ΠΌΡ ΠΎΡ Π»Π°ΠΆΠ΄Π΅Π½ΠΈΡ Π΄Π²ΠΈΠ³Π°ΡΠ΅Π»Ρ ΠΠΠ 2106; 7 — Π΄Π°ΡΡΠΈΠΊ Π²ΠΊΠ»ΡΡΠ΅Π½ΠΈΡ ΡΠ»Π΅ΠΊΡΡΠΎΠ΄Π²ΠΈΠ³Π°ΡΠ΅Π»Ρ Π²Π΅Π½ΡΠΈΠ»ΡΡΠΎΡΠ° ΠΠΠ 2106; 8 — ΡΠ΅Π»Π΅ Π²ΠΊΠ»ΡΡΠ΅Π½ΠΈΡ Π·Π²ΡΠΊΠΎΠ²ΡΡ ΡΠΈΠ³Π½Π°Π»ΠΎΠ²; 9 — ΡΠ΅Π»Π΅ Π²ΠΊΠ»ΡΡΠ΅Π½ΠΈΡ ΡΠ»Π΅ΠΊΡΡΠΎΠ΄Π²ΠΈΠ³Π°ΡΠ΅Π»Ρ Π²Π΅Π½ΡΠΈΠ»ΡΡΠΎΡΠ° ΠΠΠ 2106; 10 — ΡΠ΅Π³ΡΠ»ΡΡΠΎΡ Π½Π°ΠΏΡΡΠΆΠ΅Π½ΠΈΡ; 11 — ΠΊΠ°ΡΡΡΠΊΠ° Π·Π°ΠΆΠΈΠ³Π°Π½ΠΈΡ ΠΠΠ 2106; 12 — ΡΠ»Π΅ΠΊΡΡΠΎΠ΄Π²ΠΈΠ³Π°ΡΠ΅Π»Ρ ΠΎΠΌΡΠ²Π°ΡΠ΅Π»Ρ Π»ΠΎΠ±ΠΎΠ²ΠΎΠ³ΠΎ ΡΡΠ΅ΠΊΠ»Π°; 13 — Π΄Π°ΡΡΠΈΠΊ Π½Π΅Π΄ΠΎΡΡΠ°ΡΠΎΡΠ½ΠΎΠ³ΠΎ ΡΡΠΎΠ²Π½Ρ ΡΠΎΡΠΌΠΎΠ·Π½ΠΎΠΉ ΠΆΠΈΠ΄ΠΊΠΎΡΡΠΈ; 14 — ΡΠ°ΡΠΏΡΠ΅Π΄Π΅Π»ΠΈΡΠ΅Π»Ρ Π·Π°ΠΆΠΈΠ³Π°Π½ΠΈΡ; 15 — ΡΠ»Π΅ΠΊΡΡΠΎΠ΄Π²ΠΈΠ³Π°ΡΠ΅Π»Ρ ΡΡΠ΅ΠΊΠ»ΠΎΠΎΡΠΈΡΡΠΈΡΠ΅Π»Ρ; 16 — ΡΠ²Π΅ΡΠΈ Π·Π°ΠΆΠΈΠ³Π°Π½ΠΈΡ ΠΠΠ 2106; 17 — Π΄Π°ΡΡΠΈΠΊ ΠΊΠΎΠ½ΡΡΠΎΠ»ΡΠ½ΠΎΠΉ Π»Π°ΠΌΠΏΡ Π΄Π°Π²Π»Π΅Π½ΠΈΡ ΠΌΠ°ΡΠ»Π°; 18 — Π΄Π°ΡΡΠΈΠΊ ΡΠΊΠ°Π·Π°ΡΠ΅Π»Ρ Π΄Π°Π²Π»Π΅Π½ΠΈΡ ΠΌΠ°ΡΠ»Π°; 19 — ΡΠΊΠ°Π·Π°ΡΠ΅Π»Ρ ΡΠΊΠ°Π·Π°ΡΠ΅Π»Ρ ΡΠ΅ΠΌΠΏΠ΅ΡΠ°ΡΡΡΡ ΠΎΡ Π»Π°ΠΆΠ΄Π°ΡΡΠ΅ΠΉ ΠΆΠΈΠ΄ΠΊΠΎΡΡΠΈ; 20 — Π»Π°ΠΌΠΏΠ° ΠΌΠΎΡΠΎΡΠ½ΠΎΠ³ΠΎ ΠΎΡΡΠ΅ΠΊΠ°; 21 — ΡΠ»Π΅ΠΊΡΡΠΎΠΌΠ°Π³Π½ΠΈΡΠ½ΡΠΉ ΠΊΠ»Π°ΠΏΠ°Π½ ΠΊΠ°ΡΠ±ΡΡΠ°ΡΠΎΡΠ° ΠΠΠ 2106; 22 — Π³Π΅Π½Π΅ΡΠ°ΡΠΎΡ; 23 — ΡΡΠ°ΡΡΠ΅Ρ; 24 — Π°ΠΊΠΊΡΠΌΡΠ»ΡΡΠΎΡΠ½Π°Ρ Π±Π°ΡΠ°ΡΠ΅Ρ; 25 — ΡΠ΅Π»Π΅ ΠΊΠΎΠ½ΡΡΠΎΠ»ΡΠ½ΠΎΠΉ Π»Π°ΠΌΠΏΡ Π·Π°ΡΡΠ΄Π° ΠΠΠ; 26 — ΡΠ΅Π»Π΅ Π²ΠΊΠ»ΡΡΠ΅Π½ΠΈΡ Π±Π»ΠΈΠΆΠ½Π΅Π³ΠΎ ΡΠ²Π΅ΡΠ° ΡΠ°Ρ; 27 — ΡΠ΅Π»Π΅ Π²ΠΊΠ»ΡΡΠ΅Π½ΠΈΡ Π΄Π°Π»ΡΠ½Π΅Π³ΠΎ ΡΠ²Π΅ΡΠ° ΡΠ°Ρ; 28 — ΡΠ΅Π»Π΅ ΡΡΠ΅ΠΊΠ»ΠΎΠΎΡΠΈΡΡΠΈΡΠ΅Π»Ρ; 29 — Π΄ΠΎΠΏΠΎΠ»Π½ΠΈΡΠ΅Π»ΡΠ½ΡΠΉ Π±Π»ΠΎΠΊ ΠΏΡΠ΅Π΄ΠΎΡ ΡΠ°Π½ΠΈΡΠ΅Π»Π΅ΠΉ; 30 — Π³Π»Π°Π²Π½ΡΠΉ Π±Π»ΠΎΠΊ ΠΏΡΠ΅Π΄ΠΎΡ ΡΠ°Π½ΠΈΡΠ΅Π»Π΅ΠΉ; 31 — Π²ΡΠΊΠ»ΡΡΠ°ΡΠ΅Π»Ρ ΡΠ²Π΅ΡΠ° Π·Π°Π΄Π½Π΅Π³ΠΎ Ρ ΠΎΠ΄Π°; 32 — Π²ΡΠΊΠ»ΡΡΠ°ΡΠ΅Π»Ρ ΠΊΠΎΠ½ΡΡΠΎΠ»ΡΠ½ΠΎΠΉ Π»Π°ΠΌΠΏΡ ΡΡΠΎΡΠ½ΠΎΡΠ½ΠΎΠ³ΠΎ ΡΠΎΡΠΌΠΎΠ·Π°; 33 — ΠΏΠ°ΡΡΠΎΠ½ ΠΏΠ΅ΡΠ΅Π½ΠΎΡΠ½ΠΎΠΉ Π»Π°ΠΌΠΏΡ; 34 — ΡΠ΅Π»Π΅ ΠΏΡΠ΅ΡΡΠ²Π°ΡΠ΅Π»Ρ ΡΠΊΠ°Π·Π°ΡΠ΅Π»Π΅ΠΉ ΠΏΠΎΠ²ΠΎΡΠΎΡΠ° ΠΈ Π°Π²Π°ΡΠΈΠΉΠ½ΠΎΠΉ ΡΠΈΠ³Π½Π°Π»ΠΈΠ·Π°ΡΠΈΠΈ; 35 — ΡΠ»Π΅ΠΊΡΡΠΎΠ΄Π²ΠΈΠ³Π°ΡΠ΅Π»Ρ ΠΎΡΠΎΠΏΠΈΡΠ΅Π»Ρ; 36 — Π²ΡΠΊΠ»ΡΡΠ°ΡΠ΅Π»Ρ ΡΡΠΎΠΏ-ΡΠΈΠ³Π½Π°Π»Π°; 37 — ΡΠ΅Π»Π΅ ΠΎΠ±ΠΎΠ³ΡΠ΅Π²Π° Π·Π°Π΄Π½Π΅Π³ΠΎ ΡΡΠ΅ΠΊΠ»Π° *; 38 — ΡΠ΅Π·ΠΈΡΡΠΎΡ ΡΠ»Π΅ΠΊΡΡΠΎΠ΄Π²ΠΈΠ³Π°ΡΠ΅Π»Ρ ΠΎΡΠΎΠΏΠΈΡΠ΅Π»Ρ; 39 — Π»Π°ΠΌΠΏΠ° ΠΎΡΠ²Π΅ΡΠ΅Π½ΠΈΡ ΠΏΠ΅ΡΡΠ°ΡΠΎΡΠ½ΠΎΠ³ΠΎ ΡΡΠΈΠΊΠ°; 40 — Π²ΡΠΊΠ»ΡΡΠ°ΡΠ΅Π»Ρ Π½Π°ΡΡΠΆΠ½ΠΎΠ³ΠΎ ΠΎΡΠ²Π΅ΡΠ΅Π½ΠΈΡ; 41 — Π²ΡΠΊΠ»ΡΡΠ°ΡΠ΅Π»Ρ ΠΎΠ±ΠΎΠ³ΡΠ΅Π²Π° Π·Π°Π΄Π½Π΅Π³ΠΎ ΡΡΠ΅ΠΊΠ»Π° *; 42 — Π²ΡΠΊΠ»ΡΡΠ°ΡΠ΅Π»Ρ Π·Π°ΠΆΠΈΠ³Π°Π½ΠΈΡ ΠΠΠ 2106; 43 — Π²ΡΠΊΠ»ΡΡΠ°ΡΠ΅Π»Ρ Π±Π»ΠΈΠΆΠ½Π΅Π³ΠΎ ΡΠ²Π΅ΡΠ°; 44 — Π²ΡΠΊΠ»ΡΡΠ°ΡΠ΅Π»Ρ ΡΠΊΠ°Π·Π°ΡΠ΅Π»Π΅ΠΉ ΠΏΠΎΠ²ΠΎΡΠΎΡΠ°; 45 — Π²ΡΠΊΠ»ΡΡΠ°ΡΠ΅Π»Ρ Π·Π²ΡΠΊΠΎΠ²ΠΎΠ³ΠΎ ΡΠΈΠ³Π½Π°Π»Π°; 46 — Π²ΡΠΊΠ»ΡΡΠ°ΡΠ΅Π»Ρ ΡΡΠ΅ΠΊΠ»ΠΎΠΎΡΠΈΡΡΠΈΡΠ΅Π»Ρ; 47 — Π²ΡΠΊΠ»ΡΡΠ°ΡΠ΅Π»Ρ ΠΎΠΌΡΠ²Π°ΡΠ΅Π»Ρ Π²Π΅ΡΡΠΎΠ²ΠΎΠ³ΠΎ ΡΡΠ΅ΠΊΠ»Π°; 48 — Π²ΡΠΊΠ»ΡΡΠ°ΡΠ΅Π»Ρ (ΡΠ΅Π³ΡΠ»ΡΡΠΎΡ) ΠΎΡΠ²Π΅ΡΠΈΡΠ΅Π»ΡΠ½ΡΡ ΠΏΡΠΈΠ±ΠΎΡΠΎΠ²; 49 — Π²ΡΠΊΠ»ΡΡΠ°ΡΠ΅Π»Ρ Π°Π²Π°ΡΠΈΠΉΠ½ΠΎΠΉ ΡΠΈΠ³Π½Π°Π»ΠΈΠ·Π°ΡΠΈΠΈ; 50 — ΠΏΡΠΈΠΊΡΡΠΈΠ²Π°ΡΠ΅Π»Ρ; 51 — Π²ΡΠΊΠ»ΡΡΠ°ΡΠ΅Π»Ρ ΠΎΡΠΎΠΏΠΈΡΠ΅Π»Ρ; 52 — ΠΊΠΎΠ½ΡΡΠΎΠ»ΡΠ½Π°Ρ Π»Π°ΠΌΠΏΠ° ΡΡΠΎΠ²Π½Ρ ΡΠΎΡΠΌΠΎΠ·Π½ΠΎΠΉ ΠΆΠΈΠ΄ΠΊΠΎΡΡΠΈ; 53 — Π²ΡΠΊΠ»ΡΡΠ°ΡΠ΅Π»ΠΈ ΡΠΎΠ½Π°ΡΠ΅ΠΉ ΡΠΈΠ³Π½Π°Π»ΠΈΠ·Π°ΡΠΈΠΈ ΠΎΡΠΊΡΡΡΡΡ ΠΏΠ΅ΡΠ΅Π΄Π½ΠΈΡ Π΄Π²Π΅ΡΠ΅ΠΉ; 54 — ΡΠΎΠ½Π°ΡΠΈ, ΡΠΈΠ³Π½Π°Π»ΠΈΠ·ΠΈΡΡΡΡΠΈΠ΅ ΠΎΠ± ΠΎΡΠΊΡΡΡΡΡ ΠΏΠ΅ΡΠ΅Π΄Π½ΠΈΡ Π΄Π²Π΅ΡΡΡ ; 55 — Π²ΡΠΊΠ»ΡΡΠ°ΡΠ΅Π»ΠΈ ΡΠ²Π΅ΡΠ°, ΡΠ°ΡΠΏΠΎΠ»ΠΎΠΆΠ΅Π½Π½ΡΠ΅ Π² ΡΡΠΎΠΉΠΊΠ°Ρ ΠΏΠ΅ΡΠ΅Π΄Π½ΠΈΡ Π΄Π²Π΅ΡΠ΅ΠΉ; 56 — ΡΠΊΠ°Π·Π°ΡΠ΅Π»Ρ ΡΡΠΎΠ²Π½Ρ ΡΠΎΠΏΠ»ΠΈΠ²Π° Ρ ΠΊΠΎΠ½ΡΡΠΎΠ»ΡΠ½ΠΎΠΉ Π»Π°ΠΌΠΏΠΎΠΉ ΡΠ΅Π·Π΅ΡΠ²Π° ΡΠΎΠΏΠ»ΠΈΠ²Π°; 57 — ΡΠΊΠ°Π·Π°ΡΠ΅Π»Ρ ΡΠ΅ΠΌΠΏΠ΅ΡΠ°ΡΡΡΡ ΠΎΡ Π»Π°ΠΆΠ΄Π°ΡΡΠ΅ΠΉ ΠΆΠΈΠ΄ΠΊΠΎΡΡΠΈ; 58 — ΡΠΊΠ°Π·Π°ΡΠ΅Π»Ρ Π΄Π°Π²Π»Π΅Π½ΠΈΡ ΠΌΠ°ΡΠ»Π° Ρ ΠΊΠΎΠ½ΡΡΠΎΠ»ΡΠ½ΠΎΠΉ Π»Π°ΠΌΠΏΠΎΠΉ; 59 — ΡΠ°Ρ ΠΎΠΌΠ΅ΡΡ; 60 — ΠΊΠΎΠ½ΡΡΠΎΠ»ΡΠ½Π°Ρ Π»Π°ΠΌΠΏΠ° ΡΡΠΎΡΠ½ΠΎΡΠ½ΠΎΠ³ΠΎ ΡΠΎΡΠΌΠΎΠ·Π°; 61 — ΠΊΠΎΠ½ΡΡΠΎΠ»ΡΠ½Π°Ρ Π»Π°ΠΌΠΏΠ° Π·Π°ΡΡΠ΄Π° Π°ΠΊΠΊΡΠΌΡΠ»ΡΡΠΎΡΠ°; 62 — ΠΊΠΎΠ½ΡΡΠΎΠ»ΡΠ½Π°Ρ Π»Π°ΠΌΠΏΠ° Π²ΠΎΠ·Π΄ΡΡΠ½ΠΎΠΉ Π·Π°ΡΠ»ΠΎΠ½ΠΊΠΈ ΠΊΠ°ΡΠ±ΡΡΠ°ΡΠΎΡΠ°; 63 — ΡΠΏΠΈΠ΄ΠΎΠΌΠ΅ΡΡ; 64 — ΠΊΠΎΠ½ΡΡΠΎΠ»ΡΠ½Π°Ρ Π»Π°ΠΌΠΏΠ° Π½Π°ΡΡΠΆΠ½ΠΎΠ³ΠΎ ΠΎΡΠ²Π΅ΡΠ΅Π½ΠΈΡ; 65 — ΠΊΠΎΠ½ΡΡΠΎΠ»ΡΠ½Π°Ρ Π»Π°ΠΌΠΏΠ° ΡΠΊΠ°Π·Π°ΡΠ΅Π»Π΅ΠΉ ΠΏΠΎΠ²ΠΎΡΠΎΡΠ°; 66 — ΠΊΠΎΠ½ΡΡΠΎΠ»ΡΠ½Π°Ρ Π»Π°ΠΌΠΏΠ° Π΄Π°Π»ΡΠ½Π΅Π³ΠΎ ΡΠ²Π΅ΡΠ° ΡΠ°Ρ; 67 — ΡΠ΅Π»Π΅-ΠΏΡΠ΅ΡΡΠ²Π°ΡΠ΅Π»Ρ ΠΊΠΎΠ½ΡΡΠΎΠ»ΡΠ½ΠΎΠΉ Π»Π°ΠΌΠΏΡ ΡΡΠΎΡΠ½ΠΎΡΠ½ΠΎΠ³ΠΎ ΡΠΎΡΠΌΠΎΠ·Π°; 68 — Π²ΡΠΊΠ»ΡΡΠ°ΡΠ΅Π»Ρ ΠΊΠΎΠ½ΡΡΠΎΠ»ΡΠ½ΠΎΠΉ Π»Π°ΠΌΠΏΡ Π²ΠΎΠ·Π΄ΡΡΠ½ΠΎΠΉ Π·Π°ΡΠ»ΠΎΠ½ΠΊΠΈ ΠΊΠ°ΡΠ±ΡΡΠ°ΡΠΎΡΠ°; 69 — ΡΠ°ΡΡ; 70 — Π²ΡΠΊΠ»ΡΡΠ°ΡΠ΅Π»ΠΈ ΡΠ²Π΅ΡΠ°, ΡΠ°ΡΠΏΠΎΠ»ΠΎΠΆΠ΅Π½Π½ΡΠ΅ Π² ΡΡΠΎΠΉΠΊΠ°Ρ Π·Π°Π΄Π½ΠΈΡ Π΄Π²Π΅ΡΠ΅ΠΉ; 71 — ΠΏΠ»Π°ΡΠΎΠ½Ρ; 72 — ΡΠ»Π΅ΠΌΠ΅Π½Ρ ΠΎΠ±ΠΎΠ³ΡΠ΅Π²Π° Π·Π°Π΄Π½Π΅Π³ΠΎ ΡΡΠ΅ΠΊΠ»Π°; 73 — Π»Π°ΠΌΠΏΠ° ΠΎΡΠ²Π΅ΡΠ΅Π½ΠΈΡ Π±Π°Π³Π°ΠΆΠ½ΠΈΠΊΠ°; 74 — Π΄Π°ΡΡΠΈΠΊ ΡΠΊΠ°Π·Π°ΡΠ΅Π»Ρ ΡΡΠΎΠ²Π½Ρ ΠΈ Π·Π°ΠΏΠ°ΡΠ° ΡΠΎΠΏΠ»ΠΈΠ²Π°; 75 — Π·Π°Π΄Π½ΠΈΠ΅ ΡΠΎΠ½Π°ΡΠΈ; 76 — ΠΏΠΎΠ΄ΡΠ²Π΅ΡΠΊΠ° Π½ΠΎΠΌΠ΅ΡΠ½ΠΎΠ³ΠΎ Π·Π½Π°ΠΊΠ°.
ΠΠΎΠ΄ΠΈΡΠΈΠΊΠ°ΡΠΈΠΈ
Π‘Ρ Π΅ΠΌΠ° Π²ΠΊΠ»ΡΡΠ΅Π½ΠΈΡ ΡΠ»Π΅ΠΊΡΡΠΎΡΡΠ΅ΠΊΠ»ΠΎΠΏΠΎΠ΄ΡΠ΅ΠΌΠ½ΠΈΠΊΠΎΠ² ΠΏΠ΅ΡΠ΅Π΄Π½ΠΈΡ Π΄Π²Π΅ΡΠ΅ΠΉ
1 — Π±Π»ΠΎΠΊ ΠΏΡΠ΅Π΄ΠΎΡ ΡΠ°Π½ΠΈΡΠ΅Π»Π΅ΠΉ Π³Π»Π°Π²Π½ΡΠΉ; 2 — ΡΠ΅Π»Π΅ ΡΡΠ΅ΠΊΠ»ΠΎΠΏΠΎΠ΄ΡΠ΅ΠΌΠ½ΠΈΠΊΠ°; 3 — Π²ΡΠΊΠ»ΡΡΠ°ΡΠ΅Π»Ρ ΡΡΠ΅ΠΊΠ»ΠΎΠΏΠΎΠ΄ΡΠ΅ΠΌΠ½ΠΈΠΊΠ° Π»Π΅Π²ΠΎΠΉ Π΄Π²Π΅ΡΠΈ; 4 — Π²ΡΠΊΠ»ΡΡΠ°ΡΠ΅Π»Ρ ΡΡΠ΅ΠΊΠ»ΠΎΠΏΠΎΠ΄ΡΠ΅ΠΌΠ½ΠΈΠΊΠ° ΠΏΡΠ°Π²ΠΎΠΉ Π΄Π²Π΅ΡΠΈ; 5 — ΠΌΠΎΡΠΎΡ-ΡΠ΅Π΄ΡΠΊΡΠΎΡ ΡΡΠ΅ΠΊΠ»ΠΎΠΏΠΎΠ΄ΡΠ΅ΠΌΠ½ΠΈΠΊΠ° ΠΏΡΠ°Π²ΠΎΠΉ Π΄Π²Π΅ΡΠΈ; 6 — ΠΌΠΎΡΠΎΡ-ΡΠ΅Π΄ΡΠΊΡΠΎΡ ΡΡΠ΅ΠΊΠ»ΠΎΠΏΠΎΠ΄ΡΠ΅ΠΌΠ½ΠΈΠΊΠ° Π»Π΅Π²ΠΎΠΉ Π΄Π²Π΅ΡΠΈ; 7 — Π΄ΠΎΠΏΠΎΠ»Π½ΠΈΡΠ΅Π»ΡΠ½ΡΠΉ Π±Π»ΠΎΠΊ ΠΏΡΠ΅Π΄ΠΎΡ ΡΠ°Π½ΠΈΡΠ΅Π»Π΅ΠΉ; 8 — Π²ΡΠΊΠ»ΡΡΠ°ΡΠ΅Π»Ρ Π·Π°ΠΆΠΈΠ³Π°Π½ΠΈΡ; Π — ΠΊ ΠΊΠ»Π΅ΠΌΠΌΠ΅ Β«30Β» Π³Π΅Π½Π΅ΡΠ°ΡΠΎΡΠ°; Π — ΠΊ ΠΏΠ΅ΡΠ΅ΠΊΠ»ΡΡΠ°ΡΠ΅Π»Ρ ΠΎΡΠ²Π΅ΡΠ΅Π½ΠΈΡ ΠΏΡΠΈΠ±ΠΎΡΠΎΠ²; Π — ΡΡΠ»ΠΎΠ²Π½Π°Ρ Π½ΡΠΌΠ΅ΡΠ°ΡΠΈΡ Π²ΠΈΠ»ΠΎΠΊ Π² Π±Π»ΠΎΠΊΠ΅ ΠΌΠΎΡΠΎΡ-ΡΠ΅Π΄ΡΠΊΡΠΎΡΠ°.
Π¦Π΅ΠΏΡ ΡΠΏΡΠ°Π²Π»Π΅Π½ΠΈΡ ΡΠ»Π΅ΠΊΡΡΠΎΠΌΠ°Π³Π½ΠΈΡΠ½ΡΠΌ ΠΊΠ»Π°ΠΏΠ°Π½ΠΎΠΌ ΠΊΠ°ΡΠ±ΡΡΠ°ΡΠΎΡΠ°
1 — Π²ΡΠΊΠ»ΡΡΠ°ΡΠ΅Π»Ρ Π·Π°ΠΆΠΈΠ³Π°Π½ΠΈΡ; 2 — Π³Π΅Π½Π΅ΡΠ°ΡΠΎΡ; 3 — Π°ΠΊΠΊΡΠΌΡΠ»ΡΡΠΎΡΠ½Π°Ρ Π±Π°ΡΠ°ΡΠ΅Ρ; 4 — ΠΊΠ°ΡΡΡΠΊΠ° Π·Π°ΠΆΠΈΠ³Π°Π½ΠΈΡ; 5 — Π²ΡΠΊΠ»ΡΡΠ°ΡΠ΅Π»Ρ; 6 — Π±Π»ΠΎΠΊ ΡΠΏΡΠ°Π²Π»Π΅Π½ΠΈΡ; 7 — ΡΠ»Π΅ΠΊΡΡΠΎΠΌΠ°Π³Π½ΠΈΡΠ½ΡΠΉ ΠΊΠ»Π°ΠΏΠ°Π½ ΠΊΠ°ΡΠ±ΡΡΠ°ΡΠΎΡΠ°; 8 — ΠΊΠΎΠ½ΡΠ΅Π²ΠΎΠΉ Π²ΡΠΊΠ»ΡΡΠ°ΡΠ΅Π»Ρ ΠΊΠ°ΡΠ±ΡΡΠ°ΡΠΎΡΠ°.
ΠΠ²ΠΈΠ³Π°ΡΠ΅Π»Ρ Π²Π΅Π½ΡΠΈΠ»ΡΡΠΎΡΠ° ΠΎΡ Π»Π°ΠΆΠ΄Π΅Π½ΠΈΡ Π΄Π²ΠΈΠ³Π°ΡΠ΅Π»Ρ
1 — Π³Π΅Π½Π΅ΡΠ°ΡΠΎΡ; 2 — Π°ΠΊΠΊΡΠΌΡΠ»ΡΡΠΎΡΠ½Π°Ρ Π±Π°ΡΠ°ΡΠ΅Ρ; 3 — Π²ΡΠΊΠ»ΡΡΠ°ΡΠ΅Π»Ρ Π·Π°ΠΆΠΈΠ³Π°Π½ΠΈΡ; 4 — Π³Π»Π°Π²Π½ΡΠΉ Π±Π»ΠΎΠΊ ΠΏΡΠ΅Π΄ΠΎΡ ΡΠ°Π½ΠΈΡΠ΅Π»Π΅ΠΉ; 5 — ΡΠ΅Π»Π΅ Π²ΠΊΠ»ΡΡΠ΅Π½ΠΈΡ ΡΠ»Π΅ΠΊΡΡΠΎΠ²Π΅Π½ΡΠΈΠ»ΡΡΠΎΡΠ°, 6 — Π΄Π°ΡΡΠΈΠΊ Π²ΠΊΠ»ΡΡΠ΅Π½ΠΈΡ ΡΠ»Π΅ΠΊΡΡΠΎΠ²Π΅Π½ΡΠΈΠ»ΡΡΠΎΡΠ°; 7 — ΡΠ»Π΅ΠΊΡΡΠΎΠ²Π΅Π½ΡΠΈΠ»ΡΡΠΎΡ; 8 — Π΄ΠΎΠΏΠΎΠ»Π½ΠΈΡΠ΅Π»ΡΠ½ΡΠΉ Π±Π»ΠΎΠΊ ΠΏΡΠ΅Π΄ΠΎΡ ΡΠ°Π½ΠΈΡΠ΅Π»Π΅ΠΉ
ΠΡΠ΅Π΄ΠΎΡ ΡΠ°Π½ΠΈΡΠ΅Π»ΠΈ ΠΈ ΡΠ΅Π»Π΅ ΠΠΠ 2106
- β1 Π·Π°ΡΠΈΡΠ°Π΅Ρ ΡΠ΅ΠΏΠΈ Π·Π²ΡΠΊΠΎΠ²ΠΎΠ³ΠΎ ΡΠΈΠ³Π½Π°Π»Π°, ΡΠ°ΡΠΎΠ², ΡΡΠΎΠΏ-ΡΠΈΠ³Π½Π°Π»ΠΎΠ², ΠΏΡΠΈΠΊΡΡΠΈΠ²Π°ΡΠ΅Π»Ρ, ΡΠΈΠ³Π½Π°Π»ΡΠ½ΡΡ Π»Π°ΠΌΠΏ ΠΎΡΠΊΡΡΡΡΡ ΠΏΠ΅ΡΠ΅Π΄Π½ΠΈΡ Π΄Π²Π΅ΡΠ΅ΠΉ. ΠΠΎΠΌΠΈΠ½Π°Π»ΡΠ½ΡΠΉ ΡΠΎΠΊ ΠΏΡΠ΅Π΄ΠΎΡ ΡΠ°Π½ΠΈΡΠ΅Π»Ρ 16Π. β
- β2 Π·Π°ΡΠΈΡΠ°Π΅Ρ ΡΠ΅ΠΏΠΈ ΠΎΠΌΡΠ²Π°ΡΠ΅Π»Ρ Π»ΠΎΠ±ΠΎΠ²ΠΎΠ³ΠΎ ΡΡΠ΅ΠΊΠ»Π°, Π΄Π²ΠΎΡΠ½ΠΈΠΊΠΈ (Π΄Π²ΠΎΡΠ½ΠΈΠΊΠΈ), ΡΠ»Π΅ΠΊΡΡΠΎΠ΄Π²ΠΈΠ³Π°ΡΠ΅Π»Ρ ΠΎΡΠΎΠΏΠΈΡΠ΅Π»Ρ ΠΠΠ 2106. ΠΠΎΠΌΠΈΠ½Π°Π» ΠΏΡΠ΅Π΄ΠΎΡ ΡΠ°Π½ΠΈΡΠ΅Π»Ρ 8Π.
- β3 Π»Π΅Π²Π°Ρ ΡΠ°ΡΠ° Π΄Π°Π»ΡΠ½Π΅Π³ΠΎ ΡΠ²Π΅ΡΠ°, Π° ΡΠ°ΠΊΠΆΠ΅ ΠΊΠΎΠ½ΡΡΠΎΠ»ΡΠ½Π°Ρ Π»Π°ΠΌΠΏΠ° Π΄Π°Π»ΡΠ½Π΅Π³ΠΎ ΡΠ²Π΅ΡΠ° Π² ΡΠΏΠΈΠ΄ΠΎΠΌΠ΅ΡΡΠ΅ (ΡΠΈΠ½ΡΡ). ΠΠΎΠΌΠΈΠ½Π°Π»ΡΠ½ΡΠΉ ΡΠΎΠΊ ΠΏΡΠ΅Π΄ΠΎΡ ΡΠ°Π½ΠΈΡΠ΅Π»Ρ 8Π.
- β 4 Π·Π°ΡΠΈΡΠ°Π΅Ρ ΠΏΡΠ°Π²ΡΠΉ Π΄Π°Π»ΡΠ½ΠΈΠΉ ΡΠ²Π΅Ρ ΡΠ°Ρ. ΠΠΎΠΌΠΈΠ½Π°Π»ΡΠ½ΡΠΉ ΡΠΎΠΊ ΠΏΡΠ΅Π΄ΠΎΡ ΡΠ°Π½ΠΈΡΠ΅Π»Ρ 8Π.
- β5 Π·Π°ΡΠΈΡΠ°Π΅Ρ Π»Π΅Π²ΡΡ ΡΠ°ΡΡ Π±Π»ΠΈΠΆΠ½Π΅Π³ΠΎ ΡΠ²Π΅ΡΠ° ΠΎΡ ΠΊΠΎΡΠΎΡΠΊΠΎΠ³ΠΎ Π·Π°ΠΌΡΠΊΠ°Π½ΠΈΡ. ΠΠΎΠΌΠΈΠ½Π°Π» 8Π.
- β 6 Π·Π°ΡΠΈΡΠ°Π΅Ρ ΡΠ΅ΠΏΡ ΠΏΡΠ°Π²ΠΎΠ³ΠΎ Π±Π»ΠΈΠΆΠ½Π΅Π³ΠΎ ΡΠ²Π΅ΡΠ°. ΠΠΎΠΌΠΈΠ½Π°Π» 8Π.
- β 7 Π·Π°ΡΠΈΡΠ°Π΅Ρ ΡΠ΅ΠΏΡ ΠΎΡΠ²Π΅ΡΠ΅Π½ΠΈΡ Π±Π°Π³Π°ΠΆΠ½ΠΈΠΊΠ°, ΠΏΡΠΈΠ±ΠΎΡΡ, Π½ΠΎΠΌΠ΅ΡΠ½ΠΎΠΉ Π·Π½Π°ΠΊ, ΠΏΡΠΈΠΊΡΡΠΈΠ²Π°ΡΠ΅Π»Ρ, Π»Π΅Π²ΡΠΉ ΠΏΠ΅ΡΠ΅Π΄Π½ΠΈΠΉ Π³Π°Π±Π°ΡΠΈΡΠ½ΡΠΉ ΡΠΎΠ½Π°ΡΡ ΠΈ ΠΏΡΠ°Π²ΡΠΉ Π·Π°Π΄Π½ΠΈΠΉ Π³Π°Π±Π°ΡΠΈΡΠ½ΡΠΉ ΡΠΎΠ½Π°ΡΡ. ΠΠΎΠΌΠΈΠ½Π°Π» 8Π.
- β 8 Π·Π°ΡΠΈΡΠ°Π΅Ρ ΡΠ΅ΠΏΡ ΠΊΠΎΠ½ΡΡΠΎΠ»ΡΠ½ΠΎΠΉ Π»Π°ΠΌΠΏΡ Π³Π°Π±Π°ΡΠΈΡΠ½ΡΡ ΠΎΠ³Π½Π΅ΠΉ, ΠΏΠΎΠ΄ΡΠ²Π΅ΡΠΊΡ Π½ΠΎΠΌΠ΅ΡΠ½ΠΎΠ³ΠΎ Π·Π½Π°ΠΊΠ°, ΡΠ²Π΅Ρ ΠΌΠΎΡΠΎΡΠ½ΠΎΠ³ΠΎ ΠΎΡΡΠ΅ΠΊΠ°, ΠΏΡΠ°Π²ΡΠΉ ΠΏΠ΅ΡΠ΅Π΄Π½ΠΈΠΉ Π³Π°Π±Π°ΡΠΈΡΠ½ΡΠΉ ΠΎΠ³ΠΎΠ½Ρ ΠΈ Π»Π΅Π²ΡΠΉ Π·Π°Π΄Π½ΠΈΠΉ Π³Π°Π±Π°ΡΠΈΡΠ½ΡΠΉ ΠΎΠ³ΠΎΠ½Ρ.ΠΠΎΠΌΠΈΠ½Π°Π» 8Π.
- β 9 Π·Π°ΡΠΈΡΠ°Π΅Ρ ΡΠ΅ΠΏΡ ΡΠ°Ρ ΠΎΠΌΠ΅ΡΡΠ°, ΠΎΠ±ΠΌΠΎΡΠΊΡ ΡΠ΅Π»Π΅ ΠΎΠ±ΠΎΠ³ΡΠ΅Π²Π° Π·Π°Π΄Π½Π΅Π³ΠΎ ΡΡΠ΅ΠΊΠ»Π°, Π»Π°ΠΌΠΏΡ Π·Π°Π΄Π½Π΅Π³ΠΎ Ρ ΠΎΠ΄Π°, ΠΎΡΠ²Π΅ΡΠ΅Π½ΠΈΠ΅ ΠΏΠ΅ΡΡΠ°ΡΠΎΡΠ½ΠΎΠ³ΠΎ ΡΡΠΈΠΊΠ°, ΠΊΠΎΠ½ΡΡΠΎΠ»ΡΠ½ΡΡ Π»Π°ΠΌΠΏΡ Π·Π°ΡΡΠ΄Π° Π°ΠΊΠΊΡΠΌΡΠ»ΡΡΠΎΡΠ°, ΡΡΠΎΡΠ½ΠΎΡΠ½ΡΠΉ ΡΠΎΡΠΌΠΎΠ·, ΡΡΠΎΠ²Π΅Π½Ρ ΡΠΎΡΠΌΠΎΠ·Π½ΠΎΠΉ ΠΆΠΈΠ΄ΠΊΠΎΡΡΠΈ, ΡΠ΅Π³ΡΠ»ΡΡΠΎΡ Π²ΠΎΠ·Π΄ΡΡΠ½ΠΎΠΉ Π·Π°ΡΠ»ΠΎΠ½ΠΊΠΈ ΠΊΠ°ΡΠ±ΡΡΠ°ΡΠΎΡΠ°, ΠΌΠ°ΡΠ»ΠΎ ΡΠΊΠ°Π·Π°ΡΠ΅Π»ΠΈ Π΄Π°Π²Π»Π΅Π½ΠΈΡ, ΡΠ΅ΠΌΠΏΠ΅ΡΠ°ΡΡΡΡ ΠΈ ΡΡΠΎΠ²Π½Ρ ΡΠΎΠΏΠ»ΠΈΠ²Π° ΠΎΡ Π»Π°ΠΆΠ΄Π°ΡΡΠ΅ΠΉ ΠΆΠΈΠ΄ΠΊΠΎΡΡΠΈ, ΠΏΠΎΠ²ΠΎΡΠΎΡ … ΠΠΎΠΌΠΈΠ½Π°Π» 8Π. β
- β 10 Π·Π°ΡΠΈΡΠ°Π΅Ρ ΡΠ΅ΠΏΠΈ Π·Π°ΡΡΠ΄ΠΊΠΈ Π°ΠΊΠΊΡΠΌΡΠ»ΡΡΠΎΡΠ°, Π° ΠΈΠΌΠ΅Π½Π½ΠΎ ΡΠ΅ΠΏΡ Π²ΠΎΠ·Π±ΡΠΆΠ΄Π΅Π½ΠΈΡ Π³Π΅Π½Π΅ΡΠ°ΡΠΎΡΠ° ΠΈ ΡΠ΅Π»Π΅-ΡΠ΅Π³ΡΠ»ΡΡΠΎΡΠ°.ΠΠΎΠΌΠΈΠ½Π°Π» 8Π. β
- β 11, 12,13 Π² Π±Π°Π·ΠΎΠ²ΠΎΠΉ ΠΊΠΎΠΌΠΏΠ»Π΅ΠΊΡΠ°ΡΠΈΠΈ Π½Π°Ρ ΠΎΠ΄ΡΡΡΡ Π² ΡΠ΅Π·Π΅ΡΠ²Π΅ ΠΈ ΠΌΠΎΠ³ΡΡ ΠΈΡΠΏΠΎΠ»ΡΠ·ΠΎΠ²Π°ΡΡΡΡ Π΄Π»Ρ Π΄ΠΎΠΏΠΎΠ»Π½ΠΈΡΠ΅Π»ΡΠ½ΠΎΠ³ΠΎ ΠΎΠ±ΠΎΡΡΠ΄ΠΎΠ²Π°Π½ΠΈΡ. ΠΠΎΠΌΠΈΠ½Π°Π» ΠΏΠΎΠ΄Π±ΠΈΡΠ°Π΅ΡΡΡ Π² Π·Π°Π²ΠΈΡΠΈΠΌΠΎΡΡΠΈ ΠΎΡ ΠΏΠΎΡΡΠ΅Π±ΠΈΡΠ΅Π»Ρ. β
- β 14 ΡΠ»ΡΠΆΠΈΡ Π΄Π»Ρ Π·Π°ΡΠΈΡΡ ΡΠ΅ΠΏΠΈ ΠΎΠ±ΠΎΠ³ΡΠ΅Π²Π° Π·Π°Π΄Π½Π΅Π³ΠΎ ΡΡΠ΅ΠΊΠ»Π°, Π΅ΡΠ»ΠΈ ΡΠ°ΠΊΠΎΠ²ΠΎΠΉ ΠΈΠΌΠ΅Π΅ΡΡΡ. ΠΠΎΠΌΠΈΠ½Π°Π» 16Π.
- β 15 Π²Π΅Π½ΡΠΈΠ»ΡΡΠΎΡ ΠΎΡ Π»Π°ΠΆΠ΄Π΅Π½ΠΈΡ Π΄Π²ΠΈΠ³Π°ΡΠ΅Π»Ρ, Π΅ΡΠ»ΠΈ ΠΎΠ½ ΡΡΡΠ°Π½ΠΎΠ²Π»Π΅Π½ Π² Π°Π²ΡΠΎΠΌΠΎΠ±ΠΈΠ»Π΅. ΠΠΎΠΌΠΈΠ½Π°Π» 16Π
- # 16 Π·Π°ΡΠΈΡΠ°Π΅Ρ ΡΠΊΠ°Π·Π°ΡΠ΅Π»Ρ ΠΏΠΎΠ²ΠΎΡΠΎΡΠ° ΠΈ ΡΠ΅ΠΏΡ Π°Π²Π°ΡΠΈΠΉΠ½ΠΎΠΉ ΡΠΈΠ³Π½Π°Π»ΠΈΠ·Π°ΡΠΈΠΈ. ΠΠΎΠΌΠΈΠ½Π°Π» 8Π.
ΠΠ°ΠΆΠ½ΠΎ Π½Π΅ ΡΠΎΠ»ΡΠΊΠΎ ΡΠΎΠ΄Π΅ΡΠΆΠ°ΡΡ Π² ΡΠΈΡΡΠΎΡΠ΅ ΠΊΠΎΠ½ΡΠ°ΠΊΡΠ½ΡΠ΅ Π³ΡΡΠΏΠΏΡ, Π½ΠΎ ΠΈ ΠΈΡΠΏΠΎΠ»ΡΠ·ΠΎΠ²Π°ΡΡ ΠΏΡΠ΅Π΄ΠΎΡ ΡΠ°Π½ΠΈΡΠ΅Π»ΠΈ Π½ΠΎΠΌΠΈΠ½Π°Π»ΠΎΠ², ΡΠ΅ΠΊΠΎΠΌΠ΅Π½Π΄ΠΎΠ²Π°Π½Π½ΡΡ ΠΏΡΠΎΠΈΠ·Π²ΠΎΠ΄ΠΈΡΠ΅Π»Π΅ΠΌ.ΠΠ³Π½ΠΎΡΠΈΡΠΎΠ²Π°Π½ΠΈΠ΅ ΡΡΠΈΡ ΡΡΠ΅Π±ΠΎΠ²Π°Π½ΠΈΠΉ Π³ΡΠΎΠ·ΠΈΡ Π²ΡΡ ΠΎΠ΄ΠΎΠΌ ΠΈΠ· ΡΡΡΠΎΡ ΡΠ»Π΅ΠΊΡΡΠΎΠΎΠ±ΠΎΡΡΠ΄ΠΎΠ²Π°Π½ΠΈΡ.
ΠΠ°ΠΊ ΠΈΠ·Π²Π΅ΡΡΠ½ΠΎ, ΡΠ»Π΅ΠΊΡΡΠΈΡΠ΅ΡΠΊΠ°Ρ ΡΡ Π΅ΠΌΠ° Π² Π»ΡΠ±ΠΎΠΌ ΡΡΠ°Π½ΡΠΏΠΎΡΡΠ½ΠΎΠΌ ΡΡΠ΅Π΄ΡΡΠ²Π΅ ΡΠ²Π»ΡΠ΅ΡΡΡ ΠΎΠ΄Π½ΠΎΠΉ ΠΈΠ· ΠΎΡΠ½ΠΎΠ²Π½ΡΡ ΡΠΎΡΡΠ°Π²Π»ΡΡΡΠΈΡ . ΠΠ»Π΅ΠΊΡΡΠΈΡΠ΅ΡΠΊΠ°Ρ ΡΡ Π΅ΠΌΠ° ΠΏΠΎΠ·Π²ΠΎΠ»ΡΠ΅Ρ Π²ΠΎΠ΄ΠΈΡΠ΅Π»Ρ ΠΠΠ 2106 ΠΊΠΎΡΡΠ΅ΠΊΡΠ½ΠΎ ΠΎΠΏΡΠ΅Π΄Π΅Π»ΡΡΡ Π½Π΅ΠΈΡΠΏΡΠ°Π²Π½ΠΎΡΡΠΈ ΡΠΈΡΡΠ΅ΠΌΡ ΠΏΡΠΈ ΠΎΠ±Π½Π°ΡΡΠΆΠ΅Π½ΠΈΠΈ Π½Π΅ΠΈΡΠΏΡΠ°Π²Π½ΠΎΡΡΠ΅ΠΉ ΠΎΠ±ΠΎΡΡΠ΄ΠΎΠ²Π°Π½ΠΈΡ. ΠΡΠ° ΡΡΠ°ΡΡΡ ΠΏΠΎΡΠ²ΡΡΠ΅Π½Π° ΡΠ°Π·Π²ΠΎΠ΄ΠΊΠ΅ ΠΎΡΠ΅ΡΠ΅ΡΡΠ²Π΅Π½Π½ΠΎΠΉ Β«ΡΠ΅ΡΡΠ΅ΡΠΊΠΈΒ».
[Π‘ΠΊΡΡΡΡ]
Π§ΡΠΎ Π²Ρ ΠΎΠ΄ΠΈΡ Π² ΡΠ»Π΅ΠΊΡΡΠΈΡΠ΅ΡΠΊΡΡ ΡΡ Π΅ΠΌΡ?
ΠΠ΅Π·Π°Π²ΠΈΡΠΈΠΌΠΎ ΠΎΡ ΡΠΎΠ³ΠΎ, ΠΊΠ°ΠΊΠ°Ρ ΡΡ Π΅ΠΌΠ° Π·Π°ΠΆΠΈΠ³Π°Π½ΠΈΡ Π² Π²Π°ΡΠ΅ΠΌ ΠΠΠ 2106 — ΠΊΠΎΠ½ΡΠ°ΠΊΡΠ½Π°Ρ ΠΈΠ»ΠΈ Π±Π΅ΡΠΊΠΎΠ½ΡΠ°ΠΊΡΠ½Π°Ρ (ΠΠ‘Π), Π² ΡΠ»Π΅ΠΊΡΡΠΎΡΡ Π΅ΠΌΡ Π°Π²ΡΠΎΠΌΠΎΠ±ΠΈΠ»Ρ Π²Ρ ΠΎΠ΄ΡΡ ΡΠ»Π΅Π΄ΡΡΡΠΈΠ΅ ΡΠ»Π΅ΠΌΠ΅Π½ΡΡ:
- Π°ΠΊΠΊΡΠΌΡΠ»ΡΡΠΎΡΠ½Π°Ρ Π±Π°ΡΠ°ΡΠ΅Ρ Ρ ΠΎΡΡΠΈΡΠ°ΡΠ΅Π»ΡΠ½ΡΠΌ ΠΊΠΎΠ½ΡΠ°ΠΊΡΠΎΠΌ Π½Π° ΠΊΡΠ·ΠΎΠ²Π΅ Π°Π²ΡΠΎΠΌΠΎΠ±ΠΈΠ»Ρ;
- ΠΡΡΠΊΠΎΠ²ΠΎΠ΅ ΡΡΡΡΠΎΠΉΡΡΠ²ΠΎ Ρ Π²ΡΠ²ΠΎΠ΄ΠΎΠΌ Β«50Β»; ΠΠ΅Π½Π΅ΡΠ°ΡΠΎΡ
- — ΠΎΠ΄ΠΈΠ½ ΠΈΠ· ΠΎΡΠ½ΠΎΠ²Π½ΡΡ ΡΠ»Π΅ΠΌΠ΅Π½ΡΠΎΠ² ΡΡ Π΅ΠΌΡ ΠΏΠΎΠ΄ΠΊΠ»ΡΡΠ΅Π½ΠΈΡ ΠΠΠ 2106;
- ΠΌΠΎΠ½ΡΠ°ΠΆΠ½ΡΠΉ Π±Π»ΠΎΠΊ Ρ ΠΏΡΠ΅Π΄ΠΎΡ ΡΠ°Π½ΠΈΡΠ΅Π»ΡΠΌΠΈ, Π·Π°ΡΠΈΡΠ°ΡΡΠΈΠΌΠΈ ΡΠ΅ΠΏΠΈ ΠΏΠΈΡΠ°Π½ΠΈΡ;
- Π²ΡΠΊΠ»ΡΡΠ°ΡΠ΅Π»Ρ Π·Π°ΠΆΠΈΠ³Π°Π½ΠΈΡ;
- ΡΠ΅Π»Π΅ ΡΠ΅Π³ΡΠ»ΡΡΠΎΡΠ°.
Π‘Π»Π΅Π΄ΡΠ΅Ρ ΠΎΡΠΌΠ΅ΡΠΈΡΡ, ΡΡΠΎ ΡΠ»Π΅ΠΊΡΡΠΈΡΠ΅ΡΠΊΠ°Ρ ΡΡ Π΅ΠΌΠ° Π°Π²ΡΠΎΠΌΠΎΠ±ΠΈΠ»Ρ ΠΠΠ 2106 Ρ ΠΠ‘Π ΠΈ Π±Π΅Π· Π½Π΅Π³ΠΎ ΠΈΠ·Π½Π°ΡΠ°Π»ΡΠ½ΠΎ ΡΠΎΡΡΠ°Π²Π»ΡΠ»Π°ΡΡ Ρ ΡΡΠ΅ΡΠΎΠΌ ΠΎΠ΄Π½ΠΎΠΏΡΠΎΠ²ΠΎΠ΄Π½ΠΎΠ³ΠΎ ΡΠΈΠΏΠ° ΡΠΎΠ΅Π΄ΠΈΠ½Π΅Π½ΠΈΡ ΠΊΠΎΠΌΠΏΠΎΠ½Π΅Π½ΡΠΎΠ² ΡΠ»Π΅ΠΊΡΡΠΎΠΎΠ±ΠΎΡΡΠ΄ΠΎΠ²Π°Π½ΠΈΡ. Π€Π°ΠΊΡΠΈΡΠ΅ΡΠΊΠΈ ΡΡΠΎ ΠΎΠ·Π½Π°ΡΠ°Π΅Ρ, ΡΡΠΎ ΠΎΡΡΠΈΡΠ°ΡΠ΅Π»ΡΠ½ΡΠ΅ ΠΊΠΎΠ½ΡΠ°ΠΊΡΡ ΡΠ»Π΅ΠΊΡΡΠΎΠΎΠ±ΠΎΡΡΠ΄ΠΎΠ²Π°Π½ΠΈΡ Π·Π°Π·Π΅ΠΌΠ»Π΅Π½Ρ, ΡΠΎ Π΅ΡΡΡ ΠΊΡΠ·ΠΎΠ²Π° ΡΡΠ°Π½ΡΠΏΠΎΡΡΠ½ΠΎΠ³ΠΎ ΡΡΠ΅Π΄ΡΡΠ²Π°. Π§ΡΠΎ ΠΊΠ°ΡΠ°Π΅ΡΡΡ ΠΏΡΠΎΠ²ΠΎΠ΄Π½ΠΎΠ³ΠΎ ΠΏΠΎΠ΄ΠΊΠ»ΡΡΠ΅Π½ΠΈΡ, ΡΠΎ ΠΎΠ½ΠΎ ΠΎΠ±Π΅ΡΠΏΠ΅ΡΠΈΠ²Π°Π΅ΡΡΡ ΠΈΡΠΊΠ»ΡΡΠΈΡΠ΅Π»ΡΠ½ΠΎ ΠΏΠ»ΡΡΠΎΠ²ΠΎΠΉ ΡΠ°Π·Π²ΠΎΠ΄ΠΊΠΎΠΉ.
Π£ΡΡΡΠ°Π½Π΅Π½ΠΈΠ΅ Π½Π΅ΠΈΡΠΏΡΠ°Π²Π½ΠΎΡΡΠ΅ΠΉ
ΠΡΠΈ ΠΏΠΎΠΈΡΠΊΠ΅ Π½Π΅ΠΈΡΠΏΡΠ°Π²Π½ΠΎΡΡΠΈ ΠΏΡΠΎΠ²ΠΎΠ΄ΠΊΠΈ Π½Π° ΠΠΠ 2106 Π²ΠΎ Π²ΡΠ΅ΠΌΡ ΡΠ΅ΠΌΠΎΠ½ΡΠ½ΡΡ ΡΠ°Π±ΠΎΡ Π½Π΅ΠΎΠ±Ρ ΠΎΠ΄ΠΈΠΌΠΎ ΠΏΠΎΠ»Π½ΠΎΡΡΡΡ ΠΎΠ±Π΅ΡΡΠΎΡΠΈΡΡ ΡΠ»Π΅ΠΊΡΡΠΈΡΠ΅ΡΠΊΡΡ ΡΠ΅ΠΏΡ.ΠΠ»Ρ ΡΡΠΎΠ³ΠΎ ΠΏΠΎΡΡΠ΅Π±ΡΠ΅ΡΡΡ ΠΎΡΡΠΎΠ΅Π΄ΠΈΠ½ΠΈΡΡ ΠΌΠΈΠ½ΡΡΠΎΠ²ΠΎΠΉ ΠΏΡΠΎΠ²ΠΎΠ΄ ΠΎΡ Π²ΡΠ²ΠΎΠ΄Π° Π°ΠΊΠΊΡΠΌΡΠ»ΡΡΠΎΡΠ½ΠΎΠΉ Π±Π°ΡΠ°ΡΠ΅ΠΈ, ΠΈΠ½Π°ΡΠ΅ Π² ΡΡ Π΅ΠΌΠ΅ ΠΏΠΎΠ΄ΠΊΠ»ΡΡΠ΅Π½ΠΈΡ ΠΠΠ 2106 ΠΌΠΎΠΆΠ΅Ρ Π²ΠΎΠ·Π½ΠΈΠΊΠ½ΡΡΡ ΠΊΠΎΡΠΎΡΠΊΠΎΠ΅ Π·Π°ΠΌΡΠΊΠ°Π½ΠΈΠ΅. ΠΠΈΠ°Π³Π½ΠΎΡΡΠΈΠΊΠ° ΠΏΠΎΠ»ΠΎΠΌΠΎΠΊ Π²ΡΡΠ²Π»ΡΠ΅ΡΡΡ ΠΏΠΎ ΠΏΡΠΈΠ²Π΅Π΄Π΅Π½Π½ΠΎΠΉ Π²ΡΡΠ΅ ΡΡ Π΅ΠΌΠ΅.
ΠΡΠΈ ΠΏΠ΅ΡΠ΅Π±ΠΎΡΡ Π² ΠΏΡΠΎΠ²ΠΎΠ΄ΠΊΠ΅ Π΅ΡΡΡ Π½Π΅ΡΠΊΠΎΠ»ΡΠΊΠΎ Π²Π°ΡΠΈΠ°Π½ΡΠΎΠ² ΠΏΠΎΠ²Π΅Π΄Π΅Π½ΠΈΡ Π°Π²ΡΠΎΠΌΠΎΠ±ΠΈΠ»Ρ Π² ΡΡΠΎΠΌ ΡΠ»ΡΡΠ°Π΅:
- ΠΠ²ΡΠΎΠΌΠΎΠ±ΠΈΠ»Ρ Π½Π΅ Π΄Π²ΠΈΠΆΠ΅ΡΡΡ ΠΈ Π½Π΅ Π·Π°Π²ΠΎΠ΄ΠΈΡΡΡ. ΠΡΠΈΡΠΈΠ½ Π²ΠΎΠ·ΠΌΠΎΠΆΠ½ΡΡ Π½Π΅ΠΈΡΠΏΡΠ°Π²Π½ΠΎΡΡΠ΅ΠΉ ΠΌΠΎΠΆΠ΅Ρ Π±ΡΡΡ ΠΌΠ½ΠΎΠ³ΠΎ, Π½ΠΎ ΠΏΡΠ΅ΠΆΠ΄Π΅ Π²ΡΠ΅Π³ΠΎ ΡΡΠΎ Π½Π΅ΠΎΠ±Ρ ΠΎΠ΄ΠΈΠΌΠΎ, ΡΠ°ΡΠΏΡΠ΅Π΄Π΅Π»ΠΈΡΠ΅Π»Ρ, ΡΠ°Π±ΠΎΡΠΎΡΠΏΠΎΡΠΎΠ±Π½ΠΎΡΡΡ Π°ΠΊΠΊΡΠΌΡΠ»ΡΡΠΎΡΠ°.ΠΠ°ΠΊ ΠΏΡΠ°Π²ΠΈΠ»ΠΎ, ΠΏΠΎΠ»Π½Π°Ρ ΡΠ°Π·ΡΡΠ΄ΠΊΠ° Π°ΠΊΠΊΡΠΌΡΠ»ΡΡΠΎΡΠ° — ΠΎΠ΄Π½Π° ΠΈΠ· ΡΠ°ΠΌΡΡ ΡΠ°ΡΡΡΡ ΠΏΡΠΈΡΠΈΠ½. ΠΠ΅Π½Π΅ΡΠ°ΡΠΎΡ Π²ΡΡ ΠΎΠ΄ΠΈΡ ΠΈΠ· ΡΡΡΠΎΡ Π³ΠΎΡΠ°Π·Π΄ΠΎ ΡΠ΅ΠΆΠ΅, Π½ΠΎ ΡΠ°ΠΊΠΆΠ΅ ΡΡΠΎΠΈΡ ΡΠ΄Π΅Π»ΠΈΡΡ Π²Π½ΠΈΠΌΠ°Π½ΠΈΠ΅ Π΄ΠΈΠ°Π³Π½ΠΎΡΡΠΈΠΊΠ΅ ΡΡΠΎΠ³ΠΎ ΡΠ»Π΅ΠΌΠ΅Π½ΡΠ° Π½Π° ΠΠΠ 21062 Ρ ΠΠ‘Π.
- ΠΠ°ΡΠΈΠ½Π° Π΄Π²ΠΈΠΆΠ΅ΡΡΡ, Π½ΠΎ ΠΎΠ΄ΠΈΠ½ ΠΈΠ»ΠΈ Π½Π΅ΡΠΊΠΎΠ»ΡΠΊΠΎ ΡΠ»Π΅ΠΊΡΡΠΈΡΠ΅ΡΠΊΠΈΡ ΠΊΠΎΠΌΠΏΠΎΠ½Π΅Π½ΡΠΎΠ² Π½Π΅ ΡΠ°Π±ΠΎΡΠ°ΡΡ Π΄ΠΎΠ»ΠΆΠ½ΡΠΌ ΠΎΠ±ΡΠ°Π·ΠΎΠΌ. ΠΠ°ΠΏΡΠΈΠΌΠ΅Ρ, ΡΡΠΎ ΠΌΠΎΠΆΠ΅Ρ Π±ΡΡΡ Π½Π΅ΠΈΡΠΏΡΠ°Π²Π½ΠΎΡΡΡ ΠΎΡΠ²Π΅ΡΠ΅Π½ΠΈΡ ΡΠ°Π»ΠΎΠ½Π°, ΠΏΠΎΠ²ΠΎΡΠΎΡΠ½ΠΈΠΊΠΎΠ², ΠΎΠ±ΠΎΠ³ΡΠ΅Π²Π° Π·Π°Π΄Π½Π΅Π³ΠΎ ΡΡΠ΅ΠΊΠ»Π° ΠΈΠ»ΠΈ ΠΎΠΏΡΠΈΠΊΠΈ. ΠΡΠ»ΠΈ ΡΡΠΎ ΡΠ°ΠΊ, ΡΠΎ Π² ΠΏΠ΅ΡΠ²ΡΡ ΠΎΡΠ΅ΡΠ΅Π΄Ρ Π½Π΅ΠΎΠ±Ρ ΠΎΠ΄ΠΈΠΌΠΎ ΠΏΡΠΎΠ²Π΅ΡΠΈΡΡ Π±Π»ΠΎΠΊ ΠΏΡΠ΅Π΄ΠΎΡ ΡΠ°Π½ΠΈΡΠ΅Π»Π΅ΠΉ ΠΈ Π²ΡΡΠ²ΠΈΡΡ ΠΏΠ΅ΡΠ΅Π³ΠΎΡΠ΅Π²ΡΠΈΠ΅ ΡΠ»Π΅ΠΌΠ΅Π½ΡΡ.ΠΡΠ»ΠΈ Π²ΡΠ΅ ΠΏΡΠ΅Π΄ΠΎΡ ΡΠ°Π½ΠΈΡΠ΅Π»ΠΈ ΡΠ΅Π»Ρ, ΡΠΎ Π² ΡΠ»ΡΡΠ°Π΅ Ρ ΠΎΠΏΡΠΈΠΊΠΎΠΉ ΡΠ½Π°ΡΠ°Π»Π° ΠΏΡΠΎΠ²Π΅ΡΡΠ΅ΡΡΡ ΡΠ°Π±ΠΎΡΠΎΡΠΏΠΎΡΠΎΠ±Π½ΠΎΡΡΡ Π»Π°ΠΌΠΏ, ΠΏΠΎΡΠ»Π΅ ΡΠ΅Π³ΠΎ ΠΏΡΠΎΠ²Π΅ΡΡΠ΅ΡΡΡ ΠΏΡΠΎΠ²ΠΎΠ΄ΠΊΠ° Π°Π²ΡΠΎΠΌΠΎΠ±ΠΈΠ»Ρ ΠΠΠ 21063 Ρ ΠΠ‘Π ΠΈΠ»ΠΈ Π±Π΅Π·.
- ΡΠΏΡΠ°Π²Π»ΡΠ΅Ρ Π²ΡΠ΅ΠΌΠΈ Π²ΠΎΠ·ΠΌΠΎΠΆΠ½ΠΎΡΡΡΠΌΠΈ ΡΠΈΡΡΠ΅ΠΌΡ Π·Π°ΠΆΠΈΠ³Π°Π½ΠΈΡ;
- ΡΠΏΡΠ°Π²Π»ΡΠ΅Ρ ΡΠ°Π±ΠΎΡΠΎΠΉ ΠΎΡ ΡΠ°Π½Π½ΠΎΠΉ ΠΈ ΠΏΡΠΎΡΠΈΠ²ΠΎΡΠ³ΠΎΠ½Π½ΠΎΠΉ ΡΠΈΡΡΠ΅ΠΌ ΠΠΠ 21063;
- ΠΏΠΎΠ·Π²ΠΎΠ»ΡΠ΅Ρ Π±ΡΠΊΡΠΈΡΠΎΠ²Π°ΡΡ 21063 Ρ ΠΈΡΠΏΡΠ°Π²Π½ΠΎΠΉ ΡΠ²Π΅ΡΠΎΠ²ΠΎΠΉ ΡΠΈΠ³Π½Π°Π»ΠΈΠ·Π°ΡΠΈΠ΅ΠΉ (Π²ΠΈΠ΄Π΅ΠΎ ΠΠ½Π΄ΡΠ΅Ρ ΠΠ»Π΅ΠΊΡΠ°Π½Π΄ΡΠΎΠ²Π°).
ΠΡΠΈΠ½ΡΠΈΠΏ ΡΠ°Π±ΠΎΡΡ ΡΠ»Π΅ΠΊΡΡΠΎΠΎΠ±ΠΎΡΡΠ΄ΠΎΠ²Π°Π½ΠΈΡ
ΠΠ°ΠΌΠΎΠΊ Π·Π°ΠΆΠΈΠ³Π°Π½ΠΈΡ Π½Π° 21063, Π² ΡΠΎΠΎΡΠ²Π΅ΡΡΡΠ²ΠΈΠΈ ΡΠΎ ΡΡ Π΅ΠΌΠΎΠΉ, ΠΈΠΌΠ΅Π΅Ρ ΡΠ΅ΡΡΡΠ΅ ΡΠ΅ΠΆΠΈΠΌΠ°, ΠΏΡΠΈ Π²ΠΊΠ»ΡΡΠ΅Π½ΠΈΠΈ ΠΊΠ°ΠΆΠ΄ΠΎΠ³ΠΎ ΠΈΠ· Π½ΠΈΡ ΡΡΠ°Π±Π°ΡΡΠ²Π°Π΅Ρ ΠΎΠΏΡΠ΅Π΄Π΅Π»Π΅Π½Π½ΠΎΠ΅ ΠΎΠ±ΠΎΡΡΠ΄ΠΎΠ²Π°Π½ΠΈΠ΅:
- Π ΡΠ΅ΠΆΠΈΠΌΠ΅ 0 ΠΈΠΌΠΏΡΠ»ΡΡ ΠΎΡ Π°ΠΊΠΊΡΠΌΡΠ»ΡΡΠΎΡ ΠΏΠΈΡΠ°Π΅ΡΡΡ ΡΠΎΠ»ΡΠΊΠΎ Π½Π° Π΄Π²Π° ΡΠ°Π·ΡΠ΅ΠΌΠ° — 30 ΠΈ 30/1, ΠΎΡΡΠ°Π»ΡΠ½ΡΠ΅ ΡΠ°Π·ΡΠ΅ΠΌΡ ΠΎΠ±Π΅ΡΡΠΎΡΠ΅Π½Ρ.
- Π ΡΠ΅ΠΆΠΈΠΌΠ΅ 1 Π½Π° Π΄ΡΡΠ³ΠΈΠ΅ ΡΠ°Π·ΡΠ΅ΠΌΡ Π½Π°ΡΠΈΠ½Π°Π΅Ρ ΠΏΠΎΡΡΡΠΏΠ°ΡΡ ΠΈΠΌΠΏΡΠ»ΡΡ, Π² ΡΠ΅Π·ΡΠ»ΡΡΠ°ΡΠ΅ ΡΠ΅Π³ΠΎ ΠΌΠΎΠ³ΡΡ ΡΠ°Π±ΠΎΡΠ°ΡΡ Π³Π°Π±Π°ΡΠΈΡΠ½ΡΠ΅ ΠΎΠ³Π½ΠΈ, Π΄Π²ΠΎΡΠ½ΠΈΠΊΠΈ, Π²Π΅Π½ΡΠΈΠ»ΡΡΠΎΡ, Π° ΡΠ°ΠΊΠΆΠ΅ ΠΏΡΠΈΠ±ΠΎΡ.
- Π ΡΠ΅ΠΆΠΈΠΌΠ΅ 2 ΡΠ΅ΠΏΡ Π²ΠΊΠ»ΡΡΠ°Π΅Ρ ΡΠΈΡΡΠ΅ΠΌΡ Π·Π°ΠΆΠΈΠ³Π°Π½ΠΈΡ, Π΄Π°ΡΡΠΈΠΊΠΈ Π½Π° ΠΏΡΠΈΠ±ΠΎΡΠ½ΠΎΠΉ ΠΏΠ°Π½Π΅Π»ΠΈ, ΠΏΠΎΠ²ΠΎΡΠΎΡΠ½ΡΠ΅ ΠΎΠ³Π½ΠΈ ΠΈ ΡΡΠ°ΡΡΠ΅Ρ.
- Π ΡΠ΅ΠΆΠΈΠΌΠ΅ 3 ΡΠ°Π±ΠΎΡΠ°ΡΡ ΡΠΎΠ»ΡΠΊΠΎ Π³Π°Π±Π°ΡΠΈΡΠ½ΡΠ΅ ΠΎΠ³Π½ΠΈ, ΡΡΠ»Π΅Π²ΠΎΠΉ ΠΊΠ»Π°ΠΊΡΠΎΠ½ ΠΈ Π΄Π²ΠΎΡΠ½ΠΈΠΊΠΈ.
Π ΠΏΠΎΡΡΠΎΡΠ½Π½ΠΎΠΌ ΡΠ΅ΠΆΠΈΠΌΠ΅ Π½Π° ΡΠΎΠΊΠ΅ Π² ΠΌΠΎΠ΄Π΅Π»ΠΈ 21063 Π² ΡΠΎΠΎΡΠ²Π΅ΡΡΡΠ²ΠΈΠΈ ΡΠΎ ΡΡ Π΅ΠΌΠΎΠΉ ΡΠ°Π±ΠΎΡΠ°ΡΡ ΡΡΠ»Π΅Π²ΠΎΠΉ ΡΠΎΠΆΠΎΠΊ, ΡΡΠΎΠΏ-ΡΠΈΠ³Π½Π°Π»Ρ, ΡΠ²Π΅ΡΠΎΠ²Π°Ρ ΡΠΈΠ³Π½Π°Π»ΠΈΠ·Π°ΡΠΈΡ, ΠΏΠΎΠ΄ΡΠ²Π΅ΡΠΊΠ° Π½Π° ΠΏΡΠ»ΡΡΠ΅ ΡΠΏΡΠ°Π²Π»Π΅Π½ΠΈΡ, Π° ΡΠ°ΠΊΠΆΠ΅ ΠΏΡΠΈΠΊΡΡΠΈΠ²Π°ΡΠ΅Π»Ρ.ΠΡΠ½ΠΎΠ²Π½ΡΠ΅ ΡΠ»Π΅ΠΌΠ΅Π½ΡΡ ΡΡ Π΅ΠΌΡ Π·Π°ΡΠΈΡΠ΅Π½Ρ ΠΏΡΠ΅Π΄ΠΎΡ ΡΠ°Π½ΠΈΡΠ΅Π»ΡΠΌΠΈ, ΡΠ°ΡΠΏΠΎΠ»ΠΎΠΆΠ΅Π½Π½ΡΠΌΠΈ Π² ΠΎΡΠ½ΠΎΠ²Π½ΠΎΠΌ ΠΈ Π΄ΠΎΠΏΠΎΠ»Π½ΠΈΡΠ΅Π»ΡΠ½ΠΎΠΌ Π±Π»ΠΎΠΊΠ°Ρ , ΡΡΡΠ°Π½ΠΎΠ²Π»Π΅Π½Π½ΡΠΌΠΈ ΠΏΠΎΠ΄ ΠΏΠ°Π½Π΅Π»ΡΡ ΠΏΡΠΈΠ±ΠΎΡΠΎΠ² Π½Π°ΠΏΡΠΎΡΠΈΠ² Π²ΠΎΠ΄ΠΈΡΠ΅Π»ΡΡΠΊΠΎΠ³ΠΎ ΡΠΈΠ΄Π΅Π½ΡΡ (Π²ΠΈΠ΄Π΅ΠΎ ΠΡΡΠ΅ΡΠ»Π°Π²Π° ΠΠΈΡΠ΅ΡΠ°).
Π£ΡΡΡΠ°Π½Π΅Π½ΠΈΠ΅ Π½Π΅ΠΈΡΠΏΡΠ°Π²Π½ΠΎΡΡΠ΅ΠΉ
Π§ΡΠΎΠ±Ρ ΠΏΡΠ°Π²ΠΈΠ»ΡΠ½ΠΎ ΠΏΡΠΎΠΈΠ·Π²Π΅ΡΡΠΈ Π·Π°ΠΌΠ΅Π½Ρ Π½Π΅ΠΎΠ±Ρ ΠΎΠ΄ΠΈΠΌΡΡ ΡΠ»Π΅ΠΌΠ΅Π½ΡΠΎΠ² ΡΡ Π΅ΠΌΡ, ΠΏΡΠΈ ΠΎΠ±Π½Π°ΡΡΠΆΠ΅Π½ΠΈΠΈ Π½Π΅ΠΈΡΠΏΡΠ°Π²Π½ΠΎΡΡΠ΅ΠΉ Π½Π΅ΠΎΠ±Ρ ΠΎΠ΄ΠΈΠΌΠΎ Π²ΡΠΏΠΎΠ»Π½ΠΈΡΡ ΡΠ»Π΅Π΄ΡΡΡΡΡ ΠΏΡΠΎΡΠ΅Π΄ΡΡΡ.
Π’Π°ΠΊΠΈΠ΅ Π΄Π΅ΠΉΡΡΠ²ΠΈΡ Π°ΠΊΡΡΠ°Π»ΡΠ½Ρ, Π΅ΡΠ»ΠΈ ΠΌΠ°ΡΠΈΠ½Π° ΠΎΡΠΊΠ°Π·ΡΠ²Π°Π΅ΡΡΡ Π·Π°Π²ΠΎΠ΄ΠΈΡΡΡΡ:
- ΠΡΠΎΠ²Π΅ΡΠΈΡΡ Π°ΠΊΠΊΡΠΌΡΠ»ΡΡΠΎΡ. ΠΠΎΠ·ΠΌΠΎΠΆΠ½ΠΎ, Π΅Π³ΠΎ ΠΏΡΠΎΡΡΠΎ Π²ΡΠΏΠΈΡΠ°Π»ΠΈ.
- Π ΠΏΠ΅ΡΠ²ΡΡ ΠΎΡΠ΅ΡΠ΅Π΄Ρ ΠΏΡΠΎΠ²Π΅ΡΡΠ΅ΡΡΡ ΡΡΠ°ΡΡΠΎΠΊ Π½Π° ΡΡ Π΅ΠΌΠ΅ ΠΎΡ Π³Π΅Π½Π΅ΡΠ°ΡΠΎΡΠ½ΠΎΠ³ΠΎ ΡΡΡΡΠΎΠΉΡΡΠ²Π° Π΄ΠΎ ΠΊΠ°ΡΡΡΠΊΠΈ. ΠΡΠΈ ΠΎΠ±ΡΡΠ²Π΅ ΡΠ΅ΠΏΠΈ Π·Π°ΠΌΠ΅Π½ΡΡΡΡΡ ΠΈ ΠΏΠΎΠ΄ΠΊΠ»ΡΡΠ°ΡΡΡΡ Π½ΠΎΠ²ΡΠ΅ ΠΏΡΠΎΠ²ΠΎΠ΄Π°, ΠΎΠΊΠΈΡΠ»Π΅Π½ΠΈΠ΅ — ΠΊΠΎΠ½ΡΠ°ΠΊΡΡ ΡΠΈΡΡΡΡΡΡ ΠΆΠ΅Π»Π΅Π·Π½ΠΎΠΉ ΡΠ΅ΡΠΊΠΎΠΉ. ΠΡΠ»ΠΈ ΠΊΠΎΠ½ΡΠ°ΠΊΡΡ Π½Π°ΡΠ°Π»ΠΈ Β«ΡΡΠΏΠ°ΡΡΡΡΒ», ΠΈΡ ΡΠΎΠΆΠ΅ Π½Π΅ΠΎΠ±Ρ ΠΎΠ΄ΠΈΠΌΠΎ Π·Π°ΠΌΠ΅Π½ΠΈΡΡ.
- ΠΡΠΎΠ²Π΅ΡΠΈΡΡ ΠΊΠ°ΡΡΡΠΊΡ Π½Π° Π½Π°Π»ΠΈΡΠΈΠ΅ ΠΈΡΠΊΡΡ. Π‘Π½ΠΈΠΌΠΈΡΠ΅ Π²ΡΡΠΎΠΊΠΎΠ²ΠΎΠ»ΡΡΠ½ΡΠΉ ΠΊΠ°Π±Π΅Π»Ρ Ρ ΠΌΠ΅ΡΡΠ° ΡΡΡΠ°Π½ΠΎΠ²ΠΊΠΈ ΠΈ ΠΏΠΎΠ΄Π½Π΅ΡΠΈΡΠ΅ ΠΊ ΠΊΡΠ·ΠΎΠ²Ρ Π°Π²ΡΠΎΠΌΠΎΠ±ΠΈΠ»Ρ. ΠΡΠΈ ΠΏΠΎΠΏΡΡΠΊΠ΅ Π·Π°ΠΏΡΡΡΠΈΡΡ Π΄Π²ΠΈΠ³Π°ΡΠ΅Π»Ρ Π΄ΠΎΠ»ΠΆΠ½Π° ΠΏΡΠΎΡΠΊΠΎΡΠΈΡΡ ΠΈΡΠΊΡΠ° ΠΌΠ΅ΠΆΠ΄Ρ Π²ΡΡΠΎΠΊΠΈΠΌ Π½Π°ΠΏΡΡΠΆΠ΅Π½ΠΈΠ΅ΠΌ ΠΈ ΠΊΠΎΡΠΏΡΡΠΎΠΌ.
- ΠΡΠΎΠ²Π΅ΡΠΈΡΡ ΠΈΡΠΏΡΠ°Π²Π½ΠΎΡΡΡ ΡΠ²Π΅ΡΠ΅ΠΉ Π·Π°ΠΆΠΈΠ³Π°Π½ΠΈΡ. ΠΡΠ²Π°Π΅Ρ, ΡΡΠΎ ΠΏΡΠΈΡΠΈΠ½ΠΎΠΉ Π½Π΅Π²ΠΎΠ·ΠΌΠΎΠΆΠ½ΠΎΡΡΠΈ Π·Π°ΠΏΡΡΠΊΠ° Π΄Π²ΠΈΠ³Π°ΡΠ΅Π»Ρ ΡΠ²Π»ΡΠ΅ΡΡΡ Π½Π°Π³Π°Ρ, ΠΎΠ±ΡΠ°Π·ΠΎΠ²Π°Π²ΡΠΈΠΉΡΡ Π½Π° ΡΠ²Π΅ΡΠ°Ρ . ΠΡ ΠΌΠΎΠΆΠ΅ΡΠ΅ Π»Π΅Π³ΠΊΠΎ ΠΎΡΠΈΡΡΠΈΡΡ ΠΈΡ ΡΠ°ΠΌΠΎΡΡΠΎΡΡΠ΅Π»ΡΠ½ΠΎ, Π΄Π»Ρ ΡΡΠΎΠ³ΠΎ Π½ΡΠΆΠ½ΠΎ Π²ΡΠ½ΡΡΡ ΡΠ²Π΅ΡΠΈ ΠΈ Π²ΠΎΡΠΏΠΎΠ»ΡΠ·ΠΎΠ²Π°ΡΡΡΡ ΠΈΠ½ΡΡΡΡΠΊΡΠΈΠ΅ΠΉ, ΠΊΠΎΡΠΎΡΡΡ Π²Ρ Π½Π°ΠΉΠ΄Π΅ΡΠ΅ Π·Π΄Π΅ΡΡ.
Π‘Π»Π°Π±ΡΠ΅ ΠΌΠ΅ΡΡΠ° Π² Π±Π»ΠΎΠΊΠ΅ ΠΏΡΠ΅Π΄ΠΎΡ ΡΠ°Π½ΠΈΡΠ΅Π»Π΅ΠΉ
- ΠΠ»ΠΎΡ ΠΎΠ΅ ΡΠΎΠ΅Π΄ΠΈΠ½Π΅Π½ΠΈΠ΅ ΡΠ°ΠΌΠΎΠ³ΠΎ ΠΏΡΠ΅Π΄ΠΎΡ ΡΠ°Π½ΠΈΡΠ΅Π»Ρ Ρ Π³Π½Π΅Π·Π΄ΠΎΠΌ, ΡΡΠΎ ΠΏΡΠΈΠ²ΠΎΠ΄ΠΈΡ ΠΊ ΠΏΠΎΠ΄Π³ΠΎΡΠ°Π½ΠΈΡ Π³Π½Π΅Π·Π΄.
- Π ΠΏΡΠΎΡΠ΅ΡΡΠ΅ ΡΠΊΡΠΏΠ»ΡΠ°ΡΠ°ΡΠΈΠΈ Π°Π²ΡΠΎΠΌΠΎΠ±ΠΈΠ»ΡΠ½ΡΠ΅ ΠΏΡΠ΅Π΄ΠΎΡ ΡΠ°Π½ΠΈΡΠ΅Π»ΠΈ Π²ΡΠ΅Π³Π΄Π° Π½Π°Π³ΡΠ΅Π²Π°ΡΡΡΡ, Π² ΡΠ΅Π·ΡΠ»ΡΡΠ°ΡΠ΅ ΡΠ΅Π³ΠΎ ΠΎΠ½ΠΈ ΡΠ°ΠΊΠΆΠ΅ Π½Π΅Π³Π°ΡΠΈΠ²Π½ΠΎ Π²Π»ΠΈΡΡΡ Π½Π° ΡΠ°ΡΠΏΠΎΠ»ΠΎΠΆΠ΅Π½Π½ΡΠ΅ ΡΡΠ΄ΠΎΠΌ ΡΠΎΠ·Π΅ΡΠΊΠΈ.
- ΠΠ»ΠΎΠΊ Π½Π΅ΠΎΠ±Ρ ΠΎΠ΄ΠΈΠΌΠΎ ΡΠ΅Π³ΡΠ»ΡΡΠ½ΠΎ ΠΏΡΠΎΠ²Π΅ΡΡΡΡ, ΡΠ°ΠΊ ΠΊΠ°ΠΊ ΡΡΠΎΠΈΠΌΠΎΡΡΡ ΠΏΡΠ΅Π΄ΠΎΡ ΡΠ°Π½ΠΈΡΠ΅Π»Π΅ΠΉ Π²ΡΠ΅Π³Π΄Π° Π½Π΅Π²ΡΡΠΎΠΊΠ°, Π° ΡΡΠΎ ΡΠΎΠΎΡΠ²Π΅ΡΡΡΠ²ΡΠ΅Ρ Π½Π΅ ΠΎΡΠΎΠ±ΠΎ Π²ΡΡΠΎΠΊΠΎΠΌΡ ΠΊΠ°ΡΠ΅ΡΡΠ²Ρ ΠΈΡ ΡΠ°Π±ΠΎΡΡ ΠΈ Π½Π°Π΄Π΅ΠΆΠ½ΠΎΡΡΠΈ.

ΠΏΠΎΠ»ΠΎΠΆΠ΅Π½ΠΈΠ΅ I
ΠΠΎ Π²ΡΠ΅ΠΌΡ, ΠΊΠΎΠ³Π΄Π° ΡΠ»Π΅ΠΊΡΡΠΈΡΠ΅ΡΡΠ²ΠΎ ΠΏΡΠΎΡ
ΠΎΠ΄ΠΈΡ ΡΠ΅ΡΠ΅Π· ΠΊΠ°ΡΡΡΠΊΡ, Π² Π½Π΅ΠΉ Π²ΡΡΠ°Π±Π°ΡΡΠ²Π°Π΅ΡΡΡ Π²ΡΡΠΎΠΊΠΎΠ΅ Π½Π°ΠΏΡΡΠΆΠ΅Π½ΠΈΠ΅, ΠΊΠΎΡΠΎΡΠΎΠ΅ ΠΎΠ½Π° ΠΏΠ΅ΡΠ΅Π΄Π°Π΅Ρ Π½Π° ΡΠ²Π΅ΡΡ Π·Π°ΠΆΠΈΠ³Π°Π½ΠΈΡ. Π‘ΡΠ°Π»ΠΎ Π±ΡΡΡ, ΠΊΠ»ΡΡ Π·Π°ΠΌΡΠΊΠ°Π΅Ρ ΠΊΠΎΠ½ΡΠ°ΠΊΡΡ ΡΠ΅ΠΏΠΈ Π·Π°ΠΆΠΈΠ³Π°Π½ΠΈΡ, ΡΠ΅ΠΌ ΡΠ°ΠΌΡΠΌ Π·Π°ΠΏΡΡΠΊΠ°Ρ Π΄Π²ΠΈΠ³Π°ΡΠ΅Π»Ρ Π°Π²ΡΠΎΠΌΠΎΠ±ΠΈΠ»Ρ.

ΠΡΠΈ Π½Π°Π»ΠΈΡΠΈΠ΅ Π²ΡΠ΅Π³ΠΎ Π½Π΅ΠΎΠ±Ρ
ΠΎΠ΄ΠΈΠΌΠΎΠ³ΠΎ ΠΌΠΎΠΆΠ½ΠΎ ΠΏΡΠΈΡΡΡΠΏΠ°ΡΡ ΠΊ ΡΠ΅ΠΌΠΎΠ½ΡΡ.

Π ΡΠ°ΠΊΠΎΠΉ ΡΠΈΡΡΠ°ΡΠΈΠΈ ΠΌΠΎΠΆΠ½ΠΎ ΠΏΠΎΠΏΡΠΎΠ±ΠΎΠ²Π°ΡΡ ΠΎΡΠΈΡΡΠΈΡΡ ΠΊΠΎΠ½ΡΠ°ΠΊΡΡ ΠΏΡΠΈ ΠΏΠΎΠΌΠΎΡΠΈ ΠΎΠ±ΡΡΠ½ΠΎΠ³ΠΎ Π½Π°Π΄ΡΠΈΠ»Ρ (Π»ΡΡΡΠ΅ Π°Π»ΠΌΠ°Π·Π½ΠΎΠ³ΠΎ) Ρ ΠΏΠΎΡΠ»Π΅Π΄ΡΡΡΠ΅ΠΉ ΠΏΡΠΎΠΌΡΠ²ΠΊΠΎΠΉ ΡΠΏΠΈΡΡΠΎΠΌ ΠΈΠ»ΠΈ Π±Π΅Π½Π·ΠΈΠ½ΠΎΠΌ. ΠΠ°ΠΆΠ΄Π°ΡΠ½ΡΡ Π±ΡΠΌΠ°Π³Ρ ΠΈΡΠΏΠΎΠ»ΡΠ·ΠΎΠ²Π°ΡΡ Π½Π΅ ΡΠ΅ΠΊΠΎΠΌΠ΅Π½Π΄ΡΠ΅ΡΡΡ, ΡΠ°ΠΊ ΠΊΠ°ΠΊ Π΅Π΅ Π·Π΅ΡΠ½Π° Π»Π΅Π³ΠΊΠΎ Π²Π½Π΅Π΄ΡΡΡΡΡΡ Π² ΠΌΡΠ³ΠΊΠΈΠΉ ΠΌΠ°ΡΠ΅ΡΠΈΠ°Π» ΠΏΠ»Π°ΡΡΠΈΠ½ ΠΈ ΡΠΎΠ»ΠΊΡ ΠΎΡ ΡΠ°ΠΊΠΎΠΉ Π·Π°ΡΠΈΡΡΠΊΠΈ Π½Π΅ Π±ΡΠ΄Π΅Ρ.