Система питания топливом дизеля ЯМЗ-238
________________________________________________________________
________________________________________________________________
Система питания топливом дизеля ЯМЗ-238
Топливная аппаратура дизельного двигателя ЯМЗ-238 автомобилей Маз, Краз, Урал, трактора К-700 – разделенного типа.
Система питания топливом двс ЯМЗ-238 состоит из: топливного насоса высокого давления со всережимным регулятором частоты вращения и встроенным корректором для корректирования подачи топлива, топливоподкачивающим насосом, форсунок, фильтров грубой и тонкой очистки топлива, топливопроводов низкого и высокого давления.
Рис. 8. Схема системы питания двигателя ЯМЗ-238
А – всасывающая магистраль; В – низкое давление; С – высокое давление; D – слив излишков топлива в бак; 1 – фильтр тонкой очистки топлива; 2 – форсунка; 3 – фильтр грубой очистки топлива; 4 – топливный бак; 5 – топливоподкачивающий насос; 6 – топливный насос высокого давления
Из бака через фильтр грубой очистки топливо засасывается
топливоподкачивающим насосом ЯМЗ-238 и подается в фильтр тонкой
очистки и далее к топливному насосу высокого давления.
Топливный насос ТНВД двс ЯМЗ-238 автомобилей Маз, Краз, Урал, трактора К700 в соответствии с порядком работы цилиндров подает топливо по топливопроводам высокого давления к форсункам, которые распыливают его в цилиндрах двигателя.
Через перепускной клапан в топливном насосе ЯМЗ-238 и жиклер в фильтре тонкой очистки излишки топлива, а вместе с ними и попавший в систему воздух отводятся по топливопроводу в топливный бак.
Просочившееся в полость пружины форсунки топливо отводится по сливному трубопроводу в бак.
Насос расположен в развале дизельного двигателя ЯМЗ-238 между рядами цилиндров и имеет шестеренчатый привод.
Топливный насос высокого давления дизеля ЯМЗ-238 – восьмисекционный, по числу цилиндров двигателя.
Топливоподкачивающий насос двигателя ЯМЗ-238
Топливоподкачивающий насос мотора ЯМЗ-238 — поршневого типа
предназначен для подачи топлива из топливного бака через фильтры
грубой и тонкой очистки к топливному насосу высокого давления.
Производительность топливоподкачивающего насоса ЯМЗ-238 в 3-4 раза превышает производительность топливного насоса высокого давления, что гарантирует стабильность процесса топливоподачи от цикла к циклу.
Устройство насоса двс ЯМЗ-238 автомобилей Маз, Краз, Урал, трактора К-700 показано на рис. 9.
Рис. 9. Топливоподкачивающий насос ЯМЗ-238
1 – корпус; 2 – поршень; 3 – пружина поршня; 4 – уплотнительное
кольцо; 5, 16 – пробки; 6 – втулка штока; 7 – шток толкателя; 8 –
толкатель; 9 – стопорное кольцо толкателя; 10 – сухарь толкатели; 11
– ось ролика; 12 – ролик; 13 – нагнетательный клапан; 14 – пружина
клапана; 15 –
уплотнительные шайбы; 17 – корпус цилиндра; 18 – цилиндр; 19 –
поршень; 20 – шток; 21 – рукоятка; 22 – защитный колпачок; 23, 24,
25 – уплотнительные кольца; 26 –всасывающий клапан; 27 – седло
клапана
Топливоподкачивающий насос дизельного двигателя ЯМЗ-238 крепится
тремя болтами с левой стороны на корпусе топливного насоса высокого
давления и приводится в действие от эксцентрика кулачкового вала
через роликовый толкатель.
В корпусе 1 (рис. 2) насоса размещены поршень 2, пружина 3 поршня, упирающаяся с одной стороны в поршень, а с другой – в пробку 5, всасывающий 26 и нагнетательный 13 клапаны, прижимаемые к седлам 27 пружинами 14.
Полость корпуса насоса дизеля ЯМЗ-238, в которой перемещается поршень, соединена каналами с полостями над всасывающим и под нагнетательным клапанами.
Привод поршня осуществляется толкателем 8 через шток 7.
Ролик толкателя вращается на плавающей оси 11, застопоренной двумя сухарями 10 от продольного перемещения.
Одновременно сухари толкателя, перемещаясь в пазах корпуса 1, предохраняют толкатель от разворота.
Шток 7 перемещается в направляющей втулке 6, которая ввернута в корпус насоса на специальном клее.
Шток и втулка представляют собой прецизионную пару.
Для нагнетания топлива при неработающем двигателе ЯМЗ-238 насос оборудуется ручным топливопрокачивающим насосом.
Этот насос используется для удаления воздуха из топливной системы
перед пуском двигателя, а также для заполнения топливом всей
магистрали при техническом обслуживании топливной аппаратуры.
Форсунки двигателя ЯМЗ-238
Все детали форсунок дизельного двигателя ЯМЗ-238 автомобилей Маз, Краз, Урал, трактора К-700 собраны в корпусе 7 (рис. 10).
Рис. 10. Форсунка дизелей ЯМЗ-238
1 – корпус распылителя; 2 – игла распылителя; 3 – проставка; 4 – штанга; 5 – гайка распылителя; 6 – пружина; 7 – корпус; 8 – штуцер с фильтром; 9 – колпак; 10 – гайка; 11 – шайба; 12 – регулировочный винт; 13 – тарелка пружины; 14 – штифт; 15 – щелевой фильтр
К нижнему торцу корпуса форсунки двс ЯМЗ-238 гайкой 5 присоединяются проставка 3 и распылитель (мод. 335.1112110-50 и 204.1112110-50.01 соответственно).
Взаимное расположение корпуса форсунки, проставки и распылителя определяется штифтами, запрессованными в проставке.
Внутри корпуса 1 распылителя находится запорная игла 2.
Корпус и игла составляют прецизионную пару.
Распылитель имеет пять распыливающих отверстий.
Усилие затяжки пружины 6 (давление начала впрыскивания) регулируется
винтом 12, ввернутым в корпус форсунки.
Винт фиксируется гайкой 10.
Для форсунки ЯМЗ-238 модели 204-50.01 усилие затяжки пружины 6 регулируется регулировочными шайбами, установленными в корпус форсунки.
Топливо подводится к форсунке через штуцер 8 ввернутый в корпус форсунки.
В штуцер запрессован стержень щелевого фильтра 15.
Топливо, просочившееся через зазор между иглой и корпусом распылителя, отводится из форсунки через полость пружины и отверстия в регулировочном винте и колпачке 9.
Форсунка дизельных двигателей ЯМЗ-238 автомобилей Маз, Краз, Урал, трактора К700 устанавливается в стакан головки цилиндров.
Под торец гайки распылителя подкладывается медная гофрированная шайба для уплотнения от прорыва газов.
Фильтр грубой очистки топлива дизеля ЯМЗ-238
Рис. 11. Фильтр грубой очистки топлива дизеля ЯМЗ-238
1 – ось; 2 – колпак; 3 – фильтрующие элементы; 4 – фланец; 5 – наконечник отвода очищенного топлива; 6 – наконечник подвода топлива; 7 – крышка фильтра; 8 – прокладка; 9 – пробка выпуска воздуха; 10 – сливная пробка
Фильтр грубой очистки топлива мотора ЯМЗ-238 состоит из крышки 7, колпака 2
и фильтрующих элементов 3.
Колпак и крышка соединяются четырьмя болтами через фланец 4.
Уплотнение между ними обеспечивается резиновой прокладкой 8.
На колпаке имеется сливная пробка 10.
Топливо в фильтр дизеля ЯМЗ-238 автомобилей Маз, Краз, Урал, трактора К-700 поступает через наконечник 6 и полость в оси 1.
Очистка топлива осуществляется в отстойных ячейках фильтрующих элементов 3, частицы механических примесей и капли воды по наклонным стенкам ячеек дисков перетекают в сборную полость колпака 2.
В процессе эксплуатации предусматривается периодический слив отстоя, промывка колпака и фильтрующих элементов.
Фильтр тонкой очистки топлива дизеля ЯМЗ-238
Рис. 12. Фильтр тонкой очистки топлива дизеля ЯМЗ-238
1 – сливная пробка; 2 – прокладка сливной пробки; 3 – пружина; 4 – фильтрующий элемент; 5 – колпак; 6 – стержень; 7 – прокладка кол- пака; 8 – крышка; 9 – пробка; 10 – прокладка жиклера; 11,15 – клапан-жиклер; 12 – болт; 13 – прокладка; 14 – прокладка фильтрующего элемента
Фильтр тонкой очистки топлива ЯМЗ-238 (рис.
12) состоит из колпака 5
с приваренным к нему стержнем 6, крышки 8 и фильтрующего элемента 4.
Снизу в стержень ввернута сливная пробка 1 с прокладкой 2.
Уплотнение между колпаком и крышкой обеспечивается паронитовой прокладкой 7.
Колпак с крышкой соединен болтом 12, под головку которого поставлена уплотнительная шайба 13.
Сменный фильтрующий элемент 4 изготовлен из специальной бумаги или синтетического полотна.
Пружина 3 прижимает элемент к крышке. С торцовых поверхностей элемент уплотнен прокладками 14.
В крышку ввернут клапан-жиклер 15, который уплотняется прокладкой 10.
Через клапан-жиклер сливается часть топлива вместе с воздухом, попавшим в систему низкого давления.
Клапан-жиклер отрегулирован на давление начала открытия 20 — 40 кПа (0,2 — 0,4 кгс/см2 ).
При малом давлении в системе, что может наблюдаться при пуске,
двигателя автомобилей Маз, Краз, Урал, трактора К700
клапан перекрывает канал и слива топлива не происходит, питание ЭФУ
топливом улучшается.
В процессе эксплуатации предусматривается периодический слив отстоя, смена фильтрующего элемента, промывка колпака.
Топливопроводы дизельных двигателей ЯМЗ-238
Рис. 13. Схема соединения топливопроводами высокого идавления секций ТНВД и форсунок цилиндров двигателя ЯМЗ-238
Для подвода топлива к насосу и форсункам дизеля ЯМЗ-238 и отвода его излишков на двигателе имеется система топливопроводов низкого и высокого давления.
Топливопроводы низкого давления двс ЯМЗ-238 присоединяются пусто- телыми болтами или накидными гайками через наконечники, закрепленные на концах топливопроводов.
Контактные поверхности уплотняются медными шайбами толщиной 1,5 мм.
Двигатели ЯМЗ могут комплектоваться полиамидными топливопроводами низкого давления.
Контактные поверхности уплотняются алюминиевыми шайбами толщиной 1,5 мм.
Топливопроводы высокого давления дизельного двигателя ЯМЗ-238
автомобилей Маз, Краз, Урал, трактора К-700
(рис.
Концы топливопроводов высажены в форме конуса и прижаты накидными гайками к штуцерам топливного насоса высокого давления и форсунок.
Во избежание поломок топливопроводов ЯМЗ-238 от вибрации они должны быть закреплены при помощи специальных скоб.
Для уплотнения в общих головках на топливопроводы высокого давления надеты фланцы.
___________________________________________________________________
___________________________________________________________________
- ТНВД Д-245 — устройство и регулировки
- ГРМ и клапаны Д-245
- Система смазки двигателя Д-245
- Детали топливной системы Д-245
- Операции по регулировке ЯМЗ-236
- Операции по разборке и установке ТНВД ЯМЗ-236
- Система охлаждения и система смазки ЯМЗ-238
- ТНВД ЯМЗ-238
- Характеристики Cummins ISBe, ISLe, ISB, QSB
___________________________________________________________________
___________________________________________________________________
- Головка блока цилиндров ЯМЗ-7511
- Блок цилиндров ЯМЗ-7511
- Коленвал дизеля ЯМЗ-7511
___________________________________________________________________
___________________________________________________________________
- Ремонт и замена коленвала Cummins ISBe, ISLe, ISB
- Ремонт блока цилиндров Камминз ISBe, ISLe, QSB
- Шатунно-поршневая группа Cummins ISBe, ISLe, ISB
- Система охлаждения дизеля ISF 2.
8 - Блок цилиндров и поршни дизеля ISF 2.8
- Компоненты топливной системы Cummins ISF 3.8
- Система смазки двигателя Камминз 3.8
- Система охлаждения Cummins ISF 3.8
Система питания двигателя, ЯМЗ-238Л, ЯМЗ-238Б, ЯМЗ-238ФМ
Топливоподающая аппаратура двигателя — разделенного типа; она состоит из топливного насоса высокого давления со всережимным регулятором частоты вращения и встроенным корректором для корректирования подачи топлива, топливоподкачивающим насосом и муфтой опережения впрыска, форсунок, фильтров грубой и тонкой очистки топлива, топливопроводов низкого и высокого давления (рис. 19).
Из бака через фильтр грубой очистки топливо засасывается топливоподкачивающим насосом и подается в фильтр тонкой очистки и далее к топливному насосу высокого давления. Топливный насос в соответствии с порядком работы цилиндров подает топливо по топливопроводам высокого давления к форсункам, которые распыливают его в цилиндрах двигателя.
Через перепускной клапан в топливном насосе и жиклер в фильтре тонкой очистки излишки топлива, а вместе с ними и попавший в систему воздух отводятся по топливопроводу в топливный бак. Просочившееся через форсунки топливо отводится по сливному трубопроводу в бак.
Система питания двигателя ЯМЗ-238Л (рис.20) дополнительно включает в себя прокачивающий насос с электроприводом, расположенный на основном топливном баке, и дополнительный топливный бак, используемый для пуска двигателя.
Рис. 19. Схема системы питания:
А-всасывающая магистраль, В — низкое давление; С-слив излишков топлива в бак. 1 — фильтр тонкой очистки топлива; 2-форсунка; 3-фильтр грубой очистки топлива, 4-топливный бак; 5-топливоподкачивающийнасос; 6-топливный насос высокого давления
На топливоподкачивающем насосе двигателя ЯМЗ-238Л отсутствует топливопрокачивающий насос. На линии нагнетания установлен демпфер для сглаживания импульсов давления с отводом просочившегося топлива в бак.
Рис. 20. Схема системы питания двигателя ЯМЗ-238Л:
1-прокачивающий насос; 2-основной топливный бак, 3 кран переключении топлива; 4-фильтр грубой очистки топлива; 5-регулятор чистоты вращения, 6-форсунки; 7-топливоподкачивающий насос; 8-форсунки. 9, 12-дрвнажные трубопроводы; 10-топливный насос высокого давления, 11 — дополнительный топливный бак
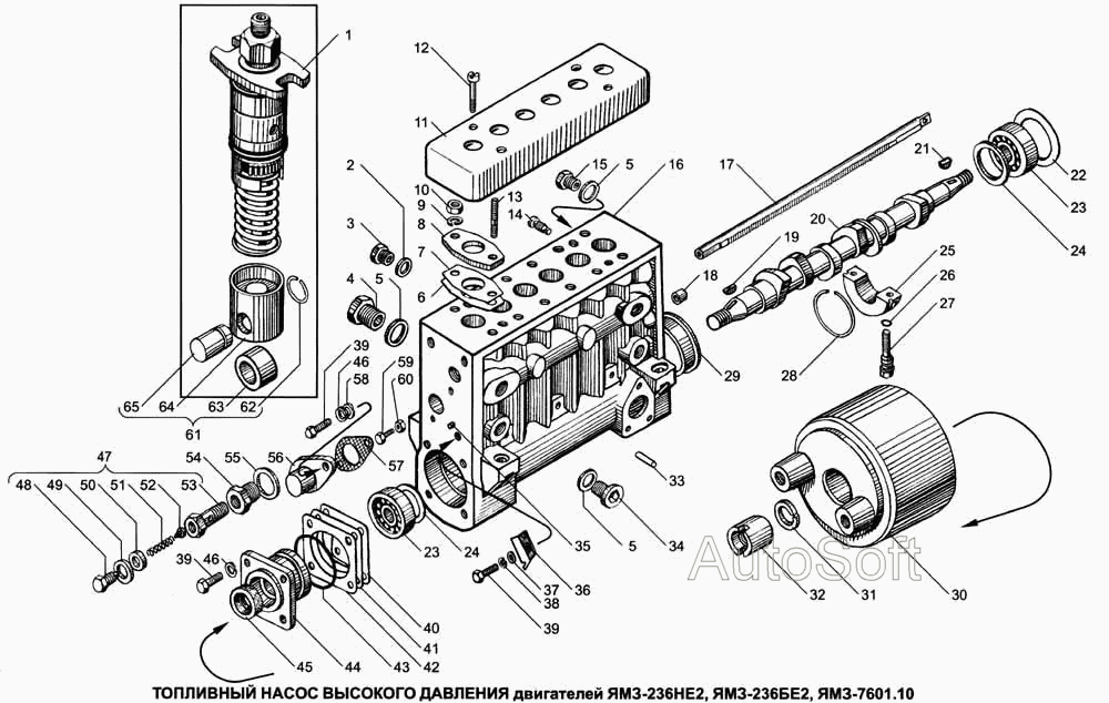
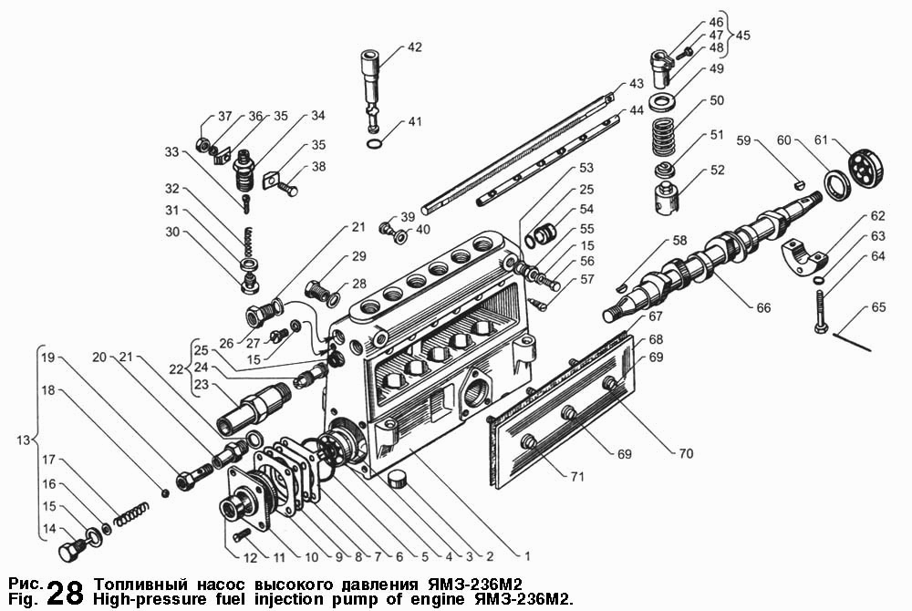
Топливный насос высокого давления ЯМЗ (ТНВД)
Насос расположен в развале двигателя между рядами цилиндров и имеет шестеренчатый привод.
Устройство ТНВД ЯМЗ 238.
Топливный насос высокого давления состоит из секций (отдельных насосных элементов), размещенных в общем корпусе. Число секций равно восьми по числу цилиндров двигателя. Диаметр плунжера топливных насосов двигателей ЯМЗ-238Н, ЯМЗ-238Л и ЯМЗ-238ФМ — 9 мм, двигателей ЯМЗ-238Б иЯМЗ-238Д — 10 мм Ход плунжера 11 мм. Устройство секции высокого давления показано на рис. 21.
В корпусе 14 насоса установлены плунжерные пары, нагнетательные клапаны 10 и штуцеры 7, к которым присоединяются топливопроводы высокого давления.
Нагнетательные клапаны прижаты к корпусам 12 пружинами 9. Нагнетательный клапан и его корпус — прецизионная пара, которая может заменяться только комплектно. Для уплотнения между корпусом клапана и штуцером установлена пластмассовая прокладка 11. Втулка 13 плунжера стопорится в определенном положении винтом 5. Втулка и плунжер составляют прецизионную пару.
Плунжер 18 приводится в движение от кулачкового вала 1 через роликовый толкатель 23. Пружина 19 через нижнюю тарелку 20 постоянно прижимает толкатель к кулачку. От проворота толкатель фиксируется сухарем, выступ которого входит в паз на расточках корпуса насоса. В толкатель ввернут регулировочный болт 21, который застопорен контргайкой и служит для регулировки начала подачи топлива.
Для изменения количества подаваемого топлива плунжер во втулке поворачивается поворотной втулкой 17 с зубчатым венцом 4, входящим в зацепление с рейкой 15. Подача топлива каждой секцией насоса регулируется угловым смещением поворотной втулки 17 относительно зубчатого венца при ослабленном стяжном винте.
Работа секции протекает следующим образом. При движении плунжера вниз под действием пружины 19 топливо под небольшим давлением, создаваемым топливоподкачивающим насосом, поступает через продольный канал в корпусе в надплунжерное пространство. При обратном движении плунжера топливо перепускается в топливоподводящий канал до тех пор, пока торцевая кромка плунжера не перекроет окна гильзы.
Рис. 21. Секция топливного насоса высокого давления:
1-кулачковый вал; 2-боковая крышка; 3-верхняя тарелка; 4-зубчатый венец; 5-установоч-ный винт; 6-экран; 7-штуцер; 8-упор клапана; 9-пружина клапана; 10-нагнетательный клапан; 11 — прокладка; 12-корпус клапана; 13-втулка плунжера; 14-кор-пус насоса; 15 — рейка; 16-стопорный винт рейки; 17-поворотная втулка; 18-плунжер; 19-пружина толкателя; 20 — нижняя тарелка, 21 -регулировочный болт; 22-штуцер подвода масла; 23-толкатель с роликом; 24-опора кулачкового вала
При дальнейшем движении плунжера вверх давление в надплунжерном пространстве возрастает.
Когда давление достигнет величины, при которой открывается нагнетательный клапан, он приподнимается и топливо поступит по топливопроводу высокого давления к форсунке.
Движущийся плунжер продолжает сжимать топливо. Когда давление достигает такой величины, что превышает усилие, создаваемое пружиной форсунки, игла форсунки поднимается и начинает впрыск топлива в цилиндры двигателя. По мере движения плунжера вверх наступает момент, когда кромка плунжера открывает отверстие во втулке, что вызывает падение давления в топливопроводе. При этом нагнетательный клапан, после погружения своего поперечного отверстия в корпус под действием пружины 9, увеличивает объем в топливопроводе между форсункой и кланом. Этим достигается более четкая отсечка подачи топлива.
Количество подаваемого топлива дозируется изменением момента конца подачи при постоянном ее начале. При перемещении рейки плунжер поворачивается и регулирующая кромка открывает отверстие втулки раньше или позже, вследствие чего изменяется продолжительность подачи, а следовательно, и количество подаваемого топлива.
На поверхности плунжера имеется кольцевая канавка, а в стенке втулки плунжера — радиальное отверстие для отвода топлива, просочившегося через зазор в плунжерной паре. Уплотнение между втулкой плунжера и корпусом насоса осуществляется резиновым кольцом. Из полости вокруг втулки плунжера просочившееся топливо отводится в общий канал, проходящий вдоль корпуса насоса, и далее через дренажный трубопровод. Секции смонтированы в корпусе, в нижней части которого помещается кулачковый вал.
Топливный насос высокого давления в сборе с муфтой опережения впрыскивания, регулятором частоты вращения и топливоподкачивающим насосом изображен на рис. 22. Кулачковый вал насоса вращается в роликовых конических подшипниках и промежуточной опоре.
Рис. 22. Топливный насос высокого давления:
А — максимальная частота вращения; Б-минимальная частота вращения; В- рабочее положение скобы; Г-подача выключена; 1-корпус насоса; 2-боковая крышка; 3-рвгулировочная прокладка; 4-муфта опережения; 5-укаэатель; 6-ограничитель мощности; 7-перепускной клапан; 8-пробки для выпуска клапана; 9-регулятор частоты вращения; 10-болт ограничения максимальной частоты вращения; 11 — рычаг управления регулятором; 12-болт ограничения минимальной частоты вращения; 13-корпус буферной пружины, 14-скоба останова; 15-топливоподкачивающий насос
Осевой люфт кулачкового вала в пределах 0,01-0,07 мм регулируется набором прокладок 3.
Рейка топливного насоса перемещается в направляющих втулках, запрессованных в корпусе насоса. Выступающий из насоса конец рейки, защищен втулкой, в которую ввернут винт, ограничивающий мощность двигателя на обкаточный период. Винт-ограничитель на обкаточный период проволокой и пломбируется.
В верхней части вдоль корпуса насоса выполнены подводящий и отводящий каналы, соединенные между собой поперечным каналом. Стенки отводящего канала корпуса насоса с диаметром плунжера 10 мм защищены специальным экраном от эрозионного воздействия струи топлива при осечке. Со стороны регулятора подводящий и отводящий каналы закрыты пробками с уплотнительными резиновыми кольцами. Со стороны муфты опережения впрыска к одному из каналов присоединяется подводящий топливопровод, а по другому каналу через перепускной клапан отводится избыточное топливо. Для выпуска воздуха из системы в корпусе имеются два отверстия, закрытые пробками 8 (Рис. 22). Полость корпуса насоса закрыта боковой крышкой 2. бинты крепления боковой крышки пломбируются.
Топливный насос высокого давления двигателей ЯМЗ-238М и ЯМЗ-238НД ЯМЗ-238М
Топливный насос высокого давления двигателей ЯМЗ-238М, -238АМ, -238ГМ, -238ИМ, -238НД ЯМЗ-238М
Регулятор частоты вращения
Двигатель оборудован всережимным механическим регулятором (рис. 23), который, изменяя подачу топлива в зависимости от нагрузки, поддерживает заданную водителем частоту вращения. Регулятор установлен на заднем торце топливного насоса высокого давления.
На конусе кулачкового вала установлена ведущая шестерня 7. Вращение от вала насоса на ведущую шестерню передается через резиновые сухари 8. Ведомая шестерня выполнена как одно целое с валиком 9 державки грузов и установлена на двух шарикоподшипниках в стакан 10.
Муфта с упорной пятой в сборе одним концом опирается через двадцать семь шариков на направляющую поверхность державки, а за второй конец подвешена на серьге, закрепленной на силовом рычаге 27 (рис. 236) или на рычаге 33 корректора, закрепленном на втулке 31 силового рычага.
Пята регулятора связана общей осью (рис. 236) (у регулятора без оборотного корректора) или через узел обратного корректора (рис. 23а) с рычагом 1 рейки и через тягу 15 — с рейкой 13 топливного насоса. К верхней части рычага рейки присоединена пружина 14 рычага рейки, а в нижнюю часть запрессован палец, который входит в паз кулисы 2.
Рис. 23. Регулятор частоты вращения:
а — с прямым и обратным корректорами; б — с прямым корректором; 1-рычаг рейки; 2-кулиса; 3-пета; 4-муфта; 5-грузы; 6-двржавка грузов; 7-шестерия; 8 — резиновые сухари; 9-валик;10-стакан; 11-вал рычага; 12-рычаг; 13-рейка; 14 пружина рычага; 15 тяга; 16-боят ограничения максимальной частоты вращения; 17-пружина регулятора; 18-рычаг управления; 19-болт ограничения минимальной частоты вращения; 20-двуплечий рычаг; 21 — крышка смотрового люка; 22-еиит двуплечего рычага; 23-регулировочный болт; 24-буферная пружина; 25-корпус буферной пружины; 26-пружина корректора; 27 — силовой рычаг; 28-пружина корректора; 29-пробка; 30-упор; 31-упор; 32-скоба; 33-рмчаг корректора; 34-винт подрегулировки мощности; 35-корректор;
Вал 11 рычага регулятора жестко связан с рычагом 18 управления и рычагом 12 пружины.
За рычаг 20 зацеплена пружина 17 регулятора, усилие которой передается с двуплечего рычага на силовой рычаг через регулировочный винт 22. На силовом рычаге имеется регулировочный болт 23, который упирается в вал рычага регулятора. В нижней части силового рычага находится корректирующее устройство, предназначенное для повышения тяговых качеств двигателя и снижения дымности отработавших газов.
Регуляторы частоты вращения Двигателей ЯМЗ-238Н оснащены прямым корректором. Регулятор двигателя ЯМЗ-238Л оборудован двумя корректорами — прямым и обратным. Корректирующее устройство состоит из втулки 31 (рис. 23а), упора 30, пружины 28, пробки 29, кулисы 26 и регулировочных шайб, или прямого корректора с пружиной.
Регулятор частоты вращения двигателей ЯМЗ-238Б и ЯМЗ-238Д оснащаются корректором подачи топлива по наддуву, который обеспечивает оптимальную величину подачи топлива в зависимости от давления воздуха, подаваемого турбокомпрессором в цилиндры двигателя.
Рис.
24. Корректор подачи топлива по наддуву:
1-гильза упора; 2-упор; 4-пружина поршня; 5-корпус мембраны; 6-крышка корпуса мембраны; 7-контргайка штока мембраны; 8-шток мембраны; 9-корпус пружины корректора; 10-пружина корректора; 11 — золотник; 12-поршвнь; 13-крышка корректора; 14-рычаг корректора; 15-штуцер для подвода масла; 16-корпус корректора; 17-ось рейхи; 18-ось рычага; 19-рычаг; 20-проставка; а — отверстие для подвода воздуха из спускного коллектора
На регуляторы с корректором по наддуву обратный корректор не устанавливается. Корректор по наддуву закреплен сверху на корпусе регулятора.
Устройство корректора по наддуву показано на рис. 24.
Подача топлива полностью выключается механизмом останова, состоящим из кулисы 2 (рис. 23), скобы 32 и возвратной пружины, расположенной снаружи регулятора под крышкой. Кулиса со скобой останова соединяется пружиной, расположенной внутри кулисы и предохраняющей механизм регулятора от чрезмерных усилий при включении подачи топлива.
Во время работы двигателя кулиса прижата усилием возвратной пружины к регулировочному винту 34.
Сзади крышка регулятора закрыта крышкой 21 смотрового люка с буферным устройством, состоящим из корпуса 25, пружины 24 и контргайки.
Основные регулировки, предусмотренные конструкцией регулятора
1. Минимальная частота вращения холостого хода регулируется болтом 19 и корпусом буферной пружины 25.
2. Максимальная частота вращения холостого хода (начала выброса рейки) регулируется болтом 16 ограничения максимальной частоты вращения.
3. Номинальная мощность (подача) регулируется болтом 23.
4. Подрегулировка мощности производится винтом 34.
5. Предварительное натяжение пружины (разность оборотов конца и начала выброса рейки) регулируется винтом 22.
6. Подача топлива при 500 об/мин регулируется шайбами между упором 30 и втулкой 31 корректора.
7. Предварительное натяжение пружины обратного корректора (обороты начала срабатывания корректора) регулируется шайбами, между пружиной 28 и пробкой 29 корректора.
Муфта опережения впрыскивания
Муфта опережения впрыскивания (рис. 25) предназначена для изменения момента начала подачи топлива в зависимости от частоты вращения коленчатого вала двигателя.
Рис. 25. Муфта опережения впрыскивания:
1 — ведомая полумуфта; 2-ось груза; 3 — уплотнительное кольцо; 4-пружина; 5-вадущая полумуфта; 6-винт; 7-втулка ведущей муфты; 8-сальник; 9-гайка крапления муфты; 10-сальник; 11-корпус; 12-груз; 13-пружинная шайба; 14-шпонка; 15-кулачкоаый вал топливного насоса высокого давления; 16-проставка
Муфта крепится на конической поверхности переднего конца кулачкового вала насоса при помощи шпонки и кольцевой гайки.
Топливоподкачивающий насос
Топливоподкачивающий насос (рис. 26) — поршневого типа. Насос крепится тремя ботами с левой стороны на корпусе топливного насоса высокого давления и приводится в действие от эксцентрика кулачкового вала через роликовый толкатель.
В корпусе 2 насоса размещены поршень 2, пружина 3 поршня, упирающаяся с одной стороны в поршень, а с другой — в пробку 5, всасывающий 26 и нагнетательный 13 клапаны, прижимаемые к седлам 27 пружинами 14.
Полость корпуса насоса, в которой перемещается поршень, соединена каналами с полостями над всасывающим и под нагнетательным клапанами. Привод поршня осуществляете толкателем 8 через шток 7. Ролик толкателя вращается на плавающей оси 11 застопоренной двумя сухарями 10 от продольного перемещения.
Рис. 26. Топливоподкачивающий насос:
1 — корпус; 2-поршень; 3-пружинапоршня; 4-уллотнительное кольцо; 5, 16-пробки; 6-втулка штока; 7-шток толкателя; 8-толкатель; 9-стопорное кольцо толкателя; 10-сухарь толкателя; 11-ось ролика; 12-ролик, 13-нагнетательный клапан; 14-пружина клапана; 15-уплотнительныв шайбы; 17-корпус цилиндра; 18-цилиндр; 19-поршень; 20-шток; 21 — рукоятка; 22-эащитный колпачок; 23,24,25-уплотнительмыв кольца; 26-вса-сывакнций клапан; 27-седло клапана
Одновременно сухари толкателя, перемещаясь в пазах корпуса 1, предохраняют толкатель от разворота. Шток 7 перемещается в направляющей втулке 6, которая ввернута в корпус насоса на специальном клее.
Шток и втулка представляют собой прецизионную пару.
Для нагнетания топлива при неработающем двигателе насос оборудуется топливопрокачивающим насосом. Этот насос используется для удаления воздуха из топливной системы перед пуском двигателя, а также для заполнения топливом всей магистрали при техническом уходе за топливной аппаратурой. На двигателе ЯМЗ-238Л топливопрокачивающий насос отсутствует; на его месте устанавливается демпферное устройство.
Форсунка
Форсунка (рис. 27) — закрытого типа, с многодырчатым распылителем и гидравлически управляемой запорной иглой. Все детали форсунки собраны в корпусе 1. К нижнему торцу корпуса форсунки гайкой 2 присоединяется корпус распылителя 3, внутри которого находится запорная игла 4. Игла и корпус распылителя составляют прецизионную пару. Распылитель имеет четыре распыливающие отверстия и фиксируется относительно корпуса двумя штифтами 6.
В отличив от безнаддувных моделей на указанные в настоящей инструкции двигателя устанавливаются форсунки модели «261-02».
Штанга 7 своим нижним концом упирается в хвостовик иглы распылителя. Сверху на штангу напрессована тарелка 8, в которую упирается пружина 9 форсунки. Усилие предварительной затяжки пружины регулируется винтом 10, ввернутым в гайку пружины 11, с контргайкой 12.
Рис. 27. Форсунка:
1 — корпус форсунки; 2-гайка распылителя; 3-корпус распылителя; 4-игла распылителя, 5-шайба; 6-штифт; 7-штамга; 8-тарелка пружины. 9-пружииа; 10-регулировочный винт; 11 г пика пружины, 12-контргайка, 13-колгти, 14 шайба колпака форсунки; 15-штуцер; 15-фильтр; 17 — уплотнитель штуцера
На гайку пружины навернут колпак 13 с уплотнительной шайбой 14. Топливо к форсунке подводится через штуцер 15, в который установлен сетчатый фильтр 16. Топливо, просочившееся через зазор между иглой и корпусом распылителя, отводится из форсунки через дренажную трубку. Форсунка устанавливается в латунный стакан головки цилиндров. Под торец гайки распылителя подкладывается медная гофрированная шайба 5 для уплотнения от прорыва газов.
Форсунка крепится скобой, лапки которой опираются на буртик колпака форсунки. Штуцер форсунки в пазу головки цилиндров уплотняется резиновым уплотнителем 17.
Фильтр грубой очистки топлива
Фильтр грубой очистки топлива (рис. 28) состоит из крышки 5, колпака 7 и фильтрующего элемента 8. Колпак и крышка соединяются четырьмя болтами 2. Уплотнение между ними обеспечивается резиновой прокладкой 6. На колпаке имеется сливная пробка 9 с прокладкой 10. Фильтрующим элементом является ворсистый хлопковый шнур, навитый на сетчатый каркас.
Рис. 28. Фильтр грубой очистки топлива:
1-пружинная шайба; 2-вопт; 3-прокладча пробки; 4-пробка; 5-крышка; 6-прокладка колпака; 7-колпак; 8-фильтруккций элемент; 9-сливная пробка; 10-прокладка сливной пробки
Фильтрующий элемент плотно зажимается по торцам между крышкой и дном колпака. Отверстие в крышке, закрытое пробкой 4 с прокладкой 3, служит для заполнения фильтра топливом.
Фильтр тонкой очистки топлива
Фильтр тонкой очистки топлива (рис.
29} состоит из колпака 5 с приваренным к нему стержнем 6, крышки 8 и фильтрующего элемента 4. Снизу в стержень ввернута сливная пробка 1 с прокладкой 2. Уплотнение между колпаком и крышкой обеспечивается паронитовой прокладкой 7. Колпак с крышкой соединен болтом 12, под головку которого поставлена уплотнительная шайба 13.
Сменный фильтрующий элемент пружиной 3 прижимается к крышке. С торцовых поверхностей фильтрующий элемент уплотнен прокладками.
Рис.29. Фильтр тонкой очистки топлива:
1 — сливная пробка; 2 — прокладка сливной пробки; 3 — пружина; 4 — фильтрующий элемент; 5 — колпак; 6 — стержень; 7 — прокладка колпака; 8 — крышка; 9 — пробка; 10 — прокладка жиклера; 11 — жиклер; 12 — Зонт; 13 — прокладка; 14 — прокладка фильтрующего элемента; 15 — клапан жиклер.
В крышку ввернут жиклер 11, который уплотняется .прокладкой 10. Через жиклер сливается часть топлива вместе с воздухом, попавшим в систему низкого давления. На двигателях, оборудованных электрофакельным устройством, вместо жиклера в фильтр установлен клапан-жиклер 15.
При малом давлении в системе, что может наблюдаться при пуске двигателя, слива топлива не происходит, и питание ЭФУ топливом улучшается.
Топливопроводы
Для подвода топлива к насосу и форсункам, а также для отвода его излишков на двигателе имеется система топливопроводов низкого и высокого давления.
Топливопроводы низкого давления присоединяются пустотелыми болтами или накидными гайками через наконечники, закрепленные на концах топливопроводов. Контактные поверхности уплотняются медными шайбами толщиной 1,5 мм. Топливопроводы высокого давлений имеют одинаковую длину для всех цилиндров двигателя. Концы топливопроводов высажены в форме конуса и прижаты накидными гайками к штуцерам топливного насоса и форсунок. Во избежание поломок топливопроводов от вибрации они должны быть закреплены при помощи специальных скоб.
ТНВД двигателя ЯМЗ 238 | Скачать чертежи, чертежи, блоки Autocad, 3D модели
- Русский
- Компас
- Автоматизированная индустрия
- Образовательный
Узнайте, как скачать этот материал
Telegram бот для поиска материалов
Подпишитесь, чтобы получать информацию о новых материалах:
t.
me/alldrawings
vk.com/alldrawings
Описание
Топливо высокого давления насос двигателя ямз 238. Этот двигатель устанавливается на КАМАЗ 740
Содержание проекта
ТНВД.cdw [ 114 КБ ] |
Дополнительная информация
Чертежи
ТНВД.
cdw
Аналогичные материалы
Трансмиссия ЯМЗ-238 и вал первичного редуктора ЯМЗ-238
Сборочный чертеж топливного насоса высокого давления дизеля Д-245Э5
Продольный и поперечный разрезы двигателя ЯМЗ-238
Анализ схемы отказов двигателя ЯМЗ-238
Стенд разборки и сборки двигателя ЯМЗ-238
Двигатель ЯМЗ-238
Разработка технологии капитального ремонта двигателя ЯМЗ 238 автомобиля КрАЗ 257
Дизельный топливный насос высокого давления 10Д100
Бесплатная загрузка на сегодня
Обновление через: 7 часов 42 минуты
Двухместный салон
Резервуар исходной воды монолитный на 2000 м3
Типовая конструкция 3.
900-9 об. 0 Присоединение инженерных сетей
Подробная информация о типах дверей и окон
Прочие материалы
Полы — чертежи
Дом — спальня — цокольный этаж
Пример проекта трехэтажного городского ЖК с фронтальными проекциями
Дочерний вид — вертикальный разрез
Технические характеристики двигателя ЯМЗ-238, характеристики, масло, характеристики
Двигатель ЯМЗ-238 заслужил репутацию очень надежного и неприхотливого в эксплуатации, благодаря чему запущенный в серию в начале 60-х двигатель продолжает выпускаться на мощностях Ярославского моторного завода и по сей день.
Современные модели ЯМЗ 238 соответствуют всем международным стандартам качества и европейским экологическим нормам, а его стоимость в разы ниже, чем у зарубежных конкурентов с аналогичными техническими характеристиками.
Двигатель предназначен для большегрузных автомобилей «МАЗ», «КрАЗ», «Урал»; тракторы «Кировец» и «ЧТЗ»; комбайны «Дон» и «Полесье»; другое специальное оборудование. Он имеет хорошую топливную экономичность, эффективность и производительность.
Технические характеристики
| Производитель | Открытое акционерное общество «Автодизель», Ярославский моторный завод |
| Также называется | 238 |
| Годы выпуска | 1962 |
| Блок цилиндров из сплава | чугун |
| Тип двигателя | дизель |
| Конфигурация | В |
| Количество цилиндров | 8 |
| Клапанов на цилиндр | 2 |
| Ход поршня, мм | 140 |
| Диаметр цилиндра, мм | 130 |
| Степень сжатия | 16,5 |
| Рабочий объем, см3 | 14866 |
Выходная мощность, л. с. | 235/1700 240/2100 250/1900 280/2100 290/2000 300/1900 320/2100 330/2000 330/2100 330/2100 |
| Крутящий момент, Нм/об/мин | 1108/1300 882/1500 1108/1300 1029/1500 1128. |
| Приказ о стрельбе | 1-5-4-2-6-3-7-8 |
| Евро стандарты | Евро 0 Евро 1 Евро 2 |
| Турбокомпрессор | K27-49 K36-87 турбокомпрессор 11 турбокомпрессор 122 |
| Масса, кг | 1075 (ЯМЗ-238М2) |
| Расход топлива при скорости 60 км/ч, л/100 км (для Урал 4320) | 38 |
| Расход масла, % к расходу топлива | 0,5 0,2 (Евро 2) |
| Рекомендуемое моторное масло: -лето -зима (до +5°С) | М-10-Г2к М-8-Г2к |
| Объем моторного масла, л | 29 (атмосферный) 32 (с турбонаддувом) |
| Интервал замены масла, часов | 500 1000 (Евро-2) |
| Размеры, мм: — длина — ширина — высота | (ЯМЗ-238Б) 1315 1045 1070 |
| Ресурс двигателя — официальная информация, часов — реальная, тыс. км | 8 000 800+ |
Блок цилиндров ЯМЗ-238
Блок цилиндров отлит из низколегированного серого чугуна. Служит основой для установки всех деталей и узлов двигателя. V-образный блок с углом развала 90º. Правый ряд цилиндров смещен относительно левого вперед на 35 мм, что обусловлено установкой по 2 шатуна на каждую шатунную шейку коленчатого вала. Каждое седло цилиндра имеет по 2 соосных цилиндрических отверстия, выполненных в верхней и нижней пластинах блока, по которым центрируется гильза цилиндра, в верхней пластине имеется кольцевая проточка для буртика гильзы.
Головка блока цилиндров ЯМЗ-238
Головка блока цилиндров изготовлена из низколегированного серого чугуна и крепится к блоку шпильками, ввернутыми в блок цилиндров. Шпильки изготовлены из хромоникелевой стали и подвергнуты термообработке. Для обеспечения отвода тепла головка блока цилиндров имеет полость жидкостного охлаждения, сообщающуюся с полостью блока.

с.
км