Регулировка центробежного регулятора на мотоблоке
Регулировка карбюратора мотоблока
Нестабильность оборотов двигателя мотоблока говорит о том, что карбюратор нуждается в регулировке. Необходимость выполнения данной процедуры, как правило, возникает перед началом сельскохозяйственного сезона, когда техника длительное время не использовалась, либо же после него, когда мотоблок подвергался значительным нагрузкам длительный период времени. Перед тем, как приступить к регулировке, необходимо прогреть двигатель. Непосредственно процесс работы выглядит следующим образом:
- Винты, регулирующие малый и максимальный газ вворачиваются полностью, после чего ослабляются примерно на полтора оборота.
- Мотор запускается и около 10 минут прогревается.
- Рычаг, который контролирует работу силовой установки, должен быть установлен в минимальную позицию, но мотор останавливаться не должен.
- Винт, регулирующий заслонку дросселя, поможет отрегулировать минимальные обороты на холостом ходу, чтобы работа мотора была стабильной, без посторонних шумов и остановок.

- Вращение винтов дает возможность точно установить количество горючей смеси, которое попадает в мотор.
- Затягивание винта способствует обогащению смеси, тогда как его выкручивание, наоборот, увеличивает объем воздуха, попадающего в двигатель;
При помощи винта малого газа следует отрегулировать максимальные обороты на холостом ходу. Аналогичным образом следует поступить и с минимальными оборотами, пользуясь винтом упора заслонки дросселя. Суть такой регулировки заключается в том, что винт заслонки позволяет регулировать угол, на который она закрыта;
Рычаг, отвечающий за управление мотором, следует перевести в позицию “газ”. Если работа мотоблока по-прежнему не может быть названа стабильной, винт полного газа регулируется до того момента, пока не будет наблюдаться идеальный ход. Тем не менее, максимально допустимое число оборотов винта – 2.5.
Точность регулировки карбюратора может быть определена и по тому, как выглядит свеча зажигания после непродолжительной работы под нагрузкой.
Если рабочая смесь идеальна, то на свече не будет ни нагара, ни следов топлива, которые говорят о слишком бедной, либо, наоборот, слишком богатой горючей смеси. Нужно, однако, заметить, что нагар или следы топлива на свече могут говорить не только о некорректной регулировке, но и о более серьезных проблемах мотоблока, среди которых неисправное зажигание или система охлаждения.
Регулировка зазора клапанов мотоблока
С течением времени, при значительных нагрузках, зазор клапанов двигателя мотоблока изменяется. Причина этого может заключаться в износе деталей. Недостаточное расстояние приводит к тому, что значительно меняются стадии газораспределения, в результате чего не удается достичь достаточной степени сжатия, силовая установка работает с перебоями и не выходит на заявленную мощность. В особо серьезных ситуациях можно наблюдать даже деформацию клапанов. Если зазор слишком велик, то фиксируются значительные механические шумы, фазы распределения газа также значительно изменяются, клапаны открываются на слишком короткое время, из-за чего цилиндр не заполняется должным образом, мощность падает, случаются сбои.
Регулировка зазоров необходима сразу, как только работа двигателя стала некорректной или происходить со значительным шумом. В идеале, двигатель, на котором ведется регулировка, должен быть остывшим.
Итак, сначала необходимо добраться до маховика. Именно на этой детали отмечено значение верхней мертвой точки. Маховик скрыт под кожухом, а потому придется снять его. Перед снятием кожуха снимается масляная ванна воздушного фильтра. Облегчить задачу в процессе снятия кожуха можно, если зафиксировать все защелки при помощи резинок. Ключом раскручиваются все болтовые соединения, после чего крышка без проблем снимается.
Схема работы центробежных регуляторов
На рисунке 38, а показана схема работы центробежного однорежимного регулятора. Вал регулятора 1 приводится в действие от коленчатого вала двигателя. При уменьшении нагрузки на двигатель число оборотов коленчатого вала, а следовательно, и вала регулятора возрастает. Когда центробежная сила грузов 2 превысит сопротивление пружины 5, прижимающей плечо рычага 4 к скользящей муфте 3, муфта придет в движение и посредством рычагов и тяг прикроет дроссельную заслонку 7.
Рис. 38. Схемы работы центробежных регуляторов: а—схема работы одно режимного центробежного регулятора: 1—вал регулятора; 2—грузы; 3—скользящая муфта; 4—рычаг; 5—пружина; 6—рычаг ручного управления; 7—дроссельная заслояка; б—схема работы всережимного центробежного регулятора: 1—вал регулятора; 2—грузы; 3—скользящая муфта; 4—рычаг; б—пружина; 6—рычаг натяжения пружины; 7—рейка насоса; 8—болт-ограничитель максимальных оборотов; 9—болт-ограничитель минимальных оборотов.
С увеличением нагрузки обороты понизятся, центробежная сила грузов уменьшится, пружина переместит все детали в обратном направлении и приоткроет заслонку.
Начало действия регулятора зависит от упругости пружины: чем больше упругость пружины, тем больше должна быть центробежная сила для того, чтобы преодолеть ее сопротивление. Пружина натягивается при регулировке.
Для получения пониженных оборотов служит рычаг ручного управления в, которым через систему тяг можно прикрывать дроссельную заслонку.
Регулятор при этом на заслонку воздействовать не может. Если рычаг установить в крайнее заднее положение, тогда прекратится воздействие ручного управления на заслонку, пружина регулятора ее приоткроет.
На рисунке 38, б показана схема всережимного регулятора. Упругость пружины 5 можно изменять с помощью рычага 6 в пределах, которые определяются положением болтов 8 и 9. Положение болтов-ограничителей устанавливается при регулировке регулятора.
Регулировка топливной системы мотоблока
Если горючее не подается в цилиндр, то, первым делом, необходимо проверить, достаточно ли топлива залито в бак. Также нужно проконтролировать, поступает ли оно к карбюратору. Для этого с входного штуцера устройства снимается шланг. Если речь ведется о карбюраторе типа К45, следует надавить на его утолитель, чтобы топливо начало выливаться через отверстие дренажа.
Если горючее не попадает в карбюратор, то нужно отвернуть кран подачи топлива, полностью разобрать его и удалить скопления грязи из фильтра механической очистки.
Чтобы добиться максимальной чистоты, все составные элементы нужно обработать бензином. Топливный кран собирается и возвращается на прежнее место.
Если же в карбюратор топливо поступает, но в цилиндры не подается, необходимо проверить корректность работы топливного клапана, а также наличие грязи на жиклерах.
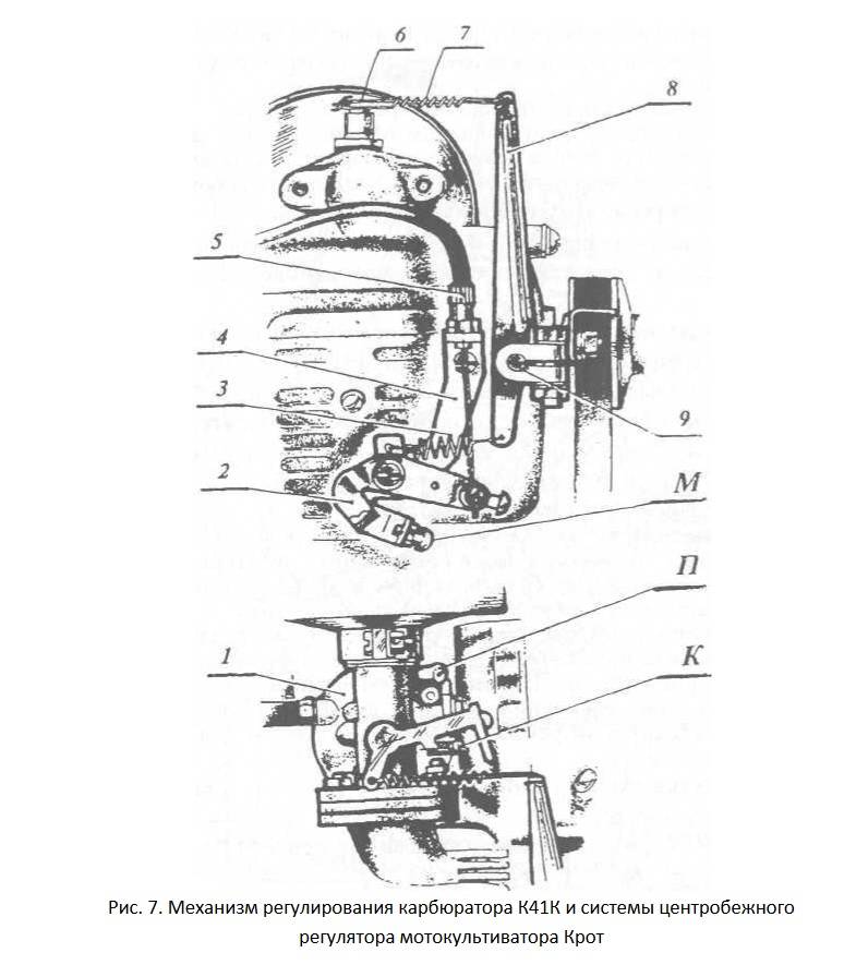
Чтобы разобраться с карбюратором бензинового мотоблока типа КМБ-5, необходимо снять его с мотора и вылить горючее из поплавковой камеры. Через штуцер (смотрите рисунок), с помощью которого ведется подвод бензина, необходимо подать воздушную смесь, предварительно установив карбюратор в рабочее положение. Прохождение воздуха должно идти беспрепятственно, а при перевороте карбюратора – полностью прекращаться. Эти особенности говорят о полной работоспособности детали.
Рис. 2. Карбюратор КМБ-5
Детали на рисунке: 1 – штуцер, подводящий горючее; 2 – верхний корпус; 3 – заслонка дросселя; 4 – игла малого газа; 5 – жиклер; 6 – нижний корпус; 7 – воздушная заслонка; 8 – винт, фиксирующий стяжку; 9 – игла максимального газа; 10 – распыляющий элемент; 11 – поплавок; 12 – клапан подачи горючего.
Уровень горючего внутри поплавковой камеры может быть скорректирован при помощи поплавкового язычка. В идеале, он должен варьироваться от 3 до 3.5 сантиметров.
Чтобы выполнить продувку жиклеров, необходимо вывернуть винты, отвечающие за полный и малый газ. Очистка деталей карбюратора начинается в отворачивание винтов, удерживающих верхний корпус. Нижний корпус снимается, клапан подачи топлива промывается с помощью бензина, а грязь из жиклеров выдувается насосом. Необходимо проверить, цел ли поплавок. Использовать в процессе чистки ветошь категорически нельзя.
После завершения чистки, корпуса соединяются. Необходимо проконтролировать, чтобы трубка распылителя четко прошла в отверстие, расположенное на верхнем корпусе. Откройте заслонку дросселя и проверьте, насколько четко выполнена сборка. Винты, фиксирующие верхний корпус, плотно закручиваются. После того, как процесс сборки полностью завершен, следует отрегулировать карбюратор. Это значительно улучшит показатели работы мотоблока с навесным оборудованием, так как для корректной работы требуется идеальная настройка всех его деталей.
Схема работы центробежных регуляторов
На рисунке 38, а показана схема работы центробежного однорежимного регулятора. Вал регулятора 1 приводится в действие от коленчатого вала двигателя. При уменьшении нагрузки на двигатель число оборотов коленчатого вала, а следовательно, и вала регулятора возрастает. Когда центробежная сила грузов 2 превысит сопротивление пружины 5, прижимающей плечо рычага 4 к скользящей муфте 3, муфта придет в движение и посредством рычагов и тяг прикроет дроссельную заслонку 7.
Рис. 38. Схемы работы центробежных регуляторов: а—схема работы одно режимного центробежного регулятора: 1—вал регулятора; 2—грузы; 3—скользящая муфта; 4—рычаг; 5—пружина; 6—рычаг ручного управления; 7—дроссельная заслояка; б—схема работы всережимного центробежного регулятора: 1—вал регулятора; 2—грузы; 3—скользящая муфта; 4—рычаг; б—пружина; 6—рычаг натяжения пружины; 7—рейка насоса; 8—болт-ограничитель максимальных оборотов; 9—болт-ограничитель минимальных оборотов.
С увеличением нагрузки обороты понизятся, центробежная сила грузов уменьшится, пружина переместит все детали в обратном направлении и приоткроет заслонку.
Начало действия регулятора зависит от упругости пружины: чем больше упругость пружины, тем больше должна быть центробежная сила для того, чтобы преодолеть ее сопротивление. Пружина натягивается при регулировке.
Для получения пониженных оборотов служит рычаг ручного управления в, которым через систему тяг можно прикрывать дроссельную заслонку. Регулятор при этом на заслонку воздействовать не может. Если рычаг установить в крайнее заднее положение, тогда прекратится воздействие ручного управления на заслонку, пружина регулятора ее приоткроет.
На рисунке 38, б показана схема всережимного регулятора. Упругость пружины 5 можно изменять с помощью рычага 6 в пределах, которые определяются положением болтов 8 и 9. Положение болтов-ограничителей устанавливается при регулировке регулятора.
Всережимные регуляторы имеют перед однорежимными ряд преимуществ:
- широкий диапазон действия регулятора обеспечивает трактору большую универсальность, т.
е. возможность работы при различной мощности и различном числе оборотов; - преодолевая препятствия на поворотах и т. д., можно изменить скорость движения трактора без переключения передач;
- повышается экономичность двигателя при работе его с недогрузкой.
Если при работе на II передаче сопротивление прицепной или навесной машины недостаточно, чтобы полностью загрузить трактор, регулятор перемещает рейку насоса назад, а двигатель работает при несколько повышенном числе оборотов. Удельный расход топлива при этом также больше нормального.
При наличии всережимного регулятора можно перейти на III передачу и пониженные обороты, сохраняя прежнюю скорость движения агрегата. Так как при этом мощность двигателя снизится, то загрузка станет более полной и регулятор отодвинет рейку вперед.
Двигатель будет работать на этом режиме при меньшем числе циклов в минуту, но полной подаче топлива за цикл, вследствие чего потери тепла в охлаждающую воду уменьшатся и удельный расход топлива снизится.
Регулировка карбюратора. | Автор топика: Mitsue
Для того, чтобы сберечь мотор в период обкатки, китайцы перестраховываются.
Mikhail (Delman) как простому обывателю изготовить жиклер с меньшей пропускной способностью?
Using (Ramakrisna) Михаил, запаяй старый жиклёр оловом и просверли отверстие меньше, ну или подбери жиклёр подходящий, что вернее
Mikhail (Delman) https://www.wagnerland.ru/index.php? topic=602.msg13410.. тут по понятнее будет
Denis (Vishala) Статья обалденная))))
Denis (Vishala) Костя, Подогнуть либо подпаять лапку клапана.
Mikhail (Delman) Ещё одно наблюдение: главный жиклер от ВАЗовского карбюратора идеально подходит к карбюраторам КДшек. Завтра съезжу, поспрашиваю размеры. У меня есть диаметром в милиметр. Впринцепе и его можно подогнать, если родной утерян
Farid (Ratnamala) На сколько оборотов вывернуть винт регулировки смеси, перед первым запуском?
Denis (Vishala) Фарид, это винт холостого хода. Регулировка смеси в этом карбюраторе осуществляется положением иглы и подбором жиклера.
Farid (Ratnamala) Денис, понятно, спасибо!
Sergey (Volkert) как понять 80 куб я купил или 50.
Alexey (Eckehard) Выкрути свечу из цилиндра, вставь в отверстие соломинку и опусти поршень в нижнее положение. теперь возьми шприц на 20 кубов и заливай бензин в цилиндр. Посчитать скок влил сумеешь )) 49 или больше не 80 точно но около того )))
Denis (Vishala) Сергей, а фото можно?
Denis (Vishala) Андрій, очень хорошо.
Marat (Aingeal) Алексей, меня терзают смутные сомненья, если опустить поршень в нижнее положение и заливать шприцом бензин в цилиндр, не потечет-ли бензин через выпускные или впускные окна цилиндра в выхлопную трубу и во внутрь двигателя. На 3 картинке видно что каналы открыты при нижнем расположении поршня
Alexey (Eckehard) Марат, Логично!! Не подумал я о том ))) Так окошки можно заглушить, к примеру пластилином. Надо мне у себя провести такой тест. Сезон закончиться тогда и посмотрю.
Marat (Aingeal) Алексей, я думаю проще узнать диаметр и ход поршня после чего думаю можно будет расчитать объем цилиндра.
Vladimir (Achelous) Сергей, Простите, что вломился без спросу, случайно попал на ссылку. На F80 шпильки крепления цилиндра М8, на 50-ке — М6.
Vladimir (Achelous) Алексей, Алексей, таким образом ты зальёшь кубиков 200. Через окна всё потечет в картер, а потом и в глушитель!
Vladimir (Achelous) Для оптимизации карбюратора КД прежде всего надо понизить уровень топлива в карбюраторе. Для этого достаточно разобрать его, выкрутить впускной штуцер, удалить прокладку из-под него, и аккуратно собрать обратно. Без прокладки уровень понизится до (-10) — (-11) мм..Жиклер запаять с кислотой припоем, и дунуть в него, пока припой расплавлен. Лишний припой вылетит, останется отверстие, которое надо прокалибровать обычной швейной иглой диаметром 0, 65 — 0, 67 мм, протолкнув её до середины и вытянув обратно. Лишний припой из расширенной части отверстия аккуратно убрать свёрлышком (ВРУЧНУЮ! ), чтобы не повредить собственно жиклер, т.е. калиброванную часть. Пропусная способность такого жиклёра станет 72-76 мл/мин.
Появятся полные обороты.
Виды и способы регулировки карбюраторов
Как известно, мотоблок, как и множество других агрегатов такого типа, работает при помощи двигателя. Из-за того, что двигатель не может воспламениться без подачи кислорода, возникает потребность в использовании карбюратора. Для мотоблока применяются карбюраторы двух типов. Один из них – роторный, другой – плунжерный. Естественно, каждый из упомянутых видов обладает своими преимуществами и недостатками, выбор зависит от мотоблока, его работоспособности и типа выполняемых работ.
Бывают случаи, когда происходят нарушения в работе карбюратора (процесс производится нестабильно). В такой ситуации карбюратору необходима регулировка. Как отрегулировать карбюратор на мотоблоке? Это вполне можно сделать своими руками, следуя определенной последовательности действий.
- Вначале нужно совершить поворот винтов (полного и малого газа) до состояния упора. После этого поверните их на полтора оборота.
- Включите мотор, дайте ему время завестись и прогреться.

- Не заглушайте двигатель и поставьте управляющий мотором рычаг в режим наименьших оборотов.
- Далее задайте минимальное количество оборотов, когда устройство работает стабильно.
- После этого запустите холостой ход на максимум.
- Переключите холостой ход на минимум. Повторяйте это действие, чередуя с предыдущим, пока двигатель не начнет работать без перебоев.
- Возведите управляющий рычаг в положение «газ».
Следуя такой инструкции, можно самостоятельно настроить карбюратор мотоблока.
Вилка центробежного регулятора оборотов 186F для двигателя дизельного мотоблока
Минимальная сумма заказа — 100 грн.
- В наличии
- Условия оплаты и доставки
- График работы
- Адрес и контакты
Если Вы не нашли запчасть, которую искали на сайте, позвоните нам или сделайте запрос, менеджеры свяжутся с Вами в короткие сроки. Товар проходит ряд тщательных проверок, осмотр и тестирование. Мы обеспечиваем гарантийный ремонт.![]()
Всегда рады помочь и Вам! Обращайтесь!
Телефон отдела запчастей: 097-276-75-75 ― Олег
ОПЛАТА
Перечисление денег осуществляется на карту, также возможна оплата наложенным платежом. В наших интересах обеспечить полную комплектацию и целостность товара, его работоспособность и максимальное соответствие заданным требованиям.
ДОСТАВКА
Работая с нами, Вы ограждаете себя от некачественного обслуживания и негативных «сюрпризов» при получении товара. Наши сотрудники ответственно и профессионально подходят к услуге доставки.
ГАРАНТИЯ
На каждый товар есть гарантия, либо от магазина, либо от производителя. Мы обеспечиваем гарантийный ремонт. Это одно из наших главных преимуществ — собственная мастерская при магазине, в которой работают — опытные, а главное квалифицированные мастера!
ЗАПЧАСТИ на любую технику
В магазине представлены к продаже большое количество запчастей и расходников к любой технике. Даже если вы не найдете в нашем интернет магазине интересующую запчасть или расходник, вы всегда можете позвонить нам и мы найдем все, что нужно вам!
4 простых шага к покупке в нашем магазине
Заявка или звонок нам
Консультация специалиста
Оформление заказа
Доставка и оплата
Выбирая нас, Вы доверяете свой заказ профессионалам своего дела, получаете гарантию качественного обслуживания и безопасной доставки.
Множество наших постоянных клиентов по всей Украине уже остались довольны нашими услугами, их доверие свидетельствует о нашей добросовестной работе.
27 ноя 2011 — 28 мин. — Добавлено пользователем Алексей Усадьбин 89182647773центробежный регулятор оборотов на мотоблоке мотогенераторе — Duration : . Мотоблок МБ-1 Луч. Регулятор оборотов на двигателе.
Уход за карбюратором, его замена и ремонт
Иногда, чтобы привести карбюратор для мотоблока в стабильное, рабочее состояние, недостаточно регулировки, необходимы ремонт либо замена.
Бывает так, что воздушная заслонка карбюратора закрывается не полностью. Для устранения этой проблемы следует осуществить контроль работы привода. Если обнаружены заедания – устраните их. Более того, учитывая, что карбюратор обеспечивает подачу топлива и, следовательно, приводит в движение сам мотоблок, следует внимательно следить за состоянием этой детали и правильно ухаживать за ней.
Чтобы избежать серьезной поломки карбюратора, необходимо постоянно следить за его работой.
Кроме регулировки холостого хода, нужно регулярно чистить карбюратор и производить замену износившихся частей. Поскольку карбюратор взаимодействует с топливной горючей смесью и воздухом, причина его загрязнения может находиться либо в первом, либо во втором источнике.
Чтобы сделать степень загрязнения существенно меньше, можно использовать фильтры, которые следует чистить и менять по мере необходимости. Помимо этого, существенно влияет и качество топлива. Некачественная горючая жидкость может привести к повреждению деталей и преждевременной замене. Если возникла потребность, карбюратор к мотоблоку можно приобрести на автомобильном рынке или магазине. Его замену, регулировку и чистку также проводят специалисты.
Вилка центробежного регулятора оборотов 186F для двигателя дизельного мотоблока
Минимальная сумма заказа — 100 грн.
- В наличии
- Условия оплаты и доставки
- График работы
- Адрес и контакты
Если Вы не нашли запчасть, которую искали на сайте, позвоните нам или сделайте запрос, менеджеры свяжутся с Вами в короткие сроки.
Товар проходит ряд тщательных проверок, осмотр и тестирование. Мы обеспечиваем гарантийный ремонт.
Всегда рады помочь и Вам! Обращайтесь!
Телефон отдела запчастей: 097-276-75-75 ― Олег
ОПЛАТА
Перечисление денег осуществляется на карту, также возможна оплата наложенным платежом. В наших интересах обеспечить полную комплектацию и целостность товара, его работоспособность и максимальное соответствие заданным требованиям.
ДОСТАВКА
Работая с нами, Вы ограждаете себя от некачественного обслуживания и негативных «сюрпризов» при получении товара. Наши сотрудники ответственно и профессионально подходят к услуге доставки.
ГАРАНТИЯ
На каждый товар есть гарантия, либо от магазина, либо от производителя. Мы обеспечиваем гарантийный ремонт. Это одно из наших главных преимуществ — собственная мастерская при магазине, в которой работают — опытные, а главное квалифицированные мастера!
Рейтинг
( 2 оценки, среднее 4 из 5 )
Центробежным регулятором в категории «Инструмент»
Ущільнення Відцентрового Регулятора U140/U240 (Оригінал)
Доставка по Украине
295.
20 грн
Купить
Центр Автоматичних Трансмісій Discovery
Радиал упл. кольцо вала центробежного регулятора (пр-во Bosch) 1420283001
На складе
Доставка по Украине
162 грн
113.40 грн
Купить
Автосвет
Рычаг центробежного регулятора ISC GX168 168-124
На складе
Доставка по Украине
16.50 грн
Купить
Пружина центробежного регулятора, большая для моделей двигателя 168F, GX160, GX200 ( L117 )
Доставка по Украине
86 грн
Купить
Интернет магазин «Детали». Запчасти для электро и бензоинструмента
Пружина центробежного регулятора, тонкая для моделей двигателя 168F, GX160, GX200 L108
Доставка по Украине
86 грн
Купить
Интернет магазин «Детали». Запчасти для электро и бензоинструмента
Тяга центробежного регулятора генератора ET-950
Доставка по Украине
40.24 грн
Купить
Интернет магазин «Детали».
Запчасти для электро и бензоинструмента
Пружина центробежного регулятора генератора ET-950 L70
Доставка по Украине
40.24 грн
Купить
Интернет магазин «Детали». Запчасти для электро и бензоинструмента
Тяга центробежного регулятора двигателя 168F, GX160, GX200
Доставка по Украине
96.12 грн
Купить
Интернет магазин «Детали». Запчасти для электро и бензоинструмента
Комплект 3в1 Двигатель для дымососа, регулятор скорости, термопара для твердотопливного котла, печи
На складе в г. Киев
Доставка по Украине
3 218 грн
Купить
ABC Tech
Сальник Валу Відцентрового Регулятора VW010/089/090 75UP (Transtar)
Доставка по Украине
147.60 грн
Купить
Центр Автоматичних Трансмісій Discovery
Регулятор центробежный R185/190/192/195
Доставка по Украине
146 грн
Купить
Техномодуль
Регулятор центробежный R175/180
Доставка по Украине
146 грн
Купить
Техномодуль
Толкатель центробежного регулятора ДД178 F/186 F
Доставка по Украине
47 грн
Купить
Техномодуль
Шток центробежного регулятора 178F
Доставка по Украине
25 грн
Купить
Техномодуль
Шестерня центробежного регулятора 178F
Доставка по Украине
86 грн
Купить
Техномодуль
Смотрите также
Пружина центробежного регулятора тонкая для двигателей 6,5 л.
с. (168F)
На складе в г. Ужгород
Доставка по Украине
59 грн
Купить
интернет-магазин «Optobaza»
Пружина центробежного регулятора толстая для бензинового двигателя 188F (13 л.c)
На складе в г. Ужгород
Доставка по Украине
64 грн
Купить
интернет-магазин «Optobaza»
Центробежный регулятор в сборе для двигателей 168F (6,5 л.с.)
На складе в г. Ужгород
Доставка по Украине
123 грн
Купить
интернет-магазин «Optobaza»
Шестерня центробежного регулятора в сборе для мотопомп (9,0 л.с.)
На складе в г. Ужгород
Доставка по Украине
98 грн
Купить
интернет-магазин «Optobaza»
Шестерня центробежного регулятора оборотов в сборе для бензинового двигателя 188F (13 л.c.)
На складе
Доставка по Украине
162 грн
Купить
интернет-магазин «Optobaza»
Пружина центробежного регулятора тонкая для двигателей 6,5 л.
с. (168F) для генератора мотопомпы мотоблока
На складе
Доставка по Украине
по 79 грн
от 2 продавцов
79 грн
Купить
Практик Плюс
Ущільнююче Кільце Центробіжного Регулятора 722,5 (Оригінал)
Доставка по Украине
147.60 грн
Купить
Центр Автоматичних Трансмісій Discovery
Штанга центробежного регулятора двигателя 168F, GX160, GX200 L141
Доставка по Украине
37.60 грн
Купить
Интернет магазин «Детали». Запчасти для электро и бензоинструмента
Шток центробежного регулятора 186 F
Доставка по Украине
66 грн
Купить
Техномодуль
Втулка шестерни центробежного регулятора для двигателей 6,5 л.с. (168F)
На складе в г. Ужгород
Доставка по Украине
49 грн
Купить
интернет-магазин «Optobaza»
Пружина центробежного регулятора тонкая для мотоблока бензинового 6 л.с.
На складе в г.
Ужгород
Доставка по Украине
59 грн
Купить
интернет-магазин «Optobaza»
Шестерня центробежного регулятора в сборе для мотоблока бензинового 6 л.с.
На складе в г. Ужгород
Доставка по Украине
123 грн
Купить
интернет-магазин «Optobaza»
Втулка шестерни центробежного регулятора для мотоблока бензинового 6 л.с.
На складе
Доставка по Украине
49 грн
Купить
интернет-магазин «Optobaza»
Шестерня центробежного регулятора в сборе для мотоблока бензинового 9 л.с.
На складе
Доставка по Украине
98 грн
Купить
интернет-магазин «Optobaza»
Регуляторы дизельных генераторов
Регуляторы дизельных генераторов иногда называют регуляторами скорости дизельного двигателя. Дизельный двигатель должен поддерживать заданную скорость, чтобы поддерживать выходные характеристики генератора.
Если частота вращения двигателя неправильная, генератор не будет поддерживать требуемые выходные характеристики.
В этой статье будут рассмотрены различные типы регуляторов, устанавливаемых на дизель-генераторные установки.
Губернаторов можно разделить на две основные группы:
• Механическое/электрическое управление — в старых генераторных установках используются эти системы управления. Топливная система управляется механическим регулятором.
• Электронное управление. В новых генераторных установках используется электронная система управления. Эта система взаимодействует и управляет функциями управления двигателем и генератором, обеспечивая постоянный и надежный источник питания.
Механическое/электрическое управление
Механические/электрические системы управления были первыми системами управления, внедренными производителями генераторов. Это сопряженное механическое управление двигателем функционирует с потребностями электрической нагрузки генератора.
Доступно множество систем управления генераторами, все они работают по одним и тем же принципам проектирования. Система управления Woodward представлена ниже:
• Регулятор Woodward — частота вращения двигателя механически регулируется центробежным регулятором. Регулятор получает аналоговые входные сигналы от контроллера.
• Датчик скорости – магнитный датчик, передающий информацию на контроллер Woodward.
• Контроллер Woodward 2301A — получает сигналы от датчика скорости и передает сигналы регулятору и внешним распределительным щитам, поставляемым заказчиком.
Рис. 1. Система управления Woodward
Эта система управления считается аналоговой системой управления. Системные настройки выполняются с помощью регулировочных винтов, повернутых в определенном направлении для выполнения требуемой настройки. Эта система предлагает управление несколькими генераторами.
Генератор (генераторы) подает питание на систему управления распределительным щитом.
Установка дополнительного оборудования может обеспечить удаленную связь и управление системой управления аварийным питанием.
Электронное управление
Разработка и создание генераторов развивались с появлением цифровых технологий. Чтобы проиллюстрировать интерфейс между двигателем и управлением интерфейсом генератора (ов), этот раздел разделен на следующие области:
• Аналоговый и цифровой сигнал — основная концепция, используемая при представлении генераторной установки, двигатель которой оснащен двигателем ECM ( Электронный модуль управления), но не имеет внутренней системы управления.
• ECM — определение интерфейса между функциями ECM и двигателя для генераторных установок, не оснащенных расширенными средствами управления генератором.
• Элементы управления интерфейсом двигателя и генератора — представляет интегрированный программный пакет для управления двигателем и генератором.
Аналоговый и цифровой сигнал
Важно понимать разницу между аналоговыми и цифровыми сигналами (рис. 2) при обновлении старой аналоговой конфигурации до более новой цифровой конфигурации управления:
• Аналоговый сигнал — сигнал определяется как синусоидальная волна. Этот сигнал можно измерить и контролировать через полный цикл высоких и низких пиков. Специальные регулировочные винты позволяют выполнять индивидуальную настройку системы.
• Цифровой сигнал — сигнал определяется как прямоугольная волна. Входы и выходы контроллера находятся в двух состояниях:
- ВЫКЛ – от 0 до 2,5 В постоянного тока
- ВКЛ – от 2,6 до 5,0 В постоянного тока
Если требования объекта диктуют необходимость сопряжения аналоговых сигналов с цифровыми сигналами. Инвертор может быть установлен для преобразования цифрового сигнала в аналоговый сигнал. Можно установить преобразователь для преобразования аналогового сигнала в цифровой
Рисунок 2.
ECM
Этот пример иллюстрирует интерфейс между компонентами генераторной установки, которая имеет расширенные средства управления двигателем, но опирается на внешнюю связь с внешней панелью управления (рис. 3). Пример нижеприведенного потока был разработан с использованием информации из схемы промышленных соединений Cummins QSK45/60. Определение компонента ниже:
• ECM — получает входные сигналы и передает выходные сигналы двигателю. Получает входные сигналы от панели управления.
• Двигатель – первичный двигатель генератора. Принимает входные сигналы и передает выходные сигналы в ECM.
• Панель управления – получает входные сигналы от генератора и передает выходные сигналы в ECM.
ECM двигателя является сердцем системы управления двигателем. Он имеет возможность завершить информационный цикл между двигателем, генератором и панелью управления. Цифровые и аналоговые данные, передаваемые между двигателем, ECM и панелью управления, являются входными или выходными.
• Передача данных от двигателя в ECM — датчик частоты вращения коленчатого вала, температуры и охлаждающей жидкости. Топливный насос, распределительная рейка и давление в топливной рампе.
• Передача ECM в двигатель — запуск двигателя, отключение подачи топлива, приводы топливной и распределительной рампы и муфта вентилятора.
• Передача генератора на панель управления — генератор подает напряжение на панель управления для распределения.
• Передача данных с панели управления на ECM — на панели управления находятся компоненты, поставляемые заказчиком.
Сигналы передаются в ECM для регулировки дроссельной заслонки для поддержания требуемой скорости.
Связь между компонентами системы во время сбоя питания для этой системы:
1. Сигнал запуска, отправленный с панели управления (через автоматический переключатель) через ECM на двигатель.
2. Двигатель запускается. ECM контролирует работу двигателя и регулирует подачу топлива для достижения заданной частоты вращения двигателя.
ECM может отключить двигатель во время критических отказов двигателя.
3. Генератор подает напряжение на панель управления для распределения. Многие панели управления имеют возможность отслеживать статистику работы генератора.
4. Основное питание восстановлено. Панель управления передает сигнал остановки двигателя в ECM. ECM передает сигнал остановки двигателю.
Рис. 3. Усовершенствованный двигатель без элементов управления генератором
Элементы управления интерфейсом двигателя и генератора
Были представлены новые модели генераторов с полным аппаратным обеспечением для мониторинга и управления и вспомогательным программным обеспечением (рис. 4). Добавлены модули для распараллеливания. Такое расположение может быть в резервной конфигурации для критически важных источников аварийного питания. Если один генератор вышел из строя, нагрузка снижается, а другой продолжает поддерживать нагрузку.
В приведенном ниже примере используются два генератора с питанием от генераторов Cummins QSK45. Используемая система управления — PCC 3200. Отдельные модули блока используются для:
• Топливо (разъем 02) — связь с входными и выходными компонентами топливной системы двигателя.
• Base (разъемы 05 и 06) — связывает входные и выходные компоненты базовой функции ядра.
• Генератор (разъем 01) — передает входные и выходные сигналы генератору.
• TB6 — сетевая карта. Позволяет сетевые возможности для каждого генератора в сети.
Последовательность событий при сбое питания проводится в соответствии с основными понятиями в вышеупомянутом разделе ECM. Отличия:
• Все аппаратное и программное обеспечение генератора содержится в одной операционной системе.
• Возможность параллельного подключения нескольких генераторов.
• Расширенные возможности мониторинга и отчетности.
Рисунок 4. Модуль управления PCC 3200 Рисунок 4. Модуль управления PCC 3200
>>Вернуться к статьям и информации<<
Контроллеры малых дизельных двигателей — MSHS
Карьера |
Woodward предлагает системные решения для управления дизельными двигателями и системами доочистки выхлопных газов с надежными контроллерами и компонентами, обеспечивающими оптимальный контроль и мониторинг выбросов. Woodward является экспертом в области систем управления небольшими двигателями, будь то простой монитор состояния двигателя или полная операционная система двигателя.
Программируемый контроллер двигателя APECS® 4500
Программируемый контроллер двигателя Woodward APECS® 4500 управляет небольшими двигателями с искровым зажиганием. Блок управления работает от 9–32 В постоянного тока и принимает сигналы от магнитного датчика, системы искрового зажигания катушечного типа, системы искрового зажигания от магнето или датчика Холла.
Он предлагает выбираемое пользователем изохронное или статическое управление и простую программируемость, а также внешний аналоговый вход, два переключаемых входа, вход переключателя PTO, вход переключателя проверки холостого хода, вход переключателя защиты двигателя, светодиодный индикатор состояния и настраиваемый вспомогательный выход.
Загрузить PDF
Серия DPG
Микропроцессорный цифровой контроллер Woodward серии DPG управляет дизельными или газовыми двигателями. Эти программируемые элементы управления обеспечивают изохронное управление или управление скоростью спада, изохронное распределение нагрузки и точное управление частотой. Работает с приводами APECS и Power Flow: серия DPG 2100 для генераторов, серия DPG 2200 для генераторов с разделением нагрузки, серия DPG 2300 для внедорожников, серия DPG 2400 для клапанов EFC на двигателях Cummins.
Скачать PDF
512/524 и 1712/1724 EPG
Woodward 512/524 и 1712/1724 EPG представляют собой трехкомпонентные системы управления для работы от 12 или 24 В постоянного тока.
Все системы EPG включают привод, электронный регулятор скорости и магнитный датчик. Доступны как изохронное управление, так и управление статизмом. EPG предназначен для точного управления скоростью дизельных, газовых или бензиновых двигателей и газовых турбин. Регулятор особенно подходит для первичных двигателей без механического привода или подачи гидравлического масла для регулятора и которые имеют топливные тяги малой массы и низкого трения.
Загрузить PDF
Интегрированный регулятор скорости двигателя серии L
Регулятор скорости Woodward серии L представляет собой микропроцессорный регулятор скорости двигателя в небольшом корпусе. L-серию можно легко запрограммировать для соответствия рабочим параметрам каждого двигателя, который вы производите. Обладая множеством встроенных функций, регулятор скорости серии L позволяет крупносерийному упаковщику иметь на складе один номер детали, но реализовать широкий спектр стратегий управления двигателем.


е. возможность работы при различной мощности и различном числе оборотов;