Экономайзер принудительного холостого хода
Какое полузабытое, а для кого-то и вообще незнакомое слово – экономайзер! Карбюраторы, которые долгие годы исправно трудились на автомобиле, постепенно уступили свое место различным системам впрыска. Но автомобильный век долог, и порой кому-то приходится сталкиваться с машинами, в которых еще находится место для карбюратора. Ну а его нормальная работа обеспечивается рядом дополнительных устройств, среди них невозможно не упомянуть экономайзер топлива.
Что такое экономайзер в автомобиле?
Работа ДВС основана на сгорании топливовоздушной смеси (ТВС). Ее состав зависит от нагрузки мотора, и должен быть разным при ее изменении. Это означает изменение соотношение между кислородом (воздухом) и бензином при изменении условий движения. Нужные пропорции обеспечивает карбюратор, или в современных машинах – контроллер впрыска. Поэтому, прежде чем говорить про экономайзер, надо рассмотреть работу карбюратора.
Как работает карбюратор
Понять его принцип работы поможет приведенный рисунок.

Это самый простой вариант карбюратора, можно сказать, только поясняющий его устройство и основную идею. Бензин находится в поплавковой камере на постоянном уровне, который поддерживается работой игольчатого клапана. Через воздушный фильтр воздух всасывается в цилиндры двигателя. Он проходит смесительную камеру, благодаря имеющемуся там сужению, в этом месте создается разрежение по отношению к поплавковой, в которой поддерживается уровень атмосферного давления.
Из-за возникшей разницы давлений в смесительную камеру попадает горючее. Проходя через жиклер, оно разбивается на мелкие капельки, испаряется и смешивается с воздухом, вследствие чего образуется ТВС, поступающая в цилиндры мотора. Соотношение между этими компонентами зависит от положения заслонки карбюратора, связанной с положением педали акселератора. Чем сильнее на автомобиле она нажата, тем больше открыта заслонка, выше степень разрежения и больше бензина поступает на образование смеси.
Назначение экономайзера
В тот момент, когда заслонка почти полностью открыта, автомобильный мотор испытывает максимальные нагрузки, а значит, для их преодоления ему требуется большее количество бензина, чем во время работы на обычных режимах. При этом и начинает работать экономайзер, топлива на образование смеси поступает больше, и смесь становится обогащенной. Его назначение и устройство, а также для чего нужен экономайзер, становится понятно из рисунка:

Дроссельная заслонка карбюратора через тяги и рычаги связана со специальным клапаном. Когда она полностью открыта, это вызывает его срабатывание, и дополнительное количество бензина, проходя жиклер экономайзера, идет на образование ТВС. Такое поступление топлива вызывает обогащение смеси и обеспечивает работу мотора при повышенной нагрузке. Когда отпускается педаль газа, заслонка прикрывается, пружина закрывает клапан и работа экономайзера прекращается.
Конструктивно устройство экономайзера может быть выполнено различными способами, конкретную реализацию их затрагивать не будем, т.к. для карбюратора после появления контроллеров впрыска история развития закончилась.
Экономайзер принудительного холостого хода (ЭПХХ)
Рассматривая автомобильный экономайзер, нельзя обойти стороной и такое устройство, как ЭПХХ. У него совсем другое назначение, чем у обычного экономайзера. Если последний, как мы только что рассмотрели, обогащает топливную смесь при значительных нагрузках, то ЭПХХ, наоборот, обеспечивает экономию топлива. Режим принудительного холостого хода – особый вариант движения.
Как правило, это связано с торможением двигателем при движении на спуске или накатом, когда скорость включена и газ отпущен. ЭПХХ дополняет имеющуюся в карбюраторе систему холостого хода. Она выполняет подачу топлива в двигатель при закрытой заслонке. В этом случае за счет разрежения, создаваемого под ней, горючее по специальному каналу холостого хода проходит через жиклер и поступает в мотор, что и обеспечивает его работу в таком режиме.
Однако если при этом машина двигается накатом или с горки, то коленчатый вал вращается с большей частотой, чем свойственно режиму холостого хода, что вызывает повышенное потребление бензина и снижает эффективность торможения двигателем. Для исключения этого срабатывает ЭПХХ, и поступление топлива прекращается. В режиме принудительного холостого хода поступление бензина прерывается с помощью электромагнитного клапана, управляемого достаточно простым электронным блоком.

Исходными данными для срабатывания ЭПХХ (электромагнитного клапана) являются сигнал датчика о закрытой заслонке и повышенное число оборотов коленвала. Такой режим ЭПХХ поддерживает пока:
- скорость движения при отпущенной дроссельной заслонке не уменьшится;
- не будет выключена передача и автомобиль начнет двигаться в режиме обычного холостого хода;
- водителем не будет нажата педаль газа и движение продолжится с повышенной скоростью, экономайзер выключится по положению заслонки.
Работа экономайзера в составе карбюратора обеспечивает обогащение ТВС при повышенной нагрузке, а также экономию топлива и лучшую эффективность торможения мотором в режиме принудительного холостого хода.
znanieavto.ru
Экономайзер принудительного холостого хода карбюратора: принципы экономии
Ищем двух авторов для нашего сайта, которые ОЧЕНЬ хорошо разбираются в устройстве современных автомобилей.Обращаться на почту [email protected].
Несмотря на повальное вытеснение карбюраторных систем инжекторными, огромное количество двигателей старой конструкции еще на ходу. Многие модели классики ВАЗ оснащены карбюраторами Солекс или ДААЗ. Для регулировки мощности мотора, в зависимости от нагрузки, устанавливаются так называемые экономайзеры. Эти устройства работают по аналогии с электронными блоками управления инжекторных моторов. Разумеется, добиться таких же параметров экономичности и экологичности двигателя не получится, но качество работы карбюраторного мотора существенно улучшается.
По сути, любой экономайзер – это клапан, который приводится в действие электромагнитом или пъезоэлементом. Он управляется несложным программируемым компьютером (скорее контроллером), и позволяет корректировать основные настройки. Назначение экономайзера исходит из названия: повысить экономичность силового агрегата без потери мощности, снимаемой с коленчатого вала.
Отметим, что установить экономайзер на карбюратор, не предназначенный для этого, нельзя. Конструкция камер специально рассчитывается для работы с управляемыми клапанами.
Система экономайзеров также нуждается в периодическом обслуживании, как и остальные клапана и жиклеры карбюратора. Для понимания механизма работы, разберем популярные карбюраторы, устанавливаемые на классике и переднеприводных моделях ВАЗ.
Устройство экономайзера карбюратора
Узел выполнен в виде отдельного модуля в собственном корпусе. Исполнительный механизм находится внутри, и не подлежит обслуживанию. С наружной стороны электрическая часть с контактами разъема подключения, с внутренней (находящейся в полости камер карбюратора) головка клапана. Если экономайзер имеет механический привод, проводов подключения нет.

Служит он для контроля подачи топлива. Модуль управления получает данные с различных датчиков (система работает почти как на инжекторе), и на основе установленной заводской программы, дает команду исполнительным механизмам. Соответственно, механический агрегат работает при создании условий срабатывания привода. На большинстве карбюраторов устанавливаются следующие виды устройств:
Экономайзер принудительного холостого хода (аббревиатура: ЭПХХ)
Прибор разработан, как техническое развитие клапана холостого хода. При этом у него есть и уникальные функции. Клапан может полностью перекрывать поступление топлива по жиклеру холостого хода. Контроллер управления получает два сигнала: определенное количество оборотов коленчатого вала, и отсутствие движения педали акселератора. Система позволяет существенно экономить топливо при торможении двигателем. Компрессия цилиндров гасит обороты коленвала, при этом бензин в камеры сгорания не поступает. Соответственно, отсутствует негативный эффект, когда несгоревшее топливо попадает в глушитель, и в нем сгорает. Раньше водители переходили на нейтральную передачу, для экономии на затяжных спусках. Это небезопасно, к тому же в автомобиле перегреваются и изнашиваются тормоза. В режиме движения на передаче, управление автомобилем более предсказуемо, и всегда есть возможность притормозить холодными колодками, чего нельзя сделать при спуске накатом.
При общении с профессиональными мастерами сервиса, вы можете услышать аббревиатуру ЭМК (электромагнитный клапан). Это сленговое наименование ЭППХ.
На фото видно, как расположен ЭППХ, и как его демонтировать.

Экономайзер мощностных режимов (ЭМР).
Технически выполнен, как вакуумный регулятор. Работает в механическом режиме, что делает его надежным и неприхотливым в обслуживании. Диафрагма экономайзера обеспечивает нормально открытый клапан (по принципу электромагнитных реле). Только вместо катушки и сердечника, применяется шарик и пружина.
Расположение и составные части ЭМР можно увидеть на иллюстрации:

Открытый шариковый клапан свободно пропускает бензин по каналу жиклера. При умеренных нагрузках, в камере карбюратора возникает естественное разряжение, приводящее в движение мембрану (диафрагму) экономайзера. Это усилие больше, чем сопротивление пружины шарика, Дополнительный приток бензина прекращается, возникает экономия топлива. При более сильном нажатии на акселератор, разряжение снижается, мембрана переходит в режим покоя. Система снова открывает дополнительный поток бензина, обеспечивая дополнительный подхват мощности за счет принудительного обогащения смеси.
Неисправности экономайзеров
Как и любой иной узел, экономайзер подвержен износу и поломкам. Признаки, по которым можно определить его неисправность:
- Вне зависимости от нагрева двигателя, возникают перебои на холостых оборотах;
- Прогретый двигатель плохо заводится;
- Неоправданно высокий расход бензина;
- Двойной признак – и расход повысился, и мощность упала. Особенно это заметно при движении в горной местности;
- Экономайзер мощностных режимов «потеет» бензином (характерно для карбюратора Солекс)
Любой из этих признаков говорит о неисправности одного из экономайзеров, но лишь при условии, что остальные системы двигателя исправны.
К сожалению, экономайзеры отремонтировать невозможно, для замены придется покупать новый. Некоторые производители выпускают запасные клапана, например, для карбюратора Солекс, а вот ДААЗ предлагает приобретать целый карбюратор. Однако с учетом огромного количества выпущенных двигателей, найти б/у карбюратор с исправным экономайзером не составит труда.
Не стоит сразу бежать за новой (или исправной б/у) запчастью. В большинстве случаев помогает небольшая регулировка, или даже просто очистка подвижных элементов прибора. Нужно регулярно осматривать и анализировать работу экономайзеров, тогда вы не столкнетесь с внезапной поломкой.
Разобравшись, как работает экономайзер, можно легко восстановить проблемный узел, если нет поломки внутри корпуса.
Замена и профилактический ремонт
Экономайзер принудительного холостого хода карбюратора имеет электрический привод, поэтому при его отказе в первую очередь смотрим проводку и состояние контактов. Затем аккуратно демонтируем прибор с помощью рожкового ключа.

Сам карбюратор снимать необязательно, достаточно осушить камеру от топлива.
Важно! Подобные работы связаны с опасностью возгорания бензина!
Следовательно никаких сигарет во время работы, и в зоне доступности должен находиться исправный огнетушитель.
Открутив ЭППХ, промываем его карбклинером, и проверяем работоспособность с помощью аккумулятора. Исправный клапан должен срабатывать на 5 мм. Если нет – пробуем промыть место входа штока во втулку. Не помогло – ставим новый прибор.
Для профилактики не помешает промыть и отверстие жиклера экономайзера, расположенное в карбюраторе. После промывки все узлы продуваются сжатым воздухом.
Экономайзер мощностных режимов чинить бесполезно, его надо сразу менять. Собственно ремонт и заключается в замене мембраны и пружинки, которые являются основными узлами. Крышка не ломается. Снимается он с помощью отвертки.

После демонтажа разбираем его на компоненты и меняем поломанные детали.
Любая, даже малозаметная деталь карбюратора может привести к нарушению режимов его работы. Не пренебрегайте регулярным обслуживанием (очистка, проверка работоспособности), и вы всегда будете уверены в том, что доедете до места назначения.
Автовладельцы, которые клянут последними словами карбюратор, просто не понимают принципа его работы. Надеемся, что наш материал, если не сделает из вас профессиональных механиков, то уж точно поможет сделать автомобиль надежнее.
Если у вас возникли вопросы — оставляйте их в комментариях под статьей. Мы или наши посетители с радостью ответим на них
swapmotor.ru
Экономайзер принудительного холостого хода (ЭПХХ) карбюратора Солекс 2108, 21081, 21083
Разберем устройство и принцип действия экономайзера принудительного холостого хода (ЭПХХ) карбюраторов семейства Солекс устанавливаемых на двигателя автомобилей ВАЗ 2108, 2109, 21099 и их модификации. ЭПХХ является одной из систем карбюратора 2108, 21081, 21083 Солекс. Она отвечает за обеспечение работы двигателя автомобиля на принудительном холостом ходу.
Назначение системы ЭПХХ
Система экономайзера принудительного холостого хода карбюратора Солекс 2108, 21081, 21083 предназначена для отключения подачи топлива через систему холостого хода на режиме торможения двигателем и после выключения зажигания. Она обеспечивает сокращение расхода топлива до 0,5 литра на 100 км, предотвращает возникновение дизелинга (калильного зажигания), сокращает выброс в атмосферу токсичных соединений образующихся при ухудшении смесеобразования на режиме ПХХ.
Устройство ЭПХХ Солекс
Электромагнитный клапан карбюратора – исполнительное устройство системы, прекрывающее своей иглой, по команде блока управления, отверстие в топливном жиклере системы ХХ, тем самым прекращая через нее подачу топлива. Установлен в карбюраторе.


Контакт винта «количества» топливной смеси (датчик-винт) – наконечник винта «количества» топливной смеси с присоединенным к нему проводом. При отпущенной педали «газа» и закрытых дроссельных заслонках контакт касается ребра рычага на оси дроссельной заслонки (замкнут на «массу»), на блок управления идет сигнал о том, что дроссельная заслонка закрыта.
После нажатия на педаль «газа» контакт наконечника винта «количества» и рычага дроссельной заслонки размыкается (не замкнут на «массу»), на блок управления идет сигнал, что дроссельная заслонка открыта. Установлен на карбюраторе.
видимые элементы системы ЭПХХ карбюратора Солекс в подкапотном пространстве автомобиля ВАЗ 21083Принцип действия системы экономайзера принудительного холостого хода карбюратора Солекс
Движение автомобиля по инерции с включенной передачей и отпущенной педалью «газа» (торможение двигателем) называется принудительным холостым ходом (ПХХ). На этом режиме резко ухудшаются условия сгорания топливной смеси в цилиндрах двигателя, увеличивается выброс СО и СН, возрастает расход топлива. ЭПХХ отключает подачу топлива на режиме ПХХ в цилиндры двигателя, тем самым оптимизируя состав топливной смеси и экономя топливо.
Блок управления в этой ситуации принимает сигналы с замкнувшегося на «массу» контакта на винте «количества» о том, что дроссельная заслонка закрыта и с катушки о частоте вращения коленчатого вала на данный момент. Если частота вращения выше 2100 оборотов в минуту он прекращает подачу напряжения на вывод электромагнитного клапана карбюратора и тот перекроет отверстие топливного жиклера СХХ. Подача топлива через систему холостого хода прекратится. Как только частота вращения коленчатого вала снизится до 1900 об/мин, блок управления возобновит подачу напряжения на электромагнитный клапан. Его игла втянется и откроет отверстие в топливном жиклере СХХ. Система холостого хода заработает.
То есть для принудительного отключения подачи топлива через систему холостого хода электронному блоку управления необходимо два условия – сигнал о закрытой дроссельной заслонке и сигнал о величине оборотов двигателя.
Неисправности в работе двигателя связанные с ЭПХХ Солекс
— Двигатель глохнет в движении автомобиля при сбросе «газа»
Аналогичная неисправность может возникнуть и при засорении системы холостого хода карбюратора. Это нужно учитывать при диагностике неисправностей ЭПХХ.
— Дизелинг (калильное зажигание)
Двигатель работает некоторое время после выключения зажигания.
Примечания и дополнения
Принудительный холостой ход (ПХХ) – один из режимов работы двигателя. Выполняется при движении автомобиля с включенной передачей и полностью отпущенной педалью «газа». Например, при торможении двигателем или движении на спуске. В этом случае, дроссельные заслонки обеих камер карбюратора полностью закрыты, обороты коленчатого вала двигателя выше 1900 об/мин. Ниже 1900 об/мин вступает в работу система холостого хода.
Дизелинг (калильное зажигание) – непродолжительная работа двигателя после выключения зажигания. Топливо, попадающее в цилиндры двигателя под действием разрежения из карбюратора, воспламеняется от нагретой свечи, происходят вспышки в камерах сгорания, перемещающие поршни. Возможен при неисправной системе ЭПХХ и применении «горячих» свечей (свечей с температурными характеристиками не соответствующими данному типу двигателей).
Еще статьи по карбюраторам Солекс
— Проверка и ремонт системы ЭПХХ карбюратора 2108, 21081, 21083 Солекс
— Неустойчивый холостой ход двигателя с карбюратором Солекс
— Прочистка системы холостого хода карбюратора Солекс
— «Троит» двигатель, причины
— Обороты холостого хода карбюраторного двигателя не поддаются регулировке
twokarburators.ru
Экономайзер карбюратора ВАЗ — что это и как работает ЭПХХ

Большинство карбюраторов (кроме совсем древних моделей) применяемых на автомобилях ВАЗ, оснащены двумя типа экономайзеров. Прочитав статью, вы узнаете:
- для чего нужны эти устройства;
- как они работают;
- по каким признакам определяют их состояние;
- как настраивают.
Что такое экономайзер и для чего он нужен

Экономайзером называю устройство, которое регулирует подачу топлива. В карбюраторах автомобилей ВАЗ применяют следующие типы экономайзеров:
- Экономайзер принудительного холостого хода (ЭПХХ), который иногда называют электромагнитным клапаном (ЭМК).
- Экономайзер мощностных режимов (ЭМР).
ЭПХХ установлен в верхней части карбюратора, под воздушным фильтром и состоит из соленоида, пластикового привода (по своим функциям аналогичен игольчатому клапану) и жиклера холостого хода. Он отключает подачу топлива по каналу холостого хода в смесительную камеру, если выполнены два условия – скорость вращения коленчатого вала превышает 1,7–2 тысячи оборотов в минуту и нога водителя не находится на педали газа. Сигнал на включение ЭПХХ подает блок управления, подключенный к микровыключателю и системе зажигания. ЭХПП серьезно экономит топливо при движении в горной местности. Во время затяжных спусков он блокирует подачу топлива по системе холостого хода и автомобиль переходит в режим торможения двигателем. Кроме экономии топлива это повышает безопасность движения, ведь на затяжном спуске управляемость и устойчивость автомобиля на пониженной передаче гораздо выше, чем на нейтралке.

ЭМР установлен в нижней части карбюратора, под ЭПХХ. Это устройство состоит из подпружиненной мембраны и клапана. В спокойном состоянии (когда мотор выключен), пружина мембраны давит на шарик, продавливает сопротивление его пружины, благодаря чему бензин свободно проходит через этот клапан, проходит по каналу и поступает в распылитель. Когда мотор работает, разряжение, возникающее ниже дроссельной заслонки, ослабляет влияние пружины диафрагмы, в результате чего пружина клапана выжимает шарик и последний перекрывает поступление бензина в топливный канал. Если педаль газа нажата сильней, чем на 2/3, разряжение ниже дроссельной заслонки падает и клапан открывает путь топливу к распылителю смесительной камеры. В результате смесь становится более обогащенной, что обеспечивает увеличение крутящего момента двигателя.
Признаки неисправности экономайзеров

Вот список признаков, которые могут говорить о неисправности одного из экономайзеров:
- неустойчивая работа на холостых оборотах;
- затрудненный пуск прогретого двигателя;
- увеличившийся расход топлива;
- падение мощности и одновременное увеличение расхода топлива;
- капли бензина в районе ЭМР.
Неустойчивая работа двигателя на холостых оборотах может возникнуть из-за неисправности ЭПХХ. При включении зажигания, блок управления подает на клапан напряжение 12 вольт, в результате чего соленоид втягивает пластиковый привод, перекрывающий проход бензина через жиклер холостого хода. Еще одна причина неустойчивой работы на холостых оборотах – грязь в соответствующем жиклере. Пуск прогретого двигателя происходит через систему холостого хода при полностью отпущенной педали газа. Если пуск затруднен и требуется нажатие на педаль газа, скорее всего, забит жиклер или поврежден соленоид.
Видео — Установка системы ЭПХХ
Увеличение расхода топлива может быть связано с множеством факторов, в том числе с неправильной работой ЭМР. Если пружинка клапана ослабла или поломалась, то клапан экономайзера будет открыт постоянно, переобогащая топливовоздушную смесь. При полностью нажатой педали газа это увеличивает мощность двигателя, но в остальных режимах наоборот, приводит к падению мощности. Из-за этого водитель вынужден сильней давить на газ, что еще больше увеличивает расход топлива. Если диафрагма ЭМР потеряла герметичность или плохо затянута крышка, то бензин будет попадать во впускной коллектор ниже дроссельной заслонки, а также просачиваться наружу. Последнее особенно опасно, потому что может привести к возгоранию топлива.
Диагностика и ремонт ЭПХХ

Как проверять основные системы карбюратора, снимать его с впускного коллектора и сливать топливо, читайте в статье (Карбюратор). Также внимательно прочитайте статью (техника безопасности для ремонта и обслуживания автомобилей), это поможет вам избежать возгорания топлива.
Заменить ЭПХХ или прочистить его жиклер можно без снятия карбюратора. Снимите воздушный фильтр, отсоедините провод от экономайзера и выкрутите его из корпуса карбюратора. Снимите жиклер с пластикового привода и промойте. С помощью двух проводков присоединяйте ЭПХХ к аккумулятору, если привод втягивается больше, чем на 5 мм, экономайзер исправен. Если нет, его необходимо заменить. Не забудьте продуть всю систему холостого хода. Для этого прысните в отверстие для установки ЭПХХ очиститель карбюратора и через 1 минуту продуйте с помощью компрессора.
Любые работы, связанные с ЭМР, проводите только на снятом карбюраторе, слив с него топливо. Положите нижнюю часть карбюратора на чистый стол и открутите 3 винта крепления крышки и диафрагмы. Снимите крышку и дифрагму, не потеряйте пружинку. Снимите шланг вакуумного регулятора опережения зажигания и наденьте его на клапан. Попытайтесь всосать воздух через этот шланг. Если клапан исправен, то воздух не пройдет. Если воздух проходит, клапан необходимо заменить.
Завод ДААЗ, основной поставщик карбюраторов для автомобилей ВАЗ, не выпускает запасные клапаны, поэтому его придется либо снимать с другого карбюратора, либо использовать продукцию других производителей. Чтобы снять клапан, потребуются плоская отвертка и паяльная лампа. С помощью паяльной лампы нагрейте нижнюю часть карбюратора до температуры 100–120 градусов и утконосами вытащите клапан из седла. Не перегревайте карбюратор. Когда карбюратор остынет, обязательно прочистите все каналы ЭМР. Перед установкой нового клапана нагрейте карбюратор до 80–90 градусов. Затем вставьте новый клапан и легкими ударами через оправку, внутренний диаметр которой чуть-чуть больше разрезанной трубки клапана, запрессуйте его на место. Когда карбюратор остынет, установите новую мембрану, пружинку и крышку ЭМР. Закрутите винты и соберите карбюратор, после чего установите его на место.
vipwash.ru
Экономайзер принудительного холостого хода
просмотров 5 442 Google+Экономайзер принудительного холостого хода для чего он нужен?
При движении автомобиля в городском цикле и, особенно в зимнее время при скользкой дороге часто применяется торможение автомобиля двигателем. При этом двигатель работает в режиме принудительного холостого хода, то есть вращение коленвала происходит за счёт кинетической энергии автомобиля. При этом происходит нецелесообразный расход топлива. Для предотвращения этого на автомобилях применяется экономайзер принудительного холостого хода (ЭПХХ). Экономайзер принудительного холостого хода прекращает подачу топлива во впускной коллектор при следовании автомобиля в режиме торможения двигателем, то есть в режиме принудительного холостого хода. Управление этой системой осуществляется автоматически электронным блоком на карбюраторном двигателе или системой управления впрыска топлива на инжекторном двигателе.
Признаками принудительного холостого хода являются обороты двигателя, выше холостых, при полностью закрытой дроссельной заслонке. Частота оборотов на карбюраторном двигателе определяется электронным блоком экономайзер принудительного холостого хода карбюраторного двигателя по количеству импульсов в системе зажигания. Положение дроссельной заслонки определяется по показаниям датчика положения. В качестве датчика, на карбюраторном двигателе, используется микровыключатель, контакты которого замыкаются при полностью открытой дроссельной заслонке, соединяя плюс с проводом от блока управления ЭПХХ. Так же может быть использован датчик винт, который изготавливается из ток не проводящего материала, с металлическим наконечником, к которому подключается провод от блока управления ЭПХХ. При полностью открытой заслонке винт упирается металлическим наконечником в тягу дроссельной заслонки при этом провод, подключённый к винту, соединяется с минусом.
Экономайзер принудительного холостого хода неисправности.
Как и все системы автомобиля, система экономайзер принудительного холостого хода может иметь ряд неисправностей. Для инжекторного двигателя неисправности можно определить при помощи диагностического оборудования. Для карбюраторного двигателя придётся полагаться на свои силы. Самой распространённой является отсутствие холостого хода, то есть двигатель глохнет при полностью закрытой дроссельной заслонке. Это может быть вызвано неисправностью электромагнитного клапана, неисправностью блока управления экономайзер принудительного холостого хода, плохого контакта в соединениях. Для проверки необходимо включить зажигание. На автомобилях с карбюратором СОЛЕКС при этом должен сработать электромагнитный клапан. На автомобилях ГАЗ, ВАЗ классика с карбюратором АЗОН для срабатывания клапана необходимо нажать на педаль газа. Если клапан не сработает, то надо проводом соединить электроклапан с плюсом аккумулятора. Если при этом клапан сработает, то необходимо проверить провода подходящие к блоку ЭПХХ и к клапану или заменить блок управления. Если клапан не сработает, то клапан необходимо заменить.
Следующей неисправностью являются рывки автомобиля при движении. Причиной этой неисправности может быть неисправность блока управления ЭПХХ или датчика. Такая неисправность характерна для систем, в которых в качестве датчика, используется микровыключатель. В этом случае нарушается соединения в контактах и блок управления не получает сигнал об открытой дроссельной заслонке и при повышении числа оборотов блок управления прекращает подачу топлива. При падении оборотов до значения холостых подача топлива возобновляется, и обороты двигателя начинают повышаться. Для проверки необходимо соединить провода на микровыключателе между собой. Если неисправность пропадёт, то неисправен выключатель, если нет, то блок управления или имеет место обрыв в проводе от блока управления до микровыключателя.
Ещё одна неисправность, которую можно не заметить в процессе эксплуатации, это не отключение подачи топлива системой экономайзер принудительного холостого хода. Двигатель при этом работает устойчиво на всех оборотах, а по расходу топлива это практически не заметно. Основным показателем этой неисправности является детонация двигателя после выключения зажигания. Характерна эта неисправность для карбюратора СОЛЕКС. Возможной причиной может быть не прилегание жиклёра холостого хода к посадочному месту или заедание перекрывающей иглы электроклапана.
«Если Вы заметили ошибку в тексте, пожалуйста выделите это место мышкой и нажмите CTRL+ENTER»
admin 25/02/2014«Если Вы заметили ошибку в тексте, пожалуйста выделите это место мышкой и нажмите CTRL+ENTER» «Если статья была Вам полезна, поделитесь ссылкой на неё в соцсетях»
avtolektron.ru
Экономайзер принудительного холостого хода с электронным управлением
В процессе движения автомобиля значительное время занимает режим принудительного холостого хода, когда коленчатый вал двигателя вращается за счет кинетической энергии автомобиля. Этот режим наблюдается, например, при движении автомобиля с высокой скоростью при включенной передаче и отпущенной педали управления подачей топлива, т. е. когда двигатель работает в тормозном режиме.
Экономайзер предназначен для прекращения подачи топлива в двигатель на режиме принудительного холостого хода.
Достоинства:
уменьшение эксплуатационного расхода топлива на 2…3%;
снижение выброса токсичных веществ на 15…30%;
Режим принудительного холостого хода в ЭПХХ определяют:
частота вращения коленчатого вала двигателя должна быть больше частоты, соответствующей холостому ходу
дроссельная заслонка должна быть закрыта.
Прекращение подачи топлива обеспечивается электромагнитными клапанами.
На основе информации о частоте вращения коленчатого вала, получаемой от первичной цепи системы зажигания КЗ и о положении дроссельной заслонки, получаемой от датчика положения дроссельной заслонки Д электронный блок управления вырабатывает сигнал, управляющий электромагнитным клапаном ЭМК, который в свою очередь открывает и закрывает подачу топлива в систему холостого хода карбюратора. Датчик положения дроссельной заслонки представляет собой микровыключатель, механически связанный с приводом дроссельной заслонки, замыкающийся при полностью отпущенной педали управления подачей топлива (режим холостого хода).
Электронные системы управления, топливоподачей дизелей.
ЭСАУ дизельными двигателями позволяют:
снизить токсичность отработавших газов;
уменьшить дымность;
шум;
стабилизировать работу двигателя на холостом ходу;
ЭСАУ выполняют:
функции управления количеством впрыскиваемого топлива;
моментом начала впрыска;
частотой вращения коленчатого вала на . холостом ходу;
работой свечей накаливания;
ЭСАУ делятся:
аналоговые системы, состоящие в основном из операционных усилителей;
цифровые регуляторы, построенные на элементах средней степени интеграции;
микропроцессорные системы.
Микропроцессорная система управления.
включают:
микропроцессор (МП), осуществляющий все арифметические операции и общее управление устройствами;
оперативное запоминающее устройство (ОЗУ) для хранения промежуточных результатов вычислений;
постоянное запоминающее устройство (ПЗУ) для хранения программ управления всей системы в целом;
предусмотрены три типа датчиков: а)режимных параметров; б)коррекции; в) защиты.

структурная схема микропроцессорной системы управления
дизельного двигателя.
Особо важной задачей топливоподачи дизельного двигателя является качественное обеспечение переходных процессов, так как это непосредственно связано с технико-экономическими показателями работы двигателя.
Она состоит из программного задатчика положений рейки ПЗ, вычисляемых по значениям частоты вращения коленчатого вала двигателя п, положению педали управления подачей топлива ψпедали и информации от датчиков коррекции ДК; регулятора Р. вычисляющего рассогласование между расчетным значением положения рейки hрасч и действительным hд; исполнительного механизма ИМ, включенного в контур регулятора и формирующего интегральную составляющую топливного насоса высокого давления ТНВД и двигателя Д.
Микропроцессорная система управления дизелем изменяет угол опережения впрыска топлива по оптимальному закону в зависимости от нагрузки и частоты вращения коленчатого вала.
Примером ЭСАУ топливоподачей дизельного двигателя с рампой-аккумулятором может служить система Common Rail фирмы Bosch

Система содержит: 1— топливный насос высокого давления; 2 -перепускной клапан; 3 — электромагнитный клапан — регулятор давления; 4 — топливный фильтр; 5 -топливный бак с топливоподкачивающим насосом и предварительным фильтром; 6- электронный блок управления; 7— реле включения свечей накаливания; 8 -аккумуляторная батарея; 9 — топливная рампа-аккумулятор; 10 — датчик давления топлива в рампе; 11 — топливный жиклер; 12- предохранительный клапан; 13 — датчик температуры топлива; 14 — электромагнитная форсунка; 15 — свеча накаливания; 16 — датчик температуры охлаждающей жидкости; 17- датчик положения коленчатого вала; 18 -фазовый дискриминатор; 19 — датчик температуры воздуха на впуске; 20 — датчик давления наддува; 21 — пленочный датчик массового расхода воздуха; 22 — турбокомпрессор; 23 — пневматический клапан управления рециркуляцией; 24 — пневматический клапан управления наддувом; 25- вакуумный насос; 26 — приборная панель; 27- датчик положения педали управления топливоподачей; 28 — датчик нажатия педали тормоза; 29 — датчик выключения сцепления; 30 — датчик скорости автомобиля; 31 — пульт управления круиз-контроля; 32 — компрессор кондиционера; 33 — переключатель кондиционера; 34 — аварийная лампа и диагностический разъем
Топливо из бака 5 топливоподкачивающим насосом подается через фильтр 4 в ТНВД 1. Из насоса топливо поступает в рампу-аккумулятор 9 и распределяется по форсункам 14. Давление топлива в рампе-аккумуляторе поддерживается на постоянном уровне 135 МПа, что обеспечивается датчиком 10 и электромагнитным клапаном 3.
Для защиты двигателя используется ограничительный клапан 12 открывающийся при давлении свыше 150 МПа. Количество впрыскиваемого топлива определяется длительностью открытия электромагнитной форсунки. Для снижения потерь энергии на сжатие топлива в режиме холостого хода и частичных нагрузок производительность ТНВД может уменьшаться путем открытия перепускного клапана 2.
По своей структуре ЭСАУ Common Rail во многом аналогична рассмотренным ранее системам впрыска бензиновых двигателей.
Датчик положения коленчатого вала 17 индукционного типа используется для определения частоты вращения и положения коленчатого вала. Информации от этого датчика недостаточно чтобы различить конец такта сжатия, поэтому используется датчик положения распределительного вала 18 — фазовый дискриминатор. В основу работы датчика положен эффект Холла.
ЭСАУ получает информацию о температуре охлаждающей жидкости и воздуха на впуске. В некоторых модификациях системы используются датчики температуры масла и топлива.
Для обеспечения точного определения состава рабочей смеси и снижения вредных выбросов, особенно на переходных режимах, используется пленочный датчик массового расхода воздуха устанавливаемый до турбокомпрессора.
Положение педали управления режимом работы двигателя определяется потенциометрическим датчиком, при этом какая-либо механическая связь педали с системой топливоподачи отсутствует.
Для определения давления наддува используется датчик абсолютного давления с пьезорезистивными чувствительными элементами.
В процессе управления двигателем можно выделить следующие функции и режимы: режим пуск двигателя, рабочий режим, режим холостого хода, функция обеспечения равномерности работы двигателя и снижения колебаний при переходных процессах, режим автоматического поддержания заданной скорости автомобиля, ограничение топливоподачи, остановка двигателя.
При пуске двигателя количество впрыскиваемого топлива является постоянной величиной. В рабочем режиме для определения количества топлива используется сигнал датчика положения педали управления топливоподачей и датчика положения коленчатого вала двигателя. БУ обрабатывает информацию от датчиков и используя характеристические карты вычисляет значение угла опережения впрыска (момент подачи топлива) и длительность открытия форсунки.
Для снижения расхода топлива частота вращения коленчатого вала в режиме холостого хода поддерживается на минимальном устойчивом уровне, при этом учитывается температура двигателя и сигналы о включении кондиционера и других устройств, создающих
нагрузку.
studfiles.net
Экономайзер принудительного холостого хода | Автолюкс
Экономайзер принудительного холостого хода. Режим ПХХ представляет собой вынужденное вращение коленчатого вала двигателя при движении автомобиля по инерции с отпущенной педалью управления дросселем и выключенной передачей.
ЭПХХ обеспечивает отключение подачи топлива через систему холостого хода во время движения автомобиля под уклон, во время торможения автомобиля двигателем, при переключении передач, а также при остановке двигателя.
Порог срабатывания ЭПХХ является одним из важнейших его параметров, характеризуемых величиной открытия дросселя и частотой вращения коленчатого вала, сущность установления которого заключается в следующем. Во время режима ПХХ впускной тракт очищается от ТП. В этом случае цилиндры остывают, а топливо в каналах XX отсутствует. Если нажать на педаль управления дроссельной заслонкой и открыть клапан ЭПХХ, то в каналах автономной СХХ и в ВТ новый поток эмульсии образует ТП, поступающие в цилиндры двигателя с некоторой задержкой. На восстановление нормальной топливоподачи необходимо определенное время, поэтому подачу топлива необходимо возобновить до снижения частоты вращения коленчатого вала выше минимально устойчивой. Частоту вращения, при которой происходит включение АСХХ, называют порогом срабатывания. При разомкнутой трансмиссии его целесообразно выбирать высоким, а при замкнутой — низким.
Различают два типа ЭПХХ: с электронной системой, устанавливаемой на карбюраторах «Солекс» модель 2108, и электронно-пневматической системой, устанавливаемой практически на всех моделях карбюраторов легковых автомобилей. Этими системами оснащены карбюраторы типа «Озон» моделей ВАЗ-2105, -2107, К-151 для двигателей; ЗМЗ-402,10, -4021.10, карбюраторы ДААЗ-2140, -2141 для автомобилей «Москвич»; карбюратор К-133 для двигателя МеМЗ-245.
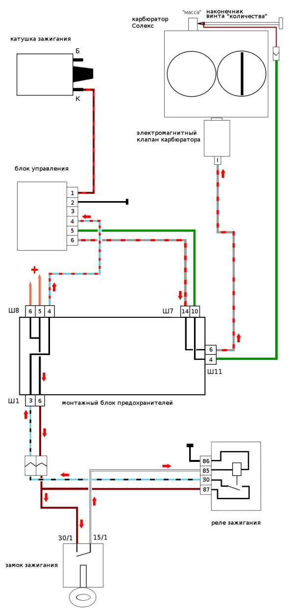
Принципиальная схема ЭПХХ легковых автомобилей представлена на рис. 20. ЭПХХ содержит запорный ЭМК 3, концевой выключатель 2, закрепленный на карбюраторе, и электронный блок 5, управляемый от частоты импульсов системы зажигания и расположенный в моторном отсеке автомобиля.

Рис. 20. Принципиальная схема ЭПХХ
Система управления ЭПХХ карбюратора серии 2108 содержит ЭМК 3 с запорным пластмассовым элементом, датчик положения дроссельной заслонки, представляющий собой контактную пару на упорном винте 2 (концевой выключатель) дроссельной заслонки и механически замыкаемый на «массу» при полностью закрытой заслонке, и электронный блок 5 типа 50.3761, управляемый по частоте электрических импульсов от катушки 4 зажигания.
Электронный блок 5, содержащий семь штекеров, обеспечивает непрерывный контроль частоты вращения коленчатого вала путем измерения периода повторения импульсов системы зажигания, снимаемых с катушки 4 зажигания и подаваемых на вывод блока 5, подключенного через один из своих выводов к подводу источника питания 12 В от блока предохранителей. Блок 5 размещен в моторном отсеке автомобиля. При отпущенной педали дроссельных заслонок контакты электрической связи изолированного винта 2 и МП должны быть разомкнуты.
Монтажный блок 6 содержит монтажные колодки Ш1—Ш11, к которым подключены выключатель 1 системы зажигания, катушка 4 зажигания через блок управления, МП и ЭМК.
Электрический провод датчика закрытого положения дроссельной заслонки соединен двумя пружинящими усиками с металлической головкой винта 1 дроссельной заслонки и блоком управления 5. ЭМК 3 выполнен в виде нормально закрытого элемента. В момент замыкания электрической цепи игла с наконечником втягивается во внутрь клапана, открывая топливный жиклер. ЭМК 3 имеет неразборную конструкцию и ремонту в эксплуатации не подлежит, поэтому в случае неисправности его необходимо заменить новым элементом.
При отпущенной педали привода дроссельных заслонок выключатель 1 отключает питание ЭМК. Отключение топливоподачи на режимах ПХХ производится при помощи установленного на топливном жиклере системы XX ЭМК 3. Блок управления 5 обеспечивает подачу тока в обмотку ЭМК 3 путем соединения электрической цепи с элементами управления системы топливоподачи.
Электрические импульсы тока от катушки зажигания 4 дают информацию о частоте вращения коленчатого вала, а МП дроссельной заслонки сигнализирует о переходе карбюратора на режим XX.
Электронный блок 5 отключает через ЭМК 3 подачу топлива при снижении частоты вращения до 2100 мин -1 и снова включает, когда обороты снизятся до 1900 мин -1. Управляющие импульсы (пропорциональные частоте вращения) подаются на блок 5 управления с конца первичной обмотки катушки 4 зажигания.
Блок 5 управления отключает ЭМК 3 только в том случае, если будет замкнут на «массу» концевой выключатель 1 карбюратора, т. e. не нажата педаль дроссельной заслонки. Если нажать на педаль дросселя, то клапан открываться не будет (или включаться, если был отключен).
На режиме ПХХ обмотка ЭМК 3 обесточена, и подача топлива через СХХ прекращается. Выключение подачи топлива является результатом одновременной регистрации блоком 5 упр коленчатого вала (более 2000 мин -1) и положения полного закрытия дроссельной заслонки. Пластмассовый наконечник иглы закрывает топливный жиклер системы XX, напрессованный на втулку корпуса.
При отпущенной педали привода дроссельных заслонок концевой выключатель отключает питание на ЭМК 3. На режиме ПХХ при частоте вращения коленчатого вала свыше 2100 мин -1 и при замкнутом на «массу» концевом выключателе карбюратора (педаль отпущена) запорный ЭМК 3 выключается, подача топлива прекращается. При снижении частоты вращения на ПХХ до 1900 мин -1 блок управления 5 включает ЭМК 3 (хотя МП включен на «массу»), начинается подача топлива через жиклер СХХ, двигатель постепенно выходит на режим XX.
При выключенном зажигании происходит обесточивание ЭМК, подача топлива прекращается, что исключает возможность самовоспламенения горючей смеси. Система управления ЭПХХ не оказывает влияния на работу двигателя на других режимах.
autolyux.ru
