|
| |||||||
|
| |||||||
|
| |||||||
|
| |||||||
Система распределенного впрыска топлива KE-Jetronic
Является усовершенствованным вариантом системы впрыска K-Jetronic.
Она содержит ECU для повышения гибкости работы и обеспечения дополнительных функций. Дополнительными компонентами системы KE-Jetronic являются:
- датчик расхода всасываемого в цилиндры воздуха;
- исполнительный механизм регулирования качества рабочей смеси;
- регулятор давления, поддерживающий постоянство давления в системе, а также обеспечивающий прекращение подачи топлива при выключении двигателя
Работа системы KE-Jetronic
Топливо проходит через распределитель топлива, а диафрагменным регулятор поддерживает давление в системе впрыска на постоянном уровне. В системе K-Jetronic управляющая цепь корректирует качество смеси посредством регулятора подогрева. В системе KE-Jetronic, наоборот, первоначальное давление и давление, воздействующее на управляющий плунжер, равны по величине. Отношение воздуха к топливу корректируется за счет разности давлений одновременно во всех камерах распределителя топлива.
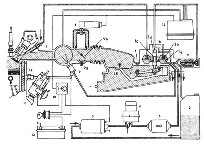
1 – топливный бак; 2 – электрический топливный насос; 3 – гидроаккумулятор топлива; 4 – топливный фильтр; 5 – стабилизатор перепада давления топлива; 6 – форсунка; 7 – впускной трубопровод; 8 – пусковая форсунка; 9 – дозатор; 10 – измеритель расхода воздуха; 11 – электрогидравлический корректор давления; 12 – лямбда-зонд; 13, 14 – датчики температуры охлаждающей жидкости; 15 – распределитель зажигания; 16 – регулятор холостого хода; 17 – датчик положения дроссельной заслонки; 18 – ECU; 19 – выключатель зажигания; 20 – аккумуляторная батарея.
Давление в системе перед дозирующими отверстиями оказывает противодавление на управляющий плунжер. Как и в системе K-Jetronic, управляющий плунжер перемещается заслонкой измерителя расхода воздуха. Из полости управляющего плунжера топливо проходит через исполнительный механизм, нижние камеры клапана разности давления, ограничитель потока и регулятор давления, а затем избыточное топливо возвращается в топливный бак. Вместе с ограничителем потока исполнительный механизм образует делитель давления.
Падение давления, соответствующее току в исполнительном механизме, приводит к изменениям в перепаде давления у дозирующих отверстий, а следовательно и к изменению количества впрыскиваемого топлива.
При перемене полярности подводимого тока обеспечивается прекращение подачи топлива, что может использоваться для прекращения подачи топлива при превышении установленных значений вращения коленчатого вала.
Электрогидравлический корректор давления в системе KE-Jetronic
1 – жиклер; 2 – пластина клапана; 3 – катушка; 4 – полюс магнита; 5 – вход топлива; 6 – регулировочный винт.
Этот корректор закрепляется на распределителе топлива и обеспечивает дозирование количества топлива изменением перепада у кромки плунжерного дозатора. Обогащение рабочей смеси осуществляется пропорционально увеличению подводимого тока.
Электронный блок управления (ECU)
В ECU происходит обработка сигналов, поступающих из системы управления зажиганием (частота вращения коленчатого вала), от датчика температуры охлаждающей жидкости, потенциометра на оси дроссельной заслонки (расход воздуха), датчика ее положения (определяющего режим холостого хода, принудительный холостой ход, режим полного дросселя), выключателя стартера, лямбда-зонда, датчика давления и других датчиков. Наиболее важными в ECU являются контрольные функции:
- обогащение смеси при запуске двигателя и после запуска;
- обогащение смеси при прогреве;
- обогащение смеси при разгоне автомобиля;
- обогащение смеси при полной нагрузке;
- прекращение подачи топлива при превышении установленной частоты вращения;
- ограничение частоты вращения;
- управление частотой вращения коленчатого вала двигателя на холостом ходу;
- регулирования состава смеси в зависимости от высоты над уровнем моря;
- управления от лямбда-зонда.

Управляющий контур с обратной связью от лямбда-зонда в системах KE-Jetronic
Сигнал, вырабатываемый в лямбда-зонде, обрабатывается в ECU, необходимые регулировки выполняются с помощью регулятора давления.
Jetronic — это… Что такое Jetronic?
| Эта статья содержит незавершённый перевод с английского языка. Вы можете помочь проекту, переведя её до конца. |
Jetronic — коммерческое обозначение системы впрыска топлива для автомобильных бензиновых двигателей, разрабатывавшаяся компанией Robert Bosch GmbH с 60-х годов XX века. Bosch лицензировала множество автопроизводителей на выпуск различных вариантов системы.
D-Jetronic (1967–1976)
Аналоговый впрыск топлива. Буква ‘D’ в названии — от нем. «Druck», что значит давление. Управление впрыском осуществляется с помощью датчика давления, установленного во впускном коллекторе. Изначально, система называлась Jetronic, но позже была переименована в D-Jetronic.
K-Jetronic (1973–1994)
Механический впрыск. ‘K’ — от нем. «Kontinuierlich», что значитнепрерывный. This is different from pulsed injection systems, in that the fuel flows continuously from all injectors, while the fuel pump pressurises the fuel up to approximately 5 bar (72.5 psi). The air that is taken in is also weighed — to determine the amount of fuel to inject. Commonly called ‘Continuous Injection System’ (CIS) in the USA. This system has no lambda loop or lambda control. K-Jetronic debuted in the 1973.5 Porsche 911T in January 1973, and was later installed into a number of Porsche, Volkswagen, Audi, BMW, Mercedes-Benz, Rolls-Royce, Bentley, Lotus, Ferrari, Peugeot, Renault, Volvo, Saab, DeLorean and Ford automobiles. The final car to use K-Jetronic was the 1994 Porsche 911 Turbo 3.6.
Топливо из топливного бака подается на большой регулирующий клапан — так называемый дозатор-распределитель топлива. Из него топливо поступает к форсункам.
Дозатор-распределитель прикреплен к управляющему рычагу, с другой стороны которого находится напорная пластина расходомера. Воздух давит на пластину и положение дозатора изменяется, соответственно, изменяется количество подаваемого топлива. Управляющее давление регулируется регулятором управляющего давления (англ. CPR — control pressure regulator) или регулятором прогрева (англ. WUR — warm-up regulator). В зависимости от модели, CPR может использоваться при пониженном атмосферном давлении (например, на больших высотах), при больших нагрузках, пониженных температурах. На автомобилях, оснащенных датчиком кислорода, топливная смесь регулируется тактовым клапаном. Форсунки работают за счет подпружиненных клапанов, открывающихся при достижении достаточного высоко давления в топливной системе.
K-Jetronic (Lambda)
Вариация K-Jetronic с лямбда-датчиком, имеющим обратную связь, в США — Ku-Jetronic (u — от USA). Система была разработана для Калифорнии, где K-Jetronic не вписывался в экологические требования.
KE-Jetronic (1985–1993)
L-Jetronic (1974–1989)
LE1-Jetronic, LE2-Jetronic, LE3-Jetronic (1981–1991)
LU-Jetronic (1983–1991)
LH-Jetronic (1982–1998)
Mono-Jetronic (1988–1995)
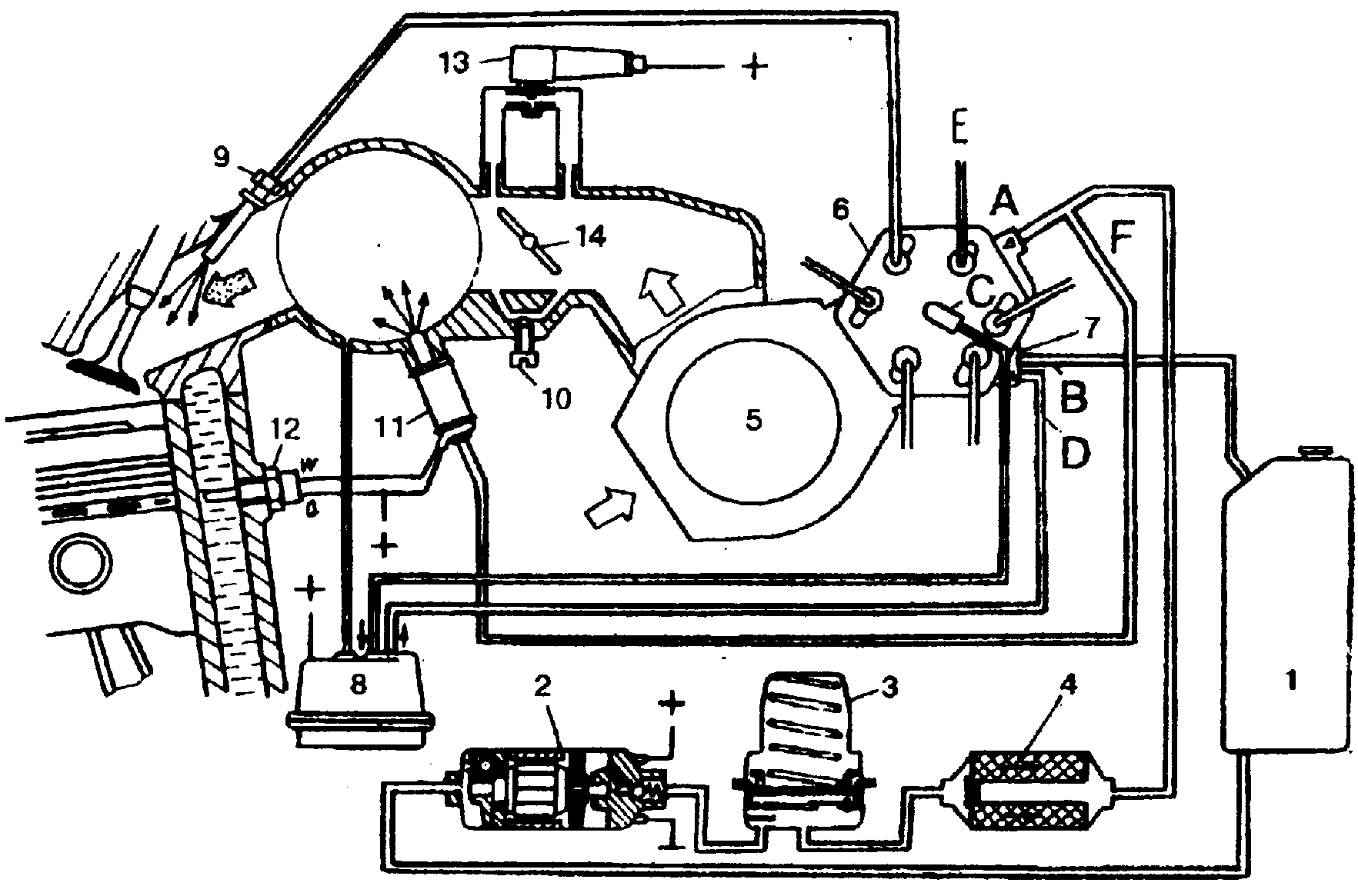
Система впрыска топлива KE-JETRONIC
Система впрыска топлива KE-JETRONIC состоит из:— топливного электронасоса,
— накопителя топлива,
— топливного фильтра,
— регулятора давления топлива в системе,
— дозатора-распределителя топлива,
— электро-гидравлического регулятора управляющего давления,
— инжектора и пусковой форсунки,
— датчика Холла,
— выключателя положения дроссельной заслонки,
— клапана дополнительной подачи воздуха,
— термодатчика охлаждающей жидкости,
— термореле,
— потенциометра напорного диска,
— электронного блок управления (ЭБУ — ECU).
Cхема системы управления впрыском топлива KE-JETRONIC
Расшифровка схемы системы управления впрыском топлива KE-JETRONIC
1.
Топливный бак 2. Топливный насос
3. Накопитель топлива
4. Топливный фильтр
5. Регулятор давления топлива
6. Инжектор
7. Пусковая форсунка
8. Дозатор-распределитель топлива
9. Лямбда-зонд
10. Датчик температуры двигателя
11. Термореле
12. Распределитель зажигания
13. Клапан дополнительного воздуха
14. Датчик дроссельной заслонки
15. Расходомер воздуха
16. Двигатель
17. Управляющее реле
18. Электронный блок управления (ЭБУ)
19. Замок зажигания
20.
Система впрыска топлива KE-JETRONIC работает так:
1) Электронасос обеспечивает подачу топлива из топливного бака к дозатору-распределителю системы впрыска через накопитель и топливный фильтр.
2) В дозаторе-распределителе топливо поступает в верхние камеры дифференциальных клапанов под давлением.
3) Затем оно, в зависимости от положения плунжера распределителя, корректируется регулятором давления топлива.
4) Количество топлива необходимое для приготовления топливной смеси и подающегося к форсункам, регулируется диафрагмой дифференциальных клапанов, которая прижимается управляющим давлением.
5) Давление топлива в системе определяется соответствующим регулятором, который устанавливает диапазон изменения давления в системе и регулирует дифференциальное давление.
7) Регулятор включает в себя биметаллическую пластину, от положения которой и зависит подача топлива к регулятору.
8) При увеличении оборотов двигателя, подача топлива к регулятору ограничивается, а при снижении оборотов, увеличивается.
9) По сигналам датчиков электронный блок управления (эбу) «вычисляет» режим работы двигателя и производит управление клапаном регулятора управляющего давления.
10) Клапан дополнительной подачи воздуха управляется электронным блоком управления (ЭБУ) и работает при холодном пуске и прогреве двигателя.
11) В пусковых режимах, в зависимости от температуры охлаждающей жидкости, пусковая форсунка распыляет топливо во впускной тракт и обеспечивает обогощение топливной смеси для надежного пуска двигателя.
.
K-JETRONIC KE-JETRONIC CИСТЕМЫ ВПРЫСКА Система распределенного впрыска
K-JETRONIC KE-JETRONIC CИСТЕМЫ ВПРЫСКА
Система распределенного впрыска KJetronic представляет собой механическую систему непрерывного впрыска топлива.
Система впрыска K-Jetronic имеет достаточно сложное устройство и включает дроссельную заслонку, расходомер воздуха, дозатор-распределитель топлива, регулятор давления питания, регулятор управляющего давления, форсунки впрыска, пусковую форсунку, термореле, а также клапан добавочного воздуха.
K-JETRONIC 1. топливный насос 2. аккумулятор топлива 3. топливный фильтр 4. регулятор управляющего давления 5. форсунка впрыска 6. пусковая форсунка 7. дозатор-распределитель топлива 8. расходомер воздуха 9. термореле 10. клапан добавочного воздуха
Дроссельная заслонка предназначена для регулирования объема поступающего воздуха. Заслонка имеет механический привод от педали газа. Расходомер воздуха обеспечивает измерение объема воздуха за счет пропорционального перемещения напорного диска. Напорный диск соединен с плунжером дозатора-распределителя с помощью рычагов. При открытии дроссельной заслонки во впускной коллектор поступает больший объем воздуха, который перемещает напорный диск расходомера.
Напорный диск крепится на рычаге. На оси рычага закреплен другой рычаг с роликом и регулировочным винтом. Ролик упирается в нижний конец плунжера дозатора-распределителя.
Дозатор-распределитель предназначен для распределения топлива по форсункам цилиндров на всех режимах работы двигателя. Распределение топлива осуществляется за счет перемещения плунжера. Снизу на плунжер воздействует рычаг напорного диска, сверху – управляющее давление, которое создает регулятор управляющего давления. Согласованное перемещение плунжера и напорного диска обеспечивает стехиометрическое соотношение воздуха и бензина в топливно-воздушной смеси.
Регулятор давления питания поддерживает постоянное по величине давление топлива в системе. Регулятор управляющего давления создает подпорное давление на верхнем конце плунжера, за счет чего достигается обогащение иди обеднение топливновоздушной смеси. Это необходимо при определенных режимах работы двигателя, в т.
ч. при холодном пуске, прогреве на холостом ходу, а также при максимальной нагрузке.
Форсунки впрыска обеспечивают непрерывный впрыск топлива под давлением. Для обеспечения запуска двигателя при температуре ниже 10°С в системе K-Jetronic применяется пусковая форсунка и клапан добавочного воздуха. Пусковая форсунка осуществляет при запуске и прогреве двигателя впрыск во впускной коллектор дополнительного количества топлива. Работа пусковой форсунки осуществляется под управлением термореле.
Термореле устанавливается в блоке цилиндров двигателя, где отслеживает температуру охлаждающей жидкости. При запуске двигателя термореле включает пусковую форсунку. При достижении охлаждающей жидкости определенной температуры пусковая форсунка отключается.
Клапан добавочного воздуха обеспечивает дополнительную порцию воздуха при запуске двигателя в обход дроссельной заслонки. В исходном положении клапан открыт.
По мере прогрева двигателя клапан закрывается (перемещается биметаллическая пластина с диафрагмой клапана). Холостой ход двигателя регулируется двумя винтами: 1. количества смеси, устанавливающий частоту вращения коленчатого вала двигателя на холостом ходу; 2. качества смеси, определяющий содержание угарного газа в отработавших газах. Регулировки холостого хода изначально производятся заводом-изготовителем.
Принцип действия системы K-Jetronic: При нажатии педали газа открывается дроссельная заслонка. Проходящий через нее воздух перемещает напорный диск расходомера воздуха. Движение диска через рычаги передается на плунжер дозаторараспределителя. Топливная система подает бензин к дозатору-распределителю, от которого плунжер нагнетает топливо к форсункам впрыска. Форсунки непрерывно впрыскивают топливо во впускной коллектор двигателя. Там оно смешивается с воздухом и образуется топливно-воздушная смесь. При открытии впускных клапанов топливно-воздушная смесь поступает в камеры сгорания двигателя.
Количество топлива поступающего к форсункам определяется положением дроссельной заслонки. Чем больше открыта дроссельная заслонка, тем больше воздуха проходит через впускной коллектор и тем больше топлива подается к форсункам. В зависимости от режимов работы двигателя объем впрыскиваемого топлива регулируется управляющим давлением. Для увеличения оборотов во время пуска двигателя и работы на холостом ходу во впускной коллектор подается дополнительная порция воздуха через клапан дополнительной подачи воздуха и дополнительная порция топлива пусковой форсункой.
Система распределенного впрыска KЕ-Jetronic является механической системой непрерывного впрыска топлива с электронным управлением качественным составом топливно-воздушной смеси. Конструктивно система KЕ-Jetronic построена на основе системы K-Jetronic. Для реализации электронного управления впрыском в систему дополнительно включены электрогидравлический регулятор давления. мембранный регулятор давления, расходомер воздуха с потенциометрическим датчиком.
Электронное управление обеспечивают входные датчики и блок управления.
KE-JETRONIC 1. топливный насос 2. аккумулятор топлива 3. топливный фильтр 4. регулятор давления 5. форсунка впрыска 6. пусковая форсунка 7. дозатор топлива 8. расходомер воздуха 9. термореле 10. клапан добавочного воздуха 11. датчик температуры охлаждающей жидкости 12. потенциометр дроссельной заслонки 13. кислородный датчик (лямбда-зонд) 14. электронный блок управления
Электрогидравлический регулятор давления предназначен для обеспечения качественного состава топливновоздушной смеси. В системе KЕ-Jetronic электрогидравлический регулятор давления устанавливается вместо регулятора управляющего давления. Регулятор давления представляет собой электроуправляемый клапан, который регулирует величину управляющего (подпорного) давления. В отличии от системы K-Jetronic управляющее давление подводится не к плунжеру, а к дифференциальным клапанам дозаторараспределителя.
Электронный блок управления преобразует электрические сигналы входных датчиков в управляющее воздействие на исполнительные устройства, в качестве которых выступают электрогидравлический регулятор давления, пусковая форсунка, клапан добавочного воздуха, клапан системы улавливания паров бензина. Мембранный регулятор давления служит для поддержания требуемого рабочего давления в дозаторераспределителе. Он устанавливается в возвратной магистрали системы.
Входные датчики фиксируют текущее состояние работы двигателя. На разных типах двигателей может устанавливаться от 4 до 11 входных датчиков. К примеру на автомобиле Audi-80 устанавливались датчики температуры охлаждающей жидкости, положения дроссельной заслонки, нагрузки двигателя (потенциометр расходомера), частоты вращения коленчатого вала двигателя, высоты над уровнем моря, концентрации кислорода, режима холостого хода.
Принцип действия системы KЕ-Jetronic При запуске холодного двигателя для быстрого прогрева и устойчивой работы система обеспечивает образование обогащенной топливно-воздушной смеси.
На основании сигнала датчика температуры охлаждающей жидкости электронный блок управления закрывает клапан электрогидравлического регулятора давления. Подпорное давление в нижних полостях дифференциальных клапанов дозатора-распределителя уменьшается. Верхние полости дифференциальных клапанов увеличиваются и к форсункам впрыска поступает больше топлива. Смесь становиться обогащенной. При постоянной частоте вращения коленчатого вала двигателя электрогидравлический регулятор давления не работает (биметаллическая пластина с клапаном находится в среднем положении). Связь «расходомер воздуха — плунжер дозатора-распределителя» обеспечивает образование стехиометрической топливно-воздушной смеси. При резком открытии дроссельной заслонки происходит обогащение топливно-воздушной смеси. Система рассматривает резкое открытие заслонки как потребность в максимальной мощности. Сигналы от датчика положения дроссельной заслонки и потенциометра расходомера воздуха поступают в электронный блок управления, который активизирует электрогидравлический регулятор давления.
Клапан регулятора закрывается, подпорное давление уменьшается, подача топлива к форсункам увеличивается, смесь обогащается. При торможении двигателем, наоборот, образуется обедненная топливно-воздушная смесь. По команде электронного блока управления клапан электрогидравлического регулятора открывается, подпорное давление в нижних камерах дифференциальных клапанов увеличивается, объем верхних камер дифференциальных клапанов уменьшается, соответственно подача топлива к форсункам уменьшается, смесь обедняется. При температуре ниже 10°С происходит срабатывание пусковой форсунки и клапана добавочного воздуха. Дальнейшая работа двигателя осуществляется по совокупности сигналов входных датчиков.
Bosch K-Jetronic — Часть 1, Основы — На вкус как бензин
Bosch K-Jetronic в наши дни кажется чем-то вроде черного искусства. Практически любой, кому вы говорите об этом, отступает и съеживается. Надеюсь, эта серия постов проясняет некоторую дезинформацию и запугивание и открывает больше людей для работы со своим KJet вместо того, чтобы убирать его или пренебрегать им до тех пор, пока он не выйдет из строя.
Проще говоря, это форма механического впрыска топлива.
Говоря более подробно, KJet — это система непрерывного впрыска (обычно называемая CIS), в которой, в отличие от более позднего L-Jetronic или «стандартного» электронного впрыска топлива, форсунки не открываются и не закрываются импульсами; как только давление в системе становится достаточно высоким, все они постоянно впрыскивают топливо во все цилиндры одновременно, объем которого изменяется системой в зависимости от различных факторов.
Kjet использовался с 70-х до середины 90-х и в основном использовался на европейских автомобилях. Mercedes, VW, Audi, Porsche и Ford были наиболее активными брендами, которые использовали его, и когда он работал, он работал хорошо.Он использовался во многих двигателях различной конфигурации, смещения и даже на двигателях с принудительной индукцией; это довольно гибко.
Система состоит из следующих компонентов,
И базовая схема работает так
Легко? Ага, круто.
Воздух и топливо входят, искра заставляет его взорваться. Двигатель едет врум.
Основы системы — это легкая часть, сложны фактические настройки и внутреннее устройство системы, но даже в этом случае, как только вы это поймете, это действительно довольно просто.
Что они делают?Топливный насос
Заправляет топливо из топливного бака в систему впрыска. Насос должен быть способен производить более 6 бар, поскольку давление в системе большинства систем KJet составляет примерно от 5 до 5,5 бар, и если насос не выдерживает этого, система перестанет работать. Насос должен производить больше топлива, чем нужно двигателю.
Топливный аккумулятор
Аккумулятор выполняет две основные функции. Во-первых, он используется для гашения пульсации топлива из топливного насоса.Очевидно, это сделано для того, чтобы «заглушить» шум насоса, но с какой целью, я не уверен. Другая, более важная функция — поддерживать давление в топливных магистралях при выключенном двигателе, чтобы способствовать горячему запуску и снизить вероятность образования паровой пробки.
Внутри этого устройства находится большая диафрагма, которая давит на пружину.
Топливный фильтр
Топливный фильтр в системах KJet очень важен. Все, начиная с фильтра и далее, работает с очень тонкими допусками, и любые мелкие частицы в топливе вызовут хаос.Если бы фильтра не было, все, от распределителя топлива до форсунок и даже регулятора прогрева, было бы забито и / или повреждено.
Датчик расхода воздуха
Это один из основных компонентов системы. Пластина датчика используется для регулирования расхода топлива через форсунки в зависимости от нагрузки и скорости двигателя. Пластина датчика расположена внутри конуса особой формы, который настроен для правильной заправки топливом при определенном потоке воздуха. По мере того как всасываемое разрежение над пластиной увеличивается, пластина датчика поднимается дальше и увеличивает поток воздуха и топлива (вопреки распространенному мнению, пластина датчика поднимается не только потоком воздуха, а двигателем, всасывающим ее).
Регулятор прогрева
Регулятор разминки (WUR) — это устройство, которое неправильно называют и неправильно понимают. Конечно, он выполняет функцию дроссельной заслонки старой школы, обогащая топливную смесь, когда двигатель холодный, но он также используется для регулирования давления управления топливом, когда двигатель прогрет или прогревается. Это холодное обогащение контролируется биметаллической полосой, действующей на диафрагму, которая нагревается как внутренним элементом, так и окружающей средой. На входе в WUR имеется тонкая многослойная фильтрующая сетка.Он может забиться, и его необходимо тщательно очистить, но не удалять полностью.
Распределитель топлива
Следующим важным компонентом является распределитель топлива, который также называют дозирующей головкой. В нем также находится главный регулятор давления топлива. Регулятор контролирует основное давление в системе и поддерживает его на постоянном уровне, при этом излишки стекают обратно в резервуар.
Дозирующая головка распределяет топливо по форсункам через регулирующий поршень и серию клапанов перепада давления.Управляющий поршень находится внутри дозирующего цилиндра, в котором имеется ряд очень маленьких (шириной 0,2 мм) прорезей, по одной для каждой форсунки. При изменении воздушного потока управляющий поршень перемещается вверх и вниз, изменяя поток топлива через прорези. Управляющее давление WUR воздействует на верхнюю часть этого плунжера, который изменяет расстояние перемещения плунжера, изменяя таким образом смесь. Могут быть фильтры на выходах к форсункам, под штуцерами топливопровода.
Клапаны впрыска
Форсунки являются последней частью системы впрыска топлива.Форсунки довольно просты по своей конструкции и состоят из металлического цилиндра, в котором находится небольшой клапан, пружина и фильтр. Во время работы исправно работающая форсунка «поет», издавая визг. Клапан настроен на открытие при определенном давлении, которое в случае Cologne V6 составляет 3,3 бар.
При превышении этого давления форсунки открыты и постоянно впрыскивают топливо. Ниже этого давления форсунки должны быть закрыты и не должны протекать. Внутренние фильтры не обслуживаются. Форсунки герметично закрыты коллектором с помощью уплотнительного кольца.
Инжектор холодного пуска и термостат
Инжектор холодного пуска и выключатель Thermotime идут рука об руку. Инжектор холодного запуска — это примитивный электрический инжектор, вставленный в водоотводящую камеру перед основными инжекторами, который при срабатывании запускает туман распыленного топлива в систему впуска. Когда он вводится в камеру повышенного давления, он более или менее всасывается во все цилиндры, чтобы обогатить смесь по всем направлениям. Инжектор холодного пуска срабатывает только тогда, когда переключатель Thermotime удовлетворяет требуемые условия и замыкает или размыкает цепь.Реле Thermotime нагревается за счет температуры охлаждающей жидкости и внутреннего нагревательного элемента.
Это позволяет форсунке работать при низких температурах, но также предотвращает многократное срабатывание форсунки (в случае неудачного запуска) или слишком долгое срабатывание и переполнение двигателя.
Вспомогательное воздушное устройство
Это устройство регулирует подачу дополнительного воздуха в двигатель в холодном состоянии, что увеличивает обороты холостого хода в холодном состоянии. Это делается с помощью заслонки, которая медленно закрывает проход в обход дроссельной заслонки.Его следует открывать только при холодном двигателе.
Итак, вот детали, как все это работает? Топливный насос проталкивает топливо через аккумулятор и фильтр к дозирующей головке. Это топливо действует против главного регулятора, который повышает давление в системе до 5,5 бар. Большая часть топлива попадает в дозирующую головку, а излишки возвращаются в бак. Топливо, находящееся теперь под высоким давлением, поступает в клапаны перепада давления и в WUR.
Когда двигатель холодный, управляющее давление, установленное WUR, будет низким, около 0.5БАР. По мере того, как двигатель прогревается, и WUR нагревается, давление топлива должно неуклонно увеличиваться до своего теплого давления около 3 бар.
Так что запомните, НИЗКОЕ управляющее давление = БОГАТЫЙ. ВЫСОКОЕ контрольное давление = НАБЫТ.
Конечно, это управляющее давление — это не то, что видят форсунки, это давление в системе (5,5 бар). Управляющее давление используется только для компенсации высоты, на которую может увеличиваться регулирующий поршень в дозирующей головке. Высокое управляющее давление создает большую силу на верхнюю часть плунжера, уменьшая поток топлива к форсункам, что позволяет получить бедную смесь.
Этот GIF показывает, как WUR регулирует управляющее давление
В верхней части блока есть вакуумный фитинг, но никто не может подтвердить, действительно ли он предназначен для обогащения при полной нагрузке или нет. В руководстве указано, что в основании устройства есть диафрагма, которая меняет смесь с помощью вакуума, но я не мог видеть, как она работала, когда у меня был мой WUR.
Я чувствую, что необходимы дополнительные исследования.
Для базовой системы можно почти не обращать внимания на форсунку холодного пуска и термовыключатель.Пока он не протекает, это не проблема.
Еще одна важная деталь — это винт регулировки смеси холостого хода. Этот маленький винт расположен в трубке между пластиной датчика и распределителем топлива, и для его поворота используется длинный шестигранный ключ на 3 мм. Этот винт воздействует непосредственно на шарнир сенсорной пластины и поднимает или понижает высоту пластины. Меньше значит лучше, если вы настроите это, так как небольшое изменение может иметь большое значение для смеси. Этот винт вообще не меняет теплые смеси, только холостой ход.
Если все это работает должным образом, машина должна работать и реагировать достаточно хорошо. Самая большая проблема — неправильное давление топлива. Достаточно одного неверного числа, чтобы вся партия упала, а затем нужно вернуться назад и выяснить, куда ушло это давление.
Вот почему людям не нравится KJet.
Переходим к Часть 2 , Мы начинаем тестирование системы.
Был ли этот пост полезным? Как насчет того, чтобы накричать мне кофе
4.3 10 голоса
Рейтинг статьи
СвязанныеКак работают автомобильные детали: Система впрыска топлива K-Jetronic
K-Jetronic — это топливо с механическим и гидравлическим приводом. ТНВД, представленный BOSCH GmbH в 1973 году. Насос K-Jetronic не требует привода, и одной из его особенностей является то, что он может дозировать топливо как функция количества всасываемого воздуха.Буква «К» означает непрерывный на немецком. Поэтому насосы K-Jetronic непрерывно впрыскивают топливо в впускные каналы двигателя.
Он может оптимизировать
образование топливовоздушной смеси при различных режимах работы, например при пуске
и ходовые качества, выходная мощность и состав выхлопа.
3 основных функциональных области K-Jetronic:
· Измерение расхода воздуха
· Подача топлива
· Учет топлива
воздушный поток регулируется дроссельной заслонкой, и его можно измерить с помощью датчик расхода воздуха.
Подача топлива управляется с помощью электронасоса. Насос подает топливо в распределитель топлива через гидроаккумулятор и фильтр.
Дозатор топлива есть в зависимости от положения дроссельной заслонки. Количество всасываемого воздуха измеряется датчиком расхода воздуха, который, в свою очередь, контролирует количество подаваемого топлива к распределителю топлива.
Топливо от распределителя топлива подается на впрыск.
клапаны, которые впрыскивают топливо через впускной клапан.Топливно-воздушная смесь
над впускным клапаном. Топливно-воздушная смесь должна варьироваться в зависимости от
к различным условиям эксплуатации, таким как запуск, прогрев, холостой ход и полная нагрузка.
Система K-Jetronic состоит из клапанов впрыска, которые непрерывно впрыскивать топливо во впускные каналы, где оно смешивается с воздух. Когда впускные клапаны открываются, топливовоздушная смесь втягивается внутрь камера сгорания.
Топливо Система питания состоит из следующих частей: · Электрический топливный насос · Топливный аккумулятор · Топливный фильтр · Регулятор давления · Распределитель топлива · Клапаны впрыска Электронасос роликовый. насос, который подает топливо из бака в топливную рампу под давлением примерно 5 бар.Насос с роликовыми ячейками приводится в движение электродвигателем с постоянными магнитами. Он состоит из пластина качения роликов эксцентричной формы. Пластина ротора с насечками (от 4 до 6) по окружности размещен эксцентрично внутри роликовой обоймы пластина. Каждая выемка снабжена роликом. Пластина качения роликов имеет входное отверстие. порт и порт выхода. Когда двигатель включен, электродвигатель приводит в действие насос.
Мотор приводит в движение ротор
пластину внутри пластины качения роликов. За счет эксцентричной формы гонок
пластина, ролики в роторе движутся наружу, прижимаясь к роликовой дорожке
пластина за счет центробежной силы.Топливо застревает между роликом и
выемка на стороне впускного порта и по мере того, как ротор вращается к выпускному отверстию
сторона, топливо сжимается и отправляется через выходное отверстие. Обратный клапан перед
насос предотвращает перетекание топлива обратно в бак. Топливный аккумулятор предназначен для
поддерживать давление в топливной системе в течение определенного времени после
двигатель выключен. Это сделано для того, чтобы облегчить перезапуск
двигатель, особенно когда двигатель горячий.Аккумулятор разделен на 2 камеры с помощью диафрагмы. Одна камера действует как топливный аккумулятор а другая камера связана с атмосферой. Когда двигатель работает, топливо поступает в объем гидроаккумулятора и толкает диафрагму против силы пружины. Диафрагма перемещается до тех пор, пока пружины не остановятся в пружинная камера.
Таким образом, количество топлива, собранного в этот момент, является максимальным.
объем аккумулятора. Топливный фильтр часто бывает
комбинация бумажного фильтра, за которым следует ситечко.Это обеспечивает более высокую степень
фильтрации. Бумажный фильтр имеет средний размер пор 10 мкм.Регулятор давления установлен на одном конце топливного бака. распределитель. Он используется для поддержания постоянного давления в топливной системе на около 5 бар. Он состоит из плунжера, который скользит в регуляторе против весна. Когда топливо, подаваемое топливным насосом, превышает предел, плунжер движется против пружины, чтобы открыть выходной порт. Это позволяет избытку топлива вернуться в топливный бак и таким образом поддержать давление.
Когда количество подаваемого топлива меньше, плунжер смещается назад, закрыв выходное отверстие, чтобы меньше топлива могло вытекать в бак. В постоянное смещение плунжера поддерживает давление в рейке.
Клапан впрыска топлива открывается при заданном давлении и распыляет
топливо и впрысните во впускные клапаны.
У них есть игла клапана, которая сидит
на седле клапана. Когда давление достаточно высокое, например, более 3,5 бар,
игла клапана поднимается над седлом клапана, позволяя топливу течь.
побег.Во время работы игла клапана колеблется с высокой частотой. Это результаты
в отличном распылении топлива даже в небольшом количестве.
Датчик расхода воздуха здесь работает по принципу подвесного корпуса. В качестве мы знаем, что количество воздушного потока будет определять впрыск топлива количества, требуются точные измерения расхода воздуха. Воздушный поток Датчик расположен перед дроссельной заслонкой. Состоит из воздушной воронки. над которым сенсорная пластина может свободно поворачиваться.
Воздух, проходящий через воздушную воронку, отклоняет датчик.
пластину из нулевого положения на определенную величину.Это движение сенсорной пластины
через рычаг передается на управляющий плунжер распределителя топлива. В
движение управляющего плунжера определяет количество впрыскиваемого топлива.
В зависимости от положения сенсорной пластины в воздушном потоке датчик, распределитель топлива дозирует достаточное количество топлива, чтобы распределяется по отдельным цилиндрам. Движение сенсорной пластины передается на управляющий плунжер распределителя топлива через рычаг. В Плунжер управления перемещается в стволе.Ствол снабжен дозирующими щелями.
Исходя из положения регулирующего плунжера в стволе, регулирующий плунжер открывает или закрывает дозирующие щели на большую или меньшую степень. Например, при большом расходе воздуха регулирующий плунжер переместится на большее расстояние против пружины, чтобы открыть дозирующую щель на в большей степени. В результате в систему впрыска будет подаваться больше топлива. клапан.
Связанные темы:
Бензин:Дизель:
Bosch K-Jetronic Fuel Injection Systems
Требования к топливу двигателя
Двигатель с искровым зажиганием требует особого
соотношение воздух-топливо для работы.
Идеальное соотношение воздух-топливо — 14,7: 1. Определенный
условия эксплуатации требуют соответствующей корректировки смеси.
Соотношение воздух-топливо
По сути, мощность, расход топлива и
Состав выхлопных газов двигателя с искровым зажиганием зависит от воздушно-топливной смеси.
соотношение. Идеальное зажигание и идеальное сгорание происходят только внутри
особые соотношения воздух-топливо. В случае с бензином (бензином) идеальный
Соотношение воздух-топливо составляет около 15: 1.Другими словами, для
полное сгорание 1 кг бензина (стехиометрическое соотношение). Отклонения от
это соотношение влияет на работу двигателя. Количество впрыскиваемого топлива зависит от
при нагрузке, частоте вращения двигателя и конкретных нормах выхлопных газов, действующих в
время. В зависимости от режима работы, т.е. холостой ход, частичная нагрузка или полная
нагрузки, в каждом случае оптимальным является разное соотношение воздух-топливо. Решающего
Важное значение имеет строгое соблюдение наиболее подходящего воздушного топлива.
соотношение в любой момент времени.
Фактор избытка воздуха
Фактор избытка воздуха обозначается символом
для лямбды.
Лямбда = количество подаваемого воздуха ÷ теоретическая потребность в воздухе
Лямбда = 1
Это означает, что количество воздуха, подаваемого в двигатель соответствует теоретическому количеству необходимого воздуха (стехиометрический соотношение воздух-топливо).
Лямбда <1
Это означает недостаток воздуха или богатую смесь, и повышенная мощность.
Лямбда> 1
Это означает избыток воздуха или бедную смесь, меньшее количество топлива потребление, меньшая мощность.
Лямбда> 1,3
Это означает, что смесь больше не воспламеняется, предел обедненных пропусков зажигания (LML) был превышен.
Системы управления топливом
Системы управления топливом, будь то
карбюраторного или впрыскивающего типа, задача подготовки оптимального воздушно-топливного
смесь.
Управление подачей топлива посредством впрыска в коллектор позволяет оптимально
адаптация топливовоздушной смеси к каждой фазе работы двигателя. Это
также обеспечивает более низкий уровень загрязняющих веществ в выхлопных газах.
В системах искрового зажигания управление подачей топлива осуществляется
посредством карбюратора или системы впрыска топлива. Хотя до сих пор
карбюратор был наиболее часто используемым методом,
отчетливая тенденция последних двух лет к распределению впрыска топлива.Эта тенденция возникла из-за преимуществ, предлагаемых впрыском топлива, поскольку
что касается требований к экономии топлива, высокой производительности и, что не менее важно,
более низкий уровень загрязняющих веществ в выхлопных газах. Эти преимущества основаны на
тот факт, что впрыск топлива в коллектор позволяет чрезвычайно точно измерять
топливо в зависимости от условий работы двигателя и его нагрузки, и
с учетом воздействия на окружающую среду. При впрыске топлива в коллектор
правильное соотношение воздух-топливо поддерживается настолько точно, что уровень загрязняющих веществ в
выхлопных газов значительно ниже.
Поскольку с этой системой карбюратор
больше не требуется, можно оптимально спроектировать и разложить всасывающие каналы.
Это приводит к лучшему заряду цилиндра, что, в свою очередь, приводит к более благоприятному
крутящая характеристика.
Какие типы смесеобразования доступны с помощью впрыска топлива?
Есть как механически, так и электронно доступные контролируемые системы. K-Jetronic — это механический впрыск топлива. система, которая непрерывно впрыскивает и не нуждается в какой-либо форме влечения.
Системы с электронным управлением
Подача топлива осуществляется от электрического привода.
топливный насос, развивающий давление, необходимое для впрыска. Топливо
впрыскивается электромагнитными клапанами впрыска топлива во впускное отверстие цилиндра
порты. Клапаны впрыска управляются электронным блоком управления (ЭБУ).
и количество впрыскиваемого топлива зависит от продолжительности их пребывания
открытым.С помощью датчиков блоку управления двигателем передается информация о
условия эксплуатации двигателя и условия окружающей среды вокруг
транспортное средство.
Основанием для оценки количества впрыскиваемого топлива является
количество воздуха, всасываемого двигателем. L-Jetronic — это электронная
управляемая система впрыска топлива. В случае L-Jetronic сумма
Воздух, всасываемый двигателем, напрямую измеряется датчиком расхода воздуха.
Системы впрыска топлива с электронным управлением подробно описаны в
Публикация «Впрыск топлива с электронным управлением» в Bosch
Серия технических инструкций.
Механические системы
С механическими системами впрыска топлива, одна различает те, которые требуют привода от двигателя, и те чего нет. Системы с приводом от двигателя включают топливный насос высокого давления с интегрированный губернатор. Их принцип действия такой же, как у системы впрыска топлива для дизельных двигателей. Другой вариант механическая система — это система, которая не требует привода и непрерывно впрыскивает.Эта система, K-Jetronic, описывается ниже.
K-Jetronic
K-Jetronic — это механический впрыск топлива.
система от Bosch. Он разделен на три основные функциональные зоны:
- Измерение расхода воздуха
- Подача топлива
- Впуск топлива
Измерение расхода воздуха
Количество воздуха, всасываемого двигателем, равно регулируется дроссельной заслонкой и измеряется датчиком расхода воздуха.
Подача топлива
Топливный насос с электрическим приводом подает топливо к распределителю топлива через топливный аккумулятор и фильтр. Топливо распределитель распределяет это топливо на впрыскивающие клапаны на впуске цилиндра. трубки.
Впуск топлива
Количество воздуха, соответствующее положению
засасываемой двигателем дроссельной заслонки служит критерием
дозирование топлива в отдельные цилиндры.Количество всасываемого воздуха
двигателем измеряется датчиком расхода воздуха, который, в свою очередь, контролирует
распределитель топлива. Датчик расхода воздуха и распределитель топлива в сборе.
которые образуют часть блока управления смесью. Инъекция происходит
непрерывно, то есть независимо от положения впускного клапана.
Во время фазы закрытия впускного клапана топливо «хранится» во впускном клапане.
трубки.
Подача топлива
Общий вид системы
Топливо забирается из топлива благодаря
топливный насос с электроприводом.Затем под давлением он принудительно проходит через
гидроаккумулятор и фильтр тонкой очистки к распределителю топлива, который
расположен в блоке управления смесью. Давление поддерживается постоянным за счет
регулятор давления в блоке регулирования смеси, откуда она течет в
топливные клапаны. Клапаны впрыска непрерывно впрыскивают топливо в
впускные каналы цилиндров двигателя. Название K-Jetronic происходит от его
факт («К» означает немецкое слово «непрерывный»).Когда впускные клапаны
открытый, топливовоздушная смесь втягивается в цилиндры. Человек
Подузлы системы подачи топлива описаны в следующих
Электрический топливный насос
Электрический топливный насос представляет собой роликовый насос.
электродвигатель, постоянно залитый топливом. Топливный насос
приводится в действие электродвигателем с постоянным магнитом. Диск ротора, который
эксцентрично установлен в корпусе насоса оснащен металлическими роликами в
насечки по окружности, которые прижимаются к упорному кольцу
корпус насоса за счет центробежной силы и действует как уплотнение.Топливо везут в
полости, которые образуются между роликами. Топливо течет прямо вокруг
электродвигатель. Однако опасности взрыва нет, потому что есть
никогда не должно быть горючей смеси в корпусе насоса. Насос подает больше топлива
чем максимальное требование двигателя, чтобы давление в топливе
Систему можно обслуживать в любых условиях эксплуатации. Во время запуска
насос работает, пока включен ключ зажигания.Насос продолжает работать
когда двигатель запустился. Для остановки насоса предусмотрена цепь безопасности.
работает и топливо подается, если зажигание включено, но двигатель
перестал поворачиваться (например, в случае аварии).
Топливный аккумулятор
Топливный аккумулятор поддерживает давление в
топливная система в течение определенного времени после выключения двигателя. Когда
двигатель работает, он служит для уменьшения шума электрического топливного насоса.После выключения двигателя топливный аккумулятор поддерживает
давление в топливной системе для облегчения повторного запуска, особенно
когда двигатель горячий. Конструкция корпуса аккумулятора такова, что он
глушит шум топливного насоса при работающем двигателе. Интерьер
топливного аккумулятора разделен на две камеры диафрагмой.
Одна камера служит резервуаром для топлива, другая камера
содержит пружину.Во время работы аккумуляторная камера заполняется
топливо. Это приводит к изгибу диафрагмы против усилия пружины.
пока он не будет остановлен упорами в пружинной камере. Диафрагма остается в
это положение, соответствующее максимальному объему аккумулятора, пока
двигатель работает.
Топливный фильтр
Из-за очень малых допусков различных
компонентов системы необходимо установить специальный фильтр тонкой очистки для
топливо, чтобы гарантировать безупречную работу K-Jetronic.Топливо
фильтр задерживает частицы грязи, которые присутствуют в топливе и могут
в противном случае отрицательно повлияет на работу системы впрыска. Топливо
Фильтр содержит бумажный фильтрующий элемент, который защищен сетчатым фильтром. Этот
комбинация приводит к достижению высокой степени очистки. Поддерживающий
пластина используется для удержания фильтрующих элементов на месте в корпусе фильтра. Это
крайне важно, чтобы направление потока, указанное на корпусе, было
соблюдается.Фильтр установлен в топливной магистрали после подачи топлива.
аккумулятор.
Регулятор первичного давления
Регулятор первичного давления поддерживает
давление в топливной системе постоянное. Регулятор давления встроен в
корпус топливораспределителя поддерживает давление нагнетания (= первичный
давление) около 5 бар. За счет того, что топливный насос подает больше топлива
чем требуется двигателю, плунжер сдвигается в регуляторе давления и открывает
порт, через который излишки топлива могут вернуться в топливный бак.Давление в
топливная система и сила, оказываемая пружиной на плунжер при давлении
регулятор уравновешивают друг друга. Если, например, топливный насос подает
немного меньше топлива, плунжер смещается пружиной в соответствующий
новое положение и тем самым уменьшает открытую часть порта, через которую
излишки топлива стекают обратно в бак. Это означает, что из системы уходит меньше топлива.
в этот момент, и в результате первичное давление в системе увеличивается до
указанное значение.При выключении двигателя останавливается и топливный насос.
Бег. Первичное давление падает ниже отверстия впрыскивающего клапана.
давление. Регулятор давления закрывает порт обратного потока и предотвращает
дальнейшее снижение давления в топливной системе.
Клапан впрыска топлива
Клапан впрыска топлива открывается при определенном
давление и впрыснуть топливо во впускные трубы. Топливо распыляется
колебание иглы клапана.Клапаны впрыска впрыскивают выделенное топливо.
распределителем топлива во впускные каналы непосредственно перед впуском
клапаны цилиндров. Клапаны впрыска закреплены в специальном держателе.
чтобы изолировать их от тепла двигателя. Изоляция предотвращает испарение
пузырьки, образующиеся в линиях впрыска топлива, которые могут привести к плохому запуску
поведение при горячем двигателе. Клапаны впрыска не имеют дозатора.
функция. Они открываются сами по себе при давлении открытия 3.3 бара это
превышено. Они оснащены иглой клапана, которая вибрирует («стучит»).
слышно с высокой частотой при впрыске топлива. Это означает, что отличное топливо
распыление достигается даже при минимальном введенном количестве. Когда
двигатель выключен, клапан впрыска плотно закрывается и образует уплотнение
когда давление в топливной системе упало ниже отверстия клапана впрыска
давление. В результате топливо не может больше капать во впускные каналы после
двигатель был выключен.
Не забывайте принимать все необходимые меры безопасности при работе с автомобилем.
Bosch K-Jetronic Engine Management в Mercedes 300E 90-го года
Когда я был ребенком, у нас был Volvo 265 с печально известным двигателем PRV V-6 и системой впрыска K-Jetronic. Мой отец часто шутил, что K был немецким для Komplicated , но после того, как в моей семье было много автомобилей с K-Jetronic, я полюбил эту систему.
Рассвет впрыска топлива
Многие из нас, у кого более старые европейские автомобили с системой впрыска топлива, либо владеют автомобилем с K Jetronic, либо работали с ним в прошлом.K Jetronic (также известная как CIS или система непрерывного впрыска) — это ранняя система механического впрыска топлива, разработанная Bosch и используемая практически всеми крупными европейскими производителями в то или иное время. Эти системы особенно распространены в Mercedes, где они годами использовались в моделях с 70-х по 90-е годы, и в Volvo, где они использовались с 70-х до начала 80-х годов. От K Jetronic отказались в пользу LH Jetronic, появившейся в середине 1980-х годов и представлявшей собой систему с электронным управлением.
Несмотря на то, что система кажется очень простой в теории, это чрезвычайно деликатная система, которая должна быть хорошо настроена для обеспечения ожидаемых заводских характеристик.
K Jetronic имеет несколько странных характеристик, которые делают его уникальным
1. Форсунки постоянно распыляют и никогда по-настоящему не закрываются, пока не отключится топливный насос.
2. Вся топливная система находится под (относительным) высоким давлением, от насоса до форсунок.В случае моего Mercedes 300E 1990 года давление составляет около 70 фунтов на квадратный дюйм.
3. Система может работать без электричества, что делает ее очень удобной в редких случаях, когда ваш генератор Bosch выходит из строя (я также вскоре расскажу об этой проблеме).
Подача топлива
Система K Jetronic состоит из насоса (или двух) около бака, который поднимает давление в топливной магистрали до уровня, достаточного для открытия механических топливных форсунок на впускном коллекторе.Давление в топливной магистрали поддерживается регулятором давления возле распределительного блока и гидроаккумулятором возле насосов. Это обеспечивает легкий запуск в тепле и меньшее количество проворачиваний в холодном состоянии. Давление внутри аппарата K-Jet ‘регулируется поршнем, который либо подает больше топлива в форсунки при более высоком дросселе, либо меньше при низком дросселе. Этот поршень приводится в движение рычагом, а дальняя сторона рычага прикреплена к пластине, закрывающей впускной канал. Когда дроссельная заслонка открывается и через впускное отверстие всасывается все больше и больше воздуха, пластина отклоняется во впускной канал, который, в свою очередь, толкает управляющий поршень вверх в его корпусе.Этот поршень регулирует подачу к форсункам с помощью правильно отмеренного количества топлива через распределительный блок в верхней части аппарата K-Jet ‘.
Утечки не редкость
Перепад давления между верхней и нижней камерами аппарата K-Jet ‘имеет решающее значение для правильного дозирования топлива. С этой целью система включает набор подпружиненных диафрагм между верхней и нижней камерами, чтобы гарантировать, что перепад давления остается постоянным при любой ситуации с потоком топлива.Более поздние системы KE Jetronic с электронным управлением также используют так называемый EHA или электрогидравлический привод, который может регулировать нижнее давление в камере как средство точной настройки скорости подачи топлива к форсункам. Этот привод регулируется, но эта регулировка обычно не рекомендуется без надлежащего заводского оборудования. Приводы, особенно в Mercedes, считаются «частым нарушителем», когда речь идет о управляемости, поскольку известно, что они протекают через уплотнения. Запах бензина или особенно чистый внешний вид вокруг EHA часто являются признаком утечки, и часто решением является замена или повторное уплотнение.
Более поздние системы KE Jetronic используют данные датчика кислорода (или лямбда) для достижения баланса между давлением в верхней и нижней камере, влияя на работу EHA через компьютер. Таким образом, автомобиль может постоянно контролировать свои выбросы и приспосабливаться к изменениям в характеристиках.
Как и любая другая система, не разработанная производителем автомобиля, система K Jetronic в некоторой степени различается для каждого производителя, который ее использовал. Принцип в целом тот же, хотя могут быть различия в датчиках для настройки на температуру или атмосферные эффекты, а также по другим соображениям.
Новый комплект форсунок — деньги потрачены не зря
Поскольку в системе K Jetronic используются полностью механические топливные форсунки, их часто трудно диагностировать без демонтажа и стендовых испытаний. Тем не менее, по опыту скажу, что ни один ремонт, который я когда-либо делал для своего автомобиля K Jetronic, не был столь радикальным, как замена топливных форсунок. Со временем они могут начать истекать кровью, что может вызвать паровую пробку, когда автомобиль теплый, или требовать длительного проворачивания коленчатого вала для повышения давления в холодном состоянии.Плохо функционирующие форсунки также могут вызывать затруднения при ускорении, затруднения при низких оборотах, но нормальную управляемость на высоких оборотах, а также повреждение свечей и оборудования для обработки выхлопных газов. Новый набор форсунок обычно стоит потраченных денег не зря, особенно потому, что они относительно недороги и обычно не требуют технического обслуживания.
Короче говоря, система K Jetronic проста по функциям, сложна по конструкции, прекрасна по конструкции, и с ней приятно работать, если у вас хватит терпения изучить ее тонкости.
Магазин Mercedes-Benz по адресу FCP
евроДэн Буллмор — физик и инженер из Хьюстона, штат Техас. Предпочитая старое новому, Дэн владел множеством экземпляров Mercedes и Volvos и много времени уделял их обслуживанию и пониманию.
Так Bosch K-Jetronic
D span> Отдел электроники Bosch разработал D-Jetronic и выпустил его в 1967 году. Как только он появился на рынке в значительных количествах, отдел гидравлики Bosch начал разрабатывать еще одна система впрыска, которая работала чисто гидравлически — без электроники.Эта система не требует регулирования количества впрыска по длительности импульса впрыска, но впрыскивается непрерывно, то есть непрерывно. Отсюда и название K-Jetronic. D- и позже разработанный L-Jetronic были названы прерывистым впрыском. Конкуренция стимулирует бизнес, даже если он исходит из той же группы, но из другого отдела.
Porsche продолжил K-Jetronic с 1973 года в серии G 911. Затем VW увеличил обороты Golf GTI с помощью этого впрыска, а Mercedes использовал его в мощном W116 S-Class, например, с 6.9 литровый двигатель V8. В Mercedes 450 SEL 6.9, который на тот момент был самым быстрым серийным седаном в мире, могучий восьмицилиндровый двигатель с технологией K-Jetronic обеспечивал впечатляющие характеристики. Двигатель мощностью 286 л.с. и 549 Нм крутящего момента помог этому «сверх-S-классу» добиться спортивных характеристик и титула самого быстрого седана в мире.
DaimlerМощный двигатель V8 Mercedes 450 SEL 6.9 оснащается двигателем K-Jetronic от Bosch.
div>
Mercedes переделал систему впрыска топлива 2.8-литровый, 3,5-литровый и 4,5-литровый инжекторные двигатели зимой 1974/75 г. При этом производитель автомобилей из Штутгарта хотел лучше соблюдать предельные значения выбросов, которые в настоящее время ужесточились в большинстве европейских стран. Вы переходите с Bosch D-Jetronic с электронным управлением на недавно разработанный Bosch K-Jetronic с механическим управлением.
K-Jetronic
В начале 1970-х компания Bosch разработала гидравлическую систему впрыска топлива, которая изначально работала без электроники.Однако из-за более высоких требований к защите окружающей среды требования становились все выше и выше, поэтому требовалось больше электронных вмешательств. Для более экономичного вождения сначала было добавлено ограничение выбега. Для этого был включен байпас параллельно расходомеру воздуха, который открывал этот обход в режиме перебега и, таким образом, больше не позволял воздуху проходить через расходомер воздуха. Расходомер воздуха сообщил: «Нет воздуха». Подача топлива была прекращена. Лямбда-контроль был добавлен для уменьшения выхлопных газов вместе с трехкомпонентным каталитическим нейтрализатором.
Схема системы K-Jetronic
a>Структура K-Jetronic: Путь всасываемого воздуха отмечен синими стрелками. Топливо отмечено желтым цветом.
Топливо всасывается электрическим топливным насосом (2) через топливный бак (3) и топливный фильтр (4), подаваемый на регулятор смеси (9). Он состоит из двух основных частей: делителя потока топлива (9a) и расходомера воздуха (10). Затем топливо достигает клапанов впрыска, которые расположены во впускном коллекторе (6).
Воздух, необходимый для горения, всасывается через воздушный фильтр (не показан) и проходит через отклоняющуюся перегородку (10a) расходомера (10), дроссельную заслонку, впускной коллектор и впускные клапаны в камера сгорания.
Клапан впрыска
Клапаны впрыска K-Jetronic работают чисто механически при давлении открытия 3,3 бар. Количество, подаваемое управляющим поршнем, толкает иглу клапана более или менее к открытию и вызывает дребезжащий звук.Игла клапана вибрирует в седле из-за протекающего топлива. Из-за этого дребезжания капли топлива становятся меньше и равномерно распределяются.
Регулятор смеси
Регулятор смеси состоит из расходомера воздуха и делителя расхода топлива. Регулятор смеси: слева перегородка, справа делитель потока для двигателя с четырьмя цилиндрами. Расходомер воздуха доступен в версии с восходящим потоком или — для лучшей адаптации к определенным конструкциям двигателя — в версии с нисходящим потоком, как показано напротив.В зависимости от объема всасываемого воздуха за раз заслонка принимает определенное положение. Это действует посредством рычажной системы на регулирующий поршень в делителе потока.
Расходомер воздуха
Расходомер воздуха состоит из перегородки, которая поднимается воздухом, и воронки, имеющей форму, служащую для подъема рычага и, следовательно, регулирующего поршня для каждого объема воздуха, подаваемого полностью. нагрузки, чем в средней области, так называемой области частичной нагрузки.
Принцип действия расходомера воздуха: чем больше воздуха всасывается, тем дальше поднимается перегородка.
Дроссельная заслонка может принимать три положения: черный режим холостого хода, зеленый цвет частичной нагрузки и красный цвет полной нагрузки. Площадь кольца вокруг перегородки мала на холостом ходу, больше при частичной нагрузке и больше всего при полной нагрузке. В результате поступающий воздух поднимает перегородку в воронке. Перегородка прикреплена к рычагу, который давит на управляющий поршень. Этот управляющий поршень отвечает за подачу топлива к клапанам впрыска. Коническая форма воздушной воронки имеет разные площади для различных условий нагрузки.
Коррекция конуса: Каждый двигатель имеет собственную специально адаптированную воронку для его рабочего объема и максимальной скорости. 1 для полной нагрузки, 2 для частичной нагрузки, 3 для холостого хода.
Делитель расхода топлива
Как и расходомер воздуха, делитель расхода топлива является частью регулятора смеси. Он используется для дозирования необходимого количества бензина в текущих условиях нагрузки. Он состоит из регулирующего поршня, держателя паза и клапанов перепада давления. Тонкая металлическая мембрана разделяет верхнюю и нижнюю часть разделителя потока.Он также содержит дроссель для регулирующего давления. Если его не использовать в течение длительного времени, он может подвергнуться коррозии из-за конденсации в топливе. Чтобы весь объем впрыскиваемого топлива равномерно распределялся по отдельным форсункам, каждая форсунка имеет свой собственный клапан перепада давления.
Регулятор давления в системе
Пружинный регулятор давления в системе расположен на делителе потока, который поддерживает постоянное давление в системе на уровне 4, 5 бар.
Регулирующий клапан
Регулирующий поршень перемещается в держателе паза, цилиндрическом компоненте с числом 0.Отверстия шириной 2 мм, управляющие щели, соответствующие количеству цилиндров. Чем больше воздуха всасывается, тем выше прижимается управляющий поршень и тем больше поперечное сечение, выходящее за пределы управляющих пазов.
Из-за разницы между давлением в системе и давлением над мембраной топливо поступает в верхнюю часть делителя потока, а оттуда в регулирующие клапаны. Управляющий поршень имеет канавку, так что давление в системе не перемещает управляющий поршень.Давление системы на верхнюю и нижнюю кольцевые поверхности не может сдвинуть его.
Управляющее давление
Управляющее давление находится над управляющим поршнем. На это влияет регулятор прогрева. Он изменяется в диапазоне от 0,5 до 3,7 бар. Если управляющее давление падает, оно толкается вверх тем же количеством воздуха. Пазы управления открываются шире, и смесь становится богаче.
Управляющее давление зависит от давления в системе. Ограничитель потока определяет давление в системе топливомера.Если вы посмотрите на снятую мембрану и поднесете ее к свету, вы увидите дроссельную заслонку как крошечное отверстие. Однако делитель потока обычно не разбирается без необходимости.
Клапаны перепада давления
Эти клапаны вызывают постоянный перепад давления на регулирующих дросселях, перепад давления постоянный 0,1 бар. Клапаны с плоским седлом расположены в делителе потока. Если давление над диафрагмой повышается, сливное отверстие расширяется, регулирующий поршень перемещается вверх, и больше топлива течет в направлении клапанов перепада давления.Это означает, что подача топлива работает пропорционально и линейно движению регулирующего поршня и расходомера воздуха — без влияния давления.
Топливный фильтр
С такой точной механикой и гидравликой, крошечными прорезями и такими же маленькими дросселями было бы разрушительное влияние на функциональность системы. Поэтому системе нужен топливный фильтр.
Дроссельная заслонка
a>Функция дроссельной заслонки.
На валу дроссельной заслонки есть кулачок, который, в свою очередь, изменяет управляющее давление. Этот компонент был встроен в Porsche 911. На холостом ходу (левый рисунок) поперечное сечение отверстия для возврата топлива большое. Это делает смесь богаче.
В диапазоне частичной нагрузки (средний рисунок) поперечное сечение отверстия небольшое, управляющее давление высокое и смесь бедная. Однако при полной нагрузке (правый рисунок) поперечное сечение отверстия велико, и поэтому управляющее давление низкое.Смесь обогащается.
Регулятор прогрева
Регулятор прогрева обеспечивает плавную работу двигателя, пока он прогревается от холодного пуска. Он прикреплен непосредственно к двигателю, так что он «чувствует» температуру двигателя непосредственно как управляющую переменную. Биметаллическая пружина нагревается.
Когда двигатель холодный, холодная биметаллическая пружина толкает пластину пружины клапана вниз. Это позволяет мембране клапана перемещаться вниз, а регулирующее давление топлива стечь через обратную линию.
Когда двигатель прогрет, биметаллическая пружина изгибается вверх. Это позволяет пружине клапана прижимать диафрагму к возврату через штифт и нажимную деталь. Топливо больше не может выходить, и управляющее давление увеличивается.
Регулятор прогрева влияет на управляющее давление делителя потока топлива. Он опускается при холодном двигателе. Это означает, что такое же количество воздуха может подтолкнуть управляющий поршень вверх через рычаг. Прорези управления открываются шире, и количество впрыскиваемого топлива увеличивается.Смесь обогащается. Некоторые регуляторы прогрева имеют дополнительное вакуумное соединение. Это обеспечивает обогащение при полной нагрузке за счет снижения управляющего давления.
При полной нагрузке отрицательное давление подтягивает мембрану полной нагрузки, на которой расположена замыкающая пружина регулятора прогрева. Таким образом, при полной нагрузке внутренняя пружина прижимает мембрану полной нагрузки вниз. Вакуум во впускном коллекторе не так сильно воздействует на вакуумный порт, как на холостом ходу и при частичной нагрузке.Это позволяет управляющему давлению сбрасываться через возврат топлива. Он тонет. Это, в свою очередь, означает, что мембрана больше не так сильно прижимается к дренажной трубе, и регулирующее давление падает. Управляющий поршень продвигается дальше вверх в держателе паза, что увеличивает количество впрыскиваемого топлива. Смесь обогащается.
Принцип отключения при выбеге
В режиме выбега двигатель не требует мощности и поэтому не требует топлива. Поэтому подача просто отключается.У всех автомобилей сегодня есть отсечки топлива. В городском цикле экономится несколько процентов топлива.
В K-Jetronic отключение происходит с помощью байпасного клапана, в котором подаваемый воздух просто обтекает расходомер воздуха. Его, так сказать, обманывают. При превышении скорости холостого хода воздушный перепускной клапан (= клапан отключения при выбеге) открывается в режиме выбега при закрытой дроссельной заслонке. Это заставляет воздух, всасываемый двигателем, обтекать перегородку. Он попадает в нулевое положение и прерывает впрыск топлива.Двигатель не получает смеси во время движения накатом, только воздух.
Если водитель снова ускоряется, перепускной клапан воздуха закрывается и воздух снова проходит через регулятор смеси, заслонка отклоняется и впрыск топлива начинается снова. Информация о скорости со спидометра гарантирует, что функция отключения при выбеге работает только при скорости выше 35 км / ч.
Клапан холодного пуска
Чтобы двигатель лучше запускался на холоде, в K-Jetronic есть электромагнитный пусковой клапан.Он получает питание на короткое время во время процесса запуска через клемму 50 через тепловой таймер. В зависимости от температуры тепловой таймер отключает питание клапана холодного пуска через восемь — не более 15 секунд.
Насос с роликовым элементом
Электрический топливный насос — это насос с роликовым элементом, через который протекает топливо. Поэтому его также называют «мокрым» насосом. Чтобы избежать образования паровых пробок, перекачивается больше топлива, чем расходуется. Ненужное топливо возвращается в бак без давления.
Аккумулятор давления
Когда автомобиль выключен, двигатель еще горячий. Все топливопроводящие компоненты, такие как регуляторы прогрева и клапаны впрыска, поглощают это тепло. При понижении давления топлива могут образовываться пузырьки пара, особенно в жаркую погоду. Поэтому в K-Jetronic есть гидроаккумулятор. Это поддерживает давление в системе в течение нескольких минут после выключения двигателя.
Во время работы он гасит шумы и колебания давления топлива, которые неизбежно создает насос с роликовыми ячейками из-за его пульсирующей подачи.P>
Развитие KE-Jetronic
Первые системы впрыска бензина с непрерывным впрыском K-Jetronic без электроники. Дальнейшим развитием был механически работающий впрыск бензина с отсечкой перерасхода топлива, KA-Jetronic, который в сочетании с лямбда-контролем открывал возможность электронного управления.
DaimlerУсовершенствованный KE-Jetronic использовался в Mercedes 190E.
В 1982 году KE-Jetronic впервые был использован в установленном Mercedes Benz 190 E.Это было дальнейшее развитие моделей K и KA Jetronic. Основной гидро-механический принцип K-Jetronic был сохранен. Характеристики аварийного хода соответствуют свойствам обычного K-Jetronic. Необходимые на практике исправления контролируются электронным способом. Это устраняет необходимость, например, в регуляторе прогрева K-Jetronic.
Следующие типичные проблемы возникли с K-Jetronic:
▶ Температура двигателя не может быть записана достаточно точно
▶ Плохая реакция дроссельной заслонки с быстрым изменением нагрузки во время фазы прогрева
▶ Комплекс отключения перебега
▶ Комплекс лямбда-регулирования.
Эти проблемы привели к дальнейшему развитию KE-Jetronic.
Специалисты K-Jetronic — На главную | Facebook
Мы ремонтируем распределителей топлива и регуляторы разогрева с 1993 года.Все распределители топлива и регуляторы разогрева полностью разобраны, очищены и при необходимости восстановлены с использованием новых деталей. Каждый распределитель топлива и регулятор прогрева поставляются с медными шайбами для всех фитингов и основным уплотнительным кольцом. В комплект поставки агрегатов не входят фитинги / соединения.
Все распределители топлива протестированы на наших испытательных стендах Bosch KDJE-P 200
Все распределители топлива и регуляторы разогрева подлежат замене.Доплата (см. Ниже) добавляется к дополнительному счету PayPal после заказа вашей детали, чтобы гарантировать возврат обменной единицы. Доплата сразу возвращается при получении обменного пункта. Никаких дополнительных сборов, если вы отправляете собственное устройство на ремонт. Никаких дополнительных сборов, если обменная единица получена до отправки отремонтированной единицы.
Нам нужны ваши старые агрегаты, чтобы продолжать наши услуги. Если у вас есть старые агрегаты, мы будем рады принять их в качестве частичного обмена на старые агрегаты. Когда вы отправите обменный блок обратно, за каждую отправленную вами дополнительную часть я добавлю к вашему возмещению еще 50 долларов.Таким образом, если вы отправите свою обменную единицу обратно с двумя дополнительными единицами, вы получите комиссию за обмен плюс дополнительные 100 долларов. Любые дистрибьюторы топлива K или KE или регуляторы разогрева могут быть приняты для обмена, если они будут укомплектованы.
Гарантия: На все блоки дается гарантия от неисправностей в течение 12 месяцев. Эта гарантия распространяется только на устройство и почтовые расходы. Гарантия аннулируется в случае загрязнения грязью и / или водой. При каждой замене компонента необходимо устанавливать новый топливный фильтр. Осмотрите старый топливный фильтр на загрязнение.Если он чрезмерный, прочистите топливопроводы.
Пожалуйста, посетите нашу веб-страницу для помощи в проверке неисправностей, а также для установки распределителей обменного топлива.
Доплата: К сожалению, поскольку некоторые покупатели не вернули свои обменные единицы, пришлось использовать систему надбавки. После получения вашего заказа я пришлю вам счет PayPal на дополнительную плату. Получив это, я отправлю ваш товар. Как только я получу ваш старый блок обратно, я НЕМЕДЛЕННО ВОЗВРАЩУ доплату.
Регуляторы прогрева: 100,00 долларов
Чугунные распределители с 4, 5 и 6 цилиндрами: 150,00 долларов
Распределители топлива KE-Jetronic с 4 и 6 цилиндрами: 150,00 долларов
Распределители топлива K & KE-Jetronic с 8 цилиндрами: 200,00 долларов За дополнительную плату отправьте мне свой блок в первую очередь.
S&G Tool Aid 33865 CIS K-Jetronic Тестер системы впрыска топлива в кейсе
CPO Commerce, LLC («CPO») управляет веб-сайтами, расположенными по адресу www.cpooutlets.com, и другими веб-сайтами, на которых появляется копия этой политики конфиденциальности (в совокупности «Сайты CPO»), в качестве услуги для своих клиентов, проживающих в США. Штаты Америки, их территории и владения.CPO является владельцем или авторизованным пользователем контента, отображаемого на сайтах CPO.
CPO принял эту политику конфиденциальности, чтобы сообщить вам следующее:
- Как мы собираем информацию на сайтах CPO.
- Типы информации, которую мы собираем на сайтах CPO.
- Как мы используем собираемую информацию.
- Обстоятельства, при которых CPO может раскрывать информацию, собранную на сайтах CPO, третьим лицам.
- Варианты, доступные вам на сайтах CPO в отношении сбора и использования вашей информации.
- Процедуры безопасности, которые мы внедрили для защиты вашей личной информации.
Для целей настоящей политики конфиденциальности «Личная информация» — это личная информация об отдельном лице, как более подробно описано в применимых законах о конфиденциальности. Вам следует внимательно ознакомиться с этой политикой конфиденциальности перед использованием сайтов CPO.
Если у вас есть вопросы или опасения относительно этой политики конфиденциальности или сайтов CPO, вам следует связаться с нами, вам следует связаться с нами (см. Раздел 12).
1. Сфера действия политики
Настоящая политика конфиденциальности применяется к использованию вами Сайтов CPO и обработке CPO информации, включая Личную информацию, собранную CPO или от ее имени через Сайты CPO. Использование вами связанных или связанных веб-сайтов или веб-сайтов, на которые вы можете быть перенаправлены, может регулироваться другими или дополнительными условиями, уведомлениями и политиками, и такие условия, уведомления и политики должны регулировать эти веб-сайты.Для получения информации о сборе и использовании информации на любом из этих веб-сайтов или других сторонних сайтах, пожалуйста, ознакомьтесь с условиями использования и политиками, предоставленными этими веб-сайтами.
ПРИМЕЧАНИЕ. НАСТОЯЩАЯ ПОЛИТИКА КОНФИДЕНЦИАЛЬНОСТИ НЕ ПРИМЕНЯЕТСЯ К ИНФОРМАЦИИ, ПРЕДОСТАВЛЯЕМОЙ ВЫ ДОБРОВОЛЬНО ИЛИ НЕДОБРОВОЛЬНО ЧЕРЕЗ ОТВЕТЫ НА НЕКОТОРЫЕ ЗАПРОСЫ ОБСЛЕДОВАНИЯ, НАЧИНАЯ НА САЙТАХ CPO. НЕКОТОРЫЕ ИЗ ЭТИ ОПРОСОВ ПРОВОДИТ YAHOO! INC. И ДРУГИЕ ТРЕТЬИ СТОРОНЫ. ТАКАЯ ИНФОРМАЦИЯ БУДЕТ УПРАВЛЯТЬСЯ ПРИМЕНИМОЙ ПОЛИТИКОЙ КОНФИДЕНЦИАЛЬНОСТИ (IES) YAHOO! INC.ИЛИ ДРУГИЕ ТРЕТЬИ ЛИЦА.
2. Наши методы сбора информации
Автоматически собираемая информация. Когда вы посещаете сайты CPO для размещения заказа, просмотра, чтения или загрузки информации, мы можем автоматически собирать и хранить следующие типы нелично идентифицируемой информации:
- Информация, собираемая в виде журналов сервера на основе информации, предоставленной вашим браузером.
- Статистика переходов.
- Ваш IP-адрес.
- Тип веб-браузера, который вы используете для доступа к сайтам CPO.
- Тип используемой операционной системы.
- Имя домена и хоста, с которого вы выходите в Интернет.
- Дата и время доступа к сайтам CPO.
- Интернет-адрес сайтов, с которых вы напрямую перешли на сайты CPO.
Персональная информация, добровольно предоставленная пользователем. Вы можете использовать части Сайтов CPO без предоставления какой-либо личной информации. Однако для того, чтобы воспользоваться всеми возможностями сайтов CPO и получить доступ и использовать многие функции, имеющиеся на сайтах CPO, включая размещение заказов на продукты, предлагаемые для продажи на сайтах CPO, и получение CPO эксклюзивные сообщения электронной почты, вы должны предоставить определенную личную информацию. Вы также можете предоставлять Личную информацию, когда участвуете в различных услугах и предложениях на сайтах CPO.Личная информация может включать, без ограничений:
- Ваше имя, почтовый адрес, адрес электронной почты, номер телефона, номер факса, платежная информация, номер кредитной карты и сопутствующая информация.
- Информация, касающаяся ваших интересов, занятий, использования продукта и предпочтений.
Вас также могут попросить ответить на дополнительные вопросы, чтобы помочь нам удовлетворить ваши потребности. Некоторые функции на сайтах CPO, такие как функция «Отправить эту страницу другу по электронной почте», могут потребовать от вас предоставления информации о третьих лицах.Точно так же, если вы запрашиваете отправку заказа или подарка непосредственно другому лицу, а не вам, вас также попросят предоставить информацию о получателе заказа или подарка. Эта информация может включать имя третьей стороны, адрес, номер телефона, номер факса, адрес электронной почты и другую подобную информацию.
3. Информация Гарантия
Если вы предоставляете Личную информацию через Сайты CPO, включая Личную информацию о лицах, кроме вас самих, вы гарантируете, что (i) у вас есть полномочия предоставлять эту Личную информацию и предоставлять CPO право использовать такую Личную информацию в соответствии с настоящим Соглашением. политика конфиденциальности, (ii) вы предоставили эту Персональную информацию добровольно и (iii) вы соглашаетесь на использование этой Персональной информации в соответствии с настоящей политикой конфиденциальности.
4. Использование и раскрытие информации
Использование автоматически собираемой информации. Информация, автоматически собираемая через сайты CPO, предоставляет нам информацию об использовании вами сайтов CPO, в том числе о том, какие страницы наиболее популярны среди пользователей сайтов CPO. Эта информация также позволяет нам определять, правильно ли работают сайты CPO, и вносить изменения в сайты CPO, чтобы пользователь мог лучше взаимодействовать с сайтами CPO.Мы не используем эту информацию для идентификации конкретного пользователя.
Мы можем агрегировать и использовать определенную информацию, не позволяющую установить личность, в исследовательских или маркетинговых целях, а также можем передавать, продавать и сдавать в аренду или обменивать полученную информацию и статистическую информацию с нашими партнерами по маркетингу, рекламодателями или другими третьими сторонами.
Использование информации неличного характера, добровольно предоставленной пользователем. Оставаясь включенным в наш список рассылки, вы подтверждаете, что мы можем продавать, сдавать в аренду, делиться, обменивать или иным образом предоставлять или передавать вашу неличную информацию, такую как демографические и профессиональные данные, третьим лицам.Такие третьи стороны могут использовать такую информацию для любых целей или могут передавать такую информацию другим третьим лицам.
Использование информации в коммерческих целях. CPO использует личную информацию, которую вы нам предоставляете, для внутренних деловых целей, таких как (i) для проверки при входе в систему в качестве зарегистрированного пользователя, если применимо; (ii) в маркетинговых целях; (iii) связаться с вами по поводу продуктов или услуг, которые вы заказали или запросили, и предоставить то же самое; (iv) для проведения рекламных акций, включая, помимо прочего, розыгрыши, конкурсы или подписки, в которых вы участвовали; (v) обрабатывать и отправлять заказы; (vi) для отправки подтверждений заказа и отгрузки; (vii) для обслуживания клиентов, ответа на ваши запросы и запросы и улучшения предложения продуктов и услуг; (viii) вести учет заказов, возвратов и обменов; (ix) для защиты вас и нас от ошибок и мошенничества; (x) для отправки информации, предупреждений о продуктах и услугах и эксклюзивных предложений; (xi) для записи использования Сайтов CPO; (xii) для настройки Сайтов CPO в соответствии с вашими личными предпочтениями; и (xiii) настраивать рекламную и маркетинговую информацию о наших продуктах и услугах.Мы также можем обмениваться информацией, включая Личную информацию, с другими компаниями и организациями для защиты от кредитного мошенничества и снижения рисков.
Поставщики услуг и продавцы. Мы также можем передавать вашу Личную информацию определенным третьим сторонам, которые предоставляют услуги для CPO. Эти третьи стороны могут размещать Сайты CPO, управлять определенными функциями Сайтов CPO, распечатывать или отправлять рассылки, предоставлять маркетинговые материалы для Сайтов CPO, авторизовывать и обрабатывать ваши платежи, обеспечивать обслуживание клиентов, анализировать данные и помогать в выполнении ваших заказов, отправлять электронные письма от имени CPO или иным образом помогают CPO в работе сайтов CPO.Эти третьи стороны не имеют права использовать или раскрывать вашу Личную информацию для каких-либо целей, кроме оказания услуг, указанных CPO.
Совместные службы баз данных. Мы можем участвовать в совместных службах баз данных. Эти услуги помогают нам направлять печатные рассылки и другие маркетинговые инициативы соответствующим покупателям и посетителям веб-сайтов. Имена и почтовые адреса могут использоваться совместно участвующими сторонами в услугах совместной базы данных, но кооперативу не предоставляется информация о кредитной карте или адреса электронной почты.
Деловые переводы. Автоматически собираемая информация и ваша Личная информация могут быть переданы в качестве актива в связи со слиянием или продажей, включающей все или часть CPO, или как часть корпоративной реорганизации, продажи акций или другой смены контроля.
Раскрытие необходимой информации. CPO также может предоставить вашу Личную информацию третьей стороне, если CPO добросовестно считает, что доступ, использование, сохранение или раскрытие разумно необходимы для удовлетворения любого применимого закона, постановления, судебного процесса или имеющего исковую силу запроса правительства.Например, от CPO может потребоваться раскрыть вашу Личную информацию для ответа на повестку в суд, постановление суда или другой судебный процесс.
5. Согласие на обработку и передачу информации
CPO может передавать информацию, которую вы отправляете нам, включая, помимо прочего, Личную информацию, получателям в странах, которые не обеспечивают такой же уровень правовой защиты данных, как страна, из которой вы получаете доступ к Сайтам CPO. Используя Сайты CPO, вы даете согласие на такую передачу и обработку этой информации CPO.
6. Уведомление для родителей
Сайты CPO считаются сайтами для широкой аудитории и не предназначены для использования детьми. CPO не продает товары, предназначенные для детей, и не намеревается собирать Личную информацию от лиц младше восемнадцати (18) лет. Если вы являетесь родителем или опекуном ребенка, который предоставил нам личную информацию, сообщите нам, как указано в разделе 12 ниже, и мы удалим эту личную информацию.
7. Использование файлов cookie
Файлы cookie— это фрагменты информации, которые веб-сайт передает на жесткий диск человека для идентификации предыдущих посетителей этих сайтов. Файлы cookie — это текстовые файлы, которые вы можете отклонить или удалить в любое время. Вы можете отключить файлы cookie в настройках вашего интернет-браузера. Однако, удаляя или отклоняя файлы cookie, вы можете помешать работе пользователей на сайтах CPO и других сайтах. Например, для совершения онлайн-транзакций необходимо принимать файлы cookie.
CPO использует файлы cookie для хранения информации о вашем посещении сайтов CPO, чтобы улучшить ваше посещение сайтов CPO. Например, хранение этой информации позволит нам иногда настраивать страницы учетной записи для вас. Мы также используем файлы cookie и технологии отслеживания для:
- Отслеживайте посещения пользователей.
- Отслеживайте свою корзину и покупки.
- Определите, какие настройки отображаются чаще всего.
- Сохраните свой пароль, чтобы вам не приходилось вводить его каждый раз при посещении сайтов CPO.
Кроме того, в настоящее время мы заключаем контракты с несколькими онлайн-партнерами для помощи в управлении и оптимизации сайтов CPO. Мы пользуемся услугами маркетинговой компании, чтобы помочь нам измерить эффективность нашей рекламы и то, как посетители используют наши сайты. Для этого мы используем веб-маяки и файлы cookie, предоставляемые нашей маркетинговой компанией на сайтах CPO. Тип информации, которую мы собираем, включает, какие страницы посещаются, какие продукты помещаются в корзину, какие заказы входят в процесс оформления заказа, какие проверки выполняются с оплатой и т. Д.Пополняя наши записи, эта информация помогает нам узнать, какие страницы наиболее привлекательны для наших посетителей, какие из наших продуктов больше всего интересуют наших клиентов и какие предложения хотят видеть наши клиенты. Хотя наша маркетинговая компания управляет информацией, поступающей с наших сайтов от нашего имени, мы контролируем, как эти данные могут и не могут использоваться. Если вы не хотите помогать нам узнать, как улучшить наши сайты, продукты, предложения и маркетинговую стратегию, вы можете отказаться от нашей возможности анализировать такие данные, связавшись с нами (см. Раздел 12).
8. Безопасность
CPO и уполномоченные третьи стороны принимают разумные меры, включая административные, технические и физические меры, для защиты вашей Личной информации от несанкционированного доступа, потери, изменения, использования или раскрытия. Например, любая личная информация, которую вы вводите при размещении заказа на продукт, включая, помимо прочего, вашу кредитную карту и другую личную информацию, шифруется перед передачей на серверы сайтов CPO с использованием 128-битного шифрования Secure Sockets Layer, если оно поддерживается. вашим браузером.Кроме того, мы используем разумные меры для ограничения раскрытия вашей личной информации в соответствии с настоящей политикой конфиденциальности. Однако ваша личная информация никогда не может быть защищена на 100%: информация может передаваться по сетям без соответствующих мер безопасности и может быть доступна, удалена, изменена, использована или раскрыта неуполномоченными лицами. Вы можете помочь нам защитить вашу Личную информацию, (i) не передавая свой пароль или другую информацию учетной записи третьим лицам, (ii) используя безопасный веб-браузер и (iii) часто меняя свой пароль.
9. Управление вашей информацией
CPO оставляет за собой право сохранять любую личную информацию, разумно необходимую для надлежащего документирования своей коммерческой деятельности, а также для целей архивирования и хранения записей. Мы будем хранить вашу личную информацию столько времени, сколько разумно необходимо для целей, описанных в этой политике конфиденциальности. Вы можете узнать более подробную информацию об этой политике конфиденциальности, связавшись с нами (см. Раздел 12).
Вы можете «отказаться» от получения в будущем электронных писем или других сообщений от нас, щелкнув ссылку «отказаться от подписки» в нижней части любого электронного письма, которое вы получаете от нас, или связавшись с нами (см. Раздел 12).Обратите внимание, что удаление вашей личной информации из нашей базы данных или «отказ» не остановит (i) маркетинговый или рекламный контент, который готов к отправке по почте или находится в очереди для передачи вам до того момента, когда мы сможем выполнить ваш запрос. или (ii) использование вашей личной информации третьими сторонами, с которыми CPO, возможно, уже поделился вашей информацией.
10. Обновления и изменения политик
CPO может время от времени изменять эту политику конфиденциальности, размещая здесь обновленные версии политики конфиденциальности.Поскольку мы можем вносить изменения в эту политику конфиденциальности в любое время без уведомления вас, мы предлагаем вам просматривать эту политику конфиденциальности каждый раз, когда вы получаете доступ к Сайтам CPO или используете их. Обратите внимание, что наши права на использование вашей личной информации будут основываться на политике конфиденциальности, действующей на момент сбора информации.
11. Связаться с CPO
Если у вас есть вопросы относительно сайтов CPO, политики конфиденциальности или вашей конфиденциальности на сайтах CPO, вы можете отправить запрос с любыми дополнительными вопросами в наш отдел обслуживания клиентов по электронной почте на адрес privacy @ cpooutlets.

1 1.3 1.5 л.