Устройство и принцип работы датчика Холла, схема подключения и применение. Как проверить датчик Холла в автомобиле
Автор Master OffRoad На чтение 9 мин. Просмотров 1.1k. Опубликовано
Содержание
- Датчик Холла — что это такое в автомобиле?
- Описание и применение
- Преимущества датчиков Холла
- Недостатки датчиков Холла
- Аналоговые и цифровые решения
- На основе операции
- Биполярный датчик Холла
- Униполярный датчик Холла
- Признаки неисправности датчика Холла
- Проверка датчика
- Диагностика мультиметром
- Проверка сопротивления
- Создание имитации контроллера Холла
- Замена датчика Холла
- Видео, как заменить датчик Холла своими руками
- Заключение
Датчик Холла — что это такое в автомобиле?
Датчик используют на машинах с бесконтактной основой, ставшей очередной вехой в эволюции устройств, применяемых для включения системы подачи горючего.
Именно бесконтактный измеритель — ее главная особенность. Также система отличается контактным зажиганием. Принцип работы датчика Холла — фиксация перемен, происходящих в магнитном поле, путем изменения напряжения мотора, генерируемого на выходе.
Прибор заменяет собой контакты, используется для контроля величины напряжения. Благодаря ему при перегрузках в бортовой сети происходит деактивация двигательной системы. При перегреве контроллера включается температурная защита. Металлический экран датчика имеет прорези, на которых формируется магнитное поле. Благодаря этому в пластине появляется напряжение. Из-за того, что прорези чередуются, оно является пониженным.
Поломка прибора приводит к возникновению неисправностей инжектора.
Описание и применение
Контроллер, в основе которого лежит действие эффекта Холла, относится к датчикам магнитного типа. Они выдают электрический сигнал в зависимости от изменения магнитного поля вокруг них.
Эффект Холла состоит в появлении напряжения в проводнике при прохождении через него электрического тока.
Электрический ток меняет магнитное поле, за ним меняется индукция этого поля, в итоге создается разность потенциалов.
Регистр Холла работает следующим образом:
- вокруг него создается магнитное поле, активирующее контроллер;
- при внесении в поле какого-либо объекта, оно выходит за первоначальные границы; датчик этот процесс фиксирует и генерирует напряжение, пропорциональное изменению.
Напряжение называется напряжением Холла.
На основе датчика Холла собирают контроллеры приближения, движения, переключатели и другие полезные в быту и промышленности устройства.
Преимущества датчиков Холла
Датчики эффекта Холла имеют следующие преимущества:
- выполняют несколько функций, таких как определение положения, скорости, а также направления движения;
- поскольку являются твердотельными устройствами, то абсолютно не подвержены износу из-за отсутствия движущихся частей;
- почти не требуют обслуживания;
- прочные;
- невосприимчивы к вибрации, пыли и воде.

Датчики эффекта Холла имеют следующие недостатки:
- Не способны измерять ток на расстоянии более 10 см. Единственное решение для преодоления этой проблемы заключается в использовании очень сильного магнита, который может генерировать широкое магнитное поле.
- Точность измеренного значения всегда является проблемой, поскольку внешние магнитные поля могут влиять на значения.
- Высокая температура оказывает влияние на сопротивление проводника. Это в свою очередь скажется на подвижности носителя заряда и чувствительности датчиков Холла.
Аналоговые и цифровые решения
Датчики на основе эффекта Холла фиксируют разницу потенциалов. Аналоговое решение, рассмотренное выше, основано на преобразовании индукции поля в напряжение с учетом полярности и силы поля.
Принцип работы цифрового датчика состоит в фиксации присутствия или отсутствие поля. В случае достижения индукцией определенного показателя датчик отмечает наличие поля. Если индукция не соответствует необходимому показателю, тогда цифровой датчик показывает отсутствие поля.
Чувствительность датчика определяется его способностью фиксировать поле при той или иной индукции.
Цифровой датчик Холла может быть биполярным и униполярным. В первом случае срабатывание и отключение устройства происходит посредством смены полярности. Во втором случае включение происходит при появлении поля, отключается датчик в результате того, что индукция снижается.
На основе операции
На основе операции датчики эффекта Холла можно разделить на два типа:
- биполярный;
- униполярный.
Биполярный датчик Холла
Как следует из названия, эти датчики требуют как положительных, так и отрицательных магнитных полей для своей работы. Положительное магнитное поле южного полюса магнита используется для активации датчика, а отрицательное магнитное поле северного полюса — для его отключения.
Униполярный датчик Холла
Как следует из названия, эти датчики требуют только положительного магнитного поля южного полюса магнита, чтобы быть активированными.
Эта же полярность задействуется для выключения датчика.
Признаки неисправности датчика Холла
Датчики Холла являются составной частью различных приборов. Фото 1. Назначение и устройство датчика Холла Название датчик берет от фамилии своего изобретателя.
Далее снимается крышка трамблера и совмещается метка механизма газораспределения с меткой коленвала.
Выглядит он так: Поэтому при наличии неисправного датчика Холла бежим в ближайший радиомагазин или рынок и приобретаем SSA. Если в запасе нет уже готового исправного датчик — не беда. Поэтому для измерения слабых токов применяют конструкцию рис. Ток высокого напряжения идет от катушки зажигания по проводу через угольный контакт на пластину ротора, и затем через клемму крышки распределителя по проводу высокого напряжения, в наконечнике которого установлен помехоподавительный экран, попадает на соответствующую свечу зажигания и воспламеняет рабочую смесь в цилиндре.
Писали, что очень удобна для выставления зажигания… Удачи! Схема подключения датчика Холла В качестве примера использования, на картинке ниже показана электрическая цепь бесконтактной системы зажигания автомобиля, с преобразователем Холла.
Существует несколько способов проверки исправности автомобильного датчика Холла.
Проверка датчика
Есть несколько способов диагностики контроллера. Самый точный вариант, который позволит получить осциллограмму — воспользоваться специальным оборудованием. Осциллограф не только определит состояние контроллера, но и даст точно понять, что устройство скоро выйдет из строя. Такое оборудование есть не у каждого электрика, поэтому ниже рассмотрены более простые, но не менее эффективные варианты.
Диагностика мультиметром
Перед выполнением тестирования устройство надо настроить в режим измерения постоянного тока, рабочий диапазон должен составить 20 вольт. Также потребуется два металлических штыря. Перед проведением диагностики с разъема устройства демонтируется резиновый чехол.
Процедура предварительной проверки, позволяющей установить, что на контроллер Холла подаются необходимые сигналы, выполняется так:
- С распределительного узла отключается основной бронепровод.
Его необходимо соединить с массой автомобиля для предотвращения случайного появления разряда. Поскольку это приведет к запуску силового агрегата при диагностике. - Затем производится активация системы зажигания.
- Разъем отключается от распределительного механизма.
- На тестере выставляется режим постоянного тока с диапазоном 20 вольт.
- Отрицательный контакт мультиметра подключается к кузову автомобиля, можно выбрать любое место. Положительный выход тестера будет использоваться для замера рабочего параметра напряжения.
- Разъем, подключенный к распределительному узлу, оснащается тремя контактами — красным, зеленым и белым, но расцветка проводников может быть другой. На первом выходе величина напряжения должна составить 11,37 вольт либо около 12 В, на втором — тоже в районе этого показателя. А на последнем проводнике рабочий параметр должен составить 0 вольт.
Следующий этап диагностики:
- Берутся два металлических штыря, можно использовать гвозди.
Один из них устанавливается в средний контакт колодки (обычно зеленый цвет), а другой подключается к массе. Его расцветка, как правило, белая. Затем сам разъем подсоединяется обратно к распределительному устройству. Штыри используются в качестве проводников тока. На обратной стороне разъема открытых контактов нет, поэтому для проверки сами кабели придется оголить, а делать это не рекомендуется. - Затем зажигание активируется. Положительный контакт тестера надо подключить к штырю среднего выхода на разъеме, а отрицательный — к белому проводнику. Производится замер напряжения. Если контроллер Холла рабочий, то полученная величина должна составить около 11,2 вольт.
- Затем надо прокрутить коленчатый вал силового агрегата и одновременно проверить показатели, которые выдает тестер. Если значения в ходе прокручивания снизятся до 0,02 вольт и затем увеличатся до 11,8 В, то это нормально. Так и должно быть в нижнем и верхнем пределе измерений. Можно отключать тестер.
Контроллер Холла считается рабочим, если при прокручивании коленчатого вала верхний предел измерений будет не ниже 9 вольт, а нижний — не выше 0,4 В.
Канал «Автоэлектрика ВЧ» подробно показал процедуру диагностики датчика с использованием тестера и рассказал об основных особенностях этого процесса.
Проверка сопротивления
Чтобы произвести диагностику этого параметра, потребуется простое устройство, состоящее из резисторного элемента на 1 кОм, диодной лампочки, а также гибких кабелей. К ножке источника освещения надо подключать резистор, для надежной фиксации используется пайка. К этой детали подсоединяются два проводника необходимой длины, важно, чтобы они были не короткими.
Принцип проверки выглядит так:
- Производится демонтаж крышки распределительного механизма. От контактов отсоединяется сам трамблер, а также колодка с проводами.
- Выполняется диагностика исправности электроцепи. Для этого тестер надо соединить с первой и третьей клеммами, а затем активировать зажигание.
Если все проводники целые, то величина напряжения на дисплее мультиметра составит от 10 до 12 вольт. - Затем аналогичным образом выполняется подключение собранного прибора к тем же выходам. Когда полярность соблюдена, то диодная лампочка загорится, если нет — то кабели надо поменять местами.
- Потом проводник, подключенный к первому выходу, остается нетронутым. А конец третьей клеммы переключается на вторую. Выполняется прокручивание распределительного вала. Это можно сделать руками либо с использованием стартерного механизма.
- Если в процессе выполнения этих действия источник освещения стал моргать, то контроллер работает правильно и не нуждается в замене.
Канал Altevaa TV рассказал о способе проверки датчика с использованием обычной лампочки на примере автомобиля Фольксваген.
Создание имитации контроллера Холла
Такой вариант диагностики датчика Холла считается наиболее быстрым, но его реализация возможна при наличии питания в системе зажигания и отсутствия искры.
От распределительного механизма отключается трехконтактный разъем. Производится активация зажигания в машине и с помощью куска проводника замыкаются контакты под номерами 2 и 3, это выходы сигнала и пин. Если в результате подключения на центральном кабеле образовалась искра, это говорит о поломке контроллера Холла. При выполнении задачи высоковольтный проводник необходимо держать у массы авто.
Замена датчика Холла
Заменить датчик Холла не составит особых затруднений. С этой работой под силу справится своими руками даже начинающему автолюбителю.
Чуть ниже на видео достаточно подробно показан процесс замены датчика в трамблере автомобиля УАЗ.
Обычно замена датчика Холла состоит из нескольких этапов:
- Прежде всего, трамблер снимается с машины.
- Далее снимается крышка трамблера и совмещается метка механизма газораспределения с меткой коленвала.
- Запомнив положение трамблера, нужно открутить крепежные элементы гаечным ключом.
- При наличии фиксаторов и стопоров, их также следует извлечь.
- Вал вытаскивают из трамблера.
- Осталось отсоединить клеммы датчика Холла и открутить его.
- Оттянув регулятор, неисправная деталь осторожно вынимается через образованную щель.
- Новый датчик Холла устанавливается в обратной последовательности.
Проверка работоспособности датчика Холла позволяет не только точно определить причину отказа двигателя. Благодаря простым приемам автомобилист сэкономит свое время на ремонт, а также исключит ненужную трату денег.
Видео, как заменить датчик Холла своими руками
Заключение
Чем же так хороши датчики Холла? Если соблюдать нормальные рабочие значения напряжения и тока, то теоретически датчика хватит на бесконечное число включений-выключений. Они не имеют электромеханического контакта, который бы изнашивался, в отличие от геркона и электромагнитного реле.
Источники
- https://mashinapro.ru/1795-datchik-holla.html
- https://ProDatchik.ru/vidy/ustrojstvo-datchika-holla/
- https://meanders.ru.com/datchiki-holla-rabota-tipy-primenenie-preimushhestva-i-nedostatki.shtml
- http://KrutiMotor.ru/ustrojstvo-datchika-xolla/
- https://tokzamer.ru/bez-rubriki/datchik-holla-shema-principialnaya
- https://autodvig.com/grm/chto-takoe-datchik-holla-64849/
- https://unit-car.com/diagnostika-i-remont/150-datchik-holla.html
- https://www.RusElectronic.com/datchik-kholla/
принцип работы, применение, принципиальная схема, подключение
Датчики стали незаменимой частью жизни людей. Они делают ее проще. Датчики света, звука, движения управляют разными техническими системами. Ту же функцию – управление системами выполняют датчики на основе эффекта Холла (далее ДХ – датчик Холла). Далее будет рассмотрено устройство и особенности датчика Холла, разновидности контроллера, его применение, а также принцип работы.
Содержание
- 1 Описание и применение
- 2 Виды, устройство и принцип действия
- 2.1 Цифровые
- 2.2 Униполярные
- 2.3 Биполярные
- 2.4 Омниполярные
- 2.5 Аналоговые
- 3 Применение
- 3.1 Линейные
- 3.2 Датчик тока
- 3.3 Тахометр
- 3.4 Датчик вибраций
- 3.5 Детектор ферромагнетиков
- 3.6 Датчик угла поворота
- 3.7 Бесконтактный потенциометр
- 3.8 ДХ в бесколлекторном двигателе постоянного тока
- 3.9 Датчик расхода
- 3.10 Датчик положения
- 3.11 Цифровые
- 3.12 Датчики
- 3.12.1 Контроллер частоты вращения
- 3.12.2 Контроллер системы зажигания авто
- 3.12.3 Контроллер положения клапанов
- 3.12.4 Контроллер бумаг в принтере
- 3.13 Устройства синхронизации
- 3.14 Счетчик импульсов
- 3.15 Блокировка дверей
- 3.16 Измеритель расхода
- 3.17 Бесконтактное реле
- 3.18 Детектор приближения
- 4 Какие функции выполняет в смартфоне
- 5 Как изготовить своими руками
- 6 Преимущества и недостатки
Описание и применение
Контроллер, в основе которого лежит действие эффекта Холла, относится к датчикам магнитного типа.
Они выдают электрический сигнал в зависимости от изменения магнитного поля вокруг них.
Эффект Холла состоит в появлении напряжения в проводнике при прохождении через него электрического тока. Электрический ток меняет магнитное поле, за ним меняется индукция этого поля, в итоге создается разность потенциалов.
Регистр Холла работает следующим образом:
- вокруг него создается магнитное поле, активирующее контроллер;
- при внесении в поле какого-либо объекта, оно выходит за первоначальные границы; датчик этот процесс фиксирует и генерирует напряжение, пропорциональное изменению.
Напряжение называется напряжением Холла.
На основе датчика Холла собирают контроллеры приближения, движения, переключатели и другие полезные в быту и промышленности устройства.
Виды, устройство и принцип действия
Всего выделяют два вида датчиков на основе эффекта Холла. Первые – цифровые, вторые – аналоговые. Они значительно отличаются друг от друга в плане конструкции и принципа функционирования.
Цифровые
Цифровые регистры имеют два устойчивых положения: ноль или единица – то есть они срабатывают при определенной величине изменения магнитного поля. В основе таких датчиков лежит устройство под названием триггер Шмитта, которое имеет два устойчивых состояния: логический ноль и логическая единица.
Контроллеры подобного типа делятся на три вида:
- Униполярные.
- Биполярные.
- Омниполярные.
Каждый из этих видов далее будет подробно рассмотрен.
Униполярные
Контроллеры подобного вида работают только в том случае, если к ним прикладывается магнитное поле положительной полярности от южного полюса. Только при этом условии происходит срабатывание и отпускание контроллера.
Биполярные
Эти цифровые датчики работают под действием магнитного поля и южного, и северного полюса. Их особенность состоит в том, что срабатывают они под действием поля от южного полюса, а отпускаются под действием северного полюса.
Омниполярные
Уникальность этих контроллеров Холла состоит в том, что они могут включаться и выключаться под действием поля от любого полюса.
Аналоговые
В отличие от цифровых аналоговые датчики способны выдавать на выходе не два стабильных уровня сигнала, а бесконечное множество. Их принцип работы основан на преобразовании величины индукции поля в напряжение.
Конструкция этих устройств содержит элемент Холла (сам контроллер) и усилитель сигнала.
Применение
И аналоговые (линейные), и цифровые контроллеры нашли широкое применение во всех сферах жизни.
Линейные
Из-за большого количества уровней выходного напряжения такие контроллеры часто применяют в измерительной технике.
Датчик тока
Регистр тока на ДХ сделать очень просто. Необходимо установить лишь правильный преобразователь, который из напряжения, создаваемого в результате прохождения тока через проводник, будет получать ток.
Ток с напряжением связаны законом Ома.
Тахометр
Тахометр измеряет частоту вращения чего-либо. Например, вала. Сделать такое устройство на ДХ очень просто. Достаточно установить датчик рядом с вращающимся объектом, а на сам объект повесить небольшой магнит.
Как только магнит будет проходить рядом с датчиком, индукция поля будет изменятся, как и величина напряжения на выходе соответственно.
По изменению последней можно судить о скорости вращения вала.
Датчик вибраций
На основе ДХ можно сконструировать простой регистр вибрации, который будет реагировать на изменение магнитного поля в результате микроперемещений магнита, создающего поле для проводника с током.
Детектор ферромагнетиков
Ферромагнетики – магнитоактивные вещества. Они искажают магнитное поле планеты. По величине этого искажения можно определить, насколько сильный тот или иной ферромагнетик.
Как измерить это искажение? Это можно сделать с помощью ДХ.
Если внести в поле магнита, создающего напряжение в проводнике, магнитный материал (ферромагнетик), то поле изменит индукцию и это повлияет на создаваемую разность потенциалов.
Датчик угла поворота
ДХ способны измерять угол вращения какого-то либо объекта. Например, если на нем установлены магнит и контроллер Холла, то по величине индукции (близости магнита к датчику) можно определить угол вращения.
Потребуется лишь правильно определить зависимость между индукцией и углом. В этом поможет университетский курс физики и механики.
Бесконтактный потенциометр
Напряжение с током связаны по закону Ома через сопротивление. Зная ток через проводник и напряжение, не сложно рассчитать подключенное к проводнику сопротивление. Этот факт позволяет строить на ДХ бесконтактные потенциометры.
ДХ в бесколлекторном двигателе постоянного тока
Подобные контроллеры часто применяются в бесколлекторных двигателях в качестве измерителей угла поворота.
Датчик расхода
Датчик расхода на аналоговом ДХ устроен так, что объем пропущенного через этот датчик вещества пропорционален изменению магнитной индукции поля вокруг него.
Датчик положения
Чтобы собрать датчик положения на ДХ, нужно к отслеживаемой цели подключить магнитную пластину. Когда эта пластина будет менять положение относительно магнита в ДХ, поле будет менять свой состав и по изменению индукции этого поля можно будет определить положение объекта.
Цифровые
Такие контроллеры применяются в электронике и промышленности для управления включением и выключением, например, станков с численным программным управлением, а также для регулирования работы автоматизированных систем.
Датчики
На цифровых ДХ собирают различные контроллеры, способные отслеживать изменение различных величин и реагировать на изменения.
Контроллер частоты вращения
Контроллеры Холла, измеряющие частоту вращения чего-либо, называются энкодерами.
Обычно их несколько устанавливается на определенную позицию, через которую проходит несколько магнитов с вращающегося объекта.
Как только магнит пересекает первый датчик, последний выдает на выходе уровень логической единицы. С другими контроллерами аналогично. Момент появления логической единицы на одном из датчиков позволяет оценить частоту вращения объекта.
Контроллер системы зажигания авто
Система зажигания устроена таким образом, что имеет два устойчивых состояния: включено-выключено. Такие же устойчивые логические уровни имеют цифровые ДХ. Соединить эти приборы в одно устройство не составляет труда: к системе зажигания присоединяется магнитная пластина.
Когда система находится в положении «включено», пластина пересекает магнитное поле ДХ и разность потенциалов в проводнике контроллера изменяется. Этим изменением можно управлять различными системами авто.
Контроллер положения клапанов
Если к клапану подсоединить магнитную пластину, а ее расположить рядом с контроллером Холла, то при открытии (или, наоборот, закрытии) клапана индукция поля и, как следствие, напряжение в проводнике изменится, а это изменение переведет контроллер в одно из логических состояний (ноль, единица).
Так можно фиксировать открывание и закрывание клапанов.
Контроллер бумаг в принтере
Наличие бумаги в принтере можно фиксировать точно так же, как и положение клапанов. Есть флажок, который устанавливается и пересекает поле постоянного магнита ДХ, если в принтер поступает бумага.
Устройства синхронизации
Датчики синхронизации активно применяются в автомобилестроении, где они регулируют время и объем подачи топлива, углы опережения зажигания и поворота распределительного вала, а также других показателей.
Такие датчики представляют собой намагниченный сердечник с медной обмоткой, на концах которой фиксируют разность потенциалов.
Счетчик импульсов
С помощью эффекта Холла можно считать поступающие в проводник импульсы. Импульс – сигнал высокого уровня. Соответственно, есть сигнал низкого уровня (обычно это 0). Если импульс поступает на проводник, то на его концах создается разность потенциалов под действием магнитного поля.
Когда импульс пропадает, разность потенциалов тоже исчезает. По скорости появления-пропадания напряжения в проводнике можно судить о количестве импульсов: зная время и скорость можно определить количество.
Блокировка дверей
Магнит контроллера располагается на двери машины, например, а сам контроллер – на дверной коробке. Как только замок, не снятый с сигнализации, попытается кто-то открыть и потянет на себя ручку двери, подключенная система заблокирует двери и предотвратит доступ в машину. Так и работает блокировка дверей с применением ДХ.
Вместо системы блокировки дверей к датчику можно подключить сирену или другую сигнализацию.
Измеритель расхода
Расходометр на ДХ устроен таким образом, что каждое изменение магнитного потока, фиксируемое контроллером, равняется определенной порции прошедшего вещества (жидкости, например).
Бесконтактное реле
Бесконтактные реле на ДХ так устроены, что при изменении магнитной индукции поля вокруг проводника на нем меняется напряжение и это изменение разности потенциалов провоцирует переключение реле.
Детектор приближения
Контроллер приближения на цифровом ДХ аналогичен контроллеру на линейном ДХ с той лишь разницей, что цифровой выдает только два уровня сигнала – высокий и низкий – а аналоговый –бесконечное множество, то есть, например, цифровым контроллером можно только включить и выключить свет, а аналоговым включить на определенную величину, сделать свет ярче или тусклее, а потом выключить.
Какие функции выполняет в смартфоне
Когда человек подносит смартфон близко к уху, экран телефона гаснет для предотвращения случайных нажатий. Как это удалось реализовать разработчикам? При помощи цифрового датчика приближения, основанного на эффекте Холла.
Как изготовить своими руками
Чтобы сделать простейший ДХ своими руками, понадобится:
- Ферритовое кольцо.
- Проводник для тока.
- Элемент Холла (микросхема ACS 711, например).
- Дифференциальный усилитель.
В кольце необходимо пропилить зазор, в котором расположится элемент Холла.
Его потребуется подключить к дифференциальному усилителю, который представляет особой ОУ с отрицательной обратной связью.
Если изменение индукции – это своеобразная «ошибка», то ОУ выступает в роли усилителя ошибки, как показано на принципиальной схеме подключения на рисунке 1.
Рис. 1. Принципиальная схема подключения элемента Холла.
Вместо усилителя можно установить микроконтроллер и через ограничительный резистор подключить его к выводу микросхемы ACS 711 в режиме АЦП. Тогда к другому выводу микроконтроллера можно подключить полевой транзистор и получится генератор импульсов, который можно использовать в режиме широтно-импульсной модуляции, например.
Преимущества и недостатки
К преимуществам ДХ можно отнести:
- Многофункциональность. Контроллеры Холла, как описано выше, могут играть роль десятков видов датчиков.
- Надежность. Не подвержены износу т.к. не имеют движущихся частей. На их работе не влияет ни влага, ни пыль (вибрация в меньшей степени).

- Простота. Практически не требует обслуживания.
Среди недостатков ДХ выделяют:
- Низкий радиус действия. Обычно ДХ не работает на расстоянии больше 10 см. В противном случае придется использовать очень сильный магнит.
- Сложно обеспечить стабильность измерений. Из-за постоянно меняющегося магнитного поля точность измерений ДХ всегда будет немного колебаться.
Главный недостаток ДХ – температурная нестабильность.
Чем выше температура, тем быстрее движутся заряды в проводнике, тем чувствительнее датчик ко всем колебаниям магнитного поля.
Подключение датчика холла к коммутатору
Содержание
- Кратко о принципе работы
- Типы и сфера применения
- Пример использования аналогового элемента
- Назначение ДХ в системе зажигания автомобиля
- Проявление неисправности и возможные причины
- Как проверить работоспособность датчика Холла?
Электромагнитное устройство, именуемое датчиком Холла (далее ДХ), применяется во многих приборах и механизмах.
Но наибольшее применение ему нашлось в автомобилестроении. Практически во всех моделях отечественного автопрома (ВАЗ 2106, 2107, 2108 и т.д.) бесконтактная система зажигания для бензинового двигателя управляется этим датчиком. Соответственно, при его выходе из строя возникают серьезные проблемы с работой двигателя. Чтобы не ошибиться при диагностике, необходимо понимать принцип работы датчика, знать его конструкцию и методы тестирования.
Кратко о принципе работы
В основу принципа действия датчика зажигания положен эффект Холла, получивший свое название в честь американского физика, открывшего это явление в 1879 году. Подав постоянное напряжение на края прямоугольной пластины (А и В на рис. 1) и поместив ее в магнитное поле, Эдвин Холл обнаружил разность потенциалов на двух других краях (С и D).
Рис .1. Демонстрация эффекта Холла
В соответствии с законами электродинамики, сила Лоренца воздействует на носители заряда, что и приводит к разности потенциалов. Величина напряжения Uхолла довольно мала, в пределах от 10 мкВ до 100 мВ, она зависит как от силы тока, так и напряженности электромагнитного поля.
До середины прошлого века открытие не находило серьезного технического применения, пока не было налажено производство полупроводниковых элементов на основе кремния, сверхчистого германия, арсенида индия и т.д., обладающих необходимыми свойствами. Это открыло возможности для производства малогабаритных датчиков, позволяющих измерять как напряженность поля, так и силу тока, идущего по проводнику.
Типы и сфера применения
Несмотря на разнообразие элементов, применяющих эффект Холла, условно их можно разделить на два вида:
- Аналоговые, использующие принцип преобразования магнитной индукции в напряжение. То есть, полярность, и величина напряжения напрямую зависят от характеристик магнитного поля. На текущий момент этот тип приборов, в основном, применяется в измерительной технике (например, в качестве, датчиков тока, вибрации, угла поворота). Датчики тока, использующие эффект Холла, могут измерять как переменный, так и постоянный ток
- Цифровые. В отличие от предыдущего типа датчик имеет всего два устойчивых положения, сигнализирующих о наличии или отсутствии магнитного поля.
То есть, срабатывание происходит в том случае, когда интенсивность магнитного поля достигла определенной величины. Именно этот тип устройств применяется в автомобильной технике в качестве датчика скорости, фазы, положения распределительного, а также коленчатого вала и т.д.
Следует отметить, что цифровой тип включает в себя следующие подвиды:
- униполярный – срабатывание происходит при определенной силе поля, и после ее снижения датчик переходит в изначальное состояние;
- биполярный – данный тип реагирует на полярность магнитного поля, то есть один полюс производит включение прибора, а противоположный – выключение.
Упрощенная схема датчика тока на основе эффекта Холла
Обозначения:
- А – проводник.
- В – незамкнутое магнитопроводное кольцо.
- С – аналоговый датчик Холла.
- D – усилитель сигнала.
Принцип работы такого устройства довольно прост: ток, проходящий по проводнику, создает электромагнитное поле, датчик измеряет его величину и полярность и выдает пропорциональное напряжение UДТ, которое поступает на усилитель и далее на индикатор.
Назначение ДХ в системе зажигания автомобиля
Разобравшись с принципом действия элемента Холла, рассмотрим, как используется данный датчик в системе бесконтактного зажигания линейки автомобилей ВАЗ. Для этого обратимся к рисунку 5.
Рис. 5. Принцип устройства СБЗ
Обозначения:
- А – датчик.
- B – магнит.
- С – пластина из магнитопроводящего материала (количество выступов соответствует числу цилиндров).
Алгоритм работы такой схемы выгладит следующим образом:
- При вращении вала прерывателя-распределителя (движущемуся синхронно коленвалу) один из выступов магнитопроводящей пластины занимает позицию между датчиком и магнитом.
- В результате этого действия изменяется напряженность магнитного поля, что вызывает срабатывание ДХ. Он посылает электрический импульс коммутатору, управляющему катушкой зажигания.
- В Катушке генерируется напряжение, необходимое для формирования искры.

Казалось бы, ничего сложного, но искра должна появиться именно в определенный момент. Если она сформируется раньше или позже, это вызовет сбой в работе двигателя, вплоть до его полной остановки.
- Применение мультиметра для проверки. Это способ наиболее известный, и приводится в руководстве к автомобилю. Нужно подключить щупы прибора, как продемонстрировано на рисунке 7, и произвести замеры напряжения.
Схема подключения мультиметра для проверки ДХ
На исправном датчике напряжение будет колебаться в диапазоне от 0,4 до 11 вольт (не забудьте перевести мультиметр в режим измерения постоянного тока). Следует заметить, что проверка осциллографом будет намного эффективней. Подключается он таким же образом, как и мультиметр. Пример осциллограммы рабочего ДХ приведен ниже.
Осциллограмма исправного датчика Холла СБЗ
- Установка заведомо рабочего ДХ. Если в наличии имеется еще один однотипный датчик, или имеется возможность взять его на время, то данный вариант тоже имеет место на существование, особенно если первые два сделать затруднительно.

Ест еще один вариант проверки, по принципу напоминающий второй способ. Он может быть полезен, если под рукой нет измерительных приборов. Для тестирования понадобиться резистор номиналом 1,0 кОм, светодиод, например, из фонарика зажигалки и несколько проводков. Из всего этого набора собираем прибор в соответствии с рисунком 9.
Рис. 9. Светоиндикаторный тестер для проверки ДХ
Тестирование осуществляем по следующему алгоритму:
- Проверяем питание на датчике. Для этой цели подключаем (соблюдая полярность) наш тестер к клеммам 1 и 3 ДХ. Включаем зажигание, если с питанием все нормально, светодиод загорится, в противном случае потребуется проверять цепь питания (предварительно убедившись в правильном подключении светодиода).
- Проверяем сам датчик. Для этого провод с первой клеммы «перебрасываем» на вторую (сигнал с ДХ). После этого начинаем крутить распредвал (руками или стартером). Моргание светодиода засвидетельствует исправность ДХ.
В противном случае, на всякий случай проверяем соблюдение полярности при подключении светодиода, и если оно выполнено правильно, – меняем датчик на новый.
И так, после долгих проб и тестирования различных вариантов исполнения двухконтурной бесконтактной системы зажигания, решил поделится с вами своими впечатлениями. Пробовал реализовать систему с датчиком холла от компьютерного кулера (вентилятора охлаждения процессора), двумя датчиками холла и двумя одноканальными коммутаторами и одним датчиком холла и двухканальным коммутатором. Вердикт следующий — на датчике холла от кулера работа двигателя была далеко от идеальной, и я отказался от этого варианта. Далее в связи с дефицитом двухканальных коммутаторов, приобрел два одноканальных и поставил систему с двумя датчиками холла. Вердикт — работа двигателя замечательная, трудность только разместить в трамблере два датчика холла строго под 90 градусов. Но это реализуемо. Проездил на такой системе больше месяца, и от зуда в руках нашел двухканальный коммутатор и переделал систему на один датчик холла.
Разницы между вторым и третьим вариантом особо не почувствовал, так что и та, и другая версия имеет право на жизнь.
Преимущества ДБСЗ
— улучшенное искрообразование как на малых, так и на высоких оборотах
— легкий запуск двигателя при низких температурах
— стабильная и ровная работа двигателя на всех режимах
— уменьшение расхода топлива за счет стабильной и мощной искры и качественного сгорания топлива
Комплект для переделки с одним датчиком холла и двухканальным коммутатором:
Датчик Холла от ВАЗ 2108-09 (1шт)
Коммутатор 2-хканальный 951.3734 или 133.3774-03 (1шт)
Коммутатор Одноканальный 95.3734 или его аналоги (1шт)
Катушка зажигания ЗМЗ 406.3705 (2 шт)
Жгут проводов для коммутатора от ВАЗ 2108-09 (1 шт)
Комплект для переделки с двумя датчиками холла и двумя одноканальными коммутаторами:
Датчик Холла от ВАЗ 2108-09 (2шт)
Коммутатор Одноканальный 95.3734 или его аналоги (2шт)
Катушка зажигания ЗМЗ 406.
3705 (2 шт)
Жгут проводов для коммутатора от ВАЗ 2108-09 (1 шт)
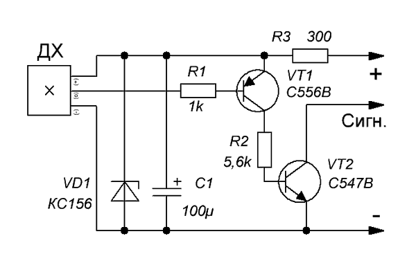
Магнитоэлектрический датчик Холла получил свое название по имени Э. Холла американского физика, открывшего в 1879 г. важное гальваномагнитное явление.
Элемент Холла представляет собой тонкую пластинку, выполненную из полупроводникового материала (кремний, германий), с четырьмя электродами. Если через такую пластинку проходит ток I и на нее одновременно действует магнитное поле, вектор магнитной индукции В которого перпендикулярен плоскости пластинки, то на параллельных направлению тока гранях возникает э.д.с. Холла, которое определяется по следующему выражению:
Uн = кхIВ/d,
кх – постоянная Холла, зависящая от материала пластинки; d – толщина пластинки
Рис. Принцип работы элемента Холла:
1 – магнит; 2 – пластинка из полупроводникового материала
Через пластинку пропускается ток примерно 30 мА, тогда как напряжение Холла составляет 2 мВ, увеличиваясь с ростом температуры.
Пластинка обычно представляет одно целое с интегральной схемой, осуществляемой усиление и формирование сигнала.
Если между магнитом и полупроводником поместить перемещающийся экран с прорезями, получим импульсный генератор Холла.
Схема прерывателя-распределителя с датчиком Холла представлена на двух следующих рисунках.
Рис. Принцип работы датчика Холла:
1 – постоянный магнит; 2 – ротор; 3 – элемент Холла; 4 – операционный усилитель; 5 – формирователь импульсов; 6 – выходной каскад; 7 – блок стабилизации
Магнитное поле создается постоянным магнитом 1, а прерывание магнитного поля осуществляется ротором (экраном) 2 с окнами, укрепленным на валике распределителя. При прохождении окна ротора около постоянного магнита силовые линии его магнитного поля пронизывают поверхность элемента Холла и на его выходе возникает ЭДС. Если воздушный зазор между магнитом и элементом Холла перекрывается шторкой, магнитное поле замыкается на шторку экрана и не попадает на элемент Холла.
Рис. Схема прерывания магнитного потока:
1 – датчик Холла; 2 – держатель датчика; 3 – воздушный зазор; 4 – магнитный поток; 5 – ротор
Количество шторок и окон экрана соответствует количеству цилиндров двигателя. Ширина шторки экрана соответствует углу, при котором выходной транзистор коммутатора пропускает ток через первичную обмотку зажигания.
Учитывая небольшое напряжение, вырабатываемое элементом Холла, оно обрабатывается и усиливается.
Операционный усилитель 4 усиливает сигнал датчика и через формирователь импульсов 5 подает сигнал на базу выходного транзистора 6 и открывает его. Для исключения влияния на выходной сигнал датчика колебаний напряжения сети и температуры в схеме датчика имеется блок стабилизации 7.
При нахождении шторки экрана в щели воздушного зазора, величина магнитного потока резко падает, вследствие замыкании магнитного потока на шторку.
Рис. Импульсы датчика Холла:
В – магнитная индукция; Uн – напряжение, вырабатываемое элементом Холла; Ug – напряжение, вырабатываемое датчиком Холла; I – ток первичной обмотки катушки зажигания; tz – момент зажигания электрической искры; а – изменение магнитной индукции; б – изменение напряжения, вырабатываемого элементом Холла; в – изменение напряжения, вырабатываемого датчиком Холла; г – изменение силы тока первичной катушки зажигания.
Напряжение, вырабатываемое элементом Холла Uн, поступает на операционный усилитель, где происходит усиление сигнала. После этого ток поступает на формирователь импульсов и там происходит переработка из аналогового сигнала в цифровой. Затем полученный цифровой сигнал поступает на выходной каскад и окончательно усиливается до величины напряжения Ug, достаточного для работы транзисторного коммутатора. При этом напряжение Ug за счет инверсии выходного каскада вырабатывается в момент отсутствия напряжения Uн с входа элемента Холла, т.е. в момент перекрытия шторкой экрана воздушного зазора, что соответствует напряжению Uн ниже 0,4 В. В таком положении экрана транзистор выходного каскада Т0 находится в открытом состоянии, при этом от коммутатора через транзистор Т0 проходит ток и при этом база транзистора Т1 соединяется с массой.
Рис. Электрическая схема коммутатора и датчика Холла:
1 – датчик Холла; 1а – выходной сигнал; 2 – коммутатор; 3 – замок зажигания; 4 – дополнительный резистор; 5 – шунтирование дополнительного резистора; 6 – катушка зажигания
Учитывая, что проводимость транзистора Т1 n-p-n, отсутствие положительного потенциала этого транзистора приводит к его закрытию.
В результате этого прекращается подача положительного потенциала на базу В через резистор R4 и коллекторно-эмитерный переход транзистора Т1. При этом ток не проходит через резистор R7 и база В включения транзисторов Т2/Т3 замыкается на массу. Учитывая проводимость этих транзисторов n-p-n, отсутствие положительного заряда на базе В, транзисторы закрываются и ток в первичную обмотку катушки зажигания не поступает. При выходе экрана из воздушного зазора напряжение с элемента Холла достигает 0,4В и через первичную обмотку катушки зажигания начинает протекать ток.
В момент попадания зуба ротора в зазор датчика на выходе датчика создается напряжение Umax примерно на 3 В меньше напряжения питания. Если через зазор датчика проходит прорезь ротора, напряжение на выходе датчика Umin близко к нулю (не более 0,4 В). Отношение периода Т к длительности Ти (скважность) равна трем. Напряжение питания датчика соответствует напряжению бортовой сети и находится в пределах 8…14 В.
Для преобразования управляющих импульсов бесконтактного датчика в импульсы тока в первичной обмотке катушки зажигания применяются коммутаторы.
Коммутатор преобразует управляющие импульсы датчика в импульсы тока в первичной обмотке катушки зажигания. Коммутатор соединен с генератором импульсов (бесконтактным датчиком) тремя проводниками. Коммутатор управляет зажиганием в зависимости от частоты вращения валика датчика-распределителя, напряжения аккумулятора, полного сопротивления катушки зажигания и при любых режимах работы двигателя выдает импульсы напряжения постоянной величины. Во время прохождения положительного импульса (напряжение Umax ) от бесконтактного датчика происходит постепенное ( в течении 4…8 мс) нарастание тока в первичной обмотке катушки зажигания до максимальной величины В равной 8…9 А. В момент, когда напряжение на выходе датчика падает до Umin , выходной транзистор коммутатора закрывается и ток через первичную обмотку катушки зажигания резко прерывается. В результате во вторичной обмотке индуцируется импульс высокого напряжения.
Отдельно элементы прерывателя-распределителя с датчиком Холла показаны на рисунке.
Пластинка и остальные составляющие датчика Холла устанавливается внутри пластмассового корпуса, залитого смолой. Датчик Холла неразборный и не подлежит ремонту. Для соединения с коммутатором датчик Холла имеет 3 вывода.
Рис. Элементы прерывателя-распределителя с датчиком Холла:
1 – ротор: 2 – шторка; 3 – держатель датчика Холла; 4 – постоянный магнит и датчик Холла; 5 – воздушный зазор
Датчик-распределитель выдает управляющие импульсы низкого напряжения и распределяет импульсы высокого напряжения по свечам зажигания. Он имеет центробежный и вакуумный регуляторы опережения зажигания. Бесконтактный датчик в сборе с опорной пластиной имеет возможность поворачиваться в зависимости от разряжения, подводимого к вакуумному регулятору.
Катушка зажигания, адаптированная к данной системе зажигания, установлена рядом с коммутатором. Она преобразует прерывистый ток низкого напряжения (12 В) в ток высокого напряжения (20…25 кВ) необходимый для пробоя воздушного зазора между электродами свечей зажигания.
Катушка имеет в верхней части отверстие, закрытое пробкой диаметром 5.5 мм для защиты катушки от избыточного внутреннего давления. Пробка выталкивается из отверстия при росте давления вследствие повышения температуры из-за короткого замыкания.
Датчик Холла в телефоне — что это? Как проверить датчик Холла?
Время на чтение: 4 мин
Современные устройства содержат множество контроллеров и датчиков, в том числе Датчик Холла. Все сенсоры выполняют определенную практичную функцию, которая выглядит наглядно в виде определенной возможности, например, датчик освещения, позволяет определять уровень света и автоматически подстраивать яркость экрана. Благодаря встроенным датчикам гаджет становится более функциональным и легким в обращении. Рассмотрим особенности применения датчика Холла.
Датчик Холла в телефоне: что это
Многих любопытных пользователей интересует Датчик Холла в смартфоне что это? – Датчиком Холла называется устройство для обнаружения магнитного поля и определения дополнительных параметров.
Получил своё название благодаря работе Эдвина Холла в сфере магнитных полей. Закон был обнаружен ещё в 1879 году, когда в ходе эксперимента для изучения поведения электрического тока была обнаружена зависимость магнитного поля и электричества. Магнитное поле влияет на напряжение в цепи, чем интенсивнее излучение, тем большее влияние на напряжение.
По факту датчик позволяет обнаружить магнитное поле, но само напряжение им не может быть замерено. Благодаря действию устройства смартфон может взаимодействовать с окружающей средой. Самым ярким примером работы датчика Холла является работа электронного компаса. GPS-навигатор также использует данную функцию, преимущественно в момент запуска для более быстрого определения геолокации.
Устройство позволяет считывать все изменения в магнитном поле по области, это может использовать для обнаружения определенных объектов в зоне действия, что косвенно используется в беспроводных сетях. В целом сфер применения у датчика много, но из-за небольшого объёма устройства потенциал используется частично.
Зачем используется датчик Холла в смартфоне
В умной технике, где датчик Холла используется для работы небольшого количества инструментов, он встроен в дисплейный модуль. Благодаря такому подходу возможно бесконтактное управление смартфоном. Данная функция встроена практически во все флагманы, но есть и в более дешевых устройствах, правда урезанная версия.
Читайте также: Как подключить смартфон к телевизору?
Возможности использования датчика в смартфоне не смогут быть в полной мере задействованы, а количество доступных функций во многом зависит от стоимости гаджета, а также целевой направленности. Для нормальной реализации датчика Холла требуется много места, которым производитель сильно дорожит.
Применение датчика Холла в смартфоне:
- Цифровой компас. Помимо стандартного приложения компас, может применяться в других программах, связанных с навигацией. Благодаря датчику удается достичь более точного позиционирования устройства в пространстве.
Известная многим функция в GPS-навигации – направление движения пользователя, также реализуется при помощи датчика. Подобная функция важна в играх (например, известная Pokemon GO) или при составлении маршрута;
- Связь с аксессуарами. Благодаря магнитному чехлу можно несколько расширить возможность устройства и получить доступ к базовым функциям смартфона даже не открывая чехол;
- Отключение/включение экрана в раскладных смартфонах. При изменении положения крышки по отношению к основной части датчик реагирует и производит действие;
- Функционирование возможности «Автоповорот». Позиция смартфона по отношению к земле определяется также микроконтроллером;
- Самостоятельная подстройка изображения при изменении параметров экрана из-за времени суток.
Как проверить датчик Холла
Проверка датчика Холла возможна при помощи стандартных функций смартфона, которые используют сенсор. Данный оператор выходит из строя крайне редко, поэтому проверка сводится к обнаружению, встроен ли он в смартфон или нет.
Если телефон уже у вас на руках, то достаточно поднести магнит к экрану, при наличии контроллера, он должен погаснуть. Причем достаточно даже небольшого кусочка магнита. Если убрать его, экран снова должен заработать. В период прикасания магнитом устройство можно стандартно разблокировать через кнопку.
Самый простой способ достичь цели, если доступа к устройству нет – это посмотреть описание смартфона, в параметрах «Датчики» или «Другое» должна быть соответствующая строка. Информация доступна на бесплатных интернет ресурсах или на официальном сайте. Также можно изучить бумажную документацию. К сожалению, не всегда указываются полные характеристики смартфона и записи о датчике может просто не быть, так как устройство является второстепенным. Наиболее полная информация доступна в электронной документации от производителя, её можно загрузить на официальном сайте.
Читайте также: На смартфоне или планшете Thumbnails — что это за папка и можно ли её удалять
Дополнительно удостовериться в наличии или отсутствии датчика можно при помощи следующих методов:
- Прочитать отзывы пользователей, но придется изучить немало отзывов и гарантии найти ожидаемую информацию нет;
- Напрямую спросить в технической поддержке интернет-магазина, где планируется приобрести товар;
- Тематические форумы.
Практически для всех моделей смартфонов можно найти соответствующие страницы на форумах, если информации здесь нет, можно задать вопрос; - Изучить видео-обзор смартфона. В рамках обзора часто упоминаются все ключевые функции устройства, а также программные особенности системы. В комментариях также может быть ответ.
На практике использование сенсора может быть удобным благодаря магнитным-чехлам. По внешнему виду чехол не имеет значительных отличий, но в нём встроен магнит. При открытии верхней крышки экран активируется, при закрытии блокируется. Если на смартфоне нужно выполнить пару простых действий, можно даже не открывать чехол, при наличии нём окошка, а достаточно просто нажать на кнопку блокировки и 2 раза тапнуть по дисплею.
Стоит учесть, что частое использование датчика Холла приводит к быстрой потере заряда, поэтому предпочтительно ограничить работу и лишний раз предотвратить его активацию.
Если у Вас остались вопросы по теме «Что такое датчик Холла в телефоне и как его проверить», то можете задать их в комментариях
Оцените материал
Рейтинг статьи 5 / 5.
Голосов: 8
Пока нет голосов! Будьте первым, кто оценит этот пост.
описание, подключение, схема, характеристики —
Содержание
Датчики Холла для определения тока и местоположения. В чем разница?
Измерение во всех его формах является
фундаментальным для многих приложений. Это неизменно включает материал, который
действует как преобразователь, чтобы преобразовать одно свойство в другое. В
электронике чувствительный элемент будет иметь физические свойства, которые
изменяются в результате действия датчика, такие как его сопротивление или
реактивное сопротивление, позволяющие измерять изменение тока или напряжения.
Эффект Холла
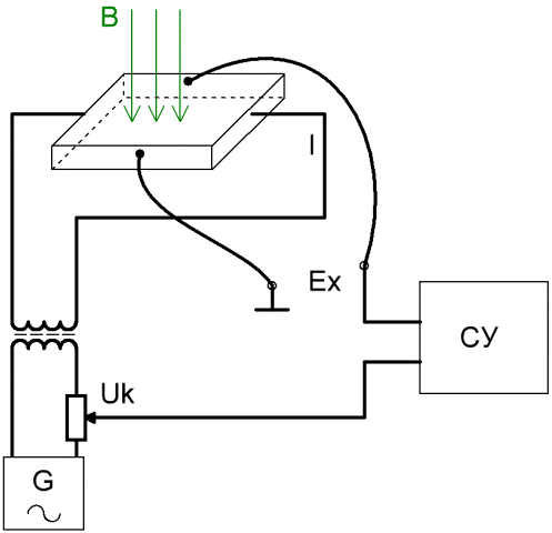
В 1879 году Эдвин Холл обнаружил, что когда проводник или полупроводник с током, текущим в одном направлении, вводится перпендикулярно магнитному полю, напряжение можно измерять под прямым углом к пути тока. Хорошо известно, что эффект Холла является результатом взаимодействия заряженных частиц, таких как электроны, в ответ на электрические и магнитные поля.
Эффект Холла применительно к датчикам проявляется либо в измеримой разности напряжений на проводнике, через который должен протекать постоянный ток, либо в виде измеримой разности тока в проводнике, через который должно протекать постоянное напряжение (рисунок ниже). Разница напряжений пропорциональна напряженности магнитного поля. Это означает, что эффект Холла можно использовать двумя весьма различными способами, даже если основной эффект одинаков в обоих случаях.
Уровень сигнала из-за изменения поля
относительно фонового шума невелик (диапазон мкВ). Следовательно, для его
использования требуются довольно сложные пути прохождения сигнала.
Не желая никоим образом обесценивать открытия Эдвина Холла, этот эффект действительно является продолжением использования силы Лоренца, которая описывает взаимодействие между электрическими и магнитными силами на точечном заряде из-за изменения электромагнитного поля.
Проще говоря, в случае эффекта Холла сила Лоренца описывает влияние, которое магнитное поле оказывает на заряженную частицу, в частности направление, которое она будет вынуждена принимать, когда проходит через проводник, подверженный воздействию магнитного поля.
Физическое движение приводит к большему или меньшему заряду на поверхности проводника, что приводит к разности потенциалов, известному как напряжение Холла.
Измерение тока с помощью эффекта Холла
Тот факт, что эффект Холла зависит от магнитного поля, означает, что его можно использовать в качестве бесконтактной технологии. Таким образом, он не является «навязчивым», в отличие от наиболее распространенного способа измерения тока, который заключается в использовании шунта (низкоомного резистора) и измерении падения напряжения на нем. Использование эффекта Холла для измерения тока по своей природе надежно в приложениях большой мощности, поскольку оно не опирается на потенциал земли в качестве эталона.
Для обычного датчика тока на основе эффекта Холла это означает размещение датчика перпендикулярно магнитному полю и использование концентратора, обычно ферромагнитного сердечника, имеющего форму кольца или квадрата, расположенного вокруг проводника, несущего измеряемый ток (рисунок ниже).
Датчик обычно держат в небольшом воздушном зазоре, образованном между двумя концами ферромагнитного сердечника.
С датчиком тока IMC-Холла
чувствительный элемент расположен параллельно протекающему току. В этом случае
ферромагнитный сердечник не требуется; однако для защиты от перекрестных помех
может потребоваться защита. Это означает, что его можно использовать для
измерения тока, протекающего по шине или дорожке печатной платы, просто
расположив датчик над шиной или дорожкой. Этот тип датчика активируется
технологией IMC-Hall
с использованием встроенного
магнитного концентратора (IMC), разработанного
компанией Melexis.
По сути, это магнитное поле, генерируемое током, который обнаруживается благодаря эффекту Холла, а не самим протекающим током.
Отслеживание местоположения с помощью эффекта Холла
Тот же принцип можно использовать для
обнаружения наличия, отсутствия или расстояния до магнитного поля. Фактически
напряжение Холла, возникающее в результате движения магнита поверх датчиков,
может быть обнаружено, усилено и обработано.
Это дает возможность использовать
эффект Холла для определения положения или даже ориентации объектов
относительно датчика.
В простом приложении это может быть реализовано относительно грубо, например, отслеживание, когда ноутбук открыт или закрыт. Или он может быть более сложным, когда он используется для обнаружения линейного движения или поворота, такого как изменение положения движущегося объекта (рисунок ниже). В этом отношении использование эффекта Холла для определения положения намного более универсально, чем его использование в качестве датчика тока.
Встроенный магнитный концентратор (IMC)
Одним из недостатков большинства
датчиков Холла, который связан с причиной эффекта, является то, что пластина
Холла, используемая для определения поля, ограничена только одной осью.
Чтобы устранить этот недостаток, Melexis разработала встроенный магнитный концентратор, или IMC, который делает эффект Холла гораздо более гибким. IMC позволяет датчикам Холла, оставаясь в плоскости, обнаруживать магнитные поля от осей X, Y и Z (рисунок ниже).
Следовательно, преимущества применения многочисленны, включая гибкость ориентации датчика.
Применение эффекта Холла в автомобильной промышленности
Благодаря использованию технологии
встроенного магнитного концентратора многие приложения в автомобильной
промышленности могут использовать эффект Холла. Работая в трех измерениях,
датчик Холла может использоваться для определения положения педалей, вращения
рулевой колонки и состояния тормозного рычага, а также положения сидений с
электроприводом.
Он также может применяться под капотом для контроля вращающихся частей насосов и двигателей, а также для измерения тока, потребляемого электрифицированными частями силового агрегата, такими как инвертор, система контроля аккумулятора (BMS) или бортовое зарядное устройство (OBC).
Итоги
В основных терминах феномен Холла
может быть использован рядом полезных способов, включая измерение тока и
определение положения. Несмотря на серьезные проблемы, такие как низкое
отношение сигнал / шум или влияние паразитного поля, электронная промышленность
преуспела в разработке надежных и точных сенсорных решений, основанных на
эффекте Холла.
В частности, добавление мощного аналогового внешнего интерфейса и тракта цифрового сигнала наряду с запатентованными технологиями, такими как IMC-Hall от Melexis, означает, что эффект Холла можно применять для измерения тока и определения местоположения даже в суровых условиях, таких как автомобильная промышленность.
принцип работы, как проверить своими руками, применение
Электромагнитное устройство, именуемое датчиком Холла (далее ДХ), применяется во многих приборах и механизмах. Но наибольшее применение ему нашлось в автомобилестроении. Практически во всех моделях отечественного автопрома (ВАЗ 2106, 2107, 2108 и т.д.) бесконтактная система зажигания для бензинового двигателя управляется этим датчиком. Соответственно, при его выходе из строя возникают серьезные проблемы с работой двигателя. Чтобы не ошибиться при диагностике, необходимо понимать принцип работы датчика, знать его конструкцию и методы тестирования.
Кратко о принципе работы
В основу принципа действия датчика зажигания положен эффект Холла, получивший свое название в честь американского физика, открывшего это явление в 1879 году.
Подав постоянное напряжение на края прямоугольной пластины (А и В на рис. 1) и поместив ее в магнитное поле, Эдвин Холл обнаружил разность потенциалов на двух других краях (С и D).
Рис .1. Демонстрация эффекта Холла
В соответствии с законами электродинамики, сила Лоренца воздействует на носители заряда, что и приводит к разности потенциалов. Величина напряжения Uхолла довольно мала, в пределах от 10 мкВ до 100 мВ, она зависит как от силы тока, так и напряженности электромагнитного поля.
До середины прошлого века открытие не находило серьезного технического применения, пока не было налажено производство полупроводниковых элементов на основе кремния, сверхчистого германия, арсенида индия и т.д., обладающих необходимыми свойствами. Это открыло возможности для производства малогабаритных датчиков, позволяющих измерять как напряженность поля, так и силу тока, идущего по проводнику.
Типы и сфера применения
Несмотря на разнообразие элементов, применяющих эффект Холла, условно их можно разделить на два вида:
- Аналоговые, использующие принцип преобразования магнитной индукции в напряжение.
То есть, полярность, и величина напряжения напрямую зависят от характеристик магнитного поля. На текущий момент этот тип приборов, в основном, применяется в измерительной технике (например, в качестве, датчиков тока, вибрации, угла поворота).
Датчики тока, использующие эффект Холла, могут измерять как переменный, так и постоянный ток - Цифровые. В отличие от предыдущего типа датчик имеет всего два устойчивых положения, сигнализирующих о наличии или отсутствии магнитного поля. То есть, срабатывание происходит в том случае, когда интенсивность магнитного поля достигла определенной величины. Именно этот тип устройств применяется в автомобильной технике в качестве датчика скорости, фазы, положения распределительного, а также коленчатого вала и т.д.
Следует отметить, что цифровой тип включает в себя следующие подвиды:
- униполярный – срабатывание происходит при определенной силе поля, и после ее снижения датчик переходит в изначальное состояние;
- биполярный – данный тип реагирует на полярность магнитного поля, то есть один полюс производит включение прибора, а противоположный – выключение.

Внешний вид цифрового датчика Холла
Как правило, большинство датчиков представляет собой компонент с тремя выводами, на два из которых подается двух- или однополярное питание, а третий является сигнальным.
Пример использования аналогового элемента
Рассмотрим в качестве примера конструкцию датчика тока ы основе работы которого используется эффект Холла.
Упрощенная схема датчика тока на основе эффекта Холла
Обозначения:
- А – проводник.
- В – незамкнутое магнитопроводное кольцо.
- С – аналоговый датчик Холла.
- D – усилитель сигнала.
Принцип работы такого устройства довольно прост: ток, проходящий по проводнику, создает электромагнитное поле, датчик измеряет его величину и полярность и выдает пропорциональное напряжение UДТ, которое поступает на усилитель и далее на индикатор.
https://www.youtube.com/watch?v=fmLs9WsKx3I
Назначение ДХ в системе зажигания автомобиля
Разобравшись с принципом действия элемента Холла, рассмотрим, как используется данный датчик в системе бесконтактного зажигания линейки автомобилей ВАЗ.
Для этого обратимся к рисунку 5.
Рис. 5. Принцип устройства СБЗ
Обозначения:
- А – датчик.
- B – магнит.
- С – пластина из магнитопроводящего материала (количество выступов соответствует числу цилиндров).
Алгоритм работы такой схемы выгладит следующим образом:
- При вращении вала прерывателя-распределителя (движущемуся синхронно коленвалу) один из выступов магнитопроводящей пластины занимает позицию между датчиком и магнитом.
- В результате этого действия изменяется напряженность магнитного поля, что вызывает срабатывание ДХ. Он посылает электрический импульс коммутатору, управляющему катушкой зажигания.
- В Катушке генерируется напряжение, необходимое для формирования искры.
Казалось бы, ничего сложного, но искра должна появиться именно в определенный момент. Если она сформируется раньше или позже, это вызовет сбой в работе двигателя, вплоть до его полной остановки.
Внешний вид датчика Холла для СБЗ ВАЗ 2110
Проявление неисправности и возможные причины
Нарушения в работе ДХ можно обнаружить по следующим косвенным признакам:
- Происходит резкое увеличение потребления топлива.
Это связано с тем, что впрыск топливно-воздушной смеси производится более одного раза за один цикл вращения коленвала. - Проявление нестабильной работы двигателя. Автомобиль может начать «дергаться», происходит резкое замедление. В некоторых случаях не удается развить скорость более 50-60 км.ч. Двигатель «глохнет» в процессе работы.
- Иногда выход из строя датчика может привести к фиксации коробки передач, без возможности ее переключения (в некоторых моделях импортных авто). Для исправления ситуации требуется перезапуск мотора. При регулярных подобных случаях можно уверенно констатировать выход из строят ДП.
- Нередко поломка может проявиться в виде исчезновения искры зажигания, что, соответственно, повлечет за собой невозможность запуска мотора.
- В системе самодиагностики могут наблюдаться регулярные сбои, например, загореться индикатор проверки двигателя, когда он на холостом ходу, а при повышении оборотов лампочка гаснет.
Совсем не обязательно, что перечисленные факторы вызваны выходом из строя ДП.
Высока вероятность того, неисправность вызвана другими причинами, а именно:
- попаданием мусора или других посторонних предметов на корпус ДП;
- произошел обрыв сигнального провода;
- в разъем ДП попала вода;
- сигнальный провод замкнулся с «массой» или бортовой сетью;
- порвалась экранирующая оболочка на всем жгуте или отдельных проводах;
- повреждение проводов, подающих питание к ДП;
- перепутана полярность напряжения, поступающего на датчик;
- проблемы с высоковольтной цепью системы зажигания;
- проблемы с блоком управления;
- неправильно выставлен зазор между ДП и магнитопроводящей пластиной;
- возможно, причина кроется в высокой амплитуде торцевого биения шестеренки распределительного вала.
Как проверить работоспособность датчика Холла?
Есть разные способы, позволяющие проверить исправность датчика СБЗ, кратко расскажем о них:
- Имитируем наличие ДХ. Это наиболее простой способ, позволяющий быстро провести проверку.
Но его эффективности может идти речь только в том случае, если не формируется искра при наличии питания на основных узлах системы. Для тестирования следует выполнить следующие действия:
- отключаем от трамблера трехпроводной штекер;
- запускаем систему зажигания и одновременно с этим «коротим» проводом массу и сигнал с датчика (контакты 3 и 2, соответственно). При наличии искры на катушке зажигания, можно констатировать, что датчик СБЗ потерял работоспособность и ему необходима замена.
Обратим внимание, что для выявления искрообразования высоковольтный проводок должен находиться рядом с массой.
- Применение мультиметра для проверки. Это способ наиболее известный, и приводится в руководстве к автомобилю. Нужно подключить щупы прибора, как продемонстрировано на рисунке 7, и произвести замеры напряжения.
Схема подключения мультиметра для проверки ДХ
На исправном датчике напряжение будет колебаться в диапазоне от 0,4 до 11 вольт (не забудьте перевести мультиметр в режим измерения постоянного тока).
Следует заметить, что проверка осциллографом будет намного эффективней. Подключается он таким же образом, как и мультиметр. Пример осциллограммы рабочего ДХ приведен ниже.
Осциллограмма исправного датчика Холла СБЗ
- Установка заведомо рабочего ДХ. Если в наличии имеется еще один однотипный датчик, или имеется возможность взять его на время, то данный вариант тоже имеет место на существование, особенно если первые два сделать затруднительно.
Ест еще один вариант проверки, по принципу напоминающий второй способ. Он может быть полезен, если под рукой нет измерительных приборов. Для тестирования понадобиться резистор номиналом 1,0 кОм, светодиод, например, из фонарика зажигалки и несколько проводков. Из всего этого набора собираем прибор в соответствии с рисунком 9.
Рис. 9. Светоиндикаторный тестер для проверки ДХ
Тестирование осуществляем по следующему алгоритму:
- Проверяем питание на датчике. Для этой цели подключаем (соблюдая полярность) наш тестер к клеммам 1 и 3 ДХ.
Включаем зажигание, если с питанием все нормально, светодиод загорится, в противном случае потребуется проверять цепь питания (предварительно убедившись в правильном подключении светодиода). - Проверяем сам датчик. Для этого провод с первой клеммы «перебрасываем» на вторую (сигнал с ДХ). После этого начинаем крутить распредвал (руками или стартером). Моргание светодиода засвидетельствует исправность ДХ. В противном случае, на всякий случай проверяем соблюдение полярности при подключении светодиода, и если оно выполнено правильно, — меняем датчик на новый.
Датчик тока — MirMarine
Датчик тока предназначен для того, чтобы передать в систему автоматического управления сигнал, пропорциональный току, протекающему в силовой цепи или для преобразования тока до значения, удобного для измерения.
В настоящее время примерно 15 % всех электроприводов имеют инверторное управление, и это управление позволяет сэкономить до 50 % всей расходуемой электроэнергии.
Однако векторное управление невозможно без контроля тока, напряжения и магнитного поля.
Наиболее распространенными сегодня способами измерения тока являются три метода:
- метод прямого измерения с помощью токоизмерительного шунта;
- косвенный метод с помощью трансформатора тока;
- метод, основанный на основе эффекта Холла.
Токоизмерительный шунт
Метод прямого измерения – это наиболее часто применяемый метод, что объясняется простотой его использования и дешевизной. Прямое измерение тока обеспечивается включением в схему токочувствительного резистора (шунта), который имеет стабильный температурный коэффициент (ТКС менее 0,01 %).
Графическое изображение шунта представлено на рисунке 2.89 а, схема подключения – на рисунке 2.89 б.
Шунты изготовляют из манганина. Если шунт рассчитан на небольшой ток (до 30 А), то его обычно встраивают в корпус прибора (внутренние шунты).
Для измерения больших токов используют приборы с наружными шунтами. В этом случае мощность, рассеиваемая в шунте, не нагревает прибор.
Шунт, представленные на рисунке, имеет наконечники из меди, которые служат для отвода тепла от манганиновых пластин, впаянных между ними. Шунт подключается последовательно в цепь через токовые зажимы. Измерительный механизм присоединяют к потенциальным зажимам, между которыми и заключено сопротивление шунта. При таком включении
измерительного механизма устраняются погрешности от контактных сопротивлений.
Наружные шунты обычно выполняются калиброванными, т е. рассчитываются на определенные токи и падения напряжения. Калиброванные шунты должны иметь номинальное падение напряжения 10, 15, 30, 50, 60, 75, 100, 150 и 300 мВ. Для переносных магнитоэлектрических приборов на токи до 30 А внутренние шунты изготовляют на несколько пределов измерения.
Большинство измерительных головок для шунтов откалибровано на напряжение в 75мВ.
Шунты разделяются на классы точности 0,02; 0,05; 0,1; 0,2 и 0,5. Число, определяющее класс точности, обозначает допустимое отклонение сопротивления шунта в процентах его номинального значения.
Преимущества:
- простота контракции;
- хорошая линейность;
- способность измерять постоянный и переменные токи;
- отсутствие необходимости внешнего источника питания.
Недостатки:
- отсутствие гальванической развязки;
- вносимые в цепь измерений потери;
- при низких токах шунт должен иметь высокое сопротивление, чтобы падение напряжения на нем имело достаточную величину, что приводит к необходимости применения усилителя;
- наличие паразитной индуктивности у большинства мощных резисторов приводит к ограничению полосы пропускания данного метода.
Трансформатор тока
В конструктивном отношении трансформаторы тока выполнены в виде сердечника, шихтованного из холоднокатанной кремнистой трансформаторной стали, на которую наматываются одна или несколько вторичных изолированных обмоток.
Первичная обмотка также может быть выполнена в виде катушки, намотанной на сердечник, либо в виде шины. В некоторых конструкциях вообще не предусмотрена встроенная первичная обмотка; первичная обмотка выполняется потребителем путём пропускания провода через специальное окно. Обмотки и сердечник заключаются в корпус для изоляции и предохранения обмоток. В некоторых современных конструкциях трансформаторов тока сердечник выполняется из нанокристаллических (аморфных) сплавов, для расширения диапазона, в котором трансформатор работает в классе точности.
Вторичные обмотки трансформатора тока обязательно нагружаются. Сопротивление нагрузки строго регламентировано требованиями к точности коэффициента трансформации. Незначительное отклонение сопротивления вторичной цепи от номинала приводит к изменению погрешности преобразования и возможно ухудшению измерительных качеств трансформатора. Значительное увеличение сопротивления нагрузки создает высокое напряжение во вторичной обмотке, достаточное для пробоя изоляции трансформатора, что приводит к выходу трансформатора из строя, а также создаёт угрозу жизни обслуживающего персонала.
Кроме того, из-за возрастающих потерь в сердечнике магнитопровода, трансформатор начинает перегреваться, что также может привести к повреждению (или, как минимум, к износу) изоляции и дальнейшему её пробою. Полностью разомкнутая вторичная обмотка ТТ не создаёт компенсирующего магнитного потока в сердечнике, что приводит к перегреву магнитопровода и его выгоранию. При этом магнитный поток, созданный первичной обмоткой, имеет очень высокое значение и потери в магнитопроводе сильно нагревают его.
Коэффициент трансформации измерительных трансформаторов тока является их основной характеристикой. Номинальный (идеальный) коэффициент указывается на шильдике трансформатора в виде отношения номинального тока первичной (первичных) обмоток к номинальному току вторичной (вторичных) обмоток, например, 100/5 А или 10–15–50–100/5 А (для первичных обмоток с несколькими секциями витков). При этом реальный коэффициент трансформации несколько отличается от номинального. Это отличие характеризуется величиной погрешности преобразования, состоящей из двух составляющих – синфазной и квадратурной.
Первая характеризует отклонение по величине, вторая отклонение по фазе вторичного тока реального от номинального. Эти величины регламентированы ГОСТами и служат основой для присвоения трансформаторам тока классов точности при проектировании и изготовлении. Поскольку в магнитных системах имеют место потери, связанные с намагничиванием и нагревом магнитопровода, вторичный ток оказывается меньше номинального у всех трансформаторов тока. В связи с этим для
улучшения характеристик и внесения положительного смещения в погрешность преобразования применяют витковую коррекцию. А это означает, что
коэффициент трансформации у таких откорректированных трансформаторов не соответствует привычной формуле, соотношений витков первичной и вторичной обмоток.
Графическое изображение трансформаторов тока представлено на рисунке 2.90 а, на рисунке 2.90 б – схема включения.
Аналогичный метод измерений используется в датчиках, получивших название «пояс Роговского».
Различие только в том, что «пояс Роговского» не имеет сердечника и поэтому его индуктивность меньше, чем у трансформаторов тока.
Преимущества:
- наличие гальваническая развязка с высоким пробивным напряжением;
- может измерять токи в несколько кА;
- высокая точность измерений.
Недостатки:
- работают на сетевой частоте и не могут использоваться в цепях постоянного тока;
- изменяет фазу сигнала и требует компенсации.
Датчики на основе эффекта Холла
Датчики компенсационного типа и датчики прямого усиления основаны на использовании эффекта Холла, Генераторы Холла обладают определенной
зависимостью чувствительности и начального выходного напряжения от температуры, тем не менее, эта зависимость может быть значительно
компенсирована электронной схемой датчика тока.
Датчики прямого усиления используют эффект Холла. Магнитная индукция В и напряжение Холла, создаются измеряемым первичным током IP, который необходимо преобразовать в выходной ток датчика.
Ток управления подается с помощью стабилизированного источника тока.
При создании датчика тока открытого типа берется магнитопровод, пропускается через него провод измеряемой цепи и в разрез магнитопровода помещается датчик Холла (рисунок 2.91).
Достоинством такого датчика является относительная простота. Недостатком – наличие подмагничивания сердечника, следовательно, повышение нелинейности показаний.
Датчики прямого усиления позволяют измерять номинальные токи от нескольких ампер до нескольких сотен килоампер с общей точностью в несколько процентов от номинального значения.
Датчики прямого усиления способны измерять постоянный, переменный ток и токи других форм с гальванической изоляцией. Они отличаются низкой потребляемой мощностью и уменьшенными геометрическими размерами, а также относительно небольшим весом, в особенности для диапазона больших токов. Они обеспечивают отсутствие внутренних потерь в измеряемой цепи и особенно устойчивы к перегрузкам.
Эти датчики сравнительно недороги и в основном применяются в промышленности.
Датчики компенсационного типа, (также называемые датчиками с нулевым потоком) имеют встроенную компенсационную цепь, с помощью которой характеристики датчиков тока, использующих эффект Холла, могут быть существенно улучшены.
В то время как датчики прямого усиления дают выход напряжения, пропорциональный увеличенному напряжению Холла, компенсационные датчики обеспечивают выходной ток, пропорциональный напряжению Холла, который действует как сигнал обратной связи, чтобы компенсировать магнитное поле, создаваемое первичным током, магнитным полем, создаваемым полем выходного тока (рисунок 2.92).
Диапазон компенсационных датчиков позволяет измерять номинальные токи от нескольких ампер до нескольких сотен килоампер с точностью около 1 %.
Компенсационные датчики способны измерять постоянный ток, переменный ток и токи иной формы с гальванической развязкой.
Они выделяются следующим:
- отличная точность;
- очень хорошая линейность;
- малый температурный дрейф;
- очень быстрое время отклика и широкий частотный диапазон;
- не приводят к дополнительным потерям в измерительной цепи.
Токовый выход этих датчиков особенно приспособлен к применению при наличии помех окружающей среды. При необходимости очень легко преобразовать сигнал датчика в напряжение. Датчики выдерживают перегрузки тока без повреждений. Эти датчики особенно хорошо подходят к промышленному применению, когда требуется высокая точность и широкий частотный диапазон. Основным недостатком этой технологии является потребление мощности на компенсацию тока. Кроме того, для диапазона высоких токов эти датчики более дорогие и имеют большие габариты по сравнению с аналогичными датчиками прямого усиления. Несмотря на это, датчики компенсационного типа являются относительно дешевыми, особенно для диапазона малых токов.
Достоинства:
- широкий диапазон измеряемых токов с частотой до 50–100кГц и выше;
- измеряет постоянный и переменный ток;
- гальваническая развязка;
- высокая точность;
- низкий температурный дрейф;
- линейность;
- небольшие масса-габаритные показатели;
- низкое энергопотребление.
Недостатки:
- высокая стоимость.
Литература
Элементы и функциональные устройства судовой автоматики — Авдеев Б.А. [2018]
Похожие статьи
Датчик тока с эффектом Холла SACI /САСИ TEh332
Разборные трансформаторы тока SACI TA со склада в Москве
SACI TEh332
Датчик тока с эффектом Холла SACI /САСИ TEh332
Американец Эдвин Герберт Холл в 1879 г. обнаружил эффект, впоследствии названный его именем. Эффект Холла состоит в возникновении электрического поля и разности потенциалов на краях полупроводниковой пластинки, по которой пропускают ток и на которую воздействует магнитное поле.
Электрическое поле оказывается перпендикулярным магнитному полю и плоскости, в которой протекает ток. Под действием силы Лоренца происходит отклонение электронов к одному из краев пластинки, а в противоположном — накопление дырок, и между этими зонами возникает ЭДС, именуемая ЭДС Холла.
Эта ЭДС тем больше, чем сильнее протекающий по полупроводниковой пластинке ток и чем значительнее магнитная индукция.
Предлагаемое устройство, принцип действия которого основан на эффекте Холла, может быть использовано для обнаружения превышения током в проводнике порогового значения и сигнализации об этом. Датчик Холла располагают в зазоре ферромагнитного концентратора, который можно изготовить из трансформаторного железа либо пермаллоя для отслеживания тока с частотой до нескольких килогерц, или из феррита для регистрации тока с частотой до десятков килогерц.
Концентратор на тороидальном магнитопроводе с зазором необходим для повышения чувствительности датчика. На магнитопровод уложена обмотка из провода, по которому протекает подлежащий регистрации ток.
Число витков — не критично (от одного и до заполнения окна сердечника). Индукция магнитного потока, проходящего сквозь датчик Холла, тем выше, чем больше число витков обмотки, сила протекающего по ней тока и чем меньше толщина немагнитного зазора в сердечнике. Другими словами, чем больше число витков обмотки и тоньше зазор, тем выше чувствительность датчика тока. Но если немагнитный зазор будет чересчур мал, то сердечник может войти в насыщение. Важна также взаимная ориентация концентратора и рабочей плоскости датчика Холла.
Технические характеристики датчик тока с эффектом SACI /САСИ TEh332.
| Модель | TEH-132 | ||
| Ток на первичной обмотке (A) | 100 200 300 400 500 600 1000 A | ||
| Диапазон | ±300 ±600 ±900 ±1100 ±1200 ±1300 ±1500 A | ||
Габаритные размеры датчик тока с эффектом Холла SACI /САСИ TEh332
Описание датчик тока с эффектом SACI /САСИ TEh332
ООО «Триумф-Инжиниринг» 117105, Москва, Варшавское шоссе, 17.
Телефон в Москве + 7 495 587-04-23
e-mail Написать письмо
[contact_form lang=en]
Датчики постоянного тока-Сопрягаемые с DIRIS Digiware DC
Сопрягаемые с DIRIS Digiware DC
tore_072.psd
Датчики с твердотельным сердечником
50 … 600 A
tore_071.psd
Датчики с твердотельным сердечником
850 … 5000 A
tore_068.psd
Датчики с разъемным сердечником
50 … 500 A
tore_066.psd
Датчики с разъемным сердечником
800 … 2000 A
Функция
Датчики постоянного тока измеряют нагрузочные токи постоянного напряжения электрической установки и передают информацию в измерительные модули DIRIS Digiware Idc по кабелю RJ12-Molex со стороны датчика.
Доступны датчики с твердотельными и разъемными сердечниками от 50 до 5000 А различных размеров, подходящих для новых или существующих электрических установок.
Предусмотрена возможность подключения до 3 различных датчиков постоянного тока к одному и тому же модулю DIRIS Digiware Idc.
Преимущества
Включи и работай
- Быстроразъемный коннектор RJ12 обеспечивает простоту и надежность подключения проводки.
- Быстрая настройка номинальных параметров датчика.
Гибкие
- Большой ассортимент датчиков с твердотельными и разъемными сердечниками от 50 до 5000 А, предназначенных для новых или существующих электрических установок.
Установка
- Легкая установка.
- Идеально подходят для установки в ограниченном пространстве.
- Всего лишь 4 размера корпуса для широкого диапазона измерений.
- Кабели с цветной индикацией жил для упрощения определения назначения и предотвращения ошибок монтажа проводки.
Габаритные размеры (мм)
Датчики с твердотельным сердечником 50 … 600 A (размер корпуса 1)
tore_093_a_1_x. ai
Датчики с твердотельным сердечником 850 … 5000 A (размер корпуса 2)
tore_092_a_1_x.ai
Датчики с твердотельным сердечником 50 … 600 A (размер корпуса 1)
tore_090_a_1_x.
ai
Датчики с твердотельным сердечником 850 … 5000 A (размер корпуса 2)
tore_091_a_1_x.ai
Соединения
Постоянный ток измеряется внешними датчиками, подключенными к модулям DIRIS Digiware I-3xdc посредством кабелей RJ12-Molex. Датчики тока подключаются быстро и безошибочно. Socomec поставляет широкий ассортимент датчиков тока для любых установок и сфер применения, в том числе датчики с разъемным сердечником для модернизированных установок. Датчики постоянного тока имеют следующие технические характеристики:
- Датчики Холла с разомкнутым контуром
- С твердотельным сердечником или с разъемным сердечником.
- Напряжение источника питания: ± 15 В.
- Потребляемый ток от источника питания: ± 25 мА в зависимости от датчика.
- Выходное напряжение: ± 4 В.
- Клеммная колодка Molex с 4-контактным штекерным разъемом.
- Диапазон измерения: от 16 до 6000 A.
- Электрическое перенапряжение категории III.
- КОНТАКТ 1: + 15 В (+ Vc)
- КОНТАКТ 2: — 15 В (- Vc)
- КОНТАКТ 3: вход датчика (M)
- КОНТАКТ 4: Датчик 0 В (0)
Технические характеристики
| Тип датчика тока | На эффекте Холла с разомкнутым контуром |
| Соединение | Специальный кабель Socomec с разъемами RJ12-Molex |
| Точность измерения токов | Датчики с твердотельным сердечником:50…600A:<1% Датчики с твердотельным сердечником: 850…5000A:<1% Датчики с разъемным сердечником: 50…500A:< 2% Датчики с разъемным сердечником: 800…2000A:< 2% |
| Вес | Датчики с твердотельным сердечником 50 … 600 A | 60 г |
| Датчики с твердотельным сердечником 850 … 5000 A | 450 г | |
| Датчики с твердотельным сердечником 50 … 500 A | 80 г | |
| Датчики с твердотельным сердечником 800 … 2000 A | 590 г | |
| Рабочая температура | Датчики с твердотельным сердечником 50 … 600 A | -10 . .. + 80°C |
| Датчики с твердотельным сердечником 850 … 5000 A | -25 … + +85°C | |
| Датчики с твердотельным сердечником 50 … 500 A | -10 … + +70°C | |
| Датчики с твердотельным сердечником 800 … 2000 A | -10 … + +70°C | |
| Температура хранения | Датчики с твердотельным сердечником 50 … 600 A | -25 … + 80°C |
| Датчики с твердотельным сердечником 850 … 5000 A | -25 … + +85°C | |
| Датчики с твердотельным сердечником 50 … 500 A | -20 … + +85°C | |
| Датчики с твердотельным сердечником 800 … 2000 A | -25 … + +85°C |
Коды изделий
| Датчики постоянного тока | Код изделия |
| Датчики с твердотельным сердечником (размер корпуса 1) | |
| 50 A | 4829 0700 |
| 100 A | 4829 0701 |
| 200 A | 4829 0702 |
| 300 A | 4829 0703 |
| 400 A | 4829 0704 |
| 500 A | 4829 0705 |
| 600 A | 4829 0706 |
| Датчики с твердотельным сердечником (размер корпуса 2) | |
| 850 A | 4829 0707 |
| 1000 A | 4829 0708 |
| 1500 A | 4829 0709 |
| 2000 A | 4829 0710 |
| 2500 A | 4829 0711 |
| 5000 A | 4829 0712 |
| Датчики с разъемным сердечником (размер корпуса 1) | |
| 50 A | 4829 0750 |
| 100 A | 4829 0751 |
| 200 A | 4829 0752 |
| 300 A | 4829 0753 |
| 400 A | 4829 0754 |
| 500 A | 4829 0755 |
| Датчики с разъемным сердечником (размер корпуса 2) | |
| 800 A | 4829 0756 |
| 1000 A | 4829 0757 |
| 1500 A | 4829 0758 |
| 2000 A | 4829 0759 |
| Кабели RJ12-MOLEX | ||
| Количество кабелей | Длина кабелей | Код изделия |
| 3 | 0,3 м | 4829 0782 |
| 3 | 0,5 м | 4829 0783 |
| 3 | 1 м | 4829 0784 |
| 3 | 2 м | 4829 0785 |
| 1 | 5 м | 4829 0786 |
Как работают датчики и токовые клещи для измерения постоянного и переменного тока
Лень всегда была двигателем прогресса.
В случае с прибором для измерения тока было также. Во время измерения тока амперметр включается в электрическую цепь последовательно. А это значит, что для измерения тока, нужно разомкнуть электрическую цепь, то есть вмешаться в ее работу. Во-первых, это занимает много времени. Во-вторых, существует достаточно большой риск поражения электрическим током во время проведения измерений. Более того, измерительный прибор вносит в электрическую цепь собственное сопротивление, в частности сопротивление щупов. Чем больше номинал тока, тем более ощутимое это влияние.
Идея измерения тока без разрыва электрической цепи была успешно реализована в измерительном приборе, который вскоре получил название «токоизмерительные клещи». Такой прибор позволяет легко измерить ток без необходимости размыкать исследуемую цепь.
К тому же можно проводить измерения на установке или оборудованию, которое работает. Прибор также позволяет измерить ток проводника, который находиться в изоляции.
Он не вносит собственное сопротивление в электрическую цепь и не влияет на результат измерений.
Современные измерительные приборы, конечно, кардинально отличаются от самых первых токовых клещей. Однако (собственно из-за этого прибор и получил свое название), сам механизм прибора, очень похож на механические клещи, практически не изменился. Это обусловлено тем, что прибор должен «обхватить» проводник, по которому протекает ток. А сделать это можно следующим образом:
Типы и принцип работы токоизмерительных клещей
Все токоизмерительные клещи условно можно разделить на 2 типа:
- Клещи для измерения переменного тока.
- Клещи для измерения постоянного и переменного тока.
Такая классификация обусловлена типом датчика, который используется для измерения тока.
Приборы первого типа построены на принципе одновиткового трансформатора тока.
Измеряемая шина или проводник исполняют функцию первичной обмотки, а вторичная многовитковая обмотка (к которой подключен амперметр) намотана на раскрывающийся магнитопровод прибора.
Переменный ток в проводнике создает переменный магнитный поток в магнитопроводе прибора, в результате чего во вторичной обмотке токоизмерительных клещей возникает ЭДС..jpg.c80f4af12afd0f133d1bfb811e56abca.jpg)
В замкнутой вторичной обмотке возникает ток, который измеряется амперметром. Прибор обрабатывает полученные данные и выдает на дисплей результат измерений тока в удобном для пользователя виде. К преимуществам таких приборов относят их простую конструкцию и доступную цену. Но есть и очевидные недостатки, например, возможность измерять только переменный ток.
В конструкции приборов второго типа используется чувствительный элемент абсолютно иного действия, принцип работы которого основан на эффекте Холла. Чувствительным элементом, или же датчиком Холла, называют устройство, с помощью которого измеряют величину магнитного поля.
В случае токоизмерительных клещей, это магнитное поле, образованное проводником, по которому протекает ток. Датчик Холла представляет собой полупроводниковую прямоугольную пластину, к которой подсоединены четыре вывода.
Схематически, чувствительный элемент датчика Холла показан на рисунке ниже.
Эффект Холла можно представить так. Пускай чувствительный элемент имеет форму прямоугольной пластины длиной l, шириной d и толщиной b.
Если вдоль этой пластины пропустить электрический ток J, а перпендикулярно плоскости пластины создать магнитное поле B, то на ее боковых поверхностях в направлении CD возникнет электрическое поле, которое называют полем Холла.
На практике, поле Холла характеризуется разницей потенциалов, которую измеряют между симметричными точками С и D на боковых поверхностях чувствительного элемента.
Эта разность потенциалов называется Холловскою разностью потенциалов Uхол или ЭДС Холла εхол. Объясняется эффект Холла тем, что в магнитном поле, на электрические заряды, которые двигаются, действует сила Лоренца. ЭДС Холла (или Uхол) пропорциональна силе тока, индукции магнитного поля, и обратно пропорциональна толщине чувствительного элемента и концентрации носителей тока в нем.
Принцип роботы датчика Холла
На рисунке ниже показана характерная зависимость Uхол от магнитного поля в случае постоянного тока. Если магнитное поле отсутствует, ЭДС Холла равна нулю.
Но в результате разных различных факторов и явлений (например, несимметричное расположение выводов датчика), измерительный прибор может показать некоторую разность потенциалов Uо на выходе датчика Холла, даже при отсутствии магнитного поля.
Для того, чтобы исключить эту ошибку, величину Uо следует вычесть из измеренной разности потенциалов в магнитном поле.
Обратите внимание, датчик Холла измеряет перпендикулярную (к плоскости датчика) величину вектора магнитного поля. Поэтому, если нужно измерить максимальное значение магнитного поля, датчик Холла, а соответственно и измерительный прибор (токоизмерительные клещи), необходимо ориентировать в магнитном поле соответствующим образом.
Для изготовления датчиков Холла используют определенные полупроводники, которые имеют высокую чувствительность к воздействию магнитного поля, например, InP, InSb, GaAs, Ge, Si.
Чувствительные элементы могут быть миниатюрных размеров, например, 1х1х0.5 мм. Именно это позволяет сделать измерительный прибор компактным и удобным для пользователей.
Конструкция чувствительного элемента токоизмерительных клещей представлена на фото ниже.
Последовательность процесса измерения тока
Измерения тока с помощью клещей необходимо проводить в такой последовательности:
- Поворотный переключатель устанавливаем на необходимый диапазон измерений (постоянный или переменный ток – если клещи имеют автоматический выбор).
Прибор включается одновременно с выбором диапазона. Если номинал тока заранее неизвестен, начинать измерения необходимо с самого большого диапазона, постепенно его уменьшая в случае необходимости. - Раскрываем клещи, нажимая на рычаг.
- Закрываем клещи и обжимаем проводник. Казалось бы, это самый простой шаг. Но необходимо учесть некоторые нюансы. Во-первых, обжать нужно только один проводник, ток которого хотите измерить. Если обжать 2 жилы провода (или 2-х жильный кабель в изоляции), результатом измерений будет «0», поскольку токи этих двух проводников имеют противоположные направления. Магнитное поле, образованное током одной жилы провода будет компенсироваться магнитным полем второй. Во-вторых, провод нужно разместить максимально по центру магнитопровода токовых клещей. В таком случае, результат измерения будет самым точным.
- Считать результат.
- Обработать результаты измерений.
правильно / неправильно
Дополнительные функции
Но это еще не всё.
Современные токоизмерительные клещи могут помочь измерить не только ток.
Измерение напряжения, сопротивления, емкости, температуры и частоты, проверка проводимости, тестирование диодов – всё это под силу современным токоизмерительным клещам.
Можно сказать, что токоизмерительные клещи – это своего рода цифровой мультиметр с возможностью бесконтактного измерения тока. Как и в мультиметре, измерения этих параметров проводятся с помощью контактных щупов.
Кроме того, на подобии цифровым мультиметрам, токоизмерительные клещи имеют дополнительные функции для удобства пользования и обработки результатов:
- Функция HOLD – удержание данных. Используется для того, чтобы зафиксировать, то есть «заморозить» результаты измерений на дисплее прибора (например, если измерения проводятся в труднодоступных местах) для дальнейшей обработки.
- Функция MAX/MIN – прибор фиксирует самые большие или самые маленькие показания за время проведения измерений.
Используется для некоторых измерительных задач. - Функция REL – относительные измерения, то есть, обнуления начального значения. Функция REL особенно актуальна для клещей постоянного/переменного тока. Дело в том, что чувствительный элемент, функцию которого выполняет датчик Холла, чрезвычайно чувствителен к внешним магнитным полям. На дисплее прибора, еще до проведения измерений, фиксируются определенные ненулевые показатели. Это обусловлено воздействием внешних магнитных полей. Поэтому для получения достоверных результатов, перед проведением измерений показания обязательно надо обнулять. Начальные показания прибор принимает за «ноль», и все дальнейшие измерения проводятся относительно этого опорного значения.
- Подсветка дисплея – для работы в условиях недостаточного освещения. Как правило, кнопка обозначается символом «☀». Подсветку можно включить или выключить в зависимости от условий и освещения. Некоторые приборы оборудованы фонариком для освещения труднодоступных объектов, на которых будут проводиться измерения.

- Функция NCV – бесконтактная индикация напряжения. Эту функцию имеют только некоторые модели токоизмерительных клещей. С ее помощью можно отследить трассу прокладки скрытой проводки, или же определить находится ли определенный провод под напряжением. Значение напряжения нужно замерить с помощью щупов в соответствующем режиме.
- Тестирование диодов и проверка проводимости – функции, которые позволяют определить работоспособность диодов и установить целостность электрической цепи.
Рекомендации и меры безопасности
Токоизмерительные клещи можно использовать в закрытых электроустановках, или же в открытых электроустановках в сухую погоду.
Измерения можно проводить как на изолированных участках, так и на проводниках без изоляции. Человек, который проводит измерения, должен использовать диэлектрические перчатки и находится на изолированной поверхности.
В основном, эти правила безопасности касаются измерения токов большого номинала.
Для измерения малых токов можно намотать несколько витков провода, ток которого надо измерить, на магнитопровод клещей. Чтобы получить значение тока провода, результат необходимо разделить на количество витков.
В этой статье мы рассказали о принципе работы, особенностях пользования и функциях токоизмерительных клещей на примере нескольких «младших» моделей производителя UNI-T с базовым набором способностей. «Старшие» модели, помимо вышеупомянутых функций, помогут измерить пусковые токи, мощность, коэффициент мощности, фазовый угол, активную энергию и установить порядок чередования фаз.
Подобрать и купить токоизмерительные клещи известных производителей можно в магазине инструментов «Мастерам». Наши специалисты будут рады вам помочь и ответить на любые вопросы.
Как измеряют ток токовые клещи
Сегодня мы поговорим про интересный прибор, без которой бойцы электротехнического фронта как без рук, а именно про токовые клещи или измерительный трансформатор тока.
Еще со школьного курса физики мы знаем, что ток большой силы чрезвычайно опасен для здоровья. Тем не менее, различными устройствами можно замерять постоянный и переменный ток до 5-20 ампер. А как быть, если значение достигает 100, 200 или даже 1000 ампер? Или даже больше ? Специально для этого были придуманы токоизмерительные клещи.
Различные из них устроены по-разному. Простые, которые способны измерить только переменный ток имеют более простую конструкцию, нежели способные измерять и постоянный, тоже.
У простых устройств, собственно сами захваты замыкаются, создавая с проводником, по которому течет переменный ток, своеобразный трансформатор. Ведь по сути они становятся вторичной обмоткой, в которой наводится ЭДС которая создается при взаимодействии c проводником, по которому идет ток, переводят аналоговое значение в цифровой результат и отображают на дисплее.
Ведь ЭДС возникающая в проводнике получается пропорциональной току, протекающему через него.
Что особенно важно, не имеет значения, есть изоляция кабеля, заводская, или меряется оголенный провод, ведь для электромагнитного излучения нет преград. Исключением может быть экранированный силовой кабель с бронезащитой. С таким не справится даже мегаомметр.
Алгоритм измерения
Но не важно, какие клещи у вас в наличии, принцип измерения остается одним и тем же:
- Включите в режим измерения, ну, например, переменного тока, так как он чаще всего встречается в быту.
- Выберите максимальный предел измерения, чтобы не ошибиться. Для разновидностей с автоматическим выбором пределов, так называемых автоматов, этот шаг можно пропустить.
- Замкните на проводе. Если провод закручен — полученное значение нужно будет поделить на количество витков провода.
- Снимайте показания!
Приборы, которые могут измерять переменный и постоянный ток устроены иначе. У них захваты не замыкаются, а измерения тока производятся с помощью специального устройства — датчика Холла.
Этот сенсор способен регистрировать эффект Холла — изменение направление движения заряженных частиц в проводнике при прохождении через определенное магнитное поле.
Из-за наличия датчика Холла, приборы, которые способны контролировать переменный+постоянный ток, стоят гораздо дороже простых.
Где возникает потребность в замерах больших значений постоянных токов ? К сфере электротехнического хозяйства это точно не относится, поскольку в войне двух гениев Эдисона и Теслы, все таки победил ток переменный, как такой, который позволяет передавать огромные мощности на серьезное расстояние с минимальными потерями.
А вот с токами в 100-200 ампер каждый день сталкиваются сотни миллионов людей по всему миру.
Не верите ? Не можете представить где ? А именно столько потребляет стартер, вращая коленчивый вал в момент запуска ДВС, потребляя энергию от аккумулятора. Вот там и потребуются при диагностике и ремонте измерение серьезных величин постоянного тока при помощи клещей постоянного тока.
Мы рассказали про 2 модели, но есть и еще и третья разновидность — так называемые гибкая токовая петля. Или по простому с измерительной проволокой.
Совсем далеко от классики ! Никаких захватов здесь нет. И как вообще обхватывать кабель ?
- Диаметр петли составляет менее 10мм, именно поэтому они называются гибкими.
- Слева и справа измерительные проводники входят в корпус, с помощью контактных разъемов. Следовательно один из концов может отсоединяться.
- А вот когда он отсоединен, то легко «опоясать» силовой кабель, опять вставить в разъем и начать измерять.
Хотите спросить зачем такие сложности и морочить голову ?
А как интересно электрику обхватить силовой кабель диаметром 70 мм ? А если сразу нужно измерить ток в нескольких из них. Традиционные захваты «сдадутся» и придется обратиться к гибким токовым петлям.
Кстати как следствие замеров током в проводниках большого сечения, диапазон у таких модификаций рекордный и достигает 3000 ампер.
Как видим, измерять ток с помощью этой штуки совершенно не сложно. Самые простые, измеряющие только переменный ток довольно дешевые.
А вот измерители тока, которыми можно измерить и постоянный ток или с гибким захватом, будут стоить в несколько раз дороже из-за более сложной конструкции.
Кстати, довольно часто рассматриваемые в статье клещи можно использовать и в качестве мультиметров, так как они могут измерять постоянное и переменное напряжение, сопротивление и делать прозвон.
Как устроены токовые клещи
Токовые клещи – просто необходимая вещь для электрика. Они могут выполнять те же самые функции, что и мультиметры, то есть измерять напряжение, сопротивление цепи и прочие параметры. Однако, они несправедливо не пользуются спросом, поскольку вещь действительно нужная.
Токовые клещи – это трансформатор с амперметром, они позволяют определить силу тока, а также другие характеристики, чтобы электрическая цепь при это не была разорвана. Само устройство представляет собой первичную обмотку трансформатора.
С расположенным внутри проводником, который позволяет току индуцироваться на обмотку из-за возникновения электромагнитного поля. После этого вторичная обмотка, куда затем попадает электроток, передает показания на амперметр. Здесь обязательно нужно учесть коэффициент трансформации.
Данная информация применима для токовых клещей при переменном токе, поскольку трансформатор с постоянным током работать не будет.
Те токовые клещи, которые представлены на современном рыке, используются и для постоянного тока. Вместо амперметра устанавливается датчик, который измеряет напряженность электромагнитного поля.
Эти модели немного дороже по цене, но их качество выше и в работе они более точны. И помимо этого, токоизмерительные клещи в соединении с мультиметром позволяют определить силу тока, потому что в прибое уже есть встроенный калькулятор.
Создание токовых клещей изначально планировалось для поддержки ими измерительных приборов, которыми пользовались специалисты, однако в ходе времени их устройство постепенно менялось, и сам прибор стал доступен к самостоятельному использованию.
Кроме того, электрические клещи стали незаменимы в применении в быту, и его стоимость стала не так велика.
Токовыми клещами можно измерить следующие показатели:
- Какая нагрузка на сеть имеется в настоящее время, например, в квартире.
- Выявить несоответствие показаний различного рода оборудования, сравнивая показания на этом оборудовании и показания, полученные при измерении клещами.
- Определить мощности бытовых электроприборов, а также любых других, используемых в хозяйстве.
- Путем контроля домашней электрической сети не допускать сторонние подключения.
- Выявить значение силы тока в одном из проводников, который является частью электрической цепи, при этом не вмешиваться в работу всей схемы.
- Найти где происходит утечка тока.
Разновидности токовых клещей
Токовые клещи подразделяются на следующие типы:
- Стрелочные – одни из самых первых моделей. Они чувствительны к каким-либо колебаниям, что является главным их недостатком, поэтому важно, чтобы прибор лежал на жесткой поверхности и не двигался.
Более того, чтобы получить реальные значения замеров нужно с использованием коэффициента трансформации сделать перевод показаний. - Цифровые – можно произвести настройки на нужный параметр (сила тока, мощность) и встроенный микроконтроллер выдаст показания на дисплей автоматически, сам произведя все вычисления.
- Мультиметр – универсальный прибор. Очень удобны тем, что клещи уже встроены в корпус. В зависимости от модели мультиметра существует много дополнительных функций и способов измерений.
- Высоковольтные – зачастую крепятся к штанге, чтобы произвести замены и не приближать очень близко к проводнику. Единственная функция этого вида – измерять переменный ток.
Принцип работы токовых клещей
Принцип работы токовых клещей заключается в том, что если между его захватами установить проводник, то электромагнитное поле изменится под действием тока, проходящего по этому проводнику. И затем, пройдя через первичную и вторичную обмотки, на прибор будут переданы показания.
Токовые клещи, предназначенные для напряжения до 1000 Вольт, совершенно не отличаются от клещей для высоковольтных цепей. Измерение тока токовыми клещами имеет следующий алгоритм.
Для начала определяем на электрической схеме, к какому проводу будем присоединять токовые клещи для снятия параметров. Обязательно нужно выбрать именно один провод, поскольку если их будет больше, то замеры будут некорректными. На приборе выставляем тот режим измерения, который необходим нам для решения существующей задачи. Кроме этого, нужно будет еще и определить шкалу.
В том случае, если информация о ней отсутствует, следует выбрать наибольшую. Затем раскрывая клещи, обхватываем провод. Его расположение должно быть строго перпендикулярным той плоскости, в которой расположились клещи. Идеально, если проводник будет расположен в самом центре контура. Автоматически произойдет измерение нужного нам параметра, и результат высветится на дисплее.
Стоит отметить, что если величина тока слишком мала, и определить ее не получилось, то проводник можно намотать на половину токовых клещей и провести замер вновь.
При появлении значения нужно его разделить на то число витков, которое было сделано.
В том случае, если высветится значение единицы, то нужно сделать переключение на другой диапазон, поскольку ток превышает этот показатель.
Преимущества и недостатки токовых клещей
Токоизмерительные клещи неспроста вошли в обиход людей, они широко распространены, потому что имеют множество преимуществ, которые заставляют делать выбор в их пользу.
Во-первых, само устройство очень просто в обращении, там нет замудренных инструкций, множества переключателей и пр. Размеры позволяют легко переносить его по различным местам, оно компактно и выдает измеряемые параметры с высокой точностью.
Кроме того, ими можно производить замеры как микротоков, так и токов в высоковольтных схемах. На основании принципа работы токовых клещей создаются устройства различного назначения.
- Токовые клещи можно сочетать с другими электроизмерительными приборами, например, при сочетании с мультиметром грани их возможностей просто невозможно представить, а ведь их можно еще совместить с другими различными датчиками, тем самым еще больше расширив функционал.

- Если человек в принципе лишь поверхностно знаком с физикой, а точнее с электротехникой, но не знает как устроены токовые клещи, то он все равно будет в силах разобраться с этим прибором даже без инструкции, настолько он прост в обращении.
- Как правильно пользоваться токоизмерительными клещами уже стало понятно, преимущества также описаны очень развернуто, однако, будет несправедливо не сказать о недостатках:
- В случае если проводник в клещах располагается не совсем правильно (не перпендикулярно), то из-за существующего электромагнитного поля возникают неточности, поэтому нужно запомнить что положение провода зависит от положения самого прибора.
- Если рядом с проводником есть другие проводники, то токоизмерительные клещи могут воспринимать токи этих проводников, поскольку существует некая чувствительность.
- К сожалению, из-за того, что само устройство очень просто, существует множество компаний, которые стремятся заработать деньги на том, чтобы изготовить и продать копии, качество работы которых зачастую неудовлетворительно и точность показаний отсутствует.

Измерение тока токовыми клещами
Измерение тока при помощи токовых клещей будет выполняться следующим образом. Сначала нужно выбрать тот провод, показания которого нужно замерить. Используя переключатель, на тестере отмечается нужный режим.
Если нужно измерить постоянный ток, то выставляется одни литеры, а если переменный, то другие. Затем нужно раскрыть клещи и поместить проводник внутри, строго перпендикулярно корпусу клещей и, если есть такая возможность, по центру внутреннего контура.
После этого на дисплее автоматически появятся нужные нам показания.
На некоторых токоизмерительных клещах есть кнопка Hold, она позволит произвести замеры в тех местах, куда сложно дотянуться и не будет видно показателей дисплея. Нажав на нее при проведении замера, результат будет зафиксироваться на дисплее и его можно увидеть, выйдя из сложных условий.
Токовые клещи и мультиметры Chauvin-Arnoux
Сергей Шахматов
Окончание, начало в № 4 ‘2001
1.
5. О выборе датчика токаЧтобы выбрать токовый датчик для соответствующего применения, нужно ответить на следующие вопросы.
- Вид измеряемого тока — переменный или постоянный? Датчики, предназначенные для измерения постоянного тока, имеют обозначение AC/DC (переменный/постоянный), поскольку они могут измерять значения как переменного, так и постоянного тока.
- Каковы наибольшее и наименьшее значения измеряемого тока? Определите, подходит ли точность измерения в нижней части диапазона, или выберите токовый датчик для малых значений тока. Многие датчики имеют высокую точность измерения только в верхней части диапазона, а некоторые предназначены для измерения небольших значений токов.
- Токовую шину какого диаметра необходимо охватить клещами? Данный параметр определяет необходимый размер токовых клещей.
- Какой тип выхода датчика вам необходим или в каких единицах будет выполняться измерение (мА, мВ, AC, DC и т. п.)? Убедитесь, что входной импеданс измерительного прибора соответствует техническим требованиям.

Другие факторы, которые необходимо учесть:
Компания Chauvin-Arnoux имеет очень широкую номенклатуру датчиков тока. Ниже приводятся их основные технические характеристики. Токовые клещи, выполненные как одно целое с мультиметром, рассматриваются далее в разделе, посвященном мультиметрам.
1.6. Технические характеристики датчиков тока производства CHAUVIN-ARNOUX
Мини-клещи серии MINIPINCE
Предлагаются два типа датчиков Minipince.
Первый тип работает как обычный токовый датчик (с отношением 100/1 или 1000/1) с токовым выходом (мА) для использования совместно с мультиметрами, регистраторами или другими приборами со входами по току.
Второй тип имеет выход по напряжению пропорционально измеряемому току (1 мв/А, 10 мВ/А или 100 мВ/А). Потенциальный выход позволяет использовать для измерения, отображения или записи данных приборы со входами по напряжению переменного тока. Серия Minipince позволяет осуществлять измерение истинных действующих значений приборами TRMS.
Некоторые модели имеют специфические особенности. Например, модель Minipince1 позволяет измерять очень малые токи; модель Minipince2 разработана для оптимального измерения тока 5 А; в модели Minipince5 применен специальный магнитный сердечник для достижения наибольшей точности и наименьшего фазового сдвига.
Серия MN
Выходные гнезда типа «джек» или провода со штепсельными разъемами диаметром 4 мм. Следовательно, данные датчики совместимы со всеми видами мультиметров и тестеров, предлагаемых на рынке.
Существуют два типа датчиков серии MN.
Первый тип работает как трансформатор тока (соотношение 1000/1) с выходным сигналом в единицах измерения (мА) для использования с любыми приборами, измеряющими ток.
Второй тип выдает на выходе напряжение (постоянного и переменного тока, в зависимости от модели). Выходной сигнал пропорционален измеряемому току (1, 10, 100 или 1000 мВ/A). Данный выход по напряжению позволяет использовать прибор, измеряющий только напряжение постоянного или переменного тока.
В серии MN есть специфические модели, разработанные для определенного применения, например для измерения выходных значений трансформатора, для подключения к осциллографу или даже для измерения тока утечки.
Серия Y
Токовые клещи данной серии имеют прочную конструкцию, предназначены для универсального применения, удобны в эксплуатации. Крюкообразная форма захватов позволяет легко вытаскивать или поддевать кабели или даже шинопровод небольшого размера. Они используются для измерения тока до 600 A AC.
Существуют два типа токовых клещей серии Y.
Первый тип работает как обычный трансформатор тока (с соотношением 100:1 или 1000:1). Выходной ток может быть измерен мультиметром, регистратором или другим применимым устройством с соответствующим диапазоном измерения тока.
Второй тип токовых клещей серии Y имеет на выходе напряжение постоянного тока, пропорциональное значению измеряемого переменного тока (1 мВ/A или 10 мВ/A). Это позволяет использовать приборы, не имеющие диапазона измерения тока, и измерять, отображать или регистрировать значение тока в соответствующем диапазоне прибора для измерения напряжения переменного тока.
Серия C
Серия токовых клещей C100 включает тринадцать моделей, которые имеют все преимущества старой серии токовых C30 и в то же время имеют значительные усовершенствования, особенно в области безопасности, соответствия требованиям эргономики, имеют улучшенные рабочие характеристики: возможность измерения тока до 1000 А, превосходная метрология, высокая точность измерений, хорошая линейность, симметричная намотка витков катушек для минимального фазового сдвига, маятниковая система регулировки для магнитных элементов, измерение на проводниках диаметром до 52 мм, кроме этого, некоторые модели имеют µ-металлический магнитный сердечник для использования токовых клещей с ваттметром.
Модели данной серии отличают передовой дизайн — форма токовых клещей, отвечающая требованиям эргономики, специальные углубления для пальцев на рукоятке, полуавтоматическая система раскрытия захватов (запатентованная).
Соответствие стандарту по безопасности IEC 1010 600V cat. III (для промышленности и связи). Корпус имеет специальную нескользящую поверхность. Перечисленные уникальные технологии и качество изготовления обеспечивают наилучшие возможности для измерения без каких-либо сложностей.
Токовые клещи серии С100 совместимы с различными измерительными приборами (мультиметрами, ваттметрами, регистрирующими устройствами, осциллографами) и предназначены для измерения любых переменных токов с соответствующей степенью безопасности и без необходимости разрыва электрической цепи.
Серия D
Эта серия включает токоизмерительные клещи с высокими техническими характеристиками и разработанные для измерения больших значений переменного тока.
Их высокий коэффициент трансформации и низкий фазовый сдвиг в совокупности с широкой частотной характеристикой позволяют выполнять с высокой точностью измерение значений тока и мощности.
Высокое качество магнитопроводов и обмотки катушек определяет высокую точность измерений тока до 3000 A (AC). Прямоугольные захваты позволяют использовать токовые клещи для измерения на кабелях большого диаметра или на шинопроводах.
Токовые клещи серии D обеспечивают превосходные возможности для измерения истинных среднеквадратичных значений и дают точное воспроизведение сигнала. В серии D объединены два различных типа токовых клещей.
Первый тип действует как традиционный трансформатор тока с током на выходе (мА) и широким диапазоном коэффициентов передачи.
Токовые клещи первого типа могут использоваться с мультиметрами, оборудованием для измерения параметров гармоник и мощности, с регистрирующими приборами и другим оборудованием, имеющим вход для переменного тока.
Токовые клещи второго типа дают точный выходной сигнал напряжения пропорционально измеряемому току (1 мВ/A, 10 мВ/A или 100 мВ/A). Такой выход по напряжению позволяет выводить значение измерения на дисплей или регистрировать значение на оборудовании, не имеющем входа для тока.
Модель D38N специально разработана для использования с осциллографами, приборами, отображающими форму сигналов, или другими измерительными устройствами, использующими преимущество высокой широкой частотной характеристики, имеющими вход типа BNC. Модель D38N содержит специальную схему и три диапазона измерения для максимального расширения частотной характеристики.
Серия B
Модель В2 серии В разработана для измерения токов утечки на землю, возникающих в результате повреждения изоляции. Это позволяет локализовать возникшие повреждения или провести предварительную диагностику, избежав, таким образом, выключения оборудования.
- Токовые клещи разработаны специально для определения местонахождения небольших токовых утечек на электрических цепях с большими значениями по току.

- Токовые клещи B2 измеряют разность по току или ток утечки от 500 µA и выше и могут быть использованы для измерения тока до 200 A при длительной нагрузке или 400 A маx.
- Они имеют два диапазона измерений: 1 мВ/мА AC или 1 мВ/A AC.
- В качестве детектора утечек клещи B2 могут использоваться в однофазных или многофазных системах, независимо от того, совпадает или не совпадает ток по фазе, сбалансированный или несбалансированный.
- Токовые клещи B2 могут использоваться просто как высокоточный токовый датчик.
- Обладая диаметром захватов 100 мм и диапазоном измерений от 500 мА до 200 A, В2 представляет собой универсальный прибор для проведения анализа несбалансированных цепей, токов утечки, контуров заземления и петли.
- При использовании в конфигурации с искусственной нейтралью токовые клещи В2 могут в равной степени быть использованы для измерения токов утечки на трехфазных цепях без заземления.
Серия AmpFLEX
Эта серия гибких датчиков тока может использоваться как для измерения малых значений переменного тока — нескольких сотен миллиампер, — так и очень больших значений — до десяти килоампер.
Главным преимуществом датчиков тока данной серии является их гибкость, а также простота и удобство использования. Эти свойства облегчают измерения на электрических проводниках различной формы и размеров (кабели, шины), позволяют выполнять измерения на проводниках больших диаметров или в труднодоступных местах.
Датчики имеют еще ряд преимуществ: они обладают легким весом (наличие немагнитной цепи), не подвержены эффекту насыщения; высокий уровень точности и минимальный фазовый сдвиг делают их прекрасным инструментом для измерения значений мощности.
AmpFLEX A100
Датчик тока A100 имеет гибкий тороидальный сердечник, соединенный экранированным проводом с корпусом небольшого размера, в котором находится электронная схема прибора и стандартная батарея на 9 В.
Корпус может быть подключен непосредственно к мультиметру, ваттметру или записывающему устройству. Датчик имеет один или два диапазона измерений. Датчик А100 дает выходной сигнал напряжения переменного тока 0,1–1–10 или 100 мВ/A.
Кроме стандартных моделей (48, 80 или 120 cм), по заказу изготавливаются модели датчиков, для которых вы можете выбрать длину и чувст- вительность.
AmpFLEXA101
Датчик А101 имеет точно такие же параметры, как и модель А100, но поставляется без электронной части. Таким образом, данные датчики могут использоваться другими производителями для соединения их с собственными тестирующими приборами.
Серия К
Датчики тока серии К являются новыми изделиями и имеют исключительные возможности для выполнения измерений. Они необычайно компактны по дизайну и предназначены для выполнения точных измерений малых токов.
Небольшие габаритные размеры датчика и его форма делают его подходящим для выполнения измерений в труднодоступных местах, например для работ на большинстве распределительных щитов, на технологических контурах от 4 до 20 мА или на проводниках тока в автомобиле.
Датчики тока серии K могут работать с мультиметрами и другими измерительными приборами, которые получают преимущества высокой чувствительности и динамического диапазона датчиков, а также возможность указывать форму сигнала.
Данные датчики тока дают выходной сигнал AC+DC (переменного и постоянного тока), который пропорционален изменяемому току, без необходимости изменять диапазон или фильтровать сигнал. Имеется возможность измерения среднеквадратичных значений для гармоник постоянного и переменного тока.
Существуют два различных типа датчиков тока серии К–K1 и K2. Модель К1 дает выходной сигнал 1 мВ/мА и разработана для широкого применения и измерения малых токов. Модель К2 обладает более высоким уровнем чувствительности и точности, сигнал на выходе равен 10 мВ/мА.
Серия Е
Токовые клещи данной серии используют технологию, основанную на эффекте Холла, и предназначены для измерения переменного и постоянного тока от нескольких миллиампер до значений более 100А.
Продолговатая, узкая форма токовых клещей позволяет использовать их в тесном пространстве, среди пучка кабелей и в других труднодоступных местах, таких как печатная плата, органы управления электродвигателем или на проводах двигателя автомобиля.
Небольшое значение смещения фаз гарантирует достоверность и точность измерения мощности. Токовые клещи данной серии имеют на выходе сигнал напряжения (мВ).
Возможность измерять сигналы переменного и постоянного тока делают их полезными для измерения истинных среднеквадратичных значений (true RMS).
Имеются три модели серии Е
Модели E1N и E6N очень похожи и обе имеют два милливольтовых диапазона на выходе. Модель E6N имеет наибольшую чувствительность и, следовательно, является наиболее подходящей для измерения малого тока. Модель E3N может быть непосредственно подключена к осциллографу.
Токовые клещи этой серии хорошо работают с мультиметрами, записывающими устройствами, регистрирующим оборудованием, осциллографами и приборами, отображающими форму сигналов.
Серия PAC
Датчики серии PAC представляют семейство профессиональных токовых клещей для измерения переменного и постоянного тока. Их дизайн соответствует современным требованиям тех- ники безопасности и стандартам качества исполнения.
Существуют два различных конструктива захватов — для охвата кабеля и для охвата шинопровода. Токовые клещи серии РАС работают на принципе эффекта Холла, обеспечивая измерения тока до 1500 A DC и 1000 A AC. Электронная схема и батарея расположены в корпусе прибора. Два диапазона выходного напряжения — 1 мВ/A и 10 мВ/A.
Кнопка установки используется для автоматического обнуления значений в моделях PAC11, PAC12, PAC21 и PAC22. Модели PAC 10 и PAC 20 имеют потенциометр для настройки на нуль. Измерение действительных среднеквадратичных значений возможно даже для входных сигналов, содержащих гармонические составляющие постоянного тока.
Благодаря малому фазовому сдвигу токовые клещи серии PAC хорошо приспособлены для измерения мощности.
Модели PAC 12 и PAC 22 предназначены для использования с осциллографами, приборами, отображающими форму сигнала, и другими чувствительными к частотным параметрам приборами, имеющими вход BNC.
Серия F1N/F2N/F3N
Цифровые токовые клещи F1N, F2N и F3N образуют линию высокоэффективных измерительных приборов, которые позволяют пользователю вы- полнять все виды измерений переменного тока, в том числе имеющего искажения.
Эти токовые клещи 400А RMS имеют пиковый фактор 2,5, что позволяет выполнять измерения тока, имеющего сильно искаженные сигналы.
Данные токовые клещи имеют высокие рабочие характеристики и в то же время остаются безопасными и простыми в эксплуатации. Они оборудованы буквенно-цифровым дисплеем и графической шкалой.
Можно использовать функцию фиксации выводимых на дисплей значений.
Другой характерной особенностью является запоминающее устройство, фиксирующее наибольшее, наименьшее и среднее значения пикового тока продолжительностью более 2 мс и сглаженного тока, значение частоты на интервале продолжительностью более 3 с.
Для выполнения измерения необходимо просто установить зажимы вокруг проводника, после чего токовые клещи покажут истинные среднеквадратичные измеряемые значения.
Токовые клещи могут быть использованы при определении тока, имеющего искажения и частотные помехи, возникающие вокруг силового оборудования, на таких устройствах, как инверторы, на приводах с изменяемой частотой вращения, на полупроводниковых силовых устройствах, на переключаемых распределителях электроэнергии, регуляторах и т.
п.
Серия С.А6410, С.А6412, С.А6415
Приборы С.А. 6410, С.А. 6412 и С.А. 6415 являются представителями нового поколения токоизмерительных клещей и предназначены для оперативного контроля устройств заземления без их отключения и использования вспомогательных электродов.
Все модели дают возможность производить точные измерения сопротивления заземления в диапазоне от 0,1 до 1200 Ом. Модели С.А 6415 и С.А. 6412 измеряют ток и токи утечки в диапазоне от 1 мА до 30 А rms. Модель С.
А 6415 имеет возможность звуковой сигнализации по установленным пороговым значениям и оснащена памятью, в которой может храниться до 99 результатов измерений. Конструкция измерительной головки обеспечивает охват заземляющих проводов диаметром до 32 мм.
Функция звукового оповещения с установкой пороговых значений повышает удобство работы в плохо освещенных и труднодоступных местах.
В моделях С.А. 6410 / 12 / 15 генератор напряжения с постоянной частотой 2,4 кГц генерирует напряжение Е, а результирующий ток I улавливается приемной катушкой, расположенной также в измерительной головке прибора.
Внутренний фильтр отсекает все токи, кроме результирующего тока I, величина которого равна I = Е/R контура.
- Зная величину Е (задается генератором) и I (измеряется), можно вычислить R контура (эта величина и отображается на экране прибора).
- По материалам Chauvin-Arnoux подготовил Сергей Шахматов
- [email protected]
Токоизмерительные клещи
Высоковольтные токоизмерительные клещи
Цифровой мультиметр с токоизмерительными клещами
Токоизмери́тельные кле́щи — прибор для измерения тока без разрыва цепи, в которой измеряется ток и без электрического контакта с ней.
Принцип действия основан на измерении магнитного поля, порождаемого измеряемым током.
Классические токоизмерительные клещи, часто называемые клещи Дитце, позволяют измерять только переменный ток и представляют собой по сути трансформатор тока с разъемным тороидальным или близким по форме к тороидальному ферромагнитным сердечником, окно которого при измерении охватывает провод с током.
Такие клещи реагируют не на сам ток, а на скорость его изменения — производную тока по времени.
Принцип работы современных токоизмерительных клещей основан на прямом измерении магнитного поля, порождаемого током в проводнике вокруг проводника с помощью датчика Холла и позволяют измерять ток произвольной формы, в том числе и постоянный ток.
Принцип действия
Клещи на основе трансформатора тока
Принцип действия токоизмерительных клещей — трансформаторов тока основан на том, что ток, протекающий в проводе создаёт вихревое магнитное поле, силовые линии которого окружают проводник.
На разъемном для возможности ввода проводника в окно магнитопровода, изготовленного из магнитомягкого ферромагнитного материала намотана вторичная обмотка, подключенная ко вторичному электроизмерительному прибору, шкала которого проградуирована в единицах тока.
Таким образом, этот трансформатор тока имеет две обмотки, первичная — один виток это провод с измеряемым током и многовитковую вторичную обмотку.
В соответствии с законом электромагнитной индукции Фарадея во вторичной обмотке наводится ЭДС, величина которой прямо пропорциональна скорости изменения магнитного потока, охватываемого вторичной обмоткой.
Так как величина этого потока прямо пропорциональна измеряемому току, то по измерениям этой ЭДС косвенно измеряют скорость изменения тока в проводе (производной по времени), а проинтегрировав эту ЭДС по времени можно получить истинное мгновенное значение тока в проводе.
Так как такие клещи применяются обычно для измерения токов промышленной частоты, частота которой отклоняется незначительно от номинальной (50 или 60 Гц), и форма тока близка к синусоидальной, с достаточной для практических измерений точностью можно считать, что среднеквадратическое значение этой ЭДС прямо пропорциональна среднеквадратическому значению измеряемого тока. Таким образом, измерив напряжение на вторичной обмотке, возможно определить действующее значение измеряемого тока.
Клещи с датчиком Холла
Магнитопровод таких клещей не отличается по конструкции от такового у клещей со вторичной обмоткой, но в размыкаемом зазоре магнитопровода помещают датчик, работа которого основана на эффекте Холла.
Первичный ток порождает магнитное поле в магнитопроводе, величина которого прямо пропорциональна току, а не производной тока, как у трансформаторных клещей.
Так как ЭДС датчика Холла прямо пропорциональна полю, то по измерениям ЭДС Холла можно косвенно измерить ток в проводе, причём форма тока не имеет значения, например, прямоугольный, произвольной формы или постоянный.
Так как ЭДС Холла меняет знак при изменении направления поля, такое устройство позволяет измерить не только величину, но и направление измеряемого тока. В некоторых моделях таких клещей предусмотрена возможность подключения дополнительного датчика тока — пояса Роговского, что позволяет измерять большие переменные токи (до 3000А) на проводниках крупного сечения, например, на шинах распределительных устройств.
Типы и методы измерений
| Этот раздел статьи ещё не написан.Согласно замыслу одного или нескольких участников Википедии, на этом месте должен располагаться специальный раздел.Вы можете помочь проекту, написав этот раздел. |
Трансформатор тока
Эффект Холла
Катушка (пояс) Роговского
Конструкция клещей трансформаторного типа
Клещи состоят из:
- Разъёмного подпружиненного магнитопровода, выполненного из ферромагнитного шихтованного материала, на который надета многовитковая катушка, являющаяся вторичной обмоткой.
- Отсчётного устройства, в качестве которого может быть либо стрелочный прибор магнитоэлектрической системы с выпрямлением либо электронный прибор с цифровым указателем.
- Переключателя диапазонов измеряемых токов.
- Рукоятки для удержания клещей и изоляции между цепью измерения и оператором — модели для измерения в сетях выше 1000 В. Низковольтные клещи рукояток не имеют и их удержание осуществляется за диэлектрический корпус.

Разъёмный магнитопровод и измерительный элемент интегрированы в общий корпус.
Часто токоизмерительные клещи конструктивно совмещаются с мультиметром: с помощью такого прибора можно измерять дополнительно постоянное и переменное напряжение, сопротивление, постоянный ток (с разрывом цепи) — для этого в приборе имеются соответствующие гнёзда для щупов, а также переключатель режимов измерения.
Существуют модели приборов, с помощью которых можно измерять непосредственно потребляемую активную мощность (у таких моделей одна из шкал градуирована в единицах мощности).
Выпускаются также специальные клещевые приставки к мультиметрам, которые представляют собой лишь разъёмный магнитопровод в корпусе с кабелем, который подсоединяется к токовым входам мультиметра. Коэффициент трансформации клещевой приставки обычно 1000:1, т.е. 1А — первичный / 1мА — вторичный (выходной). Таким образом, мультиметр может использоваться для измерения переменного тока, многократно превышающего предел измерения самого мультиметра.
Измерение тока
Измерение тока с помощью клещей Дитце производится в следующем порядке:
- Присоединяют рукоятки к прибору (для высоковольтных клещей).
- Включают питание прибора (у электронных моделей).
- Устанавливают с помощью переключателя необходимый ожидаемый диапазон измеряемого тока;
- Нажатием на специальную кнопку или на рукоятки (для высоковольтных клещей) размыкают магнитопровод и охватывают им провод с током при измерения необходимо охватить только один провод, иначе при охвате нескольких проводов прибор покажет алгебраическую сумму токов, пронизывающих окно магнитопровода, например, при охвате обоих проводов однофазного потребителя клещи покажут близкое к нулю значение тока (дифференциального тока, так как в такой паре проводов токи текут в противоположных направлениях и равны), а затем отпускают кнопку (или прекращают разведение рукояток — у высоковольтных клещей) — под действием встроенной пружины магнитопровод защелкивается и охватывает провод.

- Производят отсчёт показаний по шкале с учётом выбранного диапазона измерения.
- При необходимости производят коррекцию показаний на влияющие факторы.
Преимущества
- Измерение тока без разрыва в измеряемой цепи.
- Возможность простого измерения в высоковольтных цепях (вплоть до 10 кВ).
- Возможность измерять ток очень большой силы (что физически неосуществимо для обычных амперметров, подключённых последовательно в разрыв цепи).
- Компактность прибора.
Недостатки
- Невысокий класс точности (обычно 2,0 — 3,0).
- Некоторая зависимость показаний от положения токонесущего проводника в окне магнитопровода клещей.
- Искажение показаний в недорогих моделях от присутствия в измеряемом токе высших гармоник и от изменения частоты измеряемого тока — прибор даёт правильные показания только при синусоидальном измеряемом токе (одна из причин этого — применение в качестве измерителя магнитоэлектрической системы с выпрямлением).
В современных электронных приборах этот недостаток компенсируется схемным либо программным способом.
См. также
- Электроизмерительные приборы
- Трансформатор тока
Литература
- Панфилов В. А. Электрические измерения: учебник для студентов среднетехнического профессионального образования. — М: Издательский центр «Академия», 1996. — 288 с. — ISBN 5-7695-3536-9.
Allegro ACS730 – новый датчик тока частотой до 1 МГц на эффекте Холла
Миниатюрный датчик ACS730 высотой всего 1,75 мм предназначен для измерения постоянного и переменного тока. Значению 0 А соответствует напряжение 2,5 В, изменения фиксируются по соотношению 100 мВ/А. Предлагаются версии устройства с выходным током до ±20 A, ±40 A либо ±50 A.
Для последующих доступно опорное напряжение 2,5 В. Внутреннее сопротивление составляет 1,2 мОм, время отклика – 210 нс. Имеется встроенная защита от электростатики (напряжение пробоя 2,4 КВ), а также согласующая цепь, за счет которой реализуется температурная компенсация.
Нелинейность устройства равняется ±0,75%. При температуре окружающей среды от -40 °C до 125 °C суммарная ошибка не превышает ±4%, ошибка усиления ±4%, смещения ±50 мВ.
Датчик ACS730 поставляется в 8-выводных корпусах SOIC и предназначается, в частности, для систем управления двигателями, схем детектирования и управления нагрузкой, импульсных блоков питания и цепях защиты от перегрузки по току.
Скачать подробные спецификации Allegro ACS730
По вопросам приобретения компонентов Allegro обращайтесь к официальному дилеру компании на российском рынке – ООО «Галант Электроникс». Цены, сроки и комплектность поставок уточняйте по телефону +7-495-987-42-10, электронной почте [email protected], а также на сайте igalant.ru.
Компания Allergro, США, производят микросхемы: большинство приборов компании включают в себя датчики Холла: датчики тока до 200 А, цифровые датчики позиции, датчики линейного перемещения и угла, датчики скорости, драйверы электромоторов постоянного тока, одноканальные драйверы светодиодов по технологии Buck конвертер со встроенным транзистором на входное напряжение до 50 В и выходной ток до 3,5А, многоканальные драйверы тока ( до 4-х buck конвертеров в одном корпусе ) для принтеров и промышленной автоматики, линейные регуляторы тока для светодиодного освещения на входное напряжение до 50 В и выходной ток 4х100 мА, регуляторы тока на входное напряжение до 450 В с транзистором до 650 В для светодиодных ламп по изолированной и неизолированной топологии производства приобретённой недавно компании Sanken.
В чем разница между измерением тока на эффекте Холла и определением положения?
Зондирование во всех его формах является фундаментальным для многих приложений. В нем неизменно используется материал, который действует как преобразователь, преобразовывающий одно свойство в другое. В электронике чувствительный элемент будет иметь физические свойства, которые изменяются в результате действия считывания, такие как его сопротивление или реактивное сопротивление, позволяющее измерять изменение тока или напряжения.
Эффект Холла
В 1879 году Эдвин Холл обнаружил, что когда проводник или полупроводник с током, текущим в одном направлении, вводится перпендикулярно магнитному полю, напряжение можно измерять под прямым углом к пути тока.Хорошо известно, что эффект Холла возникает в результате взаимодействия заряженных частиц, таких как электроны, в ответ на электрические и магнитные поля.
Эффект Холла применительно к датчикам проявляется либо в измеряемой разности напряжений на проводнике, по которому должен присутствовать постоянный ток, либо в измеряемой разности тока в проводнике, по которому должно протекать постоянное напряжение (рис.
1) . Разница напряжений пропорциональна силе магнитного поля.Это означает, что эффект Холла можно использовать двумя очень специфическими способами, даже если основной эффект одинаков в обоих случаях.
% {[data-embed-type = «image» data-embed-id = «5df275fbf6d5f267ee216db3» data-embed-element = «aside» data-embed-align = «left» data-embed-alt = «Сайты электронного дизайна Electronicdesign com Файлы Fig1 Hall Effect3 D 4k «data-embed-src =» https://img.electronicdesign.com/files/base/ebm/electronicdesign/image/2019/11/electronicdesign_com_sites_electronicdesign.com_files_Fig1_HallEffect3D_4k.png? auto = format & fit = max & w = 1440 «data-embed-caption =» «]}%
1. С точки зрения датчиков эффект Холла — это либо измеряемая разность напряжений на проводнике, по которому должен присутствовать постоянный ток, либо измеряемая разность тока на проводнике, по которому должно протекать постоянное напряжение.
Уровень сигнала из-за изменения поля относительно фонового шума невелик (диапазон мкВ).
Следовательно, для его использования требуются довольно сложные пути прохождения сигнала.
Не желая никоим образом обесценивать открытие Эдвина Холла, этот эффект на самом деле является расширением использования силы Лоренца, которая описывает взаимодействие между электрическими и магнитными силами точечного заряда из-за изменения электромагнитного поля.
Проще говоря, в случае эффекта Холла сила Лоренца описывает эффект, который магнитное поле оказывает на заряженную частицу, в частности, направление, которое она будет вынуждена принять при прохождении через проводник, находящийся под воздействием магнитного поля.Физическое движение приводит к большему или меньшему заряду на поверхности проводника, что приводит к разности потенциалов, известной как напряжение Холла.
Измерение тока на эффекте Холла
Тот факт, что эффект Холла зависит от магнитного поля, означает, что его можно использовать как бесконтактную технологию. Таким образом, это ненавязчиво, в отличие от наиболее распространенного способа измерения тока, который заключается в использовании резистора с низким сопротивлением в качестве шунта и измерения падения напряжения на нем.
Использование эффекта Холла для измерения тока по своей природе является надежным в приложениях с большой мощностью, поскольку оно не полагается на потенциал земли в качестве эталона.
В случае обычного датчика тока на эффекте Холла это означает размещение датчика перпендикулярно магнитному полю и использование концентратора, обычно ферромагнитного сердечника в форме кольца или квадрата, размещенного вокруг проводника, по которому проходит измеряемый ток. ( Рис.2) . Датчик обычно помещается в небольшой воздушный зазор, образованный между двумя концами ферромагнитного сердечника.
% {[data-embed-type = «image» data-embed-id = «5df275fbf6d5f267ee216db5» data-embed-element = «aside» data-embed-align = «left» data-embed-alt = «Сайты электронного дизайна Electronicdesign com Files Fig2 Current Sensing «data-embed-src =» https://img.electronicdesign.com/files/base/ebm/electronicdesign/image/2019/11/electronicdesign_com_sites_electronicdesign.com_files_Fig2_Current_sensing.
png&fit=mat=mat 1440 «data-embed-caption =» «]}%
2. Вот сравнение расположения традиционных датчиков Холла и датчиков Холла IMC.
В датчике тока IMC-Hall чувствительный элемент располагается параллельно току (снова рис. 2) . В этом случае ферромагнитный сердечник не нужен; однако для защиты от перекрестных помех может потребоваться экран. Это означает, что его можно использовать для измерения тока, протекающего по шине или дорожке печатной платы, просто поместив датчик над шиной или дорожкой. Этот тип датчика обеспечивается технологией IMC-Hall с использованием встроенного магнитного концентратора (IMC), разработанного Melexis (см. Ниже) .
По сути, благодаря эффекту Холла обнаруживается магнитное поле, создаваемое током, а не сам ток.
Датчик положения на эффекте Холла
Тот же принцип можно использовать для обнаружения наличия, отсутствия или близости магнитного поля. Фактически, напряжение Холла, возникающее в результате движения магнита над датчиками, может быть обнаружено, усилено и обработано.
Это дает возможность использовать эффект Холла для определения положения или даже ориентации объектов по отношению к датчику.
В простом приложении это может быть относительно грубым, например, когда портативный компьютер открыт или закрыт. Или он может быть более сложным, когда он используется для обнаружения линейного движения или вращения, такого как изменение положения подвижного объекта (рис. 3) . В этом отношении использование эффекта Холла для определения положения намного более универсально, чем его использование в качестве датчика тока.
% {[data-embed-type = «image» data-embed-id = «5df275fbf6d5f267ee216db7» data-embed-element = «aside» data-embed-align = «left» data-embed-alt = «Сайты электронного дизайна Electronicdesign com Файлы Fig3 Position Sensing «data-embed-src =» https: // img.electronicdesign.com/files/base/ebm/electronicdesign/image/2019/11/electronicdesign_com_sites_electronicdesign.com_files_Fig3_Position_sensing.png?auto=format&fit=max&w=1440 «data-embed-caption =» «]}%
3.
Использование эффекта Холла для определения положения гораздо более универсально, чем его использование в качестве датчика тока.
Интегрированный магнитный концентратор (IMC)
Один из недостатков большинства датчиков на эффекте Холла, который связан со способом работы эффекта, заключается в том, что пластина Холла, используемая для измерения поля, ограничена только одной осью.
Чтобы устранить этот недостаток, Melexis разработала интегрированный магнитный концентратор, или IMC, который делает эффект Холла более гибким. IMC позволяет датчикам Холла, оставаясь в плоскости, обнаруживать магнитные поля от осей X, Y и Z (рис. 4) . Следовательно, преимущества применения многочисленны, в том числе гибкость ориентации датчика.
% {[data-embed-type = «image» data-embed-id = «5df275fbf6d5f267ee216db9» data-embed-element = «aside» data-embed-align = «left» data-embed-alt = «Сайты электронного дизайна Electronicdesign com Файлы Fig4 Imc «data-embed-src =» https: // img.
electronicdesign.com/files/base/ebm/electronicdesign/image/2019/11/electronicdesign_com_sites_electronicdesign.com_files_Fig4_IMC.png?auto=format&fit=max&w=1440 «data-embed-caption =» «]}%
4. Встроенный магнитный концентратор позволяет датчикам Холла, оставаясь в плоскости, обнаруживать магнитные поля по осям X, Y и Z.
Зондирование на эффекте Холла в автомобильной промышленности
Благодаря включению технологии IMC во многих приложениях в автомобильной промышленности можно использовать эффект Холла.Работая в трех измерениях, датчик Холла можно использовать для определения положения педалей, поворота рулевой колонки и состояния тормозного рычага, а также положения сидений с электроприводом.
Его также можно применять под капотом для контроля движущихся частей, таких как насосы и двигатели, а также для измерения тока, потребляемого электрифицированными частями трансмиссии, такими как инвертор, система контроля аккумуляторной батареи (BMS) или включенное устройство.
-бортовое зарядное устройство (OBC).
Заключение
В общих чертах, феномен Холла можно использовать множеством полезных способов, включая измерение тока и определение положения.Несмотря на серьезные проблемы, такие как низкое отношение сигнал / шум или влияние паразитного поля, электронная промышленность добилась успеха в разработке надежных и точных датчиков, основанных на эффекте Холла.
В частности, добавление мощного аналогового входного каскада и цифрового сигнального тракта вместе с запатентованными технологиями, такими как IMC-Hall от Melexis, означает, что эффект Холла может быть применен к измерению тока и определению положения — даже в суровых условиях, таких как автомобильная промышленность.
Ник Чарнеки (Nick Czarnecki) — менеджер по маркетингу магнитных датчиков Melexis.
% {[data-embed-type = «image» data-embed-id = «5df275bcf6d5f267ee1f771f» data-embed-element = «aside» data-embed-alt = «Electronicdesign Com Sites Electronicdesign com Источники файлов Esb Lookin For Parts Banner Caps 0 «data-embed-src =» https://img.
electronicdesign.com/files/base/ebm/electronicdesign/image/2012/07/electronicdesign_com_sites_electronicdesign.com_files_SourceESB_Lookin_For_Parts_BannerCAPS_0.png? auto = format & fit = max & w = 1440 «data-embed-caption =» «]}%
SET-Artlicle-Датчик тока на эффекте Холла
Датчик на эффекте Холла — это преобразователь, который изменяет свое выходное напряжение в ответ на магнитное поле. Датчики на эффекте Холла используются для бесконтактного переключения, позиционирования, определения скорости и измерения тока.
В датчике на эффекте Холла на тонкую металлическую полоску подается ток.В присутствии магнитного поля электроны в металлической полосе отклоняются к одному краю, создавая градиент напряжения на короткой стороне полосы (перпендикулярно току питания). Датчики на эффекте Холла имеют преимущество перед индуктивными датчиками в том, что в то время как индуктивные датчики реагируют на изменение магнитного поля, которое индуцирует ток в катушке с проводом и создает напряжение на его выходе, датчики на эффекте Холла могут обнаруживать статические (неизменяющиеся) магнитные поля.
В простейшей форме датчик работает как аналоговый преобразователь, напрямую возвращая напряжение.Зная магнитное поле, можно определить его расстояние от пластины Холла. Используя группы датчиков, можно определить относительное положение магнита.
Часто датчик Холла сочетается с обнаружением порога, так что он действует как переключатель и называется его. Обычно они используются в промышленных приложениях, таких как пневматический цилиндр на фото, они также используются в бытовом оборудовании; например, некоторые компьютерные принтеры используют их для обнаружения отсутствующей бумаги и открытия крышек.Их также можно использовать в компьютерных клавиатурах — приложении, требующем сверхвысокой надежности.
Датчики Холла обычно используются для измерения скорости вращения колес и валов, например, для определения угла опережения зажигания двигателя внутреннего сгорания, тахометров и антиблокировочных тормозных систем. Они используются в бесщеточных электродвигателях постоянного тока для определения положения постоянного магнита.
В изображенном на картинке колесе с двумя одинаково расположенными магнитами напряжение датчика будет пиковым дважды за каждый оборот.Такое расположение обычно используется для регулирования скорости дисководов.
Pololu — Датчики тока
Наши двунаправленные и однонаправленные датчики тока на эффекте Холла — это простой способ получить фундаментальное представление о характеристиках вашей системы. Вы можете использовать их для управления крутящим моментом приводов с обратной связью, отслеживания энергопотребления с течением времени, обнаружения нагрузки, защиты от перегрузки по току или даже в качестве недорогих токовых пробников для осциллографа.
Эти датчики тока выдают аналоговое напряжение, которое изменяется линейно с током, проходящим через них, и, поскольку они используют эффект Холла для измерения тока, они обеспечивают полную электрическую изоляцию пути тока от электроники датчика.Этот метод измерения означает, что датчик может быть вставлен в любое место на пути тока, в том числе на стороне высокого напряжения, и, поскольку их сопротивление пути тока составляет порядка 1 мОм или меньше, они оказывают минимальное влияние на остальную систему.
Все наши текущие несущие платы датчиков (также называемые коммутационными платами) имеют несколько вариантов подключения. Для слаботочных приложений все они включают как минимум одну пару сквозных отверстий, совместимых с 0,1-дюймовыми штыревыми контактами, а для более сильноточных приложений большие сквозные отверстия можно использовать либо для пайки проводов непосредственно к плате, либо для подключения беспаечные кольцевые клеммы.
В сравнительной таблице ниже представлен весь наш выбор датчиков тока:
Сравнить все товары в этой категории
Подкатегории
Эти платы являются простыми носителями линейных датчиков тока на основе эффекта Холла ACS724 компании Allegro, которые обеспечивают путь тока с низким сопротивлением (~ 1,2 мОм) и гальваническую развязку до 2,4 кВ (среднеквадратичное значение). Они работают от 4,5 В до 5,5 В и выдают аналоговое напряжение, пропорциональное току.
Эти платы являются простыми носителями линейных датчиков тока на основе эффекта Холла ACHS-712x от Broadcom, которые обладают низким сопротивлением (~ 0.
7 мОм) токопроводящая дорожка и гальваническая развязка до 3 кВ RMS. Они работают от 4,5 В до 5,5 В и выдают аналоговое напряжение, пропорциональное току.
Товары в категории «Датчики тока»
Эта плата является простым носителем линейного датчика тока на основе эффекта Холла ACS711 ACS711 компании Allegro с выходом перегрузки по току, который обеспечивает путь тока с низким сопротивлением (~ 0,6 мОм) и гальваническую развязку до 100 В. Эта версия принимает двунаправленный токовый ввод до 15.5 А и выдает пропорциональное аналоговое напряжение с центром в Vcc / 2 с типичной погрешностью ± 5%. Он работает от 3 В до 5,5 В, поэтому может напрямую взаимодействовать с системами 3,3 В и 5 В.
Эта плата является простым носителем линейного датчика тока ACS711 на эффекте Холла ± 31 A от Allegro с выходом перегрузки по току, который предлагает путь тока с низким сопротивлением (~ 0,6 мОм) и гальваническую развязку до 100 В. Эта версия принимает двунаправленный токовый вход с величиной до 31 А и выдает пропорциональное аналоговое напряжение с центром в Vcc / 2 с типичной погрешностью ± 4%.
Он работает от 3 В до 5,5 В, поэтому может напрямую взаимодействовать с системами 3,3 В и 5 В.
Эта плата является простым носителем линейного датчика тока Allegro ± 5A ACS714 на основе эффекта Холла, который предлагает путь тока с низким сопротивлением (~ 1,2 мОм) и гальваническую развязку до 2,1 кВ (среднеквадратичное значение). Эта версия принимает двунаправленный токовый вход с величиной до 5 А и выдает пропорциональное аналоговое напряжение (185 мВ / А) с центром в 2,5 В с типичной погрешностью ± 1,5%. Работает с 4.От 5 В до 5,5 В и предназначен для использования в системах с напряжением 5 В.
Эта плата является простым носителем линейного датчика тока на основе эффекта Холла ACS714 компании Allegro ± 30A, который обеспечивает путь тока с низким сопротивлением (~ 1,2 мОм) и гальваническую развязку до 2,1 кВ (среднеквадратичное значение). Эта версия принимает двунаправленный токовый вход величиной до 30 А и выдает пропорциональное аналоговое напряжение (66 мВ / А) с центром 2,5 В с типичной погрешностью ± 1,5%.
Он работает от 4,5 В до 5,5 В и предназначен для использования в системах с напряжением 5 В.
Эта плата является простым носителем линейного датчика тока Allegro ± 75A ACS709 на эффекте Холла с выходом перегрузки по току, который обеспечивает путь тока с низким сопротивлением (~ 1,1 мОм) и гальваническую развязку до 2,1 кВ (среднеквадратичное значение). Датчик имеет оптимизированную точность для токов от -37,5 A до 37,5 A, а аналоговый выход напряжения является линейным для значений тока до 75 A. Логометрическое выходное напряжение центрировано на VCC / 2 и имеет типичную погрешность ± 2%. Работает от 3 В до 5.5 В, поэтому он может напрямую подключаться к системам 3,3 В и 5 В.
Датчики постоянного тока
Ohio Semitronics предлагает широкий выбор датчиков постоянного тока с диапазонами от 100 мА до 40 000 А. Датчики постоянного тока позволяют измерять постоянный ток через прямое соединение, сквозное отверстие для проводника или зажимной / разъемный сердечник.
Базовое предложение датчиков постоянного тока
Ohio Semitronics включает семь различных моделей.
Каждая модель имеет несколько вариантов аналоговых выходов для подключения к ПЛК и другим контроллерам, а также варианты фиксации и различные размеры окон.Ниже описаны четыре модели.
Преобразователь тока на эффекте Холла CTG
Преобразователь тока CTG, накладной или сплошной, представляет собой датчик Холла, интегрированный с выходным усилителем. Серия CTG предлагает ряд диапазонов тока, выходов и размеров датчиков. Измерение тока на эффекте Холла — это бесконтактный метод измерения намагничивающих эффектов тока, протекающего в проводнике. Этот тип измерения предлагает ряд преимуществ, которые не дает обычное прямое или контактное (линейное) измерение.Некоторыми из этих преимуществ являются высокая электрическая изоляция между проводником и выходом датчика, высокая перегрузочная способность, быстрая реакция на изменения входа и отсутствие потребления энергии в измеряемой цепи.
Диапазон входов 0-5000 пост. Тока. Выходы включают ± 10 В постоянного тока и ± 5 В постоянного тока с датчиками различных размеров / размеров окна.
Посмотреть спецификацию CTG
Преобразователь постоянного тока на эффекте Холла CTH
Преобразователь тока серии CTH, накладной, с твердым сердечником, представляет собой датчик Холла, интегрированный с выходным усилителем.Преобразователь тока серии CTH предлагает выход 4-20 мА, 4-12-20 мА, 5 В или 10 В и может работать как от источника постоянного тока 24 В, так и от недорогого управляющего трансформатора на 24 В переменного тока. Доступны варианты с разъемным сердечником, расширенным температурным диапазоном, прочной конструкцией и приборным питанием 12 В постоянного тока или 15 В постоянного тока.
Диапазон входов 0-1500 пост. Тока. Выходы включают ± 10 В постоянного тока, ± 5 В постоянного тока, 4-20 мА постоянного тока и 4-12-20 мА постоянного тока с датчиками различных размеров / размеров окна. Датчик размера «B» (показанный выше) не может быть разъемным.
Посмотреть спецификацию CTH
CTLC Преобразователь постоянного тока на эффекте Холла
Преобразователи тока серии CTLC представляют собой датчики тока на эффекте Холла с преобразованием сигнала и выходным усилителем в одном компактном корпусе.
Все модели поставляются в конфигурации с разъемным сердечником для простоты установки. Измерение тока на эффекте Холла — это бесконтактный метод измерения намагничивающих эффектов тока, протекающего в проводнике. Преимущества этого метода включают высокую электрическую изоляцию между измеряемым проводником и выходом преобразователя, высокую способность выходить за пределы диапазона и быструю реакцию на изменения входного сигнала.
Диапазон входов от 0 до 3000 пост. Тока. Выходы включают ± 10 В постоянного тока, ± 5 В постоянного тока и 4-20 мА постоянного тока с датчиками различных размеров / размеров окна.Точность всех моделей составляет ± 0,5% полной шкалы.
Посмотреть спецификацию CTLC
Преобразователь тока на эффекте Холла CTLP
Модель CTLP — датчик тока на эффекте Холла с формированием сигнала в едином компактном корпусе. Измерение тока на эффекте Холла — это бесконтактный метод измерения намагничивающих эффектов тока, протекающего в проводнике.
Преимущества этого метода включают высокую электрическую изоляцию между измеряемым проводником и выходом преобразователя, высокую способность выходить за пределы диапазона и быструю реакцию на изменения входного сигнала.Эта конструкция с питанием от контура упрощает установку за счет снижения мощности прибора и соединений выходного сигнала до простого 2-проводного интерфейса.
Диапазон входов от 0 до 3000 пост. Тока. Выходы включают ± 10 В постоянного тока, ± 5 В постоянного тока и 4-20 мА постоянного тока с датчиками различных размеров / размеров окна. Каждая модель имеет выход 4-20 мА постоянного тока с питанием от контура.
Посмотреть спецификацию CTLP
Чтобы просмотреть все модели датчиков постоянного тока от Ohio Semitronics, посетите нашу страницу «Преобразователи постоянного тока».
Датчик тока | Современное устройство
Описание
Датчик тока Modern Device представляет собой абсолютно уникальный, простой в использовании, электрически изолированный датчик тока для напряжения сети переменного тока (120/240 В переменного тока).
Просто привяжите датчик к шнуру питания и безопасно считайте ток, пропорциональный выходному постоянному току. Датчик имеет только три соединения 3,3 или 5 вольт, GND и линейный выход напряжения, который идет непосредственно на АЦП микроконтроллера (аналоговый вывод). Поскольку датчик полностью изолирован от сетевого шнура переменного тока, датчик тока современного устройства представляет собой безопасный и простой способ без проблем измерять ток с помощью Arduino или другого микроконтроллера.
Датчик тока может различать нагрузки мощностью всего 2 Вт при напряжении 120 вольт, что означает, что он может определять изменение силы переменного тока примерно на 16 мА. На выходе получается аналоговое напряжение, пропорциональное измеряемому току. Если вы ищете абсолютные значения тока, вам нужно будет сделать небольшую калибровку: это так же просто, как применить две нагрузки, надеюсь, легкую нагрузку и гораздо более тяжелую нагрузку, и просто усреднить между точками нагрузки.
Как показывают наши тесты, датчик действительно обладает впечатляющей линейностью.
Как это работает?
Теоретически вы не должны ощущать ток от двух проводов переменного тока, находящихся в непосредственной близости. Это связано с тем, что магнитные поля от двух силовых проводов, сдвинутых по фазе на 180 градусов, должны нейтрализовать друг друга. Если вы когда-либо использовали токоизмерительные клещи (токоизмерительные клещи) переменного тока, вы знаете, что важно поместить внутрь зажима только один провод. Помещение обоих проводников внутрь токоизмерительных клещей приведет к нулевому или очень низкому показанию, поскольку поля отменяются.
Уловка, которую использует современный датчик тока, заключается в том, чтобы два отдельных элемента Холла располагались как можно ближе к отдельным проводникам кабелей, один датчик ближе к одному проводу, а другой датчик ближе к другому (не в фазе) проводнику. Применяя современные датчики на эффекте Холла, которые включают в себя операционные усилители с прерывателем для высокого усиления, датчик тока затем уважительно считывает два датчика Холла, что усиливает разницу напряжений, генерируемых между двумя датчиками.
Датчик также может хорошо работать для измерения тока только в одном проводе (горячем или нейтральном), если вы хотите использовать его таким образом, но вам нужно будет ориентировать провод только над одним из датчиков эффекта Холла на плате.
Требуется простая калибровка
Важно отметить, что фактическая кривая, которую вы получите (но не ее линейность), зависит от геометрии вашего провода и положения датчика по отношению к проводу. Для максимальной чувствительности отрегулируйте положение датчика на проводе, контролируя выходной сигнал для максимального отклика. Потенциометр на плате также можно использовать для регулировки усиления с точностью до 3. Набросок в сообщениях в блоге ниже объясняет очень быстрые и простые методы калибровки датчика, для которых требуется только сбор двух точек данных.
Датчик поставляется с двумя небольшими стяжками на молнии, которые можно использовать для крепления датчика к сетевому шнуру, удлинителю или удлинителю, и 3-контактному штекеру.
В некоторых случаях может потребоваться добавить каплю горячего клея, чтобы датчик оставался зафиксированным на проводе в стабильной конфигурации. В отдельном пункте раскрывающегося меню доступны дополнительные стяжки.
| Технические характеристики датчика тока | |||
|---|---|---|---|
| VCC | Датчик в ваттах / амперах, измеряемых датчиком | Диапазон выходного напряжения | Датчик тока |
| 3.3В | 2 Вт до 3000 Вт | от 0,05 В до 2,8 В | 11 мА |
| 5В | 2 Вт до 3000 Вт | от 0,05 В до 4,5 В | 16 мА |
Ресурсы
Какие типы датчиков есть в преобразователе тока?
Принцип работы преобразователя тока может показаться волшебным; он может измерять технологический ток, даже не касаясь его! Если вы новичок в попытках разобраться в этом невероятном инструменте управления технологическим процессом, мы уже говорили об основах измерения магнитных полей с помощью индукции в некоторых предыдущих блогах.
Обязательно прочитайте наше обсуждение «Преобразователь тока : как он работает? ”, где мы говорили об основных этапах и компонентах, необходимых для измерения технологического тока с помощью преобразователя тока. Однако в этом посте мы упустили одну действительно важную часть: датчик. Они действительно являются сердцем преобразователя тока, позволяя ему выполнять этот магический трюк индукции без помощи рук для измерения электричества, который так важен для нашей современной промышленности. Давайте узнаем больше о типах датчиков в преобразователе тока.
Рисунок 1: Преобразователь тока A
Три распространенных типа датчиков приближения, используемых для измерения тока: Датчики на эффекте Холла, катушки Роговского и тороидальные преобразователи. Все эти датчики основаны на индукции. Официально индукция — это создание магнитного поля или электрического тока из-за нахождения поблизости другого магнитного поля или электрического тока. Мы рассмотрим каждый из трех наших датчиков, чтобы увидеть, как они используют индукцию, а также сходства или различия между методами измерения тока.
Что такое эффект Холла?
Датчики на эффекте Холла — один из наиболее распространенных способов измерения магнитного поля. Имейте в виду, что магнитное поле является ключевым компонентом индукционного преобразования тока. Сегодня мы кратко объясним, что такое эффект Холла, и коснемся того, как он связан с датчиками тока. Это лишь малая часть того, что такое зондирование эффекта Холла; вы найдете более конкретную информацию по этой теме на странице « Что такое эффект Холла? ”, поэтому обязательно переходите по этой ссылке.
Эффект Холла — это научное открытие многовековой давности, которое до сих пор широко используется. Это помогает объяснить, как близлежащее магнитное поле изменяет электрический ток. Мы можем измерить это изменение тока как напряжение. Давайте посмотрим на схему базового датчика на эффекте Холла, чтобы лучше понять эту идею.
Рисунок 2: Базовый датчик Холла
Датчик Холла представляет собой полупроводник, через который проходит электрический ток.
Электрический ток обычно проходит через полупроводник по зеленой пунктирной линии, однако близлежащий магнит может изменить течение этого тока. Это приводит к тому, что одна сторона полупроводника имеет отрицательный заряд, а другая сторона — положительный. Эту разницу в оплате можно измерить; мы читаем это как напряжение на нашем мультиметре.
Итак, как измерение этого изгиба электронов позволяет нам определять ток в совершенно другом и независимом проводе? Давайте посмотрим, как датчик Холла выглядит внутри преобразователя тока.
Рисунок 3: Преобразователь эффекта Холла
Что происходит с преобразователем тока на эффекте Холла, так это то, что технологический провод, по которому проходит электрический ток, будет излучать магнитное поле, проходя через датчик с магнитным сердечником. Это вызовет в нашем сердечнике вторичное магнитное поле, которое будет воздействовать на датчик эффекта Холла. Теперь, как и в схеме датчика Холла на рисунке 2, магнит может изменять поток электронов.
Он изгибает поток электронов до степени, которая пропорциональна исходному технологическому току, и мы можем измерить напряжение.Если через технологический провод протекает большой электрический ток, мы увидим сильную реакцию датчика Холла. Если исходный ток небольшой, то мы будем регистрировать только небольшое напряжение с датчика Холла.
Теперь вы можете увидеть, как датчик на эффекте Холла вписывается в работу нашего преобразователя тока. Этот тип преобразователя тока может измерять как переменный, так и постоянный ток, и сегодня он широко используется. У этой технологии есть недостатки, например, для ее работы требуется источник энергии; то, что не всегда доступно или практично.Он также более восприимчив к шуму или электрическим помехам от ближайшего оборудования или других электрических токов. Давайте посмотрим на пару альтернатив преобразователю тока на эффекте Холла.
Катушка Роговского против эффекта Холла
Катушка Роговского — еще один инструмент, который мы используем для измерения тока.
Хотя работа может быть похожей, научная и физическая конструкция катушки Роговского отличается от преобразователя на эффекте Холла. Чувствительная часть этого инструмента похожа на игрушку Slinky, спиральную катушку с двумя выводами.Один из выводов проходит через центр катушки, так что они оба заканчиваются на одном конце. Эта конструкция имеет форму петли и обычно поддерживается немагнитной аркой. Это придает катушке некоторую жесткость и позволяет удобно закреплять ее вокруг технологического провода, но при этом остается инертной к любым электромагнитным воздействиям.
Рисунок 4: Упрощенная катушка Роговского
Когда провод с электрическим током проходит через центр катушки Роговского, индуцируется напряжение.В этом он похож на датчик на эффекте Холла; напряжение пропорционально технологическому току, и мы можем измерить это изменение потенциала. Однако в этом случае магниты не возбуждаются, а поток электронов не притягивается или отталкивается. Вместо этого свойства внутри катушки возбуждаются магнитным полем тока от технологического провода, что приводит к разности потенциалов нашего измеряемого напряжения.
Важно отметить, что из-за конструкции требуется согласование сигнала при использовании пояса Роговского.Это означает, что измеренные данные необходимо изменить, чтобы получить четкое представление об исходном технологическом токе. Мы, несомненно, поговорим об формировании сигналов в одном из будущих блогов. Но пока знайте, что сигналы от пояса Роговского должны обрабатываться какой-то бортовой электроникой, чтобы получить понятный поток данных.
Есть еще пара отличий, которые отличают пояс Роговского от преобразователя эффекта Холла. Этот тип индукции позволяет измерять только переменный ток; Катушки Роговского не воспринимают постоянный ток.В зависимости от ситуации на самом деле может быть полезно только измерение переменного тока, например, в случаях, когда вам нужно обнаружить большое количество мешающего постоянного тока. Кроме того, нет необходимости в питании катушки Роговского; технологический ток воспринимается напрямую, вместо того, чтобы измерять изменение потока электронов, как датчик Холла.
Кроме того, по характеру конструкции пояс Роговского можно легко обернуть или установить вокруг технологического провода, который измеряется. Некоторым датчикам тока требуется трудоемкая и потенциально опасная операция по изменению разводки технологического провода, чтобы его можно было пропустить через отверстие датчика тока.
Тороидальный преобразователь
Тороидальный преобразователь, последний из которых мы обсудим сегодня, похож на катушку Роговского. Слово «тороид» на самом деле описывает особую форму, напоминающую пончик. В случае нашего тороидального преобразователя пончик обычно изготавливается из феррита или оксида железа; материал, который не является проводящим (не может переносить электричество), но может быть намагничен. Вокруг кольца этого бублика намотано несколько витков проводящего провода, заканчивающегося двумя выводами.Этот провод действует аналогично поясу Роговского; в нем создается напряжение, когда технологический провод, по которому проходит ток, пропускается через отверстие для бублика.
С помощью индукции датчик вырабатывает пропорциональный электрический ток, а ферритовая часть тороида умножает этот эффект, чтобы его можно было измерить.
Рисунок 5: Базовый тороидальный преобразователь
Как и пояс Роговского, тороидальный преобразователь может измерять только переменный ток. Благодаря своей конструкции этот преобразователь является упругим, надежным и хорошо работает, предотвращая помехи от другой расположенной поблизости электроники.
Итак, у вас есть три наиболее распространенных датчика в преобразователе тока. Несмотря на то, что все они используют один и тот же основной принцип индукции, между датчиком Холла есть много различий; Пояс Роговского; и тороидальный преобразователь. У вас все еще могут быть вопросы о преобразователях тока, поэтому сейчас самое время перейти к нашему «Руководство по вопросам и ответам для : преобразователь тока», чтобы получить более подробные ответы по некоторым тонкостям этого прибора.
Рынок датчиков тока на эффекте Холла по типу, технологии, мощности | Анализ воздействия COVID-19
Содержание
1 Введение (стр.
— 13)
1.1 Цели исследования
1.2 Определение
1.3 Объем исследования
1.3.1 Охватываемые рынки
1.3.2 Географический охват
1.3.3 Годы исследования
1.4 Валюта
1.5 Размер пакета
1.6 Ограничения
1.7 Участники рынка
2 Методология исследования (Страница № — 17)
2.1 Данные исследования
2.1.1 Вторичные данные
2.1.1.1 Ключевые данные из вторичных источников
2.1.2 Первичные данные
2.1.2.1 Ключевые данные из первичных источников
2.1.2.2 Ключевые отраслевые выводы
2.1.2.3 Разбивка первичных источников
2.2 Оценка размера рынка
2.2.1 Подход снизу вверх
2.2.2 Подход «сверху вниз»
2.3 Структура рынка и триангуляция данных
2.4 Допущения исследования
3 Краткое содержание (стр.- 26)
4 Premium Insights (Номер страницы — 31)
4.1 Привлекательные возможности роста на рынке датчиков тока на эффекте Холла
4.
2 Рынок, по типу
4.3 Рынок в Азиатско-Тихоокеанском регионе, по приложениям и странам
4.4 Рынок по приложениям
4.5 Рынок по географии
5 Обзор рынка (Страница № — 35)
5.1 Введение
5.1.1 Драйверы
5.1.1.1 Постоянный технологический прогресс в датчиках тока на эффекте Холла
5.1.1.2 Растущее использование полностью интегрированных и программируемых датчиков тока
5.1.1.3 Преимущества датчиков тока на эффекте Холла на основе гальванической развязки
5.1.1.4 Растущий спрос на интеллектуальные датчики на эффекте Холла
5.1.2 Ограничения
5.1.2.1 Несогласованность в сила магнитных полей
5.1.3 Возможности
5.1.3.1 Возможные применения в экологически чистых электрических и гибридных транспортных средствах
5.1.3.2 Возрастающая потребность в измерениях энергии в связи с урбанизацией и индустриализацией
5.1.4 Проблемы
5.1.4.1 Спрос на недорогие датчики тока на эффекте Холла
6 Рынок датчиков тока на эффекте Холла, по типу (стр.
№ 41)
6.1 Введение
6.2 Датчик тока на эффекте Холла с разомкнутым контуром
6.3 Датчик тока на эффекте Холла с замкнутым контуром
7 Рынок по технологиям (стр. № 46)
7.1 Введение
7.2 BiCMOS
7.3 CMOS
8 Рынок датчиков тока на эффекте Холла, по выходу (страница № — 50)
8.1 Введение
8.2 Линейный (аналоговый) датчик тока на эффекте Холла
8.3 Пороговый (цифровой) датчик тока на эффекте Холла
9 Рынок, по отраслям конечного использования (Страница № — 54)
9.1 Введение
9.2 Автомобильная промышленность
9.3 Промышленная автоматизация
9.4 Бытовая электроника
9.5 Медицина
9,6 Коммунальное хозяйство
9,7 Железная дорога
9,8 Телекоммуникации
9,9 Аэрокосмическая промышленность и оборона
10 Географический анализ (номер страницы — 63)
10.1 Введение
10.2 Азиатско-Тихоокеанский регион
10.2.
1 Китай
10.2.2 Индия
10.2.3 Япония
10.2.4 Южная Корея
10.2.5 Остальные страны Азиатско-Тихоокеанского региона
10,3 Северная Америка
10.3.1 США
10.3,2 Канада
10.3.3 Мексика
10,4 Европа
10.4.1 Великобритания
10.4.2 Франция
10.4.3 Германия
10.4.4 Италия
10.4.5 Остальные страны Европы
10,5 ПЗ
10.5.1 Ближний Восток
10.5.2 Африка
10.5.3 Южная Америка
11 Конкурентная среда (Страница № — 95)
11.1 Введение
11.2 Анализ доли рынка
11.3 Сценарий конкуренции
11.3.1 Разработка продукта
11.3.2 Соглашения, сотрудничество и партнерство
11.3.3 Слияния и поглощения
12 Профили компании (№ страницы — 102)
(Обзор бизнеса, сила портфеля продуктов, совершенство бизнес-стратегии, последние разработки, ключевые взаимоотношения) *
12.1 Введение
12.2 ABB Ltd
12.3 Allegro MicroSystems, LLC. (Sanken Electric Co., Ltd.)
12,4 Asahi Kasei Microdevices Corporation
12,5 Infineon Technologies AG
12,6 Honeywell International Inc.
12,7 Stmicroelectronics NV
12,8 LEM Holding SA
12,9 KOHSHIN ELECTRIC CORPORATION
12,10 Melexis NV
12,11 12.12 Ключевые инноваторы
TDK Corporation. 1 Vacuumschmelze GmbH & Co. KG
12.12.2 American Aerospace Controls
12.12.3 Electrohms Pvt Ltd
12.12.4 Magnesensor Technology (MST)
12.12.5 Pulse Electronics Corporation
* Подробная информация об обзоре бизнеса, прочности портфеля продуктов, совершенстве бизнес-стратегии, последних разработках, ключевых взаимоотношениях не может быть зафиксирована в случае компаний, не котирующихся на бирже.
13 Приложение (Страница № — 137)
13.1 Аналитика отраслевых экспертов
13.2 Руководство для обсуждения
13.3 Магазин знаний: Портал подписки Marketsandmarkets
13.4 Представляем RT: анализ рынка в реальном времени
13.5 Доступные настройки
13.6 Связанные отчеты
13.7 Сведения об авторе
Список таблиц (69 таблиц)
Таблица 1 Сравнение различных методов измерения тока
Таблица 2 Производитель датчика тока на эффекте Холла, по типу
Таблица 3 Рынок датчиков тока на эффекте Холла, по типу, 2014 г.
2023 (млн долларов США)
Таблица 4 Разомкнутый контур и замкнутый контур Холла -Эффектный датчик тока
Таблица 5 Рынок незамкнутого цикла, по отраслям конечного использования, 2014-2023 гг. (В млн долларов США)
Таблица 6 Рынок замкнутого цикла, по отраслям, 2014-2023 гг. (Млн долларов США)
Таблица 7 Рынок по технологиям, 2014-2023 гг. (Долл. США Млн)
Таблица 8 Рынок технологии BiCMOS, по типу, 2014-2023 гг. (Млн долларов США)
Таблица 9 Рынок технологии CMOS, по типу, 2014-2023 гг. (Млн долларов США)
Таблица 10 Рынок датчиков тока на эффекте Холла, по выпуску, 2014-2023 гг. (Долл. США Млн)
Таблица 11 Отгрузка датчиков тока на эффекте Холла, по выпуску, 2014 г. 2023 г. (млн единиц)
Таблица 12 Рынок по отраслям, 2014 г. 2023 г. (млн долл. США)
Таблица 13 Рынок автомобильной промышленности, по регионам, 2014 г. 2023 г. (млн долл. США)
Таблица 14 Рынок промышленной автоматизации по регионам, 2014 г.202 3 (млн долларов США)
Таблица 15 Рынок бытовой электроники по регионам, 2014-2023 гг.
(Млн долларов США)
Таблица 16 Рынок датчиков тока Холла для медицины, по регионам, 2014-2023 гг. (Млн долларов США)
Таблица 17 Рынок коммунальных услуг, по регионам , 20142023 (млн долларов США)
Таблица 18 Рынок железных дорог, по регионам, 20142023 (млн долларов США)
Таблица 19 Рынок телекоммуникаций, по регионам, 20142023 (млн долларов США)
Таблица 20 Рынок авиакосмической и оборонной промышленности, по регионам, 20142023 ( Млн долл. США)
Таблица 21 Рынок по регионам, 2014-2023 гг. (Млн долл. США)
Таблица 22 Рынок технологии BiCMOS в Азиатско-Тихоокеанском регионе, по отраслям, 2014-2023 гг. (Млн долл. США)
Таблица 23 Рынок датчиков тока на эффекте Холла для технологии КМОП в Азиатско-Тихоокеанском регионе, по Промышленность, 2014-2023 гг. (Млн. Долл. США)
Таблица 24 Рынок в Азиатско-Тихоокеанском регионе, по странам, 2014-2023 гг. (Млн. Долл. США)
Таблица 25 Рынок Китая, по отраслям, 2014-2023 гг. (Млн. Долл. США)
Таблица 26 Рынок Китая, по технологиям, 2014-2023 гг.
(Долл. США) Млн)
Таблица 27 Рынок Индии по отраслям г, 2014 г. 2023 г. (млн долл. США)
Таблица 28 Рынок Индии по технологиям, 2014 г. 2023 г. (млн долл. США)
Таблица 29 Рынок Японии по отраслям, 2014 г. 2023 г. (млн долл. США)
Таблица 30 Рынок датчиков тока на эффекте Холла в Японии, по Технологии, 2014 г. 2023 г. (млн долларов США)
Таблица 31 Рынок Южной Кореи, по отраслям, 2014 г. 2023 г. (млн долл. США)
Таблица 32 Рынок Южной Кореи, по технологиям, 2014 г. 2023 г. (млн долл. США)
Таблица 33 Рынок в остальной части Азиатско-Тихоокеанского региона, по отраслям , 20142023 (миллион долларов США)
Таблица 34 Рынок остальной части Азиатско-Тихоокеанского региона, по технологиям, 2014-2023 (миллион долларов США)
Таблица 35 Рынок технологии BiCMOS в Северной Америке, по отраслям, 2014-2023 (миллион долларов США)
Таблица 36 Рынок CMOS-технологии в Северная Америка, по отраслям, 2014-2023 гг. (В миллионах долларов США)
Таблица 37 Рынок датчиков тока на эффекте Холла в Северной Америке, по странам, 2014-2023 гг.
(В миллионах долларов США)
Таблица 38 Рынок в США по отраслям, 2014-2023 гг. (В миллионах долларов США)
Таблица 39 Рынок в США по технологиям, 2014 г. 2023 г. (в млн долл. США)
Tab le 40 Рынок Канады по отраслям, 2014 г. 2023 г. (млн долларов США)
Таблица 41 Рынок Канады по технологиям, 2014 г. 2023 г. (млн долларов США)
Таблица 42 Рынок Мексики по отраслям, 2014 г. 2023 г. (млн долларов США)
Таблица 43 Эффект Холла Текущий рынок датчиков в Мексике, по технологиям, 2014-2023 гг. (Млн долларов США)
Таблица 44 Рынок технологии BiCMOS в Европе, по отраслям, 2014-2023 гг. (Млн долларов США)
Таблица 45 Рынок технологий CMOS в Европе, по отраслям, 2014-2023 гг. (Млн долларов США)
Таблица 46 Рынок в Европе, по странам, 2014-2023 гг. (Млн долларов США)
Таблица 47 Рынок Великобритании, по отраслям, 2014 г. 2023 г. (млн долларов США)
Таблица 48 Рынок Великобритании, по технологиям, 2014 г. 2023 г. (млн долларов США)
Таблица 49 Рынок в Франция, по отраслям, 2014-2023 гг.
(Млн долларов США)
Таблица 50 Рынок датчиков тока на эффекте Холла во Франции, по технологиям, 2014-2023 гг. (Млн долларов США)
Таблица 51 Рынок Германии, по отраслям, 2014-2023 гг. (Млн долларов США)
Таблица 52 Рынок Германия, по технологиям, 2014-2023 гг. (В млн долл. США)
Таблица 5 3 Рынок Италии по отраслям, 2014-2023 гг. (Млн долларов США)
Таблица 54 Рынок Италии по технологиям, 2014 г. 2023 г. (млн долларов США)
Таблица 55 Рынок остальной Европы, по отраслям, 2014-2023 гг. (Млн долларов США)
Таблица 56 Рынок в Остальные страны Европы, по технологиям, 2014-2023 гг. (Млн долларов США)
Таблица 57 Рынок технологии BiCMOS в полосе отвода, по отраслям, 2014-2023 гг. (Млн долларов США)
Таблица 58 Рынок технологии КМОП в полосе отвода, по отраслям, 2014-2023 гг. (Млн долларов США)
Таблица 59 Рынок датчиков тока на эффекте Холла в полосе отвода, по регионам, 2014-2023 гг. (В млн долларов США)
Таблица 60 Рынок на Ближнем Востоке, по отраслям, 2014-2023 гг.
(Млн долларов США)
Таблица 61 Рынок в Африке, по отраслям, 2014-2023 гг. (В млн долларов США)
Таблица 62 Рынок в Африке по технологиям, 2014-2023 гг. (Млн долларов США)
Таблица 63 Рынок Ближнего Востока, по технологиям, 2014 г. 2023 г. (млн долларов США)
Таблица 64 Рынок Южной Америки, по технологиям, 2014-2023 гг. (Млн долларов США)
Таблица 65 Рынок в Южной Америке, по отраслям, 2014 г. 2023 г. (в млн долл. США)
Табл. e 66 Рынок датчиков тока на эффекте Холла в Южной Америке, по технологиям, 2014 г. 2023 г. (млн долларов США)
Таблица 67 Запуск продукта
Таблица 68 Соглашения, сотрудничество и партнерство
Таблица 69 Слияния и поглощения
Список цифр (46 рисунков )
Рисунок 1 Сегментация рынка датчика тока на эффекте Холла
Рисунок 2 Рынок: дизайн исследования
Рисунок 3 Поток исследований для оценки размера рынка
Рисунок 4 Методология оценки размера рынка: восходящий подход
Рисунок 5 Методология оценки размера рынка: вверх Подход вниз
Рисунок 6 Триангуляция данных
Рисунок 7 Предположения исследовательского исследования
Рисунок 8 Промышленная автоматизация, ведущая на рынок в течение периода прогноза
Рисунок 9 Датчик тока разомкнутого контура для доминирования на рынке в течение периода прогноза
Рисунок 10 Ожидаемый порог Быть наиболее быстрорастущим датчиком тока в зависимости от типа выпуска рынка в течение периода прогноза
Рис.
re 11 Ожидается, что BiCMOS станет самой быстрорастущей технологией на рынке в течение прогнозного периода
Рис. 12 Ожидается, что автомобильная промышленность станет наиболее быстрорастущим приложением рынка датчиков тока на эффекте Холла в течение прогнозного периода
Рис. 13 APAC, как ожидается, станет свидетелем Самый высокий среднегодовой темп роста на рынке к 2023 году
Рис. 14 Растущее использование полностью интегрированных и программируемых датчиков тока для стимулирования роста датчика тока на эффекте Холла в течение периода прогноза
Рис. 15 Датчик разомкнутого контура, который будет лидировать на рынке в течение периода прогнозирования
Рисунок 16 Ожидается, что промышленная автоматизация будет занимать наибольшую долю датчиков тока на эффекте Холла в Азиатско-Тихоокеанском регионе к 2023 году
Рисунок 17 Промышленная автоматизация, как ожидается, займет самую большую долю рынка в течение прогнозного периода
Рисунок 18 Рынок в Китае, как ожидается, будет расти в Самый высокий CAGR за период прогноза
Рисунок 19 Динамика рынка: рынок датчиков тока на эффекте Холла
Рисунок 20 Ключевые рынки Интернета вещей Адрес По датчикам тока на эффекте Холла
Рисунок 21 Типовая структурная схема системы HEV
Рисунок 22 Рынок замкнутого цикла, на котором будет наблюдаться более высокий CAGR в течение прогнозного периода
Рисунок 23 Рынок датчиков тока на эффекте Холла, по технологиям
Рисунок 24 Рынок рынка для технологии BiCMOS Ожидаемый будет расти более высокими темпами в течение периода прогноза
Рисунок 25 Рынок по выпуску
Рисунок 26 Рынок пороговых датчиков тока на эффекте Холла, как ожидается, будет расти более высокими темпами в течение прогнозного периода
Рисунок 27 Рынок датчиков тока на эффекте Холла, по отраслям
Рисунок 28 Рынок автомобильной промышленности, который, как ожидается, будет расти с максимальным среднегодовым темпом роста в течение прогнозного периода
Рисунок 29 Рынок датчиков тока на эффекте Холла, по географическому признаку
Рисунок 30 APAC: Обзор рынка датчиков
Рисунок 31 Северная Америка: Обзор рынка датчиков
Рисунок 32 Европа: Обзор рынка датчиков
Рисунок 33 RoW: Обзор рынка датчиков
Рисунок 34 Компании выбрали разработку продукции как ключевой фактор роста Стратегия на период с апреля 2014 г.
по июль 2017 г.
Рисунок 35 Доля рынка на рынке датчиков тока на эффекте Холла, 2016 г.
Рисунок 36 Схема оценки рынка датчиков тока на эффекте Холла
Рисунок 37 Битва за долю рынка
Рисунок 38 ABB Ltd: снимок компании
Рисунок 39 ООО «Аллегро Микросистемс».: Снимок компании
Рисунок 40 Asahi Kasei Microdevices Corporation: Снимок компании
Рисунок 41 Infineon Technologies AG: Снимок компании
Рисунок 42 Honeywell International Inc.: Снимок компании
Рисунок 43 Stmicroelectonics NV: Снимок компании
Рисунок 44 LEM Holding SA: Снимок компании
Рисунок 45 Melexis NV: Обзор компании
Рисунок 46 TDK Corporation: Обзор компании
.
возвращение квадратурных энкодеров / Хабр
Это уже третья статья, рассказывающая о квадратурных декодерах, на сей раз с применением к управлению бесколлекторными двигателями.
- Статья первая: принцип работы квадратурного декодера + код для ардуино.
- Статья вторая: квадратурный декодер на stm32.

Задача: есть обычный китайский бесколлекторник, нужно его подключить к контроллеру Copley Controls 503. В отличие от копеечных коптерных контроллеров, 503й хочет сигнал с датчиков холла, которых на движке нет. Давайте разбираться, для чего нужны датчики и как их ставить.
В качестве иллюстрации я возьму очень распространённый двигатель с двенадцатью катушками в статоре и четырнадцатью магнитами в роторе. Вариантов намотки и количества катушек/магнитов довольно много, но суть всегда остаётся одной и той же. Вот фотография моего экземпляра с двух сторон, отлично видны и катушки, и магниты в роторе:
Чтобы было ещё понятнее, я нарисовал его схему, полюса магнитов ротора обозначены цветом, красный для северного и синий для южного:
На датчики холла пока не обращайте внимания, их всё равно нет 🙂
Что будет, если подать плюс на вывод V, а минус на вывод W (вывод U не подключаем ни к чему)? Очевидно, будет течь ток в катушках, намотанных зелёным проводом.
Катушки намотаны в разном направлении, поэтому верхние две катушки будут притягиваться к магнитам 1 и 2, а нижние две к магнитам 8 и 9. Остальные катушки и магниты в такой конфигурации роли практически не играют, поэтому я выделил именно магниты 1,2,8 и 9. При такой запитке мотора он очевидно крутиться не будет, и будет иметь семь устойчивых положений ротора, равномерно распределённых по всей окружности (левая верхняя зелёная катушка статора может притягивать магниты 1, 3, 5, 7, 9, 11, 13).
Давайте записывать наши действия вот в такую табличку:
| Угол поворота ротора | U | V | W |
| 0° | n.c. | + | — |
А что будет, если теперь подать плюс на U и минус на W? Красные катушки притянут к себе магниты 3,4,10 и 11, таким образом чуть-чуть повернув ротор (я по-прежнему выделяю магниты, за которые ротор тянет):
Давайте посчитаем, на сколько повернётся ротор: между щелями магнитов 1-2 и 3-4 у нас 51.
43° (=360°*2/7), а между соответствующими щелями в статоре 60° (=360°/12*2). Таким образом, ротор провернётся на 8.57°. Обновим нашу табличку:
| Угол поворота ротора | U | V | W |
| 8.57° | + | n.c. | — |
Теперь сам бог велел подать + на U и — на V!
| Угол поворота ротора | U | V | W |
| 17.14° | + | — | n.c. |
Теперь опять пора выровнять магниты с зелёными катушками, поэтому подаём напряжение на них, но красный и синий магниты поменялись местами, поэтому теперь нужно подать обратное напряжение:
| Угол поворота ротора | U | V | W |
| 25.71° | n.c.![]() |
— | + |
C оставшимися двумя конфигурациями всё ровно так же:
| Угол поворота ротора | U | V | W |
| 34.29° | — | n.c. | + |
| Угол поворота ротора | U | V | W |
| 42.85° | — | + | n.c. |
Если мы снова повторим самый первый шаг, то наш ротор провернётся ровно на одну седьмую оборота. Итак, всего у нашего мотора три вывода, мы можем подать напряжение на два из них шестью разными способами 6 = 2*C23, причём мы их все уже перебрали. Если подавать напряжение не хаотично, а в строгом порядке, который зависит от положения ротора, то двигатель будет вращаться.
Запишем ещё раз всю последовательность для нашего двигателя:
| Угол поворота ротора | U | V | W |
| 0° | n. c. |
+ | — |
| 8.57° | + | n.c. | — |
| 17.14° | + | — | n.c. |
| 25.71° | n.c. | — | + |
| 34.29° | — | n.c. | + |
| 42.86° | — | + | n.c. |
Есть один нюанс: у обычного коллекторного двигателя за переключение обмоток отвечают щётки, а тут нам надо определять положение ротора самим.
Теперь давайте поставим три датчика холла в те чёрные точки, обозначенные на схеме. Давайте договоримся, что датчик выдаёт логическую единицу, когда он находится напротив красного магнита. Всего существует шесть (сюрприз!) возможных состояний трёх датчиков: 23 — 2. Всего возможных состояний 8, но в силу расстояния между датчиками они не могут все втроём быть в логическом нуле или в логической единице:
Обратите внимание, что они генерируют три сигнала, сдвинутые друг относительно друга на 1/3 периода.
Кстати, электрики используют слово градусы, говоря про 120°, чем окончательно запутывают нубов типа меня. Если мы хотим сделать свой контроллер двигателя, то достаточно читать сигнал с датчиков, и соответственно переключать напряжение на обмотках.
Для размещения датчиков я использовал вот такую платку, дизайн которой взял тут. По ссылке лежит проект eagle, так что я просто заказал у китайцев сразу много подобных платок:
Эти платки несут на себе только три датчика холла, больше ничего. Ну, по вкусу можно поставить конденсаторы, я не стал заморачиваться. Очень удобно сделаны длинные прорези для регулировки положения датчиков относительно статора.
Ещё бы! Единственная разница, что инкрементальные энкодеры дают два сигнала, сдвинутые друг относительно друга на 90°, а у нас три сигнала, сдвинутые на 120°. Что будет, если завести любые два из них на обычный квадратурный декодер, например, той же самой синей таблетки? Мы получим возможность определять положение вала с точностью до четырёх отсчётов на одну седьмую оборота, или 28 отсчётов на оборот.
Если вы не поняли, о чём я, прочтите принцип работы квадратурного декодера в первой статье.
Я долго думал, как же мне использовать все три сигнала, ведь у нас происходит шесть событий на одну седьмую оборота, мы должны иметь возможность получить 42 отсчёта на оборот. В итоге решил пойти грубой силой, так как синяя таблетка имеет кучу аппаратных квадратурных декодеров, поэтому я решил в ней завести три счётчика:
Видно, что при каждом событии у нас увеличиваются два из них, поэтому сложив три счётчика, и поделив на два, мы получим равномерно тикающий определитель положения вала, с точностью до 6*7 = 42 отсчёта на оборот!
Вот так выглядит макет подключения датчиков Холла к синей таблетке:
В некоторых приложениях (например, для коптеров) все эти заморочки не нужны. Контроллеры пытаются угадать происходящее с ротором по току в катушках. С одной стороны, это меньше заморочек, но с другой стороны, иногда приводит к проблемам с моментом старта двигателя, поэтому слабоприменимо, например, в робототехнике, где нужны околонулевые скорости.
Давайте попробуем запитать наш движок от обычного китайского коптерного ESC (electronic speed controller).
Мой контроллер хочет на вход PPM сигнал: это импульс с частотой 50Гц, длина импульса задаёт обороты: 1мс — останов, 2мс — максимально возможные обороты (считается как KV двигателя * напряжение).
Вот здесь я выложил исходный код и кубовские файлы для синей таблетки. Таймер 1 генерирует PWM для ESC, таймеры 2,3,4 считают соответствующие квадратурные сигналы. Поскольку в прошлой статье я крайне подробно расписал, где и что кликать, то здесь только даю ссылку на исходный код.
На вход моему ESC я даю пилообразное задание скорости, посмотрим, как он его отработает. Вывод синей таблетки лежит тут, а код, который рисует график, тут.
Поскольку у меня двигатель имеет номинал 400KV, а питание я подал 10В, то максимальные обороты должны быть в районе 4000 об/мин = 419 рад/с. Ну а вот и график подоспел:
Видно, что реальные обороты соответствуют заданию весьма приблизительно, что терпимо для коптеров, но совершенно неприменимо во многих других ситуациях, почему, собственно, я и хочу использовать более совершенные контроллеры, которым нужны сигналы с датчиков холла.
Ну и бонусом я получаю угол поворота ротора, что бывает крайне полезно.
Я провёл детство в обнимку с этой книжкой, но раскурить принципы работы бесколлекторников довелось только сейчас.
Оказывается, что шаговые моторы и вот такое коптерные моторчики — это (концептуально) одно и то же. Разница лишь в количестве фаз: шаговики (обычно, бывают исключения) управляются двумя фазами, сдвинутыми на 90°, а бесколлекторники (опять же, обычно) тремя фазами, сдвинутыми на 120°.
Разумеется, есть и другие, чисто практические отличия: шаговики рассчитаны на увеличение удерживающего момента и повторяемость шагов, в то время как коптерные движки на скорость и плавность вращения, что сказывается на количестве обмоток, подшипниках и т.п. Но в итоге обычный бесколлекторник можно использовать в шаговом режиме, а шаговик в постоянном вращении, управление у них будет одинаковым.
Update: красивая анимация от Arastas:
Как использовать датчик Холла с Arduino | Ардуино
Используйте датчик Холла, чтобы определить наличие магнита и сделать спидометр, охранную сигнализацию и многое другое!
Прокрутите, чтобы перейти к содержанию
Вы когда-нибудь хотели создать проект, в котором использовались бы бесконтактные датчики, например, для обнаружения закрытия двери, подсчета количества оборотов колеса или создания спидометра? Тогда этот учебник по датчику эффекта Холла Arduino для вас!
В этом проекте используется датчик Холла для обнаружения присутствия магнита.
Всякий раз, когда магнит проходит мимо этого датчика, он может его обнаружить. Этот датчик можно использовать для разных целей. Например, если нам нужно обнаружить закрытие двери; тогда нам просто нужно прикрепить магнит к двери и датчик холла к раме двери. Всякий раз, когда дверь закрывается, магнит помещается рядом с датчиком Холла, и мы можем определить, что дверь закрыта.
По такому же принципу можно сделать спидометр для велосипеда или любого другого транспортного средства. Если магнит прикрепить к колесу, а датчик Холла разместить где-то в раме велосипеда, можно измерить время, необходимое колесу для совершения одного оборота, и, немного подумав, мы можем определить движение велосипеда. скорость!
Как это работает? Датчик на эффекте Холла работает по принципу эффекта Холла, согласно которому всякий раз, когда магнитное поле прикладывается в направлении, перпендикулярном протеканию электрического тока в проводнике, возникает разность потенциалов.
Это напряжение можно использовать для определения того, находится ли датчик вблизи магнита или нет. Arduino может обнаружить это изменение напряжения через свой контакт прерывания и определить, находится ли магнит рядом с датчиком или нет. Принцип работы датчика Холла Arduino показан на рисунке ниже.
Работа датчика Холла Arduino
Существует много типов датчиков Холла, и некоторые типы лучше подходят для определенных приложений. Для приложений, где скорость обнаружения не имеет решающего значения, можно использовать обычные датчики на эффекте Холла, такие как 44E. Однако для приложений, требующих высокоскоростного обнаружения, например, в случае спидометров, следует использовать высокочастотные датчики на эффекте Холла, такие как US5881 или US1881. Существует два основных типа датчиков Холла: с фиксацией и без фиксации.
US1881 — это датчик Холла с фиксацией. Датчик выдает ВЫСОКОЕ (5 В) напряжение всякий раз, когда к нему приближается северный полюс магнита. Даже когда магнит удален, датчик по-прежнему выдает ВЫСОКОЕ напряжение и не становится НИЗКИМ (0 В), пока южный полюс магнита не приблизится к нему.
Эти датчики, которые фиксируются в определенном состоянии, называются датчиками на эффекте Холла с фиксацией.
US5881 — датчик Холла без фиксации. Датчик выдает ВЫСОКОЕ выходное напряжение всякий раз, когда к нему приближается северный полюс магнита, и переключается в НИЗКОЕ напряжение всякий раз, когда магнит удаляется. Лично я предпочитаю для своих проектов датчики Холла без фиксации, такие как US5881.
Датчики Холла имеют три контакта: VCC (5 В), GND и Vout (сигнал). Распиновка датчика Холла показана ниже:
Arduino Распиновка датчика Холла
Выполнение соединений для датчика Холла Arduino Взаимодействие датчика Холла с Arduino очень просто. VCC датчика подключен к контакту питания 5V Arduino. GND датчика подключается к контакту GND на Arduino. Выход Vout или сигнальный контакт датчика Холла подключен к контакту прерывания Arduino (цифровой контакт 2). Кроме того, между выводами VCC и Vout датчика Холла подключен резистор 10K.
Это делается для того, чтобы на выходе датчика Холла было напряжение 5 В. Соединения выполняются, как показано ниже (сторона с напечатанным номером на схеме обращена к вам):
После того, как вы закончите подключение датчика Холла к Arduino, вам нужно загрузить код на плату и протестировать его. Код датчика на эффекте Холла Arduino можно использовать для обнаружения магнита и подсчета количества раз, когда он его обнаруживает. Это очень простой код Arduino, который использует контакт прерывания 0 (цифровой контакт 2) Arduino.
Всякий раз, когда датчик Холла обнаруживает магнит, он выдает ВЫСОКОЕ (5 В) напряжение на вывод Vout. Контакт прерывания Arduino, подключенный к Vout, обнаруживает это возрастающее (HIGH) напряжение с помощью функции: magnet_detect. Последовательный монитор печатает «обнаружение» всякий раз, когда магнит приближается к датчику.
Последовательный монитор датчика Холла Arduino
Подключение датчика Холла Arduino к вашему проекту Чтобы показать применение этого проекта, я установил датчик на дверной косяк.
Я также прикрепил к своей двери небольшой магнит. Таким образом, всякий раз, когда моя дверь закрывается, я могу обнаружить это. Его также можно использовать в качестве системы охранной сигнализации, подключив к нему несколько огней и сирен.
Кроме того, из этого датчика можно сделать спидометр для велосипеда. К колесу необходимо прикрепить небольшой магнит, а датчик Холла можно прикрепить к раме велосипеда. Количество оборотов, совершаемых колесом, и время, затрачиваемое на это, можно измерить с помощью датчика Холла. И после выполнения некоторых расчетов на этих данных, вы можете показать скорость вашего велосипеда в км/ч или милях в час.
Посмотрите это демо-видео для проекта датчика Холла Arduino:
Автор
Арвинд Санджив
Дизайнер взаимодействия и инженер.
Yahoo-Accenture также наградила его как «Самого многообещающего новатора».
Как использовать датчик Холла с Arduino?
В этом проекте мы узнаем о датчике Холла, о том, как работает интегральная схема на эффекте Холла, о блок-схеме типичной микросхемы на эффекте Холла и о том, как связать датчик Холла с Arduino. Кроме того, я покажу вам, как управлять реле с помощью датчика Холла и Arduino.
[adsense1]
Outline
Введение
Если вы помните учебник Arduino WaterFlow Sensor Tutorial , который мы реализовали ранее, основным компонентом датчика расхода воды является интегральная схема на эффекте Холла.
Датчик Холла работает по принципу эффекта Холла. Проще говоря, датчик Холла или ИС обнаруживает движение, положение или изменение напряженности магнитного поля постоянного магнита, электромагнита или любого ферромагнитного материала.
ИС на эффекте Холла представляют собой бесконтактные переключатели с магнитным управлением.
Они используются в самых разных приложениях, таких как автомобили, компьютеры, системы управления, системы безопасности и т. д.
[adsense2]
Итак, в этом проекте я расскажу об IC A11004 на эффекте Холла, как работает этот датчик на эффекте Холла. и, наконец, как связать датчик Холла с Arduino.
Краткая информация о датчике Холла
Как упоминалось ранее, датчик Холла представляет собой магнитный переключатель с бесконтактным срабатыванием. ИС на эффекте Холла, на которой я сосредоточусь в этом проекте, — это A1104 от Allegro Micro Systems. Он доступен в 3-контактных корпусах SIP, а также в корпусах SOT23.
На изображении выше показана микросхема на эффекте Холла A1104, используемая в этом проекте. Он основан на технологии BiCMOS, которая сочетает в себе преимущества технологий Bipolar и CMOS.
Блок-схема датчика Холла
Основными компонентами интегральной схемы на эффекте Холла A1104 являются: регулятор напряжения, устройство Холла, усилитель слабого сигнала, триггер Шмитта и выходной NMOS-транзистор.
На следующем изображении показана блок-схема этой микросхемы на эффекте Холла.
Выводы датчика Холла A1104
Прежде чем перейти к работе микросхемы на эффекте Холла, позвольте мне дать обзор выводов микросхемы на эффекте Холла A1104. Микросхема на эффекте Холла A1104 имеет три контакта: VCC, GND и OUT.
- VCC (1): Источник питания ИС. от 3,8В до 24В.
- GND (2): Земля.
- OUT (3): Выход микросхемы.
На следующем рисунке показаны выводы микросхемы на эффекте Холла A1104.
Работа датчика Холла
Элемент Холла или устройство Холла (иногда называемое активной зоной) представляет собой небольшой лист полупроводника. Это представлено в виде следующего изображения.
Когда на VCC подается постоянное напряжение, через лист полупроводника протекает небольшой, но постоянный ток. При отсутствии магнитного поля напряжение V HALL , измеренное по ширине элемента Холла (полупроводникового листа), будет примерно равно 0В.
Если элемент Холла подвергается воздействию магнитного поля таким образом, что магнитный поток магнитного поля перпендикулярен току, протекающему через лист, выходное напряжение V HALL прямо пропорционально силе магнитного поля. поле.
Типы датчиков Холла
В зависимости от ориентации и характеристик активной области (элемента Холла) датчики Холла можно разделить на три типа.
- Планарное устройство Холла
- Устройство вертикального зала
- 3D-устройство Холла
В плоских устройствах Холла силовые линии магнитного поля должны проходить перпендикулярно через активную область для оптимальной работы переключателя. Здесь активная область параллельна фирменной лицевой стороне ИС, то есть лицевой стороне, отмеченной номером детали производителя.
Что касается устройства вертикального зала, то его чувствительные области могут располагаться на верхнем, правом или левом боковых краях.
Наконец, 3D-устройство Холла может обнаруживать магнитное поле при приближении к магниту с любого направления.
ПРИМЕЧАНИЕ: Важно помнить, что при работе датчика Холла одинаково важны как напряженность магнитного поля, так и полярность (север или юг). Датчик Холла будет переключаться только в том случае, если на него воздействует достаточная плотность магнитного потока, а также правильная полярность.
Датчик Холла может быть чувствителен либо к северному, либо к южному полюсу, но не к обоим сразу.
Взаимодействие датчика Холла с Arduino
Теперь, когда мы немного узнали о датчике Холла, позвольте мне рассказать вам о шагах взаимодействия датчика Холла с Arduino.
Как обычно, я реализую две схемы: одна представляет собой базовое руководство по подключению датчика Холла к Arduino, а вторая представляет собой прикладную схему, в которой я буду управлять реле с помощью датчика Холла и Arduino.
Необходимые компоненты
Компоненты, необходимые для обеих этих цепей, указаны ниже.
- Arduino UNO [Купить здесь]
- A1104 ИС на эффекте Холла
- Резистор 10 кОм
- Светодиод
- Резистор 1 кОм
- Релейный модуль 5 В
- Мини-макет
- Соединительные провода
Руководство по подключению датчика Холла к Arduino
На следующем рисунке показаны необходимые соединения между Arduino UNO и микросхемой на эффекте Холла A1104.
Код
Рабочий
Если вы обратите внимание на принципиальную схему, соединения довольно просты. Контакты VCC и GND микросхемы на эффекте Холла, т. е. контакты 1 и 2 на фирменной лицевой стороне, подключены к +5 В и GND Arduino.
На выводе OUT микросхемы на эффекте Холла установлен ВЫСОКИЙ уровень с помощью резистора 10 кОм.
Всякий раз, когда магнитное поле помещается рядом с ИС на эффекте Холла, выходной сигнал ИС на эффекте Холла становится НИЗКИМ. Это изменение обнаруживается Arduino и, соответственно, активирует светодиод.
Управление реле с помощью Arduino и датчика Холла
Принципиальная схема управления модулем реле 5 В с датчиком Холла и Arduino показана ниже.
Код
Работа
Работа этой схемы очень проста. Всякий раз, когда датчик Холла подвергается воздействию магнитного поля, он переключает реле (согласно коду).
Применение датчика Холла
Датчик Холла используется в широком диапазоне приложений, таких как
- Автомобильные системы зажигания
- Тахометры
- Датчики тока
- Контроллеры бесщеточных двигателей постоянного тока
- Системы контроля скорости
- Принтеры
- Клавиатуры
- Переключатели (ключ и кнопка)
- Системы безопасности
- Датчики положения
Как датчики Холла влияют на энергию ударного двигателя Использование
Биполярные датчики Холла используются в двигателях BLDC для определения положения вращающегося магнита.
В этом примере восьмиполюсный двигатель с трехфазной обмоткой использует три биполярных фиксирующих датчика Холла.
Уже много лет широко известно, что промышленность является крупнейшим потребителем энергии в мире и что большая часть этого энергопотребления приходится на двигатели, используемые в промышленности. Согласно отчету ABB, на долю промышленности приходится 42 процента мирового потребления энергии, при этом электродвигатели используют 2/3 этой энергии.
Чтобы решить эту проблему, большое внимание было уделено одному из наиболее распространенных двигателей, используемых в промышленности, — бесщеточному двигателю постоянного тока (BLDC). Общепризнанным методом повышения эффективности двигателей BLDC является включение датчиков Холла.
Выбор правильной биполярной фиксации Интегральная схема датчика Холла для электронной коммутации в двигателях BLDC играет большую роль в эффективности этих двигателей и, следовательно, может значительно повлиять на надежность и производительность многих приложений, включая робототехнику, портативное медицинское оборудование и вентиляторы HVAC.
Компания Honeywell Sensing and Control выпустила информационный документ «Как выбрать датчики Холла для бесколлекторных двигателей постоянного тока», чтобы помочь разработчикам двигателей и пользователям лучше понять влияние датчиков Холла на бесщеточные двигатели постоянного тока.
Поскольку в двигателях BLDC используется электронная, а не механическая коммутация для управления распределением мощности на двигатель, в технической документации указывается, что датчики Холла с фиксацией, установленные в двигателе, используются для измерения положения двигателя, которое передается на электронный контроллер для вращения двигателя в нужное время и в нужном направлении.
Основные конструктивные характеристики, которые следует учитывать при биполярном датчике Холла с фиксацией, используемом для коммутации двигателя BLDC, включают чувствительность, повторяемость, стабильность при перегреве и время отклика.
Поскольку для активации датчика Холла требуется магнитное поле, « уровень чувствительности зависит от расположения датчика к магниту, воздушного зазора и силы магнита.
В технических характеристиках изделия должна быть указана напряженность магнитного поля (измеряемая в Гауссах), необходимая для того, чтобы биполярный датчик Холла изменил состояние (сработал и разблокировался)», — отмечается в официальном документе Honeywell. «Датчик с высокой чувствительностью, обычно рассчитанный на менее 60 Гаусс, позволяет использовать магниты меньшего размера или менее дорогие магнитные материалы, что становится все более важным, поскольку цены на редкоземельные магниты продолжают расти. Высокая чувствительность также позволяет использовать более широкий воздушный зазор, что означает, что датчик можно разместить дальше от магнита, и он по-прежнему будет очень надежным, обеспечивая при этом некоторую гибкость конструкции».
Повторяемость относится ко времени фиксации датчика Холла. «Это идет рука об руку с высокой чувствительностью, поскольку позволяет датчику быть более воспроизводимым», — говорится в документе. «Когда выход датчика включается, он направляет ток по обмоткам катушки в неподвижной части двигателя.
Этот ток создает магнитное поле, которое взаимодействует с полем постоянных магнитов на валу и заставляет вал вращаться. Когда магнит вращается вокруг датчика, датчик с высокой повторяемостью меняет свое состояние в одном и том же угловом положении каждый раз, когда магнит проходит мимо. Датчик с высокой воспроизводимостью — это датчик с постоянным временем отклика, который поддерживает все угловые измерения очень близкими к одному и тому же значению».
Подобно повторяемости, стабильность , согласно техническому документу Honeywell, относится к тому, насколько угловое положение изменяется в зависимости от температуры или напряжения. Например, если выходной сигнал датчика меняет состояние на пять градусов при 25 °C, где он меняет состояние при 125 °C? Уровень Гаусса, необходимый для включения детали при 125 °C, должен быть как можно ближе к уровню Гаусса, необходимому для включения детали при 25 °C. Итак, если деталь работает при 30 Гаусс при 25 °C, работает ли она при 30 Гаусс при 125 °C или рабочая точка смещается, например, до 50 Гаусс или 5 Гаусс? Это важно, поскольку для точного определения положения требуется стабильность при перегреве в сочетании с высокой чувствительностью.
Магнитная стабильность также помогает улучшить характеристики джиттера для эффективности BLDC и приводит к меньшему изменению скорости.
Время отклика — это время, необходимое выходному сигналу датчика для изменения состояния. Например, если датчик имеет рабочую точку 30 Гаусс и к датчику приложено магнитное поле с уровнем 30 Гаусс, время отклика измеряется от точки, когда поле 30 Гаусс приложено, до момента изменения состояния выхода. Более быстрое время отклика на изменение магнитного поля обеспечивает большую эффективность коммутации BLDC. Если датчик переключается при другом уровне магнитного поля, чем требуется, из-за медленного отклика или задержки, это может привести к ошибкам точности.
Просмотрите полный информационный документ «Как выбрать датчики Холла для бесщеточных двигателей постоянного тока» от Honeywell.
Honeywell Intellygrated
Датчики эффекта зала — Физические вычисления
Содержание
- ВВЕДЕНИЕ
- Эффект зала
- Эффект.

- . Аналоговые датчики Холла
- Двоирный (на основе коммутации) датчики эффекта зала
- Переключатели Рида
- Датчик эффекта эффекта DRV5055
- . магнитный осветлитель светодиодов
- Видео о рабочем месте
- Улучшение схемы
- Создание магического магнитного осветлителя светодиодов на основе Arduino
- Схема Arduino на эффекте Холла
- Код
- Видео верстака
- Ссылки
- Видео
- Цитаты
В этом уроке вы познакомитесь с двумя типами магнитных датчиков: датчиками Холла и герконами. Затем вы будете использовать датчик Холла DRV5055 для создания простой схемы светодиода с автояркостью сначала без, а затем с микроконтроллером.
Введение
Магнитные датчики, такие как герконы и датчики Холла, реагируют на присутствие магнитного поля. Это действительно вездесущие датчики, которые можно найти во всем: от автомобильных цепей управления и систем контроля жидкости до электронных устройств, таких как мобильные телефоны и компьютеры.
Пока Герконы являются электромеханическими: два внутренних контакта физически замкнуты, когда правильно ориентированное магнитное поле находится в пределах досягаемости. используются в качестве аналоговых датчиков или переключателей.Основным преимуществом датчиков на основе магнита является то, что сам магнит не нуждается в питании и даже может быть полностью заключен в движущуюся часть, такую как окно, колесо, турбина, и т.д. Например, велосипедный тахометр работает, прикрепляя магнит к велосипедному колесу (которое вращается), в то время как датчик Холла или геркон прикреплен к вилке колеса и используется микроконтроллером для подсчета оборотов. Датчики на основе магнитов также обычно используются для отслеживания вращения электродвигателей постоянного тока, которые уже содержат магниты для питания двигателя.
Два примера систем слежения за колесами велосипеда (слева и посередине), а также велосипедный спидометр. Как правило, эти системы изготавливаются с датчиками на эффекте Холла или герконами для измерения оборотов колеса, которые преобразуются в расстояние и скорость с помощью небольшого компьютера с дисплеем (часто установленным на руле).
Примечание: чтобы использовать эту систему, велосипедист должен сначала выполнить шаг калибровки, переместив колесо на заданное расстояние (тем самым предоставив необходимые данные для преобразования оборотов в расстояние).Эффект Холла
Как взаимодействуют электрические и магнитные поля? Возможно, вы помните, что электрический ток создает магнитное поле (вспомните правило правой руки из школьного курса физики). Но влияет ли магнитное поле на ток? Да!
Электричество и магнетизм давно интересовали людей, но считались отдельными явлениями. Только в конце 19 века, когда Джеймс Максвелл опубликовал «Трактат об электричестве и магнетизме» , электричество и магнетизм были объединены в одну взаимосвязанную силу: электромагнетизм. Но остались ключевые вопросы, в том числе, наиболее актуальные для нас: как сделать магниты взаимодействуют с электрическим током ?
Входит Эдвин Холл. Будучи аспирантом Университета Джона Хопкинса в 1879 году, Холл открыл «эффект Холла», который представляет собой создание небольшой разницы напряжений на электрическом проводнике поперек электрического тока при приложении магнитного поля (Википедия).
Эта анимация от How to Mechatronics помогает продемонстрировать эффект. Когда вводится магнит, он отталкивает отрицательные заряды на одну сторону проводника, создавая асимметричное распределение заряда (перпендикулярно потоку тока) на проводнике. Это разделение заряда создает новое электрическое поле с небольшим электрическим потенциалом (часто в милливольтах), который можно измерить мультиметром или подобным устройством.Анимация из книги «Как сделать мехатронику»
Обратите внимание, что хотя анимация показывает прекращение тока в проводнике во время эффекта Холла, это не так. Ток продолжает течь даже в присутствии магнитного поля. Анимация также не показывает, что при переворачивании магнита эффект Холла также меняется на противоположный: отрицательные и положительные заряды сместятся в противоположные стороны проводника (и опять же, это смещение равно поперечных к потоку тока).
Запутались? Все нормально!
Чтобы лучше понять эффект Холла, посмотрите это 5-минутное видео от профессора Боули из Ноттингемского университета.
Он предоставляет замечательный набор визуальных экспериментов и объяснений (лучших из тех, что мы видели), которые должны прояснить ситуацию:В этом замечательном видео из Ноттингемского университета профессор Боули объясняет физику эффекта Холла.
Датчики Холла
9Датчики на эффекте Холла 0002 используют «эффект Холла» для измерения величины проксимального магнитного поля. Точнее, датчики на эффекте Холла измеряют «магнитный поток» (\(Φ\)), который представляет собой полное магнитное поле \(\vec{B}\), проходящее через заданную область \(\vec{A}\) (где A — площадь чувствительного элемента по нормали к магнитному полю): \(Φ = \vec{B} \cdot \vec{A}\). В то время как индуктивные датчики реагируют на изменяющихся магнитных полей, одним из преимуществ датчиков Холла является то, что они работают со статическими (неизменяющимися) полями.
Таким образом, датчик Холла может реагировать на магнит, даже если он не движется.Моделирование магнитного потока магнита NdFeB. Изображение из таблицы данных датчика Холла DRV5055.
Поскольку векторы магнитного поля текут от северного полюса магнита к южному, магнитный поток будет изменяться в зависимости от ориентации магнита относительно датчика Холла. Величина магнитного потока максимальна, когда полюса магнита ортогональны датчику. Чтобы узнать больше о магнитном потоке, посмотрите этот урок Академии Хана.
Применение датчика Холла
9Датчики Холла 0002 используются в различных потребительских и промышленных приложениях, от автомобильной промышленности до мониторинга жидкостей и автоматизации зданий. Некоторые приложения, такие как определение положения сиденья и ремня безопасности, используют датчики на эффекте Холла для локализации объектов, в то время как другие используют датчики на эффекте Холла для бесконтактных измерений постоянного тока (измерение индуцированного магнитного поля с помощью тока через провод).
Одни только современные автомобили содержат 10 или более датчиков Холла для всего, от определения положения стеклоочистителей до педалей тормоза и газа и системы зажигания (Landuyt et al., SPLC’14).В своем справочнике по датчикам Холла Honeywell предлагает десятки идей по применению:
Подмножество идей по применению датчиков Холла, представленных в справочнике Honeywell.
Аналоговый и двоичный выход
Датчики Холла могут обеспечивать либо аналоговый , либо двоичный выход. В любом случае это активных датчика с тремя контактами (\(V_{CC}\), \(GND\) и \(Out\)).
Аналоговые датчики Холла
В предыдущих уроках мы рассмотрели резистивные датчики, такие как чувствительные к силе резисторы и фоторезисторы, которые изменяют свое сопротивление в зависимости от внешнего воздействия. Напротив, аналоговый датчик на эффекте Холла выдает переменное напряжение .
Это напряжение прямо пропорционально воспринимаемой плотности магнитного потока.Бинарные (переключающие) датчики Холла
Некоторые датчики Холла действуют как переключатели: либо включены (при наличии достаточно сильного магнитного поля), либо выключены (если нет). Например, US5881LUA, продаваемый Adafruit, обычно имеет размер 9.0448 ВЫСОКИЙ , но переключается на
НИЗКИЙпри наличии южного магнитного полюса . Некоторые переключатели на эффекте Холла фиксируются и остаются в активированном состоянии даже при удалении магнита. Например, фиксирующий датчик Холла US1881 переключается наВЫСОКИЙпри наличии магнитного полюса северный , но остается в этом состоянии даже после удаления магнита и до тех пор, пока не будет обнаружен магнитный полюс южный .Для получения бинарного выхода эти датчики на эффекте Холла имеют дополнительный внутренний элемент, называемый триггером Шмитта, подключенный к аналоговому выходу, который преобразует внутренний аналоговый выходной сигнал во внешний цифровой выход (
ВЫСОКИЙилиНИЗКИЙ).
Смотрите это видео от «Как к мехатронике».Герконы
Изображение из Википедии.
Хотя некоторые датчики на эффекте Холла выдают бинарный выходной сигнал (
ВЫСОКИЙилиНИЗКИЙ) и, таким образом, могут работать как переключатели, их не следует путать с герконами, которые являются электромеханическими устройствами. В герконовом переключателе два контакта из ферромагнитного металла замыкаются в присутствии магнитного поля (в остальном они нормально разомкнуты). Поскольку геркон представляет собой механическое устройство, контакты переключателя со временем изнашиваются. Смотрите анимации ниже. - . магнитный осветлитель светодиодов


Его необходимо соединить с массой автомобиля для предотвращения случайного появления разряда. Поскольку это приведет к запуску силового агрегата при диагностике.
Один из них устанавливается в средний контакт колодки (обычно зеленый цвет), а другой подключается к массе. Его расцветка, как правило, белая. Затем сам разъем подсоединяется обратно к распределительному устройству. Штыри используются в качестве проводников тока. На обратной стороне разъема открытых контактов нет, поэтому для проверки сами кабели придется оголить, а делать это не рекомендуется.
Если все проводники целые, то величина напряжения на дисплее мультиметра составит от 10 до 12 вольт.

То есть, срабатывание происходит в том случае, когда интенсивность магнитного поля достигла определенной величины. Именно этот тип устройств применяется в автомобильной технике в качестве датчика скорости, фазы, положения распределительного, а также коленчатого вала и т.д.

В противном случае, на всякий случай проверяем соблюдение полярности при подключении светодиода, и если оно выполнено правильно, – меняем датчик на новый.
Известная многим функция в GPS-навигации – направление движения пользователя, также реализуется при помощи датчика. Подобная функция важна в играх (например, известная Pokemon GO) или при составлении маршрута;
Практически для всех моделей смартфонов можно найти соответствующие страницы на форумах, если информации здесь нет, можно задать вопрос;
То есть, полярность, и величина напряжения напрямую зависят от характеристик магнитного поля. На текущий момент этот тип приборов, в основном, применяется в измерительной технике (например, в качестве, датчиков тока, вибрации, угла поворота).
Это связано с тем, что впрыск топливно-воздушной смеси производится более одного раза за один цикл вращения коленвала.
Но его эффективности может идти речь только в том случае, если не формируется искра при наличии питания на основных узлах системы. Для тестирования следует выполнить следующие действия:
Включаем зажигание, если с питанием все нормально, светодиод загорится, в противном случае потребуется проверять цепь питания (предварительно убедившись в правильном подключении светодиода).
.. + 80°C
Прибор включается одновременно с выбором диапазона. Если номинал тока заранее неизвестен, начинать измерения необходимо с самого большого диапазона, постепенно его уменьшая в случае необходимости.
Используется для некоторых измерительных задач.
Более того, чтобы получить реальные значения замеров нужно с использованием коэффициента трансформации сделать перевод показаний.






В современных электронных приборах этот недостаток компенсируется схемным либо программным способом.