Стробоскоп для зажигания — как им пользоваться?
Автомобильные владельцы с солидным опытом знают ценность правильно выставленного начального момента зажигания и корректной работы вакуумного и центробежного регуляторов опережения зажигания. Если произвести неправильную установку момента зажигания (кстати значительная роль может быть сыграна даже минимальным, казалось бы, отклонением на 2-3 градуса), это может стать причиной повышенного расхода топлива, потери мощности и перегреву силового агрегата и даже сокращению его эксплуатационного срока. Поэтому умение осуществлять проверку и регулировать систему зажигания – это очень ценные навыки для водителей, хотя данные процессы вполне относятся к категории достаточно сложных.
- Как работает стробоскоп для зажигания?
- Характеристики стробоскопа для установки зажигания
- Регулировка зажигания с помощью стробоскопа
Если автовладелец всё же решился реализовывать данную операцию, то первым инструментом, который ему пригодится, будет стробоскоп, для установки зажигания, призванный упрощать процесс обслуживания вышеуказанной системы.
Как работает стробоскоп для зажигания?
Стробоскоп зажигания – очень простой и доступный для приобретения прибор, который можно достать в любом специализированном магазине, к тому же он существенно облегчит Вам жизнь, как автовладельцу. Ведь имея в наличии такой прибор, даже начинающий водитель проверит и отрегулирует начальную установку момента зажигания за считанные минуты, а также проверит центробежный и вакуумный регуляторы на наличие каких-либо повреждений.
Данный прибор работает по принципу стробоскопического эффекта, суть которого поясняется примерно так: если объект, который движется в темноте, осветить кратковременной яркой вспышкой, то он покажется визуально застывшим в положении, в котором его и застала вспышка.
Принцип работы данного прибора заключается в стробоскопическом эффекте, суть которого можно пояснить примерно таким образом: если движущийся темноте объект осветить яркой и при этом короткой вспышкой, то он начнет визуально казаться застывшим именно в том положении, в котором вспышка его и застала.
Например, если освещать вспышками колесо, которое вращается с частотой, равной его вращательной частоте, то можно визуально его запечатлеть. Это легко заметно благодаря положению определённой метки.
Для установки момента зажигания запустите двигатель на холостых оборотах, а с помощью стробоскопа осветите ранее обговоренные метки. Одна из них, именуемая подвижной расположена на коленвале, хотя может на шкиве привода генератора или на маховике, а другая на корпусе двигателя. Вспышки случаются одновременно с моментом искрообразования в запальной свече цилиндра.
Во время вспыхивания должно быть видно обе метки. Причём здесь действуют следующие условия: если метки располагаются точно друг напротив друга, тогда угол опережения зажигания будет наиболее оптимальным, а если произойдёт смещение подвижной метки, то положение прерывательно-распределительного механизма необходимо откорректировать пока не совпадут метки.
Основным элементом стробоскопа является импульсная стробоскопическая лампа безынерционного типа.
Данный механизм построен таким образом, что вспышки происходят в момент появления искры в свече первого цилиндра. Результатом этого будет расположение установочных меток вместе с другими элементами мотора, вращающимися с синхронно с коленчатым валом, в результате освещения их стробоскопической лампой кажутся недвижимыми. Благодаря этому можно осуществлять контроль над правильной установкой изначального момента зажигания.
Из всего описанного и сказанного выше уже складывается представление о характеристике работы стробоскопа для зажигания. Заодно объясним и его устройство: после подключения выводов к аккумулятору, заработает преобразователь напряжения, являющий собой мультивибратор симметрического типа. Изначальное напряжение распределяется далее с делителей на транзисторной базе, которые начинают приоткрываться, но один из них всегда делает это гораздо быстрее другого.
А это влияет на поведение другого транзистора, который в результате этого закрывается, что объясняется прикладыванием запирающего напряжения с обмоток к его базе.
Затем транзисторы начинают открываться друг за другом, а это становится причиной подключения к аккумуляторной батареи одной или другой трансформаторной обмотки поочерёдно. В данный момент во вторичных обмотках возникает напряжение с прямоугольной формой и частотой около 800 Герц. Его значение прямо пропорционально количеству витков, имещихся в обмотке.
Резисторы служат ещё и для предотвращения закорачивания в обмотках в момент вспыхивания лампы. Призвание диода – защищать транзистор преобразователя, если стробоскоп подключен в неверной полярности.
Благодаря разряднику обеспечивается получение необходимого напряжения высоковольтного импульса, во избежание осуществления возгорания лампы. При этом ни расстояние, ни давление в камере сгорания, ни свечи не играют никакой роли. Благодаря именно разряднику обеспечивается бесперебойная работа стробоскопа даже с закороченными электродами в свече зажигания.
Как видно, принцип работы, достаточно простого с виду механизма довольно сложен. Но это ни в коем случае не означает, что в нём нельзя разобраться. Также важно понять, как выставить зажигание при помощи стробоскопа и попробовать самолично осуществить данный процесс.
Характеристики стробоскопа для установки зажигания
Стробоскоп наделён определённым набором характеристик, который отличает его от других приборов, делая его поистине уникальным и необходимым. Среди уникальности, к примеру, можно назвать следующее: источником питания для стробоскопа могут быть собственные элементы питания и бортовая автомобильная сеть.
Отсюда автоматически вытекает вопрос, какой же способ является лучшим – автономное питание или за счёт сети автомобиля.
Скажем лишь то, что эта данность абсолютно не принципиальная, но всё же первый способ ограничивает Вас от необходимости протягивания проводов за прибором. Ещё одной отличительной характеристикой стробоскопа является значение минимальной частоты вспышек, которые он выдаёт.
Она должна быть аналогичной с частотой вращения коленчатого вала, вращающегося на максимальных оборотах. Наиболее распространённые стробоскопы с частотой в 50Гц. Как правило, стробоскоп не может долго функционировать, осуществляя вспышки, а связано это с особенной конструкцией ламп. Зачастую, он способен корректно непрерывно работать не более десяти минут. Эти показатели указываются в инструкции к прибору. Во избежание непредвиденных ситуаций, стробоскопу и, в первую очередь, его лампам, необходимо давать отдых продолжительностью равной времени его работы за один сеанс.
Регулировка зажигания с помощью стробоскопа
Итак, если у Вас имеется сей уникальный инструмент, для выставления зажигания, тогда не стоит всё откладывать «в долгий ящик», а пора приступать к проверке и регулировке зажигания.
1. Прогрейте двигатель и нормально отрегулируйте холостые обороты или чуть ниже. Снимите вакуумную трубку, которая идёт от вакуумника трамблёра к карбюратору. В таком режиме проверьте и отрегулируйте установку начального угла опережения зажигания. Подробные данные об этом Вы найдёте в мануале к Вашему транспортному средству.
2. Увеличив обороты двигателя до двух тысяч, Вы должны будете наблюдать и увеличение угла напряжения примерно на семь градусов, если этого не произошло, значит проблема с центробежным регулятором. Основной причиной, зачастую, может быть заклинивание центробежного механизма, что зачастую случается в следствии его окисления.
3. Проверить работу вакуумного регулятора опережения зажигания будет посложнее из-за того, что его работа связана с работой карбюратора. Основным условием корректной работы вакуумного регулятора является отсутствие (на холостых оборотах) разряжения в трубке, пролегающей между вакуумником и карбюратором. Оно должно возникать только с повышением оборотов двигателя.
Своевременное появление разряжения в трубке проверяется кончиком языка к концу трубки, который соединяется с вакуумником трамблёра. Если карбюратор не в состоянии обеспечить своевременное появление разряда в трубке, то вакуумный корректор попросту не сможет нормально функционировать, даже если механизм трамблёра полностью исправен.
При правильной работе карбюратора и своевременном разряжении, соответственно, приступайте к проверке работоспособности самого вакуумника. Подсоедините вакуумную трубку снова к трамблёру и осветите метку стробоскопом.
С увеличивающимися оборотами метка будет уходить выше в два раза, чем до этого с отсоединённой трубкой.
Суммарный угол опережения включает в себя три величины: начальный угол опережения зажигания, дополнительное опережение, которое создаётся центробежным регулятором, и дополнительное опережение от вакуумника. Он может достигать и 30 градусов. Всё зависит от режима работы силового агрегата, его модели и характеристик трамблёра.
У распределителей зажигания имеются свои определённые заданные характеристики функционирования.
И последнее, что мы хотим сказать по данной теме.
Если одна из систем коррекции опережения зажигания или обе не работают, то автомобиль заметно теряет в разгонной динамике, могут появиться «провалы» и увеличиться топливный расход.
Как выставить зажигание с помощью стробоскопа в автомобиле
Одна из весьма актуальных для отечественных автомобилистов тем – как в автомобиле грамотно выставить зажигание, применяя стробоскоп. Согласитесь, что этой методикой в совершенстве владеют лишь немногие опытные водители и механики. Для тех же, кто знаком с ней лишь понаслышке, специалисты рекомендуют детально ознакомиться, как именно функционирует стробоскоп, какие у него ключевые характеристики, как самостоятельно изготовить прибор для такой установки и, наконец, какой практический алгоритм регулировки зажигания с помощью прибора. Это поможет им не допускать перерасхода топлива, необоснованного перегрева двигателя и прочих нежелательных явлений, негативно влияющих на работу машины и сокращающих срок её эксплуатации.
Как работает стробоскоп для зажигания
Элементарными навыками обращения со стробоскопом должен владеть каждый уважающий себя водитель, поскольку это устройство выступает его надёжным помощником и союзником в деле экономного использования машины.
Тем более что ничего слишком сложного в этом нет: научиться работать со стробоскопом под силу любому, так как это несложный прибор, приобрести который можно практически чуть ли не в каждом специализированном автомагазине.
Работает он на основе известного со школьных уроков физики стробоскопического эффекта. Суть этого эффекта проста. Так, при освещении движущегося в темноте предмета с помощью короткой яркой вспышки этот объект покажется неподвижным, застывшим именно в таком ракурсе, в каком он находился в момент вспышки. Дальше в ход должны вступят две особенные метки, которым придется синхронно сработать с стробоскопом. Место расположения первой, так называмой «подвижной» – коленвал, в иных вариантах – шкив привода генератора, а также маховик, а второй – корпус двигателя.
Светодиодный стробоскоп для регулировки угла опережения зажиганияМотор включают на холостой режим и с помощью стробоскопа высвечивают эти метки во время вспышки, происходящей одновременно с возникновением искры в свече какого-то цилиндра.
При этом следует фиксировать, как метки расположены относительно друг друга. Если они размещены точь-в-точь одна против другой, то это означает оптимальность угла опережения зажигания, т. е. двигатель будет запускаться отлично. Когда же метка «подвижная» смещена, прерыватель-распределитель требует корректировки таким образом, чтобы метки точно противостояли друг другу.
Характеристики стробоскопа для установки зажигания
Как и любой важный автомобильный прибор, стробоскоп имеет систему определённых характеристик, позволяющих ему чётко выполнять его миссию. Некоторые из них присущи только ему. Скажем, питаться он может двумя равноценными способами: за счёт собственных элементов питания или же бортовой энергосистемы машины. При этом первый способ, по мнению многих экспертов, является более практичным, так как не требует подключения к прибору проводов.
Отличительным свойством стробоскопа считают и величину минимальной частоты его вспышек — ей следует быть равной частоте вращения коленвала с максимальными оборотами.
Самым распространённым является прибор с частотой 50 Герц. Стоит отметить также, что такой прибор способен эффективно работать лишь незначительное время – примерно 10 минут, что связано со специфической конструкцией ламп, что подчёркивает прилагающаяся к нему инструкция.
Инструкция по изготовлению прибора для установки зажигания
Самый просто способ обзавестись стробоскопом и с его помощью нормально отрегулировать авто – приобрести такой прибор в автомагазине. Единственным «но» в данном решении может быть только немалая цена приборов, которая способна ощутимо сказаться на домашнем бюджете водителя. Поэтому многие рачительные автомобилисты выбирают второй, экономный вариант – мастерят стробоскоп для установки зажигания своими руками. Как показывает практика, такие самодельные устройства, как правило, ничем не уступают промышленным образцам, независимо от того, какой формат смастерен. Будь-то устройство с применением отечественного или зарубежного таймера, самодельный стробоскоп на надёжных светодиодах или иной вариант.
В любом случае самоделка из простых и дешёвых материалов обойдётся в несколько раз дешевле, чем покупка прибора. Схемы сборки таких устройств можно без проблем найти в интернете или у тех опытных водителей, которые уже смастерили такой прибор в корпусе от старого фотоаппарата или радиоприёмника самостоятельно и успешно используют его не только для установки зажигания, но и проверки свечей и других контрольных целей. Таких схем множество, и из них всегда можно выбрать для себя несколько самых простых, не требующих большого объёма работы.
Регулировка зажигания с помощью стробоскопа
Рабочий алгоритм того, как оптимально выставить зажигание купленным стробоскопом (или сделанным своими силами) прибором, несложен.
Настроить зажигание можно следующим поэтапным путем:
- Включить мотор и дать ему некоторое время поработать в холостом режиме.
- Подключить имеющийся стробоскоп (промышленный или самодельный) к избранному источнику питания. Это может быть как автономный вариант, так и подключение к бортовой или иной энергосистеме.
- Подсоединение медного датчика к жиле первого из цилиндров: чаще всего, датчик просто наматывают на жилу.
- Источником света освещают ту метку, которая находится на корпусе.
- Одновременно визуально фиксируется, где на шкиве маховика находится неподвижная точка.
- Для нужного соединения двух найденных точек вращают корпус зажигания. Когда же требуемое положение найдено, его фиксируют.
Ознакомившись с советами экспертов, теперь вы сможете без труда разобраться с особенностями выставления зажигания с помощью стробоскопа.
Как работает стробоскоп для установки зажигания
Опытный автомобилист знает ценность правильной установки начального момента зажигания, а также исправной работы таких регуляторов опережения зажигания, как вакуумный и центробежный.
Если установить момент зажигания неправильно (причем значительную роль может сыграть отклонение даже на 2-3°), это может стать поводом к повышенному расходу топлива, потере мощности и перегреву двигателя и даже сокращению его срока службы. Поэтому для каждого водителя является очень ценным умение осуществлять проверку и регулировку системы зажигания, хотя эти процессы и относятся к категории довольно сложных. Но если уж автовладелец решился на реализацию данных операций, то первым, чем он должен вооружиться, – это стробоскоп для установки зажигания, который призван упростить процесс обслуживания описываемой системы.
Содержание статьи
- 1 Как работает стробоскоп
- 2 Характеристики стробоскопа для установки зажигания
- 3 Самодельный стробоскоп
- 4 Видео «Автомобильный стробоскоп своими руками»
- 4.1 Похожие статьи
Как работает стробоскоп
Автомобильный стробоскоп – это тот простой и доступный прибор, который без труда можно приобрести в магазине и который значительно облегчает жизнь автовладельцу.
Ведь при наличии этого механизма даже водитель-новичок сможет проверить и отрегулировать начальную установку момента зажигания не более чем за десять минут, а также проверить оба вида регуляторов (центробежный и вакуумный) на предмет каких-либо повреждений.
Принцип работы данного прибора заключается в стробоскопическом эффекте, суть которого можно пояснить примерно таким образом: если движущийся темноте объект осветить яркой и при этом короткой вспышкой, то он начнет визуально казаться застывшим именно в том положении, в котором вспышка его и застала. К примеру, если освещать вспышками вращающееся колесо с той частотой, которая равна частоте его вращения, то можно так же визуально остановить его. Это легко заметить благодаря положению какой-то метки.
Для того чтобы установить момент зажигания, следует запустить двигатель на холостые обороты, а тем временем при помощи стробоскопа осветить ранее упомянутые метки. Одна из них, которая имеет название «подвижная», располагается на коленчатом валу (альтернативный вариант – на шкиве привода генератора или на маховике), а другая заняла место на корпусе мотора.
Вспышки происходят практически одновременно с тем моментом, когда в запальной свече одного из цилиндров происходит искрообразование. Чтобы это происходило, емкостный датчик описываемого устройства крепят к высоковольтному проводу запальной свечи.
В процессе вспышек должны быть видны обе метки. Причем тут действуют такие условия: если метки с точностью расположены друг против друга, то угол опережения зажигания будет оптимальным, а если же подвижная метка сместилась, то положение прерывателя-распределителя нужно откорректировать до совпадения меток.
Основной элемент стробоскопа – это импульсная стробоскопическая лампа безынерционного типа. В данном механизме вспышки осуществляются в тот момент, когда в свече первого цилиндра появляется искра. Как результат: установочные метки вместе с другими элементами двигателя, которые вращаются с коленчатым валом синхронно, в процессе освещения их ранее упомянутой лампой кажутся неподвижными. Данное позволяет осуществлять контролирование правильности установки начального момента зажигания.
Из всего вышесказанного возможным представляется характеристика работы стробоскопа таким образом (вместе с тем объяснится и его устройство): после того, как к аккумулятору подключить выводы, начнет работать преобразователь напряжения, который являет собой мультивибратор симметрического типа. Первоначальное напряжение подается с делителей на базе транзисторов, которые начинают открываться, причем какой-то из них обязательно делает это гораздо быстрее другого. Это становится причиной закрытия другого транзистора, что объясняется прикладыванием с обмоток запирающего напряжения к его базе. После этого транзисторы открываются друг за другом, что становится причиной подключения к АкБ то одной, то другой половины обмотки от трансформатора. В этот же момент в обмотках вторичного типа возникает напряжение, имеющее прямоугольную форму и частоту около 800 Гц, значение чего является пропорциональным количеству витков в обмотке.
В тот момент, когда происходит непосредственно искрообразование, в первом цилиндре импульс высоковольтного типа поступает на поджигающие электроды, расположенные на стробоскопической лампе, через конденсаторы и специальную вилку разрядника от гнезда распределителя.
При всем этом энергия, которую накапливает конденсатор, трансформируется в световую энергию от вспышки лампы. После того, как происходит разряд конденсаторов, тухнет и лампа, но конденсаторы получают заряд благодаря резисторам до напряжения примерно в 450 В. Таким образом заканчивается подготовка к еще одной вспышке.
Резисторы также служат для того, чтобы предотвращать закорачивание обмоток в тот момент, когда лампа вспыхивает. А диод призван защищать транзистор преобразователя в случае подключения стробоскопа в неправильной полярности.
Разрядник, который включается свечей зажигания и распределителем, обеспечивает получение нужного напряжения высоковольтного импульса для того, чтобы было осуществлено поджигание лампы. При этом расстояние давление в камере сгорания, между электродами свечи и другие факторы не играют роли. Именно благодаря разряднику становится возможной бесперебойная работа стробоскопа даже при факте закороченных электродов в свече зажигания.
Как видим, принцип работы анализируемого механизма довольно сложен, но это не значит, что в нем невозможно разобраться.
Поэтому так же важно понять, как выставить зажигание стробоскопом, и попробовать самостоятельно осуществить этот процесс.
Характеристики стробоскопа для установки зажигания
Стробоскоп имеет определенный набор характеристик, которые отличают его от остальных приборов, делая его таким уникальным и необходимым. Среди таких, к примеру, то, что источником питания для данного устройства могут быть как собственные элементы питания (мини-аккумуляторы или батарейки), так и бортовая сеть автомобиля. Отсюда следует вопрос, что же является лучшим способом – питание автономного типа или все-таки за счет его сети. Я скажу лишь то, что данное не является таким уж принципиальным, но при этом нужно указать то, что первый способ лишает необходимости проводов тянуться за прибором.
Еще одна отличительная характеристика стробоскопа заключается в том, что минимальная частота вспышек, которые он может выдавать, должна совпадать с частотой вращения коленчатого вала, который вращается на максимальном уровне.
Наиболее часто можно встретить стробоскоп, имеющий частоту в 50 Гц.
Также стробоскоп, как правило, не может работать долго в режиме осуществления вспышек, что связано с уникальной конструкцией ламп. Чаще всего этот прибор способен на работу, которая длится не более чем десять минут. Данные показатели должны указываться в инструкции. Чтобы не допустить непредвиденных ситуаций, стробоскопу, а прежде всего его лампам, нужно давать отдыхать, продолжительность чего равна времени эксплуатации.
Самодельный стробоскоп
Прежде чем приступать к процессу создания самодельного стробоскопа, я рекомендую вспомнить о правилах техники безопасности. Это очень важно, так как все детали данного устройства находятся под напряжением сети.
Поэтому нельзя допускать того, чтобы какая-то деталь касалась стенок корпуса (в том случае, если он металлический), а провода импульсной лампы соединялись с рефлекторами. Также идеально было бы, если бы на переменный резистор была надета пластмассовая ручка.
Что касается проводов для включения, то они обязательно должны иметь на концах вилку и находиться в хорошей изоляции.
Все детали будущего стробоскопа (естественно, помимо импульсивного трансформатора и лампы) нужно монтировать на плате, которая сделана из изоляционного материала. Их взаимное расположение не играет существенной роли, но обязательно условие заключается в том, чтобы монтаж был выполнен по принципиальной схеме. Импульсивную лампу вместе с трансформатором следует устанавливать внутри рефлектора, который можно использовать больших размеров.
Если отсутствует динистор, то его можно заменить стартером, который раньше служил для люминесцентной лампы. А если учесть то, что стартер способен срабатывать при более высоком уровне напряжение, чем динистор, то в устройство надо будет ввести еще один диод для того, чтобы получить выпрямитель с напряжением удвоенного типа. При этом энергия вспышки также возрастет. Также вместо динистора можно использовать тиратрон, имеющий холодный катод.
Всем автовладельцам, которые приняли твердое решение самостоятельно сделать стробоскоп, я рекомендую для начала сделать детальную схему, чтобы в процессе монтажа устройства руководствоваться ею и ни на что не отвлекаться.
Познавайте свое авто, разбирайтесь в его устройстве, и тогда проблем в процессе его эксплуатации значительно поубавится.
Видео «Автомобильный стробоскоп своими руками»
На видео показано, как сделать самостоятельно и как пользоваться стробоскопом для автомобиля.
Проверка стробоскопом момента зажигания на ВАЗ 2101-ВАЗ 2107
Добро пожаловать!
Момент зажигания – это тот момент, когда искра проскакивает в нужном цилиндре, в общём как вы уже знаете двигатель работает за счёт смеси бензина и воздуха, так вот чтобы эта смесь сгорала нужна искра которая её подожжёт, поэтому свечи и являются вещами которые образовывают искру, но её нужно в определённый момент образовывать (Когда поршень в верхнюю точку подходит), а иначе толку от неё никакого не будет а только вред, это то и называется моментом зажигания, данный момент регулируется а так же проверяется (Он на слух может проверяться, а так же при помощи стробоскопа), в данной статье проверку мы будет осуществлять на автомобиле при помощи стробоскопа но и про проверку при помощи слуха тоже пару слов скажем.
Примечание!
Для того чтобы произвести данную проверку, вам нужен будет только один лишь стробоскоп (Если вы не знаете что это такое, то изучите статью: «Интересная информация про стробоскоп», в ней про него и сказано) ну и мел ещё возьмите, или вместо него яркий маркер можно использовать, но удобнее всего просто белым мелом запастись!
Краткое содержание:
- Проверка стробоскопом момента зажигания
- Дополнительный видео-ролик
Когда нужно проверять стробоскопом зажигание?
Вообщё в зажигание нужно лезть если вы точно уверены что с ним всё дело, хотя стробоскоп зажиганию по сути таки не навредит и это просто обычная проверка, но всё же просто так её делать тоже вам не рекомендуем, потому что проблема у вас может быть даже в другом, в общём если вы заметили что двигатель потерял у вас былую мощность и стал хуже разгоняться, а так же если у него начала проявляться детонация при резком разгоне (Что такое детонация и как она звучит, читайте и смотрите ролик в статье: «Подробная информация про детонацию на автомобиле»), холостой ход стал неровный (Стрелка тахометра прыгает или если у вас нет тахометра, то плавающий холостой ход вы тоже легко очень поймёте, главное уберите подсос и просто послушайте как автомобиль работает, если то сильнее то медленнее двигатель крутиться, значит неровный холостой ход у автомобиля) и автомобиль глохнет периодически, то есть вероятность того что зажигание на автомобиле у вас сбито или же какие то вещи которые относятся к нему (Свечи зажигания, сам трамблёр, высоковольтные провода к примеру) пришли в негодность и подлежат замене.
Примечание!
Совсем не обязательно покупать данный прибор, особенно в нём есть один минус, в него встроена газоразрядная лампа а любая лампа как вы уже знаете имеет ограниченный ресурс, кроме того новая лампа стоит действительно больших денег (Почти равносильного новому прибору) и покупать данный прибор или же нет решать только вам, но мы ещё раз повторимся, проверить правильно ли выставлено зажигание или же нет можно вовсе без него (На слух), о том как это сделать читайте в статье: «Установка момента зажигания», там всё подробно описано!
Примечание!
Прежде чем вообще приступать к операции, поставите поршень четвёртого и первого (Они одновременно ходят) цилиндра в положение ВМТ (Это Верхнее Мёртвое Положение), это нужно выполнять для того чтобы метку было проще поставить мелом на ремне генератора, о том как поставить поставить поршни, читайте в статье: «Установка поршня в ВМТ на автомобиле»!
1) По сути ничего сложного в этом нет, если следовать инструкции то и у ребенка всё получиться, сперва объясним вам кой что, а именно когда вы купите данный прибор поищите в коробки из под него, в ней должна быть инструкция по применению в которой всё подробно описано, если она есть то всё хорошо, следуйте её и у вас всё получиться, если она какая то непонятная или же её и вовсе нет, то объяснить попытаемся уже мы вам подробно, ну что же начнём!
2) В начале сядьте в автомобиль и прокатитесь некоторое расстояние или же постойте на месте дав ему прогреться до рабочей температуры (Быстрее автомобиль прогреется стоя на месте), после того как прогреется автомобиль, уберите подсос (Если он у вас вытянут) и переходите к подключению стробоскопа.
Примечание!
При проверки стробоскопом момента зажигания, двигатель должен работать при условии что холостой ход у вас отрегулирован и он установлен нормально (Не слишком высокий имеет ввиду), если же у вас не отрегулирован холостой то рекомендуем вам это сделать для более точной проверки! (О том как отрегулировать холостой, читайте в статье: «Регулировка холостого хода на автомобилях»)
3) Затем присмотритесь то что от стробоскопа у вас идут провода (Всего три провода должно быть), два провода вы сразу кидайте (Наконечники у этих проводов выполнены в виде крокодильчика, вы их сразу поймёте) на минус и плюс к аккумуляторной батареи, то есть чёрный провод (Указан красной стрелкой) на минус, а красный (Он указан синей стрелкой) должен идти на вывод плюс.
Примечание!
Когда подсоедините провода, от вакуумного регулятора который указан красной стрелкой отсоедините шланг который синей стрелкой указан, это нужно делать для того чтобы метка слишком не уходила в сторону при работе двигателя, но учтите тот факт что данный вакуумный регулятор присутствует не на всех автомобилях, так как ранние машины до 1980 года комплектовались немного другим трамблёром который носит индекс «Р-125Б» и не имеет вакуумного регулятора, а имеет механический октан-корректор!
4) Идём дальше, теперь вам нужно будет кинуть последний третий провод (Это провод датчик) на высоковольтный провод идущий от свечи которая ввёрнута в первый цилиндр, данный провод (Датчик можно сказать) как вы видите на фото ниже подсоединяется к высоковольтному проводу посредством сдвигания его верхней части (см.
маленькое фото), как верхнюю часть вы полностью отодвинете назад, одевайте датчик и снова фиксируйте её в своё положение в котором она полностью обхватит высоковольтный провод.
5) Следом вам понадобиться взять в руки белый мел и нарисовать им риску в месте Г (В этом месте которое указано под буквой Г, вы найдёте разрез, он специально в том месте сделан это как таковая метка, просто чтобы она была лучше видна, мелом на ремне генератора её продлите), после того как это сделаете, направьте стробоскоп на это место где вы продлили мелом метку и заводите после чего двигатель у автомобиля, если метка будет в районе средней риски которая указана буквой Б то у вас с зажиганием всё в порядке и лезть в него не нужно, если же метка покажет дальнюю риску (Можно в этом случае зажигание чуть подвинуть к средней метке), но а если же метка Г будет стоять на метки В то рекомендуем вам так же сместить зажигание чуть назад, то есть к метки Б и этой метки и держитесь, хотя бывают случае когда зажигание приходиться выставлять на метку В, вот поэтому и как многие говорят зажигание лучше всего настраивать на слух и на едущем автомобиле, а не при помощи стробоскопа.
Примечание!
Когда будете проверять зажигание стробоскопом и он у вас будет направлен на метку на шкиву коленчатого вала (Данная метка очень маленькая и увидеть её трудно, поэтому и на ремне генератора мы вам рекомендуем ещё мелом её немного продлить, для наглядности метка указана стрелкой на нижнем фото, на том фото происходит проверка зажигания на работающем автомобиле), следите чтобы она как мы уже вам ранее сказали, была как можно рядом со средней меткой на крышке (Средняя метка буквой Б на фото выше показана), попросите после этого помощника нажать немного на педаль газа чтобы машина увеличила обороты на холостом ходу, после чего метка должна по не многу смещаться (Вы это сразу поймёте и да где то до 2-х тысяч оборотов двигатель поднимите выше не нужно, в данном случае метка градусов на 2-7 сместиться, для примера, у тех самых меток которые на крышки нанесены интервал между собой в 5 градусов), если метка стоит на месте то значит центробежный регулятор (Это основа трамблёра) у вас износился, он может заесть или у него контакты могут окислиться и он в связи с этим не работает (Почините трамблёр, а именно центробежный регулятор, более подробно об ремонте читайте в статье: «Ремонт трамблёра на ВАЗ»)
Кой что ещё хотим добавить, обратите своё внимание что происходит с меткой при работе двигателя на холостом ходу, то есть она должна стоять практически на одном месте и не бегать туда сюда, если бегает то у вас опять же неисправности в системе зажигания имеются, с контактами к примеру может быть проблема или с конденсатором который вам придётся заменить!
6) Когда все операции по проверки зажигания проведены, проверьте вакуумный регулятор на работоспособность, для этого возьмите шланг который вы от вакуумного регулятора отсоединили ранее и к его кончику прислоните язык и попросите помощника нажать на педаль газа, если вы почувствуете разряжение в шлаге при увеличение оборотов, то всё в порядке, но учтите тот факт то что разряжения при работе двигателя на холостом ходу быть не должно, если оно происходит то нормально работать вакуумный регулятор уже не будет.
Примечание!
А если вы хотите проверить именно сам вакуумный регулятор, то подсоедините к нему шланг и заведите двигатель у автомобиля и так же стробоскоп подсоедините, дайте газу когда машина на холостых будет работать и метка после этого раза в 2 сильнее должна будет сместиться, если сместиться то вакуумный регулятор в норме и не требует своей замены!
Кстати если вы захотите проверить исправность свечей зажигания стробоскопом, то произведите следующую операцию, а именно подключите датчик стробоскопа поочерёдно к каждым проводам (1, 2, 3 и 4 цилиндра), если датчик будет подключен правильно заведите автомобиль и обратите особое внимание на прибор после этого, если в этом случае прибор заработает но при подключение к какому либо высоковольтному проводу нет, то это будет говорить о том что свеча данного цилиндра к которой подсоединён высоковольтный провод не исправна, если же после подсоединения ко всем четырём проводам стробоскоп у вас так и не заработал, то тогда неисправность в кроется в нём, в приборе!
Дополнительный видео-ролик:
Если вы хотите увидеть как нужно работать со стробоскопом на классике, тогда просмотрите ролик ниже, в котором человек испытывает стробоскоп и пробует его на то как он работает, кроме этого там и как подключить стробоскоп показано и насчёт метки на шкиве тоже немного сказано.
Автомобильный стробоскоп для настройки опережения угла зажигания
Ваш email:. Ваш пароль:. Часто при ремонте автомобилей после проведения определенных операций требуется установка угла опережения зажигания. В основном эту процедуру приходится проводить на старых автомобилях с карбюратором. Для настройки угла опережения зажигания необходимо использовать автомобильный стробоскоп.
Поиск данных по Вашему запросу:
Схемы, справочники, даташиты:
Прайс-листы, цены:
Обсуждения, статьи, мануалы:
Дождитесь окончания поиска во всех базах.
По завершению появится ссылка для доступа к найденным материалам.
Содержание:
- Автомобильный стробоскоп для настройки угла опережения зажигания
- Как выставить угол опережения зажигания
- Стробоскоп для установки зажигания своими руками
- Please turn JavaScript on and reload the page.
- Стробоскопы
- Изготавливаем стробоскоп для установки зажигания своими руками
- Изготавливаем стробоскоп для установки зажигания своими руками
- Автомобильные стробоскопы
- Как сделать простой стробоскоп для установки зажигания своими руками
- Стробоскопы для установки зажигания
ПОСМОТРИТЕ ВИДЕО ПО ТЕМЕ: Выставляем зажигание стробоскопом
Автомобильный стробоскоп для настройки угла опережения зажигания
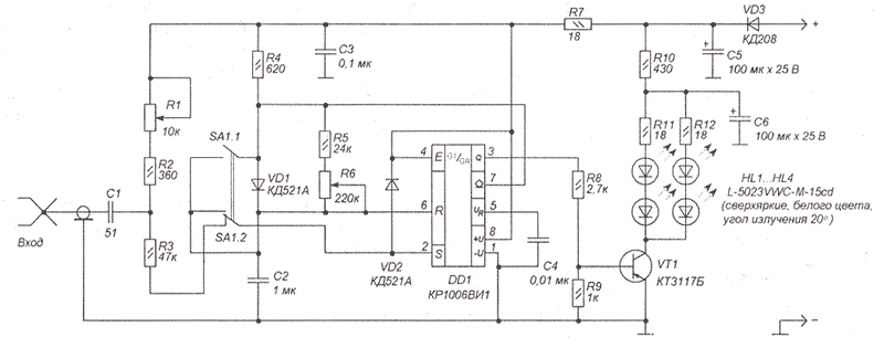
Питается схема от автомобильного аккумулятора 12В.
В качестве светоизлучающего элемента в ней использованы светодиоды от фонарика. Рассмотрим работу схемы : При подключении устройства к аккумуляторной батарее конденсатор C1 через резистор R3 быстро начинает заряжаться.
Достигнув определённого уровня, напряжение через светодиоды и резистор R4 поступает на базу транзистора, который открывается. При этом срабатывает реле Р1, его контакт замыкается и подготавливает цепь, состоящую из тиристора, контакта реле Р1, светодиодов и конденсатора С1 в готовность. При поступлении на управляющий электрод тиристора через делитель R1, R2 импульса с контакта Х1 происходит мгновенное открытие тиристора и конденсатор быстро разряжается через светодиоды.
Происходит яркая вспышка! База транзистора, через резистор R4 и тиристор соединяется с общим проводом и транзистор закрывается, отключая реле. Так как якорь реле имеет небольшую инерционность и остаточную намагниченность, то контакт размыкается не сразу, а через несколько мкс, увеличивая тем самым время горения светодиодов.
Контакт размыкается, обесточивается тиристор и схема переходит в первоначальное состояния, ожидая следующий импульс. Благодаря этому мерцание стробоскопа становится более ярким и метка на маховике хорошо просматривается, оставляя после себя небольшой шлейф. Подбором конденсатора можно регулировать длительность горения светодиодов. Чем больше ёмкость, тем ярче вспышка, но зато длиннее шлейф метки.
При меньшей ёмкости резкость метки увеличивается, но падает яркость. Делать это нецелесообразно так как настройку ОУЗ придётся делать в темноте, что не совсем удобно. После сборки стробоскопа необходимо проверить его работоспособность. Подключаем к выводам Х2 и Х3 источник постоянного напряжения 12в. При замыкании выводов Х1 и Х2 между собой должно «жужжать» реле звонковый режим.
При настройке ОУЗ следует на метку маховика или шкива с помощью штриха нанести белую точку для лучшей видимости. С боку в корпусе просверливают отверстие, через которое пропускают экранированный провод контакта Х1.
Длина его должна быть не более 0,5 м. На конце экранную оплётку заматывают изолентой, а к центральной жиле припаивают медный провод длиной 10 см, который служит датчиком стробоскопа. Этот провод при подключении следует намотать на высоковольтный провод первого цилиндра поверх изоляции, достаточно витка.
Намотку нужно делать как можно ближе к свече, чтобы исключить влияние соседних проводов. О деталях : В конструкции используются малогабаритные компоненты. Транзистор КТ — его можно найти в любой аппаратуре прошлых лет с любым буквенным индексом.
Тиристор КУА — от импульсного блока питания старого телевизора. Резисторы малогабаритные 0,вт. Фонарик с диодами штук.
Если фонарик снабжен электронным маячком, то эта плата удаляется. Конденсатор C1 на напряжение не менее 16в. Диод V2 практически любой низкочастотный КД, Д9. Можно так же использовать отечественные малогабаритные реле например РЭС с напряжением катушки 12в. Скачать список элементов PDF. Средний балл статьи: 4. Для добавления Вашей сборки необходима регистрация.
Оставить комментарий.
Обнаружен блокировщик рекламы. Сайт Паяльник существует только за счет рекламы, поэтому мы были бы Вам благодарны если Вы внесете сайт в список исключений. Как это сделать? Главная Электроника для авто. Призовой фонд на октябрь г. Тестер компонентов LCR-T4. Квадрокоптер Syma X Схема выполнена навесным монтажом и компактно уложена в фонарик. Гильванов А. Опубликована: г. Вознаградить Я собрал 1 1 x. Оценить Сбросить. Комментарии 40 Я собрал 0 Подписаться OK. Такое решение схемы к сожалению снизит скорость вспышек светодиодов из-за их коммутации при помощи реле.
Альберт Метка на коленвалу была на том же месте, когда после самодельного стробоскопа я подключил стробоскоп заводского изготовления. Олег Здесь светодиоды включает тиристор именно в тот момент, когда происходит на свече искра. Реле на скорость никакого влияния не оказывает. Я собрал, настроил автомобиль и уже езжу. Спасибо автору за схему. Shida Здесь светодиодами управляет тиристор КУ, а тиристором управляет высоковольтный импульс свечи.
Транзистор КТ и реле служат для взвода тиристора в состояние готовности.
Василий Обмотать проводом 2-мя витками высоковольтный провод свечи зажигания первого цилиндра и подключить к Х1. Схема работает. Руслан Игорь Костя Юрий Подаю 12В питания на прибор, щелкает реле, начинают тускло светиться светодиоды, дотрагиваюсь Х1 до Х2, светодиоды светят ярко, реле жужит.
Тиристор пробит скорее всего стань тестером на анод и катод тиристора щупами когда ВЫКЛючена схема посмотри что покажет, потом щупы местами поменяй тоже посмотри, Должно быть сотни КОм- мегаомы. Ну может ещё транзистор через БЭ пропускать. Одно из 2х короче. Можешь анод тиристора подключить к катоду светодиодов закоротить контакт реле , отключив базу транзистора и подать питание 12в на х2 х3,- гореть не должны, если горит — меняй тиристор.
Собрал недавно эту схему, да действительно работает сразу, но почему то при подключении питания светодиод сразу начинает гореть. Перепробовал не один тиристор — не помогло.
Дамир Собрал схему, но вот с подключением реле не могу разобрался, точнее не уверен как правильно подключить.
Вот файл с изображение реле 4 рисунок trvdc-sc-c Может кто подскажет? Сергей R2 нужно соединить с «экраном» коаксиального кабеля? Вроде так нарисовано? Или что этот кружок обозначает? Собрал данную схему, но использовал автомобильное пятиконтактное реле и заменил RкОм, схема работает в обоих режимах звонковый тоже , но метку в пазу не видно, могло ли изменение номинала резистора повлиять на работу стробоскопа?
Или может быть дело в реле? Валерий Собрал схему. Все работает. Но к сожалению неверно указывает УОЗ. С явным запозданием. По ней на трамблер загнал наполовину в минус, и начались хлопки из глушителя. Собрал схему на микрухе и всё огонь. Вячеслав Не помогло. Начинаю выставлять по меткам на шкиве, начинает детонировать двигатель и чуть ли не глохнет, пришлось вернуть зажигание чуть позже. У знакомого взял самодельный стробоскоп на микросхеме кле5 по моему, выставил все в тютельку, появилась динамика.
Авто ВАЗ Схема работает, но не выдерживает нагрузки реле — контакты залипают, не смотря на то, что дополнял кондер на 0. Если ставить по схеме 47мкФ, реле глохнет сек через Собрал схему работает нормально, и на морозе минус 15 градусов тоже работает.
Как выставить угол опережения зажигания
На сегодняшний день на рынке представлены различные автомобильные стробоскопы , Вы можете даже сделать стробоскоп своими руками, но это не совсем безопасно. Автомобильные стробоскопы предназначены для установки уоз угла опережения зажигания и для выставления зажигания. Итак, автомобильный стробоскоп Квазар проверяет и регулирует установку начального угла опережения зажигания уоз. А также проверяет работоспособность центробежного и вакуумного регуляторов опережения зажигания карбюраторных двигателей внутреннего сгорания всех типов легковых автомобилях, которые были выпущены в СНГ. Верхний предел частоты следования световых импульсов 50Гц. Автомобильный стробоскоп Джет своевременно обнаруживает и устраняет неполадки в работе важнейших систем транспортного средства.
Покупать автомобильный стробоскоп стоит владельцам легковых автомобилей дизельного типа.
Автомобильный многофункциональный стробоскоп Astro M5 предназначен для Для настройки угла опережения зажигания необходимо использовать .
Стробоскоп для установки зажигания своими руками
Номер заказа. Мой кабинет Диагностические сканеры Диагностические сканеры Дилерские автосканеры для легковых 46 Дилерские автосканеры для грузовых 66 Мультимарочные сканеры легковые Мультимарочные сканеры грузовые 63 Автосканеры для спецтехники 70 Автосканеры по протоколу OBD 2 8 Автосканеры для личного использования 16 Ноутбуки для дилерского оборудования 2 Автосканеры для МОТО 10 Диагностика водной техники 3 Обучающее видео 13 Разъемы для диагностики Дилерские автосканеры для легковых. Дилерские автосканеры для грузовых. Мультимарочные сканеры легковые. Мультимарочные сканеры грузовые. Автосканеры для спецтехники. Автосканеры по протоколу OBD 2.
Please turn JavaScript on and reload the page.
Не секрет, что многие проблемы, которые порой возникают с автомобилем, под силу исправить даже начинающему автовладельцу. Несмотря на кажущуюся сложность механизма, порой можно избежать очередного обращения в сервисный центр или покупки очередного агрегата для замены. Каждый желающий сэкономить на приобретении не слишком качественного девайса может самостоятельно смастерить, например, стробоскоп, который предназначен для установки зажигания. Многих новичков может оттолкнуть одно название, которое кажется слишком сложным и вычурным, однако не стоит торопиться с выводами.
Купить в интернет-магазине.
Стробоскопы
Правильная настройка угла опережения зажигания УОЗ — это один из основных аспектов регулировки, позволяющий добиться правильной работы двигателя. Из-за неверно выставленного УОЗ мотор будет работать с перебоями, а в некоторых случаях и вовсе не будет запускаться. Для регулировки можно использовать стробоскоп. Как сделать простой стробоскоп для настройки УОЗ на светодиодах, из каких элементов будет состоять схема девайса? Сначала рассмотрим основные характеристики устройства.
Девайс для выставления угла опережения работает от встроенного аккумулятора либо автомобильной батареи.
Изготавливаем стробоскоп для установки зажигания своими руками
Добавить в избранное. Ру — Все права защищены. Публикации схем являются собственностью автора. Схема стробоскопа авто УОЗ. Категория: Автомобильные устройства Одним из важнейших условий исправной работы автомобильного бензинового двигателя является правильная установка угла опережения зажигания. В двигателях автомобилей ВАЗ установка угла опережения зажигания производится по четырем меткам, — одной на шкиве коленвала, и трем на корпусе блока. Обычно, для регулировки зажигания пользуются довольно громоздким прибором, — стробоскопом.
Автомобильный стробоскоп – это электронное устройство, необходимое для установки и настройки угла опережения зажигания бензиновых, а также.
Изготавливаем стробоскоп для установки зажигания своими руками
Подробнее у меня в Бортжурнале. После очередной возни с машиной, сбился уоз.
Пометку на распределителе, как всегда не сделал, — забыл. Выставленного на слух угла явно было много, была детонация.
Автомобильные стробоскопы
ВИДЕО ПО ТЕМЕ: стробоскоп из фонарика для выставления all-audio.pro
Автомобильные владельцы с солидным опытом знают ценность правильно выставленного начального момента зажигания и корректной работы вакуумного и центробежного регуляторов опережения зажигания. Если произвести неправильную установку момента зажигания кстати значительная роль может быть сыграна даже минимальным, казалось бы, отклонением на градуса , это может стать причиной повышенного расхода топлива, потери мощности и перегреву силового агрегата и даже сокращению его эксплуатационного срока. Поэтому умение осуществлять проверку и регулировать систему зажигания — это очень ценные навыки для водителей, хотя данные процессы вполне относятся к категории достаточно сложных.
Если автовладелец всё же решился реализовывать данную операцию, то первым инструментом, который ему пригодится, будет стробоскоп, для установки зажигания, призванный упрощать процесс обслуживания вышеуказанной системы. Стробоскоп зажигания — очень простой и доступный для приобретения прибор, который можно достать в любом специализированном магазине, к тому же он существенно облегчит Вам жизнь, как автовладельцу. Ведь имея в наличии такой прибор, даже начинающий водитель проверит и отрегулирует начальную установку момента зажигания за считанные минуты, а также проверит центробежный и вакуумный регуляторы на наличие каких-либо повреждений.
Информация о наличии товара и ценах тел.
Как сделать простой стробоскоп для установки зажигания своими руками
Для точной установки зажигания на двигателе необходимо использовать специальные приборы — стробоскопы. Во втором случае вы сэкономите приличную сумму и сделаете наиболее подходящее устройство для вашей модели авто. Точно отрегулировать зажигание без использования стробоскопа довольно сложно.
Такой прибор существенно ускоряет процесс настройки, лампа сигнализирует о появлении искры, что позволяет правильно установить угол опережения зажигания. Несмотря на то, что заводские приборы работают эффективно и точно, многие автолюбители не спешат их покупать.
Стробоскопы для установки зажигания
На автомобилях х годов как правило устанавливались трамблерные и распределительные зажигания. Самый точный и эффективный способ отрегулировать такое зажигание — это регулировка опережения зажигания с помощью стробоскопа. Со временем в результате износа деталей, зажигание может сбиваться и угол опережения будет не тот который требуется для нормальной работы автомобиля, так же регулировка необходима при замене и ремонте распределителя или трамблера.
как пользоваться, настройки угла опережения
31.05.2022 9 887 0 Вспомогательные системы
Автор: Виктор
Правильная настройка угла опережения зажигания (УОЗ) — это один из основных аспектов регулировки, позволяющий добиться правильной работы двигателя.
Из-за неверно выставленного УОЗ мотор будет работать с перебоями, а в некоторых случаях и вовсе не будет запускаться. Для регулировки можно использовать стробоскоп. Как соорудить стробоскоп для установки зажигания своими руками — узнайте из этого материала.
Содержание
- 1
Описание стробоскопа
- 1.1
Рабочая схема
- 1.2
Принцип действия
- 1.3
Печатная плата и детали сборки
- 1.1
- 2
Нюансы настройки устройства
- 3
Установка УОЗ стробоскопом
- 4
Как самостоятельно изготовить прибор?
- 4.1
Фотогалерея «Собираем стробоскоп своими руками»
- 4.1
- 5
Заключение
- 6
Видео «Наглядная инструкция по регулировке УОЗ стробоскопом»
Открытьполное содержание
[ Скрыть]
Описание стробоскопа
Как сделать простой стробоскоп для настройки УОЗ на светодиодах, из каких элементов будет состоять схема девайса? Сначала рассмотрим основные характеристики устройства.
Рабочая схема
Основные составляющие элементы на примере вышеописанной схемы:
- Из переключателя SA1, диодного элемента VD1 и конденсаторного устройства С2 состоит цепь питания. Диод применяется для защиты других составляющих частей от ошибочной перемены полярности. Непосредственно сам конденсатор применяется для блокировки возможных помех, таким образом предотвращая выход из строя триггера. Предназначение переключателя SA1 заключается в активации и деактивации питания.
- Не менее важной составляющей является входная цепь, в состав которой входят контроллер, резисторные элементы R1 и R2 и конденсаторное устройство С1. Роль контроллера здесь выполняет зажим девайса, который зовется крокодилом, он фиксируется на высоковольтном проводе первого цилиндра. Если подключение будет правильным, то вышеописанные элементы образуют простую дифференциальную цепь.
- Схема триггера. Эта составляющая состоит из двух одиночных вибраторов, применяющихся для образования сигнала нужной частоты на выходе.
Эти компоненты выполняют функцию частотозадающих. - На резисторных элемента R5-R9 изготовляется выходной каскад, также для этой цели применяются транзисторы VT1. VT2 и VT3. Эти устройства необходимы для увеличения выходного тока триггерной платы. Резисторное устройство R5 задает определенный ток базы транзисторного элемента под номером 1 (видео снял Максим Соколов).
Принцип действия
Девайс для выставления угла опережения работает от встроенного аккумулятора либо автомобильной батареи. При активации переключателя первым начинает работать триггер. На выходах 2 и 12 платы происходит образование повышенного потенциала, а низкий формируется на контактах 1 и 13. В этот момент конденсаторные детали С3 и С4 получают питание от резисторов.
Сигнал с контроллера идет через дифференциальную цепь и в конечном счете подается на вход DD1.1. Поскольку он является одновибратором, в результате это способствует переключению девайса.
Затем в схеме осуществляется переразряд С1, что опять же, способствует переключению триггера.
Элемент DD1.1 будет реагировать на импульсы, подающиеся с контроллера, таким образом формируя новые прямоугольные импульсы на первом выводе. В случае со вторым одновибратором DD1.2 принцип действия будет идентичным — благодаря этому устройству длительность импульса на контакте 13 уменьшается в 10 раз. Этот элемент функционирует под нагрузкой, подающейся с усилительного каскада транзисторов, которые открываются на время импульса. Благодаря резисторным компонентам R6, R7 и R8 ток ограничивается, его величина в общей сложности должна быть не выше 0.8 ампер.
Значение тока не высокое, это обусловлено следующими факторами:
- длительность импульса составляет не больше 1 сек;
- обычно для настройки УОЗ автовладельцам требуется не больше 10 минут, за такое время кристаллы не перегреются;
- диоды, использующиеся сегодня, обладают более улучшенными характеристиками и особенностями, если сравнивать с устройствами, применявшимися более 10 лет назад.

Печатная плата и детали сборки
Для того, чтобы соорудить своими руками стробоскоп, потребуется плата со всеми необходимыми элементами.
В качестве примера:
- На рассматриваемой нами плате функцию диода выполняет контроллер КД2999В. В принципе, можно использовать любой другой, только нужно учитывать, что диодный элемент должен иметь минимальное падение напряжения.
- Также используются конденсаторы. Важно, чтобы они были рассчитаны на 0.068 мкФ. Что касается основного конденсаторного устройства С1, то он представляет собой высоковольтную деталь, напряжение на которой составляет 400 В.
- Триггерное устройство — ТМ2 — обладает отличной устойчивостью к возможным помехам.
- Необходимо, чтобы используемые транзисторы VT1, а также VT2 имели большой показатель усиления.
- Что касается диодов, отмеченных символами HL1-HL9, то они должны иметь максимальную яркость, а также желательно, чтобы угол рассеивания был небольшим. Диодные компоненты монтируются на отдельной схеме, их количество должно составить 3 в ряду.

Нюансы настройки устройства
Прежде чем использовать самодельный стробоскоп на авто, его надо правильно настроить. Изначально следует осуществить регулировку подстроечного резисторного компонента, это даст возможность обеспечить нужный визуальный эффект. Во время перемещения регулятора вы можете увидеть, что из-за падения импульса освещение меток будет неэффективным, а если импульс будет слишком высоким, то освещение будет размытым. На данном этапе вам надо правильно отрегулировать эффективность вспышек света (видео снял Serj ZP).
Установка УОЗ стробоскопом
Как пользоваться самодельным девайсом для регулировки УОЗ:
- Для начала следует завести мотор и прогреть его до рабочей температуры. Для этого дайте поработать агрегату на холостых оборотах.
- Затем вам надо будет подсоединить самодельное устройство к источнику питания.
Это может быть либо встроенный аккумулятор, либо аккумуляторная батарея автомобиля. - Далее, к жиле цилиндра 1 следует подсоединить медный датчик, для этого намотайте его на жилу.
- После этого диодную лампочку следует направить на метку, нанесенную на корпус распределительного механизма.
- Когда эти действия будут выполнены, вам нужно найти неподвижную точку, она расположена на шкиве маховика.
- Для того, чтобы обеспечить совпадение этих точек, нужно вращать корпус распределительного устройства. А когда точки совпадут, корпус нужно зафиксировать в этом положении. При совпадении точек диоды должны загореться.
Как самостоятельно изготовить прибор?
На сегодняшний день существует множество различных вариантов схем для изготовления стробоскопа. Мы рекомендуем ознакомиться с одним из самых простых и наименее затратных с финансовой точки зрения способов изготовления.
Для его реализации вам потребуются следующие составляющие:
- транзисторное устройство КТ315;
- тиристорный элемент КУ112А, а также резисторные компоненты, рассчитанные на 0.
125 Вт; - диодные лампочки или фонарик на светодиодах, который будет использоваться в качестве корпуса, при этом количество диодных элементов должно быть не меньше 6 штук;
- конденсаторные устройства С1;
- V2 на схеме — это низкочастотный диодный компонент;
- также вам потребуется реле, его индекс должен составлять RWH-SH-112D;
- кабель питания, длина его должна составить не менее одного метра;
- зажимы;
- также понадобится кусочек медного провода длиной примерно 10 см.
Все эти составляющие можно купить в любом тематическом магазине или на радиорынке.
Как соорудить такое устройство самостоятельно:
- Для начала на задней стороне подготовленного корпуса следует дрелью просверлить дырку, через нее вы уложите кабель питания.
- Затем к концам приготовленных шнуров необходимо подпаять подготовленные зажимы. Желательно заранее отметить на них, какой будет плюсовым, а какой — отрицательный, будет лучше, если цвета зажимов будут разными.

- Сам датчик монтируется слева или справа на корпусе. На боковой части корпуса надо проделать еще одно отверстие, оно будет использоваться для укладки шнура к контакту Х1.
- Затем к основной жиле кабеля следует подпаять подготовленный кусок медной проволоки. Данный провод считается одним из основных, поскольку он будет использоваться в качестве датчика девайса.
- Остается только заизолировать соединения изолентой или термотрубками.
Фотогалерея «Собираем стробоскоп своими руками»
Заключение
Как видите, в целом соорудить такой девайс — не проблема. Достаточно иметь определенные знания в области электроники и следовать действиям, описанным в инструкции. Если в ходе сборки вы допустите ошибки, то возможно, устройство будет работать некорректно. Если у вас нет опыта в изготовлении подобных устройств, то возможно, есть смысл задуматься над покупкой нового стробоскопа.
Загрузка .
..
Видео «Наглядная инструкция по регулировке УОЗ стробоскопом»
Что нужно знать об эксплуатации данного девайса, и какие нюансы следует учитывать при настройке — узнайте из ролика (видео снято Владиславом Чиковым).
У Вас остались вопросы? Специалисты и читатели сайта AVTOKLEMA помогут вам, задать вопрос
Поддержите проект — поделитесь ссылкой, спасибо!
Оценить пользу статьи:
Загрузка…
Обсудить статью: 0
2022 год
| Что и зачем стробоскоп и как им пользоваться | |
Википедия скажет нам, что стробоскоп: — это инструмент, используемый для создания циклически движущегося объекта (нашего маховика). Лампа синхронизации подключена к цепи зажигания (в основном индуктивно) и используется для подсветки меток ГРМ с двигателем Бег. Видимое положение меток, зафиксированное стробоскопическим эффект, указывает текущую синхронизацию искры по отношению к поршню должность. | |
Эти инструменты бывают разных форм, большинство или форма факела. Всем нужен источник питания (230В или 12В) и у них есть звукосниматель (в основном индукционный зажим, который нужно поставить вокруг кабеля HT для датчика импульса) | |
Для стробоскопа двигателя устанавливается стробоскоп (мощность
питание и высоковольтный зажим) и запустите двигатель. Теперь вы направляете вспышку на маркировка на маховике и двигателе. В связи с описанным выше стробоскопический эффект маркировки кажутся неподвижными или в случае системы с опережающими механизмами, движущимися в зависимости от частоты вращения двигателя. Вы заметите еще мерцание на положении стробоскопической маркировки — и это НЕ какой-то неисправность зажигания. Строб действует как в начале, так и в конце искра. Иногда он использует начало, иногда конец, чтобы вызвать вспышку. поэтому мерцает. Кроме того, когда вы пробуете 3 разных производителя стробоскопов на один и тот же двигатель, вы можете получить 3 разных результата. Стробы не 100% точный — но все же лучший, который вы можете получить, и лучше, чем статический тайминг что в магнетосистемах все равно невозможно (за исключением следующей настройки правила доверием) | |
| Практически: | |
В противном случае вам придется установить эти метки, как описано ниже. Обратите внимание, что хотя большинство наших систем имеют маркировку, они для статического хронометража, и они не очень полезны для динамического (стробоскопического) сроки. | |
| Необходимые данные о зажигании можно получить из руководства по эксплуатации вашего мотоцикла. В качестве
ссылка: 2 удара из 60-х-80-х использовали около 27 градусов, что
находится на 2,5–3,5 мм до верхней мертвой точки (ВМТ — самая высокая точка
может достигать). Мотоциклам 30-х годов потребовалось бы гораздо больше аванса.
(5-7 мм). Старые 4-тактные требуют более 40 градусов в качестве ранней настройки и
около 2 или 8 за опоздание. | |
Вынуть свечу(и) зажигания. Найдите ВМТ (для 4 тактов тот, что в силе
Инсульт). Поверните рукоятку (лучше всего использовать маховик в качестве рукоятки) назад.
(проверьте, вращаются ли у вас маховики по часовой или против часовой стрелки!)
пока поршень не опустится до нужного значения. | |
Конечно, вам придется работать точно. Теоретически до 0,1 мм или менее точность. Для этого вы используете какой-нибудь манометр. В качестве импровизированного устройства, чтобы вообще запустить эту штуку, используйте карандаш или
отвертку, удерживаемую в отверстии заглушки, чтобы проверить положение поршня. | |
| Теперь вам нужно будет пометить маховик положением кривошипа в зажигании. положение (2 такта) или (4 такта) раннее и позднее зажигание против некоторую неподвижную точку на двигателе. Распорка двигателя, как здесь на рисунке, или винт и т. д. Всегда делайте это, когда кривошип находится в требуемом зажигании. должность. | |
| Установите свечи зажигания на место. Подключите стробоскоп согласно инструкции.
поставляемый с инструментом, и запустите двигатель. Вещь должна начать быстро мигать. Если он не мигает или мигает прерывисто, снимите зажим с
Провод HT, переверните его (сторона, которая была раньше к штекеру, теперь обращена к
катушка зажигания). | |
Из-за описанного выше стробоскопического эффекта маркировка кажется стационарный ПРЕДУПРЕЖДЕНИЕ. Несмотря на то, что маховик кажется
быть в тупике, это, конечно, не так. | |
| Следующее будет зависеть от того, есть ли у вас 2-тактный, 4-тактный маховик с вращением по часовой стрелке или против часовой стрелки. Однако принцип всегда один и тот же. | |
| Проверить, находится ли маркировка на роторе напротив метки на
двигатель, поскольку он был в статическом положении во время настройки. На этом рисунке (для маховика, вращающегося по часовой стрелке) совмещение с светло-зеленая линия указывает на ОК. Большее совмещение с красной линией означает, что искра запаздывает, ну в любом случае позже чем хотел. Совпадение с синей линией означает, что искра слишком ранняя, в любом случае
раньше, чем хотел. | пример для вала, вращающегося по часовой стрелке! |
| Если маркировка не совпадает на 100%, не паникуйте. Как упомянутые стробоскопы
не на 100% точны, возможно, вы читаете немного со стороны и
большинство старых двигателей вполне снисходительны. Если это утешение: | Примечание по 4-тактным двигателям с доступом только к распределительному валу: Поскольку кулачок вращается на половине скорости кривошипа, углы синхронизации
изменения уменьшаются вдвое. |
| Важно, чтобы двигатель работал ровно и имел тяговое усилие. ЕСЛИ
в таком случае перестаньте возиться с зажиганием. Вы делаете только хуже. Если вы хотите изменить настройки после стробоскопических опытов, которые вы делаете следующим образом: a) Запишите, сколько (мм) и в каком направлении вы сделали маркировку на маховике появляется сдвинутый во вспышке. b) Если опорная плита не допускает изменений, вам придется вытащить ротор (без изменения положения кривошипа) и переустановите его таким образом, чтобы исправить смещение, которое вы видели во время стробирования. c) Надежно зафиксируйте ротор и повторите стробоскоп. Надеюсь, теперь у вас есть то, что вы хотел, в противном случае повторите упражнение (в этом случае тесто сначала выпейте пива) | При 4-х тактах маркировка смещается при ускорении двигателя (из-за автоматическое продвижение) Маркировка должна постепенно меняться от поздней к ранней метке. Вы можете посмотреть короткое видео это здесь |
| в базу знаний | |
Детали Yamaha XS650 и винтажные детали Yamaha
Стандартная система зажигания XSCharge (200-2900) является прямой заменой направляющей пластины и системы направляющих кулачков на Yamaha XS650. Его также можно установить на более поздние модели XS650 с заводской системой TCI, установив полный механический механизм продвижения. В системе требуется использование двойной выходной катушки (аналогично катушкам MikesXS 17-6903 или 17-6822).
Технические характеристики
• Технология: датчик Холла, драйвер катушки IGBT
• Выдержка: фиксированная, 60 градусов
• Первичное сопротивление катушки: от 2 до 3 Ом, двойной выход.
• Рабочее напряжение: от 6 до 18 В пост. тока
• Рабочий ток: 13 мА
• Рабочая температура: от -40 до +150C (от -40 до 302F)
• Ускорение зажигания: стандартное, центробежное
Обратите внимание:
- Перед установкой этой системы рекомендуется провести техническое обслуживание штока подачи и центробежного блока.

- Установка на Yamaha XS650 с 1980 по 1984 год требует установки системы центробежного продвижения
и кулачковых втулок. Эти комплекты можно найти здесь.
Осторожно :
1. Не включайте питание до завершения установки .
2. Не подавайте питание, если обе свечи зажигания
не подключены.
3. Не проверяйте искру на одной или обеих свечах
отключен.
4. Не отсоединяйте аккумулятор при работающем двигателе.
5. Убедитесь, что кабельные соединения аккумулятора надежно закреплены.
6. Не оставляйте зажигание включенным при неработающем
двигателе.
**Несоблюдение этих предостережений может повредить систему и вывести ее из строя.**0011
1. Снимите бензобак.
2.
Снимите две катушки зажигания и конденсаторы на моделях 71–79 годов.
3. Отсоедините штекер от TCI на модели 80–84 годов.
4. Установите катушку MikesXS или используйте стандартную катушку на моделях 80–83 годов.
5. Подсоедините провод Красный / Белый от жгута проводов (переключаемый аккумулятор) к любой клемме на катушке.
6. Снимите кулачок указателей, пластину указателей, наконечники, конденсор и проводку.
7. Установите сменную пластину зажигания с помощью двух крепежных винтов.
8. Проложите жгут проводов от сменной пластины к катушке.
9. Подсоедините провода от жгута следующим образом:
- Красный провод к разъему аккумулятора на катушке или к другому Красный / Белый провод
- Зеленый провод к другой клемме катушки (другие провода не должны подключаться к зеленой клемме )
- Черный провод к хорошему заземлению рамы.

Примечание : Вы должны заземлить черный провод на хорошее заземление корпуса. Земля на тарелке не надежна при установке времени.
10. Установите «ротор» на вал штока продвижения.
* Обратите внимание: в зажигании Gen-II маленький внутренний ротор устанавливается узкой стороной ВНУТРЬ. *
11. Установите большую шайбу и гайку со стопорной шайбой.
12. Удерживая ротор справа (по часовой стрелке), затягивайте гайку на валу.
13. Крепко удерживайте гайку механизма продвижения при затягивании гайки на роторе.
14. Снимите крышку доступа к генератору.
Переустановите бензобак и выполните следующие действия, чтобы установить синхронизацию. Требуется стробоскопическая синхронизация.
Инструкции по синхронизации
1. Ослабьте крепежные винты на пластине.
2. Поверните пластину, чтобы расположить крепежные винты посередине верхнего паза.
3. Затяните верхний крепежный винт.
4. Подсоедините индикатор синхронизации. С двойной выходной катушкой некоторые индикаторы времени могут быть ошибочными из-за того, что в проводах вилки есть противоположные «полярности». Если индикатор синхронизации нестабилен, подключите его к противоположной вилке.
5. Запустите двигатель и сразу посветить лучом на метку ГРМ на роторе генератора.
6. Стробоскоп должен освещать метку времени, когда она находится между двумя метками, обозначенными «F» .
7. При необходимости ослабьте крепежные винты на пластине и поверните пластину по часовой стрелке, чтобы увеличить синхронизацию, и против часовой стрелки, чтобы замедлить синхронизацию.
8. Затяните оба крепежных винта, фиксирующих пластину.
Теперь вы установили стандартное электронное зажигание XSCharge.
Xscharge XS650 Стандартное зажигание можно найти в этих наборах:
XSightrage xs650 xsgrandiation
xsightrage xs650. Комплект зажигания
XSCharge XS650 Полный комплект зажигания высокой мощности
XSCharge XS650 Ultimate Система зажигания высокой мощности
xscharge xs650 Полная конечная система высокой выходной зажигания с предварительной сборкой (1973 — 1979). Система (1970 – 1972)
Для получения технической поддержки обращайтесь по адресу [email protected]
Не знаете, как проверить зажигание или катушку? Нажмите здесь
Как использовать хронометр с возвратом
(Изображение/Джефф Смит) услуги вездесущего хронометра. Но для остального мира производительности, который полагается на дистрибьюторов, синхронизирующий свет является важным устройством настройки.
За десятилетия написания технических работ мы обнаружили, что не все понимают, как работает индикатор времени, и какую информацию он может дать о состоянии вашего двигателя.
Мы начнем с основного источника света, а затем перейдем к более сложным версиям с обратным набором номера и тому, как они работают. Простая лампочка времени на самом деле не что иное, как стробоскоп, предназначенный для мигания при срабатывании искры от первого цилиндра двигателя.
Эта стробоскопическая вспышка предназначена для «заморозки» положения метки синхронизации на гармоническом балансире относительно язычка синхронизации, обычно прикрепленного к передней крышке цепи привода ГРМ .
В прежние времена во всех лампах с таймером использовалась небольшая пружина, которая помещалась между свечой зажигания и проводом свечи зажигания, который был соединен зажимом, чтобы посылать высоковольтный триггер на свет. У твоего дедушки мог быть один из тех, которые валяются в его магазине.
Во всех сегодняшних пистолетах используется индуктивный датчик, который окружает провод штекера и улавливает электромагнитную энергию, окружающую штекер, когда напряжение проходит через провод штекера .
Сигнальные огни можно описать несколькими способами, поэтому давайте кратко рассмотрим каждый из них. Простейшие хронометры имеют автономный источник питания. В этих фонарях используются батареи в корпусе фонаря, которые усиливают сигнал от индуктивного датчика на проводе штепсельной вилки. Самая распространенная форма индикаторы времени питаются от простой пары зажимов, подключенных к 12-вольтовому аккумулятору.
Следующий уровень по сравнению с обычным таймером — это то, что называется обратным светом. Эти индикаторы времени используют электронику для задержки начало искры в зависимости от того, какая задержка установлена на свет. Оригинал в фонарях с обратным циферблатом использовался простой циферблат со шкалой времени.
Более совершенная электронная подсветка задней панели обеспечивает
цифровой экран, обычно в задней части пистолета, который будет отображать обороты и
количество времени задержки.
Высококлассные версии также будут отображать напряжение батареи.
Прежде чем мы перейдем к тому, как использовать подсветку обратного набора, мы должны сначала объяснить, зачем они нужны.
В большинстве двигателей используется язычок привода ГРМ, приваренный или прикрученный к передней крышке цепи привода ГРМ. На вкладке будет несколько решеток, указывающих количество градусов отсчета времени до верхней мертвой точки (ВМТ). Эти вкладки также могут отображать время после верхней мертвой точки (ВМТ). Иногда вкладка будет помечена буквой «B» для «до» и «A» для «после». «А» не означает «продвинутый» — на самом деле, «После» — полная противоположность. Так что знайте об этом.
Если вы хотите установить начальное время на что-то большее, чем 10 или 12 градусов, указанные на вкладке, с помощью традиционного индикатора времени, это становится игрой в угадайку. Кроме того, вы также можете захотеть узнать, каково общее механическое опережение и при каких оборотах оно происходит.
Это можно сделать с помощью градуированного балансира, но это дорого.
MSD предлагает серию клейких лент для каждого популярного диаметра балансира, которые достаточно точны, чтобы их можно было использовать вместо фонаря заднего хода. Все, что вам нужно сделать, это совместить нулевую отметку на вкладке синхронизации с решеткой на ленте синхронизации, чтобы определить синхронизацию.
Кроме того, если вам срочно нужна хронометрическая лента, но ее нет в наличии, вы можете сделать ее, используя отрезок малярной ленты, линейку и штангенциркуль со шкалой .
Например, длина окружности балансира 8 дюймов равна Pi x диаметр или 8 x 3,1417 = 25,12 дюйма.
Чтобы получить отметки в два градуса, нужно разделить 25,12 на 180 = 0,1396 — округлить до 0,140. Сделайте отметку каждые 0,140 дюйма от нулевой отметки, и у вас будет собственная хронометрическая лента на заднем дворе. Просто совместите нулевую отметку на ленте с нулевой отметкой на балансире и запомните, в каком направлении опережающее время будет расположено на балансире, чтобы вы не поставили его назад, указывая на запаздывающее время.
Подсветка задней панели экономит все усилия. Эти огни отлично подходит для работы с несколькими двигателями, которые не имеют градуированных балансиров или ленты хронометража. Почти все индикаторы обратного набора теперь электронные, но есть несколько которые по-прежнему используют аналоговый циферблат для более традиционных хот-роддеров.
В данном обсуждении мы используем электронную подсветку Innova . Он подключается так же, как и любой другой свет, и использует кнопки для опережения или замедления времени. Цифровой дисплей на нашем фонаре покажет время и обороты двигателя. Тач — отличная функция, которая также полезна для настройки скорости холостого хода. Про версия также будет отображать напряжение батареи.
Индикаторы обратного набора работают путем задержки световой вспышки на число градусов, указанное на циферблате или на цифровом дисплее.
Допустим, двигателю требуется 15 градусов начального угла опережения зажигания на холостом ходу.
При работающем двигателе просто нажмите кнопку опережения на индикаторе Innova, чтобы увеличить синхронизацию до тех пор, пока нулевая отметка на гармоническом балансире не совпадет с нулевой отметкой на вкладке синхронизации. Количество времени, отображаемое на индикаторе, является начальным временем.
Затем, если вы хотите проверить общее механическое продвижение, сначала отсоедините канистру вакуумного продвижения от карбюратор . Это предотвратит влияние вакуумного опережения на показания механического опережения. Убедитесь, что коробка передач находится в режиме парковки, если она автоматическая, или в нейтральном положении, если механическая коробка передач, а колеса заблокированы. Осторожно раскрутите двигатель, чтобы достичь оборотов, при которых синхронизация прекращается. Нажимайте кнопку продвижения на индикаторе обратного набора (или поворачивайте циферблат) до тех пор, пока нулевая отметка на балансире не совпадет с нулевой отметкой на вкладке синхронизации.
Вы увидите число от 32 до 40 градусов, которое будет суммой начального плюс механическое продвижение.
Есть несколько более сложных способов использования индикатора времени для более точной настройки угла опережения зажигания, но мы оставим их для другого раза.
Если вы только начинаете работать со старыми двигателями, индикатор времени — это один из первых предметов, который должен быть частью вашего основного набора инструментов.
Вот расположение нескольких разных индикаторов времени. Небольшой цилиндрический фонарь представляет собой автономный пистолет Flaming River с индуктивным датчиком, который использует батареи D-элемента для питания. Красный свет в верхнем левом углу — это устройство с автономным питанием от MSD, которое удобно, когда нет удобного подключения к аккумулятору. Хромированный индикатор представляет собой блок MSD с питанием, который не имеет обратного набора номера и был заменен красной версией. Наконец, свет в правом верхнем углу — это электронная подсветка Innova, которая стала нашим новым фаворитом.
(Изображение/Джефф Смит) Для хронометра с питанием потребуется 12-вольтовое питание от батареи с положительными и отрицательными зажимами на батарее, а затем триггерное соединение с использованием индуктивного датчика вокруг провода свечи зажигания номер один. Иногда эти датчики требуют правильной ориентации, указывая направление свечи зажигания, чтобы датчик работал правильно. (Изображение/Джефф Смит) (Изображение/Джефф Смит) Любая лампочка таймера будет мигать, когда зажигается свеча номер один. Эта вспышка стробоскопа «заморозит» метку синхронизации на балансире относительно язычка синхронизации. В этом случае отметка совпадает с 10 градусами до верхней мертвой точки (ВМТ). Поскольку коленчатый вал и гармонический балансир вращаются по часовой стрелке, а выступ расположен со стороны водителя двигателя, время ВМТ будет отображаться над нулевой отметкой. Если бы язычок располагался со стороны пассажира, цифры ВМТ были бы ниже нулевой отметки. (Изображение/Джефф Смит) В традиционных светильниках с задними циферблатами использовался простой циферблат на задней панели.
Запустите двигатель и поверните циферблат, пока метка синхронизации не совпадет с нулевой меткой на язычке. (Изображение/Джефф Смит) Нет необходимости покупать индикатор времени с обратным циферблатом только для того, чтобы узнать аванс на вашем двигателе. MSD продает эту ленту синхронизации с четко обозначенными номерами синхронизации, характерными для балансировочных станков различного диаметра. Это необходимо, потому что расстояние между этими метками будет меняться в зависимости от диаметра балансира. (Изображение/Джефф Смит) Вот хронометрическая лента MSD на небольшом блоке Chevy, где нулевая отметка на язычке — это просто выемка на этом язычке. Мы отметили 36 градусов на ленте хронометража, чтобы помочь найти наше общее время, когда мы запускаем двигатель с помощью индикатора обратного набора. (Изображение/Джефф Смит) Здесь мы совместили нулевые метки на вкладке синхронизации и балансире, указав 15 градусов начальной синхронизации на нашем малоблочном карбюраторном Chevy. Также обратите внимание, что скорость холостого хода составляет 819оборотов в этот момент.
(Изображение/Джефф Смит) Для увеличения оборотов двигателя до полного тайминга требуется быстрая работа, так как вы не хотите парковать двигатель на 2800 об/мин или выше на очень долгое время. Здесь мы измерили 34 градуса общего времени при 2860 об/мин. (Изображение/Джефф Смит)Pazon Ignitions Limited
Классические велосипеды не любят современное топливо
Современное топливо имеет низкое октановое число и не содержит классические мотоциклетные двигатели нагреваются, что приводит к снижению производительности и поездка.
Плохая работа приводит к порозовению
Каждый раз, когда вы поднимаетесь на холм, снова раздается этот звук, она розовеет, так что вы отпускаете газ, как всегда. Теперь ты теряет мощность, поэтому приходится переключаться на более низкую передачу. Только один эффект от этого современное топливо.
Как современное топливо реагирует на оригинальное зажигание системы
Оригинальные наконечники, утяжелители и пружины были в порядке в
их день, но с сегодняшним топливом угол опережения зажигания стал больше
важный.
Искра, поданная слишком рано («раннее»), вызывает возгорание.
стук, наносящий вред двигателю. Искра, которая слишком поздно
(«замедленный») теряет мощность и увеличивает расход топлива и
выбросы.
ПАЗОН восстановит утраченную работоспособность, что позволит надежно ездить на своей классике и вернуть вам ключи от вашего свобода.
Зажигание, сделанное людьми, которые любят классические велосипеды так же сильно, как и вы делать.
Мы были управленческой и технической командой, которая успешно провела Boyer Bransden до 2004 года, когда мы решили идти своим путем. Мы чувствовал, что классические велосипеды и их владельцы заслуживают более высокого качества продукт и услуга. Мы потратили первые 18 месяцев на исследования & разработка новых продуктов, прислушиваясь к байкерам и ставя их потребности в первую очередь.
Зажигание с доставкой по всему миру до вашей двери
С доставкой авиапочтой во все пункты назначения и клиентам
простираясь от Великобритании до Новой Зеландии, нет места слишком
далеко.
Бесплатно
Доставка по всему миру в большинство направлений
на
заказов свыше
200 новозеландских долларов
ПАЗОН SMART-FIRESmart-Fire — высокопроизводительный цифровой система зажигания, специально разработанная для машин, которым требуется дополнительная искра энергия, точное время и высокое качество. Идеально подходит для спортивных или классических машин, которым требуется высокая искровая энергия, маломощная система зажигания. Посмотреть Продукты Smart-Fire здесь |
PAZON SURE-FIRE Sure-Fire — высококачественный недорогой аналоговый зажигатель.
система, предназначенная для улучшения запуска, работы и надежности
Ассортимент классических машин. Доступно для электрики 6 и 12 вольт, плюс
или Посмотреть Продукты Sure-Fire здесь | |
Мы проводили кампанию наш близнец Винсент на озере Гэрднер в Южной Австралии с тех пор, как 2000.
Гоночная банка Landspeed быть один из самых жестких и неумолимых видов автоспорта, в который вы можете попасть через.
Все ваше оборудование должно быть лучшим, если вы хотите быть на вершине игры.
За лет мы использовали довольно много разных зажиганий, но обнаружили, что они не совсем в состоянии справиться с высоким сжатием, всего потери и общие тяжелые условия соленого озера гонки.
Мы
перешел на Pazon Smart Fire несколько лет назад и никогда не смотрел
назад. Мгновенный запуск и очистка
работает до 7000 об/мин. Беги за бегом.
Энди и команда Пазона понимают ваши потребности, и мы
получили отличный сервис резервного копирования и советы от
их.
Высоко рекомендуем системы зажигания PAZON.
Какой-то велосипед
детали:
На основе Винсента 1950 года.
Рама Rapide
– Изготовлено владельцем специального размера
–
1300cc
Компрессия — 13:1
Топливо —
Бензин
Углеводы — две серии S&S B с
Thunderjets
Первичный — Ременный привод
Коробка передач — 5
скорость
Зажигание: PAZON SMART FIRE, High
Сжатие Специальное, всего
потеря
С уважением,
Мэл Хьюитт
Владелец
/Builder/Rider
Vincent Racing Team 185,347 миль в час Speedweek
2016
Посмотреть полностью
видео на этом ютубе
ссылка
«Я
навсегда смирился с бережным отношением к моему велосипеду
больше»
BSA Starfire, встроенный
с
PAZON Sure-Fire
Система одинарного зажигания
Раньше я месяцами пытался получить
время прямо на моем BSA Starfire.
В конце концов я
мрачно
согласились с тем, что современные виды топлива и
добавки должны означать, что я всегда буду страдать от перегрева
и
порозовение в той или иной части
диапазон оборотов. Я смирился с бережным отношением к велосипеду.
для
все больше и всегда с низким
дроссельные отверстия. Чуть ли не в крайнем случае я привел твою
электронное зажигание
и был просто обалден
при перевоплощении в байк. Теперь работает как турбина
все
во всем диапазоне оборотов и многое другое
мощность, отсутствие перегрева, более легкий запуск и
бесконечно
лучше работает на холостом ходу. Много
более счастливая машина в принципе и та, на которой теперь нравится ездить
правильно.
Спасибо, Энди и Пазон
Джулиан
Перри
Крюкерн, Сомерсет (Великобритания)
Roland’s Trident T150V, встроенный
с Мой T150V недавно перестроен, но
искра была плохой и просто продолжала «сдерживаться»
у Роланд Гардинер,
GTTUNING |
«Нас заставили поверить в проблему
был
карбюратор»
Dale’s Egli Vincent, встроенный
с
Pazon Smart-Fire
Vincent V-Twin
Головка зажигания с двумя разъемами
Система
Чем больше я езжу на Egli с новым зажиганием
система, тем больше я поражен.
Начинается так легко,
работает на холостом ходу
хорошо и не дает осечек на средних оборотах. Оно имеет
стал одним из моих любимых старых велосипедов для езды. в
прошлое
у меня было 2 разных производителя зажигания
системы на нем. После постоянных проблем мы были
светодиод
полагать, что проблема была в карбюраторе
на что мы потратили много часов, и все это время
это
была система зажигания. Как я указал в
предыдущее письмо, этот мотоцикл теперь действительно потрясающий.
Дейл
Кизекер
Канзас, США
Team FSA, Racing Triumph
Трезубец Оснащен
Пазон Изображение предоставлено Frode
Соренсон | |
«37 ударов затем
коллапс!»
«Энди, я спою твою
хвалит.
Ваш усилитель энергии оцинковал этот MZ.
125.
Прикрепление заняло около 2 часов (мне
осторожно), и начиная с
Правило 37 ударов ногами/падение над сиденьем, задыхаясь, до одного нежного
прод! Даже у моего друга
брови Дейва поползли вверх.
и они обычно прибиты!
Середина
дальность полета увеличена, а восхождение на холм — это забава.
Недостатком является то, что я должен следить за ограничением скорости.
Вы
можешь цитировать меня, если хочешь — черт возьми
блестяще!
С уважением
Джефф Найт
P.S. если ты
есть наклейки я был бы рад оплатить почтовые расходы. я не могу идти
более быстрые полосы на
– пассажир из Восточной Германии, но
«Зажигание от PAZON» или что-то в этом роде.
впечатляет.»
Примечание: MZ был оснащен
Отрицательный
Тип заземления Energy Booster
Инструкции по установке, которые вы действительно можете читать
Каждая система PAZON поставляется в комплекте с
всеобъемлющий полноцветный буклет по установке с
пошаговые инструкции, фото и схемы подключения.
Помощь всегда под рукой
Служба технической поддержки находится на расстоянии одного телефонного звонка
(Пн-Пт, 09:00-17:00 по новозеландскому времени). Также доступно по
факс
и электронная почта. Из-за большого объема
получаемых нами электронных писем, время ответа иногда может
быть
дольше, чем нам хотелось бы. Если ваш вопрос срочный
мы
рекомендуем позвонить нам напрямую.
Спасибо за ваше
понимание.
Душевное спокойствие
Благодаря 24-летнему опыту работы в индустрии зажигания
и наш антистатический процесс сборки мы можем уверенно
дают 7-летнюю гарантию на каждую систему зажигания.
Отвезите меня в: ПАЗОН SMART-FIRE IGNITIONS
Возьми меня кому: ПАЗОН SURE-FIRE IGNITIONS
Возьми меня к: ЗАЖИГАНИЕ ПРИНАДЛЕЖНОСТИ
Чтобы найти ближайший Щелчок дилера Pazon здесь.
Установка угла опережения зажигания — Детали MG
Настройка опережения зажигания
Следующие примечания предназначены для дополнения информации о том, как установить угол опережения зажигания (любым способом), которая содержится в большинстве хороших руководств по ремонту, с особым вниманием к тому, как работать с распределителями, которые изношены и не соответствуют первоначальным спецификациям, поскольку часто бывает на старых машинах.
Существует 2 основных метода установки времени – статический (двигатель не работает) и динамический (двигатель работает) (также известный как стробоскопический).
Статическая синхронизация
Когда автомобили были новыми, статическая синхронизация была вполне удовлетворительной, поскольку распределитель все еще работал в соответствии с проектом. Однако в том возрасте, в котором сейчас находится большинство дистрибьюторов, они изношены и поэтому могут отличаться от исходных спецификаций на значительные, даже значительные суммы. (см. мою страницу «Регулировка скорости подачи распределителя: компенсация износа при большом пробеге»). Из-за этого будет сложно правильно настроить зажигание с помощью статического метода, если вы не знаете больше о том, как работает ваш распределитель. Для достижения наилучших результатов, если вы планируете обслуживать свой автомобиль в долгосрочной перспективе, стробоскоп будет необходим. Это стоит меньше, чем даже одна «профессиональная» настройка!
Тем не менее, статическая синхронизация может по-прежнему быть хорошей приблизительной отправной точкой, если ваш распределитель был снят (например, при переборке двигателя) или у вас нет текущего доступа к индикатору времени (ваш сын позаимствовал его!), поскольку он следует привести время в диапазон, в котором оно будет работать достаточно хорошо (если только аванс дистрибьютора не захвачен или полностью не выпорот), и оттуда вы можете провести дорожное испытание туда, где оно лучше всего (постоянно отмечайте, каковы изменения, чтобы их можно было отменить, если вы нужно).
Это также очень хороший метод установки времени, если (после небольшого исследования с использованием стробоскопа — см. далее) вы знаете, какими должны быть ваши статические настройки.
Чтобы определить время с помощью статического метода, если у вас электронное зажигание, см. далее на этой странице.
Динамическая синхронизация
Простейшей формой этого является вращение всего распределителя при работающем двигателе до достижения максимальной скорости холостого хода. Получаются простые в принципе, но весьма вводящие в заблуждение результаты. Проблема с этим методом заключается в том, что условия высокого вакуума в коллекторе на холостом ходу заставляют его хорошо реагировать на большое опережение, но до середины 70-х у MG не было вакуумного опережения на холостом ходу. Вращение распределителя на таких автомобилях на самый быстрый холостой ход компенсирует это, но в остальном это приводит к слишком большому опережению. В результате двигатель будет сильно розоветь под нагрузкой, а также может быть проверен или отброшен назад при прокручивании стартером из-за слишком раннего появления искры.
Единственным удобным способом динамической установки времени является стробоскопический свет (сокращенно стробоскоп!). Принцип этого заключается в том, что индикатор мигает при появлении искры (благодаря индукции от провода свечи зажигания), поэтому вы можете точно видеть, когда появляется искра при любой конкретной частоте вращения двигателя.
ВАЖНАЯ ИНФОРМАЦИЯ: Если в руководстве не указано иное, цифры стробоскопа всегда указаны при отключенном вакуумном опережении. Обратите внимание, что динамические показания зависят от частоты вращения двигателя, поэтому указанная частота вращения двигателя является наиболее важной. Проблема с использованием этого метода снова заключается в том, что большинство дистрибьюторов имеют большой пробег (снова обратитесь к моей странице «Корректировка скорости продвижения дистрибьютора: компенсация износа из-за большого пробега»). Когда механизмы опережения изнашиваются и не работают в соответствии со спецификацией, результатом всегда является правильное время ТОЛЬКО для той скорости двигателя, на которую оно было установлено, и неправильное во всем остальном.
Однако, как только вы обратили внимание на такие несоответствия, это очень хороший метод.
Синхронизация стробоскопа при полном выдвижении
Это лучший метод для обеспечения наилучшей мощности. Как правило, синхронизация двигателя неуклонно увеличивается по мере увеличения скорости двигателя, но только до определенного момента. После достижения этой скорости дальнейшее продвижение не происходит. Тогда говорят, что двигатель имеет максимальное опережение.
Чтобы установить время этим методом:
- Найдите частоту вращения двигателя, при которой происходит максимальное опережение.
Наймите помощника, чтобы он постепенно увеличивал дроссельную заслонку и скорость двигателя, пока вы наблюдаете за опережением с помощью индикатора времени и видите, где оно будет, когда оно перестанет увеличиваться. Это может стать довольно шумным, так как некоторые двигатели не достигают максимального опережения до более чем 4000 об / мин (например, Midget) или даже выше (например, поздние MGB).
С другой стороны, ранние MGB достигают максимального опережения при 2300 об/мин. (Как правило, при износе этот максимум достигается раньше, чем исходный) - Чтобы определить, каким должно быть максимальное продвижение, добавьте максимальное значение центробежного продвижения к статическому значению синхронизации (используемые цифры приведены в руководстве в обоих случаях). Примечание: центробежное опережение иногда может быть указано в градусах распределителя — в этом случае удвойте, чтобы получить градусы коленчатого вала, так как последний измеряется с помощью стробоскопа. Если вы не можете найти/вычислить, каким должно быть максимальное опережение, 30 градусов — это хорошее максимальное значение опережения, которое можно использовать для стандартных двигателей BMC.
- Измените время, чтобы достичь этого максимального показателя продвижения.
- Дорожные испытания. Если распределитель сильно изношен, двигатель будет розовым. Чтобы устранить это, вам нужно будет отсортировать распределитель (см.
снова эту мою страницу) или временно задержать его до тех пор, пока это не будет сделано — с последующей потерей мощности и экономичности. - Наконец, после правильной установки максимального опережения дайте двигателю поработать на холостом ходу. Обратите внимание на частоту вращения двигателя и угол опережения зажигания — в будущем вы можете использовать эту цифру для метода стробоскопа на холостом ходу, зная, что ваш двигатель получит правильное значение максимального опережения зажигания. Это также избавит от необходимости в помощнике и шумной драме каждый раз, когда вы устанавливаете время!
- Точно так же запишите статическую настройку вашего распределителя, чтобы использовать ее для первоначальной настройки после тех случаев, когда распределитель был удален, например, для установки новых точек или восстановления двигателя.
Статическая синхронизация с электронным зажиганием
Очевидно, что с электронной настройкой нельзя использовать методы, определяющие открытие стрелок.
Способ определения статической синхронизации в этих обстоятельствах следующий:
- Отметьте текущее положение распределителя, отметив как распределитель для зажима, так и зажим для блока. Это позволит вам указать, было ли время истекло, и если да, то насколько. На распределителях Lucas, используемых для двигателей серий XPAG, A, B и C, 1 мм у основания распределителя равен 6 градусам на кривошипе, поэтому убедитесь, что метки четкие!
- Установите коленчатый вал в требуемую статическую синхронизирующую точку, при этом ротор должен быть направлен в сторону штекера № 1
- Установите на место крышку распределителя.
- Либо подсоедините проблесковый маячок к штепсельному проводу № 1, либо (если у вас нет фонаря) отсоедините штекерный провод № 1 и установите на него запасную свечу зажигания (корпус штекера должным образом заземлен на двигатель)
- Найдите примерное положение распределителя, довольно быстро вращая весь распределитель по часовой стрелке (т.
е. против направления вращения ротора) до появления искры (будь то на лампочке или на запасной свече). Возможно, вам придется сначала повернуть распределитель против часовой стрелки на 20 или 30 градусов, прежде чем делать это, чтобы убедиться, что синхронизированное положение перекрывается при повороте по часовой стрелке. - Отметив приблизительное положение, уточните процесс, используя меньший угол поворота с центром в приблизительном положении и перемещая распределитель как можно медленнее, но при этом получая искру.
- Затяните хомут распределителя.
Этот процесс может завершиться с дополнительным шагом на один или два градуса. В двигателях с установочными метками, видимыми сверху, я затем проверял, вращая кривошип и наблюдая за показаниями указателей при появлении искры. Однако это роскошь для двигателей, на которых до сих пор есть метки ГРМ! В любом случае правильное максимальное опережение обычно приводит к большему опережению статического электричества на изношенном распределителе.
Recent Posts
Электронное зажигание
Регулировка задних барабанных тормозов и ручного тормоза
Передние ступичные подшипники
Время зажигания двигателя
Именно тогда, когда искра искрит, зажигает огонь в камере сгорания и производит некоторую мощность и шум, важно, потому что это требует времени. Точное время возникновения этой искры важно для работы двигателя, его производительности, расхода топлива и, что особенно важно, для его благополучия.
На современных классических автомобилях с электронной системой зажигания без распределителя датчик коленвала обычно контролирует момент зажигания, отправляя сигнал на ЭБУ двигателя (электронный блок управления). Зная точный угол поворота коленчатого вала в градусах, программное обеспечение ECU может дать искру для каждого цилиндра в нужное время. Это означает, что нет необходимости устанавливать момент зажигания, поскольку он контролируется программным обеспечением ECU (известным как карта зажигания).
На старых классических моделях с распределителем синхронизацию необходимо устанавливать и периодически проверять, чтобы убедиться, что она по-прежнему верна. Напоминаем, что искра возникает для каждого цилиндра, когда кулачок в нем вращается с половиной частоты вращения коленчатого вала. Лепестки на кулачке размыкают и замыкают точки контакта прерывателя, и каждый раз, когда они размыкаются, катушка зажигания вызывает искру. Чтобы получить дополнительную информацию о дистрибьюторах и о том, как они работают, ознакомьтесь с предыдущей колонкой здесь.
Rob SiegelТочки прерывания контактов могут быть заменены оптическими датчиками или датчиками Холла, но синхронизация по-прежнему контролируется их положением по отношению к кулачку распределителя. На данный момент, однако, мы будем придерживаться олдскульных точек разрыва контактов, потому что, если они неправильно установлены, они тоже могут в некоторой степени повлиять на синхронизацию. Но прежде чем перейти к мелочам времени зажигания, почему это важно?
Когда топливо и воздух воспламеняются в бензиновом двигателе, они горят, и, как костер, этому пламени требуется время, чтобы распространиться.
Конечно, не так много времени, всего миллисекунды, но это все же прогрессивный процесс. Поскольку события происходят в двигателе очень быстро, как колоссальная скорость движения поршней вверх и вниз по каналам, может не хватить времени для сгорания топлива и высвобождения энергии в нужный момент цикла двигателя.
По этой причине топливо обычно поджигают раньше, чтобы дать ему время полностью сгореть к моменту, когда поршень достигает верхней мертвой точки (ВМТ) и начинает рабочий ход вниз. Вот что подразумевается под опережением зажигания, точной точкой относительно положения поршня в отверстии, когда воспламеняется топливо.
Положение поршня зависит от угла поворота коленчатого вала относительно ВМТ, равного 0°. По мере увеличения оборотов двигателя увеличивается скорость поршней, и время, отведенное на сгорание топлива, уменьшается. Чтобы преодолеть это, смесь должна быть воспламенена раньше, чем быстрее работает двигатель. Говоря языком двигателя, угол опережения зажигания должен быть «опережен» по мере увеличения оборотов и нагрузки на двигатель.
По этой причине момент зажигания на двигателях с синхронизацией распределителя можно проверить как статически при выключенном двигателе, так и при его работающем состоянии. Однако отправной точкой является статическое время. Настройки опережения зажигания, указанные в руководстве по ремонту, обычно дают статическое опережение (до верхней мертвой точки, ВМТ) при работающем зажигании. Таким образом, руководство Haynes Mini дает ранние 998 Настройка мини-седана: 5° до ВМТ в статике и 8° до ВМТ при 600 об/мин с отсоединенной трубкой подачи вакуума.
Автоматическое опережение времени управляется двумя вещами. Первый — это пара грузиков в распределителе, которые вращают кулачок распределителя по мере увеличения скорости двигателя, быстрее встречаясь с пяткой точек и опережая зажигание. Вторая представляет собой вакуумную систему опережения, состоящую из вакуумной трубы, соединяющей распределитель с впускным коллектором.
По мере открытия дроссельной заслонки и увеличения нагрузки на двигатель (он работает сильнее), давление во впускном коллекторе падает, что, в свою очередь, опережает угол опережения зажигания на трамблере.
Чтобы проверить угол опережения зажигания, сначала начните с книжной полки, обратившись к правильной настройке и любым специальным процедурам проверки и регулировки в заводском руководстве по обслуживанию. Спецификации, найденные там, являются лучшей отправной точкой для начала. Вооружившись знаниями, снимите свечи зажигания, чтобы двигатель можно было легко вращать, и проворачивайте двигатель небольшими порциями либо путем разумного толкания автомобиля на второй или третьей передаче, либо на нейтральной передаче с помощью гнезда на шкиве кривошипа. Цель состоит в том, чтобы совместить установочную метку на шкиве коленчатого вала с соответствующим числом в градусах, которое часто выбито на крышке двигателя рядом с ним. В редких случаях следы могут быть в другом месте. На ранних Mini метки выбиты на маховике за небольшой контрольной пластиной.
Убедитесь, что окончательное совмещение меток выполнено в направлении вращения двигателя, чтобы убедиться, что весь зазор между коленчатым валом и распределителем устранен.
В этот момент прерыватели контактов должны быть на пороге размыкания или уже разомкнуты для свечи зажигания номер один. Снимите зажим, крепящий распределитель к блоку цилиндров, и поверните корпус распределителя в том же направлении, что и кулачок, чтобы убедиться, что точки полностью закрыты, затем снова поверните его, пока они не откроются. Это момент, когда будет генерироваться искра.
Использование стробоскопического индикатора времени для проверки угла опережения зажигания. Getty Images Чтобы быть точным, при включенном зажигании мультиметр, подключенный параллельно точкам, соединенным между землей и отрицательным выводом катушки, даст показания в момент их размыкания. Если у вас его нет, 12-вольтовая лампочка, подключенная к точкам, загорится в тот же момент. Еще один быстрый и простой способ — вращать трамблер при включенном зажигании до тех пор, пока искра не проскочит по точкам.
Для тестирования при работающем двигателе вам понадобится стробоскопический индикатор времени. Подключенный через высоковольтный провод и свечу зажигания к цилиндру номер один, индикатор будет мигать каждый раз, когда свеча искрит. Направление света от стробоскопа на временные метки, используемые для статического измерения времени, покажет опережение времени по мере увеличения оборотов. Индикаторы времени со встроенными тахометрами облегчают проверку оборотов, указанных в руководстве.
Если распределитель оснащен точками, а не электронным триггером зажигания, важно проверить зазор точек перед запуском, потому что, если он неправильный, это также повлияет на синхронизацию. Если зазор наконечников слишком мал, пятка наконечников раньше встретится с кулачком, слегка опережая зажигание. Сильно запаздывающее время приводит к перегреву, обратному воспламенению, снижению производительности и плохому расходу топлива. Слишком продвинутое время может вызвать детонацию (детонацию), поэтому стоит сделать довольно регулярную проверку частью рутины.


Из-за неверно выставленного УОЗ мотор будет работать с перебоями, а в некоторых случаях и вовсе не будет запускаться. Для регулировки можно использовать стробоскоп. Как соорудить стробоскоп для установки зажигания своими руками — узнайте из этого материала.
Эти компоненты выполняют функцию частотозадающих.

Это может быть либо встроенный аккумулятор, либо аккумуляторная батарея автомобиля.
125 Вт;
быть медленным или неподвижным. Стробоскопы используются в синхронизаторах для
динамически устанавливать угол опережения зажигания двигателя внутреннего сгорания с циклом Отто.
Строб будет быстро мигать.
Если он не мигает, поверните зажим на 180 градусов (то есть в сторону
раньше к свече зажигания теперь должен быть направлен к зажиганию
катушка).
Старый БМВ например. имеют
их (см. рисунок здесь с маркировкой OT = TDC).
Найдите ВМТ (для 4 тактов тот, что в силе
Инсульт). Поверните рукоятку (лучше всего использовать маховик в качестве рукоятки) назад.
(проверьте, вращаются ли у вас маховики по часовой или против часовой стрелки!)
пока поршень не опустится до нужного значения.
Он вращается с довольно большой скоростью, и вы
следует воздержаться от прикосновения к этому ротору, казалось бы, в невинной остановке!

