✅ Как сделать лебедку на мтз своими руками
Популярно применение такого механизма, чтобы смонтировать отвал на автомобиль достаточной проходимости (например, «Нива») – для чистки снега или подобных задач.
Тормозная трещотка (самовыравнивающий механизм для регулировки тормозов) от грузовика – популярный вариант для самодельной лебедки. Многие используют камазовский вариант трещотки, поскольку КАМАЗ широко распространен и детали от него найти легко. Такой механизм может поднять от 400 кг до 2 тонн. Популярность такого варианта обусловлена использованием в механизме червячного редуктора.
ВАЖНО! Местом использования такого устройства часто бывает гараж, где требуется перемещать тяжелые грузы. Гаражный вариант используется для работы с крупными деталями автомобилей. Такой механизм можно установить на катер, чтобы облегчить погрузку-разгрузку или поднятие-сброс якоря. Якорный механизм такой лебедки должен предусматривать функцию автосброса.
Главное удобство червячного редуктора, помимо грузоподъемности, это возможность не использовать тормоз барабана. Один из популярных вариантов такой лебедки – редуктор от дверей троллейбуса. Ему хватает передаточного числа для достаточно тяжелых грузов, его удобно крепить.
Чтобы делать самодельную лебедку пригодится любой лом и любые рабочие детали, оказавшиеся в пределах доступности. Источником двигателя для электролебедки может стать мотопила, мотороллер или стиральная машина-автомат (если работает мотор). Пригодятся обрезки тонкостенных и толстостенных труб, подшипники, шестерни, стартеры от старых автомобилей, трещотки от грузовиков, мотоциклетный диск сцепления и т.д. Докупать придется разве что трос, и что-нибудь не очень дорогое. Из оборудования хватит сварочного аппарата и токарного станка.
Самостоятельное изготовление лебедки позволяет владельцу техники существенно сократить финансовые затраты, так как реализуемый в магазине аналог данного механизма стоит значительную сумму.
Если рассматривать техническое устройство самодельной лебедки, можно отметить его простоту и эффективность.
В качестве основы для будущей лебедки чаще всего используют стартеры от отечественных автомобилей, что обусловлено их ценой и доступностью. Его двигатель не рассчитан на продолжительную работу и подвержен быстрому перегреву, однако для выполнения простых задач он отлично подойдет.
Из инструментов потребуется наличие болгарки, а также сварочного аппарата для соединения металлических узлов будущего механизма.
Лебедка – необходимый элемент снаряжения автомобиля, если планируется поездка по бездорожью. Она может пригодиться и в городских условиях, если застрянет колесо, но в труднопроходимой местности, где нет возможности вызвать помощь, а машина села на самый мост, лебедка незаменима.
Часто внедорожники этим устройством оснащаются еще на этапе сборки или его можно купить. Но и самодельная лебедка для автомобиля, если смотреть на нее как обычную задачу, вполне по силам любому и не требует инженерного образования.
Кроме того, такое устройство может заменить строительный кран, если все подробно рассчитать, сделать чертеж и схему работы. Это будет эффективней, чем использовать таль. Такой механизм можно установить на трейлер или прицеп МЗСА.
Пошаговая инструкция для умельца с видео
Сооружение лебедки осуществляется в несколько основных этапов:
- Изготовление корпуса/рамы.
- Монтаж основных узлов конструкции.
- Электрические работы.
Каждый из вышеназванных этапов следует рассмотреть подробнее. При изготовлении рамы необходимо учитывать габариты самого стартера, являющегося ключевым элементом конструкции, а также намоточного вала. Подобные узлы должны без каких-либо проблем помещаться в предполагаемый корпус. При этом следует оставить дополнительное свободное пространство для установки блока управления, ручек и тому подобных элементов.
При выполнении любых манипуляций целесообразно сверяться с чертежом, чтобы убедиться в правильности осуществляемых действий.
Это особенно важно перед выполнением сварочных работ, так как позволяет избежать досадных ошибок.
После того, как мастеру удалось изготовить корпус, необходимо начинать монтаж основных узлов. Первым устанавливается барабанный вал — если конструкция изделия предусматривает наличие шестерной пары, потребуется расположить вал сверху. Настоятельно рекомендуется изготовить направляющую для троса с помощью двух пластин с валиком между ними, что позволит избежать его спутывания при работе агрегата.
Как было сказано ранее, заключительным этапом при изготовлении самодельной лебедки является монтаж электрических элементов. Для подключения используемых в конструкции узлов можно применять стандартные провода, которые используются для аккумуляторов. Они оснащены клипсами-крокодилами, которые упрощают выполнение задачи. В дальнейшем, готовый агрегат может работать с помощью автомобильного аккумулятора.
Лебедка на трактор
Необходимо сделать лебедку на трактор ЛТЗ (у меня Т-40).
Основное назначение лебедки это трелевка леса. Можно сделать ее от гидравлического привода (правда считаю это не разумным) или от вала отбора мощности — ВОМ (540 об. мин.)
Надо, чтобы тяговая сила лебедки была в только в одну сторону, а трос что бы разматывался когда его руками тянут.
У кого какие мысли есть по этому поводу?
В общем надо что то типа вот этого вот » >
Но лучше попроще.
Возьми стандартный от ГАЗ-66 или армейского ЗиЛа.
самое простое- механизировать что-нибудь армейское для натяжки антенных оттяжек.
Профан2 написал : Возьми стандартный от ГАЗ-66 или армейского ЗиЛа.
А где взять то? У меня военной части в радиусе 250 км. нет
Вездеходы были (и есть) у связистов, энергетиков, лесников, колхозников, фермеров, в школах ДОСААФ. Обычно стоят раскуроченные.
ilionor написал : Основное назначение лебедки это трелевка леса.
как вам такое решение
хочу написать некоторые собственные изыскания в данном вопросе у меня тоже вставали такие вопросы, данный трактор абсолютно универсален с ним можно делать ВСЕ:
вариант 1.
у меня взята крановая лебедка пионер, таких много везде встречается, сварена рама, на болты прикручен угольник под планки, привод от ВОМ идет на КПП от ГАЗ-53 поставленную в обратном направлении (т.е. кардан приходит к фланцу барабана ручника) на первичном валу КПП установлены две звездочки с распредвалов жигулей и на первичном валу редуктора две такие же передача идет двумя двухрядными моторными цепями, на барабан легко наматывается до 100 метров троса диаметром 10 мм, возможность данной схемы: — может тянуть с 4 скоростями в одну сторону и 1 в другую, — при положении рычага КПП в нейтрали трос легко разматывается недостатки: — трос тащит перепендикулярно трактору (можно в обе стороны), трактор стаскивает в сторону приходится во что-то упирать (у меня сделаны 4 острых зуба которыми лебедка зацепляется за землю но этого не достаточно), при работе на больших оборотах ДВС легко рвет данный трос, — достаточно громоская конструкция
вариант 2. я взял силовую червячную лебедку типа для установки бон или понтонов (я не знаю), у нее малые габариты сварена рамка спереди трактора а привод осуществляется гидромотором (у меня был консольно-угловой аналог сотки), преимущества: — малые габариты при большом тяговом усилии, самотормозящий редектор червячной пары — нет самопроизвольного разматывания троса, не заменима при застревании недостатки: ограниченная длинна троса, небольшие проблемы при разматывании троса (вручную не почти реально разматать)
вариант 3: просто и банально я поставил сдвоенные колеса (и не только на зад) ОГРОМНАЯ экономия времени при трелевке, достаточно кинуть вдоль два хвоста и все этого достаточно идет как по дороге, скажу сразу внутренние поставил от МТЗ (они на 7 см шире и почти на 10 выше чем родные — это задние, передние только на 5 шире и на 5 выше) наружные свои и при движении по плотной дороге они просто висят преимущества: повышение в 1.
5 раза тягового усилия на слабонесущих грунтах, не сваливается в колею от лесовозов, телега идет по следу трактора, возможность движения по сильно заболоченным делянкам и участкам, практически нет возможности опрокинуть трактор недостатки: приходится привыкать к таким габаритам, значительно труднее поворачивать руль особенно в снегу, надо где-то найти еще один комплект резины, не выдерживает родной диск сцепления
ЛЕБЕДКА-ТЯГАЧ
Большое лесное хозяйство страны оснащено сегодня мощной и высокопроизводительной техникой. Однако и здесь остается немало вспомогательных операций, для выполнения которых еще не придуманы механизмы и приспособления, облегчающие труд, повышающие его эффективность и качество.
В списке немаловажных лесных дел — проведение так называемых рубок ухода. Расчистка от больных, старых деревьев, прореживание лесного массива повышают его рентабельность, улучшают качество заготавливаемой затем древесины.
До недавнего времени большинство операций на рубках ухода приходилось выполнять вручную: мощной технике сюда просто не подступиться.
Новаторы лесного хозяйства решили взять за основу небольшие, но сильные тракторы «Беларусь», оснастить их комплектом вспомогательных навесных приспособлений. Одно из таких устройств — гидроуправляемый щит для трелевки древесины с навеной лебедкой (ЛТН-1) — создано сотрудниками ЦОКБ Лесхозмаша совместно с Всесоюзным научно-исследовательским институтом лесоводства и механизации лесного хозяйства. Работающее от вала отбора мощности и гидросистемы трактора устройство позволяет транспортировать за один рейс до 3 м3 древесины. Обслуживают его тракторист и помощник — чокеровщик.
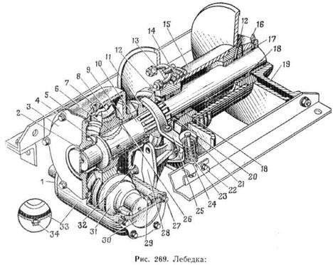
Рис. 1. Навесная трелевочная лебедка ЛТН-1 на тракторе «Беларусь»:
1 — лебедка, 2 — гидроцилиндр щита, 3 — трелевочный щит, 4 — трактор «Беларусь», 5 — ограждение кабины.
Рис. 2. Внешний вид и схема трактора с универсальным трелевочным оборудованием:
1 — трактор, 2 — ограждение кабины, 3 — центральная подвеска, 4 — двухбарабанная лебедка, 5 — прижимной ролик, 6 — трос лебедки, 7 — опорно-погрузочный щит, 8 — прицепной узел, 9 — вал отбора мощности, 10 — гидрораспределитель, 11 — отвал бульдозерный.
Рис. 3. Схемы работы универсального трелевочного оборудования:
1 — трелевка хлыстов, 2 — выравнивание торцов бревен, 3 — погрузка на транспорт с применением наклонной эстакады, 4 — погрузка с применением двух подъемных мачт, 5 — перевозка короткомерных дров
Если трактор не может подъехать близко к сваленным деревьям — разматывают трос лебедки (его запас рассчитан на 45 м). Тракторист, используя гидросистему, опускает трелевочный щит, а затем и корпус лебедки на землю, а помощник в это время обвязывает тросом — чокерует — хлысты. По его сигналу тракторист включает фрикционную муфту лебедки и вал отбора мощности трактора, лебедка подтягивает и втаскивает хлысты на щит. Затем гидросистема приподнимает его — деревья можно транспортировать к месту погрузки.
Виды самодельных лебедок
Любой чертеж подскажет, как можно собрать полезное устройство. Автомобильная лебедка остается необходимостью, поэтому не стоит отказываться от нее. Сначала стоит познакомиться с доступными вариантами, которые гарантируют простоту сборки.
Существуют следующие виды этих устройств:
Самодельная лебедка – несложное устройство
В соответствии с используемыми схемами удастся подобрать оптимальную лебедку. При желании человек самостоятельно сделает подходящую модель, которая будет соответствовать его запросам. Из-за чего стоит подробно рассмотреть каждый вид, дав ему общую характеристику.
Ручная
Самодельная ручная лебедка – отличный выбор, гарантирующий простоту эксплуатацию. Это ее главное преимущество, позволяющее свободно пользоваться устройством, не сталкиваясь с проблемой разряженного аккумулятора. Единственной проблемой остается необходимость прикладывания немалых усилий.
Схема устройства такого аксессуара становится сложной. Следует произвести расчеты, чтобы получить достаточную мощность. В ином случае она будет соответствовать только физической силе человека. Ему не удастся вытащить внедорожник из кювета, поэтому установка не даст успешных результатов.
Ручная лебедка из стартера – наиболее доступный вариант, который можно выбрать для собственного автомобиля.![]()
Воспользовавшись им, удастся в короткий срок собрать надежную конструкцию, способную справиться с задачей в любую погоду.
Практика показывает, что именно такие аксессуары оказываются незаменимыми во время длительных путешествий.
Электрическая
Постаравшись упростить себе задачу, люди должны выбрать иную схему конструкции. Электрическая лебедка также удобна и доступна, ведь для ее создания придется воспользоваться всего лишь небольшим двигателем. Он наверняка найдется в любом гараже, оставшись от стиральной машины или шлифовального станка.
Электрическая самодельная лебедка
Электро или ручная лебедка? Такой выбор оказывается перед каждым человеком. Если хочется свободно перемещать крупные грузы, даже вытаскивая собственный трактор из оврага, человеку лучше воспользоваться доступным подключением. Для этого подойдет аккумулятор, находящийся под капотом.
Многие владельцы транспортных средств предпочитают такую конструкцию. Она поначалу представляется сложной для исполнения, но после быстрого изучения получается выявить трудные моменты и справиться с ними.
Только во время эксплуатации вскроется неприятный недостаток. Им является невозможность использования устройства при разряженном аккумуляторе.
Гидравлическая
Выбирая подходящего «помощника», автовладелец обязательно постарается найти лучшее соотношение всех показателей. Гидравлическая самодельная лебедка окажется оптимальным вариантом, совпадающим с пожеланиями профессионалов. С одной стороны она сохраняет простоту ручных конструкций, а с другой – обеспечивает повышенную мощность.
Конструкция гидравлики сложнее, чем может показаться на первый взгляд. Для учета всех требований чертежа придется подобрать различные детали, а потом объединить их в единую действующую систему. После ее установки поездки станут полностью безопасными и спокойными.
Самодельная гидравлическая лебедка
Гидравлические конструкции обычно применяются крупными производителями. Пусть они не во всем идеальны и требуют регулярного обслуживания, но отлично справляются со своими функциями. По этой причине их популярность остается на высоком уровне, который поддерживается постоянными разработками и дополнениями.
Типы самодельных лебёдок
Лебедки делятся на три основных типа: электрические, механические и гидравлические. Четвертый – ручные. Каждая конструкция имеет свои плюсы и минусы, как в процессе конструирования и установки, так и в ходе эксплуатации.
Ручная лебедка – популярный вариант. Минус – ее использование требует применения физических усилий. Преимущество – полная автономность, электроэнергия не требуется. Для того, чтобы вытащить автомобиль, достаточно крепко стоящего дерева или просто вбитого в почву лома. Ручные лебедки делятся на 3 основных вида:
В рычажных используется трещотка или храповый механизм. Главных их недостаток – усилие в тяге – от 0,7 до 4 тонн. Преимущество – отсутствие необходимости жесткой фиксации, можно работать на весу. Это самый простой вид лебедок.
Монтажно-тяговые лебедки почти аналогичны рычажным, но не оснащены барабаном. Это самый распространенный вид, причем не только для автомобилей.
Барабанные – самый эффективный вариант.
Барабан бывает зубчатый или червячный. Первый изнашивается значительно медленней.
Преимущества барабанных лебедок: тяговое усилие от 0,25 до 5 тонн; тормоз, срабатывающий в нештатной ситуации; длина троса (до 40 метров при диаметре 15 мм). Если толщина больше – можно вытащить любую самую тяжелую машину откуда угодно, а трос не порвется, даже если дать полный газ.
В барабанных лебедках используются:
- Односкоростной шестеренчатый привод. К барабану крепится основная шестерня, которая принимает на себя основную нагрузку. В сцеплении располагается ведущая шестеренка. Коэффициентом усиления выступает соотношение числа их зубцов. На усиление также влияет длина рычага – чем она больше, тем меньше сил требуется приложить. Такая лебедка позволяет силами одного человека вытащить авто весом до 3 тонн.
- Многоскоростной шестеренчатый привод. Такой механизм состоит из двух или нескольких пар шестеренок, благодаря чему коэффициент усиления растет многократно. Минус – низкая скорость при больших нагрузках.

- Червячный привод. Редко применяется для автомобилей в «походных» условиях из-за высоких требований по уходу – червячная пара требует постоянной смазки. Кроме того, такой тип не самым эффективным образом работает с высокими нагрузками и для авто большого веса не подойдет. Преимущество – компактность.
Электрические лебедки
Самый популярный тип самодельной лебедки для автомобиля. Обосновано это ее мощностью, простотой в управлении и надежностью. Кроме того, такой вариант не требует больших затрат при сборке и установке на автомобиль. Такая электролебедка может работать либо на собственном автономном электродвигателе, либо получать питание от установленного в авто генератора. Во втором случае надо посмотреть и сделать расчет монтажа так, чтобы питание с него подавалось не только на лебедку, но и на системы автомобиля.
ВАЖНО! Нередко в роли двигателя применяется генератор от большегрузного транспорта, трактора или любой подходящий по крутящему моменту электромотор.
Важно, чтобы такой двигатель потреблял минимум энергии, в противном случае аккумулятор быстро сядет.
Популярен вариант с использованием стартера, такую лебёдку легче соорудить собственноручно. Часто используется зиловский стартер СТ230.
Механические лебедки
Механические лебедки работают от двигателя. Производители часто устанавливают их уже на этапе комплектации внедорожников (например, такой автомобильный самовытаскиватель ставится на армейский УАЗ). Эта лебедка подключается к валу и работает за счет трансмиссии. Скорость намотки можно менять понижением или повышением оборотов. Основные преимущества – устойчивость и мощность тяги. Главный минус – работа только при исправном движке.
Электролебедка-электроплуг своими руками (фото и чертежи) | Своими руками
Содержание ✓
- ✓ Подготовка к работе
- ✓ Плуг электролебедка своими руками – фото и чертежи
Дома у меня лежал старенький, пыльный и замасленный червячный редуктор 4-40 с уменьшающим отношением 1:40, который и послужил основой лебедки.
Такой, кстати, можно найти на барахолке за невысокую цену и в хорошем состоянии.
Полностью разобрав и промыв его в бензине от отложений масла, которое больше походило на пластилин черного цвета, я решил сразу поменять сальники. На замену использовал сальники от автомобиля семейства ВАЗ. Поменял все прокладки (сменные вырезал из па-ронита толщиной 0,6 мм), отрегулировал зазор между червяком и шестерней. Залил трансмиссионное масло, и редуктор стал как новенький.
Чтобы определить, какого размера потребуется барабан, я прежде всего сварил раму из уголка 40x40x4 мм размером 75×30 см.
ВСЕ ЧТО НЕОБХОДИМО ДЛЯ ЭТОЙ СТАТЬИ НАХОДИТСЯ ЗДЕСЬ >>>
Поначалу думал, что трос с барабана будет разматываться при помощи реверса двигателя, но это оказалось очень долго и неудобно, вручную гораздо проще. Но для этого пришлось , придумать муфту, с помощью которой можно будет отделить вал редуктора от вала барабана и тем самым размотать трос без усилий на требуемую длину огорода.
А на время работы лебедки соединяю редуктор с барабаном, и оба вала работают вместе.
Читайте также: Электроплуг своими руками – чертежи
Муфту сделал из передних ШРУСов (шарниров равных угловых скоростей) и передней ступицы ВАЗ 2108. Валы ШРУСов имеют наружные шлицы, идентичные внутренним шлицам ступицы. Они-то и будут заходить в зацепление между собой. Бывшие в употреблении ШРУСы и ступицу приобрел на пункте приема металлолома (в ближайшей авторемонтной мастерской в тот момент их не оказалось). От ШРУСа сразу отрезал две части вала – они-то и нужны для изготовления вала лебедки (рис. 3).
Затем приступил к изготовлению барабана, на который будет наматываться трос. Из куска трубы с наружным диаметром 114 мм сделал два фланца толщиной 5 мм. На металлобазе купил стальной круглый прокат (кругляк) диаметром 35 мм – он послужил заготовкой для вала. Кругляк диаметром 90 мм стал заготовкой для корпусов подшипников барабана. Кстати, учтите: покупая металл на металлобазе (если его вам будут резать пропа-новым резаком), не кидайте его сразу в емкость с водой.
Такой металл трудно поддается токарной обработке. Еще мне пришлось купить пару подшипников серии 306 – такие выдержат нагрузку, создаваемую плугом.
Приехав домой и начертив на листке бумаги чертеж будущего вала (рис. 1), я отправился к токарю. Пришло время все это собрать в единый механизм. Сразу скажу, что корпуса для лебедки можно найти и готовые, и бывшие в употреблении. Но в моем городе таких магазинов нет, потому я попросил токаря выточить еще и корпус для агрегата (рис. 2).
Взяв фланцы с прорезанными по центру отверстиями под наружный диаметр вала, я приварил их к отрезку трубы диаметром 114 мм. Затем, пропустив через фланцы барабана выточенный вал, центрировал его так, чтобы оставался небольшой зазор между фланцем и корпусом подшипника, и приварил барабан к валу. Шлицевой вал ШРУСа вставил в выточенное отверстие в торце вала барабана и тщательно приварил. Такие же шлицы сделал и на редукторе. Для этого потребовался второй шлицевой вал ШРУСа – его зафиксировал на редукторе через выточенную втулку.
Крепления редуктора и барабана к раме сделал из уголка 50x50x5 мм. Все зафиксировал прихватками, ведь все это необходимо выставить соосно. К выточенным корпусам для подшипников (рис. 5) приварил уголок 50×50 мм: теперь их можно закрепить на раме с помощью болтов и легко снять, если понадобится ремонт или замена подшипников.
Очень важно расположить корпуса так, чтобы при работе лебедки вся сила тяги с корпусов приходилась не на сварочный шов, а на уголок (фото 4). Тогда корпус не оторвется, уголок обеспечит большой запас прочности.
Все выточенные детали выставил так, чтобы ступица ходила свободно, не заедала (фото 5), затем слегка прихватил сваркой, а когда убедился, что все установлено правильно, заварил на совесть.
Читайте также: Электроплуг своими руками – фото и чертежи
Зафиксировать лебедку на земле можно с помощью приваренных двух коротких отрезков трубы. Надо лишь пропустить через них арматуру или металлические прутки и вбить их в землю.
Двигатель использовал асинхронный, мощностью от 1,5 кВт с числом оборотов не меньше 2780 в минуту.
Более маломощный – на 750 Вт и 2780 об/мин – не справился. Выход нашел неожиданный -установил на лебедку угловую шлифовальную машину, иными словами, болгарку мощностью 2,3 кВт.
Такая есть, наверное, у каждого хозяина, а ее мощность и 6500 об/мин позволяют справляться с любыми нагрузками при вспашке и окучивании без малейшего признака перегрева. Закрепил ее просто – двумя болтами в отверстия, предназначенные для установки ручки. Вместо отрезного диска установил шкив с резьбой – и все прекрасно работает. Шкив, кстати, можно выточить у токаря, а можно сделать намного дешевле: в металлоломе найти подходящий шкив и к нему, точно отцентрировав, приварить гайку для зажима диска от той же болгарки. Ремень исполь зовал от генератора автомобиля ВАЗ-2101. Болгарка натягивается с помощью усилия, прилагаемого рукой (фото 6).
Все подготовлено, осталось прикрепить болтом трос к барабану и равномерно его намотать. Трос взял толщиной 4 мм: такой уверенно справляется со своей задачей, хотя если грунт у вас тяжелый, стоит взять 5-миллиметровый, с запасом.
Плуг и окучник (фото 7-9) сделал сам, так как предлагаемые на рынке не устроили по качеству. Чертежи плуга и окучника – на рис 4-7. Имея в хозяйстве сварочный аппарат, болгарку, молоток и подходящий материал, сделать плуг и окучник не сложно.
Подготовка к работе
В начале рядка, посередине, устанавливаем лебедку, забивая два металлических стержня для фиксации. Помощник вручную разматывает трос на необходимую длину. При помощи ступицы соединяются два вала, затем включаем болгарку – и агрегат начинает работать.
Окучивая, надо лишь немного направлять плуг влево или вправо, корректируя положение окучника в рядке. При вспашке плуг также необходимо корректировать, хотя большую часть работы за вас выполняет колесо, идущее по борозде впереди плуга.
Теперь на окучивание и вспашку уходит намного меньше времени и сил, хотя, делая такую же лебедку заново, я бы кое-что подкорректировал, сделав конструкцию менее габаритной. А так в планах – покраска и доработка данной лебедки, но и сейчас она отлично справляется со своей задачей.
Читайте также: Плуг-окучиватель своими руками + чертежи
Плуг электролебедка своими руками – фото и чертежи
©Р. МАЛЮК Ставропольский крой
ИНСТРУМЕНТ ДЛЯ МАСТЕРОВ И МАСТЕРИЦ, И ТОВАРЫ ДЛЯ ДОМА ОЧЕНЬ ДЕШЕВО. БЕСПЛАТНАЯ ДОСТАВКА. ЕСТЬ ОТЗЫВЫ.Подпишитесь на обновления в наших группах и поделитесь.
Будем друзьями!
Передаточное число червячной передачи для самодельной лебедки (ВОМ)
JavaScript отключен. Для лучшего опыта, пожалуйста, включите JavaScript в вашем браузере, прежде чем продолжить.
1 — 20 из 20 сообщений
ТА1ОКУ
· Зарегистрированочопбой
· Зарегистрировано—
ТА1ОКУ
· Зарегистрированофотоблдр
· Зарегистрировано1988 U1300L RW1 Рабочие механизмы Двойные баки AC Оснащены для кемпинга Плюс: 91 F250 HD 4×4
Бритбайк2001
· Зарегистрировано1976 406 с обратной лопатой и бульдозерным отвалом, а также небольшая коллекция навесного оборудования
njc110381
· Зарегистрированный Unimog 406.
Бритбайк2001
· Зарегистрировано1976 406 с обратной лопатой и бульдозерным отвалом, а также небольшая коллекция навесного оборудования
Спидвобл
· Зарегистрировано1987 Unimog SEE
фотоблдр
· Зарегистрировано1988 U1300L RW1 Рабочие механизмы Двойные баки AC Оснащен для кемпинга Plus: 91 F250 HD 4×4
МикМур77
· Зарегистрировано1963 Unimog 404
ACAD_Ковбой
· Зарегистрировано2015 Rubicon Unlimited (Да будет на мне позор!)
фотоблдр
· Зарегистрировано1988 U1300L RW1 Рабочие механизмы Двойные баки AC Оснащен для кемпинга Plus: 91 F250 HD 4×4
бвшвед
· Зарегистрировано1976 406
фотоблдр
· Зарегистрировано1988 U1300L RW1 Рабочие механизмы Двойные баки AC Оснащен для кемпинга Plus: 91 F250 HD 4×4
ACAD_Ковбой
· Зарегистрировано2015 Rubicon Unlimited (Да будет на мне позор!)
njc110381
· Зарегистрированный Unimog 406.
121, Ford Ranger
Теннмог
· Premium MemberU-1300, 3 шт. 406, 3 шт. 404, Haflinger, 2 шт. LMTV.
ACAD_Ковбой
· Зарегистрировано2015 Rubicon Unlimited (Да будет на мне позор!)
фотоблдр
· Зарегистрировано1988 U1300L RW1 Рабочие механизмы Двойные баки AC Оснащен для кемпинга Plus: 91 F250 HD 4×4
ACAD_Ковбой
· Зарегистрировано2015 Rubicon Unlimited (Да будет на мне позор!)
1 — 20 из 20 сообщений
- Это старая тема, вы можете не получить ответ и возродить старую ветку. Пожалуйста, рассмотрите возможность создания новой темы.
Верх
Что такое червячная лебедка и как она работает?
от Jezreel
Вы работаете над проектом или на работе, которая требует подъема, подвешивания предметов или тяги? Или, может быть, вы застряли в неумолимой местности? Решением таких дилемм является лебедка.
Лебедка может сделать вашу работу легкой и эффективной, выполняя тягу, подвешивание и подъем за вас, независимо от того, используются ли они в вашей работе или для подъема застрявшего автомобиля
Лебедки бывают разных типов, такие как электрические лебедки, гибридные лебедки, переносные лебедки, механические барабанные лебедки, механические ручные лебедки и т. д. Каждый из различных типов лебедок имеет разные способы функционирования, но все они работают одинаково. так же. В некотором смысле, даже если они работают по-разному, их использование пересекается друг с другом.
Скажем, вам нужна лебедка для подъема или буксировки тяжелого оборудования. С этой задачей могут справиться как ручные, так и электрические лебедки, если они предназначены для такого использования. На самом деле это зависит только от ваших предпочтений, если вы хотите, чтобы ваша работа была быстрой и легкой, то электрическая лебедка для вас. С другой стороны, если вы хотите сделать это так, чтобы обслуживание лебедки было менее затратным и более дешевым, тогда вам подойдет лебедка с ручным управлением.
Лебедки на самом деле очень просты в том, как они работают. Это просто трос или веревка, обернутая вокруг барабана и управляемая рукояткой. С появлением технического прогресса эволюционировал простой принцип работы лебедки. Он принял более современный и сложный вид, чтобы соответствовать требованиям текущего времени.
Если у вас ограниченный бюджет и вы ищете недорогую лебедку, не требующую особого ухода, то вам могут подойти лебедки с ручным приводом. Лебедки с ручным приводом могут выполнять работу так же, как и лебедки любого другого типа, но они ограничены только грузоподъемностью, которую они могут выдержать. Они легкие, универсальные, прочные и требуют больших усилий по обслуживанию. Все, что могут другие лебедки, она тоже может, хотя и медленнее.
Однако мы не будем рекомендовать вам любую лебедку с ручным приводом. Мы порекомендуем вам червячную лебедку.
Краткий обзор
Червячная передача?
Прежде чем перейти к определению лебедки с червячной передачей.
Давайте сначала обсудим механику червячной передачи, так как это жизненно важно для понимания лебедки с червячной передачей.
Червячная передача представляет собой зубчатую передачу, состоящую из спиральной резьбы, входящей в зацепление с зубчатым колесом. Спиральная нить — это то, что мы называем червяком, а зубчатое колесо — червячной передачей. Терминологии часто путают, поскольку червячную передачу неправильно называют целым узлом, а не только зубчатым колесом. Для простоты будем называть весь редуктор червячной передачей.
Говоря простым языком, червяк (шестерня, похожая на винт) входит в зацепление с червячной шестерней (шестерня, внешне похожая на прямозубую). Как и многие другие зубчатые передачи, червячная передача снижает скорость вращения или передает более высокий крутящий момент. Что отличает эту передачу от других передач, так это ее способность передавать вращательное движение на 90 градусов. Червячный редуктор — это очень простая машина, которая используется уже тысячи лет.
Его первое известное использование на Индийском субконтиненте.
Так почему червячная передача? Почему стоит выбрать его среди других передач? Есть несколько причин. Одной из причин является его способность уменьшать коэффициент. Увеличивая окружность червячного колеса, червячная передача может значительно уменьшить передаточное число. Соответствующая регулировка либо увеличит, либо уменьшит крутящий момент. Обычные зубчатые передачи должны состоять из нескольких частей, чтобы делать то же самое, а это означает, что больше частей подвержены повреждению. Чем меньше деталей в передаче, тем более эффективной и долговечной она становится.
Еще одна причина использования червячной передачи вместо обычной заключается в том, что она не может изменить направление своей мощности. Колесо не может внезапно изменить курс из-за трения между червяком и колесом, даже при приложении к нему силы.
На типичной шестерне, при приложении к ней достаточного усилия, ее ход можно провернуть отдельно.
Создание необходимости добавить блокировку обратного хода на штатный набор передач, что еще больше усложняет.
Несмотря на множество преимуществ, которые может дать это снаряжение, есть ли у него недостатки? Да, есть. Эта шестерня нуждается в постоянной смазке. Червячные передачи перемещаются исключительно за счет скользящего движения между червячным колесом и червяком, в отличие от обычных зубчатых передач, которые имеют несколько прямозубых шестерен, которые способствуют его качению.
Теперь, когда вы знаете, что такое червячная передача, будет относительно легко понять, что такое червячная лебедка.
Что такое червячная лебедка?
Лебедки с червячной передачей имеют меньше движущихся частей, чем лебедки с ручным приводом других конструкций. Это делает их известными своей надежностью и долговечностью. Как обсуждалось ранее, чем меньше частей он содержит, тем меньше осложнений.
Широко известно, что лебедки с червячной передачей не известны своей линейной скоростью.

