Методика замены ремня ГРМ на рядных 5-цилиндровых бензиновых моторах Ауди. — Отчеты — Каталог статей
Грубо говоря, есть два вида моторов R5.
Ремень ГРМ натягивается помпой, ролик паразитный (условно более старые моторы)
Ремень ГРМ натягивается роликом (условно более новые моторы).
В любом случае при замене ремня лучше заменять и ролик. (посоветуйтесь с вашим поставщиком деталей).
Решившись на такую процедуру, подумайте о целесообразности замены за одно помпы, термостата и ОЖ (см. статьи Рубена). Также полезно иметь на всякий случай сальники распредвала и коленвала (их видно и можно будет заодно заменить).
В случаях турбо версий, кузовов 4А и Ауди 80/90 крайне желательна или просто необходима разборка морды , которая выходит за рамки данной инструкции. Иногда желательно снять бампер, фары (чтобы не разбить случайно, поскольку придется прилагать приличные усилия в плоскости фар), телевизор , интеркулер, вентилятор термомуфты, отодвинуть радиаторы и т.
п. На 44 кузове в любом случае полезно снять решетку радиатора и улыбку .
Направление вращения здесь и далее указаны для случая стоя спереди автомобиля, лицом к моторному отсеку . Двигатель крутить только по часовой стрелке и только за коленвал. Остальные слева и справа в тексте — смотря по ходу машины.
ИНСТРУМЕНТЫ
Набор инструмента немного отличается в зависимости от конкретной машины. Я укажу некий джентльменский набор, который нужно иметь, отважившись на такую процедуру.
Шестигранник на 5,6, набор рожковых ключей, набор головок, обязательно головку на 27 (мощную, надежную, лучше под квадрат 3/4), мощный силовой вороток под головку на 27, другие воротки под ваши головки.Мощная крепкая отвертка для стопорения маховика или специальная. приспособа для стопорения коленвала, прямая и крестовая отвертки, молоток. Очень желательно иметь ударную отвертку с возможностью установки на ней шестигранника на 6. Полезно иметь канцелярский ШТРИХ в виде фломастера для нанесения меток там, где они будут вам полезны.
ПОРЯДОК РАБОТЫ
Перед работой настоятельно рекомендую прочитать какую-нибудь книжку.
1. Снимите клемму с АКБ. ! Подумайте, знаете ли вы коды магнитолы, режимы управления сигнализации !.
2. Если нужно разобрать морду до такой степени, чтобы был достаточно свободный доступ ко всей передней части двигателя. Расстояние до ближайших деталей порядка 10-20 см будет вполне достаточно, но чем больше тем лучше. Правило такое. Чем больше разберешь, тем лучше (и иногда быстрее) сделаешь работу. На этой же стадии будем считать, что вы сняли приводные ремни/ручейковый ремень и его ролик и, если есть, вентилятор термомуфты.
3. Выверните свечи. Вам будет существенно легче крутить двигатель. Опять же это удобное время проверить состояние электродов свечей 8).
4. Снимите верхний кожух ремня ГРМ — либо защелки, либо пара резьбовых пробочек под шестигранник на 6 (в последнем случае не потеряйте то, что будет на шпильках под кожухом и запомните как было установлено). В случае пробок под кожухом стоят распорные втулки разной длины, шайбой большого диаметра вперед.
5. Головкой на 27 вращайте коленвал по часовой стрелке и установите положение ВМТ. Устанавливаются метка 0 на маховике в картере сцепления с левой верхней стороны трансмиссии и метка на распредвале. Метка распредвала находится на задней стороне звездочки в виде точки или риски. Должна совпасть с верхним краем прокладки клапанной крышки с левой стороны двигателя. Также есть варианты (AAR, AAN, 3B, ADU, ) где вместо этой метки есть парные метки на передней стороне звездочки и сегментном кожухе за звездочкой распредвала. Будьте внимательны. На шкиве коленвала также есть метка, но основной является метка на маховике. Помните, что за один оборот распредвала коленвал поворачивается на 2 оборота.
6. Проверьте правильность предыдущей установки ремня. Не продолжайте, пока не найдете все метки. Здесь и далее двигатель в положении ВМТ или вблизи него.
7. Найдите способ застопорить коленвал. Для этого, как правило, можно воткнуть мощную отвертку в зубчатый венец маховика и упереть отвертку в выступы картера сцепления. Иногда приходится поискать способ контровки, облазив машину сверху и снизу. Может быть придется снять какой-нибудь датчик положения маховика. Метода постановки на передачу и на ручник обычно не срабатывает.
8. Мощной головкой на 27 и воротком слегка ослабьте центральный винт шкива коленвала. Иногда приходится использовать хорошую усилительную динамометрическую трубу пару метров длиной 8-)) . Внутри шкива есть 4 винта под шестигранник на 6, не трогайте их пока — центральный винт все равно нужно откручивать.
9. Стяните (или, ослабив натяжной ролик, снимите) ремень с распредвала.
10. Открутите до конца центральный винт коленвала. Снимите шкив вместе со звездочкой, разберите узел (иногда полезна ударная отвертка и шестигранник на 6), проверьте состояние шпонки, удерживающей звездочку от проворачивания на валу. Замятия, трещины или другие повреждения показания к замене. Срыв этой шпонки при работе приведет к повреждению двигателя!!!
11. Снимите нижний кожух ГРМ.
12. Снимите ремень, внимательно осмотрите его, после чего аккуратно бросьте в мусорное ведро.
13. Снимите ролик ГРМ. В случае паразитной конструкции ролик часто сопротивляется и не вытаскивается. Вверните внутрь него подходящий болтик (там есть резьба) и, раскачивая, потихоньку снимите ролик. Раскачивать можно легкими ударами молотка, чрезмерных усилий не прилагать. Лучше подольше поработать больше калорий сожжете 🙂
14. Установите новый ролик. В случае паразитной конструкции ролик затягивать и простукивать в несколько итераций (обычно порядка 5 раз). Он должен полностью лечь привалочной плоскостью на поверхность масляного насоса.
Иначе возможен перекос и сползание ремня со звездочек и ролика.
15. Наденьте звездочку коленвала, пока не прикручивайте ее она сама будет держаться и не упадет. Обращайте внимание на шпонку.
16. Наденьте на звездочку коленвала ремень, установите нижний кожух ГРМ, правильно установите шкив и прикрутите его центральным винтом коленвала. Пока не затягивайте винт от пуза , а лишь так, чтобы можно было удерживать колено рукой от проворота. Закрутите 4 винта под шестигранник на 6, крепящие шкив к звездочке. ВНИМАНИЕ! Если здесь на силу тянуть центральный винт, то, в случае ошибки стопорящего, есть опасность повредить клапанный и/или поршневой механизм, поскольку ремень еще не надет и не натянут и коленвал будет крутиться отдельно от распредвала.
18. Проверьте метки ВМТ коленвала и распредвала, установите ремень. Если у вас паразитная система, то, как правило, изменять натяжку не приходится. Если все же это нужно делать, или у вас натяжная система, то натяните ремень помпой или роликом.
Я не могу описать степень затяжки, это описано в книжках в виде ремень закручивается двумя пальцами на 90 градусов . Пальцы у всех разные, поэтому здесь на чувстве . Я, например, неким хитрым способом могу порвать ремень ГРМ руками 8-)).
19. Если пришлось менять положение помпы, то возможно появление течи будьте к этому готовы, либо заранее настройтесь на замену помпы/прокладки. Правда еще раз повторю, что это бывает довольно редко.
20. Протяните центральный винт нужным моментом (а на самом деле так сильно, как только сможете, но без чрезмерного фанатизма :)) Сдуру можно и .
21. Проверните двигатель пару оборотов за винт коленвала до положения ВМТ. Если при вращении почувствуете сопротивление, то не прилагайте усилий. Остановитесь и внимательно все проверьте. Возможна сильная ошибка с метками. Ошибка на 1-2 зуба не приведет к встрече клапанов с поршнями ,заклиниванию и катастрофе.
22. Проверьте совпадение меток и натяжение ремня.
23. В случае ошибки на 1-2 зуба сдвиньте ремень с распредвала, проверните распредвал и опять наденьте ремень.
Опять проверните коленвал два оборота и вновь проверьте метки. И так семь раз 8-))
24. Все соберите назад. Подробно не пишу, устал 8-)))
25. Внимательно проверьте правильность установки поликлинового ремня, если у вас такой есть 🙂 Не меняйте направления вращения ремней.
26. Установить клемму АКБ
27. Если до вас ремень ГРМ был установлен правильно, то регулировку угла опережения зажигания производить не придется. В противном случае отрегулировать зажигание, хотя это в любом случае не вредно проверить/поправить.
28. Если снимали фары — не забудьте отрегулировать свет.
29. Все.
ВРЕМЯ
Зависит от варианта кузова, опыта, инструмента, удачливости и смелости мастера. Быстрее всего на атмосферных двигателях 44 кузовов. Опытный мастер может это сделать примерно в течение часа, если не возникнет каких-то проблем. Остальные машины дольше вследствие большей масштабности предварительной разборки морды .
Источник: http://www.auto.
ru
Замена ремня ГРМ на двигателях ауди 80 90 100 200 Coupe
Опубликовал: admin 21.04.2016
Модели двигателей HP; НХ; HY; JS; JT; JY; КЕ; KF; KG; КН; КК; KL; КР; KU; KV; КХ; KZ; МС; NF; NG; PS; РХ; RT; SL; WC; WH; WU; 1В; 2В.
Устанавливались на ауди 80 2.0,2.2,2.3; 90 2.0,2.2,2.3; 100 1.9,2.0,2.2,2.3; 200 2.2,2.3; 100 и 200 2.2 Turbo; Coupe 2.0 ,2.2,2.3
80,90,Соuре (до 1986 г.) 80/90/Соuре (после 1987 г.) 100/200
в период с 1982-91
Периодичность замены
- Проверка и регулировка (замена при необходимости) 32 000 км.
- Замена (после 1996 г.) — 128 000 км.
при обрыве повреждается двигадель.
Снятие и установка
Специальный инструмент
- Стопор демпфера VAG №2084.
- Удлиненный гаечный ключ VAG №2079
- Снимите: Клиновые ремни, верхнюю (1) и нижнюю (2) крышки ремня ГРМ.
- Зафиксируйте коленчатый вал стопором демпфера №2084.
Примечание: медленно проворачивайте коленчатый вал по часовой стрелке, пока стопор демпфера не упрется в переднюю опору двигателя.

- Отверните болт (5) крепления демпфера.
- Снимите инструмент №2084.
- Установите поршень первого цилиндра в ВМТ. Проверьте совмещение меток (3) и (4) с реперами.
Примечание: совместите метку (3) на шкиве распределительного вала с верхней плоскостью прокладки крышки головки блока цилиндров.
- Ослабьте болты крепления водяного насоса. Поверните насос по часовой стрелке для снятия натяжения.
- Снимите узел демпфер,шкив,зубчатый шкив вместе с ремнем.
Установка ремня
- Проверьте совмещение меток (3) и (4) с реперами.
- Наденьте ремень на зубчатый шкив коленчатого вала и установите узел демпфер,шкив,зубчатый шкив на коленчатый вал.
Примечание: ремень не должен быть зажат между масляным насосом и зубчатым шкивом.
- Наденьте ремень на остальные зубчатые шкивы, не допуская появления слабины ремня между ними.
- Очистите болт (5) крепления демпфера, нанесите на резьбу болта ингибитор коррозии (AMV 188 ООО 02 или подобный), закрутите болт от руки.

- Поверните водяной насос против часовой стрелки и создайте натяжение.
- Закрутите болты крепления водяного насоса от руки.
- Проверьте совмещение меток (3) и (4) с реперами.
- Зафиксируйте демпфер инструментом №2084.
Примечание: медленно проворачивайте коленчатый вал по часовой стрелке, пока стопор демпфера не упрется в переднюю опору двигателя.
- Затяните болт (5) моментом 350 Нм. Применяйте ключ №2079 и динамометрический ключ.
Примечание: затягивайте указанным моментом только при использовании ключа №2079.
- Снимите стопор демпфера.
- Установите поршень первого цилиндра в ВМТ. Проверьте совмещение меток (3) и (4) с реперами.
- Ослабьте болты крепления водяного насоса.
- Поверните водяной насос против часовой стрелки и создайте натяжение: ремень от усилия пальцев должен провернуться на угол 90° в месте, указанном стрелкой (6).
- Затяните винты крепления водяного насоса моментом 20 Нм.

- Проверните коленчатый вал по часовой стрелке на два оборота.
- Проверьте совмещение меток (3) и (4) с реперами. Проверьте совмещение меток на роторе и корпусе распределителя зажигания.
- Установите демонтированные детали в порядке, обратном снятию.
Ауди 100 замена ремня грм
Форум → Audi → 100 → Автосервис
Подойдет для большинства 4х цилиндровых бензиновых двигателей SOHC(с одним распредвалом) wolksvagen.
сокращения: ВМТ – верхняя мертвая точка. УОЗ – угол опережения зажигания. КПП – коробка переключения передач ГРМ – газораспределительный механизм. ГБЦ – головка блока цилиндров. СТО – станция тех. обслуживания. )))
ВНИМАНИЕ: Если вы не знаете загибает ваш двигатель клапана или нет. Никогда не проворачивайте коленвал двигателя при отсоединённом или не натянутом ремне. Если приводной ремень снимался проверьте такты клапанов. Если ремень на двигателе, установите первый цилиндр в ВМТ.
1. Метки для начальной установки зажигания
1-1.
Коленвал имеет 2 метки ВМТ. одна на шкиве клиновидного ремня(рис.1), другая “0”на маховике в окошке кожуха КПП(рис.2).
Так же на маховике расположена метка “|” УОЗ, о ней позже.
ВНИМАНИЕ:Если вы приобретаете новый маховик, то для облегчения дальнейшей жизни целесообразно
накернить риску УОЗ т.к. на поставляемых маховиках ее нет. Так же при снятом двигателе или КПП не будет лишним проверить расстояние от метки “0” до метки “|”
УОЗ (рис.9). По ней мы будем выставлять зажигание.
1-2.Распредвал имеет несколько меток: с внутренней стороны(рис.3), и с наружней(рис.4). Нас интересует внутренняя метка (рис.3).
1-3.На промежуточном валу тоже имеется метка(рис.1). Многие её не воспринимают, но мы возьмем ее во внимание
(для этого потребуется снять нижний, пластиковый кожух ГРМ рис.7). Либо не снимая нижний кожух (рис.8)
1-4.И риска на распределителе зажигания (в миру Трамблёр) направленная на контакт первого цилиндра(рис.
6)
2. Подготовим к работе двигатель.
Итак мы нашли все метки. Нет ничего проще чем их совместить. Для полноты описания представим что наш двигатель полу-разобран, в частности снята клапанная
крышка,распредвал, распределитель зажигания, шкив коленвала, и ремень ГРМ.
ВНИМАНИЕ:На некоторых моделях двигателя поршни НЕ встречаются с клапанами, и распредвал и коленвал можно поворачивать. Если вы не уверены –
снимите распредвал или обратитесь на СТО.
2-1.Чтобы не повредить клапана опускаем поршни на один уровень. Для этого выкручиваем свечи(если еще не выкручены) в 1 и 2 цилиндры вставляем пруток из мягкой
стали. Поворотом коленвала, в сторону вращения, уравниваем поршни. При этом 1 поршень должен двигаться снизу вверх(позже останется довернуть 90гр). Таким
образом мы отводим все поршни от ГБЦ. Можно зафиксировать коленвал штифтом в коробке через окно стартера, но мне кажется достаточно включить 3 или 4 скорость и на
ручник
2-2.
Устанавливаем распредвал на место (как, смотрим в соответствующем разделе). Накидываем ремень ГРМ на шестерню коленвала. Прикручиваем шкив коленвала
(не поворачивая и не затягивая).
3. Выставляем метки.
3-1.Устанавливаем метку распредвала вровень с плоскостью ГБЦ со стороны свечей(рис.3). При этом кулачки первого целиндра направлени симметрично вверх в разные стороны
3-2.Доворачиваем коленвал на 90гр. пока метка на маховике в окошке кожуха КПП не совместится с треугольным наплывом.(рис.2)
3-3.Устанавливаем метку на промежуточном валу. Она должна совпасть с меткой на шкиве коленвала(рис.1).
3-4 Ставим распределитель так что бы бегунок смотрел на риску 1го цилиндра(рис.6).Метки на распределителе и промежуточном валу должны совпадать.
(это нужно для того что бы мы в последствии при замене ремня ГРМ не мучали себя и других с проблемами в зажигании) Трамблер должен иметь свободное место для
вращения в обе стороны
Теперь мы готовы надеть ремень ГРМ.
Одеваем ремень, слегка наиягиваем. Проверяем все метки, и сделав два оборота ВСЕ метки должны встать на место.
Если метки встали, все окей. Можно собирать дальше. Не забываем одеть кожух и затянуть шкив клиновидного ремня на коленвале.
1-3-4-2 Порядок работы цилиндров считать от ремня ГРМ
Если все правильно, все работает. Остается только откорректировать.
Замена ГРМ Ауди 100
Замена ГРМ Ауди 100 не составит никакого труда. Но чтобы подобраться к нему, необходимо разобрать множество механизмов, отвинчивая болты и гайки. Давайте поговорим о последовательности работ.
Шаг 1
Открывая капот, вы видите переднюю панель. С нее и начнем. Откручивайте все видимые болты. После этого трос, который необходим для замка капота, вытаскиваем из крепления и отодвигаем в сторону лобового стекла.
После снятия закрывающей панели под фарами, мы видим нижние болты крепления. Отвинчиваем их, отсоединяем провода и вытаскиваем фары.
Кладем в безопасное место, чтобы случайно на них не наступить.
Шаг 2
Бампер держится на 4-х болтах. Чтобы подобраться к двум нижним, необходимо снять декоративную решетку. В случае если установлены противотуманные фары, то и их. Кроме болтов, бампер крепится с локерами при помощи клипс. Чтобы их открепить, нужно потянуть его на себя. Аккуратно снимаем и также ставим в безопасное место.
Шаг 3
Затем снимаем радиатор, сливая предварительно антифриз. Место слива находится в углу справа.
Пока жидкость сливается в емкость, следует открутить два винта, которые крепят маслопровод, а после перемещаем его в сторону.
Разъединяем проводку, которая питает электрический вентилятор, чтобы его не разбирать. Расположение массы и питания находится под одной из фар.
Винты крепления радиатора можно откручивать не до конца, так как отверстие их выполнены в виде прорезей.
Шаг 4
К радиатору подходят три шланга, которые закреплены хомутами.
Снимаем их, и медленно потянув на себя, демонтируем радиатор. Его желательно убрать подальше от рабочей области. Теперь к двигателю можно с легкостью подобраться.
Берем ключ на 17 и надеваем на специальное приспособление натяжения ремня, стараемся надавить по часовой стрелке до того момента, пока два отверстия не совпадут. Дойдя до такого положения, его необходимо зафиксировать отверткой. Крепление держится на трех болтах, которые отвинчиваем, после чего демонтируется не только ремень, но и ролик натяжения.
Метки ГРМ выставляются правильно путем хорошо различимых обозначений. В крайнем случае, смотрим совпадения по метке на шкиве и маховике.
Ремень ослабляется, а болты крепления отпускаются, в результате чего механизм можно сдвинуть влево.
Шаг 5
Начинается самая трудная работа – откручивание основного болта. 4 маленьких по сторонам смысла трогать нет. Если у вас нет пневмоинструмента, то необходим ключ-головка на 27, хороший вороток с прилагающей трубой и большая надежная отвертка.
Не обойтись и без еще одного человека, который будет держать коленчатый вал, установив в зубья монтажку или отвертку.
После откручивания болта вынимается шкив привода вместе с шестерней. Далее остается открутить два остающихся винта.
Приводной шкив демонтируется только после того, как вы открутили основной болт. Далее остаются два последних, которые также без труда можно открутить.
Шаг 6
Теперь ремень можно снять. А переднюю часть двигателя хорошо отмыть, чтобы потом не думать о происхождении масляных пятен (старые ли они или свежие).
Если это необходимо, сальник распредвала и коленвала заменяется. Бывают ситуации, когда под помпой образуются потеки антифриза. Осуществите проверку дополнительных механизмов. Если ролик натяжителя непригодный, он подлежит замене.
В действительности ролик меняется непосредственно в комплекте с ремнем, но бывают ситуации, когда его замена проводилась недавно, а из-за износа ремня, пришлось разбирать повторно.
Подпишись на наш канал в Я ндекс.Дзене
Еще больше полезных советов в удобном формате
Ауди 100 замена ремня грм
Ауди 100 замена ремня грм
Я, думаю для многих не секрет, что впускные и выпускные клапана приводятся в движение под действием зубчатого ремня. Его еще называют ремнем газа распределительного механизма или сокращенно ремнем ГРМ. Он поворачивает распределительные валы на половину оборота коленвала. Помимо газораспределения на шестицилиндровых двигателях он выполняет еще одну важную функцию, а именно вращает водяной насос или как говорится в простонародье помпу.
Для замены ремня ГРМ, первым делом необходимо снять поликлиновый ремень. Как его снять вы найдете в статье замена ремня генератора. Теперь необходимо снять натяжитель поликлинового ремня.
Рис 1 – Болт крепления натяжителя поликлинового ремня.
Снимается он очень просто, отворачиваете шестигранником центральный болт и вытаскиваете натяжитель.
Рис 2 – Натяжитель поликлинового ремня.
Отщелкиваем все защелки на обоих кожухах ремня ГРМ.
Рис 3 – Защелки защитных кожухов распредвалов.
Снимаем оба кожуха ремня ГРМ.
Рис 4 – Двигатель без защитных кожухов.
Теперь нужно повернуть коленвал ВМТ 3–го цилиндра, повернув ключом звездочку на коленвале.
Рис 5 – Выставляем ВМТ 3 – го цилиндра.
Вращаем почасовой стрелке, пока большие отверстия фиксирующих пластин на шестернях распредвалов не будут направлены внутрь друг к другу, а метки на защитном кожухе ремня и шкиве коленвала не сойдутся.
Рис 6 – Метки на кожухе и шкиве коленвала.
Проверить, насколько точно выставлен ремень можно с помощь специальной планки, которую вы можете изготовить самостоятельно. Все 4 отверстия должны беспрепятственно совпасть с планкой.
Рис 7 – Планка для выставления распредвалов.
Теперь необходимо зафиксировать коленвал специальным болтом, выкрутив датчик коленвала и вкрутив на его место этот болт.
Я этот пункт не выполнял, за неимением специального болта, а на его изготовление не было времени. Поэтому приходилось постоянно следить, чтобы не ушли нижние метки.
После выставления в ВМТ и установленной планки, ослабляем 8 болтов под шестигранник крепления шкива коленвала. Будьте предельно осторожны при отворачивании этих болтов. Так как внутренняя часть болтов легко срезается, если ключ будет стоять на перекосяк. Поэтом для убедительности, что ключ сел плотно можно подстукивать молоточком по нему. Предварительно убедитесь, что в полости болта шестигранника нет грязи, при ее наличии удалите ее без остатка.
Рис 8 – Шкив коленвала.
Ослабив ряд болтов на шкиве коленвала, не снимая планки ослабить болты крепления на шестернях распределительных валов на три оборота, следя за тем, что бы все метки остались на своих местах.
Рис 9 – Болт фиксации шестерни распредвала.
Теперь лапчатым съемником снимаем обе шестерни с пасадачных конусов.
Рис 10 – Снимаем съемником шестерню распредвала с посадачного места.
Рис 11 – Самодельный съемник шестерни распредвала.
Теперь шестерни могут свободно вращаться, а сами распредвалы и фиксирующие пластаны, останутся на прежних местах. После проделанной операции убедитесь, что нижние метки не сместились. Если все в порядке, то вновь ставим планку и продолжаем.
Выкручиваем 8 ослабленных нами болтов и снимаем шкив коленвала. Теперь нам ничто не мешает снять защитные кожухи ремня.
Рис 12 – Защитные кожухи ремня ГРМ.
Двигатель приобрел следующий вид.
Рис 13 — Ремень ГРМ не закрытый кожухами
Теперь можно ослабить и снять ремень. Ослабляем фиксирующий болт натяжителя ремня ГРМ.
Рис 14 – Фиксирующий болт натяжителя ремня ГРМ.
Снимаем старый ремень. Если ремень меняется по сроку, то вместе с ним хорошо бы еще заменить, помпу и все ролики. Но если нет такой возможности, то следует, хотя бы убедится, что на помпе нет следов ее протекания, а в роликах забито достаточное количество смазки.
Если перед разборкой у вас присутствовали, какие либо посторонние звуки издаваемые роликами, то лучше все же их заменить, так как последствия заклинившего ролика вам выльется в круглую сумму. Если вы снимали ремень не для замены, а по каким-то другим соображением, то его следует поставить так, чтобы он вращался в прежнем направлении.
Для того чтобы натянуть новый ремень нам понадобится два шестигранника на 8. Один ключ вставляем в болт фиксации, а другой в посадочное место на шкиве натяжителя ремня ГРМ.
Рис 15 – Внутренний шестигранник для натяжения ремня.
Поворачивая по часовой стрелке, добиваемся нужного натяжения ремня.
Рис 16 – Натягиваем ремень ГРМ.
1 — Фиксирующий болт натяжителя ремня ГРМ.
Оптимальным натяжением ремня ГРМ считается, такое натяжение, если на длинном участке помпа – шестерня распредвала мы можем повернуть ремень ГРМ на 90 градусов двумя пальцами.
Рис 17 – Проверяем натяжение ремня ГРМ.
Добившись необходимого натяжения, затягиваем болт фиксации.
С установленной планкой, проверяем метки на коленвале и затягиваем фиксирующие болты на шестернях распредвалов.
Ставим нижние кожухи, одеваем шкив коленвала, притягивая его болтами. Убираем планку и прокручиваем коленвал ключом на два оборота. Проверяем метки внизу и примеряем планку, если все в порядке, то собираем все в обратной последовательности.
Ставим на место защитные кожухи ремня ГРМ на оба распредвала. Ставим на место натяжитель поликлинового ремня. Одеваем поликлиновый ремень. Ставим все оставшиеся кожухи и заводим двигатель.
Если у вас возникли вопросы или имеются предложения по данной статье. Добро пожаловать на форум.
Отправить сообщение об ошибке
Если нашли ошибку в тексте выделите ее мышкой и нажмите сочетание клавиш Ctrl+ENTER, укажите правильный текст без ошибки.
Замена ремня ГРМ и МСК на Audi 100/S4
Отчет с фотографиями с подробным описанием смены ремня механизма газораспределения (ГРМ) и маслосъемных колпачков (МСК) на машине Ауди А 100/С4 с двигателем 2.
2 литра.
Мы пользовались при работе такими запчастями:
- Колпак маслосъемный, номерной знак по VAG 027109675 20 деталей;
- Цепь ГРМ, номерной знак по VAG 077109120;
- Ремень ГРМ, номерной знак по VAG 054109119Н;
- Ремень поликлиновой, номерной знак по VAG 054903137B;
- Ролик ГРМ, номерной знак по VAG 078109244F;
- Ролик ремня поликлина, номерной знак по VAG 059145276;
- Подшипник вискомуфты вентилятора, номерной знак по VAG 077115136A;
- Сальник распределительного вала, номерной знак по VAG 068103085E;
- Сальник коленчатого вала, номерной знак по VAG 054115147B;
- Прокладка клапанной крышечки, номерной знак по VAG 034198025F;
- Помпа, номерной знак по VAG 054121004AX;
- Прокладка помпы, номерной знак по VAG 035121043;
- Болтик распределительного вала, номерной знак по VAG N90256202;
- Болтик коленвала, номерной знак по VAG 034105229A;
- Шестерня коленвала, номерной знак по VAG 034105263A.

Как произвести смены ремня ГРМ на указанном авто с движком 2,3 ААR вы узнаете, посмотрев видеоролик.
Потяните к себе, снять коротенькую и длинненькую решеточки в бампере.
Открутить саморезы, крепящие «реснички» снизу фар, снять реснички.
С помощью головки на 13 открутить два болтика, крепящие бампер снизу фар.
С помощью головки на 13 открутить два болтика, крепящие бампер внизу.
Осторожно потянуть бампер к себе, освободить при этом крепления бампера, снять бампер. Отщелкнуть от бампера температурный датчик для воздуха снаружи. Открутить 4 винтика, крепящие боковые накладки радиатора из пластика, снять накладки.
Открутить саморезы крепления сверху, снять крепления.
Открутить крепления фаровых ресничек с правой и левой сторон, снять крепления.
Открутить гаечки сайлентблока радиатора с правой стороны.
Проделать ту же процедуру и с левой стороны.
Открутить саморезы, крепящие воздухозаборник к радиатору.
Отвести правую долю радиатора к переду и закрепить так.
В подлиннике есть необходимое крепление 3251.
Открутить 8 винтиков, крепящие верхнюю панель, и 4 винтика, крепящие фары. Снять панель сверху и отвести в бок. Крепящие трос винты не откручиваем, дабы после не пришлось настраивать процесс открывания капота. Так, после смена ремня ГРМ идет без разгерметизации механизма кондиционера и остужения.
Открутить 4 болта, крепящие вентилятор к вискомуфте, снять вентилятор.
Открутить болтик, крепящий кожух поликлинового ремня, снять кожух.
С помощью рожкового ключа на 17 сжать пружинку натяжителя ремня поликлина, вставить стопор в дыру.
Открутить три болтика, крепящие натяжитель, снять его.
После снять ремень поликлина.
С помощью рожкового ключа на 27 стопорим шкив насосика ГУР, открутить три болтика, крепящие шкив.
Затем снять и шкив.
Специальным стопором зафиксировать шкив коленвала.
Мощным воротком с говловочкой на 27 ослабить болтик в центре коленвала. Затяжной момент большеватый и болтик заклеен, поэтому понадобятся стопор и сильный вороток.
Ослабить болтики, крепящие шестерни распределительного вала.
Не снимать стопор шкива, ослабить 4 болтика, крепящие шкив к шестерне коленчатого вала.
Болтики шкифа коленчатого вала.
Для легкого кручения ГРМ, выкрутить свечи зажигания. Открутить три винтика крышечки катушечек зажигания, снять крышечку с катушками.
Выкрутить свечи после снятия крышечки.
Крутя ГРМ за шкив коленчатого вала, совместить меточки: 1. На шкиву коленчатого вала;
2) на маховике распределительного вала;
3) на шестерне распределительного вала.
Открутить три болтика, крепящие натяжитель ремня ГРМ, прежде ослабить болтик, крепящий ролик натяжителя для его смены. После снять натяжитель.
Снять шкив коленчатого вала совместно с шестерней.
Открутить два болтика, крепящие нижний кожух ремня ГРМ, снять кожух, снять сам ремень.
Будьте внимательны при рассмотрении шестерни на наличие целых шпонок.
При ужасном виде шпонке и если она сорвалась, то замените шестерню на новенькую.
Если все демонтировано и вам легко пролезть, можете помыть движок.
С помощью тонкого зубила нанести удар по гаечке вискомуфты, открутить ее вправо.
После снять вискомуфту.
Открутить три болтика шкива вискомуфты, снять шкив.
Открутить три болтика, крепящие подшипник вискомуфты, снять подшипничек с валом.
Открутить болтик, крепящий подшипник вискомуфты.
Новенький подшивник прессуем с помощью нужной головки.
Ослабить хомутик патрубка радиатора, снять патрубок.
Открутить болтики, крепящие насос ГУР.
Болтик, крепящий насос ГУР.
Открутить три болтика, крепящие помпы.
Сдвинуть насос ГУР и вынуть помпу.
Поставить новенькую помпу, не забыть о прокладке.
Прикрутить на место насосный кронштейн ГУР.
Выцарапать тоненькой отверточкой сальник коленчатого вала.
Новенький сальник коленчатого вала запрессовать нужной по размеру оправочкой, прежде хорошо обмазав сальник масляным раствором.
Открутить полностью болтик шестерни распределительного вала (наблюдаем, дабы меточки не разошлись), снять шестерню.
Будьте внимательны при рассматривании шестерни распределительного вала на целостность шпонки и распределительного вала на целые пазы под шпонку.
Для сменяя сальника распределительного вала, снимаем крышку клапана. Затем приступить к смене колпаков маслосъема. Вначале ослабить хомутики.
Затем снять вентиляционные патрубки.
Открутить 8 болтиков, крепящие клапанную крышку.
Снять крышку клапана.
Проверить меточки на шестерня распределительного вала.
Расположение меток друг к другу на ровности ГБЦ.
Проверить люфт цепи между валами.
Открутить крышки сальника выпускного распределительного вала.
После откручивания крышки снять сальник.
Открутить крышку спереди вала впуска.
Открутить крышечки распределительных валов. У выпуска 2 и 4 крышечки, после 1, 3, 5.
У впуска вначале 7 и 9 крышечки, после 6, 8, 10.
Ослабить гаечки по диагонали. Крышки с номерами, при устанавливании не спутаете.
Снять распределительные валы.
Вынуть гидравлические компенсаторы из колодцев. Их лучше поставить на прежне место, где взяли, при перепутывании не будет проблем.
Для рассухаривания клапана нужно их застопорить. Нужно так: поставить 1 цилиндрик в позу нижней мертвой точки (НМТ), взять веревочку и острой спицей из стали засунуть веревочку в цилиндр, войдет где-то два три метра.
После привернуть коленчатый вал (одеть на место шестерню коленчатого вала и шкив, подтянув болтиками, но не затянуть), поднять поршень до того момента, как начнет сопротивляться – выходит веревочка в цилиндре зажата.
Начните процесс рассухаривания клапана, они упрутся в веревочку в цилиндре. Процедура проста: давим на тарелочку клапана и вынимаем пинцетиком «сухари». При проделывании этой работы сделайте так, чтобы сухари не упали в углы ГБЦ, закройте дыры в ГБЦ чистенькой тряпочкой.
За снятием сухарей, вынуть тарелку сверху, огромную и маленькую пружины клапанов, и увидим внутри колпак маслосъема.
Чтобы вынуть этот колпак, нужно использовать цанговый съемник.
Старенькие колпаки, как правила, бывают задубевшими, и они сильно закрепляются.
Чтобы не нанести повреждений кромке новенького колпака маслосъема при устанавливании на клапан, пользуйтесь специальным пластиковым колпачком, он состоит в наборе с колпаками маслосъемными.
Сильно смажьте колпачок масленым раствором, оденьте на клапан и трубкой из металла с диаметром 12 мм (можно трубчатым ключом на 12) протолкнуть колпак и запрессовать его до конца.
После поставить на пункт пружины, тарелочку сверху, нажать рассухаривателем на тарелочку и вставить «сухари», зафиксировать их в пазу клапанчика. Процесс очень тонкий, маловато местечка, поэтому используйте маленькие пинцетики: с ровными и изогнутыми кончиками. Переставить рассухариватель для смены МСК клапанов впуска и повторить процесс.
За сменой МСК на 4 клапанах цилиндра, провернуть коленчатый вал, опустить поршень в НМТ, вынуть веревочку из цилиндра. Повторить процесс для прочих цилиндров. Для смены МСК в 5 цилиндре рассухариватель поставить таким образом.
Одеть цепочку так, чтобы меточки на шестернях распределительного вала были против друг друга.
Прежде чем прикручивать распределительный вал, установить коленчатый вал по выше изображенным меточкам, 1 поршень в ВМТ. Прикрутить и затянуть крышечки Распределительных валов: у выпуска вначале 1,3,5 крышечки, после 2 и 4; у вала впуска вначале 6,8,10 крышечки, после 7 и9. затянуть гаечки нужным моментом по-диагонали. Для устанавливания крышечки сальника распределительного вала нанести чуток герметика в тех местах, которые указывались.
Одеваем новый сальник на распредвал, но не до упора, предварительно обильно смазав рабочие кромки сальника маслом, одеваем крышку сальника, чуть подтягиваем гайки.
Одеть новенький сальник на распределительный вал, но не до конца, прежде сильно намазать кромки работы сальника масляным раствором, одеть крышечки сальника, немного подтянуть гаечки.
Годящейся оправкой осалить сальник до конца и затянуть гаечки.
Спереди крышечка у вала впуска завинчивается без герметика.
Одеть новенькую прокладку на крышку клапана.
В наборе с прокладкой есть 2 уплотнения в виде полукруга.
Вставить прокладки в канавки сзади у ГБЦ.
Нанести герметик на места, где стыкуются уплотнения сзади и спереди у ГБЦ, как на рисунке.
Одеть крышечку клапанов, затянуть нужным моментом, прикрутить вентиляционные шланги.
Одеть шестерню ГРМ на распределительный вал, меточки на местах, подтянуть болтик шестерни, не допустить того, чтобы распределительные валы прокрутились. Болтик нужно поставить новенький.
Снять шкив коленчатого вала с шестерней, одеть новенький ремень ГРМ, прикрутить кожух ремня внизу. Прикрутить шестерню к шкиву, который сняли.
Посмотрите, на шестерне имеется выступ, а на шкиве – выемка под выступик, их нужно соединить.
Одеть на коленчатый вал шкив с шестерней.
Нанести на болтик в центре коленчатого вала состав для фиксирования, закрутить и подтянуть болтик, не допустить того, чтобы провернулся коленчатый вал.
Прикрутить шкив вискомуфты.
Не забыть закрутить саму вискомуфту.
Прикрутить натяжитель ремня ГРМ с новеньким роликом, болтики натяжителя не затягивать для его свободного перемещения в пазах.
Одеть ремень ГРМ на помпочку и шестерню распределительного вала таким образом, дабы бок ремня, который проходит через помпу не провис и не был прослаблен.
С помощью ключа либо головки на 22 повернуть корпус ролика натяжения влево, так натягиваем ремень ГРМ.
Затянуть болтики натяжителя.
Натяжение будет так, дабы ремень мы могли поворачивать на 90 градусов, как изображено тут.
Осматриваем как совпадают меточки, прокрутить коленчатый вал за болтик в центре на пару оборотов, опять глаза на то место, где совпадают метки и натяжение ремня ГРМ. При совпадении меточек и не ослабленном ремне продвигаемся далее. При ослабленном ремне и разъехавшихся метках, нужно расслабить натяжитель, после достать с шестерни распределительного вала ремень, проставить снова меточки и повторяем три шага, которые описывали перед этим.
Одеть на шкив коленчатого вала стопор, упереть его в балку и затянуть болтик коленвала в центре.
Затянуть 4 болтика шкива коленчатого вала, при этом не снимать стопор.
Затянуть болтик шестерни распределительного вала, при этом не снимать стопор.
Одеть кожух ремня ГРМ сверху, с помощью защелок зафиксировать.
Одеть и затянуть шкив насоса ГУР.
Поменять ролик натяжителя ремня поликлина. Если нет тисков, его можете установить на два болтика на его же кронштейне к верху роликом.
Открутить болтик, крепящий ролик.
Сменить ролик на новенький, затянуть болт ролика, поставить натяжитель на место.
Одеть ремень поликлина таким образом, как представлено на изображении.
Рожковым ключом ослабить натяжитель и вынуть стопор, в это время происходит натягивание ремня. Подтянуть гаечку вискомуфты пока поликлиновый ремень натянут, прикрутить вентилятор к вискомуфте. Собрать морду в обратной последовательности, выкрутить свечи, поставить крышечку с катушками зажигания.
Замена ремня ГРМ и МСК на Audi 100/S4
Отчет с фотографиями с подробным описанием смены ремня механизма газораспределения (ГРМ) и маслосъемных колпачков (МСК) на машине Ауди А 100/С4 с двигателем 2.2 литра.
Мы пользовались при работе такими запчастями:
- Колпак маслосъемный, номерной знак по VAG 027109675 20 деталей;
- Цепь ГРМ, номерной знак по VAG 077109120;
- Ремень ГРМ, номерной знак по VAG 054109119Н;
- Ремень поликлиновой, номерной знак по VAG 054903137B;
- Ролик ГРМ, номерной знак по VAG 078109244F;
- Ролик ремня поликлина, номерной знак по VAG 059145276;
- Подшипник вискомуфты вентилятора, номерной знак по VAG 077115136A;
- Сальник распределительного вала, номерной знак по VAG 068103085E;
- Сальник коленчатого вала, номерной знак по VAG 054115147B;
- Прокладка клапанной крышечки, номерной знак по VAG 034198025F;
- Помпа, номерной знак по VAG 054121004AX;
- Прокладка помпы, номерной знак по VAG 035121043;
- Болтик распределительного вала, номерной знак по VAG N90256202;
- Болтик коленвала, номерной знак по VAG 034105229A;
- Шестерня коленвала, номерной знак по VAG 034105263A.

Как произвести смены ремня ГРМ на указанном авто с движком 2,3 ААR вы узнаете, посмотрев видеоролик.
Потяните к себе, снять коротенькую и длинненькую решеточки в бампере.
Открутить саморезы, крепящие «реснички» снизу фар, снять реснички.
С помощью головки на 13 открутить два болтика, крепящие бампер снизу фар.
С помощью головки на 13 открутить два болтика, крепящие бампер внизу.
Осторожно потянуть бампер к себе, освободить при этом крепления бампера, снять бампер. Отщелкнуть от бампера температурный датчик для воздуха снаружи. Открутить 4 винтика, крепящие боковые накладки радиатора из пластика, снять накладки.
Открутить саморезы крепления сверху, снять крепления.
Открутить крепления фаровых ресничек с правой и левой сторон, снять крепления.
Открутить гаечки сайлентблока радиатора с правой стороны.
Проделать ту же процедуру и с левой стороны.
Открутить саморезы, крепящие воздухозаборник к радиатору.
Отвести правую долю радиатора к переду и закрепить так.
В подлиннике есть необходимое крепление 3251.
Открутить 8 винтиков, крепящие верхнюю панель, и 4 винтика, крепящие фары. Снять панель сверху и отвести в бок. Крепящие трос винты не откручиваем, дабы после не пришлось настраивать процесс открывания капота. Так, после смена ремня ГРМ идет без разгерметизации механизма кондиционера и остужения.
Открутить 4 болта, крепящие вентилятор к вискомуфте, снять вентилятор.
Открутить болтик, крепящий кожух поликлинового ремня, снять кожух.
С помощью рожкового ключа на 17 сжать пружинку натяжителя ремня поликлина, вставить стопор в дыру.
Открутить три болтика, крепящие натяжитель, снять его.
После снять ремень поликлина.
С помощью рожкового ключа на 27 стопорим шкив насосика ГУР, открутить три болтика, крепящие шкив.
Затем снять и шкив.
Специальным стопором зафиксировать шкив коленвала.
Мощным воротком с говловочкой на 27 ослабить болтик в центре коленвала. Затяжной момент большеватый и болтик заклеен, поэтому понадобятся стопор и сильный вороток.
Ослабить болтики, крепящие шестерни распределительного вала.
Не снимать стопор шкива, ослабить 4 болтика, крепящие шкив к шестерне коленчатого вала.
Болтики шкифа коленчатого вала.
Для легкого кручения ГРМ, выкрутить свечи зажигания. Открутить три винтика крышечки катушечек зажигания, снять крышечку с катушками.
Выкрутить свечи после снятия крышечки.
Крутя ГРМ за шкив коленчатого вала, совместить меточки: 1. На шкиву коленчатого вала;
2) на маховике распределительного вала;
3) на шестерне распределительного вала.
Открутить три болтика, крепящие натяжитель ремня ГРМ, прежде ослабить болтик, крепящий ролик натяжителя для его смены. После снять натяжитель.
Снять шкив коленчатого вала совместно с шестерней.
Открутить два болтика, крепящие нижний кожух ремня ГРМ, снять кожух, снять сам ремень.
Будьте внимательны при рассмотрении шестерни на наличие целых шпонок.
При ужасном виде шпонке и если она сорвалась, то замените шестерню на новенькую.
Если все демонтировано и вам легко пролезть, можете помыть движок.
С помощью тонкого зубила нанести удар по гаечке вискомуфты, открутить ее вправо.
После снять вискомуфту.
Открутить три болтика шкива вискомуфты, снять шкив.
Открутить три болтика, крепящие подшипник вискомуфты, снять подшипничек с валом.
Открутить болтик, крепящий подшипник вискомуфты.
Новенький подшивник прессуем с помощью нужной головки.
Ослабить хомутик патрубка радиатора, снять патрубок.
Открутить болтики, крепящие насос ГУР.
Болтик, крепящий насос ГУР.
Открутить три болтика, крепящие помпы.
Сдвинуть насос ГУР и вынуть помпу.
Поставить новенькую помпу, не забыть о прокладке.
Прикрутить на место насосный кронштейн ГУР.
Выцарапать тоненькой отверточкой сальник коленчатого вала.
Новенький сальник коленчатого вала запрессовать нужной по размеру оправочкой, прежде хорошо обмазав сальник масляным раствором.
Открутить полностью болтик шестерни распределительного вала (наблюдаем, дабы меточки не разошлись), снять шестерню.
Будьте внимательны при рассматривании шестерни распределительного вала на целостность шпонки и распределительного вала на целые пазы под шпонку.
Для сменяя сальника распределительного вала, снимаем крышку клапана. Затем приступить к смене колпаков маслосъема. Вначале ослабить хомутики.
Затем снять вентиляционные патрубки.
Открутить 8 болтиков, крепящие клапанную крышку.
Снять крышку клапана.
Проверить меточки на шестерня распределительного вала.
Расположение меток друг к другу на ровности ГБЦ.
Проверить люфт цепи между валами.
Открутить крышки сальника выпускного распределительного вала.
После откручивания крышки снять сальник.
Открутить крышку спереди вала впуска.
Открутить крышечки распределительных валов. У выпуска 2 и 4 крышечки, после 1, 3, 5.
У впуска вначале 7 и 9 крышечки, после 6, 8, 10.
Ослабить гаечки по диагонали. Крышки с номерами, при устанавливании не спутаете.
Снять распределительные валы.
Вынуть гидравлические компенсаторы из колодцев. Их лучше поставить на прежне место, где взяли, при перепутывании не будет проблем.
Для рассухаривания клапана нужно их застопорить. Нужно так: поставить 1 цилиндрик в позу нижней мертвой точки (НМТ), взять веревочку и острой спицей из стали засунуть веревочку в цилиндр, войдет где-то два три метра.
После привернуть коленчатый вал (одеть на место шестерню коленчатого вала и шкив, подтянув болтиками, но не затянуть), поднять поршень до того момента, как начнет сопротивляться – выходит веревочка в цилиндре зажата.
Начните процесс рассухаривания клапана, они упрутся в веревочку в цилиндре. Процедура проста: давим на тарелочку клапана и вынимаем пинцетиком «сухари». При проделывании этой работы сделайте так, чтобы сухари не упали в углы ГБЦ, закройте дыры в ГБЦ чистенькой тряпочкой.
За снятием сухарей, вынуть тарелку сверху, огромную и маленькую пружины клапанов, и увидим внутри колпак маслосъема.
Чтобы вынуть этот колпак, нужно использовать цанговый съемник.
Старенькие колпаки, как правила, бывают задубевшими, и они сильно закрепляются.
Чтобы не нанести повреждений кромке новенького колпака маслосъема при устанавливании на клапан, пользуйтесь специальным пластиковым колпачком, он состоит в наборе с колпаками маслосъемными.
Сильно смажьте колпачок масленым раствором, оденьте на клапан и трубкой из металла с диаметром 12 мм (можно трубчатым ключом на 12) протолкнуть колпак и запрессовать его до конца.
После поставить на пункт пружины, тарелочку сверху, нажать рассухаривателем на тарелочку и вставить «сухари», зафиксировать их в пазу клапанчика. Процесс очень тонкий, маловато местечка, поэтому используйте маленькие пинцетики: с ровными и изогнутыми кончиками. Переставить рассухариватель для смены МСК клапанов впуска и повторить процесс.
За сменой МСК на 4 клапанах цилиндра, провернуть коленчатый вал, опустить поршень в НМТ, вынуть веревочку из цилиндра. Повторить процесс для прочих цилиндров. Для смены МСК в 5 цилиндре рассухариватель поставить таким образом.
Одеть цепочку так, чтобы меточки на шестернях распределительного вала были против друг друга.
Прежде чем прикручивать распределительный вал, установить коленчатый вал по выше изображенным меточкам, 1 поршень в ВМТ. Прикрутить и затянуть крышечки Распределительных валов: у выпуска вначале 1,3,5 крышечки, после 2 и 4; у вала впуска вначале 6,8,10 крышечки, после 7 и9. затянуть гаечки нужным моментом по-диагонали. Для устанавливания крышечки сальника распределительного вала нанести чуток герметика в тех местах, которые указывались.
Одеваем новый сальник на распредвал, но не до упора, предварительно обильно смазав рабочие кромки сальника маслом, одеваем крышку сальника, чуть подтягиваем гайки.
Одеть новенький сальник на распределительный вал, но не до конца, прежде сильно намазать кромки работы сальника масляным раствором, одеть крышечки сальника, немного подтянуть гаечки.
Годящейся оправкой осалить сальник до конца и затянуть гаечки.
Спереди крышечка у вала впуска завинчивается без герметика.
Одеть новенькую прокладку на крышку клапана.
В наборе с прокладкой есть 2 уплотнения в виде полукруга.
Вставить прокладки в канавки сзади у ГБЦ.
Нанести герметик на места, где стыкуются уплотнения сзади и спереди у ГБЦ, как на рисунке.
Одеть крышечку клапанов, затянуть нужным моментом, прикрутить вентиляционные шланги.
Одеть шестерню ГРМ на распределительный вал, меточки на местах, подтянуть болтик шестерни, не допустить того, чтобы распределительные валы прокрутились. Болтик нужно поставить новенький.
Снять шкив коленчатого вала с шестерней, одеть новенький ремень ГРМ, прикрутить кожух ремня внизу. Прикрутить шестерню к шкиву, который сняли.
Посмотрите, на шестерне имеется выступ, а на шкиве – выемка под выступик, их нужно соединить.
Одеть на коленчатый вал шкив с шестерней.
Нанести на болтик в центре коленчатого вала состав для фиксирования, закрутить и подтянуть болтик, не допустить того, чтобы провернулся коленчатый вал.
Прикрутить шкив вискомуфты.
Не забыть закрутить саму вискомуфту.
Прикрутить натяжитель ремня ГРМ с новеньким роликом, болтики натяжителя не затягивать для его свободного перемещения в пазах.
Одеть ремень ГРМ на помпочку и шестерню распределительного вала таким образом, дабы бок ремня, который проходит через помпу не провис и не был прослаблен.
С помощью ключа либо головки на 22 повернуть корпус ролика натяжения влево, так натягиваем ремень ГРМ.
Затянуть болтики натяжителя.
Натяжение будет так, дабы ремень мы могли поворачивать на 90 градусов, как изображено тут.
Осматриваем как совпадают меточки, прокрутить коленчатый вал за болтик в центре на пару оборотов, опять глаза на то место, где совпадают метки и натяжение ремня ГРМ. При совпадении меточек и не ослабленном ремне продвигаемся далее. При ослабленном ремне и разъехавшихся метках, нужно расслабить натяжитель, после достать с шестерни распределительного вала ремень, проставить снова меточки и повторяем три шага, которые описывали перед этим.
Одеть на шкив коленчатого вала стопор, упереть его в балку и затянуть болтик коленвала в центре.
Затянуть 4 болтика шкива коленчатого вала, при этом не снимать стопор.
Затянуть болтик шестерни распределительного вала, при этом не снимать стопор.
Одеть кожух ремня ГРМ сверху, с помощью защелок зафиксировать.
Одеть и затянуть шкив насоса ГУР.
Поменять ролик натяжителя ремня поликлина. Если нет тисков, его можете установить на два болтика на его же кронштейне к верху роликом.
Открутить болтик, крепящий ролик.
Сменить ролик на новенький, затянуть болт ролика, поставить натяжитель на место.
Одеть ремень поликлина таким образом, как представлено на изображении.
Рожковым ключом ослабить натяжитель и вынуть стопор, в это время происходит натягивание ремня. Подтянуть гаечку вискомуфты пока поликлиновый ремень натянут, прикрутить вентилятор к вискомуфте. Собрать морду в обратной последовательности, выкрутить свечи, поставить крышечку с катушками зажигания.
Как выставить метки на audi 100 93г 2.5 двигатель аат. Блог, объявления, видео
Содержание статьи:Фото Метки Грм Ауди 5 Цилиндров Видео Похожие статьи
A/45 2,5 AAT #1 Denis11, 22 мар Возможно неправильно выставил метки на коленвале и распредвале. После установки зубчатого ремня прокручивал коленвал несколько раз? И ещё просто на ААТ неудачная конструкция зубчатого, я сейчас не парюсь беру зубчатый и ролики с AEL это более позний мотор и всё подходит 1 в 1. На AEL конструкция зубчатого ремня ГОРАЗДО БОЛЕЕ НАДЁЖНАЯ чем на ААТ. (Вы должны войти или зарегистрироваться, чтобы разместить сообщение.) Показать игнорируемое содержимое.
Вот решил выложить фото как я выставлял метки грм на своей»авдотье». На просторах инета нашёл 2 варианта меток на маховике. 1- выбит «0» и риска, 2- глубокая «v» образная прорезь. У меня второй вариант Я так понял если 0, то Затемищем метку на шкиве насоса. Совмещаем с меткой на корпусе и ставим ремень.
Полный размер. На шкиве метка выбита. После этого двигатель с трудом, но должен запуститься. Для дальнейшей точной настройки нужен ноут и шнур 11 мес. У меня тоже ААТ, но отверстия и метка на маховике выглядят иначе и датчик положения коленвала вставлен в блок.А здесь вроде как с маховика берётся сигнал. +2. 11 мес. valera31m. Это ААТ старой модефикации как у А ц4. +1. 11 мес.
Ауди А6 Выставление распредвалов после замены ремня ГРМ — Продолжительность: WNE RUSSIA Слабое место в приводе ГРМ на Audi A6 2. 5 TDi — Продолжительность: СТО Ковш просмотров. Из-за этого и зарядка на холостых барахлила, так как ремень огибал малую площадь шкива. Запускаем двигатель, для того, чтобы вышел воздух. Выбор, покупка и продажа автомобилей. Что бы начать ремонтировать,и что бы все фиксаторы были в наличии. Скачивание темы в различных форматах или просмотр версии для печати этой темы. Информация. Установить новый термостат в блок двигателя, прокладку термост.
Это для заводки двигла. То что смотреть на них правильно надо — это верно не у всех с первого раза получается. По идее, у ки тоже самое должно быть. Проверка установки верхней мертвой точки первого цилиндра. Затем выставлял все углы на двух машинах АКП ребята не дадут мне соврать!
Дизельный двигатель ауди 2 5 метки
Могут произойти расхождения при работе с автомобилями разных годов выпуска, но чаще всего расхождения возникают при работе с деталями кузова. Средняя стоимость деталей указана по состоянию цен на лето го для Москвы и региона. Начинаем, в первую очередь снимается верхняя и нижняя защита двигателя, а так же и воздуховод воздушного фильтра, не забываем про патрубки интеркуллера , идущие от радиатора интеркуллера.
После от трубы интеркуллера снимается крепление передней подушки двигателя. Начинаем снимать болты крепящие радиатор кондиционера, сам радиатор нужно отвести в сторону, отсоединять от магистралей не нужно. Болты, крепящие масляные магистрали АКПП откручиваем, магистрали отводим в сторону грудины кузова.
Патрубки системы охлаждения отсоединяем, охлаждающую жидкость нужно слить , не забудьте заранее найти емкость. Электроразъемы и фишки нужно отсоединить от фар, трос с замка капота нужно снять. Болты передней панели нужно открутить и снять вместе с радиатором. Радиатор не нужно ставить в положение сервисного обслуживания, так как работа, которую предстоит выполнить будет требовать от вас как можно больше свободного места.
Вот именно поэтому желательно потратить 15 минут на слив охлаждающей жидкости, а так же на снятие радиатора в сборе с фарами. Приступаем к работам на правой стороне двигателя, снимаем воздухозаборный канал, который ведет к воздушному фильтру.
Топливный фильтр снимается, не отсоединяя шланги и блоки крепления датчиков, их нужно просто отвести в сторону. Освобождаем доступ к заглушке распределительного вала правой ГБЦ. При снятии заглушка разрушится, заглушку снимайте аккуратно, старайтесь не испортить уплотняющий край посадки стрелка. В том случае, если нет возможности приобрести новую заглушку, можно выровнять старую.
Нанести хороший герметик с двух сторон. Переходим к левой стороне , с нее нужно снять: Не забудьте поршень третьего цилиндра установить в ВМТ.
Приступаем к снятию ремня ТНВД. Пред тем, как снять ремень понадобится снять: Обратите внимание, что центральную гайку ступицы демпфера ослаблять не нужно. Берем шестигранник и им отводим натяжитель от ремня по часовой стрелке, после гайку натяжителя нужно слегка затянуть.
В первую очередь откручиваем болты левого шкива распредвала. После, демонтируем внешний шкив привода ТНВД вместе ремнем. Внимательно осматриваем втулку натяжителя, нужно убедиться в ее целости. Исправная втулка свободно вращается в корпусе, люфтит должен полностью отсутствовать. Тефлоновые и резиновые уплотнители должны быть без повреждений.
Теперь продолжаем, нужно открутить болты шкива коленвала. Центральный болт коленвала отворачивать не нужно. Шкивы гидроусилителя и вентилятора, а так же нижнюю крышку ремня ГРМ нужно снять. Берем шестигранник 8 мм и поворачиваем ролик натяжителя, ролик натяжителя нужно проворачивать по часовой стрелке, до тех пор, пока отверстия корпуса натяжителя и отверстия в штоке не совместятся. Для того, чтобы избежать повреждений натяжителя, не нужно прилагать больших усилий, ролик желательно поворачивать медленно, нее торопясь.
Ауди 100 с4 а6с4 2.5тди ААТ
Ауди 100 замена ремня грм
Замена ГРМ Ауди 100
Замена ГРМ Ауди 100 не составит никакого труда. Но чтобы подобраться к нему, необходимо разобрать множество механизмов, отвинчивая болты и гайки. Давайте поговорим о последовательности работ.
Шаг 1
Открывая капот, вы видите переднюю панель. С нее и начнем. Откручивайте все видимые болты. После этого трос, который необходим для замка капота, вытаскиваем из крепления и отодвигаем в сторону лобового стекла.
После снятия закрывающей панели под фарами, мы видим нижние болты крепления. Отвинчиваем их, отсоединяем провода и вытаскиваем фары. Кладем в безопасное место, чтобы случайно на них не наступить.
Шаг 2
Бампер держится на 4-х болтах. Чтобы подобраться к двум нижним, необходимо снять декоративную решетку. В случае если установлены противотуманные фары, то и их. Кроме болтов, бампер крепится с локерами при помощи клипс. Чтобы их открепить, нужно потянуть его на себя. Аккуратно снимаем и также ставим в безопасное место.
Шаг 3
Затем снимаем радиатор, сливая предварительно антифриз. Место слива находится в углу справа.
Пока жидкость сливается в емкость, следует открутить два винта, которые крепят маслопровод, а после перемещаем его в сторону.
Разъединяем проводку, которая питает электрический вентилятор, чтобы его не разбирать. Расположение массы и питания находится под одной из фар.
Винты крепления радиатора можно откручивать не до конца, так как отверстие их выполнены в виде прорезей.
Шаг 4
К радиатору подходят три шланга, которые закреплены хомутами. Снимаем их, и медленно потянув на себя, демонтируем радиатор. Его желательно убрать подальше от рабочей области. Теперь к двигателю можно с легкостью подобраться.
Берем ключ на 17 и надеваем на специальное приспособление натяжения ремня, стараемся надавить по часовой стрелке до того момента, пока два отверстия не совпадут. Дойдя до такого положения, его необходимо зафиксировать отверткой. Крепление держится на трех болтах, которые отвинчиваем, после чего демонтируется не только ремень, но и ролик натяжения.
Метки ГРМ выставляются правильно путем хорошо различимых обозначений. В крайнем случае, смотрим совпадения по метке на шкиве и маховике.
Ремень ослабляется, а болты крепления отпускаются, в результате чего механизм можно сдвинуть влево.
Шаг 5
Начинается самая трудная работа – откручивание основного болта. 4 маленьких по сторонам смысла трогать нет. Если у вас нет пневмоинструмента, то необходим ключ-головка на 27, хороший вороток с прилагающей трубой и большая надежная отвертка. Не обойтись и без еще одного человека, который будет держать коленчатый вал, установив в зубья монтажку или отвертку.
После откручивания болта вынимается шкив привода вместе с шестерней. Далее остается открутить два остающихся винта.
Приводной шкив демонтируется только после того, как вы открутили основной болт. Далее остаются два последних, которые также без труда можно открутить.
Шаг 6
Теперь ремень можно снять. А переднюю часть двигателя хорошо отмыть, чтобы потом не думать о происхождении масляных пятен (старые ли они или свежие).
Если это необходимо, сальник распредвала и коленвала заменяется. Бывают ситуации, когда под помпой образуются потеки антифриза. Осуществите проверку дополнительных механизмов. Если ролик натяжителя непригодный, он подлежит замене.
В действительности ролик меняется непосредственно в комплекте с ремнем, но бывают ситуации, когда его замена проводилась недавно, а из-за износа ремня, пришлось разбирать повторно.
Подпишись на наш канал в Я ндекс.Дзене
Еще больше полезных советов в удобном формате
Замена ремня ГРМ Ауди 100 С4 2.3
Сменить ременную передачу ГРМ на Ауди 100 с4 2.3 не так уж и сложно, хотя и очень простой эту процедуру не назовешь. Конечно, вы можете обратиться к специалистам, и они все сделают профессионально, но эта статья для тех, кто все привык делать сам. Выполняя подобный ремонт автолюбитель не только экономит деньги, но и получает бесценный опыт.
Благодаря ременной передаче происходит синхронизация коленчатого и распределительного валов. В некоторых моделях автомобилей для этой цели используется цепь. У нее есть определенные преимущества перед ремнем. Цепь сделана из закаленного металла, и она не может оборваться, чего нельзя сказать о ремне. А обрыв ременной передачи грозит серьезными последствиями. Если ремень обрывается, в моторе начинается настоящий хаос – клапана сталкиваются с поршнями и происходит их деформация. Ремонт потребует немаленьких трат, поэтому всегда очень важно диагностировать состояние ременной передачи. Проверяйте ее состояние хотя бы через 25-30 000 км. А чтобы не забыть, когда было проведено последнее обследование, подкладывайте под капот табличку с соответствующей надписью.
Регламент замены
Производитель рекомендует производить замену ременной передачи не раньше, чем после 120 000 км. Возможно, этот регламент и можно было бы взять за основу, если ни некоторые факторы, влияющие на преждевременный износ изделия. Здесь речь идет, конечно же, о российских дорогах. Большое значение имеет и манера вождения. Если водитель практикует агрессивную езду, то это обязательно скажется как на работе ременной передачи узла ГРМ, так и на остальных узлах автомобиля.
Дефекты ремня можно определить визуально, а можно и по некоторым другим признакам. Ремень обязательно нужно заменить на новый, если:
- поверхность стала покрываться мелкими трещинами;
- появились вздутия, впадины и прочие признаки деформации структуры;
- торцы растрепались, что способствовало выделению отдельных нитей;
- ремень покрылся масляными пятнами.
Если автомобиль стал хуже заводиться, это тоже может быть признаком износа ремня. Конечно, плохо заводиться машина может и вследствие некоторых других причин, но и износ ремня ГРМ упускать из вида не стоит. Если машина стала слишком много потреблять топлива, это тоже может быть знаком того, что ремень износился.
Итак, вы обнаружили, что ременную передачу пора заменить, и решили сделать это сами. Первым делом для этого нужно сходить в магазин и купить там новый комплект ременной передачи, вместе с роликами и сальниками. Затем приготовьте комплект ключей и прочих приспособлений. Например, вам понадобится фиксатор для валов. Эта очень полезная штука продается во всех специализированных магазинах. Но его роль может выполнять и обычная монтировка. Позаботьтесь о том, чтобы под рукой был домкрат. Если все уже готово, тогда можно начинать.
- Ставим машину на ровное место. Трос замка капота вынимаем и отодвигаем его в сторону кабины. Снимаем панель, расположенную под варами. Теперь нам открываются болты крепления фар. Отворачиваем их и снимаем фары. Делать это необязательно, но все же специалисты рекомендуют фары демонтировать и убрать их в безопасное место.
- Теперь нужно отвернуть 4 болта крепления бампера. Сначала снимаем решетку и противотуманные фары, если они есть, конечно. Болты откручены, но бампер держится на клипсах. Чтобы снять его с них, просто тянем его в свою сторону.
3. Сливаем антифриз с радиатора, и снимаем сам радиатор. Жидкость будет сливаться некоторое время. Пока это происходит, можно открутить 2 болта крепления маслопровода. Когда болты будут откручены, маслопровод отводится в сторону.
4. Отсоединяем провода вентилятора. Они расположены под фарами, вернее, под одной из них. Крепящие вентилятор винты необязательно отворачивать до конца, потому что отверстия, в которые они посажены, сделаны в виде прорезей.
5. Снимаем шланги, которые подходят к радиатору. Крепятся они при помощи хомутов. После того, как мы снимем радиатор, мы уже легко сможем подобраться к двигателю. Ключом на 17 начинаем давить на натяжитель по часовой стрелке. Делаем это до полного совмещения отверстий. Когда это произойдет, натяжитель фиксируется при помощи отвертки. Отворачиваем 3 болта крепежа. Сейчас можно снять как натяжитель, так и ременную передачу.
6. Совмещаем метки, расположенные на маховике и шкиве.
7. Сейчас перед нами стоит очень сложная задача – нам предстоит открутить основной болт. Болты, расположенные по сторонам (их 4 штуки) мы трогать не будем. На этом этапе нам потребуется помощник, который зафиксирует коленвал, вставив в шестерни монтажку. Конечно, если у вас есть специальное приспособление, необходимость в помощнике отпадает. Берем головку на 27 и вороток с куском трубы. Начинаем откручивать главный болт шкива и вынимаем шкив вместе с шестеренкой.
8. Сейчас уже можно полностью снять ремень. Обязательно отмойте переднюю часть мотора. Меняем сальники валов и натяжной ролик. Надеваем новый ремень. После этого сборку прочих агрегатов производим от обратного.
Видео руководство
Замена ремня ГРМ на Ауди 100 своими руками
Как заменить ремень ГРМ и выставить метки на зажигание в автомобиле Ауди 100 C3 в 44 и 45 кузове . Этот вопрос волнует многих владельцев Ауди данной модели. В сегодняшней статье я попытаюсь, досконально разобраться в этой проблеме и дать полный ответ на поставленный вопрос. Ну и конечно, по традиции всю пошаговую инструкцию я буду сопровождать фотографиями и интересными видео.
Признаки, предшествующие замене ремня ГРМ на Ауди 100Периодичность замены ремня ГРМ на автомобилях Ауди 100 происходит 1 раз на каждые 100 тысяч километров. Но, зачастую ремень приходиться менять намного чаще, на это влияют внешние механические признаки.
Как понять, что пришло время менять ремень ГРМ? Да очень просто! Для начала вам нужно провести его внешний осмотр. Если в ходе данного осмотра выяснилось что:
- На ремне ГРМ есть сколы и трещины
- Видны потеки масла
- Внешне ремень сильно изношен
Поздравляю вас на вашей Ауди 100 пришло время менять ремень ГРМ!
Пошаговая инструкция замены ремня ГРМ на Ауди 100 C 3Сама процедура замены ремня ГРМ на автомобиле Ауди 100 не должна вызвать у вас особых проблем! Но, для того чтобы подобраться к нему, необходимо разобрать множество механизмов, отвинчивая болты и гайки. Давайте поговорим о последовательности работ.
- Открывая капот, вы видите переднюю панель. С нее и начнем. Откручивайте все видимые болты. После этого трос, который необходим для замка капота, вытаскиваем из крепления и отодвигаем в сторону лобового стекла.
- После снятия закрывающей панели под фарами, мы видим нижние болты крепления. Отвинчиваем их, отсоединяем провода и вытаскиваем фары. Кладем в безопасное место, чтобы случайно на них не наступить.
- Бампер держится на 4-х болтах. Чтобы подобраться к двум нижним, необходимо снять декоративную решетку. В случае если установлены противотуманные фары, то и их. Кроме болтов, бампер крепится с локерами при помощи клипс. Чтобы их открепить, нужно потянуть его на себя. Аккуратно снимаем и также ставим в безопасное место.
- Затем снимаем радиатор, сливая предварительно антифриз. Место слива находится в углу справа.
- Пока жидкость сливается в емкость, следует открутить два винта, которые крепят маслопровод, а после перемещаем его в сторону.
- Разъединяем проводку, которая питает электрический вентилятор, чтобы его не разбирать. Расположение массы и питания находится под одной из фар. Винты крепления радиатора можно откручивать не до конца, так как отверстие их выполнены в виде прорезей.
- К радиатору подходят три шланга, которые закреплены хомутами. Снимаем их, и медленно потянув на себя, демонтируем радиатор. Его желательно убрать подальше от рабочей области. Теперь к двигателю можно с легкостью подобраться.
- Берем ключ на 17 и надеваем на специальное приспособление натяжения ремня, стараемся надавить по часовой стрелке до того момента, пока два отверстия не совпадут. Дойдя до такого положения, его необходимо зафиксировать отверткой. Крепление держится на трех болтах, которые отвинчиваем, после чего демонтируется не только ремень, но и ролик натяжения.
- Метки ГРМ выставляются правильно путем хорошо различимых обозначений. В крайнем случае, смотрим совпадения по метке на шкиве и маховике.
- Ремень ослабляется, а болты крепления отпускаются, в результате чего механизм можно сдвинуть влево.
- Начинается самая трудная работа – откручивание основного болта. 4 маленьких по сторонам смысла трогать нет. Если у вас нет пневмоинструмента, то необходим ключ-головка на 27, хороший вороток с прилагающей трубой и большая надежная отвертка. Не обойтись и без еще одного человека, который будет держать коленчатый вал, установив в зубья монтажку или отвертку.
- После откручивания болта вынимается шкив привода вместе с шестерней. Далее остается открутить два остающихся винта.
- Приводной шкив демонтируется только после того, как вы открутили основной болт. Далее остаются два последних, которые также без труда можно открутить.
- Теперь ремень можно снять. А переднюю часть двигателя хорошо отмыть, чтобы потом не думать о происхождении масляных пятен (старые ли они или свежие).
- Если это необходимо, сальник распредвала и коленвала заменяется. Бывают ситуации, когда под помпой образуются потеки антифриза. Осуществите проверку дополнительных механизмов. Если ролик натяжителя непригодный, он подлежит замене.В действительности ролик меняется непосредственно в комплекте с ремнем, но бывают ситуации, когда его замена проводилась недавно, а из-за износа ремня, пришлось разбирать повторно.
Многие из них столкнулись с проблемой установки зажигания и т. Д. При замене ремня привода газораспределительного механизма. Я расскажу вам, как легко это сделать, иногда есть трудности с установкой на этикетках, поскольку кто-то еще уже установил шкивы, амортизационные маховики и т. Д. Суть того, что, во-первых, мы имеем для установки поршня первого цилиндра в ВМТ. В этом мы будем помогать ярлыкам на маховике.
на фото Две метки отмечены, TDC-Верхняя мертвая точка и время зажигания UOZ. Мы работаем с TDC: мы устанавливаем знак 0 таким образом:
Так что 0 – ровно половина указателя, затем установите распределительный вал таким образом, чтобы кулачки первого цилиндра были параллельны головке цилиндра
После этого мы надеваем ремень, стараясь не сбить установку, так как это легче надеть, начиная с шкива коленчатого вала, потянув часовую стрелу, главное – надеть растянутый ремень на распределительный вал !потому что двигатель вращается по часовой стрелке! и с правой стороны ремня тянется с помощью натяжителя насоса или ролика, если у вас есть ГУР.
Теперь, как установить ремень, вы можете продолжить установку времени зажигания или на простом языке, установите зажигание!
для этого поверните двигатель, пока в окне не появится надпись UOZ. И мы показываем его уровень с помощью указателя:
Теперь мы затягиваем гайку так, чтобы тело фиксировалось, с крышкой, главное, чтобы щели на корпусе соответствовали положению высоковольтного провода на первом цилиндре. Если провода не в порядке, вы можете исправить все, первый провод, точно на паз, на корпусе переключателя есть стрелка, показывающая направление вращения бегуна и в направлении этой стрелки, провода в порядке, указанном на головке блока цилиндров для 5-цилиндрового Audi 100
После выполненных операций вы можете запустить автомобиль!
Ауди 100 замена ремня грм
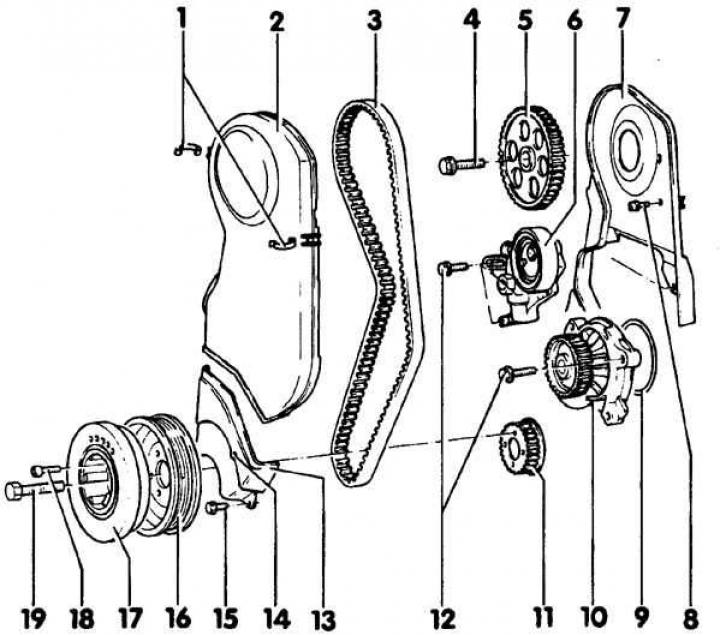
Натяжение и замена зубчатых ремней дизельного 5-ти цилиндрового двигателя
Audi 100 C4. Силовой агрегат. Ремонт двигателя
Элементы зубчатоременной передачи 5-ти цилиндрового двигателя (привод распредвала)
1 Зубчатый ремень
2 Зубчатое колесо распредвала
3 Натяжной ролик
4 Задняя крышка зубчатого ремня
5 Насос охлаждающей жидкости
6 Прослойка
7 Зубчатое колесо коленвала
8 Обводной ролик
9 Гаситель крутильных колебаний
1Центральный болт коленвала.
Проверка и натяжение зубчатого ремня привода распредвала
Снять крышку защиты кожуха зубчатого ремня.
Осадить зубчатый ремень между распредвалом и зубчатым колесом насоса с помощью пластмассового молотка.
Ослабить пружину на приборе проверки VW 21 путем вращения за ручку. Установить прибор между распредвалом и насосом так, чтобы зубчатый ремень лежал между полозьями и измерительным наконечником прибора.
Предварительно натянуть прибор за ручку до значения шкалы 12-13. При этом сбоку на измерительном приборе выступает стальной язычок, на котором расположена белая отметка, которая должна выровняться с краем прибора. В противном случае необходима регулировка зубчатого ремня.
Установить проверочный прибор, а затем установить значение шкалы прибора на 12-13.
Отвернув болт крепления, провернуть натяжной ролик до тех пор, пока белая перпендикулярная линия на язычке прибора не установится напротив его корпуса.
Затянуть гайку ролика с моментом 45 Нм.
Провернуть коленвал на один оборот, повторить измерения.
Надеть верхнюю крышку кожуха зубчатого ремня.
Проверить начало подачи топлива ТНВД.
Внимание. При отсутствии проверочного инструмента, натяжение проверить путем поворота зубчатого ремня большим и указательным пальцами.
Замена зубчатого ремня при вола ТНВД
Снятие
Подняв автомобиль, снять внутренний направляющий кожух моторного отделения.
Опустить автомобиль и снять крепление замка капота и передний бампер
С правой стороны автомобиля снять облицованный кожух и крепление радиатора.
С левой стороны также отвернуть крепление радиатора и воздуховод.
Сдвинуть радиатор вперед и подпереть его бруском.
Ослабив натяжение, снять клиновой ремень.
Отвернув болты, снять крышку головки блока цилиндров.
Сзади головки блока цилиндров снять защитный кожух зубчатого ремня ТНВД.
Спереди снять защитный кожух зубчатого ремня привода распредвала.
Обозначить направление вращения зубчатого ремня (по часовой стрелке).
Установить 1-й цилиндр в положение ВМТ. Для этого необходимо:
- Установить коробку передач в нейтральное положение.
- Затянуть ручной тормоз.
- Провернуть коленчатый вал за центральный болт до совпадения меток в окне картера сцепления и меток на шкиве ТНВД.
Двигатель 2,4 л: застопорить зубчатое колесо ТНВД с помощью стержня.
Двигатель 2,5 л: ослабив стопорную гайку натяжного ролика зубчатого ремня, снять пружину (1).
Придерживая зубчатое колесо распредвала с помощью приспособления, отвернуть болт крепления и снять зубчатое колесо и зубчатый ремень.
Используя специальный брусок, застопорить распределительный вал так, чтобы он не мог провернуться.
Ослабив натяжной ролик зубчатого ремня привода распредвала, снять зубчатый ремень с зубчатого колеса распредвала.
Используя специальное приспособление, отвернуть центральный болт гасителя колебаний.
Отвернув болты, снять гаситель колебаний.
Отвернув болты крепления нижнего кожуха, снять кожух и зубчатый ремень с зубчатого колеса.
Установка
Проверить совпадение установочных меток.
Зафиксировать распредвал от проворота с помощью бруска.
Ослабить болт крепления зубчатого колеса распредвала.
В отверстие заднего кожуха зубчатого ремня вставить бородок до упора в зубчатое колесо и ударив по бородку, ослабить посадку зубчатого колеса распредвала.
Надеть зубчатые ремни распредвала, не меняя направление их вращения.
Натянув зубчатый ремень, затянуть гайку натяжного ролика с усилием 45 Нм.
Затянуть болт крепления колеса привода распредвала усилием 50 Нм.
Убрать регулировочный брусок.
Ослабить болт крепления колеса привода распредвала на пол-оборота. Если требуется, т.е. ослабить и колесо привода распредвала.
Установить поршень первого цилиндра в положении ВМТ.
Затянуть болт крепления зубчатого колеса распредвала.
Провернуть коленчатый вал на два оборота. Осадить зубчатый ремень пластмассовым молотком на участке: зубчатое колесо распредвала — зубчатое колесо ТНВД и снова проверить натяжение зубчатого ремня. Если требуется, то повторить натяжение снова.
С задней части двигателя надеть зубчатый ремень и зубчатое колесо ТНВД, после чего затянуть центральный болт крепления колеса с усилием 50 Нм. Затем снова отвернуть болт на пол-оборота При этом зубчатое колесо должно проворачиваться усилием руки.
Двигатель 2,4л: проверить натяжение зубчатого ремня привода ТНВД и в случае необходимости отрегулировать натяжение, ослабив для этого три болта крепления ТНВД.
Двигатель 2,5л: надев зубчатый ремень, установить пружину натяжника.
- Ослабить гайку крепления натяжного ролика на один оборот. При этом натяжной ролик должен быть прижат к зубчатому ремню.
- Установить зубчатый ремень на свое место, прокрутив для этого коленчатый вал двигателя на пол-оборота.
- Затянуть гайку натяжного ролика.
Установить нижний защитный кожух зубчатого ремня.
Установив приспособление, затянуть центральный болт гасителя колебаний.
Дальнейшая сборка осуществляется в обратной последовательности.
Инструкция как выставить метки ремня грм 2 5 tdi audi 100 4a c4 2 5 tdi. Советы, факты, видео
Содержание статьи:Фото AUDI — Клуб Любителей • Просмотр темы — Установка ремня ГРМ D AAS. Видео Похожие статьи
Вот решил выложить фото как я выставлял метки грм на своей»авдотье». На просторах инета нашёл 2 варианта меток на маховике. 1- выбит «0» и риска, 2- глубокая «v» образная прорезь. У меня второй вариант Я так понял если 0, то Далее снимаем пластмассовую защиту ремня грм и смотрим совпадение меток. Полный размер. До меня их кто то краской нанёс.
Выставляем распредвал и ТНВД на ауди 2,5 tdi двигатель ААТ. Опубликовано: 30 дек. г. Выставляем распредвал и ТНВД на ауди 2,5 tdi двигатель ААТ. Категория. Наука и техника. Замена ремней ГРМ и ТНВД А6С4 ТДИ — Продолжительность: dima 20 просмотра. НЕ ВЫБРАСЫВАЙТЕ РАСПРЕДВАЛ — Продолжительность: George Kosilov просмотра. Все секреты, при ремонте турбины о которых принято молчать.
Audi признана наиболее популярной маркой среди подержанных автомобилей. Объем ежегодного производства составляет порядка 2 млн. единиц автомобилей.Как выставить метки на зажигание после замены ремня ГРМ на Ауди Многие из них столкнулись с проблемой установки зажигания и т. Д. При замене ремня привода газораспределительного механизма. Я расскажу вам, как легко это сделать, иногда есть трудности с установкой на этикетках, поскольку кто-то еще уже установил шкивы, амортизационные маховики и т. Д. Суть того, что, во-первых, мы имеем для установки поршня первого цилиндра в ВМТ. В этом мы будем помогать ярлыкам на маховике. на фото Две метки отмечены, TDC-Верхняя мертвая точка и время зажигания UOZ. Мы работаем с TDC: мы устанавливаем зна.
Тот шестигранник ооочень тяжело открутить. Теперь нужно изготовить приспособление для установки распредвала. Убыстренная съемка замены ремня ГРМ на двигателе 2. Машина на кировском заводе.
2,5 TDI — AAT — Моторный отсек — Форумы Ауди клуба Питер
Количество пользователей, которые сейчас просматривают этот форум: Такое раньше было — распредвал на 4 части — ремонт ГБЦ. А сейчас не стала заводиться. Топливо на форсунки не подается. В конце оказалось — надорван и растянут ремень топливного насоса. Установил новый, выставил все по меткам, а двигатель даже не дернулся. Топливо на форсунки подается. Впрыск на 1 форсунку совпадает с Верхней Мертвой Точкой на махавике. Пробовал ремень на насосе перекидывать на зуб — два в одну и другую стороны, а двигатель мертв, ни одной вспышки.
Подскажите пожалуйста, что явилось причиной разрыва ремня топливного насоса прошел более тысяч? Какие последствия могли произойти в результате этого в топливном насосе?
А может в насосе что-то подклинило, поэтому ремень надорвало и поэтому теперь двигатель не заводится? Могло ли сдвинуть шестерню насоса относительно его вала, то есть сбиться ранее установленная метка на шестерне?
Перекидка на зуб сделала работу двигателя жесткой, но заводится терпимо. Едет как будто хороший прицеп сзади и обороты плохо набирает. По всей видимости надо точно выставить начало впрыска топлива. Купил новый ремешок, буду ставить. А порвало ремешок скорее всего из-за значительно пробега и высоких температур. Все металические детали при нагреве расширяются, а резина почему-то стягивается.
Сегодня после поезки за ремнем и разогретом двигателе обратил внимание на натяжение ГРМ. Так ужаснулся — ремень натянут сильно. После остывания двигателя натяжение стало обычным. Добавлено спустя 3 часа 46 минут 33 секунды: Практически установку впрыска переставлял по 1 зубу и в результате относительно нормально заводится на предыдущей установке, а на остальных даже не схватывает. Подрегулировал угол поворотом самого насоса. Если позднее зажигание — заводится с трудом и долго, работает мягко и немного плавают обороты, но вообще тянуть не хочет.
Если на 0,5 зуба пораньше, работает более жестко, обороты развивает но едет как будто прицеп с зади. На холостых оборотах работает мягко, а как начинаешь давать обороты или трогаться, то работает очень жестко.
Выравняв обороты, то есть держа на одном уровне — звук мотора опять мягкий, добавляешь обороты — опять работает жестко. Какие признаки неисправности управляющей форсунки стоит на 4-ом цилиндре? Как проверить ее работу?
Сегодня перебросил ремень условно на впрыск на 3-ий цикл. Так вот после метки на шестерне после второго проскока я и считаю начало 3-его цикла впрыска условно. Получается что впрыск идет с 4-го цилиндра и далее при этом машина заводится но работает как описал ранее. Короче, надо наверное ехать на диагностику двигателя, смотреть ошибки по всем датчикам и управляющей форсунке, проверить угол установки впрыска, а потом делать выводы. Когда все было в норме впрыск я устанавливал на слух, по заводке и работе двигателя его корректировал, а после проверял на компе и мужики удивлялись, как можно так точно установить зажигание без приборов.
Но сейчас наверное что-то посерьезнее. А что скажете по признакам неиспраности управляющей форсунки? Действительно я на градусов неправильно устанавливал метку на распредвале и обнаружил это подняв клапанную крышку.
AUDI A6 2.5 тди с механической тнвд сборная
Как выставить зажигание audi двигатель 1.9 бензиновый
Содержание статьи:Фото выставление зажигания Ауди 100, 5-ть цилиндров — Community Audi Club» on Видео Похожие статьи
Communities › Audi Club › Blog › выставление зажигания Ауди 100, 5-ть цилиндров. тоже не знал и по внешней метке выставлял, ничего не загнуло. У тебя кстати судя по двигателю ГБЦ с гидриками, клапана не должно гнуть.
Теория ДВС: Как выставить ГРМ без меток? (пример на 8 кл двигателе) — Продолжительность: Теория ДВС 141 138 просмотров. Замена ремня грм VW, Audi, Skoda, Seat и установка зажигания — Продолжительность.
Audi признана наиболее популярной маркой среди подержанных автомобилей. Объем ежегодного производства составляет порядка 2 млн. единиц автомобилей.Как выставить зажигание на дизельном двигателе. Одним из главных отличий дизельного мотора от бензинового является Если угол выставлен отлично от оптимальных параметров, тогда топливный впрыск окажется несвоевременным.
Необходимо обновить браузер или попробовать использовать другой. После этого вам остается только отрегулировать установленное зажигание. Почему троит дизельный двигатель: возможные причины При этом ранний момент впрыска опережение вызывает износ дизеля , одновременно повышая мощность агрегата. Угол опережения впрыска регулируется благодаря повороту ТНВД вокруг оси.
Выставить зажигание самостоятельно | Audi Клуб
Снимал ГБЦ, естественно снимал и трамблер, теперь не могу выставить зажигание, подвожу все метки на КВ, на РВ, на трамблере, искра есть бензин есть—НЕ ЗАВОДИТЬСЯ. Заранее спасибо Там же все просто как валенок я и трамблер менял и когда просто ремень грм главное когда ты хочешь что то разобрать в системе зажигания сначала выставить метки затем разбирать и при сборке такого гемора не будет ни когда.
Я чз смотровое окно коробки отверткой выставил положенную метку скачал картинку на ауди клубе да и все в принципе а и трамблер открыл бегунок в этом положении смотрит стоого на риску первого цилиндра спасибо, завел вроде все нормально, а головка у меня без гидриков и клапана гнет, когда рукой крутил без ремня клапана упирались.
Во многих букварях пишут, что по уровню прокладки ГБЦ ставить нужно метку. Если ставить по внешней, то есть риска на кожухе Это редко в какой книге написано.
А если по внутренней то ставить по уровню прокладки клапанной крышки. Судя по моим барышням. Я очень раз за тебя. Свою первую сотню я ремонтировал когда тебя только в конструкторском бюро проектировали. С гидриками, при обрыве ремня клапана не гнет. NF обрыв шпонки гидрики клапана на месте. Просто зависит от обстоятельств. На KG клапана длиннее.
На следующем поколении MC клапана стали короче. Любой мотор гнёт клапана. Просто не ломайтесь и проводите своевременный осмотр и замену расходников ; А так, просто могу пожелать удачи! На счёт NF буду спорить и упираться ногами до последнего. После того как САМ с этим столкнулся, начал рыть в интернете. ЛЮБОЙ двигатель гнёт клапана! Никто не знает что за клапана стоят на твоём моторе Если сам не перебирал Б.
Никто не знает что за поршня стоят на твоём моторе Опять же, Если сам не перебирал В. Никто не знает, КАК и при каких ОБСТОЯТЕЛЬСТВАХ, НЕ гнет клапана. Точно так же как и… Г. Никто не знает, при каких обстоятельствах ГНЁТ клапана. Никто не от чего не застрахован! Удачи на дорогах, мужики! На шестерёнке есть местка, она между зубчиками со стороны ГБЦ. Смотреть нужно в окошко в защите Кожухе приводного ремня. Ставить метку вровень с прокладкой клапанной крышки.
Сними ремень и проверни КВ на оборот. Сунь её в свечное отверстие, так точно определишь ВМТ, может метки неправильные. А что ты по ГБЦ делал? Only registered users can participate in discussions. Там же все просто как валенок я и трамблер менял и когда просто ремень грм главное когда ты хочешь что то разобрать в системе зажигания сначала выставить метки затем разбирать и при сборке такого гемора не будет ни когда. Я чз смотровое окно коробки отверткой выставил положенную метку скачал картинку на ауди клубе да и все в принципе а и трамблер открыл бегунок в этом положении смотрит стоого на риску первого цилиндра.
Помогут советом, если смогу. Значит молись, чтобы не загнуло клапана. И по поводу меток, можно фото? На первом цилиндре куда кулачки смотрят? На РВ внешнюю или внутреннюю метку смотришь? Разницы не будет, человек одевает ремень выставив всё по меткам.
AUDI A6 2.5 тди с механической тнвд сборная
1986-91 5000 / 200TQ
1992-95 Audi S4 / S6
График температуры моторного масла
за 1989-91 гг. Audi 200TQ, включая 20V
1995 Audi S6 с пятицилиндровым двигателем 20V Turbo Двигатель
График температуры сорта масла
Масла группы А являются «энергосберегающими маслами»
Масла группы В — «Всесезонные масла»
1984-85 5000T KH Turbo двигатель,
MC Turbo Engine, 1986-88 5000T / Q
Турбонагнетатель с водяным охлаждением был добавлен в 1985 модельном году, поэтому вы будете обнаружил, что некоторые из KH 1985 года обозначены как 2.1-литровый двигатель 5000 Turbo с установленным турбонаддувом с водяным охлаждением и турбо-охлаждением на инерционной катушке насос. Рекомендуется дважды проверить серийный номер блока цилиндров двигателя. и двухбуквенное обозначение на лицевой стороне со стороны драйверов блок двигателя чуть ниже ГБЦ. Вы должны увидеть буквы KH проштампован перед серийным номером двигателя.
Эти двигатели 84-85 KH имеют датчик детонации, как и более поздние двигатели MC. но используйте ЭБУ Hitachi MAC-07 вместо ЭБУ MAC10 или MAC11.А мало кого обманули, покупая эти 2,1-литровые двигатели KH для турбо конверсии, когда они думали, что покупают MC 2,22 л.
Двигатель MC (версия с одинарным датчиком детонации) показан в деталях Audi. карта, которая будет использоваться с даты выпуска 8/85 по 4/88 в модели 1986-88 год 5000T / Q и с 5/88 по 10/88 в начале 1989 модельного года 200TQ транспортных средств.
Начало 1989 г. 200T / Q или Конец 1989 г. 200T / Q,
Изменения 1989 модельного года, двигатель с двойным датчиком детонации
Замена ремня ГРМ двигателя MC
В «MC» были внесены некоторые изменения в середине 89-го модельного года. предназначенный для автомобилей Audi 200 Turbo Quattro.Иметь ввиду что фактические даты производства (указаны на водительской боковая стойка) для автомобилей модели 89 года, начиная с 5/88.
Недавно я купил «89» 200TQ с более поздним двигателем MC. с двумя датчиками детонации, турбонаддувом меньшего размера, другим компьютером (MAC 14), другой распредвал и т. д. с датой производства 12/88.
Произошло изменение двигателя с двойным датчиком детонации с указанными выше изменениями. в 11/88 по VIN # 44 KN 038264 для 200TQ.
Автомобили Audi 200 Turbo 1989 года выпуска с передним приводом (FWD) по всей видимости имел это изменение в более позднем двигателе MC с двойным датчиком детонации примерно по VIN 44 KN 020000.
Вот изображение двойного датчика детонации на этих более поздних Двигатели MC для идентификации.
Имейте в виду, что данный идентификационный номер транспортного средства (VIN) изменения иногда на самом деле происходят не точно по номеру (KN038264) указано.Если у вас есть автомобиль, близкий к этому производственному номеру, вы следует визуально осмотреть двигатель на предмет наличия одного-двух датчиков детонации.
Один из способов отличить более ранние от более поздних двигателей — это посмотреть на брандмауэр, на котором установлены разъемы для датчика (ов) детонации, и два датчика кривошипа / маховика. Двигатель MC более поздней модели будет иметь 4 разъема по сравнению с 3 разъемами на более раннем MC с одним подключение датчика детонации.(Примечание: это относится к версии MC для США с Датчик O2) Вы также можете найти второй датчик детонации, установленный в направлении задняя часть блока цилиндров.
Сервисная книжка заводского обучения (89 изменений модельных годов) указывает что двигатель имеет более низкий крутящий момент, но такую же мощность
л.с.ЗАМЕНА РЕМНЯ ГРМ
Ремень ГРМ был также заменен на этих двигателях MC в 89 году. новый ремень ГРМ имеет слегка закругленные зубья и к поясу в стиле «Super Torque».
Согласно описанию запчастей Audi, это произошло в 1989 модельном году. на VIN 44KN004458, поэтому проверьте свой номер VIN и визуально проверьте ремень перед заказом запчастей, так как эти изменения VIN не всегда происходят точно за каждый выпущенный автомобиль. Водяной насос, кривошипные и кулачковые шестерни тоже будет другим.
Я рекомендую вам ввести свой номер VIN и проверить детали на Ваш автомобиль в любое время, когда вам нужно будет купить детали двигателя для этих 1989 200 Turbo Quattro и Audi 200 Turbo 1989 года выпуска.
Я прочитал в обзоре одного журнала, что автомобили 89 модельного года имеют около 1500 новых запчастей. Интерьер в новом стиле с подушкой безопасности и т. Д. Должен приходится большая часть из этих 1500 частей. Техник, которого я знаю который работает у местного дилера Audi, сказал, что единственное изменение, которое он мог придумать из того, что произошло в 90 200TQ, был другой сорт дерева, используемый для тире, то, что, по-видимому, не было на вымирающих видах список.В одном из сервисных бюллетеней Audi указано, что отделка деревом процесс отделки был улучшен в 11/89, чтобы устранить мутный / молочный вид что появляется в этих машинах. Я бы предположил, что есть и другие тонкие изменения также на этих автомобилях 200TQ 1990 модельного года. (1/98)
ПРОКЛАДКА КРЫШКИ КЛАПАНА ИЗМЕНЕНИЯ
1986-88 Audi 5000TQ и начало 1989 года 200TQ
по сравнению с концом 1989 г. 200TQ
Прокладка клапанной крышки этих Audi 200T / Q 1989 года разные, и это было изменено в 1989 году на VIN # KN043131.
В моделях 5000TQ 1986-88 и 200TQ начала 1989 года используется крышка клапана -025D. Комплект прокладок, предназначенный для крепления шпилек с буртиком. или наступить на уплотнительную поверхность прокладки ГБЦ. Фото ниже показана утопленная медная шайба в резиновой прокладке, разработанной для установки через плечо на монтажную шпильку.
Ступенчатая шпилька или шпилька с буртиком, используемая с прокладкой крышки клапана -025D Комплект
Более поздние 89-90 200TQ после KN043131 используют набор прокладок -025C, который используется с монтажными шпильками, НЕ имеющими ступеньки или заплечика.Фотография ниже показана прокладка крышки клапана с медной шайбой заподлицо. с уплотнительной поверхностью резиновой прокладки.
Замена прокладки крышки клапана на Пятицилиндровый двигатель с турбонаддувом AAN S4 / S6.
Прокладка клапанной крышки состоит из 2-х частей, имеет центральную часть. который закрывает отверстия для свечей зажигания и внешнюю часть по краю. Замена прокладки клапанной крышки на этих 5-цилиндровые турбодвигатели AAN.Тепловой экран сбоку от выхлопа есть 2 гайки, которые нужно открутить, снимите пакеты катушек, снимите два сапуна в задней части клапанной крышки.
Если мне не изменяет память, верхние зажимы крышки ремня ГРМ нужно будет выскочил, чтобы вы могли снять крышку ремня газораспределительного механизма с клапана покрытие. Также может потребоваться снятие черной крышки топливной рампы. Затем снимите 5-миллиметровые винты с внутренним шестигранником вокруг крышки клапана. в качестве центра болты 10мм.
После снятия крышки клапана и очистки краевого уплотнения новая прокладка вставляется в паз в крышке, центральная деталь проталкивается через отверстия для свечей зажигания, чтобы удерживать его на месте. Соблюдайте осторожность при установке крышки застраховать передний край клапанной крышки прокладка установлена правильно.
Характеристики фаз газораспределения для Двигатели НФ, МС-1, МС-2, 3Б [2]
Примечание: фазы газораспределения обозначены при подъеме клапана 1 мм и нулевом зазоре
НФ обозначен 2.3-литровый атмосферный двигатель
Впуск открывается до 0 градусов ВМТ
Впуск закрывается после НМТ 41,1 градуса
Выхлоп открывается до НМТ 40,0 градусов
Выхлоп закрывается до ВМТ 1,1 градуса
KH обозначается 2,1-литровым двигателем с турбонаддувом
Впуск открывается до ВМТ 1,5 градуса
Впуск закрывается после НМТ 38,7
Выхлоп открывается до BDC 41.5
Выхлоп закрывается перед ВМТ 1,3
Двигатель с турбонаддувом объемом 2,22 л МС-1 (одиночный датчик детонации). версия)
Впуск открывается до 0 градусов ВМТ
Впуск закрывается после НМТ 41,1 градуса
Выхлоп открывается до НМТ 40,0 градусов
Выхлоп закрывается до ВМТ 1,1 градуса
Измеренный подъем от распредвала MC, впуска и выпуска ~ 0.416 дюймов
Двигатель с турбонаддувом объемом 2,22 л (МС-2) (двойной датчик детонации). версия)
Впуск открывается до ВМТ 4 градуса
Впуск закрывается после 41 градуса НМТ
Выхлоп открывается до НМТ 46 градусов
Выхлоп закрывается до ВМТ 5 градусов
3B и обозначение AAN 2,22-литровый двигатель 20 В с турбонаддувом
Впуск открывается до ВМТ 3 градуса
Впуск закрывается после 25 градусов НМТ
Выхлоп открывается до НМТ 42 градуса
Выхлоп закрывается до ВМТ 9 градусов
Вытяжной лифт 8.6 мм
RS2 Avant: двигатель 2,22 л 20 В с турбонаддувом, обозначенный ADU
Впуск открыт 13 градусов
Впуск закрывается на 35 градусов
Выхлоп открыт до 24 градусов
Выпускной закрытый 1 градус
Высота вытяжки 9,5 мм
МБ Двигатель используется в UK ur-Quattro
Ur-Quattro в Великобритании получил двигатель, похожий на Двигатель типа MC, используемый в США, 1986-88 5000TQ.У него был Mac12 ЭБУ, который очень похож по схемам на Mac11, с одним стуком. датчик и аналогичный соленоид Waste Gate, но он не использует кислородный датчик. MB имел более высокое сжатие с соотношением 8: 6 к 1 и был разработан для работает на топливе с октановым числом 98.
Особая благодарность Филу Пейну из Великобритании за эти фотографии его МБ. оборудованный моторный отсек ur-Quattro.
Посетите отличный веб-сайт Фила по адресу Kerbside Двигатели
Замена ремня ГРМ / водяного насоса
Двигатель MC 10V Turbo, 1991 Двигатель 200TQ 20V Turbo 3B
Я заменил ремень ГРМ и водяной насос на своем 1986 5000CS Turbo на 75 000 миль, на моем 89 200TQ на ~ 80 000 миль.Я купил 5000TQ 1988 года у которого было более 135 000 миль на оригинальном ремне ГРМ. Ой!
Я не рекомендую ждать более 75 тысяч миль перед заменой ГРМ ремень на этих двигателях Audi Turbo, хотя многие из них служат более 90-100 км миль.
Часто возраст ремня больше связан с необходимостью замены это больше, чем реальный пробег двигателя.
Если вам нужны запчасти, свяжитесь с нами Audi. Запчасти
Можно погнуть клапаны в головке блока цилиндров, если провернуть коленвал и не установили ремень ГРМ.
Коленчатый вал и распределительный вал ВСЕГДА должны вращаться ВМЕСТЕ с УСТАНОВЛЕН ПРИВОДНОЙ РЕМЕНЬ, чтобы избежать деформации клапанов.
ВСЕГДА устанавливайте двигатель в верхнюю мертвую точку (ВМТ) для цилиндра №1 ПЕРЕД Снимаем ремень ГРМ.
Распределительный вал совершит ОДИН полный оборот (360 градусов), когда коленчатый вал совершает 2 полных оборота (720 градусов)
Эти двигатели считаются «интерференционными», что означает, что если ремень обрывается, клапаны в ГБЦ будут касаться поршней и получите НАГНУТ
НАСТОЯЩИЙ РЕМОНТ НЕ СЛЕДУЕТ БЕЗОПАСНО!
При выполнении этой работы следует обращаться к руководству по ремонту Bentley, но здесь это основная процедура.
Снятие бампера может немного облегчить эту работу. Передний бампер крепится всего двумя болтами с внутренним шестигранником под передним краем бампер. Шланг охлаждения генератора следует снять вместе с ослаблением. несколько винтов Phillips на пластиковых воздуховодах у конденсатора кондиционера чтобы бампер сдвинулся вперед и наружу. Патроны лампочек указателей поворота придется выкручивать и снимать, так как бампер тянут вперед.Крылья бампера с каждой стороны, просто выскользните из некоторых удерживающих приспособлений которые прикручены к крыльям.
Переднюю решетку и интеркулер также можно снять, чтобы осмотр ремня грм.
Самая сложная часть этой работы — это ослабление болта шкива коленчатого вала и болт кулачкового шкива.
Купил специальные инструменты Удлинитель болта шкива демпфера кривошипа (2079) и инструмент для фиксации демпферного шкива (2084) от Zelenda in Forest. Хиллз, штат Нью-Йорк, бесплатный номер 888-892-8348.Иногда они носят подержанные инструменты, которые могут сэкономить $.
Инструмент для удержания кулачкового шкива VW544 также можно приобрести в Mac Инструменты или у дилера Snap On Tool. Съемник натяжного ролика 3034 полезен снять этот шкив.
Ключ для болта шкива кривошипа 2079 — это торцевой ключ, приваренный к стержню, который позволяет прикрепить пруток прерывателя привода 3/4 дюйма / динамометрический ключ. В планка также имеет небольшой изгиб для обхода различных препятствий вблизи шкив.
Фиксирующий инструмент скользит внутри шкива кривошипа и входит в зацепление с центром. кольцо и огибает передний кронштейн опоры двигателя. Вам может понадобиться протолкните резиновую опору вперед, чтобы получить фиксирующий инструмент 2084 на шкиве коленчатого вала.
Я не могу себе представить, что смогу сделать это без инструментов, хотя многие использовали несколько интересных способов ослабить шкив.У меня был трехфутовый выключатель бар, и мне потребовалось все, чтобы сломать его. Болт имеет резьбу фиксирующий состав на резьбе и валу, который следует очистить проволочной щеткой выключите перед повторной установкой.
Замена болта, конечно, не повредит, пока вы там. Спецификация крутящего момента для гаечного ключа для болта шкива коленчатого вала 2079 составляет 258 футов / фунт. Пока у вас отключен шкив демпфера, вы должны визуально проверить внутреннее резиновое кольцо от чрезмерного растрескивания.Шкив демпфера внутренний Состояние и характеристики резинового кольца важны для уменьшения крутильные колебания коленчатого вала.
ПЕРЕД ослаблением болта шкива коленчатого вала и заменой ремня ГРМ, вам следует ознакомиться с метками ГРМ на маховике, распредвале и дистрибьютор.
Сначала вы должны установить двигатель в верхнюю мертвую точку (ВМТ) для Цилиндр №1.Чтобы установить двигатель в ВМТ №1, снимите распределитель. колпачок и поворачивайте болт коленчатого вала, пока ротор распределителя не будет направлен по направлению к передней части двигателя, но точно выровнен с нанесенной линией на краю обода трамблера.
Маркер черной магии использовался, чтобы выделить эту отметку линии в следующих фотографии.
Двигатель MC с турбонаддувом 10 В
Двигатель 3B с турбонаддувом 20V Также можно посмотреть крышку распределителя и найдите провод зажигания цилиндра №1, чтобы убедиться, что у вас есть ротор распределителя направлен в правильном направлении (вперед двигателя).Вращайте коленчатый вал, пока ротор распределителя не будет близко к очереди ..
По мере приближения ротора распределителя к линии на ободе необходимо
чтобы найти метку ВМТ маховика, посмотрев через отверстие в трансмиссии
корпус в задней части двигателя.
Должна быть отметка 0, а также линия
на маховике с указанием положения ВМТ коленчатого вала.
Может потребоваться очистка тормозов или растворитель и небольшой провод. щеткой, чтобы очистить поверхность края маховика, чтобы увидеть эту ВМТ «O» или отметка линии.
Как только вы найти время отметьте, это поможет использовать немного белой краски для ретуши и обозначить линию, чтобы вы можете увидеть отметку на расстоянии.
Вы хотите провернуть коленчатый вал до отметки 0 «центр». или линия, нанесенная на маховик, совмещена с плоским край отверстия в картере коробки передач. Это сделано для того, чтобы двигатель в ВМТ.
На 1-й фотографии слева видна отметка «0» и линия немного впереди. ВМТ, поверните кривошип по часовой стрелке еще немного до отметки 0 или линии. сосредоточен под край коробки передач.
Теперь дважды проверьте правильность установки фаз газораспределения. точка или линия на задней части кулачкового механизма, эта точка или линия должна быть выровнена со стороной водителя (автомобили США). поверхности прокладки крышки клапана ГБЦ.
В металлической крышке кулачковой шестерни есть небольшой вырез, чтобы вы могли увидеть эту точку или линию. На некоторых двигателях вместо этого может быть линия на кулачковой передаче. точки.
Метка синхронизации распределительного вала двигателя MC с турбонаддувом 10 В
Метка синхронизации шестерни распределительного вала двигателя 3B с турбонаддувом 20 В
ВАЖНО ПОНИМАТЬ, ЧТО КОЛЕНВАЛ ДЕЛАЕТ 2 ОБОРОТА. НА КАЖДУЮ ОБОРОТУ РАСПРЕДВАЛА.
ДРУГИМИ СЛОВАМИ, МЕТКА ВМТ КОЛЕНВАЛА НА МАХОВИКЕ МОЖЕТ БЫТЬ НАКЛАДЕНА ВВЕРХ НА МЕТКАХ КОРПУСА ТРАНСМИССИИ, НО СИСТЕМА РАСПРЕДВАЛА МОЖЕТ БЫТЬ ВЫКЛ 180 ГРАДУСОВ.
ВЫ ДОЛЖНЫ ПРОВЕРИТЬ МЕТКУ ГРАФИКИ РАСПРЕДВАЛА ИЛИ РАСПРЕДЕЛИТЕЛЬ. МАРКА ПРАВИЛЬНО, ЧТОБЫ ПОДТВЕРДИТЬ, ЧТО ВЫ ТОЧНО НАЖИЛИ ВМТ для CYL # 1.
ЗАМЕНА РЕМНЯ ГРМ:
После снятия болтов крепления насоса гидроусилителя рулевого управления ремень и Отодвинув насос в сторону, снимите верхнюю крышку ремня распредвала (два 6 мм винты с внутренним шестигранником).
Ослабьте опору генератора и опору компрессора кондиционера и снимите генератор и ремень кондиционера.
Ослабьте болт шестерни распредвала с помощью держателя и большого 19 мм гаечный ключ.
НЕ СНИМАЙТЕ БОЛТ ПРИВОДНОЙ ПЕРЕДАЧИ!
ПРИМЕЧАНИЕ: Как уже упоминалось, есть специальный инструмент (конечно) для удержания кулачковая шестерня от проворачивания при снятии и установке удерживающей болт, который обычно ОЧЕНЬ тугой, и его сложно ослабить.
Не поворачивайте кулачок при снятом ремне ГРМ, иначе вы можете погнуться. некоторые клапаны.
Официальный VW / Audi Tool — VW544, но, как уже упоминалось, Mac Tools и Snap On Tools имеет инструмент для удержания кулачковой шестерни. Вы можете сделать особенный инструмент для удержания кулачка от проворачивания, если у вас есть сварочная горелка и есть стальной запас.
После того, как вы ослабите этот болт кулачковой шестерни, вы можете «ослабить» болт шкива коленчатого вала, но пока не откручивайте болт шкива коленчатого вала.
Вам необходимо повернуть двигатель в сторону от ВМТ CYL # 1, установленного вами. ранее нашел для установки стопорного инструмента 2084 на шкив кривошипа.
Убедитесь, что стопорный инструмент 2084 правильно зацепляет шкив. может потребоваться переместить резину передней опоры двигателя вперед, чтобы 2084 вокруг носика кронштейна опоры двигателя за резиновой опорой.
Используйте гаечный ключ 2079 и гибкую рукоятку с приводом 3/4 или отбойный стержень для ослабьте шкив кривошипа.Возможно, вам придется перекинуть кусок трубы прерыватель, чтобы получить достаточный рычаг для ослабления этого болта. После вас ослабьте болт, но НЕ СНИМАЙТЕ БОЛТ КОЛЕНА, снимите 2084 и поверните двигатель по часовой стрелке, чтобы двигатель установите обратно в ВМТ для цилиндра №1. Проверьте центровку кривошипа, кулачка, и ротор распределителя и убедитесь, что они установлены в ВМТ для цилиндра. №1.
Полностью ослабьте болт шкива коленчатого вала, но оставьте болт на месте, чтобы временно удерживайте шкив.
Имейте под рукой дренажный поддон для сбора охлаждающей жидкости двигателя.
Теперь вы можете ослабить болты водяного насоса и повернуть водяной насос. корпус, чтобы ослабить натяжение ремня ГРМ.
Снимите ремень ГРМ с кулачковой шестерни и снимите болт на кулачке. шестерни, снимите шестерню кулачка и шпонку (если используется). Не теряйте Вудрафф ключ.
(Примечание: более поздние кулачковые шестерни не имеют отдельной шпонки)
Есть еще одна небольшая крышка из листового металла, которая идет поверх шкив коленчатого вала, он использует два 10-миллиметровых болта с шестигранной головкой для его крепления.Удалить два болта и эту крышку, а затем удалите другие 10 мм болты, которые удерживают большой щит из листового металла позади кулачкового механизма, но перед Помпа. Сбоку есть один болт с шестигранной головкой 10 мм, который удерживает турбонагнетатель. ватерлинию и удерживает этот листовой металл. Снимаем болты с воды насос, а затем снимите этот большой экран из листового металла, чтобы вы могли снять водяной насос.
ПРИМЕЧАНИЕ: Водяной насос можно вынуть из-под металла. защитный кожух, но сначала сняв кулачковый шкив, а затем снимая щит — это правильный и легкий способ сделать это.Металлический щит не следует разрезать или снимать, поскольку этот экран имеет решающее значение для предотвращения попадание масла или охлаждающей жидкости на ремень ГРМ, что может привести к его сокращению. жизнь безумно.
Снимите болт шкива кривошипа, снимите шкив и нижнюю зубчатую ременную передачу. с ремнем грм.
Нет необходимости откручивать четыре шестигранных болта на 6 мм, удерживающие нижнюю шестерню кулачкового ремня к шкиву кривошипа.
Я бы порекомендовал заменить ролик натяжителя ремня ГРМ на такой же раз ты сделаешь пояс.
После удаления маленького болта из центра шкива вам понадобится съемником, чтобы снять его с крышки, на которую он нажимает. Официальный Инструмент для съема — 3034, подробности см. на Bentley.
Вы также можете сделать один из этих съемников из плоской стали 1/4 дюйма. пластина, согнутая с обоих концов (U-образная), так что она слегка шире, чем ширина поверхности шкива, и поэтому он контактирует с корпус за шкивом.Просверлите отверстие 1/2 дюйма в центре его и используйте болт 10 мм, чтобы вытащить старый шкив.
НЕ ИСПОЛЬЗУЙТЕ МАЛЕНЬКИЙ БОЛТ ДЛЯ УСТАНОВКИ НОВОГО ШКИВА ХОЛОСТОГО ХОДА!
Если вы попытаетесь использовать этот маленький болт для втягивания нового холостого шкива, болт часто ломается, что требует снятия передней крышки, что является большой болью в ягодицах.
Установите новый шкив, осторожно постучав его по крышке. используя розетку и молоток.Затем установите маленький болт и затяните до жалких 7 футов фунтов.
Заменить сальник шкива кривошипа непросто из-за диаметра сальника. близок по размеру к рылу коленвала. Перед снятием пломбы, обратите внимание на глубину установки уплотнения в передний корпус. Коленчатый вал размер сальника отличается от размера сальника распределительного вала, он должен быть показан как 35X48X10 мм.
Один из способов его удаления — осторожно просверлить небольшое отверстие в внешний металлический край уплотнения, а затем закрутите небольшой винт для листового металла в просверленное отверстие.Теперь вытащите винт плоскогубцами или боковым резаки, чтобы выдвинуть край уплотнения. Установка немного сложная, но становится проще, если вы используете заводской пластиковый инструмент 2080A, чтобы протолкнуть новое уплотнение с помощью 2080A и болта кривошипа. 2080A не очень дорого <20 долларов и стоит того, чтобы спасти вас от горя.
Если у вас нет направляющего инструмента 2080A, вам что-нибудь понадобится который будет подходить к концу носика коленчатого вала и который немного меньше по диаметру, чем внешний обод уплотнения.В некоторых случаях 1/2 привода Для этого можно использовать розетку или кусок отрезанной трубы. Коленвал передний Номер детали уплотнения обычно 034 115 147A.
Смажьте внутреннюю и внешнюю кромку уплотнения моторным маслом перед установка. Используйте гнездо и молоток, чтобы осторожно вставить уплотнение, отмечая глубину старого уплотнения. Можно использовать болт шкива кривошипа и большая шайба на трубе, чтобы медленно втягивать или прижимать новый уплотнение на месте.Он должен входить очень легко и не потребует больших усилий.
Передний сальник распределительного вала можно заменить аналогично описанному выше. выше.
Обратите внимание, что коленчатые и кулачковые уплотнения немного отличаются по размерам и легко запутаться.
Номер детали уплотнения распределительного вала обычно отображается как 32X47X10 мм и имеет немного меньший внешний и внутренний диаметр, чем коленчатый вал передний уплотнитель.
Уплотнительное кольцо водяного насоса можно вклеить в паз водяного насоса. чтобы предотвратить его выпадение, если он не остается на месте. Это позволяет избежать прижимая уплотнительное кольцо к насосу и блоку двигателя, как вы устанавливаете водяной насос. Также помогает нанести смазку или охлаждающую жидкость. на стороне блока цилиндров и на уплотнительном кольце, чтобы насос мог вращаться / скользить при регулировке ремня ГРМ.
Установите шкив коленчатого вала / шестерню и новый ремень ГРМ на коленчатый вал. морда. Проволочной щеткой с кривошипного болта удалить старый Loctite из вал и область резьбы, затем установите коленчатый болт с синей средней прочность Loctite на резьбе и на стержне болта и руки затяните болт.
НЕ ВРАЩАЙТЕ РУКОЯТКУ
Установите водяной насос и пылезащитный экран из листового металла и оставьте болты. немного ослаблен, чтобы насос мог вращаться при натяжении ГРМ пояс.Я обычно наношу немного смазки на уплотнительное кольцо водяного насоса, чтобы насос вращать без защемления уплотнительного кольца.
ПРИМЕЧАНИЕ: Вам следует использовать немного голубого локтита (Loctite 242 средней прочности). или аналогичный) на более длинных болтах, которые входят в корпус масляного насоса, так как некоторые из болтов заходят в масляные каналы, и масло может протекать через резьбу, если не используется герметик. Резьба болта должна сначала очистите проволочной щеткой, чтобы удалить старый герметик, перед нанесением новый Loctite.
Установите шестерню распределительного вала и вручную затяните болт. Я обычно ставлю небольшое количество синего Loctite на резьбе этого болта шестерни распредвала.
Дождитесь установки ремня ГРМ перед тем, как полностью затянуть это болт шестерни распредвала. Вы не хотите проскальзывать и крутить распределительный вал и заставьте клапаны открыться против поршней.
Наденьте ремень ГРМ на шестерню кулачка после проверки точки / линии кулачка. место, и что метка ВМТ коленчатого вала совмещена с маховиком.Возможно, вам придется немного повернуть шкив коленвала, чтобы натянуть ремень ГРМ. над кулачковой передачей.
Поверните водяной насос вверх, чтобы немного натянуть ремень привода ГРМ. Не сходите с ума от натяжения ремня ГРМ, обычно дело в немного болтается, и вы сможете повернуть ремень на 90 градусов. пальцами. Проверьте натяжение, повернув двигатель против часовой стрелки. а затем проведите тест вращения на 90 градусов на провисшей стороне ремня.Если вы натянете ремень слишком туго, он будет издавать жужжащий звук, когда вы оборви двигатель.
С установленным кулачковым механизмом, установленным ремнем газораспределительного механизма и водяной помпа повернулась для натяжения ремня ГРМ, а метки ГРМ все выровнены вверх в ВМТ для CYL # 1, теперь вы можете повернуть шкив кривошипа, чтобы установить удерживающий инструмент 2084 и позволяет затянуть болт коленчатого вала до 258 фунт-футов с использованием держателя 2084 и подходящего ключа для шкива Удлинитель 2079.
Коленчатый вал и распределительный вал ВСЕГДА должны вращаться ВМЕСТЕ с УСТАНОВЛЕН ПРИВОДНОЙ РЕМЕНЬ, чтобы избежать деформации клапанов.
Если у вас нет удлинителя 2079, необходимо затянуть болт. до 332 фунт-футов.
Теперь, когда ремень ГРМ установлен и шкив кривошипа затянут, вы можете полностью затянуть кулачковый болт с помощью удерживающего инструмента и до 59 фунтов-футов (10 В) и 48 фунт-футов.(20 В)
Теперь медленно поверните шкив кривошипа на 360 градусов и дважды проверьте ВМТ кривошипа, кулачковая шестерня и выравнивание распределителя.
Согните или отрежьте пластину защиты от несанкционированного доступа, закрывающую держатель распределителя. вниз гайкой 13 мм. Ослабьте прижимную гайку распределителя и маховик установить точно в ВМТ, метка шестерни распредвала совмещена, затем точно поверните корпус распределителя так, чтобы отметка цилиндра №1 на корпусе распределителя точно совпадает с центральным концом ротора.
Подробную информацию о регулировке распределителя20В можно найти здесь.
Проверните двигатель на несколько оборотов, а затем проверьте синхронизацию. снова натяните ремень и при необходимости отрегулируйте положение водяного насоса. Затяните болты водяного насоса до 16 фунт-футов.
Установите нижний щиток на шкив кривошипа и крышку кулачка. Установите ремень A / C, ремень P / S, насос и ремень генератора.
Установить интеркулер, переднюю решетку и бампер снятые ранее.
УБЕДИТЕСЬ, ЧТО ВЫ ЗАМЯТИЛИ БОЛТЫ ШКИВА И ШКИВА!
Слишком высокое давление масла? Гидравлические подъемники накачаны, поэтому двигатель потерял компрессию?
На днях я столкнулся со странной проблемой на двигателе 5000T 1986 года выпуска. Летом двигатель заводился нормально, но теперь осенью приехал, владелец сказал, что машина заведется и будет работать около 5 секунд, а затем умрет.Посидев час, двигатель снова запустится и проработает несколько секунд, но снова умрет. При попытке перезапустить двигатель сразу после того, как он умер, прозвучал вроде как у двигателя была небольшая компрессия или она отсутствовала на нескольких цилиндрах.
Прокладка масляного фильтра оторвалась при одной попытке запуска и запуска, поэтому я решил, что давление масла было слишком высоким, и подозревал, что возможно использованное масло было слишком густым и / или клапан сброса давления масла поршень плунжера застрял.
Снял заглушку и пружину сброса давления и удалил застрявший плунжерный, и поменял масло и фильтр и установил какую-то 10W-30.
Давление масла все еще было слишком высоким, машина заводилась и умирала немедленно.
Наконец поговорил с владельцем, который упомянул, что удалил конец заглушка для клапана сброса давления при установке датчика температуры масла датчик от более поздней модели Audi.% $
Перевернутый плунжер создавал избыточное давление масла, так как отверстия в плунжере для перепускного потока масла находились в неправильном положении внутри корпуса масляного насоса.
Плунжер клапана сброса давления масла, пружина и торцевая крышка
показывает «правильное» направление установки плунжера
LIFTER NOISE — Замена подъемника
У моего 86 5000CST на 110 км раздражало тиканье подъемника каждый раз, когда я заводил машину после того, как она некоторое время сидела.Хотя шум будет уехать после нескольких миль езды на машине, это все еще было очень неловко. Запчасти Audi
В некоторых случаях шумные подъемники можно устранить, временно используя масло. добавка, предназначенная для удаления отложений лака с подъемников. Вам следует следуйте рекомендациям производителей, но многие советуют пользоваться этим присадки непосредственно перед заменой масла и непродолжительной работы двигателя время.Мне удалось успокоить шумных лифтеров с помощью 8-16 унций масла Marvel Mystery (не смейтесь, это торговая марка). я предполагаю что 8-16 унций обычного масла для автоматической коробки передач можно использовать просто перед заменой масла. Это старый механический трюк, но я не честно знаю, насколько хорошо ATF справляется с этим приложением.
На моем ’86 5000T это лечение не помогло, поэтому я заменил все десять подъемники, и это полностью устранило шум подъемника.Работа не все это плохо, если вы опытный механик. Вот Основы: Снимите крышку клапана, поверните двигатель до ВМТ на цилиндре №1. (проверьте центровку ротора распределителя и отметку на маховике) и внимательно соскользнуть с кулачкового ремня (иногда вы можете снять кулачковый ремень с кулачковый шкив, не ослабляя регулировку водяного насоса). Используйте специальные инструмент для удержания кулачкового шкива от проворачивания и открутите болт кулачкового шкива, затем снимите шкив кулачка (берегитесь шпонки).Удаление распределитель — хорошая идея, но проверьте положение ротора на дистрибьютора, он должен быть направлен в сторону линии на ободе, если вы находятся в ВМТ для цилиндра №1.
Обратите внимание на ориентацию и нумерацию крышек подшипников распределительных валов. Эти крышки кулачковых подшипников необходимо установить обратно в том же месте и в том же направлении. Осторожно ослабьте крышки подшипников кулачка №2 и №4, ослабив гайки. по диагонали понемногу, а затем снимите крышки кулачковых подшипников.Затем ослабьте крышки подшипников №1 и №3 по диагонали и снимите крышки.
Обратитесь к руководству по эксплуатации Bentley для получения более подробной информации, если вы не уверены в этот процесс. Это очень важно, так как неправильное снятие или установка может треснуть крышки подшипников кулачка, что потребует замены всего глава! Вы можете отметить колпачки опоры кулачка, чтобы убедиться, что они переустановлен в том же месте и ориентации.Крышка подшипника кулачка все отверстия обрабатываются одновременно с помощью расточной оправки, поэтому вы не можете перепутать их местоположения. ОЧЕНЬ ВАЖНЫЙ!
После снятия распредвала вытащить старые подъемники и установить новые. Новые подъемники должны храниться должным образом, чтобы избежать теряя масло внутри. Установите кулачок (смажьте подшипник и кулачок поверхности кулачков) и установите крышки опоры кулачка. По диагонали медленно затяните гайки крышки кулачкового подшипника на крышках №2 и №4, чтобы осторожно затянуть распределительный вал напротив подъемников, затем затяните колпачки №1 и №3.Наконец крутящий момент колпачковые гайки до 15 фунт-футов. Наблюдайте за распределительным валом, когда вы опускаете кулачок крышки подшипников, чтобы убедиться, что во время этого процесса ничего не заедает. Проверять подробные сведения см. в руководстве Bentley.
Двигатель нельзя запускать в течение как минимум 30 минут после установки. подъемников и кулачка, чтобы подъемники не накачивались и не удерживали клапаны открываются. Если клапаны слишком сильно удерживаются в открытом положении гидравлической системой подъемник, который закачивается маслом, клапан может касаться поршня и гнуть клапан, когда двигатель переворачивается и запускается.
Опора двигателя (гидравлическая) Испытания
В 1985 году Audi представила гидравлические опоры двигателя на 5-цилиндровом двигателе. двигателей, вот схема, показывающая поперечное сечение крепления.
Схема любезно предоставлена Audi America
Гидравлическая опора действует как амортизатор, имеет две камеры, заполнен смесью воды и спирта вместе с диафрагмой из пружинной стали. Две камеры разделены дозирующей пластиной.
Если опора подвергается медленному или низкочастотному движению, жидкость будет легко перемещаться через дозирующую пластину между двумя камеры, а крепление будет мягким для улучшения шума и вибрации демпфирование. При быстром или высокочастотном движении дозирующая пластина будет ограничивать движение жидкости между двумя камерами и вести себя жестко, чтобы предотвратить чрезмерное движение трансмиссии.
Две гидравлические опоры двигателя и задние опоры трансмиссии должны проверить и при необходимости заменить выхлопную сторону (сторона пассажира) Подушка двигателя Turbo Audis подвергается сильному нагреву.
Если ваш автомобиль проехал более 75 тысяч миль, я бы порекомендовал вам заменить оригинальные опоры двигателя и трансмиссии.
Убедитесь, что шланг от воздухозаборника маслоохладителя установлен правильно поскольку он обеспечивает охлаждающий воздух для этого крепления.Также проверьте состояние резиновая шайба над опорой двигателя, которая помогает отводить воздух правильно.
Неисправная гидравлическая опора двигателя со стороны пассажира имеет тенденцию к Увеличьте нагрузку на выпускной коллектор / систему.
Один из способов проверки опор двигателя — поддержать двигатель с помощью напольный домкрат под масляным поддоном, а затем ослабьте и снимите нижний две гайки на проверяемом креплении, нижняя часть крепления опускается из-за гидравлического действия опоры, если опора падает и шлепается и оказывает небольшое сопротивление толканию резервное копирование, тогда внутренняя гидравлическая часть крепления не работает.
Другая возможность, которая заставит маунта плюхнуться после опускается, если верхняя резиновая часть оторвана от верхняя монтажная шпилька. Вы можете снять крепление, чтобы проверить, не верхняя часть отрывается. Это произошло на правой стороне крепления от моего 89 200TQ, как показано здесь.
Нужны запчасти Audi?
Как уже упоминалось, вы можете захотеть заменить задние опоры трансмиссии. кроме того, они имеют тенденцию провисать со временем, особенно если их облить немного жидкости Pentosin P / S из протекающей рулевой рейки.
Ссылки: [2] Audi 100, 200 Официальное руководство по заводскому ремонту. 1, Корпорация Роберта Бентли
[5] Сервисная публикация Audi of America: 1985 Информация об изменении модели
Авторские права © SJM Autotechnik ™, все права защищены.
Вернуться на страницу советов по устранению неполадок.
Вернуться на главную страницу SJM Autotechnik ™ страница.
Пытаюсь заменить ремень ГРМ и…
СНЯТИЕ И УСТАНОВКАРЕМЕНЬ ГРМ
Снятие (1987-90)
Отсоедините отрицательный провод аккумуляторной батареи. Снимите верхнюю крышку радиатора. Снимите приводные ремни. Снять насос гидроусилителя рулевого управления с подсоединенными напорными шлангами. Отложите насос в сторону. Снимите клапанную крышку и внешние кожухи ремня газораспределительного механизма. См. Рис. 1.
С помощью болта коленчатого вала провернуть коленчатый вал по часовой стрелке до ВМТ такта сжатия цилиндра №1. Совместите установочную метку на задней стороне звездочки распределительного вала с верхним краем прокладки.См. Рис. 2.
Ослабьте регулировочные болты водяного насоса, чтобы снять натяжение ремня газораспределительного механизма. Снимите ремень ГРМ. Снимите водяной насос, чтобы проверить уплотнительное кольцо. ЗАПРЕЩАЕТСЯ перемещать коленчатый вал или распределительный вал.
Установка (1987-90)
Убедитесь, что обе кулачки распределительного вала на цилиндре № 1 направлены вверх. Метка (выемка или точка) на задней части звездочки распределительного вала должна быть совмещена с верхней частью прокладки крышки клапана или задней крышкой ремня газораспределительного механизма. Коленчатый вал для цилиндра № 1 должен находиться в ВМТ. Метка ВМТ маховика должна быть совмещена с индексной точкой на картере коробки передач.
Установите водяной насос с новым уплотнительным кольцом круглого сечения. Установить ремень ГРМ. Поверните корпус водяного насоса против часовой стрелки, чтобы увеличить натяжение ремня. Натяжение является правильным, если ремень можно повернуть на 90 градусов нажатием пальца в точке посередине между звездочкой распределительного вала и звездочкой водяного насоса. Перепроверьте фазы газораспределения. Завершите установку в порядке, обратном снятию. Отрегулируйте приводные ремни до надлежащего натяжения.
ВОДЯНОЙ НАСОС R&I
Удаление
Слить систему охлаждения. Снимите кожухи ремня ГРМ.Проверните коленчатый вал в ВМТ цилиндра № 1. Совместите установочные метки на маховике и шестерне распределительного вала с контрольными метками.
Ослабьте водяной насос, чтобы снять натяжение ремня газораспределительного механизма. Снимите ремень ГРМ. ЗАПРЕЩАЕТСЯ перемещать коленчатый вал или распределительный вал. Снимите водяной насос.
ПРИМЕЧАНИЕ. Если используется модернизированный водяной насос, проверьте размер уплотнительного кольца. Некоторые насосы имеют заменяемую поверхность и требуют уплотнительного кольца диаметром 5 мм. Эти насосы будут иметь цифру «5» на монтажном фланце.
Установка
Установите водяной насос в порядке, обратном снятию, используя новое уплотнительное кольцо.Перед установкой остальных компонентов убедитесь в правильности фаз газораспределения.
СПОНСИРУЕМЫЕ ССЫЛКИ
Суббота, 9 июля 2011 г., 23:37
40 лет пятицилиндровым двигателям Audi
Пятицилиндровые двигатели Audi приобрели культовый статус — отчасти благодаря их успешному применению в автоспорте, а также благодаря их надежности и экономичности.Они сыграли жизненно важную роль в определении Vorsprung durch Technik и по сей день обеспечивают эмоциональное вождение своим характерным звуком.
Первый пятицилиндровый бензиновый двигатель был установлен на Audi 100 (C2) в 1976 году. Модель, известная внутри как Type 43, должна была занять на рынке более высокую позицию, чем ее предшественница. По мнению разработчиков, четырехцилиндровые двигатели в то время не подходили для этого плана. В начале 1970-х инженеры Audi последовательно обсуждали возможность внедрения пяти- и шестицилиндровых рядных двигателей.Последние были исключены из-за необходимого места для установки и неблагоприятного распределения веса. Поэтому ответственные лица остановили свой выбор на рядном пятицилиндровом двигателе, основанном на новой концепции двигателя EA 827. Этот рядный четырехцилиндровый двигатель использовался во всей VW Group в 1970-х годах — например, в Audi 80 и Audi 100. Производный 2,1-литровый пятицилиндровый двигатель мощностью 100 кВт (136 л.с.). Современная система впрыска повысила эффективность и мощность. Поставка Audi 100 5E началась в марте 1977 года.
Еще в 1978 году Audi представила первую дизельную версию: безнаддувный дизель объемом два литра и мощностью 51 кВт (70 л.с.). Год спустя дебютировал первый пятицилиндровый бензиновый двигатель с турбонаддувом — еще одно новаторское достижение Audi. Обладая мощностью 125 кВт (170 л.с.) и крутящим моментом 265 Нм, (195,45 фунт-фут), он приводил в движение новую топ-модель Audi 200 5T.
Пятицилиндровый бензиновый двигатель Audi «Ur-quattro» 1980 года мог предложить еще больше.С турбонаддувом, промежуточным охладителем и постоянным полным приводом он составлял мощный технический пакет для гоночных треков и дороги. Первоначально он выдавал 147 кВт (200 л.с.). В 1983 году на этой машине финн Ханну Миккола выиграл чемпионский титул в чемпионате мира по ралли. В том же году Audi представила Sport quattro с широкой колеей, которая была на см (9,45 дюйма) короче на 24 сантиметра. Он был оснащен недавно разработанным четырехклапанным пятицилиндровым агрегатом из алюминия мощностью 225 кВт (306 л.с.).Это сделало Sport quattro самым мощным автомобилем, построенным на сегодняшний день немецкой компанией для использования на дорогах общего пользования. Модель легла в основу нового раллийного автомобиля Группы B с четырехклапанной силовой установкой, с самого начала развивающей 331 кВт (450 л.с.). Впервые он был использован в предпоследней гонке 1984 года — ралли Кот-д’Ивуар. Остальные одиннадцать этапов сезона провел швед Стиг Бломквист на Audi quattro A2 группы B мощностью 265 кВт (360 л.с.). В конце концов, он выиграл чемпионский титул, а Audi — титул производителей.
Даже после того, как Audi отказалась от участия в ралли в 1986 году, были и другие яркие моменты гонок: в 1987 году Вальтер Рёрль выиграл подъем на холм Пайкс-Пик (США) на Audi Sport quattro S1 (E2). Гоночный автомобиль развивал 440 кВт (598 л.с.). В 1989 году IMSA GTO преуспел на рынке туристических автомобилей США, развивая мощность 530 кВт (720 л.с.) при рабочем объеме чуть более двух литров.
Audi представила еще одну веху в истории автомобилестроения на Международном автосалоне во Франкфурте-на-Майне в 1989 году: Audi 100 TDI.Это был первый серийный автомобиль с пятицилиндровым дизельным двигателем с непосредственным впрыском и турбонаддувом и полностью электронным управлением. Силовая установка развивала 88 кВт (120 л.с.) при рабочем объеме 2,5 литра. Audi продолжала совершенствовать линейку пятицилиндровых бензиновых двигателей. В 1994 году на рынок вышел Audi RS 2 мощностью 232 кВт (315 л.с.). Как Avant, обладающий мощью спортивного автомобиля, он создал новый автомобильный класс.
В 1994 году пятицилиндровые агрегаты вышли из сегмента B, когда была представлена Audi A4 (B5).Их постепенно заменили в середине 1990-х годов новыми двигателями V6. Последние пятицилиндровые двигатели, 2.5 TDI в Audi A6 и 2.3 Turbo в Audi S6, были сняты с производства в 1997 году.
Затем в 2009 году произошло большое возвращение — с турбонаддувом и непосредственным впрыском бензина в Audi TT. RS. Двигатель с поперечным расположением, разработанный quattro GmbH, развивал мощность 250 кВт (340 л.с.) при рабочем объеме 2,5 литра. Он также показал выдающиеся характеристики в RS 3 Sportback и RS Q3.Модель TT RS plus, которую Audi представила в 2012 году, развила впечатляющую мощность в 265 кВт (360 л.с.). Сегодня двигатель 2.5 TFSI в Audi TT RS развивает мощность 294 кВт (400 л.с.). Международное жюри автомобильных журналистов семь раз подряд с 2010 года признало пятицилиндровую силовую установку «Двигателем года».
Те, кто хотел бы увидеть первую Audi с пятицилиндровым двигателем, в настоящее время могут сделать это на Audi Forum в Неккарзульме. На выставке классических автомобилей под названием «От нуля до 100» представлены многочисленные экспонаты, которые Audi использует, чтобы оглянуться на богатую событиями историю своей успешной модели.Также демонстрируется один из первых пятицилиндровых двигателей TDI от Audi 100 1989 года. Выставка продлится до 6 ноября 2016 года.
078
5 $ 17 VW Audi Датчик импульсов коленчатого вала / Датчик положения коленчатого вала / Датчик времени зажигания 80/90 5000 100/0 A4 A6 / S6 Cabriolet Coupe Quattro V8 V6
Подробные данные о совместимости для этой детали:
Хотя были предприняты разумные усилия, чтобы Обеспечьте точность данных совместимости, мы не несем ответственности за любые ошибки в данных совместимости транспортных средств.Пожалуйста, свяжитесь с торговым представителем для получения более подробной информации. Модели: 1993 Audi 80/90
93 1993 (6 цилиндров)
Описание детали: датчик угла опережения зажигания
Дополнительное описание: черный
Количество на автомобиле: 1
Модели: 1994-1995 Audi 80/90
94 1994 95 1995 (6 ЦИЛИНДРОВ)
Модели: 1993-1994 Audi 80/90 Quattro
(6 ЦИЛИНДРОВ) AAH)
Модели: 1995 Audi 80/90 Quattro
(код двигателя: AAH (2.8 Gas V6 SOHC 172HP))
Модели: 1992 Audi 100
92 1992
Модели: 1993 Audi 100
Модели: 1994 Audi 100
()
Модели: 1993-1994 Audi 100 Quattro
(код двигателя: AAH (2.8 Gas V6 SOHC 172HP))
Модели: 1996-1998 Audi A4
96 1996 97 1997 98 1998 (Код двигателя: AFC (2.8 Gas V6 SOHC 172HP))
Модели: 1998-1999 Audi A4
99 1999 (код двигателя: AEB (1.8 Газовый турбонаддув 1.8T Inline-4 DOHC 148HP) AHA)
Модели: 1996-1998 Audi A4 Quattro
(Код двигателя: AFC (2.8 Gas V6 SOHC 172HP))
Модели: 1995 Audi A6
( )
Модели: 1996 Audi A6
(Код двигателя: AFC (2.8 Gas V6 SOHC 172HP))
Модели: 1997-1998 Audi A6
(Код двигателя: AFC (2.8 Gas V6 SOHC 172HP))
Модели: 1995 Audi A6 / S6 Quattro
Модели: 1996 Audi A6 / S6 Quattro
Модели: 1997 — 1998 Audi A6 / S6 Quattro
Модели: 1994-1998 Audi Cabriolet 9024 )
Модели: 1993 Audi 80/90
(6 цилиндров)
Описание детали: датчик частоты вращения двигателя (об / мин) серый
Модели: 1994-1995 Audi 80/90
(6 ЦИЛИНДРОВ)
Модели: 1993-1994 Audi 80/90 Quattro
(6 CYLINDER AAH)
Модели: 1995 Audi 80/90 Quattro
(6 ЦИЛИНДРОВ AFC)
Модели: 1992 Audi 100
(Код двигателя: AAH (2.8 Gas V6 SOHC 172HP))
Модели: 1993 Audi 100
Модели: 1994 Audi 100
Модели: 1993-1994 Audi 100 Quattro
Модели: 1996-1998 Audi A4 9024 Код двигателя: AFC (2,8 Gas V6 SOHC 172HP))
Модели: 1998-1999 Audi A4
(Код двигателя: AEB (1,8 газовый турбонаддув 1,8 T Inline-4 DOHC 148HP) AHA)
Модели: 1996- 1998 Audi A4 Quattro
(код двигателя: AFC (2.8 Gas V6 SOHC 172HP))
Модели: 1995 Audi A6
(Код двигателя: AAH (2.8 Gas V6 SOHC 172HP))
Модели: 1996 Audi A6
(Код двигателя: AFC (2.8 Gas V6 SOHC) 172HP))
Модели: 1997-1998 Audi A6
(Код двигателя: AFC (2.8 Gas V6 SOHC 172HP))
Модели: 1995 Audi A6 / S6 Quattro
Модели: 1996 Audi A6 / S6 Quattro
Модели: 1997-1998 Audi A6 / S6 Quattro
Модели: 1994-1998 Audi Cabriolet
()
Модели: 1988-1992 Audi 80/90 Quattro
88 1988 89 1989 90 1990 91 1991 (код двигателя: 7A (2.3 газовый рядный-5 DOHC 168HP))
Описание детали: датчик угла опережения зажигания
Дополнительное описание: черный
Модели: 1990-1991 Audi 100
(\ «KSA \» MC)
(\ «KSA \» MC)
Модели: 1993-1994 Audi 100 Quattro
(Двигатель Код: AAN (2.2 Gas Turbocged Inline-5 DOHC 227HP))
Модели: 1989-1991 Audi 200
(Код двигателя: MC (2.2 Gas Inline-5 SOHC 162HP))
Модели: 1989-1991 Audi 200 Quattro
(VEZ MC 3B)
Модели: 1984-1988 Audi 5000 Turbo
84 1984 85 1985 86 1986 87 1987 ()
Модели: 1986-1988 Audi 5000 Turbo Quattro
(VEZ)
Модели: 1995 Audi A6 / S6 Quattro
(код двигателя: AAN (2.2 Газовый турбонаддув Inline-5 DOHC 227HP))
Модели: 1996 Audi A6 / S6 Quattro
Модели: 1997-1998 Audi A6 / S6 Quattro
Модели: 1990-1991 Audi Coupe
(Audi Coupe
905 )
Модели: 1988-1992 Audi 80/90 Quattro
(код двигателя: 7A (2.3 Gas Inline-5 DOHC 168HP))
Деталь Описание: датчик частоты вращения двигателя (об / мин) серый
Модели: 1990-1991 Audi 100
(\ «KSA \» MC)
(\ «KSA \» MC)
Модели: 1993-1994 Audi 100 Quattro
(код двигателя: AAN (2.2 Gas Turbocged Inline-5 DOHC 227HP))
Модели: 1989-1991 Audi 200
(Код двигателя: MC (2.2 Gas Inline-5 SOHC 162HP))
Модели: 1989-1991 Audi 200 Quattro
(VEZ MC 3B)
Модели: 1984-1988 Audi 5000 Turbo
()
Модели: 1986-1988 Audi 5000 Turbo Quattro
(VEZ)
Модели: 1995 Audi A6 / S6 Quattro
(Код двигателя: AAN (2.2 Gas Turbocharged Inline-5 DOHC 227HP))
Модели: 1996 Audi A6 / S6 Quattro
Модели: 1997-1998 Audi A6 / S6 Quattro
Модели: 1990-1991 Audi Coupe Quattro
()
Модели: 1990-1994 Audi V8
(PT ABH)
Описание детали: датчик частоты вращения двигателя (об / мин)
Версия F
Ремень ГРМ Audi 100 — Ремни ГРМ — ContiTech Dayco Gates Beck Arnley API Cloyes Melling — 1992 1993 1991 1994 1989 1990 92 93 91 94 89 90
Выберите свой автомобиль:
- Быстрая доставка
- 30-дневная политика возврата
- Низкие цены
Чтобы вернуть деталь, просто отправьте заявку в службу поддержки в течение 30 дней с момента заказа, и мы выдадим вам номер RMA для возврата продукта.Легкий! См. Страницу обслуживания клиентов для получения информации о возврате и возврате
Мы ищем в Интернете, чтобы убедиться, что у PartsGeek всегда низкие цены. Можно покупать с уверенностью!
Audi 100 Запасной ремень ГРМ
Ремни ГРМ— это более легкая альтернатива старым, неуклюжим цепям ГРМ, но при меньшем весе сокращается срок службы. Возможно, вам придется заменять ремень ГРМ на вашем Audi 100 каждые 100 000 миль или раньше, если ремень изношен или сломан. Плохие шкивы также могут вызвать преждевременный износ ремня ГРМ.Поскольку вы не можете ездить без ремня ГРМ, вам необходимо убедиться, что у вас есть такой, который подходит для двигателя вашей Audi 100. Здесь вы можете приобрести подходящий ремень ГРМ; просто ищите ремень с указанием года выпуска, марки и модели вашей Audi. Покупка Audi — разумный выбор, теперь еще разумнее поддерживать ее в отличном состоянии.
Они доступны для следующих Audi 100 лет: 1994, 1993, 1992, 1991, 1990, 1989, 94, 93, 92, 91, 90, 89. Эту деталь также иногда называют ремнями ГРМ Audi 100.У нас есть запасные части ремня ГРМ для большинства моделей Audi, включая A4 Quattro, A6 Quattro, A4, A8 Quattro, TT Quattro, Allroad Quattro, TT, A6, S4, A3, S8, S6, 90, 90 Quattro, 200 Quattro, 4000 Quattro, Cabriolet, Coupe Quattro, Coupe, 5000, 5000 Quattro, 4000, Q5, V8 Quattro, 80, 100 Quattro, 80 Quattro, Fox, A8, Q7, 100 Series, A5, 200, Quattro и RS6.
У нас есть ремни ГРМ следующих марок для Audi 100: ContiTech, Dayco, Gates, Beck Arnley, API, Cloyes и Melling.
Просмотрите примечания по установке, чтобы убедиться в правильности установки
Прейскурантная цена продукта: 90 долларов.00Артикул: W0133-1624545 Примечание по продукту: Premium Подробное примечание: 239 зубов Состояние: Новое Варианты доставки:
| ||||
Прейскурантная цена продукта: 415,49 $Артикул: W0133-1926186 Примечание по продукту: Pro Plus Series Подробное примечание: В комплект входят: водяной насос с пластиковым рабочим колесом, прокладка водяного насоса, ремень ГРМ, натяжной шкив, натяжной ролик и кулачковые уплотнения.(Двигатель помех) Состояние: Новое Варианты доставки:
| ||||
Прейскурантная цена продукта: 415,49 $Артикул: W0133-1926186 Примечание по продукту: Pro Plus Series Подробное примечание: В комплект входят: водяной насос с пластиковым рабочим колесом, прокладка водяного насоса, ремень ГРМ, натяжной шкив, натяжной ролик и кулачковые уплотнения.(Двигатель помех) Состояние: Новое Варианты доставки:
| ||||
Прейскурантная цена: 90,00 $Артикул: W0133-1624545 Примечание по продукту: Premium Подробное примечание: 239 зубов Состояние: Новое Варианты доставки:
| ||||
Артикул: 95218 Примечание к продукту: Ремень ГРМ — Рекомендуемая замена 60000 миль, нормальные условия вождения, замена ремня рекомендована производителями Строительная стандартная температура и нагрузка Позиция продукта: распределительный вал Состояние: Новое Варианты доставки:
| ||||
Артикул: 95218 Примечание к продукту: Ремень ГРМ — Рекомендуемая замена 60 000 миль, нормальные условия вождения, замена ремня рекомендована производителями Строительная стандартная температура и нагрузка Позиция продукта: распределительный вал Состояние: Новое Варианты доставки:
| ||||
| Нажмите, чтобы увеличить (1 отзывов) 4 звезды Gates TCK218 Закрыть Артикул: TCK218 Примечание по продукту: Комплект компонентов ремня ГРМ PowerGrip Premium OE — двигатель с помехами Сравнительный рейтинг компонентов оригинального оборудования OE Exact Содержимое Ремень, натяжитель, натяжной ролик Состояние: Новое Варианты доставки:
| ||||||||
Артикул: 95170 Примечание к продукту: Ремень ГРМ — Рекомендуемая замена 60 000 миль, Нормальные условия вождения, Замена ремня рекомендована производителями; Ремень с круглыми зубьями; Водяной насос с приводом от ремня ГРМ Строительная стандартная температура и нагрузка Позиция продукта: распределительный вал Состояние: Новое Варианты доставки:
| ||||
Артикул: 95170 Примечание к продукту: Ремень ГРМ — Рекомендуемая замена 60 000 миль, нормальные условия вождения, замена ремня рекомендована производителями Строительная стандартная температура и нагрузка Позиция продукта: распределительный вал Состояние: Новое Варианты доставки:
| ||||
Артикул: T170 Примечание по продукту: Ремень ГРМ PowerGrip Premium OE — № шасси063970 и после Состояние: Новое Варианты доставки:
| ||||||||
| Нажмите, чтобы увеличить (1 отзывов) 5 звёзд API 2006-56026 Закрыть Артикул: 7382-07868095 Примечание по продукту: Ремень ГРМ двигателя Состояние: Новое Варианты доставки:
| ||||||||
Артикул: B218 Примечание по продукту: Ремень ГРМ двигателя — применение в двигателе с помехами; Количество зубов: 239; Количество зубьев: 239; Общая длина: 76,250 дюйм Функции:
Позиция продукта: распределительный вал Состояние: Новое Варианты доставки:
| ||||||||
Артикул: B-0218 Примечание по продукту: Stock Title Ремень ГРМ двигателя Материал HNBR Счетчики времени № Ширина верха 1.000 из Длина 75,280 дюйма Шаг 0,315 дюйма Оценка Тип Обычный Количество зубцов 239 Функции:
Состояние: Новое Варианты доставки:
| ||||||||
Артикул: TB218LK2 Примечание продукта: Комплект ремня ГРМ двигателя с водяным насосом — включает водяной насос, ремень ГРМ, натяжитель и натяжной ролик; Содержит: водяной насос, ремень привода ГРМ, натяжитель и натяжитель Состояние: Новое Варианты доставки:
| ||||
Лидеры продаж по теме
Некоторые из наших отзывов клиентов
Очень доволен
Рецензент: Несалоэра
22.12.09 10:21
Отличное обслуживание, никаких проблем и хорошие запчасти, которые вы не сможете превзойти! Я бы порекомендовал Parts Geek любому, кому нужны запчасти для вашей машины! Отличное обслуживание клиентов! Я буду долгое время костюмером…
Дата заказа | 10.12.09
Очень доволен
Рецензент: demonchaser
8/3/09 21:14 PM
Это второй раз за месяц или около того, что я заказываю в PartsGeek. В первый раз я провел тщательную проверку цен, и у PartsGeek были самые дешевые цены на тот же самый продукт. …
Дата заказа | 26.07.09
1990 Audi 100 Quattro Sedan — находка на свалке
Выберите categoryACAcuraAlfa RomeoAlvisAMCASAAston MartinAudiAustinBentleyBerkeleyBitterBizzarriniBMWBrasincaBristolBugattiBuickCadillacChevroletChryslerCitroenCizetaDaciaDaewooDAFDaihatsuDatsunDe TomasoDetroit ElectricDodgeEagleFerrariFiatFordGAZGenesisGeoGilbernGilletGlasGMCGoggomobilGurgelHennesseyHoldenHondaHudsonHyundaiInfinitiInnocentiIntermeccanicaInternationalInternational HarvesterInvictaIran KhodroIsderaIsuzuJaguarJeepJensenKiaLaforzaLagondaLamborghiniLanciaLand RoverLandsLexusLincolnListerLocomobileLotusLynk & CoMaseratiMaybachMazdaMcLarenMercedes-BenzMercuryMerkurMGMidasMINIMitsubishiMitsuokaMonteverdiMorettiMorganMoslerMuntzNashNissanNSUOldsmobileOpelOSIOtherPanhardPanozPegasoPeugeotPGOPlymouthPontiacPorscheRamReliantRemix ReviewRenaultRene BonnetRivianRolls-RoyceRoverSaabSaturnScionSharkSiataSingersmartSpectreSpykerStudebakerSubaruSunbeamSuzukiTalbotTataTatraTeslaToyotaTriumphTVRUMMVauxhallVolkswagenVolvoWiesmannWoodillYugoZimmerŠkoda Найти обзоры по марке:
Мюрили Мартин, 6 января, 2016C3 Audi 100 продавался в США под маркой Audi 5000… пока кошмар «непреднамеренного ускорения» чуть не убил Audi в Северной Америке, и после нескольких лет ужасных продаж компания решила пойти дальше и назвать это машина 100 здесь.Из-за того, что было продано так мало, Audi 100 1989-1990 годов в наши дни очень и очень редка.
Вот тот, который я заметил во дворе Денвера пару недель назад.
Это автомобиль с механической коробкой передач, и фиаско с непреднамеренным ускорением было связано с 5000-м с автоматической коробкой передач. Это означает, что вы не увидите больших страшных наклеек «Включите ножной тормоз при включении Drive или Reverse» рядом с переключателем на 5-скоростных автомобилях. Благодаря небольшой помощи со стороны администрации Рейгана в начале десятилетия Ford смог использовать аналогичные наклейки, чтобы не вспомнить 23 миллиона автомобилей, которые имели тенденцию переключаться на задний ход без вмешательства водителя.
Почти 200 000 миль на этой машине, что довольно неплохо для (не-мерседес-дизельного) немецкого автомобиля того времени.
Этот автомобиль, вероятно, был не в ужасном состоянии, когда он обнаружился на свалке, но все, что пойдет не так с 25-летней Audi, будет стоить дорого, чтобы исправить.
СвязанныеКто мы
- Адам Тонг
- Божи Татаревич
- Кори Льюис
- Марк Барут
- Ронни Шрайбер
Замена ремня ГРМ Audi: 3 ступени
Давайте займемся этим, не так ли? После каждого шага есть соответствующая фотография…
Шаг 1: Снимите решетку и датчик наружной температуры. На датчике температуры есть три контакта, все, что вам нужно сделать, это сжать их и вытащить. На решетке должны быть два винта сверху, и когда они вынуты, она должна подниматься, а затем выходить.
Шаг 2: Снимите переднюю опору. Это будет четыре 10-миллиметровых болта на внешних краях (по 2 с каждой стороны) и три 8-миллиметровых болта между ними и два винта внизу. Теперь, прежде чем вы просто попытаетесь вытащить эту деталь, взгляните на трос открывания капота, который тянется поперек него, его удерживают три черных зажима.Чтобы снять с зажимов, положите пальцы на кабель, вытащите его из зажима, затем надавите на переднюю часть автомобиля.
Шаг 3: Вам НЕ ОБЯЗАТЕЛЬНО делать этот шаг, но он помогает. Снимаем вторичный радиатор. Это будут два шланга со стороны водителя и два 10-миллиметровых болта внизу, которые вы должны достать снизу, а также 10-миллиметровая поворотная розетка очень помогает.
Шаг 4: Следующие ремни для аксессуаров. Первым отключается генератор переменного тока. Ослабьте 13-миллиметровый болт, который крепит генератор к блоку, затем используйте 13-миллиметровый гаечный ключ на зубчатой трещотке на кронштейне генератора, поверните ПО ЧАСОВОЙ СТРЕЛКЕ, чтобы ослабить ремень, и ПРОТИВ ЧАСОВОЙ СТРЕЛКИ, чтобы снова затянуть.Далее идет компрессор для кондиционера. У него есть 13-миллиметровый болт и гайка внизу для салазок, 15-миллиметровый болт вверху и внизу стороны, которая болтами прикрепляется к блоку. И, наконец, ремень насоса гидроусилителя рулевого управления. Болт 15 мм на проушине блока, 13 мм ЗА шкивом, а затем для регулировки натяжения используйте болт длиной 13 мм для перемещения насоса вверх и вниз.
Шаг 5: Снимите 7-образный тормозной механизм с пассажирской стороны блока. Это будут два 17мм болта. НАМЕКАТЬ; Нижний болт выходит, верхний не нужен, скоба имеет прорезь, так что ее можно просто потянуть вверх.
Шаг 6: Снимите пластиковую крышку ремня с блока. Это удобно при использовании двух странно выглядящих орехов. Это накидные гайки, но для снятия используйте шестигранный ключ на 6 мм. Возможно, вам придется отрегулировать водяной насос, чтобы снять его, если это так, см. Шаги 11 и 12.
Шаг 7: Теперь снимаем шкив кривошипа. УВЕДОМЛЕНИЕ!!! Сначала удалите со шкива четыре 6-миллиметровых бляшки с внутренним шестигранником. Если вы удалите центральный болт, а затем попытаетесь снять шкив, вы можете в конечном итоге потянуть за внутренний кривошипный привод ремня ГРМ.Итак, снимите четыре шестигранных болта на 6 мм, затем центральный болт, который составляет 27 мм. Возможно, вам потребуется включить передачу, чтобы двигатель не вращался (если автомобиль находится в воздухе). Если да, включите 5-ю передачу, чтобы двигатель не вращался.
Шаг 8. Снимите нижний металлический элемент. крышка от переднего ремня ГРМ. Он снимается болтом с шестигранной головкой на 5 мм с каждой стороны.
Шаг 9: Вверните болт обратно в конец коленчатого вала. Вставьте гнездо обратно на болт. Если вы включили передачу, чтобы мотор не вращался, включите нейтраль.Переверните двигатель до тех пор, пока маленькая точка на шкиве распределительного вала не совпадет со стрелкой на крышке клапана. Отметьте точку и стрелку маркером краски или чем-то подобным, чтобы их было легче увидеть позже. Выберите место на кривошипе и на самом блоке и отметьте маркером краской, чтобы убедиться, что вы выровняли и кулачок, и кривошип. Потяните за провод свечи зажигания на первом цилиндре, а затем за свечу зажигания с помощью свечи зажигания 5/8 «. Вставьте длинную отвертку или длинный приводной удлинитель на 1/4» в отверстие, чтобы убедиться, что поршень находится в нужном положении. верхняя мертвая точка (насколько это возможно в цилиндре).
Шаг 10: Снимите шестерню распределительного вала, даже не снимая ремня. после включения нового водяного насоса легче ослабить и натянуть ремень с помощью водяного насоса. Я знаю, что это не метрическая система, но я использовал сокет 13/16, и он работал нормально. Если у вас нет ударного инструмента, снова включите передачу для этого и только для этого шага.
Шаг 11: Снимите внутреннюю металлическую пластину. Могут быть три 10-миллиметровых болта спереди, 13-миллиметровый болт на стороне пассажира и 13-миллиметровый болт для водяного насоса, который должен выйти.Отложите тарелку в сторону.
Шаг 12: снимите оставшиеся болты с водяного насоса. Это будет шестигранный болт на 6 мм в верхней части со стороны водителя и болт на 13 мм прямо под ним. Также убедитесь, что скоба закреплена так же, как снята. Насос должен сразу же отключиться.
Шаг 13: Очистите место вокруг установки водяного насоса куском эмри или наждачной бумагой. вытрите пыль тряпкой или полотенцем. Наденьте новое уплотнение на новый насос, смажьте немного моторным маслом, но не много, ровно столько, чтобы уплотнение оставалось влажным.Поместите насос на блок и вставьте кронштейн с шестигранным болтом на 6 мм и болтом на 13 мм обратно, чтобы удерживать его. Прикрутите это большое металлическое место обратно к блоку. Теперь, когда болт водяной помпы со стороны пассажира затянут, ослабьте еще два.
Шаг 14: Установите шестерню распределительного вала на место, убедившись, что она совмещена с метками. Убедитесь, что коленчатый вал также совмещен с установочными метками. Вы заметите, как маркер с краской теперь немного облегчил жизнь. как только они будут выровнены, оберните ремень вокруг шестерен и шкива.Поверните водяной насос, чтобы отрегулировать натяжение ремня. Правильное натяжение достигается, когда вы можете схватить ремень двумя пальцами и повернуть его только на 90 градусов.
Теперь все, что вам нужно сделать, это полностью изменить процесс. Не забудьте удалить воздух из системы охлаждения после того, как снова залите в нее охлаждающую жидкость.
