Насос шестеренчатый МАЗ — технические характеристики НШ 32
Такой агрегат, как гидроусилитель представляет собой распределитель и силовой цилиндр в сборе. Система гидроусистеля является достаточно сложной. В неё входит насос ГУР МАЗ, состоящий из НШ, крепящийся на двигателе грузового автомобиля, трубопроводов и бачка для масла.
Принципиальный механизм работы гидроусилителя следующий. При работающем двигателе грузового автомобиля насос НШ непрерывно подает в гидроусилитель рабочее масло, которое может или возвращаться в бачок или подаваться в рабочую полость силового цилиндра. Такое движение обусловлено в первую очередь направлением движения самого грузового автомобиля. Следует отметить, что масло подаётся через трубопроводы. При этом полость другая соединена с бачком через сливную магистраль. Рассмотрим данные запасные части МАЗ более детально.
В описанной выше системе важную роль играет насос ГУР МАЗ. Он нагнетает рабочую жидкость в систему гидравлического усилителя.
Данная система гидравлического усилителя управления имеет категорию N по ГОСТу 31286. В состав входят НШ насос объемного гидропривода, клапан расхода и давления, механизм натяжения приводного ремня с механизмом крепления. В простонародье может быть представлен как НШ насос и привод. При этом насос ГУР МАЗ прикручивается к кронштейнам 5336-3407203 и 5336-3407205 и используется клапан 5336-3407260.
В зависимости от применяемого элемента, вида климатического исполнения и используемого клапана расхода давления существует множество модификаций насоса ГУР МАЗ.
Если использовать НШ насос типа НШ 32 каталожных номеров М-3, ВМ-3 или УМЖ-3 вместе с клапаном расхода и давления под номером 5336-3407260, то можно говорить о детали типа 543240-3407010. Представленный насос ГУР МАЗ является типовым в этом классе.
При этом необходимо учесть вид климатического исполнения типа УХЛ1. В случае если необходим вид климатического исполнения типа Т1, то можно использовать такой же насос ГУР МАЗ.
Для типового насоса ГУР МАЗ модели 630300-3407010 необходимо так же использовать насосы НШ 32, только типа НШ 32 УКП-0.
Отметим, что агрегат применяется в системах гидравлических не только грузовой техники ОАО «МАЗ», но и тракторов Минского тракторного завода. Рассмотрим следующие НШ характеристики. Рабочий объем, 32 см3. Производительность или объемная подача (номинальная) равна 1,1437 м3/с. При ходе в 68,6 л/минуту номинальное давление будет составлять не менее. 16 МПа. При этом отметим, что мощность составляет не более 26,6 кВт, а подача будет не менее 0,95 (коэффициент). Весит данный НШ насос МАЗ 6,37 килограмм.
Следует отметить, что широкое распространение получили не только детали типа 32, но и других серий и объёмов. Следует выделить следующие основные типы насосов НШ и указать их характеристики.
Насос НШ 25.
НШ характеристики следующие: рабочий объем (номинальный) составляет 25 см3. Давление на выходе (номинальное) будет равно 1,6 МПа. В одной секции номинальная подача составит 31,9, л/мин. Частота вращения НШ насоса (номинальная) равна 25с-1. Подача составляет не менее 0,85 (коэффициент). Вес устройства не более 2,5 килограмм. НШ насос 25 устанавливают в основном на промышленных тракторах, сельскохозяйственных и дорожных машинах дорожных машинах.
Насос НШ 50.
Имеет одинаковые НШ характеристики. Давление на выходе (номинальное) составляет 16МПа. Частота вращения (номинальная) будет равна 40с-1. Подача НШ насоса (номинальная) равна 107,2 л/мин. Подача составляет не менее 0,95 (коэффициент). Мощность равна не более 41,5 кВт (номинальная). Масса составляет не более 8 килограмм. Следует отметить, что элемент типа НШ 50 является импортозамещающим. А следовательно, продукция обладает более высокими техническими характеристиками.
Насос НШ 16.
Имеет рабочий объем 16 кубических сантиметров. Производительность или объемная подача (номинальная) составляет не менее 29,4 л/мин. Давление НШ насоса на выходе (номинальное) будет равно 18 МПа.
Частота вращения (номинальная) составляет 2400 оборотов в минуту. В рабочем состоянии мощность НШ насоса составит не более 13.8 кВт. Подача (коэффициент) не менее 0,8. Весит же данная запасная часть не более 4,4 килограмма. При этом применяемость у него идентична, а это гидравлические системы тракторов, сельскохозяйственных и дорожных машин.
Насос НШ 10.
Может быть четырёх и шести шлицевым. Он изготавливается как правого, так и левого вращения. Его характеристики: рабочий объем — 10 см3. Производительность или объемная подача (номинальная), не менее 21,0 л/мин. При этом давление на выходе (номинальное) составит 16 МПа. Частота вращения НШ насоса в рабочем состоянии (номинальная) равна 2400 об/мин. Мощность не более 8,6 кВт. Подачи (коэффициент) не менее 0,93.
Наша компания, рада предложит Вам насос ГУР на МАЗ и весь спектр представленных насосов НШ, а также предложить лучшие цены на НШ насосы.
Так же Вы можете следить за блогом нашей компании в социальных сетях twitter, facebook, в контакте, google+.
Технические характеристики НШ-32
Статья обновлена 06.04.2019
Наиболее востребованными, распространенными моделями тракторной техники, активно используемой в сельском хозяйстве, представляются модели МТЗ-80, 82. Даже в базовой комплектации они оснащены специальным насосным оборудованием высокого давления модели НШ-32. Технические характеристики НШ 32 делают его невероятно эффективным, надежным решением.
Насосы НШ-32
Изучая наиболее характерные особенности, которыми обладает насос НШ 32, необходимо прежде всего упомянуть, что он относится к шестереночной разновидности, является одним из предметов гидравлического оснащения.
При этом несмотря на давний год выпуска подобные приспособления по-прежнему пользуются стабильно высоким спросом, что обусловлено их превосходными эксплуатационными характеристиками. Отчасти этому способствует цена насоса НШ 32, которая значительно ниже, чем у большинства отечественных и зарубежных аналогов.
Устройство используется для работы с навесным оборудованием исключительно в вертикальной плоскости, что необходимо учитывать при использовании модели. Насос повсеместно используется в:
- бульдозерах;
- отвалах;
- грейдерах;
- ковшевых навесах;
- привод стрел/захватов.
Шестеренчатый насос
Для осуществления работ в горизонтальном положении используется другая модель — НШ 10. Модификация НШ 32 относится к шестереночному типу, что обусловлено её конструкцией. Принцип работы предполагает, что за счет правильного расположения шестеренок, удается добиться эффективной циркуляции масла в системе.
Устройство не только отличается низкой стоимостью, но и доступными расценками на запчасти, например, фланец НШ 32. Это позволяет значительно сократить затраты на обслуживание и при необходимости выполнять ремонт нужного узла самостоятельно. С этой целью также крайне удобно использовать специальный ремкомплект, включающий все необходимое для устранения самых распространенных неисправностей.
Варианты исполнения
Прежде чем более подробно ознакомиться с рабочими параметрами подобного устройства, необходимо изучить варианты его исполнения. Поскольку завод-изготовитель данной продукции выпускает множество наименований аналогичных устройств с различными техническими характеристиками, возникла необходимость их маркировки.
Устройства данной модели выпускаются сразу 2 видов — левый и правый, в зависимости от направления вращения шестереночного механизма. Узнать более подробную информацию о конкретном приборе с помощью маркировки можно по следующей схеме:
- НШ — насос шестереночный;
- последующие цифры — рабочий объем изделия;
- буква — серия устройств;
- следующая цифра — исполнение по давлению;
- далее следует буква Л для устройств с левым направлением вращения.
Для правых аналогов буквенное обозначение не используется; - последняя буква отражает климатическое исполнение — пустое поле означает умеренный климат, а буква Т тропический.
Маркировка дает пользователю исчерпывающее понятие о рассматриваемом приборе, его типе, а также эксплуатационных характеристиках, что делает её крайне важной.
Технические характеристики
Планируя ознакомиться с внутренним устройством данной модели, необходимо изучить его ключевые технические характеристики, которые во многом определяют популярность этого прибора среди потребителей.
Схема НШ-32
К числу наиболее значимых показателей следует отнести:
- рабочий объем — 32 куб.см;
- номинальная частота вращения — 40;
- интенсивность подачи — 68,6л;
- давление на выходе — 16-20МПа, в зависимости от конкретной модификации;
- коэффициент подачи — 0,94;
- КПД — 0,83;
- масса изделия — 3,52-6,4кг;
- мощность — 26,6-33,2 кВт.

Устройства способны успешно конкурировать со многими современными аналогами, поскольку при умеренных рабочих показателях они обладают малой стоимостью, что делает их крайне привлекательными для потребителей.
Устройство насоса НШ-32
Конструкция приборов этой серии практически идентична и предусматривает наличие нескольких ключевых элементов. Главным из них представляется шестереночный механизм, за счет которого и осуществляется перекачка жидкости в системе. Упоминания заслуживают и другие важные узлы:
- корпус, изготовленный из высокопрочного сплава;
- прокладка, опорное, уплотнительное и стопорное кольца;
- вал привода, втулки;
- поджимная, подшипниковая обойма и прочие элементы.
Необходимо помнить о соблюдении правил эксплуатации, поскольку, в противном случае, многие элементы могут быстро прийти в негодность. Например, учитывая размер сальника, необходимо использовать только качественное масло установленной категории, а также исключить возможность появления загрязнений в гидросистеме.
Схема подключения НШ-32
Чтобы обеспечить корректную работу устройства и его длительный срок службы, рекомендуется при установке агрегата руководствоваться инструкцией, поставляемой вместе с изделием. Схема подключения позволит не допустить ошибок, способных повредить гидравлический насос и позволит избежать дополнительных затрат.
Заключение
Шестереночный насос НШ-32 представляется популярной моделью отечественного производства, которая благодаря простой и надежной конструкции способна длительное время работать без необходимости выполнения ремонтных работ. Низкая цена и простота монтажа делают изделие оптимальным решением.
Читайте еще:
Сьемник втулок нш-32 | Скачать чертежи, чертежи, блоки Autocad, 3D модели
Содержание
Содержание
Введение
1.
Производственно-экономическая характеристика сельскохозяйственного предприятия
1.1. Краткое описание производственной деятельности предприятия
1.2. Показатели технической оснащенности фермы и использования тракторного парка
1.3. Ремонтно-эксплуатационная база
1.4. Машиностроение и машиностроение и персонал
2. Проектирование тракторного цеха
2.1. Предложения по организации технического обслуживания и ремонта
2.2. Определение годового объема работ по тракторному цеху
2.3. Режим работы и фонд времени оборудования
2.4. Расчет численности рабочих и ее состав
2.5. Расчет количества и подбор оборудования
2.6. Расчет площади
2.7. Проектирование элементов эстетики изготовления
3. Предложения по организации технического обслуживания и ремонта в тракторных мастерских
4. Конструктивная часть
4.1. Описание устройства и принципа действия аксессуара
4.2. Расчет арматуры
5.
Охрана труда и окружающей среды
5.1. Охрана труда
5.2. Охрана окружающей среды и энергосбережение
6. Экономическое обоснование проекта
Заключение
Перечень использованных источников
Заявка
Введение
Развитие агропромышленного комплекса Республики Беларусь в ближайшие годы будет осуществляется в соответствии с Государственной программой возрождения и развития села на 2005-2010 годы.
Предусматривается проведение организационно-экономических и технических мероприятий, направленных на углубление специализации производства, концентрацию средств в приоритетных областях экономики, интенсификацию сельскохозяйственного производства, снижение его себестоимости и повышение конкурентоспособности.
К 2010 году планируется ежегодно производить 8,4 млн. тонн зерна, 9,0 — картофеля, 3,6 — сахарной свеклы, 2,0 млн. тонн овощей, 60 тыс. тонн льноволокна. Для этого необходимо совершенствовать технологии выращивания сельскохозяйственных культур.
Будут выращиваться сорта высокой урожайности (урожайность зерна — 6-7 ц/га, картофеля — 35-40, сахарной свеклы — 45-50, льноволокна — 1,5-1,7 ц/га).
Достижение этих целей требует последовательной интенсификации и комплексной механизации производства. В современных условиях получение сельскохозяйственной продукции в кратчайшие сроки можно обеспечить с помощью современных машин и оборудования, передовых технологий, научной организации труда и производства. Этого можно достичь за счет внедрения достижений науки и передового опыта, комплексной механизации и автоматизации производственных процессов.
Программа развития агропромышленного комплекса предусматривает увеличение запасов сельскохозяйственной продукции:
совершенствование организационных форм и технологий технического обслуживания, ремонта и хранения сельскохозяйственной техники, бережное отношение к ней, экономный расход запасных частей, ТСМ, продление срока службы машин; Создание системы дилерских центров в каждом районе для обслуживания сложной сельскохозяйственной техники;
применение надежных технических средств для обеспечения производственных процессов возделывания сельскохозяйственных культур, широкое внедрение комбинированных агрегатов при подготовке почвы и посеве;
Создание машинно-технологических станций и механизированных отрядов с использованием высокопроизводительных машин по
преимущественно за счет машин нового поколения: тракторов
Беларус-1221/1222, Беларус-1522/1523, Беларус-2022/2102, Беларус-25222В /2822Б; зерноуборочные комбайны заводов Гомсельмаш (КЗС7, КЗС-8, КЗС10К, КЗС-11К, КЗР10), Лидсельмаш (Лида1300, Лида-1700).
Основу машинно-тракторного парка должны составлять тракторы,
производства ПО «Минский тракторный завод». Тракторы класса 0,6 — 0,9составят 10 — 12 % парка, класс 1,4 — 48 — 50 %, класс 2,0 и выше — 38 — 40 %. Это позволит более эффективно использовать технические возможности средств механизации и значительно снизить расход топлива.
Состав парка зерноуборочных комбайнов должен соответствовать научно обоснованным нормам. В процентном отношении доля комбайнов производительностью до 8 кг/с составит около 40-45%, 8-10 кг/с — 40-50%, более 10 кг/с — 5-10%.
Техническое перевооружение сельскохозяйственного производства позволит повысить производительность труда в 1,5 раза, снизить удельный расход материальных и энергетических ресурсов на 20-25% ежегодно
получать продукции на 20 — 25% больше при том же расходе топлива.
Автоматика и телемеханика находят все большее применение в сельскохозяйственном производстве. Это позволяет поддерживать технологические и технические режимы работы и регулировки агрегатов в оптимальных пределах, создавать более благоприятные условия труда механизаторов.
При комплексной автоматизации все технологические операции выполняются и контролируются агрегатами, оснащенными автоматизированными системами управления.
Использование микропроцессорной техники и микроЭВМ в системах автоматического управления способствует значительному повышению продуктивности сельского хозяйства. Большие возможности откроются благодаря созданию роботов и робототехнических комплексов.
Применение современной передовой техники в сельскохозяйственном производстве требует разработки системы организационных, технических и других мероприятий по реализации его потребительских качеств.
Научные основы решения этих задач изложены в курсе «Производственная эксплуатация машинно-тракторного парка».
Ремонтно-техническая база
Станция технического обслуживания тракторов предназначена для диагностики и технического обслуживания колесных энергонасыщенных тракторов типа К701, Т-150 и «Беларус»
На станции технического обслуживания тракторов ТО3 выполняются диагностика и текущее обслуживание , замена неисправленных узлов на новые или отремонтированные.
Структура ремонтной мастерской определяется с учетом производственной программы и особенностей процесса ремонта и обслуживания машин.
Технологический процесс тракторов, комбайнов и сложного оборудования предусматривает разборку, дефектовку, ремонт сборочных единиц и деталей, сборку, обкатку. Все эти работы выполняются на соответствующих участках ЦДТ. Обменные единицы для ремонта машин поступают из фонда технического обмена областной агропромышленной техники. Наряду со всеми необходимыми производственными площадями предоставляется бетонированная площадка
для наладки сельскохозяйственных машин, корпус механизированной мойки с
Оборотное водоснабжение. Также предусмотрено наличие служебных помещений, в частности оборудованной комнаты отдыха, гардероба для рабочей и чистой одежды, кабинета начальника ремонтной мастерской.
В районном объединении ГУП «Рогачевагрохимсервис» находится здание СТО. В СТО находится следующее оборудование: испытательный стенд для диагностики колесных тракторов, комплект диагностического инструмента, моечная установка, специальная швабра с табло, струйная мойка, шкаф, ящик с песком, установка для мойки.
система смазки двигателей тракторов, стеллаж для деталей и агрегатов, установка для смазки и заправки топливом, комплект оборудования помощника наладки, слесарный стол, кран.
В слесарной есть станок для ремонта камер (вулканизатор), сверлильный станок, веха, струбцина, шкаф для инструментов. В аккумуляторной есть специальное оборудование для подготовки электрометра, трансформатор для получения необходимого напряжения и тока для заряда аккумуляторов, а также оборудование для восстановления аккумуляторов. На территории организации находится станция ГСМ, на которой расположены три заправочные колонки. Масло и солидол находятся в специальных бочках. Отработавшее сезон оборудование сдается на хранение. Перед хранением его моют, красят или обрабатывают там, где отошла краска. Смажьте все необходимые места, указанные в карте смазки, прилагаемой к сельскохозяйственным машинам. Планирование технического обслуживания ИКЦ осуществляется главным инженером. Составляет график прохода, далее по каждому виду техники в зависимости от периодичности.
Техника и машиностроение и кадры
В мастерских контроль за качеством технического обслуживания и ремонта машин, агрегатов и восстановления деталей в крупных мастерских совхозов и колхозов и ремонтно-технических предприятий возлагается на инженера по технический контроль.
В малых мастерских колхозов и совхозов в период проведения массовых ремонтных работ контролем за качеством ремонта машин занимается опытный слесарь, а в остальные периоды — начальник цеха.
Тракторы, комбайны и другие машины, отремонтированные в мастерской, выдаются заказчиком только после приемки их инженером, диспетчером или механиком.
Инженер-контролер совхоза и ремонтно-технического предприятия назначается и освобождается от должности вышестоящей организацией.
Проверка качества отремонтированных в мастерской машин, агрегатов,
деталей; следить за своевременным и правильным внесением в
технических паспортов машин сведений о ремонте и техническом обслуживании; принимать участие вместе с начальником цеха в приемке в ремонт и сдаче из ремонта машин и агрегатов; проверить качество запасных частей, инструментов и
ремонтные материалы.
Кроме того, он обязан периодически проверять состояние измерительного инструмента, приборов, приборов и оборудования; выявлять причины отказов и отказов машин и агрегатов на основании рекламаций или заявлений.
Механизаторы руководят производством непосредственно через главного инженера, ему непосредственно подчиняются все специалисты среднего звена, а также, а также поддерживают функциональные связи с другими сельскохозяйственными службами предприятия.
Проект центральной мастерской тракторов
2.1.Предложения по организации технического обслуживания и ремонта.
Организация рационального использования машин во многом зависит от состояния ремонтно-эксплуатационного производства.
Созданное в республике уникальное по своему составу и организационной структуре сетевое ремонтное предприятие в последние годы испытало серьезные трудности и претерпело определенные изменения,
что сказалось на уровне готовности локомотивного парка.
Это прежде всего сокращение объемов капитального ремонта машин, узлов и агрегатов, выполняемых специализированными ремонтными
предприятиями, переориентация отдельных ремонтных предприятий на выпуск новой сельскохозяйственной техники, значительное снижение сервисного обслуживания в производительности комплексных ремонтно-эксплуатационных работ, оказываемых фермерским хозяйствам инженерно-техническими службами районного уровня.
Перемещение основного объема ремонтно-эксплуатационных работ на производственную базу фермерских хозяйств из-за низкого уровня технической оснащенности, нехватки квалифицированных кадров ремонтников, несоблюдения системы планирования и предупреждения ремонтных работ приводит к низкому качеству работы, большие простои машин в процессе эксплуатации. Значительно ухудшилось техническое состояние, увеличился срок службы машинно-тракторного парка. В мастерских многих ферм из нескольких старых машин восстанавливают одну, используя подходящие комплектующие. При этом только при необходимости закупается минимум новых деталей.
Стратегические направления последующего перспективного развития сферы технического обслуживания и ремонта, эффективного использования парка сельскохозяйственных машин основаны на реализации принципа триединства научно-технического прогресса: производство новой техники — эксплуатация — ремонт .
Представляется целесообразным оказание технического обслуживания, как комплексного вида работ по обеспечению сельскохозяйственного производителя машинами, оборудованием, запасными частями к ним, созданию условий для эффективного использования этой техники, как в гарантийный, так и в послегарантийный периоды .
Эти услуги должны выполняться специализированными службами торговых, снабженческих и ремонтно-эксплуатационных предприятий. Выделение из комплекса услуг технического обслуживания и монополизация наиболее прибыльных функций продажи техники на базах не отвечает интересам сельхозпроизводителя или лиц с мировым опытом. Требуется интеграция снабженческих и ремонтных мощностей.
В то же время ремонт и техническое обслуживание являются специфическими не только для самих пользователей оборудования, но и для его изготовления.
Данная форма организации ремонта и обслуживания машин в условиях рыночной экономики сопровождается антизатратным механизмом, что подтверждает ее перспективность.
Стоимость ремонта и технического обслуживания машин не превышает стоимости новой техники.
Предложения по организации технического обслуживания и ремонта в мастерской и ремонта тракторного парка
В основу технологического процесса положена типовая технология технологического обслуживания и ремонта машин.
Основным методом восстановления работоспособности машин является агрегатный метод с использованием сменного фонда узлов и агрегатов, восстановительный ремонт которых осуществляется на специализированных предприятиях.
Текущий ремонт сложных машин и агрегатов (двигателей, рабочих мостов, КПП и др.), связанный с глубокой разборкой на сложном оборудовании и последующими операциями по локализации, выполняется во взаимодействии с ремонтными предприятиями районного уровня.
Текущий ремонт сборочных единиц производится на универсальных стендах и опорах. Узлы, требующие восстановительного ремонта, передаются специализированным ремонтным предприятиям. На специализированных участках выполняются кузнечные, сварочные, слесарные, станочные работы, обслуживание и ремонт топливной аппаратуры и гидрооборудования, автотракторного электрооборудования.
Размещение ремонтно-технологического оборудования позволяет перестроить рабочее место методом ремонта определенного вида машин.
Порядок организации процесса ремонта техники в СТО.
Машина, требующая планового обслуживания или устранения неисправностей, доставляется оператором машины на внешнюю станцию очистки и мойки. Очистку следует начинать с компонентов, имеющих сложные, трудноудаляемые загрязнения.
После очистки техническое состояние машины оценивается диагностикой. Для машины, требующей планового обслуживания, проводится полная диагностика (ресурсная), а для выявления возникающих неисправностей только тех узлов, в которых обнаружены отказы (прикладная диагностика). По результатам диагностики принимается решение об объеме, месте и сроках проведения ремонтно-профилактических работ.
Текущий ремонт энергонасыщенных тракторов, как правило, должен производиться на региональных станциях технического обслуживания тракторов агропромышленного комплекса.
При текущем ремонте капитальному ремонту подлежат узлы машин, достигшие предельного состояния, и не дошедшие до текущего состояния. Неисправные компоненты могут быть заменены новыми или отремонтированными деталями.
Значения диагностических параметров, определяющих предельное состояние элементов, указываются в соответствующей нормативно-технической документации (руководствах, инструкциях и т.п.).
Если принято решение отремонтировать машину в мастерской, то она направляется
в ремонтно-монтажный отдел, где после снятия неисправных
узлов и их очистки проводится диагностика.
По результатам оценки технического состояния комплектующих устанавливается возможность их ремонта своими силами или на других объектах ремонтно-технической базы.
В условиях СТО сборочные единицы ремонтируются на специализированных участках или рабочих местах. После ремонта сборочные единицы комплектуются для установки на отремонтированную машину, либо отправляются на склад хозяйства за обменный фонд (если на машину были установлены другие сборочные единицы из обменного фонда). Собранные сборочные единицы устанавливаются на ремонтируемую машину, заправляется горюче-смазочными материалами, водой и направляется на обкатку.
Мелкие неисправности, выявленные в процессе обкатки, устраняются на месте, а более сложные, требующие разборки узлов, непосредственно в секциях СПО. При хорошем состоянии старой краски машина из ремонта выпускается с покраской отдельных мест.
На отремонтированную машину оформляется акт приема-передачи в ремонт, после чего она направляется на хранение или передается в эксплуатацию.
Конструктивная часть
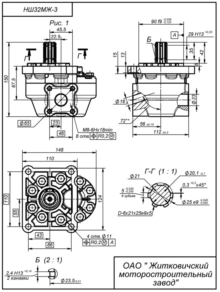
В результате эксплуатации гидронасосов марки НС изнашиваются втулки, для замены втулок существует множество способов и приспособлений. Но предлагаю свое приспособление для снятия втулок гидронасосов НШ42.
Содержание чертежей
1.bak.cdw
2.

Для правых аналогов буквенное обозначение не используется;