Неисправности ГРМ. Причины, способы определения и устранения. Особенности конструкции и диагностики неисправностей газораспределительного механизма
Неисправности подвески и рулевого управления К неисправностям подвески и рулевого управления относятся:– увеличение свободного хода (люфта) рулевого колеса;– повышение силы, необходимой для поворота передних колес, слишком «жесткое» рулевое управление;– подтекание
автора Золотницкий Владимир АлексеевичВозможные неисправности рулевого управления с
Своевременное поступление в
цилиндры горючей консистенции и отвод отработанных газов обеспечивает механизм
газораспределения (ГРМ). Конструктивно механизм состоит из нескольких
частей: привода, распределительного вала с шестерней, привода клапанов,
клапанов с направляющими втулками и пружинами.
Эксплуатация автомобиля приводит
к износу деталей механизма газораспределения. Движок перегревается, стержни
клапанов клинит во втулках, трущиеся поверхности деталей изнашиваются под
воздействием ударов, газов, нагарные отложения нарушают плотность прилегания клапанов
к седлам.![]()
компрессия, клапана издают стук.
К главным неисправностям
механизма газораспределения ВАЗ относятся:
- Утрата упругости и усадка клапанной пружины. В
итоге посадка клапана на седло происходит с перекосом. - Истирание направляющих втулок и толкателя также
приводит к перекосу посадки клапана. - Износ шеек и кулачков распредвала, его подшипников
и зубьев шестерен. - Осевое смещение распредвала.
- Износ втулок и осей кормысел.
- Изменение термического зазора в клапанах.
Об увеличении термического зазора
судят по железному стуку клапанов на низких холостых оборотах вала
мотора. Существенно изнашиваются торцы стержней клапанов, понижается мощность
мотора. Это происходит из-за того, что в открытом положении клапаны
находятся меньше времени, усугубляется заполнение и чистка цилиндров.
В случае малого термического зазора меж
клапаном и коромыслом либо его полного отсутствия возникают хлопки.
У выпускных
клапанов – из глушителя, у впускных – к тому же под карбюратором. В итоге клапан
неплотно запирается, что тянет понижение мощности и обгорание фасок на
тарелках клапанов.
Предупредить подобные
неисправности можно своевременной регулировкой термических зазоров при прохладном
движке. Плановый осмотр создают через 30 тыс. км пробега, а может быть и
ранее.
- Износ цепей и звездочек. Истирание шарнирных соединений
звеньев цепи привода распределительного вала приводит к удлинению ремня (цепи),
что вызывает вибрации и шум при работе. В таких случаях необходимо отрегулировать
натяжное устройство. Регулировку цепного привода нужно создавать через
каждые 10 тыс. км пробега. - Вытягивание зубчатого ремня (у ВАЗ-2105 и
ВАЗ-2107). Если при наружном осмотре ремня не выявлено изъянов, то регулируют его
натяжение. Складки, трещинкы, расслоения
ремня являются следствием износа и могут привести к разрыву ремня. Потому при
возникновении таких признаков требуется произвести подмену ремня.
Ресурс работы
приводного ремня составляет 60 тыс. км пробега. При выявлении засаленных мест ремень протирают ветошью, смоченной в бензине.
Методы устранения дефектов
Напластования нагара на клапанах и
гнездах отмачивают в керосине, а позже убирают при помощи шабера.
Изношенные оси, втулки, пружины, шарики
поворотного механизма, погнутые стержни, сдеформированные головки клапанов и
др. маленькие детали со следами износа подлежат подмене.
Малозначительные царапинки либо
раковины на поверхностях клапанов и гнезд притирают. Под тарелку клапана
гнездом. Очищают рабочие поверхности и наносят на их притирочную пасту ГОИ.
При ее отсутствии можно использовать смесь мелко истолченного стекла либо
другого абразива с моторным маслом. Смесь должна быть пастообразной. Клапану
присваивают возвратно-поступательное движение коловоротом либо дрелью.
Операциюпроводят до возникновения сплошной матовой фаски на тарелке клапана. Либо наносят
карандашом умеренно расположенные на фаске клапана три метки. Клапан опускают
в гнездо, делают несколько притирочных движений, вынимают и глядят итог.
Отсутствие метки показывает на то, что клапан притерт. Контрольная проверка –
после полной сборки клапана с рабочей пружиной и крепежными сухарями. Заливают
керосин в хоть какой из каналов, оставляют на время. При высококачественной притирке
керосин не должен притекать. При протечках функцию повторяют.
Регулировка термического зазора
меж стержнем клапана и толкателем делается при остывшем движке, не
ранее 30 мин после отключения. Работы проводят согласно аннотации
завода-изготовителя. С клапанов откручивают крышку, а коленвал устанавливают в
положение конца такта сжатия. Это положение, когда коромысло может свободно
поворачиваться на осях за счет зазора. Фактическую величину зазора держут под контролем
щупом меж клапаном и носком коромысла.
Регулировка производится регулировочным
винтом при ослабленной контргайке. После выстановки нужного зазора,
положение винта фиксируют контргайкой. Определяют зазор.
Пластинка щупа, равная
величине зазора должна проходить плотно. Другие клапаны регулируются
аналогично. В конструкциях с нижним расположением клапанов регилировка
винтом придерживают толкатель за лыски.
Натяжение цепи привода механизма
газораспределения для автомобилей ВАЗ производят регулировкой натяжителя.
Ослабляют колпачковую гайку и поворачивают карданный вал на 1-1,5 оборота.
Пружины натяжителя должны нажать на ботинки и автоматом отрегулировать
натяжение. Зафиксировать колпачковую гайку.
У автомобилей ВАЗ-2105 поначалу
снимают защитную крышку, а потом ослабляют болты на натяжном ролике. Делают 2-3
оборота коленвала и пружина сама натягивает приводной ремень. Затягиваем болты
и ставим крышку на место.
Бесперебойную работу механизма
газораспределения можно обеспечить проведением постоянного технического
обслуживания. Сюда заходит проверка и затяжка болтов крепления цилиндров, стоек
коромысел и др. деталей, контроль зазоров декомпрессионного механизма, контроль
цепей и ремней.
Основные неисправности газораспределительного механизма двигателя.
Стуки в газораспределительном механизме появляются по причине увеличенных зазоров в клапанном механизм , износе подшипников или кулачков распределительного вала, рычагов, а также из-за поломки пружин клапанов.
Для устранения стуков необходимо отрегулировать тепловой зазор, а изношенные детали и узлы следует заменить.
Повышенный шум цепи привода распределительного вала появляется вследствие износа шарнирных соединений звеньев цепи и ее удлинения.
Следует отрегулировать
натяжение цепи, а при чрезмерном ее
износе — заменить на новую.
Потеря мощности двигателя и повышенная дымность выхлопных газов происходят при нарушении теплового зазора в клапанном механизме , неплотном закрытии клапанов, износе маслоотражательных колпачков.
Зазор следует отрегулировать, изношенные колпачки поменять, а клапаны «притереть» к седлам.
19. Технология то и тр грм
К характерным повреждениям газораспределительного механизма (ГРМ) относятся: износ толкателей их направляющих втулок, тарелок клапанов и их гнезд, шестерен, кулачков и опорных шеек распределительного вала; нарушение зазоров между стержнями клапанов и коромыслами (толкателями), поломка и потеря упругости клапанных пружин, поломка зубьев распределительных шестерен, прогорание клапанов. Признаками неисправности ГРМ служат стуки, появление вспышек в карбюраторе и хлопков в глушителе.
Техническое
обслуживание КШМ и ГРМ. Является частью
технического обслуживания двигателя
и включает проверку и подтягивание
креплений, диагностирование двигателя,
регулировочные и смазочные работы.
Крепежные работы проводят для проверки состояния креплений всех соединений двигателя; опор двигателя к раме, головки цилиндров и поддона картера к блоку, фланцев впускного и выпускного трубопроводов и других соединений.
Для предотвращения пропуска газов и охлаждающей жидкости через прокладку головки цилиндров проверяют и при необходимости определенным моментом подтягивают гайки ее крепления к блоку. Делается это с помощью динамометрического ключа. Момент и последовательность затяжки гаек установлены заводами-изготовителями Чугунную головку цилиндров. Проверку затяжки болтов крепления поддона картера во избежание его деформации и нарушения герметичности также производят с соблюдением определенной последовательности, заключающейся в поочередном подтягивании диаметрально расположенных болтов.
Диагностирование
технического состояния КШМ и ГРМ на
автотранспортных предприятиях
осуществляют: по количеству газов,
прорывающихся картер; по давлению в
конце такта сжатия (компрессии), по
утечке сжатого воздуха из цилиндров,
путем прослушивания двигателя с помощью
стетоскопа.
Количество газов, прорывающихся в картер двигателя между поршнями с кольцами и цилиндрами, замеряют газовым расходомером, соединенным с маслоналивным патрубком. При этом картер двигателя герметизируют резиновыми пробками, закрывающими отверстия под масляный щуп и газоотводящую трубку системы вентиляции картера. Замеры проводят на динамометрическом стенде при полной нагрузке и максимальной частоте вращения коленчатого вала. Для нового двигателя количество прорывающихся газов в зависимости от модели двигателя составляет 16–28 л/мин. Несмотря на простоту метода, использование его на практике встречает затруднения, связанные с необходимостью создания полной нагрузки и непостоянным количеством прорывающихся газов, зависящим от индивидуальных качеств двигателя.
Наиболее часто диагностирование КШМ и ГРМ проводят компрессометром путем измерения давления в конце такта сжатия, которое служит показателем герметичности и характеризует состояние цилиндров, поршней с кольцами и клапанов-
Наиболее
совершенен метод определения состояния
КШМ и ГРМ с помощью специального прибора
по утечкам сжатого воздуха, принудительно
подаваемого в цилиндр через отверстие
под свечу.
Прослушивание с помощью стетоскопа шумов и стуков, которые являются следствием нарушения зазоров в сопряжения КШМ и ГРМ, также позволяет провести диагностирование двигателя. Однако для этого требуется большой практический опыт исполнителя.
Регулировочные
работы проводятся после диагностирования.
При обнаружении стука в клапанах, а
также при ТО-2 проверяют и регулируют
тепловые зазоры между торцами стержней
клапанов и носками коромысел. При
регулировке зазоров на двигателе ЗМЗ-53
поршень 1-го цилиндра на такт сжатия
устанавливают в ВМТ, для чего поворачивают
коленчатый вал до совмещения ряски на
его шкиве с центральной риской на
указателе, расположенном на крышке
распределительных шестерен. В этом
положении регулируют зазоры между
стержнями клапанов и носками коромысел
1-го цилиндра. Зазоры у клапанов остальных
цилиндров регулируют в последовательности,
соответствующей порядку работы цилиндров:
1-5-4-2-6-3-7-8, поворачивая коленчатый вал
при переходе от цилиндра к цилиндру на
1/4 оборота.
Существует и другой способ
регулировки зазоров. Так, в двигателе
ЗИЛ-130 после установки поршня 1-го цилиндра
в ВМТ, для чего совмещают отверстие в
шкиве коленчатого вала с меткой ВМТ,
сначала регулируют зазоры у обоих
клапанов 1-го цилиндра, выпускных клапанов
2, 4 и 5-го цилиндров, впускных клапанов
3, 7 и 8-го цилиндров. Зазоры у остальных
клапанов регулируют после поворота
коленчатого вала на полный оборот.
Для регулировки зазоров в двигателе КамАЗ-740 коленчатый вал устанавливают в положение, соответствующее началу подачи топлива в 1-м цилиндре, используя фиксатор, смонтированный на картере маховика. Затем поворачивают коленчатый вал через люк в картере сцепления на 60° и регулируют зазоры клапанов 1-го и 5-го цилиндров. Далее поворачивают коленчатый вал на 180, 360 и 540°, регулируя соответственно зазоры в 4-м и 2-м, 6-м и 3-м, 7-м и 8-м цилиндрах,
Нетрудно видеть, что независимо от способа установки коленчатого вала в исходную для регулировки позицию тепловой зазор в приводе каждого клапана проверяется и регулируется в положении, когда этот клапан полностью закрыт,
Текущий
ремонт КШМ и ГРМ, Характерными работами
при текущем ремонте КШМ и ГРМ являются
замена гильз, поршней, поршневых колец,
поршневых пальцев, вкладышей шатунных
и коренных подшипников, клапанов, их
седел и пружин, толкателей, а также
шлифование и притирка клапанов и их
седел.![]()
Замена гильз блока цилиндров производится в случаях, когда их износ превышает допустимый, при наличии сколов, трещин любого размера и задиров, а также при износе верхнего и нижнего посадочных поясков.
Извлечь гильзы из блока цилиндров достаточно трудно. Поэтому их впрессовывают с помощью специального съемника, захваты которого зацепляют за нижней торец гильз. Использование других методов недопустимо, так как это приводит к повреждению посадочных отверстий под гильзы в блоке цилиндров двигателя и самих гильз.
Перед запрессовкой новой гильзы ее необходимо подобрать по блоку цилиндров таким образом, чтобы ее торец выступал над плоскостью разъема с головкой блока. Для этого гильзу устанавливают в блок цилиндров без уплотнительных колец, накрывают поверочной плитой и щупом замеряют зазор между плитой и блоком цилиндров.
Гильзы,
установленные в блок без уплотнительных
колец, должны свободно проворачиваться.
Перед окончательной постановкой гильз
следует проверить состояние посадочных
отверстий под них в блоке цилиндров –
Если они сильно поражены коррозией или
имеют раковины, необходимо отремонтировать
их нанесением слоя эпоксидной смолы,
смешанной с чугунными опилками, который
после застывания зачистить заподлицо.
Края верхней части блока, которые первыми
соприкасаются с резиновыми уплотнительными
кольцами при запрессовке гильзы, должны
быть зачищены шлифовальной шкуркой для
предотвращения повреждений уплотнительных
колец процессе запрессовки,
Гильзы с установленными на них резиновыми уплотнительными кольцами запрессовывают в блок цилиндров с помощью пресса. Можно это сделать и с помощью специального приспособления, устройство. При надевании уплотнительных колец их нельзя сильно растягивать, а также допускать скручивания в канавке гильзы цилиндров.
Замена поршней производится при образовании на поверхности юбки глубоких задиров, прогорании днища и поверхности поршня в зоне верхнего компрессионного кольца, при износе верхней канавки под поршневое кольцо больше допустимого.
Замену
поршня делают без снятия двигателя с
автомобиля: сливают масло из поддона
картера, снимают головку блока и поддон
картера, расшплинтовывают и отворачивают
гайки шатунных болтов, снимают крышку
нижней головки шатуна и вынимают вверх
поврежденный поршень в сборе с шатуном
и поршневыми кольцами.
Затем вынимают
из отверстий в бобышках стопорные
кольца, с помощью пресса впрессовывают
поршневой палец и отделяют поршень от
шатуна. В случае необходимости тем же
прессом впрессовывают бронзовую втулку
верхней головки шатуна.
Перед
заменой поршня необходимо сначала
подобрать его по цилиндру, Для этого
необходимо выбрать поршень, размерная
группа которого соответствует размерной
группе гильзы (цилиндра), и проверить
лентой-щупом зазор между поршнем и
гильзой, Для этого поршень вставляют в
цилиндр головкой вниз так, чтобы край
юбки совпадал с торцом гильзы, а лента-щуп,
вставленная между гильзой и поршнем.
находилась в плоскости, перпендикулярной
оси пальца. Затем динамометром протягивают
ленту-щуп и измеряют усилие протягивания,
которое должно находиться в пределах
допустимого. Размеры ленты-щупа и усилие
протягивания для разных моделей
двигателей приведены в инструкции по
эксплуатации или в руководстве по
ремонту. Так, для двигателей ЗИЛ-130
используют ленту толщиной 0,08 мм, шириной
13 мм и длиной 200 мм, а усилие протягивания
должно быть 35-45 Н.
Если усилие отлично
от рекомендуемого берут другой поршень
той же размерной группы или, в виде
исключена соседней размерной группы и
снова подбирают его по цилиндру.
В пределах номинального и каждого ремонтного размера гильз и поршней двигателя ЗИЛ-130 имеется шесть размерных групп. Диаметры цилиндров в пределах каждой из них отличаются на 0.01 мм. Индекс размерной группы (А. АА, Б, ББ, В, ВВ для гильз и поршней номинального размера и Г, ГГ, Д. ДД, Е, ЕЕ для 1-го ремонтного размера и т, д.) обозначен на верхнем торце гильзы и па днище поршня,
Аналогичные размерные группы в пределах каждого ремонтного размера имеют все другие двигатели автомобилей.
При сборке двигателей, сняты; с автомобиля, подбор поршней но цилиндрам осуществляется аналогичным образом, так же подбирают поршни при сборке двигателей на заводах – изготовителях.
При
замене поршней на АТП, кроме под6opa поршня
по цилиндру, следует обеспечить соблюдение
еще одного важного требования ТУ на
сборку двигателей: диаметр отверстия
в бобышках поршня, диаметр поршневого
пальца и диаметр отверстий в бронзовой
втулке верхней головки шатуна должны
иметь одну размерную группу.
Поэтому
перед сборкой комплекта «поршень —
палец — шатун» необходимо убедиться,
что маркировка, нанесенная краской, на
одной из бобышек поршня, на торцах пальца
и верхней головки шатуна выполнена
одной краской.
В случае, когда меняют всю цилиндропоршневую группу, что чаще всего происходит на практике, проблем с подбором не возникает: поршень, палец, поршневые кольца и гильза, поступающие в запасные части комплектом, подобраны заранее. Поэтому при сборке требуется по маркировке деталей убедиться в правильности подбора и проверить лентой-щупом зазор между поршнем и гильзой. Можно обойтись и без ленты-щупа. Правильно подобранный поршень должен под собственным весом медленно опускаться в гильзе. Необходимо также проверить подходит ли новый поршневой палец к верхней головке шатуна: поршневой палец должен плавно входить в отверстие втулки верхней головки шатуна под нажимом большого пальца руки.
Перед
тем как соединять поршень с шатуном,
последний необходимо проверить на
параллельность осей-головок, Делается
это на контрольном приспособлении с
индикаторными головками.
При деформации, превышающей допустимые пределы, шатун правят. Затем поршень помещают в ванну с жидким маслом, нагревают до температуры 60 °С и с помощью оправки запрессовывают поршневой палец в отверстия бобышек поршня и верхней головки шатуна. После запрессовки в канавки бобышек вставляют стопорные кольца.
Аналогичным образом, начиная со снятия головки блока цилиндров в поддона картера, поступают в случае необходимости замены втулки верхней головки шатуна, поршневого пальца и поршневых колец. Негодные втулки впрессовывают, а на их место запрессовывают новые, обеспечивая при этом необходимый зазор. Затем втулки растачивают на горизонтально-расточном станке или обрабатывают с помощью развертки, Внутренняя поверхность втулки должна быть чистой, без рисок с параметром шероховатости порядка Ro=0,63 мкм, а овальность и конусообразность отверстия не должны превышать 0.004 мм.
Перед
установкой поршня в сборе с шатуном в
блок цилиндров проводят установку
комплекта поршневых колец в канавки
поршня.
Кроме того, кольца проверяют на
просвет, для чего вставляют их в верхнюю
неизношенную часть гильзы цилиндра и
визуально оценивают плотность прилегания.
Зазор в замке определяют щупом и в случае, когда он меньше допустимого, концы колец спиливают. После этого кольцо повторно проверяют на просвет и только потом с помощью специального приспособления, разжимающего кольцо за торцы в замке, устанавливают в канавки поршней.
Комплекты колец номинального размера используют при ТР двигателей, цилиндры которых не растачивались, а в расточенные устанавливают кольца ремонтного размера, .которые по наружному диаметр, Соответствуют новому диаметру цилиндров.
Стыки (замки) соседних колец равномерно разводят по окружности. Компрессионные кольца на поршень устанавливают фаской вверх. При этом они должны свободно вращаться в канавках поршня. Установка *поршней в сборе с кольцами в цилиндры двигателя осуществляется с помощью специального приспособления.
Замена
вкладышей коленчатого вала проводится
при стуке подшипников и падении давления
в масляной магистрали ниже 0,5 кгс/см2
при частоте вращения коленчатого вала
500–600 об/мин и исправно работающих в
масляном насосе и редукционных клапанах.
Необходимость замены вкладышей
обусловлена диаметральным зазором в
коренных и шатунных подшипниках: если
он более допустимого, вкладыши заменяют
новыми. Номинальный зазор между вкладышами
и коренной шейкой должен составлять
0,026– 0,12 мм, между вкладышами и шатунной
шейкой 0,026–0,11 мм в зависимости от модели
двигателя.
Зазор
в подшипниках коленчатого вала определяют
с помощью контрольных латунных пластинок.
Для двигателей автомобилей ЗИЛ и ГАЗ
используют пластинки из медной фольги
толщиной 0,025; 0,05; 0,075 мм, шириной 6–7 мм и
длиной на 5 мм короче ширины вкладыша.
Пластинку, смазанную маслом, укладывают
между шейкой вала и вкладышем (рис. 9.9),
а болты крышки подшипника затягивают
динамометрическим ключом с определенным
для каждого двигателя моментом (для
коренных подшипников двигателя ЗИЛ-130
это 110–130 Н м, шатунных 70–80 Н м). Если при
установки пластинки толщиной 0,025 мм
коленчатый вал вращается слишком легко,
значит зазор больше 0,025 мм и, следовательно,
следует заменить пластину на следующий
размер, пока вал не будет вращаться с
ощутимым усилием, что соответствует
фактическому зазору между шейкой и
вкладышем.
При проверке одного подшипника
болты остальных должны быть ослаблены.
Так поочередно проверяются все подшипники.
Необходимо, чтобы на поверхности шеек коленчатого вала не было задиров. При наличии задиров и износа заменять вкладыши нецелесообразно. В этом случае необходима замена коленчатого вала.
После проверки состояния шеек коленчатого вала вкладыши требуемого размера промывают, протирают и устанавливают в постели коренных и шатунных подшипников, предварительно смазав поверхность вкладыша и шейки моторным маслом.
Для двигателей ЗИЛ-130, кроме номинального, предусмотрено пять ремонтных размеров коренных и шатунных шеек коленчатого вала. Соответственно выпускается шесть комплектов вкладышей: номинального, 1, 2, 3, 4, 5-го ремонтных размеров.
Регулировка
осевого люфта коленчатого вала у
двигателей ЗИЛ-130 и ЗМЗ-53 производится
подбором упорных шайб. У двигателей
ЗМЗ-53 осевой зазор между передним упорным
торцом коленчатого вала и задней упорной
шайбой должен быть 0,075–0,175 мм, а у
двигателей ЗИЛ-130 0,075–0,245 мм.![]()
В процессе эксплуатации вследствие износов осевой зазор увеличивается. При ТР его регулируют, устанавливая упорные шайбы или полукольца ремонтных размеров, которые по сравнению с номинальным размером имеют увеличенную (соответственно на 0,1; 0,2; 0,3 мм) толщину.
Основными неисправностями головок блока являются: трещины на поверхности сопряжения с блоком цилиндров, трещины на рубашке охлаждения, коробление поверхности сопряжения с блоком цилиндров, износ отверстий в направляющих втулках клапанов, износ и раковины на фасках седел клапанов, ослабление посадки седел клапанов в гнездах.
Трещины
длиной не более 150 мм, расположенные на
поверхности сопряжения головки цилиндров
с блоком, заваривают. Перед сваркой в
концах трещин головки, изготовленной
из алюминиевого сплава, сверлят отверстия
0 4 мм и разделывают ее по всей длине на
глубину 3 мм под углом 90°. Затем головку
нагревают в электропечи до 200 °С и после
зачистки шва металлической щеткой
заваривают трещину ровным швом постоянным
током обратной полярности, используя
специальные электроды.
При сварке газовым способом используют горелку с наконечником № 4 и проволоку марки АЛ4 диаметром 6 мм, а в качестве флюса применяют АФ-4А. После заварки удаляют остатки флюса со шва и промывают его 10 %-ным раствором азотной кислоты, а затем горячей водой. После этого шов зачищают заподлицо с основным металлом шлифовальным кругом.
Трещины длиной до 150 мм, расположенные на поверхности рубашки охлаждения головки цилиндров, заделывают эпоксидной пастой. Предварительно трещину разделывают так же, как для сварки, обезжиривают ацетоном, наносят два слоя эпоксидной композиции, смешанной с алюминиевыми опилками. Затем головку выдерживают в течение 48 ч при 18–20 °С.
Коробление плоскости сопряжения головки с блоком цилиндров устраняют шлифованием или фрезерованием «как чисто». После обработки головки проверяют на контрольной плите. Щуп толщиной 0,15 мм не должен проходить между плоскостью головки и плитой.
При
износе отверстий в направляющих втулках
клапанов их заменяют новыми.
Отверстия
новых втулок разворачивают до номинального
или ремонтного размеров. Для выпрессовки
и запрессовки направляющих используют
оправку и гидравлический пресс.
Износ и раковины на фасках седел клапанов устраняют притиркой или шлифованием. Притирку выполняют с помощью пневматической дрели, на шпинделе которой установлена присоска.
Для притирки клапанов применяют притирочную пасту (15 г микропорошка белого электрокорунда М20 или М12, 15 г карбида бора М40 и моторное масло М10Г2 или М10В2) или пасту ГОИ. Притертые клапан и седло должны иметь по всей длине окружности фаски ровную матовую полоску а 1,5 мм.
Качество притирки проверяют так же прибором, создающие над клапаном избыточное давление воздуха. После достижения давления 0,07 МПа оно не должно заметно снижаться в течение 1 мин.
В
случае, когда восстановить фаски седел
притиркой не удается, седла зенкуют с
последующим шлифованием и притиркой.
После зенкования рабочие фаски седел
клапанов шлифуют абразивными кругами
под соответствующий угол, а затем
притирают клапаны.
При наличии на фаске
раковин и при ослаблении посадки седла
в гнезде головки блока его впрессовывают
с помощью съемника, а отверстие растачивают
под седло ремонтного размера. Изготовленные
из высокопрочного чугуна. седла ремонтного
размера запрессовывают с помощью
специальной оправки в предварительно
нагретую головку блока, а затем зенковками
формируют фаску седла.
Характерными неисправностями клапанов являются износ и раковины на фаске клапана, износ и деформация стержней клапанов, износ торца клапана. При дефектации клапанов проверяют прямолинейность стержня и биение рабочей фаски головки относительно стержня. Если биение больше допустимого, клапан правят. При износе стержня клапана его шлифуют под один из двух предусмотренных ТУ ремонтных размеров на бесцентрово-шлифовальном станке. Изношенный торец стержня клапана шлифуют «как чисто» на заточном станке.
Для
шлифования изношенной фаски используют
станок модели Р108. На нем же шлифуют
цилиндрическую поверхность изношенных
толкателей под один из двух предусмотренных
ТУ ремонтных размеров, изношенные
сферические поверхности толкателей и
коромысел.
На крупных АТП и в автотранспортных объединениях, имеющих специализированные участки по восстановлению деталей, осуществляют ремонт коленчатых и распределительных валов. Изношенные коренные и шатунные шейки коленчатых валов, а также опорные шейки распределительных валов шлифуют под ремонтные размеры на кругло шлифовальном станке. После шлифования шейки коленчатого и распределительного валов полируют абразивной лентой или пастой ГОИ. Изношенные кулачки распределительного вала шлифуют на копировально-шлифовальном станке.
Система охлаждения. Внешними признаками неисправности системы охлаждения являются перегрев или чрезмерное охлаждение двигателя, потеря герметичности. Перегрев возможен при недостатке охлажд
План работы
1. План работы
2. Введение
3. Назначение и устройство газораспределительного механизма (ГРМ).
4. Неисправности ГРМ. Причины, способы определения и устранения.
5. Организация рабочего места при ремонте ГРМ.
6.
Ремонт ГРМ.
7. Правила техники безопасности при ремонте ГРМ.
8. Литература
Введение
Газораспределительный механизм – это механизм, который встречается в любом двигателе внутреннего сгорания. Это сложный механизм, поэтому неисправности и поломки у него встречаются часто. Детали такого механизма стоят не дешево, поэтому при поломках заменить весь ГРМ очень сложно. Проще выполнять текущие ремонты. Это достаточно недорого и более надежно для уже приработанного механизма.
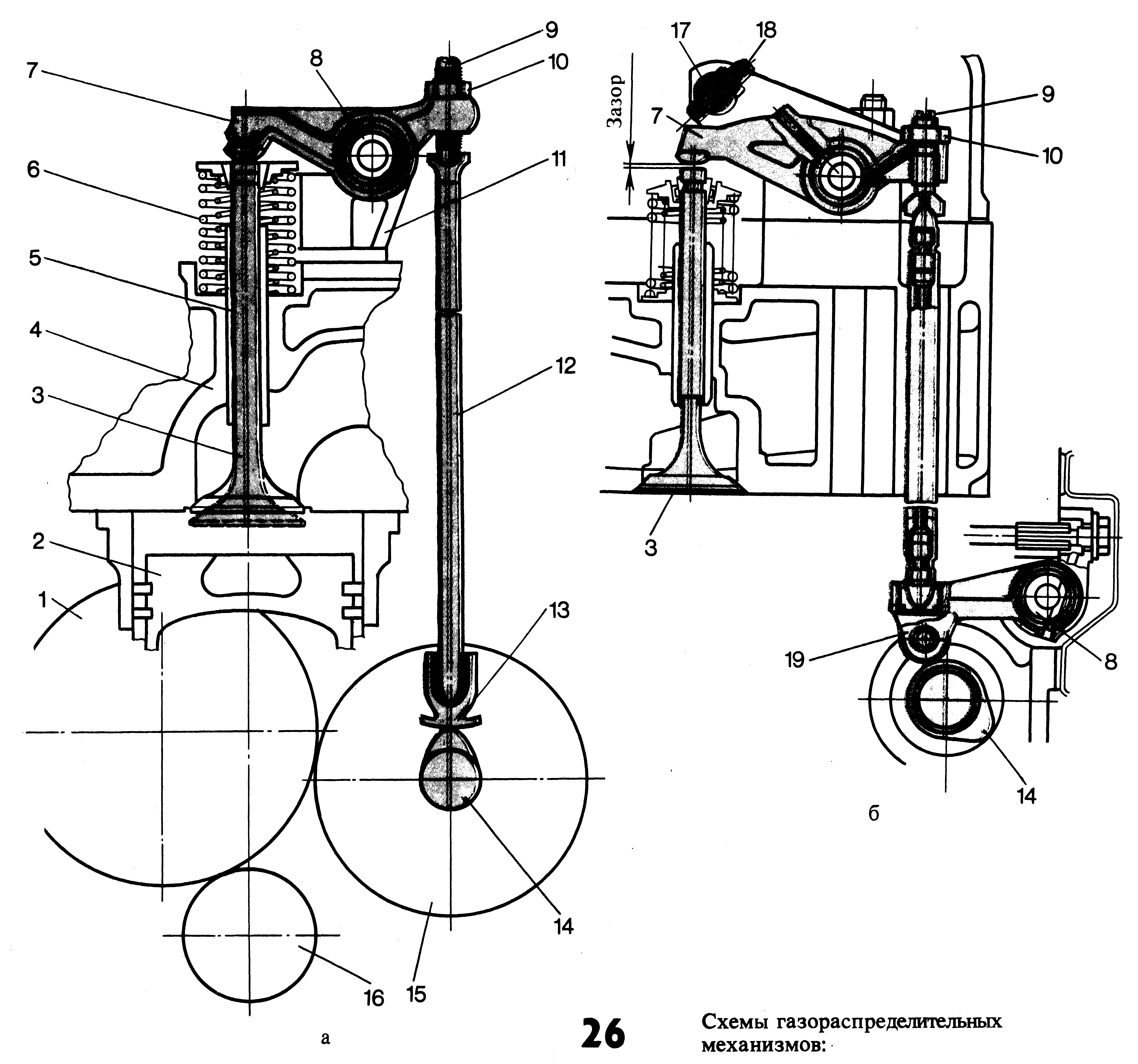
Назначение и устройство газораспределительного механизма (ГРМ)
ГРМ — сокращение от «газораспределительный механизм». Механизм распределения впуска горючей смеси и выпуска отработавших газов в цилиндрах двигателя внутреннего сгорания. Осуществляется путём открытия и закрытия впускных и выпускных клапанов цилиндров при помощи распределительного вала (распредвала) и кулачкового механизма.
Газораспределительные механизмы различают по расположению клапанов в двигателе.
Они могут быть с верхним (в головке цилиндров) и нижним (в блоке цилиндров) расположением клапанов. Наиболее распространен газораспределительный механизм с верхним расположением клапанов, что облегчает доступ к клапанам для их обслуживания, позволяет получить компактную камеру сгорания и обеспечить лучшее наполнение ее горючей смесью или воздухом.
Газораспределительный механизм состоит из:
распределительного вала;
механизма привода распределительного вала;
клапанного механизма.
Неисправности ГРМ. Причины, способы определения и устранения
Стук рычагов привода клапанов. Характерный стук с равномерными интервалами, частота его меньше любого другого стука в двигателе. Заклинивание двигателя с обрывом одного или нескольких клапанов. Сопровождается деформацией боковин рабочей части рычагов, растрескиванием юбок тарелок клапанов (возможно разрушение тарелки), подрезанием упорных буртов сухарей со стороны тыльной части. Возможно столкновение выхлопных клапанов с днищами поршней.
Обязательна осадка сухарей в тарелках клапанов
а) Самоотворачивание регулировочных болтов. Не выдержан момент затяжки контргаек, перетяжка контргаек.
Отрегулировать клапаны. При перетяжке заменить регулировочные болты.
б) Самоотворачивание регулировочных болтов вследствие превышения максимально допустимых оборотов двигателя.
Последствия устранить за счет виновных.
в) Износ кулачков распредвала. Работа пары «кулачок-рычаг» без зазора. Некачественная регулировка зазора.
С обратной стороны изношенного кулачка имеется радиальное засветление по всей длине обратной части. Заменить распредвал.
г) Износ кулачков распредвала, засветления с обратной стороны кулачка отсутствуют, возможна узкая полоса засветления у края противоположной части кулачка — след работы рычага с перекосом.
Заменить распредвал, рычаги.
д) Кулачки не изношены. Многократной регулировкой стук не устраняется. Отклонение геометрии кулачка распредвала.
Заменить распредвал, рычаги.
Снижение мощности двигателя, низкая компрессия одного или нескольких цилиндров
а) Выкрашивание наплавленного слоя тарелки клапана («прогар» клапана).
Заменить клапаны. Способствующими возникновению дефекта факторами являются отсутствие зазора «распредвал — рычаг» у данного клапана и повышенный температурный режим двигателя.
Стук газораспределительного механизма
а) Завышен зазор «регулировочная шайба — кулачок распредвала».
Произвести регулировку подбором шайбы нужного размера.
б) Завышен зазор «наружный диаметр регулировочной шайбы — диаметр гнезда в толкателе под шайбу».
Заменить шайбу, толкатель.
в) Износ кулачков распредвала и регулировочных шайб.
Заменить распредвал и регулировочные шайбы.
г) Завышен зазор «опорная шейка распредвала — подшипник».
Заменить головку блока.
д) Разнотолщинность регулировочной шайбы по кругу контакта с кулачком (неравномерный износ).
Заменить дефектную шайбу.
е) Огранка (некруглость) толкателей по наружному диаметру, эллипсность.
Заменить толкатели.
ж) Недозатяжка, ослабление крепления звездочки привода распредвала. Деформация шпонки звездочки крепления распредвала, шпоночных пазов звездочки и распредвала.
Заменить дефектные детали.
з) Взаимное касание пружин при рабочем ходе клапанов.
Заменить пружины.
и) Износ направляющей втулки клапана.
Заменить втулки.
Обрыв клапанов
а) Дефект сварки стержня выхлопного клапана, посторонние включения в материале стержня впускного клапана.
Заменить поврежденные детали.
б) Заклинивание, разрушение подшипника водяного насоса. Срез зубьев или сбрасывание ремня привода распредвала со шкивов, рассогласование фаз газораспределения, столкновение клапанов с поршнями.
Заменить поврежденные детали.
в) Обрыв ремня привода распредвала.
Заменить поврежденные детали.
г) Ослабление натяжения ремня привода газораспределительного механизма, сбой фаз газораспределения.
Заменить поврежденные детали.
Примечание. В случае задира (износа) блока цилиндров крыльчаткой водяного насоса при разрушении подшипника блок цилиндров замены не требует, поскольку водяной насос имеет высокую производительность, при замене только водяного насоса характеристики работы системы охлаждения не нарушаются.
Износ эксцентрика привода бензонасоса
а) Засорение маслоканала заднего подшипника распредвала.
Продуть маслоканалы, заменить распредвал и толкатель бензонасоса.
б) Недосверлен маслоканал заднего подшипника распредвала.
Заменить распредвал, толкатель бензонасоса и головку блока цилиндров.
Техническое обслуживание и ремонт газораспределительного механизма
Механизм газораспределения двигателя должен обеспечивать своевременный впуск в цилиндры свежего заряда воздуха или горячей смеси и выпуск из цилиндров отработавших газов. При возникновении неисправностей в механизме газораспределения нарушается нормальная работа двигателя, уменьшается его мощность, ухудшается экономичность.
Основными неисправностями механизма газораспределения могут быть следующие:
нарушение тепловых зазоров между стержнями клапанов и носками коромысел, подгорание рабочих фасок клапанов и седел, потеря упругости или поломка пружин клапанов, повышенный износ толкателей, штанг, коромысел, направляющих втулок клапанов, опорных шеек, втулок и кулачков распределительного вала, его упорного фланца и зубьев распределительной шестерни.
В автомобиле «Опель» основными неисправностями газораспределительного механизма являются износ шестерен и кулачков распределительного вала, нарушение зазоров между стержнями клапанов и носками коромысел, износ толкателей и направляющих втулок, тарелок клапанов и их гнезд. К отказам газораспределительного механизма относят поломку зубьев распределительной шестерни и потерю упругости клапанных пружин.
В процессе работы двигателя имеющийся в клапанном механизме тепловой зазор обеспечивает плотную посадку клапана на седло и компенсирует тепловое расширение деталей механизма.
Если тепловой зазор в механизме впускного клапана нарушен, то проходное сечение клапана уменьшается, в результате чего уменьшается и наполнение цилиндра свежим зарядом воздуха или горючей смеси.
При увеличении теплового зазора в механизме выпускного клапана ухудшается очистка цилиндра от отработавших газов, что, в свою очередь, ухудшает процесс сгорания. При этой неисправности происходят повышенное изнашивание стержней клапанов и снижение мощности двигателя. Характерным признаком увеличенного теплового зазора является звонкий резкий стук, который хорошо прослушивается при работе двигателя без нагрузки с малой частотой вращения коленчатого вала.
При уменьшенном тепловом зазоре клапанов нарушается герметичность их посадки в седлах, а как результат — уменьшается компрессия в цилиндрах, подгорают фаски клапанов и их седла. Двигатель начинает работать с перебоями, мощность его падает.
Характерными признаками неплотного закрытия клапанов являются периодические хлопки во впускном или выпускном трубопроводе.
У карбюраторных двигателей при уменьшенных тепловых зазорах впускных клапанов возникают хлопки в карбюраторе, а выпускных клапанов — в глушителе. Причинами этой неисправности могут быть также отложения нагара на седлах клапанов, поломки пружин клапанов, обгорания рабочих поверхностей клапанов и седел. Зазоры между стержнями клапанов и носками коромысел следует систематически проверять и при необходимости регулировать.
Шум в крышке распределительных шестерен и стуки распределительных шестерен сливаются с общим шумом, однако они прослушиваются в крышке распределительных шестерен, в зоне зацепления зубьев.
Обнаруженные при проверке технического состояния неисправности, вызванные повышенным износом деталей механизма газораспределения, устраняют при ремонте двигателя. Небольшие повреждения, предварительно устранив нагар, убирают путем шлифования. Седла клапанов не должны иметь раковин, повреждений и следов коррозии. Прежде чем ремонтировать седло, проверяют износ втулки клапана.
Если она изношена, ее меняют, затем ремонтируют седло. Ремонт производят на специальных станках или используют специальное приспособление, состоящее из стержня и Сменной фрезы. Для восстановления клапанов и их седел применяют и другие комплекты инструментов отечественного и зарубежного производства.
Головки цилиндров после обработки седла необходимо обязательно продуть сжатым воздухом. Одним из наиболее распространенных дефектов направляющих втулок является повышенный износ внутренней поверхности. Обычно он вызывается длительной эксплуатацией двигателя после 150 тысяч километров пробега автомобиля.
Состояние направляющих втулок клапанов в основном определяет зазор между ними и стержнями клапанов. Чтоб определить зазор, нужно измерить диаметр стержня клапан и диаметр отверстия его направляющей втулки, а затем вычесть из второго значения первое. Одним из методов измерения зазора без снятия головки блока цилиндров является следующий. К клапану, установленному в направляющей втулке, прикладывают ножку индикатора часового типа и устанавливают его на нуль.
Затем сдвигают стержень клапана по направлению к индикатору и по его показаниям определяют зазор между стержнем и направляющей втулкой. Зазор не должен превышать 0,20–0,25 мм. При измерении стержень клапана необходимо перемешать в направлении, параллельном коромыслу, так как в этом направлении, как правило, происходит наибольший износ направляющей втулки.
Зазор между направляющей втулкой и клапаном можно проверить следующим способом. Снимают головку блока цилиндров, очищают клапаны и направляющие втулки от отложений, вставляют клапаны во втулки и устанавливают на поверхность блока цилиндров индикатор часового типа (рис.1).
Рисунок 1. Измерение зазора между стержнем клапана и направляющей втулкой при снятой головке блока цилиндров
Затем в радиальном направлении передвигают тарелку клапана и определяют зазор. Для впускного клапана он не должен превышать 1,0 мм, а для выпускного клапана — 1,3 мм. Восстановить необходимый диаметр втулки можно, применив комплект специальных ножей из твердого сплава.
С помощью таких ножей-колесиков выдавливают спиральный желобок внутри втулки клапана, что уменьшает ее внутренний диаметр за счет деформации металла. В результате выдавливания получают спиральные желобки, которые являются своеобразным уплотнением и удерживают масло. Далее с помощью развертки обрабатывают втулку под диаметр клапана. Если слишком большой зазор между направляющей втулкой и клапаном не устраняется после замены клапана и развертывания втулки под ремонтный размер клапана, втулку заменяют.
принцип работы, устройство, неисправности, регулировка фаз ГРМ
Случается, что при ремонте автомобиля необходима замена или ремонт рокера. Очень многие, встретившись с этой проблемой впервые, не знают, что это значит.Рокеры (или, как их еще называют, коромысла клапанов) – это механизм, который используется для передачи энергии кулачка распределительного вала на стержень впускного клапана.Коромысла клапанов являются частью деталей газораспределительного механизма (ГРМ) двигателя авто «классической» структуры.
Сейчас рокеры в двигателях встречаются достаточно редко.
- Устройство рокеров.
- Принцип работы коромысла клапанов.
- Распространенные поломки.
Причиной этого является тот факт, что современные двигатели полностью перешли к верхнему расположению распредвала. И, как правило, основной причиной использования рокеров в современных двигателях является желание уменьшить размеры последнего. Причин для принятия такого решения может быть несколько, но первое место занимает необходимость поместить двигатель внутреннего сгорания (ДВС) под капотом малогабаритного авто.
Устройство рокеров.
Рокеры расположены на оси, которая крепится на 4-х стойках на ГБЦ (головка блока цилиндров). Каждый рокер расположен на отдельной оси и прикреплен к поверхности головки одним болтом, а положение оси рокеров, в свою очередь, фиксируется двумя штифтами, впрессованными в стойку. Стойка изготовлена как одно целое с осью рокеров.
Рокер является рычагом с двумя «плечами», и изготавливают его с помощью формовки стали, используя технологию ковки либо литья.
Если выбирать, то метод ковки намного лучше, ведь кованые детали несравнимо прочнее. Оба «плеча» рокера имеют Т-образное сечение.
Традиционно выделяют длинное и короткое плечо коромысла. На конце длинного плеча расположена закаленная цилиндрическая плоскость – боёк рокера. Бойком коромысло упирается в торцевой конец штока клапана.
На конце короткого плеча находится болт, при помощи которого регулируется глубина зазора между самим клапаном и рычагом привода клапана. В случае, когда имеется гидрокомпенсатор, регулировка такого зазора происходит автоматически. При этом значительно снижается шум, а работа ГРМ становится более плавной и мягкой. Также в коротком плече есть специальное отверстие, с помощью которого обеспечивается доступ моторного масла для смазки деталей.
Коромысло сдерживается с помощью спиральной пружины. Нужно это для того, чтобы предотвратить перемещение рокера по оси. Сама ось, которая служит для крепления рокеров – полая, а внешняя сторона оси закалена, что способствует увеличению износостойкости.![]()
Принцип работы коромысла клапанов.
Принцип работы коромысла состоит в следующем: когда кулачок распределительного вала оказывает давление на короткое плечо – происходит подъем. Длинное плечо опускается, при этом происходит нажатие на шток клапана. Вспомогательными элементами в строении рокера являются втулки, которые снижают трение.
Распространенные поломки.
Так как во время работы боёк рокера и само коромысло подвергаются различным тепловым и механическим нагрузкам, то это, в свою очередь, приводит к их повреждению и износу.
Если вы замечаете, что снижается отдача от ДВС в разных режимах работы, или же слышите характерное постукивание в головке блока цилиндров, то это значит, что рокер сломался. Также очень часто разламывается само коромысло, а это значит, что вышел из строя клапан. Внешние признаки разлома рокера точно такие же, как и при неисправности любой детали ГРМ.
Подписывайтесь на наши ленты в таких социальных сетях как, Facebook, Вконтакте, Instagram, Pinterest, Yandex Zen, Twitter и Telegram: все самые интересные автомобильные события собранные в одном месте.
Что такое газораспределительный механизм (ГРМ)?
Газораспределительный механизм (ГРМ) — это механизм предназначенный для впуска в цилиндры двигателя свежего заряда (горючей смеси в классических бензиновых двигателях или воздуха в дизелях) и выпуска отработавших газов в соответствии с рабочим циклом, а также для обеспечения надежной изоляции камеры сгорания от окружающей среды во время тактов сжатия и рабочего хода.
В зависимости от вида устройств, осуществляющих впуск заряда и выпуск отработавших газов, различают два типа механизмов газораспределения:
- клапанный
- золотниковый
Клапанный механизм наиболее широко распространен и используется во всех четырехтактных двигателях. Возможно верхнее и нижнее расположение клапанов. Верхнее расположение в настоящее время применяется чаще, так как в этом случае процесс газообмена протекает эффективнее. Характерные конструкции газораспределительных механизмов с верхним расположением клапанов представлены на рисунке.
Назначение и принцип действия ГРМ
Газораспределительный механизм в двигателе внутреннего сгорания предназначается для своевременной подачи воздушно-топливной смеси или воздуха в цилиндры и выпуска оттуда отработанных газов. Работа механизма осуществляется за счет своевременного открытия и закрытия впускных и выпускных клапанов.
Рабочий процесс ГРМ основывается на синхронном движении распределительного и коленчатого вала, что обуславливает открытие и закрытие клапанов в нужный момент моторного цикла. Во время вращательного движения распредвала, кулачки надавливают на рычаги, а те на стержни клапанов, открывая их. Следующий поворот распредвала поворачивает кулачек, который занимает исходную позицию и закрывает клапан.
Схема газораспределительного механизма
Устройство ГРМ
Газораспределительный механизм имеет следующие основные элементы:
1. Распределительный вал. Открывает клапаны в определенной последовательности в зависимости от порядка работы цилиндров.
Его изготавливают из чугуна или стали, и подвергают закалке токами высокой частоты трущиеся поверхности. Он может быть смонтирован в головке блока цилиндров или в картере. В многоклапанных двигателях расположено два распределительных вала, один из которых управляет впускными клапанами, а другой выпускными. Вращение вала происходит на цилиндрических опорных шейках. Прямое или непрямое воздействие на клапана осуществляется кулачками, расположенными на валу. Каждый кулачек соответствует одному клапану.
2. Привод клапанов. Клапаны приводятся в движение различными способами: при расположении распредвала в картере, усилие от кулачков передается на толкатели, штанги и коромысла.
Коромысло (рокер или роликовый рычаг) выполнено из стали, его устанавливают на полую ось, зафиксированную в стойках головки цилиндров. Одна его сторона упирается в кулачек вала, а другая давит на торец стержня клапана. При работе двигателя клапаны нагреваются и удлиняются, что грозит им неполной посадкой в седло.
Поэтому между клапаном и коромыслом обязательно соблюдают тепловой зазор.
Также кулачек может воздействовать на клапан через рычаг или непосредственно на его толкатель. Толкатели могут быть выполнены в механическом (жестком), роликовом варианте или в виде гидрокомпенсатора. Первый вид из-за шумности почти не используется, а последний отличается мягкостью и отсутствием необходимости осуществления регулировок. Роликовые толкатели используют в форсированных и спортивных двигателях.
3. Механизм привода распределительного вала. Осуществляется цепной, ременной или шестеренной передачей. Цепная отличается надежностью, до сложна в устройстве и дорога, ременная дешевле, но менее надежна, и в случае порыва ремня может повлечь за собой повреждение двигателя за счет удара клапанов о поршни.
4. Клапаны. Предназначены для открытия и закрытия впускного и выпускного канала. Состоят из стержня и головки, на которой имеется узкая, скошенная под углом фаска, плотно прилегающая к фаске седла, для чего их взаимно притирают.
Головки впускных клапанов делают большими, чем выпускных. Но выпускные сильнее нагреваются, поэтому изготавливаются из жаропрочной стали и внутри наполнены натрием для лучшего охлаждения.
Цилиндрический стержень клапана сверху выточен для крепления пружины, не дающей ему оторваться от коромысла, которая упирается в шайбу на головке, и фиксируется упорной тарелкой. Стержень помещается в направляющую втулку, запрессованную в головку цилиндров, чтобы масло не попадало в камеру сгорания, на него надевают маслоотражающий колпачок.
Автомобили с цепным приводом ГРМ
Список современных автомобилей некоторых марок с цепной передачей газораспределительного механизма:
- Мазда 6.
- Шкода Рапид.
- Тойота Авенсис.
- Ниссан. Например, двигатель SR20det имеет цепь, но, если цепь вовремя не заменить, то клапана погнутся о поршни или клапан сломается, перевернется в цилиндре и пробьет поршень.
- Хонда.
- Мерседес-Бенц.
- Ауди.
- БМВ.

- Волга, Москвич, классические модели Ваз.
Признаки неисправности ремня ГРМ
12 октября 2017
Ремень газораспределительного механизма обеспечивает синхронную работу системы зажигания с ходом поршневой группы и клапанов. В среднем ремень ГРМ рассчитан на 50-100 тыс. км пробега. Однако сроки замены ремня, регламентированные производителями автомобилей, могут отличаться от реальной ситуации. В свою очередь своевременно произведенная замена ремня ГРМ позволит предотвратить серьезные повреждения двигателя.
В процессе эксплуатации автомобиля натяжение ремня ГРМ ослабевает, начинает происходить перескакивание ремня через зубья. При длительной эксплуатации, ремень изнашивается и может даже оборваться. Все это неизбежно приведет к столкновению клапанов с поршнями, в результате двигатель заклинит, и клапаны могут серьезно повредится. Ремонт двигателя в этом случае обойдется гораздо дороже, чем вовремя произведенная замена ремня ГРМ.
Тогда возникает вопрос: а как определить, что ремень ГРМ пора заменить?
Конечно, можно время от времени заглядывать под капот и осматривать ремень на наличие трещин и расслоений, но такой вариант не всегда подходит.
На современных иномарках ремень закрыт специальной защитой, и постоянно снимать ее для осмотра ремня не совсем удобно, а в некоторых случаях совершенно невозможно. Однако есть всем доступный способ распознавания неисправности ремня ГРМ по некоторым косвенным признакам, об этом и пойдет речь далее.
Признаки неисправности ремня ГРМ
1. Густой дым из выхлопной трубы. Вследствие неисправности ремня ГРМ, нарушается синхронность работы системы зажигания с выпускными клапанами. Неправильная работа двигателя приводит к неполному сгоранию топлива и попаданию его в выпускную систему, в результате чего происходит переобогащение выхлопных газов.
2. Сложности при запуске мотора, падение мощности и вибрации двигателя. Эти признаки могут быть вызваны и другими поломками, но будет не лишним проверить ремень ГРМ. Ослабленный от износа приводной ремень может перескакивать зубья, что приводит к нарушению работы системы зажигания – воспламенение горючей жидкости будет происходить раньше положенного или с задержкой.
Признаками такой неисправности являются трудности при запуске мотора, провалы в тяге во время езды и вибрации двигателя. Эта неисправность может привести и к более серьезным поломкам.
3. Появление посторонних шумов в двигателе. При износе ремня ГРМ может происходить его растягивание, разлохмачивание, растрескивание и расслоение. В результате в двигателе появляются шаркающие, щелкающие, тикающие звуки, усиливающиеся на больших оборотах.
Помимо выше перечисленных причин, рекомендуется осматривать ремень ГРМ в том случае, когда пробег автомобиля приближается к сроку замены ремня. Для разных марок и моделей автомобилей этот срок различен и устанавливается производителем, в среднем от 50 до 100 тыс км. Также не забывайте, что ремень ГРМ имеет свой срок службы, по истечению которого вне зависимости от пробега начинает трескаться и терять свою эластичность.
Ремень ГРМ очень важная и недорогая деталь автомобиля. Приобрести ремень ГРМ Вы можете в нашем магазине автозапчастей, оставив заявку на сайте или посетив наш магазин на Полюстровском проспекте.
Качество и исправность ремня ГРМ гарантирует правильную работу двигателя, а своевременная замена позволит избежать серьезных последствий и больших финансовых затрат.
Устройство, техническое обслуживание и ремонт газораспредели-тельного механизма автомобиля: ЗИЛ 130
Постоянство фаз газораспределения сохраняется только при соблюдении теплового зазора в клапанном механизме. Увеличение этого зазора приводит к уменьшению продолжительности открытия клапана, и наоборот.
3. Техническое обслуживание и ремонт газораспределительного механизма.
3.1 Техническое обслуживание.
Проверка и
регулировка зазоров в клапанах
двигателя необходимы при появлении стуков
в клапанах. Перед регулировкой зазоров
необходимо снять провода высокого напряжения,
отъединив их от свечей зажигания, отвернуть
гайки крепления крышек головок цилиндров
и снять крышки с прокладками. Зазоры между
клапанами и коромыслами регулируют на
холодном двигателе регулировочным винтом
с контргайкой, установленным на коротком
плече коромысла.
Регулировку зазоров первым способом производят в следующем порядке. Установить поршень первого цилиндра в в. м. т. (такт сжатия) при помощи установочного зубчатого указателя (рис 9). Для этого следует повернуть коленчатый вал до совмещения метки на шкиве вала с меткой ВМТ на указателе.
Рис 9: Установка поршня первого цилиндра в в.м.т при помощи зубчатого указателя:
(1 – метки на шкиве; 2 – зубчатый указатель (цифры показывают угол поворота коленчатого вала в градусах)
В этом случае оба клапана, впускной и выпускной, первого цилиндра будут закрыты, а между стержнем клапана и нажимным концом коромысла образуется самый наибольший зазор, который измеряют щупом и, если нужно, регулируют.
Для регулировки зазора надо,
придерживая отверткой регулировочный
винт (рис 10, а), ослабить ключом контргайку,
после чего вложить щуп между стержнем
клапана и нажимным концом коромысла и
вращать отверткой регулировочный винт
(рис 10, б) устанавливая необходимый зазор.
Затем, оставив щуп в зазоре, закрепить
регулировочный винт контргайкой при
помощи ключа и отвертки (рис 10, в). После
регулировки зазор должен быть равен 0,25—0,30
мм для впускного и выпускного клапанов,
при этом щуп 0,25 мм должен проходить свободно
через зазор, а щуп 0,30 мм не должен проходить.
Рис 10: Регулировка клапанов:
(а – ослабление контргайки; б – регулировка и проверка зазора щупом; в –крепление контргайки и регулировочного винта; г – порядок нумерации цилиндров; стрелки показывают порядок работы цилиндров)
Для регулировки
зазора в клапанах остальных семи
цилиндров надо коленчатый вал повертывать
рукояткой на одну четверть оборота (на
90°) и проводить регулировку по указанному
методу, причем регулировку зазоров вести
последовательно, согласно порядку работы
цилиндров 1—5—4—2—6— 3—7—8, который изображен
пунктирными линиями со стрелками на (рис
9, г) Чтобы точно провертывать коленчатый
вал на одну четверть оборота, надо нанести
мелом метки на шкиве коленчатого вала,
разметив их под углом 90° при положении
поршня первого цилиндра в в.
м. т. (такт
сжатия).
При втором способе регулируют клапаны одновременно для нескольких цилиндров. Регулировка проводится в следующей последовательности. Установить поршень первого цилиндра в в. м. т. (такт сжатия) по методу, указанному ранее, и отрегулировать зазоры: впускного и выпускного клапанов первого цилиндра, выпускного клапана второго цилиндра, впускного клапана третьего цилиндра, выпускного клапана четвертого цилиндра, выпускного клапана пятого цилиндра, впускного клапана седьмого цилиндра, впускного клапана восьмого цилиндра. Зазоры у остальных клапанов следует регулировать после поворота коленчатого вала на 360° (полный оборот). После окончания регулировки зазоров в клапанах надо поставить крышки клапанов с прокладкой на место и закрепить их ганками с плоскими шайбами. Пустить двигатель и прослушать его работу. Прогретый двигатель должен работать без стуков клапанов, «чиханий» в карбюраторе и «выстрелов» в глушителе.
Для предотвращения
перетирания пружин шариков необходимо
при любой разборке двигателя,
прошедшего 70 000 км пробега, разбирать
механизм вращения выпускного клапана
и перевертывать дисковые пружины шариков
выработанной стороной вниз.
3.2 Ремонт
газораспределительного механиз
Ремонт распределительного
вала. Основными дефектами распредели
Биение промежуточных опорных шеек проверяют
при установке вала в призмы на крайние
опорные шейки. Допустимая величина биения
устанавливается техническими условиями.
Если биение превышает допустимую величину,
то вал правят под прессом. Изношенные
шейки шлифуют на меньший диаметр до одного
из ремонтных размеров. После шлифования
шейки полируют абразивной лентой или
пастой’ ГОИ. При этом осуществляют замену
изношенных опорных втулок на новые. Внутренние
диаметры новых запрессованных втулок
обрабатывают разверткой или расточкой
резцом под размер перешлифованных шеек
распределительного вала. Опорные шейки
вала, вышедшие из ремонтных размеров,
можно восстанавливать хромированием
или осталиванием под номинальный или
ремонтный размеры.
Небольшой износ
кулачков устраняют шлифованием на копировально-шлифовальном
станке. При значительном износе вершину
кулачка можно восстановить наплавкой
сормайтом № 1 с последующим предварительным
шлифованием на электрошлифовальной установке
и окончательной обработкой на копировально-шлифовальном
станке.
Ремонт клапанов, толкателей, коромысел. Наиболее часто встречающимися дефектами клапанов являются: износ и обгорание рабочей фаски, деформации тарелки (головки), износ и изгиб стержня. Клапаны с небольшим износом рабочей фаски восстанавливают притиркой к седлу. При значительных износах или наличии глубоких раковин и рисок осуществляют шлифование и притирку. После шлифования фаски высота цилиндрической части головки клапана должна быть не менее величины, установленной техническими условиями.
Все клапаны притирают одновременно
на специальном станке. Герметичность
пары клапана. Седло контролируют прибором,
при помощи которого нагнетается под избыточным
давлением (0,6—0,7 кгс/см2) воздух.
Давление
в течение 1 мин не должно резко уменьшаться.
Изгиб стержня и биение рабочей фаски головки относительно стержня проверяют на специальном приспособлении. Контроль осуществляют индикаторами 10 и 11. Допускаемое биение стержня клапана — 0,015 мм на длине 100 мм, а биение рабочей фаски — 0,03. При большем биении стержень клапана правят.
Изношенный стержень клапана можно восстановить хромированием или осталиванием с последующим шлифованием до номинального размера. Изношенный торец стержня клапана шлифуют до получения гладкой поверхности.
У толкателей клапанов
изнашиваются сферическая и цилиндрическая
поверхности. Стержень восстанавливают
шлифованием до ремонтного размера или
хромированием. При этом отверстие у направляющих
толкателей обрабатывают разверткой под
размер устанавливаемых стержней или
для запрессовки втулки. Втулки изготавливают
из серого чугуна и запрессовывают с натягом
0,02—0,03 мм. После запрессовки внутренний
. диаметр втулок обрабатывают разверткой,
обеспечивая необходимый зазор в соединении.
Износ сферической поверхности стержня
устраняют шлифованием по шаблону, выдерживая
установленную техническими условиями
высоту.
В коромысле клапанов изнашиваются втулки, которые заменяют на новые и растачивают отверстие в них до номинального или ремонтного размера. В новой втулке сверлят масляные отверстия. Изношенную сферическую поверхность носка коромысла обрабатывают шлифованием.
4. Основные неисправности механизма и способы их устранения
- Двигатель недостаточно приемист и не может развить полную мощность.
Причины:
1. Нарушены зазоры между кулачками распределительного вала и толкателями;
2. Впускные и выпускные клапана плохо прилегают к седлам;
Устранение:
1. Отрегулировать зазоры в приводе клапанов;
2. Заменить поврежденные клапана;
3. Отшлифовать седла.
- Двигатель работает не устойчиво или глохнет на холостом ходу.
Причины:
1.
Нарушены зазоры между кулачками
распределительного вала и толкателями;
2. Клапаны обгорели или деформировались.
Устранение:
1. Отрегулировать зазоры в приводе клапанов;
2. Заменить поврежденные клапана;
- Повышенный расход масла.
Причины:
1. Изношены или повреждены прокладки стержней клапанов;
2. Сильно изношены клапаны;
3. Сильно изношены направляющие втулки клапанов.
Устранение:
1. Заменить прокладки стержней клапанов;
2. Заменить клапаны;
3. Заменить изношенные направляющие втулки.
- Стук клапанов.
Причины:
1. Увеличен зазор между рычагами привода клапанов и кулачками распределительного вала;
2. Сломана клапанная пружина;
3увеличен зазор между направляющим клапаном и стержнем;
4. Изношены кулачки распределительного вала;
5. Ослаблены контргайки регулировочного болта.
Устранение:
1. Отрегулировать зазор между рычагами привода клапанов и кулачками распределительного вала;
2.
Заменить клапанную пружину;
3. Заменить изношенные детали и отремонтировать головку блока цилиндров;
4. Заменить распределительный вал и регулировочные шайбы.
! Если после
регулировки зазоров стук
- Повышенный шум распределительного вала.
Причины:
1. Износ рычагов и кулачков распределительного вала;
2. Износ опорных поверхностей на корпусе подшипников распределительного вала.
Устранение:
1. Заменить распределительный вал и рычаги
2. Заменить корпус подшипников.
- Низкая компрессия в цилиндрах двигателя.
Причины:
1. Обгорание рабочей поверхности клапанов;
2.
Впускные и выпускные клапана
плохо прилегают к седлам.
Устранение:
1. Заменить клапаны;
2. Отшлифовать клапаны и седла.
Неисправности газораспределительного механизма достаточно сложно диагностировать. Одни и те же признаки могут являться следствием сразу нескольких поломок или дефектов. Зачастую для того чтобы выявить неисправность приходиться перебирать всю головку блока двигателя. Делать это в гаражных условиях трудно, и поэтому при отсутствии необходимых навыков и инструмента проверку и ремонт ГРМ рекомендуется доверять только квалифицированным специалистам на станциях технического обслуживания.
5. Охрана труда и техника безопасности
Техника безопасности
при проведении ремонтных работ
Гараж или бокс, где проводятся
ремонтные работы, должен хорошо проветриваться,
дверь — легко открываться как изнутри,
так и снаружи. Проход к двери всегда держите
свободным.
При работе двигателя (особенно
на пусковых режимах) выделяется оксид
углерода (угарный газ) — ядовитый газ без
цвета и запаха. Опасная для жизни концентрация
оксида углерода может образоваться даже
в открытом гараже, поэтому перед запуском
двигателя обеспечьте принудительный
отсос отработавших газов за пределы гаража.
При отсутствии принудительной вытяжки
можно запускать двигатель на короткое
время, надев на выпускную трубу отрезок
шланга и вынув его наружу. При этом система
выпуска и ее соединение со шлангом должны
быть герметичны.
При работе под автомобилем не полагайтесь только на домкрат. Всегда используйте дополнительные средства поддержки, например, опоры.
Не прилагайте больших усилий при отворачивании или затяжке гаек или болтов (например, гайки ступицы колеса), если автомобиль стоит только на домкрате.
Не запускайте
двигатель, не убедившись в том, что
рычаг переключения передач находится
в нейтральном положении, а стояночный тормоз включен.
Во избежание получения ожогов не сливайте масло до тех пор, пока не остынет двигатель. По этой же причине не дотрагивайтесь до любой из частей двигателя, пока она достаточно не остынет.
Не вдыхайте пыль от износа тормозных накладок — она опасна для здоровья.
Не оставляйте на полу масляных и других пятен. Вытирайте их немедленно.
Не используйте неисправные или неподходящие гаечные ключи и другие инструменты: они могут соскользнуть и причинить вам травму.
Не пытайтесь самостоятельно поднимать тяжелые детали: позовите помощника.
Не спешите скорее закончить работу.
Не допускайте присутствия детей или животных внутри или около оставленного без присмотра автомобиля.
Надевайте защитные очки при работе с такими инструментами, как дрель, пескоструйный аппарат и т.п., а также при работе под автомобилем.
Используйте защитный крем для рук
перед выполнением грязных работ — это
предохранит вашу кожу от инфекции, а также
облегчит удаление грязи.
При этом руки
не должны быть скользкими.
Следите за тем, чтобы предметы одежды и длинные волосы не попали в движущиеся механические части.
Снимайте кольца, часы и т.п. перед выполнением любых работ с автомобилем, особенно с его электрооборудованием.
Газораспределительный механизм: принцип работы
Газораспределительный механизм (ГРМ) — механизм для своевременной подачи воздуха или топливно-воздушной рабочей смеси в цилиндры ДВС и последующего выпуска из цилиндров отработавших газов. Главной функцией ГРМ на четырехтактных поршневых моторах, которые имеют сегодня наибольшее распространение, становится открытие и закрытие впускных и выпускных клапанов. Другими словами, ГРМ осуществляет управление фазами газораспределения.
ГРМ устанавливается в головке бока цилиндров. Механизм состоит из одного распределительного вала или нескольких таких валов. Также имеются приводы к распредвалу и клапаны, которые открывают и закрывают впускные и выпускные отверстия в камерах сгорания (впускные и выпускные клапаны).
Дополнительно имеется целый ряд передаточных элементов в устройстве ГРМ: толкатели, штанги, коромысла, а также вспомогательные решения в виде регулировочных элементов, пружин клапанов, систем поворота клапанов и т.д. Получается, что газораспределительный механизм представляет собой клапаны с приводом и распределительный вал с приводом.
Конструкции газораспределительного механизма могут отличаться. Главной особенностью выступает расположение клапанов и распределительного вала.
Среди существующих ДВС выделяют нижнеклапанные и верхнеклапанные двигатели, а также моторы со смешанным расположением клапанов. Нижнеклапанные агрегаты имеют боковое расположение клапанов, а для верхнеклапанных существует определение «подвесных клапанов».
По расположению распределительного вала встречаются двигатели с распредвалом в блоке цилиндров, с распредвалом в головке блока цилиндров, а также ДВС, где распределительный вал отсутствует.
С учетом таких конструктивных особенностей клапанный механизм четырёхтактных ДВС получил целый ряд самостоятельных типов и разновидностей.
Читайте также
Признаки неисправности ремня ГРМ
В данной статьей мы немного поговорим о признаках неисправностях ремня ГРМ.Ремень газораспределительного механизма – это важнейший узел, обеспечивающий правильное функционирование системы газораспределения и силового агрегата в целом. Ведь он обеспечивает одновременное вращение коленчатого и распределительного валов и, следовательно – синхронную работу поршней и клапанов мотора.
Кроме того, если случается обрыв или проскакивание зубьев ремня ГРМ, у множества моторов это приводит к непоправимым последствиям, когда поршня «встречаются» с клапанами. В итоге приходится раскошеливаться на дорогостоящий ремонт головки блока цилиндров, а возможно – и на замену поршневой группы.
Признаки несправности ремня ГРМ
Как Вы понимаете, роль ремня газораспределительного механизма очень важна.
Потому за его состоянием необходимо следить самым тщательным образом. Рассмотрим же основные признаки выхода из строя или близящегося обрыва ремня.
Существуют некоторые признаки неисправности ремня ГРМ:
{typography list_number_bullet_red}1. Выхлоп приобрел черный оттенок;||2. Чрезмерные вибрации силового агрегата при работе;||3. Усложнение запуска мотора;||4. Появление посторонних шумов от двигателя.{/typography}
В любом случае, при появлении хотя бы одного из описываемых симптомов, необходимо в первую очередь проверить состояние ремня ГРМ. Лучше осуществлять эту процедуру на СТО, однако ввиду ее несложности, опытные автомобилисты вполне могут сделать это и самостоятельно.
Кроме вышеописанных косвенных признаков неисправности ремня ГРМ, существуют прямые «симптомы» его выхода из строя. В данном случае, потребуется проведение некоторого объема работ. Однако и они не отличаются сложностью, потому вполне могут быть произведены самостоятельно. Причем данная процедура является следующим и обязательным этапом проверки в случае выявления косвенных признаков.
Итак, потребуется снятие защитного кожуха ремня или его части. Все зависит от конкретной марки и модели машины. Далее необходимо провести осмотр всей протяженности ремня, проворачивая коленвал мотора. При этом важно осмотреть состояние зубьев ремня ГРМ, а также обратить внимание на наличие на нем трещин и других следов повреждений или износа. Кроме того, необходимо проверить степень его натяжения. Если обнаруживается загрязнение данного элемента системы ГРМ маслом или охлаждающей жидкостью, то требуется устранить причину течи последних, чтобы исключить дальнейшее попадание их на ремень. Ведь масло и тосол способны разрушать материал изготовления ремня.
Есть еще, косвенные признаки неисправности ремня ГРМ, которые впоследствии могут спровоцировать его обрыв или чрезмерный износ и проскакивание зубьев. К ним относятся критический износ натяжителя ремня или его роликов. В таком случае отсутствует возможность нормального натяжения данного элемента. Это приводит к проскакиванию зубьев на больших оборотах.
Кроме того, слабо натянутый ремень больше подвержен риску обрыва. Натяжителем у некоторых моделей может быть помпа. Потому при ее износе или выходе из строя, также ослабляется натяжение ремня, что приводит к вышеописанным последствиям.
{typography pre_red}ПОДВЕДЕМ ИТОГ…{/typography}
Знать характерные признаки неисправности ремня ГРМ надо — таким образом можно предотвратить серьезную поломку системы. Напоследок стоит отметить, что каждый производитель автомобилей указывает в руководстве по эксплуатации интервал замены ремня газораспределительного механизма. Необходимо строго придерживаться данного указания и осуществлять замену данного узла даже несколько раньше, указанного пробега.
А при выборе ремня, отдавать предпочтение лишь оригинальным запасным частям известных и зарекомендовавших себя производителей. В таком случае долговечность системы ГРМ, а, следовательно, и всего силового агрегата будет обеспечена.
Признаки неисправности ремня ГРМ1. Введение 2. Назначение, устройство и принцип действия 3. Конструктивная особенность 4. Неисправности. Причины, способы определения и устранения Заключение ГРМ бывает одно- и двухвинтовой, в зависимости от количества распределительных валов в ГБЦ. В мономиальном трима (SOHC-Single Overhead Camshaft) — один вал. Газораспределительные механизмы отличаются расположением клапанов в двигателе. Они могут быть как верхними (в ГБЦ), так и нижними (в блоке цилиндров) по расположению клапанов. Самый распространенный газораспределительный механизм с верхним расположением клапанов, облегчающий доступ к клапанам для их обслуживания, позволяет получить компактную камеру сгорания и обеспечить лучшее заполнение ее горючей смесью или воздухом. В состав газораспределительного механизма входят: Распределительный вал; механизм привода распредвалов; клапанный механизм. Работу газораспределительного механизма рассмотрим на примере двигателя с V-образным расположением цилиндров. Распределительный вал расположен в «развале» блока цилиндров, то есть между его правым и левым рядами цилиндров, и приводится в движение коленчатым валом через распределительную коробку передач. При вращении распредвала кулачок летит на толкатель и поднимает его вместе со штангой. Верхний конец тяги давит на регулировочный винт, установленный во внутреннем плече коромысла. Коромысло, поворачиваясь вокруг своей оси, внешним плечом прижимается к штоку клапана и открывает отверстие впускного или выпускного клапана в головке блока цилиндров строго в соответствии с фазами газораспределения и порядком работы цилиндров. Под фазами газораспределения понимают моменты начала открытия и окончания закрытия клапанов, которые выражаются в градусах угла поворота коленчатого вала относительно мертвых точек. Фазы газораспределения подбираются экспериментально в зависимости от числа оборотов двигателя и конструкции впускных и градуированных зависимостей от частоты вращения двигателя и конструкции впускных и выпускных патрубков. Производители установок указывают фазы распределения газа для своих двигателей в виде таблиц или диаграмм. Установка газораспределительного механизма определяется установочными табличками, которые находятся на распределительной шестерне или ведущем шкиве цилиндров двигателя. Отклонение при установке фаз приводит к выходу из строя клапанов или двигателя в целом. Постоянство фаз газораспределения сохраняется только при соблюдении регулируемого теплового зазора в клапанном механизме данной модели двигателя. Нарушение этого зазора приводит к ускоренному износу клапанного механизма и потере мощности двигателя. Для правильной работы двигателя коленчатый вал коленчатого вала и распредвалы распредвалов должны находиться в строго определенном положении относительно друг друга. Поэтому при сборке двигателя шестерни распределительных валов усиливаются имеющимися на их зубьях метками: одна — на шестерне коленчатого вала, а другая — между двумя зубьями шестерни распределительного вала. На двигателях с блоком распределения передач установка также производится по меткам. Последовательность чередования часов в разных цилиндрах называется порядком работы цилиндров двигателя, который зависит от расположения цилиндров и конструкции коленчатого и распределительных валов. Распределительный вал служит для открытия и закрытия клапанов газораспределительного механизма в определенной последовательности в соответствии с порядком расположения цилиндров двигателя. Распредвалы снимаются со стали с последующим скреплением и закалкой токами высокой частоты. На некоторых движках литые деревья от высокопрочный чугун. В этих случаях поверхность кулачков и шейки валов отбеливается, а затем полируется. Чтобы уменьшить трение между шейкой матки и опорами, в отверстия вдавливают сталь, покрытую антифрикционными слоями, или металлокерамические втулки. Распределительные валы расположены между опорными корками распределительного вала, по два на каждый цилиндр, впускной и градуированный. Кроме того, к валу прикреплена шестерня для привода масляного насоса и прерывателя распределителя, а также имеется эксцентрик для привода топливного насоса. Шестерни распределительных валов изготовлены из чугуна или текстолита, распределительное устройство привода коленчатого вала — из стали. В четырехтактных двигателях рабочий процесс происходит за четыре хода поршня или два оборота коленчатого вала. Это возможно, если распределительный вал совершит за это время вдвое большее количество оборотов. Следовательно, диаметр шестерни, установленной на распределительном валу, вдвое больше диаметра шестерни коленчатого вала. Стук рычага привода клапана. Характерный стук с равномерными интервалами, его частота меньше, чем у любого другого детонации в двигателе.Ввод в двигатель при обрыве одного или нескольких клапанов. Сопровождается деформацией боковой стенки рабочей части рычагов, растрескиванием юбок тарелок клапанов (возможно разрушение тарелки), порезанием упорных башмаков из сахара со стороны задней части. а) самоотдача регулировочных болтов. Крутящий момент контрэлемента, язычок контрэлемента не оседает. Регулировка клапанов. При заграждении замените регулировочные болты. б) самозакладка регулировочных болтов из-за превышения максимально допустимой частоты вращения коленчатого вала двигателя. Последствия устранить по вине виновных. в) Износ распредвалов распредвалов. Работа пары «кулачок-рычаг» без зазора. Некачественная регулировка зазора. С обратной стороны изношенного кулачка радиальная оценка по всей длине обратной части. Заменить распредвал. г) Изношены распредвалы распредвалов, на задней части кулачка нет фугов, есть узкая полоса провала на краю противоположной части кулачка — след рычага при пробое. Заменить распредвал, рычаги. д) кулачки не изношены. Детонация при многократной регулировке не устраняется. Заменить распредвал, рычаги. Пониженная мощность двигателя, низкая компрессия одного или нескольких цилиндров а) Покраска заменяемого слоя тарелки клапана («скрип клапана»). Заменить клапаны. К дополнительным факторам, способствующим возникновению неисправности, относятся отсутствие «распредвала — рычага» этого клапана и повышенная температура двигателя. Стук газораспределительного механизма а) завышен зазор «Регулировочная шайба — распредвал распредвал». Отрегулируйте подборку шайб нужного размера. б) завышенный зазор «Наружный диаметр регулировочной шайбы — это диаметр гнезда в толкателе под шайбу». Заменить шайбу, толкатель. в) Износ распределительного вала распределительного вала и регулировочные шайбы. Заменить распредвал и регулировочные шайбы. г) перебит зазор «Шейный распредвал — подшипник». Заменить головку блока. д) слив регулировочной шайбы по кругу контакта с кулачком (неравномерный износ). Заменить неисправную шайбу. д) нарезные (без циркуляции) толкатели по внешнему диаметру, эллипсности. Заменить толкатели. г) Выгрузка, ослабление крепления привода распредвала. Деформация звездочки крепления звездочки, звездочки и канавок распредвала. Заменить неисправные детали.
| ||||||||||||||||
(PDF) Метод оптимального управления неисправностями в городских системах передачи и распределения природного газа
2020 4-й Международный семинар по возобновляемым источникам энергии и развитию (IWRED 2020)
IOP Conf.Серия: Наука о Земле и окружающей среде 510 (2020) 022028
IOP Publishing
doi: 10.1088 / 1755-1315 / 510/2/022028
4
, использованных для решения проблемы. Основанный на принципе естественного отбора, генетический алгоритм
моделирует задачу оптимизации как процесс биологической эволюции и генерирует новые популяции посредством операций
генетики, естественного отбора, скрещивания и мутации. Представление о выживании наиболее приспособленных
влияет на популяцию, чтобы эволюционировать к оптимальному результату.Частота мутаций генетического алгоритма
уменьшается с количеством итераций. Распределение вариаций алгоритма — это распределение Гаусса
. Для повышения производительности алгоритма перекрестное соотношение населения составляет 0,8 (исключая
— соотношение элиты в группе), а размер популяции составляет от 40 до 60 поколений, чтобы поддерживать вычислительные затраты
на приемлемом уровне. Алгоритм рассчитывает, что стоимость находится в приемлемом диапазоне.Основные шаги
для решения проблемы:
Шаг 1: Генетический алгоритм определяет общее количество природного газа, необходимое конечным пользователям для
состояния нулевых неисправностей, а потребность в природном газе различна для разных периоды времени. Таким образом,
необходимо определить максимальную потребность в природном газе. Температура
оказывает значительное влияние на спрос на природный газ, но взаимосвязь между температурой и потреблением газа
не является линейной, потому что газ из газовой промышленности поставляется в течение года, а природный газ
подается с использованием централизованного управления. отопление на пол года.В целом, спрос на природный газ
имеет тенденцию к росту по мере снижения температуры. Увеличение потока природного газа в трубопроводе приводит к увеличению давления в трубопроводе на
, и оптимизация неисправностей усложняется. Температурный фактор
важен для определения максимальной потребности в природном газе.
Шаг 2: Использование генетического алгоритма для поиска набора переменных 𝑃
, 𝑚
, которые удовлетворяют условию ограничения
, что означает, что давление в трубопроводе по-прежнему удовлетворяет формуле (3) после давления
Регулирующая станцияизменяет давление питания.Подаваемое давление станции подачи и доля
станции хранения газа определяются одномерной гидродинамической моделью и алгоритмом SIMPLE
. Если этот шаг находит набор переменных 𝑃
, 𝑚
, которые удовлетворяют ограничениям, мы переходим к шагу 4.
В противном случае мы переходим к шагу 3.
Шаг 3: Если набор переменных
, 𝑚
, которые удовлетворяют ограничению, не найдены, общий объем поставки природного газа
уменьшается итерационным методом и возвращается к шагу 2.Общее количество подаваемого газа
непрерывно повторяется логарифмом. Математическое выражение показано в формуле.
(8):
𝐺𝐺
1 𝑦 (8)
где 𝐺 — начальное значение потребности конечного потребителя в природном газе, 𝑦 — итеративное увеличение природного газа
, 𝑖 — количество итераций, а 𝐺 — общий запас газа после итерации.
Шаг 4: Если найден набор переменных 𝑃
, 𝑚
, которые удовлетворяют ограничению, алгоритм завершается.Общее количество природного газа
𝐺 является оптимальным решением целевой функции на данный момент, что означает
, что 𝐺 является максимальной подачей природного газа при выходе из строя городской системы транспортировки и распределения природного газа
.
Ссылки
[1] Li, X .; Xiong, Y .; Xing, L .; Li, B .; Zhang, H .; Qian, D .; Лю Р. Анализ газового расширителя
, заменяющего газовый клапан в станции регулирования давления природного газа.В материалах
материалов Международной конференции по достижениям в области энергетики, окружающей среды и
Химическая инженерия; Atlantis Press: Changska, China, 2015.
[2] Üster, H .; Дилавероглу, Ş. Оптимизация проектирования и эксплуатации сетей передачи природного газа
. Прикладная энергия 2014, 133, 56–69.
[3] Bruno, S.V.B .; Moraes, L.A.M .; де Оливейра, В. Методы оптимизации для задачи планирования сети природного газа Бразилии
.Энергетические системы 2017, 8, 81–101.
[4] BahooToroody, A .; Abaei, M.M .; Арзаги, Э .; BahooToroody, F .; Де Карло, Ф .; Аббасси, Р.
Многоуровневая оптимизация плана технического обслуживания для системы природного газа, подверженной износу
процесса. Журнал опасных материалов 2019, 362, 412–423.
[5] Zhang, Z .; Лю, X. Исследование оптимальной работы газопроводной сети на основе улучшенного генетического алгоритма
. Успехи машиностроения 2017, 9, 168781401771598.
Системы доставки газа | Группа продуктов Harris
Когда газы используются в значительных объемах, централизованная система подачи газа является практической необходимостью. Хорошо продуманная система доставки снизит эксплуатационные расходы, увеличит производительность и повысит безопасность. Централизованная система позволит консолидировать все баллоны в одном месте хранения. Благодаря тому, что все баллоны собраны в одном месте, управление запасами будет упрощено, а обращение с баллонами будет упрощено и улучшено.Для повышения безопасности газы можно разделить по типу.
В централизованной системе частота замены цилиндров снижена. Это достигается путем подключения нескольких баллонов к коллекторам в блоках таким образом, чтобы один блок мог безопасно вентилироваться, пополняться и продуваться, в то время как второй блок обеспечивает непрерывную подачу газа. Коллекторная система этого типа может подавать газ в несколько приложений и даже целые объекты, устраняя необходимость в отдельных баллонах и регуляторах для каждой точки использования.
Поскольку переключение баллонов может выполняться автоматически с помощью коллектора, баллоны в группе будут равномерно истощены, что приведет к улучшенному использованию газа и снижению затрат. Целостность системы доставки будет лучше защищена, поскольку замена баллонов будет производиться в изолированной контролируемой среде. Газовые коллекторы, используемые в этих системах, должны быть оборудованы обратными клапанами для предотвращения обратного потока газа и продувочными узлами, чтобы исключить попадание загрязняющих веществ в систему во время замены.Кроме того, большинство систем подачи газа можно настроить с помощью сигнализации, указывающей, когда баллон или ряд баллонов нуждается в замене.
Чистота
Уровень чистоты газа, требуемый в каждой точке использования, чрезвычайно важен при проектировании системы подачи газа. Поддержание чистоты газа упрощается с помощью централизованной системы, как описано выше. Выбор материалов для строительства должен быть единообразным во всем. Например, если используется газ исследовательского качества, следует использовать всю конструкцию из нержавеющей стали и запорные клапаны без уплотнения диафрагмы, чтобы исключить загрязнение газового потока.
В общем, трех уровней чистоты достаточно для описания практически любого применения.
Первый уровень, обычно описываемый как МНОГОЦЕЛЕВОЕ приложение , имеет наименее строгие требования к чистоте. Типичные области применения могут включать сварку, резку, лазерную обработку, атомно-абсорбционную или масс-спектрометрию ICP. Коллекторы для многоцелевого применения экономически безопасны и удобны. Приемлемые материалы для строительства включают латунь, медь, Teflon®, Tefzel® и Viton®.Клапаны с набивкой, такие как игольчатые клапаны и шаровые краны, часто используются для перекрытия потока. Системы газораспределения, изготовленные для этого уровня, не должны использоваться с газами высокой или сверхвысокой чистоты.
Второй уровень, называемый приложением HIGH-PURITY , требует более высокого уровня защиты от загрязнения. Применения включают газовый лазерный резонатор или хроматографию, где используются капиллярные колонки и важна целостность системы. Материалы конструкции аналогичны многоцелевым коллекторам, за исключением того, что запорные клапаны потока не имеют диафрагмы для предотвращения диффузии загрязняющих веществ в поток газа.
Третий уровень называется приложением ULTRA-HIGH PURITY . Этот уровень требует наивысшего уровня чистоты компонентов в системе подачи газа. Измерение следов в газовой хроматографии является примером применения сверхвысокой чистоты. Смачиваемые материалы для коллекторов на этом уровне должны быть выбраны так, чтобы минимизировать адсорбцию следов компонентов. Эти материалы включают нержавеющую сталь 316, Teflon®, Tefzel® и Viton®. Все трубки должны быть очищены и пассивированы 316SS.Запорные клапаны потока должны быть без диафрагмы.
Особенно важно понимать, что компоненты, подходящие для многоцелевого применения, могут отрицательно повлиять на результаты в приложениях с высокой или сверхвысокой чистотой. Например, удаление газа из неопреновых диафрагм в регуляторах может вызвать чрезмерный дрейф базовой линии и неразрешенные пики.
Типы систем доставки газа
СИСТЕМЫ ДЛЯ ОДНОЙ СТАНЦИИ — В некоторых приложениях газ используется только для калибровки приборов.Например, система непрерывного мониторинга выбросов (CEMS) может требовать, чтобы калибровочные газы подавались только в течение нескольких минут каждый день. Очевидно, что такое применение не требует крупномасштабного коллектора с автоматическим переключением. Однако система подачи должна быть спроектирована так, чтобы защищать от загрязнения калибровочным газом и сводить к минимуму затраты, связанные с заменой баллонов.
Коллектор на одну станцию с кронштейном — идеальное решение для этого типа приложений. Он обеспечивает безопасный и экономичный способ подключения и замены цилиндров, избавляя от необходимости бороться с регулятором.Если газ содержит коррозионные компоненты, такие как HCl или NO, в коллектор следует включить продувочный узел, чтобы можно было продуть регулятор инертным газом (обычно азотом) для защиты от коррозии. Коллектор для одной станции / станции также может быть оборудован вторым пигтейлом. Такое расположение позволяет подключить дополнительный цилиндр и держать его в резерве. Переключение осуществляется вручную с помощью запорных клапанов баллона. Такая конфигурация обычно желательна для калибровочных газов, поскольку точное сочетание компонентов обычно несколько варьируется от баллона к баллону.Для замены баллона может потребоваться перезагрузка прибора.
СИСТЕМЫ ПОЛУАВТОМАТИЧЕСКОГО ПЕРЕКЛЮЧАТЕЛЯ — Многие приложения требуют непрерывного использования и / или больших объемов газов сверх того, что практично для коллектора одной станции. Любая пауза в подаче газа приводит к потере или провалу экспериментов, снижению производительности и даже простоям всего объекта. Полуавтоматические системы переключения обеспечивают возможность переключения с основного на резервный баллон или блок без прерывания подачи газа, что сводит к минимуму дорогостоящие простои.После того, как первичный баллон или банк исчерпаны, система автоматически переключается на резервный баллон или банк для непрерывного потока газа. Затем пользователь меняет пустые баллоны на новые баллоны, в то время как газ все еще поступает из резервной стороны. Двунаправленный клапан используется для индикации первичной или резервной стороны во время замены цилиндра.
ПОЛНОСТЬЮ АВТОМАТИЧЕСКИЕ ПРОГРАММИРУЕМЫЕ СИСТЕМЫ ПЕРЕКЛЮЧАТЕЛЯ — В некоторых важных производственных и лабораторных процессах бесперебойная подача газа является абсолютной необходимостью.Нарушение подачи газа в эти помещения может привести к потере результатов всех лабораторных экспериментов в процессе или даже к остановке производственной линии или технологического процесса. Потенциальная стоимость любого из этих событий настолько высока, что установка системы подачи газа, предназначенной для обеспечения бесперебойной подачи газа, явно оправдана. Для этих приложений обычно выбирается полностью автоматическая программируемая система переключения.
Полностью автоматические системыHarris работают аналогично полуавтоматическим системам, но с дополнительными функциями.Эти функции включают в себя программируемое давление переключения между первичным и резервным банками, автоматическое обнаружение утечек и выходные контакты для дистанционного измерения и определения уровня газа.
Моделирование и оптимизация системы газоснабжения на переходной стадии: на примере Китая | BMC Energy
Общая структура систем поставки природного газа
Общая структура систем поставки природного газа с несколькими регионами и периодами состоит из пяти частей, а именно, части внутреннего производства, импорта, передачи, хранения и спроса, как показано на Рис. .4.
Рис. 4Структура системы газоснабжения
Что касается внутренней добычи, ресурсы природного газа и производственные мощности различаются по регионам. Точно так же импортная мощность зависит от региона в зависимости от инфраструктуры импорта, включая трубопроводы и порты для СПГ. Транспортировка природного газа имеет четыре варианта: трубопроводы, порты СПГ, грузовые автомобили и отсутствие передачи. Стоимость передачи отличается при использовании этих технологий. Емкость хранилища, в зависимости от хранилищ, служит для управления ежемесячными колебаниями спроса на природный газ и поддержания порога безопасности выше определенного уровня, чтобы справиться с неожиданными и непредсказуемыми рисками.В разделе спроса годовой спрос на природный газ и ежемесячные колебания различаются в зависимости от региона.
Математическая модель
Метод смешанного целочисленного программирования (MIP) применяется для представления системы подачи природного газа. Общее выражение проблемы MIP показано в формуле. 1, где x, d, y, θ представляет вектор непрерывных рабочих переменных, непрерывных проектных переменных, двоичных проектных переменных и входных параметров соответственно. Функция f, h, g представляет ограничения целевой функции, равенства и неравенства соответственно.
$$ {\ displaystyle \ begin {array} {c} \ boldsymbol {\ min} \ \ boldsymbol {f} \ left (\ boldsymbol {x}, \ boldsymbol {d}, \ boldsymbol {y}, \ boldsymbol { \ theta} \ right) \\ {} \ boldsymbol {s}. \ boldsymbol {t}. \ kern0.5em \ boldsymbol {h} \ left (\ boldsymbol {x}, \ boldsymbol {d}, \ boldsymbol {\ theta} \ right) = \ mathbf {0}, \\ {} \ \ boldsymbol {g} \ left (\ boldsymbol {x}, \ boldsymbol {d}, \ boldsymbol {y}, \ boldsymbol {\ theta} \ справа) \ le \ mathbf {0} \ end {array}} $$
(1)
В этой модели ежемесячная добыча, импорт, транспортировка и хранение природного газа в каждом регионе являются рабочими переменными.Расширение газопроводов, портов и хранилищ природного газа из года в год является переменным фактором при проектировании. Ресурсы, географическое положение, затраты, цены, ежемесячный спрос, годовая производственная мощность и инфраструктура природного газа в базовом году являются входными параметрами.
Баланс между спросом и предложением в каждом регионе, баланс хранения между периодами и развитие инфраструктуры год за годом в основном составляют ограничения равенства. Ограничения неравенства обычно возникают из-за ресурсов, ограничений инфраструктуры и географических ограничений.Целевая функция — это общая стоимость системы газоснабжения за длительный период. Эти переменные могут быть получены путем минимизации целевой функции.
Подробная информация представлена ниже. Следующее уравнение. 2–22 составляют проблему MIP. Задача MIP решается на платформе General Algebraic Modeling System (GAMS) [38]. Решатель CPLEX используется для решения проблемы. Обозначения перечислены в разделе сокращений.
Внутреннее производство и импорт
Внутреннее производство и чистый импорт составляют общие поставки природного газа.Модель предполагает недостаточную внутреннюю добычу природного газа и достаточные международные поставки природного газа. Таким образом, ежемесячная и общая добыча природного газа, обозначенная как pro r, t, m и pro r, t , ограничена производственной мощностью PR max, r, t и ресурсы RE r , где r, t, m представляют регион, год и месяц соответственно, как показано на Уравнения.2 и 3. Импорт природного газа i r, t, m ограничивается объемом импорта I max, r, t , как показано в уравнении. 4. Учитывая, что добыча природного газа относительно стабильна, параметр A устанавливается для представления максимального разрыва между добычей природного газа и среднемесячной добычей, как показано в уравнении. 5.
$$ \ sum \ limits _ {\ boldsymbol {m}} {\ boldsymbol {pro}} _ {\ boldsymbol {r}, \ boldsymbol {t}, \ boldsymbol {m}} \ le {\ boldsymbol { PR}} _ {\ boldsymbol {\ max}, \ boldsymbol {r}, \ boldsymbol {t}} $$
(2)
$$ \ sum \ limits _ {\ boldsymbol {t}} {\ boldsymbol {pro}} _ {\ boldsymbol {r}, \ boldsymbol {t}} \ le {\ boldsymbol {RE}} _ {\ boldsymbol { r}} $$
(3)
$$ {\ boldsymbol {i}} _ {\ boldsymbol {r}, \ boldsymbol {t}, \ boldsymbol {m}} \ le {\ boldsymbol {I}} _ {\ boldsymbol {\ max}, \ полужирный символ {r}, \ boldsymbol {t}} / \ mathbf {12} $$
(4)
$$ \ left (\ sum \ limits _ {\ boldsymbol {m}} {\ boldsymbol {pro}} _ {\ boldsymbol {r}, \ boldsymbol {t}, \ boldsymbol {m}} / \ mathbf {12 } \ right) \ times \ left (\ mathbf {1} — \ boldsymbol {A} \ right) \ le {\ boldsymbol {pro}} _ {\ boldsymbol {r}, \ boldsymbol {t}, \ boldsymbol {m }} \ le \ left (\ sum \ limits _ {\ boldsymbol {m}} {\ boldsymbol {pro}} _ {\ boldsymbol {r}, \ boldsymbol {t}, \ boldsymbol {m}} / \ mathbf {12 } \ right) \ times \ left (\ mathbf {1} + \ boldsymbol {A} \ right) $$
(5)
Передача
Транспортировка природного газа в значительной степени зависит от специализированной инфраструктуры.Трубопроводные сети — это основной способ транспортировки природного газа на большие расстояния. В этой модели рассматривается только передача между регионами, в то время как передача внутри региона не учитывается. В связи с тем, что количество природного газа, передаваемого другими способами, например, грузовиком, незначительно по сравнению с транспортировкой по трубопроводу, другие способы транспортировки в данном исследовании не учитываются.
Природный газ может передаваться только между двумя соседними регионами, и объем передачи t r, rr, t, m не может превышать верхнюю границу, ограниченную инфраструктурой T max, r, rr, t , как показано в уравнении.6. Двоичная переменная yt r, rr вводится для представления географических ограничений, где yt r, rr равняется нулю, что означает, что два региона не являются смежными. , как показано в формуле. 7.
$$ {\ boldsymbol {t}} _ {\ boldsymbol {r}, \ boldsymbol {r} \ boldsymbol {r}, \ boldsymbol {t}, \ boldsymbol {m}} \ le {\ boldsymbol {T}} _ {\ boldsymbol {\ max}, \ boldsymbol {r}, \ boldsymbol {r} \ boldsymbol {r}, \ boldsymbol {t}} / \ mathbf {12} $$
(6)
$$ {\ displaystyle \ begin {array} {c} — {\ boldsymbol {L}} _ {\ mathbf {1}} \ times {\ boldsymbol {yt}} _ {\ boldsymbol {r}, \ boldsymbol { rr}} \ le {\ boldsymbol {t}} _ {\ boldsymbol {r}, \ boldsymbol {rr}, \ boldsymbol {t}, \ boldsymbol {m}} \ le {\ boldsymbol {L}} _ {\ mathbf {1}} \ times {\ boldsymbol {yt}} _ {\ boldsymbol {r}, \ boldsymbol {rr}} \\ {} \ left ({\ boldsymbol {yt}} _ {\ boldsymbol {r}, \ boldsymbol {rr}} — \ mathbf {1} \ right) \ times {\ boldsymbol {L}} _ {\ mathbf {1}} \ le {\ boldsymbol {t}} _ {\ boldsymbol {r}, \ boldsymbol {rr}, \ boldsymbol {t}, \ boldsymbol {m}} \ end {array}} $$
(7)
Хранение
Хранилища природного газа играют важную роль в удовлетворении пикового спроса.Хранение природного газа ограничено емкостью и периодом, когда объем хранения s r, t, m не может превышать свою максимальную емкость S max, r, t , как показано в формуле. 8, и конечный запас этого периода с 1 r, t, m — 1 , равняется началу следующего периода с 0 9069 r, t, m , как показано в уравнении.9.
$$ {\ boldsymbol {s}} _ {\ boldsymbol {r}, \ boldsymbol {t}, \ boldsymbol {m}} \ le {\ boldsymbol {S}} _ {\ boldsymbol {\ max}, \ boldsymbol {r}, \ boldsymbol {t}} $$
(8)
$$ \ boldsymbol {s} {\ mathbf {0}} _ {\ boldsymbol {r}, \ boldsymbol {t}, \ boldsymbol {m}} = \ boldsymbol {s} {\ mathbf {1}} _ { \ boldsymbol {r}, \ boldsymbol {t}, \ boldsymbol {m} — \ mathbf {1}} $$
(9)
Баланс спроса и предложения
Эта работа выполняется в месячном масштабе, чтобы отразить сезонные колебания спроса на природный газ.В каждом регионе и в каждом месяце общее предложение равно общему спросу. Общее предложение включает внутреннее производство, чистый импорт, чистую передачу из других регионов и чистое сокращение хранения, как показано в уравнении. 10.
$$ {\ boldsymbol {D}} _ {\ boldsymbol {r}, \ boldsymbol {t}, \ boldsymbol {m}} = {\ boldsymbol {pro}} _ {\ boldsymbol {r}, \ boldsymbol {t }, \ boldsymbol {m}} + {\ boldsymbol {i}} _ {\ boldsymbol {r}, \ boldsymbol {t}, \ boldsymbol {m}} + \ sum \ limits _ {\ boldsymbol {r} \ boldsymbol { r}} \ left ({\ boldsymbol {t}} _ {\ boldsymbol {r} \ boldsymbol {r}, \ boldsymbol {r}, \ boldsymbol {t}, \ boldsymbol {m}} — {\ boldsymbol {t }} _ {\ boldsymbol {r}, \ boldsymbol {r} \ boldsymbol {r}, \ boldsymbol {t}, \ boldsymbol {m}} \ right) — {\ boldsymbol {e}} _ {\ boldsymbol {r }, \ boldsymbol {t}, \ boldsymbol {m}} + \ boldsymbol {s} {\ mathbf {0}} _ {\ boldsymbol {r}, \ boldsymbol {t}, \ boldsymbol {m}} — \ boldsymbol {s} {\ mathbf {1}} _ {\ boldsymbol {r}, \ boldsymbol {t}, \ boldsymbol {m}} $$
(10)
Месячная потребность в природном газе во всех регионах является входными параметрами в этой модели.Ежемесячные колебания спроса у конечных пользователей различны, а именно, у потребителей тепла, выработки электроэнергии и других промышленных потребностей. Региональные колебания могут быть получены в соответствии с долей спроса на природный газ среди конечных пользователей.
Расширение инфраструктуры
Наряду с увеличением спроса на природный газ будет построено больше трубопроводов, портов для СПГ и хранилищ. Увеличивающаяся инфраструктура будет способствовать увеличению поставок природного газа. Расширение хранилищ природного газа — это постоянные проектные переменные, показанные в формуле.11, в то время как расширения трубопроводов и портов являются переменными переменными разрывами. Новая емкость является целым числом, кратным стандартной емкости, обозначенной как NT 0 и NI 0 . Двоичные проектные переменные ynt r, rr, t, i , yni r, t, i применяются для его описания, как показано в уравнениях. {\ boldsymbol {i} — \ mathbf {1}} \ right) \ end {array}} $$
(15)
Целевая функция
Целью оптимизации является общая стоимость поставки системы подачи природного газа в переходный период.Общая стоимость суммируется из годовых затрат с использованием ставки дисконтирования, как показано в уравнении. 16. Годовые затраты включают затраты на внутреннее производство, затраты на импорт, затраты на передачу, затраты на хранение и затраты на строительство инфраструктуры, как показано в уравнении. 17.
Внутренние производственные затраты рассчитываются путем умножения стоимости устья скважины на добычу природного газа, как показано в уравнении. 18. Затраты на импорт состоят из импортных цен, налогов и затрат на газификацию, как показано в уравнении. 19. Уравнение 20 показывает, что затраты на передачу равны ценам на передачу, умноженным на количество передач.{\ boldsymbol {t} — \ mathbf {1}} $$
(16)
$$ {\ boldsymbol {c}} _ {\ boldsymbol {t}} = \ sum \ limits _ {\ boldsymbol {r}, \ boldsymbol {m}} \ left ({\ boldsymbol {c} \ boldsymbol {p }} _ {\ boldsymbol {r}, \ boldsymbol {t}, \ boldsymbol {m}} + {\ boldsymbol {c} \ boldsymbol {i}} _ {\ boldsymbol {r}, \ boldsymbol {t}, \ boldsymbol {m}} + \ sum \ limits _ {\ boldsymbol {r} \ boldsymbol {r}} {\ boldsymbol {c} \ boldsymbol {t}} _ {\ boldsymbol {r}, \ boldsymbol {rr}, \ boldsymbol {t}, \ boldsymbol {m}} + {\ boldsymbol {c} \ boldsymbol {s}} _ {\ boldsymbol {r}, \ boldsymbol {t}, \ boldsymbol {m}} \ right) + \ sum \ ограничения _ {\ boldsymbol {r}} {\ boldsymbol {c} \ boldsymbol {c}} _ {\ boldsymbol {t}} $$
(17)
$$ {\ boldsymbol {cp}} _ {\ boldsymbol {r}, \ boldsymbol {t}, \ boldsymbol {m}} = {\ boldsymbol {PP}} _ {\ boldsymbol {r}, \ boldsymbol { t}, \ boldsymbol {m}} \ ast {\ boldsymbol {pro}} _ {\ boldsymbol {r}, \ boldsymbol {t}, \ boldsymbol {m}} $$
(18)
$$ {\ boldsymbol {ci}} _ {\ boldsymbol {r}, \ boldsymbol {t}, \ boldsymbol {m}} = {\ boldsymbol {i}} _ {\ boldsymbol {r}, \ boldsymbol { t}, \ boldsymbol {m}} \ ast \ left ({\ boldsymbol {PI}} _ {\ boldsymbol {r}, \ boldsymbol {t}, \ boldsymbol {m}} + {\ boldsymbol {PG}} _ {\ boldsymbol {r}, \ boldsymbol {t}, \ boldsymbol {m}} \ right) \ ast \ left (\ mathbf {1} + \ boldsymbol {Tax} \ right) $$
(19)
$$ {\ boldsymbol {ct}} _ {\ boldsymbol {r}, \ boldsymbol {rr}, \ boldsymbol {t}, \ boldsymbol {m}} = {\ boldsymbol {t}} _ {\ boldsymbol { r}, \ boldsymbol {rr}, \ boldsymbol {t}, \ boldsymbol {m}} \ ast {\ boldsymbol {PT}} _ {\ boldsymbol {r}, \ boldsymbol {rr}, \ boldsymbol {t}, \ boldsymbol {m}} $$
(20)
$$ {\ boldsymbol {cs}} _ {\ boldsymbol {r}, \ boldsymbol {rr}, \ boldsymbol {t}, \ boldsymbol {m}} = \ boldsymbol {s} {\ mathbf {1}} _ {\ boldsymbol {r}, \ boldsymbol {t}, \ boldsymbol {m}} \ ast {\ boldsymbol {P}} _ {\ boldsymbol {r}, \ boldsymbol {t}, \ boldsymbol {m}} \ ast \ boldsymbol {DR} / \ mathbf {12} $$
(21)
$$ {\ boldsymbol {cc}} _ {\ boldsymbol {t}} = {\ boldsymbol {NS}} _ {\ boldsymbol {r}, \ boldsymbol {t}} \ times {\ boldsymbol {PNS}} _ {\ boldsymbol {t}} + {\ boldsymbol {NI}} _ {\ mathbf {0}} \ times \ left ({\ boldsymbol {yni}} _ {\ boldsymbol {r}, \ boldsymbol {t}, \ boldsymbol {i}} \ times {\ mathbf {2}} ^ {\ boldsymbol {i} — \ mathbf {1}} \ right) \ times {\ boldsymbol {PNI}} _ {\ boldsymbol {r}, \ boldsymbol {t}} + {\ boldsymbol {NT}} _ {\ mathbf {0}} \ times \ left ({\ boldsymbol {ynt}} _ {\ boldsymbol {r}, \ boldsymbol {rr}, \ boldsymbol { t}, \ boldsymbol {i}} \ times {\ mathbf {2}} ^ {\ boldsymbol {i} — \ mathbf {1}} \ right) \ times {\ boldsymbol {PNT}} _ {\ boldsymbol {r }, \ boldsymbol {rr}, \ boldsymbol {t}} $$
(22)
В этой работе целевая функция учитывает только затраты в цепочках поставок.Ожидается, что это отразит результат рыночной конкуренции, учитывая политическую ситуацию, когда рынок природного газа Китая реформируется в более конкурентном направлении, с большим количеством поставщиков и централизованным управлением трубопроводами. Самая низкая стоимость в цепочках поставок эквивалентна состоянию рыночного равновесия. В противном случае, если существует стратегия, которая снижает затраты, то на рынке должны быть игроки, которые применяют эту стратегию, чтобы получить выгоду за счет снижения затрат. Социальные издержки и издержки, связанные с нехваткой поставок, действительно существуют, но они не отражены в текущих рыночных механизмах, что означает, что стоимость не повлияет на транспортировку природного газа.Таким образом, считается, что только затраты в цепочках поставок отражают результат рыночной конкуренции.
Анализ неопределенности
Эта модель разработана для определения оптимального плана расширения инфраструктуры и стратегии распределения природного газа путем минимизации общих затрат. По этой причине основные неопределенности модели связаны с разрывом между спросом и предложением, затратами в цепочке поставок и ставкой дисконтирования. В данном исследовании эта методология применяется в системе снабжения природным газом Китая, где внутреннего природного газа недостаточно и по более низким ценам, чем импортный природный газ.Таким образом, прогноз спроса, стоимость передачи, стоимость импорта и ставка дисконтирования являются основными параметрами, которые могут сильно повлиять на результат.
Анализ неопределенности модели выполняется путем увеличения или уменьшения этих основных параметров на 5%. Некоторые индикаторы выбраны, чтобы показать влияние на результаты, а именно общая стоимость, совокупные инвестиции в трубопроводы, совокупная емкость нового импорта СПГ и совокупная емкость хранилища. Эти четыре индикатора отражают влияние на общую стоимость, план расширения трубопровода, план расширения порта СПГ и план увеличения емкости хранилища.Результат приведен в таблице 1.
Таблица 1 результаты анализа неопределенностиРезультаты показывают, что прогноз спроса оказывает большее влияние, чем другие параметры. Более высокий прогноз спроса приведет к дальнейшему расширению инфраструктуры и увеличению объемов транспортировки природного газа.
»Распределение природного газа NaturalGas.org
Распределение природного газа
Распределение — последний шаг в доставке природного газа потребителям. В то время как некоторые крупные промышленные, коммерческие и электроэнергетические потребители получают природный газ напрямую из межгосударственных и внутригосударственных трубопроводов большой мощности (обычно заключаемые через маркетинговые компании природного газа), большинство других пользователей получают природный газ от своей местной газовой компании, также называемой местной распределительной компанией. (LDC).НРС — это регулируемые коммунальные предприятия, занимающиеся поставкой природного газа потребителям в определенной географической зоне. Есть два основных типа газовых компаний: компании, принадлежащие инвесторам, и государственные газовые системы, принадлежащие местным органам власти.
| Установка распределительной трубы малого диаметра |
| Источник: Duke Energy Gas Transmission Canada |
Местные распределительные компании обычно транспортируют природный газ из точек доставки, расположенных на межгосударственных и внутригосударственных газопроводах, в домохозяйства и предприятия по распределительным трубам малого диаметра на тысячи миль.Пункт доставки, где природный газ перекачивается из магистрального трубопровода в местное газовое предприятие, часто называют «воротами города», и он является важным рыночным центром для ценообразования на природный газ в крупных городских районах. Как правило, коммунальные предприятия берут в собственность природный газ у городских ворот и поставляют его на счетчик каждого отдельного потребителя. Для этого требуется разветвленная сеть распределительных труб малого диаметра. Управление по безопасности трубопроводов и опасных материалов Министерства транспорта США сообщает, что в США протяженность распределительных труб составляет чуть более 2 миллионов миль.С., В том числе городские магистрали и инженерные сети, соединяющие каждый счетчик с магистралью.
Из-за наличия транспортной инфраструктуры, необходимой для доставки природного газа множеству разнообразных потребителей на достаточно обширной географической территории, затраты на распределение обычно составляют около половины затрат на природный газ для домашних хозяйств и потребителей небольшого объема. В то время как крупные трубопроводы могут снизить удельные затраты за счет транспортировки больших объемов природного газа, распределительные компании должны доставлять относительно небольшие объемы во многие другие места.По данным Управления энергетической информации (EIA), затраты на передачу и распределение составляли примерно половину ежемесячных счетов за коммунальные услуги типичного бытового потребителя природного газа в 2009 году, а затраты на сам природный газ составляли вторую половину.
Доставка природного газа
| Компоненты цен на природный газ для жилых помещений |
| Источник: Управление энергетической информации-2008 |
Доставка природного газа до точки конечного использования распределительным предприятием во многом схожа с транспортировкой природного газа, описанной в разделе «Транспортировка».Однако распределение включает перемещение меньших объемов газа при гораздо более низком давлении на более короткие расстояния большому количеству индивидуальных пользователей. Труба меньшего диаметра также используется для транспортировки природного газа от городских ворот к индивидуальным потребителям.
Природный газ периодически сжимается для обеспечения потока по трубопроводу, хотя местные компрессорные станции обычно меньше тех, что используются для транспортировки между штатами. Из-за меньших объемов перемещаемого природного газа, а также из-за того, что используется труба малого диаметра, давление, необходимое для перемещения природного газа по распределительной сети, намного ниже, чем давление в магистральных трубопроводах.В то время как природный газ, проходящий через межгосударственные трубопроводы, может быть сжат до 1500 фунтов на квадратный дюйм (фунт / кв. Дюйм), для природного газа, проходящего через распределительную сеть, требуется всего 3 фунта на квадратный дюйм, а давление составляет всего фунта на квадратный дюйм на счетчике потребителя. Раздаваемый природный газ обычно сбрасывается у городских ворот или рядом с ним, а также очищается и фильтруется (даже если он уже был обработан перед распределением по межгосударственным трубопроводам) для обеспечения низкого содержания влаги и твердых частиц.Кроме того, меркаптан — источник знакомого запаха тухлых яиц в природном газе — добавляется коммунальным предприятием перед распределением. Это добавлено, потому что природный газ не имеет запаха и цвета, а знакомый запах меркаптана значительно упрощает обнаружение утечек.
| Распределительная компрессорная станция |
| Источник: Duke Energy Gas Transmission Canada |
Традиционно для строительства распределительных сетей использовались жесткие стальные трубы.Однако новая технология позволяет использовать гибкие пластиковые и гофрированные трубы из нержавеющей стали вместо жестких стальных труб. Эти новые типы трубок позволяют снизить затраты, гибкость установки и упростить ремонт как для местных распределительных компаний, так и для потребителей природного газа.
Еще одним нововведением в распределении природного газа является использование электронных систем считывания показаний счетчиков. Природный газ, потребляемый одним клиентом, измеряется местными счетчиками, которые, по сути, отслеживают объем природного газа, потребляемого в этом месте.Традиционно, чтобы правильно выставлять счета клиентам, необходимо было направить персонал для снятия показаний счетчиков для учета этих объемов. Однако новые электронные системы считывания показаний счетчиков способны передавать эту информацию непосредственно коммунальному предприятию. Это приводит к экономии затрат для коммунального предприятия, которые, в свою очередь, передаются потребителям.
| Установка распределительных сетей для жилых помещений |
| Источник: Duke Energy Gas Transmission Canada |
Установка газораспределительной трубы требует того же процесса, что и для больших трубопроводов: рытье траншей, в которую укладывается труба.Однако новые методы рытья траншей позволяют устанавливать распределительную трубу с меньшим воздействием на надземное окружение. Системы управляемого бурения используются для выкапывания подземной скважины, в которую может быть вставлена труба, и могут привести к значительной экономии при выемке грунта и восстановлении. Это особенно важно в густонаселенных городах и живописных сельских районах, где установка газораспределительной трубы может стать серьезным неудобством для жителей и владельцев бизнеса.
Системы диспетчерского управления и сбора данных (SCADA), подобные тем, которые используются крупными трубопроводными компаниями, также используются местными распределительными компаниями. Эти системы могут интегрировать контроль и измерение расхода газа с другими системами бухгалтерского учета, выставления счетов и контрактов, чтобы обеспечить комплексную систему измерения и контроля для местной газовой компании. Это позволяет коммунальному предприятию использовать точную и своевременную информацию о состоянии распределительной сети, чтобы обеспечить эффективное и действенное обслуживание в любое время.
Регламент распределения природного газа
Традиционно местным газовым компаниям были предоставлены исключительные права на распределение природного газа в определенной географической области, а также на выполнение таких услуг, как выставление счетов, проверка безопасности и обеспечение подключения природного газа для новых клиентов. Как и межгосударственные трубопроводы, коммунальные предприятия исторически рассматривались как естественные монополии. Из-за высокой стоимости строительства распределительной инфраструктуры нерентабельно прокладывать несколько избыточных распределительных сетей в одной области, в результате чего только одно коммунальное предприятие предлагает распределительные услуги.Из-за своего положения естественных монополий в данной географической зоне распределительные компании исторически регулировались таким образом, чтобы не допускать злоупотребления монопольной властью и чтобы потребители природного газа не становились жертвами чрезмерно высоких затрат на распределение или неэффективных систем доставки.
Государственные комиссии по коммунальному хозяйству отвечают за надзор и регулирование деятельности местных газовых компаний, находящихся в собственности инвесторов. Коммунальные предприятия, принадлежащие местным органам власти, обычно управляются местными правительственными агентствами, чтобы гарантировать, что потребности и предпочтения клиентов удовлетворяются экономически эффективным образом.Государственное регулирование местных распределительных компаний преследует множество целей, включая обеспечение адекватного снабжения, надежного обслуживания и разумных цен для потребителей, а также обеспечение адекватной нормы прибыли для коммунальных предприятий, принадлежащих инвестору. Государственные регулирующие органы также несут ответственность за надзор за строительством новых распределительных сетей, включая утверждение мест установки и предлагаемых дополнений к сети. Нормативные приказы и методы надзора варьируются от штата к штату. Чтобы узнать больше о регулировании распределения природного газа в вашем штате, щелкните здесь, чтобы посетить Национальную ассоциацию уполномоченных по регулированию коммунальных предприятий (NARUC).
Исторически местные распределительные компании предлагали только «комплексные» услуги; то есть они объединили расходы на транспортировку, распределение и сам природный газ в одну цену для потребителей. Однако, начиная с 1990-х годов, программы «выбор клиента» стали предлагаться как часть движения к розничному «разделению» продаж природного газа. Многие штаты в настоящее время предлагают программы, в которых клиенты могут выбрать поставщика, у которого будет приобретать природный газ отдельно, и использовать газовое предприятие просто для обслуживания и доставки этого газа.Программы выбора клиентов действуют более чем в 20 штатах и в округе Колумбия. Чтобы узнать больше о статусе государственных программ выбора потребителей, посетите EIA.
Хотя большинство бытовых и небольших коммерческих потребителей по-прежнему склонны покупать «связный» природный газ у коммунальных предприятий, все более важная роль маркетологов природного газа, а также инновации, подпитываемые растущей конкуренцией на рынке, приводят к инновационным способам поставка природного газа мелким потребителям, а также новых опций комплексных услуг, таких как системы домашней безопасности.Посетите наш раздел, чтобы узнать больше о маркетинге природного газа на жилищном рынке.
Распределение и безопасность
Местные распределительные компании, такие как крупные межгосударственные и внутригосударственные трубопроводы, поддерживают высочайшие стандарты безопасности, чтобы избежать предотвратимых аварий и своевременно устранять проблемы с распределительной сетью. Многие программы безопасности, поддерживаемые коммунальными предприятиями, очень похожи на программы межгосударственных трубопроводных компаний.Меры безопасности на местном уровне включают:
- Оборудование для обнаружения утечек — Коммунальные предприятия имеют сложное оборудование для обнаружения утечек, предназначенное для обнаружения утечек природного газа из распределительной сети. Коммунальные предприятия также добавляют одоранты в природный газ, чтобы облегчить обнаружение утечки.
- Образовательные программы по безопасности — Коммунальные предприятия обычно проводят семинары по безопасности природного газа в школах, общественных центрах и через другие организации, чтобы гарантировать, что клиенты хорошо разбираются в процедурах безопасности природного газа и знают, что делать в случае утечки или чрезвычайной ситуации.
- Дежурные технические специалисты — Коммунальные предприятия обслуживают целые группы технических специалистов по вызову 24 часа в сутки, семь дней в неделю, чтобы реагировать на проблемы и опасения клиентов.
- Готовность к чрезвычайным ситуациям — Коммунальные предприятия участвуют в общественных и местных программах готовности к чрезвычайным ситуациям, обучая и готовясь к чрезвычайным ситуациям, таким как стихийные бедствия.
- Системы единого вызова — Предоставляет клиентам, подрядчикам и экскаваторам единый номер телефона, по которому можно позвонить перед началом земляных работ или строительства, чтобы гарантировать, что трубопроводы и другие подземные сооружения не повреждены.В 2008 году был принят национальный телефонный номер «811», позволяющий «позвонить, прежде чем копать», при поддержке коммунальных служб, сообществ, аварийно-спасательных служб и государственных чиновников.
| Группа реагирования на чрезвычайные ситуации в сообществе — проверка счетчиков газа |
| Источник: Федеральное агентство по чрезвычайным ситуациям |
Это лишь некоторые из мер безопасности, применяемых местными распределительными компаниями.Просвещение потребителей особенно важно для безопасного распределения природного газа, особенно в густонаселенных районах. Обучая пользователей природного газа безопасному использованию природного газа, действиям в чрезвычайной ситуации и обнаружению утечек, распределительные компании гарантируют, что распределение природного газа останется одним из самых безопасных способов передачи энергии. Для получения дополнительной информации о безопасности природного газа в вашем районе обратитесь в свою газовую компанию. Для получения информации о трубопроводах природного газа, в том числе, посетите Управление безопасности трубопроводов Министерства транспорта.
Остановка трубопровода может привести к скачкам цен, дефициту — и проблемам для аэропортов Восточного побережья
Хотя, похоже, в конце туннеля есть свет для поврежденного колониального трубопровода, поскольку компания заявила в понедельник, что ожидает отключения нефтяные аналитики говорят, что водители на юго-востоке, от примерно Алабамы до, возможно, далеко на севере до столицы страны, могут столкнуться с кратковременными перебоями в поставках.
Трудно предсказать, где именно может произойти эта спорадическая нехватка, говорят эксперты, но они согласны с тем, что может усугубить ситуацию: паника.
Колониальный трубопровод, по которому обычно перемещается 2,5 миллиона баррелей топлива в день, включая бензин, дизельное и реактивное топливо, был закрыт с пятницы, когда технологическая инфраструктура компании подверглась кибератаке с использованием программ-вымогателей.
Аналитики считают, что проблема не в перспективе повышения цен на бензоколонке, как таковой — бензоколонки могут взимать плату за газ только в том случае, если у них есть его в баках для продажи.
«Это не столько ценовое событие даже для пострадавшего района.Это будет событие, связанное с поставками «, — сказал Патрик ДеХаан, руководитель отдела анализа нефти в GasBuddy.com.
Эндрю Липов, президент Lipow Oil Associates, сказал:» Я ожидаю, что будут некоторые спорадические отключения, но они будут будет недолговечным, поскольку трубопровод возобновит работу ».
Если бы отключение потребовалось несколько недель для устранения, сказал он, правительства в пострадавших штатах хотели бы рассмотреть вопрос о введении нормирования газа, например, установлении суточных лимитов на галлон и ограничение заполнения подъемы на другой день.На федеральном уровне правительство в экстренном порядке приостанавливает действие правил (как это иногда бывает после сильных ураганов), чтобы грузовикам было легче доставлять топливо в города, пострадавшие от остановки.
Южные города, не имеющие выхода к морю, в частности Атланта, рискуют исчерпать топливо, считают многочисленные нефтяные аналитики. Особое беспокойство вызывает международный аэропорт Атланты Хартсфилд-Джексон: аэропорт, основной узел авиакомпании Delta Air Lines, был самым загруженным в стране до пандемии коронавируса.По словам одного из экспертов, резкое сокращение авиаперелетов, особенно деловых поездок, в данном случае — лучик надежды.
«Крупные нефтебазы в аэропортах обычно хранят запасы от четырех до пяти дней, и, поскольку активность — особенно международная, которая потребляет наибольшее количество галлонов на рейс — все еще находится на низком уровне, это, вероятно, ближе к шести-семи дням запаса», — говорится в сообщении авиакомпании. аналитик Роберт В. Манн сказал.
Восстановление работы трубопровода к концу недели, по его словам, будет «простым делом», но этого должно быть достаточно скоро, чтобы избежать отмены рейсов, изменения маршрута пассажиров и замены самолетов — все варианты, которые, вероятно, пришлось бы использовать перевозчикам. — исследовать, — сказал он.
Если бы отключение было запланировано на несколько недель, нефтепереработчики на побережье Мексиканского залива могли бы быть вынуждены сократить производство, потому что им негде было бы перекачивать очищенный продукт. «Если трубопровод не перезапустится, нефтепереработчики должны сократить свои операции, потому что им не хватит места для хранения», — сказал Липов.
ДеХаан сказал, что любое событие, которое приведет к снижению перерабатывающих мощностей в начале летнего сезона, будет плохой новостью. «В преддверии Дня поминовения частичная остановка нефтеперерабатывающего завода — не лучший результат», — сказал он.«Будут некоторые волновые эффекты, просто зависящие от того, как долго это будет продолжаться».
Наихудшей реакцией населения, по словам профессионалов отрасли, будет накапливание бензина, что может еще больше сократить предложение в краткосрочной перспективе и исказить поведение потребителей, что может вызвать непредвиденные последствия.
«Это определенно плохая ситуация. Цена будет затронута, но это не будет совсем как количество вероятных отключений, которые мы могли бы увидеть, особенно если автомобилисты паникуют и копят», — сказал ДеХаан.
Еще неизвестно, будет ли работа трубопровода возобновлена достаточно скоро, чтобы избежать отмены рейсов, изменения маршрута пассажиров и замены самолетов.
Джон Холл, председатель лондонской Alfa Energy Group, сказал: «Если разразятся панические закупки, цены могут вырасти еще больше и превысят уровень в 3 доллара, но до тех пор, пока оператор трубопровода не скажет, что линия запущена и работает, отставание будет строить, а забота останется «.
Есть и другие способы доставки топлива в районы, где поставка может быть под угрозой, но они более медленные, более фрагментированные и более дорогие.
«С точки зрения логистики много движущихся частей», — сказал ДеХаан. Города с выходом к портам, такие как Саванна, Джорджия, или Чарльстон, Южная Каролина, могли бы получить топливо через танкеры, а меньший трубопровод, Plantation Pipeline, мог бы частично восполнить дефицит, но поскольку его пропускная способность меньше По его словам, это будет «тонкая струйка».
«Дефицит … уже начинает происходить», — сказал он, отметив, что приложение GasBuddy только что активировало функцию — чаще используемую после стихийных бедствий — которая позволяет водителям с первого взгляда видеть, на каких заправочных станциях есть топливо.
«Чем больше происходит накопление, тем дольше это событие влияет на снабжение», — сказал ДеХаан. «Накопление радикально перегрузит систему … потому что здесь нет промежуточной передышки».
HyTech Power, возможно, решил водород, одну из самых сложных проблем в чистой энергии
Это странный химический поворот в том, что в самом обычном веществе на Земле: воде содержится топливо.
Водород — символ славы h3O — оказался чем-то вроде универсального элемента, швейцарского армейского ножа для получения энергии.Его можно производить без парниковых газов. Он легко воспламеняется, поэтому может использоваться в качестве топлива для сжигания. Его можно подавать в топливный элемент для производства электричества напрямую, без сжигания, с помощью электрохимического процесса.
Может храниться и распространяться в виде газа или жидкости. Его можно комбинировать с CO2 (и / или азотом и другими газами) для создания других полезных видов топлива, таких как метан или аммиак. Его можно использовать в качестве химического сырья в различных промышленных процессах, помогая производить удобрения, пластмассы или фармацевтические препараты.
Довольно удобно.
И это самый распространенный химический элемент во Вселенной, так что можно подумать, что у нас есть все, что нам нужно. К сожалению, это не так просто.
Выделять водород из других элементов, хранить его и преобразовывать обратно в полезную энергию — это дорого как с точки зрения денег, так и энергии. Ценность, которую мы получаем от этого, никогда полностью не оправдывала того, что мы вкладываем в его производство. Это одна из тех технологий, которая, кажется, постоянно находится на грани прорыва, но никогда не достигает цели.
Уроженец Сиэтла Эван Джонсон считает, что он может это изменить. Он думает, что наконец-то понял, как разблокировать водородную экономику.
Джонсон — далеко не первый и не единственный человек, ставший этой целью. Но после 10 лет работы, испытаний и подготовки он разработал ряд технологий и практический бизнес-план, который проложил путь к реальному коммерческому масштабу использования водорода.
И хотя HyTech Power, где Джонсон является техническим директором, очевидно, стремится к финансовому успеху, Джонсон рассматривает свои продукты как нечто большее: способ использовать водород для немедленного уменьшения загрязнения при одновременном увеличении масштабов и снижении затрат, достаточных для внесения более фундаментальных изменений в энергетику. система.
Стационарный дизель-генератор с водородными форсунками HyTech. HyTech PowerHyTech нацелена на большой рынок, чтобы выйти на еще больший
HyTech Power, базирующаяся в Редмонде, штат Вашингтон, намеревается представить три продукта в течение ближайшего года или двух.
Первый будет использовать водород для очистки существующих дизельных двигателей, повышая их топливную эффективность на треть и устраняя более половины их загрязнения воздуха, со средней окупаемостью за девять месяцев, сообщает компания.Это потенциально огромный рынок с большим существующим спросом, который, как надеется HyTech, позволит капитализировать свой второй продукт — модернизацию, которая превратит любой автомобиль внутреннего сгорания в автомобиль с нулевым уровнем выбросов (ZEV), позволив ему работать на чистом водороде. В первую очередь это будет нацелено на крупные флоты.
И это станет третьим продуктом — тот, на который Джонсон положил глаз с самого начала, тот, который может революционизировать и децентрализовать энергетическую систему — стационарный продукт для хранения энергии, предназначенный для конкуренции и, в конечном итоге, вытеснения с такими большими батареями, как Powerwall Теслы.
По крайней мере, таков план.
Мир энергетики, конечно, полон громких стартапов, и путь от прототипа к рыночному успеху долог и опасен. Для успеха HyTech потребуется нечто большее, чем просто умная технология. Потребуется хорошее исполнение.
С этой целью компания недавно привлекла поддержку нескольких опытных руководителей Boeing, в том числе Джерри Аллина, который проработал 30 лет в Boeing и в декабре вышел на пенсию, чтобы возглавить расширение HyTech в качестве главного операционного директора.
Мягкая и неторопливая, с аккуратно подстриженной бородой, Аллин занимает небольшой офис на втором этаже бежевого здания HyTech, которое в основном занято огромным гаражом / мастерской. «Я очень скептически относился к технологии, как и в целом», — говорит он, но «как только я смог увидеть ее собственными глазами и понять физику, я подумал:« О, черт возьми ». Это действительно интересно! »
Его привлекло то, что исходные продукты не требуют новых рынков или инфраструктуры. «Теперь они действительно могут изменить мир», — говорит он.Главное — это в первую очередь дизельные двигатели. Их миллионы, они грязные и дорогие, и политики стараются их очистить. Это большой спрос. Компания «ожидает совершить много ошибок», — говорит Аллайн, но потенциальный рынок почти неизмеримо велик.
Работа в гараже HyTech, переоборудование больших дизельных грузовиков. HyTech PowerИ ставки выше быть не могут.В последние годы стало ясно, что какое-то топливо с нулевым выбросом углерода, пригодное для хранения, горючее, если не , необходимо для полной декарбонизации энергетической системы, по крайней мере, чрезвычайно полезно.
Перед тем, как углубиться в продукты HyTech, стоит объяснить, почему доступный водород является такой заманчивой перспективой для тех, кто озабочен устойчивой энергетикой.
Проблема с водородом: его дорого собирать, хранить и преобразовывать
Около 95 процентов мирового производства водорода осуществляется за счет парового риформинга метана (SMR), продувки природного газа высокотемпературным паром под высоким давлением.Это энергоемкий процесс, требующий использования ископаемого топлива и оставляющий после себя поток углекислого газа, поэтому его использование для обезуглероживания энергетической системы ограничено.
Но также можно извлечь водород непосредственно из воды с помощью электролиза — это процесс перебивания воды (содержащей различные «электрокатализаторы») электричеством, стимулируя химическую реакцию, которая расщепляет водород и кислород. Если электролиз проводится с использованием возобновляемой электроэнергии с нулевым выбросом углерода, полученный водород является топливом с нулевым выбросом углерода.
Это решает проблему углерода, но есть и другие. Водород в воде на самом деле не хочет выпускать кислород (они «прочно связаны»), поэтому их расщепление требует довольно много энергии. Полученный водород необходимо хранить, либо сжимая его в виде газа с помощью больших насосов, либо (слабо) связывая его с чем-то еще и храня в виде жидкости. Для этого газа или жидкости потребуется распределительная инфраструктура. Наконец, водород должен быть извлечен из хранилища и преобразован обратно в энергию путем его сжигания или пропуска через топливный элемент.
К тому времени количество энергии, вложенной в процесс, значительно превышает то, что можно получить обратно.
Это был барьер. Если сложить все затраты на преобразование энергии, «добыча» водорода для использования в энергетической системе с нулевым выбросом углерода, как правило, была убыточным бизнесом. Полезные услуги, предоставляемые водородом, не могут компенсировать энергию (и деньги), необходимые для ее производства и использования. По крайней мере, не на сегодняшний день.
Вот почему, хотя люди добывают и сжигают водород с 17-го века, двигатели и топливные элементы, работающие на водороде, существуют примерно с 19-го, а водород прошел через многочисленные циклы ажиотажа, вплоть до 21-го века. — разрекламированная «водородная экономика» так и не получила широкого распространения.
Таких не так уж и много. ShutterstockЕще в конце 2000-х годов большинство экспертов в области энергетики списали водород. С тех пор изменились две вещи.
Доступный водород может устранить основные препятствия на пути к устойчивой энергетике
Главное, что изменилось, — это глобальный переход на чистую энергию. Для решения проблемы изменения климата мир фактически согласился полностью декарбонизировать энергетическую систему в течение столетия.Это вызвало интенсивное исследование инструментов, необходимых для создания системы с нулевым выбросом углерода.
Мы знаем, как производить электроэнергию с нулевым выбросом углерода (возобновляемые источники, гидроэнергетика, атомная энергия), поэтому один из ключевых шагов в декарбонизации — «электрифицировать все» или, по крайней мере, использовать как можно больше энергии.
Но широкомасштабная электрификация — непростая задача. Существует множество существующих приложений, работающих на горючем жидком топливе. Помимо практически всего транспорта, подумайте о миллионах и миллионах зданий по всему миру, отапливаемых нефтью или природным газом.
Большая часть транспорта может быть электрифицирована, и все эти печи теоретически можно заменить электрическими альтернативами, такими как тепловые насосы, но сделать все это за оставшееся время для обезуглероживания — поистине монументальная задача.
Конечно, было бы неплохо выиграть время, если бы у нас было жидкое топливо с нулевым выбросом углерода, которое мы могли бы просто использовать в этих существующих системах, чтобы сократить выбросы от транспортных средств и приборов, которые мы уже используем. (Великобритания экспериментирует с отоплением домов водородом; Норвегия запретит любое использование мазута для отопления домов к 2020 году.)
Кроме того, если переменная возобновляемая энергия (солнце и ветер) должна обеспечивать большую часть или всю нашу энергию, нам понадобится какой-то способ хранить эту энергию, когда солнце и ветер не хватает. Нам потребуется не просто посекундное или почасовое хранение (которое вполне может обеспечить батареи), но и ежедневное, ежемесячное или ежегодное хранение (для которого батареи не подходят), чтобы гарантировать защиту от долговременных колебаний солнца и ветра. . Было бы неплохо, если бы мы могли хранить много резервной энергии в виде стабильного жидкого топлива.
Короче говоря, в наших планах устойчивой энергетики есть дыра в форме водорода.
Второе, что изменилось, это то, что исследования, разработки и ранние рыночные испытания неуклонно снижали стоимость и повышали долговечность основных компонентов водородной технологии.
В общем, потребность в сочетании с инновациями может, наконец, означать, что под рукой есть рентабельные продукты. Вот почему «во всем мире наблюдается возрождение водородной активности», — говорит Адам Вебер, руководитель группы преобразования энергии в Национальной лаборатории Лоуренса Беркли.
Или, как недавно сказал Пьер-Этьен Франк, секретарь торговой группы Hydrogen Council, «2020-2030 годы будут для водорода такими же, как 1990-е годы для солнечной и ветровой энергии».
Несмотря на все недавние инновации, Джонсон снова и снова обнаруживал, что каждый раз, когда он отказывался от стандартных компонентов и создавал свои собственные — практически каждый элемент в продуктах HyTech спроектирован и изготовлен по индивидуальному заказу, с сырьем, заказанным через Интернет, — цена пошла вниз. Не знаю почему.”
Джонсон высокий, худощавый и светловолосый, заядлый мастер и строитель, глаза которого загораются, когда он говорит о технике. После учебы в Тихоокеанском университете Сиэтла он провел первые 10 лет своей 20-летней карьеры в области сжатия видео. Но работа в Норвегии с Innovation Norway над хранением водородной энергии привела к тому, что у него возникла проблема с водородом. С тех пор он стал истинным верующим. «Ставка на водород в будущем — лучшее, что вы можете сделать», — говорит он.
«Если электролиз действительно настолько дешевле, это меняет правила игры»
Начинается с электролизера, который извлекает водород из воды.Джонсон не смог найти такой дешевый, простой и эффективный, как он хотел, поэтому он построил свой собственный.
Электролизер HyTech (в данном случае присоединенный к стационарному дизель-генератору). HyTech PowerЭто не на что смотреть, просто трубка, наполненная дистиллированной водой. Примерно в центре подвешена небольшая титановая пластина, покрытая специальной смесью электрокатализаторов, оптимизированных для разделения водорода и кислорода.Газы поднимаются от пластины непрерывным потоком пузырьков. Он полностью закрыт металлом, в нем нет движущихся частей, поэтому он чрезвычайно прочен и не требует значительного обслуживания.
В целом, по словам Джонсона, система «очень проста и бессмысленна». (Это тема, к которой он часто возвращается — предпочтение замкнутых, простых, полностью перерабатываемых систем.) Но благодаря эффективности электрокатализаторов, добавляет он, «очень точно, сколько энергии необходимо для производства необходимый водород.”
Джонсон может похвастаться тем, что его электролизер может производить водород примерно в три или четыре раза быстрее, чем электролизеры с аналогичной площадью основания, используя примерно треть электрического тока. Это представляет собой постепенное снижение затрат.
«Очевидно, я не могу проверить их экономику издалека, — сказал мне Джеймс Бреннер из Национального центра исследований водорода при Технологическом институте Флориды, — но если электролиз действительно намного дешевле, это меняет правила игры».
Теперь давайте посмотрим, что HyTech планирует с этим делать.
Модернизация. HyTech PowerСпособ очистки дизельных двигателей для рынка, который остро нуждается в одном
Первый продукт, дебют которого запланирован на апрель, является ключом ко всему остальному.
Это называется система помощи при внутреннем сгорании (ICA), модификация двигателей внутреннего сгорания, которая позволяет им существенно повысить топливную эффективность и уменьшить загрязнение воздуха. Это достигается путем добавления к топливу крошечных количеств газообразного водорода и кислорода непосредственно перед его сгоранием в цилиндрах двигателя.Смесь HHO придает интенсивность сгоранию, позволяя топливу сгорать более полно, генерируя больше энергии и меньше загрязнений.
Система ICA может технически работать на любом двигателе внутреннего сгорания, но для начала HyTech нацелена на самые грязные двигатели с самой быстрой окупаемостью, а именно на дизельные двигатели — в транспортных средствах, таких как грузовики, автофургоны, автобусы и вилочные погрузчики, а также большие стационарные дизельные генераторы, которые по-прежнему обеспечивают резервное (и даже основное) питание для миллионов людей во всем мире.
Все эти дизельные двигатели выделяют канцерогенный дым, содержащий твердые частицы (сажа) и оксиды азота (NOx), которые наносят вред здоровью человека. Штаты и города по всему миру борются с загрязнением воздуха дизельным топливом.
Но дизельные сажевые фильтры (DPF), которые задерживают частицы, дороги, требуют технического обслуживания и требуют частой замены. Жидкости для селективного каталитического восстановления (SCR), добавляемые в выхлопные газы для удаления NOx, сами по себе являются загрязнителями, и их необходимо часто менять.
Короче говоря, существует много дизельных двигателей, они очень грязные (ответственны за до 50 процентов загрязнения городского воздуха зимой), и многие люди тратят много денег, пытаясь их очистить. Это большой рынок.
ПредложениеHyTech на этом рынке весьма примечательно: оно утверждает, что его ICA может повысить топливную экономичность дизельного двигателя на 20–30 процентов, уменьшить количество твердых частиц на 85 процентов и сократить выбросы NOx на 50–90 процентов.Вместе с сажевым фильтром DPF и некоторым количеством SCR он может дать дизельный двигатель, который соответствует официальным калифорнийским стандартам для автомобилей со «сверхнизким уровнем выбросов».
Стоимость преобразования грязного дизельного двигателя в относительно чистый: около 10 000 долларов на установку, которые, по оценке HyTech, окупятся за девять месяцев за счет сокращения расходов на топливо и техническое обслуживание.
Устройство помощи внутреннего сгорания (ICA) HyTech, установленное на большом дизельном двигателе.(Видите маленький ряд форсунок?) HyTech PowerHyTech — не первая и не единственная компания, разработавшая систему присадок HHO, но ничто на рынке не может сравниться с такими цифрами.
ICA достигает этой эффективности благодаря компьютеризированному контроллеру времени, который определяет и анализирует вращение коленчатого и распределительного валов, чтобы определить точное время и размер впрыска HHO. Предыдущие системы HHO более или менее заполняли двигатель HHO через воздухозаборник, но HyTech использует «впрыск через порт» с отдельным инжектором на впускном клапане каждого цилиндра, управляемым таймером.Каждый инжектор (размером примерно с человеческий волос) впрыскивает крошечные, точно отмеренные струи HHO в цилиндр именно тогда, когда это необходимо.
Такой уровень точности позволяет ICA использовать гораздо меньше водорода, чем его конкуренты, гораздо более эффективно. Небольшой бортовой электролизер производит более чем достаточно.
Это смелые заявления, но пока они остаются верными. ICA был включен в список EPA как кандидат на технологию сокращения выбросов; Уважаемая испытательная фирма SGS обнаружила, что ICA повысила топливную экономичность грузовика FedEx на 27.4 процента; FedEx в настоящее время проводит дорожные испытания ICA на автопарке грузовиков и обнаруживает, что экономия топлива на 20–30 процентов выше, а затраты на техническое обслуживание сажевого фильтра значительно снизились. При стороннем тестировании и при ограниченных местных продажах в районе Редмонда ICA выполнила свои обещания.
Если он сможет сделать это в масштабе HyTech — надежно повысить экономию топлива на треть и снизить загрязнение почти до нуля с окупаемостью за девять месяцев — возможностей не будет конца. Компания оценивает рынок очистных работ в 100 миллиардов долларов, включая портовые грузовики, грузовые суда, рефрижераторы, грузовики дальнего следования, автобусы, генераторы и все другие грязные дизельные двигатели.
ICA не полагается на новую инфраструктуру или субсидии. Это способ выйти на большой рынок, немедленно сократить выбросы и накопить средства для долгосрочных усилий по полной замене дизельного топлива.
HyTech также хочет очистить существующие автомобили
Позже в этом году HyTech представит свою вторую линейку продуктов: модифицированные водородом автомобили с ДВС. Проще говоря, потребуется любой двигатель, работающий на дизельном топливе, бензине, пропане или СПГ, и переключить его на 100-процентный водород.(В настоящее время компания находится в процессе сертификации своего модифицированного продукта Калифорнийским советом по воздушным ресурсам как не имеющий выбросов.) Это позволит любому водителю получить автомобиль с нулевым уровнем выбросов по значительно меньшей цене, чем стоимость покупки нового электрического или электрического двигателя. автомобиль на водородных топливных элементах.
Джонсон признает, что, если бы он проектировал автомобиль с нуля, он бы спроектировал его на основе водородного топливного элемента без сгорания, но «мы не заинтересованы в том, чтобы становиться автомобильной компанией», — говорит он.Вместо этого HyTech хочет очистить существующие автомобили.
Не каждый может позволить себе автомобиль Toyota Mirai на водородных топливных элементах (от 58 365 долларов). ShutterstockДля такого применения с чистым водородом (в отличие от смешанного HHO) электролизер немного отличается. Водород пропускается через мембрану, которая лишает его оставшегося кислорода или азота, оставляя чистый водород для сгорания транспортного средства.(Это делает электролизер протонообменной мембраной, или PEM, электролизером, вариант, знакомый любителям водорода.)
По своему обыкновению, Джонсон разработал свою собственную мембрану, смешав сырье, чтобы создать что-то более эффективное и дешевое, чем другие продукты PEM на рынке.
Есть еще одно отличие, которое представляет собой еще одну из основных технологических разработок Джонсона.
Потребляемая мощность двигателя транспортного средства варьируется и может быстро увеличиваться и уменьшаться, поэтому системе необходимо хранить немного водорода в качестве буфера на случай, если он потребляет больше, чем может произвести электролизер.
Обычные автомобили на водородных топливных элементах (такие как Toyota Mirai) хранят водород в виде сильно сжатого газа при давлении около 8000 фунтов на квадратный дюйм. Но со сжатым газом возникают самые разные проблемы. Для сжатия газа требуется много энергии, для этого требуется собственная специализированная инфраструктура, заправочные станции для сжатого газа чрезвычайно дороги в строительстве, а сжатый водород, ну, взрывоопасен, поэтому каждый полный бак, заполненный им, является потенциальной бомбой.
Джонсон не хочет иметь с этим ничего общего. Итак, он пошел другим путем.Его система хранит водород, слабо связанный с металлами в виде «гидридов», в инертном жидком растворе без давления (~ 200 фунтов на квадратный дюйм).
Проблема с гидридами была двоякой: а) создание связи, достаточно слабой, чтобы ее можно было разорвать без излишней энергии, когда необходимо высвободить водород, и б) увеличение плотности энергии образующейся жидкости. (На сегодняшний день большинство гидридных жидкостей обладают меньшей энергетической плотностью, чем сжатый водород, и намного меньше ископаемого топлива. Они весят слишком много для той энергии, которую они вырабатывают.)
Джонсон думает, что решил обе проблемы. Он не раскрывает подробностей о задействованных гидридах, но у него достаточно высокое соотношение мощности к весу, чтобы побить литий-ионные батареи (которые очень тяжелые), и достаточно слабую гидридную связь, чтобы ее можно было разорвать, используя только перенаправляем отходящее тепло от двигателя (не требуется дополнительного тепла или давления).
Более того, он работает с командой над наноматериалами для гидридов и ожидает «огромного скачка» в соотношении мощности к весу в ближайшие годы; в конечном итоге, по его словам, он хочет, чтобы плотность энергии была конкурентоспособной с ископаемым топливом.
Эффективный электролиз плюс эффективное накопление гидридов означает, что в результате модернизации Hy-Tech будет создан автомобиль с нулевым уровнем выбросов (ZEV) со средней дальностью полета 300 миль, сравнимый с электромобилями высокого класса, но способный работать с любым существующим транспортным средством. Когда я посетил завод HyTech в Редмонде, Джонсон отвез меня на обед в гигантском пикапе Ford Raptor, работающем на водороде.
Ford Raptor, работающий на чистом водороде. HyTech PowerЕсть два способа «заправить» автомобиль.Медленный способ — включить его на ночь, чтобы электролизер мог заполнить бак. Самый быстрый способ — заполнить его раствором гидрида, который можно получить на месте, дома или на заправочной станции, не имея ничего, кроме электролизера, немного дистиллированной воды и резервуара.
Пока не существует инфраструктуры, поддерживающей такую быструю заправку, но она не похожа на сжатый водород под высоким давлением, подчеркивает Джонсон. Это не опасно; не производит токсичных побочных продуктов; он не требует множества государственных правил безопасности и правоприменения; Теоретически, на заправочных станциях «мама и папа» можно было бы довольно дешево запустить заправку.
Несколько утопическое видение Джонсона состоит в том, что в конечном итоге в каждом доме и на предприятии будет электролизер и полный бак связанного водорода, который можно будет использовать либо для выработки электроэнергии для здания (подробнее об этом в третьем этапе), либо для топлива водородных транспортных средств.
По словам Джонсона, цель — оставить двигатели внутреннего сгорания, но «это все равно что бросить курить — все хотят остыть. Этого просто не произойдет «. Модернизация существующих транспортных средств за небольшую часть стоимости нового транспортного средства с нулевым уровнем выбросов позволит компании быстро начать сокращение транспортных выбросов.
Святой Грааль HyTech: долгосрочное и доступное хранилище энергии
Наконец, получив финансирование и капитализацию за счет продуктов для модернизации, HyTech приступит к производству аккумуляторов энергии. Его масштабируемое хранилище энергии (SES) предназначено для конкуренции с большими батареями, такими как Powerwall от Tesla, либо в качестве локального хранилища для домов и предприятий, либо в качестве хранилища в масштабе сети, подключенного к крупным солнечным и ветряным электростанциям.
Идея хранения водородной энергии заключается в том, что когда-нибудь скоро будут регулярные периоды, когда ветер и солнце вырабатывают электроэнергию, значительно превышающую спрос.Эти излишки энергии будут стоить очень дешево — на самом деле, мы будем искать способы не тратить их зря.
Одна из все более популярных идей — «энергия для газа», то есть преобразование этой избыточной энергии в водород и его хранение. «Водород — это, наверное, самое простое, что вы можете сделать при низких ценах на электроэнергию», — говорит Вебер.
Часть этого водорода можно закачать в существующие газопроводы, что снизит углеродоемкость газа. Некоторые из них могут быть объединены с диоксидом углерода для создания другого жидкого топлива.И некоторые из них можно было бы напрямую преобразовать обратно в энергию с помощью топливных элементов. «Стационарное хранилище — это прекрасных возможностей для водородных топливных элементов», — говорит Леви Томпсон, директор Лаборатории технологий водородной энергетики Мичиганского университета.
Проблема, опять же, заключалась в том, что сквозная эффективность накопления водородной энергии на основе электролиза обычно была меньше половины, чем достигается литий-ионной батареей.
Плохой рисунок, иллюстрирующий хранение водородной энергии. ShutterstockИ снова Джонсон думает, что сломал его.
Вот как работает система SES от HyTech: энергия поступает (в идеале от солнечных панелей или ветряных турбин) для запуска электролизера. Произведенный водород либо поступает в топливный элемент (да, Джонсон построил свой собственный), либо связывается в виде гидридов и хранится в резервуаре. Когда требуется энергия, гидридные связи разрываются с использованием отработанного тепла системы, высвобождая больше водорода для топливного элемента.
Избегая сжатия и обнаружив достаточно слабую гидридную связь, чтобы ее можно было разорвать отходящим теплом, Джонсон заметно повысил эффективность.Он еще больше повысил эффективность с помощью другой умной техники. В большинстве хранилищ водорода используются огромные электролизеры и топливные элементы, которые не могут точно масштабировать производство энергии в соответствии с потребностями. Джонсон разбил свою систему на модули: она содержит стопки электролизеров и топливных элементов меньшего размера, которые можно запускать по одному по мере роста спроса. «Глупо просто, — говорит он с улыбкой.
Внешне SES работает как большая батарея, но есть отличия и компромиссы.
С другой стороны, несмотря на то, что он значительно увеличил сквозную эффективность по сравнению с водородными конкурентами, Джонсон все еще не совсем соответствовал эффективности батарей.Он говорит, что на данный момент эффективность SES составляет около 80 процентов. По крайней мере, когда они новые, традиционные свинцово-кислотные батареи составляют около 90 процентов, а литий-ионные батареи — около 98 процентов или выше, хотя все батареи со временем изнашиваются. (Джонсон ожидает, что эффективность SES будет продолжать расти по мере разработки новых материалов для своих электролизеров и топливных элементов — он думает, что 85 или 90 процентов находятся в пределах досягаемости.)
С другой стороны, SES прослужит намного дольше, чем батарея, пройдя более 10 000 циклов зарядки и разрядки, по сравнению с примерно 1000 для литий-ионной батареи.Это приблизит срок ее службы к сроку службы типичной солнечной панели, что позволит более удобно соединять эти две батареи.
В отличие от аккумуляторов, которые нельзя полностью зарядить или разрядить из-за опасения ухудшения характеристик, SES может перейти от 100-процентной емкости до 0 и обратно без повреждений.
И когда он действительно изнашивается, в отличие от батарей, SES полностью подлежит переработке. Металлы плавятся, перетираются и используются повторно; вода перегоняется.
Лучше всего то, что раствор гидрида может храниться неограниченное время без обслуживания или потери потенциала.Его не нужно сжимать или охлаждать, как сжатый водород. Он не разлагается, как электрохимический заряд аккумуляторов. Гидриды можно хранить столько, сколько необходимо.
Это делает SES фантастическим кандидатом на долгосрочное хранение энергии, святым Граалем по-настоящему устойчивой энергетической системы. Если бы электричество было дешевым и достаточно обильным, то в принципе не было бы ограничений на количество резервной энергии, которую можно было бы накапливать.
Это также делает SES идеально подходящим для распределенной энергетической системы.Без движущихся частей, надежных компонентов, устойчивых к экстремальным температурам и погодным условиям, и возможности вторичной переработки на 98 процентов, это был бы чрезвычайно простой способ для любого, у кого есть несколько солнечных панелей, получить степень энергетической независимости. Это может быть особенным благом для удаленных, автономных сообществ.
Жутко горящий электролизер. HyTech PowerКакой бы ни была судьба HyTech, потребность в водороде вызовет инновации.
Распределенная безуглеродная водородная экономика — это то, о чем размышляет Джонсон, когда дает себе время подумать.Но в наши дни перед нами стоит более неотложная задача: запустить HyTech.
Ни один из экспертов по водороду, с которыми я разговаривал, не обнаружил каких-либо особых тревог в технических заявлениях HyTech, но все они проявили с трудом завоеванный скептицизм «шоу-не-говори». В водородном мире произошли многие новые большие события. История усеяна трупами многообещающих стартапов, которые не смогли воплотить свои инновации в жизнеспособные рыночные продукты.
Тем не менее, Hytech, похоже, занимает хорошие позиции, имея надежную команду руководителей, некоторое раннее финансирование, положительные результаты испытаний, партнерские отношения с такими крупными игроками, как FedEx и Caterpillar, а также целевой рынок с продемонстрированным спросом на ее продукцию.Скорее всего, через год или два мы узнаем, справились ли они с этим.
В любом случае, по мере того, как стремление к созданию устойчивой энергетической системы всерьез набирает обороты, потребность в водороде будет только расти. Нам нужно топливо с нулевым выбросом углерода и нам нужно долгосрочное хранение энергии. Водород подходит обоим счетам.
Когда есть большая социальная потребность и деньги, люди становятся умными. Если Джонсон сможет добиться нескольких поэтапных достижений в водородной технологии, совершая покупки в Интернете и возясь в своей лаборатории, скоро другие сделают то же самое.А по мере выхода продуктов на рынок масштабирование приведет к снижению затрат, как это произошло с ветряной и солнечной энергией.
Во многих смыслах доступный водород — это последняя часть головоломки устойчивой энергетики, энергоноситель, который может заполнить трещины в системе, работающей в основном на ветровой и солнечной энергии. За прошедшие годы его несколько раз оставляли умирать, но, поскольку мир серьезно относится к декарбонизации, водород, наконец, может выиграть свой день на солнце.


Механизм газораспределения. Техническое обслуживание и ремонт
их гнезда.Отказ газораспределительного механизма включает в себя поломку зубьев распределительной шестерни и потерю упругости пружин клапана.
Двигатель начинает работать с перебоями, мощность падает.
Седла клапанов не должны иметь раковин, повреждений и следов коррозии.Перед ремонтом седла проверьте износ клапанной втулки. Если он изношен, его поменяли, значит, отремонтировали седло. Ремонт производится на специальных станках или с помощью специального приспособления, состоящего из стержня и сменного резца. Для восстановления клапанов и их седел используются другие комплекты инструментов отечественного и зарубежного производства.
К клапану, установленному в направляющей втулке, прикладывают часовой индикатор стопы и устанавливают его на ноль. Затем смещают шток клапана в сторону индикатора и по его показаниям определяется зазор между штоком и направляющей втулкой. Зазор не должен превышать 0,20-0,25 мм. При замере штока клапана необходимо перемешивать в направлении, параллельном коромыслу, так как в этом направлении, как правило, происходит наибольший износ направляющей втулки.
Восстановить необходимый диаметр гильзы можно с помощью набора специальных твердосплавных ножей. С помощью таких ножей колеса выдавливают спиральную канавку внутри клапанной втулки, что уменьшает ее внутренний диаметр из-за деформации металла. В результате экструзии получаются спиральные канавки, которые являются своеобразным уплотнением и удерживают масло. Далее при помощи сканирования гильза обрабатывается под диаметр клапана. Если после замены клапана не устранить слишком большой зазор между направляющей втулкой и клапаном и развернуть втулку под ремонтный размер клапана, втулку заменяют.
В двухканальном (DOHC — Double Overhead Camshafts) — соответственно два.В частности, это означает, что V-образный или противоположный двигатель имеет два или четыре распредвала.

Зубья в шестернях наклонные, что вызывает осевое перемещение вала. Для предотвращения осевого смещения предусмотрен упорный фланец, который закреплен на блоке цилиндров между концом шейки переднего основания и ступицей распределительного механизма.
Возможно столкновение выпускных клапанов с днищами поршней. Разумный отстой суперзвезд в тарелках клапанов
Отклонение геометрии распредвала.
Срез зубьев или выпадение приводного ремня распределительного вала со шкивов, несовпадение фаз газораспределения, столкновение клапанов с поршнями.








Ручки отверток, напильников, ножовок и так далее должны быть из пластика или дерева, иметь гладкую гладко очищаемую поверхность. Деревянные ручки во избежание раскалывания должны иметь металлические кольца.
Во избежание самопроизвольного опускания гидроподъемника после подъема автомобиля откиньте назад страховочные стойки или вставьте штифты в отверстия предохранительных трубок, которые перемещаются вместе с плунжерами.
Следите за тем, чтобы электрический ток не проходил через подвижные (подшипники, шаровые опоры) или резьбовые соединения — иначе они могут выйти из строя.
Предварительно убедитесь, что соответствующие элементы кузова (напольные усилители, пороги) достаточно прочны. Используйте для подъема автомобиля только штатные опоры. Запрещается вешать автомобиль на два и более домкрата — используйте подстаканники промышленного производства. Запрещается загружать или разгружать автомобиль, стоя на домкрате (садясь в него, стрелять или устанавливать двигатель). При ремонте автомобиля со снятым двигателем (силовым агрегатом) учитывайте, что говорение по осям изменилось: при подвешивании на домкрате такая машина может упасть.Работайте только на ровном нескользящем участке, под неразвитые колеса ставьте упоры.