Схема эмулятора лямбда зонда своими руками
Читайте о том, как самостоятельно изготовить механическую и электронную обманку для лямбда зонда. Также в статье описаны последствия, которые могут возникнуть после перепрошивки блока управления.
Лямбда зонд (также называется кислородным контроллером, датчиком O2, ДК) является неотъемлемой частью выхлопной системы автотранспортных средств, отвечающих экологическим стандартам EURO-4 и выше. Это миниатюрное устройство (обычно устанавливается 2 лямбда зонда и более) контролирует содержание O2 в выхлопных смесях автотранспортного средства, благодаря чему значительно снижается выброс ядовитых отходов в атмосферу.
В случае некорректной работы ДК или если произошло отключение лямбда зонда, функционирование силового агрегата может быть нарушено, из-за чего мотор перейдет в аварийный режим (на панели загорится Check Engine). Чтобы такого не случилось, систему автомобиля можно перехитрить, установив обманку.
Механическая обманка лямбда зонда («ввертыш»)
«Ввертыш» – это втулка, изготовленная из бронзы или теплоустойчивой стали.
Внутренняя часть такой «проставки» и ее полости заполняются керамической крошкой со специальным каталитическим покрытием. Благодаря этому отработанные газы дожигаются быстрее, что, в свою очередь, приводит к разным показателям импульсов 1 и 2 ДК.
Важно! Любая обманка устанавливается только на исправный лямбда зонд.
Самодельная обманка лямбда зонда, схема которой представлена ниже, проста в изготовлении. Для этого вам потребуется подготовить:
- заготовку;
- отвертку;
- набор ключей.
Делается обманка на обрабатывающем токарном станке. Если такового нет, то можно обратиться к специалисту, предоставив ему чертеж.
Полученная деталь совместима с большинством выхлопных систем как отечественных, так и зарубежных автомобилей.
Установка обманки лямбда зонда производится следующим образом:
- Поднимите авто на эстакаду.
- Отключите минусовую клемму на АКБ.
- Выкрутите первый (верхний) зонд (если их два, то снимите тот, который расположен между катализатором и выпускным коллектором).

- Вкрутите лямбда зонд в «проставку».
- Установите «усовершенствованный» датчик на место.
- Подключите клемму к аккумулятору.
Полезно! Обычно механическая обманка второго лямбда зонда не выполняется, так как этот ДК защищен катализатором и контролирует только его состояние. Самым чутким является именно первый датчик, который установлен ближе всего к коллектору.
После этого системная ошибка «Check Engine» должна исчезнуть. Если этот способ не сработал, можно воспользоваться более дорогостоящей обманкой.
Электронная обманка
Еще один способ устранения проблем с ДК – это электронная обманка лямбда зонда, схема которой представлена чуть ниже. Так как датчик кислорода передает сигнал контроллеру, то схема-обманка, подключенная к проводке от датчика к разъему, позволит «загрубить» систему. Благодаря этому, в ситуации, если лямбда зонд будет неисправен, силовой агрегат будет продолжать работать корректно.
Полезно! Места установки такой обманки могут отличаться в зависимости от модели АТС.
Например, она может быть монтирована в центральный тоннель между сиденьями, в торпеде или моторном отсеке.
Схема-обманка – это однокристальный микропроцессор, который анализирует процессы в катализаторе, получает данные от первого ДК, обрабатывает их, преобразует до показателей второго датчика и выдает на процессор автомобиля соответствующий сигнал.
Чтобы установить обманку этого типа, вам потребуется схема подключения лямбда зонда, которая выглядит следующим образом.
Как видите, бывает разная распиновка лямбда зонда (4 провода, три и два). Цвета проводов могут также отличаться, чаще всего встречаются изделия с 4 пинами (2 черных, белый и синий).
Для изготовления обманного устройства, вам потребуется:
- паяльник с мелким жалом и припой;
- канифоль;
- неполярный конденсатор емкостью 1 мкФ Y5V, +/- 20%;
- резистор (сопротивление) на 1 мОм, С1-4 имп, 0,25 Вт;
- нож и изоляционная лента.
Полезно! Перед установкой, схему лучше всего поместить в пластиковый корпус и залить ее «эпоксидкой».
Дальше электронная обманка на лямбда зонд своими руками монтируется следующим образом:
- Отключите минусовую клемму АКБ.
- «Препарируйте» провод, который идет от самого ДК к разъему.
- Разрежьте синий провод и подсоедините его обратно через резистор.
- Впаяйте неполярный конденсатор меду белым и синим проводами.
- Заизолируйте соединения.
Ниже представлена схема обманки лямбда зонда своими руками для распиновки на 4 провода.
На заключительном этапе, должно получиться следующее.
Такие манипуляции не стоит выполнять, если у вас нет должного опыта. Сегодня в магазинах представлены готовые схемы-обманки, которые без труда сможет установить даже начинающий водитель.
Перепрошивка контроллера
Некоторые особо искушенные автовладельцы решаются на перепрошивку блока управления, благодаря чему блокируется обработка сигналов второго кислородного датчика. Однако необходимо учитывать, что любые изменения алгоритма работы системы могут привести к необратимым последствиям, так как вернуть заводские настройки будет практически невозможно и затратно.
Поэтому выполнять такие манипуляции самостоятельно не рекомендуется. То же самое касается и готовых прошивок, которые продаются в интернете.
Полезно! При перепрошивке лямбда зонды удаляются.
Если вы все-таки хотите произвести перепрошивку системы, то обратитесь к грамотному специалисту, который сможет отключить получение данных ДК с помощью специализированного оборудования.
Также стоит учитывать, что практически любое вмешательство в работу систем, может привести к не самым приятным последствиям.
Какие последствия бывают после установки обманок
Нужно понимать, что любая обманка устанавливается на страх и риск автовладельца. Если монтаж был произведен неправильно, то вы можете столкнуться со следующими проблемами:
- Из-за того, что бортовой компьютер не может регулировать впрыск жидкости, может произойти нарушение работы мотора.
- Если схема неправильно спаяна, это может привести к повреждению электропроводки.

- В процессе установки обманки вы можете повредить датчики кислорода, после чего даже не узнаете об их неисправности (так как у вас уже будет установлена обманка).
- После таких вмешательств (не только при перепрошивке) может произойти сбой в бортовом компьютере.
Любая неточность приведет к плачевным последствиям, поэтому лучше установить более безопасный готовый эмулятор. В отличие от обманки, он не «обманывает» блок управления, а лишь обеспечивает его корректную работу, преобразуя сигнал ДК. Внутри эмулятора также установлен микропроцессор (как и в самодельной электронной обманке), который способен оценивать выхлопные газы и анализировать ситуацию.
В заключении
Многие автовладельцы устанавливают на свои машины самодельные обманки, чтобы сэкономить на покупке новых кислородных датчиков. Однако в такой погоне за выгодой, вы вполне можете столкнуться с большими денежными затратами, если кустарное устройство повлияет на работу «жизненно-важных» систем.
Поэтому устанавливать обманки рекомендуется, только если вы смыслите в работах такого плана.
Как сделать обманку на лямбда зонд своими руками
Лямбда зонд позволяет снизить вредное влияние выхлопного газа и уменьшить расход топлива автомобиля. Однако, зачем многие водители создают устройства, эмитирующие или обманывающие данный датчик. В этой статье вы узнаете, что такое обманка на лямбда зонд и какие существуют способы его обхода.
Как работает лямбда зонд?
Лямбда зонд представляет собой маленький аккумулятор, который вырабатывает малое напряжение, достаточное для передачи необходимой информации в блок управления. Один электрод датчика располагается внутри выхлопной системы, а другой – снаружи. Электризуясь благодаря составу выхлопных газов, первый электрод, совместно со вторым, создает напряжение определенной величины и посылает сигнал электронному блоку управлению двигателем.
В зависимости от содержания несгоревшего топлива в выхлопе, возникает определенная ЭДС, на основе которой ЭБУ принимает решение о количестве подачи воздуха и бензина в цилиндры двигателя. Данное свойство делает расход топлива авто самым оптимальным.
Любой датчик лямбда зонд способствует получению идеальной смеси 1:1. Однако такие значения практически никогда не возникают, так как двигатель работает на различных режимах, где соотношение бензина и воздуха меняется довольно быстро.
Для чего нужна обманка
К сожалению не все датчики обладают точным алгоритмом работы. Многие из них являются попросту бракованными или вовсе – выходят из строя в неподходящий момент. При отказе работы лямбда зонд, ЭБУ перестает принимать от него сигнал и переводит мотор в аварийный режим работы. Количество топлива и воздуха перестает регулироваться и выводится на одно установленное значение. При этом, расход топлива заметно увеличивается, а цилиндры загрязняются несгоревшими излишками.
Такой режим предназначен для того, чтобы добраться до станции технического обслуживания и длительная эксплуатация автомобиля во время отказа датчика не рекомендуется.
Многие современные автомобили оснащаются двумя датчиками, которые устанавливаются по разные стороны катализатора. Такое решение позволяет оценить правильную работу выхлопа, так как данные с датчиков должны различаться в обязательном порядке. Если они работают одинаково или один из них просто отказывает – на панели приборов загорится всем знакомый значок Check Engine.
Казалось бы, все просто – нужно просто заменить неисправный элемент и вывести двигатель в нормальный режим работы. Многие водители не делают этого из-за большой цены датчика. Если отечественные некачественные запчасти имеют куда более доступную цену, то хорошие зарубежные аналоги стоят очень дорого. На помощь приходят устройства, которые позволяют обойти датчик и спасти двигатель. Все эти устройства применяются в случаях, когда на выхлопе стоят два лямбда зонд и один из них начинает работать большими погрешностями или выходит из строя.
Также актуальны эти обманки и при неисправностях катализатора.
Какие обманки применяются на лямбда зонд?
Существует довольно много способов обойти этот датчик. Условно их можно разделить на две категории: механически и электронные.
Механическая обманка
Первая категория предполагает вмешательство в конструктивные особенности выхлопа. Для этого, катализатор снимают и на его место устанавливают специальную проставку. Она должна быть точно таких же размеров и повторять свой оригинальный аналог. Внутри проставки рассыпают керамическую крошку, покрытую каталитическим слоем. Естественно, что эта деталь должна иметь отверстия под выхлопные газы.
В результате химических взаимодействий керамической крошки и выхлопных газов, вредные газы начинают окисляться, и в конце проставки получается очищенный газ, который имеет меньшее количество вредных веществ. Таким образом, два датчика, помещенных на разных сторонах этой проставки, снимают совершенно разные показания.
Блок управления двигателем «думает», что работа датчиков проходит правильно и не выводит двигатель в аварийный режим работы.
Механический способ обхода лямбда зонд является самой дешевой и не требующей от водителя широких знаний в области автомобильной электроники.
Электронная обманка
Электронный способ бывает нескольких видов. Первые предполагают не просто обман ЭБУ, но и настройку максимально правильной работы двигателя. Второй же способ подразумевает вмешательство в контроллер и отключение специальной функции, осуществляющей контроль за количеством бензина в выхлопе.
Обман ЭБУ происходит за счет подключения специального эмулятора. В то время, как один из датчиков перестает работать, специальное устройство настраивается на требуемый режим и имитирует работу неисправного датчика. Таким образом, контроллер принимает сигнал с обоих датчиков, как и исправных. Кроме того, процессор такой обманки имеет более продвинутую функцию в области передачи информации, ведь он не только считывает количество бензина, но еще и выбирает наиболее оптимальную смесь при данном режиме работы и «подсказывает» ЭБУ, как правильно подать бензин и воздух.
Такое устройство, чаще всего изготавливается самостоятельно из одного резистора или конденсатора. Тем не менее, сейчас на прилавках магазинов появились уже готовые решения с небольшим процессором. Однако, порой, существуют и такие, чья цена превышает стоимость нового датчика, что является очень не выгодным.
Второй вид электронной обманки является не самым правильным, но довольно эффективным. Для этого электронный блок управления «перепрошивают» и он перестает учитывать сигналы, передающиеся от датчиков. Перепрограммирование осуществляется с помощью подключения ЭБУ к компьютерам и установки нового программного обеспечения. Многие мастера могут не только переустановить ПО, но и внести корректировки в уже имеющееся.
Данное вмешательство в бортовую сеть следует осуществлять при помощи специально обученного пероснала. Так как неправильная настройка контроллера может нанести двигателю серьезный урон.
Несмотря на все прелести и плюсы данных способов, все же рекомендуется как можно скорее произвести замену неисправной части.
Ведь такие устройства не только влияют на грамотную работу контроллера, но и выполняют свою основную функцию – избавление от вредных веществ в атмосфере. А это, прежде всего, воздух, которым мы дышим.
Видео — Устройство обманки «Лямбда-сон»
Вот так можно обойти лямбду зонд и сохранить правильную работу двигателя при неисправностях в системе выхлопа.
Как сделать и установить обманку лямбда зонда своими руками (электронную или механическую), чертежи и схемы, видео
Большинство современных автомобилей имеют специальные электронные системы контроля. Они позволяют экономить расход топлива и обеспечивают оптимальную работу двигателя. Одним из неотъемлемых элементов системы выпуска газов является лямбда-зонд. При его поломке двигатель начинает работать в аварийном режиме. Можно ли устранить проблему своими руками?
Содержание
1 Принцип действия лямбда-зонда и вопросы его ремонта
2 Как правильно сделать обманку кислородного датчика
2.
1 Механический способ (с чертежами ввёртыша)2.2 Как сделать и установить электронный (со схемой)
2.3 Видео изготовления электронной обманки датчика и проверка её работы
2.4 Перепрошивка контроллера: стоит ли делать своими руками
3 Последствия установки обманок разного типа
Содержание
- 1 Принцип действия лямбда-зонда и вопросы его ремонта
- 2
Как правильно сделать обманку кислородного датчика
- 2.1 Механический способ (с чертежами ввёртыша)
- 2.2 Как сделать и установить электронный (со схемой)
- 2.3 Видео изготовления электронной обманки датчика и проверка её работы
- 2.4 Перепрошивка контроллера: стоит ли делать своими руками
- 3 Последствия установки обманок разного типа
Принцип действия лямбда-зонда и вопросы его ремонта
Датчик фиксирует количество кислорода в выхлопе автомобиля и передаёт его на пульт управления.
В зависимости от показаний зонда компьютер регулирует уровень обогащения смеси, которая подаётся в камеру сгорания. В большинстве моделей устанавливают два зонда: один перед катализатором, а второй — за ним. В процессе эксплуатации кислородные датчики выходят из строя, производители рекомендуют проводить чистку устройств каждые 30 тысяч километров.
Многие автолюбители забывают о подобных рекомендациях и сталкиваются с проблемой уже после загорания аварийного знака на панели. Чаще всего лямбда-зонд не подлежит ремонту. Стоимость устройства немаленькая, и его замена всегда очень некстати. Народные умельцы нашли выход из этой неприятной ситуации. Они предлагают использовать специальную автомобильную обманку, которая позволит двигателю работать в нормальном состоянии и отключит аварийный сигнал Check Engine.
Совет: Не стоит полностью отключать или блокировать один из датчиков, это не решит проблему и приведёт лишь к увеличенному расходу топлива и нестабильной работе двигателя на холостом ходу.
Как правильно сделать обманку кислородного датчика
Сделать обманку для бортового компьютера своими руками можно тремя способами:
- установить механическую втулку;
- подключить несложную электронную схему;
- сделать перепрошивку контроллера.
Механический способ (с чертежами ввёртыша)
Чтобы обмануть контроллер, необходимо установить металлическую втулку между выхлопной трубой и лямбда-зондом. Для изготовления детали понадобится:
- металлическая заготовка;
- обрабатывающий станок;
- отвёртка;
- набор ключей.
Сделать деталь можно даже без специальных навыков работы, главное — иметь хороший токарный станок. В крайнем случае можно заказать её изготовление у знакомого специалиста.
Форма и размеры втулки показаны на чертеже.
Чтобы установить механическую заглушку, необходимо сделать следующее:
- Поднимаем автомобиль на эстакаду.
- Отключаем клемму «минус» на аккумуляторе.
- Выкручиваем зонд.
Для установки механической обманки датчик нужно выкрутить
- Накручиваем зонд на втулку, как показано на фото.
Сделанная точно по схеме деталь накручивается на лямбда-зонд
- Устанавливаем датчик на место и подключаем аккумулятор.
Как сделать и установить электронный (со схемой)
Так как контроллер принимает электронные сигналы, которые к нему поступают от лямбда-зонда, можно поставить специальную схему-обманку. Она подключается к проводам, которые идут от датчика к разъёму. Место установки у разных моделей отличается: это может быть центральный тоннель между сидениями, торпеда или моторный отсек. Чтобы сделать электронную схему, приготовьте следующие материалы:
В продаже можно встретить уже готовые электронные обманки. В них используется небольшой микропроцессор, который анализирует сигнал первого датчика, обрабатывает его и формирует нужные показатели для бортового компьютера.
Видео изготовления электронной обманки датчика и проверка её работы
Перепрошивка контроллера: стоит ли делать своими руками
Ещё одним вариантом обманки можно назвать перепрошивку самого бортового компьютера. Изменяя алгоритм работы устройства, вы блокируете обработку сигналов от второго лямбда-зонда. Опасность данного метода состоит в том, что при неправильных действиях будет сложно восстановить прежнюю работу компьютера. Оригинальную заводскую прошивку очень сложно достать, и стоимость её довольно большая. Поэтому доверить такую работу нужно только опытному специалисту, которого вы знаете лично.
Последствия установки обманок разного типа
При установке обманок стоит брать во внимание, что все работы выполняются на свой страх и риск. При неправильной установке подобных устройств могут возникнуть следующие неисправности:
- Нарушение работы двигателя из-за неправильной регулировки впрыска бортовым компьютером.

- Повреждение электропроводки и контроллера при неправильно спаянной схеме.
- Ошибки при работе бортового компьютера.
- Повреждение датчиков.
Невидимая для камер наноплёнка на номера
Штрафы за пересечение стоп-линии и превышение скорости больше не побеспокоят!
Совет: Не стоит заказывать обманки в интернете на сомнительных сайтах. Большая часть из них плохо работает и не принесёт ожидаемого результата.
Обманки лямбда-зондов практикуют многие автолюбители. Такие устройства позволяют сэкономить на замене вышедших из строя датчиков. Важно правильно сделать обманку и установить её, чтобы не возникло негативных последний для бортового компьютера или двигателя.
- Автор: Александр Орда
- Распечатать
- 5
- 4
- 3
- 2
- 1
Как сделать обманку лямбда-зонда своими руками
Содержание
- Зачем обманывать датчик кислорода
- Принцип работы обманки лямбда-зонда
- Механическая обманка катализатора выхлопной системы
- Чертежи
- Место установки
- Электронная обманка лямбда-зонд
- Схема
- Способ установки
- Какую обманку лямбды лучше использовать
Все современные автомобили оборудованы сотовым нейтрализатором токсичности выхлопных газов – катализатором.
Назван он так по принципу происходящих там химических реакций, где благородные элементы начинки ускоряют и делают возможной переработку вредных веществ в нейтральные с большой скоростью. Но иногда это полезное устройство само становится источником больших проблем.
Зачем обманывать датчик кислорода
Тонкая структура катализатора плохо выдерживает механические и тепловые перегрузки в течении длительного промежутка времени работы. Температура тут даже в штатном режиме доходит до тысячи градусов.
Керамические соты разрушаются, и это вызывает опасные явления:
- начинка плавится, спекается и перекрывает путь свободного выхода выхлопных газов;
- мелкие соты забиваются нагаром и прочими продуктами с тем же результатом;
- самое опасное – катализатор, который производители стремятся разместить как можно ближе к выпускному каналу головки блока для быстрого прогрева до рабочей температуры, становится источником керамической пыли и обломков, попадающих в цилиндры и разрушающих детали двигателя.

В особо ненадёжных по этому признаку моторах владельцы стремятся удалять опасные нейтрализаторы даже при относительно небольших пробегах автомобиля. Из-за использования ценных металлов в конструкции ставить дорогие оригинальные или ремонтные изделия владельцы не хотят.
Последствия выражаются не только в повышении токсичности выхлопа. Состояние катализатора непрерывно анализируется электронным блоком управления двигателем ЭБУ по сигналам двух кислородных датчиков (лямбда-зондов).
Один из них расположен до катализатора, по нему мотор регулирует состав рабочей смеси, а вот второй целиком отвечает за эффективность нейтрализации выхлопа.
Показания второй лямбды изучаются средствами ЭБУ, в том числе и проведением контрольных циклов подогрева катализатора. Его отсутствие будет сразу же вычислено, система перейдёт в аварийный режим и высветит контрольный индикатор на приборной панели. Двигатель растеряет все свои характеристики, начнётся перерасход топлива и прочие неприятности.
Для работы без катализатора можно изменить программу блока управления. Экологический класс автомобиля понизится, но в остальном это будет вполне рабочий вариант, возможно даже повышение мощности и снижение расхода, экология даром не достаётся, но по разным причинам на это не все готовы идти.
Некоторые желают каким-либо способом обмануть штатную программу ЭБУ, формируя искусственно неверные показания датчика кислорода.
Принцип работы обманки лямбда-зонда
Получить подобный результат можно электрическим и механическим способами.
- В первом случае формируется сигнал, который на самом деле кислородный датчик не выдаёт.
- Во втором – датчику создаются все условия для дачи неверных показаний.
Далеко не все системы удаётся надёжно обмануть такими примитивными методами. Всё решает комплектация конкретного автомобиля.
Механическая обманка катализатора выхлопной системы
Простейшим способом станет удаление кислородного датчика из контролируемой зоны на некоторое расстояние установкой его на втулку-проставку.
Активный элемент начинает работать в зоне, где состав газов некоторым образом усреднён, прямая зависимость между действиями ЭБУ и реакцией датчика пропадает, что самые простые программы воспринимают как признак нормальной работы катализатора.
Чертежи
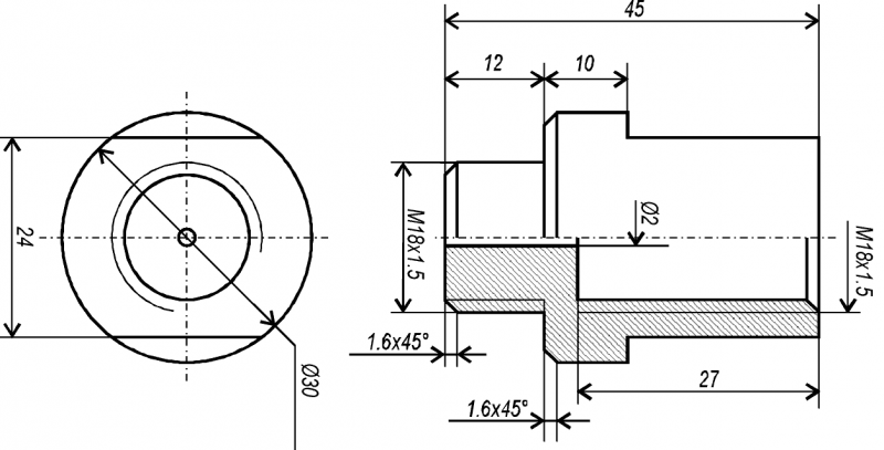
Проставка представляет собой металлическую втулку с резьбовыми концами. Параметры резьбы соответствуют применяемому датчику. С одной стороны, резьба внутренняя, в неё вкручивается корпус лямбда-зонда, а с другой – наружная для помещения в резьбовую футорку выхлопного тракта за катализатором.
По оси втулки высверливается отверстие для прохода газов к активному элементу. Параметрами втулки станут диаметр этого канала и расстояние, на которое отдаляется датчик от трубы прохода газов. Подбираются величины экспериментальным путём, нужные данные несложно найти для конкретных моделей двигателей.
Более продвинутые проставки снабжаются элементами катализатора. В этом случае основной поток движется на выпуск прямо, а кислородный датчик получает только газы, прошедшие через микрокатализатор.
Сигнал будет отличаться от штатного, но многие системы принимают его за нормальную работу. За исключением тех случаев, когда ЭБУ желает прогреть катализатор, а вставка в переходнике никак на это не отреагирует. К тому этот микрокатализатор имеет свойство быстро забиваться нагаром и прекращать работать вообще.
Место установки
Катализатор удаляется, а на место второго кислородного датчика монтируется проставка. Диаметр рабочего отверстия можно подобрать по наиболее стабильной работе без высвечивания индикатора. Датчик ввинчивается в резьбу проставки. Звук выхлопа нормализуется монтажом пламегасителя.
Электронная обманка лямбда-зонд
Более точен электронный метод обмана ЭБУ. Здесь существует много вариантов, начиная от простейших, где сигнал датчика сглаживается фильтром из резистора и конденсатора, номиналы которых подбираются под конкретный ЭБУ и до более сложных, с автономным импульсным генератором.
Схема
Имитации в самом простом случае подлежит выходной сигнал кислородного датчика.
В оригинале он обладает достаточно крутыми фронтами, но если их завалить с помощью RC-цепочки, то некоторые блоки не заметят нештатную работу.
Более сложные сразу же распознают обман при первом же контрольном цикле.
Если у датчика неисправна нить подогрева, то потребуется установить ещё один резистор, поскольку такой обрыв блок распознаёт сразу и всегда.
Вместо датчика можно подключить схему, генерирующие импульсы, очень похожие на штатные. Часто этот вариант работает, но если ЭБУ обучено проводить циклирование катализатора, то и это обманка не сможет адекватно отреагировать.
Способ установки
Требуемые радиодетали или платы устанавливаются либо в разрез сигнального провода кислородного датчика или вместо него, подключаясь непосредственно к разъёму.
Отверстие под датчик можно заглушить, например, неисправной деталью.
Какую обманку лямбды лучше использовать
Идеальных обманок не существует. Всё зависит от конкретного автомобиля и особенностей реализации функции контроля за состоянием катализатора.
В общем случае единственный выход – это изменение прошивки ЭБУ.
Часто это даже предусмотрено его программой, многие автомобили выпускаются в различных исполнениях, в том числе и без катализаторов. В любом случае, обход встроенного контроля не составит труда для опытного специалиста по чип-тюнингу автомобилей.
Вопросы с ценой многих останавливают и вынуждают заниматься всевозможными обманками. Тут надо чётко уяснить, какие способы работают с данным автомобилем, а какие станут пустой тратой времени и средств. Хотя поэкспериментировать можно, если имеется доступ к токарным работам, радиодеталям и паяльнику.
Испортить автомобиль тут вряд ли получится, а в случае окончательной неудачи всё же обратиться к специалисту по прописке программы под более низкий экологический класс.
Как вариант можно установить достаточно прочный и надёжный ремонтный катализатор, что на фоне потраченного времени и оплаты услуг мастера выглядит не очень дорого.
Главная » Полезные советы автомобилистам » Как сделать обманку лямбда-зонда своими руками
2022-06-15
Обманка на лямбда-зонд своими руками :: SYL.
ruКоличество автомобилей на планете с каждым днем увеличивается. Пропорционально возрастает и объем вредных веществ, выбрасываемых ими в атмосферу. Современные требования к экологичности автомобилей обязывают их производителей находить решения для снижения уровня токсичности выбросов.
Одним из таких технологических решений является усовершенствование системы отвода отработанных газов за счет использования в ней катализатора (каталитического нейтрализатора) – устройства, предназначенного для нейтрализации вредных соединений, содержащихся в автомобильных выхлопах. Однако при выходе из строя этого узла наши автовладельцы порой приходят в «дикий восторг», узнав, во сколько обойдется его замена. Вот тогда и приходит на помощь смекалка отечественных автомехаников. Они уже давно придумали альтернативу дорогому катализатору. Конечно, это не совсем экологично, но дешево.
В этой статье мы рассмотрим, что представляет собой обманка на лямбда-зонд, какие разновидности ее бывают, а также как самому сделать подобное устройство.
Но прежде давайте разберемся, как устроен каталитический нейтрализатор и по какому принципу он работает.
Катализатор
Катализатор состоит из корпуса и блок-носителя – системы металлических или керамических решеток. На решетках имеется тонкий слой из специальных химических веществ, которые, вступая в реакцию с вредными соединениями, содержащимися в выхлопах, нейтрализуют их, превращая отработанные газы в водяной пар, угарный и углекислый газ. В роли таких веществ чаще всего выступают платина, родий и палладий. Это, собственно, и объясняет, почему каталитический нейтрализатор так дорого стоит.
Катализатор является вторым элементом выхлопной системы после приемной трубы, которая отводит газы из выпускного коллектора двигателя. Дополнительной его задачей является охлаждение выхлопов и гашение горящих паров топлива, вырывающихся из цилиндров. Кстати, за счет высокой температуры в катализаторе происходит дожигание выхлопных газов. Подачу кислорода, необходимого для этого, регулирует контроллер автомобиля, получая информацию о его концентрации с кислородных датчиков.
Датчики кислорода
Датчик кислорода (лямбда-зонд) – устройство, предназначенное для определения количества кислорода в выхлопных газах. Его показания принимаются в учет электронным блоком управления при расчете пропорционального соотношения топлива и воздуха в горючей смеси.
Большинство современных автомобилей укомплектованы двумя лямбда-зондами. Первый датчик обычно устанавливается на приемной трубе или в передней части катализатора. Именно он отвечает за коррекцию топливной смеси. Второй же лямбда-зонд монтируется за катализатором и контролирует его работу. Если вдруг каталитический нейтрализатор вышел из строя и утратил способность очищать выхлоп, датчик отправляет на ЭБУ аварийный сигнал.
Признаки неисправности катализатора
Признаками того, что катализатор вышел из строя, являются:
- появление на щитке приборов горящего значка «Чек Энджин», сообщающего об ошибке в работе двигателя;
- заметное снижение динамических характеристик автомобиля;
- нестабильная работа двигателя;
- изменение звука работающего мотора;
- увеличенный расход топлива.

Почему катализатор выходит из строя
Катализатор, как и любое другое устройство, имеет свой ресурс.
Если ваш автомобиль прошел больше 200 тыс. км без его замены, а тут он сломался – это естественно. Но если машина относительно новая, а катализатор приказал долго жить, это может быть следствием:
- использования некачественного топлива;
- нарушениями в работе системы зажигания;
- неправильно сформированной воздушно-топливной смеси;
- механического повреждения устройства.
Способы устранения неисправности
Если вы диагностировали неисправность катализатора, есть два способа ее устранить: купить и установить новый каталитический нейтрализатор, что будет более правильно, но дорого, или же попытаться обмануть контроллер автомобиля, что не совсем правильно, но дешево. Второй способ подразумевает эмуляцию катализатора, которую можно осуществить путем:
- перепрошивки электронного блока управления;
- установкой на место второго датчика механической обманки;
- внесение изменений в электронную схему подключения второго датчика к ЭБУ.

Все три варианта рабочие. Какой из них выбрать – решать, конечно, вам.
Перепрошивка ЭБУ
Этот способ достаточно действенный и заключается в том, чтобы подключить к контроллеру компьютер и внести соответствующие изменения в его программное обеспечение. В результате такой нехитрой операции ЭБУ не будет ссылаться на показания датчика, считая катализатор полностью рабочим. Но подобные манипуляции с программным обеспечением могут закончиться тотальным сбоем, поэтому этот вид работ лучше доверить специалистам.
Механическая обманка
Механическая обманка на лямбда-зонд – самый популярный способ устранения проблем с катализатором, и довольно простой. Его суть заключается в том, чтобы ввести в заблуждение не электронный блок управления, а сам кислородный датчик (лямбда-зонд). Обманка ограничивает поступление выхлопных газов к его рабочему элементу. Соответственно, концентрация кислорода при этом увеличивается.
Достигается это путем установки между катализатором и датчиком специальной проставки (обманки).
Второй лямбда-зонд при этом выносится дальше от катализатора. Что это дает? Обманка на лямбда-зонд имеет узкое центральное отверстие (около 2 мм), проходя через которое, выхлопные газы теряют концентрацию. Датчик, отодвинутый от катализатора, анализирует количество кислорода в выхлопе и, «принимая все за чистую монету», сигнализирует контроллеру, что здесь все в полном порядке.
Как изготавливается механическая обманка лямбда-зонда своими руками?
Купить описанное устройство сегодня можно в любом автомагазине или на рынке. Но для человека, имеющего навыки в токарном деле, сделать его – пара пустяков. Механическая обманка на лямбда-зонд изготавливается из бронзы или теплостойкой стали. Достаточно выточить цилиндрическую болванку, просверлить в ней отверстие и нарезать соответствующую резьбу: для вкручивания устройства в корпус катализатора и вкручивания в него датчика. Примечательно, что они универсальны, т. е. обманка лямбда-зонда «Опель», например, ничем не отличается от обманки «Ауди» или ВАЗ.
Монтаж устройства также не отличается особой сложностью. Необходимо лишь выкрутить датчик кислорода, вкрутить в отверстие втулку, а в нее – лямбда-зонд.
Электронный вариант
Теперь расскажем о том, как изготавливается электронная обманка лямбда-зонда своими руками. Тем, кто дружит с паяльником и отличает конденсатор от резистора, не составит труда эмулировать рабочий катализатор электронным методом. Принципиальная схема обманки лямбда-зонда очень проста. Она включает лишь две упомянутые радиодетали: неполярный конденсатор на 1 мкФ и резистор на 1 МОм. Кроме этого, нам понадобится паяльник, канифоль, припой и нож.
Для начала нужно найти разъем на проводах, идущих от второго датчика к контроллеру. Он может находиться в тоннеле между передними сидениями, в моторном отсеке или под панелью приборов, в зависимости от марки и модели автомобиля. Имейте в виду, что электронная обманка второго лямбда-зонда устанавливается перед разъемом, со стороны датчика.
Обычно датчик соединяется с ЭБУ четырьмя проводами: синим, белым и двумя черными.
Последние мы не трогаем. Синий провод разрезаем, зачищаем от изоляции и впаиваем в разрыв резистор на 1 МОм. К его концу, со стороны контроллера, припаиваем один из выводов конденсатора (неважно какой, он неполярный). Второй вывод припаиваем к белому проводу.
По окончании работ и проверки работоспособности эмулятора все его детали лучше залить эпоксидной смолой, чтобы избежать замыкания или повреждения.
Что делать с катализатором
Даже если вы избавились от постоянного горящей «ошибки», перерасхода топлива и нестабильности в работе двигателя благодаря эмуляции катализатора, не забывайте, что оставлять его в таком состоянии нельзя. Оплавленный или забитый каталитический нейтрализатор обязательно будет мешать отводу отработанных газов, создавая им серьезное сопротивление. Это, естественно, скажется на работе двигателя.
Что же делать? Здесь есть два решения: снять катализатор, удалить (выбить) из него блок-носитель и установить обратно, или же приобрести и поставить на его место стронгер (пламегаситель).
В первом случае вы не потратите ни копейки, но звук работающего двигателя существенно усилится. Если же поставить пламегаситель, звук усилится незначительно, а его конструкция дополнительно позволит охладить выхлопные газы, прежде чем они попадут в глушитель.
Схема обманки катализатора своими руками (лямбда зонда)
В наше время практически каждый автомобиль создается с электронными системами контроля. Они помогают достичь небольшого уменьшения расхода топлива, а также являются хорошими помощниками в нормализации работы двигателя. Разбираемая нами сегодня деталь отвечает за системы выпуска газов. Поломанная лямбда-зонда заставляет двигатель делать свою работу в аварийном режиме. Справиться с этой проблемой уже давно помогает обманка лямбда-зонда. Ее возможно купить или сделать самостоятельно. Сегодня мы как раз и разберем, каким образом делается обманка лямбда-зонда своими руками, а также узнаем немного полезной информации по этой теме. Давайте начнем.
Содержание
- Как работает лямбда-зонд?
- Что бывает, когда датчик катализатора выходит из строя?
- Как нам может помочь обманка?
- Каковы разновидности эмулятора лямбда-зонда?
- Вариант первый: зонд-обманка механический с чертежом
- Вариант 2: лямбда-зонд как электронная схема
- Третий вариант: перепрошивка контроллера
- Чем может обернуться установка различных обманок?
Как работает лямбда-зонд?
Чем вообще занимается эта деталь? Этот датчик помогает преобразовать в сигнал информацию о количестве кислорода, содержащегося в выхлопных газах.
ПОСМОТРЕТЬ ВИДЕО
Если показатель в данных, хранящихся в контроллере, не совпадает с показателем, который был получен в данный момент, блок управлению обязан начать решать эту проблему путем увеличения или уменьшения длины впрыска смеси в камеру сгорания. Кстати, зачастую зондов ставят аж две штуки, чтобы, когда один выходит из строя, пользоваться другим. На что вообще влияет работа этих деталей? Есть несколько довольно важных аспектов:
- Максимальная работоспособность двигателя;
- Экономия топлива;
- Уменьшение загрязнения воздуха путем уменьшения количества выбросов.
Что бывает, когда датчик катализатора выходит из строя?
Обычно, лямбда-зонд ломается после пробега в сто тысяч километров. Это средний максимальный предел износа датчика, после которого должна следовать его замена, так как отремонтировать его не представляется возможным.
При поломке лямды-зонда на экран приборной панели выводится аварийная надпись «Check Engine». Конечно, все еще существует вероятность, что прибор просто неверно работает, однако, скорее всего, он нуждается в замене, стоимость которой составляет довольно внушительную сумму. Конечно, вы можете очень внимательно следить за приборами в машине и тридцать тысяч км. делать диагностику датчика, но это все равно поможет ненадолго. И именно здесь в работу вступает обманка на лямбда-зонд.
Как нам может помочь обманка?
Обманка датчика катализатора делает практически те же действия, но за ощутимо меньшую стоимость. Этот прибор позволяет двигателю не обращать внимания на неполадки и работать в обычном стандартном состоянии, не задействуя аварийный сигнал.
Это средство было придумано уже давно и им пользовалось очень большое количество автолюбителей, которые могут поделиться своим опытом на форумах. Правда есть хорошая рекомендация. Будет очень правильным отключать и делать замену не обоих датчиков, а только одного, так как мы не хотим, чтобы наше топливо лишком сильно расходовалось, а работоспособность двигателя была проблемной.
Каковы разновидности эмулятора лямбда-зонда?
Стандартно обманка-эмулятор лямбда-зонда своими руками делается тремя разными способами:
- С помощью установки механической втулки;
- Подключая специальную электронную схему;
- Перепрошивая контроллер.
Мы разберем в деталях каждый из них, чтобы вы могли выбрать тот, что для вас удобнее. Каждый из способов по своему эффективен.
Вариант первый: зонд-обманка механический с чертежом
Как вы уже поняли, изготавливать эту деталь придется самостоятельно. Для этого вам понадобится несколько материалов:
- Бронзовая или стальная заготовка;
- Отвертка;
- Станок для обработки;
- Ключи в наборе.

Наша бронзовая механическая обманка лямбда-зонда делается на токарном станке. Изготавливая, обязательно сверяйтесь с чертежом, так как на нем указаны те самые формы и размеры, необходимые для создания качественного и подходящего датчика. Вот подробная схема обманки катализатора своими руками.
Установку изготовленной детали нужно начать с поднятия вашей машины на эстакаду. Дальше, на аккумуляторе должен быть отключен «минус», после чего выкручены зонд и лямбда-зонд, расположенный спереди выхлопной трубы. Датчик также важно выкрутить.
Следуя фотографиям, накрутите зонд на втулку и наденьте нашу обманку на датчик контроллера. Теперь можно установить все на свои места, включить аккумулятор и проверить результат.
Вариант 2: лямбда-зонд как электронная схема
Электронная обманка на лямбда-зонд – уже более дорогой и сложный вариант, но более оптимальный. Как мы уже рассказали, датчик посылает контроллеру сигналы, которые как раз и можно изменить, подключив к проводам специальную схему-обманку.
Но сперва ее нужно изготовить. Для этого вам понадобятся:
- Паяльник и специальная тонкая насадка на него;
- Ножик;
- Канифоль;
- Конденсатор 1 мкФ;
- Резистор 1 МОм.
В изготовлении самого прибора вам поможет эта схема электронной обманки лямбда зонда.
При ее установке вам снова нужно отключить минус у аккумулятора, после чего важно изолировать соединения. Обычно для этого обманку помещают в пластик и заливают эпоксидным клеем.
Подключать ее нужно к проводам, идущим от датчика к разъему. Место, куда вам нужно установить обманку, разное у каждой машины, так что поверьте торпеду, моторный отсек и зону-тонель между сидениями.
Третий вариант: перепрошивка контроллера
Иногда сам датчик решают не менять, а перепрошивают сам контроллер. Это довольно удобный вариант, потому что для некоторых изготовленная обманка для второй лямбды своими руками – невозможное дело, так как не хватает подходящих материалов.
Для этого вам необходимо просто-напросто изменить алгоритм действий компьютера.
Однако, это довольно трудоемкое дело, требующее знаний, потому что при неверной настройке вы получите неисправный компьютер. Заводская прошивка контроллера куда дороже замены лямбда-зонда, потому стоит доверить работу профессионалу. А вот покупать прошивку в Интернете или на рынке очень не рекомендуется, потому что есть большой риск попасть на мошенников.
Чем может обернуться установка различных обманок?
Конечно, все наши действия несут последствия, и установленная неверно обманка на 1 лямбда-зонд может привести к самым неприятным последствиям. Что может пойти не так после неправильной самостоятельной установки прибора? Вот несколько действительно распространенных вариантов того, что может пойти не так:
- Повредятся остальные датчики;
- Нарушится работоспособность двигателя за счет поломанной регулировки впрыскивания смеси в камеру сгорания контроллером;
- Нарушится герметичность электропроводки и повредится сам контроллер, что поломает работу бортового компьютера.

ПОСМОТРЕТЬ ВИДЕО
Именно для того, чтобы не случалось таких проблем, консультируйтесь с мастером, если вы не имеете должного опыта. Также не заказывайте сами обманки в Интернете и не покупайте на рынках. Лучше готовить самостоятельно или следить за работой мастера.
руководство по изготовлению. Во что может вывернуться установка различных фокусов
Понятно, что, реагируя на количество кислорода в выхлопных газах, она выдает напряжение 0,1 — 0,2В (бедная смесь) или 0,8-0,9В (богатая смесь). Электронный блок управления (ЭБУ) двигателя постоянно меняет количество впрыскиваемого топлива — обедняет смесь, обедняет богатую. Таким образом, сохраняется оптимум, а сигнал на Лямбда-зонде при этом выглядит (можно рассматривать осциллографом) как серия импульсов одинаковой длительности, почти прямоугольной (важно!) формы, охватывающая диапазон от 0,1 — 0,2В. до 0,8-0,9В .
Так все и работает, пока замкнута цепь авторегулирования, включающая двигатель с «обвесом», ЭБУ и лямбда-зонд.
Цепь начинает плохо работать, если позаботиться об экономии и экологии и установить газобаллонное оборудование (ГБО).
Для двигателя с однократным впрыском вполне достаточно простой эжекторной системы. Только теперь начинает постоянно гореть желтая лампочка Check Engine, а при езде на бензине появляется сплошной перерасход.
Есть мнение, что виноват газ. Якобы лямбда-зонд «привык» к бензину, а «на газу сходит с ума».
На самом деле все намного проще. Лямбда-зонду все равно, какое топливо он сжигает. Точно так же он продолжает реагировать на количество кислорода в выхлопе. Но его реакция никак не влияет на работу двигателя — ведь цепь авторегулирования разорвана. Если раньше в ответ на сигнал о богатой смеси ЭБУ уменьшал подачу бензина (включая форсунку на более короткое время), а в ответ на сигнал о бедной — обогащал, поддерживая стехиометрическую смесь, то при работая на газу, ЭБУ никак не может повлиять на эжекторную систему ГБО.
Видя, что реакции нет, ЭБУ зажигает лампочку Check Engine и переходит в «аварийный» режим работы.
При езде на газе это никак не влияет на его расход, так как он определяется настройкой LPG. А вот при переходе на бензин расход резко возрастет, потому что в памяти компьютера остается «аварийный режим».
Для нормальной работы двигателя на газу необходим Эмулятор лямбда-зонда. Его задача обмануть компьютер, при работе на газу показать, что все в порядке. Делает он это очень просто: выдает сигнал, аналогичный реакции настоящего лямбда-зонда при нормальной работе.
Эмулятор выдаст 0,1В, ЭБУ начнет обогащать смесь, эмулятор выдаст 0,9В. ЭБУ начнет обеднять смесь, как это происходит при работе на бензине. Таким образом, лампочка Check Engine не загорается, а ЭБУ не переходит в аварийный режим.
Можно купить готовый эмулятор, можно сделать самому по простой схеме, главное правильно подключить.
Простая схема эмулятора лямбда-зонда
Эмулятор лямбда-зонда собран на самой популярной микросхеме. Резистор R1 задает частоту импульсов (1-2 в секунду), светодиод индицирует работу устройства.
При нормальной работе напряжение на нем не превышает 1,8В. На резисторе R6 будет ровно половина, т.е. 0,9В или 0В.
Схема питается от выключателя ГБО, реле срабатывает и соединяет выход устройства (К2) со входом ЭБУ (К3).
При выключении ГБО реле размыкается и вход ЭБУ подключается к лямбда-зонду (К1), т.е. прибор включается в обрыв провода от лямбда-зонда к ЭБУ.
Есть много вариантов на продажу. Некоторые производители вводят дополнительно два-три светодиода, сигнализирующих о качестве смеси.
Сделать это несложно, ведь Лямбда-зонд продолжает выполнять свои функции в части выдачи сигнала. Так вот если к лямбда-зонду подключить два пороговых устройства — одно на 0,1В, другое на 0,9В, то они в соответствующие моменты будут зажигать соответствующие светодиоды.
Таким образом, можно в первом приближении определить качество смеси при работе на газе.
Итак, если вы решили поставить эжекторное ГБО на двигатель с «однократным впрыском», без Эмулятора лямбда-зонда вам не обойтись.
Во всех остальных случаях (замена неисправного Л-З или что-то в этом роде) абсолютно бесполезен.
Лямбда-зонд является неотъемлемым элементом выхлопной системы любого современного автомобиля. Это датчик уровня кислорода в выхлопных газах автомобиля. Полученную информацию лямбда-зонд передает на бортовой компьютер, который, в свою очередь, обработав ее, регулирует обогащение смеси, подаваемой в цилиндры.
Большинство автомобилей оснащены двумя датчиками. Один из них устанавливается перед катализатором, второй – после него. Именно последний чаще всего выходит из строя. Когда это происходит, система выдает ошибку и двигатель начинает работать в аварийном режиме.
Чтобы не заморачиваться с покупкой нового лямбда-зонда, который стоит достаточно дорого, и его настройкой, наши умельцы придумали, как обмануть компьютер, потратив на это копейки. Имя этому изобретению — коряга.
Обмануть автомобильный компьютер можно тремя способами:
- перепрошить компьютер;
- установить механическую защелку;
- установить защелку электронного типа.

Прошивка электронного блока управления
Суть этого метода заключается в том, чтобы войти в компьютер автомобиля, отключить кислородный датчик электронным способом и внести изменения в программное обеспечение. Для этого, конечно же, потребуется обратиться к специалистам, обладающим определенными навыками и соответствующим оборудованием.
Обманка механическая
Механическая обманка лямбда-зонда представляет собой металлическую прокладку (втулку) между выхлопной трубой и самим датчиком.
Такой рукав может сделать любой человек, имеющий хоть малейшее представление о токарной обработке. Чаще всего для этих целей используют бронзу или жаропрочную сталь.
Ниже приведен чертеж проставки второго лямбда-зонда с размерами.
Принцип этого метода достаточно прост: с помощью втулки с отверстием диаметром 2 мм отодвигаем датчик от выхлопного потока.
Установить распорку самостоятельно несложно. Загоняем машину на яму или эстакаду, отключаем минусовую клемму, находим датчик и откручиваем.
Подключаем минусовую клемму, запускаем двигатель. Если электронный блок управления снова выдает ошибку, повторите процедуру со снятием клеммы еще раз.
Электронная обманка
Этот способ больше подойдет тем автовладельцам, которые дружат с паяльником. Все, что нужно для простейшей электронной обманки, это:
- конденсатор (неполярный) емкостью 1 мкФ; Резистор
- (сопротивление) 1 МОм; паяльник
- ;
- припой, канифоль;
Этот тип обманки устанавливается непосредственно на провода, идущие от датчика к разъему. Этот разъем у одних автомобилей находится в центральном тоннеле между сиденьями водителя и пассажира, у других — в моторном отсеке, у третьих — под приборной панелью.
Практически все выпускаемые в настоящее время автомобили оснащены электронными системами контроля и управления двигателем. В свою очередь, эти системы напрямую зависят от ряда датчиков, установленных в различных узлах автомобиля и передающих необходимую информацию на блок управления.
Одним из таких датчиков является лямбда-зонд. О том, как это работает, и как сделать обманку лямбда-зонда ваз 2114 — мы сегодня и расскажем.
Что такое лямбда-зонд и почему он ломается
Лямбда-зонд – это устройство, которое находится в выхлопной системе автомобиля и передает данные о количестве чистого кислорода в выхлопе на блок управления. В зависимости от них процессор меняет уровень обогащения смеси и тем самым управляет работой двигателя.
Большинство автомобилей имеют не один, а два кислородных датчика — один перед каталитическим нейтрализатором, а другой сразу после каталитического нейтрализатора. За счет этого процессор может не только корректировать работу двигателя, но и оценивать эффективность работы катализатора и в случае износа уведомлять владельца об ошибке.
В процессе работы лямбда-зонд изнашивается, и это неудивительно — ведь он работает в газовой среде, загрязненной сажей и при высоких температурах.
Чтобы продлить срок его службы, производители рекомендуют чистить датчик каждые 30 000 км. Правда, многие автомобилисты забывают об этом, и со временем щуп выходит из строя. Отремонтировать его практически невозможно, так как это неремонтопригодный элемент.
Если сломался лямбда-зонд, решения всего два: либо установить новый, аналогичный вместо сломанного датчика, либо поставить обманку кислородного датчика ВАЗ 2114.
Существующее мнение о том, что можно просто отключить отказавший щуп и ездить только с одним датчиком, крайне ошибочно. Такое решение может привести лишь к перерасходу топлива и нарушениям в работе двигателя.
Как сделать подделку
Обманка лямбда-зонда ваз 2114 своими руками может быть изготовлена тремя способами:
- С металлической втулкой.
- С помощью электрической схемы.
- Прошивкой блока управления.
Первый вариант самый простой. Для него нужно только установить специальную втулку, расположенную между датчиком и выхлопной трубой.
Правда, чтобы изготовить втулку, вам понадобится токарный станок по металлу или услуги токаря.
Из прочего инструмента и материалов вам потребуются:
- набор ключей;
- отвертка;
- металлическая заготовка.
Втулка изготавливается по следующей схеме:
Следует отметить, что втулку лучше всего изготавливать из жаропрочной стали или бронзы, так как изделия из низкоуглеродистой стали могут деформироваться или разрушаться в процессе эксплуатации.
Готовая втулка устанавливается следующим образом:
- Автомобиль устанавливается на яму или эстакаду.
- Минусовая клемма от аккумулятора отсоединена.
- Лямбда-зонд откручен.
- Внутренняя резьба втулки навинчивается на наружную резьбу датчика.
- Лямбда-зонд с установленной втулкой устанавливается на место.
После аналогичной процедуры следует завести двигатель автомобиля. Значок сигнала, указывающий на неисправность двигателя, должен исчезнуть.
Это связано с тем, что гильза несколько отодвигает кислородный датчик от потока выхлопных газов, за счет чего лямбда-зонд «видит» больше кислорода.
Вместо рукава можно использовать и электрический «трюк».
Для его изготовления вам понадобится нож, паяльник, паяльные принадлежности, резистор на 1 МОм и конденсатор на 1 мкФ. В этом случае резистор нужно будет впаять в середину синего провода, соединяющего датчик с его клеммником, а конденсатор нужно будет припаять одной ножкой к синему проводу, прямо перед впаянным резистором ( со стороны блока), а другую ногу к белому проводу (тоже соединяющему датчик с его блоком).
Если этот вариант кажется сложным, то можно купить готовые поддельные электронные модули в автомагазине или на рынке. Правда, они будут стоить значительно дороже, чем самодельная схема из двух частей.
Последний вариант обманки — перепрошивка электронного блока управления, который блокирует получение сигналов от одного из щупов.
Его должны выполнять только профессионалы, так как неправильная прошивка может привести к сбоям в работе двигателя и некоторых других агрегатов. Кроме того, восстановить первоначальные значения и возобновить нормальную работу датчиков в дальнейшем может быть весьма проблематично.
Последствия установки подвоха
Конечно, установка подвоха может помочь решить проблему с кислородными датчиками, но также следует помнить о возможных последствиях, к которым это может привести, а именно:
- поломка датчиков;
- полный выход из строя датчиков;
- неисправности двигателя;
- повреждение бортовой сети;
- выход из строя блока управления;
- неправильные ошибки в бортовом компьютере.
По этой причине стоит хорошо подумать перед установкой обманки. И если все же решено его установить, то саму установку следует проводить очень внимательно и с учетом всех рекомендаций, описанных выше.
Полезное видео
Вы можете получить интересную информацию по этому вопросу, посмотрев видео ниже:
Чтение 5 мин.
Как самому сделать фальшивый катализатор, зачем он нужен? Катализатор – это устройство, используемое для нейтрализации вредных веществ, образующихся при сгорании топлива в двигателе. Его конструкция представляет собой некую бочку, внутри которой размещены «соты». Для изготовления может использоваться металл или керамика. Как правило, в европейских автомобилях используется керамический катализатор, а в азиатских – металлический.
Основная проблема, которая возникает при эксплуатации такого устройства, это хрупкость керамики. Казалось бы, металлический вариант в этом плане более предпочтителен, но не все так просто. Металл под воздействием агрессивных газов может быстро разрушиться.
Когда необходима замена?
Следует выделить ситуации, когда катализатор требует обязательной замены. Среди них:
- механическое воздействие. Даже небольшой удар может вызвать повреждение внутренних элементов, появление трещин на блоке. Не рекомендуется эксплуатировать автомобиль с поврежденным каталитическим нейтрализатором.
В любом случае это приведет к его дальнейшему разрушению. - Некачественное топливо и другие жидкости, используемые для очистки топливной системы. Это приводит к загрязнению путей катализатора и ухудшению его эффективности.
Понять, что катализатор в плохом состоянии, помогут определенные признаки, в том числе нестабильная работа двигателя на холостом ходу, ухудшение динамики, странный звук из-под днища автомобиля. Проблема в том, что каталитический нейтрализатор не подлежит ремонту. Если он сломается, то его можно будет только заменить новым. Также есть небольшая хитрость для решения проблемы – обманка катализатора, которая имитирует работу устройства. Более того, его можно сделать своими руками.
Типы коряг
Катализаторная коряга бывает нескольких видов, изготовленных различными способами:
- С помощью конденсатора.
- Чиповка.
- Распорка.
- Электронный эмулятор.
Начнем с первого. Для этого метода необходимо приобрести конденсатор на 2,2 мкФ.
Кроме того, нужно подготовить изоленту, жесть, канифоль и паяльник. Если вы не умеете паять, лучше всего попросить кого-нибудь о помощи. Лямбда-зонд имеет 4 провода: 2 сигнальных и 2 провода 12В. Как известно, выхлопная система имеет 2 лямбда-зонда. Первый анализирует выхлопные газы и регулирует моторную смесь, сообщает ЭБУ о необходимых изменениях и т.д. Поскольку катализатор неисправен или отсутствует, показания обоих лямбда-зондов практически совпадают, что приводит к ошибке, и На приборной панели загорается сигнал Check. Мотор не будет работать на полную мощность, так как смесь будет бедной.
Решением этой проблемы будет конденсатор, который будет подключен к сигнальным проводам. Довольно часто возникает вопрос, как найти сигнальные провода. Все очень просто, но для этого нужен тестер. Нужно проверить и найти 2 провода 12В. Два оставшихся провода будут подключены к конденсатору. Это приведет к тому, что компьютер будет по-разному распознавать работу лямбда-зондов, и ошибка не появится.
Таким образом, конденсатор представляет собой обманку катализатора, имитирующую его работу. После этого нужно отключить минусовую клемму на 30-40 минут. На этом процесс завершается, и катализатор больше не будет проблемой.
Чиповка и проставки
Преимущество чиповки в том, что этот метод не требует изготовления проставки или впайки конденсаторов. Все, что требуется от автовладельца, это обратиться к специалисту, который с помощью специального программного обеспечения может отключить опрос второго лямбда-зонда. Это решит проблему навсегда. Такая коряга сегодня становится все более популярной благодаря простоте использования.
Проставка также позволяет избавиться от ошибок из-за того, что катализатор отсутствует или не работает. Суть его в том, что необходимо заставить лямбда-зонд снимать показания с выхлопа. Так как обманка катализатора имеет маленькое отверстие, мы получаем слабую синусоиду, и компьютер считает, что катализатор работает правильно.
Отверстие в прокладке должно быть 1-2 мм, хотя в некоторых случаях можно добиться желаемого эффекта и 6 мм.
Установить это устройство очень просто. Необходимо заменить второй лямбда-зонд с проставкой. После этого вставляем обратно в него лямбда-зонд. Далее нужно снять минус с аккумулятора, подождать 30 минут и подключить обратно. Такие манипуляции позволяют навсегда убрать ошибку с дашборда.
Электронная обманка
Электронный эмулятор — самый распространенный способ. Этот вид подделки катализатора продается в большинстве магазинов. Кроме того, вы можете сделать это самостоятельно, чтобы сэкономить деньги. Эмулятор — это микропроцессорное устройство, которое используется для обеспечения правильной работы двигателя при поломке или отсутствии катализатора. Он посылает ложный сигнал от катализатора на ЭБУ, имитируя нормальную работу. Такая обманка позволяет мотору работать без проблем, и больше не нужно будет устанавливать катализатор.
Электронный эмулятор можно использовать только на автомобилях, соответствующих международным стандартам EURO 3 и выше. Как правило, такие устройства имеют водонепроницаемый корпус и подходят для большинства автомобилей.
Срок службы в среднем 5 лет. Эмулятор дает следующие преимущества:
- Экономия на установке катализатора, который необходимо заменять каждые 100 000 км, а его стоимость довольно высока.
- Позволяет создать эффективную топливную смесь и добиться экономии топлива 10-15%.
- Улучшена реакция автомобиля на педаль газа.
- Нет ошибок и сигнал Check на приборной панели.
Эмулятор может быть как универсальным, так и под конкретную модель автомобиля. Для его установки необходимо удалить старый катализатор, а на его место установить обманку катализатора.
Сделать эмулятор своими руками очень просто, а основным элементом в нем является резистор или конденсатор. Конденсатор нужно выбирать неполярный, а резистор должен быть не менее 0,25 Вт. Конденсатор можно разместить под машиной, но обязательно хорошо изолировать изолентой или термоусадочной трубкой.
Электронная защелка на лямбда-зонде. Что делать с неработающим лямбда-зондом.
Прошивка электронного блока управленияСовременные требования к эксплуатации автомобилей требуют выполнения мер экологической безопасности. Для этого автопроизводители были обязаны предусмотреть установку при производстве автомобилей специальных устройств, позволяющих снизить количество вредных химических веществ, выбрасываемых в природную среду.
Большинство автомобилей имеют катализаторы, которые минимизируют концентрацию азота и углерода в выхлопных газах за счет изменения их химического состава и сжигания. Обязательным элементом катализатора является лямбда-зонд или, как его любят называть автомобилисты, кислородный датчик.
Благодаря его данным электронный блок управления автомобиля полностью взял на себя управление количеством топлива и воздуха в выходящей смеси, ведь от степени ее сгорания зависит количество вредных выбросов.
На сегодняшний день кислородный датчик является неотъемлемой частью автомобиля. При длительной эксплуатации автомобиля может наблюдаться ухудшение работы катализатора, в результате чего потребуется его замена на более дорогие модели.
Самое выгодное решение в этом случае – сделать обманку лямбда-зонда.
- Откройте моторный отсек, найдите катализатор и щуп. Осмотрите его поверхность. Если он покрыт копотью или светлым налетом, это говорит о некачественной работе. топливная система. В этом случае деталь подлежит полной замене с диагностикой важных узлов автомобиля.
- Если деталь чистая, проверьте достоверность показаний датчика кислорода. Заводим автомобиль с постепенным увеличением скорости до 2500 об/мин и снижаем до 200. В рабочем состоянии показания датчика должны колебаться в пределах 0,8-0,9.З. Отсутствие какой-либо реакции или достоверность данных свидетельствует о неисправности зонда.
Достоверную информацию о неисправности катализатора или лямбда-зонда может дать только диагностика в специализированном центре.
Чтобы сэкономить на покупке нового оборудования, рассмотрим основные варианты эмулятора, чтобы сделать и установить лямбда-обманку самостоятельно. На сегодняшний день существует великое множество интернет-ресурсов, отражающих схемы эмуляторов.
От автомобилистов потребуются только знания и терпение.
Типы коряг
- Механический.
- Мигающие датчики.
- Электронный.
Вариант механической обманки
Деталь изготовлена из высококачественной жаропрочной стали или бронзы. Размеры детали необходимо соблюдать с особой точностью. Формы и размеры показаны на схеме. По чертежу внутри просверливается отверстие, которое должно быть очень тонким. Это необходимо для выхода через него газов.
Принцип действия
В результате окисления газов керамической крошкой происходит снижение показателей вредных веществ, вызывающих колебания синусоид проходящего сигнала. За счет этого блок управления воспринимает работу устройства как нормальную. Это говорит о том, что эмулятор полностью подтвердил свою работоспособность.
Установка
Датчик может установить любой автомобилист. Для этого нужно найти лямбду, открутить ее и вкрутить в это место зонд-обманку.
Примерно через 30 минут снимаем минусовую клемму с аккумулятора, что позволит сбросить систему и отключить CheckEngine для приборной панели, После манипуляций соединить все контакты обратно. Установка завершена.
Прошивка кислородного датчика
Подразумевает полное удаление кислородного датчика и необходимые изменения в программе управления. Для того чтобы произвести перепрошивку потребуются определенные знания и квалификация, так как неправильное ее выполнение может нанести непоправимый вред всей системе.
Опасность заключается в том, что при неправильном выполнении действий восстановить прежнюю работу блока управления будет очень сложно. Оригинальная заводская прошивка стоит очень дорого, и достать ее будет очень сложно. Поэтому лучше сразу доверить эту работу специалистам.
Электронная лямбда-защелка
Одно из сложных устройств, которое отличается повышенной производительностью. Показания электронного датчика самые точные. Указанный эмулятор, в отличие от других, имеет небольшие размеры, в нем находится микропроцессор, преобразующий поступающие сигналы в аналогичный исходному исправный катализатор.
Для автомобилистов с ограниченными познаниями в механике оптимальным вариантом является приобретение готовой конструкции и ее самостоятельная установка на место оригинальной. При получении сигнала микропроцессором прибор анализирует способ обработки сигнала от первого лямбда-зонда. После принятых мер формируется выходной сигнал, который должен быть аналогичен исправному катализатору.
Установка лямбда-зонда-обманки
Для этого потребуется набор для пайки и конденсатор. Процедура следующая:
- Отсоедините отрицательную клемму от аккумуляторной батареи.
- Найдите сигнальные провода, к которым будет припаян конденсатор (в сигнальных проводах ток напряжения отсутствует).
- Обрежьте синий провод и зачистите белый провод, но оставьте его нетронутым.
- Впаяйте конденсатор между синими проводами и зачищенным белым проводом согласно рисунку.
- Подсоедините клемму к аккумулятору и заведите автомобиль.
Детали установки электронной обманки описаны на чертеже.

Обманка лямбда-зонда своими руками позволяет избавить автовладельца от многих неприятных проблем с катализатором и сэкономить бюджет. Выбор типа зонда полностью зависит от ваших возможностей и желаний.
Перед установкой любого вида коряги следует подробно ознакомиться с возможными последствиями, так как все работы сопряжены с определенным риском.
Основные виды возможных неисправностей
- неисправности силового агрегата в результате неправильной регулировки впрыска бортового компьютера
- повреждение электропроводки в результате неправильной пайки
- сбои в работе бортового компьютера, приводящие к некорректному отображению данных
- повреждение датчика
Любые неточности в работе с электроникой могут привести к неисправности всего оборудования. Поэтому не стоит экспериментировать и экономить на своем автомобиле, покупая лямбда-коряги через сомнительные интернет-сайты. Попробуйте сделать все своими руками, со строгим соблюдением рекомендаций, и устройство скажет вам за это спасибо.
Лямбда-зонд (он же лямбда-контроллер, датчик О2, ДК) является составной частью выхлопной системы автомобилей, соответствующих экологическим нормам ЕВРО-4 и выше. Это миниатюрное устройство (обычно устанавливается 2 и более лямбда-зондов) контролирует содержание О2 в выхлопных смесях автомобиля, что значительно снижает выброс токсичных отходов в атмосферу.
В случае некорректной работы ДК или отключения лямбда-зонда работа силового агрегата может быть нарушена, из-за чего мотор перейдет в аварийный режим (загорится табло check engine). Чтобы этого не произошло, систему автомобиля можно обхитрить, установив обманку.
Обманка лямбда-зонда механическая («винт»)
«Ввертыш» — втулка из бронзы или жаропрочной стали. Внутренняя часть такой «спейсера» и ее полости заполнены керамической крошкой со специальным каталитическим покрытием. Благодаря этому выхлопные газы быстрее догорают, что, в свою очередь, приводит к разным показателям импульсов 1 и 2 постоянного тока.
Важно! Любая обманка устанавливается только на работающий лямбда-зонд.
Самодельная обманка лямбда-зонда, схема которой представлена ниже, проста в изготовлении. Для этого вам нужно будет подготовить:
- заготовка;
- отвертка
- набор ключей.
Коряга изготовлена на токарном станке. Если такового нет, то можно обратиться к специалисту, предоставив ему чертеж.
Полученная деталь совместима с большинством выхлопных систем как отечественных, так и зарубежных автомобилей.
Установка обманки лямбда-зонда осуществляется следующим образом:
- Поднять автомобиль на эстакаду.
- Отсоедините отрицательную клемму аккумулятора.
- Открутите первый (верхний) щуп (если их два, то снимите тот, что расположен между катализатором и выпускным коллектором).
- Вкрутите лямбда-зонд в проставку.
- Переустановите «расширенный» датчик.
- Подсоедините терминал к аккумулятору.

Здорово! Обычно механическую обманку второго лямбда-зонда не выполняют, так как этот ДК защищен катализатором и контролирует только его состояние. Наиболее чувствительным является именно первый датчик, который установлен ближе всего к коллектору.
После этого системная ошибка «Check Engine» должна исчезнуть. Если этот способ не сработал, можно использовать более дорогую корягу.
Электронная обманка
Еще одним способом устранения неполадок с ДК является электронная обманка лямбда-зонда, схема которой представлена ниже. Поскольку кислородный датчик передает сигнал на контроллер, схема-обманка, подключенная к проводке от датчика к разъему, позволит «загрубить» систему. Благодаря этому, в ситуации, когда лямбда-зонд неисправен, силовой агрегат продолжит исправно работать.
Здоров! Места установки такой обманки могут отличаться в зависимости от модели АТС. Например, его можно установить в центральном тоннеле между сиденьями, в приборной панели или моторном отсеке.
Схема-ловушка представляет собой однокристальный микропроцессор, который анализирует процессы в катализаторе, получает данные от первого ДК, обрабатывает их, преобразует в показатели второго датчика и выдает соответствующий сигнал на процессор автомобиля.
Для установки этого вида обманки потребуется схема подключения лямбда-зонда, которая выглядит так.
Как видите распиновка лямбда зонда разная (4 провода, три и два). Цвета проводов тоже могут отличаться, чаще всего встречаются изделия с 4-мя контактами (2 черных, белых и синих).
Для изготовления манка вам потребуются:
- паяльник с малым жалом и припой;
- канифоль;
- Неполярный конденсатор 1мкФ Y5V, +/- 20%;
- Резистор (сопротивление) на 1 мОм, С1-4 имп, 0,25 Вт;
- нож и изолента.
Здорово! Перед установкой схему лучше всего поместить в пластиковый корпус и залить «эпоксидкой».
- Отсоедините отрицательную клемму аккумуляторной батареи.

- «Рассекаем» провод, который идет от самого ДК к разъему.
- Обрежьте синий провод и подключите его обратно через резистор.
- Припаяйте неполярный конденсатор между белым и синим проводами.
- Заизолируйте соединения.
Ниже представлена схема обвязки лямбда-зонда своими руками для распиновки на 4 провода.
На финальном этапе у вас должно получиться следующее.
Подобные манипуляции не следует производить, если у вас нет должного опыта. Сегодня в магазинах предлагаются готовые схемы манков, которые без труда сможет установить даже начинающий водитель.
Прошивка контроллера
Некоторые особо искушенные автовладельцы решают прошить блок управления, который блокирует обработку сигнала второго кислородного датчика. Однако необходимо учитывать, что любые изменения алгоритма работы системы могут привести к необратимым последствиям, так как восстановить заводские настройки будет практически невозможно и затратно.
Поэтому не рекомендуется выполнять подобные манипуляции самостоятельно. Это же касается и готовых прошивок, которые продаются в интернете.
Здоров! При прошивке лямбда-зонды снимаются.
Если вы все-таки хотите прошить систему, то обратитесь к грамотному специалисту, который сможет отключить получение данных ДК с помощью специализированного оборудования.
Также стоит учесть, что практически любое вмешательство в работу систем может привести к не самым приятным последствиям.
Какие последствия после установки обманки
Нужно понимать, что любая обманка устанавливается на страх и риск автовладельца. Если установка была произведена некорректно, то могут возникнуть следующие проблемы:
- Из-за того, что бортовой компьютер не может регулировать впрыск жидкости, двигатель может выйти из строя.
- Неправильная пайка цепи может привести к повреждению проводки.
- При установке обманки можно повредить кислородные датчики, после чего вы даже не узнаете об их неисправности (так как обманка у вас уже будет установлена).

- После таких вмешательств (не только при перепрошивке) может произойти сбой в работе бортового компьютера.
Любая неточность приведет к плачевным последствиям, поэтому лучше установить более безопасный готовый эмулятор. В отличие от коряги, он не «обманывает» блок управления, а лишь обеспечивает его корректную работу за счет преобразования сигнала постоянного тока. Внутри эмулятора также установлен микропроцессор (как в самодельной электронной коряге), который способен оценивать выхлопные газы и анализировать ситуацию.
Под стражей
Многие автовладельцы устанавливают на свои автомобили самодельные коряги, чтобы сэкономить на покупке новых кислородных датчиков. Однако в такой погоне за прибылью вы вполне можете столкнуться с большими денежными затратами, если самодельное устройство повлияет на работу «жизненно важных» систем. Поэтому устанавливать трюки рекомендуется только в том случае, если вы понимаете работу такого плана.
Гибко регулирует состав топливно-воздушной смеси, в результате чего удается добиться необходимой экологичности и экономичности двигателя.
При этом лямбда-зонд может выйти из строя по разным причинам, да и катализатор тоже часто проблемный. Так или иначе, но двигатель в этом случае будет работать нестабильно, есть потеря мощности, отмечается повышенный расход топлива и т.д.
Чтобы заставить двигатель работать должным образом, лямбда-загвоздка становится решением. Далее мы рассмотрим, что такое обманка на катализаторе, как она работает, а также какие плюсы и минусы установки обманки на кислородный датчик.
Читать в этой статье
Зачем нужен лямбда-зонд-обманка
Итак, при выходе из строя катализатора или лямбда-зонда обманка позволяет нормализовать работу. Естественно, токсичность выхлопа в этом случае отходит на второй план. По сути, обманка лямбда-зонда — это устройство, корректирующее сигнал второго кислородного датчика. Это позволяет обмануть ЭБУ, подменив данные о реальном состоянии катализатора.
- механическая обманка датчика кислорода;
- электронная обманка лямбда-зонда;
Первый тип представляет собой металлическую прокладку, а второй представляет собой отдельный электронный блок (эмулятор сигнала).
В любом случае обманку катализатора или обманку лямбда-зонда часто устанавливают, если есть проблемы с катализатором.
Катализатор может со временем выйти из строя, оплавиться, забиться сажей, грязью и т.д. В этом случае второй лямбда-зонд подает сигнал о том, что катализатор неисправен, на панели приборов загорается «чек».
ЭБУ двигателя часто переводит двигатель в аварийный режим. Отсюда потеря мощности, ограничение оборотов, повышенный расход топлива и т.д. Кстати, бывает и так, что выходит из строя сам датчик, а не катализатор. Так что, если лямбда-зонд вышел из строя, устанавливать коряги нецелесообразно, проще поменять лямбду.
Однако с каталитическим нейтрализатором дело обстоит иначе. Стоимость этого элемента чрезвычайно высока. На старых автомобилях премиум-класса один только каталитический нейтрализатор может стоить до 1/8 от общей стоимости такого автомобиля на вторичном рынке.
Еще добавим, что катализатор не всегда удаляют именно по причине его поломки.
Некоторые владельцы намеренно удаляют катализатор в рамках тюнинга, чтобы получить больше мощности. Катализатор сам по себе является фильтром, что несколько снижает эффективность отработавших газов. В свою очередь его удаление, особенно в комплексе с другими работами, позволяет увеличить мощность ДВС.
Как видите, установка катализатора взамен старого — довольно дорогое решение. Естественно, при такой возможности обмануть ЭБУ дешевле, чем заменить катализатор. Также обманка позволяет нормально работать мотору, если катализатор удален, то есть этот фильтр намеренно удален владельцем.
Поддельный кислородный датчик: что это такое и как он работает
Чтобы понять, как работает обманка, нужно сначала рассмотреть лямбда-зонд и принцип работы кислородного датчика. Проще говоря, этот датчик определяет количество кислорода в выхлопных газах, сравнивая состав выхлопа с эталонным чистым воздухом снаружи. Затем сигнал отправляется в ЭБУ, который регулирует состав воздушно-топливной смеси, изменяя соотношение топливо/воздух.
Устройство лямбда-зонда включает в себя несколько компонентов, однако основой является гальванический элемент с твердым электролитом (циркониевая керамика ZrO2). Фактически датчик имеет два электрода. Один взаимодействует с горячими выхлопными газами, а второй контактирует с наружным воздухом.
Кстати, возможность измерять состав выхлопа появляется у датчика только после нагрева до 350-400 градусов Цельсия (циркониевый электролит становится токопроводящим и гальванический элемент становится работоспособным). Для ускорения прогрева лямбда-зонда на многих автомобилях датчик имеет подогреватель для снижения токсичности выхлопа на ХХ в режиме прогрева двигателя.
Идем дальше. Поначалу кислородный датчик был только один, но со временем и с учетом ужесточения экологических норм до Евро-3 и выше автомобили стали оснащаться как минимум двумя кислородными датчиками.
Первый лямбда-зонд находится до катализатора и отвечает за регулировку топливовоздушной смеси.
Второй кислородный датчик расположен за катализатором и определяет количество кислорода в выхлопных газах, прошедших через катализатор.
ЭБУ сравнивает данные с двух датчиков, отклонения от заданной нормы вызывают загорание ошибки и переход мотора в аварийный режим. Получается, что если катализатор забит или вырезан, то контроллер выдаст ошибку. Чтобы избавиться от этого, можно восстановить систему, перепрошить ЭБУ или установить обманку. Рассмотрим все три метода.
- Механическая обманка лямбда-зонда представляет собой стальную прокладку, в которую запрессован каталитический элемент. Как правило, на большинство автомобилей механические коряги ставятся без проблем. Главное, подобрать корягу для автомобиля так, чтобы результат соответствовал тому или иному евростандарту.
Короче такая загвоздка это маленький катализатор который фильтрует выхлоп только рядом с кислородным датчиком. При этом большая часть выхлопа не очищается и попадает в атмосферу.
В результате на кислородный датчик поступают выхлопные газы с таким уровнем СО, СНХ и NOX, что система не видит отклонений и не переводит двигатель в аварийный режим.
Есть и «полые» коряги, они минимально очищают выхлоп, но при этом подходят для автомобилей не выше Евро-3. На практике купить коряги лямбда-зонда такого типа обходится дешевле, чем более «продвинутые» аналоги.
Сама установка механической обманки лямбда-зонда на автомобиль достаточно проста. Если вам нужна заглушка лямбда-зонда, то установить элемент можно легко и быстро своими руками. Необходимо открутить кислородный датчик, вкрутить на его место корягу, а затем вкрутить датчик обратно в корпус коряги.
- Электронная обманка лямбда-зонда (электронный эмулятор лямбда-зонда) представляет собой фактически электронный блок с конденсатором и резистором, который впаивается в разрыв датчика. Такой блок позволяет полностью снять показания со штатного кислородного датчика.
С одной стороны, данные можно полностью заменить, но чем сложнее микросхема, тем выше вероятность поломок самого блока и возникновения проблем в плане совместимости с конкретным автомобилем.
- Чипирование ЭБУ автомобиля (прошивка ЭБУ) также является доступным способом для некоторых автомобилей. Подходит не для всех автомобилей (обычно не выше Евро-3), однако таким способом можно программно отключить нижний датчик лямбда-зонда.
Казалось бы, такое решение проблемы ошибки катализатора простое и доступное, но стоимость услуги для опытных специалистов достаточно высока. В свою очередь неопытные чипмейкеры могут допустить ряд ошибок, что приводит к проблемам с работой компьютера и самого движка.
Получается, что программно отключать кислородный датчик имеет смысл только при сложном тюнинге двигателя (), дорабатывается выхлопная система и т.д.
Как видите, ошибка катализатора может стать настоящей проблемой для владельца, при этом для замены катализатора на автомобиле требуется большая сумма.
Конечно, можно установить лямбду-обманку, но помните, что это решение не всегда удается качественно интегрировать, особенно на «свежие» автомобили.
По этой причине желательно соблюдать некоторые правила, чтобы увеличить срок службы катализатора.
Прежде всего, важно понимать, что плохое топливо может повредить каталитический нейтрализатор. Заправляться следует только на проверенных АЗС, а также заливать бензин марки, рекомендованной самим производителем автомобиля (например, нельзя заливать более дешевый бензин АИ-92 в автомобиль, где разрешено топливо АИ-95 или АИ-98 .)
Во-вторых, не стоит активно заливать в бак разных, особенно малоизвестных производителей. Эффект может быть сомнительным, а ущерб катализатору велик.
В-третьих, следует избегать любого механического воздействия на катализатор (при ремонте автомобиля и при эксплуатации автомобиля). Дело в том, что керамические соты катализатора очень хрупкие и могут раскрошиться даже при агрессивной езде по бездорожью.
Также нужно осторожно проезжать лужи и снежные завалы, так как в этом случае происходит быстрое остывание очень горячего катализатора.
Такие колебания температуры могут быстро повредить хрупкие ячейки катализатора.
Подведение итогов
Учитывая вышеизложенную информацию, становится понятно, что катализатор и лямбда-зонд напрямую влияют на работоспособность двигателя. По этой причине проблемы с этими элементами не позволяют нормально эксплуатировать автомобиль и требуют профессионального решения.
Напоследок отметим, что даже с учетом наличия нескольких методов решения ошибки катализатора оптимально стремиться к максимальному увеличению срока службы имеющегося нейтрализатора и кислородных датчиков. Если есть возможность, лучше заменить вышедший из строя каталитический нейтрализатор.
Такой подход позволяет уменьшить количество вредных выбросов в атмосферу, а также устраняет запах выхлопных газов, который будет присутствовать, если установлена обманка и удален катализатор.
Читайте также
При резком нажатии на педаль газа двигатель дергается, появляются рывки и провалы, машина не набирает скорость: основные причины неисправности и диагностика.
Лямбда-зонд является неотъемлемым элементом газоотводной системы любого современного автомобиля. Это датчик уровня кислорода в выхлопных газах автомобиля. Полученную информацию лямбда-зонд передает на бортовой компьютер, который, в свою очередь, обработав ее, регулирует обогащение смеси, подаваемой в цилиндры.
Большинство автомобилей оснащены двумя датчиками. Один из них устанавливается перед катализатором, второй – после него. Именно последний чаще всего выходит из строя. Когда это происходит, система выдает ошибку и двигатель начинает работать в аварийном режиме.
Чтобы не заморачиваться с покупкой нового лямбда-зонда, который стоит достаточно дорого, и его настройкой, наши умельцы придумали, как обмануть компьютер, потратив на это копейки.
Имя этому изобретению — коряга.
Есть три способа обмануть автомобильный компьютер:
- перепрошить компьютер;
- установить механическую защелку;
- установить защелку электронного типа.
Прошивка электронного блока управления
Суть этого метода заключается в том, чтобы войти в компьютер автомобиля, отключить кислородный датчик электронным способом и внести изменения в программное обеспечение. Для этого, конечно же, потребуется обратиться к специалистам, обладающим определенными навыками и соответствующим оборудованием.
Механическая защелка
Механическая обманка лямбда-зонда представляет собой металлическую прокладку (втулку) между выхлопной трубой и самим датчиком.
Такой рукав может сделать любой человек, имеющий хоть малейшее представление о токарной обработке. Чаще всего для этих целей используют бронзу или жаропрочную сталь.
Ниже приведен чертеж проставки второго лямбда-зонда с размерами.
Принцип этого метода довольно прост: с помощью втулки с отверстием диаметром 2 мм отодвигаем датчик от выхлопного потока.
Установить распорку самостоятельно несложно. Загоняем машину на яму или эстакаду, отключаем минусовую клемму, находим датчик и откручиваем.
Подключаем минусовую клемму, запускаем двигатель. Если электронный блок управления снова выдает ошибку, повторите процедуру со снятием клеммы еще раз.
Электронная коряга
Этот способ больше подойдет тем автовладельцам, которые дружат с паяльником. Все, что нужно для простой электронной обманки, это:
- конденсатор (неполярный) емкостью 1 мкФ;
- резистор (сопротивление) 1 МОм; паяльник
- ;
- припой, канифоль;
Этот тип обманки устанавливается непосредственно на провода, идущие от датчика к разъему. Этот разъем у одних автомобилей находится в центральном тоннеле между сиденьями водителя и пассажира, у других — в моторном отсеке, у третьих — под приборной панелью.
Понятно, что, реагируя на количество кислорода в выхлопных газах, выдает напряжение 0,1 — 0,2В (бедная смесь) или 0,8-0,9V (богатая смесь). Электронный блок управления (ЭБУ) двигателя постоянно меняет количество впрыскиваемого топлива — обедняет смесь, обедняет богатую. Таким образом, сохраняется оптимум, а сигнал на Лямбда-зонде при этом выглядит (можно рассматривать осциллографом) как серия импульсов одинаковой длительности, почти прямоугольной (важно!) формы, охватывающая диапазон от 0,1 — 0,2В. до 0,8-0,9В.
Так все и работает, пока замкнута цепь авторегулирования, включающая двигатель с «обвесом», ЭБУ и лямбда-зонд. Цепь начинает плохо работать, если позаботиться об экономии и экологии и установить газобаллонное оборудование (ГБО).
Для двигателя с однократным впрыском вполне достаточно простой эжекторной системы. Просто горит желтая лампочка Проверка Двигатель начинает постоянно гореть, а при езде на бензине появляется сплошной перебег.
Есть мнение, что виноват газ.
Якобы лямбда-зонд «привык» к бензину, а «на газу сходит с ума».
На самом деле все намного проще. Лямбда-зонду все равно, какое топливо он сжигает. Точно так же он продолжает реагировать на количество кислорода в выхлопе. Но его реакция никак не влияет на работу двигателя — ведь цепь авторегулирования разорвана. Если раньше в ответ на сигнал о богатой смеси ЭБУ уменьшал подачу бензина (включая форсунку на более короткое время), а в ответ на сигнал о бедной — обогащал, поддерживая стехиометрическую смесь, то при работая на газу, ЭБУ никак не может повлиять на эжекторную систему ГБО.
Видя, что реакции нет, ЭБУ зажигает лампочку Check Engine и переходит в «аварийный» режим работы. При езде на газе это никак не влияет на его расход, так как он определяется настройкой LPG. А вот при переходе на бензин расход резко возрастет, потому что в памяти компьютера остается «аварийный режим».
Для нормальной работы двигателя на газу необходим Эмулятор лямбда-зонда. Его задача обмануть компьютер, при работе на газу показать, что все в порядке.
Делает он это очень просто: выдает сигнал, аналогичный реакции настоящего лямбда-зонда при нормальной работе.
Эмулятор выдаст 0,1В, ЭБУ начнет обогащать смесь, эмулятор выдаст 0,9В. ЭБУ начнет обеднять смесь, как это происходит при работе на бензине. Таким образом, лампочка Check Engine не загорается, а ЭБУ не переходит в аварийный режим.
Можно купить готовый эмулятор, можно сделать самому по простой схеме, главное правильно подключить.
Простая схема эмулятора лямбда-зонда
Эмулятор лямбда-зонда собран на самой популярной микросхеме. Резистор R1 задает частоту импульсов (1-2 в секунду), светодиод индицирует работу устройства. При нормальной работе напряжение на нем не превышает 1,8В. На резисторе R6 будет ровно половина, т.е. 0,9В или 0В.
Схема питается от выключателя ГБО, реле срабатывает и соединяет выход устройства (К2) со входом ЭБУ (К3).
При выключении ГБО реле размыкается и вход ЭБУ подключается к лямбда-зонду (К1), т.
е. прибор включается в обрыв провода от лямбда-зонда к ЭБУ.
Есть много вариантов на продажу. Некоторые производители вводят дополнительно два-три светодиода, сигнализирующих о качестве смеси.
Сделать это несложно, ведь Лямбда-зонд продолжает выполнять свои функции в части выдачи сигнала. Так вот если к лямбда-зонду подключить два пороговых устройства — одно на 0,1В, другое на 0,9В, то они в соответствующие моменты будут зажигать соответствующие светодиоды.
Таким образом, можно в первом приближении определить качество смеси при работе на газе.
Итак, если вы решили поставить эжекторное ГБО на двигатель с «однократным впрыском», без Эмулятора лямбда-зонда вам не обойтись.
Во всех остальных случаях (замена неисправного L-Z или что-то подобное) он абсолютно бесполезен.
своими руками: чертеж
Из статьи вы узнаете, как делается обманка лямбда-зонда своими руками и стоит ли устанавливать ее на свой автомобиль. От этого сгорания топливовоздушной смеси в двигателе зависит его эффективность.
Очень важно подобрать оптимальную пропорцию содержания бензина и воздуха в зависимости от нагрузки двигателя.
Если на старых машинах все настройки качественные и количество топлива зависело от регулировок карбюратора, то в нынешних условиях ситуация несколько иная. Все остается в надежных руках микропроцессорной техники и огромного количества датчиков.
Как работает система впрыска топлива
Есть несколько наиболее важных узлов, которые находятся в системе инжектора:
- Топливный бак.
- Датчик уровня топлива в едином корпусе с насосом и фильтром.
- Топливная рампа (устанавливается в моторном отсеке на впускном коллекторе).
- Форсунка подачи бензина в камеру сгорания.
- Блок управления. Обычно он монтируется в транспортном средстве, позволяет контролировать подачу топливно-воздушной смеси.
- Вытяжная система, обеспечивающая полное уничтожение вредных веществ.
В последнюю поставил обманку лямбда-зонда.
Своими руками («Лансер 9» или «Жигули» вам, неважно) сделать это достаточно просто. Но следует осознавать все последствия установки «заглушки». Обманка лямбда-зонда своими руками на «Приори» может быть изготовлена и простой конструкции, в любом случае это окажет существенное влияние на работу двигателя.
Рекомендуем
Как работает задняя втулка переднего рычага и сколько она служит?
Втулка задняя переднего рычага – один из составных элементов ходовой части автомобиля. Он относится к направляющим элементам подвески, которые вместе с рычагами выдерживают огромные нагрузки с колесами. Однако с этим пунктом много…
Расход масла в двигателе. Шесть причин
Вряд ли можно найти автомобилиста, которого бы не беспокоил повышенный расход масла. Особенно досадно, когда это происходит с очередным новым мотором. Вот наиболее распространенные причины, которые приводят к расходу масла в двигателе…
Как устроена выхлопная система?
Выхлопная система предназначена для удаления продуктов сгорания из двигателя и вывода их в окружающую среду.
Также должно быть обеспечено снижение шумового загрязнения до допустимых пределов. Как и любые другие сложные устройства, эта система состоит из семи…
Сколько датчиков в автомобиле
Датчики кислорода (лямбда-зонды) монтируются в выхлопной системе современных автомобилей с впрыском топлива системой впрыска топлива. В системе может быть один или два датчика кислорода. Если вы устанавливаете один, он находится после каталитического нейтрализатора. Если два, то до и после.
А один измеряет процентное содержание кислорода непосредственно на выходе из баллонов и посылает сигнал на электронный блок управления. Второй, который монтируется после катализатора, нужен для корректировки показаний первого.
Принцип работы лямбда-зонда
Вся автомобильная электроника, которая отвечает за правильную смесь, участвует в распределении топлива по форсункам. Использование кислородного датчика для определения необходимого количества воздуха для формирования качественной смеси.
Благодаря точной настройке лямбда-зонда удается добиться высокой степени экологичности и экономичности.
Топливо сгорает полностью, оставляя в трубах чистый воздух – плюс окружающую среду. Точная дозировка воздуха и бензина – выигрыш в экономии топлива. Безусловно, катализатор вкупе с датчиками кислорода обеспечивают стабильную работу двигателя. Но из-за того, что изготовлен из драгоценных металлов, его стоимость крайне высока. А когда выйдет из строя замена выльется в большие деньги. Вот и приходит мысль: «А вот обманка лямбда-зонда своими руками (на ВАЗ-2107 даже кислородный датчик заменить надо) сделать не сложно».
Конструктивные особенности датчика кислорода
Внешний вид этого прибора прост – длинный электрод-корпус, от которого отходят провода. На корпусе обшивка из платины (именно об этом драгоценном металле речь шла выше). А вот внутренняя структура более «богатая»
- Металлический контакт, соединяющий провод для подключения активного электрического элемента датчика.

- Уплотнение из диэлектрического материала для обеспечения безопасности. В нем есть небольшое отверстие, через которое в корпус поступает воздух.
- Циркониевый электрод скрытый, который находится внутри керамического наконечника. При протекании тока по этому электроду он нагревается до температуры в пределах 300…1000 градусов.
- Защита экрана с отверстием для выхлопа.
Датчики
Два основных типа датчиков кислорода, которые сегодня используются в автомобильной технике.
- Широкополосный доступ.
- Точка-точка.
Независимо от типа, они имеют практически идентичные внутренние детали. Сходства, как известно, тоже имеются. Но принцип работы существенно отличается. Широкополосный кислородный датчик – модернизированный двухточечный.
Имеет компонент загрузки, который из-за колебаний напряжения посылает сигнал на электронный блок управления. На этом элементе текущая подача может как усиливаться, так и ослабевать.
При этом небольшое количество воздуха попадает в зазор и анализируется. Именно на этом этапе происходит измерение концентрации со в выхлопе. Но иногда изготавливаются и устанавливаются обманки лямбда-зонда своими руками. «Шевроле-Ланос», например, работает стабильно и без ошибок после заправки плохим бензином.
Определение неисправности датчика кислорода
Конечно, этот элемент не вечен, несмотря на его дороговизну и платину в составе. Излишне говорить, что лямбда-зонд не является исключением, и в какой-то момент ему можно приказать жить долго. И будут проявляться некоторые симптомы:
- Резко возрастает содержание отработавших газов на уровне СО. Если на транспортном средстве есть кислородный датчик, и уровень его крайне высок, это говорит о том, что устройство управления вышло из строя. Определить содержание вредных веществ можно только с помощью газоанализаторов. Но для личного пользования покупать невыгодно.
- Значительно увеличивает расход топлива.
Обратите внимание на бортовой компьютер. Посмотреть какой текущий расход бензина. Это самый простой способ. Также можно судить по частоте заправок. - И последний симптом – горящая на панели приборов лампа, указывающая на наличие неисправностей в двигателе.
Если нет возможности проанализировать выхлопные газы с помощью специального прибора, это можно сделать визуально. Легкий дым – это признак того, что в топливной смеси слишком много воздуха. Черный говорит о большом количестве бензина. Поэтому можно судить о неправильной работе системы. Но картина иная, если есть муляж лямбда-зонда. Своими руками (Фольксваген, Мерседес, Тойота, для любой машины) делается это устройство достаточно просто.
Причины поломок
Следует обратить внимание на то, что кислородный датчик находится в самом разгаре горящего топлива. Следовательно, состав бензина оказывает существенное влияние на работу лямбда-зонда. Если бензин содержит много примесей, не соответствует Нормам, низкого качества, кислородный датчик выдаст ошибку или неправильный сигнал на электронный блок управления.
В худшем случае устройство выйдет из строя. А происходит это из-за высокого содержания свинца, который откладывается на датчике и нарушает его работу. Но могут быть и другие причины поломки:
- Механическое воздействие – вибрация при слишком активной эксплуатации автомобиля, повреждение или обгорание корпуса. Чтобы выполнить ремонт или реставрацию, рациональный способ – купить новый и установить.
- Неправильная работа топливной системы. Если воздушно-топливная смесь сгорает не полностью, нагар начинает оседать на корпусе лямбда-зонда, а также попадает внутрь через отверстия для забора воздуха. Конечно, первое время помогает чистка блока. Но если эта процедура нужна ему чаще, придется установить новое устройство.
Старайтесь время от времени диагностировать его машину. В этом случае вас ждет неожиданный выход из строя любого элемента.
Устранение неполадок
Конечно, самый точный ответ о поломках даст только диагностика на специализированном оборудовании.
Но чтобы выявить поломку датчика можно и самостоятельно, достаточно внимательно прочитать об особенностях датчика и его характеристиках. Но ставил редко заморачивающийся лямбда-зонд. Своими руками (ВАЗ-2114 или любая другая машина если есть) сделать вилку-обманку можно в буквальном смысле подручными средствами. Алгоритм поиска неисправности:
- Откройте капот и найдите выпускной коллектор. Работать нужно на холодном двигателе, так как можно получить серьезные травмы. Найдите каталитический нейтрализатор лямбда-зонда.
- Проведите внешний осмотр. Загрязнение, копоть, легкий налет – признак неправильной работы топливной системы. Последний симптом говорит о том, что в газе слишком много свинца.
- Замените кислородный датчик и повторите диагностику всей топливной системы. Если загрязнения не наблюдается, необходимо продолжить устранение неполадок.
- Отсоедините штекер датчика и присоедините вольтметр со шкалой к 2 Вольтам. Запустите двигатель и увеличьте обороты до 2500 минут, затем уменьшите до значения холостого хода.
Изменение напряжения должно быть незначительным – в пределах 0,8..0,9 вольт. Если отклонений нет, или напряжение равно нулю, можно говорить о выходе из строя датчика.
Также можно судить о несостоятельности других характеристик. В вакуумной трубке искусственно создать вакуум. Напряжение должно быть очень низким – менее 0,2 Вольта.
Ресурс датчика кислорода
Для обеспечения бесперебойной и стабильной работы автомобиля необходимо проводить регулярный технический осмотр. Например, лямбда-зонд требует осмотра каждые 30 тысяч километров. Тем более, что ресурс у него был не более ста тысяч – не стоит эксплуатировать машину со старым датчиком – это приведет лишь к тому, что двигатель придется подвергать ремонту гораздо раньше. Возникает вопрос – а не заедает ли в вашем автомобиле лямбда-зонд? Своими руками на «Калине» такое устройство можно сделать за несколько минут.
Но есть одно предостережение. Автолюбитель не может гарантировать, что топливо, которым он заправляет машину, качественное.
Конечно, каждый привык заливать тот бензин, который продают на его любимой заправке. Но кто знает, какой состав бензина, который туда заливают? Sotry доверяет АЗС «бренду», который дорожит своим именем. Но при наличии хороших заправок придется довольствоваться тем, что есть под рукой. И ошибка горящей лампочки двигателя — это обычное явление, избавиться от которого поможет установка обманки.
Самодельное приспособление-обманка
Все зависит от того, какие у вас есть инструменты. Стоит отметить, что обманка лямбда-зонда своими руками на ваз может быть и самой демократичной, при этом работает безотказно. Самый дешевый вариант – домашний. Корпус изготовлен из бронзы. Этот металл лучше выбирать, так как он обладает очень высокой устойчивостью к нагреву. Причем размер этой полосы должен быть таким же, как у датчика в выхлопной паре с утечкой. По сути, это распорка с небольшим отверстием — не более трех мм. эта прокладка ввинчивается вместо датчика. А лямбда-зонд установлен в проставке.
Между датчиком и отверстием в диске находится слой керамической крошки, в которой слой катализатора. Благодаря этому выхлопные газы проходят через тонкое отверстие и окисленную стружку. Результат – значительное снижение уровня. Следовательно, обманул штатный кислородный датчик. Но такие устройства можно устанавливать и на бюджетные автомобили. Более дорогие автомобили не должны подвергаться переделок.
Электронный обман
Но при наличии навыков в монтаже электрических схем вполне возможно изготовить импровизированное устройство. Вам понадобится только один из этих двух элементов — резистор или конденсатор. Но не всем подойдет эта обманка лямбда-зонда. Своими руками («Субару Форестер» или ВАЗ, не важно) сделать можно по одному из предложенных вариантов. Но будьте осторожны, потому что непонимание процесса обмана сказывается на функционировании всего блока управления. А если не уверены, лучше приготовьтесь к микроконтроллеру. Хорошо, что можно выполнить следующие шаги:
- Оценить концентрацию газа на первом датчике.

- Далее идет формирование импульса, совпадающего с сигналом, который был получен ранее.
- Выдает за электронный блок управления средние показания, которые позволяют нормально работать двигателю.
Прошивка электронного блока управления
Самый действенный способ – полностью изменить программу, встроенную в блок управления. Суть процедуры заключается в том, чтобы полностью или частично избавиться от какой-либо реакции на изменение показаний, поступающих с кислородного датчика. Но учтите, что гарантия на автомобиль теряется. Поэтому для новых автомобилей этот способ, как, впрочем, и любой другой, не подойдет.
Заключение
И самое главное — подумайте, стоит ли игра свеч? Нужно ли делать такую деталь, как обманка лямбда-зонда своими руками? «Лансер 9», к примеру, машина не бюджетная, а высокого класса, так есть ли смысл нарушать его дизайн различными самоделками? Это разумно? Если у вас есть деньги на дорогой автомобиль, должны быть и средства на его поддержание в рабочем состоянии.
Если нет, то зачем покупать такую машину?
АР: https://tostpost.com/ar/cars/17298-загвоздка-лямбда-зонд-с-своими-руками-рисунок.html
БЫТЬ: https://tostpost.com/be/a-tamab-l/28864-padmanka-lyambda-zonda-sva-m-rukam-charcezh.html
Германия: https://tostpost.com/de/autos/28884-haken-lambda-sonde-mit-ihren-h-nden-zeichnung.html
ES: https://tostpost.com/es/coches/28916-el-simulador-de-la-sonda-lambda-con-sus-manos-dibujo.html
ПРИВЕТ: https://tostpost.com/hi/cars/16196-snag-lambda-probe-with-their-hands-drawing.html
JA: https://tostpost.com/ja/cars/17822-snag-lambda-probe-with-their-hands-drawing.html
КК: https://tostpost.com/kk/avtomobil-der/28836-myryshty-ospa-lyambda-zond-z-oldarymen-syzba.html
PL: https://tostpost.com/pl/samochody/28682-szkopu-sondy-lambda-w-asnymi-r-kami-rysunek.html
PT: https://tostpost.com/pt/carros/28720-um-armadilha-da-sonda-lambda-com-suas-pr-prias-m-os-o-desenho.
html
TR: https://tostpost.com/tr/arabalar/31778-budak-lambda-sonda-kendi-elleriyle-izim.html
Великобритания: https://tostpost.com/uk/avtomob-l/28808-obmanka-lyambda-zonda-svo-mi-rukami-kreslennya.html
Ж: https://tostpost.com/zh/cars/16197-snag-lambda-probe-with-their-hands-drawing.html
Поиск и устранение неисправностей кислородных датчиков — продукция Walker
Поиск и устранение неисправностей кислородных датчиков
Продукция Walker > Учебное пособие по датчикам кислорода > Поиск и устранение неисправностей кислородных датчиков
Симптомы неисправности кислородного датчика не свидетельствует о неисправном кислородном датчике. Датчики просто сообщают информацию. Например, датчик кислорода, который сообщает о бедной топливной смеси, обязательно выдаст код. Этот датчик выполняет свою работу и не нуждается в замене.
Если проблема связана с неисправным или мертвым датчиком, в частности, есть несколько кодов OBDII, которые будут установлены (подробнее об этом в следующем разделе).
В свою очередь, само транспортное средство часто проявляет физические симптомы из-за того, что датчик не работает должным образом.
Снижение расхода топлива может быть явным признаком того, что датчик кислорода не работает должным образом. Это может произойти из-за слишком бедной или слишком богатой топливной смеси.
Такое колебание соотношения A/F является признаком неисправности вышестоящего или управляющего датчика. Нижние или диагностические датчики контролируют только выхлоп, выходящий из каталитического нейтрализатора, и не вызывают такой проблемы.
Другие признаки неисправного кислородного датчика включают неровный холостой ход, пропуски зажигания и/или колебания при попытке ускориться. Однако имейте в виду, что эти проблемы могут иметь и другие причины, не имеющие отношения к исправности кислородных датчиков автомобиля. Следовательно, ни один из них сам по себе не является достаточной причиной, чтобы заменить его. Для постановки правильного диагноза часто требуется сочетание предупреждения OBII, проблем с работой двигателя и физического осмотра датчика.
Распространенные причины отказа O2
Неисправность датчика кислорода часто может быть связана с одним из трех распространенных факторов: возраст и большой пробег, внутреннее загрязнение (отравление) или проблема с электрикой.
Один или два проводных кислородных датчика без подогрева следует проверять или заменять каждые 30 000 миль. Эти датчики должны полагаться исключительно на горячие выхлопные газы для достижения своей рабочей температуры и предназначены для того, чтобы большое количество выхлопных газов контактировало с активным керамическим элементом.
Датчики кислорода с подогревом менее подвержены загрязнению, так как их внутренний источник тепла позволяет размещать их намного ниже по потоку, чем датчики без подогрева. Датчики с подогревом следует проверять или заменять каждые 60 000 миль. Хотя датчики кислорода с подогревом могут быть размещены в более безопасных местах, чем модели без подогрева, они состоят из нескольких цепей, которые, в свою очередь, могут допускать проблемы с электричеством.
Если цепь нагревателя в датчике выйдет из строя, датчик не будет функционировать должным образом. Проблемы с цепью нагревателя на самом деле являются распространенным источником кодов OBDII.
Чтобы выполнять свою работу, все кислородные датчики должны подвергаться постоянному воздействию вредных выхлопных газов, сильной жары и высокоскоростных частиц. Из-за этого их эффективность со временем неизбежно будет снижаться.
Иногда датчики кислорода могут загрязняться элементами из двигателя. Выхлоп чрезмерно богатой топливной смеси может загрязнить датчик O2, как и этилированное топливо. Такой же эффект могут иметь остатки антифриза или силикона, образующиеся в результате дефектных прокладок. Датчики, изображенные ниже, отравлены и нуждаются в замене.
Накопление углерода из-за обогащенной топливной смеси является частым явлением и приводит к выходу из строя многих датчиков. Этому может быть много возможных причин, в том числе забитый воздушный фильтр или негерметичная или неисправная топливная форсунка.
Антифриз может быть очень вредным для датчика, если он попадет в камеру сгорания. Это может произойти в случае треснутой или деформированной головки блока цилиндров, негерметичной прокладки головки блока цилиндров или негерметичной прокладки впускного коллектора.
Отравление силиконом, как показано на рисунке слева, может привести к тому, что головка датчика кислорода станет белой. Наиболее распространенной причиной этого состояния является использование неподходящего силиконового герметика для прокладок двигателя.
Использование неподходящего (этилированного) бензина может повредить кислородный датчик. Хотя это редкое явление, полезно знать, как этилированный бензин влияет на датчик.
Кислородный датчик Часто задаваемые вопросы
Кислородный датчик не вынимается.
Смочите область резьбы датчика мощной проникающей смазкой. Запуск и увеличение оборотов двигателя должны способствовать ослаблению датчика за счет нагрева пробки. Если вы используете гаечный ключ с открытым зевом, попробуйте головку O2.
Если это не помогло, попробуйте использовать длинную трещотку или прерыватель в сочетании с головкой, чтобы создать больший крутящий момент. Если вы все еще безуспешны, нагрейте пробку горелкой до вишнево-красного цвета и снимите датчик. После извлечения датчика обязательно используйте очиститель для резьбы, чтобы очистить резьбу заглушки. В некоторых случаях требуется ремонт резьбы. Это можно сделать с помощью комплекта для ремонта резьбы (номер по каталогу Walker 88-832). Не используйте ударный гайковерт для снятия датчика O2, так как вы, скорее всего, сорвете резьбу на пробке. Для любых проблем, требующих замены или добавления заглушки, Walker предлагает полную линейку заглушек и заглушек для датчиков кислорода.
Сколько кислородных датчиков в конкретном автомобиле?
Наш поисковый запрос «Найди свою деталь» на сайте www.walkerproducts.com может предоставить конкретные данные датчиков для большинства областей применения. Современные автомобили могут иметь до 6 и более датчиков кислорода.
Действительно ли необходимы задние кислородные датчики?
Датчики, расположенные ниже по потоку, контролируют производительность и исправность каталитического нейтрализатора. Их удаление отключит эту функцию и вызовет CEL (индикатор неисправности двигателя) или MIL (индикатор неисправности) на автомобиле.
Я получаю сертификат CEL/MIL и файл . . . код. Нужно ли менять кислородный датчик?
Не обязательно. Кислородный датчик просто сообщает данные, которые он собирает. Например, если вы получаете код бедной смеси, у вас может быть утечка вакуума или неисправная топливная форсунка. Замена кислородного датчика не решит эту проблему. Вы просто получите тот же код снова.
Нужно ли заменять сразу все датчики?
Датчики O2 лучше заменять парами. Например, при замене нижнего левого датчика следует также заменить нижний правый датчик.
Однако на большинстве автомобилей, выпущенных после 1996 года, замена одного датчика (особенно переднего датчика контроля двигателя) приведет к тому, что ECU установит код для других датчиков.
Это связано с тем, что активность переключения нового датчика намного быстрее, чем у старых датчиков. Вполне вероятно, что на большинстве автомобилей код будет установлен в течение 30-60 дней ПОСЛЕ первой замены датчика.
Каков ожидаемый срок службы датчика кислорода?
Датчики кислорода с подогревом следует проверять или заменять каждые 60 000 миль, а датчики кислорода без подогрева следует проверять или заменять каждые 30 000 миль.
Как проверить кислородный датчик?
Вы можете проверить датчик O2 на транспортном средстве, сначала найдя сигнальный провод на датчике. Во-вторых, при использовании вольтметра со шкалой, установленной на 1 вольт, напряжение будет колебаться от 200 до 800 милливольт или от 0,2 до 0,8 вольт на вашем измерителе. Если показания датчика зависают или переключаются на ненормально высокий или низкий уровень, ваш датчик неисправен. Если ваши результаты неубедительны, лучше всего проверить свой автомобиль в профессиональном магазине.
Примечание. Этот тест не работает с датчиками воздуха, топлива или широкополосными датчиками.
Второй метод заключается в подключении некоторых доступных на рынке тестеров непосредственно к датчику кислорода. Этот метод не такой точный, но может обнаружить некоторые неисправности датчиков.
Что такое датчик выбросов в Калифорнии? Как я узнаю, нужен ли он мне?
Калифорнийский датчик выбросов O2 предназначен для автомобилей, разработанных в соответствии с нормами выбросов Калифорнии. Такие автомобили должны иметь идентифицирующую их наклейку под капотом или на косяке двери водителя.
Каковы симптомы отказа датчика кислорода?
Как правило, неисправный датчик приводит к низкому расходу топлива, колебаниям или остановке двигателя, а также к показателю CEL/MIL. Однако датчик кислорода не единственная причина этих симптомов.
Snag lambda sonda сделай сам: crtanje
Iz članka ćete naučiti kako rightiti vlastitu vlastitu vlastitu lambda sondu i installirati je na automobil.
O tome koliko dobro gorivo u zraku gori u motoru, ovisi o njegovoj učinkovitosti. Vrlo je važno odabrati optimalni udio benzina i sadržaja zraka ovisno o opterećenju motora.
Ako su u starijim automobilima sva podešavanja za kvalitetu i količinu goriva ovisila o podešavanju rasplinjača, onda je u modernim stvarima situacija nešto otheračija. Sve je dano u sigurne ruke mikroprocessorske tehnologije i velikog broja senzora.
Kako radi sustav ubrizgavanja
Postoji nekoliko najvažnijih čvorova u sustavu ubrizgavanja:
- Spremnik za gorivo.
- Senzor razine goriva u jednom kućištu s pumpom i filtrom.
- Разводник горива (уграден у моторном простору на усисном разводнике).
- Injektori koji isporučuju benzin u komore za izgaranje.
- Управляющая единица У правила, чтобы je montiran unutar automobila, omogućuje vam kontrolu protoka smjese zrak-gorivo.
- Ispušni sustav, koji osigurava potpuno uništavanje štetnih tvari.

Nalazi se u posljednjoj postavljenoj sondi lambda. Своим властьим рукам («Лансер 9» или «Лада» за вас, ние важно) можете учиться в рло одноставним. Ali trebate biti svjesni svih posljedica instaliranja «stub». Mamljenje lambda sonde vlastitim rukama na Priori može se praviti jednostavnim dizajnom, u svakom slučaju to će imati značajan utjecaj na rad motora.
Колико сенсора у автомобиля
Сенсорный датчик (лямбда-зонд) увеличен для того, чтобы использовать состав современных автомобилей для восстановления горива. Sustav može imati jedan или два сенсора kisika. Ako je instaliran sam, nalazi se iza katalizatora. Ako su dva, onda prije i poslije.
Osim toga, mjerenje postotka kisika odmah na izlazu iz cilindra i slanje signala elektroničkoj upravljačkoj jedinici. Други, koji je montiran nakon katalizatora, potreban je za ispravljanje očitanja prvog.
Принцип действия лямбда-зонда
Sva automobilska elektronika, koja je odgovorna za pavilno oblikovanje smjese, uključena je u distribuciju goriva u brizgaljkama.
Pomoću senzora za kisik određuje se potrebna kolicina zraka kako bi se dobila smjesa visoke kvalitete. Zahvaljujući finom podešavanju lambda sonde, moguće je postići visok stupanj ekološke prihvatljivosti i ekonomičnosti.
Гориво потпуно изгори, на излазу из циеви готово je čist zrak plus ekologija. Najtočnija doza zraka i benzina je dobitak u potrošnji goriva. Наравно, катализатор zajedno sa sensorima kisika osigurava stabilan rad motora. Нет, zbog činjenice da je izrađen od plemenitih metala, njegova cijena je izuzetno visoka. A kad ne uspije, zamjena će rezultirati prilično novcem. Stoga se javlja pomisao: «Али постой власть рука лямбда-зонд (ВАЗ-2107 чак требует заменой датчика за кисик), а то нече бити тешко».
Особый дизайнер осец за кисик
Изглед овог уреджая je jednostavan — dugačko tijelo elektrode, iz kojeg se produžuju žice. Platinum prskanje na slučaju (radise o ovom plemenitom metalu o kojem smo govorili gore). Ali unutarnja structura je bogatija:
- Metalni kontakt koji povezuje za povezivanje s aktivnim električnim elementom senzora.

- Диэлектрическая бртва за сигурность. Ima malu rupu kroz koju zrak ulazi u tijelo.
- Cirkonska elektroda scrivenog type, koja se nalazi unutar keramičkog vrha. Kad struja teče kroz ovu elektrodu, ona se zagrijava na temperatureu rasponu od 300 … 1000 stopnjeva.
- Защитный экран с отвором за испушни плин.
Внешний датчик
Двойной главный датчик для клиентов, которые работают в автомобильной технологии:
- Широкопоясни.
- Покажите на точку.
Без обзора на врсту, они имаю готово идентичан интерни уреджай. Kao što znate, postoje i vanjske sličnosti. Нет, princip rada je znatno otheračiji. Širokopojasni osjetnik kisika je nadograđen od točke do točke.
Ima komponentu za ubrizgavanje, koja zbog fluktuacija pona salje signal elektroničkoj upravljačkoj jedinici. Struja napajanja ovog elementa može se povećati ili oslabiti. U isto vrijeme mala kolicina zraka ulazi u prazninu i analizira se.
У овой фазы мьери се концентрация СО у испушним плиновима. Нет, понекад же направлен и инсталиран загвоздка лямбда-зонда властью рукама. Chevrolet Lanos, na primjer, stalno radi s njom i ne stvara pogreške nakon punjenja gorivom lošim benzinom.
Detekcija kvara osjetnika za kisik
Наравно, ovaj element nije vječan, unatoč visokoj cijeni i platini u kompoziciji. Naravno, lambda sonda nije iznimka i u jednom trenutku može naručiti dug život. Pojavit će se neki simptomi:
- Разина садржайя CO у отпадним плиновима драматически се повечава. Ako je na vozilu ugrađen senzor kisika, a razina CO je iznimno visoka, to znači da upravljački uređaj nije uspio. Određivanje sadržaja štetnih tvari moguće je samo uz pomoć analizatora plina. Ali u osobne svrhe nije korisno stjecati ga.
- Драматическая повечава потрошню горива. Оберните позорность на пути рачунало. Просмотрите što je trenutna kilometraža plina. To je najlakši način. Također možete procijeniti učestalost točenja.

- I posljednji znak — to je svjetiljka na ploči s toolsima koja svijetli, što ukazuje na prisutnost grešaka u motoru.
Ako nije moguće analizirati ispušne plinove s posebnim uređajem, чтобы се можe učiniti vizualno. Lagani dim je znak da je u smjesi goriva previše zraka. Cрна говори о великой количини бензина. Stoga je moguće suditi о neispravnosti sustava. Ali slika je otheračija, ako postoji ulov lambda sonde. Руке (Фольксваген, ВАЗ, Тойота — за два автомобиля) čine takav uređaj prilično jednostavnim.
Uzroci kvarova
Vrijedi obratiti pozornost na činjenicu da je senzor kisika smješten u epicentru gorivog goriva. Prema tome, sastav benzina ima značajan utjecaj na rad lambda sonde. Ако бензин садржи много нечистота, ние у склада с ГОСТ-ом, ниска квалитета, тада то датчик кисика генерирати погрешку или неточань сигнал электронной управляющей единичи. U najgorem slučaju uređaj ne uspijeva. A to se događa zbog visokog sadržaja olova, koji se nanosi na senzor i ometa njegovo funkcioniranje.
Но могу постоять и други рости кварова:
- Механический удар — вибрация, предварительная активация автомобиля, ускорение или ремонт оборудования. Popravak или restauracija je nemoguća, racionalan način je kupiti novi i instalirati ga.
- Неисправен рад супа за напаянье горивом. Ako mješavina zrak-gorivo ne izgori u potpunosti, čađa se počne taložiti na tijelu lambda-sonde i ulazi kroz otvore za ulaz zraka. Naravno, prvi put pamaže u čišćenju uređaja. Али, ako to treba češće, morat ćete instalirati novi uređaj.
Покушайте со временем на время диагностирования своего автомобиля. U tom slučaju nećete biti iznenađeni neuspjehom bilo kojeg elementa.
Dijagnoza greške
Наравно, найточни одговор или кваровима дат, которые являются само диягностиком на специализированной оптимизации. Али может открыть квар сенсора и сами, само пажливо прочитайте знак сенсора и негове характеристики. Али vrlo rijetko je instalirana lambda sonda zmija.
Своим властьим рукама (ВАЗ-2114 или било койи другой автомобиль ако имате) можете направити импровизировать поклопац из импровизированных средств у дословного смысла. Алгоритм решения проблемы после следования:
- Осуществите закупку мотора и продайте расходник. Потребно je izvesti radove na ohlađenom motoru jer je moguće dobiti ozbiljne ozljede. Покажите на лямбда-зонде катализатора.
- Izvršite vanjski pregled. Onečišćenje, chađa, sjajni premaz — znakovi nepravilnog rada sustava za gorivo. I posljednji znak kaže da je previše olova u plinu.
- Zamijenite osjetnik za kisik i povno dijagnosticirajte cijeli sustav goriva. Ako se ne poštuje zagađenje, nastavite s rješavanjem Problema.
- Выключите компьютер и подключите вольтметр к 2 вольтам. Покрените мотор и повечайте брзину на 2500 минут, а затим га сманьите на празан ход. Promjena napona trebala bi biti beznačajna — u rasponu od 0.8..0.9 volta. Ако nema promjene, или je napon nula, možemo govoriti o kvaru senzora.

Oštećenje možete procieniti i other svojstvima. U vakuumskoj cijevi stvorite umjetno razrijeđenu. У тома случается напон би требао бити врло низак — манье от 0, 2 вольта.
Ресурс сенсора кисика
Како бисте озигурали несметан и стабилен рад автомобиля, морат редовито проводити технику прегледе. Na primjer, lambda sonda treba pregledati svakih 30 tisuća kilometara. Štoviše, on ima resurs od ne više od stotinu tisuća — ne biste trebali upravljati automobilom sa starim senzorom — to samo dovodi do činjenice da će motor morati biti popravljen mnogo ranije. A postavlja se pitanje — postoji li na vašem automobilu ulov lambda sonde? Takav uređaj možete vlastitim rukama na Kalini za nekoliko minuta.
Али postoji jedna nijansa. Vozač ne može jamčiti da će gorivo kojim napuni automobil kvalitetom. Наравно, сватко je naviknut na benzin koji se prodaje na njegovoj omiljenoj benzinkoj postaji. Али tko zna što je sastav benzina koji se tamo izlije? Zato pokušajte vjerovati u benzinske postaje marke koje cijene njihovo ime.
Али ако postoji nekoliko dobrih benzinskih postaja, onda ćete morati biti zadovoljni s onim što je dostupno u susjedstvu. Я гори svjetiljka pogreške motora с unutarnjim izgaranjem je česta pojava, instalacija trika će pmoći da biste dobili osloboditi od njega.
Uređaj domaće Naправе
Sve ovisi o tome što imate. Важно je napomenuti да je snagiranje lambda sonde vlastitim rukama na VAZ-u naj demokratičnije, u svakom slučaju radi besprijekorno. Najjeftinija opcija je domaća. Kućište je izrađeno од бронзы. Ovaj metal je bolje odabrati, jer ima vrlo visoku otpornost na toplinu. Осим тога, размер овог диска мораю бити jednake размер самог senzora, тако да ispušni plinovi ne propuštaju. У ствари, овай размак с малом рупом — не выше од три мм. Ovaj odstojnik je pričvršćen na mjesto senzora. I lambda sonda je ugrađena u odstojnik.
Измежу датчик и рупе у скользкой страны налази се слой керамических струготина, на кожи се наноси слой катализатора. Zbog toga ispušni plin prolazi kroz tanku rupu i oksidira se mrvicama.
Rezultat je značajno smanjenje CO. Zbog toga je obmanut standardni senzor kisika. Нет, takvi se uređaji mogu instalirati na proračunska vozila. Skuplji automobili ne bi trebali biti podvrgnuti izmjenama.
Электронные улицы
Али ако имате въештине у инсталациджи электрических кругов, можете направить домачи уреджай. Ви само требате едан од та два элемента — отпорник или конденсатор. Ali nisu svi pкладни за ову lavandsku sondu. Рука («Субару Форестер» или ВАЗ, ние битно) может направить према едной од предложенных опций. Али budite oprezni, jer nedostatak razumijevanja radnog procesa lažnog utjecat će na funkcioniranje cijele kontrolne jedinice. Ako niste sigurni, bolje se pripremite na mikrocontroleru. Dobro je jer samostalno može izvršiti sliedeće radnje:
- Procijenite koncentraciju plina na prvom sensoru.
- Slijedi formiranje impulsa koji odgovara signalu koji je primljen ranije.
- Osigurava prosječnu vrijednost za elektroničku upravljačku jedinicu koja omogućuje normalan rad motora.

Электронная управляющая единая программа
Najučinkovitiji način je potpuno mijenjanje programa koji se nalazi u upravljačkoj jedinici. Bit cijelog postupka je da se riješite svih или dijela bilo kakve reakcije na promjene u očitanjima koja dolaze iz senzora kisika. Али имайте на уму да се жамство губи на автомобиле. Stoga, za nove strojeve takvu metodu, kao, doista, bilo koju otheru, neće raditi.
zaključak
I što je najvažnije — razmislite je li igra vrijedna svijeće? Trebam li napraviti takve detalje kao što je ulov lambda sonde vlastitim rukama? «Lancer 9», recimo, автомобиль je daleko od budžeta, ali visoke klase, pa ima li smisla ometati njegovu izgradnju raznim domaćim proizvodima? Дже ли то разумно? Ako postoji novac za skupi automobil, onda mora biti sredstava za njegovo održavanje u radnom stanju. Ако не хочешь купить такой автомобиль?
Сколько стоит замена датчика кислорода?
Средняя стоимость замены кислородного датчика составляет от 155 до 500 долларов США, в зависимости от того, обратитесь ли вы к механику или сделаете это сами.
и модель. Также может потребоваться сопутствующий ремонт или техническое обслуживание. Для более точной оценки, основанной на вашей марке, модели и местоположении, используйте Оценщик справедливой цены RepairPal.Получите более точную оценку замены кислородного датчика с помощью оценщика справедливой цены RepairPal:
ПОСМОТРЕТЬ МОЮ СТОИМОСТЬ
Замена кислородного датчика является важным ремонтом, который должен быть выполнен в течение 3 месяцев во избежание повреждения автомобиля. Количество датчиков кислорода в автомобиле варьируется. Каждый автомобиль, выпущенный после 1996 года, должен иметь кислородный датчик перед и после каждого каталитического нейтрализатора. Важно, чтобы ваши датчики кислорода работали правильно, чтобы компьютер вашего автомобиля мог знать, имеет ли ваш выхлоп правильное соотношение воздуха и топлива в данный момент времени. Это помогает предотвратить работу вашего двигателя на слишком богатой или слишком обедненной смеси, что, в свою очередь, предотвращает избыточные выбросы, создаваемые вашим автомобилем.
Полезно периодически заменять датчики кислорода, чтобы убедиться, что ваш автомобиль работает с максимальной эффективностью использования топлива.
- Детали: от 155 до 380 долларов
- Труд: 120 долларов США (при среднем рабочем времени 1 час)
- Предполагаемые дополнительные расходы: 25 долларов США разные прокладки выхлопной трубы
Стоимость замены кислородного датчика сильно зависит от вашего автомобиля и марки датчика. Хотя на некоторых сайтах говорится, что некоторые датчики стоят всего 20 долларов, мы рекомендуем водителям инвестировать в хорошие, качественные бренды, поскольку кислородный датчик является такой важной частью автомобиля. Окончательная цена необходимых деталей может составить от 155 до 380 долларов в зависимости от того, сколько датчиков вам нужно заменить и их качества. Стоимость рабочей силы обычно составляет около 120 долларов США, при этом среднее количество рабочего времени, требуемого для этого, составляет 1 час.
Стоимость изготовления своими руками: от 155 до 380 долларов
- Уровень сложности: средний
- Необходимые детали:
Датчик кислорода
Существует довольно значительная разница в стоимости между заменой датчика кислорода механиком и самостоятельной заменой. FIXD рекомендует, если вы чувствуете себя комфортно, попытаться заменить датчик самостоятельно, так как это довольно простая задача, и она может сэкономить вам сотни долларов.
Что такое датчик кислорода?
Кислородный датчик (обычно называемый «датчик O2», так как O2 — это химическая формула кислорода) устанавливается в выхлопном коллекторе автомобиля для контроля количества несгоревшего кислорода в выхлопных газах, когда выхлопные газы выходят из двигателя. .
Обычно один или два датчика находятся перед каталитическим нейтрализатором и один за ним. Сравнение данных до и после каталитического нейтрализатора также сообщает компьютеру, насколько хорошо он работает и есть ли какие-либо проблемы с вашей системой выбросов.
Отслеживая уровень кислорода и отправляя эту информацию на компьютер вашего двигателя, эти датчики сообщают вашему автомобилю, является ли топливная смесь богатой (недостаточно кислорода) или обедненной (слишком много кислорода). Правильное соотношение воздух-топливо имеет решающее значение для обеспечения бесперебойной работы вашего автомобиля.
Что произойдет, если не заменить неисправный кислородный датчик?
При выходе из строя кислородного датчика может появиться множество диагностических кодов неисправностей (DTC). В большинстве случаев неисправный кислородный датчик приводит к тому, что загорается индикатор проверки двигателя, сопровождаемый кодом неисправности, который вы можете прочитать с помощью сканера OBD2, такого как FIXD. Основываясь на этом коде неисправности, он укажет на то, как он вышел из строя, а затем перейдет к диагностике.
Продолжение движения с неисправным лямбда-зондом может привести к перебоям в работе двигателя и, возможно, к снижению мощности или даже повреждению двигателя.



1 Механический способ (с чертежами ввёртыша)






