Механизм поворота гусеничных тракторов
Категория:
Механизмы управления автомобилем и трактором
Публикация:
Механизм поворота гусеничных тракторов
Читать далее:
Механизм поворота гусеничных тракторов
Для изменения направления движения трактора его гусеницы должны двигаться с различными скоростями, а при повороте на месте одна гусеница вообще отключается и затормаживается. Это обеспечивается бортовыми фрикционами и планетарными механизмами поворота.
Бортовые фрикционы (в числе двух) являются наиболее распространенным механизмом поворота гусеничных тракторов.
Рекламные предложения на основе ваших интересов:
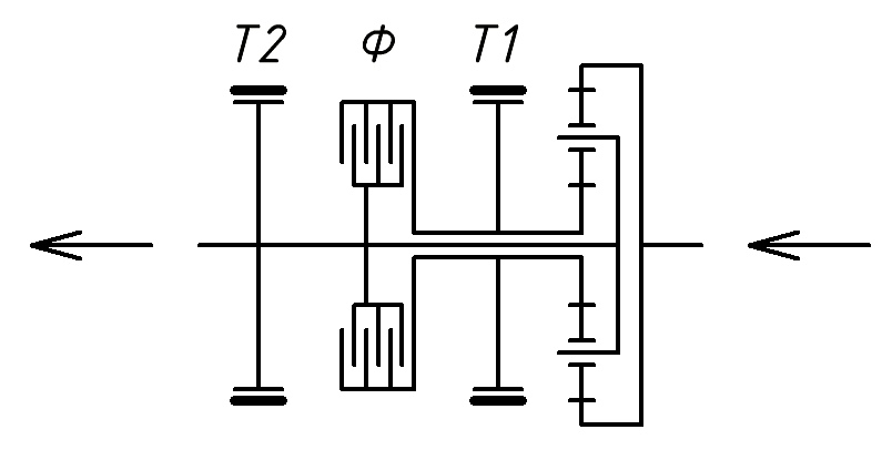
Рис. 24. Схема планетарного механизма поворота трактора:
1 — ведущая звездочка; 2 — конечная передача; 3 — водило; 4 — большая солнечная шестерня; 5 — малая солнечная шестерня; 6 — поперечный вал главной передачи; 7 — главная передача; S — сателлиты; Р — тормозной барабан планетарного механизма
Фрикционы представляют собой многодисковые муфты сцепления, включенные в силовую передачу с двумя ленточными тормозами.
Многодисковость муфты фрикционов объясняется тем, что в отличие от главной муфты сцепления она должна передавать больший крутящий момент (так как крутящий момент двигателя увеличивается передаточным числом трансмиссии). По аналогии с главной муфтой сцепления бортовой фрикцион является постоянно замкнутой муфтой.
При включенных фрикционах гусеницы трактора жестко связаны между собой и с трансмиссией, что обеспечивает машине прямолинейный ход. Отмеченная жесткая связь гусениц является большим достоинством трансмиссии с бортовыми фрикционами. Она обусловливает высокую проходимость машин и прямолинейность их движения. При повороте трактора выключается соответствующий бортовой фрикцион и весь крутящий момент передается через другой бортовой фрикцион. Гусеница, связанная с этим фрикционом, будет забегать вперед, другая же отставать. Трактор начнет разворачиваться по дуге неопределенного радиуса. «Пологость» дуги поворота зависит от разности скоростей движения гусениц: чем она будет больше, тем круче будет разворот.
Планетарный механизм поворота, схема которого приведена на рис. 24, имеет поперечный вал, вращающийся от главной передачи, который заканчивается малыми солнечными шестернями. Большие солнечные шестерни с внутренним зацеплением связаны с тормозными барабанами и ленточными тормозами Тп. Водила планетарных механизмов связаны с ведущими шестернями конечных передач.
Для вращения ведущих звездочек (или водил 3) с одинаковой скоростью необходимо затянуть тормоза Тп до полной остановки шестерен. При этом трактор будет двигаться прямолинейно. Чтобы повернуть трактор, необходимо отпустить правый или левый тормоз Тп, тогда этот планетарный механизм не будет передавать (или будет передавать частично) крутящий момент звездочке гусеницы. При затягивании тормоза Гт радиус поворота уменьшается до значения, равного половине ширины трактора.
Планетарный механизм поворота одновременно выполняет и функцию редуктора с тем или иным передаточным отношением.
Его основным недостатком является сложность регулировки тормозов. Энергопотери в планетарном механизме и бортовом фрикционе практически равны. Планетарные механизмы применяются на трелевочных тракторах ТДТ-60 и ТДТ-75, ТТ-4.
Рекламные предложения:
Читать далее: Кузов грузового автомобиля
Категория: — Механизмы управления автомобилем и трактором
Главная → Справочник → Статьи → Форум
Планетарный механизм поворота | ЖЕЛЕЗНЫЙ-КОНЬ.РФ
Схема поворота с планетарными механизмами используется на гусеничных тракторах Т-4А и ДТ-75МВ. По сравнению с муфтами поворота планетарные механизмы компактны, легки и износостойки. Как и муфты поворота, их можно размещать в боковых либо среднем отсеках заднего моста. В механизме поворота устанавливается пара отдельных планетарных механизмов либо пара механизмов с двойной коронной шестернёй (7) [рис. 1], размещённой в ступице ведомой шестерни (6) главной передачи.
Рис. 1. Схема заднего моста гусеничного трактора с планетарным механизмом поворота.
а) – Устройство планетарного механизма поворота;
б) – Схема взаимодействия механизма поворота;
1) – Ведущая шестерня;
2) – Тормозной барабан;
3) – Пружина;
4) – Тормозной барабан;
5) – Вал;
6) – Ведомая шестерня главной передачи;
7) – Коронная шестерня;
8) – Солнечная шестерня;
9) – Водило;
10) – Сателлиты;
11) – Ведущая шестерня главной передачи;
12) – Тормозная лента;
13) – Тормозная лента.
Коронные шестерни являются ведущим элементом планетарных рядов. Тормозные элементы планетарных рядов – солнечные шестерни (8), на трубчатом валу которых закреплены тормозные барабаны (4) ленточных тормозов (12). Коронные и солнечные шестерни находятся в зацеплении в каждом ряду с тремя цилиндрическими шестернями – сателлитами (10), оси которых принадлежат одной детали – водилу (9).
Вал (5) водила соединён с ведущей шестернёй конечной передачи. На валах закреплены барабаны (2) с тормозными лентами (13), образующие остановочные тормоза, которые предназначены для торможения конечных передач.
Передаточное число планетарного механизма
i к.п=(zк/zс)+1
* где zк и zс – число зубьев венца и солнечной шестерни.
17*
Похожие материалы:
Механизмы поворота гусеничных тракторов — Энциклопедия по машиностроению XXL
В отечественных механизмах поворота гусеничного трактора применяются, как указывалось ранее, только ленточные тормоза. В механизмах с муфтами поворота применяют простые и плавающие тормоза, а в планетарных механизмах — только плавающие (см. рис. 224). [c.340]У ленточных тормозов двухстороннего действия (рис.
53) механизмов поворота гусеничных тракторов зазор между лентой
[c.69]Проверка и регулировка механизма поворота гусеничного трактора (на примере трактора Т-70С). Проверьте положение отпущенных рычагов 1 (рис. 90) управления муфтами поворота при неработающем двигателе. Оба рычага должны находиться в одной плоскости, допускаемое расхождение не более 6 мм.
И УСТРОЙСТВО МЕХАНИЗМОВ ПОВОРОТА ГУСЕНИЧНОГО ТРАКТОРА [c.288]
УСТРОЙСТВО И ПРИНЦИП ДЕЙСТВИЯ МЕХАНИЗМОВ ПОВОРОТА ГУСЕНИЧНОГО ТРАКТОРА [c.178]
В отечественных механизмах поворота гусеничного трактора применяются, как указывалось ранее, только ленточные тормоза. В механизмах с муфтами поворота применяются простые, дифференциальные и плавающие тормоза, схемы действия которых приведены на рис. 13.3. В планетарных механизмах поворота применяются только плавающие тормоза. Фрикционные накладки муфт поворота и ленточных тормозов изготовляются из тех же материалов, что и фрикционные накладки муфт сцепления — в основном из материалов типа КФ-2.
[c.180]
При управлении механизмами поворота гусеничного трактора необходимо соблюдать определенную последовательность действий. При повороте [c.188]
МЕХАНИЗМЫ ПОВОРОТА ГУСЕНИЧНЫХ ТРАКТОРОВ [c.405]
В дифференциальных передачах с двумя степенями свободы оба центральных колеса / и 5 (см. рис. 5.11, а) подвижны. Такие передачи применяют в механизмах поворота гусеничных тракторов, в приводах ведущих колес автомобиля и других механизмах. [c.69]
Механизм поворота служит для получения различных поступательных скоростей правой и левой гусениц, необходимых при повороте гусеничного трактора. Одновременно он выполняет функции тормозов. Механизм поворота должен обеспечивать устойчивое прямолинейное движение трактора и плавный переход от прямолинейного движения к криволинейному, при минимальных потерях мощности. [c.339]
Действие механизмов поворота трактора должно быть правильным и обеспечивать легкий поворот трактора.
Управление трактором на гусеничном ходу осуществляется с помощьк> различного привода его гусениц. Вместо обычного дифференциала устанавливается механизм поворота. При этом необходимо учитывать, что почва вследствие поворота гусеничного трактора повреждается тем больше, чем меньше радиус поворота. Посредством сравнительно простого механизма поворота (фиг. 29) трактор может поворачиваться относительно внутренней гусеницы. Для езды по кругу большого радиуса достаточно выключения привода одной гусеницы. В этом случае трактор приводится в движение только одной внешней гусеницей. [c.834]
Существует два типа механизмов, монтируемых в корпусе заднего моста гусеничных тракторов механизмы с фрикционными муфтами управления движением и поворотами и планетарные механизмы (поворотов.
[c.102]
Описанный выше механизм муфт и тормозов поворота применен на гусеничном тракторе ДТ-55А. Подобную конструкцию муфт и тормозов имеет трактор Т-ЮОМ, но так как у его передаваемый муфтой крутящий момент велик, то для создания большой силы трения применено большее число сжимающих пружин (6 пар) фрикционных дисков. [c.108]
Грейдер Д-241 рассчитан на работу с гусеничным трактором ДТ-54. У него отсутствуют механизмы наклона передних колес, выноса задней оси и поворота дышла. Остальные механизмы управления грейдером Д-241 аналогичны механизмам управления грейдером Д-20Б.
Задний мост гусеничного трактора, так же как и колесного, представляет собой комплекс механизмов трансмиссии, посредством которых происходит увеличение крутящего момента, передаваемого от коробки передач к ведущим колесам (звездочкам), приводящим в движение гусеничный движитель, а также осуществляется поворот трактора и его торможение.
[c.337]
Центральная (главная) передача гусеничного трактора так же, как и главная передача колесного трактора, служит для увеличения крутящего момента, подводимого от коробки передач и передачи его через механизм поворота к гусеницам трактора. [c.338]
Поворот трактора происходит при отключении от трансмиссии той гусеницы, в сторону которой надо сделать поворот. Если отключенную гусеницу притормаживают, то трактор поворачивается на месте. На гусеничных тракторах в качестве механизмов поворота используют фрикционные муфты поворота и планетарный механизм. [c.339]
Задние мосты гусеничных тракторов объединяют также и механизмы поворота дифференциального (рис. 5.29, а), фрикционного (рис. 5.29, 6) и планетарного (рис. 5.29, в) типов. Задний мост гусеничного трактора может состоять из главной передачи 3, конечной передачи 5, тормозов 2 и ведущих звездочек 1, [c.276]Механизмы поворота служат для изменения направления движения или устойчивого прямолинейного движения гусеничного трактора в любых условиях эксплуатации.
Они должны удовлетворять требованиям плавного и быстрого перехода от прямолинейного движения к повороту, и наоборот создавать достаточный поворачивающий момент обеспечивать устойчивое прямолинейное движение и минимальную загрузку двигателя при повороте изменять скорости вращения ведущих колес забегающего и отстающего бортов трактора.
[c.288]
На современных гусеничных тракторах применяют механизмы поворота с одинарным и двойным (параллельным) потоками мощности к ведущим колесам В свою очередь, механизмы с одинарным потоком разделяются на механизмы с од ной и двумя степенями свободы. Меха [c.288] Торможение гусеничных тракторов с муфтами поворота и планетарным механизмом поворота происходит от одновременного включения остановочных тормозов I (см. рис. 5.38) и 2 (см. рис. 5.39). [c.361]
Механизмы управления.
Предназначены для изменения направления движения трактора, к ним относятся направляющие колеса, рулевое управление у колесных тракторов и механизмы поворота (муфты поворота, планетарные и другие механизмы) у гусеничных машин.
[c.16]
Тормоза гусеничного трактора входят составной частью в его механизм поворота. Помимо функции торможения при движении или стоянке, тормоза служат для совершения более крутых поворотов трактора. [c.174]
По числу фиксированных радиусов различают одно-, много- и бесступенчатые механизмы поворота. В отечественных гусеничных тракторах применяют одно- и двухступенчатые механизмы поворота. [c.174]
В отличие от колесных тракторов корпус 4 заднего моста гусеничного трактора состоит из трех отсеков б среднем размещается центральная передача, в двух крайних — механизмы поворота. Конечные передачи всегда размещаются в отдельных литых картерах 5 по бокам корпуса 4 заднего моста.
[c.
174]
Центральная передача соединяет вторичный вал коробки передач с механизмами поворота. В отечественных гусеничных тракторах она выполняется парой конических шестерен, имеющих передаточное число от 2,5 до 4,0. В том случае если механизмами поворота являются фрикционные муфты (как на [c.174]
Конечные передачи гусеничного трактора (см. рис. 14.1) соединяют ведущие колеса 9 (звездочки) гусеничных движителей с выходными валами 6 механизмов поворота трактора. В отечественных тракторах применяются одно- и двухступенчатые передачи, имеющие передаточные числа 4,5—10, монтируемые в двух отдельных литых чугунных или стальных картерах 5, жестко закрепленных, как указывалось ранее, по бокам корпуса 4 заднего моста. На рис. 14.1, а. [c.176]
Схемы механизмов поворота представлены на рис. 14.1. В отечественных гусеничных тракторах наибольшее распространение имеют сухие постоянно замкнутые фрикционные многодисковые муфты поворота (обозначенные буквой М на рисунках), установленные в отдельных боковых отсеках корпуса заднего моста.
Они соединяют выходные концы вала 1 центральной передачи с ведущими валами б конечных передач трактора. Каждая муфта состоит из ведущего барабана, закрепленного на валу 1, ведомого барабана, закрепленного на валу б, и комплекта ведущих и ведомых дисков, замкнутых посредством пружинного нажимного механизма. Для увеличения момента трения муфты по обеим сторонам ее ведомых стальных дисков приклепываются фрикционные кольцевые накладки из материала, имеющего высокий коэффициент трения.
[c.178]
При этом способе поворота положение колес относительно остова трактора во время поворота не меняется. Изменение направления движения происходит вследствие того, что на правых и левых колесах создаются касательные силы тяги неодинаковой величины. На приведенной схеме стрелками показано, в качестве возможного варианта, что эти силы направлены в разные стороны. Регулирование касательных сил тяги достигается механизмами поворота того или иного типа,, аналогичными применяемым на гусеничных тракторах.
[c.361]
Сварная жесткая стрела 2 погрузчика охватывает трактор снаружи. Цапфы 12 шарниров поворота стрелы расположены на рамах 13 гусеничных тележек в непосредственной близости от шарнира поворота тележек, чтобы при движении погрузчика по неровной поверхности относительные перемещения толкающих элементов стрелы были наименьшими. Подъем и опускание стрелы 2 и разгрузка ковша 4 осуществляются посредством рычажного механизма при помощи двух гидроцилиидров 7 двойного действия. [c.15]
Вал ведущего колеса передает крутящий момент от дифференциала (автомобили и колесные тракторы) или механизма поворота (гусеничные тракторы) к ведущему колесу. Полуоси и валы ведущих колес в зависимости от воспринимаемой нагрузки подразделяются на по-луразгруженные (кручение и усилие при заносе), разгруженные на (кручение и боковые усилия) и разгруженные (только кручение). Последние применяют на большинстве грузовых сельскохозяйственных автомобилей (КамАЗ, ЗИЛ, ГАЗ) и тракторах К-701, Т-150К, МТЗ-80, МТЗ-82 и др.
Полуразгружен-ные полуоси применяются на легковых автомобилях, разгружение на полуоси применяют на некоторых легковых и грузовых автомобилях небольшой грузоподъемности.
[c.288]
В качестве механизмов поворота гусеничных тракторов получили распространение муфты поворота и планетарные механизмы, методика расчета которых была приведена в гл. ХХХП1 ( 33.1 и 33.2) и гл. XXXV ( 35.2). [c.405]
Задний мост гусеничного трактора схематически представлен на рис. 225. Крутящий момент от вторичного бала 3 коробки передач передается через конические шестерни 2 и / (центральная передача) на вал 4 муфт поворота. Далее крутящий момент передается через ведущую 5 и ведомую 6 части фрикционных муфт поворота трактора и цилиндрические шестерни 7 и 9 конечной передачи на ведущие колеса-звездочки 8 трактора. При включении тормозногр устройства 10 затормаживается ведомый барабан муфт поворота и быстрее останавливается гусеничная цепь. Указанные механизмы смонтированы в картерах И заднего моста и 12 конечной передачи.
[c.338]Трогание с места сильно нагруженного гусеничного трактора (в особо тяжелых условиях). Чтобы не пфегрузить и не вывести из строя сцепление, в особо тяжелых условиях для трогания трактора с места надо воспользоваться механизмом поворота в т акой последовательности выключите сцепление, включите нужную передачу, выключите оба рычага поворота трактора, включите сцепление, увеличьте подачу топлива и, плавно отпуская одновременно оба рычага поворота, начните движение трактора. [c.54]
Отличительной особенностью заднего моста является наличие в нем специальных механизмов поворота, являющихся агрегатами органов управления гусеничным трактором. Принцип действия механизмов поворота основан на регулировании крутящих моментов, подводимых к ведущим колесам (звездоч- [c.173]
При возникновении разности в угловых скоростях полуосей коронная шестерня приходит в движение и действует на регулятор числа оборотов двигателей.
В этих условиях работы Д. недупшми валами являются обе его полуоси, а коробка Д. играет роль ведомого вала. В автомобилях, тракторах и танках движение от двигателя через промежуточные механизмы подводится к коробке Д., к-рая в этом случае является ведуцщм звеном, а полуоси Д. — ведомыми валами. Такое включение Д. между валами дает возможность задним ведущи.м колесам автомобиля двигаться без скольжения при повороте последнего. В гусеничных машинах это дает возможность осуществить поворот. В банкаброшах и металлорежущих станках (зуборезных типа Пфаутер, Рейне-кер, в токарно-ватыловочных автоматах и др.) в качестве ведомого вала используется одна из полуосей Д., а другая полуось и коробка Д. являются ведущими. Такая схема включения Д. в систему зубчатых передач дает возможность ведомому валу сообщить два независимых движения одно через полуось, а другое через коробку Д. В металлообрабатывающих станках это необходимо при нарезке шестерен оа спиральными зубьями, для снятия затылков в червячных «фрезах и в других работах.
[c.438]
Торайгырова Кафедра «Транспортное машиностроение»
Министерство образования и науки Республики КазахстанПавлодарский государственный университет им. С. Торайгырова
Кафедра «Транспортное машиностроение»
КОНСТРУКЦИЯ АВТОМОБИЛЕЙ И ТРАКТОРОВ
Методические указания по дисциплине «Конструкция автомобилей и тракторов» для лабораторной и практической работы студентов специальностей 280140 и 280440
(для внутривузовского пользования)
Павлодар
УТВЕРЖДАЮ
Проректор по УР
______ Н.Э. Пфейфер
«_____»_________ 2003г.
Составители: к.т.н., профессор Токтаганов Т.Т.,
ст. преподаватель Шевченко В.Я.
профессор Гордиенко А.Н.
Кафедра «Транспортное машиностроение»
Утверждено на заседании кафедры «____»________ 2002г.,
протокол №_____
Заведующий кафедрой ________________ Токтаганов Т.Т.
Одобрено учебно-методическим советом института строительства, транспорта и машиностроения «_____»__________ 2002г.
,
протокол №______
Председатель УМС ________________ Дудак Н.С.
СОГЛАСОВАНО
Директор института ____________ Кудерин М.К. «____»______ 2003г.
Одобрено УМО
Начальник УМО ____________ Амбарников Г.А. «____»______ 2003г.
Н/К отдел МКО АД __________ Баяхметова Г.С. «____»______ 2003г.
Содержание
| Введение | 5 | |
| 1 | Правила поведения и основные требования безопасности при выполнении лабораторных работ | 6 |
| 2 | Порядок выполнения лабораторных работ, сдачи отчета | 7 |
| 3 | Конструкция автомобилей и тракторов | 8 |
| Лабораторная работа 1. Общее устройство, классификация и типаж тракторов | 9 | |
| Лабораторная работа 2. Общее устройство, классификация и типаж автомобилей | 13 | |
| Лабораторная работа 3. Постоянно-замкнутые муфты сцепления | 17 | |
| Лабораторная работа 4. Непостоянно-замкнутые муфты сцепления тракторов | 24 | |
| Лабораторная работа 5. Приводы механизмов выключения муфт сцепления автомобилей и тракторов | 29 | |
| Лабораторная работа 6. Ступенчатые коробки передач с подвижными каретками | 34 | |
| Лабораторная работа 7. Ступенчатые коробки передач с шестернями постоянного зацепления и переключением передач индивидуальными фрикционными муфтами | 39 | |
| Лабораторная работа 8. Гидродинамические трансформаторы | 43 | |
| Лабораторная работа 9. Раздаточные коробки | 49 | |
| Лабораторная работа 10. Карданные передачи | 53 | |
| Лабораторная работа 11. Главные передачи автомобилей и тракторов | 57 | |
| Лабораторная работа 12. Дифференциалы ведущих мостов автомобилей и тракторов | 62 | |
| Лабораторная работа 13. Колесные и бортовые редукторы автомобилей и тракторов | 66 | |
| Лабораторная работа 14. Механизмы поворота гусеничных тракторов | 70 | |
| Лабораторная работа 15. Тормоза гусеничных тракторов | 73 | |
| Лабораторная работа 16. Приводы управления механизмами поворота гусеничных тракторов | 78 | |
| Лабораторная работа 17. Тормозные механизмы автомобилей и колесных тракторов | 81 | |
| Лабораторная работа 18. Приводы тормозных механизмов автомобилей и колесных тракторов | 86 | |
| Лабораторная работа 19. Ходовые системы колесных тракторов | 93 | |
| Лабораторная работа 20. Ходовые системы гусеничных тракторов | 98 | |
| Лабораторная работа 21. Рулевое управление колесных тракторов | 109 | |
| Лабораторная работа 22. Рулевое управление автомобилей | 116 | |
| Лабораторная работа 23. Гидравлические системы тракторов | 119 | |
| Лабораторная работа 24. Механизмы навески тракторов | 135 | |
| Лабораторная работа 25. Валы отбора мощности тракторов | 140 | |
| Лабораторная работа 26. Кабины тракторов и их оборудование | 145 |
Введение
Настоящие методические указания составлены в соответствии с программами курсов «Конструкция автомобилей и тракторов», «Автомобили и тракторы» и содержат краткие указания по правилам поведения, техники безопасности при выполнении лабораторных работ, по подготовке и проведению лабораторных работ, а также оформлению отчетов. Выполнение лабораторных работ является обязательным для студентов специальности 2801 и 2804 всех форм обучения при изучении курса «Конструкция автомобилей и тракторов» и «Автомобили и тракторы».![]()
Методические указания по выполнению лабораторных работ содержат рекомендации по самостоятельной подготовке студентов. Общие сведения, содержащиеся в методических указаниях конкретной лабораторной работы, позволяет студенту понять суть лабораторной работы, не пользуясь учебной литературой, если он прослушал лекцию. Задание для подготовки к выполнению лабораторной работы позволяет повторить и закрепить материал лекции или проработать его самостоятельно, если была пропущена лекция.
Каждый раздел методических указаний по выполнению конкретной лабораторной работы углубляет знания по данной теме. Выполнение лабораторной работы предусматривает изучение конструкции по образцам и плакатам, а также разборку и сборку узлов автомобилей и тракторов. Отчет дает возможность проверить подготовленность студента по данной теме, побуждает его искать ответы на вопросы во время лабораторной работы.
Приведенные контрольные вопросы характеризуют объективное отношение преподавателя ко всем студентам, так как каждый студент имеет возможность ознакомиться с перечнем вопросов при самостоятельной подготовке к выполнению лабораторной работы и сдачи отчета.
Методические указания состоят из трех разделов:
В первом разделе приведены общие правила и основные требования техники безопасности при выполнении лабораторных работ.
Во втором разделе приведен общий порядок выполнения лабораторных работ, а в третьем методические указания по выполнению 26 лабораторных работ.
1 Правила поведения и основные требования техники безопасности при выполнении лабораторных работ
1.1 Распорядок работы в лабораториях
1.1.1 Перед началом лабораторных работ студенты должны ознакомиться с настоящими правилами, а преподаватель обязан провести инструктаж по технике безопасности, должен расписаться в кафедральном журнале и журнале лабораторных работ. Студенты, не прошедшие инструктаж и не расписавшиеся в журнале, к выполнению лабораторных работ не допускаются.
1.1.2 Для проведения лабораторных работ академическая группа делится на две постоянные подгруппы. В каждой подгруппе назначается дежурный (старший), в обязанности которого входит:
— подготовить мел, тряпку, протереть доску;
— перед началом занятий получить у учебного мастера инструмент и необходимые учебно-методические пособия;
— поддержание строгого соблюдения дисциплины и правил внутреннего распорядка каждым студентом подгруппы во время проведения лабораторных работ;
— после окончания занятий сдать полученный инструмент и учебно-методические пособия учебному мастеру.
1.1.3 Студентам запрещается:
— посещать занятия в верхней одежде;
— выносить из лаборатории детали, приборы и вносить посторонние предметы;
— курить;
— ходить во время занятий без надобности по лаборатории или подходить к другим рабочим местам, трогать руками включенные приборы и аппаратуру, самовольно разбирать или приводить в действие образцы, макеты и другое оборудование, если оно не предусмотрено выполняемой лабораторной работой;
— писать на столах и плакатах, портить лабораторное имущество, оставлять бумагу и мусор в столах, образцах и макетах;
— производить приборами и другим оборудование действия, противоречащие технике безопасности.
1.2 Основные требования техники безопасности
1.2.1 При выполнении лабораторных работ включать и приводить в действие приборы, установки и другое оборудование можно только с разрешения преподавателя или учебного мастера после изучения их устройства и требований техники безопасности.
1. 2.2 Разборку, сборку и регулировку агрегатов, а также привод их в действие следует производить в соответствии с методическими указаниями.
1.2.3 В процессе выполнения работ необходимо пользоваться гаечными ключами, размеры которых соответствуют размерам гаек; не допускается вставки между гранями гаек и зевом ключа, а так же наращивать ключи другими гаечными ключами.
1.2.4 Запрещается проверять пальцем совпадение отверстий в соединяемых деталях; для этих целей следует пользоваться слесарным ободком.
1.2.5 Не допускается работа с неисправным инструментом.
1.2.6 Нельзя класть инструмент и снятые с машины детали на край монтажного стола или оставлять на разбираемой машине.
1.2.7 Машины, поднимаемые домкратом и удерживаемые в этом положении, надо прочно устанавливать на козлы или подставки.
1.2.8 При завертывании гаек головки болтов от проворачивания нужно удерживать гаечным ключом; не допускается удерживать их руками.
1.2.9 В случае проникновения пожара преподаватель вместе со старостой группы и дежурными принимают меры по ликвидации пожара:
— староста группы выключает общий рубильник;
— преподаватель с дежурными обеспечивает эвакуацию студентов из лаборатории и принимают меры к ликвидации пожара, используя средства тушения, а при необходимости, сообщают о пожаре по телефону 01.
За нарушение настоящих правил и требований техники безопасности виновные несут ответственность в установленном порядке.
2 Порядок выполнения лабораторных работ, сдачи отчета
Тематика и очередность выполнения лабораторных работ определяется программой курса и сообщается преподавателем на первом занятии группы.
Лабораторные работы выполняются в соответствии с расписанием учебных занятий. Подготовка рабочих мест производится учебным мастером по указанию преподавателя. Работа студентов на рабочем месте производится в соответствии с методическими указаниями к каждой лабораторной работе.
Студент должен быть подготовлен к выполнению очередной лабораторной работы, изучив необходимый материал учебных и методических пособий. Проверить степень подготовленности к выполнению лабораторной работы студент может по контрольным вопросам, которые приводятся в методических указаниях.
Отчет по лабораторной работе составляется каждым студентом самостоятельно. Задания лабораторных работ, имеющие варианты, выполняются в соответствии с последней цифрой номера зачетной книжки (таблица 1).
Отчет оформляется чернилами; схемы и графики вычерчиваются простым карандашом с использованием чертежных инструментов.
Форма проведения зачета — собеседование по всем темам лабораторных занятий.
Общий зачет по лабораторным работам выставляется студенту после выполнения им всех работ, оформления и защиты отчетов.
Отчет по выполненной лабораторной работе представляется преподавателю после выполнения экспериментальной части, как правило, на очередном занятии.
Таблица 1 — Определения марки трактора и автомобиля
| Последняя цифра номера зачетной книжки | 1 | 2 | 3 | 4 | 5 |
| Марка трактора | Т-40М | Т-28ХЧМ | МТЗ-80 | ДТ-175С | T-150K |
| Марка автомобиля | КрАЗ-25751 | МАЗ-5335 | КамАЗ-5310 | Урал- 4320 | КамАЗ- 4310 |
| Последняя цифраномера зачетной книжки | 6 | 7 | 8 | 9 | 10 |
| Марка трактора | ДТ-75М | Т-4А | T-130M | T-150 | K-701 |
| Марка автомобиля | ЗИЛ-130 | ГАЗ-53А | УАЗ-469 | Москвич-2140 | ВАЗ-2101 |
3 Конструкция автомобилей и тракторов
В настоящем разделе приведено содержание лабораторных работ по конструкции автомобилей и тракторов.
Количество и тематика лабораторных работ охватывает все разделы курса «Конструкция автомобилей и тракторов». Они предусматривают практическую работу по разборке, сборке и регулировке узлов автомобилей и тракторов, наиболее полно отвечающих современным требованиям.
Лабораторная работа 1
Общее устройство, классификация и типаж тракторов
Цель работы — изучить общее устройство тракторов, их классификацию, принцип построения и назначение типажа тракторов, основные технические характеристики.
1 Общие сведения
Трактор состоит из силовой установки, трансмиссии, ходовой части, остова трактора, рабочего места водителя, внешнего оперения и рабочего оборудования.
Силовая установка включает двигатель и обслуживающие его работу системы: питания, охлаждения, смазки.
Трансмиссия объединяет муфту сцепления, карданную передачу, коробку передач, главную передачу, механизм поворота, конечные передачи.
Ходовая часть колесных тракторов состоит из ведущих и направляющих колес, а также их подвески, соединяющей с остовом трактора.
Ходовая часть гусеничных тракторов состоит из движителя, который включает гусеницы, ведущие и направляющие колеса, опорные катки, поддерживающие ролики и подвеску.
Рабочее оборудование включает прицепное устройство, механизм навески, автосцепку, гидравлическое оборудование для управления навесными и прицепными машинами, вал отбора мощности, приводной шкив.
Тракторы классифицируются по назначению, типу ходовой части, типу двигателя и номинальному тяговому усилию.
По назначению: сельскохозяйственные и промышленные.
По типу ходовой части: гусеничные и колесные.
По типу двигателя: дизельные и карбюраторные.
По номинальному тяговому усилию: тракторы тяговых классов 0,2; 0,6; 0,9; 1,4; 2; 3; 4; 5; 6; 8; 10; 15; 25; 35; 75; 100.
Для планового развития отечественного тракторостроения периодически разрабатывается перспективный типаж тракторов. Это экономически целесообразный набор оптимальных типоразмеров тракторов. Типаж состоит из классов, которые определяют габаритные размеры трактора.
В качестве основного параметра трактора при разработке типажа принято номинальное тяговое усилие.
Номинальное тяговое усилие — это усилие, которое развивает трактор на стерне средней плотности и нормальной влажности почвы (8-18 %) в зоне максимального значения тягового КПД при эксплуатационной массе, предусмотренной технической характеристикой (для колесных тракторов с балластным грузом), при предельном буксовании 18 % для 3К2 и 4К2, 16 % для 4К4 и 5 % для гусеничных тракторов.
В типаже устанавливаются основные технические характеристики базовых моделей тракторов: тяговый класс, назначение, конструктивная масса, мощность двигателя, тип ходовой части, диапазон скоростей, модификации.
Базовая модель трактора — наиболее распространенная и универсальная модель в данном тяговом классе, имеющая специализированные по назначению или области применения унифицированные модификации.
Модификация трактора — специализированный по назначению трактор, унифицированный с базовой моделью по основным сборочным единицам и системам, при этом, назначение и область применения модификаций могут отличаться от базовой модели.
2 Задание для подготовки к выполнению лабораторной работы
2.1 Изучить компоновки гусеничных и колесных тракторов, расположение и назначение узлов и механизмов. Достоинства и недостатки гусеничных и колесных тракторов;
2.2 Изучить классификацию тракторов и их маркировку; дать классификацию тракторов МТЗ-80, Т-4А, T-150K, ДТ-75М, Т-28ХЗ.
2.3 Изучить основные технические характеристики тракторов в соответствии с вариантом.
2.4 Уяснить основные принципы разработки перспективного типажа тракторов.
3 Порядок выполнения лабораторной работы
3.1 Продолжительность работы — 2 часа.
3.2 Оборудование: плакаты общих видов тракторов, учебники по тракторам, натурные образцы тракторов.
3.3 Используя учебники, учебные пособия, плакаты и натурные образцы, изучить расположение и взаимосвязь узлов и механизмов тракторов. Установить тип двигателя, число цилиндров, место его установки на тракторе. Определить тип трансмиссии и её узлов, ходовой части, остова, кабины.
Выяснить состав рабочего оборудования.
4 Отчет
4.1 Определите основные механизмы гусеничного трактора на рисунке 1 и проставьте их номера в тексте под рисунком.
— рама; — двигатель; — каретка подвески; — муфта сцепления; — задний мост; — радиатор; — ведущее колесо; — карданная передача; — конечная передача; — поддерживающий ролик; — амортизационно — натяжное устройство; — коробка переменных передач; — гусеница; — направляющее колесо.
Рисунок 1 — Схема расположения механизмов гусеничного трактора
4.2 Внесите в таблицу 2 данные по трактору в соответствии с Вашим вариантом.
Таблица 2
| Марка трактора | |
| Тяговый класс трактора | |
| Мощность двигателя, кВт (л.с.) | |
| Конструктивная масса, кг | |
| Эксплуатационная масса, кг | |
| Продольная база, мм | |
| Колея, мм | |
| Габариты, мм: длина ширина высота | |
| Скорость движения, м/с (км/ч) наименьшая наибольшая | |
| Тяговые усилия, кН (кгс) наибольшее наименьшее |
Контрольные вопросы
1.
Из каких частей состоит гусеничный трактор?
2. Из каких частей состоит колесный трактор?
3. Какие узлы входят в трансмиссию трактора?
4. Какие узлы составляют ходовую часть гусеничного и колесного тракторов?
5. Какие механизмы и системы относятся к рабочему оборудованию?
6. По каким признакам классифицируются тракторы?
7. Что называется перспективным типажом тракторов?
8. Каков принцип построения перспективного типажа тракторов?
9. Основные технические характеристики тракторов?
10.Что называется базовой моделью трактора и модификацией?
Литература
1. Советские тракторы/ Под ред. И.Б. Барского. — М.: Машиностроение, 1979. — С.3-17.
2. Гельман Б.М., Москвин М.В. Сельскохозяйственные тракторы и автомобили. Кн.1. Двигатели. — М.: Агропромиздат, 1987. — С.3-19.
3. Родичев В.А., Родичева Г.И. Тракторы и автомобили, — 2-е изд., перераб. и доп. — М.: Агропромиздат, 1986. — С.7-13.
Лабораторная работа 2
Общее устройство, классификация и типаж автомобилей
Цель работы — изучить общее устройство и компоновку автомобилей, их классификацию и основные технические характеристики, принцип построения и назначение типажа автомобилей.
1 Общие сведения
Автомобиль состоит из трех основных частей: двигателя, шасси и кузова.
Двигатель преобразует тепловую энергию топлива при его сгорании в механическую, которая через механизмы трансмиссии приводит во вращение ведущие колеса автомобиля.
Шасси состоит из трансмиссии, ходовой части и системы рулевого управления.
Трансмиссия включает: сцепление, главную передачу, карданную передачу, коробку передач, дифференциал и полуоси. Главная передача, дифференциал и полуоси составляют ведущий мост.
Ходовая часть состоит из рамы, на которой устанавливаются кузов и все механизмы автомобиля, подвески (рессоры и амортизаторы), передней и задней осей и колес.
Система рулевого управления включает: рулевой механизм, рулевой привод и тормозную систему.
Кузов — устанавливается на шасси автомобиля и предназначен для размещения водителя и пассажиров в легковом автомобиле и автобусе и груза в грузовом. К кузову грузового автомобиля относится платформа для груза, кабина шофера, капот и оперение.
Автомобили классифицируются по назначению, приспособленности к дорожным условиям и по различным конструктивным признакам. По назначению автомобили делятся на пассажирские, грузовые и специальные.
Легковые автомобили делятся на классы в зависимости от рабочего объема двигателя, автобусы — по габаритным размерам, грузовые по грузоподъемности.
Для планового развития отечественного автомобилестроения периодически разрабатывается перспективный типаж автомобилей.
Основные принципы создания перспективного типажа:
— типы автомобилей должны соответствовать транспортным, дорожным и климатическим условиям страны; должны наиболее полно удовлетворяться потребности в автомобильном транспорте при минимальном количестве базовых моделей и широкой унификации узлов и деталей;
— должен учитываться опыт отечественного и мирового автомобилестроения и перспективы развития отраслей потребителей;
— вновь создаваемые автомобили должны иметь высокие технико-экономические показатели и резервы для дальнейшего повышения их технического уровня.
В типаже устанавливаются основные технические характеристики базовых моделей автомобилей: грузоподъемность или количество мест; конструктивная масса автомобиля; мощность двигателя.
Назначение автомобиля и его модификации.
Базовая модель автомобиля — наиболее распространенная и универсальная модель в данном классе.
Модификация автомобиля — специализированный по назначению автомобиль, унифицированный с базовой моделью по основным сборочным единицам и системам.
2 Задание для подготовки к выполнению лабораторной работа
2.1 Изучить компоновки автомобилей различного назначения, расположение и назначение узлов и механизмов. Достоинства и недостатки разных компоновок.
2.2 Изучить классификацию автомобилей и их маркировку. Расшифровать марки автомобилей КамАЗ-5320, Урал-4320, Урал-4420, ВАЗ-2108, ЛАЗ-4201.
2.3 Изучить основные технические характеристики автомобилей в соответствии с вариантом.
2.4 Уяснить основные принципы создания перспективного типажа автомобилей.
3 Порядок выполнения лабораторной работы
3.1 Продолжительность работы — 2 часа.
3.2 Оборудование: плакаты общих видов автомобилей, учебники, натурный образец автомобиля.
3.3 Пользуясь учебниками, учебными пособиями, плакатами рассмотреть расположение и взаимосвязь узлов и механизмов автомобилей. Установить тип двигателя, число цилиндров, место его установки на автомобиле. Определить тип трансмиссии и её узлов, ходовой части и кузова.
4 Отчет
4.1 Определите основные механизмы грузового автомобиля на рисунке 2 и проставьте номера их позиций в тексте под рисунком.
4.2 Внесите в таблицу 3 данные по автомобилю в соответствии с Вашим вариантом.
— двигатель; — радиатор; — рама; — муфта сцепления; — управляемые колёса; — коробка передач; — рулевое управление; — карданная передача; — ведущий мост; — кабина; — ведущие колёса; — тормозная система; — грузовая платформа.
Механизмы поворота гусеничных тракторов — PDF Free Download
Планетарная передача
Планетарная передача В коробке передач AW F21 используется две планетарных передачи 1 : одноступенчатая и двухступенчатая.
Передачи этого типа называются планетарными передачами Ravignaux и обеспечивают
Вспомогательный регулятор давления.
Вспомогательный регулятор давления Для поддержания постоянного давления подпитки гидротрансформатора и в системе смазки АКПП, в системе управления используется вспомогательный регулятор давления. Принцип
ПодробнееОсновные механизмы и системы трактора
Основные механизмы и системы трактора Трактор представляет собой сложный комплекс механизмов и систем, выполняющих определенные функции, которые принято подразделять на следующие основные группы: двигатель,
ПодробнееУЧЕБНОЕ ПОСОБИЕ трактор МТЗ-1221 «Беларус»
Управление образования и науки Тамбовской области Государственное образовательное учреждение среднего профессионального образования «Аграрно-технологический техникум» с.
сампур, Тамбовской области. УЧЕБНОЕ
Проверьте ваши знания
Проверьте ваши знания 1. При использовании механической коробки передач крутящий момент двигателя передается на нее через сцепление. Эту функцию в автоматической трансмиссии выполняет: 2. Крутящий момент
ПодробнееТНВД дизельного двигателя ЯМЗ-238
ТНВД дизельного двигателя ЯМЗ-238 Топливный насос ТНВД дизельного двигателя ЯМЗ-238 автомобилей Маз, Краз, Урал, трактора К-700 в сборе показан на рис. 14. Рис. 14. ТНВД ЯМЗ-238 1 топливный насос высокого
ПодробнееИсследование потерь на трение в фрикционных муфтах с гидроподжатием в коробках передач Дмитриев М.И., Евтушик О.В., Иванов И.В., Коробейников И.Т.
Исследование потерь на трение в фрикционных муфтах с гидроподжатием в коробках передач Дмитриев.
И., Евтушик О.В., Иванов И.В., Коробейников И.Т., Крючков В.А., Прищепенко А.Н., Пьяных Л.В., Раскин А..,
Глава 1. Структура раздаточной коробки
Раздаточной коробкой оснащаются автомобили, используемые в коммунальном хозяйстве, и военные тягачи с типом привода 6х6 и 8х8. Ее основная роль заключается в том, что крутящий момент двигателя передается
ПодробнееТЕМА 3 СЦЕПЛЕНИЕ. ТРАНСМИССИЯ
ТЕМА 3 ТРАНСМИССИЯ. СЦЕПЛЕНИЕ. — 1 — ТЕСТ 1 I. Какие из перечисленных функций не выполняет трансмиссия? 1) Изменяет значение крутящего момента, передаваемого от двигателя к ведущим колесам. 2) Обеспечивает
ПодробнееТЕХНИЧЕСКОЕ ОПИСАНИЕ
Назначение 1 ТЕХНИЧЕСКОЕ ОПИСАНИЕ Гусеничные тракторы ВТГ-90А и ВТГ-90М, сельскохозяйственные и промышленные модификации на их базе Тракторы ВТГ-90А и ВТГ-90М (гусеничные) сельскохозяйственные, общего
ПодробнееАвтоматические трансмиссии VW Service Training
1 2 AB 136 Автоматические трансмиссии VW 3 Содержание курса Введение Органы управления Гидротрансформатор Планетарная передача Система управления Обслуживание АКП Диагностика и ремонт Контрольный тест
ПодробнееИсследования, конструкции, технологии
12 УДК 62911012 АНАЛИЗ РАБОТЫ ЗУБЧАТЫХ МУФТ, ИСПОЛЬЗУЕМЫХ В КАЧЕСТВЕ ЭЛЕМЕНТОВ УПРАВЛЕНИЯ АВТОМАТИЧЕСКОЙ КОРОБКИ ПЕРЕДАЧ ZF 9HP С А Харитонов, к т н / Московский государственный технический университет
ПодробнееАнтиблокировочная система тормозов
17.
35. Антиблокировочная система тормозов Модулятор переднего колеса основной режим торможения А. ВХОД МОДУЛЯТОРА (ОТ ГЛАВНОГО ТОРМОЗНОГО ЦИЛИНДРА) В. ВЫХОД МОДУЛЯТОРА (К КОЛЕСНОМУ ЦИЛИНДРУ) 501. НОРМАЛЬНО
Трансмиссия 20A СЦЕПЛЕНИЕ
Трансмиссия СЦЕПЛЕНИЕ — 2 Сцепление с гидравлическим приводом — Функциональная схема — 3 Сцепление с гидравлическим приводом — Инструмент и приспособления — 4 Сцепление с гидравлическим приводом — Жалобы
Подробнее10 Рулевое управление
10 Рулевое управление 115 Рулевое управление служит для обеспечения движения автомобиля в заданном направлении. Рулевое управление состоит из рулевого механизма и рулевого привода. Рулевой механизм передает
ПодробнееMEХАНИЧЕСКИЕ ПЕРЕДАЧИ
Механизм- система искусственно соединенных элементарных тел (звеньев), в которой при заданном движении одного или нескольких звеньев, все остальные звенья движутся определенным образом.
Рычажные механизмы-
БЕЛАРУС 1022/
БЕЛАРУС 1022/1022.2 1022.3 1022-0000010 РЭ РУКОВОДСТВО ПО ЭКСПЛУАТАЦИИ ( тракторов Беларус 1021) Издание второе, переработанное и дополненное ГСКБ МТЗ 2008 1 СОДЕРЖАНИЕ 1 Корпус сцепления…….3 2. Коробка
ПодробнееУЗОЛА ЗВМ ЗАВОД ВЕЗДЕХОДНЫХ МАШИН
УЗОЛА ЗВМ-24111 Общие сведения Короткобазные модификации снегоболотохода «Узола» выпускаются в грузовом и пассажирском исполнениях, имеют заднее расположение ведущей звезды. Их габаритные размеры полностью
ПодробнееПредставляет Титаренко Д.Н.
1 Тема 17. Планетарные механизмы и их свойства. 0,5 час. 17.1. Требования к автоматическим трансмиссиям; 17.2. Гидравлическое передаточное устройство и режимы его работы; 17.3. Почему и как в АКПП применяют
Подробнее13.
Приложения ТЕСТОВОЕ ЗАДАНИЕ 113. Приложения ТЕСТОВОЕ ЗАДАНИЕ 1 Приложение А Примеры тестовых заданий 1. Кто построил первый работоспособный поршневой ДВС? Варианты ответов: 1. Н. Отто; 2. Р. Дизель; 3. Ленуар; 4. Ф. Ванкель; 5. Стирлинг.
ПодробнееТрансмиссия. Общее устройство
Трансмиссия. Общее устройство Трансмиссия состоит из ряда взаимодействующих между собой агрегатов, которые передают крутящий момент от коленчатого вала двигателя на ведущие колеса, изменяя частоту и направление
ПодробнееУстройство климатической установки
Устройство климатической установки Компрессор Компрессоры климатических установок представляют собой нагнетатели вытеснительного типа. Они работают только тогда, когда включена климатическая установка;
ПодробнееRU (11) (51) МПК B62D 11/08 ( )
РОССИЙСКАЯ ФЕДЕРАЦИЯ (19) RU (11) (51) МПК B62D 11/08 (2006.
01) 170 091 (13) U1 R U 1 7 0 0 9 1 U 1 ФЕДЕРАЛЬНАЯ СЛУЖБА ПО ИНТЕЛЛЕКТУАЛЬНОЙ СОБСТВЕННОСТИ (12) ОПИСАНИЕ ПОЛЕЗНОЙ МОДЕЛИ К ПАТЕНТУ (21)(22)
ГИДРАВЛИЧЕСКИЕ И ПНЕВМАТИЧЕСКИЕ ПРИВОДЫ.
Лекция 5 ГИДРОРАСПРЕДЕЛИТЕЛИ 5.1. Общие сведения При эксплуатации гидросистем возникает необходимость изменения направления потока рабочей жидкости на отдельных ее участках с целью изменения направления
ПодробнееУЗОЛА ЗВМ ЗАВОД ВЕЗДЕХОДНЫХ МАШИН
УЗОЛА ЗВМ-24112 Общие сведения Короткобазные модификации снегоболотохода «Узола» выпускаются в грузовом и пассажирском исполнениях, имеют заднее расположение ведущей звезды. Их габаритные размеры полностью
ПодробнееХАРЬКОВСКОЕ ОАО «ГИДРОПРИВОД»
ХАРЬКОВСКОЕ ОАО «ГИДРОПРИВОД» НАСОСЫ РАДИАЛЬНО-ПОРШНЕВЫЕ РЕГУЛИРУЕМЫЕ типа 50 НРР УСТРОЙСТВО И РАБОТА Харьков 2004 г.
1. НАСОС РАДИАЛЬНО-ПОРШНЕВОЙ РЕГУЛИРУЕМЫЙ Приводной эксцентриковый вал 1 (рис. 8) насоса
Плавающий снегоболотоход
A-ATV Плавающий снегоболотоход WORKS FOR YOU. A-ATV ПРОЙДЕТ ВЕЗДЕ Уникальное транспортное средство для экстремальных условий Сочетание наибольшей тяги в болотах и на льду с возможностью преодоления водных
ПодробнееОписание и принцип работы АБС
Описание и принцип работы АБС Данный автомобиль оборудован тормозной системой Continental Teves Mk25E. Электронный модуль управления тормозной системы и клапан гидроагрегата АБС обслуживаются отдельно.
ПодробнееМеханизмы поворота гусеничных тракторов » Ремонт Строительство Интерьер
Классификация механизмов поворота и предъявляемые к ним требования. Поворот гусеничного трактора обеспечивается специальными механизмами поворота, которые классифицируются по следующим признакам:
• числу фиксированных радиусов — одноступенчатые, многоступенчатые и бесступенчатые;
• характеру изменения скорости движения — с постоянной скоростью забегающей гусеницы, со снижаемой скоростью забегающей гусеницы и с постоянной скоростью центра трактора;
• подводу мощности — однопоточные, двухпоточные и с регулируемым потоком для каждой стороны.
При повороте гусеничного трактора в механизме поворота и в контакте гусеничной цепи с грунтом происходят сложные динамические и кинематические процессы. Это объясняется прежде всего изменчивостью сопротивления повороту трелевочной системы и момента трения тормоза механизма поворота, которые являются функциями двух переменных: радиуса поворота и времени. Тормозной момент механизма поворота зависит от коэффициента трения скольжения, который изменяется от скорости. Мгновенный радиус поворота трактора определяется соотношением двух переменных во времени величин — момента сопротивления повороту и тормозного момента механизма поворота.
У гусеничных машин со ступенчатым механизмом и фрикционными элементами, работающими «всухую», отсутствует строгое соответствие между положением рычага управления и радиусом поворота, что приводит к плохой управляемости трелевочной системы. Для прохождения поворота с малым радиусом водитель вынужден неоднократно создавать управляющее воздействие на механизм поворота.
Работа таких механизмов носит релейный характер, т. е. процесс поворота трактора происходит не по плавной кривой, а скачкообразно. Неравномерность поворота приводит к увеличению максимального значения касательной силы тяги на гусеницах, потерь от буксования, ухудшению проходимости трактора и экологической совместимости системы «движитель-лесная почва».Характер поворота трелевочной системы зависит от сочетания различных факторов: условий эксплуатации, структуры пачки, энергонасыщенности трактора, режимов работы, профессиональных приемов и квалификации тракториста.
Режимы работы гусеничного трелевочного трактора более интенсифицированы, чем тракторов сельскохозяйственного назначения. При трелевке древесины по производственному волоку 60…70% рабочего времени водитель оказывает управляющее воздействие на бортовой фрикцион, что сопровождается значительным рассеиванием энергии. Коэффициент полезного действия бортового фрикциона равен единице только в предельных состояниях, т. е. включенном или выключенном. В промежуточных состояниях КПД бортового фрикциона изменяется от 0,65 до 1,0.
Механизмы поворота должны обеспечивать: быстрый и плавный поворот; необходимый поворачивающий момент; устойчивое прямолинейное движение; минимальную нагрузку двигателя при повороте.
Кроме этого механизмы поворота должны иметь высокий КПД, а управление должно быть простым и легким.
На трелевочных тракторах пока применяются одноступенчатые однопоточные механизмы поворота.
Принцип работы муфты поворота. На рис. 22.5 приведена кинематическая схема заднего моста трелевочного трактора Онежского тракторного завода с муфтами поворота (бортовой фрикцион), которая представляет собой многодисковую постоянно замкнутую муфту сухого трения с ленточным тормозом плавающего типа.
При прямолинейном движении трактора муфты поворота включены, а ленточный тормоз расторможен; при этом крутящий момент с главной передачи 3 поступает на ведущие 1 и ведомые 5 диски муфты поворота, далее на конечную (бортовую) передачу 4 и ведущее колесо 6 ходовой части. Для осуществления поворота трактора оператор, прикладывая усилие к рычагу, выключает муфту поворота отстающего борта, ее момент трения и касательная сила тяги отстающей гусеницы исчезают, т. е. гусеница отключается. За счет разности подводимых крутящих моментов через муфты поворота, а следовательно, касательных сил тяги и скоростей движения гусениц происходит поворот трелевочной системы. Для поворота с малым радиусом муфта поворота отстающего борта должна быть полностью выключена, а ленточный тормоз — заторможен, что приводит к полному торможению ведомых элементов муфты поворота и гусеницы. В этом случае поступательная скорость гусеницы снижается до нуля, а минимальный радиус поворота трактора Rmin может достигать:
где В — длина опорной поверхности гусеницы.
При прямолинейном движении трактора мгновенный крутящий момент Мф, передаваемый муфтой поворота, равен:
где Me — текущее значение крутящего момента двигателя; iкп, iгп — передаточные числа коробки передач и главной передачи соответственно; ηу — КПД участка трансмиссии от двигателя до муфты поворота.
Максимальное значение крутящего момента, передаваемого муфтой поворота, при повороте трактора может ограничиваться максимальным крутящим моментом Mф.м дизеля или силой сцепления гусеницы с грунтом:
где iкп — передаточное число конечной передачи.
Муфта поворота имеет простую конструкцию, передает большой крутящий момент, создавая жесткую (блокированную) связь гусениц, что обеспечивает хорошую устойчивость движения, но работа ее сопровождается интенсивным износом дисков и значительным рассеиванием энергии.
Принцип работы одноступенчатого сдвоенного планетарного механизма поворота. На гусеничных трелевочных тракторах Алтайского тракторного завода и на некоторых гусеничных тракторах сельскохозяйственного назначения применяются более прогрессивные механизмы поворота — планетарный механизм поворота (ПМП), имеющий высокий КПД и хорошую надежность при работе в сложных производственных условиях, но они сложнее, чем муфта поворота, в изготовлении и ремонте.
На трелевочных тракторах Алтайского трактора завода (ТТ-4 и ТТ-4М) применяются сдвоенные планетарные механизмы поворота (рис. 22.6) с размещением обоих планетарных механизмов в одном узле с ведомой шестерней главной передачи. Крутящий момент от ведомой шестерни 7 главной передачи передается через корпус 10 на коронку шестерни 8 левого и правого планетарных механизмов.
При прямолинейном движении трелевочного трактора коронная шестерня, вращаясь вместе с корпусом 10, увлекает в направлении своего вращения сателлиты 6, которые, перекатываясь по заторможенным солнечным шестерням 5, вращают водила 9 и связанные с ними конечными передачами ведущие колеса с равной частотой вращения, обеспечивая при этом одинаковую касательную силу тяги на обеих гусеницах. Планетарные механизмы выполняют функции дополнительного редуктора с передаточным числом:
где Zс, Zк — число зубьев солнечной и коронной шестерен соответственно.
Для поворота трактора с большим радиусом иногда достаточно оператору растормозить тормоз 4 солнечной шестерни. При этом вращающиеся с коронной шестерней сателлиты 6 начнут вращать и расторможенную солнечную шестерню, вследствие чего уменьшится частота вращения водила и связанного с ним ведущего колеса; трактор будет плавно совершать поворот.
Для поворота с малым радиусом необходимо полностью растормозить тормоз 3 солнечной шестерни и, после этого, затормозить тормоз водила 3, что исключает вращение ведущего колеса и передачу крутящего момента на гусеницу отстающего борта. На ведущее колесо забегающего борта, в таком режиме поворота будет передаваться весь крутящий момент дизеля. Максимальное значение касательной силы тяги на забегающей гусенице может ограничиваться силой ее сцепления с грунтом или максимальным крутящим моментом, подводимым от двигателя.
В перспективе следует ожидать применения бесступенчатых механизмов поворота, которые обеспечивают плавный поворот машины и большую точность прохождения по желаемой траектории пути. Например, установлено, что у машины с бесступенчатым механизмом поворота число циклов поворотов на 1 км пути в 5 раз меньше, чем у той же машины с бортовым фрикционом.
Гидравлический усилитель механизма поворота. При движении трелевочного трактора оператор вынужден прикладывать 150…200 управляющих воздействий к рычагам управления механизмом поворота. Для снижения его утомляемости необходимо, чтобы работа его при одноразовом управляющем воздействии была не более 5 H м, а максимальная сила не превышала 60 Н. С целью повышения маневренности трактора, облегчения управления и снижения утомляемости на гусеничных трелевочных тракторах устанавливаются гидравлические усилители. При отсутствии гидравлического усилителя для каждого срабатывания механизма поворота трелевочного трактора оператор вынужден был бы прикладывать усилие до 200…300 H и совершать работу 30…50 H м.
Гидравлические усилители механизмов поворота гусеничных трелевочных тракторов АТЗ входят с гидравлическим усилителем сцепления в единую гидравлическую систему управления, включающую следующие узлы: бак, насос шестеренчатого типа (НШ), предохранительный клапан, гидравлический усилитель механизмов поворота тянущего типа, работающий с отслеживанием по перемещению. Гидравлический усилитель состоит (рис. 22.7) из корпуса 4 с поршнем 7, внутри которого размещен золотник 8. Поршень имеет поясок и шток б, связанный шарниром с механическим приводом механизма поворота. Для связи рычага управления и гидравлическим усилителем на стержень золотника 10 навернут наконечник 11.
В нейтральном положении гидравлического усилителя стержень 10 с золотником 8 отжат пружиной 9 в крайнее правое положение, при этом масло от насоса поступает по нагнетательному каналу 5, проходя по радиальным каналам 3 и 2, сливается по каналу 1 из гидравлического усилителя. Воздействие оператора на рычаг механизма управления с целью осуществления поворота трактора будет сопровождаться перемещением золотника, и его поясок отсечет поступающее по радиальному отверстию 3 масло на слив. Это приведет к повышению давления масла в нагнетательной полости, поршень начнет перемещаться вместе с механическим приводом механизма поворота. Процесс будет продолжаться до тех пор, пока поршень не перегонит золотник и вновь не откроется радиальный канал 3. Для продолжения поворота трактора оператор должен продолжать перемещать золотник и тем самым отсекать поступление масла по каналу 3 из нагнетательной полости на слив. Поворот трактора будет продолжаться до тех пор, пока оператор перемещает золотник. Таким образом, обеспечивается отслеживание исполнительным элементом системы гидроусилителя управляющего действия оператора. С прекращением воздействия оператора на рычаг механизма управления пружина 9 возвращает золотник в нейтральное положение и трактор совершает прямолинейное движение.
План-конспект к уроку на тему Регулировки заднего моста гусеничного трактора
ПЛАН-КОНСПЕКТ
Регулировки заднего моста гусеничного трактора
Задний мост гусеничного трактора, так же как и колесного, представляет собой комплекс механизмов трансмиссии, посредством которых происходит увеличение крутящего момента, передаваемого от коробки передач к ведущим колесам (звездочкам), приводящим в движение гусеничный движитель, а также осуществляются поворот трактора и его торможение. Отличительной особенностью заднего моста является наличие в нем специальных механизмов поворота, принцип действия которых основан на изменении крутящих моментов, подводимых к ведущим колесам (звездочкам) правого и левого гусеничного движителя — гусеницам трактора, вследствие чего меняется их поступательная скорость движения.
Тормоза гусеничного трактора входят составной частью в его механизм поворота. Помимо функции торможения при движении или стоянке, тормоза служат для совершения более крутых поворотов трактора.
Крутящий момент от вторичного вала коробки передач передается через конические шестерни и (центральная передача) на вал муфт поворота. Далее крутящий момент передается через ведущую и ведомую части фрикционных муфт поворота трактора и цилиндрические шестерни и конической передачи на ведущие колеса-звездочки трактора. При включении тормозного устройства затормаживается ведомый барабан муфт поворота и быстрее останавливается гусеничная цепь. Указанные механизмы смонтированы в картере заднего моста и картере конечной передачи.
Центральная (главная) передача гусеничного трактора, также как и главная передача колесного трактора, служит для увеличения крутящего момента, подводимого от коробки передач, и передачи его через механизм поворота к гусеницам трактора
В гусеничных тракторах применяются одноступенчатые центральные передачи, состоящие из одной пары конических шестерен, которые установлены в среднем отделении картера заднего моста . Ведущая шестерня изготовляется обычно за одно целое с вторичным валом коробки передач, а ведомая крепится на валу. Конечные передачи гусеничных тракторов служат для увеличения общего передаточного числа трансмиссии и обеспечения необходимого дорожного просвета. Они состоят из цилиндрических шестерен и постоянного зацепления и могут быть одноступенчатыми, как у тракторов ДТ-75М и других, и двухступенчатыми, как у тракторов Т-100М, Т-130 и др. Конечные передачи монтируют в двух отдельных картерах 12, жестко закрепленных по бокам картера заднего моста. Смазка деталей центральных и конечных передач производится маслом, залитым в картеры указанных передач. Механизм поворота служит для получения различных поступательных скоростей правой и левой гусениц, необходимых при
4
повороте гусеничного трактора. Одновременно он выполняет функции тормозов. Механизм поворота должен обеспечивать устойчивое прямолинейное движение трактора и плавный переход от прямолинейного движения к криволинейному при минимальных потерях мощности.
Поворот трактора происходит при отключении от трансмиссии той гусеницы, в сторону которой надо сделать поворот. Если отключенную гусеницу притормаживают, то трактор поворачивается на месте.
На гусеничных тракторах в качестве механизмов поворота используют фрикционные муфты поворота и планетарный механизм
Фрикционные муфты поворота передают крутящий момент от центральной передачи на конечную и представляют собой многодисковые сухие, постоянно замкнутые муфты сцепления, расположенные на концах, ведущего вала заднего моста. Такие муфты применяются потому, что крутящий момент, передаваемый фрикционной муфтой поворота, значительно больше, чем крутящий момент, развиваемый двигателем.
Ведущий барабан муфты закреплен на шлицевых концах вала центральной передачи. Ведущие диски своими зубьями надеты на зубья ведущего барабана и чередуются один с ведомыми дисками, входящими в зацепление с зубьями ведомого барабана, закрепленного на валу конечной передачи. Ведомые диски имеют накладки из фрикционного материала. Ведущие и ведомые диски зажаты между нажимным диском и фланцем ведущего барабана пружинами, надетыми на шпильки. На ведомом барабане установлен ленточный тормоз.
При прямолинейном движении трактора пружины прижимают диски и друг к другу, и муфта, находясь в замкнутом состоянии, передает крутящий момент от центральной передачи на конечную.
Средний отсек, где размещены планетарные механизмы поворота, и полость коробки передач образуют общую масляную ванну. Боковые отсеки сухие — здесь находятся тормоза.
5
Схема фрикционной муфты поворота гусеничного трактора:
а — муфта включена: б — муфта выключена
Рис. 231. Схема одноступенчатого планетарного механизма поворота гусеничного трактора
6
Для поворота трактора при помощи отводки нажимной диск перемещается в направлении стрелки, пружины дополнительно разжимаются и перестают передавать крутящий момент на конечную передачу. В это время вторая муфта остается замкнутой, вследствие чего трактор поворачивается вокруг отключенной гусеницы.
Для совершения более крутых поворотов необходимо дополнительно притормаживать движение отстающей гусеницы затяжкой ленточного тормоза, действующего на ведомый барабан выключенной муфты. Фрикционные муфты поворота устанавливаются на тракторах Т-100М, f-74 и др.
Задний мост трактора ДТ-75:
1 — корпус; 2, 40 — полуось; 3 и 4 — уплотнение; 5 — ось сателлита; 6, 8, 49, 52 — отводящая пружина; 7, 22 — шариковый подшипник; 9 — ведомая шестерня промежуточной передачи; 10 — подвижная тарелка; 11 — стяжка; 12 и 13 — пружина тормоза солнечной шестерни; 14 — труба; 15 — неподвижная тарелка; 16 — проушина; 17 — контрольный шток; 18, 23 — крышка; 19 — чехол; 20, 55 — сателлит; 21 — коронная шестерня; 24 — рычаг тормоза солнечной шестерни; 25 — тяга тормоза солнечной шестерни; 26, 38 — серьга; 27 — промежуточный рычаг тормоза солнечной шестерни; 28 — тяга; 29 — ось рычагов; 30, 33 — промежуточный рычаг остановочного
7
тормоза; 31, 32 — промежуточный рычаг тормоза солнечных шестерен; 34 —
серьга; 35, 36 — регулировочные винты; 37 — рычаг остановочного тормоза; 39 — крышка регулировочного люка; 41, 43 — регулировочная гайка; 42, 45 — палец; 44, 62—шкив остановочных тормозов; 46 — шкив тормоза солнечной шестерни; 47 — спускная пробка; 48 — лента остановочного тормоза; 50, 53 — упорный винт тормозных лент; 51 — лента тормоза солнечной шестерни; 54 — маслозащитный кожух; 56 — спускная пробка; 57 — водила; 58 — солнечная шестерня; 59 — регулировочные прокладки; 60 — стакан; 61 — шкив тормоза солнечной шестерни
Планетарные механизмы поворота обеспечивают прямолинейное устойчивое движение трактора и дают более выгодный баланс мощности при поворотах трактора. По сравнению с муфтами поворота они более износостойки и меньше по габаритам.
Схема одноступенчатого планетарного механизма показана на рис. От центральной передачи крутящий момент передается коробке, внутри которой имеются две цилиндрические коронные шестерни, находящиеся в постоянном зацеплении с сателлитами, которые, в свою очередь, зацеплены с солнечными шестернями. Сателлиты с помощью водила связаны с шестернями конечной передачи. Солнечные шестерни соединены с барабанами тормозов. Вторая пара тормозов установлена на валах конечных передач
При прямолинейном движении трактора оба тормоза солнечных шестерен затянуты, а тормоза выключены. Планетарный -механизм работает как понижающий редуктор.
Для поворота трактора следует в зависимости от направления поворота растормозить один из тормозов солнечных шестерен, и затормозить тормоз на конечной передаче. При этом крутящий момент будет полностью передаваться на забегающее (не отключенное) ведущее колесо.
Механизм поворота такого типа применяется на тракторах ДТ-75М и др.
В отечественных механизмах поворота гусеничного трактора применяются,
как указывалось ранее, только ленточные тормоза. В механизмах с муфтами поворота применяют простые и плавающие тормоза, а в планетарных механизмах — только плавающие
Управление муфтами поворота и тормозами производится системой тяг и рычагов, приводимых в действие водителем из кабины трактора. Как правило, привод остановочных тормозов управляется ножными педалями, которые имеют защелки, позволяющие фиксировать их в замкнутом положении. Привод муфт поворота или тормозов планетарных механизмов, выполняющих роль муфты поворота, производится от ручных рычагов.
8
Каждый борт трактора имеет раздельную систему управления. Для облегчения управления механизмами поворота (особенно в мощных тракторах) применяются усилители гидравлического или пневматического типа. Когда трактор движется прямолинейно, плунжерный золотник закрывает в гильзе отверстие подачи масла в силовой гидроцилиндр усилителя. Масло, подаваемое под давлением от гидронасоса, заполняет в это время кольцевую проточку на золотнике и, не находя выхода из гильзы, сливается через предохранительный клапан насоса. При повороте трактора водитель, воздействуя на рычаг, передвигает золотник, который открывает проход масла в нагнетательный канал, закрывая одновременно сливной канал. Под давлением масла поршень через шток поворачивает рычаг управления механизмом поворота.
После завершения поворота водитель возвращает рычаг в исходное положение. При этом золотник под действием пружины также займет первоначальное положение, открывая отверстие в гильзе для слива масла из гидроцилиндра. Возвратная пружина перемещает поршень в исходное положение, выдавливая масло из полости цилиндра. Рычаг механизма управления вновь займет положение для прямолинейного движения трактора. Таким образом, работа по управлению механизмом поворота, совершаемая водителем, состоит из усилия, прикладываемого только на перемещение золотника усилителя.
9
Основные возможные неисправности и техническое обслуживание задних мостов.
В процессе эксплуатации в задних мостах гусеничных тракторов возможно появление таких неисправностей, как повышенный шум, перегрев, нарушение нормальной работы тормозов (увод трактора в сторону при работе на ровном участке или невыполнение им крутого поворота).
Для обеспечения нормальной работы задних мостов их систематически прослушивают и осматривают, устраняют обнаруженные подтеки и проверяют уровень масла, при необходимости доливают и заменяют его. Не допускается заливать масло выше контрольного отверстия или метки на масломерной линейке, так как это приводит к вытеканию масла через сальники и попаданию его в сухие отсеки. При недостаточном уровне масла увеличивается интенсивность изнашивания зубчатых колес и подшипников. Течь масла возможна при засорении сапунов задних мостов, что приводит к повышению давления внутри картеров.
Периодически проверяют затяжку гаек крепления.
При появлении шума в зубчатых передачах проверяют и при необходимости регулируют конические роликовые подшипники.
Подшипники ведущего зубчатого колеса главной передачи в тракторе Т-150 регулируют следующим образом. Отсоединяют фланец карданного вала от фланца главной передачи.
Отворачивают шесть болтов крепления стакана к картеру и, ввинчивая два длинных болта-съемника, выпрессовывают стакан.
Не разбирая стакана, расшплинтовывают гайку хвостовика и затягивают ее до отказа. Если зубчатое колесо свободно проворачивается от руки за фланец, то фактическое число прокладок больше требуемого.
При регулировании подбирают толщину набора регулировочных прокладок. Для этого снимают фланец , крышку с сальниками и наружный подшипник с внутренним кольцом. Уменьшают число прокладок и собирают стакан в обратной последовательности. Затягивают гайку хвостовика и проверяют затяжку подшипников по моменту сопротивления вращению, который без сальников должен быть в пределах 60… 140 Н-см. Момент замеряют пружинными весами, зацепленными крючком за отверстие фланца. Показание весов 1,0…2,3 кг на плече 60 мм соответствует требуемому моменту сопротивления вращению.
Зазор в подшипниках ступицы ведомого зубчатого колеса регулируют только после разборки или при замене зубчатых колес главной передачи
10
11
Техника безопасности
При выполнении контрольно-диагностических операций и различных видов работ, связанных с устранением и предупреждением отказов, необходимо соблюдать основные требования техники безопасности. Работы по техническому обслуживанию тракторов, включая контроль их состояния, разрешается выполнять работу в спецодежде. Все контрольно-диагностические и регулировочные операции, за исключением тех, выполнение которых возможно только при работающем механизме, узле, агрегате, следует проводить при заглушённом двигателе. Операции при работающем двигателе выполняют, убедившись, что рычаг переключения передач находится в нейтральном положении, и в кабине нет посторонних лиц. Регулировка узлов и агрегатов во время движения трактора недопустима. Перед тем как запустить двигатель трактора, необходимо проверить, что рычаг коробки передач и рукоятки распределителя гидросистемы находятся в нейтральном положении. Запуская пусковой двигатель, запрещается наматывать пусковой шнур на руку. На конце шнура должна быть деревянная рукоятка, при охвате которой шнур следует пропускать между пальцами. В период выполнения контрольно-диагностических и регулировочных операций возле трактора не должно быть посторонних лиц. Контрольно-диагностические средства и слесарный инструмент должны быть исправными, соответствовать своему назначению и обеспечивать безопасность работ.
При регулировке узлов и агрегатов трактора, связанной с частичной или полной их разборкой, нужно соблюдать меры безопасности, рекомендуемые при проведении разборочно-сборочных работ: применять исправное оборудование и инструмент, пользоваться подъемными механизмами, применять съемники и специальные приспособления при выпрессовке и снятии деталей, предупреждать самопроизвольное перемещение трактора
или отдельных его узлов и агрегатов.
При осмотре объектов контроля и регулирования используют переносную лампу напряжением не более 36 В. Она должна быть защищена проволочной сеткой. Применять для этих целей различные горелки, спички и факелы запрещается. При выполнении операций, требующих поднятия рамы, передней или задней оси трактора нужно применять исправный домкрат или подъемный механизм.
Поворотные стрелы и концевые стрелы для тракторов
Проблемы, связанные с укладкой трубы с концевой стрелой, иллюстрируются этой довольно примитивной установкой, разработанной Р.Г. ЛеТурно для Cat Sixty и использованной его строительной компанией в контракте на сортировку для Южно-Тихоокеанской железной дороги. Подход к мосту Каркинез в Бенисии, Калифорния, в 1929 году. Балластированный мешками с песком, он обеспечивал достаточную пропускную способность для одного участка трубы, но не мог нести длинные пряди вдоль траншеи.
Наряду с боковыми балками (см. Статью «Боковые балки», 11429429 ) , начиная с 1920-х годов были разработаны и другие тракторные краны, чтобы повысить мобильность трактора, будь то гусеничный ход по пересеченной местности. , или промышленный колесный трактор над тротуаром и в промышленных условиях.
Поворотные стрелы, которые поворачиваются почти на 360 градусов от оси наверху трактора, продавались для выполнения коммунальных работ. Поворотные стрелы нашли широкое применение в Вооруженных силах во Второй мировой войне, и один из таких кранов — так называемый «Муравьед», построенный Austin-Western в качестве погрузчика боеприпасов для ВМС США — был предком современных гидравлических кранов. Многие излишки поворотных стрел военного назначения были перепроданы на гражданский рынок после войны; Хотя они были удобными машинами для общих грузоподъемных операций, таких как укладка коротких отрезков труб, их конструкция делала их непригодными для захвата, переноски и укладки длинных отрезков труб.
Также были доступны концевые стрелы. В отличие от боковой или поворотной стрелы, некоторые концевые стрелы, такие как Hyster Hystaway, были полностью трансформируемыми и могли использоваться в качестве экскаваторов, экскаваторов-погрузчиков, драглайнов или кранов. Они также были доступны для более крупных тракторов, для которых, как известно, не было доступно поворотных стрел. Хотя те, у кого есть возможности экскаватора, могли помочь с ограниченными возможностями при траншейных работах, они столкнулись с той же проблемой, что и поворотные стрелы при размещении трубопровода.
Там, где навесная боковая стрела для гусеничных тракторов превратилась в специальные трубоукладчики, такой эволюции, по-видимому, не произошло с концевой стрелой или поворотной стрелой.Концевые стрелы и, по большей части, поворотные стрелы устарели в течение многих лет, но боковые стрелы и трубоукладчики продолжают производиться.
Ассоциация исторического строительного оборудования (HCEA) — это некоммерческая организация 501 (c) 3, занимающаяся сохранением истории строительства, дноуглубительных работ и производства оборудования для открытых горных работ. С более чем 4000 членов в 25 странах, деятельность включает публикацию ежеквартального образовательного журнала Equipment Echoes ; функционирование Национального музея строительной техники и архивов в Боулинг-Грин, штат Огайо; и проведение ежегодной действующей выставки восстановленной строительной техники.Индивидуальное членство составляет 32 доллара США в США и Канаде и 40 долларов США в других странах.
HCEA стремится развивать отношения в сфере производства оборудования и предлагает стипендии для студентов, изучающих инженерное дело и управление строительством. Информация доступна на сайте www.hcea.net, по телефону 419-352-5616 или по электронной почте [email protected].
Брандт | 959M
Снижение затрат при распиловке древесины.
Гусеничная валочно-пакетирующая машина John Deere 959M — это не только распиловка древесины.Снижение ежедневных эксплуатационных расходов и упрощение обслуживания — это среди многих других вещей, с которыми он хорошо справляется. Легкий и открытый доступ к контрольным точкам позволяет быстро выполнять ежедневные проверки, а чистая гидравлическая схема, общие гидравлические компоненты и навинчиваемые фильтры облегчают периодическое обслуживание. Кроме того, прочные стрелы оснащены толстыми пластинами и более крупными пальцами и втулками, что повышает надежность и продлевает срок службы.
Технические характеристики
| 959M | |
|---|---|
| Номинальная мощность | 330 л.с. при 1900 об / мин |
| Эксплуатационная масса | 83220 фунтов |
| Максимальный полезный крутящий момент | 1027 фунт-фут |
Характеристики
ОСНОВНЫЕ ХАРАКТЕРИСТИКИ
- В машинах серии 900M сохранены усовершенствования, представленные на машинах серии 900K, в том числе 30-процентное увеличение ширины среза с 3 до 4 м (от 10 до 13 футов).) на стандартной стреле. Для большего количества резов при меньшем движении станка.
- Различные комплекты стрел и харвестерных головок можно комбинировать для решения самых разных задач.
- Более длинная и широкая ходовая часть обеспечивает максимальную устойчивость на любой местности. В дополнительной системе быстрого цикла (RCS)
- используется один простой в использовании джойстик для быстрого и простого управления всеми функциями стрелы.
ПРОИЗВОДИТЕЛЬНОСТЬ
- Система быстрого цикла (RCS) может быть адаптирована к индивидуальному уровню квалификации и конкретным условиям уборки, от заготовки большого одиночного дерева до высокоскоростной резки нескольких стволов.
- Нажмите одну кнопку, чтобы включить режим RCS. Условия не подходят для быстрого параллельного движения стрелы? Выключите RCS одним нажатием кнопки.
- Несколько настроек RCS могут быть сохранены в соответствии с индивидуальными предпочтениями оператора. Новички могут предпочесть более медленный и методичный темп, в то время как высококвалифицированные профессионалы могут захотеть более быстрого ответа.
КОМФОРТ КАБИНЫ
- Полностью регулируемые подлокотники позволяют одним пальцем управлять всеми функциями машины.Опциональное полностью регулируемое сиденье с подвеской обеспечивает исключительный комфорт в течение всего дня в кабине с климат-контролем.
- Герметичная сенсорная панель защищает от пыли, влаги и мусора, сводя к минимуму износ. Зарекомендовавший себя центр управления морского класса исключает клавишные переключатели, многочисленные провода и негерметичные соединения и служит до 10 раз дольше, чем стандартные переключатели на приборной панели.
- Фронтальные и боковые окна от пола до потолка, а также потолочное окно в крыше расширяют обзор зоны резки на 22 процента.
ВРЕМЯ РАБОТЫ
- Толстые пластины и большие пальцы и втулки повышают надежность и продлевают срок службы.
- От регулируемых упорных подшипников, удерживающих механизм наклона, до гидравлической фильтрации в баке со съемными фильтрами для меньшего количества замен фильтров и превосходного улавливания грязи, эта машина столь же надежна, как и прочна.
- Дополнительный ящик для инструментов, устанавливаемый на ходовой части, обеспечивает удобное хранение инструментов, дополнительных пильных полотен и других запасных частей, сводя к минимуму поездки обратно к грузовой машине для обслуживания.
ТЕХНИЧЕСКОЕ ОБСЛУЖИВАНИЕ
- Легкий доступ к сервисным компонентам помогает обеспечить своевременное выполнение ежедневных проверок и профилактического обслуживания, сводя к минимуму дорогостоящий ремонт в дороге.
- Реверсивный вентилятор автоматически меняет направление воздушного потока для удаления мусора с сердечников охладителя. Вентилятор работает с заданными интервалами, или, если условия требуют более частой очистки, просто нажмите кнопку, чтобы запустить цикл реверсирования. Машины серий
- 900M и 900MH имеют много общих компонентов, включая двигатель, ходовую часть, стрелы и кабину, с их аналогами серий 800M и 800MH, что упрощает обслуживание и ремонт при необходимости.
Связанные
Галерея
Ранняя разработка непрерывных треков
История непрерывных треков намного интереснее, чем можно себе представить. В этом сообщении блога мы собираемся взглянуть на их раннюю историю, начиная с 1770-х годов. Давайте начнем с тех времен, когда Соединенные Штаты еще были британской колонией…
Вот еще несколько сообщений в блогах, которые могут вам понравиться…
Первые годы
История непрерывных путей восходит к 1700-м годам, когда Ричард Ловелл Эджворт (британский политик и изобретатель) в течение сорока лет работал над идеей «тележки, которая несет свою собственную дорогу». Разве это не поэтический способ описания непрерывных треков? Однако его идея так и не была реализована в полной мере и осталась просто интересной концепцией.
Физик / математик присоединяется к
В 1830-х годах польский математик, физик и изобретатель (среди прочего!) По имени Юзеф Мария Хене-Вронски работал над аналогичной концепцией непрерывных дорожек, но так и не смог воплотить свою идею в жизнь.Его разочарование отчасти было вызвано неспособностью собрать средства для реализации этой идеи.
Идея не реализуется
Следующим в очереди на разработку дизайна был британский изобретатель сэр Джордж Кейли , который работал в Англии примерно в то же время, что и Хене-Вронски в Польше. Кэли, вероятно, больше всего известен своими новаторскими работами в области полетов и первых проектов самолетов. Однако его идея о непрерывном пути, которую он назвал универсальной железной дорогой , не увенчалась успехом.Фотография его конструкции, взятая из выпуска Mechanics Magazine в 1826 году, показана ниже.
Отсутствие финансирования
В тот же период Дмитрий Загряжский , капитан и изобретатель российской армии, спроектировал и запатентовал «лафет с подвижными гусеницами ». Однако его патент был аннулирован, когда он не смог найти финансирование для создания прототипа — и, опять же, отсутствие финансирования замедлило разработку непрерывного пути.
Колесо неустрашимости
В 1840-х годах Джеймс Бойделл получил патент на «колесо дредноута». Хотя колесо дредноута не похоже на современную гусеничную систему, оно работает по тому же основному принципу. Этот дизайн открыл путь к более серьезному отношению к гусеницам. На изображении ниже показано колесо дредноута Бойделла, и проявив немного воображения, вы можете увидеть, как оно работает.
Колесо дредноута стало обычным явлением во время Крымской войны (если это звучит знакомо, вспомните Флоренс Найтингейл), когда Британский Королевский Арсенал начал их производство.Фактически, пока колеса дредноутов использовались в железнодорожной промышленности, наибольший интерес к ним проявили военные.
Рождение непрерывных треков!
Следующий шаг в развитии непрерывной колеи произошел в 1850-х годах после Крымской войны, когда Джон Фаулер изменил конструкцию колеса дредноута, включив гусеницы, которые наматывались на пару колес с промежуточным промежуточным колесом для поддержки. трек. Сама трасса состояла всего из восьми отрезков.
Далее на временной шкале для непрерывных треков идет русский Федор Блинов . В 1870-х годах он разработал «телегу, которая двигалась по бесконечным рельсам (гусеница)». В дальнейшем Блинов разработал паровой самоходный «гусеничный трактор».
В то же время, когда Блинов работал в России, американец по имени Генри Т. Стит разрабатывал несколько прототипов непрерывных гусениц. Этот ветеран Гражданской войны, чревовещатель, изобретатель и фокусник разработал особую конструкцию, которую он назвал «тяговое колесо ».«Он применил тяговое колесо на внедорожном велосипеде, который он построил для своего сына в 1900 году. Одно из изображений из его патента показано ниже. Обратите внимание на гусеничную систему на колесах.
В Англии, в тот же период времени, Фрэнк Бимонд, как и Блинов и Стит, также получал патенты на гусеницы. Один из его патентов был на «транспортное средство », показанное ниже, в котором используется гусеница и колесная система, более похожая на то, что мы видим сегодня.
Прорыв
ГусеницыContinuous не имели коммерческого успеха до 1900-х годов благодаря работе Alan Orlando Lombard с его гусеничным трактором с приводом от внутреннего сгорания (один из которых работает по сей день).Фотография его тягача , взятая из его патента 1917 года, показана ниже. Вы заметите гусеницы сзади. Бенджамин Холт из Holt Manufacturing (которая изначально начала производство колес для вагонов) заплатила Ломбарду за права на производство его гусеничного трактора, и его популярность стала расти.
В это же время компания Ричард Хорнсби и сыновья , британский производитель сельскохозяйственного оборудования, разрабатывал еще один тип машины с непрерывным гусеничным ходом.Их конструкция наиболее точно соответствует дизайну современного гусеничного оборудования и получила название «гусеничный трактор Хорнсби».
Марка Caterpillar
Итак, откуда взялась торговая марка «Caterpillar»? Ну, это началось с того, что солдат, присутствовавший на испытаниях «гусеницы Хорнсби», дал ему прозвище «гусеница». Холт также использовал поисковый робот для своих машин и решил, что ему так нравится название «гусеница», что он зарегистрировал его как товарный знак еще до того, как Хорнсби даже подумал о нем. Компания Caterpillar Tractor Company родилась, когда Holt Manufacturing объединилась с C.Л. Лучшая тракторная компания 1925 года.
Заключение
Эта история непрерывных треков длинная, встречаясь с несколькими фальстартами, пока не достигла той реализации, которую мы знаем сегодня. Это также хорошая иллюстрация того, почему мы не должны отказываться от наших идей и вдохновения!
A Поворотный и самодействующий привод трения, используемый в крупномасштабных вращающихся устройствах
Название: Поворотный и самодействующий привод трения, используемый в крупномасштабных вращающихся устройствах
ОБЪЕМ: 13 ВЫПУСК: 1
Автор (ы): Дешэн Чен * и Цяонин Сюй
Принадлежность: Колледж профессионально-технического образования, Технологический университет Чжэцзян, Ханчжоу 310023, Колледж профессионально-технического образования, Технологический университет Чжэцзян, Ханчжоу 310023
Ключевые слова: Контактная нагрузка, фрикционный привод, фрикционная блокировка, большая -масштабное поворотное устройство, самозарядное устройство, поворотный редуктор.
Реферат:
Предпосылки: Крупномасштабные поворотные устройства часто используют фрикционные приводы для изготовления легко и обычно выбирают большой радиус движения, чтобы уменьшить необходимые силы трения. В традиционных устройства, ведущие и ведомые фрикционные колеса должны иметь большую округлость, чтобы избежать скольжения между ними. Это затрудняет обработку ведомого фрикционного колеса. Кроме того, генерируя адекватная контактная нагрузка между контактирующими поверхностями важна для фрикционных приводов, и лучший способ Достичь этого можно с помощью самодействующей нагрузки.
Цель: Цель данной статьи — предложить и проанализировать патент на новое устройство фрикционного привода, в котором ведущее фрикционное колесо может катиться вместе с ведомым фрикционным колесом на всем протяжении, а Контактная нагрузка между приводом и ведомыми фрикционными колесами может создаваться по требованию крутящего момента.
Методы: при использовании двух качающихся редукторов оба ведущего фрикционного колеса качаются, и, следовательно, оба могут плавно катиться вместе с ведомым фрикционным колесом.Следовательно, на ведомом колесе могут быть отклонение в округлости. Кроме того, эта конструкция предлагает условие для создания нагрузки, приводимой в действие крутящим моментом. механизм. Приводимое в действие входным крутящим моментом, каждое ведущее колесо вращается и оказывает силу трения на ведомое колесо. колесо, а затем ведомое колесо прикладывает реактивную силу к каждому ведущему колесу. Эта реактивная сила имеет тенденцию притягивать ведущее колесо к ведомому колесу, производя заклинивание. Таким образом, заметная сумма контактной нагрузки между ведущим и ведомыми колесами.
Результаты: Результаты показывают, что контактная нагрузка между ведущим и ведомыми фрикционными колесами напрямую пропорциональна крутящему моменту сопротивления, действующему на фрикционное приводное устройство. Результаты также показывают, что «фрикционная блокировка », чтобы устройство не проскальзывало между ведущими и ведомыми фрикционными колесами. нужен и зависит от геометрических параметров устройства.
Заключение: Разработано качающееся и самодействующее фрикционное приводное устройство с использованием двух качающихся коробки передач.Были описаны принципы конструкции и приведен пример конструкции этого устройства фрикционного привода. продемонстрировал. Этот тип фрикционного привода не только предлагает альтернативный способ управления крупномасштабными грузовыми автомобилями. поворотные устройства, но также разрабатывает новый метод реализации самодействующей нагрузки для фрикционных приводов.
Гусеничный трактор | Трактор и строительный завод Wiki
Гусеничный трактор (также называемый гусеничным трактором, гусеничным транспортным средством или гусеничным транспортным средством) — это транспортное средство, которое движется по гусеницам, а не по колесам.Обычно используется в составе инженерной техники после добавления дополнительных приспособлений, таких как бульдозерный отвал или рыхлитель. Для использования на ферме обычно оснащается трехточечной навеской для установки навесных орудий. Но в большинстве других машин использовались только прицепные орудия, прикрепленные к дышлу.
Основными конструктивными преимуществами гусеничных транспортных средств перед колесными являются то, что они контактируют с большей площадью поверхности, чем обычно имеет место с колесным транспортным средством, и в результате оказывают гораздо меньшее «давление на грунт» на пересекаемую почву чем обычная колесная машина того же веса.Это делает их пригодными для использования на мягких грунтах с низким коэффициентом трения и неровных поверхностях, таких как грязь, лед и снег. Основным недостатком является то, что гусеницы являются более сложным механизмом, чем колесо, и относительно подвержены отказам, таким как трещины или сход с рельсов.
На некоторых специализированных предприятиях используются транспортные средства, оборудованные очень широкими гусеницами, называемые машинами с низким давлением на грунт (LGP), например, для уборки торфа или работы на болоте.
Другие версии оснащены приспособлениями, такими как ящики для скребков или боковые удлинители, а также большие противовесы для подъема длинных трубопроводов для установки, обычно работающих в группах.
- Гусеничный трактор явился основой первых конструкций танка.
- Гусеничные машины с отвалом называются бульдозерами и используются для строительных и землеройных работ.
- Гусеничные тракторы, оснащенные фронтальным погрузчиком и ковшом, называются гусеничными экскаваторами или гусеничными погрузчиками. Гусеничный ход
- периодически пользовался популярностью в сельском хозяйстве.
на гусеничном ходу (не на тракторах) [править | править источник]
- Космический шаттл доставляется к месту старта большим гусеничным транспортером.
- Самый большой гусеничный экскаватор в мире — немецкий экскаватор Bagger 288 (A Bucket wheel).
Выдержка из Википедии (2 абзаца)
Патент 1315131 Резюме — База данных патентов Канады
131 ~ 31
ОПИСАНИЕ
СБАЛАНСИРОВАННАЯ СВОБОДНАЯ ПЛАНЕТА ПРИВОД MEC ~ ANISM
Техническая область
Настоящее изобретение относится к приводному механизму планетарной шестерни
, включающему солнечную шестерню, две кольцевые шестерни,
и множество плавающих планетарных элементов, соединяющих
солнечная и коронная шестерни таким образом, что определенные силы
находятся в равновесии и не используются обычные опорные подшипники планетарной шестерни
.
Уровень техники
Патент США № 3540311, выданный 17 ноября 1970 г.,
, C. W. Chillson, раскрывает свободно плавающую планетарную трансмиссию
, специально предназначенную для привода
ротора вертолета. В этой трансмиссии
силы нагрузки на каждый планетарный элемент
разнесены в осевом направлении таким образом, чтобы установить
, что результирующий момент, стремящийся наклонить каждый планетарный элемент
из его радиальной плоскости, по существу равен нулю.
Другими словами, эта планетарная передача
сконструирована таким образом, что тангенциальные зубчатые силы находятся в равновесии
на планетарных элементах как в осевой, так и в радиальной плоскостях
.При такой конструкции
не используются обычные водило планетарной передачи и подшипники планетарной передачи
, так что их общий вес и общее количество деталей
могут быть уменьшены с существенной экономией
затрат.
В начале 1970 года были построены и испытаны два прототипа трансмиссии
для вертолетов, а затем было проведено исследование конструкции
привода, о котором сообщалось в публикации НАСА 2210 Advanced Power Train
Technology в статье DJ Folenta под названием
» Исследование конструкции самоустанавливающейся планетарной передачи без подшипников
(SABP) »и опубликовано примерно в январе 1983 года.
-2- 13 ~
Если отвлечься от вертолетов, то давно известно, что
использует планетарные зубчатые передачи в бортовых передачах землеройных машин
, таких как большие внедорожные грузовики
, для обеспечения значительного
Передаточное отношение скорости рядом с сцепляющимися с грунтом колесами
. Например, если требуются относительно высокие передаточные числа
, многие механизмы главной передачи
используют две последовательно соединенные планетарные передачи
, каждый из которых включает водило планетарной передачи
, множество планетарных шестерен и множество подшипников
для поддержки. планетарные шестерни в водилах
.Мало того, что водилы планетарной передачи и множество подшипников
вносят вклад в сложность и общую стоимость таких бортовых передач
, но также и карданы планетарной передачи
деформируются под нагрузкой, вызывая неравномерную нагрузку
связанных компонентов, а подшипники планетарной передачи
выходят из строя из-за неравномерная нагрузка и высокие центростремительные силы
на высоких скоростях.
Таким образом, желательно применить принципы передачи мощности вертолета
, изложенные в патенте США № 3540311
, к конечному приводу транспортного средства
с приводом.В среде передачи мощности
вертолета диапазоны скорости и крутящего момента
относительно постоянны после того, как самолет достигнет скорости подъема
. С другой стороны,
имеет существенно разные рабочие условия в бортовой передаче автомобиля
, потому что сцепляющееся с землей колесо
изменяется от скорости, близкой к сваливанию, при очень высоком уровне крутящего момента
до относительно высокой путевой скорости, превышающей 40
миль в час при значительном снижении. уровни крутящего момента. Для примера
в трансмиссии вертолета предшествующего уровня техники
не предусматривалось для привода, работающего на высокой скорости
с небольшим крутящим моментом или нагрузкой на зуб или без нее,
, тогда как одна цель настоящего изобретения —
обеспечить такое положение посредством выбора геометрии зуба
и расположением центра тяжести
-3-13 ~ 5 ~ 3 ~
плавающих планетарных элементов, так что центростремительные силы
могут быть приспособлены.При такой конструкции
обычные водила планетарной передачи и подшипники планетарной шестерни
могут быть исключены, а общий вес и количество
деталей в бортовой передаче автомобиля могут быть существенно уменьшены на
. Требуемый приводной механизм
должен быть достаточно компактным, чтобы он в осевом направлении
содержался между обычной колесной опорой на внутреннем конце
и колесной крышкой на внешнем конце,
, и чтобы он находился в радиальном направлении внутри внутреннего радиуса
существующих колесных арок. так что стандартные компоненты колеса
могут быть сохранены.
В планетарной трансмиссии по патенту США
№ 3540311 также использовалось множество цилиндрических опорных колец
, по которым планетарные элементы
свободно катились или внутри, и которые обеспечивали реакцию на силы разделения зубьев
и центробежные силы на планетарные элементы
. Такие катящиеся кольца должны быть сконструированы и размещены при использовании в конечном приводе
внутри колеса таким образом, чтобы эффективно уравновешивать радиальные силы
, действующие на них, от взаимодействующих сил
зубчатых колес плавающих планетарных элементов,
, при одновременном обеспечении удобной сборки
и разборка различных компонентов.И еще
, кроме того, особая конструкция зубьев шестерни
планетарных элементов, распределение веса в пределах
планетарных элементов для наилучшего уравновешивания действующих на них центробежных сил
и лучший способ
ограничить осевое движение планеты элементы и / или к
, поглощающие осевые силы тяги на планетарных элементах
, также должны быть приняты во внимание.
Настоящее изобретение направлено на
преодоление одной или нескольких проблем, изложенных выше
.
_4_ 1 3 ~
Раскрытие изобретения
В одном из аспектов настоящего изобретения сбалансированный приводной механизм свободной планеты
включает в себя полый опорный узел
, колесо
, зацепляющееся с землей, с возможностью вращения, установленное на опорном узле вдоль центральная ось,
— реактивная кольцевая шестерня, соединенная с узлом опоры
, выходная кольцевая шестерня, соединенная с колесом,
— входная солнечная шестерня, множество плавающих планетарных элементов
, индивидуально включая аксиально внешнюю шестерню
, зацепленную с солнечной шестерней, внутренняя в осевом направлении шестерня
, зацепленная с реактивной коронной шестерней, и аксиально-промежуточная шестерня
, зацепленная с выходной кольцевой шестерней
, и дополнительно включающая в себя средство качения
, расположенное по существу концентрически вдоль центральной оси
, для ограничения радиального движения внутрь
планетарной передачи элементы.
В другом аспекте изобретения сбалансированный приводной механизм со свободной планетой
включает полый опорный узел
, реактивную коронную шестерню, соединенную с опорным узлом
, ведомую коронную шестерню, установленную с возможностью вращения
на опорном узле, входную солнечную шестерню,
и множество плавающих планетарных элементов
, по отдельности имеющих планетарный вал с первой, второй
и третьей планетарными шестернями на нем. Первые сателлиты
находятся в зацеплении с солнечной шестерней во множестве
средних точек первого шага, вторые сателлиты
зацепляются с выходной коронной шестерней во множестве
средних точек второго шага, а третьи планетарные шестерни
зацепляются с реактивная кольцевая шестерня на множестве
средних точек третьего шага.Преимущественно планетарные шестерни
сконструированы и скомпонованы таким образом, что
первая, вторая и третья средние точки шага каждого из
плавающих планетарных элементов находятся на прямой линии
для целей уравновешивания сил, а приводной механизм
включает средства качения только для ограничения движения
радиально внутрь плавающей планетарной передачи.
~ 311 ~
—5 —
элементов и средства позиционирования для удержания планетарных элементов
в предварительно выбранном осевом положении
относительно ведомой коронной шестерни.
В еще одном аспекте изобретения автомобиль
снабжен уравновешенным приводным механизмом
со свободной планетой, включающим полый опорный узел
, имеющий соединенную с ним реактивную кольцевую шестерню, колесо
, контактирующее с землей, установленное с возможностью вращения на опоре
узел и имеющий выходную коронную шестерню, соединенную с ним
, входную солнечную шестерню и множество плавающих планетарных элементов
, по отдельности имеющих внешнюю планетарную шестерню
, зацепленную с входной солнечной шестерней, внутреннюю планетарную шестерню
, зацепленную с реактивным кольцом, шестерня
и промежуточная планетарная шестерня, находящаяся в зацеплении с шестерней выходного венца
.Преимущественно внешнее роликовое кольцо
ограничивает радиальное движение внутрь планетарных элементов
рядом с внешними планетарными шестернями, внутреннее роликовое кольцо
ограничивает радиальное движение внутрь
планетарных элементов, примыкающих к внутренним планетарным шестерням
, а средство позиционирования совместно зацепляет
планетарные элементы между внешней и внутренней планетарной передачей
и удерживают планетарные элементы в предварительно выбранном осевом положении
относительно колеса.
Более конкретно, уравновешенный приводной механизм
со свободной планетой в соответствии с настоящим изобретением обеспечивает относительно значительное снижение скорости
, составляющее примерно
10: 1, и имеет средства позиционирования для поддержания
плавающих планетарных элементов в желаемом осевом положении
относительно Выходная коронная шестерня, использование
угловой передачи с относительно высоким рабочим давлением Геометрия
для минимизации нормальных сил при высокой скорости
и работе с малой нагрузкой, средство для размещения центра тяжести
плавающих планетарных элементов
внутри зацепления выходной коронной шестерни и промежуточные планетарные шестерни
, а также эффективный способ
сборки плавающих планетарных элементов в выходную коронную шестерню
1 3 1 ~
-6-
с использованием крышки колеса в качестве сборочного приспособления
.
Другие цели и преимущества настоящего изобретения
станут очевидными после ссылки
на прилагаемые чертежи и последующего описания
.
Краткое описание чертежей
Фиг. 1 представляет собой схематический вид
в разрезе, взятом через его центральную ось, сбалансированного приводного механизма со свободной планетой
, сконструированного в
в соответствии с настоящим изобретением и иллюстрирующего
фрагментарную часть колесо и полая опора
в сборе, связанная с ним;
Фиг.2 представляет собой схематический вид
в разрезе внешней части фиг. 1 в увеличенном масштабе
, чтобы лучше проиллюстрировать детали его конструкции
;
Фиг. 3 представляет собой схематический фрагментарный вид в поперечном разрезе
, взятый по линии
III-III на фиг. 2, со ступенчатыми частями внутренней, внешней и промежуточной планетарных шестерен
, постепенно оторванными, чтобы показать взаимосвязь
. от них к коронной шестерне и входной солнечной шестерне
; и
рис.4 представляет собой вид в разрезе плавающего планетарного элемента
альтернативного варианта осуществления, который
может быть заменен соответствующими плавающими планетарными элементами
, показанными на фиг. 1-3.
Наилучший режим для осуществления изобретения
Ссылаясь на фиг. 1, уравновешенный приводной механизм
со свободной планетой раскрывается в сочетании с колесом 12 сцепления с грунтом
автомобиля 14, такого как
, внедорожник для тяжелых условий эксплуатации. грузовик, скрепер колесного трактора, колесный погрузчик
и т.п.Узел полой опоры
1 3 ~
-7-
или корпус 16 оси прикреплен с возможностью съема к элементу 18 рамы транспортного средства
с помощью множества разнесенных по кольцу крепежных деталей
или болтов 20, один из которых показан. На
, с одной стороны, опорный узел включает внутренний,
радиально выходящий наружу периферийный фланец 22, промежуточную цилиндрическую внешнюю поверхность 24
и внешний шлиц 26
на своем внешнем конце. И, с другой стороны,
, колесо 12 включает в себя ступицу 28,
, которая установлена с возможностью вращения на внутреннем коническом роликоподшипнике 30
, и внешний конический роликовый подшипник
32, установленный в осевых разнесенных позициях на
поверхности 24 опоры. сборка.В настоящем варианте осуществления
колесо включает в себя внутренний и
внешний обод, контактирующий с землей, и узлы 34,
и 36 шин обычного типа, хотя следует понимать, что количество обычных ободов и шин
, установленных на ступице, может быть одним или несколькими
без отхода от сущности настоящего изобретения
. Кроме того, обычный дисковый тормоз
в сборе, обозначенный, как правило, ссылочным номером
38, функционально соединен между вращающейся ступицей 28 колеса
и фланцем 22 неподвижной опоры
в сборе 16 для замедления или остановки транспортного средства обычным образом
. .И один или несколько обычных уплотнительных узлов
, расположенных под ссылочным номером 40, концентрически
расположены вдоль горизонтальной и проходящей в поперечном направлении центральной оси 42
опорного узла 16 непосредственно на
внутрь внутреннего конического роликоподшипника 30-
, образующего закрытую камеру 44 в целом. внутри колеса
.
Ссылаясь на фиг. 2, колесо 12, дополнительно
, включает в себя кольцевой переходный элемент 46 и первое множество
крепежных деталей или болтов 48, которые
прикрепляют переходный элемент с резьбой к ступице 28 колеса
.Крышка 50, имеющая проходящий в радиальном направлении наружу на
внутренний монтажный фланец 52, с возможностью отсоединения прикреплена к переходному элементу вторым множеством из
крепежных деталей или болтов 54. Крышка 50 также включает в себя цилиндрическую деталь
. стенка 51, внешняя боковая стенка 53, соединенная
с ней, и круглая пластина 55 доступа, с возможностью отсоединения
прикрепленная к боковой стенке, назначение которой будет объяснено ниже
. Внешний обод и шина в сборе
36 образуют проходящий в радиальном направлении внутрь монтажный фланец 56
, разъемно соединенный с ободом 58 шины, и третье и четвертое множество
разнесенных по окружности крепежных деталей или болтов 60 и 62 соответственно
соединяют фланец 56 исключительно с ободом 58 шины. переходный элемент 46,
и фланец 56 и переходный элемент 46 вместе с
ступицей 28 колеса.
Более конкретно, приводной механизм 10
включает в себя кольцевую удерживающую пластину 64, определяющую внутреннюю шлицевую часть 66
, которая входит в зацепление с внешней шлицей 26
на опорном узле 16. Кольцевой стопорный элемент 68
с возможностью снятия прикреплен к внешнему концу
опорный узел для удерживания удерживающей пластины
и для регулируемого удержания конических роликовых подшипников 30 и 32
в их надлежащих осевых положениях в
обычным способом. Множество зубцов 70 шестерни
определены на внешней периферии удерживающей пластины
64, а реактивная кольцевая шестерня 72 имеет множество
зубьев 74 внутренней прямозубой шестерни, которые взаимно зацепляются
с зубьями 70 шестерни.Зубчатое колесо с реактивным кольцом
удерживается в осевом направлении множеством выступающих в радиальном направлении наружу выступов 76 76, которые с возможностью отсоединения
прикреплены к удерживающей пластине и входят в кольцевую канавку
78, образованную на внутренней периферии
зубьев 74 шестерни. В проиллюстрированном варианте осуществления переходник
элемент 46 определяет выходную коронную шестерню 80, имеющую множество
внутренних прямозубых зубчатых колес 82, но
также предполагается, что такая коронная шестерня может быть отдельным элементом
_9_ 1 3 ~
с возможностью отсоединения прикреплен к элементу адаптера
, хотя и не показан.
Входная солнечная шестерня 84, имеющая множество внешних цилиндрических зубчатых колес 86
, прикреплена с возможностью отсоединения к
удлиненному валу 88 ведущей оси с помощью шлицевого соединения 90.
Вал и солнечная шестерня управляемо вращаются вокруг
центральной оси 42 в любом обычным способом.
В соответствии с настоящим изобретением приводной механизм 10
имеет множество элементов 92 с плавающей планетарной планетой
, которые по отдельности включают в себя внешнюю шестерню
или внешнюю планетарную шестерню 94 в осевом направлении, внутреннюю шестерню
в осевом направлении или внутреннюю планетарную шестерню 96 и аксиально
промежуточная планетарная шестерня 98 расположена между ними.
Промежуточная шестерня 98 предпочтительно сформирована как неотъемлемая часть
трубчатого планетарного вала 100, а
включает в себя множество зубчатых прямозубых цилиндрических зубчатых колес 102,
и кольцевую канавку 104, расположенную на пересечении
с зубьями шестерни. Как можно отметить
на фиг. 2, планетарный вал сужается от радиально тонкого внешнего поперечного сечения
к радиальному внутреннему поперечному сечению толщиной
, а внутренняя торцевая крышка
106 прикреплена к нему с возможностью снятия с помощью множества крепежных деталей
или болты 108.Конструкция
предназначена для размещения центра тяжести 110 вращающихся вокруг
планетарных элементов 92 во внутреннем направлении рядом или
рядом с поперечной центральной плоскостью 112 через осевую среднюю точку
промежуточной шестерни 98.
Средства позиционирования 113 предусмотрены для поддержания планетарных элементов 92
в предварительно выбранном осевом положении
относительно выходного зубчатого венца 80 для целей выравнивания
и для двунаправленной передачи от них относительно небольшого усилия
на ступицу 28 колеса
.Такие средства позиционирования в осевом направлении
расположены рядом с выходной коронной шестерней 80, и
предпочтительно включает в себя кольцевые средства в форме
множества кольцевых сегментов дугообразной формы или
-lo- i3 ~ 3 ~
удерживающих элементов 114, которые являются индивидуальными. легче
и проще в обращении. Эти кольцевые сегменты, два из
, которые показаны в поперечном сечении на фиг. 2,
прикреплены с возможностью съема к внешней поверхности выходного кольцевого зубчатого колеса
с помощью множества крепежных деталей или болтов
116.Сегменты 114 кольца предпочтительно выполнены из закаленной
и шлифованной стали, проходят радиально внутрь на
в канавки 104 планетарных элементов 92 и
упираются в одну из боковых кромок 105 канавок
на линии деления зубьев шестерни. 102 для минимизации потерь на скольжение
. По сути, сегменты кольца
передают любые легкие осевые осевые силы от планетарных элементов
на выходную коронную шестерню. Как и
, также показанный на фиг. 3, зубчатые прямозубые цилиндрические зубья 102,
промежуточных шестерен 98 взаимно зацепляются
и обычно приводят в движение прямозубые прямозубые шестерни
зубьев 82 ведомой коронной шестерни 80.
Как показано на фиг. 2, внешняя шестерня 94 планетарных элементов
92 предпочтительно обрабатывается отдельно
и жестко прикрепляется к гладкой цилиндрической поверхности
103 планетарного вала 100 с помощью подходящего сварного соединения
118. Множество прямых Зубья 120,
прямозубой шестерни, образованные внешней шестерней 94, входят в зацепление с прямыми цилиндрическими зубьями 86 цилиндрической шестерни
солнечной шестерни 84, как можно отметить
со ссылкой на фиг.3. Другая кольцевая канавка 122 образована
в зубцах шестерни. 120, который в части
ограничен цилиндрической поверхностью 123, которая меньше диаметра основания
зубьев 120 шестерни.
Каждый из планетарных элементов 92 имеет центральную ось 119
, и при осуществлении настоящего изобретения предусмотрены средства 121 качения
для ограничения радиального движения внутрь
планетарных элементов
вдоль них путем противодействия радиальным силам, направленным внутрь от них
и в целом для поддержание осей 119 параллельно
центральной оси 42 приводного механизма 10.
Как показано на фиг. 2, роликовые средства 121
1 3 li ~ ir ~ 1
—11—
включает в себя внешний двигатель катящееся кольцо 124, которое является
, в целом концентрически расположенным вдоль оси 42,
установлено внутри кольцевых канавок 122 внешних шестерен
94 и приспособлено для зацепления с качением с внешними шестернями
.
Внутренняя шестерня 96 планетарных элементов 92,
также предпочтительно выполнена отдельно и жестко прикреплена
к гладкой цилиндрической поверхности 125 вала 100 планетарной передачи
с помощью сварного соединения 126. Как можно понять,
со ссылкой на фиг. 2 и 3, внутренняя шестерня имеет множество
зубцов с конической прямозубой цилиндрической шестерней 128, которые
входят в зацепление с прямой прямозубой цилиндрической шестерней tPeth 74 реактивной коронной шестерни 72
. Цилиндрическая поверхность 130 — это
, образованная на внутреннем конце планетарного вала. который
заканчивается обращенным внутрь заплечиком 132 рядом с
внутренней боковой поверхностью внутреннего зубчатого колеса.Износостойкое кольцо 133
прочно установлено на цилиндрической поверхности 130
в упоре с заплечиком
, а средство 121 качения включает внутреннее катящееся кольцо 134
, которое также обычно концентрически
расположено вдоль оси 42 и адаптировано для обычно
скользит по цилиндрической поверхности. Износостойкий фланец
или заплечик 136 на торцевой крышке
106 служит вместе с кольцом 133 для захвата в осевом направлении внутреннего роликового кольца
между ними.
В соответствии с настоящим изобретением, средние точки 138 тангажа
внешних сопряженных шестерен 84,
и 94, средние точки 140 тангажа промежуточных сопряженных шестерен
80 и 98 и средние точки 142 шага
внутренних сопряженных шестерен 72 и 96 расположены в виде множества
прямых линий 144 баланса сил, причем
одна линия баланса предусмотрена для каждого из
плавающих планетарных элементов 92. Эти линии
баланса сил находятся на пересечении поверхности теоретического конуса
и множество плоскостей, проходящих
-12- ~ 3 ~
через центральную ось 42 и отдельные оси
119 плавающих планетарных элементов 92.
Хотя это не показано, одно или несколько приспособлений
используются для направления внешних и внутренних шестерен 94 и 96
в осевом направлении на соответствующие цилиндрические монтажные поверхности
103 и 125 отдельных планетарных валов 100
для поддержания точного положения вращения
их относительно интегральных промежуточных шестерен 98
. Таким образом, три шестерни
94, 96 и 98 могут быть должным образом проиндексированы с каждой
другой перед выполнением сварных соединений 118 и 126.
Предпочтительно шестерни 94 и 96 надежно прикреплены
к валу с помощью электронно-лучевой сварки, которая создает минимальную деформацию
по сравнению с другими методами сварки
. Однако предполагается, что установочные поверхности
103 и 125 могут быть слегка коническими или сужающимися
, так что шестерни 94 и 96 могут быть мягко прижаты к ним без отклонения от духа
настоящего изобретения.
Альтернативный вариант осуществления
Также предполагается, что плавающие планетарные элементы
92 ‘будут сконструированы, как показано в альтернативном варианте осуществления
на фиг.4. Планетарный вал 100 ‘
в этом случае имеет внешние шлицевые зубья 146 и внутренние шлицевые зубья 148
, имеющие такой же шаг и
зубцов шестерни, что и интегральные зубья 102′
промежуточной шестерни 98 ‘. Под термином «цельный»
подразумевается, что зубья 102 ‘шестерни представляют собой неразъемную конструкцию
с корпусом планетарного вала 100′.
Таким образом, шлицевые зубья 146 и 148 могут быть обрезаны на
одновременно с зубьями 102 ‘шестерни, так что точность индекса
может сохраняться для всех трех наборов.Кроме того, у
внешние шлицевые зубья 146 усечены или
радиально срезаны по высоте, чтобы обеспечить выступ
, обращенный наружу, 150 для ограничения осевого внутрь
-13- ~ 3 ~
перемещения отдельно обработанной внешней шестерни 94 ‘
взаимодействует с ними. Обычное стопорное кольцо
или стопорное кольцо 152 прикреплено к шлицевым зубцам 146
для ограничения перемещения наружу
внешней шестерни 94 ‘в осевом направлении. Аналогичным образом, внутренние зубцы 148 шлицевого шлица
усечены, чтобы обеспечить обращенный внутрь заплечик 154
, служащий для более жесткого ограничения осевого перемещения
наружу отдельно изготовленной внутренней шестерни 96 ‘, изготовленной на
, установленной на нем.Закаленное, разрезное упорное кольцо 156
и обычное стопорное кольцо
или стопорное кольцо 158 соединены с шлицевыми зубьями 148
, чтобы ограничить движение
внутренней шестерни 96 ‘в осевом направлении.
Промышленная применимость
В процессе работы входной вал 88
управляется механически с управляемым приводом через обычную коробку передач
и дифференциал в сборе (
не показан) на любой скорости вплоть до предварительно выбранной максимальной скорости
. Индивидуальное количество зубцов
шестерни, предусмотренных в одном варианте осуществления приводного механизма 10 со сбалансированной планетой
, использующего шесть из плавающих планетарных элементов 92
, показано на диаграмме
непосредственно ниже:
Число зубцов шестерни
Зубчатая передача 84 (зубья 86 ): 72 = N1
Шестерня 94 (зубья 120): 54 = N2
Шестерня 98 (зубья 102): 18 = N3
Шестерня 80 (зубья 82): 84 = N4
Шестерня 96 (зубья 128): 30 = N5
Шестерня 72 (зубья 74): 96 = N6
-14-
Плавающие планетарные элементы 92 должны иметь правильное соотношение
по количеству зубьев шестерни
, чтобы их можно было правильно собрать.В этом примере
есть шесть планетарных элементов, а числа зубцов
, как правило, делятся на шесть. Например, с пятью планетными элементами
количество зубцов делится на
на пять. Зубья 120, 102, 128 шестерни на
одном планетарном элементе также все поддерживаются в индексируемом соотношении
друг к другу. Однако другие числа зубьев
, чем те, которые делятся на количество планетарных элементов
, возможны при использовании общей процедуры вычисления знаменателя
.
Солнечная шестерня 84 на валу 88 ведущей оси
приводит в движение шесть внешних шестерен 94 планетарных элементов
92. Этому вращению противодействует неподвижная кольцевая шестерня
72, вызывая вращение сопряженных внутренних шестерен
96 по орбите. промежуточные шестерни 98 элементов планетарной передачи
, имеющие меньшую тангенциальную скорость, тянут
вдоль ведомой шестерни 80 и колеса 12
, соединенного с ней. В вышеупомянутом варианте осуществления предусмотрено передаточное число
, равное 10,82: 1, так что если солнечная шестерня 84
приводится во вращение со скоростью 1287 об / мин, то колесо
вращается со скоростью 119 об / мин, что составляет приблизительно 40 миль в час со скоростью
транспортного средства.При такой скорости планетарные элементы 92,
вращаются со скоростью около 833 об / мин вокруг своих собственных осей. 119 и
вращаются вокруг центральной оси 42 со скоростью около 378
об / мин.
Средние точки 138, 140 и 142 тангажа находятся на точных прямых линиях
в конической взаимосвязи, так что
планетарные элементы 92 находятся в тангенциальном направлении по силе и
моменту. Моменты, создаваемые противоположными тангенциальными силами
на внутренней и промежуточной шестернях
, 96 и 98, уравновешиваются тангенциальной силой
солнечной шестерни 84 на внешней шестерне 94, которая
надлежащим образом расположена в осевом направлении вдоль вала 100 планетарной передачи
.Радиально направленные внутрь силы, прикладываемые к планетарному валу 100
-15-
коронными шестернями 72 и 80,
уравновешиваются плавающими катящимися кольцами 124 и 134.
Принимаются любые осевые осевые нагрузки на планетарные элементы 92. кольцевыми сегментами 114, смежными с выходным зацеплением
зубьев 82 и 102 шестерни. Контакт планетарных элементов 92
с этими кольцевыми сегментами составляет
, поэтому выгодно расположено около средней точки 40 промежуточного шага
этого зацепления, поэтому скорость скольжения составляет
очень низкий.
Относительные осевые положения планетарных шестерен 94, 98 и 96 планетарной передачи
и колец качения 124 и 134
таковы, что под нагрузкой и при низкой скорости на оба катящихся кольца действует направленная внутрь радиальная сила
.
Однако внешнее катящееся кольцо 124 не является обязательным.
Рабочие углы давления зубьев зацепляющейся шестерни
, 74/128 и 82/102, а также осевые положения
этих зацеплений и внутреннего роликового кольца 134 могут быть отрегулированы
для создания результирующей радиальной силы на внешних планетарных шестернях
94 чтобы равняться или быть очень близкой к радиальной силе
зубьев 86/120 зацепления шестерни, так что
, чтобы внешнее катящееся кольцо 124 могло быть устранено
.Однако предпочтительно не удалять это катящееся кольцо
, поскольку оно полезно в качестве вспомогательного средства сборки
, полезно в том случае, если необходимо снять солнечную шестерню 84
, и может разделять радиальную нагрузку
с солнечной шестерней. .
На высокой скорости центробежные силы заставляют планетарные элементы 92
перемещаться радиально наружу на максимально возможное расстояние
. Эта сила компенсируется в большой степени
за счет проектирования зацепления шестерен от 80 и 98 до
, работающих при относительно высоком рабочем угле давления, например
, выше примерно 25 и предпочтительно от 25
до 30, чтобы они могли успешно работать. в состоянии плотной сетки
.Зубчатое зацепление шестерен 72 и 96
может также быть выполнено с таким же соотношением угла
при высоком рабочем давлении. Планетарные шестерни 96 и 98 могут
-16-
затем вращаться в плотном зацеплении с коронными шестернями 72 и
80 соответственно под значительными центробежными силами
при высокой скорости при работе с малой нагрузкой без
, создающего неприемлемо высокие нормальные нагрузки на шестерню. За счет того, что
обеспечивает такую сетку, и за счет использования только расположенных внутри
катящихся колец 124 и 134, исключаются дополнительные затраты и
проблем сборки, связанных с конструкциями
предшествующего уровня техники, в которых используются как расположенные внутри
, так и расположенные извне роликовые кольца.
Кроме того, центр тяжести 110
планетарных элементов 92, включая торцевые крышки 106, находится на
, расположенном немного за пределами плоскости 112 поперечного центра
, и предпочтительно в осевом направлении внутри зацепления
шестерен 80 и 98. Это гарантирует, что Оси 119,
планетарных элементов 92 останутся, по существу,
параллельными центральной оси 42, когда они перемещаются на
радиально наружу в плотное зацепление с коронными шестернями
, 80 и 72 во время работы в условиях
на высокой скорости при небольшой нагрузке.В результате зубья 74/128 и
82/102 шестерни будут оставаться в выровненном, приблизительно полном
торцевом контакте для минимальной нагрузки на зубчатый блок
. Это приводит к минимальным контактным напряжениям и максимальному сроку службы
точечной коррозии.
Приводной механизм 10 также удобен для сборки
. Сборка начинается с крепления сегментов 114 кольца
к ведомому зубчатому венцу 80 и / или к переходному элементу 46
. Затем переходный элемент
прикрепляется к крышке 50, которая стоит на конце, так что боковая стенка 53
обращена к вниз.Затем элементы 92 планетарной передачи
по отдельности вставляются сверху
, чтобы свисать с кольцевых сегментов 114, и сворачиваются в положение
в контакте друг с другом, чтобы предоставить периферийному элементу
место для вставки остальных элементов планетарной передачи.
Когда установлен полный комплект планетарных элементов
, они перекатываются в равноотстоящие друг от друга положения
. Эта периферийная опора в радиальном направлении от
3 ~
-17-
, центральная ось 42 создает центральный зазор, большой
, достаточный для того, чтобы вставить сверху относительно меньшее внешнее катящееся кольцо 124
и, при желании в это время
, входной Солнечная шестерня 84.
представляет интерес, чтобы понять, что отдельные планетарные элементы
первоначально свешиваются криво из-за краевой опоры на кольцевых сегментах
и, предпочтительно, внешние шестерни 94,
качаются радиально и аксиально наружу в радиально
своей внутренней части до точки. прилегающего контакта
с внешней боковой стенкой 53. Это позволяет внешнему катящемуся кольцу 124
легко вставляться в кольцевые канавки
122 планетарных элементов. После этого верхние концы
планетарных элементов подталкиваются радиально на
наружу, чтобы позволить относительно большему внутреннему роликовому кольцу 134
быть вставленным сверху в зацепление
с цилиндрическими поверхностями 130 планетарных элементов
.Затем торцевые крышки 106 прикрепляются к
внутренним концам планетарных элементов с помощью винтовой установки
болтов 108. После установки торцевых крышек
подузел становится
«определенным» и может транспортироваться как единое целое в любом
угловатое отношение. Этот подузел после этого может быть установлен
вдоль центральной оси 42 ступицы колеса
28 так, чтобы внутренние шестерни 96 зацеплялись с реактивной кольцевой шестерней 72
, а затем переходным элементом 46,
, прикрепленным к ступице 28 болтами 48.
Для буксировки транспортного средства 14 небольшая пластина 55 доступа
может быть снята с небольшой потерей масла
внутри закрытой камеры 44, а солнечная шестерня 84
впоследствии удалена. При желании ось 88 также можно вытянуть наружу
в это время. Осмотр
зубчатых зацеплений может быть выполнен через отверстие в пластине доступа
, хотя полный вид потребует
слива масла из камеры. Хотя внешнее роликовое кольцо 124
можно исключить, желательно
-18-
, потому что оно служит радиальным локатором для элементов 92 планетарной передачи
, когда солнечная шестерня 84 не находится в нужном положении.
По сравнению с одной двухступенчатой главной передачей планетарной передачи
, используемой в коммерческих целях на большом грузовике повышенной проходимости
, приводной механизм 10, как было отмечено, был на 28% легче по весу и на 17% экономичнее при стоимости
, обеспечивая такое же общее снижение скорости
передаточное отношение.

Общее устройство, классификация и типаж тракторов
Гидродинамические трансформаторы
Приводы управления механизмами поворота гусеничных тракторов
Гидравлические системы тракторов