Система облегчения пуска холодного двигателя с предпусковым подогревателем ПЖД-30
Система облегчения пуска холодного двигателя с предпусковым подогревателем ПЖД-30Предпусковой подогреватель предназначен для нагрева жидкости в системе охлаждения и масла в картере двигателя перед его пуском в холодный период времени.
Техническая характеристика
Таблица 2-5.
Тип | ПЖД-30 |
Теплопроизводительность, МДж/ч (ккал/ч) | 108,9 (26000) |
Топливо | применяемое для двигателя |
Расход топлива, кг/ч | 4,5 |
Воспламенение топлива | электроискровой свечой от транзисторного коммутатора с катушкой зажигания |
Время работы свечи, с, не более | 30 |
Предпусковой нагреватель топлива | штифтовая электрическая свеча мощностью 200 W |
Высоковольтная свеча | СН 423, электроискровая |
Коммутатор высокого напряжения | ТК 107 А, транзисторный |
Электромагнит клапана | PC 335 |
Электронагреватель топлива | 11.3741060 |
Электродвигатель подогревателя | МЭ 252 мощностью 180 Вт |
Контактор цепи электродвигателя | КТ 127 |
Кнопочный выключатель | 11.3704 |
Переключатель режимов работы | ВК 354 |
Подогреватель установлен под передней поперечиной рамы автомобиля и состоит из следующих сборочных единиц и систем: теплообменника 2 (рис. 2-51) в сборе с горелкой, электромагнитного топливного клапана с форсункой и электронагревателем топлива в сборе, насосного агрегата 7 с электродвигателем, вентилятором, жидкостным и топливным насосами, системы электроискрового розжига с искровой свечой и транзисторным коммутатором, системы дистанционного управления подогревателем с переключателем режимов работы, контактором электродвигателя и кнопочного выключателя.
В горелке топливо смешивается с воздухом. Образовавшаяся смесь воспламеняется и сгорает. Горелка съемная, прикреплена к теплообменнику подогревателя болтами. На горелке установлены электроискровая свеча и топливный электромагнитный клапан в сборе с форсункой и электронагревателем топлива.
Теплообменник подогревателя (рис. 2-52) изготовлен из листовой нержавеющей стали, предназначен для передачи тепла циркулирующей через него жидкости от сгорающего топлива. По принципу действия теплообменник является рекуперативным и состоит из двух жидкостных рубашек и двух газоходов. Продукты сгорания из горелки 4 направляются в прямой газоход 3, затем проходят по обратному газоходу 2 и отводятся из теплообменника к картеру двигателя для подогрева масла. На выходе из обратного газохода установлен нагреватель 5 топлива, обеспечивающий подогрев топлива, подаваемого к форсунке, до температуры 60-80 °С отработавшими газами.

Рис. 2-51. Установка предпускового подогревателя ПЖД-30 на автомобиле: 1 — электромагнитный клапан; 2 — теплообменник с горелкой; 3 — воронка для залива жидкости; 4 — двигатель; 5 — топливный бачок; 6 — передняя поперечина рамы; 7 — насосный агрегат.

Рис. 2-52. Теплообменник подогревателя: 1 — теплообменник; 2 — газоход обратный; 3 — газоход прямой; 4 — горелка; 5 — нагреватель газовый топлива; 6 — патрубок подвода жидкости; 7 — электронагреватель топлива; 8 — клапан электромагнитный; 9 — патрубок отвода жидкости из теплообменника; 10 — свеча электроискровая; 11 — штуцер подвода топлива к нагревателю в теплообменнике; 12 — форсунка; 13 — патрубок отвода отработавших газов; 14 — фильтр топливный; 15 — датчик защиты от перегрева (ТМ 108)
Электромагнитный топливный клапан 8 предназначен для дистанционного отключения или включения подачи топлива в горелку подогревателя. Клапан открывается под действием электромагнитного поля катушки-соленоида, закрывается возвратной пружиной. В корпус клапана ввернута форсунка 12. В форсунке и клапане установлены фильтры тонкой очистки топлива.
Подогрев топлива, необходимого для зажигания устойчивого пламени в горелке, обеспечивает штифтовым электронагреватель топлива 7, установленный в приливе корпуса электромагнитного клапана.
Насосный агрегат (рис. 2-53) представляет собой устройство, состоящее из вентилятора (нагнетателя), топливного и жидкостного насосов, приводимых от одного электродвигателя. Жидкостный насос и вентилятор, выполненные в литом алюминиевом корпусе, установлены с одной стороны приводного электродвигателя; топливный насос, имеющий автономный корпус, закреплен с противоположной стороны электродвигателя. Такая конструкция насосного агрегата не вызывает трудностей при установке и удобна в обслуживании.

Рис. 2-53. Насосный агрегат: 1 — краник сливной; 2 — корпус жидкостного насоса; 3 — колесо рабочее жидкостного насоса; 4, 11 — манжеты уплотнительные; 5 — крыльчатка вентилятора; 6 — корпус; 7 — электронагреватель; 8 — муфта топливного насоса; 9 — ведущее зубчатое колесо топливного насоса; 10 — ведомое зубчатое колесо; 12 — клапан редукционный.
Жидкостный насос центробежного типа предназначен для обеспечения циркуляции теплоносителя между предпусковым подогревателем и системой охлаждения двигателя. Рабочее колесо 3 установлено непосредственно на вал электродвигателя 7 и закреплено гайкой. Со стороны вентилятора рабочая полость насоса уплотнена резиновой манжетой 4. Жидкость к насосу подводится через патрубок на крышке насоса, а отводится через патрубок на корпусе насоса. Для слива жидкости из полости насоса служит краник 1.
Вентилятор центробежного типа обеспечивает подачу воздуха в горелку подогревателя. Крыльчатка 5 вентилятора установлена на вал электродвигателя на шпонке и закреплена гайкой. Необходимый зазор между крыльчаткой и корпусом вентилятора обеспечивается распорной втулкой, установленной между подшипником электродвигателя и ступицей крыльчатки.
Топливный насос шестеренного типа обеспечивает подачу топлива под давлением к форсунке подогревателя. Вал насоса со стороны электродвигателя уплотнен резиновой манжетой 11. Вал ведущего зубчатого колеса насоса соединен с валом электродвигателя эластичной муфтой 8.
Подача топливного насоса регулируется редукционным клапаном 12, обеспечивающим перепуск топлива из нагнетательной полости насоса во всасывающую полость.
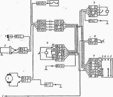
Система электроискрового розжига (рис. 2-54) предназначена для обеспечения искрового разряда в горелке при пуске подогревателя. Топливная смесь в горелке теплообменника подогревателя воспламеняется высоковольтным разрядом, который образуется между электродами свечи 3. Высокое напряжение на электродах свечи создается транзисторным коммутатором и индукционной катушкой 2.

Рис. 2-54. Схема электрооборудования ПЖД-30.
Система дистанционного управления подогревателем дает возможность управлять работой подогревателя как при транспортном положении кабины автомобиля, так и при поднятой кабине.
Переключатель управления работой подогревателя, установленный на кронштейне в кабине, имеет четыре положения:
положение 0 — все выключено;
положение I — включен электродвигатель насосного агрегата, электромагнитный топливный клапан и электроискровая свеча;
положение II — включен электродвигатель насосного агрегата и электромагнитный топливный клапан;
положение III — включен электродвигатель насосного агрегата (режим продувки). Включение электронагревателя топлива осуществляется в режиме продувки кнопочным выключателем, установленным на кронштейне в кабине.
Подогреватель работает следующим образом. Топливный насос подогревателя подает топливо из бачка 14 (рис. 2-55), которое через открытый электромагнитный клапан подводится к форсунке и впрыскивается во внутреннюю полость горелки теплообменника подогревателя. Распыленное топливо смешивается с подаваемым вентилятором воздухом, воспламеняется и сгорает, нагревая в теплообменнике 4 охлаждающую жидкость. Продукты сгорания топлива через трубу 3 направляются под масляный картер 1 двигателя и нагревают в нем масло.

Рис. 2-55. Схема работы предпускового подогревателя:
Топливо очищается фильтрами, установленными в электромагнитном клапане и форсунке.
Топливо для подогревателя поступает из специального топливного бачка 14 (рис. 2-55), который заполняется автоматически при работающем двигателе. При неработающем двигателе бачок может быть наполнен с помощью ручного топливоподкачивающего насоса, установленного на ТНВД.
Расход топлива регулируется с помощью редукционного клапана, размещенного на топливном насосе.
При достижении температуры на датчике котла (76…85)°С отключится электромагнитный клапан подачи топлива и подогреватель работает в режиме продувки. Повторный запуск возможен только при его полном отключении.
При эксплуатации предпускового подогревателя нужно следить, чтобы не было течи охлаждающей жидкости и топлива в соединениях топливных трубок, шлангов и кранов. Соединения топливных трубок с подогревателем должны быть герметичны, так как подсос воздуха в систему питания топливом не допускается. Наличие воздуха или течь в системе питания топливом подогревателя приводит к ненадежной работе и произвольной остановке подогревателя.
Работа подогревателя с открытым пламенем на выпуске недопустима.
После мойки автомобиля или преодоления брода в холодный период времени года нужно удалить воду, попавшую в воздушный тракт вентилятора, включением насосного агрегата на 3-4 мин (поставить переключатель в положение III).
Техническое обслуживание (осенью):
— очистить от нагара электроды свечей, камеру сгорания и газоход теплообменника;
— промыть редукционный клапан топливного насоса;
— проверить работу предпускового подогревателя.
При проверке работы предпускового подогревателя не допускается подтекание охлаждающей жидкости и топлива в соединениях трубопроводов и кранах. Нормальная работа определяется по равномерному гулу горения в теплообменнике и выходу отработавших газов без дыма и открытого пламени. При необходимости нужно отрегулировать расход топлива редукционным клапаном топливного насоса в следующем порядке:
— отвернуть колпачковую гайку на топливном насосе;
— ослабить контргайку регулировочного винта;
— поворачивая регулировочный винт вправо (подача топлива увеличивается) или влево (подача топлива уменьшается), отрегулировать режим работы подогревателя.
По окончании регулировки застопорить регулировочный винт контргайкой и навернуть колпачковую гайку.
Для обеспечения нормальной работы подогревателя регулировку подачи топлива следует производить при отрицательных температурах окружающего воздуха (не выше минус 5°С).
После мойки автомобиля или преодоления брода в холодное время года нужно удалить воду, попавшую в воздушный тракт вентилятора, включением насосного агрегата на 3-4 мин, для этого перевести ручку переключателя в положение III, предварительно отсоединив провод электронагревателя топлива.
Возможные неисправности двигателя и способы их устранения
Таблица 2-6
Причина неисправности | Способ устранения |
Двигатель не пускается | |
Отсутствие топлива в баке | Заполнить топливный бак, прокачать систему питания топливом. |
Наличие воздуха в системе питания топливом | Устранить негерметичность, прокачать систему. |
Нарушение регулировки угла опережения впрыскивания топлива | Отрегулировать угол. |
Замерзание воды, попавшей в топливные трубки или на сетку заборника топливного бака | Осторожно прогреть топливные фильтры, трубки и бак ветошью, смоченной горячей водой или паром, нельзя пользоваться открытым пламенем для подогрева |
Двигатель не развивает необходимой мощности, работает неустойчиво, дым при его работе | |
Засорение воздухоочистителя или колпака воздухозаборника | Провести техническое обслуживание воздухоочистителя или очистить сетку колпака |
Недостаточная подача топлива | Заменить элементы фильтра тонкой очистки топлива, промыть фильтр грубой очистки, подтянуть соединения в топливных трубках. |
Нарушение регулировки угла опережения впрыскивания топлива | Отрегулировать угол. |
Засорение форсунки (закоксовка отверстий распылителя, зависание иглы) или нарушение ее регулировки. | Промыть форсунку, в случае необходимости заменить распылитель, проверить и при необходимости отрегулировать. |
Нарушение регулировки привода рычага управления регулятором (рычаг управления не доходит до болта ограничения максимальной частоты вращения коленчатого вала). | Проверить и отрегулировать привод регулятора. |
Поломка пружины толкателя ТНВД. | Заменить пружину и отрегулировать насос на стенде. |
Попадание грязи между седлом и клапаном топливоподкачивающего насоса или поломка пружины. | Промыть клапан или заменить пружину, проверить работу насоса на стенде. |
Нарушение герметичности нагнетательных клапанов ТНВД или поломка пружины. | Устранить негерметичность клапана в мастерской или заменить пружину. |
Заклинивание плунжера секции ТНВД. | Заменить плунжерную пару и отрегулировать насос. |
Нарушение регулировки тепловых зазоров в механизме газораспределения. | Отрегулировать зазоры. |
Разгерметизация полости мембраны или повреждение мембраны корректора по давлению наддувочного воздуха. | Восстановить герметичность полости мембраны или заменить поврежденную мембрану. |
Прекращение подачи масла в корректор по давлению наддувочного воздуха. | Восстановить подачу масла в корректор. |
Ослабление крепления или поломка трубки высокого давления. | Подтянуть гайку крепления или заменить трубку. |
Плохая компрессия из-за неисправностей поршневой группы или неплотного прилегания клапанов газораспределения к седлам. | Проверить состояние поршней и поршневых колец, притереть клапаны. |
Загустевание топлива (в холодный период времени). | Заменить элементы фильтра тонкой очистки топлива, заменить топливо на соответствующее сезону, прокачать систему питания топливом. |
Низкое давление нагнетаемого воздуха: — утечка воздуха через соединения впускного коллектора с головками цилиндров, патрубками, турбокомпрессорами и компрессором; — прорыв газов в соединениях выпускного коллектора и корпуса турбины; — заедание ротора турбокомпрессора; — загрязнение выпускного тракта, проточных частей компрессора и турбины. |
Подтянуть соединения, при необходимости заменить прокладки и соединительные шланги. Подтянуть соединения, при необходимости заменить прокладки. Заменить турбокомпрессор. Очистить трубопроводы, снять турбокомпрессор и удалить отложения с проточных частей. |
Посторонний шум в турбокомпрессоре | |
Задевание ротора о корпусные детали | Подтянуть болты крепления корпусов турбины и компрессора. Проверить отсутствие задеваний ротора при его крайних положениях. При задеваниях ротора заменить турбокомпрессор. Если шум не исчез, турбокомпрессор снимите для технического обслуживания. |
Высокочастотный шум (свист) | |
Нарушена герметичность впускного и выпускного трактов двигателя | Подтянуть болты и гайки крепления деталей системы, при необходимости заменить прокладки. |
Повышенный расход масла | |
Длительная работа двигателя на оборотах холостого хода. | Без необходимости не работать на оборотах холостого хода двигателя. |
Утечка масла через соединения в смазочной системе турбокомпрессора. | Подтянуть соединения, при необходимости заменить прокладки и резиновые рукава. |
Износ сопряжения клапан-втулка в головке цилиндров, старение резиновой манжеты клапана. | Проверить и заменить изношенные детали. |
Засорение воздухоочистителя или колпака воздухозаборника. | Провести обслуживание воздухоочистителя и очистить сетку колпака. |
Понижение давления масла в смазочной системе | |
Низкий уровень масла в масляном картере. | Проверить и при необходимости долить масло до отметки “В”. |
Неисправность приборов контроля давления | Убедиться в исправности приборов. |
Применение масла не соответствующей вязкости | Заменить масло на соответствующее химмотоло-гической карте. |
Загрязнение фильтрующих элементов масляного фильтра | Заменить фильтрующие элементы. |
Нарушение регулировки или заедание предохранительного клапана или клапана смазочной системы | Проверить клапаны и устранить заедание, при необходимости отрегулировать или заменить неисправные детали. |
Засорение заборника масляного насоса | Промыть заборник. |
Попадание охлаждающей жидкости в масло | Проверить герметичность водяной полости, уплотнение гильз цилиндров, герметичность водомасляного теплообменника, неисправные детали заменить. |
Утечки масла в местах соединений и масляных магистралях смазочной системы | Проверить состояние технологических заглушек, пробок, затяжку крепежных деталей в местах соединений, состояние уплотнительных колец и прокладок. |
Нарушение работоспособности масляного насоса | Снять насос и на специальном стенде проверить работоспособность. |
Недопустимое возрастание зазора в подшипниках коленвала и распредвала | Произвести ремонт двигателя. |
Загорание сигнализатора аварийной температуры масла | |
Неисправность датчика аварийной температуры масла | Убедиться в исправности датчика, при необходимости заменить. |
Заедание термоклапана включения теплообменника, неисправность термосилового датчика | Проверить работу термоютапана включения теплообменника, при необходимости устранить заедания или заменить датчик. |
Засорение трубок или загрязнение охлаждающих пластин | Проверить водомасляный теплообменник на предмет засорения трубок и загрязнения охлаждающих пластин, при необходимости промыть или заменить теплообменник. |
Повышение давления масла в смазочной системе | |
Высокая вязкость масла. | Заменить масло на соответствующее химмотоло-гической карте. |
Нарушение герметичности линии управляющего сигнала соединяющей главную масляную магистраль с насосом или ее засорение | Проверить трубу подвода масла к насосу, затяжку болтов крепления, наличие отверстия в крышке. |
Заедание или нарушение регулировки клапана смазочной системы. | Проверить клапан и устранить заедание, при необходимости заменить неисправные детали. |
Стук при работе двигателя | |
Раннее впрыскивание топлива в цилиндры. | Отрегулировать угол опережения впрыскивания топлива. |
Повышенные тепловые зазоры в механизме газораспределения | Отрегулировать зазоры. |
Подклинивание клапанов механизма газораспределения во втулках (поршень касается клапана) | Разобрать и промыть клапанный механизм. При необходимости заменить клапан. |
Повышенная цикловая подача топлива (вышел из зацепления фиксатор рейки) | Заменить рейку ТНВД |
Стук коленчатого вала глухого тона. Частота увеличивается с повышением частоты вращения коленчатого вала | |
Недопустимое увеличение зазора между шейками и вкладышами коренных подшипников в результате применения масла, не соответствующего указанному в данном руководстве, или снижения давления и подачи масла. | Прошлифовать шейки на величину ремонтного размера и заменить вкладыши, заменить масло и проверить работу масляного насоса. |
Недопустимое увеличение зазора между упорными полукольцами и коленчатым валом. | Заменить упорные полукольца новыми большей толщины. |
Ослабление затяжки болтов крепления маховика к коленвалу. | Установить причину и затянуть болты. |
Стук шатунных подшипников более резкий, чем стук коренных подшипников. Прослушивается при работе двигателя на холостом ходу и усиливается с повышением частоты вращения коленвала | ||
Недопустимое увеличение зазора между шейками и вкладышами шатунных подшипников в результате применения масла, не соответствующего указанному в данном руководстве, или снижения давления и подачи масла. | Прошлифовать шейки на величину ремонтного размера и заменить вкладыши, сменить масло и проверить работу масляного насоса. | |
Стук поршней приглушенный, вызывается биением поршней о цилиндры. Прослушивается при малой частоте вращения коленчатого вала и под нагрузкой | ||
Недопустимое увеличение зазора между поршнями и цилиндрами. | Заменить поршни и при необходимости гильзы цилиндров. | |
Сильный износ торцов поршневых колец и соответствующих канавок на поршне. | Заменить поршневые кольца и, если требуется, поршни. | |
Стук поршневых пальцев, двойной, металлический, резкий вызывается большим зазором. Стук лучше слышен на холостом ходу двигателя | ||
Недопустимое увеличение зазора между пальцем и втулкой верхней головки шатуна. | Заменить палец и при необходимости шатун. | |
Повышенная температура жидкости в системе охлаждения | ||
Слабое натяжение или обрыв ремней привода водяного насоса. | Натянуть или заменить ремни. | |
Неисправность термостатов | Заменить термостаты. | |
Загрязнение сердцевины радиатора. | Очистить от грязи сердцевину радиатора. | |
Повышенный расход охлаждающей жидкости | ||
Повреждение радиатора | Устранить повреждение или заменить радиатор | |
Течь жидкости через торцовое уплотнение водяного насоса. | Заменить торцовое уплотнение. | |
Попадание охлаждающей жидкости в смазочную систему по резиновым уплотнительным кольцам гильз цилиндров или через резиновые прокладки головок цилиндров. | Заменить уплотнительные кольца гильз цилиндров или резиновые прокладки. | |
Электрофакельное устройство (ЭФУ) | ||
Неисправна свеча ЭФУ, горит плавкая вставка 30 А | ||
Замыкание спирали термореле или электропроводов | Если свечи исправны, отсоединить от термореле провод, соединяющий его с кнопкой включения ЭФУ. Отсутствие замыкания при повторном включении ЭФУ указывает на замыкание спирали термореле. В этом случае следует заменить термореле. Если спираль термореле цела (определяется на ощупь) и при отсоединенных от свечей проводах происходит замыкание, то это указывает на замыкание электропроводов. Устранить замыкание. | |
Замыкание свечи на массу | Отсоединить провод от вывода левой свечи, исключив контакт наконечника с массой, и вновь включите ЭФУ. При замыкании отсоединить провод от вывода правой свечи. Отсутствие замыкания указывает на замыкание правой свечи. Заменить отказавшую свечу. После устранения замыкания рекомендуется проверить состояние изоляции электропроводов, работоспособность термореле и реле включения ЭФУ, а если замыкание произошло при пуске двигателя — работоспособность шунтирующего реле | |
Не работает ЭФУ, напряжение не поступает на ЭФУ | |
Перегорание спирали термореле | Включить ЭФУ и проверить напряжение на выводах термореле. Отсутствие напряжения на выводе со стороны штекерного соединения при наличии напряжения на другом выводе свидетельствует о перегорании спирали. Заменить термореле. |
Перегорание свечей или отсутствие контакта в цепи | Включить ЭФУ и проверить, есть ли напряжение на выводах каждого изделия ЭФУ, начиная с факельных свечей. Наличие напряжения на выводе правой свечи свидетельствует о перегорании свечей. Заменить свечи или восстановить контакт. |
Перегорание одной из свечей | Включить ЭФУ на 10-15 с, затем заменить холодную свечу. |
Нет факела свечи | |
Отсутствие поступления топлива к свече | Ослабить топливоподводящий штуцер на свече. Включить ЭФУ и после загорания сигнализатора (открытие электромагнитного клапана) провернуть с помощью стартера коленчатый вал. Если топливо при открытом клапане не просачивается через неплотно завернутое резьбовое соединение штуцера, устранить неисправность в системе питания топливом. |
Непрохождение топлива через свечу | Вывернуть свечу из коллектора. Промыть и продуть сжатым воздухом жиклер, топливный фильтр и топливоподводящие полости. Проверить наличие пламени факела, для чего: — подсоединить к свече топливную трубку и электропровода; — обеспечить надежное соединение корпуса свечи с массой и убедиться, что вывод изолирован от массы; — включить ЭФУ и с помощью стартера провернуть коленчатый вал. При отсутствии пламени заменить неисправную свечу. |
Предпусковой подогреватель ПЖД-30 | |
При пуске подогревателя не вращается электродвигатель насосного агрегата, срабатывает предохранитель | |
Примерзание крыльчатки вентилятора в результате неполного удаления воды после мойки автомобиля или преодоления брода | Подручными средствами (факел, паяльная лампа) подогреть корпус вентилятора и жидкостный насос. Необходимо следить, чтобы пламя не касалось шлангов и проводов |
Отсутствует искра на электродах свечи | |
Отсутствие напряжения на наконечниках проводов, подводящих напряжение к индукционной катушке | Определить место повреждения электрической цепи и устранить неисправность |
Отказ в работе коммутатора высокого напряжения | Отсоединить провод высокого напряжения от свечи и закрепить его конец на расстоянии 3-5 мм от массы автомобиля. Если при переводе переключателя в положение / искра отсутствует, заменить индукционную катушку |
Отказ в работе искровой свечи | Заменить свечу |
Не работает электронагреватель топлива (отсутствует напряжение на контактах цепи электроснабжения) | |
Отсутствие контакта | Подтянуть контакты |
Отказ в работе нагревательного элемента | Заменить нагревательный элемент |
Отсутствует или недостаточна подача топлива к форсунке | |
Отказ в работе электродвигателя насосного агрегата | Проверить цепь электродвигателя; затяжку наконечников на выводах |
Нарушение работы электромагнитного клапана (нет щелчка при переводе переключателя в положение //) | Проверить исправность цепи, подводящей ток к клапану, и затяжку проводов на выводах |
Засорение топливного фильтра в электромагнитном клапане или форсунке | Снять фильтр, промыть и продуть сжатым воздухом; при необходимости заменить фильтр |
Засорение форсунки | Снять форсунку и разобрать ее. Промыть детали бензином или ацетоном. Собрать форсунку и проверить распыление топлива, не вворачивая форсунку в горелку |
Наличие воздуха в топливной магистрали | Прокачать систему питания, ослабив крепление трубки к электронагревателю топлива. При появлении топлива закрепить трубку. Установить место подсоса воздуха, проверив соединения топливных трубок |
Недостаточное давление топлива, подаваемого насосом | Отрегулировать расход топлива редукционным клапаном ТНВД |
Дым или открытое пламя при работе подогревателя | |
Неправильная регулировка подачи топливного насоса | Уменьшить расход топлива, отрегулировав редукционный клапан на топливном насосе |
Недостаточная частота вращения вала электродвигателя | Подзарядить аккумуляторную батарею; проверить исправность электродвигателя |
Образование нагара в камере сгорания и теплообменнике подогревателя | Разобрать узлы, удалить нагар и продуть сжатым воздухом узлы |
Продолжительный прогрев двигателя подогревателем | |
Недостаточный расход топлива вследствие засорения фильтров, форсунки, негерметичности топливных трубок, неправильной регулировки топливного насоса | Промыть фильтры, форсунки, устранить негерметичность топливных трубок, отрегулировать редукционный клапан топливного насоса |
Недостаточная частота вращения вала электродвигателя | Подзарядить аккумуляторную батарею; проверить исправность электродвигателя |
www.remkam.ru
ПЖД ( подогреватели жидкостные дизельные ) двигателей дизельных электростанций ― ДИЗЕЛЬНЫЕ ЭЛЕКТРОСТАНЦИИ И ГЕНЕРАТОРЫ
ПЖД ( подогреватели жидкостные дизельные ) двигателей дизельных электростанций.
Обеспечивают лёгкий запуск двигателя дизельного генератора в любой мороз, увеличение ресурса двигателя дизельной электростанции из-за отсутствия холодного запуска; сокращение расхода топлива, возможность программирования и дистанционного запуска.
Подогреватели жидкостные дизельные предназначены для предпускового подогрева двигателей дизельных электростанций перед началом работы в зимнее время.
ПЖД устанавливаются в контур жидкостной системы охлаждения двигателя дизельной электростанции, подсоединяются к электросети и топливной системе. В процессе работы подогревателя происходит сгорание рабочей смеси, а выделяемое при этом тепло нагревает жидкость системы охлаждения дизельного генератора, которая при помощи встроенного электронасоса принудительно циркулирует в системе, нагревая двигатель генератора. В ПЖД применяется технология центробежного распыления топлива под высоким давлением, обеспечивающая полное сгорание топлива с КПД более 85%. Подача топлива производится электромагнитным насосом, а воздух для горения подается нагнетателем воздуха. Розжиг производится от свечи накаливания. Устойчивая работа всех электрических компонентов подогревателя обеспечивается системой защиты от перепадов напряжения и короткого замыкания. Все рабочие компоненты ПЖД находятся внутри корпуса из нержавеющей стали. В зависимости от типа и модификации подогревателей управление может быть ручным или автоматическим. При автоматической системе управления контроль за режимами работы подогревателя, диагностику неисправностей обеспечивает блок управления и таймер-терморегулятор, запуск происходит вручную, автоматически при помощи установки таймера или с пульта дистанционного управления.
Также существуют воздушные независимые отопители ( подогреватели воздушные независимые ) с автоматической системой управления предназначены для быстрого нагрева и отопления в режиме поддержания необходимой температуры воздуха в контейнерах типа «Север» дизельных электростанций и других помещениях объемом от 4 до 35 кубометров.
ПВН с помощью воздуховодов можно установить практически в любом месте, подсоединив к электросети 12/24 в и топливной системе дизельной электростанции или через адаптер к электросети 220 в и емкости с дизельным топливом.
www.electrostan.ru
Предпусковой подогреватель грузовых автомобилей Камаз
_______________________________________________________________________________
Предпусковой подогреватель грузовых автомобилей Камаз
Предпусковой подогреватель автомобиля Камаз предназначен для нагрева жидкости в системе охлаждения и масла в картере двигателя перед его пуском в холодное время года.
Техническая характеристика предпускового подогревателя Камаз (ПЖД-30)
Тип — ПЖД-30
Теплопроизводительность МДж/ч, (ккал/ч) — 108,9 (2600)
Топливо — Применяемое для двигателя
Расход топлива, кг/ч — 4,5
Воспламенение топлива — Электроискровой свечой от транзисторного коммутатора с катушкой зажигания
Время работы свечи, с (не более) — 30

Рис.1 — Предпусковой подогреватель Камаз (ПЖД-30)
1-электромагнитный клапан, 2-теплообменник, 3-заливная воронка, 4-двигатель, 5-топливный бачок, 6-передняя поперечина рамы, 7-насосный агрегат
Подогреватель ПЖД-30 установлен под передней поперечиной рамы автомобиля Камаз и состоит из следующих узлов и систем:
— теплообменника 2 (рис.1) в сборе с горелкой;
— электромагнитного топливного клапана 1 с форсункой и электронагревателем топлива в сборе;
— насосного агрегата 7 с электродвигателем, вентилятором, жидкостным и топливным насосами;
— системы электроискрового розжига с искровой свечой и транзисторным коммутатором;
— системы дистанционного управления подогревателем с переключатёлем режимов работы, контактором электродвигателя и реле электронагревателя топлива.
В горелке топливо смешивается с воздухом. Образовавшаяся смесь воспламеняется и сгорает. Горелка съемная, крепится к теплообменнику предпускового подогревателя Камаз болтами.
На горелке установлены электроискровая свеча и топливный электромагнитный клапан в сборе с форсункой и электронагревателем топлива.
Теплообменник подогревателя Камаз состоит из двух связанных между собой полостей: внутренней и наружной. В нем охлаждающая жидкость нагревается.
Насосный агрегат состоит из вентилятора (нагнетателя), топливного и жидкостного насосов, приводимых в действие от одного электродвигателя.
Жидкостный насос центробежного типа предназначен для обеспечения циркуляции теплоносителя между предпусковым подогревателем и двигателем Камаз.
Вентилятор центробежного типа обеспечивает подачу воздуха в горелку теплообменника подогревателя ПЖД-30. Топливный насос шестеренного типа обеспечивает подачу топлива под давлением к форсунке теплообменника подогревателя.

Рис.2. Электрическая схема системы предпускового подогревателя Камаз (ПЖД-30)
1- электромагнитный насос, 2 — катушка зажигания предпускового подогревателя с коммутатором, 3 — искровая свеча, 4 — электромагнитный клапан, 5 — нагреватель топлива, 6 — реле нагревателя, 7 — переключатель управления предпусковым подогревателем, 8 — предохранитель (30 А), 9 — контактор, I — к предохранителю
Система электроискрового розжига предназначена для обеспечения искрового разряда в горелке при пуске подогревателя Камаз.
Топливная смесь в горелке теплообменника подогревателя воспламеняется высоковольтным разрядом, который образуется между электродами свечи 3 (рис.2). Высокое напряжение на электродах свечи создается транзисторным коммутатором с индукционной катушкой 2.
Система дистанционного управления предпусковым подогревателем Камаз дает возможность управлять работой подогревателя как при рабочем положении кабины автомобиля, так и при опрокинутой кабине.
Переключатель управления работой подогревателя ПЖД-30, установленный на кронштейне в кабине, имеет четыре положения:
— положение 0 — все выключено; положение I — включен электродвигатель насосного агрегата, электромагнитный топливный клапан и электроискровая свеча;
— положение II — включен электродвигатель насосного агрегата и электромагнитный топливный клапан; положение III — включен электродвигатель насосного агрегата и электронагреватель топлива.

Рис.3. Схема работы предпускового подогревателя Камаз (ПЖД-30)
1 — картер двигателя; 2 — насосный агрегат; 3 — труба отвода газов; 4 — теплообменник подогревателя; 5, 11 — воздухопровод к горелке подогреватели; 6 — труба подвода жидкости из подогревателя и блок; 7 — трубы отвода жидкости из блока в подогреватель; 8 — фильтр тонкой очистки топлива; 9 — подводящий топливопровод к насосу низкого давления; 10 — сливной топливопровод; 12—ручной топливоподкачивающий насос; 13 — водяной насос двигателя; 14— топливный бачок подогревателя; 15 — топливный кран подогрева-теля; 16 — подводящий топливопровод к насосному агрегату
Предпусковой подогреватель Камаз работает следующим образом. Топливный насос подогревателя отбирает топливо из бачка 14 (рис.3), которое через открытый электромагнитный клапан подводится к форсунке и впрыскивается во внутреннюю полость горелки теплообменника подогревателя.
Распыленное топливо смешивается с подаваемым вентилятором воздуха, воспламеняется и сгорает, нагревая в теплообменнике 4 охлаждающую жидкость. Продукты сгорания топлива через трубу отвода газов 3 направляются под масляный картер 1 двигателя и нагревают в нем масло.
Топливо очищается двумя фильтрами, установленными в корпусе электромагнитного клапана и на форсунке. Питание подогревателя ПЖД-30 осуществляется из специального топливного бачка, заполнение которого происходит автоматически при работе двигателя.
Когда двигатель не работает, бачок может быть заполнен ручным топливоподкачивающим насосом, установленным на топливном насосе высокого давления.
При эксплуатации предпускового подогревателя Камаз следите, чтобы не было течи охлаждающей жидкости и топлива в соединениях трубопроводов, шлангов и кранов.
Соединения топливопроводов с подогревателем должны быть герметичны, так как подсос воздуха в топливную систему не допускается.
Наличие воздуха или течь в топливной системе подогревателя Камаз приводит к ненадежной работе и произвольной остановке подогревателя. Работа подогревателя ПЖД-30 с открытым пламенем на выпуске недопустима.
Проверка работоспособности предпускового подогревателя Камаз
Нормальная работа предпускового подогревателя Камаз определяется по равномерному гулу в теплообменнике при горении и выходу отработавших газов без дыма и открытого пламени.
При необходимости отрегулируйте расход топлива редукционным клапаном топливного насоса Камаз, для чего:
— отверните колпачковую гайку на топливном насосе;
— ослабьте контргайку регулировочного винта;
— поворачивая регулировочный винт вправо (подача топлива увеличивается) или влево (подача топлива уменьшается), отрегулируйте режим работы подогревателя.
По окончании регулирования застопорите регулировочный винт контргайки и наверните колпачковую гайку.
Для обеспечения нормальной работы подогревателя ПЖД-30 регулируйте подачу топлива при отрицательных температурах окружающего воздуха.
После мойки автомобиля или преодоления брода в холодное время года удалите воду, попавшую в воздушный тракт вентилятора, включением насосного агрегата на 3…4 мин (поставьте переключатель в положение III, предварительно отсоединив провод электронагревателя топлива).
_______________________________________________________________________________
_______________________________________________________________________________
_______________________________________________________________________________
_______________________________________________________________________________
avtotehtrans.ru
Предпусковой подогреватель двигателя Википедия
Предпусковой подогреватель двигателя — устройство, позволяющее прогреть двигатель безрельсового транспортного средства, не запуская его. Предназначен для предварительного прогрева двигателя, для облегчения запуска двигателя в холодную погоду и, в некоторых случаях, для прогрева воздуха в салоне транспортного средства.
Электрические подогреватели
Электрические подогреватели
Автомобиль «зимует» на открытой стоянке, подогреватель подключён к электросети
Электрические предпусковые подогреватели двигателя
Электрические подогреватели относятся к неавтономным подогревателям. Изобретателем электрического подогревателя двигателя считается Эндрю Фриман, получивший в 1949 году патент на подогреватель охлаждающей жидкости, вкручивающийся на место одного из болтов блока цилиндров[1][2]. В настоящее время электрические подогреватели широко распространены в северных странах, таких как Канада, Скандинавия, северные штаты США, Россия. В этих регионах электрические подогреватели часто входят в стандартную комплектацию автомобилей, а розетки для подключения подогревателей располагаются на многих автомобильных стоянках и многоэтажных паркингах[3][4].
Устройство
Современные электрические подогреватели представляют собой целую систему, состоящую из нескольких частей[5][6]:
- электрический нагревательный элемент мощностью 500—5000 Вт, расположенный в герметичном теплообменнике, который монтируется в технологические отверстия рубашки охлаждения или соединяется с ней с помощью патрубков;
- электронный блок управления с таймером;
- блок подзаряда аккумуляторной батареи;
- тепловентилятор для отопления салона автомобиля;
- существуют модели со встроенной помпой, для равномерного и быстрого прогрева двигателя.
Принцип работы
Электрические предпусковые подогреватели подключаются к сети переменного тока напряжением 220 В. Принцип действия подогревателя основан на нагреве охлаждающей жидкости с помощью электронагревательного элемента. Циркуляция охлаждающей жидкости происходит за счёт того, что нагретая жидкость поднимается в верхнюю часть рубашки охлаждения, а более холодная опускается вниз. Подогреватели такого принципа работы требуют установки в самую низшую точку системы охлаждения. При наличии встроенной помпы можно устанавливать подогреватель в любом месте, а также происходит более эффективный нагрев.[7] По достижении определённой температуры срабатывает термореле, отключающее подогреватель и не дающее перегреться охлаждающей жидкости. Это позволяет оставлять электрический подогреватель включённым на всю ночь.
Автономные жидкостные подогреватели
Предпусковой подогреватель дизельного двигателя
Жидкостные предпусковые подогреватели двигателя являются полностью автономными. Они устанавливаются в моторном отсеке автомобиля и могут работать на бензине, дизельном топливе или газе.
Устройство
Основные компоненты жидкостного предпускового подогревателя:[5][8]
- электронный блок управления подогревателем (контроллер, отслеживающий температуру, перегрев, подачу топлива, воздуха и т. д.)[8]
- топливный насос с топливопроводом[8]
- воздушный нагнетатель, подающий воздух в камеру сгорания[8]
- «котёл», включающий камеру сгорания, теплообменник[8]
- циркуляционный насос, прокачивающий охлаждающую жидкость[8]
- реле, включающее вентилятор штатной «печки» для обогрева салона
- орган управления подогревателем (таймер, пульт дистанционного управления, GSM-модуль для запуска подогревателя по телефону).
Принцип работы
После запуска подогревателя с помощью органа управления топливный насос подогревателя подаёт топливо из топливного бака автомобиля в камеру сгорания подогревателя. В камере сгорания топливо смешивается с воздухом и воспламеняется свечой зажигания. В результате сгорания топлива образуется тепло, которое передаётся через стенки теплообменника охлаждающей жидкости автомобиля. Насос подогревателя прокачивает охлаждающую жидкость по малому контуру системы охлаждения — рубашке блока цилиндров и штатному отопителю салона. При достижении заданной температуры охлаждающей жидкости реле (при его наличии) включает вентилятор штатной «печки» для обогрева салона. Жидкостными подогревателями нельзя пользоваться в гаражах, не имеющих системы вентиляции. Потребление топлива составляет около 0.5 л в час в режиме полной нагрузки.[5][9]
К преимуществам жидкостных подогревателей обычно относят возможность сесть в мороз в прогретый салон автомобиля с размороженными стеклами и сразу начать движение, не тратя время на прогрев. Кроме этого увеличивается ресурс двигателя, так как холодный запуск двигателя сильнее снижает его ресурс. К недостаткам относится высокая цена жидкостных подогревателей.[4]
К недостаткам можно отнести тот факт, что во время работы, автономный подогреватель двигателя, циркуляционный насос, вентилятор салона автомобиля потребляют электрический ток от аккумуляторной батареи автомобиля. Если аккумуляторная батарея автомобиля уже слабая — это может привести к её быстрой разрядке.
Также можно использовать автономные подогреватели при движении автомобиля для помощи штатной системы обогрева в особо холодное время, когда автомобиль может просто выстывать на ходу, особенно полезным это может оказаться для автомобилей с дизельным двигателем, теплотворная способность которых ниже. Многие автопроизводители уже с конвейера выпускают автомобили с предустановленным автономным подогревателем двигателя.
Тепловые аккумуляторы
Принцип действия тепловых аккумуляторов основан на накоплении определённого объёма нагретой охлаждающей жидкости в специальном термосе, где она сохраняет свою температуру до двух суток. При запуске двигателя содержимое термоса специальным насосом выводится в малый контур системы охлаждения, подогревая при этом основную массу охлаждающей жидкости на 15-20 градусов. Такие тепловые аккумуляторы устанавливаются, например, на американскую модификацию гибридного автомобиля Toyota Prius.[10]
Подогреватели дизельного топлива
Подогреватели дизельного топлива предназначены для растворения парафинов, образующихся в топливе при низкой температуре. Работают от аккумулятора, после запуска двигателя могут работать и от генератора. Обычно подразделяются на подогреватели бандажного типа, устанавливающиеся на фильтр тонкой очистки топлива, и подогреватели топливной магистрали. В свою очередь подогреватели топливной магистрали делятся на проточные, врезающиеся в топливную систему и подогревающие топливо, проходящее через рубашку подогревателя, и ленточные, которыми оборачиваются проблемные участки топливной магистрали.[6][11]
См. также
Примечания
wikiredia.ru
Предпусковой подогреватель двигателя — это… Что такое Предпусковой подогреватель двигателя?
Предпусковой подогреватель двигателя — устройство, позволяющее прогреть двигатель безрельсового транспортного средства, не запуская его. Предназначен для предварительного прогрева двигателя, для облегчения запуска двигателя в холодную погоду и, в некоторых случаях, для прогрева воздуха в салоне транспортного средства.
Электрические подогреватели
Электрические подогреватели относятся к неавтономным подогревателям. Изобретателем электрического подогревателя двигателя считается Andrew Freeman, получивший в 1949 году патент на подогреватель охлаждающей жидкости, вкручивающийся на место одного из болтов блока цилиндров[1][2]. В настоящее время электрические подогреватели широко распространены в северных странах, таких как Канада, Скандинавия, северные штаты США, Россия. В этих регионах электрические подогреватели часто входят в стандартную комплектацию автомобилей, а розетки для подключения подогревателей располагаются на многих автомобильных стоянках и многоэтажных паркингах.[3][4]}.
Устройство
Современные электрические подогреватели представляют собой целую систему, состоящую из нескольких частей:[5][6]
Принцип работы
Электрические предпусковые подогреватели подключаются к сети переменного тока напряжением 220 В. Принцип действия подогревателя основан на нагреве охлаждающей жидкости с помощью электронагревательного элемента. Циркуляция охлаждающей жидкости происходит за счёт того, что нагретая жидкость поднимается в верхнюю часть рубашки охлаждения, а более холодная опускается вниз. По достижении определённой температуры срабатывает термореле, отключающее подогреватель и не дающее перегреться охлаждающей жидкости. Это позволяет оставлять электрический подогреватель включенным на всю ночь.
Жидкостные подогреватели
Жидкостные предпусковые подогреватели двигателя являются полностью автономными. Они устанавливаются в моторном отсеке автомобиля и могут работать на бензине, дизельном топливе или газе.
Устройство
Основные компоненты жидкостного предпускового подогревателя:[5]
Принцип работы
После запуска подогревателя с помощью органа управления топливный насос подогревателя подает топливо из топливного бака автомобиля в камеру сгорания подогревателя. В камере сгорания топливо смешивается с воздухом и воспламеняется свечой зажигания. В результате сгорания топлива образуется тепло, которое передается через стенки теплообменника охлаждающей жидкости автомобиля. Насос подогревателя прокачивает охлаждающую жидкость по малому контуру системы охлаждения — рубашке блока цилиндров и штатному отопителю салона. При достижении заданной температуры охлаждающей жидкости реле (при его наличии) включает вентилятор штатной «печки» для обогрева салона. Жидкостными подогревателями нельзя пользоваться в гаражах, не имеющих системы вентиляции. Потребление топлива составляет около 0.5 л в час в режиме полной нагрузки.[5][7]
К преимуществам жидкостных подогревателей обычно относят возможность сесть в мороз в прогретый салон автомобиля с размороженными стеклами и сразу начать движение, не тратя время на прогрев. Кроме этого увеличивается ресурс двигателя, так как холодный запуск двигателя сильнее снижает его ресурс. К недостаткам относится высокая цена жидкостных подогревателей.[4]
Также можно использовать автономные подогреватели при движении автомобиля для помощи штатной системе обогрева в особо холодное время, когда автомобиль может просто выстывать на ходу, особенно полезным это может оказаться для автомобилей с дизельным двигателем, теплотворная способность которых ниже.[8]
Тепловые аккумуляторы
Принцип действия тепловых аккумуляторов основан на накоплении определённого объёма нагретой охлаждающей жидкости в специальном термосе, где она сохраняет свою температуру до двух суток. При запуске двигателя содержимое термоса специальным насосом выводится в малый контур системы охлаждения, подогревая при этом основную массу охлаждающей жидкости на 15-20 градусов.[9] Такие тепловые аккумуляторы устанавливаются, например, на американскую модификацию гибридного автомобиля Toyota Prius.[10]
Подогреватели дизельного топлива
Подогреватели дизельного топлива предназначены для растворения парафинов, образующихся в топливе при низкой температуре. Работают от аккумулятора, после запуска двигателя могут работать и от генератора. Обычно подразделяются на подогреватели бандажного типа, устанавливающиеся на фильтр тонкой очистки топлива, и подогреватели топливной магистрали. В свою очередь подогреватели топливной магистрали делятся на проточные, врезающиеся в топливную систему и подогревающие топливо, проходящее через рубашку подогревателя, и ленточные, которыми оборачиваются проблемные участки топливной магистрали.[6][9][11]
См. также
Свеча накаливания
Примечания
dvc.academic.ru
Предпусковой подогреватель двигателя — это… Что такое Предпусковой подогреватель двигателя?
Предпусковой подогреватель двигателя — устройство, позволяющее прогреть двигатель безрельсового транспортного средства, не запуская его. Предназначен для предварительного прогрева двигателя, для облегчения запуска двигателя в холодную погоду и, в некоторых случаях, для прогрева воздуха в салоне транспортного средства.
Электрические подогреватели
Электрические подогреватели относятся к неавтономным подогревателям. Изобретателем электрического подогревателя двигателя считается Andrew Freeman, получивший в 1949 году патент на подогреватель охлаждающей жидкости, вкручивающийся на место одного из болтов блока цилиндров[1][2]. В настоящее время электрические подогреватели широко распространены в северных странах, таких как Канада, Скандинавия, северные штаты США, Россия. В этих регионах электрические подогреватели часто входят в стандартную комплектацию автомобилей, а розетки для подключения подогревателей располагаются на многих автомобильных стоянках и многоэтажных паркингах.[3][4]}.
Устройство
Современные электрические подогреватели представляют собой целую систему, состоящую из нескольких частей:[5][6]
Принцип работы
Электрические предпусковые подогреватели подключаются к сети переменного тока напряжением 220 В. Принцип действия подогревателя основан на нагреве охлаждающей жидкости с помощью электронагревательного элемента. Циркуляция охлаждающей жидкости происходит за счёт того, что нагретая жидкость поднимается в верхнюю часть рубашки охлаждения, а более холодная опускается вниз. По достижении определённой температуры срабатывает термореле, отключающее подогреватель и не дающее перегреться охлаждающей жидкости. Это позволяет оставлять электрический подогреватель включенным на всю ночь.
Жидкостные подогреватели
Жидкостные предпусковые подогреватели двигателя являются полностью автономными. Они устанавливаются в моторном отсеке автомобиля и могут работать на бензине, дизельном топливе или газе.
Устройство
Основные компоненты жидкостного предпускового подогревателя:[5]
Принцип работы
После запуска подогревателя с помощью органа управления топливный насос подогревателя подает топливо из топливного бака автомобиля в камеру сгорания подогревателя. В камере сгорания топливо смешивается с воздухом и воспламеняется свечой зажигания. В результате сгорания топлива образуется тепло, которое передается через стенки теплообменника охлаждающей жидкости автомобиля. Насос подогревателя прокачивает охлаждающую жидкость по малому контуру системы охлаждения — рубашке блока цилиндров и штатному отопителю салона. При достижении заданной температуры охлаждающей жидкости реле (при его наличии) включает вентилятор штатной «печки» для обогрева салона. Жидкостными подогревателями нельзя пользоваться в гаражах, не имеющих системы вентиляции. Потребление топлива составляет около 0.5 л в час в режиме полной нагрузки.[5][7]
К преимуществам жидкостных подогревателей обычно относят возможность сесть в мороз в прогретый салон автомобиля с размороженными стеклами и сразу начать движение, не тратя время на прогрев. Кроме этого увеличивается ресурс двигателя, так как холодный запуск двигателя сильнее снижает его ресурс. К недостаткам относится высокая цена жидкостных подогревателей.[4]
Также можно использовать автономные подогреватели при движении автомобиля для помощи штатной системе обогрева в особо холодное время, когда автомобиль может просто выстывать на ходу, особенно полезным это может оказаться для автомобилей с дизельным двигателем, теплотворная способность которых ниже.[8]
Тепловые аккумуляторы
Принцип действия тепловых аккумуляторов основан на накоплении определённого объёма нагретой охлаждающей жидкости в специальном термосе, где она сохраняет свою температуру до двух суток. При запуске двигателя содержимое термоса специальным насосом выводится в малый контур системы охлаждения, подогревая при этом основную массу охлаждающей жидкости на 15-20 градусов.[9] Такие тепловые аккумуляторы устанавливаются, например, на американскую модификацию гибридного автомобиля Toyota Prius.[10]
Подогреватели дизельного топлива
Подогреватели дизельного топлива предназначены для растворения парафинов, образующихся в топливе при низкой температуре. Работают от аккумулятора, после запуска двигателя могут работать и от генератора. Обычно подразделяются на подогреватели бандажного типа, устанавливающиеся на фильтр тонкой очистки топлива, и подогреватели топливной магистрали. В свою очередь подогреватели топливной магистрали делятся на проточные, врезающиеся в топливную систему и подогревающие топливо, проходящее через рубашку подогревателя, и ленточные, которыми оборачиваются проблемные участки топливной магистрали.[6][9][11]
См. также
Свеча накаливания
Примечания
biograf.academic.ru
ПЖД 14ТС-10: характеристики, инструкция, коды ошибок
ПЖД 14ТС-10 — это устройство, разработанное для предпускового разогрева дизельного мотора. Прибор отличается жидкостной системой охлаждения, прекрасно функционирует даже в условиях отрицательной температуры.
Немного подробнее о ПЖД 14ТС-10

Представленный предпусковой подогреватель гарантирует прогревание мотора за счет наличия жидкостной системы охлаждения. Устройство необходимо монтировать в саму систему охлаждения, а вот разогрев происходит благодаря сгоранию топливовоздушной смеси, которая находится в теплообменнике. Циркуляция жидкости производится за счет собственной помпы. Источник питания – электрическая сеть транспортного средства, а подается топливо непосредственно из горючей системы машины или же из личного резервуара (если он имеется в наличии).
Как действует данная система?

Главная задача прибора – разогревать охлажденный мотор перед поездкой. Принцип действия ПЖД 14ТС-10 основан на подогреве жидкости в системе охлаждения мотора. Топливная смесь начинает сгорать, и при этом происходит выделение тепла в специальной камере. Это тепло передается через стенки теплообменника, охлаждающая жидкость подогревается и начинает циркулировать в системе охлаждения транспортного средства. При этом ПЖД 14ТС-10 может прекрасно функционировать в предпусковом или же экономичном режиме, но стоит учесть, что во втором случае мощность потребления заметно падает.
По представленной программе осуществляется начальная продувка камеры сгорания, разогревается свеча накаливания до требуемых показателей температуры. Свеча при этом включается примерно на 90 секунд, после подается воздух и горючее. Вот так и начинается процесс горения в камере, а специальный индикатор пламени контролирует все. Деятельность самого подогревателя контролируется непосредственно из блока управления.
Блок управления ПЖД «Теплостар» 14ТС-10 производит координацию температурного режима охлаждающей смеси. В зависимости от показателей температуры выбирается режим самого устройства: «Полный», «Средний» и «Малый».
Что можно сказать о режимах аппарата?

Они следующие:
- «Полный». По программе «Предпусковая» охлаждающая смесь начинает прогреваться до отметки в 70 оС. Программа «Экономичная» предполагает нагрев до 55 оС.
- «Средний». В этом режиме охлаждающая жидкость разогревается либо свыше 70 оС, либо выше 55 оС. Обычно этот показатель колеблется на отметке в 75 оС.
- «Малый». Охлаждающая жидкость должна прогреться больше 75 оС (обычно это 80 оС).
Если же смесь нагреется сильнее, чем до 80 оС, то включается режим остывания и процессы горения полностью прекращается, при этом помпа работает полноценно и происходит обычный обогрев салона транспортного средства. Как только жидкость охлаждается до показателя 55 оС по программе «Предпусковая», активируется «Полный» режим, а если охлаждение осуществляется по программе «Экономичная», то активируется режим «Средний».
Если говорить о времени, то длительного полноценного цикла работы прибора в программе «Предпусковая» равняется 3 часам, а в программе «Экономичная» — 8 часам. Отключить аппарат возможно в любой момент.
Где применяется данный прибор?

Область применение весьма обширная. Устройство монтируется в такие типы транспортных средств:
- автофургоны;
- автобусы;
- спецтехника;
- грузовой транспорт.
Данные о подогревателе

Характеристики ПЖД «Теплостар» 14ТС-10 представлены в таблице ниже.
| Прибор | Режимы | ||
| Полный | Средний | Малый | |
| Теплопроизводительность, кВт | 15 | 9 | 4 |
| Расходы горючего, л/час | 2 | 1,2 | 0,54 |
| Потребляемая мощность, Вт | 132 | 101 | 77 |
| Вид горючего | Дизельное | ||
| Номинальное напряжение, В | 12, 24 | ||
| Теплоноситель | Тосол, антифриз | ||
| Режим запуска, остановки | Ручной, автоматический | ||
| Масса, кг | 10 | ||
Что можно сказать о блоке управления прибора?
Блок управления гарантирует контроль устройства вместе с пультом управления. Выполняет блок следующие опции:
- Начальную диагностику. Проводится проверка аппарата и всех его узлов на предмет неисправности при старте.
- Диагностику всех процессов непосредственно во время работы.
- Запуск и автоматическое функционирование аппарата в программах «Экономичная» или «Предпусковая». Происходит переход на вышеупомянутые режимы в зависимости от температурных показателей.
- Выключение самого аппарата по завершении установленного цикла из-за потери функциональной способности одного из узлов, при выходе одного из параметров за допустимые пределы, при срыве пламени в камере.
Что делает пульт управления?
Он предназначен для применения в структуре подогревателя в виде устройства, гарантирующего ручной контроль прибора. Главная задача – запуск и остановка подогревателя в ручном режиме, выставление длительности работы программы, управление вентилятором в отопительной конструкции кабины, демонстрация состояния подогревателя.
Как работает пульт управления?
К ПЖД 14ТС-10 инструкция простая, все манипуляции осуществляются через панель управления. На лицевой стороне размещены два клавишных переключателя, светодиод и ручка терморегулятора. Переключатели предназначаются для осуществления таких команд:
- осуществление запуска (переводится в положение «|») и отключения (положение «О»).
- выбор режима работы: «Предпусковой» и «Экономичный» соответственно.
Ручка переключателя контролирует вентилятор отопителя в салоне, при этом температура охлаждающей смеси должна быть больше 55 оС, а переключатель отопителя должен располагаться в положении «ВЫКЛ». Управление осуществляется так:
- Если ручку терморегулятора перевести в крайнее левое положение, то вентилятор перестанет функционировать.
- Если же ручку перевести в правое положение, то действовать вентилятор будет непрерывно.
- Если выставить ручку выставить посредине, то вентилятор станет функционировать циклично. Продолжительность одного цикла составляет 10 минут.
Приведем небольшой пример. Ручка вентилятора выставлена в такое положение, когда вентилятор поработает 4 минуты. Тогда по истечении 6 минут он повторно запустится и вновь проработает 4 минуты, и так далее. Так он будет функционировать до тех пор, пока положение ручки не изменится, или вплоть до выключения подогревателя. Каждое изменение ручки приводит к включению-отключению вентилятора в интервале от 2 до 8 минут.
Светодиод показывает непосредственно состояние подогревателя:
- Если он просто светится, значит, все в порядке и прибор работает;
- Если происходит мигание, то существуют неисправности.
- Не светится – подогреватель не работает.
Чтобы включить повторно подогреватель после автоматической остановки потребуется первый переключатель перевести в позицию «О», подождать примерно 10 секунд и вновь включить.
О каких неисправностях свидетельствует светодиод?

Очень удобно, что существует пояснение к кодам ошибок ПЖД 14ТС-10. Автомобилисту не потребуется ломать голову, думая, что же не так в системе. Просто наблюдайте за светодиодом и подсчитывайте количество миганий. Можете сделать для себя заметку, где объяснены все ошибки ПЖД 14ТС-10, и оставить ее в машине, чтобы она всегда была под рукой. Ниже приводится детальный разбор типичных неисправностей и кратко описывается, как их можно устранить.
Коды ошибок ПЖД 14ТС-10 | ||
| Количество миганий | Описание проблемы | Способы устранения проблемы |
1 | Теплообменник перегревается, система опознает большую разницу температур, которые замеряются датчиком перегрева и датчиком температуры | Датчик перегрева или же датчик температур демонстрирует показатели температуры более 102 оС. Что же делать? Потребуется проверить функциональность циркуляционного насоса, а также жидкостный контур. Если имеется разница температурных значений более 20 (к примеру, температура с датчика перегрева составляет больше 85 оС, а с датчика температуры – более 75 оС). В таких ситуациях рекомендуется перепроверить датчики, если потребуется – заменить их. |
2 | Попытки старта исчерпались | Если допустимое число попыток включения исчерпалось, потребуется проверить объемы топлива и его систему подачи. Рекомендуется проверить воздушную систему подвода для сгорания горючего, а также газоотводящий трубопровод. |
3 | Наблюдается прерывание пламени | Перепроверьте объемы горючего и его систему подачи. Рекомендуется осмотреть воздушную систему подвода для сгорания горючего. Если отопитель включается, тогда потребуется проверить индикатор пламени, и в случае его неисправности заменить. Также возможны засорения в топливном фильтре, его рекомендуется осмотреть. |
4 | Неисправность в работе свечи накаливания, может быть поломка в моторе нагнетателя воздуха | Требуется проверить работоспособность свечи накаливания: если она сломана, то необходима замена. Рекомендуется проверить электропроводку двигателя нагнетателя воздуха. Если он сломан, необходима замена. |
5 | Неисправность в индикаторе пламени | Требуется осмотреть проводку, проверить сопротивление между контактами разъема индикатора. Если показатель выше 90 Ом, у вас наблюдается обрыв. Если показатель составляет меньше 10 Ом, – короткое замыкание. Так или иначе индикатор пламени потребуется менять. |
6 | Испорчен датчик перегрева, датчик температуры | Требуется осмотреть связующие провода. Выходной сигнал и напряжения линейно зависимые от температуры. 0 оС – это 2,73 В, при увеличении температуры на один градус станет расти выходной сигнал на 10мВ. Проверить потребуется датчики и, скорее всего, их нужно заменить. |
7 | Неисправность в циркулярном насосе | Осмотрите цепи циркулярного насоса, проверьте их на короткое замыкание, осмотрите сам насос, и в случае поломки замените. В электрических цепях не должно быть обрыва, если это наблюдается – меняйте их. Если обнаружилось короткое замыкание, то устраните его, реле при необходимости потребуется заменить. |
8 | Нет связи между блоком управления и пультом | Осмотрите все соединительные провода и разъемы. |
9 | Повышенное напряжение, отключение. Может быть, наоборот, пониженное напряжение, отключение. | Осмотрите батарею, электропроводку и регулятор напряжения. Входное напряжение должно быть не выше отметки в 30,8 В и не ниже 20 В. |
10 | Превышено время на вентиляцию. | Подогреватель за отведенное время продувки недостаточно охладился. Потребуется перепроверить воздушную систему подвода для сгорания топлива. Проверьте также индикатор пламени, если потребуется – меняйте. |
Как видите, коды ошибок у ПЖД «Теплостар» 14ТС-10 различные, запомнить все будет сложно, поэтому можно сделать себе заметку или распечатку со всеми пояснениями.
Какие отзывы о приборе?

Отзывы в большинстве случаев положительные. У многих автолюбителей нареканий нет, правда, возникают вопросы касательно неисправностей и как их самостоятельно устранить. Если вы не разбираетесь в автомобилях, то лучше все доверить профессионалам. Решили купить себе аппарат? Почитайте отзывы о ПЖД «Теплостар» 14ТС-10 и удостоверьтесь в том, что прибор вам необходим.
fb.ru
