Как правильно отрегулировать сцепление в автомобиле?
После ремонта или замены сцепления, а иногда при эксплуатации автомобиля передачи перестают переключаться четко и плавно, машина дергается, при трогании с места пробуксовывает. Это происходит из-за неотрегулированного сцепления, об этом и расскажем в нашей статье.
Регулировку сцепления можно проводить самостоятельно
Основные признаки, по которым можно понять, что пора регулировать сцепление
Примерный интервал пробега, через который рекомендуют проводить проверку и настройку работы сцепления – 10 000 километров. Стоит свериться с графиком обслуживания авто, установленным заводом-изготовителем, – здесь могут быть указаны другие цифры.
Регулировка сцепления обязательна после замены/ремонта сцепления или его элементов, например, приводящего троса. Процедура требуется даже при подозрениях на отклонение амплитуды педали от нормальных показателей:
- авто трогается с места рывками;
- педаль сцепления западает или “ходит”с трудом;
- уровень жидкости в гидравлическом приводе снижается;
-
при переключении передач вы замечаете удары, шум и вибрацию.

Убедиться, что сцепление нуждается в регулировке, поможет простой тест. Заводим двигатель, плавно отпускаем педаль сцепления и медленно трогаемся. Если машина осталась на месте, когда сцепление полностью отпущено, значит, ход педали увеличен. Если машина начала движение еще до того, как вы сняли ногу с педали, её ход чересчур мал.
Что будет, если вовремя не отрегулировать сцепление?
Сцепление, которое вовремя не отрегулировали, быстро выйдет из строя, так что скоро его придется ремонтировать или полностью менять. При повышенном ходе педали сцепление выключается не до конца, его диск постоянно прижат к маховику двигателя. При малом ходе у сцепления нет возможности включить ведомый диск до конца, что ведет к пробуксовке и отсутствию крутящего момента.
Управлять автомобилем с неотрегулированным или неисправным сцеплением опасно и чревато аварией!
Отсутствие регулировки – причина быстрого выхода сцепления из строя
Можно ли самостоятельно отрегулировать сцепление?
С регулировкой сцепления можно справиться без обращения в техцентр.
Но если вы не уверены в причинах проблемы, у вас нет нужных инструментов и раньше с ремонтом авто не сталкивались, доверьте работу профессионалам.
Для регулировки сцепления вам потребуются линейка, жидкая смазка, плоскогубцы и рожковые ключи двух размеров – 17х14 и 13х14.
Этапы регулировки сцепления
Чаще всего на современных автомобилях установлены сцепления двух видов:
- с приводом механического типа – вилка сцепления соединяется с педалью в салоне с помощью троса;
- с приводом гидравлического типа – педаль газа с рабочим цилиндром сцепления соединяет трубопровод, заполненный рабочей жидкостью.
Процедура регулировки зависит от типа узла.
Регулируем механическое сцепление
Для начала выясняем, ход педали уменьшается или увеличивается. Жмём на педаль до упора и замеряем, на каком расстоянии от пола она остановилась.
Отпускаем педаль и снова проводим замеры. Из второго показателя вычитаем первый. У большинства моделей нормальная амплитуда хода — в диапазоне 12 — 14 см, ее можно уточнить в технических документах. Если цифра меньше, ход педали нужно увеличить, если больше – уменьшить.
После замеров переходим к самой процедуре регулировки:
Этап 1 – открываем капот, находим около рычага трансмиссии шток, который крепит идущий от педали сцепления трос.
Этап 2 – смазываем и ослабляем гайки, которыми закреплен шток, жидкой смазкой.
Этап 3 – с помощью гаечных ключей крутим гайку, которая находился ближе к педали. Если крутить гайку по направлению к педали сцепления, свободный ход педали станет больше, если в противоположном направлении – меньше.
Этап 4 – снова замеряем амплитуду хода педали. Если он в границах нормы, закручиваем до упора вторую гайку – контрольную. Это необходимо для фиксации выполненных регулировок.
Проверяем работу сцепления. Педаль должна нажиматься легко, без шума и трения. Автомобиль при старте не должен буксовать или двигаться рывками. Скорости должны переключаться плавно и точно.
Регулируем гидравлическое сцепление
Сцепления с гидравлическим приводом в большинстве своем саморегулирующиеся. Но настроить их вручную тоже можно, если у толкателя на рабочем цилиндре есть резьба и контрольная гайка. Вот как это сделать:
Этап 1 – проверяем уровень рабочей жидкости в сцеплении. Он должен быть на нормальном уровне.
Этап 2 – создаем условия для работы под машиной. Можно поставить автомобиль на рампу или стояки, воспользоваться подъемником или смотровой ямой.
Этап 3 – отыскиваем толкатель рабочего цилиндра.
Этап 4 – отцепляем пружину от вилки плоскогубцами.
Отжимаем вилку вперед, насколько это возможно, замеряем расстояние между ней и штоком толкателя. Отпускаем вилку, проводим такие же замеры. Получаем размер зазора сцепления, который сверяем с нормативным. Если он не вписывается в диапазон, указанный в технической документации (обычно около 5 мм), проводим регулировку.
Этап 5 – снимаем пружину, установленную на кронштейн рабочего цилиндра и вилки.
Этап 6 – ослабляем фиксирующую гайку на резьбовом соединении толкателя, крутим регулировочную гайку в направлении рабочего цилиндра для увеличения размеров зазора. Либо в обратную сторону — для их уменьшения.
Этап 7 – затягиваем контрольную гайку, когда размеры зазора станут нормальными.
В конце проводим контрольную проверку работы сцепления.
Гидравлическое сцепление, как и механическое, можно регулировать вручную
На разных марках авто регулировка производится по-разному?
Приведенные выше процедуры универсальны, они могут выполняться на машинах любых производителей.
Суть процедуры всегда одна – уменьшить или увеличить ход педали путем натяжения или ослабления троса, либо регулировки гидравлического толкателя.
Но при регулировке сцепления в машинах разных марок могут быть некоторые отличия. Например:
- нормальные показателям амплитуды хода педали или зазора сцепления;
- порядок доступа к регулировочной и контрольной гайкам сцепления. Так, в ВАЗ-2114, 2115 придется перед началом работ снять аккумулятор, а в Лада Калина – открутить воздушный фильтр.
Перед началом работ по регулировке сцепления ознакомьтесь с технической информацией о своем автомобиле, инструкцией по эксплуатации и руководством по ремонту. Это позволит выполнить процедуру правильно.
Понятие регулировки сцепления, инструкция процесса, подготовка и этапы
О том, насколько важно в автомобиле сцепление знают все без исключения автомобилисты. Однако, как правильно его отрегулировать после замены практически все затрудняются ответить.
Чтобы после замены сцепления оно буквально на середине хода педали прекрасно схватывалось очень важно правильно провести его регулировку. Кто-то считает, что сделать это самостоятельно очень трудно. Но на самом деле в этом процессе нет ничего сложного и из ряда вон выходящего. в этом материале будет рассказано, как отрегулировать сцепление после замены, что учесть и на что обратить внимание.Механизм сцепления
Сцепление выступает в роли связующего звена между трансмиссией и двигателем и предназначается для отключения и подключения первичного вала КПП от маховика коленвала. Переключение передач в ТС с механической коробкой возможно только при полностью выжатой педали сцепления. В этот момент не наблюдается передача крутящего момента, поскольку между коробкой передач и маховиком связь отсутствует. Что касается структуры рассматриваемого узла, она представлена следующими компонентами:
- Маховик, берущий на себя крутящий момент и отдающий его коробке передач через корзину.
Корзина, в свою очередь, закреплена с маховиком. - Нажимной и ведомый диск между собой тесно связаны. На их соприкосновение влияет положение педали сцепления, которая располагается в салоне машины.
- Вилка выключения обеспечивает разобщение дисков.
- Первичный вал КПП, к которому передаётся крутящий момент.
- Среди дополнительных элементов стоит выделить кожух, предназначенные для смягчения вибрации демпферные пружины, выжимной подшипник сцепления, а также фрикционные накладки. Последние надеваются на ведомый диск и обеспечивают смягчение трения между корзиной и маховиком.
Маховик напрямую взаимосвязан с нажимным диском и вращается вместе с ним. Шлицевая муфта с расположенным внутри первичным валом КПП обеспечивает передачу вращения на ведомый диск. Механизм переключения передач выглядит следующим образом:
- передача давления на вилку выключения посредством системы привода;
- смещение выжимного подшипника вместе с муфтой посредством вилки по направлению к выжимным пружинам нажимного диска;
- временное отсоединение корзины от маховика под воздействием давления подшипника;
- опускание педали после переключения скоростей, прекращение давления на пружины со стороны подшипника, а также возобновление контакта между маховиком и корзиной.

Диагностика необходимости регулировки сцепления
Активная эксплуатация транспортного средства ведёт к тому, что со временем отключение происходит не до конца из-за увеличения хода педали. Валы не отключаются полностью при максимально отжатой педали, и соприкосновение с двигателем остаётся, что негативно сказывается на эксплуатационном сроке узла и увеличении нагрузки на зубья.
Если же ход педали недостаточно сводный, ведомый диск включается неполностью, следовательно, происходит передача не всего крутящего момента при движении и мощность автомобиля снижается. Также плавное отпускание педали сцепления в данном случае может приводить к резкому включению диска, что сопровождается дёрганием автомобиля и шумом в трансмиссии. Следующие признаки позволят достоверно определить необходимость регулировки:
- западание педали сцепления;
- удары или рывки при попытке тронуться;
- посторонний шум в момент переключения передачи;
- утечка жидкости из системы привода;
- недостаточно свободный ход педали сцепления.

Чтобы убедиться в необходимости регулировки на 100 %, измерьте расстояние между педалью и полом и сопоставьте полученное значение с параметрами, указанными в инструкции по эксплуатации вашего авто.
Регулировка механического сцепления
Регулировка механического сцепления производится в пространстве под капотом автомобиля, где расположен трос сцепления, который оканчивается регулировочным болтом сцепления, на котором находится регулировочная гайка и контргайка. Трос сцепления называется приводом сцепления, в его задачу входит передача энергии движения от педали к механизму сцепления. После снятия контргайки, при помощи ключа поворачивается регулировочная гайка до такого положения, когда расстояние от резинового коврика до педали сцепления, при окончании холостого хода, не станет равняться 120-130мм. Все достаточно просто – для увеличения холостого хода, необходимо закручивать регулировочную гайку, для уменьшения – отвинчивать.
По достижении необходимого расстояния, нужно три раза нажать на педаль сцепления, после чего снова замерить расстояние от резинового коврика до педали газа.
Если расстояние изменилось, тогда нужно продолжать регулировку сцепления.
Распространённые неполадки
Отсутствие своевременных мер по регулировке сцепления приводит к следующим неисправностям:
- Пробуксовка сцепления предполагает неполную передачу крутящего момента на ведущие колёса и трансмиссию от коленвала и маховика. Если педаль сцепления полностью опущена, машина может не трогаться с места или двигаться крайне медленно. Во втором случае в салоне можно будет почувствовать запах гари как результат сгорания фрикционных накладок ведомого диска. Также возможно движение рывками. Причина рассматриваемой неисправности заключается в отсутствии свободного хода педали сцепления, что легко устранить посредством регулировки свободного хода. Данная мера не будет эффективна, если сальники коленвала изношены, что ведёт к замасленности или износу фрикционных накладок ведомого диска.
- Сцепление ведёт, при этом, оно выключается неполностью или не происходит отделения фрикционного диска от поверхности маховика при отпущенной педали.
Подтверждающим фактором является переключение передач с определённым затруднением, удары шестерён КПП и зубьев синхронизаторов. В итоге зубья могут сломаться. Причина неисправности может заключаться в избытке свободного хода педали сцепления, попадании воздуха в гидравлический привод или перекосе ведомого диска, обрыве фрикционных накладок. Обе неполадки недопустимо игнорировать, в противном случае не только снижается управляемость ТС, но также увеличивается скорость износа фрикционного материала ведомого диска сцепления. Также изнашивается поверхность маховика и ведущего диска. - Сцепление срабатывает слишком поздно или рано. При позднем срабатывании автомобиль начнёт трогаться с места при медленном отпускании педали только в момент её пребывания в конце хода, при почти полностью отпущенном состоянии. При раннем срабатывании движение транспортного средства начинается в самом начале отпускания педали сцепления, то есть сводный ход педали отсутствует. Перед тем, как регулировать сцепление, следует найти информацию о точном расстоянии от педали до пола и для её свободного хода.

Как отрегулировать сцепление
Эксплуатация любого автомобиля подразумевает уход за ним. Но, не зная инструкции и сомневаясь в правильности своих действий, не стоит лезть под капот машины. В статье будет рассказано, как отрегулировать сцепление грузового автомобиля МАЗ.
Устройство сцепления
В автомобиле МАЗ сцепление сухое, двухдисковое, устроенное по фрикционному типу с расположением по периферии пружин цилиндрической формы. Установлено оно в литом чугунном картере. Оно предназначено для непродолжительного разделения коленвала двигателя с коробкой передач, а также плавного их соединения в то время, когда автомобиль трогается с места и при дальнейшем переключении скоростей.
Регулировка сцепления на разных марках авто
Для разных автомобилей расстояние для сводного хода педали может быть разным и данный момент необходимо уточнять с помощью инструкции по эксплуатации. Рассмотрим поэтапную процедуру регулировки для разных моделей.
ВАЗ-2108, 2109, 2199
Процедура регулировки сцепления выглядит следующим образом.
- Измерьте расстояние между нижней кромкой педали и полом при полностью отжатом состоянии педали. Оптимальное расстояние для данных моделей – 18 — 20 см.
- Нажмите рукой на педаль до упора и измерьте расстояние от пола до нижней кромки. Оптимальное значение – 6 — 7 см.
- Вычтите результат второго замера из первого, в итоге вы должны получить 13 — 14 см.
- Ослабевание или подтягивание сцепления целесообразно, если полученное при вычитании значение не соответствует норме.
- Удерживайте регулирующую гайку с помощью одного ключа и ослабьте контргайку с помощью второго. По часовой стрелке вращайте регулирующую гайку для увеличения хода педали. Последняя должна двигаться вниз.
- Проведите контрольные замеры и затяните контргайку, если вас удалось достичь необходимого расстояния.
Как узнать, что электросхема ВАЗ 2109 неисправна? Читайте об этом в подробном и информативном материале нашего автора.
«Лада Калина»
Регулировка происходит следующим образом:
- Откройте капот и открутите болты крепления корпуса воздушного фильтра для его снятия.

- Отсоедините ДМРВ и открутите хомут.
- Изымите трос на максимально возможное расстояние, удерживая его за наконечник с резьбой. Приготовьтесь к необходимости преодолеть сопротивление, которое окажет прикреплённая в педали сцепления пружина.
- Используйте штангенциркуль для измерения расстояния между рычагом вилки и пластиковым поводком. Полученные замеры должны соответствовать 2,7 см.
- Используйте рожковый ключ для ослабевания или подтягивания гайки, если вы получили другой результат.
- Сделайте повторные замеры путём зажимания соответствующей педали.
- Установите на место воздушный фильтр.
ВАЗ-2107
Регулировка в данном случае требует использования эстакады или ямы. В крайнем случае можно установить транспортное средство на опоры с помощью домкрата:
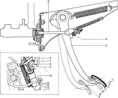
- После регулировки свободного хода вам необходимо добиться расстояния между верхним положением педали и упором в 0,4-2 мм. Для настройки при необходимости используйте ключа «на 10» и слегка открутите стопорящую ограничитель гайку за счет вращательных движений.

- Необходимость в снятии защитного щитка возникает, если система двигателя предполагает инжекторный впрыск горючего.
- Вычистите резьбу толкателя от грязи прежде, чем наносить смазывающую смесь.
- Проверьте ход толкателя, поскольку он влияет на ход выжимного подшипника. Отожмите вилку назад до самого конца и измерьте расстояние хода толкателя (4 — 5 мм). Лучше заранее отсоединить пружинку от рычага, в противном случае придётся прикладывать усилие.
- Используйте ключ «на 17» для регулировки хода толкателя. Параллельно сдерживайте регулирующую гайку от проворачивания. Для ослабевания контргайки используйте ключ «на 13».
- Используйте ключ «на 8» для фиксации толкателя и выставьте необходимое расстояние в 4 — 5 мм с помощью ключа «на 17».
- Зафиксируйте контргайку и проверьте ход педали. Расстояние между моментом отключения и его верхним положением должно составлять 3 см.
«Лада Приора»
В случае с «Ладой Приорой» можно воспользоваться двумя способами для замера положения троса.
В первом случае ориентиром должен стать ход педали сцепления (123 — 125 мм). Во втором случае можно замерить длину троса, который выход из кожуха. 2,7 см должно быть в отпущенном состоянии. В подавляющем большинстве случаев водители отдают предпочтение первому способу, поскольку он более надёжен.
ВАЗ-2114, 2115
Для данных моделей авто регулировка сцепления выглядит следующим образом:
- затяните ручник и снимите аккумуляторную батарею, чтобы обеспечивать максимальную безопасность;
- найдите трос сцепления в подкапотном пространстве;
- ослабьте гайки фиксации наконечника троса, используя два гаечных ключа;
- добейтесь расстояния в 125 — 135 мм путём ослабевания или подкручивания гаек;
- займите водительское кресло и выжмите педаль сцепления до упора как минимум трижды;
- произведите повторные замеры и откорректируйте сцепление снова при необходимости.
Советуем также прочитать статью нашего специалиста, в которой рассказывается о том, как подтянуть ручник на Калине.
Установка свободного хода педали
Сперва нужно проверить расстояние свободного хода. Это делается простым методом оттягивания вилки от толкателя. Нормальная величина зазора ровняется 4-5 миллиметрам, и если это расстояние отличается, значит здесь также необходима регулировка.
Весь процесс выглядит примерно таким образом:
- Сначала демонтируется пружина, удерживающая вилку сцепления в первоначальном положении.
- Затем раскручивается контргайка на самом толкателе.
- Теперь нужно зафиксировать толкатель ключом, и удерживая его, отрегулировать упорную гайку, пока зазор не станет таким, как нужно. Для этого достаточно покрутить деталь в разные стороны.
- После достижения оптимального положения, нужно закрепить упорную гайку контргайкой и проверить образовавшийся зазор.
- Если он принял нужный размер, значит можно устанавливать пружину на место.
На этом можно считать процесс регулировки завершенным, однако теперь нужно в обязательном порядке протестировать свою работу.
Для этого нужно завести мотор, включить передачу и не спеша отпустить рычаг. Если регулировка педали сцепления была грамотной – машина тронется с места примерно на середине хода педали. Если же вы почувствовали что это значение все еще повышено или понижено, следовательно нужно еще раз всё проверить, тем более что теперь вы в курсе, как отрегулировать сцепление и во второй раз проблем возникнуть не должно.
Два способа: как отрегулировать сцепление на ВАЗ 2110 самостоятельно?
Оценивая недостатки и достоинства своих автомобилей, владельцы все больше рассуждают о двигателе и подвеске. Намного реже в таких разговорах можно услышать о механизме переключения скоростей. Причина такой непопулярности заключается в том, что недостаток или запас мощности силового агрегата напоминает о себе регулярно, а к органам управления водитель быстро привыкает. Тем не менее, без периодической настройки управления фрикционной муфтой в процессе эксплуатации не обойтись.
Когда нужно регулировать привод муфты на «десятке»?
Автолюбители, которые уже знают, как отрегулировать сцепление на ВАЗ 2110, могут своевременно диагностировать состояние узла.
В этом им способствуют наличие опыта и знаний, никакие консультации в автосервисе им не нужны. Например, никто не станет спорить, что
- Рывки и удары, а также шум при включении скоростей говорит о необходимости наладки привода.
- Начало движения автомобиля сразу после отпускания педали указывает на отсутствие свободного хода.
- В случае, когда авто не тронулось даже при полностью отпущенной педали муфты, то свободный ход превышает норму.
Как проверить ход педали?
Явные признаки неполадок требуют проведения проверки эксплуатационных характеристик педали управления муфтой. Процедура элементарна, не требует особых навыков и детально описана в руководстве по эксплуатации. Итак, перед тем, как отрегулировать сцепление на автомобиле ВАЗ 2110, выполняем следующие действия:
- Установить линейку перпендикулярно внешней кромке педали, уперев ее в пол.
- Определить расстояние от пола до внешней стороны педали.
- Допустимым расстоянием считается 120-160 мм, при показаниях, выходящих за рамки норм – регулировка привода обязательна.
Традиционный способ: как отрегулировать сцепление на автомобиле ВАЗ 2110 не заезжая в автосервис?
В последние несколько лет производители автозапчастей с уважением относятся к владельцам отечественных автомобилей. Заплатив несколько дороже, у них есть возможность купить и установить импортное сцепление в комплекте. Но поставить новые корзину, диск и выжимной подшипник – это только полдела. Нужно правильно настроить привод механизма трансмиссии, для чего достаточно повторить несколько простых переходов:
- Открыть капот авто (мотор заглушен), и найти место соединения троса и вилки выключения муфты.
- Используя два рожковых ключа «на 13», отвернуть контргайку 1 (см. фото), а гайкой 2 настроить свободный ход педали управления в пределах 120-130 мм. Ход педали увеличивается при откручивании гайки 2, а при ее закручивании – уменьшается.
- Нажать и отпустить педаль 3-5 раз, после чего проверить линейкой размер хода педали.
- При необходимости повторить настройку, после чего завернуть контрагайку.
Приведенный порядок наладки беззазорного привода излишне упрощен и рассчитан для автолюбителей, которые не ставят своей целью углубленное познание конструкции автомобиля.
Рассуждения об альтернативной регулировке
Прежде, как отрегулировать традиционным способом сцепление на ВАЗ 2110, порассуждаем о том, насколько он оправдан, и есть ли смысл применения альтернативного варианта. По отзывам многих владельцев «десяток», да и не только их, педаль управления муфтой стоит довольно высоко от пола. Неудобство, к которому большинство водителей привыкает, на самом деле весьма существенно.
Водитель устает во время поездки, ему все меньше и меньше хочется переключать передачи, каждый раз поднимая тяжелый ботинок. Это сказывается не только на скорости передвижения, но и на состоянии трансмиссии. Опытные шоферы уверяют: педаль сцепления в отпущенном состоянии должна стоять так, чтобы ее можно было бы выжать, не отрывая от пола пятку. Недаром на УАЗах и Газелях, где регулировка невозможна, бывалые водители подкладывают под коврик обрезок доски.
Классический порядок регулировки указывает данные, которые обеспечивают выключение муфты с большим запасом. В результате, выжимая полностью педаль, водитель заставляет подшипник прогибать диафрагменную пружину намного больше, чем это технически нужно. В итоге, она теряет свои характерные свойства, а в критические моменты попросту ломается. И неважно, что вы выбрали для замены фирменный комплект сцепления – законам физики подвластны все.
Методика альтернативной настройки привода муфты
Опытные автолюбители предпочитают делать юстировку индивидуально для каждого комплекта деталей муфты. Мероприятие не требует наличия помощника и особых приспособлений:
- Запустить мотор, выжать муфту и включить заднюю скорость. Практически на всех вазовских моделях она без синхронизатора, поэтому происходит полное разъединение дисков.
- Медленно отпускать педаль и одновременно включать и выключать заднюю передачу.
- Момент включения скорости проявляется вибрацией на ручке переключения. Если настройка делалась по официальной заводской инструкции, то начало включения будет соответствовать расстоянию педали от пола 75-100 мм.
- Установить такую длину троса, чтобы момент «схватывания» соответствовал 20 мм от пола до верхней кромки педали.
После того, как мы отрегулировали этим способом сцепление на ВАЗ 2110, педаль муфты в начальном положении находится намного ниже тормозной педали. Это позволяет мгновенно перебрасывать носок ботинка, не поднимая ногу к рулю. Раннее включение значительно упрощает процесс управления авто, передачи включаются мягко и без рывков.
В итоге
В заключение нужно отметить некоторых «самоделкиных», которые специально отводят выжимной подшипник от корзины, объясняя свои действия, тем, что таким образом удастся продлить срок его эксплуатации. Однако придется их разочаровать – долговечнее подшипник вряд ли станет, а вот, лепестки диафрагменной пружины постепенно будут фрезероваться нераскрученной обоймой подшипника. И, заметьте, мы не обсуждаем дискомфорт от увеличенного хода педали, который может обернуться гораздо большими тратами, чем приобретение элементов муфты.
Регулировка и ремонт механизма сцепления грузовых автомобилей КамАЗ
Выполнять регулировку сцепления на КамАЗе 5320 и других моделях необходимо для поддержания исправного состояния грузовой машины. Иногда потребность проведения таких работ может возникнуть в пути, поэтому водителю автомобиля желательно знать основные условия для самостоятельного и правильного выполнения настройки механизма.
Блок: 1/9 | Кол-во символов: 324
Источник: https://autodvig.com/kpp/regulirovka-stsepleniya-kamaz-33281/
Назначение
Сцепление на Камазе является неотъемлемой частью системы трансмиссии, и его роль в автомобиле заключается в выполнении ряда важных задач, а именно оно:
- Передает крутящий момент от мотора к КПП
- Предохраняет движок и элементы трансмиссии от чрезмерных нагрузок
- Плавно соединяет ДВС и коробку в начале движения (при трогании с места)
- Разъединяет мотор и коробас во время переключения передач, и при экстренном торможении
Блок: 2/6 | Кол-во символов: 450
Источник: https://avtounions.ru/articles.php?marka=kamaz&cat=5&id=17
Конструктивные особенности сцепления
На большинстве грузовых автомобилей КамАЗ используется двухдисковая система сцепления (СС) с радиальным положением силовых пружин. Для функционирования механизма применяется специальный гидравлический привод, оснащенный пневматическим усилителем. Такая схема позволяет обеспечить снижение усилия, которое требуется для того, чтобы выжать педаль сцепления.
Схема системы сцепления на Камаз 4310 и 53215
Основные элементы устройства:
- Маховик.
- Средний ведущий вал.
- Ведомый шкив.
- Нажимной диск.
- Кратерное устройство.
- Защитный кожух.
- Опорная вилка.
- Рычаг переключения скоростей.
- Муфта деактивации с подшипниковым элементом.
- Вилка выключения системы.
- Упорное кольцо рычагов отключения.
- Выжимная пружинка.
- А — люфт между подшипником муфты и кольцом рычага отключения.
Схема соединений привода сцепления Камаз 43118 и 65115
Основные компоненты схемы:
- Педаль сцепления.
- Основной цилиндр.
- Цилиндрический элемент пневмоусилительного устройства.
- Следящий механизм пневматического усилителя для устройства с двумя дисками.
- Воздухопровод.
- Рабочий гидравлический цилиндр.
- Муфта отключения, оснащенная подшипниковым элементом.
- Рычаг переключения.
- Шток.
- Трубопроводы и патрубки гидравлического привода.
Ведомые диски в СС Камаз 55111 или 43114 производятся с применением термостойких фрикционных накладок, позволяющих не допустить быстрого износа конструктивных элементов. Также устройство включает в себя гаситель колебаний, которые образуются при прокручивании коленвала мотора. Педаль приводного устройства располагается на специальных втулках и обычно функционирует без необходимости регулярной смазки. В более современных версиях Камаз 55102 и 6520 используются однодисковые сцепления класса Евро.
Сцепления в системах Камаз могут отличаться между собой по величине передающегося крутящегося момента.
Основная особенность усовершенствованных версий СС заключается в наличии встроенного индикатора, определяющего износ фрикционных накладок. Измерение зазора производится по расстоянию между корпусом усилительного устройства, а также шайбой, расположенной на штоке. При серьезном износе этот показатель может составить около 2,3-2,5 см. В некоторых СС на Камаз 43114 и 4308 с ПГУ может отсутствовать возможность регулировки положения штока.
Фотогалерея: разновидности систем сцепления
Однодисковое СС для грузового авто
На фото — многодисковая система сцепления
Блок: 2/9 | Кол-во символов: 2353
Источник: https://avtozam.com/kamaz/kak-otregulirovat-stseplenie/
Регулировка свободного хода педали сцепления КАМАЗ
Педаль обязана иметь люфт от 6 до 12 мм. Измерения ведут от центральной части пластины. Педаль необходимо опустить до того момента, пока не заработает основной цилиндр. При отклонении от нормы регулируют расстояние между толкателем ПГУ и упором сверху.
Для дела потребуется эксцентриковый палец, соединяющий педаль с верхней проушиной толкателя. Педаль для вытяжения обязана прижимать педаль сцепления к упору сверху. Палец поворачивают так, чтобы промежуток между поршнем и толкателем ПГУ находился в пределах от 6 до 12 миллиметров. По окончании надёжно закручивают корончатую гайку. Полный ход педали должен быть примерно 19 сантиметров.
Блок: 3/7 | Кол-во символов: 701
Источник: https://gruzovik.biz/articles/regulirovka-scepleniya-kamaz-instrukciya
Применимость
На моделях Камаза 5320, 65115, 6520, 43118, 4308 и др. устанавливается сухое, однодисковое или двухдисковое сцепление. Особенность такого типа сц-я – это постоянное его нахождение во включенном состоянии. Нажимные пружины располагаются по периферии.
Картер, в котором оно располагается крепится к двигателю. Всю систему сцепления Камаз можно разделить на две части: непосредственно сам механизм и привод включения и выключения.
Блок: 3/6 | Кол-во символов: 458
Источник: https://avtounions.ru/articles.php?marka=kamaz&cat=5&id=17
Регулировка свободного хода педали сцепления
По официальному регламенту ход для передвижения педали должен составить около 6-12 мм, а сам замер следует делать от центральной составляющей пластины. Педаль необходимо отпустить, пока в работу не вступит основной цилиндр после нажатия на нее. Отладка осуществляется с использованием эксцентрикового пальца, при выполнении регулировки педаль должна быть прижата к верхнему упору. Корончатая гайка максимально затягивается и производится замен полного хода, который должен составить 185-195 мм.
Видео о регулировке педали сцепления
Канал «ВОСЕМЬ АТМОСФЕР» в своем видеоролике подробно показал, как увеличить выжим педали сцепления на Камаз Евро.
Блок: 4/9 | Кол-во символов: 687
Источник: https://avtozam.com/kamaz/kak-otregulirovat-stseplenie/
Как работает
Вращение от маховика идет к корзине сцепления (кожух) на нажимной, средний ведущий и дальше на ведомые диски, связанные шлицевым соединением с первичным валом коробки. Благодаря наличию двенадцати нажимных пружинок ведущие плотно прижимают ведомые. В результате между ними возникает сила трения, необходимая для передачи крутящего момента. Устанавливаются они в пазах маховика на 4-х шипах.
Материалом для производства среднего и нажимного дисков служит чугун, способ изготовления — литье. В процессе работы они подвергаются сильному нагреву, поэтому для понижения температуры в них были предусмотрены специальные окна. Такое решение также способствует уменьшению веса детали.
Блок: 4/6 | Кол-во символов: 711
Источник: https://avtounions.ru/articles.php?marka=kamaz&cat=5&id=17
Регулировка сцепления
Если вы заметили даже один из перечисленных признаков, значит, корзина сцепления КамАЗ требует настройки. Если этого не сделать вовремя , неполадки могут перекинуться на коробку передач и иные детали трансмиссии. В целом грамотную регулировку сцепления Камаза можно разделить на 3 основных этапа:
- Настройка свободного хода педали. Нормативное значение для свободного хода находится в рамках 6–12 мм. Измерять его следует от средней части пластины в момент, когда педаль опущена и до того момента пока при нажатии вы не почувствуете сопротивление. Регулируется свободный ход эксцентриковым пальцем – он соединяет ушко толкателя с рычагом педали. Палец следует вращать до тех пор, пока зазор между верхним упором и толкателем поршня не достигнет значения 6–12 мм. Как только нужное значение достигнуто, затягиваем и шплингуем корончатую гайку. После обязательно замерьте полный ход педали должно получиться 185–195 мм.
- Регулировка свободного хода муфты. Значение свободного хода должно составлять 3,2–4 мм. Замерить его совсем несложно. Двигаем рычаг вала вилки от регулировочной сферической гайки толкателя. Не забудьте снять пружину и обратите внимание на то, что рычаг должен двигаться максимум на 4–5 мм. Если замечены расхождения с нормативами, поправить ситуацию можно при помощи сферической гайки. Как только ход рычага дойдет до 4–5 мм, автоматически нужное значение примет и свободный ход муфты.
- Регулировка полного хода толкателя усилителя. Измеряется очень просто. Выжимаем сцепление до тех пор, пока оно не упрется в пол. Если при этом расстояние хода толкателя получается менее 25 мм, сначала проверьте свободный ход педали и жидкость в главном цилиндре. Если там все в порядке сбросьте воздух из гидросистемы и тогда все вернется к нормальным значениям.
техническое обслуживание
Если периодически выполнять дополнительно с регулировкой еще и эти процедуры, то устройство прослужит намного дольше.
- Протяните болты, которые крепят пневмоусилитель привода сцепления.
- устройство на наличие подтеков. В случае обнаружения, найти и устранить утечку, после прокачать систему, чтобы из нее вышел воздух.
- Оценить работу пружин педали и рычага вала. В случае обнаружения неисправных заменить их.
- Смазать подшипник муфты и втулку вала вилки устройства.
- Оценить уровень жидкости в компенсационном баке. В случае необходимости долить.
Регулировка сцепления Камаз
В первый раз со всеми этими работами справиться весьма проблематично. Если вы не уверены в своих силах. Доверьте регулировку специалистам и проследите за ходом выполнения работ. Запомнив все этапы на практике, в дальнейшем вы без проблем сможете регулировать устройство самостоятельно.
Блок: 3/4 | Кол-во символов: 2656
Источник: https://autodont.ru/transmission/cohesion/regulirovka-kamaza
Отладка муфты
Следующим этапом регулировки будет настройка параметров свободного хода муфты включения сцепления, значение которого должно составлять от 3,2 до 4 мм. Измерение проводится путем вращения регулировочной гайки.
Последовательность действий при этом:
- Ослабить крепежную гайку вилки.
- Расшплинтовать палец крепления, добиться его свободного перемещения и вынуть.
- Вращать вилку тяги до получения необходимого зазора.
- Затянуть гайку и вмонтировать на место палец.
- Установить фиксирующий шплинт.
- Проверить настройку. При полном отжатии педали ход муфты должен составить не менее 25 мм.
Блок: 4/9 | Кол-во символов: 582
Источник: https://autodvig.com/kpp/regulirovka-stsepleniya-kamaz-33281/
Регулировка привода сцепления КАМАЗ
Чтобы измерить показатель функции, стоит отжать педаль до упора. Если значение меньше 24 мм, то не произойдёт полного выключения. Необходимо измерить свободный ход педали, объём жидкости в главном цилиндре. 380 кубических сантиметров — это полный объём в гидроприводе. Если данные не удовлетворяют запросам — важно избавиться от воздуха в системе. Это вернёт все показатели в норму.
Блок: 5/7 | Кол-во символов: 427
Источник: https://gruzovik.biz/articles/regulirovka-scepleniya-kamaz-instrukciya
Как узнать, что пришло время менять сцепление
Бывают такие случаи, когда регулировкой сцепления уже не удастся исправить неполадку. Возможно, вы упустили момент, когда можно было обойтись малыми силами, а может быть, устройство вышло из строя по каким-либо объективным причинам. Итак, сцепление маз пора менять, если вы заметили следующие признаки:
- Устройство включается резко, автомобиль дергается и резко рвет с места.
- Шум в механизме, возможно, громкий треск при включении передачи.
- Автомобиль трогается с места, с опозданием, даже если вы отжали сцепление вовремя.
- Характерный запах гари в салоне (это явный признак того, что сцепление сгорело).
Затягивать с заменой сцепления не стоит. В итоге все может закончиться повреждением коробки передач или тем, что в один прекрасный день автомобиль просто не сможет тронуться с места.
Самостоятельно за работу стоит браться, только если вы точно, знаете, последовательность действий. В противном случае лучше обратиться к специалистам.
Однако если вы уверены в своих силах или корзина сцепления КамАЗ вам хорошо знакома, можно браться за дело.
Что понадобиться
Прежде чем приступать к работам, необходимо запастись определенным набором инструментов. Итак, вам понадобятся:
- Набор гаечных ключей или торцевых головок.
- Упор.
- Линейка, чтобы потом измерить свободный ход педали.
- Пассатижи и клещи.
Замена сцепления Камаз
Если все это есть, пора приступать к работе. Главное, строго соблюдать всю последовательность действий:
- Первым делом снимайте коробку передач. У КамАЗа она очень тяжелая, поэтому вам понадобится помощь нескольких человек.
- Далее, на очереди корзина сцепления, снимаем и ее.
- После снимайте диски сцепления ведомый, средний и ведущий.
- После на их место устанавливайте новые детали устройства. Начинайте с установки первого ведомого диска и дальше устанавливайте детали в обратном к разбору порядке.
- Еще раз убедитесь, что устройство собранно правильно и все – можно ставить на место коробку передач.
В случае если сцепление однодисковое процесс схож и выполняется еще проще. Может показаться, что все достаточно просто, однако это далеко не так. Замена и регулировка сцепления маз потребует массу физических сил и времени. Возможно, имеет смысл все-таки довериться специалистам, которые все сделают грамотно и без ошибок. Вы же, наблюдая, за процессом сможете запомнить всю последовательность на практике, а уже в следующие раз взяться за регулировку или замену устройства самостоятельно.
Как пользоваться сцеплением, чтобы оно работало как можно больше
Есть несколько простых правил продлить срок службы сцепления КамАЗа. К сожалению далеко не все водители ими пользуются и часто, устройство приходится менять гораздо раньше, чем предусмотрено производителем.
- Не держите механизм отжатым слишком долго. Использовать пробуксовку сцепления на светофорах и для снижения скорости очень вредно для устройства.
- И, главное, как можно чаще проверяйте свободный ход педали и смазывайте все доступные агрегаты механизма сцепления. Это является, наверное, важнейшим залогом того, что задумываться о замене механизма вам не придется течении как минимум нескольких лет.
Блок: 4/4 | Кол-во символов: 3092
Источник: https://autodont.ru/transmission/cohesion/regulirovka-kamaza
Регулировка лапок корзины сцепления КАМАЗ
Дело ведут в несколько приёмов:
- Демонтируют КПП. Гаечными ключами откручивают болты крепления.
- Поднимают коробку: лучше это сделать с грузовой лебёдкой.
- Проверяют состояние муфты, оттяжного пружинного элемента, выжимного подшипника.
- Откручивают винты, соединяющие нажимной диск и маховик. Для демонтажа нажимного элемента надо поддерживать ведомый диск.
- Проводят дефектовку всех деталей системы (желательно).
- Проверяют состояние выжимного подшипника. Исправный механизм вращается легко, без лишних звуков.
- Проводят визуальный осмотр рабочей поверхности лапок нажимного диска. После установки новых деталей настраивают лапки КС. В деле потребуется ровная плита.
Расположение лапок ориентируют на рабочее положение поверхности нажимного диска. Важно: операция не требует снятия КС с дополнительного маховика. В работе понадобятся гаечные ключи под регулировочные винты. Лапки КС обязаны располагаться так, чтоб расстояние от работающей плоскости нажимного диска до верхних граней сферических выступов на внутренней поверхности лапок не было больше 41 миллиметра. Но лучше — 40 мм.
Для проверки установки лапок потребуется специальная пластина. Сферические выступы обязаны касаться контрольной пластины (она установлена на ступице). После окончания регулировки все винты крепежа опорных пластин затягивают до упора. Сборка идёт в обратном порядке.
Блок: 7/7 | Кол-во символов: 1397
Источник: https://gruzovik.biz/articles/regulirovka-scepleniya-kamaz-instrukciya
Количество использованных доноров: 5
Информация по каждому донору:
- https://gruzovik.biz/articles/regulirovka-scepleniya-kamaz-instrukciya: использовано 3 блоков из 7, кол-во символов 2525 (14%)
- https://avtozam.com/kamaz/kak-otregulirovat-stseplenie/: использовано 3 блоков из 9, кол-во символов 5462 (30%)
- https://autodvig.com/kpp/regulirovka-stsepleniya-kamaz-33281/: использовано 3 блоков из 9, кол-во символов 2873 (16%)
- https://autodont.ru/transmission/cohesion/regulirovka-kamaza: использовано 2 блоков из 4, кол-во символов 5748 (32%)
- https://avtounions.ru/articles.php?marka=kamaz&cat=5&id=17: использовано 3 блоков из 6, кол-во символов 1619 (9%)
Регулировка сцепления и ходовой части автомобиля — Май 1940 года
- Онлайн
- Архив
- Форум
- Wiki
- Купи авто
- Реклама
- Издания
- Журнал “За рулем”
- Газета “За рулем – Регион”
- Журнал “Купи авто”
- Журнал “Мото”
- Журнал “Рейс”
- Книги, Каталоги
- Подписка
- Товары и услуги
- Интернет магазин
- Товары ЗР
- Реклама
- Турбюро
- Реклама
- Подписка
- Архив
- Форум
- Wiki
- Купи авто
- Войти
- Анонсы
- Издания
- За рулем
- Газета «За рулем — Регион»
- Купи авто
- Мото
- Рейс
- За рулем
- Газета «За рулем — Регион»
- Купи авто
- Мото
- Рейс
- Книги и каталоги
- Новинки
- Популярная литература
- Техническая литература
- Марки и модели
- Все марки
- Acura
- Alfa Romeo
- Alpina
- Aston Martin
- Audi
- BAW
- Bentley
- BMW
- Brilliance
- Bristol
- Bugatti
- Buick
- BYD
- Cadillac
- Caterham
- Changan
- Chery
- Chevrolet
- Chrysler
- Citroen
- Cord
- Dacia
- Daewoo
- Daihatsu
- Delahaye
- Derways
- DFM
- Dodge
- Eriba moving
- FAW
- FBS
- Ferrari
- FIAT
- Fisker
- Ford
- Freightliner
- Geely
- GMC
- Great Wall
- Grinnall
- Gumpert
- Hafei
- Haima
- Hino
- Honda
- Horch
- Hummer
- Hymer
- Hyundai
- Infiniti
- International
- Iran Khodro
- Isuzu
- Iveco
- JAC
- Jaguar
- Jeep
- Jinbei
- Kamaz
- KIA
- Lamborghini
- Lancia
- Land Rover
- LDV
- Lexus
- Lifan
- Ligier
- Lincoln
- Lotus
- Luxgen
- Mahindra
- Man
- Maserati
- Maybach
- Mazda
- Mercedes-Benz
- Mercury
- MG
- Mini
- Mitsubishi
- Morgan
- Nash Ambassador
- Nissan
- Noble
- Opel
- ORCA
- Pagani
- Pegaso
- Perodua
- Peugeot
- Piaggio
- Pininfarina
- Polaris
- Pontiac
- Porsche
- Proton
- Renault
- Rolls-Royce
- Rover
- SAAB
- Saleen
- Samsung
- Saturn
- Scania
- Scion
- SEAT
- Setra
- Shuanghuan
- Skoda
- Smart
- Spyker
- Ssang Yong
- Steyr
- Strathcarron
- Studebaker
- Subaru
- Suzuki
- TATA
- Tianma
- Tianye
- Toyota
- Tucker
- Venturi
- Volkswagen
- Volvo
- Vortex
- Westfield
- Willys
- Xin Kai
- YAMAHA
- Zxauto
- Богдан
- ВАЗ
- Валдай
- ВИС
- Волжанин
- ГАЗ
- ГолАЗ
- ё-мобиль
- ЗАЗ
- ЗИЛ
- ЗИС
- ЗМЗ
- ИЖ
- КАВЗ
- Комбат
- КРАЗ
- ЛиАЗ
- МАЗ
- Москвич
- ОКА
- ПАЗ
- РОАЗ
- Сталкер
- ТагАЗ
- Тигр
- УАЗ
- Урал
- Поиск
- Анонсы
- За рулем
- Газета «За рулем — Регион»
- Купи авто
- Мото
- Рейс
- Книги и каталоги
- Марки и модели
- Поиск
- ЗР 2021
- ЗР 2020
- ЗР 2019
- ЗР 2018
- ЗР 2017
- ЗР 2016
- ЗР 2015
- ЗР 2014
- ЗР 2013
- ЗР 2012
- ЗР 2011
- ЗР 2010
- ЗР 2009
- ЗР 2008
- ЗР 2007
- ЗР 2006
- ЗР 2005
- ЗР 2004
- ЗР 2003
- ЗР 2002
- ЗР 2001
- ЗР 2000
- ЗР 1999
- ЗР 1998
- ЗР 1997
- ЗР 1996
- ЗР 1995
- ЗР 1994
- ЗР 1993
- ЗР 1992
- ЗР 1991
- ЗР 1990
- ЗР 1989
- ЗР 1988
- ЗР 1987
- ЗР 1986
- ЗР 1985
- ЗР 1984
- ЗР 1983
- ЗР 1982
- ЗР 1981
- ЗР 1980
- ЗР 1979
- ЗР 1978
- ЗР 1977
- ЗР 1976
- ЗР 1975
- ЗР 1974
- ЗР 1973
- ЗР 1972
- ЗР 1971
- ЗР 1970
- ЗР 1969
- ЗР 1968
- ЗР 1967
- ЗР 1966
- ЗР 1965
- ЗР 1964
- ЗР 1963
- ЗР 1962
- ЗР 1961
- ЗР 1960
- ЗР 1959
- ЗР 1958
- ЗР 1957
- ЗР 1956
- ЗР 1955
- ЗР 1954
- ЗР 1953
- ЗР 1952
- ЗР 1951
- ЗР 1950
- ЗР 1949
- ЗР 1948
- ЗР 1947
- ЗР 1946
- ЗР 1945
- ЗР 1944
- ЗР 1943
- ЗР 1942
- ЗР 1941
- ЗР 1940
- ЗР 1939
- ЗР 1938
- ЗР 1937
- ЗР 1936
- ЗР 1935
- ЗР 1934
- ЗР 1933
- ЗР 1932
- ЗР 1931
- ЗР 1930
- ЗР 1929
- ЗР 1928
- №1
- №2
- №3
- №4
- №5
- №6
- №7
- №9
- №10
- №11
- №12
- №13
- №15
- №17
- №18
- №19
- №21
- №22
- №23
- К обзору номера
- 0 — ОБЛОЖКА НОМЕРА
- 0 &md
Регулировка педали сцепления на Газели
Как отрегулировать сцепление на ГАЗели, чтобы стало удобнее управлять автомобилем? Это один из многих вопросов, которые задают их владельцы. Существует много проблем, с которыми сталкиваются владельцы этой машины, но одним из самых проблемных узлов является сцепление. Как узел отрегулировать, стоит ли его ремонтировать или лучше заменить на другой?
Сцепление для автомобиля Газель
Вернуться к оглавлениюПеред началом регулировки
Регулировка сцепления проводится только если узел полностью исправен. Сцепление у ГАЗели очень хрупкое и часто ломается даже из-за небольшой перенагрузки, поэтому проблемы могут возникнуть еще до начала каких-то регулировочных работ. Не самая качественная технология производства стала основной причиной, по которой детали узла чуть ли не одна за другой выходят из строя. Стоит проверить, все ли элементы конструкции сцепления целы перед тем как начинать другие работы. Что нужно проверить тщательнее всего:
- Часто ломается рабочий цилиндр. Его стоит проверить в первую очередь на протекание, пробои, повреждения шлангов. Если он не будет работать нормально, система переключения передач замедлится, а из-за этого могут возникнуть другие проблемы при движения (рывки, потеря скорости).
Так выглядит рабочий цилиндр сцепления Газели
- Хрупкой является дисковая передача (корзина), которая сделана из металла не самого лучшего качества. Иногда возникает настолько сильное трение между элементами, что диски сцепления обгорают до синего цвета, а потом становятся очень хрупкими. Перед регулировкой их следует заменить на новые, если старые были повреждены.
- Нередко гнутся пружины и вилка, их тоже потребуется заменить. Настройка сцепления позволит совершать более плавное и быстрое переключение передач, создавая меньше нагрузки на другие узлы ходовой системы. Проводится она только после проверки целостности всех элементов.
Процесс регулировки педали
Из-за того что механизм со временем снашивается, педаль сцепления может заметно ослабеть, вследствие чего ухудшается управление ходом автомобиля. Чтобы это исправить, ее можно подтянуть. Как проверить, нужно ли проводить коррекцию натяжения?
Процесс регулировки педали сцепления Газели
Обычно у ГАЗели появляются следующие признаки, которые говорят о неправильном положении педали сцепления:
- педаль западает, когда начинается движение машины;
- во время смены передач слышен шум, стук, могут появляться рывки транспортного средства;
- слышны громкие удары под машиной, во время смены передач со 2 по 4.
Дабы удостоверится, что требуется регулировка сцепления, линейкой или рулеткой нужно измерить расстояние между педальной накладкой и полом. Нормальный показатель составляет 15 см, если же по измерениям получилось меньше или значительно больше — нужно подтягивать трос. Как отрегулировать педаль?
Под капотом находится болт с контргайкой, который регулирует натяжение троса сцепления. Чтобы педаль имела больше пространства хода — затягиваем гайку, а чтобы сделать ход меньше — откручиваем ее. Регулируем до тех пор, пока педаль не встанет на свое место. Чтобы проверить результат, жмем на педаль 3 раза, а потом снова проводим замеры, когда она вернется в свое обычное положение. Эту процедуру можно доверить и специалистам в автосервисе, у них на это уйдет меньше времени и сил.
Вернуться к оглавлению
Усовершенствование узла
Для того, чтобы прокачать систему сцепления, придется полностью убрать все старые детали узла. Заводская конструкция сама по себе ненадежна, поэтому не стоит надеяться, что замена 1-2 элементов что-то изменит. Если не хотите долго возиться с ремонтом Газели, то замените все и сразу.
Применять элементы конструкции с одной модели ГАЗели на другую не рекомендуется. К примеру, корзина сцепления с 406 подходит и на 402 газель, но при этом во время эксплуатации возникают трудности с переходом на 5 передачу и задний ход.
Экспериментировать не рекомендуется. Провести замену лучше всего в проверенном автосервисе. О качестве услуг в сервисе стоит узнать заранее, поскольку если что-то смонтируют не так, придется переделывать. Самостоятельно можно установить компоненты и весь узел, но для этого понадобится эстакада или несколько домкратов, которые есть не у каждого водителя.
Схема привода подключения сцепления Газели
Для каждой модели ГАЗели потребуется подбирать определенный тип деталей, поиски которых могут занять время. Конструкции узла у разных моделей незначительно, но отличаются, поэтому универсального варианта здесь нет. Вернуться к оглавлению
Схема разбора сцепления
Если решились менять весь узел, вот небольшая схема, как самостоятельно все снять и заменить. Поднимаем машину, находим сцепление.
- Сначала потребуется отсоединить цилиндр от стартера.
- Отсоединенный цилиндр поднимаем вверх вместе со шлангом. Если хотите менять именно цилиндр, отключаем от шланга старую деталь, ставим новую. Также есть доступ к вилке, которую можно открутить и заменить, открутив всего 1 крепежный болт.
- Разбираем узел дальше. Снимаем нижнюю часть картера, видим кронштейн, снимаем и его.
- Перед нами коробка. Откручиваем ее крепежи, снимаем вместе с муфтой. Вытаскиваем уплотнители. Отворачиваем кожух с маховиком, потихоньку вращаем вручную коленвал, чтобы затем снять диски сцепления. Вытащить их можно через люк.
- Только после всех этих операций можно снять главный цилиндр системы. Откручиваем шланг, сливаем жидкость, а затем отсоединяем толкатель и педаль сцепления. Готово, старый узел полностью извлечен, теперь можно установить новый.
Сборка проводится в обратном порядке с учетом следующего:
- в шариковые подшипники нужно добавить смазку;
- при монтаже кожуха необходимо совместить метки деталей (если меток нет, их нужно нанести).
Что делать, чтобы избежать поломки сцепления
Требуется очень аккуратно вести себя с ГАЗелями, чтобы у них ничего не ломалось. Если вам уже надоело регулировать педаль и перебирать все детали для ремонта сцепления, стоит избегать некоторых действий во время езды, которые негативно сказываются на целостности элементов конструкции:
- Не удерживайте педаль сцепления длительное время при движении транспортного средства, это нагружает систему и быстро приводит в негодность большинство деталей узла.
- Не начинайте движение с большой начальной скорости и перескакиванием через несколько передач. Это разрушительно сказываются на «корзине» и цилиндре.
- Меньше пользуйтесь сцеплением. Как ни парадоксально, но частое использование сцепления ведет к скорому износу механизмов.
Вилка сцепления Газели Соболь
- Избегайте замены деталей узла в дешевых сервисных центрах. Проводите обслуживание машины самостоятельно или в профессиональных мастерских с хорошей репутацией. Некоторые неопытные механики могут создать новые проблемы вместо устранения поломки. Дело житейское, но с ГАЗелью и так проблем хватает.
Лучше всего в настройке узла сцепления поможет инструкция к автомобилю.
Замена сцепления на автомобиле Газель
В ней можно найти детальное описание всех нюансов регулировки. Проводить эту процедуру понадобится примерно раз в 3-4 месяца при регулярном использовании транспортного средства, вплоть до замены узла. Замена деталей поможет лишь на время избавиться от проблем. Если покупать фирменные запчасти для ГАЗелей, то сразу стоит готовится к их возможной поломке. Необходимо уточнить в автомастерских самый подходящий вариант для замены.
Регулировка сцепления | Как работает автомобиль
На муфте с тросовым приводом регулировка выполняется на конце троса. Зазор обычно измеряется либо на рычаге управления, либо на педали.Чтобы работать эффективно, сцепление необходимо правильное количество игры в связь между ножной педалью и сцепление действующий рычаг (также известный как рычаг разблокировки или вилка).
Все, что меньше правильной суммы для бесплатной игры (или оформление ) приведет к пробуксовке сцепления, потому что прижимная плита не сможет полностью давление на трение тарелка .
Неспособность устранить эту неисправность быстро приведет к прогоранию фрикционной пластины и, возможно, к повреждению нажимной пластины.
Если, однако, слишком большой зазор в сцепление , автомобиль имеет тенденцию ползать вперед, когда в передача при полностью нажатой педали сцепления.
Это явление называется сопротивлением сцепления и может вызывать затруднения при интенсивном движении.
Однако, как правило, лучше иметь слишком большой люфт в сцеплении, чем слишком маленький.
Соединение следует проверять и, при необходимости, регулировать примерно каждые 6000 миль или 10 000 км или в соответствии с графиком обслуживания производителя.Износ фрикционной пластины и рычажного механизма в конечном итоге приведет к изменению настроек производителя.
Большинство современных автомобилей имеют диафрагменно-пружинную муфту с механическим или гидравлическим приводом.
На большинстве автомобилей механический зазор сцепления и рычажного механизма измеряется и регулируется под автомобилем. На некоторых производители советуют проверять свободный ход конкретного измерения между положениями педали — на педали, хотя регулировка может быть сделана под
.На некоторых автомобилях — например, на многих Honda и Toyot — проверка и регулировка могут выполняться на перегородке под капотом.
Везде, где выполняется регулировка, одни и те же принципы применяются ко всем кабельным соединениям. Они регулируются путем увеличения или уменьшения длины внутреннего и внешнего тросов по отношению друг к другу. Если в рычаге недостаточно зазора, внутренний трос следует удлинить. Если их слишком много, нужно сделать их короче.
Изучите справочник по автомобилю или руководство по обслуживанию, чтобы узнать точную величину необходимого зазора и способ его измерения.
В аварийной ситуации, пока вы убедитесь, что в рычажном механизме есть люфт, сцепление должно работать достаточно хорошо.Проверьте его и как можно скорее отрегулируйте до нужного зазора.
На некоторых старых автомобилях, таких как Vauxhall Cavalier, есть расцепитель постоянного контакта. подшипник — это настроено так, чтобы не было никакого свободного хода в связке.
Хотя некоторые гидравлический муфты регулируемые, многие — саморегулирующиеся. См. Справочник по автомобилю или руководство по обслуживанию.
Если происходит проскальзывание саморегулирующейся муфты, муфту необходимо отремонтировать. Если возникает сопротивление, возможно, неисправна гидравлика (см. Проверка и снятие главного цилиндра сцепления ).В противном случае замените сцепление.
Механическая тяга сцепления
На муфте с тросовым приводом регулировка выполняется на конце троса. Зазор обычно измеряется либо на рычаге управления, либо на педали.Типичный обычный рычажный механизм сцепления — это внутренний трос, скользящий во внешней оболочке. Верхний конец троса прикреплен к педали сцепления, а нижний конец — к рычагу управления сцеплением. Адаптация к подпружиненный перемещение рычага обычно осуществляется с помощью контргайки либо в том месте, где к нему прикреплен трос (как показано здесь), либо на другом конце троса, где он прикреплен к перегородке моторного отсека.
Регулировка производится по зазору (свободный ход) — расстояние, которое проходит трос перед перемещением рычага.
Регулировка сцепления на поперечном двигателе
Регулировка сцепления на поперечном двигателе может производиться под капотом. В этом примере шарниры капота расположены спереди, а главный цилиндр находится на передней перегородке. Регулировка осуществляется рычагом управления сцеплением. Некоторые поперечные двигатели имеют саморегулирующийся храповик на педали сцепления.Поперечные двигатели имеют гидравлические муфты. Отрегулируйте зазор рабочего рычага на ограничителе возврата сцепления. Упор выбрасываемого плеча не требует регулировки, если сцепление не было разобрано для ремонта.Проверка зазора кабеля
Зазор троса механической муфты можно проверить и отрегулировать под автомобилем различными способами, в зависимости от марки.Здесь показаны три распространенных метода: во-первых, измерение изменения длины троса при нажатии на рычаг сцепления; во-вторых, измерение между регулировочной гайкой и рычагом; в-третьих, измерение между регулировочной гайкой и ограничителем троса.
На некоторых автомобилях можно использовать любой из указанных методов для проверки и регулировки рычага.
Но измерение должно производиться между точками, указанными в справочнике по автомобилю или сервисном руководстве для сравнения с указанным значением.
Надежно поднимите автомобиль на пандусах или ось стоит, с ручник применен и колеса заблокированы.
Проверка и регулировка на рычаге сцепления
Найдите трос сцепления, который петлей спускается с педали сцепления и проходит через рычаг управления сцеплением. Есть резьбовой рукав с двумя гайками на выступающем конце кабеля.
Зазор — это разница между размерами кабеля, когда рычаг управления находится в состоянии покоя и когда он нажат внутрь.
Чтобы измерить его, держите линейку рядом с тросом между рычагом управления и другой точкой отсчета, например краем колокол корпус .
Осторожно нажмите рычаг внутрь до упора, выровнять линейку концом и измерьте расстояние между рычагом и точкой отсчета.
Вытяните руку наружу, пока она не остановится, затем снова измерьте такое же расстояние. Найдите разницу между двумя измерениями и сравните ее с цифрой, указанной производителем.
Если необходимо отрегулировать зазор, ослабьте внешнюю гайку на резьбовой втулке, которая является контргайкой (на некоторых автомобилях VW это гайка-барашек).
Затем поверните регулировочную гайку вперед или назад, чтобы уменьшить или увеличить зазор, при необходимости проверяя размер.
Когда размер правильный, затяните контргайку и несколько раз нажмите педаль сцепления. Еще раз проверьте зазор и при необходимости отрегулируйте.
На некоторых автомобилях с защитным поддоном контргайка может быть нелегко достать и повернуть.В таком случае вам понадобится специальный гаечный ключ с головкой и универсальным приводом, чтобы его открутить.
Измерение зазора
Держите линейку параллельно тросу сцепления и измерьте ход рабочего рычага. Измерьте расстояние между рычагом управления сцеплением и точкой отсчета, например краем картер сцепления . Для регулировки ослабьте контргайку и при необходимости закрутите регулировочную гайку.Снова измерьте зазор и при необходимости отрегулируйте. Сначала произведите измерение, когда рычаг управления находится в состоянии покоя, а затем, нажав на него внутрь. Разница между двумя измерениями — величина свободного хода рычага на тросе — это зазор троса.Другой метод проверки и регулировки на рычаге управления
Определите размер зазора, протянув трос через рычаг управления сцеплением до упора.Найдите место, где трос сцепления выступает через рычаг управления, с помощью регулировочных и стопорных гаек на резьбовой втулке.
С помощью плоскогубцев отсоедините оттяжную пружину от рабочего рычага сцепления. Возьмитесь за конец кабеля с резьбой (при необходимости используйте плоскогубцы). Оттяните его до упора; это поднимет педаль сцепления до предела. Оттянув трос назад, с помощью линейки измерьте расстояние между регулировочной гайкой и внутренним краем рабочего рычага сцепления.
Измерьте расстояние между регулировочной гайкой и рычагом и сравните со спецификацией производителя. При необходимости отрегулируйте.Это размер зазора. Сравните это с цифрой, указанной в автосервисе или справочнике.
Если требуется регулировка, сделайте это, как описано в разделе «Проверка и регулировка рычага сцепления».
Проверка и регулировка на ограничителе внешнего троса
Там, где ограничитель троса сидит на краю картера сцепления, оттяните внешний трос до упора.Этот метод используется на некоторых старых автомобилях. Клин педаль сцепления в полностью поднятом положении деревянным бруском.
Найдите трос сцепления и найдите, где внешний трос упирается в его ограничитель троса на краю кожуха раструба.
Контргайка и регулировочная гайка находятся на конце внешнего троса, рядом с ограничителем троса.
Удерживая внешний трос, потяните его назад до упора, обнажая внутренний трос.
Измерьте расстояние между ограничителем троса на сцеплении и регулировочной гайкой.При необходимости отрегулируйте.Оттянув внешний трос назад, с помощью линейки измерьте расстояние между упором троса и регулировочной гайкой на конце внешнего троса.
Это измерение представляет собой зазор кабеля. Сравните его с цифрой, указанной производителем, и при необходимости отрегулируйте.
Ослабьте контргайку и поверните регулировочную гайку назад или вперед, пока измерение не станет правильным.
Затяните контргайку и снова проверьте размер.
Регулировка сцепления мотоцикла по лучшей цене — Отличные предложения по регулировке сцепления мотоцикла honda от мировых продавцов регулировки сцепления мотоцикла honda
Отличные новости !!! Вы находитесь в нужном месте для регулировки сцепления мотоцикла honda.К настоящему времени вы уже знаете, что что бы вы ни искали, вы обязательно найдете это на AliExpress. У нас буквально тысячи отличных продуктов во всех товарных категориях. Ищете ли вы товары высокого класса или дешевые и недорогие оптовые закупки, мы гарантируем, что он есть на AliExpress.
Вы найдете официальные магазины торговых марок наряду с небольшими независимыми продавцами со скидками, каждый из которых предлагает быструю доставку и надежные, а также удобные и безопасные способы оплаты, независимо от того, сколько вы решите потратить.
AliExpress никогда не уступит по выбору, качеству и цене. Каждый день вы будете находить новые онлайн-предложения, скидки в магазинах и возможность сэкономить еще больше, собирая купоны. Но вам, возможно, придется действовать быстро, так как эта лучшая регулировка сцепления мотоцикла honda в кратчайшие сроки станет одним из самых популярных бестселлеров. Подумайте, как вам будут завидовать друзья, когда вы скажете им, что приобрели регулировку сцепления мотоцикла honda на AliExpress.Благодаря самым низким ценам в Интернете, дешевым тарифам на доставку и возможности получения на месте вы можете еще больше сэкономить.
Если вы все еще не уверены в регулировке сцепления мотоцикла honda и думаете о выборе аналогичного товара, AliExpress — отличное место для сравнения цен и продавцов. Мы поможем вам решить, стоит ли доплачивать за высококачественную версию или вы получаете столь же выгодную сделку, приобретая более дешевую вещь.А если вы просто хотите побаловать себя и потратиться на самую дорогую версию, AliExpress всегда позаботится о том, чтобы вы могли получить лучшую цену за свои деньги, даже сообщая вам, когда вам будет лучше дождаться начала рекламной акции. и ожидаемая экономия.AliExpress гордится тем, что у вас всегда есть осознанный выбор при покупке в одном из сотен магазинов и продавцов на нашей платформе. Реальные покупатели оценивают качество обслуживания, цену и качество каждого магазина и продавца.Кроме того, вы можете узнать рейтинги магазина или отдельных продавцов, а также сравнить цены, доставку и скидки на один и тот же продукт, прочитав комментарии и отзывы, оставленные пользователями. Каждая покупка имеет звездный рейтинг и часто имеет комментарии, оставленные предыдущими клиентами, описывающими их опыт транзакций, поэтому вы можете покупать с уверенностью каждый раз. Короче говоря, вам не нужно верить нам на слово — просто слушайте миллионы наших довольных клиентов.
А если вы новичок на AliExpress, мы откроем вам секрет.Непосредственно перед тем, как вы нажмете «купить сейчас» в процессе транзакции, найдите время, чтобы проверить купоны — и вы сэкономите еще больше. Вы можете найти купоны магазина, купоны AliExpress или собирать купоны каждый день, играя в игры в приложении AliExpress. Вместе с бесплатной доставкой, которую предлагают большинство продавцов на нашем сайте, вы сможете приобрести мотоцикл сцепления honda по самой выгодной цене.
У нас всегда есть новейшие технологии, новейшие тенденции и самые обсуждаемые лейблы.На AliExpress отличное качество, цена и сервис всегда в стандартной комплектации. Начните самый лучший шоппинг прямо здесь.
Регулировка гидравлического сцепления Harley | Почини мою свинью
Как отрегулировать гидравлическое сцепление Harley на Ultra Classic 2013? Кроме того, на ограниченной версии 2014 года с гидравлическим сцеплением вам все равно придется регулировать пакет сцепления. Если да, то какой способ лучше?По электронной почте
Как и регулировка первичной цепи на старых моделях, регулировка сцепления исчезла.Для этой гидравлической муфты регулировка не требуется.28 июля 2016 г. — Компания Harley-Davidson отозвала 27 232 мотоцикла 2016 модельного года. В поврежденных мотоциклах главный цилиндр сцепления может потерять способность генерировать достаточную подъемную силу для отключения сцепления, особенно если мотоцикл был припаркован в течение длительного периода времени. Когда двигатель работает и мотоцикл находится на передаче, если сцепление не может быть полностью отключено, мотоцикл может неожиданно сдвинуться с места, увеличивая риск аварии.
Затронутые мотоциклы включают в себя определенные модели 2016 года: Electric Glide Ultra Classic (FLHTCU), Electra Glide Ultra Classic Low (FLHTCUL), Ultra Limited Low (FLHTKL), Ultra Limited (FLHTK), CVO Street Glide (FLHXSE), Street Glide (FLHX). ), Street Glide Special (FLHXS), Road Glide Special (FLTRXS), Road Glide (FLTRX), Police Electra Glide (FLHTP), Road Glide Ultra (FLTRU), Fat Boy S (FLSTFBS), Softail Slim S (FLSS), и мотоциклы CVO Softail Pro Street Breakout (FXSE).
Harley-Davidson уведомит владельцев, а дилеры будут проверять главный цилиндр сцепления на наличие газа в жидкости. Если это так, дилер промоет систему сцепления и отремонтирует главный цилиндр сцепления бесплатно.Отзыв начался 25 июля 2016 года. Владельцы могут связаться со службой поддержки Harley-Davidson по телефону 800 / 258-2464. Номер Harley-Davidson для этого отзыва: 0169.
Владельцымогут также связаться с горячей линией безопасности транспортных средств Национальной администрации безопасности дорожного движения по телефону 888 / 327-4236 (TTY 800 / 424-9153) или посетить сайт www.safercar.gov.
Гидравлическая и негидравлическая регулировка сцепления Видео:
Проверка жидкостной системы гидравлического сцепления на утечки, контакт или истираниеТехническое обслуживание
Регулировка сцепления Harley на Softail или Dyna
Регулировка сцепления XL
Регулировка сцепления модели Touring
Регулировка сцепления модели Touring
Есть еще вопросы? Посетите нашу индексную страницу вопросов и ответов, чтобы найти ответы.
Теги: сцепление, отзывает
Ask Pinkbike: проблемы с цепью XX1, регулировка сцепления типа 2, тройные или двойные передние звезды и 60-миллиметровые выносные стержни DH с прямым креплением
Здесь, в Pinkbike, мы получаем множество вопросов, начиная с простого «Можно мне наклейки» на более глубокие, душевные типы запросов, например, следует ли задавать вопрос или как назвать своего первого ребенка. Спросите Pinkbike — это случайная колонка, в которой мы будем вручную отбирать и отвечать на вопросы, которые не давали читателям уснуть по ночам, хотя мы, вероятно, держимся подальше от этих двух последних и сохраним ее более ориентированной на технологии.
XX1 Trouble
Вопрос: Пользователь Pinkbike bootch70 задал этот вопрос в гонках all-mountain, enduro и cross-country: У меня есть Intense Tracer T275 с трансмиссией SRAM XX1, и я иногда роняю цепь. Что странно, так это то, что он падает при езде по действительно мягким участкам трассы, но остается на месте, когда я проезжаю по саду камней. Я не могу понять, почему это происходит — есть идеи? Мой второй вопрос: какая направляющая цепи подойдет для этой установки? Я ищу что-то с минимальным сопротивлением педалированию и удерживающее верх и низ цепи.
| Первое, что нужно знать, это то, что не каждый сможет запустить трансмиссию с одним кольцом SRAM без направляющей цепи и не иметь нечетно опущенной цепи, несмотря на то, что там есть обзоры (, включая я ), которые постоянно упоминают, что не страдаю этой проблемой. Я думаю, что лично я ронял цепь только четыре или пять раз, когда запускал стандартную установку с одним кольцом SRAM с момента выпуска первой группы XX1, что меня устраивает, но все должно быть правильно отрегулировано и не надето. за то, чтобы он работал в лучшем виде.Я сразу подозреваю, что сцепление в вашем переключателе вышло из строя, что не является чем-то необычным, что ваше узкое / широкое цепное кольцо изношено или что ваша цепь на несколько звеньев слишком длинна (: цепь отваливается когда вы используете меньшие шестерни, и, следовательно, меньше натяжение цепи? ). С другой стороны, вы можете быть тем райдером, который должен использовать какую-нибудь направляющую цепи. Некоторым людям, особенно тем, кто сильно толкает и быстро едет по пересеченной местности, просто всегда будет нужна какая-то направляющая цепи, чего SRAM никогда не отрицал.Я сомневаюсь, что вам нужна полноразмерная направляющая цепи с верхними и нижними роликами / ползунками, и я бы рекомендовал взглянуть на 1X от MRP или на минималистский XCX e * thirteen, оба из которых являются направляющими только для верхнего слайдера. — Майк Леви |
Многие гонщики могут использовать трансмиссию с одним кольцом без направляющей цепи, но не все.
Регулировка муфты переключения передач типа 2?
Вопрос: D-Danger спрашивает на форуме Mechanic’s Lounge: Были ли у кого-нибудь с механизмом сцепления SRAM какие-либо проблемы? Мой X0 теперь действует как обычный задний переключатель (много ударов цепи).Эта проблема решаема? Спасибо заранее.
| У меня эта проблема возникала на нескольких тестовых байках, обычно после первых нескольких поездок. К счастью, есть быстрое и простое решение, но прежде чем читать дальше, имейте в виду, что этот метод не полностью одобрен SRAM — ни в одном из их руководств по техническому обслуживанию нет упоминания о регулировке сцепления. В основном, если вы что-то сломали, это ваша вина. Также обратите внимание, что эта процедура предназначена только для переключателей типа 2, а не для недавно представленного типа 2.1. Итак, вот что делать. Сначала снимите пластиковую пылезащитную крышку с механизма сцепления с помощью бритвенного ножа или тонкой отвертки с плоской головкой (вокруг напечатаны слова «Роликовая муфта типа 2»). Затем возьмите гаечный ключ Torx T55 (шестигранник на 8 мм подойдет в крайнем случае) и поверните болт, который скрывал пылезащитный колпачок, на 1/4 — 1/2 оборота по часовой стрелке, чтобы начать. Переместите кожух переключателя вперед, чтобы измерить, насколько оно натянуто, и отрегулируйте соответственно. Слишком большое натяжение отрицательно скажется на переключении передач, а слишком маленькое — проблема со щелчком цепи.Как только натяжение будет достаточным, наденьте пластиковую крышку, если вы не повредили ее слишком сильно, сняв ее, и все готово. Если вам нужно провести более тщательный ремонт, в прошлогодней статье Tech Spotlight содержатся более подробные инструкции. — Майк Казимер |
Преобразование тройной системы на двойную
Вопрос: Mikechap4 спрашивает на All Mountain and Cross Country Forum: У меня есть Trek Fuel EX8, работающий на полной Установка Shimano XT, и я хочу поменять ее с 3×9 на 2×9 или 2×10.Какие размеры передних колец цепи лучше всего подходят для использования и что нужно учитывать? Стоит ли иметь 2×9, чтобы не трогать спину? Или мне следует отказаться от идеи работать с тем, что у меня есть, и купить полностью новую установку 2×10?
| Trek EX8 2014 года были десятискоростными с 29-дюймовыми колесами, в то время как EX8 13-го года и более ранние имели 26-дюймовые колеса. Я бы посоветовал использовать комбинацию 22 на 34 зубца, если ваш велосипед 29er, и комбинацию 24 на 38 зубцов, если у нее 26-дюймовые колеса.Потому что вы сбросив внешнюю звездочку, вам нужно будет приобрести более короткие болты звездочки, чтобы компенсировать изменение, или добавить Баш кольцо вместо 42, чтобы компенсировать распорную ошибку. В любом случае вы будете запускать большую звезду на внутренней стороне крестовины кривошипа. Сохраните свою девятиступенчатую кассету, если она свежая, потому что переключение на десятискоростную установку будет дорогостоящим. В дополнение к новым звездочкам вы купите новую цепь, задний механизм, кассету и правый рычаг переключения передач. Однако, если вы хотите приобрести совершенно новый приводной механизм, я бы перешел на задний механизм XT Shimano Shadow Plus, чтобы у вас были преимущества управления цепью его односторонней муфты. Большинство звездочек послепродажного обслуживания будут доступны только с десятью скоростями, поэтому вам понадобится десятискоростная цепь, даже если вы сохраните девятиступенчатую установку. Звезды с подходящими рамками переключения (очень важно) доступны по разумной цене в Race Face. Однако, если вы столкнетесь с проблемой обновления до десяти скоростей, я настоятельно рекомендую перейти на одинарную трансмиссию с использованием кассетного удлинителя с 42 зубьями от подобных OneUp или Wolf Tooth в дополнение к OneUp. Клетка RAD или адаптер подвески звена Wolf Tooth Goat для переключателя XT.Вы получите более легкую, аккуратную и более функциональную трансмиссию примерно за те же деньги — и у вас будет узкая широкая передняя звезда для лучшего удержания цепи. Используйте кольцо с 30 зубьями для 29er и кольцо с 32 или 34 зубами, если ваш Trek — модель с колесами диаметром 26 дюймов. — RC |
Mikechap4 нужно только заменить две передние звезды и его цепь, чтобы преобразовать его в трансмиссию один на девять. Если бы он выбрал маршрут с десятью скоростями, он мог бы купить двухкомпонентный комплект Shimano Deore, такой как Felt слева, или преобразовать его в универсальную одноступенчатую трансмиссию, используя один из доступных комплектов, таких как винтики OneUp, звездочка. , и кожух RAD справа примерно за те же деньги.
Шток с прямым креплением 60 мм
Вопрос: Пользователь Pinkbike nuttbt задал этот вопрос на форуме Downhill: Кто-нибудь делает шток с прямым креплением 60-65 мм? Мне нравится ощущение, которое дают мне более длинные стебли. Думаю, это потому, что мои рули ближе к передней оси. Я знаю, что ENVE выпускает 60, но это безумно дорого. Truvativ тоже делает их, но я абсолютно ненавижу их продукцию.
| 60-миллиметровые выносы Direct Mount кажутся немногочисленными, возможно, вам придется прикусить язык и выбрать Truvativ Holzfeller (у меня был один 60-миллиметровый несколько лет назад без проблем) или тупик для Enve .Easton производит шток Havoc, который регулируется в диапазоне 45/50/55 мм, то есть не далеко от 60 мм. Конечно, есть много надежных вариантов выноса, кроме DM. Если вы действительно чувствуете, что вам нужен более длинный вынос руля, чтобы подвести руль ближе к оси, возможно, решением может быть более крутой угол наклона головы или регулировка баланса велосипеда? Вы можете попробовать Angleset, чтобы увеличить угол поворота рулевого колеса, что позволит вам перемещать руки дальше по передней оси и дать вам немного больший радиус действия. Самый дешевый и простой эксперимент — отрегулировать динамическое положение велосипеда при движении.Либо путем усиления задней подвески и / или смягчения вилки. Это приведет к перемещению ваших рук к передней оси. Проверьте прогиб задней подвески, если хотите, добавьте больше прогиба спереди. Если из-за этого вилка станет слишком мягкой, вы можете попробовать уменьшить высоту руля, что приведет к перемещению вашего веса вперед, что приведет к большему провисанию передней части, но сохранит необходимую поддержку. Велосипеды для скоростного спуска может быть очень сложно сбалансировать с таким количеством переменных и регулировок, поэтому экспериментируйте и делайте заметки по пути, чтобы вы могли вернуться к своим предыдущим настройкам, если что-то пойдет не так. — Paul Aston |
Стойки с прямым креплением 60 мм трудно найти, но могут быть другие решения для райдеров, которым необходимо утяжелить переднюю часть.
Есть нерешенные технические вопросы? Зайдите на форум Pinkbike, и мы ответим на него в следующий раз.
Вопрос о регулировке педали сцепления | Такома Мир
Спасибо за ссылки.Что касается утечки, я обнаружил на полу капли свежего трансмиссионного масла.Посмотрите под ним и обнаружите, что он мокрый с каплями, свисающими там, где темная металлическая пластина находится между коробкой передач и корпусом адаптера / удлинителя (не помню, как она называется, но большой металлический корпус между коробкой передач и раздаточной коробкой). Я также обнаружил, что с задней части корпуса адаптера стекают капли, где есть выступ, который торчит в самой нижней точке. Крепление транс тоже мокрое. Уровни в коробке передач по-прежнему хорошие, поэтому все почистили и не могли проехать достаточно долго, чтобы снова дать течь.Наверное, в эти выходные попробую еще раз посмотреть, откуда это. К счастью, это нигде не входит карданный вал, но тогда, если это какое-то уплотнение или что-то внутри корпуса адаптера, мне придется разобрать его, чтобы починить.
Компания Firestone мудро купила Tacoma, и у нее было два довольно новых A / T Firestone Destination спереди и несколько изношенных аналогов сзади. Посмотрел довольно много других шин и действительно дошел до экономики, так что просто поставил еще две Firestones.
Должен сказать, впечатлили и понравились. Без грязи и т. Д. Просто езжайте по снегу и некоторым сильно выбитым и холмистым грунтовым дорогам, но они сделали свою работу, избавились от гравия на протекторе, ездят довольно красиво и тихо, по крайней мере, пока едут. по дороге. Не сожалей о том, что поехал с ними. Если они сохранят свою тягу, сохранят равновесие, будут вести себя довольно тихо, и я продержусь от них несколько приличных миль, тогда я должен сказать, что, вероятно, куплю другой комплект.
Humtaco — Спасибо за пост.Вы правы, я не упомянул, в чем проблема, которая побудила меня попробовать настройку. Подумал, что мне все равно нужно было знать, как правильно производить регулировку, а затем проблема с точкой измерения заставила задуматься о работе.
Сцепление не пробуксовывает, но выжимной подшипник постоянно завывает (моя оценка). Нажмите педаль сцепления, и она остановится. Также сцепление полностью входит в зацепление в самом низу своего хода.
При первом запуске немного сложнее перейти на первую передачу и задний ход, но на других передачах этого не наблюдается.Судя по тому, что я читал, это может быть нормальным в более холодном климате. Замечено только на первом и на заднем ходу, так как при первом запуске, конечно, мне нужно отступить, а затем включить передачу, чтобы ехать по улице. В разогреве вроде нормально.
Подумал, что я попробую отрегулировать, чтобы увидеть, не вызвало ли оно каких-либо проблем. Я отрегулировал, исходя из предполагаемой точки регулировки высоты, и ход толкателя составлял 10 мм или около того, что было в пределах спецификации. Ноют еще там.
Думаю, заменить сцепление.Также были проданы цены на новые ведущий и ведомый сцепления, и их можно было купить довольно недорого в Rock Auto, так что, вероятно, замените их. К сожалению, нет подтвержденной истории о грузовике, которую нужно учитывать, части могут быть оригинальными частями на 241000 миль на грузовике.
Я читал, что если у вас выключено сцепление, то это хороший момент, чтобы пойти дальше и сделать задний ход, так что собираюсь сделать это тоже. Не протекает оттуда, но точно не захочется тянуть все для уплотнения (или платить, чтобы это было сделано! Получено указание 1100 долларов за сцепление и заднюю основную работу!).
Мысли? Похоже, я на правильном пути?
Еще раз спасибо за посты всем. Ура
Porsche 911 Регулировка сцепления | 911 (1965-89) — 930 Turbo (1975-89)
Эта статья — одна из серии, выпущенной вместе с книгой Уэйна « 101 проект для вашего Porsche 911 ». Книга содержит 240 страниц полноцветных проектов, в которых подробно описывается все, от модов производительности до замены тормозных колодок.С более чем 650+ полноцветными глянцевыми фотографиями, сопровождающими подробные пошаговые инструкции, эту книгу необходимо прочитать в коллекции любого владельца Porsche 911. Более подробную информацию см. На официальном сайте книги. |
Если вы только что установили новый трос сцепления или вам просто необходимо отрегулировать его после обычного движения, процедура проста и понятна. На 911 используется несколько различных типов тросиков сцепления, и процессы регулировки различны для каждого из них.
911 (1965-76)
Ранние модели 911 имели относительно простой механизм регулировки сцепления. Несмотря на то, что в этот период было четыре различных механизма регулировки сцепления, процедура для всех них очень похожа. Чтобы отрегулировать сцепление, отпустите регулировочную гайку рядом с нижней частью трансмиссии до тех пор, пока свободный ход педали сцепления на педали не составит около одного дюйма. Свободный ход измеряется при нажатии педали сцепления изнутри автомобиля.Педаль должна пройти примерно один дюйм, когда вы потянете ее на себя.
Теперь затяните контргайку под коробкой передач. Заведите машину и на холостом ходу нажмите на сцепление и подождите около 10 секунд. Затем выберите реверс переключателем. Если трансмиссия скрежетает при включении заднего хода, вам необходимо отрегулировать трос на конце вилки разблокировки под трансмиссией. Скрежет указывает на то, что сцепление не выключается полностью, когда вы нажимаете на педаль сцепления.Вы используете реверс, чтобы проверить шлифовку шестерен, потому что в реверсивном механизме нет синхронизаторов, которые могли бы скрыть плохую регулировку сцепления.
Когда педаль сцепления полностью прижата к полу, ход выталкивающей вилки должен составлять около 0,6 дюйма (15 мм). Конечно, это расстояние сильно зависит от состояния компонентов сцепления. Изношенные муфты могут потребовать большего движения, новые муфты — меньше. Если вилка выключения не перемещается достаточно, чтобы выключить сцепление, вам нужно будет снова отрегулировать трос или проверить другой конец троса, который прикреплен к педальному блоку.Если вам нужно затянуть трос больше, чем вы можете на коробке передач, тогда вам придется отрегулировать цапфу и штифт на тросе сцепления, который крепится к педальному блоку. См. Проект 9 для получения более подробной информации о получении доступа к цапфе.
В зависимости от износа вашего диска сцепления и нажимного диска вам, возможно, придется немного поиграть с этими регулировками, пока вы не получите нужное ощущение. К сожалению, на этих ранних автомобилях нет точной науки о регулировке сцепления.Эмпирическое правило, которому следует следовать, заключается в том, что вы натягиваете трос под автомобилем, если трансмиссия заходит в передачу, и вы ослабляете трос, если не можете включить сцепление с трансмиссией (сцепление проскальзывает). Регулируйте гайку только на три-четыре оборота за раз. Сцепление довольно чувствительно к изменению длины троса, и как только вы начнете ориентироваться, достаточно лишь незначительных изменений троса, чтобы настроить сцепление в соответствии с вашими предпочтениями.
911 (1977-86)
Для 911 с трансмиссией 915 последней модели существует особая заводская процедура регулировки, которая, кажется, работает достаточно хорошо.При полностью отсоединенном тросе отрегулируйте маленький стопорный болт, прикрепленный к большому рычагу разблокировки, до тех пор, пока не будет зазор 1,2 мм между стопорным болтом и меньшим рычагом исполнительного рычага (см. Фото). Используйте щуп для измерения этого зазора. Когда это расстояние будет достигнуто, затяните контргайку, чтобы винт не проворачивался. Теперь прикрепите конец троса сцепления к небольшому крючку на плече рычага. Используя гайки, зажатые на тросе сцепления, затягивайте трос, пока ранее измеренный зазор не уменьшился до 1.0мм. Затяните обе гайки на тросе сцепления, нажмите на педаль сцепления и снова проверьте измерение. Отрегулируйте, если зазор изменился по сравнению с базовой линией 1,0 мм.
Если у вас возникли проблемы с соблюдением этого расстояния в пределах диапазона регулировочных гаек, вам может потребоваться отрегулировать цапфу на конце троса педального блока. См. Проект 9 для более подробной информации об этой процедуре.
После того, как вы установили первичную регулировку, вам необходимо измерить и проверить величину хода троса на рычаге разблокировки (см. Фото).Для этого вам понадобится помощник. Измерьте расстояние, которое проходит рычаг выключения при нажатой педали сцепления. Общий ход троса сцепления должен составлять 25 мм (0,5 мм при измерении на трансмиссии). Если ход выходит за пределы этого диапазона, отрегулируйте соответственно резиновый упор под педалью сцепления. Точное расположение точек регулировки сцепления см. На фотографиях, прилагаемых к этому проекту.
911 (1987-)
Сцепление на 911 с 1987 года по настоящее время не регулируется.Система «главный / подчиненный» сцепления, которая реализована в новой трансмиссии G50, практически не требует обслуживания и самонастраивается с учетом износа компонентов сцепления. Однако вы можете установить общий ход педали сцепления, используя тот же регулируемый упор на деревянной доске позади педали. Общий горизонтальный ход педали должен составлять 150-10 мм.


Корзина, в свою очередь, закреплена с маховиком.

Подтверждающим фактором является переключение передач с определённым затруднением, удары шестерён КПП и зубьев синхронизаторов. В итоге зубья могут сломаться. Причина неисправности может заключаться в избытке свободного хода педали сцепления, попадании воздуха в гидравлический привод или перекосе ведомого диска, обрыве фрикционных накладок. Обе неполадки недопустимо игнорировать, в противном случае не только снижается управляемость ТС, но также увеличивается скорость износа фрикционного материала ведомого диска сцепления. Также изнашивается поверхность маховика и ведущего диска.

