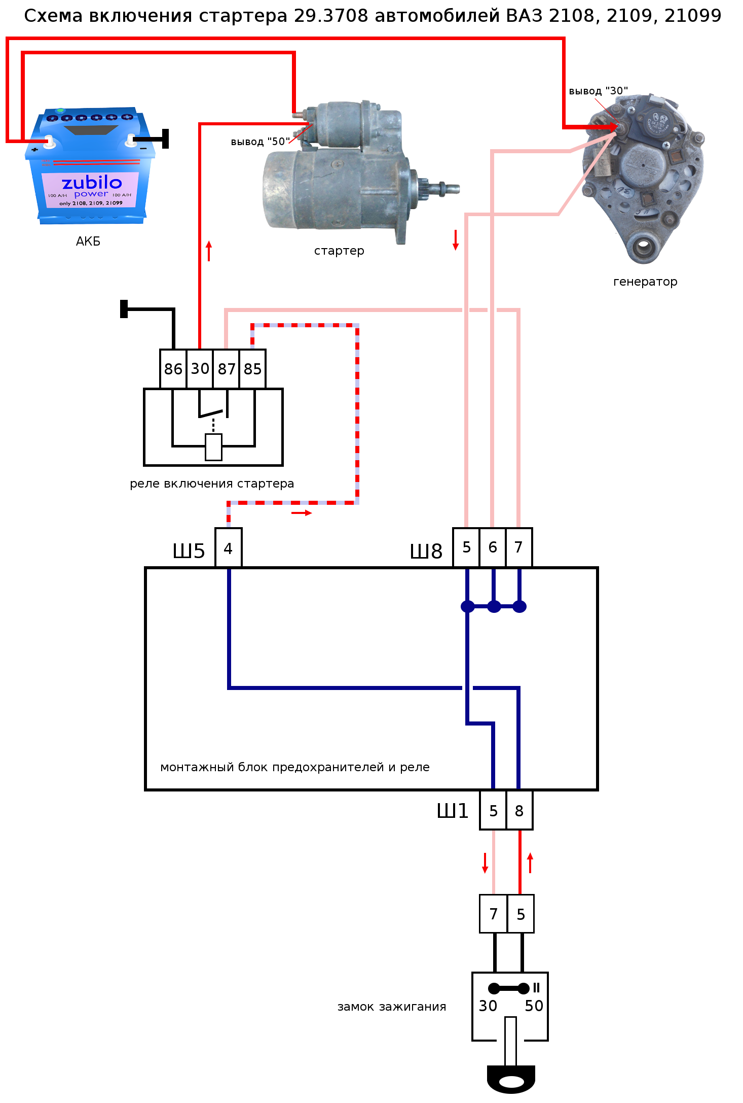
Реле включения стартера автомобилей ВАЗ 2108, 2109, 21099
На автомобиле ВАЗ 2108, 2109, 21099 и аналогичных им включение стартера производится не на прямую, а через реле.
Назначение реле включения стартера ВАЗ 2108, 2109, 21099
Реле включения стартера предназначено для снижения нагрузки на контакты замка зажигания при пуске двигателя стартером. Так как стартер самый мощный потребитель электрической энергии в электрооборудовании автомобиля, то при включении его напрямую, замок зажигания очень быстро сгорел бы.
1. Где установлено реле включения стартера ВАЗ 2108, 2109, 21099?
Реле включения стартера автомобиля ВАЗ 2108, 2109, 21099 установлено на щитке моторного отсека.
Где установлено реле включения стартера?2. Устройство реле включения стартера.
Реле включения стартера состоит из катушки (обмотки из медного провода) с расположенным внутри магнитным сердечником.
3. Как работает реле включения стартера.
После поворота ключа в замке зажигания в положение «Стартер» (II), замыкаются его контакты «30» и «50».
Напряжение подается на реле включения стартера (контакт реле «85»). Оно срабатывает (контакты внутри реле замыкаются) и подает напряжение на вывод «50» тягового (втягивающего) реле стартера. Втягивающее срабатывает, стартер крутит.
4. Схема подключения реле включения стартера.
Схема подключения стартера 29.3708 автомобилей ВАЗ 2108, 2109, 210995. Неисправности реле включения стартера.
Самые распространенные неисправности реле включения при котором перестает включаться стартер.
Окисление контактов реле или «массы»
«Обрыв» в обмотках реле
Выгорание реле в результате короткого замыкания
Так же может возникнуть «обрыв» в электрической цепи, что следует учитывать при диагностике неисправности.
«Виновники» неисправности реле включения стартера ВАЗ 21083Неисправное реле нужно заменить новым, в случае окисления контактов их зачищаем и проверяем его срабатывание.
6. Применяемость реле включения стартера на автомобилях ВАЗ 2108, 2109, 21099.

В электрической цепи включения стартера автомобиля ВАЗ 2108, 2109, 21099 и их модификаций применяется реле включения стартера 111.3747-10, 97.3747-10 и их аналоги.
7. Характеристики реле включения стартера 111.3747-10.
Номинальное напряжение — 12 В
Напряжение срабатывания — не более 8 В
Напряжение отпускания — 1,5 — 5,5 В
Ток нагрузки — 20/30 А
Сопротивление обмотки — 85±5 Ом
Примечания и дополнения
Стартер самый мощный потребитель электрической энергии в электрооборудовании автомобиля (1,3 кВт). При запуске двигателя потребляемый им ток может достигать 400 А, что много. Поэтому все соединения в его электрической цепи должны иметь надежный контакт. В противном случае стартер может «башмачить», так как загрязнен его коллектор.
Еще статьи по стартеру автомобилей ВАЗ 21083, 21093, 21099
— Все реле электрооборудования автомобиля ВАЗ 21093 (21083, 21099)
— Быстрая проверка исправности стартера
— Схема подключения стартера 5712.
3708 ВАЗ 2108, 2109, 21099
— Стартер 2109.3708 автомобилей ВАЗ 2108, 2109, 21099, схема устройства
— Особенности снятия втягивающего реле стартера ВАЗ 2108, 2109, 21099
— Как заменить щетки стартера ВАЗ 2108, 2109, 21099
Подписывайтесь на нас!
Замена реле включения стартера на ВАЗ 2108, ВАЗ 2109, ВАЗ 21099
Главная » РЕМОНТ ВАЗ 2108 » Замена реле включения стартера на ВАЗ 2108, ВАЗ 2109, ВАЗ 21099
8 лет назад
Просмотров: 6038 просмотров
Добро пожаловать!
Реле включения стартера – многие подумают сейчас что речь пойдёт о втягивающем реле, на самом деле это не так, всего у стартера имеется два реле один который его включает и второй который выдвигает бендикс и толкает его шестерню на шкив коленчатого вала (Второе это то самое втягивающее реле), при выходе из строя первого (Случается редко в основном из-за перегрузок на него или из-за неисправной проводки) стартер вы уже никак не запустите и в связи с этим машина не заведётся, при выходе из строя второго же, будет немного другая ситуация, а именно машина может так же не заводиться и щёлканье будет происходить в момент поворота ключа, но это ещё более менее можно сказать а вот если данное реле выйдет из строя полностью и не будет возвращать бендикс в своё обратное положение то произойдёт следующее, при повороте ключа стартер начнёт крутить двигатель у автомобиля и в итоге он заведётся, но когда вы вернёте ключ после того как двигатель завёлся в обратное положение то бендикс у стартёра назад не выйдет (Втягивающее реле вить не работает) и за очень короткий срок стартер придёт в негодность.
Примечание!
Чтобы поменять реле которое отвечает только лишь за включения стартера, нужно запастись: Только одним гаечным ключом «на 8», по больше степени больше вам и ничего не нужно брать но разве что ещё один гаечный ключ чтобы на всякий случай клемму минус с АКБ скинуть!
Краткое содержание:
- Замена реле включения стартера
- Дополнительный видео-ролик
Где находится реле включения стартера?
В моторном отсеке он располагается и прикреплён он там к кузову автомобиля при помощи одной единственной гайки, на сделанном фото ниже данное реле указано красной стрелкой, а синей показан воздушный патрубок за которым данное реле то и располагается.
Когда нужно менять реле включения стартера?
Бывают некоторые люди либо плохо знают электрическую часть у своего автомобиля, либо просто никогда не смотрят на данное реле (Мол оно вечно и никогда не ломается), просто мы хотим сказать что очень многие люди когда видят что их автомобиль не заводиться с ключа лезут сразу в стартер, снимают в начале его, потом заменяют на нём детали, на будущее запомните, всегда надо начинать с малого и легко доступного и только потом идти к тяжело доступным вещам и уже их проверять и менять в случае выявлении неисправности.
Примечание!
При выходе из строя реле включения стартера как мы уже сказали автомобиль не будет заводиться и тем самым реагировать на повороты ключа в замке зажигания, тоже самое будет происходить при слабом заряде аккумуляторной батареи и поэтому если у вас есть подозрения на неё то либо заряжайте, либо меняйте на новую в случае если она будет уже сильно изношена, кроме этого точно такая же ситуация (Машина не заводиться) может из-за замка зажигания происходить, а именно из-за его контактной группы но на автомобилях с реле включением стартера это бывает редко, потому что реле ещё разгружает контакты у замка зажигания и тем самым контакты реже подгорают, но всё же о том как проверить контактную группу замка вы можете вычитать в статье под названием: «Замена замка зажигания и его контактной группы на ВАЗ»!
Как заменить реле включения стартера на ВАЗ 2108-ВАЗ 21099?
1. Если вы внимательно прочтёте выше изложенный текст, то уже сразу догадаетесь как это реле снять но всё же проинструктируем, найдите это реле у себя в автомобиля (Местонахождение показано на фото выше), видите к нему подсоединена колодка проводов вот её то и отсоедините, а после того как она будет убрана и отведена в сторонку, берите в руки гаечный ключ и выворачивайте им гайку крепления реле и после чего снимайте его, кстати если работа производиться в дождь или в слишком влажную погоду или если вы просто боитесь короткого замыкания проводки (В этом случае проводка вся обгорит и по требует замены), то обезопасьте себя отсоединив для этого провод с клеммы минус на АКБ, если вы не знаете как это сделать то изучите «эту статью», в ней в первом пункте всё сказано.
Примечание!
Чтобы проверить работает реле или же нет (Просто так новое реле покупать не советуем, всегда всё проверяйте), можно воспользоваться двумя разными способами, первый заключается в том что вам придётся снять крышку с монтажного блока и вытащить от туда реле точно с такой же маркировкой как у вас реле на включение стартера идёт, после вытаскивания эти два реле замените и попробуйте завести автомобиля, если не заведётся то значит дело не в реле и искать проблему вам нужно либо в самом стартере либо в замке зажигания, второй же способ подразумевает что вы найдёте провод перемычку (Указан синей стрелкой, проволоку можно так же использоваться) и его выводы поднесёте к колодки проводов а именно к её контактом «30» и «87» (Это нижний и верхний контакт колодки, присмотритесь к реле на нём обозначены они или для наглядности взгляните на фото они указаны красной стрелкой, правда там колодка совсем от другого автомобиля но она практически такая же и на ней можно понять где находятся эти два контакта), если машина сразу же заведётся (Не забудьте перемычку когда заводиться начнёт сразу убрать) то дело всё в реле, если нет то ищите дальше (Когда будете делать второй способ, ключ в зажигании не забудьте повернуть до такого состояния, когда все приборы загораются)!
Дополнительный видео-ролик:
Более подробную информацию про проверку реле на примере классики смотрите в ролики ниже:
Вам также может понравиться
шт. Цепь управления реле включения стартера
JavaScript отключен. Для лучшего опыта, пожалуйста, включите JavaScript в вашем браузере, прежде чем продолжить.
У кого-нибудь есть описание этой схемы? Более того, я хочу знать, является ли неисправность блокировки доступа одной из потенциальных причин отсутствия запуска (реле стартера не заземлено). Спасибо.Обновление
из руководства руля
спасибо helms manual за прояснение этого вопросаБлокировка запуска может быть в форме блокировки подачи топлива или блокировки стартера, в зависимости от применения двигателя
Нажмите, чтобы развернуть…
Ответить
Сохранить
Как
1–3 из 3 сообщений
Средство защиты от угона автомобиля (VTD) Описание и работаСистема Passlock™
Система Passlock™ предназначена для предотвращения угона автомобиля, если цилиндр замка зажигания принудительно поворачивается или выключатель зажигания работает, когда он отделен от корпуса личинки замка зажигания.
При попытке запуска без разрешения системы Passlock™ модуль управления трансмиссией (PCM) блокирует запуск двигателя. Блокировка запуска может быть в форме блокировки подачи топлива или блокировки стартера, в зависимости от применения двигателя. Компоненты системы Passlock™:
• Цилиндр замка зажигания и ключ
• Корпус цилиндра замка зажигания, включая датчик Passlock™
• Выключатель зажигания
• Блок управления кузовом ( BCM)
• Индикатор безопасности на комбинации приборов
• Модуль управления силовым агрегатом (PCM)
Корпус цилиндра замка зажигания, включая датчик Passlock™
Цилиндр замка зажигания помещается в корпус цилиндра замка зажигания и управляет зажиганием переключаться при повороте ключом с надлежащим механическим вырезом. Когда ключ зажигания используется для поворота цилиндра замка зажигания, чтобы провернуть заводную рукоятку, магнит на цилиндре замка проходит рядом с датчиком Passlock™ в корпусе цилиндра замка зажигания.
При попытке угона автомобиля с помощью магнита, находящегося снаружи корпуса личинки замка зажигания, срабатывает тамперный датчик Холла. Это замыкает цепь от сигнальной цепи датчика безопасности через тамперный резистор до цепи нижнего опорного значения датчика безопасности, минуя резистор безопасности. Если принудительно повернуть переключатель зажигания без подходящего ключа или если цилиндр замка зажигания будет извлечен силой, датчик Passlock™ будет поврежден и не будет работать.
Выключатель зажигания
Выключатель зажигания содержит проводку и электрическую коммутационную часть узла зажигания, установленного на стойке. Выключатель зажигания включает в себя жгуты проводов, которые соединяют его с основанием разъема стойки, датчиком Passlock™ на корпусе цилиндра замка зажигания и другими компонентами.
Блок управления кузовным оборудованием (BCM)
Блок управления кузовным оборудованием (BCM) содержит логику противоугонной системы. BCM обеспечивает положительное напряжение аккумуляторной батареи для работы датчика Passlock™. BCM также измеряет напряжение сигнальной цепи датчика безопасности. Измеренное напряжение покажет, был ли активирован датчик Passlock™ и является ли значение сопротивления датчика действительным значением или значением вскрытия. Если измеренное напряжение находится в допустимом диапазоне, BCM сравнивает это напряжение, код напряжения, с ранее полученным кодом напряжения. Если коды напряжения совпадают, BCM отправляет сообщение класса 2, содержащее пароль, в модуль управления трансмиссией (PCM).
Модуль управления силовым агрегатом
Модуль управления силовым агрегатом (PCM) содержит остальную часть логики системы защиты от кражи. Если от модуля управления кузовным оборудованием (BCM) получено сообщение класса 2, содержащее действительный пароль, PCM продолжит разрешать работу топливных форсунок. PCM будет разрешать топливным форсункам работать до тех пор, пока не решит, что от BCM не поступает действительный пароль. Если PCM не получает сообщение класса 2 или получает сообщение класса 2 с неверным паролем, двигатель заведется и не запустится или запустится и сразу же заглохнет.
Индикатор системы защиты от кражи
IPC включает индикатор системы защиты от кражи, определяемый системой защиты от кражи. IPC получает сообщение класса 2 от BCM с запросом на подсветку.
• Система защиты от угона автомобиля (VTD) запрашивает у IPC включение индикатора только при включенном зажигании.
• Система защиты от кражи содержимого (CTD) запрашивает у IPC включение индикатора только тогда, когда ключ зажигания находится в положении OFF или ACC или во время RAP.
• Блок управления кузовным оборудованием выполняет проверку дисплеев в начале каждого цикла зажигания. Индикатор загорается примерно на 3 секунды.
Цикл блокировки подачи топлива
Когда он получает неверный пароль или пароль, указывающий на несанкционированный доступ, и модуль управления трансмиссией (PCM) отключает топливные форсунки, топливные форсунки остаются отключенными в течение 10 минут, даже если ключ зажигания повернут из положения положение RUN в положение OFF.
Замена компонентов Passlock™
Следующие компоненты содержат коды или пароли или должны получить коды или пароли для системы Passlock™, чтобы обеспечить запуск автомобиля:
• Корпус цилиндра замка зажигания
• Блок управления кузовным оборудованием (BCM)
• Силовой агрегат модуль управления (PCM)
При замене любой из этих частей необходимо выполнить процедуру обучения.
См. Программирование компонентов системы защиты от кражи. Если детали заменены, а процедура обучения не выполнена, двигатель заведется и не запустится или запустится и сразу заглохнет.
Ответить
Сохранить
Нравится
Спасибо 07TB:tiphat
Ответить
Сохранить
Нравится
1 — 3 из 3 сообщений
- Это старая тема, вы можете не получить ответ и могли возродить старую ветку. Пожалуйста, рассмотрите возможность создания новой темы.
Верх
Реле стартера | Автозапчасти О’Рейли
Сравнить
Многофункциональное реле MasterPro Ignition 4
Сравнить
Многофункциональное реле MasterPro Ignition, 25 А, 7 контактов
Сравнить
Многофункциональное реле MasterPro Ignition, 20 А, 4 клеммы
Сравнить
Многофункциональное реле MasterPro Ignition, 30 А, 5 клемм
Сравнить
Многофункциональное реле MasterPro Ignition 5
Сравнить
Многофункциональное реле MasterPro Ignition, 15 А, 5 клемм
Сравнить
Многофункциональное реле MasterPro Ignition, 30 А, 5 клемм
Сравнить
Многофункциональное реле MasterPro Ignition 5
Сравнить
Многофункциональное реле MasterPro Ignition 5
Сравнить
Многофункциональное реле MasterPro Ignition 4
Сравнить
Многофункциональное реле MasterPro Ignition, 30 А, 5 клемм
Сравнить
Многофункциональное реле MasterPro Ignition 4
Сравнить
Многофункциональное реле MasterPro Ignition 5
Сравнить
Многофункциональное реле MasterPro Ignition 4
Сравнить
Многофункциональное реле MasterPro Ignition, 30 А, 4 клеммы
Сравнить
Многофункциональное реле MasterPro Ignition 5
Сравнить
Многофункциональное реле MasterPro Ignition 22 A 4
Сравнить
Универсальный соленоид MasterPro Ignition 4
Сравнить
Соленоид стартера MasterPro Ignition 4
Сравнить
Соленоид стартера MasterPro Ignition 4
Сравнить
Соленоид стартера MasterPro Ignition 4
Сравнить
Импортное многофункциональное реле прямого зажигания 50 А с 4 клеммами
Сравнить
Многофункциональное реле прямого зажигания с 4 контактами
Сравнить
Импортное многоцелевое реле прямого зажигания, 35 А, 5 клемм
Реле стартера активируется выключателем зажигания для подачи питания от аккумуляторной батареи на стартер.
