Рулевое управление колесным трактором Т-150
Рулевое управление колесным трактором Т-150
Поворот колесного трактора осуществляется рулевым колесом с помощью гидравлического цилиндра, воздействующего на шарнирно-сочлененную раму. За счет «излома» полурам в горизонтальной плоскости трактор движется по криволинейной траектории.
Устройство рулевого управления колесного трактора. К рулевому управлению относятся рулевой механизм и узлы гидравлической системы управления поворотом.
Рулевой механизм представляет собой корпус, прикрепленный болтами к раме трактора. У корпуса имеется верхняя и боковая крышки. Внутри него на роликовых цилиндрических подшипниках установлен вал. Верхний конец этого вала соединен с валом рулевого колеса. На шлицы вала посажен червяк, находящийся в зацеплении с сектором. Вал сектора установлен в корпусе на двух цилиндрических подшипниках и соединен елочными шлицами с сошкой. Сошка через шаровой палец и сухари взаимодействует с тягой обратной связи, другой конец которой прикреплен к ушку задней полурамы трактора.
Рекламные предложения на основе ваших интересов:
Дополнительные материалы по теме:
Гидравлическая система управления, облегчающая управление трактором, включает в себя масляный бак, шестеренчатый насос, клапан расхода, распределитель, запорный клапан, гидроцилиндр и маслопроводы.
Масляный бак закреплен на кронштейнах под кабиной с правой стороны трактора. В верхнюю половину бака вварен патрубок с масляным фильтром. Фильтр, состоящий из двадцати одного фильтрующего элемента, имеет предохранительный клапан, отрегулированный на давление 3 + 0,5 кгс/см2. К патрубку прикреплена заливная горловина для заправки бака маслом. Уровень масла контролируют по мерному стеклу. В верхней части бака смонтирован сапун.
Рис. 1. Рулевой механизм: 1 — корпус, 2 — сектор, 3 — червяк, 4 — боковая крышка, 5 — корпус запорных клапанов, 6 — плунжер, 7 — верхняя крышка, 8 — вал рулевого колеса, 9 — вал рулевого механизма, 10 — упорная шайба, 11—золотник, 12 — гильза распределителя, 13 — штуцер слива масла в масляный бак, 14 — ползун, 15 — установочная риска, 16 — сошка, 17 — тяга обратной связи, 18 — сухарь, 19 — пробка
Шестеренчатый насос НШ-32, расположенный на задней стенке раздаточной коробки, получает вращение от коленчатого вала двигателя, а при буксировке и езде накатом — от ведущих колес трактора.
Насос НШ-32 устроен точно так же, как шестеренчатый насос навесной гидросистемы.
Клапан расхода, размещенный под кабиной, подает постоянное количество масла к распределителю независимо от производительности насоса. В корпусе имеется клапан с пружиной и регулировочным винтом. При работе насоса масло к распределителю проходит через отверстие в клапане.
Рис. 2. Схема гидравлической системы рулевого управления: 1—сектор, 2 — червяк, 3 — распределитель, 4— запорный клапан, 5 — вал рулевого механизма, 6 — рулевое колесо, 7 — регулировочный винт клапана расхода, 8—корпус клапана расхода, 9 — клапан расхода, 10—предохранительный клапан, 11 — сапун, 12 — заливная горловина, 13 — фильтр, 14 — мерное стекло, 15 — масляный бак, 16 — насос, 17 — тяга обратной связи, 18 — корпус рулевого механизма, 19 — гидроцилиндр, 20 — задняя полурама; П и Л — полости цилиндра, стрелки обозначают направления потоков масла
Чтобы шланги не повреждались при повышении давления, в корпусе предусмотрен предохранительный клапан.
Оба клапана запломбированы и регулировать их трактористу запрещено.
Гидроцилиндр двустороннего действия закреплен на передней и задней полурамах трактора. Обе полости гидроцилиндра соединены шлангами с запорным клапаном. При подаче масла в одну из полостей гидроцилиндра поршень перемещается вместе со штоком и, воздействуя на полураму, поворачивает ее вправо или влево. В это время из другой полости масло сливается в бак. На тракторах последних выпусков устанавливают рулевое управление с двумя гидроцилиндрами поворота.
Запорный клапан, прикрепленный к корпусу рулевого механизма, запирает масло в цилиндре при установившемся движении и тем самым исключает произвольный поворот трактора при наезде на препятствие. Он состоит из корпуса, плунжера и двух подпружиненных клапанов.
Распределитель, направляющий в гидроцилиндр поток масла от масляного насоса, состоит из гильзы, закрепленной в корпусе рулевого механизма, и золотника, установленного на валу между двумя упорными шайбами и упорными подшипниками.
В шайбы упираются ползуны. Они упираются также в корпус рулевого механизма и в его крышку.
Ползуны с пружинами удерживают золотник в нейтральном (среднем) положении, когда тракторист не поворачивает рулевое колесо и трактор движется по выбранной траектории. Золотник выточками сообщает нагнетательную магистраль со сливной полостью и масло, нагнетаемое насосом, сливается в бак, минуя силовой цилиндр.
При повороте рулевого колеса влево поворачивается червяк, который перемещается вместе с золотником вверх, в результате нагнетательная магистраль насоса соединяется с задней полостью гидроцилиндра. Гидроцилиндр, воздействуя на заднюю полураму, поворачивает трактор. При этом под действием масла открывается клапан, а плунжер, сдвигаясь вниз, открывает клапан. Масло, вытесненное поршнем из передней полости гидроцилиндра, поступает через клапан в распределитель и направляется в бак. Если прекратить вращение рулевого колеса, червяк вместе с золотником возвратится в нейтральное (среднее) положение под действием тяги обратной связи, а трактор будет продолжать движение в выбранном направлении.
При повороте рулевого колеса вправо червяк с золотником благодаря зазору между верхней упорной шайбой и корпусом распределителя перемещается вниз. В это время нагнетательная магистраль соединяется с передней полостью гидроцилиндра. Масло, нагнетаемое насосом, открывает клапан, одновременно сдвигает плунжер с клапаном вверх и поступает в переднюю полость гидроцилиндра. Из задней полости его масло сливается в масляный бак.
Техническое обслуживание рулевого управления. От состояния рулевого управления зависит не только работоспособность трактора, но и безопасность управления. Поэтому тракторист обязан ежесменно следить за надежностью креплений узлов рулевого управления, очищать узлы рулевого управления от пыли и грязи, проверять уровень масла в баке гидросистемы. Масляный бак необходимо заправлять хорошо профильтрованным маслом марки индустриальное-20 или индустриальное-12. Летом допускается применять дизельное масло ДС-8.
Через каждые 240 ч работы следует разбирать, очищать и промывать в дизельном топливе фильтр масляного бака рулевого управления, смазывать шарниры гидроцилиндра и рулевой тяги обратной связи.
Через каждые 960 ч работы необходимо снять сапун масляного бака, разобрать и, тщательно промыв его в дизельном топливе, собрать и установить на место. Слить масло из бака гидросистемы рулевого управления. Промыть в дизельном топпиве фильтр, сапун и спускную пробку; заправив бак чистым маслом, следует запустить двигатель; для удаления воздуха из гидросистемы рулевого управления нужно сделать десять поворотов трактора на месте из одного крайнего положения в другое. При необходимости доливают масло до середины мерного стекла. Проверяют свободный ход рулевого колеса и, если нужно, регулируют его.
Перед регулировкой свободного хода рулевого колеса уста-навливают трактор на горизонтальной ппо-щадке в положение, соответствующее прямолинейному движению. Нормальный свободный ход рулевого колеса должен быть около 25°, а допустимый при износе деталей — не более 35° (при включенной гидросистеме). На свободный ход рулевого колеса влияют зазоры в тяге обратной связи и в зацеплении «червяк — сектор».
Рис. 3. Схема работы распределителя: а — нейтральное положение, б — поворот влево, в — поворот вправо; 1 — золотник, 2 — нагнетательная магистраль, 3 — сливная полость, 4, 6 — клапаны, 5 — плунжер, 7 — ползун, 8, 9 — упорные шайбы; П и Л — каналы, соединяющиеся с соответствующими полостями гидроцилиндра; стрелки обозначают направление потоков масла и перемещения деталей рулевого механизма
Регулировка тяги обратной связи заключается в подтягивании пробок. Для этого вынимают шплинт, стопорящий пробку, завертывают ее до упора и отвертывают до совмещения ее прорези с ближайшим отверстием в головке тяги, после чего шплинтуют. Если после этого свободный ход рулевого колеса будет большим, регулируют зазор в паре «червяк — сектор».
Для регулировки зазора между червяком и сектором сначала проверяют индикатором осевое смещение вала сектора. При нормальном зацеплении осевое смещение его должно быть в среднем положении червячной пары до 0,05 мм, а в крайних положениях — 0,25—0,6 мм.
Клапан расхода регулирует мастер-наладчик, если трактор не поворачивается. Для этого повертывают трактор на месте в любое крайнее положение, снимают клапан, разбирают его, промывают в чистом дизельном топливе и собирают. Устанавливают клапан на место и соединяют его с корпусом распределителя рулевого механизма специальной трубкой с манометром, имеющим показания до 100 кгс/см2. Регулировочный винт клапана расхода завертывают до отказа, а винтом предохранительного клапана регулируют давление по манометру до 7043 кгс/см2.
Устройство и регулировки рулевого управления Т-150
_______________________________________________________________________________________________
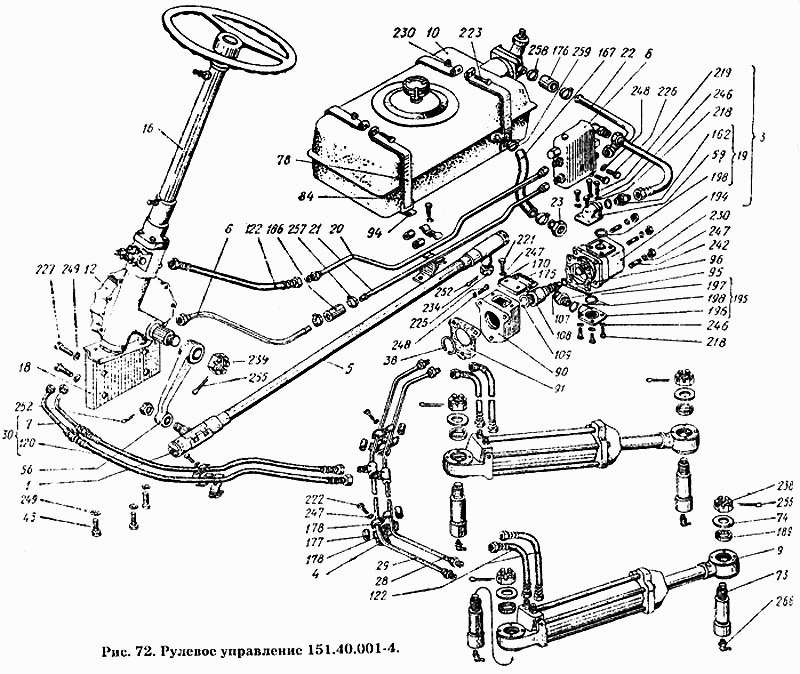
Рулевое управление трактора Т-150 — гидромеханическое, служит для поворота путем изменения взаимного положения его полурам 6 горизонтальной плоскости, осуществляемого гидравлическими цилиндрами поворота.
Рулевое управление состоит из гидравлической и механической частей
(рис. 65): гидравлическая — служит для поворота полурам,
механическая — для управления поворотом и осуществления обратной
связи.
К гидравлической части относятся гидравлический насос 17, клапан 11 расхода, распределитель 13, запорный клапан 5, два цилиндра 19 и 20 поворота, бак 8 с заборным фильтром 10 и фильтром 9 на линии слива, а также трубопроводы для соединения гидравлических узлов.
Рис. 65. Схема рулевого управления Т-150
1— вал; 2 — сектор; 3 — червяк 4 — золотник; 5 — запорный клапан; 6 — рулевая колонка; 7 — рулевое колесо; 8 — бак; 9 — фильтр линии слива; 10 — заборный фильтр; 11 —клапан расхода; 12, 14—упорные шайбы; 13 —распределитель; 15 — сошка; 16 — тяга; 17— насос; 18, 21 — поворотные рычаги рамы; 19, 20 — гидравлические цилиндры; 22; 28 – грибковые клапаны, 23, 27 — пружины клапанов; 24, 26 — седла; 25 — плунжер; 29— пружина; 30—распорный плунжер; 31 — втулка золотника; а — поворот золотника н запорных клапанов влево; б — прямолинейное движение; в — поворот вправо.
К механической части относятся рулевая колонка 6, червячная пари
(червяк 3 и сектор 2) рулевого механизма и тяга 16 обратной связи.
Гидравлический насос НШ 32 (рис. 66) — односекционный шестеренный. Прикреплен к проставочному корпусу на задней стенке картера раздаточной коробки с правой стороны.
Рис. 66. Гидронасос Т-150
1 — корпус; 2 — шестерня ведущая; 3 — шайба упорная; 4 — кольцо стопорное; 5 — манжета; 6 — манжета торцового уплотнения; 7 — планка торцового уплотнения; 3 — шестерня ведомая; 9 — уплотнительное кольцо; 10 — обойма; 11 — крышка; 12 — манжета радиального уплотнения.
НШ-32 получает вращение от дизеля через вал привода ВОМ, подвижную шестерню раздаточной коробки, шестерню вала привода насоса и компенсирующую зубчатую муфту.
При переключении подвижной шестерни привод к насосу осуществляется от ведущих колес, что обеспечивает управление трактором при неработающем дизеле (буксировка, езда накатом и др.).
Рис. 67. Клапан расхода системы рулевого управления Т-150К
1 — корпус; 2, 12 — контргайки; 3 — шайба; 4 — винт регулировочный;
5, 13 — колпачки; 6 — пружина предохранительного клапана; 7 — муфта
угловая; 8
— золотник; 9 — пружина клапана расхода; 10 — упор; 11 — винт
регулировочный клапана расхода; 14 — шайба уплотнительная; 15 —
седло; 16 —
шариковый клапан; 17 — направляющая; А и Д — полости; Б — сливные
отверстия; В — демпферное отверстие; Г — сливная канавка.
Клапан расхода (рис 67) обеспечивает подачу постоянного количества рабочей жидкости к распределителю рулевого механизма независимо от частоты вращения коленчатого вала дизеля.
Клапан расхода Т-150 установлен на заднем правом кронштейне кабины. Он состоит из подпружиненного золотника, перемещающегося в осевом направлении в корпусе 1.
На боковой поверхности золотника имеется четыре сливных отверстия, а в донышке — отверстие В малого диаметра, которое создает сопротивление протеканию жидкости. Поэтому давление в полости А перед отверстием больше, чем в полости Д за ним.
Сила избыточного давления перемещает золотник 8 до уравновешивания этой силы пружиной 9. При этом сливные отверстия Б в золотнике сообщаются со сливной канавкой Г в корпусе и избыточная жидкость направляется на слив в бак.
В одном корпусе с клапаном расхода находится предохранительный
клапан, предназначенный для предохранения системы от разрушений при
чрезмерном увеличении давления.
Он состоит из шарикового клапана 16,
седла 15, пружины 6 и регулировочного винта 4.
Рулевой механизм служит для управления поворотом трактора Т-150К при помощи изменения направления потока масла к гидравлическим цилиндрам поворота. Изменение направления потока масла осуществляется золотниковым распределителем.
Рис. 68. Рулевой механизм Т-150
1,7, 12 — подшипники роликовые; 2 —сектор; 3 — корпус; 4, 25 — прокладки, 5, 26 — крышки; 6 — червяк; 8 — запорный клапан; 9 — золотник; 10, 20 — шайбы упорные, 11, 21 — подшипники упорные; 13 — крышка верхняя; 14, 27 — гайки вала; 18 — шайба регулировочная; 16 — подпятник; 17 — пружина плунжера; 18 — плунжер; 19 — распределитель; 22 — подшипник; 23 — вал; 24 — сошка.
Рулевой механизм трактора Т-150К состоит из корпуса 3 (рис. 68), в
котором на двух роликовых подшипниках 1 и 7 установлен вал 23 с
червяком 6,
упорными подшипниками 11 и 21, золотником 9 и упорными шайбами 10 и
20.
На двух игольчатых подшипниках 22 установлен червячный сектор 2,
который находится в зацеплении с червяком 6.
Зазор в зацеплении регулируется подбором шайб 16 необходимой толщины. Плунжеры 18 разжаты пружинами 17 и, упираясь своими торцами в корпус 3, крышку 13 и упорные шайбы 10 и 20, устанавливают золотник 9 в нейтральное положение.
Так как между упорными шайбами и торцами проточек в корпусе распределителя с двух сторон имеются зазоры по 2,5 мм, вал 23 может совершать не только вращательное, но и поступательное перемещение вверх и вниз от нейтрального положения. Совместно с валом будет перемещаться и закрепленный на нем золотник 9.
При осевом перемещении пояски в золотнике перекрывают отверстия во втулке распределителя и направляют поток масла от насоса к соответствующим полостям гидравлических цилиндров поворота.
Рис. 69. Запорный клапан системы рулевого управления Т-150
1 — корпус; 2, 11 — пробки; 3, 13 — грибковые клапаны; 4, 12 —
пружины клапанов; 5, 6 — кольца уплотнительные; 7, 9 — седла
клапанов, 8 —
плунжер; 10 — кольцо стопорное.
Запорный клапан служит для предотвращения самопроизвольного поворота трактора Т-150 при наезде на препятствие, то есть для стабилизации движения. Он установлен между гидравлическими цилиндрами и распределителем и препятствует выходу масла из полостей цилиндра.
Запорный клапан состоит из корпуса 1 (рис. 69), двух подпружиненных грибковых клапанов 3 и 13 с седлами 1 и 9 и плунжера 8. Полости клапанов закрыты пробками 2 и 11. Клапан прикреплен четырьмя шпильками к боковой плоскости распределителя и составляет с рулевым механизмом один узел.
Рис. 70. Гидроцилиндр рулевого управления Т-150
1 — крышка передняя; 2, 17 — кольца уплотнительные подшипников; 3,
18 — подшипники шарнирные; 4 — гайка; 5 — поршень; 6 — кольцо
уплотнительное; 7 —кольцо уплотнительное; 8 — защитная шайба; 9 —
корпус цилиндра; 10 — стяжка; 11— крышка задняя; 12 — уплотнение
штока; 13
—гайка регулировочная; 14 —стакан; 15 — кольцо войлочное; 16 — шток;
19 — чистик; 20 — болт; 21 — корпус; 22 — шайба замковая; 23 —
кольцо
уплотнительное маслопровода; 24 — маслопровод.
Гидроцилиндры двухстороннего действия осуществляют поворот трактора Т-150К. Оба цилиндра одинаковы. Цилиндр состоит из корпуса 9 (рис. 70), поршня 5, штока 16, передней 1 и задней, 11 крышек и маслопровода 24. Цилиндры с помощью пальцев своими передними крышками крепятся к задним кронштейнам рессор, а штоками — к поворотным ушам задней полурамы.
Рис. 71. Бак гидросистемы рулевого управления Т-150
1 — корпус бака; 2 — сапун; 3 — фильтр заливной горловины; 4 — поджимная пружина; 5 —крышка; 6 — коническая пробка; 7 — пробка заливной горловины; 8 — уплотнительная прокладка; 9 — болт; 10— прокладка; 11 — уплотнительное кольцо; 12 — масломерное стекло; 13 — шайба; 14 — гайка; 15 — уплотнительное кольцо; 16 — заборный фильтр.
Бак является резервуаром для масла, необходимого для работы системы,
и способствует поддерживанию его температурного режима. На задней
стенке
его корпуса (рис. 71) расположено масломерное стекло 12 для контроля
уровня масла и заливная горловина.
В трубе заливной горловины размещен фильтр 3, состоящий из набора 21 чечевицеобразного фильтрующего элемента. Набор поджат пружиной.
В верхней части бака установлен сапун 2, связывающий внутреннюю полость бака с атмосферой, а в нижней — пробка для слива масла. Слева в боковую стенку бака ввернут сетчатый заборный фильтр 16.
Рис. 72. Рулевая колонка Т-150
1 — контакт; 2 — шпонка; 3,7 — пружины; 4 — пластина контактная, 5—кнопка; 6, 8 — колпачки: 9 — гайка; 10 — колесо рулевое; 11 — подшипник шариковый; 12 — провод; 13 — втулка контактная; 14 — труба колонки; 15 — вал.
Рулевая колонка Т-150К установлена в расточке верхней крышки рулевого механизма, зафиксирована винтом и закреплена двумя болтами. Вал 15 рулевой колонки (рис. 72) через шлицевую втулку соединяется с валом рулевого механизма. На верхнем конце вала 15 шпонкой 2 н гайкой 9 закреплено рулевое колесо 10.
В колонке размещен привод звукового сигнала, состоящий из кнопки 5,
колпачков 6 и 8, пружин 3 и 7 и пластины 4.
При нажатии на кнопку
электрическая
цепь сигнала, связанная с колпачком 8 через контакт 1, втулку 13 и
привод 12, замыкается на «массу».
Рис. 73. Тяга обратной связи Т-150
1 — пробка; 2 — втулка; 3 — пружина; 4 — палец шаровой; 5 — уплотнительная прокладка; 6 — сухарь; 7 — штанга; 8 — масленки; 9 — кожух; 10— шплинт.
Тяга обратной связи (рис. 73) совместно с поворотными ушами рамы, сошкой н червячной передачей рулевого механизма составляет обратную связь, которая обеспечивает пропорциональность поворота трактора углу поворота рулевого колеса, а также прекращение поворота при прекращении вращения рулевого колеса.
Управление трактором Т-150 осуществляется рулевым колесом. При прямолинейном движении или движении с постоянным радиусом поворота рулевое колесо не вращают.
В это время золотник 4 (рис. 65) находится в нейтральном положении и
масло, проходя через распределитель 13, направляется на слив в бак.
При этом
клапаны прижимаются пружинами к седлам и препятствуют выпуску масла
из полости гидравлических цилиндров. Плунжер устанавливается в
среднем
положении.
При вращении рулевого колеса влево, в связи с наличием зазора между нижней упорной шайбой и корпусом распределителя, червяк свинчивается по червячному сектору. Вал вместе с золотником сдвигается вверх.
Золотник верхними кромками поясков перекрывает во втулке верхние кромки обоих рядов отверстий, связывающих полость нагнетания со сливом, и масло от насоса гидросистемы Т-150 через отверстия в верхнем ряду открывает грибковый клапан и поступает к полостям левого поворота гидроцилиндров.
Одновременно плунжер под давлением масла сдвигается и своим хвостовиком открывает противоположный клапан. В полости левого поворота масло нагнетается, а из полостей правого поворота гидравлических цилиндров идет на слив в бак.
Трактор поворачивается влево. С прекращением вращения рулевого
колеса, так как золотник распределителя еще сдвинут вверх, масло
продолжает
поступать в гидравлические цилиндры и поршни их продолжают движение.
Штоки поршней через поворотные рычаги, тягу обратной связи, сошку и червячную пару воздействуют на золотник, сдвигая его вниз в нейтральное положение. Масло идет на слив в бак и поворот трактора Т-150 прекращается.
Клапаны под действием пружин прижимаются к седлам, препятствуя выходу масла из полостей гидравлического цилиндра.
При вращении рулевого колеса вправо в связи с наличием зазора между верхней упорной шайбой и корпусом распределителя червяк навинчивается по червячному сектору. Вал вместе с золотником сдвигается вниз.
Золотник нижними кромками поясков перекрывает во втулке нижние кромки обоих рядов отверстий, которые связывают полость нагнетания со сливом, и масло от насосов через отверстия в нижнем ряду открывает грибковый клапан и поступает к полостям поворота гидравлических цилиндров.
Одновременно плунжер под давлением масла сдвигается и своим
хвостовиком открывает противоположный клапан.
В полости правого
поворота масло
нагнетается, а из полостей левого поворота гидроцилиндров Т-150К идет
на слив в бак. Трактор поворачивается вправо.
С прекращением вращения рулевого колеса золотник возвращается в нейтральное положение, аналогично описанному при повороте влево, и поворот трактора прекращается.
Для обеспечения нормальной работы рулевого управления и исключения возможности выхода из строя червячной пары и других деталей необходимо, чтобы гидравлические узлы были правильно соединены трубопроводами и шлангами.
Поэтому, в случае демонтажа рулевого механизма, гидравлических
цилиндров и трубопроводов, при монтаже на трактор необходимо
запорный клапан и
цилиндры соединить так: штуцер запорного клапана, расположенный
ближе к оси трактора, должен быть соединен трубопроводами и шлангами
со
штуцерами цилиндров, установленными ближе к лонжеронам рамы, а
штуцер запорного клапана, находящийся снаружи, должен быть соединен
с
наружными штуцерами на цилиндрах.
Техническое обслуживание рулевого управления Т-150К
Разборка рулевого механизма Т-150:
— Вывертывают из картера штуцеры, снимают шлицевую втулку с вала рулевого механизма и сошку с сектором, вынимают упорное кольцо из шлицевой втулки.
— Снимают боковую крышку картера, упорное кольцо сектора, регулировочные прокладки, вынимают сектор и выпрессовывают штифт из сектора.
— Снимают запорный клапан, уплотнительные кольца клапана, нижнюю и верхнюю крышки корпуса и вал рулевого механизма в сборе.
— Разбирают вал рулевого механизма Т-150К в следующем порядке:
отвертывают гайки, спрессовывают внутреннее кольцо с
роликоподшипника, снимают
упорный шарикоподшипник, верхнее подвижное кольцо, распределитель,
нижнее подвижное кольцо, упорный шарикоподшипник и спрессовывают
внутреннее кольцо (нижнее) роликоподшипника; отвертывают гайки,
спрессовывают внутреннее кольцо роликоподшипника, снимают распорную
втулку и
опрессовывают червяк.
— Вынимают стопорные кольца и демонтируют наружные кольца роликоподшипников, снимают упорную шайбу, выпрессовывают самоподжимнои сальник, стакан уплотнения и игольчатые подшипники; снимают распорную втулку и вынимают кольцо из стакана уплотнения.
— Разбирают верхнюю крышку: вынимают стопорное кольцо, удаляют наружное кольцо роликоподшипника и втулку крышки, вынимают из втулки сальник и кольцо.
— Вынимают из корпуса золотника золотник, плунжеры, пружину, вывертывают штуцер, снимают упорное кольцо и демонтируют втулку золотника.
— Разбирают запорный клапан: вывертывают из корпуса пробки и штуцеры, снимают с пробок уплотнительные кольца и вынимают пружины и клапаны; снимают упорные кольца крепления гнезд клапанов, вынимают гнезда и плунжер, снимают уплотнительные кольца с гнезд клапанов и прокладки со штуцеров.
Разборка рулевой колонки Т-150К:
— Снимают со ступицы рулевого колеса крышки кнопки сигнала,
колпачок, пружины, тарелки, кнопки и пластины контакта.
— Отвертывают гайку и снимают рулевое колесо; вывертывают контакт из трубы колонки.
— Вынимают упорное кольцо и выпрессовывают из трубы вал рулевого колеса Т-150 в сборе.
— Снимают с вала привод звукового сигнала и стопорные кольца, спрессовывают контактную втулку и подшипник, снимают корпус сальника, сальник и крышку.
— Разбирают контакт, отвернув при этом гайки и вынув щеткодержатели.
Разборка тяги обратной связи — Снимают защитные чехлы сальников, шплинты и вывертывают пробки тяги; вынимают направляющие втулки, пружины, сухари, шаровые пальцы и демонтируют стопорные штифты сухарей; вывертывают из штанги масленки.
Разборка клапана расхода — Снимают угловую муфту, отвертывают пробки, штуцеры, защитные колпаки, контргайки и регулировочные винты; вынимают пружины, клапан расхода, предохранительный клапан и вывертывают седло клапана; снимают уплотнительные кольца.
Разборка гидроцилиндра рулевого управления Т-150К:
— Вывертывают масленки, снимают прокладки с пальцев и крышки
сальников, снимают зажим, трубки и кронштейн трубок.
— Выпрессовывают штифт и снимают наконечник штока. Снимают крышки цилиндра и вынимают из цилиндра шток в сборе.
— Разбирают наконечники: вынимают проволоку, вывертывают пробку, вынимают пружину, палец, вкладыши и скобу.
— Разбирают заднюю крышку цилиндра: снимают крышку сальника и замковую шайбу, вынимают из крышки сальника ограничитель, войлочный сальник и скребок.
— Вывертывают регулировочную гайку, вынимают нажимное кольцо, манжеты, упорное кольцо и шайбу, удаляют втулку.
— Разбирают шток, отвернув гайку, сняв шайбу, поршень, кольцо, а с поршня — уплотнительное кольцо.
_______________________________________________________________________________________________
_______________________________________________________________________________________________
_______________________________________________________________________________________________
- Ходоуменьшитель МТЗ-82 и его работа
- Муфта сцепления МТЗ-82
- Неисправности оборудования гидравлической системы МТЗ-82
- Неисправности сцепления и КПП МТЗ-82
- Неисправности заднего моста МТЗ-82
- Регулировки ведущего моста МТЗ-82
- Компоненты рулевого механизма и ГУР МТЗ-82
- Неисправности систем управления и ходовой части МТЗ-82
- Неисправности рулевого механизма МТЗ-82
- Неисправности трансмиссии МТЗ-82
- Ремонт ведущего моста МТЗ-82
- Рулевое управление МТЗ-82 и его механизмы
- Раздатка трактора МТЗ-82
- Задний ВОМ МТЗ-82
_______________________________________________________________________________________________
_______________________________________________________________________________________________
- Детали рулевого управления ГОРУ трактора МТЗ-1221
- Рабочие функции ходоуменьшителя трактора МТЗ-1221
- Коробка переключения передач КПП МТЗ-1221
- Комплектующие детали переднего ведущего моста МТЗ-1221
- Привод переднего ведущего моста МТЗ-1221 и его работа
- Детали и регулировки сцепления трактора МТЗ-1221
- Рабочие системы дизельного двигателя минитрактора МТЗ-320
- Компоненты гидросистемы трактора МТЗ-320
- Детали и механизмы мостов трактора МТЗ-320
- Детали сцепления и коробка передач минитрактора МТЗ-320
- Система рулевого управления трактора МТЗ-320 Беларус
- Конструкция и регулировка сцепления тракторов ЮМЗ-6
- Устройство коробки передач трактора ЮМЗ
- Ремонт и регулировка переднего и заднего моста трактора ЮМЗ
- Регулировки и обслуживание рулевого управления трактора ЮМЗ
- Техническое обслуживание двигателя трактора ЮМЗ
- Дизель Д-144 тракторов Т-40
- Детали сцепления трактора Т-40
- Устройство коробки передач трактора Т-40
- Конструкция переднего ведущего моста Т-40
- Конструкция ВОМ трактора Т-40
- Элементы гидросистемы трактора Т-40
- Базовые элементы дизельного двигателя Д-21
- Устройство сцепления трактора Т-25
- Компоненты коробки переключения передач трактора Т-25
- Конструкция переднего моста трактора Т-25
- Система рулевого управления трактора Т-25
- Детали и регулировки сцепления Т-150К
- Ремонт коробки передач колесного трактора Т-150
- Техобслуживание раздаточной коробки трактора Т-150К
- Конструкция мостов трактора Т-150
- Колесный редуктор и регулировки ведущего моста Т-150
Новый СМР Т-150К (СМД-60) 151.
40.051, Новый гидроусилитель руля Т-150, Новая рулевая колонка трактора Т-150 Объявления
Доска объявлений Товары
Товары и услуги Компании
4 компаний в каталоге
| Поиск |
Бизатор / Объявления / сельское хозяйство / сельскохозяйственная техника / тракторы, запчасти
Тип предложения: продажаОпубликовано: 09.03.2017
| Price: | 2 500 UAH |
| Company: | Gidro-Spets-Torg |
| Seller: | Viktor |
| Phones: | +380 (66) 198-92-93 Show phone Write a message |
| Address: | Ukraine, Kyiv |
Новый СМР Т-150К (СМД-60) 151.
40.051, Новый гидроусилитель руля Т-150, Новая рулевая колонка трактора Т-150
Новый СМР Т-150К (СМД-60) 151.40.051, Новый гидроусилитель руля Т-150, Новая рулевая колонка трактора Т-150.
Power steering (Gur) T-150K
Catalogue number — 151.40.051
Application — Tractor T-150K
Engine SMD-60
Weight — 40 kg
Condition — Новый
Отправить себе/другуВерсия для печатиПожаловаться
- спам[?]
- неправильная категория[?]
- устаревшее объявление[?]
- нарушение законов[?]
- другое[?]
Добавить в избранное
Что такое cookie?
Файл cookie — это небольшой текстовый файл, который сохраняется на вашем компьютере/мобильном устройстве, когда вы посещаете веб-сайт. Этот текстовый файл может хранить информацию, которая может быть прочитана веб-сайтом, если вы посетите его позже.
Некоторые файлы cookie необходимы для правильной работы веб-сайта. Другие файлы cookie полезны для посетителя. Файлы cookie означают, что вам не нужно вводить одну и ту же информацию каждый раз при повторном посещении веб-сайта.
Почему мы используем файлы cookie?
Мы используем файлы cookie, чтобы обеспечить вам оптимальный доступ к нашему веб-сайту. Используя файлы cookie, мы можем гарантировать, что одна и та же информация не будет отображаться каждый раз при повторном посещении веб-сайта. Файлы cookie также могут помочь оптимизировать работу веб-сайта. Они облегчают просмотр нашего веб-сайта.
Для защиты ваших персональных данных и предотвращения потери информации или противоправных действий применяются соответствующие организационные и технические меры.
Почему мы используем файлы cookie сторонних поставщиков?
Мы используем файлы cookie сторонних поставщиков, чтобы иметь возможность оценивать статистическую информацию в коллективных формах с помощью аналитических инструментов, таких как Google Analytics.
Для этой цели используются как постоянные, так и временные файлы cookie. Постоянные файлы cookie будут храниться на вашем компьютере или мобильном устройстве не более 24 месяцев.
Как отключить файлы cookie?
Вы можете просто изменить настройки своего браузера, чтобы отключить все файлы cookie. Просто нажмите «Справка» и выполните поиск «Блокировать файлы cookie». Обратите внимание: если вы деактивируете файлы cookie, веб-сайт может отображаться только частично или не отображаться вовсе.
Автономный самоуправляемый трактор может значительно облегчить жизнь фермерам
Автомобилестроение
Посмотреть 4 изображения
Посмотреть галерею — 4 изображения Многие из нас с нетерпением ждут широкого распространения автономных автомобилей, которые избавят нас от хлопот, связанных с поездками на работу и с работы.
Эта технология также находит применение за пределами проезжей части, особенно в таких областях, как сельское хозяйство, где вождение — это работа … и это не на мощеных поверхностях с разметкой и знаками. Работа с неровным и непостоянным рельефом поля создает уникальные проблемы, которые команда из Католического университета Лёвен (KU Leuven) и Технологического центра мехатроники Фландрии (FMTC) в Бельгии, как утверждается, преодолела с помощью своего роботизированного самоуправляемого трактора.
Хотя это может показаться довольно простым для неподготовленного глаза, управление трактором на неровной местности может потребовать некоторых навыков, объясняет Эрик Хостенс, инженер проекта FMTC.
«Только опытные трактористы обладают навыками, необходимыми для точной обработки поля. Работа оператора действительно довольно сложна: он наблюдает за текущим положением трактора, делает выводы, исходя из условий местности и маршрута, по которому нужно двигаться, и , исходя из всего этого, определяет скорость и ориентацию трактора».
Чтобы разработать систему навигации для трактора, команда начала с установки линейной силовой установки, которая нажимала бы на акселератор трактора и управляла им. Затем они добавили компьютер и различные датчики положения, включая систему GPS. Поскольку традиционные навигационные системы плохо справляются с условиями пересеченной местности, необходимо откалибровать различные настройки для каждого типа местности, чтобы трактор мог двигаться как по твердой, так и по влажной местности.
Система рулевого управления, разработанная командой, анализирует условия местности и оценивает ожидаемое проскальзывание колес. С учетом текущего типа местности и модели трактора система в режиме реального времени рассчитывает оптимальную скорость и радиус поворота.
«Это «умное рулевое управление» обеспечивает точность до сантиметра, — говорит Грегори Пинте из FMTC.
Самоуправляемый трактор находит опору
В настоящее время он не так привлекателен для глаз, как концепт автономного трактора RoboTrac, который мы рассматривали в 2008 году, и на демонстрации прототип самоуправляемого трактора изначально довольно резко отклоняется от заданного курса.
Но уже через пару рядов он быстро ориентируется и способен следовать по курсу с высокой степенью точности.
«Размещая на полях автоматизированные сельскохозяйственные машины, можно значительно сократить постоянно растущие расходы на операторов. Кроме того, благодаря способности робота к «умному рулевому управлению» изменение типа местности стало излишним», — говорит Винсент. Теунинк из Новой Голландии.
Исследователи из FMTC и KU Leuven представят свой первый прототип самоуправляемого трактора на 30-м Ежегодном Международном Дне Механизации Сельского Хозяйства и Садоводства в Ауденарде, Бельгия, 24 и 25 сентября.
Посмотреть галерею — 4 изображенияДаррен Квик
Любовь Даррена к технологиям началась в начальной школе с Nintendo Game & Watch Donkey Kong (до сих пор работает) и компьютера Commodore VIC 20 (до сих пор не работает)./56.gif)
