Съемник ступичных подшипников своими руками: чертежи, фото

Самодельный съемник ступичных подшипников: чертежи, фото, видео самодельного приспособления.
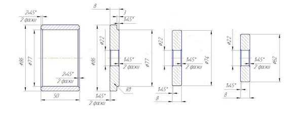
Автор решил изготовить самодельный вариант инструмента для выпрессовки ступичных подшипников, аналог вот такого который продаётся в магазинах.
В качестве материалов для изготовления были найдены стальные пластины толщиной 8 мм и труба с толщиной стенки 7 мм.

Чертежи съемника ступичных подшипников.

Также понадобилась шпилька длиной 320 мм к ней приварили гайку. Так же запрессовал шарик от подшипника в центр шпильки.

По чертежам были выточены вот такие делали:
Чашка с ответной частью.

Также две шайбы размерами 74 мм и 62 мм.

Вот так выглядит весь комплект приспособления для выпрессовки ступичных подшипников.

На этом видео автор подробно показывает съемник ступичных подшипников.
Загрузка…sam-stroitel.com
Съемник подшипников из рожковых ключей своими руками
Доброго всем времени.
В этой статье речь пойдёт, о том как мастер сделал съёмник своими руками из старых рожковых ключей. По словам автора таким инструментом можно снимать, как наружные, так и внутренние подшипники. Кому интересно, читаем статью дальше.

И так автору для данной самоделки потребовались такие материалы: шпилька М 10, пару гаек к ней, четыре прямоугольные металлические пластины толщиной 4 мм и длинной 50 мм, два рожковых ключа одинаковых (у автора 12 на 14) и ещё несколько болтов М 8 и гаек к ним.

Первым делом нанёс разметку на один из ключей.

Затем с помощью УШМ Отрезал всё лишнее.
Обработал срез напильником.

Готовая деталь.

Аналогичным способом сделал и второй ключ.


Далее делает отверстие посередине обработанных ключей.


На всех четырёх пластинах автор делает по два отверстия.


Готовые детали.

Затем накрутив на шпильку две гайки сварит их вместе.


После к этим гайкам с боку приварит ещё по одной гайке.


Когда все детали были готовы приступил к сборке инструмента.

И в завершении к шпильке он приварил кусок арматуры которая будет служить в качестве ручки.

Такой вот универсальный съёмник получился у автора.

Второй край шпильки немного сточил.

Тест. Наружный подшипник.


Для того, чтобы снять внутренний подшипник, Автор перевернул ключи и поставил шпильку по длиннее. Продев шпильку в подшипник накрутил на неё гайку.

Ключи упирает в корпус.

И выкручивает шпильку.

Таким образом подшипник снят. Инструмент со своей задачей справился.

Всем спасибо и до новой встречи.
Видео:
Источник

Получайте на почту подборку новых самоделок. Никакого спама, только полезные идеи!
*Заполняя форму вы соглашаетесь на обработку персональных данных
Становитесь автором сайта, публикуйте собственные статьи, описания самоделок с оплатой за текст. Подробнее здесь.usamodelkina.ru
Делаем съемник для подшипников
Очень крутая и полезная вещь. Съемник для подшипников. Пригодится труба, железная пластина, большая шайба, болт, гайка.
Для начала отметим на трубе размер, который необходимо отпилить. Полученному отрезку приварить шайбу. Ровно поставим на отверстие гайка и приварим. Почистим неровности болгаркой.

Как работает этот инструмент? Одеваем на подшипника. Заходим за него две пластинки. Вращаем болт. Он упирается в вал и стягивает подшипник с него. С помощью этого приспособления можно без проблем убрать его с генератора и электродвигателя. Наружный диаметр детали не должен превышать внутренний размер трубы.
Видео AVTO CLASS.
Вторая идея
Айрат Валиахметов – ведущий одноимённого канала на youtube разработал свою оригинальную идею. В магазине такие инструменты стоят недешево. Поэтому решила сделать сам. Взял металлическую полосу шириной 30, толщиной 4 миллиметра. Нарезал её полосками. Сварил. Пластины. Зацепы, чтобы захватывать подшипника. Делаются два пропила болгаркой. Вставлены две гайки, приварены. Червяка взял от старой советской струбцины. Сталь каленая. Чтобы инструмент получился универсальным, сделал по 4 отверстия с каждой стороны. Можно ставить на любую ширину. Если надо, лапы вытаскиваются, переворачивается на другую сторону. Можно вытаскивать подшипник.
На изготовление инструмента понадобилось 2 часа.
izobreteniya.net
Надежный простой съемник для подшипников своими руками
Такой инструмент желательно иметь в гараже каждому мужчине. Иногда возникают ситуации, когда необходимо отремонтировать электроинструмент, а именно заменить подшипники, которые подвержены высокой степени износа. Вы конечно можете снять подшипник с помощью молотка и отвертки, но есть риск, что при съеме может повредиться резьба или ось, как правило, так обычно и происходит. Или есть вариант, что подшипник так уселся на детали, что его не может снять даже специальное устройство.

Разберем, что представляет собой конструкция съемника для подшипника
Съемник для подшипника — это приспособление, как правило, выполненное из стали и состоящее из нескольких лап захвата и металлического стержня. Такой вид инструментов применяется для жесткого захвата подшипника с целью снять его. Процесс снятия подшипника происходит за счет стягивающего усилия. От качества конструкции зависит легкость работы съемника и отсутствие риска травм.
Виды механических съемников:
- Съемники с двумя лапами захвата.
- Съемники с тремя лапами захвата.
- Внутренние съемники.
Съемники с двумя лапами захвата это довольно простой и надежный механизм. Выполнен из сплавов стали высокой прочности. Позволяет легко контролировать процесс работы.
Съемники с тремя лапами захвата это те же съемники с двумя лапами, но усовершенствованные. Как правило, выполнены из инструментальной стали твердых сплавов.
Внутренние съемники используются для снятия валов муфт, когда деталь прочно прикреплена к конструкции.
Также существует еще один негласный вид съемника — это специальный. Как правило, с помощью него снимают генераторы, цилиндры, моторы. Такие съемники эксклюзивные, изготовлены по вашим конкретным размерам. В этом главный плюс такого изделия, вы можете быть уверены, что съемник на все сто процентов выполняет свои обещания.
Сегодня мы разберем, как сделать надежный, а главное простой съемник, который вас выручит в трудную минуту. Для этого нам понадобятся:
- Кусок толстой трубы.
- Пластина из стали.
- Гайка, болт.
- Краска.
- Стержень.
- Сварочный аппарат.
- Болгарка.
- Дрель.
- Токарный станок.
- Шлифовальный диск.
Перейдем к самому процессу работы. Этап первый
Основанием съемника выступает кусок толстой металлической трубы, это наша рама. Труба обязательно должна быть прочной, с толстыми стенками, иначе ее легко может загнуть. Толщина трубы от трех миллиметров. Отрезаем нужный кусок с помощью болгарки. Вырезаем в трубе отверстие в виде окна. Это также можно осуществить при помощи болгарки, однако придется запастись терпением это долгий и трудоемкий процесс.
Второй этап
Будем делать нижнюю и верхнюю опоры. Нам понадобиться кусок листовой стали максимальной толщины. Вырезаем в нем круг, также можно сделать с помощью болгарки. Для упрощения работы, нужно сначала вырезать из листа прямоугольник, а потом зашлифовать острые края и круг готов. Нужно всего два таких круга.

Последние штрихи по работе над опорами. Вырезаем отверстие для болтового соединения в середине верхней опоры. Отверстие легко можно сделать с помощью дрели и далее рассверлить отверстие до нужных размеров токарным станком. Перейдем к нижней опоре. Там также нужно просверлить отверстие посередине. Размеры отверстия должны быть чуть больше осей, с которых вы будете демонтировать подшипники. После вырезаем деталь в виде треугольника. На этом этап работы над опорами закончен.

Третий этап
Теперь нужно сварить две опоры к корпусу. Шов должен быть прочным, герметичным. Приступаем к работе по закреплению гайки. Заворачиваем болт в отверстие и продеваем гайку. Закрепляем все сварочным швом, но не переусердствуйте с током, иначе гайка может расплавиться. Ее можно прикрепить снаружи или изнутри. При внутреннем расположении гайки общая конструкция съемника кажется более прочной надежной. Резьбовой стержень будет выступать в качестве рукояти. Так намного удобнее демонтировать подшипники.

Четвертый этап
Все сварочные швы необходимо будет тщательно зачистить. С этим заданием легко справится шлифовальный диск. Остаточный шлак удобно будет собрать проволочной щеткой. Все изделие готово, осталось только покрыть его специальной антикоррозионной краской. Для обеспечения долгого срока службы конструкции. Перед использованием съемника нужно будет смазать резьбу, для улучшения качества работы.

Протестируем нашу самоделку. В качестве испытаний подойдут подшипники с дрели. Как мы видим, изделие справляется с заданием. Теперь вы без страха и риска можете ремонтировать ваши инструменты, не боясь испортить их. Также конструкция подойдет для демонтажа втулок. Если в процессе использования съемника вы замечаете что ось слишком тонкая, то под снимаемый подшипник можно подложить подставку или сделать съемник меньшего размера. Все в ваших руках.
remboo.ru
Съемник подшипников своими руками | Самоделки своими руками

Продолжаем серию самодельных станков и приспособлений, и на этот раз мы рассмотрим, как сделать съемник для подшипников своими руками, фото и видео прилагаются.
Чтобы сделать самодельное приспособление для подшипников, понадобятся вот такие материалы:
- Пара гаечных ключей.
- Небольшие металлические пластины — 4 шт.
- Шпилька с резьбой.
- Болты и гайки.

Весь процесс изготовления самоделки подробно показан на этих фото. Из гаечных ключей нужно сделать вот такие заготовки.



Это захваты для подшипника.

В ключах сверлим отверстия под болты.

Из пластин сделаем заготовки с отверстиями.


С одного конца к шпильке привариваем вороток и собираем конструкцию.

Вот так выглядит съёмник в собранном виде.

Работать приспособлением довольно просто, достаточно зацепить подшипник захватами, упереть шпильку по центру и вращательными движениями извлечь подшипник с оси детали.

Таким приспособлением можно извлечь и внутренний подшипник, просовываем шпильку внутрь подшипника и накручиваем гайку.

Ставим упоры и вращаем шпильку.


Вот таким образом извлекаем внутренний подшипник из детали.

Рекомендуем посмотреть видео автора, где подробно показано как сделать съёмник для подшипников и принцип действия самодельного приспособления.
samodelki-n.ru
Самодельный съемник подшипников КПП: фото изготовления

Самодельный съемник подшипников для КПП: фото и подробное описание самоделки.
Автор решил сделать съёмник для подшипников своими руками, предлагаем посмотреть фото и описание самодельного приспособления.
Материалы:
- Захваты съемника сделаны из металлического квадратного бруса — 20 х 20 мм.
- Шпильки М10 длинной по 80 мм — 2 шт.
- Пластина толщиной 12 мм.
Инструмент:
- Сварочный аппарат.
- Дрель.
- Свёрла: — М10, М12, М10.5.
- Болгарка.
- Метчик М12.
- Напильники — прямоугольный и круглый.
Процесс изготовления съёмника следующий:
Берём металлический квадрат и отрезаем кусочки по 4 см — 2 штуки.
Болгаркой протачиваем в кусочках форму захватов как показано на фото.

Паз под подшипник вырезаем не менее 18 мм в высоту, зацепная часть будет толщиной примерно 3-4 мм, глубина паза примерно 5 мм.
К захватам привариваем ровно шпильки, если шпилька станет криво, то захваты будут сползать с подшипника.
В пластине сверлим отверстия, посередине одно на 10.5 мм. Далее сверлим 4 отверстия на 10 мм, сверлим так, что бы из них можно было напильником сделать два продолговатих отверстия по 20 мм.
На пластине изначально было пару больших отверстий, поэтому на них не обращаем внимания, они ничему не мешают.

Пластина.

Габариты подшипника:
- Наружный диаметр 62 мм.
- Внутренний диаметр 25 мм.
- Высота 17мм.
Что бы правильно просверлить отверстия в пластине, нужно сначала по центру пластины просверлить отверстие на 10.5 мм, затем в каждую сторону отмерить по радиусу подшипника, это получается 31 мм ну я для себя взял по 28 что бы этим съемником можно было снимать застрявшую обойму на ступице.
Круглым напильником сделал отверстия немного длиннее что бы получилось не 62 мм а 68 мм.
После сверления отверстий берем метчик на 12 (шаг резьбы смотрите сами под центральный винт) и нарезаем резьбу или привариваем гайку.
Затем взял кусок трубы и болт, делаем следующим образом, одеваем на вал отрезок трубы в него вставляем болт, в отверстие кидаем шарик от подшипника и сверху всего этого одеваем съемник.



Винт под шестигранник.


Автор самоделки: Александр Говорухин.
sam-stroitel.com
Съемник ступичного подшипника ваз своими руками
Ступичный подшипник – для слаженной работы колес!
Передний и задний ступичный подшипник – это устройства, которые поддерживают часть опоры автомобиля. Главная их функция – зафиксировать вал или ось. Когда элемент приходит в негодность, поездки отменяются, остается заняться ремонтом. Мы расскажем, как самостоятельно заменить этот узел.
Для чего нашей машине ступичный подшипник?
Этот элемент обеспечивает свободное вращение или качение, в зависимости от детали, которую он фиксирует. Также у него есть вторая функция, которую он выполняет, это надежное восприятие нагрузки и стабильная передача на другие элементы. Если рассматривать этот подшипник, то он, чаще всего, применяется в конструкции легковых и грузовых автомобилей.
Как передний, так и задний ступичный подшипник, выдерживает огромное количество нагрузок, поэтому обладает высокой прочностью. Высокое давление оказывается на них при торможении или при наборе скорости во время езды. Принцип работы данной детали очень прост: она обеспечивает ровное вращение колеса вокруг своей оси. Задние и передние подшипники выполняют одну и ту же функцию, но само устройство деталей отличается друг от друга.
Когда необходима замена ступичного подшипника?
Есть ряд причин, которые могут привести к быстрому износу или выводу из строя ступичных подшипников. Одна из них – была произведена неправильная установка и некорректно отрегулирован зазор. Если в итоге он будет слишком большим или слишком маленьким, срок работы элемента значительно уменьшится. Определить данную неисправность возможно только внешне. Никакого дискомфорта при езде вы испытывать не будете, также никаких шумов или скрежетов автомобиль издавать не будет, естественно, до поры до времени, пока авто просто не встанет намертво с рассыпавшимся подшипником.

Именно поэтому после ремонта или даже покупки автомобиля следует посмотреть самому, как именно расположен подшипник.

Причиной поломки может быть повреждение или деформация тел качения. В данном случае вы сможете услышать шум во время движения автомобиля. Решение данной проблемы одно – замена заднего или переднего ступичного подшипника своими руками или в автосервисе. И еще одной проблемой может стать потеря смазочного материала, если была нарушена герметичность, тогда деталь остается только заменить. Лучше всего не допускать данной проблемы и проверять каждые 30 тысяч километров наличие смазки на подшипнике.
Съемник ступичных подшипников или как сделать демонтаж?
Итак, перейдем к главному вопросу нашей статьи, как поменять ступичный подшипник. Перед заменой необходимо произвести демонтаж. Производится он следующим образом: сначала блокируем колесо, выкручиваем болты крепления колеса и откладываем их в сторону. Далее на домкрате поднимаем автомобиль и фиксируем его. Аккуратно извлекаем тормозные детали, и главное, не отсоединяем гибкий шланг. Теперь снимаем тормозной диск и защитный кожух, если такой имеется на вашей модели автомобиля.

Далее отсоединяем гайку полуоси, затем необходимо отсоединить наконечник рулевой тяги, нижний рычаг и потом стабилизатор передач. Теперь следует снять ступицу очень осторожно: раскачивайте кулак, а также внимательно следите за полуосью, она не должна выскочить из коробки передач.
Дальше снимаем уплотнительное и стопорные кольца, а также другие детали фиксации, которое имеются на вашей модели автомобиля. Используя съемник ступичных подшипников, демонтируем внутреннее кольцо со ступицы и переустанавливаем кольцо подшипника другой стороной.
Затяжка ступичного подшипника – осуществляем монтаж детали
Демонтаж произведен, теперь необходимо выполнить сам монтаж. Здесь работа предстоит сложнее и кропотливее. Выполняем все внимательно и поочередно, согласно следующей инструкции.
Сначала смазываем внутреннюю часть посадочной поверхности, устанавливаем на место стопорное кольцо. Затем запрессовываем новый подшипник полностью в поворотный кулак. В данном случае необходима сильная затяжка элемента. Хотелось бы обратить ваше внимание на то, что два внутренних кольца должны держаться все время в одном комплекте с подшипником.
Дальше происходит установка второго стопорного кольца. Производим соединение стопорного кулака со стойкой и закрепляем с необходимым усилием. Главное – не оставить люфт ступичного подшипника при соединении деталей. Далее устанавливаем механизм в сборе на полуось и производим установку остальных деталей в обратном порядке. Остается снять машину с домкрата и проехаться по ровной поверхности, проверить, насколько равномерно и плавно катится ваш автомобиль.
Оцените статью:carnovato.ru
Правила замены подшипника передней ступицы на ваз 2109 с видео

Ступичные подшипники на автомобилях отечественного производства изнашиваются быстро. Замена подшипников как на передних, так и на задних ступицах — задача непростая, но выполнимая. О том, как самостоятельно заменить подшипник на передней ступице ВАЗ 2109, мы и расскажем в данной статье.
Что такое ступичный подшипник
Ступичный подшипник — важнейшая деталь автомобиля. Его главная задача — обеспечить плавное и равномерное вращение колеса. Он выступает в качестве связующего звена между осью машины и ступицей (на которую с помощью шпилек крепятся тормозные диски и колесо). Увидеть ступичный подшипник снаружи невозможно. Чтобы до него добраться, придётся снимать с машины так называемый поворотный кулачок, внутри которого и находится этот подшипник.

Внешний вид ступичного подшипника автомобиля ВАЗ 2109

Схема расположения ступичного подшипника на ВАЗ 2109
Конструкция подшипников может быть разной. Они бывают как шариковыми, так и роликовыми (это зависит как от марки подшипника, так и от автопроизводителя). Поскольку речь в статье идёт об автомобиле ВАЗ 2109, то автовладельцу придётся иметь дело с двухрядными ступичными шариковыми подшипниками закрытого типа, более известными как HUB-1. Именно их ставят практически на все «девятки», причём надёжность данных подшипников оставляет желать лучшего.
Когда следует менять подшипник передней ступицы
Сразу следует сказать, что подшипники как на передних, так и на задних ступицах ВАЗ 2109 не имеют строго оговорённого срока службы. Если брать усреднённые данные, приводимые самими автовладельцами, то получится, что новый ступичный подшипник отечественного производства может успешно пройти до 100 000 километров.После этой цифры могут начаться проблемы.
Что приводит к быстрому износу
- Плохие дороги. В ходе движения по плохой дороге на ступичные подшипники действует не только сила трения, но и огромные ударные нагрузки. Некоторое время подшипник успешно справляется со всем этим, но потом может возникнуть так называемая «усталость металла», которая и приведёт к быстрому разрушению этой детали.
- Перегрев. В ходе работы подшипник то нагревается, то остывает. Такие перепады температур вредны для любой детали, но в нашей стране они усугубляются ещё и климатом (регулярный нагрев и резкое охлаждение на морозе в 40 градусов явно не пойдёт подшипникам на пользу).
- Агрессивная среда. Это означает, что в ступицу иногда попадает влага, грязь, химические реагенты, которыми посыпают дороги. Грязь и песок могут действовать как абразив, а влага и химия могут вызывать
motorsmarine.ru
