Π’Π΅Ρ Π½ΠΈΡΠ΅ΡΠΊΠΎΠ΅ ΠΎΠ±ΡΠ»ΡΠΆΠΈΠ²Π°Π½ΠΈΠ΅ ΡΡΠ»Π΅Π²ΠΎΠ³ΠΎ ΡΠΏΡΠ°Π²Π»Π΅Π½ΠΈΡ β ΡΠ°ΡΡΡ 1
Π ΠΎΠ±ΡΠ»ΡΠΆΠΈΠ²Π°Π½ΠΈΠ΅ ΡΡΠ»Π΅Π²ΠΎΠ³ΠΎ ΡΠΏΡΠ°Π²Π»Π΅Π½ΠΈΡ Π²Ρ ΠΎΠ΄ΡΡ Π΅Π³ΠΎ ΠΎΡΠΌΠΎΡΡ, ΠΏΡΠΎΠ²Π΅ΡΠΊΠ° ΡΠ²ΠΎΠ±ΠΎΠ΄Π½ΠΎΠ³ΠΎ Ρ ΠΎΠ΄Π° ΡΡΠ»Π΅Π²ΠΎΠ³ΠΎ ΠΊΠΎΠ»Π΅ΡΠ°, ΠΏΡΠΎΠ²Π΅ΡΠΊΠ° Π·Π°Π·ΠΎΡΠΎΠ² Π² ΡΠ°ΡΠ½ΠΈΡΠ°Ρ ΠΏΡΠΎΠ΄ΠΎΠ»ΡΠ½ΠΎΠΉ ΡΡΠ»Π΅Π²ΠΎΠΉ ΡΡΠ³ΠΈ, Π·Π°Π·ΠΎΡΠ° Π² Π·Π°ΡΠ΅ΠΏΠ»Π΅Π½ΠΈΠΈ ΡΡΠ»Π΅Π²ΠΎΠΉ ΠΏΠ΅ΡΠ΅Π΄Π°ΡΠΈ, ΠΏΡΠΎΠ²Π΅ΡΠΊΠ° ΠΏΡΠ΅Π΄Π΅Π»ΡΠ½ΡΡ ΡΠ³Π»ΠΎΠ² ΠΏΠΎΠ²ΠΎΡΠΎΡΠ° ΡΠΏΡΠ°Π²Π»ΡΠ΅ΠΌΡΡ ΠΊΠΎΠ»Π΅Ρ, ΡΠ΅Π³ΡΠ»ΠΈΡΠΎΠ²ΠΊΠ° ΡΠ°ΡΠ½ΠΈΡΠΎΠ² ΠΏΡΠΎΠ΄ΠΎΠ»ΡΠ½ΠΎΠΉ ΡΡΠ»Π΅Π²ΠΎΠΉ ΡΡΠ³ΠΈ ΠΈ ΡΠ΅Π³ΡΠ»ΠΈΡΠΎΠ²ΠΊΠ° ΠΏΠΎΠ΄ΡΠΈΠΏΠ½ΠΈΠΊΠΎΠ² ΡΠ΅ΡΠ²ΡΠΊΠ° ΡΡΠ»Π΅Π²ΠΎΠΉ ΠΏΠ΅ΡΠ΅Π΄Π°ΡΠΈ.
ΠΡΠΌΠΎΡΡ ΡΡΠ»Π΅Π²ΠΎΠ³ΠΎ ΡΠΏΡΠ°Π²Π»Π΅Π½ΠΈΡ
ΠΡΠΈ ΠΎΡΠΌΠΎΡΡΠ΅ ΡΡΠ»Π΅Π²ΠΎΠ³ΠΎ ΡΠΏΡΠ°Π²Π»Π΅Π½ΠΈΡ ΠΏΡΠΎΠ²Π΅ΡΡΡΡ ΠΊΡΠ΅ΠΏΠ»Π΅Π½ΠΈΠ΅ Π΄Π΅ΡΠ°Π»Π΅ΠΉ.
ΠΠ°ΠΉΠΊΠΈ ΠΈ Π±ΠΎΠ»ΡΡ ΠΊΡΠ΅ΠΏΠ»Π΅Π½ΠΈΡ ΡΡΠ»Π΅Π²ΠΎΠ³ΠΎ ΠΊΠΎΠ»Π΅ΡΠ°, ΠΊΠΎΠ»ΠΎΠ½ΠΊΠΈ, ΠΊΠ°ΡΡΠ΅ΡΠ° ΡΡΠ»Π΅Π²ΠΎΠΉ ΠΏΠ΅ΡΠ΅Π΄Π°ΡΠΈ, ΡΡΠ»Π΅Π²ΠΎΠΉ ΡΠΎΡΠΊΠΈ ΠΈ ΡΡΡΠ°Π³ΠΎΠ² ΡΡΠ»Π΅Π²ΠΎΠΉ ΡΡΠ°ΠΏΠ΅ΡΠΈΠΈ Π΄ΠΎΠ»ΠΆΠ½Ρ Π±ΡΡΡ ΠΏΠ»ΠΎΡΠ½ΠΎ Π·Π°ΡΡΠ½ΡΡΡ. ΠΠ°ΠΉΠΊΠΈ ΠΈ ΠΏΡΠΎΠ±ΠΊΠΈ ΡΠ°ΡΠΎΠ²ΡΡ ΠΏΠ°Π»ΡΡΠ΅Π² ΡΠ°ΡΠ½ΠΈΡΠΎΠ² ΠΏΡΠΎΠ΄ΠΎΠ»ΡΠ½ΠΎΠΉ ΠΈ ΠΏΠΎΠΏΠ΅ΡΠ΅ΡΠ½ΠΎΠΉ ΡΡΠ»Π΅Π²ΡΡ ΡΡΠ³, Π° ΡΠ°ΠΊΠΆΠ΅ ΠΊΡΠ΅ΠΏΠ»Π΅Π½ΠΈΡ ΡΡΠ»Π΅Π²ΡΡ ΡΡΡΠ°Π³ΠΎΠ² Π΄ΠΎΠ»ΠΆΠ½Ρ Π±ΡΡΡ Π½Π°Π΄Π΅ΠΆΠ½ΠΎ Π·Π°ΡΠΏΠ»ΠΈΠ½ΡΠΎΠ²Π°Π½Ρ; Π°Π²ΡΠΎΠΌΠΎΠ±ΠΈΠ»Ρ Ρ Π½Π΅Π·Π°ΡΠΏΠ»ΠΈΠ½ΡΠΎΠ²Π°Π½Π½ΡΠΌΠΈ ΡΠΎΠ΅Π΄ΠΈΠ½Π΅Π½ΠΈΡΠΌΠΈ Π΄Π΅ΡΠ°Π»Π΅ΠΉ ΡΡΠ»Π΅Π²ΠΎΠ³ΠΎ ΡΠΏΡΠ°Π²Π»Π΅Π½ΠΈΡ Π½Π΅ Π΄ΠΎΠΏΡΡΠΊΠ°Π΅ΡΡΡ ΠΊ ΡΠΊΡΠΏΠ»ΡΠ°ΡΠ°ΡΠΈΠΈ.
ΠΡΠΎΠ²Π΅ΡΠΊΠ° ΡΠ²ΠΎΠ±ΠΎΠ΄Π½ΠΎΠ³ΠΎ Ρ ΠΎΠ΄Π° ΡΡΠ»Π΅Π²ΠΎΠ³ΠΎ ΠΊΠΎΠ»Π΅ΡΠ°
ΠΠ»Ρ ΠΏΡΠΎΠ²Π΅ΡΠΊΠΈ Π»ΡΡΡΠ° ΡΡΠ»Π΅Π²ΠΎΠ³ΠΎ ΠΊΠΎΠ»Π΅ΡΠ° Π½Π° ΡΡΠ»Π΅Π²ΠΎΠΉ ΠΊΠΎΠ»ΠΎΠ½ΠΊΠ΅ ΡΠΊΡΠ΅ΠΏΠ»ΡΡΡ Π»ΡΡΡΠΎΠΌΠ΅Ρ, Π° Π½Π° ΡΡΠ»Π΅Π²ΠΎΠΌ ΠΊΠΎΠ»Π΅ΡΠ΅ β ΡΡΡΠ΅Π»ΠΊΡ Ρ Π·Π°ΠΆΠΈΠΌΠΎΠΌ.
Π Π΅Π³ΡΠ»ΠΈΡΠΎΠ²ΠΊΠ° ΡΠ°ΡΠ½ΠΈΡΠ½ΡΡ ΡΠΎΠ΅Π΄ΠΈΠ½Π΅Π½ΠΈΠΉ ΠΏΡΠΎΠ΄ΠΎΠ»ΡΠ½ΠΎΠΉ ΡΡΠ»Π΅Π²ΠΎΠΉ ΡΡΠ³ΠΈ
Π¨Π°ΡΠ½ΠΈΡΡ ΠΏΡΠΎΠ΄ΠΎΠ»ΡΠ½ΠΎΠΉ ΡΡΠ»Π΅Π²ΠΎΠΉ ΡΡΠ³ΠΈ ΡΠ΅Π³ΡΠ»ΠΈΡΡΡΡ ΠΏΠΎΠ²ΠΎΡΠΎΡΠΎΠΌ ΠΏΡΠΎΠ±ΠΊΠΈ, Π²Π²ΠΈΠ½ΡΠ΅Π½Π½ΠΎΠΉ Π² ΡΠΎΡΡΠΎΠ²ΡΡ ΡΠ°ΡΡΡ ΡΡΠ³ΠΈ. ΠΠ»Ρ ΡΠ΅Π³ΡΠ»ΠΈΡΠΎΠ²ΠΊΠΈ ΡΠ°ΡΠ½ΠΈΡΠΎΠ² Π½ΡΠΆΠ½ΠΎ ΡΠ°ΡΡΠΏΠ»ΠΈΠ½ΡΠΎΠ²Π°ΡΡ ΠΏΡΠΎΠ±ΠΊΡ ΠΎΠ΄Π½ΠΎΠ³ΠΎ ΠΈΠ· ΡΠ°ΡΠ½ΠΈΡΠΎΠ², Π·Π°Π²Π΅ΡΠ½ΡΡΡ Π΅Π΅ ΡΠΏΠ΅ΡΠΈΠ°Π»ΡΠ½ΠΎΠΉ ΠΎΡΠ²Π΅ΡΡΠΊΠΎΠΉ Π΄ΠΎ ΠΎΡΠΊΠ°Π·Π°, Π° Π·Π°ΡΠ΅ΠΌ ΠΎΡΠ²Π΅ΡΠ½ΡΡΡ Π½Π° 1/2-1/4 ΠΎΠ±ΠΎΡΠΎΡΠ° ΡΠ°ΠΊ, ΡΡΠΎΠ±Ρ ΠΌΠΎΠΆΠ½ΠΎ Π±ΡΠ»ΠΎ ΠΏΠΎΡΡΠ°Π²ΠΈΡΡ ΡΠΏΠ»ΠΈΠ½Ρ.
Π ΡΠ°ΠΊΠΎΠΌ ΠΆΠ΅ ΠΏΠΎΡΡΠ΄ΠΊΠ΅ ΡΠ΅Π³ΡΠ»ΠΈΡΡΡΡ Π²ΡΠΎΡΠΎΠΉ ΡΠ°ΡΠ½ΠΈΡ ΠΏΡΠΎΠ΄ΠΎΠ»ΡΠ½ΠΎΠΉ ΡΡΠ»Π΅Π²ΠΎΠΉ ΡΡΠ³ΠΈ. ΠΡΠΈ ΡΠ±ΠΎΡΠΊΠ΅ ΡΠ°ΡΠ½ΠΈΡΡ ΡΡΠ»Π΅Π²ΡΡ
ΡΡΠ³ Π½Π°Π΄ΠΎ ΠΎΠ±ΠΈΠ»ΡΠ½ΠΎ ΡΠΌΠ°Π·ΡΠ²Π°ΡΡ.
ΠΡΠΎΠ²Π΅ΡΠΊΠ° ΠΈ ΡΠ΅Π³ΡΠ»ΠΈΡΠΎΠ²ΠΊΠ° ΡΡΠ»Π΅Π²ΠΎΠΉ ΠΏΠ΅ΡΠ΅Π΄Π°ΡΠΈ
ΠΠ»Ρ ΠΏΡΠΎΠ²Π΅ΡΠΊΠΈ ΠΎΡΠ΅Π²ΠΎΠ³ΠΎ Π»ΡΡΡΠ° ΡΡΠ»Π΅Π²ΠΎΠΉ ΠΏΠ΅ΡΠ΅Π΄Π°ΡΠΈ Π²ΡΠ²Π΅ΡΠΈΠ²Π°ΡΡ ΠΏΠ΅ΡΠ΅Π΄Π½ΠΈΠ΅ ΠΊΠΎΠ»Π΅ΡΠ°, ΠΏΠΎΠ΄Π½ΡΠ² Π΄ΠΎΠΌΠΊΡΠ°ΡΠΎΠΌ ΠΏΠ΅ΡΠ΅Π΄Π½ΠΈΠΉ ΠΌΠΎΡΡ Π°Π²ΡΠΎΠΌΠΎΠ±ΠΈΠ»Ρ, ΠΈ ΡΡΡΠ°Π½Π°Π²Π»ΠΈΠ²Π°ΡΡ ΠΈΡ Π² ΠΏΠΎΠ»ΠΎΠΆΠ΅Π½ΠΈΠ΅, ΡΠΎΠΎΡΠ²Π΅ΡΡΡΠ²ΡΡΡΠ΅Π΅ ΠΏΡΡΠΌΠΎΠ»ΠΈΠ½Π΅ΠΉΠ½ΠΎΠΌΡ Π΄Π²ΠΈΠΆΠ΅Π½ΠΈΡ. ΠΠ°ΡΠ΅ΠΌ ΠΏΠΎΠ²ΠΎΡΠ°ΡΠΈΠ²Π°ΡΡ ΡΡΠ»Π΅Π²ΠΎΠ΅ ΠΊΠΎΠ»Π΅ΡΠΎ Π² Π»Π΅Π²ΡΡ ΡΡΠΎΡΠΎΠ½Ρ Π½Π° ΠΎΠ΄ΠΈΠ½ ΠΎΠ±ΠΎΡΠΎΡ ΠΈ Π·Π°ΠΊΡΠ΅ΠΏΠ»ΡΡΡ Π΅Π³ΠΎ, ΠΏΡΠΈΠ²ΡΠ·Π°Π² ΡΠ½ΡΡΠΎΠΌ Π·Π° ΡΠΏΠΈΡΡ ΠΊ ΡΡΠΎΠΉΠΊΠ΅ Π²Π΅ΡΡΠΎΠ²ΠΎΠ³ΠΎ ΡΡΠ΅ΠΊΠ»Π°. ΠΠ°ΡΠ΅ΠΌ ΠΏΡΠΈΡΡΡΠΏΠ°ΡΡ ΠΊ ΠΏΡΠΎΠ²Π΅ΡΠΊΠ΅ ΠΎΡΠ΅Π²ΠΎΠ³ΠΎ Π»ΡΡΡΠ° ΡΡΠ»Π΅Π²ΠΎΠ³ΠΎ Π²Π°Π»Π°. ΠΠ»Ρ ΡΡΠΎΠ³ΠΎ ΠΎΡ Π²Π°ΡΡΠ²Π°ΡΡ ΡΡΠ»Π΅Π²ΡΡ ΠΊΠΎΠ»ΠΎΠ½ΠΊΡ Π»Π΅Π²ΠΎΠΉ ΡΡΠΊΠΎΠΉ ΠΈ ΠΏΠΎΠ΄Π²ΠΎΠ΄ΡΡ Π±ΠΎΠ»ΡΡΠΎΠΉ ΠΏΠ°Π»Π΅Ρ ΠΊ Π½ΠΈΠΆΠ½Π΅ΠΌΡ ΡΠΎΡΡΡ ΡΡΡΠΏΠΈΡΡ ΠΊΠΎΠ»Π΅ΡΠ°. ΠΠΎΡΠ»Π΅ ΡΡΠΎΠ³ΠΎ ΠΏΡΠΈ ΡΠ°ΡΠΊΠ°ΡΠΈΠ²Π°Π½ΠΈΠΈ ΠΏΠ΅ΡΠ΅Π΄Π½ΠΈΡ ΠΊΠΎΠ»Π΅Ρ Π² ΠΎΠ±Π΅ ΡΡΠΎΡΠΎΠ½Ρ ΠΏΡΠΎΠ²Π΅ΡΡΡΡ Π½Π° ΠΎΡΡΠΏΡ ΠΎΡΠ΅Π²ΠΎΠΉ Π»ΡΡΡ ΡΡΠ»Π΅Π²ΠΎΠ³ΠΎ Π²Π°Π»Π°. ΠΡΡΡ Π½Π΅ Π΄ΠΎΠ»ΠΆΠ΅Π½ ΠΎΡΡΡΠ°ΡΡΡΡ. ΠΡΠ»ΠΈ Π»ΡΡΡ ΠΎΡΡΡΠ°Π΅ΡΡΡ, ΡΠΎ ΡΡΠΎ ΡΠΊΠ°Π·ΡΠ²Π°Π΅Ρ Π½Π° Π½Π΅ΠΎΠ±Ρ ΠΎΠ΄ΠΈΠΌΠΎΡΡΡ ΡΠ΅Π³ΡΠ»ΠΈΡΠΎΠ²ΠΊΠΈ ΠΏΠΎΠ΄ΡΠΈΠΏΠ½ΠΈΠΊΠΎΠ² ΡΠ΅ΡΠ²ΡΠΊΠ° ΡΡΠ»Π΅Π²ΠΎΠΉ ΠΏΠ΅ΡΠ΅Π΄Π°ΡΠΈ.
ΠΠΎΠ΄ΡΠΈΠΏΠ½ΠΈΠΊΠΈ Π²Π°Π»Π° ΡΡΠ»Π΅Π²ΠΎΠΉ ΠΏΠ΅ΡΠ΅Π΄Π°ΡΠΈ ΡΠ΅Π³ΡΠ»ΠΈΡΡΡΡ ΠΈΠ·ΠΌΠ΅Π½Π΅Π½ΠΈΠ΅ΠΌ ΡΠΈΡΠ»Π° ΠΏΡΠΎΠΊΠ»Π°Π΄ΠΎΠΊ ΠΏΠΎΠ΄ ΠΊΡΡΡΠΊΠΎΠΉ ΠΊΠ°ΡΡΠ΅ΡΠ° ΡΡΠ»Π΅Π²ΠΎΠΉ ΠΏΠ΅ΡΠ΅Π΄Π°ΡΠΈ. ΠΡΠ°Π²ΠΈΠ»ΡΠ½ΠΎΡΡΡ ΡΠ±ΠΎΡΠΊΠΈ ΠΊΠΎΠ½ΡΡΠΎΠ»ΠΈΡΡΡΡ ΠΏΠΎ ΡΡΠΈΠ»ΠΈΡ, ΠΏΡΠΈΠΊΠ»Π°Π΄ΡΠ²Π°Π΅ΠΌΠΎΠΌΡ ΠΊ ΡΡΠ»Π΅Π²ΠΎΠΌΡ ΠΊΠΎΠ»Π΅ΡΡ ΠΏΡΠΈ ΠΏΠΎΠ²ΠΎΡΠΎΡΠ΅ ΡΡΠ»Π΅Π²ΠΎΠ³ΠΎ Π²Π°Π»Π°.
ΠΡΠΎΠ²Π΅ΡΠΊΡ ΡΡΠΈΠ»ΠΈΡ ΠΏΡΠΎΠΈΠ·Π²ΠΎΠ΄ΡΡ ΠΏΡΡΠΆΠΈΠ½Π½ΡΠΌ Π΄ΠΈΠ½Π°ΠΌΠΎΠΌΠ΅ΡΡΠΎΠΌ.
ΠΡΠ»ΠΈ Π΄ΠΈΠ½Π°ΠΌΠΎΠΌΠ΅ΡΡΠ° Π½Π΅Ρ, ΡΠΎ Π·Π°ΡΡΠΆΠΊΡ ΠΏΠΎΠ΄ΡΠΈΠΏΠ½ΠΈΠΊΠΎΠ² ΡΡΠ»Π΅Π²ΠΎΠ³ΠΎ Π²Π°Π»Π° ΡΠ»Π΅Π΄ΡΠ΅Ρ ΡΡΠΈΡΠ°ΡΡ Π΄ΠΎΡΡΠ°ΡΠΎΡΠ½ΠΎΠΉ, ΠΊΠ°ΠΊ ΡΠΎΠ»ΡΠΊΠΎ Π±ΡΠ΄Π΅Ρ ΡΡΡΡΠ°Π½Π΅Π½ ΠΎΡΠ΅Π²ΠΎΠΉ Π»ΡΡΡ ΡΡΠ»Π΅Π²ΠΎΠ³ΠΎ Π²Π°Π»Π°.
Π§ΠΈΡΠ°ΡΡ Π΄Π°Π»Π΅Π΅ β Π’Π΅Ρ Π½ΠΈΡΠ΅ΡΠΊΠΎΠ΅ ΠΎΠ±ΡΠ»ΡΠΆΠΈΠ²Π°Π½ΠΈΠ΅ ΡΡΠ»Π΅Π²ΠΎΠ³ΠΎ ΡΠΏΡΠ°Π²Π»Π΅Π½ΠΈΡ β ΡΠ°ΡΡΡ 2.
ΠΡΡΠ³ΠΈΠ΅ ΡΡΠ°ΡΡΠΈ ΠΏΠΎ ΡΠ΅ΠΌΠ΅:
Ρ Π²Π°ΡΠ΅Π³ΠΎ ΡΠ°ΠΉΡΠ°.
Π’Π΅Ρ Π½ΠΈΡΠ΅ΡΠΊΠΎΠ΅ ΠΎΠ±ΡΠ»ΡΠΆΠΈΠ²Π°Π½ΠΈΠ΅ ΡΡΠ»Π΅Π²ΠΎΠ³ΠΎ ΡΠΏΡΠ°Π²Π»Π΅Π½ΠΈΡ — ΠΠ½ΡΠΈΠΊΠ»ΠΎΠΏΠ΅Π΄ΠΈΡ ΠΏΠΎ ΠΌΠ°ΡΠΈΠ½ΠΎΡΡΡΠΎΠ΅Π½ΠΈΡ XXL
ΠΠ΅Π·ΠΎΠΏΠ°ΡΠ½ΠΎΡΡΡ Π΄Π²ΠΈΠΆΠ΅Π½ΠΈΡ Π°Π²ΡΠΎΠ±ΡΡΠΎΠ² Π² Π·Π½Π°ΡΠΈΡΠ΅Π»ΡΠ½ΠΎΠΉ ΡΡΠ΅ΠΏΠ΅Π½ΠΈ Π·Π°Π²ΠΈΡΠΈΡ ΠΎΡ ΠΊΠΎΠ½ΡΡΡΡΠΊΡΠΈΠΈ ΡΠ΅Ρ Π½ΠΈΡΠ΅ΡΠΊΠΎΠ³ΠΎ ΡΠΎΡΡΠΎΡΠ½ΠΈΡ ΡΡΠ»Π΅Π²ΠΎΠ³ΠΎ ΡΠΏΡΠ°Π²Π»Π΅Π½ΠΈΡ. ΠΠ° ΡΠΎΠ²ΡΠ΅ΠΌΠ΅Π½Π½ΡΡ Π°Π²ΡΠΎΠ±ΡΡΠ°Ρ ΠΏΡΠΈΠΌΠ΅Π½ΡΡΡ ΡΠ°Π·Π½ΠΎΠΎΠ±ΡΠ°Π·Π½ΡΠ΅, ΡΠ»ΠΎΠΆΠ½ΡΠ΅ ΠΏΠΎ ΡΡΡΡΠΎΠΉΡΡΠ²Ρ, Π½ΠΎ-Π½Π°Π΄Π΅ΠΆΠ½ΠΎ Π΄Π΅ΠΉΡΡΠ²ΡΡΡΠΈΠ΅ ΠΏΡΠΈ ΡΠΈΡΡΠ΅ΠΌΠ°ΡΠΈΡΠ΅ΡΠΊΠΎΠΌ ΠΈ ΠΊΠ°ΡΠ΅ΡΡΠ²Π΅Π½Π½ΠΎΠΌ ΠΎΠ±ΡΠ»ΡΠΆΠΈΠ²Π°Π½ΠΈΠΈ ΠΌΠ΅Ρ Π°Π½ΠΈΠ·ΠΌΡ. Π’ΠΎΠ»ΡΠΊΠΎ Ρ ΠΎΡΠΎΡΠΈΠ΅ Π·Π½Π°Π½ΠΈΡ ΠΈ Π²ΡΠΏΠΎΠ»Π½Π΅Π½ΠΈΠ΅ ΠΏΡΠ°Π²ΠΈΠ» ΡΠ΅Ρ Π½ΠΈΡΠ΅ΡΠΊΠΎΠ³ΠΎ ΠΎΠ±ΡΠ»ΡΠΆΠΈΠ²Π°Π½ΠΈΡ ΡΡΠ»Π΅Π²ΠΎΠ³ΠΎ ΡΠΏΡΠ°Π²Π»Π΅Π½ΠΈΡ ΠΎΠ±Π΅ΡΠΏΠ΅ΡΠΈΠ²Π°ΡΡ Π±Π΅Π·Π°Π²Π°ΡΠΈΠΉΠ½ΡΡ ΡΠ°Π±ΠΎΡΡ. β[c.152]ΠΡΠΈΠ΅ΠΌΡ Π²ΡΠΏΠΎΠ»Π½Π΅Π½ΠΈΡ ΡΠ°Π±ΠΎΡ ΠΏΡΠΈ ΡΠ΅Ρ
Π½ΠΈΡΠ΅ΡΠΊΠΎΠΌ ΠΎΠ±ΡΠ»ΡΠΆΠΈΠ²Π°Π½ΠΈΠΈ ΡΡΠ»Π΅Π²ΠΎΠ³ΠΎ ΡΠΏΡΠ°Π²Π»Π΅Π½ΠΈΡ. ΠΠ°ΡΠ»ΠΎ Π² Π³ΠΈΠ΄ΡΠΎΡΡΠΈΠ»ΠΈΡΠ΅Π»Π΅ Π½Π΅ΠΎΠ±Ρ
ΠΎΠ΄ΠΈΠΌΠΎ Π·Π°ΠΌΠ΅Π½ΠΈΡΡ Π² ΡΠ»Π΅Π΄ΡΡΡΠ΅ΠΌ ΠΏΠΎΡΡΠ΄ΠΊΠ΅ ΠΏΠΎΠ΄Π½ΡΡΡ ΠΏΠ΅ΡΠ΅Π΄Π½ΡΡ ΠΎΡΡ Π°Π²ΡΠΎΠΌΠΎΠ±ΠΈΠ»Ρ ΠΎΡΡΠΎΠ΅Π΄ΠΈΠ½ΠΈΡΡ ΡΡΡΠ±ΠΎΠΏΡΠΎΠ²ΠΎΠ΄Ρ ΠΎΡ ΡΠ°ΡΠΏΡΠ΅Π΄Π΅Π»ΠΈΡΠ΅Π»Ρ ΠΈ ΡΠ΅ΡΠ΅Π· Π½ΠΈΡ
ΡΠ»ΠΈΡΡ ΠΌΠ°ΡΠ»ΠΎ.
Π Π°Π±ΠΎΡΡ ΠΏΠΎ ΡΠ΅Ρ Π½ΠΈΡΠ΅ΡΠΊΠΎΠΌΡ ΠΎΠ±ΡΠ»ΡΠΆΠΈΠ²Π°Π½ΠΈΡ ΡΡΠ»Π΅Π²ΠΎΠ³ΠΎ ΡΠΏΡΠ°Π²Π»Π΅Π½ΠΈΡ. β
Π ΡΠ΅Ρ Π½ΠΈΡΠ΅ΡΠΊΠΎΠ΅ ΠΎΠ±ΡΠ»ΡΠΆΠΈΠ²Π°Π½ΠΈΠ΅ ΡΡΠ»Π΅Π²ΠΎΠ³ΠΎ ΡΠΏΡΠ°Π²Π»Π΅Π½ΠΈΡ Π²Ρ ΠΎΠ΄ΡΡ ΡΠ»Π΅Π΄ΡΡΡΠΈΠ΅ ΡΠ°Π±ΠΎΡΡ β[c.230]
Π’Π΅Ρ Π½ΠΈΡΠ΅ΡΠΊΠΎΠ΅ ΠΎΠ±ΡΠ»ΡΠΆΠΈΠ²Π°Π½ΠΈΠ΅ ΡΡΠ»Π΅Π²ΠΎΠ³ΠΎ ΡΠΏΡΠ°Π²Π»Π΅Π½ΠΈΡ β[c.214]
ΠΠ΅ΡΠ΅ΡΠΈΡΠ»ΠΈΡΠ΅ ΡΠ°Π±ΠΎΡΡ, Π²ΡΠΏΠΎΠ»Π½ΡΠ΅ΠΌΡΠ΅ ΠΏΡΠΈ ΡΠ΅Ρ
Π½ΠΈΡΠ΅ΡΠΊΠΎΠΌ ΠΎΠ±ΡΠ»ΡΠΆΠΈΠ²Π°Π½ΠΈΠΈ ΡΡΠ»Π΅Π²ΠΎΠ³ΠΎ ΡΠΏΡΠ°Π²Π»Π΅Π½ΠΈΡ.
β[c.219]
ΠΠ°ΠΊΠΈΠ΅ ΡΠ°Π±ΠΎΡΡ Π²ΡΠΏΠΎΠ»Π½ΡΡΡΡΡ ΠΏΠΎ ΡΠ΅Ρ Π½ΠΈΡΠ΅ΡΠΊΠΎΠΌΡ ΠΎΠ±ΡΠ»ΡΠΆΠΈΠ²Π°Π½ΠΈΡ ΡΡΠ»Π΅Π²ΠΎΠ³ΠΎ ΡΠΏΡΠ°Π²Π»Π΅Π½ΠΈΡ ΠΈ ΠΈΡ ΠΏΠ΅ΡΠΈΠΎΠ΄ΠΈΡΠ½ΠΎΡΡΡ β[c.126]
ΠΡΠ½ΠΎΠ²Π½ΡΠ΅ ΡΠ°Π±ΠΎΡΡ ΠΏΠΎ ΡΠ΅Ρ Π½ΠΈΡΠ΅ΡΠΊΠΎΠΌΡ ΠΎΠ±ΡΠ»ΡΠΆΠΈΠ²Π°Π½ΠΈΡ ΡΡΠ»Π΅Π²ΠΎΠ³ΠΎ ΡΠΏΡΠ°Π²Π»Π΅Π½ΠΈΡ. ΠΠ. ΠΡΠΎΠ²Π΅ΡΠΈΡΡ Π»ΡΡΡ ΡΡΠ»Π΅Π²ΠΎΠ³ΠΎ ΠΊΠΎΠ»Π΅ΡΠ° ΠΈ ΠΎΡΡΡΡΡΡΠ²ΠΈΠ΅ Π·Π°Π΅Π΄Π°Π½ΠΈΡ. β[c.332]
ΠΡΠΈ ΡΠ΅Ρ Π½ΠΈΡΠ΅ΡΠΊΠΎΠΌ ΠΎΠ±ΡΠ»ΡΠΆΠΈΠ²Π°Π½ΠΈΠΈ ΡΡΠ»Π΅Π²ΠΎΠ³ΠΎ ΡΠΏΡΠ°Π²Π»Π΅Π½ΠΈΡ Π΄Π»Ρ ΠΏΡΠ΅Π΄ΡΠΏΡΠ΅ΠΆΠ΄Π΅Π½ΠΈΡ ΡΡΠ°Π²ΠΌ ΠΏΠΎΠ»ΡΠ·ΠΎΠ²Π°ΡΡΡΡ ΠΌΠΎΠΆΠ½ΠΎ ΡΠΎΠ»ΡΠΊΠΎ ΠΈΡΠΏΡΠ°Π²Π½ΡΠΌ ΠΈΠ½ΡΡΡΡΠΌΠ΅Π½ΡΠΎΠΌ ΠΏΡΠΈ Π½Π°Π΄Π΅ΠΆΠ½ΠΎ Π·Π°ΡΠΈΠΊΡΠΈΡΠΎΠ²Π°Π½Π½ΠΎΠΌ Π°Π²ΡΠΎΠΌΠΎΠ±ΠΈΠ»Π΅ ΠΈ Π²ΡΠ²Π΅ΡΠ΅Π½Π½ΠΎΠΉ ΠΏΠ΅ΡΠ΅Π΄Π½Π΅ΠΉ ΠΎΡΠΈ. β[c.332]
Π’Π΅Ρ Π½ΠΈΡΠ΅ΡΠΊΠΎΠ΅ ΠΎΠ±ΡΠ»ΡΠΆΠΈΠ²Π°Π½ΠΈΠ΅ ΡΡΠ»Π΅Π²ΠΎΠ³ΠΎ ΡΠΏΡΠ°Π²Π»Π΅Π½ΠΈΡ. ΠΡΠΈ Π Π ΠΏΡΠΎΠ²Π΅ΡΡΡΡ Π»ΡΡΡ ΡΡΠ»Π΅Π²ΠΎΠ³ΠΎ ΠΊΠΎΠ»Π΅ΡΠ° ΠΈ ΡΠΎΡΡΠΎΡΠ½ΠΈΠ΅ ΡΠΎΠ΅Π΄ΠΈΠ½Π΅Π½ΠΈΠΉ ΡΡΠ»Π΅Π²ΠΎΠ³ΠΎ ΠΏΡΠΈΠ²ΠΎΠ΄Π° (ΠΊΡΠ΅ΠΏΠ»Π΅Π½ΠΈΠ΅ Π΄Π΅ΡΠ°Π»Π΅ΠΉ ΠΈ Π½Π°Π»ΠΈΡΠΈΠ΅ ΡΠΏΠ»ΠΈΠ½ΡΠΎΠ²), Π° ΡΠ°ΠΊΠΆΠ΅ ΠΏΡΠΎΠ²ΠΎΠ΄ΡΡ Π²ΠΈΠ·ΡΠ°Π»ΡΠ½ΡΠΉ ΠΊΠΎΠ½ΡΡΠΎΠ»Ρ ΡΠΏΠ»ΠΎΡΠ½Π΅Π½ΠΈΠΉ ΠΊΠ°ΡΡΠ΅ΡΠ° ΡΡΠ»Π΅Π²ΠΎΠ³ΠΎ ΠΌΠ΅Ρ Π°Π½ΠΈΠ·ΠΌΠ° Π΄Π»Ρ ΠΏΡΠ΅Π΄ΡΠΏΡΠ΅ΠΆΠ΄Π΅Π½ΠΈΡ Π²ΡΡΠ΅ΠΊΠ°Π½ΠΈΡ ΡΠΌΠ°Π·ΠΊΠΈ. β [c.167]
Π’Π΅Ρ
Π½ΠΈΡΠ΅ΡΠΊΠΎΠ΅ ΠΎΠ±ΡΠ»ΡΠΆΠΈΠ²Π°Π½ΠΈΠ΅ ΡΡΠ»Π΅Π²ΠΎΠ³ΠΎ ΡΠΏΡΠ°Π²Π»Π΅Π½ΠΈΡ Π½Π΅ΠΎΠ±Ρ
ΠΎΠ΄ΠΈΠΌΠΎ Π½Π°ΡΠΈΠ½Π°ΡΡ Ρ ΠΏΡΠΎΠ²Π΅ΡΠΊΠΈ Π½Π°Π΄Π΅ΠΆΠ½ΠΎΡΡΠΈ ΠΊΡΠ΅ΠΏΠ»Π΅Π½ΠΈΡ ΡΡΠ»Π΅Π²ΠΎΠ³ΠΎ ΠΊΠΎΠ»Π΅ΡΠ° Π½Π° Π²Π°Π»Ρ. ΠΡΠΈ ΠΏΠΎΠΏΡΡΠΊΠ΅ ΡΠ΄Π²ΠΈΠ½ΡΡΡ ΡΡΠ»Π΅Π²ΠΎΠ΅ ΠΊΠΎΠ»Π΅ΡΠΎ Π² Π½Π°ΠΏΡΠ°Π²Π»Π΅Π½ΠΈΠΈ, ΠΏΠ΅ΡΠΏΠ΅Π½Π΄ΠΈΠΊΡΠ»ΡΡΠ½ΠΎΠΌ ΠΈΠ»ΠΈ ΠΏΠ°ΡΠ°Π»Π»Π΅Π»ΡΠ½ΠΎΠΌ ΠΏΠ»ΠΎΡΠΊΠΎΡΡΠΈ Π΅Π³ΠΎ Π²ΡΠ°ΡΠ΅Π½ΠΈΡ, Π½Π΅ Π΄ΠΎΠ»ΠΆΠ½ΠΎ ΠΎΡΡΡΠ°ΡΡΡΡ Π·Π°ΠΌΠ΅ΡΠ½ΡΡ
Π»ΡΡΡΠΎΠ².
ΠΡΠΈ ΡΡΠΎΠΌ ΠΏΡΠΈ ΠΏΠΎΠ»ΠΎΠΆΠ΅Π½ΠΈΠΈ ΠΊΠΎΠ»Π΅Ρ ΠΏΡΡΠΌΠΎΠ»ΠΈΠ½Π΅ΠΉΠ½ΠΎΠ³ΠΎ Π΄Π²ΠΈΠΆΠ΅Π½ΠΈΡ ΡΠ²ΠΎΠ±ΠΎΠ΄Π½ΡΠΉ Ρ
ΠΎΠ΄ ΡΡΠ»Π΅Π²ΠΎΠ³ΠΎ ΠΊΠΎΠ»Π΅ΡΠ°, Π·Π°ΠΌΠ΅ΡΠ΅Π½Π½ΡΠΉ ΠΏΠΎ ΠΎΠ±ΠΎΠ΄Ρ, Π½Π΅ Π΄ΠΎΠ»ΠΆΠ΅Π½ ΠΏΡΠ΅Π²ΡΡΠ°ΡΡ 3β5Β°. ΠΠ°ΡΠ΅ΠΌ, Π±ΡΡΡΡΠΎ ΠΏΠΎΠ²ΠΎΡΠ°ΡΠΈΠ²Π°Ρ ΡΡΠ»Π΅Π²ΠΎΠ΅ ΠΊΠΎΠ»Π΅ΡΠΎ ΠΏΠΎΠΏΠ΅ΡΠ΅ΠΌΠ΅Π½Π½ΠΎ Π²Π»Π΅Π²ΠΎ ΠΈ Π²ΠΏΡΠ°Π²ΠΎ, Π½Π΅ΠΎΠ±Ρ
ΠΎΠ΄ΠΈΠΌΠΎ ΠΏΡΠΎΠ²Π΅ΡΠΈΡΡ Π½Π°Π΄Π΅ΠΆΠ½ΠΎΡΡΡ ΠΊΡΠ΅ΠΏΠ»Π΅Π½ΠΈΡ ΡΡΠ»Π΅Π²ΠΎΠ³ΠΎ ΠΏΡΠΈΠ²ΠΎΠ΄Π° ΠΈ Π½Π°Π»ΠΈΡΠΈΠ΅ Π»ΡΡΡΠ° Π² ΡΠΎΡΠ»Π΅Π½Π΅Π½ΠΈΡΡ
ΡΡΠ»Π΅Π²ΡΡ
ΡΡΠ³ ΠΏΡΠΈ ΠΈΡ
Π½Π°Π³ΡΡΠ·ΠΊΠ΅.
β[c.178]
ΠΡΠΈ ΡΠ΅Ρ
Π½ΠΈΡΠ΅ΡΠΊΠΎΠΌ ΠΎΠ±ΡΠ»ΡΠΆΠΈΠ²Π°Π½ΠΈΠΈ ΡΡΠ»Π΅Π²ΠΎΠ³ΠΎ ΡΠΏΡΠ°Π²Π»Π΅Π½ΠΈΡ, Π²ΡΠΏΠΎΠ»Π½ΡΡΡ ΡΠ»Π΅Π΄ΡΡΡΠΈΠ΅ ΡΠ°Π±ΠΎΡΡ.
β
ΠΡΠ½ΠΎΠ²Π½ΡΠ΅ Π½Π΅ΠΈΡΠΏΡΠ°Π²Π½ΠΎΡΡΠΈ ΠΈ ΡΠ΅Ρ Π½ΠΈΡΠ΅ΡΠΊΠΎΠ΅ ΠΎΠ±ΡΠ»ΡΠΆΠΈΠ²Π°Π½ΠΈΠ΅ ΡΡΠ»Π΅Π²ΠΎΠ³ΠΎ ΡΠΏΡΠ°Π²Π»Π΅Π½ΠΈΡ β[c.48]
Π Π°Π±ΠΎΡΡ, Π²ΡΠΏΠΎΠ»Π½ΡΠ΅ΠΌΡΠ΅ ΠΏΡΠΈ ΡΠ΅Ρ Π½ΠΈΡΠ΅ΡΠΊΠΎΠΌ ΠΎΠ±ΡΠ»ΡΠΆΠΈΠ²Π°Π½ΠΈΠΈ ΡΡΠ»Π΅Π²ΠΎΠ³ΠΎ ΡΠΏΡΠ°Π²Π»Π΅Π½ΠΈΡ. ΠΡΠΈ Π΅ΠΆΠ΅Π΄Π½Π΅Π²Π½ΠΎΠΌ ΡΠ΅Ρ Π½ΠΈΡΠ΅ΡΠΊΠΎΠΌ ΠΎΠ±ΡΠ»ΡΠΆΠΈΠ²Π°Π½ΠΈΠΈ ΠΏΡΠΎΠ²Π΅ΡΡΡΡ Π²Π΅Π»ΠΈΡΠΈΠ½Ρ ΡΠ²ΠΎΠ±ΠΎΠ΄Π½ΠΎΠ³ΠΎ Ρ ΠΎΠ΄Π° ΡΡΠ»Π΅Π²ΠΎΠ³ΠΎ ΠΊΠΎΠ»Π΅ΡΠ°, Π° ΡΠ°ΠΊΠΆΠ΅ Π΄Π΅ΠΉΡΡΠ²ΠΈΠ΅ ΡΡΠ»Π΅Π²ΠΎΠ³ΠΎ ΡΠΏΡΠ°Π²Π»Π΅Π½ΠΈΡ Π½Π° Ρ ΠΎΠ΄Ρ Π°Π²ΡΠΎΠΌΠΎΠ±ΠΈΠ»Ρ ΠΈ ΠΏΡΠΎΠΈΠ·Π²ΠΎΠ΄ΡΡ Π½Π°ΡΡΠΆΠ½ΡΠΉ ΠΎΡΠΌΠΎΡΡ ΡΠΎΡΡΠΎΡΠ½ΠΈΡ ΡΠΏΠ»ΠΎΡΠ½Π΅Π½ΠΈΠΉ ΠΊΠ°ΡΡΠ΅ΡΠ° ΡΡΠ»Π΅Π²ΠΎΠ³ΠΎ ΠΌΠ΅Ρ Π°Π½ΠΈΠ·ΠΌΠ° Π΄Π»Ρ ΠΏΡΠ΅Π΄ΡΠΏΡΠ΅ΠΆΠ΄Π΅Π½ΠΈΡ Π²ΡΡΠ΅ΠΊΠ°Π½ΠΈΡ ΡΠΌΠ°Π·ΠΊΠΈ. β[c.48]
ΠΠΈΠΆΠ΅ ΠΏΡΠΈΠ²ΠΎΠ΄ΡΡΡΡ ΡΠΏΠΎΡΠΎΠ±Ρ Π²ΡΡΠΎΠ»Π½Π΅Π½ΠΈΡ ΠΎΠΏΠ΅ΡΠ°ΡΠΈΠΉ ΠΏΠΎ ΡΠ΅Ρ
Π½ΠΈΡΠ΅ΡΠΊΠΎΠΌΡ ΠΎΠ±ΡΠ»ΡΠΆΠΈΠ²Π°Π½ΠΈΡ ΡΡΠ»Π΅Π²ΠΎΠ³ΠΎ ΡΠΏΡΠ°Π²Π»Π΅Π½ΠΈΡ, Ρ
Π°ΡΠ°ΠΊΡΠ΅ΡΠ½ΡΡ
Π΄Π»Ρ ΡΠΎΠ²ΡΠ΅ΠΌΠ΅Π½Π½ΡΡ
Π³ΡΡΠ·ΠΎΠ²ΡΡ
Π°Π²ΡΠΎΠΌΠΎΠ±ΠΈΠ»Π΅ΠΉ.
β[c.49]
Π Π΅Π³Π»Π°ΠΌΠ΅Π½ΡΠ½ΡΠ΅ ΡΠ°Π±ΠΎΡΡ. Π’Π΅Ρ Π½ΠΈΡΠ΅ΡΠΊΠΎΠ΅ ΠΎΠ±ΡΠ»ΡΠΆΠΈΠ²Π°Π½ΠΈΠ΅ ΡΡΠ»Π΅Π²ΠΎΠ³ΠΎ ΡΠΏΡΠ°Π²Π»Π΅Π½ΠΈΡ Π·Π°ΠΊΠ»ΡΡΠ°Π΅ΡΡΡ Π² ΠΏΠ΅ΡΠΈΠΎΠ΄ΠΈΡΠ΅ΡΠΊΠΎΠΌ ΠΎΡΠΌΠΎΡΡΠ΅, ΠΎΡΠΈΡΡΠΊΠ΅ ΡΡΠ»Π΅Π²ΠΎΠ³ΠΎ ΠΌΠ΅Ρ Π°Π½ΠΈΠ·ΠΌΠ° ΠΈ Π΄Π΅ΡΠ°Π»Π΅ΠΉ ΠΏΡΠΈΠ²ΠΎΠ΄Π°, ΠΏΡΠΎΠ²Π΅ΡΠΊΠ΅ ΠΊΡΠ΅ΠΏΠ»Π΅Π½ΠΈΡ ΠΈ ΡΠ΅Ρ Π½ΠΈΡΠ΅ΡΠΊΠΎΠ³ΠΎ ΡΠΎΡΡΠΎΡΠ½ΠΈΡ, Π° ΡΠ°ΠΊΠΆΠ΅ ΡΠ΅Π³ΡΠ»ΠΈΡΠΎΠ²ΠΊΠ΅ ΡΡΠ»Π΅Π²ΠΎΠ³ΠΎ ΡΠΏΡΠ°Π²Π»Π΅Π½ΠΈΡ. β [c.85]
Π’ΠΠ₯ΠΠΠ§ΠΠ‘ΠΠΠ ΠΠΠ‘ΠΠ£ΠΠΠΠΠΠΠ Π Π£ΠΠΠΠΠΠ Π£ΠΠ ΠΠΠΠΠΠΠ― β[c.147]
ΠΠ»Π°Π²Π° 6. Π’ΠΠ₯ΠΠΠ§ΠΠ‘ΠΠΠ ΠΠΠ‘ΠΠ£ΠΠΠΠΠΠΠ Π Π£ΠΠΠΠΠΠ Π£ΠΠ ΠΠΠΠΠΠΠ― Π Π’ΠΠ ΠΠΠΠΠΠ Π‘ΠΠ‘Π’ΠΠΠ« β[c.253]
ΠΠ·ΠΌΠ΅Π½Π΅Π½ΠΈΠ΅ ΡΠ΅Ρ Π½ΠΈΡΠ΅ΡΠΊΠΎΠ³ΠΎ ΡΠΎΡΡΠΎΡΠ½ΠΈΡ ΠΈ ΡΠΎΠ΄Π΅ΡΠΆΠ°Π½ΠΈΠ΅ ΠΎΠ±ΡΠ»ΡΠΆΠΈΠ²Π°Π½ΠΈΡ ΡΡΠ»Π΅Π²ΠΎΠ³ΠΎ ΡΠΏΡΠ°Π²Π»Π΅Π½ΠΈΡ β[c.153]
ΠΡ ΡΠ΅Ρ Π½ΠΈΡΠ΅ΡΠΊΠΎΠ³ΠΎ ΡΠΎΡΡΠΎΡΠ½ΠΈΡ ΡΡΠ»Π΅Π²ΠΎΠ³ΠΎ ΡΠΏΡΠ°Π²Π»Π΅Π½ΠΈΡ Π½Π΅ΠΏΠΎΡΡΠ΅Π΄ΡΡΠ²Π΅Π½Π½ΠΎ Π·Π°Π²ΠΈΡΠΈΡ Π±Π΅Π·ΠΎΠΏΠ°ΡΠ½ΠΎΡΡΡ Π΄Π²ΠΈΠΆΠ΅Π½ΠΈΡ Π°Π²ΡΠΎΠΌΠΎΠ±ΠΈΠ»Ρ, ΠΏΠΎΡΡΠΎΠΌΡ ΠΎΡΠ΅Π½ΠΈΠ²Π°ΡΡ ΡΠ΅Ρ Π½ΠΈΡΠ΅ΡΠΊΠΎΠ΅ ΡΠΎΡΡΠΎΡΠ½ΠΈΠ΅ ΠΈ ΠΏΡΠΎΠ²ΠΎΠ΄ΠΈΡΡ ΠΎΠ±ΡΠ»ΡΠΆΠΈΠ²Π°Π½ΠΈΠ΅ ΡΡΠ»Π΅Π²ΠΎΠ³ΠΎ ΡΠΏΡΠ°Π²Π»Π΅Π½ΠΈΡ Π½Π°Π΄ΠΎ ΠΎΡΠΎΠ±Π΅Π½Π½ΠΎ ΡΡΠ°ΡΠ΅Π»ΡΠ½ΠΎ. β[c.153]
ΠΡΠΎΠ±Π΅Π½Π½ΠΎΡΡΡΡ ΠΎΠ±ΡΠ»ΡΠΆΠΈΠ²Π°Π½ΠΈΡ ΡΡΠ»Π΅Π²ΠΎΠ³ΠΎ ΡΠΏΡΠ°Π²Π»Π΅Π½ΠΈΡ ΡΠ²Π»ΡΠ΅ΡΡΡ Π±ΠΎΠ»ΡΡΠΎΠΉ ΠΎΠ±ΡΠ΅ΠΌ ΠΊΠΎΠ½ΡΡΠΎΠ»ΡΠ½ΠΎ-ΠΏΡΠΎΠ²Π΅ΡΠΎΡΠ½ΡΡ
ΠΈ ΡΠΌΠ°Π·ΠΎΡΠ½ΡΡ
ΡΠ°Π±ΠΎΡ, Π²ΡΠΏΠΎΠ»Π½ΡΠ΅ΠΌΡΡ
ΠΏΡΠΈ Π²ΡΠ΅Ρ
Π²ΠΈΠ΄Π°Ρ
ΡΠ΅Ρ
Π½ΠΈΡΠ΅ΡΠΊΠΎΠ³ΠΎ ΠΎΠ±ΡΠ»ΡΠΆΠΈΠ²Π°Π½ΠΈΡ.
β[c.155]
ΠΡΠΎΠ²Π΅ΡΠΊΠ° ΡΠ΅Ρ
Π½ΠΈΡΠ΅ΡΠΊΠΎΠ³ΠΎ ΡΠΎΡΡΠΎΡΠ½ΠΈΡ ΡΡΠ»Π΅Π²ΠΎΠ³ΠΎ ΡΠΏΡΠ°Π²Π»Π΅Π½ΠΈΡ. Π’Π΅Ρ
Π½ΠΈΡΠ΅ΡΠΊΠΎΠ΅ ΡΠΎΡΡΠΎΡΠ½ΠΈΠ΅ ΠΌΠ΅Ρ
Π°Π½ΠΈΠ·ΠΌΠΎΠ² ΡΠΏΡΠ°Π²Π»Π΅Π½ΠΈΡ ΠΎΠΊΠ°Π·ΡΠ²Π°Π΅Ρ ΡΠ΅ΡΠ°ΡΡΠ΅Π΅ Π²Π»ΠΈΡΠ½ΠΈΠ΅ Π½Π° Π±Π΅Π·ΠΎΠΏΠ°ΡΠ½ΠΎΡΡΡ Π΄Π²ΠΈΠΆΠ΅Π½ΠΈΡ, ΠΏΠΎΡΡΠΎΠΌΡ ΠΊΠ°ΡΠ΅ΡΡΠ²ΠΎ ΠΈΡ
ΡΠ΅Ρ
Π½ΠΈΡΠ΅ΡΠΊΠΎΠ³ΠΎ ΠΎΠ±ΡΠ»ΡΠΆΠΈΠ²Π°Π½ΠΈΡ ΠΈ ΡΠ΅ΠΌΠΎΠ½ΡΠ° ΡΡΠ΅Π±ΡΠ΅Ρ ΠΎΡΠΎΠ±ΠΎΠ³ΠΎ Π²Π½ΠΈΠΌΠ°Π½ΠΈΡ. ΠΠ±ΡΠ΅Π΅ ΡΠ΅Ρ
Π½ΠΈΡΠ΅ΡΠΊΠΎΠ΅ ΡΠΎΡΡΠΎΡΠ½ΠΈΠ΅ ΡΡΠ»Π΅Π²ΠΎΠ³ΠΎ ΡΠΏΡΠ°Π²Π»Π΅Π½ΠΈΡ ΠΎΡΠ΅Π½ΠΈΠ²Π°ΡΡ ΠΏΠΎ Π²Π΅Π»ΠΈΡΠΈΠ½Π΅ Π»ΡΡΡΠ° (ΡΠ²ΠΎΠ±ΠΎΠ΄Π½ΠΎΠ³ΠΎ Ρ
ΠΎΠ΄Π°) ΡΡΠ»Π΅Π²ΠΎΠ³ΠΎ ΠΊΠΎΠ»Π΅ΡΠ° ΠΈ ΠΏΠΎ ΡΡΠΈΠ»ΠΈΡ, Π½Π΅ΠΎΠ±Ρ
ΠΎΠ΄ΠΈΠΌΠΎΠΌΡ Π΄Π»Ρ Π΅Π³ΠΎ ΠΏΠΎΠ²ΠΎΡΠΎΡΠ°.
β
Π’Π΅Ρ Π½ΠΈΡΠ΅ΡΠΊΠΎΠ΅ ΡΠΎΡΡΠΎΡΠ½ΠΈΠ΅ ΡΡΠ»Π΅Π²ΠΎΠ³ΠΎ ΡΠΏΡΠ°Π²Π»Π΅Π½ΠΈΡ ΠΏΡΠΎΠ²Π΅ΡΡΡΡ ΠΏΡΠΈ ΠΊΠ°ΠΆΠ΄ΠΎΠΌ ΡΠ΅Ρ Π½ΠΈΡΠ΅ΡΠΊΠΎΠΌ ΠΎΠ±ΡΠ»ΡΠΆΠΈΠ²Π°Π½ΠΈΠΈ β 1. ΠΠ΄Π½ΠΎΠ²ΡΠ΅ΠΌΠ΅Π½Π½ΠΎ ΡΠΌΠ°Π·ΡΠ²Π°ΡΡ ΡΠΎΡΠ»Π΅Π½Π΅Π½ΠΈΡ ΡΡΠ»Π΅Π²ΡΡ ΡΡΠ³ ΠΈ ΠΏΡΠΎΠ²Π΅ΡΡΡΡ ΡΡΠΎΠ²Π΅Π½Ρ ΠΈ ΡΠΎΡΡΠΎΡΠ½ΠΈΠ΅ ΡΠΌΠ°Π·ΠΊΠΈ Π² ΠΊΠ°ΡΡΠ΅ΡΠ΅ ΡΡΠ»Π΅Π²ΠΎΠ³ΠΎ ΠΌΠ΅Ρ Π°Π½ΠΈΠ·ΠΌΠ°. β[c.39]
ΠΠ°ΡΡΠΆΠ΅Π½ΠΈΠ΅ ΡΠ΅ΠΌΠ½Ρ Π½Π°ΡΠΎΡΠ° Π½ΡΠΆΠ½ΠΎ ΠΏΡΠΎΠ²Π΅ΡΡΡΡ ΠΏΡΠΈ ΠΊΠ°ΠΆΠ΄ΠΎΠΌ ΡΠ΅Ρ
Π½ΠΈΡΠ΅ΡΠΊΠΎΠΌ ΠΎΠ±ΡΠ»ΡΠΆΠΈΠ²Π°Π½ΠΈΠΈ. ΠΠ°ΡΡΠΆΠ΅Π½ΠΈΠ΅ ΡΠ΅ΠΌΠ½Ρ ΠΎΡΡΡΠ΅ΡΡΠ²Π»ΡΠ΅ΡΡΡ ΠΏΠ΅ΡΠ΅ΠΌΠ΅ΡΠ΅Π½ΠΈΠ΅ΠΌ Π½Π°ΡΠΎΡΠ° Π³ΠΈΠ΄ΡΠΎΡΡΠΈΠ»ΠΈΡΠ΅Π»Ρ ΡΡΠ»Π΅Π²ΠΎΠ³ΠΎ ΡΠΏΡΠ°Π²Π»Π΅Π½ΠΈΡ. ΠΡΠΈ Π½ΠΎΡΠΌΠ°Π»ΡΠ½ΠΎΠΌ Π½Π°ΡΡΠΆΠ΅Π½ΠΈΠΈ ΠΏΡΠΎΠ³ΠΈΠ± ΡΠ΅ΠΌΠ½Ρ ΠΌΠ΅ΠΆΠ΄Ρ ΡΠΊΠΈΠ²Π°ΠΌΠΈ Π²Π΅Π½ΡΠΈΠ»ΡΡΠΎΡΠ° ΠΈ Π½Π°ΡΠΎΡΠ° Π³ΠΈΠ΄ΡΠΎΡΡΠΈΠ»ΠΈΡΠ΅Π»Ρ ΡΡΠ»Π΅Π²ΠΎΠ³ΠΎ ΡΠΏΡΠ°Π²Π»Π΅Π½ΠΈΡ ΠΏΠΎΠ΄ Π΄Π΅ΠΉΡΡΠ²ΠΈΠ΅ΠΌ ΡΡΠΈΠ»ΠΈΡ 40 Π ΡΠΎΡΡΠ°Π²Π»ΡΠ΅Ρ 8β14 ΠΌΠΌ.
Π ΡΠ°ΡΠΎΠ²ΠΎΠΌ ΡΠ°ΡΠ½ΠΈΡΠ΅ ΠΏΡΠ΅Π΄Π»ΠΎΠΆΠ΅Π½Π½ΠΎΠΉ ΠΊΠΎΠ½ΡΡΡΡΠΊΡΠΈΠΈ Π·Π½Π°ΡΠΈΡΠ΅Π»ΡΠ½ΠΎ ΡΠΌΠ΅Π½ΡΡΠ΅Π½ ΠΊΠΎΡΡΡΠΈΡΠΈΠ΅Π½Ρ ΡΡΠ΅Π½ΠΈΡ Π² ΡΡΠ»Π΅Π²ΠΎΠΌ ΡΠΏΡΠ°Π²Π»Π΅Π½ΠΈΠΈ, ΡΡΡΠ΅ΡΡΠ²Π΅Π½Π½ΠΎ ΡΠΎΠΊΡΠ°ΡΠ΅Π½Ρ Π·Π°ΡΡΠ°ΡΡ Π½Π° ΡΠ΅Ρ Π½ΠΈΡΠ΅ΡΠΊΠΎΠ΅ ΠΎΠ±ΡΠ»ΡΠΆΠΈΠ²Π°Π½ΠΈΠ΅ ΡΠ°ΡΠ½ΠΈΡΠ° ΠΈ ΡΠΌΠ°Π·ΠΎΡΠ½ΡΠ΅ ΡΠ°Π±ΠΎΡΡ. ΠΠΊΠΎΠ½ΠΎΠΌΠΈΡ ΡΠΌΠ°Π·ΠΎΡΠ½ΡΡ ΠΌΠ°ΡΠ΅ΡΠΈΠ°Π»ΠΎΠ² Π΄ΠΎΡΡΠΈΠ³Π°Π΅Ρ ΠΠΠ /ΠΎ Π² Π³ΠΎΠ΄, Π² 3β5 ΡΠ°Π· ΡΠΌΠ΅Π½ΡΡΠ΅Π½ ΠΈΠ·Π½ΠΎΡ ΠΏΠΎΠ²Π΅ΡΡ Π½ΠΎΡΡΠ΅ΠΉ ΡΡΠ΅Π½ΠΈΡ, Π² 5β10 ΡΠ°Π· ΡΠΎΠΊΡΠ°ΡΠ΅Π½Ρ ΠΏΡΠΎΡΡΠΎΠΈ ΠΌΠ°ΡΠΈΠ½ Π½Π° ΡΠ΅Ρ Π½ΠΈΡΠ΅ΡΠΊΠΎΠΌ ΠΎΠ±ΡΠ»ΡΠΆΠΈΠ²Π°Π½ΠΈΠΈ ΠΈ Π΄ΠΎ 13 ΠΎ/ΠΎ ΠΏΠΎΠ²ΡΡΠ΅Π½Π° ΠΈΡ ΠΏΡΠΎΠΈΠ·Π²ΠΎΠ΄ΠΈΡΠ΅Π»ΡΠ½ΠΎΡΡΡ. ΠΠΏΡΠΈΠΌΠ°Π»ΡΠ½ΠΎΠ΅ ΡΠΎΠΎΡΠ½ΠΎΡΠ΅Π½ΠΈΠ΅ ΠΊΠΎΠ»ΠΈΡΠ΅ΡΡΠ²Π° ΡΠΌΠ°Π·ΠΎΡΠ½ΠΎΠ³ΠΎ ΠΌΠ°ΡΠ΅ΡΠΈΠ°Π»Π° Π² ΠΊΠΎΡΠΏΡΡΠ΅ I ΠΈ ΠΊΠΎΡΠΏΡΡΠ½ΠΎΠΌ ΡΠ»Π΅ΠΌΠ΅Π½ΡΠ΅ 3 Π½Π΅ ΠΌΠ΅Π½Π΅Π΅ 10 (Π΅ΡΠ»ΠΈ Π² ΠΊΠΎΡΠΏΡΡΠ½ΠΎΠΌ ΡΠ»Π΅ΠΌΠ΅Π½ΡΠ΅ 4,5 Π³ ΡΠΌΠ°Π·ΠΎΡΠ½ΠΎΠ³ΠΎ ΠΌΠ°ΡΠ΅ΡΠΈΠ°Π»Π°, ΡΠΎ Π² ΠΊΠΎΡΠΏΡΡΠ΅ ΡΠ°ΡΠ½ΠΈΡΠ° Π΄ΠΎΠ»ΠΆΠ½ΠΎ Π±ΡΡΡ Π½Π΅ ΠΌΠ΅Π½Π΅Π΅ 45 Π³) β[c.243]
Π’Π°ΠΊΡΡ Π²Π·Π°ΠΈΠΌΠΎΡΠ²ΡΠ·Ρ ΠΌΠΎΠΆΠ½ΠΎ ΡΠ°ΡΡΠΌΠ°ΡΡΠΈΠ²Π°ΡΡ ΠΏΡΠΈ ΡΠ΅ΡΠ΅Π½ΠΈΠΈ ΡΠ»Π΅Π΄ΡΡΡΠ΅ΠΉ Π·Π°Π΄Π°ΡΠΈ ΠΠ»Ρ ΡΠ½ΠΈΠΆΠ΅Π½ΠΈΡ Π·Π°ΡΡΠ°Ρ ΡΡΡΠ΄Π° ΠΏΡΠΈ ΡΠΌΠ°Π·ΠΊΠ΅ ΠΎΡΠΊΡΡΡΡΡ
ΡΠ°ΡΠ½ΠΈΡΠΎΠ² (ΡΡΠ»Π΅Π²ΠΎΠ΅ ΡΠΏΡΠ°Π²Π»Π΅Π½ΠΈΠ΅ Π°Π²ΡΠΎΠΌΠΎΠ±ΠΈΠ»Ρ ΠΈ Ρ. ΠΏ.) ΠΌΠΎΠ³ΡΡ Π±ΡΡΡ ΡΠ°Π·ΡΠ°Π±ΠΎΡΠ°Π½Ρ ΠΊΠΎΠ½ΡΡΡΡΠΊΡΠΈΠΈ Π·Π°ΠΊΡΡΡΡΡ
ΡΠ°ΡΠ½ΠΈΡΠΎΠ², ΠΊΠΎΡΠΎΡΡΠ΅ ΡΡΠ΅Π±ΡΠ΅ΡΡΡ ΡΠΌΠ°Π·ΡΠ²Π°ΡΡ Π·Π½Π°ΡΠΈΡΠ΅Π»ΡΠ½ΠΎ ΡΠ΅ΠΆΠ΅. ΠΡΠΈ ΡΡΠΎΠΌ ΡΠ»ΡΡΡΠ°ΡΡΡΡ ΡΡΠ»ΠΎΠ²ΠΈΡ ΡΠΌΠ°Π·ΠΊΠΈ ΡΡΡΡΠΈΡ
ΡΡ ΠΏΠΎΠ²Π΅ΡΡ
Π½ΠΎΡΡΠ΅ΠΉ, ΡΡΠΎ ΠΏΡΠΈΠ²ΠΎΠ΄ΠΈΡ ΠΊ ΠΏΠΎΠ²ΡΡΠ΅Π½ΠΈΡ Π΄ΠΎΠ»Π³ΠΎΠ²Π΅ΡΠ½ΠΎΡΡΠΈ ΡΠΎΠ΅Π΄ΠΈΠ½Π΅Π½ΠΈΠΉ.
ΠΠΈΠΆΠ΅ Π΄Π°ΡΡΡΡ ΡΠΏΠΎΡΠΎΠ±Ρ Π²ΡΠΏΠΎΠ»Π½Π΅Π½ΠΈΡ ΠΎΠΏΠ΅ΡΠ°ΡΠΈΠΉ ΠΏΠΎ ΡΠ΅Ρ Π½ΠΈΡΠ΅ΡΠΊΠΎΠΌΡ ΠΎΠ±ΡΠ»ΡΠΆΠΈΠ²Π°Π½ΠΈΡ ΡΡΠ»Π΅Π²ΡΡ ΡΠΏΡΠ°Π²Π»Π΅Π½ΠΈΠΉ, Ρ Π°ΡΠ°ΠΊΡΠ΅ΡΠ½ΡΡ Π΄Π»Ρ Π°Π²ΡΠΎΠ±ΡΡΠΎΠ² ΠΈ Π΄ΠΈΠ·Π΅Π»ΡΠΏΠ¨ Π°Π²ΡΠΎΠΌΠΎΠ±ΠΈΠ»Π΅ΠΉ. β[c.230]
ΠΠΎΠ½ΡΡΡΡΠΊΡΠΈΡ ΠΈ ΡΠ΅Ρ Π½ΠΈΡΠ΅ΡΠΊΠΎΠ΅ ΠΎΠ±ΡΠ»ΡΠΆΠΈΠ²Π°Π½ΠΈΠ΅ ΡΡΠ»Π΅Π²ΠΎΠ³ΠΎ ΡΠΏΡΠ°Π²Π»Π΅Π½ΠΈΡ Ρ ΡΠ΅ΡΠ²ΠΎΡΡΠΈΠ»ΠΈΡΠ΅Π»Π΅ΠΌ Π΄ΠΎΠ²ΠΎΠ»ΡΠ½ΠΎ ΠΏΡΠΎΡΡΡ. ΠΠΎΠ΄ΠΎΠ±Π½Π°Ρ ΡΠΈΡΡΠ΅ΠΌΠ° ΡΡΠ»Π΅Π²ΠΎΠ³ΠΎ ΡΠΏΡΠ°Π²Π»Π΅Π½ΠΈΡ ΡΠ°Π±ΠΎΡΠ°Π΅Ρ ΡΠ»Π΅Π΄ΡΡΡΠΈΠΌ ΠΎΠ±ΡΠ°Π·ΠΎΠΌ. β[c.927]
Π’Π΅Ρ Π½ΠΈΡΠ΅ΡΠΊΠΎΠ΅ ΠΎΠ±ΡΠ»ΡΠΆΠΈΠ²Π°Π½ΠΈΠ΅ ΡΡΠ»Π΅Π²ΠΎΠ³ΠΎ ΡΠΏΡΠ°Π²Π»Π΅Π½ΠΈΡ ΡΡΠ°ΠΊΡΠΎΡΠΎΠ² Ρ ΡΠ°ΡΠ½ΠΈΡΠ½ΠΎ ΡΠΎΡΠ»Π΅Π½Π΅Π½Π½ΠΎΠΉ ΡΠ°ΠΌΠΎΠΉ. ΠΡΠΈ ΠΏΠ΅ΠΌ Π½Π°ΡΡΠ΄Ρ Ρ ΠΎΠ±ΡΠΈΠΌ ΡΡΠ΅Π±ΠΎΠ²Π° ΠΈΡΠΌ ΠΊ ΡΠΎΠ΄Π΅ΡΠΆΠ°ΠΈ ΠΎ Π² ΡΠΈΡΡΠΎΡΠ΅ Π²ΡΠ΅Ρ Π°Π³ΡΠ΅Π³Π°ΡΠΎΠ², Ρ ΡΡΠΎΡΠ΅ Π·Π°Π»ΠΈΠ²Π°Π΅ΠΌΠΎΠ³ΠΎ ΠΌΠ°ΡΠ»Π°, ΡΠ²ΠΎΠ΅Π²ΡΠ΅ΠΌΠ΅ ΠΎΠΉ Π·Π°ΡΡΠΆΠΊΠ΅ Π²ΡΠ΅Ρ ΡΠΎΠ΅Π΄ΠΈΠ½Π΅Π½ΠΈΠΉ Π½Π΅ΠΎΠ±Ρ ΠΎΠ΄ΠΈΠΌΠΎ ΡΠ΅Π³ΡΠ»ΡΡΠ½ΠΎ ΡΠΌΠ°Π·ΡΠ²Π°ΡΡ ΠΈΠ»Π°ΡΠ½ΠΈΡΡ Ρ Π»ΠΎΠ²ΡΡ Π³ΠΈΠ΄ΡΠΎΡΠΈΠ»ΠΈΠ½Π΄ΡΠΎΠ² ΠΈ ΡΡΠ³ ΠΎΠ±ΡΠ°ΡΠ½ΠΎΠΉ ΡΠ²ΡΠ·ΠΈ. β[c.357]
ΠΡΠΈΠ΅ΠΌΡ Π²ΡΠΏΠΎΠ»Π½Π΅Π½ΠΈΡ ΡΠ°Π±ΠΎΡ ΠΏΡΠΈ ΡΠ΅Ρ Π½ΠΈΡΠ΅ΡΠΊΠΎΠΌ ΠΎΠ±ΡΠ»ΡΠΆΠΈΠ²Π°Π½ΠΈΠΈ ΡΡΠ»Π΅Π²ΠΎ Π³ΠΎ ΡΠΏΡΠ°Π²Π»Π΅Π½ΠΈΡ. ΠΡΠΎΠ²Π΅ΡΠΊΡ Π»ΡΡΡΠ° ΡΡΠ»Π΅Π²ΠΎΠ³ΠΎ ΡΠΏΡΠ°Π² Π»Π΅Π½ΠΈΡ Π²ΡΠΏΠΎΠ»Π½ΡΡΡ Π»ΡΡΡΠΎΠΌΠ΅ΡΠΎΠΌ. ΠΠ»Ρ ΠΏΡΠΎΠ²Π΅ΡΠΊΠΈ Π½Π΅ΠΎΠ±Ρ ΠΎΠ΄ΠΈΠΌΠΎ ΡΡΡΠ°Π½ΠΎΠ²ΠΈΡΡ ΠΏΠ΅ΡΠ΅Π΄Π½ΠΈΠ΅ ΠΊΠΎΠ»Π΅ΡΠ° Π°Π²ΡΠΎΠ±ΡΡΠ° Π΄Π»Ρ Π΄Π²ΠΈΠΆΠ΅Π½ΠΈΡ ΠΏΡΡΠΌΠΎ ΡΠΊΠ°Π»Ρ Π»ΡΡΡΠΎΠΌΠ΅ΡΠ° ΡΡΡΠ°Π½ΠΎΠ²ΠΈΡΡ ΠΏΡΠΈ ΠΏΠΎΠΌΠΎΡΠΈ Π·Π°Ρ Π²Π°ΡΠΎΠ² Π½Π° ΡΡΠ»Π΅Π²ΡΡ ΠΊΠΎΠ»ΠΎΠ½ΠΊΡ ΠΏΠΎΠ΄ ΡΡΠ»Π΅Π²ΡΠΌ ΠΊΠΎΠ»Π΅ΡΠΎΠΌ β[c.154]
ΠΡΠΎΠ²Π΅ΡΠΊΠ° ΡΠ΅Ρ Π½ΠΈΡΠ΅ΡΠΊΠΎΠ³ΠΎ ΡΠΎΡΡΠΎΡΠ½ΠΈΡ ΡΡΠ»Π΅Π²ΠΎΠ³ΠΎ ΡΠΏΡΠ°Π²Π»Π΅Π½ΠΈΡ. Π’Π΅Ρ Π½ΠΈΡΠ΅ΡΠΊΠΎΠ΅ ΡΠΎΡΡΠΎΡΠ½ΠΈΠ΅ ΠΌΠ΅Ρ Π°Π½ΠΈΠ·ΠΌΠΎΠ² ΡΠΏΡΠ°Π²Π»Π΅Π½ΠΈΡ ΠΎΠΊΠ°Π·ΡΠ²Π°Π΅Ρ Π²Π»ΠΈΡΠ½ΠΈΠ΅ Π½Π° Π±Π΅Π·ΠΎΠΏΠ°ΡΠ½ΠΎΡΡΡ Π΄Π²ΠΈΠΆΠ΅Π½ΠΈΡ, ΠΏΠΎΡΡΠΎΠΌΡ ΠΊΠ°ΡΠ΅ΡΡΠ²ΠΎ ΠΈΡ ΡΠ΅Ρ Π½ΠΈΡΠ΅ΡΠΊΠΎΠ³ΠΎ ΠΎΠ±ΡΠ»ΡΠΆΠΈΠ²Π°Π½ΠΈΡ ΠΈ ΡΠ΅ΠΌΠΎΠ½ΡΠ° ΡΡΠ΅Π±ΡΠ΅Ρ ΠΎΡΠΎΠ±ΠΎΠ³ΠΎ Π²Π½ΠΈΠΌΠ°Π½ΠΈΡ. ΠΠ±ΡΠ΅Π΅ ΡΠ΅Ρ Π½ΠΈ- β[c.165]
Π ΡΠ»Π΅Π²ΠΎΠ΅ ΡΠΏΡΠ°Π²Π»Π΅Π½ΠΈΠ΅. ΠΡ ΡΠ΅Ρ Π½ΠΈΡΠ΅ΡΠΊΠΎΠ³ΠΎ ΡΠΎΡΡΠΎΡΠ½ΠΈΡ ΡΡΠ»Π΅Π²ΠΎΠ³ΠΎ ΡΠΏΡΠ°Π²Π»Π΅Π½ΠΈΡ Π·Π°Π²ΠΈΡΠΈΡ Π±Π΅Π·ΠΎΠΏΠ°ΡΠ½ΠΎΡΡΡ Π΄Π²ΠΈΠΆΠ΅Π½ΠΈΡ ΡΡΠ°Π½ΡΠΏΠΎΡΡΠ½ΠΎΠ³ΠΎ ΡΡΠ΅Π΄ΡΡΠ²Π°. ΠΡΠΎ ΠΎΠ±ΡΠ·ΡΠ²Π°Π΅Ρ ΠΎΠ±ΡΠ°ΡΠ°ΡΡ Π½Π° Π½Π΅Π³ΠΎ ΠΎΡΠΎΠ±ΠΎΠ΅ Π²Π½ΠΈΠΌΠ°Π½ΠΈΠ΅ ΠΏΡΠΈ ΡΠ΅Ρ Π½ΠΈΡΠ΅ΡΠΊΠΎΠΌ ΠΎΠ±ΡΠ»ΡΠΆΠΈΠ²Π°Π½ΠΈΠΈ. ΠΡΡΡ ΡΡΠ»Π΅Π²ΠΎΠ³ΠΎ ΠΊΠΎΠ»Π΅ΡΠ° ΡΠ»Π΅Π΄ΡΠ΅Ρ ΠΏΡΠΎΠ²Π΅ΡΡΡΡ Π½Π° Π³ΠΎΡΠΈΠ·ΠΎΠ½ΡΠ°Π»ΡΠ½ΠΎΠΌ ΡΡΠ°ΡΡΠΊΠ΅ Π΄ΠΎΡΠΎΠ³ΠΈ ΠΏΡΠΈ ΠΏΠΎΠ»ΠΎΠΆΠ΅Π½ΠΈΠΈ ΡΠΏΡΠ°Π²Π»ΡΠ΅ΠΌΡΡ ΠΊΠΎΠ»Π΅Ρ, ΡΠΎΠΎΡΠ²Π΅ΡΡΡΠ²ΡΡΡΠ΅ΠΌ ΠΏΡΡΠΌΠΎΠ»ΠΈΠ½Π΅ΠΉΠ½ΠΎΠΌΡ Π΄Π²ΠΈΠΆΠ΅Π½ΠΈΡ Π°Π²ΡΠΎΠΌΠΎΠ±ΠΈΠ»Ρ.. ΠΠ΅Π»ΠΈΡΠΈΠ½Π° Π»ΡΡΡΠ° Π΄ΠΎΠ»ΠΆΠ½Π° ΡΠΎΠΎΡΠ²Π΅ΡΡΡΠ²ΠΎΠ²Π°ΡΡ Π½ΠΎΡΠΌΠ΅, ΡΡΡΠ°Π½ΠΎΠ²Π»Π΅Π½Π½ΠΎΠΉ Π·Π°Π²ΠΎΠ΄ΠΎΠΌ-ΠΈΠ·Π³ΠΎΡΠΎΠ²ΠΈΡΠ΅Π»Π΅ΠΌ, Π° Π΅ΡΠ»ΠΈ ΡΡΠ° Π½ΠΎΡΠΌΠ° Π½Π΅ ΡΡΡΠ°Π½ΠΎΠ²Π»Π΅Π½Π°, ΡΠΎ Π»ΡΡΡ, Π·Π°ΠΌΠ΅ΡΠ΅Π½Π½ΡΠΉ ΠΏΠΎ ΠΎΠ±ΠΎΠ΄Ρ ΡΡΠ»Π΅Π²ΠΎΠ³ΠΎ ΠΊΠΎΠ»Π΅ΡΠ°, Π½Π΅ Π΄ΠΎΠ»ΠΆΠ΅Π½ ΠΏΡΠ΅Π²ΡΡΠ°ΡΡ 25Β° (Π½Π΅Π·Π°Π²ΠΈΡΠΈΠΌΠΎ ΠΎΡ ΠΌΠ°ΡΠΊΠΈ Π°Π²ΡΠΎΠΌΠΎΠ±ΠΈΠ»Ρ ΠΈ Π³ΠΎΠ΄Π° Π΅Π³ΠΎ Π²ΡΠΏΡΡΠΊΠ°). ΠΡΠ»ΠΈ ΡΡΠ»Π΅Π²ΠΎΠ΅ ΡΠΏΡΠ°Π²Π»Π΅Π½ΠΈΠ΅ ΠΈΠΌΠ΅Π΅Ρ Π³ΠΈΠ΄ΡΠΎΡΡΠΈΠ»ΠΈΡΠ΅Π»Ρ, ΡΠΎ Π»ΡΡΡ ΡΡΠ»Π΅Π²ΠΎΠ³ΠΎ ΠΊΠΎΠ»Π΅ΡΠ° ΠΏΡΠΎΠ²Π΅ΡΡΡΡ ΠΏΡΠΈ ΡΠ°Π±ΠΎΡΠ°ΡΡΠ΅ΠΌ ΡΡΠΈΠ»ΠΈΡΠ΅Π»Π΅. ΠΠ°ΠΏΡΠ΅ΡΠ°Π΅ΡΡΡ ΡΠΊΡΠΏΠ»ΡΠ°ΡΠΈΡΠΎΠ²Π°ΡΡ ΡΡΠ°Π½ΡΠΏΠΎΡΡΠ½ΠΎΠ΅ ΡΡΠ΅Π΄ΡΡΠ²ΠΎ, Ρ ΠΊΠΎΡΠΎΡΠΎΠ³ΠΎ Π²Π΅Π»ΠΈΡΠΈΠ½Π° Π»ΡΡΡΠ° ΡΡΠ»Π΅Π²ΠΎΠ³ΠΎ ΠΊΠΎΠ»Π΅ΡΠ° ΠΏΡΠ΅Π²ΡΡΠ°Π΅Ρ Π½ΠΎΡΠΌΡ Π·Π°ΡΡΡΠ΄Π½Π΅Π½ΠΎ Π²ΡΠ°ΡΠ΅Π½ΠΈΠ΅ ΡΡΠ»Π΅Π²ΠΎΠ³ΠΎ ΠΊΠΎΠ»Π΅ΡΠ° Π½Π΅ Π·Π° ΡΠ΅ΠΏΠ»Π΅Π½Ρ, Π½Π΅ Π·Π°ΡΠΏΠ»ΠΈΠ½ΡΠΎΠ²Π°Π½Ρ, ΠΎΡΡΠΎΠ΅Π΄ΠΈΠ½ΠΈΠ»ΠΈΡΡ Π»ΠΈΠ±ΠΎ ΠΏΠΎΠ²ΡΠ΅ΠΆΠ΄Π΅Π½Ρ Π΄Π΅ΡΠ°Π»ΠΈ ΡΡΠ»Π΅Π²ΠΎΠ³ΠΎ ΡΠΏΡΠ°Π²Π»Π΅Π½ΠΈΡ. β[c.163]
Π’Π΅Ρ Π½ΠΈΡΠ΅ΡΠΊΠΎΠ΅ ΠΎΠ±ΡΠ»ΡΠΆΠΈΠ²Π°Π½ΠΈΠ΅ ΠΌΠ΅Ρ Π°Π½ΠΈΠ·ΠΌΠΎΠ² ΠΈ ΠΏΡΠΈΠ±ΠΎΡΠΎΠ² ΡΡΠ»Π΅Π²ΠΎΠ³ΠΎ ΡΠΏΡΠ°Π²Π»Π΅Π½ΠΈΡ
ΠΠ»Π°Π½ — ΠΊΠΎΠ½ΡΠΏΠ΅ΠΊΡ
ΡΡΠΎΠΊΠ° ΠΏΡΠΎΠΈΠ·Π²ΠΎΠ΄ΡΡΠ²Π΅Π½Π½ΠΎΠ³ΠΎ ΠΎΠ±ΡΡΠ΅Π½ΠΈΡ
Π’Π΅ΠΌΠ°: Π’Π΅Ρ Π½ΠΈΡΠ΅ΡΠΊΠΎΠ΅ ΠΎΠ±ΡΠ»ΡΠΆΠΈΠ²Π°Π½ΠΈΠ΅ Π°Π²ΡΠΎΠΌΠΎΠ±ΠΈΠ»Π΅ΠΉ.
Π’Π΅ΠΌΠ° ΡΡΠΎΠΊΠ°: Π’Π΅Ρ Π½ΠΈΡΠ΅ΡΠΊΠΎΠ΅ ΠΎΠ±ΡΠ»ΡΠΆΠΈΠ²Π°Π½ΠΈΠ΅ ΠΌΠ΅Ρ Π°Π½ΠΈΠ·ΠΌΠΎΠ² ΠΈ ΠΏΡΠΈΠ±ΠΎΡΠΎΠ² ΡΡΠ»Π΅Π²ΠΎΠ³ΠΎ ΡΠΏΡΠ°Π²Π»Π΅Π½ΠΈΡ.
Π¦Π΅Π»Ρ Π·Π°Π½ΡΡΠΈΡ: ΡΡΠΎΡΠΌΠΈΡΠΎΠ²Π°ΡΡ Ρ ΡΡΠ°ΡΠΈΡ ΡΡ ΠΎΡΠ½ΠΎΠ²Π½ΡΠ΅ ΠΏΠΎΠ½ΡΡΠΈΡ ΠΏΠΎ ΡΠ΅Ρ Π½ΠΈΡΠ΅ΡΠΊΠΎΠΌΡ ΠΎΠ±ΡΠ»ΡΠΆΠΈΠ²Π°Π½ΠΈΡ ΠΌΠ΅Ρ Π°Π½ΠΈΠ·ΠΌΠΎΠ² ΠΈ ΠΏΡΠΈΠ±ΠΎΡΠΎΠ² ΡΡΠ»Π΅Π²ΠΎΠ³ΠΎ ΡΠΏΡΠ°Π²Π»Π΅Π½ΠΈΡ Π°Π²ΡΠΎΠΌΠΎΠ±ΠΈΠ»Π΅ΠΉ.
ΠΠΎΡΠΏΠΈΡΠ°ΡΠ΅Π»ΡΠ½Π°Ρ ΡΠ΅Π»Ρ: ΠΏΡΠΈΠ²ΠΈΠ²Π°ΡΡ ΡΡΠ°ΡΠΈΠΌΡΡ Π΄ΠΎΠ±ΡΠΎΡΠΎΠ²Π΅ΡΡΠ½ΠΎΠ΅ ΠΎΡΠ½ΠΎΡΠ΅Π½ΠΈΠ΅ ΠΊ ΠΈΠ·ΡΡΠ΅Π½ΠΈΡ ΠΈΠ·Π»Π°Π³Π°Π΅ΠΌΠΎΠ³ΠΎ ΠΌΠ°ΡΠ΅ΡΠΈΠ°Π»Π°.
Π’ΠΈΠΏ Π·Π°Π½ΡΡΠΈΡ β ΡΡΠΎΠΊ ΠΈΠ·Π»ΠΎΠΆΠ΅Π½ΠΈΡ Π½ΠΎΠ²ΠΎΠ³ΠΎ ΠΌΠ°ΡΠ΅ΡΠΈΠ°Π»Π°.
2.ΠΡΠ½ΠΎΠ²Π½Π°Ρ ΡΠ°ΡΡΡ Π·Π°Π½ΡΡΠΈΡ
Π£ΡΠ΅Π±Π½ΡΠ΅ Π²ΠΎΠΏΡΠΎΡΡ:
ΠΡΠ½ΠΎΠ²Π½ΡΠ΅ Π½Π΅ΠΈΡΠΏΡΠ°Π²Π½ΠΎΡΡΠΈ ΡΡΠ»Π΅Π²ΠΎΠ³ΠΎ ΡΠΏΡΠ°Π²Π»Π΅Π½ΠΈΡ.
ΠΡΠ½ΠΎΠ²Π½ΡΠ΅ ΡΠ°Π±ΠΎΡΡ, Π²ΡΠΏΠΎΠ»Π½ΡΠ΅ΠΌΡΠ΅ ΠΏΡΠΈ ΡΠ΅Ρ Π½ΠΈΡΠ΅ΡΠΊΠΎΠΌ ΠΎΠ±ΡΠ»ΡΠΆΠΈΠ²Π°Π½ΠΈΠΈ ΠΌΠ΅Ρ Π°Π½ΠΈΠ·ΠΌΠΎΠ² ΠΈ ΠΏΡΠΈΠ±ΠΎΡΠΎΠ² ΡΡΠ»Π΅Π²ΠΎΠ³ΠΎ ΡΠΏΡΠ°Π²Π»Π΅Π½ΠΈΡ Π°Π²ΡΠΎΠΌΠΎΠ±ΠΈΠ»Π΅ΠΉ.
1.Π ΡΠ»Π΅Π²ΠΎΠΉ ΠΌΠ΅Ρ Π°Π½ΠΈΠ·ΠΌ ΠΈ ΡΡΠ»Π΅Π²ΠΎΠΉ ΠΏΡΠΈΠ²ΠΎΠ΄ ΠΌΠΎΠ³ΡΡ ΠΈΠΌΠ΅ΡΡ ΡΠ»Π΅Π΄ΡΡΡΠΈΠ΅ ΠΎΡΠ½ΠΎΠ²Π½ΡΠ΅ Π½Π΅ΠΈΡΠΏΡΠ°Π²Π½ΠΎΡΡΠΈ: ΠΏΠΎΠ²ΡΡΠ΅Π½Π½ΡΠΉ ΡΠ²ΠΎΠ±ΠΎΠ΄Π½ΡΠΉ Ρ ΠΎΠ΄ ΡΡΠ»Π΅Π²ΠΎΠ³ΠΎ ΠΊΠΎΠ»Π΅ΡΠ° ΠΈ ΡΡΠΌΠΌΠ°ΡΠ½ΡΠΉ Π·Π°Π·ΠΎΡ Π² ΡΡΠ»Π΅Π²ΠΎΠΌ ΡΠΏΡΠ°Π²Π»Π΅Π½ΠΈΠΈ; Π·Π½Π°ΡΠΈΡΠ΅Π»ΡΠ½ΡΠ΅ ΡΡΠΈΠ»ΠΈΡ Π΄Π»Ρ ΠΏΠΎΠ²ΠΎΡΠΎΡΠ° ΡΡΠ»Π΅Π²ΠΎΠ³ΠΎ ΠΊΠΎΠ»Π΅ΡΠ° ΠΏΠΎΡΠ»Π΅ ΡΡΡΡΠ°Π½Π΅Π½ΠΈΡ Π·Π°Π·ΠΎΡΠ°; ΠΎΡΠ½ΠΎΡΠΈΡΠ΅Π»ΡΠ½ΡΠ΅ ΠΏΠ΅ΡΠ΅ΠΌΠ΅ΡΠ΅Π½ΠΈΡ Π΄Π΅ΡΠ°Π»Π΅ΠΉ; ΠΏΠΎΠ³Π½ΡΡΠΎΡΡΡ ΡΡΠ»Π΅Π²ΡΡ ΡΡΠ³; ΠΏΠΎΠ΄ΡΠ΅ΠΊΠ°Π½ΠΈΠ΅ ΡΠΌΠ°Π·ΠΎΡΠ½ΠΎΠ³ΠΎ ΠΌΠ°ΡΠ΅ΡΠΈΠ°Π»Π° ΠΈΠ· ΠΊΠ°ΡΡΠ΅ΡΠ° ΡΡΠ»Π΅Π²ΠΎΠ³ΠΎ ΠΌΠ΅Ρ Π°Π½ΠΈΠ·ΠΌΠ°; Π½Π°ΡΡΡΠ΅Π½ΠΈΠ΅ ΡΠ΅Π³ΡΠ»ΠΈΡΠΎΠ²ΠΎΠΊ ΠΌΠ΅Ρ Π°Π½ΠΈΠ·ΠΌΠ°.
ΠΠ»Ρ Π³ΠΈΠ΄ΡΠΎΡΡΠΈΠ»ΠΈΡΠ΅Π»Ρ ΡΡΠ»Π΅Π²ΠΎΠ³ΠΎ ΠΊΠΎΠ»Π΅ΡΠ° Ρ Π°ΡΠ°ΠΊΡΠ΅ΡΠ½Ρ: ΠΎΡΠ»Π°Π±Π»Π΅Π½ΠΈΠ΅ Π½Π°ΡΡΠΆΠ΅Π½ΠΈΡ ΡΠ΅ΠΌΠ½Ρ ΠΏΡΠΈΠ²ΠΎΠ΄Π° Π½Π°ΡΠΎΡΠ°; ΠΏΠΎΠ½ΠΈΠΆΠ΅Π½ΠΈΠ΅ ΡΡΠΎΠ²Π½Ρ ΡΠΌΠ°Π·ΠΎΡΠ½ΠΎΠ³ΠΎ ΠΌΠ°ΡΠ΅ΡΠΈΠ°Π»Π° Π² Π±Π°ΡΠΊΠ΅ Π½Π°ΡΠΎΡΠ°; ΠΏΠΎΠΏΠ°Π΄Π°Π½ΠΈΠ΅ Π²ΠΎΠ·Π΄ΡΡ Π° Π² ΡΠΈΡΡΠ΅ΠΌΡ; Π·Π°Π΅Π΄Π°Π½ΠΈΠ΅ Π·ΠΎΠ»ΠΎΡΠ½ΠΈΠΊΠ° ΠΊΠ»Π°ΠΏΠ°Π½Π° ΡΠΏΡΠ°Π²Π»Π΅Π½ΠΈΡ ΠΈΠ»ΠΈ ΠΏΠ΅ΡΠ΅ΠΏΡΡΠΊΠ½ΠΎΠ³ΠΎ ΠΊΠ»Π°ΠΏΠ°Π½Π°.
ΠΡΠ»ΠΈ ΡΡΠ»Π΅Π²ΠΎΠ΅ ΡΠΏΡΠ°Π²Π»Π΅Π½ΠΈΠ΅ Π½Π΅ ΠΎΡΠ²Π΅ΡΠ°Π΅Ρ Π·Π°Π΄Π°Π½Π½ΡΠΌ ΡΡΠ΅Π±ΠΎΠ²Π°Π½ΠΈΡΠΌ, ΡΠΎ ΠΎΠΏΡΠ΅Π΄Π΅Π»ΡΡΡ ΠΈ ΡΡΡΡΠ°Π½ΡΡΡ ΠΏΡΠΈΡΠΈΠ½Ρ Π½Π΅ΠΈΡΠΏΡΠ°Π²Π½ΠΎΡΡΠΈ. ΠΠ»Ρ ΡΡΠΎΠ³ΠΎ ΠΏΡΠΎΠ²Π΅ΡΡΡΡ ΡΠ»Π΅Π΄ΡΡΡΠ΅Π΅: Π·Π°Π·ΠΎΡΡ Π² ΡΠ°ΡΠ½ΠΈΡΠ°Ρ ΡΡΠ»Π΅Π²ΡΡ ΡΡΠ³; ΠΈΠ·Π½ΠΎΡ Π²ΡΡΠ»ΠΎΠΊ ΠΈΠ»ΠΈ ΡΠΊΠ²ΠΎΡΠ½Π΅ΠΉ ΠΏΠΎΠ²ΠΎΡΠΎΡΠ½ΡΡ ΡΠ°ΠΏΡ; Π½Π°Π΄Π΅ΠΆΠ½ΠΎΡΡΡ ΠΊΡΠ΅ΠΏΠ»Π΅Π½ΠΈΡ ΠΊΠ°ΡΡΠ΅ΡΠ° ΡΡΠ»Π΅Π²ΠΎΠ³ΠΎ ΠΌΠ΅Ρ Π°Π½ΠΈΠ·ΠΌΠ° ΠΊ ΡΠ°ΠΌΠ΅ Π°Π²ΡΠΎΠΌΠΎΠ±ΠΈΠ»Ρ; Π·Π°ΡΡΠΆΠΊΡ Π³Π°Π΅ΠΊ
ΡΠ°ΡΠΎΠ²ΡΡ ΠΏΠ°Π»ΡΡΠ΅Π² ΠΈ ΡΡΡΠ°Π³ΠΎΠ² ΠΏΠΎΠ²ΠΎΡΠΎΡΠ½ΡΡ ΠΊΡΠ»Π°ΠΊΠΎΠ², ΠΊΠ»ΠΈΠ½ΡΠ΅Π² ΠΊΠ°ΡΠ΄Π°Π½Π½ΠΎΠ³ΠΎ Π²Π°Π»Π° ΡΡΠ»Π΅Π²ΠΎΠ³ΠΎ ΡΠΏΡΠ°Π²Π»Π΅Π½ΠΈΡ; Π·Π°Π·ΠΎΡΡ Π² Π΅Π³ΠΎ ΡΠ»ΠΈΡΠ΅Π²ΠΎΠΌ ΡΠΎΠ΅Π΄ΠΈΠ½Π΅Π½ΠΈΠΈ; ΡΠ΅Π³ΡΠ»ΠΈΡΠΎΠ²ΠΊΡ ΠΏΠΎΠ΄ΡΠΈΠΏΠ½ΠΈΠΊΠΎΠ² ΠΏΠ΅ΡΠ΅Π΄Π½ΠΈΡ ΠΊΠΎΠ»Π΅Ρ; Π½Π°ΡΡΠΆΠ΅Π½ΠΈΠ΅ ΡΠ΅ΠΌΠ½Ρ ΠΏΡΠΈΠ²ΠΎΠ΄Π° Π½Π°ΡΠΎΡΠ° Π³ΠΈΠ΄ΡΠΎΡΡΠΈΠ»ΠΈΡΠ΅Π»Ρ; ΡΠ΅Π³ΡΠ»ΠΈΡΠΎΠ²ΠΊΡ Π±ΠΎΠΊΠΎΠ²ΠΎΠ³ΠΎ Π·Π°Π·ΠΎΡΠ° Π² Π·Π°ΡΠ΅ΠΏΠ»Π΅Π½ΠΈΠΈ ΡΠ΅ΡΠ²ΡΠΊΠ° Ρ ΡΠΎΠ»ΠΈΠΊΠΎΠΌ (ΠΏΠΎΡΡΠ½Ρ Ρ Π·ΡΠ±ΡΠ°ΡΡΠΌ ΡΠ΅ΠΊΡΠΎΡΠΎΠΌ), ΠΎΡΡΡΡΡΡΠ²ΠΈΠ΅ ΠΎΡΠ΅Π²ΠΎΠ³ΠΎ ΠΏΠ΅ΡΠ΅ΠΌΠ΅ΡΠ΅Π½ΠΈΡ ΡΡΠ»Π΅Π²ΠΎΠ³ΠΎ ΠΊΠΎΠ»Π΅ΡΠ° ΠΈΠ»ΠΈ ΠΊΠΎΠ»ΠΎΠ½ΠΊΠΈ.
ΠΠ½Π°ΡΠΈΡΠ΅Π»ΡΠ½ΡΠ΅ ΡΡΠΈΠ»ΠΈΡ Π΄Π»Ρ ΠΏΠΎΠ²ΠΎΡΠΎΡΠ° ΡΡΠ»Π΅Π²ΠΎΠ³ΠΎ ΠΊΠΎΠ»Π΅ΡΠ°, Π·Π°Π΅Π΄Π°Π½ΠΈΡ Π² ΡΡΠ»Π΅Π²ΠΎΠΌ ΠΌΠ΅Ρ Π°Π½ΠΈΠ·ΠΌΠ΅, ΡΠΊΡΠΈΠΏ ΠΈ ΡΡΡΠΊΠΈ Π² Π·Π°ΡΠ΅ΠΏΠ»Π΅Π½ΠΈΠΈ ΠΌΠ΅Ρ Π°Π½ΠΈΠ·ΠΌΠ° ΠΏΠΎΡΠ²Π»ΡΡΡΡΡ ΠΏΡΠΈ Π½Π΅ΠΏΡΠ°Π²ΠΈΠ»ΡΠ½ΠΎΠΉ ΡΠ΅Π³ΡΠ»ΠΈΡΠΎΠ²ΠΊΠ΅ Π·Π°ΡΠ΅ΠΏΠ»Π΅Π½ΠΈΡ ΡΠ°Π±ΠΎΡΠ΅ΠΉ ΠΏΠ°ΡΡ ΠΈΠ»ΠΈ ΠΏΠΎΠ΄ΡΠΈΠΏΠ½ΠΈΠΊΠΎΠ² ΡΠ΅ΡΠ²ΡΠΊΠ°, ΡΠ°Π·ΡΡΡΠ΅Π½ΠΈΠΈ ΠΏΠΎΠ΄ΡΠΈΠΏΠ½ΠΈΠΊΠΎΠ² ΡΡΠ»Π΅Π²ΠΎΠ³ΠΎ Π²Π°Π»Π°, ΠΎΡΡΡΡΡΡΠ²ΠΈΠΈ ΡΠΌΠ°Π·ΠΎΡΠ½ΠΎΠ³ΠΎ ΠΌΠ°ΡΠ΅ΡΠΈΠ°Π»Π°. ΠΠΎΠ΄ΡΠ΅ΠΊΠ°Π½ΠΈΠ΅ ΡΠΌΠ°Π·ΠΎΡΠ½ΠΎΠ³ΠΎ ΠΌΠ°ΡΠ΅ΡΠΈΠ°Π»Π° ΠΈΠ· ΠΊΠ°ΡΡΠ΅ΡΠ° ΡΡΠ»Π΅Π²ΠΎΠ³ΠΎ ΠΌΠ΅Ρ Π°Π½ΠΈΠ·ΠΌΠ° ΠΏΡΠΎΠΈΡΡ ΠΎΠ΄ΠΈΡ Π²ΡΠ»Π΅Π΄ΡΡΠ²ΠΈΠ΅ ΠΎΡΠ»Π°Π±Π»Π΅Π½ΠΈΡ ΠΊΡΠ΅ΠΏΠ»Π΅Π½ΠΈΡ ΠΊΡΡΡΠΊΠΈ ΠΊΠ°ΡΡΠ΅ΡΠ° ΡΡΠ»Π΅Π²ΠΎΠ³ΠΎ ΠΌΠ΅Ρ Π°Π½ΠΈΠ·ΠΌΠ°, ΠΏΠΎΠ²ΡΠ΅ΠΆΠ΄Π΅Π½ΠΈΡ ΡΠ°Π»ΡΠ½ΠΈΠΊΠ° ΠΈ ΠΏΡΠΎΠΊΠ»Π°Π΄ΠΊΠΈ.
ΠΡΠΏΡΠ°Π²Π½Π°Ρ ΡΠ°Π±ΠΎΡΠ° Π³ΠΈΠ΄ΡΠΎΡΡΠΈΠ»ΠΈΡΠ΅Π»Ρ ΡΡΠ»Π΅Π²ΠΎΠ³ΠΎ ΡΠΏΡΠ°Π²Π»Π΅Π½ΠΈΡ Π·Π°Π²ΠΈΡΠΈΡ ΠΎΡ ΡΡΠΎΠ²Π½Ρ ΡΠΌΠ°Π·ΠΎΡΠ½ΠΎΠ³ΠΎ ΠΌΠ°ΡΠ΅ΡΠΈΠ°Π»Π° Π² Π±Π°ΡΠΊΠ΅ ΠΈ Π΄Π°Π²Π»Π΅Π½ΠΈΡ, ΡΠ°Π·Π²ΠΈΠ²Π°Π΅ΠΌΠΎΠ³ΠΎ Π½Π°ΡΠΎΡΠΎΠΌ Π²ΠΎ Π²ΡΠ΅ΠΌΡ ΡΠ°Π±ΠΎΡΡ Π΄Π²ΠΈΠ³Π°ΡΠ΅Π»Ρ. ΠΠ°ΡΡΠΆΠ΅Π½ΠΈΠ΅ ΡΠ΅ΠΌΠ½Ρ ΠΏΡΠΈΠ²ΠΎΠ΄Π° Π½Π°ΡΠΎΡΠ° Π³ΠΈΠ΄ΡΠΎΡΡΠΈΠ»ΠΈΡΠ΅Π»Ρ ΠΈ ΡΡΠΎΠ²Π΅Π½Ρ ΡΠΌΠ°Π·ΠΎΡΠ½ΠΎΠ³ΠΎ ΠΌΠ°ΡΠ΅ΡΠΈΠ°Π»Π° Π² ΡΠ΅Π·Π΅ΡΠ²ΡΠ°ΡΠ΅ Π³ΠΈΠ΄ΡΠΎΡΠΈΡΡΠ΅ΠΌΡ Π΄ΠΎΠ»ΠΆΠ½Ρ ΡΠΎΠΎΡΠ²Π΅ΡΡΡΠ²ΠΎΠ²Π°ΡΡ ΡΡΠ΅Π±ΠΎΠ²Π°Π½ΠΈΡΠΌ ΡΡΠΊΠΎΠ²ΠΎΠ΄ΡΡΠ²Π° ΠΏΠΎ ΡΠΊΡΠΏΠ»ΡΠ°ΡΠ°ΡΠΈΠΈ Π°Π²ΡΠΎΠΌΠΎΠ±ΠΈΠ»Ρ.
ΠΡΠ΅ΠΏΠ»Π΅Π½ΠΈΠ΅ Π΄Π΅ΡΠ°Π»Π΅ΠΉ, ΡΠ·Π»ΠΎΠ² ΠΈ ΠΌΠ΅Ρ Π°Π½ΠΈΠ·ΠΌΠΎΠ² ΡΡΠ»Π΅Π²ΠΎΠ³ΠΎ ΡΠΏΡΠ°Π²Π»Π΅Π½ΠΈΡ ΠΏΡΠΎΠ²Π΅ΡΡΡΡ ΠΏΠΎ ΠΎΡΠ½ΠΎΡΠΈΡΠ΅Π»ΡΠ½ΠΎΠΌΡ ΠΏΠ΅ΡΠ΅ΠΌΠ΅ΡΠ΅Π½ΠΈΡ ΡΠΎΠΏΡΡΠΆΠ΅Π½Π½ΡΡ Π΄Π΅ΡΠ°Π»Π΅ΠΉ ΠΈ ΠΏΡΡΠΌΡΠΌ ΠΎΠΏΡΠΎΠ±ΠΎΠ²Π°Π½ΠΈΠ΅ΠΌ Π·Π°ΡΡΠΆΠΊΠΈ Π³Π°Π΅ΠΊ. ΠΠ΅ Π΄ΠΎΠΏΡΡΠΊΠ°ΡΡΡΡ Π½Π΅ ΠΏΡΠ΅Π΄ΡΡΠΌΠΎΡΡΠ΅Π½Π½ΡΠ΅ ΠΊΠΎΠ½ΡΡΡΡΠΊΡΠΈΠ΅ΠΉ ΠΎΡΡΡΠΈΠΌΡΠ΅ ΠΏΠ΅ΡΠ΅ΠΌΠ΅ΡΠ΅Π½ΠΈΡ ΡΠ·Π»ΠΎΠ² ΡΡΠ»Π΅Π²ΠΎΠ³ΠΎ ΡΠΏΡΠ°Π²Π»Π΅Π½ΠΈΡ ΠΎΡΠ½ΠΎΡΠΈΡΠ΅Π»ΡΠ½ΠΎ ΠΊΡΠ·ΠΎΠ²Π° (ΡΠ°ΡΡΠΈ, ΠΊΠ°Π±ΠΈΠ½Ρ) Π°Π²ΡΠΎΠΌΠΎΠ±ΠΈΠ»Ρ. Π Π΅Π·ΡΠ±ΠΎΠ²ΡΠ΅ ΡΠΎΠ΅Π΄ΠΈΠ½Π΅Π½ΠΈΡ Π΄ΠΎΠ»ΠΆΠ½Ρ Π±ΡΡΡ Π·Π°ΡΡΠ½ΡΡΡ ΠΈ Π½Π°Π΄Π΅ΠΆΠ½ΠΎ Π·Π°ΡΠΈΠΊΡΠΈΡΠΎΠ²Π°Π½Ρ. Π‘ΠΎΠ΅Π΄ΠΈΠ½Π΅Π½ΠΈΡ ΡΠ»Π΅ΠΌΠ΅Π½ΡΠΎΠ² Π³ΠΈΠ΄ΡΠΎΡΠΈΡΡΠ΅ΠΌΡ ΡΡΠΈΠ»ΠΈΡΠ΅Π»Ρ Π΄ΠΎΠ»ΠΆΠ½Ρ Π±ΡΡΡ Π³Π΅ΡΠΌΠ΅ΡΠΈΡΠ½Ρ.
Π Π°Π±ΠΎΡΡ, Π²ΡΠΏΠΎΠ»Π½ΡΠ΅ΠΌΡΠ΅ ΠΏΡΠΈ Π’Π ΡΡΠ»Π΅Π²ΠΎΠ³ΠΎ ΡΠΏΡΠ°Π²Π»Π΅Π½ΠΈΡ
ΠΡΠΈ ΠΠ Π²Π½Π΅ΡΠ½ΠΈΠΌ ΠΎΡΠΌΠΎΡΡΠΎΠΌ ΡΡΠ»Π΅Π²ΠΎΠ³ΠΎ ΡΠΏΡΠ°Π²Π»Π΅Π½ΠΈΡ Π²ΡΡΠ²Π»ΡΡΡ ΠΎΡΠΊΠ°Π·Ρ ΠΈ Π½Π΅ΠΈΡΠΏΡΠ°Π²Π½ΠΎΡΡΠΈ. ΠΡΠΎΠ²Π΅ΡΡΡΡ ΡΠ²ΠΎΠ±ΠΎΠ΄Π½ΡΠΉ Ρ ΠΎΠ΄ ΡΡΠ»Π΅Π²ΠΎΠ³ΠΎ ΠΊΠΎΠ»Π΅ΡΠ°, ΡΠΎΡΡΠΎΡΠ½ΠΈΠ΅ ΠΎΠ³ΡΠ°Π½ΠΈΡΠΈΡΠ΅Π»Π΅ΠΉ ΠΌΠ°ΠΊΡΠΈΠΌΠ°Π»ΡΠ½ΡΡ ΡΠ³Π»ΠΎΠ² ΠΏΠΎΠ²ΠΎΡΠΎΡΠ° ΡΠΏΡΠ°Π²Π»ΡΠ΅ΠΌΡΡ ΠΊΠΎΠ»Π΅Ρ ΠΈ ΠΊΡΠ΅ΠΏΠ»Π΅Π½ΠΈΠ΅ ΡΠΎΡΠΊΠΈ. ΠΡΠΈ ΡΠ°Π±ΠΎΡΠ°ΡΡΠ΅ΠΌ Π΄Π²ΠΈΠ³Π°ΡΠ΅Π»Π΅ ΠΏΡΠΎΠ²Π΅ΡΡΡΡ Π·Π°Π·ΠΎΡ Π² ΡΠ°ΡΠ½ΠΈΡΠ°Ρ Π³ΠΈΠ΄ΡΠΎΡΡΠΈΠ»ΠΈΡΠ΅Π»Ρ ΠΈ ΡΡΠ»Π΅Π²ΡΡ ΡΡΠ³Π°Ρ , ΡΠ°Π±ΠΎΡΡ ΡΡΠ»Π΅Π²ΠΎΠ³ΠΎ ΡΠΏΡΠ°Π²Π»Π΅Π½ΠΈΡ ΠΈ Π³Π΅ΡΠΌΠ΅ΡΠΈΡΠ½ΠΎΡΡΡ Π΅Π³ΠΎ Π³ΠΈΠ΄ΡΠΎΡΡΠΈΠ»ΠΈΡΠ΅Π»Ρ.
ΠΡΠΈ Π’Π-1 Π΄ΠΎΠΏΠΎΠ»Π½ΠΈΡΠ΅Π»ΡΠ½ΠΎ ΠΊ ΠΊΠΎΠ½ΡΡΠΎΠ»ΡΠ½ΡΠΌ ΠΎΠΏΠ΅ΡΠ°ΡΠΈΡΠΌ ΠΠ ΠΏΡΠΎΠ²Π΅ΡΡΡΡ: ΠΊΡΠ΅ΠΏΠ»Π΅Π½ΠΈΠ΅ ΠΈ ΡΠΏΠ»ΠΈΠ½ΡΠΎΠ²ΠΊΡ Π³Π°Π΅ΠΊ ΡΠΎΡΠΊΠΈ, ΡΠ°ΡΠΎΠ²ΡΡ ΠΏΠ°Π»ΡΡΠ΅Π², ΡΡΡΠ°Π³ΠΎΠ² ΠΏΠΎΠ²ΠΎΡΠΎΡΠ½ΡΡ ΡΠ°ΠΏΡ; ΡΠΎΡΡΠΎΡΠ½ΠΈΠ΅ ΡΠΊΠ²ΠΎΡΠ½Π΅ΠΉ ΠΈ ΡΡΠΎΠΏΠΎΡΠ½ΡΡ ΡΠ°ΠΉΠ± Π³Π°Π΅ΠΊ; ΡΠ²ΠΎΠ±ΠΎΠ΄Π½ΡΠΉ Ρ ΠΎΠ΄ ΡΡΠ»Π΅Π²ΠΎΠ³ΠΎ ΠΊΠΎΠ»Π΅ΡΠ° ΠΈ ΡΠ°ΡΠ½ΠΈΡΠΎΠ² ΡΡΠ»Π΅Π²ΡΡ ΡΡΠ³; Π·Π°ΡΡΠΆΠΊΡ Π³Π°Π΅ΠΊ ΠΊΠ»ΠΈΠ½ΡΠ΅Π² ΠΊΠ°ΡΠ΄Π°Π½Π½ΠΎΠ³ΠΎ Π²Π°Π»Π° ΡΡΠ»Π΅Π²ΠΎΠ³ΠΎ ΡΠΏΡΠ°Π²Π»Π΅Π½ΠΈΡ; Π³Π΅ΡΠΌΠ΅ΡΠΈΡΠ½ΠΎΡΡΡ ΡΠΈΡΡΠ΅ΠΌΡ ΡΡΠΈΠ»ΠΈΡΠ΅Π»Ρ ΡΡΠ»Π΅Π²ΠΎΠ³ΠΎ ΡΠΏΡΠ°Π²Π»Π΅Π½ΠΈΡ ΠΈ ΡΡΠΎΠ²Π΅Π½Ρ ΡΠΌΠ°Π·ΠΎΡΠ½ΠΎΠ³ΠΎ ΠΌΠ°ΡΠ΅ΡΠΈΠ°Π»Π° Π² Π±Π°ΡΠΊΠ΅ Π³ΠΈΠ΄ΡΠΎΡΡΠΈΠ»ΠΈΡΠ΅Π»Ρ, ΠΏΡΠΈ Π½Π΅ΠΎΠ±Ρ ΠΎΠ΄ΠΈΠΌΠΎΡΡΠΈ Π΄ΠΎΠ»ΠΈΠ²Π°ΡΡ Π΅Π³ΠΎ.
ΠΡΠΈ Π’Π-2 Π΄ΠΎΠΏΠΎΠ»Π½ΠΈΡΠ΅Π»ΡΠ½ΠΎ ΠΊ ΠΎΠΏΠ΅ΡΠ°ΡΠΈΡΠΌ Π’Π-1 ΠΏΡΠΎΠ²Π΅ΡΡΡΡ: ΡΠ³Π»Ρ ΡΡΡΠ°Π½ΠΎΠ²ΠΊΠΈ ΠΏΠ΅ΡΠ΅Π΄Π½ΠΈΡ ΠΊΠΎΠ»Π΅Ρ ΠΈ ΠΏΡΠΈ Π½Π΅ΠΎΠ±Ρ ΠΎΠ΄ΠΈΠΌΠΎΡΡΠΈ ΠΈΡ ΡΠ΅Π³ΡΠ»ΠΈΡΡΡΡ; Π·Π°Π·ΠΎΡΡ ΡΡΠ»Π΅Π²ΠΎΠ³ΠΎ ΡΠΏΡΠ°Π²Π»Π΅Π½ΠΈΡ, ΡΠ°ΡΠ½ΠΈΡΠΎΠ² ΡΡΠ»Π΅Π²ΡΡ ΡΡΠ³ ΠΈ ΡΠΊΠ²ΠΎΡΠ½Π΅Π²ΡΡ ΡΠΎΠ΅Π΄ΠΈΠ½Π΅Π½ΠΈΠΉ; ΠΊΡΠ΅ΠΏΠ»Π΅Π½ΠΈΠ΅ ΠΊΠ»ΠΈΠ½ΡΠ΅Π² ΡΠΊΠ²ΠΎΡΠ½Π΅ΠΉ, ΠΊΠ°ΡΡΠ΅ΡΠ° ΡΡΠ»Π΅Π²ΠΎΠ³ΠΎ ΠΌΠ΅Ρ Π°Π½ΠΈΠ·ΠΌΠ°, ΡΡΠ»Π΅Π²ΠΎΠΉ ΠΊΠΎΠ»ΠΎΠ½ΠΊΠΈ ΠΈ ΡΡΠ»Π΅Π²ΠΎΠ³ΠΎ ΠΊΠΎΠ»Π΅ΡΠ°; ΡΠΎΡΡΠΎΡΠ½ΠΈΠ΅ ΡΠ°ΠΏΡ ΠΏΠΎΠ²ΠΎΡΠΎΡΠ½ΡΡ ΠΊΡΠ»Π°ΠΊΠΎΠ² ΠΈ ΡΠΏΠΎΡΠ½ΡΡ ΠΏΠΎΠ΄ΡΠΈΠΏΠ½ΠΈΠΊΠΎΠ²; ΠΊΡΠ΅ΠΏΠ»Π΅Π½ΠΈΠ΅ ΠΈ Π³Π΅ΡΠΌΠ΅ΡΠΈΡΠ½ΠΎΡΡΡ ΡΠ·Π»ΠΎΠ² ΠΈ Π΄Π΅ΡΠ°Π»Π΅ΠΉ Π³ΠΈΠ΄ΡΠΎΡΡΠΈΠ»ΠΈΡΠ΅Π»Ρ ΡΡΠ»Π΅Π²ΠΎΠ³ΠΎ ΡΠΏΡΠ°Π²Π»Π΅Π½ΠΈΡ; ΡΠΎΡΡΠΎΡΠ½ΠΈΠ΅ ΠΈ ΠΊΡΠ΅ΠΏΠ»Π΅Π½ΠΈΠ΅ ΠΊΠ°ΡΠ΄Π°Π½Π½ΠΎΠ³ΠΎ Π²Π°Π»Π° ΡΡΠ»Π΅Π²ΠΎΠ³ΠΎ ΡΠΏΡΠ°Π²Π»Π΅Π½ΠΈΡ. ΠΡΠΈ Π½Π΅ΠΎΠ±Ρ ΠΎΠ΄ΠΈΠΌΠΎΡΡΠΈ ΠΏΠΎΠ΄ΡΡΠ³ΠΈΠ²Π°ΡΡ ΠΊΡΠ΅ΠΏΠ»Π΅Π½ΠΈΡ ΠΈ ΡΡΡΡΠ°Π½ΡΡΡ Π²ΡΡΠ²Π»Π΅Π½Π½ΡΠ΅ Π½Π΅ΠΈΡΠΏΡΠ°Π²Π½ΠΎΡΡΠΈ.
ΠΡΠΈ Π‘Π ΠΏΠΎΠΌΠΈΠΌΠΎ ΠΎΠΏΠ΅ΡΠ°ΡΠΈΠΉ Π’Π-2 ΠΎΡΡΡΠ΅ΡΡΠ²Π»ΡΡΡ ΡΠ΅Π·ΠΎΠ½Π½ΡΡ Π·Π°ΠΌΠ΅Π½Ρ ΡΠΌΠ°Π·ΠΎΡΠ½ΠΎΠ³ΠΎ ΠΌΠ°ΡΠ΅ΡΠΈΠ°Π»Π° Π² ΠΊΠ°ΡΡΠ΅ΡΠ°Ρ ΠΌΠ΅Ρ Π°Π½ΠΈΠ·ΠΌΠΎΠ² ΡΡΠ»Π΅Π²ΠΎΠ³ΠΎ ΡΠΏΡΠ°Π²Π»Π΅Π½ΠΈΡ.
ΠΠ½Π΅ΡΠ½ΠΈΠΉ ΠΊΠΎΠ½ΡΡΠΎΠ»Ρ ΡΠ΅Ρ Π½ΠΈΡΠ΅ΡΠΊΠΎΠ³ΠΎ ΡΠΎΡΡΠΎΡΠ½ΠΈΡ Π΄Π΅ΡΠ°Π»Π΅ΠΉ ΡΡΠ»Π΅Π²ΠΎΠ³ΠΎ ΡΠΏΡΠ°Π²Π»Π΅Π½ΠΈΡ ΠΈ ΠΈΡ ΡΠΎΠ΅Π΄ΠΈΠ½Π΅Π½ΠΈΠΉ ΠΎΡΡΡΠ΅ΡΡΠ²Π»ΡΡΡ ΠΏΡΡΠ΅ΠΌ Π½Π΅ΠΏΠΎΡΡΠ΅Π΄ΡΡΠ²Π΅Π½Π½ΠΎΠ³ΠΎ ΠΎΡΠΌΠΎΡΡΠ° ΠΈ ΠΎΠΏΡΠΎΠ±ΠΎΠ²Π°Π½ΠΈΡ Π½Π°Π³ΡΡΠ·ΠΊΠΎΠΉ. ΠΠ»Ρ ΠΎΡΠΌΠΎΡΡΠ° Π΄Π΅ΡΠ°Π»Π΅ΠΉ, Π½Π΅Π΄ΠΎΡΡΡΠΏΠ½ΡΡ Π½Π°Π±Π»ΡΠ΄Π΅Π½ΠΈΡ ΡΠ²Π΅ΡΡ Ρ, Π°Π²ΡΠΎΠΌΠΎΠ±ΠΈΠ»Ρ ΡΡΡΠ°Π½Π°Π²Π»ΠΈΠ²Π°ΡΡ Π½Π°Π΄ ΡΠΌΠΎΡΡΠΎΠ²ΠΎΠΉ ΡΠΌΠΎΠΉ, Π½Π° ΡΡΡΠ°ΠΊΠ°Π΄Ρ ΠΈΠ»ΠΈ Π½Π° ΠΏΠΎΠ΄ΡΠ΅ΠΌΠ½ΠΈΠΊ ΡΠ°ΠΊΠΈΠΌ ΠΎΠ±ΡΠ°Π·ΠΎΠΌ, ΡΡΠΎΠ±Ρ ΠΊΠΎΠ»Π΅ΡΠ° Π½Π°Ρ ΠΎΠ΄ΠΈΠ»ΠΈΡΡ ΠΏΠΎΠ΄ Π½Π°Π³ΡΡΠ·ΠΊΠΎΠΉ.
ΠΡΠΈ ΠΊΠΎΠ½ΡΡΠΎΠ»Π΅ ΠΊΡΠ΅ΠΏΠ»Π΅Π½ΠΈΡ ΡΡΠ»Π΅Π²ΠΎΠ³ΠΎ ΠΊΠΎΠ»Π΅ΡΠ° ΠΈ ΠΊΠΎΠ»ΠΎΠ½ΠΊΠΈ ΠΊ ΡΡΠ»Π΅Π²ΠΎΠΌΡ ΠΊΠΎΠ»Π΅ΡΡ ΠΏΡΠΈΠΊΠ»Π°Π΄ΡΠ²Π°ΡΡ Π·Π½Π°ΠΊΠΎΠΏΠ΅ΡΠ΅ΠΌΠ΅Π½Π½ΡΠ΅ ΡΡΠΈΠ»ΠΈΡ Π² Π½Π°ΠΏΡΠ°Π²Π»Π΅Π½ΠΈΠΈ ΠΎΡΠΈ ΡΡΠ»Π΅Π²ΠΎΠ³ΠΎ Π²Π°Π»Π° ΠΈ ΠΏΠ»ΠΎΡΠΊΠΎΡΡΠΈ ΠΊΠΎΠ»Π΅ΡΠ° ΠΏΠ΅ΡΠΏΠ΅Π½Π΄ΠΈΠΊΡΠ»ΡΡΠ½ΠΎ ΠΊ ΠΊΠΎΠ»ΠΎΠ½ΠΊΠ΅, Π° ΡΠ°ΠΊΠΆΠ΅ ΠΏΠΎΠΊΠ°ΡΠΈΠ²Π°ΡΡ ΠΊΠΎΠ»Π΅ΡΠΎ Π²ΠΎ Π²ΡΠ΅Ρ Π½Π°ΠΏΡΠ°Π²Π»Π΅Π½ΠΈΡΡ . ΠΡΠΈ ΡΡΠΎΠΌ Π½Π΅ Π΄ΠΎΠΏΡΡΠΊΠ°ΡΡ ΠΎΡΠ΅Π²ΠΎΠ΅ ΠΏΠ΅ΡΠ΅ΠΌΠ΅ΡΠ΅Π½ΠΈΠ΅ ΠΈΠ»ΠΈ ΠΊΠ°ΡΠ°Π½ΠΈΠ΅ ΡΡΠ»Π΅Π²ΠΎΠ³ΠΎ ΠΊΠΎΠ»Π΅ΡΠ°, ΠΊΠΎΠ»ΠΎΠ½ΠΊΠΈ, ΡΡΡΠΊΠΈ Π² ΡΠ·Π»Π°Ρ ΡΡΠ»Π΅Π²ΠΎΠ³ΠΎ ΡΠΏΡΠ°Π²Π»Π΅Π½ΠΈΡ.
ΠΡΠΈ ΠΏΡΠΎΠ²Π΅ΡΠΊΠ΅ ΠΊΡΠ΅ΠΏΠ»Π΅Π½ΠΈΡ ΠΊΠ°ΡΡΠ΅ΡΠ° ΡΡΠ»Π΅Π²ΠΎΠ³ΠΎ ΠΌΠ΅Ρ Π°Π½ΠΈΠ·ΠΌΠ°, ΡΡΡΠ°Π³ΠΎΠ² ΠΏΠΎΠ²ΠΎΡΠΎΡΠ½ΡΡ ΡΠ°ΠΏΡ, ΠΎΡΡΡΡΡΡΠ²ΠΈΡ ΠΏΡΠΎΡΠΊΠ°Π»ΡΠ·ΡΠ²Π°Π½ΠΈΡ ΠΎΠΏΠ»Π΅ΡΠΊΠΈ ΡΡΠ»Π΅Π²ΠΎΠ³ΠΎ ΠΊΠΎΠ»Π΅ΡΠ° Π²Π΄ΠΎΠ»Ρ ΠΎΠ±ΠΎΠ΄Π° ΡΡΠ»Π΅Π²ΠΎΠ΅ ΠΊΠΎΠ»Π΅ΡΠΎ ΠΏΠΎΠΊΠ°ΡΠΈΠ²Π°ΡΡ ΠΎΠΊΠΎΠ»ΠΎ Π½Π΅ΠΉΡΡΠ°Π»ΡΠ½ΠΎΠ³ΠΎ ΠΏΠΎΠ»ΠΎΠΆΠ΅Π½ΠΈΡ Π½Π° 40 … 60Β° Π² ΠΊΠ°ΠΆΠ΄ΡΡ ΡΡΠΎΡΠΎΠ½Ρ.
ΠΡΠΎΡΠΊΠ°Π»ΡΠ·ΡΠ²Π°Π½ΠΈΠ΅ ΠΎΠΏΠ»Π΅ΡΠΊΠΈ ΠΊΠΎΠ½ΡΡΠΎΠ»ΠΈΡΡΡΡ Π² Π½Π΅ΡΠΊΠΎΠ»ΡΠΊΠΈΡ ΠΌΠ΅ΡΡΠ°Ρ ΠΎΠ±ΠΎΠ΄Π°, ΡΠ΄Π°Π»Π΅Π½Π½ΡΡ ΠΎΡ ΡΠΏΠΈΡ, ΠΏΡΠΈ ΠΊΠ°ΡΠ°Π½ΠΈΠΈ ΡΡΠ»Π΅Π²ΠΎΠ³ΠΎ ΠΊΠΎΠ»Π΅ΡΠ° ΠΎΠ΄Π½ΠΎΠΉ ΡΡΠΊΠΎΠΉ. ΠΠΎΠΏΠ΅ΡΠ΅ΡΠ½ΠΎΠ΅ ΡΠ΅ΡΠ΅Π½ΠΈΠ΅ ΠΎΠ±ΠΎΠ΄Π° ΡΡΠ»Π΅Π²ΠΎΠ³ΠΎ ΠΊΠΎΠ»Π΅ΡΠ° Ρ Π½Π°Π΄Π΅ΡΠΎΠΉ Π½Π° Π½Π΅Π³ΠΎ ΠΎΠΏΠ»Π΅ΡΠΊΠΎΠΉ ΠΈΠ·ΠΌΠ΅ΡΡΡΡ Π² Π½Π΅ΡΠΊΠΎΠ»ΡΠΊΠΈΡ ΠΌΠ΅ΡΡΠ°Ρ Ρ Π½Π°ΠΈΠ±ΠΎΠ»ΡΡΠΈΠΌ ΡΡΠΎΠ»ΡΠ΅Π½ΠΈΠ΅ΠΌ ΠΎΠΏΠ»Π΅ΡΠΊΠΈ.
Π‘ΠΎΡΡΠΎΡΠ½ΠΈΠ΅ ΡΡΠ»Π΅Π²ΠΎΠ³ΠΎ ΠΏΡΠΈΠ²ΠΎΠ΄Π° ΠΈ Π½Π°Π΄Π΅ΠΆΠ½ΠΎΡΡΡ ΡΠΈΠΊΡΠ°ΡΠΈΠΈ ΡΠΎΠ΅Π΄ΠΈΠ½Π΅Π½ΠΈΠΉ ΠΏΡΠΎΠ²Π΅ΡΡΡΡ, ΠΊΡΠΎΠΌΠ΅ ΡΠΎΠ³ΠΎ, ΠΏΡΠΈΠ»ΠΎΠΆΠ΅Π½ΠΈΠ΅ΠΌ Π·Π½Π°ΠΊΠΎΠΏΠ΅ΡΠ΅ΠΌΠ΅Π½Π½ΠΎΠΉ Π½Π°Π³ΡΡΠ·ΠΊΠΈ Π½Π΅ΠΏΠΎΡΡΠ΅Π΄ΡΡΠ²Π΅Π½Π½ΠΎ ΠΊ Π΄Π΅ΡΠ°Π»ΡΠΌ ΠΏΡΠΈΠ²ΠΎΠ΄Π° ΠΈ Π²ΡΠ±ΠΎΡΠΎΡΠ½ΡΠΌ ΠΎΠΏΡΠΎΠ±ΠΎΠ²Π°Π½ΠΈΠ΅ΠΌ Π·Π°ΡΡΠΆΠΊΠΈ ΠΎΡΠ΄Π΅Π»ΡΠ½ΡΡ ΡΠ»Π΅ΠΌΠ΅Π½ΡΠΎΠ² ΠΊΡΠ΅ΠΏΠ»Π΅Π½ΠΈΡ.
Π Π°Π±ΠΎΡΡ ΠΎΠ³ΡΠ°Π½ΠΈΡΠΈΡΠ΅Π»Π΅ΠΉ ΠΏΠΎΠ²ΠΎΡΠΎΡΠ° ΠΎΡΠ΅Π½ΠΈΠ²Π°ΡΡ Π²ΠΈΠ·ΡΠ°Π»ΡΠ½ΠΎ ΠΏΡΠΈ ΠΏΠΎΠ²ΠΎΡΠΎΡΠ°Ρ ΡΠΏΡΠ°Π²Π»ΡΠ΅ΠΌΡΡ ΠΊΠΎΠ»Π΅Ρ Π΄ΠΎ ΡΠΏΠΎΡΠ° Π² ΠΊΠ°ΠΆΠ΄ΡΡ ΡΡΠΎΡΠΎΠ½Ρ.
ΠΠ΅ΡΠΌΠ΅ΡΠΈΡΠ½ΠΎΡΡΡ ΡΠΎΠ΅Π΄ΠΈΠ½Π΅Π½ΠΈΠΉ ΡΠΈΡΡΠ΅ΠΌΡ Π³ΠΈΠ΄ΡΠΎΡΡΠΈΠ»ΠΈΡΠ΅Π»Ρ ΡΡΠ»Π΅Π²ΠΎΠ³ΠΎ ΠΏΡΠΈΠ²ΠΎΠ΄Π° ΠΊΠΎΠ½ΡΡΠΎΠ»ΠΈΡΡΡΡ ΠΏΡΠΈ ΡΠ°Π±ΠΎΡΠ΅ Π΄Π²ΠΈΠ³Π°ΡΠ΅Π»Ρ Ρ ΠΏΠΎΠ²ΡΡΠ΅Π½Π½ΠΎΠΉ ΡΠ°ΡΡΠΎΡΠΎΠΉ Π²ΡΠ°ΡΠ΅Π½ΠΈΡ ΠΊΠΎΠ»Π΅Π½ΡΠ°ΡΠΎΠ³ΠΎ Π²Π°Π»Π° ΠΈ ΡΠ΄Π΅ΡΠΆΠ°Π½ΠΈΠ΅ΠΌ ΡΡΠ»Π΅Π²ΠΎΠ³ΠΎ ΠΊΠΎΠ»Π΅ΡΠ° Π² ΠΊΡΠ°ΠΉΠ½ΠΈΡ ΠΏΠΎΠ»ΠΎΠΆΠ΅Π½ΠΈΡΡ Π² ΡΠ΅ΡΠ΅Π½ΠΈΠ΅ 3 … 5 Ρ, Π° ΡΠ°ΠΊΠΆΠ΅ ΠΏΡΠΈ ΡΠ²ΠΎΠ±ΠΎΠ΄Π½ΠΎΠΌ ΠΏΠΎΠ»ΠΎΠΆΠ΅Π½ΠΈΠΈ ΡΡΠ»Π΅Π²ΠΎΠ³ΠΎ ΠΊΠΎΠ»Π΅ΡΠ°. ΠΠ΅Π΄ΠΎΠΏΡΡΡΠΈΠΌΠΎ ΠΏΠΎΠ΄ΡΠ΅ΠΊΠ°Π½ΠΈΠ΅ ΡΠΌΠ°Π·ΠΎΡΠ½ΠΎΠ³ΠΎ ΠΌΠ°ΡΠ΅ΡΠΈΠ°Π»Π° ΠΈΠ»ΠΈ ΠΊΠ°ΠΏΠ»Π΅ΠΎΠ±ΡΠ°Π·ΠΎΠ²Π°Π½ΠΈΠ΅. Π‘Π»Π΅Π΄Ρ ΡΠΌΠ°Π·ΠΎΡΠ½ΠΎΠ³ΠΎ ΠΌΠ°ΡΠ΅ΡΠΈΠ°Π»Π° (Π·Π°ΠΏΠΎΡΠ΅Π²Π°Π½ΠΈΠ΅) ΡΠΎΠ΅Π΄ΠΈΠ½Π΅Π½ΠΈΠΉ Π½Π΅ ΡΠ²Π»ΡΡΡΡΡ Π±ΡΠ°ΠΊΠΎΠ²ΠΎΡΠ½ΡΠΌ ΠΏΡΠΈΠ·Π½Π°ΠΊΠΎΠΌ. ΠΠ΅ Π΄ΠΎΠΏΡΡΠΊΠ°Π΅ΡΡΡ ΡΠ°ΠΌΠΎΠΏΡΠΎΠΈΠ·Π²ΠΎΠ»ΡΠ½ΡΠΉ ΠΏΠΎΠ²ΠΎΡΠΎΡ ΡΡΠ»Π΅Π²ΠΎΠ³ΠΎ ΠΊΠΎΠ»Π΅ΡΠ° Π°Π²ΡΠΎΠΌΠΎΠ±ΠΈΠ»Π΅ΠΉ Ρ Π³ΠΈΠ΄ΡΠΎΡΡΠΈΠ»ΠΈΡΠ΅Π»Π΅ΠΌ ΡΡΠ»Π΅Π²ΠΎΠ³ΠΎ ΠΏΡΠΈΠ²ΠΎΠ΄Π° ΠΎΡ Π½Π΅ΠΉΡΡΠ°Π»ΡΠ½ΠΎΠ³ΠΎ ΠΏΠΎΠ»ΠΎΠΆΠ΅Π½ΠΈΡ ΠΊ ΠΊΡΠ°ΠΉΠ½ΠΈΠΌ.
ΠΠΎΠ½ΡΡΠΎΠ»Ρ ΠΎΡΡΡΡΡΡΠ²ΠΈΡ Π±Π»ΠΎΠΊΠΈΡΠΎΠ²ΠΊΠΈ ΡΡΠ»Π΅Π²ΠΎΠ³ΠΎ ΡΠΏΡΠ°Π²Π»Π΅Π½ΠΈΡ Π΄ΠΎ ΠΈΠ·Π²Π»Π΅ΡΠ΅Π½ΠΈΡ ΠΊΠ»ΡΡΠ° Π·Π°ΠΆΠΈΠ³Π°Π½ΠΈΡ ΠΈΠ· ΠΏΠΎΠ»ΠΎΠΆΠ΅Π½ΠΈΡ Β«ΡΡΠ»Π΅Π²ΠΎΠ΅ ΡΠΏΡΠ°Π²Π»Π΅Π½ΠΈΠ΅ Π±Π»ΠΎΠΊΠΈΡΠΎΠ²Π°Π½ΠΎΒ» Π²ΡΠΏΠΎΠ»Π½ΡΡΡ ΠΏΡΠΈ ΠΏΠΎΠΊΠ°ΡΠΈΠ²Π°Π½ΠΈΠΈ ΡΡΠ»Π΅Π²ΠΎΠ³ΠΎ ΠΊΠΎΠ»Π΅ΡΠ° ΠΎΠΊΠΎΠ»ΠΎ ΠΏΠΎΠ»ΠΎΠΆΠ΅Π½ΠΈΡ, Π² ΠΊΠΎΡΠΎΡΠΎΠΌ ΠΎΠ½ΠΎ Π·Π°ΠΏΠΈΡΠ°Π΅ΡΡΡ.
ΠΡΠΎΠ²Π΅ΡΠΊΡ ΡΡΠΎΠ²Π½Ρ ΡΠΌΠ°Π·ΠΎΡΠ½ΠΎΠ³ΠΎ ΠΌΠ°ΡΠ΅ΡΠΈΠ°Π»Π° Π² Π±Π°ΡΠΊΠ΅ Π½Π°ΡΠΎΡΠ° Π³ΠΈΠ΄ΡΠΎΡΡΠΈΠ»ΠΈΡΠ΅Π»Ρ ΡΡΠ»Π΅Π²ΠΎΠ³ΠΎ ΡΠΏΡΠ°Π²Π»Π΅Π½ΠΈΡ Π°Π²ΡΠΎΠΌΠΎΠ±ΠΈΠ»Π΅ΠΉ ΠΠ°ΠΌΠΠ Π²ΡΠΏΠΎΠ»Π½ΡΡΡ ΡΠΊΠ°Π·Π°ΡΠ΅Π»Π΅ΠΌ, Π²ΠΌΠΎΠ½ΡΠΈΡΠΎΠ²Π°Π½Π½ΡΠΌ Π² ΠΏΡΠΎΠ±ΠΊΡ Π·Π°Π»ΠΈΠ²Π½ΠΎΠΉ Π³ΠΎΡΠ»ΠΎΠ²ΠΈΠ½Ρ Π±Π°ΡΠΊΠ°. ΠΠ΅ΡΠ΅Π΄Π½ΠΈΠ΅ ΠΊΠΎΠ»Π΅ΡΠ° ΠΏΡΠΈ ΡΡΠΎΠΌ Π΄ΠΎΠ»ΠΆΠ½Ρ ΡΡΠΎΡΡΡ ΠΏΡΡΠΌΠΎ. ΠΠ΅ΡΠ΅Π΄ ΡΠ½ΡΡΠΈΠ΅ΠΌ ΠΏΡΠΎΠ±ΠΊΠΈ Π΅Π΅ Π²ΡΡΠΈΡΠ°ΡΡ Π²ΠΌΠ΅ΡΡΠ΅ Ρ Π·Π°Π»ΠΈΠ²Π½ΠΎΠΉ Π³ΠΎΡΠ»ΠΎΠ²ΠΈΠ½ΠΎΠΉ. Π£ΡΠΎΠ²Π΅Π½Ρ ΡΠΌΠ°Π·ΠΎΡΠ½ΠΎΠ³ΠΎ ΠΌΠ°ΡΠ΅ΡΠΈΠ°Π»Π° Π΄ΠΎΠ»ΠΆΠ΅Π½ Π±ΡΡΡ ΠΌΠ΅ΠΆΠ΄Ρ ΠΌΠ΅ΡΠΊΠ°ΠΌΠΈ Π½Π° ΡΠΊΠ°Π·Π°ΡΠ΅Π»Π΅. ΠΠΎΠ»ΠΈΠ²Π°ΡΡ ΡΠΌΠ°Π·ΠΎΡΠ½ΡΠΉ ΠΌΠ°ΡΠ΅ΡΠΈΠ°Π» ΠΏΡΠΈ Π½Π΅ΠΎΠ±Ρ ΠΎΠ΄ΠΈΠΌΠΎΡΡΠΈ Π²ΠΎ Π²ΡΠ΅ΠΌΡ ΡΠ°Π±ΠΎΡΡ Π΄Π²ΠΈΠ³Π°ΡΠ΅Π»Ρ Π½Π° ΠΌΠΈΠ½ΠΈΠΌΠ°Π»ΡΠ½ΠΎΠΉ ΡΠ°ΡΡΠΎΡΠ΅ Π²ΡΠ°ΡΠ΅Π½ΠΈΡ ΠΊΠΎΠ»Π΅Π½ΡΠ°ΡΠΎΠ³ΠΎ Π²Π°Π»Π°.
Π‘ΠΌΠ°Π·ΠΎΡΠ½ΡΠΉ ΠΌΠ°ΡΠ΅ΡΠΈΠ°Π» Π·Π°Π»ΠΈΠ²Π°ΡΡ ΡΠ΅ΡΠ΅Π· Π²ΠΎΡΠΎΠ½ΠΊΡ Ρ Π΄Π²ΠΎΠΉΠ½ΠΎΠΉ ΡΠ΅ΡΠΊΠΎΠΉ ΠΈ Π·Π°Π»ΠΈΠ²Π½ΠΎΠΉ ΡΠΈΠ»ΡΡΡ, ΡΡΡΠ°Π½ΠΎΠ²Π»Π΅Π½Π½ΡΠΉ Π² Π³ΠΎΡΠ»ΠΎΠ²ΠΈΠ½Π΅ Π±Π°ΡΠΊΠ°.
Π‘ΡΠΌΠΌΠ°ΡΠ½ΡΠΉ Π·Π°Π·ΠΎΡ Π² ΡΡΠ»Π΅Π²ΠΎΠΌ ΡΠΏΡΠ°Π²Π»Π΅Π½ΠΈΠΈ Π°Π²ΡΠΎΠΌΠΎΠ±ΠΈΠ»Ρ ΠΏΡΠΎΠ²Π΅ΡΡΡΡ Π½Π° ΡΠ½Π°ΡΡΠΆΠ΅Π½Π½ΠΎΠΌ Π°Π²ΡΠΎΠΌΠΎΠ±ΠΈΠ»Π΅ (Π±Π΅Π· Π³ΡΡΠ·Π°). Π¨ΠΈΠ½Ρ ΠΊΠΎΠ»Π΅Ρ Π΄ΠΎΠ»ΠΆΠ½Ρ Π±ΡΡΡ ΡΠΈΡΡΡΠΌΠΈ ΠΈ ΡΡΡ ΠΈΠΌΠΈ, Π΄Π°Π²Π»Π΅Π½ΠΈΠ΅ Π² Π½ΠΈΡ Π΄ΠΎΠ»ΠΆΠ½ΠΎ ΡΠΎΠΎΡΠ²Π΅ΡΡΡΠ²ΠΎΠ²Π°ΡΡ Π½ΠΎΡΠΌΠ΅. Π£ΠΏΡΠ°Π²Π»ΡΠ΅ΠΌΡΠ΅ ΠΊΠΎΠ»Π΅ΡΠ° ΡΡΡΠ°Π½Π°Π²Π»ΠΈΠ²Π°ΡΡ Π² Π½Π΅ΠΉΡΡΠ°Π»ΡΠ½ΠΎΠ΅ ΠΏΠΎΠ»ΠΎΠΆΠ΅Π½ΠΈΠ΅ Π½Π° ΡΡΡ ΠΎΠΉ, ΡΠΎΠ²Π½ΠΎΠΉ, Π°ΡΡΠ°Π»ΡΡΠΎ- ΠΈΠ»ΠΈ ΡΠ΅ΠΌΠ΅Π½ΡΠΎΠ±Π΅ΡΠΎΠ½Π½ΠΎΠΉ ΠΏΠΎΠ²Π΅ΡΡ Π½ΠΎΡΡΠΈ. ΠΠ° ΡΡΠ»Π΅Π²ΠΎΠ΅ ΠΊΠΎΠ»Π΅ΡΠΎ Π½Π°Π½ΠΎΡΡΡ ΠΌΠ΅ΡΠΊΡ, ΠΎΠΏΡΠ΅Π΄Π΅Π»ΡΡΡΡΡ Π΅Π³ΠΎ Π½Π΅ΠΉΡΡΠ°Π»ΡΠ½ΠΎΠ΅ ΠΏΠΎΠ»ΠΎΠΆΠ΅Π½ΠΈΠ΅. ΠΠ° Π°Π²ΡΠΎΠΌΠΎΠ±ΠΈΠ»ΡΡ Ρ Π³ΠΈΠ΄ΡΠΎΡΡΠΈΠ»ΠΈΡΠ΅Π»Π΅ΠΌ ΡΡΠ»Π΅Π²ΠΎΠ³ΠΎ ΠΏΡΠΈΠ²ΠΎΠ΄Π° Π·Π°Π·ΠΎΡ ΠΈΠ·ΠΌΠ΅ΡΡΡΡ ΠΏΡΠΈ ΡΠ°Π±ΠΎΡΠ°ΡΡΠ΅ΠΌ Π΄Π²ΠΈΠ³Π°ΡΠ΅Π»Π΅.
Π‘ΡΠΌΠΌΠ°ΡΠ½ΡΠΉ Π·Π°Π·ΠΎΡ Π² ΡΡΠ»Π΅Π²ΠΎΠΌ ΡΠΏΡΠ°Π²Π»Π΅Π½ΠΈΠΈ ΠΎΠΏΡΠ΅Π΄Π΅Π»ΡΡΡ Ρ ΠΏΠΎΠΌΠΎΡΡΡ Π΄ΠΈΠ½Π°ΠΌΠΎΠΌΠ΅ΡΡΠ° β Π·Π°Π·ΠΎΡΠΎΠΌΠ΅ΡΠ° (ΡΠΈΡ. 1). Π‘ΡΡΠ΅Π»ΠΊΡ 2 Π·Π°ΠΊΡΠ΅ΠΏΠ»ΡΡΡ Π½Π° ΡΡΠ»Π΅Π²ΠΎΠΉ ΠΊΠΎΠ»ΠΎΠ½ΠΊΠ΅ Ρ ΠΏΠΎΠΌΠΎΡΡΡ Π·Π°Ρ Π²Π°ΡΠΎΠ² /, Π° Π΄ΠΈΠ½Π°ΠΌΠΎΠΌΠ΅ΡΡ β Π½Π° ΠΎΠ±ΠΎΠ΄Π΅ ΡΡΠ»Π΅Π²ΠΎΠ³ΠΎ ΠΊΠΎΠ»Π΅ΡΠ° Π·Π°Ρ Π²Π°ΡΠ°ΠΌΠΈ 4.
Π Π½Π°Π³ΡΡΠ·ΠΎΡΠ½ΠΎΠΌΡ ΡΡΡΡΠΎΠΉΡΡΠ²Ρ Π΄ΠΈΠ½Π°ΠΌΠΎΠΌΠ΅ΡΡΠ° 5 ΠΏΠΎΠΎΡΠ΅ΡΠ΅Π΄Π½ΠΎ Π² ΠΎΠ±ΠΎΠΈΡ Π½Π°ΠΏΡΠ°Π²Π»Π΅Π½ΠΈΡΡ ΠΏΡΠΈΠΊΠ»Π°Π΄ΡΠ²Π°ΡΡ ΠΎΠΏΡΠ΅Π΄Π΅Π»Π΅Π½Π½ΠΎΠ΅ ΡΡΠΈΠ»ΠΈΠ΅. ΠΡΠΈ ΡΡΠΎΠΌ Π½Π° ΡΠΊΠ°Π»Π΅ 3 ΡΠ³Π»ΠΎΠΌΠ΅ΡΠ½ΠΎΠ³ΠΎ ΡΡΡΡΠΎΠΉΡΡΠ²Π° ΠΎΠΏΡΠ΅Π΄Π΅Π»ΡΡΡ ΡΠΈΠΊΡΠΈΡΠΎΠ²Π°Π½Π½ΡΠ΅ ΠΏΠΎΠ»ΠΎΠΆΠ΅Π½ΠΈΡ ΡΡΠ»Π΅Π²ΠΎΠ³ΠΎ ΠΊΠΎΠ»Π΅ΡΠ°.
Π ΠΈΡ. 1. ΠΠΈΠ½Π°ΠΌΠΎΠΌΠ΅ΡΡ β Π»ΡΡΡΠΎΠΌΠ΅Ρ.
ΠΡΠΈ ΠΏΠΎΠ²ΠΎΡΠΎΡΠ΅ ΡΠΏΡΠ°Π²Π»ΡΠ΅ΠΌΡΡ ΠΊΠΎΠ»Π΅Ρ ΡΠΈΠΊΡΠΈΡΡΡΡ ΠΏΠΎΠ»ΠΎΠΆΠ΅Π½ΠΈΠ΅ ΡΡΠ»Π΅Π²ΠΎΠ³ΠΎ ΠΊΠΎΠ»Π΅ΡΠ°, ΡΠΎΠΎΡΠ²Π΅ΡΡΡΠ²ΡΡΡΠ΅Π΅ ΠΌΠΎΠΌΠ΅Π½ΡΡ Π½Π°ΡΠ°Π»Π° ΠΈΡ ΠΏΠΎΠ²ΠΎΡΠΎΡΠ°. ΠΠ·ΠΌΠ΅Π½Π΅Π½ΠΈΠ΅ ΡΡΠΈΠ»ΠΈΠΉ Π½Π° ΠΎΠ±ΠΎΠ΄Π΅ ΡΡΠ»Π΅Π²ΠΎΠ³ΠΎ ΠΊΠΎΠ»Π΅ΡΠ° ΠΏΡΠΈ ΠΏΠΎΠ²ΠΎΡΠΎΡΠ΅ ΡΠΏΡΠ°Π²Π»ΡΠ΅ΠΌΡΡ ΠΊΠΎΠ»Π΅Ρ Π² Π»ΡΠ±ΠΎΠΌ Π½Π°ΠΏΡΠ°Π²Π»Π΅Π½ΠΈΠΈ Π΄ΠΎΠ»ΠΆΠ½ΠΎ ΠΏΡΠΎΠΈΡΡ ΠΎΠ΄ΠΈΡΡ Π±Π΅Π· ΡΡΠ²ΠΊΠΎΠ² ΠΈ Π·Π°Π΅Π΄Π°Π½ΠΈΠΉ. Π‘ΡΠΌΠΌΠ°ΡΠ½ΡΠΉ Π·Π°Π·ΠΎΡ Π² ΡΡΠ»Π΅Π²ΠΎΠΌ ΡΠΏΡΠ°Π²Π»Π΅Π½ΠΈΠΈ ΠΎΠΏΡΠ΅Π΄Π΅Π»ΡΡΡ ΠΏΠΎ ΡΠ΅Π·ΡΠ»ΡΡΠ°ΡΠ°ΠΌ Π΄Π²ΡΡ ΠΈΠ»ΠΈ Π±ΠΎΠ»Π΅Π΅ ΠΈΠ·ΠΌΠ΅ΡΠ΅Π½ΠΈΠΉ.
Π‘ΡΠΌΠΌΠ°ΡΠ½ΡΠΉ Π·Π°Π·ΠΎΡ Π² ΡΡΠ»Π΅Π²ΠΎΠΌ ΡΠΏΡΠ°Π²Π»Π΅Π½ΠΈΠΈ Π½Π΅ Π΄ΠΎΠ»ΠΆΠ΅Π½ ΠΏΡΠ΅Π²ΡΡΠ°ΡΡ ΠΏΡΠ΅Π΄Π΅Π»ΡΠ½ΡΡ Π·Π½Π°ΡΠ΅Π½ΠΈΠΉ, ΡΠΊΠ°Π·Π°Π½Π½ΡΡ Π² ΡΠ°Π±Π». 1.
Π’Π°Π±Π»ΠΈΡΠ° 1. ΠΡΠ΅Π΄Π΅Π»ΡΠ½ΡΠ΅ Π·Π½Π°ΡΠ΅Π½ΠΈΡ ΡΡΠΌΠΌΠ°ΡΠ½ΠΎΠ³ΠΎ Π»ΡΡΡΠ° Π² ΡΡΠ»Π΅Π²ΠΎΠΌ ΡΠΏΡΠ°Π²Π»Π΅Π½ΠΈΠΈ.
ββ
ΠΏ/ΠΏ
ΠΠ°ΡΠ°ΠΌΠ΅ΡΡΡ
ΠΠ΅Π³ΠΊΠΎΠ²ΠΎΠΉ
ΠΠ²ΡΠΎΠ±ΡΡ
ΠΡΡΠ·ΠΎΠ²ΠΎΠΉ
1.
2.
3.
Π‘ΠΎΠ±ΡΡΠ²Π΅Π½Π½Π°Ρ ΠΌΠ°ΡΡΠ° Π°Π²ΡΠΎΠΌΠΎΠ±ΠΈΠ»Ρ, ΠΏΡΠΈΡ ΠΎΠ΄ΡΡΠ°ΡΡΡ Π½Π° ΡΠΏΡΠ°Π²Π»ΡΠ΅ΠΌΡΠ΅ ΠΊΠΎΠ»Π΅ΡΠ°, Ρ
Π£ΡΠΈΠ»ΠΈΠ΅ ΠΏΠΎ ΡΠΊΠ°Π»Π΅ Π΄ΠΈΠ½Π°ΠΌΠΎΠΌΠ΅ΡΡΠ°, Π
ΠΡΠ΅Π΄Π΅Π»ΡΠ½ΡΠ΅ Π·Π½Π°ΡΠ΅Π½ΠΈΡ Π»ΡΡΡΠ° Π² Π³ΡΠ°Π΄.
ΠΠΎ 1,6
7, 35
10
ΠΠΎ 1, 6
ΠΠΎ 3, 86 Π‘Π². 3, 86
7,35
20
ΠΠΎ 1, 6
ΠΠΎ 3, 86 Π‘Π². 3, 86
7,35
25
ΠΠ½Π°ΡΠ΅Π½ΠΈΡ ΡΡΠΈΠ»ΠΈΠΉ ΠΏΠΎ ΡΠΊΠ°Π»Π΅ Π΄ΠΈΠ½Π°ΠΌΠΎΠΌΠ΅ΡΡΠ° ΠΏΡΠΈΠ²Π΅Π΄Π΅Π½Ρ Π΄Π»Ρ ΡΠ°ΡΡΠ΅ΡΠ½ΠΎΠ³ΠΎ Π·Π½Π°ΡΠ΅Π½ΠΈΡ ΠΏΠ»Π΅ΡΠ° ΠΈΡ ΠΏΡΠΈΠ»ΠΎΠΆΠ΅Π½ΠΈΡ, ΡΠ°Π²Π½ΠΎΠ³ΠΎ ΠΏΠΎΠ»ΠΎΠ²ΠΈΠ½Π΅ Π΄ΠΈΠ°ΠΌΠ΅ΡΡΠ° ΡΡΠ΅Π΄Π½Π΅ΠΉ Π»ΠΈΠ½ΠΈΠΈ ΠΎΠ±ΠΎΠ΄Π° ΡΡΠ»Π΅Π²ΠΎΠ³ΠΎ ΠΊΠΎΠ»Π΅ΡΠ°. ΠΡΠ΅Π΄Π΅Π»ΡΠ½ΠΎΠ΅ Π·Π½Π°ΡΠ΅Π½ΠΈΠ΅ ΡΡΠΌΠΌΠ°ΡΠ½ΠΎΠ³ΠΎ Π·Π°Π·ΠΎΡΠ° Π΄Π»Ρ Π°Π²ΡΠΎΠΌΠΎΠ±ΠΈΠ»Π΅ΠΉ, ΡΠ½ΡΡΡΡ Ρ ΠΏΡΠΎΠΈΠ·Π²ΠΎΠ΄ΡΡΠ²Π°, Π½Π΅ Π΄ΠΎΠ»ΠΆΠ½ΠΎ ΠΏΡΠ΅Π²ΡΡΠ°ΡΡ 25Β°. ΠΠ»Ρ Π°Π²ΡΠΎΠ±ΡΡΠΎΠ² ΠΈ Π³ΡΡΠ·ΠΎΠ²ΡΡ Π°Π²ΡΠΎΠΌΠΎΠ±ΠΈΠ»Π΅ΠΉ, ΡΠΎΠ·Π΄Π°Π½Π½ΡΡ Π½Π° Π±Π°Π·Π΅ Π°Π³ΡΠ΅Π³Π°ΡΠΎΠ² Π»Π΅Π³ΠΊΠΎΠ²ΡΡ Π°Π²ΡΠΎΠΌΠΎΠ±ΠΈΠ»Π΅ΠΉ, ΠΏΡΠ΅Π΄Π΅Π»ΡΠ½ΠΎΠ΅ Π·Π½Π°ΡΠ΅Π½ΠΈΠ΅ ΡΡΠΌΠΌΠ°ΡΠ½ΠΎΠ³ΠΎ Π·Π°Π·ΠΎΡΠ° Π΄ΠΎΠ»ΠΆΠ½ΠΎ Π±ΡΡΡ Π½Π΅ Π±ΠΎΠ»Π΅Π΅ 10Β° ΠΏΡΠΈ ΡΡΠΈΠ»ΠΈΠΈ ΠΏΠΎ ΡΠΊΠ°Π»Π΅ Π΄ΠΈΠ½Π°ΠΌΠΎΠΌΠ΅ΡΡΠ° 7,35 Π.
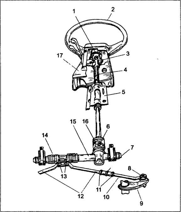
Π Π΅Π³ΡΠ»ΠΈΡΠΎΠ²ΠΊΠ° ΡΡΠ»Π΅Π²ΠΎΠ³ΠΎ ΠΌΠ΅Ρ Π°Π½ΠΈΠ·ΠΌΠ° Π·Π°Π²ΠΈΡΠΈΡ ΠΎΡ Π΅Π³ΠΎ ΠΊΠΎΠ½ΡΡΡΡΠΊΡΠΈΠΈ. ΠΠ° Π°Π²ΡΠΎΠΌΠΎΠ±ΠΈΠ»ΡΡ ΠΠΠ-53-12 ΠΈ ΠΠΠ-24-10 ΠΏΡΠΈΠΌΠ΅Π½ΡΠ΅ΡΡΡ ΠΏΠ΅ΡΠ΅Π΄Π°ΡΠ° ΡΠΈΠΏΠ° Π³Π»ΠΎΠ±ΠΎΠΈΠ΄Π°Π»ΡΠ½ΡΠΉ ΡΠ΅ΡΠ²ΡΠΊ — ΡΡΠ΅Ρ Π³ΡΠ΅Π±Π½Π΅Π²ΡΠΉ ΡΠΎΠ»ΠΈΠΊ, Π° Π½Π° Π°Π²ΡΠΎΠΌΠΎΠ±ΠΈΠ»ΡΡ ΠΠΠ-431410 ΠΈ ΠΠ°ΠΌΠΠ β ΠΏΠ΅ΡΠ΅Π΄Π°ΡΠ° ΡΠΈΠΏΠ° ΡΠ΅ΠΊΡΠΎΡ ΠΈ ΡΠ΅ΠΉΠΊΠ°βΠΏΠΎΡΡΠ΅Π½Ρ.
ΠΠ°Π·ΠΎΡ Π² Π·Π°ΡΠ΅ΠΏΠ»Π΅Π½ΠΈΠΈ ΡΠ΅ΡΠ²ΡΠΊΠ° Ρ ΡΠΎΠ»ΠΈΠΊΠΎΠΌ Π°Π²ΡΠΎΠΌΠΎΠ±ΠΈΠ»Ρ ΠΠΠ-53-12 ΡΠ΅Π³ΡΠ»ΠΈΡΡΡΡ, Π½Π΅ ΡΠ½ΠΈΠΌΠ°Ρ ΡΡΠ»Π΅Π²ΠΎΠΉ ΠΌΠ΅Ρ Π°Π½ΠΈΠ·ΠΌ Ρ Π°Π²ΡΠΎΠΌΠΎΠ±ΠΈΠ»Ρ. ΠΠ»Ρ ΡΡΡΡΠ°Π½Π΅Π½ΠΈΡ ΠΎΡΠ΅Π²ΠΎΠ³ΠΎ ΠΏΠ΅ΡΠ΅ΠΌΠ΅ΡΠ΅Π½ΠΈΡ ΡΠ΅ΡΠ²ΡΠΊΠ° ΠΌΠ΅Ρ Π°Π½ΠΈΠ·ΠΌ ΡΠ½ΠΈΠΌΠ°ΡΡ.
ΠΠ΅ΡΠ΅Π΄ ΡΠ΅Π³ΡΠ»ΠΈΡΠΎΠ²ΠΊΠΎΠΉ Π½ΡΠΆΠ½ΠΎ ΠΏΡΠΎΠ²Π΅ΡΠΈΡΡ ΠΎΡΡΡΡΡΡΠ²ΠΈΠ΅ ΠΎΡΠ΅Π²ΠΎΠ³ΠΎ ΠΏΠ΅ΡΠ΅ΠΌΠ΅ΡΠ΅Π½ΠΈΡ ΡΠ΅ΡΠ²ΡΠΊΠ°. ΠΠ»Ρ ΡΡΠΎΠ³ΠΎ ΡΠ»Π΅Π΄ΡΠ΅Ρ, ΠΏΡΠΈΠ»ΠΎΠΆΠΈΠ² ΠΏΠ°Π»Π΅Ρ ΠΊ ΡΡΡΠΏΠΈΡΠ΅ ΡΡΠ»Π΅Π²ΠΎΠ³ΠΎ ΠΊΠΎΠ»Π΅ΡΠ° ΠΈ ΡΡΠ»Π΅Π²ΠΎΠΉ ΠΊΠΎΠ»ΠΎΠ½ΠΊΠ΅, ΠΏΠΎΠ²Π΅ΡΠ½ΡΡΡ ΡΡΠ»Π΅Π²ΠΎΠ΅ ΠΊΠΎΠ»Π΅ΡΠΎ ΠΏΠΎΡΡΠ΅Π΄ΡΡΠ²ΠΎΠΌ Π²Π°Π»Π° 6 (ΡΠΌ. ΡΠΈΡ. 2) Π½Π° Π½Π΅Π±ΠΎΠ»ΡΡΠΎΠΉ ΡΠ³ΠΎΠ» Π²ΠΏΡΠ°Π²ΠΎ ΠΈ Π²Π»Π΅Π²ΠΎ. ΠΡΠΈ Π½Π°Π»ΠΈΡΠΈΠΈ ΠΎΡΠ΅Π²ΠΎΠ³ΠΎ ΠΏΠ΅ΡΠ΅ΠΌΠ΅ΡΠ΅Π½ΠΈΡ ΡΠ΅ΡΠ²ΡΠΊΠ° / ΠΏΠ°Π»Π΅Ρ Π±ΡΠ΄Π΅Ρ ΠΎΡΡΡΠ°ΡΡ ΠΎΡΠ΅Π²ΠΎΠ΅ ΠΏΠ΅ΡΠ΅ΠΌΠ΅ΡΠ΅Π½ΠΈΠ΅ ΡΡΡΠΏΠΈΡΡ ΡΡΠ»Π΅Π²ΠΎΠ³ΠΎ ΠΊΠΎΠ»Π΅ΡΠ° 13 ΠΎΡΠ½ΠΎΡΠΈΡΠ΅Π»ΡΠ½ΠΎ ΠΊΠΎΠΆΡΡ Π° ΡΡΠ»Π΅Π²ΠΎΠΉ ΠΊΠΎΠ»ΠΎΠ½ΠΊΠΈ 5.
Π£ΡΡΡΠ°Π½ΡΡΡ ΠΎΡΠ΅Π²ΠΎΠ΅ ΠΏΠ΅ΡΠ΅ΠΌΠ΅ΡΠ΅Π½ΠΈΠ΅ ΡΠ΅ΡΠ²ΡΠΊΠ° ΠΏΠΎΡΠ»Π΅ ΡΠ½ΡΡΠΈΡ ΡΡΠ»Π΅Π²ΠΎΠ³ΠΎ ΠΌΠ΅Ρ Π°Π½ΠΈΠ·ΠΌΠ° Ρ Π°Π²ΡΠΎΠΌΠΎΠ±ΠΈΠ»Ρ Π² ΡΠ°ΠΊΠΎΠΉ ΠΏΠΎΡΠ»Π΅Π΄ΠΎΠ²Π°ΡΠ΅Π»ΡΠ½ΠΎΡΡΠΈ:
— ΠΎΡΠ»Π°Π±Π»ΡΡΡ Π±ΠΎΠ»ΡΡ ΠΊΡΠ΅ΠΏΠ»Π΅Π½ΠΈΡ Π½ΠΈΠΆΠ½Π΅ΠΉ ΠΊΡΡΡΠΊΠΈ ΠΊΠ°ΡΡΠ΅ΡΠ° 7 ΠΈ ΡΠ»ΠΈΠ²Π°ΡΡ ΡΠΌΠ°Π·ΠΎΡΠ½ΡΠΉ ΠΌΠ°ΡΠ΅ΡΠΈΠ°Π»;
— ΡΠ½ΠΈΠΌΠ°ΡΡ Π½ΠΈΠΆΠ½ΡΡ ΠΊΡΡΡΠΊΡ 3 ΠΊΠ°ΡΡΠ΅ΡΠ° ΠΈ Π²ΡΠ½ΠΈΠΌΠ°ΡΡ ΡΠΎΠ½ΠΊΡΡ ΡΠ΅Π³ΡΠ»ΠΈΡΠΎΠ²ΠΎΡΠ½ΡΡ Π±ΡΠΌΠ°ΠΆΠ½ΡΡ ΠΏΡΠΎΠΊΠ»Π°Π΄ΠΊΡ 2;
— ΡΡΡΠ°Π½Π°Π²Π»ΠΈΠ²Π°ΡΡ ΠΊΡΡΡΠΊΡ ΠΊΠ°ΡΡΠ΅ΡΠ° Π½Π° ΠΌΠ΅ΡΡΠΎ ΠΈ ΠΏΡΠΎΠ²Π΅ΡΡΡΡ ΠΏΠΎΠ΄ΡΠΈΠΏΠ½ΠΈΠΊΠΈ ΡΠ΅ΡΠ²ΡΠΊΠ° Π½Π° ΠΏΡΠΎΠ΄ΠΎΠ»ΡΠ½ΠΎΠ΅ ΠΏΠ΅ΡΠ΅ΠΌΠ΅ΡΠ΅Π½ΠΈΠ΅. ΠΡΠ»ΠΈ Π·Π°Π·ΠΎΡ Π½Π΅ ΡΡΡΡΠ°Π½Π΅Π½, ΡΠΎ ΡΠ½ΠΈΠΌΠ°ΡΡ ΡΠΎΠ»ΡΡΡΡ ΠΏΡΠΎΠΊΠ»Π°Π΄ΠΊΡ 2 ΠΊΡΡΡΠΊΠΈ ΠΊΠ°ΡΡΠ΅ΡΠ°, Π° ΡΠΎΠ½ΠΊΡΡ ΡΡΠ°Π²ΡΡ Π½Π° ΠΌΠ΅ΡΡΠΎ;
— ΠΏΠΎΡΠ»Π΅ ΡΡΡΡΠ°Π½Π΅Π½ΠΈΡ Π·Π°Π·ΠΎΡΠ° ΠΏΡΠΎΠ²Π΅ΡΡΡΡ ΡΡΠΈΠ»ΠΈΠ΅ Π½Π° ΠΎΠ±ΠΎΠ΄Π΅ ΠΊΠΎΠ»Π΅ΡΠ°, Π½Π΅ΠΎΠ±Ρ ΠΎΠ΄ΠΈΠΌΠΎΠ΅ Π΄Π»Ρ Π΅Π³ΠΎ Π²ΡΠ°ΡΠ΅Π½ΠΈΡ. ΠΡΠΎΠ²Π΅ΡΠΊΡ ΠΏΡΠΎΠ²ΠΎΠ΄ΡΡ ΠΏΡΠΈ Π²ΡΠ½ΡΡΠΎΠΌ Π²Π°Π»Π΅ 10 ΡΠΎΡΠΊΠΈ. Π£ΡΠΈΠ»ΠΈΠ΅ ΠΏΡΠΈ ΡΡΠΎΠΌ Π½Π΅ Π΄ΠΎΠ»ΠΆΠ½ΠΎ ΠΏΡΠ΅Π²ΡΡΠ°ΡΡ 3 … 5 Π;
— ΡΡΠ°Π²ΡΡ Π½Π° ΠΌΠ΅ΡΡΠΎ Π²Π°Π» 10 ΡΠΎΡΠΊΠΈ Ρ ΡΠΎΠ»ΠΈΠΊΠΎΠΌ 8 ΠΈ ΠΊΡΡΡΠΊΡ Π²Π°Π»Π° ΡΠΎΡΠΊΠΈ Ρ ΠΏΠΎΠ΄ΡΠΈΠΏΠ½ΠΈΠΊΠΎΠΌ ΠΈ ΡΠ΅Π³ΡΠ»ΠΈΡΡΡΡ Π·Π°ΡΠ΅ΠΏΠ»Π΅Π½ΠΈΠ΅ ΡΠΎΠ»ΠΈΠΊΠ° 8 Ρ ΡΠ΅ΡΠ²ΡΠΊΠΎΠΌ /. ΠΠ°Π·ΠΎΡ Π½Π° Π½ΠΈΠΆΠ½Π΅ΠΌ ΠΊΠΎΠ½ΡΠ΅ ΡΠΎΡΠΊΠΈ ΠΏΡΠΈ Π½Π΅ΠΉΡΡΠ°Π»ΡΠ½ΠΎΠΌ ΠΏΠΎΠ»ΠΎΠΆΠ΅Π½ΠΈΠΈ ΠΊΠΎΠ»Π΅Ρ Π½Π΅ Π΄ΠΎΠ»ΠΆΠ΅Π½ ΠΏΡΠ΅Π²ΡΡΠ°ΡΡ 0,3 ΠΌΠΌ.
ΠΠΎΠ½ΡΡΠΎΠ»Ρ ΠΎΡΠ΅Π²ΠΎΠ³ΠΎ Π·Π°Π·ΠΎΡΠ° ΠΏΠΎΡΠ»Π΅ ΡΠ΅Π³ΡΠ»ΠΈΡΠΎΠ²ΠΊΠΈ ΡΡΠ»Π΅Π²ΠΎΠ³ΠΎ ΠΌΠ΅Ρ Π°Π½ΠΈΠ·ΠΌΠ° Π²ΡΠΏΠΎΠ»Π½ΡΡΡ ΠΏΡΠΈ ΠΎΡΡΠΎΠ΅Π΄ΠΈΠ½Π΅Π½Π½ΠΎΠΉ ΠΎΡ ΡΠΎΡΠΊΠΈ ΠΏΡΠΎΠ΄ΠΎΠ»ΡΠ½ΠΎΠΉ ΡΡΠ»Π΅Π²ΠΎΠΉ ΡΡΠ³Π΅ Ρ ΠΈΡΠΏΠΎΠ»ΡΠ·ΠΎΠ²Π°Π½ΠΈΠ΅ΠΌ ΠΈΠ½Π΄ΠΈΠΊΠ°ΡΠΎΡΠ½ΠΎΠ³ΠΎ ΠΏΡΠΈΡΠΏΠΎΡΠΎΠ±Π»Π΅Π½ΠΈΡ.
Π ΠΈΡ. 2. Π Π΅Π³ΡΠ»ΠΈΡΠΎΠ²ΠΊΠ° ΡΡΠ»Π΅Π²ΠΎΠ³ΠΎ ΠΌΠ΅Ρ Π°Π½ΠΈΠ·ΠΌΠ° Π°Π²ΡΠΎΠΌΠΎΠ±ΠΈΠ»Ρ ΠΠΠ β 53 Π.
1 β Π³Π»ΠΎΠ±ΠΎΠΈΠ΄Π°Π»ΡΠ½ΡΠΉ ΡΠ΅ΡΠ²ΡΠΊ; 2 β ΠΏΡΠΎΠΊΠ»Π°Π΄ΠΊΠ° Π΄Π»Ρ ΡΠ΅Π³ΡΠ»ΠΈΡΠΎΠ²ΠΊΠΈ ΠΎΡΠ΅Π²ΠΎΠ³ΠΎ Π·Π°Π·ΠΎΡΠ° Π² ΠΏΠΎΠ΄ΡΠΈΠΏΠ½ΠΈΠΊΠ°Ρ ΡΠ΅ΡΠ²ΡΠΊΠ°; 3 β Π½ΠΈΠΆΠ½ΡΡ ΠΊΡΡΡΠΊΠ° ΠΊΠ°ΡΡΠ΅ΡΠ°; 4 β ΡΠΎΠ»ΠΈΠΊΠΎΠ²ΡΠ΅ ΠΊΠΎΠ½ΠΈΡΠ΅ΡΠΊΠΈΠ΅ ΠΏΠΎΠ΄ΡΠΈΠΏΠ½ΠΈΠΊΠΈ; 5 β ΡΡΠ»Π΅Π²Π°Ρ ΠΊΠΎΠ»ΠΎΠ½ΠΊΠ°; 6 β ΡΡΠ»Π΅Π²ΠΎΠΉ Π²Π°Π»; 7 β ΠΊΠ°ΡΡΠ΅Ρ ΡΡΠ»Π΅Π²ΠΎΠ³ΠΎ ΠΌΠ΅Ρ Π°Π½ΠΈΠ·ΠΌΠ°; 8 β ΡΡΠ΅Ρ Π³ΡΠ΅Π±Π½Π΅Π²ΡΠΉ ΡΠΎΠ»ΠΈΠΊ; 9 β ΡΠ΅Π³ΡΠ»ΠΈΡΠΎΠ²ΠΎΡΠ½ΡΠΉ Π²ΠΈΠ½Ρ; 10 β Π²Π°Π» ΡΡΠ»Π΅Π²ΠΎΠΉ ΡΠΎΡΠΊΠΈ; 11 β ΡΡΠΎΠΏΠΎΡΠ½Π°Ρ ΡΠ°ΠΉΠ±Π°; 12 β ΠΊΠΎΠ»ΠΏΠ°ΡΠΊΠΎΠ²Π°Ρ Π³Π°ΠΉΠΊΠ°; 13 β ΡΡΠ»Π΅Π²ΠΎΠ΅ ΠΊΠΎΠ»Π΅ΡΠΎ.
ΠΡΠΈ ΡΠ΅Π³ΡΠ»ΠΈΡΠΎΠ²ΠΊΠ΅ Π·Π°ΡΠ΅ΠΏΠ»Π΅Π½ΠΈΡ ΡΠ΅ΡΠ²ΡΠΊΠ° Ρ ΡΠΎΠ»ΠΈΠΊΠΎΠΌ Π²ΡΠΏΠΎΠ»Π½ΡΡΡ ΡΠ»Π΅Π΄ΡΡΡΠ΅Π΅:
— ΠΎΡΠ²ΠΎΡΠ°ΡΠΈΠ²Π°ΡΡ ΠΊΠΎΠ»ΠΏΠ°ΡΠΊΠΎΠ²ΡΡ Π³Π°ΠΉΠΊΡ 12 ΡΡΠ»Π΅Π²ΠΎΠ³ΠΎ ΠΌΠ΅Ρ Π°Π½ΠΈΠ·ΠΌΠ° ΠΈ ΡΠ½ΠΈΠΌΠ°ΡΡ ΡΠΏΠΎΠΏΠΎΡΠ½ΡΡ ΡΠ°ΠΉΠ±Ρ 11;
-ΠΏΠΎΠ²ΠΎΡΠ°ΡΠΈΠ²Π°ΡΡ ΠΊΠ»ΡΡΠΎΠΌ ΡΠ΅Π³ΡΠ»ΠΈΡΠΎΠ²ΠΎΡΠ½ΡΠΉ Π²ΠΈΠ½Ρ 9 ΠΏΠΎ ΡΠ°ΡΠΎΠ²ΠΎΠΉ ΡΡΡΠ΅Π»ΠΊΠ΅ ΠΠ ΡΡΡΡΠ°Π½Π΅Π½ΠΈΡ Π·Π°Π·ΠΎΡΠ°;
— ΠΏΡΠΎΠ²Π΅ΡΡΡΡ ΡΡΠΈΠ»ΠΈΠ΅ Π½Π° ΠΎΠ±ΠΎΠ΄Π΅ ΡΡΠ»Π΅Π²ΠΎΠ³ΠΎ ΠΊΠΎΠ»Π΅ΡΠ°, ΡΡΠ΅Π±ΡΠ΅ΠΌΠΎΠ΅ Π΄Π»Ρ ΠΏΠΎΠ²ΠΎΡΠΎΡΠ° Π΅Π³ΠΎ ΠΎΡΠ½ΠΎΡΠΈΡΠ΅Π»ΡΠ½ΠΎ ΡΡΠ΅Π΄Π½Π΅Π³ΠΎ ΠΏΠΎΠ»ΠΎΠΆΠ΅Π½ΠΈΡ;
— Π²ΡΠ°ΡΠ΅Π½ΠΈΠ΅ΠΌ ΡΠ΅Π³ΡΠ»ΠΈΡΠΎΠ²ΠΎΡΠ½ΠΎΠ³ΠΎ Π²ΠΈΠ½ΡΠ° Π΄ΠΎΠ²ΠΎΠ΄ΡΡ ΡΡΠΈΠ»ΠΈΠ΅ ΠΏΠΎΠ²ΠΎΡΠΎΡΠ° ΡΡΠ»Π΅Π²ΠΎΠ³ΠΎ ΠΊΠΎΠ»Π΅ΡΠ° Π΄ΠΎ 16 … 22 Π;
— Π½Π°Π΄Π΅Π²Π°ΡΡ ΡΡΠΎΠΏΠΎΡΠ½ΡΡ ΡΠ°ΠΉΠ±Ρ. ΠΡΠ»ΠΈ ΠΎΠ΄Π½ΠΎ ΠΈΠ· ΠΎΡΠ²Π΅ΡΡΡΠΈΠΉ Π² ΡΡΠΎΠΏΠΎΡΠ½ΠΎΠΉ ΡΠ°ΠΉΠ±Π΅ 11 Π½Π΅ ΡΠΎΠ²ΠΏΠ°Π΄Π°Π΅Ρ ΡΠΎ ΡΡΠΈΡΡΠΎΠΌ, ΡΠΎ ΡΠ΅Π³ΡΠ»ΠΈΡΠΎΠ²ΠΎΡΠ½ΡΠΉ Π²ΠΈΠ½Ρ Π²ΡΠ°ΡΠ°ΡΡ Π½Π°ΡΡΠΎΠ»ΡΠΊΠΎ, ΡΡΠΎΠ±Ρ ΡΡΠΈΡΡ ΠΏΠΎΠΏΠ°Π» Π² ΠΎΡΠ²Π΅ΡΡΡΠΈΠ΅. ΠΡΠΈ ΡΡΠΎΠΌ ΡΡΠΈΠ»ΠΈΠ΅ ΠΏΠΎΠ²ΠΎΡΠΎΡΠ° ΡΡΠ»Π΅Π²ΠΎΠ³ΠΎ ΠΊΠΎΠ»Π΅ΡΠ° Π½Π΅ Π΄ΠΎΠ»ΠΆΠ½ΠΎ Π±ΡΡΡ Π±ΠΎΠ»ΡΡΠ΅ ΠΏΡΠ΅Π΄Π΅Π»ΡΠ½ΠΎΠ³ΠΎ;
— ΡΡΡΠ°Π½Π°Π²Π»ΠΈΠ²Π°ΡΡ ΠΊΠΎΠ»ΠΏΠ°ΡΠΊΠΎΠ²ΡΡ Π³Π°ΠΉΠΊΡ 12 ΠΈ ΡΠ½ΠΎΠ²Π° ΠΏΡΠΎΠ²Π΅ΡΡΡΡ Π·Π°Π·ΠΎΡ Π½Π° ΠΊΠΎΠ½ΡΠ΅ ΡΡΠ»Π΅Π²ΠΎΠΉ ΡΠΎΡΠΊΠΈ;
— Π²ΡΡΠ°Π²Π»ΡΡΡ ΡΠ°ΡΠΎΠ²ΠΎΠΉ ΠΏΠ°Π»Π΅Ρ Π² ΠΎΡΠ²Π΅ΡΡΡΠΈΠ΅ ΡΠΎΡΠΊΠΈ, Π½Π°Π²ΠΎΡΠ°ΡΠΈΠ²Π°ΡΡ Π³Π°ΠΉΠΊΡ ΠΈ Π·Π°ΡΠΏΠ»ΠΈΠ½ΡΠΎΠ²ΡΠ²Π°ΡΡ Π΅Π΅.
ΠΠ»Ρ ΠΊΠΎΠ½ΡΡΠΎΠ»Ρ ΠΏΡΠ°Π²ΠΈΠ»ΡΠ½ΠΎΡΡΠΈ ΡΠ΅Π³ΡΠ»ΠΈΡΠΎΠ²ΠΊΠΈ Π·Π°ΡΠ΅ΠΏΠ»Π΅Π½ΠΈΡ ΡΠ΅ΡΠ²ΡΠΊΠ° ΡΡΠ»Π΅Π²ΠΎΠ΅ ΠΊΠΎΠ»Π΅ΡΠΎ ΠΏΠΎΠ²ΠΎΡΠ°ΡΠΈΠ²Π°ΡΡ ΠΈΠ· ΠΎΠ΄Π½ΠΎΠ³ΠΎ ΠΊΡΠ°ΠΉΠ½Π΅Π³ΠΎ ΠΏΠΎΠ»ΠΎΠΆΠ΅Π½ΠΈΡ Π² Π΄ΡΡΠ³ΠΎΠ΅. ΠΡΠΈ ΡΡΠΎΠΌ ΡΡΠ»Π΅Π²ΠΎΠΉ ΠΌΠ΅Ρ Π°Π½ΠΈΠ·ΠΌ Π΄ΠΎΠ»ΠΆΠ΅Π½ Π²ΡΠ°ΡΠ°ΡΡΡΡ ΡΠ²ΠΎΠ±ΠΎΠ΄Π½ΠΎ, Π±Π΅Π· Π·Π°Π΅Π΄Π°Π½ΠΈΠΉ.
ΠΡΠΈ ΡΠ΅Π³ΡΠ»ΠΈΡΠΎΠ²ΠΊΠ΅ ΠΊΠ°ΠΊ ΠΎΡΠ΅Π²ΠΎΠ³ΠΎ ΠΏΠ΅ΡΠ΅ΠΌΠ΅ΡΠ΅Π½ΠΈΡ ΡΠ΅ΡΠ²ΡΠΊΠ°, ΡΠ°ΠΊ ΠΈ Π±ΠΎΠΊΠΎΠ²ΠΎΠ³ΠΎ Π·Π°Π·ΠΎΡΠ° Π² Π·Π°ΡΠ΅ΠΏΠ»Π΅Π½ΠΈΠΈ Π½Π΅ ΡΠ»Π΅Π΄ΡΠ΅Ρ ΡΠ»ΠΈΡΠΊΠΎΠΌ ΡΠΈΠ»ΡΠ½ΠΎ Π·Π°ΡΡΠ³ΠΈΠ²Π°ΡΡ Π΄Π΅ΡΠ°Π»ΠΈ, ΡΠ°ΠΊ ΠΊΠ°ΠΊ ΡΡΠ΅Π·ΠΌΠ΅ΡΠ½Π°Ρ Π·Π°ΡΡΠΆΠΊΠ° ΠΏΠΎΠ΄ΡΠΈΠΏΠ½ΠΈΠΊΠΎΠ² 4 ΡΠ΅ΡΠ²ΡΠΊΠ° ΠΈ Π·Π°ΡΠ΅ΠΏΠ»Π΅Π½ΠΈΡ ΡΠ΅ΡΠ²ΡΠΊΠ° Ρ ΡΠΎΠ»ΠΈΠΊΠΎΠΌ ΠΏΡΠΈΠ²ΠΎΠ΄ΡΡ ΠΊ ΠΏΠΎΠ²ΡΡΠ΅Π½Π½ΠΎΠΌΡ ΠΈΠ·Π½ΠΎΡΡ ΡΠ°Π±ΠΎΡΠΈΡ ΠΏΠΎΠ²Π΅ΡΡ Π½ΠΎΡΡΠ΅ΠΉ. ΠΡΠΈ ΡΡΠ΅Π·ΠΌΠ΅ΡΠ½ΠΎ Π·Π°ΡΡΠ½ΡΡΠΎΠΌ ΠΌΠ΅Ρ Π°Π½ΠΈΠ·ΠΌΠ΅ ΡΡΠ»Π΅Π²ΠΎΠ΅ ΠΊΠΎΠ»Π΅ΡΠΎ Π½Π΅ Π±ΡΠ΄Π΅Ρ Π²ΠΎΠ·Π²ΡΠ°ΡΠ°ΡΡΡΡ ΡΠ°ΠΌΠΎΡΡΠΎΡΡΠ΅Π»ΡΠ½ΠΎ Π² ΡΡΠ΅Π΄Π½Π΅Π΅ ΠΏΠΎΠ»ΠΎΠΆΠ΅Π½ΠΈΠ΅ ΠΏΠΎΡΠ»Π΅ Π²ΡΡ ΠΎΠ΄Π° Π°Π²ΡΠΎΠΌΠΎΠ±ΠΈΠ»Ρ ΠΈΠ· ΠΏΠΎΠ²ΠΎΡΠΎΡΠ°.
ΠΠ»Ρ ΡΠ΅Π³ΡΠ»ΠΈΡΠΎΠ²ΠΊΠΈ ΡΡΠ»Π΅Π²ΠΎΠ³ΠΎ ΠΌΠ΅Ρ Π°Π½ΠΈΠ·ΠΌΠ° Π°Π²ΡΠΎΠΌΠΎΠ±ΠΈΠ»Ρ ΠΠΠ-431410 ΠΎΡΠ»Π°Π±Π»ΡΡΡ ΠΊΠΎΠ½ΡΡΠ³Π°ΠΉΠΊΡ 3 (ΡΠΈΡ. 3) ΡΠ΅Π³ΡΠ»ΠΈΡΠΎΠ²ΠΎΡΠ½ΠΎΠ³ΠΎ Π²ΠΈΠ½ΡΠ° 2. ΠΠ°ΡΠ΅ΠΌ Π²ΡΠ°ΡΠ΅Π½ΠΈΠ΅ΠΌ Π²ΠΈΠ½ΡΠ° ΡΠΌΠ΅ΡΠ°ΡΡ Π²Π°Π» ΡΡΠ»Π΅Π²ΠΎΠΉ ΡΠΎΡΠΊΠΈ Π² ΠΎΡΠ΅Π²ΠΎΠΌ Π½Π°ΠΏΡΠ°Π²Π»Π΅Π½ΠΈΠΈ Π΄ΠΎ ΠΏΠΎΠ»ΡΡΠ΅Π½ΠΈΡ Π½ΠΎΡΠΌΠ°Π»ΡΠ½ΠΎΠ³ΠΎ ΡΡΠΈΠ»ΠΈΡ Π½Π° ΠΎΠ±ΠΎΠ΄Π΅ ΡΡΠ»Π΅Π²ΠΎΠ³ΠΎ ΠΊΠΎΠ»Π΅ΡΠ°. ΠΡΠΈ Π²ΡΠ°ΡΠ΅Π½ΠΈΠΈ Π²ΠΈΠ½ΡΠ° ΠΏΠΎ ΡΠ°ΡΠΎΠ²ΠΎΠΉ ΡΡΡΠ΅Π»ΠΊΠ΅ ΡΡΠΈΠ»ΠΈΠ΅ Π±ΡΠ΄Π΅Ρ ΡΠ²Π΅Π»ΠΈΡΠΈΠ²Π°ΡΡΡΡ, Π° ΠΏΡΠΎΡΠΈΠ² ΡΠ°ΡΠΎΠ²ΠΎΠΉ ΡΡΡΠ΅Π»ΠΊΠΈ β ΡΠΌΠ΅Π½ΡΡΠ°ΡΡΡΡ.
Π ΠΈΡ. 3. Π Π΅Π³ΡΠ»ΠΈΡΠΎΠ²ΠΊΠ° ΡΡΠ»Π΅Π²ΠΎΠ³ΠΎ ΠΌΠ΅Ρ Π°Π½ΠΈΠ·ΠΌΠ° Π°Π²ΡΠΎΠΌΠΎΠ±ΠΈΠ»Ρ ΠΠΠ β 431410.
Π° β ΡΠ΅Π³ΡΠ»ΠΈΡΠΎΠ²ΠΊΠ° Π·Π°ΡΠ΅ΠΏΠ»Π΅Π½ΠΈΡ ΠΏΠΎΡΡΠ½Ρ β ΡΠ΅ΠΉΠΊΠΈ Ρ Π·ΡΠ±ΡΠ°ΡΡΠΌ ΡΠ΅ΠΊΡΠΎΡΠΎΠΌ; Π± β Π·Π°ΡΡΠΆΠΊΠ° ΡΠΏΠΎΡΠ½ΠΎΠ³ΠΎ ΠΏΠΎΠ΄ΡΠΈΠΏΠ½ΠΈΠΊΠ°.
ΠΊΠ°ΡΡΠ΅Ρ ΡΡΠ»Π΅Π²ΠΎΠ³ΠΎ ΠΌΠ΅Ρ Π°Π½ΠΈΠ·ΠΌΠ°; 2 β ΡΠ΅Π³ΡΠ»ΠΈΡΠΎΠ²ΠΎΡΠ½ΡΠΉ Π²ΠΈΠ½Ρ; 3 β ΠΊΠΎΠ½ΡΡΠ³Π°ΠΉΠΊΠ°; 4 β ΡΡΠ»Π΅Π²ΠΎΠΉ Π²Π°Π»; 5 β ΡΠΏΠΎΡΠ½ΡΠΉ ΠΏΠΎΠ΄ΡΠΈΠΏΠ½ΠΈΠΊ; 6 β ΠΊΠΎΡΠΏΡΡ ΠΊΠ»Π°ΠΏΠ°Π½ΠΎΠ²; 7 β Π΄ΠΈΠ½Π°ΠΌΠΎΠΌΠ΅ΡΡ; 8 β ΡΠ΅Π³ΡΠ»ΠΈΡΠΎΠ²ΠΎΡΠ½Π°Ρ Π³Π°ΠΉΠΊΠ°.
ΠΠ°ΡΡΠ³ΠΈΠ²Π°ΡΡ ΡΠΏΠΎΡΠ½ΡΠΉ ΠΏΠΎΠ΄ΡΠΈΠΏΠ½ΠΈΠΊ 5 ΡΡΠ»Π΅Π²ΠΎΠ³ΠΎ Π²Π°Π»Π° ΠΏΡΠΈ ΠΎΡΡΠΎΠ΅Π΄ΠΈΠ½Π΅Π½Π½ΠΎΠΌ ΠΊΠ°ΡΠ΄Π°Π½Π½ΠΎΠΌ Π²Π°Π»Π΅ Π²ΡΠ°ΡΠ΅Π½ΠΈΠ΅ΠΌ ΡΠ΅Π³ΡΠ»ΠΈΡΠΎΠ²ΠΎΡΠ½ΠΎΠΉ Π³Π°ΠΉΠΊΠΈ 8, ΠΏΡΠ΅Π΄Π²Π°ΡΠΈΡΠ΅Π»ΡΠ½ΠΎ ΠΎΡΠΎΠ³Π½ΡΠ² ΠΊΡΠΎΠΌΠΊΡ ΡΡΠΎΠΏΠΎΡΠ½ΠΎΠΉ ΡΠ°ΠΉΠ±Ρ. ΠΠΎΠ΄ΡΡΠ³ΠΈΠ²Π°Ρ Π³Π°ΠΉΠΊΡ, Π²Π°Π» 4 Π²ΡΠ°ΡΠ°ΡΡ Π² ΠΎΠ±Π΅ ΡΡΠΎΡΠΎΠ½Ρ. ΠΡΠΈΠΌ ΠΎΠ±Π΅ΡΠΏΠ΅ΡΠΈΠ²Π°ΡΡ ΡΡΠ΅Π±ΡΠ΅ΠΌΠΎΠ΅ ΡΡΠΈΠ»ΠΈΠ΅ Π²ΡΠ°ΡΠ΅Π½ΠΈΡ ΡΡΠ»Π΅Π²ΠΎΠ³ΠΎ Π²Π°Π»Π°, ΠΊΠΎΠ½ΡΡΠΎΠ»ΠΈΡΡΠ΅ΠΌΠΎΠ΅ Π΄ΠΈΠ½Π°ΠΌΠΎΠΌΠ΅ΡΡΠΎΠΌ 7, ΠΏΡΠΈΠΊΡΠ΅ΠΏΠ»ΡΠ΅ΠΌΠΎΠΌ ΠΊ ΠΊΠΎΡΠΏΡΡΡ 6 ΠΊΠ»Π°ΠΏΠ°Π½ΠΎΠ². ΠΠΎΡΠ»Π΅ ΠΎΠΊΠΎΠ½ΡΠ°Π½ΠΈΡ ΡΠ΅Π³ΡΠ»ΠΈΡΠΎΠ²ΠΊΠΈ Π΄Π»Ρ ΠΏΡΠ΅Π΄ΠΎΡΠ²ΡΠ°ΡΠ΅Π½ΠΈΡ ΡΠ°ΠΌΠΎΠΎΡΠ²Π΅ΡΡΡΠ²Π°Π½ΠΈΡ Π½Π΅ΠΎΠ±Ρ ΠΎΠ΄ΠΈΠΌΠΎ Π²Π΄Π°Π²ΠΈΡΡ ΠΊΡΠΎΠΌΠΊΡ ΡΡΠΎΠΏΠΎΡΠ½ΠΎΠΉ ΡΠ°ΠΉΠ±Ρ Π² ΠΏΠ°Π· ΡΡΠ»Π΅Π²ΠΎΠ³ΠΎ Π²Π°Π»Π°.
ΠΠΎΠ½ΡΡΠΎΠ»ΡΠ½ΡΠ΅ Π²ΠΎΠΏΡΠΎΡΡ.
ΠΠ°ΠΊΠΈΠ΅ ΠΎΡΠ½ΠΎΠ²Π½ΡΠ΅ Π½Π΅ΠΈΡΠΏΡΠ°Π²Π½ΠΎΡΡΠΈ ΡΡΠ»Π΅Π²ΠΎΠ³ΠΎ ΡΠΏΡΠ°Π²Π»Π΅Π½ΠΈΡ ΠΡ Π·Π½Π°Π΅ΡΠ΅?
ΠΠ°ΠΊΠΈΠ΅ ΠΎΡΠ½ΠΎΠ²Π½ΡΠ΅ ΡΠ°Π±ΠΎΡΡ Π²ΡΠΏΠΎΠ»Π½ΡΡΡΡΡ ΠΏΡΠΈ ΠΠ ΡΡΠ»Π΅Π²ΡΡ ΡΠΏΡΠ°Π²Π»Π΅Π½ΠΈΠΉ?
ΠΠ°ΠΊΠΈΠ΅ ΠΎΡΠ½ΠΎΠ²Π½ΡΠ΅ ΡΠ°Π±ΠΎΡΡ Π²ΡΠΏΠΎΠ»Π½ΡΡΡΡΡ ΠΏΡΠΈ Π’Π — 1 ΡΡΠ»Π΅Π²ΡΡ ΡΠΏΡΠ°Π²Π»Π΅Π½ΠΈΠΉ?
ΠΠ°ΠΊΠΈΠ΅ ΠΎΡΠ½ΠΎΠ²Π½ΡΠ΅ ΡΠ°Π±ΠΎΡΡ Π²ΡΠΏΠΎΠ»Π½ΡΡΡΡΡ ΠΏΡΠΈ Π’Π β 2 ΡΡΠ»Π΅Π²ΡΡ ΡΠΏΡΠ°Π²Π»Π΅Π½ΠΈΠΉ?
3.1. Π’ΡΠ΅Π±ΠΎΠ²Π°Π½ΠΈΡ ΠΊ ΡΡΠ°Π²ΠΌΠΎΠ±Π΅Π·ΠΎΠΏΠ°ΡΠ½ΠΎΡΡΠΈ ΡΡΠ»Π΅Π²ΠΎΠ³ΠΎ ΡΠΏΡΠ°Π²Π»Π΅Π½ΠΈΡ ΡΡΠ°Π½ΡΠΏΠΎΡΡΠ½ΡΡ ΡΡΠ΅Π΄ΡΡΠ² ΠΊΠ°ΡΠ΅Π³ΠΎΡΠΈΠΉ M1 ΠΈ N1
3.1. Π’ΡΠ΅Π±ΠΎΠ²Π°Π½ΠΈΡ ΠΊ ΡΡΠ°Π²ΠΌΠΎΠ±Π΅Π·ΠΎΠΏΠ°ΡΠ½ΠΎΡΡΠΈ ΡΡΠ»Π΅Π²ΠΎΠ³ΠΎ ΡΠΏΡΠ°Π²Π»Π΅Π½ΠΈΡ
ΡΡΠ°Π½ΡΠΏΠΎΡΡΠ½ΡΡ ΡΡΠ΅Π΄ΡΡΠ² ΠΊΠ°ΡΠ΅Π³ΠΎΡΠΈΠΉ ΠΈ
3.1.1. Π ΡΠ»Π΅Π²ΠΎΠ΅ ΡΠΏΡΠ°Π²Π»Π΅Π½ΠΈΠ΅ Π΄ΠΎΠ»ΠΆΠ½ΠΎ Π±ΡΡΡ ΡΠΊΠΎΠ½ΡΡΡΡΠΈΡΠΎΠ²Π°Π½ΠΎ ΡΠ°ΠΊΠΈΠΌ ΠΎΠ±ΡΠ°Π·ΠΎΠΌ, ΡΡΠΎΠ±Ρ ΡΠ½ΠΈΠ·ΠΈΡΡ ΡΠΈΡΠΊ ΡΡΠ°Π²ΠΌΠΈΡΠΎΠ²Π°Π½ΠΈΡ Π²ΠΎΠ΄ΠΈΡΠ΅Π»Ρ, ΠΊΠ°ΠΊ Π² ΡΡΠ»ΠΎΠ²ΠΈΡΡ ΠΎΠ±ΡΡΠ½ΠΎΠΉ ΡΠΊΡΠΏΠ»ΡΠ°ΡΠ°ΡΠΈΠΈ, ΡΠ°ΠΊ ΠΈ Π² ΡΠ»ΡΡΠ°Π΅ Π΄ΠΎΡΠΎΠΆΠ½ΠΎ-ΡΡΠ°Π½ΡΠΏΠΎΡΡΠ½ΠΎΠ³ΠΎ ΠΏΡΠΎΠΈΡΡΠ΅ΡΡΠ²ΠΈΡ, ΡΠ²ΡΠ·Π°Π½Π½ΠΎΠ³ΠΎ Ρ ΡΡΠΎΠ½ΡΠ°Π»ΡΠ½ΡΠΌ ΡΡΠΎΠ»ΠΊΠ½ΠΎΠ²Π΅Π½ΠΈΠ΅ΠΌ.
3.1.2. Π ΡΠ»Π΅Π²ΠΎΠ΅ ΠΊΠΎΠ»Π΅ΡΠΎ Π΄ΠΎΠ»ΠΆΠ½ΠΎ Π±ΡΡΡ ΡΠΊΠΎΠ½ΡΡΡΡΠΈΡΠΎΠ²Π°Π½ΠΎ ΡΠ°ΠΊΠΈΠΌ ΠΎΠ±ΡΠ°Π·ΠΎΠΌ, ΡΡΠΎΠ±Ρ ΠΏΡΠΈ ΠΎΠ±ΡΡΠ½ΠΎΠΌ Π²ΠΎΠ·Π΄Π΅ΠΉΡΡΠ²ΠΈΠΈ Π½Π° Π½Π΅Π³ΠΎ Π²ΠΎΠ΄ΠΈΡΠ΅Π»Ρ ΠΎΠ½ΠΎ Π½Π΅ ΠΌΠΎΠ³Π»ΠΎ Π·Π°ΡΠ΅ΠΏΠΈΡΡ ΠΈ Π·Π°Ρ Π²Π°ΡΠΈΡΡ ΡΠ°ΡΡΡ ΠΎΠ΄Π΅ΠΆΠ΄Ρ ΠΈΠ»ΠΈ ΡΠ²Π΅Π»ΠΈΡΠ½ΡΠ΅ ΡΠΊΡΠ°ΡΠ΅Π½ΠΈΡ (Π½Π°ΠΏΡΠΈΠΌΠ΅Ρ, Π΅ΡΠ»ΠΈ ΡΡΠ΅Π΄Π½ΡΡ ΡΠ°ΡΡΡ ΠΎΠ±ΠΎΠ΄Π° ΠΊΠΎΠ»Π΅ΡΠ° ΠΈΠ·Π³ΠΎΡΠΎΠ²Π»Π΅Π½Π° ΠΈΠ· ΠΏΠ»ΠΎΡΠΊΠΎΠ³ΠΎ Π»ΠΈΡΡΠ°, Π² Π½Π΅ΠΉ Π½Π΅ Π΄ΠΎΠ»ΠΆΠ½ΠΎ Π±ΡΡΡ ΠΎΡΠ²Π΅ΡΡΡΠΈΠΉ).
3.1.3. Π ΡΠ»Π΅Π²ΠΎΠ΅ ΠΊΠΎΠ»Π΅ΡΠΎ Π±ΡΠ»ΠΎ ΡΠΊΠΎΠ½ΡΡΡΡΠΈΡΠΎΠ²Π°Π½ΠΎ ΡΠ°ΠΊΠΈΠΌ ΠΎΠ±ΡΠ°Π·ΠΎΠΌ, ΡΡΠΎΠ±Ρ ΠΌΠΈΠ½ΠΈΠΌΠΈΠ·ΠΈΡΠΎΠ²Π°ΡΡ ΡΠΈΡΠΊ ΠΏΠΎΠ²ΡΠ΅ΠΆΠ΄Π΅Π½ΠΈΡ Π»ΠΈΡΠ° ΠΈΠ»ΠΈ ΡΠΎΡΡΡΡΠ΅Π½ΠΈΡ ΠΌΠΎΠ·Π³Π° ΠΏΡΠΈ ΡΠ΄Π°ΡΠ΅ ΠΎΠ± Π½Π΅Π³ΠΎ:
3.1.3.1. ΠΠΎΠ²Π΅ΡΡ Π½ΠΎΡΡΡ ΡΡΠ»Π΅Π²ΠΎΠ³ΠΎ ΠΊΠΎΠ»Π΅ΡΠ°, ΠΎΠ±ΡΠ°ΡΠ΅Π½Π½Π°Ρ ΠΊ Π²ΠΎΠ΄ΠΈΡΠ΅Π»Ρ, Π΄ΠΎΠ»ΠΆΠ½Π° ΠΊΠΎΠ½ΡΠ°ΠΊΡΠΈΡΠΎΠ²Π°ΡΡ ΡΠΎ ΡΡΠ΅ΡΠΎΠΉ Π΄ΠΈΠ°ΠΌΠ΅ΡΡΠΎΠΌ 165 ΠΌΠΌ Π±Π΅Π· Π½Π°Π»ΠΈΡΠΈΡ Π² ΠΊΠΎΠ½ΡΠ°ΠΊΡΠ΅ ΠΎΡΡΡΡΡ ΠΊΡΠΎΠΌΠΎΠΊ Ρ ΡΠ°Π΄ΠΈΡΡΠΎΠΌ Π·Π°ΠΊΡΡΠ³Π»Π΅Π½ΠΈΡ ΠΌΠ΅Π½ΡΡΠ΅ 2,5 ΠΌΠΌ.
3.1.3.2. ΠΠ±ΠΎΠ΄ ΡΡΠ»Π΅Π²ΠΎΠ³ΠΎ ΠΊΠΎΠ»Π΅ΡΠ° Π΄ΠΎΠ»ΠΆΠ΅Π½ Π±ΡΡΡ ΠΏΠΎΠΊΡΡΡ ΠΈΠ»ΠΈ ΠΈΠ·Π³ΠΎΡΠΎΠ²Π»Π΅Π½ ΠΈΠ· ΠΌΠ°ΡΠ΅ΡΠΈΠ°Π»Π°, ΠΊΠΎΡΠΎΡΡΠΉ ΠΏΡΠΈ Π΄Π΅ΡΠΎΡΠΌΠ°ΡΠΈΠΈ Π½Π΅ ΡΠ°ΡΡΠ΅ΠΏΠ»ΡΠ΅ΡΡΡ ΠΈ Π½Π΅ ΠΎΠ±ΡΠ°Π·ΡΠ΅Ρ ΠΎΡΠΊΠΎΠ»ΠΊΠΎΠ². Π¦Π΅Π½ΡΡΠ°Π»ΡΠ½Π°Ρ ΡΡΡΠΏΠΈΡΠ° Π΄ΠΎΠ»ΠΆΠ½Π° ΠΈΠΌΠ΅ΡΡ Π·Π°ΡΠΈΡΠ½ΠΎΠ΅ ΠΏΠΎΠΊΡΡΡΠΈΠ΅ ΠΈΠ»ΠΈ Π΄ΠΎΠ»ΠΆΠ½Π° Π±ΡΡΡ Π·Π°Π³Π»ΡΠ±Π»Π΅Π½Π° ΠΎΡΠ½ΠΎΡΠΈΡΠ΅Π»ΡΠ½ΠΎ ΠΏΠΎΠ²Π΅ΡΡ Π½ΠΎΡΡΠΈ ΠΎΠ±ΠΎΠ΄Π° ΠΊΠΎΠ»Π΅ΡΠ°.
3.1.3.3. ΠΠΎΠ»ΡΡ, ΠΈΡΠΏΠΎΠ»ΡΠ·ΡΠ΅ΠΌΡΠ΅ Π΄Π»Ρ ΠΊΡΠ΅ΠΏΠ»Π΅Π½ΠΈΡ ΡΡΠ»Π΅Π²ΠΎΠ³ΠΎ ΠΊΠΎΠ»Π΅ΡΠ° ΠΊ ΡΡΡΠΏΠΈΡΠ΅, Π² ΡΠΎΠΌ ΡΠ»ΡΡΠ°Π΅ Π΅ΡΠ»ΠΈ ΠΎΠ½ΠΈ Π½Π°Ρ ΠΎΠ΄ΡΡΡΡ ΡΠ½Π°ΡΡΠΆΠΈ, Π΄ΠΎΠ»ΠΆΠ½Ρ Π±ΡΡΡ ΡΡΠΎΠΏΠ»Π΅Π½Ρ Π·Π°ΠΏΠΎΠ΄Π»ΠΈΡΠΎ Ρ ΠΏΠΎΠ²Π΅ΡΡ Π½ΠΎΡΡΡΡ.
3.1.3.4. ΠΠ΅ΠΏΠΎΠΊΡΡΡΡΠ΅ ΠΌΠ΅ΡΠ°Π»Π»ΠΈΡΠ΅ΡΠΊΠΈΠ΅ ΡΠΏΠΈΡΡ ΠΌΠΎΠ³ΡΡ ΠΏΡΠΈΠΌΠ΅Π½ΡΡΡΡΡ Π² ΡΠΎΠΌ ΡΠ»ΡΡΠ°Π΅, Π΅ΡΠ»ΠΈ ΠΎΠ½ΠΈ ΠΈΠΌΠ΅ΡΡ ΡΡΡΠ°Π½ΠΎΠ²Π»Π΅Π½Π½ΡΠ΅ ΡΠ°Π΄ΠΈΡΡΡ Π·Π°ΠΊΡΡΠ³Π»Π΅Π½ΠΈΠΉ.
3.1.4. Π ΡΠΎΠΌ ΡΠ»ΡΡΠ°Π΅, ΠΊΠΎΠ³Π΄Π° ΡΡΠ»Π΅Π²Π°Ρ ΡΠ΅ΠΉΠΊΠ° ΠΈΠ»ΠΈ ΠΊΠ°ΡΡΠ΅Ρ ΡΡΠ»Π΅Π²ΠΎΠ³ΠΎ ΠΌΠ΅Ρ Π°Π½ΠΈΠ·ΠΌΠ° ΡΠ°ΡΠΏΠΎΠ»ΠΎΠΆΠ΅Π½Ρ ΠΏΠΎΠ·Π°Π΄ΠΈ ΠΎΡΠΈ ΠΏΠ΅ΡΠ΅Π΄Π½ΠΈΡ ΠΊΠΎΠ»Π΅Ρ, Π½ΠΈΠΊΠ°ΠΊΠ°Ρ ΡΠ°ΡΡΡ ΡΠΈΠ»ΠΎΠ²ΠΎΠ³ΠΎ Π°Π³ΡΠ΅Π³Π°ΡΠ° Π½Π΅ Π΄ΠΎΠ»ΠΆΠ½Π° ΡΠΏΠΈΡΠ°ΡΡΡΡ Π² ΡΡΠ»Π΅Π²ΠΎΠΉ Π²Π°Π» Π² ΠΌΠ΅ΡΡΠ΅ Π΅Π³ΠΎ Π²ΡΡ ΠΎΠ΄Π° ΠΈΠ· ΡΠ΅ΠΉΠΊΠΈ ΠΈΠ»ΠΈ ΠΊΠ°ΡΡΠ΅ΡΠ° ΡΡΠ»Π΅Π²ΠΎΠ³ΠΎ ΠΌΠ΅Ρ Π°Π½ΠΈΠ·ΠΌΠ°, ΡΡΠΎ ΠΌΠΎΠΆΠ΅Ρ Π±ΡΡΡ ΠΏΡΠΈΡΠΈΠ½ΠΎΠΉ ΠΏΠ΅ΡΠ΅Π΄Π°ΡΠΈ ΡΡΠΈΠ»ΠΈΡ Π½Π° ΠΊΠΎΠ»ΠΎΠ½ΠΊΡ Π² Π½Π°ΠΏΡΠ°Π²Π»Π΅Π½ΠΈΠΈ Π²ΠΎΠ΄ΠΈΡΠ΅Π»Ρ.
ΠΡΠΊΡΡΡΡ ΠΏΠΎΠ»Π½ΡΠΉ ΡΠ΅ΠΊΡΡ Π΄ΠΎΠΊΡΠΌΠ΅Π½ΡΠ°
ΠΠ±ΡΠ»ΡΠΆΠΈΠ²Π°Π½ΠΈΠ΅ ΡΡΠ»Π΅Π²ΠΎΠ³ΠΎ ΡΠΏΡΠ°Π²Π»Π΅Π½ΠΈΡ | Π£ΡΠ°Π»ΠΠΎΠ±ΠΈΠ»Π΅
Β Β Β Β Π£ΡΡΠ°Π½ΠΎΠ²ΠΈΡΠ΅ ΠΏΠ΅ΡΠ΅Π΄Π½ΠΈΠ΅ ΠΊΠΎΠ»Π΅ΡΠ° Π°Π²ΡΠΎΠΌΠΎΠ±ΠΈΠ»Ρ Π² ΠΏΠΎΠ»ΠΎΠΆΠ΅Π½ΠΈΠ΅ Π΄Π»Ρ ΠΏΡΡΠΌΠΎΠ»ΠΈΠ½Π΅ΠΉΠ½ΠΎΠ³ΠΎ Π΄Π²ΠΈΠΆΠ΅Π½ΠΈΡ ΠΈ ΠΏΡΡΡΠΈΡΠ΅ Π΄Π²ΠΈΠ³Π°ΡΠ΅Π»Ρ.Β ΠΠΎΠ²Π΅ΡΠ½ΠΈΡΠ΅ ΡΡΠ»Π΅Π²ΠΎΠ΅ ΠΊΠΎΠ»Π΅ΡΠΎ Π½Π° Π²Π΅Π»ΠΈΡΠΈΠ½Ρ ΡΠ²ΠΎΠ±ΠΎΠ΄Π½ΠΎΠ³ΠΎ Ρ ΠΎΠ΄Π° Π² Π»Π΅Π²ΡΡ ΡΡΠΎΡΠΎΠ½Ρ, Π½Π΅ Π½Π°ΡΡΡΠ°Ρ ΠΏΠΎΠ»ΠΎΠΆΠ΅Π½ΠΈΡ ΡΠΏΡΠ°Π²Π»ΡΠ΅ΠΌΡΡ ΠΊΠΎΠ»Π΅Ρ.
Β Β Β Β Π£ΡΡΠ°Π½ΠΎΠ²ΠΈΡΠ΅ Π»ΡΡΡΠΎΠΌΠ΅Ρ (ΡΠΈΡ. 1) ΡΠ°ΠΊ, ΡΡΠΎΠ±Ρ Π΅Π³ΠΎ ΡΡΡΠ΅Π»ΠΊΠ° Π½Π°Ρ ΠΎΠ΄ΠΈΠ»Π°ΡΡ ΠΏΡΠΎΡΠΈΠ² Π½ΡΠ»Ρ. ΠΠΎΠ²Π΅ΡΠ½ΠΈΡΠ΅ ΡΡΠ»Π΅Π²ΠΎΠ΅ ΠΊΠΎΠ»Π΅ΡΠΎ Π½Π° Π²Π΅Π»ΠΈΡΠΈΠ½Ρ ΡΠ²ΠΎΠ±ΠΎΠ΄Π½ΠΎΠ³ΠΎ Ρ ΠΎΠ΄Π° Π² ΠΏΡΠ°Π²ΡΡ ΡΡΠΎΡΠΎΠ½Ρ, Π½Π΅ Π½Π°ΡΡΡΠ°Ρ ΠΏΠΎΠ»ΠΎΠΆΠ΅Π½ΠΈΠ΅ ΡΠΏΡΠ°Π²Π»ΡΠ΅ΠΌΡΡ ΠΊΠΎΠ»Π΅Ρ, ΠΈ ΠΏΠΎ ΡΠΊΠ°Π»Π΅ Π»ΡΡΡΠΎΠΌΠ΅ΡΠ° ΠΎΠΏΡΠ΅Π΄Π΅Π»ΠΈΡΠ΅ ΡΠ³Π»ΠΎΠ²ΡΡ Π²Π΅Π»ΠΈΡΠΈΠ½Ρ ΡΠ²ΠΎΠ±ΠΎΠ΄Π½ΠΎΠ³ΠΎ Ρ ΠΎΠ΄Π° ΡΡΠ»Π΅Π²ΠΎΠ³ΠΎ ΠΊΠΎΠ»Π΅ΡΠ°, ΠΊΠΎΡΠΎΡΠ°Ρ Π½Π΅ Π΄ΠΎΠ»ΠΆΠ½Π° ΠΏΡΠ΅Π²ΡΡΠ°ΡΡ 12Β°.
Β Β Β Β ΠΡΠ»ΠΈ ΡΠ²ΠΎΠ±ΠΎΠ΄Π½ΡΠΉ Ρ
ΠΎΠ΄ ΠΎΠΊΠ°ΠΆΠ΅ΡΡΡ Π±ΠΎΠ»ΡΡΠ΅ Π΄ΠΎΠΏΡΡΡΠΈΠΌΠΎΠ³ΠΎ, Π½Π΅ΠΎΠ±Ρ
ΠΎΠ΄ΠΈΠΌΠΎ ΠΎΠΏΡΠ΅Π΄Π΅Π»ΠΈΡΡ, Π·Π° ΡΡΠ΅Ρ ΠΊΠ°ΠΊΠΎΠ³ΠΎ ΡΠΎΠ΅Π΄ΠΈΠ½Π΅Π½ΠΈΡ ΠΎΠ½ ΡΠ²Π΅Π»ΠΈΡΠΈΠ»ΡΡ. ΠΠ»Ρ ΡΡΠΎΠ³ΠΎ Π½Π°Π΄ΠΎ ΠΏΡΠΎΠ²Π΅ΡΠΈΡΡ:
Β -ΡΠΎΡΡΠΎΡΠ½ΠΈΠ΅ ΡΡΠ»Π΅Π²ΡΡ
ΡΡΠ³. ΠΡΠΈ ΠΎΠ±Π½Π°ΡΡΠΆΠ΅Π½ΠΈΠΈ Π·Π°Π·ΠΎΡΠΎΠ² Π² ΡΠ°ΡΠ½ΠΈΡΠ°Ρ
ΡΡΠ³ Π·Π°ΠΌΠ΅Π½ΠΈΡΠ΅ ΠΈΡ
Π½ΠΎΠ²ΡΠΌΠΈ ΠΈΠ»ΠΈ ΠΎΡΡΠ΅ΠΌΠΎΠ½ΡΠΈΡΠΎΠ²Π°Π½Π½ΡΠΌΠΈ;
Β -Π·Π°ΡΡΠΆΠΊΡ Π±ΠΎΠ»ΡΠΎΠ² ΠΊΡΠ΅ΠΏΠ»Π΅Π½ΠΈΡ ΡΡΠ»Π΅Π²ΠΎΠ³ΠΎ ΠΌΠ΅Ρ
Π°Π½ΠΈΠ·ΠΌΠ° ΠΈ ΡΡΠ»Π΅Π²ΠΎΠΉ ΡΠΎΡΠΊΠΈ;
Π·Π°Π·ΠΎΡΡ Π² ΡΠ°ΡΠ½ΠΈΡΠ°Ρ
ΠΊΠ°ΡΠ΄Π°Π½Π½ΠΎΠ³ΠΎ Π²Π°Π»Π° ΡΡΠ»Π΅Π²ΠΎΠ³ΠΎ ΡΠΏΡΠ°Π²Π»Π΅Π½ΠΈΡ, Π΄Π»Ρ ΡΡΠΎΠ³ΠΎ ΠΏΠΎΠΊΠ°ΡΠ°ΠΉΡΠ΅ Π²Π°Π» ΡΡΠΊΠΎΠΉ Π² ΡΠ°Π΄ΠΈΠ°Π»ΡΠ½ΡΡ
Π½Π°ΠΏΡΠ°Π²Π»Π΅Π½ΠΈΡΡ
. ΠΡΠ»ΠΈ ΠΈΠΌΠ΅ΡΡΡΡ Π·Π°Π·ΠΎΡΡ Π² ΡΠ°ΡΠ½ΠΈΡΠ°Ρ
ΠΈΠ»ΠΈ ΡΠ»ΠΈΡΠ΅Π²ΠΎΠΌ ΡΠΎΠ΅Π΄ΠΈΠ½Π΅Π½ΠΈΠΈ, ΠΈΠ·Π½ΠΎΡΠ΅Π½Π½ΡΠ΅ Π΄Π΅ΡΠ°Π»ΠΈ Π·Π°ΠΌΠ΅Π½ΠΈΡΠ΅;
Β -ΡΠ΅Π³ΡΠ»ΠΈΡΠΎΠ²ΠΊΡ ΠΏΠΎΠ΄ΡΠΈΠΏΠ½ΠΈΠΊΠΎΠ² ΡΡΡΠΏΠΈΡ ΠΊΠΎΠ»Π΅Ρ ΠΈ ΡΠΎΡΡΠΎΡΠ½ΠΈΠ΅ ΡΠΊΠ²ΠΎΡΠ½Π΅Π²ΠΎΠ³ΠΎ ΡΠΎΠ΅Π΄ΠΈΠ½Π΅Π½ΠΈΡ.
Β Β Β Β Π£Π±Π΅Π΄ΠΈΠ²ΡΠΈΡΡ Π² ΡΠ΄ΠΎΠ²Π»Π΅ΡΠ²ΠΎΡΠΈΡΠ΅Π»ΡΠ½ΠΎΠΌ ΡΠΎΡΡΠΎΡΠ½ΠΈΠΈ ΠΏΠ΅ΡΠ΅ΡΠΈΡΠ»Π΅Π½Π½ΡΡ ΡΠ·Π»ΠΎΠ², ΠΏΡΠΎΠ²Π΅ΡΡΡΠ΅ ΡΠ΅Π³ΡΠ»ΠΈΡΠΎΠ²ΠΊΡ ΡΡΠ»Π΅Π²ΠΎΠ³ΠΎ ΠΌΠ΅Ρ Π°Π½ΠΈΠ·ΠΌΠ°. Π‘ΠΌΠ°ΠΆΡΡΠ΅ ΡΠ΅ΡΠ΅Π· ΠΏΡΠ΅ΡΡ-ΠΌΠ°ΡΠ»Π΅Π½ΠΊΠΈ Π»ΠΈΡΠΎΠ»ΠΎΠΌ-24 Ρ ΠΏΠΎΠΌΠΎΡΡΡ ΡΠΏΡΠΈΡ-ΠΏΡΠ΅ΡΡΠ° ΡΠ°ΡΠ½ΠΈΡΡ ΠΏΡΠΎΠ΄ΠΎΠ»ΡΠ½ΠΎΠΉ ΠΈ ΠΏΠΎΠΏΠ΅ΡΠ΅ΡΠ½ΠΎΠΉ ΡΡΠ³, Π³ΠΈΠ΄ΡΠΎΡΡΠΈΠ»ΠΈΡΠ΅Π»Ρ ΡΡΠ»Π΅Π²ΠΎΠ³ΠΎ ΡΠΏΡΠ°Π²Π»Π΅Π½ΠΈΡ (ΡΠΈΡ. 2).
Β Β Β Β ΠΡΠΎΠ³ΡΠ΅ΠΉΡΠ΅ Π΄Π²ΠΈΠ³Π°ΡΠ΅Π»Ρ, ΡΠ΅ΠΌΠΏΠ΅ΡΠ°ΡΡΡΠ° ΠΌΠ°ΡΠ»Π° Π² Π³ΠΈΠ΄ΡΠΎΡΠΈΡΡΠ΅ΠΌΠ΅ ΡΡΠ»Π΅Π²ΠΎΠ³ΠΎ ΡΠΏΡΠ°Π²Π»Π΅Π½ΠΈΡ Π΄ΠΎΠ»ΠΆΠ½Π° Π±ΡΡΡ Π½Π΅ ΠΌΠ΅Π½Π΅Π΅ 20 Β°Π‘. ΠΠΎΠ΄Π½ΠΈΠΌΠΈΡΠ΅ Π΄ΠΎΠΌΠΊΡΠ°ΡΠΎΠΌ ΠΏΠ΅ΡΠ΅Π΄Π½ΠΈΠΉ ΠΌΠΎΡΡ. ΠΠΎΠ²Π΅ΡΠ½ΠΈΡΠ΅ ΡΠΏΡΠ°Π²Π»ΡΠ΅ΠΌΡΠ΅ ΠΊΠΎΠ»Π΅ΡΠ° Π²Π»Π΅Π²ΠΎ Π΄ΠΎ ΡΠΏΠΎΡΠ°. ΠΡΡΠΎΠ΅Π΄ΠΈΠ½ΠΈΡΠ΅ ΡΠ»Π°Π½Π³ΠΈ Π³ΠΈΠ΄ΡΠ°Π²Π»ΠΈΡΠ΅ΡΠΊΠΎΠ³ΠΎ ΡΡΠΈΠ»ΠΈΡΠ΅Π»Ρ: ΠΏΠ΅ΡΠ΅Π΄Π½ΠΈΠΉ ΠΎΡ ΡΡΡΡΠ΅ΡΠ° Π½Π° ΡΠ°ΠΌΠ΅, Π·Π°Π΄Π½ΠΈΠΉ — ΠΎΡ ΡΡΡΡΠ΅ΡΠ° Π³ΠΈΠ΄ΡΠ°Π²Π»ΠΈΡΠ΅ΡΠΊΠΎΠ³ΠΎ ΡΡΠΈΠ»ΠΈΡΠ΅Π»Ρ.
Β Β Β Β Π‘Π½ΠΈΠΌΠΈΡΠ΅ ΠΊΡΡΡΠΊΡ 2 (ΡΠΈΡ. 3), ΡΠΈΠ»ΡΡΡ 1 ΠΈ ΠΏΡΠΎΠΌΠΎΠΉΡΠ΅ Π΅Π³ΠΎ. Π‘Π»Π΅ΠΉΡΠ΅ ΠΌΠ°ΡΠ»ΠΎ ΠΈΠ· Π³ΠΈΠ΄ΡΠ°Π²Π»ΠΈΡΠ΅ΡΠΊΠΎΠ³ΠΎ ΡΡΠΈΠ»ΠΈΡΠ΅Π»Ρ ΡΡΠ»Π΅Π²ΠΎΠ³ΠΎ ΡΠΏΡΠ°Π²Π»Π΅Π½ΠΈΡ, Π΄Π»Ρ ΡΠ΅Π³ΠΎ ΠΏΠΎΠ²Π΅ΡΠ½ΠΈΡΠ΅ ΡΠΏΡΠ°Π²Π»ΡΠ΅ΠΌΡΠ΅ ΠΊΠΎΠ»Π΅ΡΠ° Π²ΠΏΡΠ°Π²ΠΎ Π΄ΠΎ ΡΠΏΠΎΡΠ°.
Β Β Β ΠΠΎΡΠ»Π΅ ΡΠΎΠ³ΠΎ ΠΊΠ°ΠΊ ΠΌΠ°ΡΠ»ΠΎ ΡΡΠ΅ΡΠ΅Ρ ΠΈΠ· Π±Π°ΡΠΊΠ° Π½Π°ΡΠΎΡΠ°, ΠΎΠΏΡΡΡΠΈΡΠ΅ Π·Π°ΠΏΠ°ΡΠ½ΠΎΠ΅ ΠΊΠΎΠ»Π΅ΡΠΎ Π΄Π»Ρ ΡΠ»ΠΈΠ²Π° ΠΌΠ°ΡΠ»Π° ΠΈΠ· ΡΡΠΎΠΊΠΎΠ²ΠΎΠΉ ΠΏΠΎΠ»ΠΎΡΡΠΈ Π³ΠΈΠ΄ΡΠ°Π²Π»ΠΈΡΠ΅ΡΠΊΠΎΠ³ΠΎ ΠΏΠΎΠ΄ΡΠ΅ΠΌΠ½ΠΈΠΊΠ°.
Β Β Β Β ΠΠΎΠ΄ΡΠΎΠ΅Π΄ΠΈΠ½ΠΈΡΠ΅ ΡΠ»Π°Π½Π³ΠΈ Π³ΠΈΠ΄ΡΠ°Π²Π»ΠΈΡΠ΅ΡΠΊΠΎΠ³ΠΎ ΡΡΠΈΠ»ΠΈΡΠ΅Π»Ρ ΠΊ ΡΡΡΡΠ΅ΡΡ Π½Π° ΡΠ°ΠΌΠ΅ ΠΈ ΠΊ ΡΡΡΡΠ΅ΡΡ Π³ΠΈΠ΄ΡΠ°Π²Π»ΠΈΡΠ΅ΡΠΊΠΎΠ³ΠΎ ΡΡΠΈΠ»ΠΈΡΠ΅Π»Ρ. Π£Π΄Π°Π»ΠΈΡΠ΅ ΠΎΡΡΠ°ΡΠΊΠΈ ΠΌΠ°ΡΠ»Π° ΠΈΠ· Π±Π°ΡΠΊΠ° Π½Π°ΡΠΎΡΠ°, ΡΡΡΠ°Π½ΠΎΠ²ΠΈΡΠ΅ ΡΠ΅ΡΡΠ°ΡΡΠΉ ΡΠΈΠ»ΡΡΡ ΠΈ ΠΊΡΡΡΠΊΡ Π±Π°ΡΠΊΠ° Π½Π° ΠΌΠ΅ΡΡΠΎ.
Β Β Β Β ΠΠ°Π»Π΅ΠΉΡΠ΅ Π² Π±Π°ΡΠΎΠΊ 1,5 Π» ΡΠΈΡΡΠΎΠ³ΠΎ ΠΌΠ°ΡΠ»Π° Π ΠΈ ΠΏΡΡΡΠΈΡΠ΅ Π΄Π²ΠΈΠ³Π°ΡΠ΅Π»Ρ. ΠΠ° ΡΠ΅ΠΆΠΈΠΌΠ΅ Ρ ΠΎΠ»ΠΎΡΡΠΎΠ³ΠΎ Ρ ΠΎΠ΄Π° ΠΏΠΎΠ²Π΅ΡΠ½ΠΈΡΠ΅ Π΄Π²Π°-ΡΡΠΈ ΡΠ°Π·Π° ΠΊΠΎΠ»Π΅ΡΠ° Π² ΠΎΠ±Π΅ ΡΡΠΎΡΠΎΠ½Ρ Π΄ΠΎ ΡΠΏΠΎΡΠ° ΠΈ ΡΡΡΠ°Π½ΠΎΠ²ΠΈΡΠ΅ ΠΈΡ Π² ΠΊΡΠ°ΠΉΠ½Π΅Π΅ Π»Π΅Π²ΠΎΠ΅ ΠΏΠΎΠ»ΠΎΠΆΠ΅Π½ΠΈΠ΅. ΠΠΎΠ»Π΅ΠΉΡΠ΅ Π² Π±Π°ΡΠΎΠΊ ΠΌΠ°ΡΠ»ΠΎ Π΄ΠΎ Π²Π΅ΡΡ Π½Π΅ΠΉ ΠΌΠ΅ΡΠΊΠΈ ΠΌΠ΅ΡΠ½ΠΎΠΉ Π»ΠΈΠ½Π΅ΠΉΠΊΠΈ, ΠΏΠΎΠ΄Π½ΠΈΠΌΠΈΡΠ΅ ΠΈ ΠΎΠΏΡΡΡΠΈΡΠ΅ Π½Π΅ΡΠΊΠΎΠ»ΡΠΊΠΎ ΡΠ°Π· Π·Π°ΠΏΠ°ΡΠ½ΠΎΠ΅ ΠΊΠΎΠ»Π΅ΡΠΎ. Π‘Π½ΠΎΠ²Π° ΡΠ»Π΅ΠΉΡΠ΅ ΠΌΠ°ΡΠ»ΠΎ ΠΈΠ· ΡΠΈΡΡΠ΅ΠΌΡ ΠΈ Π·Π°Π»Π΅ΠΉΡΠ΅ Π² Π±Π°ΡΠΎΠΊ 1,5 Π» ΡΠΈΡΡΠΎΠ³ΠΎ ΠΌΠ°ΡΠ»Π°.
Β Β Β Β ΠΡΡΡΠΈΡΠ΅ Π΄Π²ΠΈΠ³Π°ΡΠ΅Π»Ρ, Π½Π° ΡΠ΅ΠΆΠΈΠΌΠ΅ Ρ ΠΎΠ»ΠΎΡΡΠΎΠ³ΠΎ Ρ ΠΎΠ΄Π° ΡΠ΄Π°Π»ΠΈΡΠ΅ Π²ΠΎΠ·Π΄ΡΡ ΠΈΠ· Π³ΠΈΠ΄ΡΠΎΡΠΈΡΡΠ΅ΠΌΡ, Π²ΡΠ°ΡΠ°Ρ ΡΡΠ»Π΅Π²ΠΎΠ΅ ΠΊΠΎΠ»Π΅ΡΠΎ Π΄ΠΎ ΡΠΏΠΎΡΠ° Π² ΠΎΠ±Π΅ ΡΡΠΎΡΠΎΠ½Ρ Π΄ΠΎ ΠΏΡΠ΅ΠΊΡΠ°ΡΠ΅Π½ΠΈΡ Π²ΡΠ΄Π΅Π»Π΅Π½ΠΈΡ ΠΏΡΠ·ΡΡΡΠΊΠΎΠ² Π²ΠΎΠ·Π΄ΡΡ Π° Π² Π±Π°ΡΠΊΠ΅.
Β Β Β Β ΠΠ²Π°-ΡΡΠΈ ΡΠ°Π·Π° ΠΏΠΎΠ΄Π½ΠΈΠΌΠΈΡΠ΅ Π·Π°ΠΏΠ°ΡΠ½ΠΎΠ΅ ΠΊΠΎΠ»Π΅ΡΠΎ. ΠΡΠΎΠ²Π΅ΡΡΡΠ΅ ΡΡΠΎΠ²Π΅Π½Ρ ΠΌΠ°ΡΠ»Π°, Π΄ΠΎΠ²Π΅Π΄ΠΈΡΠ΅ Π΅Π³ΠΎ Π΄ΠΎ Π½ΠΎΡΠΌΡ ΠΈ ΡΡΡΠ°Π½ΠΎΠ²ΠΈΡΠ΅ ΠΏΡΠΎΠ±ΠΊΡ Π·Π°Π»ΠΈΠ²Π½ΠΎΠΉ Π³ΠΎΡΠ»ΠΎΠ²ΠΈΠ½Ρ Π² ΠΊΡΡΡΠΊΠ΅ Π±Π°ΡΠΊΠ° Π½Π° ΠΌΠ΅ΡΡΠΎ.
Β Β Β Β ΠΡΠ²Π΅ΡΠ½ΠΈΡΠ΅ ΠΏΡΠΎΠ±ΠΊΡ Π·Π°Π»ΠΈΠ²Π½ΠΎΠ³ΠΎ ΠΎΡΠ²Π΅ΡΡΡΠΈΡ 1 (ΡΠΈΡ. 4) ΠΈ ΠΏΡΠΎΠ²Π΅ΡΡΡΠ΅ Π½Π°Π»ΠΈΡΠΈΠ΅ ΠΌΠ°ΡΠ»Π° Π² ΠΊΠ°ΡΡΠ΅ΡΠ΅ ΡΡΠ»Π΅Π²ΠΎΠ³ΠΎ ΠΌΠ΅Ρ Π°Π½ΠΈΠ·ΠΌΠ°, Π΅Π³ΠΎ ΡΡΠΎΠ²Π΅Π½Ρ Π΄ΠΎΠ»ΠΆΠ΅Π½ Π±ΡΡΡ Ρ ΠΊΡΠΎΠΌΠΊΠΈ Π·Π°Π»ΠΈΠ²Π½ΠΎΠ³ΠΎ ΠΎΡΠ²Π΅ΡΡΡΠΈΡ. ΠΡΠΈ Π½Π΅ΠΎΠ±Ρ ΠΎΠ΄ΠΈΠΌΠΎΡΡΠΈ Π΄ΠΎΠ»Π΅ΠΉΡΠ΅ ΠΌΠ°ΡΠ»ΠΎ Π’Π‘ΠΏ-15ΠΊ (ΠΠ’-16ΠΏ) Π΄ΠΎ Π½ΠΎΡΠΌΡ ΠΈ ΠΏΠ»ΠΎΡΠ½ΠΎ Π·Π°Π²Π΅ΡΠ½ΠΈΡΠ΅ ΠΏΡΠΎΠ±ΠΊΡ.
ΠΠΈΠ΄ΡΠ°Π²Π»ΠΈΡΠ΅ΡΠΊΠΎΠ΅ ΡΡΠ»Π΅Π²ΠΎΠ΅ ΡΠΏΡΠ°Π²Π»Π΅Π½ΠΈΠ΅ Π»ΠΎΠ΄ΠΎΡΠ½ΡΠΌ ΠΌΠΎΡΠΎΡΠΎΠΌ
ΠΠΈΠ΄ΡΠ°Π²Π»ΠΈΡΠ΅ΡΠΊΠ°Ρ ΡΠΈΡΡΠ΅ΠΌΠ° Π΄ΠΈΡΡΠ°Π½ΡΠΈΠΎΠ½Π½ΠΎΠ³ΠΎ ΡΠΏΡΠ°Π²Π»Π΅Π½ΠΈΡ β ΡΡΠ»ΡΠ²ΠΊΠ° Π±Π΅Π· Π»ΡΡΡΠΎΠ², ΠΈ Π»ΠΎΠ΄ΠΊΠ° Π½Π΅ ΡΡΡΠΊΠ°Π΅Ρ
ΠΡΠ΅Π±ΡΡ Π²ΡΡΠ»Π°ΠΌΠΈ Π½ΡΠΆΠ½Ρ ΡΠΈΠ»Π° ΠΈ Π²ΡΠ½ΠΎΡΠ»ΠΈΠ²ΠΎΡΡΡ. Π‘ΡΠ΄ΠΎΠ²ΠΎΠ΄ΠΈΡΠ΅Π»Ρ ΠΌΠΎΡΠΎΡΠ½ΠΎΠΉ Π»ΠΎΠ΄ΠΊΠΈ β ΠΎΠΏΡΡ, ΡΠ½ΠΎΡΠΎΠ²ΠΊΠ°, Π΄ΠΎΠ±ΡΠΎΡΠ½ΠΎΠ΅ ΠΎΠ±ΠΎΡΡΠ΄ΠΎΠ²Π°Π½ΠΈΠ΅. Β«ΠΠΈΡΡΠ°Π½ΡΠΈΡΒ»: ΡΡΠΎΠΈΡ Π»ΠΈ ΡΡΠ°Π²ΠΈΡΡ Π΅Ρ Π½Π° Π»ΠΎΠ΄ΠΊΡ? ΠΠ°ΠΊΡΡ Π²ΡΠ±ΡΠ°ΡΡ? ΠΠ΅ ΠΎΠ΄ΠΈΠ½ Π²ΠΎΠ΄Π½ΠΎΠΌΠΎΡΠΎΡΠ½ΠΈΠΊ ΡΠ΅ΡΠ·Π°Π»ΡΡ ΡΠ°ΠΊΠΈΠΌΠΈ ΡΠΎΠΌΠ½Π΅Π½ΠΈΡΠΌΠΈ. ΠΠ° ΡΠΎΡΡΠΌΠ°Ρ ΠΎΠ± ΡΡΠΎΠΌ ΡΠΏΠΎΡΡΡ Π²Π·Π°Ρ Π»ΡΠ±.
Π Π°Π·Π±ΠΈΡΠ°Π΅ΠΌΡΡ. Π ΡΡΠΌ ΡΠ°Π·Π»ΠΈΡΠΈΡ ΡΡΠ»Π΅Π²ΡΡ ΡΠΈΡΡΠ΅ΠΌ?
ΠΠ΅Ρ Π°Π½ΠΈΡΠ΅ΡΠΊΠΈΠ΅ ΠΏΠ΅ΡΠ΅Π΄Π°ΡΡ ΡΡΠΈΠ»ΠΈΠ΅ ΠΏΠΎΡΡΠ΅Π΄ΡΡΠ²ΠΎΠΌ ΡΡΠΎΡΠΎΠ², Π³ΠΈΠ΄ΡΠ°Π²Π»ΠΈΡΠ΅ΡΠΊΠΈΠ΅ ΡΠ΅ΡΠ΅Π· ΠΆΠΈΠ΄ΠΊΠΎΡΡΡ. ΠΠ±Π΅ ΡΠΈΡΡΠ΅ΠΌΡ ΠΏΠΎΠ·Π²ΠΎΠ»ΡΡΡ ΡΠ΅Π³ΡΠ»ΠΈΡΠΎΠ²Π°ΡΡ ΠΊΠΎΠ»ΠΈΡΠ΅ΡΡΠ²ΠΎ ΠΎΠ±ΠΎΡΠΎΡΠΎΠ² ΡΡΠ»Ρ ΠΈ ΡΡΠΈΠ»ΠΈΠ΅ ΠΏΠ΅ΡΠ΅ΠΊΠ»Π°Π΄ΠΊΠΈ.
ΠΠ΅Ρ Π°Π½ΠΈΡΠ΅ΡΠΊΠΈΠ΅ ΠΌΠΎΠ΄Π΅Π»ΠΈ Π΄Π΅ΡΠ΅Π²Π»Π΅ ΠΈ ΠΏΡΠΎΡΠ΅ Π² ΡΡΡΠ°Π½ΠΎΠ²ΠΊΠ΅. ΠΠΎ Π΄Π»Ρ Π½ΠΈΡ ΠΏΡΠ΅Π΄Π΅Π»ΡΠ½Π°Ρ ΠΌΠΎΡΠ½ΠΎΡΡΡ Π΄Π²ΠΈΠ³Π°ΡΠ΅Π»Ρ ΠΎΠ³ΡΠ°Π½ΠΈΡΠ΅Π½Π° 55-150 Π».Ρ. Π ΠΏΡΠΎΡΠΈΠ²Π½ΠΎΠΌ ΡΠ»ΡΡΠ°Π΅ ΡΡΠ»Π΅Π²ΠΎΠΉ ΡΠ΅Π΄ΡΠΊΡΠΎΡ ΠΈ ΡΡΠΎΡΡ ΠΏΠΎΠ΄Π²Π΅ΡΠ³Π°ΡΡΡΡ ΠΎΠΏΠ°ΡΠ½ΡΠΌ Π½Π°Π³ΡΡΠ·ΠΊΠ°ΠΌ!
ΠΠΈΠ΄ΡΠ°Π²Π»ΠΈΠΊΠ°: Π΄Π»Ρ ΠΊΠ°ΠΊΠΈΡ ΠΊΠΎΠΌΠΏΠ»Π΅ΠΊΡΠΎΠ², Π² ΡΠ΅ΠΌ ΠΏΠ»ΡΡΡ ΠΈ ΠΌΠΈΠ½ΡΡΡ, ΠΎΡΠ·ΡΠ²Ρ ΠΏΠΎΠΊΡΠΏΠ°ΡΠ΅Π»Π΅ΠΉ
ΠΡΠ° ΡΡ Π΅ΠΌΠ° ΠΏΡΠ΅Π΄Π½Π°Π·Π½Π°ΡΠ΅Π½Π° Π΄Π»Ρ ΠΌΠΎΡΠ½ΡΡ ΠΌΠΎΡΠΎΡΠΎΠ². Π ΠΎΡΠΎΠ±Π΅Π½Π½ΠΎΡΡΠΈ Π½Π° ΡΡΠ΄Π°Ρ , Π³Π΄Π΅ ΠΏΠΎΡΡ ΡΠΏΡΠ°Π²Π»Π΅Π½ΠΈΡ ΡΡΡΠ΅ΡΡΠ²Π΅Π½Π½ΠΎ ΡΠ΄Π°Π»ΡΠ½ ΠΎΡ ΠΊΠΎΡΠΌΡ.Β
ΠΠ»Ρ Π΄Π²ΡΡ ΠΌΠΎΡΠΎΡΠ½ΡΡ ΠΊΠ°ΡΠ΅ΡΠΎΠ² ΡΠΈΠ½Ρ ΡΠΎΠ½Π½ΠΎΠ΅ ΡΠΏΡΠ°Π²Π»Π΅Π½ΠΈΠ΅ Β«ΡΠΏΠ°ΡΠΊΠΎΠΉΒ» Π²ΠΎΠ·ΠΌΠΎΠΆΠ½ΠΎ ΠΈ Π΄Π²ΡΡ ΡΡΠΎΡΠΎΠ²ΡΠΌ ΠΌΠ΅Ρ Π°Π½ΠΈΡΠ΅ΡΠΊΠΈΠΌ ΡΠ΅Π΄ΡΠΊΡΠΎΡΠΎΠΌ. ΠΠΎ Π³ΠΈΠ΄ΡΠΎΠ½Π°ΡΠΎΡ Π΄Π΅ΠΉΡΡΠ²ΡΠ΅Ρ Π·Π½Π°ΡΠΈΡΠ΅Π»ΡΠ½ΠΎ Π½Π°Π΄ΡΠΆΠ½Π΅Π΅ ΠΈ ΡΡΡΠ΅ΠΊΡΠΈΠ²Π½Π΅Π΅. ΠΡΠΎ ΠΆΠ΅ ΡΠΏΡΠ°Π²Π΅Π΄Π»ΠΈΠ²ΠΎ ΠΈ Π΄Π»Ρ ΠΌΠΎΠ΄ΠΈΡΠΈΠΊΠ°ΡΠΈΠΉ Ρ Π΄Π²ΡΠΌΡ ΠΏΠΎΡΡΠ°ΠΌΠΈ ΡΠΏΡΠ°Π²Π»Π΅Π½ΠΈΡ.
Π¦Π΅Π½Π½ΠΎΠ΅ Π΄ΠΎΡΡΠΎΠΈΠ½ΡΡΠ²ΠΎ Π³ΠΈΠ΄ΡΠ°Π²Π»ΠΈΡΠ΅ΡΠΊΠΎΠΉ ΡΠΈΡΡΠ΅ΠΌΡ: ΡΠ΅ΠΌΠΎΠ½ΡΠΎΠΏΡΠΈΠ³ΠΎΠ΄Π½ΠΎΡΡΡ. ΠΠ½Π° Π΄ΠΎΠ»Π³ΠΎΠ²Π΅ΡΠ½Π° ΠΏΡΠΈ ΠΏΠ΅ΡΠΈΠΎΠ΄ΠΈΡΠ΅ΡΠΊΠΎΠΉ Π·Π°ΠΌΠ΅Π½Π΅ ΠΊΠΎΠΌΠΏΠΎΠ½Π΅Π½ΡΠΎΠ² ΠΏΠΎ ΠΌΠ΅ΡΠ΅ ΠΈΠ·Π½ΠΎΡΠ°.Β
Π‘ΡΡΠ΅ΡΡΠ²ΡΠ΅Ρ Π»ΠΈ Π½ΠΈΠΆΠ½ΡΡ Π³ΡΠ°Π½ΠΈΡΠ° ΠΌΠΎΡΠ½ΠΎΡΡΠΈ ΠΠΠ Π΄Π»Ρ Π³ΠΈΠ΄ΡΠΎΡΠΈΡΡΠ΅ΠΌΡ? ΠΠ΅Ρ. ΠΡΠΈ ΠΆΠ΅Π»Π°Π½ΠΈΠΈ ΡΡΠ°Π²ΡΡΠ΅ Π΅Ρ Ρ ΠΎΡΡ Π½Π° Β«Π΄Π²Π°Π΄ΡΠ°ΡΠΊΡΒ»: ΠΎΠ±ΠΎΡΡΠ΄ΠΎΠ²Π°Π½ΠΈΠ΅ ΠΏΠΎΠ΄ΠΎΠΉΠ΄ΡΡ Π΄Π»Ρ ΠΌΠ°Π»ΠΎΠΌΠ΅ΡΠ½ΡΡ ΡΡΠ΄ΠΎΠ² Π»ΡΠ±ΠΎΠ³ΠΎ ΡΠΈΠΏΠ°.
ΠΡΠ»ΠΈ ΠΏΠ»Π°Π½ΠΈΡΡΠ΅ΡΠ΅ ΡΡΡΠ°Π½Π°Π²Π»ΠΈΠ²Π°ΡΡ Π² Π΄Π°Π»ΡΠ½Π΅ΠΉΡΠ΅ΠΌ Π°Π²ΡΠΎΠΏΠΈΠ»ΠΎΡ, Π½Π° Π³ΠΈΠ΄ΡΠ°Π²Π»ΠΈΠΊΡ ΡΡΠΎ ΡΠ΄Π΅Π»Π°ΡΡ Π±ΡΠ΄Π΅Ρ ΠΊΡΠ΄Π° ΠΏΡΠΎΡΠ΅.
Π‘ Π½Π΅Ρ ΠΊΠΎΠΌΡΠΎΡΡΠ½Π΅Π΅ ΡΡΠ»ΠΈΡΡ. ΠΡ Π·Π°Π±ΡΠ΄Π΅ΡΠ΅, ΡΡΠΎ ΡΠ°ΠΊΠΎΠ΅ ΡΡΠ»Π΅Π²ΡΠ΅ Π»ΡΡΡΡ, ΠΊΠΎΠ³Π΄Π° Π½Π° ΡΡΠ΄Π½Π΅ Π±ΡΠ΄Π΅Ρ Β«Π΄ΠΈΡΡΠ°Π½ΡΠΈΡΒ» Ρ Π³ΠΈΠ΄ΡΠΎΠ½Π°ΡΠΎΡΠΎΠΌ β ΠΏΠΎ ΡΠ΅Π³Π»Π°ΠΌΠ΅Π½ΡΡ ΠΎΠ±ΡΠ»ΡΠΆΠ΅Π½Π½Π°Ρ, ΠΏΡΠΎΠΊΠ°ΡΠ°Π½Π½Π°Ρ, ΠΏΠΎΠ»Π½ΠΎΡΡΡΡ Π·Π°ΠΏΡΠ°Π²Π»Π΅Π½Π½Π°Ρ.Β
ΠΠΎΡ ΠΊΠ°ΠΊ ΠΎΠΏΠΈΡΡΠ²Π°ΡΡ ΠΎΡΡΡΠ΅Π½ΠΈΡ ΠΎΡ ΠΏΠ΅ΡΠ΅Ρ ΠΎΠ΄Π° Π½Π° Π½ΠΎΠ²ΡΡ ΡΠΈΡΡΠ΅ΠΌΡ Π²ΠΎΠ΄Π½ΠΎΠΌΠΎΡΠΎΡΠ½ΠΈΠΊΠΈ:
- Β«ΠΠΈΠ΄ΡΠ°Π²Π»ΠΈΠΊΠ° ΠΌΡΠ³ΡΠ΅ ΠΈ ΡΠΎΡΠ½Π΅Π΅ Π² ΡΡΠ»ΡΠΆΠΊΠ΅, Π½Π΅ Π³ΠΎΠ²ΠΎΡΡ ΠΏΡΠΎ ΡΡΠΈΠ»ΠΈΡΒ»
- Β«Π‘ ΠΌΠ΅Ρ Π°Π½ΠΈΠΊΠΎΠΉ Π½Π° Π½Π°ΡΠ΅ΠΉ ΡΠ΅ΠΊΠ΅ Ρ ΠΌΠ΅Π½Ρ ΡΡΠΊΠΈ ΠΊΠ°ΠΊ Ρ Π¨Π²Π°ΡΡΠ½Π΅Π³Π³Π΅ΡΠ° ΡΡΠ°Π»ΠΈ: Π΄Π° Π΅ΡΡ ΡΡΠ»Ρ ΠΊΡΡΡΠΈΡΡ Π² ΡΡΠΈ ΡΠ°Π·Π° Π±ΠΎΠ»ΡΡΠ΅ ΠΈ Π±ΡΡΡΡΠ΅Π΅. Π ΡΠΎ Π½Π΅ ΡΡΠΏΠ΅Π΅ΡΡ Π·Π°Π²Π΅ΡΠ½ΡΡΡ ΠΏΠΎ Π±ΡΡΠ½ΠΎΠΌΡ ΡΠ΅ΡΠ΅Π½ΠΈΡ, Π½Π° Π±Π΅ΡΠ΅Π³ Π²ΡΠ½Π΅ΡΠ΅Ρ ΠΈΠ»ΠΈ ΠΏΠΎΠ΄ Π·Π°Π²Π°Π»ΡΒ»Β
- Β«Π’ΡΠΎΡΠΎΠ²ΡΠΌ Π½Π° ΠΏΠΎΠΊΠ°ΡΡΡΠΊΠ°Ρ Ρ Π²Π°ΡΡΡΡΠΊΠΎΠΉ ΡΡΠ»ΠΈΡΡ Π±ΡΠ»ΠΎ ΡΡΡΠ΄Π½ΠΎ ΠΈ ΠΎΠΏΠ°ΡΠ½ΠΎΒ».
- Β«ΠΠ° ΠΌΠ΅Π»ΠΊΠΎΠ²ΠΎΠ΄ΡΠ΅ Π»Π΅Π³ΡΠ΅ ΠΊΡΡΡΠΈΡΡ ΡΡΡΡΠ²Π°Π»: ΠΏΠΎΠ΄Π½ΡΡΡΠΌ Π΄Π²ΠΈΠΆΠΊΠΎΠΌ Π»Π΅Π³ΡΠ΅ ΡΠΏΡΠ°Π²Π»ΡΡΡΒ»
- Β«ΠΠΎΠ΄ΠΊΠ° Ρ Π³ΠΈΠ΄ΡΠ°Π²Π»ΠΈΠΊΠΎΠΉ ΡΠ»ΡΡΠ°Π΅ΡΡΡ ΡΡΡΠΊΠΎ: Π½Π΅ ΡΡΡΠΊΠ°Π΅Ρ, Π½Π΅ Π·Π°Π²Π°Π»ΠΈΠ²Π°Π΅ΡΡΡ!Β»
ΠΠΎΠ³Π΄Π° ΠΎΠ±ΡΠ°ΡΠ½Π°Ρ ΡΠ²ΡΠ·Ρ Π½Π΅ Π½Π° ΠΏΠΎΠ»ΡΠ·Ρ
ΠΡΡΡΡΡΡΠ²ΠΈΠ΅ ΠΎΠ±ΡΠ°ΡΠ½ΠΎΠΉ ΡΠ²ΡΠ·ΠΈ β ΠΎΠ΄Π½ΠΎΠ·Π½Π°ΡΠ½ΠΎΠ΅ ΠΏΡΠ΅ΠΈΠΌΡΡΠ΅ΡΡΠ²ΠΎ. ΠΡΠ° ΡΡΠ½ΠΊΡΠΈΡ Π³Π°ΡΠΈΡ Π½Π°Π³ΡΡΠ·ΠΊΡ Ρ Π³ΡΠ΅Π±Π½ΠΎΠ³ΠΎ Π²ΠΈΠ½ΡΠ° Π½Π° ΡΡΡΡΠ²Π°Π» ΠΈ ΡΠ°ΡΡΠΈΡΠ½ΠΎ ΡΠ½ΠΈΠΆΠ°Π΅Ρ ΡΡΡΡΠΊΡ, ΠΏΠ΅ΡΠ΅Π΄Π°ΡΡΡΡΡΡ Π½Π° Π½Π΅Π³ΠΎ ΠΎΡ ΠΌΠΎΡΠΎΡΠ°. ΠΡΠΎ ΠΎΠ±ΡΠ·Π°ΡΠ΅Π»ΡΠ½Π°Ρ ΠΎΠΏΡΠΈΡ Π²ΡΠ΅Ρ Π³ΠΈΠ΄ΡΠ°Π²Π»ΠΈΡΠ΅ΡΠΊΠΈΡ ΡΠΈΡΡΠ΅ΠΌ ΠΈ Π½Π΅ΠΊΠΎΡΠΎΡΡΡ ΠΌΠ΅Ρ Π°Π½ΠΈΡΠ΅ΡΠΊΠΈΡ . Π£ ΠΏΠΎΡΠ»Π΅Π΄Π½ΠΈΡ ΠΈΠ½ΠΎΠ³Π΄Π° ΡΠ΅Π΄ΡΠΊΡΠΎΡ Π΄ΠΎΠΏΠΎΠ»Π½ΠΈΡΠ΅Π»ΡΠ½ΠΎ ΠΎΡΠ½Π°ΡΠ΅Π½ ΠΌΠ΅Ρ Π°Π½ΠΈΠ·ΠΌΠΎΠΌ Π±Π»ΠΎΠΊΠΈΡΠΎΠ²Π°Π½ΠΈΡ ΠΎΠ±ΡΠ°ΡΠ½ΠΎΠΉ ΡΠ²ΡΠ·ΠΈ.
ΠΠ°ΠΊ ΡΡΠΈ ΡΠ»ΠΎΠΆΠ½ΡΠ΅ ΡΠ΅ΡΠΌΠΈΠ½Ρ ΠΎΡΡΡΠΈΡΡ Π½Π° Π²ΠΎΠ΄Π΅?
Β«ΠΠ΅ΡΠ΅ΡΡΠ°Π½Π΅ΡΡ Π±ΠΎΡΠΎΡΡΡΡ Ρ ΠΌΠΎΡΠΎΡΠΎΠΌ Π² Π²ΠΎΠ»Π½ΡΒ», β ΡΠ°ΠΊ ΠΎΠ±ΡΡΡΠ½ΡΡΡ Π½Π° ΡΠΎΡΡΠΌΠ°Ρ Π²ΠΎΠ΄Π½ΠΎΠΌΠΎΡΠΎΡΠ½ΠΈΠΊΠΈ. Β«ΠΠ΅ ΡΡΠ΅Π±ΡΠ΅ΡΡΡ ΠΏΠΎΡΡΠΎΡΠ½Π½ΠΎ ΠΊΠΎΡΡΠ΅ΠΊΡΠΈΡΠΎΠ²Π°ΡΡ ΠΊΡΡΡ ΡΡΠ΄Π½Π°: ΠΎΠ½ΠΎ Π½Π΅ ΡΠΉΠ΄ΡΡ ΡΠ°ΠΌΠΎΡΡΠΎΡΡΠ΅Π»ΡΠ½ΠΎ Π² ΠΏΡΠΎΠΈΠ·Π²ΠΎΠ»ΡΠ½ΠΎΠΌ Π½Π°ΠΏΡΠ°Π²Π»Π΅Π½ΠΈΠΈΒ», β Π±ΠΎΠ»Π΅Π΅ ΡΠ»ΠΎΠΆΠ½ΠΎΠ΅, Π½ΠΎ Π²ΠΏΠΎΠ»Π½Π΅ ΠΏΠΎΠ½ΡΡΠ½ΠΎΠ΅ ΠΎΠΏΡΠ΅Π΄Π΅Π»Π΅Π½ΠΈΠ΅ ΠΎΡ ΡΠ΅Ρ Π½ΠΈΡΠ΅ΡΠΊΠΈΡ ΠΊΠΎΠ½ΡΡΠ»ΡΡΠ°Π½ΡΠΎΠ² ΠΈΠ½ΡΠ΅ΡΠ½Π΅Ρ-ΠΌΠ°Π³Π°Π·ΠΈΠ½Π°.
ΠΡΡΡΠ΅ ΠΊΡΠΏΠΈΡΡ ΠΊΠΎΠΌΠΏΠ»Π΅ΠΊΡ ΠΈΠ»ΠΈ ΡΠΎΠ±ΡΠ°ΡΡ ΡΠ°ΠΌΠΎΠΌΡ?
ΠΠΎΡΠΎΠ²ΡΠ΅ ΡΠ΅ΡΠ΅Π½ΠΈΡ, Π³Π΄Π΅ ΠΏΠΎΠ΄ΠΎΠ±ΡΠ°Π½ΠΎ Π²ΡΡ Π½Π΅ΠΎΠ±Ρ ΠΎΠ΄ΠΈΠΌΠΎΠ΅, Π²ΠΏΠ»ΠΎΡΡ Π΄ΠΎ ΡΡΡΡΠ²Π°Π»Π° ΠΈ ΠΌΠ°ΡΠ»Π°, β Π²Π°ΡΠΈΠ°Π½Ρ Π΄Π»Ρ ΠΆΠ΅Π»Π°ΡΡΠΈΡ ΡΠ°ΠΌΠΎΡΡΠΎΡΡΠ΅Π»ΡΠ½ΠΎ ΡΡΡΠ°Π½ΠΎΠ²ΠΈΡΡ ΡΠΈΡΡΠ΅ΠΌΡ. ΠΠΎΠ΄ΡΠΎΠ±Π½Π°Ρ ΠΈΠ½ΡΡΡΡΠΊΡΠΈΡ ΠΏΠΎΠΌΠΎΠΆΠ΅Ρ ΡΠΏΡΠ°Π²ΠΈΡΡΡΡ Ρ ΠΌΠΎΠ½ΡΠ°ΠΆΠΎΠΌ Π΄Π°ΠΆΠ΅ Π±Π΅Π· Π½Π°Π»ΠΈΡΠΈΡ ΡΠΏΠ΅ΡΠΈΠ°Π»ΡΠ½ΡΡ Π·Π½Π°Π½ΠΈΠΉ.
ΠΡΠΊΡΡΡΠ½Π½ΡΠΌ ΠΏΠΎΠ»ΡΠ·ΠΎΠ²Π°ΡΠ΅Π»ΡΠΌ ΠΏΡΠΎΠΈΠ·Π²ΠΎΠ΄ΠΈΡΠ΅Π»Ρ ΠΏΡΠ΅Π΄Π»Π°Π³Π°Π΅Ρ ΡΠ»Π΅ΠΌΠ΅Π½ΡΡ Π΄Π»Ρ ΡΠ±ΠΎΡΠ° ΠΊΠΎΠΌΠΏΠ»Π΅ΠΊΡΠ° Ρ ΠΈΠ½Π΄ΠΈΠ²ΠΈΠ΄ΡΠ°Π»ΡΠ½ΡΠΌΠΈ Ρ Π°ΡΠ°ΠΊΡΠ΅ΡΠΈΡΡΠΈΠΊΠ°ΠΌΠΈ (ΠΊΠΎΠ»ΠΈΡΠ΅ΡΡΠ²ΠΎ ΠΎΠ±ΠΎΡΠΎΡΠΎΠ², Π½Π΅ΠΎΠ±Ρ ΠΎΠ΄ΠΈΠΌΠΎΠ΅ ΡΡΠΈΠ»ΠΈΠ΅ ΠΈ ΠΏΡ. Π²ΠΏΠ»ΠΎΡΡ Π΄ΠΎ Π²ΡΠ±ΠΎΡΠ° ΡΠΈΠΏΠ° ΡΠΈΠ»ΠΈΠ½Π΄ΡΠΎΠ²).
ΠΡ ΡΠ°ΠΊ ΠΈ Π½Π΅ ΡΠ΅ΡΠΈΠ»ΠΈβ¦
β¦ΡΡΠΎΠΈΡ Π»ΠΈ ΡΡΡΠ°Π½Π°Π²Π»ΠΈΠ²Π°ΡΡ Π³ΠΈΠ΄ΡΠ°Π²Π»ΠΈΠΊΡ ΠΈΠΌΠ΅Π½Π½ΠΎ Π½Π° Π²Π°Ρ ΠΊΠΎΠΌΠΏΠ»Π΅ΠΊΡ? ΠΠΎΠ·Π²ΠΎΠ½ΠΈΡΠ΅ Π½Π°ΡΠΈΠΌ ΠΊΠΎΠ½ΡΡΠ»ΡΡΠ°Π½ΡΠ°ΠΌ ΠΈ ΠΏΠΎΠ³ΠΎΠ²ΠΎΡΠΈΡΠ΅ Ρ Π½ΠΈΠΌΠΈ ΠΎ ΡΠ²ΠΎΠΈΡ ΡΠΎΠΌΠ½Π΅Π½ΠΈΡΡ ΠΈ Π²ΠΎΠΏΡΠΎΡΠ°Ρ , Π½Π° ΠΊΠΎΡΠΎΡΡΠ΅ Π²Ρ ΠΏΠΎΠΊΠ° Π½Π΅ Π½Π°ΡΠ»ΠΈ ΠΎΡΠ²Π΅ΡΠ°. Β
ΠΠΈΠ°Π³Π½ΠΎΡΡΠΈΠΊΠ° ΡΡΠ»Π΅Π²ΠΎΠ³ΠΎ ΡΠΏΡΠ°Π²Π»Π΅Π½ΠΈΡ ΠΏΠΎ Π½ΠΈΠ·ΠΊΠΈΠΌ ΡΠ΅Π½Π°ΠΌ Π² ΠΠΌΡΠΊΠ΅
ΠΠΎΠ³Π΄Π° Π½ΡΠΆΠ½Π° Π΄ΠΈΠ°Π³Π½ΠΎΡΡΠΈΠΊΠ° ΡΡΠ»Π΅Π²ΠΎΠ³ΠΎ ΡΠΏΡΠ°Π²Π»Π΅Π½ΠΈΡ?
ΠΠ°ΠΌ ΡΠ»Π΅Π΄ΡΠ΅Ρ Π·Π°Π΄ΡΠΌΠ°ΡΡΡΡ ΠΎ Π΄ΠΈΠ°Π³Π½ΠΎΡΡΠΈΠΊΠ΅ Π² ΡΠΎΡ ΠΌΠΎΠΌΠ΅Π½Ρ, ΠΊΠΎΠ³Π΄Π° ΠΡ Π·Π°ΠΌΠ΅ΡΠ°Π΅ΡΠ΅ ΠΎΠ΄ΠΈΠ½ ΠΈΠ· ΡΠ»Π΅Π΄ΡΡΡΠΈΡ ΠΏΡΠΈΠ·Π½Π°ΠΊΠΎΠ²:
- ΠΏΠΎΡΠ²Π»Π΅Π½ΠΈΠ΅ ΠΏΠΎΡΡΠΎΡΠΎΠ½Π½ΠΈΡ ΡΡΠΌΠΎΠ² Π²ΠΎ Π²ΡΠ΅ΠΌΡ Π²ΡΠ°ΡΠ΅Π½ΠΈΡ ΡΡΠ»Π΅Π²ΠΎΠ³ΠΎ ΠΊΠΎΠ»Π΅ΡΠ°
- ΠΏΠΎΡΠ²Π»Π΅Π½ΠΈΠ΅ ΡΡΡΠΊΠΎΠ² Π² ΡΡΠ»Π΅Π²ΠΎΠΌ ΠΊΠΎΠ»Π΅ΡΠ΅ Π²ΠΎ Π²ΡΠ΅ΠΌΡ Π΅Π·Π΄Ρ ΠΏΠΎ Π½Π΅ΡΠΎΠ²Π½ΠΎΠΉ Π΄ΠΎΡΠΎΠ³Π΅
- Π·Π°ΡΡΡΠ΄Π½Π΅Π½ΠΈΠ΅ Π²ΡΠ°ΡΠ΅Π½ΠΈΡ ΡΡΠ»Π΅Π²ΠΎΠ³ΠΎ ΠΊΠΎΠ»Π΅ΡΠ° (ΡΡΠ»Ρ Β«ΠΈΠ΄Π΅ΡΒ» ΡΠ»ΠΈΡΠΊΠΎΠΌ ΡΡΠ³ΠΎ)
Π’Π°ΠΊΠΆΠ΅ Π΄ΠΈΠ°Π³Π½ΠΎΡΡΠΈΠΊΡ ΡΠ»Π΅Π΄ΡΠ΅Ρ ΠΏΡΠΎΠ²ΠΎΠ΄ΠΈΡΡ, ΠΊΠΎΠ³Π΄Π° ΠΡ Ρ ΠΎΡΠΈΡΠ΅ Π·Π°ΠΌΠ΅Π½ΠΈΡΡ ΠΎΠ΄Π½Ρ ΠΈΠ· ΡΠΎΡΡΠ°Π²Π½ΡΡ ΡΠ°ΡΡΠ΅ΠΉ ΡΠΈΡΡΠ΅ΠΌΡ ΡΡΠ»Π΅Π²ΠΎΠ³ΠΎ ΡΠΏΡΠ°Π²Π»Π΅Π½ΠΈΡ.
ΠΠΈΠ°Π³Π½ΠΎΡΡΠΈΠΊΠ° ΡΡΠ»Π΅Π²ΠΎΠ³ΠΎ ΡΠΏΡΠ°Π²Π»Π΅Π½ΠΈΡ
ΠΠΈΠ°Π³Π½ΠΎΡΡΠΈΠΊΡ ΡΡΠ»Π΅Π²ΠΎΠ³ΠΎ ΡΠΏΡΠ°Π²Π»Π΅Π½ΠΈΡ ΡΠ»Π΅Π΄ΡΠ΅Ρ Π½Π°ΡΠΈΠ½Π°ΡΡ Ρ ΠΎΡΠΌΠΎΡΡΠ° Π²Π΄ΠΎΠ»Ρ ΠΎΡΠΈ ΠΏΠ΅ΡΠ΅ΠΌΠ΅ΡΠ΅Π½ΠΈΡ ΠΏΠ°Π»ΡΡΠ΅Π² Π½Π°ΠΊΠΎΠ½Π΅ΡΠ½ΠΈΠΊΠΎΠ² ΡΡΠ³ (ΠΎΠ½ΠΎ Π΄ΠΎΠ»ΠΆΠ½ΠΎ ΡΠΎΡΡΠ°Π²Π»ΡΡΡ 1-1,5 ΠΌΠΈΠ»Π»ΠΈΠΌΠ΅ΡΡΠ°). ΠΠΏΡΠ΅Π΄Π΅Π»ΠΈΡΡ Π»ΡΡΡ ΠΏΠΎΠΌΠΎΠ³Π°ΡΡ ΡΠΏΠ΅ΡΠΈΠ°Π»ΡΠ½ΡΠ΅ ΡΠΎΠ²ΡΠ΅ΠΌΠ΅Π½Π½ΡΠ΅ ΠΏΡΠΈΠ±ΠΎΡΡ ΠΈ ΠΎΠ±ΠΎΡΡΠ΄ΠΎΠ²Π°Π½ΠΈΠ΅ (Π² Π±ΠΎΠ»ΡΡΠΈΠ½ΡΡΠ²Π΅ ΡΠ»ΡΡΠ°Π΅Π² ΡΡΠΎ Π΄ΠΈΠ½Π°ΠΌΠΎΠΌΠ΅ΡΡ-Π»ΡΡΡΠΎΠΌΠ΅Ρ). Π’Π°ΠΊΠΆΠ΅, ΠΏΠΎΠΌΠΈΠΌΠΎ ΠΎΠΏΡΠ΅Π΄Π΅Π»Π΅Π½ΠΈΡ Π»ΡΡΡΠ°, Π΄ΠΈΠ°Π³Π½ΠΎΡΡΠΈΠΊΠ° ΡΠΈΡΡΠ΅ΠΌΡ ΡΡΠ»Π΅Π²ΠΎΠ³ΠΎ ΡΠΏΡΠ°Π²Π»Π΅Π½ΠΈΡ Π²ΠΊΠ»ΡΡΠ°Π΅Ρ Π² ΡΠ΅Π±Ρ ΠΏΡΠΎΠ²Π΅ΡΠΊΡ Π² ΡΠ°ΡΠ½ΠΈΡΠ°Ρ ΡΡΠ»Π΅Π²ΡΡ ΡΡΠ³ Π·Π°Π·ΠΎΡΠΎΠ², Π² ΠΏΠΎΠ΄ΡΠΈΠΏΠ½ΠΈΠΊΠ°Ρ β Π·Π°Π·ΠΎΡΠΎΠ².
ΠΠΎΠ»ΡΡΠΈΠ½ΡΡΠ²ΠΎ ΡΠΎΠ²ΡΠ΅ΠΌΠ΅Π½Π½ΡΡ Π°Π²ΡΠΎ ΠΎΡΠ½Π°ΡΠ΅Π½Ρ Π³ΠΈΠ΄ΡΠΎΡΡΠΈΠ»ΠΈΡΠ΅Π»Π΅ΠΌ ΡΡΠ»Π΅Π²ΠΎΠ³ΠΎ ΡΠΏΡΠ°Π²Π»Π΅Π½ΠΈΡ. ΠΠ°ΠΆΠ½ΠΎ, ΡΡΠΎΠ±Ρ ΠΎΠ½ Π±ΡΠ» Π² ΡΠ°Π±ΠΎΡΠ΅ΠΌ ΡΠΎΡΡΠΎΡΠ½ΠΈΠΈ ΠΈ ΠΈΡΠΏΡΠ°Π²Π½ΠΎ ΡΡΠ½ΠΊΡΠΈΠΎΠ½ΠΈΡΠΎΠ²Π°Π». ΠΡΠΎ ΠΌΠΎΠΆΠ½ΠΎ ΠΎΠ±Π΅ΡΠΏΠ΅ΡΠΈΡΡ ΠΏΡΡΠ΅ΠΌ ΠΊΠΎΠ½ΡΡΠΎΠ»Ρ ΡΡΠΎΠ²Π½Ρ Π΄Π°Π²Π»Π΅Π½ΠΈΡ (ΠΊΠΎΡΠΎΡΠΎΠ΅ ΡΠ°Π·Π²ΠΈΠ²Π°Π΅ΡΡΡ Π½Π°ΡΠΎΡΠΎΠΌ Π² Ρ ΠΎΠ΄Π΅ ΡΠ°Π±ΠΎΡΡ ΡΠΈΠ»ΠΎΠ²ΠΎΠ³ΠΎ Π°Π³ΡΠ΅Π³Π°ΡΠ°) ΠΈ ΠΌΠ°ΡΠ»Π° Π² Π±ΠΎΡΠΊΠ΅.
ΠΠΎ Π²ΡΠ΅ΠΌΡ Π΄ΠΈΠ°Π³Π½ΠΎΡΡΠΈΠΊΠΈ ΠΎΠ±ΡΠ·Π°ΡΠ΅Π»ΡΠ½ΠΎ Π½ΡΠΆΠ΄Π°Π΅ΡΡΡ Π² ΠΏΡΠΎΠ²Π΅ΡΠΊΠ΅ ΠΊΡΠ΅ΠΏΠ»Π΅Π½ΠΈΠ΅ ΠΊΠΎΠ»ΠΎΠ½ΠΊΠΈ ΠΈ ΡΠΎΡΡΠΎΡΠ½ΠΈΠ΅ Π·Π°ΡΠΈΡΠ½ΡΡ ΡΠ΅Ρ Π»ΠΎΠ² ΡΠ°ΡΠΎΠ²ΡΡ ΡΠ°ΡΠ½ΠΈΡΠΎΠ² ΡΡΠ»Π΅Π²ΡΡ ΡΡΠ³.
ΠΠ΅ΠΈΡΠΏΡΠ°Π²Π½ΠΎΡΡΠΈ ΡΡΠ»Π΅Π²ΠΎΠ³ΠΎ ΡΠΏΡΠ°Π²Π»Π΅Π½ΠΈΡ
Π‘ΡΡΠ΅ΡΡΠ²ΡΡΡ ΠΎΡΠ½ΠΎΠ²Π½ΡΠ΅ Π½Π΅ΠΈΡΠΏΡΠ°Π²Π½ΠΎΡΡΠΈ ΡΡΠ»Π΅Π²ΠΎΠ³ΠΎ ΡΠΏΡΠ°Π²Π»Π΅Π½ΠΈΡ, ΠΊΠΎΡΠΎΡΡΠ΅ Π²ΡΡΡΠ΅ΡΠ°ΡΡΡΡ ΡΠ°ΡΠ΅ Π²ΡΠ΅Π³ΠΎ:
Π’ΡΠ³ΠΎΠ΅ Π²ΡΠ°ΡΠ΅Π½ΠΈΠ΅ ΡΡΠ»Ρ — ΡΠ°ΡΠ΅ Π²ΡΠ΅Π³ΠΎ Π½Π°Π±Π»ΡΠ΄Π°Π΅ΡΡΡ ΠΏΠΎ ΠΏΡΠΈΡΠΈΠ½Π΅ ΠΎΡΡΡΡΡΡΠ²ΠΈΡ ΠΌΠ°ΡΠ»Π° Π² ΠΊΠ°ΡΡΠ΅ΡΠ΅ ΡΡΠ»Π΅Π²ΠΎΠ³ΠΎ ΠΌΠ΅Ρ Π°Π½ΠΈΠ·ΠΌΠ°, Π΄Π΅ΡΠΎΡΠΌΠ°ΡΠΈΠΈ Π΄Π΅ΡΠ°Π»Π΅ΠΉ ΡΡΠ»Π΅Π²ΠΎΠ³ΠΎ ΠΏΡΠΈΠ²ΠΎΠ΄Π°, Π½ΠΈΠ·ΠΊΠΎΠΌ Π΄Π°Π²Π»Π΅Π½ΠΈΠΈ Π² ΡΠΈΠ½Π°Ρ ΠΏΠ΅ΡΠ΅Π΄Π½ΠΈΡ ΠΊΠΎΠ»Π΅Ρ ΠΈΠ»ΠΈ Π½Π΅ΠΏΡΠ°Π²ΠΈΠ»ΡΠ½ΠΎΠΉ ΡΡΡΠ°Π½ΠΎΠ²ΠΊΠ΅ ΡΠ³Π»ΠΎΠ² ΠΏΠ΅ΡΠ΅Π΄Π½ΠΈΡ ΠΊΠΎΠ»Π΅Ρ. Π’Π°ΠΊΠΆΠ΅ ΠΏΡΠΈΡΠΈΠ½ΠΎΠΉ ΠΌΠΎΠΆΠ΅Ρ Π±ΡΡΡ ΠΏΠΎΠ²ΡΠ΅ΠΆΠ΄Π΅Π½ΠΈΠ΅ Π΄Π΅ΡΠ°Π»Π΅ΠΉ ΠΏΠΎΠ΄ΡΠΈΠΏΠ½ΠΈΠΊΠ° Π²Π΅ΡΡ Π½Π΅ΠΉ ΡΡΠΎΠΉΠΊΠΈ ΠΎΠΏΠΎΡΡ, ΡΠ΅Π»Π΅ΡΠΊΠΎΠΏΠΈΡΠ΅ΡΠΊΠΎΠΉ ΡΡΠΎΠΉΠΊΠΈ ΠΏΠΎΠ΄Π²Π΅ΡΠΊΠΈ ΠΈΠ»ΠΈ ΡΠ°ΡΠΎΠ²ΡΡ ΡΠ°ΡΠ½ΠΈΡΠΎΠ². ΠΠ»Ρ ΠΌΠ΅Ρ Π°Π½ΠΈΠ·ΠΌΠΎΠ² ΡΠ΅ΡΠ²ΡΡΠ½ΠΎΠ³ΠΎ ΡΠΈΠΏΠ° ΡΠ°ΠΌΡΠΌΠΈ ΡΠ°ΡΠΏΡΠΎΡΡΡΠ°Π½Π΅Π½Π½ΡΠΌΠΈ ΠΏΡΠΈΡΠΈΠ½Π°ΠΌΠΈ ΡΠ²Π»ΡΡΡΡΡ Π½Π°ΡΡΡΠ΅Π½ΠΈΠ΅ Π·Π°Π·ΠΎΡΠ° Π² Π·Π°ΡΠ΅ΠΏΠ»Π΅Π½ΠΈΠΈ ΡΠΎΠ»ΠΈΠΊΠ° Ρ ΡΠ΅ΡΠ²ΡΠΊΠΎΠΌ ΠΈ ΠΏΠ΅ΡΠ΅ΡΡΠΆΠΊΠ° ΡΠ΅Π³ΡΠ»ΠΈΡΠΎΠ²ΠΎΡΠ½ΠΎΠΉ Π³Π°ΠΉΠΊΠΈ ΠΎΡΠΈ ΠΌΠ°ΡΡΠ½ΠΈΠΊΠΎΠ²ΠΎΠ³ΠΎ ΡΡΡΠ°Π³Π°.
ΠΡΠ»ΠΈ ΠΏΡΠΎΠ±Π»Π΅ΠΌΠ° Π² ΡΠ²Π΅Π»ΠΈΡΠ΅Π½Π½ΠΎΠΌ Ρ ΠΎΠ»ΠΎΡΡΠΎΠΌ Ρ ΠΎΠ΄Π΅, ΡΠΎ ΠΏΡΠΈΡΠΈΠ½Ρ ΠΊΡΠΎΡΡΡΡ Π² ΡΠ²Π΅Π»ΠΈΡΠ΅Π½ΠΈΠΈ Π·Π°Π·ΠΎΡΠΎΠ² Π² ΡΠ°ΡΠΎΠ²ΡΡ ΡΠ°ΡΠ½ΠΈΡΠ°Ρ , ΠΏΠΎΠ΄ΡΠΈΠΏΠ½ΠΈΠΊΠ°Ρ ΡΡΡΠΏΠΈΡ ΠΏΠ΅ΡΠ΅Π΄Π½ΠΈΡ ΠΊΠΎΠ»Π΅Ρ ΠΈ ΠΎΡΠ»Π°Π±Π»Π΅Π½ΠΈΠΈ Π³Π°Π΅ΠΊ ΡΠ°ΡΠΎΠ²ΡΡ ΠΏΠ°Π»ΡΡΠ΅Π² ΡΡΠ»Π΅Π²ΡΡ ΡΡΠ³, Π° ΡΠ°ΠΊΠΆΠ΅ Π±ΠΎΠ»ΡΠΎΠ² ΡΡΠ»Π΅Π²ΠΎΠ³ΠΎ ΠΌΠ΅Ρ Π°Π½ΠΈΠ·ΠΌΠ° (ΠΏΡΠΈ ΠΈΡΠΏΠΎΠ»ΡΠ·ΠΎΠ²Π°Π½ΠΈΠΈ ΡΡΠ»Π΅Π²ΡΡ ΠΌΠ΅Ρ Π°Π½ΠΈΠ·ΠΌΠΎΠ² ΡΠ΅ΡΠ²ΡΡΠ½ΠΎΠ³ΠΎ ΡΠΈΠΏΠ°).
ΠΡΡΠ°Π»ΠΈΡΡ Π²ΠΎΠΏΡΠΎΡΡ? ΠΠΎΠ·Π²ΠΎΠ½ΠΈΡΠ΅ Π½Π°ΠΌ:
ΠΡ ΠΏΠΎΠ΄ΡΠΎΠ±Π½ΠΎ ΠΏΡΠΎΠΊΠΎΠ½ΡΡΠ»ΡΡΠΈΡΡΠ΅ΠΌ ΠΠ°Ρ ΠΎΠ± ΡΡΠ»ΡΠ³Π΅ ΠΈ ΡΡΠΎΠΈΠΌΠΎΡΡΠΈ ΡΠ°Π±ΠΎΡ Π΄Π»Ρ ΠΠ°ΡΠ΅Π³ΠΎ Π°Π²ΡΠΎΠΌΠΎΠ±ΠΈΠ»Ρ.
ΠΠΈΠ±ΠΎ Π·Π°ΠΏΠΎΠ»Π½ΠΈΡΠ΅ ΠΏΡΠΎΡΡΡΡ ΡΠΎΡΠΌΡ ΠΎΠ±ΡΠ°ΡΠ½ΠΎΠΉ ΡΠ²ΡΠ·ΠΈ, ΠΌΡ ΡΠ²ΡΠΆΠ΅ΠΌΡΡ Ρ ΠΠ°ΠΌΠΈ Π² ΠΊΡΠ°ΡΡΠ°ΠΉΡΠΈΠ΅ ΡΡΠΎΠΊΠΈ ΠΈ ΠΏΠΎΠ΄ΡΠΎΠ±Π½ΠΎ ΠΎΡΠ²Π΅ΡΠΈΠΌ ΠΠ°ΠΌ Π½Π° Π²ΡΠ΅ Π²ΠΎΠΏΡΠΎΡΡ ΠΎ ΡΠ΅Ρ
Π½ΠΈΡΠ΅ΡΠΊΠΎΠΌ ΠΎΠ±ΡΠ»ΡΠΆΠΈΠ²Π°Π½ΠΈΠΈ ΠΠ°ΡΠ΅Π³ΠΎ Π°Π²ΡΠΎΠΌΠΎΠ±ΠΈΠ»Ρ:
ΠΠΎΡΠ΅ΠΌΡ ΡΡΠ»Π΅Π²ΠΎΠ΅ ΠΊΠΎΠ»Π΅ΡΠΎ Π½Π°Ρ ΠΎΠ΄ΠΈΡΡΡ Ρ Π»Π΅Π²ΠΎΠΉ ΡΡΠΎΡΠΎΠ½Ρ Π°Π²ΡΠΎΠΌΠΎΠ±ΠΈΠ»Ρ?
Π Π°Π²ΡΠΎΠΌΠΎΠ±ΠΈΠ»ΡΠ½ΠΎΠΌ ΠΌΠΈΡΠ΅ Π΅ΡΡΡ Π±ΠΎΠ»Π΅Π΅ ΡΠ΅ΠΌ ΠΈΠ·ΡΡΠ΄Π½Π°Ρ Π΄ΠΎΠ»Ρ ΠΌΠ°ΡΠ»ΡΠ½ΡΡ Π±Π°ΡΠ°Π»ΠΈΠΉ (Π±Π΅ΡΡΠΌΡΡΠ»Π΅Π½Π½ΡΠ΅, Π½ΠΎ Π²ΡΠ·ΡΠ²Π°ΡΡΠΈΠ΅ ΡΠ°Π·Π½ΠΎΠ³Π»Π°ΡΠΈΡ Π²ΠΎΠΏΡΠΎΡΡ, Π²Π΅Π΄ΡΡΠΈΠ΅ ΠΊ ΠΊΠΎΠ½ΡΠ»ΠΈΠΊΡΡ), Π½ΠΎ, Π²ΠΎΠ·ΠΌΠΎΠΆΠ½ΠΎ, Π½Π΅ΠΌΠ½ΠΎΠ³ΠΈΠ΅ Π·Π°Ρ ΠΎΠ΄ΡΡ Π½Π°ΡΡΠΎΠ»ΡΠΊΠΎ Π³Π»ΡΠ±ΠΎΠΊΠΎ, ΠΊΠ°ΠΊ ΠΏΡΠΎΠΏΠ°ΡΡΡ ΠΌΠ΅ΠΆΠ΄Ρ ΠΌΠ΅ΡΡΠΎΠΌ, Π³Π΄Π΅ Π΄ΠΎΠ»ΠΆΠ½ΠΎ Π±ΡΡΡ ΡΡΠ»Π΅Π²ΠΎΠ΅ ΠΊΠΎΠ»Π΅ΡΠΎ, ΠΈ ΡΠ²ΡΠ·Π°Π½Π½ΡΠΌ Ρ ΡΡΠΈΠΌ Π²ΠΎΠΏΡΠΎΡΠΎΠΌ ΠΏΠΎ ΠΊΠ°ΠΊΠΎΠΉ ΡΡΠΎΡΠΎΠ½Π΅ Π΄ΠΎΡΠΎΠ³ΠΈ Π»ΡΠ΄ΠΈ Π΄ΠΎΠ»ΠΆΠ½Ρ Π΅Ρ Π°ΡΡ. ΠΠΌΠ΅ΡΠΈΠΊΠ°Π½ΡΡ, ΠΈΡΠ°Π»ΡΡΠ½ΡΡ, Π½Π΅ΠΌΡΡ ΠΈ ΠΏΡΠ΅Π΄ΡΡΠ°Π²ΠΈΡΠ΅Π»ΠΈ ΠΌΠ½ΠΎΠ³ΠΈΡ Π΄ΡΡΠ³ΠΈΡ ΠΊΡΠ»ΡΡΡΡ ΡΡΠΈΡΠ°ΡΡ, ΡΡΠΎ Π²ΠΎΠ΄ΠΈΡΠ΅Π»Ρ Π΄ΠΎΠ»ΠΆΠ΅Π½ ΡΠΈΠ΄Π΅ΡΡ Ρ Π»Π΅Π²ΠΎΠΉ ΡΡΠΎΡΠΎΠ½Ρ ΠΎΡ ΠΌΠ°ΡΠΈΠ½Ρ, Π° ΠΌΠ°ΡΠΈΠ½Π° Π΄ΠΎΠ»ΠΆΠ½Π° ΡΠΈΠ΄Π΅ΡΡ Ρ ΠΏΡΠ°Π²ΠΎΠΉ ΡΡΠΎΡΠΎΠ½Ρ Π΄ΠΎΡΠΎΠ³ΠΈ; ΠΡΠΈΡΠ°Π½ΡΡ, ΡΠΏΠΎΠ½ΡΡ, ΠΈΠ½Π΄ΠΈΠΉΡΡ ΠΈ Π°Π²ΡΡΡΠ°Π»ΠΈΠΉΡΡ, ΡΡΠ΅Π΄ΠΈ ΠΏΡΠΎΡΠΈΡ , Π³ΠΎΠ²ΠΎΡΡΡ, ΡΡΠΎ ΡΡΠ»Π΅Π²ΠΎΠ΅ ΠΊΠΎΠ»Π΅ΡΠΎ Π΄ΠΎΠ»ΠΆΠ½ΠΎ Π½Π°Ρ ΠΎΠ΄ΠΈΡΡΡΡ Ρ ΠΏΡΠ°Π²ΠΎΠΉ ΡΡΠΎΡΠΎΠ½Ρ Π°Π²ΡΠΎΠΌΠΎΠ±ΠΈΠ»Ρ, Π° ΡΡΠ°Π½ΡΠΏΠΎΡΡΠ½ΠΎΠ΅ ΡΡΠ΅Π΄ΡΡΠ²ΠΎ — Ρ Π»Π΅Π²ΠΎΠΉ ΡΡΠΎΡΠΎΠ½Ρ Π΄ΠΎΡΠΎΠ³ΠΈ.
ΠΠ°ΠΊΠΎΠΉ ΠΈΠ· Π½ΠΈΡ Π»ΡΡΡΠ΅ — ΡΡΠΎ Π°ΡΠ³ΡΠΌΠ΅Π½Ρ, Π½Π° ΠΊΠΎΡΠΎΡΡΠΉ Π½Π΅Ρ ΡΠ΅ΡΠΊΠΎΠ³ΠΎ ΠΎΡΠ²Π΅ΡΠ° (Π·Π° ΠΈΡΠΊΠ»ΡΡΠ΅Π½ΠΈΠ΅ΠΌ ΡΠΎΠ³ΠΎ, ΡΡΠΎ ΠΊΠΎΠ»Π΅ΡΠΎ Π΄ΠΎΠ»ΠΆΠ½ΠΎ Π±ΡΡΡ ΡΠ²Π½ΠΎ ΡΠ»Π΅Π²Π°). ΠΠΎΠ·ΠΌΠΎΠΆΠ½ΠΎ, Π±ΠΎΠ»Π΅Π΅ Π²Π°ΠΆΠ½ΡΠΉ Π²ΠΎΠΏΡΠΎΡ: ΠΏΠΎΡΠ΅ΠΌΡ? ΠΠΎΡΠ΅ΠΌΡ ΡΡΠ»Π΅Π²ΠΎΠ΅ ΠΊΠΎΠ»Π΅ΡΠΎ ΡΠ»Π΅Π²Π° Π² Π‘Π¨Π ΠΈ ΡΠΏΡΠ°Π²Π° Π² ΠΠ΅Π»ΠΈΠΊΠΎΠ±ΡΠΈΡΠ°Π½ΠΈΠΈ?
Π‘ΡΡΠ΅ΡΡΠ²ΡΠ΅Ρ ΠΌΠ½ΠΎΠΆΠ΅ΡΡΠ²ΠΎ ΡΠ»ΡΡ ΠΎΠ² ΠΈ ΠΏΡΠΎΡΠΈΠ²ΠΎΡΠ΅ΡΠΈΠ²ΡΡ ΡΠΎΠΎΠ±ΡΠ΅Π½ΠΈΠΉ ΠΎ ΠΏΡΠΎΠΈΡΡ ΠΎΠΆΠ΄Π΅Π½ΠΈΠΈ Π²ΠΎΠ΄ΠΈΡΠ΅Π»ΡΡΠΊΠΈΡ ΠΏΠΎΠ·ΠΈΡΠΈΠΉ, Π½ΠΎ Π½Π°ΠΈΠ±ΠΎΠ»Π΅Π΅ Π²Π΅ΡΠΎΡΡΠ½Π°Ρ ΠΏΡΠΈΡΠΈΠ½Π° ΠΌΠΎΠΆΠ΅Ρ Π²Π°Ρ ΡΠ΄ΠΈΠ²ΠΈΡΡ. ΠΠΎΡΠ΅ΠΌΡ Π²Ρ Π΅Π΄Π΅ΡΠ΅ ΡΠΏΡΠ°Π²Π°, Π° Π²Π°ΡΠ΅ ΠΊΠΎΠ»Π΅ΡΠΎ ΡΠ»Π΅Π²Π°? ΠΠΎΠ΄ΠΈΡΠ΅Π»ΠΈ.
ΠΠ΅Ρ, Π½Π΅ ΡΠΎΡΠ· Π²ΠΎΠ΄ΠΈΡΠ΅Π»Π΅ΠΉ Π³ΡΡΠ·ΠΎΠ²ΠΈΠΊΠΎΠ², ΠΏΡΠΎΡΠ»Π°Π²ΠΈΠ²ΡΠΈΠΉ ΠΠΆΠΈΠΌΠΌΠΈ Π₯ΠΎΡΡΠ°. ΠΡΠ΄ΠΈ, ΠΊΠΎΡΠΎΡΡΠ΅ Π΄Π°Π»ΠΈ ΠΈΠΌ ΡΠ²ΠΎΠ΅ ΠΈΠΌΡ: ΡΠ΅, ΠΊΡΠΎ Π½Π° ΡΠ°ΠΌΠΎΠΌ Π΄Π΅Π»Π΅ ΡΠΏΡΠ°Π²Π»ΡΠ» ΡΠΏΡΡΠΆΠΊΠ°ΠΌΠΈ, Π»ΠΎΡΠ°Π΄ΡΠΌΠΈ, ΡΡΠΎΠ±Ρ ΡΠ°ΡΠΊΠ°ΡΡ ΠΏΠΎΠ²ΠΎΠ·ΠΊΠΈ Π² Π΄Π½ΠΈ Π΄ΠΎΠΈΠ½Π΄ΡΡΡΡΠΈΠ°Π»ΡΠ½ΠΎΠΉ ΡΠ΅Π²ΠΎΠ»ΡΡΠΈΠΈ. ΠΠ°ΡΠΊΠΎΠ»ΡΠΊΠΎ ΡΠ΄Π°Π»ΠΎΡΡ Π²ΡΡΡΠ½ΠΈΡΡ Π² Ρ ΠΎΠ΄Π΅ Π½Π°ΡΠ΅Π³ΠΎ ΠΈΡΡΠ»Π΅Π΄ΠΎΠ²Π°Π½ΠΈΡ, ΠΌΠ½ΠΎΠ³ΠΈΠΌ ΡΡΡΠ³ΠΎΠ½Π°ΠΌ Π½Π΅ Ρ Π²Π°ΡΠ°Π»ΠΎ ΠΌΠ΅ΡΡΠ° Π΄Π»Ρ ΡΠΈΠ΄Π΅Π½ΠΈΡ, ΠΏΠΎΡΡΠΎΠΌΡ Π²ΠΎΠ·Π½ΠΈΡΠ°, ΡΠΏΡΠ°Π²Π»ΡΠ²ΡΠΈΠΉ Π»ΠΎΡΠ°Π΄ΡΠΌΠΈ, ΡΠ°Π΄ΠΈΠ»ΡΡ Π½Π° ΡΠ»Π΅Π΄ΡΡΡΠ΅Π΅ Π»ΡΡΡΠ΅Π΅ ΠΌΠ΅ΡΡΠΎ, ΡΡΠΎΠ±Ρ Π²ΠΈΠ΄Π΅ΡΡ ΠΈ Π΄ΠΎΡΠΎΠ³Ρ, ΠΈ ΡΠΊΠ°ΠΊΡΠ½ΠΎΠ²: Π½Π° ΠΎΠ΄Π½ΠΎΠΉ ΠΈΠ· Π»ΠΎΡΠ°Π΄Π΅ΠΉ, ΡΡΠ½ΡΡΠΈΡ ΡΡ ΡΠ·Π°Π΄ΠΈ. ΠΠΎΡΠΊΠΎΠ»ΡΠΊΡ Π±ΠΎΠ»ΡΡΠΈΠ½ΡΡΠ²ΠΎ Π»ΡΠ΄Π΅ΠΉ ΠΏΡΠ°Π²ΡΠΈ, Π±ΠΎΠ»ΡΡΠΈΠ½ΡΡΠ²Ρ Π²ΠΎΠ·Π½ΠΈΡ ΠΏΠΎΠ½Π°Π΄ΠΎΠ±ΠΈΡΡΡ Ρ Π»ΡΡΡ Π² ΠΏΡΠ°Π²ΠΎΠΉ ΡΡΠΊΠ΅, ΠΏΠΎΡΡΠΎΠΌΡ ΠΈΠΌΠ΅Π»ΠΎ ΡΠΌΡΡΠ» ΡΠΈΠ΄Π΅ΡΡ Π½Π° Π»Π΅Π²ΠΎΠΉ Π»ΠΎΡΠ°Π΄ΠΈ.
Π ΠΏΠΎΡΠΊΠΎΠ»ΡΠΊΡ Π±ΠΎΠ»ΡΡΠΈΠ½ΡΡΠ²ΠΎ Π²ΠΎΠ΄ΠΈΡΠ΅Π»Π΅ΠΉ ΡΠΈΠ΄ΡΡ ΡΠ»Π΅Π²Π° ΠΎΡ ΠΏΡΠΎΠ΅Π·ΠΆΠ΅ΠΉ ΡΠ°ΡΡΠΈ, ΠΈΠΌΠ΅Π»ΠΎ ΡΠΌΡΡΠ» ΠΎΡΠ³Π°Π½ΠΈΠ·ΠΎΠ²Π°ΡΡ Π΄Π²ΠΈΠΆΠ΅Π½ΠΈΠ΅ ΡΠ°ΠΊΠΈΠΌ ΠΎΠ±ΡΠ°Π·ΠΎΠΌ, ΡΡΠΎΠ±Ρ Π°Π²ΡΠΎΠΌΠΎΠ±ΠΈΠ»ΠΈ Π΄Π²ΠΈΠ³Π°Π»ΠΈΡΡ ΠΏΠΎ ΠΏΡΠ°Π²ΠΎΠΉ ΡΡΠΎΡΠΎΠ½Π΅ Π΄ΠΎΡΠΎΠ³ΠΈ. ΠΡΠΎ, ΠΊΠ°ΠΊ ΠΌΡ Π²ΡΠ΅ Π·Π½Π°Π΅ΠΌ ΠΏΠΎ ΡΠ΅Π³ΠΎΠ΄Π½ΡΡΠ½Π΅ΠΌΡ Π²ΠΎΠΆΠ΄Π΅Π½ΠΈΡ, ΠΏΠΎΠ·Π²ΠΎΠ»ΡΠ΅Ρ Π²ΠΎΠ΄ΠΈΡΠ΅Π»ΡΠΌ ΡΠΈΠ΄Π΅ΡΡ Π±Π»ΠΈΠΆΠ΅ ΠΊ ΡΠ΅Π½ΡΡΠ°Π»ΡΠ½ΠΎΠΉ Π»ΠΈΠ½ΠΈΠΈ — ΠΈ, ΡΠ°ΠΊΠΈΠΌ ΠΎΠ±ΡΠ°Π·ΠΎΠΌ, Π±Π»ΠΈΠΆΠ΅ ΠΊ Π²ΡΡΡΠ΅ΡΠ½ΠΎΠΌΡ Π΄Π²ΠΈΠΆΠ΅Π½ΠΈΡ, ΡΡΠΎΠ±Ρ ΠΎΠ½ΠΈ ΠΌΠΎΠ³Π»ΠΈ Π»ΡΡΡΠ΅ ΠΎΡΠ΅Π½ΠΈΡΡ, Π½Π°ΡΠΊΠΎΠ»ΡΠΊΠΎ Π±Π»ΠΈΠ·ΠΊΠΎ ΠΎΠ½ΠΈ ΠΏΡΠΎΠ΅Π·ΠΆΠ°Π»ΠΈ ΠΊ ΡΡΠΈΠΌ Π΄Π²ΠΈΠΆΡΡΠΈΠΌΡΡ ΠΌΠ°ΡΠΈΠ½Π°ΠΌ.
Π’Π°ΠΊ ΠΏΠΎΡΠ΅ΠΌΡ ΠΆΠ΅ Π±ΡΠΈΡΠ°Π½ΡΡ ΠΈ ΠΏΡΠΎΡΠΈΠ΅ Π΅Π΄ΡΡ, ΡΡΠΎΠ±Ρ ΡΠΊΡΠ°ΡΡΡ ΡΠ΅ΡΠΌΠΈΠ½ ΠΈΠ· ΠΌΠΈΡΠ° ΡΠ½ΠΎΡΠ±ΠΎΡΠ΄ΠΈΠ½Π³Π°, Π³Π»ΡΠΏΡΠ΅? Π§ΡΠΎ ΠΆ, Π΄Π°Π½Π½ΡΠ΅ ΠΎΠ± ΡΡΠΎΠΌ Π½Π΅ΠΌΠ½ΠΎΠ³ΠΎ ΡΡΠΌΠ°Π½Π½ΡΠ΅ — ΡΠ°ΠΌΠ°Ρ ΡΠ°Π½Π½ΡΡ ΠΈΠ·Π²Π΅ΡΡΠ½Π°Ρ Π·Π°ΠΏΠΈΡΡ, ΠΊΠΎΡΠΎΡΡΡ ΠΌΡ ΠΌΠΎΠ³Π»ΠΈ Π½Π°ΠΉΡΠΈ, ΠΏΡΠ΅Π΄ΠΏΠΈΡΡΠ²Π°ΡΡΠ°Ρ Π»Π΅Π²ΠΎΡΡΠΎΡΠΎΠ½Π½Π΅Π΅ Π΄Π²ΠΈΠΆΠ΅Π½ΠΈΠ΅, Π²ΠΎΡΡ ΠΎΠ΄ΠΈΡ ΠΊ ΠΏΡΠ°Π²ΠΈΠ»Ρ ΠΎ ΠΠΎΠ½Π΄ΠΎΠ½ΡΠΊΠΎΠΌ ΠΌΠΎΡΡΡ Ρ 1753 Π³ΠΎΠ΄Π°, Π½ΠΎ ΠΎΠ΄Π½ΠΎ ΠΈΠ· Π²Π΅ΡΠΎΡΡΠ½ΡΡ ΠΎΠ±ΡΡΡΠ½Π΅Π½ΠΈΠΉ ΡΠΎΡΡΠΎΠΈΡ Π² ΡΠΎΠΌ, ΡΡΠΎ ΠΈΡ ΠΏΡΠ°Π²ΠΈΠ»Π° — Π΄ΠΎΡΠΎΠ³ΠΈ Π²ΠΎΡΡ ΠΎΠ΄ΡΡ ΠΊ ΡΡΠ΅Π΄Π½Π΅Π²Π΅ΠΊΠΎΠ²ΡΡ.(Π’Π΅ΠΌ Π½Π΅ ΠΌΠ΅Π½Π΅Π΅, ΡΠ°ΠΊΠΆΠ΅ Π²ΠΎΠ·ΠΌΠΎΠΆΠ½ΠΎ, ΡΡΠΎ ΠΎΠ½ΠΈ Π·Π°ΠΈΠΌΡΡΠ²ΠΎΠ²Π°Π»ΠΈ ΠΈΠ΄Π΅Ρ Ρ ΡΠΈΠΌΠ»ΡΠ½, ΠΊΠΎΡΠΎΡΡΠ΅, ΠΊΠ°ΠΊ ΠΏΠΎΠ»Π°Π³Π°ΡΡ, ΠΏΡΡΠ΅ΡΠ΅ΡΡΠ²ΠΎΠ²Π°Π»ΠΈ ΠΏΠΎ Π»Π΅Π²ΠΎΠΉ ΡΡΠΎΡΠΎΠ½Π΅ Π΄ΠΎΡΠΎΠ³ΠΈ.)
Π ΡΠ½ΠΎΠ²Π° Π² ΠΈΠ³ΡΡ Π²ΡΡΡΠΏΠ°Π΅Ρ ΠΏΡΠ°Π²ΡΠ°: ΡΠΎΠ³Π»Π°ΡΠ½ΠΎ ΡΠ΅ΠΎΡΠΈΠΈ, ΠΏΡΡΠ΅ΡΠ΅ΡΡΠ²Π΅Π½Π½ΠΈΠΊΠΈ, ΠΊΠΎΡΠΎΡΡΠ΅ Π½Π΅ΡΠ»ΠΈ ΠΌΠ΅ΡΠΈ Π²ΠΊΠ»Π°Π΄ΡΠ²Π°Π»ΠΈ ΠΈΡ Π² Π½ΠΎΠΆΠ½Ρ Ρ Π»Π΅Π²ΠΎΠΉ ΡΡΠΎΡΠΎΠ½Ρ ΡΠ΅Π»Π°, ΡΡΠΎΠ±Ρ ΠΎΠ½ΠΈ ΠΌΠΎΠ³Π»ΠΈ Π²ΡΡΠ°ΡΠΊΠΈΠ²Π°ΡΡ ΠΈΡ ΠΏΡΠ°Π²ΠΎΠΉ ΡΡΠΊΠΎΠΉ. ΠΠ΄ΡΠΈ ΠΏΠΎ ΠΏΡΠ°Π²ΠΎΠΉ ΡΡΠΎΡΠΎΠ½Π΅ Π΄ΠΎΡΠΎΠ³ΠΈ ΠΎΠ·Π½Π°ΡΠ°Π»ΠΎ Π±Ρ, ΡΡΠΎ ΡΡΠΈ Π·Π°ΠΊΠΎΠ²Π°Π½Π½ΡΠ΅ Π² Π½ΠΎΠΆΠ½Ρ ΠΌΠ΅ΡΠΈ ΡΠ»Π΅ΠΏΠ°Π»ΠΈΡΡ Π΄ΡΡΠ³ ΠΎ Π΄ΡΡΠ³Π° ΠΈ Π²ΡΠ·ΡΠ²Π°Π»ΠΈ Π²ΡΠ΅Π²ΠΎΠ·ΠΌΠΎΠΆΠ½ΡΠ΅ ΡΡΡΠΊΠΈ; Π΄Π²ΠΈΠΆΠ΅Π½ΠΈΠ΅ ΠΏΠΎ Π»Π΅Π²ΠΎΠΉ ΡΡΠΎΡΠΎΠ½Π΅ Π΄ΠΎΡΠΎΠ³ΠΈ Π½Π΅ ΠΈΠΌΠ΅Π»ΠΎ ΡΠ°ΠΊΠΎΠΉ ΠΏΡΠΎΠ±Π»Π΅ΠΌΡ.ΠΡΠΎΠΌΠ΅ ΡΠΎΠ³ΠΎ, Ρ ΠΎΠ΄ΡΠ±Π° ΠΏΠΎ Π»Π΅Π²ΠΎΠΉ ΡΡΠΎΡΠΎΠ½Π΅ Π΄ΠΎΡΠΎΠ³ΠΈ ΠΎΠ·Π½Π°ΡΠ°Π»Π°, ΡΡΠΎ Π»ΡΠ±ΠΎΠΉ ΠΏΡΠΎΡ ΠΎΠ΄ΡΡΠΈΠΉ Π±ΡΠ΄Π΅Ρ ΠΏΡΠΈΠ±Π»ΠΈΠΆΠ°ΡΡΡΡ ΠΊ Π²Π°ΡΠ΅ΠΉ ΡΡΠΊΠ΅ Ρ ΠΌΠ΅ΡΠΎΠΌ, ΡΡΠΎ ΠΎΠ±Π»Π΅Π³ΡΠ°Π΅Ρ Π±ΡΡΡΡΠΎΠ΅ Π²ΡΡΡΠΏΠ»Π΅Π½ΠΈΠ΅ Π² Π±ΠΎΠΉ, Π΅ΡΠ»ΠΈ ΡΡΠΎ Π½Π΅ΠΎΠ±Ρ ΠΎΠ΄ΠΈΠΌΠΎ. (Π ΡΠΎΠΌΡ Π²ΡΠ΅ΠΌΠ΅Π½ΠΈ, ΠΊΠΎΠ³Π΄Π° Π±ΡΠ΄ΡΡΠΈΠ΅ Π‘ΠΎΠ΅Π΄ΠΈΠ½Π΅Π½Π½ΡΠ΅ Π¨ΡΠ°ΡΡ Π±ΡΠ»ΠΈ ΠΊΠΎΠ»ΠΎΠ½ΠΈΠ·ΠΈΡΠΎΠ²Π°Π½Ρ Π΅Π²ΡΠΎΠΏΠ΅ΠΉΡΠ°ΠΌΠΈ, ΠΊΠΎΠ½Π΅ΡΠ½ΠΎ ΠΆΠ΅, ΠΌΡΡΠΊΠ΅ΡΡ ΠΈ ΠΏΠΈΡΡΠΎΠ»Π΅ΡΡ Π·Π°ΠΌΠ΅Π½ΠΈΠ»ΠΈ ΠΌΠ΅ΡΠΈ Π² ΠΊΠ°ΡΠ΅ΡΡΠ²Π΅ ΠΏΡΠ΅Π΄ΠΏΠΎΡΡΠΈΡΠ΅Π»ΡΠ½ΠΎΠ³ΠΎ ΠΎΡΡΠΆΠΈΡ, ΡΠ±ΡΠ°Π² ΡΡΠΎΡ ΡΠ°ΡΡΠ΅Ρ ΠΈΠ· ΡΡΠ°Π²Π½Π΅Π½ΠΈΡ.)
ΠΡΠΈΠΌΠ΅ΡΠ°Π½ΠΈΠ΅. ΠΠΎΠΊΡΠΏΠΊΠ° ΠΏΡΠΎΠ΄ΡΠΊΡΠΎΠ² ΠΏΠΎ Π½Π°ΡΠΈΠΌ ΡΡΡΠ»ΠΊΠ°ΠΌ ΠΌΠΎΠΆΠ΅Ρ ΠΏΡΠΈΠ½Π΅ΡΡΠΈ Π½Π°ΠΌ ΡΠ°ΡΡΡ Π΄ΠΎΡ ΠΎΠ΄Π° ΠΎΡ ΠΏΡΠΎΠ΄Π°ΠΆΠΈ, ΡΡΠΎ ΠΏΠΎΠ΄Π΄Π΅ΡΠΆΠΈΠ²Π°Π΅Ρ ΠΌΠΈΡΡΠΈΡ Π½Π°ΡΠ΅ΠΉ ΡΠ΅Π΄Π°ΠΊΡΠΈΠΎΠ½Π½ΠΎΠΉ Π³ΡΡΠΏΠΏΡ.Π£Π·Π½Π°ΠΉΡΠ΅ Π±ΠΎΠ»ΡΡΠ΅ Π·Π΄Π΅ΡΡ.
ΠΡΠΎΡ ΠΊΠΎΠ½ΡΠ΅Π½Ρ ΡΠΎΠ·Π΄Π°Π΅ΡΡΡ ΠΈ ΠΏΠΎΠ΄Π΄Π΅ΡΠΆΠΈΠ²Π°Π΅ΡΡΡ ΡΡΠ΅ΡΡΠ΅ΠΉ ΡΡΠΎΡΠΎΠ½ΠΎΠΉ ΠΈ ΠΈΠΌΠΏΠΎΡΡΠΈΡΡΠ΅ΡΡΡ Π½Π° ΡΡΡ ΡΡΡΠ°Π½ΠΈΡΡ, ΡΡΠΎΠ±Ρ ΠΏΠΎΠΌΠΎΡΡ ΠΏΠΎΠ»ΡΠ·ΠΎΠ²Π°ΡΠ΅Π»ΡΠΌ ΡΠΊΠ°Π·Π°ΡΡ ΡΠ²ΠΎΠΈ Π°Π΄ΡΠ΅ΡΠ° ΡΠ»Π΅ΠΊΡΡΠΎΠ½Π½ΠΎΠΉ ΠΏΠΎΡΡΡ. ΠΡ ΠΌΠΎΠΆΠ΅ΡΠ΅ Π½Π°ΠΉΡΠΈ Π±ΠΎΠ»ΡΡΠ΅ ΠΈΠ½ΡΠΎΡΠΌΠ°ΡΠΈΠΈ ΠΎΠ± ΡΡΠΎΠΌ ΠΈ ΠΏΠΎΠ΄ΠΎΠ±Π½ΠΎΠΌ ΠΊΠΎΠ½ΡΠ΅Π½ΡΠ΅ Π½Π° ΡΠ°ΠΉΡΠ΅ piano.io.
ΠΡΠΎΡΡΠΎΠ΅ ΡΡΠΊΠΎΠ²ΠΎΠ΄ΡΡΠ²ΠΎ ΠΏΠΎ ΡΠΈΡΡΠ΅ΠΌΠ΅ ΡΡΠ»Π΅Π²ΠΎΠ³ΠΎ ΡΠΏΡΠ°Π²Π»Π΅Π½ΠΈΡ Π°Π²ΡΠΎΠΌΠΎΠ±ΠΈΠ»Ρ
ΠΠ°ΠΊ ΡΠ°Π±ΠΎΡΠ°Π΅Ρ ΡΠ΅Π΅ΡΠ½Π°Ρ ΡΠΈΡΡΠ΅ΠΌΠ° ΡΡΠ»Π΅Π²ΠΎΠ³ΠΎ ΡΠΏΡΠ°Π²Π»Π΅Π½ΠΈΡ?
Π Π΅Π΅ΡΠ½Π°Ρ ΡΠ΅ΡΡΠ΅ΡΠ½Ρ — Π½Π°ΠΈΠ±ΠΎΠ»Π΅Π΅ ΡΠ°ΡΠΏΡΠΎΡΡΡΠ°Π½Π΅Π½Π½Π°Ρ ΡΠΈΡΡΠ΅ΠΌΠ° ΡΡΠ»Π΅Π²ΠΎΠ³ΠΎ ΡΠΏΡΠ°Π²Π»Π΅Π½ΠΈΡ, ΠΊΠΎΡΠΎΡΡΡ ΠΏΡΠ΅Π΄ΠΏΠΎΡΠΈΡΠ°ΡΡ Π°Π²ΡΠΎΠΏΡΠΎΠΈΠ·Π²ΠΎΠ΄ΠΈΡΠ΅Π»ΠΈ ΠΈ Π²ΠΎΠ΄ΠΈΡΠ΅Π»ΠΈ, ΠΏΠΎΡΠΊΠΎΠ»ΡΠΊΡ ΠΎΠ½Π° ΠΏΡΠΎΡΡΠ° ΠΈ ΡΠ΄ΠΎΠ±Π½Π°.Π ΡΠ»Π΅Π²ΠΎΠ΅ ΠΊΠΎΠ»Π΅ΡΠΎ Π²ΡΠ°ΡΠ°Π΅Ρ ΡΡΠ»Π΅Π²ΡΡ ΠΊΠΎΠ»ΠΎΠ½ΠΊΡ, ΠΊΠΎΡΠΎΡΠ°Ρ ΠΏΡΠΈΠΊΡΠ΅ΠΏΠ»Π΅Π½Π° Ρ ΠΏΠΎΠΌΠΎΡΡΡ ΠΌΡΡΡΡ (Π½Π°Π·ΡΠ²Π°Π΅ΠΌΠΎΠΉ ΡΠ½ΠΈΠ²Π΅ΡΡΠ°Π»ΡΠ½ΡΠΌ ΡΠ°ΡΠ½ΠΈΡΠΎΠΌ), ΠΊΠΎΡΠΎΡΠ°Ρ ΠΏΠ΅ΡΠ΅Π΄Π°Π΅Ρ Π΄Π²ΠΈΠΆΠ΅Π½ΠΈΠ΅ Π½Π° Π΄ΡΡΠ³ΠΎΠΉ Π²Π°Π», ΡΠ°ΡΠΏΠΎΠ»ΠΎΠΆΠ΅Π½Π½ΡΠΉ Π½ΠΈΠΆΠ΅.
Π’Π°ΠΊΠΎΠ΅ ΡΠ°ΡΠΏΠΎΠ»ΠΎΠΆΠ΅Π½ΠΈΠ΅ ΠΎΠ±Π΅ΡΠΏΠ΅ΡΠΈΠ²Π°Π΅Ρ Π½Π΅ΠΊΠΎΡΠΎΡΡΡ Π³ΠΈΠ±ΠΊΠΎΡΡΡ Π² Π²ΡΠ±ΠΎΡΠ΅ ΠΌΠ΅ΡΡΠ° ΡΠ°ΡΠΏΠΎΠ»ΠΎΠΆΠ΅Π½ΠΈΡ ΡΡΠ»Π΅Π²ΠΎΠ³ΠΎ ΠΊΠΎΠ»Π΅ΡΠ°.
ΠΡΠΎΡ Π²ΡΠΎΡΠΎΠΉ Π²Π°Π» Π΄ΡΡΠ³ΠΈΠΌ ΠΊΠΎΠ½ΡΠΎΠΌ ΠΏΡΠΈΠΊΡΠ΅ΠΏΠ»Π΅Π½ ΠΊ ΠΌΠ°Π»Π΅Π½ΡΠΊΠΎΠΉ ΡΠ΅ΡΡΠ΅ΡΠ½Π΅, Π½Π°Π·ΡΠ²Π°Π΅ΠΌΠΎΠΉ Π²Π΅Π΄ΡΡΠ΅ΠΉ ΡΠ΅ΡΡΠ΅ΡΠ½Π΅ΠΉ, ΠΊΠΎΡΠΎΡΠ°Ρ Π²Ρ ΠΎΠ΄ΠΈΡ Π² Π·Π°ΡΠ΅ΠΏΠ»Π΅Π½ΠΈΠ΅ ΠΈΠ»ΠΈ Π·Π°ΡΠ΅ΠΏΠ»ΡΠ΅ΡΡΡ Ρ Π·ΡΠ±ΡΡΠΌΠΈ ΡΠ΅ΡΡΠ΅ΡΠ½ΠΈ Π½Π° ΠΎΠ΄Π½ΠΎΠΉ ΡΡΠΎΡΠΎΠ½Π΅ ΡΡΠ΅ΡΠΆΠ½Ρ, Π½Π°Π·ΡΠ²Π°Π΅ΠΌΠΎΠ³ΠΎ Β«ΡΠ΅ΠΉΠΊΠΎΠΉΒ», ΠΊΠΎΡΠΎΡΡΠΉ ΠΏΡΠΎΡ ΠΎΠ΄ΠΈΡ ΠΏΠΎΠ΄ ΠΏΡΡΠΌΡΠΌ ΡΠ³Π»ΠΎΠΌ ΠΊ ββΠ½Π΅ΠΌΡ. ΠΏΠΎ ΡΠΈΡΠΈΠ½Π΅ Π°Π²ΡΠΎΠΌΠΎΠ±ΠΈΠ»Ρ.Π Π·Π°Π²ΠΈΡΠΈΠΌΠΎΡΡΠΈ ΠΎΡ ΡΠΎΠ³ΠΎ, Π² ΠΊΠ°ΠΊΡΡ ΡΡΠΎΡΠΎΠ½Ρ Π²Ρ ΠΏΠΎΠ²ΠΎΡΠ°ΡΠΈΠ²Π°Π΅ΡΠ΅ ΡΡΠ»Π΅Π²ΠΎΠ΅ ΠΊΠΎΠ»Π΅ΡΠΎ, ΡΠ΅ΡΡΠ΅ΡΠ½Ρ Π·Π°Π²ΠΎΠ΄ΠΈΡ ΡΠ΅ΠΉΠΊΡ Π²Π»Π΅Π²ΠΎ ΠΈΠ»ΠΈ Π²ΠΏΡΠ°Π²ΠΎ.
ΠΠ°ΠΊ ΡΠ΅Π΅ΡΠ½Π°Ρ ΠΏΠ΅ΡΠ΅Π΄Π°ΡΠ° ΠΊΡΠ΅ΠΏΠΈΡΡΡ ΠΊ ΠΊΠΎΠ»Π΅ΡΠ°ΠΌ?
ΠΠΎΠΏΠ΅ΡΠ΅ΡΠ½Π°Ρ ΡΡΠ³Π°, ΡΠ°ΠΊΠΆΠ΅ Π½Π°Π·ΡΠ²Π°Π΅ΠΌΠ°Ρ ΠΏΠΎΠΏΠ΅ΡΠ΅ΡΠ½ΠΎΠΉ ΡΡΠ»Π΅Π²ΠΎΠΉ ΡΡΠ³ΠΎΠΉ, ΡΠ°ΡΠΏΠΎΠ»ΠΎΠΆΠ΅Π½Π° Π½Π° ΠΎΠ±ΠΎΠΈΡ ΠΊΠΎΠ½ΡΠ°Ρ ΡΡΠΎΠΉΠΊΠΈ. ΠΠ°ΠΆΠ΄Π°Ρ ΡΡΠ»Π΅Π²Π°Ρ ΡΡΠ³Π° ΠΏΡΠΈΠΊΡΠ΅ΠΏΠ»Π΅Π½Π° ΠΊ ΡΡΠ»Π΅Π²ΠΎΠΌΡ ΡΡΡΠ°Π³Ρ, ΠΊΠΎΡΠΎΡΡΠΉ ΠΏΡΠΈΠΊΡΠ΅ΠΏΠ»Π΅Π½ ΠΊ ΡΡΡΠΏΠΈΡΠ΅ ΠΊΠΎΠ»Π΅ΡΠ°, ΠΊ ΠΊΠΎΡΠΎΡΠΎΠΉ ΠΊΠΎΠ»Π΅ΡΠΎ ΠΏΡΠΈΠΊΡΠ΅ΠΏΠ»Π΅Π½ΠΎ Π±ΠΎΠ»ΡΠ°ΠΌΠΈ. ΠΡΠΈ Π΄Π²ΠΈΠΆΠ΅Π½ΠΈΠΈ ΡΡΠΎΠΉΠΊΠΈ Π²ΡΠ΅ ΡΡΠΈ ΡΠΎΠ΅Π΄ΠΈΠ½Π΅Π½ΠΈΡ ΠΎΠ±Π΅ΡΠΏΠ΅ΡΠΈΠ²Π°ΡΡ Π²ΡΠ°ΡΠ΅Π½ΠΈΠ΅ ΠΊΠΎΠ»Π΅Ρ Π²ΠΌΠ΅ΡΡΠ΅.
Π’ΡΠ³Π° ΡΡΠ»Ρ — ΡΡΠΎ ΠΊΠ»ΡΡ. ΠΠ½ ΠΏΡΠΈΠΊΡΠ΅ΠΏΠ»Π΅Π½ ΠΊ ΡΡΠ»Π΅Π²ΠΎΠΌΡ ΡΡΡΠ°Π³Ρ Ρ ΠΏΠΎΠΌΠΎΡΡΡ ΡΠ°ΡΠ° ΠΈ Π³Π½Π΅Π·Π΄Π°.ΠΡΠΎ Π΄Π°Π΅Ρ ΠΊΠ°ΠΆΠ΄ΠΎΠΉ ΡΡΠ»Π΅Π²ΠΎΠΉ ΡΠ΅ΠΉΠΊΠ΅ ΡΠ²ΠΎΠ±ΠΎΠ΄Ρ ΠΏΠ΅ΡΠ΅Π΄Π²ΠΈΠΆΠ΅Π½ΠΈΡ Ρ ΡΠ°Π·Π½ΠΎΠΉ ΡΠΊΠΎΡΠΎΡΡΡΡ. ΠΡΠΎ Π²Π°ΠΆΠ½ΠΎ, ΠΏΠΎΡΠΎΠΌΡ ΡΡΠΎ, Π½Π°ΠΏΡΠΈΠΌΠ΅Ρ, ΠΊΠΎΠ³Π΄Π° Π°Π²ΡΠΎΠΌΠΎΠ±ΠΈΠ»Ρ ΠΏΠΎΠ²ΠΎΡΠ°ΡΠΈΠ²Π°Π΅Ρ ΠΏΡΠ°Π²ΡΠΉ ΡΠ³ΠΎΠ», Π΅Π³ΠΎ Π²Π½ΡΡΡΠ΅Π½Π½Π΅Π΅ ΠΊΠΎΠ»Π΅ΡΠΎ Π½Π°ΠΊΠ»ΠΎΠ½ΡΠ΅ΡΡΡ ΠΏΠΎΠ΄ Π±ΠΎΠ»Π΅Π΅ ΠΊΡΡΡΡΠΌ ΡΠ³Π»ΠΎΠΌ, ΡΠ΅ΠΌ Π²Π½Π΅ΡΠ½Π΅Π΅, ΠΊΠΎΡΠΎΡΠΎΠΌΡ ΠΏΡΠ΅Π΄ΡΡΠΎΠΈΡ ΠΏΡΠΎΠΉΡΠΈ Π΄Π°Π»ΡΡΠ΅.
ΠΡΠ»ΠΈ Π±Ρ ΡΡΠ»Π΅Π²ΡΠ΅ ΡΡΠ³ΠΈ Π½Π΅ Π΄ΠΎΠΏΡΡΠΊΠ°Π»ΠΈ ΡΠ°ΠΊΠΎΠΉ ΡΠ°Π·Π½ΠΈΡΡ Π² ΡΠ³Π»Π°Ρ , ΠΌΠ°ΡΠΈΠ½Π° ΡΠΊΡΡΡΠΈΠ»Π° Π±Ρ ΠΏΠΎΠ²ΠΎΡΠΎΡΡ.
ΠΠ°ΠΊ ΡΡΠΎ Ρ ΡΡΠΈΠ»ΠΈΡΠ΅Π»Π΅ΠΌ?
ΠΠΎΠ»ΡΡΠΈΠ½ΡΡΠ²ΠΎ ΡΠΈΡΡΠ΅ΠΌ ΡΡΠ»Π΅Π²ΠΎΠ³ΠΎ ΡΠΏΡΠ°Π²Π»Π΅Π½ΠΈΡ ΡΠΎΠ²ΡΠ΅ΠΌΠ΅Π½Π½ΡΡ Π°Π²ΡΠΎΠΌΠΎΠ±ΠΈΠ»Π΅ΠΉ ΠΈΠΌΠ΅ΡΡ Π³ΠΈΠ΄ΡΠΎΡΡΠΈΠ»ΠΈΡΠ΅Π»Ρ. ΠΠΎΠΌΠΈΠ½ΠΈΡΡΡΡΠ΅ΠΉ ΡΠΈΡΡΠ΅ΠΌΠΎΠΉ ΡΠ²Π»ΡΠ΅ΡΡΡ ΡΡΠ»Π΅Π²ΠΎΠ΅ ΡΠΏΡΠ°Π²Π»Π΅Π½ΠΈΠ΅ Ρ Π³ΠΈΠ΄ΡΠΎΡΡΠΈΠ»ΠΈΡΠ΅Π»Π΅ΠΌ (HPAS).ΠΠ°ΡΠΎΡ, ΠΏΡΠΈΠ²ΠΎΠ΄ΠΈΠΌΡΠΉ Π² Π΄Π΅ΠΉΡΡΠ²ΠΈΠ΅ Π΄Π²ΠΈΠ³Π°ΡΠ΅Π»Π΅ΠΌ Π°Π²ΡΠΎΠΌΠΎΠ±ΠΈΠ»Ρ, Π·Π°ΡΡΠ°Π²Π»ΡΠ΅Ρ Π³ΠΈΠ΄ΡΠ°Π²Π»ΠΈΡΠ΅ΡΠΊΡΡ ΠΆΠΈΠ΄ΠΊΠΎΡΡΡ ΠΏΡΠΈΠ²ΠΎΠ΄ΠΈΡΡ Π² Π΄Π΅ΠΉΡΡΠ²ΠΈΠ΅ ΠΏΠΎΡΡΠ΅Π½Ρ, ΡΠ°ΡΠΏΠΎΠ»ΠΎΠΆΠ΅Π½Π½ΡΠΉ Π½Π° ΡΡΠ»Π΅Π²ΠΎΠΌ ΠΌΠ΅Ρ Π°Π½ΠΈΠ·ΠΌΠ΅.
Π Π·Π°Π²ΠΈΡΠΈΠΌΠΎΡΡΠΈ ΠΎΡ ΡΠΎΠ³ΠΎ, Π² ΠΊΠ°ΠΊΡΡ ΡΡΠΎΡΠΎΠ½Ρ Π²Ρ ΠΏΠΎΠ²ΠΎΡΠ°ΡΠΈΠ²Π°Π΅ΡΠ΅ ΡΡΠ»Π΅Π²ΠΎΠ΅ ΠΊΠΎΠ»Π΅ΡΠΎ, ΡΡΠΎΡ ΠΏΠΎΡΡΠ΅Π½Ρ ΡΠΎΠΎΡΠ²Π΅ΡΡΡΠ²Π΅Π½Π½ΠΎ ΡΠΎΠ»ΠΊΠ°Π΅Ρ ΡΡΠ»Π΅Π²ΡΠ΅ ΠΌΠ΅Ρ Π°Π½ΠΈΠ·ΠΌΡ.
Π‘ΠΈΡΡΠ΅ΠΌΠ° Π·Π½Π°Π΅Ρ, Π² ΠΊΠ°ΠΊΡΡ ΡΡΠΎΡΠΎΠ½Ρ Π²Ρ ΠΏΠΎΠ²ΠΎΡΠ°ΡΠΈΠ²Π°Π΅ΡΠ΅ ΠΊΠΎΠ»Π΅ΡΠΎ ΠΈ Ρ ΠΊΠ°ΠΊΠΎΠΉ ΡΠΈΠ»ΠΎΠΉ, ΠΏΠΎΡΠΎΠΌΡ ΡΡΠΎ Ρ Π½Π΅Π΅ Π΅ΡΡΡ ΡΠΎΡΡΠΈΠΎΠ½, ΠΊΠΎΡΠΎΡΡΠΉ ΠΊΡΡΡΠΈΡΡΡ ΠΏΡΠΈ ΠΏΠΎΠ²ΠΎΡΠΎΡΠ΅ ΠΊΠΎΠ»Π΅ΡΠ°.
ΠΡΠ° ΡΡΠ°Π½Π³Π° ΡΠΎΠ΅Π΄ΠΈΠ½Π΅Π½Π° Ρ ΠΊΠ»Π°ΠΏΠ°Π½ΠΎΠΌ ΡΡΠ»Π΅Π²ΠΎΠ³ΠΎ ΡΠΏΡΠ°Π²Π»Π΅Π½ΠΈΡ, ΠΊΠΎΡΠΎΡΡΠΉ ΠΎΡΠΊΡΡΠ²Π°Π΅ΡΡΡ ΠΈ Π·Π°ΠΊΡΡΠ²Π°Π΅ΡΡΡ, ΠΏΡΠΎΠΏΡΡΠΊΠ°Ρ Π³ΠΈΠ΄ΡΠ°Π²Π»ΠΈΡΠ΅ΡΠΊΡΡ ΠΆΠΈΠ΄ΠΊΠΎΡΡΡ Π² ΡΠ΅Π·Π΅ΡΠ²ΡΠ°Ρ, Π³Π΄Π΅ ΠΎΠ½Π° Π²ΠΎΠ·Π΄Π΅ΠΉΡΡΠ²ΡΠ΅Ρ Π½Π° ΠΏΠΎΡΡΠ΅Π½Ρ.
ΠΠ΄Π½Π°ΠΊΠΎ ΡΠ΅ΠΉΡΠ°Ρ Π²ΡΠ΅ Π±ΠΎΠ»ΡΡΠ΅ Π°Π²ΡΠΎΠΏΡΠΎΠΈΠ·Π²ΠΎΠ΄ΠΈΡΠ΅Π»Π΅ΠΉ ΠΎΠ±ΡΠ°ΡΠ°ΡΡΡΡ ΠΊ ΡΠΈΡΡΠ΅ΠΌΠ°ΠΌ ΡΡΠ»Π΅Π²ΠΎΠ³ΠΎ ΡΠΏΡΠ°Π²Π»Π΅Π½ΠΈΡ Ρ ΡΠ»Π΅ΠΊΡΡΠΎΡΡΠΈΠ»ΠΈΡΠ΅Π»Π΅ΠΌ (EPAS). ΠΠ»Ρ ΠΈΡ ΡΠ°Π±ΠΎΡΡ ΡΡΠ΅Π±ΡΠ΅ΡΡΡ ΠΌΠ΅Π½ΡΡΠ΅ ΡΠ½Π΅ΡΠ³ΠΈΠΈ, ΠΏΠΎΡΡΠΎΠΌΡ ΠΎΠ½ΠΈ ΠΈΠ³ΡΠ°ΡΡ ΠΆΠΈΠ·Π½Π΅Π½Π½ΠΎ Π²Π°ΠΆΠ½ΡΡ ΡΠΎΠ»Ρ Π² ΡΠ½ΠΈΠΆΠ΅Π½ΠΈΠΈ ΡΠ°ΡΡ ΠΎΠ΄Π° ΡΠΎΠΏΠ»ΠΈΠ²Π°.
ΠΠ΅Π±ΠΎΠ»ΡΡΠΎΠΉ ΡΠ»Π΅ΠΊΡΡΠΎΠ΄Π²ΠΈΠ³Π°ΡΠ΅Π»Ρ, ΡΠ°ΡΠΏΠΎΠ»ΠΎΠΆΠ΅Π½Π½ΡΠΉ ΡΡΠ΄ΠΎΠΌ Ρ ΡΡΠ»Π΅Π²ΡΠΌ ΠΊΠΎΠ»Π΅ΡΠΎΠΌ ΠΈΠ»ΠΈ Π½Π° ΡΡΠ»Π΅Π²ΠΎΠΉ ΡΠ΅ΠΉΠΊΠ΅, ΠΏΠΎΠΌΠΎΠ³Π°Π΅Ρ ΡΡΠ»Π΅Π²ΠΎΠΌΡ ΡΠΏΡΠ°Π²Π»Π΅Π½ΠΈΡ. Π Π°Π½Π½ΠΈΠ΅ Π²Π΅ΡΡΠΈΠΈ ΠΊΡΠΈΡΠΈΠΊΠΎΠ²Π°Π»ΠΈΡΡ Π·Π° ΠΎΡΡΡΡΡΡΠ²ΠΈΠ΅ ΡΡΠ²ΡΡΠ²ΠΈΡΠ΅Π»ΡΠ½ΠΎΡΡΠΈ, Π½ΠΎ ΡΠΎΠ²ΡΠ΅ΠΌΠ΅Π½Π½ΡΠ΅ ΡΠΈΡΡΠ΅ΠΌΡ ΠΈΡΠΏΠΎΠ»ΡΠ·ΡΡΡ Π½Π΅ΡΠΊΠΎΠ»ΡΠΊΠΎ Π΄Π°ΡΡΠΈΠΊΠΎΠ² ΠΈ ΡΠ»ΠΎΠΆΠ½ΡΡ ΡΠ»Π΅ΠΊΡΡΠΎΠ½ΠΈΠΊΡ Π΄Π»Ρ ΠΈΠ·ΠΌΠ΅Π½Π΅Π½ΠΈΡ ΠΏΠΎΠΌΠΎΡΠΈ ΡΡΠ»Π΅Π²ΠΎΠ³ΠΎ ΡΠΏΡΠ°Π²Π»Π΅Π½ΠΈΡ ΠΈ ΠΎΠ±Π΅ΡΠΏΠ΅ΡΠ΅Π½ΠΈΡ Π±ΠΎΠ»ΡΡΠ΅ΠΉ ΠΎΠ±ΡΠ°ΡΠ½ΠΎΠΉ ΡΠ²ΡΠ·ΠΈ Ρ Π²ΠΎΠ΄ΠΈΡΠ΅Π»Π΅ΠΌ Ρ ΡΠΎΡΠΊΠΈ Π·ΡΠ΅Π½ΠΈΡ Π½Π°Π³ΡΡΠ·ΠΊΠΈ Π½Π° ΡΡΠ»Π΅Π²ΠΎΠ΅ ΡΠΏΡΠ°Π²Π»Π΅Π½ΠΈΠ΅.
ΠΠ°ΠΊ ΡΠ°Π±ΠΎΡΠ°Π΅Ρ ΡΠΈΡΡΠ΅ΠΌΠ° Ρ ΡΠ΅ΡΠΈΡΠΊΡΠ»ΡΡΠΈΠ΅ΠΉ ΡΠ°ΡΠΈΠΊΠΎΠ²?
ΠΡΠ° ΡΠΈΡΡΠ΅ΠΌΠ° Π³ΠΎΡΠ°Π·Π΄ΠΎ ΡΠ΅ΠΆΠ΅ Π²ΡΡΡΠ΅ΡΠ°Π΅ΡΡΡ Π² Π°Π²ΡΠΎΠΌΠΎΠ±ΠΈΠ»ΡΡ , ΠΏΠΎΡΠΎΠΌΡ ΡΡΠΎ ΠΎΠ½Π° ΠΌΠ΅Π½Π΅Π΅ ΡΡΠ²ΡΡΠ²ΠΈΡΠ΅Π»ΡΠ½Π° ΠΈ ΡΠ»ΠΎΠΆΠ½Π΅Π΅, ΡΠ΅ΠΌ ΡΠΈΡΡΠ΅ΠΌΠ° ΡΠ΅Π΅ΡΠ½ΠΎΠΉ ΠΏΠ΅ΡΠ΅Π΄Π°ΡΠΈ. ΠΠΌΠ΅ΡΡΠΎ ΡΠ΅ΡΡΠ΅ΡΠ½ΠΈ ΠΈ ΡΡΠ»Π΅Π²ΠΎΠΉ ΡΠ΅ΠΉΠΊΠΈ Π·Π΄Π΅ΡΡ ΠΈΡΠΏΠΎΠ»ΡΠ·ΡΠ΅ΡΡΡ ΡΠ°ΠΊ Π½Π°Π·ΡΠ²Π°Π΅ΠΌΠ°Ρ Β«ΡΠ΅ΡΠ²ΡΡΠ½Π°Ρ ΠΏΠ΅ΡΠ΅Π΄Π°ΡΠ°Β», Ρ ΠΊΠΎΡΠΎΡΠΎΠΉ ΡΠΎΠ΅Π΄ΠΈΠ½Π΅Π½Π° ΡΡΠ»Π΅Π²Π°Ρ ΠΊΠΎΠ»ΠΎΠ½ΠΊΠ°.
ΠΡΠ° ΡΠ΅ΡΠ²ΡΡΠ½Π°Ρ ΠΏΠ΅ΡΠ΅Π΄Π°ΡΠ° ΠΈΠΌΠ΅Π΅Ρ ΡΠ΅Π·ΡΠ±Ρ, Π½Π°ΡΠ΅Π·Π°Π½Π½ΡΡ ΡΠ½Π°ΡΡΠΆΠΈ, ΠΈ ΠΏΡΠΎΡ ΠΎΠ΄ΠΈΡ ΡΠ΅ΡΠ΅Π· ΠΌΠ΅ΡΠ°Π»Π»ΠΈΡΠ΅ΡΠΊΠΈΠΉ Π±Π»ΠΎΠΊ, Π½Π°Π·ΡΠ²Π°Π΅ΠΌΡΠΉ Π³Π°ΠΉΠΊΠΎΠΉ, Ρ ΡΠΎΠΎΡΠ²Π΅ΡΡΡΠ²ΡΡΡΠ΅ΠΉ ΡΠ΅Π·ΡΠ±ΠΎΠΉ Π½Π° Π²Π½ΡΡΡΠ΅Π½Π½ΠΈΡ ΡΡΠ΅Π½ΠΊΠ°Ρ .
ΠΡΠ»ΠΈ Π³Π°ΠΉΠΊΠ° ΠΈ Π·Π°ΡΠ΅ΠΏΠ»Π΅Π½ΠΈΠ΅ ΡΠ΅ΡΠ²ΡΡΠ½ΠΎΠΉ ΠΏΠ΅ΡΠ΅Π΄Π°ΡΠΈ, ΡΠ°ΡΠΈΠΊΠΎΠ²ΡΠ΅ ΠΏΠΎΠ΄ΡΠΈΠΏΠ½ΠΈΠΊΠΈ, ΠΏΡΠ΅Π΄Π½Π°Π·Π½Π°ΡΠ΅Π½Π½ΡΠ΅ Π΄Π»Ρ ΡΠΌΠ΅Π½ΡΡΠ΅Π½ΠΈΡ ΡΡΠ΅Π½ΠΈΡ, Π° ΡΠ°ΠΊΠΆΠ΅ Π΄Π»Ρ ΠΊΠΎΠΌΠΏΠ΅Π½ΡΠ°ΡΠΈΠΈ ΠΏΡΠΎΠ²ΠΈΡΠ°Π½ΠΈΡ ΠΏΡΠΈ Π²ΡΠ°ΡΠ΅Π½ΠΈΠΈ ΡΠ΅ΡΠ²ΡΡΠ½ΠΎΠΉ ΠΏΠ΅ΡΠ΅Π΄Π°ΡΠΈ, ΠΏΡΠΎΡ ΠΎΠ΄ΡΡ Π²Π²Π΅ΡΡ ΠΈ Π²Π½ΠΈΠ· ΠΏΠΎ ΠΊΠ°Π½Π°Π»Π°ΠΌ, ΠΎΠ±ΡΠ°Π·ΠΎΠ²Π°Π½Π½ΡΠΌ ΡΠ΅Π·ΡΠ±ΠΎΠΉ.ΠΠΎΠ³Π΄Π° ΡΠ°ΡΡ Π²ΡΡ ΠΎΠ΄ΡΡ, ΠΎΠ½ΠΈ Π½Π°ΠΏΡΠ°Π²Π»ΡΡΡΡΡ ΠΎΠ±ΡΠ°ΡΠ½ΠΎ Π½Π°Π²Π΅ΡΡ , ΡΡΠΎ Π΄Π°Π΅Ρ Π½Π°ΡΠ°Π»ΠΎ ΡΠ΅ΡΠΌΠΈΠ½Ρ Β«ΡΠ΅ΡΠΈΡΠΊΡΠ»ΠΈΡΡΡΡΠΈΠΉ ΡΠ°ΡΒ».
ΠΠ°ΠΉΠΊΠ° ΡΠ°ΠΊΠΆΠ΅ ΠΈΠΌΠ΅Π΅Ρ Π½Π°ΡΠ΅Π·Π°Π½Π½ΡΠ΅ ΡΠ½Π°ΡΡΠΆΠΈ Π·ΡΠ±ΡΡ, ΠΊΠΎΡΠΎΡΡΠ΅ Π²Ρ ΠΎΠ΄ΡΡ Π² Π·Π°ΡΠ΅ΠΏΠ»Π΅Π½ΠΈΠ΅ Ρ Π·ΡΠ±ΡΡΠΌΠΈ Π½Π° ΠΎΠ΄Π½ΠΎΠΌ ΠΊΠΎΠ½ΡΠ΅ ΡΡΡΠ°Π³Π°, Π½Π°Π·ΡΠ²Π°Π΅ΠΌΠΎΠ³ΠΎ ΡΡΡΠ°Π³ΠΎΠΌ ΠΠΈΡΠΌΠ°Π½Π°. ΠΠ½ ΡΠΎΠ΅Π΄ΠΈΠ½Π΅Π½ Ρ ΡΡΠ»Π΅Π²ΠΎΠΉ ΡΡΠ³ΠΎΠΉ, Ρ ΠΊΠΎΡΠΎΡΠΎΠΉ ΠΊΠΎΠ½ΡΡ ΡΡΠ»Π΅Π²ΠΎΠΉ ΡΡΠ³ΠΈ Π½Π° ΠΎΠ±ΠΎΠΈΡ ΠΊΠΎΠ½ΡΠ°Ρ ΠΏΡΠΈΠΊΡΠ΅ΠΏΠ»Π΅Π½Ρ ΠΊ ΡΡΡΠΏΠΈΡΠ°ΠΌ ΠΊΠΎΠ»Π΅Ρ.
ΠΠΎΠ³Π΄Π° ΡΡΠ»Π΅Π²ΠΎΠ΅ ΠΊΠΎΠ»Π΅ΡΠΎ Π²ΡΠ°ΡΠ°Π΅ΡΡΡ, ΡΠ΅ΡΠ²ΡΡΠ½Π°Ρ ΠΏΠ΅ΡΠ΅Π΄Π°ΡΠ° Π²ΡΠ°ΡΠ°Π΅Ρ Π³Π°ΠΉΠΊΡ, ΠΊΠΎΡΠΎΡΠ°Ρ Π²ΡΠ°ΡΠ°Π΅Ρ ΡΡΡΠ°Π³ ΠΠΈΡΠΌΠ°Π½Π°, ΠΊΠΎΡΠΎΡΡΠΉ ΠΏΠ΅ΡΠ΅ΠΌΠ΅ΡΠ°Π΅Ρ ΡΡΡΠ°ΠΆΠ½ΡΠΉ ΠΌΠ΅Ρ Π°Π½ΠΈΠ·ΠΌ ΠΈ Π²ΡΠ°ΡΠ°Π΅Ρ ΠΊΠΎΠ»Π΅ΡΠ°.
ΠΠΎΠ·Π²ΡΠ°ΡΠ½ΠΎΡΡΡ ΡΡΠ»Π΅Π²ΠΎΠ³ΠΎ ΡΠΏΡΠ°Π²Π»Π΅Π½ΠΈΡ— Henderson’s Line-Up Brake & RV Inc.
ΠΠΎΠ·Π²ΡΠ°ΡΠ½ΠΎΡΡΡ ΡΡΠ»Π΅Π²ΠΎΠ³ΠΎ ΡΠΏΡΠ°Π²Π»Π΅Π½ΠΈΡ
ΠΡΠ΅ ΡΠΎ Π²ΡΠ΅ΠΌΠ΅Π½ Π²Π°ΡΠ΅ΠΉ ΠΏΠ΅ΡΠ²ΠΎΠΉ ΠΌΠ°ΡΠΈΠ½Ρ Π²Ρ, Π²Π΅ΡΠΎΡΡΠ½ΠΎ, ΠΏΡΠΈΠ²ΡΠΊΠ»ΠΈ ΠΊ ΠΏΠΎΠ²ΠΎΡΠΎΡΡ, Π° Π·Π°ΡΠ΅ΠΌ ΠΏΠΎΠ·Π²ΠΎΠ»ΡΠ»ΠΈ ΡΡΠ»Π΅Π²ΠΎΠΌΡ ΠΊΠΎΠ»Π΅ΡΡ Π²ΡΡΠΊΠ°Π»ΡΠ·ΡΠ²Π°ΡΡ ΠΈΠ· ΡΡΠΊ, ΠΊΠΎΠ³Π΄Π° ΠΎΠ½ΠΎ Π²ΠΎΠ·Π²ΡΠ°ΡΠ°Π»ΠΎΡΡ Π² ΡΠ΅Π½ΡΡ, ΠΈ ΠΌΠ°ΡΠΈΠ½Π° ΠΏΡΠΎΠ΄ΠΎΠ»ΠΆΠ°Π»Π° Π΄Π²ΠΈΠ³Π°ΡΡΡΡ ΠΏΠΎ ΠΏΡΡΠΌΠΎΠΉ. ΠΡΠΎ ΡΠΎ, ΡΡΠΎ ΠΌΡ Π½Π°Π·ΡΠ²Π°Π΅ΠΌ Β«Π²ΠΎΠ·Π²ΡΠ°ΡΠ½ΠΎΠΉ ΡΠΏΠΎΡΠΎΠ±Π½ΠΎΡΡΡΡ ΡΡΠ»Π΅Π²ΠΎΠ³ΠΎ ΡΠΏΡΠ°Π²Π»Π΅Π½ΠΈΡΒ», ΠΈ Π΅ΡΠ»ΠΈ ΡΡΠ»Π΅Π²ΠΎΠ΅ ΡΠΏΡΠ°Π²Π»Π΅Π½ΠΈΠ΅ ΠΈ ΡΠ΅Π½ΡΡΠΎΠ²ΠΊΠ° Π² Π²Π°ΡΠ΅ΠΌ Π°Π²ΡΠΎΠ±ΡΡΠ΅ ΠΏΡΠ°Π²ΠΈΠ»ΡΠ½ΡΠ΅, ΡΡΠ»Π΅Π²ΠΎΠ΅ ΡΠΏΡΠ°Π²Π»Π΅Π½ΠΈΠ΅ Π΄ΠΎΠ»ΠΆΠ½ΠΎ ΡΠ΅Π°Π³ΠΈΡΠΎΠ²Π°ΡΡ ΠΈΠΌΠ΅Π½Π½ΠΎ ΡΠ°ΠΊ. ΠΡΠ»ΠΈ, ΠΎΠ΄Π½Π°ΠΊΠΎ, Π²Ρ ΠΏΠΎΠ²ΠΎΡΠ°ΡΠΈΠ²Π°Π΅ΡΠ΅ Π·Π° ΡΠ³ΠΎΠ», ΠΈ ΡΡΠ΅Π½Π΅Ρ Ρ ΠΎΡΠ΅Ρ ΠΏΡΠΎΠ΄ΠΎΠ»ΠΆΠΈΡΡ ΠΏΠΎΠ²ΠΎΡΠΎΡ Π²ΠΌΠ΅ΡΡΠΎ ΡΠΎΠ³ΠΎ, ΡΡΠΎΠ±Ρ Π²ΡΠΏΡΡΠΌΠ»ΡΡΡΡΡ, Π·Π½Π°ΡΠΈΡ, Π΅ΡΡΡ ΠΏΡΠΎΠ±Π»Π΅ΠΌΠ°, ΠΊΠΎΡΠΎΡΡΡ Π½Π΅ΠΎΠ±Ρ ΠΎΠ΄ΠΈΠΌΠΎ ΡΠ΅ΡΠΈΡΡ.
ΠΠ°ΠΊ ΠΈ Π΄ΡΡΠ³ΠΈΠ΅ ΠΏΡΠΎΠ±Π»Π΅ΠΌΡ Ρ ΠΎΠ±ΡΠ»ΡΠΆΠΈΠ²Π°Π½ΠΈΠ΅ΠΌ, ΠΏΠ»ΠΎΡ Π°Ρ Π²ΠΎΠ·Π²ΡΠ°ΡΠ½ΠΎΡΡΡ ΡΡΠ»Π΅Π²ΠΎΠ³ΠΎ ΡΠΏΡΠ°Π²Π»Π΅Π½ΠΈΡ ΠΌΠΎΠΆΠ΅Ρ ΠΈΠΌΠ΅ΡΡ ΠΌΠ½ΠΎΠΆΠ΅ΡΡΠ²ΠΎ ΠΏΡΠΈΡΠΈΠ½, ΠΈ ΠΈΠ½ΠΎΠ³Π΄Π° Π½Π΅ΡΠΊΠΎΠ»ΡΠΊΠΎ ΠΊΠΎΠΌΠΏΠΎΠ½Π΅Π½ΡΠΎΠ² ΡΠΎΠ·Π΄Π°ΡΡ ΠΏΡΠΎΠ±Π»Π΅ΠΌΡ. ΠΠΎΡ ΠΏΠΎΡΠ΅ΠΌΡ Π²Π°ΠΆΠ½ΠΎ ΡΠ½Π°ΡΠ°Π»Π° Π΄ΠΈΠ°Π³Π½ΠΎΡΡΠΈΡΠΎΠ²Π°ΡΡ ΠΏΡΠΎΠ±Π»Π΅ΠΌΡ, Π° Π·Π°ΡΠ΅ΠΌ ΡΠΈΡΡΠ΅ΠΌΠ°ΡΠΈΡΠ΅ΡΠΊΠΈ ΠΏΠΎΠ΄Ρ ΠΎΠ΄ΠΈΡΡ ΠΊ Π΅Π΅ ΡΠ΅ΡΠ΅Π½ΠΈΡ.
ΠΠ±ΡΡΠ½ΠΎ ΠΏΠ»ΠΎΡ Π°Ρ Π²ΠΎΠ·Π²ΡΠ°ΡΠ½ΠΎΡΡΡ ΡΡΠ»Π΅Π²ΠΎΠ³ΠΎ ΡΠΏΡΠ°Π²Π»Π΅Π½ΠΈΡ Π²ΡΠ·Π²Π°Π½Π° ΡΠ»ΠΈΡΠΊΠΎΠΌ ΡΡΠ³ΠΈΠΌ ΠΈΠ»ΠΈ Π½Π΅ΠΏΡΠ°Π²ΠΈΠ»ΡΠ½ΠΎ ΠΎΡΡΠ΅Π³ΡΠ»ΠΈΡΠΎΠ²Π°Π½Π½ΡΠΌ ΡΡΠ»Π΅Π²ΡΠΌ ΠΌΠ΅Ρ Π°Π½ΠΈΠ·ΠΌΠΎΠΌ. ΠΡΠ»ΠΈ ΡΠ΅ΠΊΡΠΎΡ ΡΡΠ»Π΅Π²ΠΎΠ³ΠΎ ΡΠΏΡΠ°Π²Π»Π΅Π½ΠΈΡ ΡΡΠ΅Π·ΠΌΠ΅ΡΠ½ΠΎ Π·Π°ΡΡΠ½ΡΡ, ΡΡΠΎ ΠΏΡΠΈΠ²ΠΎΠ΄ΠΈΡ ΠΊ ΡΠΎΠΌΡ, ΡΡΠΎ Π²Π°Π» ΡΠ΅ΠΊΡΠΎΡΠ° ΠΎΠΊΠ°Π·ΡΠ²Π°Π΅Ρ ΡΠ»ΠΈΡΠΊΠΎΠΌ Π±ΠΎΠ»ΡΡΠΎΠ΅ Π΄Π°Π²Π»Π΅Π½ΠΈΠ΅ Π½Π° ΡΠ΅ΡΠ²ΡΡΠ½ΡΡ ΠΏΠ΅ΡΠ΅Π΄Π°ΡΡ. ΠΡΠΎ ΠΌΠΎΠΆΠ΅Ρ ΠΏΡΠΎΠΈΠ·ΠΎΠΉΡΠΈ, ΠΊΠΎΠ³Π΄Π° ΡΠ΅Ρ Π½ΠΈΡΠ΅ΡΠΊΠΈΠΉ ΡΠΏΠ΅ΡΠΈΠ°Π»ΠΈΡΡ Π½Π° Π·Π°Π²ΠΎΠ΄Π΅ ΠΈΠ»ΠΈ Π² ΠΌΠ°Π³Π°Π·ΠΈΠ½Π΅ ΠΏΡΡΠ°Π΅ΡΡΡ ΡΡΡΡΠ°Π½ΠΈΡΡ Π»ΠΈΡΠ½ΠΈΠΉ Π»ΡΡΡ Π² ΡΠΈΡΡΠ΅ΠΌΠ΅ ΡΡΠ»Π΅Π²ΠΎΠ³ΠΎ ΡΠΏΡΠ°Π²Π»Π΅Π½ΠΈΡ.ΠΠ°Π΅Π΄Π°Π½ΠΈΠ΅ ΠΈΠ»ΠΈ Π·Π°Π΅Π΄Π°Π½ΠΈΠ΅ ΠΊΠΎΠΌΠΏΠΎΠ½Π΅Π½ΡΠΎΠ², ΡΠ°ΠΊΠΈΡ ΠΊΠ°ΠΊ ΡΠΊΠ²ΠΎΡΠ΅Π½Ρ, ΡΠ°ΡΠΎΠ²ΠΎΠΉ ΡΠ°ΡΠ½ΠΈΡ, ΠΊΠΎΠ»Π΅Π½ΡΠ°ΡΡΠΉ ΡΡΡΠ°Π³ ΠΈΠ»ΠΈ Π΄Π°ΠΆΠ΅ ΡΡΠ»Π΅Π²Π°Ρ ΠΊΠΎΠ»ΠΎΠ½ΠΊΠ°, ΠΌΠΎΠ³ΡΡ ΠΏΠΎΠΌΠ΅ΡΠ°ΡΡ Π²ΠΎΠ·Π²ΡΠ°ΡΠ΅Π½ΠΈΡ ΡΡΠ»Π΅Π²ΠΎΠ³ΠΎ ΠΊΠΎΠ»Π΅ΡΠ° Π² ΡΠ΅Π½ΡΡΠ°Π»ΡΠ½ΠΎΠ΅ ΠΏΠΎΠ»ΠΎΠΆΠ΅Π½ΠΈΠ΅ ΠΏΠΎΡΠ»Π΅ ΠΏΠΎΠ²ΠΎΡΠΎΡΠ°. ΠΠΈΡΠΎΠ²ΠΎΠ·Π·ΡΠ΅Π½ΠΈΠ΅ ΡΠ°ΠΊΠΆΠ΅ ΠΌΠΎΠΆΠ΅Ρ Π±ΡΡΡ ΡΠ°ΠΊΡΠΎΡΠΎΠΌ; Π½Π΅ΠΏΡΠ°Π²ΠΈΠ»ΡΠ½ΡΠΉ Π·Π°ΠΊΠ»ΠΈΠ½Π°ΡΠ΅Π»Ρ ΠΈ, Π² Π½Π΅ΠΊΠΎΡΠΎΡΠΎΠΉ ΡΡΠ΅ΠΏΠ΅Π½ΠΈ, Π½Π΅ΠΏΡΠ°Π²ΠΈΠ»ΡΠ½ΠΎΠ΅ ΡΡ ΠΎΠΆΠ΄Π΅Π½ΠΈΠ΅ ΠΌΠΎΠ³ΡΡ Π±ΡΡΡ ΡΠΏΠΎΡΠΎΠ±ΡΡΠ²ΡΡΡΠΈΠΌΠΈ ΡΠ°ΠΊΡΠΎΡΠ°ΠΌΠΈ.
ΠΠΎΠΌΠΈΠΌΠΎ Π½Π΅ΠΎΠ±Ρ ΠΎΠ΄ΠΈΠΌΠΎΡΡΠΈ Π²ΡΠ΅Π³Π΄Π° Π²ΡΡΡΠ½ΡΡ ΠΏΠΎΠ²ΠΎΡΠ°ΡΠΈΠ²Π°ΡΡ ΡΡΠ»Π΅Π²ΠΎΠ΅ ΠΊΠΎΠ»Π΅ΡΠΎ Π² ΡΠ΅Π½ΡΡΠ°Π»ΡΠ½ΠΎΠ΅ ΠΏΠΎΠ»ΠΎΠΆΠ΅Π½ΠΈΠ΅ ΠΏΠΎΡΠ»Π΅ ΠΏΠΎΠ²ΠΎΡΠΎΡΠ°, ΠΏΠ»ΠΎΡ Π°Ρ Π²ΠΎΠ·Π²ΡΠ°ΡΠ½ΠΎΡΡΡ ΠΎΠ·Π½Π°ΡΠ°Π΅Ρ ΡΠ°ΠΊΠΆΠ΅ ΠΏΠΎΡΡΠΎΡΠ½Π½ΡΡ ΠΊΠΎΡΡΠ΅ΠΊΡΠΈΡ ΠΏΠΎΠ»ΠΎΡΡ Π΄Π²ΠΈΠΆΠ΅Π½ΠΈΡ, ΡΡΠΎ ΡΡΡΠ³ΡΠ±Π»ΡΠ΅Ρ Π΄ΠΈΡΠΊΠΎΠΌΡΠΎΡΡ ΠΈ ΡΡΠΎΠΌΠ»ΡΠ΅ΠΌΠΎΡΡΡ Π²ΠΎΠ΄ΠΈΡΠ΅Π»Ρ. ΠΡΠ°ΠΊ, Π΅ΡΠ΅ ΠΎΠ΄ΠΈΠ½ ΡΠΏΠΎΡΠΎΠ± Π΄ΠΈΠ°Π³Π½ΠΎΡΡΠΈΠΊΠΈ Π²ΠΎΠ·Π²ΡΠ°ΡΠ½ΠΎΡΡΠΈ — ΡΡΠΎ ΡΠΎ, ΡΡΠΎ ΠΌΡ Π½Π°Π·ΡΠ²Π°Π΅ΠΌ Β«ΡΠ΅ΡΡΠΎΠΌ Π½Π° ΡΠ΅Π»ΡΠΎΠΊΒ».ΠΠΎΠ³Π΄Π° ΠΌΡ Π΅Π΄Π΅ΠΌ Π½Π° Π°Π²ΡΠΎΠΌΠΎΠ±ΠΈΠ»Π΅ ΠΏΠΎ Π΄ΠΎΡΠΎΠ³Π΅ Π² Π½Π°ΡΠ΅ΠΉ ΠΡΠ΅Π½ΠΊΠ΅ Ρ ΠΎΠ΄ΠΎΠ²ΡΡ ΠΊΠ°ΡΠ΅ΡΡΠ², ΠΌΡ Β«ΡΠ΅Π»ΠΊΠ°Π΅ΠΌΒ» ΠΊΠΎΠ»Π΅ΡΠΎΠΌ Π²ΠΏΡΠ°Π²ΠΎ ΠΈ ΡΠΌΠΎΡΡΠΈΠΌ, ΠΏΡΠΎΠ΄ΠΎΠ»ΠΆΠ°Π΅Ρ Π»ΠΈ Π°Π²ΡΠΎΠ±ΡΡ Π΄Π²ΠΈΠ³Π°ΡΡΡΡ Π²ΠΏΡΠ°Π²ΠΎ — Π΅ΡΠ»ΠΈ ΡΡΠΎ ΡΠ°ΠΊ, ΡΠΎ ΠΌΡ Π·Π½Π°Π΅ΠΌ, ΡΡΠΎ ΡΡΠ΅Π½Π΅Ρ ΡΡΠ΅Π±ΡΠ΅Ρ ΠΏΠΎΡΡΠΎΡΠ½Π½ΠΎΠΉ ΠΊΠΎΡΡΠ΅ΠΊΡΠΈΠΈ ΠΏΠΎΠ»ΠΎΡΡ Π΄Π²ΠΈΠΆΠ΅Π½ΠΈΡ.
ΠΠ΅ΡΠ²ΡΠΌ ΡΠ°Π³ΠΎΠΌ ΠΊ ΡΠ΅ΡΠ΅Π½ΠΈΡ ΠΏΡΠΎΠ±Π»Π΅ΠΌΡ Π²ΠΎΠ·Π²ΡΠ°ΡΠ½ΠΎΡΡΠΈ ΡΠ²Π»ΡΠ΅ΡΡΡ ΠΎΡΡΠ»Π΅ΠΆΠΈΠ²Π°Π½ΠΈΠ΅ ΡΠΎΠ³ΠΎ, ΠΊΠ°ΠΊΠΎΠΉ ΠΊΠΎΠΌΠΏΠΎΠ½Π΅Π½Ρ ΠΈΠ»ΠΈ ΠΊΠΎΠΌΠΏΠΎΠ½Π΅Π½ΡΡ Π΅Π΅ Π²ΡΠ·ΡΠ²Π°ΡΡ. ΠΠ±ΡΡΠ½ΠΎ Π² ΠΏΠ΅ΡΠ²ΡΡ ΠΎΡΠ΅ΡΠ΅Π΄Ρ ΠΌΡ ΠΎΠΏΡΠ΅Π΄Π΅Π»ΡΠ΅ΠΌ, Π½Π΅ Π·Π°ΡΡΡΡΠ»ΠΎ Π»ΠΈ ΡΡΠΎ-Π½ΠΈΠ±ΡΠ΄Ρ, ΠΈ Π΄Π»Ρ ΡΡΠΎΠ³ΠΎ ΠΌΡ Π±ΡΠΊΠ²Π°Π»ΡΠ½ΠΎ Π½Π°ΡΠΈΠ½Π°Π΅ΠΌ Ρ ΡΡΠ»Π΅Π²ΠΎΠ³ΠΎ ΠΊΠΎΠ»Π΅ΡΠ° ΠΈ ΡΠΏΡΡΠΊΠ°Π΅ΠΌΡΡ Π²Π½ΠΈΠ·.Π§Π°ΡΡΠΎ ΠΌΡ ΠΎΡΠΊΠ»ΡΡΠ°Π΅ΠΌ ΠΊΠΎΠΌΠΏΠΎΠ½Π΅Π½ΡΡ ΠΏΠΎ ΠΏΡΡΠΈ, ΡΡΠΎΠ±Ρ ΠΈΠ·ΠΎΠ»ΠΈΡΠΎΠ²Π°ΡΡ ΠΈΡ ΠΎΡ ΠΎΡΡΠ°Π»ΡΠ½ΠΎΠΉ ΡΠΈΡΡΠ΅ΠΌΡ. ΠΠ°ΠΏΡΠΈΠΌΠ΅Ρ, ΠΌΡ ΠΌΠΎΠΆΠ΅ΠΌ ΠΎΡΡΠΎΠ΅Π΄ΠΈΠ½ΠΈΡΡ ΡΡΠ°Π½Π³Ρ ΡΠ°ΡΡΠ½Π° ΠΎΡ ΡΡΠ»Π΅Π²ΠΎΠ³ΠΎ ΠΌΠ΅Ρ Π°Π½ΠΈΠ·ΠΌΠ°, ΡΡΠΎΠ±Ρ ΠΏΡΠΎΠ²Π΅ΡΠΈΡΡ, ΡΠ²Π»ΡΠ΅ΡΡΡ Π»ΠΈ ΡΡΠΎ ΡΡΠ»Π΅Π²ΡΠΌ ΠΌΠ΅Ρ Π°Π½ΠΈΠ·ΠΌΠΎΠΌ, ΠΈΠ»ΠΈ, Π΅ΡΠ»ΠΈ ΡΡΠΎ ΠΊΠΎΠ»Π΅Π½ΡΠ°ΡΡΠΉ ΡΡΡΠ°Π³ Freightliner, ΠΌΡ ΠΎΡΠ²ΠΎΠ±ΠΎΠ΄ΠΈΠΌ ΠΎΠΏΠΎΡΠ½ΡΠΉ ΡΡΡΠ°Π³ Ρ ΠΏΠΎΠΌΠΎΡΡΡ Π½Π°ΡΠ΅Π³ΠΎ ΡΡΠ΅ΠΌΠ½ΠΈΠΊΠ°, ΡΡΠΎΠ±Ρ ΠΏΡΠΎΠ²Π΅ΡΠΈΡΡ, Π½Π΅ Π·Π°Π΅Π΄Π°Π΅Ρ Π»ΠΈ ΠΊΠΎΠ»Π΅Π½ΡΠ°ΡΡΠΉ ΡΡΡΠ°Π³. ΡΠ²ΡΠ·ΡΠ²Π°ΡΡΠΈΠΉ ΠΈΠ»ΠΈ Π·Π°Π·ΡΠ±ΡΠ΅Π½Π½ΡΠΉ. ΠΠ° Π΄ΡΡΠ³ΠΈΡ Π°Π²ΡΠΎΠΌΠΎΠ±ΠΈΠ»ΡΡ ΠΌΡ ΠΏΠΎΠ΄Π½ΠΈΠΌΠ°Π΅ΠΌ ΠΏΠ΅ΡΠ΅Π΄Π½ΡΡ ΠΎΡΡ, ΠΏΠ΅ΡΠ΅ΠΌΠ΅ΡΠ°Π΅ΠΌ ΠΊΠΎΠ»Π΅ΡΠ° ΠΈΠ· ΡΡΠΎΡΠΎΠ½Ρ Π² ΡΡΠΎΡΠΎΠ½Ρ ΠΈ ΠΏΡΠΎΠ²Π΅ΡΡΠ΅ΠΌ, Π΅ΡΡΡ Π»ΠΈ Π·Π°Π΅Π΄Π°Π½ΠΈΡ Π² ΡΡΠ»Π΅Π²ΠΎΠΉ ΡΡΠ³ΠΈ, ΡΠ°ΡΠΎΠ²ΡΡ ΡΠ°ΡΠ½ΠΈΡΠ°Ρ ΠΈΠ»ΠΈ ΡΠΊΠ²ΠΎΡΠ½Π΅.ΠΡΠ»ΠΈ Π² ΡΡΠΎΠΌ ΠΌΠ΅ΡΡΠ΅ Π΅ΡΡΡ Π·Π°Π΅Π΄Π°Π½ΠΈΠ΅, ΠΌΡ ΠΎΡΡΠΎΠ΅Π΄ΠΈΠ½ΡΠ΅ΠΌ ΠΎΡΠ΄Π΅Π»ΡΠ½ΡΠ΅ ΡΡΠ»Π΅Π²ΡΠ΅ ΡΡΠ³ΠΈ Ρ ΠΊΠ°ΠΆΠ΄ΠΎΠΉ ΡΡΠΎΡΠΎΠ½Ρ, ΡΡΠΎΠ±Ρ ΠΎΠΏΡΠ΅Π΄Π΅Π»ΠΈΡΡ, ΠΊΠ°ΠΊΠ°Ρ ΡΡΠΎΡΠΎΠ½Π° Π·Π°Π»ΠΈΠΏΠ°Π΅Ρ.
ΠΡΠ»ΠΈ ΠΊΠ°ΠΆΠ΅ΡΡΡ, ΡΡΠΎ Π½ΠΈΡΠ΅Π³ΠΎ Π½Π΅ Π·Π°Π΅Π΄Π°Π΅Ρ ΠΈΠ»ΠΈ Π·Π°Π΅Π΄Π°Π΅Ρ, ΠΌΡ Π·Π°ΡΠ΅ΠΌ ΠΏΡΠΎΠ²Π΅ΡΡΠ΅ΠΌ ΡΡΡΠ°Π½ΠΎΠ²ΠΊΡ ΠΊΠΎΠ»Π΅Ρ ΠΈ ΡΠΌΠΎΡΡΠΈΠΌ, Π³Π΄Π΅ ΡΡΡΠ°Π½ΠΎΠ²Π»Π΅Π½Ρ ΡΠΎΠ»ΠΈΠΊ ΠΈ ΠΏΠ°Π»Π΅Ρ. ΠΠΎΠΆΠ΅Ρ ΠΏΠΎΠΊΠ°Π·Π°ΡΡΡΡ Π½Π΅Π»ΠΎΠ³ΠΈΡΠ½ΡΠΌ ΠΏΡΠΎΠ²Π΅ΡΡΡΡ ΡΠ΅Π½ΡΡΠΎΠ²ΠΊΡ ΠΏΠΎΡΠ»Π΅ ΠΊΠΎΠΌΠΏΠΎΠ½Π΅Π½ΡΠΎΠ², Π½ΠΎ Π΅ΡΠ»ΠΈ ΡΡΠΎ-ΡΠΎ ΠΈΠ·Π½ΠΎΡΠ΅Π½ΠΎ, Π΅Π³ΠΎ Π½Π΅ΠΎΠ±Ρ ΠΎΠ΄ΠΈΠΌΠΎ Π·Π°ΠΌΠ΅Π½ΠΈΡΡ, ΠΏΡΠ΅ΠΆΠ΄Π΅ ΡΠ΅ΠΌ ΠΌΠΎΠΆΠ½ΠΎ Π±ΡΠ΄Π΅Ρ ΠΏΡΠ°Π²ΠΈΠ»ΡΠ½ΠΎ Π²ΡΡΠΎΠ²Π½ΡΡΡ. ΠΡΠ»ΠΈ ΠΌΡ ΡΠ²Π΅Π»ΠΈΡΠΈΠ²Π°Π΅ΠΌ ΡΠ°ΠΌΠΎΡΡΡΠ°Π½Π°Π²Π»ΠΈΠ²Π°ΡΡΠ΅Π΅ΡΡ ΠΊΠΎΠ»Π΅ΡΠΎ Π½Π° Π°Π²ΡΠΎΠΌΠΎΠ±ΠΈΠ»Π΅ Ρ ΠΏΡΡΠΌΠΎΠΉ ΠΎΡΡΡ, ΠΌΡ ΡΠ΅ΠΊΠΎΠΌΠ΅Π½Π΄ΡΠ΅ΠΌ ΡΡΠ°Π»ΡΠ½ΠΎΠΉ ΠΊΠ»ΠΈΠ½.ΠΠ»ΠΈΠ½ ΡΠΎΠ»ΠΈΠΊΠ° ΡΡΡΠ°Π½Π°Π²Π»ΠΈΠ²Π°Π΅ΡΡΡ ΠΌΠ΅ΠΆΠ΄Ρ ΠΏΡΡΠΆΠΈΠ½ΠΎΠΉ ΠΈ ΠΎΡΡΡ ΠΈ ΡΡΡΠ΅ΠΊΡΠΈΠ²Π½ΠΎ ΡΠ²Π΅Π»ΠΈΡΠΈΠ²Π°Π΅Ρ ΡΠ³ΠΎΠ» ΠΏΠΎΠ²ΠΎΡΠΎΡΠ°. ΠΡ ΡΠ΅ΠΊΠΎΠΌΠ΅Π½Π΄ΡΠ΅ΠΌ ΡΡΠ°Π»ΡΠ½ΡΠ΅ ΠΊΠ»ΠΈΠ½ΡΡ, ΠΏΠΎΡΠΎΠΌΡ ΡΡΠΎ Π°Π»ΡΠΌΠΈΠ½ΠΈΠ΅Π²ΡΠ΅ ΠΊΠ»ΠΈΠ½ΡΡ ΠΈ ΠΌΠ΅ΡΠ°Π»Π»ΠΈΡΠ΅ΡΠΊΠΈΠ΅ ΠΊΠ»ΠΈΠ½ΡΡ ΠΌΠΎΠ³ΡΡ ΡΠΎ Π²ΡΠ΅ΠΌΠ΅Π½Π΅ΠΌ ΡΠ°ΡΡΠ°ΡΠ°ΡΡΡΡ, ΠΏΠΎΡΠΊΠΎΠ»ΡΠΊΡ ΠΎΠ½ΠΈ Π±ΡΠ΄ΡΡ ΡΠ±ΠΈΡΡ Π²Π΅ΡΠΎΠΌ ΠΊΠ°ΡΠ΅ΡΡ.
ΠΠΎΠ΄Π΅Π»ΠΈ Ρ Π½Π΅Π·Π°Π²ΠΈΡΠΈΠΌΡΠΌΠΈ ΠΏΠ΅ΡΠ΅Π΄Π½ΠΈΠΌΠΈ ΡΠ°ΡΡΡΠΌΠΈ ΠΈΠ½ΠΎΠ³Π΄Π° ΠΌΠΎΠ³ΡΡ ΠΏΡΠ΅Π΄ΡΡΠ°Π²Π»ΡΡΡ ΠΏΡΠΎΠ±Π»Π΅ΠΌΡ, ΠΏΠΎΡΠΎΠΌΡ ΡΡΠΎ Ρ Π½Π°Ρ ΠΌΠΎΠΆΠ΅Ρ Π·Π°ΠΊΠΎΠ½ΡΠΈΡΡΡΡ ΡΠ΅Π³ΡΠ»ΠΈΡΠΎΠ²ΠΊΠ° ΡΠΎΠ»ΠΈΠΊΠΎΠ². Π Π½Π΅ΠΊΠΎΡΠΎΡΡΡ ΡΠ»ΡΡΠ°ΡΡ ΠΌΡ ΠΌΠΎΠΆΠ΅ΠΌ ΡΡΡΠ°Π½ΠΎΠ²ΠΈΡΡ ΠΏΠΎΡΠ»Π΅ΠΏΡΠΎΠ΄Π°ΠΆΠ½ΠΎΠ΅ ΡΡΠ»Π΅Π²ΠΎΠ΅ ΡΠΏΡΠ°Π²Π»Π΅Π½ΠΈΠ΅, ΡΠ°ΠΊΠΎΠ΅ ΠΊΠ°ΠΊ Safe-T-Plus, ΠΊΠΎΡΠΎΡΠΎΠ΅ ΠΏΠΎΠΌΠΎΠΆΠ΅Ρ ΡΠΎΡ ΡΠ°Π½ΠΈΡΡ ΡΠ΅Π½ΡΡ ΡΡΠ»Π΅Π²ΠΎΠ³ΠΎ ΡΠΏΡΠ°Π²Π»Π΅Π½ΠΈΡ; Π² Π΄ΡΡΠ³ΠΈΡ ΡΠ»ΡΡΠ°ΡΡ Π½Π°ΠΌ, Π²ΠΎΠ·ΠΌΠΎΠΆΠ½ΠΎ, ΠΏΡΠΈΠ΄Π΅ΡΡΡ Π³Π»ΡΠ±ΠΆΠ΅ ΠΈΠ·ΡΡΠΈΡΡ ΡΠΈΡΡΠ΅ΠΌΡ ΡΡΠ»Π΅Π²ΠΎΠ³ΠΎ ΡΠΏΡΠ°Π²Π»Π΅Π½ΠΈΡ, ΡΡΠΎΠ±Ρ ΠΎΠΏΡΠ΅Π΄Π΅Π»ΠΈΡΡ ΠΏΡΠΎΠ±Π»Π΅ΠΌΡ.
Π Π»ΡΠ±ΠΎΠΌ ΡΠ»ΡΡΠ°Π΅ Π½Π΅Ρ Π½ΡΠΆΠ΄Ρ ΠΌΠΈΡΠΈΡΡΡΡ Ρ ΠΏΡΠΎΠ±Π»Π΅ΠΌΠ°ΠΌΠΈ Π²ΠΎΠ·Π²ΡΠ°ΡΠ½ΠΎΡΡΠΈ. ΠΡΠΈ ΠΏΡΠ°Π²ΠΈΠ»ΡΠ½ΠΎΠΉ Π΄ΠΈΠ°Π³Π½ΠΎΡΡΠΈΠΊΠ΅, Π½Π΅ΠΎΠ±Ρ ΠΎΠ΄ΠΈΠΌΠΎΠΉ ΠΊΠΎΡΡΠ΅ΠΊΡΠΈΠΈ ΠΈ Ρ ΠΎΡΠΎΡΠ΅ΠΌ Π²ΡΡΠ°Π²Π½ΠΈΠ²Π°Π½ΠΈΠΈ Π²Π°Ρ ΡΡΠ΅Π½Π΅Ρ ΠΌΠΎΠΆΠ΅Ρ Π²Π΅ΡΡΠΈ ΠΏΡΡΠΌΠΎ ΠΈ ΠΏΡΠ°Π²ΠΈΠ»ΡΠ½ΠΎ, Π° Π²Ρ ΠΌΠΎΠΆΠ΅ΡΠ΅ ΡΠ°ΡΡΠ»Π°Π±ΠΈΡΡΡΡ ΠΈ Π½Π°ΡΠ»Π°ΠΆΠ΄Π°ΡΡΡΡ ΠΏΠΎΠ΅Π·Π΄ΠΊΠΎΠΉ.
ΠΠ΅ΡΠ½ΡΡΡΡΡ ΠΊ ΡΠΏΠΈΡΠΊΡ …
Π’ΡΠΈ ΡΠ°ΡΠΏΡΠΎΡΡΡΠ°Π½Π΅Π½Π½ΡΡ ΠΌΠ΅ΡΠΎΠ΄Π° ΡΠΏΡΠ°Π²Π»Π΅Π½ΠΈΡ ΡΡΠ»Π΅Π²ΡΠΌ ΠΊΠΎΠ»Π΅ΡΠΎΠΌ — Π½ΠΎ ΡΡΠΎ Π΄Π΅Π»Π°Π΅Ρ Π²Π°Ρ Π±ΡΡΡΡΠ΅Π΅?
ΠΡΠΎ Π½Π΅ΠΎΠ΄Π½ΠΎΠ·Π½Π°ΡΠ½Π°Ρ ΡΠ΅ΠΌΠ°, ΠΈ ΡΡΡΠ΅ΡΡΠ²ΡΠ΅Ρ ΠΌΠ½ΠΎΠΆΠ΅ΡΡΠ²ΠΎ ΡΠ°Π·Π»ΠΈΡΠ½ΡΡ ΠΌΠ½Π΅Π½ΠΈΠΉ. ΠΠ΄Π½Π° ΠΈΠ· ΠΌΠΎΠΈΡ ΡΠ΅Π»Π΅ΠΉ Π΄Π»Ρ Speed ββSecrets Weekly Π²ΡΠ΅Π³Π΄Π° Π·Π°ΠΊΠ»ΡΡΠ°Π»Π°ΡΡ Π² ΡΠΎΠΌ, ΡΡΠΎΠ±Ρ ΠΏΡΠ΅Π΄ΡΡΠ°Π²ΠΈΡΡ ΡΠ°Π·Π½ΡΠ΅ ΡΠΎΡΠΊΠΈ Π·ΡΠ΅Π½ΠΈΡ, ΠΈ ΠΏΠΎΡΡΠΎΠΌΡ ΠΊΠ°ΠΆΠ΄ΡΡ Π½Π΅Π΄Π΅Π»Ρ Ρ Π½Π°Ρ ΡΠ°Π·Π½ΡΠ΅ ΠΏΡΠΈΠ³Π»Π°ΡΠ΅Π½Π½ΡΠ΅ ΡΡΠ°ΡΡΠ½ΠΈΠΊΠΈ.Π§ΡΠΎΠ±Ρ ΠΎΡΠ²Π΅ΡΠΈΡΡ Π½Π° ΡΡΠΈ Π²ΠΎΠΏΡΠΎΡΡ ΠΈ ΠΊΠΎΠΌΠΌΠ΅Π½ΡΠ°ΡΠΈΠΈ, Ρ ΡΠΎΠ±ΠΈΡΠ°ΡΡΡ Π·Π°ΡΡΠΎΠ½ΡΡΡ ΡΡΡ ΡΠ΅ΠΌΡ Π² ΡΠΏΠ΅ΡΠΈΠ°Π»ΡΠ½ΠΎΠΉ ΡΡΠ°ΡΡΠ΅, Π° Π·Π°ΡΠ΅ΠΌ Π΄Π²Π° ΡΡΠ΅Π½Π΅ΡΠ° / Π³ΠΎΠ½ΡΠΈΠΊΠ°, ΠΊΠΎΡΠΎΡΡΡ Ρ Π±Π΅Π·ΠΌΠ΅ΡΠ½ΠΎ ΡΠ²Π°ΠΆΠ°Ρ, ΠΠΈΡΠ΅Ρ ΠΡΠ°ΡΠ·Π΅ ΠΈ ΠΠΈΡΠ΅Ρ ΠΡΡΡΠΎΠ»Π» , ΠΏΠΎΠ΄Π΅Π»ΡΡΡΡ ΡΠ²ΠΎΠΈΠΌΠΈ ΠΌΡΡΠ»ΡΠΌΠΈ (ΠΊΠΎΡΠΎΡΡΠ΅ Π²Ρ ΠΌΠΎΠΆΠ΅ΡΠ΅ Π½Π°ΠΉΡΠΈ Π½Π° ΡΠ°ΠΉΡΠ΅ Speed ββSecrets). — Π ΠΎΡΡ
ΠΠΎΠ·Π²ΠΎΠ»ΡΡΠ΅ ΠΌΠ½Π΅ Π½Π°ΡΠ°ΡΡ Ρ ΡΠΎΠ³ΠΎ, ΡΡΠΎ Ρ ΡΡΠΈΡΠ°Ρ Π΄ΠΎΠ²ΠΎΠ»ΡΠ½ΠΎ Π±Π΅ΡΡΠΏΠΎΡΠ½ΡΠΌ ΡΡΠ²Π΅ΡΠΆΠ΄Π΅Π½ΠΈΠ΅ΠΌ — Ρ ΠΊΠΎΡΠΎΡΡΠΌ, Ρ Π΄ΡΠΌΠ°Ρ, Π²ΡΠ΅ ΡΠΎΠ³Π»Π°ΡΡΡΡΡ: ΡΠ΅ΠΌ ΠΏΠ»Π°Π²Π½Π΅Π΅ Π²Ρ ΠΏΠΎΠ²ΠΎΡΠ°ΡΠΈΠ²Π°Π΅ΡΠ΅ ΡΡΠ»Ρ, ΡΠ΅ΠΌ Π»ΡΡΡΠ΅.
Π, ΠΈ ΠΌΠ½Π΅ Π»ΡΡΡΠ΅ ΠΏΡΡΠΌΠΎ ΡΠ΅ΠΉΡΠ°Ρ ΠΎΡΠ²Π»Π΅ΡΡΡΡ ΠΎΡ Π΄ΡΡΠ³ΠΎΠΉ ΠΊΠΎΠ½ΡΡΠ°ΡΠ°ΡΠΈΠΈ ΡΠ°ΠΊΡΠΎΠ²: ΠΈΠ· ΠΊΠ°ΠΆΠ΄ΠΎΠ³ΠΎ ΠΏΡΠ°Π²ΠΈΠ»Π° Π΅ΡΡΡ ΠΈΡΠΊΠ»ΡΡΠ΅Π½ΠΈΡ.
ΠΠ°ΠΊ Π½Π°ΡΡΠ΅Ρ ΡΡΠΎΠ³ΠΎ: ΡΠ΅ΠΌ ΠΌΠ΅Π½ΡΡΠ΅ Π²Ρ Π΄Π²ΠΈΠ³Π°Π΅ΡΠ΅ ΡΡΠΊΠ°ΠΌΠΈ, ΡΠ΅ΠΌ ΠΏΠ»Π°Π²Π½Π΅Π΅ Π²Ρ ΠΏΠΎΠ²ΠΎΡΠ°ΡΠΈΠ²Π°Π΅ΡΠ΅ ΡΡΠ»Ρ. Π₯ΠΎΡΠΎΡΠΎ, Ρ ΡΠ²Π΅ΡΠ΅Π½, ΡΡΠΎ Π½Π΅ΠΊΠΎΡΠΎΡΡΠ΅ ΠΈΠ· Π²Π°Ρ Π½Π΅ ΡΠΎΠ³Π»Π°ΡΡΡΡΡ. ΠΡ ΡΠΊΠ°ΠΆΠ΅ΡΠ΅, ΡΡΠΎ ΠΌΠΎΠΆΠ΅ΡΠ΅ Π²ΡΠ°ΡΠ°ΡΡ ΡΡΠ»Π΅Π²ΠΎΠ΅ ΠΊΠΎΠ»Π΅ΡΠΎ ΡΠ°ΠΊ ΠΆΠ΅ ΠΏΠ»Π°Π²Π½ΠΎ, ΠΊΠ°ΠΊ ΠΈ ΠΊΡΠΎ-Π»ΠΈΠ±ΠΎ Π΄ΡΡΠ³ΠΎΠΉ, ΠΎΠ΄Π½ΠΎΠ²ΡΠ΅ΠΌΠ΅Π½Π½ΠΎ ΠΏΠ΅ΡΠ΅ΠΌΠ΅ΡΠ°Ρ ΡΡΠΊΠΈ Π½Π° ΡΡΠ»Π΅. ΠΡΡΠ³ΠΈΠΌΠΈ ΡΠ»ΠΎΠ²Π°ΠΌΠΈ, Π²Ρ ΠΈΡΠΏΠΎΠ»ΡΠ·ΡΠ΅ΡΠ΅ ΠΊΠ°ΠΊΡΡ-ΡΠΎ ΡΠΎΡΠΌΡ ΡΠΏΡΠ°Π²Π»Π΅Π½ΠΈΡ Π² ΡΠ»ΡΡΠ°ΠΉΠ½ΠΎΠΌ ΠΏΠΎΡΡΠ΄ΠΊΠ΅ ΠΈ ΠΏΠΎΠ»Π°Π³Π°Π΅ΡΠ΅, ΡΡΠΎ ΠΌΠΎΠΆΠ΅ΡΠ΅ Π΄Π΅ΠΉΡΡΠ²ΠΎΠ²Π°ΡΡ ΡΠ°ΠΊ ΠΆΠ΅ ΠΏΠ»Π°Π²Π½ΠΎ, ΠΊΠ°ΠΊ ΡΠΎΡ, ΠΊΡΠΎ Π΄Π΅ΡΠΆΠΈΡ ΡΡΠΊΠΈ Π² ΠΎΠ΄Π½ΠΎΠΌ ΠΌΠ΅ΡΡΠ΅ — Π² ΠΏΠΎΠ»ΠΎΠΆΠ΅Π½ΠΈΠΈ 9 ΠΈ 3.
ΠΡΠΎ ΡΠΎ, ΡΡΠΎ ΠΌΡ ΡΠΎΠ±ΠΈΡΠ°Π΅ΠΌΡΡ ΠΈΠ·ΡΡΠΈΡΡ Π² ΡΡΠΎΠΉ ΡΡΠ°ΡΡΠ΅.
ΠΠΎ ΡΠ½Π°ΡΠ°Π»Π° Π΄Π°Π²Π°ΠΉΡΠ΅ Π½Π°ΡΠ½Π΅ΠΌ Ρ Π½Π΅ΡΠΊΠΎΠ»ΡΠΊΠΈΡ ΠΎΠΏΡΠ΅Π΄Π΅Π»Π΅Π½ΠΈΠΉ ΡΠ°Π·Π»ΠΈΡΠ½ΡΡ ΠΌΠ΅ΡΠΎΠ΄ΠΎΠ² ΡΠΏΡΠ°Π²Π»Π΅Π½ΠΈΡ.
ΠΠ΅ΡΠΎΠ΄ 9 ΠΈ 3: ΠΡ Π΄Π΅ΡΠΆΠΈΡΠ΅ ΡΡΠΊΠΈ Π² ΠΏΠΎΠ»ΠΎΠΆΠ΅Π½ΠΈΠΈ 9 ΠΈ 3 ΠΊΠ°ΠΊ ΠΌΠΎΠΆΠ½ΠΎ Π΄ΠΎΠ»ΡΡΠ΅. ΠΠ°ΠΏΡΠΈΠΌΠ΅Ρ, ΠΏΡΠΈ ΠΏΠΎΠ²ΠΎΡΠΎΡΠ΅ Π½Π°ΠΏΡΠ°Π²ΠΎ Π²Π°ΡΠ° Π»Π΅Π²Π°Ρ ΡΡΠΊΠ° ΠΏΠΎΠ΄Π½ΠΈΠΌΠ°Π΅ΡΡΡ ΠΈ ΠΏΡΠΎΡ ΠΎΠ΄ΠΈΡ Π²Π²Π΅ΡΡ , Π° ΠΏΡΠ°Π²Π°Ρ — Π²Π½ΠΈΠ·. Π ΠΊΠ°ΠΊΠΎΠΉ-ΡΠΎ ΠΌΠΎΠΌΠ΅Π½Ρ ΠΎΠΊΠΎΠ»ΠΎ 180 Π³ΡΠ°Π΄ΡΡΠΎΠ² ΠΏΠΎΠ²ΠΎΡΠΎΡΠ° (ΠΈΠ½ΠΎΠ³Π΄Π° Π΄ΠΎ ΡΡΠΎΠ³ΠΎ ΠΌΠΎΠΌΠ΅Π½ΡΠ°, Π° ΠΈΠ½ΠΎΠ³Π΄Π° ΠΈ ΠΏΠΎΡΠ»Π΅ ΡΡΠΎΠ³ΠΎ, Π² Π·Π°Π²ΠΈΡΠΈΠΌΠΎΡΡΠΈ ΠΎΡ Π²Π°ΡΠ΅Π³ΠΎ Π°Π²ΡΠΎΠΌΠΎΠ±ΠΈΠ»Ρ, Π²Π°ΡΠ΅Π³ΠΎ ΠΏΠΎΠ»ΠΎΠΆΠ΅Π½ΠΈΡ Π΄Π»Ρ ΡΠΈΠ΄Π΅Π½ΠΈΡ ΠΈ Π²Π°ΡΠ΅Π³ΠΎ ΡΠ΅Π»Π°) Π²Π°ΡΠ° Π½ΠΈΠΆΠ½ΡΡ / ΠΏΡΠ°Π²Π°Ρ ΡΡΠΊΠ° ΠΏΠΎΠ·Π²ΠΎΠ»ΡΠ΅Ρ ΡΡΠ»Ρ Π½Π΅ΠΌΠ½ΠΎΠ³ΠΎ ΡΠΊΠΎΠ»ΡΠ·ΠΈΡΡ, Π° ΡΡΠΊΠ° ΠΎΡΡΠ°Π΅ΡΡΡ Π²ΠΎΠΊΡΡΠ³ ΠΏΠΎΠ»ΠΎΠΆΠ΅Π½ΠΈΠ΅ Β«7 ΡΠ°ΡΠΎΠ²Β» — Π½ΠΎ ΠΎΠ½ΠΎ Π½ΠΈΠΊΠΎΠ³Π΄Π° Π½Π΅ ΠΎΡΠ²ΠΎΠ±ΠΎΠΆΠ΄Π°Π΅Ρ ΠΊΠΎΠ»Π΅ΡΠΎ ΠΏΠΎΠ»Π½ΠΎΡΡΡΡ (Π²ΡΠ΅Π³Π΄Π° Π½Π°Ρ ΠΎΠ΄ΠΈΡΡΡ Π² Π½Π΅ΠΊΠΎΡΠΎΡΠΎΠΌ ΠΊΠΎΠ½ΡΠ°ΠΊΡΠ΅ Ρ ΠΊΠΎΠ»Π΅ΡΠΎΠΌ).
ΠΠ΅ΡΠΎΠ΄ ΠΏΠ΅ΡΠ΅ΠΌΠ΅ΡΠΈΠ²Π°Π½ΠΈΡ: Π‘ΡΡΠ΅Π»ΠΊΠΈ Π½Π°ΡΠΈΠ½Π°ΡΡ Π² ΠΏΠΎΠ»ΠΎΠΆΠ΅Π½ΠΈΡΡ 9 ΠΈ 3, Π½ΠΎ ΠΎΠ½ΠΈ ΠΏΠ΅ΡΠ΅ΠΌΠ΅ΡΠ°ΡΡΡΡ (Π΄Π»Ρ ΠΏΠΎΠ²ΠΎΡΠΎΡΠ° Π²ΠΏΡΠ°Π²ΠΎ) ΡΠΎΠ»ΡΠΊΠΎ ΠΏΡΠΈΠΌΠ΅ΡΠ½ΠΎ Π² 10 ΠΈ 4, ΠΈΠ»ΠΈ, ΠΌΠΎΠΆΠ΅Ρ Π±ΡΡΡ, Π² ΠΏΠΎΠ»ΠΎΠΆΠ΅Π½ΠΈΡ Π½Π° 11 ΠΈ 5 ΡΠ°ΡΠΎΠ², Π² ΡΡΠΎΡ ΠΌΠΎΠΌΠ΅Π½Ρ ΠΎΠ½ΠΈ ΠΏΠ΅ΡΠ΅ΠΌΠ΅ΡΠ°ΡΡΡΡ ΠΎΠ±ΡΠ°ΡΠ½ΠΎ Π² ΠΏΠΎΠ»ΠΎΠΆΠ΅Π½ΠΈΠ΅ ΠΎΠΊΠΎΠ»ΠΎ 9 ΠΈ 3, Π° Π·Π°ΡΠ΅ΠΌ ΠΊΠΎΠ»Π΅ΡΠΎ ΡΠ½ΠΎΠ²Π° ΠΏΠΎΠ²ΠΎΡΠ°ΡΠΈΠ²Π°Π΅ΡΡΡ. ΠΠΎΠ΄ΠΈΡΠ΅Π»ΠΈ, ΠΊΠΎΡΠΎΡΡΠ΅ Π΄Π΅Π»Π°ΡΡ ΡΡΠΎ Π»ΡΡΡΠ΅ Π²ΡΠ΅Π³ΠΎ, ΠΏΠΎΠΎΡΠ΅ΡΠ΅Π΄Π½ΠΎ ΠΌΠ΅Π½ΡΡΡ ΠΏΠΎΠ»ΠΎΠΆΠ΅Π½ΠΈΠ΅ ΡΡΠΊ, ΠΏΠΎΡΡΠΎΠΌΡ ΡΡΠ»Ρ ΠΏΡΠ°ΠΊΡΠΈΡΠ΅ΡΠΊΠΈ Π½Π΅ Π΄Π²ΠΈΠΆΠ΅ΡΡΡ ΠΏΠΎ ΠΏΡΠΈΠ½ΡΠΈΠΏΡ Β«ΡΡΠΎΠΏ-ΡΡΠ°ΡΡΒ». ΠΠΎΠ΄ΠΈΡΠ΅Π»ΠΈ, ΠΊΠΎΡΠΎΡΡΠ΅ ΠΏΠ»ΠΎΡ ΠΎ ΡΠΏΡΠ°Π²Π»ΡΡΡΡΡ Ρ ΡΡΠΈΠΌ ΠΌΠ΅ΡΠΎΠ΄ΠΎΠΌ, ΠΎΠΏΡΠ΅Π΄Π΅Π»Π΅Π½Π½ΠΎ Π·Π°ΠΈΠΊΠ°ΡΡΡΡ ΠΏΡΠΈ Π΄Π²ΠΈΠΆΠ΅Π½ΠΈΠΈ ΠΊΠΎΠ»Π΅ΡΠ°.
ΠΠ΅ΡΠΎΠ΄ ΠΏΠ΅ΡΠ΅Π΄Π°ΡΠΈ: ΠΡΠΎΠΌΡ ΠΌΠ΅ΡΠΎΠ΄Ρ ΡΡΠΈΠ»ΠΈ (ΠΈ Π΄ΠΎ ΡΠΈΡ ΠΏΠΎΡ ΠΈΡΠΏΠΎΠ»ΡΠ·ΡΡΡ Π²ΠΎ ΠΌΠ½ΠΎΠ³ΠΈΡ ΠΌΠ΅ΡΡΠ°Ρ ) Π²ΠΎΠ΄ΠΈΡΠ΅Π»Π΅ΠΉ-ΠΏΠΎΠ΄ΡΠΎΡΡΠΊΠΎΠ², ΠΊΠΎΠ³Π΄Π° ΠΎΠ½ΠΈ ΠΏΡΠΎΠ΅Π·ΠΆΠ°ΡΡ ΠΌΠΈΠΌΠΎ Π²ΠΎΠ΄ΠΈΡΠ΅Π»Π΅ΠΉ. Π£ Π½Π΅Π³ΠΎ Π΅ΡΡΡ ΡΠ²ΠΎΠ΅ ΠΌΠ΅ΡΡΠΎ — Π²ΡΡΠΊΠΈΠΉ ΡΠ°Π·, ΠΊΠΎΠ³Π΄Π° Π²Π°ΠΌ Π½ΡΠΆΠ½ΠΎ ΠΌΠ½ΠΎΠ³ΠΎ ΠΊΡΡΡΠΈΡΡ ΠΊΠΎΠ»Π΅ΡΠΎ Π² ΡΠΏΠ΅ΡΠΊΠ΅, Π½Π°ΠΏΡΠΈΠΌΠ΅Ρ, ΠΊΠΎΠ³Π΄Π° Π²Ρ ΠΈΠΌΠ΅Π΅ΡΠ΅ Π΄Π΅Π»ΠΎ Ρ Π±ΠΎΠ»ΡΡΠΈΠΌ Π²ΡΠ°ΡΠ΅Π½ΠΈΠ΅ΠΌ. ΠΠΏΡΠ΅Π΄Π΅Π»Π΅Π½Π½ΠΎ, ΡΡΠΎ ΠΎΡΠ½ΠΎΡΠΈΡΡΡ ΠΊ ΡΡΠ΅Π½ΠΈΡΠΎΠ²ΠΊΠ°ΠΌ Ρ ΠΏΡΠΎΡΠΈΠ²ΠΎΡΠΊΠΎΠ»ΡΠ·ΡΡΠΈΠΌ ΠΏΠΎΠΊΡΡΡΠΈΠ΅ΠΌ, Π½ΠΎ ΡΠ°ΠΊΠΆΠ΅ ΠΌΠΎΠΆΠ΅Ρ Π±ΡΡΡ ΠΈΡΠΏΠΎΠ»ΡΠ·ΠΎΠ²Π°Π½ΠΎ Π½Π° ΡΡΠ°ΡΡΠ΅, ΠΊΠΎΠ³Π΄Π° Π²Π°ΡΠ° ΠΌΠ°ΡΠΈΠ½Π° Π½Π°Ρ ΠΎΠ΄ΠΈΡΡΡ Π½Π° Π±ΠΎΠ»ΡΡΠΎΠΌ ΡΠΊΠΎΠ»ΡΠΆΠ΅Π½ΠΈΠΈ ΠΈΠ»ΠΈ Π²ΡΠ°ΡΠ΅Π½ΠΈΠΈ.
ΠΠ΅ΡΠΎΠ΄ ΠΏΠ΅ΡΠ΅ΡΡΠ°Π½ΠΎΠ²ΠΊΠΈ: ΠΡΠΈ ΠΈΡΠΏΠΎΠ»ΡΠ·ΠΎΠ²Π°Π½ΠΈΠΈ ΡΡΠΎΠ³ΠΎ ΠΌΠ΅ΡΠΎΠ΄Π° ΠΏΡΠΈ ΠΏΡΠΈΠ±Π»ΠΈΠΆΠ΅Π½ΠΈΠΈ ΠΊ ΡΠ·ΠΊΠΎΠΌΡ ΡΠ³Π»Ρ Π²Ρ ΠΏΠ΅ΡΠ΅ΡΡΠ°Π²Π»ΡΠ΅ΡΠ΅ ΡΡΠΊΠΈ ΡΠ°ΠΊ, ΡΡΠΎΠ±Ρ ΠΎΠ½ΠΈ ΠΎΠΊΠ°Π·Π°Π»ΠΈΡΡ ΡΡΠ΄ΠΎΠΌ Ρ ΠΏΠΎΠ·ΠΈΡΠΈΡΠΌΠΈ 9 ΠΈ 3 Π² ΡΠ΅ΡΠ΅Π΄ΠΈΠ½Π΅ ΡΠ³Π»Π°.ΠΠ°ΠΏΡΠΈΠΌΠ΅Ρ, ΠΏΡΠΈΠ±Π»ΠΈΠΆΠ°ΡΡΡ ΠΊ ΠΎΡΠ΅Π½Ρ ΠΊΡΡΡΠΎΠΌΡ ΠΏΡΠ°Π²ΠΎΠΌΡ ΡΠ³Π»Ρ, Π²Ρ Π΄ΠΎΠ»ΠΆΠ½Ρ ΠΏΠ΅ΡΠ΅ΠΌΠ΅ΡΡΠΈΡΡ ΡΡΠΊΠΈ ΠΏΡΠΈΠΌΠ΅ΡΠ½ΠΎ Π½Π° 7 ΠΈ 1 ΡΠ°Ρ, ΠΏΠΎΠ²Π΅ΡΠ½ΡΡΡ ΠΊΠΎΠ»Π΅ΡΠΎ, ΡΡΠΎΠ±Ρ ΠΏΡΠΎΠΉΡΠΈ ΡΠ΅ΡΠ΅Π· ΡΠ³ΠΎΠ», Π° Π·Π°ΡΠ΅ΠΌ ΡΠ½ΠΎΠ²Π° ΠΏΠ΅ΡΠ΅ΡΡΠ°Π²ΠΈΡΡ ΠΈΡ Π½Π° 9 ΠΈ 3 ΠΏΠΎΡΠ»Π΅ ΠΏΠΎΠ²ΠΎΡΠΎΡΠ°. ΠΡΠΎΡ ΠΌΠ΅ΡΠΎΠ΄ ΠΏΠΎΠΏΡΠ»ΡΡΠ΅Π½ ΡΡΠ΅Π΄ΠΈ Π°Π²ΡΠΎΠΊΡΠΎΡΡΠΎΠ²Π΅ΡΠΎΠ², ΠΏΠΎΡΠΊΠΎΠ»ΡΠΊΡ ΠΈΠΌ ΠΏΡΠΈΡ ΠΎΠ΄ΠΈΡΡΡ ΠΎΡΠ΅Π½Ρ ΠΌΠ½ΠΎΠ³ΠΎ ΠΏΠΎΠ²ΠΎΡΠ°ΡΠΈΠ²Π°ΡΡ.
ΠΠ°, Π΅ΡΠ΅ Π΅ΡΡΡ Π³ΠΈΠ±ΡΠΈΠ΄Π½ΡΠ΅ ΡΠ΅Ρ Π½ΠΈΠΊΠΈ. Π― Π²ΠΈΠ΄Π΅Π», ΠΊΠ°ΠΊ Π²ΠΎΠ΄ΠΈΡΠ΅Π»ΠΈ ΠΈΡΠΏΠΎΠ»ΡΠ·ΠΎΠ²Π°Π»ΠΈ ΠΊΠΎΠΌΠ±ΠΈΠ½Π°ΡΠΈΡ ΠΎΠ΄Π½ΠΎΠ³ΠΎ ΠΈΠ»ΠΈ Π½Π΅ΡΠΊΠΎΠ»ΡΠΊΠΈΡ ΠΈΠ· ΡΡΠΈΡ ΠΌΠ΅ΡΠΎΠ΄ΠΎΠ².
Π₯ΠΎΡΠΎΡΠΎ, ΡΠ΅ΠΏΠ΅ΡΡ ΠΏΠΎΠ·Π²ΠΎΠ»ΡΡΠ΅ ΠΌΠ½Π΅ ΠΎΠΏΡΠ΅Π΄Π΅Π»ΠΈΡΡ, ΠΊ ΡΠ΅ΠΌΡ ΠΈ ΠΊΡΠ΄Π° ΠΌΡ Π΅Π΄Π΅ΠΌ ΠΏΠΎ ΡΡΠΎΠΌΡ Π²ΠΎΠΏΡΠΎΡΡ.Π‘Π΅Π³ΠΎΠ΄Π½Ρ Ρ Π³ΠΎΠ²ΠΎΡΡ ΠΎ ΡΠΎΠΌ, ΡΡΠΎΠ±Ρ Π±ΡΡΡ Π»ΡΡΡΠΈΠΌ Π²ΠΎΠ΄ΠΈΡΠ΅Π»Π΅ΠΌ Π½Π° ΡΡΠ°ΡΡΠ΅ (ΡΡΠΎ ΡΠ°ΠΊΠΆΠ΅ ΠΎΡΠ½ΠΎΡΠΈΡΡΡ ΠΊ Π²ΠΎΠΆΠ΄Π΅Π½ΠΈΡ ΠΏΠΎ ΡΠ»ΠΈΡΠ΅). ΠΡ Π½Π΅ Π³ΠΎΠ²ΠΎΡΠΈΠΌ ΠΎ ΡΠ°Π»Π»ΠΈ, Π±Π΅Π·Π΄ΠΎΡΠΎΠΆΡΠ΅, Π°Π²ΡΠΎΠΊΡΠΎΡΡΠΈΠ½Π³Π΅ ΠΈΠ»ΠΈ Π΄Π°ΠΆΠ΅ Π΅Π·Π΄Π΅ ΠΏΠΎ ΡΡΠΎΠ»Π»Π΅ΠΉΠ±ΡΡΡ.
ΠΠΎ ΠΌΠΎΠ΅ΠΌΡ ΠΎΠΏΡΡΡ ΠΈΠ½ΡΡΡΡΠΊΡΠ°ΠΆΠ° ΡΡΡΡΡ Π²ΠΎΠ΄ΠΈΡΠ΅Π»Π΅ΠΉ (Π·Π° ΠΏΠΎΡΠ»Π΅Π΄Π½ΠΈΠ΅ 35 Ρ Π»ΠΈΡΠ½ΠΈΠΌ Π»Π΅Ρ ΠΎΠ±ΡΡΠ΅Π½ΠΈΡ Π²ΠΎΠ΄ΠΈΡΠ΅Π»Π΅ΠΉ Ρ ΡΠ°Π±ΠΎΡΠ°Π» Π² ΡΡΠ΅Π΄Π½Π΅ΠΌ Ρ ΡΠΎΡΠ½Π΅ΠΉ Π²ΠΎΠ΄ΠΈΡΠ΅Π»Π΅ΠΉ Π² Π³ΠΎΠ΄ — ΡΡΠΎ ΠΌΠ½ΠΎΠ³ΠΎ Π²ΠΎΠ΄ΠΈΡΠ΅Π»Π΅ΠΉ), ΠΊΠ°ΠΊ Π² ΠΌΠ°ΡΠΈΠ½Π΅, ΡΠ°ΠΊ ΠΈ Π²Π½Π΅ Π΅Π΅, ΠΈ, ΠΈΡΠΏΠΎΠ»ΡΠ·ΡΡ Π°Π½Π°Π»ΠΈΠ· Π²ΠΈΠ΄Π΅ΠΎ ΠΈ Π΄Π°Π½Π½ΡΡ , Π²ΠΎΠ΄ΠΈΡΠ΅Π»ΠΈ, ΠΊΠΎΡΠΎΡΡΠ΅ ΠΏΠ΅ΡΠ΅ΠΌΠ΅ΡΠ°ΡΡ ΡΡΠΊΠΈ ΠΈΠ· ΠΏΠΎΠ»ΠΎΠΆΠ΅Π½ΠΈΡ 9 ΠΈ 3, Π½Π΅ ΡΠ°ΠΊ ΠΏΠ»Π°Π²Π½ΠΎ ΠΏΠΎΠ²ΠΎΡΠ°ΡΠΈΠ²Π°ΡΡ ΡΡΠ»Ρ, ΠΊΠ°ΠΊ ΡΠ΅, ΠΊΡΠΎ Π΄Π΅ΡΠΆΠΈΡ ΡΡΠΊΠΈ Π² ΠΏΠΎΠ»ΠΎΠΆΠ΅Π½ΠΈΠΈ 9 ΠΈ 3.ΠΡΠ»ΠΈ Π±Ρ Ρ Π½Π°Π±Π»ΡΠ΄Π°Π» Π²ΡΠ΅Π³ΠΎ Π·Π° Π½Π΅ΡΠΊΠΎΠ»ΡΠΊΠΈΠΌΠΈ Π²ΠΎΠ΄ΠΈΡΠ΅Π»ΡΠΌΠΈ, Π²Ρ ΠΌΠΎΠ³Π»ΠΈ Π±Ρ ΠΏΠΎΡΠΏΠΎΡΠΈΡΡ Ρ ΠΌΠΎΠΈΠΌΠΈ Π½Π°Π±Π»ΡΠ΄Π΅Π½ΠΈΡΠΌΠΈ, Π½ΠΎ, ΠΎΡΠ½ΠΎΠ²ΡΠ²Π°ΡΡΡ Π½Π° ΡΠ°ΠΊΠΎΠΌ ΠΊΠΎΠ»ΠΈΡΠ΅ΡΡΠ²Π΅ Π²ΠΎΠ΄ΠΈΡΠ΅Π»Π΅ΠΉ, ΡΡΠΎ ΡΠ°ΠΊΡ.
(ΠΠΏΡΡΡ ΠΆΠ΅, Π²ΡΠ΅Π³Π΄Π° Π΅ΡΡΡ ΠΈΡΠΊΠ»ΡΡΠ΅Π½ΠΈΡ ΠΈΠ· ΡΡΠΎΠ³ΠΎ. Π― ΡΠ°ΠΊΠΆΠ΅ Π½Π°Π±Π»ΡΠ΄Π°Π» Π²ΠΎΠ΄ΠΈΡΠ΅Π»Π΅ΠΉ, ΠΊΠΎΡΠΎΡΡΠ΅ ΠΏΠΎΡΡΠΎΡΠ½Π½ΠΎ Π΄Π²ΠΈΠ³Π°ΡΡ ΡΡΠΊΠ°ΠΌΠΈ ΠΈ ΡΠ°Π±ΠΎΡΠ°ΡΡ ΠΎΡΠ΅Π½Ρ ΠΏΠ»Π°Π²Π½ΠΎ. ΠΠΎ Π² Π±ΠΎΠ»ΡΡΠΈΠ½ΡΡΠ²Π΅ ΡΠ»ΡΡΠ°Π΅Π² ΡΠ°ΠΌΡΠ΅ ΠΏΠ»Π°Π²Π½ΡΠ΅ Π²ΠΎΠ΄ΠΈΡΠ΅Π»ΠΈ — ΡΡΠΎ ΡΠ΅, ΠΊΡΠΎ ΠΈΡΠΏΠΎΠ»ΡΠ·ΡΠ΅Ρ ΠΌΠ΅ΡΠΎΠ΄ 9 ΠΈ 3.)
Π’Π°ΠΊ ΠΏΠΎΡΠ΅ΠΌΡ ΠΆΠ΅ ΡΠΎΠ³Π΄Π° Π½Π΅ΠΊΠΎΡΠΎΡΡΠ΅ ΠΈΠ½ΡΡΡΡΠΊΡΠΎΡΡ ΠΎΠ±ΡΡΠ°ΡΡ ΠΌΠ΅ΡΠΎΠ΄Ρ ΡΠΏΡΠ°Π²Π»Π΅Π½ΠΈΡ Π² ΡΠ»ΡΡΠ°ΠΉΠ½ΠΎΠΌ ΠΏΠΎΡΡΠ΄ΠΊΠ΅? ΠΠΎΡ Π½Π΅ΡΠΊΠΎΠ»ΡΠΊΠΎ ΠΏΡΠΈΡΠΈΠ½:
- ΠΠ»Ρ ΠΌΠ½ΠΎΠ³ΠΈΡ ΡΡΠΎ ΠΏΠ΅ΡΠ΅ΠΆΠΈΡΠΎΠΊ ΠΌΠΈΠ½ΡΠ²ΡΠΈΡ Π΄Π½Π΅ΠΉ.ΠΠ·Π²ΠΈΠ½ΠΈΡΠ΅ Π·Π° ΡΡΠΎ, Π½ΠΎ Π±ΡΠ»ΠΎ Π²ΡΠ΅ΠΌΡ, ΠΊΠΎΠ³Π΄Π° ΡΡΠ»Π΅Π²ΡΠΌ ΠΊΠΎΠ»Π΅ΡΠ°ΠΌ Π½ΡΠΆΠ½ΠΎ Π±ΡΠ»ΠΎ ΠΏΠΎΠ²ΠΎΡΠ°ΡΠΈΠ²Π°ΡΡ Π±ΠΎΠ»ΡΡΠ΅, ΡΠ΅ΠΌ ΡΠ΅Π³ΠΎΠ΄Π½Ρ. Π’Π°ΠΊΠΆΠ΅ Π±ΡΠ»ΠΎ Π²ΡΠ΅ΠΌΡ, ΠΊΠΎΠ³Π΄Π° Π΄Π΅ΡΠΆΠ°ΡΡ ΡΡΠ»Ρ Π² ΠΏΠΎΠ»ΠΎΠΆΠ΅Π½ΠΈΠΈ Β«10 ΠΈ 2Β» Π±ΡΠ»ΠΎ Π»ΡΡΡΠΈΠΌ ΡΠΏΠΎΡΠΎΠ±ΠΎΠΌ. ΠΠΎΡΠ΅ΠΌΡ? ΠΠΎΡΠΎΠΌΡ ΡΡΠΎ Π² ΡΡΠ°ΡΠΎΠΉ ΠΌΠ°ΡΠΈΠ½Π΅, Ρ Π±ΠΎΠ»ΡΡΠΈΠΌ ΡΡΠΈΠ»ΠΈΠ΅ΠΌ Π½Π° ΡΡΠ»Π΅Π²ΠΎΠΌ ΠΊΠΎΠ»Π΅ΡΠ΅ ΠΈ ΠΎΠ³ΡΠΎΠΌΠ½ΡΠΌ ΡΡΠ»Π΅Π²ΡΠΌ ΠΊΠΎΠ»Π΅ΡΠΎΠΌ ΡΠ°Π·ΠΌΠ΅ΡΠΎΠΌ Ρ Ρ ΡΠ»Π°-Ρ ΡΠΏ, Π²Π°ΠΌ ΡΡΠ΅Π±ΠΎΠ²Π°Π»ΠΈΡΡ ΡΡΡΠ°Π³ΠΈ ΡΡΡΠ°Π³ΠΎΠ², ΡΡΠΎΠ±Ρ ΠΏΠΎΠ²Π΅ΡΠ½ΡΡΡ Π΅Π³ΠΎ. Π’Π°ΠΊ Π±ΡΠ»ΠΎ ΡΠΎΠ³Π΄Π°, ΡΠ°ΠΊ ΡΠ΅ΠΉΡΠ°Ρ: Ρ Π½Π°Ρ ΠΊΠΎΠ»Π΅ΡΠ° ΠΌΠ΅Π½ΡΡΠ΅Π³ΠΎ ΡΠ°Π·ΠΌΠ΅ΡΠ°, ΡΡΠ»Π΅Π²ΠΎΠ΅ ΡΠΏΡΠ°Π²Π»Π΅Π½ΠΈΠ΅ Π±ΠΎΠ»Π΅Π΅ ΡΠΎΡΠ½ΠΎΠ΅ ΠΈ Π±ΠΎΠ»ΡΡΠ΅ Π½Π΅ ΡΡΠ΅Π±ΡΠ΅Ρ Π±ΠΎΠ»ΡΡΠΈΡ ΡΡΠΈΠ»ΠΈΠΉ. ΠΠΎΡ ΠΏΠΎΡΠ΅ΠΌΡ ΠΌΡ ΡΡΠΈΠΌ Π΄Π΅ΡΠΆΠ°ΡΡ ΡΡΠ»Ρ Π² ΠΏΠΎΠ»ΠΎΠΆΠ΅Π½ΠΈΠΈ 9 ΠΈ 3 — Π½Π΅ Π³ΠΎΠ²ΠΎΡΡ ΡΠΆΠ΅ ΠΎ ΡΠΎΠΌ, ΡΡΠΎ ΡΡΠ»ΠΈ ΠΊΡΡΠ³Π»ΡΠ΅, ΠΈ Π΄Π»Ρ ΠΌΠ°ΠΊΡΠΈΠΌΠ°Π»ΡΠ½ΠΎΠΉ ΡΡΠ²ΡΡΠ²ΠΈΡΠ΅Π»ΡΠ½ΠΎΡΡΠΈ ΠΈ ΠΊΠΎΠ½ΡΡΠΎΠ»Ρ ΠΈΠΌΠ΅Π΅Ρ ΡΠΌΡΡΠ» Π΄Π΅ΡΠΆΠ°ΡΡ ΡΡΠΊΠΈ Π³ΠΎΡΠΈΠ·ΠΎΠ½ΡΠ°Π»ΡΠ½ΠΎ ΠΏΡΠΎΡΠΈΠ²ΠΎΠΏΠΎΠ»ΠΎΠΆΠ½ΡΠΌΠΈ.(Π Π½Π΅ Π·Π°ΡΡΠ°Π²Π»ΡΠΉΡΠ΅ ΠΌΠ΅Π½Ρ Π½Π°ΡΠΈΠ½Π°ΡΡ Ρ ΡΠΎΠ³ΠΎ ΡΠ°ΠΊΡΠ°, ΡΡΠΎ Π½Π΅ΠΊΠΎΡΠΎΡΡΠ΅ Β«ΡΠΊΡΠΏΠ΅ΡΡΡΒ» ΠΏΠΎ Π²ΠΎΠ΄ΠΈΡΠ΅Π»ΡΠΌ ΡΡΠ°Ρ ΠΏΠΎΠ΄ΡΠΎΡΡΠΊΠΎΠ² Π΄Π΅ΡΠΆΠ°ΡΡ ΡΡΠ»Ρ Π½Π° 8 ΠΈ 4, ΠΏΠΎΡΠΎΠΌΡ ΡΡΠΎ ΠΎΠ½ΠΈ Π½Π΅ Ρ ΠΎΡΡΡ, ΡΡΠΎΠ±Ρ ΠΈΡ ΡΡΠΊΠΈ ΡΠ»ΠΎΠΌΠ°Π»ΠΈΡΡ ΠΈΠ·-Π·Π° ΡΡΠ°Π±Π°ΡΡΠ²Π°Π½ΠΈΡ ΠΏΠΎΠ΄ΡΡΠΊΠΈ Π±Π΅Π·ΠΎΠΏΠ°ΡΠ½ΠΎΡΡΠΈ ΠΏΡΠΈ Π°Π²Π°ΡΠΈΠΈ! ΠΠ΅ ΠΈΠΌΠ΅Π΅Ρ ΡΠΌΡΡΠ»Π° ΡΡΠΈΡΡ ΠΏΠΎΠ΄ΡΠΎΡΡΠΊΠΎΠ² Π»ΡΡΡΠ΅ ΡΠΏΡΠ°Π²Π»ΡΡΡ ΡΠ²ΠΎΠ΅ΠΉ ΠΌΠ°ΡΠΈΠ½ΠΎΠΉ Ρ ΡΡΠΊΠ°ΠΌΠΈ Π² ΠΏΠΎΠ»ΠΎΠΆΠ΅Π½ΠΈΠΈ 9 ΠΈ 3, ΡΡΠΎΠ±Ρ ΠΎΠ½ΠΈ Π²ΠΎΠΎΠ±ΡΠ΅ Π½Π΅ ΠΏΠΎΠΏΠ°Π»ΠΈ Π² Π°Π²Π°ΡΠΈΡ ?!)
- Π’Π°ΠΊ ΠΏΡΠΎΡΠ΅. ΠΠ°, Π²Ρ ΠΌΠ΅Π½Ρ ΡΠ»ΡΡΠ°Π»ΠΈ, ΡΡΠΎ ΠΏΡΠΎΡΠ΅ ΡΠ΄Π΅Π»Π°ΡΡ — Π²Π½Π°ΡΠ°Π»Π΅. ΠΠ΄Π½Π°ΠΊΠΎ ΡΠΎ Π²ΡΠ΅ΠΌΠ΅Π½Π΅ΠΌ ΡΡΠΎ ΡΡΠ°Π½ΠΎΠ²ΠΈΡΡΡ Π½Π΅ Π»Π΅Π³ΡΠ΅. ΠΠ° ΡΠ°ΠΌΠΎΠΌ Π΄Π΅Π»Π΅, Π² Π΄ΠΎΠ»Π³ΠΎΡΡΠΎΡΠ½ΠΎΠΉ ΠΏΠ΅ΡΡΠΏΠ΅ΠΊΡΠΈΠ²Π΅ Π»Π΅Π³ΡΠ΅ ΠΈΡΠΏΠΎΠ»ΡΠ·ΠΎΠ²Π°ΡΡ 9 ΠΈ 3, Π½ΠΎ ΡΡΡΠ΄Π½Π΅Π΅ Π½Π°ΡΡΠΈΡΡΡΡ ΠΈΡΠΏΠΎΠ»ΡΠ·ΠΎΠ²Π°ΡΡ ΠΈΡ Π²Π½Π°ΡΠ°Π»Π΅.
- ΠΠΎΠ²ΠΎΡΡΡ, ΡΡΠΎ Ρ Π²Π°Ρ ΠΌΠΎΠΆΠ΅Ρ Π½Π΅ ΠΏΠΎΠ»ΡΡΠΈΡΡΡΡ ΠΏΠΎΠ²Π΅ΡΠ½ΡΡΡ ΠΊΠΎΠ»Π΅ΡΠΎ, Π΅ΡΠ»ΠΈ Π²Ρ Π΄Π΅ΡΠΆΠΈΡΠ΅ ΡΡΠΊΠΈ Π½Π° 9 ΠΈ 3, ΠΈ, ΠΏΠ΅ΡΠ΅ΡΠ°ΡΠΎΠ²ΡΠ²Π°Ρ ΠΊΠΎΠ»Π΅ΡΠΎ, Π²Ρ Π²ΡΠ΅Π³Π΄Π° ΠΌΠΎΠΆΠ΅ΡΠ΅ ΠΏΠΎΠ²Π΅ΡΠ½ΡΡΡ Π΅Π³ΠΎ Π΅ΡΠ΅ Π±ΠΎΠ»ΡΡΠ΅. (ΠΡΠΎ ΠΏΠ»ΠΎΡ ΠΎΠ΅ ΠΎΠΏΡΠ°Π²Π΄Π°Π½ΠΈΠ΅. ΠΠΎ ΠΌΠΎΠ΅ΠΌΡ ΠΎΠΏΡΡΡ, Π΅ΡΠ»ΠΈ Π²Π°ΠΌ Π½ΡΠΆΠ½ΠΎ ΠΏΠΎΠ²Π΅ΡΠ½ΡΡΡ ΠΊΠΎΠ»Π΅ΡΠΎ Π±ΠΎΠ»ΡΡΠ΅, ΡΠ΅ΠΌ Π²Ρ ΠΌΠΎΠΆΠ΅ΡΠ΅ Ρ 9 ΠΈ 3, ΡΠΎ Π²Ρ Π»ΠΈΠ±ΠΎ Π΅Π΄Π΅ΡΠ΅ Π½Π΅ ΠΏΠΎ ΡΠΎΠΉ Π»ΠΈΠ½ΠΈΠΈ, Π»ΠΈΠ±ΠΎ Π½Π΅ ΡΠΌΠΎΡΡΠΈΡΠ΅ Π΄ΠΎΡΡΠ°ΡΠΎΡΠ½ΠΎ Π΄Π°Π»Π΅ΠΊΠΎ Π²ΠΏΠ΅ΡΠ΅Π΄, ΠΈ Π²Ρ Π½Π΅ ΠΏΠ»Π°Π½ΠΈΡΡΠ΅ΡΠ΅ Π½Π°ΠΏΠ΅ΡΠ΅Π΄ Π― Π½ΠΈΠΊΠΎΠ³Π΄Π° Π½Π΅ Π΅Π·Π΄ΠΈΠ» Π½Π° ΠΌΠ°ΡΠΈΠ½Π΅ ΠΏΠΎ Π³ΠΎΠ½ΠΎΡΠ½ΠΎΠΉ ΡΡΠ°ΡΡΠ΅, Π½Π° ΠΊΠΎΡΠΎΡΠΎΠΉ Ρ Π½Π΅ ΠΌΠΎΠ³ Π±Ρ Π΄Π΅ΡΠΆΠ°ΡΡ ΡΡΠΊΠΈ Π½Π° 9 ΠΈ 3 Π²ΡΠ΅ Π²ΡΠ΅ΠΌΡ.)
ΠΠΎΡΠ΅ΠΌΡ Ρ ΠΏΡΠ΅ΠΏΠΎΠ΄Π°Ρ 9 ΠΈ 3?
- ΠΡΠΎ Π±ΠΎΠ»Π΅Π΅ ΠΏΠ»Π°Π²Π½ΡΠΉ ΠΈ ΠΏΠ»Π°Π²Π½ΡΠΉ ΡΠΏΠΎΡΠΎΠ± ΠΏΠΎΠ²ΠΎΡΠΎΡΠ° ΠΊΠΎΠ»Π΅ΡΠ°.
- ΠΠ°ΡΠΈ ΡΡΠΊΠΈ Π²ΡΠ΅Π³Π΄Π° Π½Π°Ρ ΠΎΠ΄ΡΡΡΡ Π² ΠΊΠΎΠ½ΡΠ°ΠΊΡΠ΅ Ρ ΡΡΠ»Π΅ΠΌ Π΄Π»Ρ Π±ΠΎΠ»ΡΡΠ΅Π³ΠΎ ΠΊΠΎΠ½ΡΡΠΎΠ»Ρ.
- ΠΠ½ Β«Π·Π°ΡΡΠ°Π²Π»ΡΠ΅ΡΒ» Π²Π°Ρ Π½Π΅ ΡΠ»ΠΈΡΠΊΠΎΠΌ ΡΠΈΠ»ΡΠ½ΠΎ ΠΊΡΡΡΠΈΡΡ ΠΊΠΎΠ»Π΅ΡΠΎ.
- ΠΡ Π²ΡΠ΅Π³Π΄Π° Π·Π½Π°Π΅ΡΠ΅, Π³Π΄Π΅ ΠΏΡΡΠΌΠΎ. (Π’Π΅ΠΌ, ΠΊΡΠΎ Π³ΠΎΠ²ΠΎΡΠΈΡ, ΡΡΠΎ ΡΡΠΎΡ ΠΊΡΡΠΎΠΊ Π»Π΅Π½ΡΡ ΠΈΠ»ΠΈ ΠΎΡΠΌΠ΅ΡΠΊΠ° Π½Π°Π²Π΅ΡΡ Ρ ΠΊΠΎΠ»Π΅ΡΠ° ΠΏΠΎΠΊΠ°Π·ΡΠ²Π°Π΅Ρ, Π³Π΄Π΅ ΠΏΡΡΠΌΠΎ Π²ΠΏΠ΅ΡΠ΅Π΄ΠΈ, Π·Π°Π±ΡΠ΄ΡΡΠ΅ ΠΎΠ± ΡΡΠΎΠΌ. Π₯ΠΎΡΠΎΡΠΎ, Π² ΡΠ°Π»Π»ΠΈ ΡΡΠΎ ΠΌΠΎΠΆΠ΅Ρ Π±ΡΡΡ ΠΏΠΎΠ»Π΅Π·Π½ΠΎ, ΠΏΠΎΡΠΎΠΌΡ ΡΡΠΎ Π²Π°ΠΌ Π½ΡΠΆΠ½ΠΎ ΡΠ²Π΅Π»ΠΈΡΠΈΡΡ ΡΠ³ΠΎΠ» ΠΏΠΎΠ²ΠΎΡΠΎΡΠ°.ΠΠΏΡΡΡ ΠΆΠ΅, Ρ Π½Π΅ Π³ΠΎΠ²ΠΎΡΡ Π·Π΄Π΅ΡΡ ΠΎ ΡΠ°Π»Π»ΠΈ. Π§Π°ΡΡΡ Π»Π΅Π½ΡΡ ΠΈΠ»ΠΈ ΠΎΡΠΌΠ΅ΡΠΊΠ° Π² Π²Π΅ΡΡ Π½Π΅ΠΉ ΡΠ°ΡΡΠΈ ΠΊΠΎΠ»Π΅ΡΠ° — ΡΡΠΎ ΡΡΠΈΠ»Ρ: ΠΊΡΠΎ-ΡΠΎ Π΄ΡΠΌΠ°Π΅Ρ, ΡΡΠΎ ΡΡΠΎ ΠΊΡΡΡΠΎ, ΠΏΠΎΡΡΠΎΠΌΡ Π΄ΠΎΠ±Π°Π²Π»ΡΡΡ ΠΈ ΠΎΠΏΡΠ°Π²Π΄ΡΠ²Π°ΡΡ ΡΡΠΎ. ΠΠ΅ Π·Π½Π°Ρ, ΠΊΠ°ΠΊ Π²Ρ, Π½ΠΎ ΠΊΠΎΠ³Π΄Π° Ρ Π·Π° ΡΡΠ»Π΅ΠΌ, Ρ ΡΠΌΠΎΡΡΡ Π΄Π°Π»Π΅ΠΊΠΎ Π·Π° ΠΏΡΠ΅Π΄Π΅Π»Ρ ΡΠ²ΠΎΠ΅Π³ΠΎ ΡΡΠ»Π΅Π²ΠΎΠ³ΠΎ ΠΊΠΎΠ»Π΅ΡΠ° — ΠΎΡΠΎΠ±Π΅Π½Π½ΠΎ Π² ΡΠΈΡΡΠ°ΡΠΈΠΈ, ΠΊΠΎΠ³Π΄Π° ΠΌΠ½Π΅ Π½ΡΠΆΠ½ΠΎ Π΄ΡΠΌΠ°ΡΡ ΠΎ ΡΠΎΠΌ, Π³Π΄Π΅ ΠΏΡΡΠΌΠΎ Π²ΠΏΠ΅ΡΠ΅Π΄ΠΈ.)
- ΠΡΠΎ Π²ΠΎΠΎΠ΄ΡΡΠ΅Π²Π»ΡΠ΅Ρ — Π΅ΡΠ»ΠΈ Π²ΠΎΡΠΏΠΎΠ»ΡΠ·ΠΎΠ²Π°ΡΡΡΡ ΡΡΠ°Π·ΠΎΠΉ ΡΡΠ΅Ρ ΠΊΡΠ°ΡΠ½ΠΎΠ³ΠΎ ΡΠ΅ΠΌΠΏΠΈΠΎΠ½Π° ΠΌΠΈΡΠ° ΠΠΆΠ΅ΠΊΠΈ Π‘ΡΡΠ°ΡΡ — Β«ΡΠΊΠΎΠ½ΠΎΠΌΠΈΡ Π΄Π²ΠΈΠΆΠ΅Π½ΠΈΠΉΒ».
ΠΡΠ»ΠΈ Π²Ρ ΠΏΠΎΠΏΡΠΎΡΠΈΡΠ΅ ΠΌΠ΅Π½Ρ ΡΡΠ΅Π½ΠΈΡΠΎΠ²Π°ΡΡ Π²Π°Ρ Π² ΡΠ΅ΡΠ΅Π½ΠΈΠ΅ Π΄Π½Ρ — ΠΈ Π²Ρ Π±ΡΠ΄Π΅ΡΠ΅ ΡΠ°ΡΠΎΠ²Π°ΡΡ ΡΡΠ»Π΅Π²ΠΎΠ΅ ΡΠΏΡΠ°Π²Π»Π΅Π½ΠΈΠ΅ — Ρ ΠΈΠ·ΠΌΠ΅Π½Ρ Π²Π°Ρ? ΠΠΎΠ·ΠΌΠΎΠΆΠ½ΠΎ Π½Π΅Ρ.ΠΡΠ»ΠΈ Ρ Π²Π°Ρ Ρ ΠΎΡΠΎΡΠΎ ΠΏΠΎΠ»ΡΡΠ°Π΅ΡΡΡ ΠΌΠ°Π½Π΅Π²ΡΠΈΡΠΎΠ²Π°ΡΡ Π² ΡΠ»ΡΡΠ°ΠΉΠ½ΠΎΠΌ ΠΏΠΎΡΡΠ΄ΠΊΠ΅, ΡΠΎ, Π²Π΅ΡΠΎΡΡΠ½ΠΎ, Π΅ΡΡΡ Π΄ΡΡΠ³ΠΈΠ΅ Π²Π΅ΡΠΈ, Π±ΠΎΠ»Π΅Π΅ Π²Π°ΠΆΠ½ΡΠ΅, Π½Π°Π΄ ΠΊΠΎΡΠΎΡΡΠΌΠΈ ΡΡΠΎΠΈΡ ΠΏΠΎΡΠ°Π±ΠΎΡΠ°ΡΡ. ΠΡΠ»ΠΈ Π²Ρ ΠΏΠΎΠΏΡΠΎΡΠΈΡΠ΅ ΠΌΠ΅Π½Ρ Π½Π°ΡΡΠΈΡΡ Π²Π°Ρ Π±ΡΡΡ Π»ΡΡΡΠΈΠΌ Π²ΠΎΠ΄ΠΈΡΠ΅Π»Π΅ΠΌ, ΠΊΠΎΡΠΎΡΡΠΌ Π²Ρ ΠΌΠΎΠΆΠ΅ΡΠ΅ Π±ΡΡΡ, Π° Π²ΡΠ΅ΠΌΡ Π½Π΅ ΠΏΡΠΎΠ±Π»Π΅ΠΌΠ°, ΠΌΠΎΠ³Ρ Π»ΠΈ Ρ ΠΏΡΠ΅Π΄Π»ΠΎΠΆΠΈΡΡ Π²Π°ΠΌ ΠΈΡΠΏΠΎΠ»ΡΠ·ΠΎΠ²Π°ΡΡ 9 ΠΈ 3? Π΄Π°. ΠΠΎΡΠ΅ΠΌΡ? ΠΠΎΡΠΎΠΌΡ ΡΡΠΎ ΡΠΎ Π²ΡΠ΅ΠΌΠ΅Π½Π΅ΠΌ ΡΡΠΎ Π½Π΅ΠΈΠ·ΠΌΠ΅Π½Π½ΠΎ Π»ΡΡΡΠΈΠΉ ΡΠΏΠΎΡΠΎΠ± ΠΏΠ»Π°Π²Π½ΠΎΠ³ΠΎ ΠΈ Π±ΡΡΡΡΠΎΠ³ΠΎ Π²ΠΎΠΆΠ΄Π΅Π½ΠΈΡ.
ΠΠ΅ΡΠ΅ΠΉΠ΄ΡΡ Π»ΠΈ ΡΠ΅ ΠΈΠ· Π²Π°Ρ, ΠΊΡΠΎ ΡΡΠΈΡΠ°Π΅Ρ, ΡΡΠΎ Π²Π°ΡΠ΅ ΡΡΠ»Π΅Π²ΠΎΠ΅ ΡΠΏΡΠ°Π²Π»Π΅Π½ΠΈΠ΅ Π² ΡΠ»ΡΡΠ°ΠΉΠ½ΠΎΠΌ ΠΏΠΎΡΡΠ΄ΠΊΠ΅, Π½Π° ΡΡΠΊΠΈ Π² 9 ΠΈ 3? Π― ΡΠΎΠΌΠ½Π΅Π²Π°ΡΡΡ. ΠΠΎΡΠ΅ΠΌΡ? ΠΠΎΡΠΎΠΌΡ ΡΡΠΎ ΡΡΠΎ Π²ΠΎΡΠ»ΠΎ Π² ΠΏΡΠΈΠ²ΡΡΠΊΡ, ΠΈ ΡΠ΅Π±Π΅ ΡΠ°ΠΊ ΠΊΠΎΠΌΡΠΎΡΡΠ½ΠΎ Π΅Π·Π΄ΠΈΡΡ.ΠΡΡΡΡ ΠΎΠ± Π·Π°ΠΊΠ»Π°Π΄, Ρ ΡΠ΅Π±Ρ ΡΡΠΎ Π΄Π΅ΠΉΡΡΠ²ΠΈΡΠ΅Π»ΡΠ½ΠΎ Ρ ΠΎΡΠΎΡΠΎ ΠΏΠΎΠ»ΡΡΠ°Π΅ΡΡΡ.
ΠΡΠ»ΠΎ Π²ΡΠ΅ΠΌΡ Π² Π½Π°ΡΠ°Π»Π΅ ΠΌΠΎΠ΅ΠΉ ΠΊΠ°ΡΡΠ΅ΡΡ Π²ΠΎΠ΄ΠΈΡΠ΅Π»Ρ, ΠΊΠΎΠ³Π΄Π° Ρ Π²ΠΎΠΎΠ±ΡΠ΅ Π½Π΅ ΠΈΡΠΏΠΎΠ»ΡΠ·ΠΎΠ²Π°Π» ΡΡΠ΅ΠΉΠ»-ΡΠΎΡΠΌΠΎΠΆΠ΅Π½ΠΈΠ΅. ΠΠ΅Π½Ρ ΡΡΠΈΠ»ΠΈ Π²ΡΠ΅ ΡΠΎΡΠΌΠΎΠΆΠ΅Π½ΠΈΠ΅ ΠΏΠΎ ΠΏΡΡΠΌΠΎΠΉ, Π·Π°ΡΠ΅ΠΌ ΠΎΡΠΏΡΡΠΊΠ°ΡΡ ΡΠΎΡΠΌΠΎΠ·Π° ΠΈ ΠΏΠΎΠ²ΠΎΡΠ°ΡΠΈΠ²Π°ΡΡ Π² ΠΏΠΎΠ²ΠΎΡΠΎΡ. ΠΡΠ»ΠΈ Π±Ρ Ρ ΠΏΡΠΎΠ΄ΠΎΠ»ΠΆΠ°Π» ΡΠ°ΠΊ Π²ΠΎΠ΄ΠΈΡΡ, Ρ ΠΌΠΎΠ³ Π±Ρ Π±ΡΡΡ ΡΠ΅ΡΡΠΎΠ²ΡΠΊΠΈ Ρ ΠΎΡΠΎΡΠΈΠΌ Π²ΠΎΠ΄ΠΈΡΠ΅Π»Π΅ΠΌ. Π― ΠΌΠΎΠ³ ΡΡΠ²ΡΡΠ²ΠΎΠ²Π°ΡΡ ΡΠ΅Π±Ρ ΠΊΠΎΠΌΡΠΎΡΡΠ½ΠΎ, Π΄Π΅Π»Π°Ρ ΡΠΎ, ΡΡΠΎ Π΄Π΅Π»Π°Ρ. ΠΠΎ Ρ Π±Ρ Π½Π΅ Π±ΡΠ» Π»ΡΡΡΠΈΠΌ ΠΈΠ· ΡΠ΅Ρ , ΠΊΠ΅ΠΌ ΠΌΠΎΠ³ Π±ΡΡΡ. Π― ΡΠ΅ΡΠΈΠ» ΠΏΠΎΠΏΡΡΠ°ΡΡΡΡ ΠΈΠ·ΠΌΠ΅Π½ΠΈΡΡΡΡ, ΠΏΠΎΡΠΎΠΌΡ ΡΡΠΎ ΠΏΠΎΠ½ΡΠ», ΡΡΠΎ Π»ΡΡΡΠ΅ ΡΠΎΡΠ΅ΡΠ°ΡΡ ΡΠΎΡΠΌΠΎΠΆΠ΅Π½ΠΈΠ΅ Ρ ΠΏΠΎΠ²ΠΎΡΠΎΡΠΎΠΌ.ΠΡΠ»ΠΎ ΡΡΡΠ΄Π½ΠΎ ΠΈΠ·ΠΌΠ΅Π½ΠΈΡΡ ΡΡΡ ΠΏΡΠΈΠ²ΡΡΠΊΡ, Π½ΠΎ Ρ Π½Π°ΡΠ΅Π» ΡΠΏΠΎΡΠΎΠ± ΡΠ΄Π΅Π»Π°ΡΡ ΡΡΠΎ ΠΈ ΠΏΡΠΈΠ»ΠΎΠΆΠΈΠ» ΡΡΠΈΠ»ΠΈΡ Π΄Π»Ρ ΡΡΠΎΠ³ΠΎ. ΠΡΠΎ ΡΡΠΎΠΈΠ»ΠΎ ΡΠΎΠ³ΠΎ. Π’ΠΎ ΠΆΠ΅ ΠΌΠΎΠΆΠ½ΠΎ ΡΠΊΠ°Π·Π°ΡΡ ΠΈ ΠΎ ΡΠ΅Ρ Π½ΠΈΠΊΠ΅ ΡΡΠ»Π΅Π²ΠΎΠ³ΠΎ ΡΠΏΡΠ°Π²Π»Π΅Π½ΠΈΡ.
ΠΡΡΡ Π»ΠΈ ΠΎΡΠ»ΠΈΡΠ½ΡΠ΅, ΡΡΠΏΠ΅ΡΠ½ΡΠ΅ Π²ΠΎΠ΄ΠΈΡΠ΅Π»ΠΈ, ΠΊΠΎΡΠΎΡΡΠ΅ Π½Π΅ΡΠΊΠ»ΡΠΆΠ΅ ΡΡΠ»ΡΡ? Π΄Π°. ΠΡΠΎ Π»ΡΡΡΠΈΠΉ ΡΠΏΠΎΡΠΎΠ± Π²ΠΎΠΆΠ΄Π΅Π½ΠΈΡ? ΠΠ΅Ρ. ΠΡΠΎ Π½ΠΈΡΠ΅ΠΌ Π½Π΅ ΠΎΡΠ»ΠΈΡΠ°Π΅ΡΡΡ ΠΎΡ ΠΏΡΠΎΡΠΌΠΎΡΡΠ° Π²ΠΈΠ΄Π΅ΠΎ ΠΈΠ»ΠΈ ΡΠΎΡΠΎΠ³ΡΠ°ΡΠΈΠΉ ΠΠΉΡΡΠΎΠ½Π° Π‘Π΅Π½Π½Ρ ΠΈ ΡΠΎΠ²Π΅ΡΠ° ΠΎ ΡΠΎΠΌ, ΡΡΠΎ ΠΏΡΠΈ ΠΏΡΠΎΡ ΠΎΠΆΠ΄Π΅Π½ΠΈΠΈ ΠΏΠΎΠ²ΠΎΡΠΎΡΠΎΠ² ΡΠ»Π΅Π΄ΡΠ΅Ρ Π½Π°ΠΊΠ»ΠΎΠ½ΡΡΡ Π³ΠΎΠ»ΠΎΠ²Ρ. ΠΠ°ΡΠΊΠ° ΠΏΠΎΠΊΠ°Π·Π°Π»Π° Π½Π°ΠΌ, ΡΡΠΎ ΠΌΡ Π²ΠΎΡΠΏΡΠΈΠ½ΠΈΠΌΠ°Π΅ΠΌ ΠΈ ΠΎΠ±ΡΠ°Π±Π°ΡΡΠ²Π°Π΅ΠΌ Π²ΠΈΠ·ΡΠ°Π»ΡΠ½ΡΡ ΠΈΠ½ΡΠΎΡΠΌΠ°ΡΠΈΡ Π±ΠΎΠ»Π΅Π΅ ΡΠΎΡΠ½ΠΎ, Π΅ΡΠ»ΠΈ Π³ΠΎΠ»ΠΎΠ²Π° ΡΡΠΎΠΈΡ ΠΏΡΡΠΌΠΎ, Π° Π½Π΅ Π½Π°ΠΊΠ»ΠΎΠ½Π΅Π½Π°.ΠΠΎΡΡΠΎΠΌΡ Π²ΠΎΠ΄ΠΈΡΠ΅Π»Π΅ΠΉ ΡΡΠ°Ρ Π½Π΅ Π½Π°ΠΊΠ»ΠΎΠ½ΡΡΡ Π³ΠΎΠ»ΠΎΠ²Ρ ΠΏΡΠΈ ΠΏΠΎΠ²ΠΎΡΠΎΡΠ°Ρ . ΠΠΎΡ ΠΏΠΎΡΠ΅ΠΌΡ ΠΌΠΎΡΠΎΠ³ΠΎΠ½ΡΠΈΠΊΠΈ Π΄Π΅ΡΠΆΠ°Ρ Π³ΠΎΠ»ΠΎΠ²Ρ ΠΊΠ°ΠΊ ΠΌΠΎΠΆΠ½ΠΎ ΠΏΡΡΠΌΠΎ. ΠΠΎ ΠΏΠΎΡΠΌΠΎΡΡΠΈΡΠ΅ Π½Π° Π‘Π΅Π½Π½Ρ, Π²ΠΎΠ·ΠΌΠΎΠΆΠ½ΠΎ, Π²Π΅Π»ΠΈΡΠ°ΠΉΡΠ΅Π³ΠΎ Π³ΠΎΠ½ΡΠΈΠΊΠ° Π²ΡΠ΅Ρ Π²ΡΠ΅ΠΌΠ΅Π½. ΠΠ½ Π½Π°ΠΊΠ»ΠΎΠ½ΠΈΠ» Π³ΠΎΠ»ΠΎΠ²Ρ! ΠΡΠΎ ΠΏΡΠ°Π²ΠΈΠ»ΡΠ½ΠΎ? ΠΠ΅Ρ. ΠΡΠΎ Π·Π°ΡΡΠ°Π²Π»ΡΠ΅Ρ Π²Π°Ρ Π΄ΡΠΌΠ°ΡΡ, ΡΡΠΎ Π‘Π΅Π½Π½Π° ΠΌΠΎΠ³ Π±Ρ Π±ΡΡΡ Π΄Π°ΠΆΠ΅ Π»ΡΡΡΠ΅. ΠΡΡΡ ΠΌΠ½ΠΎΠ³ΠΎ ΠΏΡΠΈΠΌΠ΅ΡΠΎΠ² ΡΠΏΠΎΡΡΡΠΌΠ΅Π½ΠΎΠ², ΠΊΠΎΡΠΎΡΡΠ΅ Π½Π΅ Π²ΡΠΏΠΎΠ»Π½ΡΠ»ΠΈ ΠΊΠ°ΡΠ΅Π»ΠΈ, Π±ΡΠΎΡΠ°Π»ΠΈ, Π±Π΅Π³Π°Π»ΠΈ ΠΈΠ»ΠΈ ΡΡΠΎ-ΡΠΎ Π² ΡΡΠΎΠΌ ΡΠΎΠ΄Π΅ Ρ Π½Π°ΠΈΠ»ΡΡΡΠ΅ΠΉ ΡΠ΅Ρ Π½ΠΈΠΊΠΎΠΉ. ΠΠΎ ΠΎΠ½ΠΈ ΡΠ°ΠΊ ΠΌΠ½ΠΎΠ³ΠΎ ΠΏΡΠ°ΠΊΡΠΈΠΊΠΎΠ²Π°Π»ΠΈΡΡ, ΡΡΠΎ Π·Π°ΡΡΠ°Π²ΠΈΠ»ΠΈ ΡΡΠΎ ΡΠ°Π±ΠΎΡΠ°ΡΡ.
ΠΠΎΠΆΠ΄Π΅Π½ΠΈΠ΅ Π°Π²ΡΠΎΠΌΠΎΠ±ΠΈΠ»Ρ Π½ΠΈΡΠ΅ΠΌ Π½Π΅ ΠΎΡΠ»ΠΈΡΠ°Π΅ΡΡΡ.Π‘ΡΡΠ΅ΡΡΠ²ΡΠ΅Ρ ΡΠ°ΠΊ ΠΌΠ½ΠΎΠ³ΠΎ ΡΠ΅Ρ Π½ΠΈΠΊ ΠΈ Π½Π°Π²ΡΠΊΠΎΠ², ΡΡΠΎ Π²Π°ΠΌ Π½ΡΠΆΠ½ΠΎ ΡΠΎΠ±ΡΠ°ΡΡ Π²ΡΠ΅ Π²ΠΌΠ΅ΡΡΠ΅, ΠΈΠ½ΠΎΠ³Π΄Π° Π΄Π°ΠΆΠ΅ ΠΈΠ΄Ρ Π½Π° ΠΊΠΎΠΌΠΏΡΠΎΠΌΠΈΡΡ Π΄ΡΡΠ³ Ρ Π΄ΡΡΠ³ΠΎΠΌ, ΡΡΠΎΠ±Ρ Π±ΡΡΡ Π½Π° Π²ΡΡΠΎΡΠ΅. ΠΠ°ΠΊ Π²Ρ ΠΏΠΎΠ²ΠΎΡΠ°ΡΠΈΠ²Π°Π΅ΡΠ΅ ΡΡΠ»Ρ — ΠΎΠ΄Π½ΠΎ ΠΈΠ· ΡΠ°ΠΊΠΈΡ . ΠΡΠ»ΠΈ Ρ Π²Π°Ρ Π΅ΡΡΡ Π²ΡΠ±ΠΎΡ, ΠΏΠΎΡΠ΅ΠΌΡ Π±Ρ Π²Π°ΠΌ Π½Π΅ Π²ΡΠ±ΡΠ°ΡΡ Π΄Π»Ρ Π½Π°ΡΠ°Π»Π° ΡΠ°ΠΌΡΠΉ Π»ΡΡΡΠΈΠΉ ΠΈΠ· Π²ΠΎΠ·ΠΌΠΎΠΆΠ½ΡΡ ΠΌΠ΅ΡΠΎΠ΄ΠΎΠ² ΠΈ Π½Π΅ ΡΠ΄Π΅Π»Π°ΡΡ ΡΡΠΎ ΠΏΡΠΈΠ²ΡΡΠΊΠΎΠΉ?
Π ΠΊΠΎΠ½Π΅ΡΠ½ΠΎΠΌ ΡΡΠ΅ΡΠ΅, ΡΠ°ΠΌΠΎΠ΅ Π³Π»Π°Π²Π½ΠΎΠ΅ — ΡΡΠΎ ΡΠΎ, ΡΡΠΎ Π²Ρ Π΄Π΅Π»Π°Π΅ΡΠ΅ Ρ ΠΊΠΎΠ»Π΅ΡΠΎΠΌ. ΠΡΠ»ΠΈ Π΄ΠΎΠ²Π΅ΡΡΠΈ Π΄ΠΎ ΠΊΡΠ°ΠΉΠ½ΠΎΡΡΠΈ, Π΅ΡΠ»ΠΈ Π²Ρ ΠΏΠΎΠ²Π΅ΡΠ½ΡΠ»ΠΈ ΡΡΠ»Ρ Π½ΠΎΡΠΎΠΌ (!!!), Π½ΠΎ ΡΠ΄Π΅Π»Π°Π»ΠΈ ΡΡΠΎ ΡΡΡΠ΅ΠΊΡΠΈΠ²Π½ΠΎ, Π½ΠΈΡΠ΅Π³ΠΎ ΡΡΡΠ°ΡΠ½ΠΎΠ³ΠΎ.Π‘Π°ΠΌΠΎΠ΅ Π³Π»Π°Π²Π½ΠΎΠ΅ — ΡΡΠΎ ΠΏΠ»Π°Π²Π½ΡΠΉ ΠΈ ΡΠΎΡΠ½ΡΠΉ ΠΏΠΎΠ²ΠΎΡΠΎΡ ΠΊΠΎΠ»Π΅ΡΠ°.
Π ΠΏΠΎΠΊΠ° Ρ Π³ΠΎΠ²ΠΎΡΡ ΠΎΠ± ΡΡΠΎΠΌ, Ρ ΡΠ»ΡΡΠ°Π», ΡΡΠΎ Π½Π΅ΠΊΠΎΡΠΎΡΡΠ΅ Π»ΡΠ΄ΠΈ Π³ΠΎΠ²ΠΎΡΡΡ, ΡΡΠΎ Π²Ρ Π΄ΠΎΠ»ΠΆΠ½Ρ ΡΡΠ½ΡΡΡ ΠΊΠΎΠ»Π΅ΡΠΎ Π²Π½ΠΈΠ·, Π² ΡΠΎ Π²ΡΠ΅ΠΌΡ ΠΊΠ°ΠΊ Π΄ΡΡΠ³ΠΈΠ΅ Π³ΠΎΠ²ΠΎΡΡΡ, ΡΡΠΎ Π²Ρ Π΄ΠΎΠ»ΠΆΠ½Ρ Π½Π°ΠΆΠΈΠΌΠ°ΡΡ Π½Π° ΠΊΠΎΠ»Π΅ΡΠΎ, ΡΡΠΎΠ±Ρ ΠΏΠΎΠ²Π΅ΡΠ½ΡΡΡ Π΅Π³ΠΎ. Π― Π΄ΡΠΌΠ°Ρ, ΠΎΠ±Π° ΡΠΌΠ΅ΡΠ½Ρ. ΠΠΎΠΆΠ΄Π΅Π½ΠΈΠ΅ — ΡΡΠΎ ΡΠΏΠΎΡΡ Π΄Π»Ρ Π΄Π²ΡΡ ΡΡΠΊ, ΠΏΠΎΡΡΠΎΠΌΡ ΠΏΠΎΠ²ΠΎΡΠ°ΡΠΈΠ²Π°ΠΉΡΠ΅ ΡΡΠ»Ρ, ΡΠΎΠ»ΠΊΠ°Ρ ΠΎΠ΄Π½ΠΎΠΉ ΡΡΠΊΠΎΠΉ, Π° Π΄ΡΡΠ³ΠΎΠΉ ΡΡΠ½ΠΈΡΠ΅. Π‘ΠΊΠ°Π·Π°ΡΡ, ΡΡΠΎ Π²Π°ΠΌ ΡΠ»Π΅Π΄ΡΠ΅Ρ ΠΈΡΠΏΠΎΠ»ΡΠ·ΠΎΠ²Π°ΡΡ ΡΠΎΠ»ΡΠΊΠΎ ΠΎΠ΄Π½Ρ, — Π²ΡΠ΅ ΡΠ°Π²Π½ΠΎ ΡΡΠΎ ΡΠΊΠ°Π·Π°ΡΡ: Π΄Π΅ΡΠΆΠΈΡΠ΅ ΠΊΠ»ΡΡΠΊΡ Π΄Π²ΡΠΌΡ ΡΡΠΊΠ°ΠΌΠΈ, Π½ΠΎ ΠΊΠ°ΡΠ°ΠΉΡΠ΅ Π΅Π΅ ΡΠΎΠ»ΡΠΊΠΎ ΠΎΠ΄Π½ΠΎΠΉ ΡΡΠΊΠΎΠΉ.
Π₯ΠΎΡΠΎΡΠΎ, ΠΌΠ½Π΅ Π·Π°Π΄Π°Π»ΠΈ ΠΏΡΠΎΡΡΠΎΠΉ Π²ΠΎΠΏΡΠΎΡ: ΡΡΠΎ Π»ΡΡΡΠ΅ Π²ΡΠ΅Π³ΠΎ Π΄Π»Ρ ΡΡΡΠ΅ΠΊΡΠΈΠ²Π½ΠΎΠΉ Π΅Π·Π΄Ρ Π½Π° ΡΡΠ΅ΠΊΠ΅, ΡΠ»ΡΡΠ°ΠΉΠ½ΡΠΉ Π²ΡΠ±ΠΎΡ ΠΈΠ»ΠΈ ΠΌΠ΅ΡΠΎΠ΄ 9 ΠΈ 3? Π― Π³ΠΎΠ²ΠΎΡΡ Π²Π°ΠΌ, ΡΡΠΎ Π»ΡΡΡΠΈΠΉ — ΡΡΠΎ ΠΌΠ΅ΡΠΎΠ΄ 9 ΠΈ 3.
ΠΠΎΠΆΠ΅ΡΠ΅ Π»ΠΈ Π²Ρ Ρ ΠΎΡΠΎΡΠΎ Π²Π»Π°Π΄Π΅ΡΡ ΠΌΠ΅ΡΠΎΠ΄ΠΎΠΌ ΠΏΠ΅ΡΠ΅ΠΌΠ΅ΡΠΈΠ²Π°Π½ΠΈΡ? Π΄Π°. ΠΠΎΠΆΠ΅ΡΠ΅ Π»ΠΈ Π²Ρ Π±ΡΡΡ Π»ΡΡΡΠ΅ Π²ΡΠ΅Ρ ? ΠΠ΅Ρ. ΠΡΠ΅Π³Π΄Π° Π»ΠΈ Π²ΠΎΠ΄ΠΈΡΠ΅Π»Ρ ΠΌΠΎΠΆΠ΅Ρ ΡΡΠ°ΡΡ Π»ΡΡΡΠ΅? Π΄Π°. ΠΠΎΠ»ΠΆΠ½Ρ Π»ΠΈ ΠΌΡ Π²ΡΠ΅Π³Π΄Π° ΠΈΡΠΊΠ°ΡΡ ΡΠΏΠΎΡΠΎΠ±Ρ ΡΡΠΎΠ²Π΅ΡΡΠ΅Π½ΡΡΠ²ΠΎΠ²Π°ΡΡ Π½Π°ΡΠΈ ΠΌΠ΅ΡΠΎΠ΄Ρ ΠΈ ΡΡΠΈΡΡΠ²Π°ΡΡ, ΠΊΠ°ΠΊ ΠΈΠ·ΠΌΠ΅Π½ΠΈΠ»ΠΈΡΡ Π°Π²ΡΠΎΠΌΠΎΠ±ΠΈΠ»ΠΈ (ΠΈ ΠΊΠ°ΠΊ ΡΡΠΎ ΠΌΠΎΠΆΠ΅Ρ ΠΈΠ·ΠΌΠ΅Π½ΠΈΡΡ ΡΠ΅Ρ Π½ΠΈΠΊΡ, Π²ΠΎΠΊΡΡΠ³ ΠΊΠΎΡΠΎΡΠΎΠΉ ΠΌΡ ΡΡΠΎΡΠΌΠΈΡΠΎΠ²Π°Π»ΠΈ ΠΏΡΠΈΠ²ΡΡΠΊΡ)? Π― ΡΠ°ΠΊ ΡΡΠΈΡΠ°Ρ.
— Π ΠΎΡΡ ΠΠ΅Π½ΡΠ»ΠΈ
ΠΠ½ΡΠ΅ΡΠ½Π΅Ρ: http://www.speedsecrets.com
Facebook: www.facebook.com/Drivercoach
Π’Π²ΠΈΡΡΠ΅Ρ: @SpeedSecrets
ΠΠ· Π΅ΠΆΠ΅Π½Π΅Π΄Π΅Π»ΡΠ½ΠΈΠΊΠ° «Π‘Π΅ΠΊΡΠ΅ΡΡ ΡΠΊΠΎΡΠΎΡΡΠΈ» Π ΠΎΡΡ ΠΠ΅Π½ΡΠ»ΠΈ. Π§ΡΠΎΠ±Ρ ΠΏΠΎΠ»ΡΡΠΈΡΡ Π±ΠΎΠ»ΡΡΠ΅ ΡΠΎΠ²Π΅ΡΠΎΠ² ΠΈ Π΄ΠΎΠΏΠΎΠ»Π½ΠΈΡΠ΅Π»ΡΠ½ΡΡ ΡΡΠ°ΡΠ΅ΠΉ ΠΏΠΎ ΠΈΡΠΊΡΡΡΡΠ²Ρ ΠΈ Π½Π°ΡΠΊΠ΅ Π³ΠΎΠ½ΠΎΠΊ, Π½Π°ΠΆΠΌΠΈΡΠ΅ Π·Π΄Π΅ΡΡ, ΡΡΠΎΠ±Ρ ΠΏΠΎΠ΄ΠΏΠΈΡΠ°ΡΡΡΡ.
Π’Π°ΠΊΠΆΠ΅ ΠΎΠ±ΡΠ·Π°ΡΠ΅Π»ΡΠ½ΠΎ ΠΎΠ·Π½Π°ΠΊΠΎΠΌΡΡΠ΅ΡΡ Ρ ΠΊΠ½ΠΈΠ³ΠΎΠΉ Π ΠΎΡΡ ΠΠ΅Π½ΡΠ»ΠΈ Β«Π‘Π΅ΠΊΡΠ΅ΡΡ ΠΌΠ°ΠΊΡΠΈΠΌΠ°Π»ΡΠ½ΠΎΠΉ ΡΠΊΠΎΡΠΎΡΡΠΈ: ΠΏΠΎΠ»Π½ΠΎΠ΅ ΡΡΠΊΠΎΠ²ΠΎΠ΄ΡΡΠ²ΠΎ ΠΏΠΎ Π²ΡΡΠΎΠΊΠΎΠΏΡΠΎΠΈΠ·Π²ΠΎΠ΄ΠΈΡΠ΅Π»ΡΠ½ΠΎΠΌΡ ΠΈ Π³ΠΎΠ½ΠΎΡΠ½ΠΎΠΌΡ Π²ΠΎΠΆΠ΄Π΅Π½ΠΈΡΒ».
+ Π‘Π΅ΠΊΡΠ΅ΡΡ ΡΠΊΠΎΡΠΎΡΡΠΈ: ΡΡΡΠ΅ΠΊΡΠΈΠ²Π½Π°Ρ ΡΠΈΠ·ΠΈΡΠ΅ΡΠΊΠ°Ρ ΠΏΠΎΠ΄Π³ΠΎΡΠΎΠ²ΠΊΠ° Π΄Π»Ρ ΠΏΠΎΠ΄Π³ΠΎΡΠΎΠ²ΠΊΠΈ ΠΊ Π³ΠΎΠ½ΠΎΡΠ½ΠΎΠΌΡ ΡΠ΅Π·ΠΎΠ½Ρ
ΠΠ°ΠΊ ΡΡ Π°ΠΆΠΈΠ²Π°ΡΡ Π·Π° Π°Π²ΡΠΎΠΌΠΎΠ±ΠΈΠ»Π΅ΠΌ: ΡΠΈΡΡΠ΅ΠΌΠ° ΡΡΠ»Π΅Π²ΠΎΠ³ΠΎ ΡΠΏΡΠ°Π²Π»Π΅Π½ΠΈΡ
Π§ΡΠΎ ΡΠ°ΠΊΠΎΠ΅ ΡΡΠ΅Π»Π»Π°ΠΆ ΠΈ Π¨Π΅ΡΡΠ΅ΡΠ½Ρ?Π Π΅Π΅ΡΠ½Π°Ρ ΡΠ΅ΡΡΠ΅ΡΠ½Ρ Π² ΡΠ±ΠΎΡΠ΅ ΠΏΠΎΠΌΠΎΠ³Π°Π΅Ρ ΠΏΠ΅ΡΠ΅Π΄Π°Π²Π°ΡΡ Π²ΡΠ°ΡΠ°ΡΠ΅Π»ΡΠ½ΠΎΠ΅ ΡΡΠΈΠ»ΠΈΠ΅ ΠΎΡ ΡΡΠ»Π΅Π²ΠΎΠ³ΠΎ ΠΊΠΎΠ»Π΅ΡΠ° Π½Π° ΠΏΠ΅ΡΠ΅Π΄Π½ΠΈΠ΅ ΠΊΠΎΠ»Π΅ΡΠ°. Π ΡΠ»Π΅Π²ΠΎΠΉ Π²Π°Π» ΠΏΡΠΈΠΊΡΠ΅ΠΏΠ»Π΅Π½ ΠΊ ΡΡΠ»Π΅Π²ΠΎΠΉ ΠΊΠΎΠ»ΠΎΠ½ΠΊΠ΅. Π ΡΡΠ»Π΅Π²ΠΎΠΌΡ Π²Π°Π»Ρ ΠΏΡΠΈΠΊΡΠ΅ΠΏΠ»Π΅Π½Π° ΡΠ΅ΡΡΠ΅ΡΠ½Ρ, ΠΊΠΎΡΠΎΡΠ°Ρ ΠΏΡΠΈΠΊΡΠ΅ΠΏΠ»ΡΠ΅ΡΡΡ ΠΊ Π»ΠΈΠ½Π΅ΠΉΠ½ΠΎΠΉ ΡΠ΅ΡΡΠ΅ΡΠ½Π΅ Ρ Π·ΡΠ±ΡΡΠΌΠΈ, Π½Π°Π·ΡΠ²Π°Π΅ΠΌΡΠΌΠΈ ΡΠ΅ΠΉΠΊΠΎΠΉ.ΠΠΎΠ³Π΄Π° ΡΡΠ»Π΅Π²ΠΎΠ΅ ΠΊΠΎΠ»Π΅ΡΠΎ Π²ΡΠ°ΡΠ°Π΅ΡΡΡ, ΡΠ΅ΡΡΠ΅ΡΠ½Ρ Π½Π° Π²Π°Π»Ρ ΠΏΠΎΠ²ΠΎΡΠ°ΡΠΈΠ²Π°Π΅ΡΡΡ Π½Π° ΡΠ΅ΠΉΠΊΡ ΠΈ ΠΏΠΎΠ·Π²ΠΎΠ»ΡΠ΅Ρ Π΅ΠΉ Π·Π°ΡΠ΅ΠΏΠΈΡΡΡΡ Π·Π° Π·ΡΠ±ΡΡ ΡΠ΅ΠΉΠΊΠΈ, ΠΊΠΎΡΠΎΡΠ°Ρ Π·Π°ΡΠ΅ΠΌ ΠΏΠΎΠ²ΠΎΡΠ°ΡΠΈΠ²Π°Π΅Ρ ΠΊΠΎΠ»Π΅ΡΠ°. Π’ΡΠ³ΠΈ, ΠΊΠΎΡΠΎΡΡΠ΅ ΠΏΠΎΠΌΠΎΠ³Π°ΡΡ ΡΠΎΠ»ΠΊΠ°ΡΡ ΠΈ ΡΡΠ½ΡΡΡ ΠΊΠΎΠ»Π΅ΡΠ° ΠΏΡΠΈ ΠΏΠΎΠ²ΠΎΡΠΎΡΠ΅, ΠΏΡΠΈΠΊΡΠ΅ΠΏΠ»Π΅Π½Ρ ΠΊ ΡΡΠ»Π΅Π²ΠΎΠΉ ΡΠ΅ΠΉΠΊΠ΅ Ρ ΠΊΠ°ΠΆΠ΄ΠΎΠ³ΠΎ ΠΊΠΎΠ½ΡΠ°.
Π Π½Π°ΡΠΈ Π΄Π½ΠΈ Π²ΡΠ΅ Π°Π²ΡΠΎΠΌΠΎΠ±ΠΈΠ»ΠΈ ΠΈΠΌΠ΅ΡΡ ΡΡΠ»Π΅Π²ΠΎΠ΅ ΡΠΏΡΠ°Π²Π»Π΅Π½ΠΈΠ΅ Ρ Π³ΠΈΠ΄ΡΠΎΡΡΠΈΠ»ΠΈΡΠ΅Π»Π΅ΠΌ ΠΈΠ»ΠΈ ΡΠ»Π΅ΠΊΡΡΠΎΡΡΠΈΠ»ΠΈΡΠ΅Π»Π΅ΠΌ. ΠΡΠ° ΡΠ΅Ρ Π½ΠΎΠ»ΠΎΠ³ΠΈΡ ΡΠΏΠΎΡΠΎΠ±ΡΡΠ²ΡΠ΅Ρ ΡΠ°Π±ΠΎΡΠ΅ Π·ΡΠ±ΡΠ°ΡΠΎΠΉ ββΡΠ΅ΠΉΠΊΠΈ ΠΈ ΡΠ΅ΡΡΠ΅ΡΠ½ΠΈ, ΡΠ΅ΠΌ ΡΠ°ΠΌΡΠΌ ΡΠΌΠ΅Π½ΡΡΠ°Ρ ΡΡΠΈΠ»ΠΈΠ΅, Π½Π΅ΠΎΠ±Ρ ΠΎΠ΄ΠΈΠΌΠΎΠ΅ Π²ΠΎΠ΄ΠΈΡΠ΅Π»Ρ Π΄Π»Ρ ΠΏΠΎΠ²ΠΎΡΠΎΡΠ° ΠΏΠ΅ΡΠ΅Π΄Π½ΠΈΡ ΠΊΠΎΠ»Π΅Ρ. Π Π³ΠΈΠ΄ΡΠ°Π²Π»ΠΈΡΠ΅ΡΠΊΠΎΠΉ ΡΠΈΡΡΠ΅ΠΌΠ΅ Π½Π°ΡΠΎΡ ΡΡΠ»Π΅Π²ΠΎΠ³ΠΎ ΡΠΏΡΠ°Π²Π»Π΅Π½ΠΈΡ Ρ Π³ΠΈΠ΄ΡΠΎΡΡΠΈΠ»ΠΈΡΠ΅Π»Π΅ΠΌ Π½Π°Π³Π½Π΅ΡΠ°Π΅Ρ Π³ΠΈΠ΄ΡΠ°Π²Π»ΠΈΡΠ΅ΡΠΊΡΡ ΠΆΠΈΠ΄ΠΊΠΎΡΡΡ, ΡΡΠΎΠ±Ρ ΡΠΎΠ·Π΄Π°ΡΡ ΡΡΠΈΠ»ΠΈΡΠ΅Π»Ρ.Π‘ Π΄ΡΡΠ³ΠΎΠΉ ΡΡΠΎΡΠΎΠ½Ρ, Π΅ΡΠ»ΠΈ ΡΠΈΡΡΠ΅ΠΌΠ° ΡΠ»Π΅ΠΊΡΡΠΈΡΠ΅ΡΠΊΠ°Ρ, ΡΠ΅ΠΉΠΊΠ° ΠΈ ΡΠ΅ΡΡΠ΅ΡΠ½Ρ ΠΏΡΠΈΠ²ΠΎΠ΄ΡΡΡΡ Π² Π΄Π²ΠΈΠΆΠ΅Π½ΠΈΠ΅ ΡΠ»Π΅ΠΊΡΡΠΎΠ΄Π²ΠΈΠ³Π°ΡΠ΅Π»Π΅ΠΌ Π΄Π»Ρ ΠΎΠ±Π΅ΡΠΏΠ΅ΡΠ΅Π½ΠΈΡ ΠΏΠΎΠΌΠΎΡΠΈ ΠΏΡΠΈ ΡΡΠ»Π΅Π²ΠΎΠΌ ΡΠΏΡΠ°Π²Π»Π΅Π½ΠΈΠΈ.
Π‘Π²ΡΠ·Π°Π½Π½ΠΎΠ΅ ΡΠΎΠ΄Π΅ΡΠΆΠ°Π½ΠΈΠ΅:
ΠΠ°ΠΊ ΡΡ Π°ΠΆΠΈΠ²Π°ΡΡ Π·Π° Π°Π²ΡΠΎΠΌΠΎΠ±ΠΈΠ»Π΅ΠΌ: ΠΠΎΠ½Π΄ΠΈΡΠΈΠΎΠ½Π΅Ρ
Π‘ΠΈΠ½ΡΠ΅ΡΠΈΡΠ΅ΡΠΊΠ°Ρ ΠΈ ΠΎΠ±ΡΡΠ½Π°Ρ Π½Π΅ΡΡΡ: Π² ΡΠ΅ΠΌ ΡΠ°Π·Π½ΠΈΡΠ°?
ΠΠ°ΠΊ ΡΡ Π°ΠΆΠΈΠ²Π°ΡΡ Π·Π° Π°Π²ΡΠΎΠΌΠΎΠ±ΠΈΠ»Π΅ΠΌ: ΡΠΈΡΡΠ΅ΠΌΠ° ΠΏΠΎΠ΄Π²Π΅ΡΠΊΠΈ
ΠΠ°ΠΊ ΡΡ Π°ΠΆΠΈΠ²Π°ΡΡ Π·Π° Π°Π²ΡΠΎΠΌΠΎΠ±ΠΈΠ»Π΅ΠΌ: ΠΠΎΠ·Π΄ΡΡΠ½ΡΠΉ ΡΠΈΠ»ΡΡΡ ΡΠ°Π»ΠΎΠ½Π°
ΠΠ°ΠΊ ΡΡ Π°ΠΆΠΈΠ²Π°ΡΡ Π·Π° Π°Π²ΡΠΎΠΌΠΎΠ±ΠΈΠ»Π΅ΠΌ: ΡΠΎΡΠΌΠΎΠ·Π½ΡΠ΅ ΡΡΠΏΠΏΠΎΡΡΡ
ΠΠ°ΠΊ Π»ΠΎΠΌΠ°ΡΡΡΡ ΡΠ΅ΠΉΠΊΠ° ΠΈ ΡΠ΅ΡΡΠ΅ΡΠ½Ρ?
ΠΡΡΡ Π½Π΅ΡΠΊΠΎΠ»ΡΠΊΠΎ ΠΏΡΠΈΡΠΈΠ½Ρ Π²ΡΡ ΠΎΠ΄Π° ΠΈΠ· ΡΡΡΠΎΡ ΡΠ΅ΠΉΠΊΠΈ ΠΈ ΡΠ΅ΡΡΠ΅ΡΠ½ΠΈ.ΠΠ΅ΡΠ²Π°Ρ ΠΏΡΠΈΡΠΈΠ½Π° Π² ΡΠΎΠΌ, ΡΡΠΎ Π΅ΡΠ»ΠΈ Π΅ΡΡΡ Π½Π°Π΄ΡΡΠ²Ρ ΠΈ ΠΏΡΠΎΠΊΠΎΠ»Ρ Π½Π° ΡΠΏΠ»ΠΎΡΠ½ΠΈΡΠ΅Π»ΡΡ , ΠΏΡΠΈΠΊΡΠ΅ΠΏΠ»Π΅Π½Π½ΡΡ ΠΊ ΡΡΠ»Π΅Π²ΠΎΠΉ ΡΠ΅ΠΉΠΊΠ΅, ΡΠΈΡΡΠ΅ΠΌΠ° Π±ΡΠ΄Π΅Ρ Π½Π΅ ΡΠΎΠ·Π΄Π°Π²Π°ΡΡ ΡΠ°ΠΊΠΎΠ΅ ΠΆΠ΅ Π΄Π°Π²Π»Π΅Π½ΠΈΠ΅ ΠΆΠΈΠ΄ΠΊΠΎΡΡΠΈ, ΠΊΠΎΡΠΎΡΠΎΠ΅, ΠΊΠ°ΠΊ ΡΠ»Π΅Π΄ΡΡΠ²ΠΈΠ΅, Π²ΡΠ·ΠΎΠ²Π΅Ρ ΡΡΠ΅ΡΠΊΠΈ ΠΆΠΈΠ΄ΠΊΠΎΡΡΠΈ, ΡΠ»Π°Π±ΠΎΠ΅ ΡΡΠ»Π΅Π²ΠΎΠ΅ ΡΠΏΡΠ°Π²Π»Π΅Π½ΠΈΠ΅ ΠΈ / ΠΈΠ»ΠΈ ΠΆΠ΅ΡΡΠΊΠΎΠ΅ ΡΡΠ»Π΅Π²ΠΎΠ΅ ΡΠΏΡΠ°Π²Π»Π΅Π½ΠΈΠ΅. ΠΠΎΠ·ΠΌΠΎΠΆΠ½Π° Π·Π°ΠΌΠ΅Π½Π° ΡΠΏΠ»ΠΎΡΠ½Π΅Π½ΠΈΠΉ Π² Π·Π°Π²ΠΈΡΠΈΠΌΠΎΡΡΠΈ ΠΎΡ ΠΌΠ°ΡΠΊΠ° ΠΈ ΠΌΠΎΠ΄Π΅Π»Ρ. ΠΡΠΎΡΠ°Ρ ΠΏΡΠΈΡΠΈΠ½Π° — ΠΎΡΡΡΡΡΡΠ²ΠΈΠ΅ ΠΎΠ±ΡΠ»ΡΠΆΠΈΠ²Π°Π½ΠΈΡ. Π Π·Π°Π²ΠΈΡΠΈΠΌΠΎΡΡΠΈ ΠΎΡ ΠΈΠ·Π³ΠΎΡΠΎΠ²Π»Π΅Π½ΠΈΡ, Π½Π°ΡΡΠΎΡΡΠ΅Π»ΡΠ½ΠΎ ΡΠ΅ΠΊΠΎΠΌΠ΅Π½Π΄ΡΡΡΡΡ ΠΈΠ½ΡΠ΅ΡΠ²Π°Π»Ρ Π·Π°ΠΌΠ΅Π½Ρ ΠΆΠΈΠ΄ΠΊΠΎΡΡΠΈ ΠΈΠ»ΠΈ ΠΏΡΠΎΠΌΡΠ²ΠΊΠΈ. ΠΠΈΠ΄ΠΊΠΎΡΡΠΈ ΠΌΠΎΠ³ΡΡ Π±ΡΡΡ Π·Π°Π³ΡΡΠ·Π½Π΅Π½Ρ, ΡΡΠΎ Π·Π°ΡΡΡΠ΄Π½ΡΠ΅Ρ ΠΏΠ΅ΡΠ΅Π΄Π°ΡΡ ΠΆΠΈΠ΄ΠΊΠΎΡΡΠΈ. ΡΠ΅ΡΠ΅Π· ΡΠ»Π°Π½Π³ΠΈ, ΡΡΠΎ, Π² ΡΠ²ΠΎΡ ΠΎΡΠ΅ΡΠ΅Π΄Ρ, Π·Π°ΡΡΠ°Π²Π»ΡΠ΅Ρ ΡΠΈΡΡΠ΅ΠΌΡ ΡΠ°Π±ΠΎΡΠ°ΡΡ Π±ΠΎΠ»Π΅Π΅ ΠΈΠ½ΡΠ΅Π½ΡΠΈΠ²Π½ΠΎ, Π² Π°Π½Π°Π»ΠΎΠ³ΠΈΡΠ½ΠΎΠΌ ΡΠΏΠΎΡΠΎΠ± Π·Π°Π±ΠΈΡΡ Π°ΡΡΠ΅ΡΠΈΠΈ Π² Π½Π°ΡΠ΅ΠΌ ΡΠ΅Π»Π΅.ΠΠΎΠ³Π΄Π° ΠΆΠΈΠ΄ΠΊΠΎΡΡΡ Π½Π΅ ΡΠ΅ΡΠ΅Ρ Π΄ΠΎΠ»ΠΆΠ½ΡΠΌ ΠΎΠ±ΡΠ°Π·ΠΎΠΌ, ΡΠΈΡΡΠ΅ΠΌΠ° Π² ΠΊΠΎΠ½Π΅ΡΠ½ΠΎΠΌ ΠΈΡΠΎΠ³Π΅ Π²ΡΠΉΠ΄Π΅Ρ ΠΈΠ· ΡΡΡΠΎΡ. ΠΠΎΠ³Π΄Π° ΠΏΡΠΎΠΈΡΡ ΠΎΠ΄ΠΈΡ Π·Π°Π³ΡΡΠ·Π½Π΅Π½ΠΈΠ΅, Π·Π°ΠΌΠ΅Π½Π° ΠΌΠΎΠ³ΡΡ ΠΏΠΎΠ½Π°Π΄ΠΎΠ±ΠΈΡΡΡΡ ΡΠ΅ΠΉΠΊΠ°, ΡΠ΅ΡΡΠ΅ΡΠ½Ρ ΠΈ Π΄Π°ΠΆΠ΅ Π½Π°ΡΠΎΡ Π³ΠΈΠ΄ΡΠΎΡΡΠΈΠ»ΠΈΡΠ΅Π»Ρ ΡΡΠ»Ρ. Π’ΡΠ΅ΡΡΡ ΠΏΡΠΈΡΠΈΠ½Π° Π½Π΅ΠΈΡΠΏΡΠ°Π²Π΅Π½ Π½Π°ΡΠΎΡ Π³ΠΈΠ΄ΡΠΎΡΡΠΈΠ»ΠΈΡΠ΅Π»Ρ ΡΡΠ»Ρ. ΠΠ°ΠΊΠΎΠ½Π΅Ρ, Π½ΠΎΡΠΌΠ°Π»ΡΠ½ΡΠΉ ΠΈΠ·Π½ΠΎΡ ΠΌΠΎΠΆΠ΅Ρ Π²ΡΠ·Π²Π°ΡΡ ΡΠ΅ΠΉΠΊΡ ΠΈ ΡΠ΅ΡΡΠ΅ΡΠ½Ρ ΡΠ»ΠΎΠΌΠ°ΡΡ.
ΠΠ°ΠΊ ΡΠ·Π½Π°ΡΡ, ΡΡΠ΅Π±ΡΠ΅ΡΡΡ Π»ΠΈ Π·Π°ΠΌΠ΅Π½Π° ΡΡΠΎΠΉΠΊΠΈ ΠΈ ΡΠ΅ΡΡΠ΅ΡΠ½ΠΈ?ΠΠ΅ΡΠΊΠΎΠ»ΡΠΊΠΎ Π·Π½Π°ΠΊΠΎΠ² Π±ΡΠ΄ΡΡ Π²ΠΎΠ·Π½ΠΈΠΊΠ°ΡΡ ΠΏΡΠΈ Π½Π΅ΠΎΠ±Ρ ΠΎΠ΄ΠΈΠΌΠΎΡΡΠΈ Π·Π°ΠΌΠ΅Π½Ρ ΡΡΠ»Π΅Π²ΠΎΠΉ ΡΠ΅ΠΉΠΊΠΈ. ΠΠ΄ΠΈΠ½ ΠΏΡΠΈΠ·Π½Π°ΠΊ — ΡΡΡΠ΄Π½ΠΎΡΡΠΈ Ρ ΡΡΠ»Π΅Π²ΠΎΠ΅ ΡΠΏΡΠ°Π²Π»Π΅Π½ΠΈΠ΅ Π½Π° Π±ΠΎΠ»Π΅Π΅ Π½ΠΈΠ·ΠΊΠΈΡ ΡΠΊΠΎΡΠΎΡΡΡΡ .ΠΡΠΈ Π΄Π²ΠΈΠΆΠ΅Π½ΠΈΠΈ ΠΏΠΎ ΡΠΎΡΡΠ΅ ΡΠ»Π°Π±ΠΎΠ΅ ΡΡΠ»Π΅Π²ΠΎΠ΅ ΡΠΏΡΠ°Π²Π»Π΅Π½ΠΈΠ΅ ΠΈ ΡΡΡΡΠΊΠ° Π½Π° ΡΡΠ»Π΅ — ΠΏΡΠΈΠ·Π½Π°ΠΊΠΈ ΠΏΠ»ΠΎΡ ΠΎΠΉ ΡΡΠΎΠΉΠΊΠΈ. Π‘ΠΈΠ»ΡΠ½ΠΎ ΠΈΠ·Π½ΠΎΡΠ΅Π½Π½ΡΠ΅ ΡΠΈΠ½Ρ Π΅ΡΠ΅ ΠΎΠ΄ΠΈΠ½ Π·Π½Π°ΠΊ. ΠΠ°ΠΊΠΎΠ½Π΅Ρ, Π·Π°ΠΌΠ΅ΡΠ½Π°Ρ ΡΡΠ΅ΡΠΊΠ° ΠΆΠΈΠ΄ΠΊΠΎΡΡΠΈ (ΠΆΠΈΠ΄ΠΊΠΎΡΡΡ Π΄Π»Ρ Π³ΠΈΠ΄ΡΠΎΡΡΠΈΠ»ΠΈΡΠ΅Π»Ρ ΡΡΠ»Ρ) ΡΠ°ΠΊΠΆΠ΅ ΠΏΡΠΈΠ·Π½Π°ΠΊ Π·Π°ΠΌΠ΅Π½Ρ.
Π‘ΠΊΠΎΠ»ΡΠΊΠΎ ΡΡΠΎΠΈΡ Π·Π°ΠΌΠ΅Π½Π° Π·ΡΠ±ΡΠ°ΡΠΎΠΉ ββΡΠ΅ΠΉΠΊΠΈ ΠΈ ΡΠ΅ΡΡΠ΅ΡΠ½ΠΈ?ΠΠ°ΠΌΠ΅Π½Π° ΡΡΠ»Π΅Π²Π°Ρ ΡΠ΅ΠΉΠΊΠ° ΠΌΠΎΠΆΠ΅Ρ ΡΡΠΎΠΈΡΡ ΠΎΡ Π½Π΅ΡΠΊΠΎΠ»ΡΠΊΠΈΡ ΡΠΎΡΠ΅Π½ Π΄ΠΎΠ»Π»Π°ΡΠΎΠ² Π΄ΠΎ ΡΡΡΡΡ Π΄ΠΎΠ»Π»Π°ΡΠΎΠ². ΠΡΠ½ΠΎΠ²Π½Π°Ρ ΠΏΡΠΈΡΠΈΠ½Π° ΡΡΠΎΠ³ΠΎ Π² ΡΠΎΠΌ, ΡΡΠΎ ΡΠ°ΡΡΠΎ Π½Π΅ΠΎΠ±Ρ ΠΎΠ΄ΠΈΠΌΠΎ Π·Π°ΠΌΠ΅Π½ΠΈΡΡ Π½Π΅ΡΠΊΠΎΠ»ΡΠΊΠΎ ΡΠ°ΡΡΠ΅ΠΉ ΡΡΠ»Π΅Π²ΠΎΠΉ ΡΠ΅ΠΉΠΊΠΈ ΠΈ ΡΠ΅ΡΡΠ΅ΡΠ½ΠΈ, ΠΏΠΎΡΠΎΠΌΡ ΡΡΠΎ ΠΎΡΠ΄Π΅Π»ΡΠ½ΡΠ΅ Π΄Π΅ΡΠ°Π»ΠΈ Π½Π΅ ΠΏΠΎΠ΄Π»Π΅ΠΆΠ°Ρ Π·Π°ΠΌΠ΅Π½Π΅.ΠΠ°ΠΏΡΠΈΠΌΠ΅Ρ, Π½Π΅ΠΎΠ±Ρ ΠΎΠ΄ΠΈΠΌΠ° ΠΏΡΠΎΠΌΡΠ²ΠΊΠ° ΠΆΠΈΠ΄ΠΊΠΎΡΡΡΡ Π³ΠΈΠ΄ΡΠΎΡΡΠΈΠ»ΠΈΡΠ΅Π»Ρ ΡΡΠ»Ρ. Π½Π°ΡΡΠ΄Ρ Ρ ΡΠ΅Π³ΡΠ»ΠΈΡΠΎΠ²ΠΊΠΎΠΉ ΡΠ³Π»ΠΎΠ² ΡΡΡΠ°Π½ΠΎΠ²ΠΊΠΈ ΡΠ΅ΡΡΡΠ΅Ρ ΠΊΠΎΠ»Π΅Ρ Π΄Π»Ρ ΠΏΡΠ΅Π΄ΠΎΡΠ²ΡΠ°ΡΠ΅Π½ΠΈΡ ΠΈΠ·Π½ΠΎΡΠ° ΠΈ ΠΈΡΠΏΡΠ°Π²Π»Π΅Π½ΠΈΡ ΡΠ΅Π½ΡΡΠΎΠ²ΠΊΠΈ. ΠΡΠΎΠΌΠ΅ ΡΠΎΠ³ΠΎ, Π·Π°ΡΡΠ°ΡΡ Π½Π° ΡΠ°Π±ΠΎΡΡΡ ΡΠΈΠ»Ρ ΠΎΡΠ΅Π½Ρ Π²ΡΡΠΎΠΊΠΈ, ΡΠ°ΠΊ ΠΊΠ°ΠΊ ΡΡΡΠ΄ ΠΈΠ½ΡΠ΅Π½ΡΠΈΠ²Π΅Π½ ΠΈ ΠΌΠΎΠΆΠ΅Ρ Π·Π°Π½ΡΡΡ ΠΌΠ½ΠΎΠ³ΠΎ Π²ΡΠ΅ΠΌΠ΅Π½ΠΈ. Π΄ΠΎ 5 ΡΠ°ΡΠΎΠ² Ρ 2 ΡΠ΅Ρ Π½ΠΈΠΊΠ°ΠΌΠΈ. ΠΠ°ΠΊ ΠΏΡΠ°Π²ΠΈΠ»ΠΎ, ΡΠ΅Ρ Π½ΠΈΠΊ ΠΏΠΎΡΠ΅ΠΊΠΎΠΌΠ΅Π½Π΄ΡΠ΅Ρ ΠΎΡΠΈΠ³ΠΈΠ½Π°Π»ΡΠ½ΡΠ΅ Π·Π°ΠΌΠ΅Π½ΡΠ΅ΠΌΡΠ΅ Π΄Π΅ΡΠ°Π»ΠΈ Π΄Π»Ρ ΠΎΠ±Π΅ΡΠΏΠ΅ΡΠ΅Π½ΠΈΡ Ρ ΠΎΡΠΎΡΠ΅ΠΉ ΠΏΠΎΠ΄Π³ΠΎΠ½ΠΊΠΈ, Π»ΡΡΡΠΈΡ Π΄Π΅ΡΠ°Π»Π΅ΠΉ ΠΈ Π³Π°ΡΠ°Π½ΡΠΈΡ ΡΡΡΠ΄Π°. ΠΠΎΠ³Π΄Π° ΡΠΈΠ½Π°Π½ΡΡ ΡΠ²Π»ΡΡΡΡΡ ΠΊΠ»ΡΡΠ΅Π²ΡΠΌ ΡΠ»Π΅ΠΌΠ΅Π½ΡΠΎΠΌ Π΄Π»Ρ Π±Π΅ΡΠΏΠΎΠΊΠΎΠΉΡΡΠ²Π°, ΠΏΠΎΡΠ»Π΅ΠΏΡΠΎΠ΄Π°ΠΆΠ½Π°Ρ ΡΡΠΎΠΉΠΊΠ° Π²ΡΠΏΠΎΠ»Π½ΠΈΡ ΡΠ²ΠΎΡ ΡΠ°Π±ΠΎΡΡ Ρ ΠΎΠΏΡΠΈΠ΅ΠΉ ΠΎΠ³ΡΠ°Π½ΠΈΡΠ΅Π½Π½ΠΎΠΉ Π³Π°ΡΠ°Π½ΡΠΈΠΈ.
Π§ΡΠΎ ΠΏΡΠΎΠΈΠ·ΠΎΠΉΠ΄Π΅Ρ, Π΅ΡΠ»ΠΈ Ρ Π½Π΅ Π·Π°ΠΌΠ΅Π½Ρ ΡΠ΅ΠΉΠΊΡ ΠΈ ΡΠ΅ΡΡΠ΅ΡΠ½Ρ?ΠΡΠ»ΠΈ ΠΏΠ»ΠΎΡ Π°Ρ ΡΡΠΎΠΉΠΊΠ° ΠΈ ΡΠ΅ΡΡΠ΅ΡΠ½Ρ Π½Π΅ Π·Π°ΠΌΠ΅Π½ΡΠ΅ΡΡΡ, Π²Π°ΡΠ΅ ΡΡΠ»Π΅Π²ΠΎΠ΅ ΡΠΏΡΠ°Π²Π»Π΅Π½ΠΈΠ΅ Π±ΡΠ΄Π΅Ρ Π½Π°ΡΡΡΠ΅Π½ΠΎ, ΡΡΠΎ ΡΡΠ΅Π·Π²ΡΡΠ°ΠΉΠ½ΠΎ ΠΎΠΏΠ°ΡΠ½ΡΠΉ.
ΠΡΠ»ΠΈΡΠ°ΡΡΡΡ Π»ΠΈ ΡΠ΅ΠΉΠΊΠ° ΠΈ ΡΠ΅ΡΡΠ΅ΡΠ½ΠΈ Π² Π·Π°Π²ΠΈΡΠΈΠΌΠΎΡΡΠΈ ΠΎΡ Π°Π²ΡΠΎΠΌΠΎΠ±ΠΈΠ»Ρ?ΠΡΠ°ΠΊΡΠΈΡΠ΅ΡΠΊΠΈ Π²ΡΠ΅ ΡΠΎΠ²ΡΠ΅ΠΌΠ΅Π½Π½ΡΠ΅ Π°Π²ΡΠΎΠΌΠΎΠ±ΠΈΠ»ΠΈ ΠΈΠΌΠ΅ΡΡ ΡΠ΅Π΅ΡΠ½ΠΎΠ΅ ΡΡΠ»Π΅Π²ΠΎΠ΅ ΡΠΏΡΠ°Π²Π»Π΅Π½ΠΈΠ΅. ΠΠΎ Π½Π° ΡΡΠ°ΡΡΡ Π°Π²ΡΠΎΠΌΠΎΠ±ΠΈΠ»ΡΡ ΠΈ Π½ΠΎΠ²ΡΡ ΡΡΠΆΠ΅Π»ΡΡ Π³ΡΡΠ·ΠΎΠ²ΠΈΠΊΠ°Ρ Π²ΠΌΠ΅ΡΡΠΎ ΡΡΠΎΠ³ΠΎ ΠΈΡΠΏΠΎΠ»ΡΠ·ΡΠ΅ΡΡΡ ΡΡΠ»Π΅Π²ΠΎΠΉ ΠΌΠ΅Ρ Π°Π½ΠΈΠ·ΠΌ, ΠΊΠΎΡΠΎΡΡΠΉ ΠΏΡΠ΅Π΄ΡΡΠ°Π²Π»ΡΠ΅Ρ ΡΠΎΠ±ΠΎΠΉ ΡΠΈΡΡΠ΅ΠΌΡ Ρ ΡΠ΅ΡΠΈΡΠΊΡΠ»ΡΡΠΈΠ΅ΠΉ ΡΠ°ΡΠΎΠ², ΡΠ°ΠΊΠΆΠ΅ ΠΈΠ·Π²Π΅ΡΡΠ½ΡΡ ΠΊΠ°ΠΊ ΠΊΠΎΡΠΎΠ±ΠΊΠ° ΠΏΠ΅ΡΠ΅Π΄Π°Ρ.
ΠΠΎΠ³Ρ Π»ΠΈ Ρ ΡΠ°ΠΌΠΎΡΡΠΎΡΡΠ΅Π»ΡΠ½ΠΎ Π·Π°ΠΌΠ΅Π½ΠΈΡΡ Π·ΡΠ±ΡΠ°ΡΡΡ ΡΠ΅ΠΉΠΊΡ ΠΈ ΡΠ΅ΡΡΠ΅ΡΠ½Ρ?ΠΠ°ΡΡΠΎΡΡΠ΅Π»ΡΠ½ΠΎ ΡΠ΅ΠΊΠΎΠΌΠ΅Π½Π΄ΡΠ΅ΡΡΡ ΠΏΠΎΡΡΡΠΈΡΡ Π·Π°ΠΌΠ΅Π½Ρ ΠΏΡΠΎΡΠ΅ΡΡΠΈΠΎΠ½Π°Π»ΡΠ½ΠΎΠΌΡ ΡΠ΅Ρ Π½ΠΈΠΊΡ ΠΈΠ»ΠΈ ΠΌΠ΅Ρ Π°Π½ΠΈΠΊΡ, Π΅ΡΠ»ΠΈ Ρ Π²Π°Ρ Π½Π΅Ρ ΠΎΠΏΡΡΠ° ΡΠ°Π±ΠΎΡΡ Ρ ΠΌΠ΅Ρ Π°Π½ΠΈΠΊΠΎΠΉ ΠΈΠ»ΠΈ Π²Ρ Π½ΠΈΠΊΠΎΠ³Π΄Π° ΡΠ°Π½ΡΡΠ΅ Π½Π΅ Π·Π°ΠΌΠ΅Π½ΡΠ»ΠΈ Π·ΡΠ±ΡΠ°ΡΡΡ ΡΠ΅ΠΉΠΊΡ ΠΈ ΡΠ΅ΡΡΠ΅ΡΠ½Ρ.Π ΡΠΎΠΆΠ°Π»Π΅Π½ΠΈΡ, Π΄ΡΡΠ³ΠΎΠ³ΠΎ Π°Π»ΡΡΠ΅ΡΠ½Π°ΡΠΈΠ²Π½ΠΎΠ³ΠΎ ΡΠ΅ΠΌΠΎΠ½ΡΠ° Π½Π΅ΠΈΡΠΏΡΠ°Π²Π½ΠΎΠΉ Π·ΡΠ±ΡΠ°ΡΠΎΠΉ ββΡΠ΅ΠΉΠΊΠΈ Π½Π΅Ρ. ΠΠ΅ΠΎΠ±Ρ ΠΎΠ΄ΠΈΠΌΡ ΡΠΎΠΎΡΠ²Π΅ΡΡΡΠ²ΡΡΡΠΈΠ΅ ΠΈΠ½ΡΡΡΡΠΌΠ΅Π½ΡΡ, Π½Π°Π²ΡΠΊΠΈ ΠΈ Π·Π½Π°Π½ΠΈΡ.
ΠΠ°ΠΊ ΡΠ°Π±ΠΎΡΠ°Π΅Ρ ΡΠΈΡΡΠ΅ΠΌΠ° ΡΡΠ»Π΅Π²ΠΎΠ³ΠΎ ΡΠΏΡΠ°Π²Π»Π΅Π½ΠΈΡ Π°Π²ΡΠΎΠΌΠΎΠ±ΠΈΠ»Ρ?ΠΡΠ½ΠΎΠ²Π½Π°Ρ ΡΡΠ½ΠΊΡΠΈΡ ΡΠΈΡΡΠ΅ΠΌΡ ΡΡΠ»Π΅Π²ΠΎΠ³ΠΎ ΡΠΏΡΠ°Π²Π»Π΅Π½ΠΈΡ ΡΡΠ°Π½ΡΠΏΠΎΡΡΠ½ΠΎΠ³ΠΎ ΡΡΠ΅Π΄ΡΡΠ²Π° — ΠΏΠΎΠ·Π²ΠΎΠ»ΠΈΡΡ Π²ΠΎΠ΄ΠΈΡΠ΅Π»Ρ ΠΈΠ·ΠΌΠ΅Π½ΡΡΡ Π½Π°ΠΏΡΠ°Π²Π»Π΅Π½ΠΈΠ΅ Π΄Π²ΠΈΠΆΠ΅Π½ΠΈΡ Π°Π²ΡΠΎΠΌΠΎΠ±ΠΈΠ»Ρ ΠΏΡΠΈ ΠΏΠΎΠ²ΠΎΡΠΎΡΠ΅ ΡΡΠ»Π΅Π²ΠΎΠ³ΠΎ ΠΊΠΎΠ»Π΅ΡΠ°. ΠΠ°Ρ Π°Π²ΡΠΎΠΌΠΎΠ±ΠΈΠ»Ρ Π΄ΠΎΡΡΠΈΠ³Π°Π΅Ρ ΡΡΠΎΠ³ΠΎ Π·Π° ΡΡΠ΅Ρ ΡΠΎΡΠ½ΠΎΠ³ΠΎ ΠΏΡΠ΅ΠΎΠ±ΡΠ°Π·ΠΎΠ²Π°Π½ΠΈΡ Π²ΡΠ°ΡΠ°ΡΠ΅Π»ΡΠ½ΠΎΠ³ΠΎ Π΄Π²ΠΈΠΆΠ΅Π½ΠΈΡ ΡΡΠ»Π΅Π²ΠΎΠ³ΠΎ ΠΊΠΎΠ»Π΅ΡΠ° ΡΠ΅ΡΠ΅Π· ΡΡΠ»Π΅Π²ΠΎΠΉ Π²Π°Π» Π² ΡΠ³Π»ΠΎΠ²ΠΎΠΉ ΠΏΠΎΠ²ΠΎΡΠΎΡ, ΠΏΠΎΠ·Π²ΠΎΠ»ΡΡΡΠΈΠΉ ΠΏΠ΅ΡΠ΅ΠΌΠ΅ΡΠ°ΡΡ ΠΊΠΎΠ»Π΅ΡΠ° Π²Π»Π΅Π²ΠΎ ΠΈΠ»ΠΈ Π²ΠΏΡΠ°Π²ΠΎ ΠΏΠΎ ΠΌΠ΅ΡΠ΅ Π½Π΅ΠΎΠ±Ρ ΠΎΠ΄ΠΈΠΌΠΎΡΡΠΈ.
Π‘ΠΈΡΡΠ΅ΠΌΠ° ΡΡΠ»Π΅Π²ΠΎΠ³ΠΎ ΡΠΏΡΠ°Π²Π»Π΅Π½ΠΈΡ Π°Π²ΡΠΎΠΌΠΎΠ±ΠΈΠ»Ρ ΡΠ²Π΅Π»ΠΈΡΠΈΠ²Π°Π΅Ρ ΡΡΠΈΠ»ΠΈΠ΅ ΡΡΠ»Π΅Π²ΠΎΠ³ΠΎ ΡΠΏΡΠ°Π²Π»Π΅Π½ΠΈΡ Π·Π° ΡΡΠ΅Ρ ΡΡΡΠ°Π³Π° ΠΈΠ»ΠΈ ΠΌΠ΅Ρ Π°Π½ΠΈΡΠ΅ΡΠΊΠΎΠ³ΠΎ ΠΏΡΠ΅ΠΈΠΌΡΡΠ΅ΡΡΠ²Π°, ΡΡΠΎΠ±Ρ ΠΊΠΎΠ»Π΅ΡΠ° Π°Π²ΡΠΎΠΌΠΎΠ±ΠΈΠ»Ρ Π»Π΅Π³ΠΊΠΎ ΠΏΠΎΠ²ΠΎΡΠ°ΡΠΈΠ²Π°Π»ΠΈΡΡ Ρ ΠΌΠΈΠ½ΠΈΠΌΠ°Π»ΡΠ½ΡΠΌ ΡΡΠΈΠ»ΠΈΠ΅ΠΌ. ΠΡΠ½ΠΎΡΠ΅Π½ΠΈΠ΅ ΡΡΠΈΠ»ΠΈΡ Π½Π° ΡΡΠ»Π΅Π²ΠΎΠΌ ΠΊΠΎΠ»Π΅ΡΠ΅ ΠΊ ΠΎΡΠΊΠ»ΠΈΠΊΡ ΠΊΠΎΠ»Π΅ΡΠ° Π½Π°Π·ΡΠ²Π°Π΅ΡΡΡ ΠΏΠ΅ΡΠ΅Π΄Π°ΡΠΎΡΠ½ΡΠΌ ΡΠΈΡΠ»ΠΎΠΌ ΡΡΠ»Π΅Π²ΠΎΠ³ΠΎ ΡΠΏΡΠ°Π²Π»Π΅Π½ΠΈΡ. ΠΠ΅ΡΠ΅Π΄Π°ΡΠΎΡΠ½ΠΎΠ΅ ΠΎΡΠ½ΠΎΡΠ΅Π½ΠΈΠ΅ ΡΡΠ»Π΅Π²ΠΎΠ³ΠΎ ΡΠΏΡΠ°Π²Π»Π΅Π½ΠΈΡ Π΄Π»Ρ Π±ΠΎΠ»ΡΡΠΈΠ½ΡΡΠ²Π° ΡΠΎΠ²ΡΠ΅ΠΌΠ΅Π½Π½ΡΡ Π°Π²ΡΠΎΠΌΠΎΠ±ΠΈΠ»Π΅ΠΉ ΡΠΎΡΡΠ°Π²Π»ΡΠ΅Ρ ΠΎΡ 12: 1 Π΄ΠΎ 20: 1, ΠΏΠΎΡΡΠΎΠΌΡ Π½Π° ΠΊΠ°ΠΆΠ΄ΡΠ΅ 12-20 Π³ΡΠ°Π΄ΡΡΠΎΠ² ΠΏΠΎΠ²ΠΎΡΠΎΡΠ° ΡΡΠ»Π΅Π²ΠΎΠ³ΠΎ ΠΊΠΎΠ»Π΅ΡΠ° ΠΎΠΏΠΎΡΠ½ΡΠ΅ ΠΊΠΎΠ»Π΅ΡΠ° ΠΏΠΎΠ²ΠΎΡΠ°ΡΠΈΠ²Π°ΡΡΡΡ Π½Π° 1 Π³ΡΠ°Π΄ΡΡ. ΠΠΎ ΠΌΠ΅ΡΠ΅ ΡΠ²Π΅Π»ΠΈΡΠ΅Π½ΠΈΡ ΡΡΠΎΠ³ΠΎ ΠΎΡΠ½ΠΎΡΠ΅Π½ΠΈΡ ΡΡΠΈΠ»ΠΈΠ΅ ΡΡΠ»Π΅Π²ΠΎΠ³ΠΎ ΡΠΏΡΠ°Π²Π»Π΅Π½ΠΈΡ, Π½Π΅ΠΎΠ±Ρ ΠΎΠ΄ΠΈΠΌΠΎΠ΅ Π΄Π»Ρ ΠΏΠΎΠ²ΠΎΡΠΎΡΠ° ΠΏΠ΅ΡΠ΅Π΄Π½ΠΈΡ ΠΊΠΎΠ»Π΅Ρ, ΡΠΌΠ΅Π½ΡΡΠ°Π΅ΡΡΡ.
Π§ΡΠΎΠ±Ρ Π°Π²ΡΠΎΠΌΠΎΠ±ΠΈΠ»Ρ Π²ΡΠ°ΡΠ°Π»ΡΡ ΠΏΠ»Π°Π²Π½ΠΎ, ΠΊΠΎΠ»Π΅ΡΠ° Π΄Π²ΠΈΠΆΡΡΡΡ ΠΏΠΎ ΡΠ°Π·Π½ΡΠΌ Π΄ΡΠ³Π°ΠΌ. ΠΠ½ΡΡΡΠ΅Π½Π½Π΅Π΅ ΠΊΠΎΠ»Π΅ΡΠΎ ΡΠ»Π΅Π΄ΡΠ΅Ρ ΠΏΠΎ ΠΊΡΡΠ³Ρ Ρ ΠΌΠ΅Π½ΡΡΠΈΠΌ ΡΠ°Π΄ΠΈΡΡΠΎΠΌ, ΡΡΠΎΠ±Ρ ΡΠ΄Π΅Π»Π°ΡΡ ΠΏΠΎΠ²ΠΎΡΠΎΡ ΠΊΡΡΡΠ΅, ΡΠ΅ΠΌ Π²Π½Π΅ΡΠ½Π΅Π΅ ΠΊΠΎΠ»Π΅ΡΠΎ. ΠΡΠΎ Π²ΠΎΠ·ΠΌΠΎΠΆΠ½ΠΎ ΠΈΠ·-Π·Π° Π³Π΅ΠΎΠΌΠ΅ΡΡΠΈΠΈ ΡΡΠ»Π΅Π²ΠΎΠΉ ΡΡΠ³ΠΈ.
Π§ΡΠΎ Π²ΡΠ·ΡΠ²Π°Π΅Ρ ΠΏΡΠΎΠ±Π»Π΅ΠΌΡ Ρ ΡΡΠ»Π΅Π²ΡΠΌ ΡΠΏΡΠ°Π²Π»Π΅Π½ΠΈΠ΅ΠΌ?ΠΠ΅ΡΠΌΠΎΡΡΡ Π½Π° ΡΠΎ, ΡΡΠΎ ΡΠΈΡΡΠ΅ΠΌΡ ΡΡΠ»Π΅Π²ΠΎΠ³ΠΎ ΡΠΏΡΠ°Π²Π»Π΅Π½ΠΈΡ ΠΎΡΠ½ΠΎΡΠΈΡΠ΅Π»ΡΠ½ΠΎ ΠΏΡΠΎΡΡΡ, ΠΎΠ½ΠΈ ΡΠΎΡΡΠΎΡΡ ΠΈΠ· ΠΌΠ½ΠΎΠΆΠ΅ΡΡΠ²Π° ΡΠ°ΡΡΠ΅ΠΉ, ΠΊΠΎΡΠΎΡΡΠ΅ ΠΏΠΎΡΡΠΎΡΠ½Π½ΠΎ Π΄ΠΎΠ»ΠΆΠ½Ρ ΡΠ°Π±ΠΎΡΠ°ΡΡ Π² ΠΈΠ΄Π΅Π°Π»ΡΠ½ΠΎΠΌ ΡΠΎΠ³Π»Π°ΡΠΈΠΈ, ΠΈ Π΅ΡΠ»ΠΈ Π²ΡΠΉΠ΄Π΅Ρ ΠΈΠ· ΡΡΡΠΎΡ Ρ ΠΎΡΡ Π±Ρ ΠΎΠ΄Π½Π° ΡΠ°ΡΡΡ, ΡΡΠΎ ΠΌΠΎΠΆΠ΅Ρ ΠΈΠΌΠ΅ΡΡ ΠΎΠ³ΡΠΎΠΌΠ½ΠΎΠ΅ Π·Π½Π°ΡΠ΅Π½ΠΈΠ΅ Π΄Π»Ρ ΡΠΏΡΠ°Π²Π»ΡΠ΅ΠΌΠΎΡΡΠΈ Π²Π°ΡΠ΅Π³ΠΎ Π°Π²ΡΠΎΠΌΠΎΠ±ΠΈΠ»Ρ.
ΠΠ΅ΠΊΠΎΡΠΎΡΡΠ΅ ΠΈΠ· Π½Π°ΠΈΠ±ΠΎΠ»Π΅Π΅ ΡΠ°ΡΠΏΡΠΎΡΡΡΠ°Π½Π΅Π½Π½ΡΡ ΠΏΡΠΎΠ±Π»Π΅ΠΌ ΡΡΠ»Π΅Π²ΠΎΠ³ΠΎ ΡΠΏΡΠ°Π²Π»Π΅Π½ΠΈΡ, Π½Π° ΠΊΠΎΡΠΎΡΡΠ΅ ΠΎΠ±ΡΠ°ΡΠ°ΡΡ Π²Π½ΠΈΠΌΠ°Π½ΠΈΠ΅ Π½Π°ΡΠΈ ΡΠ΅Ρ Π½ΠΈΡΠ΅ΡΠΊΠΈΠ΅ ΡΠΏΠ΅ΡΠΈΠ°Π»ΠΈΡΡΡ:
- Π£ΡΠ΅ΡΠΊΠΈ Π² ΡΡΠΈΠ»ΠΈΡΠ΅Π»Π΅ ΡΡΠ»Π΅Π²ΠΎΠ³ΠΎ ΡΠΏΡΠ°Π²Π»Π΅Π½ΠΈΡ: ΠΡΠΎ ΠΏΡΠΎΡΠ²Π»ΡΠ΅ΡΡΡ Π² ΠΏΠΎΡΠ΅ΡΠ΅ ΡΡΠΈΠ»ΠΈΡΠ΅Π»Ρ ΡΡΠ»Π΅Π²ΠΎΠ³ΠΎ ΡΠΏΡΠ°Π²Π»Π΅Π½ΠΈΡ, ΡΡΠΎ ΡΠ°ΠΊΠΆΠ΅ ΠΌΠΎΠΆΠ΅Ρ Π±ΡΡΡ ΡΡΠΌΠ½ΡΠΌ. ΠΠΈΠ΄ΠΊΠΎΡΡΡ Π³ΠΈΠ΄ΡΠΎΡΡΠΈΠ»ΠΈΡΠ΅Π»Ρ ΡΡΠ»Π΅Π²ΠΎΠ³ΠΎ ΡΠΏΡΠ°Π²Π»Π΅Π½ΠΈΡ ΠΌΠΎΠΆΠ΅Ρ Π²ΡΡΠ΅ΠΊΠ°ΡΡ ΠΈΠ· ΡΡΠ΄Π° ΡΠΏΠ»ΠΎΡΠ½Π΅Π½ΠΈΠΉ, ΠΏΡΠΎΠΊΠ»Π°Π΄ΠΎΠΊ ΠΈΠ»ΠΈ Π΄Π°ΠΆΠ΅ ΠΈΠ· ΡΠ°ΠΌΠΎΠ³ΠΎ Π½Π°ΡΠΎΡΠ° Π³ΠΈΠ΄ΡΠΎΡΡΠΈΠ»ΠΈΡΠ΅Π»Ρ ΡΡΠ»Π΅Π²ΠΎΠ³ΠΎ ΡΠΏΡΠ°Π²Π»Π΅Π½ΠΈΡ. Π ΠΊΠΎΠ½Π΅ΡΠ½ΠΎΠΌ ΠΈΡΠΎΠ³Π΅ ΡΡΠΎ ΠΏΡΠΈΠ²ΠΎΠ΄ΠΈΡ ΠΊ ΠΎΡΠΊΠ°Π·Ρ Π½Π°ΡΠΎΡΠ° Π³ΠΈΠ΄ΡΠΎΡΡΠΈΠ»ΠΈΡΠ΅Π»Ρ ΡΡΠ»Π΅Π²ΠΎΠ³ΠΎ ΡΠΏΡΠ°Π²Π»Π΅Π½ΠΈΡ.
- Π§ΡΠ΅Π·ΠΌΠ΅ΡΠ½ΡΠΉ Π»ΡΡΡ Π² ΡΡΠ»Π΅Π²ΠΎΠΌ ΡΠΏΡΠ°Π²Π»Π΅Π½ΠΈΠΈ: Π₯Π°ΡΠ°ΠΊΡΠ΅ΡΠΈΠ·ΡΠ΅ΡΡΡ ΡΠ»Π°Π±ΡΠΌ ΡΡΠ»Π΅Π²ΡΠΌ ΡΠΏΡΠ°Π²Π»Π΅Π½ΠΈΠ΅ΠΌ ΠΈΠ»ΠΈ ΠΎΡΡΡΠ΅Π½ΠΈΠ΅ΠΌ ΡΡΠ΅Π·ΠΌΠ΅ΡΠ½ΠΎΠ³ΠΎ ΡΠ²ΠΎΠ±ΠΎΠ΄Π½ΠΎΠ³ΠΎ Π΄Π²ΠΈΠΆΠ΅Π½ΠΈΡ Π² ΡΡΠ»Π΅Π²ΠΎΠΌ ΠΊΠΎΠ»Π΅ΡΠ΅, ΠΎΠ±ΡΡΠ½ΠΎ ΡΡΠΎ Π²ΡΠ·Π²Π°Π½ΠΎ ΠΈΠ·Π½ΠΎΡΠ΅Π½Π½ΡΠΌΠΈ ΠΊΠΎΠ½ΡΠ°ΠΌΠΈ ΡΡΠ»Π΅Π²ΡΡ ΡΡΠ³, ΡΡΠ»Π΅Π²ΡΠΌΠΈ ΠΌΠ΅Ρ Π°Π½ΠΈΠ·ΠΌΠ°ΠΌΠΈ ΠΈΠ»ΠΈ Π²ΡΡΠ»ΠΊΠ°ΠΌΠΈ ΠΏΠΎΠΏΠ΅ΡΠ΅ΡΠ½ΠΎΠ³ΠΎ ΡΡΡΠ°Π³Π°.ΠΠ°ΠΊ ΠΏΡΠ°Π²ΠΈΠ»ΠΎ, ΡΡΠΎ ΠΌΠΎΠΆΠ½ΠΎ ΠΎΡΡΠ΅Π³ΡΠ»ΠΈΡΠΎΠ²Π°ΡΡ, Π½ΠΎ ΠΈΠ½ΠΎΠ³Π΄Π° ΠΈΠ·Π½ΠΎΡ Π½Π°ΡΡΠΎΠ»ΡΠΊΠΎ Π²Π΅Π»ΠΈΠΊ, ΡΡΠΎ Π½Π΅ΠΎΠ±Ρ ΠΎΠ΄ΠΈΠΌΠΎ Π·Π°ΠΌΠ΅Π½ΠΈΡΡ Π²ΡΡ ΡΡΠ»Π΅Π²ΡΡ ΡΠ΅ΠΉΠΊΡ.
- Π¨ΠΈΠΌΠΌΠΈ ΡΡΠ»Π΅Π²ΠΎΠ³ΠΎ ΠΊΠΎΠ»Π΅ΡΠ°: Π¨ΠΈΠΌΠΌΠΈ ΠΌΠΎΠΆΠ½ΠΎ Π»ΡΡΡΠ΅ Π²ΡΠ΅Π³ΠΎ ΠΎΠΏΠΈΡΠ°ΡΡ ΠΊΠ°ΠΊ ΡΠ°ΡΠ°Π½ΠΈΠ΅ ΡΡΠ»Π΅Π²ΠΎΠ³ΠΎ ΠΊΠΎΠ»Π΅ΡΠ° Π²ΠΎΠΊΡΡΠ³ Π΅Π³ΠΎ ΠΎΡΠΈ, ΠΊΠΎΡΠΎΡΠΎΠ΅ ΡΠ°ΠΊΠΆΠ΅ ΠΌΠΎΠΆΠ΅Ρ Π²ΡΠ·ΡΠ²Π°ΡΡ ΠΎΡΡΡΠ΅Π½ΠΈΠ΅ ΡΡΡΡΠΊΠΈ ΠΏΠ΅ΡΠ΅Π΄Π½Π΅ΠΉ ΡΠ°ΡΡΠΈ Π°Π²ΡΠΎΠΌΠΎΠ±ΠΈΠ»Ρ. ΠΡΠΎ ΠΌΠΎΠΆΠ΅Ρ Π±ΡΡΡ Π²ΡΠ·Π²Π°Π½ΠΎ ΡΠΌΠ΅ΡΠ΅Π½ΠΈΠ΅ΠΌ ΠΊΠΎΠ»Π΅Ρ, Π° ΡΠ°ΠΊΠΆΠ΅ ΠΈΠ·Π½ΠΎΡΠΎΠΌ Π°ΠΌΠΎΡΡΠΈΠ·Π°ΡΠΎΡΠΎΠ².
- ΠΠ²ΡΠΎΠΌΠΎΠ±ΠΈΠ»Ρ Π±Π»ΡΠΆΠ΄Π°Π΅Ρ ΠΈΠ»ΠΈ ΡΡΠ½Π΅Ρ Π² ΡΡΠΎΡΠΎΠ½Ρ: ΡΡΠΎ ΡΠ°ΠΊΠΆΠ΅ ΠΌΠΎΠΆΠ΅Ρ Π±ΡΡΡ Π²ΡΠ·Π²Π°Π½ΠΎ ΡΠΌΠ΅ΡΠ΅Π½ΠΈΠ΅ΠΌ ΡΠΈΠ½, Π½ΠΎ ΡΠ°ΠΊΠΆΠ΅ ΠΌΠΎΠΆΠ΅Ρ ΡΠΊΠ°Π·ΡΠ²Π°ΡΡ Π½Π° ΠΈΠ·Π½ΠΎΡ ΡΡΠ»Π΅Π²ΠΎΠ³ΠΎ ΠΌΠ΅Ρ Π°Π½ΠΈΠ·ΠΌΠ°.
ΠΠ°ΠΊ ΡΠΎΠ»ΡΠΊΠΎ Π°Π²ΡΠΎΠΌΠΎΠ±ΠΈΠ»Ρ ΠΏΠΎΡΠ΅ΡΡΠ΅Ρ Π³ΠΈΠ΄ΡΠΎΡΡΠΈΠ»ΠΈΡΠ΅Π»Ρ ΡΡΠ»Ρ, Π²ΠΎΠ΄ΠΈΡΠ΅Π»Ρ Π±ΡΡΡΡΠΎ ΡΠ·Π½Π°Π΅Ρ ΠΎΠ± ΡΡΠΎΠΌ. ΠΠ²ΡΠΎΠΌΠΎΠ±ΠΈΠ»Ρ Π±Π΅Π· Π³ΠΈΠ΄ΡΠΎΡΡΠΈΠ»ΠΈΡΠ΅Π»Ρ ΡΡΠ»Ρ ΠΏΠΎΡΡΠ΅Π±ΡΠ΅ΡΡΡ Π³ΠΎΡΠ°Π·Π΄ΠΎ Π±ΠΎΠ»ΡΡΠ΅ ΡΡΠΈΠ»ΠΈΠΉ Π΄Π»Ρ ΠΏΠΎΠ²ΠΎΡΠΎΡΠ° ΡΡΠ»Π΅Π²ΠΎΠ³ΠΎ ΠΊΠΎΠ»Π΅ΡΠ°, ΡΠ΅ΠΌ ΡΡΠΎ ΠΏΡΠΈΠ²ΡΠΊΠ»ΠΎ Π²ΠΎΠ΄ΠΈΡΠ΅Π»Ρ. Π ΠΎΡΠ½ΠΎΠ²Π½ΠΎΠΌ ΡΡΠΎ Π²ΡΠ·Π²Π°Π½ΠΎ ΠΏΠΎΡΠ΅ΡΠ΅ΠΉ ΠΆΠΈΠ΄ΠΊΠΎΡΡΠΈ ΡΡΠ»Π΅Π²ΠΎΠ³ΠΎ ΡΠΏΡΠ°Π²Π»Π΅Π½ΠΈΡ Ρ Π³ΠΈΠ΄ΡΠΎΡΡΠΈΠ»ΠΈΡΠ΅Π»Π΅ΠΌ, Π½ΠΎ Π½Π΅ Π²ΡΠ΅Π³Π΄Π°. Π’Π΅ΠΌ Π½Π΅ ΠΌΠ΅Π½Π΅Π΅, ΠΊΠ°ΠΊΠΎΠΉ Π±Ρ Π½ΠΈ Π±ΡΠ»Π° ΠΏΡΠΈΡΠΈΠ½Π°, ΡΠ΅Π·ΡΠ»ΡΡΠ°Ρ ΠΎΠ΄ΠΈΠ½ ΠΈ ΡΠΎΡ ΠΆΠ΅ — ΡΡΠ»Π΅Π²ΠΎΠ΅ ΠΊΠΎΠ»Π΅ΡΠΎ ΠΎΠΊΠ°Π·ΡΠ²Π°Π΅Ρ ΡΠ»ΠΈΡΠΊΠΎΠΌ Π±ΠΎΠ»ΡΡΠΎΠ΅ ΡΠΎΠΏΡΠΎΡΠΈΠ²Π»Π΅Π½ΠΈΠ΅, Π° Π°Π²ΡΠΎΠΌΠΎΠ±ΠΈΠ»Ρ ΡΡΡΠ΄Π½ΠΎ ΠΏΠΎΠ²ΠΎΡΠ°ΡΠΈΠ²Π°ΡΡ.
ΠΠΎΠΆΠ΅Ρ Π±ΡΡΡ Π½Π΅ΡΠΊΠΎΠ»ΡΠΊΠΎ ΠΏΡΠΎΠ±Π»Π΅ΠΌ, Π²ΡΠ·ΡΠ²Π°ΡΡΠΈΡ ΠΏΠΎΡΠ΅ΡΡ ΠΆΠΈΠ΄ΠΊΠΎΡΡΠΈ ΡΡΠ»Π΅Π²ΠΎΠ³ΠΎ ΡΠΏΡΠ°Π²Π»Π΅Π½ΠΈΡ Ρ Π³ΠΈΠ΄ΡΠΎΡΡΠΈΠ»ΠΈΡΠ΅Π»Π΅ΠΌ. Π‘Π°ΠΌΡΠΉ ΠΏΡΠΎΡΡΠΎΠΉ Π·Π°ΠΊΠ»ΡΡΠ°Π΅ΡΡΡ Π² ΡΠΎΠΌ, ΡΡΠΎ ΠΆΠΈΠ΄ΠΊΠΎΡΡΡ Π³ΠΈΠ΄ΡΠΎΡΡΠΈΠ»ΠΈΡΠ΅Π»Ρ ΡΡΠ»Π΅Π²ΠΎΠ³ΠΎ ΡΠΏΡΠ°Π²Π»Π΅Π½ΠΈΡ Π½ΠΈΠΊΠΎΠ³Π΄Π° Π½Π΅ Π·Π°ΠΌΠ΅Π½ΡΠ»Π°ΡΡ Π² ΡΠ°ΠΌΠΊΠ°Ρ ΡΠ΅Π³ΡΠ»ΡΡΠ½ΠΎΠ³ΠΎ ΠΏΡΠΎΡΠΈΠ»Π°ΠΊΡΠΈΡΠ΅ΡΠΊΠΎΠ³ΠΎ ΠΎΠ±ΡΠ»ΡΠΆΠΈΠ²Π°Π½ΠΈΡ, ΠΈΠ»ΠΈ ΡΠΈΡΡΠ΅ΠΌΠ° Π³ΠΈΠ΄ΡΠΎΡΡΠΈΠ»ΠΈΡΠ΅Π»Ρ ΡΡΠ»Π΅Π²ΠΎΠ³ΠΎ ΡΠΏΡΠ°Π²Π»Π΅Π½ΠΈΡ ΠΏΡΠΎΡΠ΅ΠΊΠ°Π΅Ρ. ΠΡΠ»ΠΈ ΠΆΠΈΠ΄ΠΊΠΎΡΡΡ Π½ΠΈΠΊΠΎΠ³Π΄Π° Π½Π΅ Π·Π°ΠΌΠ΅Π½ΡΠ»Π°ΡΡ, ΡΡΠΎ ΠΌΠΎΠΆΠ΅Ρ Π±ΡΡΡ ΡΠ»ΡΡΠ°ΠΉ Π΄ΠΎΠ±Π°Π²Π»Π΅Π½ΠΈΡ ΠΆΠΈΠ΄ΠΊΠΎΡΡΠΈ ΠΈ ΡΠ΄Π°Π»Π΅Π½ΠΈΡ Π²ΠΎΠ·Π΄ΡΡ Π° ΠΈΠ· ΡΠΈΡΡΠ΅ΠΌΡ. ΠΡΠΎΠΊΠ°ΡΠ°ΡΡ ΡΠΈΡΡΠ΅ΠΌΡ Π½Π΅ΠΎΠ±Ρ ΠΎΠ΄ΠΈΠΌΠΎ, ΡΡΠΎΠ±Ρ ΠΏΡΠ΅Π΄ΠΎΡΠ²ΡΠ°ΡΠΈΡΡ ΠΏΠΎΠ²ΡΠ΅ΠΆΠ΄Π΅Π½ΠΈΠ΅ Π½Π°ΡΠΎΡΠ° ΡΡΠ»Π΅Π²ΠΎΠ³ΠΎ ΡΠΏΡΠ°Π²Π»Π΅Π½ΠΈΡ Ρ Π³ΠΈΠ΄ΡΠΎΡΡΠΈΠ»ΠΈΡΠ΅Π»Π΅ΠΌ.
ΠΠ°ΠΊ ΠΏΡΠ°Π²ΠΈΠ»ΠΎ, ΠΌΡ Π²ΠΈΠ΄ΠΈΠΌ ΡΡΠΈ ΠΎΡΠ½ΠΎΠ²Π½ΡΡ ΠΏΡΠΈΡΠΈΠ½Ρ ΡΡΠ΅ΡΠΊΠΈ ΡΡΠ»Π΅Π²ΠΎΠ³ΠΎ ΡΠΏΡΠ°Π²Π»Π΅Π½ΠΈΡ Ρ Π³ΠΈΠ΄ΡΠΎΡΡΠΈΠ»ΠΈΡΠ΅Π»Π΅ΠΌ.ΠΡΠΎ Π½Π°ΡΠΎΡ Π³ΠΈΠ΄ΡΠΎΡΡΠΈΠ»ΠΈΡΠ΅Π»Ρ ΡΡΠ»Ρ, ΡΠ»Π°Π½Π³ΠΈ Π³ΠΈΠ΄ΡΠΎΡΡΠΈΠ»ΠΈΡΠ΅Π»Ρ ΡΡΠ»Π΅Π²ΠΎΠ³ΠΎ ΡΠΏΡΠ°Π²Π»Π΅Π½ΠΈΡ ΠΈ ΡΠ°ΠΌΠ° ΡΡΠ»Π΅Π²Π°Ρ ΡΠ΅ΠΉΠΊΠ°. Π£ΠΏΡΠ°Π²Π»ΡΡΡ Π°Π²ΡΠΎΠΌΠΎΠ±ΠΈΠ»Π΅ΠΌ Π±Π΅Π· Π³ΠΈΠ΄ΡΠΎΡΡΠΈΠ»ΠΈΡΠ΅Π»Ρ Π½Π° ΠΊΠΎΡΠΎΡΠΊΠΎΠ΅ ΡΠ°ΡΡΡΠΎΡΠ½ΠΈΠ΅ ΠΌΠΎΠΆΠ½ΠΎ, Π½ΠΎ Π½Π΅ ΡΠ΅ΠΊΠΎΠΌΠ΅Π½Π΄ΡΠ΅ΡΡΡ. ΠΠΎΠ³Π΄Π° Π½Π°ΡΠΎΡ ΡΡΠ»Π΅Π²ΠΎΠ³ΠΎ ΡΠΏΡΠ°Π²Π»Π΅Π½ΠΈΡ Ρ Π³ΠΈΠ΄ΡΠΎΡΡΠΈΠ»ΠΈΡΠ΅Π»Π΅ΠΌ Π²ΡΡΠΎΡ Π½Π΅Ρ, ΠΎΠ½ Π±ΡΠ΄Π΅Ρ Π²ΡΠ΄Π΅Π»ΡΡΡ ΡΡΠ΅Π·ΠΌΠ΅ΡΠ½ΠΎΠ΅ ΡΠ΅ΠΏΠ»ΠΎ ΠΈ ΡΡΠ΅Π½ΠΈΠ΅, ΠΊΠΎΡΠΎΡΡΠ΅ ΠΌΠΎΠ³ΡΡ ΠΏΠΎΠ²ΡΠ΅Π΄ΠΈΡΡ Π½Π°ΡΠΎΡ.
ΠΠ°ΠΊ ΠΏΠΎΠ΄Π΄Π΅ΡΠΆΠΈΠ²Π°ΡΡ ΡΠΈΡΡΠ΅ΠΌΡ ΡΡΠ»Π΅Π²ΠΎΠ³ΠΎ ΡΠΏΡΠ°Π²Π»Π΅Π½ΠΈΡ Ρ Π³ΠΈΠ΄ΡΠΎΡΡΠΈΠ»ΠΈΡΠ΅Π»Π΅ΠΌΠ‘Π»Π΅Π΄ΠΈΡΠ΅ Π·Π° ΠΆΠΈΠ΄ΠΊΠΎΡΡΡΡ Π΄Π»Ρ Π³ΠΈΠ΄ΡΠΎΡΡΠΈΠ»ΠΈΡΠ΅Π»Ρ ΡΡΠ»Π΅Π²ΠΎΠ³ΠΎ ΡΠΏΡΠ°Π²Π»Π΅Π½ΠΈΡ Π² Π°Π²ΡΠΎΠΌΠΎΠ±ΠΈΠ»Π΅, ΡΡΠΎΠ±Ρ ΠΏΡΠ΅Π΄ΠΎΡΠ²ΡΠ°ΡΠΈΡΡ Π±ΠΎΠ»ΡΡΠΎΠ΅ ΠΊΠΎΠ»ΠΈΡΠ΅ΡΡΠ²ΠΎ ΠΏΡΠΎΠ±Π»Π΅ΠΌ Ρ ΡΡΠ»Π΅Π²ΡΠΌ ΡΠΏΡΠ°Π²Π»Π΅Π½ΠΈΠ΅ΠΌ. Π₯ΠΎΡΠΎΡΠ°Ρ ΠΏΡΠΈΠ²ΡΡΠΊΠ° — ΠΎΡΠΊΡΡΠ²Π°ΡΡ ΠΊΠ°ΠΏΠΎΡ ΠΎΠ΄ΠΈΠ½ ΡΠ°Π· Π² ΠΌΠ΅ΡΡΡ ΠΈ ΠΏΡΠΎΠ²Π΅ΡΡΡΡ ΡΡΠΎΠ²Π½ΠΈ ΠΆΠΈΠ΄ΠΊΠΎΡΡΠΈ (ΡΠΎΡΠΌΠΎΠ·Π½Π°Ρ ΠΆΠΈΠ΄ΠΊΠΎΡΡΡ, ΠΌΠ°ΡΠ»ΠΎ, ΠΆΠΈΠ΄ΠΊΠΎΡΡΡ Π΄Π»Ρ Π³ΠΈΠ΄ΡΠΎΡΡΠΈΠ»ΠΈΡΠ΅Π»Ρ ΡΡΠ»Ρ ΠΈ Ρ. Π.), Π ΡΠ°ΠΊΠΆΠ΅ ΠΏΡΠΎΠ²Π΅ΡΡΡΡ Π½Π°Π»ΠΈΡΠΈΠ΅ ΡΡΠ΅ΡΠ΅ΠΊ ΠΌΠ°ΡΠ»Π° ΠΈΠ»ΠΈ ΡΠ²Π½ΡΡ ΠΏΡΠΈΠ·Π½Π°ΠΊΠΎΠ² ΠΏΠΎΠ²ΡΠ΅ΠΆΠ΄Π΅Π½ΠΈΠΉ.ΠΠ»Ρ ΡΡΠΎΠ³ΠΎ Π½Π΅ ΡΡΠ΅Π±ΡΠ΅ΡΡΡ Π½ΠΈΠΊΠ°ΠΊΠΎΠ³ΠΎ ΠΌΠ΅Ρ Π°Π½ΠΈΡΠ΅ΡΠΊΠΎΠ³ΠΎ ΠΎΠ±ΡΡΠ΅Π½ΠΈΡ, ΠΈ Π΅ΡΠ»ΠΈ Π²Ρ Π½Π΅ Π·Π½Π°Π΅ΡΠ΅, ΠΊΠ°ΠΊ ΡΡΠΎ ΡΠ΄Π΅Π»Π°ΡΡ, ΠΏΠΎΠΏΡΠΎΡΠΈΡΠ΅ ΡΠ²ΠΎΠ΅Π³ΠΎ ΠΎΠ±ΡΡΠ½ΠΎΠ³ΠΎ ΠΌΠ΅Ρ Π°Π½ΠΈΠΊΠ° ΠΏΠΎΠΊΠ°Π·Π°ΡΡ Π²Π°ΠΌ. Π’Π°ΠΊΠΆΠ΅ ΠΏΡΠΎΠ²Π΅ΡΡΡΠ΅ ΡΠ²Π΅Ρ ΠΆΠΈΠ΄ΠΊΠΎΡΡΠ΅ΠΉ, ΠΏΠΎΡΠΊΠΎΠ»ΡΠΊΡ ΠΎΠ±Π΅ΡΡΠ²Π΅ΡΠΈΠ²Π°Π½ΠΈΠ΅ ΡΠ°ΠΊΠΆΠ΅ ΡΠΊΠ°Π·ΡΠ²Π°Π΅Ρ Π½Π° ΠΏΡΠΎΠ±Π»Π΅ΠΌΡ.
ΠΠΈΠ΄ΠΊΠΎΡΡΡΠ΄Π»Ρ Π³ΠΈΠ΄ΡΠΎΡΡΠΈΠ»ΠΈΡΠ΅Π»Ρ ΡΡΠ»Ρ Π½Π΅ΠΎΠ±Ρ ΠΎΠ΄ΠΈΠΌΠΎ ΠΌΠ΅Π½ΡΡΡ ΡΠ°Π· Π² Π³ΠΎΠ΄ ΠΈΠ»ΠΈ Π΄Π²Π° (Π² Π·Π°Π²ΠΈΡΠΈΠΌΠΎΡΡΠΈ ΠΎΡ ΠΌΠΎΠ΄Π΅Π»ΠΈ Π°Π²ΡΠΎΠΌΠΎΠ±ΠΈΠ»Ρ), ΠΏΠΎΡΠΊΠΎΠ»ΡΠΊΡ ΠΎΠ½Π° ΡΠ»Π°Π²Π»ΠΈΠ²Π°Π΅Ρ ΡΠ°ΡΡΠΈΡΡ ΠΈ Π·Π°Π³ΡΡΠ·Π½Π΅Π½ΠΈΡ ΠΏΡΠΈ ΠΏΡΠΎΠΊΠ°ΡΠΊΠ΅ ΡΠ΅ΡΠ΅Π· ΡΠΈΡΡΠ΅ΠΌΡ Π³ΠΈΠ΄ΡΠΎΡΡΠΈΠ»ΠΈΡΠ΅Π»Ρ ΡΡΠ»Π΅Π²ΠΎΠ³ΠΎ ΡΠΏΡΠ°Π²Π»Π΅Π½ΠΈΡ. ΠΡΠ»ΠΈ ΠΎΡΡΠ°Π²ΠΈΡΡ ΠΆΠΈΠ΄ΠΊΠΎΡΡΡ Π΄Π»Ρ Π³ΠΈΠ΄ΡΠΎΡΡΠΈΠ»ΠΈΡΠ΅Π»Ρ ΡΡΠ»Π΅Π²ΠΎΠ³ΠΎ ΡΠΏΡΠ°Π²Π»Π΅Π½ΠΈΡ Π±Π΅Π· ΠΈΠ·ΠΌΠ΅Π½Π΅Π½ΠΈΠΉ, ΠΎΠ½Π° Π² ΠΊΠΎΠ½Π΅ΡΠ½ΠΎΠΌ ΠΈΡΠΎΠ³Π΅ ΡΡΠΊΠΎΡΠΈΡ ΠΈΠ·Π½ΠΎΡ Π΄ΡΡΠ³ΠΈΡ ΠΊΠΎΠΌΠΏΠΎΠ½Π΅Π½ΡΠΎΠ² ΡΡΠ»Π΅Π²ΠΎΠ³ΠΎ ΡΠΏΡΠ°Π²Π»Π΅Π½ΠΈΡ ΠΈ ΠΎΠ³ΡΠ°Π½ΠΈΡΠΈΡ ΠΏΠΎΡΠΎΠΊ ΠΆΠΈΠ΄ΠΊΠΎΡΡΠΈ.ΠΠ΄Π½ΠΎΠ²ΡΠ΅ΠΌΠ΅Π½Π½ΠΎ ΡΠ»Π΅Π΄ΡΠ΅Ρ Π·Π°ΠΌΠ΅Π½ΠΈΡΡ ΡΠΈΠ»ΡΡΡ Π³ΠΈΠ΄ΡΠΎΡΡΠΈΠ»ΠΈΡΠ΅Π»Ρ ΡΡΠ»Π΅Π²ΠΎΠ³ΠΎ ΡΠΏΡΠ°Π²Π»Π΅Π½ΠΈΡ.
ΠΠ°ΠΊΠΎΠ½Π΅Ρ, ΡΠ΅ΠΌΠ΅Π½Ρ Π½Π°ΡΠΎΡΠ° Π³ΠΈΠ΄ΡΠΎΡΡΠΈΠ»ΠΈΡΠ΅Π»Ρ ΡΡΠ»Π΅Π²ΠΎΠ³ΠΎ ΡΠΏΡΠ°Π²Π»Π΅Π½ΠΈΡ ΡΠ°ΠΊΠΆΠ΅ ΡΠ»Π΅Π΄ΡΠ΅Ρ ΠΏΡΠΎΠ²Π΅ΡΡΡΡ ΠΏΡΠΈΠΌΠ΅ΡΠ½ΠΎ ΡΠ°Π· Π² ΠΌΠ΅ΡΡΡ. Π Π΅ΠΌΠ½ΠΈ Π³ΠΈΠ΄ΡΠΎΡΡΠΈΠ»ΠΈΡΠ΅Π»Ρ ΡΡΠ»Ρ Π½Π΅ Π΄ΠΎΠ»ΠΆΠ½Ρ ΠΈΠΌΠ΅ΡΡ ΠΏΠΎΠ²ΡΠ΅ΠΆΠ΄Π΅Π½ΠΈΠΉ, ΡΠ°ΠΊΠΈΡ ΠΊΠ°ΠΊ ΡΡΠ΅ΡΠΈΠ½Ρ, ΠΏΠΎΡΠ΅Π·Ρ, ΡΠ°Π·ΡΡΠ²Ρ ΠΈ ΠΏΠΎΡΠ΅ΡΡΠΎΡΡΠΈ. ΠΡΠ»ΠΈ Π²Ρ Π·Π°ΠΌΠ΅ΡΠΈΠ»ΠΈ ΡΡΠΎ-Π»ΠΈΠ±ΠΎ ΠΈΠ· ΡΡΠΎΠ³ΠΎ, ΡΠ΅ΠΌΠ΅Π½Ρ Π²ΡΡ ΠΎΠ΄ΠΈΡ ΠΈΠ· ΡΡΡΠΎΡ ΠΈ Π΅Π³ΠΎ Π½Π΅ΠΎΠ±Ρ ΠΎΠ΄ΠΈΠΌΠΎ Π·Π°ΠΌΠ΅Π½ΠΈΡΡ. ΠΡΠ΅ ΠΎΠ΄ΠΈΠ½ ΠΏΡΠΈΠ·Π½Π°ΠΊ ΠΈΠ·Π½ΠΎΡΠ° ΡΠ΅ΠΌΠ½Ρ — Π²ΠΈΠ·Π³ ΠΈΠ· ΠΌΠΎΡΠΎΡΠ½ΠΎΠ³ΠΎ ΠΎΡΡΠ΅ΠΊΠ°. Π’Π°ΠΊΠΆΠ΅ Π½Π΅ΠΎΠ±Ρ ΠΎΠ΄ΠΈΠΌΠΎ ΠΏΡΠΎΠ²Π΅ΡΠΈΡΡ Π΄ΠΎΠΏΠΎΠ»Π½ΠΈΡΠ΅Π»ΡΠ½ΡΠ΅ ΠΊΠΎΠΌΠΏΠΎΠ½Π΅Π½ΡΡ, ΠΎΠ±ΡΠΈΠ΅ Ρ ΠΎΠ±ΡΡΠ½ΠΎΠΉ ΡΠΈΡΡΠ΅ΠΌΠΎΠΉ ΡΡΠ»Π΅Π²ΠΎΠ³ΠΎ ΡΠΏΡΠ°Π²Π»Π΅Π½ΠΈΡ, ΠΊΠΎΡΠΎΡΡΠ΅ ΠΌΡ ΠΎΠ±ΡΡΡΠ½ΠΈΠΌ Π² ΡΠ»Π΅Π΄ΡΡΡΠ΅ΠΌ ΡΠ°Π·Π΄Π΅Π»Π΅.
ΠΠ°ΠΊ ΠΏΠΎΠ΄Π΄Π΅ΡΠΆΠΈΠ²Π°ΡΡ Π²Π°ΡΡ ΡΠΈΡΡΠ΅ΠΌΡ ΡΡΠ»Π΅Π²ΠΎΠ³ΠΎ ΡΠΏΡΠ°Π²Π»Π΅Π½ΠΈΡΠΠ»Ρ Π°Π²ΡΠΎΠΌΠΎΠ±ΠΈΠ»Ρ Π±Π΅Π· Π³ΠΈΠ΄ΡΠΎΡΡΠΈΠ»ΠΈΡΠ΅Π»Ρ ΡΡΠ»Π΅Π²ΠΎΠ³ΠΎ ΡΠΏΡΠ°Π²Π»Π΅Π½ΠΈΡ Π±ΠΎΠ»ΡΡΠΈΠ½ΡΡΠ²ΠΎ ΠΏΡΠΎΠ²Π΅ΡΠΎΠΊ Π΄ΠΎΠ»ΠΆΠ΅Π½ Π²ΡΠΏΠΎΠ»Π½ΡΡΡ ΠΌΠ΅Ρ Π°Π½ΠΈΠΊ, Ρ ΠΎΡΡ Π΅ΡΡΡ Π΅ΡΠ΅ Π½Π΅ΠΊΠΎΡΠΎΡΡΠ΅ Π·Π°Π΄Π°ΡΠΈ, ΠΊΠΎΡΠΎΡΡΠ΅ Π²Ρ ΠΌΠΎΠΆΠ΅ΡΠ΅ Π²ΡΠΏΠΎΠ»Π½ΠΈΡΡ ΡΠ°ΠΌΠΎΡΡΠΎΡΡΠ΅Π»ΡΠ½ΠΎ, ΡΡΠΎΠ±Ρ ΡΠ±Π΅Π΄ΠΈΡΡΡΡ, ΡΡΠΎ Π²Π°ΡΠ° ΡΠΈΡΡΠ΅ΠΌΠ° ΡΡΠ»Π΅Π²ΠΎΠ³ΠΎ ΡΠΏΡΠ°Π²Π»Π΅Π½ΠΈΡ Π½Π°Ρ ΠΎΠ΄ΠΈΡΡΡ Π² ΡΠ°Π±ΠΎΡΠ΅ΠΌ ΡΠΎΡΡΠΎΡΠ½ΠΈΠΈ.
ΠΠΎΡΠΊΠΎΠ»ΡΠΊΡ ΡΡΠ»Π΅Π²ΠΎΠ΅ ΡΠΏΡΠ°Π²Π»Π΅Π½ΠΈΠ΅ ΡΠ°ΠΊΠΆΠ΅ Π·Π°Π²ΠΈΡΠΈΡ ΠΎΡ ΡΠΎΡΡΠΎΡΠ½ΠΈΡ ΡΠΈΠ½ Π²Π°ΡΠ΅Π³ΠΎ Π°Π²ΡΠΎΠΌΠΎΠ±ΠΈΠ»Ρ, ΠΊΠΎΠ»Π΅ΡΠ° Π΄ΠΎΠ»ΠΆΠ½Ρ Π±ΡΡΡ ΠΈΠ΄Π΅Π°Π»ΡΠ½ΠΎ Π²ΡΡΠΎΠ²Π½Π΅Π½Ρ ΠΈ ΡΠ±Π°Π»Π°Π½ΡΠΈΡΠΎΠ²Π°Π½Ρ, ΠΊΠΎΠ»Π΅ΡΠ° Π΄ΠΎΠ»ΠΆΠ½Ρ Π²ΡΠ°ΡΠ°ΡΡΡΡ ΠΊΠ°ΠΆΠ΄ΡΠ΅ 5000 ΠΌΠΈΠ»Ρ. Π¨ΠΈΠ½Ρ ΠΌΠΎΠΆΠ½ΠΎ ΠΏΡΠΎΠ²Π΅ΡΠΈΡΡ Π½Π° ΠΏΡΠ΅Π΄ΠΌΠ΅Ρ Π°Π½ΠΎΠΌΠ°Π»ΡΠ½ΠΎΠ³ΠΎ ΠΈΠ»ΠΈ Π½Π΅ΡΠ°Π²Π½ΠΎΠΌΠ΅ΡΠ½ΠΎΠ³ΠΎ ΠΈΠ·Π½ΠΎΡΠ°.ΠΡΠ»ΠΈ ΠΊΠ°ΠΊΠΎΠΉ-Π»ΠΈΠ±ΠΎ ΠΈΠ· Π½ΠΈΡ ΠΎΠΊΠ°ΠΆΠ΅ΡΡΡ ΠΏΡΠΎΠ±Π»Π΅ΠΌΠ°ΡΠΈΡΠ½ΡΠΌ, ΡΡΠΎ ΠΌΠΎΠΆΠ΅Ρ ΠΏΠΎΠ²Π»ΠΈΡΡΡ Π½Π° ΡΠΏΡΠ°Π²Π»ΡΠ΅ΠΌΠΎΡΡΡ ΠΈ ΡΠΏΡΠ°Π²Π»ΡΠ΅ΠΌΠΎΡΡΡ ΡΡΠ°Π½ΡΠΏΠΎΡΡΠ½ΠΎΠ³ΠΎ ΡΡΠ΅Π΄ΡΡΠ²Π°.
ΠΠ΅ΠΊΠΎΡΠΎΡΡΠ΅ ΠΈΠ· Π½Π°ΠΈΠ±ΠΎΠ»Π΅Π΅ Π²Π°ΠΆΠ½ΡΡ ΠΊΠΎΠΌΠΏΠΎΠ½Π΅Π½ΡΠΎΠ² ΡΡΠ»Π΅Π²ΠΎΠ³ΠΎ ΡΠΏΡΠ°Π²Π»Π΅Π½ΠΈΡ, ΡΠ°ΠΊΠΈΠ΅ ΠΊΠ°ΠΊ Π½Π°ΠΊΠΎΠ½Π΅ΡΠ½ΠΈΠΊΠΈ ΡΡΠ»Π΅Π²ΡΡ ΡΡΠ³, ΡΠ°ΡΠΎΠ²ΡΠ΅ ΡΠ°ΡΠ½ΠΈΡΡ ΠΈ ΠΏΡΠΎΠΌΠ΅ΠΆΡΡΠΎΡΠ½ΡΠ΅ ΡΡΡΠ°Π³ΠΈ, ΠΌΠΎΠΆΠ½ΠΎ ΠΎΡΠΌΠ°ΡΡΠΈΠ²Π°ΡΡ ΡΠΎΠ»ΡΠΊΠΎ ΠΈΠ·-ΠΏΠΎΠ΄ Π°Π²ΡΠΎΠΌΠΎΠ±ΠΈΠ»Ρ, ΠΈ Π΄Π»Ρ ΠΏΡΠΎΠ²Π΅ΡΠΊΠΈ ΠΈΡ ΡΠΎΡΡΠΎΡΠ½ΠΈΡ Π½Π΅ΠΎΠ±Ρ ΠΎΠ΄ΠΈΠΌ ΠΊΠΎΠ»Π΅ΡΠ½ΡΠΉ Π΄ΠΎΠΌΠΊΡΠ°Ρ ΠΈΠ»ΠΈ Π°Π²ΡΠΎΠΌΠΎΠ±ΠΈΠ»ΡΠ½ΡΠΉ ΠΏΠΎΠ΄ΡΠ΅ΠΌΠ½ΠΈΠΊ. ΠΠΎΠ½ΡΡ Π²Π½ΡΡΡΠ΅Π½Π½Π΅ΠΉ ΠΈ Π²Π½Π΅ΡΠ½Π΅ΠΉ ΡΡΠ»Π΅Π²ΠΎΠΉ ΡΡΠ³ΠΈ ΠΏΡΠΎΠ²Π΅ΡΡΡΡΡΡ ΠΏΡΡΠ΅ΠΌ ΠΏΠΎΠ΄ΡΠ΅ΠΌΠ° ΠΊΠΎΠ»Π΅ΡΠ° Π² Π²ΠΎΠ·Π΄ΡΡ , ΠΏΠΎΠΌΠ΅ΡΠ΅Π½ΠΈΡ ΡΡΠΊ Π² ΠΏΠΎΠ»ΠΎΠΆΠ΅Π½ΠΈΠ΅ Β«3 ΡΠ°ΡΠ°Β» ΠΈ Β«9 ΡΠ°ΡΠΎΠ²Β» Π½Π° ΡΠΈΠ½Π΅ ΠΈ ΠΏΠΎΠΊΠ°ΡΠΈΠ²Π°Π½ΠΈΡ Π΅Π³ΠΎ Π²ΠΏΠ΅ΡΠ΅Π΄ ΠΈ Π½Π°Π·Π°Π΄, ΡΡΠΎΠ±Ρ ΠΏΡΠΎΠ²Π΅ΡΠΈΡΡ Π½Π°Π»ΠΈΡΠΈΠ΅ Π½Π΅Π½ΠΎΡΠΌΠ°Π»ΡΠ½ΡΡ ΡΡΠΌΠΎΠ² ΠΈ ΡΠ±Π΅Π΄ΠΈΡΡΡΡ, ΡΡΠΎ ΠΊΠΎΠ½ΡΡ Π²Π½ΡΡΡΠ΅Π½Π½Π΅ΠΉ ΠΈ Π²Π½Π΅ΡΠ½Π΅ΠΉ ΡΡΠ»Π΅Π²ΡΡ ΡΡΠ³ ΡΠ°Π±ΠΎΡΠ°ΡΡ ΡΠΈΠ½Ρ ΡΠΎΠ½Π½ΠΎ.ΠΠ΅Ρ Π°Π½ΠΈΠΊ ΡΠ°ΠΊΠΆΠ΅ ΠΏΡΠΎΠ²Π΅ΡΠΈΡ ΡΡΠ»Π΅Π²ΡΠ΅ Π±Π°ΡΠΌΠ°ΠΊΠΈ ΠΈ Π²ΡΡΠ»ΠΊΡ Π½Π° Π½Π°Π»ΠΈΡΠΈΠ΅ ΠΏΡΠΈΠ·Π½Π°ΠΊΠΎΠ² ΠΈΠ·Π½ΠΎΡΠ° ΠΈ ΠΏΡΠΈ Π½Π΅ΠΎΠ±Ρ ΠΎΠ΄ΠΈΠΌΠΎΡΡΠΈ Π·Π°ΠΌΠ΅Π½ΠΈΡ.
ΠΠ°ΠΆΠ΄ΡΠΉ ΡΠ°Π·, ΠΊΠΎΠ³Π΄Π° Π²Ρ Π²Π΅Π΄Π΅ΡΠ΅ ΠΌΠ°ΡΠΈΠ½Ρ, Π²Ρ ΠΏΠΎΠ»Π°Π³Π°Π΅ΡΠ΅ΡΡ Π½Π° ΡΠΈΡΡΠ΅ΠΌΡ ΡΡΠ»Π΅Π²ΠΎΠ³ΠΎ ΡΠΏΡΠ°Π²Π»Π΅Π½ΠΈΡ Π²Π°ΡΠ΅Π³ΠΎ Π°Π²ΡΠΎΠΌΠΎΠ±ΠΈΠ»Ρ, ΠΈ ΠΏΠΎΠ΄Π΄Π΅ΡΠΆΠΈΠ²Π°ΡΡ Π΅Π΅ ΡΠ°Π±ΠΎΡΠΎΡΠΏΠΎΡΠΎΠ±Π½ΠΎΡΡΡ Π² Π»ΡΡΡΠ΅ΠΌ Π²ΠΈΠ΄Π΅ ΡΠ°ΠΊ ΠΆΠ΅ ΠΏΡΠΎΡΡΠΎ, ΠΊΠ°ΠΊ ΠΎΡΠ³Π°Π½ΠΈΠ·ΠΎΠ²Π°ΡΡ ΠΎΡΠΌΠΎΡΡ Ρ Π½Π°ΡΠΈΠΌΠΈ ΠΎΠ±ΡΡΠ΅Π½Π½ΡΠΌΠΈ ΡΠΏΠ΅ΡΠΈΠ°Π»ΠΈΡΡΠ°ΠΌΠΈ. Π₯ΠΎΡΠΎΡΠΎ ΠΎΠ±ΡΠ»ΡΠΆΠΈΠ²Π°Π΅ΠΌΠ°Ρ ΡΠΈΡΡΠ΅ΠΌΠ° ΡΡΠ»Π΅Π²ΠΎΠ³ΠΎ ΡΠΏΡΠ°Π²Π»Π΅Π½ΠΈΡ Π³Π°ΡΠ°Π½ΡΠΈΡΡΠ΅Ρ, ΡΡΠΎ Π²Ρ ΡΠΌΠΎΠΆΠ΅ΡΠ΅ Π±Π΅Π·ΠΎΠΏΠ°ΡΠ½ΠΎ ΡΠΏΡΠ°Π²ΠΈΡΡΡΡ Ρ Π»ΡΠ±ΡΠΌΠΈ Π½Π΅ΡΠΎΠ²Π½ΠΎΡΡΡΠΌΠΈ Π½Π° Π΄ΠΎΡΠΎΠ³Π΅ ΠΈ Π΄ΠΎΡΡΠ°Π²ΠΈΡΡ Π²Π°Ρ ΡΡΠ΄Π°, ΠΊΡΠ΄Π° Π²Π°ΠΌ Π½ΡΠΆΠ½ΠΎ. ΠΠΎΠ·Π²ΠΎΠ½ΠΈΡΠ΅ Π² RepairSmith ΠΏΠΎ ΡΠ΅Π»Π΅ΡΠΎΠ½Ρ (877) 907-6484 ΠΈΠ»ΠΈ Π·Π°ΠΏΠΈΡΠΈΡΠ΅ΡΡ Π½Π° ΠΏΡΠΈΠ΅ΠΌ ΡΠ΅ΡΠ΅Π· ΠΠ½ΡΠ΅ΡΠ½Π΅Ρ, ΡΡΠΎΠ±Ρ Π±Π΅Π· ΠΏΡΠΎΠ±Π»Π΅ΠΌ ΠΏΡΠΎΠ²Π΅ΡΡΠΈ ΠΎΡΠΌΠΎΡΡ ΡΡΠ»Π΅Π²ΠΎΠ³ΠΎ ΡΠΏΡΠ°Π²Π»Π΅Π½ΠΈΡ.
ΠΠ°ΠΊ ΠΏΠ»ΠΎΡ ΠΎΠΉ ΡΡΠ»Π΅Π²ΠΎΠΉ Π²Π°Π» Π²Π»ΠΈΡΠ΅Ρ Π½Π° ΠΊΠ°ΡΠ΅ΡΡΠ²ΠΎ Π²ΠΎΠΆΠ΄Π΅Π½ΠΈΡ?
Π ΡΠ»Π΅Π²ΠΎΠ΅ ΡΠΏΡΠ°Π²Π»Π΅Π½ΠΈΠ΅ Π²Π°ΡΠ΅Π³ΠΎ Π°Π²ΡΠΎΠΌΠΎΠ±ΠΈΠ»Ρ , Π²Π΅ΡΠΎΡΡΠ½ΠΎ, ΡΠ²Π»ΡΠ΅ΡΡΡ ΠΎΠ΄Π½ΠΈΠΌ ΠΈΠ· Π°ΡΠΏΠ΅ΠΊΡΠΎΠ², ΠΊΠΎΡΠΎΡΡΠ΅ Π² ΠΏΠ΅ΡΠ²ΡΡ ΠΎΡΠ΅ΡΠ΅Π΄Ρ ΠΏΡΠΈΠ²Π»Π΅ΠΊΠ»ΠΈ Π²Π°Ρ ΠΊ Π½Π΅ΠΌΡ. ΠΏΡΠΎΠ΅Ρ Π°Π» Π½Π° Π½Π΅ΠΌ. ΠΡΠ΅ ΡΡΠΈ ΡΠ»Π΅ΠΌΠ΅Π½ΡΡ Π²ΠΎ ΠΌΠ½ΠΎΠ³ΠΎΠΌ ΠΎΠΏΡΠ΅Π΄Π΅Π»ΡΡΡΡΡ ΠΊΠ°ΡΠ΅ΡΡΠ²ΠΎΠΌ ΠΈ ΡΡΠ°Π±ΠΈΠ»ΡΠ½ΠΎΡΡΡΡ ΡΡΠ»Π΅Π²ΠΎΠ³ΠΎ Π²Π°Π»Π° ΠΊΠ°ΠΊ ΡΠ°ΡΡΠΈ ΠΎΠ±ΡΠ΅ΠΉ ΡΠΈΡΡΠ΅ΠΌΡ ΡΡΠ»Π΅Π²ΠΎΠ³ΠΎ ΡΠΏΡΠ°Π²Π»Π΅Π½ΠΈΡ Π²Π°ΡΠ΅Π³ΠΎ Π°Π²ΡΠΎΠΌΠΎΠ±ΠΈΠ»Ρ.ΠΡΠ»ΠΈ ΡΡΠ»Π΅Π²ΠΎΠΉ Π²Π°Π» ΡΡΠΎΠ»ΠΊΠ½Π΅ΡΡΡ Ρ ΠΏΡΠΎΠ±Π»Π΅ΠΌΠ°ΠΌΠΈ ΠΏΡΠΎΠΈΠ·Π²ΠΎΠ΄ΠΈΡΠ΅Π»ΡΠ½ΠΎΡΡΠΈ ΠΈΠ»ΠΈ ΠΏΡΠ΅ΠΆΠ΄Π΅Π²ΡΠ΅ΠΌΠ΅Π½Π½ΡΠΌ ΠΈΠ·Π½ΠΎΡΠΎΠΌ, Π²Ρ Π½Π°Π²Π΅ΡΠ½ΡΠΊΠ° Π·Π°ΠΌΠ΅ΡΠΈΡΠ΅ ΡΠ°Π·Π»ΠΈΡΠΈΡ Π² ΡΠ²ΠΎΠ΅ΠΌ ΠΎΠΏΡΡΠ΅ Π²ΠΎΠΆΠ΄Π΅Π½ΠΈΡ. Π ΡΡΠΎΠΉ ΡΡΠ°ΡΡΠ΅ ΠΌΡ Π±ΠΎΠ»Π΅Π΅ ΠΏΠΎΠ΄ΡΠΎΠ±Π½ΠΎ ΠΎΠ±ΡΡΠ΄ΠΈΠΌ, ΠΊΠ°ΠΊ ΡΡΠΎ Π²ΡΠ³Π»ΡΠ΄ΠΈΡ, ΠΊΠΎΠ³Π΄Π° ΡΡΠ»Π΅Π²ΠΎΠΉ Π²Π°Π» Π½Π°ΡΠΈΠ½Π°Π΅Ρ Π²ΡΡ ΠΎΠ΄ΠΈΡΡ ΠΈΠ· ΡΡΡΠΎΡ ΠΈΠ»ΠΈ Π΄Π°Π΅Ρ ΡΠ±ΠΎΠΉ, ΠΈ ΡΡΠΎ Ρ ΡΡΠΈΠΌ ΠΌΠΎΠΆΠ½ΠΎ ΡΠ΄Π΅Π»Π°ΡΡ.
ΠΠ½Π°ΡΠ΅Π½ΠΈΠ΅ ΠΈ ΡΡΠ½ΠΊΡΠΈΠΈ ΡΡΠ»Π΅Π²ΠΎΠ³ΠΎ Π²Π°Π»Π°
ΠΠ°ΡΠ° ΡΠΈΡΡΠ΅ΠΌΠ° ΡΡΠ»Π΅Π²ΠΎΠ³ΠΎ ΡΠΏΡΠ°Π²Π»Π΅Π½ΠΈΡ ΡΠΎΡΡΠΎΠΈΡ ΠΈΠ· ΡΡΠ΄Π° Π²Π·Π°ΠΈΠΌΠΎΡΠ²ΡΠ·Π°Π½Π½ΡΡ ΡΠ°ΡΡΠ΅ΠΉ, ΠΊΠΎΡΠΎΡΡΠ΅ ΡΡΠ½ΠΊΡΠΈΠΎΠ½ΠΈΡΡΡΡ Π²ΠΌΠ΅ΡΡΠ΅, ΡΡΠΎΠ±Ρ ΠΎΠ±Π΅ΡΠΏΠ΅ΡΠΈΡΡ Π±Π΅Π·ΡΠΏΡΠ΅ΡΠ½ΡΡ ΡΠ°Π±ΠΎΡΡ ΡΡΠ»Π΅Π²ΠΎΠ³ΠΎ ΡΠΏΡΠ°Π²Π»Π΅Π½ΠΈΡ. ΠΠ°ΡΠ° ΡΠΈΡΡΠ΅ΠΌΠ° ΡΡΠ»Π΅Π²ΠΎΠ³ΠΎ ΡΠΏΡΠ°Π²Π»Π΅Π½ΠΈΡ ΡΠΎΡΡΠΎΠΈΡ ΠΈΠ· ΡΡΠ»Π΅Π²ΠΎΠ³ΠΎ Π²Π°Π»Π° ΠΈΠ»ΠΈ ΠΊΠΎΠ»ΠΎΠ½ΠΊΠΈ, ΠΊΠΎΠ»Π΅ΡΠ° ΠΈ ΡΡΠΎΠΉΠΊΠΈ, ΠΊΠΎΡΠΎΡΡΠ΅ ΡΠ°Π±ΠΎΡΠ°ΡΡ Π²ΠΌΠ΅ΡΡΠ΅, ΡΡΠΎΠ±Ρ ΠΏΠΎΠ·Π²ΠΎΠ»ΠΈΡΡ Π²Π°ΡΠ΅ΠΌΡ Π°Π²ΡΠΎΠΌΠΎΠ±ΠΈΠ»Ρ ΠΏΠ»Π°Π²Π½ΠΎ ΠΏΠΎΠ²ΠΎΡΠ°ΡΠΈΠ²Π°ΡΡ ΠΈ ΠΏΠ΅ΡΠ΅ΠΌΠ΅ΡΠ°ΡΡΡΡ ΠΏΠΎ ΡΠ³Π»Π°ΠΌ, ΠΏΠΎΠ²ΠΎΡΠΎΡΠ°ΠΌ ΠΈ ΡΡΠΏΠ΅ΡΠ½ΠΎ ΠΌΠ°Π½Π΅Π²ΡΠΈΡΠΎΠ²Π°ΡΡ.
ΠΡΠ»ΠΈ ΡΡΠ»Π΅Π²ΠΎΠΉ Π²Π°Π» Π½Π΅ ΠΌΠΎΠΆΠ΅Ρ ΠΏΡΠ°Π²ΠΈΠ»ΡΠ½ΠΎ ΡΠΎΠ΅Π΄ΠΈΠ½ΠΈΡΡΡΡ Ρ ΡΡΠ»Π΅Π²ΡΠΌ ΠΌΠ΅Ρ Π°Π½ΠΈΠ·ΠΌΠΎΠΌ , ΠΏΠΎΠ²ΠΎΡΠΎΡ ΡΡΠ°Π½Π΅Ρ ΡΠ΅ΡΡΠ΅Π·Π½ΠΎΠΉ ΠΏΡΠΎΠ±Π»Π΅ΠΌΠΎΠΉ. ΠΡΠΎΠΌΠ΅ ΡΠΎΠ³ΠΎ, ΡΡΠ»Π΅Π²ΠΎΠΉ Π²Π°Π» ΡΠ°ΠΊΠΆΠ΅ ΠΏΠΎΠΌΠΎΠ³Π°Π΅Ρ ΡΡΠ°Π±ΠΈΠ»ΠΈΠ·ΠΈΡΠΎΠ²Π°ΡΡ ΠΈ Π·Π°ΠΊΡΠ΅ΠΏΠΈΡΡ Π·Π°ΠΌΠΎΠΊ ΡΡΠ»Π΅Π²ΠΎΠΉ ΠΊΠΎΠ»ΠΎΠ½ΠΊΠΈ ΠΈ ΠΏΡΠΎΠ²ΠΎΠ΄ΠΊΡ — Π²Π°ΠΆΠ½ΡΠ΅ ΠΊΠΎΠΌΠΏΠΎΠ½Π΅Π½ΡΡ, ΠΊΠΎΡΠΎΡΡΠ΅ ΡΠ»ΡΡΡΠ°ΡΡ ΡΡΠ»Π΅Π²ΠΎΠ΅ ΡΠΏΡΠ°Π²Π»Π΅Π½ΠΈΠ΅ Π² Π²Π°ΡΠ΅ΠΌ Π°Π²ΡΠΎΠΌΠΎΠ±ΠΈΠ»Π΅. ΠΠ΅ Π²ΡΠ΅ ΡΠΈΡΡΠ΅ΠΌΡ ΡΡΠ»Π΅Π²ΠΎΠ³ΠΎ ΡΠΏΡΠ°Π²Π»Π΅Π½ΠΈΡ ΠΎΠ΄ΠΈΠ½Π°ΠΊΠΎΠ²Ρ, ΠΏΠΎΡΡΠΎΠΌΡ Π²Π°ΠΆΠ½ΠΎ Π½Π°Π½ΡΡΡ Π°Π²ΡΠΎΠΌΠΎΠ±ΠΈΠ»ΡΠ½ΡΠΉ ΠΌΠ°Π³Π°Π·ΠΈΠ½ , ΡΠΏΠ΅ΡΠΈΠ°Π»ΠΈΠ·ΠΈΡΡΡΡΠΈΠΉΡΡ Π½Π° Π²Π°ΡΠ΅ΠΌ ΠΊΠΎΠ½ΠΊΡΠ΅ΡΠ½ΠΎΠΌ ΡΠΈΠΏΠ΅ ΡΡΠ°Π½ΡΠΏΠΎΡΡΠ½ΠΎΠ³ΠΎ ΡΡΠ΅Π΄ΡΡΠ²Π°.
ΠΡΠΈΠ·Π½Π°ΠΊΠΈ Π½Π΅Π·Π½Π°Π½ΠΈΡ
ΠΠ±ΡΠ°ΡΠ΅Π½ΠΈΠ΅ ΠΊ ΠΏΠΎΠ΄ΡΠΎΠ±Π½ΡΠΌ ΡΠΈΠΌΠΏΡΠΎΠΌΠ°ΠΌ, ΡΠΎΠΏΡΠΎΠ²ΠΎΠΆΠ΄Π°ΡΡΠΈΠΌ ΠΎΡΠΊΠ°Π· ΡΡΠ»Π΅Π²ΠΎΠ³ΠΎ Π²Π°Π»Π° ΠΈΠ»ΠΈ ΡΡΠ»Π΅Π²ΠΎΠΉ ΠΊΠΎΠ»ΠΎΠ½ΠΊΠΈ, ΠΈΠΌΠ΅Π΅Ρ Π²Π°ΠΆΠ½ΠΎΠ΅ Π·Π½Π°ΡΠ΅Π½ΠΈΠ΅ Π΄Π»Ρ ΡΠΎΡΠ½ΠΎΠΉ ΠΈ Π½Π΅ΠΌΠ΅Π΄Π»Π΅Π½Π½ΠΎΠΉ Π΄ΠΈΠ°Π³Π½ΠΎΡΡΠΈΠΊΠΈ ΠΈ ΡΡΡΡΠ°Π½Π΅Π½ΠΈΡ ΠΏΡΠΎΠ±Π»Π΅ΠΌΡ.ΠΠΎΠ½Π΅ΡΠ½ΠΎ, Π΅ΡΡΡ ΠΎΠΏΡΠ΅Π΄Π΅Π»Π΅Π½Π½ΡΠ΅ ΡΠΈΠΌΠΏΡΠΎΠΌΡ, ΠΊΠΎΡΠΎΡΡΠ΅ Π²Ρ ΠΌΠΎΠΆΠ΅ΡΠ΅ Π·Π°ΠΌΠ΅ΡΠΈΡΡ Π² ΡΠ°Π±ΠΎΡΠ΅ Π²Π°ΡΠ΅Π³ΠΎ Π°Π²ΡΠΎΠΌΠΎΠ±ΠΈΠ»Ρ, ΠΊΠΎΡΠΎΡΡΠ΅ ΡΠΊΠ°Π·ΡΠ²Π°ΡΡ Π½Π° ΠΏΡΠΎΠ±Π»Π΅ΠΌΡ Ρ ΡΡΠ»Π΅Π²ΡΠΌ Π²Π°Π»ΠΎΠΌ, Π½ΠΎ Π²Π°ΠΆΠ½ΠΎ Π½Π°ΠΉΡΠΈ ΡΠΏΠ΅ΡΠΈΠ°Π»ΠΈΡΡΠ° , ΠΊΠΎΡΠΎΡΡΠΉ ΡΠΌΠΎΠΆΠ΅Ρ Π½Π°ΠΉΡΠΈ ΠΈΠ·ΠΎΠ»ΠΈΡΠΎΠ²Π°Π½Π½ΡΠΉ ΠΈΡΡΠΎΡΠ½ΠΈΠΊ ΠΏΡΠΎΠ±Π»Π΅ΠΌΡ ΠΈ Π½Π΅ ΠΏΡΡΠ°ΡΡ ΡΠΈΠΌΠΏΡΠΎΠΌΡ Ρ Π΄ΡΡΠ³ΠΎΠΉ ΠΊΠΎΠ½ΠΊΡΠ΅ΡΠ½ΠΎΠΉ ΡΠΈΡΡΠ΅ΠΌΠΎΠΉ ΡΡΠ»Π΅Π²ΠΎΠ³ΠΎ ΡΠΏΡΠ°Π²Π»Π΅Π½ΠΈΡ. ΡΠΎΡΡΠ°Π²Π½Π°Ρ ΡΠ°ΡΡΡ. ΠΠΎΡ Π½Π° ΡΡΠΎ ΠΎΠ±ΡΠ°ΡΠ°ΡΡ Π²Π½ΠΈΠΌΠ°Π½ΠΈΠ΅, Π΅ΡΠ»ΠΈ Π²Ρ ΠΏΠΎΠ΄ΠΎΠ·ΡΠ΅Π²Π°Π΅ΡΠ΅, ΡΡΠΎ ΡΡΠ»Π΅Π²ΠΎΠΉ Π²Π°Π» Π²ΡΡ ΠΎΠ΄ΠΈΡ ΠΈΠ· ΡΡΡΠΎΡ:
Π’ΠΎΡΠ½ΠΎΡΡΡ ΠΈ ΠΏΠ»Π°Π²Π½ΠΎΡΡΡ ΠΏΠΎΠ²ΠΎΡΠΎΡΠ°
ΠΠΏΡΡΡ ΠΆΠ΅, Π½Π° ΡΡ ΡΠΈΡΡΡΡ ΠΈ ΠΏΠ»Π°Π²Π½ΡΡ ΠΏΠΎΠ²ΠΎΡΠ°ΡΠΈΠ²Π°Π΅ΠΌΠΎΡΡΡ, ΠΊΠΎΡΠΎΡΡΡ Π²Ρ ΠΎΠ΄Π½Π°ΠΆΠ΄Ρ Π·Π°ΠΌΠ΅ΡΠΈΠ»ΠΈ Π² ΡΠ²ΠΎΠ΅ΠΉ ΠΌΠ°ΡΠΈΠ½Π΅, ΠΊΠΎΠ³Π΄Π° Π²Ρ Π²ΠΏΠ΅ΡΠ²ΡΠ΅ Π΅Π΅ ΠΊΡΠΏΠΈΠ»ΠΈ, ΠΎΠΏΡΠ΅Π΄Π΅Π»Π΅Π½Π½ΠΎ ΠΏΠΎΠ²Π»ΠΈΡΠ΅Ρ ΠΎΡΠΊΠ°Π· ΠΈΠ»ΠΈ ΠΏΠΎΠ²ΡΠ΅ΠΆΠ΄Π΅Π½ΠΈΠ΅ ΡΡΠ»Π΅Π²ΠΎΠ³ΠΎ Π²Π°Π»Π°.ΠΡΠ»ΠΈ Π²Ρ ΠΎΠ±Π½Π°ΡΡΠΆΠΈΡΠ΅, ΡΡΠΎ Π²Π°Ρ Π°Π²ΡΠΎΠΌΠΎΠ±ΠΈΠ»Ρ Π±ΠΎΠ»ΡΡΠ΅ Π½Π΅ Π²ΡΠ°ΡΠ°Π΅ΡΡΡ Ρ ΠΏΠ»Π°Π²Π½ΠΎΠΉ ΡΠΎΡΠ½ΠΎΡΡΡΡ, Π½Π΅ΠΌΠ΅Π΄Π»Π΅Π½Π½ΠΎ ΠΎΡΠΌΠΎΡΡΠΈΡΠ΅ ΡΡΠ»Π΅Π²ΠΎΠΉ Π²Π°Π».
ΠΡΠ΅ΠΆΠ΄Π΅Π²ΡΠ΅ΠΌΠ΅Π½Π½ΡΠΉ ΠΈΠ·Π½ΠΎΡ ΠΏΠΎΠ΄ΡΠΈΠΏΠ½ΠΈΠΊΠΎΠ² Π²Π°Π»Π°
ΠΠΎΡΠΊΠΎΠ»ΡΠΊΡ Π²Π°ΡΠ° ΡΠΈΡΡΠ΅ΠΌΠ° ΡΡΠ»Π΅Π²ΠΎΠ³ΠΎ ΡΠΏΡΠ°Π²Π»Π΅Π½ΠΈΡ ΠΏΠΎΠ΄Π²Π΅ΡΠ³Π°Π΅ΡΡΡ Π·Π½Π°ΡΠΈΡΠ΅Π»ΡΠ½ΠΎΠΌΡ ΠΈΠ·Π½ΠΎΡΡ, ΠΎΠ½Π° ΠΏΠΎΠ΄Π²Π΅ΡΠ³Π°Π΅ΡΡΡ Π·Π½Π°ΡΠΈΡΠ΅Π»ΡΠ½ΠΎΠΌΡ ΠΈΠ·Π½ΠΎΡΡ. Π‘Π»Π΅Π΄ΠΎΠ²Π°ΡΠ΅Π»ΡΠ½ΠΎ, ΠΌΠΎΠΆΠ½ΠΎ ΠΎΠΆΠΈΠ΄Π°ΡΡ, ΡΡΠΎ ΡΠΎ Π²ΡΠ΅ΠΌΠ΅Π½Π΅ΠΌ Π²Π°ΠΌ ΠΏΡΠΈΠ΄Π΅ΡΡΡ ΡΠ΄Π΅Π»ΡΡΡ Π²Π½ΠΈΠΌΠ°Π½ΠΈΠ΅ ΠΎΠΏΡΠ΅Π΄Π΅Π»Π΅Π½Π½ΡΠΌ ΠΊΠΎΠΌΠΏΠΎΠ½Π΅Π½ΡΠ°ΠΌ ΡΡΠ»Π΅Π²ΠΎΠ³ΠΎ ΡΠΏΡΠ°Π²Π»Π΅Π½ΠΈΡ. ΠΠΎΠ΄ΡΠΈΠΏΠ½ΠΈΠΊΠΈ Π²Π°Π»Π° ΠΏΡΠΈΠ½ΠΈΠΌΠ°ΡΡ Π½Π° ΡΠ΅Π±Ρ Π±ΠΎΠ»ΡΡΡΡ Π½Π°Π³ΡΡΠ·ΠΊΡ ΡΠΈΡΡΠ΅ΠΌΡ ΡΡΠ»Π΅Π²ΠΎΠ³ΠΎ ΡΠΏΡΠ°Π²Π»Π΅Π½ΠΈΡ ΠΈ, ΠΊΠ°ΠΊ ΠΏΡΠ°Π²ΠΈΠ»ΠΎ, Π²ΡΡ
ΠΎΠ΄ΡΡ ΠΈΠ· ΡΡΡΠΎΡ ΠΏΠ΅ΡΠ²ΡΠΌΠΈ.
ΠΡΡΡΠ΅Π½ΠΈΠ΅ ΡΡΠ»Π΅Π²ΠΎΠ³ΠΎ ΠΊΠΎΠ»Π΅ΡΠ°
ΠΠΎΠ»ΡΡΠΈΠ½ΡΡΠ²ΠΎ ΡΠΎΡΠΊΠΎΡΠ½ΡΡ
Π°Π²ΡΠΎΠΌΠΎΠ±ΠΈΠ»Π΅ΠΉ Ρ Π²ΡΡΠΎΠΊΠΈΠΌΠΈ Π΄ΠΈΠ½Π°ΠΌΠΈΡΠ΅ΡΠΊΠΈΠΌΠΈ Ρ
Π°ΡΠ°ΠΊΡΠ΅ΡΠΈΡΡΠΈΠΊΠ°ΠΌΠΈ ΡΠΏΡΠΎΠ΅ΠΊΡΠΈΡΠΎΠ²Π°Π½Ρ ΡΠ°ΠΊ, ΡΡΠΎΠ±Ρ ΠΎΠ±Π΅ΡΠΏΠ΅ΡΠΈΡΡ ΠΆΠ΅ΡΡΠΊΠΎΠ΅ ΠΈ ΡΠΎΡΠ½ΠΎΠ΅ ΡΡΠ»Π΅Π²ΠΎΠ΅ ΡΠΏΡΠ°Π²Π»Π΅Π½ΠΈΠ΅, ΠΊΠΎΡΠΎΡΠΎΠ΅ ΠΏΡΠΎΡΠ²Π»ΡΠ΅ΡΡΡ Π² ΠΎΡΡΡΠ΅Π½ΠΈΠΈ ΠΎΡ ΡΡΠ»Π΅Π²ΠΎΠ³ΠΎ ΠΊΠΎΠ»Π΅ΡΠ°.ΠΡΠ»ΠΈ Π²Ρ Π½Π°ΡΠ½Π΅ΡΠ΅ Π·Π°ΠΌΠ΅ΡΠ°ΡΡ, ΡΡΠΎ ΡΡΠΊΠΎΡΡΠΊΠ° ΡΡΠ»Π΅Π²ΠΎΠ³ΠΎ ΠΊΠΎΠ»Π΅ΡΠ° Π½Π΅ ΡΠ°ΠΊ ΠΏΡΠΎΡΠ½Π°, ΠΊΠ°ΠΊ ΡΠ°Π½ΡΡΠ΅, Π²Π°Π» ΠΌΠΎΠΆΠ΅Ρ ΠΏΡΠΈΠΎΠ±ΡΠ΅ΡΠ°ΡΡ Π½Π΅ΠΆΠ΅Π»Π°ΡΠ΅Π»ΡΠ½ΡΡ ΡΠ»Π°ΡΡΠΈΡΠ½ΠΎΡΡΡ.
ΠΡΠ½ΠΎΡΠΈΡΠ΅Π»ΡΠ½ΠΎ Π·Π²ΡΠΊΠΎΠ² ΠΏΡΠΈ ΡΡΠ»Π΅Π²ΠΎΠΌ ΡΠΏΡΠ°Π²Π»Π΅Π½ΠΈΠΈ
Π¨ΡΠΌΡ ΠΏΡΠΈ ΡΡΠ»Π΅Π²ΠΎΠΌ ΡΠΏΡΠ°Π²Π»Π΅Π½ΠΈΠΈ Π½Π΅ ΡΠ²Π»ΡΡΡΡΡ ΡΠ΅ΠΌ-ΡΠΎ Π½Π΅ΠΎΠ±ΡΡΠ½ΡΠΌ, Π½ΠΎ, Π±Π΅Π·ΡΡΠ»ΠΎΠ²Π½ΠΎ, Π²ΡΠ·ΡΠ²Π°ΡΡ Π±Π΅ΡΠΏΠΎΠΊΠΎΠΉΡΡΠ²ΠΎ. ΠΡΠ»ΠΈ Π²Ρ Π·Π°ΠΌΠ΅ΡΠΈΠ»ΠΈ ΡΠΊΡΠ΅ΠΆΠ΅Ρ ΠΈΠ»ΠΈ ΡΠ΅Π»ΡΠΊΠΈ ΠΏΡΠΈ ΠΏΠΎΠ²ΠΎΡΠΎΡΠ΅, ΡΡΠΎ Π²ΡΡ
ΠΎΠ΄ΠΈΡ Π·Π° ΡΠ°ΠΌΠΊΠΈ Π½ΠΎΡΠΌΡ, ΠΈ Π²Π°ΠΌ ΡΠ»Π΅Π΄ΡΠ΅Ρ ΠΏΡΠΎΠ²Π΅ΡΠΈΡΡ ΡΡΠ»Π΅Π²ΠΎΠΉ Π²Π°Π».
ΠΠ΅ΡΠΎΠΎΡΠ½ΠΎΡΡΡ ΡΡΠ»Π΅Π²ΠΎΠ³ΠΎ ΠΊΠΎΠ»Π΅ΡΠ°
Π ΡΠ»Π΅Π²ΠΎΠ΅ ΠΊΠΎΠ»Π΅ΡΠΎ Π²ΡΠ΅Π³Π΄Π° Π΄ΠΎΠ»ΠΆΠ½ΠΎ Π°Π²ΡΠΎΠΌΠ°ΡΠΈΡΠ΅ΡΠΊΠΈ Π²ΠΎΠ·Π²ΡΠ°ΡΠ°ΡΡΡΡ Π² ΡΠ²ΠΎΠ΅ Π΅ΡΡΠ΅ΡΡΠ²Π΅Π½Π½ΠΎΠ΅ ΠΏΠΎΠ»ΠΎΠΆΠ΅Π½ΠΈΠ΅ — Ρ ΡΠΈΡΠΌΠ΅Π½Π½ΠΎΠΉ ΡΠΌΠ±Π»Π΅ΠΌΠΎΠΉ Π² ΠΌΠ΅ΡΡΠ²ΠΎΠΉ ΡΠΎΡΠΊΠ΅.ΠΡΠ»ΠΈ ΠΏΡΠΈ Π΄Π²ΠΈΠΆΠ΅Π½ΠΈΠΈ ΠΏΡΡΠΌΠΎ ΠΏΠΎ ΡΠΎΠ²Π½ΠΎΠΉ Π΄ΠΎΡΠΎΠ³Π΅ Π²Ρ Π·Π°ΠΌΠ΅ΡΠΈΡΠ΅, ΡΡΠΎ ΡΡΠ»Π΅Π²ΠΎΠ΅ ΠΊΠΎΠ»Π΅ΡΠΎ Π½Π΅ Π²ΠΎΠ·Π²ΡΠ°ΡΠ°Π΅ΡΡΡ Π² ΡΠ΅Π½ΡΡΠ°Π»ΡΠ½ΠΎΠ΅ ΠΏΠΎΠ»ΠΎΠΆΠ΅Π½ΠΈΠ΅, ΡΡΠ»Π΅Π²ΠΎΠΉ Π²Π°Π» ΠΌΠΎΠΆΠ΅Ρ Π±ΡΡΡ ΠΏΠΎΠ²ΡΠ΅ΠΆΠ΄Π΅Π½.
Π£ΡΡΡΠ°Π½Π΅Π½ΠΈΠ΅ Π½Π΅ΠΈΡΠΏΡΠ°Π²Π½ΠΎΡΡΠΈ ΡΡΠ»Π΅Π²ΠΎΠ³ΠΎ Π²Π°Π»Π°
ΠΠ°ΡΠΈΠΌ ΠΏΠ΅ΡΠ²ΡΠΌ ΠΏΡΠΈΠΎΡΠΈΡΠ΅ΡΠΎΠΌ ΠΏΡΠΈ ΡΠ°Π±ΠΎΡΠ΅ Ρ Π½Π΅ΠΈΡΠΏΡΠ°Π²Π½ΠΎΡΡΡΡ ΠΈΠ»ΠΈ ΠΎΡΠΊΠ°Π·ΠΎΠΌ ΡΡΠ»Π΅Π²ΠΎΠ³ΠΎ Π²Π°Π»Π° ΡΠ²Π»ΡΠ΅ΡΡΡ ΠΎΠ±ΡΠ°ΡΠ΅Π½ΠΈΠ΅ ΠΊ Π½Π°Π΄Π΅ΠΆΠ½ΠΎΠΌΡ Π°Π²ΡΠΎΠΌΠΎΠ±ΠΈΠ»ΡΠ½ΠΎΠΌΡ ΡΠΏΠ΅ΡΠΈΠ°Π»ΠΈΡΡΡ, ΠΈΠΌΠ΅ΡΡΠ΅ΠΌΡ ΠΎΠΏΡΠ΅Π΄Π΅Π»Π΅Π½Π½ΡΠΉ ΠΎΠΏΡΡ Π΄ΠΈΠ°Π³Π½ΠΎΡΡΠΈΠΊΠΈ ΠΈ ΠΎΠ±ΡΠ»ΡΠΆΠΈΠ²Π°Π½ΠΈΡ Π²Π°ΡΠ΅Π³ΠΎ ΠΊΠΎΠ½ΠΊΡΠ΅ΡΠ½ΠΎΠ³ΠΎ ΡΠΈΠΏΠ° ΡΡΠ°Π½ΡΠΏΠΎΡΡΠ½ΠΎΠ³ΠΎ ΡΡΠ΅Π΄ΡΡΠ²Π°. ΠΠ΄Π΅ΡΡ, Π² Euro Plus Automotive, ΠΌΡ ΡΠΏΠ΅ΡΠΈΠ°Π»ΠΈΠ·ΠΈΡΡΠ΅ΠΌΡΡ Π½Π° ΡΠΈΡΠΎΠΊΠΎΠΌ Π°ΡΡΠΎΡΡΠΈΠΌΠ΅Π½ΡΠ΅ ΡΠΎΠ²Π°ΡΠΎΠ² ΡΠΎΡΠΊΠΎΡΠ½ΠΎΠ³ΠΎ Π½Π΅ΠΌΠ΅ΡΠΊΠΎΠ³ΠΎ ΠΈ ΡΠΏΠΎΠ½ΡΠΊΠΎΠ³ΠΎ ΠΈΠΌΠΏΠΎΡΡΠ°, ΡΠ°ΠΊΠΈΡ ΠΊΠ°ΠΊ: Audi , BMW , Mercedes , Porsche , Volkswagen , Infiniti , Acura ΠΈ ΠΠ΅ΠΊΡΡΡ .ΠΠ° ΠΏΡΠΎΡΡΠΆΠ΅Π½ΠΈΠΈ Π±ΠΎΠ»Π΅Π΅ 3 Π΄Π΅ΡΡΡΠΈΠ»Π΅ΡΠΈΠΉ ΠΆΠΈΡΠ΅Π»ΠΈ Canoga Park , Calabasas , Chatsworth , West Hills , Woodland Hills, CA Π΄ΠΎΠ²Π΅ΡΠΈΠ»ΠΈ Π½Π°ΠΌ ΠΏΠΎΡΡΠΎΡΠ½Π½ΡΠΉ ΡΡ ΠΎΠ΄ Π·Π° Π°Π²ΡΠΎΠΌΠΎΠ±ΠΈΠ»Π΅ΠΌ, ΠΈ ΠΌΡ ΡΡΠΏΠ΅ΡΠ½ΠΎ Π΄ΠΈΠ°Π³Π½ΠΎΡΡΠΈΡΠΎΠ²Π°Π»ΠΈ ΠΈ Π»Π΅ΡΠΈΠ»ΠΈ Π±Π΅ΡΡΠΈΡΠ»Π΅Π½Π½ΡΠ΅ ΡΠ»ΡΡΠ°ΠΈ Π²ΡΡ ΠΎΠ΄Π° ΠΈΠ· ΡΡΡΠΎΡ ΡΡΠ»Π΅Π²ΠΎΠ³ΠΎ Π²Π°Π»Π° — ΠΌΡ ΡΠ²Π΅ΡΠ΅Π½Ρ, ΡΡΠΎ ΡΠΌΠΎΠΆΠ΅ΠΌ ΠΏΠΎΠΌΠΎΡΡ Π²Π°ΠΌ ΠΈ Π² ΡΠ΅ΡΠ΅Π½ΠΈΠΈ Π²Π°ΡΠΈΡ Π°Π²ΡΠΎΠΌΠΎΠ±ΠΈΠ»ΡΠ½ΡΡ ΠΏΡΠΎΠ±Π»Π΅ΠΌ. ΠΠΎΠΆΠ°Π»ΡΠΉΡΡΠ°, ΠΏΠΎΠ·Π²ΠΎΠ½ΠΈΡΠ΅ Π½Π°ΠΌ, ΡΡΠΎΠ±Ρ ΡΠ·Π½Π°ΡΡ Π±ΠΎΠ»ΡΡΠ΅ ΠΎ Π½Π°ΡΠ΅ΠΌ ΠΎΠΏΡΡΠ΅ ΠΈΠ»ΠΈ Π½Π°Π·Π½Π°ΡΠΈΡΡ Π΄ΠΈΠ°Π³Π½ΠΎΡΡΠΈΡΠ΅ΡΠΊΡΡ ΠΏΡΠΎΡΠ΅Π΄ΡΡΡ.ΠΠΈΠ°Π³Π½ΠΎΡΡΠΈΠΊΠ° ΡΡΠΌΠ° Π² ΡΠΈΡΡΠ΅ΠΌΠ΅ ΡΡΠ»Π΅Π²ΠΎΠ³ΠΎ ΡΠΏΡΠ°Π²Π»Π΅Π½ΠΈΡ | 2017-08-04
ΠΠΈΠ·Π³, Π½ΡΡΡΠ΅, ΡΠΊΡΠ΅ΠΆΠ΅Ρ ΠΈ ΡΡΠ΅ΡΠΊ — Π²ΡΠ΅ ΡΠΈΠΏΡ ΡΡΠΌΠΎΠ², ΡΠ²ΡΠ·Π°Π½Π½ΡΡ Ρ ΡΠΈΡΡΠ΅ΠΌΠΎΠΉ ΡΡΠ»Π΅Π²ΠΎΠ³ΠΎ ΡΠΏΡΠ°Π²Π»Π΅Π½ΠΈΡ! ΠΠ΅ΠΎΠ±ΡΡΠ½ΡΠ΅ ΡΡΠΌΡ, Π²ΠΎΠ·Π½ΠΈΠΊΠ°ΡΡΠΈΠ΅ Π² ΡΠ΅Π·ΡΠ»ΡΡΠ°ΡΠ΅ ΡΠ°Π±ΠΎΡΡ ΡΠΈΡΡΠ΅ΠΌΡ ΡΡΠ»Π΅Π²ΠΎΠ³ΠΎ ΡΠΏΡΠ°Π²Π»Π΅Π½ΠΈΡ, ΠΈΠ½ΠΎΠ³Π΄Π° Π±ΡΠ²Π°Π΅Ρ ΡΠ»ΠΎΠΆΠ½ΠΎ Π΄ΠΈΠ°Π³Π½ΠΎΡΡΠΈΡΠΎΠ²Π°ΡΡ.Π ΡΡΠΎΠΉ ΡΡΠ°ΡΡΠ΅ ΠΌΡ ΠΏΠ΅ΡΠ΅ΡΠΈΡΠ»ΡΠ΅ΠΌ ΠΌΠ½ΠΎΠΆΠ΅ΡΡΠ²ΠΎ ΠΏΠΎΡΠ΅Π½ΡΠΈΠ°Π»ΡΠ½ΡΡ ΠΈΡΡΠΎΡΠ½ΠΈΠΊΠΎΠ² ΡΡΠΌΠ°, Π²ΠΊΠ»ΡΡΠ°Ρ ΡΡΠ»Π΅Π²ΡΡ ΠΊΠΎΠ»ΠΎΠ½ΠΊΡ, Π½Π°ΡΠΎΡ Π³ΠΈΠ΄ΡΠΎΡΡΠΈΠ»ΠΈΡΠ΅Π»Ρ, ΡΡΠ»Π΅Π²ΡΡ ΡΡΠ³Ρ ΠΈ ΡΠ²ΡΠ·Π°Π½Π½ΡΠ΅ Ρ Π½ΠΈΠΌΠΈ ΠΊΠΎΠΌΠΏΠΎΠ½Π΅Π½ΡΡ, ΠΊΠΎΡΠΎΡΡΠ΅ ΠΌΠΎΠ³ΡΡ ΡΠΏΠΎΡΠΎΠ±ΡΡΠ²ΠΎΠ²Π°ΡΡ ΡΠΎΠ·Π΄Π°Π½ΠΈΡ Π½Π΅ΠΆΠ΅Π»Π°ΡΠ΅Π»ΡΠ½ΡΡ ΠΈ ΡΠ±ΠΈΠ²Π°ΡΡΠΈΡ Ρ ΡΠΎΠ»ΠΊΡ ΡΡΠΌΠΎΠ².
ΠΠ°ΠΈΠ±ΠΎΠ»Π΅Π΅ ΡΠ°ΡΡΠΎΠΉ ΠΏΡΠΈΡΠΈΠ½ΠΎΠΉ ΡΡΠΌΠ° ΡΡΠ»Π΅Π²ΠΎΠ³ΠΎ ΡΠΏΡΠ°Π²Π»Π΅Π½ΠΈΡ Ρ ΡΡΠΈΠ»ΠΈΡΠ΅Π»Π΅ΠΌ ΡΠ²Π»ΡΠ΅ΡΡΡ Π½ΠΈΠ·ΠΊΠΈΠΉ ΡΡΠΎΠ²Π΅Π½Ρ ΠΆΠΈΠ΄ΠΊΠΎΡΡΠΈ ΡΡΠ»Π΅Π²ΠΎΠ³ΠΎ ΡΠΏΡΠ°Π²Π»Π΅Π½ΠΈΡ Ρ Π³ΠΈΠ΄ΡΠΎΡΡΠΈΠ»ΠΈΡΠ΅Π»Π΅ΠΌ. Π Π΅Π·ΡΠ»ΡΡΠΈΡΡΡΡΠΈΠΉ ΡΡΠΌ, ΡΠΊΠΎΡΠ΅Π΅ Π²ΡΠ΅Π³ΠΎ, Π±ΡΠ΄Π΅Ρ ΡΠ²ΠΈΡΡΠΎΠΌ, ΠΊΠΎΡΠΎΡΡΠΉ ΡΠ»ΡΡΠ΅Π½ ΠΏΡΠΈ ΠΏΠΎΠ²ΠΎΡΠΎΡΠ΅ ΡΡΠ»Ρ. ΠΡΡΠΎΠΊΠΈΠΉ ΠΈΠ»ΠΈ Β«Π²ΠΈΠ·ΠΆΠ°ΡΠΈΠΉΒ» ΡΡΠΌ ΠΎΠ±ΡΡΠ½ΠΎ Π²ΡΠ·Π²Π°Π½ ΠΈΠ·Π½ΠΎΡΠ΅Π½Π½ΡΠΌ ΠΈΠ»ΠΈ Π½Π΅ΠΏΡΠ°Π²ΠΈΠ»ΡΠ½ΠΎ ΠΎΡΡΠ΅Π³ΡΠ»ΠΈΡΠΎΠ²Π°Π½Π½ΡΠΌ ΠΏΡΠΈΠ²ΠΎΠ΄Π½ΡΠΌ ΡΠ΅ΠΌΠ½Π΅ΠΌ ΡΡΠ»Π΅Π²ΠΎΠ³ΠΎ ΡΠΏΡΠ°Π²Π»Π΅Π½ΠΈΡ Ρ Π³ΠΈΠ΄ΡΠΎΡΡΠΈΠ»ΠΈΡΠ΅Π»Π΅ΠΌ.
Π‘ΠΊΡΠ΅ΠΆΠ΅Ρ ΠΈΠ»ΠΈ ΡΡΠ΅ΡΠΊ ΠΌΠΎΠΆΠ΅Ρ Π±ΡΡΡ Π²ΡΠ·Π²Π°Π½ ΠΈΠ·Π½ΠΎΡΠ΅Π½Π½ΡΠΌΠΈ ΠΈΠ»ΠΈ ΠΏΠΎΠ²ΡΠ΅ΠΆΠ΄Π΅Π½Π½ΡΠΌΠΈ ΠΏΠΎΠ΄ΡΠΈΠΏΠ½ΠΈΠΊΠ°ΠΌΠΈ Π²Π΅ΡΡ Π½Π΅ΠΉ ΡΡΠΎΠΉΠΊΠΈ, ΠΊΠΎΡΠΎΡΡΠ΅ ΠΌΠΎΠ³ΡΡ Π±ΡΡΡ ΡΠ»ΡΡΠ½Ρ ΠΏΡΠΈ ΠΏΠΎΠ²ΠΎΡΠΎΡΠ΅ ΠΊΠΎΠ»Π΅Ρ. Π§Π°ΡΡΠΎ ΡΡΠΎ ΠΎΡΠΈΠ±ΠΎΡΠ½ΠΎ ΠΏΡΠΈΠ½ΠΈΠΌΠ°ΡΡ Π·Π° Π½Π΅ΠΈΡΠΏΡΠ°Π²Π½ΠΎΡΡΡ ΡΠΈΡΡΠ΅ΠΌΡ ΡΡΠ»Π΅Π²ΠΎΠ³ΠΎ ΡΠΏΡΠ°Π²Π»Π΅Π½ΠΈΡ.
ΠΠ΅ΠΏΡΠ°Π²ΠΈΠ»ΡΠ½Π°Ρ ΠΆΠΈΠ΄ΠΊΠΎΡΡΡ P / S
Π Β«ΡΡΠ°ΡΡΠ΅ Π΄ΠΎΠ±ΡΡΠ΅ Π²ΡΠ΅ΠΌΠ΅Π½Π°Β» ATF ΡΠ°ΡΡΠΎ ΠΈΡΠΏΠΎΠ»ΡΠ·ΠΎΠ²Π°Π»Π°ΡΡ Π² Π½Π°ΡΠΎΡΠ½ΡΡ ΡΠΈΡΡΠ΅ΠΌΠ°Ρ ΡΡΠ»Π΅Π²ΠΎΠ³ΠΎ ΡΠΏΡΠ°Π²Π»Π΅Π½ΠΈΡ Ρ Π³ΠΈΠ΄ΡΠΎΡΡΠΈΠ»ΠΈΡΠ΅Π»Π΅ΠΌ. Π‘Π΅Π³ΠΎΠ΄Π½Ρ ΡΠΎΠ²Π΅ΡΡΠ΅Π½Π½ΠΎ Π½Π΅ΠΎΠ±Ρ ΠΎΠ΄ΠΈΠΌΠΎ ΠΈΡΠΏΠΎΠ»ΡΠ·ΠΎΠ²Π°ΡΡ ΡΠΎΠ»ΡΠΊΠΎ ΡΡ ΠΆΠΈΠ΄ΠΊΠΎΡΡΡ Π΄Π»Ρ Π³ΠΈΠ΄ΡΠΎΡΡΠΈΠ»ΠΈΡΠ΅Π»Ρ ΡΡΠ»Ρ, ΠΊΠΎΡΠΎΡΠ°Ρ ΡΠ΅ΠΊΠΎΠΌΠ΅Π½Π΄ΠΎΠ²Π°Π½Π° ΠΏΡΠΎΠΈΠ·Π²ΠΎΠ΄ΠΈΡΠ΅Π»Π΅ΠΌ ΡΡΠ°Π½ΡΠΏΠΎΡΡΠ½ΠΎΠ³ΠΎ ΡΡΠ΅Π΄ΡΡΠ²Π°. ΠΡΠΏΠΎΠ»ΡΠ·ΠΎΠ²Π°Π½ΠΈΠ΅ Π½Π΅ΠΏΡΠ°Π²ΠΈΠ»ΡΠ½ΠΎΠ³ΠΎ ΡΠΈΠΏΠ° ΠΆΠΈΠ΄ΠΊΠΎΡΡΠΈ ΠΌΠΎΠΆΠ΅Ρ ΡΠΎΠ·Π΄Π°ΡΡ ΡΠ°Π·Π»ΠΈΡΠ½ΡΠ΅ ΠΏΡΠΎΠ±Π»Π΅ΠΌΡ, ΠΎΡ Π°ΡΡΠ°ΡΠΈΠΈ Π΄ΠΎ ΠΏΠΎΠ²ΡΠ΅ΠΆΠ΄Π΅Π½ΠΈΡ ΡΠΏΠ»ΠΎΡΠ½Π΅Π½ΠΈΡ Π½Π°ΡΠΎΡΠ°.ΠΡΠΏΠΎΠ»ΡΠ·ΠΎΠ²Π°Π½ΠΈΠ΅ Β«ΡΠ½ΠΈΠ²Π΅ΡΡΠ°Π»ΡΠ½ΠΎΠΉΒ» Β«ΠΆΠΈΠ΄ΠΊΠΎΡΡΠΈ Π΄Π»Ρ Π³ΠΈΠ΄ΡΠΎΡΡΠΈΠ»ΠΈΡΠ΅Π»Ρ ΡΡΠ»ΡΒ», ΠΊΠΎΡΠΎΡΠ°Ρ ΠΏΡΠ΅ΡΠ΅Π½Π΄ΡΠ΅Ρ Π½Π° ΡΠΎΠ²ΠΌΠ΅ΡΡΠΈΠΌΠΎΡΡΡ ΡΠΎ Β«Π²ΡΠ΅ΠΌΠΈΒ» ΡΠΈΡΡΠ΅ΠΌΠ°ΠΌΠΈ, Π½Π΅ Π³Π°ΡΠ°Π½ΡΠΈΡΡΠ΅Ρ Π½Π°Π΄Π»Π΅ΠΆΠ°ΡΡΡ ΡΠ°Π±ΠΎΡΡ. Π ΡΠ»ΡΡΠ°Π΅ ΡΠΎΠΌΠ½Π΅Π½ΠΈΠΉ Π²ΡΠ΅Π³Π΄Π° ΠΏΡΠΎΠ²Π΅ΡΡΠΉΡΠ΅ ΡΠΎΠΎΡΠ²Π΅ΡΡΡΠ²ΡΡΡΠΈΠΉ ΡΠΈΠΏ ΠΆΠΈΠ΄ΠΊΠΎΡΡΠΈ Π² ΡΠ΅ΡΠ²ΠΈΡΠ½ΠΎΠΉ ΡΠ»ΡΠΆΠ±Π΅ ΠΈΠ»ΠΈ Π² ΡΡΠΊΠΎΠ²ΠΎΠ΄ΡΡΠ²Π΅ ΠΏΠΎΠ»ΡΠ·ΠΎΠ²Π°ΡΠ΅Π»Ρ. ΠΠΎΠ½ΠΊΡΠ΅ΡΠ½ΡΠ΅ ΠΆΠΈΠ΄ΠΊΠΎΡΡΠΈ Π΄Π»Ρ Π³ΠΈΠ΄ΡΠΎΡΡΠΈΠ»ΠΈΡΠ΅Π»Ρ ΡΡΠ»Ρ ΠΌΠΎΠ³ΡΡ Π±ΡΡΡ Π½Π° ΠΌΠΈΠ½Π΅ΡΠ°Π»ΡΠ½ΠΎΠΉ ΠΈΠ»ΠΈ ΡΠΈΠ½ΡΠ΅ΡΠΈΡΠ΅ΡΠΊΠΎΠΉ ΠΎΡΠ½ΠΎΠ²Π΅, Π² Π·Π°Π²ΠΈΡΠΈΠΌΠΎΡΡΠΈ ΠΎΡ ΠΎΠ±Π»Π°ΡΡΠΈ ΠΏΡΠΈΠΌΠ΅Π½Π΅Π½ΠΈΡ.
ΠΠ΄Π΅ΡΡ ΠΏΠ΅ΡΠ΅ΡΠΈΡΠ»Π΅Π½Ρ ΠΆΠΈΠ΄ΠΊΠΎΡΡΠΈ, ΡΠ΅ΠΊΠΎΠΌΠ΅Π½Π΄ΠΎΠ²Π°Π½Π½ΡΠ΅ ΡΠ°Π·Π»ΠΈΡΠ½ΡΠΌΠΈ ΠΏΡΠΎΠΈΠ·Π²ΠΎΠ΄ΠΈΡΠ΅Π»ΡΠΌΠΈ Π°Π²ΡΠΎΠΌΠΎΠ±ΠΈΠ»Π΅ΠΉ. ΠΡΠ΅Π³Π΄Π° ΠΏΡΠΎΠ²Π΅ΡΡΠΉΡΠ΅, ΡΠ°ΠΊ ΠΊΠ°ΠΊ ΡΡΠΎ ΠΌΠΎΠΆΠ΅Ρ Π²Π°ΡΡΠΈΡΠΎΠ²Π°ΡΡΡΡ Π² Π·Π°Π²ΠΈΡΠΈΠΌΠΎΡΡΠΈ ΠΎΡ ΠΊΠΎΠ½ΠΊΡΠ΅ΡΠ½ΠΎΠΉ ΠΌΠΎΠ΄Π΅Π»ΠΈ ΠΈ Π³ΠΎΠ΄Π° Π²ΡΠΏΡΡΠΊΠ°.
Acura — ΠΆΠΈΠ΄ΠΊΠΎΡΡΡ Honda P / S
Audi — Pentosin 7 ΡΠ²Π΅ΠΉΡΠ°ΡΡΠΊΠΈΡ ΡΡΠ°Π½ΠΊΠΎΠ².1, 11 ΡΠ²Π΅ΠΉΡΠ°ΡΡΠΊΠΈΡ ΡΡΠ°Π½ΠΊΠΎΠ² ΠΈΠ»ΠΈ 202 ΡΠ²Π΅ΠΉΡΠ°ΡΡΠΊΠΈΡ ΡΡΠ°Π½ΠΊΠ°, Π² Π·Π°Π²ΠΈΡΠΈΠΌΠΎΡΡΠΈ ΠΎΡ Π³ΠΎΠ΄Π°.
BMW — Pentosin 7,1 ΡΠ²Π΅ΠΉΡΠ°ΡΡΠΊΠΈΡ ΡΡΠ°Π½ΠΊΠΎΠ² ΠΈΠ»ΠΈ 11 ΡΠ²Π΅ΠΉΡΠ°ΡΡΠΊΠΈΡ ΡΡΠ°Π½ΠΊΠΎΠ², Π² Π·Π°Π²ΠΈΡΠΈΠΌΠΎΡΡΠΈ ΠΎΡ Π³ΠΎΠ΄Π°
Chrysler — ΠΆΠΈΠ΄ΠΊΠΎΡΡΡ P / S (Π΄ΠΎ 1998 Π³.) ΠΈΠ»ΠΈ ATF + 4 1998 Π³. ΠΈ Π½ΠΎΠ²Π΅Π΅) ΠΈΠ»ΠΈ Pentosin CHF 11S
Daewoo — Dexron II ΠΈΠ»ΠΈ III
Dodge Sprinter — Pentosin 11 ΡΠ². Π€ΡΠ°Π½ΠΊΠΎΠ²
Ford / Lincoln / Mercury — Mercon ATF
GM — ΠΆΠΈΠ΄ΠΊΠΎΡΡΡ P / S
Honda — ΠΆΠΈΠ΄ΠΊΠΎΡΡΡ Honda P / S
Hyundai — ΠΆΠΈΠ΄ΠΊΠΎΡΡΡ P / S 3 ΠΈΠ»ΠΈ Dexron II
Jaguar — Pentosin CHF 11S ΠΈΠ»ΠΈ Dexron III
Jeep — Π³ΠΈΠ΄ΡΠ°Π²Π»ΠΈΡΠ΅ΡΠΊΠ°Ρ ΠΆΠΈΠ΄ΠΊΠΎΡΡΡ WK, ATF + 4 ΠΈΠ»ΠΈ P / S (Π² Π·Π°Π²ΠΈΡΠΈΠΌΠΎΡΡΠΈ ΠΎΡ ΠΌΠΎΠ΄Π΅Π»ΠΈ)
Infiniti — Dexron III
Isuzu — Dexron II ΠΈΠ»ΠΈ III
Kia — ΠΆΠΈΠ΄ΠΊΠΎΡΡΡ P / S ΠΈΠ»ΠΈ Dexron III (Π² Π·Π°Π²ΠΈΡΠΈΠΌΠΎΡΡΠΈ ΠΎΡ ΠΌΠΎΠ΄Π΅Π»ΠΈ)
Land Rover — Dexron II ΠΈΠ»ΠΈ III
Lexus — Dexron II ΠΈΠ»ΠΈ III
Mazda— Dexron III
Mercedes-Benz — ΠΆΠΈΠ΄ΠΊΠΎΡΡΡ Pentosin CHF 11S ΠΈΠ»ΠΈ P / S
ΠΠΈΠ½ΠΈ — ΠΏΠ΅Π½ΡΠΎΠ·ΠΈΠ½ 11 ΡΠ². Π€ΡΠ°Π½ΠΊΠΎΠ²
Mitsubishi — ΠΆΠΈΠ΄ΠΊΠΎΡΡΡ P / S ΠΈΠ»ΠΈ Dexron II
Nissan — 1994 Π³. ΠΈ ΠΏΠΎΠ·ΠΆΠ΅… ΠΠ΅Π½ΡΠΎΠ·ΠΈΠ½ CHF 11S
Nissan / Datsun — Π΄ΠΎ 1994 Π³ΠΎΠ΄Π° … Dexron III
Porsche — Pentosin 11 ΡΠ². Π€ΡΠ°Π½ΠΊΠΎΠ² ΠΈΠ»ΠΈ 202 ΡΠ²Π΅ΠΉΡΠ°ΡΡΠΊΠΈΡ ΡΡΠ°Π½ΠΊΠ°
Rolls Royce — Pentosin 11 ΡΠ². Π€ΡΠ°Π½ΠΊΠΎΠ²
Saab — ΠΠ°Π²ΠΈΡΠΈΡ ΠΎΡ ΠΏΡΠΈΠ»ΠΎΠΆΠ΅Π½ΠΈΡ
Saturn — ΠΆΠΈΠ΄ΠΊΠΎΡΡΡ P / S
ΠΠΎΡΠΎΠΌΠΎΠΊ — Dexron II ΠΈΠ»ΠΈ III
Subaru — Dexron II ΠΈΠ»ΠΈ III
Suzuki — Dexron II ΠΈΠ»ΠΈ III
Toyota — Dexron II ΠΈΠ»ΠΈ III
Volkswagen — ΠΆΠΈΠ΄ΠΊΠΎΡΡΡ P / S, Pentosin CHF 11S, Pentosin 202 CHF (Π² Π·Π°Π²ΠΈΡΠΈΠΌΠΎΡΡΠΈ ΠΎΡ Π³ΠΎΠ΄Π°)
Volvo — Pentosin 7 ΡΠ²Π΅ΠΉΡΠ°ΡΡΠΊΠΈΡ ΡΡΠ°Π½ΠΊΠΎΠ².1, 11 ΡΠ². Π€ΡΠ°Π½ΠΊΠΎΠ², 202 ΡΠ²Π΅ΠΉΡΠ°ΡΡΠΊΠΈΡ ΡΡΠ°Π½ΠΊΠ° (Π² Π·Π°Π²ΠΈΡΠΈΠΌΠΎΡΡΠΈ ΠΎΡ Π³ΠΎΠ΄Π°)
ΠΠ ΠΠΠΠ§ΠΠΠΠ. ΠΠ΅Π½ΡΠΎΠ·ΠΈΠ½ 7.1 ΠΈΠΌΠ΅Π΅Ρ ΠΌΠΈΠ½Π΅ΡΠ°Π»ΡΠ½ΡΡ ΠΎΡΠ½ΠΎΠ²Ρ, Π° ΠΏΠ΅Π½ΡΠΎΠ·ΠΈΠ½ CHF 202 ΠΈ CHF 11S ΠΏΡΠ΅Π΄ΡΡΠ°Π²Π»ΡΡΡ ΡΠΎΠ±ΠΎΠΉ ΡΠΈΠ½ΡΠ΅ΡΠΈΡΠ΅ΡΠΊΠΈΠ΅ ΠΆΠΈΠ΄ΠΊΠΎΡΡΠΈ.
ΠΠΈΠΊΠΎΠ³Π΄Π° Π½Π΅ ΡΠΌΠ΅ΡΠΈΠ²Π°ΠΉΡΠ΅ ΠΆΠΈΠ΄ΠΊΠΎΡΡΠΈ ΡΡΠ»Π΅Π²ΠΎΠ³ΠΎ ΡΠΏΡΠ°Π²Π»Π΅Π½ΠΈΡ Ρ Π³ΠΈΠ΄ΡΠΎΡΡΠΈΠ»ΠΈΡΠ΅Π»Π΅ΠΌ. ΠΡΠ»ΠΈ Π±ΡΠ»Π° Π²Π²Π΅Π΄Π΅Π½Π° Π½Π΅ ΡΠ° ΠΆΠΈΠ΄ΠΊΠΎΡΡΡ, ΠΏΡΠΎΠΌΠΎΠΉΡΠ΅ ΡΠΈΡΡΠ΅ΠΌΡ, Π΄ΠΎΠ±Π°Π²ΡΡΠ΅ Π½ΡΠΆΠ½ΡΡ ΠΆΠΈΠ΄ΠΊΠΎΡΡΡ ΠΈ Π²ΡΠΏΡΡΡΠΈΡΠ΅ (Β«ΠΎΡΡΡΠ³Π½ΠΈΡΠ΅Β») Π²ΠΎΠ·Π΄ΡΡ ΠΈΠ· ΡΠΈΡΡΠ΅ΠΌΡ. ΠΠ±ΡΡΠ½ΠΎ Π΄Π»Ρ ΡΡΠΎΠ³ΠΎ Π½ΡΠΆΠ½ΠΎ Π½Π΅ΡΠΊΠΎΠ»ΡΠΊΠΎ ΡΠ°Π· ΠΌΠ΅Π΄Π»Π΅Π½Π½ΠΎ ΠΏΠΎΠ²Π΅ΡΠ½ΡΡΡ Π±Π»ΠΎΠΊΠΈΡΠ°ΡΠΎΡ ΡΡΠ»Π΅Π²ΠΎΠ³ΠΎ ΡΠΏΡΠ°Π²Π»Π΅Π½ΠΈΡ Π΄ΠΎ ΡΠΏΠΎΡΠ°, Π½ΠΎ Π²ΡΠ΅Π³Π΄Π° ΡΠ²Π΅ΡΡΠΉΡΠ΅ΡΡ Ρ ΡΡΠΊΠΎΠ²ΠΎΠ΄ΡΡΠ²ΠΎΠΌ ΠΏΠΎ ΠΎΠ±ΡΠ»ΡΠΆΠΈΠ²Π°Π½ΠΈΡ Π°Π²ΡΠΎΠΌΠΎΠ±ΠΈΠ»Ρ.
Π¨Π»Π°Π½Π³ΠΈ Π³ΠΈΠ΄ΡΠΎΡΡΠΈΠ»ΠΈΡΠ΅Π»Ρ
ΠΠΎΠ³Π΄Π° Π½Π΅ΠΎΠ±Ρ ΠΎΠ΄ΠΈΠΌΠΎ Π·Π°ΠΌΠ΅Π½ΠΈΡΡ ΠΆΠ΅ΡΡΠΊΠΈΠ΅ ΡΡΡΠΎΠΏΡ ΡΡΠ»Π΅Π²ΠΎΠ³ΠΎ ΡΠΏΡΠ°Π²Π»Π΅Π½ΠΈΡ Ρ Π³ΠΈΠ΄ΡΠΎΡΡΠΈΠ»ΠΈΡΠ΅Π»Π΅ΠΌ, ΠΈΠΌΠ΅ΠΉΡΠ΅ Π² Π²ΠΈΠ΄Ρ, ΡΡΠΎ ΡΡΡΠΎΠΏΡ Π½Π΅ΠΊΠΎΡΠΎΡΡΡ Π½Π΅Π΄ΠΎΡΠΎΠ³ΠΈΡ ΠΌΠ°ΡΠΎΠΊ ΠΌΠΎΠ³ΡΡ ΠΈΠΌΠ΅ΡΡ Π±ΠΎΠ»Π΅Π΅ ΡΠΎΠ½ΠΊΡΡ ΡΡΠ΅Π½ΠΊΡ, ΡΠ΅ΠΌ ΡΡΡΠΎΠΏΡ ΠΎΡΠΈΠ³ΠΈΠ½Π°Π»ΡΠ½ΠΎΠ³ΠΎ ΠΎΠ±ΠΎΡΡΠ΄ΠΎΠ²Π°Π½ΠΈΡ, ΡΡΠΎ ΠΌΠΎΠΆΠ΅Ρ ΠΏΡΠΈΠ²Π΅ΡΡΠΈ ΠΊ ΠΏΠ΅ΡΠ΅Π΄Π°ΡΠ΅ Π³Π°ΡΠΌΠΎΠ½ΠΈΠΊ ΡΠ΅ΡΠ΅Π· ΡΡΡΠΎΠΏΡ, ΡΠΎΠ·Π΄Π°Π²Π°Ρ Π²ΠΎΠΉ ΠΈΠ»ΠΈ ΠΏΡΠΎΠ½Π·ΠΈΡΠ΅Π»ΡΠ½ΡΠΉ ΡΡΠΌ.ΠΡΠΎΠΌΠ΅ ΡΠΎΠ³ΠΎ, Π½Π°ΠΏΠΎΡΠ½ΡΠ΅ ΡΠ»Π°Π½Π³ΠΈ Π³ΠΈΠ΄ΡΠΎΡΡΠΈΠ»ΠΈΡΠ΅Π»Ρ ΡΡΠ»Ρ Π²ΠΈΠ±ΡΠΈΡΡΡΡ ΠΏΠΎΠ΄ Π²ΡΡΠΎΠΊΠΈΠΌ Π΄Π°Π²Π»Π΅Π½ΠΈΠ΅ΠΌ.
ΠΡΠ»ΠΈ ΡΠ»Π°Π½Π³ΠΈ ΠΊΠ°ΡΠ°ΡΡΡΡ ΠΊΡΠ·ΠΎΠ²Π°, ΡΠ°ΠΌΡ ΠΈΠ»ΠΈ Π΄Π²ΠΈΠ³Π°ΡΠ΅Π»Ρ, ΡΡΠΎ ΠΌΠΎΠΆΠ΅Ρ Π»Π΅Π³ΠΊΠΎ Π²ΡΠ·Π²Π°ΡΡ Β«Π·Π°Π³Π°Π΄ΠΎΡΠ½ΡΠΉΒ» ΡΡΠΌ. Π£Π±Π΅Π΄ΠΈΡΠ΅ΡΡ, ΡΡΠΎ ΠΊΠΎΠ½ΡΠ°ΠΊΡ ΡΠ»Π°Π½Π³Π° ΠΈΡΠΊΠ»ΡΡΠ΅Π½, ΠΏΠ΅ΡΠ΅ΡΡΠ°Π²ΠΈΠ² ΡΠ»Π°Π½Π³ΠΈ ΠΈ ΡΠ±Π΅Π΄ΠΈΠ²ΡΠΈΡΡ, ΡΡΠΎ Π²ΡΠ΅ Π·Π°ΠΆΠΈΠΌΡ ΠΈΠ»ΠΈ ΠΏΡΠΈΠΆΠΈΠΌΠ½ΡΠ΅ Π·Π°ΠΆΠΈΠΌΡ Π½Π΅ ΠΏΡΠΎΠΏΠ°Π»ΠΈ.
ΠΡΠΈΠ·Π½Π°ΠΊΠΈ ΠΏΠ΅Π½ΠΎΠΎΠ±ΡΠ°Π·ΠΎΠ²Π°Π½ΠΈΡ ΠΈ ΡΡΠΌΠ° ΠΆΠΈΠ΄ΠΊΠΎΡΡΠΈ ΡΡΠ»Π΅Π²ΠΎΠ³ΠΎ ΡΠΏΡΠ°Π²Π»Π΅Π½ΠΈΡ Ρ Π³ΠΈΠ΄ΡΠΎΡΡΠΈΠ»ΠΈΡΠ΅Π»Π΅ΠΌ ΠΌΠΎΠ³ΡΡ Π±ΡΡΡ Π²ΡΠ·Π²Π°Π½Ρ Π½Π΅ΠΈΡΠΏΡΠ°Π²Π½ΡΠΌ Π²ΠΎΠ·Π²ΡΠ°ΡΠ½ΡΠΌ ΡΠ»Π°Π½Π³ΠΎΠΌ ΡΡΠ»Π΅Π²ΠΎΠ³ΠΎ ΡΠΏΡΠ°Π²Π»Π΅Π½ΠΈΡ Ρ Π³ΠΈΠ΄ΡΠΎΡΡΠΈΠ»ΠΈΡΠ΅Π»Π΅ΠΌ (ΡΠ»Π°Π½Π³ ΠΌΠΎΠΆΠ΅Ρ Π±ΡΡΡ ΠΎΡΠ»Π°Π±Π»Π΅Π½, Ρ ΡΡΠΏΠΊΠΈΠΌ, ΠΏΠΎΡΡΠ΅ΡΠΊΠ°Π²ΡΠΈΠΌΡΡ, ΠΏΠΎΠ²ΡΠ΅ΠΆΠ΄Π΅Π½Π½ΡΠΌ Ρ ΠΏΡΠΎΠΊΠΎΠ»Π°ΠΌΠΈ ΠΈ Ρ. Π.), Π§ΡΠΎ ΠΌΠΎΠΆΠ΅Ρ ΠΏΡΠΈΠ²ΠΎΠ΄ΠΈΡΡ ΠΊ Π·Π°ΡΠ°ΡΡΠ²Π°Π½ΠΈΡ Π²ΠΎΠ·Π΄ΡΡ Π° Π² ΡΠΈΡΡΠ΅ΠΌΡ.
ΠΠ°ΠΉΡΠ΅ Π΄Π²ΠΈΠ³Π°ΡΠ΅Π»Ρ ΠΏΡΠΎΠ³ΡΠ΅ΡΡΡΡ Π΄ΠΎ Π½ΠΎΡΠΌΠ°Π»ΡΠ½ΠΎΠΉ ΡΠ°Π±ΠΎΡΠ΅ΠΉ ΡΠ΅ΠΌΠΏΠ΅ΡΠ°ΡΡΡΡ, Π° Π·Π°ΡΠ΅ΠΌ Π²ΡΠΊΠ»ΡΡΠΈΡΠ΅ Π΄Π²ΠΈΠ³Π°ΡΠ΅Π»Ρ. ΠΡΡΠΎΡΠΎΠΆΠ½ΠΎ ΠΏΠΎΠ΄Π°ΠΉΡΠ΅ Π΄Π°Π²Π»Π΅Π½ΠΈΠ΅ Π² ΡΠ΅Π·Π΅ΡΠ²ΡΠ°Ρ Π½Π°ΡΠΎΡΠ° Π³ΠΈΠ΄ΡΠΎΡΡΠΈΠ»ΠΈΡΠ΅Π»Ρ ΡΡΠ»Π΅Π²ΠΎΠ³ΠΎ ΡΠΏΡΠ°Π²Π»Π΅Π½ΠΈΡ Π΄Π°Π²Π»Π΅Π½ΠΈΠ΅ΠΌ Π²ΠΎΠ·Π΄ΡΡ Π° Π½Π΅ Π±ΠΎΠ»Π΅Π΅ 8 ΡΡΠ½ΡΠΎΠ² Π½Π° ΠΊΠ². ΠΡΠΉΠΌ ΠΈ ΠΏΡΠΎΠ²Π΅ΡΡΡΠ΅ ΠΎΠ±ΡΠ°ΡΠ½ΡΠΉ ΡΠ»Π°Π½Π³ Π½Π° ΠΏΡΠ΅Π΄ΠΌΠ΅Ρ ΡΡΠ΅ΡΠ΅ΠΊ. ΠΠ°ΠΌΠ΅Π½ΠΈΡΠ΅ ΠΏΠΎΠ²ΡΠ΅ΠΆΠ΄Π΅Π½Π½ΡΠΉ Π²ΠΎΠ·Π²ΡΠ°ΡΠ½ΡΠΉ ΡΠ»Π°Π½Π³ ΠΈ ΠΏΡΠΎΠΊΠ°ΡΠ°ΠΉΡΠ΅ ΡΠΈΡΡΠ΅ΠΌΡ.
Π¨ΡΠ°Π½Π³Π΅Π½ΡΠΈΡΠΊΡΠ»Ρ Π±Π΅Π· ΠΊΡΠ΅ΠΏΠ»Π΅Π½ΠΈΡ
ΠΡΠ»ΠΈ ΠΏΠΎΠΊΡΠΏΠ°ΡΠ΅Π»Ρ ΠΆΠ°Π»ΡΠ΅ΡΡΡ Π½Π° ΡΡΠΌ ΠΏΡΠΈ ΠΏΠΎΠ²ΠΎΡΠΎΡΠ΅ ΡΡΠ»Π΅Π²ΠΎΠ³ΠΎ ΠΊΠΎΠ»Π΅ΡΠ° Π²ΠΏΡΠ°Π²ΠΎ ΠΈΠ»ΠΈ Π²Π»Π΅Π²ΠΎ, ΠΏΡΠΎΠ²Π΅ΡΡΡΠ΅ ΡΠΎΡΠΌΠΎΠ·Π½ΡΠ΅ ΡΡΠΏΠΏΠΎΡΡΡ ΠΈ ΠΊΡΠΎΠ½ΡΡΠ΅ΠΉΠ½Ρ ΡΡΠΏΠΏΠΎΡΡΠΎΠ².
ΠΡΠ»ΠΈ Π±ΠΎΠ»ΡΡ ΠΎΡΠ»Π°Π±Π»Π΅Π½Ρ ΠΈΠ»ΠΈ ΠΎΡΡΡΡΡΡΠ²ΡΡΡ, ΡΡΠΎ ΠΌΠΎΠΆΠ΅Ρ Π±ΡΡΡ ΠΏΡΠΈΡΠΈΠ½ΠΎΠΉ.
Π¨Π Π£Π‘
ΠΡΠ»ΠΈ ΠΊΠ»ΠΈΠ΅Π½Ρ ΠΆΠ°Π»ΡΠ΅ΡΡΡ Π½Π° ΡΠ΅Π»ΡΠΊΠΈ Π²ΠΎ Π²ΡΠ΅ΠΌΡ ΠΊΡΡΡΡΡ ΠΌΠ΅Π΄Π»Π΅Π½Π½ΡΡ ΠΏΠΎΠ²ΠΎΡΠΎΡΠΎΠ² (ΠΏΠΎΠ²ΠΎΡΠΎΡ Π½Π° ΠΏΡΠΎΠ΅Π·ΠΆΡΡ ΡΠ°ΡΡΡ, ΠΏΠΎΠ²ΠΎΡΠΎΡ ΠΎΡ Π·Π½Π°ΠΊΠ° Β«Π‘ΡΠΎΠΏΒ» ΠΈ Ρ. Π.), Π Π°Π²ΡΠΎΠΌΠΎΠ±ΠΈΠ»Ρ ΠΈΠΌΠ΅Π΅Ρ ΠΏΠ΅ΡΠ΅Π΄Π½ΠΈΠΉ ΠΏΡΠΈΠ²ΠΎΠ΄, Π½Π΅ΠΌΠ΅Π΄Π»Π΅Π½Π½ΠΎ Π·Π°ΠΏΠΎΠ΄ΠΎΠ·ΡΠΈΡΠ΅ ΠΈΠ·Π½ΠΎΡΠ΅Π½Π½ΡΠ΅ / ΡΡΡ ΠΈΠ΅ Π¨Π Π£Π‘Ρ. ΠΡΠ»ΠΈ ΡΡΠΎ ΡΡΠ»ΠΎΠ²ΠΈΠ΅ ΠΈΠ³Π½ΠΎΡΠΈΡΡΠ΅ΡΡΡ, ΠΏΡΠΎΠΈΠ·ΠΎΠΉΠ΄Π΅Ρ ΠΏΠΎΠ»Π½ΡΠΉ ΠΎΡΠΊΠ°Π· Π¨Π Π£Π‘Π°, ΡΡΠΎ ΠΏΡΠΈΠ²Π΅Π΄Π΅Ρ ΠΊ ΠΎΡΠΊΠ°Π·Ρ ΠΎΡ Π΄Π²ΠΈΠΆΠ΅Π½ΠΈΡ.
Π Π°ΡΡΠΌΠΎΡΡΠΈΠΌ ΡΡΡΠΏΠΈΡΡ
ΠΡΠ»ΠΈ ΠΏΠΎΠΊΡΠΏΠ°ΡΠ΅Π»Ρ ΠΆΠ°Π»ΡΠ΅ΡΡΡ Π½Π° Π³ΡΠ΄Π΅Π½ΠΈΠ΅, ΡΡΡΠ°Π½ΠΈΠ΅ ΠΈΠ»ΠΈ ΡΡΡΠ°Π½ΠΈΠ΅, ΡΡΠΈΠ»ΠΈΠ²Π°ΡΡΠ΅Π΅ΡΡ ΠΏΡΠΈ ΠΏΠΎΠ²ΠΎΡΠΎΡΠ΅ ΡΡΠ»Π΅Π²ΠΎΠ³ΠΎ ΠΊΠΎΠ»Π΅ΡΠ°, ΠΏΠΎΠ΄ΡΠΌΠ°ΠΉΡΠ΅ ΠΎ ΠΏΠ΅ΡΠ΅Π΄Π½ΠΈΡ ΡΡΡΠΏΠΈΡΠ°Ρ .ΠΡΠ»ΠΈ ΡΡΠΎ ΠΏΡΠΎΠ±Π»Π΅ΠΌΠ° ΡΡΡΠΏΠΈΡΡ, ΡΡΠΎ ΠΌΠΎΠΆΠ΅Ρ ΡΠΎΠΏΡΠΎΠ²ΠΎΠΆΠ΄Π°ΡΡΡΡ Π²ΠΈΠ±ΡΠ°ΡΠΈΠ΅ΠΉ ΡΡΠ»Π΅Π²ΠΎΠ³ΠΎ ΠΊΠΎΠ»Π΅ΡΠ° Π²ΠΎ Π²ΡΠ΅ΠΌΡ ΠΏΠΎΠ²ΠΎΡΠΎΡΠΎΠ², ΡΡΠ΅Π·ΠΌΠ΅ΡΠ½ΡΠΌ Π»ΡΡΡΠΎΠΌ Π² ΡΡΠ»Π΅Π²ΠΎΠΌ ΠΊΠΎΠ»Π΅ΡΠ΅ ΠΈ Π²ΠΎΠ·ΠΌΠΎΠΆΠ½ΡΠΌ ΠΎΡΠΊΠ»ΠΎΠ½Π΅Π½ΠΈΠ΅ΠΌ Π² ΡΡΠΎΡΠΎΠ½Ρ ΠΏΡΠΈ ΡΠΎΡΠΌΠΎΠΆΠ΅Π½ΠΈΠΈ.
ΠΡΠΎΠ±Π»Π΅ΠΌΡ Ρ Π½Π°ΡΠΎΡΠΎΠΌ Π³ΠΈΠ΄ΡΠΎΡΡΠΈΠ»ΠΈΡΠ΅Π»Ρ ΡΡΠ»Ρ
ΠΡΠ»ΠΈ Π½Π°ΡΠΎΡ Π³ΠΈΠ΄ΡΠΎΡΡΠΈΠ»ΠΈΡΠ΅Π»Ρ ΡΡΠ»Π΅Π²ΠΎΠ³ΠΎ ΡΠΏΡΠ°Π²Π»Π΅Π½ΠΈΡ ΠΈΠ·Π΄Π°Π΅Ρ ΡΡΠΌ, ΡΠΎΠΏΡΠΎΠ²ΠΎΠΆΠ΄Π°Π΅ΠΌΡΠΉ ΠΎΡΡΡΡΡΡΠ²ΠΈΠ΅ΠΌ ΡΡΠΈΠ»ΠΈΡΠ΅Π»Ρ, Π²Π΅ΡΠΎΡΡΠ½ΠΎ, Π² ΡΠΈΡΡΠ΅ΠΌΠ΅ ΡΠΊΠΎΠΏΠΈΠ»ΡΡ Π²ΠΎΠ·Π΄ΡΡ . ΠΡΠΏΠΎΠ»Π½ΠΈΡΠ΅ Π±Π°Π·ΠΎΠ²ΡΡ ΠΏΡΠΎΠ²Π΅ΡΠΊΡ ΡΠΈΡΡΠ΅ΠΌΡ Π½Π° ΡΠΎΡΡΠΎΡΠ½ΠΈΠ΅ ΡΠ»Π°Π½Π³ΠΎΠ², ΡΡΠΎΠ²Π΅Π½Ρ ΠΈ ΡΠΎΡΡΠΎΡΠ½ΠΈΠ΅ ΠΆΠΈΠ΄ΠΊΠΎΡΡΠΈ.
ΠΡΠ»ΠΈ ΠΆΠΈΠ΄ΠΊΠΎΡΡΡ Π²ΡΠ³Π»ΡΠ΄ΠΈΡ ΠΏΡΠΈΠ³ΠΎΡΠ΅Π²ΡΠ΅ΠΉ ΠΈΠ»ΠΈ Π·Π°Π³ΡΡΠ·Π½Π΅Π½Π½ΠΎΠΉ, ΠΏΡΠΎΠΌΠΎΠΉΡΠ΅ ΡΠΈΡΡΠ΅ΠΌΡ.ΠΠ· Π±ΠΎΠ»ΡΡΠΈΠ½ΡΡΠ²Π° ΡΠΈΡΡΠ΅ΠΌ ΠΌΠΎΠΆΠ½ΠΎ ΡΠ΄Π°Π»ΠΈΡΡ Π²ΠΎΠ·Π΄ΡΡ , ΠΏΡΠ΅Π΄Π²Π°ΡΠΈΡΠ΅Π»ΡΠ½ΠΎ Π½Π°ΠΏΠΎΠ»Π½ΠΈΠ² ΡΠ΅Π·Π΅ΡΠ²ΡΠ°Ρ Π΄ΠΎ ΠΎΡΠΌΠ΅ΡΠΊΠΈ Β«Ρ ΠΎΠ»ΠΎΠ΄Π½ΠΎΒ». ΠΠΎΠ΄Π½ΡΠ² Π°Π²ΡΠΎΠΌΠΎΠ±ΠΈΠ»Ρ Π½Π°Π΄ Π·Π΅ΠΌΠ»Π΅ΠΉ ΠΈ Π²ΡΠΊΠ»ΡΡΠΈΠ² Π΄Π²ΠΈΠ³Π°ΡΠ΅Π»Ρ, ΠΌΠ΅Π΄Π»Π΅Π½Π½ΠΎ ΠΏΠΎΠ²Π΅ΡΠ½ΠΈΡΠ΅ ΡΡΠ»Π΅Π²ΠΎΠ΅ ΠΊΠΎΠ»Π΅ΡΠΎ Π΄ΠΎ ΡΠΏΠΎΡΠ° Π² ΠΎΠ΄Π½ΠΎΠΌ Π½Π°ΠΏΡΠ°Π²Π»Π΅Π½ΠΈΠΈ ΠΈ ΠΏΠΎΠ΄ΠΎΠΆΠ΄ΠΈΡΠ΅ ΠΏΡΡΡ ΡΠ΅ΠΊΡΠ½Π΄. ΠΠ°ΡΠ΅ΠΌ ΠΌΠ΅Π΄Π»Π΅Π½Π½ΠΎ ΠΏΠΎΠ²Π΅ΡΠ½ΠΈΡΠ΅ Π΄ΠΎ ΡΠΏΠΎΡΠ° Π² ΠΎΠ±ΡΠ°ΡΠ½ΠΎΠΌ Π½Π°ΠΏΡΠ°Π²Π»Π΅Π½ΠΈΠΈ ΠΈ ΠΏΠΎΠ΄ΠΎΠΆΠ΄ΠΈΡΠ΅ ΠΏΡΡΡ ΡΠ΅ΠΊΡΠ½Π΄. ΠΠΎΠ²ΡΠΎΡΠΈΡΠ΅ ΡΡΠΎΡ ΡΠΈΠΊΠ» ΠΎΡ 15 Π΄ΠΎ 20 ΡΠ°Π·, ΡΠ΅Π³ΡΠ»ΡΡΠ½ΠΎ ΠΏΡΠΎΠ²Π΅ΡΡΡ ΡΡΠΎΠ²Π΅Π½Ρ ΠΆΠΈΠ΄ΠΊΠΎΡΡΠΈ ΠΏΠΎ ΠΌΠ΅ΡΠ΅ ΠΏΡΠΎΠ΄Π²ΠΈΠΆΠ΅Π½ΠΈΡ. ΠΡΠΎΠ΄ΠΎΠ»ΠΆΠ°ΠΉΡΠ΅ Π΄ΠΎ ΡΠ΅Ρ ΠΏΠΎΡ, ΠΏΠΎΠΊΠ° ΠΆΠΈΠ΄ΠΊΠΎΡΡΡ Π½Π΅ ΡΡΠ°Π½Π΅Ρ Π½ΠΎΡΠΌΠ°Π»ΡΠ½ΠΎ Π²ΡΠ³Π»ΡΠ΄Π΅ΡΡ ΠΈ Π½Π΅ ΠΏΠ΅ΡΠ΅ΡΡΠ°Π½Π΅Ρ ΠΏΠ΅Π½ΠΈΡΡΡΡ.
Π Π½Π΅ΠΊΠΎΡΠΎΡΡΡ ΡΠΈΡΡΠ΅ΠΌΠ°Ρ ΠΌΠΎΠΆΠ΅Ρ Π²ΠΎΠ·Π½ΠΈΠΊΠ½ΡΡΡ ΠΏΡΠΎΠ±Π»Π΅ΠΌΠ° Ρ ΠΏΡΠΎΠΊΠ°ΡΠΊΠΎΠΉ Π²ΠΎΠ·Π΄ΡΡ Π° (Π½Π°ΠΏΡΠΈΠΌΠ΅Ρ, Π² Π½Π΅ΠΊΠΎΡΠΎΡΡΡ Π°Π²ΡΠΎΠΌΠΎΠ±ΠΈΠ»ΡΡ Ford).ΠΡΠ»ΠΈ Π² Π½Π°ΡΠΎΡΠ΅ ΡΠ»ΡΡΠ΅Π½ Π²ΠΎΠΉ ΠΈΠ»ΠΈ ΡΡΠΎΠ½, Π·Π½Π°ΡΠΈΡ Π² ΡΠΈΡΡΠ΅ΠΌΠ΅ Π΅ΡΡΡ Π²ΠΎΠ·Π΄ΡΡ . ΠΠ½ΡΡΡΡΠΌΠ΅Π½Ρ ΡΠ΄Π°Π»Π΅Π½ΠΈΡ Π²Π°ΠΊΡΡΠΌΠ° Devac ΠΌΠΎΠΆΠ΅Ρ ΠΈΡΠΏΠΎΠ»ΡΠ·ΠΎΠ²Π°ΡΡΡΡ Π΄Π»Ρ ΡΠ΅ΡΠ΅Π½ΠΈΡ ΠΏΡΠΎΠ±Π»Π΅ΠΌ Ρ ΠΊΡΠΎΠ²ΠΎΡΠ΅ΡΠ΅Π½ΠΈΠ΅ΠΌ. ΠΠ°ΠΏΠΎΠ»Π½ΠΈΡΠ΅ ΡΠ΅Π·Π΅ΡΠ²ΡΠ°Ρ Π½Π°ΡΠΎΡΠ° ΠΈ Π²ΡΡΠ°Π²ΡΡΠ΅ ΡΠ΅Π·ΠΈΠ½ΠΎΠ²ΡΡ ΠΏΡΠΎΠ±ΠΊΡ Π²Π°ΠΊΡΡΠΌΠ½ΠΎΠ³ΠΎ ΠΈΠ½ΡΡΡΡΠΌΠ΅Π½ΡΠ° Π² Π·Π°Π»ΠΈΠ²Π½ΡΡ Π³ΠΎΡΠ»ΠΎΠ²ΠΈΠ½Ρ ΡΠ΅Π·Π΅ΡΠ²ΡΠ°ΡΠ°. ΠΡΠΈ ΡΠ°Π±ΠΎΡΠ°ΡΡΠ΅ΠΌ Π΄Π²ΠΈΠ³Π°ΡΠ΅Π»Π΅ Π½Π° Ρ ΠΎΠ»ΠΎΡΡΠΎΠΌ Ρ ΠΎΠ΄Ρ ΠΏΠΎΠ΄Π°ΠΉΡΠ΅ Π² ΡΠ΅Π·Π΅ΡΠ²ΡΠ°Ρ 15 Π΄ΡΠΉΠΌΠΎΠ² ΡΠ°Π·ΡΠ΅ΠΆΠ΅Π½ΠΈΡ. ΠΠ°ΠΆΠ΄ΡΠ΅ 30 ΡΠ΅ΠΊΡΠ½Π΄ ΠΏΠ΅ΡΠ΅ΠΊΠ»ΡΡΠ°ΠΉΡΠ΅ ΡΡΠ»Π΅Π²ΠΎΠ΅ ΠΊΠΎΠ»Π΅ΡΠΎ Ρ ΠΏΠΎΠ»Π½ΠΎΠΉ Π±Π»ΠΎΠΊΠΈΡΠΎΠ²ΠΊΠΈ Π½Π° Π±Π»ΠΎΠΊΠΈΡΠΎΠ²ΠΊΡ Π² ΡΠ΅ΡΠ΅Π½ΠΈΠ΅ ΠΏΡΠΈΠΌΠ΅ΡΠ½ΠΎ ΠΏΡΡΠΈ ΠΌΠΈΠ½ΡΡ. ΠΠ±ΡΠ·Π°ΡΠ΅Π»ΡΠ½ΠΎ ΠΏΠΎΠ΄Π΄Π΅ΡΠΆΠΈΠ²Π°ΠΉΡΠ΅ 15 Π΄ΡΠΉΠΌΠΎΠ² Π²Π°ΠΊΡΡΠΌΠ° Π²ΠΎ Π²ΡΠ΅ΠΌΡ ΠΎΠΏΠ΅ΡΠ°ΡΠΈΠΈ.
ΠΡΠΊΠ»ΡΡΠΈΡΠ΅ Π΄Π²ΠΈΠ³Π°ΡΠ΅Π»Ρ, ΡΠ±ΡΠΎΡΡΡΠ΅ ΡΠ°Π·ΡΠ΅ΠΆΠ΅Π½ΠΈΠ΅ ΠΈ ΡΠ½ΠΈΠΌΠΈΡΠ΅ Π²Π°ΠΊΡΡΠΌΠ½ΡΠΉ ΠΈΠ½ΡΡΡΡΠΌΠ΅Π½Ρ.ΠΠΎΠ»Π΅ΠΉΡΠ΅ ΠΆΠΈΠ΄ΠΊΠΎΡΡΡ ΠΈ ΡΡΡΠ°Π½ΠΎΠ²ΠΈΡΠ΅ Π½Π° ΠΌΠ΅ΡΡΠΎ ΠΊΡΡΡΠΊΡ Π±Π°ΡΠΊΠ° / ΠΌΠ°ΡΠ»ΡΠ½ΡΠΉ ΡΡΠΏ. ΠΠΎΠ²ΡΠΎΡΠ½ΠΎ Π·Π°ΠΏΡΡΡΠΈΡΠ΅ Π΄Π²ΠΈΠ³Π°ΡΠ΅Π»Ρ ΠΈ Π²ΠΊΠ»ΡΡΠΈΡΠ΅ ΡΡΠ»Π΅Π²ΠΎΠ΅ ΠΊΠΎΠ»Π΅ΡΠΎ, ΠΏΡΠΎΠ²Π΅ΡΡΡ Π½Π° ΡΡΠ΅ΡΠΊΠΈ Π²ΡΠ΅ ΡΠΎΠ΅Π΄ΠΈΠ½Π΅Π½ΠΈΡ ΡΠ»Π°Π½Π³ΠΎΠ² / ΡΡΡΠ±ΠΎΠΏΡΠΎΠ²ΠΎΠ΄ΠΎΠ². ΠΠΎΠ·ΠΌΠΎΠΆΠ½ΠΎ, ΠΏΠΎΡΡΠ΅Π±ΡΠ΅ΡΡΡ ΠΏΠΎΠ²ΡΠΎΡΠΈΡΡ ΡΡΠΎΡ ΠΏΡΠΎΡΠ΅ΡΡ Π½Π΅ΡΠΊΠΎΠ»ΡΠΊΠΎ ΡΠ°Π· Π² ΡΠ»ΡΡΠ°Π΅ ΡΡΡΠΎΠΉΡΠΈΠ²ΠΎΠΉ Π²ΠΎΠ·Π΄ΡΡΠ½ΠΎΠΉ ΡΠΌΡ.
ΠΠ΅ΠΏΡΠ°Π²ΠΈΠ»ΡΠ½ΡΠΉ Π΄ΠΈΠ°Π³Π½ΠΎΠ· Π½Π°ΡΠΎΡΠ°
ΠΠ΅ ΡΠ»Π΅Π΄ΡΠ΅Ρ Π°Π²ΡΠΎΠΌΠ°ΡΠΈΡΠ΅ΡΠΊΠΈ ΡΡΠΈΡΠ°ΡΡ, ΡΡΠΎ ΡΡΠΌ Π²ΡΠ·Π²Π°Π½ Π½Π°ΡΠΎΡΠΎΠΌ ΡΡΠ»Π΅Π²ΠΎΠ³ΠΎ ΡΠΏΡΠ°Π²Π»Π΅Π½ΠΈΡ Ρ Π³ΠΈΠ΄ΡΠΎΡΡΠΈΠ»ΠΈΡΠ΅Π»Π΅ΠΌ. Π¨ΡΠΌ, ΠΊΠΎΡΠΎΡΡΠΉ, ΠΊΠ°ΠΆΠ΅ΡΡΡ, ΠΈΡΡ ΠΎΠ΄ΠΈΡ ΠΎΡ Π½Π°ΡΠΎΡΠ° ΡΡΠ»Π΅Π²ΠΎΠ³ΠΎ ΡΠΏΡΠ°Π²Π»Π΅Π½ΠΈΡ Ρ Π³ΠΈΠ΄ΡΠΎΡΡΠΈΠ»ΠΈΡΠ΅Π»Π΅ΠΌ, ΠΌΠΎΠΆΠ΅Ρ Π½Π΅ Π±ΡΡΡ ΠΏΡΠΎΠ±Π»Π΅ΠΌΠΎΠΉ Π½Π°ΡΠΎΡΠ°, ΡΠ°ΠΊ ΠΊΠ°ΠΊ ΠΎΠ½ ΠΌΠΎΠΆΠ΅Ρ Π±ΡΡΡ ΡΠΎΠ·Π΄Π°Π½ Π΄ΡΡΠ³ΠΈΠΌ ΠΈΡΡΠΎΡΠ½ΠΈΠΊΠΎΠΌ.ΠΠΎ ΡΠ»ΠΎΠ²Π°ΠΌ ΠΠ°ΡΠ΄ΠΎΠ½Π΅, ΠΏΡΠΈΠΌΠ΅ΡΠ°ΠΌΠΈ ΡΠ²Π»ΡΡΡΡΡ Π³ΡΡΠ·ΠΎΠ²ΠΈΠΊΠΈ Chevy ΠΈ GMC 1992β1993 Π³ΠΎΠ΄ΠΎΠ², Π° ΡΠ°ΠΊΠΆΠ΅ Π°Π²ΡΠΎΠΌΠΎΠ±ΠΈΠ»ΠΈ Oldsmobile Bravada, ΠΎΡΠ½Π°ΡΠ΅Π½Π½ΡΠ΅ Π΄Π²ΠΈΠ³Π°ΡΠ΅Π»Π΅ΠΌ ΠΎΠ±ΡΠ΅ΠΌΠΎΠΌ 4,3, 5,0 ΠΈΠ»ΠΈ 5,7 Π»ΠΈΡΡΠ°. Π Π½Π°ΡΠΎΡΠ΅ ΠΌΠΎΠΆΠ΅Ρ ΠΏΠΎΡΠ²ΠΈΡΡΡΡ Π²ΠΎΡΡΠΈΠΉ ΡΡΠΌ, ΡΠΎΠ³Π΄Π° ΠΊΠ°ΠΊ Π½Π° ΡΠ°ΠΌΠΎΠΌ Π΄Π΅Π»Π΅ ΡΡΠΎΡ ΡΡΠΌ ΠΌΠΎΠΆΠ΅Ρ Π±ΡΡΡ ΡΠ΅Π·ΡΠ»ΡΡΠ°ΡΠΎΠΌ Π½Π΅ΠΈΡΠΏΡΠ°Π²Π½ΠΎΠ³ΠΎ ΠΏΠΎΠ΄ΡΠΈΠΏΠ½ΠΈΠΊΠ° Π² Π³Π΅Π½Π΅ΡΠ°ΡΠΎΡΠ΅ ΠΏΠ΅ΡΠ΅ΠΌΠ΅Π½Π½ΠΎΠ³ΠΎ ΡΠΎΠΊΠ°.
1. ΠΠ·ΠΎΠ»ΠΈΡΡΠΉΡΠ΅ Π½Π°ΡΠΎΡ Π³ΠΈΠ΄ΡΠΎΡΡΠΈΠ»ΠΈΡΠ΅Π»Ρ ΡΡΠ»Π΅Π²ΠΎΠ³ΠΎ ΡΠΏΡΠ°Π²Π»Π΅Π½ΠΈΡ ΠΎΡ Π³Π΅Π½Π΅ΡΠ°ΡΠΎΡΠ°, ΡΠ½ΡΠ² ΠΈΠΌΠ΅ΡΡΠΈΠΉΡΡ ΠΏΡΠΈΠ²ΠΎΠ΄Π½ΠΎΠΉ ΡΠ΅ΠΌΠ΅Π½Ρ ΠΈ ΡΡΡΠ°Π½ΠΎΠ²ΠΈΠ² ΡΠ°ΡΡΡ ΡΠ΅ΠΌΠ½Ρ, ΠΏΡΠΎΠ½ΡΠΌΠ΅ΡΠΎΠ²Π°Π½Π½ΡΡ Π΄Π»Ρ Camaro ΠΈΠ»ΠΈ Firebird 1993-1994 Π³ΠΎΠ΄ΠΎΠ² (ΡΡΠΎ ΠΏΠΎΠ·Π²ΠΎΠ»ΡΠ΅Ρ ΡΠ½ΡΡΡ Π½Π°ΡΠΎΡ Π³ΠΈΠ΄ΡΠΎΡΡΠΈΠ»ΠΈΡΠ΅Π»Ρ ΡΡΠ»Π΅Π²ΠΎΠ³ΠΎ ΡΠΏΡΠ°Π²Π»Π΅Π½ΠΈΡ Ρ ΡΠΈΡΡΠ΅ΠΌΡ ΠΏΡΠΈΠ²ΠΎΠ΄Π°).
2. ΠΠ°ΠΏΡΡΡΠΈΡΠ΅ Π΄Π²ΠΈΠ³Π°ΡΠ΅Π»Ρ (Π½Π΅ ΡΠΏΡΠ°Π²Π»ΡΠΉΡΠ΅ Π°Π²ΡΠΎΠΌΠΎΠ±ΠΈΠ»Π΅ΠΌ) ΠΈ ΠΏΡΠΈΡΠ»ΡΡΠ°ΠΉΡΠ΅ΡΡ ΠΊ ΡΡΠΌΡ. ΠΡΠ»ΠΈ ΡΡΠΌ ΠΏΡΠΎΠΏΠ°Π», Π·Π½Π°ΡΠΈΡ, ΠΏΡΠΎΠ±Π»Π΅ΠΌΠ° ΡΠ²ΡΠ·Π°Π½Π° Ρ Π½Π°ΡΠΎΡΠΎΠΌ Π³ΠΈΠ΄ΡΠΎΡΡΠΈΠ»ΠΈΡΠ΅Π»Ρ ΡΡΠ»Π΅Π²ΠΎΠ³ΠΎ ΡΠΏΡΠ°Π²Π»Π΅Π½ΠΈΡ. ΠΡΠ»ΠΈ ΡΡΠΌ ΡΠΎΡ ΡΠ°Π½ΡΠ΅ΡΡΡ, ΠΏΡΠΈΡΡΡΠΏΠΈΡΠ΅ ΠΊ Π΄ΠΈΠ°Π³Π½ΠΎΡΡΠΈΠΊΠ΅ ΠΎΡΡΠ°Π²ΡΠΈΡ ΡΡ Π²Π΅Π΄ΠΎΠΌΡΡ ΠΊΠΎΠΌΠΏΠΎΠ½Π΅Π½ΡΠΎΠ², Π²ΠΊΠ»ΡΡΠ°Ρ Π³Π΅Π½Π΅ΡΠ°ΡΠΎΡ.
3. ΠΠΎΡΠ»Π΅ Π·Π°ΠΌΠ΅Π½Ρ Π½Π΅ΠΈΡΠΏΡΠ°Π²Π½ΠΎΠ³ΠΎ ΠΊΠΎΠΌΠΏΠΎΠ½Π΅Π½ΡΠ° ΡΡΡΠ°Π½ΠΎΠ²ΠΈΡΠ΅ ΡΠΎΠΎΡΠ²Π΅ΡΡΡΠ²ΡΡΡΠΈΠΉ ΠΏΡΠΈΠ²ΠΎΠ΄Π½ΠΎΠΉ ΡΠ΅ΠΌΠ΅Π½Ρ ΠΈ ΠΏΠΎΠ΄ΡΠ²Π΅ΡΠ΄ΠΈΡΠ΅ ΡΠ΅ΠΌΠΎΠ½Ρ.
GM ΡΡΠΌ Π·ΡΠ±ΡΠ°ΡΠΎΠΉ ββΡΠ΅ΠΉΠΊΠΈ
ΠΠ°ΠΊ ΠΎΡΠΌΠ΅ΡΠ°Π΅Ρ ΠΠ°ΡΠ΄ΠΎΠ½Π΅, ΠΆΠ°Π»ΠΎΠ±Ρ Π½Π° Π»ΡΠ·Π³ ΠΏΡΠΈ ΠΏΠΎΠ²ΠΎΡΠΎΡΠ°Ρ Π½Π° ΠΌΠ°Π»ΡΡ ΡΠΊΠΎΡΠΎΡΡΡΡ Π±ΡΠ»ΠΈ ΠΎΡΠΌΠ΅ΡΠ΅Π½Ρ Π½Π° ΠΌΠΎΠ΄Π΅Π»ΡΡ Chevy Malibu, Pontiac G6 ΠΈ Saturn Aura 2004-2010 Π³ΠΎΠ΄ΠΎΠ².Π ΡΡΠ½Π°Ρ ΡΠ΅ΠΉΠΊΠ° ΠΈ ΡΠ΅ΡΡΠ΅ΡΠ½Ρ ΡΠ²Π»ΡΠ΅ΡΡΡ ΡΠ°ΡΡΡΡ EPS (ΡΠ»Π΅ΠΊΡΡΠΎΠ½Π½ΠΎΠΉ ΡΠΈΡΡΠ΅ΠΌΡ ΡΡΠ»Π΅Π²ΠΎΠ³ΠΎ ΡΠΏΡΠ°Π²Π»Π΅Π½ΠΈΡ Ρ ΡΡΠΈΠ»ΠΈΡΠ΅Π»Π΅ΠΌ). Π‘ΠΈΡΡΠ΅ΠΌΡ EPS ΠΎΠ±Π΅ΡΠΏΠ΅ΡΠΈΠ²Π°ΡΡ ΠΏΠΎΠΌΠΎΡΡ ΡΠΎΠ»ΡΠΊΠΎ ΠΏΡΠΈ Π½Π΅ΠΎΠ±Ρ ΠΎΠ΄ΠΈΠΌΠΎΡΡΠΈ, ΠΏΠΎΡΡΠΎΠΌΡ Π²ΠΎΠ΄ΠΈΡΠ΅Π»Ρ ΡΡΠ²ΡΡΠ²ΡΠ΅Ρ, ΠΊΠΎΠ³Π΄Π° Π΄Π²ΠΈΠ³Π°ΡΠ΅Π»Ρ Π²ΠΊΠ»ΡΡΠ°Π΅ΡΡΡ / Π²ΡΠΊΠ»ΡΡΠ°Π΅ΡΡΡ Π΄Π»Ρ Π²ΠΊΠ»ΡΡΠ΅Π½ΠΈΡ / Π²ΡΠΊΠ»ΡΡΠ΅Π½ΠΈΡ ΠΏΠΎΠΌΠΎΡΠΈ. Π Π°Π·Π»ΠΈΡΠ½ΡΠ΅ Ρ Π°ΡΠ°ΠΊΡΠ΅ΡΠΈΡΡΠΈΠΊΠΈ ΠΊΡΡΡΡΡΠ΅Π³ΠΎ ΠΌΠΎΠΌΠ΅Π½ΡΠ° ΡΡΠΎΠΉ ΡΠΈΡΡΠ΅ΠΌΡ Π½Π΅ ΡΠΈΠΏΠΈΡΠ½Ρ Π΄Π»Ρ Π³ΠΈΠ΄ΡΠ°Π²Π»ΠΈΡΠ΅ΡΠΊΠΎΠΉ ΡΠΈΡΡΠ΅ΠΌΡ. ΠΠ°Π»ΠΎΠ±Π° Π½Π° ΡΡΠΌ, ΡΠΊΠΎΡΠ΅Π΅ Π²ΡΠ΅Π³ΠΎ, ΡΠ²ΡΠ·Π°Π½Π° Ρ ΡΡΠ΅ΠΌΡ Π²ΠΎΠ·ΠΌΠΎΠΆΠ½ΡΠΌΠΈ ΡΡΠ»ΠΎΠ²ΠΈΡΠΌΠΈ:
— ΠΠ°Π΅Π΄Π°Π½ΠΈΠ΅ ΠΈΠ»ΠΈ ΠΏΡΠΎΡΠΊΠ°Π»ΡΠ·ΡΠ²Π°Π½ΠΈΠ΅ ΠΏΡΠΎΠΌΠ΅ΠΆΡΡΠΎΡΠ½ΠΎΠ³ΠΎ Π²Π°Π»Π°.
— ΠΠ·Π°ΠΈΠΌΠΎΠ΄Π΅ΠΉΡΡΠ²ΠΈΠ΅ ΠΌΠ΅ΠΆΠ΄Ρ Π·Π°ΠΆΠΈΠΌΠΎΠΌ ΠΏΡΠΎΠΌΠ΅ΠΆΡΡΠΎΡΠ½ΠΎΠ³ΠΎ Π²Π°Π»Π° ΠΈ Π²Ρ ΠΎΠ΄Π½ΡΠΌ Π²Π°Π»ΠΎΠΌ ΡΡΠ»Π΅Π²ΠΎΠ³ΠΎ ΠΌΠ΅Ρ Π°Π½ΠΈΠ·ΠΌΠ°.
— Π‘ΠΎΡΡΠΎΡΠ½ΠΈΠ΅ ΠΎΠΏΠΎΡΡ ΡΡΠΎΠΉΠΊΠΈ ΠΈΠ»ΠΈ ΡΡΠ³ΠΈ ΡΡΠ°Π±ΠΈΠ»ΠΈΠ·Π°ΡΠΎΡΠ° ΠΏΠΎΠΏΠ΅ΡΠ΅ΡΠ½ΠΎΠΉ ΡΡΡΠΎΠΉΡΠΈΠ²ΠΎΡΡΠΈ.
Π’Π°ΠΊΠΆΠ΅ ΡΡΡΠ΅ΡΡΠ²ΡΠ΅Ρ ΡΠΎΡΠ½Π°Ρ ΡΠΏΠ΅ΡΠΈΡΠΈΠΊΠ°ΡΠΈΡ ΠΌΠΎΠΌΠ΅Π½ΡΠ° Π·Π°ΡΡΠΆΠΊΠΈ ΠΌΠΎΠ½ΡΠ°ΠΆΠ½ΡΡ Π±ΠΎΠ»ΡΠΎΠ², ΠΊΠΎΡΠΎΡΡΡ Π½Π΅ΠΎΠ±Ρ ΠΎΠ΄ΠΈΠΌΠΎ ΡΠΎΠ±Π»ΡΠ΄Π°ΡΡ, ΡΡΠΎΠ±Ρ ΠΎΠ±Π΅ΡΠΏΠ΅ΡΠΈΡΡ ΠΏΡΠ°Π²ΠΈΠ»ΡΠ½ΡΡ ΡΡΡΠ°Π½ΠΎΠ²ΠΊΡ ΡΡΠΎΠΉΠΊΠΈ Π½Π° ΡΠ°ΠΌΠ΅.
ΠΡΠΈ Π½Π΅ΡΠΎΠ±Π»ΡΠ΄Π΅Π½ΠΈΠΈ ΡΡΠΎΠΉ ΡΠΏΠ΅ΡΠΈΡΠΈΠΊΠ°ΡΠΈΠΈ Π²ΠΈΠ±ΡΠ°ΡΠΈΡ ΠΌΠΎΠΆΠ΅Ρ ΠΏΡΠΈΠ²Π΅ΡΡΠΈ ΠΊ ΠΎΡΠΈΠ±ΠΎΡΠ½ΠΎ Π΄ΠΈΠ°Π³Π½ΠΎΡΡΠΈΡΠΎΠ²Π°Π½Π½ΠΎΠΌΡ ΡΡΠΌΡ. ΠΠΎΠ»ΡΡ ΠΊΡΠ΅ΠΏΠ»Π΅Π½ΠΈΡ ΡΡΠΎΠΉΠΊΠΈ Π΄ΠΎΠ»ΠΆΠ½Ρ Π±ΡΡΡ Π·Π°ΡΡΠ½ΡΡΡ Ρ ΡΡΠΈΠ»ΠΈΠ΅ΠΌ 53 ΡΡΡ-ΡΡΠ½Ρ ΠΏΠ»ΡΡ Π΅ΡΠ΅ 90 Π³ΡΠ°Π΄ΡΡΠΎΠ² ΠΏΠΎΠ²ΠΎΡΠΎΡΠ° (ΠΌΠ΅ΡΠΎΠ΄ Β«ΠΊΡΡΡΡΡΠΈΠΉ ΠΌΠΎΠΌΠ΅Π½Ρ + ΡΠ³ΠΎΠ»Β»).
Π Π£ΠΠΠΠΠΠ‘Π’ΠΠ ΠΠ ΠΠ ΠΠΠΠΠΠΠ Π ΠΠ ΠΠ§ΠΠΠΠ
Π‘ΠΠ‘Π’ΠΠ―ΠΠΠ
Π¨ΡΠΌ ΠΏΡΠΈ Ρ ΠΎΠ»ΠΎΠ΄Π½ΠΎΠΌ ΠΏΡΡΠΊΠ΅ ΡΡΠ»Π΅Π²ΠΎΠΉ ΡΠΈΡΡΠ΅ΠΌΡ
ΠΠ ΠΠ§ΠΠΠ
ΠΠ°ΡΠΎΡΠ΅Π½ΠΈΠ΅ ΠΆΠΈΠ΄ΠΊΠΎΡΡΠΈ Π³ΠΈΠ΄ΡΠΎΡΡΠΈΠ»ΠΈΡΠ΅Π»Ρ ΡΡΠ»Π΅Π²ΠΎΠ³ΠΎ ΡΠΏΡΠ°Π²Π»Π΅Π½ΠΈΡ ΠΈΠ·-Π·Π° Π·Π°Π³ΡΡΠ·Π½Π΅Π½ΠΈΡ Π±Π°ΡΠΊΠ° ΠΈ / ΠΈΠ»ΠΈ ΡΡΡΠ±ΠΎΠΏΡΠΎΠ²ΠΎΠ΄ΠΎΠ².
ΠΠ΅ΠΊΠΎΡΠΎΡΡΠΉ ΡΡΠΌ Π²ΠΎ Π²ΡΠ΅ΠΌΡ ΠΎΡΠ΅Π½Ρ Ρ ΠΎΠ»ΠΎΠ΄Π½ΠΎΠ³ΠΎ Π·Π°ΠΏΡΡΠΊΠ° (-10 Π³ΡΠ°Π΄ΡΡΠΎΠ² F) ΡΠ²Π»ΡΠ΅ΡΡΡ Π½ΠΎΡΠΌΠ°Π»ΡΠ½ΡΠΌ ΠΈ Π΄ΠΎΠ»ΠΆΠ΅Π½ ΡΠΌΠ΅Π½ΡΡΠ°ΡΡΡΡ ΠΏΠΎ ΠΌΠ΅ΡΠ΅ Π½Π°Π³ΡΠ΅Π²Π° ΡΠΈΡΡΠ΅ΠΌΡ.
ΠΡΠΎΠΌΠ΅ ΡΠΎΠ³ΠΎ, Π²ΠΎΠ·Π΄ΡΡ Π² ΡΠΈΡΡΠ΅ΠΌΠ΅ ΡΡΠ»Π΅Π²ΠΎΠ³ΠΎ ΡΠΏΡΠ°Π²Π»Π΅Π½ΠΈΡ Ρ ΡΡΠΈΠ»ΠΈΡΠ΅Π»Π΅ΠΌ ΠΌΠΎΠΆΠ΅Ρ Π²ΡΠ·Π²Π°ΡΡ ΡΡ ΠΆΠ΅ ΠΏΡΠΎΠ±Π»Π΅ΠΌΡ. Π£Π±Π΅Π΄ΠΈΡΠ΅ΡΡ Π² ΠΎΡΡΡΡΡΡΠ²ΠΈΠΈ ΡΡΠ΅ΡΠ΅ΠΊ ΠΈ ΡΠ΄Π°Π»ΠΈΡΠ΅ Π²ΠΎΠ·Π΄ΡΡ ΠΈΠ· ΡΠΈΡΡΠ΅ΠΌΡ.
Π‘ΠΠ‘Π’ΠΠ―ΠΠΠ
Π ΡΠ»Π΅Π²ΠΎΠ΅ ΡΠΏΡΠ°Π²Π»Π΅Π½ΠΈΠ΅ Π²ΠΎΡΡΠ°Π½ΠΈΠ΅ ΠΈΠ»ΠΈ Π²Π·Π΄ΡΠ°Π³ΠΈΠ²Π°Π½ΠΈΠ΅ ΠΏΡΠΈ ΠΏΠΎΠ²ΠΎΡΠΎΡΠ΅ ΠΊΠΎΠ»Π΅Ρ Π½Π° ΠΌΠ°Π»ΠΎΠΉ ΡΠΊΠΎΡΠΎΡΡΠΈ.
ΠΠ ΠΠ§ΠΠΠ
ΠΡΠΎ ΠΌΠΎΠΆΠ΅Ρ Π±ΡΡΡ Π²ΡΠ·Π²Π°Π½ΠΎ Π²ΠΎΠ·Π΄ΡΡ ΠΎΠΌ Π² Π³ΠΈΠ΄ΡΠ°Π²Π»ΠΈΡΠ΅ΡΠΊΠΎΠΌ ΠΊΠΎΠ½ΡΡΡΠ΅ Π³ΠΈΠ΄ΡΠΎΡΡΠΈΠ»ΠΈΡΠ΅Π»Ρ ΡΡΠ»Π΅Π²ΠΎΠ³ΠΎ ΡΠΏΡΠ°Π²Π»Π΅Π½ΠΈΡ, ΠΈΠ·Π½ΠΎΡΠΎΠΌ ΡΠ»Π°Π½Π³ΠΎΠ² ΡΠΈΡΡΠ΅ΠΌΡ ΠΈΠ»ΠΈ ΠΈΠ·Π½ΠΎΡΠΎΠΌ ΡΡΠ»Π΅Π²ΠΎΠ³ΠΎ ΠΌΠ΅Ρ Π°Π½ΠΈΠ·ΠΌΠ°.
Π‘ΠΠ‘Π’ΠΠ―ΠΠΠ
Π‘ΡΠΎΠ½ / ΠΆΡΠΆΠΆΠ°Π½ΠΈΠ΅ Π½Π°ΡΠΎΡΠ° Π³ΠΈΠ΄ΡΠΎΡΡΠΈΠ»ΠΈΡΠ΅Π»Ρ ΡΡΠ»Ρ ΠΏΡΠΈ ΠΏΠΎΠ²ΠΎΡΠΎΡΠ΅ ΡΡΠ»Π΅Π²ΠΎΠ³ΠΎ ΠΊΠΎΠ»Π΅ΡΠ° Π² ΠΏΠΎΠ»ΠΎΠΆΠ΅Π½ΠΈΠ΅ ΠΎΡΡΠ°Π½ΠΎΠ²ΠΊΠΈ.
ΠΠ ΠΠ§ΠΠΠ
Π£ΡΠΈΡΡΠ²Π°ΠΉΡΠ΅ Π½ΠΈΠ·ΠΊΠΈΠΉ ΡΡΠΎΠ²Π΅Π½Ρ ΠΆΠΈΠ΄ΠΊΠΎΡΡΠΈ ΡΡΠ»Π΅Π²ΠΎΠ³ΠΎ ΡΠΏΡΠ°Π²Π»Π΅Π½ΠΈΡ Ρ Π³ΠΈΠ΄ΡΠΎΡΡΠΈΠ»ΠΈΡΠ΅Π»Π΅ΠΌ, Π²ΠΎΠ·Π΄ΡΡ Π² ΡΠΈΡΡΠ΅ΠΌΠ΅ PS, Π½Π΅Π΄ΠΎΡΡΠ°ΡΠΎΡΠ½ΡΠΉ ΠΏΠΎΡΠΎΠΊ ΠΆΠΈΠ΄ΠΊΠΎΡΡΠΈ PS ΠΈΠ·-Π·Π° Π·Π°ΡΠΎΡΠ΅Π½ΠΈΡ ΡΠ΅Π·Π΅ΡΠ²ΡΠ°ΡΠ° ΠΈΠ»ΠΈ ΡΠΊΡΠ°Π½Π°, Π·Π°Π·Π΅ΠΌΠ»Π΅Π½ΠΈΡ Π»ΠΈΠ½ΠΈΠΈ ΠΈΠ»ΠΈ ΡΠ»Π°Π½Π³Π° Π³ΠΈΠ΄ΡΠΎΡΡΠΈΠ»ΠΈΡΠ΅Π»Ρ ΡΡΠ»Π΅Π²ΠΎΠ³ΠΎ ΡΠΏΡΠ°Π²Π»Π΅Π½ΠΈΡ Π½Π° ΡΠ°ΡΡΠΈ ΠΈΠ»ΠΈ ΠΏΠΎΠ²ΡΠ΅ΠΆΠ΄Π΅Π½ΠΈΡ ΠΈΠ·ΠΎΠ»ΡΡΠΎΡΠ° ΡΡΠ»Π΅Π²ΠΎΠ³ΠΎ ΠΌΠ΅Ρ Π°Π½ΠΈΠ·ΠΌΠ°.
Π‘ΠΠ‘Π’ΠΠ―ΠΠΠ
Π‘ΡΡΠΊ ΡΡΠ»Π΅Π²ΠΎΠ³ΠΎ ΠΌΠ΅Ρ Π°Π½ΠΈΠ·ΠΌΠ° ΠΏΡΠΈ Π½Π°Π΅Π·Π΄Π΅ Π½Π° Π½Π΅ΡΠΎΠ²Π½ΠΎΡΡΡ.
ΠΠ ΠΠ§ΠΠΠ
ΠΠ·Π½ΠΎΡ ΡΡΠ»Π΅Π²ΠΎΠ³ΠΎ ΠΌΠ΅Ρ Π°Π½ΠΈΠ·ΠΌΠ° ΠΈΠ»ΠΈ ΠΎΡΠ»Π°Π±Π»Π΅Π½ΠΈΠ΅ ΠΊΡΠ΅ΠΏΠ»Π΅Π½ΠΈΡ ΡΡΠ»Π΅Π²ΠΎΠ³ΠΎ ΠΌΠ΅Ρ Π°Π½ΠΈΠ·ΠΌΠ°.
Π‘ΠΠ‘Π’ΠΠ―ΠΠΠ
ΠΠΈΠ·Π³ ΠΈΠ»ΠΈ ΡΡΡΠ΅ΠΊΠΎΡΠ°Π½ΠΈΠ΅ ΡΠ΅ΠΌΠ½Ρ ΠΏΡΠΈ ΠΏΠΎΠ²ΠΎΡΠΎΡΠ΅ ΡΡΠ»Ρ ΠΎΡ ΡΠΏΠΎΡΠ° Π΄ΠΎ ΡΠΏΠΎΡΠ°.
ΠΠ ΠΠ§ΠΠΠ
ΠΠ°ΡΡΠΆΠ΅Π½ΠΈΠ΅ ΡΠ΅ΠΌΠ½Ρ, ΠΎΡΡΠ΅ΠΊΠ»Π΅Π½ΠΈΠ΅ ΡΠ΅ΠΌΠ½Ρ, Π½Π΅ΡΠΎΠΎΡΠ½ΠΎΡΡΡ ΡΠ΅ΠΌΠ½Ρ, ΠΏΠΎΠ²ΡΠ΅ΠΆΠ΄Π΅Π½ΠΈΠ΅ ΡΠΊΠΈΠ²Π° ΠΈΠ»ΠΈ Π²ΡΡΠ°Π²Π½ΠΈΠ²Π°Π½ΠΈΠ΅ ΡΠΊΠΈΠ²Π°, ΠΈΠ·Π½ΠΎΡΠ΅Π½Π½ΡΠΉ Π½Π°ΡΡΠΆΠΈΡΠ΅Π»Ρ ΡΠ΅ΠΌΠ½Ρ
Π‘ΠΠ‘Π’ΠΠ―ΠΠΠ
Π¨ΠΈΠΏΠ΅Π½ΠΈΠ΅ ΠΈΠ»ΠΈ ΡΠ²ΠΈΡΡ Ρ ΡΡΠΈΠ»ΠΈΡΠ΅Π»Π΅ΠΌ ΡΡΠ»Π΅Π²ΠΎΠ³ΠΎ ΡΠΏΡΠ°Π²Π»Π΅Π½ΠΈΡ.
ΠΠ ΠΠ§ΠΠΠ
ΠΠ°Π» ΠΈΠ»ΠΈ ΠΌΡΡΡΠ° ΡΡΠ»Π΅Π²ΠΎΠΉ ΠΊΠΎΠ»ΠΎΠ½ΠΊΠΈ Π·Π°Π΅Π΄Π°ΡΡ ΠΈΠ»ΠΈ ΡΠΌΠ΅ΡΠ΅Π½Ρ. Π’Π°ΠΊΠΆΠ΅ ΠΏΡΠΎΠ²Π΅ΡΡΡΠ΅ Π½Π°Π»ΠΈΡΠΈΠ΅ Π·Π°Π·Π΅ΠΌΠ»Π΅Π½Π½ΠΎΠ³ΠΎ ΠΈΠ»ΠΈ Π½Π΅Π·Π°ΡΡΠ½ΡΡΠΎΠ³ΠΎ ΠΊΡΠΎΠ½ΡΡΠ΅ΠΉΠ½Π° ΡΡΠ»Π΅Π²ΠΎΠΉ ΠΊΠΎΠ»ΠΎΠ½ΠΊΠΈ, ΠΏΠΎΠ²ΡΠ΅ΠΆΠ΄Π΅Π½ΠΈΡ ΠΈΠ»ΠΈ ΠΈΠ·Π½ΠΎΡΠ° ΠΏΠ΅ΡΠ²ΠΈΡΠ½ΠΎΠ³ΠΎ Π²Π°Π»Π° ΡΡΠ»Π΅Π²ΠΎΠ³ΠΎ ΠΌΠ΅Ρ Π°Π½ΠΈΠ·ΠΌΠ° ΠΈ ΠΈΠ·Π½ΠΎΡΠ° ΠΊΠ»Π°ΠΏΠ°Π½ΠΎΠ², Π° ΡΠ°ΠΊΠΆΠ΅ Π½Π° ΠΏΡΠ΅Π΄ΠΌΠ΅Ρ Π·Π°ΡΠΎΡΠ΅Π½ΠΈΡ Π»ΠΈΠ½ΠΈΠΉ / ΡΠ»Π°Π½Π³ΠΎΠ² Π³ΠΈΠ΄ΡΠΎΡΡΠΈΠ»ΠΈΡΠ΅Π»Ρ ΡΡΠ»Π΅Π²ΠΎΠ³ΠΎ ΡΠΏΡΠ°Π²Π»Π΅Π½ΠΈΡ. ΠΡΠΎ ΡΠ°ΠΊΠΆΠ΅ ΠΌΠΎΠΆΠ΅Ρ Π±ΡΡΡ Π²ΡΠ·Π²Π°Π½ΠΎ ΡΡΠΌΠΎΠΌ ΠΊΠ»Π°ΠΏΠ°Π½Π° Π² ΡΡΠ»Π΅Π²ΠΎΠΌ ΠΌΠ΅Ρ Π°Π½ΠΈΠ·ΠΌΠ΅ Ρ Π³ΠΈΠ΄ΡΠΎΡΡΠΈΠ»ΠΈΡΠ΅Π»Π΅ΠΌ.
Π‘ΠΠ‘Π’ΠΠ―ΠΠΠ
ΠΡΠ΅Π±Π΅Π·ΠΆΠ°Π½ΠΈΠ΅ ΠΈΠ»ΠΈ ΡΡΡΠΊ.
ΠΠ ΠΠ§ΠΠΠ
ΠΡΠΎΠ²Π΅ΡΡΡΠ΅, Π½Π΅Ρ Π»ΠΈ ΠΎΡΠ»Π°Π±Π»Π΅Π½Π½ΡΡ ΠΊΡΠΎΠ½ΡΡΠ΅ΠΉΠ½ΠΎΠ² ΠΈ ΠΊΡΠ΅ΠΏΠ»Π΅Π½ΠΈΠΉ ΠΊΠΎΠ»ΠΎΠ½ΠΊΠΈ, ΠΈΠ·Π½ΠΎΡΠ΅Π½Π½ΡΡ , Π½Π΅Π·Π°ΠΊΡΠ΅ΠΏΠ»Π΅Π½Π½ΡΡ ΠΈΠ»ΠΈ ΡΡΡ ΠΈΡ ΠΏΠΎΠ΄ΡΠΈΠΏΠ½ΠΈΠΊΠΎΠ² ΠΊΠΎΠ»ΠΎΠ½ΠΊΠΈ, ΠΈΠ·Π½ΠΎΡΠ΅Π½Π½ΡΡ ΠΈΠ»ΠΈ ΠΏΠΎΠ²ΡΠ΅ΠΆΠ΄Π΅Π½Π½ΡΡ ΠΈΠ·ΠΎΠ»ΡΡΠΎΡΠΎΠ² ΡΡΠ»Π΅Π²ΠΎΠ³ΠΎ Π²Π°Π»Π°, Π° ΡΠ°ΠΊΠΆΠ΅ ΡΠΆΠ°ΡΠΎΠ³ΠΎ ΠΈΠ»ΠΈ ΡΠ΄Π»ΠΈΠ½Π΅Π½Π½ΠΎΠ³ΠΎ Π²Π°Π»Π° / ΠΌΡΡΡΡ ΡΡΠ»Π΅Π²ΠΎΠΉ ΠΊΠΎΠ»ΠΎΠ½ΠΊΠΈ.Π’Π°ΠΊΠΆΠ΅ ΠΏΡΠΎΠ²Π΅ΡΡΡΠ΅ Π½Π°Π»ΠΈΡΠΈΠ΅ ΠΎΡΠ»Π°Π±Π»Π΅Π½Π½ΠΎΠ³ΠΎ ΡΡΠ»Π΅Π²ΠΎΠ³ΠΎ ΠΌΠ΅Ρ Π°Π½ΠΈΠ·ΠΌΠ° Ρ Π³ΠΈΠ΄ΡΠΎΡΡΠΈΠ»ΠΈΡΠ΅Π»Π΅ΠΌ, ΠΎΡΠ»Π°Π±Π»Π΅Π½Π½ΡΡ ΠΊΡΠ΅ΠΏΠ»Π΅Π½ΠΈΠΉ ΠΊΡΠ΅ΠΏΠ»Π΅Π½ΠΈΡ ΠΏΠΎΠΏΠ΅ΡΠ΅ΡΠΈΠ½Ρ ΠΏΠ΅ΡΠ΅Π΄Π½Π΅ΠΉ ΠΏΠΎΠ΄Π²Π΅ΡΠΊΠΈ, ΠΎΡΠ»Π°Π±Π»Π΅Π½Π½ΡΡ Π²Π½ΡΡΡΠ΅Π½Π½ΠΈΡ / Π²Π½Π΅ΡΠ½ΠΈΡ ΡΡΠ»Π΅Π²ΡΡ ΡΡΠ³, ΠΎΡΠ»Π°Π±Π»Π΅Π½Π½ΠΎΠ³ΠΎ ΠΊΡΠ΅ΠΏΠ»Π΅Π½ΠΈΡ ΡΠ·Π»Π° ΡΡΠΎΠΉΠΊΠΈ, ΡΠ»Π°Π½Π³Π° Π΄Π°Π²Π»Π΅Π½ΠΈΡ ΠΆΠΈΠ΄ΠΊΠΎΡΡΠΈ Π³ΠΈΠ΄ΡΠΎΡΡΠΈΠ»ΠΈΡΠ΅Π»Ρ ΡΡΠ»Π΅Π²ΠΎΠ³ΠΎ ΡΠΏΡΠ°Π²Π»Π΅Π½ΠΈΡ, ΡΠΎΠΏΡΠΈΠΊΠ°ΡΠ°ΡΡΠ΅Π³ΠΎΡΡ Ρ ΠΊΡΠ·ΠΎΠ²ΠΎΠΌ, ΠΈΠ»ΠΈ ΠΏΠΎΠ²ΡΠ΅ΠΆΠ΄Π΅Π½Π½ΠΎΠ³ΠΎ ΠΌΠ΅Ρ Π°Π½ΠΈΠ·ΠΌΠ° ΡΡΠ»Π΅Π²ΠΎΠ³ΠΎ ΡΠΏΡΠ°Π²Π»Π΅Π½ΠΈΡ Ρ Π³ΠΈΠ΄ΡΠΎΡΡΠΈΠ»ΠΈΡΠ΅Π»Π΅ΠΌ.
Π‘ΠΠ‘Π’ΠΠ―ΠΠΠ
Π‘ΠΊΡΠΈΠΏ ΠΈΠ»ΠΈ ΡΡΠ΅Π½ΠΈΠ΅.
ΠΠ ΠΠ§ΠΠΠ
ΠΠ΅ΠΏΡΠ°Π²ΠΈΠ»ΡΠ½Π°Ρ ΠΆΠΈΠ΄ΠΊΠΎΡΡΡ Π΄Π»Ρ Π³ΠΈΠ΄ΡΠΎΡΡΠΈΠ»ΠΈΡΠ΅Π»Ρ ΡΡΠ»Π΅Π²ΠΎΠ³ΠΎ ΡΠΏΡΠ°Π²Π»Π΅Π½ΠΈΡ Π΄Π»Ρ Π°Π²ΡΠΎΠΌΠΎΠ±ΠΈΠ»Ρ (Π½Π°ΠΏΡΠΈΠΌΠ΅Ρ, ΠΈΡΠΏΠΎΠ»ΡΠ·ΡΠ΅ΡΡΡ ATF Π²ΠΌΠ΅ΡΡΠΎ ΠΆΠΈΠ΄ΠΊΠΎΡΡΠΈ Π΄Π»Ρ Π³ΠΈΠ΄ΡΠΎΡΡΠΈΠ»ΠΈΡΠ΅Π»Ρ ΡΡΠ»Ρ).Π’Π°ΠΊΠΆΠ΅ ΠΏΡΠΎΠ²Π΅ΡΡΡΠ΅ ΠΈΡΠΏΡΠ°Π²Π½ΠΎΡΡΡ ΡΠΏΠ»ΠΎΡΠ½Π΅Π½ΠΈΠΉ ΡΡΠ»Π΅Π²ΠΎΠ³ΠΎ ΠΌΠ΅Ρ Π°Π½ΠΈΠ·ΠΌΠ°. ΠΡΡΠ³ΠΎΠΉ ΠΏΡΠΈΡΠΈΠ½ΠΎΠΉ ΠΌΠΎΠΆΠ΅Ρ Π±ΡΡΡ ΠΈΠ·ΠΎΠ³Π½ΡΡΡΠΉ ΠΈΠ»ΠΈ Π½Π΅ΠΏΡΠ°Π²ΠΈΠ»ΡΠ½ΠΎ ΡΡΡΠ°Π½ΠΎΠ²Π»Π΅Π½Π½ΡΠΉ Π·Π°ΡΠΈΡΠ½ΡΠΉ ΠΊΠΎΠΆΡΡ ΡΡΠ»Π΅Π²ΠΎΠ³ΠΎ Π²Π°Π»Π°. Π’Π°ΠΊΠΆΠ΅ ΠΏΡΠΎΠ²Π΅ΡΡΡΠ΅ ΠΎΡΡΡΡΡΡΠ²ΠΈΠ΅ ΡΡΠ΅Π½ΠΈΡ Π²Π°Π»Π° ΡΡΠ»Π΅Π²ΠΎΠΉ ΠΊΠΎΠ»ΠΎΠ½ΠΊΠΈ.
Π‘ΠΠ‘Π’ΠΠ―ΠΠΠ
Π‘ΠΊΡΠΈΠΏ / ΡΠΊΡΠ΅ΠΆΠ΅Ρ ΡΡΠ»Π΅Π²ΠΎΠΉ ΠΊΠΎΠ»ΠΎΠ½ΠΊΠΈ.
ΠΠ ΠΠ§ΠΠΠ
Π‘ΡΡ ΠΈΠ΅ Π²ΡΡΠ»ΠΊΠΈ ΡΡΠ»Π΅Π²ΠΎΠ³ΠΎ Π²Π°Π»Π°, ΠΎΡΠ»Π°Π±Π»Π΅Π½Π½ΡΠ΅ ΠΈΠ»ΠΈ ΡΠΌΠ΅ΡΠ΅Π½Π½ΡΠ΅ Π²Π°Π½ΡΡ ΠΊΠΎΠ»ΠΎΠ½ΠΊΠΈ, ΡΠΌΠ΅ΡΠ΅Π½ΠΈΠ΅ Π²Π΅ΡΡ Π½ΠΈΡ ΠΈΠ»ΠΈ Π½ΠΈΠΆΠ½ΠΈΡ Π²ΡΡΠ»ΠΎΠΊ ΠΏΠΎΠ΄ΡΠΈΠΏΠ½ΠΈΠΊΠΎΠ².
Π‘ΠΠ‘Π’ΠΠ―ΠΠΠ
Π¨ΡΠΌΠ½ΡΠΉ ΡΠ±ΡΠΎΡ Π½Π°ΡΠΎΡΠ° Π³ΠΈΠ΄ΡΠΎΡΡΠΈΠ»ΠΈΡΠ΅Π»Ρ ΡΡΠ»Ρ ΠΏΡΠΈ ΡΠ΅ΠΌΠΏΠ΅ΡΠ°ΡΡΡΠ΅ ΠΆΠΈΠ΄ΠΊΠΎΡΡΠΈ Π½ΠΈΠΆΠ΅ 130 Π³ΡΠ°Π΄ΡΡΠΎΠ² F.
ΠΠ ΠΠ§ΠΠΠ
ΠΠΈΠ΄ΠΊΠΎΡΡΡ Π³ΠΈΠ΄ΡΠΎΡΡΠΈΠ»ΠΈΡΠ΅Π»Ρ ΡΡΠ»Π΅Π²ΠΎΠ³ΠΎ ΡΠΏΡΠ°Π²Π»Π΅Π½ΠΈΡ ΠΏΠΎΡΡΡΠΏΠ°Π΅Ρ Π² ΠΏΠ΅ΡΠ΅ΠΏΡΡΠΊΠ½ΠΎΠΉ ΠΊΠ»Π°ΠΏΠ°Π½ Π² ΠΊΠΎΡΠΏΡΡΠ΅ ΠΊΠ»Π°ΠΏΠ°Π½Π° Π½Π°ΡΠΎΡΠ°. Π‘ΠΎΡΡΠΎΡΠ½ΠΈΠ΅ Π½ΠΎΡΠΌΠ°Π»ΡΠ½ΠΎΠ΅.
Π‘ΠΠ‘Π’ΠΠ―ΠΠΠ
ΠΠ°ΡΠΎΡ Π³ΠΈΠ΄ΡΠΎΡΡΠΈΠ»ΠΈΡΠ΅Π»Ρ ΡΡΠ»Π΅Π²ΠΎΠ³ΠΎ ΡΠΏΡΠ°Π²Π»Π΅Π½ΠΈΡ Π²ΠΎΠ΅Ρ ΠΈΠ»ΠΈ ΡΡΡΠΈΡ.
ΠΠ ΠΠ§ΠΠΠ
ΠΠΈΠ·ΠΊΠΈΠΉ ΡΡΠΎΠ²Π΅Π½Ρ ΠΆΠΈΠ΄ΠΊΠΎΡΡΠΈ Π² Π³ΠΈΠ΄ΡΠΎΡΡΠΈΠ»ΠΈΡΠ΅Π»Π΅ ΡΡΠ»Π΅Π²ΠΎΠ³ΠΎ ΡΠΏΡΠ°Π²Π»Π΅Π½ΠΈΡ, Π°ΡΡΠΈΡΠΎΠ²Π°Π½Π½Π°Ρ ΠΆΠΈΠ΄ΠΊΠΎΡΡΡ Π΄Π»Ρ Π³ΠΈΠ΄ΡΠΎΡΡΠΈΠ»ΠΈΡΠ΅Π»Ρ ΡΡΠ»Ρ. ΠΡΠΎΠ²Π΅ΡΠΈΡΡ Π½Π° ΡΡΠ΅ΡΠΊΠΈ ΠΆΠΈΠ΄ΠΊΠΎΡΡΠΈ ΠΈ ΡΠΈΡΡΠ΅ΠΌΡ ΠΏΡΠΎΠ΄ΡΠ²ΠΊΠΈ. ΠΠ·Π½ΠΎΡΠ΅Π½ Π½Π°ΡΠΎΡ Π³ΠΈΠ΄ΡΠΎΡΡΠΈΠ»ΠΈΡΠ΅Π»Ρ ΡΡΠ»Π΅Π²ΠΎΠ³ΠΎ ΡΠΏΡΠ°Π²Π»Π΅Π½ΠΈΡ.
Π‘ΠΠ‘Π’ΠΠ―ΠΠΠ
ΠΠ²ΡΠΊ Π·Π°ΡΠ°ΡΡΠ²Π°ΡΡΠ΅Π³ΠΎ Π²ΠΎΠ·Π΄ΡΡ Π°.
ΠΠ ΠΠ§ΠΠΠ
ΠΡΠΎΠ²Π΅ΡΡΡΠ΅ Π½ΠΈΠΆΠ½ΠΈΠΉ ΡΡΠΎΠ²Π΅Π½Ρ ΠΆΠΈΠ΄ΠΊΠΎΡΡΠΈ, ΠΎΡΡΡΡΡΡΠ²ΠΈΠ΅ ΠΈΠ»ΠΈ ΠΏΠΎΠ²ΡΠ΅ΠΆΠ΄Π΅Π½ΠΈΠ΅ ΡΠΏΠ»ΠΎΡΠ½ΠΈΡΠ΅Π»ΡΠ½ΠΎΠ³ΠΎ ΠΊΠΎΠ»ΡΡΠ° Π½Π° ΡΠΎΠ΅Π΄ΠΈΠ½Π΅Π½ΠΈΠΈ ΡΠ»Π°Π½Π³Π° ΡΡΠ»Π΅Π²ΠΎΠ³ΠΎ ΡΠΏΡΠ°Π²Π»Π΅Π½ΠΈΡ Ρ Π³ΠΈΠ΄ΡΠΎΡΡΠΈΠ»ΠΈΡΠ΅Π»Π΅ΠΌ ΠΈΠ»ΠΈ ΠΎΡΠ»Π°Π±Π»Π΅Π½ΠΈΠ΅ Π·Π°ΠΆΠΈΠΌΠ° Π½Π° Π»ΠΈΠ½ΠΈΠΈ Π²ΠΎΠ·Π²ΡΠ°ΡΠ° ΠΆΠΈΠ΄ΠΊΠΎΡΡΠΈ. Π’Π°ΠΊΠΆΠ΅ ΠΏΡΠΈΡΠΈΠ½ΠΎΠΉ ΠΌΠΎΠΆΠ΅Ρ Π±ΡΡΡ ΡΡΠ΅ΡΠΊΠ° Π²ΠΎΠ·Π΄ΡΡ Π° ΠΌΠ΅ΠΆΠ΄Ρ ΡΠ΅Π·Π΅ΡΠ²ΡΠ°ΡΠΎΠΌ Π΄Π»Ρ ΠΆΠΈΠ΄ΠΊΠΎΡΡΠΈ ΠΈ Π½Π°ΡΠΎΡΠΎΠΌ.
Π‘ΠΠ‘Π’ΠΠ―ΠΠΠ
Π‘ΠΊΡΠ΅Π±ΠΎΠΊ / ΡΡΡΠΊ.
ΠΠ ΠΠ§ΠΠΠ
Π ΡΠ»Π΅Π²ΠΎΠΉ ΠΌΠ΅Ρ Π°Π½ΠΈΠ·ΠΌ ΠΊΠΎΠ½ΡΠ°ΠΊΡΠΈΡΡΠ΅Ρ Ρ ΡΠΎΡΠ΅Π΄Π½ΠΈΠΌΠΈ Π΄Π΅ΡΠ°Π»ΡΠΌΠΈ, ΠΈΠ·Π½ΠΎΡΠ΅Π½Ρ Π²Π½ΡΡΡΠ΅Π½Π½ΠΈΠ΅ ΡΠΏΠΎΡΡ ΡΡΠ»Π΅Π²ΠΎΠ³ΠΎ ΠΌΠ΅Ρ Π°Π½ΠΈΠ·ΠΌΠ°.
ΠΠ»Π΅ΠΊΡΡΠΎΡΡΠΈΠ»ΠΈΡΠ΅Π»Ρ ΡΡΠ»Ρ (EPS)
ΠΠ΅ΠΊΠΎΡΠΎΡΡΠ΅ Π°Π²ΡΠΎΠΌΠΎΠ±ΠΈΠ»ΠΈ ΠΎΡΠ½Π°ΡΠ΅Π½Ρ ΡΠΈΡΡΠ΅ΠΌΠΎΠΉ ΡΡΠ»Π΅Π²ΠΎΠ³ΠΎ ΡΠΏΡΠ°Π²Π»Π΅Π½ΠΈΡ Ρ ΡΠ»Π΅ΠΊΡΡΠΎΡΡΠΈΠ»ΠΈΡΠ΅Π»Π΅ΠΌ. ΠΠΎΠ΄ΡΠΎΠ±Π½ΡΠ΅ ΡΠ²Π΅Π΄Π΅Π½ΠΈΡ ΠΎ EPS ΡΠΌ. Π Π²ΡΠΏΡΡΠΊΠ΅ Auto Service Professional Π·Π° ΡΠ΅Π½ΡΡΠ±ΡΡ / ΠΎΠΊΡΡΠ±ΡΡ 2015 Π³. (Π΄ΠΎΡΡΡΠΏΠ½ΠΎΠΌ Π½Π° www.
