3, 3 общее устройство и принцип работы подъёмника
Добавил:
Upload Опубликованный материал нарушает ваши авторские права? Сообщите нам.
Вуз:
Предмет:
Файл:
ПЗ.doc
Скачиваний:
Добавлен:
Размер:
1.01 Mб
Скачать
Блок: 1/2 | Кол-во символов: 562
Источник: https://StudFiles.net/preview/6211670/page:13/
Устройство и принцип работы
Автомобильный подъемник представляет собой конструкцию, состоящую из опорной системы и механизма привода. При проектировании и изготовлении оборудования используются две компоновочные схемы:
- Стоечные подъемники. Опорная система состоит из вертикальных колонн числом от одной до четырех, шарнирно закрепленных лап, механизма перемещения кареток и привода. Работает данное устройство следующим образом: автомобиль загоняется на площадку, лапы подводятся под пороги или иные силовые элементы кузова.

Каретки поднимаются вдоль стоек, используя последние в качестве направляющих. - Ножничные или параллелограммные автоподъемники состоят из двух горизонтальных трапов с закрепленными под ними шарнирными конструкциями. Автомобиль устанавливается на платформе. Последние поднимаются путем подтягивания конца одного из двух соединенных посредине элементов при помощи гидравлической или гидропневматической системы.
Оборудование обоих типов различаются внутри своих групп по техническим характеристикам и конструктивными особенностями.
Блок: 2/15 | Кол-во символов: 1048
Источник: https://stogear.pro/oborudovanie/11-vidov-avtopodemnikov.html
Конструкция и виды
По виду приложения усилий изделия делятся на:
- ручные;
- электроприводные.
По конструкции разделяют:
- пневматические;
- винтовые;
- гидравлические;
- реечные.
Винтовые домкраты — простые и мощные механизмы, а принцип действия их в преобразовании крутящего момента в поступательное движение. Главными элементами выступают червячный редуктор и пара «винт-гайка».
Редуктор подает на гайку крутящий момент, где тот преобразовывается в поступательное движение и поднимает груз. В усовершенствованных модификациях — домкратах с шариково-винтовой передачей — к паре «винт-гайка» добавлены дополнительные шарики или ролики. Эти дополнительные элементы позволяют увеличить КПД за счет снижения фрикционного сопротивления, увеличить срок эксплуатации и скорость поднятия груза. Стоит подобный механизм дороже обыкновенного.
Сначала разработали домкрат винтовой. Когда понадобилось поднимать грузы большей массы, изобрели устройства с электроприводом. Установка группы этих устройств, которые работают синхронно и одновременно, позволяет поднимать грузы большой массы, перемещая их симметричной трансмиссией.
Блок: 2/4 | Кол-во символов: 1117
Источник: https://tokar.guru/instrumenty/ustroystvo-i-princip-raboty-vintovogo-mehanicheskogo-domkrata.html
Конструкция и принцип действия подъёмника
Автомобильный подъёмник для сервисного обслуживания состоит из следующих основных систем:
несущей системы (рамы подхвата, стоек)
приводной системы (механизма силовой передачи)
электрической системы управления приводом.
В состав несущей системы входят: колонны со встроенными несущими болтами (4 шт.), поперечные балки (2 шт.) и продольные наездные балки (2 шт.). Продольная балка жестко прикреплена к поперечным балкам и в ней пропущена приводная цепь.
Правая продольная балка является передвижной, что позволяет изменять расстояние между наездными балками в соответствии с передней колеей обслуживаемого автомобиля, что делает его универсальным.
Механизм силовой передачи состоит из узла электродвигатель — коробка передач, который посредством замкнутого контура цепи передает привод четырем гайкам главных несущих болтов. Гайки, вращаясь по неподвижным несущим болтам, вызывают вертикальное движение продольных наездных балок подъёмника.
Основными особенностями такого подъемника являются:
Электромеханический привод;
Конструкция с 4-мя электродвигателями (по одному на каждую из колонн) и механической синхронизацией;
Встроенная электронная система безопасности;
Гладкие платформы для использования подъемников на слесарных постах;
Автоматическая смазка винтовых пар при помощи встроенных в каждую из колонн систем принудительной смазки;
Максимальное удобство в обслуживании автомобилей за счет того, что передняя часть платформ вынесена за пределы базы подъемника, что обеспечивает лучший доступ снизу к двигателю и коробке передач автомобиля.
подъемник привод электромеханический четырехстоечный
Электрическая система управления приводом состоит из кнопок управления движениями: «вверх», «стоп», «вниз», двух контакторов и концевых выключателей «вверх» и «вниз».
Концевые выключатели служат для автоматического задерживания (остановки) подъёмника в крайних положениях.
Преимущества такой системы:
Синхронизация работы подъемника осуществляется с помощью карданных валов и редукторов, расположенных под платформами.
Автоматическая смазка винтовой пары плунжерным насосом осуществляется во время подъема-опускания.
Таблица 1.1 — Технические данные прототипа
Электродвигатель типа SZJKe | 1 шт. |
Мощность электродвигателя | 5,5 кВт |
Номинальная скорость вращения | 720 мин-1 |
Напряжение питания | 220/380 В, 50 Гц |
Максимальная грузоподъемность | 8 тонн |
Высота подъема | 1500 мм |
скорость подъема | 2 м/мин |
расстояние между колоннами | 2500×3860 мм |
расстояние между осями наездных балок: максимальное минимальное | |
длина | 5000 мм |
ширина | 2800 мм |
высота | 1650 мм |
Собственный вес | 700 кг |
Таблица 1.
2 — Оборудование для прототипа.
Нормальное: | |
фундаментные болты и гайки | 12шт. |
клинья выпирания для вертикальной установки | 12шт. |
специальный ключ для натяжения цепи, шестигранный 24 | 1шт. |
односторонний гаечный ключ RWPA-41 | 1шт. |
односторонний ключ для круглых гаек RWPe-55-62 | 1шт. |
стяжка цепи | 1шт. |
рукоятка ручного приводе | 1шт. |
маховичок диаметром 12 | 2шт. |
Специальное: | |
помост для обслуживания | 1шт. |
регулируемые подставки | 1шт. |
Таблица 1.3 — Исходные данные.
Грузоподъемность | 8000 кг |
Высота подъема | 1500 мм |
Скорость подъема | 2 м/мин |
Блок: 3/3 | Кол-во символов: 3478
Источник: https://studwood.ru/1702119/tehnika/naznachenie_printsip_deystviya_razrabatyvaemogo_oborudovaniya
Назначение и функции
Автомобильные подъемники применяется для поднятия на определенную высоту и удержания машин в таком положение в течение длительного времени. Предназначены для выполнения работ по устранению неисправностей и проведения регламентов.
Платформенные автоподъемники имеют дополнительную функцию и используются в качестве основания стенда, на котором производится регулировки углов установки колес.
Блок: 3/15 | Кол-во символов: 409
Источник: https://stogear.pro/oborudovanie/11-vidov-avtopodemnikov.html
Двухплунжерный подъемник
Двухплунжерный подъемник представляет собой два спаренных одноплунжерных подъемника с общей подъемной рамой или без нее.
Спаренные плунжеры без общей рамы могут иметь синхронный или независимый привод. При независимом приводе можно устанавливать автомобиль при подъеме в наклонном положении.
Положительная сторона безрамных двухплунжерных подъемников состоит в лучшей доступности нижних частей автомобиля, отрицательная — в невозможности кругового вращения автомобиля в поднятом состоянии.
Схема гидравлического привода одноплунжерного подъемника показана на рисунке. Масло из бака 2, через всасывающий клапан с фильтром 1 подается насосом 4, приводимым в действие электродвигателем 3, в цилиндр подъемника. При работающем насосе, рукояткой 9 крана 6 управления, масло может быть направлено в цилиндр 12 через перепускной клапан 8 (при подъеме) или непосредственно в бак 2 (холостой ход).
Самопроизвольное опускание поднятого на подъемнике автомобиля предупреждается откидывающимися стойками, прикрепленными к раме подъемника.
Для гидравлического механизма используют веретенное масло или смесь 65% масла АК и 35% керосина.
Блок: 3/6 | Кол-во символов: 1908
Источник: https://ustroistvo-avtomobilya.ru/instrumenty-i-oborudovanie/pod-emniki/
Как выбрать
Российские и иностранные компании предлагают обширную номенклатуру автоподъемников разных типов.
Выбор конкретной модели автоподъемника осуществляется исходя из условий применения, требований и финансовых возможностей клиента.
При этом необходимо учитывать следующие моменты:
- Полезную площадь помещения и размеры площадки, выделенной под установку.
- Параметры системы электроснабжения.
- Технические характеристики оборудования.
- Особенности конструкции подъемника.
Параметры выбранной модели устройства должны обеспечивать возможность поднятия и удержания автомобилей возможно большего количества моделей и типов.
Особое внимание при этом следует уделить надежности, комплектности, эксплуатационным характеристикам и функциональности оборудования.
Важно!
При выборе автоподъемника решающее значение имеют:
- Максимальная грузоподъемность.
- Параметры электрического питания привода или насосной станции.
- Наличие дополнительного оборудования расширяющего функциональные возможности.

- Линейные размеры в рабочем и нерабочем состоянии.
- Стационарный или подвижный.
Для небольших помещений преимущественно выбираются ножничные подъемники, которые устанавливаются в углублениях пола, они не загромождают пространства бокса.
щаются страхующими устройствами для исключения возможности их опрокидыван
Не важно!
При подборе автомобильного подъемника не имеют решающего значения параметры и свойства, не оказывающие прямого влияния на выполнение его основных функций:
- Цвет стоек и лап автомобильного подъемника.
- Наличие в комплекте поставки слесарного инструмента.
- Вид транспортной упаковки.
Не особенно важно также и наличие известного бренда разрекламированная торговая марка заметно удорожает оборудование, не улучшая его потребительских свойств и функционала.
Блок: 4/15 | Кол-во символов: 1733
Источник: https://stogear.pro/oborudovanie/11-vidov-avtopodemnikov.
html
Выбор винтовых подъемников
Выбирается устройство с учетом планируемого объема работ и после проведения необходимых расчетов. Выбирая домкрат, определитесь сначала, хватит ли своих сил для использования механического приспособления или нужен электрический привод.
Если груз предполагается поднимать вручную, расчеты не проводятся, но когда предстоит выполнение более серьезных задач, производится расчет винтового устройства. Вычисления сводятся к определению требуемой мощности. С этой целью используются калькуляторы, предлагаемые рядом сайтов.
Еще при выборе домкрата нужно обратить внимание на его основные характеристики — рабочий ход и высоту подъема. Для гидравлических приспособлений важно передаточное число, от которого зависят усилие, передающееся на рукоятку, и мощность электромотора.
Наиболее распространенными среди автолюбителей домкратами являются механические устройства. Они имеют простую конструкцию, недорогие, нетребовательны к условиям хранения и перевозки, легко ремонтируются.
Тем не менее самые популярные — это ромбические домкраты, ведь подавляющее большинство автомашин российского производства оснащаются именно ими. Если нужно купить новое устройство, узнайте массу своего авто и подберите домкрат соответствующей грузоподъемности. Приобретайте устройство с небольшим запасом и не забывайте, что более мощные механизмы имеют большую массу и габариты, следовательно, им нужно больше места в гараже и багажнике.
Лучше покупать отечественные домкраты, так как в сравнении с зарубежными аналогами отличие в функциональности невелико, а стоимость гораздо меньшая. Вдобавок сервисные центры, ремонтирующие импортные устройства, есть не в каждом крупном городе.
Если под днищем авто имеется достаточно ровная площадка, подойдет в принципе любой домкрат, но когда предусмотрены выемки под конкретное устройство, придется искать его. Для подъема машины в гараже сгодится практически любая модель с гидравлическим, механическим или электроприводом.
В полевых условиях рекомендуется использовать механический домкрат с ручным приводом.
Блок: 4/4 | Кол-во символов: 2075
Источник: https://tokar.guru/instrumenty/ustroystvo-i-princip-raboty-vintovogo-mehanicheskogo-domkrata.html
Лучшие одностоечные автоподъемники
Устройство спроектировано специально для небольших помещений в качестве основного механизма и вспомогательного.
Автомобильный подъемник одностоечный состоит из опоры, вертикальной стойки, подвижной каретки с жестко закрепленными лапами и приводного механизма с электрическим двигателем. Устройство закрепляется на полу с твердым покрытием анкерными болтами, опорная конструкция располагается на поверхности или в нише.
Особенности
Одностоечные подъемники бывают двух видов: передвижные и стационарные. В мобильном варианте исполнения опорная конструкция снабжается катками для облегчения перемещения оборудования по цеху.
Передвижные модели дополнительно оснащаются страхующими устройствами для исключения возможности их опрокидывания при поднимании и удержании автомобиля.
ость регулирования ширины колеи за счет перемещения трапов в определенно
Характеристики
- Грузоподъемность от 800 до 1500 кг.
- Максимальный вес авто при подъеме на одного колесо до 2500 кг.
- Параметры электрической сети – трехфазная 380 В или однофазная 220 В.
- Тип подъемного механизма – электромеханический.
- Номинальная мощность от 1 100 до 26000 Вт.
- Время подъема на максимальную высоту от 30 до 35 с.
- Максимальная высота от 800 до 1800 мм.
- Высота зацепа минимальная 120 мм.
Плюсы и минусы
Плюсы
- В рабочем положение не загромождает пространство бокса.
- Простота применения.
- Большинство моделей имеет автоматическую систему смазки.
- Наличие защиты для ног механика.

- Предусмотрены устройства защиты от опрокидывания.
Минусы
- Низкая грузоподъемность.
- Лапы жестко закреплены в одном положении.
- Модель ПП-1-01 – самая доступная по цене.
- ProfiMaster – самая высокая грузоподъемность.
- MonoLift 800 (Werther-OMA478) – универсальность.
При выборе одностоечного автоподъемника следует учитывать ограниченность области применения из-за малой грузоподъемности. Передвижной вариант устройства, работающий от бытовой сети незаменим для хорошо оснащенного гаражного бокса.
Блок: 5/15 | Кол-во символов: 1939
Источник: https://stogear.pro/oborudovanie/11-vidov-avtopodemnikov.html
Вертикальные устройства
Конструкцию винтовых вертикальных домкратов разработали 30 лет назад, и с того времени она практически не изменилась. Главные конструктивные элементы устройств — это винт и корпус из стали. Грузоподъемность — до 1 т.
Основные преимущества:
- Незначительность усилия, прилагаемого на рукоятку.

- Большой рабочий ход.
- Стабильность нагрузки.
- Большая высота поднятия.
- Невысокая стоимость.
- Небольшая масса.
Минусы:
- Маленькая площадь опоры, невысокая устойчивость.
- Возможность применения лишь для подъема автомобилей с особыми проушинами.
- Большие габариты.
Во избежание «подлома» опытные автолюбители советуют дополнительно подкладывать под кузов поднятой машины бревна, кирпичи и т. п.
Стоечные механические
Стоечно-винтовые конструкции выпускаются с одним-двумя винтами и могут поднимать грузы массой до 3 т. Принцип работы одновинтовых устройств такой же, как у вертикальных. В двухвинтовых домкратах роль опорной гайки играет корпус. В первый винт с большим диаметром вкручен второй винт с крупной резьбой. При вращении ручки выносится винт большей окружности, из которого выходит винт с меньшим диаметром, за счет чего высота поднятия увеличивается.
Стоечные винтовые конструкции устойчивы и имеют жесткий каркас. К минусам можно отнести большой вес, а для домкратов с одним винтом — относительно малую высоту подъема.
Рычажно-винтовые
Многофункциональные устройства, применяющиеся для поднятия автомашин массой до тонны. Главными элементами являются винт, нижний и верхний рычаги. На верхнем рычаге имеются гайка и подхват, на нижнем — опорная площадка и винтовой упор. Угол между рычагом с подхватом и рычагом с площадкой изменяется вращением ручки.
Достоинства устройств:
- Сравнительно небольшая масса.
- Большой рабочий ход.
- Низкая начальная высота.
К минусам можно причислить невысокую жесткость конструкции и слабую устойчивость.
У винтовых домкратов жесткая конструкция и большая поверхность опоры, в использовании они универсальны. Недостаток же в малом рабочем ходе.
Ромбические домкраты
С помощью винтовых механических ромбических устройств поднимаются машины массой до 2 т. В комплекте несущего компонента имеются четыре рычага, соединенных шарнирами, которые расположены ромбом. Опускание и поднятие осуществляются за счет изменения углов ромба.
Привод ромбических механизмов может быть:
- механическим;
- гидравлическим;
- электрическим;
- ручным.
С помощью этих устройств можно поднять груз весом до 1,5 т. Конструкция имеет небольшие размеры, надежна, позволяет поднимать грузы на значительную высоту. Недостаток в довольно большой цене.
Комбинированные рычажно-винтовые изделия представляют собой своеобразное соединение ромбического и рычажного домкрата. Они негабаритны и имеют малую стартовую высоту. Недостатки же заключаются в низкой устойчивости и недостаточной жесткости.
Описанные виды могут быть отнесены к устройствам для применения главным образом в быту.
Каждая разновидность представлена разными по мощности моделями. Так, винтовой механизм, который применяется в строительстве, имеет большие габариты и может поднимать очень большой вес.
Блок: 3/4 | Кол-во символов: 3114
Источник: https://tokar.guru/instrumenty/ustroystvo-i-princip-raboty-vintovogo-mehanicheskogo-domkrata.html
Электромеханический подъемник-опрокидыватель
Электромеханический подъемник-опрокидыватель, показанный на рисунке, позволяет наклонять автомобиль под различными углами, но не более 60°.
Рис. Электромеханический опрокидыватель:
1 — стойка; 2 — подъемная рама; 3 — зажим крепления автомобиля; 4 — каретка; 5 — неподвижная рама
Привод подъемной рамы — от электродвигателя с червячным редуктором и винтом с гайкой, расположенными в стойке. При пользовании опрокидывателем необходимо предварительно снять с автомобиля аккумуляторную батарею и герметизировать отверстия главного тормозного цилиндра и горловины картера двигателя и топливного бака.
Блок: 6/6 | Кол-во символов: 644
Источник: https://ustroistvo-avtomobilya.ru/instrumenty-i-oborudovanie/pod-emniki/
Лучшие четырехстоечные автоподъемники
Устройство состоит из четырех колонн, грузовой платформы или двух раздельных трапов, подъемного механизма и привода.
Четырехстоечный автоподъемник оснащается системами синхронизации, обеспечивающими его работу и исключающими перекос рамы. Возможно использование оборудования в составе комплексов объективного контроля технического состояния грузовых автомобилей.
Особенности
Четырехстоечный автомобильный подъемник может иметь электромеханический или гидравлический привод.
Все модели в обязательном порядке оснащаются системами безопасности, исключающими возможность падения платформы при поломке механизма подъема.
Часть оборудования имеет возможность регулирования ширины колеи за счет перемещения трапов в определенном диапазоне.
Характеристики
- Грузоподъемность устройства от 4 до 6,5 т
- Размеры трапов: ширина до 475 мм, длина до 4800 мм.

- Расстояние между трапами от 1500 до 1700 мм.
- Высота подъема максимальная лот 1890 до 1950 мм.
- Параметры питания – 380 В, 50 Гц.
- Мощность привода электрическая до 3 кВт.
- Время подъема от 45 до 50 с, опускания до 25 с.
Плюсы и минусы
Плюсы
- Большая грузоподъемность четырехстоечных подъемников.
- Возможность аварийного спуска платформы при отключении питания.
- Удобство управления устройством.
Минусы
- Необходимость в точной регулировке оборудования в процессе эксплуатации.
- Возможность обрыва тросов при длительном использовании.
- Модель AMI 4,0N-WAY (Чехия) самая недорогая.
- Rotary SM65-51 (США) – наибольшая грузоподъемность
- Trommelberg TST455B (Германия-Китай) – максимальная комплектация.
Четырехстоечные автомобильные подъемники применяются для выполнения работ по обслуживанию и ремонту среднетоннажных грузовиков.
Устройство может служить основой для установки комплекса по регулировке развала и схождения.
Блок: 7/15 | Кол-во символов: 1763
Источник: https://stogear.pro/oborudovanie/11-vidov-avtopodemnikov.html
Электромеханический подъемник
К группе электромеханических подъемников относятся:
- стационарный винтовой четырехстоечнын подъемник для грузовых автомобилей и автобусов
- двухстоечный подъемник для легковых автомобилей
Рис. Электромеханический четырехстоечный подъемник ГАРО модели 448
В четырехстоечном подъемнике внутри стоек 8 имеются винты 4, на которых при помощи гаек 3 подвешена подъемная рама 5. Каждый винт приводится во вращение самостоятельным электродвигателем 1 через червячный редуктор 2.
Для вывешивания колес автомобиля служит подъемная тележка 6 с домкратами 7. Подъем и опускание рамы подъемника производятся четырьмя синхронными электродвигателями с реверсивными магнитными пускателями.
Грузоподъемность подъемника составляет 7 т; общая мощность электродвигателей — 11,2 квт.
Рис. Электромеханический двухстоечный подъемник
Блок: 4/6 | Кол-во символов: 841
Источник: https://ustroistvo-avtomobilya.ru/instrumenty-i-oborudovanie/pod-emniki/
Лучшие ножничные автоподъемники
Оборудование производиться в двух вариантах стационарном и передвижном. Ножничный автоподъемник имеет раму, на которой установлена пара двух- или четырехзвеньевых шарниров. Последние обеспечивают поднятие параллельно расположенных трапов и удержание их на определенной высоте.
В качестве приводов устройства применяются гидроцилиндры с компрессорной станцией.
Особенности
Устройство отличается компактностью и может устанавливать непосредственно на полу или заглублено. Гидросистема позволяет быстро и без перекосов поднять платформу на нужную высоту и опустить ее в штатном или аварийном порядке.
Некоторые модели ножничных подъемников могут быть использованы в качестве платформы для комплекса по регулировке развала-схождения.
Характеристики
- Высота подъема максимальная от 1900 до 2000 мм.
- Мощность потребляемая от 2,2 до 3 кВт.
- Параметры электропитания – 380 В и 220 В 50 Гц.
- Время поднятия платформы на полную высоту и опускание от 30 до 46 с.
- Грузоподъемность до 4000 кг.
- Клиренс автомобиля минимальный от 260 мм.
Плюсы и минусы
Плюсы
- Высокая надежность устройства.
- Есть стационарные и мобильные модели.
- Многие образцы комплектуются пультом дистанционного управления.
- Богатая комплектация.
Минусы
- Большие издержки на содержание и техническое обслуживание оборудования.
- Рассчитаны только на работу от промышленных сетей.
- Nussbaum JUMBO LIFT NT4000UF (Германия) – высокая надежность гидравлики.
- Werther StratosS39(OMA530C) (Италия) – самый недорогой.
- Модель ПГН-3000Н «Ермак» (Россия) – самая лучшая в эксплуатации.

Автомобильные подъемники ножничного типа применяются для обеспечения осмотра, ремонта и обслуживания микроавтобусов, легковых автомобилей и грузовиков малого класса. Заглубленная установка позволяет рационально использовать всю площадь помещения.
Блок: 9/15 | Кол-во символов: 1773
Источник: https://stogear.pro/oborudovanie/11-vidov-avtopodemnikov.html
Лучшие гидравлические автоподъемники
Оборудование устанавливается только стационарно в нишах, выбранных в полу цеха или бокса. Гидравлический автоподъемник состоит из одного или двух установленных вертикально гидроцилиндров, подхвата и компрессорной станции.
Опорные устройства для автомобилей бывают рычажными, или оснащаются Х- и Н-образными лапами. Плунжеры выдвигаются вверх и обеспечивают поднятие и удержание транспортного средства на требуемой высоте.
Особенности
Конструкция подъемника позволяет добиться высокой точности синхронизации выдвижения цилиндров.
Оборудование обычно представляет собой единый модуль.
Оснащается надежными системами безопасности, которые в случае отказа гидросистемы или разрыва магистралей блокируют устройство.
Аварийный спуск осуществляется при помощи перепускного клапана.
Характеристики вида
- Грузоподъемность до 3,5 т.
- Высота поднятия подхватов максимальная до 1990 мм.
- Регулировка ширина опорного устройства от 880 до 1620 мм.
- Минимальный дорожный просвет автомобиля от 60 мм.
- Потребляемая мощность от 2,2 до 3,0 кВт.
- Параметры питающей электросети – 380 В 50Гц.
- Время подъема– 30-40 с; спуска 24-60 с.
Плюсы и минусы
Плюсы
- Подъемник занимает минимум пространства.
- Большой ресурс гидроцилиндров.
- Наличие выносного пульта управления.
Минусы
- Высокая стоимость изделия и монтажа.
- Требуется большой приямок в полу для установки.
- Ravaglioli RAV1125 (Италия) – доступная цена.
- Nussbaum TOP LIFT 2.35 TSK (Германия) – максимум удобств при эксплуатации.
- Trommelberg TST35UX (Германия) – самая надежная модель.
Гидравлический подъемник рассчитан на поднятие легковых автомобилей, микроавтобусов и малотоннажных грузовиков. При покупке следует учитывать необходимость в регулярном и квалифицированном проведении ТО.
Блок: 10/15 | Кол-во символов: 1722
Источник: https://stogear.pro/oborudovanie/11-vidov-avtopodemnikov.html
Лучшие электрогидравлические автоподъемники
Существует два вида оборудования: двух- и четырехстоечное. Электрогидравлические автоподъемники упомянутых типов имеют такую конструкцию, как и аналоги с другими приводами.
Поднятие автомобиля осуществляется при помощи поворотных лап или регулируемых платформ. Работа гидравлика обеспечивается компрессорной станцией.
Особенности
Электрогидравлический автоподъемник спроектирован для стационарной установки.
Исполнительный механизм обеспечивает высокую скорость поднятия и спуска машины.
Оснащается системами защиты от перегрузок электродвигателя и гидросистемы. При аварийной остановке опускание производится вручную. При производстве деталей использованы износостойкие порошковые покрытия.
Характеристики
- Высота подъема 115-1850 мм.
- Рабочее давление в гидросистеме до 21 МПа.
- Время подъема и спуска до 45 с.
- Грузоподъемность от 3200 до 4000 кг.
- Характеристики электропитания – 380 В, 3 фазы.
- Потребляемая мощность от 2200 до 3000 Вт.
Плюсы и минусы
Плюсы
- Подъемники оснащаются механическими предохранительными устройствами.
- Блокировка гидроцилиндров в случае разрыва шлангов.
- Защита ног механика от попадания в рабочую зону.
Минусы
- Сложная система синхронизации.
- Возможность повреждения шлангов в процессе эксплуатации.

- Модель П2-07 (Россия) – самая недорогая.
- Werther 210I/42 (Германия)– самая надежная.
- Модель STD 6764 (Чехия) – самая удобная в эксплуатации.
Электрогидравлический автоподъемник предназначен для обеспечения ремонта легковых машин, микроавтобусов и малотоннажных грузовиков. Четырехстоечные модели используются в составе комплексов для регулировки развала-схождения.
Блок: 11/15 | Кол-во символов: 1607
Источник: https://stogear.pro/oborudovanie/11-vidov-avtopodemnikov.html
Лучшие грузовые автоподъемники
Оборудование предназначено для поднятия большегрузных транспортных средств. Существует три типа грузовых автоподъемников: платформенные, четырехстоечные стационарные и подкатные.
В последнем варианте применяются четыре или шесть отдельных электрогидравлических устройств, синхронизированных и приводимых с действие единой станцией.
Для поднятия платформы используется параллелограммная схема с поворотными стойками.
Четырехстоечная конструкция описана в соответствующем разделе.
Особенности
Все модели грузовых автоподъемников оснащаются блокирующими устройствами: гидрозамками и механическими стопорами. Платформенные конструкции устанавливаются на полу или в приямках.
Характеристики
- Грузоподъемность от 12 до 64 т.
- Электрическая мощность от 4 до 7,5 кВт.
- Высота подъема до 1500 мм.
- Время поднятия платформы на максимальную высоту от 90 до 160 с.
Плюсы и минусы
Плюсы
- Большая грузоподъемность.
- Может служить основанием для стенда по регулировке развала-схождения.
- Надежные системы безопасности оборудования.
Минусы
- Высокая стоимость подъемного устройства.
- Сложность ухода за оборудованием.
- Лучше подъемное устройство по удобству использования – ДАРЗ П-238М2.
- Самая надежная конструкция – 12Г272М (Россия).

- Модель 64Г272М1 (Россия) – самая высокая грузоподъемность.
Грузовые автоподъемники рассчитаны на поднятие тяжелой техники и автобусов. Подкатные модели – хороший вариант для организации работ по обслуживанию и ремонту техники вне помещений.
Блок: 13/15 | Кол-во символов: 1458
Источник: https://stogear.pro/oborudovanie/11-vidov-avtopodemnikov.html
Лучшие мобильные автоподъемники
Механическое устройство предназначается для поднятия и перемещения автомобиля в помещении.
Мобильный автоподъемник приводится в действие обычной электрической дрелью. Конструкция оснащается лыжами и катками для удобства при перетаскивании на ровных площадках.
Особенности
Мобильный автоподъемник имеет простую конструкцию и износостойкие покрытия. Небольшой вес позволяет его использовать в одиночку.
Характеристики
- Грузоподъемность от 3000 до 5000 кг.
- Масса устройства от 43 до 120 кг.

- Максимальная высота подъема до 600 мм.
- Время поднятия автомобиля до 25 с.
Плюсы и минусы
Плюсы
- Обширная комплектация.
- Большой ресурс.
- Допускается использование в боксах с низкими потолками.
Минусы
- Невозможность использования без электрической дрели.
- Отсутствие встроенных механизмов обеспечения безопасности.
- AUTOLift 3000 (Испания) – самая доступная по цене.
- Astra MiniLift (Испания) – самая грузоподъемная модель.
Мобильный автоподъемник предназначен для поднятия и перемещения легковых машин и микроавтобусов во время ремонта. Используется как вспомогательное оборудование.
Блок: 14/15 | Кол-во символов: 1075
Источник: https://stogear.pro/oborudovanie/11-vidov-avtopodemnikov.html
Лучшие мини автоподъемники
Мини автоподъемники конструируются по одностоечной или ножничной схеме с электромеханическим или гидравлическим приводом.
Оборудование относится к категории передвижного незаменимо для обеспечения доступа к отдельным узлам автомобиля в процессе ремонта или ТО. Обычно применяется в качестве вспомогательного устройства.
Особенности
Автомобильные мини подъемники оснащается системами безопасности и блокировки лап и каретки. При отключении электроэнергии опускание производится при помощи аварийного механизма. Устройства имеют высокую грузоподъемность.
Характеристики
- Высота подъема до 500 мм.
- Вес поднимаемого автомобиля от 2500 до 3000 кг.
- Напряжение и рабочая частота – 220 В, 50 Гц.
Плюсы
- Алюминиевый корпус компрессора.
- Надежная система блокировки в рабочем состоянии.
- Большая грузоподъемность подъемника.
Минусы
- Сложность применения.
- Возможность опрокидывания.
- DY-QJY3.0S (Китай) – самая недорогая и доступная модель.

- Модель KL-1-25 (Китай) – самая надежная.
Мини автоподъемники необходимы в основном как вспомогательное устройство при обслуживании и ремонте легковых машин и микроавтобусов.
Блок: 15/15 | Кол-во символов: 1107
Источник: https://stogear.pro/oborudovanie/11-vidov-avtopodemnikov.html
Количество использованных доноров: 5
Информация по каждому донору:
- https://stogear.pro/oborudovanie/11-vidov-avtopodemnikov.html: использовано 11 блоков из 15, кол-во символов 15634 (50%)
- https://ustroistvo-avtomobilya.ru/instrumenty-i-oborudovanie/pod-emniki/: использовано 4 блоков из 6, кол-во символов 4293 (14%)
- https://studwood.ru/1702119/tehnika/naznachenie_printsip_deystviya_razrabatyvaemogo_oborudovaniya: использовано 2 блоков из 3, кол-во символов 4245 (14%)
- https://StudFiles.net/preview/6211670/page:13/: использовано 2 блоков из 2, кол-во символов 870 (3%)
- https://tokar.
guru/instrumenty/ustroystvo-i-princip-raboty-vintovogo-mehanicheskogo-domkrata.html: использовано 3 блоков из 4, кол-во символов 6306 (20%)
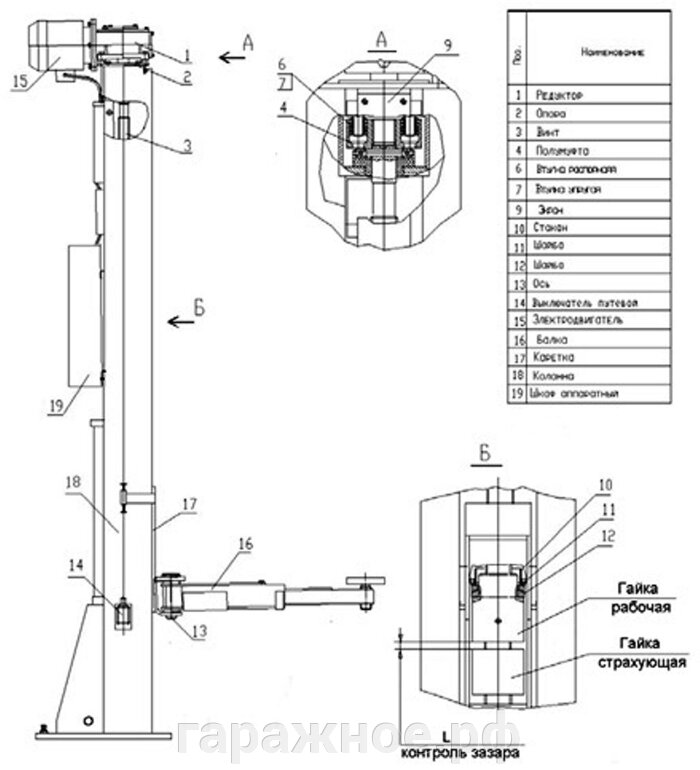
Устройство автомобильного подъемника
4 Июня 2013 / Строительство, промышленное оборудование
Конструкция автоподъемников
При открытии автосервиса необходимо приобрести автомобильный подъемник, ведь с его помощью проводится множество ремонтных работ. Поэтому без подобной техники не обойтись. Однако выбор может поставить в тупик, сегодня предлагается несколько разновидностей техники. Чтобы приобрести подходящий вариант, нужно тщательно изучить устройство автомобильного подъемника.
Конструкция двухстоечного подъемника
Этот вариант является наиболее простым. Его устройство представляет собой две стойки, на которых фиксируется автомобиль. С помощью электрогидравлического или электромеханического привода машина поднимается над землей.
Движение стоек синхронизировано, способ синхронизации зависит от типа привода. Этот подъемник довольно прост в устройстве, разобраться с ним может любой работник автосервиса. Двухстоечники требуют регулярного обслуживания. Такой вариант является наиболее популярным из-за доступной стоимости, но у двухстоечных подъемников есть и недостатки, в частности они занимают много места в помещении.
Конструкция четырехстоечного подъемника
Этот вариант поднимает автомобиль на платформе, которая крепится на четырех стойках. Платформы могут иметь разное устройство – простые гладкие платформы применяются для ремонтных работ, варианты с подвижными задними площадками используются для проведения сход-развала. Также существует третья разновидность четыерхстоечника, которая использует дополнительную траверсу, приподнимающую автомобиль над платформой. Тип привода может быть электромеханическим и электрогидравлическим. Первый вариант встречается реже, так как механика сталкивается с проблемами при синхронизации всех четырех стоек.
Конструкция ножничного подъемника
Устройство оборудования представляет собой два ножничных механизма, закрепленных параллельно, и основания. Подъем осуществляется с помощью гидравлического привода. Техника открывает больший обзор днища автомобиля, позволяет проводить кузовные работы. Но доступ до средней части может быть затруднен. Устройство подъемника позволяет закрепить его на анкерные болты, для монтажа не требуется подготовка фундамента.
Наиболее простым вариантом является двухстоечное оборудование. Но для развивающегося автосервиса лучше приобрести все варианты. Так вы будете более качественно проводить ремонт и диагностику автомобилей.
Подъемник автомобильный двухстоечный, двухстоечные подъемники | подъемники автомобильные, электрогидравлические, цена
Виды двухстоечных автомобильных подъемников:
Двухстоечные подъемники для автосервиса бывают двух видов: с нижней и верхней синхронизацией. Синхронизацией называется одновременное перемещение подвижных кареток на обеих стойках автомобильного подъемника.
Это позволяет исключить возможную ситуацию перекоса транспортного средства, и, таким образом, аварийную ситуацию.
Двухстоечные подъемники с нижней синхронизацией лап удобно устанавливать в невысоких помещениях, а так же они подходят для подъема габаритных автомобилей на максимальную высоту. Сборка, установка и монтаж такого оборудования является более простой. Недостатком такого двухстоечного автомобильного подъемника является наличие напольного трапа, через который необходимо «перепрыгивать» при каждом заезде и выезде автомобиля. Кроме того, отсутствие верхней перемычки в конструкции такого двухстоечного автомобильного подъемника приводит к сильной нагрузке на анкерные болты, которые углублены в бетон и удерживают колонны в вертикальном положении.
Двухстоечные подъемники с верхней синхронизацией лишены этого недостатка – исключить «сложение» стоек и, соответственно, аварийную ситуацию, помогает именно верхняя перемычка, т.к. она разгружает анкерные болты от чрезмерного давления.
Таким образом, если высота полотков вашего автосервиса позволяет установить П-образный вариант, и вы хотите быть уверены в безопасности оборудования, которая приобретаете, рекомендуем Вам обратить внимание на подъемники с верхней синхронизацией.
Среди двухстоечных подъемников для автосервиса основную популярность завоевали электрогидравлические — в основе их работы лежит усилие гидроцилиндра, приводимое в действие электрическим насосом. Для снижения нагрузки, в современных моделях гидроцилиндры установлены на каждую колонну.
Двухстоечный электрогидравлический автоподъемник должен находиться только в помещении. Его нельзя устанавливать на открытом воздухе. Монтаж такого аппарата должен осуществляться на ровной бетонной поверхности толщиной не менее 20см.
Принцип работы
Двухстоечный электрогидравлический подъемник работает следующим образом: автомобиль располагают между стойками. Мастер подводит под пороги автомобиля лапы, предназначенные для подъема машины.
После этой процедуры автомобиль должен располагаться так, чтобы его центр тяжести находился точно на линии, соединяющей стойки. Подъем осуществляется с помощью кнопки, включающей электропривод гидростанции. В этот момент мастер контролирует надежность установки машины на подъемном устройстве. Затем, с помощью той же кнопки осуществляется подъем на нужную высоту. Как только машина достигла нужной высоты, кнопку отпускают. После этого необходимо нажать на рычаг спуска, чтобы лапы надежно осели на стопора. Чтобы опустить машину, необходимо сначала приподнять его кнопкой подъема, после чего эти замки стопоров нужно разблокировать, потянув за тросики, находящиеся на колоннах. Либо, в зависимости от модели, разблокировка стопоров производится нажатием на кнопку пневматической или электромагнитной системы. Далее, нужно нажать на рычаг спуска и устройство опустится до нижнего положения.
Чтобы подъемное оборудование прослужило долго, нужно регулярно проводить его техническое обслуживание.
Необходимо проверять уровень масла в гидростанции, осматривать гидроцилиндры на предмет течи, проверять и регулировать натяжение тросов синхронизации.
Купить двухстоечный автомобильный подъемник можно в офисе нашей компании, специализирующей на продаже оборудования для автосервиса, или сделать заказ через сайт. Предпочтение в данном случае стоит отдавать европейским производителям, а также брендам, у которых есть своя сервисная служба в Санкт-Петербурге. Стоимость зависит от качества изготовления, функциональных особенностей и наличия дополнительных функций.
Расчет двухстоечного электромеханического подъемника (Курсовая работа)
ПОЯСНИТЕЛЬНАЯ ЗАПИСКА
К РАСЧЕТНОМУ ЗАДАНИЮ
«Расчет основных механизмов
двухстоечного электромеханического подъемника»
Оглавление
1. Устройство и принцип работы винтового электромеханического подъёмника
2.
Расчет силовой винтовой передачи
3. Расчет опорных роликов
4. Проверка на прочность поперечной балки
5. Расчет на прочность кронштейна поперечной балки
6. Расчет на прочность сварного шва
7. Определение параметров электродвигателя (мотора-редуктора)
8. Расчет стоимости подъемника
Литература
1. Устройство и принцип работы винтового электромеханического подъёмника
Рассмотрим устройство 2-стоечного
напольного подъемника (рис. 1). Он состоит
из двух коробчатых стоек и поперечины
2. В каждой стойке размещен винт 3, по
которому перемещается грузоподъемная
балка 4 с раздвижными подхватами 5.
Ходовые винты приводятся во вращение
от электродвигателя 6 через редуктор
7, установленный на одной из стоек.
Вращение на другой винт передается с
помощью цепной передачи 8, смонтированной
внутри поперечины 2.
Подъемник крепится к полу анкерными болтами 9. Упорные ролики 10 освобождают винт от изгибающих усилий.
Рисунок 1 – Винтовой электромеханический подъемник.
2. Расчет силовой винтовой передачи
Средний диаметр винта и гайки:
d2 = √(Q/π*k1*k2*[q]), (1)
где Q – вес, приходящийся на каждую стойку,
k1 — отношение веса гайки h к среднему диаметру резьбы, принимаем
k1= h/d2 = 1,6
k2 – коэффициент, зависящий от вида резьбы, для трапецеидальной резьбы k2 = 0,5
[q] – допускаемое давление для резьбы, [q] = 10 МПа.
С учетом запаса прочности,
необходимого для ходового винта
подъемника, принимаем трапецеидальную
однозаходную правую резьбу с диаметром
d2 = 34мм и шагом h
= 3 мм.
Принимаем материал винтовой коры:
для винта – Сталь 45;
для гайки – Бр ОЦС-6-6-3.
Проверяем условие самоторможения винта:
L< ρ, (2)
где L – угол подъема винтовой линии,
ρ – угол трения, для винтовой пары сталь-бронза ρ = 4º.
L = arctg (p/(π * dcp ), (3)
где р – шаг резьбы, р = 3 мм.
L = arctg (3/(3,14 * 34)) = 1,6º,
так как 1,6º<4º, то условие самоторможения выполняется.
Коэффициент полезного действия винтовой пары
η = tg L/tg (L + ρ), (4)
η = tg 1,6/tg (1,6 + 4) = 0,4
Выполним проверку винта на прочность с учетом совместного действия деформации сжатия и кручения. Условие прочности:
σпр < [σ], (5)
где σпр – приведенное напряжение от действия деформации сжатия и кручения
[σ]
– допускаемое напряжение.
σпр = √(σсж2+4τ2), (6)
где σсж – напряжение сжатия,
τ – касательное напряжение.
σсж = 4Q/(π * d22) , (7)
Q = dcp2*π*k1*k2*[q] = 0,0342*3,14*1,6*0,5*10*106=22940 кН
σсж = 4 *22940/3,14*0,0342= 32*106 Па = 32 МПа,
τ = Мкр/Wр ,
где Мкр – крутящий момент, прилагаемый к винту,
Wр – полярный момент сопротивления
Мкр = 0,5*Q*d22*tg(L+ρ)+Мп , (9)
где Мп – момент трения на опорах винта
Мп = 0,25*d2*Q*f0 , (10)
где f0 – коэффициент трения в подшипниках, f0=0,01
Мп = 0,25*0,034*22940*0,01 = 2468 Н*м
Мкр = 0,5*22940*0,0342*tg(1,6+4)+2468 = 2516 Н*м,
Wp = π*dв3/16 , (11)
dв = d2-H1-ac , (12)
где Н1 – высота профиля, Н1=1,5 мм,
aс – зазор по вершине резьбы, aс = 0,25.
dв = 34-1,5-0,25=32,25 мм
Wр = 3,14*0,032253/16 = 6,6*10-6мм3
τ = 2516/6,6*10-6 = 38,1 МПа
σпр = √(322+4*38,12)=82,6 МПа,
σпр = 82,6 МПа < [σ] = 160 МПа,
следовательно, условие прочности выполняется.
Далее выполняем проверочный расчет винта на продольный изгиб по внутреннему сечению.
Гибкость стержня
λ = μ*l/τmin , (13)
где μ – коэффициент приведенной длины стержня,
l – длина стержня, l = 1,5м,
τmin – минимальный радиус инерции рассчитываемого сечения стержня.
μ = μ1*μ2 , (14)
где μ1 – коэффициент, учитывающий способ заделки концов стержня, μ1= 0,7;
μ2 – коэффициент, учитывающий изменение формы стержня по длине,
μ2= 1
μ = 0,7*1=0,7
τmin = dmin/4 , (15)
dmin – минимальный диаметр стержня, который
равен внутреннему диаметру резьбы, dmin =32,25 мм.
τmin = 32,25/4 = 8,06 мм.
λ = 0,7*1,5/8,06 = 130
Определяем по таблице коэффициент уменьшения допускаемого напряжения при продольном изгибе, при λ =130 для материала Сталь 45 φ=0,33
Допускаемое напряжение при расчете на устойчивость
[σу] = φ*[σ] , (16)
[σу] = 0,33*160 = 52,8 МПа
Запас устойчивости
nу = [σу]/σсж , (17)
nу = 52,8/32 = 1,65
так как nу = 1,65 больше требуемого nу = 1, то запас устойчивости достаточен.
Необходимое число витков резьбы в гайке
Z = 4*Q/(π*[g]*(dн2 – dв2)), (18)
где [g] – допускаемое удельное давление в сопряжении винт-гайка, для пары сталь-бронза принимаем [g] = 12 МПа,
dн – наружный диаметр винта,
dв – внутренний диаметр винта.
Z = 4*22940/(3,14*12*(0,0342 – 0,032252)) = 27
Высота гайки
h = p*z = 3*27 = 81 мм
Наружный диаметр гайки
Dн = √((4*Q*k/(π*[σp]))+dн2 , (19)
где k – коэффициент запаса прочности, k=1,5,
[σр] – допустимое напряжение в гайке на растяжение, [σp] = 40 МПа.
Dн = √((4*22940*1,5/(3,14*40))+32,252 = 69,5 мм.
Синхронизация двухстоечных подъемников: виды, особенности, отличия
Одно из обязательных устройств для автомастерской – двухстоечный подъемник. Его используют для поднятия транспортного средства на определенную высоту, чтобы провести диагностику выхлопной системы, подвески, кузова, а в случае необходимости – выполнить их ремонт.
Важно подобрать надежную и прочную конструкцию, которая справится с нагрузкой и прослужит в течение длительного времени.
Какие типы автоподъемников представлены на рынке
Двухстоечные подъемники бывают двух типов – электрогидравлические и электромеханические.
Главные достоинства гидравлических конструкций:
- меньший расход энергии;
- плавная и размеренная работа без лишнего шума;
- быстрый подъем и спуск автомобиля;
- наличие опции «ручной спуск» при внеплановом отключении электроэнергии;
- соответствие нормам и требованиям безопасности;
- простые правила обслуживания конструкции;
- длительный срок эксплуатации.
Гидравлические подъемники – надежная и практичная конструкция. Она используется для диагностики и ремонта транспортных средств.
Ее выбирают не только из-за технических характеристик, но еще ввиду доступной цены.
Среди главных достоинств конструкций с электромеханическим приводом – простота сборки. Ее основным рабочим «органом» является пара винт-гайка. Этот элемент требует постоянного внимания и периодического обслуживания.
Ключевые преимущества устройств с электромеханическим приводом:
- высокая скорость спуска и поднятия транспортного средства;
- тихая работа: при поднятии или опускании авто неприятные звуки отсутствуют;
- плавный ход без рывков и колебаний.
Оба варианта подходят для СТО. Вопрос – в цене и в требованиях к техническим характеристикам конструкции.
Почему важно оценивать тип синхронизации подъемника
Один из главных критериев выбора автоподъемника – тип синхронизации. Есть два варианта: верхняя и нижняя.
В конструкциях с верхней синхронизацией тросы расположены вдоль перекладин над стойками. Пол остается ровным. И вы можете аккуратно загнать авто на подъемник и после диагностики и ремонта съехать с него.
Ключевые преимущества устройств с верхней синхронизацией:
- дополнительная жесткость: ее получают за счет стоек, соединенных сверху;
- прочные и практичные тросы, которые не поддаются воздействию влаги, коррозии.
В конструкциях с нижней синхронизацией тросы, соединяющие подвижные каретки, протягиваются вдоль пола. Они закрыты специальным трапом, чтобы автомобиль не повредил трос и гидравлический шланг. Плюс этого варианта в том, что любые угрозы для крыши авто или верхних стоек отсутствуют, на полу СТО также не остается повреждений.
Также среди преимуществ:
- доступная стоимость конструкции;
- простой и быстрый монтаж: собрать изделие можно за несколько часов;
- долгий срок эксплуатации: более 6 лет при средних нагрузках.
Перед тем как приобрести автоподъемник с верхней или нижней синхронизацией, оцените, какой вариант подходит больше по цене и по техническим параметрам.
Как выбрать двухстоечный подъемник
Выбирая оборудование для автомобильного сервиса, оцените следующие характеристики:
- габариты конструкции: высоту, ширину, длину, вес, и сразу решите, в какой части автосервиса вы ее разместите;
- грузоподъемность: минимальный и максимальный вес, который выдерживают стойки, трос и другие комплектующие конструкции без перенагрузки. Минимально подъемник должен выдерживать вес от 1,5 тонн;
- скорость подъема: чем быстрее осуществляется эта процедура, тем больше времени вы сэкономите на осмотре и обслуживании транспортного средства;
- высота подъема: она имеет значение во время осмотра нижней части автомобиля и ее ремонта в случае необходимости;
- правила эксплуатации и ухода за конструкцией: какие средства нужны, чтобы сохранить быстрый и плавный вход, исключить любые посторонние звуки при подъеме или спуске автомобиля;
- наличие в наборе крепежных элементов и анкерных болтов, облегчающих процесс сборки и установки конструкции.
Где приобрести двухстоечный подъемник
Оборудование для автомастерской рекомендуется приобретать у официальных дилеров в интернет-магазинах или обычных торговых точках. Такое оборудование должно поставляться с официальной гарантией, чтобы вы всегда знали, куда обратиться при возникновении трудностей с настройкой или поломках, от которых, как известно, никто не застрахован.
Двухстоечный подъемник электромеханический | Автобизнес
Двухстоечный подъемник отличается простотой конструкции и низкой стоимостью, что позволяет легко реализовать оснащение автосервиса.
На современных предприятиях автосервиса автоподъёмник является практически обязательным элементом оборудования, практически постоянно находящимся в эксплуатации. Они регулярно используются при техосмотрах и ремонтах автомобилей.
Подбор автоподъёмников для СТО или автомастерской нужно производить очень тщательно, учитывая весь ряд их технических характеристик.
Это прежде всего скорость и высота подъёма, габаритные размеры и грузоподъёмность.
Автоподъёмники бывают разных видов и отличаются внутри одного вида особенностями их конструкции. Самыми широко распространёнными видами являются подъемники двухстоечные, 4-х стоечные, а также и подъёмники ножничные.
Двухстоечный подъемник является наиболее распространённым видом подъёмного автосервисного оборудования. Его популярность обусловлена как простотой конструкции, так и хорошей ремонтопригодностью. а также возможностью выполнять все виды техобслуживания, шиномонтажа, диагностики и ремонта всех видов автотранспорта. имеющего общую массу до 5 тонн, включая мини-грузовики и микроавтобусы.
По типу привода подъёмники двухстоечные для предприятий автосервиса делятся на две категории: двухстоечные подъёмники электромеханические и электрогидравлические. У каждой категория есть как свои плюсы, так и минусы.
Подъемник двухстоечный электромеханический обладает следующими достоинствами:
- довольно небольшой стоимостью, позволяющей легко реализовать простейший из вариантов оснащения предприятия автосервиса;
- возможность надежной работы «электромеханики» даже при отрицательных температурах;
- простейший принцип работы электромеханического подъемного механизма на основе пары «винт-гайка», являющийся весьма долговременным и практически безотказным при правильном техпроцессе изготовления механизма. Почти у всех подъемников двухстоечных с электроприводом рабочие гайки изготовлены из полимерного материала. При выходе из строя полимерной гайки, для обеспечения безопасности, подъемник оснащается страховочной гайкой, установленной с небольшим зазором и не нагруженной при обычной работе. Этот зазор нуждается в ежедневной проверке, так как уменьшение его до определенной минимальной величины свидетельствует о полном износе рабочей гайки. Вес груза при этом удерживается страховочной гайкой, а эксплуатировать подъёмник двухстоечный в этом случае запрещено;
- конструктивные особенности передачи «винт-гайка» делают ненужным применение в конструкции электромеханических подъёмников дополнительных стопорных устройств для предотвращения нарушений фиксации автомобиля.
К основному недостатку подъемника электромеханического можно отнести само наличие нагруженных поверхностей трения в передаче «винт-гайка», отсутствующих в электрогидравлических подъемниках.
Устройство двухстоечного подъёмника электромеханического большинству сотрудников СТО обычно бывает известно досконально.
1. Устройство и принцип работы винтового электромеханического подъёмника. Расчет двухстоечного электромеханического подъемника
Похожие главы из других работ:
Анализ процесса термоконтактного крекинга на примере установки непрерывного коксования в псевдоожиженном слое
1.5 Устройство и принцип работы оборудования
коксование углеводород печь термический 1.5.1 На установках, термокрекинга и других производствах продолжают эксплуатироваться конструкции печей шатрового типа. Их широкому распространению способствовали простота устройства…
Дисковый питатель
1.2 Устройство и принцип работы питателя
Тарельчатые (дисковые) питатели применяют для пылевидных и кусковых (размером до 150 мм) материалов при непрерывной подаче материала в машины, а также для объемного дозирования порошкообразных материалов…
МНЭ АСУ вибрационного электрического стенда ВЭДС-10А
4 Устройство и принцип работы
Вибрационный электрический стенд типа ВЭДС-10А состоит из усилителя и пульта управления вибратором СУПВ-0,1А размещенных в одном шкафу, и вибратора ВЭД-10А. Стенки шкафа усилителя и пульта управления имеют вентиляционные жалюзи…
Модернизация основного оборудования блока регенерации растворителя на установке депарафинизации масел
2.1. Устройство и принцип работы колонны
Тарельчатый колонный аппарат (см. чертеж БРР 01.00.000.СБ) состоит из вертикального корпуса, эллиптического днища, крышки и жестко скрепленной с корпусом опорной обечайки цилиндрической формы , в свою очередь состоит из пяти царг…
Модернизация основного оборудования блока регенерации растворителя на установке депарафинизации масел
2.2.Устройство и принцип работы теплообменника
Теплообменник типа U (см. чертеж БРР 02.00.000.CБ) состоит из кожуха и трубного пучка. Трубная решетка соединена фланцевым соединением с кожухом и распределительной камерой. Камера закрыта эллиптической крышкой…
Обеспечение надежной работы центробежного компрессора ЦК-201
1.4 Устройство и принцип работы
Агрегаты электронасосные состоят их трех винтового насоса, элекродвигателя собранных на раме соединенных муфтой и фонарем. По принципу действия насос объемный. Насос состоит из следующих основных деталей и сборочных единиц: корпуса, крышек…
Попутный нефтяной газ
Устройство и принцип работы
Котлы серии «RS-D» являются водогрейными котлами с водотрубным скоростным теплообменником. Котлы относятся к классу гидронных, т.е. скорость воды в трубах теплообменника, образующих топку, достигает 2 м/сек…
Разработка комплекта узлов электромеханического четырёхстоечного подъемника
2. Проектирование и расчет силовых механизмов и привода электромеханического четырёхстоечного подъёмника
Расчет электромеханического четырёхстоечного подъёмника будет производится по методике изложенной в [1]. На рисунке 2.1 представлена кинематическая схема рассчитываемого подъемника. Рисунок 2.1 — Кинематическая схема(1-электродвигатель; 2…
Разработка тепловой установки для тепловлажностной обработки бетона
1 Устройство и принцип работы автоклава
Тепловлажностная обработка изделий под давлением выше атмосферного осуществляется в автоклавах…
Разработка технологического процесса восстановления детали «крышка картера» коробки передач трактора ТДТ-55
2.1 Устройство и принцип работы
Для разработки выбираем приспособление для крепления заданной детали на расточном станке. Нижняя полурамка укладывается на стол станка, и проводиться центрирование на растачивание отверстия под валик фиксатора…
Расчет конструкторских и технологических параметров сепаратора ОМЕ
1. Устройство и принцип работы
Сепаратор ОМЕ — очиститель тарельчатого типа с ручной периодической выгрузкой осадка из барабана. Изготавливается в полузакрытом исполнении. Сепаратор предназначен для непрерывной очистки молока от посторонних примесей…
Сварка деталей
2.3.4 Устройство и принцип работы машины
1. Машина МШ-1601 компонуется с использованием наружной поверхности и внутреннего объема несущей конструкции — корпуса 1. Корпус выполнен сварным, из прямоугольных труб и листовых гнутых элементов жесткости…
Техника кондиционирования воздуха
3. Устройство и принцип работы кондиционеров
Устройство. Основными узлами любого местного автономного кондиционера (как и любой холодильной машины) являются: · Компрессор — сжимает рабочую среду — хладагент (как правило — фреон) и поддерживает его движение по холодильному контуру…
Технический проект посолочного агрегата Я2-ФРЛ
8. Устройство и принцип работы
Рис. 8.1 Посолочный агрегат Я2-ФРЛ: 1 — электрооборудование; 2 — подъемник; 3 — пульт управления; 4 — устройство выбора дозы; 5 — измельчитель; 6 — двухсекционная фаршемешалка; 7 — дозатор рассола Устройство посолочного агрегата (рис. 8…
Технологическая подготовка ремонтного производства нефтеперекачивающих насосов
3.2 Устройство и принцип работы
Принцип действия насоса заключается в преобразовании получаемой от привода динамической энергии в потенциальную энергию давления и кинематическую энергию потока перекачиваемой жидкости за счет взаимодействия с жидкостью рабочих колес…
BendPak XPR-10AS Двухстоечный подъемник, 10 000 фунтов. Емкость, асимметричная
Двухстоечный подъемник XPR-10AS защищает автомобили и упрощает подъем
Автомобильный подъемник BendPak грузоподъемностью 10 тыс. Тонн — отличное дополнение к любому магазину или гаражу. Профессионалы любят мощность и надежность подъемника и знают, что наша репутация идет впереди нас. Между тем, домашние мастера с высокими потолками знают, что BendPak означает безопасный подъем, не выходя из дома. Избавьтесь от головной боли, связанной с несертифицированным, плохо сваренным куском мусора, и доверьте нам все возможное.
Ассиметричный двухстоечный подъемник XPR ‐ 10AS предлагает удобство широкой или узкой установки в одном настраиваемом пакете. Этот прочный, безопасный и надежный автомобильный подъемник оснащен раздвижной верхней балкой и рычагами Tru ‐ Metric, что позволяет удовлетворить практически любые требования к подъему транспортных средств. Простая, но в то же время очень сложная конструкция лифта сводит к минимуму затраты на обслуживание и техническое обслуживание, обеспечивая более низкие эксплуатационные расходы и более высокую производительность. Эти истинно асимметричные лифты оснащены колоннами, повернутыми на 30 °, для увеличения пространства при открывании дверей и доступа в салон автомобиля.Эксклюзивная конструкция каретки и рычага Tru ‐ Metric позволяет пользователям загружать автомобили либо симметрично (осевая линия автомобиля у колонны), либо асимметрично (осевая линия автомобиля позади колонны).
Все асимметричные модели имеют повернутые колонны для увеличения зазора при открывании дверей автомобиля. В то же время откидные рычаги обеспечивают больший проход при проезде. В этих моделях используется эксклюзивная конструкция рычага Tru-Metric, обеспечивающая возможность изменения положения рычага — симметричного или асимметричного, что обеспечивает большую универсальность и возможности обслуживания.Это как два автомобильных подъемника в одном!
Двухстоечный автомобильный подъемник с прямым приводом
Двухстоечные подъемникиBendPak XPR-10 оснащены гидроцилиндрами прямого привода HVLP низкого давления: больше никаких подъемных цепей или винтов. Двойные цилиндры низкого давления HVLP сводят к минимуму утечки, обеспечивают лучшую надежность, более плавную работу и меньшие затраты на техническое обслуживание в течение всего срока службы вашего лифта. Большой объем и низкое давление означают меньшую нагрузку на всю гидравлическую систему. Технология прямого привода предпочтительна для двухстоечных автомобильных подъемников коммерческого класса, поскольку в ней меньше движущихся частей, чем в цилиндрах с цепной передачей и роликами.Гидравлическая жидкость под давлением течет от силового агрегата к полым штокам цилиндра, попадая в корпус цилиндра и заполняя его внутреннюю полость. Давление гидравлической жидкости выдвигает шток поршня вниз, поднимая корпус цилиндра и поднимая каретки. Система выравнивания с двойной синхронизацией поддерживает равномерный подъем и обеспечивает операторам стабильное и ровное рабочее состояние транспортного средства.
Комплект для сборки двухступенчатого телескопического винта
Двойные телескопические винтовые колодки входят в стандартную комплектацию каждого асимметричного автомобильного подъемника 10K.Эти полиуретановые прокладки идеально подходят для интенсивных условий работы в цехах и для занятых механиков, которые не могут позволить себе изнуряющее время простоя. В комплект входят штабелируемые адаптеры 63 мм для еще большей универсальности.
Низкопрофильные контактные площадки рамы с откидным концом
С этими низкопрофильными контактными площадками проложите еще больше автомобилей. Рама с откидным концом делает обслуживание большего количества автомобилей проще, чем когда-либо.
Тройные телескопические передние рычаги и двухступенчатые задние рычаги
Двухстоечный подъемник вмещает почти любую колесную базу.Подушечки можно выдвигать или убирать практически в любой мыслимой конфигурации.
Опоры для трубки опущенного рычага
Опоры трубок рычагов на других лифтах имеют тенденцию царапать двери автомобиля. Мы опустили наши на землю, чтобы они не касались дверей машин и не повредили их.
Автоматические подлокотники
Как только подъемные рычаги автомобиля поднимаются, подлокотники включаются автоматически. Они отключаются при опускании каретки подъемника, что упрощает их перемещение после полного опускания автомобиля.
Высокие подъемные тележки
53-дюймовые лифтовые тележки выше вагонов других производителей. Это снижает нагрузку на опоры нагрузки, а также на колонны. Это также продлевает срок службы вашего лифта.
Несущие подшипники, не требующие обслуживания
ПодшипникиUHMW не нуждаются в смазке, и они служат вечно. Вот почему двухстоечный подъемник BendPak никогда не имеет более слабых, устаревших роликовых подшипников.
Колонны цельные
Обеспечивая изготовление каждой подъемной стойки из цельного куска стали, мы обеспечиваем высочайшее качество опорной системы для вашего автомобиля.
Одноточечный предохранитель
Одноточечная предохранительная разблокировка делает подъемник более простым и безопасным.
На уровне
Двухсинхронное выравнивание означает, что обе подъемные каретки поднимаются одновременно, а телескопические рычаги остаются устойчивыми и горизонтальными в каретке.
Гидравлические цилиндры промышленного назначения
В каждый гидроцилиндр серии XPR-10 встроен цельный стальной поршень с пилотной установкой, который обернут специально разработанными, нагруженными давлением U-образными поршневыми уплотнениями, подпорками и изнашиваемыми полосами, которые практически исключают любой перепуск жидкости.Микрогладкий хромированный стержень изготовлен из высокопрочной, шлифованной и отполированной микролегированной стали C-1045/50 и покрыт гальваническим покрытием минимум 0,001 дюйма в диаметре, чтобы обеспечить превосходную работу и срок службы цилиндра. Благодаря высокопрочным, механически нагруженным уплотнениям штока утечки в штоке остались в прошлом, а специально разработанный износостойкий уретановый грязесъемник штока обеспечивает исключительную защиту.Сварной корпус цилиндра изготовлен из прочных стальных труб, которые превышают требования ASTM.
Высокоскоростная гидравлика
Безнапорные гидравлические линии высокого давления 3/8 дюйма, высокопроизводительный насос и встроенный блок питания переменного тока работают вместе, обеспечивая более быстрый двухстоечный подъемник.
Автоматическое отключение
Мягкий запорный выключатель проходит через верхнюю часть потолочной балки, автоматически останавливая движение подъемника при активации.
Выберите телескопические рычаги low-pro ™
Для автомобилей с труднодоступными или необычными точками подъема (например, старые автомобили и некоторые электромобили) требуются рычаги BendPak Low-Pro. Они также идеально подходят для спортивных автомобилей и профессиональных гоночных автомобилей.
Выберите увеличенную высоту
Если вам нужно больше места для ваших легковых и грузовых автомобилей, XPR-10AS-168 более легко приспособит для высотных транспортных средств.Даже эти изящные Sprinters с комфортом поместятся в эту конструкцию автомобильного подъемника увеличенной высоты.
Выберите удобство прозрачного пола
Двухстоечный подъемник Clearfloor сохраняет свободное пространство внизу и пропускает все провода и шланги вверху. Это немного упрощает передвижение и защищает чувствительные компоненты.
Двухстоечный подъемник XPR-12CL — Двухстоечный подъемник Clearfloor
Двухстоечный подъемник XPR-12CL для тяжелых условий эксплуатации
Наш двухстоечный подъемник XPR-12CL предлагает широкий выбор прочных, безопасных и надежных систем практически для любого подъемного оборудования.Это невероятно быстрый подъемник с надежным меню функций для повышения эффективности и производительности. Они никогда не перегружают вас обслуживаемыми деталями и постоянным техническим обслуживанием, и в результате вы получаете более низкие эксплуатационные расходы и более высокую производительность. Если вы хотите заработать больше денег за меньшее время, чем когда-либо прежде, вы обнаружите, что этот автоподъемник станет идеальным дополнением к вашему магазину, особенно когда вы работаете с более крупными и тяжелыми транспортными средствами, которым требуется большая грузоподъемность.
Но то, что эти сверхмощные модели были разработаны для больших задач, не означает, что они не могут справиться и с легкими задачами.Двухстоечный подъемник XPR-12CL может легко поднять ваши самые большие полноразмерные пикапы и коммерческие автомобили, но при этом они по-прежнему обеспечивают особые возможности для спортивных и компактных автомобилей, как иностранных, так и отечественных. Грузоподъемность 12K оснащена рычагами с полным вылетом, которые складываются до стандартной длины, и подъемными подушками с нижним расположением сидений, которые сцепляются со стандартными легковыми автомобилями. Колонны также размещены шире для грузовиков с фиксированными буксировочными зеркалами, а верхняя балансирная балка находится вверху и не мешает для этих транспортных средств доставки «большого объема».Когда дело доходит до простоты использования, наша система эквалайзера с двойной синхронизацией и удобные элементы управления являются легендарными.
XPR-12CL — наша модель с закрытым верхом. Модель с закрытым верхом обеспечивает удобство работы с полом, так как гидравлические линии проходят вверх и скрываются из поля зрения, но она может не подойти для более высоких транспортных средств. Двухстоечный подъемник с закрытым верхом / прозрачным полом позволяет двум техническим специалистам легко перемещать ящики для инструментов, домкраты трансмиссии, слив масла и другое оборудование под приподнятым транспортным средством.
Гарантия качества при подъеме тяжелых грузов
Когда вы покупаете BendPak, вы можете ожидать значительного повышения производительности и ожидаемого срока службы лифта, потому что ваш лифт будет последним из тех, что вы когда-либо покупали.Никто не превосходит нас по качеству и безопасности. Вот почему, когда вы пользуетесь одним из наших подъемников, вы получаете больше, чем просто отличный продукт. Вы получаете душевное спокойствие. В этом преимущество BendPak.
Комплект тройных телескопических рычагов
Трехступенчатые передние и трехступенчатые задние рычаги обеспечивают больший максимальный вылет, а также превосходное минимальное втягивание. Используйте эту сверхмощную подъемную систему для подъема стандартных легковых автомобилей и тяжелых грузовиков.
Дополнительный комплект сверхдлинных рычагов
Если вам нужна возможность обслуживать автомобили с очень длинной колесной базой, вариант LWB от BendPak предлагает почти 72 дюйма вылета.Идеально подходит для труднодоступных точек подъема, недоступных для других автомобильных подъемников.
Дополнительный удлинитель стойки
BendPak может увеличить ваш надземный просвет, чтобы максимально увеличить количество типов транспортных средств, которые вы можете обслуживать в этой весовой категории.
Низкопрофильные контактные площадки рамы с откидным концом
Несмотря на большую грузоподъемность, XPR-12CL позволяет легко попасть под низкопрофильную машину. Это связано с тем, что двухстоечные подъемные рычаги предназначены для использования практически со всеми типами транспортных средств.
Набор адаптеров из 16 предметов / стандартный
Другие могут взимать дополнительную плату за эти необходимые адаптеры, но они входят в стандартную комплектацию каждого XPR-12CL. В состав набора входят четыре 6-дюймовых штабелируемых адаптера, четыре 3-дюймовых штабелируемых адаптера; четыре полиуретановые контактные площадки; и четыре опоры каркаса люльки. Он идеально подходит для грузовиков и фургонов с подножками или дополнительными топливными баками.
Опоры для трубки опущенного рычага
Двухстоечный подъемник для тяжелых условий эксплуатации имеет размеры, отличные от наших небольших подъемников, а это означает, что наша конструкция должна обеспечивать, чтобы все рамы транспортных средств, особенно рамы низко висящих дверей, имели достаточный зазор для открытия дверей, когда лифт находится внутри. операция.
Автоматические подлокотники
Когда подъемные рычаги поднимаются, подлокотники автоматически захватывают даже самый большой автомобиль. Когда лифт спускается, удерживающие устройства снимаются. Независимо от размера вашего груза, он будет безопасным, прочным и практически неподвижным.
Высокие подъемные тележки
Мы строим наши подъемные колонны высокими, чтобы снизить нагрузку на каждую колонну. Благодаря высоте колонны 53 дюйма, что выше, чем у многих наших конкурентов, BendPak остается более надежным вариантом для вашего гаража.
Несущие подшипники, не требующие обслуживания
BendPak делает свои опоры из сверхвысокомолекулярного полиэтилена, чтобы обеспечить их срок службы в течение всего срока службы лифта. Они не требуют смазки (в отличие от роликовых подшипников) и устойчивы к агрессивным химическим веществам и другим опасностям окружающей среды.
Колонны цельные
Комбинированный 12000 фунтов. Каждая колонна емкости сделана из цельного куска стали, поэтому каждая часть остается прочнее и служит дольше.
Технология двойного прямого привода
За счет использования двух цилиндров прямого привода HVLP низкого давления мы устранили необходимость в подъемных цепях или винтовых механизмах, которые обычно используются в других конструкциях подъемников. Технология прямого привода HVLP обеспечивает лучшую надежность, более плавную работу и меньшие затраты на техническое обслуживание. Большой объем при низком давлении означает меньшую нагрузку на всю гидравлическую систему.
Одноточечный предохранитель
Предохранительная разблокировка автомобильного подъемника одноточечная и простая в использовании.Мы делаем наши операции простыми, поэтому вы всегда будете в безопасности.
На уровне
Чтобы поддерживать безопасные условия в гараже, каждый двухстоечный подъемник XPR-12CL оснащен нашей системой выравнивания с двойной синхронизацией. Это позволяет поддерживать одинаковую подъемную механику с обеих сторон подъемника в любое время.
Автоматическое отключение
Жесткая, мягкая предохранительная запорная штанга автоматически останавливает подъемник, если автомобиль соприкасается с потолочной конструкцией.
Гидравлические цилиндры промышленного назначения
В каждый гидроцилиндр серии XPR встроен цельный, предварительно установленный, обработанный стальной поршень, который обернут специально разработанными, нагруженными давлением U-образными поршневыми уплотнениями, подпорками и изнашиваемыми полосами, которые практически исключают любой перепуск жидкости.Микрогладкий хромированный стержень изготовлен из высокопрочной, шлифованной и полированной микролегированной стали C-1045/50 и покрыт гальваническим покрытием минимум 0,001 дюйма в диаметре, чтобы обеспечить превосходную работу и срок службы цилиндра. Благодаря высокопрочным, механически нагруженным уплотнениям штока утечки в штоке остались в прошлом, а специально разработанный износостойкий уретановый грязесъемник штока обеспечивает исключительную защиту.Сварной корпус цилиндра изготовлен из прочных стальных труб, которые превышают требования ASTM.Эта комбинация превосходного основного материала и превосходной обработки гарантирует, что цилиндры остаются прямыми и гладкими и служат очень долго.
Высокоскоростная гидравлика
Гидравлические магистрали 3/8 дюйма высокого давления, высокопроизводительный насос и встроенный силовой агрегат переменного тока увеличивают скорость подъема и спуска, повышая производительность.
Увеличенная высота
Безопасный и прочный двухстоечный подъемник XPR-12CL-192 оснащен колоннами увеличенной высоты для увеличения свободного пространства над головой, а также регулируемой верхней балкой для установки в широких или узких местах.
XPR-9S Двухстоечный подъемник — плита пола
Двухстоечный автомобильный подъемник XPR-9S идеально подходит для автомобилей, грузовиков и внедорожников
Двухстоечный подъемник XPR-9S разработан как для профессионалов, так и для любителей. Мощный и безопасный, этот подъемник сертифицирован CE и соответствует или превосходит стандарты, предписанные европейским стандартом EN 1493. Он отличается невероятно высокой скоростью подъема и надежным набором функций для повышения эффективности и производительности при меньшем количестве обслуживаемых деталей и сокращении затрат на техническое обслуживание.В результате снижаются операционные расходы и повышается производительность. Если вы хотите сделать больше за меньшее время, чем когда-либо прежде, эта модель станет идеальным дополнением к вашему магазину.
Эти двухстоечные модели подъемников способны без усилий поднимать полноразмерные пикапы и коммерческие автомобили, но при этом они по-прежнему обеспечивают особые возможности для спортивных и компактных автомобилей, как иностранных, так и отечественных. XPR-9S — прочная модель с открытым верхом, весит 9000 фунтов. максимальная вместимость, что делает его идеальным для гаражей с низкими потолками.Когда дело доходит до простоты использования, наша система эквалайзера с двойной синхронизацией и удобные элементы управления являются легендой.
BendPak стремится производить лифты высочайшего качества на рынке, поэтому наши инженеры гарантируют, что наши лифты спроектированы, построены и испытаны в соответствии со стандартами OSHA / ALI / ETL. Важнейшие особенности, которые вы видите в XPR-9S, также можно увидеть в наших моделях подъемников для тяжелых условий эксплуатации.
Комплект для сборки двухступенчатого телескопического винта
В двухстоечном подъемнике XPR-9S используются наши винтовые колодки с двойным выдвижением.Эти накладки устойчивы к разрыву и выдавливанию. Их толстая и прочная конструкция обеспечивает безопасную работу на рабочем месте. Штабелируемые адаптеры 63 мм входят в стандартный набор для каждого подъемника, помогая добраться до точек подъема на любом транспортном средстве.
Низкопрофильные контактные площадки рамы с откидным концом
От гоночных автомобилей до компактных автомобилей с опусканием — этот подъемник обладает универсальностью: он может попасть под шасси, не повредив корпус или раму вашего автомобиля.
Тройные телескопические передние рычаги и двухступенчатые задние рычаги
Многоступенчатые манипуляторы достаточно универсальны, чтобы справиться со всем, что вам нужно поднять.Длина стрелы и минимальный вылет стрелы у этого подъемника увеличены, поэтому стрелы могут поднимать автомобили с цельной конструкцией. Они точно касаются точек подъема, рекомендованных изготовителями оборудования, и подходят для широкой и узкой колесной базы.
Опоры для трубки опущенного рычага
Конфигурация наших трубчатых рычагов была изменена, чтобы облегчить открывание дверей, когда подъемники автомобиля находятся в зацеплении с лифтом. Это особенно полезно, если у вашего автомобиля низко висящие двери. Мы принимаем все меры, чтобы предотвратить повреждение вашего имущества с помощью нашего двухстоечного подъемника.
Автоматические подлокотники
Двухстоечный подъемник XPR-9S оснащен функцией автоматического включения / отключения рычага, которая срабатывает при подъеме подъемника и отключается при опускании. В опущенном состоянии подъемные рычаги легко разместить под шасси вашего автомобиля.
Высокие подъемные тележки
Подъемные каретки — это подъемные устройства, к которым крепятся рычаги. При длине 53 дюйма подъемные тележки BendPak выше, чем у большинства наших конкурентов, что позволяет нам снизить нагрузку на колонну и нагрузку.
Несущие подшипники, не требующие обслуживания
ВBendPak используются несущие элементы из сверхвысокомолекулярного полиэтилена, поскольку они устойчивы к химическим веществам, погодным условиям, износу и т. Д. И никогда не нуждаются в замене, пока вы владеете лифтом. Другие компании используют роликовые подшипники, требующие смазки. Подшипники UHMW никогда не нуждаются в смазке или обслуживании.
Колонны цельные
Одноколонная конструкция снижает утомляемость при приложении больших нагрузок.Они также прочнее, чем конструкции из составных колонн.
Одноточечный предохранитель
XPR-9S использует элементы управления в стиле «мертвого человека». В отличие от того, что следует из названия, этот стиль управления имеет одноточечную предохранительную разблокировку и делает работу подъемника более безопасной.
На уровне
Двухстоечные подъемники оснащены системой двойной синхронизации для поддержания уровня подъема и создания безопасной рабочей среды.
Гидравлические цилиндры промышленного назначения
Цельный стальной поршень с пилотной установкой встроен в каждый двухстоечный подъемник XPR-9S.Поршень встроен в каждый гидроцилиндр и включает в себя нагруженное давлением U-образное поршневое уплотнение, резервные и изнашиваемые ленты, предотвращающие утечку жидкости через поршень. Сам хромированный шток поршня микрогладкий и изготовлен из высокопрочной микролегированной стали C-1045/50, которая отшлифована и профессионально отполирована до диаметрального минимума 0,001 дюйма. Это обеспечивает более длительный срок службы цилиндра.
Фактически, BendPak разрабатывает свои автомобильные подъемники с высокопрочным и механически нагруженным уплотнением штанги, поэтому штоки никогда не протекают.Стеклоочистители с уретановыми стержнями устойчивы к истиранию и обеспечивают полную исключительную защиту. Сварной цилиндр изготовлен из прочных стальных труб, которые легко превышают спецификации ASTM для сертификации. Предлагая прочную основу в дополнение к высококачественной обработке, BendPak гарантирует, что ваш двухстоечный подъемник будет прямым, гладким и долговечным на долгие годы.
Высокоскоростная гидравлика
Наши гидравлические линии имеют толщину 3/8 дюйма, а проточный насос высокого давления поставляется со встроенным блоком питания переменного тока, который позволяет операторам управлять скоростью подъема и спуска кабины.
* Запрос о доступности * 9000 фунтов. Двухстоечный лифт для чистых полов: Eagle Equipment
Грузовые перевозки
Для доставкиEagle Equipment использует обычных перевозчиков, FedEx Ground, UPS и независимых грузовых перевозчиков. Мы договариваемся о наиболее конкурентоспособных тарифах на перевозку и передаем эту экономию нашим клиентам. Мы прилагаем все усилия, чтобы минимизировать транспортные расходы для наших клиентов и обеспечить своевременную доставку.
Доставка большинства товаров на складе осуществляется в течение двух рабочих дней.Eagle Equipment не несет ответственности за любой ущерб, связанный с недоступностью инвентаря или задержками с доставкой.
Eagle Equipment отправляет всю продукцию на условиях FOB на наши склады. Право собственности на товар переходит к покупателю, когда товар покидает нашу док-станцию.
Предметы, рекламируемые с пометкой «Бесплатная доставка», применимы только к отправлениям в 48 смежных штатах (за исключением Аляски, Гавайев, Канады и Мексики).
Позвоните в отдел продаж по телефону 1-800-336-2776, чтобы уточнить стоимость перевозки.
Доставка и разгрузка
Заказчик несет ответственность за выгрузку груза из грузовика. Eagle Equipment не несет ответственности за любые дополнительные расходы или убытки, которые могут быть понесены в результате разгрузки из грузовика перевозчика.
Грузовые перевозчики имеют ограничения на доставку по адресам проживания и могут потребовать забрать товар на грузовом терминале. Для разгрузки подъемников потребуется вилочный погрузчик. В таких случаях выгодно отправить товар на грузовой терминал, где персонал терминала разгружает продукт и загружает его на трейлер или грузовик клиента.Лифты нельзя разгружать с помощью подъемно-транспортного средства. Мы не можем сообщить клиентам точное время доставки, так как мы не осуществляем доставку на собственных грузовиках. Мы сообщим нашим клиентам примерное время доставки и предоставим им информацию для отслеживания.
Все посылки должны быть проверены сразу после получения.
В целях вашей безопасности любые внешние повреждения должны быть указаны в коносаменте во время доставки, чтобы иметь право предъявить претензию к перевозчику.О скрытых повреждениях необходимо сообщить транспортной компании в течение трех дней с момента доставки. Заказчик обязан подать иск о возмещении ущерба транспортной компании. О недостающих / недостающих деталях необходимо сообщить в службу поддержки Eagle Equipment в течение семи дней с момента доставки.
Только для покрасочных кабин , у клиентов есть 30 дней, чтобы сообщить о нехватке / недостающих деталях.
Требования к заказу на самовывоз
Клиенты могут забирать заказы со склада STE, расположенного в Гринсборо, Северная Каролина.Важно позвонить в STE до того, как вы планируете приехать, чтобы забрать свой заказ, чтобы мы могли убедиться, что ваш заказ есть на складе и готов к отправке. Мы можем предложить самовывоз на нашем складе только с понедельника по пятницу с 8:30 до 16:00.
Клиенты должны принести соответствующий прицеп с ремнями для фиксации при подборе оборудования. Оборудование STE нельзя загружать в автомобиль, грузовик или внедорожник. Оборудование должно быть надежно закреплено и находиться на прицепе или иметь соответствующие ограничения по весу. Мы можем посоветовать вам подходящий прицеп-пикап и транспортное средство до вашего приезда.STE оставляет за собой право отказать в погрузке оборудования на неподходящие прицепы. STE не несет ответственности за любой ущерб, нанесенный транспортному средству или оборудованию клиента после того, как оборудование было закреплено на прицепе клиента.
MTP-12C | Симметричный напольный подъемник для чистых помещений, 2 стойки, 12000 фунтов,
Грузовые перевозки
Для доставкиEagle Equipment использует обычных перевозчиков, FedEx Ground, UPS и независимых грузовых перевозчиков. Мы договариваемся о наиболее конкурентоспособных тарифах на перевозку и передаем эту экономию нашим клиентам.Мы прилагаем все усилия, чтобы минимизировать транспортные расходы для наших клиентов и обеспечить своевременную доставку.
Доставка большинства товаров на складе осуществляется в течение двух рабочих дней. Eagle Equipment не несет ответственности за любой ущерб, связанный с недоступностью инвентаря или задержками с доставкой.
Eagle Equipment отправляет всю продукцию на условиях FOB на наши склады. Право собственности на товар переходит к покупателю, когда товар покидает нашу док-станцию.
Предметы, рекламируемые с пометкой «Бесплатная доставка», применимы только к отправлениям в 48 смежных штатах (за исключением Аляски, Гавайев, Канады и Мексики).
Позвоните в отдел продаж по телефону 1-800-336-2776, чтобы уточнить стоимость перевозки.
Доставка и разгрузка
Заказчик несет ответственность за выгрузку груза из грузовика. Eagle Equipment не несет ответственности за любые дополнительные расходы или убытки, которые могут быть понесены в результате разгрузки из грузовика перевозчика.
Грузовые перевозчики имеют ограничения на доставку по адресам проживания и могут потребовать забрать товар на грузовом терминале.Для разгрузки подъемников потребуется вилочный погрузчик. В таких случаях выгодно отправить товар на грузовой терминал, где персонал терминала разгружает продукт и загружает его на трейлер или грузовик клиента. Лифты нельзя разгружать с помощью подъемно-транспортного средства. Мы не можем сообщить клиентам точное время доставки, так как мы не осуществляем доставку на собственных грузовиках. Мы сообщим нашим клиентам примерное время доставки и предоставим им информацию для отслеживания.
Все посылки должны быть проверены сразу после получения.
В целях вашей безопасности любые внешние повреждения должны быть указаны в коносаменте во время доставки, чтобы иметь право предъявить претензию к перевозчику. О скрытых повреждениях необходимо сообщить транспортной компании в течение трех дней с момента доставки. Заказчик обязан подать иск о возмещении ущерба транспортной компании. О недостающих / недостающих деталях необходимо сообщить в службу поддержки Eagle Equipment в течение семи дней с момента доставки.
Только для покрасочных кабин , у клиентов есть 30 дней, чтобы сообщить о нехватке / недостающих деталях.
Требования к заказу на самовывоз
Клиенты могут забирать заказы со склада STE, расположенного в Гринсборо, Северная Каролина. Важно позвонить в STE до того, как вы планируете приехать, чтобы забрать свой заказ, чтобы мы могли убедиться, что ваш заказ есть на складе и готов к отправке. Мы можем предложить самовывоз на нашем складе только с понедельника по пятницу с 8:30 до 16:00.
Клиенты должны принести соответствующий прицеп с ремнями для фиксации при подборе оборудования. Оборудование STE нельзя загружать в автомобиль, грузовик или внедорожник.Оборудование должно быть надежно закреплено и находиться на прицепе или иметь соответствующие ограничения по весу. Мы можем посоветовать вам подходящий прицеп-пикап и транспортное средство до вашего приезда. STE оставляет за собой право отказать в погрузке оборудования на неподходящие прицепы. STE не несет ответственности за любой ущерб, нанесенный транспортному средству или оборудованию клиента после того, как оборудование было закреплено на прицепе клиента.
Асимметричный двухстоечный подъемник на 10 000 фунтов: Eagle Equipment
Грузовые перевозки
Для доставкиEagle Equipment использует обычных перевозчиков, FedEx Ground, UPS и независимых грузовых перевозчиков.Мы договариваемся о наиболее конкурентоспособных тарифах на перевозку и передаем эту экономию нашим клиентам. Мы прилагаем все усилия, чтобы минимизировать транспортные расходы для наших клиентов и обеспечить своевременную доставку.
Доставка большинства товаров на складе осуществляется в течение двух рабочих дней. Eagle Equipment не несет ответственности за любой ущерб, связанный с недоступностью инвентаря или задержками с доставкой.
Eagle Equipment отправляет всю продукцию на условиях FOB на наши склады. Право собственности на товар переходит к покупателю, когда товар покидает нашу док-станцию.
Предметы, рекламируемые с пометкой «Бесплатная доставка», применимы только к отправлениям в 48 смежных штатах (за исключением Аляски, Гавайев, Канады и Мексики).
Позвоните в отдел продаж по телефону 1-800-336-2776, чтобы уточнить стоимость перевозки.
Доставка и разгрузка
Заказчик несет ответственность за выгрузку груза из грузовика. Eagle Equipment не несет ответственности за любые дополнительные расходы или убытки, которые могут быть понесены в результате разгрузки из грузовика перевозчика.
Грузовые перевозчики имеют ограничения на доставку по адресам проживания и могут потребовать забрать товар на грузовом терминале. Для разгрузки подъемников потребуется вилочный погрузчик. В таких случаях выгодно отправить товар на грузовой терминал, где персонал терминала разгружает продукт и загружает его на трейлер или грузовик клиента. Лифты нельзя разгружать с помощью подъемно-транспортного средства. Мы не можем сообщить клиентам точное время доставки, так как мы не осуществляем доставку на собственных грузовиках. Мы сообщим нашим клиентам примерное время доставки и предоставим им информацию для отслеживания.
Все посылки должны быть проверены сразу после получения.
В целях вашей безопасности любые внешние повреждения должны быть указаны в коносаменте во время доставки, чтобы иметь право предъявить претензию к перевозчику. О скрытых повреждениях необходимо сообщить транспортной компании в течение трех дней с момента доставки. Заказчик обязан подать иск о возмещении ущерба транспортной компании. О недостающих / недостающих деталях необходимо сообщить в службу поддержки Eagle Equipment в течение семи дней с момента доставки.
Только для покрасочных кабин , у клиентов есть 30 дней, чтобы сообщить о нехватке / недостающих деталях.
Требования к заказу на самовывоз
Клиенты могут забирать заказы со склада STE, расположенного в Гринсборо, Северная Каролина. Важно позвонить в STE до того, как вы планируете приехать, чтобы забрать свой заказ, чтобы мы могли убедиться, что ваш заказ есть на складе и готов к отправке. Мы можем предложить самовывоз на нашем складе только с понедельника по пятницу с 8:30 до 16:00.
Клиенты должны принести соответствующий прицеп с ремнями для фиксации при подборе оборудования.Оборудование STE нельзя загружать в автомобиль, грузовик или внедорожник. Оборудование должно быть надежно закреплено и находиться на прицепе или иметь соответствующие ограничения по весу. Мы можем посоветовать вам подходящий прицеп-пикап и транспортное средство до вашего приезда. STE оставляет за собой право отказать в погрузке оборудования на неподходящие прицепы. STE не несет ответственности за любой ущерб, нанесенный транспортному средству или оборудованию клиента после того, как оборудование было закреплено на прицепе клиента.
Двухстоечные подъемники | Юта
Челленджер CLFP9
Размещено автором aseAdmin & подано под.
Двухстоечный автомобильный подъемник: Низкопоточный автомобильный подъемник CLFP9. Этот двухстоечный подъемник идеально подходит для транспортировки из мастерских в домашний гараж. Двухстоечный автомобильный подъемник CLFP9 имеет общую высоту колонны 10 футов 7/8 дюйма, что делает его идеальным для работы потолочные аппликации. Стандартные передние и задние трехступенчатые рычаги обеспечивают максимальный размах рычага, рычаг… Читать дальше »
Двухстоечный автомобильный подъемник Challenger VLE10
Размещено автором aseAdmin & подано.
Двухстоечный подъемник VLE10 универсален для подъема транспортных средств как симметрично, так и асимметрично в пределах одного сервисного отсека. Эта эксклюзивная технология, используемая в наших двухстоечных автомобильных подъемниках, способствует повышению эффективности и потенциальной прибыли. НОВИНКА Одноточечная механическая разблокировка без шкива с кожухом, которая когда-то была эксклюзивной для наших лифтов серии CL, теперь… Читать дальше »
Челленджер SA10
Размещено автором aseAdmin & подано под.
Двухстоечный подъемникChallenger SA10 имеет грузоподъемность 10 000 фунтов. Вы можете установить SA10 в симметричном или асимметричном положении, в зависимости от ваших потребностей в обслуживании. SA10 также имеет возможность регулировки высоты и ширины для дальнейшей настройки в соответствии с вашими потребностями. Инновационные трехступенчатые передние и двухступенчатые задние рычаги обеспечивают больший общий охват. Сертифицировано ALI / ETL. Контакты… Читать дальше »
Челленджер CL10
Размещено автором aseAdmin & подано под.
Обслуживайте больше автомобилей и зарабатывайте больше с двухстоечными подъемниками Versymmetric® и Versymmetric® Plus CL10series 2. Его эксклюзивная технология Versymmetric® обеспечивает универсальность для безопасного подъема легковых и грузовых автомобилей, фургонов и внедорожников симметрично или асимметрично в пределах одного сервисного отсека в пределах номинальной грузоподъемности. С тремя конфигурациями производительности подъемников Versymmetric® 2 — Max Plus Productivity,… Читать дальше »
Челленджер CL10V3
Размещено автором aseAdmin & подано под.
МодельChallenger CL10V3 оснащена нашей эксклюзивной технологией Versymmetric®, позволяющей обслуживать самый широкий спектр транспортных средств и увеличивать прибыль. 3-ступенчатые передние и 3-ступенчатые задние рычаги с нашей первой в отрасли конструкцией directSPOT ™ устраняют необходимость перемещать автомобиль вперед и назад, чтобы отвести передний рычаг от шины, чтобы дотянуться до… Читать дальше »
Челленджер CL10V3DPC
Размещено автором aseAdmin & подано под.
Обслуживайте больше автомобилей и увеличивайте прибыль с помощью двухстоечных автоподъемников серии CL10. Его эксклюзивная технология Versymmetric® обеспечивает универсальность для безопасного подъема транспортных средств симметрично или асимметрично в пределах одного сервисного отсека. Двухстоечные подъемники CL10series предлагают несколько конфигураций в зависимости от вашего сервисного приложения. Подобрать… Читать дальше »
Челленджер E12
Размещено автором aseAdmin & подано под.
Challenger E12 — это идеальный экономичный двухстоечный подъемник для обслуживания грузовиков и других транспортных средств до 12 000 фунтов. Мощные двухступенчатые передние и двухступенчатые задние рычаги обеспечивают симметричную грузоподъемность. Кроме того, регулируемая высота колонны подходит для автомобилей с более высоким профилем, обеспечивая при этом достаточно места для обслуживания. E12 стандартно поставляется со стековыми адаптерами. Приспособьте автомобили более высокого профиля с дополнительным… Читать дальше »
Двухстоечный автоподъемник Challenger CL12
Размещено автором aseAdmin & подано в соответствии с.
Обслуживайте больше автомобилей и зарабатывайте больше с новым двухстоечным подъемником Challenger Lifts CL12, грузоподъемностью 12 000 фунтов. Новый CL12 в стандартной комплектации поставляется с 3-ступенчатыми передними и 3-ступенчатыми задними рычагами, что позволяет поднимать многие обычные автомобили, грузовики, фургоны и внедорожники в пределах номинальной грузоподъемности. У CL12 есть функции, за которые можно было бы заплатить больше… Читать дальше »
Челленджер E15
Опубликовано автором aseAdmin & в рубрике.
Мы разработали наш новый двухстоечный подъемник E15 как экономичный вариант для обслуживания автомобилей до 15 000 фунтов. Мощные двухступенчатые передние и двухступенчатые задние рычаги обеспечивают симметричную грузоподъемность. Включает в себя встроенный удлинитель колонны высотой 2 фута для размещения автомобилей более высокого профиля. E15 также стандартно поставляется со стековыми адаптерами. Этот более дешевый вариант… Читать дальше »
Челленджер 15000
Размещено автором aseAdmin & подано под.
Двухстоечный подъемникChallenger 15000 может расширить возможности вашего автопарка для обслуживания более тяжелых транспортных средств, таких как грузовики и грузовые автомобили средней грузоподъемности. Обладая низкопрофильными двухступенчатыми передними и двухступенчатыми задними рычагами, погрузчик 15000 обеспечивает симметричную грузоподъемность. Одноточечная пневматическая система разблокировки замка, которая одновременно отключает замки колонны. Адаптеры стека входят в стандартную комплектацию. Доступны 2-дюймовые удлинители колонн… Читать дальше »
Challenger Двухстоечный автомобильный подъемник: 18000 фунтов.Подъемник для тяжелых условий эксплуатации
Размещено автором aseAdmin & подано в соответствии с.
18 000 фунтов подъемной силы для автомобилей, грузовиков и фургонов Если вам нужен двухстоечный подъемник, который может выдерживать до 18000 фунтов, двухстоечные подъемники Challenger 18000 для тяжелых условий эксплуатации — отличный выбор. Подъемник для легковых и грузовых автомобилей на 18000 фунтов, идеально подходящий для обслуживания более тяжелых линий автопарка, также доступен с высотой колонны 2 фута… Читать дальше »
Челленджер 15000-3S
Размещено автором aseAdmin & подано под.
Если вам нужен двухстоечный подъемник, который может выдерживать нагрузку до 18 000 фунтов, модель Challenger 18000 — отличный выбор. Мы разработали 18000 для обслуживания более тяжелых транспортных средств, таких как грузовики и автопарк. Поэтому он имеет низкопрофильные двухступенчатые передние и двухступенчатые задние рычаги для симметричной грузоподъемности. Адаптеры стека входят в стандартную комплектацию.
