Замена прокладки головки блока цилиндров своими руками » АвтоНоватор
А с чего это вдруг вы решили, что вашему автомобилю требуется замена прокладки головки блока цилиндров? Правильно. Ведь вы же знаете первые признаки появившейся неисправности прокладки.
Когда требуется замена прокладки ГБЦ?
Прокладка головки блока цилиндров меняется в двух случаях. Первый – это при любом демонтаже ГБЦ. Любой ремонт ГБЦ, сопровождаемый снятием головки, должен сопровождаться заменой прокладки головки блока цилиндров. Прокладка является запчастью одноразового применения, и на ней не стоит экономить. Дороже обойдётся.
Второй случай, когда требуется именно замена прокладки головки блока цилиндров – это явные признаки её выхода из строя.
- вы обнаружили внешнюю течь моторного масла;
- вы обнаружили внешнюю течь охлаждающей жидкости (тосола).
Местом течи является линия соединения ГБЦ с блоком цилиндров. Причиной неисправности прокладки головки блока, как правило, становится коробление головки блока из-за перегрева двигателя.
Технология замены прокладки головки блока цилиндров
По сути своей замена прокладки ГБЦ на всех моделях автомобилей в принципе одинакова. Может существовать такая особенность, как порядок затяжки болтов крепления ГБЦ и параметры затяжного момента этих болтов. Данные цифры должны быть представлены производителем в руководстве к вашей модели. В крайнем случае, вы сможете отыскать параметры в Сети на форумах любителей той или иной модели авто.
Очень важно! Перед началом раскрутки болтов крепления ГБЦ их необходимо очистить, для того, чтобы не происходили срывы ключей, которые могут привести к дефекту шлица болта и невозможности его открутить.
Раскрутку болтов крепления нужно начинать с середины и вначале провернуть равномерно все болты на 0,5-1 оборот.
Предварительно, перед демонтажом головки блока, отсоединяем всё навесное оборудование. Последовательность демонтажа желательно пометить и обозначить схематично.
После раскрутки болтов снимаете головку блока и производите замену прокладки головки блока цилиндров. Для центровки прокладки и головки блока, как правило, существуют втулки в самом блоке.
Затем в обратной последовательности производите монтаж самой головки блока цилиндров и всего навесного оборудования, которое с ней связано. Именно для этого вы и рисовали схему.
Затяжку болтов крепления головки ГБЦ необходимо производить в строгой последовательности со схемой для данного блока и соблюдая параметры затяжного момента, указанные производителем. Для этого вам потребуется динамометрический ключ.
Мнение эксперта
Эксперт по автомобильной тематике. Окончил ИжГТУ имени М.Т. Калашникова по специальности «Эксплуатация транспортно-технологических машин и комплексов».
Опыт профессионального ремонта автомобилей более 10 лет.
Если повреждена прокладка ГБЦ, заменить её нужно как можно скорее. Дело в том, что эксплуатация автомобиля с пробитой или прогоревшей прокладкой чревато серьёзными последствиями. Главная проблема заключается в смешивании моторного масла и тосола. Определить это явление можно по наличию густого белого дыма из трубы выхлопа с характерным сладковатым запахом и по появлению эмульсии в системе смазки. Помимо очевидных подтёков масла иногда можно наблюдать прорыв через прокладку отработанных газов.
Эмульсия представляет собой белую субстанцию на крышке клапанной головки, это свидетельствует о наличии антифриза в системе смазки. Опасно это тем, что тосол смешивается с маслом и разжижает его, про смазочные свойства и говорить не приходится, они существенно снижаются, соответственно трущиеся детали двигателя начинают сильно нагреваться и могут разрушаться от воздействия высоких температур. Если масло попадает в систему охлаждения из-за поврежденной прокладки ГБЦ это можно понять по снижению уровня антифриза в расширенном бачке и появлению масляных пятен на поверхности.
Если диагностировано повреждение прокладки головки блока цилиндров эксплуатацию автомобиля лучше исключить, в противном случае двигатель может выйти из строя из-за гидроудара (в составе антифриза как минимум половину занимает дистиллированная вода) и потребуется серьёзный ремонт двигателя с заменой многих комплектующих, а эта процедура гораздо сложнее и дороже, чем замена прокладки. При выборе этого расходника важно уделить особое внимание качеству, желательно приобретать оригинальную деталь или в крайнем случае аналог, но от проверенного бренда. Лучше купить подороже, но не бояться, что через несколько тысяч километров снова придётся заниматься трудоёмкой заменой прокладки.
- Автор: Андрей
- Распечатать
Оцените статью:
(16 голосов, среднее: 3.
8 из 5)
Поделитесь с друзьями!
Adblock
detector
Инструкции по замене прокладки головки блока цилиндров двигателя
Содержание статьи
- Функциональное назначение
- Запаска на прицеп: как приделать крепление своими руками
- Признаки и причины неисправности
- Распространенные причины сбоя в работе навигатора
- Выбор новой прокладки
- Важные нюансы процедуры замены
- Перестроение по полосам: как не нарваться на штраф
Привет всем автолюбителям и автовладельцам! Сегодня у нас не самая приятная, но важная тема для обсуждения. Ведь говорить мы будем про такую процедуру как замена прокладки головки блока цилиндров или просто ГБЦ.
Многие из вас наверняка знают, что автомобильный силовой агрегат (ДВС) включает в себя 2 основных элемента конструкции. Это непосредственно сам цилиндровый блок (он же блок цилиндров) и головка блока (она же ГБЦ).
К ним фиксируются все остальные детали мотора.
При этом между двумя элементами образуется зона стыковки. Чтобы соединение БЦ и ГБЦ оказалось максимально плотным и герметичным, используется специальная прокладка. Мало кто из автомобилистов положительно воспринимает новость о необходимости замены этой прокладки. Но делать эту работу нужно, вне зависимости от того, сколько стоит процедура замены. В любом случае это лучше, чем смена всей крышки при сильном повреждении двигателя.
Функциональное назначение
Тут важно понимать, что прокладки присутствуют на всех современных ДВС, включая моторы типа ЗМЗ 403 или ЯМЗ 238. Не всегда и не все готовы менять элемент своими руками. Некоторым проще заплатить специалистам. Цена замены не самая огромная, поскольку явление, связанное с износом и повреждением прокладки, довольно распространенное.
Для начала стоит поговорить про функции прокладки. Логично предположить, что она обеспечивает герметичность создаваемого уплотнения между самой головкой и непосредственно блоком цилиндров силовой установки.
Не забывайте, что мотор работает в весьма сложных условиях, постоянно находится под воздействием температурных перепадов, агрессивных жидкостей в виде масла и антифриза и пр. Потому удивительного в том, что прокладка периодически изнашивается или выходит из строя, и требуется обязательная замена.
Пробой прокладки не всегда становится очевидным и заметным сразу. Порой на щитке загораются значки приборной панели, сообщающие о перегреве ДВС или недостатке антифриза в системе охлаждения. Также неисправность может проявиться в виде образования внутри этой системы воздушной пробки, которую можно самостоятельно удалить, а она вновь появится, поскольку проблема пробоя прокладки никуда не ушла.
Признаки и причины неисправности
Дать 100% гарантии того, что элемент вышел из строя, можно лишь при условии демонтажа и визуального осмотра. Обычно износ уплотнителя между БЦ и ГБЦ проявляется в виде симптомов, потенциально сообщающих о более серьезных неисправностях.
На практике замену выполняют на многих машинах.
Преимущественно на авто, которые прошли солидный срок эксплуатации. Приведу несколько примеров:
- ВАЗ 2106;
- ВАЗ 2107;
- Ниссан Максима;
- Опель Зафира;
- Шевроле Нива;
- ВАЗ 2110;
- 2114;
- ВАЗ 2112;
- Дэу Нексия;
- Рено Логан;
- Ховер М4;
- Пежо 406;
- Рено 19;
- БМВ е39;
- УАЗ Хантер и пр.
Причем износ и пробой прокладки одинаково характерен для двигателей на 8 клапанов и на 16 клапанов. Принципиальной разницы в плане поведения прокладок БЦ между ними нет.
При этом стоимость новой детали может существенно отличаться в зависимости от марки, модели автомобиля и конкретного установленного двигателя.
Выделяют несколько причин, из-за которых требуется менять уплотнитель:
- в системе охлаждения оказалось масло;
- в масляную систему проникла жидкость охлаждения;
- антифриз попал внутрь камеры сгорания;
- в систему охлаждения поступают выхлопные газы.

Это все то, кто может происходить именно при нарушении герметичности между двумя основными конструктивными элементами двигателя.
Симптоматика при этом бывает следующая:
- из системы охлаждения быстро уходит антифриз, но течь отсутствует;
- часто перегревается мотор;
- в картере повышается уровень масла;
- в расширительном бачке видно пузырьки;
- белый густой дым из выхлопа;
- цилиндры работают с перебоями;
- происходит быстрое изменение цвета жидкости охлаждения;
- мотор работает рывками;
- машина плохо разгоняется;
- повышается расход топлива и масла.
Симптоматика проявляется отдельно или комплексно, сочетая несколько признаков одновременно. Это не гарантия того, что можно обойтись малой кровью, просто заменив прокладку. Но вам точно придется демонтировать головку и проводить визуальную диагностику.
Выбор новой прокладки
Нельзя гарантировать, что даже при тщательном и правильном техническом обслуживании вы полностью исключите вероятность пробоя прокладки.
Потому каждый автомобилист обязан иметь при себе запасную деталь.
Выбрать изделие не так сложно. Если у вас иномарка, тогда смело отталкивайтесь от вин-кода автомобиля. Проще всего отыскать деталь именно так, если воспользоваться услугами современных онлайн-сервисов. Либо идти альтернативным путем, часто применяемым в отношении отечественных машин. Для подбора потребуется знать только марку, модель автомобиля и установленный силовой агрегат, который также нумеруется и имеет свои соответствующие обозначения.
Перечень производителей огромен. Но лучше доверять проверенным и хорошо зарекомендовавшим себя фирмам.
Немаловажно обратить внимание на материал изготовления прокладки головки блока.
Выделяют 3 разновидности изделий:
- Безасбестовая. Такая прокладка характеризуется довольно низкими показателями усадки и отличной восстанавливаемостью;
- Асбестовая. Характеристики напоминают прокладки первого типа. При этом деталь из асбеста более упругая, термостойкая и эластичная.
Зачастую входит в состав ремкомплектов; - Металлическая. Самая эффективная, качественная и дорогая. Позволяет равномерно распределить поверхностное давление по всей плоскости блока и головки.
Тут уже решайте сами. Но оптимально выбирать между вторым и третьим вариантом.
Важные нюансы процедуры замены
Не могу сказать, что сам автовладелец с такой задачей не справится. Есть ряд наглядных примеров, когда автомобилист после просмотра видео самостоятельно менял прокладку и делал все не хуже, чем мастера СТО.
Но следует быть готовым к сложностям и длительности операции. Наличие опыта пойдет лишь на пользу, а его отсутствие может негативно сказаться на результатах.
Перед заменой выполняется несколько подготовительных работ. А именно:
- обесточивается автомобиль;
- сливается весь антифриз;
- снимается ремень или цепь ГРМ;
- отсоединяются все элементы ДВС, связанные с ГБЦ;
- снимается сама крышка.
Сразу скажу, что универсальных инструкций не существует.
К каждому мотору даже в рамках одинаковых автомобилей идентичного года выпуска прикладывается специальная инструкция по замене прокладки. Опираться нужно строго от нее, и никак иначе.
Сняв головку блока, демонтируется старая уплотнительная прокладка и проверяется на наличие визуальных дефектов. Если целостность действительно нарушена, это еще не повод для радости и начала замены. Существуют разные причины, из-за которых прокладка деформировалась. Сначала нужно определить, почему это произошло, устранить провоцирующий фактор, и только потом менять деталь.
Важно тщательно осмотреть поверхности ГБЦ и БЦ, которыми они прилегают друг к другу при сборке.
Даже когда прокладка оказывается целой, и причина нарушения герметичности в другом, повторно использовать старый уплотнитель нельзя. Элемент уже потерял свою форму, а потому нужна строго новая запчасть соответствующих размеров и габаритов.
Также в рамках замены прокладки меняются крепежные болты. Они постоянно работают под нагрузкой, затягиваются под воздействием огромного усилия.
В итоге за время эксплуатации происходит вытягивание металла и потеря геометрии крепления.
В рамках обратной сборки соблюдается определенная последовательность затяжки. Плюс строго дозируется прикладываемое усилие. В этом деле не обойтись без динамометрического ключа. Он обязательно входит в любой набор инструментов для автомобилиста, и является неотъемлемой частью тех, кто предпочитает ремонтировать и обслуживать авто своими руками.
Приходилось ли вам сталкиваться с пробитой прокладкой? Как вы устраняли эту проблему и удалось ли справиться с заменой своими руками?
Спасибо, что вы с нами! Подписывайтесь, оставляйте комментарии и задавайте актуальные вопросы!
Watch this video on YouTube
Замена прокладки ГБЦ своими руками
В современном мире хорошим и дорогим автомобилем уже никого не удивишь. Человек привыкает к хорошим условиям и считает свое авто необходимым транспортным средством. Современные автомобили представлены огромным разнообразием форм, размеров и дизайнов, однако их всех связывает одно – техническое оснащение.
И весь этот сложный механизм может в любой момент «встать» из-за любой незначительной мелочи, например, при износе небольшой полоски из металла — прокладки ГБЦ. Выходит из строя она по разным причинам, например, если головка блока цилиндров перегревается, то со временем выхлопные газы могут перебить прокладку.
Что такое ГБЦ
Схема устройства
На двигатель автомобиля могут воздействовать самые разнообразные внешние агрессивные факторы как механического, так и химического действия. Чтобы этого не допустить, блок цилиндров закрывается специальной крышкой. Она чаще всего изготовлена из чугуна или алюминиевого специального сплава и имеет очень сложную форму. После процесса литья эта пластина подвергается специальному процессу, который искусственно состаривает ее для снятия напряжения с внешней стороны. ГБЦ имеет достаточно сложную техническую конструкцию и состоит из множества мелких деталей:
- крышки, которая обеспечивает защитные функции от механического загрязнения, в крышке есть небольшое отверстие, через которое следует наливать масло;
- прокладки, с помощью которой крышка крепится к блоку, уплотняя место крепления;
- специальных камер, предназначенных для сгорания поступающего топлива;
- разнообразных отверстий для свечей и форсунок.

Детали на замену
В различных ситуациях неправильной эксплуатации автомобиля или при несвоевременном техническом обслуживании в блоке цилиндров могут возникать поломки, требующие длительного и дорогостоящего ремонта. При самостоятельном обслуживании своего автомобиля особого внимания заслуживает процесс затяжки креплений, так как при недожатии или перезакручивании можно с легкостью испортить прокладку ГБЦ.
Предназначение прокладки головки блока цилиндров
Прокладки ГБЦ
Прокладка ГБЦ уплотняет место, где соединяются головка и сам блок цилиндров. Кроме этого, она позволяет укрепить каналы охлаждения двигателя, масляные каналы и полости в цилиндрах, отвечающие за газораспределительную функцию.
Замена прокладки ГБЦ обязательна при любых ремонтных работах на двигателе автомобиля, т.е. при снятии прокладки повторной установке она уже не подлежит, т.к. будет нарушена герметичность соединения.
Экономить и выбирать низкокачественную уплотняющую прокладку не рекомендуется.
Все прокладки ГБЦ подразделяются на следующие виды:
- Асбестовые чаще используются при ремонте двигателей. Обладают характерными свойствами: они термостойки, имеют большую упругость и эластичны.
- Безасбестовые прокладки имеют некоторые особенности в эксплуатации – они подвержены минимальным усадкам и материал может хорошо восстанавливаться.
- Металлические уплотнители – самая качественная категория. При установке такой прокладки давление равномерно распределяется по всему блоку.
Замена прокладки головки блока цилиндров
Убираем прокладку
Специалистами не выявлен определенный гарантийный срок, время, в течение которого гарантированна нормальная работа прокладки ГБЦ. Ее срок службы будет зависеть от ряда факторов, таких как марка автомобиля, способ вождения, регулярность технического обслуживания и так далее. Явными признаками, которые будут свидетельствовать о неисправности в двигателе и необходимости заменить прокладку являются: вытекание масла на месте стыков; попадание жидкой эмульсии, отвечающей за охлаждение двигателя, через неработающую прокладку; светлый цвет выхлопного дыма и так далее.
Специалисты выделяют ряд правил и рекомендаций, которыми необходимо руководствоваться при замене прокладки ГБЦ своими руками. Первоначально следует внимательно читать инструкции, в которых компания-производитель четко указала ремонтные характеристики к типу двигателя вашей марки автомобиля. Также специалисты рекомендуют просмотреть фотоотчет, где показаны и нарисованы все элементы монтажа и разборки головки цилиндра. Во-первых, начинать разбирать головку следует с фломастером, помечая все детали, которые вы разбираете. Это следует делать для того, чтобы было легче собирать блок обратно. Во-вторых, при покупке прокладки следует удостовериться в том, что она подойдет для той степени затяжки болтов и креплений, которые рекомендует компания-производитель. В-третьих, перед демонтажем рекомендуется очистить все детали от возможного масляного налета, так как на загрязненной маслянистой поверхности возникает большая вероятность отскока ключа или сворачивания болтов. В-четвертых, при раскручивании болтов сначала следует снять наружное напряжение.
Собирать детали следует только по специальным пазам и отверстиям. Затяжка всех болтов производится в соответствии с инструкцией от компании-производителя двигателя.
После того как вы поменяли прокладку ГБЦ на ВАЗ и установили на место головку блока цилиндров, обратите внимание на признаки течи. Если двигатель работает нормально, без утечек масла или охлаждающей жидкости, значит, замена прокладки своими руками прошла эффективно.
Видео
Ниже вы можете увидеть, как поменять прокладку ГБЦ на ВАЗ 2109:
Фото
Перед разборкой
Демонтируем защитный кожух
Снимаем ремень ГРМ
Сливаем антифриз
Откручиваем болты
Поврежденная прокладка
Демонтируем ГБЦ
Очищаем посадочное место
Установка новой прокладки
Монтаж ГБЦ
Кожух установлен на место
Замена прокладки ГБЦ своими руками
В современном мире хорошим и дорогим автомобилем уже никого не удивишь.
Человек привыкает к хорошим условиям и считает свое авто необходимым транспортным средством. Современные автомобили представлены огромным разнообразием форм, размеров и дизайнов, однако их всех связывает одно – техническое оснащение. И весь этот сложный механизм может в любой момент «встать» из-за любой незначительной мелочи, например, при износе небольшой полоски из металла — прокладки ГБЦ. Выходит из строя она по разным причинам, например, если головка блока цилиндров перегревается, то со временем выхлопные газы могут перебить прокладку.
Что такое ГБЦ
Схема устройства
На двигатель автомобиля могут воздействовать самые разнообразные внешние агрессивные факторы как механического, так и химического действия. Чтобы этого не допустить, блок цилиндров закрывается специальной крышкой. Она чаще всего изготовлена из чугуна или алюминиевого специального сплава и имеет очень сложную форму. После процесса литья эта пластина подвергается специальному процессу, который искусственно состаривает ее для снятия напряжения с внешней стороны.
ГБЦ имеет достаточно сложную техническую конструкцию и состоит из множества мелких деталей:
- крышки, которая обеспечивает защитные функции от механического загрязнения, в крышке есть небольшое отверстие, через которое следует наливать масло;
- прокладки, с помощью которой крышка крепится к блоку, уплотняя место крепления;
- специальных камер, предназначенных для сгорания поступающего топлива;
- разнообразных отверстий для свечей и форсунок.
Детали на замену
В различных ситуациях неправильной эксплуатации автомобиля или при несвоевременном техническом обслуживании в блоке цилиндров могут возникать поломки, требующие длительного и дорогостоящего ремонта. При самостоятельном обслуживании своего автомобиля особого внимания заслуживает процесс затяжки креплений, так как при недожатии или перезакручивании можно с легкостью испортить прокладку ГБЦ.
Предназначение прокладки головки блока цилиндров
Прокладки ГБЦ
Прокладка ГБЦ уплотняет место, где соединяются головка и сам блок цилиндров.
Кроме этого, она позволяет укрепить каналы охлаждения двигателя, масляные каналы и полости в цилиндрах, отвечающие за газораспределительную функцию.
Замена прокладки ГБЦ обязательна при любых ремонтных работах на двигателе автомобиля, т.е. при снятии прокладки повторной установке она уже не подлежит, т.к. будет нарушена герметичность соединения.
Экономить и выбирать низкокачественную уплотняющую прокладку не рекомендуется.
Все прокладки ГБЦ подразделяются на следующие виды:
- Асбестовые чаще используются при ремонте двигателей. Обладают характерными свойствами: они термостойки, имеют большую упругость и эластичны.
- Безасбестовые прокладки имеют некоторые особенности в эксплуатации – они подвержены минимальным усадкам и материал может хорошо восстанавливаться.
- Металлические уплотнители – самая качественная категория. При установке такой прокладки давление равномерно распределяется по всему блоку.
Замена прокладки головки блока цилиндров
Убираем прокладку
Специалистами не выявлен определенный гарантийный срок, время, в течение которого гарантированна нормальная работа прокладки ГБЦ.
Ее срок службы будет зависеть от ряда факторов, таких как марка автомобиля, способ вождения, регулярность технического обслуживания и так далее. Явными признаками, которые будут свидетельствовать о неисправности в двигателе и необходимости заменить прокладку являются: вытекание масла на месте стыков; попадание жидкой эмульсии, отвечающей за охлаждение двигателя, через неработающую прокладку; светлый цвет выхлопного дыма и так далее.
Специалисты выделяют ряд правил и рекомендаций, которыми необходимо руководствоваться при замене прокладки ГБЦ своими руками. Первоначально следует внимательно читать инструкции, в которых компания-производитель четко указала ремонтные характеристики к типу двигателя вашей марки автомобиля. Также специалисты рекомендуют просмотреть фотоотчет, где показаны и нарисованы все элементы монтажа и разборки головки цилиндра. Во-первых, начинать разбирать головку следует с фломастером, помечая все детали, которые вы разбираете. Это следует делать для того, чтобы было легче собирать блок обратно.
Во-вторых, при покупке прокладки следует удостовериться в том, что она подойдет для той степени затяжки болтов и креплений, которые рекомендует компания-производитель. В-третьих, перед демонтажем рекомендуется очистить все детали от возможного масляного налета, так как на загрязненной маслянистой поверхности возникает большая вероятность отскока ключа или сворачивания болтов. В-четвертых, при раскручивании болтов сначала следует снять наружное напряжение. Поэтому раскручивание начинать с половины или одного оборота. После снятия головки можно заменить прокладку и приступать к процедуре обратной сборки.
Собирать детали следует только по специальным пазам и отверстиям. Затяжка всех болтов производится в соответствии с инструкцией от компании-производителя двигателя.
После того как вы поменяли прокладку ГБЦ на ВАЗ и установили на место головку блока цилиндров, обратите внимание на признаки течи. Если двигатель работает нормально, без утечек масла или охлаждающей жидкости, значит, замена прокладки своими руками прошла эффективно.
Видео
Ниже вы можете увидеть, как поменять прокладку ГБЦ на ВАЗ 2109:
Фото
Перед разборкой
Демонтируем защитный кожух
Снимаем ремень ГРМ
Сливаем антифриз
Откручиваем болты
Поврежденная прокладка
Демонтируем ГБЦ
Очищаем посадочное место
Установка новой прокладки
Монтаж ГБЦ
Кожух установлен на место
Замена прокладки ГБЦ своими руками
В современном мире хорошим и дорогим автомобилем уже никого не удивишь. Человек привыкает к хорошим условиям и считает свое авто необходимым транспортным средством. Современные автомобили представлены огромным разнообразием форм, размеров и дизайнов, однако их всех связывает одно – техническое оснащение. И весь этот сложный механизм может в любой момент «встать» из-за любой незначительной мелочи, например, при износе небольшой полоски из металла — прокладки ГБЦ.
Выходит из строя она по разным причинам, например, если головка блока цилиндров перегревается, то со временем выхлопные газы могут перебить прокладку.
Что такое ГБЦ
Схема устройства
На двигатель автомобиля могут воздействовать самые разнообразные внешние агрессивные факторы как механического, так и химического действия. Чтобы этого не допустить, блок цилиндров закрывается специальной крышкой. Она чаще всего изготовлена из чугуна или алюминиевого специального сплава и имеет очень сложную форму. После процесса литья эта пластина подвергается специальному процессу, который искусственно состаривает ее для снятия напряжения с внешней стороны. ГБЦ имеет достаточно сложную техническую конструкцию и состоит из множества мелких деталей:
- крышки, которая обеспечивает защитные функции от механического загрязнения, в крышке есть небольшое отверстие, через которое следует наливать масло;
- прокладки, с помощью которой крышка крепится к блоку, уплотняя место крепления;
- специальных камер, предназначенных для сгорания поступающего топлива;
- разнообразных отверстий для свечей и форсунок.

Детали на замену
В различных ситуациях неправильной эксплуатации автомобиля или при несвоевременном техническом обслуживании в блоке цилиндров могут возникать поломки, требующие длительного и дорогостоящего ремонта. При самостоятельном обслуживании своего автомобиля особого внимания заслуживает процесс затяжки креплений, так как при недожатии или перезакручивании можно с легкостью испортить прокладку ГБЦ.
Предназначение прокладки головки блока цилиндров
Прокладки ГБЦ
Прокладка ГБЦ уплотняет место, где соединяются головка и сам блок цилиндров. Кроме этого, она позволяет укрепить каналы охлаждения двигателя, масляные каналы и полости в цилиндрах, отвечающие за газораспределительную функцию.
Замена прокладки ГБЦ обязательна при любых ремонтных работах на двигателе автомобиля, т.е. при снятии прокладки повторной установке она уже не подлежит, т.к. будет нарушена герметичность соединения.
Экономить и выбирать низкокачественную уплотняющую прокладку не рекомендуется.
Все прокладки ГБЦ подразделяются на следующие виды:
- Асбестовые чаще используются при ремонте двигателей. Обладают характерными свойствами: они термостойки, имеют большую упругость и эластичны.
- Безасбестовые прокладки имеют некоторые особенности в эксплуатации – они подвержены минимальным усадкам и материал может хорошо восстанавливаться.
- Металлические уплотнители – самая качественная категория. При установке такой прокладки давление равномерно распределяется по всему блоку.
Замена прокладки головки блока цилиндров
Убираем прокладку
Специалистами не выявлен определенный гарантийный срок, время, в течение которого гарантированна нормальная работа прокладки ГБЦ. Ее срок службы будет зависеть от ряда факторов, таких как марка автомобиля, способ вождения, регулярность технического обслуживания и так далее. Явными признаками, которые будут свидетельствовать о неисправности в двигателе и необходимости заменить прокладку являются: вытекание масла на месте стыков; попадание жидкой эмульсии, отвечающей за охлаждение двигателя, через неработающую прокладку; светлый цвет выхлопного дыма и так далее.
Специалисты выделяют ряд правил и рекомендаций, которыми необходимо руководствоваться при замене прокладки ГБЦ своими руками. Первоначально следует внимательно читать инструкции, в которых компания-производитель четко указала ремонтные характеристики к типу двигателя вашей марки автомобиля. Также специалисты рекомендуют просмотреть фотоотчет, где показаны и нарисованы все элементы монтажа и разборки головки цилиндра. Во-первых, начинать разбирать головку следует с фломастером, помечая все детали, которые вы разбираете. Это следует делать для того, чтобы было легче собирать блок обратно. Во-вторых, при покупке прокладки следует удостовериться в том, что она подойдет для той степени затяжки болтов и креплений, которые рекомендует компания-производитель. В-третьих, перед демонтажем рекомендуется очистить все детали от возможного масляного налета, так как на загрязненной маслянистой поверхности возникает большая вероятность отскока ключа или сворачивания болтов. В-четвертых, при раскручивании болтов сначала следует снять наружное напряжение.
Поэтому раскручивание начинать с половины или одного оборота. После снятия головки можно заменить прокладку и приступать к процедуре обратной сборки.
Собирать детали следует только по специальным пазам и отверстиям. Затяжка всех болтов производится в соответствии с инструкцией от компании-производителя двигателя.
После того как вы поменяли прокладку ГБЦ на ВАЗ и установили на место головку блока цилиндров, обратите внимание на признаки течи. Если двигатель работает нормально, без утечек масла или охлаждающей жидкости, значит, замена прокладки своими руками прошла эффективно.
Видео
Ниже вы можете увидеть, как поменять прокладку ГБЦ на ВАЗ 2109:
Фото
Перед разборкой
Демонтируем защитный кожух
Снимаем ремень ГРМ
Сливаем антифриз
Откручиваем болты
Поврежденная прокладка
Демонтируем ГБЦ
Очищаем посадочное место
Установка новой прокладки
Монтаж ГБЦ
Кожух установлен на место
Замена прокладки ГБЦ своими руками
В современном мире хорошим и дорогим автомобилем уже никого не удивишь.
Человек привыкает к хорошим условиям и считает свое авто необходимым транспортным средством. Современные автомобили представлены огромным разнообразием форм, размеров и дизайнов, однако их всех связывает одно – техническое оснащение. И весь этот сложный механизм может в любой момент «встать» из-за любой незначительной мелочи, например, при износе небольшой полоски из металла — прокладки ГБЦ. Выходит из строя она по разным причинам, например, если головка блока цилиндров перегревается, то со временем выхлопные газы могут перебить прокладку.
Что такое ГБЦ
Схема устройства
На двигатель автомобиля могут воздействовать самые разнообразные внешние агрессивные факторы как механического, так и химического действия. Чтобы этого не допустить, блок цилиндров закрывается специальной крышкой. Она чаще всего изготовлена из чугуна или алюминиевого специального сплава и имеет очень сложную форму. После процесса литья эта пластина подвергается специальному процессу, который искусственно состаривает ее для снятия напряжения с внешней стороны.
ГБЦ имеет достаточно сложную техническую конструкцию и состоит из множества мелких деталей:
- крышки, которая обеспечивает защитные функции от механического загрязнения, в крышке есть небольшое отверстие, через которое следует наливать масло;
- прокладки, с помощью которой крышка крепится к блоку, уплотняя место крепления;
- специальных камер, предназначенных для сгорания поступающего топлива;
- разнообразных отверстий для свечей и форсунок.
Детали на замену
В различных ситуациях неправильной эксплуатации автомобиля или при несвоевременном техническом обслуживании в блоке цилиндров могут возникать поломки, требующие длительного и дорогостоящего ремонта. При самостоятельном обслуживании своего автомобиля особого внимания заслуживает процесс затяжки креплений, так как при недожатии или перезакручивании можно с легкостью испортить прокладку ГБЦ.
Предназначение прокладки головки блока цилиндров
Прокладки ГБЦ
Прокладка ГБЦ уплотняет место, где соединяются головка и сам блок цилиндров.
Кроме этого, она позволяет укрепить каналы охлаждения двигателя, масляные каналы и полости в цилиндрах, отвечающие за газораспределительную функцию.
Замена прокладки ГБЦ обязательна при любых ремонтных работах на двигателе автомобиля, т.е. при снятии прокладки повторной установке она уже не подлежит, т.к. будет нарушена герметичность соединения.
Экономить и выбирать низкокачественную уплотняющую прокладку не рекомендуется.
Все прокладки ГБЦ подразделяются на следующие виды:
- Асбестовые чаще используются при ремонте двигателей. Обладают характерными свойствами: они термостойки, имеют большую упругость и эластичны.
- Безасбестовые прокладки имеют некоторые особенности в эксплуатации – они подвержены минимальным усадкам и материал может хорошо восстанавливаться.
- Металлические уплотнители – самая качественная категория. При установке такой прокладки давление равномерно распределяется по всему блоку.
Замена прокладки головки блока цилиндров
Убираем прокладку
Специалистами не выявлен определенный гарантийный срок, время, в течение которого гарантированна нормальная работа прокладки ГБЦ.
Ее срок службы будет зависеть от ряда факторов, таких как марка автомобиля, способ вождения, регулярность технического обслуживания и так далее. Явными признаками, которые будут свидетельствовать о неисправности в двигателе и необходимости заменить прокладку являются: вытекание масла на месте стыков; попадание жидкой эмульсии, отвечающей за охлаждение двигателя, через неработающую прокладку; светлый цвет выхлопного дыма и так далее.
Специалисты выделяют ряд правил и рекомендаций, которыми необходимо руководствоваться при замене прокладки ГБЦ своими руками. Первоначально следует внимательно читать инструкции, в которых компания-производитель четко указала ремонтные характеристики к типу двигателя вашей марки автомобиля. Также специалисты рекомендуют просмотреть фотоотчет, где показаны и нарисованы все элементы монтажа и разборки головки цилиндра. Во-первых, начинать разбирать головку следует с фломастером, помечая все детали, которые вы разбираете. Это следует делать для того, чтобы было легче собирать блок обратно.
Во-вторых, при покупке прокладки следует удостовериться в том, что она подойдет для той степени затяжки болтов и креплений, которые рекомендует компания-производитель. В-третьих, перед демонтажем рекомендуется очистить все детали от возможного масляного налета, так как на загрязненной маслянистой поверхности возникает большая вероятность отскока ключа или сворачивания болтов. В-четвертых, при раскручивании болтов сначала следует снять наружное напряжение. Поэтому раскручивание начинать с половины или одного оборота. После снятия головки можно заменить прокладку и приступать к процедуре обратной сборки.
Собирать детали следует только по специальным пазам и отверстиям. Затяжка всех болтов производится в соответствии с инструкцией от компании-производителя двигателя.
После того как вы поменяли прокладку ГБЦ на ВАЗ и установили на место головку блока цилиндров, обратите внимание на признаки течи. Если двигатель работает нормально, без утечек масла или охлаждающей жидкости, значит, замена прокладки своими руками прошла эффективно.
Видео
Ниже вы можете увидеть, как поменять прокладку ГБЦ на ВАЗ 2109:
Фото
Перед разборкой
Демонтируем защитный кожух
Снимаем ремень ГРМ
Сливаем антифриз
Откручиваем болты
Поврежденная прокладка
Демонтируем ГБЦ
Очищаем посадочное место
Установка новой прокладки
Монтаж ГБЦ
Кожух установлен на место
Как заменить прокладку головки
Как заменить прокладку головки | Совет вашего механикаЗадайте вопрос, получите ответ как можно скорее!
ЗАПРОСИТЬ ЦЕНУ
Дым из двигателя или выхлопных газов Стоимость осмотра
Место обслуживания
$94,99 — $114,99
Диапазон цен для всех автомобилей
Прокладка головки блока цилиндров представляет собой уплотнение, расположенное между блоком двигателя и головкой блока цилиндров в сборе.
Рядная конструкция двигателя будет иметь одну головку блока цилиндров, поскольку цилиндры расположены по прямой линии вдоль блока цилиндров. Это справедливо для многих 4-, 5- и 6-цилиндровых двигателей.
V-образная конструкция двигателя, такая как V6 или V8, будет иметь две головки блока цилиндров, по одной на каждый ряд. Двигатель V6 будет иметь по 3 цилиндра на каждом ряду.
- Примечание : Ремонт прокладки головки блока цилиндров требует значительных трудозатрат даже на двигателях меньшего объема.
Поручите профессионалу определить необходимость ремонта прокладки головки блока цилиндров с помощью официальной проверки. Этот ремонт слишком интенсивен, чтобы делать его без причины, и может принести гораздо больше вреда, чем пользы, если он будет выполнен неправильно.
В конструкции «V» необходимо обслуживать правильный ряд, если не ремонтировать оба одновременно.
- Предупреждение : Всегда соблюдайте меры безопасности при работе с автомобилем, чтобы избежать травм.
Надевайте рекомендованное защитное снаряжение, включая перчатки и защитные очки, при работе с моторным маслом, охлаждающей жидкостью и деталями автомобиля.
Необходимые материалы
- Считыватель кодов (дополнительно)
- Контейнеры для старого моторного масла и охлаждающей жидкости
- Комплект прокладок головки блока цилиндров
- Поддоны
- Охлаждающая жидкость двигателя
- Масло моторное
- Масляный фильтр двигателя
- Термостат двигателя
- Комплект прокладок выпускного коллектора
- Перчатки
- Комплект прокладок впускного коллектора
- Набор инструментов для механика с несколькими комбинациями головок и ключей
- Защитные очки
- Свечи зажигания
- Динамометрические ключи (⅜” и ½”)
- Комплект ремня ГРМ для вашего автомобиля
- Прокладки клапанной крышки
- Руководство по обслуживанию автомобиля
Шаг 1: Найдите VIN .
Найдите информацию о транспортном средстве, относящуюся к вашему автомобилю, чтобы упростить поиск запчастей.
Ваш автомобиль снабжен двумя очень важными наклейками. На наклейке с выбросами под капотом указан объем двигателя. Наклейка внутри косяка двери водителя покажет вам идентификационный номер автомобиля или VIN.
Шаг 2: Найдите руководство по обслуживанию вашего автомобиля . Продавец запчастей обычно спрашивает у вас год, марку и модель автомобиля, чтобы найти подходящие запчасти для вашего автомобиля.
- Примечание : Объем двигателя очень важен, так как многие конструкции двигателей различаются, а компоненты отличаются.
- Совет : Руководство по обслуживанию автомобиля гораздо более подробное, чем руководство по эксплуатации автомобиля. Руководство по обслуживанию будет содержать очень важную информацию и включать некоторые процедуры ремонта.
Вы сможете найти их во многих магазинах автозапчастей и у интернет-магазинов.
Если вы не видите на полке руководство по обслуживанию вашего автомобиля, попросите сотрудника заказать его. Они довольно недороги, а информация внутри бесценна.
В руководстве по обслуживанию будут перечислены специальные инструменты, необходимые для ремонта, и указано, какие компоненты необходимо снять при выполнении ремонта. Возможно, потребуется просмотреть процедуры пару раз перед началом. Ознакомьтесь с работой, которую вы собираетесь выполнять, прежде чем приступить к работе с двигателем вашего автомобиля.
- Совет : При поиске прокладки головки блока цилиндров старайтесь покупать комплексную, которая будет включать в себя множество различных уплотнений. Даже несмотря на то, что эти комплекты могут содержать ненужные вам печати или дубликаты, предпочтительнее не иметь важную печать, когда она вам понадобится.
При снятии любого компонента необходимо заменить все соответствующие уплотнения, чтобы исключить вероятность утечек при повторной сборке двигателя.
После замены уплотнений крайне важно установить крепеж для каждого компонента с требуемым моментом затяжки.
Часть 2 из 4: Демонтаж двигателя
Шаг 1: Отсоедините аккумуляторную батарею . Поскольку на некоторых автомобилях легко включить стартер в сборе случайно, очень важно отключать аккумулятор при выполнении любого капитального ремонта автомобиля.
Примечание : Сначала отсоедините отрицательный или черный провод от аккумулятора.
Предупреждение : Ненадежные соединения проводов могут вызвать короткое замыкание, повредить очень чувствительное и дорогое оборудование или вызвать искры, которые могут вызвать пожар. Это может быть опасно, поэтому отключите аккумулятор, прежде чем делать что-либо еще.
Этап 2: Слейте моторное масло и охлаждающую жидкость двигателя . Слейте моторное масло через отверстие для слива моторного масла.
Поместите поддон под двигатель для сбора старого масла и откройте пробку слива масла.
Таким образом, если какая-либо охлаждающая жидкость двигателя прольется на картер, она вытечет, а не осядет в двигателе.
- Примечание : Не забудьте слить старое моторное масло в масляный поддон, чтобы не добавлять новое масло поверх него, иначе вам придется ремонтировать весь двигатель в сборе.
Слейте охлаждающую жидкость через сливное отверстие радиатора или ослабив и сняв нижний шланг радиатора. Не забудьте снять крышку радиатора.
- Совет : В некоторых случаях нижний впускной коллектор или головка блока цилиндров имеют отверстие для слива охлаждающей жидкости.
Шаг 3: Снимите все компоненты с головки блока цилиндров . Все компоненты, крепящиеся к головке блока цилиндров, должны быть удалены.
Совет : Существует много гаек, болтов, втулок, хомутов и фитингов, и можно легко потерять след. Попробуйте сфотографировать или записать описание каждой детали, чтобы помочь вам вспомнить, куда все идет, когда вы будете готовы к повторной сборке двигателя.

Совет : Упакуйте и пометьте все. Рекомендуется хранить некоторые детали и их застежки в одном пакете. Один компонент может иметь крепежные детали разной длины. Отметьте их, так как они должны вернуться точно туда, откуда пришли, чтобы избежать повреждения двигателя.
Совет : Некоторые из болтов, участвующих в демонтаже, называются «момент до предела текучести». Эти болты с пределом текучести обычно растягиваются при установке, и их необходимо заменить после их удаления. Следите за этими болтами и не забудьте заменить их новыми.
Предупреждение : При повторном использовании эти крепежные детали с крутящим моментом и пределом текучести имеют высокую вероятность поломки блока цилиндров или головки блока цилиндров. Отломанный кусок необходимо будет извлечь, а отверстие исправить, если оно повреждено.
Шаг 4: Снимите крепеж в последовательности .
Многие компоненты, такие как клапанная крышка, головка блока цилиндров, впускной и выпускной коллекторы, требуют снятия креплений в определенной последовательности, чтобы избежать деформации или растрескивания. Обычно эта информация подробно описана в руководстве по эксплуатации автомобиля.
Некоторые автомобили оснащены верхними распределительными валами — либо двойными верхними распределительными валами (DOHC), либо одинарными верхними распределительными валами (SOHC). Это означает, что распределительные валы расположены в головке блока цилиндров. В этих типах двигателей коленчатый и распределительный валы могут быть соединены зубчатым ремнем или цепью.
- Примечание : Ремень ГРМ или цепь ГРМ в сборе требуют специальной процедуры снятия для защиты внутренних компонентов двигателя. Обратите очень пристальное внимание на процедуры и метки времени. Эти маркировки имеют жизненно важное значение для работы двигателя, и в случае ошибок узел может быть поврежден.

Некоторые автомобили могут иметь другой тип конструкции двигателя, называемый верхним расположением клапанов (OHV). Многие конструкции двигателей с верхним расположением клапанов имеют распределительный вал, расположенный внутри блока цилиндров, и используют подъемники, толкатели и коромысла для активации клапанов в головке цилиндров.
Как правило, компоненты газораспределения двигателя не включаются в демонтаж головки блока цилиндров, но если эти компоненты снимаются, они должны быть установлены в точно таком же порядке.
- Примечание : Во многих конструкциях двигателей используются толкатели разной длины для впускных и выпускных клапанов. При перепутывании этих компонентов возможно повреждение двигателя.
Многие комплекты ремней ГРМ снабжены маркировкой для простоты установки. Маркировка или отмеченные звенья на ременном ремне (различны для каждого типа комплекта ремня ГРМ) будут точно совпадать с маркировкой на компонентах двигателя.
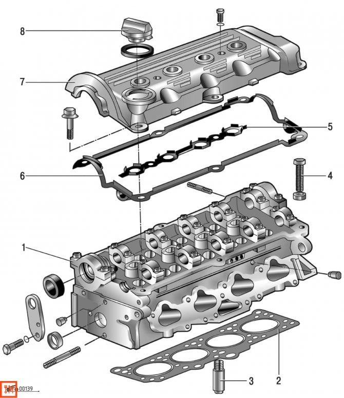
Прокладка головки блока цилиндров. Прокладка или уплотнение головки блока цилиндров находится под головкой блока цилиндров в сборе. Используемый материал может варьироваться от металла до материала, который будет разрушаться при установке и затяжке болтов головки блока цилиндров. Иногда оба материала используются в конструкции прокладки головки блока цилиндров.
Эта прокладка должна выдерживать давление и температуру сгорания и выдерживать их. Часто вы можете увидеть разрыв между двумя цилиндрами или разрыв в месте разрыва уплотнения отверстия для масла или охлаждающей жидкости.
Часть 3 из 4: Осмотр блока головки блока цилиндров
Блок цилиндров и блок цилиндров имеют порты, через которые проходит моторное масло для смазки и охлаждающая жидкость двигателя для контроля температуры.
Прокладка головки блока цилиндров разрезана для герметизации каждого цилиндра, а также портов для масла и охлаждающей жидкости, чтобы жидкости не смешивались и компрессия из одного цилиндра не попадала в другой.
- Совет : Во многих случаях неисправная прокладка головки цилиндров пропускает масло в систему охлаждения и приводит к тому, что охлаждающая жидкость превращается в коричневый осадок. Вы можете заметить осадок при снятии крышки радиатора и увидеть осадок в радиаторе или внутри двигателя, когда снимите крышку маслозаливной горловины.
Шаг 1: Осмотрите блок цилиндров и головку цилиндров . Сопрягаемые поверхности блока цилиндров и головки блока цилиндров должны быть проверены на плоскостность, чтобы обеспечить идеальное уплотнение.
Отправьте головку блока цилиндров в механическую мастерскую для профессиональной очистки и осмотра. Во многих случаях потребуется замена клапана. Поговорите с техниками в механическом цехе, чтобы получить инструкции о том, что взять с собой, и узнать подробности об их услугах.
- Совет: Вы можете приобрести обработанную поверочную линейку для измерения плоскостности сопрягаемых поверхностей блока цилиндров и головки цилиндров.
В руководстве по обслуживанию автомобиля будет указан предел измерений.
Если сопрягаемая поверхность блока цилиндров или головки цилиндров не является идеально ровной, компонент необходимо заменить. Техники в механическом цехе проверят ровность головок цилиндров, но вы будете нести ответственность за проверку блока цилиндров.
Положите поверочную линейку на платформу блока цилиндров. Посветите фонариком на одну сторону. Проверьте, виден ли свет между блоком двигателя и поверочной линейкой. Если да, блок двигателя также необходимо обслуживать. Если дека не плоская, свет будет проглядывать через места, которые покоробились.
Шаг 2: Очистите блок цилиндров и блок цилиндров . Сопрягаемые поверхности блока цилиндров и блока цилиндров также должны быть идеально чистыми. Когда вы отправляете головку блока цилиндров в механический цех, механики даже позаботятся о ее очистке.
Примечание :Если вы решили чистить их самостоятельно, не забудьте о сопрягаемых поверхностях впускного и выпускного коллектора.
Имейте в виду, что любые проблемы, которые могли привести к повреждению прокладок головки блока цилиндров, также могут привести к повреждению головки (головок) цилиндров, и для их ремонта могут потребоваться специальные инструменты или процедуры.Предупреждение : НЕ используйте вращающийся диск или шлифовальный круг для очистки этих поверхностей, так как эти инструменты могут удалить слишком много металла, если они используются неправильно. Эти инструменты создают много мелких частиц металла и могут оседать в труднодоступных местах внутри блока цилиндров. Если грязь или мусор попадут в камеру сгорания вокруг поршней, это может привести к появлению царапин на стенках цилиндров.
Шаг 3. Осмотрите другие компоненты, снятые при разборке . Это прекрасное время, чтобы проверить другие компоненты на наличие повреждений или износа и заменить их, чтобы предотвратить проблемы в будущем.
- Примечание : Замените свечи зажигания, термостат охлаждающей жидкости двигателя, масло, охлаждающую жидкость, провода зажигания, компоненты синхронизации, ремни, изношенные шкивы и любые уплотнения, которые были нарушены при снятии.
Компоненты двигателя, с которыми вам, возможно, придется иметь дело, будут различаться в зависимости от приложения.
Шаг 4: Очистите резьбу . Иногда ржавчина и грязь могут скапливаться на резьбе (спиральных канавках) крепежных деталей и внутри болтовых отверстий. Крепеж может застрять в грязи, что приведет к неточным значениям крутящего момента.
Вы можете взять болты головки блока цилиндров в местный хозяйственный магазин, чтобы узнать размер болта и шаг резьбы. С этим размером вы можете приобрести метчик того же размера. Используйте метчик на отверстиях под болты головки цилиндров, чтобы очистить грязь, осевшую на резьбе.
- Совет : Некоторые блоки цилиндров имеют шпильки, установленные в блоке. Накидная гайка устанавливается после установки ГБЦ на шпильки. См. рекомендации производителя по обращению с этими шпильками. Возможно, потребуется заменить шпильки и очистить отверстия для шпилек.
Часть 4 из 4: Повторная сборка
Шаг 1: Нанесите на прокладку головки блока цилиндров герметик .
Если применимо, распылите герметик на обе стороны прокладки головки блока цилиндров, прежде чем укладывать ее на чистый блок цилиндров.
В противном случае положите оголенную прокладку на чистый блок цилиндров.
- Совет : Многие поставщики продают спрей-герметик для меди, чтобы обеспечить хорошее уплотнение при установке новой прокладки головки блока цилиндров.
- Совет : Если для удержания головки блока цилиндров в нижнем положении используются шпильки, установите шпильки перед установкой прокладки. Конструкции без шпилек часто оснащены установочными штифтами, чтобы прокладка не двигалась при установке головки блока цилиндров сверху.
Шаг 2: Установите головку блока цилиндров . После очистки поверхностей и установки прокладки установите головку блока цилиндров и закрепите ее.
- Совет : Руководство по обслуживанию содержит информацию о моменте затяжки крепежа и правильной последовательности затяжки.

Как и при снятии компонентов, при повторной сборке деталей необходимо следовать определенной схеме, чтобы обеспечить надлежащее уплотнение и создать наименьшую нагрузку на компоненты. В большинстве случаев требуется несколько проходов измерения возрастающего крутящего момента. Следуйте процедурам и используйте калиброванный динамометрический ключ.
Шаг 3: Замените все ранее снятые компоненты . Повторите предыдущие шаги и установите все компоненты, снятые с узла головки блока цилиндров.
- Совет : сверяйтесь со своими заметками и фотографиями, чтобы не сбиться с пути, и не забывайте внимательно осматривать компоненты, сопрягаемые поверхности и крепежные детали.
- Примечание : Очистите все сопрягаемые поверхности, очистите резьбу на грязных болтах и в грязных отверстиях под болты и замените уплотнения, поврежденные в процессе демонтажа.
Для некоторых компонентов не требуется уплотнение, но требуется силиконовая паста или средство для изготовления прокладок, которые можно найти в местном магазине автозапчастей.

Механическая синхронизация (если применимо) : Узел механической синхронизации используется для соединения коленчатого и распределительного валов двигателя. При вращении коленчатого вала поршни движутся вверх и вниз в камере сгорания. Распредвал (ы) активирует клапанный механизм, чтобы открывать и закрывать клапаны в нужный момент. Если механическая синхронизация неверна, поршни могут коснуться клапанов и нанести серьезный ущерб.
В приложениях с верхним расположением клапанов (OHV) вам, возможно, не придется вмешиваться в компоненты синхронизации. При использовании OHC (верхний распределительный вал, одиночный или составной) компоненты привода ГРМ необходимо разобрать, чтобы снять головку блока цилиндров. Следуйте инструкциям в руководстве по обслуживанию для правильной сборки.
Шаг 4: Подсоедините аккумулятор и залейте жидкости . Перед подключением аккумулятора еще раз проверьте свою работу. Сначала установите положительный кабель, затем отрицательный.
- Предупреждение : Установка кабелей в обратном порядке вызовет искру и может воспламенить находящиеся поблизости легковоспламеняющиеся жидкости.
После того, как вы освоитесь со сборкой, заправьте двигатель маслом. Проверьте уровень моторного масла и не забудьте использовать новый фильтр.
Заполните радиатор охлаждающей жидкостью до максимального уровня и подождите. Вы можете увидеть некоторое пузырение. Воздух может попасть в систему охлаждения, поэтому перед запуском двигателя необходимо удалить воздух из системы охлаждения. В некоторых случаях помогает поднять переднюю часть автомобиля, чтобы воздух поступал в самую высокую точку системы или в расширительный бачок. Проверьте уровень охлаждающей жидкости и убедитесь, что он достаточен.
Шаг 5: Проверка на наличие неисправностей . Войдите в автомобиль и поверните ключ зажигания в положение «аксессуар» или «ВКЛ». Пока НЕ заводите автомобиль.
Теперь вы можете подключить считыватель кодов, если он у вас есть.
Во многих случаях код будет установлен немедленно, если компонент не был подключен. Если всплывают какие-либо коды, будет легче отследить компонент, который вы, возможно, оставили отключенным.
Шаг 6: Настройка климат-контроля . Заведите автомобиль и установите климат-контроль на максимальную температуру. Это позволит охлаждающей жидкости попасть в сердцевину отопителя и является лучшим способом удалить любые стойкие пузырьки воздуха из системы охлаждения.
- Совет : Не запускайте двигатель, просто дайте ему поработать на холостом ходу и медленно прогрейте его.
Периодически проверяйте показания комбинации приборов, а также выходите в моторный отсек на наличие утечек или дыма. Иногда новые уплотнения, особенно прокладки головки блока цилиндров и уплотнения выпускного коллектора, могут выделять пар или дым.
Поздравляем! Вы самостоятельно заменили прокладку ГБЦ двигателя!
Если у вас есть какие-либо вопросы или возникли проблемы при установке прокладки головки блока цилиндров, проконсультируйтесь со специалистом из группы профессиональных консультаций YourMechanic.
Рекомендуется обратиться к сертифицированному механику, если вы заметили много пара или дыма, исходящего из двигателя после замены прокладки головки блока цилиндров.
Если вы слышите скрип ремня ГРМ или считаете, что его необходимо заменить, вызовите механика из YourMechanic, который приедет к вам и осмотрит или заменит ремень ГРМ.
Следующий шаг
График Дым от двигателя или выхлопных газов Осмотр
Самая популярная услуга, которую заказывают читатели этой статьи, — проверка дыма двигателя или выхлопа. После того, как проблема будет диагностирована, вам будет предоставлена предварительная стоимость рекомендуемого исправления, а также скидка в размере 20 долларов США в качестве кредита на ремонт. Технические специалисты YourMechanic доставят вам услуги дилера, выполняя эту работу у вас дома или в офисе 7 дней в неделю с 7:00 до 9:00.ВЕЧЕРА. В настоящее время мы охватываем более 2000 городов и имеем более 100 тысяч 5-звездочных отзывов… УЧИТЬ БОЛЬШЕ
СМОТРЕТЬ ЦЕНЫ И СПИСОК
двигатели
прокладки
цилиндры
Заявления, приведенные выше, предназначены только для информационных целей и требуют независимой проверки.
Пожалуйста, смотрите наш
условия обслуживания
для более подробной информации
Отличные оценки авторемонта.
4.2 Средняя оценка
Часы работы
7:00–21:00
7 дней в неделю
Номер телефона
1 (855) 347-2779
Часы работы телефона
Пн — Пт / 6:00 — 17:00 по тихоокеанскому времени
Сб — Вс / 7:00 — 16:00 по тихоокеанскому стандартному времени
Адрес
Мы приедем к вам без дополнительной оплаты
Гарантия
Гарантия 12 месяцев/12 000 миль
Наши сертифицированные выездные механики выполняют более 600 услуг, включая диагностику, тормоза, замену масла, плановые ТО, и приедут к вам со всеми необходимыми запчастями и инструментами.
Получите честное и прозрачное предложение прямо перед бронированием.
Excellent Rating
Rating Summary
SEE REVIEWS NEAR ME
Ruben
10 years of experience
63 reviews
Request Ruben
Ruben
10 years of experience
Request Ruben
by Amenah
Buick Park Avenue V6-3.
8L — Дым из двигателя или выхлопа — Лексингтон, Южная Каролина
Great Guy. Очень хорошо осведомлен и точно знал, о чем говорил. Дружелюбный и просветил меня о том, что именно не так с моей машиной.
by Byron
Гран-при Pontiac — Дым от двигателя или выхлопа — Колумбия, Южная Каролина
Отличный механик, который полностью все объясняет. Рубен был великолепен. Он прошел осмотр вместе со мной, давая советы по разным вещам, о которых нужно знать. Я ценю все, что он сделал для меня сегодня.
Duane
25 лет опыта
510 отзывов
Request Duane
Duane
25 лет опыта
Request Duane
Ник
GMC Yukon V8-5.7L — Дым из двигателя или выхлопа — Оушенсайд, Калифорния
Человек приехал и продиагностировал мой грузовик за считанные секунды. Был феноменально хорошо осведомлен о том, что искал, и дал мне ответы на мои вопросы о моем грузовике. Рекомендую этого человека для ремонта моего грузовика в будущем.
Михаил
16 лет опыта
62 отзыва
Запрос Михаил
Михаил
16 лет опыта
Запрос Майкл
от Eulises
Audi A8 Quattro V8-4.2L — Дым из двигателя или выхлопа — Кросби, Техас
Майкл был очень знающим и честным. Он проделал большую работу по диагностике моей машины и позже в тот же вечер предложил мне цену. Я рад, что узнал об этом сайте.
Уильям
34 года опыта
517 отзывов
Запрос Уильям
Уильям
34 года опыта
Запрос Уильям
Джеймс
Mercedes-Benz R350 V6-3.5L — Дым из двигателя или выхлопа — Феникс, Аризона
Он был вовремя, Он объяснил, в чем причина проблемы, он был вежлив и профессионален, я с нетерпением жду работая только с вашим механиком, но конкретно с Уильямом.
Нужна помощь с вашим автомобилем?
Наши сертифицированные мобильные механики выезжают на дом в более чем 2000 городов США. Быстрые, бесплатные онлайн-расценки на ремонт вашего автомобиля.
ПОЛУЧИТЬ ЦЕНУ
ПОЛУЧИТЬ ЦЕНУ
Статьи по Теме
Как проверить воздушную заслонку на карбюраторном двигателе
топливная система), который открывается и закрывается, позволяя большему или меньшему количеству воздуха поступать в двигатель. Подобно дроссельной заслонке, воздушная заслонка поворачивается из горизонтального положения в вертикальное, открываясь…
Как установить распределительный вал
На протяжении многих лет двигатели (https://www.yourmechanic.com/article/how-a-modern-engine-works) развивались по-разному. Большинство изменений или улучшений, которые были сделаны, вращаются вокруг повышения производительности и экономии топлива без увеличения размера двигателя. Одно из самых больших изменений…
Как устранить проблемы с выхлопом автомобиля или шумом двигателя
Автомобильные выхлопные системы и автомобильные двигатели издают жужжащие, щелкающие или шипящие звуки при неисправном ремне, генераторе переменного тока, водяном насосе или натяжном шкиве.
Похожие вопросы
Обнаружение утечки заднего моста на Dodge 2000 года
Обычно это либо прокладка, которая протекает сзади, либо уплотнение на валу передней шестерни, где ведущий вал входит и вращается. Если вы действительно хотите узнать, что это такое…
сколько времени займет замена прокладок клапанной крышки на Lincoln aviator 2003 года выпуска 4,6 литра
Привет. Запланированное время требует около 3,5 часов, чтобы завершить замену обеих прокладок клапанной крышки. Но это зависит от механики, но это среднее время книги. Если вам необходимо заменить их, рассмотрите…
После ночевки белый дым при запуске машины
Если он не сероватый или голубоватый, то это просто пар и не о чем беспокоиться. Даже если он сероватый/голубоватый, масло немного подгорает, что неудивительно для 15-летнего…
Просмотрите другой контент
Оценки
Города
Техническое обслуживание
Наша команда обслуживания доступна 7 дней в неделю, с понедельника по пятницу с 6:00 до 17:00 по тихоокеанскому времени, с субботы по воскресенье с 7:00 до 16:00 по тихоокеанскому стандартному времени.
1 (855) 347-2779 · [email protected]
Читать часто задаваемые вопросы
ЗАПРОСИТЬ ЦЕНУ
Руководство по стоимости замены прокладки головки блока цилиндров
Средняя стоимость замены прокладки головки блока цилиндров составляет от 1200 до 3000 долларов США. Поскольку средний механик просит от 30 до 100 и более долларов в час, легко понять, как трудоемкость замены прокладки головки блока цилиндров может привести к высоким затратам.
Двигатель – важнейшая часть любого автомобиля, и даже небольшие проблемы с ним могут привести к большим головным болям, ремонту и поломкам. Двигатель часто описывают одним этим словом, однако он состоит из нескольких ключевых частей, и головка блока цилиндров является одной из них. Он герметизирован прокладкой головки блока цилиндров, и если она выйдет из строя, двигатель может выйти из строя.
В этом руководстве мы рассмотрим признаки проблем с прокладкой головки блока цилиндров, сколько стоит ее замена или ремонт, а также как выбрать подходящего механика для ваших нужд.
Как отмечалось ранее, большая часть стоимости замены прокладки головки блока цилиндров приходится на оплату труда. На самом деле до 70% стоимости приходится на 10+ часов работы. И, как и в случае ремонта многих автомобилей, стоимость будет варьироваться в зависимости от таких факторов, как:
Возраст автомобиля
Марка и модель автомобиля
Тип двигателя – V6 или V8 с двумя головками
Серьезность проблемы
Любые другие повреждения или проблемы, связанные с проблемой
Платит ли механик за работу или за час
Сколько стоит замена прокладки ГБЦ? Ниже приведены некоторые стандартные затраты на замену прокладки головки блока цилиндров на обычных автомобилях в США:
Тип транспортного средства | Прайс-лист |
Ниссан Альтима | $1864 — $2278 |
Хонда Аккорд | 832–1200 долларов |
Шевроле Малибу | $2000 — $2500 |
Хонда Сивик | $730 — $1500 |
Модель и марка вашего автомобиля определяют, сколько стоит замена прокладки головки блока цилиндров.
Например, стоимость замены прокладки головки блока цилиндров Subaru отличается от стоимости замены прокладки головки блока цилиндров BMW, при этом стоимость самих прокладок часто бывает разумной. Именно многочасовая работа механика делает ремонт таким дорогостоящим. Именно поэтому лучше всего провести тот осмотр, чтобы убедиться, что это прокладка ГБЦ.
Что такое прокладка головки блока цилиндров?
Двигатель любого автомобиля состоит из блока цилиндров и головки блока цилиндров. Внутри головки блока цилиндров находятся топливные форсунки и распределительный вал (ы), а в блоке расположены поршни, клапаны и коленчатый вал. И головка, и блок используют охлаждающие жидкости и смазочные материалы для работы и поддержания работы других систем. Однако двигатель четко очерчен различными компонентами и уплотнениями или прокладками между ними.
Прокладка головки блока цилиндров является одним из наиболее важных уплотнений и местом соединения блока цилиндров и головки. Головка — это место, где охлаждающая жидкость и масло попадают в двигатель, и, как вы можете себе представить, прокладка головки подвергается большому давлению.
Ведь есть сгорание внутри двигателя и давления движущихся компонентов. Существуют экстремальные температуры и другие проблемы, и все они являются причиной того, что прокладка головки блока цилиндров предназначена быть «самым слабым звеном» и выходит из строя раньше других компонентов.
Почему? Когда двигатель перегревается и пробивает прокладку, жидкости смешиваются, и сразу становится понятно, что что-то не так.
Признаки выхода из строя прокладки ГБЦ невозможно не заметить. Двигатель сильно перегревается, из выхлопной системы будет идти много пара, двигатель будет давать пропуски зажигания или работать плохо. Двигатель может даже выйти из строя.
Также будут явные признаки того, что охлаждающая жидкость смешалась с маслом, например, жидкость молочного цвета и мутная внутри моторного отсека, а выхлопные газы могут попасть в систему охлаждения во время работы двигателя. Другие знаки включают в себя:
Машина постоянно перегревается
Необходимо добавить много охлаждающей жидкости из-за трудностей с обнаружением утечки
Горят индикаторы проверки двигателя или температуры масла (или оба)
Из выхлопной трубы выходит сладкий и/или белый дым
Одна или несколько таких проблем являются явными признаками неисправности и указывают на необходимость ремонта или замены.
Промедление с этим может привести к повреждению или даже отказу двигателя.
Как выполняется замена прокладки ГБЦ?
Размышляя о затратах и проектах на замену прокладки головки блока цилиндров, имейте в виду, что ремонт сам по себе прост. Часто это проект, который занимает много времени, потому что требуется так много разборки и повторной сборки.
Типичный подход включает:
Подтверждение того, что прокладка головки блока цилиндров лопнула или вышла из строя
Слив всей охлаждающей жидкости и масла из двигателя
Снятие головки блока цилиндров и всех сопутствующих компонентов
Проверка и очистка компонентов (для этого может потребоваться отправка деталей другому специалисту)
Снятие прокладки ГБЦ
Проверка всего блока цилиндров на предмет повреждений
Установка новой прокладки головки блока цилиндров и нанесение соответствующего герметика
Установка головки блока цилиндров и других деталей; проверка того, что все было установлено в соответствии с правильными и оригинальными спецификациями
Заправка двигателя маслом и свежей охлаждающей жидкостью
Запуск двигателя для определения наличия утечек или других проблем
Дорожные испытания автомобиля
Имейте в виду, что предварительное исследование проблемы также является частью любой задачи по замене прокладки головки блока цилиндров, поскольку проблема может заключаться не в прокладке головки блока цилиндров.
Это может быть проблема с крышкой коромысла, проблемой с выхлопом, кондиционером, радиатором или другой проблемой.
Можно ли ездить, если прогорела прокладка ГБЦ?
Хотя многие говорят, что вы можете добраться до гаража или на короткое расстояние после того, как прокладка головки блока цилиндров лопнет или выйдет из строя, делать это неразумно. Каждый момент, когда двигатель работает без герметичного уплотнения, увеличивается риск серьезного повреждения. К сожалению, признаки могут быть не такими очевидными, как многие думают, поэтому вам следует остановить автомобиль, как только вы заметите повышение температуры автомобиля, увидите даже намеки на дым из выхлопной трубы, заметите потерю мощности двигателя, или обнаружить отчетливый сладкий запах горящей охлаждающей жидкости.
Советы по составлению задания на замену прокладки ГБЦ
Готовы ли вы нанять специалиста для осмотра и замены прокладки ГБЦ, если это необходимо? Если это так, потребуется всего несколько минут, чтобы перечислить ваши потребности и использовать их для создания полного списка на Airtasker.
После публикации все, что вам нужно сделать, это дождаться предложений от квалифицированных экспертов. Найдите время, чтобы сравнить их (учитывая все, от отзывов до цен) и сделать свой выбор. Затем ваш механик может приехать к вам и заняться ремонтом.
Вот список проблем, которые мы рекомендуем вам включить в любой список:
Требуемые временные рамки (срочные, более продолжительное время и т. д.)
Бюджет (сумма, которую вы имеете для проекта)
Ваше местоположение и если вы ожидаете каких-либо проблем или проблем, связанных с местоположением
Марка, модель и возраст автомобиля
Четкое объяснение того, почему вы считаете, что это прокладка головки блока цилиндров, и готовы ли вы заплатить за осмотр, а также за необходимый ремонт
Материалы и детали, которые вы предоставите (и запросите цену на них, если хотите сравнить варианты)
Если вам требуется гарантия на работу (и материалы, если вы их не поставляете)
Чем больше подробностей вы предоставите, тем легче поставщику сделать точное и конкурентоспособное предложение.
Имейте в виду, что большинство также будет использовать ваш список в качестве ориентира, когда они прибудут для выполнения работы, поэтому точность и честность являются ключевыми!
Ремонт прокладки ГБЦ: как починить?
The Drive и его партнеры могут получать комиссию, если вы покупаете продукт по одной из наших ссылок. Подробнее.
Три слова, которые никто никогда не хочет слышать: пробитая прокладка ГБЦ. В автомобильном лексиконе эта простая фраза настолько плоха, насколько это возможно для среднего потребителя, потому что она обычно переводится как капитальный ремонт, который обойдется владельцу в тысячи долларов.
Обычно здесь мы говорим вам перевести дух, взять инструменты, отправиться в гараж, и мы проведем вас через ремонт, но работа с прокладкой головки блока цилиндров — это совсем другое дело. К сожалению, это не проблема, которую вы или мы можем легко решить с помощью 1-часового сеанса в гараже.
Вместо этого Драйв предоставит вам информацию, чтобы вы могли решить, как вы хотите действовать.
То, что подходит вам, не подойдет другому человеку с другим автомобилем. Впитайте его, а затем решите, что делать с пробитой прокладкой головки блока цилиндров. Мы просто собираемся извиниться сейчас, чтобы покончить с этим.
Что такое прокладка головки?
Прокладка головки блока цилиндров представляет собой кусок армированного материала, который находится между блоком двигателя и головкой двигателя. Когда головка навинчивается на блок, прокладка создает уплотнение, поддерживающее необходимое давление внутри двигателя.
Что делает прокладка головки блока цилиндров?
Прокладка головки блока цилиндров уплотняет соединение между головкой двигателя, в которой находится распределительный вал, и блоком цилиндров, в котором находятся цилиндры и поршни. Современные прокладки разработаны таким образом, чтобы приспосабливаться к незначительным дефектам поверхности и справляться с вертикальными и горизонтальными перемещениями между блоком и головкой.
Нужен ли клей для прокладки ГБЦ?
Раньше для установки некоторых прокладок головки блока цилиндров требовался клей или герметик, но это уже не так. Современные прокладки ГБЦ имеют идеальную толщину и встроенную технологию создания уплотнения при сухой установке.
Для чего нужны отверстия в прокладке головки блока цилиндров?
В прокладке головки блока цилиндров вырезаются отверстия различных размеров. Большие отверстия предназначены для цилиндров, некоторые средние отверстия предназначены для болтов, а несколько маленьких отверстий предназначены для охлаждающей жидкости.
Как долго служат прокладки головки блока цилиндров?
Если вы не владелец Subaru, ожидается, что прокладки головки блока цилиндров прослужат довольно долго. Прокладки головки блока цилиндров должны служить не менее 10 лет, но в зависимости от автомобиля и условий они могут прослужить 15 с лишним лет.
Симптомы пробитой прокладки головки блока цилиндров
Некоторые симптомы пробитой прокладки головки блока цилиндров малозаметны, в то время как другие в буквальном смысле сигнализируют о дыме. Эти сообщения могут указывать на серьезную проблему с двигателем.
Утечка масла или охлаждающей жидкости
Если вы заметили утечку охлаждающей жидкости или масла на головку двигателя и блок цилиндров или вокруг них, это может указывать на то, что прокладка головки блока цилиндров больше не герметична.
Перегрев
Если прокладка головки блока цилиндров хотя бы слегка лопнет, двигатель может не остыть до приемлемого для вождения уровня. Перегрев может повредить несколько компонентов вашего двигателя, поэтому немедленно выключите автомобиль, пока не определите источник проблемы. Одна вещь, которую вы никогда не должны делать, когда ваш автомобиль перегревается: снимите крышку радиатора и проверьте охлаждающую жидкость.
Вот так и получишь билет в один конец в скорой помощи за ошпаренное лицо.
Пропуски зажигания в двигателе
Чтобы двигатель работал правильно, искра, воздух и топливо должны последовательно работать вместе с точностью японского художника по песку. Это должно быть точное количество воздуха, смешанного с точным количеством топлива, которое воспламеняется при определенном искровом напряжении в определенное время. Если какой-либо из этих факторов не соответствует теоретической песчинке, вы можете получить преждевременное зажигание, детонацию или пропуски зажигания. Пробитая прокладка головки блока цилиндров может повлиять на несколько из этих факторов.
Водяной пар или белый дым из выхлопной трубы
Если прокладка головки блока цилиндров повреждена, охлаждающая жидкость может попасть в двигатель. В этом случае вы можете увидеть белый дым или водяной пар, выходящий из выхлопной трубы.
Молочное масло
Если вы заметили желтовато-коричневый или молочный цвет масла, возможно, у вас пробита прокладка — нижняя сторона крышки масляного бачка вашего автомобиля, скорее всего, будет забрызгана молочным маслом.
Это происходит, когда охлаждающая жидкость вступает в контакт с маслом и загрязняет его.
Пузырьки внутри радиатора
Если вы заметили пузыри внутри радиатора или бачка охлаждающей жидкости, это указывает на то, что в вашей системе есть воздух, что может быть вызвано протечкой или продувкой прокладки головки блока цилиндров.
Загрязненные или мокрые свечи зажигания
Если прокладка повреждена, охлаждающая жидкость, масло или газ могут попасть в цилиндры. Это может привести к загрязнению или затоплению свечей зажигания.
Снятие двигателя с Opel GT., Тони МарковичПричины пробитой прокладки ГБЦ
Существует несколько последовательностей, которые могут привести к выходу из строя прокладки головки блока цилиндров. Ваша проблема, скорее всего, является результатом одной из этих проблем.
Перегрев
Тепло создает давление, и когда двигатель перегревается, возникает дополнительная нагрузка не только на головку, но и на прокладку головки.
Если температура слишком велика, это может привести к выходу из строя прокладки. Причин перегрева автомобиля множество, но чаще всего это результат неисправности, поломки или засорения радиатора и/или системы охлаждения
Деформация или трещины в блоке или головке
Подобно тому, как тепло может повредить прокладку, тепло также может повредить блок двигателя или головку цилиндров. Наиболее часто встречающиеся в двигателях с алюминиевыми деталями, которые изнашиваются легче, чем стальные, деформированные головки нарушают плоскую поверхность, необходимую для создания уплотнения. Без ровной поверхности прокладка может выйти из строя.
Age
Прокладка ГБЦ постоянно сталкивается с температурными колебаниями, движениями головки и блока и интенсивным давлением. Через годы носки прокладка сломается, потеряет целостность и, естественно, выйдет из строя.
Неправильная установка
Если кто-то ранее возился с прокладкой головки блока цилиндров и не устанавливал ее правильно, возможно, у нее с самого начала была слабость, которая в конечном итоге вышла из строя.
Как проверить пробитую прокладку головки блока цилиндров
Не все утечки через прокладку головки сразу же приводят к катастрофическим последствиям. Время от времени возникает крошечная утечка, и вы будете медленно терять охлаждающую жидкость. Если вы подозреваете, что у вас может быть утечка через прокладку головки блока цилиндров, есть несколько способов подтвердить свои подозрения.
Проверка на наличие пузырей в радиаторе
Это скорее проверка, чем проверка, но тем не менее полезная. Одним из основных признаков негерметичности прокладки головки блока цилиндров является появление пузырьков в радиаторе из-за выхлопных газов, выходящих из системы охлаждения. После того, как машина постоит, откройте капот, снимите крышку радиатора и заведите ее. Если вы заметите пузыри, это признак значительной утечки.
Тестер герметичности прокладки головки блока цилиндров
Вы можете приобрести тестер герметичности прокладки головки блока цилиндров, также известный как тестер герметичности при сжатии.
Купите один в Интернете или в местном магазине автозапчастей.
Тест на сжатие охлаждающей жидкости
Используйте комплект для проверки давления охлаждающей жидкости, чтобы проверить давление в вашей системе охлаждения. Если давление ниже нормального рабочего состояния, охлаждающая жидкость может иметь утечку из-за пробитой прокладки головки блока цилиндров.
Сколько стоит ремонт пробитой прокладки головки блока цилиндров?
Для ответа на этот вопрос нет единого номера. Даже если с вашим двигателем все в порядке, а прокладка просто изношена, замена прокладки настолько трудоемка, что профессиональная работа, вероятно, будет стоить от 1000 до 3000 долларов. Учтите дополнительные проблемы с двигателем, из-за которых лопнула прокладка головки блока цилиндров и которые могут быстро вырасти до 5000 долларов или больше.
Прокладки головки блока цилиндров могут изнашиваться по разным причинам., DepositphotosСпособы устранения пробитой прокладки головки блока цилиндров
Существует всего несколько способов обращения с прогоревшей прокладкой головки блока цилиндров, и, к сожалению, ни один из них не является особенно хорошим.
Вы должны рассмотреть следующие вопросы: Ремонт стоит больше, чем автомобиль? Ремонт дороже замены двигателя? Замена двигателя дороже машины? Если вы ответили утвердительно на все эти вопросы, возможно, лучше смириться со смертью вашего автомобиля и двигаться дальше. Если вы хотите продолжить ремонт, приготовьте кредитную карту и достаньте успокаивающую лавандовую соль для ванн.
Плата за ремонт
Сдать в магазин автомобиль с пробитой прокладкой ГБЦ, по сути, выдать гаражу пустой чек. Во-первых, трудозатраты начинаются, когда механик проводит тесты, подтверждающие, что прокладка головки блока цилиндров лопнула. После подтверждения потребуется рабочая сила, чтобы снять половину двигателя, чтобы получить доступ к прокладке головки блока цилиндров. После того, как он открыт, возникает ряд дополнительных проблем, которые могут потребовать больше времени, больше труда и больше денег. Также существует вероятность того, что вы заплатите механику за то, чтобы он разобрал двигатель, и обнаружите трещину, которая может свести на нет весь проект.
Плата за новый двигатель
Если вы не заинтересованы в сохранении оригинального вида вашего автомобиля с оригинальным двигателем, вы можете заменить двигатель. Можно найти кандидата на замену двигателя дешевле, чем стоимость строгой замены прокладки головки блока цилиндров. Однако затем вам нужно будет установить двигатель самостоятельно или заплатить профессионалу за его замену.
Попытка отремонтировать самостоятельно
Даже если вы уже разбирали и восстанавливали двигатель, все равно есть несколько этапов этого процесса, которые могут потребовать профессиональных ремонтных услуг, таких как доставка двигателя в механическую мастерскую. Это работа на уровне эксперта, поэтому пытайтесь делать это только в том случае, если у вас есть все необходимые инструменты и большой опыт.
Если вы решите пойти на это, используйте руководство по обслуживанию для получения точных инструкций о том, как снимать детали, пока вы не доберетесь до пробитой прокладки ГБЦ.
При замене прокладки убедитесь, что поверхности чистые, гладкие и ровные. И не забудьте также заменить прокладку. Осмотрите все, на что может повлиять лопнувшая прокладка, включая систему охлаждения, цилиндры и миллион других вещей. Также не помешает протестировать, проверить и заменить старые детали, когда двигатель разобран.
Приобретите новую машину
Если у вас есть старая машина с большим пробегом, которая не имеет сентиментальной ценности и не стоит многого, возможно, пришло время расстаться с ней. Мы знаем, что это тяжело, а это значит, что пришло время заблудиться в Craigslist на три недели подряд.
Подходят ли герметики для прокладок ГБЦ?
Когда вы ищете «как отремонтировать лопнувшую прокладку головки блока цилиндров», всплывает куча герметиков для прокладок головки блока цилиндров, требующих решения без хлопот и без работы. Давайте проясним: герметики для прокладок ГБЦ ничего не исправят. Они временно устраняют утечку и в конечном итоге снова выходят из строя.
Используя герметик и думая, что проблема решена, вы можете игнорировать реальную проблему, которая могла вызвать утечку прокладки. Игнорирование проблем может быстро создать новые проблемы или взорвать ваш двигатель.
Мы понимаем, что не у всех есть деньги на ремонт или замену двигателя, но ваша безопасность превыше всего.
Получите помощь по ремонту прокладки головки блока цилиндров от механика на JustAnswer
Привод распознает, что, хотя наши практические руководства подробны и легко соблюдаются, ржавый болт, компонент двигателя находится не в правильном положении или повсюду протекает масло может сорвать проект. Вот почему мы сотрудничаем с JustAnswer, которая связывает вас с сертифицированными механиками по всему миру, чтобы помочь вам справиться даже с самой сложной работой.
Так что, если у вас есть вопрос или вы застряли, нажмите здесь и поговорите с ближайшим к вам механиком.
youtube.com/embed/bfqZ_lwk2j0?feature=oembed&rel=0&enablejsapi=1″ allowfullscreen=»»>Рекомендуемые товары
Есть вопрос? Есть профессиональный совет? Отправьте нам сообщение: [email protected]
Когда пора заменить прокладку головки блока цилиндров?
Перейти к содержимомуПредыдущий Следующий
3 причины, по которым вы знаете, что пришло время заменить прокладку головки блока цилиндровИногда с хорошим двигателем может случиться что-то плохое. Это может быть в случае выхода из строя прокладки ГБЦ. В зависимости от конструктивных требований и пригодности материала прокладки для конкретного применения срок службы будет варьироваться. Однако любое приложение, которое используется достаточно долго, может потребовать замены прокладки головки блока цилиндров.
Прокладки головки блока цилиндров — один из самых сложных ремонтов двигателя. Они требуют значительного удаления деталей, тщательной очистки и подготовки поверхностей, а также методичной замены и повторной сборки компонентов двигателя.
Никто на самом деле НЕ ХОЧЕТ менять прокладку ГБЦ, но иногда это просто необходимо.
Как узнать, когда это необходимо? Вот несколько предупреждающих знаков:
Пришло время заменить прокладку головки блока цилиндров, если есть…
1. Потеря компрессии
Выход из строя уплотнения камеры сгорания приводит к потере компрессии в двигателе и потере мощности. Обычно это очевидно, когда это происходит, и требует немедленной замены прокладки головки блока цилиндров.
2. Охлаждающая жидкость в масле (внутренняя потеря жидкости)
Если корпус прокладки теряет нагрузку и происходит утечка охлаждающей жидкости в масляные каналы, случаются плохие вещи. Смазочная способность масла снижается, что может привести к повреждению внутренних частей двигателя. Это также может привести к чрезмерному нагреву и другим сбоям. Это требует немедленной замены прокладки ГБЦ.
3. Утечка вниз по блоку (внешняя утечка жидкости)
Корпус также может не герметизировать отверстия для жидкости, что приводит к внешней утечке жидкости (либо масла, либо охлаждающей жидкости) вниз по боковой поверхности блока.
Это может быть более постепенным выходом из строя прокладки головки блока цилиндров, и его часто не замечают гораздо позже.
Замена прокладки головки блока цилиндров
Если вы пришли к решению, что необходимо заменить прокладку головки блока цилиндров, вам необходимо знать несколько вещей.
1. Имейте в виду, что вы, возможно, не сможете заменить его прокладкой из аналогичного материала без значительных затрат на ремонт, который также используется во фланцах.
Почему? Если оригинальная прокладка представляла собой конструкцию MLS (многослойная сталь), это потребует очень гладкой подготовки поверхности (что соответствует затратам на ремонт). Существуют и другие технологии изготовления прокладочных материалов, которые избавят вас от этих затрат.
2. Доступны различные типы сменных прокладок головки блока цилиндров.
Изделия из графита являются отличным выбором и могут быть изготовлены с требуемой толщиной и плотностью в соответствии с вашими потребностями.
3. Это сложная операция по ремонту и замене, но не невозможная.
После завершения двигатель получит новую жизнь и проедет еще много счастливых миль.
Если у вас есть какие-либо вопросы о том, что вы видите с материалом прокладки, или вы ищете предложения по типам материалов прокладок, которые будут лучше всего работать при замене прокладки головки блока цилиндров, обратитесь к своему надежному поставщику материала прокладок. Они смогут направить вас в правильном направлении.
Что бы вы добавили в список предупреждающих знаков? Если вы заинтересованы в подписке на сообщения в блоге Sealed-In, отправьте электронное письмо по адресу [email protected].
Большой спор о прокладках: использовать или не использовать повторно
Как надежный поставщик материалов для прокладок, мы рекомендуем никогда не использовать прокладки повторно. (Хорошо, хорошо, мы знаем, что вы, вероятно, думаете: «Конечно, они сказали бы, что… они просто хотят продать больше материала», — но держитесь с нами в этом вопросе.
) Как экспертный ресурс, который знает материал прокладок вдоль и поперек, мы мы собираемся разобрать некоторые аргументы за и против повторного использования, а также то, что вам нужно учитывать при принятии этого решения для вашего приложения. И, может быть… есть время или два, когда действительно можно использовать его повторно.
Как узнать, насколько велико сжатие прокладки?
В некоторых случаях может произойти чрезмерное сжатие, что может привести к проблемам. Каковы предупреждающие признаки того, что прокладка сжата или когда-либо была сжата сверх рекомендованного значения?
5 вопросов, которые следует задать поставщику прокладочного материала
Ваш поставщик прокладочного материала может быть вашим лучшим другом в бизнесе или, к сожалению, иногда вашей самой большой головной болью. Выбор поставщика прокладочного материала — важное решение, которое повлияет на ВАШ бизнес, независимо от того, являетесь ли вы OEM-производителем или производителем. Изучение вопросов, которые вы должны задавать, может немного облегчить это решение.
Как опытный поставщик прокладочного материала, которому за 25 лет работы задавали несколько вопросов, мы подумали, что было бы полезно перечислить некоторые из наиболее важных вопросов, которые вы, возможно, захотите задать (и почему вы хотите их задать).
Нужно ли мне уплотнительное кольцо или прокладка?
Насколько хорошо вы понимаете разницу между уплотнительными кольцами и прокладками? Можете ли вы легко определить ситуации, в которых следует использовать каждый тип уплотнения? Есть определенные ситуации, когда нужна каждая технология, потому что они предназначены для совершенно разных условий. Сегодня мы решили немного углубиться в сравнение прокладок и уплотнительных колец.
Должен ли я надеть на него кольцо? (Ваша прокладка, то есть)
Вы когда-нибудь сталкивались с решением, нужно ли вашим прокладкам кольцо или нет? Не волнуйтесь… мы здесь, чтобы помочь вам в процессе принятия решений. Вот список причин, по которым вам может понадобиться надеть фланцевое кольцо на прокладку.
Иногда с хорошим двигателем может случиться что-то плохое. Это может быть в случае выхода из строя прокладки ГБЦ. В зависимости от конструктивных требований и пригодности материала прокладки для конкретного применения срок службы будет варьироваться. Однако любое приложение, которое используется достаточно долго, может потребовать замены прокладки головки блока цилиндров.
Прокладки головки блока цилиндров — один из самых сложных ремонтов двигателя. Они требуют значительного удаления деталей, тщательной очистки и подготовки поверхностей, а также методичной замены и повторной сборки компонентов двигателя. Никто на самом деле НЕ ХОЧЕТ менять прокладку ГБЦ, но иногда это просто необходимо.
Как узнать, когда это необходимо? Вот несколько предупредительных знаков:
Пришло время заменить прокладку головки блока цилиндров, если есть…
6833px»> 1. Потеря компрессииВыход из строя уплотнения камеры сгорания приводит к потере компрессии в двигателе и потере мощности. Обычно это очевидно, когда это происходит, и требует немедленной замены прокладки головки блока цилиндров.
2. Охлаждающая жидкость в масле (внутренняя потеря жидкости)
Если корпус прокладки теряет нагрузку и происходит утечка охлаждающей жидкости в масляные каналы, случаются плохие вещи. Смазочная способность масла снижается, что может привести к повреждению внутренних частей двигателя. Это также может привести к чрезмерному нагреву и другим сбоям. Это требует немедленной замены прокладки ГБЦ.
3. Утечка вниз по блоку (внешняя утечка жидкости)
Корпус также может не герметизировать отверстия для жидкости, что приводит к внешней утечке жидкости (либо масла, либо охлаждающей жидкости) вниз по боковой поверхности блока.
Это может быть более постепенным выходом из строя прокладки головки блока цилиндров, и его часто не замечают гораздо позже.
Замена прокладки головки блока цилиндров
Если вы пришли к решению, что необходимо заменить прокладку головки блока цилиндров, вам необходимо знать несколько вещей.
1. Имейте в виду, что вы, возможно, не сможете заменить его прокладкой из аналогичного материала без значительных затрат на ремонт, который также используется во фланцах.
Почему? Если оригинальная прокладка представляла собой конструкцию MLS (многослойная сталь), это потребует очень гладкой подготовки поверхности (что соответствует затратам на ремонт). Существуют и другие технологии изготовления прокладочных материалов, которые избавят вас от этих затрат.
2. Доступны различные типы сменных прокладок головки блока цилиндров.

Изделия из графита являются отличным выбором и могут быть изготовлены с требуемой толщиной и плотностью в соответствии с вашими потребностями.
3. Это сложная операция по ремонту и замене, но не невозможная.
После завершения двигатель получит новую жизнь и проедет еще много счастливых миль.
Если у вас есть какие-либо вопросы о том, что вы видите с материалом прокладки, или вы ищете предложения по типам материалов прокладок, которые будут лучше всего работать при замене прокладки головки блока цилиндров, обратитесь к своему надежному поставщику материала прокладок. Они смогут направить вас в правильном направлении.
Что бы вы добавили в список предупреждающих знаков? Если вы заинтересованы в подписке на сообщения в блоге Sealed-In, отправьте электронное письмо по адресу [email protected].
Большой спор о прокладках: использовать или не использовать повторно
Как надежный поставщик материалов для прокладок, мы рекомендуем никогда не использовать прокладки повторно.
(Хорошо, хорошо, мы знаем, что вы, вероятно, думаете: «Конечно, они сказали бы, что… они просто хотят продать больше материала», — но держитесь с нами в этом вопросе.) Как экспертный ресурс, который знает материал прокладок вдоль и поперек, мы мы собираемся разобрать некоторые аргументы за и против повторного использования, а также то, что вам нужно учитывать при принятии этого решения для вашего приложения. И, может быть… есть время или два, когда действительно можно использовать его повторно.
Как узнать, насколько велико сжатие прокладки?
В некоторых случаях может произойти чрезмерное сжатие, что может привести к проблемам. Каковы предупреждающие признаки того, что прокладка сжата или когда-либо была сжата сверх рекомендованного значения?
5 вопросов, которые следует задать поставщику прокладочного материала
Ваш поставщик прокладочного материала может быть вашим лучшим другом в бизнесе или, к сожалению, иногда вашей самой большой головной болью. Выбор поставщика прокладочного материала — важное решение, которое повлияет на ВАШ бизнес, независимо от того, являетесь ли вы OEM-производителем или производителем.
Изучение вопросов, которые вы должны задавать, может немного облегчить это решение. Как опытный поставщик прокладочного материала, которому за 25 лет работы задавали несколько вопросов, мы подумали, что было бы полезно перечислить некоторые из наиболее важных вопросов, которые вы, возможно, захотите задать (и почему вы хотите их задать).
Нужно ли мне уплотнительное кольцо или прокладка?
Насколько хорошо вы понимаете разницу между уплотнительными кольцами и прокладками? Можете ли вы легко определить ситуации, в которых следует использовать каждый тип уплотнения? Есть определенные ситуации, когда нужна каждая технология, потому что они предназначены для совершенно разных условий. Сегодня мы решили немного углубиться в сравнение прокладок и уплотнительных колец.
Должен ли я надеть на него кольцо? (Ваша прокладка, то есть)
Вы когда-нибудь сталкивались с решением, нужно ли вашим прокладкам кольцо или нет? Не волнуйтесь… мы здесь, чтобы помочь вам в процессе принятия решений.
Вот список причин, по которым вам может понадобиться надеть фланцевое кольцо на прокладку.
Иногда с хорошим двигателем может случиться что-то плохое. Это может быть в случае выхода из строя прокладки ГБЦ. В зависимости от конструктивных требований и пригодности материала прокладки для конкретного применения срок службы будет варьироваться. Однако любое приложение, которое используется достаточно долго, может потребовать замены прокладки головки блока цилиндров.
Прокладки головки блока цилиндров — один из самых сложных ремонтов двигателя. Они требуют значительного удаления деталей, тщательной очистки и подготовки поверхностей, а также методичной замены и повторной сборки компонентов двигателя. Никто на самом деле НЕ ХОЧЕТ менять прокладку ГБЦ, но иногда это просто необходимо.
Как узнать, когда это необходимо? Вот несколько предупредительных знаков:
Пришло время заменить прокладку головки блока цилиндров, если есть…
6″ data-lineheight=»43.6833px»> 1. Потеря компрессииВыход из строя уплотнения камеры сгорания приводит к потере компрессии в двигателе и потере мощности. Обычно это очевидно, когда это происходит, и требует немедленной замены прокладки головки блока цилиндров.
2. Охлаждающая жидкость в масле (внутренняя потеря жидкости)
Если корпус прокладки теряет нагрузку и происходит утечка охлаждающей жидкости в масляные каналы, случаются плохие вещи. Смазочная способность масла снижается, что может привести к повреждению внутренних частей двигателя. Это также может привести к чрезмерному нагреву и другим сбоям. Это требует немедленной замены прокладки ГБЦ.
3. Утечка вниз по блоку (внешняя утечка жидкости)
Корпус также может не герметизировать отверстия для жидкости, что приводит к внешней утечке жидкости (либо масла, либо охлаждающей жидкости) вниз по боковой поверхности блока.
Это может быть более постепенным выходом из строя прокладки головки блока цилиндров, и его часто не замечают гораздо позже.
Замена прокладки головки блока цилиндров
Если вы пришли к решению, что необходимо заменить прокладку головки блока цилиндров, вам необходимо знать несколько вещей.
1. Имейте в виду, что вы, возможно, не сможете заменить его прокладкой из аналогичного материала без значительных затрат на ремонт, который также используется во фланцах.
Почему? Если оригинальная прокладка представляла собой конструкцию MLS (многослойная сталь), это потребует очень гладкой подготовки поверхности (что соответствует затратам на ремонт). Существуют и другие технологии изготовления прокладочных материалов, которые избавят вас от этих затрат.
2. Доступны различные типы сменных прокладок головки блока цилиндров.

Изделия из графита являются отличным выбором и могут быть изготовлены с требуемой толщиной и плотностью в соответствии с вашими потребностями.
3. Это сложная операция по ремонту и замене, но не невозможная.
После завершения двигатель получит новую жизнь и проедет еще много счастливых миль.
Если у вас есть какие-либо вопросы о том, что вы видите с материалом прокладки, или вы ищете предложения по типам материалов прокладок, которые будут лучше всего работать при замене прокладки головки блока цилиндров, обратитесь к своему надежному поставщику материала прокладок. Они смогут направить вас в правильном направлении.
Что бы вы добавили в список предупреждающих знаков? Если вы заинтересованы в подписке на сообщения в блоге Sealed-In, отправьте электронное письмо по адресу [email protected].
Большой спор о прокладках: использовать или не использовать повторно
Как надежный поставщик материалов для прокладок, мы рекомендуем никогда не использовать прокладки повторно.
(Хорошо, хорошо, мы знаем, что вы, вероятно, думаете: «Конечно, они сказали бы, что… они просто хотят продать больше материала», — но держитесь с нами в этом вопросе.) Как экспертный ресурс, который знает материал прокладок вдоль и поперек, мы мы собираемся разобрать некоторые аргументы за и против повторного использования, а также то, что вам нужно учитывать при принятии этого решения для вашего приложения. И, может быть… есть время или два, когда действительно можно использовать его повторно.
Как узнать, насколько велико сжатие прокладки?
В некоторых случаях может произойти чрезмерное сжатие, что может привести к проблемам. Каковы предупреждающие признаки того, что прокладка сжата или когда-либо была сжата сверх рекомендованного значения?
5 вопросов, которые следует задать поставщику прокладочного материала
Ваш поставщик прокладочного материала может быть вашим лучшим другом в бизнесе или, к сожалению, иногда вашей самой большой головной болью. Выбор поставщика прокладочного материала — важное решение, которое повлияет на ВАШ бизнес, независимо от того, являетесь ли вы OEM-производителем или производителем.
Изучение вопросов, которые вы должны задавать, может немного облегчить это решение. Как опытный поставщик прокладочного материала, которому за 25 лет работы задавали несколько вопросов, мы подумали, что было бы полезно перечислить некоторые из наиболее важных вопросов, которые вы, возможно, захотите задать (и почему вы хотите их задать).
Нужно ли мне уплотнительное кольцо или прокладка?
Насколько хорошо вы понимаете разницу между уплотнительными кольцами и прокладками? Можете ли вы легко определить ситуации, в которых следует использовать каждый тип уплотнения? Есть определенные ситуации, когда нужна каждая технология, потому что они предназначены для совершенно разных условий. Сегодня мы решили немного углубиться в сравнение прокладок и уплотнительных колец.
Должен ли я надеть на него кольцо? (Ваша прокладка, то есть)
Вы когда-нибудь сталкивались с решением, нужно ли вашим прокладкам кольцо или нет? Не волнуйтесь… мы здесь, чтобы помочь вам в процессе принятия решений.
Вот список причин, по которым вам может понадобиться надеть фланцевое кольцо на прокладку.
Перейти к началу
Замена прокладки головки | Хьюстон, Кэти, Портер и Монтгомери, TX
Замена прокладки ГБЦ — трудоемкий, но необходимый процесс при выходе из строя прокладки ГБЦ автомобиля. Хотя есть альтернативы временному ремонту протекающей прокладки головки блока цилиндров, люди, которые выбирают этот путь, часто сталкиваются с еще более дорогим ремонтом других компонентов из-за повреждений, вызванных плохой прокладкой головки блока цилиндров. Стоимость замены прокладки головки блока цилиндров может быстро увеличиться, если дешевый ремонт с герметиком не сработает и повредит блок двигателя, подшипники двигателя, радиатор и многое другое.
Свяжитесь с одним из сервисных центров My Transmission Experts в Хьюстоне, используя форму ниже, или позвоните по телефону (281) 884-3825, чтобы записаться на диагностику к лицензированному автомеханику в ближайшем к вам магазине.
Мы предлагаем аварийную эвакуацию и имеем множество вариантов финансирования для вас.
Замена неисправной прокладки головки блока цилиндров является более разумным выбором, чем ремонт, поскольку срок службы современных прокладок головки цилиндров MLS составляет не менее 100 лет. Выбор дешевого ремонта герметиком вместо замены лопнувшей прокладки может привести к дорогостоящему повреждению других компонентов двигателя, что, вероятно, произойдет в течение нескольких дней или недель, когда «ремонтный» герметик выйдет из строя.
Работа прокладки головки блока цилиндров заключается в герметизации блока цилиндров и головки цилиндров, чтобы предотвратить утечку масла, охлаждающей жидкости двигателя и газа под давлением из двигателя. Если уплотнение сломается или начнет течь, водитель почувствует снижение или потерю мощности, тряску двигателя и перегрев. Если оставить неисправную прокладку головки блока цилиндров нетронутой, вода, охлаждающая жидкость и, возможно, антифриз попадут в блок двигателя и радиатор, что приведет к еще более дорогостоящему повреждению.
Если вы наблюдаете какие-либо или все из следующих признаков пробитой прокладки головки блока цилиндров, вашему автомобилю может потребоваться замена прокладки головки блока цилиндров.
- Выхлоп, который обычно прозрачный, выглядит белым
- Утечка охлаждающей жидкости из-под двигателя ниже выпускного коллектора
- Перегрев двигателя или перегрев
- Сладкий запах при работающем двигателе
- Двигатель работает неравномерно с меньшей или потерянной мощностью
- Шипящий или свистящий звук при работающем двигателе, который усиливается при нажатии на педаль газа (контрольный звук выхлопа или утечки сжатого воздуха)
Лицензированный механик может осмотреть прокладку головки блока цилиндров и другие компоненты двигателя, чтобы обеспечить точную диагностику и рекомендации по ремонту. Если вы не можете связаться с механиком или думаете о ремонте или замене прокладки головки блока цилиндров своими руками, у нас есть несколько полезных советов.
Если вы столкнулись с контрольными признаками, указанными выше, которые изначально указывали на проблему с вашим автомобилем, грузовиком или внедорожником; проверьте вручную следующие предупредительные знаки, которые можно увидеть только после ручной проверки.
- Проверьте исправность свечей зажигания
- Снимите крышку радиатора и запустите двигатель, чтобы увидеть, видны ли пузырьки в радиаторе или в бачке охлаждающей жидкости радиатора
- Проверьте, не выглядит ли ваш выхлоп белым или беловатым из-за загрязнения антифризом
- Проверьте свое масло, чтобы увидеть, не выглядит ли оно меловым или молочным
Существуют варианты ремонта прокладки головки блока цилиндров, если замена прокладки головки блока цилиндров невозможна (из-за наличия деталей или ограничений по стоимости).
Вы должны знать, что герметик для прокладки головки блока цилиндров — это лейкопластырь, а не исправление.
Если вы решите использовать временный герметик для прокладки головки блока цилиндров, пока вы не замените прокладку головки блока цилиндров, вы рискуете нанести дополнительный ущерб окружающим компонентам двигателя, таким как блок цилиндров, радиатор и трубопроводы.
Стоимость замены прокладки головки блока цилиндров сильно зависит от времени, необходимого для ее замены, и от того, какие другие повреждения (если таковые имеются) также нуждаются в устранении. Замена прокладки головки блока цилиндров — это трудоемкая работа, которая стоит в среднем от 1200 до 1500 долларов США за детали и работу вместе взятые.
Стоимость рабочей силы составляет в среднем около 1000 долларов, а стоимость запасных частей составляет от 250 до 400 долларов или больше (в зависимости от того, какой тип необходим или предпочтителен для замены прокладки головки блока цилиндров).
Прокладки ГБЦ бывают двух типов: композитные и металлические. Большинство новых прокладок головки блока цилиндров являются композитными, а самые популярные современные прокладки изготовлены из многослойной стали (MLS) и твердой меди.
Время, необходимое для замены прокладки головки блока цилиндров, зависит от того, где она находится, есть ли на складе новая прокладка головки блока цилиндров и сколько времени потребуется, чтобы прибыть, если вам нужно ее заказать. Расположение прокладки головки блока цилиндров также является важным фактором, поскольку в некоторых конструкциях доступ к прокладке головки блока цилиндров становится более трудным и трудоемким. В среднем вы можете ожидать, что время замены прокладки составит от трех до семи дней.
Можно ли водить машину с пробитой прокладкой ГБЦ? Да, но вы не должны. Если вы едете на автомобиле, когда прокладка головки блока цилиндров повреждена, в конечном итоге масло попадет в радиатор и в воду двигателя, что приведет к катастрофическому выходу из строя нескольких компонентов.
Надлежащее техническое обслуживание может увеличить ожидаемый срок службы прокладки головки блока цилиндров. Современные многослойные стальные прокладки головки блока цилиндров должны служить не менее 100 лет, если вы регулярно меняете масло и фильтр в автомобиле, обновляете воду и охлаждающую жидкость, а также регулярно обслуживаете радиатор и свечи зажигания.
Замена и ремонт прокладки головки блока цилиндровЕсли вы подозреваете, что ваша прокладка головки блока цилиндров нуждается в замене, наши механики настоятельно рекомендуют доставить ваш автомобиль в надежную местную автомастерскую, чтобы правильно диагностировать и исправить ее, ДО ТОГО, как она также повредит блок двигателя и сломает радиатор.
График замены прокладки головки
Обратитесь в ближайшую или наиболее удобную для вас автомастерскую My Transmission Experts в западном Хьюстоне на шоссе 6 N и в Вест-Литтл-Йорке; в Кэти на Мейсон-роуд и бульваре Кингсленд; в Монтгомери на TX-105; и Портер рядом с Кингвудом на TX-494 Луп и Ист Хаммонд Др.
ПРОДОЛЖИТЬ ЧТЕНИЕ
5 вопросов, которые следует задать механику перед ремонтом трансмиссииПризнаки отказа датчика массового расхода воздуха и стоимость заменыВосстановление трансмиссии и заменаПризнаки необходимости замены тормозных магистралейРемонт выхлопной системы и глушителяРемонт трансмиссии большегрузного автомобиляСколько стоит ремонт трансмиссии?
Стоимость ремонта и замены прокладки головки блока цилиндров
Блог / Все о выдутых прокладках головки блока цилиндров: симптомы, стоимость ремонта и многое другое.
АвторSarah RobinsonКатегория General Automotive
Справедливости ради стоит отметить, что фразы «пробитая прокладка ГБЦ» достаточно, чтобы нарисовать в своем воображении картину огромных долларовых банкнот либо из личного опыта, либо от друга, в чьей машине была пробита прокладка ГБЦ. – а стоимость ремонта заставила задуматься, стоит ли вообще ездить на машине.
Почему ремонт пробитой прокладки головки блока цилиндров стоит так дорого?
Вот почему мы нашли время, чтобы объяснить в этой статье все, что вам нужно знать о пробитых прокладках головки блока цилиндров, симптомах, стоимости ремонта и многом другом…
Что такое пробитая прокладка головки блока цилиндров?
Если пробитая прокладка головки блока цилиндров кажется вам плохой новостью, это именно так.
Прокладка головки блока цилиндров является жизненно важным компонентом двигателя вашего автомобиля. Он расположен между головкой блока цилиндров и блоком цилиндров. Прокладка головки отвечает за герметизацию в процессе сгорания и областей, где масло или охлаждающая жидкость проходят через двигатель.
Прокладка головки блока цилиндров считается «вздутой», если она не обеспечивает надлежащей герметизации двигателя. Это может привести к проблемам с компрессией двигателя, что приведет к утечке охлаждающей жидкости по бокам двигателя. Без охлаждающей жидкости двигатель быстро перегреется.
Хотите продать свой автомобиль без стресса?
Что вызывает разрыв прокладки головки блока цилиндров?
- Тепловая и механическая нагрузка: Двигатель вашего автомобиля во время работы выделяет много тепла. Когда существует разница в скорости расширения при нагреве между головкой блока цилиндров и блоком цилиндров, прокладка головки подвергается большому количеству тепла и механических нагрузок, которые медленно изнашивают ее, что приводит к трещинам и утечкам.

- Вибрации: естественные вибрации вашего двигателя и те, которые возникают во время вождения, могут со временем повлиять на прокладку головки блока цилиндров. Болты прокладки головки блока цилиндров, удерживающие прокладку головки блока цилиндров между блоком цилиндров и головкой цилиндров, могут начать растягиваться, что приведет к увеличению трения и износу.
- Перегрев: если уровень охлаждающей жидкости упадет, прокладка головки блока цилиндров может быть повреждена. Когда охлаждающая жидкость недоступна для отвода тепла от блока цилиндров и головки цилиндров, тепло вызывает расширение прокладки головки блока цилиндров, что часто приводит к прорыву прокладки головки блока цилиндров.
Как можно проверить пробитую прокладку головки блока цилиндров?
Тестирование прокладки головки блока цилиндров позволяет лучше и точнее оценить состояние вашего автомобиля. Вот четыре способа проверить пробитую прокладку головки блока цилиндров:
- Когда двигатель холодный, снимите крышку маслозаливной горловины и проверьте наличие жидкости кофейного цвета внутри и вокруг крышки.
Если вы заметили это, это означает, что охлаждающая жидкость смешалась с вашим маслом, показывая, что ваша прокладка головки блока цилиндров не смогла разделить жидкости. - Снимите свечи зажигания и создайте давление в системе охлаждения, затем заведите двигатель автомобиля во время осмотра. Если вы заметили, что охлаждающая жидкость в одном или нескольких отверстиях для свечей зажигания начинает разбрызгиваться, значит, у вас пробита прокладка головки блока цилиндров.
- При выходе из строя прокладки головки горючие газы легко попадают в систему охлаждения. Это будет выглядеть как пузырьки воздуха в вашем радиаторе [Будьте осторожны при проверке, так как охлаждающая жидкость может сильно вырваться из радиатора]. Чтобы проверить наличие пузырьков, снимите крышку радиатора и прогрейте двигатель автомобиля. Если прокладка ГБЦ лопнула, вы быстро заметите пузырьки в баке.
- Пока не прекращайте тестирование. В большинстве случаев прокладка могла прогореть где-то между двумя цилиндрами.
Таким образом, вам нужно будет провести тест на компрессию, вывернув все свечи зажигания, а затем вручную накрутив компрессию. Заведите двигатель автомобиля и наблюдайте за показаниями тестера компрессии для каждого цилиндра. Если два цилиндра, расположенные бок о бок, дают «0 фунтов на квадратный дюйм», то это плохие новости.
Можно ли ездить с пробитой прокладкой ГБЦ?
Если вы задаете этот вопрос, значит, у вас уже пробита прокладка ГБЦ. Будет ли ваша машина работать с пробитой прокладкой ГБЦ? Да, но плохо. Рекомендуем ли мы ездить на автомобиле с пробитой прокладкой ГБЦ? Нет!
Если охлаждающая жидкость уже не вытекла достаточно — чтобы смешаться с маслом в вашем двигателе — и разрушить нижний конец, то езда на вашем автомобиле с пробитой прокладкой ГБЦ обязательно приведет к этому.
Некоторые автомобили могут выдержать пробитую прокладку головки блока цилиндров в течение нескольких месяцев, в то время как некоторые остановятся мгновенно. Однако идти на такой риск опасно.
Сколько стоит ремонт пробитой прокладки ГБЦ?
Стоимость ремонта прокладки головки блока цилиндров варьируется. Средний диапазон составляет от 1500 до 1800 долларов. В более сложных двигателях цена может достигать 2500 долларов. Интересно, почему так дорого? Что ж, чтобы заменить прокладку головки блока цилиндров, двигатель вашего автомобиля необходимо разобрать. Это займет много времени, а повторная сборка займет еще больше времени. Таким образом, стоимость рабочей силы является причиной того, что затраты на ремонт прокладки головки блока цилиндров высоки. Если ваш автомобиль старый, замена прокладки головки блока цилиндров может не стоить ремонта. Сначала получите несколько предложений по замене прокладки головки блока цилиндров, а затем сравните их со стоимостью вашего автомобиля. Если стоимость вашего автомобиля меньше, чем стоимость ремонта, вам нужно будет рассмотреть другой вариант, например, связаться с покупателем утильной машины.
Продажа автомобиля с пробитой прокладкой ГБЦ.

