Как работает обогреватель заднего стекла
Еще лет 25 назад обогреватель заднего стекла считался чуть ли не космической технологией, а его появление на пятерках и семерках в экспортном исполнении вызывали неистовый восторг у диковатых владельцев советских машин. Сегодня только ленивый производитель не ставит нити обогрева на заднее стекло, и это уже не опция, а стандартная комплектация для всех автомобилей.

Нити обогрева размещаются на заднем стекле автомобиля, на некоторых моделях есть локальный подогрев лобового и задних боковых стекол. Задача устройства состоит в том, чтобы создавать на поверхности стекла плюсовую температуру, независимо от того, какая температура за бортом. Это позволит избавиться от запотевания, обледенения и обеспечит приличную видимость в любых условиях.
Стандартно, система обогрева заднего стекла состоит из нескольких элементов. Состав зависит от модели, но, к примеру, на Рено Логан компоненты следующие:
- токопроводящие нити
- контрольная лампа на щитке приборов
- предохранитель в общем блоке
- кнопка включения
- контакты
- реле обогревателя
Принцип действия прост — клемма от токопроводящих нитей с одной стороны подключена к бортовой электросистеме, с другой — завязана на массу. При подаче тока на нити они вырабатывают тепло, прогревая всю площадь стекла.
Неисправности в системе видны сразу же после пуска двигателя — если стекло прогревается неравномерно, о чем говорит неравномерное освобождение от запотевания или льда, значит нужно искать проблему. Чаще всего, нерабочая нить вызывает неполный прогрев, но если вся система отказывается работать, то причину искать нужно:
- в нарушении контактов подключения блока нитей к электросистеме автомобиля
- в отказе реле управления
- в предохранителе в цепи электросистемы
Нерабочий предохранитель выявить проще всего — его можно прозвонить тестером, или поставить заведомо рабочий. Если обогреватель не запускается и сейчас — рассмотрим вариант с реле. Разбирать и возиться с реле никто не станет, проще сразу попробовать подключить рабочее. В случае фиаско — готовимся к восстановлению нитей или замене стекла заднего вида полностью.

Менять все стекло из-за одной перегоревшей нити нецелесообразно. В сервисах не занимаются ремонтом нитей, а предлагают замену стекла полностью, поэтому рациональным такой поступок не назовешь. Процедура восстановления обогревателя не сложна, не занимает много времени, при правильном подходе позволит сэкономить кучу денег.
Поиск проблемной нити и обрыва
Выяснить, какая из нитей не работает, проще простого — она просто не будет прогревать стекло в своей зоне, а с определением места разрыва придется повозиться.
Каждая из нитей подключена к боковым вертикальным шинам параллельно, следовательно, может работать независимо от соседних нитей. Если удалось найти место разрыва визуально, с помощью лупы — отлично. Если нет, тогда нам пригодится вольтметр.
На плюсовой шине напряжение должно быть 12 В, следовательно, в месте разрыва прохождение тока через нить прекращается, и вольтметр покажет это с точностью до миллиметра. Для этого нужно один щуп вольтметра закрепить на плюсовой клемме, и при включенном обогревателе провести вторым щупом по нерабочей нити до того места, где вольтметр покажет отсутствие напряжения. Обрыв локализирован. Точно так же можно выяснить место обрыва автомобильным пробником или омметром.
Методы устранения неисправности

Ремонт обогрева заднего стекла своими руками можно провести несколькими способами для восстановления нити накаливания. Выбор способа зависит от ширины разрыва и материала высокоомной нити, но оптимальными вариантами станут следующие:
- Токопроводящие пасты и клеи. Это простой, недорогой и эффективный метод. Им можно смело пользоваться в том случае, если ширина обрыва не более 1 мм. В продаже есть несколько специальных наборов для реставрации нитей. Их цена колеблется в пределах $12, они продаются в каждом автомагазине. В комплект уже входит паста, шприц и дополнительные приспособления для зачистки.
- Еще дешевле будет метод применения токопроводящего клея типа «Контактол» или «Элеконт». В этом случае достаточно просто нанести клей на поврежденный участок с перекрытием проблемной зоны в 5-10 мм. Если клей не поддельный, то такое соединение сможет работать очень долго и не вызывать проблем.
- Метод гальванической усадки меди. Метод очень хорош, но при наличии целой химической лаборатории. Своими руками в гаражных условиях его применение может быть рассмотрено только, как смелый эксперимент.
- Мягкий припой. Доступный и надежный метод восстановления нитей накала. Нити паяются методом обычной пайки. Но есть один важный нюанс — ни в коем случае не пытайтесь зачистить место спайки наждачной бумагой. Это приведет только к увеличению ширины разрыва. Нить достаточно просто обезжирить ацетоном.
Если ширина разрыва больше миллиметра, то стоит усилить нить залуженной медной жилкой толщиной 0,2 мм. Для ремонта используется мягкий припой марки ПОС-61. При этом саму нагревательную нить лудить не нужно.
Таким образом, практически за 10 минут вы решите проблему обогрева заднего стекла и сэкономите на дорогой замене обогревателя.
auto-gl.ru
Как отремонтировать обогрев заднего стекла?
Может быть, вас удивит тема сегодняшней статьи, ведь на дворе лето, и погода изобилует солнечными жаркими днями. Но данная функция актуальна в любое время года. Поговорим мы об обогреве заднего стекла. Для тех, кто думает, что летом это абсолютно не нужно, скажем, что вы, вероятно, мало передвигаетесь на машине во время дождей.
Но вот тут незадача, в игру вступает господин Мерфи со своими пресловутыми «законами подлости». На улице дождь, а обогрев стекла перестал работать, и влажность в салоне всё повышается, а видимость снижается. Срочно требуется ремонт обогрева заднего стекла автомобиля. Причинами такой неожиданной неприятности могут стать самые разные действия, начиная с непрофессионализма работников сервиса тонировочной студии, заканчивая шалостями детишек на пассажирском сиденье.
Обогреватель заднего стекла: как это работает?

Обогреватель заднего стекла: что это и для чего он нужен?
Наиболее эффективный борец с запотеванием автомобильных стёкол – это нагрев. Как работает обогрев заднего стекла? Подогрев лобового стекла осуществляется за счёт направленных тёплых воздушных потоков. Заднее же стекло обогревается при помощи небольших нагревающих элементов, работающих от электрической энергии. На само стекло с внутренней стороны (из салона) прикрепляются дорожки из металла с большим сопротивлением в виде множественных тонких ленточек. Когда через них проходит электрическая энергия, выделяется тепло. В результате стекло нагревается, а вода испаряется. Спустя несколько минут стекло снова становится прозрачным.
Схема работы
Чтобы успешно диагностировать неисправности и провести ремонт обогрева заднего стекла машины максимально профессионально, необходимо изучить электрическую схему подключения нагревательных элементов и понять её рабочий принцип.
На изображении показана типичная схема подключения обогрева в электропроводку автомобиля. Давайте вместе разберём, как она работает. Питание идёт с клеммы «+» аккумуляторной батареи, проходит через замок зажигания, предохранители и подается на контроллер обогревателя и силовой контакт реле. Вывод аккумулятора со знаком «-» соединяется с кузовом автомобиля, как и один из выводов нагревательного устройства.
Какие могут быть неисправности
В основном автовладельцы не заморачиваются над тем, что и как в этом обогревающем устройстве заднего стекла, пока оно не запотеет либо не покроется ледяной коркой. Тут привычным движением нажимается кнопка включения питания подогрева, проходит пять минут, десять, пятнадцать, а результата нет: стекло ничуть не стало более прозрачным, ну или обзор появился только в какой-то части. Тут и измерительные приборы никакие не потребуются, чтобы понять, что требуется ремонт обогревателя заднего стекла автомобиля.

Обогреватель заднего стекла не включается
Если лампочка на кнопке обогрева в активном состоянии не светится, скорее всего, неисправна сама кнопка или сгорел предохранитель. Если же лампочка горит, но нити не нагреваются, тогда причина кроется либо в реле, либо в разъёмах подключения устройства к бортовой электропроводке. Если имеет место быть этот случай, тогда по автомобильной документации следует определить место, где находятся эти детали, и заменить нерабочий элемент. Быстро найти место монтажа реле не всегда получается, но есть один способ проверить его работоспособность косвенно. Об этом мы расскажем чуть позже.
Заднее стекло медленно отпотевает
Порой случается так, что после того как обогреватель приведён в состояние активности, стекло начинает отпотевать, но очень медленно. Если на улице морозная погода, то причина может таиться в недостаточном контакте одного из разъёмов электросхемы. Как результат, контактное сопротивление возрастает, ток поступает меньшей силы, мощность понижается, и нити прогреваются медленнее.
Чтобы проверить эту неисправность, нужно взять мультиметр и измерить величину напряжения на клеммах входа нагревателя и аккумуляторной батареи. Различие в результатах не должно превышать один вольт.
На заднем стекле остаются горизонтальные полосы запотелости
И, пожалуй, наиболее распространённая неисправность системы обогрева заднего стекла машины – обрыв нитей, прикреплённых к самому стеклу. Эта неисправность видна невооружённым газом, так как в месте неисправного элемента стекло или запотевшее, или не оттаявшее (в зависимости от времени года).
Дорожки, проводящие ток, легко разрушаются даже при незначительном механическом воздействии. Поэтому нельзя чистить стекло скребком, только тряпка из мягкой ткани. Также, если вы перевозите порой длинные или крупногабаритные грузы, то они не должны упираться в заднее стекло.
Диагностика и ремонт
Определить повреждённую нить обогревателя не сложно, как вы уже поняли. Поэтому, перед тем как починить обогрев заднего стекла, нужно посчитать все нити сверху вниз и запомнить, какие по счёту неисправны. Так далее при визуальном осмотре будет легче найти нужную нить. Но разрывы бывают порой просто микроскопические. Здесь поможет вольтметр или мультиметр. Для быстрого поиска проблемной нити нужно изучить устройство обогревателя заднего стекла.
Способы поиска проблемной нити
Если визуальные признаки обрыва не наблюдаются, например, если обрыв случился на клеммах, тогда можно прибегнуть к старым добрым народным методам. Замечательно то, что каждый автомобилист при малейших усилиях и затратах в состоянии найти место обрыва нитей обогревателя.
• Визуальная диагностика. Если заднее стекло запотело, включите обогреватель. В месте разрыва нитей оно начинает отпотевать практически сразу, когда остальная площадь повреждённого элемента не прогревается.
• При помощи вольтметра – первый способ. Включите зажигание, а затем подогрев заднего стекла. Один щуп прибора положите на массу автомобиля, второй оберните фольгой и переместите к центру нити нагрева. Напряжение должно быть не более 5 В. Там, где оно упадёт до нуля или подскочит до двенадцати, там и находится обрыв.
• При помощи вольтметра – второй способ. Один щуп приложите к плюсовой клемме обогревательного элемента, а второй перемещайте вдоль нити со стороны минусовой клеммы. В месте, где напряжение падает до нуля, требуется ремонт обогрева заднего стекла.
• С помощью омметра. Лучше брать аналоговый прибор со стрелкой. Включите его в режим кило. Щупы приложите к противоположным выводам системы. Смочите вату в дистиллированной воде и медленно проводите ею по нити. В том месте, где дёрнется стрелка прибора, и имеется обрыв.
Всё, диагностика проведена. Теперь, вдохновившись своими успехами, можно браться за ремонт обогрева заднего стекла своими руками.
Осуществляем ремонт
Существует множество вариантов починки обогревателя заднего стекла. То же самое можно сказать про используемые материалы и применяемые методики. Во всяком случае вы вольны выбирать способ проведения ремонтных работ. Необходимо помнить только одно, в любом случае соединительные места системы обогрева всегда необходимо зачищать и обезжиривать, если требуется пайка.
1. Как починить обогрев заднего стекла при помощи ремнабора? Многие ремонтные комплекты обогревателя заднего стекла автомобиля обладают аналогичными характеристиками. С их помощью можно восстановить до десяти сантиметров нагревательной нити, которая повреждена. В состав ремонтного набора входят: шаблоны с нитями и баллон с термически активной полимерной смолой.
Определите место обрыва нити и выключите устройство обогрева. Снимите защитную плёнку с шаблона и приложите нить к оборванному месту. Кисточкой нанесите полимерный материал на ремонтируемое место. Когда высохнет, повторите ещё несколько раз. Снимите трафарет со стекла и не запускайте обогрев в течение 24 часов.
2. Как отремонтировать обогреватель заднего стекла при помощи токопроводящей пасты? Она наносится на места обрыва нитей. При этом захватите оборванные концы с обеих сторон по 2 см на каждую. Паста должна сохнуть сутки. Можно воспользоваться строительным феном и ускорить процесс высыхания.
3. Восстановление дорожек обогрева заднего стекла народными методами. В принципе, сами они друг от друга не отличаются, только присутствует разница в используемых материалах.
• Краска и стружка. Стружка добывается при помощи напильника и медно-латунного брусочка. Краску лучше брать под цвет нитей нагрева. Смешайте составляющие в пропорции 1:1 до состояния мягкого теста. Сделайте трафарет из скотча или изоленты. Включите обогрев и по трафарету нанесите смесь. О наличии контакта вы услышите в месте ремонта по характерному лёгкому шипенью. Всё готово. Можно сразу ехать и не ждать сутки.
• Клей и стружка. Здесь вместо краски применяется клей БФ-2, как вариант.
• Пайка места разрыва. Здесь нужно использовать хлористый цинк. Припой следует брать с низким содержанием олова, типа ПОС-18, ПОСС-4-6. Если повреждён длинный участок нагревательной нити, можно использовать серебряную или медную жилу.
Теперь вам должно хватить вариантов для того, как восстановить обогреватель заднего стекла автомобиля самостоятельно. Как вы уже поняли, сложности особой это не доставит, да и на материалы сильно тратиться не нужно.
Подписывайтесь на наши ленты в таких социальных сетях как, Facebook, Вконтакте, Instagram, Twitter и Telegram: все самые интересные автомобильные события собранные в одном месте.
auto.today
ремонт нитей и восстановление обогревателя своими руками по инструкции с видео
Если не работает обогрев заднего стекла авто в зимний период, существенно снижается обзорность, подрывая безопасность водителя и пассажиров. Именно поэтому при выявлении неисправности следует сразу же заняться ремонтом.
Содержание
[ Раскрыть]
[ Скрыть]
Как работает обогрев заднего стекла?
Все схемы обогрева заднего стекла авто аналогичны и практически не имеют существенных отличий между собой. Модели АвтоВАЗа, а также автомобили импортного производства оборудуются одним и тем же типом конструкции и принципом функционирования. На поверхность заднего стекла нанесены тонкие дорожки – токопроводящие нити. Проходящее по ним электричество заставляет их нагреваться. С внешней стороны стекла происходит быстрое таяние снега и льда, а внутренняя часть поверхности избавляется от запотевания.
Схема обогрева
Прежде чем выявлять неисправности устройства и пытаться их устранить, следует ознакомиться со схемой обогрева и разобраться с компонентами необходимыми для его стабильной работы.
Схема обогрева заднего стекла автоРасшифровка схемы:
- 1 — токопроводящие нити;
- 2 — индикация на панели приборов;
- 3 — кнопка включения/выключения;
- 4 — замок зажигания;
- 5 — реле;
- 6 — монтажный блок.
На видео вы узнаете, как отремонтировать обогрев заднего стекла самостоятельно. Ролик предоставлен EXPERIMENT _ TV.
Возможные неисправности устройства
Если не работает обогрев заднего стекла, значит один из перечисленных выше компонентов вышел из строя или произошел обрыв его электрической цепи. Выполнить проверку всех узлов обогревающего устройства можно самостоятельно, если имеется хотя бы малейшее представление о ремонте машин. Ниже подробно рассмотрим причины неисправности каждого узла.
Предохранитель системы
Первоначально при возникновении проблем с подогревом следует убедиться в целостности предохранительного элемента. Его перегорание отразится на работоспособности устройства. Каждый автопроизводитель в своих моделях размещает этот предохранитель в разных местах. Для быстрого нахождения его местоположения рекомендуется воспользоваться инструкцией по эксплуатации автомобиля или сервисной книжкой.
Нужно снять найденный элемент и проверить на пригодность. Перегоревший предохранитель следует поменять на новый, в противном случае дальнейшие попытки по поиску неисправностей обогрева стекла будут бессмысленными.
Реле
Одной из причин отказа работы обогрева стекла может быть неисправность реле, этот элемент расположен в монтажном блоке. Реле выключает обогрев, когда мотор прекращает работу. Данное устройство восстановлению не подлежит, поэтому его меняют на новое.
Неисправности электропроводки
В случае если предохранитель и реле находятся в исправном состоянии, требуется выполнить диагностику электрических проводов. Вероятно они переломились, перегорели или оборвались на месте крепления. В этом случае нагревающие полоски не будут получать напряжение.
Тестируют состояние питательных электропроводов так:
- Нужно включить кнопку обогрева.
- Используя мультиметр, проверить напряжение на первой и второй клемме подключения проводов к «шинам» обогрева. Они расположены в нижней части или по обе стороны стекла. Отсутствие напряжения является причиной неработоспособности обогревателя.
Первое, что требуется предпринять в этом случае — зачистить контакты клемм и все участки соединения, они могут окислиться и не пропускать ток. Если тестер по-прежнему выдает «0», значит где-то в проводке есть обрыв. Выполняется визуальный осмотр всего пути электроцепей. Обнаружив подозрительные или поврежденные участки, нужно соединить их, так как в этих местах, возможно, произошел обрыв.
Нити
Нагревающие полосы также подвержены повреждению. Прежде чем искать проблемный участок, следует ознакомиться непосредственно с рабочим процессом в нитях.
Подача напряжения осуществляется на весь обогревательный узел и равномерно рассредоточивается по каждой параллельно соединенной ленте. В результате данные ленты выполняют роль проводников электрического тока. За счет сопротивления нагреваются до небольшой температуры, которой вполне хватает для удаления льда и снега с поверхности стекла. Если целостность одной из нитей будет нарушена, электрический ток прекратит циркулировать по ней, обогрев этой области стекла не будет выполняться.
Нарушение целостности нитиОрганы управления
При нажатии на кнопку должен загораться индикатор, оповещающий о начале работы. Если переключатель активирован, индикатор светится, а подогрев по-прежнему не происходит, значит, контакты кнопки пришли в негодность. В результате подача электроэнергии на обогреватель не осуществляется. Изношенный тумблер включения не ремонтируется – необходимо устанавливать новый.
Ремонт обогрева своими руками
Самой распространенной причиной не работающего обогрева является повреждение тонких токопроводящих нитей. Современные технологии позволяют восстановить участки обрыва этих нитей своими руками без привлечения специалистов.
Поиск места обрыва нити
Сначала нужно найти поврежденные области нитей. Процесс не займет длительного времени, так как обрывы отлично заметны невооруженным глазом. Крайне редко встречаются незначительные повреждения, которые трудно увидеть, в этом случае нужно использовать вольтметр.
Нить имеет сопротивление в 10 Ом, на каждом участке задано свое напряжение. На первом — напряжение равняется двенадцать вольт, на третьем – уже шесть, а на пятом – ноль. Для поиска обрыва измеряют напряжение по центру каждого элемента. Если есть повреждение, мультиметр выдаст 12 или 0 вольт, отсюда ясно, что обрыв с левой или правой стороны нити.
Устранение неисправностей обогревателя с помощью раствора меди
Для работы понадобится:
- серная кислота;
- медный прут, диаметром до 10 мм;
- медный купорос;
- полоса ткани 50х30 см;
- скотч;
- ножницы;
- средство для очистки стекол.
Ремонтировать повреждение токопроводящей нити нужно так:
- На первом этапе важно подготовить поверхность с повреждением к восстановительным работам. Для этого используем смоченную в спирте ветошь и протираем ею стекло. Когда грязь полностью удалена, обезжириваем поверхность.
- Наклеиваем скотч по обе стороны токопроводящей нити в точке обрыва. Липкую ленту крепим так, чтобы ширина между полосками соответствовала нагревательной нити.
- Медный прут с одного конца обматывается тканью. Так называемую кисточку закрепляем с помощью ниток.
- Готовится медный раствор. Половина стакана воды тщательно смешивается с двумя чайными ложками медного купороса. В полученную жидкость добавляется немного сильно концентрированной серной кислоты или же электролита из автомобильных аккумуляторов.
- Клеммы от устройства обогрева подключаются к массе. Провод от «плюсовой» клеммы аккумулятора соединяется с ранее изготовленной кисточкой из металлического прута.
- Получившимся электродом, пропитанным в растворе, тщательно натираются участки оборванных нитей. Концы серьезных обрывов предварительно обрабатываются с помощью электропаяльника. Им же устанавливается связующая перемычка из тончайшего провода. В результате незначительно поврежденные участки затягиваются медью.

Устранение неисправностей обогревателя с помощью токопроводящего клея
Токопроводящий клей – это специализированная паста, в состав которой включен мелкодисперсный порошок палладия, а также никеля золота или серебра. Благодаря перечисленным элементам данное вещество отлично проводит ток и отличается хорошими соединяющими свойствами. Процесс восстановления нитей обогрева кормового стекла с помощью токопроводящего клея происходит быстрее и эффективнее.
Чтобы приступить к восстановлению нитей, выполняем такие же процедуры по очистке поверхности стекла и оклеиванию поврежденного участка скотчем. Для приготовления токопроводящего клея в ремонтных комплектах предусмотрено два вещества, которые следует тщательно смешать в отдельной таре. О том, как приготовить состав и в дальнейшем использовать его по назначению, написано в инструкции на упаковке.
Нанесение клея происходит с помощью кисточки или ватной палочки, величина слоя не должна превышать 2 мм. Среднее время застывания токопроводящего состава – 30 минут. Спустя 24 часа удаляем излишки вещества, это делается с помощью ножа или любого острого предмета.
При удалении излишек токопроводящего клея следует действовать предельно аккуратно, иначе поверхность обогревающего устройства снова будет повреждена.
Видео «Ремонт нитей обогрева заднего стекла»
Подробное объяснение ремонта нитей обогрева. Ролик взят с канала «БортЖурнал Рено Меган».
avtozam.com
Не работает обогрев заднего стекла причины и поломки
Функция подогрева заднего стекла позволяет повысить безопасность машины не только в плохую погоду при запотевании окна, но и зимой, когда поверхность покрывается изморозью. Нарушения в работе системы приводят к значительному ухудшению видимости, водителю становится сложнее оценить ситуацию на дороге, сзади авто. А попытки маневрирования становятся проблемой.
Если не работает обогрев заднего стекла, можно попробовать самостоятельно устранить дефект.
Устройство системы обогрева, характерные неисправности
Обогреватель стекла в машине устроен достаточно просто. Обычно на стеклянную поверхность наносятся нити, которые способны нагреваться в момент прохождения тока. Другие узлы, обеспечивающие запуск, исправную работу и питание схемы – это кнопка, проводка, реле, предохранитель, АКБ.
Частые неполадки:
- Обогрев работает неэффективно, появляются полосы запотелости. Дефект указывает на повреждение нитей. Чтобы выявить проблему, нужно осмотреть полосы, место повреждения легко обнаружить – оно будет запотевшим.
- Подогрев, отпотевание происходит очень медленно, значит, плохой контакт, возможны проблемы с напряжением. Необходимо проверить показатели на входе и накопителе.
- Если обогрев не работает совсем, но лампочка на кнопке загорается, возможно, вышел из строя предохранитель или проблема кроется в разъемах питания.
- Если система не работает и контрольная лампочка не загорается, нужно обратить внимание на реле обогрева. Проверяется кнопка, напряжение и масса.
- При рабочей системе оттаивание не происходит. Такое случается, когда приходит зима и температура окружающей среды сильно понижается, стекло обледеневает. Мощности нагревателя не хватает для того, чтобы наледь оттаяла. Рекомендуется очистить стекло вручную, тогда нити смогут нормально работать.
Полная неисправность системы обогрева случается редко. Чаще нарушается целостность нитей. Если возникают неполадки в работе устройства, можно провести ремонт самостоятельно.
Почему одновременно отказывает обогрев, печка и дворники?
Отдельно выделяются ситуации, когда не работает печка, дворники, обогрев заднего стекла. Иногда вместе с этими системами перестает работать и омыватель.
Единовременный отказ этих устройств доставляет немало проблем, неполадки могут проявляться периодически, однако влияют на безопасность автомобиля. Особенность этой поломки заключается в том, что работа всех узлов завязана на один предохранитель.
Способы устранения дефекта:
- для быстрого решения проблемы достаточно заменить предохранитель;
- осматривая неисправный блок, легко заметить сгоревшие дорожки, которые также можно припаять.

В зависимости от модели авто, проблема может заключаться в реле зажигания, что характерно для отечественных машин. Иногда отходят контакты, но чаще требуется замена реле для восстановления работоспособности.
Что делать в случае обрыва нитей, как определить дефект
Если перестал работать обогрев заднего стекла, нужно осмотреть устройство, чтобы понять, какова причина неполадки. Чаще всего основная проблема заключается в нарушении целостности нитей – пропадает контакт, необходимый для прохождения тока и нагревания.
Определяем место повреждения:
- Когда стекло запотевает, нужно включить подогрев, что позволит легко выявить неработающие элементы. Примечательно, что работоспособность остальных составляющих не нарушается, поскольку используется параллельная конструкция.
- Очистив поверхность, приступаем к осмотру. Если имеется существенный разрыв, дефект легко обнаружить.
- В случае незаметного повреждения используется лупа или мультиметр.
Диагностика с помощью мультиметра начинается с подключения зажима к корпусу. Тогда, используя второй кончик, можно начать процесс поиска поврежденного участка.
При функционирующем обогревателе на боковой шине должно быть напряжение в 12 В. В противном случае неисправно реле или плохой контакт.

Чтобы найти обрыв, нужно определить сопротивление, проверяя нити в центральной части. Здесь должны быть показатели не более 2–3 Ом. Если обнаруживается сопротивление в 6 Ом, значит, имеется дефект. Определив нить, нужно тщательно проверить ее, измеряя показатели каждые 1–2 см.
При выявлении места обрыва, результаты до него и после будут сильно отличаться.
Тонкости ремонта системы обогрева
Обрыв нитей – наиболее распространенная неполадка. Часто владельцы авто задумываются, почему перестал работать обогрев заднего стекла. Проблема заключается в нитях – они достаточно хрупкие, легко повреждаются во время активного трения. Для удаления загрязнений лучше использовать мягкую тряпочку и специальные средства. Если приходится работать скребком, нужно делать это аккуратно.
Как устранить неполадку:
- Используя комплекс, включающий шприц и токопроводящую пасту, легко восстановить целостность участка. Достаточно нанести тонкую линию состава на поврежденное место. Высыхание происходит в течение нескольких минут, иногда нужно ждать сутки – все зависит от продукта. Включать и проверять работоспособность системы нужно после полного высыхания.
- Выбор токопроводящего клея – более доступное решение. Клей должен наноситься в два слоя. А между ними желательно проложить медную проволоку диаметром 0,3 мм.
- Нанесение массы из краски и стружки цветных металлов. Процедура выполняется при включенном обогреве. Во время покрытия поврежденного участка может возникать шипение, которое вскоре проходит. Время высыхания – 30 минут. Эксплуатацию желательно начинать через час.
Внимание:
В каждом случае нужно сделать трафарет, так как проложенная линия должна полностью соответствовать ширине нити. Перед нанесением составов поверхность нужно обезжирить.
Еще одним методом восстановления является пайка. Это способ самый надежный, и если повреждение небольшое, спайка проводится быстро, без проволоки.
Проведение работ при более серьезных дефектах:
- используется проволока сечением 0,17 мм2;
- ее длина должна быть немного больше поврежденного участка;
- края нужно залудить;
- рабочую поверхность обезжириваем;
- нить покрываем хлористо-цинковым флюсом;
- завершив подготовку, приступаем к работе, прижимая и впаивая проволоку в края нитей;
- используется мощность 12 Вт;
- закончив, нужно проверить место спайки, очистить поверхность от остатков флюса;
- обработанный участок покрывают термоустойчивым клеевым составом.

На выполнение таких работ требуется несколько часов, после чего можно безопасно использовать автомобиль.
Может ли система кондиционирования работать на обогрев?
Исправно работающая система кондиционирования поддерживает комфорт в машине в жаркое время. Однако и зимой кондиционер нужно включать. Во время работы устройства производится смазка движущихся элементов. Запуская кондиционер в холодный период, можно добиться и быстрого отпотевания окон.
Задумываясь, как работает кондиционер на обогрев, стоит отметить, что зимой, когда воздух на улице холодный, система не может запуститься. Но при нажатии кнопки обогрева зеркал или лобового стекла система активируется, и будет исполнять роль отопителя.
Как это работает:
- В летний период, когда происходит испарение фреона в конденсаторе, температурные показатели на выходе составляют 10–12 градусов.
- При запуске зимой показатели остаются неизменными, и этого хватает для отпотевания, оттаивания.

Если автомобиль оснащен системой климат-контроля все процессы происходят автоматически, и нет необходимости включать обогрев зеркал, лобового стекла.
auto-sovets.ru
Не работает обогрев заднего стекла
Многие вещи, в недавнем прошлом выглядевшие как опции при заказе авто, сегодня являются едва ли не нормой. К таким, ставшим привычными для нас, вещам можно отнести обогрев, в первую очередь заднего стекла. Водители пользуются им круглый год, зимой – при обмерзании стекла, летом – при его запотевании в условиях повышенной влажности. И сколько неудобств, для водителя, возникает в тех случаях, когда не работает обогрев заднего стекла!
Принцип работы системы
В самом принципе работы такой системы нет ничего сверхъестественного. Используется она чаще всего для обогрева заднего стекла, но в некоторых моделях автомобилей реализован обогрев переднего стекла, бокового стекла и мест нахождения дворников, в выключенном состоянии.

Задачей работы подобной системы является создание на поверхности стекла условий, исключающих его обморожение или запотевание. Как известно, при температуре ниже нуля градусов Цельсия, влага замерзает и образуется лед. Поэтому, для исключения подобного явления, достаточно обеспечить температуру поверхности выше нуля градусов, и не будет происходить ее обледенения.
Осуществляется это достаточно просто – на стекле создаются токопроводящие полоски, один конец которых подключается к бортовой сети автомобиля, а другой через соответствующую схему управления – на массу. При включении обогрева через такие проводники начинает протекать ток, благодаря выделяющемуся теплу происходит нагрев стекла, что вызывает его освобождение от образовавшегося льда.
Подобная схема применяется не только для заднего, но и лобового стекла. Толщина нитей, используемых для нагрева, в этом случае меньше, чем при реализации обогрева заднего стекла.
Исправен ли и как проверить обогрев заднего стекла
Первоначальное заключение о том, как хорошо работает, или не работает обогрев заднего стекла, возможно сделать на основе наблюдения, освобождается ли стекло ото льда, и насколько равномерно по всей поверхности. Если некоторые из нагревательных нитей не работают, следствием будут отдельные участки, покрытые льдом. В таком случае можно задуматься о проведении восстановления обогрева заднего стекла.

Зачастую причиной нарушения обогрева может быть не только перегорание нитей нагревательного элемента. Среди возможных причин достаточно упомянуть:
- нарушение контакта в клеммах, подводящих напряжение к нагревателю;
- отказ выключателя или реле включения системы обогрева;
- сгорел предохранитель в цепи обогрева.
Как правило, наиболее частым дефектом будет обрыв нитей нагревателя, во всех остальных случаях, чтобы восстановить обогрев, достаточно простого внешнего осмотра, позволяющего выявить перегорание предохранителя или нарушение контакта. В тех же случаях, когда не работает обогрев заднего стекла по причине обрывов или наличия микротрещин у нитей обогрева, обнаружить конкретное место, где произошло нарушение цепи, достаточно проблематично.
Дело в том, что для нитей обогрева характерно параллельное включение, поэтому использование тестера для поиска места повреждения бесполезно, связи будут «прозваниваться» через параллельные цепи. Искать повреждения необходимо визуально с использованием лупы, предварительно определив, какая из дорожек не работает.
Как восстановить обогрев заднего стекла
Когда найдено место повреждения нитей нагревателя, стоит задуматься о том, как восстановить обогрев в полном объеме. Конечно, восстановить его можно просто заменой стекла, но это достаточно затратная операция, тогда как существуют несколько способов, позволяющих собственными силами, не слишком напрягаясь, устранить дефект.
Перед работой требуется подготовить место, где обнаружен обрыв и будет происходить восстановление нитей обогрева. Для этого токопроводящую дорожку в нужном месте необходимо осторожно очистить от лака и обезжирить спиртом. На подготовленном участке должен быть виден характерный металлический блеск.

Восстановление дорожки может быть выполнено следующими способами:
- Используя специальную токопроводящую пасту. Наносится она на холодное стекло. При выполнении работ обогрев не включать. Дорожка, подготовленная, как описано выше, в месте повреждения должна быть ограничена с обеих сторон липкой лентой. Затем на участок, который не работает, наносится паста. Застывает она, как правило, в течение суток, проверить и использовать обогрев можно будет после истечения этих суток.
- С помощью металлических опилок. Такой способ позволяет выполнить восстановление работоспособности, когда отсутствует паста. Для этого используются заранее приготовленные мелкие железные опилки. В процессе выполнения работ потребуется прозрачный клей и магнит. Его надо закрепить над участком, где выявлено повреждение, а потом на это место нанести железные опилки.
Магнитное поле заставит их выстроиться вдоль участка дорожки, который не работает. Выровняв опилки и обеспечив электрический контакт с поврежденным местом, их покрывают слоем клея. Проверить, как успешно проведен ремонт и работает обогрев, можно будет через полтора-два часа. - С помощью стружки и краски, в этом случае используется стружка цветных металлов. Она смешивается с краской таким образом, чтобы получилась масса, похожая на пластилин. С помощью скотча формируется своеобразный трафарет вокруг повреждённого участка. Включается обогрев, и на нужное место наносится приготовленная смесь, при этом может возникнуть характерное шипение в месте контакта, но через некоторое время оно пропадает. Такая смесь застывает через двадцать-тридцать минут, проверить и пользоваться восстановленной системой можно через час.
Существуют и некоторые другие способы, позволяющие восстановить неработающую систему обогрева, но описанные являются наиболее простыми и доступными.
К сожалению, подобные методы вряд ли применимы для восстановления лобового стекла. В нем используются более тонкие проводящие дорожки, и место ремонта будет выглядеть достаточно грубым, ухудшая водителю обзор.
Для авто обогрев заднего стекла не является роскошью, а позволяет значительно повысить безопасность движения. И если он не работает, то с помощью достаточно простых приемов можно восстановить его работоспособность.
znanieavto.ru
Как выбрать обогреватель заднего стекла автомобиля?
Нагревается переднее стекло благодаря идущим потокам тепла, заднее – от устройства, что подключается к электроэнергии. На внутренней его стороне закреплена металлическая сетка, обладающая большое сопротивление. При прохождении тока образуется тепло, которое удаляет влагу за пару минут.
Из чего состоит обогреватель заднего стекла
Принцип, согласно которому работают системы обогрева в автомобилях, почти не отличаются, она начинает выполнять свою функцию после того, как заработает зажигание. Ток продвигается через реле, затем происходит включение устройства для нагревания, представляющее собой сетку, сделанную из нитей никеля, прикрепленных клеемами к шинам. К ним поступает электрическая энергия.
Кроме данного устройства в обогреве участвуют:
- лампа индикатора:
- выключатели – системы и зажигания;
- специальный блок.
На стекло некоторых машин наносится напылитель, на него приклеивается сетка, поверх пленка, что не пропускает свет.

Как сделать обогреватель стекла автомобиля своими руками
Поскольку в предлагаемых схемах нет ничего особенного, приобретя необходимые заготовки, некоторые владельцы машин, производят обогреватель заднего стекла автомобиля своими руками. Для этого покупается:
- провод – синий и красный;
- металлические нити;
- выключатели;
- реле;
- контакты и клеммы;
- колодки.
Аккуратность нужна при работе с сеткой, поскольку элементы (нити), из которых она изготовляется весьма тонкие.
Смотрите видео о ремонте обогрева заднего стекла.
Весь процесс по созданию включает этапы:
- Сбор заготовок;
- Установка обогрева;
- Подсоединение и изолирование проводов;
- Подключение питания;
- Проверка работы.
Сначала снимаются колодки и панель. Затем их ставят на место. Клеммы аккумулятора временно убираются, иначе может получиться замыкание. Провод со знаком минус от реле подключают к предохранителю на 16А, с плюсом – на 8, после чего закрепляют в пучке с другими, не забыв заизолировать. Затем подсоединяется колодка в панель, устанавливается выключатель. Клемма приклеивается или припаивается канифолью.
Чтобы выяснить, насколько правильно сделана работа, включают зажигание, спустя пару минут обогрев. Используя мультиметр или омметр, определяют, все ли в порядке.
Читайте о предотвращении запотевания стекла автомобиля.
А также об устранении запаха системы кондиционирования.
Решить проблему, возникающую в дождь или снег, можно, заказав обогреватель заднего стекла на присосках, что питаются от прикуривателя, обладающего мощностью в 12В. В комплекте идет провод, болты, двухсторонний скотч. После включения наледь очищается достаточно быстро, запотевания не наблюдается.
В магазинах, торгующих автозапчастями, продаются блоки кнопок, реле времени, что подходит для обогрева стекол на разные виды автомобилей.
Можно купить комплекты нитей и клей, выключатели. Все это пригодится для оснащения системы, которую устанавливают или ремонтируют самостоятельно.

Поиск вероятных неисправностей
На неисправность обогрева обращают внимание, если система не включается или стекло отпотевает долго. В первой случае, возможно, что отказала кнопка, перегорел предохранитель. Во втором – скорее всего, происходит обрыв нитей, наклеенных на стекло, поскольку они легко повреждаются при транспортировке габаритных вещей. Проблему определяют индикатором напряжения, вольтметром, тестером.
Для восстановления сетки можно приобрести комплект, представляющий собой токопроводящую пасту. Шприцем его наносят на место разрыва нити. Их также запаивают, используя припой. Работа по устранению таких неисправности забирает не больше десятка минут.
Опубликовано: 07 марта 2017
automend.ru
Как проверить обогрев заднего стекла
Как проверить обогрев заднего стекла
Автор КакПросто!
При использовании автомобиля безопасность и комфорт должны быть прежде всего. Одной из составляющих безопасного проезда зимой является чистое заднее стекло, без запотевания и снежной корки.

Инструкция
В морозную погоду, если стекла вашей машины запотели или покрылись слоем инея, включите обогрев заднего стекла: это улучшит видимость и обеспечит безопасность на дороге. После включения обогрева должен загореться соответствующий индикатор, который находится на приборной панели автомобиля. Через пару минут после включения обогрева посмотрите на заднее стекло: оно должно стать чище и прозрачнее, а снег на снаружи машины начнет таять. Приложите руку к стеклу. Если обогрев работает правильно, вы должны почувствовать тепло. Если индикатор работы обогрева показывает, что работа началась, но стекло по-прежнему покрыто испариной, проверьте, не включен ли предохранитель обогрева заднего стекла. Выключите его, если это необходимо. Если стекло недостаточно замерзло, а на поверхности автомобиля нет снега, воспользуйтесь следующими методами проверки обогрева заднего стекла. Сядьте на заднее сиденье и энергично выдохните ртом на стекло. Оно должно запотеть, и тут же начнет очищаться, от теплых линий обогрева.Стоя снаружи автомобиля, вылейте на заднее стекло немного воды. Исправно работающий обогрев не даст воде замерзнуть на стекле даже в лютый мороз. Если из строя вышли только некоторые нити обогрева и стекло прогревается неравномерно, с помощью воды легко вычислить, какие именно полосы нуждаются в замене. Вылейте на стекло воду и посмотрите, на каких участках стекла она замерзла. Если у вас под рукой нет воды, попробуйте набросать на стекло немного снега.
Любители покопаться в машине и проверить исправность всех контактов могут попробовать следующий способ проверки. Включите обогрев заднего стекла. Если индикатор показывает его работу, реле исправно, разомкните контакты обогревателя с одной стороны стекла и соедините их между собой через «пробник». Если обогреватель работает исправно, ток будет беспрепятственно проходить по нитям обогрева, отчего пробник будет светиться. Если пробник не становится ярче, неисправны нити обогревателя или окислились контакты.Источники:
- Как починить обогрев заднего стекла на ВАЗ 2108, 2109, 21099
Распечатать
Как проверить обогрев заднего стекла
www.kakprosto.ru
Обогреватель стекол автомобиля – ремонт своими руками
Хороший обзор является определяющим для безопасной эксплуатации автомобиля. В осенне-зимний период от перепадов температуры воздуха стекла запотевают, и видимость через них ухудшается. Особенно актуален вопрос прозрачности стекол в темное время суток, когда видимость и так плохая.

Эффективным способом борьбы с запотеванием автомобильных стекол является их нагрев. Лобовое стекло, как правило, подогревается направленными потоками теплого воздуха. Заднее стекло и зеркала заднего вида обычно подогреваются с помощью электроэнергии. На поверхность стекла со стороны салона автомобиля наносятся токопроводящие дорожки из высокоомного металла в виде тонких ленточек. При прохождении электрического тока через них выделяется тепловая энергия. Стекло нагревается и вода испаряется. Через несколько минут стекло становится прозрачным.
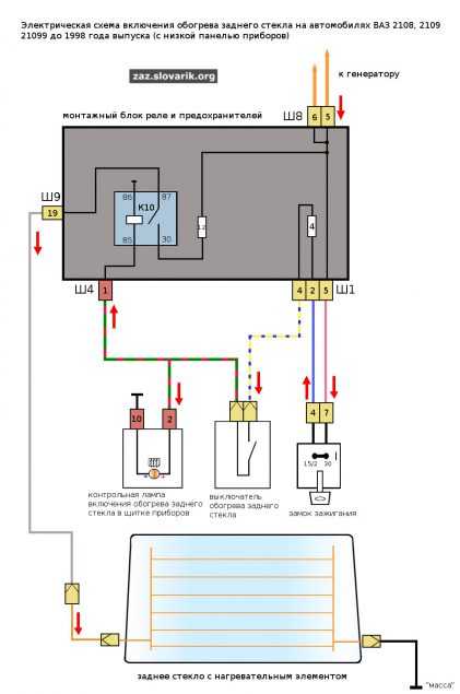
Для успешной диагностики и ремонта системы обогрева заднего стекла автомобиля на профессиональном уровне необходимо знать электрическую схему подключения обогревателя и представлять принцип ее работы.

На фотографии представлена типовая схема подключения обогревателя заднего стекла автомобиля в бортовую электропроводку. Рассмотрим принцип ее работы.
Питающее напряжение с плюсовой клеммы аккумулятора через замок зажигания, и предохранители подается на выключатель обогревателя и на 30 (или 87) силовой контакт реле. Отрицательный вывод аккумулятора соединен с корпусом автомобиля, один из выводов нагревателя стекла тоже соединен с корпусом. При нажатии на клавишу включения обогревателя, напряжение подается на обмотку реле, реле срабатывает, силовые контакты замыкаются и соединяют выводы реле 30 и 87 между собой. Ток поступает на обогреватель, протекает через группу параллельно соединенных нитей и через корпус автомобиля возвращается на отрицательный вывод аккумулятора.
Возможные неисправности обогревателя заднего стекла
На работоспособность обогревателя заднего стекла не обращают внимания, пока стекло не запотеет или не покорится инеем. После включения обогревателя вдруг обнаруживается, что через несколько минут стекло не стало прозрачным или видимость появилась только через часть стекла. В зависимости от внешнего проявления, даже без измерительных приборов, сразу можно сделать предположение о причине отказа.

Следует учесть, что обогреватель заднего стекла и зеркал заднего вида автомобиля возможно включить только при установке ключа зажигания в положение ON. В некоторых моделях автомобилей включение обогревателя возможно только при запущенном двигателе. Это сделано для исключения сильного разряда аккумулятора, так как обогреватель заднего стекла, в зависимости от модели автомобиля, потребляет ток от 10 А до 25 А. Для сравнения, одна автомобильная фара потребляет ток величиной всего 5 А.
Обогреватель заднего стекла не включается
Если индикатор на кнопке включения обогрева заднего стекла после нажатия на нее не светиться, то вероятнее всего перегорел предохранитель или неисправна сама клавиша. Если индикатор светиться, но, ни одна нить не греет, то причиной неисправности может быть реле или разъемы подключения обогревателя к электропроводке. В этом случае по документации на конкретную модель автомобиля необходимо определить место нахождения этих деталей и отказавшую заменить. Оперативно найти место установки реле не всегда представляется возможным, но есть способ проверить его исправность косвенным путем, о чем рассказано будет ниже.
Заднее стекло медленно отпотевает
Иногда встречается случай, когда после включения обогревателя стекло отпотевает за время, значительно превышающее несколько минут. В таком случае, если на улице не очень большой мороз, причина может крыться в плохом контакте одного из разъемов электрической схемы. В результате сопротивление контакта увеличивается, ток ограничивается, и как следствие снижается мощность, выделяющаяся на нитях нагревателя стекла. Для проверки такой неисправности необходимо вольтметром постоянного тока (мультиметром или стрелочным тестером, включенных в режим измерения постоянного напряжения) измерять величину напряжения на входных клеммах обогревателя и аккумулятора. Напряжения не должны отличаться более чем на один вольт.
И наконец, самый распространенный случай неисправности системы подогрева заднего стекла автомобиля, обрыв одной или нескольких нитей обогревателя нанесенны
www.autofluids.ru
