Предохранители и реле ВАЗ 2110, 2111, 2112
Рассмотрены автомобили с инжектором и карбюратором: 8 клапанов, 16 клапанов

Монтажный блок реле и предохранителей для ВАЗ 2110, ВАЗ 2111, ВАЗ 2112 расположен с левой стороны от рулевой колонки в панели приборов (чтобы добраться до него, нажмите на выключатель защелки и опустите блок вниз).

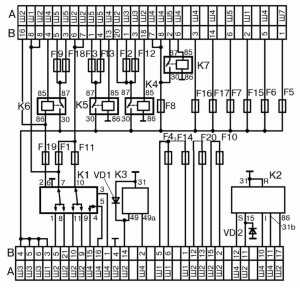
Схема расположения предохранителей и реле в блоке (типы блоков, устанавливаемых на ВАЗ 2110, ВАЗ 2111, ВАЗ 2112)
Монтажный блок 2110-3722010

Монтажный блок 2110-3722010-01

Монтажный блок 2110-3722010-08

Расположение реле и предохранителей в монтажном блоке ВАЗ 2110, ВАЗ 2111, ВАЗ 2112:
| № реле/ предохранителя | Расшифровка |
| K1 | Реле контроля исправности ламп |
| К2 | Реле очистителя ветрового стекла |
| К3 | Реле-прерыватель указателей поворота и аварийной сигнализации |
| К4 | Реле включения ближнего света фар |
| К5 | Реле включения дальнего света фар |
| К6 | Дополнительное реле |
| К7 | Реле включения обогрева заднего стекла |
| К8 | Реле противотуманных фонарей |
| F1-F20 | Плавкие предохранители |
Расшифровка предохранителей:
| Номер | Сила тока, А | Описание предохранителей |
| F1 | 5 | Лампы фонарей освещения номерного знака. Лампы освещения приборов. Контрольная лампа габаритного света. Лампа освещения багажника. Лампы габаритного света левого борта |
| F2 | 7,5 | Левая фара (ближний свет) |
| F3 | 10 | Левая фара (дальний сеет) |
| F4 | 10 | Правая противотуманная фара |
| F5 | 30 | Электродвигатели стеклоподъемников дверей |
| F6 | 15 | Переносная лампа (розетка) |
| F7 | 20 | Электродвигатель вентилятора системы охлаждения двигателя. Звуковой сигнал |
| F8 | 20 | Элемент обогрева заднего стекла. Реле (контакты) включения обогрева заднего стекла |
| F9 | 20 | Клапан рециркуляции*. Очистители и омыватели ветрового стекла и фар (предохранитель дворников). Реле (обмотка) включения обогрева заднего стекла |
| F10 | 20 | Резервный |
| F11 | 5 | Лампы габаритного света правого борта |
| F12 | 7,5 | Правая фара (ближний свет) |
| F13 | 10 | Правая фара (дальний сеет). Контрольная лампа включения дальнего света |
| F14 | 10 | Левая противотуманная фара |
| F15 | 20 | Электрообогрев сидений. Блокировка замка багажника |
| F16 | 10 | Реле-прерыватель указателей поворота и аварийной сигнализации (в режиме аварийной сигнализации). Контрольная лампа аварийной сигнализации |
| F17 | 7,5 | Лампа освещения салона. Лампа индивидуальной подсветки. Лампа подсветки выключателя зажигания. Лампы стоп-сигнала. Часы (или маршрутный компьютер) |
| F18 | 25 | Лампа освещения вещевого ящика. Контроллер отопителя (предохранитель печки). Предохранитель прикуривателя ВАЗ 2110, ВАЗ 2111, ВАЗ 2112. |
| F19 | 10 | Блокировка замков дверей. Реле контроля исправности ламп стоп-сигнала и габаритного света. Указатели поворота с контрольными лампами. Лампы света заднего хода. Обмотка возбуждения генератора. Блок индикации бортовой системы контроля*. Комбинация приборов. Часы (или маршрутный компьютер) |
| F20 | 7,5 | Лампы задних противотуманных фонарей |
*В салоне машины, в самой нише приборной панели за монтажным блоком установлен предохранитель противотуманных фонарей.

**Предохранитель центрального замка расположен за блоком предохранителей в пластмасовой коробочке.

***Дополнительные реле и предохранители расположены в салоне справа приборной панели за боковой облицовкой, прикрепленной двумя шурупами.

Все дополнительные предохранители 15 А

| № реле/ предохранителя | Расшифровка |
| 1 | Модуль зажигания, контроллер |
| 2 | Клапан продувки адсорбера, датчик скорости автомобиля, датчик концентрации кислорода (подогрева), датчик расхода воздуха |
| 3 | Реле топливного насоса, предохранитель бензонасоса, форсунки |
| 4 | Реле электровентилятора (доп. реле) |
| 5 | Реле бензонасоса (доп. реле) |
| 6 | Главное реле (реле зажигания) |

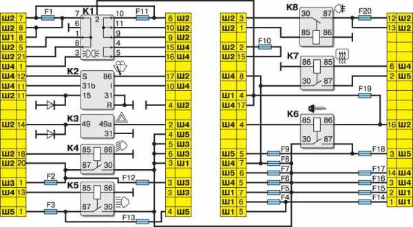
Порядок номерации и цвета проводов штекеров
Схема монтажного блока реле и предохранителей ВАЗ 2110-11-12
(наружная цифра в обозначении наконечника провода – номер колодки, а внутренняя цифра – условный номер штекера):

| № реле/ предохранителя | Расшифровка |
| К1 | Реле контроля исправности ламп (внутри показаны контактные перемычки, которые устанавливаются вместо реле) |
| К2 | Реле очистителя ветрового стекла (реле дворников) |
| К3 | Реле-прерыватель указателей поворота и аварийной сигнализации |
| К4 | Реле включения ближнего света фар |
| К5 | Реле включения дальнего света фар |
| К6 | Дополнительное реле |
| К7 | Реле включения обогрева заднего стекла |
| К8 | Резервное реле (отсутствует на ВАЗ 2110) |
Таблица внешних соединений монтажного блока
| Колодка | № | Цвет | Электрические цепи |
| Ш1 | 1 | ЖЧ | Противотуманная фара (левая) |
| 2 | ГП | Двигатель блокировки замка багажника, подогрев сидений | |
| 3 | Р | Реле блокировки дверей | |
| 4 | О | Реле электростеклоподъемников | |
| 5 | ЖП | Реле противотуманных фар | |
| 6 | Ж | Противотуманная фара (правая) | |
| 7 | ГЧ | Реле электростеклоподъемников | |
| 8 | — | Резерв | |
| Ш2 | 1 | — | Резерв |
| 2 | — | Резерв | |
| 3 | — | Резерв | |
| 4 | Ч | Масса » — « | |
| 5 | ЖП | Габарит (левый задний) | |
| 6 | БЧ | Переключатель наружного освещения | |
| 7 | — | Резерв | |
| 8 | ЖЧ | Лампы освещения номерного знака, выкл. освещения приборов | |
| 9 | КП | Габарит (правый задний) | |
| 10 | К | Габарит (правый) | |
| 11 | ЖГ | Эл. двигатель очистителя ветрового стекла, переключатель очистителя и омывателя ветрового стекла. | |
| 12 | З | Переключатель наружного освещения | |
| 13 | ОБ | Выключатель противотуманных фар | |
| 14 | ЧП | Выключатель аварийной сигнализации | |
| 15 | — | Резерв | |
| 16 | ГП | Замок зажигания (кл. 15), подрулевой переключатель | |
| 17 | Р | Переключатель очистителя и омывателя ветрового стекла | |
| 18 | СП | Подрулевой переключатель света фар | |
| 19 | — | Резерв | |
| 20 | — | Резерв | |
| 21 | Ж | Габарит (левый) | |
| Ш3 | 1 | СЧ | Ближний свет (левый фонарь) |
| 2 | — | Резерв | |
| 3 | С | Ближний свет (правый фонарь) | |
| 4 | Р | Генератор (кл. 30) | |
| 5 | К | Генератор (кл. 30) | |
| 6 | К | Генератор (кл. 30) | |
| Ш4 | 1 | ПЗ | Бортовая система индикации |
| 2 | ГО | Выключатель аварийной сигнализации | |
| 3 | ПЧ | Выключатель аварийной сигнализации | |
| 4 | Ч | Масса » — « | |
| 5 | ПГ | Штекер переносной лампы | |
| 6 | ЗП | Выключатель обогрева заднего стекла, лампа обогрева заднего стекла | |
| 7 | — | Резерв | |
| 8 | — | Резерв | |
| 9 | — | Резерв | |
| 10 | ЖЗ | Подрулевой переключатель омывателя и очистителя ветрового стекла | |
| 11 | Б | Эл. двигатель очистителя ветрового стекла | |
| 12 | ЧБ | Подрулевой переключатель омывателя и очистителя ветрового стекла | |
| 13 | ГБ | Подрулевой переключатель, лампа замка зажигания | |
| 14 | БП | Лампы стоп- сигналов, часы, лампа освещения салона | |
| 15 | П | Фонари стоп-сигналов | |
| 16 | РП | Выкл. стоп-сигналов | |
| 17 | О | Генератор (кл.30) | |
| Ш5 | 1 | ЗЧ | Дальний свет (левый фонарь) |
| 2 | СП | Элемент обогрева заднего стекла | |
| 3 | Г | Контроллер отопителя, лампа освещения вещевого ящика | |
| 4 | З | Дальний свет (правый фонарь) | |
| 5 | ЖГ | Двигатель очистителя ветрового стекла, клапан рециркуляции САУО | |
| 6 | ПБ | Эл. вентилятор охлаждения, звуковой сигнал |
Снятие и установка блока предохранителей.

Схема электрооборудования автомобиля ВАЗ-2110
| № реле/ предохранителя | Расшифровка |
| 1 | Блок-фара |
| 2 | Датчики износа колодок передних тормозов |
| 3 | Датчик включения электродвигателя вентилятора |
| 4 | Электродвигатель вентилятора системы охлаждения двигателя |
| 5 | Звуковой сигнал |
| 6 | Генератор |
| 7 | Датчик уровня масла |
| 8 | Блок управления электромагнитным клапаном карбюратора |
| 9 | Контроллер отопителя |
| 10 | Выключатель клапана рециркуляции |
| 11 | Лампа подсветки рычагов управления отопителем |
| 12 | Коммутатор |
| 13 | Концевой выключатель карбюратора |
| 14 | Датчик контрольной лампы давления масла |
| 15 | Свечи зажигания |
| 16 | Электромагнитный клапан карбюратора |
| 17 | Датчик указателя температуры охлаждающей жидкости |
| 18 | Датчик-распределитель зажигания |
| 19 | Катушка зажигания |
| 20 | Стартер |
| 21 | Электродвигатель вентилятора отопителя |
| 22 | Дополнительный резистор электродвигателя отопителя |
| 23 | Датчик скорости |
| 24 | Выключатель света заднего хода |
| 25 | Микромоторедуктор привода заслонки отопителя |
| 26 | Клапан рециркуляции |
| 27 | Датчик уровня тормозной жидкости |
| 28 | Колодки для подключения электродвигателя омывателя заднего стекла |
| 29 | Аккумуляторная батарея |
| 30 | Электродвигатель омывателя ветрового стекла |
| 31 | Датчик уровня омывающей жидкости |
| 32 | Датчик уровня охлаждающей жидкости |
| 33 | Моторедуктор очистителя ветрового стекла |
| 34 | Монтажный блок |
| 35 | Колодки для подключения жгута предупредительного света |
| 36 | Переключатель наружного освещения |
| 37 | Комбинация приборов |
| 38 | Выключатель заднего противотуманного света |
| 39 | Контрольная лампа противотуманного света |
| 40 | Контрольная лампа обогрева заднего стекла |
| 41 | Часы |
| 42 | Выключатель обогрева заднего стекла |
| 43 | Подрулевой переключатель |
| 44 | Колодка для переключения проводов при установке блок-фар другого типа |
| 45 | Регулятор освещения приборов |
| 46 | Выключатель зажигания |
| 47 | Колодки для подключения жгута проводов очистителей фар |
| 48 | Розетка для переносной лампы |
| 49 | Передний плафон освещения салона |
| 50 | Выключатель стоп-сигнала |
| 51 | Плафон освещения салона |
| 52 | Блок бортовой системы контроля |
| 53 | Датчик указателя уровня топлива |
| 54 | Выключатель аварийной сигнализации |
| 55 | Датчик ремня безопасности водителя |
| 56 | Прикуриватель |
| 57 | Лампа подсветки пепельницы |
| 58 | Выключатель лампы освещения вещевого ящика |
| 59 | Колодка для подключения бортового компьютера |
| 60 | Лампа освещения вещевого ящика |
| 61 | Боковые указатели поворота |
| 62 | Выключатели в стойках передних дверей |
| 63 | Выключатели в стойках задних дверей |
| 64 | Выключатель контрольной лампы стояночного тормоза |
| 65 | Фонарь освещения багажника |
| 66 | Датчик температуры для системы отопления |
| 67 | Наружные задние фонари |
| 68 | Внутренние задние фонари |
| 69 | Фонари освещения номерного знака |
| 70 | Элемент обогрева заднего стекла |
| 71 | Колодка для подключения дополнительного стоп-сигнала |
* В жгуте проводов панели приборов вторые концы проводов белого, черного, оранжевого цветов, белого с красной полоской и желтого с голубой полоской соединены между собой в одних точках.
Схемы электрооборудования автомобилей ВАЗ-2111 и ВАЗ-2112 отличаются (за исключением системы управления двигателем) только добавлением очистителя и омывателя двери задка.
Схема электрооборудования автомобиля ВАЗ-21102 с системой распределенного впрыска топлива (контроллер «Январь-4»)
| № реле/ предохранителя | Расшифровка |
| 1 | Блок-фара |
| 2 | Датчики износа колодок передних тормозов |
| 3 | Звуковой сигнал |
| 4 | Вентилятора системы охлаждения |
| 5 | Выключатель света заднего хода |
| 6 | Аккумуляторная батарея |
| 7 | Генератор |
| 8 | Датчик контрольной лампы давления масла |
| 9 | Датчик уровня масла |
| 10 | Свечи зажигания |
| 11 | Форсунки |
| 12 | Регулятор холостого хода |
| 13 | Колодки электронного блока управления |
| 14 | Датчик положения дроссельной заслонки |
| 15 | Датчик положения коленчатого вала |
| 16 | Модуль зажигания |
| 17 | Датчик указателя температуры охлаждающей жидкости (для комбинации приборов) |
| 18 | Стартер |
| 19 | Колодка диагностики |
| 20 | Датчик температуры охлаждающей жидкости (для системы управления двигателем) |
| 21 | Датчик скорости |
| 22 | Реле включения бензонасоса |
| 23, 35, 39 | Плавкие предохранители |
| 24 | Электробензонасос |
| 25 | Микромоторедуктор привода заслонки отопителя |
| 26 | Клапан рециркуляции |
| 27 | Вентилятор отопителя |
| 28 | Насос омывателя ветрового стекла |
| 29 | Датчик уровня омывающей жидкости |
| 30 | Датчик уровня тормозной жидкости |
| 31 | Датчик уровня охлаждающей жидкости |
| 32 | Моторедуктор стеклоочистителя |
| 33 | Дополнительный резистор вентилятора отопителя |
| 34 | Реле включения питания системы впрыска |
| 36 | Клапан продувки адсорбера |
| 37 | Датчик массового расхода воздуха |
| 38 | Реле включения вентилятора системы охлаждения |
| 40 | Переключатель наружного освещения |
| 41 | Датчик детонации |
| 42 | Датчик концентрации кислорода (подогреваемый лямбда-зонд) |
| 42* | СО-потенциометр (ставится на машинах, эксплуатируемых на этилированном бензине; в этом случае датчик концентрации кислорода не устанавливается) |
| 43 | Контрольная лампа противотуманного света |
| 44 | Контрольная лампа обогрева заднего стекла |
| 45 | Выключатель противотуманного света |
| 46 | Выключатель обогрева заднего стекла |
| 47 | Комбинация приборов |
| 48 | Монтажный блок |
| 49 | Датчик уровня топлива |
| 50 | Выключатель зажигания |
| 51 | Регулятор яркости подсветки приборов |
| 52 | Подрулевой переключатель |
| 53 | Лампа подсветки рычагов управления отопителем |
| 54 | Выключатель аварийной сигнализации |
| 55 | Электронный блок управления отопителем |
| 56 | Выключатель клапана рециркуляции |
| 57 | Блок индикации бортовой системы контроля |
| 58 | Боковые указатели поворота |
| 59 | Датчик температуры для системы отопления |
| 60 | Плафон освещения салона |
| 61 | Передний плафон освещения салона |
| 62 | Розетка для переносной лампы |
| 63 | Электронные часы |
| 64 | Выключатели в стойках передних дверей |
| 65 | Выключатели в стойках задних дверей |
| 66 | Лампа освещения вещевого ящика |
| 67 | Выключатель освещения вещевого ящика |
| 68 | Прикуриватель |
| 69 | Лампа освещения пепельницы |
| 70 | Выключатель стоп-сигнала |
| 71 | Элемент обогрева заднего стекла |
| 72 | Наружные задние фонари |
| 73 | Внутренние задние фонари |
| 74 | Лампы освещения номерного знака |
| 75 | Лампа освещения багажника |
Схема электрооборудования автомобиля с кузовом «седан» (кроме узлов и деталей системы впрыска):

Схема электрооборудования автомобиля с кузовом «универсал» (кроме узлов и деталей системы впрыска):

СМОТРИТЕ ТАКЖЕ — предохранители и реле для…:
LADA GRANTA
LADA KALINA
LADA KALINA 2
LADA LARGUS
LADA PRIORA
LADA VESTA
ВАЗ 2104, 2105
ВАЗ 2106
ВАЗ 2107, 21047
ВАЗ 2108, 2109, 21099
ВАЗ 2113, 2114, 2115
ВАЗ 2121, 21213, 21214
base-ex.com
Предохранители ВАЗ 2110: блок, расположение, схема

Извлечение монтажного блока из приборной панели.
Монтажный блок (панель предохранителей, черный ящик) – это важный узел, объединяющий в себе все электрические элементы автомобиля ВАЗ 2110. Простыми словами, внутри консоли есть монтажная плата, где изначально установлены все плавкие ставки и реле. Панель предохранителей сделана так, чтобы водитель смог самостоятельно заменить элемент, который вышел из строя. Автомобилисту нужно извлечь нерабочий предохранитель или реле, а на его место установить новый элемент.
Автомобили ВАЗ «нового» поколения (начиная с восьмерки) снабжены надежным блоком, разъемам которого не страшна тряска и вибрация. Старые модели этим похвастаться не могут. Для замены сгоревшего реле или предохранителя, нам нужно знать расположение черного ящика, а также его схему – где какой элемент расположен. Наизусть порядок элементов учить не нужно, так их очень много, поэтому мы прикладываем к статье удобную схему, а также пояснения к ней.
Где находятся монтажный и дополнительные блоки?
Расположение основного монтажного блока в автомобиле ВАЗ 2110. В более ранних версиях черный ящик устанавливался под капотом.
Отыскать эти устройства несложно. Основная панель с реле расположена в левом нижнем углу от руля – возле левой ноги автомобилиста. Извлечь её при необходимости можно без дополнительных материалов. Если вы достанете монтажный блок, то за ним обнаружите ещё один. Но в отечественных авто этого модельного ряда их три:
- Основной блок предохранителей. Расположен в удобном месте – слева от руля;
- Две дополнительных панели. Расположены в торпеде. Одна из них расположена внутри ниши за главным блоком, другая – на противоположной части.
Рекомендуется изучить каждый черный ящик, чтобы при необходимости без труда провести установку новых предохранителей.
Главный блок

Схема расположения реле и предохранителей в главном монтажном блоке.
Сначала рассмотрим реле:
| № | Назначение |
| K1 | Реле, ответственное за работоспособность автомобильных ламп |
| K2 | Электроочиститель ветрового стекла |
| K3 | Специальное реле, которое во время срабатывания аварийной сигнализации прерывает поворотные огни |
| K4 | Запуск ближнего света |
| K5 | Запуск дальнего света |
| K6 | Место для установки дополнительного элемента |
| K7 | Запуск обогрева для заднего стекла |
| K8 | В модели ВАЗ 2110 нет этого элемента. |

Наглядное указание всех предохранителей в автомобиле ВАЗ 2110.

Дополнительный блок

Расположение дополнительного блока с предохранителями и реле.
В центральной панели присутствует дополнительный блок, расположение которого видно на фото. В нем присутствует три предохранителя с одинаковой мощностью в 15А:
- Первый отвечает за модуль контроллера и зажигания в ВАЗ 2110.
- Второй берет на себя защиту ДМРВ (расходомера), продувочного клапана, датчика подогрева и скорости.
- Третий отвечает за форсунки и топливный насос.
И три реле:
- Под четвертым номером обозначен электрический вентилятор.
- Под пятым электрический насос топлива.
- Последнее реле относится к зажиганию ВАЗ 2110.
Дополнительная панель реле в консоли
Здесь присутствует только три элемента, которые отвечают работу иммобилизатора, запуск дополнительной оптики (чаще всего – это противотуманные фары), а также за управление центральным замком.
Стрелка указывает на дополнительную панель с реле.
Предохранитель прикуривателя: замена
На примере прикуривателя мы рассмотрим замену предохранителей, так как меняются они по одинаковой схеме. Для начала нужно проверить работоспособность прикуривателя, выполняется это следующим образом:
- Заводим автомобиль.
- Прикуриватель должен быть внутри своего гнезда. То есть на своем рабочем месте.
- Ждем 20 секунд.
- Достаем устройство и проверяем его на ощупь: если температура не выросла, то он неисправен.
Итак, мы убедились, что устройство не работает. Теперь нам предстоит замена выгоревшего предохранителя прикуривателя. Мы уже знаем расположение черного ящика (слева от руля, внизу торпеды). Далее нужно нажать на защелки, чтобы крышка открылась. Осмотрите внимательно монтажный блок: внутри должен быть пинцет, вложенный туда для извлечения предохранителей. Теперь осталось найти предохранитель прикуривателя – он обозначен на схеме как «F18». Извлекаем перегоревший элемент и ставим новый – работа закончена. Мы взяли прикуриватель для примера, так как он чаще всего выходит из строя. Происходит это из-за желания владельцев ВАЗ 2110 поместить внутрь его гнезда дополнительные электроприборы: насосы, автомобильные пылесосы и прочую технику, которая перегружает предохранитель.
Если внутри черного ящика нет пинцета или вы его потеряли, то на замену можно взять плоскогубцы. Не стоит пытаться сделать это пальцами, так как подобное действие расшатает и без того хрупкое гнездо. Если реле заменить недорого, то для ремонта монтажного блока придется хорошенько потратиться. Выкручивать элемент нужно аккуратно, чтобы не раздавить.
Самое интересное
vazremont.com
Схема предохранителей на ВАЗ-2110 – особенности каждого из элементов
Схема предохранителей на ВАЗ-2110 – это поэтапно расписанная в картинках блок-схема, в которой отмечены все элементы электрооборудования машины, отвечающие за защиту автомобиля от возгорания при нестабильной работе одной из систем. В целом на автомобиле любой модели ВАЗ располагается поочередно 3 специальных блока, где закреплены предохранители и небольшое реле. Особенности их расположения указаны на схеме ниже.
Точное расположение каждого из блоков предохранителей в ВАЗ-2110
Оглавление:
1 Как разделяются блоки в машине?
2 За что отвечает комплект реле с блоком предохранителей?
3 За что отвечает второй комплект блока предохранителей?
4 Система расположения дополнительного блока предохранителей в ВАЗ-2110
Как разделяются блоки в машине?
Основной тип блока выносится в наиболее удобное для водителя место. В данной версии ВАЗа он расположен с левой стороны кузова непосредственно у руля. Легкий доступ к блоку обеспечен с помощью встроенной кнопки, расположенной рядом с регулятором фар машины.
2 резервных блока с реле располагаются отдельно в правой и центральной частях консоли точно за приборной панелью. Один из представленных далее на схеме предохранителей будет находиться в отдалении от всего списка остальных – его можно найти в специальном отделении за блоком основных предохранителей, рядом с монтажным блоком. Для своевременного ремонта электрооборудования на ВАЗ-2110 необходимо научиться быстро определять расположение прогоревшего предохранителя, а также знать, на какие элементы машины его поломка будет влиять.
Совет: очень часто один сгоревший клапан может привести к замене вакуумного усилителя на ВАЗ-2110. Именно поэтому важно проверять не только общее состояние предохранителя, но и взаимодействующих с ним частей, например, инжектора.
За что отвечает комплект реле с блоком предохранителей?
Схема расположения предохранителей и реле в основном монтажном блоке ВАЗ-2110
Приведенная выше схема описывает расположение основного комплекта реле и блока предохранителей. Здесь расположены следующие элементы:
- К1 – это тип реле, отвечающий за контроль над исправностями комплекта лампочек;
- К2 – данное комплектующее связано с работой передней пары дворников;
- K3 – за этим обозначением кроется реле-прерыватель, которое регулирует работу повторителя и знака аварийной сигнализации машины;
- К4 и К5 – пара реле для инжектора, которая отвечает за включение ближнего/дальнего света фар ВАЗ-2110;
- К6 – дополнительный тип реле, необходимый для замены одного из сгоревших из основного блока;
- К7 – этот элемент отвечает за включение функции обогрева на заднем стекле;
- K8 – так же как и К6, является резервным реле.
Совет: если вы заметили основные признаки неисправности датчика кислорода, вам стоит в первую очередь посмотреть предохранители. Если в монтажном блоке все в порядке, тогда стоит обратиться за помощью в автосервис для проведения диагностики.
За что отвечает второй комплект блока предохранителей?
Обозначенные ниже на схеме электрооборудования символами F1-F20 являются элементы, которые характеризуют комплект плавких предохранителей. Электрическая цепь в автомобиле ВАЗ-2110 защищается с помощью плавких предохранителей исходя из конкретного расчета модели на указанное при покупке значение номинального тока.
В то же время плавкие предохранители не отвечают за качественную работу цепи, состоящей из образца аккумуляторной батареи, отдельного типа цепи генератора, системы зажигания и пуска клапанов двигателя. Для замены неисправного предохранителя в этом монтажном блоке нужно следовать по следующему плану:
- Находите предохранитель, который имеет механические повреждения или его корпус сгорел;
- По инструкции определяете и устраняете причину, по причине которой он оказался неисправным;
- Устанавливаете новый предохранитель, используя резервный образец.
Совет: никогда не пытайтесь заменить плавкий предохранитель на специальные перемычки. В дальнейшем это приведет к выходу из работы тех устройств, которые закреплены за этим предохранителем.

Схема с обозначениями второго комплекта предохранителей в блоке
Все предохранители разделяются по взаимодействию с электрооборудованием следующим образом:
- F1 (сила тока 5А) — предохранитель, отвечающий за комплекс ламп, которые освещают номерной знак, всю приборную доску, включающие габаритный свет и освещение в багажнике.
- F2 (сила тока 7,5А) — элемент, регулирующий работу ближнего света на левой фаре.
- F3, F4 (сила тока 10А) — отвечает за работу дальнего света в левой фаре и правой противотуманной фары соответственно.
- F5 (с силой тока 30А) — отвечает за электродвигатель стеклоподъемников у передних и задних автомобильных дверей.
- F6 (с силой тока 15А) — относится к работе переносной лампы.
- F7 (с силой тока 20А) — регулирует работу электродвигателя вентиляторов в системе охлаждения 16-клапанного двигателя, а также работу звукового сигнала.
- F8 (с силой тока 20А) — подает ток к элементам обогрева, находящимся на заднем стекле. Кроме того, вместе с контактами от реле передает ток к лобовому стеклу.
- F9 (с силой тока 20А) — отвечает за работу рециркуляционного клапана. Также взаимодействует с датчиками очистителя и омывателя лобового стекла и передних фар.
- F10 (с силой тока 20А) — является резервным предохранителем.
- F11 (с силой тока 5А) — регулирует работу ламп с габаритным светом по правому борту.
- F12 и F13 (с силой тока 10А) — оба предохранителя регулируют работу правой фары, отвечая за ближний/дальний свет соответственно.
- F14 (сила тока 10А) — регулируется свет от левой противотуманной фары.
- F15 (с силой тока 20А) — взаимодействует с электрообогревом водительского и пассажирских сидений. Защищает машину от несанкционированной блокировки центрального замка у багажника.
- F16 (с силой тока 10А) — передает ток на реле-прерыватель для обеспечения работы указателя поворота левой и правой фары, а также используется для подачи аварийного сигнала (при использовании режима аварийной сигнализации на ВАЗ-2110).
- F17 (сила тока 7,5А) — работает с лампой освещения в салоне машине, освещением стоп-сигналов, индивидуальной подсветки выключателей системы зажигания и регулирует работу маршрутного компьютера.
- F18 (с силой тока 25А) — освещает вещевой ящик, подает ток на контроллеры системы отопления и прикуриватель на приборной доске.
- F19 (с силой тока 10А) — отвечает за работу блокировки замков в дверях, также информирует водителя о наличии неисправности в лампах стоп-сигнала или элементов габаритного света.
- F20 (сила тока 7,5А) — работает с лампами задней пары противотуманных фонарей ВАЗ-2110.
Разобравшись с предохранителями, вы также можете узнать про то, как прокачать тормоза на ВАЗ-2110. Часто работа системы торможения очень сильно сказывается на работе автомобиля в общем и электрооборудования в частности.
автомобильный предохранитель
Система расположения дополнительного блока предохранителей в ВАЗ-2110
Находится данный блок прямо на одной линии с инжектором и справа от размещенной по центру панели приборов. Для извлечения блока не нужно брать схему машины и искать потайные отсеки – достаточно лишь скрутить шурупы на панели и легко снять крышку.

Ниже на фотографии показана схема расположения непосредственно предохранителей, которых всего здесь расположено 6 штук, причем сила тока у них одинакова – по 15А каждый предохранитель.

На схеме показано расположение предохранителей, отвечающих за:
- Работу контроллера системы зажигания.
- Регулирование тока в датчиках кислорода, системе расхода воздуха и подсчета скорости машины.
- Правильную подачу топлива в насос, реле и форсунки.
- Работу вентилятора при охлаждении мотора.
- Работу бензонасоса.
- Непосредственно само зажигание всех систем машины.
Несмотря на дату выхода Лада Веста Кросс, в автомобиле ВАЗ-2110 вряд ли поменяют расположение основных блоков. Благодаря приведенным выше схемам теперь вы сможете заранее вычислить проблему машины, просто проверив состояние предохранителей и реле.
vaz-russia.com
ВАЗ-2110 блок предохранителей и реле схема: 8 и 16 клапанов
Любая электрическая цепь в любом современном и не очень современном автомобиле обязана быть предохранена от короткого замыкания. ВАЗ-2110 не самая технологичная машина, но прогресс в компоновке элементов электрооборудования всё-таки есть. По сравнению с классическими моделями ВАЗ. Одним из положительных сдвигов в компоновке элементов стало применение комбинированных блоков, в которых сгруппированы плавкие предохранители и реле. На классике все это было разбросано по всему салону и по всей передней панели. Обслуживать и выявлять неисправности реле и предохранителей стало удобнее, чем мы сейчас и займёмся.
Где и какие монтажные блоки находятся в ВАЗ-2110
Впервые такая схема компоновки была реализована в 70-х годах прошлого века на первом переднеприводном тольяттинском автомобиле ВАЗ 2108. Немного видоизменившись, она перекочевала в ВАЗ-2110. Теперь остаётся узнать, в каком именно из трёх блоков находится нужный нам предохранитель или реле. Все три блока установлены в салоне и это хорошо, поскольку на них не влияет влага и высокая температура (как это было в ВАЗ 2107).

Основной блок открывается нажатием на кнопку. Очень удобно, ничего снимать не надо, как на многих иномарках. Ваз-2110 8 клапанов.
Кроме этого, к каждому из монтажных блоков инженеры обеспечили простой доступ.
Чтобы заменить вышедший из строя элемент, достаточно знать его расположение.
Основной монтажный блок

Схема монтажного блока.
Он установлен слева от водителя в нише передней панели и прикрыт пластиковой крышкой с затвором.

Кнопка открытия блока с предохранителями обозначена стрелочкой. Ручки управления гидрокорректором нет на фото, видимо что-то чинили.
Открываем крышку и видим плату, на которой установлены предохранители F1-F20. Эти плавкие элементы защищают практически все цепи, кроме цепей генератора, зажигания, заряда АКБ и пуска двигателя. Таблица номиналов предохранителей и защищаемых цепей приведена ниже.

Расшифровка основного монтажного блока на ВАЗ-2110
Кроме предохранителей в основном монтажном блоке мы найдём семь или восемь реле. Их количество зависит от модификации автомобиля. Чаще всего на месте реле К8 бывает пусто, поскольку там устанавливают реле задних противотуманных фонарей.
В остальном каждый из предохранителей выполняет такие функции:
- К1 — реле включения передней оптики;
- К2 — реле стеклоочистителей;
- К3 — прерыватель указателя поворотов, оно же отвечает за работу аварийки;
- К4 — реле ламп ближнего света;
- К5 — реле ламп дальнего света;
- К6 — резервное реле;
- К7 — реле включения нити подогрева заднего стекла.
При попытках обнаружения неисправности можно столкнуться с несоответствием цветов проводов на схеме и на автомобиле.
Это связано с тем, что завод вносил определённые коррективы в систему электрооборудования, не считая нужным предупреждать об этом владельцев. Кроме того, таблица предохранителей указывает все возможные цепи, применяемые в максимальной комплектации. Следовательно, предохранители электрического стеклоподъемника и центрального замка есть не во всех десятках.
Консольный дополнительный монтажный блок

Расположение дополнительного блока предохранителей
Второй блок предохранителей и реле находится внутри центральной консоли и прикрыт пластиковой крышкой. Крышка крепится саморезами и находится слева от переднего пассажира.

Схема дополнительного блока предохранителей.
Откручиваем крышку и видим весь дополнительный блок, в котором расположены три 15-Амперных предохранителя и три реле:
- Предохранитель модуля зажигания и электронного блока управления двигателем.
- Предохранитель, защищающий цепь расходомера воздуха, датчика кислорода, датчика скорости и клапана продувки адсорбера.
- Последний предохранитель отвечает за работу электрической части системы питания двигателя — бензонасос, форсунки.
- Реле электродвигателя вентилятора.
- Реле включения электродвигателя топливного насоса.
- Реле системы зажигания.
Изменения в коммутации и компоновке монтажных блоков
Как мы уже говорили, в разное время завод модернизировал систему электрооборудования автомобиля и, естественно, вносил изменения в компоновку монтажных блоков.
Так, в десятках первых лет выпуска предохранитель противотуманок располагался сразу за основным блоком, безо всякой платы, просто болтался на жгуте проводов. Позже его переместили сначала на отдельную плату с левой стороны центральной консоли, а потом в основной монтажный блок.
Как следствие, компоновка блока изменилась. Монтажный блок на 7 реле имеет каталожный номер 2110-3722010-08, блок на 6 реле маркируется 2110-3722010, а самый новый блок получил артикул 2110-3722010-01. Кроме этого, встречаются блоки без ножек реле включения передней оптики К1 (2110-3722010-12), есть блок с ножками, но без реле (ножки соединяются перемычками и чтобы самостоятельно установить реле головного света, перемычки нужно обрезать), в основном же попадаются блоки с ножками под реле без перемычек. Они предполагают либо установку реле К1, либо съёмных перемычек.
Выводы
В любом случае, приступая к поиску неисправности реле или сгоревшего предохранителя, стоит внимательно ознакомиться со схемой и таблицей соответствия номиналов вставок цепям. Пусть предохранители и реле никогда вас не тревожат, стабильных двенадцати вольт вашим системам и приятных путешествий!
carfrance.ru
Предохранители и реле ВАЗ 2110
Предохранители и реле ВАЗ 2110 — 2112, электрические схемы
Если у вас перестали работать какие-то приборы на автомобиле ВАЗ 2110 или ВАЗ 2112, виной тому могут быть предохранители или реле. По крайней мере, первым делом нужно проверить их, а затем делать какие-то выводы относительно неисправностей.
Правильная диагностика многих проблем с электрикой позволит точно определить причину неработоспособности того или иного узла. Чтобы узнать, за что отвечают предохранители и реле ВАЗ 2110 — 2112 и как найти нужный из них, прочитайте эту статью.
Как и во многих других автомобилях, в ВАЗ-2112 и ВАЗ-2110 при заглушенном двигателе приборы питаются напрямую от аккумулятора. При работающем двигателе напряжение на приборы подаётся с генератора, который одновременно и заряжает аккумулятор. Если сила тока превысит допустимое значение или произойдёт короткое замыкание, предохранитель цепи перегорает. Мощные электроприборы подключаются через реле.
Блок предохранителей и реле
Блок предохранителей и реле находится в левой, нижней части панели приборов. Доступ к нему открывается, если нажать на кнопку и откинуть крышку вниз. Для снятия предохранителей в левой верхней части монтажного блока имеются специальные токонепроводящие щипцы.

1 — К5 — реле дальнего света.
Если не работает дальний свет в двух фарах, проверьте это реле. Если не работает одна из фар дальнего света, проверьте предохранители F3 и F13, а также лампы и ручку включения дальнего света.
2 — К4 — реле ближнего света.
Если не работает ближний свет в обоих фарах, проверьте это реле. Если не работает только одна фара ближнего света, проверьте предохранители F2 и F12, а также сами лампы и выключатель света.
3 — К1 — контрольное реле исправности ламп.
4 — токонепроводящий пинцет для снятия предохранителей.
5 — реле стеклоподъемников.
Если у вас перестали работать электрические стеклоподъёмники, проверьте это реле. Ещё дело может быть в предохранителе F5, либо в самой системе привода стеклоподъёмника. Чтобы добраться до механизма, нужно снять обивку двери. Проверьте электромотор, внешний вид шестерёнок и отсутствие закусывания механизма.
6 — К3 — реле поворотников и аварийной сигнализации.
Если у вас не работают поворотники или «аварийка», проверьте это реле и предохранитель F16, а также сами лампы поворотников и ручку их включения.
7 — реле стартера.
Если автомобиль не заводится и при этом не крутит стартер, проверьте это реле. Ещё дело может быть в севшем аккумуляторе, а также в самом механизме стартера.
8 — резервные предохранители.
9 — реле противотуманных фар.
Если не работают «противотуманки», проверьте это реле и предохранители F4 и F14. Ещё проверьте схему их подключения, исправность проводки и разъёмов, а также сами лампы в фарах и кнопку включения.
10 — К2 — реле стеклоочистителей и стеклоомывателя.
Если у вас не работают «дворники» или омыватель лобового стекла, проверьте это реле. Также проверьте мотор очистителей, насос омывателя и уровень жидкости в бачке омывателя.
11 — К7 — реле обогрева заднего стекла.
Если обогрев не работает и заднее стекло запотевает, проверьте это реле и предохранители F8 и F9. Также проверьте контакты подключения к местам клемм элементов обогрева (по краям стекла у задних стоек). Если всё исправно, но обогрев не работает, дело может быть в проводке (перетёрлись провода или что-либо ещё).
12 — К6 — доп. реле, реле зажигания.
Если у вас не включается зажигание или проблемы, связанные с ним, проверьте это реле. Данное реле защищает контакты замка зажигания от обгорания. Также проверьте сам замок зажигания и контактную группу.
13 — ряд предохранителей F1-F10
14 — ряд предохранителей F11-F20
Предохранители

Теперь посмотрим какие предохранители за что отвечают в этом же монтажном блоке. А также приведу основные причины для поиска и устранения неисправностей.
F1 (5 A) — лампы освещения госномера, освещение приборной панели, лампа включения габаритов на панели, лампа багажника, левые габаритные огни.
Если не работают какие-либо из перечисленных ламп, проверьте этот предохранитель, а также сами лампы и их контакты. Если всё в порядке, проверьте кнопку включения габаритов.
F2 (7,5 A) — ближний свет в левой фаре.
Если не работают обе фары ближнего света, проверьте также реле К4 и сами лампы. Ещё дело может быть в переключателе света и его контактах.
F3 (10 A) — дальний свет в левой фаре.
Если не работают обе фары дальнего света, проверьте реле К5, сами лампы и ручку включения дальнего света.
F4 (10 A) — передняя противотуманная
vmiredorog.ru
Расположение предохранителей на схеме для ВАЗ 2110, 2111, 2112
Содержание страницы
Сегодня рассмотрим расположение предохранителей в автомобилях ВАЗ десятого семейства, а именно моделей 2110, 21102, 21103, 2111, 2112. Также покажем где находятся предохранители и реле на схеме и посвятим о назначении каждого из них и способах замены предохранителей своими руками. Коснемся и самых частых проблем с предохранителями у владельцев этих автомобилей, методов диагностики и замены.
Хотелось бы сказать, что электрика автомобилей в частности предохранители и реле в ВАЗ 2110, 21102, 21103, 2111, 2112 вполне надежны. Срок службы зависит от условий эксплуатации и своевременной диагностики и замены на качественные комплектующие.
Давайте разберемся вообще для чего нужны предохранители в автомобиле. Прежде всего они отвечают за безопасность проводки и других систем машины. Важно понимать, что каждый конкретный предохранитель отвечает только за свою задачу и при замыкании или выходе из строя возгорание практически исключено. Перегорает конкретный предохранитель и это не вызывает цепного выхода из строя других систем.
В зависимости от проблемы выхода из строя какого либо узла или детали автомобиля, за который отвечает электрика, необходимо понимать: можно ли эксплуатировать автомобиль с этой неисправностью или нет. В правилах дорожного движения написан перечень неисправностей, имея которые нельзя эксплуатировать авто. Если вы обнаружили например, что отказали фары или вообще не работают дворники — следует немедленно исправлять проблему. Ну, а с неработающими стеклоподъемниками водить машину можно. Кстати, если кому-то вдруг нужен качественный сайт для бизнеса, то вот ребята делают хорошие сайты WebFormata.ru
Схема расположения предохранителей ВАЗ 2110, 2111, 2112

На фото изображены предохранители ВАЗ 2110, 2111, 2112
Как видим, каждый предохранитель пронумерован соответствующим индексом. На вышеуказанном рисунке блок находится с левой стороны рулевой колонки и встроен в панель приборов. Ниже приведены значения конкретного предохранителя в данном монтажном блоке.
| Предохранитель, № | Сила тока, Ампер | Значения |
| F1 | 5 | Лампы освещения регистрационных номеров, пространства багажного отделения, всей левой части габаритного освещения автомобиля, а также приборная подсветка габаритов и приборов. |
| F2 | 7,5 | Ближний свет левой фары |
| F3 | 10 | Дальний свет левой фары |
| F4 | 10 | Передняя правая противотуманная фара |
| F5 | 30 | Электро стеклоподъемники в дверях |
| F6 | 15 | Прикуриватель/лампа переносная |
| F7 | 20 | Клаксон, вентилятор радиатора двигателя |
| F8 | 20 | Обогрев заднего стекла |
| F9 | 20 | Омыватель и стеклоочиститель(дворники) ветрового стекла |
| F10 | 20 | Резервный |
| F11 | 5 | Габаритный свет правого борта машины |
| F12 | 7,5 | Ближний свет правой фары |
| F13 | 10 | Дальний свет правой фары |
| F14 | 10 | Передняя левая противотуманная фара |
| F15 | 20 | Подогрев сидений |
| F16 | 10 | Левые и правые поворотники, аварийный сигнал поворотников |
| F17 | 7,5 | Свет в салоне, подсветка замка зажигания, стоп сигналы, подсветка часов, компьютера |
| F18 | 25 | Подсветка бардачка, отопительных регулировок, прикуривателя |
| F19 | 10 | Лампы заднего хода, индикация приборов, компьютера, часов, исправность стоп сигналов, блокировка дверей |
| F20 | 7,5 | Задние противотуманные фонари |
Для наглядности понятен принцип параллельного расположения некоторых предохранителей: F1-F3 отвечают за электрику левого борта автомобиля, а расположенные напротив F11-F13 соответственно правой части машины. Остальные отвечают за другие функции автомобиля.
Расположение дополнительных предохранителей и реле
На рисунке ниже видим как добраться к дополнительным предохранителям автомобиля. Находятся справа от центральной панели, шурупы скручиваются и крышка легко снимается.

Снятие крышки для диагностики и замены дополнительных предохранителей и реле
Ниже видим сами предохранители, их 6 штук по 15 Ампер каждый.

Расположение дополнительных предохранителей
- Контроллер зажигания,
- Датчики кислорода, расхода воздуха, расчета скорости,
- Топливный насос и реле, форсунки,
- Вентилятор,
- Бензонасос,
- Зажигание.
Напоминаем, что F1-F20 являются так называемыми плавкими предохранителями. Это значит что перемычки и другие «хитрости» не приемлемы при работе. Если вы замените такой предохранитель своими руками на перемычку, то рискуете отказом системы.
Схема соединения предохранителей
На рисунке ниже изображен порядок подключения штекеров в монтажном блоке.

Рисунок подключения штекеров в соответствующие колодки монтажного блока.
На рисунке ниже показана полная схема с обозначениями монтажного блока.

Из этой схемы не сложно разобраться с порядком подключения штекеров.
Значение реле:
- К1 — исправность ламп,
- К2 — очиститель лобового стекла,
- К3 — поворотники, аварийка,
- К4 — ближний свет,
- К5 — дальний свет,
- К6 — дополнительное реле,
- К7 — обогрев заднего стекла,
- К8 — не используемое реле на моделях ВАЗ десятого семейства.
Видео по снятию блока и замене предохранителей
Вопрос/ответ по предохранителям на ВАЗ 2110, 2111, 2112
Отвечаем на некоторые присланные вопросы по теме.
Подскажите, ваз 2110 перестал работать левый указатель поворота и дальний свет фар в чем может быть причина?
Откройте блок предохранителей и реле, возможно отошел контакт, пошевелите провода, посмотрите и проверьте и если надо замените предохранители своими руками.
Подскажите пожалуйста уже замучился, замыкает моторчик омывателя, свет в салоне с часами и перегорает при этом предохранитель F17?
Ставьте лампочку вместо предохранителя, отключайте все приборы, которые на этом предохранителе висят. Включайте зажигание. Если лампа не горит — поочередно подключайте все обратно. На каком загорится, там и проблема. Если горит сразу — короткое в проводке.
Подскажите что может быть, тускло горят огни заднего хода, если одну лампочку убрать, то вторая начинает гореть нормально, ставишь на место обе горят в пол силы. Стоп сигналы на этой же плате горят нормально.
Эта проблема связана с плохим контактом массы.
Почему плавится предохранитель F8?
Посмотрите под ополиком с водительской стороны. Если забивался катализатор, то тогда провода которые идут на обогрев переломились.
Почему печка выключена, а горячий воздух поступает?
Если горячий воздух, а стоит переключатель на холодном, то закис электро привод крана.
Машина заводится только периодически включаю зажигание приборы горят. Завожу на прямую стартер и заводится. Подскажите в чем проблема?
Поставьте между замком и стартером реле, не поможет — то замок зажигания.
automas.ru
Ваз 2110 блок предохранителей и реле
Электрооборудование выполнено по однопроводной схеме монтажного блока Ваз 2110: отрицательные выводы источников и потребителей электроэнергии соединены с «массой» – кузовом и основными агрегатами автомобиля, которые выполняют функцию второго провода. Бортовая сеть – постоянного тока, с номинальным напряжением 12 В. При неработающем двигателе все потребители питаются от аккумуляторной батареи, а после пуска двигателя – от генератора переменного тока со встроенным выпрямителем и регулятором напряжения. При работе генератора аккумуляторная батарея заряжается.
Большинство электрических цепей защищено плавкими предохранителями. Электродвигатели моторедукторов – очистители ветрового стекла, заднего стекла (Ваз 2111, 2112), фар (если установлены) – защищены автоматическими биметаллическими предохранителями многоразового действия. Цепь питания системы впрыска топлива (двигатели Ваз 2111, 2112) защищена плавкой вставкой из провода с жилой уменьшенного сечения (1 мм2). Не защищены цепи заряда аккумуляторной батареи, зажигания (двигатель Ваз 2110), пуска двигателя, «генератор — выключатель зажигания — монтажный блок». Мощные потребители (фары, электродвигатель вентилятора системы охлаждения, электробензонасос и т.п.) подключаются через реле.
Схема блока предохранителей Ваз 2110

Расположение реле Ваз 2110: К1 – реле контроля исправности ламп, К2 – реле очистителя ветрового стекла Ваз 2110, К3 – реле-прерыватель указателей поворота и аварийной сигнализации, К4 – реле включения ближнего света фар, К5 – реле включения дальнего света фар, К6 – дополнительное реле, К7 – реле включения обогрева заднего стекла, К8 – резервное реле, F1 — F20 – плавкие предохранители.
Большинство предохранителей и реле Ваз 2110 находятся в монтажном блоке, расположенном в салоне автомобиля левее и выше педального узла. Номинальный ток предохранителей и защищаемые ими цепи указаны в таблице. При выходе из строя монтажного блока возможна замена печатной платы или припайка проводов взамен перегоревших токоведущих дорожек.
Электросхема соединений монтажного блока Ваз 2110 реле и предохранителей

Наружная цифра в обозначении наконечника провода – номер колодки, внутренняя цифра – условный номер штекера, К1 – К8 – реле.
Цветная схема условной нумерации штекеров в соединительных колодках монтажного блока Ваз 2110 и присоединяемые к ним провода

Для коммутации основных цепей автомобиля служит комбинированный выключатель замок зажигания, состоящий из контактной части и механического противоугонного устройства.
На автомобилях Ваз 2110 с двигателями 2111 и 2112 имеется жгут проводов системы впрыска топлива, устанавливаемый взамен жгута системы зажигания двигателя 2110. Реле и предохранители системы впрыска Ваз 2110 находятся возле контроллера, под консолью панели приборов справа.
Расположение предохранителей по номерам в блоке Ваз 2110
| Номер предохранителя Ваз 2110 (номинальный ток) | Защищаемые цепи Ваз 2110 |
| F1 (5 A) | Лампы фонарей освещения номерного знака |
| Лампы освещения приборов | |
| Контрольная лампа габаритного света | |
| Лампа освещения багажника | |
| Лампа габаритного света левого борта | |
| F2 (7,5 A) | Левая фара (ближний свет) |
| F3 (10 A) | Левая фара (дальний свет) |
| F4 (10 A) | Правая противотуманная фара |
| F5 (30 A) | Электродвигатели стеклоподъемников дверей |
| F6 (15 A) | Переносная лампа |
| F7 (20 A) | Электродвигатель вентилятора системы охлаждения двигателя. |
| Предохранитель звукового сигнала Ваз 2110 | |
| F8 (20 A) | Элемент обогрева заднего стекла |
| F9 (20 A) | Клапан рециркуляции |
| Очистители и омыватели ветрового заднего стекла и фар 2110 | |
| Обмотка реле включения обогрева заднего стекла | |
| F10 (20 A) | Резервный |
| F11 (5 A) | Лампы габаритного света правого борта |
| F12 (7,5 A) | Правая фара (ближний свет) |
| F13 (10 A) | Правая фара (дальний свет). |
| Контрольная лампа включения дальнего света фар | |
| 14 (10 A) | Левая противотуманная фара |
| F15 (20 A) | Электрообогрев сидений |
| Блокировка замка багажника | |
| F16 (10 A) | Реле-прерыватель указателей поворота и аварийной сигнализации (в режиме аварийной сигнализации) — реле поворотов Ваз 2110 |
| Контрольная лампа аварийной сигнализации | |
| F17 (7,5 A) | Лампа освещения салона |
| Лампа индивидуальной подсветки | |
| Лампа подсветки выключателя зажигания | |
| Лампы стоп-сигнала | |
| Часы (или маршрутный компьютер) | |
| F18 (25 A) | Лампа освещения вещевого ящика |
| Контроллер отопителя | |
| Предохранитель прикуривателя Ваз 2110 | |
| F19 (10 A) | Блокировка замков дверей |
| Реле контроля исправности ламп стоп-сигнала и габаритного света | |
| Указатели поворота с контрольными лампами | |
| Лампы света заднего хода | |
| Обмотка возбуждения генератора | |
| Блок индикации бортовой системы контроля | |
| Комбинация приборов Ваз 2110 | |
| Часы (или маршрутный компьютер) | |
| F20 (7,5 A) | Лампы задних противотуманных огней |
Как снять монтажный блок с Ваз 2110
Для снятия или установки блока предохранителей и реле Ваз 2110 необходимо отсоединить провод минус от аккумулятора.



Нажав на выключатель защелки крышки монтажного блока, опускаем крышку с монтажным блоком вниз и крестообразной отверткой отворачиваем саморез крепления защелки затем снимаем защелку

Вынимаем блок реле Ваз 2110 из крышки и переворачиваем его

Отсоединяем колодки с проводами от монтажного блока и вынимаем монтажный блок предохранителей Ваз 2110. Заменить предохранители и реле Ваз 2110 можно, не снимая монтажный блок. Для наглядности эту операцию показываем на демонтированном блоке.



Для замены предохранителей вынимаем щипцы и снимаем ими предохранитель или реле. Устанавливаем монтажный блок предохранителей Ваз 2110 в обратной последовательности снятию.
remocars.ru
