Система охлаждения и система смазки двигателя ЯМЗ-238
________________________________________________________________
________________________________________________________________
Система охлаждения и система смазки двигателя ЯМЗ-238
Система охлаждения дизельного двс ЯМЗ-238
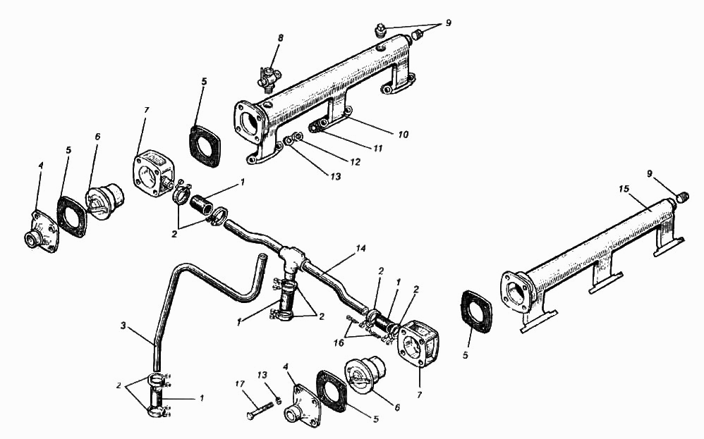
Система охлаждения дизеля ЯМЗ-238 автомобилей Маз, Краз, Урал, трактора К-700 (рис. 17) — жидкостная, циркуляционная, включающая в себя водяной насос, жидкостно-масляный теплообменник, вентилятор, термостаты.
Рис. 17. Схема системы охлаждения дизельного двигателя ЯМЗ-238
1 – водяной насос; 2 – полость блока охлаждения гильз; 3 – водяная
полость в головке блока; 4 – продольный водяной канал; 5 –
турбокомпрессор; 6 –
правая водяная труба; 7 – труба соединительная; 8 – патрубок
впускной; 9 – термостат; 10 – тройник с соединительными трубками; 11
– трубка
перепускная; 12 –заглушка; 13 – впускной патрубок
жидкостно-масляного теплообменника; 14 – вентилятор; 15 – поперечный
водяной канал; А – подвод
охлаждающей жидкости от водяного радиатора; Б – к отопителю кабины;
В – выпуск воздуха; Г – подача наддувочного воздуха к охладителю
типа
“воздух-воздух”; Д, Ж – к радиатору; Е – от охладителя наддувочного
воздуха типа “воздух-воздух” в цилиндры
Кроме того, система охлаждения дизеля ЯМЗ-238 включает водяной
радиатор, охладитель наддувочного воздуха типа “воздух-воздух” и
дистанционный термометр, устанавливаемые на автомобиле.
Во время работы дизельного двигателя ЯМЗ-238 циркуляция охлаждающей жидкости в системе охлаждения создается центробежным насосом.
Из водяного насоса двигателя ЯМЗ-238 автомобилей Маз, Краз, Урал, трактора К-700 (1) жидкость поступает в поперечный канал 15 и далее по правому продольному каналу 4 в водяную полость правого ряда цилиндров, а в левый ряд цилиндров – через впускной патрубок жидкостно-масляного теплообменника 13, охлаждая масло в двух элементах, далее в левый продольный канал.
Для того чтобы охлаждающая жидкость проходила через жидкостно-масляный теплообменник, в переднюю крышку шестерен распределения запрессована заглушка 12.
Далее охлаждающая жидкость из водяных полостей цилиндров по направляющим каналам поступает в головки цилиндров к наиболее нагретым поверхностям – выпускным каналам и стаканам форсунок и затем собирается в водосборных трубах 6.
При нагреве холодного двигателя ЯМЗ-238 каналы, соединяющие
водосборные трубы с радиатором, перекрыты клапанами термостатов 9.
Охлаждающая жидкость циркулирует по тройнику с соединительными трубками 10 и перепускной трубке 11 к водяному насосу, минуя радиатор, что ускоряет прогрев двигателя.
По достижении в системе водяного охлаждения двс ЯМЗ-238 температуры 80°С клапаны термостатов открываются, нагретая жидкость поступает в водяной радиатор, где отдает тепло потоку воздуха, создаваемому вентилятором 14, после чего снова идет к водяному насосу.
Когда температура охлаждающей жидкости понижается, термостаты автоматически направляют весь ее поток непосредственно к водяному насосу, минуя радиатор.
Таким образом, посредством термостатов обеспечивается оптимальный тепловой режим работы двигателя ЯМЗ-238.
Водяной насос дизельного двигателя ЯМЗ-238
Водяной насос (помпа) двс ЯМЗ-238 центробежного типа, установлен на
передней стенке блока цилиндров и приводится во вращение клиновым
ремнем от
шкива, установленного на переднем конце коленчатого вала.
Конструкция помпы дизеля ЯМЗ-238 автомобилей Маз, Краз, Урал, трактора К-700 приведена на рисунке 18.
Рис. 18. Водяной насос (помпа) дизеля ЯМЗ-238
1 – шкив привода; 2 – стопорное кольцо; 3 – подшипники; 4 – валик; 5 – водосбрасыватель; 6 – уплотнение торцевое; 7 – корпус насоса; 8 – кольцо уплотнительное; 9 – патрубок водяного насоса; 10 – крыльчатка; 11 – заглушка крыльчатки; 12 – кольцо уплотнительное; 13 – втулка уплотнительного кольца; А – торцевое уплотнение; Б – дренажное отверстие
В чугунном корпусе 7 насоса вращается напрессованная на валик 4 крыльчатка 10, создающая поток охлаждающей жидкости.
Валик водяного насоса ЯМЗ-238 установлен на двух шарикоподшипниках 3 с односторонним уплотнением.
Полость подшипников при сборке насоса заполняется смазкой Литол на весь срок службы насоса без дополнительной смазки.
Уплотнение подшипниковой полости помпы двс ЯМЗ-238 осуществляется
торцевым самоподжимным уплотнением.
Для контроля за герметичностью торцевого уплотнения в корпусе насоса имеется дренажное отверстие «Б».
Шкив привода 1 напрессован на валик насоса.
Водяной насос дизельного двигателя ЯМЗ-238 имеет маркировку на корпусе 236-1307010-Б1.
Дизельные двигатели ЯМЗ-238 автомобилей Маз, Краз, Урал, трактора К700 комплектуются фрикционным приводом вентилятора, предназначенным для включения и выключения вентилятора в зависимости от условий эксплуатации.
Применение фрикционного привода дизеля ЯМЗ-238 позволяет:
Обеспечить оптимальный тепловой режим двигателя.
Снизить расход топлива за счет снижения потерь мощности на работу вентилятора.
Повысить надежность шестеренчатого привода двигателя за счет снижения динамических нагрузок на шестерни.
Сократить время прогрева двигателя.
Улучшить комфортабельность за счет поддержания надлежащего микроклимата в кабине и снижения шумности.
Система смазки дизельного двс ЯМЗ-238
Система смазки дизельного двигателя ЯМЗ-238 автомобилей Маз, Краз,
Урал, трактора К-700 – смешанная, с «мокрым»
картером (рис.
Рис. 19. Схема системы смазки дизельного двигателя ЯМЗ-238 с односекционным масляным насосом и жидкостно-масляным теплообменником
1 – масляный картер; 2 – маслозаборник; 3 – масляный насос; 4 – редукционный клапан; 5 – жидкостно-масляный теплообменник; 6 – масляный фильтр; 7 – перепускной клапан; 8 – сигнальная лампа фильтра; 9 – фильтр центробежной очистки масла; 10 – распределительный вал; 11 – ось толкателей; 12 – коленчатый вал; 13 – дифференциальный клапан; 14 – форсунка охлаждения поршней; 15 – клапан системы охлаждения поршней; 16 – турбокомпрессор; 17 – перепускной клапан теплообменника; 18 – включатель привода вентилятора; 19 – привод вентилятора; 20 – ТНВД
Масляный насос 238Б-1011014-А производительностью 140 л/мин (рис.
20) через всасывающую трубу с заборником засасывает масло из картера
и
подает его в систему через последовательно включенный
жидкостно-масляный теплообменник.
Рис. 20. Масляный насос двс ЯМЗ-238
1 – промежуточная шестерня; 2 – ось промежуточной шестерни; 3 – вал-шестерня ведущая; 4 – крышка корпуса; 5 – вал-шестерня ведомая; 6 – корпус; 7 – шестерня привода; 8 – шпонка; 9 – фланец упорный
В корпусе теплообменника (пластинчатого) установлен перепускной клапан.
Когда разность давлений до и после теплообменника достигает 274±40 кПа (2,8±0,40 кгс/см2), клапан открывается и часть масла подается непосредственно в масляную магистраль.
Из жидкостно-масляного теплообменника масло поступает в каналы блока через дифференциальный клапан, предназначенный для поддержания постоянного давления в системе.
При повышении давления свыше 520 кПа (5,2 кгс/см2) часть масла сливается в картер.
Далее через каналы в блоке часть масла через клапан системы охлаждения поршней дизеля ЯМЗ-238 поступает к форсункам охлаждения поршней и затем сливается в картер.
Клапан системы охлаждения поршней автомобилей Маз, Краз, Урал,
трактора К-700 прекращает подачу масла к
форсункам
при давлении масла в системе смазки ниже 130 — 165 кПа (1,30 — 1,65
кгс/см2).
Другая часть поступает в масляный фильтр (рис. 21).
Рис. 21. Масляный фильтр дизеля ЯМЗ-238
1 – корпус фильтра; 2 – прокладка колпака; 3 – замковая крышка; 4 – колпак фильтра; 5 – фильтрующий элемент; 6 – головка колпака; 7 – прокладка фильтрующего элемента; 8 – плунжер клапана; 9 – пружина клапана; 10 – пружина сигнализатора; 11 – подвижный контакт сигнализатора; 12 – неподвижный контакт; 13 – клемма
В корпусе фильтра установлен перепускной клапан.
Когда разность давлений до и после фильтра достигает 200 — 250 кПа (2,0 — 2,5 кгс/см2), клапан открывается и часть неочищенного масла подается непосредственно в масляную магистраль.
К моменту начала открытия перепускного клапана произойдет замыкание подвижного и неподвижного контактов сигнализатора.
В этот момент в кабине водителя загорается сигнальная лампочка, соединенная с клеммой сигнализатора.
Такое повышение давления может произойти тогда, когда засорен
элемент фильтр или масло имеет большую вязкость (например, при пуск
двигателя в
холодное время года).
Фильтрующий элемент масляного фильтра ЯМЗ-238 изготавливается либо из нетканого материала, натянутого на металлический каркас, либо из специальной фильтровальной бумаги.
Из фильтра масло поступает в центральный масляный канал, а оттуда через систему каналов в блоке – к подшипникам коленчатого и распределительного валов.
От подшипников коленчатого вала ЯМЗ-238 автомобилей Маз, Краз, Урал, трактора К-700 через масляные каналы в коленчатом валу и шатунах масло подается к подшипникам верхних головок шатунов.
От распределительного вала дизеля ЯМЗ-238 масло пульсирующим потоком направляется в ось толкателей, а оттуда по каналам толкателей, полостям штанг и коромысел поступает ко всем трущимся парам привода клапанов, а по наружной трубе – к подшипникам турбокомпрессора, регулятора частоты вращения и топливного насоса высокого давления.
Под давлением смазывается также подшипник промежуточной шестерни
привода масляного насоса ЯМЗ-238.
Шестерни привода агрегатов, кулачки распределительного вала, подшипники качения, гильзы цилиндров смазываются разбрызгиванием.
На переднем фланце отводящей трубы масляного насоса ЯМЗ-238 установлен редукционный клапан, перепускающий масло обратно в картер при давлении на выходе из насоса свыше 700 — 800 кПа (7,0 — 8,0 кгс/см2).
Для стабилизации давления в систему смазки двигателя ЯМЗ-238 включен дифференциальный клапан, отрегулированный начало открытия 490 — 520 кПа (4,9 — 5,2 кгс/см2).
Контроль давления масла осуществляется в центральном масляном канале.
Рис. 22. Фильтр центробежной очистки масла ЯМЗ-238
1 – колпак фильтра; 2, 7 – шайбы; 3 – колпачковая гайка; 4 – гайка крепления ротора; 5 – упорная шайба; 6 – гайка ротора; 8, 14 – втулки ротора; 9 – колпак ротора; 10 – ротор; 11 – отражатель; 12 – уплотнительное кольцо; 13 – прокладка колпака; 15 – ось ротора; 16 – корпус фильтра; 17 – сопло ротора; А – из системы под давлением; Б – слив масла в картер
Фильтр центробежной очистки масла ЯМЗ-238 (рис.
22), включенный в
смазочную систему параллельно после масляного фильтра, пропускает до
8%
масла, проходящего через систему смазки.
Фильтр ЯМЗ-238 автомобилей Маз, Краз, Урал, трактора К700 предназначен для тонкой фильтрации масла.
Масло очищается под действием центробежных сил при вращении ротора.
Струи масла, выходящие с большой скоростью из сопла, создают момент, приводящий ротор во вращение.
Механические примеси, находящиеся в масле, под действием центробежных сил отбрасываются «к стенке» колпака 9 ротора, образуя на его внутренних поверхностях плотный слой отложений, который следует периодически удалять.
Очищенное масло сливается в картер. Дополнительная центробежная очистка масла производится и в полостях шатунных шеек коленчатого вала ЯМЗ-238.
Турбокомпрессор дизельного двигателя ЯМЗ-238
Дизельный двигатель ЯМЗ-238 автомобилей Маз, Краз, Урал, трактора
К700 оборудован турбокомпрессором,
использующим
энергию выхлопных газов для наддува двигателя.
Увеличивая массу воздуха, поступающего в цилиндры, турбокомпрессор ЯМЗ-238 способствует более эффективному сгоранию увеличенной дозы топлива.
За счет этого повышается мощность двигателя при умеренной тепловой напряженности.
Устройство турбокомпрессора дизельного двигателя ЯМЗ-238
Турбокомпрессор дизеля ЯМЗ-238 (рис. 23) состоит из одноступенчатого центробежного компрессора и радиальной центростремительной турбины.
Рис. 23. Турбокомпрессор ЯМЗ-238
1 – гайка крепления колеса компрессора; 2 – подшипник упорный; 3 –
болт; 4 – корпус компрессора; 5 – вставка; 6 – крышка корпуса
компрессора; 7 –
кольцо уплотнительное; 8 – пластина компрессора; 9 – болт; 10 –
болт-стопор; 11 – пластина турбины; 12 – корпус подшипника; 13 –
проставка корпуса
турбины; 14 – колесо турбины с валом; 15 – корпус турбины; 16 –
кольца уплотнительные; 17 – втулка; 18 – болт; 19 – экран
маслосбрасывающий; 20 –
шайбы упорные; 21 – кольцо уплотнительное; 22 – винт; 23 – колесо
компрессора
Колесо турбины 14 и колесо компрессора 23 расположены на
противоположных концах вала ротора консольно по отношению к втулке
подшипника 17.
Рабочее колесо 23 центробежного компрессора — полуоткрытого типа, с загнутыми против вращения лопатками, отлито из алюминиевого сплава. Оно напрессовано на вал и закреплено гайкой 1, установленной с герметиком.
Рабочее колесо турбины 14 — полуоткрытого типа, с радиальными лопатками, изготовлено методом литья из жаропрочного сплава. Оно соединено с валом методом сварки трением.
Корпус турбины ЯМЗ-238 изготовлен из жаропрочного чугуна.
Газ подводится к колесу турбины двумя суживающимися каналами.
На торце корпуса турбины имеются шпильки для крепления выпускного трубопровода.
Корпус компрессора 4, вставка и крышка корпуса подшипника 6 изготовлена из алюминиевого сплава.
Крышка корпуса подшипника 6 крепится к корпусу подшипника болтами 3 с применением герметика.
В турбокомпрессоре дизеля ЯМЗ-238 применен подшипник скольжения 17 в виде втулки, изготовленной из алюминиевого сплава.
Она установлена в расточке чугунного корпуса подшипника 12 и
удерживается от осевых перемещений болтом-стопором 10.
Смазывание втулки турбокомпрессора ЯМЗ-238 осуществляется под давлением из системы смазки двигателя.
Тщательно отбалансированный ротор установлен во втулке 17.
Осевые усилия, действующие на ротор, воспринимаются упорным подшипником 2.
На каждом конце вала ротора установлены разрезные уплотнительные кольца 16, изготовленные из специального чугуна.
Турбокомпрессор дизеля ЯМЗ-238 крепится к выпускным коллекторам корпусом турбины.
Выходной патрубок корпуса компрессора соединен через патрубки и охладитель наддувочного воздуха со впускными коллекторами двигателя.
___________________________________________________________________
___________________________________________________________________
- ТНВД Д-245 — устройство и регулировки
- ГРМ и клапаны Д-245
- Система смазки двигателя Д-245
- Детали топливной системы Д-245
- Операции по регулировке ЯМЗ-236
- Операции по разборке и установке ТНВД ЯМЗ-236
- Система охлаждения и система смазки ЯМЗ-238
- ТНВД ЯМЗ-238
- Характеристики Cummins ISBe, ISLe, ISB, QSB
___________________________________________________________________
___________________________________________________________________
- Головка блока цилиндров ЯМЗ-7511
- Блок цилиндров ЯМЗ-7511
- Коленвал дизеля ЯМЗ-7511
___________________________________________________________________
___________________________________________________________________
- Ремонт и замена коленвала Cummins ISBe, ISLe, ISB
- Ремонт блока цилиндров Камминз ISBe, ISLe, QSB
- Шатунно-поршневая группа Cummins ISBe, ISLe, ISB
- Система охлаждения дизеля ISF 2.
8 - Блок цилиндров и поршни дизеля ISF 2.8
- Компоненты топливной системы Cummins ISF 3.8
- Система смазки двигателя Камминз 3.8
- Система охлаждения Cummins ISF 3.8
Система охлаждения двигателя ЯМЗ-236 автомобилей МАЗ-500А, МАЗ-504А, МАЗ-516
Система охлаждения двигателя (рис.1) жидкостная, закрытого типа, с принудительной циркуляцией охлаждающей жидкости
Она состоит из следующих основных элементов; радиатора, расширительного бачка, водяного насоса 7, вентилятора, термостатов 2 и дистанционного термометра
При работающем двигателе циркуляция охлаждающей жидкости в системе охлаждения создается центробежным насосом.
Насос забирает жидкость из нижнего бачка радиатора и нагнетает ее через каналы в крышке шестерен распределения в правую и левую водяные рубашки блока цилиндров.
Здесь жидкость омывает наружную поверхность гильз цилиндров ч. поглощая тепло, нагревается, затем из блока цилиндров поступает в водяные рубашки головок цилиндров и в первую очередь к наиболее нагревающимся местам выпускным клапанам и стаканам форсунок.
Из рубашки охлаждения головок цилиндров жидкость поступает в водосборные трубопроводы, а из них через проходы в термостатах в радиатор, где отдает тепло потоку воздуха, создаваемому вентилятором. Охлажденная в радиаторе жидкость вновь поступает к водяному насосу.
Водяной насос (рис. 2). Лопастный, центробежного типа — для предотвращения попадания жидкости в полость со смазкой устанавливают манжету 8 из маслобензостойкой резины, которая обоймами прижимается к валу, а пружиной к текстолитовому упорному кольцу 6.
Радиатор трубчато-ленточный (змейковый) с трубками овального сечения, трехрядный, устанавливается на раму через резиновые подушки.
На расширительном бачке установлена пробка с паровоздушным клапаном. Выпускной клапан пробки открывается при избыточном давлении 0,5 кгс/см2, что соответствует закипанию воды около 119˚ С.
Впускной клапан пробки открывается при падении давления в системе до 0,13 кгс/см2.
Термостаты
Служат для ускорения прогрева холодного двигателя и предохранения его от переохлаждения в пути.
Когда температура жидкости системы охлаждения снижается до 70˚ С, термостаты автоматически направляют весь ее поток непосредственно к водяному насосу по так называемому малому кругу циркуляции, минуя радиатор, и тем самым создают благоприятные условия для ее быстрого прогрева.
Шторка радиатора может фиксироваться в любом промежуточном положении и управляется из кабины водителя.
Вентилятор шестилопастной, с шестеренным приводом, вращается в кожухе радиатора.
Техническое обслуживание системы охлаждения
Для обеспечения нормальной работы системы охлаждения необходимо:
— заполнять систему охлаждения специальной всесезонной жидкостью тосол — А 40 (состав по объему: тосол-А — 56%, чистая вода — 44%) или тосолА65 (тосол-А — 65%, чистая вода — 35%).
— заливать жидкость через воронку с сеткой, пользуясь чистой посудой;
— следить за температурой охлаждающей жидкости, которая должна быть в пределах 75—98 ˚ С;
— регулярно проверять уровень охлаждающей жидкости через горловину пробки на расширительном бачке и при необходимости доливать.
Замер производить при холодном двигателе. Минимальный уровень охлаждающей жидкости должен быть 10 мм от днища расширительного бачка;
— в летнее время года следить за состоянием воздушных каналов сердцевины радиатора и обязательно прочищать их при значительной засоренности. Чистку можно производить струей сжатого воздуха, направляемой в воздушные каналы сердцевины радиатора со стороны кожуха;
— своевременно смазывать подшипники водяного насоса.
Проверка герметичности системы
Значительная часть неисправностей в системе охлаждения происходит из-за утечки охлаждающей жидкости.
Наиболее вероятными местами подтекания являются сальники водяного насоса, соединения шлангов с патрубками и трубок радиатора с его бачками, а также спускные краники.
Герметичность системы охлаждения следует проверять ежедневно.
При неисправном сальниковом уплотнении крыльчатки водяного насоса жидкость будет вытекать наружу через дренажное отверстие на корпусе, что предохранит подшипники вала насоса от разрушения.
Не разрешается устранять течь жидкости из насоса закупоркой дренажного отверстия. Насос с неисправным сальником необходимо ремонтировать.
Подтекание в местах сопряжения шлангов устраняется подтяжкой хомутиков, а при повреждении шлангов — их заменой.
Регулировка натяжения приводного ремня водяного насоса. Нормально натянутый ремень при нажатии большим пальцем руки на середину ремня с усилием 3 кгс должен прогибаться на 10 — 15 мм.
Натяжение ремня регулируют прокладками. При слабом натяжении ремня нужно отвернуть гайки крепления боковины шкива и снять одну — две регулировочные прокладки, поставить их на наружную сторону боковины и завернуть гайки, проворачивая после подтяжки каждой гайки, затем проверить натяжение ремня.
Регулировочные прокладки снимать со шкива не следует, так как при замене старого ремня новым все прокладки необходимо снова установить между ступицей и съемной боковиной шкива.
Проскальзывание ремня может происходить из-за попадания на него масла.
В этом случае замасленный ремень протирают тряпкой, слегка смоченной в бензине.
Нет в наличии:
| № | Код детали | Наименование | Информация о детали |
| 6422-1302137 | Тяга | Кол-во на МАЗ-5337 2) МАЗ-53371 3) МАЗ-54323 4) МАЗ-5516 5) МАЗ-5551 6) МАЗ-64229 2 Модель 6422 Группа Система охлаждения Подгруппа Подвеска радиатора Порядковый номер детали 137 | Нет в наличии |
| 64227-1309016 | Уплотнитель | Кол-во на МАЗ-5337 2) МАЗ-53371 3) МАЗ-54323 4) МАЗ-5516 5) МАЗ-5551 6) МАЗ-64229 1 Модель 64227 Группа Система охлаждения Подгруппа Кожух вентилятора Порядковый номер детали 016 | Нет в наличии |
| 64227-1309012 | Кожух | Кол-во на МАЗ-5337 2) МАЗ-53371 3) МАЗ-54323 4) МАЗ-5516 5) МАЗ-5551 6) МАЗ-64229 1 Модель 64227 Группа Система охлаждения Подгруппа Кожух вентилятора Порядковый номер детали 012 | Нет в наличии |
| 64227-1309015 | Уплотнитель | Кол-во на МАЗ-5337 2) МАЗ-53371 3) МАЗ-54323 4) МАЗ-5516 5) МАЗ-5551 6) МАЗ-64229 1 Модель 64227 Группа Система охлаждения Подгруппа Кожух вентилятора Порядковый номер детали 015 | Нет в наличии |
| 64227-1309011 | Кожух | Кол-во на МАЗ-5337 2) МАЗ-53371 3) МАЗ-54323 4) МАЗ-5516 5) МАЗ-5551 6) МАЗ-64229 1 Модель 64227 Группа Система охлаждения Подгруппа Кожух вентилятора Порядковый номер детали 011 | Нет в наличии |
| 54325-1301010-01 | Радиатор | Кол-во на МАЗ-5337 2) МАЗ-53371 3) МАЗ-54323 4) МАЗ-5516 5) МАЗ-5551 6) МАЗ-64229 1 Модель 54325 Группа Система охлаждения Подгруппа Радиатор Порядковый номер детали 010 | Нет в наличии |
| 64229-1301009 | Радиатор с кожухом | Кол-во на МАЗ-5337 2) МАЗ-53371 3) МАЗ-54323 4) МАЗ-5516 5) МАЗ-5551 6) МАЗ-64229 1 Модель 64229 Группа Система охлаждения Подгруппа Радиатор Порядковый номер детали 009 | Нет в наличии |
| 5432-1310058 | Уплотнитель боковой правый | Кол-во на МАЗ-5337 2) МАЗ-53371 3) МАЗ-54323 4) МАЗ-5516 5) МАЗ-5551 6) МАЗ-64229 1 Модель 5432 Группа Система охлаждения Подгруппа Жалюзи радиатора Порядковый номер детали 058 | Нет в наличии |
| 5432-1310059 | Уплотнитель боковой левый | Кол-во на МАЗ-5337 2) МАЗ-53371 3) МАЗ-54323 4) МАЗ-5516 5) МАЗ-5551 6) МАЗ-64229 1 Модель 5432 Группа Система охлаждения Подгруппа Жалюзи радиатора Порядковый номер детали 059 | Нет в наличии |
| 201458 | Болт М8-6gх25 | Кол-во на МАЗ-5337 2) МАЗ-53371 3) МАЗ-54323 4) МАЗ-5516 5) МАЗ-5551 6) МАЗ-64229 8 Покрытие без покрытия | Нет в наличии |
| 252004 | Шайба 6 | Кол-во на МАЗ-5337 2) МАЗ-53371 3) МАЗ-54323 4) МАЗ-5516 5) МАЗ-5551 6) МАЗ-64229 9 Покрытие без покрытия | Нет в наличии |
| 252134 | Шайба 6Т | Кол-во на МАЗ-5337 2) МАЗ-53371 3) МАЗ-54323 4) МАЗ-5516 5) МАЗ-5551 6) МАЗ-64229 9 Покрытие без покрытия | Нет в наличии |
| 250508 | Гайка М6-6Н | Кол-во на МАЗ-5337 2) МАЗ-53371 3) МАЗ-54323 4) МАЗ-5516 5) МАЗ-5551 6) МАЗ-64229 9 Покрытие без покрытия | Нет в наличии |
| 500-1303160 | Хомут | Кол-во на МАЗ-5337 2) МАЗ-53371 3) МАЗ-54323 4) МАЗ-5516 5) МАЗ-5551 6) МАЗ-64229 2 Модель 500 Группа Система охлаждения Подгруппа Трубопроводы и шланги системы охлаждения Порядковый номер детали 160 | Нет в наличии |
| 297575 | Шплинт 5,6х22 | Кол-во на МАЗ-5337 2) МАЗ-53371 3) МАЗ-54323 4) МАЗ-5516 5) МАЗ-5551 6) МАЗ-64229 5 Покрытие без покрытия | Нет в наличии |
| 297580 | Пряжка | Кол-во на МАЗ-5337 2) МАЗ-53371 3) МАЗ-54323 4) МАЗ-5516 5) МАЗ-5551 6) МАЗ-64229 5 Покрытие без покрытия | Нет в наличии |
| 297588 | Лента | Кол-во на МАЗ-5337 2) МАЗ-53371 3) МАЗ-54323 4) МАЗ-5516 5) МАЗ-5551 6) МАЗ-64229 1 Покрытие без покрытия | Нет в наличии |
| 297582 | Лента | Кол-во на МАЗ-5337 2) МАЗ-53371 3) МАЗ-54323 4) МАЗ-5516 5) МАЗ-5551 6) МАЗ-64229 1 Покрытие без покрытия | Нет в наличии |
| 256Б-1304010 | Пробка | Кол-во на МАЗ-5337 2) МАЗ-53371 3) МАЗ-54323 4) МАЗ-5516 5) МАЗ-5551 6) МАЗ-64229 1 Модель 256Б Группа Система охлаждения Подгруппа Пробка радиатора Порядковый номер детали 010 | Нет в наличии |
| 6422-1304014 | Трубка | Кол-во на МАЗ-5337 2) МАЗ-53371 3) МАЗ-54323 4) МАЗ-5516 5) МАЗ-5551 6) МАЗ-64229 1 Модель 6422 Группа Система охлаждения Подгруппа Пробка радиатора Порядковый номер детали 014 | Нет в наличии |
| 052-058-36-2-3 | Кольцо | Кол-во на МАЗ-5337 2) МАЗ-53371 3) МАЗ-54323 4) МАЗ-5516 5) МАЗ-5551 6) МАЗ-64229 1 | Нет в наличии |
| 6422-1304084 | Уплотнитель | Кол-во на МАЗ-5337 2) МАЗ-53371 3) МАЗ-54323 4) МАЗ-5516 5) МАЗ-5551 6) МАЗ-64229 1 Модель 6422 Группа Система охлаждения Подгруппа Пробка радиатора Порядковый номер детали 084 | Нет в наличии |
| 504В-1013108 | Шланг | Кол-во на МАЗ-5337 2) МАЗ-53371 3) МАЗ-54323 4) МАЗ-5516 5) МАЗ-5551 6) МАЗ-64229 1 Модель 504В Группа Двигатель Подгруппа Радиатор масляный Порядковый номер детали 108 | Нет в наличии |
| 6422-1311057-01 | Прокладка | Кол-во на МАЗ-5337 2) МАЗ-53371 3) МАЗ-54323 4) МАЗ-5516 5) МАЗ-5551 6) МАЗ-64229 1 Модель 6422 Группа Система охлаждения Подгруппа Бачок расширительный Порядковый номер детали 057 | Нет в наличии |
| 6422-1304034 | Кронштейн | Кол-во на МАЗ-5337 2) МАЗ-53371 3) МАЗ-54323 4) МАЗ-5516 5) МАЗ-5551 6) МАЗ-64229 2 Модель 6422 Группа Система охлаждения Подгруппа Пробка радиатора Порядковый номер детали 034 | Нет в наличии |
| 64229-1303506 | Хомут | Кол-во на МАЗ-5337 2) МАЗ-53371 3) МАЗ-54323 4) МАЗ-5516 5) МАЗ-5551 6) МАЗ-64229 2 Модель 64229 Группа Система охлаждения Подгруппа Трубопроводы и шланги системы охлаждения Порядковый номер детали 506 | Нет в наличии |
| 201418 | Болт М6-6gх16 | Кол-во на МАЗ-5337 2) МАЗ-53371 3) МАЗ-54323 4) МАЗ-5516 5) МАЗ-5551 6) МАЗ-64229 1 Покрытие без покрытия | Нет в наличии |
| 379204 | Кляммер | Кол-во на МАЗ-5337 2) МАЗ-53371 3) МАЗ-54323 4) МАЗ-5516 5) МАЗ-5551 6) МАЗ-64229 1 Покрытие без покрытия | Нет в наличии |
| 201499 | Болт М10-6gх30 | Кол-во на МАЗ-5337 2) МАЗ-53371 3) МАЗ-54323 4) МАЗ-5516 5) МАЗ-5551 6) МАЗ-64229 2 Покрытие без покрытия | Нет в наличии |
| 252136 | Шайба 10. ОТ | Кол-во на МАЗ-5337 2) МАЗ-53371 3) МАЗ-54323 4) МАЗ-5516 5) МАЗ-5551 6) МАЗ-64229 2 Покрытие без покрытия | Нет в наличии |
| 250615 | Гайка М12х1,25-6Н | Кол-во на МАЗ-5337 2) МАЗ-53371 3) МАЗ-54323 4) МАЗ-5516 5) МАЗ-5551 6) МАЗ-64229 8 Покрытие без покрытия | Нет в наличии |
| 5335-1302063 | Чашка малая | Кол-во на МАЗ-5337 2) МАЗ-53371 3) МАЗ-54323 4) МАЗ-5516 5) МАЗ-5551 6) МАЗ-64229 8 Модель 5335 Группа Система охлаждения Подгруппа Подвеска радиатора Порядковый номер детали 063 | Нет в наличии |
| 500-3508139 | Подушка малая | Кол-во на МАЗ-5337 2) МАЗ-53371 3) МАЗ-54323 4) МАЗ-5516 5) МАЗ-5551 6) МАЗ-64229 4 Модель 500 Группа Тормоза Подгруппа Привод стояночного тормоза (управление ручным тормозом) Порядковый номер детали 139 | Нет в наличии |
| 205157 | Болт 2М12х1,25-6gх70 | Кол-во на МАЗ-5337 2) МАЗ-53371 3) МАЗ-54323 4) МАЗ-5516 5) МАЗ-5551 6) МАЗ-64229 2 Покрытие без покрытия | Нет в наличии |
| 252018 | Шайба 18 | Кол-во на МАЗ-5337 2) МАЗ-53371 3) МАЗ-54323 4) МАЗ-5516 5) МАЗ-5551 6) МАЗ-64229 4 Покрытие без покрытия | Нет в наличии |
| 204-1302062 | Чашка подушки | Кол-во на МАЗ-5337 2) МАЗ-53371 3) МАЗ-54323 4) МАЗ-5516 5) МАЗ-5551 6) МАЗ-64229 2 Модель 204 Группа Система охлаждения Подгруппа Подвеска радиатора Порядковый номер детали 062 | Нет в наличии |
| 258040 | Шплинт 3,2х25 | Кол-во на МАЗ-5337 2) МАЗ-53371 3) МАЗ-54323 4) МАЗ-5516 5) МАЗ-5551 6) МАЗ-64229 2 Покрытие без покрытия | Нет в наличии |
| 250977 | Гайка М12х1,25-6Н | Кол-во на МАЗ-5337 2) МАЗ-53371 3) МАЗ-54323 4) МАЗ-5516 5) МАЗ-5551 6) МАЗ-64229 2 Покрытие без покрытия | Нет в наличии |
| 250513 | Гайка М10х1-6Н | Кол-во на МАЗ-5337 2) МАЗ-53371 3) МАЗ-54323 4) МАЗ-5516 5) МАЗ-5551 6) МАЗ-64229 2 Покрытие без покрытия | Нет в наличии |
| 252136 | Шайба 10. ОТ | Кол-во на МАЗ-5337 2) МАЗ-53371 3) МАЗ-54323 4) МАЗ-5516 5) МАЗ-5551 6) МАЗ-64229 2 Покрытие без покрытия | Нет в наличии |
| 64229-1303530 | Хомут | Кол-во на МАЗ-5337 2) МАЗ-53371 3) МАЗ-54323 4) МАЗ-5516 5) МАЗ-5551 6) МАЗ-64229 1 Модель 64229 Группа Система охлаждения Подгруппа Трубопроводы и шланги системы охлаждения Порядковый номер детали 530 | Нет в наличии |
| 64229-1303650 | Хомут | Кол-во на МАЗ-5337 2) МАЗ-53371 3) МАЗ-54323 4) МАЗ-5516 5) МАЗ-5551 6) МАЗ-64229 1 Модель 64229 Группа Система охлаждения Подгруппа Трубопроводы и шланги системы охлаждения Порядковый номер детали 650 | Нет в наличии |
| 6422-1303168 | Рукав | Кол-во на МАЗ-5337 2) МАЗ-53371 3) МАЗ-54323 4) МАЗ-5516 5) МАЗ-5551 6) МАЗ-64229 1 Модель 6422 Группа Система охлаждения Подгруппа Трубопроводы и шланги системы охлаждения Порядковый номер детали 168 | Нет в наличии |
| 64229-1303245 | Прокладка | Кол-во на МАЗ-5337 2) МАЗ-53371 3) МАЗ-54323 4) МАЗ-5516 5) МАЗ-5551 6) МАЗ-64229 1 Модель 64229 Группа Система охлаждения Подгруппа Трубопроводы и шланги системы охлаждения Порядковый номер детали 245 | Нет в наличии |
| 64229-1303514 | Хомут | Кол-во на МАЗ-5337 2) МАЗ-53371 3) МАЗ-54323 4) МАЗ-5516 5) МАЗ-5551 6) МАЗ-64229 1 Модель 64229 Группа Система охлаждения Подгруппа Трубопроводы и шланги системы охлаждения Порядковый номер детали 514 | Нет в наличии |
| 401870 | Кляммер | Кол-во на МАЗ-5337 2) МАЗ-53371 3) МАЗ-54323 4) МАЗ-5516 5) МАЗ-5551 6) МАЗ-64229 2 Покрытие без покрытия | Нет в наличии |
| 6422-1014011 | Кронштейн | Кол-во на МАЗ-5337 2) МАЗ-53371 3) МАЗ-54323 4) МАЗ-5516 5) МАЗ-5551 6) МАЗ-64229 1 Модель 6422 Группа Двигатель Подгруппа Вентиляция масляного картера Порядковый номер детали 011 | Нет в наличии |
| 5551-1309012 | Кожух | Кол-во на МАЗ-5337 2) МАЗ-53371 3) МАЗ-54323 4) МАЗ-5516 5) МАЗ-5551 6) МАЗ-64229 1 Модель 5551 Группа Система охлаждения Подгруппа Кожух вентилятора Порядковый номер детали 012 | Нет в наличии |
| 5551-1301010-04 | Радиатор | Кол-во на МАЗ-5337 2) МАЗ-53371 3) МАЗ-54323 4) МАЗ-5516 5) МАЗ-5551 6) МАЗ-64229 1 Модель 5551 Группа Система охлаждения Подгруппа Радиатор Порядковый номер детали 010 | Нет в наличии |
| 5551-1301009-01 | Радиатор в сборе | Кол-во на МАЗ-5337 2) МАЗ-53371 3) МАЗ-54323 4) МАЗ-5516 5) МАЗ-5551 6) МАЗ-64229 1 Модель 5551 Группа Система охлаждения Подгруппа Радиатор Порядковый номер детали 009 | Нет в наличии |
| 5335-1310059 | Уплотнитель радиатора левый | Кол-во на МАЗ-5337 2) МАЗ-53371 3) МАЗ-54323 4) МАЗ-5516 5) МАЗ-5551 6) МАЗ-64229 1 Модель 5335 Группа Система охлаждения Подгруппа Жалюзи радиатора Порядковый номер детали 059 | Нет в наличии |
| 5335-1310058 | Уплотнитель радиатора правый | Кол-во на МАЗ-5337 2) МАЗ-53371 3) МАЗ-54323 4) МАЗ-5516 5) МАЗ-5551 6) МАЗ-64229 1 Модель 5335 Группа Система охлаждения Подгруппа Жалюзи радиатора Порядковый номер детали 058 | Нет в наличии |
| 64229-1353514 | Хомут | Кол-во на МАЗ-5337 2) МАЗ-53371 3) МАЗ-54323 4) МАЗ-5516 5) МАЗ-5551 6) МАЗ-64229 2 Модель 64229 Группа Система охлаждения Подгруппа 1353 Порядковый номер детали 514 | Нет в наличии |
| 504В-1311048 | Шланг | Кол-во на МАЗ-5337 2) МАЗ-53371 3) МАЗ-54323 4) МАЗ-5516 5) МАЗ-5551 6) МАЗ-64229 1 Модель 504В Группа Система охлаждения Подгруппа Бачок расширительный Порядковый номер детали 048 | Нет в наличии |
| 204-1302060-01 | Подушка | Кол-во на МАЗ-5337 2) МАЗ-53371 3) МАЗ-54323 4) МАЗ-5516 5) МАЗ-5551 6) МАЗ-64229 2 Модель 204 Группа Система охлаждения Подгруппа Подвеска радиатора Порядковый номер детали 060 | Нет в наличии |
Рейтинг
( 2 оценки, среднее 4.
5 из 5 )
Понравилась статья? Поделиться с друзьями:
Технические условия ЯМЗ 236, устройство основных агрегатов
Дизельные двигатели моделей 236 и 238 разработаны конструкторами Ярославского моторного завода и пришли на смену устаревшему двухтактному семейству двигателей ЯМЗ 204/206. Принципиальным отличием новых двигателей стал четырехтактный рабочий цикл, что значительно увеличило эксплуатационные данные двигателей. В конструкции агрегатов применена схема с V-образным расположением блоков цилиндров, при этом двигатель ЯМЗ 236 имел шесть цилиндров, а ЯМЗ 238 – восемь. На снимках два двигателя ЯМЗ 236, хорошо виден топливный насос, на котором расположены резервуары подачи воздуха. Отверстие для установки воздушного фильтра заклеить защитной бумагой.
Блок
Два комплекта цилиндров имеют угол 90 градусов и общую массу, которая является верхней частью картера. Для упрощения конструкции шатуны разноименных цилиндров установлены на одной шатунной шейке коленчатого вала.
Из компоновочных соображений оси цилиндров смещены на 35 мм. Блок двигателя изготовлен из серого чугуна с низким содержанием легирующих элементов. При расчете агрегата особое внимание уделялось обеспечению жесткости, что позволило добиться высоких технических характеристик двигателя ЯМЗ 236.
Цилиндр имеет сменные гильзы, так называемая мокрая охлаждающая жидкость омывает гильзы снаружи. Блок имеет опоры для подшипников распределительного вала и коленчатого вала. Обработка постелей подшипников коленчатого вала установлена в крышках. Поэтому колпачки не взаимозаменяемы и должны устанавливаться в строго определенном положении.
Рекомендуем
Как работает задняя втулка переднего рычага и сколько она служит?
Втулка задняя переднего рычага – один из составных элементов ходовой части автомобиля. Он относится к направляющим элементам подвески, которые вместе с рычагами выдерживают огромные нагрузки с колесами. Однако с этим пунктом существует множество …
Расход масла в двигателе.
Шесть причин
Вряд ли можно найти автомобилиста, которого бы не беспокоил повышенный расход масла. Особенно досадно, когда это происходит с очередным новым мотором. Вот самые частые причины, которые приводят к расходу масла в дв…
Как работает выхлопная система?
Выхлопная система предназначена для удаления продуктов сгорания из двигателя и вывода их в окружающую среду. Также должно быть обеспечено снижение шумового загрязнения до допустимых пределов. Как и любые другие сложные устройства, эта система состоит из семи…
В передней части агрегата имеется корпус редуктора с блоком ГРМ, в задней части закреплен корпус маховика, выполненный в виде отдельной детали. На корпусе крышки шестерни устанавливается насос охлаждающей жидкости. Жидкость от насоса нагнетается в цилиндр через канал в корпусе и крышке шестерни. Внутри крышки имеются дополнительные каналы для охлаждающей жидкости. На крышке шестерни имеется фрезерованная плоскость с штриховыми метками, используемая совместно с меткой на шкиве коленчатого вала для установки точки начала впрыска топлива.
Маркировка RUB является обязательным условием технических характеристик ЯМЗ 236.
Головки блока и система ГРМ
Каждый агрегат ЯМЗ 236 имеет отдельную головку на три цилиндра. Головка изготовлена из чугуна и крепится к блоку стальными штифтами. Блок и головка имеют общую рубашку охлаждения, что обеспечивает равномерную рабочую температуру двигателя. Между деталями есть прокладка, на ранних моделях изготавливаемая из асбеста с металлической окантовкой отверстий цилиндров и протоком охлаждающей жидкости.
Каждый цилиндр имеет два клапана. Привод клапанов коромыслами и тягами от единого распределительного вала, установленного в развале блоков. Привод вала – от носка коленчатого вала через несколько косозубых шестерен. Установка распредвала производится по меткам на шестернях. На фото, размещенном в статье, мотор ЯМЗ 236 со снятой клапанной крышкой.
Головка комплекта форсунок для топливопровода и обратного слива лишнего топлива в топливный бак. Верхняя головка закрыта тонкостенной крышкой.
Поршневая группа и коленчатый вал
Технические характеристики приведены для коленчатого вала ЯМЗ 236 с четырьмя коренными подшипниками, изготовленного из высокоуглеродистой стали. За счет такой конструкции и материала вала имеет большую жесткость и высокую износостойкость. Внутри коленчатого вала выполнены каналы для подачи масла под давлением к коренным и шатунным подшипникам. В конструкции вала предусмотрены дополнительные противовесы на щеках и два отдельных противовеса на носке вала и маховике. В задней стойке имеется паз, в который входят бронзовые полукольца, предохраняющие вал от осевого смещения. Оба конца вала имеют уплотнительные прокладки. Для износа вала имеется съемная шестерня привода газораспределительного механизма.
Шатуны двигателя не взаимозаменяемы со стальной крышкой подшипника. Поршни ЯМЗ 236 изготовлены методом литья из алюминиевого сплава и имеют пять канавок под поршневые кольца. В отливке поршень имеет камеру сгорания, выполненную в виде тороида.
Три кольца для обеспечения сжатия имеют в поперечном сечении форму трапеции. Все детали поршня разделены на размерные группы, что облегчает подбор деталей для ремонта.
Система смазки
Масляный бачок двигателя ЯМЗ 236 выполняет функцию поддона. Оттуда масло поступает в шестеренчатый насос, и давление подается на подшипники коленчатого и распределительного валов, верхние головки, шатуны, коромысла и тяги привода клапанов. Насос может перекачивать до 140 литров масла в минуту. Другие узлы двигателя смазываются масляным туманом, образующимся при работе двигателя. Только система смазки на 24 литра масла. Очистка основана на двух ступенях — фильтр грубой очистки и центробежная тонкая очистка продукта. Использование центрифуги составляет примерно 10 процентов откачиваемого насосом масла. После очистки стекает обратно в Картер. Обслуживание центрифуги заключается в промывке внутренней полости от осевшего шлама. Сито представляет собой латунную проволочную сетку. При обслуживании мотора: сетка моется и устанавливается обратно.
Технические характеристики ЯМЗ 236 напрямую зависят от исправности системы смазки.
При работающем двигателе следить за давлением масла, которое должно быть в пределах 4…7 атмосфер. В жаркую погоду давление может несколько снижаться из-за высокой температуры масла в двигателе. Дополнительное охлаждение масла осуществляется с помощью отдельного радиатора перед радиатором охлаждающей жидкости. В максимальном режиме через устройство в минуту проходит до 25 литров масла. Охлажденное в радиаторе масло стекало в картер.
Система охлаждения и питания
Контроль температуры является обязательным условием технических характеристик двигателя ЯМЗ 236. Расход топлива и расход масла, а также долговечность двигателя напрямую зависят от температуры двигателя. Для поддержания температуры двигателя имеется радиатор со специальным клапаном для повышения температуры кипения охлаждающей жидкости до 116-119°С.градусов.
Охлаждение жидкостное представляет собой шестилопастный вентилятор с приводом от зубчатого колеса.
На валу вентилятора установлены подшипники промежуточного шкива генератора и компрессора системы пневмопривода тормозов. Вентилятор установлен в специальном корпусе, который направляет поток воздуха. Величину охлаждения регулируют установленными перед жалюзи радиатора ручным управлением из кабины водителя. Двигатель соединен с радиатором резиновыми шлангами. Общий объем системы составляет 28 литров. На фото в статье общий вид ЯМЗ 236 турбо и трансмиссии.
Рабочая температура двигателя находится в диапазоне значений в пределах 75-98 градусов. Каждый блок имеет свой канал для слива, оборудованный термостатом. Производитель не рекомендует продолжительную работу двигателя при температуре охлаждающей жидкости ниже 60 градусов. Контроль температуры ведется прибором на приборной панели в кабине водителя.
Дополнительно в систему охлаждения может быть установлен ТЭН модели 400 или ГНБ 44. ТЭН монтируется перед радиатором на основе теплоносителя, сжигающего в котле топливо.
Для установки отопителя в блоке двигателя ЯМЗ 236 предусмотрены специальные каналы. Циркуляция жидкости осуществляется отдельным насосом с электроприводом. Выхлопные газы попадают в масляный поддон для нагрева масла. Использование автономного отопителя улучшает эксплуатационно-технические характеристики ЯМЗ 236. Расход топлива при использовании таких систем заметно ниже, особенно при использовании дизеля при отрицательных температурах.
Система питания
Система включает насос высокого давления с регулятором скорости, фильтры, топливные форсунки и топливные трубки высокого и низкого давления. Для фильтрации используются фильтры грубой и тонкой очистки. На одном из фото в статье показан современный вариант ЯМЗ 236 с турбонаддувом и 9-лопастным вентилятором.
Благодаря улучшенному удельному расходу топлива двигатель уменьшился. Если на первом МАЗ 500 расход составлял около 25 литров при мощности всего в 180 сил, то на современных машинах он составляет от 33 до 40 литров при мощности от 300 до 420 сил.
БЫТЬ: https://tostpost.com/be/a-tamab-l/25713-tehn-chnyya-haraktarystyk-yamz-236-prylada-asno-nyh-vuzlo.html
Германия: https://tostpost.com/de/autos/25728-technische-daten-yamz-236-ger-t-haupteinheiten.html
ES: https://tostpost.com/es/coches/25745-especificaciones-yamz-236-el-dispositivo-de-los-principales-sitios.html
КК: https://tostpost.com/kk/avtomobil-der/25689-tehnikaly-sipattamasy-yamz-236-neg-zg-toraptaryny-ryl-ysy.html
PL: https://tostpost.com/pl/samochody/25621-dane-techniczne-yamz-236-urz-dzenie-g-wnych-w-z-w.html
ПТ: https://tostpost.com/pt/carros/25628-especifica-es-jamz-236-dispositivo-de-n-s-principais.html
TR: https://tostpost.com/tr/arabalar/25692-teknik-zellikler-jamz-236-cihaz-ana.html
Великобритания: https://tostpost.com/uk/avtomob-l/25671-tehn-chn-harakteristiki-yamz-236-pristr-y-osnovnih-vuzl-v.html
Технические характеристики двигателя ЯМЗ-236, характеристики, масло, производительность
Двигатель ЯМЗ-236 — первый из V-образных силовых агрегатов ЯМЗ, до него Ярославский моторный завод выпускал только рядные двигатели: 4-цилиндровый ЯАЗ-204 и 6-цилиндровый ЯАЗ-206.
Поскольку компоновка нового двигателя оказалась более удачной, производство рядных моделей старой модели было прекращено в восьмидесятых годах прошлого века. Все остальные V-образные дизеля ЯМЗ, это лишь развитие конструкторских наработок, заложенных в конструкцию двигателя ЯМЗ-236.
Все шестицилиндровые двигатели серии ЯМЗ-236, независимо от наличия турбонаддува, имеют одинаковый объем – 11,15 л, размерность DxS 130 на 140 мм и угол развала 90°. Двигатели ЯМЗ-236М2 — шестицилиндровые модели семейства четырехтактных дизелей ОАО «Автодизель».
Технические характеристики
| Производитель | ОАО «Автодизель» |
| Тип двигателя | дизель |
| Рабочий объем | 11 150 см 3 |
| Максимальная выходная мощность | 150-300 л.с. при 1700-2100 об/мин |
| Максимальный выходной крутящий момент | 667-1275 Нм, при 1200-1500 об/мин |
| Конфигурация | В |
| Количество цилиндров | 6 |
| Клапаны | 12 |
| Евро стандарты | Евро 0 – 3 |
| Ход поршня | 140 мм |
| Диаметр цилиндра | 130 мм |
| Степень сжатия | 17,5 |
| Топливная система | Подкачивающий насос низкого давления и топливный насос высокого давления, непосредственный впрыск |
| Охлаждение | вода |
| Клапанный механизм | ОХВ |
| Блок цилиндров, сплав | чугун |
| Материал головки блока цилиндров | чугун |
| Срок службы двигателя | 800 тыс. км |
| Такты двигателя | 4 |
| Порядок стрельбы | 1-4-2-5-3-6 |
| Тип топлива | дизель |
Двигатель ЯМЗ-236 имеет достаточно высокие технические характеристики. Он оснащен 6 цилиндрами, которые расположены параллельно и наклонены на 90 градусов. Топливо поступает непосредственно в цилиндры, то есть непосредственный тип впрыска. Давление в двигателе 16,5 атмосфер. Поршень имеет диаметр 130 мм в базовой и 140 мм в ремонтной версии, с ходом 140 мм. Двигатель оснащен механическим топливным насосом высокого давления и форсунками, которые непосредственно впрыскивают топливо в каждый цилиндр. Каждая головка блока имеет 6 клапанов – 3 впускных и 3 выпускных. Система охлаждения – жидкостная с принудительной циркуляцией, которая приводится в действие водяным насосом.
Блоки силовые предназначены для работы при температуре окружающего воздуха от минус 60°С до плюс 50°С, относительной влажности до 98% при 25°С, запыленности до 0,4 г/м3, а также для эксплуатации в горных условиях на высоте до 4500 м над уровнем моря и преодолевая перевалы до 4650 м над уровнем моря с соответствующим снижением мощностных и экономических показателей.

8
ОТ
ОТ
км