Коммутатор системы зажигания двигателя ВАЗ 2108, 2109, 21099
В бесконтактной системе зажигания автомобилей ВАЗ 2108, 21081, 21083, 2109, 21091, 21093, 21099 применяется электронный коммутатор.
Коммутатор бесконтактной системы зажигания карбюраторного двигателя автомобилей ВАЗ 2108, 2109, 21099
Назначение коммутатора
Коммутатор предназначен для прерывания электрического тока протекающего по первичной обмотке катушки зажигания, по сигналу с датчика Холла. В результате прерывания образуется ток высокого напряжения, поступающий на свечи зажигания.
Помимо этого коммутатор автоматически регулирует период накопления тока в катушке зажигания в зависимости от частоты вращения коленчатого вала. А так же отключает подачу тока через катушку зажигания при неработающем двигателе, но включенном зажигании.
Устройство коммутатора
Внутри коммутатора расположен мощные транзисторы, предназначенные для прерывания электрического тока. А так же устройства для автоматического накопления тока в катушке зажигания и автоматического запирания транзистора при остановленном двигателе.
Принцип действия коммутатора
При работе системы зажигания импульсы с датчика Холла, установленного в трамблере, поступают на вывод «6» коммутатора и далее через него в первичную обмотку катушки зажигания. При прерывании тока в первичной обмотки катушки зажигания магнитное поле в ней резко сжимается и индуцирует ЭДС 22-25 Квт, что дает искру на свечах достаточную для воспламенения топливной смеси.
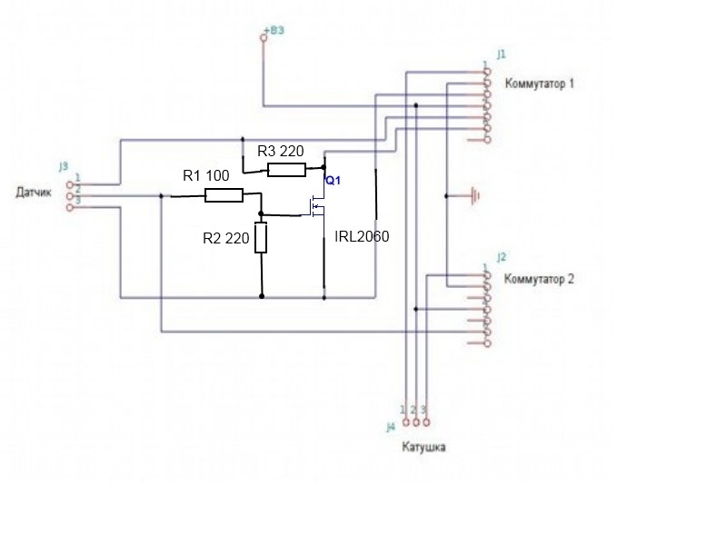
Схема подключения коммутатора
Схема подключения коммутатора бесконтактной системы зажигания карбюраторного двигателя автомобилей ВАЗ ВАЗ 2108, 2109, 21099Неисправности коммутатора
«Горит коммутатор»
Двигатель автомобиля не запускается
Двигатель «троит» — перебои в искрообразовании
См. «Проверка коммутатора автомобилей ВАЗ 2108, 2109, 21099»,
«Карбюраторный двигатель запускается и глохнет: причины связанные с системой зажигания».
Применяемость коммутатора на автомобилях ВАЗ 2108, 2109, 21099
В бесконтактной системе зажигания автомобилей ВАЗ 2108, 2109, 21099 применяются коммутаторы: 36.
Примечания и дополнения
— При замене или проверке коммутатора запрещается отсоединять от него колодку проводов при включенном зажигании, во избежание повреждения его электронной начинки.
Еще статьи по системе зажигания автомобилей ВАЗ 2108, 2109, 21099
— Трамблер ВАЗ 2108, 2109, 21099 принцип действия
— Признаки неисправности датчика Холла
— Чем отличаются свечи зажигания для контактной и бесконтактной систем зажигания?
— Чем отличаются горячие и холодные свечи зажигания?
— Проверка искры на свечах зажигания
— Греется катушка зажигания, почему?
— Греется коммутатор, почему?
Коммутатор ваз 2109 схема подключения
Схема бесконтактной системы зажигания автомобилей ВАЗ 2108, 2109, 21099
На автомобилях ВАЗ 2108, 2109, 21099 и их модификациях применяется бесконтактная система зажигания. Прерыватель (как в контактной системе) в ней отсутствует.Элементы системы зажигания автомобилей ВАЗ 2108, 2109, 21099
- Аккумуляторная батарея.
Обеспечивает подачу электрического тока при запуске двигателя. «Аккумуляторная батарея ВАЗ»
Генератор.
Обеспечивает подачу электрического тока при работе двигателя автомобиля. В частности запитывает систему зажигания.
- Монтажный блок предохранителей и реле.
Служит для коммутации проводов низкого напряжения, в частности системы зажигания.
- Катушка зажигания.
Выдает ток высокого напряжения на распределитель зажигания. «Провода катушки зажигания автомобилей ВАЗ 2108, 2109, 21099»
Выдает импульс для искрообразования (размыкая цепь питания первичной обмотки катушки зажигания) в том или ином цилиндре по сигналу с датчика Холла.
Формирует управляющий импульс (снижая напряжение) для коммутатора, сигнализирующий о необходимости искрообразования в том или ином цилиндре двигателя.
- Распределитель зажигания (трамблер) с вакуумным и центробежным регуляторами опережения зажигания.
Служит для формирования управляющего импульса на коммутатор (датчик Холла), распределения импульсов высокого напряжения по свечам зажигания («бегунок»), коррекции угла опережения зажигания в соответствии с режимом работы двигателя (центробежный и вакуумный регуляторы).
- Высоковольтные провода (бронепровода).
Служат для передачи тока высокого напряжения от катушки зажигания на крышку трамблера и далее к свечам зажигания.
- Замок зажигания.
Служит для замыкания цепи системы зажигания. Через него поступает электрический ток в систему зажигания.
- Реле зажигания.
Служит для разгрузки контактов выключателя зажигания (замка) и подачи напряжения на катушку и коммутатор.
- Свечи зажигания.
Служат для образования искры в цилиндрах двигателя.
Примечания и дополнения
— Данная схема бесконтактной системы зажигания применима на автомобилях ВАЗ 2108, 2109, 21099 до 1998 года выпуска. На автомобилях после 1998 г. в. она аналогична. Отличие в названиях колодок монтажного блока (Ш1 — Х1, Ш8 — Х8).
Коммутатор — это. Схема коммутатора. Как проверить коммутатор зажигания
Коммутатор – это электронный компонент для обеспечения работы бесконтактной системы зажигания. Она является переходной между контактной и микропроцессорной. Последняя, наиболее совершенная, позволяет управлять моментом при помощи данных, считываемых с датчиков – кислорода, скорости, оборотов двигателя и других. Но на дорогах все еще немало автомобилей, в которых установлены и контактные прерыватели, и бесконтактные. Поэтому для обслуживания и диагностики нужно знать назначение всех элементов, а также методы поиска неисправностей и их основные признаки. Перед тем как проверить коммутатор, внимательно изучите все детали.
Бесконтактная система зажигания
Всего существует три огромные группы систем – контактная, бесконтактная, микропроцессорная.
Первая делится на две подгруппы – контактная и с применением транзистора, работающего в режиме ключа. В конструкции бесконтактной системы зажигания тоже применяются транзисторы. Использоваться активно такая схема стала в начале 80-х годов прошлого века. И она имеет ряд преимуществ, о которых будет рассказано несколько ниже. Схема коммутатора несложная, она может быть реализована как на транзисторах, так и на контроллере.
Но у бесконтактной системы зажигания имеется и много недостатков, если сравнивать ее с микропроцессорной. Последняя позволяет контролировать практически все параметры двигателя. БСЗ делать это не позволяет, также не может она нормально использоваться на инжекторных моторах. Причина устаревания бесконтактной системы заключается не только в развитии электроники и автомобилестроения, но и в принятии жестких мер по обеспечению экологичности двигателей внутреннего сгорания. К сожалению, уменьшить количество вредных веществ в выхлопе позволяет только микропроцессорное управление.
Основные элементы системы
Конечно, первыми стоит указать свечи зажигания. Они установлены в головке блока цилиндров, электроды выходят с внутренней части. Это те элементы, которые позволяют воспламенить топливовоздушную смесь. Но с помощью одних только свечей двигатель работать не сможет. Необходимо контролировать положение коленчатого вала, чтобы знать, в каком положении находятся поршни в цилиндрах.
Для этой цели используется индуктивный датчик, работающий на эффекте Холла. Он входит в конструкцию другого элемента – распределителя зажигания. Датчик выдает импульс, который поступает на коммутатор. Это устройство позволяет слабый сигнал усилить до напряжения в 12 Вольт, чтобы затем подать его на катушку. Катушка – не что иное, как простой трансформатор (повышающий). У него вторичная обмотка имеет большее число витков, нежели первичная. За счет этого происходит повышение напряжения и уменьшение силы тока. Напряжение в БСЗ на свечи подается при значении 30-35 кВ (в зависимости от модели автомобиля).
Чем БСЗ лучше контактной?
Внимательно прочитав предыдущий раздел, можно увидеть, что в системе применен индуктивный бесконтактный датчик Холла. Преимущество очевидно – нет трения и коммутации. Для сравнения обратите внимание на контактную систему. В ней прерыватель коммутирует напряжение, величина которого равна 12 Вольт. Как ни крути, но металлические контакты все время соприкасаются друг с другом, постепенно стираются, покрываются нагаром.
По этим причинам необходимо постоянно следить за прерывателем, регулировать зазор, проводить своевременную замену. БСЗ лишена этих недостатков, поэтому без стороннего вмешательства система работает значительно дольше. Датчик Холла выходит из строя очень редко, как и коммутатор. Это повышает надежность системы, но требуется и соблюдать меры предосторожности, в частности, соединение коммутатора с кузовом должно быть максимально плотным, чтобы обеспечить эффективный теплообмен. Кроме того, БСЗ позволяет улучшить работу двигателя, увеличить, хоть и незначительно, его мощность, наряду с повышением надежности.
Как работает коммутатор
По сути, коммутатор – это простой усилитель сигнала. Можно сравнить даже со сборкой Дарлингтона, которая используется в микроконтроллерной технике для преобразования слабого сигнала с порта выхода до необходимого уровня. Основа этой сборки – полевые транзисторы, работающие в режиме ключа. На них подается рабочее напряжение, на управляющий вывод поступает сигнал, который усиливается и снимается с коллектора.
Коммутатор зажигания имеет практически аналогичную схему работы. Только используется сигнал с датчика Холла. Он имеет три вывода – управление, общий, плюс питания. При появлении в области датчика металлической пластины происходит генерация тока, который подается на вход коммутатора. Далее происходит усиление сигнала, а также подача его на первичную обмотку катушки. Питание всей системы происходит только лишь после включения зажигания (после поворота ключа).
Основные элементы коммутатора
Схема коммутатора достаточно простая, но самостоятельное изготовление этого блока бессмысленно, так как готовый вариант купить окажется намного проще.
Монтаж должен выполняться максимально грамотно, иначе работа устройства окажется неправильной. Кроме того, при использовании транзисторов нужно тщательно выбирать их по параметрам, а для этого необходимо иметь качественную измерительную аппаратуру. К сожалению, у двух одинаковых полупроводников разброс характеристик может быть очень большим. А это влияет на работу устройства.
Коммутатор ВАЗ, имеющий обозначение 76.3734, состоит из одного основного элемента – контроллера L497. Он создан специально для использования в бесконтактных системах зажигания. Отечественный аналог этого контроллера — КР1055ХП2. Параметры у них практически идентичные, что позволяет использовать любой из контроллеров. Кроме того, эта микросхема позволяет провести подключение тахометра, расположенного на приборной панели автомобиля. Но можно применить и более простую схему, которая представляет собой усилительный блок из двух каскадов. Правда, надежность такого устройства на порядок ниже.
Подключение коммутатора
Случаи бывают разными, не исключено, что придется вам менять проводку.
Поэтому потребуется принимать во внимание назначение всех выводов на штекере коммутатора. Это позволит правильно провести подключение, причем риска вывести его из строя не будет. Первый вывод коммутатора – это выход. Другими словами, с него снимается усиленный сигнал. Его нужно соединять с выводом катушки «К». Второй контакт соединяется с массой – минусом аккумуляторной батареи.
Все три провода от датчика Холла идут на коммутатор ВАЗ. Причем сигнальный провод соединяется с шестым выводом коммутатора. Пятый – это вывод для питания (на нем напряжение стабильно 12 Вольт). Третий вывод коммутатора – масса (минус питания). Третий соединен внутри блока со вторым. А вот между четвертым, на который подается питание от АКБ, и пятым имеется постоянное сопротивление и стабилизатор напряжения.
Как осуществить проверку
Ничего сложного нет в этой процедуре. Самый простой способ – это использовать заведомо исправный узел, так как проверить коммутатор таким образом можно буквально за считанные минуты.
Но если такового нет, а нужно определить точно, неисправность в катушке либо же в коммутаторе, разумнее использовать другие способы. Потребуется простая лампа накаливания. Если не знаете, где взять ее, то выкрутите из плафона освещения салона либо же из габаритных огней.
Один вывод лампы соединяете с минусом аккумуляторной батареи. Второй подключаете к выводу «1» коммутатора. Это тот самый вывод, с которого снимается усиленный сигнал. Если лампа загорается, то устройство исправно. Более совершенный метод проверки осуществляется при помощи осциллографа. На экране можно видеть величину и форму сигнала, а также сравнить его с эталонным.
Настройка зажигания
При настройке зажигания вам потребуется сделать самое главное – установить валы по меткам, чтобы газораспределение функционировало синхронно с работой поршневой группы. Это первое, что следует сделать перед тем как начать регулировку зажигания. Стоит заметить, что особых трудностей при настройке возникнуть не должно, особенно на автомобилях ВАЗ 2108-21099.
Все дело в том, что распределитель зажигания на двигатели этих машин установить можно только в одном положении. Причем коммутатор зажигания при данной процедуре не подвергается никаким настройкам, так как их у него нет.
Корпус трамблера вращается вокруг своей оси, чтобы производить более точную регулировку. И этого оказывается достаточно. Чтобы точно установить момент, можно использовать простейшую схему, в качестве индикатора используется в ней простой светодиод. Датчик Холла отключается от системы, на его минусовой вывод подается плюс питания. Между «+» и сигнальным включается светодиод, для снижения напряжения последовательно с ним включается сопротивление 2 кОм. А вот плюс датчика Холла соединяется с массой. Теперь остается только медленно вращать корпус распределителя. Момент, когда засветится диод, будет являться искомым.
Выводы
Много преимуществ дает такой простой узел в бесконтактной системе зажигания, как коммутатор. Это и повышение мощности, пусть даже незначительное, и уменьшение расхода топлива, и значительное улучшение двигателя с точки зрения надежности.
А главное – отпадает необходимость в постоянном контроле и своевременной настройке системы. Современному водителю не хочется заниматься ремонтом автомобиля, ему нужно средство передвижения. Причем надежное, которое не подведет в самый ответственный момент. Независимо от того, какой коммутатор используется в БСЗ, эффективность у него намного выше, нежели у контактного прерывателя.
Проверка и замена коммутатора автомобиля ВАЗ-2109
Схема системы зажигания ВАЗ-2109 представлена на рисунке
Коммутатор типа 3620.3734 или 76.3734 размыкает цепь питания первичной обмотки катушки зажигания, преобразуя управляющие импульсы датчика в импульсы тока в катушке зажигания.
Нельзя отсоединять разъем коммутатора при включенном зажигании – это может вызвать его повреждение (как и других компонентов системы зажигания).
При работе коммутатора выделяется большое количество тепла.
Кроме того, масса коммутатора подсоединяется через его радиатор.
Поэтому периодически очищайте радиатор коммутатора от пыли и грязи для улучшения теплоотдачи.
Отсоедините от клеммы «К» катушки зажигания коричневый провод с красной полосой (провод идет к контакту «1» коммутатора).
Подключите этот провод к контрольной лампе, рассчитанной на 12 В, мощностью 3 Вт.
Другой контакт лампы подключите к клемме «К» катушки зажигания.
Проверните двигатель стартером, при этом лампа должна замигать.
Если лампа не загорается, замените коммутатор.
Для замены коммутатора отсоедините колодку с проводами от коммутатора зажигания, отжав отверткой пружинную скобу на колодке.
Перед снятием коммутатора отсоедините провод от клеммы “ – ” аккумуляторной батареи.
Отверните две гайки крепления радиатора и снимите коммутатор с радиатором.
Установите новый коммутатор с радиатором в порядке, обратном снятию.
Обратите внимание: под левой гайкой должен быть закреплен провод массы.
Данный метод проверки позволяет проверить, подает ли коммутатор управляющие импульсы на катушку зажигания.
Более точную проверку (величину длительности и форму импульсов) коммутатора надо производить на специальном стенде
0 0 голос
Рейтинг статьи
Электронные системы зажигания.
Устройство, диагностика и ремонткатегория
Электроника за рулем
материалы в категории
Как известно электронные системы зажигания на двигателе показали себя с очень хорошей стороны- это и снижение расхода топлива, более уверенный запуск двигателя (особенно в холодное время) и лучшая приемистость. Здесь мы рассмотрим
Итак… Может быть кто-то еще и помнит те времена когда на автомобилях еще не было электронного зажигания. В то время все выглядело предельно просто- контактная пара на распределителе (трамблере) и катушка (бабина). при включении зажигания напряжение бортовой сети +12 Вольт проходит через катушку и попадает на контактную пару. При повороте ротора в трамблере кулачок размыкает контакты, в этот момент в катушке происходит перепад напряжения и за счет ЭДС самоиндукции на высоковольтной обмотке возникает напряжение.
Таким контактным зажиганием снабжались все отечественные авто (да многие из них и сейчас бороздят просторы нашей родины.
…) и при всей своей простоте у данной конструкции имеется один очень огромный недостаток- это постоянное подгорание контактов (иногда, правда значительно реже, износ кулачка).
Разновидности электронного зажигания
В электронном зажигании работою высоковольтной катушки управляет электроника (ключ на мощном транзисторе), а вот сам датчик положения распределителя зажигания существует трех видов:
Рис 1. Разновидности электронного зажигания
1. Все та же контактная пара. По сути все осталось по старому- контакты размыкаются при помощи кулачка, с той лишь разницей что на самих контактах уменьшился ток и поэтому они стали более долговечными. На рисунке это вариант «А». Цифрами условно показаны: 1- контактная пара, 2- блок электронного зажигания, 3- распределитель зажигания.
2. Датчик в виде однофазного генератора переменного тока. Звучит мудрено, но на практике все выглядит очень даже просто- на статоре распределителя крепится постоянный магнит, корпусе распределителя- электромагнитный датчик (катушка), а на подвижном роторе- пластина из магнитомягкой стали с прорезями.
На рисунке этот вариант обозначен буквой «Б».
3. Датчик Холла. В принципе здесь практически все так-же как и в предыдущем варианте: положение ротора распределителя определяется за счет изменения электромагнитного поля, только датчики сделаны немного по другому.
Как проверить исправность электронного коммутатора
Думается что вывод здесь напрашивается сам: чтобы проверить исправность блока электронного зажигания необходимо подать на его вход управляющие импульсы- просто заставить его подумать что он подключен к работающему распределителю. В качестве источника таких импульсов может послужить самый обыкновенный генератор прямоугольных импульсов с рабочей частотой 1- 200 Гц, правда к нему есть основное требование- он в обязательном порядке должен формировать импульсы не амплитудой не менее 8 Вольт.
Вот его примерная схема
Примечание: у нас на сайте есть еще один вариант Как проверить электронный коммутатор
Подключение устройства для проверки и диагностики следующее:
Обозначения на рисунке:
1.
Генератор прямоугольных импульсов.
2. осциллограф для контроля выходящих импульсов
3. Стабилизатор сетевого напряжения (не обязателен)
4. Источник напряжения 12 Вольт мощностью не менее 20 Вт
5. Проверяемый блок
6. Катушка зажигания
7. Свеча зажигания.
Ну, вот, здесь примерно все ясно- давайте теперь рассмотрим все виды устройств в отдельности…
Электронное зажигание контактного типа
Данное устройство выпускалось под названием КТ-1 и было предназначено для установки в автомобили с механическими контактами в прерывателе (Москвич, Жигули, Волга).
Вот его полная схема, а рисунком ниже показаны осциллограммы в контрольных точках:
Система электронного зажигания КТ-1. схема электрическая
Осциллограммы в контрольных точках
Начнем с того момента когда контакты в распределителе разомкнуты (рис а). В этот момент конденсатор С1 начинает заряжаться по цепи +12В ,VD5, R4 , эмиттер-коллектор VT2, С2, база-эмиттер VT3, «масса».
Стабилизатор тока, собранный на транзисторах VT1, VT2 позволяет заряжаться конденсатору С2 стабилизированным током (рис б) и по этому при разной частоте размыкания контактов, на VT3 формируются импульсы одинаковой длительности.
Напряжение питания +12 Вольт через VD3, R8 попадает на базу транзистора VT4 и отпирает его. В результате VT5, VT6 запираются.
Как только контакты в прерывателе замкнутся, начинается процесс разряда конденсатора С2. Цепь VD3, C1, R8 закрывается и в этот момент VT3 запирается обратным потенциалом на С2. Высокий уровень с коллектора VT3 через диод VD4 подается на VT4 и держит его в открытом состоянии.
Когда напряжение на С2 достигнет уровня срабатывания, открывается транзистор VT3, а VD4 запирается, но так как контакты прерывателя разомкнуты через цепь VD3, R8, то транзистор VT4 будет продолжать удерживаться в открытом состоянии.
В момент t3 транзистор VT4 переходит в открытое состояние, транзисторы VT5, VT6 запираются и резко убывающий ток в первичной обмотке вызовет возникновение искры на свече зажигания.
В период t3-t4 происходит до-зарядка конденсатора C2 до уровня напряжения источника питания, и как только контакты прерывателя разомкнуться, весь процесс повторится.
Эксплуатация данного блока зажигания выявила следующие недостатки:
1. При включенном долгое время зажигании при неработающем двигателе или при разомкнутых контактах, транзистор VT6 находится под постоянной нагрузкой что приводит к его перегревы и выходу из строя.
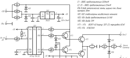
коммутаторы 36.3734 и Б550
Эти коммутаторы предназначены для совместного использования с датчиком Холла и устанавливались на автомобили ВАз-2108, 09. Вместо них можно применить коммутатор 36.40.3734. Но и это еще не все- полная совместимость с импортными коммутаторами позволяет применять его и на зарубежных автомобилях марок FORD, OPEL, WOLKSWAGEN.
Схема коммутатора и осциллограммы
Схема электронного коммутатора автомобилей ВАЗ 2108, 09
Осциллограммы в контрольных точках
Импульсы с датчика Холла поступают на вход 6 (рис А) и попадают на базу VT1. Транзистор VT1 инвертирует импульсы (рис в) и через R5 они проходят к базе VT2 (рис И).
Так как в самом коммутаторе не предусмотрена стабилизация питания, а провода соединяющие датчик Холла с коммутатором не имеют экранировки, то в коммутаторе возникла необходимость введения цепи устранения паразитных наводок. Эту функцию выполняет DA1.1, работающая как интегратор. Весь полезный сигнал, необходимый для работы устройства находится в диапазоне 1…200 Гц и поэтому интегратор выделяет полезный сигнал и формирует импульс необходимый для работы VT2 (рис Г).
Для избежания перегрева выходного ключа, в коммутаторе предусмотрена схема, закрывающая выходной каскад при отсутствии входного сигнала и при замкнутом состоянии датчика Холла:
На вход 6 микросхемы DA1.
2 (рис Д) через VD4 поступает сигнал с выходного каскада, одновременно с этим на вывод 5 микросхемы DA1.2 поступает входной сигнал (рис Е). Каскад на DA1.2 собран по схеме интегратора, импульсы на его выходе имеют трапециедальную форму (рис Ж) и они поступают на компаратор DA1.3.
Если импульсы не проходят на входы DA1.2 то компаратор DA1.3 на выходе 8 выдаст высокий уровень и в результате VT2 откроется, а выходной каскад закроется.
В динамическом режиме микросхема DA1.3 формирует прямоугольные импульсы (рис З). Микросхема DA1.4 выполняет роль компаратора: как только напряжение на резисторах R35, R36 превысит допустимое, компаратор сработает и откроет транзистор VT2. При этом выходной каскад на транзисторах VT3, VT4 закроется.
Эксплуатация данного коммутатора показала его достаточную надежность. Если и происходили случаи выхода из строя выходного транзистора, то в основном по вине неисправного генератора или замкнутой катушки зажигания.
Единственный недостаток выявленный в процессе эксплуатации- перебои в работе на повышенных оборотах двигателя, поэтому автором было предложено ввести в схему дополнительную цепь- резистор R* (вывод 5 микросхемы DA1.
2).
коммутатор 1302.3734
Коммутатор 13.3734-O1
Показанные выше два вида коммутаторов применяются в бесконтактных системах зажигания с применением генератора тока. (что это такое смотрим в начале статьи).
Такие системы зажигания применялись в автомобилях Волга, УАЗ, РАФ, Газель. В них чаще всего также выходит из строя ключевой выходной транзистор. Причем как выяснилось в большинстве коммутаторов под транзистором отсутствовала термо-отводящая паста, так что замене транзистора следует эту пасту нанести.
Транзисторы в коммутаторах можно менять на близкие по параметрам: КТ898А, КТ8109А, КТ8117А
При подготовки материала была использована информация из журналов
Ремонт и сервис
РадиоАматор №2, 1999 год
Коммутатор на ваз 2108 — где находится, сколько стоит, схема
Содержание статьи
В бесконтактной системе зажигания автомобилей ВАЗ 2108, 21081, 21083, 2109, 21091, 21093, 21099 применяется электронный коммутатор.
Назначение коммутатора
Коммутатор предназначен для прерывания электрического тока протекающего по первичной обмотке катушки зажигания, по сигналу с датчика Холла. В результате прерывания образуется ток высокого напряжения, поступающий на свечи зажигания.
Помимо этого коммутатор автоматически регулирует период накопления тока в катушке зажигания в зависимости от частоты вращения коленчатого вала. А так же отключает подачу тока через катушку зажигания при неработающем двигателе, но включенном зажигании.
Устройство коммутатора
Внутри коммутатора расположен мощные транзисторы, предназначенные для прерывания электрического тока. А так же устройства для автоматического накопления тока в катушке зажигания и автоматического запирания транзистора при остановленном двигателе.
Принцип действия коммутатора
При работе системы зажигания импульсы с датчика Холла, установленного в трамблере, поступают на вывод «6» коммутатора и далее через него в первичную обмотку катушки зажигания.
При прерывании тока в первичной обмотки катушки зажигания магнитное поле в ней резко сжимается и индуцирует ЭДС 22-25 Квт, что дает искру на свечах достаточную для воспламенения топливной смеси.
Схема подключения коммутатора
Неисправности коммутатора
«Горит коммутатор»
Двигатель автомобиля не запускается
Двигатель «троит» — перебои в искрообразовании
Применяемость коммутатора на автомобилях ВАЗ 2108, 2109, 21099
В бесконтактной системе зажигания автомобилей ВАЗ 2108, 2109, 21099 применяются коммутаторы: 36.3734, 3620.3734, 76.3734, 133.3774-01, RT1903, PZE1022 и их аналоги разных производителей.
Примечания и дополнения
— При замене или проверке коммутатора запрещается отсоединять от него колодку проводов при включенном зажигании, во избежание повреждения его электронной начинки.
Микропроцессорный коммутатор с автоматическим октан-корректором “Астро” 962.3734
НАЗНАЧЕНИЕ
Микропроцессорный коммутатор 962.3734 с автоматическим октан-корректором (далее МКАОК) обеспечивает искрообразование в бесконтактных системах зажигания четырехцилиндровых, четырехтактных бензиновых двигателей внутреннего сгорания.
Устанавливается на автомобили: ВАЗ-2105, -2106, -2107, -2108, -2109, -2110, -21213, -2130 и их модификации.
МКАОК позволяет:
— автоматически корректировать угол опережения зажигания в зависимости от качества используемого бензина, нагрузки и других факторов, без вмешательства водителя;
— контролировать исправность датчика Холла и цепь управления коммутатором;
— установить начальный момент зажигания.
Устанавливается на легковые карбюраторные автомобили, оборудованные аналоговой бесконтактной системой зажигания.
УСТРОЙСТВО И ПРИНЦИП РАБОТЫ
МКАОК построен на микроконтроллере с применением широкополосного датчика детонации.
Обработка сигналов, поступающий со штатных датчиков и датчика
детонации, позволяет системе автоматически корректировать угол опережения зажигания в зависимости от качества используемого бензина, нагрузки и других факторов, без вмешательства водителя.
Работоспособен без датчика детонации как обычный коммутатор.
ПРЕИМУЩЕСТВА
НАД ДРУГИМИ КОММУТАТОРАМИ
• Автоматическая корректировка угла опережения зажигания (УОЗ)
• Диагностика неисправностей
• Позволяет установить начальный момент зажигания без
специального оборудования
• Снижение расхода топлива
(при исправном двигателе с отрегулированным карбюратором)
• Увеличение ресурса двигателя
• Повышение тягового момента двигателя на низких оборотах
• Улучшение динамики разгона
• Облегченный запуск двигателя (многоискровой режим)
• Снижение шумности работы двигателя (резкое снижение детонаций)
• Быстрое отключение катушки зажигания (0,5 сек.
)
ТЕХНИЧЕСКИЕ ХАРАКТЕРИСТИКИ
• Напряжение питания 8…16 В
• Допустимая частота вращения коленчатого вала 6000 об/мин
• Диапазон корректировки УОЗ 0…11°
• Корректировка УОЗ в сторону уменьшения
при пуске двигателя 3°
• Дискретность корректировки УОЗ,
за такт зажигания:
— в сторону уменьшения (при детонации) 1…2°
— в сторону увеличения 0,1…0,2°
• Ток коммутации 7,5…8,5 А
• Максимальный потребляемый ток 3 А
• Время отключения катушки зажигания 0,5 с.
• Диапазон рабочих температур –40…+85 °C
• Масса, не более 200 г.
Установил его на свободное технологическое отверстие с резьбой ∅8 мм (шаг резьбы 1,25 мм) со стороны масленого щупа около 1-го цилиндра. Поскольку мой двигатель хорошо настроен, особой разницы я не заметил, но думаю он свою работу выполняет.
Приобрёл данное устройство уже давно неизвестно с какой целью, теперь нашёл куда поставить.
состав комплекта
место крепления ДД
коммутатор
Как устроена бесконтактная система зажигания?
Система зажигания карбюраторного двигателя 21083 ВАЗ 21083, 21093, 21099На примере системы зажигания карбюраторного двигателя 21083 автомобиля ВАЗ 21083 (21093, 21099) попробуем разобраться как она устроена и как работает.
Схема бесконтактной системы зажигания карбюраторного двигателя 21083
Схема бесконтактной системы зажигания двигателя 21083Устройство бесконтактной системы зажигания
1. Генератор.
Обеспечивает подачу электрического тока при работе двигателя автомобиля. В частности, подает напряжение в систему зажигания.
2. Аккумуляторная батарея.
Обеспечивает подачу электрического тока при запуске двигателя.
3. Монтажный блок предохранителей и реле.
Служит для коммутации проводов электрических цепей низкого напряжения, в частности системы зажигания.
4. Катушка зажигания.
Выдает ток высокого напряжения на распределитель зажигания.
5. Коммутатор.
Выдает импульс для искрообразования (размыкая цепь питания первичной обмотки катушки зажигания) в том или ином цилиндре по сигналу с датчика Холла.
6. Датчик Холла.
Формирует управляющий импульс (снижая напряжение) для коммутатора, сигнализирующий о необходимости искрообразования в том или ином цилиндре двигателя.
7. Распределитель зажигания (трамблер) с вакуумным и центробежным регуляторами опережения зажигания.
Служит для формирования управляющего импульса на коммутатор (датчик Холла), распределения импульсов высокого напряжения по свечам зажигания (“бегунок”), коррекции угла опережения зажигания в соответствии с режимом работы двигателя (центробежный и вакуумный регуляторы).
8. Высоковольтные провода (бронепровода).
Служат для передачи тока высокого напряжения от катушки зажигания на крышку трамблера и далее к свечам зажигания.
9. Замок зажигания.
Служит для замыкания цепи системы зажигания. Через него поступает электрический ток в систему зажигания.
10. Реле зажигания.
Служит для разгрузки контактов выключателя зажигания (замка) и подачи напряжения на катушку и коммутатор.
11. Свечи зажигания.
Служат для образования искры в камерах сгорания двигателя и поджига топливной смеси.
Как работает бесконтактная система зажигания?
Электрический ток в систему зажигания поступает с вывода «30» генератора, через монтажный блок предохранителей, замок зажигания, реле зажигания и далее на вывод «Б» катушки зажигания.
Система запитывается после поворота ключа в замке зажигания.
– При работе двигателя вращается вал распределителя зажигания (трамблера). В работу вступает датчик Холла. Стальной круглый экран с четырьмя прорезями на валу трамблера, вращаясь, проходит через зазор этого датчика. Когда проходит прорезь экрана, напряжение отдаваемое датчиком ниже бортового на 3 В или равно ему, когда зубец экрана, напряжение падает практически до нуля. Прохождение каждого из четырех зубцов соответствует такту сжатия и моменту зажигания в одном из цилиндров двигателя.
– Далее в работу вступает коммутатор. Свои прерывистые импульсы датчик Холла подает на вывод «6» коммутатора, а тот в свою очередь подает импульс на первичную обмотку катушки зажигания (вывод «К»).
– Теперь срабатывает катушка зажигания. В момент прерывания электрического тока (зубец экрана проходит через зазор датчика Холла) магнитное поле в катушке зажигания резко сжимается и, пересекая витки обмотки, производит ЭДС порядка 22-25 кВ (ток высокого напряжения).
– Работа распределителя зажигания. Ток высокого напряжения по центральному бронепроводу поступает на центральный вывод крышки трамблера и далее на «бегунок»-распределитель зажигания, который вращаясь, раздает ток высокого напряжения по четырем клеммам крышки.
– Работа свечей зажигания. По высоковольтным проводам ток высокого напряжения поступает к свечам зажигания. Между их электродами проскакивает искра, воспламеняющая топливную смесь в цилиндрах двигателя.
Чтобы добиться от двигателя максимальной мощности необходимо воспламенять смесь искрой несколько раньше прихода поршня в верхнюю мертвую точку (ВМТ). Для этого регулируют угол опережения зажигания вращением трамблера в ту или иную сторону. При холостых оборотах двигателя 750-800 об/мин угол опережения зажигания, например для двигателя 21083 работающего на 92-м бензине должен составлять 4±1º.
Источники
- zen.yandex.ru/media/twokarburators/kak-ustroena-beskontaktnaia-sistema-zajiganiia-5ef02fbfea1f4f496919550a
- drive2.
ru/l/1231107/ - twokarburators.ru/kommutator-vaz-2108-2109-21099/
Коммутатор ВАЗ 2105 (ВАЗ 2104)
Схема для проверки коммутатора
| 1 – резистор 0,01 Ом±1%, не менее 20 Вт; 2 – коммутатор; 3 – катушка зажигания; | 4 – разрядник; А – к осциллографу; Б – к генератору прямоугольных импульсов |
Форма импульсов на экране осциллографа
| А – импульсы напряжения (U) генератора; Б – импульсы тока (I) коммутатора; t – время накопления тока; | Т – период импульса; Ти – длительность импульса |
В бесконтактной системе зажигания может быть установлен коммутатор типа 3620.
3734
или RT1903, или PZE4022. Он преобразует управляющие импульсы бесконтактного
датчика в импульсы тока в первичной обмотке катушки зажигания.
Коммутатор проверяется с помощью осциллографа и генератора прямоугольных импульсов по схеме на рисунке Схема для проверки коммутатора. Выходное сопротивление генератора должно быть 100–500 Ом. Осциллограф желательно применять двухканальный: 1-й канал – для импульсов генератора, а 2-й – для импульсов коммутатора.
На клеммы “3” и “6” коммутатора подаются прямоугольные импульсы, имитирующие
импульсы датчика. Частота импульсов от 3,33 до 233 Гц, а скважность (отношение
периода к длительности импульса Т/Ти, равна 3. Максимальное напряжение Umax
– 10 В, а минимальное Umin – не более 0,4 В (смотрите осциллограмму А на рисунке Форма
импульсов на экране осциллографа). У исправного коммутатора форма импульсов
тока должна соответствовать осциллограмме Б (смотрите рисунок Форма
импульсов на экране осциллографа).
Для коммутатора 3620.3734 при напряжении питания (13,5±0,5) В величина тока (I) должна быть 7,5–8,5 А. Время накопления тока (t) не нормируется.
Для коммутатора RТ1903 при том же напряжении питания и частоте сила тока составляет 7–8 А, а время накопления 5,5–11,5 мс.
Для коммутатора PZE4022 при напряжении питания (14±0,3) В и частоте 25 Гц величина силы тока составляет 7–9 А, а время накопления тока не нормируется.
Если форма импульсов коммутатора искажена, то могут быть перебои с искрообразованием
или оно может происходить с запаздыванием. Двигатель будет перегреваться и не
развивать номинальной мощности.
Внимание
Нельзя отсоединять от коммутатора
штепсельный разъем при включенном зажигании, так как при этом на отдельных участках
схемы коммутатора может возникнуть напряжение до 400 В и он будет поврежден.
Не допускается прокладывать
провода низкого напряжения в одном жгуте с проводами высокого напряжения.
Не допускается отсоединять провода от клемм аккумуляторной батареи при работающем двигателе, так как это может привести к повреждению коммутатора.
Распиновка коммутатора ваз 2109 — Знай свой компьютер
В бесконтактной системе зажигания автомобилей ВАЗ 2108, 21081, 21083, 2109, 21091, 21093, 21099 применяется электронный коммутатор.
Коммутатор предназначен для прерывания электрического тока протекающего по первичной обмотке катушки зажигания, по сигналу с датчика Холла. В результате прерывания образуется ток высокого напряжения, поступающий на свечи зажигания.
Помимо этого коммутатор автоматически регулирует период накопления тока в катушке зажигания в зависимости от частоты вращения коленчатого вала. А так же отключает подачу тока через катушку зажигания при неработающем двигателе, но включенном зажигании.
Внутри коммутатора расположен мощные транзисторы, предназначенные для прерывания электрического тока.
А так же устройства для автоматического накопления тока в катушке зажигания и автоматического запирания транзистора при остановленном двигателе.
Принцип действия коммутатора
При работе системы зажигания импульсы с датчика Холла, установленного в трамблере, поступают на вывод «6» коммутатора и далее через него в первичную обмотку катушки зажигания. При прерывании тока в первичной обмотки катушки зажигания магнитное поле в ней резко сжимается и индуцирует ЭДС 22-25 Квт, что дает искру на свечах достаточную для воспламенения топливной смеси.
Схема подключения коммутатора
Двигатель автомобиля не запускается
Двигатель «троит» — перебои в искрообразовании
Применяемость коммутатора на автомобилях ВАЗ 2108, 2109, 21099
В бесконтактной системе зажигания автомобилей ВАЗ 2108, 2109, 21099 применяются коммутаторы: 36.3734, 3620.3734, 76.3734, 133.3774-01, RT1903, PZE1022 и их аналоги разных производителей.
Примечания и дополнения
— При замене или проверке коммутатора запрещается отсоединять от него колодку проводов при включенном зажигании, во избежание повреждения его электронной начинки.
Еще статьи по системе зажигания автомобилей ВАЗ 2108, 2109, 21099
Схема системы зажигания ВАЗ-2109 представлена на рисунке
Коммутатор типа 3620.3734 или 76.3734 размыкает цепь питания первичной обмотки катушки зажигания, преобразуя управляющие импульсы датчика в импульсы тока в катушке зажигания.
Нельзя отсоединять разъем коммутатора при включенном зажигании – это может вызвать его повреждение (как и других компонентов системы зажигания).
При работе коммутатора выделяется большое количество тепла.
Кроме того, масса коммутатора подсоединяется через его радиатор.
Поэтому периодически очищайте радиатор коммутатора от пыли и грязи для улучшения теплоотдачи.
Отсоедините от клеммы «К» катушки зажигания коричневый провод с красной полосой (провод идет к контакту «1» коммутатора).
Подключите этот провод к контрольной лампе, рассчитанной на 12 В, мощностью 3 Вт.
Другой контакт лампы подключите к клемме «К» катушки зажигания.
Проверните двигатель стартером, при этом лампа должна замигать.
Если лампа не загорается, замените коммутатор.
Для замены коммутатора отсоедините колодку с проводами от коммутатора зажигания, отжав отверткой пружинную скобу на колодке.
Перед снятием коммутатора отсоедините провод от клеммы “ – ” аккумуляторной батареи.
Отверните две гайки крепления радиатора и снимите коммутатор с радиатором.
Установите новый коммутатор с радиатором в порядке, обратном снятию.
Обратите внимание: под левой гайкой должен быть закреплен провод массы.
Данный метод проверки позволяет проверить, подает ли коммутатор управляющие импульсы на катушку зажигания.
Более точную проверку (величину длительности и форму импульсов) коммутатора надо производить на специальном стенде
Ремонт Ваз 2108 2109 21099
Пятница, Июль 10th, 2015
Схему зажигания Ваз 2109 должен знать каждый его владелец. Не зная этой схему, Вы не сможете завести автомобиль в случае проблем с зажиганием.
Тем более, что схем эта элементарно простая.
На Ваз 2109 установлена бесконтактная система зажигания. Состоит он из следующих узлов: коммутатор, катушка зажигания, трамблер, датчик Холла, высоковольтные провода и свечи. Задача системы зажигания — своевременная, циклическая подача искры в цилиндры двигателя.
Рассмотрим подробно как работает схема заж
Схема зажигания Ваз 2109
игания Ваз 2109: подача питания на систему зажигания осуществляется через реле. Пока ключ не будет в положении зажигания, реле не включится и не подаст питание на схему. Как только ключ повернут система зажигания запитывается. Питание +12В с аккумулятора подается на контакт Б катушки зажигания, 4-й контакт коммутатора. Датчик Холла запитывает сам коммутатор.
Обратите внимание, что реле зажигания питается через монтажный блок, и если будет плохой контакт в разъемах Ш1,Ш8 или по какой-то причине окиснет или сгорит дорожка, система зажигания не будет запитана и Ваз 2109 не будет заводиться.
Чтобы искра начала формироваться необходимо провернуть коленчатый вал двигателя. Вместе с ним провернется и распределительный вал и датчик Холла подаст импульс на коммутатор. Коммутатор в свою очередь соединит контакт К катушки зажигания с массой, в результате чего на центральном проводе появится искра. Когда бегунок трамблера соединит центральный провод и провод ведущий на конкретный цилиндр двигателя искра проскочит на свече, воспламеняя горючую смесь. Двигатель заведется.
Когда необходимо заглушить двигатель, водитель с помощью поворота ключа в замке зажигания выключает реле, которое в свою очередь разбирает питание системы. Коммутатор, катушка зажигани становятся обесточены и перестают работать.
Наиболее частые неисправности системы зажигания Ваз 2109:
1) Выход из строя коммутатора.
2) Выход из строя датчика Холла.
3) Плохой контакт бегунка в трамблере.
4) Отсутствие питания системы зажигания Ваз 2109.
На Главную.
Проверка и замена коммутатора автомобиля ВАЗ-2109
Коммутатор типа 3620.
3734 или 76.3734 размыкает цепь питания первичной обмотки катушки зажигания, преобразуя управляющие импульсы датчика в импульсы тока в катушке зажигания. Нельзя отсоединять разъем коммутатора при включенном зажигании – это может вызвать его повреждение (как и других компонентов системы зажигания).
При работе коммутатора выделяется большое количество тепла. Кроме того, масса коммутатора подсоединяется через его радиатор. Поэтому периодически очищайте радиатор коммутатора от пыли и грязи для улучшения теплоотдачи.
1. Отсоедините от клеммы «К» катушки зажигания коричневый провод с красной полосой (провод идет к контакту «1» коммутатора).
2. Подключите этот провод к контрольной лампе, рассчитанной на 12 В, мощностью 3 Вт. Другой контакт лампы подключите к клемме «К» катушки зажигания. Проверните двигатель стартером, при этом лампа должна замигать. Если лампа не загорается, замените коммутатор.
3. Для замены коммутатора отсоедините колодку с проводами от коммутатора зажигания, отжав отверткой пружинную скобу на колодке.
Перед снятием коммутатора отсоедините провод от клеммы “ – ” аккумуляторной батареи.
4. Отверните две гайки крепления радиатора и снимите коммутатор с радиатором.
5. Установите новый коммутатор с радиатором в порядке, обратном снятию. Обратите внимание: под левой гайкой должен быть закреплен провод массы.
Данный метод проверки позволяет проверить, подает ли коммутатор управляющие импульсы на катушку зажигания. Более точную проверку (величину длительности и форму импульсов) коммутатора надо производить на специальном стенде.
Принцип работы коммутатора зажигания, какие виды бывают и как проверить неисправность
Характерной особенностью автомобиля можно считать его быстрое моральное старение, но долгую жизнь. Самое современное сегодня авто, как минимум через два года будет уже уступать другим, более новым, с улучшенными характеристиками, машинам. Но и сейчас на дорогах встречаются автомобили прошлого века. Поэтому не просто интересно, но порой и необходимо, знать хотя бы в общих чертах, что собой представляют подобные транспортные средства, их устройство, особенности, в том числе и такую вещь, как простой коммутатор зажигания, значительно изменивший возможности машины.
Что собой представляет и каков принцип работы коммутатора зажигания
Ещё на самых первых автомобилях для поджигания горючей смеси использовались системы батарейного зажигания, функциональная схема которой приведена на рисунке
Указанный рисунок позволяет понять, что ее работа основана на принципе самоиндукции. При разрыве цепи протекания тока в обмотке бобины 3, во вторичной наводится высоковольтная ЭДС, вызывающая появление искры на контактах свечи 2. Разрыв цепи вызывается размыканием контактов прерывателя 6.
Не касаясь достоинств или недостатков, следует отметить, что такая схема работала на автомобиле долгое время. И только появление новой элементной базы, дало толчок дальнейшему развитию подобного устройства, сохранив первоначальный принцип его работы.
Электронный коммутатор зажигания – следующий шаг в развитии
Самый простой и напрашивающийся вариант – использование транзисторных ключей для управления токами, протекающими через катушку зажигания.
Так появился электронный коммутатор напряжения. Схема подобного простого устройства приведена ниже:
Коммутатор не влияет на первоначальный принцип работы, основанный на электромагнитной индукции. Роль электронных ключей, в качестве которых использованы транзисторы VT1 и VT2, заключается в том, чтобы уменьшить нагрузку на контакты прерывателя S1 и увеличить ток, протекающий через обмотку катушки L1. Следствием такого технического решения стало:
- повышение надежности работы всей системы зажигания;
- обеспечение возможности ее работы на больших оборотах двигателя и при высокой скорости движения;
- повышение степени сжатия.
Каким может быть коммутатор системы зажигания
Приведенная выше схема коммутатора – лишь один из вариантов, как может быть реализовано устройство зажигания. Это выполняется с использованием:
- транзисторов;
- тиристоров:
- гибридных элементов;
- бесконтактных датчиков.
Транзисторная схема коммутатора рассмотрена выше, тиристорная схема использует накопление энергии в конденсаторе, а не в электромагнитном поле катушки зажигания.
В ходе работы тиристорной системы, при поступлении управляющих сигналов, схема подключает заряженный конденсатор к обмоткам катушки, через которую он и разряжается, вызывая появление искры. Не касаясь достоинств и недостатков, которыми обладает та или иная схема, достаточно сказать, что любое подобное устройство обеспечивает значительное улучшение всех параметров системы зажигания, а коммутатор со временем вытеснил обычное батарейное зажигание.
Однако необходимо отметить и ещё один этап развития системы, и коммутатора в частности. Использование электронных компонентов и введение в конструкцию автомобиля коммутатора, позволило со временем отказаться от контактного прерывателя напряжения и заменить его бесконтактным датчиком. Такая система, в отечественных автомобилях, впервые была применена в машинах ВАЗ, в частности ВАЗ 2108. Подобный принцип работы, когда коммутатор получает сигналы от специального узла, на ВАЗ 2108 реализован с использованием датчика Холла.
При рассмотрении вариантов, каким может быть устройство коммутатора, нельзя обойти вниманием развитие самой системы зажигания.
Основной принцип, который реализуется при ее построении – повышение надежности и эффективности работы всей системы. Достигается это применением микропроцессорных систем, использующих показания многочисленных датчиков. Для работы с такими системами требуется, как минимум, двухканальный коммутатор, а в последнее время и отдельная катушка, и коммутатор на каждую свечу.
Такой подход – двухканальный коммутатор (в дальнейшем и многоканальный) позволяет обеспечить:
- более мощную искру;
- исключение потерь в трамблере;
- стабильный холостой ход;
- улучшенный пуск при пониженной температуре;
- снижение расхода топлива.
Стоит отметить, что двухканальный коммутатор позволяет избавиться от бегунка.
Как определить неисправность коммутатора зажигания
Введение в конструкцию автомобиля коммутатора зажигания, особенно на отечественных авто семейства ВАЗ, позволило повысить их надежность. И хотя первым серийным автомобилем с электронной системой зажигания был ВАЗ 2108, подобные устройства стали ставиться на многих других машинах, в первую очередь на классику.
Однако использование такого достаточно сложного изделия привело к тому, что найти возникающую неисправность, а также проверить и отремонтировать коммутатор стало возможным по большей части только в условиях специализированных центров.
Внешними признаками, свидетельствующими, что появилась неисправность, могут быть:
- двигатель не заводится, искры на свечах нет;
- мотор заводится, но глохнет через несколько минут;
- мотор работает неустойчиво, если коммутатор заменить на заведомо исправный, дефект устраняется.
Самый простой способ выявить неисправность и проверить коммутатор, как уже отмечено, – установить заведомо исправный. Из-за достаточно низкого качества коммутаторов, поступающих на комплектацию автомобилей семейства ВАЗ, в том числе и ВАЗ 2108, водителям приходится возить с собой дополнительные коммутаторы для замены отказавшего. Однако существует и косвенный принцип оценки, позволяющий проверить работоспособность изделия и выявить его неисправность.
Для этого можно воспользоваться показаниями вольтметра в комбинации прибора. Надо включить зажигание, при этом стрелка установится посередине шкалы, а немного погодя качнется вправо (из-за отключения питания катушки при неработающем двигателе). Такое поведение стрелки свидетельствует, что неисправность в коммутаторе отсутствует.
В том случае, когда вольтметра нет, чтобы проверить зажигание, потребуется контрольная лампа. Один ее конец присоединяется на массу, другой – к выходу катушки, соединенному с клеммой 1 коммутатора. Если включить зажигание, то при исправном коммутаторе через некоторое время лампа станет гореть ярче.
Однако, в некоторых случаях, неисправность зажигания не связана с отказом коммутатора. Надо проверить состояние проводов, в первую очередь контакт с массой и состояние разъемов. Также необходимо проверить датчик Холла.
Появление в конструкции автомобиля, в том числе и отечественного ВАЗ 2108, коммутатора напряжения, явилось закономерным результатом развития системы зажигания.
Дальнейшим ее улучшением стало использование сначала двухканальных, а затем многоканальных коммутаторов для повышения эффективности работы.
Оцените полезность статьи!
- Колеса для вращения автомобиля на месте на 360 градусов
- Через 3 года дизеля станут роскошью
- Обзор самого дорогого Hyundai Solaris за всю историю
- Тест-драйв Lamborghini Huracan от Михаила Петровского
Как работает зажигание Ваз 2109
Схему зажигания Ваз 2109 должен знать каждый его владелец. Не зная этой схему, Вы не сможете завести автомобиль в случае проблем с зажиганием. Тем более, что схем эта элементарно простая.
На девятке установлена бесконтактная система зажигания. Состоит он из следующих узлов: коммутатор, катушка зажигания, трамблер, датчик Холла, высоковольтные провода и свечи. Задача системы зажигания — своевременная, циклическая подача искры в цилиндры двигателя.
Рассмотрим подробно как работает схема:
Подача питания на систему зажигания осуществляется через реле. Пока ключ не будет в положении зажигания, реле не включится и не подаст питание на схему. Как только ключ повернут система зажигания запитывается. Питание +12В с аккумулятора подается на контакт Б катушки зажигания, 4-й контакт коммутатора. Датчик Холла запитывает сам коммутатор.
Обратите внимание, что реле зажигания питается через монтажный блок, и если будет плохой контакт в разъемах Ш1,Ш8 или по какой-то причине окиснет или сгорит дорожка, система зажигания не будет запитана и машина не будет заводиться.
Чтобы искра начала формироваться необходимо провернуть коленчатый вал двигателя. Вместе с ним провернется и распределительный вал и датчик Холла подаст импульс на коммутатор. Коммутатор в свою очередь соединит контакт К катушки зажигания с массой, в результате чего на центральном проводе появится искра. Когда бегунок трамблера соединит центральный провод и провод ведущий на конкретный цилиндр двигателя искра проскочит на свече, воспламеняя горючую смесь. Двигатель заведется.
Когда необходимо заглушить двигатель, водитель с помощью поворота ключа в замке зажигания выключает реле, которое в свою очередь разбирает питание системы. Коммутатор, катушка зажигания становятся обесточены и перестают работать.
Наиболее частые неисправности системы зажигания:
1) Выход из строя коммутатора.
2) Выход из строя датчика Холла.
3) Плохой контакт бегунка в трамблере.
4) Отсутствие питания системы зажигания.
Электрическая схема. Схема электрическая ВАЗ светотехника и сигнализация
1. Фары. 2. Фермеры. 3. Боковые указатели поворота. 4. Аккумулятор 5. Соответствующий индикатор заряда аккумулятора. 6. Реле включения дальнего света фар ВАЗ 2101. 7. Реле включения дальнего света фар. 8. Генератор ВАЗ 2101. 9. Стартер ВАЗ 2101. 10. Подкаст лампы. 11. Свечи зажигания ВАЗ 2101. 12. Датчик контрольной лампы давления масла. 13. Датчик температуры охлаждающей жидкости ВАЗ 2101.14. Звуки ВАЗ 2101. 15. Распределитель зажигания. 16. Электродвигатель стеклоочистителя ВАЗ 2101. 17. Контрольная лампа датчика уровня тормозной жидкости. 18. Катушка зажигания ВАЗ 2101. 19. Электродвигатель омывателя лобового стекла. 20. Регулятор напряжения ВАЗ 2101. 21. Электродвигатель отопителя ВАЗ 2101. 22. Лампы освещения разрядного ящика. 23. Резистор электродвигателя дополнительного отопителя. 24. Розетка для переносной лампы. 25. Выключатель контрольной лампы стояночного тормоза. 26. Выключатель сигнала тормоза. 27. Реле-прерыватель указателей поворота ВАЗ 2101.28. Выключатель фонарей заднего хода. 29. Блок предохранителей. 30. Реле-прерыватель контрольной лампы стояночного тормоза. 31. Выключатель стеклоочистителя ВАЗ 2101. 32. Выключатель электродвигателя ВАЗ 2101. 33. Прикуриватель. 34. Переключатели плафофона расположены в стойках задних дверей. 35. Плафоны в стойках передних дверей. 36. Плафоны. 37. Выключатель зажигания ВАЗ 2101. 38. ВАЗ 2101 Панель приборов. 39. Указатель температуры охлаждающей жидкости ВАЗ 2101. 40. Контрольная лампа дальнего света 41. Лампа наружного освещения. 42. Лампа поворота ВАЗ 2101.43. Индикатор заряда аккумуляторной батареи. 44. Контрольная лампа давления масла ВАЗ 2101. 45. Контрольная лампа стояночного тормоза и уровня тормозной жидкости. 46. Индекс топлива ВАЗ 2101. 47. Контрольная лампа резерва топлива. 48. Подсветка панели приборов. 49. Выключатель света фар. 50. Выключатель указателей поворота ВАЗ 2101. 51. Выключатель звукового сигнала. 52. Выключатель омывателя лобового стекла. 53. Выключатель стеклоочистителя. 54. Включите наружное освещение. 55. Приборы выключателя освещения. 56. Датчик указателя уровня и запаса топлива.57. Освещение багажника. 58. Задние фонари ВАЗ 2101. 59. Фонарь освещения Знак погрузки. 60. Фонарь заднего реверса.
Вторая версия электрооборудования ВАЗ 2101
1 — боковой указатель поворота UE140 с трубчатой лампой (4 Вт) и оранжевым диффузором.
2 — фонарь габаритный фасадный ПФ140 (субхарбик) с двухмерной лампой (5 + 21 Вт) для обозначения габарита и направления.
3 — контрольная лампа датчика ММ120 падения давления масла в двигателе ВАЗ 2101.
4 — Датчик ТМ106, электрический указатель температуры охлаждающей жидкости в двигателе.
5 — Фара налобная ФП40 с двухмерной лампой (45 + 40 Вт) дальнего и ближнего света.
6 — катушка зажигания В117.
7 — Прерыватель розжига R125 с центробежным выступом розжига и октан-корректором.
8 — Электрические звуковые сигналы высокого и низкого тона C305 и C304.
9 — Свеча зажигания A7.5HS или A7.5BS с резьбой M14x1,25.
10 — ПД140 Лампа ПД140 с включенной кнопкой.
11 — Стартер электростартер СТ221 (1.77 л.) Со смешанным возбуждением.
12 — реле включения электромагнитного тягового стартера.
13 — генератор переменного тока G221 (500 Вт, 42 А) со встроенным кремниевым выпрямителем.
14 — Аккумулятор 6-СТ-55 ЭМ.
15 — автоматический двухступенчатый регулятор напряжения электромагнитный ПП380.
16 — Контрольная лампа реле RS702 при прекращении зарядки аккумулятора.
17 — резистор (дополнительное сопротивление — 1 Ом) электродвигателя вентилятора отопителя.
18 — Электродвигатель вентилятора отопителя МЭ240.
19 — Сигнальные лампы блайдера реле RS492 при включении ручного тормоза.
20 — Реле электромагнитное RS514 стеклоочистителя ВАЗ 2101.
21 — электродвигатель ME241 (MA241A) дворника SER191.
22 — РС491 Перегрузчик указателей поворота ВАЗ 2101.
23 — Включить 412 сигналов торможения.
24 представляет собой блок предохранителей на 2 (девять вставок по 8 А и одна — по 16 А).
25 — ЛВ211 лампа освещения широкого ложа.
26 — Лампа (4 Вт) освещения гнезда прикуривателя.
27 — Электроприбор ПТ10.
28 — трехпозиционный выключатель электродвигателя отопителя ВК408.
29 — Выключатель (замок) зажигания и стартера или ВК347 с противоугонным устройством.
30 — трехпозиционный переключатель стеклоочистителя.
31 — Выключатель освещения панели приборов.
32 — Выключатель наружного освещения.
33 — выключатель (кнопка) звукового сигнала.
34 — П135 свет фар и световая сигнализация мигающим светом.
35 — Переключатель Р135 указателей поворота.
36 — щитовые (комбинированные) устройства управления КП191.
37 — Патронный переносной фонарь ПС500.
38 — выключатель ВК409 контрольная лампа ручного тормоза.
39 — Датчик уровня BM150 и запаса топлива в баке.
40 — выключатели 407 кнопочные передние двери.
41 — Переключатель дверной кнопочный.
42 — Потолок ПК140 с трубчатой лампой (5 Вт) для освещения салона автомобиля.
43 — Лампа LB218 (4 Вт) освещения багажника.
44 - Фонарь грузовой вывески FP141 с двумя лампами (5 Вт).
45 — тормозной стоп-сигнал и габаритный фонарь с двухмерным стоп-сигналом (21 Вт) и габаритами габарита (5 Вт) с красным рассеивателем.
46 — Фонарь задний П140.
47 — Задний указатель поворота с лампой 21 Вт с оранжевым рассеивателем.
Типовая схема подключения ВАЗ 2106 сделана с учетом однопроводного принципа соединения элементов электрооборудования автомобиля. Это означает, что минусовые контакты электронных устройств выводятся на т.н. Масса автомобиля, а проводное подключение дает только положительные выводы.
Электромонтажное устройство автомобиля
Такой принцип интеграции электронных компонентов в систему электропитания автомобиля на практике реализуется в виде соединений:
- Активные электроблоки автомобиля активируются с помощью замка зажигания.
- Электронные устройства, обеспечивающие поддержание необходимой степени безопасности при эксплуатации автомобиля, подключаются к аккумуляторной батарее через блок безопасности.
- Детали шкафа всех агрегатов «шестерки» являются хорошими проводниками тока.
Важно: При проведении ремонтных и профилактических работ на автомобиле необходимо обесточить проводку, сняв минусовой провод с клеммы Аккорд, иначе несанкционированное прикосновение к контактному инструменту АКБ может привести к КЗ.Для наглядности схема электронной почты. Электропроводка ВАЗ 2106 размещена на нашем интернет-ресурсе, и автомобилисты могут использовать ее для необходимых испытаний.
При самостоятельном обслуживании транспортного средства необходимо определить причину той или иной неисправности узлов электрооборудования редуктора. Устранение неисправностей следует начинать с выключателя зажигания, предназначенного для:
- Контроль исправности системы зажигания;
- Координация работы систем защиты и предотвращения автомобильных выбросов;
- буксирная «шестерка» с исправной «аварией».
В автомобиле ВАЗ 2106 схема подключения включает следующие элементы:
- Акб с контактом минусового провода на кузове ТС;
- стартер с разъемом «50» от замка зажигания через пусковое реле;
- генераторное устройство; Блок безопасности
- ;
- выключатель зажигания; Регулирующее реле
- .
Принцип работы электрооборудования ВАЗ 2106
Выключатель зажигания имеет 4 положения, при возбуждении каждого из которых переключаются переключатели определенных разъемов и контактов:
- В положении «0» ток АКБ транслируется только на разъемы 30 и 30/1, остальные обесточены.
- В положении «I» ток подается на разъемы 30-int и 30 / 1-15, при этом «габариты», очиститель лобового стекла, вентилятор системы обогрева отопительного комплекса находятся под напряжением.
- В положении «II» к ранее задействованным разъемам дополнительно подключается контакт 30-50. При этом в цепочку включаются система зажигания, стартер, датчики панели, «габаритов» и «поворотников».
- В позиции «III» задействованы только «размеры», Klakson и очистители ветровых и кормовых стекол.При этом ток доступен только для разъемов 30-int и 30/1. №
Ряд автомобилей данной марки оснащены такими устройствами, как комплекс обогрева подачи стекла, электроавтоматика «Виндер», световое реле и т. Д. Электроток к этим приборам идет отдельной линией через ключ зажигания на замке зажигания. ключевые позиции «I» и «II».
Важно: Поскольку бачок омывателя изготовлен из материала ПВХ и является диэлектриком, электродвигатель дополнительно снабжен отрицательным проводом, и при работе с ним следует использовать диэлектрическую защиту на разъемах.
В «шестерке» по току в постоянном режиме работают следующие цепи питания: Клаксон, стоп-сигналы, «Авария», прикуриватель, вилка для «переноски», панель приборов. Ведущие цепи оборудования электрооборудования предназначены для защиты предохранителей предохранителей, которые размещены в двух специальных блоках (основном и запасном), расположенных со стороны водителя под панелью приборов.
Одним из элементов электросхемы ВАЗ 2106 является блок безопасности, конструкция которого не удовлетворяет современным требованиям к содержанию электронного оборудования.Недостатки:
- нестабильное соединение предохранителя и гнезда приводит к появлению складских помещений;
- при эксплуатации предохранительный элемент подвержен нагреву, что негативно сказывается на расположении гнезд навесного оборудования поблизости;
- низкая стоимость сменных предохранителей не гарантирует их надежности, поэтому проверку этого блока следует проводить регулярно.
Использование т.н. «Жучки» могут повлечь за собой возгорание из транспортного средства, т.к. вероятность возникновения КЗ велика.Существует полностью безопасный вариант модернизации штатных изделий, в котором подлежат установке ножевые предохранители, посадочные места отлично интегрированы в блок безопасности.
Преимущества ножевых предохранителей:
- устойчивый контакт изделия с местом крепления;
- элемент плавкого типа замазанный в ПВХ-корпусе прозрачного типа;
- динамический отвод тепла за счет увеличенной площади контакта.
Важно: Шестигранный прибор, проводка к нему, а также к аккумулятору, стартеру, катушке, оптике и некоторым другим элементам предохранительными элементами не оснащены.
Если не самое главное, то одну из ведущих ролей в том, чтобы все системы и устройства автомобиля работали надежно, играет проводка. Рассмотрим, как устроена проводка на ВАЗ 2110, а также как обеспечить необходимые условия для его безаварийной работы и изготовить собственноручно.
Основные принципы
Вне зависимости от того, карбюратор или инжектор установлен в вашем ВАЗ 2110, основные принципы прокладки проводки одинаковы. Схему электропроводки найти несложно, главное разобраться. Собственно на месте разводки есть инкапант и салон.
Его основные принципы те же, и сводятся к тому, что:
- какую бы машину, работающую от электричества, вы не брали, ее подключение будет однопроводным.Причем создатели ВАЗ 2110 с самого начала предусмотрели, что как в схемах в руководстве по эксплуатации, так и в реалиях цвета проводов будут четко распределены. Проще говоря — все электрооборудование подключается с помощью проводов четко определенного цвета. К каждому устройству прилагается жгут проводов, заключенный в контактные площадки. Естественно, это сделано для того, чтобы тому, кто занимается ремонтом своими руками, было проще разобраться в этой хитросплетении. Таким образом, более понятным становится все более частая замена проводки.Совет: Если у вас небольшая проблема с конкретным оборудованием, и вам нужна замена только одного провода, лучше не жадничать и не менять его на первый. Купите полный жгут и замените его на провод нужного цвета — вам будет легче, потом легче;
- провод, подводящий питание к плюсовой клемме АКБ, всегда в красной оплетке, желательно также изменить его цвет. На всех схемах он обозначается как «П», то есть — плюс;
- но роль «минуса» (иначе — массы) отводится кузову автомобиля;
- все выводы любых потребителей электроэнергии напрямую подключены к корпусу;
- Каждая система, к которой подключен электрик, имеет свой жгут проводов.
ВАЗ 2110 постоянно, если АКБ подключен, все электрооборудование под напряжением. Именно поэтому, собственно, перед началом любого ремонта (особенно если он связан с электрической частью автомобиля) настоятельно рекомендуется отключить аккумулятор.
Бесконтактная система
Кроме того, в электротехнике представлена бесконтактная система — она необходима для эффективного образования искры при сгорании топливной смеси. Эта система не может работать без высоковольтных проводов.
Карбюраторный автомобиль
Когда с конвейера начал сходить первый ВАЗ 2110, в их оснащение входил карбюратор, который впоследствии заменил инжектор на более современную и надежную систему, обеспечивающую экономичную стабильную работу двигателя. Электропроводка двигателя с карбюратором включает в себя практически те же системы жизнеобеспечения автомобиля, что и с инжектором.
Более того, если вы, например, решите поменять карбюратор на инжектор, у вас не возникнет особых проблем, вы сможете легко установить все электрооборудование.Дело в том, что как в старом ВАЗ 2110, так и в современном увеличивающаяся электрика почти не отличается.
Кроме того, в проводке помпы есть идентичный штекер. Конечно, при подобной переделке лучше всего поменять всю жгут проводов, так как старый может иметь незаметные дефекты и неисправности.
Единственное, что нужно добавить, установив форсунку, а вместе с ней и необходимые узлы, это проложить дополнительный провод от бензонасоса к бортовому компьютеру.
Такая замена будет оправдана, так как карбюратор — это уже устаревшая деталь автомобиля. Он менее надежен и не может гарантировать точную подачу топливной смеси.
Форсунка «Десятка»
Кроме проводки, которая предусмотрена на ВАЗ 2110-карбюратор, на «десятке» — форсунке есть еще ряд предохранителей, которые защищают практически всю ее от возможности закрывания.
Конструктивно предохранители не предусмотрены только для питания электрики проводом реле от АКБ, в цепи пуска автомата и зажигания, а также для провода, идущего к генератору.
Кроме того, инжектор (в отличие от карбюратора) — более сложная система, и чтобы починить ее своими руками, нужно хорошо разбираться в ней. Контроллер в этой системе проводки «считывает» работу всех систем, тем самым определяя и спрашивая многие показатели — расчет топливной смеси и т.д. в контактах. Причем нужно проверить все провода, входящие в жгут: их визуальную целостность, сопротивление, надежность контактов и т. Д.
Особое внимание следует уделить осмотру и, возможно, замене высоковольтных проводов. Почему именно на них? Потому что окружающая среда, где они не очень благоприятны для электромонтажа, и стоящая перед ними задача очень важна. На высоковольтных проводах лежит обязанность передавать на свечи импульсы от катушки зажигания.
Признаки их неисправности:
- В работе магнитолы возникают шумы, которых ранее не наблюдалось;
- Автомобиль дергается;
- Увеличивает расход топлива;
- Двигатель «выдается» на низких оборотах;
- Выхлоп становится более токсичным.
Профилактика
Приостановив неисправность, необходимо мультиметром проверить сопротивление высоковольтных проводов. В левое отверстие необходимо проложить черный провод, в обследовании — красный. Мультиметр должен быть в синей позиции 20, щупы замыкаются между собой.
Если сопротивление равно нулю, значит все в порядке. Если стрелка мультиметра показывает 1, значит сопротивление выше предельного, такой провод подлежит замене. Кроме того, обратите внимание, что разные провода могут давать разное сопротивление из-за разницы в длине.
Так как инкрементная среда агрессивная, даже если одно из их высоковольтных вызывает повышенное сопротивление, необходимо поменять все провода на ВАЗ 2110, т.к. если он подведен, то скоро отправят другие.
Заменить своими руками несложно, нужна только аккуратность и аккуратность. И еще раз напоминаем: прежде чем лазить по проводам, выключите аккумулятор!
Электропроводка ВАЗ 2106 устроена по принципу однопроводности, что означает ситуацию, когда все потребители тока запитаны от автомобиля.В данном случае он выполняет роль второго провода (минус). Соответственно, все электрические компоненты сделаны и подключены к конкретной модели работы.
Особенности электропроводки модели «Классика»
Основные характеристики, которыми обладает электронная почта ВАЗ 2106:
- активация электрических цепей непосредственно через замок зажигания;
- соединение с аккумуляторами с участием блока предохранителей;
- корпусы ведущих ключей.
Таким образом, в случае выхода из любой системы, желательно искать прямо с замка зажигания и контактной группы.
Роль этого узла следующая:
- управляет системой зажигания автомобиля;
- играет противоугонную, в том числе охранную;
- позволяет прикрепить неисправный автомобиль с «ДТП».
Причины ремонта замка зажигания
Замок зажигания «Шестерка» имеет 4 режима с разным функционалом:
- В режиме «0» можно подавать только проволоку 30 и 30/1.Остальные функции отключены.
- Режим «І» дает возможность работать с ходовыми огнями, приводом дворников, двигателем печки.
- Режим «II» — в этом случае проводка на ВАЗ 2106 активирует сигналы поворота, приборную панель и систему зажигания.
- Положение ключа «III» подает питание на клеммы 30/1 и 30-int. Работает авто стартер.
Замена замка зажигания может потребоваться по нескольким причинам:
- Во-первых, реально в случае утери ключей.
- Во-вторых, с момента появления личинки замок зажигания подвергается износу, и это сказывается на запуске двигателя.
- Кроме того, может быть проблема с группой контактных проводов, к чему может привести.
Совет: Кстати, эту работу несложно провести самостоятельно, хотя цена на услуги автоэлектрика будет не одна. Для выполнения подобных работ заранее подготовьте сиквел и крейцкопф (ну и новый замок зажигания, если нужно).
И состоит из следующих элементов и деталей:
- замковый корпус; Контактный диск
- ;
- запорная штанга;
- ролик и контактная втулка;
- блок.
Проверка работы травера
Как поменять замок
Демонтаж старого узла
Инструкция по самостоятельной замене замка зажигания будет выглядеть примерно так:
- выключить аккумулятор;
- откручиваем винты крепления пластикового кожуха под рулевой колонкой и снимаем его;
- выключить противоугонное устройство, для чего нужно вставить ключ в положение «0»; Электропроводка ВАЗ 2106
- требует снятия фиксатора — для этого вставляем прошитое в отверстие и снимаем фиксатор;
- после того, как вы сняли фиксатор (см. Видео), настоятельно рекомендуется подивиться контактным проводам, чтобы не перепутать их при обратном подключении;
- ставим новый замок в обратном порядке.
Замена контактной группы
Электросхема ВАЗ 2106 спроектирована таким образом, что при необходимости замену контактной группы можно произвести без демонтажа замка зажигания. Однако, если снять ее силой, то поставить обратно почти не удастся. По этой причине нам потребуется выполнить все перечисленные выше операции.
Важно! После снятия фиксатора снимаем стопорное кольцо с его тыльной стороны и устанавливаем новую контактную группу (как на фото).
Приобретать только качественные запчасти рекомендуется, причем лучше это делать у проверенных автосалонов, ведь сегодня в продаже много подделок. Отличительными свойствами оригинального замка зажигания станут такие характеристики:
- Корпус отличается аккуратностью, с гладкими краями;
- верхняя часть замка плавно роляет;
- широкую голограмму невозможно нарушить без ее разрушения;
- свободное движение ключа в личинке, без помех.
Что такое бесконтактное зажигание и его преимущества
Еще один интересный вариант тюнинга классических моделей — установка зажигания бесконтактного типа. Однозначно, от такого нововведения автомобиль только выигрывает — двигатель работает равномерно, Исчезли отказы при разгоне автомобиля В холодное время заводить мотор намного проще. Кроме того, есть экономия, связанная с расходом топлива.
Схема подключения на ВАЗ 2106 в этом случае практически идентична: основные отличия — наличие датчика пульса и отсутствие траверсы.Во время работы двигателя датчик вырабатывает импульсы, поступающие на транзисторный ключ.
Уже с ним вырабатываются другие импульсы, характерные для первичной обмотки на катушке. При прерывании вторичная обмотка вырабатывает ток высокого напряжения. С контакта распределителя ток поступает на свечи зажигания в нужной последовательности.
Итак, вы приобретаете прикосновение бесконтактного зажигания к ВАЗу «Классик», которое должно соответствовать по своим характеристикам двигателю автомобиля.Далее нам потребуется схема проводки на ВАЗ 2106.
В комплектации такого зажигания должны быть следующие запчасти:
- блок коммутации; Катушка
- ;
- комплект высоковольтной проводки;
- свечи зажигания — ДВРМ;
- соединительных проводов.
Этапы работы
Для успешной замены зажигания бесконтактным важно придерживаться принципов соблюдения правильной технологии работы.Снимите минусовую клемму с аккумуляторной батареи. Этим действием всегда необходимо запускать любые виды электроустановок.
Тут на помощь придет проводка от ВАЗ 2106:
- От катушки зажигания отключаем провода и главный высоковольтный провод.
- Снимите крышку траверсы.
- Ползунок нужно ставить так, чтобы не сбивать его необходимые настройки.
- Этикетка на блоке размещается там, где есть прорези в нижней части шасси траверса.
- Снимаем гайку и снимаем старую резину бывшей контактной системы зажигания.
- Перед установкой новой системы откройте крышку обновленного траверса и установите бегунок в то же положение, что и на старой резине. Вы можете положить его в блок головки блока.
- Сдвиньте этикетку на необходимый уровень и закрутите гайки.
Теперь можно собирать, как подсказывает электросхема ВАЗ 21063 — одета крышка, подключены высоковольтные провода.Можно приступать к демонтажу старой катушки зажигания (о ней говорилось выше).
- Устанавливаем новую катушку и доводим до нее еще одно снятие высоковольтного провода.
- Теперь вставьте все высоковольтные провода на место. Контакт «К» нам понадобится для коричневых проводов новой катушки, а синих проводов пойдут на контакт «b».
- Нужно выбрать место для размещения переключателя, чаще это делается в районе бачка омывателя. Укреплен на самостоятельном нанесении.
Замена проводки ВАЗ 2106 произведена, провода можно натянуть изолентой. Осталось запустить двигатель и отрегулировать работу системы зажигания.
Примечание! Если мотор вашей «шестерки» стал работать с перебоями и с перебоями, а также это сопровождалось пропаданием мощности, причина пропуска зажигания может быть легко.
В первую очередь следует обратить внимание на целостность проводки, в том числе высоковольтной, а также исправность других элементов системы зажигания.Свечи зажигания проверяются на отдельном стенде. В некоторых случаях причиной может быть неисправный генератор ВАЗ 2106 и проводка к нему.
Заключение
Как видите, в уходе за электромобилем нет ничего сложного. Важно только грамотно и аккуратно выполнить всю работу. Таким образом вы продлите жизнь своему железному другу. Удачи на дорогах!
Легенда отечественного автопрома ВАЗ 2101 перенял лучшие черты у своего итальянского донора, и чем-то выгоднее стало отличаться от Fiat 124.В результате тестовых автономий были обнаружены недостатки в конструкции итальянского автомобиля, и только советские дороги героически помогли выявить их, устранить и доработать конструкцию копейки до должного уровня
.Данные изменения коснулись электрооборудования ВАЗ 2101, в частности, расположения некоторых электроприборов. Мы нашли настоящую заводскую схему электрооборудования «Жигулей» 1970 года и рады предоставить ее для изучения.
Источниками электроэнергии являются параллельно включенные генераторы. Номинальным считается напряжение 12 вольт, но его значение может колебаться в зависимости от состояния двигателя. При большом обороте мотора напряжение в сети может достигать не более 14 вольт, а при небольшом — не менее 11. Все электроприборы, которые устанавливаются на борту автомобиля, рассчитаны на такой диапазон напряжений и могут работать на этих значениях \ без перебоев.
Для регулировки напряжения, которое вырабатывает генератор, в цепи предусмотрен релейный контроллер.В его обязанности входит контроль напряжения на выходе генератора, а при падении реле сигнал получит сигнал на контрольной лампе, расположенной на панели приборов. При низком напряжении может разрядиться раньше времени, не успеть поиграть, что может вывести его из строя. При слишком высоком зарядном напряжении может закипеть электролит, что тоже ни к чему не приведет.
Блок предохранителей ВАЗ 2101
При возникновении короткого замыкания в цепи во время эксплуатации автомобиля сила тока на поврежденном участке увеличивается.Если не отключить поврежденную цепь от сети, она может очень быстро посадить аккумулятор, провода могут перегреться, что вызовет большую вероятность возгорания, заправки проводов и обивки автомобиля. Во избежание этого вся схема электропроводки разделена на десять зон, состояние которых контролируется определенным предохранителем.
Предохранители собраны в единый блок, пронумерованы, и мы точно можем узнать, когда конкретный предохранитель смело, в какой цепи произошло короткое замыкание.Это можно проследить как по схеме, так и по указателям на корпусе крышки блока предохранителей.
Автомобильное реле ВАЗ 2101
Некоторые электроприборы ВАЗ 2101 обладают достаточно серьезной мощностью, потребляют большие токи, а для защиты контактов переключателей от перегрузок в электросеме используются реле. На копейку устанавливали только электромагнитные реле, и большая их часть располагалась под капотом автомобиля. Под щитком приборов были установлены только реле указателя поворота.Установлено вытяжек:
Все реле на автомобиле ВАЗ 2101 ремонту не подлежат, а в случае выхода из строя заменяются на новые.
На автомобиль ВАЗ 2101 была установлена контактная система зажигания, которая отличалась простотой и надежностью. Тем не менее, некоторые элементы требуют особого ухода, и в первую очередь это относится к траверсу.
При отсутствии искры на свече зажигания можно смело говорить о причастности травера.У больного с местом выкатывания контакта была крышка, которая использовалась для образования микротрещин. Их не должно быть визуально визуально, но через них утечка напряжения и искры бьют по корпусу. Проверить это можно только на специальном стенде или в полной темноте, когда искры видны с крышки травера.
В electrochmem нет ничего сложного, нет ничего, его просто нужно знать, тогда любые неудобства с электрооборудованием можно легко обнаружить. Уважайте свою ВАЗ 2101, и удачи на дорогах!
Выключатель ВАЗ 2108: рекомендации и условия установки
Зажигание — ключевой элемент, необходимый для работы любого бензинового двигателя.Система зажигания вовремя подает искру в цилиндр, где поршень уже сжал топливную смесь и воспламенил ее. Как следствие, газы расширяются и сжимают поршень. Дальнейшее движение передается на шатун, который, в свою очередь, вращает коленчатый вал.
Зажигание ВАЗ 2108
Настройка зажигания на «восьмерке» зависит от предпочитаемого топлива и двигателя (2108, 21081 или 21083). Зажигание для каждого мотора соответственно устанавливается с определенным углом опережения.
Для настройки зажигания необходимо:
- Тахометр.
- Стробоскоп.
- Ключ 10.
Но, как показывает практика, возникновение или несвоевременная подача искры может быть вызвано не только неточной настройкой зажигания. Причина — неработающие свечи, недостаточная компрессия, сломанная катушка зажигания, неисправный выключатель.
Выключатель ВАЗ 2108 — элемент системы зажигания, отвечающий за подачу управляющих импульсов на катушку и оптимизацию КПД искры.Качество импульса определяется в особых условиях. После установки инженерами ВАЗа в систему зажигания двухканального переключателя работа двигателя изменилась в лучшую сторону:
- Появилась более мощная искра.
- Холостой ход стал стабильнее.
- Стал эффективнее запускать двигатель в холодную погоду.
- Уменьшился расход топлива.
- Потеря мощности искры в трамблере.
Неисправности в зажигании
Выявить и устранить все проблемы довольно просто.Проверить свечу можно до боли несложно в том случае, если нет необходимого инструмента. Сделайте это так: на двигателе двигатель снимается по очереди с каждого цилиндра. Если броневик снят, и это никак не повлияло на работу двигателя — становится понятно, что причина кроется именно в этой свече.
Проверить катушку немного сложнее. Надо будет взять такую же запчасть, но 100% рабочую. Если после замены катушки проблема исчезла, значит неисправна именно она.
Проверить наличие или отсутствие импульса с помощью контрольной лампы. Часто бывает, что во время поездки возникают сбои в системе зажигания. И не всегда под рукой у автовладельца будет запасной выключатель на ВАЗ 2108, катушка зажигания, комплект свечей и так далее. В такой ситуации можно обратиться за помощью к путешественникам или обратиться в службы эвакуатора. Стоимость последней услуги точно не обрадует водителя.
Чтобы выйти из этой ситуации и перейти Следующим шагом будет сначала выяснить причину неисправности.Коммутатор тестируется разными способами. Но для многих методов нужно использовать специальные инструменты и оборудование.
Способы устранения неисправностей
В дорожных условиях можно проверить выключатель. Отсоедините провод от пина 1 и подключите лампочку (12 вольт) к обрыву. При проворачивании коленвала должна периодически загораться лампочка. Это означает, что выключатель ВАЗ 2108 исправен.
Проверить можно иначе: Отсоедините провод от трамблера и вставьте обычный зажим в центральный контакт.Последний подключается на короткое время (1 секунду) к корпусу переключателя. Высоковольтный бронепровод от катушки зажигания надеть на главный тормозной цилиндр с зазором между контактами 1 сантиметр.
После этих несложных операций при включенном зажигании должна появиться искра. Если последний появился — переключатель исправен.
Автолюбителям, не разбирающимся в электронике, проще заменить неисправную деталь. Взять заведомо исправный элемент и включить его в систему совсем не сложно.Методом удержания можно найти неисправность. Как показывает практика, меньше всего выйдет из строя катушка, за ней трамблер, затем свечи и выключатель.
Схема подключения выключателя ВАЗ 2108
Выключатель ВАЗ 2108 имеет 7 пронумерованных контактов. Каждый из них выполняет определенную функцию и подключается к отдельному элементу. А именно:
- На катушку зажигания.
- К электронному коммутатору (к корпусу).
- К контакту выключателя зажигания.
- По аккумулятору.
- На датчик Холла.
- На распределителе зажигания.
- Используется для сигнала управления в электронных тахометрах и контрольных устройствах.
Главное
Как ни крути, ВАЗ — это автомобиль, созданный без каких-либо современных и инновационных технологий. Ремонт такой машины в 80% случаев производит собственник.
Не исключение — ремонт системы зажигания этого автомобиля. Переключатель ВАЗ 2108 — самая уязвимая часть в этой системе. Опытные мастера знают, что для «восьмерки» переключатель идет от некоторых моделей автомобилей Audi, Volkswagen и других марок.
Запчасть иностранного производителя показывает более высокий ресурс без потерь при подаче импульса и выработке искры.
p>Цепь, управляемая касанием, чувствительная к сопротивлению
Изобретение относится к устройству управления электронной схемой, допускающей два состояния.
Устройство в соответствии с изобретением отличается тем, что оно включает в себя первую проводящую часть, электрически изолированную от второй проводящей части, причем эти две части адаптированы для временного соединения для управления состоянием указанной цепи с помощью электрического сопротивления, образованного скин пользователя.
На прилагаемых чертежах в качестве примера показан вариант осуществления изобретения. На чертежах:
РИС. 1 — вертикальный вид устройства с частичным разрезом;
РИС. 2 — вид устройства сверху; и
ФИГ. 3 — принципиальная схема устройства с соответствующей схемой.
Показанное устройство включает переключатель, образованный двумя проводящими частями или контактами 1 и 2, изолированными куском изоляционного материала или изоляционного прокладочного материала 3.
Часть 1 имеет форму цилиндрического кольца с скошенным фланцем 1A и принудительно вставляется в круглое отверстие заземленной токопроводящей пластины 4.
Часть 3 имеет форму цилиндрического кольца, плотно прилегающего к части 1 , а деталь 2 представляет собой сплошной цилиндр, плотно вставленный в отверстие детали 3. Верхние (если смотреть на фиг. 1) поверхности деталей 1, 2 и 3 расположены заподлицо и образуют гладкую поверхность, слегка выступающую за поверхность пластины 4, размеры переключателя таковы, что части 1 и 2 могут быть соединены кожей пальца пользователя, прижатого к верхней поверхности переключателя.Штифт 5, выступающий из нижней (если смотреть на фиг. 1) торцевой поверхности части 2, позволяет подключить переключатель к цепи, как показано на фиг. 3.
Эта схема включает в себя резистор R 1, соединяющий часть 2 с источником напряжения реле + V, и резистор R2, соединяющий часть 2 с базой транзистора 10. Эмиттер транзистора 10 соединен с базой заземленного. эмиттерный транзистор 11, коллектор транзисторов 10 и 11 соединен вместе с источником напряжения + V через резистор R3 и с входом бистабильной схемы 12.
При отсутствии соединения частей 1 и 2 пальцем пользователя эти части изолированы друг от друга практически бесконечным изолирующим сопротивлением, образованным частью 3. Часть 2, база и коллектор транзистора 10 и коллектор транзистора Таким образом, все транзисторы 11 находятся под напряжением + V. Транзистор 10 проводит ток, а бистабильная схема 12 находится в одном конкретном состоянии.
Когда части 1 и 2 соединены кожей пальца пользователя, образуя сопротивление примерно от 20 до 100 кОм, напряжение на части 2 и на базе транзистора 10 падает, и транзисторы 10 и 11 блокируются и обеспечивают импульс отключения для изменения состояния бистабильной схемы 12, которая остается в этом новом состоянии, пока части 1 и 2 остаются соединенными.Как только пользователь убирает палец с переключателя, бистабильная схема 12 возвращается в исходное состояние.
Общий внешний диаметр части 1 может, например, составлять 1 см, V 1 может составлять 5 В, R 1 10 МОм, а R2 и R3 каждые 10 кОм. Когда части 1 и 2 соединяются пальцем пользователя, напряжение, прикладываемое к базе транзистора 10, падает с 5 В до примерно 0,01–0,05 В.
Описанное устройство особенно полезно в качестве реле для управления лингафонным кабинетом ввиду бесшумной работы из-за отсутствия каких-либо движущихся частей.
В качестве альтернативы, описанная бистабильная схема 12 может быть заменена схемой, которая меняет состояние всякий раз, когда части 1 и 2 подключаются, и сохраняет то же состояние, даже когда части 1 и 2 отключены, пока они не будут снова подключены, Таким образом, устройство действует как пусковое реле.
В другой возможной модификации доступные поверхности частей 1 и 2 вместо круглой могут иметь другую форму: например, часть 2 может образовывать символ, такой как знак или число, указывающее функцию, управляемую конкретным переключателем.
Блокада | ВАЗ
Цифровой трек
потоковое + скачать
Включает неограниченную потоковую передачу через бесплатное приложение Bandcamp, а также высококачественную загрузку в MP3, FLAC и других форматах.
Можно приобрести с подарочной картой
Купить цифровой трек 1 доллар
Отправить как подарок
Купить полный цифровой альбом
Полная цифровая дискография
Можно приобрести с подарочной картой
Купить цифровую дискографию 31 доллар.50 (
25% Скидка )Отправить как подарок
текст
За блокадными цепями короткое замыкание, ячейки высыхают.Кто-то снова включил свет. За черной стеной ничего не совпадает, ничего не горит. По проводу ничего не слышно. Мель / задушен. Заглохли / вытащили. Ржавчина, гниение. Никто не звонит. Блоки продолжают падать.
кредитов
лицензия
все права защищены
Пепперл + Фукс ВАЗ-LED-70MM-YE Стеклянный светильник | Standard Electric Supply Co.
Взаимодействие с другими людьми Только указанная сумма на складе доступна для покупкиПредметы на распродаже не подлежат возврату
/ {{vm.product.multipleSaleQty}} {{vm.product.unitOfMeasureDescription || vm.product.unitOfMeasureDisplay}} ($ {{vm.product.pricing.unitRegularPrice / vm.product.multipleSaleQty | число: 2}} / 1) ($ {{vm.product.basicSalePrice / vm.product.multipleSaleQty | число: 2}} / 1){{раздел.sectionName}} Выберите {{section.sectionName}}
.{{styleTrait.nameDisplay}} {{styleTrait.unselectedValue? «»: «Выбрать»}} {{styleTrait.unselectedValue? styleTrait.unselectedValue: styleTrait.nameDisplay}}
недоступно для этого варианта.{{section.sectionName}}:
{{вариант.описание}}
Описание
Предупреждение: {{vm.product.properties.prop65DisplayMessage}}
- Технические характеристики
- ресурса
- Функции {{Технические характеристики.nameDisplay}}
- Технические характеристики
- ресурсов
| Марка | |
| {{attributeValue.valueDisplay}} {{$ last? »: ‘,’}} | |
| UNSPSC | {{vm.product.unspsc}} |
| UPC | {{vm.product.upcCode}} |
| Марка | |
| {{attributeValue.valueDisplay}} {{$ last? »: ‘,’}} | |
| UNSPSC | {{vm.product.unspsc}} |
| UPC | {{vm.product.upcCode}} |
Закрывать доля
Электронное письмо было успешно отправлено.Электронное письмо не было отправлено, проверьте данные формы.
×Бруно Мигель Ваз Изобретения, патенты и заявки на патенты
Номер патента: 10530379
Abstract: Раскрыты схема (400) аналого-цифрового преобразователя (АЦП) и способ работы.В некоторых аспектах схема АЦП (400) может включать в себя множество каналов (500), схему калибровки усиления (420) и схему калибровки временного сдвига (430). Каждый из множества каналов (500) может включать в себя АЦП (520), переключатель (510), сконфигурированный для подачи дифференциального входного сигнала в АЦП (520), калибровочное устройство (530), умножитель (540) и схему (550) псевдослучайной битовой последовательности (PRBS) для предоставления псевдослучайного числа (PN) переключателю (510), калибровочному устройству (530) и умножителю (540).В некоторых вариантах осуществления калибровочное устройство (530) может включать в себя первую и вторую схемы калибровки смещения (531-532), подключенные параллельно между демультиплексором (D1) и мультиплексором (M1), которые поочередно направляют сигналы к первому и второму смещению. схемы калибровки (531-532) по псевдослучайному числу (PN).
Тип: Грант
Зарегистрирован: 22 февраля 2019 г.,
Дата патента: 7 января 2020 г.
Цессионарий: XILINX, INC.
Изобретателей: Бруно Мигель Ваз, Брендан Фарли
Источник питания — нарастание тока и эффекты сопоставления логических функций при ухудшении распространения и задержки
Эта статья была принята для включения в следующий выпуск этого журнала.Содержание является окончательным в том виде, в котором оно представлено, за исключением разбивки на страницы.
8IEEE ОПЕРАЦИИ ПО ЯДЕРНОЙ НАУКЕ
ТАБЛИЦА I
РЕЗУЛЬТАТЫ ЭЛЕКТРИЧЕСКОГО МОДЕЛИРОВАНИЯ ОЦЕНКИ ДЕГРАДАЦИИ ЗАДЕРЖКИ РАСПРОСТРАНЕНИЯ В РАЗЛИЧНЫХ СОСТАВЛЕННЫХ ИСПЫТАТЕЛЬНЫХ СХЕМАХ В ЧЕТЫРЕХ ИЗОБРАЖЕНИЯХ ЭЛЕКТРИЧЕСКИХ ИЗОБРАЖЕНИЙ
ИЗ
ЭЛЕКТРИЧЕСКИХ ЦЕПЕЙ.потеря заряда в транзисторном переключателе FG, которая влияет на сопротивление
во включенном состоянии во время излучения (см. Рис. 12).
Значения были настроены так, чтобы позволить схемам достичь
того же порядка деградации, который наблюдается в эксперименте.Исходное значение
составляет 1,2 В.
C. Результаты моделирования
Набор функциональных логических цепочек (inv, nand2 и nor2) составляет
, состоящих из 40 VersaTiles, каждый из которых настроен для реализации соответствующей функции респондента
. с использованием config1 и config2 были смоделированы
. Каждый VersaTile связан друг с другом через базовую ячейку маршрутизации
, которая моделирует сверхбыструю локальную сеть. Целью было
, чтобы сравнить ухудшение задержки распространения в различных схемах
сопоставлений cuit.В таблице I представлены значения и сдвиги
, использованные при моделировании четырех тематических исследований деградации. Эти
значений были получены в [11], [12] и могут составлять приблизительно
, коррелированных с 20 крад (Si) (случай I) и 50 крад (Si) (случай II). Исходное значение
составляло 0,381 мВ и составляло 0 нА.
Результаты для случаев I и II показывают, что при использовании только параметра
в качестве сдвигов и тока утечки для деградации транзистора
не удалось добиться ухудшения задержки распространения
выше 20%, как и ожидалось. .Как показано на фиг. 7
и 8, деградация, экспериментально измеренная при облучении
, намного превышает 20% после 41 крад (Si). Результаты, учитывающие
сдвигов Vg в сочетании со сдвигами для имитации изменения
проводимости FG, представлены в таблице I как случаи III и IV.
Комбинация ухудшения (данные из литературы
) и небольших изменений проводимости переключателя FG составила
, что привело к хорошему воспроизведению результатов измерений с тем же порядком величины
.
V. C ВКЛЮЧЕНИЯ
Эксперименты по радиации подтвердили, что ухудшение характеристик задержки распространения
может более чем вдвое различаться между различными цепями
,, размещениями и маршрутизацией для данной накопленной дозы.
Более реалистичные схемы, такие как TMR, использованные в качестве примера,
продемонстрировали более высокую скорость деградации, чем другие функциональные цепочки с простой логикой
, и представили функциональные сбои при мощностях доз
, намного меньшие, чем простые цепи инвертора.Этот результат показывает
важность характеристики более сложных схем под действием излучения
для целевого устройства. Выходные параметры, такие как propa-
,, задержка срабатывания, и рабочий цикл, хорошо следовали поведению
, тока и температуры источника питания во всех схемах.
Это подтверждает, что мониторинг тока и температуры может помочь
обнаружить серьезное ухудшение задержки. Предлагаемая модель
для электрического моделирования может эффективно сравнивать деградацию задержки распространения
на основе различных карт, а результаты
могут количественно и качественно воспроизвести поведение
, наблюдаемое экспериментально.
СПРАВОЧНАЯ ИНФОРМАЦИЯ
[1] Actel, Mountain View, CA, «ProASIC3 and IGLOO FLASH family
FPGAs datasheet», 2010 г. [онлайн]. Доступно: http://www.actel.com/
документа / PA3_HB.pdf [Online]. Доступно: http://www.actel.com/
документов / IGLOO_HB.pdf
[2] Т. Р. Олдхэм и Ф. Б. Маклин, «Эффекты общей ионизирующей дозы в оксидах и устройствах MOS
», IEEE Trans. Nucl. Sci., Т. 50, нет. 3, pp. 483–498,
Jun. 2003.
[3] H.Дж. Барнаби, «Эффекты общей ионизирующей дозы в современной КМОП-технологии
гис», IEEE Trans. Nucl. Sci., Т. 53, нет. 6, pp. 3103–3121, Dec. 2006.
[4] G. Cellere, A. Paccagnella, S. Lora, A. Pozza, G. Tao, and A. Scarpa,
«Потеря заряда после облучения Co на флэш-массивах », IEEE Trans. Nucl.
Наука, т. 51, нет. 5, пт. 3, стр. 2912–2916, декабрь 2004 г., “” in.
[5] G. Cellere, A. Paccagnella, A. Visconti, M. Bonanomi, P. Caprara, и
S.Лора, «Модель эффектов ПИВ на плавающие ячейки памяти затвора», IEEE
Trans. Nucl. Sci., Т. 51, нет. 6, пт. 2, pp. 3753–3758, Dec. 2004.
[6] Дж. Барт, К. С. Дайер и Э. Г. Стассинопулос, «Космическая, атмосферная,
и земная радиационная среда», IEEE Trans. Nucl. Sci., Т. 50,
нет. 3, пт. 3, стр. 466–482, июнь 2003 г.
[7] С. Резгуи, Дж. Дж. Ван, Ю. Сан, Б. Кронквист и Дж. Макколлум, «TID
, характеризация ПЛИС на основе золы 0,13 м. , ”В Proc.RADECS
Workshop, 2008, стр. 1–6.
[8] С. Резгуи, Дж. Дж. Ван, Ю. Сан, Б. Кронквист и Дж. МакКоллум, «Новая
перепрограммируемая и энергонезависимая радиационно-стойкая ПЛИС: RTA3P», в
Proc. IEEE Aerosp. Конф., 2008. С. 1–11.
[9] Г. Аллен, С. МакКлюр, С. Резгуи и Дж. Дж. Ван, «Результаты определения характеристик TID —
для Actel ProASIC3, ProASIC3E и IGLOO Flash
, программируемые вентильные массивы,» in Proc . Военная авиация. Программа.
Логические устройства (MAPLD), 2008, стр. 1–11.
[10] Актел, Маунтин-Вью, Калифорния, «Радиационно-стойкие ProASIC3 FPGAs ra-
эффекты диации», 2010 г. [Online]. Доступно: http://www.actel.com/doc-
uments / RT3P_Rad_Rpt.pdf
[11] Л. Гонелла, Ф. Фаччио, М. Сильвестри, С. Герардин, Д. Пантано, В. Ре, M.
Manghisoni, L. Ratti и A. Ranieri, «Эффекты общей ионизирующей дозы в
130-нм коммерческих КМОП-технологиях для экспериментов HEP», Nucl.
