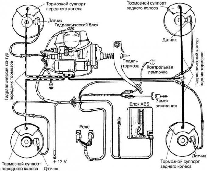
ΠΠ΅ΠΈΡΠΏΡΠ°Π²Π½ΠΎΡΡΠΈ Π°Π½ΡΠΈΠ±Π»ΠΎΠΊΠΈΡΠΎΠ²ΠΎΡΠ½ΠΎΠΉ ΡΠΎΡΠΌΠΎΠ·Π½ΠΎΠΉ ΡΠΈΡΡΠ΅ΠΌΡ (ABS)
ΠΠ»Π°Π²Π½ΠΎΠΉ ΡΡΠ½ΠΊΡΠΈΠ΅ΠΉ Π°Π½ΡΠΈΠ±Π»ΠΎΠΊΠΈΡΠΎΠ²ΠΎΡΠ½ΠΎΠΉ ΡΠΎΡΠΌΠΎΠ·Π½ΠΎΠΉ ΡΠΈΡΡΠ΅ΠΌΡ (ABS) ΡΠ²Π»ΡΠ΅ΡΡΡ ΠΈΡΠΊΠ»ΡΡΠ΅Π½ΠΈΠ΅ Π²ΠΎΠ·ΠΌΠΎΠΆΠ½ΠΎΠΉ Π±Π»ΠΎΠΊΠΈΡΠΎΠ²ΠΊΠΈ ΠΊΠΎΠ»Π΅Ρ ΠΈ ΠΏΠΎΡΠ΅ΡΠΈ ΠΊΠΎΠ½ΡΡΠΎΠ»Ρ Π½Π°Π΄ Π°Π²ΡΠΎΠΌΠΎΠ±ΠΈΠ»Π΅ΠΌ, Π²ΠΎ Π²ΡΠ΅ΠΌΡ ΡΠ΅Π·ΠΊΠΎΠ³ΠΎ ΡΠΎΡΠΌΠΎΠΆΠ΅Π½ΠΈΡ.
ΠΡΠ½ΠΎΠ²Π½ΡΠ΅ ΡΠ»Π΅ΠΌΠ΅Π½ΡΡ ΡΠΈΡΡΠ΅ΠΌΡ:
- ΠΠΠ£ (ΡΠ»Π΅ΠΊΡΡΠΎΠ½Π½ΡΠΉ Π±Π»ΠΎΠΊ ΡΠΏΡΠ°Π²Π»Π΅Π½ΠΈΡ)
- Π΄Π°ΡΡΠΈΠΊ ΡΠΊΠΎΡΠΎΡΡΠΈ Π²ΡΠ°ΡΠ΅Π½ΠΈΡ
- Π³ΠΈΠ΄ΡΠΎΠ½Π°ΡΠΎΡ
- Π³ΠΈΠ΄ΡΠΎΠΊΠ»Π°ΠΏΠ°Π½Π°
- ΠΌΠΎΠ΄ΡΠ»ΡΡΠΎΡ Π΄Π°Π²Π»Π΅Π½ΠΈΡ
Π Π°Π±ΠΎΡΠ° ΡΠΈΡΡΠ΅ΠΌΡ (ABS) Π·Π°ΠΊΠ»ΡΡΠ°Π΅ΡΡΡ Π² ΠΎΠ±ΡΠ°Π±ΠΎΡΠΊΠ΅ ΡΠ»Π΅ΠΊΡΡΠΎΠ½Π½ΡΠΌ Π±Π»ΠΎΠΊΠΎΠΌ ΡΠΏΡΠ°Π²Π»Π΅Π½ΠΈΡ ΠΈΠ½ΡΠΎΡΠΌΠ°ΡΠΈΠΈ ΠΎ ΡΠΊΠΎΡΠΎΡΡΠΈ Π²ΡΠ°ΡΠ΅Π½ΠΈΡ ΠΊΠ°ΠΆΠ΄ΠΎΠ³ΠΎ ΠΊΠΎΠ»Π΅ΡΠ°, ΡΡΠ° ΠΈΠ½ΡΠΎΡΠΌΠ°ΡΠΈΡ ΠΏΠΎΡΡΡΠΏΠ°Π΅Ρ ΠΎΡ Π΄Π°ΡΡΠΈΠΊΠΎΠ² ΡΠΊΠΎΡΠΎΡΡΠΈ Π²ΡΠ°ΡΠ΅Π½ΠΈΡ, ΡΡΡΠ°Π½ΠΎΠ²Π»Π΅Π½Π½ΡΡ Π½Π° ΠΊΠ°ΠΆΠ΄ΠΎΠΌ ΠΊΠΎΠ»Π΅ΡΠ΅. ΠΠ°Π»Π΅Π΅ ΠΏΡΠΎΠ²ΠΎΠ΄ΠΈΡΡΡ ΠΌΠ³Π½ΠΎΠ²Π΅Π½Π½ΡΠΉ ΡΠ°ΡΡΠ΅Ρ ΠΈ Π² ΡΠ»ΡΡΠ°Π΅ Π½Π΅ΠΎΠ±Ρ ΠΎΠ΄ΠΈΠΌΠΎΡΡΠΈ ΠΏΡΠΎΠΈΡΡ ΠΎΠ΄ΠΈΡ ΡΠ±ΡΠΎΡ Π΄Π°Π²Π»Π΅Π½ΠΈΡ Π² ΡΠΎΡΠΌΠΎΠ·Π½ΠΎΠΉ ΡΠΈΡΡΠ΅ΠΌΠ΅ Ρ ΠΏΠΎΠΌΠΎΡΡΡ Π³ΠΈΠ΄ΡΠΎΠΊΠ»Π°ΠΏΠ°Π½ΠΎΠ².
Π ΡΠ»ΡΡΠ°Π΅ ΡΠΊΡΡΡΠ΅Π½Π½ΠΎΠ³ΠΎ ΡΠΎΡΠΌΠΎΠΆΠ΅Π½ΠΈΡ Π±Π»ΠΎΠΊ ΡΠΏΡΠ°Π²Π»Π΅Π½ΠΈΡ Π²ΡΠΏΠΎΠ»Π½ΡΠ΅Ρ Π΄ΠΎ 20 ΡΠΈΠΊΠ»ΠΎΠ² ΡΠ±ΡΠΎΡΠ° ΠΈ ΠΏΠΎΠ΄Π°ΡΠΈ Π΄Π°Π²Π»Π΅Π½ΠΈΡ Π² ΡΠΈΡΡΠ΅ΠΌΠ΅, ΡΡΠΎ ΠΈ Π΄Π΅Π»Π°Π΅Ρ ΠΏΡΠΎΡΠ΅ΡΡ ΡΠΎΡΠΌΠΎΠΆΠ΅Π½ΠΈΡ ΠΏΡΠ΅ΡΡΠ²ΠΈΡΡΡΠΌ ΠΈ ΡΠΎΠΊΡΠ°ΡΠ°Π΅Ρ ΡΠΎΡΠΌΠΎΠ·Π½ΠΎΠΉ ΠΏΡΡΡ.
ΠΠΈΡΡΠΎ Π½Π΅ Π²Π΅ΡΠ½ΠΎ, ΠΊΠ°ΠΊ ΠΈ Π΄ΡΡΠ³ΠΈΠ΅ ΠΌΠ΅Ρ Π°Π½ΠΈΠ·ΠΌΡ, Π°Π½ΡΠΈΠ±Π»ΠΎΠΊΠΈΡΠΎΠ²ΠΎΡΠ½Π°Ρ ΡΠΈΡΡΠ΅ΠΌΠ° ΠΌΠΎΠΆΠ΅Ρ Π²ΡΠΉΡΠΈ ΠΈΠ· ΡΡΡΠΎΡ, ΠΎΠ± ΡΡΠΎΠΌ ΠΏΡΠΎΠΈΠ½ΡΠΎΡΠΌΠΈΡΡΠ΅Ρ ΠΈΠ½Π΄ΠΈΠΊΠ°ΡΠΎΡ Π½Π° ΠΏΡΠΈΠ±ΠΎΡΠ½ΠΎΠΉ ΠΏΠ°Π½Π΅Π»ΠΈ. Π‘ΡΡΠ΅ΡΡΠ²ΡΠ΅Ρ Π±ΠΎΠ»ΡΡΠΎΠ΅ ΠΊΠΎΠ»ΠΈΡΠ΅ΡΡΠ²ΠΎ Π²ΠΎΠ·ΠΌΠΎΠΆΠ½ΡΡ Π½Π΅ΠΈΡΠΏΡΠ°Π²Π½ΠΎΡΡΠ΅ΠΉ ΡΠΈΡΡΠ΅ΠΌΡ (ABS).
ΠΡΠΎΠ²Π΅ΡΠΊΡ ΡΡΠΎΠΈΡ Π½Π°ΡΠΈΠ½Π°ΡΡ Ρ ΠΏΡΠΎΠ²Π΅ΡΠΊΠΈ ΡΠΎΠΏΡΠΎΡΠΈΠ²Π»Π΅Π½ΠΈΡ Π² Π΄Π°ΡΡΠΈΠΊΠ°Ρ , Π΄Π»Ρ ΡΡΠΎΠ³ΠΎ Π½ΡΠΆΠ½ΠΎ Π²ΠΎΡΠΏΠΎΠ»ΡΠ·ΠΎΠ²Π°ΡΡΡΡ ΠΌΡΠ»ΡΡΠΈΠΌΠ΅ΡΡΠΎΠΌ. ΠΡΠ»ΠΈ ΠΏΡΠΈ ΠΏΡΠΎΠ²Π΅ΡΠΊΠ΅ Π΄Π°ΡΡΠΈΠΊΠ°, ΡΠ΅ΡΡΠ΅Ρ Π½Π΅ ΠΏΠΎΠΊΠ°Π·ΡΠ²Π°Π΅Ρ Π½ΠΈΠΊΠ°ΠΊΠΈΡ Π΄Π°Π½Π½ΡΡ β ΡΡΠΎ ΡΠ²ΠΈΠ΄Π΅ΡΠ΅Π»ΡΡΡΠ²ΡΠ΅Ρ ΠΎΠ± ΠΎΠ±ΡΡΠ²Π΅ ΡΠ΅ΠΏΠΈ. Π ΡΠ»ΡΡΠ°Π΅ ΠΎΡΡΡΡΡΡΠ²ΠΈΡ Π²ΠΈΠ΄ΠΈΠΌΡΡ ΠΏΠΎΠ²ΡΠ΅ΠΆΠ΄Π΅Π½ΠΈΠΉ ΠΏΡΠΎΠ²ΠΎΠ΄ Π½Π΅ΠΎΠ±Ρ ΠΎΠ΄ΠΈΠΌΠΎ Π·Π°ΠΌΠ΅Π½ΠΈΡΡ, Π½ΠΎΠ²ΡΠΉ ΠΏΡΠΎΠ²ΠΎΠ΄ Π΄ΠΎΠ»ΠΆΠ΅Π½ ΠΈΠΌΠ΅ΡΡ ΠΈΠ΄Π΅Π½ΡΠΈΡΠ½ΠΎΠ΅ ΡΠ΅ΡΠ΅Π½ΠΈΠ΅.
ΠΡΠ»ΠΈ ΠΏΡΠΈ ΠΏΡΠΎΠ²Π΅ΡΠΊΠ΅ ΡΠΎΠΏΡΠΎΡΠΈΠ²Π»Π΅Π½ΠΈΠ΅ ΠΎΠ΄Π½ΠΎΠ³ΠΎ ΠΈΠ· Π΄Π°ΡΡΠΈΠΊΠΎΠ² ΠΎΡΠ»ΠΈΡΠ°Π΅ΡΡΡ ΠΎΡ Π°Π½Π°Π»ΠΎΠ³ΠΈΡΠ½ΡΡ
Β —Β ΡΡΠΎ Π³ΠΎΠ²ΠΎΡΠΈΡ ΠΎ Π΅Π³ΠΎ Π½Π΅ΠΈΡΠΏΡΠ°Π²Π½ΠΎΡΡΠΈ. ΠΠ°Π»Π΅Π΅, ΠΎΠΏΡΠ΅Π΄Π΅Π»ΡΠ΅ΠΌ ΠΌΠ΅ΡΡΠΎ ΡΠ°ΡΠΏΠΎΠ»ΠΎΠΆΠ΅Π½ΠΈΡ Π½Π΅ΠΈΡΠΏΡΠ°Π²Π½ΠΎΠ³ΠΎ Π΄Π°ΡΡΠΈΠΊΠ°, ΠΏΡΠΎΡΠ»Π΅Π΄ΠΈΠ², ΠΊΡΠ΄Π° Π²Π΅Π΄Π΅Ρ ΠΏΡΠΎΠ²ΠΎΠ΄. ΠΠ°ΡΠ°ΡΡΡΡ Π΄Π°ΡΡΠΈΠΊΠΈ ΡΠΊΠΎΡΠΎΡΡΠΈ Π²ΡΠ°ΡΠ΅Π½ΠΈΡ ΠΊΠΎΠ»Π΅Ρ ΡΠ°ΡΠΏΠΎΠ»ΠΎΠΆΠ΅Π½Ρ Π½Π° ΡΡΡΠΏΠΈΡΠ°Ρ
. Π§ΡΠΎΠ±Ρ ΠΊ Π½Π΅ΠΌΡ Π΄ΠΎΠ±ΡΠ°ΡΡΡΡ Π½ΡΠΆΠ½ΠΎ Π±ΡΠ΄Π΅Ρ ΡΠ½ΡΡΡ ΠΊΠΎΠ»Π΅ΡΠΎ.
Β
Β
Β
Π’ΠΎΡΠΌΠΎΠ·Π½Π°Ρ ΡΠΈΡΡΠ΅ΠΌΠ° ΠΈ ΠΠΠ‘ | ΠΠ½ΡΠΈΠ±Π»ΠΎΠΊΠΈΡΠΎΠ²ΠΎΡΠ½Π°Ρ ΡΠΈΡΡΠ΅ΠΌΠ° (ABS)
Π’ΠΎΡ, ΠΊΠΎΠΌΡ ΠΏΡΠΈΡ ΠΎΠ΄ΠΈΠ»ΠΎΡΡ ΡΠ΅Π·ΠΊΠΎ ΡΠΎΡΠΌΠΎΠ·ΠΈΡΡ Π½Π° Π΄ΠΎΡΠΎΠ³Π΅, ΠΎΠ΄Π½ΠΎΠ²ΡΠ΅ΠΌΠ΅Π½Π½ΠΎ ΠΎΠ±Ρ ΠΎΠ΄Ρ ΠΏΡΠ΅ΠΏΡΡΡΡΠ²ΠΈΠ΅, Π½ΠΈΠΊΠΎΠ³Π΄Π° Π½Π΅ Π·Π°Π±ΡΠ΄Π΅Ρ ΡΡΠΎΠ³ΠΎ ΠΎΡΡΡΠ΅Π½ΠΈΡ. ΠΠ΅ΠΉΡΡΠ²ΠΈΡ ΠΏΡΠΎΡΡΡ ΠΈ ΠΎΡΠ΅Π²ΠΈΠ΄Π½Ρ β Π΄Π°Π²ΠΈ Π½Π° ΠΏΠ΅Π΄Π°Π»Ρ ΡΠΎΡΠΌΠΎΠ·Π°, ΠΊΡΡΡΠΈ ΡΡΠ»Π΅Π²ΠΎΠ΅ ΠΊΠΎΠ»Π΅ΡΠΎ, Π½Π°ΠΏΡΠ°Π²Π»ΡΡ Π°Π²ΡΠΎΠΌΠΎΠ±ΠΈΠ»Ρ Π² ΡΡΠΎΡΠΎΠ½Ρ ΠΎΡ Π²ΠΎΠ·Π½ΠΈΠΊΡΠ΅ΠΉ ΠΎΠΏΠ°ΡΠ½ΠΎΡΡΠΈ.
ΠΠΎ ΡΡΠΎΠΈΡ Π½Π΅ΠΌΠ½ΠΎΠ³ΠΎ ΡΠΈΠ»ΡΠ½Π΅Π΅, ΡΠ΅ΠΌ ΡΡΠΎ Π½Π΅ΠΎΠ±Ρ ΠΎΠ΄ΠΈΠΌΠΎ Π½Π°ΠΆΠ°ΡΡ Π½Π° ΡΠΎΡΠΌΠΎΠ·, ΠΊΠΎΠ»ΡΡΠ° ΠΌΠ³Π½ΠΎΠ²Π΅Π½Π½ΠΎ Π·Π°ΡΡΠΎΠΏΠΎΡΡΡΡΡ ΠΈ Π°Π²ΡΠΎΠΌΠΎΠ±ΠΈΠ»Ρ ΡΡΡΡΠ΅ΠΌΠΈΡΡΡ ΡΠΎΠ²ΡΠ΅ΠΌ Π½Π΅ ΠΏΠΎ ΡΠΎΠΉ ΡΡΠ°Π΅ΠΊΡΠΎΡΠΈΠΈ, ΠΊΠΎΡΠΎΡΠ°Ρ Π±ΡΠ»Π° Π²ΡΠΎΠ΄Π΅ Π±Ρ ΠΏΡΠΎΡΡΠΈΡΠ°Π½Π°.
ΠΡΠ»ΠΈ ΠΡ Π·Π° ΡΡΠ»ΡΠΌ ΠΎΡΠ΅ΡΠ΅ΡΡΠ²Π΅Π½Π½ΠΎΠ³ΠΎ Π°Π²ΡΠΎ ΠΈΠ»ΠΈ ΡΡΠ°ΡΠ΅Π½ΡΠΊΠΎΠΉ, ΡΠ°ΡΠΈΡΠ΅ΡΠ½ΠΎΠΉ ΠΈΠ½ΠΎΠΌΠ°ΡΠΊΠΈ, ΡΠΎ ΠΌΠΎΠΆΠ½ΠΎ Ρ ΡΠ²Π΅ΡΠ΅Π½Π½ΠΎΡΡΡΡ Π³Π°ΡΠ°Π½ΡΠΈΡΠΎΠ²Π°ΡΡ ΠΎΡΡΡΡΡΡΠ²ΠΈΠ΅ Π² Π½Π΅ΠΉ Π°Π½ΡΠΈΠ±Π»ΠΎΠΊΠΈΡΠΎΠ²ΠΎΡΠ½ΠΎΠΉ ΡΠΈΡΡΠ΅ΠΌΡ ΡΠΎΡΠΌΠΎΠ·ΠΎΠ² ΠΠΠ‘Β Β , ΠΈ ΡΠ΅Π·ΡΠ»ΡΡΠ°Ρ Π±ΡΠ΄Π΅Ρ ΠΎΠ΄ΠΈΠ½Π°ΠΊΠΎΠ²ΠΎ ΠΏΠ»Π°ΡΠ΅Π²Π½ΡΠΉ, Π½Π΅ΡΠΌΠΎΡΡΡ Π½Π° ΠΠ°ΡΠΈ Π³Π΅ΡΠΎΠΈΡΠ΅ΡΠΊΠΈΠ΅ ΡΡΠΈΠ»ΠΈΡ Π² Π±ΠΎΡΡΠ±Π΅ Ρ ΡΡΠ»Π΅Π²ΡΠΌ ΠΊΠΎΠ»Π΅ΡΠΎΠΌ. ΠΠ΅Π΄Ρ ΠΊΠΎΠ»Π΅ΡΠ° ΡΠΆΠ΅ Π½Π΅ΡΠΏΡΠ°Π²Π»ΡΠ΅ΠΌΡ, ΠΈΡ
Π·Π°Π±Π»ΠΎΠΊΠΈΡΠΎΠ²Π°Π»ΠΎ, ΠΎΠ½ΠΈ ΡΠΊΠΎΠ»ΡΠ·ΡΡ ΠΈ ΡΠΊΠΎΠ»ΡΠΊΠΎ Π±Ρ ΠΡ Π½Π΅ ΠΊΡΡΡΠΈΠ»ΠΈ Β«Π±Π°ΡΠ°Π½ΠΊΡΒ», Π½ΠΈΡΠ΅Π³ΠΎ ΠΈΠ· ΡΡΠΎΠ³ΠΎ Π½Π΅ Π²ΡΠΉΠ΄Π΅Ρ, Π°Π²ΡΠΎΠΌΠΎΠ±ΠΈΠ»Ρ ΡΠ²Π΅ΡΠ΅Π½Π½ΠΎ Π·Π°Π½ΠΎΡΠΈΡ Π² ΡΡΠΎΡΠΎΠ½Ρ. ΠΡΠΎ Π΅ΡΠ»ΠΈ Π²Ρ Π½Π°Ρ
ΠΎΠ΄ΠΈΡΠ΅ΡΡ Π½Π° Π΄ΠΎΡΠΎΠ³Π΅ Ρ Π°ΡΡΠ°Π»ΡΡΠΈΡΠΎΠ²Π°Π½Π½ΡΠΌ ΠΏΠΎΠΊΡΡΡΠΈΠ΅ΠΌ. Π Π΅ΡΠ»ΠΈ ΡΡΠΎ ΠΏΡΠΎΡΡΠ»ΠΎΡΠ½Π°Ρ, Π³ΡΡΠ½ΡΠΎΠ²Π°Ρ ΠΈΠ»ΠΈ Π³ΡΠ°Π²ΠΈΠΉΠ½Π°Ρ Π΄ΠΎΡΠΎΠ³Π°? Π’ΡΠ°Π΅ΠΊΡΠΎΡΠΈΡ Π΄Π°Π»ΡΠ½Π΅ΠΉΡΠ΅Π³ΠΎ Π΄Π²ΠΈΠΆΠ΅Π½ΠΈΡ ΠΏΡΠ΅Π΄ΡΠ³Π°Π΄Π°ΡΡ Π±ΡΠ΄Π΅Ρ Π½Π΅Π²ΠΎΠ·ΠΌΠΎΠΆΠ½ΠΎ. Π ΠΏΠΎΠ΄ΠΎΠ±Π½ΠΎΠΉ ΡΠΈΡΡΠ°ΡΠΈΠΈ ΠΌΠΎΠΆΠ΅Ρ ΠΏΠΎΠΌΠΎΡΡ Π»ΠΈΡΡ ΠΊΡΠ°ΡΠΊΠΎΠ²ΡΠ΅ΠΌΠ΅Π½Π½ΠΎΠ΅ ΠΎΡΠ»Π°Π±Π»Π΅Π½ΠΈΠ΅ Π΄Π°Π²Π»Π΅Π½ΠΈΡ Π½Π° ΠΏΠ΅Π΄Π°Π»Ρ ΡΠΎΡΠΌΠΎΠ·Π°, Π° Π·Π°ΡΠ΅ΠΌ Π±ΡΡΡΡΠΎΠ΅ ΠΏΠΎΠ²ΡΠΎΡΠ½ΠΎΠ΅ Π½Π°ΠΆΠ°ΡΠΈΠ΅ ΠΈ ΡΠ°ΠΊ Π΄ΠΎ Π²ΡΠ²ΠΎΠ΄Π° ΠΈΠ· ΠΊΡΠΈΠ·ΠΈΡΠ½ΠΎΠΉ ΡΠΈΡΡΠ°ΡΠΈΠΈ. ΠΠ°Π»Π΅ΠΊΠΎ Π½Π΅ ΠΊΠ°ΠΆΠ΄ΡΠΉ Π²ΠΎΠ΄ΠΈΡΠ΅Π»Ρ ΡΠΎ ΡΡΠ°ΠΆΠ΅ΠΌ ΡΠΌΠΎΠΆΠ΅Ρ Π²ΡΠΉΡΠΈ Ρ ΡΠ΅ΡΡΡΡ ΠΈΠ· ΡΡΠΎΠΉ ΠΏΠ΅ΡΠ΅Π΄ΡΡΠ³ΠΈ, ΡΠ΅Π³ΠΎ ΡΠΆ ΡΠ°ΠΌ Π³ΠΎΠ²ΠΎΡΠΈΡΡ ΠΎ Π½ΠΎΠ²ΠΈΡΠΊΠ°Ρ
! ΠΠΎ Π΅ΡΡΡ ΠΈ Π΄ΡΡΠ³ΠΎΠΉ Π²Π°ΡΠΈΠ°Π½Ρ ΡΠ°Π·Π²ΠΈΡΠΈΡ ΡΠΎΠ±ΡΡΠΈΠΉ β Π°Π²ΡΠΎΠΌΠΎΠ±ΠΈΠ»Ρ, ΠΎΡΠ½Π°ΡΡΠ½Π½ΡΠΉ ΡΠΈΡΡΠ΅ΠΌΠΎΠΉ ΠΠΠ‘. Π’ΠΎΠ»ΡΠΊΠΎ ΠΈ Π΄Π΅Π»Π°, ΡΡΠΎ Π΄Π°Π²ΠΈΡΡ ΡΠΈΠ»ΡΠ½Π΅Π΅ Π½Π° ΡΠΎΡΠΌΠΎΠ· ΠΈ ΡΠ²Π΅ΡΠ΅Π½Π½ΠΎ ΠΊΡΡΡΠΈΡΡ Π±Π°ΡΠ°Π½ΠΊΠΎΠΉ. ΠΠ΄Π΅ΡΡ ΠΈ Π½Π°ΡΠΈΠ½Π°ΡΡΠΈΠΉ Π²ΠΎΠ΄ΠΈΡΠ΅Π»Ρ Π½Π΅ ΡΠ°ΡΡΠ΅ΡΡΠ΅ΡΡΡ.
ΠΠ»ΠΎΠΊΠΈΡΠΎΠ²ΠΊΠ° ΠΊΠΎΠ»Π΅Ρ ΠΏΡΠΈ ΡΠΊΡΡΡΠ΅Π½Π½ΠΎΠΌ ΡΠΎΡΠΌΠΎΠΆΠ΅Π½ΠΈΠΈ ΡΠ²Π΅Π»ΠΈΡΠΈΠ²Π°Π΅Ρ ΡΠΎΡΠΌΠΎΠ·Π½ΠΎΠΉ ΠΏΡΡΡ Π°Π²ΡΠΎΠΌΠΎΠ±ΠΈΠ»Ρ. ΠΠ΅Π΄Ρ ΠΊΠΎΠ»Π΅ΡΠ° Π·Π°Π±Π»ΠΎΠΊΠΈΡΠΎΠ²Π°Π½Ρ ΠΈ ΠΌΠ°ΡΠΈΠ½Π° Π΅Π΄Π΅Ρ ΠΊΠ° Π½Π° ΠΊΠΎΠ½ΡΠΊΠ°Ρ
. ΠΠΎ Π΅ΡΠ»ΠΈ ΡΠ°Π±ΠΎΡΠ°Π΅Ρ ΠΠΠ‘, ΡΠΎ ΡΠΎΡΠΌΠΎΠ·Π½ΠΎΠΉ ΠΏΡΡΡ ΠΎΠΊΠ°Π·ΡΠ²Π°Π΅ΡΡΡ ΡΡΡΠ΅ΡΡΠ²Π΅Π½Π½ΠΎ ΠΊΠΎΡΠΎΡΠ΅.
ΠΠ΅ΡΠΈΠΎΠ΄ΠΈΡΠ΅ΡΠΊΠΈ Π±Π»ΠΎΠΊΠΈΡΡΡ ΠΈ ΠΎΡΠΏΡΡΠΊΠ°Ρ ΡΠΎΡΠΌΠΎΠ·Π½ΡΠ΅ ΠΊΠΎΠ»ΠΎΠ΄ΠΊΠΈ, ΡΠΈΡΡΠ΅ΠΌΠ° ΠΠΠ‘ ΠΏΠΎΠ·Π²ΠΎΠ»ΡΠ΅Ρ Π΄ΠΎΡΡΠΈΡΡ 15-20 % ΠΏΡΠΎΡΠΊΠ°Π»ΡΠ·ΡΠ²Π°Π½ΠΈΡ, ΡΡΠΎ ΠΎΠΏΡΠΈΠΌΠ°Π»ΡΠ½ΠΎ ΡΠΊΠ°Π·ΡΠ²Π°Π΅ΡΡΡ Π½Π° ΠΎΠ±ΡΠ΅ΠΉ Π²Π΅Π»ΠΈΡΠΈΠ½Π΅ ΡΠΎΡΠΌΠΎΠ·Π½ΠΎΠ³ΠΎ ΠΏΡΡΠΈ.
ΠΠ°ΡΡΠΎΡΡΠ΅Π΅ ΠΏΠΎΠ½ΠΈΠΌΠ°Π½ΠΈΠ΅ ΠΎ ΡΠΎΠΌ, ΠΊΡΠ΄Π° ΠΌΠΎΠ³ΡΡ Π·Π°Π²Π΅ΡΡΠΈ ΠΊΠΎΠ»Π΅ΡΠ°, Π½Π°ΡΠΌΠ΅ΡΡΡ Π·Π°Π±Π»ΠΎΠΊΠΈΡΠΎΠ²Π°Π½Π½ΡΠ΅ ΡΠΎΡΠΌΠΎΠ·Π½ΡΠΌΠΈ ΠΊΠΎΠ»ΠΎΠ΄ΠΊΠ°ΠΌΠΈ, ΠΏΡΠΈΡΠ»ΠΎ Π»ΠΈΡΡ ΠΊ ΠΊΠΎΠ½ΡΡ 70-Ρ Π³ΠΎΠ΄ΠΎΠ² . Mercedes-Benz, Π² ΡΠ°Π½Π΄Π΅ΠΌΠ΅ Ρ ΠΊΠΎΠΌΠΏΠ°Π½ΠΈΠ΅ΠΉ BOSCH, ΠΏΡΠΎΠ²ΠΎΠ΄ΡΡ ΡΡΠ΄ ΠΈΡΡΠ»Π΅Π΄ΠΎΠ²Π°ΡΠ΅Π»ΡΡΠΊΠΈΡ ΡΠ°Π±ΠΎΡ, ΡΠ΅Π·ΡΠ»ΡΡΠ°ΡΠΎΠΌ ΠΊΠΎΡΠΎΡΡΡ ΡΠ²Π»ΡΠ΅ΡΡΡ ΡΠΈΡΡΠ΅ΠΌΠ° ΠΠΠ‘, ΡΡΡΠ°Π½Π°Π²Π»ΠΈΠ²Π°Π΅ΠΌΠ°Ρ Π² S-ΡΠ΅ΡΠΈΡ Π°Π²ΡΠΎΠΌΠΎΠ±ΠΈΠ»Π΅ΠΉ Mercedes. ΠΡΠ΅ ΠΏΠΎΡΠ»Π΅Π΄ΡΡΡΠΈΠ΅ ΡΠ°Π±ΠΎΡΡ Π² ΡΡΠΎΠΉ ΠΎΠ±Π»Π°ΡΡΠΈ ΡΠ²Π»ΡΡΡΡΡ Π»ΠΈΡΡ Π΄ΠΎΠ²Π΅Π΄Π΅Π½ΠΈΠ΅ΠΌ Π΄ΠΎ ΡΠΎΠ²Π΅ΡΡΠ΅Π½ΡΡΠ²Π° Π°Π½ΡΠΈΠ±Π»ΠΎΠΊΠΈΡΠΎΠ²ΠΎΡΠ½ΠΎΠΉ ΡΠΈΡΡΠ΅ΠΌΡ.
ΠΡΠ½ΠΎΠ²Π½ΠΎΠ΅ ΠΏΡΠ΅Π΄Π½Π°Π·Π½Π°ΡΠ΅Π½ΠΈΠ΅ ΠΠΠ‘ β ΠΎΠΊΠ°Π·Π°ΡΡ Π²ΠΎΠ·Π΄Π΅ΠΉΡΡΠ²ΠΈΠ΅ Π½Π° ΡΠΊΠΎΡΠΎΡΡΡ Π΄Π²ΠΈΠΆΠ΅Π½ΠΈΡ ΠΊΠΎΠ»ΡΡ, ΠΈΠ·ΠΌΠ΅Π½ΡΡ Π΄Π°Π²Π»Π΅Π½ΠΈΠ΅ Π² ΡΠΎΡΠΌΠΎΠ·Π½ΠΎΠΉ ΡΠΈΡΡΠ΅ΠΌΠ΅ Π°Π²ΡΠΎΠΌΠΎΠ±ΠΈΠ»Ρ. Π§ΡΠΎΠ±Ρ ΡΠ΅Π³ΡΠ»ΠΈΡΠΎΠ²Π°ΡΡ ΡΠ³Π»ΠΎΠ²ΡΡ ΡΠΊΠΎΡΠΎΡΡΡ, Π½Π΅ΠΎΠ±Ρ
ΠΎΠ΄ΠΈΠΌΠΎ ΡΡΠΈΡΡΠ²Π°ΡΡ Π΅Ρ Π²Π΅Π»ΠΈΡΠΈΠ½Ρ, ΠΈ Π΅Ρ ΠΈΠ·ΠΌΠ΅Π½Π΅Π½ΠΈΡ ΠΏΠΎ Π²ΡΠ΅ΠΌΠ΅Π½ΠΈ. ΠΠ° ΠΊΠ°ΠΆΠ΄ΠΎΠΌ ΠΊΠΎΠ»Π΅ΡΠ΅ Π°Π²ΡΠΎΠΌΠΎΠ±ΠΈΠ»Ρ ΡΡΡΠ°Π½ΠΎΠ²Π»Π΅Π½ Π΄Π°ΡΡΠΈΠΊ, ΠΏΠΎΠ·Π²ΠΎΠ»ΡΡΡΠΈΠΉ ΠΏΠΎΠ»ΡΡΠ°ΡΡ ΡΠ»Π΅ΠΊΡΡΠΈΡΠ΅ΡΠΊΠΈΠ΅ ΠΈΠΌΠΏΡΠ»ΡΡΡ, ΡΠΎΡΠ°Π·ΠΌΠ΅ΡΠ½ΡΠ΅ ΡΠΎ ΡΠΊΠΎΡΠΎΡΡΡΡ Π²ΡΠ°ΡΠ°ΡΡΠ΅Π³ΠΎΡΡ ΠΊΠΎΠ»Π΅ΡΠ°, ΠΏΠ΅ΡΠ΅Π΄Π°Π²Π°Ρ ΡΡΠΈ Π΄Π°Π½Π½ΡΠ΅ Π² Π±Π»ΠΎΠΊ, ΡΠΏΡΠ°Π²Π»ΡΡΡΠΈΠΉ ΡΠ°Π±ΠΎΡΠΎΠΉ ABS.
ΠΠ°ΠΊ ΡΠΎΠ»ΡΠΊΠΎ Π²Π΅Π»ΠΈΡΠΈΠ½Π° ΡΠ³Π»ΠΎΠ²ΠΎΠΉ ΡΠΊΠΎΡΠΎΡΡΠΈ ΠΊΠΎΠ»Π΅ΡΠ° Π½Π°ΡΠ°Π΅Ρ ΡΠ½ΠΈΠΆΠ°ΡΡΡΡ, Π½Π°ΠΏΡΠΈΠΌΠ΅Ρ, Π²ΠΎ Π²ΡΠ΅ΠΌΡ ΡΠΎΡΠΌΠΎΠΆΠ΅Π½ΠΈΡ, ΠΊΠΎΠ³Π΄Π° Π΄Π°Π²Π»Π΅Π½ΠΈΠ΅ Π² ΡΠΎΡΠΌΠΎΠ·Π½ΠΎΠΉ ΠΌΠ°Π³ΠΈΡΡΡΠ°Π»ΠΈ Π²ΠΎΠ·ΡΠ°ΡΡΠ°Π΅Ρ, ΡΠ»Π΅ΠΊΡΡΠΎΠ½Π½ΡΠΉ Π±Π»ΠΎΠΊ ΡΠΏΡΠ°Π²Π»Π΅Π½ΠΈΡ Π²ΡΠ΄Π°ΡΡ ΠΊΠΎΠΌΠ°Π½Π΄Ρ ΠΈΡΠΏΡΠ°Π²ΠΈΡΡ ΡΡΡ ΡΠΈΡΡΠ°ΡΠΈΡ. ΠΠΈΠ΄ΡΠΎΠΌΠΎΠ΄ΡΠ»ΡΡΠΎΡ, ΠΈΡΠΏΠΎΠ»ΡΠ·ΡΡ ΡΠ»Π΅ΠΊΡΡΠΎΠΊΠ»Π°ΠΏΠ°Π½ ΡΠΈΡΡΠ΅ΠΌΡ, ΡΠ½ΠΈΠ·ΠΈΡ ΠΏΠΎΠ²ΡΡΠ΅Π½Π½ΠΎΠ΅ Π΄Π°Π²Π»Π΅Π½ΠΈΠ΅, ΠΏΠ΅ΡΠ΅ΡΠ°ΡΠΏΡΠ΅Π΄Π΅Π»ΠΈΠ² ΠΏΠΎΡΠΎΠΊΠΈ ΠΈ ΠΎΡΠΏΡΠ°Π²ΠΈΡ ΠΆΠΈΠ΄ΠΊΠΎΡΡΡ Π² Π³ΠΈΠ΄ΡΠ°Π²Π»ΠΈΡΠ΅ΡΠΊΠΈΠΉ Π°ΠΊΠΊΡΠΌΡΠ»ΡΡΠΎΡ. ΠΠΎΠ»Π΅ΡΠΎ, Π»ΠΈΡΠΈΠ²ΡΠΈΡΡ Π·Π°Ρ Π²Π°ΡΠ° ΡΠΎΡΠΌΠΎΠ·Π½ΡΡ ΠΊΠΎΠ»ΠΎΠ΄ΠΎΠΊ, Π½Π°ΡΠ½ΡΡ ΠΊΡΡΡΠΈΡΡΡ Ρ ΡΠ²Π΅Π»ΠΈΡΠΈΠ²Π°ΡΡΠ΅ΠΉΡΡ ΡΠΊΠΎΡΠΎΡΡΡΡ, ΠΏΠΎΠΊΠ° Π½Π΅ Π΄ΠΎΡΡΠΈΠ³Π½Π΅Ρ ΠΎΠΏΡΠ΅Π΄Π΅Π»ΡΠ½Π½ΠΎΠ³ΠΎ Π·Π½Π°ΡΠ΅Π½ΠΈΡ. ΠΠ°ΠΊ ΡΠΎΠ»ΡΠΊΠΎ ΠΏΠΎΠΊΠ°Π·Π°ΡΠ΅Π»Ρ Π²ΠΎΠ·ΡΠ°ΡΡΡΡ, Π±Π»ΠΎΠΊ ΠΠΠ‘ ΠΎΠΏΡΡΡ Π²ΡΡΡΠΏΠΈΡ Π² ΡΠ°Π±ΠΎΡΡ, ΡΠ²Π΅Π»ΠΈΡΠΈΠ²Π°Ρ Π΄Π°Π²Π»Π΅Π½ΠΈΠ΅ Π² ΡΠΈΡΡΠ΅ΠΌΠ΅, ΠΏΡΠΈΠ½ΡΠΆΠ΄Π°Ρ ΡΠΎΡΠΌΠΎΠ·Π½ΡΠ΅ ΠΊΠΎΠ»ΠΎΠ΄ΠΊΠΈ ΠΎΡΡΠ°Π½ΠΎΠ²ΠΈΡΡ ΠΊΠΎΠ»Π΅ΡΠΎ. ΠΡΠΎ Π±ΡΠ΄Π΅Ρ ΡΠΈΠΊΠ»ΠΈΡΠ½ΠΎ ΠΏΡΠΎΠ΄ΠΎΠ»ΠΆΠ°ΡΡΡΡ, ΠΏΠΎΠΊΠ° Π²ΠΎΠ΄ΠΈΡΠ΅Π»Ρ ΡΠ΄Π΅ΡΠΆΠΈΠ²Π°Π΅Ρ ΠΏΠ΅Π΄Π°Π»Ρ ΡΠΎΡΠΌΠΎΠ·Π°, ΠΊΠ°ΠΊ ΡΠΎΠ»ΡΠΊΠΎ Π΄Π°Π²Π»Π΅Π½ΠΈΠ΅ ΠΎΡΠ»Π°Π±Π½Π΅Ρ, ΡΠΈΡΡΠ΅ΠΌΠ° ABS ΠΏΡΠ΅ΠΉΠ΄ΡΡ Π² ΡΠ΅ΠΆΠΈΠΌ ΠΎΠΆΠΈΠ΄Π°Π½ΠΈΡ.
ΠΠ°ΠΆΠ΅ ΡΠ΅Π½ΡΠ°ΡΠΈΠΎΠ½Π½ΡΠ΅ Π²ΠΎΠ·ΠΌΠΎΠΆΠ½ΠΎΡΡΠΈ, Π½Π°ΠΏΡΠΈΠΌΠ΅Ρ, Π¨ΡΠΌΠ°Ρ
Π΅ΡΠ°, Π½Π΅ Π² ΡΠΎΡΡΠΎΡΠ½ΠΈΠΈ ΠΊΠΎΠ½ΠΊΡΡΠΈΡΠΎΠ²Π°ΡΡ ΡΠΎ ΡΠΊΠΎΡΠΎΡΡΡΡ ΡΠ°Π±ΠΎΡΡ ΠΠΠ‘. Π§Π°ΡΡΠΎΡΠ° Π²ΠΎΠ·Π΄Π΅ΠΉΡΡΠ²ΠΈΡ Π½Π° ΡΠΎΡΠΌΠΎΠ·Π½ΡΠ΅ ΠΊΠΎΠ»ΠΎΠ΄ΠΊΠΈ Π΄ΠΎΡΡΠΈΠ³Π°Π΅Ρ Π²Π΅Π»ΠΈΡΠΈΠ½Ρ 15 ΡΠ°Π· Π·Π° ΠΎΠ΄Π½Ρ ΡΠ΅ΠΊΡΠ½Π΄Ρ! Π Π΄Π°ΠΆΠ΅ Π΅ΡΠ»ΠΈ ΡΠ΅Π»ΠΎΠ²Π΅ΠΊ ΡΡΠΏΠ΅Π²Π°Π» Π±Ρ ΠΏΠΎ ΡΠΊΠΎΡΠΎΡΡΠΈ, ΡΠΎ Π½Π°ΠΆΠ°ΡΠΈΠ΅ΠΌ Π½Π° ΠΏΠ΅Π΄Π°Π»Ρ ΡΠΎΡΠΌΠΎΠ·Π°, ΠΎΠ½ Π±Ρ Π±Π»ΠΎΠΊΠΈΡΠΎΠ²Π°Π» Π²ΡΠ΅ ΡΠ΅ΡΡΡΠ΅ ΠΊΠΎΠ»Π΅ΡΠ°, ΡΠΎΠ³Π΄Π° ΠΊΠ°ΠΊ ΡΠΎΠ²ΡΠ΅ΠΌΠ΅Π½Π½ΡΠ΅ ΡΠ΅ΡΡΡΡΡ
ΠΊΠ°Π½Π°Π»ΡΠ½ΡΠ΅ ΡΠΈΡΡΠ΅ΠΌΡ Π°Π½ΡΠΈΠ±Π»ΠΎΠΊΠΈΡΠΎΠ²ΠΊΠΈ ΠΎΡΡΠ»Π΅ΠΆΠΈΠ²Π°ΡΡ Π΄Π°Π½Π½ΡΠ΅ ΡΠ°Π±ΠΎΡΡ Π²ΡΠ΅Ρ
ΠΊΠΎΠ»ΡΡ ΠΏΠΎ ΠΎΡΠ΄Π΅Π»ΡΠ½ΠΎΡΡΠΈ, ΠΈ ΡΠ°ΠΊ ΠΆΠ΅ ΡΠΏΡΠ°Π²Π»ΡΡΡ ΡΡΡΠ΅ΠΊΡΠΈΠ²Π½ΠΎΡΡΡΡ Π²ΠΎΠ·Π΄Π΅ΠΉΡΡΠ²ΠΈΡ ΡΠΎΡΠΌΠΎΠ·Π½ΠΎΠΉ ΡΠΈΡΡΠ΅ΠΌΡ Π½Π° ΠΊΠ°ΠΆΠ΄ΠΎΠ΅ ΠΊΠΎΠ»Π΅ΡΠΎ.
| < ΠΡΠ΅Π΄ΡΠ΄ΡΡΠ°Ρ | Β | Π‘Π»Π΅Π΄ΡΡΡΠ°Ρ > |
|---|
ΠΠ΅ΠΈΡΠΏΡΠ°Π²Π½ΠΎΡΡΠΈ Π°Π½ΡΠΈΠ±Π»ΠΎΠΊΠΈΡΠΎΠ²ΠΎΡΠ½ΠΎΠΉ ΡΠΎΡΠΌΠΎΠ·Π½ΠΎΠΉ ΡΠΈΡΡΠ΅ΠΌΡ (ABS)
Β ΠΠ»Π°Π²Π½ΠΎΠΉ ΡΡΠ½ΠΊΡΠΈΠ΅ΠΉ Π°Π½ΡΠΈΠ±Π»ΠΎΠΊΠΈΡΠΎΠ²ΠΎΡΠ½ΠΎΠΉ ΡΠΎΡΠΌΠΎΠ·Π½ΠΎΠΉ ΡΠΈΡΡΠ΅ΠΌΡ (ABS) ΡΠ²Π»ΡΠ΅ΡΡΡ ΠΈΡΠΊΠ»ΡΡΠ΅Π½ΠΈΠ΅ Π²ΠΎΠ·ΠΌΠΎΠΆΠ½ΠΎΠΉ Π±Π»ΠΎΠΊΠΈΡΠΎΠ²ΠΊΠΈ ΠΊΠΎΠ»Π΅Ρ ΠΈ ΠΏΠΎΡΠ΅ΡΠΈ ΠΊΠΎΠ½ΡΡΠΎΠ»Ρ Π½Π°Π΄ Π°Π²ΡΠΎΠΌΠΎΠ±ΠΈΠ»Π΅ΠΌ, Π²ΠΎ Π²ΡΠ΅ΠΌΡ ΡΠ΅Π·ΠΊΠΎΠ³ΠΎ ΡΠΎΡΠΌΠΎΠΆΠ΅Π½ΠΈΡ.
ΠΡΠ½ΠΎΠ²Π½ΡΠ΅ ΡΠ»Π΅ΠΌΠ΅Π½ΡΡ ΡΠΈΡΡΠ΅ΠΌΡ:
- ΠΠΠ£ (ΡΠ»Π΅ΠΊΡΡΠΎΠ½Π½ΡΠΉ Π±Π»ΠΎΠΊ ΡΠΏΡΠ°Π²Π»Π΅Π½ΠΈΡ)
- Π΄Π°ΡΡΠΈΠΊ ΡΠΊΠΎΡΠΎΡΡΠΈ Π²ΡΠ°ΡΠ΅Π½ΠΈΡ
- Π³ΠΈΠ΄ΡΠΎΠ½Π°ΡΠΎΡ
- Π³ΠΈΠ΄ΡΠΎΠΊΠ»Π°ΠΏΠ°Π½Π°
- ΠΌΠΎΠ΄ΡΠ»ΡΡΠΎΡ Π΄Π°Π²Π»Π΅Π½ΠΈΡ
Π Π°Π±ΠΎΡΠ° ΡΠΈΡΡΠ΅ΠΌΡ (ABS) Π·Π°ΠΊΠ»ΡΡΠ°Π΅ΡΡΡ Π² ΠΎΠ±ΡΠ°Π±ΠΎΡΠΊΠ΅ ΡΠ»Π΅ΠΊΡΡΠΎΠ½Π½ΡΠΌ Π±Π»ΠΎΠΊΠΎΠΌ ΡΠΏΡΠ°Π²Π»Π΅Π½ΠΈΡ ΠΈΠ½ΡΠΎΡΠΌΠ°ΡΠΈΠΈ ΠΎ ΡΠΊΠΎΡΠΎΡΡΠΈ Π²ΡΠ°ΡΠ΅Π½ΠΈΡ ΠΊΠ°ΠΆΠ΄ΠΎΠ³ΠΎ ΠΊΠΎΠ»Π΅ΡΠ°, ΡΡΠ° ΠΈΠ½ΡΠΎΡΠΌΠ°ΡΠΈΡ ΠΏΠΎΡΡΡΠΏΠ°Π΅Ρ ΠΎΡ Π΄Π°ΡΡΠΈΠΊΠΎΠ² ΡΠΊΠΎΡΠΎΡΡΠΈ Π²ΡΠ°ΡΠ΅Π½ΠΈΡ, ΡΡΡΠ°Π½ΠΎΠ²Π»Π΅Π½Π½ΡΡ Π½Π° ΠΊΠ°ΠΆΠ΄ΠΎΠΌ ΠΊΠΎΠ»Π΅ΡΠ΅. ΠΠ°Π»Π΅Π΅ ΠΏΡΠΎΠ²ΠΎΠ΄ΠΈΡΡΡ ΠΌΠ³Π½ΠΎΠ²Π΅Π½Π½ΡΠΉ ΡΠ°ΡΡΠ΅Ρ ΠΈ Π² ΡΠ»ΡΡΠ°Π΅ Π½Π΅ΠΎΠ±Ρ ΠΎΠ΄ΠΈΠΌΠΎΡΡΠΈ ΠΏΡΠΎΠΈΡΡ ΠΎΠ΄ΠΈΡ ΡΠ±ΡΠΎΡ Π΄Π°Π²Π»Π΅Π½ΠΈΡ Π² ΡΠΎΡΠΌΠΎΠ·Π½ΠΎΠΉ ΡΠΈΡΡΠ΅ΠΌΠ΅ Ρ ΠΏΠΎΠΌΠΎΡΡΡ Π³ΠΈΠ΄ΡΠΎΠΊΠ»Π°ΠΏΠ°Π½ΠΎΠ².
Π ΡΠ»ΡΡΠ°Π΅ ΡΠΊΡΡΡΠ΅Π½Π½ΠΎΠ³ΠΎ ΡΠΎΡΠΌΠΎΠΆΠ΅Π½ΠΈΡ Π±Π»ΠΎΠΊ ΡΠΏΡΠ°Π²Π»Π΅Π½ΠΈΡ Π²ΡΠΏΠΎΠ»Π½ΡΠ΅Ρ Π΄ΠΎ 20 ΡΠΈΠΊΠ»ΠΎΠ² ΡΠ±ΡΠΎΡΠ° ΠΈ ΠΏΠΎΠ΄Π°ΡΠΈ Π΄Π°Π²Π»Π΅Π½ΠΈΡ Π² ΡΠΈΡΡΠ΅ΠΌΠ΅, ΡΡΠΎ ΠΈ Π΄Π΅Π»Π°Π΅Ρ ΠΏΡΠΎΡΠ΅ΡΡ ΡΠΎΡΠΌΠΎΠΆΠ΅Π½ΠΈΡ ΠΏΡΠ΅ΡΡΠ²ΠΈΡΡΡΠΌ ΠΈ ΡΠΎΠΊΡΠ°ΡΠ°Π΅Ρ ΡΠΎΡΠΌΠΎΠ·Π½ΠΎΠΉ ΠΏΡΡΡ.
Π’Π°ΠΊ ΠΊΠ°ΠΊ ΡΠΈΡΡΠ΅ΠΌΠ° ΠΏΡΠ΅ΠΏΡΡΡΡΠ²ΡΠ΅Ρ Π±Π»ΠΎΠΊΠΈΡΠΎΠ²ΠΊΠ΅ ΠΊΠΎΠ»Π΅Ρ, ΠΏΡΠΈ ΡΠ΅Π·ΠΊΠΎΠΌ ΡΠΎΡΠΌΠΎΠΆΠ΅Π½ΠΈΠΈ Π°Π²ΡΠΎΠΌΠΎΠ±ΠΈΠ»Ρ ΡΠΎΡ
ΡΠ°Π½ΡΠ΅Ρ ΡΠ²ΠΎΡ ΡΠΏΡΠ°Π²Π»ΡΠ΅ΠΌΠΎΡΡΡ ΠΈ ΠΏΠΎΠ·Π²ΠΎΠ»ΡΠ΅Ρ ΠΎΠ±ΡΠ΅Ρ
Π°ΡΡ ΠΏΡΠ΅ΠΏΡΡΡΡΠ²ΠΈΠ΅.
ΠΠΈΡΡΠΎ Π½Π΅ Π²Π΅ΡΠ½ΠΎ, ΠΊΠ°ΠΊ ΠΈ Π΄ΡΡΠ³ΠΈΠ΅ ΠΌΠ΅Ρ Π°Π½ΠΈΠ·ΠΌΡ, Π°Π½ΡΠΈΠ±Π»ΠΎΠΊΠΈΡΠΎΠ²ΠΎΡΠ½Π°Ρ ΡΠΈΡΡΠ΅ΠΌΠ° ΠΌΠΎΠΆΠ΅Ρ Π²ΡΠΉΡΠΈ ΠΈΠ· ΡΡΡΠΎΡ, ΠΎΠ± ΡΡΠΎΠΌ ΠΏΡΠΎΠΈΠ½ΡΠΎΡΠΌΠΈΡΡΠ΅Ρ ΠΈΠ½Π΄ΠΈΠΊΠ°ΡΠΎΡ Π½Π° ΠΏΡΠΈΠ±ΠΎΡΠ½ΠΎΠΉ ΠΏΠ°Π½Π΅Π»ΠΈ. Π‘ΡΡΠ΅ΡΡΠ²ΡΠ΅Ρ Π±ΠΎΠ»ΡΡΠΎΠ΅ ΠΊΠΎΠ»ΠΈΡΠ΅ΡΡΠ²ΠΎ Π²ΠΎΠ·ΠΌΠΎΠΆΠ½ΡΡ Π½Π΅ΠΈΡΠΏΡΠ°Π²Π½ΠΎΡΡΠ΅ΠΉ ΡΠΈΡΡΠ΅ΠΌΡ (ABS).
ΠΡΠΎΠ²Π΅ΡΠΊΡ ΡΡΠΎΠΈΡ Π½Π°ΡΠΈΠ½Π°ΡΡ Ρ ΠΏΡΠΎΠ²Π΅ΡΠΊΠΈ ΡΠΎΠΏΡΠΎΡΠΈΠ²Π»Π΅Π½ΠΈΡ Π² Π΄Π°ΡΡΠΈΠΊΠ°Ρ , Π΄Π»Ρ ΡΡΠΎΠ³ΠΎ Π½ΡΠΆΠ½ΠΎ Π²ΠΎΡΠΏΠΎΠ»ΡΠ·ΠΎΠ²Π°ΡΡΡΡ ΠΌΡΠ»ΡΡΠΈΠΌΠ΅ΡΡΠΎΠΌ. ΠΡΠ»ΠΈ ΠΏΡΠΈ ΠΏΡΠΎΠ²Π΅ΡΠΊΠ΅ Π΄Π°ΡΡΠΈΠΊΠ°, ΡΠ΅ΡΡΠ΅Ρ Π½Π΅ ΠΏΠΎΠΊΠ°Π·ΡΠ²Π°Π΅Ρ Π½ΠΈΠΊΠ°ΠΊΠΈΡ Π΄Π°Π½Π½ΡΡ β ΡΡΠΎ ΡΠ²ΠΈΠ΄Π΅ΡΠ΅Π»ΡΡΡΠ²ΡΠ΅Ρ ΠΎΠ± ΠΎΠ±ΡΡΠ²Π΅ ΡΠ΅ΠΏΠΈ. Π ΡΠ»ΡΡΠ°Π΅ ΠΎΡΡΡΡΡΡΠ²ΠΈΡ Π²ΠΈΠ΄ΠΈΠΌΡΡ ΠΏΠΎΠ²ΡΠ΅ΠΆΠ΄Π΅Π½ΠΈΠΉ ΠΏΡΠΎΠ²ΠΎΠ΄ Π½Π΅ΠΎΠ±Ρ ΠΎΠ΄ΠΈΠΌΠΎ Π·Π°ΠΌΠ΅Π½ΠΈΡΡ, Π½ΠΎΠ²ΡΠΉ ΠΏΡΠΎΠ²ΠΎΠ΄ Π΄ΠΎΠ»ΠΆΠ΅Π½ ΠΈΠΌΠ΅ΡΡ ΠΈΠ΄Π΅Π½ΡΠΈΡΠ½ΠΎΠ΅ ΡΠ΅ΡΠ΅Π½ΠΈΠ΅.
ΠΡΠ»ΠΈ ΠΏΡΠΈ ΠΏΡΠΎΠ²Π΅ΡΠΊΠ΅ ΡΠΎΠΏΡΠΎΡΠΈΠ²Π»Π΅Π½ΠΈΠ΅ ΠΎΠ΄Π½ΠΎΠ³ΠΎ ΠΈΠ· Π΄Π°ΡΡΠΈΠΊΠΎΠ² ΠΎΡΠ»ΠΈΡΠ°Π΅ΡΡΡ ΠΎΡ Π°Π½Π°Π»ΠΎΠ³ΠΈΡΠ½ΡΡ
Β —Β ΡΡΠΎ Π³ΠΎΠ²ΠΎΡΠΈΡ ΠΎ Π΅Π³ΠΎ Π½Π΅ΠΈΡΠΏΡΠ°Π²Π½ΠΎΡΡΠΈ. ΠΠ°Π»Π΅Π΅, ΠΎΠΏΡΠ΅Π΄Π΅Π»ΡΠ΅ΠΌ ΠΌΠ΅ΡΡΠΎ ΡΠ°ΡΠΏΠΎΠ»ΠΎΠΆΠ΅Π½ΠΈΡ Π½Π΅ΠΈΡΠΏΡΠ°Π²Π½ΠΎΠ³ΠΎ Π΄Π°ΡΡΠΈΠΊΠ°, ΠΏΡΠΎΡΠ»Π΅Π΄ΠΈΠ², ΠΊΡΠ΄Π° Π²Π΅Π΄Π΅Ρ ΠΏΡΠΎΠ²ΠΎΠ΄. ΠΠ°ΡΠ°ΡΡΡΡ Π΄Π°ΡΡΠΈΠΊΠΈ ΡΠΊΠΎΡΠΎΡΡΠΈ Π²ΡΠ°ΡΠ΅Π½ΠΈΡ ΠΊΠΎΠ»Π΅Ρ ΡΠ°ΡΠΏΠΎΠ»ΠΎΠΆΠ΅Π½Ρ Π½Π° ΡΡΡΠΏΠΈΡΠ°Ρ
. Π§ΡΠΎΠ±Ρ ΠΊ Π½Π΅ΠΌΡ Π΄ΠΎΠ±ΡΠ°ΡΡΡΡ Π½ΡΠΆΠ½ΠΎ Π±ΡΠ΄Π΅Ρ ΡΠ½ΡΡΡ ΠΊΠΎΠ»Π΅ΡΠΎ.
ΠΡΠΈ Π΄Π΅ΠΌΠΎΠ½ΡΠ°ΠΆΠ΅ Π΄Π°ΡΡΠΈΠΊΠ° Π»ΡΡΡΠ΅ Π²ΠΎΡΠΏΠΎΠ»ΡΠ·ΠΎΠ²Π°ΡΡΡΡ ΠΏΡΠΎΠ½ΠΈΠΊΠ°ΡΡΠ΅ΠΉ ΡΠΌΠ°Π·ΠΊΠΎΠΉ, ΡΡΠΎΠ±Ρ ΡΠ½ΠΈΠ·ΠΈΡΡ Π²ΠΎΠ·ΠΌΠΎΠΆΠ½ΠΎΡΡΡ ΠΏΠΎΠ²ΡΠ΅ΠΆΠ΄Π΅Π½ΠΈΡ ΠΊΡΠ΅ΠΏΠ»Π΅Π½ΠΈΡ. ΠΡΠΎΠ±Π»Π΅ΠΌΠ° Π² ΡΠ°Π±ΠΎΡΠ΅ Π΄Π°ΡΡΠΈΠΊΠ°, ΠΌΠΎΠΆΠ΅Ρ Π±ΡΡΡ Π±Π°Π½Π°Π»ΡΠ½ΠΎΠΉ β Π·Π°Π³ΡΡΠ·Π½Π΅Π½ΠΈΠ΅. ΠΡΠ»ΠΈ ΠΏΠΎΡΠ»Π΅ ΠΎΡΠΈΡΡΠΊΠΈ Π΄Π°ΡΡΠΈΠΊΠ° ΠΎΡΠΈΠ±ΠΊΠ° ΠΎΡΡΠ°Π½Π΅ΡΡΡ, ΡΠΎ Π½Π΅ΠΎΠ±Ρ
ΠΎΠ΄ΠΈΠΌΠ° Π΅Π³ΠΎ Π·Π°ΠΌΠ΅Π½Π°. Β Β Β Β
Β
Β
Π£ΡΡΡΠΎΠΉΡΡΠ²ΠΎ ABS — Π°Π½ΡΠΈΠ±Π»ΠΎΠΊΠΈΡΠΎΠ²ΠΎΡΠ½ΠΎΠΉ ΡΠΈΡΡΠ΅ΠΌΡ ΡΠΎΡΠΌΠΎΠ·ΠΎΠ².
ΠΠ°ΠΊ ΡΡΡΡΠΎΠ΅Π½Π° ΡΠΈΡΡΠ΅ΠΌΠ° ABS (Π-ΠΠ-ΠΠ‘ ΠΏΠΎ ΡΡΡΡΠΊΠΈ ΠΠΠ‘), Π΅Ρ ΠΏΡΠ΅ΠΈΠΌΡΡΠ΅ΡΡΠ²Π° ΠΈ Π½Π΅Π΄ΠΎΡΡΠ°ΡΠΊΠΈ.
Π‘ΠΈΡΡΠ΅ΠΌΠ° ΠΠΠ‘ Ρ ΠΊΠ°ΠΆΠ΄ΡΠΌ Π³ΠΎΠ΄ΠΎΠΌ Π·Π°Π²ΠΎΡΠ²ΡΠ²Π°Π΅Ρ ΡΠΎΡΠΌΠΎΠ·Π½ΡΠ΅ ΡΠΈΡΡΠ΅ΠΌΡ ΡΠ°Π·Π»ΠΈΡΠ½ΡΡ ΡΠΎΠ²ΡΠ΅ΠΌΠ΅Π½Π½ΡΡ ΡΡΠ°Π½ΡΠΏΠΎΡΡΠ½ΡΡ ΡΡΠ΅Π΄ΡΡΠ², ΠΈ Π½Π°ΡΠΈΠ½Π°Π΅Ρ ΠΏΠΎΡΠ²Π»ΡΡΡΡΡ Π΄Π°ΠΆΠ΅ Π½Π° ΡΠΊΡΡΠ΅ΡΠ°Ρ . Π ΡΡΠΎ Π·Π½Π°ΡΠΈΡ, ΡΡΠΎ Π΅ΡΡ ΡΠΎΠ²ΡΠ΅ΠΌ Π½Π΅ΠΌΠ½ΠΎΠ³ΠΎ Π²ΡΠ΅ΠΌΠ΅Π½ΠΈ, ΠΈ Π°Π½ΡΠΈΠ±Π»ΠΎΠΊΠΈΡΠΎΠ²ΠΎΡΠ½Π°Ρ ΡΠΈΡΡΠ΅ΠΌΠ° ΡΠΎΡΠΌΠΎΠ·ΠΎΠ² Π±ΡΠ΄Π΅Ρ ΠΏΠΎΡΡΠΈ Π² ΠΊΠ°ΠΆΠ΄ΠΎΠΌ Π°Π²ΡΠΎΠΌΠΎΠ±ΠΈΠ»Π΅, ΠΈ ΠΏΠΎΡΡΠΎΠΌΡ ΡΡΡΡΠΎΠΉΡΡΠ²ΠΎ ΡΡΠΎΠΉ ΡΠΈΡΡΠ΅ΠΌΡ ΠΆΠ΅Π»Π°ΡΠ΅Π»ΡΠ½ΠΎ ΠΈΠ·ΡΡΠ°ΡΡ ΠΈ Π·Π½Π°ΡΡ ΡΠΆΠ΅ ΡΠ΅ΠΉΡΠ°Ρ ΠΊΠ°ΠΆΠ΄ΠΎΠΌΡ Π²ΠΎΠ΄ΠΈΡΠ΅Π»Ρ, Ρ ΠΎΡΡ Π±Ρ ΠΏΠΎΠ²Π΅ΡΡ Π½ΠΎΡΡΠ½ΠΎ. Π Π² ΡΡΠΎΠΉ ΡΡΠ°ΡΡΠ΅ ΠΌΡ ΠΈ ΠΏΠΎΡΡΠ°ΡΠ°Π΅ΠΌΡΡ Ρ ΡΡΠΈΠΌ ΡΠΏΡΠ°Π²ΠΈΡΡΡΡ.
Π ΠΎΡΠ»ΠΈΡΠΈΠ΅ ΠΎΡ Π°Π²ΡΠΎΠΌΠΎΠ±ΠΈΠ»Ρ, Π² ΠΊΠ°ΠΆΠ΄ΠΎΠΌ ΠΌΠΎΡΠΎΡΠΈΠΊΠ»Π΅ ΡΡΠ° ΡΠΈΡΡΠ΅ΠΌΠ° ΠΌΠΎΠΆΠ΅Ρ ΠΈ Π½Π΅ ΠΏΠΎΡΠ²ΠΈΡΡΡΡ Π² Π±Π»ΠΈΠΆΠ°ΠΉΡΠΈΠ΅ Π³ΠΎΠ΄Ρ. ΠΠ΅Π΄Ρ Π½Π° ΡΠΏΠΎΡΡΠ΅ (ΡΠΏΠΎΡΡΠ±Π°ΠΉΠΊΠ΅) ΡΡΠΎΠΏΠΏΠΈ ΠΈ ΡΠΎΠ»Π»ΠΈΠ½Π³ ΠΏΡΠΈ ΠΠS ( Π½Π΅ΠΊΠΎΡΠΎΡΡΠ΅ ΠΏΠΈΡΡΡ ABC, Π½ΠΎ ΡΡΠΎ Π½Π΅ ΠΏΡΠ°Π²ΠΈΠ»ΡΠ½ΠΎ) Π² ΡΠΎΡΠΌΠΎΠ·Π½ΠΎΠΉ ΡΠΈΡΡΠ΅ΠΌΠ΅ ΠΏΡΠ°ΠΊΡΠΈΡΠ΅ΡΠΊΠΈ Π½Π΅Π²ΠΎΠ·ΠΌΠΎΠΆΠ½ΠΎ Π²ΡΠΏΠΎΠ»Π½ΠΈΡΡ, ΠΊΠ°ΠΊ ΠΈ Π½Π΅Π²ΠΎΠ·ΠΌΠΎΠΆΠ½ΠΎ Π²ΡΠΏΠΎΠ»Π½ΠΈΡΡ Π½Π° ΠΊΡΠΎΡΡΠ°ΡΠ΅ Π²Π²ΠΈΠ½ΡΠΈΠ²Π°Π½ΠΈΠ΅ Π±Π°ΠΉΠΊΠ° Π² ΠΏΠΎΠ²ΠΎΡΠΎΡ, Ρ ΠΏΠΎΠΌΠΎΡΡΡ Π·Π°Π΄Π½Π΅Π³ΠΎ ΡΠΎΡΠΌΠΎΠ·Π° (Π½Π° Π³ΡΡΠ½ΡΠ΅).
Π Π½Π°ΡΡΠΎΡΡΠΈΠ΅ ΡΠΏΠΎΡΡΡΠΌΠ΅Π½Ρ ΠΏΡΠΎΡΠ΅ΡΡΠΈΠΎΠ½Π°Π»Ρ, ΠΎΡΠ»ΠΈΡΠ½ΠΎ ΠΎΠ±Ρ
ΠΎΠ΄ΡΡΡΡ Π² Π³ΠΎΠ½ΠΊΠ°Ρ
ΠΈ Π±Π΅Π· ΡΡΠΎΠΉ ΡΠΈΡΡΠ΅ΠΌΡ, ΡΠ°ΠΊ ΠΊΠ°ΠΊ ΡΡΠ²ΡΡΠ²ΠΈΡΠ΅Π»ΡΠ½ΠΎΡΡΡ ΡΠΎΡΠΌΠΎΠ·ΠΎΠ² (ΡΡΠ²ΡΡΠ²ΠΎ ΠΊΠΎΠ½ΡΡΠΎΠ»Ρ) Ρ Π½ΠΈΡ
Π½Π° Π²ΡΡΡΠ΅ΠΌ ΡΡΠΎΠ²Π½Π΅ ΠΈ ΠΎΠ½ΠΈ Π°ΡΡΡ ΡΠΏΡΠ°Π²Π»ΡΠ΅ΠΌΠΎΠ³ΠΎ Π·Π°Π½ΠΎΡΠ°. Π ΠΌΠ½ΠΎΠ³ΠΈΠ΅ ΠΎΠΏΡΡΠ½ΡΠ΅ ΡΠΏΠΎΡΡΡΠΌΠ΅Π½Ρ Π½Π΅ΡΠΎΠΌΠ½Π΅Π½Π½ΠΎ ΠΎΡΠΊΠ°ΠΆΡΡΡΡ ΠΎΡ ΡΡΠΎΠΉ ΡΠΈΡΡΠ΅ΠΌΡ, ΠΊΠΎΡΠΎΡΠ°Ρ Π΄ΠΎΠ±Π°Π²Π»ΡΠ΅Ρ Π»ΠΈΡΠ½ΠΈΠ΅ ΠΏΡΡΡ-ΡΠ΅ΡΡΡ ΠΊΠΈΠ»ΠΎΠ³ΡΠ°ΠΌΠΌ ΠΊ ΠΎΠ±ΡΠ΅ΠΌΡ Π²Π΅ΡΡ Π±Π°ΠΉΠΊΠ°, ΠΈ ΠΊ ΡΠΎΠΌΡ ΠΆΠ΅ Π΄ΠΎΠ±Π°Π²Π»ΡΠ΅Ρ ΠΎΡ ΠΏΡΡΠΈΡΠΎΡ Π΄ΠΎ ΡΡΡΡΡΠΈ $ Π² ΡΠ΅Π½Ρ Π»ΡΠ±ΠΎΠ³ΠΎ ΡΡΠ°Π½ΡΠΏΠΎΡΡΠ½ΠΎΠ³ΠΎ ΡΡΠ΅Π΄ΡΡΠ²Π°.
ΠΠΎ Π²Π΅Π΄Ρ ΡΡΠ° ΡΠΈΡΡΠ΅ΠΌΠ° ΠΏΡΠ΅Π΄Π½Π°Π·Π½Π°ΡΠ΅Π½Π° Π² ΠΏΠ΅ΡΠ²ΡΡ ΠΎΡΠ΅ΡΠ΅Π΄Ρ Π΄Π»Ρ ΡΠΈΡΠΎΠΊΠΈΡ ΠΌΠ°ΡΡ Π²ΠΎΠ΄ΠΈΡΠ΅Π»Π΅ΠΉ, ΠΊΠΎΡΠΎΡΡΠ΅ Π΅Π·Π΄ΡΡ ΠΊΠ°ΠΆΠ΄ΡΠΉ Π΄Π΅Π½Ρ Π½Π΅ ΠΏΠΎ ΠΈΠ΄Π΅Π°Π»ΡΠ½ΠΎΠΉ ΠΈ ΡΠΈΡΡΠΎΠΉ ΠΏΠΎΠ²Π΅ΡΡ Π½ΠΎΡΡΠΈ ΡΠΏΠΎΡΡΠΈΠ²Π½ΠΎΠ³ΠΎ ΡΡΠ΅ΠΊΠ°, Π° ΠΏΠΎ Π½Π°ΡΠΈΠΌ Β«Π΄ΠΎΡΠΎΠ³Π°ΠΌΒ», ΠΏΠΎΠΊΡΡΡΡΠΌ ΠΏΠ΅ΡΠΊΠΎΠΌ, Π³ΡΡΠ·ΡΡ ΠΈ ΠΏΡΠΎΠ»ΠΈΡΡΠΌ ΠΌΠ°ΡΠ»ΠΎΠΌ. ΠΡ, Π° Π·ΠΈΠΌΠΎΠΉ ΠΏΠΎΠ²Π΅ΡΡ Π½ΠΎΡΡΡ Π΄ΠΎΡΠΎΠ³ ΠΌΠΎΠΆΠ΅Ρ Π±ΡΡΡ ΠΎΡΠ΅Π½Ρ ΡΠΊΠΎΠ»ΡΠ·ΠΊΠΎΠΉ, ΠΈ ΠΊΠ°ΠΆΠ΄ΡΠΉ Π΄Π΅Π½Ρ ΠΎΡ ΠΏΠΎΠ³ΠΎΠ΄Π½ΡΡ ΡΡΠ»ΠΎΠ²ΠΈΠΉ ΠΊΠΎΡΡΡΠΈΡΠΈΠ΅Π½Ρ ΡΡΠ΅ΠΏΠ»Π΅Π½ΠΈΡ ΡΠΈΠ½ Ρ Π΄ΠΎΡΠΎΠΆΠ½ΠΎΠΉ ΠΏΠΎΠ²Π΅ΡΡ Π½ΠΎΡΡΡΡ ΠΌΠ΅Π½ΡΠ΅ΡΡΡ, ΠΈ ΠΏΡΠΈΡΡΠΌ ΠΏΠΎ Π½Π΅ΡΠΊΠΎΠ»ΡΠΊΡ ΡΠ°Π· Π½Π° Π΄Π΅Π½Ρ. Π’Π°ΠΊ ΡΡΠΎ Π²ΡΡ ΡΠ°ΠΊΠΈ Π°-Π±Ρ-ΡΡ ΠΏΠΎΠ»Π΅Π·Π½ΡΠΉ Π΄Π΅Π²Π°ΠΉΡ, ΠΊΠ°ΠΊ Π΄Π»Ρ ΡΠ΅ΡΡΡΡΡ ΠΊΠΎΠ»ΡΡ Π°Π²ΡΠΎΠΌΠΎΠ±ΠΈΠ»Π΅ΠΉ, ΡΠ°ΠΊ ΠΈ Π΄Π»Ρ Π΄Π²ΡΡ ΠΊΠΎΠ»ΡΡ ΠΌΠΎΡΠΎΡΠΈΠΊΠ»ΠΎΠ².
ΠΠ»Ρ Π½ΠΎΠ²ΠΈΡΠΊΠΎΠ², Π²ΠΏΠ΅ΡΠ²ΡΠ΅ ΡΠ΅Π²ΡΠΈΡ
Π·Π° ΡΡΠ»Ρ ΠΌΠΎΡΠΎΡΠΈΠΊΠ»Π°, Π΄Π° ΠΈ Π°Π²ΡΠΎΠΌΠΎΠ±ΠΈΠ»Ρ ΡΠΎΠΆΠ΅, ΡΡΠ° ΡΠΈΡΡΠ΅ΠΌΠ° ΠΏΡΠΎΡΡΠΎ Π½Π΅ΠΎΠ±Ρ
ΠΎΠ΄ΠΈΠΌΠ°.
ΠΠ° ΠΈ ΠΎΠΏΡΡΠ½ΡΠΌ Π±Π°ΠΉΠΊΠ΅ΡΠ°ΠΌ, ΠΠΠ‘ ΠΌΠΎΠΆΠ΅Ρ Π±ΡΡΡ ΠΏΠΎΠ»Π΅Π·Π½Π°, ΠΎΡΠΎΠ±Π΅Π½Π½ΠΎ Π² Π΄Π°Π»ΡΠ½ΠΎΠ±ΠΎΠ΅, ΠΊΠΎΠ³Π΄Π° ΠΏΠΎΡΠ»Π΅ ΠΏΠ΅ΡΠ²ΡΡ
ΠΏΡΠΎΠΉΠ΄Π΅Π½Π½ΡΡ
500 ΠΊΠΌ, ΡΡΠ²ΡΡΠ²Π° Π²ΠΎΠ΄ΠΈΡΠ΅Π»Ρ ΠΏΡΠΈΡΡΠΏΠ»ΡΡΡΡΡ, Π° ΠΏΠΎΡΠ»Π΅ 10 ΡΠ°ΡΠΎΠ² Π΄ΠΎΠ²ΠΎΠ»ΡΠ½ΠΎ ΡΠ½Π΅ΡΠ³ΠΈΡΠ½ΠΎΠ³ΠΎ Π΄Π²ΠΈΠΆΠ΅Π½ΠΈΡ Π΄Π°ΠΆΠ΅ ΠΏΠΎ ΠΌΠ°Π³ΠΈΡΡΡΠ°Π»ΠΈ, ΠΌΠΎΠ·Π³ Π²ΠΎΠ΄ΠΈΡΠ΅Π»Ρ ΡΠΆΠ΅ Π² ΡΠΎΡΡΠΎΡΠ½ΠΈΠΈ ΡΠΉΡΠΎΡΠΈΠΈ, Π·Π°ΠΌΠ΅Π΄Π»ΡΡΡΠ΅ΠΉ Π»ΡΠ±ΡΡ ΡΠ΅Π°ΠΊΡΠΈΡ Π²ΠΎΠ΄ΠΈΡΠ΅Π»Ρ. Π ΡΠ°ΡΡΠΎ Π² ΡΠ°ΠΊΠΎΠΌ ΡΠ»ΡΡΠ°Π΅, Π½Π΅ΠΎΠΆΠΈΠ΄Π°Π½Π½ΠΎ ΠΏΠΎΡΠ²ΠΈΠ²ΡΠ΅Π΅ΡΡ ΠΏΡΠ΅ΠΏΡΡΡΡΠ²ΠΈΠ΅ Π½Π° Π΄ΠΎΡΠΎΠ³Π΅, Π·Π°ΡΡΠ°Π²Π»ΡΠ΅Ρ ΡΡΠΎΠΌΠΈΠ²ΡΠ΅Π³ΠΎΡΡ Π²ΠΎΠ΄ΠΈΡΠ΅Π»Ρ ΡΠ΅Π·ΠΊΠΎ ΡΠ΄Π°ΡΠΈΡΡ ΠΏΠΎ ΡΠΎΡΠΌΠΎΠ·Π°ΠΌ, Π° Π½Π΅ Π±ΠΎΠ»Π΅Π΅ ΠΏΠ»Π°Π²Π½ΠΎ, ΠΊΠ°ΠΊ ΠΎΠ±ΡΡΠ½ΠΎ Π΄Π΅Π»Π°Π΅Ρ ΡΠ²Π΅ΠΆΠΈΠΉ ΠΏΠΈΠ»ΠΎΡ. Π Π΅ΡΠ»ΠΈ Π±Ρ Π½Π΅ Π°Π½ΡΠΈΠ±Π»ΠΎΠΊΠΈΡΠΎΠ²ΠΊΠ° ΡΠΎΡΠΌΠΎΠ·ΠΎΠ², ΠΈΡΡ
ΠΎΠ΄ Π² ΡΠ°ΠΊΠΎΠΉ ΡΠΈΡΡΠ°ΡΠΈΠΈ ΠΌΠΎΠΆΠ΅Ρ Π±ΡΡΡ ΠΏΠ΅ΡΠ°Π»ΡΠ½ΡΠΌ, ΠΎΡΠΎΠ±Π΅Π½Π½ΠΎ Π½Π° ΡΠΊΠΎΡΠΎΡΡΡΡ
Π·Π° ΡΠΎΡΠ½Ρ.
ΠΡΡΠ°ΡΠΈ, Π΅ΡΠ»ΠΈ Π·Π°Π΄Π½Π΅Π΅ ΠΊΠΎΠ»Π΅ΡΠΎ ΠΌΠΎΡΠΎΡΠΈΠΊΠ»Π° ΠΏΠΎΠΏΠ°Π΄Π°Π΅Ρ Π½Π° ΠΏΡΡΠ½ΠΎ ΠΌΠ°ΡΠ»Π° ΠΈΠ»ΠΈ ΠΏΠ΅ΡΠΊΠ°, ΡΠΎ ΡΠΎΠ²Π»Π°Π΄Π°ΡΡ Ρ Π±Π°ΠΉΠΊΠΎΠΌ ΠΎΠΏΡΡΠ½ΠΎΠΌΡ Π²ΠΎΠ΄ΠΈΡΠ΅Π»Ρ Π΄ΠΎΠ²ΠΎΠ»ΡΠ½ΠΎ Π»Π΅Π³ΠΊΠΎ, Π° Π²ΠΎΡ Π΅ΡΠ»ΠΈ ΠΏΠΎΠΏΠ°Π΄Π°Π΅Ρ ΠΏΠ΅ΡΠ΅Π΄Π½Π΅Π΅, ΡΠΎ Π½Π°Π²Π΅ΡΠ½ΡΡΡΡΡ ΠΌΠΎΠΆΠ΅Ρ Π΄Π°ΠΆΠ΅ ΠΎΠΏΡΡΠ½ΡΠΉ ΠΏΠΈΠ»ΠΎΡ. ΠΡΠΎ Π±ΡΠ»ΠΎ ΠΏΠΎΠ΄ΡΠ²Π΅ΡΠΆΠ΄Π΅Π½ΠΎ ΠΈΡΠΏΡΡΠ°Π½ΠΈΡΠΌΠΈ Π½Π° ΡΠΏΠ΅ΡΠΈΠ°Π»ΡΠ½ΡΡ
ΠΏΠΎΠ»ΠΈΠ³ΠΎΠ½Π°Ρ
, ΠΈ ΠΏΠΎΡΠ»Π΅ Π²ΡΠ΅Ρ
ΠΏΠ°Π΄Π΅Π½ΠΈΠΉ, ΡΠΌΠ½ΡΠ΅ ΠΈΠ½ΠΆΠ΅Π½Π΅ΡΡ ΠΈ ΠΏΡΠΈΠ΄ΡΠΌΠ°Π»ΠΈ ΡΠΈΡΡΠ΅ΠΌΡ, ΠΊΠΎΡΠΎΡΠ°Ρ Π½Π΅ ΠΏΠΎΠ·Π²ΠΎΠ»ΠΈΡ Π²ΡΠ΅ΠΌ ΠΊΠΎΠ»ΡΡΠ°ΠΌ Π·Π°Π±Π»ΠΎΠΊΠΈΡΠΎΠ²Π°ΡΡΡΡ ΠΏΠΎΠ»Π½ΠΎΡΡΡΡ, Π° ΠΏΠΎΠ·Π²ΠΎΠ»ΡΠ΅Ρ ΡΡΠΈΠΌ ΠΊΠΎΠ»ΡΡΠ°ΠΌ ΠΈΠ΄ΡΠΈ ΠΏΠΎ Π³ΡΠ°Π½ΠΈ ΠΏΡΠ΅Π΄Π΅Π»Π° ΡΡΠ΅ΠΏΠ»Π΅Π½ΠΈΡ ΠΏΠΎΠΊΡΡΡΠ΅ΠΊ Ρ Π΄ΠΎΡΠΎΠΆΠ½ΡΠΌ ΠΏΠΎΠΊΡΡΡΠΈΠ΅ΠΌ ΠΈ Π½Π΅ Π·Π°Π±Π»ΠΎΠΊΠΈΡΠΎΠ²Π°ΡΡΡΡ (Π½Π΅ ΠΏΠ΅ΡΠ΅ΡΡΠ°ΡΡ Π²ΡΠ°ΡΠ°ΡΡΡΡ).
Π’Π°ΠΊ ΠΈ ΠΏΠΎΡΠ²ΠΈΠ»Π°ΡΡ Π°Π½ΡΠΈΠ±Π»ΠΎΠΊΠΈΡΠΎΠ²ΠΎΡΠ½Π°Ρ ΡΠΎΡΠΌΠΎΠ·Π½Π°Ρ ΡΠΈΡΡΠ΅ΠΌΠ°, ΡΠΎΡΠ½Π°Ρ Π°Π±Π±ΡΠ΅Π²ΠΈΠ°ΡΡΡΠ° ABS β Antilock Brake Sistem.
Π ΠΎΡΠ½Π°ΡΠ°ΡΡ Π΅ΠΉ ΡΠ΅ΡΠΈΠΉΠ½ΡΠ΅ Π°Π²ΡΠΎΠΌΠΎΠ±ΠΈΠ»ΠΈ ΠΈ ΠΌΠΎΡΠΎΡΠΈΠΊΠ»Ρ Π² Π±ΠΎΠ»ΡΡΠΈΡ ΠΌΠ°ΡΡΡΠ°Π±Π°Ρ Π½Π°ΡΠ°Π»ΠΈ Π½Π΅ ΡΠ°ΠΊ Π΄Π°Π²Π½ΠΎ, Π½ΠΎ ΠΊΠ°ΠΊ Ρ ΡΠΆΠ΅ Π³ΠΎΠ²ΠΎΡΠΈΠ», Π²ΡΠΊΠΎΡΠ΅ ΡΠΈΡΡΠ΅ΠΌΠ° Π·Π°Π²ΠΎΡΠ΅Ρ ΠΏΡΠ°ΠΊΡΠΈΡΠ΅ΡΠΊΠΈ Π²ΡΠ΅ ΡΠ΅ΡΠΈΠΉΠ½ΡΠ΅ Π°Π²ΡΠΎΠΌΠΎΠ±ΠΈΠ»ΠΈ ΠΈ Π΅Ρ ΡΡΡΡΠΎΠΉΡΡΠ²ΠΎ ΠΆΠ΅Π»Π°ΡΠ΅Π»ΡΠ½ΠΎ Π·Π½Π°ΡΡ ΠΊΠ°ΠΆΠ΄ΠΎΠΌΡ Π²ΠΎΠ΄ΠΈΡΠ΅Π»Ρ, ΡΡΠΎ Π±Ρ ΡΠΌΠ΅ΡΡ ΡΡΡΡΠ°Π½ΠΈΡΡ ΠΈΠ»ΠΈ ΠΏΡΠ΅Π΄ΠΎΡΠ²ΡΠ°ΡΠΈΡΡ Π΅Ρ Π½Π΅ΠΈΡΠΏΡΠ°Π²Π½ΠΎΡΡΠΈ, Π²Π΅Π΄Ρ Ρ ΡΠΎΡΠΌΠΎΠ·Π°ΠΌΠΈ Π½Π΅ ΡΡΡΡΡ. ΠΠΎ Π½Π°ΡΠ½ΡΠΌ ΠΏΠΎ ΠΏΠΎΡΡΠ΄ΠΊΡ.
Π£ΡΡΡΠΎΠΉΡΡΠ²ΠΎ ΡΠΈΡΡΠ΅ΠΌΡ ABS β Π-ΠΠ-ΠΠ‘ (ΠΠΠ‘).
ΠΠ»Π°Π²Π½ΠΎΠ΅ ΠΎΡΠ»ΠΈΡΠΈΠ΅ ΡΠΈΡΡΠ΅ΠΌΡ ΡΠΎΡΠΌΠΎΠ·ΠΎΠ² Ρ ΠΠΠ‘ (ΠΏΠΎ ΡΡΡΡΠΊΠΈ) ΡΠΎΡΡΠΎΠΈΡ Π² ΡΠΎΠΌ, ΡΡΠΎ Π½Π° ΠΊΠ°ΠΆΠ΄ΠΎΠΉ ΡΠΎΡΠΌΠΎΠ·Π½ΠΎΠΉ ΠΌΠ°Π³ΠΈΡΡΡΠ°Π»ΠΈ, ΠΌΠ΅ΠΆΠ΄Ρ Π³Π»Π°Π²Π½ΡΠΌ ΡΠΎΡΠΌΠΎΠ·Π½ΡΠΌ ΡΠΈΠ»ΠΈΠ½Π΄ΡΠΎΠΌ ΠΈ ΡΠΎΡΠΌΠΎΠ·Π½ΡΠΌ ΡΡΠΏΠΏΠΎΡΡΠΎΠΌ, ΡΡΡΠ°Π½ΠΎΠ²Π»Π΅Π½Ρ ΡΠΏΠ΅ΡΠΈΠ°Π»ΡΠ½ΡΠ΅ ΡΠ»Π΅ΠΊΡΡΠΎΠ³ΠΈΠ΄ΡΠ°Π²Π»ΠΈΡΠ΅ΡΠΊΠΈΠ΅ ΡΡΡΡΠΎΠΉΡΡΠ²Π°, ΠΎ ΠΊΠΎΡΠΎΡΡΡ
ΠΌΡ ΠΏΠΎΠ³ΠΎΠ²ΠΎΡΠΈΠΌ ΠΏΠΎΠ΄ΡΠΎΠ±Π½Π΅Π΅ ΡΡΡΡ ΠΏΠΎΠ·ΠΆΠ΅. Π ΡΡΠΈΠΌΠΈ ΡΡΡΡΠΎΠΉΡΡΠ²Π°ΠΌΠΈ, ΠΏΡΠΈ ΠΈΡ
ΡΠ°Π±ΠΎΡΠ΅, ΠΊΠΎΠΌΠ°Π½Π΄ΡΠ΅Ρ Π»ΠΈΠ±ΠΎ ΠΎΠ±ΡΠΈΠΉ ΡΠ»Π΅ΠΊΡΡΠΎΠ½Π½ΡΠΉ Π±Π»ΠΎΠΊ ΡΠΏΡΠ°Π²Π»Π΅Π½ΠΈΡ Π²ΡΠ΅Ρ
ΡΠΈΡΡΠ΅ΠΌ ΠΌΠΎΡΠΎΡΠΈΠΊΠ»Π° ΠΈΠ»ΠΈ Π°Π²ΡΠΎΠΌΠΎΠ±ΠΈΠ»Ρ, ΠΊΠ°ΠΊ Π½Π° ΡΡΠ°Π½ΡΠΏΠΎΡΡΠ΅ ΠΠΠ, Π»ΠΈΠ±ΠΎ ΠΎΡΠ΄Π΅Π»ΡΠ½ΡΠΉ (ΠΏΠ΅ΡΡΠΎΠ½Π°Π»ΡΠ½ΡΠΉ) ΡΠ»Π΅ΠΊΡΡΠΎΠ½Π½ΡΠΉ Π±Π»ΠΎΠΊ, ΠΊΠ°ΠΊ Π½Π° ΡΠΏΠΎΠ½ΡΠΊΠΈΡ
Π°Π²ΡΠΎΠΌΠΎΠ±ΠΈΠ»ΡΡ
ΠΈ ΠΌΠΎΡΠΎΡΠΈΠΊΠ»Π°Ρ
.
ΠΡΠ±ΡΠ°ΡΡΠΉ Π²Π΅Π½Π΅Ρ, Π²ΡΠ΄Π΅Π»Π΅Π½Π½ΡΠΉ ΠΊΡΠ°ΡΠ½ΡΠΌ ΠΊΡΡΠΆΠΊΠΎΠΌ, Π³Π΅Π½Π΅ΡΠΈΡΡΠ΅Ρ ΡΠ΅ΡΠ΅Π· Π΄Π°ΡΡΠΈΠΊ (ΡΠ»Π΅Π²Π°), ΠΈΠΌΠΏΡΠ»ΡΡΡ Π½Π° ΠΌΠΎΠ·Π³ ΡΠΈΡΡΠ΅ΠΌΡ ABS.
ΠΠ° ΠΊΠ°ΠΆΠ΄ΠΎΠΌ ΠΊΠΎΠ»Π΅ΡΠ΅ ΡΡΡΠ°Π½ΠΎΠ²Π»Π΅Π½Ρ ΠΎΡΠ΅Π½Ρ ΡΡΠ²ΡΡΠ²ΠΈΡΠ΅Π»ΡΠ½ΡΠ΅ Π΄Π°ΡΡΠΈΠΊΠΈ (ΡΠΌ. ΡΠΎΡΠΎ ΡΠ»Π΅Π²Π°), ΡΠΎΡΠ½ΠΎ ΠΎΠΏΡΠ΅Π΄Π΅Π»ΡΡΡΠΈΠ΅ ΡΠΊΠΎΡΠΎΡΡΡ ΠΈΡ Π²ΡΠ°ΡΠ΅Π½ΠΈΡ, Π° Π΅ΡΠ»ΠΈ Π±ΡΡΡ ΡΠΎΡΠ½ΡΠΌ β ΠΎΡ ΡΠΎΡΠΎΠΊΠ° Π΄ΠΎ ΡΠ΅ΡΡΠΈΠ΄Π΅ΡΡΡΠΈ ΠΈΠΌΠΏΡΠ»ΡΡΠΎΠ² Π·Π° ΠΎΠ΄ΠΈΠ½ ΠΎΠ±ΠΎΡΠΎΡ ΠΊΠΎΠ»Π΅ΡΠ°. ΠΠ° ΡΠΎΡΠΎ ΡΠ»Π΅Π²Π° ΠΏΠΎΠΊΠ°Π·Π°Π½Ρ Π·ΡΠ±ΡΠΈΠΊΠΈ (Π²ΡΠ΄Π΅Π»Π΅Π½ΠΎ ΠΊΡΠ°ΡΠ½ΡΠΌ ΠΊΡΡΠ³ΠΎΠΌ) ΠΈ ΠΊΠ°ΠΆΠ΄ΡΠΉ Π·ΡΠ±ΡΠΈΠΊ Π½Π° Π²Π΅Π½ΡΠ΅ Π² ΡΠ΅Π½ΡΡΠ΅ ΠΊΠΎΠ»Π΅ΡΠ°, Π³Π΅Π½Π΅ΡΠΈΡΡΠ΅Ρ 1 ΡΠ»Π΅ΠΊΡΡΠΎΠΈΠΌΠΏΡΠ»ΡΡ.
Π ΠΊΠ°ΠΊ Π²ΡΡ ΡΡΠΎ ΡΠ°Π±ΠΎΡΠ°Π΅Ρ Π½Π° ΠΏΡΠ°ΠΊΡΠΈΠΊΠ΅?
ΠΡΠΎΡΠ΅ ΡΠ°ΡΡΠΌΠΎΡΡΠ΅ΡΡ ΡΠ°Π±ΠΎΡΡ ΡΠΈΡΡΠ΅ΠΌΡ Π½Π° ΠΏΡΠΈΠΌΠ΅ΡΠ΅ ΠΌΠΎΡΠΎΡΠΈΠΊΠ»Π°, Π½ΠΎ ΡΠΈΡΡΠ΅ΠΌΡ Π±ΠΎΠ»ΡΡΠΈΠ½ΡΡΠ²Π° Π°Π²ΡΠΎΠΌΠΎΠ±ΠΈΠ»Π΅ΠΉ ΡΠ°Π±ΠΎΡΠ°ΡΡ ΡΠ°ΠΊ ΠΆΠ΅. ΠΠΎΠ΄ΠΈΡΠ΅Π»Ρ ΠΌΠΎΡΠΎΡΠΈΠΊΠ»Π° Π΅Π΄Π΅Ρ ΠΏΠΎ Π΄ΠΎΡΠΎΠ³Π΅, ΠΊΠΎΠ»ΡΡΠ° Π±Π°ΠΉΠΊΠ° ΡΠ°Π²Π½ΠΎΠΌΠ΅ΡΠ½ΠΎ Π²ΡΠ°ΡΠ°ΡΡΡΡ, Π° Π΄Π°ΡΡΠΈΠΊΠΈ ΡΠΊΠΎΡΠΎΡΡΠ΅ΠΉ ΠΊΠΎΠ»ΡΡ, Ρ ΠΎΠΏΡΠ΅Π΄Π΅Π»ΡΠ½Π½ΠΎΠΉ ΠΏΠ΅ΡΠΈΠΎΠ΄ΠΈΡΠ½ΠΎΡΡΡΡ ΠΏΠΎΡΡΠ»Π°ΡΡ Π² ΡΠ»Π΅ΠΊΡΡΠΎΠ½Π½ΡΠΉ Π±Π»ΠΎΠΊ ΡΠ»Π΅ΠΊΡΡΠΈΡΠ΅ΡΠΊΠΈΠ΅ ΠΈΠΌΠΏΡΠ»ΡΡΡ. ΠΠΎ Π²Π΄ΡΡΠ³ ΠΏΠ΅ΡΠ΅Π΄ Π²ΠΎΠ΄ΠΈΡΠ΅Π»Π΅ΠΌ Π²ΠΎΠ·Π½ΠΈΠΊΠ°Π΅Ρ ΠΊΠ°ΠΊΠΎΠ΅ ΡΠΎ ΠΏΡΠ΅ΠΏΡΡΡΡΠ²ΠΈΠ΅, ΠΈ Π²ΠΎΠ΄ΠΈΡΠ΅Π»Ρ Π΄Π°Π²ΠΈΡ Π½Π° ΡΡΡΠ°Π³ ΠΏΠ΅ΡΠ΅Π΄Π½Π΅Π³ΠΎ ΠΈΠ»ΠΈ Π·Π°Π΄Π½Π΅Π³ΠΎ ΡΠΎΡΠΌΠΎΠ·Π°, Π±Π΅Π· ΡΠ°Π·Π½ΠΈΡΡ ΠΊΠ°ΠΊΠΎΠ³ΠΎ.
ΠΠ° ΠΌΠΎΡΠΎΡΠΈΠΊΠ»Π°Ρ
ΠΠΠ, Π·ΡΠ±ΡΠ°ΡΡΠΉ Π²Π΅Π½Π΅Ρ ΠΏΠ΅ΡΠ΅Π΄Π½Π΅Π³ΠΎ ΠΊΠΎΠ»Π΅ΡΠ°, ΡΠ°ΡΠΏΠΎΠ»Π°Π³Π°Π΅ΡΡΡ Π½Π° ΡΠΎΡΠΌΠΎΠ·Π½ΠΎΠΌ Π΄ΠΈΡΠΊΠ΅, Π° Π²Π΅Π½Π΅Ρ Π·Π°Π΄Π½Π΅Π³ΠΎ ΠΊΠΎΠ»Π΅ΡΠ° ΡΠ°ΡΠΏΠΎΠ»ΠΎΠΆΠ΅Π½ Π½Π° ΡΡΡΠΏΠΈΡΠ΅ (Π²ΡΠ΄Π΅Π»Π΅Π½ΠΎ ΠΊΡΠ°ΡΠ½ΡΠΌ ΠΊΡΡΠ³ΠΎΠΌ).
ΠΡΠΈ Π½Π°ΠΆΠ°ΡΠΈΠΈ Π½Π° ΡΠΎΡΠΌΠΎΠ·Π½ΠΎΠΉ ΡΡΡΠ°Π³, Π²ΠΌΠ΅ΡΡΠ΅ Ρ ΠΊΠΎΠ½ΡΠ΅Π²ΡΠΌ Π²ΠΊΠ»ΡΡΠ°ΡΠ΅Π»Π΅ΠΌ ΡΡΠΎΠΏΡΠΈΠ³Π½Π°Π»Π°, ΡΡΠ°Π±Π°ΡΡΠ²Π°Π΅Ρ ΠΈ Π²ΠΊΠ»ΡΡΠ°ΡΠ΅Π»Ρ, ΠΏΠΎΡΠ»Π°Π²ΡΠΈΠΉ ΠΊΠΎΠΌΠ°Π½Π΄Ρ Π³ΠΎΡΠΎΠ²Π½ΠΎΡΡΠΈ Π½Π° ΡΠ»Π΅ΠΊΡΡΠΎΠ½Π½ΡΠΉ Π±Π»ΠΎΠΊ ABS. ΠΡΠ»ΠΈ ΠΆΠ΅ Π²ΠΎΠ΄ΠΈΡΠ΅Π»Ρ Π½Π°Π΄Π°Π²ΠΈΡ ΠΎΡΠ΅Π½Ρ ΡΠ΅Π·ΠΊΠΎ Π½Π° ΡΡΡΠ°Π³ ΡΠΎΡΠΌΠΎΠ·Π°, ΠΈ ΠΊΠΎΠ»Π΅ΡΠΎ Π½Π°ΡΠΈΠ½Π°Π΅Ρ Π±Π»ΠΎΠΊΠΈΡΠΎΠ²Π°ΡΡΡΡ, ΡΠΎ ΠΎΠ±ΡΡΠ½Π°Ρ ΡΠ°ΡΡΠΎΡΠ° ΠΈΠΌΠΏΡΠ»ΡΡΠΎΠ² ΡΠ΅Π·ΠΊΠΎ ΡΠΎΠΊΡΠ°ΡΠ°Π΅ΡΡΡ, Π° ΡΡΠΎ ΡΠΎΠΊΡΠ°ΡΠ΅Π½ΠΈΠ΅ ΡΡΡ ΠΆΠ΅ ΠΎΡΡΠ»Π΅ΠΆΠΈΠ²Π°Π΅Ρ ΡΠ»Π΅ΠΊΡΡΠΎΠ½Π½ΡΠΉ Π±Π»ΠΎΠΊ, ΠΈ Π΄Π»Ρ Π½Π΅Π³ΠΎ ΡΡΠΎ ΠΊΠ°ΠΊ Π²ΠΎΠΉ ΡΠΈΡΠ΅Π½Ρ β ΠΎΠ·Π½Π°ΡΠ°ΡΡΠΈΠΉ ΡΠΈΠ³Π½Π°Π» ΠΎΠΏΠ°ΡΠ½ΠΎΡΡΠΈ.
Π’ΠΎΡ ΠΆΠ΅ ΡΠΈΠ³Π½Π°Π» ΠΎΠΏΠ°ΡΠ½ΠΎΡΡΠΈ Π²ΠΎΠ·Π½ΠΈΠΊΠ°Π΅Ρ, Π΅ΡΠ»ΠΈ ΡΠ»Π΅ΠΊΡΡΠΎΠ½Π½ΡΠ΅ ΠΌΠΎΠ·Π³ΠΈ ΡΠ»Π°Π²Π»ΠΈΠ²Π°ΡΡ ΡΠ°Π·Π½ΠΈΡΡ ΡΠΊΠΎΡΠΎΡΡΠ΅ΠΉ ΠΏΠ΅ΡΠ΅Π΄Π½Π΅Π³ΠΎ ΠΈ Π·Π°Π΄Π½Π΅Π³ΠΎ ΠΊΠΎΠ»Π΅ΡΠ°, ΠΈΡΡ ΠΎΠ΄Ρ ΡΠ°ΠΊ ΠΆΠ΅ ΠΎΡ ΡΠΈΠ³Π½Π°Π»ΠΎΠ² Π²ΠΊΠ»ΡΡΠ΅Π½ΠΈΡ Π²ΠΊΠ»ΡΡΠ°ΡΠ΅Π»Π΅ΠΉ ΡΡΠΎΠΏΡΠΈΠ³Π½Π°Π»Π° ΠΎΠ±ΠΎΠΈΡ ΡΡΡΠ°Π³ΠΎΠ² β ΠΏΠ΅ΡΠ΅Π΄Π½Π΅Π³ΠΎ ΠΈ Π·Π°Π΄Π½Π΅Π³ΠΎ. ΠΡΠΎ Π½ΡΠΆΠ½ΠΎ Π΄Π»Ρ ΡΠΎΠ³ΠΎ, Π΅ΡΠ»ΠΈ Π½Π°ΠΏΡΠΈΠΌΠ΅Ρ ΠΌΠΎΡΠΎΡΠΈΠΊΠ» Π΅Π΄Π΅Ρ Π½Π° Π·Π°Π΄Π½Π΅ΠΌ ΠΊΠΎΠ»Π΅ΡΠ΅ (Π° ΠΏΠ΅ΡΠ΅Π΄Π½Π΅Π΅ ΠΊΠΎΠ»Π΅ΡΠΎ Π² ΡΡΠΎΠΌ ΡΠ»ΡΡΠ°Π΅ ΠΏΠ΅ΡΠ΅ΡΡΠ°ΡΡ Π²ΡΠ°ΡΠ°ΡΡΡΡ), ΠΈ Π²Ρ Π² ΡΠ°ΠΊΠΎΠΉ ΡΠΈΡΡΠ°ΡΠΈΠΈ Π½Π΅ Π΄Π°Π²ΠΈΡΠ΅ Π½Π° ΡΡΡΠ°Π³ ΠΏΠ΅ΡΠ΅Π΄Π½Π΅Π³ΠΎ ΡΠΎΡΠΌΠΎΠ·Π°, Π° Π΄Π°Π²ΠΈΡΠ΅ ΡΠΎΠ»ΡΠΊΠΎ Π½Π° Π·Π°Π΄Π½ΠΈΠΉ ΡΠΎΡΠΌΠΎΠ·.
ΠΠΎΠΎΠ±ΡΠ΅ ΡΠ°Π·Π½ΠΈΡΠ° Π²ΠΎ Π²ΡΠ°ΡΠ΅Π½ΠΈΠΈ ΠΏΠ΅ΡΠ΅Π΄Π½ΠΈΡ ΠΈ Π·Π°Π΄Π½ΠΈΡ ΠΊΠΎΠ»ΡΡ, Π° ΡΠ°ΠΊ ΠΆΠ΅ ΠΌΠΈΠ½ΠΈΠΌΠ°Π»ΡΠ½Π°Ρ ΡΠΊΠΎΡΠΎΡΡΡ ΠΈΡ Π²ΡΠ°ΡΠ΅Π½ΠΈΡ ΠΏΡΠΈ ΡΠΎΡΠΌΠΎΠΆΠ΅Π½ΠΈΠΈ, Β«Π·Π°ΡΠΈΠ²Π°ΡΡΡΡΒ» Π² Π΄Π°Π½Π½ΡΠ΅ ΡΠ»Π΅ΠΊΡΡΠΎΠ½Π½ΠΎΠ³ΠΎ Π±Π»ΠΎΠΊΠ° Π΅ΡΡ Π½Π° Π·Π°Π²ΠΎΠ΄Π΅. Π Π² ΠΏΠΎΠ΅Π·Π΄ΠΊΠ°Ρ , Π±ΠΎΡΡΠΎΠ²ΠΎΠΉ ΠΊΠΎΠΌΠΏΡΡΡΠ΅Ρ ΠΏΠΎΡΡΠΎΡΠ½Π½ΠΎ ΡΡΠ°Π²Π½ΠΈΠ²Π°Π΅Ρ Π·Π°ΡΠΈΡΡΠ΅ Π² Β«ΠΌΠΎΠ·Π³ΠΈΒ» ΡΡΠ°Π½Π΄Π°ΡΡΡ Π΄ΠΎΠΏΡΡΡΠΈΠΌΡΡ Π²Π΅Π»ΠΈΡΠΈΠ½, Ρ ΠΏΠΎΡΡΠΎΡΠ½Π½ΠΎ ΠΏΠΎΡΡΡΠΏΠ°ΡΡΠΈΠΌΠΈ ΠΈΠΌΠΏΡΠ»ΡΡΠ½ΡΠΌΠΈ ΡΠΈΠ³Π½Π°Π»Π°ΠΌΠΈ Ρ Π΄Π°ΡΡΠΈΠΊΠΎΠ² ΠΊΠΎΠ»ΡΡ. Π Π΅ΡΠ»ΠΈ ΡΡΠΈ ΡΠΈΠ³Π½Π°Π»Ρ Π½Π΅ ΡΡ ΠΎΠ΄ΡΡΡΡ, ΡΠΎ ΡΠ»Π΅Π΄ΡΠ΅Ρ ΡΠΈΠ³Π½Π°Π» ΠΎΠΏΠ°ΡΠ½ΠΎΡΡΠΈ ΠΈ ΡΠΎΠΎΡΠ²Π΅ΡΡΡΠ²ΡΡΡΠ°Ρ ΠΌΠ³Π½ΠΎΠ²Π΅Π½Π½Π°Ρ ΡΠ΅Π°ΠΊΡΠΈΡ, ΠΊΠΎΡΠΎΡΠ°Ρ ΡΠ°Π·Π±Π»ΠΎΠΊΠΈΡΡΠ΅Ρ ΠΊΠΎΠ»Π΅ΡΠΎ.
Π‘Ρ Π΅ΠΌΠ° ΡΠΈΡΡΠ΅ΠΌΡ ΠΠΠ‘ ΡΠΈΡΠΌΡ Π₯ΠΎΠ½Π΄Π°.
ΠΠΎΠ΄ΡΠΎΠ±Π½Π΅Π΅ ΡΡΠΎ ΠΏΡΠΎΠΈΡΡ ΠΎΠ΄ΠΈΡ ΡΠ°ΠΊ. ΠΠΎΡΠ»Π΅ ΠΎΠ±Π½Π°ΡΡΠΆΠ΅Π½ΠΈΡ Β«ΠΌΠΎΠ·Π³ΠΎΠΌΒ» ΡΠΈΡΡΠ΅ΠΌΡ ΡΠΈΠ³Π½Π°Π»Π° ΠΎΠΏΠ°ΡΠ½ΠΎΡΡΠΈ, Π² ΡΠ°Π±ΠΎΡΡ Π²ΡΡΡΠΏΠ°Π΅Ρ ΠΈΡΠΏΠΎΠ»Π½ΠΈΡΠ΅Π»ΡΠ½ΡΠΉ ΠΌΠ΅Ρ Π°Π½ΠΈΠ·ΠΌ β ΡΠ»Π΅ΠΊΡΡΠΎΠ³ΠΈΠ΄ΡΠ°Π²Π»ΠΈΡΠ΅ΡΠΊΠΎΠ΅ ΡΡΡΡΠΎΠΉΡΡΠ²ΠΎ, ΠΎ ΠΊΠΎΡΠΎΡΠΎΠΌ Ρ ΡΠΏΠΎΠΌΠΈΠ½Π°Π» Π²ΡΡΠ΅, Π½Π°Π·ΡΠ²Π°Π΅ΠΌΠΎΠ΅ ΠΈΠ½ΠΆΠ΅Π½Π΅ΡΠ°ΠΌΠΈ ΠΌΠΎΠ΄ΡΠ»ΡΡΠΎΡ. ΠΠ½ Π²ΡΡΡΠΎΠ΅Π½ Π² ΡΠΎΡΠΌΠΎΠ·Π½ΡΡ ΠΌΠ°Π³ΠΈΡΡΡΠ°Π»Ρ ΠΈ Π²ΡΠ΅Π³Π΄Π° Π³ΠΎΡΠΎΠ² ΠΊ ΠΌΠΎΠ»Π½ΠΈΠ΅Π½ΠΎΡΠ½ΠΎΠΉ ΡΠ°Π±ΠΎΡΠ΅.
Π‘ΠΈΠ³Π½Π°Π» ΠΎΡ ΡΠΏΡΠ°Π²Π»ΡΡΡΠ΅Π³ΠΎ ΡΠ»Π΅ΠΊΡΡΠΎΠ½Π½ΠΎΠ³ΠΎ Π±Π»ΠΎΠΊΠ° ΠΏΠΎΡΡΡΠΏΠ°Π΅Ρ Π½Π° ΡΠΏΠ΅ΡΠΈΠ°Π»ΡΠ½ΡΠΉ ΠΊΠ»Π°ΠΏΠ°Π½ (ΡΠΌ. ΡΠΈΡΡΠ½ΠΎΠΊ) ΠΊΠΎΡΠΎΡΡΠΉ ΠΏΠ΅ΡΠ΅ΠΊΡΡΠ²Π°Π΅Ρ ΠΏΡΠΎΡ ΠΎΠ΄Π½ΠΎΠ΅ ΡΠ΅ΡΠ΅Π½ΠΈΠ΅ ΠΌΠ°Π³ΠΈΡΡΡΠ°Π»ΠΈ, ΠΈΠ΄ΡΡΠ΅ΠΉ ΠΎΡ Π³Π»Π°Π²Π½ΠΎΠ³ΠΎ ΡΠΎΡΠΌΠΎΠ·Π½ΠΎΠ³ΠΎ ΡΠΈΠ»ΠΈΠ½Π΄ΡΠ° Π΄ΠΎ ΡΠΎΡΠΌΠΎΠ·Π½ΠΎΠΉ ΡΠΊΠΎΠ±Ρ (ΡΡΠΏΠΏΠΎΡΡΠ° ΠΈ ΠΊΠΎΠ»ΠΎΠ΄ΠΎΠΊ). Π Π² ΡΡΠΎΡ ΠΌΠΎΠΌΠ΅Π½Ρ Π½Π°ΡΠΈΠ½Π°Π΅Ρ ΡΠ°Π±ΠΎΡΠ°ΡΡ ΡΠΏΠ΅ΡΠΈΠ°Π»ΡΠ½ΡΠΉ ΡΠ»Π΅ΠΊΡΡΠΈΡΠ΅ΡΠΊΠΈΠΉ Π½Π°ΡΠΎΡ, ΠΊΠΎΡΠΎΡΡΠΉ ΠΎΡΠΊΠ°ΡΠΈΠ²Π°Π΅Ρ Π½Π΅Π±ΠΎΠ»ΡΡΠΈΠΌΠΈ ΠΏΠΎΡΡΠΈΡΠΌΠΈ ΡΠΎΡΠΌΠΎΠ·Π½ΡΡ ΠΆΠΈΠ΄ΠΊΠΎΡΡΡ ΠΈΠ· ΠΏΠ΅ΡΠ΅ΠΊΡΡΡΠΎΠΉ ΠΊΠ»Π°ΠΏΠ°Π½ΠΎΠΌ ΡΠΎΡΠΌΠΎΠ·Π½ΠΎΠΉ ΠΌΠ°Π³ΠΈΡΡΡΠ°Π»ΠΈ, ΠΈ ΡΡΠΈΠΌ ΠΎΡΠΊΠ°ΡΠΈΠ²Π°Π½ΠΈΠ΅ΠΌ, ΡΠ½ΠΈΠΆΠ°Π΅ΡΡΡ Π΄Π°Π²Π»Π΅Π½ΠΈΠ΅ ΡΠΎΡΠΌΠΎΠ·Π½ΠΎΠΉ ΠΆΠΈΠ΄ΠΊΠΎΡΡΠΈ. Π ΠΊΠ°ΠΊ ΡΠΎΠ»ΡΠΊΠΎ Π΄Π°Π²Π»Π΅Π½ΠΈΠ΅ ΡΠ½ΠΈΠ·ΠΈΡΡΡ, ΡΡΠΏΠΏΠΎΡΡ ΠΏΠΎΡΠΈΡ ΠΎΠ½ΡΠΊΡ ΠΎΡΠΏΡΡΠΊΠ°Π΅Ρ ΠΊΠΎΠ»Π΅ΡΠΎ, ΠΊΠΎΡΠΎΡΠΎΠ΅ Π½Π°ΡΠΈΠ½Π°Π΅Ρ ΠΊΡΡΡΠΈΡΡΡΡ Π±ΡΡΡΡΠ΅Π΅, Π½ΠΎ Π΅Π³ΠΎ ΡΠ½ΠΎΠ²Π° Π½ΡΠΆΠ½ΠΎ ΠΏΡΠΈΡΠΎΡΠΌΠΎΠ·ΠΈΡΡ, ΠΈΠ½Π°ΡΠ΅ ΡΡΡΠ΅ΠΊΡΠ° ΡΠΎΡΠΌΠΎΠΆΠ΅Π½ΠΈΡ Π½Π΅ Π±ΡΠ΄Π΅Ρ Π²ΠΎΠΎΠ±ΡΠ΅.
ΠΠΎΡΠΎΡΠ΅ Π³ΠΎΠ²ΠΎΡΡ, ΡΠ»Π΅ΠΊΡΡΠΎΠ½Π°ΡΠΎΡΡ, ΠΏΠΎΠ΄ ΠΏΠΎΡΡΠΎΡΠ½Π½ΡΠΌΠΈ ΠΊΠΎΠΌΠ°Π½Π΄Π°ΠΌΠΈ ΡΠ»Π΅ΠΊΡΡΠΎΠ½Π½ΠΎΠ³ΠΎ Β«ΠΌΠΎΠ·Π³Π°Β», Π½ΡΠΆΠ½ΠΎ ΠΏΠΎΠ΄Π΄Π΅ΡΠΆΠΈΠ²Π°ΡΡ ΡΠ°ΠΊΠΎΠ΅ Π΄Π°Π²Π»Π΅Π½ΠΈΠ΅ Π² ΡΠΎΡΠΌΠΎΠ·Π½ΠΎΠΉ ΠΌΠ°Π³ΠΈΡΡΡΠ°Π»ΠΈ, ΡΡΠΎΠ±Ρ ΠΊΠΎΠ»Π΅ΡΠΎ ΠΈ Π½Π΅ Π±Π»ΠΎΠΊΠΈΡΠΎΠ²Π°Π»ΠΎΡΡ, ΠΈ Π² ΡΠΎ ΠΆΠ΅ Π²ΡΠ΅ΠΌΡ ΡΡΡΠ΅ΠΊΡΠΈΠ²Π½ΠΎ ΡΠΎΡΠΌΠΎΠ·ΠΈΠ»ΠΎΡΡ ΡΡΠΏΠΏΠΎΡΡΠΎΠΌ, Π½ΠΎ Π½Π° Π³ΡΠ°Π½ΠΈ Π±Π»ΠΎΠΊΠΈΡΠΎΠ²ΠΊΠΈ (ΡΠΎΡ ΡΠ°Π½ΡΠ»ΠΎ ΡΡΡΠ΅ΠΊΡΠΈΠ²Π½ΠΎΠ΅ ΡΡΠ΅ΠΏΠ»Π΅Π½ΠΈΠ΅ ΠΏΠΎΠΊΡΡΡΠΊΠΈ Ρ ΠΏΠΎΠ²Π΅ΡΡ Π½ΠΎΡΡΡΡ Π΄ΠΎΡΠΎΠ³ΠΈ). Π ΠΊΠ°ΠΊΠ°Ρ Π±Ρ Π½Π΅ Π±ΡΠ»Π° ΠΏΠΎΠ²Π΅ΡΡ Π½ΠΎΡΡΡ ΠΠ΅ΠΌΠ»ΠΈ: ΡΡΡ ΠΎΠΉ ΠΈΠ»ΠΈ ΠΌΠΎΠΊΡΡΠΉ Π°ΡΡΠ°Π»ΡΡ, ΡΠ½Π΅Π³ ΠΈΠ»ΠΈ Π»ΡΠ΄, ΠΌΠΎΠΊΡΡΠΉ ΠΈΠ»ΠΈ ΡΡΡ ΠΎΠΉ Π³ΡΡΠ½Ρ, ΡΠΈΡΡΠ΅ΠΌΠ° ΠBS Π±ΡΠ΄Π΅Ρ ΡΠ°Π±ΠΎΡΠ°ΡΡ Π½Π° ΡΠ°ΠΌΠΎΠΉ ΡΠΎΠ½ΠΊΠΎΠΉ Π³ΡΠ°Π½ΠΈ ΡΡΠ΅ΠΏΠ»Π΅Π½ΠΈΡ ΠΏΠΎΠΊΡΡΡΠΊΠΈ ΠΊΠΎΠ»Π΅ΡΠ° Ρ ΠΏΠΎΠ²Π΅ΡΡ Π½ΠΎΡΡΡΡ Π΄ΠΎΡΠΎΠ³ΠΈ, ΠΈ ΡΡΡ Π³ΡΠ°Π½Ρ, ΠΎΡΠ³Π°Π½Ρ ΡΡΠ²ΡΡΠ² ΡΡΠ΅Π΄Π½Π΅ΡΡΠ°ΡΠΈΡΡΠΈΡΠ΅ΡΠΊΠΎΠ³ΠΎ Π²ΠΎΠ΄ΠΈΡΠ΅Π»Ρ, ΠΎΡΠ΅Π½ΠΈΡΡ Π½Π΅ Π² ΡΠΎΡΡΠΎΡΠ½ΠΈΠΈ.
Π Π½Π° ΡΡΠΎΠΌ ΡΠΈΡΡΠ½ΠΊΠ΅, ΠΏΠΎΠΊΠ°Π·Π°Π½Π° ΡΡΡΠ°Π½ΠΎΠ²ΠΊΠ° ΠΌΠΎΠ΄ΡΠ»ΡΡΠΎΡΠ° Π½Π° ΡΠΎΡΠΌΠΎΠ·Π½ΠΎΠΉ ΠΌΠ°Π³ΠΈΡΡΡΠ°Π»ΠΈ.
ΠΠΎΠ³Π΄Π° ΠΆΠ΅ Π²ΠΎΠ΄ΠΈΡΠ΅Π»Ρ ΠΎΡΠΏΡΡΠΊΠ°Π΅Ρ ΡΠΎΡΠΌΠΎΠ·Π½ΠΎΠΉ ΡΡΡΠ°Π³, ΡΠΎ Π΄Π°Π²Π»Π΅Π½ΠΈΠ΅ Π² ΡΠΎΡΠΌΠΎΠ·Π½ΠΎΠΉ ΠΌΠ°Π³ΠΈΡΡΡΠ°Π»ΠΈ ΠΎΡ ΠΌΠΎΠ΄ΡΠ»ΡΡΠΎΡΠ° Π΄ΠΎ Π³Π»Π°Π²Π½ΠΎΠ³ΠΎ ΡΠΈΠ»ΠΈΠ½Π΄ΡΠ° ΠΏΠ°Π΄Π°Π΅Ρ, ΠΈ Π½Π° ΡΡΡΠ°Π³Π΅ ΡΠΎΡΠΌΠΎΠ·Π°, ΠΊΠΎΠ½ΡΠ΅Π²ΠΎΠΉ Π²ΠΊΠ»ΡΡΠ°ΡΠ΅Π»Ρ ΠΏΠΎΠ΄ΡΠ²Π΅ΡΠ΄ΠΈΡ Β«ΠΌΠΎΠ·Π³Π°ΠΌΒ», ΡΡΠΎ ΡΠΎΡΠΌΠΎΠ·Π° ΠΎΡΠΏΡΡΠ΅Π½Ρ ΠΈ ΠΌΠΎΠΆΠ½ΠΎ Π΄Π°Π²Π°ΡΡ ΡΠΈΡΡΠ΅ΠΌΠ΅ ΠΊΠΎΠΌΠ°Π½Π΄Ρ ΠΎΡΠ±ΠΎΠΉ. Π ΡΡΠΎΡ ΠΌΠΎΠΌΠ΅Π½Ρ ΠΊΠ»Π°ΠΏΠ°Π½ ΠΎΡΠΊΡΡΠ²Π°Π΅Ρ ΡΠΎΠΎΠ±ΡΠ΅Π½ΠΈΠ΅ Π³Π»Π°Π²Π½ΠΎΠ³ΠΎ ΡΠΎΡΠΌΠΎΠ·Π½ΠΎΠ³ΠΎ ΡΠΈΠ»ΠΈΠ½Π΄ΡΠ° ΠΈ ΡΡΠΏΠΏΠΎΡΡΠ°, Π° Π½Π°ΡΠΎΡ Π²ΠΎΠ·Π²ΡΠ°ΡΠ°Π΅Ρ Π² ΠΌΠ°Π³ΠΈΡΡΡΠ°Π»Ρ ΠΎΡΠΊΠ°ΡΠ°Π½Π½ΡΡ ΡΠ°Π½Π΅Π΅ ΡΠΎΡΠΌΠΎΠ·Π½ΡΡ ΠΆΠΈΠ΄ΠΊΠΎΡΡΡ, ΠΈ Π² ΡΠΎΡΠΌΠΎΠ·Π½ΠΎΠΉ ΡΠΈΡΡΠ΅ΠΌΠ΅ Π²Π΅ΡΠ½ΡΡΡΡ Π½ΠΎΡΠΌΠ°Π»ΡΠ½ΠΎΠ΅ ΡΠΎΡΡΠΎΡΠ½ΠΈΠ΅ Π²ΡΠ΅Ρ Π΄Π΅ΡΠ°Π»Π΅ΠΉ, Π²ΡΠ΅Π³Π΄Π° Π³ΠΎΡΠΎΠ²ΡΡ ΠΊ Π½ΠΎΠ²ΡΠΌ Π΄Π΅ΠΉΡΡΠ²ΠΈΡΠΌ.
ΠΡΡ, ΡΡΠΎ Ρ ΠΎΠΏΠΈΡΠ°Π» Π²ΡΡΠ΅, ΠΊΠΎΠ½Π΅ΡΠ½ΠΎ ΠΆΠ΅ ΡΡΠ°Π±Π°ΡΡΠ²Π°Π΅Ρ Π·Π° Π΄ΠΎΠ»ΠΈ ΡΠ΅ΠΊΡΠ½Π΄Ρ, ΠΈ ΡΠ°ΠΌΠΎΠ΅ Π³Π»Π°Π²Π½ΠΎΠ΅ ΡΠΎ, ΡΡΠΎ ΠΎΡ ΡΡΠΎΠ³ΠΎ ΡΡΠ°Π±Π°ΡΡΠ²Π°Π½ΠΈΡ, Π±Π»ΠΎΠΊΠΈΡΠΎΠ²ΠΊΠ° ΠΊΠΎΠ»ΡΡ ΠΈΡΠΊΠ»ΡΡΠ΅Π½Π° Π½Π° Π»ΡΠ±ΠΎΠΌ ΠΏΠΎΠΊΡΡΡΠΈΠΈ, ΠΈ ΡΠΈΡΡΠ΅ΠΌΠ° ΠΌΠ½ΠΎΠ³ΠΎΠΊΡΠ°ΡΠ½ΠΎ ΡΠ½ΠΈΠΆΠ°Π΅Ρ ΠΏΠΎΡΠ΅ΡΡ ΠΊΠΎΠ½ΡΡΠΎΠ»Ρ Π²ΠΎΠ΄ΠΈΡΠ΅Π»Ρ Π½Π°Π΄ ΠΌΠΎΡΠΎΡΠΈΠΊΠ»ΠΎΠΌ, Π΄Π° ΠΈ Π½Π°Π΄ Π°Π²ΡΠΎΠΌΠΎΠ±ΠΈΠ»Π΅ΠΌ ΡΠΎΠΆΠ΅.
ΠΡΠ»ΠΈΡΠΈΡ Π°Π½ΡΠΈΠ±Π»ΠΎΠΊΠΈΡΠΎΠ²ΠΎΡΠ½ΡΡ ΡΠΈΡΡΠ΅ΠΌ ΡΠ°Π·Π½ΡΡ ΠΏΡΠΎΠΈΠ·Π²ΠΎΠ΄ΠΈΡΠ΅Π»Π΅ΠΉ.
ΠΡΠΈΠ½ΡΠΈΠΏ ΡΠ°Π±ΠΎΡΡ ΡΠΈΡΡΠ΅ΠΌ ΠΠΠ‘ (ΠΏΠΎ ΡΡΡΡΠΊΠΈ), ΠΎΠΏΠΈΡΠ°Π½Π½ΡΠΉ ΠΌΠ½ΠΎΠΉ Π²ΡΡΠ΅, Ρ Π²ΡΠ΅Ρ ΠΎΠ΄ΠΈΠ½Π°ΠΊΠΎΠ², Π° Π²ΠΎΡ ΠΈΡΠΏΠΎΠ»Π½Π΅Π½ΠΈΠ΅ ΠΊΠΎΠΌΠ°Π½Π΄ ΠΏΡΠΈ ΡΠ°Π±ΠΎΡΠ΅, ΠΈ ΡΡΡΡΠΎΠΉΡΡΠ²ΠΎ ΠΌΠΎΠ³ΡΡ Π±ΡΡΡ ΡΠ°Π·Π½ΡΠΌΠΈ.
ΠΠ°ΠΏΡΠΈΠΌΠ΅Ρ Π½Π° Π½Π΅ΠΊΠΎΡΠΎΡΡΡ ΠΌΠΎΡΠΎΡΠΈΠΊΠ»Π°Ρ ΡΠΈΡΠΌ Π―ΠΌΠ°Ρ Π° ΠΈΠ»ΠΈ ΠΠ’Π , Π² ΠΊΠ°ΠΆΠ΄ΠΎΠΉ ΠΌΠ°Π³ΠΈΡΡΡΠ°Π»ΠΈ (ΠΏΠ΅ΡΠ΅Π΄Π½Π΅Π³ΠΎ ΠΈ Π·Π°Π΄Π½Π΅Π³ΠΎ ΠΊΠΎΠ»Π΅ΡΠ°) ΡΡΡΠ°Π½Π°Π²Π»ΠΈΠ²Π°Π΅ΡΡΡ ΡΠ²ΠΎΠΉ ΠΏΠ΅ΡΡΠΎΠ½Π°Π»ΡΠ½ΡΠΉ ΠΌΠΎΠ΄ΡΠ»ΡΡΠΎΡ (Π΄Π»Ρ Π»ΡΡΡΠ΅ΠΉ Π±Π΅Π·ΠΎΠΏΠ°ΡΠ½ΠΎΡΡΠΈ). Π Π½Π° ΡΠΈΡΠΌΠ΅ ΠΠΠ Π΄ΠΎΠ±ΠΈΠ»ΠΈΡΡ ΡΠΎΠ³ΠΎ, ΡΡΠΎ ΠΎΠ΄ΠΈΠ½ ΠΎΠ±ΡΠΈΠΉ ΠΌΠΎΠ΄ΡΠ»ΡΡΠΎΡ, ΠΌΠΎΠΆΠ΅Ρ ΡΠ°ΡΠΏΡΠ΅Π΄Π΅Π»ΡΡΡ ΡΠΎΡΠΌΠΎΠ·Π½ΠΎΠ΅ ΡΡΠΈΠ»ΠΈΠ΅ ΠΌΠ΅ΠΆΡ Π·Π°Π΄Π½ΠΈΠΌΠΈ ΠΈ ΠΏΠ΅ΡΠ΅Π΄Π½ΠΈΠΌΠΈ ΠΊΠΎΠ»ΡΡΠ°ΠΌΠΈ. ΠΠ° Π·Π½Π°ΠΌΠ΅Π½ΠΈΡΠΎΠΌ ΡΠ»Π°Π³ΠΌΠ°Π½Π΅ ΠΊΡΡΠΈΠ·ΡΡΠ΅ ΠΠΎΠ»Π΄Π²ΠΈΠ½Π³, ΡΠΈΡΠΌΡ Π₯ΠΎΠ΄Π΄Π°, Π΄Π° ΠΈ Π½Π° Π΄ΡΡΠ³ΠΈΡ ΡΠ²Π΅ΠΆΠΈΡ ΠΌΠΎΡΠΎΡΠΈΠΊΠ»Π°Ρ ΡΡΠΎΠΉ ΡΠΈΡΠΌΡ, ΠΈΠ½ΠΆΠ΅Π½Π΅ΡΡ Π²Π½Π΅Π΄ΡΠΈΠ»ΠΈ Π±ΠΎΠ»Π΅Π΅ ΠΊΡΡΡΡΡ ΡΠΈΡΡΠ΅ΠΌΡ.
Π ΡΡΠΎΠΉ Π½ΠΎΠ²Π΅ΠΉΡΠ΅ΠΉ ΡΠ°Π·ΡΠ°Π±ΠΎΡΠΊΠ΅, ABS ΡΠ°Π±ΠΎΡΠ°Π΅Ρ Ρ ΠΊΠΎΠΌΠ±ΠΈΠ½ΠΈΡΠΎΠ²Π°Π½Π½ΠΎΠΉ ΡΠΈΡΡΠ΅ΠΌΠΎΠΉ ΡΠΎΡΠΌΠΎΠ·ΠΎΠ² Dual Combined Brake System, Π² ΠΊΠΎΡΠΎΡΠΎΠΉ ΡΡΡΠ°Π½ΠΎΠ²Π»Π΅Π½Ρ Π΄Π²Π° Π΄Π²ΡΡ ΡΠ΅ΠΊΡΠΈΠΎΠ½Π½ΡΡ ΠΌΠΎΠ΄ΡΠ»ΡΡΠΎΡΠ°, ΠΊΠΎΡΠΎΡΡΠ΅ ΠΎΠ±ΡΠ»ΡΠΆΠΈΠ²Π°ΡΡ Π°ΠΆ 4 Π½Π΅Π·Π°Π²ΠΈΡΠΈΠΌΡΠ΅ Π΄ΡΡΠ³ ΠΎΡ Π΄ΡΡΠ³Π° ΡΠΎΡΠΌΠΎΠ·Π½ΡΠ΅ ΠΌΠ°Π³ΠΈΡΡΡΠ°Π»ΠΈ ! Π ΡΡΠΎΠΉ ΡΠΈΡΡΠ΅ΠΌΠ΅ Π±ΠΎΠ»ΡΡΠΎΠ΅ ΠΊΠΎΠ»ΠΈΡΠ΅ΡΡΠ²ΠΎ ΡΡΡΠ±ΠΎΠΊ ΠΈ ΠΊΠ»Π°ΠΏΠ°Π½ΠΎΠ², ΡΡΡΡΠΎΠΉΡΡΠ²ΠΎ ΠΈ ΡΠ°ΡΠΏΠΎΠ»ΠΎΠΆΠ΅Π½ΠΈΠ΅ ΠΊΠΎΡΠΎΡΡΡ ΠΌΠΎΠΆΠ΅Ρ Π·Π°ΠΏΡΡΠ°ΡΡ Π΄Π°ΠΆΠ΅ ΡΠ°ΠΌΠΎΠ³ΠΎ ΠΏΡΠΎΠ΄Π²ΠΈΠ½ΡΡΠΎΠ³ΠΎ ΠΌΠ΅Ρ Π°Π½ΠΈΠΊΠ°. Π ΠΊΠ°ΠΊΠΎΠΉ Π½ΠΈΠ±ΡΠ΄Ρ ΡΠ»Π΅ΡΠ°ΡΡ Π² Π°Π²ΡΠΎΡΠ΅ΡΠ²ΠΈΡΠ΅ Π² Π³Π»ΡΠ±ΠΈΠ½ΠΊΠ΅, ΡΡΠ°Π·Ρ ΡΠΊΠ°ΠΆΠ΅Ρ Π΄ΠΎ Π±ΠΎΠ»ΠΈ Π·Π½Π°ΠΊΠΎΠΌΡΡ ΡΡΠ°Π·Ρ β Β«Π±Π΅Π· ΡΡΠΎ Π³ΡΠ°ΠΌΠΌΠΎΠ² Π½Π΅ ΡΠ°Π·Π±Π΅ΡΡΡΡΡΡΒ».
Π Π²ΠΎΠΎΠ±ΡΠ΅, Π΄Π°ΠΆΠ΅ ΡΠ°ΠΌΡΠ΅ ΡΠ»ΠΎΠΆΠ½ΡΠ΅ ΡΠΈΡΡΠ΅ΠΌΡ, ΠΎΡΠ΅Π½Ρ ΡΠ΅Π΄ΠΊΠΎ ΠΎΡΠΊΠ°Π·ΡΠ²Π°ΡΡ, ΠΊΠΎΠ½Π΅ΡΠ½ΠΎ ΠΆΠ΅ Π΅ΡΠ»ΠΈ Π²ΠΎΠ²ΡΠ΅ΠΌΡ ΠΌΠ΅Π½ΡΡΡ ΠΊΠ°ΡΠ΅ΡΡΠ²Π΅Π½Π½ΡΡ ΡΠΎΡΠΌΠΎΠ·Π½ΡΡ ΠΆΠΈΠ΄ΠΊΠΎΡΡΡ, (ΡΠ°ΠΊ ΠΊΠ°ΠΊ Π³ΡΡΠ·Ρ Π·Π΄Π΅ΡΡ Π½Π΅ Π΄ΠΎΠΏΡΡΡΠΈΠΌΠ°), Π° ΡΠ°ΠΊ ΠΆΠ΅ ΡΠ»Π΅Π΄ΠΈΡΡ Π·Π° ΡΠΈΡΡΠΎΡΠΎΠΉ ΠΊΠ»Π΅ΠΌΠΌ ΠΈ ΡΠ΅Π»ΠΎΡΡΠ½ΠΎΡΡΡΡ ΠΏΡΠΎΠ²ΠΎΠ΄ΠΎΠ² Π²ΡΠ΅ΠΉ ΡΠΈΡΡΠ΅ΠΌΡ. Π Π΅ΡΠ»ΠΈ Π±Ρ Π°Π½ΡΠΈΠ±Π»ΠΎΠΊΠΈΡΠΎΠ²ΠΎΡΠ½ΡΡ ΡΠΈΡΡΠ΅ΠΌΡ ΡΠΎΡΠΌΠΎΠ·ΠΎΠ² ΠΠΠ‘ Π½Π°ΡΠ°Π»ΠΈ ΡΡΡΠ°Π½Π°Π²Π»ΠΈΠ²Π°ΡΡ Π½Π° ΡΠ΅ΡΠΈΠΉΠ½ΡΠΉ ΡΡΠ°Π½ΡΠΏΠΎΡΡ Π½Π°ΠΌΠ½ΠΎΠ³ΠΎ ΡΠ°Π½ΡΡΠ΅, ΡΠΎ Π½Π΅ΡΠΎΠΌΠ½Π΅Π½Π½ΠΎ ΠΌΠ½ΠΎΠ³ΠΈΠ΅ Π°Π²Π°ΡΠΈΠΈ ΠΌΠΎΠΆΠ½ΠΎ Π±ΡΠ»ΠΎ Π±Ρ ΠΏΡΠ΅Π΄ΠΎΡΠ²ΡΠ°ΡΠΈΡΡ.
ΠΡΠ²Π°Π΅Ρ Π²ΠΎΠ·Π½ΠΈΠΊΠ°ΡΡ Π½Π΅ΠΈΡΠΏΡΠ°Π²Π½ΠΎΡΡΠΈ ΠΠΠ‘, ΠΈ Π½Π° ΠΌΠ½ΠΎΠ³ΠΈΡ ΠΈΠ½ΠΎΠΌΠ°ΡΠΊΠ°Ρ ΠΏΡΠΈ ΡΡΠΎΠΌ ΠΌΠΎΠΆΠ΅Ρ Π·Π°Π³ΠΎΡΠ΅ΡΡΡΡ Π»Π°ΠΌΠΏΠΎΡΠΊΠ° Π½Π° ΠΏΠ°Π½Π΅Π»ΠΈ ΠΏΡΠΈΠ±ΠΎΡΠΎΠ². ΠΠ°ΠΊ ΡΠ°ΠΌΠΎΡΡΠΎΡΡΠ΅Π»ΡΠ½ΠΎ ΠΏΡΠΎΠ²Π΅ΡΡΠΈ Π΄ΠΈΠ°Π³Π½ΠΎΡΡΠΈΠΊΡ (ΠΏΠΎΠΈΡΠΊ Π½Π΅ΠΈΡΠΏΡΠ°Π²Π½ΠΎΡΡΠ΅ΠΉ) ΠΈ ΠΏΡΠΎΠΈΠ·Π²Π΅ΡΡΠΈ ΡΠ΅ΠΌΠΎΠ½Ρ Π°Π½ΡΠΈΠ±Π»ΠΎΠΊΠΈΡΠΎΠ²ΠΎΡΠ½ΠΎΠΉ ΡΠΈΡΡΠ΅ΠΌΡ ΡΠΎΡΠΌΠΎΠ·ΠΎΠ², ΡΠΎΠ²Π΅ΡΡΡ ΠΏΠΎΡΠΈΡΠ°ΡΡ Π²ΠΎΡ Π² ΡΡΠΎΠΉ ΠΏΠΎΠ»Π΅Π·Π½ΠΎΠΉ ΡΡΠ°ΡΡΠ΅.
ΠΡ Π° ΡΠ΄Π΅Π»Π°ΡΡ Π΄Π»Ρ ΡΠ΅Π±Ρ ΠΏΡΠ°Π²ΠΈΠ»ΡΠ½ΡΠΉ Π²ΡΠ²ΠΎΠ΄, Π½ΡΠΆΠ½Π° Π»ΠΈ Π²Π°ΠΌ Π°Π½ΡΠΈΠ±Π»ΠΎΠΊΠΈΡΠΎΠ²ΠΎΡΠ½Π°Ρ ΡΠΈΡΡΠ΅ΠΌΠ° ABS, ΠΈΠ»ΠΈ Π½Π΅Ρ, ΠΌΠΎΠΆΠ½ΠΎ ΡΠΎΠ»ΡΠΊΠΎ Π΅ΡΠ»ΠΈ ΠΏΠΎΡΡΠ²ΡΡΠ²ΠΎΠ²Π°ΡΡ Π΅Ρ ΡΠ°Π±ΠΎΡΡ Π½Π° ΡΠΊΠΎΠ»ΡΠ·ΠΊΠΎΠΉ Π΄ΠΎΡΠΎΠ³Π΅, Π° ΠΏΠΎΡΠΎΠΌ ΠΏΡΠΎΠΊΠ°ΡΠΈΡΡΡΡ Π²ΠΎ Π²ΡΠΎΡΠΎΠΉ ΡΠ°Π·, Π½ΠΎ ΡΠΆΠ΅ Π±Π΅Π· Π½Π΅Ρ; ΡΠ°Π·Π½ΠΈΡΡ ΠΏΠΎΡΡΠ²ΡΡΠ²ΡΠ΅Ρ Π»ΡΠ±ΠΎΠΉ Π²ΠΎΠ΄ΠΈΡΠ΅Π»Ρ.
ΠΠ½ΡΠΈΠ±Π»ΠΎΠΊΠΈΡΠΎΠ²ΠΎΡΠ½Π°Ρ Π’ΠΎΡΠΌΠΎΠ·Π½Π°Ρ Π‘ΠΈΡΡΠ΅ΠΌΠ° (ΠΠΠ‘)
Β ΠΠ½ΡΠΈΠ±Π»ΠΎΠΊΠΈΡΠΎΠ²ΠΎΡΠ½Π°Ρ ΡΠΎΡΠΌΠΎΠ·Π½Π°Ρ ΡΠΈΡΡΠ΅ΠΌΠ° (ABS) — ΡΡΠΎ Π±Π΅Π·ΠΎΠΏΠ°ΡΠ½ΡΠΉ ΡΠΎΡΠΌΠΎΠ·Π½ΠΎΠΉ ΠΌΠ΅ΡΠΎΠ΄ ΠΏΡΠΎΡΠΈΠ²ΠΎΡΠΊΠΎΠ»ΡΠΆΠ΅Π½ΠΈΡ, ΠΈΡΠΏΠΎΠ»ΡΠ·ΡΠ΅ΠΌΡΠΉ Π½Π° ΡΠ°ΠΌΠΎΠ»Π΅ΡΠ΅.Β Π’Π΅ΠΏΠ΅ΡΡ ΠΎΠ½ ΠΈΡΠΏΠΎΠ»ΡΠ·ΡΠ΅ΡΡΡ Π² Π°Π²ΡΠΎΠΌΠΎΠ±ΠΈΠ»ΡΡ , ΠΌΠΎΡΠΎΡΠΈΠΊΠ»Π°Ρ ΠΈ Π°Π²ΡΠΎΠ±ΡΡΠ°Ρ .Β ABS ΡΠ°Π±ΠΎΡΠ°Π΅Ρ, ΠΏΡΠ΅Π΄ΠΎΡΠ²ΡΠ°ΡΠ°Ρ Π±Π»ΠΎΠΊΠΈΡΠΎΠ²ΠΊΡ ΠΊΠΎΠ»Π΅Ρ ΠΏΡΠΈ ΡΠΎΡΠΌΠΎΠΆΠ΅Π½ΠΈΠΈ, ΡΠΎΡ ΡΠ°Π½ΡΡ ΡΡΠ³ΠΎΠ²ΠΎΠ΅ ΡΠΎΠ΅Π΄ΠΈΠ½Π΅Π½ΠΈΠ΅ Ρ ΠΏΠΎΠ²Π΅ΡΡ Π½ΠΎΡΡΡΡ Π΄ΠΎΡΠΎΠ³ΠΈ.Β ABS — ΡΡΠΎ Π°Π²ΡΠΎΠΌΠ°ΡΠΈΡΠ΅ΡΠΊΠ°Ρ ΡΠΈΡΡΠ΅ΠΌΠ°, ΠΊΠΎΡΠΎΡΠ°Ρ ΠΈΡΠΏΠΎΠ»ΡΠ·ΡΠ΅Ρ ΠΏΡΠΈΠ½ΡΠΈΠΏΡ ΠΏΠΎΡΠΎΠ³ΠΎΠ²ΠΎΠ³ΠΎ ΡΠΎΡΠΌΠΎΠΆΠ΅Π½ΠΈΡ ΠΈ ΠΏΠ΅Π΄Π°Π»ΠΈΡΠΎΠ²Π°Π½ΠΈΡ, ΠΌΠ΅ΡΠΎΠ΄Ρ, ΠΊΠΎΡΠΎΡΡΠ΅ ΠΊΠΎΠ³Π΄Π°-ΡΠΎ ΠΏΡΠ°ΠΊΡΠΈΠΊΠΎΠ²Π°Π»ΠΈΡΡ ΠΎΠΏΡΡΠ½ΡΠΌΠΈ Π³ΠΎΠ½ΡΠΈΠΊΠ°ΠΌΠΈ.Β ABS, ΠΊΠ°ΠΊ ΠΏΡΠ°Π²ΠΈΠ»ΠΎ, ΠΏΡΠ΅Π΄Π»Π°Π³Π°Π΅Ρ ΡΠ°ΡΡΠΈΡΠ΅Π½Π½ΡΠ΅ Π²ΠΎΠ·ΠΌΠΎΠΆΠ½ΠΎΡΡΠΈ ΡΠΏΡΠ°Π²Π»Π΅Π½ΠΈΡ ΡΡΠ°Π½ΡΠΏΠΎΡΡΠ½ΡΠΌ ΡΡΠ΅Π΄ΡΡΠ²ΠΎΠΌ ΠΈ ΠΏΠΎΠ·Π²ΠΎΠ»ΡΠ΅Ρ ΠΏΡΠ΅ΠΎΠ΄ΠΎΠ»Π΅Π²Π°ΡΡ ΡΠ°ΡΡΡΠΎΡΠ½ΠΈΡ ΠΎΡΡΠ°Π½ΠΎΠ²ΠΊΠΈ Π½Π° ΡΡΡ ΠΎΠΉ ΠΈ Π½Π΅ΠΊΠΎΡΠΎΡΡΡ Π³Π»Π°Π΄ΠΊΠΈΡ ΠΏΠΎΠ²Π΅ΡΡ Π½ΠΎΡΡΡΡ Π½Π° ΡΡΡ Π»ΠΎΠΌ Π³ΡΠ°Π²ΠΈΠΈ ΠΈΠ»ΠΈ ΠΏΠΎΠΊΡΡΡΡΡ ΡΠ½Π΅Π³ΠΎΠΌ ΠΏΠΎΠ²Π΅ΡΡ Π½ΠΎΡΡΡΡ .Β ABS Π·Π½Π°ΡΠΈΡΠ΅Π»ΡΠ½ΠΎ ΡΠ²Π΅Π»ΠΈΡΠΈΠ²Π°Π΅Ρ ΡΠΎΡΠΌΠΎΠ·Π½ΠΎΠΉ ΠΏΡΡΡ, ΡΠ»ΡΡΡΠ°Ρ ΡΡΠ»Π΅Π²ΠΎΠ΅ ΡΠΏΡΠ°Π²Π»Π΅Π½ΠΈΠ΅.Β Π‘ ΡΠ΅Ρ ΠΏΠΎΡ ΠΊΠ°ΠΊ ΠΠΠ‘ Π±ΡΠ»Π° Π²Π½Π΅Π΄ΡΠ΅Π½Π° Π² ΡΠ΅ΡΠΈΠΉΠ½ΡΠ΅ Π°Π²ΡΠΎΠΌΠΎΠ±ΠΈΠ»ΠΈ, ΠΎΠ½Π° ΡΡΠ°Π½ΠΎΠ²ΠΈΡΡΡ Π²ΡΠ΅ Π±ΠΎΠ»Π΅Π΅ ΡΠΎΠ²Π΅ΡΡΠ΅Π½Π½ΠΎΠΉ ΠΈ ΠΌΠΎΡΠ½ΠΎΠΉΒ Π Π·Π°Π²ΠΈΡΠΈΠΌΠΎΡΡΠΈ ΠΎΡ Π΅Π³ΠΎ ΡΠ½ΠΈΠΊΠ°Π»ΡΠ½ΡΡ Π²ΠΎΠ·ΠΌΠΎΠΆΠ½ΠΎΡΡΠ΅ΠΉ ΠΈ ΠΊΠΎΠΌΠ±ΠΈΠ½Π°ΡΠΈΠΉ, ΠΎΠ½ ΡΠ°ΠΊΠΆΠ΅ ΠΈΠ·Π²Π΅ΡΡΠ΅Π½ ΠΊΠ°ΠΊ ΡΠ»Π΅ΠΊΡΡΠΎΠ½Π½ΠΎΠ΅ ΡΠ°ΡΠΏΡΠ΅Π΄Π΅Π»Π΅Π½ΠΈΠ΅ ΡΠΎΡΠΌΠΎΠ·Π½ΠΎΠ³ΠΎ ΡΡΠΈΠ»ΠΈΡ,Β ΡΠΈΡΡΠ΅ΠΌΠ° ΠΊΠΎΠ½ΡΡΠΎΠ»Ρ ΡΡΠ³ΠΈ, ΡΠΈΡΡΠ΅ΠΌΠ° ΡΠΊΡΡΡΠ΅Π½Π½ΠΎΠ³ΠΎ ΡΠΎΡΠΌΠΎΠΆΠ΅Π½ΠΈΡ ΠΈΠ»ΠΈ ΡΠΈΡΡΠ΅ΠΌΠ° ΡΠ»Π΅ΠΊΡΡΠΎΠ½Π½ΠΎΠ³ΠΎ ΠΊΠΎΠ½ΡΡΠΎΠ»Ρ ΡΡΡΠΎΠΉΡΠΈΠ²ΠΎΡΡΠΈ (ESC).Β Π Π±ΡΠ΄ΡΡΠ΅ΠΌ ΡΡΠΎ ΠΌΠΎΠΆΠ΅Ρ Π½Π΅ ΡΠΎΠ»ΡΠΊΠΎ ΠΏΡΠ΅Π΄ΠΎΡΠ²ΡΠ°ΡΠΈΡΡ Π±Π»ΠΎΠΊΠΈΡΠΎΠ²ΠΊΡ ΠΊΠΎΠ»Π΅Ρ, Π½ΠΎ ΠΈ ΠΈΠ·ΠΌΠ΅Π½ΠΈΡΡ ΡΠΌΠ΅ΡΠ΅Π½ΠΈΠ΅ ΡΠΎΡΠΌΠΎΠ·Π° ΠΎΡ ΠΏΠ΅ΡΠ΅Π΄Π½Π΅ΠΉ ΠΊ Π·Π°Π΄Π½Π΅ΠΉ ΡΠ°ΡΡΠΈ.
ΠΠΎΠΌΠΏΠΎΠ½Π΅Π½ΡΡ, ΠΈΡΠΏΠΎΠ»ΡΠ·ΡΠ΅ΠΌΡΠ΅ Π² ΡΠΈΡΡΠ΅ΠΌΠ΅ Π°Π²ΡΠΎΠΌΠ°ΡΠΈΡΠ΅ΡΠΊΠΎΠ³ΠΎ ΡΠΎΡΠΌΠΎΠΆΠ΅Π½ΠΈΡ
ΠΡΡΡ ΠΏΡΡΡ ΠΎΡΠ½ΠΎΠ²Π½ΡΡ ΠΊΠΎΠΌΠΏΠΎΠ½Π΅Π½ΡΠΎΠ² ABS: Π΄Π°ΡΡΠΈΠΊ ΡΠΊΠΎΡΠΎΡΡΠΈ ABS, ΠΊΠ»Π°ΠΏΠ°Π½Ρ, Π½Π°ΡΠΎΡ, ΡΠΎΡΠΌΠΎΠ·Π½Π°Ρ ΠΆΠΈΠ΄ΠΊΠΎΡΡΡ ΠΈ ΠΊΠΎΠ½ΡΡΠΎΠ»Π»Π΅Ρ.
ΠΠ°ΡΡΠΈΠΊ ΡΠΊΠΎΡΠΎΡΡΠΈ ABS:
ΠΠ°ΡΡΠΈΠΊ ABS ΠΎΠ±ΡΡΠ½ΠΎ ΡΠΎΡΡΠΎΠΈΡ ΠΈΠ· Π·ΡΠ±ΡΠ°ΡΠΎΠ³ΠΎ ΠΊΠΎΠ»ΡΡΠ° ΠΈ ΠΌΠ°Π³Π½ΠΈΡΠ°, Π·Π°ΠΊΠ»ΡΡΠ΅Π½Π½ΠΎΠ³ΠΎ Π² ΠΊΠ°ΡΡΡΠΊΡ.Β ΠΠΎΠ½ΡΠ°ΠΊΡ ΠΌΠ΅ΠΆΠ΄Ρ ΠΊΠΎΠ»ΡΡΠΎΠΌ ΠΈ ΠΌΠ°Π³Π½ΠΈΡΠΎΠΌ ΠΈΠ½Π΄ΡΡΠΈΡΡΠ΅Ρ ΡΠ»Π΅ΠΊΡΡΠΈΡΠ΅ΡΠΊΠΎΠ΅ ΠΏΠΎΠ»Π΅, ΠΈΠ·-Π·Π° ΠΊΠΎΡΠΎΡΠΎΠ³ΠΎ Π³Π΅Π½Π΅ΡΠΈΡΡΠ΅ΡΡΡ Π·Π½Π°ΠΊ.Β ΠΡΠΎΡ Π·Π½Π°ΠΊ Π·Π°ΡΠ΅ΠΌ ΠΏΡΠ΅ΠΎΠ±ΡΠ°Π·ΡΠ΅ΡΡΡ Π² ΡΠΈΡΡΠΎΠ²ΠΎΠΉ ΡΠΈΠ³Π½Π°Π» ΠΈ ΠΎΡΠΏΡΠ°Π²Π»ΡΠ΅ΡΡΡ Π½Π° ΠΊΠΎΠ½ΡΡΠΎΠ»Π»Π΅Ρ ABS.Β ΠΠ°ΡΠ΅ΠΌ ΠΊΠΎΠ½ΡΡΠΎΠ»Π»Π΅Ρ ΠΎΠΏΡΠ΅Π΄Π΅Π»ΡΠ΅Ρ ΡΠΊΠΎΡΠΎΡΡΡ ΠΊΠ°ΠΆΠ΄ΠΎΠ³ΠΎ ΠΊΠΎΠ»Π΅ΡΠ° Π² ΠΎΡΠ΄Π΅Π»ΡΠ½ΠΎΡΡΠΈ.Β ΠΠ°ΡΡΠΈΠΊ ABS ΡΠ²Π»ΡΠ΅ΡΡΡ ΠΊΠ»ΡΡΠ΅Π²ΡΠΌ ΠΊΠΎΠΌΠΏΠΎΠ½Π΅Π½ΡΠΎΠΌ Π² ΡΠΏΡΠ°Π²Π»Π΅Π½ΠΈΠΈ Π΄ΡΠ΅ΠΉΡΠΎΠΌ Π°Π²ΡΠΎΠΌΠΎΠ±ΠΈΠ»Ρ Π² Π»ΡΠ±ΡΡ ΡΡΠ»ΠΎΠ²ΠΈΡΡ .
ΠΠ»Π°ΠΏΠ°Π½Ρ:
ΠΠ»Π°ΠΏΠ°Π½Ρ ΠΈΠ³ΡΠ°ΡΡ Π³Π»Π°Π²Π½ΡΡ ΡΠΎΠ»Ρ Π² ΡΠΈΡΡΠ΅ΠΌΠ΅ ABS, ΠΎΠ½ΠΈ ΠΊΠΎΠ½ΡΡΠΎΠ»ΠΈΡΡΡΡ Π΄Π°Π²Π»Π΅Π½ΠΈΠ΅ ΠΈ ΠΎΠ³ΡΠ°Π½ΠΈΡΠΈΠ²Π°ΡΡ Π΅Π³ΠΎ Π΄ΠΎ ΠΎΠΏΡΠ΅Π΄Π΅Π»Π΅Π½Π½ΠΎΠΉ Π²Π΅Π»ΠΈΡΠΈΠ½Ρ.Β ΠΠΎΠ³Π΄Π° ΠΏΠ΅Π΄Π°Π»Ρ ΡΠΎΡΠΌΠΎΠ·Π° Π½Π°ΠΆΠΈΠΌΠ°Π΅ΡΡΡ ΡΠΈΠ»ΡΠ½Π΅Π΅, ΠΊΠ»Π°ΠΏΠ°Π½Ρ ΠΎΠ³ΡΠ°Π½ΠΈΡΠΈΠ²Π°ΡΡ Π΄Π°Π²Π»Π΅Π½ΠΈΠ΅ Π½Π° ΡΠΎΡΠΌΠΎΠ·Π°.Β ΠΠΎΠ³Π΄Π° ΠΊΠ»Π°ΠΏΠ°Π½ Π·Π°ΠΊΠ»ΠΈΠ½ΠΈΠ²Π°Π΅Ρ, ΠΎΠ½ ΠΏΠ΅ΡΠ΅ΡΡΠ°Π΅Ρ ΡΡΠ½ΠΊΡΠΈΠΎΠ½ΠΈΡΠΎΠ²Π°ΡΡ;Β ΠΎΡΠΊΡΡΡΡ, Π·Π°ΠΊΡΡΡΡ ΠΈΠ»ΠΈ ΠΈΠ·ΠΌΠ΅Π½ΠΈΡΡ ΠΏΠΎΠ·ΠΈΡΠΈΡ.Β ΠΠ΅ΡΠ°Π±ΠΎΡΠ°ΡΡΠΈΠΉ ΠΊΠ»Π°ΠΏΠ°Π½ Π½Π΅ ΠΏΠΎΠ·Π²ΠΎΠ»ΠΈΡ ΡΠΈΡΡΠ΅ΠΌΠ΅ ΠΈΠ·ΠΌΠ΅Π½ΡΡΡ ΠΈΠ»ΠΈ ΠΊΠΎΠ½ΡΡΠΎΠ»ΠΈΡΠΎΠ²Π°ΡΡ Π΄Π°Π²Π»Π΅Π½ΠΈΠ΅, ΠΏΠΎΠ΄Π°Π²Π°Π΅ΠΌΠΎΠ΅ Π½Π° ΡΠΎΡΠΌΠΎΠ·Π°.Β ΠΠ»Π°ΠΏΠ°Π½ ΠΈΠΌΠ΅Π΅Ρ ΡΡΠΈ ΠΏΠΎΠ»ΠΎΠΆΠ΅Π½ΠΈΡ: ΠΎΡΠΊΡΡΡΡ, Π·Π°Π±Π»ΠΎΠΊΠΈΡΠΎΠ²Π°ΡΡ ΠΈ ΠΎΡΠΏΡΡΡΠΈΡΡ.
β’ Π ΠΎΡΠΊΡΡΡΠΎΠΌ ΠΏΠΎΠ»ΠΎΠΆΠ΅Π½ΠΈΠΈ ΡΡΠΎ ΠΏΠΎΠ·Π²ΠΎΠ»ΡΠ΅Ρ Π΄Π°Π²Π»Π΅Π½ΠΈΡ ΡΠ΅ΡΡ ΡΠ΅ΡΠ΅Π· ΡΠΎΡΠΌΠΎΠ·.Β
β’ Π ΠΏΠΎΠ»ΠΎΠΆΠ΅Π½ΠΈΠΈ Π±Π»ΠΎΠΊΠΈΡΠΎΠ²ΠΊΠΈ ΠΎΠ½ Π±Π»ΠΎΠΊΠΈΡΡΠ΅Ρ Π΄ΠΎΠΏΠΎΠ»Π½ΠΈΡΠ΅Π»ΡΠ½ΠΎΠ΅ Π΄Π°Π²Π»Π΅Π½ΠΈΠ΅ ΠΈ ΠΏΠΎΠ΄Π΄Π΅ΡΠΆΠΈΠ²Π°Π΅Ρ ΠΎΠ³ΡΠ°Π½ΠΈΡΠ΅Π½Π½ΠΎΠ΅ Π΄Π°Π²Π»Π΅Π½ΠΈΠ΅ Π½Π° ΡΠΎΡΠΌΠΎΠ·Π°.Β
β’ Π ΠΏΠΎΠ»ΠΎΠΆΠ΅Π½ΠΈΠΈ ΡΠ°Π·Π±Π»ΠΎΠΊΠΈΡΠΎΠ²ΠΊΠΈ ΡΠ±ΡΠ°ΡΡΠ²Π°Π΅Ρ Π΄Π°Π²Π»Π΅Π½ΠΈΠ΅, ΡΠ΄Π΅ΡΠΆΠΈΠ²Π°Π΅ΠΌΠΎΠ΅ Π½Π° ΡΠΎΡΠΌΠΎΠ·Π°Ρ
Β
ΠΠ°ΡΠΎΡ:
ΠΠ°ΡΠΎΡ Π² ΠΠΠ‘ ΠΈΡΠΏΠΎΠ»ΡΠ·ΡΠ΅ΡΡΡ Π΄Π»Ρ Π²ΠΎΡΡΡΠ°Π½ΠΎΠ²Π»Π΅Π½ΠΈΡ Π΄Π°Π²Π»Π΅Π½ΠΈΡ Π² Π³ΠΈΠ΄ΡΠ°Π²Π»ΠΈΡΠ΅ΡΠΊΠΈΡ ΡΠΎΡΠΌΠΎΠ·Π°Ρ ΠΏΠΎΡΠ»Π΅ ΡΠΎΠ³ΠΎ, ΠΊΠ°ΠΊ ΠΊΠ»Π°ΠΏΠ°Π½Ρ ΠΎΡΠΏΡΡΡΡΡ Π΅Π³ΠΎ.Β ΠΠΎΠ½ΡΡΠΎΠ»Π»Π΅Ρ ΠΈΠ·ΠΌΠ΅Π½ΠΈΡ ΡΠΎΡΡΠΎΡΠ½ΠΈΠ΅ Π½Π°ΡΠΎΡΠ°, ΡΡΠΎΠ±Ρ ΡΠΎΠ·Π΄Π°ΡΡ ΠΆΠ΅Π»Π°Π΅ΠΌΠΎΠ΅ ΠΊΠΎΠ»ΠΈΡΠ΅ΡΡΠ²ΠΎ Π΄Π°Π²Π»Π΅Π½ΠΈΡ ΠΈ ΡΠΌΠ΅Π½ΡΡΠΈΡΡ ΡΠΊΠΎΠ»ΡΠΆΠ΅Π½ΠΈΠ΅.
Π’ΠΎΡΠΌΠΎΠ·Π½Π°Ρ ΠΆΠΈΠ΄ΠΊΠΎΡΡΡ:
Π Π³ΠΈΠ΄ΡΠ°Π²Π»ΠΈΡΠ΅ΡΠΊΠΎΠΉ ΡΠΈΡΡΠ΅ΠΌΠ΅ ΡΠΎΡΠΌΠΎΠ·Π½ΠΎΠΉ ΠΆΠΈΠ΄ΠΊΠΎΡΡΠΈ, ΡΠΎΡΠΌΠΎΠ·Π½Π°Ρ ΠΆΠΈΠ΄ΠΊΠΎΡΡΡ ΡΠ²Π»ΡΠ΅ΡΡΡ ΠΎΡΠ½ΠΎΠ²Π½ΡΠΌ Π°ΠΏΠΏΠ»ΠΈΠΊΠ°ΡΠΎΡΠΎΠΌ ΡΠΎΡΠΌΠΎΠ·ΠΎΠ².Β ΠΠ½ ΠΈΡΠΏΠΎΠ»ΡΠ·ΡΠ΅ΡΡΡ Π΄Π»Ρ ΠΏΠ΅ΡΠ΅Π΄Π°ΡΠΈ ΡΡΠΈΠ»ΠΈΡ ΠΎΡ Π³ΠΈΠ΄ΡΠ°Π²Π»ΠΈΡΠ΅ΡΠΊΠΈΡ Π»ΠΈΠ½ΠΈΠΉ ΠΊ ΡΠΎΡΠΌΠΎΠ·Π½ΠΎΠΌΡ ΠΌΠ΅Ρ Π°Π½ΠΈΠ·ΠΌΡ ΡΡΠ΄ΠΎΠΌ Ρ ΠΊΠΎΠ»Π΅ΡΠ°ΠΌΠΈ.Β ΠΠΎΡΠΊΠΎΠ»ΡΠΊΡ ΡΠΎΡΠΌΠΎΠ·Π° ΠΏΡΠΎΠΈΠ·Π²ΠΎΠ΄ΡΡ ΠΌΠ½ΠΎΠ³ΠΎ ΡΠ΅ΠΏΠ»Π°, ΡΠΎΡΠΌΠΎΠ·Π½Π°Ρ ΠΆΠΈΠ΄ΠΊΠΎΡΡΡ ΠΈΠΌΠ΅Π΅Ρ Π²ΡΡΠΎΠΊΡΡ ΡΠ΅ΠΌΠΏΠ΅ΡΠ°ΡΡΡΡ ΠΊΠΈΠΏΠ΅Π½ΠΈΡ Π΄Π»Ρ ΡΡΡΠ΅ΠΊΡΠΈΠ²Π½ΠΎΠΉ ΡΠ°Π±ΠΎΡΡ.Β ΠΡΠΎ ΡΠ°ΠΊΠΆΠ΅ ΠΏΡΠ΅Π΄ΠΎΡΠ²ΡΠ°ΡΠ°Π΅Ρ ΠΊΠΎΡΡΠΎΠ·ΠΈΡ ΠΌΠ°ΡΠ΅ΡΠΈΠ°Π»ΠΎΠ² Π² ΠΊΠΎΠ½ΡΠ°ΠΊΡΠ΅.
ΠΠΎΠ½ΡΡΠΎΠ»Π»Π΅Ρ:
ΠΠΎΠ½ΡΡΠΎΠ»Π»Π΅Ρ — ΡΡΠΎ Π±Π»ΠΎΠΊ Π² ΠΠΠ‘, ΠΊΠΎΡΠΎΡΡΠΉ ΠΏΠΎΠ»ΡΡΠ°Π΅Ρ ΠΈΠ½ΡΠΎΡΠΌΠ°ΡΠΈΡ ΠΎΡ Π΄Π°ΡΡΠΈΠΊΠ° ΡΠ°ΡΡΠΎΡΡ Π²ΡΠ°ΡΠ΅Π½ΠΈΡ ΠΎΡΠ΄Π΅Π»ΡΠ½ΠΎΠ³ΠΎ ΠΊΠΎΠ»Π΅ΡΠ° ΠΠΠ‘.Β ΠΠΎΠ³Π΄Π° ΠΎΡΠ΄Π΅Π»ΡΠ½ΠΎΠ΅ ΠΊΠΎΠ»Π΅ΡΠΎ ΡΠ΅ΡΡΠ΅Ρ ΡΡΠ΅ΠΏΠ»Π΅Π½ΠΈΠ΅, ΡΠΈΠ³Π½Π°Π» ΠΎΡΠΏΡΠ°Π²Π»ΡΠ΅ΡΡΡ Π½Π° ΠΊΠΎΠ½ΡΡΠΎΠ»Π»Π΅Ρ.Β ΠΠ°ΡΠ΅ΠΌ ΠΊΠΎΠ½ΡΡΠΎΠ»Π»Π΅Ρ ΠΎΠ³ΡΠ°Π½ΠΈΡΠΈΡ ΡΠΎΡΠΌΠΎΠ·Π½ΠΎΠ΅ ΡΡΠΈΠ»ΠΈΠ΅ ΠΈ Π°ΠΊΡΠΈΠ²ΠΈΡΡΠ΅Ρ ΠΌΠΎΠ΄ΡΠ»ΡΡΠΎΡ ABS.
ΠΡΠ΅ΠΈΠΌΡΡΠ΅ΡΡΠ²Π° ΠΠΠ‘
β’ Π’Π΅Ρ
Π½ΠΎΠ»ΠΎΠ³ΠΈΡ ABS Π·Π½Π°ΡΠΈΡΠ΅Π»ΡΠ½ΠΎ ΡΠ½ΠΈΠΆΠ°Π΅Ρ ΡΠΈΡΠΊ Π±Π»ΠΎΠΊΠΈΡΠΎΠ²ΠΊΠΈ ΠΈ Π·Π°Π½ΠΎΡΠ° ΠΊΠΎΠ»Π΅Ρ, ΠΎΡΠΎΠ±Π΅Π½Π½ΠΎ Π² ΡΠΊΠΎΠ»ΡΠ·ΠΊΠΈΡ
ΡΡΠ»ΠΎΠ²ΠΈΡΡ
.Β ΠΠ΅ Π±ΡΠ΄Π΅Ρ ΠΏΡΠ΅ΡΠ²Π΅Π»ΠΈΡΠ΅Π½ΠΈΠ΅ΠΌ ΡΠΊΠ°Π·Π°ΡΡ, ΡΡΠΎ ΡΡΠΎ ΠΌΠΎΠΆΠ΅Ρ ΡΠΏΠ°ΡΡΠΈ ΠΆΠΈΠ·Π½Ρ, ΠΏΠΎΠΌΠΎΡΡ ΡΠΎΡ
ΡΠ°Π½ΠΈΡΡ ΠΊΠΎΠ½ΡΡΠΎΠ»Ρ ΠΈ ΠΈΠ·Π±Π΅ΠΆΠ°ΡΡ ΠΎΠΏΠ°ΡΠ½ΡΡ
ΡΡΠ΅Π½Π°ΡΠΈΠ΅Π².Β
β’ Π’Π΅Ρ
Π½ΠΎΠ»ΠΎΠ³ΠΈΡ ABS ΠΌΠΎΠΆΠ΅Ρ ΡΠ½ΠΈΠ·ΠΈΡΡ Π²Π°ΡΠΈ ΡΡΡΠ°Ρ
ΠΎΠ²ΡΠ΅ Π²ΡΠΏΠ»Π°ΡΡ ΠΈΠΌΠ΅Π½Π½ΠΎ ΠΏΠΎΡΠΎΠΌΡ, ΡΡΠΎ Π°Π½ΡΠΈΠ±Π»ΠΎΠΊΠΈΡΠΎΠ²ΠΎΡΠ½Π°Ρ ΡΠΈΡΡΠ΅ΠΌΠ° ΡΠΎΡΠΌΠΎΠ·ΠΎΠ² ΠΌΠ½ΠΎΠ³ΠΎΠΊΡΠ°ΡΠ½ΠΎ ΠΏΠΎΠΊΠ°Π·Π°Π»Π° ΡΠ½ΠΈΠΆΠ΅Π½ΠΈΠ΅ ΡΠΈΡΠΊΠ° Π½Π΅ΡΡΠ°ΡΡΠ½ΡΡ
ΡΠ»ΡΡΠ°Π΅Π².Β
β’ Π’Π΅Ρ
Π½ΠΎΠ»ΠΎΠ³ΠΈΡ Π½Π΅ ΠΏΠ°Π½ΠΈΠΊΡΠ΅Ρ, ΠΊΠ°ΠΊ ΡΠ΅Π»ΠΎΠ²Π΅ΠΊ, ΠΎΠ½Π° ΠΏΡΠ΅ΠΎΠ΄ΠΎΠ»Π΅Π²Π°Π΅Ρ ΠΈΠ½ΡΡΠΈΠ½ΠΊΡ Π²ΠΎΠ΄ΠΈΡΠ΅Π»Ρ ΡΠ΅Π·ΠΊΠΎ ΡΠΎΡΠΌΠΎΠ·ΠΈΡΡ ΠΈ ΡΠΎΡ
ΡΠ°Π½ΡΠ΅Ρ ΡΠΏΡΠ°Π²Π»Π΅Π½ΠΈΠ΅ ΡΡΠ»Π΅ΠΌ.Β
β’ ABS ΡΠ½ΠΈΠΆΠ°Π΅Ρ ΡΡΠ΅Π½ΠΈΠ΅ ΠΊΠΎΠ»Π΅Ρ Π½Π° Π΄ΠΎΡΠΎΠ³Π°Ρ
, ΡΠ΅ΠΌ ΡΠ°ΠΌΡΠΌ ΠΏΠΎΠ²ΡΡΠ°Π΅Ρ ΠΠΠ ΡΠΈΠ½ (Π΄ΠΎ 30%).Β
β’ Π ΡΠ»Π΅Π²ΠΎΠ΅ ΡΠΏΡΠ°Π²Π»Π΅Π½ΠΈΠ΅ ΡΡΡΠ΅ΠΊΡΠΈΠ²Π½ΠΎ ΠΈ ΠΏΠΎΠ·Π²ΠΎΠ»ΡΠ΅Ρ ΠΈΠ·Π±Π΅ΠΆΠ°ΡΡ ΠΎΠΏΡΠΎΠΊΠΈΠ΄ΡΠ²Π°Π½ΠΈΡ Π°Π²ΡΠΎΠΌΠΎΠ±ΠΈΠ»Ρ.Β Π’ΡΠ°Π½ΡΠΏΠΎΡΡΠ½ΡΠΌ ΡΡΠ΅Π΄ΡΡΠ²ΠΎΠΌ ΠΌΠΎΠΆΠ½ΠΎ ΠΏΠ»Π°Π²Π½ΠΎ ΡΠΏΡΠ°Π²Π»ΡΡΡ Π²ΠΎ Π²ΡΠ΅ΠΌΡ ΡΠΎΡΠΌΠΎΠΆΠ΅Π½ΠΈΡ.
β’ ΠΠΎΠ»Π΅Π΅ Π±ΡΡΡΡΠΎΠ΅ ΡΠ΅Π°Π³ΠΈΡΠΎΠ²Π°Π½ΠΈΠ΅ Π½Π° ΡΠΈΡΡΠ°ΡΠΈΠΈ Π±Π»Π°Π³ΠΎΠ΄Π°ΡΡ ΠΏΠΎΠ»Π½ΠΎΠΌΡ ΡΠ»Π΅ΠΊΡΡΠΎΠ½Π½ΠΎΠΌΡ ΠΈ ΠΊΠΎΠΌΠΏΡΡΡΠ΅ΡΠ½ΠΎΠΌΡ ΠΊΠΎΠ½ΡΡΠΎΠ»Π»Π΅ΡΡ.
ΠΠ΅Π·ΠΎΠΏΠ°ΡΠ½ΠΎΡΡΡ Π°Π²ΡΠΎΠΌΠΎΠ±ΠΈΠ»Ρ 101: Π°Π½ΡΠΈΠ±Π»ΠΎΠΊΠΈΡΠΎΠ²ΠΎΡΠ½Π°Ρ ΡΠΈΡΡΠ΅ΠΌΠ° ΡΠΎΡΠΌΠΎΠ·ΠΎΠ²
ΠΡΠ»ΠΈ Π²Ρ ΠΊΠΎΠ³Π΄Π°-Π»ΠΈΠ±ΠΎ Π·Π°ΠΌΠ΅ΡΠ°Π»ΠΈ Π»Π΅Π³ΠΊΡΡ ΠΏΡΠ»ΡΡΠ°ΡΠΈΡ Π² ΠΏΠ΅Π΄Π°Π»ΠΈ ΡΠΎΡΠΌΠΎΠ·Π° Π² Π΄ΠΎΠΆΠ΄Π»ΠΈΠ²ΡΠΉ Π΄Π΅Π½Ρ, Π²ΠΎΠ·ΠΌΠΎΠΆΠ½ΠΎ, Π²Ρ ΠΏΠΎΡΡΠ²ΡΡΠ²ΠΎΠ²Π°Π»ΠΈ, ΡΡΠΎ Π²Π°ΡΠ° Π°Π½ΡΠΈΠ±Π»ΠΎΠΊΠΈΡΠΎΠ²ΠΎΡΠ½Π°Ρ ΡΠΎΡΠΌΠΎΠ·Π½Π°Ρ ΡΠΈΡΡΠ΅ΠΌΠ° ΡΠ°Π±ΠΎΡΠ°Π΅Ρ . ΠΡΠ»ΡΡΠ°ΡΠΈΡ Π²ΡΠ·Π²Π°Π½Π° ΠΏΡΠΈΠ²ΠΎΠ΄ΠΎΠΌ ΠΠΠ‘, ΠΊΠΎΡΠΎΡΡΠΉ Π±ΡΡΡΡΠΎ Π°ΠΊΡΠΈΠ²ΠΈΡΡΠ΅Ρ ΡΠΎΡΠΌΠΎΠ·Π°, ΡΡΠΎ ΠΌΠΎΠΆΠ΅Ρ ΠΏΡΠ΅ΠΏΡΡΡΡΠ²ΠΎΠ²Π°ΡΡ Π·Π°Π½ΠΎΡΡ Π°Π²ΡΠΎΠΌΠΎΠ±ΠΈΠ»Ρ. ΠΠΎΠΌΠΎΠ³Π°Ρ Π²Π°ΠΌ ΠΈΠ·Π±Π΅ΠΆΠ°ΡΡ ΡΡΠ»ΠΎΠ²ΠΈΠΉ Π·Π°Π½ΠΎΡΠ°, ABS ΡΡΡΠ΅ΠΊΡΠΈΠ²Π½ΠΎ ΠΏΠΎΠ·Π²ΠΎΠ»ΡΠ΅Ρ Π²Π°ΠΌ Π»ΡΡΡΠ΅ ΠΊΠΎΠ½ΡΡΠΎΠ»ΠΈΡΠΎΠ²Π°ΡΡ ΡΠ²ΠΎΠΉ Π°Π²ΡΠΎΠΌΠΎΠ±ΠΈΠ»Ρ. Π‘ΠΎΠ³Π»Π°ΡΠ½ΠΎ ΠΎΠ΄Π½ΠΎΠΌΡ ΠΈΡΡΠ»Π΅Π΄ΠΎΠ²Π°Π½ΠΈΡ, ΠΏΡΠΎΠ²Π΅Π΄Π΅Π½Π½ΠΎΠΌΡ ΠΠ²ΡΡΡΠ°Π»ΠΈΠΉΡΠΊΠΈΠΌ ΡΠ½ΠΈΠ²Π΅ΡΡΠΈΡΠ΅ΡΠΎΠΌ ΠΠΎΠ½Π°Ρ, Π°Π²ΡΠΎΠΌΠΎΠ±ΠΈΠ»ΠΈ Ρ ΠΠΠ‘ Π½Π° 35 ΠΏΡΠΎΡΠ΅Π½ΡΠΎΠ² ΠΌΠ΅Π½Π΅Π΅ ΠΏΠΎΠ΄Π²Π΅ΡΠΆΠ΅Π½Ρ Π½Π΅ΡΡΠ°ΡΡΠ½ΡΠΌ ΡΠ»ΡΡΠ°ΡΠΌ, ΡΠ΅ΠΌ Π°Π²ΡΠΎΠΌΠΎΠ±ΠΈΠ»ΠΈ Π±Π΅Π· ΠΠΠ‘.
Lifewire / ΠΡΠΈ ΠΠ°Π½ΠΠ°ΠΊ ΡΠ°Π±ΠΎΡΠ°ΡΡ Π°Π½ΡΠΈΠ±Π»ΠΎΠΊΠΈΡΠΎΠ²ΠΎΡΠ½ΡΠ΅ ΡΠΎΡΠΌΠΎΠ·Π°?
ΠΠ½ΡΠΈΠ±Π»ΠΎΠΊΠΈΡΠΎΠ²ΠΎΡΠ½Π°Ρ ΡΠΈΡΡΠ΅ΠΌΠ° ΡΠΎΡΠΌΠΎΠ·ΠΎΠ² ΡΠ°Π±ΠΎΡΠ°Π΅Ρ, ΠΎΡΡΡΠ°Ρ Π΄Π²ΠΈΠΆΠ΅Π½ΠΈΠ΅ ΠΊΠ°ΠΆΠ΄ΠΎΠ³ΠΎ ΠΊΠΎΠ»Π΅ΡΠ°. ΠΡΠ»ΠΈ Π²Ρ Π½Π°ΠΆΠΌΠ΅ΡΠ΅ ΠΏΠ΅Π΄Π°Π»Ρ ΡΠΎΡΠΌΠΎΠ·Π°, ΠΈ Π΄Π°ΡΡΠΈΠΊΠΈ ΠΊΠΎΠ»Π΅ΡΠ° ΠΎΠ±Π½Π°ΡΡΠΆΠ°Ρ ΡΠΎΡΡΠΎΡΠ½ΠΈΠ΅ Π·Π°Π½ΠΎΡΠ°, ABS Π½Π°ΡΠ½Π΅Ρ Π΄Π΅ΠΉΡΡΠ²ΠΎΠ²Π°ΡΡ. ΠΠ°Ρ, Π²Π΅ΡΠΎΡΡΠ½ΠΎ, ΡΡΠΈΠ»ΠΈ Π½Π°ΠΆΠΈΠΌΠ°ΡΡ ΠΏΠ΅Π΄Π°Π»Ρ ΡΠΎΡΠΌΠΎΠ·Π° Π² ΡΠΈΡΡΠ°ΡΠΈΠΈ ΠΏΠ°Π½ΠΈΡΠ΅ΡΠΊΠΎΠ³ΠΎ ΠΎΡΡΠ°Π½ΠΎΠ²Π° , ΠΈ ΡΡΠΎ, ΠΏΠΎ ΡΡΡΠΈ, ΡΠΎ, Π΄Π»Ρ ΡΠ΅Π³ΠΎ ΠΏΡΠ΅Π΄Π½Π°Π·Π½Π°ΡΠ΅Π½Ρ ΠΏΡΠΈΠ²ΠΎΠ΄Ρ ABS. ΠΡΠΈ ΠΏΡΠΈΠ²ΠΎΠ΄Ρ ΡΠΏΠΎΡΠΎΠ±Π½Ρ ΡΠΎΡΡΡΡΠ°ΡΡ ΡΠΎΡΠΌΠΎΠ·Π° ΡΠΎΡΠ½ΠΈ ΡΠ°Π· Π² ΡΠ΅ΠΊΡΠ½Π΄Ρ, ΡΡΠΎ Π½Π°ΠΌΠ½ΠΎΠ³ΠΎ Π±ΡΡΡΡΠ΅Π΅, ΡΠ΅ΠΌ ΠΏΠ΅Π΄Π°Π»Ρ ΡΠΎΡΠΌΠΎΠ·Π° ΠΌΠΎΠΆΠ½ΠΎ ΠΏΡΠΎΠΊΠ°ΡΠ°ΡΡ Π²ΡΡΡΠ½ΡΡ.
ΠΠ°ΠΊΠΎΠΉ ΡΠΌΡΡΠ» Π² Π°Π½ΡΠΈΠ±Π»ΠΎΠΊΠΈΡΠΎΠ²ΠΎΡΠ½ΠΎΠΉ ΡΠΎΡΠΌΠΎΠ·Π½ΠΎΠΉ ΡΠΈΡΡΠ΅ΠΌΠ΅?
ΠΠ»Π°Π²Π½Π°Ρ Π·Π°Π΄Π°ΡΠ° ABS β ΠΏΠΎΠΌΠΎΡΡ Π²Π°ΠΌ ΠΊΠΎΠ½ΡΡΠΎΠ»ΠΈΡΠΎΠ²Π°ΡΡ ΡΠ²ΠΎΠΉ Π°Π²ΡΠΎΠΌΠΎΠ±ΠΈΠ»Ρ Π²ΠΎ Π²ΡΠ΅ΠΌΡ ΠΏΠ°Π½ΠΈΡΠ΅ΡΠΊΠΈΡ ΠΎΡΡΠ°Π½ΠΎΠ²ΠΎΠΊ ΠΈ Π΄ΡΡΠ³ΠΈΡ Π½Π΅Π±Π»Π°Π³ΠΎΠΏΡΠΈΡΡΠ½ΡΡ ΡΡΠ»ΠΎΠ²ΠΈΠΉ Π²ΠΎΠΆΠ΄Π΅Π½ΠΈΡ. ΠΡΡΡΡΠΎ ΠΏΡΠ»ΡΡΠΈΡΡΡ ΡΠΎΡΠΌΠΎΠ·Π°, Π°Π½ΡΠΈΠ±Π»ΠΎΠΊΠΈΡΠΎΠ²ΠΎΡΠ½Π°Ρ ΡΠΎΡΠΌΠΎΠ·Π½Π°Ρ ΡΠΈΡΡΠ΅ΠΌΠ° ΠΏΠΎ ΡΡΡΠ΅ΡΡΠ²Ρ ΠΏΡΠ΅Π΄ΠΎΡΠ²ΡΠ°ΡΠ°Π΅Ρ Π±Π»ΠΎΠΊΠΈΡΠΎΠ²ΠΊΡ ΠΊΠΎΠ»Π΅Ρ Π½Π° ΠΌΠ΅ΡΡΠ΅. ΠΡΠΎ ΠΏΠΎΠ·Π²ΠΎΠ»ΡΠ΅Ρ ΡΠΈΠ½Π°ΠΌ ΡΠΎΡ ΡΠ°Π½ΡΡΡ ΡΡΠ΅ΠΏΠ»Π΅Π½ΠΈΠ΅ Ρ Π΄ΠΎΡΠΎΠ³ΠΎΠΉ, ΡΡΠΎ ΠΌΠΎΠΆΠ΅Ρ ΠΏΡΠ΅ΠΏΡΡΡΡΠ²ΠΎΠ²Π°ΡΡ ΠΏΡΠΎΠ½ΠΈΠΊΠ½ΠΎΠ²Π΅Π½ΠΈΡ ΡΡΠ°Π½ΡΠΏΠΎΡΡΠ½ΠΎΠ³ΠΎ ΡΡΠ΅Π΄ΡΡΠ²Π° Π² Π·Π°Π½ΠΎΡ.
ΠΠ°Π½ΠΎΡ β ΡΡΠΎ ΡΠΎ, ΡΡΠΎ ΠΏΡΠΎΠΈΡΡ ΠΎΠ΄ΠΈΡ, ΠΊΠΎΠ³Π΄Π° ΡΡΠ°Π½ΡΠΏΠΎΡΡΠ½ΠΎΠ΅ ΡΡΠ΅Π΄ΡΡΠ²ΠΎ ΡΠ΅ΡΡΠ΅Ρ ΡΡΠ΅ΠΏΠ»Π΅Π½ΠΈΠ΅ Ρ Π΄ΠΎΡΠΎΠ³ΠΎΠΉ, ΠΏΠΎΡΠΎΠΌΡ ΡΡΠΎ Π·Π°Π±Π»ΠΎΠΊΠΈΡΠΎΠ²Π°Π½Π½ΡΠ΅ ΠΊΠΎΠ»Π΅ΡΠ° ΠΌΠΎΠ³ΡΡ ΡΠ²ΠΎΠ±ΠΎΠ΄Π½ΠΎ ΡΠΊΠΎΠ»ΡΠ·ΠΈΡΡ ΠΏΠΎ ΠΏΠΎΠ²Π΅ΡΡ Π½ΠΎΡΡΠΈ Π΄ΠΎΡΠΎΠ³ΠΈ. Π ΡΡΠΈΡ ΡΡΠ»ΠΎΠ²ΠΈΡΡ ΠΌΠΎΠΆΠ΅Ρ Π±ΡΡΡ ΡΡΠ΅Π·Π²ΡΡΠ°ΠΉΠ½ΠΎ ΡΡΡΠ΄Π½ΠΎ ΡΠΎΡ ΡΠ°Π½ΠΈΡΡ ΠΊΠΎΠ½ΡΡΠΎΠ»Ρ Π½Π°Π΄ ΡΡΠ°Π½ΡΠΏΠΎΡΡΠ½ΡΠΌ ΡΡΠ΅Π΄ΡΡΠ²ΠΎΠΌ. Π Ρ ΡΠ΄ΡΠ΅ΠΌ ΡΠ»ΡΡΠ°Π΅, Π·Π°Π½ΠΎΡ Π°Π²ΡΠΎΠΌΠΎΠ±ΠΈΠ»Ρ ΠΌΠΎΠΆΠ΅Ρ ΡΠ±Π΅ΠΆΠ°ΡΡ Ρ Π΄ΠΎΡΠΎΠ³ΠΈ ΠΈΠ»ΠΈ ΡΠ΄Π°ΡΠΈΡΡ Π΄ΡΡΠ³ΠΎΠΉ Π°Π²ΡΠΎΠΌΠΎΠ±ΠΈΠ»Ρ.
ΠΠ½ΡΠΈΠ±Π»ΠΎΠΊΠΈΡΠΎΠ²ΠΎΡΠ½Π°Ρ ΡΠΈΡΡΠ΅ΠΌΠ° ΡΠΎΡΠΌΠΎΠ·ΠΎΠ² ΠΈΠ½ΠΎΠ³Π΄Π° ΡΠ°ΠΊΠΆΠ΅ ΡΠΏΠΎΡΠΎΠ±Π½Π° ΡΠΌΠ΅Π½ΡΡΠΈΡΡ ΡΠΎΡΠΌΠΎΠ·Π½ΠΎΠΉ ΠΏΡΡΡ ΡΡΠ°Π½ΡΠΏΠΎΡΡΠ½ΠΎΠ³ΠΎ ΡΡΠ΅Π΄ΡΡΠ²Π°, Π½ΠΎ ΡΡΠΎ Π½Π΅ ΡΠ²Π»ΡΠ΅ΡΡΡ ΠΎΡΠ½ΠΎΠ²Π½ΠΎΠΉ ΡΠ΅Π»ΡΡ ABS. ΠΡΠ»ΠΈ ΠΏΠΎΠ²Π΅ΡΡ Π½ΠΎΡΡΡ Π΄ΠΎΡΠΎΠ³ΠΈ Π²Π»Π°ΠΆΠ½Π°Ρ ΠΈΠ»ΠΈ Π»Π΅Π΄ΡΠ½Π°Ρ, ΡΡΠ½ΠΊΡΠΈΠΎΠ½Π°Π»ΡΠ½Π°Ρ Π°Π½ΡΠΈΠ±Π»ΠΎΠΊΠΈΡΠΎΠ²ΠΎΡΠ½Π°Ρ ΡΠΎΡΠΌΠΎΠ·Π½Π°Ρ ΡΠΈΡΡΠ΅ΠΌΠ° ΠΎΠ±ΡΡΠ½ΠΎ ΠΏΡΠΈΠ²ΠΎΠ΄ΠΈΡ ΠΊ ΡΠΌΠ΅Π½ΡΡΠ΅Π½ΠΈΡ ΡΠΎΡΠΌΠΎΠ·Π½ΠΎΠ³ΠΎ ΠΏΡΡΠΈ.
ΠΡΠΈ ΡΠΈΡΡΠ΅ΠΌΡ ΠΌΠΎΠ³ΡΡ ΠΏΡΠΈΠ²Π΅ΡΡΠΈ ΠΊ Π½Π΅ΠΌΠ½ΠΎΠ³ΠΎ ΡΠ²Π΅Π»ΠΈΡΠ΅Π½Π½ΠΎΠΌΡ ΡΠΎΡΠΌΠΎΠ·Π½ΠΎΠΌΡ ΠΏΡΡΠΈ, Π΅ΡΠ»ΠΈ Π΄ΠΎΡΠΎΠΆΠ½ΠΎΠ΅ ΠΏΠΎΠΊΡΡΡΠΈΠ΅ ΡΡΡ ΠΎΠ΅, Π° ΡΠΎΡΠΌΠΎΠ·Π½ΠΎΠΉ ΠΏΡΡΡ ΠΌΠΎΠΆΠ΅Ρ Π±ΡΡΡ Π·Π½Π°ΡΠΈΡΠ΅Π»ΡΠ½ΠΎ ΡΠ²Π΅Π»ΠΈΡΠ΅Π½ Π½Π° ΡΡΡ Π»ΡΡ Π΄ΠΎΡΠΎΠΆΠ½ΡΡ ΠΏΠΎΠ²Π΅ΡΡ Π½ΠΎΡΡΡΡ . ΠΡΠΎ ΡΠ²ΡΠ·Π°Π½ΠΎ Ρ ΡΠ΅ΠΌ, ΡΡΠΎ ΡΡΠ΅Π»Π΅Π²ΠΎΡΠ½ΡΠ΅ ΠΊΠΎΠ»Π΅ΡΠ° ΠΌΠΎΠ³ΡΡ ΠΏΡΠΈΠ²Π΅ΡΡΠΈ ΠΊ ΡΠΊΠΎΠΏΠ»Π΅Π½ΠΈΡ ΡΠ½Π΅Π³Π°, Π³ΡΠ°Π²ΠΈΡ ΠΈΠ»ΠΈ ΠΏΠ΅ΡΠΊΠ° ΠΈ Π»ΠΈΡΠ΅Π½ΠΈΡ Π΄Π²ΠΈΠΆΠ΅Π½ΠΈΡ Π°Π²ΡΠΎΠΌΠΎΠ±ΠΈΠ»Ρ.
ΠΠ°ΠΊ Π½Π°ΠΈΠ»ΡΡΡΠΈΠΌ ΠΎΠ±ΡΠ°Π·ΠΎΠΌ ΠΈΡΠΏΠΎΠ»ΡΠ·ΠΎΠ²Π°ΡΡ Π°Π½ΡΠΈΠ±Π»ΠΎΠΊΠΈΡΠΎΠ²ΠΎΡΠ½ΡΡ ΡΠΈΡΡΠ΅ΠΌΡ ΡΠΎΡΠΌΠΎΠ·ΠΎΠ²?
ΠΡΡΡΠΈΠΉ ΡΠΏΠΎΡΠΎΠ± ΠΈΡΠΏΠΎΠ»ΡΠ·ΠΎΠ²Π°ΡΡ Π°Π½ΡΠΈΠ±Π»ΠΎΠΊΠΈΡΠΎΠ²ΠΎΡΠ½ΡΡ ΡΠΈΡΡΠ΅ΠΌΡ ΡΠΎΡΠΌΠΎΠ·ΠΎΠ² β ΠΏΡΠΎΡΡΠΎ ΡΠΈΠ»ΡΠ½ΠΎ Π½Π°ΠΆΠΈΠΌΠ°ΡΡ Π½Π° ΠΏΠ΅Π΄Π°Π»Ρ ΡΠΎΡΠΌΠΎΠ·Π°, ΠΊΠΎΠ³Π΄Π° Π²Π°ΠΌ Π½ΡΠΆΠ½ΠΎ ΠΎΡΡΠ°Π½ΠΎΠ²ΠΈΡΡΡΡ. ΠΡΠ»ΠΈ Π²Ρ ΠΎΠΊΠ°Π·Π°Π»ΠΈΡΡ Π² ΡΠΈΡΡΠ°ΡΠΈΠΈ ΠΎΡΡΠ°Π½ΠΎΠ²ΠΊΠΈ ΠΏΠ°Π½ΠΈΠΊΠΈ, Π²Π°ΠΌ ΡΠ°ΠΊΠΆΠ΅ ΠΌΠΎΠΆΠ΅Ρ ΠΏΠΎΠ½Π°Π΄ΠΎΠ±ΠΈΡΡΡΡ ΠΎΠ±Ρ ΠΎΠ΄ΠΈΡΡ ΠΏΡΠ΅ΠΏΡΡΡΡΠ²ΠΈΡ. ΠΠΎΡΠΊΠΎΠ»ΡΠΊΡ ΡΠ΅Π»ΡΡ ABS ΡΠ²Π»ΡΠ΅ΡΡΡ ΠΏΡΠ΅Π΄ΠΎΡΠ²ΡΠ°ΡΠ΅Π½ΠΈΠ΅ Π·Π°Π½ΠΎΡΠ°, Π²Ρ Π΄ΠΎΠ»ΠΆΠ½Ρ ΠΈΠΌΠ΅ΡΡ Π²ΠΎΠ·ΠΌΠΎΠΆΠ½ΠΎΡΡΡ ΡΠΎΡ ΡΠ°Π½ΠΈΡΡ ΠΊΠΎΠ½ΡΡΠΎΠ»Ρ Π½Π°Π΄ Π°Π²ΡΠΎΠΌΠΎΠ±ΠΈΠ»Π΅ΠΌ.
Π’Π°ΠΊΠΆΠ΅ Π²Π°ΠΆΠ½ΠΎ Π·Π½Π°ΡΡ ΠΎ Π΄ΠΎΡΠΎΠΆΠ½ΡΡ ΡΡΠ»ΠΎΠ²ΠΈΡΡ . ΠΠΎΡΠΊΠΎΠ»ΡΠΊΡ Π°Π½ΡΠΈΠ±Π»ΠΎΠΊΠΈΡΠΎΠ²ΠΎΡΠ½Π°Ρ ΡΠΎΡΠΌΠΎΠ·Π½Π°Ρ ΡΠΈΡΡΠ΅ΠΌΠ° ΠΌΠΎΠΆΠ΅Ρ ΠΏΡΠΈΠ²Π΅ΡΡΠΈ ΠΊ ΡΠ²Π΅Π»ΠΈΡΠ΅Π½ΠΈΡ ΡΠΎΡΠΌΠΎΠ·Π½ΠΎΠ³ΠΎ ΠΏΡΡΠΈ Π½Π° ΡΡΡ Π»ΠΎΠΌ Π΄ΠΎΡΠΎΠΆΠ½ΠΎΠΌ ΠΏΠΎΠΊΡΡΡΠΈΠΈ, Π²Π°ΠΌ ΠΌΠΎΠΆΠ΅Ρ ΠΏΠΎΡΡΠ΅Π±ΠΎΠ²Π°ΡΡΡΡ ΡΠ²Π΅Π»ΠΈΡΠΈΡΡ ΡΠ°ΡΡΡΠΎΡΠ½ΠΈΠ΅ Π΄ΠΎ ΠΎΡΡΠ°Π½ΠΎΠ²ΠΊΠΈ.
What Happens When Anti-Lock Brakes Fail?
Most anti-lock brake systems are designed to switch off if any of the components fail. There are rare instances when a valve will stick open, but the brakes will usually continue to work normally. If the pedal doesnβt fade or sink, that typically means the vehicle is safe to drive. You will have to pump the brakes if you find yourself in a panic stop situation, so itβs crucial to remain vigilant if your ABS quits working.Β Hereβs what to doΒ if your ABS light comes on.
How Have Anti-Lock Brake Systems Changed Over the Years?
Anti-lock brake systems have evolved continuously since they were first introduced in the 1970s. The basic concept has stayed the same, but they have become significantly more efficient. Many anti-lock brake systems are capable of pulsing the brakes on individual wheels, which lead to the development of electronic stability control and traction control systems. These systems use ABS equipment to shift the braking power between different wheels, which can allow you to retain greater control of your vehicle in adverse driving conditions.
ΠΠ½ΡΠΈΠ±Π»ΠΎΠΊΠΈΡΠΎΠ²ΠΎΡΠ½Π°Ρ ΡΠΎΡΠΌΠΎΠ·Π½Π°Ρ ΡΠΈΡΡΠ΅ΠΌΠ° (ΠΠΠ‘)
ΠΠΎΠ±ΡΡΠΉ Π΄Π΅Π½Ρ, ΡΠ΅Π³ΠΎΠ΄Π½Ρ ΡΠ°ΡΡΠΊΠ°ΠΆΠ΅ΠΌ ΠΏΡΠΎ ΠΎΡΠ΅Π½Ρ Π²Π°ΠΆΠ½ΡΡ ΡΠΈΡΡΠ΅ΠΌΡ ΡΠΎΠ²ΡΠ΅ΠΌΠ΅Π½Π½ΡΡ Π°Π²ΡΠΎΠΌΠΎΠ±ΠΈΠ»Π΅ΠΉΒ ΠΠ½ΡΠΈΠ±Π»ΠΎΠΊΠΈΡΠΎΠ²ΠΎΡΠ½Π°Ρ ΡΠΎΡΠΌΠΎΠ·Π½Π°Ρ ΡΠΈΡΡΠ΅ΠΌΠ° (ΠΠΠ‘). ΠΡΠΎΡΠ΅ΡΡ ΡΠΎΡΠΌΠΎΠΆΠ΅Π½ΠΈΡ Π΄ΠΎΠ»ΠΆΠ΅Π½ Π±ΡΡΡ ΠΏΠ»Π°Π²Π½ΡΠΌ, Π² ΠΏΡΠΎΡΠΈΠ²Π½ΠΎΠΌ ΡΠ»ΡΡΠ°Π΅ Π°Π²ΡΠΎΠΌΠΎΠ±ΠΈΠ»Ρ ΠΌΠΎΠΆΠ΅Ρ ΠΏΠΎΠΉΡΠΈ ΡΠ·ΠΎΠΌ, ΠΈ Π²ΠΎΠ΄ΠΈΡΠ΅Π»Ρ ΠΏΠΎΡΠ΅ΡΡΠ΅Ρ ΠΊΠΎΠ½ΡΡΠΎΠ»Ρ Π½Π°Π΄ Π΅Π³ΠΎ ΡΠΏΡΠ°Π²Π»Π΅Π½ΠΈΠ΅ΠΌ. ΠΡΠΈΡΠΈΠ½ΠΎΠΉ ΡΠΎΠΌΡ β ΡΠΊΠΎΠ»ΡΠΆΠ΅Π½ΠΈΠ΅ Π·Π°Π±Π»ΠΎΠΊΠΈΡΠΎΠ²Π°Π½Π½ΡΡ ΠΊΠΎΠ»Π΅Ρ ΠΏΠΎ Π΄ΠΎΡΠΎΠ³Π΅. Π§Π°ΡΠ΅ Π²ΡΠ΅Π³ΠΎ Π²ΠΎΠ·Π½ΠΈΠΊΠ°Π΅Ρ ΡΠ°ΠΊΠ°Ρ ΡΠΈΡΡΠ°ΡΠΈΡ ΠΏΡΠΈ ΡΠ΅Π·ΠΊΠΎΠΌ ΡΠΎΡΠΌΠΎΠΆΠ΅Π½ΠΈΠΈ Π½Π° ΠΌΠΎΠΊΡΠΎΠΉ ΠΈΠ»ΠΈ ΠΎΠ±Π»Π΅Π΄Π΅Π½Π΅Π»ΠΎΠΉ ΠΏΠΎΠ²Π΅ΡΡ Π½ΠΎΡΡΠΈ.
ΠΠ½ΡΠΈΠ±Π»ΠΎΠΊΠΈΡΠΎΠ²ΠΎΡΠ½Π°Ρ ΡΠΎΡΠΌΠΎΠ·Π½Π°Ρ ΡΠΈΡΡΠ΅ΠΌΠ° (ΠΠΠ‘)ΠΠ°ΠΊ ΠΈΠ·Π²Π΅ΡΡΠ½ΠΎ, ΡΡΡΠ΅ΠΊΡΠΈΠ²Π½ΠΎΠ΅ ΡΠΎΡΠΌΠΎΠΆΠ΅Π½ΠΈΠ΅ Π·Π°ΠΊΠ»ΡΡΠ°Π΅ΡΡΡ Π² Π³Π°ΡΠ΅Π½ΠΈΠΈ ΡΠΊΠΎΡΠΎΡΡΠΈ ΡΠΎΠ»ΡΠΊΠ°ΠΌΠΈ, ΠΏΡΠΈ ΠΊΠΎΡΠΎΡΡΡ ΠΏΠ΅Π΄Π°Π»Ρ ΡΠΎΡΠΌΠΎΠ·Π° Π±ΡΡΡΡΠΎ Π½Π°ΠΆΠΈΠΌΠ°Π΅ΡΡΡ ΠΈ ΠΎΡΠΏΡΡΠΊΠ°Π΅ΡΡΡ, Π½ΠΎ Π·Π°ΡΠ°ΡΡΡΡ Π² ΠΌΠΎΠΌΠ΅Π½Ρ ΠΎΠΏΠ°ΡΠ½ΠΎΡΡΠΈ Π²ΠΎΠ΄ΠΈΡΠ΅Π»Ρ ΠΎΠ± ΡΡΠΎΠΌ ΠΏΡΠ°Π²ΠΈΠ»Π΅ Π·Π°Π±ΡΠ²Π°Π΅Ρ Π½Π°ΠΏΡΠΎΡΡ ΠΈ βΠ±ΡΠ΅Ρβ ΠΏΠΎ ΡΠΎΡΠΌΠΎΠ·Π°ΠΌ ΡΠΎ Π²ΡΠ΅ΠΉ ΡΠΈΠ»Ρ. ΠΠΎΠ»Π΅ΡΠ° ΠΌΠΎΠΌΠ΅Π½ΡΠ°Π»ΡΠ½ΠΎ Π±Π»ΠΎΠΊΠΈΡΡΡΡΡΡ, ΡΠ½ΠΈΠΆΠ°Π΅ΡΡΡ ΠΈΡ ΡΡΠ΅ΠΏΠ»Π΅Π½ΠΈΠ΅ Ρ Π΄ΠΎΡΠΎΠ³ΠΎΠΉ, Π½Π°ΡΠΈΠ½Π°Π΅ΡΡΡ ΡΠΊΠΎΠ»ΡΠΆΠ΅Π½ΠΈΠ΅ ΠΈ Π°Π²ΡΠΎΠΌΠΎΠ±ΠΈΠ»Ρ ΡΡΠ°Π½ΠΎΠ²ΠΈΡΡΡ Π½Π΅ΠΊΠΎΠ½ΡΡΠΎΠ»ΠΈΡΡΠ΅ΠΌΡΠΌ.
ΠΡΠΈΠΌΠ΅ΡΠ½ΠΎ 10% Π°Π²Π°ΡΠΈΠΉ ΠΏΡΠΈΡ ΠΎΠ΄ΡΡΡΡ ΠΊΠ°ΠΊ ΡΠ°Π· Π½Π° ΡΡΠΎΡ ΡΠ»ΡΡΠ°ΠΉ. Π§ΡΠΎΠ±Ρ ΠΏΡΠ΅Π΄ΠΎΡΠ²ΡΠ°ΡΠΈΡΡ Π±Π»ΠΎΠΊΠΈΡΠΎΠ²ΠΊΡ ΠΊΠΎΠ»Π΅Ρ ΠΏΡΠΈ ΡΠΊΡΡΡΠ΅Π½Π½ΠΎΠΌ ΡΠΎΡΠΌΠΎΠΆΠ΅Π½ΠΈΠΈ, Π±ΡΠ»Π° ΠΈΠ·ΠΎΠ±ΡΠ΅ΡΠ΅Π½Π°Β ΠΠ½ΡΠΈΠ±Π»ΠΎΠΊΠΈΡΠΎΠ²ΠΎΡΠ½Π°Ρ ΡΠΎΡΠΌΠΎΠ·Π½Π°Ρ ΡΠΈΡΡΠ΅ΠΌΠ° ABS. ΠΠ°Π½Π½ΠΎΠ΅ ΠΈΠ·ΠΎΠ±ΡΠ΅ΡΠ΅Π½ΠΈΠ΅ ΠΏΠΎΠ·Π²ΠΎΠ»ΠΈΠ»ΠΎ ΡΠΏΠ°ΡΡΠΈ Π½ΠΈ ΠΎΠ΄Π½Ρ ΡΠΎΡΠ½Ρ ΡΡΡΡΡ ΡΠ΅Π»ΠΎΠ²Π΅ΡΠ΅ΡΠΊΠΈΡ ΠΆΠΈΠ·Π½Π΅ΠΉ, ΠΏΡΠ΅Π΄ΠΎΡΠ²ΡΠ°ΡΠΈΠ² ΡΠ°ΠΌΡΠ΅ ΡΡΡΠ°ΡΠ½ΡΠ΅ Π°Π²Π°ΡΠΈΠΈ.
ΠΠ½ΡΠΈΠ±Π»ΠΎΠΊΠΈΡΠΎΠ²ΠΎΡΠ½Π°Ρ ΡΠΎΡΠΌΠΎΠ·Π½Π°Ρ ΡΠΈΡΡΠ΅ΠΌΠ° ΡΠΎΡΡΠΎΠΈΡ ΠΈΠ· ΡΡΠ΄Π° ΡΡΡΡΠΎΠΉΡΡΠ², ΡΠ°Π±ΠΎΡΠ°ΡΡΠΈΡ Π² ΠΊΠΎΠΌΠΏΠ»Π΅ΠΊΡΠ΅. ΠΠ½ΠΈ ΠΏΠ΅ΡΠ΅Π΄Π°ΡΡ ΠΊΠΎΠ»Π΅ΡΠ°ΠΌ ΠΈΠΌΠΏΡΠ»ΡΡΡ Π΄Π°Π²Π»Π΅Π½ΠΈΡ ΡΠΎΡΠΌΠΎΠ·Π½ΠΎΠΉ ΠΆΠΈΠ΄ΠΊΠΎΡΡΠΈ Π² ΡΠ°ΠΌΠΎΠΌ ΠΎΠΏΡΠΈΠΌΠ°Π»ΡΠ½ΠΎΠΌ ΡΠ΅ΠΆΠΈΠΌΠ΅. ΠΡΠΎ Π΄Π°ΡΡΠΈΠΊΠΈ Π½Π° ΠΊΠΎΠ»Π΅ΡΠ°Ρ , ΠΌΠΎΠ΄ΡΠ»ΡΡΠΎΡΡ ΠΈΠ»ΠΈ ΡΠΏΡΠ°Π²Π»ΡΡΡΠΈΠ΅ ΠΊΠ»Π°ΠΏΠ°Π½Ρ, Π° ΡΠ°ΠΊΠΆΠ΅ ΡΠ»Π΅ΠΊΡΡΠΎΠ½Π½ΡΠΉ Π±Π»ΠΎΠΊ ΡΠΏΡΠ°Π²Π»Π΅Π½ΠΈΡ.
ΠΠ°ΡΡΠΈΠΊΠΈ ΡΠΊΠΎΡΠΎΡΡΠΈ
ΠΡΠΈ ΡΡΡΡΠΎΠΉΡΡΠ²Π° ΡΡΡΠ°Π½Π°Π²Π»ΠΈΠ²Π°ΡΡΡΡ Π½Π° ΡΡΡΠΏΠΈΡΠ°Ρ ΠΊΠΎΠ»Π΅Ρ. ΠΡΠΎΠΈΡΡ ΠΎΠ΄ΠΈΡ ΡΡΠΎ ΡΠ»Π΅Π΄ΡΡΡΠΈΠΌ ΠΎΠ±ΡΠ°Π·ΠΎΠΌ: Π·ΡΠ±ΡΠ°ΡΡΠΉ Π²Π΅Π½Π΅Ρ Π·Π°ΠΊΡΠ΅ΠΏΠ»ΡΠ΅ΡΡΡ Π½Π° ΡΡΡΠΏΠΈΡΠ΅, Π½Π°Π΄ ΡΠΎΡΡΠΎΠΌ Π²Π΅Π½ΡΠ° Π½Π΅ΠΏΠΎΠ΄Π²ΠΈΠΆΠ½ΠΎ Π·Π°ΡΠΈΠΊΡΠΈΡΠΎΠ²Π°Π½ Π΄Π°ΡΡΠΈΠΊ, ΡΠΎΡΡΠΎΡΡΠΈΠΉ ΠΈΠ· ΠΌΠ°Π³Π½ΠΈΡΠ½ΠΎΠ³ΠΎ ΡΠ΅ΡΠ΄Π΅ΡΠ½ΠΈΠΊΠ°, ΡΡΠΎ Π½Π°Ρ ΠΎΠ΄ΠΈΡΡΡ Π²Π½ΡΡΡΠΈ ΠΊΠ°ΡΡΡΠΊΠΈ. ΠΡΠ°ΡΠ΅Π½ΠΈΠ΅ ΠΊΠΎΠ»Π΅ΡΠ° ΠΏΠ΅ΡΠ΅Π΄Π°Π΅Ρ ΠΈΠΌΠΏΡΠ»ΡΡΡ Π·ΡΠ±ΡΠ°ΡΠΎΠΌΡ Π²Π΅Π½ΡΡ, Π° Π² Π΅Π³ΠΎ ΠΊΠ°ΡΡΡΠΊΠ΅ ΠΈΠ½Π΄ΡΡΠΈΡΡΠ΅ΡΡΡ ΡΠ»Π΅ΠΊΡΡΠΈΡΠ΅ΡΠΊΠΈΠΉ ΡΠΎΠΊ, ΠΏΠ°ΡΠ°ΠΌΠ΅ΡΡΡ ΠΊΠΎΡΠΎΡΠΎΠ³ΠΎ ΠΎΡΡΠ°ΠΆΠ°ΡΡ ΡΠ³Π»ΠΎΠ²ΡΡ ΡΠΊΠΎΡΠΎΡΡΡ Π²ΡΠ°ΡΠ΅Π½ΠΈΡ ΠΊΠΎΠ»Π΅ΡΠ°.
ΠΠ»ΠΎΠΊ ΡΠΏΡΠ°Π²Π»Π΅Π½ΠΈΡ
ΠΡΡ ΠΈΠ½ΡΠΎΡΠΌΠ°ΡΠΈΡ Ρ Π΄Π°ΡΡΠΈΠΊΠΎΠ² ΡΠΊΠΎΡΠΎΡΡΠΈ ΠΏΠΎΡΡΡΠΏΠ°Π΅ΡΒ ΠΈ ΠΎΠ±ΡΠ°Π±Π°ΡΡΠ²Π°Π΅ΡΡΡ Π² ΡΠ»Π΅ΠΊΡΡΠΎΠ½Π½ΠΎΠΌ Π±Π»ΠΎΠΊΠ΅ ΡΠΏΡΠ°Π²Π»Π΅Π½ΠΈΡ ΠΠΠ£. Π Π΅Π³ΠΎ Π·Π°Π΄Π°ΡΡ Π²Ρ ΠΎΠ΄ΠΈΡ βΠΎΡΡΠ»Π΅ΠΆΠΈΠ²Π°Π½ΠΈΠ΅β ΡΠ΅Ρ ΠΌΠΎΠΌΠ΅Π½ΡΠΎΠ², ΠΊΠΎΠ³Π΄Π° ΠΌΠΎΠΆΠ΅Ρ ΠΏΡΠΎΠΈΠ·ΠΎΠΉΡΠΈ Π±Π»ΠΎΠΊΠΈΡΠΎΠ²ΠΊΠ° ΠΊΠΎΠ»Π΅Ρ. ΠΠ°ΠΊ ΠΈΠ·Π²Π΅ΡΡΠ½ΠΎ, ΡΡΠΎ ΠΏΡΠΎΠΈΡΡ ΠΎΠ΄ΠΈΡ ΠΏΡΠΈ ΠΈΠ·Π±ΡΡΠΎΡΠ½ΠΎΠΌ Π΄Π°Π²Π»Π΅Π½ΠΈΠΈ ΡΠΎΡΠΌΠΎΠ·Π½ΠΎΠΉ ΠΆΠΈΠ΄ΠΊΠΎΡΡΠΈ Π² ΠΌΠ°Π³ΠΈΡΡΡΠ°Π»ΠΈ, ΡΡΠΎ ΠΏΠΎΠ΄Π²ΠΎΠ΄ΠΈΡ Π΅Π΅ ΠΊ ΠΊΠΎΠ»Π΅ΡΡ. ΠΠ°ΠΊ ΡΠΎΠ»ΡΠΊΠΎ ΡΠ»Π΅ΠΊΡΡΠΎΠ½Π½ΡΠΉ Π±Π»ΠΎΠΊ ΡΠΏΡΠ°Π²Π»Π΅Π½ΠΈΡ βΠ·Π°ΠΌΠ΅ΡΠΈΡβ ΡΡΠΎ, ΡΠΎΒ ΠΏΡΠΎΠΈΠ·ΠΎΠΉΠ΄Π΅Ρ ΡΠ½ΠΈΠΆΠ΅Π½ΠΈΠ΅ Π΄Π°Π²Π»Π΅Π½ΠΈΡ.
ΠΠΎΠ΄ΡΠ»ΡΡΠΎΡΡ ΠΈΠ»ΠΈ ΡΠΏΡΠ°Π²Π»ΡΡΡΠΈΠ΅ ΠΊΠ»Π°ΠΏΠ°Π½Ρ
ΠΠΌΠ΅Π½Π½ΠΎ ΡΡΠΈ ΡΡΡΡΠΎΠΉΡΡΠ²Π° ΡΠ΅Π³ΡΠ»ΠΈΡΡΡΡ Π΄Π°Π²Π»Π΅Π½ΠΈΠ΅ Π² ΡΠΎΡΠΌΠΎΠ·Π½ΠΎΠΉ ΡΠΈΡΡΠ΅ΠΌΠ΅. ΠΠ±ΡΡΠ½ΠΎ ΠΊΠΎΠΌΠ°Π½Π΄Ρ ΠΎΡ ΠΠΠ£ ΠΈΡΠΏΠΎΠ»Π½ΡΡΡ Π΄Π²Π° ΡΠ»Π΅ΠΊΡΡΠΎΠΌΠ°Π³Π½ΠΈΡΠ½ΡΡ ΠΊΠ»Π°ΠΏΠ°Π½Π°. ΠΡΠΈ Π·Π°ΠΊΡΡΡΠΈΠΈ ΠΏΠ΅ΡΠ²ΠΎΠ³ΠΎ ΠΊΠ»Π°ΠΏΠ°Π½Π° ΠΏΡΠΎΠΈΡΡ ΠΎΠ΄ΠΈΡ ΠΏΠ΅ΡΠ΅ΠΊΡΡΠ²Π°Π½ΠΈΠ΅ Π΄ΠΎΡΡΡΠΏΠ° ΡΠΎΡΠΌΠΎΠ·Π½ΠΎΠΉ ΠΆΠΈΠ΄ΠΊΠΎΡΡΠΈ Π² ΠΌΠ°Π³ΠΈΡΡΡΠ°Π»Ρ. ΠΡΠΈ ΠΎΡΠΊΡΡΡΠΈΠΈ Π²ΡΠΎΡΠΎΠ³ΠΎ ΠΊΠ»Π°ΠΏΠ°Π½Π° ΡΠΎΡΠΌΠΎΠ·Π½Π°Ρ ΠΆΠΈΠ΄ΠΊΠΎΡΡΡ Π±Π΅ΡΠΏΡΠ΅ΠΏΡΡΡΡΠ²Π΅Π½Π½ΠΎ ΠΈΠ΄Π΅Ρ Π² ΡΠ΅Π·Π΅ΡΠ²ΡΠ°Ρ Π³ΠΈΠ΄ΡΠΎΠ°ΠΊΠΊΡΠΌΡΠ»ΡΡΠΎΡΠ°. Π’Π°ΠΊΠΈΠΌ ΠΎΠ±ΡΠ°Π·ΠΎΠΌ ΠΏΡΠΎΠΈΡΡ ΠΎΠ΄ΠΈΡ ΡΠ΅Π³ΡΠ»ΠΈΡΠΎΠ²Π°Π½ΠΈΠ΅ Π΄Π°Π²Π»Π΅Π½ΠΈΡ Π² ΡΠΎΡΠΌΠΎΠ·Π½ΠΎΠΉ ΡΠΈΡΡΠ΅ΠΌΠ΅.
ΠΠ½ΡΠΈΠ±Π»ΠΎΠΊΠΈΡΠΎΠ²ΠΎΡΠ½Π°Ρ ΡΠΎΡΠΌΠΎΠ·Π½Π°Ρ ΡΠΈΡΡΠ΅ΠΌΠ°ΠΠ½ΡΠΈΠ±Π»ΠΎΠΊΠΈΡΠΎΠ²ΠΎΡΠ½Π°Ρ ΡΠΎΡΠΌΠΎΠ·Π½Π°Ρ ΡΠΈΡΡΠ΅ΠΌΠ° ΡΠ°Π·Π»ΠΈΡΠ°Π΅ΡΡΡ ΠΏΠΎ ΠΊΠΎΠ»ΠΈΡΠ΅ΡΡΠ²Ρ ΠΊΠ°Π½Π°Π»ΠΎΠ². Π‘ΡΡΠ΅ΡΡΠ²ΡΠ΅Ρ:
β ΠΎΠ΄Π½ΠΎΠΊΠ°Π½Π°Π»ΡΠ½Π°ΡΒ ΠΠ½ΡΠΈΠ±Π»ΠΎΠΊΠΈΡΠΎΠ²ΠΎΡΠ½Π°Ρ ΡΠΎΡΠΌΠΎΠ·Π½Π°Ρ ΡΠΈΡΡΠ΅ΠΌΠ° ABS, Π² ΠΊΠΎΡΠΎΡΠΎΠΉ ΡΠΎΡΠΌΠΎΠ·Π½ΠΎΠ΅ ΡΡΠΈΠ»ΠΈΠ΅ ΠΎΠ³ΡΠ°Π½ΠΈΡΠΈΠ²Π°Π΅ΡΡΡ Π²ΠΎ Π²ΡΠ΅ΠΉ ΡΠΈΡΡΠ΅ΠΌΠ΅;
β Π΄Π²ΡΠΊΠ°Π½Π°Π»ΡΠ½Π°Ρ ΠΠ½ΡΠΈΠ±Π»ΠΎΠΊΠΈΡΠΎΠ²ΠΎΡΠ½Π°Ρ ΡΠΎΡΠΌΠΎΠ·Π½Π°Ρ ΡΠΈΡΡΠ΅ΠΌΠ° ABS, ΠΊΠΎΠ³Π΄Π° ΡΠΎΡΠΌΠΎΠ·Π½ΠΎΠ΅ ΡΡΠΈΠ»ΠΈΠ΅ Π±ΡΠ΄Π΅Ρ ΠΎΠ³ΡΠ°Π½ΠΈΡΠΈΠ²Π°ΡΡΡΡ ΡΠΎΠ»ΡΠΊΠΎ ΠΏΠΎ ΠΏΡΠ°Π²ΡΠΌ ΠΈΠ»ΠΈ Π»Π΅Π²ΡΠΌ ΠΊΠΎΠ»Π΅ΡΠ°ΠΌ;
β ΠΌΠ½ΠΎΠ³ΠΎΠΊΠ°Π½Π°Π»ΡΠ½Π°ΡΒ ΠΠ½ΡΠΈΠ±Π»ΠΎΠΊΠΈΡΠΎΠ²ΠΎΡΠ½Π°Ρ ΡΠΎΡΠΌΠΎΠ·Π½Π°Ρ ΡΠΈΡΡΠ΅ΠΌΠ° ABS Ρ ΠΎΠ³ΡΠ°Π½ΠΈΡΠ΅Π½ΠΈΠ΅ΠΌ ΡΠΎΡΠΌΠΎΠ·Π½ΠΎΠ³ΠΎ ΡΡΠΈΠ»ΠΈΡ Π½Π° ΠΊΠ°ΠΆΠ΄ΠΎΠΌ ΠΈΠ· ΡΠ΅ΡΡΡΠ΅Ρ
ΠΊΠΎΠ»Π΅Ρ.
ΠΠΎΡΠ»Π΅Π΄Π½ΡΡ ΠΠ½ΡΠΈΠ±Π»ΠΎΠΊΠΈΡΠΎΠ²ΠΎΡΠ½Π°Ρ ΡΠΎΡΠΌΠΎΠ·Π½Π°Ρ ΡΠΈΡΡΠ΅ΠΌΠ° ΡΠ²Π»ΡΠ΅ΡΡΡ ΡΠ°ΠΌΠΎΠΉ Π΄ΠΎΡΠΎΠ³ΠΎΠΉ ΠΈ ΡΡΡΠ΅ΠΊΡΠΈΠ²Π½ΠΎΠΉ.Β ΠΠΎΠ»ΠΈΡΠ΅ΡΡΠ²ΠΎ Π΄Π°ΡΡΠΈΠΊΠΎΠ² ΡΠΊΠΎΡΠΎΡΡΠΈ, ΠΊΠ°Π½Π°Π»ΠΎΠ² ΠΈ ΠΊΠ»Π°ΠΏΠ°Π½ΠΎΠ² Π² ΡΠ°ΠΊΠΎΠΉ ΡΠΈΡΡΠ΅ΠΌΠ΅ ΡΠ°Π²Π½ΠΎ ΠΊΠΎΠ»ΠΈΡΠ΅ΡΡΠ²Ρ ΠΊΠΎΠ»Π΅Ρ.
ΠΠ²ΡΠΎΠΌΠΎΠ±ΠΈΠ»Ρ Ρ ABS Π΄Π°ΠΆΠ΅ ΠΏΡΠΈ ΡΠΊΡΡΡΠ΅Π½Π½ΠΎΠΌ ΡΠΎΡΠΌΠΎΠΆΠ΅Π½ΠΈΠΈ Π½Π΅ ΡΠΉΠ΄Π΅Ρ Ρ Π·Π°Π΄Π°Π½Π½ΠΎΠ³ΠΎ ΠΊΡΡΡΠ°, ΠΏΠΎΠΌΠΎΠΆΠ΅Ρ ΠΎΠ±ΡΠ΅Ρ Π°ΡΡ ΠΏΡΠ΅ΠΏΡΡΡΡΠ²ΠΈΠ΅ ΠΈ ΠΈΠ·Π±Π΅ΠΆΠ°ΡΡ ΠΎΠΏΠ°ΡΠ½ΠΎΠ³ΠΎ Π·Π°Π½ΠΎΡΠ°. Π Π°Π±ΠΎΡΠ΅ Π΄Π°Π½Π½ΠΎΠΉ ΡΠΈΡΡΠ΅ΠΌΡ Ρ Π°ΡΠ°ΠΊΡΠ΅ΡΠ½Ρ ΠΈΠΌΠΏΡΠ»ΡΡΠΈΠ²Π½ΡΠ΅ ΡΠΎΠ»ΡΠΊΠΈ Π½Π° ΠΏΠ΅Π΄Π°Π»ΠΈ ΡΠΎΡΠΌΠΎΠ·Π° ΠΈ ΡΠ²ΠΎΠ΅ΠΎΠ±ΡΠ°Π·Π½ΡΠΉ Π·Π²ΡΠΊ, ΠΈΡΡ ΠΎΠ΄ΡΡΠΈΠΉ ΠΈΠ· Π±Π»ΠΎΠΊΠ° ΠΌΠΎΠ΄ΡΠ»ΡΡΠΎΡΠΎΠ². ΠΠ°ΠΆΠ½ΠΎ Π·Π½Π°ΡΡ, ΡΡΠΎ ΡΠΎΡΠΌΠΎΠΆΠ΅Π½ΠΈΠ΅ Π½Π° Π°Π²ΡΠΎΠΌΠΎΠ±ΠΈΠ»Π΅ Ρ Π°Π½ΡΠΈΠ±Π»ΠΎΠΊΠΈΡΠΎΠ²ΠΎΡΠ½ΠΎΠΉ ΡΠΈΡΡΠ΅ΠΌΠΎΠΉ Π΄ΠΎΠ»ΠΆΠ½ΠΎ Π±ΡΡΡ ΠΎΠ΄Π½ΠΎΠΊΡΠ°ΡΠ½ΡΠΌ ΠΈ Π½Π΅ΠΏΡΠ΅ΡΡΠ²ΠΈΡΡΡΠΌ. Π‘Π»Π΅Π΄ΡΠ΅Ρ Ρ ΡΡΠΈΠ»ΠΈΠ΅ΠΌ Π½Π°ΠΆΠ°ΡΡ Π½Π° ΠΏΠ΅Π΄Π°Π»Ρ ΡΠΎΡΠΌΠΎΠ·Π° ΠΈ ΡΠ΄Π΅ΡΠΆΠΈΠ²Π°ΡΡ Π΅Π΅, ΠΏΠΎΠΊΠ° ABS ΡΠ°ΠΌΠ° ΡΠΎΠ·Π΄Π°ΡΡ Π½Π°ΠΈΠΌΠ΅Π½ΡΡΠΈΠΉ ΡΠΎΡΠΌΠΎΠ·Π½ΠΎΠΉ ΠΏΡΡΡ.
ΠΠ½ΡΠΈΠ±Π»ΠΎΠΊΠΈΡΠΎΠ²ΠΎΡΠ½Π°Ρ ΡΠΎΡΠΌΠΎΠ·Π½Π°Ρ ΡΠΈΡΡΠ΅ΠΌΠ° Π΄Π°Π΅Ρ Π²ΠΎΠ·ΠΌΠΎΠΆΠ½ΠΎΡΡΡ ΠΎΠ΄Π½ΠΎΠ²ΡΠ΅ΠΌΠ΅Π½Π½ΠΎ ΡΠΎΡΠΌΠΎΠ·ΠΈΡΡ ΠΈ ΠΌΠ°Π½Π΅Π²ΡΠΈΡΠΎΠ²Π°ΡΡ, Π° ΠΏΡΠΈ Π²Ρ ΠΎΠ΄Π΅ ΠΈ Π²ΡΡ ΠΎΠ΄Π΅ ΠΈΠ· ΠΏΠΎΠ²ΠΎΡΠΎΡΠ° ΡΠΎΡΠΌΠΎΠ·ΠΈΡΡ ΡΡΡΠ΅ΠΊΡΠΈΠ²Π½ΠΎ ΠΈ Π±Π΅Π·ΠΎΠΏΠ°ΡΠ½ΠΎ. Π‘ΡΠΎΠΈΡ ΠΎΡΠΌΠ΅ΡΠΈΡΡ, ΡΡΠΎ ΠΏΡΠΈ ΡΡΠ°Π±Π°ΡΡΠ²Π°Π½ΠΈΠΈ ABS ΠΏΡΠΎΠΈΡΡ ΠΎΠ΄ΠΈΡ Π½Π΅Π±ΠΎΠ»ΡΡΠΎΠ΅ ΡΠ²Π΅Π»ΠΈΡΠ΅Π½ΠΈΠ΅ ΡΠΎΡΠΌΠΎΠ·Π½ΠΎΠ³ΠΎ ΠΏΡΡΠΈ.
ΠΠ° ΡΠ΅Π³ΠΎΠ΄Π½ΡΡΠ½ΠΈΠΉ Π΄Π΅Π½Ρ ABS ΡΡΠ°Π½ΠΎΠ²ΠΈΡΡΡ ΠΌΠ½ΠΎΠ³ΠΎΠΊΠΎΠΌΠΏΠ»Π΅ΠΊΡΠ½ΠΎΠΉ, ΡΠΎΡΡΠΎΡΡΠ΅ΠΉ ΠΈΠ· ΡΠ°Π·Π½ΠΎΠΎΠ±ΡΠ°Π·Π½ΡΡ ΡΠΈΡΡΠ΅ΠΌ Π°ΠΊΡΠΈΠ²Π½ΠΎΠΉ Π±Π΅Π·ΠΎΠΏΠ°ΡΠ½ΠΎΡΡΠΈ. ΠΠ΅ ΡΠ΄Π΅ΡΠ΅Π²Π»Π΅Π½ΠΈΠ΅ ΠΈ ΠΏΠΎΡΡΠΎΡΠ½Π½ΠΎΠ΅ ΡΡΠΎΠ²Π΅ΡΡΠ΅Π½ΡΡΠ²ΠΎΠ²Π°Π½ΠΈΠ΅ Π² Π±Π»ΠΈΠΆΠ°ΠΉΡΠ΅Π΅ Π²ΡΠ΅ΠΌΡ ΠΏΡΠΈΠ²Π΅Π΄Π΅Ρ ΠΊ ΡΠΎΠΌΡ, ΡΡΠΎ ABS ΡΡΠ°Π½Π΅Ρ Π½Π΅ΠΎΡΡΠ΅ΠΌΠ»Π΅ΠΌΠΎΠΉ ΡΠΈΡΡΠ΅ΠΌΠΎΠΉ Π²ΡΠ΅Ρ Π»Π΅Π³ΠΊΠΎΠ²ΡΡ Π°Π²ΡΠΎΠΌΠΎΠ±ΠΈΠ»Π΅ΠΉ.
Π§ΡΠΎ-ΡΠΎ Π½Π΅ ΡΠ°ΠΊ | AA
Π’Π΅Π»Π΅ΡΠΎΠ½ Π΄ΠΎΠ²Π΅ΡΠΈΡ 24/7 Π² ΠΠ΅Π»ΠΈΠΊΠΎΠ±ΡΠΈΡΠ°Π½ΠΈΠΈ
0800 88 77 66
Π§Π»Π΅Π½ ΠΈΠ»ΠΈ Π½Π΅Ρ, ΠΌΡ ΠΌΠΎΠΆΠ΅ΠΌ ΠΏΠΎΠΌΠΎΡΡ — ΡΠ±Π΅Π΄ΠΈΡΠ΅ΡΡ, ΡΡΠΎ Π²Ρ Π² Π±Π΅Π·ΠΎΠΏΠ°ΡΠ½ΠΎΠΌ ΠΌΠ΅ΡΡΠ΅, ΠΏΡΠ΅ΠΆΠ΄Π΅ ΡΠ΅ΠΌ Π·Π²ΠΎΠ½ΠΈΡΡ.
Π‘ΠΎΠΎΠ±ΡΠ°ΠΉΡΠ΅ ΠΎΠ½Π»Π°ΠΉΠ½ ΠΈ ΡΠ»Π΅Π΄ΠΈΡΠ΅ Π·Π° ΡΠ²ΠΎΠΈΠΌ ΡΠΏΠ°ΡΠ΅Π½ΠΈΠ΅ΠΌ
ΠΠ»ΠΈ ΡΠΊΠ°ΡΠ°ΠΉΡΠ΅ Π½Π°ΡΠ΅ ΠΏΡΠΈΠ»ΠΎΠΆΠ΅Π½ΠΈΠ΅
ΠΡΠΎ ΡΠ°ΠΌΡΠΉ Π±ΡΡΡΡΡΠΉ ΡΠΏΠΎΡΠΎΠ± ΠΎΠ±ΡΠ°ΡΠΈΡΡΡΡ ΠΊ Π½Π°ΠΌ Π·Π° ΠΏΠΎΠΌΠΎΡΡΡ ΠΈ ΠΎΡΡΠ»Π΅Π΄ΠΈΡΡ Π½Π°ΡΠ΅ ΠΏΡΠΈΠ±ΡΡΠΈΠ΅.
ΠΠΎΡΠ΅ΡΡΠ»ΠΈ ΠΊΠ»ΡΡΠΈ ΠΎΡ ΠΌΠ°ΡΠΈΠ½Ρ?
ΠΡΠ·ΠΎΠ² ΠΏΠΎΠΌΠΎΡΠ½ΠΈΠΊΠ° ΠΏΠΎ ΠΊΠ»Π°Π²ΠΈΡΠ°ΠΌ AA
0800 048 2800
ΠΏΠ½ β Π²Ρ Ρ 7 Π΄ΠΎ 22
ΠΠ΅ΠΏΡΠ°Π²ΠΈΠ»ΡΠ½ΠΎΠ΅ ΡΠΎΠΏΠ»ΠΈΠ²ΠΎ Π² Π²Π°ΡΠ΅ΠΉ ΠΌΠ°ΡΠΈΠ½Π΅?
ΠΠΎΠ·Π²ΠΎΠ½ΠΈΡΠ΅ Π² ΡΠ»ΡΠΆΠ±Ρ ΠΏΠΎΠΌΠΎΡΠΈ ΡΠΎΠΏΠ»ΠΈΠ²ΠΎΠΌ AA
0800 072 7420
ΠΠΈΠ½ΠΈΠΈ ΠΎΡΠΊΡΡΡΡ ΠΊΡΡΠ³Π»ΠΎΡΡΡΠΎΡΠ½ΠΎ
Π’Π΅Π»Π΅ΡΠΎΠ½ Π΄ΠΎΠ²Π΅ΡΠΈΡ 24/7 Π² ΠΠ²ΡΠΎΠΏΠ΅
00 800 88 77 66 55
ΠΠ»ΠΈ ΡΠΎ ΡΡΠ°ΡΠΈΠΎΠ½Π°ΡΠ½ΡΡ
ΡΠ΅Π»Π΅ΡΠΎΠ½ΠΎΠ² Π€ΡΠ°Π½ΡΠΈΠΈ:
08 25 09 88 76
04 72 17 12 00
ΠΠ»ΠΈ ΠΈΠ· Π΄ΡΡΠ³ΠΈΡ
ΡΡΡΠ°Π½ ΠΠ‘ ΠΈ ΠΌΠΎΠ±ΠΈΠ»ΡΠ½ΡΡ
ΡΠ΅Π»Π΅ΡΠΎΠ½ΠΎΠ² ΠΠ΅Π»ΠΈΠΊΠΎΠ±ΡΠΈΡΠ°Π½ΠΈΠΈ:
00 338 25 09 88 76
00 334 72 17 12 00
ΠΠ°ΡΠ²Π»Π΅Π½ΠΈΡ ΠΏΠΎ ΡΡΡΠ°Ρ ΠΎΠ²Π°Π½ΠΈΡ Π°Π²ΡΠΎΠΌΠΎΠ±ΠΈΠ»Π΅ΠΉ
0800 269 622
ΠΠΈΠ½ΠΈΠΈ ΠΎΡΠΊΡΡΡΡ ΠΊΡΡΠ³Π»ΠΎΡΡΡΠΎΡΠ½ΠΎ
ΠΠ°ΡΠ²Π»Π΅Π½ΠΈΡ ΠΏΠΎ ΡΡΡΠ°Ρ ΠΎΠ²Π°Π½ΠΈΡ ΠΆΠΈΠ»ΡΡ
Π§ΡΠΎΠ±Ρ ΡΠΎΠΎΠ±ΡΠΈΡΡ ΠΎ Π»ΡΠ±ΡΡ ΠΏΠΎΡΠ΅ΡΡΡ ΠΈΠ»ΠΈ ΠΏΠΎΠ²ΡΠ΅ΠΆΠ΄Π΅Π½ΠΈΡΡ , Π²Π°ΠΌ Π½Π΅ΠΎΠ±Ρ ΠΎΠ΄ΠΈΠΌΠΎ ΠΏΠΎΠ·Π²ΠΎΠ½ΠΈΡΡ Π² ΡΠ»ΡΠΆΠ±Ρ ΡΡΡΠ°Ρ ΠΎΠ²ΠΎΠΉ Π·Π°ΡΠΈΡΡ ΠΈ ΠΈΠΌΠ΅ΡΡ ΠΏΠΎΠ΄ ΡΡΠΊΠΎΠΉ Π½ΠΎΠΌΠ΅Ρ ΠΏΠΎΠ»ΠΈΡΠ°.ΠΠ±Π° ΠΎΠ½ΠΈ ΡΠΊΠ°Π·Π°Π½Ρ Π² Π²Π°ΡΠ΅ΠΌ ΡΡΡΠ°Ρ ΠΎΠ²ΠΎΠΌ ΡΠ²ΠΈΠ΄Π΅ΡΠ΅Π»ΡΡΡΠ²Π΅. ΠΠΎΠ½ΡΡΠ»ΡΡΠ°Π½Ρ ΠΏΠΎ ΠΏΡΠ΅ΡΠ΅Π½Π·ΠΈΡΠΌ ΠΏΠΎΠΌΠΎΠΆΠ΅Ρ Ρ Π²Π°ΡΠ΅ΠΉ ΠΏΡΠ΅ΡΠ΅Π½Π·ΠΈΠ΅ΠΉ.
ΠΡΡΡΠΊΠ° Π°Π²Π°ΡΠΈΠΉΠ½ΠΎΠ³ΠΎ ΠΏΠΎΠΊΡΠΎΡ ΠΠ΅Π»ΠΈΠΊΠΎΠ±ΡΠΈΡΠ°Π½ΠΈΠΈ
0800 085 2721 ΠΠ½ β ΠΏΡ Ρ 9 Π΄ΠΎ 18, ΡΠ± Ρ 9 Π΄ΠΎ 17
ΠΠ²ΡΠΎΠΏΠ΅ΠΉΡΠΊΠΎΠ΅ Π°Π²Π°ΡΠΈΠΉΠ½ΠΎΠ΅ ΠΏΠΎΠΊΡΡΡΠΈΠ΅
0800 072 3279 ΠΠ½ β ΠΏΡ Ρ 8 Π΄ΠΎ 18, ΡΠ± Ρ 9 Π΄ΠΎ 17
Π‘ΡΡΠ°Ρ ΠΎΠ²Π°Π½ΠΈΠ΅ Π°Π²ΡΠΎΠΌΠΎΠ±ΠΈΠ»Π΅ΠΉ
0800 316 2456 ΠΠ½ β ΠΏΡ Ρ 9 Π΄ΠΎ 18, ΡΠ± Ρ 9 Π΄ΠΎ 17
Π‘ΡΡΠ°Ρ ΠΎΠ²Π°Π½ΠΈΠ΅ ΠΆΠΈΠ»ΡΡ
0800 197 6169 ΠΠ½ β ΠΏΡ Ρ 9 Π΄ΠΎ 18, ΡΠ± Ρ 9 Π΄ΠΎ 17
Π£ΡΠΎΠΊΠΈ Π²ΠΎΠΆΠ΄Π΅Π½ΠΈΡ
0800 587 0087
ΠΠ½ β ΠΡ Ρ 8:30 Π΄ΠΎ 20:00, ΡΠ± Ρ 9:00 Π΄ΠΎ 17:00
Π£ΡΠΎΠΊΠΈ Π΄Π»Ρ Π½ΠΎΠ²ΡΡ
ΡΡΠ΅Π½ΠΈΠΊΠΎΠ² ΠΡ
ΠΎΠ΄ Π΄Π»Ρ ΡΡΡΠ΅ΡΡΠ²ΡΡΡΠΈΡ
ΡΡΠ΅Π½ΠΈΠΊΠΎΠ²
ΠΡΠΏΠΈΡΡ Π·Π°ΡΠΈΡΠ½ΠΎΠ΅ ΠΏΠΎΠΊΡΡΡΠΈΠ΅ UK
0800 085 2721
ΠΏΠ½ β ΠΏΡ 9β18, ΡΠ± 9β17
ΠΡΠΏΠΈΡΡ Π΅Π²ΡΠΎΠΏΠ΅ΠΉΡΠΊΡΡ ΠΏΡΠΎΠ±ΠΎΠΉΠ½ΡΡ ΠΊΡΡΡΠΊΡ
0800 072 3279
ΠΏΠ½ β ΠΏΡ 8β18, ΡΠ± 9β17
ΠΡΠ΅ΡΠ΅Π½Π·ΠΈΠΈ Π½Π° Π·Π°ΠΏΡΠ°ΡΡΠΈ ΠΈ Π³Π°ΡΠ°ΠΆ
0344 579 0042
ΠΏΠ½ β ΠΏΡ 9β17, ΡΠ± 9β13
Π‘ΠΌΠ΅Π½ΠΈΡΠ΅ Π°Π²Π°ΡΠΈΠΉΠ½ΠΎΠ΅ ΠΏΠΎΠΊΡΡΡΠΈΠ΅
0343 316 4444
ΠΏΠ½ β ΠΏΡ 8β18, ΡΠ± 9β17
ΠΡΠΏΠΈΡΡ Π°Π²ΡΠΎΡΡΡΠ°Ρ ΠΎΠ²Π°Π½ΠΈΠ΅
0800 316 2456
ΠΏΠ½ β ΠΏΡ 9β18, ΡΠ± 9β17
ΠΠ°ΡΠ²Π»Π΅Π½ΠΈΡ ΠΏΠΎ ΡΡΡΠ°Ρ ΠΎΠ²Π°Π½ΠΈΡ Π°Π²ΡΠΎΠΌΠΎΠ±ΠΈΠ»Π΅ΠΉ
0800 269 622
ΠΠΈΠ½ΠΈΠΈ ΠΎΡΠΊΡΡΡΡ ΠΊΡΡΠ³Π»ΠΎΡΡΡΠΎΡΠ½ΠΎ
ΠΠ°ΠΏΡΠΎΡΡ ΠΏΠΎΠ»ΠΈΡΠΈΠΊΠΈ
0370 533 2211
ΠΏΠ½ β ΠΏΡ 9β18, ΡΠ± 9β17
ΠΡΠΏΠΈΡΡ ΡΡΡΠ°Ρ ΠΎΠ²ΠΊΡ ΠΌΠΎΡΠΎΡΠΈΠΊΠ»Π°
0344 335 2932
ΠΏΠ½ β ΠΏΡ 9β18, ΡΠ± 9β16
Π‘ΡΡΠ΅ΡΡΠ²ΡΡΡΠΈΠ΅ ΠΊΠ»ΠΈΠ΅Π½ΡΡ ΠΏΠΎ ΡΡΡΠ°Ρ ΠΎΠ²Π°Π½ΠΈΡ ΡΡΡΠ³ΠΎΠ½ΠΎΠ²
0800 953 7537
ΠΏΠ½ β ΠΏΡΡΠ½ΠΈΡΠ° Ρ 9 Π΄ΠΎ 19, ΡΠ± Ρ 9 Π΄ΠΎ 13
ΠΡΠΏΠΈΡΡ ΡΡΡΠ°Ρ ΠΎΠ²Π°Π½ΠΈΠ΅ ΠΆΠΈΠ»ΡΡ
0800 197 6169
ΠΏΠ½ β ΠΏΡ 9β18, ΡΠ± 9β17
ΠΠ°ΠΏΡΠΎΡΡ ΠΏΠΎΠ»ΠΈΡΠΈΠΊΠΈ
0370 606 1617
ΠΏΠ½ β ΠΏΡ 9β18, ΡΠ± 9β17
ΠΡΠΈΠΊΡΡΡΠΈΠ΅ Π΄Π»Ρ ΡΠΊΡΡΡΠ΅Π½Π½ΠΎΠΉ ΠΏΠΎΠΌΠΎΡΠΈ Π΄ΠΎΠΌΠ°
— ΡΠΎΠΎΠ±ΡΠΈΡΡ ΠΎΠ± ΡΠΊΡΡΡΠ΅Π½Π½ΠΎΠΉ ΡΠΈΡΡΠ°ΡΠΈΠΈ0800 316 3984
ΠΠΈΠ½ΠΈΠΈ ΠΎΡΠΊΡΡΡΡ ΠΊΡΡΠ³Π»ΠΎΡΡΡΠΎΡΠ½ΠΎ
ΠΠ½ΠΈΠ³Π° ΡΡΠΎΠΊΠΎΠ² Π²ΠΎΠΆΠ΄Π΅Π½ΠΈΡ
ΠΠΎΠ²ΡΠΉ ΡΡΠ΅Π½ΠΈΠΊ
0800 587 0087
ΠΠ½ β ΠΡ Ρ 8:30 Π΄ΠΎ 20:00, ΡΠ± Ρ 9:00 Π΄ΠΎ 17:00
Π£ΡΠΎΠΊΠΈ Π΄Π»Ρ Π½ΠΎΠ²ΡΡ
ΡΡΠ΅Π½ΠΈΠΊΠΎΠ² ΠΡ
ΠΎΠ΄ Π΄Π»Ρ ΡΡΡΠ΅ΡΡΠ²ΡΡΡΠΈΡ
ΡΡΠ΅Π½ΠΈΠΊΠΎΠ²
ΠΠ±ΡΡΠ΅Π½ΠΈΠ΅ Π½Π° ΠΈΠ½ΡΡΡΡΠΊΡΠΎΡΠ° ΠΏΠΎ Π²ΠΎΠΆΠ΄Π΅Π½ΠΈΡ
0800 316 0331
ΠΏΠ½ β ΡΡ Ρ 9 Π΄ΠΎ 20, ΠΏΡ Ρ 9 Π΄ΠΎ 17:30, ΡΠ± Ρ 9 Π΄ΠΎ 16
ΠΡΠΈΡΠΎΠ΅Π΄ΠΈΠ½ΡΠΉΡΠ΅ΡΡ ΠΊ Π½Π°ΠΌ Π² ΠΊΠ°ΡΠ΅ΡΡΠ²Π΅ ΠΈΠ½ΡΡΡΡΠΊΡΠΎΡΠ° ΠΏΠΎ Π²ΠΎΠΆΠ΄Π΅Π½ΠΈΡ
0800 587 0086
ΠΏΠ½ β ΡΡ Ρ 9 Π΄ΠΎ 20, ΠΏΡ Ρ 9 Π΄ΠΎ 17:30, ΡΠ± Ρ 9 Π΄ΠΎ 16
AA ΠΠ²ΡΠΎΡΠΊΠΎΠ»Π° Π΄Π»Ρ ΡΠΏΡΠ°Π²ΠΎΠΊ
ΠΡΠ΄Π΅Π» ΠΎΠ±ΡΠ»ΡΠΆΠΈΠ²Π°Π½ΠΈΡ ΠΊΠ»ΠΈΠ΅Π½ΡΠΎΠ², ΠΠ²ΡΠΎΡΠΊΠΎΠ»Π° AA, 17-ΠΉ ΡΡΠ°ΠΆ Capital Tower, Greyfriars Road, Cardiff CF10 3AG
Π§ΡΠΎΠ±Ρ Π·Π°ΡΠΈΡΠΈΡΡ Π²Π°ΡΡ Π»ΠΈΡΠ½ΡΡ ΠΈΠ½ΡΠΎΡΠΌΠ°ΡΠΈΡ, Π½Π°ΠΌ Π½ΡΠΆΠ½ΠΎ Π·Π°Π΄Π°ΡΡ Π²Π°ΠΌ Π½Π΅ΡΠΊΠΎΠ»ΡΠΊΠΎ Π²ΠΎΠΏΡΠΎΡΠΎΠ² Π±Π΅Π·ΠΎΠΏΠ°ΡΠ½ΠΎΡΡΠΈ ΠΏΠΎ ΡΠ΅Π»Π΅ΡΠΎΠ½Ρ, ΠΏΡΠ΅ΠΆΠ΄Π΅ ΡΠ΅ΠΌ ΠΌΡ ΡΠΌΠΎΠΆΠ΅ΠΌ ΠΏΠΎΠΌΠΎΡΡ.ΠΠΎ ΡΡΠΎΠΉ ΠΏΡΠΈΡΠΈΠ½Π΅ ΠΌΡ Π½Π΅ ΠΌΠΎΠΆΠ΅ΠΌ ΠΎΡΠ²Π΅ΡΠ°ΡΡ Π½Π° ΡΠΈΠ½Π°Π½ΡΠΎΠ²ΡΠ΅ Π·Π°ΠΏΡΠΎΡΡ ΠΏΠΎ ΡΠ»Π΅ΠΊΡΡΠΎΠ½Π½ΠΎΠΉ ΠΏΠΎΡΡΠ΅.
Π‘Π΅ΠΌΠ΅ΠΉΠ½ΡΠ΅ ΠΈΠ½Π²Π΅ΡΡΠΈΡΠΈΠΈ ISA, ΠΎΡΠΊΡΡΡΠ°Ρ ΠΏΠΎΡΠ»Π΅ ΠΎΠΊΡΡΠ±ΡΡ 2015 Π³ΠΎΠ΄Π°
0333 220 5069
ΠΏΠ½ β ΠΏΡ Ρ 9 Π΄ΠΎ 19, ΡΠ± Ρ 9 Π΄ΠΎ 13
Π‘ΡΠ΅ΡΠ° ΡΡΠ°ΡΡΠ½ΠΈΠΊΠΎΠ² Saver / Easy Saver, ΠΎΡΠΊΡΡΡΡΠ΅ ΠΏΠΎΡΠ»Π΅ ΡΠ΅Π²ΡΠ°Π»Ρ 2017 Π³.
0800 917 8612
ΠΏΠ½ β ΠΏΡ 8β20, ΡΠ± 9β17
Π‘Π±Π΅ΡΠ΅Π³Π°ΡΠ΅Π»ΡΠ½ΡΠ΅ ΡΡΠ΅ΡΠ°, ΠΎΡΠΊΡΡΡΡΠ΅ Π΄ΠΎ 2 ΡΠ΅Π½ΡΡΠ±ΡΡ 2015 Π³ΠΎΠ΄Π°
0345 603 6302
ΠΏΠ½ β ΡΠ± 8β20
ΠΡΠ΅Π΄ΠΈΡΠ½ΡΠ΅ ΠΊΠ°ΡΡΡ ΠΠ°Π½ΠΊΠ° ΠΡΠ»Π°Π½Π΄ΠΈΠΈ ΠΏΠΎΡΠ»Π΅ ΠΈΡΠ»Ρ 2015 Π³ΠΎΠ΄Π°
0345 600 5606
ΠΏΠ½ β ΠΏΡ 8β20, ΡΠ± 9β17, ΠΏΡΠ°Π·Π΄Π½ΠΈΡΠ½ΡΠ΅ Π΄Π½ΠΈ 10β17
ΠΡΠ΅Π΄ΠΈΡΠ½ΡΠ΅ ΠΊΠ°ΡΡΡAA, Π²ΡΠΏΡΡΠ΅Π½Π½ΡΠ΅ Π΄ΠΎ ΠΈΡΠ»Ρ 2015 Π³ΠΎΠ΄Π° ΠΊΠΎΠΌΠΏΠ°Π½ΠΈΠ΅ΠΉ MBNA
0345 603 6302
ΠΏΠ½ β ΡΠ± Ρ 8 Π΄ΠΎ 20, Π²ΡΡ ΠΎΠ΄Π½ΡΠ΅ Π΄Π½ΠΈ
Π£ΡΠ΅ΡΡΠ½Π½ΡΠ΅ ΠΈ ΡΠΊΡΠ°Π΄Π΅Π½Π½ΡΠ΅ ΠΊΡΠ΅Π΄ΠΈΡΠ½ΡΠ΅ ΠΊΠ°ΡΡΡ
0800 028 8997
ΠΠ»ΠΈ, Π΅ΡΠ»ΠΈ Π²Ρ Π½Π°Ρ ΠΎΠ΄ΠΈΡΠ΅ΡΡ Π·Π° ΠΏΡΠ΅Π΄Π΅Π»Π°ΠΌΠΈ
0044 800 028 8997
ΠΠΈΠ½ΠΈΠΈ ΠΎΡΠΊΡΡΡΡ ΠΊΡΡΠ³Π»ΠΎΡΡΡΠΎΡΠ½ΠΎ
ΠΠ±ΡΠΈΠ΅ Π·Π°ΠΏΡΠΎΡΡ ΠΏΠΎ ΠΊΡΠ΅Π΄ΠΈΡΠ°ΠΌ AA, ΠΏΠΎΠ»ΡΡΠ΅Π½Π½ΡΠΌ Ρ Π½ΠΎΡΠ±ΡΡ 2015 Π³ΠΎΠ΄Π°
0345 266 0124
ΠΏΠ½ β ΡΠ± 8β20, Π²Ρ 9β17
ΠΡΠΎΡΡΠΎΡΠΊΠ° ΠΈΠ»ΠΈ Π·Π°ΠΏΡΠΎΡΡ ΠΏΠ»Π°ΡΠ΅ΠΆΠ΅ΠΉ ΠΏΠΎ ΡΡΡΠ΄Π°ΠΌ AA, ΠΏΠΎΠ»ΡΡΠ΅Π½Π½ΡΠΌ Ρ Π½ΠΎΡΠ±ΡΡ 2015 Π³ΠΎΠ΄Π°
0800 032 8180
ΠΏΠ½ β ΡΠ± 8β20, Π²Ρ 9β1.30 Π²Π΅ΡΠ΅ΡΠ°
Π‘ΠΊΠ°ΡΠ°ΡΡ ΠΏΡΠΈΠ»ΠΎΠΆΠ΅Π½ΠΈΠ΅
ΠΠ°Π³ΡΡΠ·ΠΊΠ° Π½Π°ΡΠ΅Π³ΠΎ ΠΏΡΠΈΠ»ΠΎΠΆΠ΅Π½ΠΈΡ — ΡΡΠΎ ΡΠ°ΠΌΡΠΉ Π±ΡΡΡΡΡΠΉ ΠΈ ΠΏΡΠΎΡΡΠΎΠΉ ΡΠΏΠΎΡΠΎΠ± ΠΏΠΎΠ»ΡΡΠΈΡΡ Π΄ΠΎΡΡΡΠΏ ΠΊΠΎ Π²ΡΠ΅ΠΌ Π²Π°ΡΠΈΠΌ ΠΏΡΠ΅ΠΈΠΌΡΡΠ΅ΡΡΠ²Π°ΠΌ, Π²ΠΊΠ»ΡΡΠ°Ρ ΡΠΊΠΈΠ΄ΠΊΠΈ Π² ΡΠ΅ΡΡΠΎΡΠ°Π½Π°Ρ , ΡΡ ΠΎΠ΄ Π·Π° Π°Π²ΡΠΎΠΌΠΎΠ±ΠΈΠ»Π΅ΠΌ, Π²ΡΡ ΠΎΠ΄Π½ΡΠ΅ ΠΈ ΠΌΠ½ΠΎΠ³ΠΎΠ΅ Π΄ΡΡΠ³ΠΎΠ΅. ΠΠΎΠΉΠ΄ΠΈΡΠ΅ Π² ΡΠΈΡΡΠ΅ΠΌΡ, ΡΠΊΠ°Π·Π°Π² ΡΠ²ΠΎΠΉ Π½ΠΎΠΌΠ΅Ρ ΡΡΠ°ΡΡΠ½ΠΈΠΊΠ° ΠΈ ΠΏΠΎΡΡΠΎΠ²ΡΠΉ ΠΈΠ½Π΄Π΅ΠΊΡ, ΡΡΠΎΠ±Ρ ΡΠ²ΠΈΠ΄Π΅ΡΡ ΡΠ²ΠΎΠΈ ΠΏΡΠ΅ΠΈΠΌΡΡΠ΅ΡΡΠ²Π°.
ΠΠ°ΡΠ° Π»ΠΈΡΠ½Π°Ρ ΠΈΠ½ΡΠΎΡΠΌΠ°ΡΠΈΡ
ΠΡ ΠΌΠΎΠΆΠ΅ΡΠ΅ ΠΏΡΠΎΡΠΈΡΠ°ΡΡ Π½Π°ΡΠ΅ ΡΠ²Π΅Π΄ΠΎΠΌΠ»Π΅Π½ΠΈΠ΅ ΠΎ ΠΊΠΎΠ½ΡΠΈΠ΄Π΅Π½ΡΠΈΠ°Π»ΡΠ½ΠΎΡΡΠΈ, ΠΏΠΎΠ»ΠΈΡΠΈΠΊΡ Π² ΠΎΡΠ½ΠΎΡΠ΅Π½ΠΈΠΈ ΡΠ°ΠΉΠ»ΠΎΠ² cookie ΠΈ ΠΏΡΠ°Π²ΠΈΠ»Π° ΠΈ ΡΡΠ»ΠΎΠ²ΠΈΡ Π²Π΅Π±-ΡΠ°ΠΉΡΠ°, ΠΊΠΎΠ³Π΄Π° Π½Π°Ρ Π²Π΅Π±-ΡΠ°ΠΉΡ Π±ΡΠ΄Π΅Ρ ΡΠ΅Π·Π΅ΡΠ²Π½ΡΠΌ.ΠΠ»ΠΈ Π²Ρ ΠΌΠΎΠΆΠ΅ΡΠ΅ ΡΠ²ΡΠ·Π°ΡΡΡΡ Ρ Π½Π°ΠΌΠΈ, ΠΈΡΠΏΠΎΠ»ΡΠ·ΡΡ ΡΠΊΠ°Π·Π°Π½Π½ΡΡ Π²ΡΡΠ΅ ΠΈΠ½ΡΠΎΡΠΌΠ°ΡΠΈΡ.
ΠΠ° ΡΡΠΎΠΉ ΡΡΡΠ°Π½ΠΈΡΠ΅ ΠΈ Π½Π° Π½Π°ΡΠ΅ΠΌ Π²Π΅Π±-ΡΠ°ΠΉΡΠ΅ ΠΈΡΠΏΠΎΠ»ΡΠ·ΡΡΡΡΡ ΡΠ°ΠΉΠ»Ρ cookie, ΡΡΠΎΠ±Ρ ΡΠ±Π΅Π΄ΠΈΡΡΡΡ, ΡΡΠΎ Π²Ρ ΠΏΠΎΠ»ΡΡΠΈΡΠ΅ ΠΌΠ°ΠΊΡΠΈΠΌΠ°Π»ΡΠ½ΠΎΠ΅ ΡΠ΄ΠΎΠ²ΠΎΠ»ΡΡΡΠ²ΠΈΠ΅ ΠΎΡ ΠΏΠΎΡΠ΅ΡΠ΅Π½ΠΈΡ. Π€Π°ΠΉΠ»Ρ cookie ΠΏΠΎΠ·Π²ΠΎΠ»ΡΡΡ Π½Π°ΠΌ Π½Π΅ ΡΠΎΠ»ΡΠΊΠΎ ΡΠ»ΡΡΡΠ°ΡΡ ΡΠ°Π±ΠΎΡΡ ΠΎΠΏΡΠ΅Π΄Π΅Π»Π΅Π½Π½ΡΡ ΡΡΠ½ΠΊΡΠΈΠΉ, Π½ΠΎ ΠΈ ΡΠΎΠ±ΠΈΡΠ°ΡΡ ΠΎΡΠ·ΡΠ²Ρ ΠΈ ΠΈΠ½ΡΠΎΡΠΌΠ°ΡΠΈΡ ΠΎ ΡΠΎΠΌ, ΠΊΠ°ΠΊ Π²Ρ ΠΈΡΠΏΠΎΠ»ΡΠ·ΠΎΠ²Π°Π»ΠΈ ΡΠ°ΠΉΡ, ΡΡΠΎΠ±Ρ ΠΌΡ ΠΌΠΎΠ³Π»ΠΈ ΠΏΡΠΎΠ΄ΠΎΠ»ΠΆΠ°ΡΡ ΡΠ»ΡΡΡΠ°ΡΡ Π΅Π³ΠΎ Π΄Π»Ρ Π²Π°Ρ.
ΠΡΠΏΠΎΠ»ΡΠ·ΡΡ ΡΡΠΎΡ ΡΠ°ΠΉΡ, ΠΌΡ ΠΏΡΠ΅Π΄ΠΏΠΎΠ»Π°Π³Π°Π΅ΠΌ, ΡΡΠΎ Π²Ρ ΠΏΡΠΈΠ½ΠΈΠΌΠ°Π΅ΡΠ΅ ΠΈΡΠΏΠΎΠ»ΡΠ·ΠΎΠ²Π°Π½ΠΈΠ΅ Π½Π°ΠΌΠΈ ΡΠ°ΠΉΠ»ΠΎΠ² cookie ΠΈ Π΄ΡΡΠ³ΠΈΡ ΠΏΠΎΠ΄ΠΎΠ±Π½ΡΡ ΡΠ΅Ρ Π½ΠΎΠ»ΠΎΠ³ΠΈΠΉ.
:: CLOUDFLARE_ERROR_500S_BOX ::
ΠΡΠ΅ΠΈΠΌΡΡΠ΅ΡΡΠ²Π° Π°Π½ΡΠΈΠ±Π»ΠΎΠΊΠΈΡΠΎΠ²ΠΎΡΠ½ΡΡ ΡΠΎΡΠΌΠΎΠ·Π½ΡΡ ΡΠΈΡΡΠ΅ΠΌ
21 ΠΎΠΊΡΡΠ±ΡΡ 2018, 23:04 ΠΠΏΡΠ±Π»ΠΈΠΊΠΎΠ²Π°Π½ΠΎ WriterΠΠ΅Π·Π°Π²ΠΈΡΠΈΠΌΠΎ ΠΎΡ ΡΠΎΠ³ΠΎ, Π½Π°ΡΠΊΠΎΠ»ΡΠΊΠΎ Ρ ΠΎΡΠΎΡΠΎ Π²Ρ ΡΡ Π°ΠΆΠΈΠ²Π°Π΅ΡΠ΅ Π·Π° ΡΠ²ΠΎΠΈΠΌ Π°Π²ΡΠΎΠΌΠΎΠ±ΠΈΠ»Π΅ΠΌ, Π²ΡΠ΅ΠΌΡ ΠΎΡ Π²ΡΠ΅ΠΌΠ΅Π½ΠΈ Π² ΠΠΎΡΡ-Π¨Π°ΡΠ»ΠΎΡΡ, ΡΡΠ°Ρ Π€Π»ΠΎΡΠΈΠ΄Π°, Π±ΡΠ΄Π΅Ρ Π²ΠΎΠ·Π½ΠΈΠΊΠ°ΡΡ Π½Π΅ΠΎΠ±Ρ ΠΎΠ΄ΠΈΠΌΠΎΡΡΡ Π² ΡΠ΅ΠΌΠΎΠ½ΡΠ΅ Π°Π²ΡΠΎΠΌΠΎΠ±ΠΈΠ»Π΅ΠΉ.ΠΠ°ΠΊ Π½ΠΎΠ²ΠΈΡΠΎΠΊ Π² Π°Π²ΡΠΎΠΌΠΎΠ±ΠΈΠ»Π΅ ΠΈΠ»ΠΈ ΡΠ΅Π»ΠΎΠ²Π΅ΠΊ, Π½Π΅ Π·Π½Π°ΠΊΠΎΠΌΡΠΉ Ρ ΡΠ΅ΡΠΌΠΈΠ½Π°ΠΌΠΈ Π°Π²ΡΠΎΠΌΠΎΠ±ΠΈΠ»ΡΠ½ΠΎΠΉ ΠΏΡΠΎΠΌΡΡΠ»Π΅Π½Π½ΠΎΡΡΠΈ, Ρ Π²Π°Ρ, Π²Π΅ΡΠΎΡΡΠ½ΠΎ, Π΅ΡΡΡ ΠΌΠ½ΠΎΠ³ΠΎ Π²ΠΎΠΏΡΠΎΡΠΎΠ² ΠΎ Π²Π½ΡΡΡΠ΅Π½Π½Π΅ΠΌ ΡΡΡΡΠΎΠΉΡΡΠ²Π΅ Π²Π°ΡΠ΅Π³ΠΎ Π°Π²ΡΠΎΠΌΠΎΠ±ΠΈΠ»Ρ. ΠΠ°ΡΠ½Π΅ΠΌ Ρ ΡΠΎΡΠΌΠΎΠ·ΠΎΠ². ΠΠΎΠ·ΠΌΠΎΠΆΠ½ΠΎ, Π²Ρ Π·Π½Π°Π΅ΡΠ΅, ΡΡΠΎ Ρ Π²Π°Ρ Π΅ΡΡΡ Π°Π½ΡΠΈΠ±Π»ΠΎΠΊΠΈΡΠΎΠ²ΠΎΡΠ½Π°Ρ ΡΠΎΡΠΌΠΎΠ·Π½Π°Ρ ΡΠΈΡΡΠ΅ΠΌΠ°, Π½ΠΎ ΡΡΠΎ ΠΈΠΌΠ΅Π½Π½ΠΎ ΡΡΠΎ ΠΎΠ·Π½Π°ΡΠ°Π΅Ρ ΠΈ ΠΊΠ°ΠΊΠΎΠ²Ρ ΠΏΡΠ΅ΠΈΠΌΡΡΠ΅ΡΡΠ²Π°?
ΠΠ½ΡΠΈΠ±Π»ΠΎΠΊΠΈΡΠΎΠ²ΠΎΡΠ½Π°Ρ ΡΠΎΡΠΌΠΎΠ·Π½Π°Ρ ΡΠΈΡΡΠ΅ΠΌΠ°
ΠΠΎΠ»ΡΡΠΈΠ½ΡΡΠ²ΠΎ ΡΠΎΠ²ΡΠ΅ΠΌΠ΅Π½Π½ΡΡ Π°Π²ΡΠΎΠΌΠΎΠ±ΠΈΠ»Π΅ΠΉ Π½Π΅ ΡΡ ΠΎΠ΄ΡΡ Ρ ΠΊΠΎΠ½Π²Π΅ΠΉΠ΅ΡΠ° Π±Π΅Π· Π°Π½ΡΠΈΠ±Π»ΠΎΠΊΠΈΡΠΎΠ²ΠΎΡΠ½ΠΎΠΉ ΡΠΈΡΡΠ΅ΠΌΡ ΡΠΎΡΠΌΠΎΠ·ΠΎΠ². Π Π°Π½ΡΠΈΠ±Π»ΠΎΠΊΠΈΡΠΎΠ²ΠΎΡΠ½Π°Ρ ΡΠΎΡΠΌΠΎΠ·Π½Π°Ρ ΡΠΈΡΡΠ΅ΠΌΠ° (ΠΠΠ‘) ΡΡΡΠ°Π½ΠΎΠ²Π»Π΅Π½Π° ββΠ½Π΅ Π·ΡΡ.ΠΡΠΎΡ ΡΠΈΠΏ ΡΠΎΡΠΌΠΎΠ·Π½ΠΎΠΉ ΡΠΈΡΡΠ΅ΠΌΡ Π΄Π°Π΅Ρ ΠΌΠ½ΠΎΠΆΠ΅ΡΡΠ²ΠΎ ΠΏΡΠ΅ΠΈΠΌΡΡΠ΅ΡΡΠ², Π² ΠΎΡΠ½ΠΎΠ²Π½ΠΎΠΌ ΡΠ²ΡΠ·Π°Π½Π½ΡΡ Ρ Π±Π΅Π·ΠΎΠΏΠ°ΡΠ½ΠΎΡΡΡΡ Π²ΠΎΠ΄ΠΈΡΠ΅Π»Ρ ΠΈ ΠΏΠ°ΡΡΠ°ΠΆΠΈΡΠΎΠ². ΠΡΠ΅Π΄ΠΎΡΠ²ΡΠ°ΡΠ΅Π½ΠΈΠ΅ Π½Π΅ΠΎΠ±Ρ ΠΎΠ΄ΠΈΠΌΠΎΡΡΠΈ Π΄ΠΎΡΠΎΠ³ΠΎΡΡΠΎΡΡΠ΅Π³ΠΎ ΡΠ΅ΠΌΠΎΠ½ΡΠ° Π°Π²ΡΠΎΠΌΠΎΠ±ΠΈΠ»Π΅ΠΉ Π² ΠΠΎΡΡ-Π¨Π°ΡΠ»ΠΎΡΡΠ΅, Π€Π»ΠΎΡΠΈΠ΄Π°, ΡΠ²Π»ΡΠ΅ΡΡΡ Π΅ΡΠ΅ ΠΎΠ΄Π½ΠΈΠΌ ΠΏΡΠ΅ΠΈΠΌΡΡΠ΅ΡΡΠ²ΠΎΠΌ.
ΠΠΎ-ΠΏΠ΅ΡΠ²ΡΡ , Π°Π½ΡΠΈΠ±Π»ΠΎΠΊΠΈΡΠΎΠ²ΠΎΡΠ½Π°Ρ ΡΠΈΡΡΠ΅ΠΌΠ° ΡΠΎΡΠΌΠΎΠ·ΠΎΠ² ΠΏΠΎΠ·Π²ΠΎΠ»ΡΠ΅Ρ Π²ΠΎΠ΄ΠΈΡΠ΅Π»ΡΠΌ ΡΠΎΡ ΡΠ°Π½ΡΡΡ ΠΊΠΎΠ½ΡΡΠΎΠ»Ρ Π½Π°Π΄ ΡΠ²ΠΎΠΈΠΌ Π°Π²ΡΠΎΠΌΠΎΠ±ΠΈΠ»Π΅ΠΌ Π² Π»ΡΠ±ΡΡ Π΄ΠΎΡΠΎΠΆΠ½ΡΡ ΡΡΠ»ΠΎΠ²ΠΈΡΡ . ABS ΠΏΠΎΠΌΠΎΠ³Π°Π΅Ρ Π°Π²ΡΠΎΠΌΠΎΠ±ΠΈΠ»ΡΠΌ Π±ΡΡΡΡΠ΅Π΅ ΠΈ ΠΏΠΎΠ»Π½Π΅Π΅ ΠΎΡΡΠ°Π½Π°Π²Π»ΠΈΠ²Π°ΡΡΡΡ Π² ΡΠ»ΡΡΠ°Π΅ ΡΠ΅Π·ΠΊΠΎΠ³ΠΎ ΡΠΎΡΠΌΠΎΠΆΠ΅Π½ΠΈΡ. ΠΠ΅Π· ΡΡΠΎΠ³ΠΎ ΠΊΠΎΠ½ΡΡΠΎΠ»Ρ ΡΠΈΡΡΠ°ΡΠΈΡ Π½Π° ΡΠΊΠΎΠ»ΡΠ·ΠΊΠΎΠΉ Π΄ΠΎΡΠΎΠ³Π΅ ΠΌΠΎΠΆΠ΅Ρ Π±ΡΡΡΡΠΎ ΠΏΡΠ΅Π²ΡΠ°ΡΠΈΡΡΡΡ Π² ΠΏΡΠ³Π°ΡΡΡΡ. ΠΡΡΡΡΡΡΠ²ΠΈΠ΅ ΠΠΠ‘ ΠΎΠ·Π½Π°ΡΠ°Π΅Ρ, ΡΡΠΎ Π²ΠΎΠ΄ΠΈΡΠ΅Π»Ρ Π΄ΠΎΠ»ΠΆΠ΅Π½ ΠΊΠ°ΡΠ°ΡΡ ΡΠΎΡΠΌΠΎΠ·Π°, ΡΡΠΎΠ±Ρ ΠΈΠ·Π±Π΅ΠΆΠ°ΡΡ Π²ΡΡ ΠΎΠ΄Π° ΠΈΠ·-ΠΏΠΎΠ΄ ΠΊΠΎΠ½ΡΡΠΎΠ»Ρ ΠΈΠ·-Π·Π° Π·Π°Π±Π»ΠΎΠΊΠΈΡΠΎΠ²Π°Π½Π½ΡΡ ΠΊΠΎΠ»Π΅Ρ.ΠΡΠΈΡΠΈΠ½Π°, ΠΏΠΎ ΠΊΠΎΡΠΎΡΠΎΠΉ ΡΡΠ° ΡΠΈΡΡΠ΅ΠΌΠ° ΡΠ°Π±ΠΎΡΠ°Π΅Ρ ΡΠ°ΠΊ Ρ ΠΎΡΠΎΡΠΎ, Π·Π°ΠΊΠ»ΡΡΠ°Π΅ΡΡΡ Π² ΡΠΎΠΌ, ΡΡΠΎ ΠΎΠ½Π° ΠΏΠΎΠΌΠΎΠ³Π°Π΅Ρ Π²ΡΠ΅ΠΌ ΡΠ°ΡΡΡΠΌ ΡΠΈΡΡΠ΅ΠΌΡ ΡΠ°Π±ΠΎΡΠ°ΡΡ Π²ΠΌΠ΅ΡΡΠ΅. ΠΠ°ΠΏΡΠΈΠΌΠ΅Ρ, ABS ΠΊΠΎΠΎΡΠ΄ΠΈΠ½ΠΈΡΡΠ΅Ρ Π°ΠΊΡΠΈΠ²Π½ΠΎΡΡΡ ΠΊΠΎΠ»Π΅Ρ Ρ ΠΏΠΎΠΌΠΎΡΡΡ Π΄Π°ΡΡΠΈΠΊΠ° Π½Π° ΠΊΠ°ΠΆΠ΄ΠΎΠΌ ΠΊΠΎΠ»Π΅ΡΠ΅. ΠΠ°ΡΡΠΈΠΊ ΡΠ΅Π³ΡΠ»ΠΈΡΡΠ΅Ρ ΡΠΎΡΠΌΠΎΠ·Π½ΠΎΠ΅ Π΄Π°Π²Π»Π΅Π½ΠΈΠ΅, Π³Π°ΡΠ°Π½ΡΠΈΡΡΡ, ΡΡΠΎ Π²ΡΠ΅ ΡΠΊΠΎΡΠΎΡΡΠΈ ΠΊΠΎΠ»Π΅Ρ Π΄Π²ΠΈΠΆΡΡΡΡ Π² ΡΠ°Π½Π΄Π΅ΠΌΠ΅.
ΠΡΠ΅ΠΈΠΌΡΡΠ΅ΡΡΠ²Π° Π°Π½ΡΠΈΠ±Π»ΠΎΠΊΠΈΡΠΎΠ²ΠΎΡΠ½ΠΎΠΉ ΡΠΈΡΡΠ΅ΠΌΡ ΡΠΎΡΠΌΠΎΠ·ΠΎΠ²
Π’ΠΎΡΠΌΠΎΠ·Π° Π²Π°ΡΠ΅Π³ΠΎ Π°Π²ΡΠΎΠΌΠΎΠ±ΠΈΠ»Ρ Π²ΡΠ΅Π³Π΄Π° Π΄ΠΎΠ»ΠΆΠ½Ρ Π±ΡΡΡ Π² Ρ ΠΎΡΠΎΡΠ΅ΠΌ ΡΠΎΡΡΠΎΡΠ½ΠΈΠΈ, Π½Π΅Π·Π°Π²ΠΈΡΠΈΠΌΠΎ ΠΎΡ ΡΠΎΠ³ΠΎ, ΡΡΡΠ°Π½ΠΎΠ²Π»Π΅Π½Π° ββΠ»ΠΈ Ρ Π²Π°Ρ ΠΠΠ‘ ΠΈΠ»ΠΈ Π½Π΅Ρ. Π£ Π°Π½ΡΠΈΠ±Π»ΠΎΠΊΠΈΡΠΎΠ²ΠΎΡΠ½ΠΎΠΉ ΡΠΎΡΠΌΠΎΠ·Π½ΠΎΠΉ ΡΠΈΡΡΠ΅ΠΌΡ Π΅ΡΡΡ Π½Π΅ΡΠΊΠΎΠ»ΡΠΊΠΎ ΠΏΡΠ΅ΠΈΠΌΡΡΠ΅ΡΡΠ² — Π²ΠΎΡ ΠΎΡΠ½ΠΎΠ²Π½ΡΠ΅ ΠΏΡΠ΅ΠΈΠΌΡΡΠ΅ΡΡΠ²Π°:
- ΠΠΎΠ²ΡΡΠ΅Π½Π½Π°Ρ ΡΠΎΡΠΌΠΎΠ·Π½Π°Ρ ΡΠΏΠΎΡΠΎΠ±Π½ΠΎΡΡΡ: ΠΠ½ΡΠΈΠ±Π»ΠΎΠΊΠΈΡΠΎΠ²ΠΎΡΠ½ΡΠ΅ ΡΠΎΡΠΌΠΎΠ·Π½ΡΠ΅ ΡΠΈΡΡΠ΅ΠΌΡ ΡΡΡΠ°Π½ΠΎΠ²Π»Π΅Π½Ρ Π΄Π»Ρ ΠΏΡΠ΅Π΄ΠΎΡΠ²ΡΠ°ΡΠ΅Π½ΠΈΡ Π±Π»ΠΎΠΊΠΈΡΠΎΠ²ΠΊΠΈ ΠΊΠΎΠ»Π΅Ρ ΠΈ ΠΏΡΠ΅Π΄ΠΎΡΠ²ΡΠ°ΡΠ΅Π½ΠΈΡ Π·Π°Π½ΠΎΡΠ° Π²Π°ΡΠ΅Π³ΠΎ Π°Π²ΡΠΎΠΌΠΎΠ±ΠΈΠ»Ρ Π½Π° Π²ΡΠ΅ΠΌ ΠΏΡΠΎΡΡΠΆΠ΅Π½ΠΈΠΈ ΠΠΎΡΠΎΠ³Π°.ΠΠΠ‘ ΠΎΡΠ΅Π½Ρ ΠΏΠΎΠ»Π΅Π·Π½Π°, ΠΏΠΎΡΠΊΠΎΠ»ΡΠΊΡ Π΄ΠΎΡΠΎΠΆΠ½ΡΠ΅ ΡΡΠ»ΠΎΠ²ΠΈΡ Π½Π΅ ΠΈΠ΄Π΅Π°Π»ΡΠ½Ρ, Π° ΠΏΠΎΠ³ΠΎΠ΄Π° ΠΈ Π΄ΠΎΡΠΎΠ³ΠΈ ΠΏΠΎΡΡΠΎΡΠ½Π½ΠΎ ΠΌΠ΅Π½ΡΡΡΡΡ Π² ΡΠ΅ΡΠ΅Π½ΠΈΠ΅ Π³ΠΎΠ΄Π°. Π‘Π΅Π³ΠΎΠ΄Π½Ρ Π²Π°Ρ ΠΎΠ±ΡΡΠ½ΡΠΉ ΠΌΠ°ΡΡΡΡΡ Π±ΡΠ΄Π΅Ρ Π³Π»Π°Π΄ΠΊΠΈΠΌ ΠΏΠΎΠ΄ Π²Π°ΡΠΈΠΌΠΈ ΡΠΈΠ½Π°ΠΌΠΈ, Π° Π½Π° ΡΠ»Π΅Π΄ΡΡΡΠΈΠΉ Π΄Π΅Π½Ρ ΡΠ° ΠΆΠ΅ Π΄ΠΎΡΠΎΠ³Π° ΠΏΠΎ ΠΊΠ°ΠΊΠΎΠΉ-Π»ΠΈΠ±ΠΎ ΠΏΡΠΈΡΠΈΠ½Π΅ ΠΌΠΎΠΆΠ΅Ρ Π±ΡΡΡ ΡΠΊΠΎΠ»ΡΠ·ΠΊΠΎΠΉ. Π Π½Π΅ΠΊΠΎΡΠΎΡΡΡ ΡΠΈΡΡΠ°ΡΠΈΡΡ ΠΠΠ‘ ΡΠ²Π»ΡΠ΅ΡΡΡ Π½Π°Π΄Π΅ΠΆΠ½ΡΠΌ ΠΏΠΎΠΌΠΎΡΠ½ΠΈΠΊΠΎΠΌ, ΠΏΠΎΡΠΊΠΎΠ»ΡΠΊΡ ΠΏΠΎΠ·Π²ΠΎΠ»ΡΠ΅Ρ Π²ΠΎΠ΄ΠΈΡΠ΅Π»Ρ ΡΠΎΡ ΡΠ°Π½ΡΡΡ ΠΊΠΎΠ½ΡΡΠΎΠ»Ρ Π½Π°Π΄ Π°Π²ΡΠΎΠΌΠΎΠ±ΠΈΠ»Π΅ΠΌ.
- Π£Π»ΡΡΡΠ΅Π½Π½Π°Ρ Π°Π½ΡΠΈΠΏΡΠΎΠ±ΡΠΊΡΠΎΠ²ΠΎΡΠ½Π°Ρ ΡΠΈΡΡΠ΅ΠΌΠ°: ABS ΠΈ ΡΡΠΎΠ²Π΅ΡΡΠ΅Π½ΡΡΠ²ΠΎΠ²Π°Π½Π½Π°Ρ ΡΠ΅Ρ Π½ΠΎΠ»ΠΎΠ³ΠΈΡ Π°Π½ΡΠΈΠΏΡΠΎΠ±ΡΠΊΡΠΎΠ²ΠΎΡΠ½ΠΎΠΉ ΡΠΈΡΡΠ΅ΠΌΡ ΠΈΡΠΏΠΎΠ»ΡΠ·ΡΡΡ ΠΎΠ΄Π½Ρ ΠΈ ΡΡ ΠΆΠ΅ Π±Π°Π·ΠΎΠ²ΡΡ ΠΈΠ½ΡΡΠ°ΡΡΡΡΠΊΡΡΡΡ.ΠΠ°ΠΌΠ΅ΡΠ°ΡΠ΅Π»ΡΠ½ΠΎ ΡΠΎ, ΡΡΠΎ Π½ΠΎΠ²ΡΠ΅ ΡΠ΅Ρ Π½ΠΎΠ»ΠΎΠ³ΠΈΠΈ ΠΏΠΎΠΌΠΎΠ³Π°ΡΡ ΠΎΠ±Π΅ΡΠΏΠ΅ΡΠΈΡΡ Π΄ΠΎΡΡΠ°ΡΠΎΡΠ½ΠΎΠ΅ ΡΡΠ΅ΠΏΠ»Π΅Π½ΠΈΠ΅ ΠΊΠΎΠ»Π΅Ρ Ρ Π΄ΠΎΡΠΎΠ³ΠΎΠΉ. ΠΠ»Π°Π³ΠΎΠ΄Π°ΡΡ ΡΡΠΎΠΌΡ ΠΏΡΠΎΠΈΠ·Π²ΠΎΠ΄ΠΈΡΠ΅Π»ΡΠΌ Π°Π²ΡΠΎΠΌΠΎΠ±ΠΈΠ»Π΅ΠΉ ΠΏΡΠΎΡΠ΅ ΡΡΡΠ°Π½Π°Π²Π»ΠΈΠ²Π°ΡΡ ΡΠΈΡΡΠ΅ΠΌΡ ΠΊΠΎΠ½ΡΡΠΎΠ»Ρ ΡΡΠ³ΠΈ Π½Π° Π·Π°Π²ΠΎΠ΄Π΅.
- ΠΠΎΠ»Π΅Π΅ Π²ΡΡΠΎΠΊΠ°Ρ ΡΡΠΎΠΈΠΌΠΎΡΡΡ ΠΏΡΠΈ ΠΏΠ΅ΡΠ΅ΠΏΡΠΎΠ΄Π°ΠΆΠ΅: ΠΠ΅Π·Π°Π²ΠΈΡΠΈΠΌΠΎ ΠΎΡ ΡΠΎΠ³ΠΎ, Π΅ΡΡΡ Π»ΠΈ Ρ Π²Π°Ρ Π°Π²ΡΠΎΠΌΠΎΠ±ΠΈΠ»Ρ, Π³ΡΡΠ·ΠΎΠ²ΠΈΠΊ, ΡΡΡΠ³ΠΎΠ½ ΠΈΠ»ΠΈ Π²Π½Π΅Π΄ΠΎΡΠΎΠΆΠ½ΠΈΠΊ, Ρ ΠΎΡΠΎΡΠ°Ρ ΠΠΠ‘ ΠΏΠΎΠ²ΡΡΠΈΡ ΡΡΠΎΠΈΠΌΠΎΡΡΡ ΡΡΠΎΠ³ΠΎ Π°Π²ΡΠΎΠΌΠΎΠ±ΠΈΠ»Ρ. ΠΠΌΠ΅ΠΉΡΠ΅ Π² Π²ΠΈΠ΄Ρ, ΡΡΠΎ, ΠΏΠΎΡΠΊΠΎΠ»ΡΠΊΡ ΡΠ΅Ρ Π½ΠΎΠ»ΠΎΠ³ΠΈΡ ABS ΡΠ²Π»ΡΠ΅ΡΡΡ ΡΡΠ°Π½Π΄Π°ΡΡΠ½ΠΎΠΉ Π΄Π»Ρ Π±ΠΎΠ»ΡΡΠΈΠ½ΡΡΠ²Π° ΡΠΎΠ²ΡΠ΅ΠΌΠ΅Π½Π½ΡΡ Π°Π²ΡΠΎΠΌΠΎΠ±ΠΈΠ»Π΅ΠΉ, ΠΎΡΡΡΡΡΡΠ²ΠΈΠ΅ ΡΠΈΡΡΠ΅ΠΌΡ ΠΌΠΎΠΆΠ΅Ρ ΡΠ½ΠΈΠ·ΠΈΡΡ Π²Π°ΡΡ ΠΏΠΎΡΠ΅Π½ΡΠΈΠ°Π»ΡΠ½ΡΡ ΡΡΠΎΠΈΠΌΠΎΡΡΡ ΠΏΡΠΈ ΠΏΠ΅ΡΠ΅ΠΏΡΠΎΠ΄Π°ΠΆΠ΅.
- ΠΠΎΠ»Π΅Π΅ Π½ΠΈΠ·ΠΊΠΈΠ΅ ΡΡΡΠ°Ρ ΠΎΠ²ΡΠ΅ ΡΡΠ°Π²ΠΊΠΈ: Π‘ΡΡΠ΅ΡΡΠ²ΡΡΡ ΡΠ±Π΅Π΄ΠΈΡΠ΅Π»ΡΠ½ΡΠ΅ Π΄ΠΎΠΊΠ°Π·Π°ΡΠ΅Π»ΡΡΡΠ²Π° ΡΠΎΠ³ΠΎ, ΡΡΠΎ Π°Π½ΡΠΈΠ±Π»ΠΎΠΊΠΈΡΠΎΠ²ΠΎΡΠ½Π°Ρ ΡΠΈΡΡΠ΅ΠΌΠ° ΡΠΎΡΠΌΠΎΠ·ΠΎΠ² ΠΌΠΎΠΆΠ΅Ρ ΡΠ½ΠΈΠ·ΠΈΡΡ ΡΠΈΡΠΊ Π½Π΅ΡΡΠ°ΡΡΠ½ΡΡ ΡΠ»ΡΡΠ°Π΅Π².ΠΡΠ°ΠΊ, Π΅ΡΠ»ΠΈ Π½Π° Π²Π°ΡΠ΅ΠΌ Π°Π²ΡΠΎΠΌΠΎΠ±ΠΈΠ»Π΅ ΡΡΡΠ°Π½ΠΎΠ²Π»Π΅Π½Π° ββΠΠΠ‘, Π²Ρ ΠΌΠΎΠΆΠ΅ΡΠ΅ ΠΏΠΎΠ»ΡΡΠΈΡΡ Π±ΠΎΠ»Π΅Π΅ Π²ΡΠ³ΠΎΠ΄Π½ΡΠ΅ Π²Π°ΡΠΈΠ°Π½ΡΡ ΡΡΡΠ°Ρ ΠΎΠ²Π°Π½ΠΈΡ Π°Π²ΡΠΎΠΌΠΎΠ±ΠΈΠ»Ρ.
ΠΠ΅Π·Π°Π²ΠΈΡΠΈΠΌΠΎ ΠΎΡ ΡΠΎΠ³ΠΎ, Π΅ΡΡΡ Π»ΠΈ Ρ Π²Π°ΡΠ΅Π³ΠΎ Π°Π²ΡΠΎΠΌΠΎΠ±ΠΈΠ»Ρ Π°Π½ΡΠΈΠ±Π»ΠΎΠΊΠΈΡΠΎΠ²ΠΎΡΠ½Π°Ρ ΡΠΈΡΡΠ΅ΠΌΠ° ΡΠΎΡΠΌΠΎΠ·ΠΎΠ² ΠΈΠ»ΠΈ Π½Π΅Ρ, ΠΊΠΎΠ³Π΄Π° Π²Π°ΠΌ Π½ΡΠΆΠ΅Π½ Π½Π°Π΄Π΅ΠΆΠ½ΡΠΉ ΡΠ΅ΠΌΠΎΠ½Ρ Π°Π²ΡΠΎΠΌΠΎΠ±ΠΈΠ»Π΅ΠΉ Π² ΠΠΎΡΡ-Π¨Π°ΡΠ»ΠΎΡΡΠ΅, Π€Π»ΠΎΡΠΈΠ΄Π°, ΡΠ²ΡΠΆΠΈΡΠ΅ΡΡ Ρ ΠΊΠΎΠΌΠ°Π½Π΄ΠΎΠΉ Ice Cold Auto Repair. Π‘Π²ΡΠΆΠΈΡΠ΅ΡΡ Ρ Π½Π°ΠΌΠΈ, ΡΡΠΎΠ±Ρ Π·Π°ΠΏΠ»Π°Π½ΠΈΡΠΎΠ²Π°ΡΡ ΡΠ΅Ρ ΠΎΠ±ΡΠ»ΡΠΆΠΈΠ²Π°Π½ΠΈΠ΅ Π°Π²ΡΠΎΠΌΠΎΠ±ΠΈΠ»Ρ Π² Π»ΡΠ±ΠΎΠ΅ Π²ΡΠ΅ΠΌΡ!
ΠΠ°ΡΠ΅Π³ΠΎΡΠΈΡ: ΠΠ²ΡΠΎΡΠ΅ΠΌΠΎΠ½ΡΠ½ΡΠ΅ ΡΡΠ»ΡΠ³ΠΈ
ΠΡΠΎΡ ΠΏΠΎΡΡ Π½Π°ΠΏΠΈΡΠ°Π» Writer
ΠΠ½ΡΠΈΠ±Π»ΠΎΠΊΠΈΡΠΎΠ²ΠΎΡΠ½Π°Ρ ΡΠΎΡΠΌΠΎΠ·Π½Π°Ρ ΡΠΈΡΡΠ΅ΠΌΠ°: ΡΠ°Π±ΠΎΡΠ°, ΡΠΈΠΏΡ, ΠΊΠΎΠΌΠΏΠΎΠ½Π΅Π½ΡΡ
ΠΠ½ΡΠΈΠ±Π»ΠΎΠΊΠΈΡΠΎΠ²ΠΎΡΠ½Π°Ρ ΡΠΎΡΠΌΠΎΠ·Π½Π°Ρ ΡΠΈΡΡΠ΅ΠΌΠ° (ABS) ΠΈΠ³ΡΠ°Π΅Ρ Π²Π°ΠΆΠ½ΡΡ ΡΠΎΠ»Ρ Π² ΡΠΎΡΠΌΠΎΠ·Π½ΠΎΠΉ ΡΠΈΡΡΠ΅ΠΌΠ΅ Π΄Π²ΠΈΠ³Π°ΡΠ΅Π»Ρ.ΠΠ° ΡΠΊΠΎΠ»ΡΠ·ΠΊΠΎΠΉ Π΄ΠΎΡΠΎΠ³Π΅ ΠΏΡΠΎΡΠ΅ΡΡΠΈΠΎΠ½Π°Π»ΡΠ½ΡΠ΅ Π²ΠΎΠ΄ΠΈΡΠ΅Π»ΠΈ ΠΌΠΎΠ³ΡΡ ΠΈΡΠΏΡΡΡΠ²Π°ΡΡ Π·Π°ΡΡΡΠ΄Π½Π΅Π½ΠΈΡ ΠΏΡΠΈ ΡΠΎΡΠΌΠΎΠΆΠ΅Π½ΠΈΠΈ, Π±ΠΎΠ»ΡΡΠ΅ Π³ΠΎΠ²ΠΎΡΠΈΡΠ΅ Ρ ΡΡΠ΅Π½ΠΈΠΊΠ°ΠΌΠΈ. ΠΠΎ ΠΈΠ·ΠΎΠ±ΡΠ΅ΡΠ΅Π½ΠΈΡ ΡΡΠΎΠΉ ΠΊΠΎΠ½ΡΡΡΡΠΊΡΠΈΠΈ ΡΠΎΡΠΌΠΎΠΆΠ΅Π½ΠΈΠ΅ Π±ΡΠ»ΠΎ Π΄ΡΠ°ΠΌΠ°ΡΠΈΡΠ΅ΡΠΊΠΈΠΌ ΡΠΎΠ±ΡΡΠΈΠ΅ΠΌ Π½Π° Π΄ΠΎΡΠΎΠ³Π΅ ΡΠΎ ΡΠΊΠΎΠ»ΡΠ·ΠΊΠΎΠΉ ΠΏΠΎΠ²Π΅ΡΡ Π½ΠΎΡΡΡΡ.
ΠΠ°Π»ΠΈΡΠΈΠ΅ ABS ΠΏΠΎΠΌΠΎΠ³Π»ΠΎ ΠΏΡΠ΅ΠΎΠ΄ΠΎΠ»Π΅ΡΡ ΡΠ°ΠΊΠΈΠ΅ ΠΏΡΠΎΠ±Π»Π΅ΠΌΡ, ΠΏΠΎΡΠΊΠΎΠ»ΡΠΊΡ ΠΏΡΠ΅Π΄ΠΎΡΠ²ΡΠ°ΡΠ°Π΅Ρ Π±Π»ΠΎΠΊΠΈΡΠΎΠ²ΠΊΡ ΠΊΠΎΠ»Π΅Ρ. ΠΡΠΎ ΡΠ°ΠΊΠΆΠ΅ ΠΏΠΎΠΌΠΎΠ³Π°Π΅Ρ ΡΠΎΡ ΡΠ°Π½ΠΈΡΡ ΡΡΠ΅ΠΏΠ»Π΅Π½ΠΈΠ΅ Ρ Π΄ΠΎΡΠΎΠ³ΠΎΠΉ Π²Π½ΠΈΠ·Ρ. Π‘Π΅Π³ΠΎΠ΄Π½Ρ ΠΌΡ ΡΠ°ΡΡΠΌΠΎΡΡΠΈΠΌ ΠΎΠΏΡΠ΅Π΄Π΅Π»Π΅Π½ΠΈΠ΅, ΡΡΠ½ΠΊΡΠΈΠΈ, ΠΏΡΠΈΠ»ΠΎΠΆΠ΅Π½ΠΈΡ, ΠΊΠΎΠΌΠΏΠΎΠ½Π΅Π½ΡΡ, ΡΡ Π΅ΠΌΡ, ΡΠΈΠΏΡ ΠΈ ΡΠ°Π±ΠΎΡΡ Π°Π½ΡΠΈΠ±Π»ΠΎΠΊΠΈΡΠΎΠ²ΠΎΡΠ½ΠΎΠΉ ΡΠΎΡΠΌΠΎΠ·Π½ΠΎΠΉ ΡΠΈΡΡΠ΅ΠΌΡ (ABS).ΠΌΡ ΡΠ°ΠΊΠΆΠ΅ ΡΠ°ΡΡΠΊΠ°ΠΆΠ΅ΠΌ ΠΎ Π΅Π³ΠΎ ΠΏΡΠ΅ΠΈΠΌΡΡΠ΅ΡΡΠ²Π°Ρ ΠΈ Π½Π΅Π΄ΠΎΡΡΠ°ΡΠΊΠ°Ρ , Π° ΡΠ°ΠΊΠΆΠ΅ ΠΎ ΡΠΈΠΌΠΏΡΠΎΠΌΠ°Ρ ΠΏΠ»ΠΎΡ ΠΎΠΉ ΠΈΠ»ΠΈ Π½Π΅ΠΈΡΠΏΡΠ°Π²Π½ΠΎΠΉ ΠΠΠ‘.
ΠΠΎΠ΄ΡΠΎΠ±Π½Π΅Π΅: ΠΠ½Π°ΠΊΠΎΠΌΡΡΠ²ΠΎ Ρ Π°Π²ΡΠΎΠΌΠΎΠ±ΠΈΠ»ΡΠ½ΠΎΠΉ ΡΠΎΡΠΌΠΎΠ·Π½ΠΎΠΉ ΡΠΈΡΡΠ΅ΠΌΠΎΠΉ
Π§ΡΠΎ ΡΠ°ΠΊΠΎΠ΅ Π°Π½ΡΠΈΠ±Π»ΠΎΠΊΠΈΡΠΎΠ²ΠΎΡΠ½Π°Ρ ΡΠΎΡΠΌΠΎΠ·Π½Π°Ρ ΡΠΈΡΡΠ΅ΠΌΠ°?
ΠΠ½ΡΠΈΠ±Π»ΠΎΠΊΠΈΡΠΎΠ²ΠΎΡΠ½Π°Ρ ΡΠΎΡΠΌΠΎΠ·Π½Π°Ρ ΡΠΈΡΡΠ΅ΠΌΠ° — ΡΡΠΎ Π·Π°ΡΠΈΡΠ½ΠΎΠ΅ ΡΡΡΡΠΎΠΉΡΡΠ²ΠΎ, ΡΠ°Π·ΡΠ°Π±ΠΎΡΠ°Π½Π½ΠΎΠ΅ Π΄Π»Ρ Π°Π²ΡΠΎΠΌΠΎΠ±ΠΈΠ»ΡΠ½ΠΎΠΉ ΡΠΈΡΡΠ΅ΠΌΡ ΠΈ ΠΏΡΠ΅Π΄Π½Π°Π·Π½Π°ΡΠ΅Π½Π½ΠΎΠ΅ Π΄Π»Ρ ΠΏΡΠ΅Π΄ΠΎΡΠ²ΡΠ°ΡΠ΅Π½ΠΈΡ Π±Π»ΠΎΠΊΠΈΡΠΎΠ²ΠΊΠΈ ΠΊΠΎΠ»Π΅Ρ Π² ΡΡΠ»ΠΎΠ²ΠΈΡΡ Π°Π²Π°ΡΠΈΠΉΠ½ΠΎΠ³ΠΎ ΠΈΠ»ΠΈ ΡΠ΅Π·ΠΊΠΎΠ³ΠΎ ΡΠΎΡΠΌΠΎΠΆΠ΅Π½ΠΈΡ. ΠΠΎΡΡΠΈ Π²ΡΠ΅ ΡΠΎΠ²ΡΠ΅ΠΌΠ΅Π½Π½ΡΠ΅ Π°Π²ΡΠΎΠΌΠΎΠ±ΠΈΠ»ΠΈ, Π²ΠΊΠ»ΡΡΠ°Ρ ΡΠ΅ΡΡΡΠ΅Ρ - ΠΈ Π΄Π²ΡΡ ΠΊΠΎΠ»Π΅ΡΠ½ΡΠ΅, ΡΠ΅ΠΏΠ΅ΡΡ ΠΎΡΠ½Π°ΡΠ΅Π½Ρ ΡΡΠΎΠΉ ΡΠΈΡΡΠ΅ΠΌΠΎΠΉ Π² ΡΠΎΠΎΡΠ²Π΅ΡΡΡΠ²ΠΈΠΈ Ρ ΠΏΠΎΡΠ»Π΅Π΄Π½ΠΈΠΌΠΈ ΠΏΡΠ°Π²ΠΈΠ»Π°ΠΌΠΈ Π±Π΅Π·ΠΎΠΏΠ°ΡΠ½ΠΎΡΡΠΈ.
ΠΠΠ‘ ΠΏΡΠΈΡ ΠΎΠ΄ΠΈΡ Π½Π° ΠΏΠΎΠΌΠΎΡΡ ΠΏΡΠΈ ΠΏΠΎΡΠ΅ΡΠ΅ ΡΡΠ΅ΠΏΠ»Π΅Π½ΠΈΡ ΠΌΠ΅ΠΆΠ΄Ρ ΡΠΈΠ½Π°ΠΌΠΈ ΠΈ Π΄ΠΎΡΠΎΠΆΠ½ΡΠΌ ΠΏΠΎΠΊΡΡΡΠΈΠ΅ΠΌ. ΠΡΠΎ ΠΏΡΠΈΠ²ΠΎΠ΄ΠΈΡ ΠΊ ΠΏΡΠΎΡΠΊΠ°Π»ΡΠ·ΡΠ²Π°Π½ΠΈΡ ΡΠΈΠ½, Π² ΡΠ΅Π·ΡΠ»ΡΡΠ°ΡΠ΅ ΡΠ΅Π³ΠΎ Π°Π²ΡΠΎΠΌΠΎΠ±ΠΈΠ»Ρ ΡΡΠ°Π½ΠΎΠ²ΠΈΡΡΡ Π½Π΅ΡΠΏΡΠ°Π²Π»ΡΠ΅ΠΌΡΠΌ. ΠΠΎ Π² ΡΠ°ΠΊΠΈΡ ΡΠΈΡΡΠ°ΡΠΈΡΡ ΠΊΠΎΠ»Π΅ΡΠ° ΡΡΠ°Π½ΡΠΏΠΎΡΡΠ½ΠΎΠ³ΠΎ ΡΡΠ΅Π΄ΡΡΠ²Π° ΠΏΡΠΎΠ΄ΠΎΠ»ΠΆΠ°ΡΡ Π΄Π²ΠΈΠ³Π°ΡΡΡΡ, ΠΈ ΠΏΠΎΡΠ΅ΡΡ ΡΡΠ΅ΠΏΠ»Π΅Π½ΠΈΡ Ρ Π΄ΠΎΡΠΎΠ³ΠΎΠΉ ΠΌΠΎΠΆΠ΅Ρ ΠΏΡΠΈΠ²Π΅ΡΡΠΈ ΠΊ ΡΠΎΠΌΡ, ΡΡΠΎ Π²ΠΎΠ΄ΠΈΡΠ΅Π»Ρ ΠΈΠ»ΠΈ Π³ΠΎΠ½ΡΠΈΠΊ ΠΏΠΎΡΠ΅ΡΡΡΡ ΠΊΠΎΠ½ΡΡΠΎΠ»Ρ Π½Π°Π΄ ΡΠΏΡΠ°Π²Π»Π΅Π½ΠΈΠ΅ΠΌ ΡΡΠ°Π½ΡΠΏΠΎΡΡΠ½ΡΠΌ ΡΡΠ΅Π΄ΡΡΠ²ΠΎΠΌ. ΠΡΠΎ ΠΌΠΎΠΆΠ΅Ρ ΠΏΡΠΈΠ²Π΅ΡΡΠΈ ΠΊ Π°Π²Π°ΡΠΈΠΈ.
ΠΡΠΎΠΌΠ΅ ΡΠΎΠ³ΠΎ, ΠΈΠ·Π²Π΅ΡΡΠ½ΠΎ, ΡΡΠΎ Π°Π½ΡΠΈΠ±Π»ΠΎΠΊΠΈΡΠΎΠ²ΠΎΡΠ½Π°Ρ ΡΠΎΡΠΌΠΎΠ·Π½Π°Ρ ΡΠΈΡΡΠ΅ΠΌΠ° (ABS) ΠΏΡΠ΅Π΄ΡΡΠ°Π²Π»ΡΠ΅Ρ ΡΠΎΠ±ΠΎΠΉ Π±Π΅Π·ΠΎΠΏΠ°ΡΠ½ΡΡ ΠΏΡΠΎΡΠΈΠ²ΠΎΡΠΊΠΎΠ»ΡΠ·ΡΡΡΡ ΡΠΎΡΠΌΠΎΠ·Π½ΡΡ ΡΠΈΡΡΠ΅ΠΌΡ, ΠΈΡΠΏΠΎΠ»ΡΠ·ΡΠ΅ΠΌΡΡ Π½Π° ΡΠ°ΠΌΠΎΠ»Π΅ΡΠ°Ρ ΠΈ ββΡΡΠ°Π½ΡΠΏΠΎΡΡΠ½ΡΡ ΡΡΠ΅Π΄ΡΡΠ²Π°Ρ , ΡΠ°ΠΊΠΈΡ ΠΊΠ°ΠΊ Π°Π²ΡΠΎΠΌΠΎΠ±ΠΈΠ»ΠΈ, ΠΌΠΎΡΠΎΡΠΈΠΊΠ»Ρ, Π°Π²ΡΠΎΠ±ΡΡΡ ΠΈ Π³ΡΡΠ·ΠΎΠ²ΠΈΠΊΠΈ.Π‘ΠΈΡΡΠ΅ΠΌΠ° ΠΏΠΎΠ·Π²ΠΎΠ»ΡΠ΅Ρ Π²ΠΎΠ΄ΠΈΡΠ΅Π»Ρ ΠΈΠ»ΠΈ Π½Π°Π΅Π·Π΄Π½ΠΈΠΊΡ ΠΊΠΎΠ½ΡΡΠΎΠ»ΠΈΡΠΎΠ²Π°ΡΡ ΡΡΠ°Π½ΡΠΏΠΎΡΡΠ½ΠΎΠ΅ ΡΡΠ΅Π΄ΡΡΠ²ΠΎ, ΠΏΠΎΡΠΊΠΎΠ»ΡΠΊΡ ΠΊΠΎΠ»Π΅ΡΠ° Π½Π΅ Π±Π»ΠΎΠΊΠΈΡΡΡΡΡΡ Π²ΠΎ Π²ΡΠ΅ΠΌΡ ΡΠΎΡΠΌΠΎΠΆΠ΅Π½ΠΈΡ. ΠΠ½ΡΠΈΠ±Π»ΠΎΠΊΠΈΡΠΎΠ²ΠΎΡΠ½Π°Ρ ΡΠΈΡΡΠ΅ΠΌΠ° ΡΠΎΡΠΌΠΎΠ·ΠΎΠ² ΡΠ°ΠΊΠΆΠ΅ ΠΏΠΎΠ΄Π΄Π΅ΡΠΆΠΈΠ²Π°Π΅Ρ ΡΡΠ³ΠΎΠ²ΡΠΉ ΠΊΠΎΠ½ΡΠ°ΠΊΡ Ρ Π΄ΠΎΡΠΎΠΆΠ½ΡΠΌ ΠΏΠΎΠΊΡΡΡΠΈΠ΅ΠΌ.
ΠΠΠ‘ ΡΠ°Π±ΠΎΡΠ°Π΅Ρ ΠΏΠΎ Π°Π²ΡΠΎΠΌΠ°ΡΠΈΡΠ΅ΡΠΊΠΎΠΌΡ ΠΏΡΠΈΠ½ΡΠΈΠΏΡ ΡΠΎΡΠΌΠΎΠΆΠ΅Π½ΠΈΡ Π½Π° ΠΏΠΎΡΠΎΠ³Π΅ ΠΈ ΡΠΎΡΠΌΠΎΠΆΠ΅Π½ΠΈΡ Ρ ΡΠ°ΡΡΠΎΡΠΎΠΉ Π²ΡΠ°ΡΠ΅Π½ΠΈΡ ΠΏΠ΅Π΄Π°Π»Π΅ΠΉ. ΡΡΠΈ ΠΌΠ΅ΡΠΎΠ΄Ρ ΡΠΎΡΠΌΠΎΠΆΠ΅Π½ΠΈΡ ΠΊΠΎΠ³Π΄Π°-ΡΠΎ ΠΏΡΠ°ΠΊΡΠΈΠΊΠΎΠ²Π°Π»ΠΈΡΡ ΡΠΌΠ΅Π»ΡΠΌΠΈ Π²ΠΎΠ΄ΠΈΡΠ΅Π»ΡΠΌΠΈ Π΄ΠΎ ΡΠΎΠ³ΠΎ, ΠΊΠ°ΠΊ ABS ΡΡΠ°Π»Π° ΠΏΠΎΠΏΡΠ»ΡΡΠ½ΠΎΠΉ. ΠΠΠ‘ ΡΠ°Π±ΠΎΡΠ°Π΅Ρ Π½Π°ΠΌΠ½ΠΎΠ³ΠΎ Π±ΡΡΡΡΠ΅Π΅ ΠΈ ΡΡΡΠ΅ΠΊΡΠΈΠ²Π½Π΅Π΅, ΡΠ΅ΠΌ ΠΊΠΎΠ½ΡΡΠΎΠ»Ρ Π²ΠΎΠ΄ΠΈΡΠ΅Π»Ρ. Π‘ΠΈΡΡΠ΅ΠΌΠ° Π² ΡΠ΅Π»ΠΎΠΌ ΡΠ»ΡΡΡΠΈΠ»Π° ΡΠΏΡΠ°Π²Π»ΡΠ΅ΠΌΠΎΡΡΡ Π°Π²ΡΠΎΠΌΠΎΠ±ΠΈΠ»Ρ, Π° ΡΠ°ΠΊΠΆΠ΅ ΡΠΎΠΊΡΠ°ΡΠΈΠ»Π° ΡΠΎΡΠΌΠΎΠ·Π½ΠΎΠΉ ΠΏΡΡΡ Π½Π° ΡΡΡ ΠΎΠΉ ΠΈ ΡΠΊΠΎΠ»ΡΠ·ΠΊΠΎΠΉ ΠΏΠΎΠ²Π΅ΡΡ Π½ΠΎΡΡΠΈ.ΠΡΠΎ ΡΠ°ΠΊΠΆΠ΅ ΡΠ²Π΅Π»ΠΈΡΠΈΠ²Π°Π΅Ρ ΡΠΎΡΠΌΠΎΠ·Π½ΠΎΠΉ ΠΏΡΡΡ Π½Π° ΡΡΡ Π»ΠΎΠΌ Π³ΡΠ°Π²ΠΈΠΈ ΠΈΠ»ΠΈ Π·Π°ΡΠ½Π΅ΠΆΠ΅Π½Π½ΡΡ ΠΏΠΎΠ²Π΅ΡΡ Π½ΠΎΡΡΡΡ .
Π‘ΠΎΠ²ΡΠ΅ΠΌΠ΅Π½Π½Π°Ρ Π²Π΅ΡΡΠΈΡ ABS Π½Π΅ ΡΠΎΠ»ΡΠΊΠΎ ΠΏΡΠ΅Π΄ΠΎΡΠ²ΡΠ°ΡΠ°Π΅Ρ Π±Π»ΠΎΠΊΠΈΡΠΎΠ²ΠΊΡ ΠΊΠΎΠ»Π΅Ρ ΠΏΡΠΈ ΡΠΎΡΠΌΠΎΠΆΠ΅Π½ΠΈΠΈ, Π½ΠΎ ΠΈ ΠΈΠ·ΠΌΠ΅Π½ΡΠ΅Ρ ΡΠΌΠ΅ΡΠ΅Π½ΠΈΠ΅ ΡΠΎΡΠΌΠΎΠ·ΠΎΠ² ΠΏΠ΅ΡΠ΅Π΄Π½ΠΈΡ ΠΊΠΎΠ»Π΅Ρ. ΠΡΠ° ΡΡΠ½ΠΊΡΠΈΡ Π·Π°Π²ΠΈΡΠΈΡ ΠΎΡ Π΅Π΅ ΠΊΠΎΠ½ΠΊΡΠ΅ΡΠ½ΡΡ Π²ΠΎΠ·ΠΌΠΎΠΆΠ½ΠΎΡΡΠ΅ΠΉ ΠΈ ΡΠ΅Π°Π»ΠΈΠ·Π°ΡΠΈΠΈ, ΠΊΠΎΡΠΎΡΠ°Ρ ΠΈΠ·Π²Π΅ΡΡΠ½Π° ΠΏΠΎ-ΡΠ°Π·Π½ΠΎΠΌΡ ΠΊΠ°ΠΊ ΡΠ»Π΅ΠΊΡΡΠΎΠ½Π½ΠΎΠ΅ ΡΠ°ΡΠΏΡΠ΅Π΄Π΅Π»Π΅Π½ΠΈΠ΅ ΡΠΎΡΠΌΠΎΠ·Π½ΠΎΠ³ΠΎ ΡΡΠΈΠ»ΠΈΡ, ΡΠΈΡΡΠ΅ΠΌΠ° ΠΊΠΎΠ½ΡΡΠΎΠ»Ρ ΡΡΠ³ΠΈ, ΡΠΈΡΡΠ΅ΠΌΠ° ΡΠΊΡΡΡΠ΅Π½Π½ΠΎΠ³ΠΎ ΡΠΎΡΠΌΠΎΠΆΠ΅Π½ΠΈΡ ΠΈΠ»ΠΈ ΡΠ»Π΅ΠΊΡΡΠΎΠ½Π½ΡΠΉ ΠΊΠΎΠ½ΡΡΠΎΠ»Ρ ΡΡΡΠΎΠΉΡΠΈΠ²ΠΎΡΡΠΈ (ESC).
Π€ΡΠ½ΠΊΡΠΈΠΈ Π°Π½ΡΠΈΠ±Π»ΠΎΠΊΠΈΡΠΎΠ²ΠΎΡΠ½ΠΎΠΉ ΡΠΎΡΠΌΠΎΠ·Π½ΠΎΠΉ ΡΠΈΡΡΠ΅ΠΌΡ:
Π‘Π»Π΅Π΄ΡΡΡΠΈΠ΅ ΡΡΠ½ΠΊΡΠΈΠΈ Π°Π½ΡΠΈΠ±Π»ΠΎΠΊΠΈΡΠΎΠ²ΠΎΡΠ½ΠΎΠΉ ΡΠΎΡΠΌΠΎΠ·Π½ΠΎΠΉ ΡΠΈΡΡΠ΅ΠΌΡ Π² Π°Π²ΡΠΎΠΌΠΎΠ±ΠΈΠ»ΡΠ½ΡΡ Π΄Π²ΠΈΠ³Π°ΡΠ΅Π»ΡΡ :
- ΠΡΠ½ΠΎΠ²Π½Π°Ρ ΡΠ΅Π»Ρ Π°Π½ΡΠΈΠ±Π»ΠΎΠΊΠΈΡΠΎΠ²ΠΎΡΠ½ΠΎΠΉ ΡΠΎΡΠΌΠΎΠ·Π½ΠΎΠΉ ΡΠΈΡΡΠ΅ΠΌΡ — Π»ΡΡΡΠΈΠΉ ΠΊΠΎΠ½ΡΡΠΎΠ»Ρ Π½Π°Π΄ ΡΡΠ°Π½ΡΠΏΠΎΡΡΠ½ΡΠΌΠΈ ΡΡΠ΅Π΄ΡΡΠ²Π°ΠΌΠΈ Π΄Π°ΠΆΠ΅ ΠΏΡΠΈ Π΄Π²ΠΈΠΆΠ΅Π½ΠΈΠΈ ΠΏΠΎ ΠΏΡΠ΅ΠΏΡΡΡΡΠ²ΠΈΡΠΌ.
- ΠΠ½ ΠΎΡΠ½Π°ΡΠ΅Π½ ΠΊΠΎΠ½ΡΡΠΎΠ»Π»Π΅ΡΠΎΠΌ, ΠΊΠΎΡΠΎΡΡΠΉ ΠΏΠΎΡΡΠΎΡΠ½Π½ΠΎ ΠΊΠΎΠ½ΡΡΠΎΠ»ΠΈΡΡΠ΅Ρ Π΄Π°ΡΡΠΈΠΊΠΈ ΡΠΊΠΎΡΠΎΡΡΠΈ. ΠΠ½ ΠΏΡΠΎΠ²Π΅ΡΡΠ΅Ρ Π½Π΅ΠΎΠ±ΡΡΠ½ΡΠ΅ Π·Π°ΠΌΠ΅Π΄Π»Π΅Π½ΠΈΡ Π² ΠΊΠΎΠ»Π΅ΡΠ΅. ΠΡΠΎ ΠΏΡΠΎΠΈΡΡ ΠΎΠ΄ΠΈΡ ΠΏΡΡΠΌΠΎ ΠΏΠ΅ΡΠ΅Π΄ ΡΠ΅ΠΌ, ΠΊΠ°ΠΊ ΠΊΠΎΠ»Π΅ΡΠΎ Π±Π»ΠΎΠΊΠΈΡΡΠ΅ΡΡΡ, ΡΡΠΎ ΠΏΡΠΈΠ²ΠΎΠ΄ΠΈΡ ΠΊ Π±ΡΡΡΡΠΎΠΌΡ Π·Π°ΠΌΠ΅Π΄Π»Π΅Π½ΠΈΡ. ΠΡΠ»ΠΈ ΠΏΡΠΎΠ²Π΅ΡΠΊΠ° Π½Π΅ Π²ΡΠΏΠΎΠ»Π½ΡΠ΅ΡΡΡ, ΠΊΠΎΠ»Π΅ΡΠΎ ΠΎΡΡΠ°Π½Π°Π²Π»ΠΈΠ²Π°Π΅ΡΡΡ Π½Π°ΠΌΠ½ΠΎΠ³ΠΎ Π±ΡΡΡΡΠ΅Π΅, ΡΠ΅ΠΌ ΠΌΠΎΠ³Π»ΠΎ Π±Ρ.
- ΠΡΠΎ ΡΡΡΡΠ°Π½ΡΠ΅Ρ Π½Π΅ΠΎΠ±Ρ ΠΎΠ΄ΠΈΠΌΠΎΡΡΡ Π²ΡΡΡΠ½ΡΡ Π½Π°ΠΊΠ°ΡΠΈΠ²Π°ΡΡ ΡΠΎΡΠΌΠΎΠ·Π° ΠΏΡΠΈ Π΄Π²ΠΈΠΆΠ΅Π½ΠΈΠΈ ΠΏΠΎ ΠΏΠΎΠ²Π΅ΡΡ Π½ΠΎΡΡΠΈ Ρ Π½ΠΈΠ·ΠΊΠΈΠΌ ΡΡΠ΅ΠΏΠ»Π΅Π½ΠΈΠ΅ΠΌ ΠΈΠ»ΠΈ ΡΠΊΠΎΠ»ΡΠ·ΠΊΠΎΠΉ ΠΏΠΎΠ²Π΅ΡΡ Π½ΠΎΡΡΠΈ. ΠΡΠΎ ΠΎΠ±Π΅ΡΠΏΠ΅ΡΠΈΠ²Π°Π΅Ρ ΡΡΡΠ΅ΠΊΡΠΈΠ²Π½ΠΎΠ΅ ΡΡΠ»Π΅Π²ΠΎΠ΅ ΡΠΏΡΠ°Π²Π»Π΅Π½ΠΈΠ΅ Π² Π±ΠΎΠ»ΡΡΠΈΠ½ΡΡΠ²Π΅ ΡΠ»ΡΡΠ°Π΅Π² ΡΠΊΡΡΡΠ΅Π½Π½ΠΎΠ³ΠΎ ΡΠΎΡΠΌΠΎΠΆΠ΅Π½ΠΈΡ.
- ΠΠΎΠ΄ΠΈΡΠ΅Π»ΠΈ Π±ΡΠ΄ΡΡ ΠΎΡΡΡΠ°ΡΡ ΠΏΡΠ»ΡΡΠ°ΡΠΈΡ ΠΏΠ΅Π΄Π°Π»ΠΈ ΡΠΎΡΠΌΠΎΠ·Π° Π²ΠΎ Π²ΡΠ΅ΠΌΡ ΡΠ°Π±ΠΎΡΡ ΡΠΈΡΡΠ΅ΠΌΡ ΠΈΠ·-Π·Π° ΠΎΡΠΊΡΡΡΠΈΡ ΠΈ Π·Π°ΠΊΡΡΡΠΈΡ ΠΊΠ»Π°ΠΏΠ°Π½ΠΎΠ². ΠΡΠ»ΡΡΠ°ΡΠΈΡ ΡΠΊΠ°Π·ΡΠ²Π°Π΅Ρ Π²ΠΎΠ΄ΠΈΡΠ΅Π»Ρ, ΡΡΠΎ ΠΠΠ‘ ΡΠ°Π±ΠΎΡΠ°Π΅Ρ.
- ΠΠΎΠ½ΡΡΠΎΠ»Π»Π΅Ρ ΠΠΠ‘ — ΡΡΠΎ ΠΏΡΠΎΠ³ΡΠ°ΠΌΠΌΠ°, ΠΊΠΎΡΠΎΡΠ°Ρ Π·Π½Π°Π΅Ρ, ΡΡΠΎ Π±ΡΡΡΡΠΎΠ΅ Π·Π°ΠΌΠ΅Π΄Π»Π΅Π½ΠΈΠ΅ Π°Π²ΡΠΎΠΌΠΎΠ±ΠΈΠ»Ρ Π½Π΅Π²ΠΎΠ·ΠΌΠΎΠΆΠ½ΠΎ. ΠΡΠΎ ΠΎΠ·Π½Π°ΡΠ°Π΅Ρ, ΡΡΠΎ ΠΊΠΎΠ³Π΄Π° ΠΏΡΠΎΠΈΡΡ ΠΎΠ΄ΠΈΡ Π±ΡΡΡΡΠΎΠ΅ Π·Π°ΠΌΠ΅Π΄Π»Π΅Π½ΠΈΠ΅, ΠΊΠΎΠ»Π΅ΡΠΎ Π²ΠΎΡ-Π²ΠΎΡ ΠΏΡΠΎΡΠΊΠΎΡΠΈΡ, ΠΏΠΎΡΡΠΎΠΌΡ Π΄Π°Π²Π»Π΅Π½ΠΈΠ΅ Π½Π° ΡΠΎΡΠΌΠΎΠ· ΡΠΌΠ΅Π½ΡΡΠ°Π΅ΡΡΡ Π΄ΠΎ ΡΠ΅Ρ ΠΏΠΎΡ, ΠΏΠΎΠΊΠ° Π½Π΅ ΠΏΡΠΎΠΈΠ·ΠΎΠΉΠ΄Π΅Ρ ΡΡΠΊΠΎΡΠ΅Π½ΠΈΠ΅. ΠΡΠΎ ΠΊΠΎΠ³Π΄Π° ΠΎΠ½ ΡΠ²Π΅Π»ΠΈΡΠΈΠ²Π°Π΅Ρ Π΄Π°Π²Π»Π΅Π½ΠΈΠ΅ Π΄ΠΎ ΡΠ΅Ρ ΠΏΠΎΡ, ΠΏΠΎΠΊΠ° Π½Π΅ ΠΏΡΠΎΠΈΠ·ΠΎΠΉΠ΄Π΅Ρ Π΅Π³ΠΎ Π·Π°ΠΌΠ΅Π΄Π»Π΅Π½ΠΈΠ΅.
ΠΠΎΠ΄ΡΠΎΠ±Π½Π΅Π΅: ΠΠ±ΡΠΈΠ΅ ΡΠ²Π΅Π΄Π΅Π½ΠΈΡ ΠΎ ΡΠΈΡΡΠ΅ΠΌΠ΅ ΡΠΌΠ°Π·ΠΊΠΈ Π΄Π²ΠΈΠ³Π°ΡΠ΅Π»Ρ
ΠΠΎΠΌΠΏΠΎΠ½Π΅Π½ΡΡ Π°Π½ΡΠΈΠ±Π»ΠΎΠΊΠΈΡΠΎΠ²ΠΎΡΠ½ΠΎΠΉ ΡΠΎΡΠΌΠΎΠ·Π½ΠΎΠΉ ΡΠΈΡΡΠ΅ΠΌΡ
ΠΠΈΠΆΠ΅ ΠΏΡΠ΅Π΄ΡΡΠ°Π²Π»Π΅Π½Ρ ΠΊΠΎΠΌΠΏΠΎΠ½Π΅Π½ΡΡ Π°Π½ΡΠΈΠ±Π»ΠΎΠΊΠΈΡΠΎΠ²ΠΎΡΠ½ΠΎΠΉ ΡΠΎΡΠΌΠΎΠ·Π½ΠΎΠΉ ΡΠΈΡΡΠ΅ΠΌΡ ΠΈ ΠΈΡ ΡΡΠ½ΠΊΡΠΈΠΈ:
ΠΠ°ΡΡΠΈΠΊΠΈ ΡΠΊΠΎΡΠΎΡΡΠΈ:
ΠΠ°ΡΡΠΈΠΊ ΡΠΊΠΎΡΠΎΡΡΠΈ ΡΠ°ΠΊΠΆΠ΅ ΠΈΠ·Π²Π΅ΡΡΠ΅Π½ ΠΊΠ°ΠΊ ΡΠ½ΠΊΠΎΠ΄Π΅ΡΡ, ΠΏΠΎΡΠΊΠΎΠ»ΡΠΊΡ ΠΎΠ½ ΠΏΠΎΠΌΠΎΠ³Π°Π΅Ρ ΠΎΠΏΡΠ΅Π΄Π΅Π»ΡΡΡ ΡΡΠΊΠΎΡΠ΅Π½ΠΈΠ΅ ΠΈΠ»ΠΈ Π·Π°ΠΌΠ΅Π΄Π»Π΅Π½ΠΈΠ΅ ΠΊΠΎΠ»Π΅ΡΠ°. ΠΠΎΠΌΠΏΠΎΠ½Π΅Π½Ρ ΡΠ°Π±ΠΎΡΠ°Π΅Ρ Ρ ΠΌΠ°Π³Π½ΠΈΡΠΎΠΌ ΠΈ Π΄Π°ΡΡΠΈΠΊΠΎΠΌ ΡΡΡΠ΅ΠΊΡΠ° Π₯ΠΎΠ»Π»Π° ΠΈΠ»ΠΈ Π·ΡΠ±ΡΠ°ΡΡΠΌ ΠΊΠΎΠ»Π΅ΡΠΎΠΌ ΠΈ ΡΠ»Π΅ΠΊΡΡΠΎΠΌΠ°Π³Π½ΠΈΡΠ½ΠΎΠΉ ΠΊΠ°ΡΡΡΠΊΠΎΠΉ Π΄Π»Ρ ΡΠΎΠ·Π΄Π°Π½ΠΈΡ ΡΠΈΠ³Π½Π°Π»Π°. ΠΠΎΠ³Π΄Π° ΠΊΠΎΠ»Π΅ΡΠΎ Π²ΡΠ°ΡΠ°Π΅ΡΡΡ, ΠΎΠ½ΠΎ ΠΈΠ½Π΄ΡΡΠΈΡΡΠ΅Ρ ΠΌΠ°Π³Π½ΠΈΡΠ½ΠΎΠ΅ ΠΏΠΎΠ»Π΅ Π²ΠΎΠΊΡΡΠ³ Π΄Π°ΡΡΠΈΠΊΠ°, ΠΊΠΎΡΠΎΡΠΎΠ΅ Π³Π΅Π½Π΅ΡΠΈΡΡΠ΅Ρ Π½Π°ΠΏΡΡΠΆΠ΅Π½ΠΈΠ΅ Π² Π΄Π°ΡΡΠΈΠΊΠ΅, ΠΏΠΎΡΠΊΠΎΠ»ΡΠΊΡ ΠΌΠ°Π³Π½ΠΈΡΠ½ΠΎΠ΅ ΠΏΠΎΠ»Π΅ ΠΊΠΎΠ»Π΅Π±Π»Π΅ΡΡΡ Π²ΠΎΠΊΡΡΠ³ Π½Π΅Π³ΠΎ.
ΠΠ°ΡΡΠΈΠΊ ΡΡΠ°Π½ΠΎΠ²ΠΈΡΡΡ Π½Π΅ΡΠΎΡΠ½ΡΠΌ Π½Π° ΠΌΠ°Π»ΡΡ ΡΠΊΠΎΡΠΎΡΡΡΡ , ΠΏΠΎΡΠΎΠΌΡ ΡΡΠΎ Π±ΠΎΠ»Π΅Π΅ ΠΌΠ΅Π΄Π»Π΅Π½Π½ΠΎΠ΅ Π²ΡΠ°ΡΠ΅Π½ΠΈΠ΅ ΠΊΠΎΠ»Π΅ΡΠ° ΠΌΠΎΠΆΠ΅Ρ Π²ΡΠ·Π²Π°ΡΡ Π½Π΅ΡΠΎΡΠ½ΡΠ΅ ΠΊΠΎΠ»Π΅Π±Π°Π½ΠΈΡ ΠΌΠ°Π³Π½ΠΈΡΠ½ΠΎΠ³ΠΎ ΠΏΠΎΠ»Ρ. ΠΡΠΎ ΠΏΡΠΈΠ²ΠΎΠ΄ΠΈΡ ΠΊ Π½Π΅ΡΠΎΡΠ½ΡΠΌ ΠΏΠΎΠΊΠ°Π·Π°Π½ΠΈΡΠΌ ΠΊΠΎΠ½ΡΡΠΎΠ»Π»Π΅ΡΠ°.
ΠΠ»Π°ΠΏΠ°Π½Ρ:
ΠΠ½ΡΠΈΠ±Π»ΠΎΠΊΠΈΡΠΎΠ²ΠΎΡΠ½Π°Ρ ΡΠΎΡΠΌΠΎΠ·Π½Π°Ρ ΡΠΈΡΡΠ΅ΠΌΠ° ΡΠΎΠ΄Π΅ΡΠΆΠΈΡ ΠΊΠ»Π°ΠΏΠ°Π½ Π² ΠΊΠ°ΡΠ΅ΡΡΠ²Π΅ ΠΊΠΎΠΌΠΏΠΎΠ½Π΅Π½ΡΠ°. ΠΠ½ ΠΊΠΎΠ½ΡΡΠΎΠ»ΠΈΡΡΠ΅ΡΡΡ ΡΠ°ΠΌΠΎΠΉ ΠΠΠ‘ ΠΈ ΠΎΠ±ΡΡΠ½ΠΎ ΠΈΠΌΠ΅Π΅Ρ ΡΡΠΈ ΠΏΠΎΠ»ΠΎΠΆΠ΅Π½ΠΈΡ Π² ΠΊΠ°ΠΊΠΎΠΉ-Π»ΠΈΠ±ΠΎ ΡΠΈΡΡΠ΅ΠΌΠ΅. Π² ΠΏΠ΅ΡΠ²ΠΎΠΌ ΠΏΠΎΠ»ΠΎΠΆΠ΅Π½ΠΈΠΈ ΠΊΠ»Π°ΠΏΠ°Π½ ΠΎΡΠΊΡΡΠ²Π°Π΅ΡΡΡ, ΠΏΠΎΠ·Π²ΠΎΠ»ΡΡ Π΄Π°Π²Π»Π΅Π½ΠΈΡ ΠΈΠ· Π³Π»Π°Π²Π½ΠΎΠ³ΠΎ ΡΠΈΠ»ΠΈΠ½Π΄ΡΠ° ΠΏΡΠΎΡ ΠΎΠ΄ΠΈΡΡ ΠΏΡΡΠΌΠΎ Π½Π° ΡΠΎΡΠΌΠΎΠ·.ΠΠΎ Π²ΡΠΎΡΠΎΠΌ ΠΏΠΎΠ»ΠΎΠΆΠ΅Π½ΠΈΠΈ ΠΊΠ»Π°ΠΏΠ°Π½ ΠΏΠ΅ΡΠ΅ΠΊΡΡΠ²Π°Π΅Ρ ΠΌΠ°Π³ΠΈΡΡΡΠ°Π»Ρ, ΠΎΡΠ΄Π΅Π»ΡΡ ΡΠΎΡΠΌΠΎΠ· ΠΎΡ Π³Π»Π°Π²Π½ΠΎΠ³ΠΎ ΡΠΈΠ»ΠΈΠ½Π΄ΡΠ°. Π ΡΡΠΎΠΌ ΡΠ»ΡΡΠ°Π΅ ΠΏΡΠ΅Π΄ΠΎΡΠ²ΡΠ°ΡΠ°Π΅ΡΡΡ Π΄Π°Π»ΡΠ½Π΅ΠΉΡΠ΅Π΅ ΠΏΠΎΠ²ΡΡΠ΅Π½ΠΈΠ΅ Π΄Π°Π²Π»Π΅Π½ΠΈΡ. Π ΡΡΠ΅ΡΡΠ΅ΠΌ ΠΏΠΎΠ»ΠΎΠΆΠ΅Π½ΠΈΠΈ ΠΊΠ»Π°ΠΏΠ°Π½ ΡΠ±ΡΠ°ΡΡΠ²Π°Π΅Ρ Π½Π΅ΠΊΠΎΡΠΎΡΠΎΠ΅ Π΄Π°Π²Π»Π΅Π½ΠΈΠ΅ Ρ ΡΠΎΡΠΌΠΎΠ·Π°. ΠΠ°Π±ΠΈΡΡΠΉ ΠΊΠ»Π°ΠΏΠ°Π½ — ΡΠ°ΡΠΏΡΠΎΡΡΡΠ°Π½Π΅Π½Π½Π°Ρ ΠΏΡΠΎΠ±Π»Π΅ΠΌΠ°, Π²ΠΎΠ·Π½ΠΈΠΊΠ°ΡΡΠ°Ρ Π² Π°Π½ΡΠΈΠ±Π»ΠΎΠΊΠΈΡΠΎΠ²ΠΎΡΠ½ΠΎΠΉ ΡΠΎΡΠΌΠΎΠ·Π½ΠΎΠΉ ΡΠΈΡΡΠ΅ΠΌΠ΅.
ΠΠΎΠ½ΡΡΠΎΠ»Π»Π΅Ρ:
ΠΠΎΠ½ΡΡΠΎΠ»Π»Π΅Ρ ΡΠ»ΡΠΆΠΈΡ ΡΡΡΡΠΎΠΉΡΡΠ²ΠΎΠΌ ECU, ΠΏΠΎΡΠΊΠΎΠ»ΡΠΊΡ ΠΎΠ½ ΠΏΠΎΠ»ΡΡΠ°Π΅Ρ ΠΈΠ½ΡΠΎΡΠΌΠ°ΡΠΈΡ ΠΎΡ ΠΊΠ°ΠΆΠ΄ΠΎΠ³ΠΎ Π΄Π°ΡΡΠΈΠΊΠ° ΡΠΊΠΎΡΠΎΡΡΠΈ ΠΊΠΎΠ»Π΅ΡΠ°. Π‘ΠΈΠ³Π½Π°Π» Π½Π° ΠΊΠΎΠ½ΡΡΠΎΠ»Π»Π΅Ρ ΠΎΡΠΏΡΠ°Π²Π»ΡΠ΅ΡΡΡ, Π΅ΡΠ»ΠΈ ΠΊΠΎΠ»Π΅ΡΠΎ ΡΠ΅ΡΡΠ΅Ρ ΡΡΠ΅ΠΏΠ»Π΅Π½ΠΈΠ΅ Ρ Π΄ΠΎΡΠΎΠ³ΠΎΠΉ.ΠΠΎΠ½ΡΡΠΎΠ»Π»Π΅Ρ ΠΎΠ³ΡΠ°Π½ΠΈΡΠΈΡ ΡΠΎΡΠΌΠΎΠ·Π½ΠΎΠ΅ ΡΡΠΈΠ»ΠΈΠ΅ (EBD), Π° Π·Π°ΡΠ΅ΠΌ Π°ΠΊΡΠΈΠ²ΠΈΡΡΠ΅Ρ ΠΌΠΎΠ΄ΡΠ»ΡΡΠΎΡ ABS, ΠΊΠΎΡΠΎΡΡΠΉ Π²ΠΊΠ»ΡΡΠ°Π΅Ρ ΠΈ Π²ΡΠΊΠ»ΡΡΠ°Π΅Ρ ΡΠΎΡΠΌΠΎΠ·Π½ΡΠ΅ ΠΊΠ»Π°ΠΏΠ°Π½Ρ.
ΠΠ°ΡΠΎΡ:
ΠΠ°ΡΠΎΡ Π²ΡΠΏΠΎΠ»Π½ΡΠ΅Ρ ΡΡΠ½ΠΊΡΠΈΠΈ Π²ΠΎΡΡΡΠ°Π½ΠΎΠ²Π»Π΅Π½ΠΈΡ Π΄Π°Π²Π»Π΅Π½ΠΈΡ Π² Π³ΠΈΠ΄ΡΠ°Π²Π»ΠΈΡΠ΅ΡΠΊΠΈΡ ΡΠΎΡΠΌΠΎΠ·Π°Ρ ΠΏΠΎΡΠ»Π΅ ΡΠΎΠ³ΠΎ, ΠΊΠ°ΠΊ ΠΊΠ»Π°ΠΏΠ°Π½Ρ Π΅Π³ΠΎ ΠΎΡΠΏΡΡΠΊΠ°ΡΡ. ΠΊΠΎΠ½ΡΡΠΎΠ»Π»Π΅Ρ ΠΏΠΎΠΊΠ°Π·ΡΠ²Π°Π΅Ρ ΡΠΈΠ³Π½Π°Π», ΠΊΠΎΡΠΎΡΡΠΉ ΠΎΡΠΏΡΡΠΊΠ°Π΅Ρ ΠΊΠ»Π°ΠΏΠ°Π½ ΠΏΡΠΈ ΠΎΠ±Π½Π°ΡΡΠΆΠ΅Π½ΠΈΠΈ ΠΏΡΠΎΠ±ΡΠΊΡΠΎΠ²ΠΊΠΈ Π² ΠΊΠΎΠ»Π΅ΡΠ΅. ΠΠ°ΡΠΎΡ Π²ΠΎΡΡΡΠ°Π½Π°Π²Π»ΠΈΠ²Π°Π΅Ρ ΠΆΠ΅Π»Π°Π΅ΠΌΠΎΠ΅ Π΄Π°Π²Π»Π΅Π½ΠΈΠ΅ Π² ΡΠΎΡΠΌΠΎΠ·Π½ΠΎΠΉ ΡΠΈΡΡΠ΅ΠΌΠ΅, ΠΊΠ°ΠΊ ΡΠΎΠ»ΡΠΊΠΎ ΠΊΠ»Π°ΠΏΠ°Π½ ΡΠ±ΡΠ°ΡΡΠ²Π°Π΅Ρ Π΄Π°Π²Π»Π΅Π½ΠΈΠ΅, ΠΏΡΠΈΠΊΠ»Π°Π΄ΡΠ²Π°Π΅ΠΌΠΎΠ΅ Π²ΠΎΠ΄ΠΈΡΠ΅Π»Π΅ΠΌ. ΠΠ°ΡΠ΅ΠΌ ΠΊΠΎΠ½ΡΡΠΎΠ»Π»Π΅Ρ Π±ΡΠ΄Π΅Ρ ΠΈΠ·ΠΌΠ΅Π½ΡΡΡ ΡΠΎΡΡΠΎΡΠ½ΠΈΠ΅ Π½Π°ΡΠΎΡΠ°, ΡΡΠΎΠ±Ρ ΠΎΠ±Π΅ΡΠΏΠ΅ΡΠΈΡΡ ΠΆΠ΅Π»Π°Π΅ΠΌΠΎΠ΅ Π΄Π°Π²Π»Π΅Π½ΠΈΠ΅ ΠΈ ΡΠΌΠ΅Π½ΡΡΠΈΡΡ ΠΏΡΠΎΡΠΊΠ°Π»ΡΠ·ΡΠ²Π°Π½ΠΈΠ΅.
ΠΠΎΠ΄ΡΠΎΠ±Π½Π΅Π΅: ΠΠΎΠ½ΠΈΠΌΠ°Π½ΠΈΠ΅ ΡΠΈΡΡΠ΅ΠΌΡ Π²ΠΏΡΡΡΠΊΠ° ΡΠΎΠΏΠ»ΠΈΠ²Π° Π² Π°Π²ΡΠΎΠΌΠΎΠ±ΠΈΠ»ΡΠ½ΡΡ Π΄Π²ΠΈΠ³Π°ΡΠ΅Π»ΡΡ
Π‘Ρ Π΅ΠΌΠ° Π°Π½ΡΠΈΠ±Π»ΠΎΠΊΠΈΡΠΎΠ²ΠΎΡΠ½ΠΎΠΉ ΡΠΈΡΡΠ΅ΠΌΡ ΡΠΎΡΠΌΠΎΠ·ΠΎΠ²:
Π’ΠΈΠΏΡ Π°Π½ΡΠΈΠ±Π»ΠΎΠΊΠΈΡΠΎΠ²ΠΎΡΠ½ΠΎΠΉ ΡΠΎΡΠΌΠΎΠ·Π½ΠΎΠΉ ΡΠΈΡΡΠ΅ΠΌΡ
ΠΠ½ΡΠΈΠ±Π»ΠΎΠΊΠΈΡΠΎΠ²ΠΎΡΠ½Π°Ρ ΡΠΎΡΠΌΠΎΠ·Π½Π°Ρ ΡΠΈΡΡΠ΅ΠΌΠ° ΡΠ°Π±ΠΎΡΠ°Π΅Ρ ΠΏΠΎ ΡΠ°Π·Π½ΡΠΌ ΡΡ Π΅ΠΌΠ°ΠΌ Π² Π·Π°Π²ΠΈΡΠΈΠΌΠΎΡΡΠΈ ΠΎΡ ΡΠΈΠΏΠ° ΠΈΡΠΏΠΎΠ»ΡΠ·ΡΠ΅ΠΌΠΎΠ³ΠΎ ΡΠΎΡΠΌΠΎΠ·Π°. ΠΠΈΠΆΠ΅ ΠΏΡΠΈΠ²Π΅Π΄Π΅Π½Ρ ΡΠΈΠΏΡ Π°Π½ΡΠΈΠ±Π»ΠΎΠΊΠΈΡΠΎΠ²ΠΎΡΠ½ΠΎΠΉ ΡΠΎΡΠΌΠΎΠ·Π½ΠΎΠΉ ΡΠΈΡΡΠ΅ΠΌΡ Π² Π°Π²ΡΠΎΠΌΠΎΠ±ΠΈΠ»ΡΠ½ΠΎΠΉ ΡΠ΅Ρ Π½ΠΈΠΊΠ΅:
Π§Π΅ΡΡΡΠ΅Ρ ΠΊΠ°Π½Π°Π»ΡΠ½Π°Ρ ΠΠΠ‘ Ρ ΡΠ΅ΡΡΡΡΠΌΡ Π΄Π°ΡΡΠΈΠΊΠ°ΠΌΠΈ
ΠΡΠΈ ΡΠΈΠΏΡ ΠΠΠ‘ ΡΠΎΠ΄Π΅ΡΠΆΠ°Ρ Π΄Π°ΡΡΠΈΠΊ ΡΠΊΠΎΡΠΎΡΡΠΈ Π½Π° ΡΠ΅ΡΡΡΠ΅Ρ ΠΊΠΎΠ»Π΅ΡΠ°Ρ ΠΈ ΠΎΡΠ΄Π΅Π»ΡΠ½ΡΠΉ ΠΊΠ»Π°ΠΏΠ°Π½ Π΄Π»Ρ Π²ΡΠ΅Ρ ΡΠ΅ΡΡΡΠ΅Ρ ΠΊΠΎΠ»Π΅Ρ.ΠΡΠ° Π½Π°ΡΡΡΠΎΠΉΠΊΠ° ΠΏΠΎΠ·Π²ΠΎΠ»ΡΠ΅Ρ ΠΊΠΎΠ½ΡΡΠΎΠ»Π»Π΅ΡΡ ΠΊΠΎΠ½ΡΡΠΎΠ»ΠΈΡΠΎΠ²Π°ΡΡ ΠΊΠ°ΠΆΠ΄ΠΎΠ΅ ΠΊΠΎΠ»Π΅ΡΠΎ ΠΈΠ½Π΄ΠΈΠ²ΠΈΠ΄ΡΠ°Π»ΡΠ½ΠΎ, ΠΎΠ±Π΅ΡΠΏΠ΅ΡΠΈΠ²Π°Ρ Π΄ΠΎΡΡΠΈΠΆΠ΅Π½ΠΈΠ΅ ΠΌΠ°ΠΊΡΠΈΠΌΠ°Π»ΡΠ½ΠΎΠ³ΠΎ ΡΠΎΡΠΌΠΎΠ·Π½ΠΎΠ³ΠΎ ΡΡΠΈΠ»ΠΈΡ.
Π’ΡΠ΅Ρ ΠΊΠ°Π½Π°Π»ΡΠ½Π°Ρ, ΡΠ΅ΡΡΡΠ΅Ρ Π΄Π°ΡΡΠΈΠΊΠΎΠ²Π°Ρ ΠΠΠ‘
ΠΡΠ° ΡΡΡΠ°Π½ΠΎΠ²ΠΊΠ° Π°Π½ΡΠΈΠ±Π»ΠΎΠΊΠΈΡΠΎΠ²ΠΎΡΠ½ΠΎΠΉ ΡΠΎΡΠΌΠΎΠ·Π½ΠΎΠΉ ΡΠΈΡΡΠ΅ΠΌΡ ΡΠΎΠ΄Π΅ΡΠΆΠΈΡ Π΄Π°ΡΡΠΈΠΊ ΡΠΊΠΎΡΠΎΡΡΠΈ Π½Π° Π²ΡΠ΅Ρ ΡΠ΅ΡΡΡΠ΅Ρ ΠΊΠΎΠ»Π΅ΡΠ½ΡΡ ΠΊΠΎΠ»Π΅ΡΠ°Ρ ΠΈ ΠΎΡΠ΄Π΅Π»ΡΠ½ΡΠΉ ΠΊΠ»Π°ΠΏΠ°Π½ Π΄Π»Ρ ΠΊΠ°ΠΆΠ΄ΠΎΠ³ΠΎ ΠΈΠ· ΠΏΠ΅ΡΠ΅Π΄Π½ΠΈΡ ΠΊΠΎΠ»Π΅Ρ. ΠΠ΄ΠΈΠ½ ΠΊΠ»Π°ΠΏΠ°Π½ ΠΈΡΠΏΠΎΠ»ΡΠ·ΡΠ΅ΡΡΡ Π΄Π»Ρ ΠΎΠ±ΠΎΠΈΡ ΠΊΠΎΠ»Π΅Ρ ΡΠ·Π°Π΄ΠΈ. ΠΡΠΈ ΡΠΈΠΏΡ ΠΠΠ‘ ΠΈΡΠΏΠΎΠ»ΡΠ·ΡΡΡΡΡ Π½Π° ΡΡΠ°ΡΡΡ Π°Π²ΡΠΎΠΌΠΎΠ±ΠΈΠ»ΡΡ Ρ ΡΠ΅ΡΡΡΡΠΌΡ ΠΊΠΎΠ»Π΅ΡΠ°ΠΌΠΈ.
Π’ΡΠ΅Ρ ΠΊΠ°Π½Π°Π»ΡΠ½Π°Ρ, ΡΡΠ΅Ρ Π΄Π°ΡΡΠΈΠΊΠΎΠ²Π°Ρ ΠΠΠ‘
ΠΡΠ° ΡΠΈΡΡΠ΅ΠΌΠ° ΠΎΡΠ½Π°ΡΠ΅Π½Π° Π΄Π°ΡΡΠΈΠΊΠΎΠΌ ΡΠΊΠΎΡΠΎΡΡΠΈ ΠΈ ΠΊΠ»Π°ΠΏΠ°Π½ΠΎΠΌ Π΄Π»Ρ ΠΊΠ°ΠΆΠ΄ΠΎΠ³ΠΎ ΠΏΠ΅ΡΠ΅Π΄Π½Π΅Π³ΠΎ ΠΊΠΎΠ»Π΅ΡΠ°.ΠΠ°Π΄Π½ΠΈΠ΅ ΠΊΠΎΠ»Π΅ΡΠ° ΠΎΡΠ½Π°ΡΠ΅Π½Ρ ΠΎΠ΄Π½ΠΈΠΌ ΠΊΠ»Π°ΠΏΠ°Π½ΠΎΠΌ ΠΈ ΠΎΠ΄Π½ΠΈΠΌ Π΄Π°ΡΡΠΈΠΊΠΎΠΌ Π΄Π»Ρ ΠΎΠ±ΠΎΠΈΡ ΠΊΠΎΠ»Π΅Ρ. ΠΡΠ° ΡΡ Π΅ΠΌΠ° ΠΎΠ±ΡΡΠ½ΠΎ Π²ΡΡΡΠ΅ΡΠ°Π΅ΡΡΡ Π½Π° ΠΏΠΈΠΊΠ°ΠΏΠ°Ρ Ρ ΡΠ΅ΡΡΡΠ΅Ρ ΠΊΠΎΠ»Π΅ΡΠ½ΠΎΠΉ ΠΠΠ‘. Π ΡΡΠΎΠΉ ΡΠΈΡΡΠ΅ΠΌΠ΅ ΠΎΠ±Π΅ΡΠΏΠ΅ΡΠΈΠ²Π°Π΅ΡΡΡ ΠΈΠ½Π΄ΠΈΠ²ΠΈΠ΄ΡΠ°Π»ΡΠ½ΠΎΠ΅ ΡΠΏΡΠ°Π²Π»Π΅Π½ΠΈΠ΅ ΠΏΠ΅ΡΠ΅Π΄Π½ΠΈΠΌΠΈ ΠΊΠΎΠ»Π΅ΡΠ°ΠΌΠΈ, ΡΡΠΎΠ±Ρ ΠΌΠΎΠΆΠ½ΠΎ Π±ΡΠ»ΠΎ ΠΏΠΎΠ»ΡΡΠΈΡΡ ΠΌΠ°ΠΊΡΠΈΠΌΠ°Π»ΡΠ½ΠΎΠ΅ ΡΠΎΡΠΌΠΎΠ·Π½ΠΎΠ΅ ΡΡΠΈΠ»ΠΈΠ΅. ΠΠ°Π΄Π½ΠΈΠ΅ ΠΊΠΎΠ»Π΅ΡΠ° Π΄ΠΎΠ»ΠΆΠ½Ρ Π½Π°ΡΠ°ΡΡ Π±Π»ΠΎΠΊΠΈΡΠΎΠ²Π°ΡΡΡΡ, ΠΏΡΠ΅ΠΆΠ΄Π΅ ΡΠ΅ΠΌ ΡΡΠ°Π±ΠΎΡΠ°Π΅Ρ ΠΠΠ‘ Π½Π° Π·Π°Π΄Π½ΠΈΡ ΠΊΠΎΠ»Π΅ΡΠ°Ρ . ΠΠ΄Π½Π°ΠΊΠΎ ΠΊΠΎΠ»Π΅ΡΠ° ΠΊΠΎΠ½ΡΡΠΎΠ»ΠΈΡΡΡΡΡΡ Π²ΠΌΠ΅ΡΡΠ΅.
Π ΡΡΠΈΡ ΡΠΈΠΏΠ°Ρ Π°Π½ΡΠΈΠ±Π»ΠΎΠΊΠΈΡΠΎΠ²ΠΎΡΠ½ΡΡ ΡΠΎΡΠΌΠΎΠ·Π½ΡΡ ΡΠΈΡΡΠ΅ΠΌ ΡΡΡΠ΅ΡΡΠ²ΡΠ΅Ρ Π²Π΅ΡΠΎΡΡΠ½ΠΎΡΡΡ ΡΠΎΠ³ΠΎ, ΡΡΠΎ ΠΎΠ΄Π½ΠΎ ΠΈΠ· Π·Π°Π΄Π½ΠΈΡ ΠΊΠΎΠ»Π΅Ρ Π·Π°Π±Π»ΠΎΠΊΠΈΡΡΠ΅ΡΡΡ Π²ΠΎ Π²ΡΠ΅ΠΌΡ ΠΎΡΡΠ°Π½ΠΎΠ²ΠΊΠΈ.ΠΡΠΎ ΡΠ½ΠΈΠ·ΠΈΡ ΡΡΡΠ΅ΠΊΡΠΈΠ²Π½ΠΎΡΡΡ ΡΠΎΡΠΌΠΎΠΆΠ΅Π½ΠΈΡ. Π§ΡΠΎ ΠΆ, ΡΠΈΡΡΠ΅ΠΌΡ Π»Π΅Π³ΠΊΠΎ ΠΈΠ΄Π΅Π½ΡΠΈΡΠΈΡΠΈΡΠΎΠ²Π°ΡΡ, ΠΏΠΎΡΠΊΠΎΠ»ΡΠΊΡ Π½Π΅Ρ ΠΈΠ½Π΄ΠΈΠ²ΠΈΠ΄ΡΠ°Π»ΡΠ½ΡΡ Π΄Π°ΡΡΠΈΠΊΠΎΠ² ΡΠΊΠΎΡΠΎΡΡΠΈ Π΄Π»Ρ Π·Π°Π΄Π½ΠΈΡ ΠΊΠΎΠ»Π΅Ρ.
ΠΠ²ΡΡ ΠΊΠ°Π½Π°Π»ΡΠ½Π°Ρ ΠΠΠ‘ Ρ ΡΠ΅ΡΡΡΡΠΌΡ Π΄Π°ΡΡΠΈΠΊΠ°ΠΌΠΈ
ΠΡΠ° ΡΠΈΡΡΠ΅ΠΌΠ° ΠΎΠ±ΡΡΠ½ΠΎ ΠΈΡΠΏΠΎΠ»ΡΠ·ΡΠ΅ΡΡΡ Π² Π»Π΅Π³ΠΊΠΎΠ²ΡΡ Π°Π²ΡΠΎΠΌΠΎΠ±ΠΈΠ»ΡΡ , Π²ΡΠΏΡΡΠΊΠ°Π΅ΠΌΡΡ Ρ ΠΊΠΎΠ½ΡΠ° 80-Ρ Π΄ΠΎ ΡΠ΅ΡΠ΅Π΄ΠΈΠ½Ρ 90-Ρ Π³ΠΎΠ΄ΠΎΠ². ΠΠ½ ΡΠ°Π±ΠΎΡΠ°Π΅Ρ Ρ Π΄Π°ΡΡΠΈΠΊΠΎΠΌ ΡΠΊΠΎΡΠΎΡΡΠΈ Π½Π° ΠΊΠ°ΠΆΠ΄ΠΎΠΌ ΠΊΠΎΠ»Π΅ΡΠ΅ ΠΈ ΠΎΠ΄Π½ΠΈΠΌ ΡΠ΅Π³ΡΠ»ΠΈΡΡΡΡΠΈΠΌ ΠΊΠ»Π°ΠΏΠ°Π½ΠΎΠΌ Π΄Π»Ρ ΠΊΠ°ΠΆΠ΄ΠΎΠ³ΠΎ ΠΈΠ· ΠΏΠ΅ΡΠ΅Π΄Π½ΠΈΡ ΠΈ Π·Π°Π΄Π½ΠΈΡ ΠΊΠΎΠ»Π΅Ρ Π² ΠΏΠ°ΡΠ΅. ΠΡΠ»ΠΈ ΠΊΠ°ΠΊΠ°Ρ-Π»ΠΈΠ±ΠΎ Π±Π»ΠΎΠΊΠΈΡΠΎΠ²ΠΊΠ° ΠΎΠ±Π½Π°ΡΡΠΆΠΈΠ²Π°Π΅ΡΡΡ Π΄Π°ΡΡΠΈΠΊΠΎΠΌ ΡΠΊΠΎΡΠΎΡΡΠΈ Π½Π° ΠΊΠ°ΠΊΠΎΠΌ-Π»ΠΈΠ±ΠΎ ΠΎΡΠ΄Π΅Π»ΡΠ½ΠΎΠΌ ΠΊΠΎΠ»Π΅ΡΠ΅, ΠΌΠΎΠ΄ΡΠ»Ρ ΡΠΏΡΠ°Π²Π»Π΅Π½ΠΈΡ ΠΏΠΎΠ΄Π°Π΅Ρ ΠΈΠΌΠΏΡΠ»ΡΡ Π½Π° ΠΊΠ»Π°ΠΏΠ°Π½ Π΄Π»Ρ ΠΎΠ±ΠΎΠΈΡ ΠΊΠΎΠ»Π΅Ρ Π½Π° ΡΡΠΎΠΌ ΠΊΠΎΠ½ΡΠ΅ Π°Π²ΡΠΎΠΌΠΎΠ±ΠΈΠ»Ρ.
ΠΠ΄Π½ΠΎΠΊΠ°Π½Π°Π»ΡΠ½Π°Ρ ΠΠΠ‘ Ρ ΠΎΠ΄Π½ΠΈΠΌ Π΄Π°ΡΡΠΈΠΊΠΎΠΌ
ΠΡΠ° ΡΠΈΡΡΠ΅ΠΌΠ° ΠΎΠ±ΡΡΠ½ΠΎ ΠΈΡΠΏΠΎΠ»ΡΠ·ΡΠ΅ΡΡΡ Π½Π° ΠΏΠΈΠΊΠ°ΠΏΠ°Ρ , ΡΡΡΠ³ΠΎΠ½Π°Ρ ΠΈ Π²Π½Π΅Π΄ΠΎΡΠΎΠΆΠ½ΠΈΠΊΠ°Ρ , ΠΏΠΎΡΠΊΠΎΠ»ΡΠΊΡ ΠΎΠ½Π° ΡΠΎΠ΄Π΅ΡΠΆΠΈΡ ΠΎΠ΄ΠΈΠ½ ΠΊΠ»Π°ΠΏΠ°Π½, ΠΊΠΎΡΠΎΡΡΠΉ ΡΠΏΡΠ°Π²Π»ΡΠ΅Ρ ΠΎΠ±ΠΎΠΈΠΌΠΈ Π·Π°Π΄Π½ΠΈΠΌΠΈ ΠΊΠΎΠ»Π΅ΡΠ°ΠΌΠΈ. ΠΠ½ ΡΠ°ΠΊΠΆΠ΅ ΠΈΠΌΠ΅Π΅Ρ ΠΎΠ΄Π½ΠΎΡΠΊΠΎΡΠΎΡΡΠ½ΠΎΠΉ Π΄Π°ΡΡΠΈΠΊ, ΡΠ°ΡΠΏΠΎΠ»ΠΎΠΆΠ΅Π½Π½ΡΠΉ Π½Π° Π·Π°Π΄Π½Π΅ΠΉ ΠΎΡΠΈ. ΠΠ³ΠΎ ΡΠ°Π±ΠΎΡΠ° ΠΏΠΎΡ ΠΎΠΆΠ° Π½Π° Π·Π°Π΄Π½ΡΡ ΡΠ°ΡΡΡ ΡΡΠ΅Ρ ΠΊΠ°Π½Π°Π»ΡΠ½ΠΎΠΉ ΡΠΈΡΡΠ΅ΠΌΡ. ΠΠ°Π΄Π½ΠΈΠ΅ ΠΊΠΎΠ»Π΅ΡΠ° ΠΊΠΎΠ½ΡΡΠΎΠ»ΠΈΡΡΡΡΡΡ Π²ΠΌΠ΅ΡΡΠ΅, ΠΈ ΠΎΠ½ΠΈ Π΄ΠΎΠ»ΠΆΠ½Ρ Π·Π°Π±Π»ΠΎΠΊΠΈΡΠΎΠ²Π°ΡΡΡΡ, ΠΏΡΠ΅ΠΆΠ΄Π΅ ΡΠ΅ΠΌ ΡΡΠ°Π±ΠΎΡΠ°Π΅Ρ ΠΠΠ‘. Π ΡΡΠΎΠΉ ΡΠΈΡΡΠ΅ΠΌΠ΅ ΡΠ°ΠΊΠΆΠ΅ ΡΡΡΠ΅ΡΡΠ²ΡΠ΅Ρ Π²Π΅ΡΠΎΡΡΠ½ΠΎΡΡΡ Π±Π»ΠΎΠΊΠΈΡΠΎΠ²ΠΊΠΈ ΠΎΠ΄Π½ΠΎΠ³ΠΎ ΠΈΠ· Π·Π°Π΄Π½ΠΈΡ ΠΊΠΎΠ»Π΅Ρ, ΡΡΠΎ ΡΠ½ΠΈΠΆΠ°Π΅Ρ ΡΡΡΠ΅ΠΊΡΠΈΠ²Π½ΠΎΡΡΡ ΡΠΎΡΠΌΠΎΠΆΠ΅Π½ΠΈΡ.Π‘ΠΈΡΡΠ΅ΠΌΡ Π»Π΅Π³ΠΊΠΎ ΠΈΠ΄Π΅Π½ΡΠΈΡΠΈΡΠΈΡΠΎΠ²Π°ΡΡ, ΠΏΠΎΡΠΊΠΎΠ»ΡΠΊΡ Π½Π΅Ρ ΠΎΡΠ΄Π΅Π»ΡΠ½ΡΡ Π΄Π°ΡΡΠΈΠΊΠΎΠ² ΡΠΊΠΎΡΠΎΡΡΠΈ Π΄Π»Ρ Π»ΡΠ±ΠΎΠ³ΠΎ ΠΈΠ· ΠΊΠΎΠ»Π΅Ρ.
ΠΠΎΠ΄ΡΠΎΠ±Π½Π΅Π΅: Π’ΠΈΠΏΡ Π΄ΠΈΡΡΠ΅ΡΠ΅Π½ΡΠΈΠ°Π»ΠΎΠ² ΠΈ ΠΈΡ ΡΡΠ½ΠΊΡΠΈΠΈ
ΠΡΠΈΠ½ΡΠΈΠΏ ΡΠ°Π±ΠΎΡΡ
Π Π°Π±ΠΎΡΠ° Π°Π½ΡΠΈΠ±Π»ΠΎΠΊΠΈΡΠΎΠ²ΠΎΡΠ½ΠΎΠΉ ΡΠΎΡΠΌΠΎΠ·Π½ΠΎΠΉ ΡΠΈΡΡΠ΅ΠΌΡ ΠΌΠ΅Π½Π΅Π΅ ΡΠ»ΠΎΠΆΠ½Π° ΠΈ ΠΏΠΎΠ½ΡΡΠ½Π°. Π₯ΠΎΡΡ ΠΏΡΠΈ ΠΎΠ±ΡΡΡΠ½Π΅Π½ΠΈΠΈ ΡΠ°Π·Π»ΠΈΡΠ½ΡΡ ΡΠΈΠΏΠΎΠ² ΠΈ ΠΊΠΎΠΌΠΏΠΎΠ½Π΅Π½ΡΠΎΠ² ΡΠΈΡΡΠ΅ΠΌΡ Π±ΡΠ»ΠΎ ΡΠΏΠΎΠΌΡΠ½ΡΡΠΎ ΠΌΠ½ΠΎΠ³ΠΎ. Π½ΠΎ ΠΎΡΡΠ°Π²Π°ΠΉΡΠ΅ΡΡ ΡΠΎΡΡΠ΅Π΄ΠΎΡΠΎΡΠ΅Π½Π½ΡΠΌΠΈ, ΡΠ°ΠΊ ΠΊΠ°ΠΊ Ρ Π±ΡΠ΄Ρ Π±ΠΎΠ»ΡΡΠ΅ ΡΡΡΠ½ΡΡΡ, ΠΊΠ°ΠΊ ΡΡΠΎ ΡΠ°Π±ΠΎΡΠ°Π΅Ρ.
ΠΠ½ΡΠΈΠ±Π»ΠΎΠΊΠΈΡΠΎΠ²ΠΎΡΠ½Π°Ρ ΡΠΎΡΠΌΠΎΠ·Π½Π°Ρ ΡΠΈΡΡΠ΅ΠΌΠ° ΡΠ°Π±ΠΎΡΠ°Π΅Ρ Ρ ΠΎΠ±ΡΡΠ½ΠΎΠΉ ΡΠΎΡΠΌΠΎΠ·Π½ΠΎΠΉ ΡΠΈΡΡΠ΅ΠΌΠΎΠΉ, ΠΏΠΎΡΠΊΠΎΠ»ΡΠΊΡ ΠΎΠ½Π° Π°Π²ΡΠΎΠΌΠ°ΡΠΈΡΠ΅ΡΠΊΠΈ Π½Π°ΠΊΠ°ΡΠΈΠ²Π°Π΅Ρ ΠΈΡ .ΠΡΠΎ Π΄Π΅Π»Π°Π΅ΡΡΡ Π²ΡΡΡΠ½ΡΡ Π²ΠΎΠ΄ΠΈΡΠ΅Π»ΡΠΌΠΈ ΡΡΠ°Π½ΡΠΏΠΎΡΡΠ½ΡΡ ΡΡΠ΅Π΄ΡΡΠ², Π½Π΅ ΠΎΠ±ΠΎΡΡΠ΄ΠΎΠ²Π°Π½Π½ΡΡ ΡΠΈΡΡΠ΅ΠΌΠΎΠΉ, ΠΏΡΠ΅Π΄ΠΎΡΠ²ΡΠ°ΡΠ°ΡΡΠ΅ΠΉ Π±Π»ΠΎΠΊΠΈΡΠΎΠ²ΠΊΡ ΠΊΠΎΠ»Π΅Ρ. Π Π°Π²ΡΠΎΠΌΠΎΠ±ΠΈΠ»ΡΡ , ΠΎΠ±ΠΎΡΡΠ΄ΠΎΠ²Π°Π½Π½ΡΡ ΠΠΠ‘, ΡΡΡΠΏΠ½Ρ Π²ΠΎΠ΄ΠΈΡΠ΅Π»Ρ Π΄ΠΎΠ»ΠΆΠ½Π° Π±ΡΡΡ Π½Π°Π΄Π΅ΠΆΠ½ΠΎ ΠΏΠΎΡΡΠ°Π²Π»Π΅Π½Π° ββΠ½Π° ΠΏΠ΅Π΄Π°Π»Ρ ΡΠΎΡΠΌΠΎΠ·Π°, Π° ΠΠΠ‘ Π½Π°ΠΊΠ°ΡΠΈΠ²Π°Π΅Ρ ΡΠΎΡΠΌΠΎΠ· Π°Π²ΡΠΎΠΌΠ°ΡΠΈΡΠ΅ΡΠΊΠΈ. ΠΡΠΎ ΠΏΠΎΠ·Π²ΠΎΠ»ΡΠ΅Ρ Π²ΠΎΠ΄ΠΈΡΠ΅Π»Ρ Π±Π΅Π·ΠΎΠΏΠ°ΡΠ½ΠΎ ΡΠΊΠΎΠ½ΡΠ΅Π½ΡΡΠΈΡΠΎΠ²Π°ΡΡΡΡ Π½Π° ΡΡΠ»Π΅Π²ΠΎΠΌ ΡΠΏΡΠ°Π²Π»Π΅Π½ΠΈΠΈ.
ΠΡΠΈ ΡΡΠ°Π±Π°ΡΡΠ²Π°Π½ΠΈΠΈ ΠΠΠ‘ ΠΏΠ΅Π΄Π°Π»Ρ ΡΠΎΡΠΌΠΎΠ·Π° Π·Π°ΠΌΠ΅ΡΠ½ΠΎ ΠΏΡΠ»ΡΡΠΈΡΡΠ΅Ρ, ΠΏΠΎΡΠΊΠΎΠ»ΡΠΊΡ Π½Π΅ΠΊΠΎΡΠΎΡΡΠ΅ Π½Π΅ΠΎΠΏΡΡΠ½ΡΠ΅ Π²ΠΎΠ΄ΠΈΡΠ΅Π»ΠΈ Π΄ΡΠΌΠ°ΡΡ, ΡΡΠΎ ΡΡΠΎ Π½Π΅ΠΈΡΠΏΡΠ°Π²Π½ΠΎΡΡΡ ΡΠΎΡΠΌΠΎΠ·Π°. ΠΠ΅ΠΊΠΎΡΠΎΡΡΠ΅ ΡΠΈΡΡΠ΅ΠΌΡ Π΄ΠΎΠΏΠΎΠ»Π½ΠΈΡΠ΅Π»ΡΠ½ΠΎ ΠΏΡΠ΅Π΄Π½Π°Π·Π½Π°ΡΠ΅Π½Ρ Π΄Π»Ρ ΠΎΡΡΠ»Π΅ΠΆΠΈΠ²Π°Π½ΠΈΡ ΡΠΊΠΎΡΠΎΡΡΠΈ ΠΎΡΠΏΡΡΠΊΠ°Π΅ΠΌΠΎΠ³ΠΎ ΡΡΠΊΠΎΡΠ΅Π½ΠΈΡ ΠΈΠ»ΠΈ Π²ΡΠ΅ΠΌΠ΅Π½ΠΈ ΠΌΠ΅ΠΆΠ΄Ρ ΠΎΡΠΏΡΡΠΊΠ°Π½ΠΈΠ΅ΠΌ Π°ΠΊΡΠ΅Π»Π΅ΡΠ°ΡΠΎΡΠ° ΠΈ Π½Π°ΠΆΠ°ΡΠΈΠ΅ΠΌ ΡΠΎΡΠΌΠΎΠ·Π°.ΠΠ°ΡΠ΅ΠΌ ΡΠΈΡΡΠ΅ΠΌΠ° Π°Π²ΡΠΎΠΌΠ°ΡΠΈΡΠ΅ΡΠΊΠΈ ΡΠ²Π΅Π»ΠΈΡΠΈΡ ΡΠΎΡΠΌΠΎΠ·Π½ΠΎΠ΅ ΡΡΠΈΠ»ΠΈΠ΅ ΡΠ°ΠΌ, Π³Π΄Π΅ ΡΡΠ΅Π±ΡΠ΅ΡΡΡ Π΄ΠΎΡΡΠ°ΡΠΎΡΠ½ΠΎΠ΅ Π΄Π°Π²Π»Π΅Π½ΠΈΠ΅.
ΠΠ°ΠΊ ΡΠΏΠΎΠΌΠΈΠ½Π°Π»ΠΎΡΡ ΡΠ°Π½Π΅Π΅, Π°Π½ΡΠΈΡΠΈΠ»ΠΎΠ²Π°Ρ ΡΠΎΡΠΌΠΎΠ·Π½Π°Ρ ΡΠΈΡΡΠ΅ΠΌΠ° ΠΊΠΎΠ½ΡΡΠΎΠ»ΠΈΡΡΠ΅Ρ ΠΊΠΎΠ»Π΅ΡΠ° ΠΏΡΠΈ ΡΠ΅Π·ΠΊΠΎΠΌ ΡΠΎΡΠΌΠΎΠΆΠ΅Π½ΠΈΠΈ. ΡΡΠΎ ΡΠΈΡΠΎΠΊΠΎ ΠΈΠ·Π²Π΅ΡΡΠ½ΠΎ ΠΊΠ°ΠΊ ΡΠ»Π΅ΠΊΡΡΠΎΠ½Π½ΡΠΉ ΠΊΠΎΠ½ΡΡΠΎΠ»Ρ ΡΡΡΠΎΠΉΡΠΈΠ²ΠΎΡΡΠΈ, ΠΊΠΎΡΠΎΡΡΠΉ ΠΏΠΎΠΌΠΎΠ³Π°Π΅Ρ ΠΎΡΡΡΠ΅ΡΡΠ²Π»ΡΡΡ ΠΌΠΎΠ½ΠΈΡΠΎΡΠΈΠ½Π³. Π Π·Π°Π²ΠΈΡΠΈΠΌΠΎΡΡΠΈ ΠΎΡ ΡΠΈΠΏΠ° ΠΊΠ°ΠΆΠ΄ΠΎΠ΅ ΠΊΠΎΠ»Π΅ΡΠΎ ΠΎΡΠ½Π°ΡΠ΅Π½ΠΎ Π΄Π°ΡΡΠΈΠΊΠΎΠΌ, ΠΊΠΎΡΠΎΡΡΠΉ ΠΎΠΏΡΠ΅Π΄Π΅Π»ΡΠ΅Ρ, ΠΊΠΎΠ³Π΄Π° ΠΊΠΎΠ»Π΅ΡΠΎ ΡΠΎΠ±ΠΈΡΠ°Π΅ΡΡΡ Π·Π°Π±Π»ΠΎΠΊΠΈΡΠΎΠ²Π°ΡΡΡΡ ΠΈ ΠΏΠ΅ΡΠ΅ΡΡΠ°ΡΡ Π΄Π²ΠΈΠ³Π°ΡΡΡΡ. ΠΠ°ΡΠ΅ΠΌ ΡΠΈΡΡΠ΅ΠΌΠ° ΠΎΡΠΏΡΡΡΠΈΡ ΡΠΎΡΠΌΠΎΠ·, ΠΏΠΎΠ·Π²ΠΎΠ»ΡΡ Π΅ΠΌΡ Π΄Π²ΠΈΠ³Π°ΡΡΡΡ. ΠΠΠ‘ ΠΏΠΎΡΡΠΎΡΠ½Π½ΠΎ ΠΏΡΠΈΠΊΠ»Π°Π΄ΡΠ²Π°Π΅Ρ ΠΎΠΏΡΠΈΠΌΠ°Π»ΡΠ½ΠΎΠ΅ ΡΠΎΡΠΌΠΎΠ·Π½ΠΎΠ΅ Π΄Π°Π²Π»Π΅Π½ΠΈΠ΅ ΠΊ ΠΊΠ°ΠΆΠ΄ΠΎΠΌΡ ΠΊΠΎΠ»Π΅ΡΡ, ΠΏΠΎΠ·Π²ΠΎΠ»ΡΡ Π΄ΠΎΡΡΠΈΡΡ ΠΎΠΏΡΠ΅Π΄Π΅Π»Π΅Π½Π½ΠΎΠ³ΠΎ ΡΡΠΎΠ²Π½Ρ ΡΠΎΡΠΌΠΎΠΆΠ΅Π½ΠΈΡ, Π° Π½Π΅ ΠΏΠΎΠ»Π½ΠΎΡΡΡΡ Π·Π°Π±Π»ΠΎΠΊΠΈΡΠΎΠ²Π°ΡΡ ΠΊΠΎΠ»Π΅ΡΠ°.
ΠΠ»Π°Π³ΠΎΠ΄Π°ΡΡ ΡΡΠΎΠΌΡ ΡΡΡΠ΅ΠΊΡΡ ΡΠ½ΠΈΠΆΠ°Π΅ΡΡΡ ΡΠΈΡΠΊ Π·Π°Π½ΠΎΡΠ° Π΄Π°ΠΆΠ΅ ΠΏΡΠΈ ΡΡΠ΅Π·ΠΌΠ΅ΡΠ½ΡΡ ΠΌΠ°Π½Π΅Π²ΡΠ°Ρ ΡΠΊΠ»ΠΎΠ½Π΅Π½ΠΈΡ. ΠΠΎΡ ΠΏΠΎΡΠ΅ΠΌΡ Π²ΠΎΠ΄ΠΈΡΠ΅Π»Ρ Π΄ΠΎΠ»ΠΆΠ΅Π½ Π·Π½Π°ΡΡ, ΡΡΠΎ ΡΠΎΡΠΌΠΎΠ·Π½ΠΎΠΉ ΠΏΡΡΡ ΠΌΠΎΠΆΠ΅Ρ ΡΠ²Π΅Π»ΠΈΡΠΈΡΡΡΡ. ΠΡΠΎ ΠΎΠ·Π½Π°ΡΠ°Π΅Ρ, ΡΡΠΎ Π°Π²ΡΠΎΠΌΠΎΠ±ΠΈΠ»Ρ ΠΌΠΎΠΆΠ΅Ρ Π½Π΅ ΡΡΠ°Π·Ρ ΠΎΡΡΠ°Π½ΠΎΠ²ΠΈΡΡΡΡ ΠΏΡΠΈ Π΄Π²ΠΈΠΆΠ΅Π½ΠΈΠΈ ΠΏΠΎ Π΄ΠΎΡΠΎΠ³Π΅ Ρ ΠΏΡΠ΅ΠΏΡΡΡΡΠ²ΠΈΡΠΌΠΈ.
ΠΠΎΡΠΌΠΎΡΡΠΈΡΠ΅ Π²ΠΈΠ΄Π΅ΠΎ, ΡΡΠΎΠ±Ρ ΡΠ·Π½Π°ΡΡ Π±ΠΎΠ»ΡΡΠ΅ ΠΎ ΡΠΎΠΌ, ΠΊΠ°ΠΊ ΡΠ°Π±ΠΎΡΠ°Π΅Ρ ABS:
ΠΡΠ΅ΠΈΠΌΡΡΠ΅ΡΡΠ²Π° ΠΈ Π½Π΅Π΄ΠΎΡΡΠ°ΡΠΊΠΈ Π°Π½ΡΠΈΠ±Π»ΠΎΠΊΠΈΡΠΎΠ²ΠΎΡΠ½ΠΎΠΉ ΡΠΎΡΠΌΠΎΠ·Π½ΠΎΠΉ ΡΠΈΡΡΠ΅ΠΌΡ
ΠΡΠ΅ΠΈΠΌΡΡΠ΅ΡΡΠ²Π°:
ΠΠΈΠΆΠ΅ ΠΏΡΠΈΠ²Π΅Π΄Π΅Π½Ρ ΠΏΡΠ΅ΠΈΠΌΡΡΠ΅ΡΡΠ²Π° Π°Π½ΡΠΈΠ±Π»ΠΎΠΊΠΈΡΠΎΠ²ΠΎΡΠ½ΠΎΠΉ ΡΠΎΡΠΌΠΎΠ·Π½ΠΎΠΉ ΡΠΈΡΡΠ΅ΠΌΡ:
- ABS ΠΏΡΠ΅Π΄ΠΎΡΠ²ΡΠ°ΡΠ°Π΅Ρ Π±Π»ΠΎΠΊΠΈΡΠΎΠ²ΠΊΡ ΠΈ Π·Π°Π½ΠΎΡ Π΄Π°ΠΆΠ΅ Π² ΡΠΊΠΎΠ»ΡΠ·ΠΊΠΈΡ ΡΡΠ»ΠΎΠ²ΠΈΡΡ , ΡΠ°ΠΊΠΈΡ ΠΊΠ°ΠΊ ΠΎΡΡΠ°Π½ΠΎΠ²ΠΊΠ° Π½Π° Π»ΡΠ΄Ρ, ΠΌΠ°ΡΠ»ΡΠ½ΠΎΠΉ ΠΈΠ»ΠΈ ΠΌΠΎΠΊΡΠΎΠΉ Π΄ΠΎΡΠΎΠ³Π΅.Π‘ΠΈΡΡΠ΅ΠΌΠ° Π³Π°ΡΠ°Π½ΡΠΈΡΠΎΠ²Π°Π½Π½ΠΎ ΡΠΏΠ°ΡΠ΅Ρ ΠΆΠΈΠ·Π½Ρ Π² ΡΠ°ΠΊΠΎΠΌ ΡΠΎΡΡΠΎΡΠ½ΠΈΠΈ, Π΄Π°Π²Π°Ρ Π²ΠΎΠ΄ΠΈΡΠ΅Π»Ρ ΠΈΠ΄Π΅Π°Π»ΡΠ½ΡΠΉ ΠΊΠΎΠ½ΡΡΠΎΠ»Ρ Π½Π°Π΄ ΡΡΠ°Π½ΡΠΏΠΎΡΡΠ½ΡΠΌ ΡΡΠ΅Π΄ΡΡΠ²ΠΎΠΌ.
- Π ΡΠ²ΡΠ·ΠΈ Ρ Π²ΡΡΠΎΠΊΠΎΠΉ ΡΡΡΠ΅ΠΊΡΠΈΠ²Π½ΠΎΡΡΡΡ ΡΡΡΡΠΎΠΉΡΡΠ²Π°, ΡΠ΅ΠΏΠ΅ΡΡ ΠΏΠΎ Π·Π°ΠΊΠΎΠ½Ρ ΠΎΠ½ΠΎ Π΄ΠΎΠ»ΠΆΠ½ΠΎ Π±ΡΡΡ ΡΡΡΠ°Π½ΠΎΠ²Π»Π΅Π½ΠΎ Π½Π° Π²ΡΠ΅Ρ ΡΡΠ°Π½ΡΠΏΠΎΡΡΠ½ΡΡ ΡΡΠ΅Π΄ΡΡΠ²Π°Ρ . ΠΡΠΎ ΠΏΠΎΠ·Π²ΠΎΠ»ΡΠ΅Ρ Π²ΠΎΠ΄ΠΈΡΠ΅Π»ΡΠΌ Π»Π΅Π³ΠΊΠΎ ΠΏΡΠΈΠΎΠ±ΡΠ΅ΡΠ°ΡΡ ΡΡΡΡΠΎΠΉΡΡΠ²Π°, ΠΏΠΎΠ΄Π΄Π΅ΡΠΆΠΈΠ²Π°ΡΡΠΈΠ΅ ΡΡΡ ΡΠΈΡΡΠ΅ΠΌΡ, ΠΏΡΠΈ Π½ΠΈΠ·ΠΊΠΈΡ Π·Π°ΡΡΠ°ΡΠ°Ρ Π½Π° ΡΡΡΠ°Ρ ΠΎΠ²Π°Π½ΠΈΠ΅.
- Modern ABS ΠΈΠΌΠ΅Π΅Ρ ΡΠΈΡΡΠ΅ΠΌΡ ΠΊΠΎΠ½ΡΡΠΎΠ»Ρ ΡΡΠ³ΠΈ, ΠΊΠΎΡΠΎΡΠ°Ρ ΠΏΠΎΠ·Π²ΠΎΠ»ΡΠ΅Ρ Π²ΡΠ΅ΠΌ ΠΊΠΎΠ»Π΅ΡΠ°ΠΌ ΠΈΠΌΠ΅ΡΡ ΡΡΠ³Ρ Π½Π° Π΄ΠΎΡΠΎΠ³Π΅. ΠΡΠΎ ΠΏΠΎΠ·Π²ΠΎΠ»ΡΠ΅Ρ ΠΏΡΠΎΠΈΠ·Π²ΠΎΠ΄ΠΈΡΠ΅Π»ΡΠΌ Π»Π΅Π³ΠΊΠΎ ΡΠ΅Π°Π»ΠΈΠ·ΠΎΠ²Π°ΡΡ ΠΎΠ±Π΅ ΡΡΠ½ΠΊΡΠΈΠΈ Π½Π° Π·Π°Π²ΠΎΠ΄Π΅.
- ΠΠ΅Π³ΠΊΠΎΠ²ΡΠ΅ ΠΈΠ»ΠΈ Π³ΡΡΠ·ΠΎΠ²ΡΠ΅ Π°Π²ΡΠΎΠΌΠΎΠ±ΠΈΠ»ΠΈ, ΠΎΡΠ½Π°ΡΠ΅Π½Π½ΡΠ΅ Π°Π½ΡΠΈΠ±Π»ΠΎΠΊΠΈΡΠΎΠ²ΠΎΡΠ½ΠΎΠΉ ΡΠΎΡΠΌΠΎΠ·Π½ΠΎΠΉ ΡΠΈΡΡΠ΅ΠΌΠΎΠΉ, ΠΈΠΌΠ΅ΡΡ Π±ΠΎΠ»Π΅Π΅ Π²ΡΡΠΎΠΊΡΡ ΡΡΠΎΠΈΠΌΠΎΡΡΡ ΠΏΡΠΈ ΠΏΠ΅ΡΠ΅ΠΏΡΠΎΠ΄Π°ΠΆΠ΅, ΠΏΠΎΡΠΊΠΎΠ»ΡΠΊΡ ΡΠΈΡΡΠ΅ΠΌΠ° ΠΏΡΠΎΠ΄ΠΎΠ»ΠΆΠ°Π΅Ρ ΡΠ°ΡΡΠΈ.
ΠΠ΅Π΄ΠΎΡΡΠ°ΡΠΊΠΈ Π°Π½ΡΠΈΠ±Π»ΠΎΠΊΠΈΡΠΎΠ²ΠΎΡΠ½ΠΎΠΉ ΡΠΎΡΠΌΠΎΠ·Π½ΠΎΠΉ ΡΠΈΡΡΠ΅ΠΌΡ
ΠΠ΅ΡΠΌΠΎΡΡΡ Π½Π° ΠΏΡΠ΅ΠΈΠΌΡΡΠ΅ΡΡΠ²Π° ΠΠΠ‘, Π½Π΅ΠΊΠΎΡΠΎΡΡΠ΅ ΠΎΠ³ΡΠ°Π½ΠΈΡΠ΅Π½ΠΈΡ Π²ΡΠ΅ ΠΆΠ΅ ΠΈΠΌΠ΅ΡΡ ΠΌΠ΅ΡΡΠΎ. ΠΠΈΠΆΠ΅ ΠΏΡΠΈΠ²Π΅Π΄Π΅Π½Ρ Π½Π΅Π΄ΠΎΡΡΠ°ΡΠΊΠΈ Π°Π½ΡΠΈΠ±Π»ΠΎΠΊΠΈΡΠΎΠ²ΠΎΡΠ½ΠΎΠΉ ΡΠΎΡΠΌΠΎΠ·Π½ΠΎΠΉ ΡΠΈΡΡΠ΅ΠΌΡ:
- Π‘ΠΈΡΡΠ΅ΠΌΠ° Ρ ΡΡΠΏΠΊΠ°Ρ. Π‘ΠΈΡΡΠ΅ΠΌΠ° ΠΌΠΎΠΆΠ΅Ρ Π»Π΅Π³ΠΊΠΎ Π²ΡΠ·Π²Π°ΡΡ ΠΏΡΠΎΠ±Π»Π΅ΠΌΡ Ρ ΡΠΎΡΠΌΠΎΠ·Π°ΠΌΠΈ, ΡΠ°ΠΊΠΈΠ΅ ΠΊΠ°ΠΊ Π΄Π΅Π·ΠΎΡΠΈΠ΅Π½ΡΠ°ΡΠΈΡ ΠΠΠ‘, ΠΊΠΎΠ³Π΄Π° Π°Π²ΡΠΎΠΌΠΎΠ±ΠΈΠ»Ρ Π²Π·Π΄ΡΠ°Π³ΠΈΠ²Π°Π΅Ρ ΠΈΠ·-Π·Π° Π΄Π°ΡΡΠΈΠΊΠΎΠ² ΡΠΎΡΠΌΠΎΠ·Π°.
- ΠΠ±ΡΠ»ΡΠΆΠΈΠ²Π°Π½ΠΈΠ΅ Π°Π½ΡΠΈΠ±Π»ΠΎΠΊΠΈΡΠΎΠ²ΠΎΡΠ½ΠΎΠ³ΠΎ ΡΠΎΡΠΌΠΎΠ·Π° ΠΌΠΎΠΆΠ΅Ρ Π±ΡΡΡ Π΄ΠΎΡΠΎΠ³ΠΎΡΡΠΎΡΡΠΈΠΌ Π² Π·Π°Π²ΠΈΡΠΈΠΌΠΎΡΡΠΈ ΠΎΡ ΠΌΠΎΠ΄Π΅Π»ΠΈ Π°Π²ΡΠΎΠΌΠΎΠ±ΠΈΠ»Ρ. ΠΠ°ΡΡΠΈΠΊΠΈ Π½Π° ΠΊΠ°ΠΆΠ΄ΠΎΠΌ ΠΊΠΎΠ»Π΅ΡΠ΅ ΠΌΠΎΠ³ΡΡ ΡΡΠΎΠΈΡΡ Π΄ΠΎΡΠΎΠ³ΠΎ, ΡΡΠΎΠ±Ρ ΠΈΡΠΏΡΠ°Π²ΠΈΡΡ, ΠΊΠΎΠ³Π΄Π° ΠΎΠ½ΠΈ ΠΎΠ±Π½Π°ΡΡΠΆΠ°Ρ Π½Π΅ΠΈΡΠΏΡΠ°Π²Π½ΠΎΡΡΡ. ΠΡΠΎ ΠΏΡΠΈΡΠΈΠ½Π°, ΠΏΠΎ ΠΊΠΎΡΠΎΡΠΎΠΉ Π±ΠΎΠ»ΡΡΠΈΠ½ΡΡΠ²ΠΎ Π»ΡΠ΄Π΅ΠΉ Π½Π΅ ΠΈΡΠΏΠΎΠ»ΡΠ·ΡΡΡ ΠΠΠ‘ Π½Π° ΡΠ²ΠΎΠΈΡ Π°Π²ΡΠΎΠΌΠΎΠ±ΠΈΠ»ΡΡ .
- ABS ΠΎΠ±Π΅ΡΠΏΠ΅ΡΠΈΠ²Π°Π΅Ρ ΠΈΠ΄Π΅Π°Π»ΡΠ½ΠΎΠ΅ ΡΠΎΡΠΌΠΎΠΆΠ΅Π½ΠΈΠ΅ Π½Π° ΡΠΊΠΎΠ»ΡΠ·ΠΊΠΎΠΉ Π΄ΠΎΡΠΎΠ³Π΅, Π½ΠΎ Π½Π΅ΠΊΠΎΡΠΎΡΡΠ΅ ΠΏΠΎΠ»ΡΠ·ΠΎΠ²Π°ΡΠ΅Π»ΠΈ ΠΆΠ°Π»ΡΡΡΡΡ Π½Π° Π½Π΅ΠΏΠΎΡΡΠΎΡΠ½Π½ΠΎΠ΅ Π²ΡΠ΅ΠΌΡ ΠΎΡΡΠ°Π½ΠΎΠ²ΠΊΠΈ. Π’ΠΎ Π΅ΡΡΡ ΡΠΎΡΠΌΠΎΠ·Π½ΠΎΠΉ ΠΏΡΡΡ Π΄Π»Ρ ΠΎΠ±ΡΡΠ½ΡΡ ΡΡΠ»ΠΎΠ²ΠΈΠΉ ΡΠ΄Π»ΠΈΠ½ΡΠ΅ΡΡΡ Π·Π° ΡΡΠ΅Ρ ΠΈΡ ABS. ΠΡΠΎ Π²ΡΠ·Π²Π°Π½ΠΎ ΠΎΡΠΈΠ±ΠΊΠΎΠΉ Π² ββΡΠΈΡΡΠ΅ΠΌΠ΅.
ΠΠΎΠ΄ΡΠΎΠ±Π½Π΅Π΅: ΠΡΠ΅, ΡΡΠΎ Π²Π°ΠΌ Π½ΡΠΆΠ½ΠΎ Π·Π½Π°ΡΡ ΠΎ Π΄ΠΈΡΡΠ΅ΡΠ΅Π½ΡΠΈΠ°Π»Π΅
Π Π·Π°ΠΊΠ»ΡΡΠ΅Π½ΠΈΠ΅ ΠΎΡΠΌΠ΅ΡΠΈΠΌ, ΡΡΠΎ Π°Π½ΡΠΈΠ±Π»ΠΎΠΊΠΈΡΠΎΠ²ΠΎΡΠ½Π°Ρ ΡΠΎΡΠΌΠΎΠ·Π½Π°Ρ ΡΠΈΡΡΠ΅ΠΌΠ° ΠΈΠ³ΡΠ°Π΅Ρ Π²Π°ΠΆΠ½ΡΡ ΡΠΎΠ»Ρ Π²ΠΎ Π²ΡΠ΅Ρ ΡΠΈΠΏΠ°Ρ Π°Π²ΡΠΎΠΌΠΎΠ±ΠΈΠ»Π΅ΠΉ, ΠΏΠΎΡΠΊΠΎΠ»ΡΠΊΡ Π²ΠΎΠ΄ΠΈΡΠ΅Π»ΠΈ, ΠΊΠ°ΠΊ ΠΏΡΠ°Π²ΠΈΠ»ΠΎ, ΠΊΠΎΠ½ΡΡΠΎΠ»ΠΈΡΡΡΡ Π΄Π²ΠΈΠΆΠ΅Π½ΠΈΠ΅ ΠΏΠΎ ΠΏΠ»ΠΎΡ ΠΎΠΉ Π΄ΠΎΡΠΎΠ³Π΅.ΠΡ ΠΌΠ½ΠΎΠ³ΠΎ ΡΠ°Π·ΠΎΠ±ΡΠ°Π»ΠΈΡΡ Π² ΡΡΠΎΠΉ ΡΡΠ°ΡΡΠ΅.
ΠΠ°Π΄Π΅ΡΡΡ, ΡΡΠ°ΡΡΡ ΠΎΠΊΠ°Π·Π°Π»Π°ΡΡ Π΄Π»Ρ Π²Π°Ρ ΠΏΠΎΠ»Π΅Π·Π½ΠΎΠΉ. ΠΡΠ»ΠΈ Π΄Π°, ΡΠΎ Π²Ρ ΠΌΠΎΠΆΠ΅ΡΠ΅ ΡΠ°ΡΡΠΊΠ°Π·Π°ΡΡ Π½Π°ΠΌ ΠΎ ΡΠ²ΠΎΠ΅ΠΌ Π»ΡΠ±ΠΈΠΌΠΎΠΌ Π°ΡΠΏΠ΅ΠΊΡΠ΅ ΡΠΈΡΡΠ΅ΠΌΡ Π² Π½Π°ΡΠ΅ΠΌ ΠΏΠΎΠ»Π΅ Π΄Π»Ρ ΠΊΠΎΠΌΠΌΠ΅Π½ΡΠ°ΡΠΈΠ΅Π². Π Π½Π΅ Π·Π°Π±ΡΠ΄ΡΡΠ΅ ΠΏΠΎΠ΄Π΅Π»ΠΈΡΡΡΡ ΡΡΠΎΠΉ ΡΡΠ°ΡΡΠ΅ΠΉ Ρ Π΄ΡΡΠ³ΠΈΠΌΠΈ ΡΡΡΠ΄Π΅Π½ΡΠ°ΠΌΠΈ ΡΠ΅Ρ Π½ΠΈΡΠ΅ΡΠΊΠΈΡ ΡΠΏΠ΅ΡΠΈΠ°Π»ΡΠ½ΠΎΡΡΠ΅ΠΉ. Π‘ΠΏΠ°ΡΠΈΠ±ΠΎ!
ΠΠ°ΠΊ ΡΠ°Π±ΠΎΡΠ°Π΅Ρ Π²Π°ΡΠ° Π°Π½ΡΠΈΠ±Π»ΠΎΠΊΠΈΡΠΎΠ²ΠΎΡΠ½Π°Ρ ΡΠΎΡΠΌΠΎΠ·Π½Π°Ρ ΡΠΈΡΡΠ΅ΠΌΠ°
ΠΠΎ ΠΏΠΎΡΠ²Π»Π΅Π½ΠΈΡ Π°Π½ΡΠΈΠ±Π»ΠΎΠΊΠΈΡΠΎΠ²ΠΎΡΠ½ΠΎΠΉ ΡΠΈΡΡΠ΅ΠΌΡ ΡΠΎΡΠΌΠΎΠ·ΠΎΠ² ΠΈΠ΄Π΅Ρ Π½Π°ΠΊΠ°ΡΠ°ΡΡ ΡΠΎΡΠΌΠΎΠ·Π°, ΡΡΠΎΠ±Ρ ΠΎΠ½ΠΈ Π½Π΅ Π±Π»ΠΎΠΊΠΈΡΠΎΠ²Π°Π»ΠΈΡΡ Π½Π° ΡΠΊΠΎΠ»ΡΠ·ΠΊΠΎΠΉ Π΄ΠΎΡΠΎΠ³Π΅, ΠΏΡΠΈΡ ΠΎΠ΄ΠΈΠ»Π° Π²ΡΠ΅ΠΌ Π² Π³ΠΎΠ»ΠΎΠ²Ρ.Π’Π΅ΠΏΠ΅ΡΡ ΠΏΡΠ°ΠΊΡΠΈΡΠ΅ΡΠΊΠΈ Π²ΡΠ΅ Π°Π²ΡΠΎΠΌΠΎΠ±ΠΈΠ»ΠΈ ΠΎΡΠ½Π°ΡΠ΅Π½Ρ Π°Π½ΡΠΈΠ±Π»ΠΎΠΊΠΈΡΠΎΠ²ΠΎΡΠ½ΠΎΠΉ ΡΠΎΡΠΌΠΎΠ·Π½ΠΎΠΉ ΡΠΈΡΡΠ΅ΠΌΠΎΠΉ, ΠΊΠΎΡΠΎΡΠ°Ρ ΠΈΠ·Π±Π°Π²Π»ΡΠ΅Ρ ΠΎΡ Π½Π΅ΠΎΠ±Ρ ΠΎΠ΄ΠΈΠΌΠΎΡΡΠΈ Π½Π°ΠΊΠ°ΡΠΈΠ²Π°ΡΡ ΡΠΎΡΠΌΠΎΠ·Π° ΠΈ ΠΏΠΎΠΌΠΎΠ³Π°Π΅Ρ ΠΏΠΎΠ΄Π΄Π΅ΡΠΆΠΈΠ²Π°ΡΡ ΡΡΠ΅ΠΏΠ»Π΅Π½ΠΈΠ΅ Ρ Π΄ΠΎΡΠΎΠ³ΠΎΠΉ.
ΠΠΎΠ΄ΠΈΡΠ΅Π»ΠΈ Π² Π£ΡΡΡ-ΠΠ°Π»ΠΌ-ΠΠΈΡ, ΠΠ΅Π»ΡΠ΅ΠΉ-ΠΠΈΡ ΠΈ ΠΠΎΠΉΠ½ΡΠΎΠ½-ΠΠΈΡ ΠΌΠΎΠ³ΡΡ ΡΠ·Π½Π°ΡΡ Π±ΠΎΠ»ΡΡΠ΅ ΠΎΠ± Π°Π½ΡΠΈΠ±Π»ΠΎΠΊΠΈΡΠΎΠ²ΠΎΡΠ½ΠΎΠΉ ΡΠΈΡΡΠ΅ΠΌΠ΅ ΡΠΎΡΠΌΠΎΠ·ΠΎΠ² ΠΈ ΠΎ ΡΠΎΠΌ, ΠΊΠ°ΠΊ ΡΡΠ° Π·Π°ΠΌΠ΅ΡΠ°ΡΠ΅Π»ΡΠ½Π°Ρ ΠΎΡΠΎΠ±Π΅Π½Π½ΠΎΡΡΡ ΡΠΎΠ²ΡΠ΅ΠΌΠ΅Π½Π½ΡΡ Π°Π²ΡΠΎΠΌΠΎΠ±ΠΈΠ»Π΅ΠΉ ΠΎΠ±Π΅ΡΠΏΠ΅ΡΠΈΠ²Π°Π΅Ρ Π±Π΅Π·ΠΎΠΏΠ°ΡΠ½ΠΎΡΡΡ ΠΈ Π·Π°ΡΠΈΡΡ.
Π§ΡΠΎ ΡΠ°ΠΊΠΎΠ΅ Π°Π½ΡΠΈΠ±Π»ΠΎΠΊΠΈΡΠΎΠ²ΠΎΡΠ½Π°Ρ ΡΠΈΡΡΠ΅ΠΌΠ° ΡΠΎΡΠΌΠΎΠ·ΠΎΠ²?
ΠΠ° ΠΌΠΎΠΊΡΠΎΠΉ ΠΈΠ»ΠΈ ΡΠΊΠΎΠ»ΡΠ·ΠΊΠΎΠΉ Π΄ΠΎΡΠΎΠ³Π΅ Π±ΡΠΊΡΠΈΡΡΠ΅ΠΌΡΠ΅ ΠΈΠ»ΠΈ ΡΠΊΠΎΠ»ΡΠ·ΡΡΠΈΠ΅ ΡΠΈΠ½Ρ Ρ ΡΡΡΠ΄ΠΎΠΌ Π½Π°Π±ΠΈΡΠ°ΡΡ ΡΡΠ΅ΠΏΠ»Π΅Π½ΠΈΠ΅ Ρ Π΄ΠΎΡΠΎΠ³ΠΎΠΉ, ΡΡΠΎ Π΄Π΅Π»Π°Π΅Ρ ΡΠΎΡΠΌΠΎΠ·Π° ΠΌΠ΅Π½Π΅Π΅ Π½Π°Π΄Π΅ΠΆΠ½ΡΠΌΠΈ.ΠΠ½Π΅Π·Π°ΠΏΠ½ΠΎΠ΅ Π½Π°ΠΆΠ°ΡΠΈΠ΅ Π½Π° ΡΠΎΡΠΌΠΎΠ·Π° ΠΌΠΎΠΆΠ΅Ρ ΠΏΡΠΈΠ²Π΅ΡΡΠΈ ΠΊ Π±Π»ΠΎΠΊΠΈΡΠΎΠ²ΠΊΠ΅ ΡΠΎΡΠΌΠΎΠ·ΠΎΠ² ΠΈ ΠΊΠΎΠ»Π΅Ρ, ΡΡΠΎ ΡΡΡΠ³ΡΠ±ΠΈΡ ΡΠΆΠ΅ ΠΈΠΌΠ΅ΡΡΠΈΠΉΡΡ Ρ Π²Π°Ρ Π·Π°Π½ΠΎΡ.
ΠΠ°ΠΊ ΡΠ»Π΅Π΄ΡΠ΅Ρ ΠΈΠ· Π½Π°Π·Π²Π°Π½ΠΈΡ, Π°Π½ΡΠΈΠ±Π»ΠΎΠΊΠΈΡΠΎΠ²ΠΎΡΠ½Π°Ρ ΡΠΈΡΡΠ΅ΠΌΠ° ΡΠΎΡΠΌΠΎΠ·ΠΎΠ² ΠΏΡΠ΅Π΄ΠΎΡΠ²ΡΠ°ΡΠ°Π΅Ρ Π±Π»ΠΎΠΊΠΈΡΠΎΠ²ΠΊΡ ΡΠΎΡΠΌΠΎΠ·ΠΎΠ² ΠΈ ΠΊΠΎΠ»Π΅Ρ, ΠΏΠΎΠΌΠΎΠ³Π°Ρ Π²Π°ΡΠ΅ΠΌΡ Π°Π²ΡΠΎΠΌΠΎΠ±ΠΈΠ»Ρ ΡΠΎΡ ΡΠ°Π½ΡΡΡ ΡΡΠ΅ΠΏΠ»Π΅Π½ΠΈΠ΅ Ρ Π΄ΠΎΡΠΎΠ³ΠΎΠΉ. ΠΡΠ΅ ΡΡΠΎ ΠΏΡΠΎΠΈΡΡ ΠΎΠ΄ΠΈΡ ΠΏΠ΅ΡΠ΅Π΄ Π·Π°Π½ΠΎΡΠΎΠΌ ΠΈΠ»ΠΈ ΡΠΊΠΎΠ»ΡΠΆΠ΅Π½ΠΈΠ΅ΠΌ ΠΈ ΡΠ°Π±ΠΎΡΠ°Π΅Ρ, ΠΏΡΠ΅ΠΆΠ΄Π΅ Π²ΡΠ΅Π³ΠΎ, Π΄Π»Ρ ΠΏΡΠ΅Π΄ΠΎΡΠ²ΡΠ°ΡΠ΅Π½ΠΈΡ ΠΏΠΎΡΠ΅ΡΠΈ ΡΡΠ΅ΠΏΠ»Π΅Π½ΠΈΡ Ρ Π΄ΠΎΡΠΎΠ³ΠΎΠΉ.
ΠΠ°ΠΊ ΡΠ°Π±ΠΎΡΠ°ΡΡ Π°Π½ΡΠΈΠ±Π»ΠΎΠΊΠΈΡΠΎΠ²ΠΎΡΠ½ΡΠ΅ ΡΠΎΡΠΌΠΎΠ·Π½ΡΠ΅ ΡΠΈΡΡΠ΅ΠΌΡ?
Π₯ΠΎΡΡ ΠΈΠ΄Π΅Ρ Π°Π½ΡΠΈΠ±Π»ΠΎΠΊΠΈΡΠΎΠ²ΠΎΡΠ½ΠΎΠΉ ΡΠΎΡΠΌΠΎΠ·Π½ΠΎΠΉ ΡΠΈΡΡΠ΅ΠΌΡ ΠΏΡΠΎΡΡΠ°, ΡΠ°ΠΌΠ° ΡΠΈΡΡΠ΅ΠΌΠ° Π΄ΠΎΠ²ΠΎΠ»ΡΠ½ΠΎ ΡΠ»ΠΎΠΆΠ½Π°.ΠΠ½ΡΠΈΠ±Π»ΠΎΠΊΠΈΡΠΎΠ²ΠΎΡΠ½Π°Ρ ΡΠΈΡΡΠ΅ΠΌΠ° ΡΠΎΡΠΌΠΎΠ·ΠΎΠ² ΠΈΡΠΏΠΎΠ»ΡΠ·ΡΠ΅Ρ Π΄Π°ΡΡΠΈΠΊΠΈ ΡΠΊΠΎΡΠΎΡΡΠΈ Π΄Π»Ρ ΠΏΠΎΡΡΠΎΡΠ½Π½ΠΎΠ³ΠΎ ΠΊΠΎΠ½ΡΡΠΎΠ»Ρ ΡΠΊΠΎΡΠΎΡΡΠΈ ΠΊΠΎΠ»Π΅Ρ ΠΈ ΠΎΡΠΏΡΠ°Π²Π»ΡΠ΅Ρ ΡΡΡ ΠΈΠ½ΡΠΎΡΠΌΠ°ΡΠΈΡ ΠΊΠΎΠ½ΡΡΠΎΠ»Π»Π΅ΡΡ Π² ΠΏΠΎΠΈΡΠΊΠ°Ρ Π±ΡΡΡΡΠΎΠ³ΠΎ Π·Π°ΠΌΠ΅Π΄Π»Π΅Π½ΠΈΡ. ΠΠΎ ΠΌΠ½ΠΎΠ³ΠΈΡ ΡΠ»ΡΡΠ°ΡΡ ΡΡΠΎ ΠΏΠ°Π½ΠΈΡΠ΅ΡΠΊΠΎΠ΅ Π·Π°ΠΌΠ΅Π΄Π»Π΅Π½ΠΈΠ΅ ΡΠ²Π»ΡΠ΅ΡΡΡ ΠΏΡΠ΅Π΄Π²Π΅ΡΡΠ½ΠΈΠΊΠΎΠΌ Π±Π»ΠΎΠΊΠΈΡΠΎΠ²ΠΊΠΈ ΠΊΠΎΠ»Π΅ΡΠ°.
ΠΡΠ»ΠΈ ΠΊΠΎΠ½ΡΡΠΎΠ»Π»Π΅Ρ ΠΎΠ±Π½Π°ΡΡΠΆΠΈΠ²Π°Π΅Ρ ΠΏΠΎΡΠ΅Π½ΡΠΈΠ°Π»ΡΠ½ΠΎ ΠΎΠΏΠ°ΡΠ½ΠΎΠ΅ Π·Π°ΠΌΠ΅Π΄Π»Π΅Π½ΠΈΠ΅, ΠΊΠ»Π°ΠΏΠ°Π½ Π² ΡΠΎΡΠΌΠΎΠ·Π½ΠΎΠΉ ΠΌΠ°Π³ΠΈΡΡΡΠ°Π»ΠΈ ΠΎΠ³ΡΠ°Π½ΠΈΡΠΈΠ²Π°Π΅Ρ Π΄Π°Π²Π»Π΅Π½ΠΈΠ΅ Π΄ΠΎ ΠΊΠΎΠ»Π΅ΡΠ°, ΠΊΠΎΡΠΎΡΠΎΠ΅ ΠΌΠΎΠΆΠ΅Ρ Π·Π°Π±Π»ΠΎΠΊΠΈΡΠΎΠ²Π°ΡΡΡΡ, Π²ΡΠ·ΡΠ²Π°Ρ ΡΡΠΊΠΎΡΠ΅Π½ΠΈΠ΅. ΠΠ°ΡΠ΅ΠΌ Π΄Π°Π²Π»Π΅Π½ΠΈΠ΅ ΡΠ²Π΅Π»ΠΈΡΠΈΠ²Π°Π΅ΡΡΡ Ρ ΠΏΠΎΠΌΠΎΡΡΡ Π½Π°ΡΠΎΡΠ° Π΄ΠΎ ΡΠ΅Ρ ΠΏΠΎΡ, ΠΏΠΎΠΊΠ° ΠΊΠΎΠ»Π΅ΡΠΎ Π½Π΅ Π·Π°ΠΌΠ΅Π΄Π»ΡΠ΅ΡΡΡ Ρ ΡΠΎΠΉ ΠΆΠ΅ ΡΠΊΠΎΡΠΎΡΡΡΡ, ΡΡΠΎ ΠΈ ΠΎΡΡΠ°Π»ΡΠ½Π°Ρ ΡΠ°ΡΡΡ ΡΡΠ°Π½ΡΠΏΠΎΡΡΠ½ΠΎΠ³ΠΎ ΡΡΠ΅Π΄ΡΡΠ²Π°, ΡΡΠΎ ΠΏΠΎΠ΄Π΄Π΅ΡΠΆΠΈΠ²Π°Π΅Ρ ΡΡΠ³Ρ ΠΈ ΠΏΡΠ΅Π΄ΠΎΡΠ²ΡΠ°ΡΠ°Π΅Ρ ΡΠΊΠΎΠ»ΡΠΆΠ΅Π½ΠΈΠ΅.
Π Π½Π΅ΠΊΠΎΡΠΎΡΠΎΠΌ ΡΠΌΡΡΠ»Π΅ ΡΡΠ° ΡΠΈΡΡΠ΅ΠΌΠ° Π½Π°ΠΊΠ°ΡΠΈΠ²Π°Π΅Ρ ΡΠΎΡΠΌΠΎΠ·Π° ΡΠ°ΠΊ ΠΆΠ΅, ΠΊΠ°ΠΊ Π²ΠΎΠ΄ΠΈΡΠ΅Π»ΠΈ Π΄Π΅Π»Π°Π»ΠΈ ΡΡΠΎ Π² ΠΏΡΠΎΡΠ»ΠΎΠΌ, Π½ΠΎ Π΄Π΅Π»Π°Π΅Ρ ΡΡΠΎ Ρ Π»ΡΡΡΠΈΠΌ ΠΊΠΎΠ½ΡΡΠΎΠ»Π΅ΠΌ ΠΈ ΡΠΎΡΠ½ΠΎΡΡΡΡ. ΠΡΠΎ ΡΠ°ΠΊΠΆΠ΅ ΠΏΡΠΎΠΈΡΡ ΠΎΠ΄ΠΈΡ Π±ΡΡΡΡΠ΅Π΅ ΠΈ, Π² ΠΏΠ΅ΡΠ²ΡΡ ΠΎΡΠ΅ΡΠ΅Π΄Ρ, ΠΏΡΠ΅Π΄ΠΎΡΠ²ΡΠ°ΡΠ°Π΅Ρ ΠΏΠΎΡΠ΅ΡΡ ΡΡΠ΅ΠΏΠ»Π΅Π½ΠΈΡ, ΡΠΎΠ³Π΄Π° ΠΊΠ°ΠΊ ΡΡΡΠ½Π°Ρ Π½Π°ΠΊΠ°ΡΠΊΠ° — ΡΡΠΎ ΡΠ΅Π°ΠΊΡΠΈΡ Π½Π° ΠΏΡΠΎΡΠΊΠ°Π»ΡΠ·ΡΠ²Π°Π½ΠΈΠ΅, ΠΊΠΎΠ³Π΄Π° ΠΎΠ½ΠΎ ΠΏΡΠΎΠΈΡΡ ΠΎΠ΄ΠΈΡ.
ΠΠΎΠ΄Π΄Π΅ΡΠΆΠ°Π½ΠΈΠ΅ ΠΈΡΠΏΡΠ°Π²Π½ΡΡ ΡΠΎΡΠΌΠΎΠ·ΠΎΠ²
ΠΠ½ΡΠΈΠ±Π»ΠΎΠΊΠΈΡΠΎΠ²ΠΎΡΠ½Π°Ρ ΡΠΎΡΠΌΠΎΠ·Π½Π°Ρ ΡΠΈΡΡΠ΅ΠΌΠ° ΡΠ²Π»ΡΠ΅ΡΡΡ ΠΆΠΈΠ·Π½Π΅Π½Π½ΠΎ Π²Π°ΠΆΠ½ΡΠΌ ΠΊΠΎΠΌΠΏΠΎΠ½Π΅Π½ΡΠΎΠΌ Π±Π΅Π·ΠΎΠΏΠ°ΡΠ½ΠΎΡΡΠΈ Π½Π° ΡΠΊΠΎΠ»ΡΠ·ΠΊΠΈΡ Π΄ΠΎΡΠΎΠ³Π°Ρ , ΡΠ°ΠΊΠΈΡ ΠΊΠ°ΠΊ ΠΌΠΎΠΊΡΡΠ΅ ΠΈΠ»ΠΈ Π·Π°ΡΠ½Π΅ΠΆΠ΅Π½Π½ΡΠ΅ Π΄ΠΎΡΠΎΠ³ΠΈ, Π½ΠΎ ΡΡΠΎ ΡΠΎΠ»ΡΠΊΠΎ ΡΠ°ΡΡΡ ΡΡΠ°Π²Π½Π΅Π½ΠΈΡ.ΠΠ½ΡΠΈΠ±Π»ΠΎΠΊΠΈΡΠΎΠ²ΠΎΡΠ½ΡΠ΅ ΡΠΎΡΠΌΠΎΠ·Π° ΠΌΠΎΠ³ΡΡ ΠΏΡΠ΅Π΄ΠΎΡΠ²ΡΠ°ΡΠΈΡΡ ΡΡΠΎΠ»ΠΊΠ½ΠΎΠ²Π΅Π½ΠΈΡ ΠΈ ΠΏΠΎΠ²ΡΡΠΈΡΡ ΡΠ²Π΅ΡΠ΅Π½Π½ΠΎΡΡΡ ΠΈ Π±Π΅Π·ΠΎΠΏΠ°ΡΠ½ΠΎΡΡΡ Π²ΠΎΠ΄ΠΈΡΠ΅Π»Ρ, Π½ΠΎ ΠΎΠ½ΠΈ Π΄ΠΎΠ»ΠΆΠ½Ρ Π±ΡΡΡ Π² ΠΎΡΠ»ΠΈΡΠ½ΠΎΠΉ ΡΠΎΡΠΌΠ΅, ΡΡΠΎΠ±Ρ ΡΡΡΠ΅ΠΊΡΠΈΠ²Π½ΠΎ Π²ΡΠΏΠΎΠ»Π½ΡΡΡ ΡΡΡ ΡΠ°Π±ΠΎΡΡ.
ΠΠ΅Π·Π½Π°ΡΠΈΡΠ΅Π»ΡΠ½ΡΠ΅ ΠΏΡΠΎΠ±Π»Π΅ΠΌΡ Ρ ΡΠΎΡΠΌΠΎΠ·ΠΎΠΌ, ΡΠ°ΠΊΠΈΠ΅ ΠΊΠ°ΠΊ ΠΈΠ·Π½ΠΎΡΠ΅Π½Π½ΡΠ΅ ΡΠΎΡΠΌΠΎΠ·Π½ΡΠ΅ ΠΊΠΎΠ»ΠΎΠ΄ΠΊΠΈ ΠΈΠ»ΠΈ Π½ΠΈΠ·ΠΊΠΈΠΉ ΡΡΠΎΠ²Π΅Π½Ρ ΡΠΎΡΠΌΠΎΠ·Π½ΠΎΠΉ ΠΆΠΈΠ΄ΠΊΠΎΡΡΠΈ, — Π²ΡΠ΅, ΡΡΠΎ Π½ΡΠΆΠ½ΠΎ, ΡΡΠΎΠ±Ρ ΠΏΠΎΡΡΠ°Π²ΠΈΡΡ ΠΏΠΎΠ΄ ΡΠ³ΡΠΎΠ·Ρ Π½Π°Π΄Π΅ΠΆΠ½ΠΎΡΡΡ Π²Π°ΡΠ΅ΠΉ ΡΠΎΡΠΌΠΎΠ·Π½ΠΎΠΉ ΡΠΈΡΡΠ΅ΠΌΡ. ΠΠ·-Π·Π° ΡΡΠΎΠ³ΠΎ Π²Π°ΠΆΠ½ΠΎ, ΡΡΠΎΠ±Ρ Π²Ρ Π½Π΅ ΠΎΡΡΡΠ°Π²Π°Π»ΠΈ ΠΎΡ ΡΠ΅Ρ Π½ΠΈΡΠ΅ΡΠΊΠΎΠ³ΠΎ ΠΎΠ±ΡΠ»ΡΠΆΠΈΠ²Π°Π½ΠΈΡ ΡΠΎΡΠΌΠΎΠ·ΠΎΠ² Π²Π°ΡΠ΅Π³ΠΎ Π°Π²ΡΠΎΠΌΠΎΠ±ΠΈΠ»Ρ ΠΈ ΡΠ΅ΡΠ°Π»ΠΈ Π»ΡΠ±ΡΠ΅ Π½Π΅Π·Π½Π°ΡΠΈΡΠ΅Π»ΡΠ½ΡΠ΅ ΠΏΡΠΎΠ±Π»Π΅ΠΌΡ, ΠΏΡΠ΅ΠΆΠ΄Π΅ ΡΠ΅ΠΌ ΠΎΠ½ΠΈ ΡΡΠ°Π½ΡΡ ΡΠ΅ΡΡΠ΅Π·Π½ΡΠΌ ΡΠ΅ΠΌΠΎΠ½ΡΠΎΠΌ, ΠΊΠΎΡΠΎΡΡΠΉ ΠΏΠΎΠ²Π»ΠΈΡΠ΅Ρ Π½Π° ΡΠ°Π±ΠΎΡΡ Π²Π°ΡΠΈΡ ΡΠΎΡΠΌΠΎΠ·ΠΎΠ².
ΠΠ°ΠΏΠ»Π°Π½ΠΈΡΡΠΉΡΠ΅ ΡΠ΅ΡΠ²ΠΈΡΠ½ΠΎΠ΅ ΠΎΠ±ΡΠ»ΡΠΆΠΈΠ²Π°Π½ΠΈΠ΅
ΠΠ½ΡΠΈΠ±Π»ΠΎΠΊΠΈΡΠΎΠ²ΠΎΡΠ½ΡΠ΅ ΡΠΎΡΠΌΠΎΠ·Π° — Π²Π°ΠΆΠ½Π°Ρ ΡΠ°ΡΡΡ Π²Π°ΡΠ΅ΠΉ Π±Π΅Π·ΠΎΠΏΠ°ΡΠ½ΠΎΡΡΠΈ Π²ΠΎΠΆΠ΄Π΅Π½ΠΈΡ ΠΈ ΠΌΠΎΠ³ΡΡ ΠΏΠΎΡΠ΅ΡΡΡΡ ΡΡΡΠ΅ΠΊΡΠΈΠ²Π½ΠΎΡΡΡ ΡΠΎΠ»ΡΠΊΠΎ ΠΈΠ·-Π·Π° Π½Π΅Π·Π½Π°ΡΠΈΡΠ΅Π»ΡΠ½ΡΡ ΠΏΡΠΎΠ±Π»Π΅ΠΌ Ρ ΡΠΎΡΠΌΠΎΠ·Π°ΠΌΠΈ, Π½ΠΎ, ΠΊ ΡΡΠ°ΡΡΡΡ, ΠΈΡ Π»Π΅Π³ΠΊΠΎ ΠΈΡΠΏΡΠ°Π²ΠΈΡΡ.
ΠΡΠ»ΠΈ Π²Ρ Π½Π°Ρ ΠΎΠ΄ΠΈΡΠ΅ΡΡ Π² Π£ΡΡΡ-ΠΠ°Π»ΠΌ-ΠΠΈΡ, ΠΠ΅Π»ΡΠ΅ΠΉ-ΠΠΈΡ ΠΈΠ»ΠΈ ΠΠΎΠΉΠ½ΡΠΎΠ½-ΠΠΈΡ ΠΈ Π½ΡΠΆΠ΄Π°Π΅ΡΠ΅ΡΡ Π² ΡΠ΅ΠΌΠΎΠ½ΡΠ΅ ΠΈΠ»ΠΈ ΠΎΠ±ΡΠ»ΡΠΆΠΈΠ²Π°Π½ΠΈΠΈ ΡΠΎΡΠΌΠΎΠ·ΠΎΠ², Audi West Palm Beach ΠΌΠΎΠΆΠ΅Ρ Π²Π°ΠΌ ΠΏΠΎΠΌΠΎΡΡ. ΠΠΎΠ·Π²ΠΎΠ½ΠΈΡΠ΅ ΠΈΠ»ΠΈ Π·Π°ΠΉΠ΄ΠΈΡΠ΅ Π² Π½Π°Ρ ΡΠ΅ΡΠ²ΠΈΡΠ½ΡΠΉ ΡΠ΅Π½ΡΡ ΡΠ΅Π³ΠΎΠ΄Π½Ρ, ΡΡΠΎΠ±Ρ ΠΏΠΎΠ³ΠΎΠ²ΠΎΡΠΈΡΡ Ρ ΡΠ΅Ρ Π½ΠΈΡΠ΅ΡΠΊΠΈΠΌ ΡΠΏΠ΅ΡΠΈΠ°Π»ΠΈΡΡΠΎΠΌ ΠΎ ΡΠ΅Ρ Π½ΠΈΡΠ΅ΡΠΊΠΎΠΌ ΠΎΠ±ΡΠ»ΡΠΆΠΈΠ²Π°Π½ΠΈΠΈ Π²Π°ΡΠ΅Π³ΠΎ Π°Π²ΡΠΎΠΌΠΎΠ±ΠΈΠ»Ρ ΠΈ Π½Π°Π·Π½Π°ΡΠΈΡΡ Π²ΡΡΡΠ΅ΡΡ Π΄Π»Ρ ΠΎΠ±ΡΠ»ΡΠΆΠΈΠ²Π°Π½ΠΈΡ ΡΠΎΡΠΌΠΎΠ·ΠΎΠ² ΡΠ΅Π³ΠΎΠ΄Π½Ρ!
Π§ΡΠΎ ΡΠ°ΠΊΠΎΠ΅ Π°Π½ΡΠΈΠ±Π»ΠΎΠΊΠΈΡΠΎΠ²ΠΎΡΠ½Π°Ρ ΡΠΈΡΡΠ΅ΠΌΠ° ΡΠΎΡΠΌΠΎΠ·ΠΎΠ² (ABS)?
Π§ΡΠΎ ΡΠ°ΠΊΠΎΠ΅ ΡΠΎΡΠΌΠΎΠ·Π° Ρ ΠΠΠ‘?ΠΡΠ»ΠΈ Π²Ρ, ΠΊΠ°ΠΊ ΠΈ Ρ, ΠΏΠΎΠΌΠ½ΠΈΡΠ΅, ΠΊΠ°ΠΊ Π²Π°Ρ ΡΡΠΈΠ»ΠΈ Π½Π°ΠΆΠΈΠΌΠ°ΡΡ Π½Π° ΡΠΎΡΠΌΠΎΠ·Π° Π½ΠΎΠ³ΠΎΠΉ, ΠΊΠΎΠ³Π΄Π° Π²Ρ Π΄Π΅Π»Π°Π»ΠΈ ΡΠΊΡΡΡΠ΅Π½Π½ΡΡ ΠΎΡΡΠ°Π½ΠΎΠ²ΠΊΡ, ΡΡΠΎΠ±Ρ ΠΏΡΠ΅Π΄ΠΎΡΠ²ΡΠ°ΡΠΈΡΡ Π±Π»ΠΎΠΊΠΈΡΠΎΠ²ΠΊΡ ΡΠΎΡΠΌΠΎΠ·ΠΎΠ² ΠΈ Π·Π°Π½ΠΎΡ Π°Π²ΡΠΎΠΌΠΎΠ±ΠΈΠ»Ρ, ΡΠΎΠ³Π΄Π° Π²Ρ ΠΌΠΎΠΆΠ΅ΡΠ΅ ΠΏΠΎΠ½ΡΡΡ, ΠΊΠ°ΠΊ ABS ΡΠ°Π±ΠΎΡΠ°Π΅Ρ ΡΠ°ΠΊ ΠΆΠ΅, Π½ΠΎ Π½Π°ΠΌΠ½ΠΎΠ³ΠΎ Π»ΡΡΡΠ΅, ΡΠ΅ΠΌ Π»ΡΠ±ΠΎΠΉ ΡΠ΅Π»ΠΎΠ²Π΅ΠΊ.
Π‘ ΠΠΠ‘, ΠΠΠ‘ Π°Π²ΡΠΎΠΌΠ°ΡΠΈΡΠ΅ΡΠΊΠΈ ΠΏΡΠΈΠΌΠ΅Π½ΡΠ΅Ρ Π»ΡΠ±ΡΡ Π½Π΅ΠΎΠ±Ρ ΠΎΠ΄ΠΈΠΌΡΡ ΠΏΠΎΠ΄Π°ΡΡ ΠΏΠ΅Π΄Π°Π»ΠΈ, ΠΊΠΎΠ³Π΄Π° Π²Ρ Π½Π°ΠΆΠΈΠΌΠ°Π΅ΡΠ΅ Π½Π° ΡΠΎΡΠΌΠΎΠ·Π° Π½Π°ΡΡΠΎΠ»ΡΠΊΠΎ ΡΠΈΠ»ΡΠ½ΠΎ, ΡΡΠΎ ΠΊΠΎΠ»Π΅ΡΠ° Π±Π»ΠΎΠΊΠΈΡΡΡΡΡΡ. ΠΡΠΎ ΠΎΠ·Π½Π°ΡΠ°Π΅Ρ, ΡΡΠΎ Π²Ρ ΠΏΠΎ-ΠΏΡΠ΅ΠΆΠ½Π΅ΠΌΡ ΠΌΠΎΠΆΠ΅ΡΠ΅ ΡΠΏΡΠ°Π²Π»ΡΡΡ Π°Π²ΡΠΎΠΌΠΎΠ±ΠΈΠ»Π΅ΠΌ ΠΏΡΠΈ ΡΠΎΡΠΌΠΎΠΆΠ΅Π½ΠΈΠΈ ΠΈ ΡΠΎΡ ΡΠ°Π½ΡΡΡ ΠΊΠΎΠ½ΡΡΠΎΠ»Ρ. ΠΡ ΠΌΠΎΠΆΠ΅ΡΠ΅ ΠΏΠΎΡΡΠ²ΡΡΠ²ΠΎΠ²Π°ΡΡ Π²ΠΈΠ±ΡΠ°ΡΠΈΡ ΠΏΠ΅Π΄Π°Π»ΠΈ ΠΈΠ»ΠΈ ΡΡΠ»ΡΡΠ°ΡΡ ΡΡΠΌ, Π½ΠΎ Π²Π°ΠΆΠ½ΠΎ, ΡΡΠΎΠ±Ρ Π²Ρ ΠΏΡΠΎΠ΄ΠΎΠ»ΠΆΠ°Π»ΠΈ Π½Π°ΠΆΠΈΠΌΠ°ΡΡ Π½Π° ΠΏΠ΅Π΄Π°Π»Ρ ΡΠΎΡΠΌΠΎΠ·Π°.
ΠΡΠΎ ΡΠ°Π½ΡΠ°ΡΡΠΈΡΠ΅ΡΠΊΠ°Ρ ΡΡΠ½ΠΊΡΠΈΡ Π±Π΅Π·ΠΎΠΏΠ°ΡΠ½ΠΎΡΡΠΈ Π΄Π»Ρ Π²ΡΠ΅Ρ , Π½Π°ΡΡΠΎΠ»ΡΠΊΠΎ, ΡΡΠΎ Π²ΡΠ΅ Π½ΠΎΠ²ΡΠ΅ Π°Π²ΡΠΎΠΌΠΎΠ±ΠΈΠ»ΠΈ, ΠΏΡΠΎΠ΄Π°Π²Π°Π΅ΠΌΡΠ΅ Π² ΠΠ²ΡΡΡΠ°Π»ΠΈΠΈ, Π΄ΠΎΠ»ΠΆΠ½Ρ ΠΈΠΌΠ΅ΡΡ Π΅Π΅ Π² ΡΡΠ°Π½Π΄Π°ΡΡΠ½ΠΎΠΉ ΠΊΠΎΠΌΠΏΠ»Π΅ΠΊΡΠ°ΡΠΈΠΈ ΠΏΠΎ Π·Π°ΠΊΠΎΠ½Ρ. ΠΡΠ»ΠΈ Π²Ρ ΠΏΠΎΠΊΡΠΏΠ°Π΅ΡΠ΅ ΠΏΠΎΠ΄Π΅ΡΠΆΠ°Π½Π½ΡΠΉ Π°Π²ΡΠΎΠΌΠΎΠ±ΠΈΠ»Ρ, ΡΠ΅ΠΊΠΎΠΌΠ΅Π½Π΄ΡΠ΅ΡΡΡ ΠΏΡΠΎΠ²Π΅ΡΠΈΡΡ, Π΅ΡΡΡ Π»ΠΈ Ρ Π½Π΅Π³ΠΎ ΠΠΠ‘, ΠΏΠΎΡΠΊΠΎΠ»ΡΠΊΡ Π½Π΅ Π²ΡΠ΅ Π°Π²ΡΠΎΠΌΠΎΠ±ΠΈΠ»ΠΈ, ΠΏΡΠΎΠ΄Π°Π²Π°Π΅ΠΌΡΠ΅ Π² ΠΠ²ΡΡΡΠ°Π»ΠΈΠΈ, Π²ΡΠ΅Π³Π΄Π° ΠΈΠΌΠ΅ΡΡ Π΅Π΅ Π² ΡΡΠ°Π½Π΄Π°ΡΡΠ½ΠΎΠΉ ΠΊΠΎΠΌΠΏΠ»Π΅ΠΊΡΠ°ΡΠΈΠΈ.
ΠΠ°ΠΊΠΈΠ΅ ΠΏΠ»ΡΡΡ ΠΈ ΠΌΠΈΠ½ΡΡΡ ΡΠΎΡΠΌΠΎΠ·ΠΎΠ² Ρ ΠΠΠ‘?ΠΠ²ΡΠΎΠΌΠΎΠ±ΠΈΠ»ΠΈ Ρ ΠΠΠ‘ Π½Π΅ Π²ΡΠ΅Π³Π΄Π° ΠΎΡΡΠ°Π½Π°Π²Π»ΠΈΠ²Π°ΡΡΡΡ Π±ΡΡΡΡΠ΅Π΅, ΡΠ΅ΠΌ Π°Π²ΡΠΎΠΌΠΎΠ±ΠΈΠ»ΠΈ Π±Π΅Π· ΠΠΠ‘. ABS ΠΏΡΠ΅Π΄Π½Π°Π·Π½Π°ΡΠ΅Π½Π° Π΄Π»Ρ ΡΠΎΠ³ΠΎ, ΡΡΠΎΠ±Ρ Π²Ρ ΠΌΠΎΠ³Π»ΠΈ Π΄Π΅ΡΠΆΠ°ΡΡ Π°Π²ΡΠΎΠΌΠΎΠ±ΠΈΠ»Ρ ΠΏΠΎΠ΄ ΠΊΠΎΠ½ΡΡΠΎΠ»Π΅ΠΌ Π²ΠΎ Π²ΡΠ΅ΠΌΡ ΡΠ΅Π·ΠΊΠΈΡ ΡΠΎΡΠΌΠΎΠΆΠ΅Π½ΠΈΠΉ, Π° Π½Π΅ ΠΏΡΠΎΡΡΠΎ Π±ΡΡΡΡΠ΅Π΅ ΠΎΡΡΠ°Π½Π°Π²Π»ΠΈΠ²Π°ΡΡΡΡ. ΠΠ° Π½Π΅ΠΊΠΎΡΠΎΡΡΡ ΠΏΠΎΠ²Π΅ΡΡ Π½ΠΎΡΡΡΡ , ΡΠ°ΠΊΠΈΡ ΠΊΠ°ΠΊ ΡΡΡ Π»ΡΠΉ Π³ΡΠ°Π²ΠΈΠΉ, ΡΠ»Π΅Π³ΠΊΠ° ΡΡΡΠ°ΠΌΠ±ΠΎΠ²Π°Π½Π½ΡΠΉ ΡΠ½Π΅Π³ ΠΈΠ»ΠΈ ΠΏΠ΅ΡΠΎΠΊ ΠΌΠΎΠ³ΡΡ Π΄Π°ΠΆΠ΅ ΡΠ²Π΅Π»ΠΈΡΠΈΡΡ ΡΠΎΡΠΌΠΎΠ·Π½ΠΎΠΉ ΠΏΡΡΡ, ΠΏΠΎΡΠΎΠΌΡ ΡΡΠΎ Π±Π»ΠΎΠΊΠΈΡΠΎΠ²ΠΊΠ° ΠΊΠΎΠ»Π΅ΡΠ° ΠΌΠΎΠΆΠ΅Ρ ΡΠΏΠΎΡΠΎΠ±ΡΡΠ²ΠΎΠ²Π°ΡΡ ΠΎΠ±ΡΠ°Π·ΠΎΠ²Π°Π½ΠΈΡ ΠΊΠ»ΠΈΠ½Π° ΠΏΠ΅ΡΠ΅Π΄ ΡΠΈΠ½Π°ΠΌΠΈ. Π£ Π½Π΅ΠΊΠΎΡΠΎΡΡΡ Π°Π²ΡΠΎΠΌΠΎΠ±ΠΈΠ»Π΅ΠΉ Π΅ΡΡΡ ΡΠΏΠ΅ΡΠΈΠ°Π»ΡΠ½ΡΠΉ ΡΠ΅ΠΆΠΈΠΌ Π±Π΅Π·Π΄ΠΎΡΠΎΠΆΡΡ ΠΈΠ»ΠΈ ΡΠ΅ΠΆΠΈΠΌ ΡΠ½Π΅Π³Π° ΠΈ Π»ΡΠ΄Π°, ΠΊΠΎΡΠΎΡΡΠΉ Π½Π°ΡΡΡΠ°ΠΈΠ²Π°Π΅Ρ ΠΠΠ‘ Π΄Π»Ρ ΡΠ»ΡΡΡΠ΅Π½ΠΈΡ Ρ Π°ΡΠ°ΠΊΡΠ΅ΡΠΈΡΡΠΈΠΊ ΠΏΡΠΈ ΡΠΎΡΠΌΠΎΠΆΠ΅Π½ΠΈΠΈ Π² ΡΡΠΈΡ ΡΡΠ»ΠΎΠ²ΠΈΡΡ .
ΠΠ°ΠΊ ΡΠ°Π±ΠΎΡΠ°Π΅Ρ ΠΠΠ‘?ΠΠ°ΡΡΠΈΠΊΠΈ Π² Π²Π°ΡΠΈΡ ΠΊΠΎΠ»Π΅ΡΠ°Ρ ΠΌΠΎΠ³ΡΡ ΠΎΠΏΡΠ΅Π΄Π΅Π»ΡΡΡ, ΠΊΠΎΠ³Π΄Π° Π²Π°ΡΠΈ ΡΠΈΠ½Ρ Π±Π»ΠΎΠΊΠΈΡΡΡΡΡΡ, Π·Π°ΡΠ΅ΠΌ ΠΎΠ½ΠΈ Π·Π°ΠΏΡΡΠΊΠ°ΡΡ ΠΈΠΌΠΏΡΠ»ΡΡΡ Π½Π° ΡΠΎΡΠΌΠΎΠ·Π° (Π½Π°ΠΌΠ½ΠΎΠ³ΠΎ Π±ΡΡΡΡΠ΅Π΅ ΠΈ ΡΠΏΡΠ°Π²Π»ΡΠ΅ΠΌΠ΅Π΅, ΡΠ΅ΠΌ Π²Ρ ΠΌΠΎΠ³Π»ΠΈ Π±Ρ ΡΠ΄Π΅Π»Π°ΡΡ ΡΡΠΎ Π² ΡΠ΅Π»ΠΎΠ²Π΅ΡΠ΅ΡΠΊΠΈΡ ΡΡΠ»ΠΎΠ²ΠΈΡΡ ), ΡΡΠΎΠ±Ρ ΠΏΡΠ΅Π΄ΠΎΡΠ²ΡΠ°ΡΠΈΡΡ Π·Π°Π½ΠΎΡ Π²Π°ΡΠ΅Π³ΠΎ Π°Π²ΡΠΎΠΌΠΎΠ±ΠΈΠ»Ρ, ΠΈ Π²Ρ ΡΡΠ°Π·Ρ ΠΆΠ΅ Π½Π°ΡΠΈΠ½Π°Π΅ΡΠ΅ ΠΎΡΡΠ°Π½Π°Π²Π»ΠΈΠ²Π°ΡΡΡΡ. ΠΡ ΠΌΠΎΠΆΠ΅ΡΠ΅ ΠΏΠΎΡΡΠ²ΡΡΠ²ΠΎΠ²Π°ΡΡ Π²ΠΈΠ±ΡΠ°ΡΠΈΡ ABS Π² ΠΏΠ΅Π΄Π°Π»ΠΈ ΡΠΎΡΠΌΠΎΠ·Π° ΠΈΠ»ΠΈ ΡΡΠ»ΡΡΠ°ΡΡ ΡΡΠΌ, ΠΏΡΠΎΠ΄ΠΎΠ»ΠΆΠ°ΠΉΡΠ΅ Π½Π°ΠΆΠΈΠΌΠ°ΡΡ Π½Π° ΡΠΎΡΠΌΠΎΠ· ΠΈ ΡΠΏΡΠ°Π²Π»ΡΠΉΡΠ΅ Π°Π²ΡΠΎΠΌΠΎΠ±ΠΈΠ»Π΅ΠΌ, ΠΏΠΎΠΊΠ° Π½Π΅ ΠΎΡΡΠ°Π½ΠΎΠ²ΠΈΡΠ΅ΡΡ Π±Π΅Π·ΠΎΠΏΠ°ΡΠ½ΠΎ.
ΠΠ°ΠΊ Π΅ΡΠ΅ Π½Π°Π·ΡΠ²Π°ΡΡΡΡ ΡΠΎΡΠΌΠΎΠ·Π° Ρ ΠΠΠ‘?Π― Π·Π½Π°Ρ ΡΠΎΠ»ΡΠΊΠΎ, ΡΡΠΎ ΠΎΠ½ΠΈ Π½Π°Π·ΡΠ²Π°ΡΡΡΡ ΠΠΠ‘ ΠΈΠ»ΠΈ Π°Π½ΡΠΈΠ±Π»ΠΎΠΊΠΈΡΠΎΠ²ΠΎΡΠ½ΠΎΠΉ ΡΠΎΡΠΌΠΎΠ·Π½ΠΎΠΉ ΡΠΈΡΡΠ΅ΠΌΠΎΠΉ.
ΠΠ½ΡΠΈΠ±Π»ΠΎΠΊΠΈΡΠΎΠ²ΠΎΡΠ½Π°Ρ ΡΠΎΡΠΌΠΎΠ·Π½Π°Ρ ΡΠΈΡΡΠ΅ΠΌΠ° — ΡΡΠΎ Π²Π°ΠΌ Π½ΡΠΆΠ½ΠΎ Π·Π½Π°ΡΡ
ΠΠ½ΡΠΈΠ±Π»ΠΎΠΊΠΈΡΠΎΠ²ΠΎΡΠ½Π°Ρ ΡΠΎΡΠΌΠΎΠ·Π½Π°Ρ ΡΠΈΡΡΠ΅ΠΌΠ°, ΡΠ°ΠΊΠΆΠ΅ ΠΈΠ·Π²Π΅ΡΡΠ½Π°Ρ ΠΊΠ°ΠΊ Π°Π½ΡΠΈΠ±Π»ΠΎΠΊΠΈΡΠΎΠ²ΠΎΡΠ½Π°Ρ ΡΠΎΡΠΌΠΎΠ·Π½Π°Ρ ΡΠΈΡΡΠ΅ΠΌΠ° (ΠΠΠ‘), ΡΡΠ°Π»Π° ΡΡΠ°Π½Π΄Π°ΡΡΠ½ΠΎΠΉ ΡΡΠ½ΠΊΡΠΈΠ΅ΠΉ Π°Π²ΡΠΎΠΌΠΎΠ±ΠΈΠ»Π΅ΠΉ, Π½ΠΎ ΠΈΠ·Π½Π°ΡΠ°Π»ΡΠ½ΠΎ ΠΎΠ½ΠΈ Π΄Π°ΠΆΠ΅ Π½Π΅ Π±ΡΠ»ΠΈ ΠΈΠ·ΠΎΠ±ΡΠ΅ΡΠ΅Π½Ρ Π΄Π»Ρ Π°Π²ΡΠΎΠΌΠΎΠ±ΠΈΠ»Π΅ΠΉ. ΠΠ½ΠΈ Π±ΡΠ»ΠΈ ΠΈΠ·ΠΎΠ±ΡΠ΅ΡΠ΅Π½Ρ Π² 1929 Π³ΠΎΠ΄Ρ Π²ΠΎ Π€ΡΠ°Π½ΡΠΈΠΈ ΠΠ°Π±ΡΠΈΡΠ»Π΅ΠΌ ΠΡΠ°Π·Π΅Π½ΠΎΠΌ, ΡΡΠΎΠ±Ρ ΠΏΠΎΠΌΠΎΡΡ ΡΠ°ΠΌΠΎΠ»Π΅ΡΠ°ΠΌ Π±ΠΎΠ»Π΅Π΅ ΠΏΠ»Π°Π²Π½ΠΎ ΡΠΎΡΠΌΠΎΠ·ΠΈΡΡ ΠΏΡΠΈ ΠΏΠΎΡΠ°Π΄ΠΊΠ΅ ΠΈ ΡΠΎΠΊΡΠ°ΡΠΈΡΡ ΡΠ°ΡΡΡΠΎΡΠ½ΠΈΠ΅, Π½Π΅ΠΎΠ±Ρ ΠΎΠ΄ΠΈΠΌΠΎΠ΅ Π΄Π»Ρ ΠΎΡΡΠ°Π½ΠΎΠ²ΠΊΠΈ. Π‘Π΅Π³ΠΎΠ΄Π½Ρ ΡΡΠΎ ΡΠΈΡΡΠ΅ΠΌΠ° Π°Π²ΡΠΎΠΌΠΎΠ±ΠΈΠ»ΡΠ½ΠΎΠΉ Π±Π΅Π·ΠΎΠΏΠ°ΡΠ½ΠΎΡΡΠΈ, ΠΊΠΎΡΠΎΡΠ°Ρ ΠΎΠ±ΡΠ·Π°ΡΠ΅Π»ΡΠ½Π° Π΄Π»Ρ Π²ΡΠ΅Ρ Π½ΠΎΠ²ΡΡ Π»Π΅Π³ΠΊΠΎΠ²ΡΡ Π°Π²ΡΠΎΠΌΠΎΠ±ΠΈΠ»Π΅ΠΉ.
Π ΠΠΠ‘ ΠΈΡΠΏΠΎΠ»ΡΠ·ΡΡΡΡΡ Π΄Π°ΡΡΠΈΠΊΠΈ ΡΠΊΠΎΡΠΎΡΡΠΈ Π²ΡΠ°ΡΠ΅Π½ΠΈΡ ΠΊΠΎΠ»Π΅Ρ, Π³ΠΈΠ΄ΡΠ°Π²Π»ΠΈΡΠ΅ΡΠΊΠΈΠΉ Π±Π»ΠΎΠΊ ΡΠΏΡΠ°Π²Π»Π΅Π½ΠΈΡ ΠΈ ΠΊΠΎΠΌΠΏΡΡΡΠ΅ΡΠΈΠ·ΠΈΡΠΎΠ²Π°Π½Π½Π°Ρ ΡΠΈΡΡΠ΅ΠΌΠ° ΡΠΏΡΠ°Π²Π»Π΅Π½ΠΈΡ.ΠΠΎΠ³Π΄Π° ΠΏΠ΅Π΄Π°Π»Ρ ΡΠΎΡΠΌΠΎΠ·Π° Π½Π°ΠΆΠ°ΡΠ°, ΠΠΠ‘ ΡΡΠΈΡΡΠ²Π°Π΅Ρ ΡΠΊΠΎΡΠΎΡΡΡ ΠΊΠΎΠ»Π΅Ρ. ΠΡΠ»ΠΈ ΠΎΠ½ ΠΎΠ±Π½Π°ΡΡΠΆΠΈΠ²Π°Π΅Ρ, ΡΡΠΎ ΠΎΠ΄Π½ΠΎ ΠΈΠ»ΠΈ Π½Π΅ΡΠΊΠΎΠ»ΡΠΊΠΎ ΠΊΠΎΠ»Π΅Ρ Π²ΠΎΡ-Π²ΠΎΡ Π·Π°Π±Π»ΠΎΠΊΠΈΡΡΡΡΡΡ, ΡΠΈΡΡΠ΅ΠΌΠ° ΠΏΡΠΈΠΌΠ΅Π½ΡΠ΅Ρ Π³ΠΈΠ΄ΡΠ°Π²Π»ΠΈΡΠ΅ΡΠΊΠΎΠ΅ Π΄Π°Π²Π»Π΅Π½ΠΈΠ΅ ΠΊ ΡΠΎΠΎΡΠ²Π΅ΡΡΡΠ²ΡΡΡΠΈΠΌ ΠΊΠΎΠ»Π΅ΡΠ°ΠΌ. ΠΡΡΡΡΠΎΠ΅ ΠΏΡΠΈΠ»ΠΎΠΆΠ΅Π½ΠΈΠ΅ Π΄Π°Π²Π»Π΅Π½ΠΈΡ ΠΏΠΎΡ ΠΎΠΆΠ΅ Π½Π° Β«Π½Π°ΠΊΠ°ΡΠΈΠ²Π°Π½ΠΈΠ΅Β» ΡΠΎΡΠΌΠΎΠ·Π°, Π·Π° ΠΈΡΠΊΠ»ΡΡΠ΅Π½ΠΈΠ΅ΠΌ ΡΠΎΠ³ΠΎ, ΡΡΠΎ Ρ ΡΠΈΡΡΠ΅ΠΌΠΎΠΉ ABS Π±Π»ΠΎΠΊΠΈΡΡΠ΅ΡΡΡ ΠΊΠΎΠ»Π΅ΡΠΎ, ΠΊΠΎΡΠΎΡΠΎΠ΅ ΠΊΠΎΠ½ΡΡΠΎΠ»ΠΈΡΡΠ΅ΡΡΡ, Π° ΠΎΡΡΠ°Π»ΡΠ½ΡΠ΅ ΠΊΠΎΠ»Π΅ΡΠ° ΠΌΠΎΠ³ΡΡ ΡΠ²ΠΎΠ±ΠΎΠ΄Π½ΠΎ ΠΊΠ°ΡΠΈΡΡΡΡ. ΠΡΠΎ ΠΏΠΎΠΌΠΎΠΆΠ΅Ρ Π²Π°ΠΌ ΡΠΎΡ ΡΠ°Π½ΠΈΡΡ ΠΊΠΎΠ½ΡΡΠΎΠ»Ρ.
ΠΡΠ½ΠΎΠ²Π½Π°Ρ ΡΠ΅Π»Ρ ΠΠΠ‘ — ΠΏΠΎΠ²ΡΡΠΈΡΡ ΡΠΏΠΎΡΠΎΠ±Π½ΠΎΡΡΡ Π²ΠΎΠ΄ΠΈΡΠ΅Π»Ρ ΡΠΏΡΠ°Π²Π»ΡΡΡ Π°Π²ΡΠΎΠΌΠΎΠ±ΠΈΠ»Π΅ΠΌ, Π° Π½Π΅ ΠΏΠΎΠΏΠ°Π΄Π°ΡΡ Π² Π·Π°Π½ΠΎΡ.ΠΠΎΠ³Π΄Π° Π²Ρ Π½Π°ΠΆΠΈΠΌΠ°Π΅ΡΠ΅ Π½Π° ΡΠΎΡΠΌΠΎΠ·, Π²Π°Ρ Π°Π²ΡΠΎΠΌΠΎΠ±ΠΈΠ»Ρ Π½Π°ΡΠΈΠ½Π°Π΅Ρ Π±ΡΠΊΡΠΎΠ²Π°ΡΡ ΠΈ ΡΠ΅ΡΡΠ΅Ρ ΡΡΡΠΎΠΉΡΠΈΠ²ΠΎΡΡΡ, Π° Π²Ρ ΡΠ΅ΡΡΠ΅ΡΠ΅ ΠΊΠΎΠ½ΡΡΠΎΠ»Ρ, ΠΎΡΠΎΠ±Π΅Π½Π½ΠΎ Π½Π° ΠΌΠΎΠΊΡΠΎΠΉ ΠΈΠ»ΠΈ ΡΠΊΠΎΠ»ΡΠ·ΠΊΠΎΠΉ ΠΏΠΎΠ²Π΅ΡΡ Π½ΠΎΡΡΠΈ. ABS ΠΏΠΎΠ·Π²ΠΎΠ»ΡΠ΅Ρ ΠΊΠΎΠ»Π΅ΡΠ°ΠΌ Π°Π²ΡΠΎΠΌΠΎΠ±ΠΈΠ»Ρ ΠΏΡΠΎΠ΄ΠΎΠ»ΠΆΠ°ΡΡ ΠΏΠΎΠ²ΠΎΡΠ°ΡΠΈΠ²Π°ΡΡΡΡ ΠΈ ΠΏΠΎΠ΄Π΄Π΅ΡΠΆΠΈΠ²Π°ΡΡ ΡΡΠ΅ΠΏΠ»Π΅Π½ΠΈΠ΅ Ρ Π΄ΠΎΡΠΎΠ³ΠΎΠΉ, ΠΊΠΎΠ³Π΄Π° Π²ΠΎΠ΄ΠΈΡΠ΅Π»Ρ Π½Π°ΠΆΠΈΠΌΠ°Π΅Ρ Π½Π° ΡΠΎΡΠΌΠΎΠ·Π°, ΠΏΡΠ΅Π΄ΠΎΡΠ²ΡΠ°ΡΠ°Ρ Π±Π»ΠΎΠΊΠΈΡΠΎΠ²ΠΊΡ ΠΊΠΎΠ»Π΅Ρ ΠΈ ΠΏΡΠ΅Π΄ΠΎΡΠ²ΡΠ°ΡΠ°Ρ Π½Π΅ΠΊΠΎΠ½ΡΡΠΎΠ»ΠΈΡΡΠ΅ΠΌΠΎΠ΅ Π·Π°Π½ΠΎΡ. ΠΠ½ ΠΈΡΠΏΠΎΠ»ΡΠ·ΡΠ΅Ρ ΠΌΠ΅ΡΠΎΠ΄Ρ ΡΠΎΡΠΌΠΎΠΆΠ΅Π½ΠΈΡ ΠΏΠΎ ΠΏΠΎΡΠΎΠ³Ρ ΠΈ ΡΠ°ΡΡΠΎΡΠ΅ Π²ΡΠ°ΡΠ΅Π½ΠΈΡ ΠΏΠ΅Π΄Π°Π»Π΅ΠΉ, ΠΈΡΠΏΠΎΠ»ΡΠ·ΡΠ΅ΠΌΡΠ΅ ΠΎΠΏΡΡΠ½ΡΠΌΠΈ Π²ΠΎΠ΄ΠΈΡΠ΅Π»ΡΠΌΠΈ, Π°Π²ΡΠΎΠΌΠ°ΡΠΈΡΠ΅ΡΠΊΠΈ Β«Π½Π°ΠΊΠ°ΡΠΈΠ²Π°ΡΒ» ΡΠΎΡΠΌΠΎΠ·Π° Ρ Π³ΠΎΡΠ°Π·Π΄ΠΎ Π±ΠΎΠ»ΡΡΠ΅ΠΉ ΡΠΊΠΎΡΠΎΡΡΡΡ, ΡΠ΅ΠΌ ΡΡΠΎ ΠΌΠΎΠΆΠ΅Ρ ΡΠ΄Π΅Π»Π°ΡΡ ΡΠ΅Π»ΠΎΠ²Π΅ΠΊ, ΠΈ Ρ Π»ΡΡΡΠΈΠΌ ΠΊΠΎΠ½ΡΡΠΎΠ»Π΅ΠΌ.
ΠΡΠΈ ΡΠ΅Π·ΠΊΠΎΠΌ ΡΠΎΡΠΌΠΎΠΆΠ΅Π½ΠΈΠΈ Π½Π° Π³Π»Π°Π΄ΠΊΠΈΡ ΠΏΠΎΠ²Π΅ΡΡ Π½ΠΎΡΡΡΡ , ΡΠ°ΠΊΠΈΡ ΠΊΠ°ΠΊ Π±Π΅ΡΠΎΠ½ ΠΈΠ»ΠΈ Π°ΡΡΠ°Π»ΡΡ, Π² ΡΡΡ ΠΈΡ ΠΈΠ»ΠΈ Π²Π»Π°ΠΆΠ½ΡΡ ΡΡΠ»ΠΎΠ²ΠΈΡΡ Π²ΠΎΠ΄ΠΈΡΠ΅Π»ΠΈ Π°Π²ΡΠΎΠΌΠΎΠ±ΠΈΠ»Π΅ΠΉ Ρ ABS ΠΌΠΎΠ³ΡΡ Π»ΡΡΡΠ΅ ΠΎΡΡΠ°Π½Π°Π²Π»ΠΈΠ²Π°ΡΡΡΡ Π½Π° ΠΌΠ΅Π½ΡΡΠ΅ΠΌ ΡΠ°ΡΡΡΠΎΡΠ½ΠΈΠΈ ΠΈ ΡΠΎΡ ΡΠ°Π½ΡΡΡ ΠΊΠΎΠ½ΡΡΠΎΠ»Ρ, ΡΠ΅ΠΌ Π²ΠΎΠ΄ΠΈΡΠ΅Π»ΠΈ Π°Π²ΡΠΎΠΌΠΎΠ±ΠΈΠ»Π΅ΠΉ Π±Π΅Π· Π°Π½ΡΠΈΠ±Π»ΠΎΠΊΠΈΡΠΎΠ²ΠΎΡΠ½ΠΎΠΉ ΡΠΈΡΡΠ΅ΠΌΡ ΡΠΎΡΠΌΠΎΠ·ΠΎΠ².ΠΡΠΈ ΡΠ΅ΡΡΠΈΡΠΎΠ²Π°Π½ΠΈΠΈ ΡΠΎΠ»ΡΠΊΠΎ Π»ΡΡΡΠΈΠ΅ ΠΎΠΏΡΡΠ½ΡΠ΅ Π²ΠΎΠ΄ΠΈΡΠ΅Π»ΠΈ ΠΌΠΎΠ³ΡΡ ΠΏΡΠΈΠ±Π»ΠΈΠ·ΠΈΡΡΡΡ ΠΊ Ρ Π°ΡΠ°ΠΊΡΠ΅ΡΠΈΡΡΠΈΠΊΠ°ΠΌ ABS.
ΠΡΠΈ Π²ΠΊΠ»ΡΡΠ΅Π½ΠΈΠΈ ABS Π²Ρ ΠΈΡΠΏΡΡΠ°Π΅ΡΠ΅ Π½Π΅ΡΠΊΠΎΠ»ΡΠΊΠΎ Π²Π΅ΡΠ΅ΠΉ:
- ΠΠ° ΠΏΠ΅Π΄Π°Π»Ρ ΡΠΎΡΠΌΠΎΠ·Π° ΠΌΠΎΠΆΠ΅Ρ Π±ΡΡΡ ΡΡΡΠ΄Π½Π΅Π΅ Π½Π°ΠΆΠΈΠΌΠ°ΡΡ.
- Π‘Π°ΠΌ ΠΏΡΠΎΡΠ΅ΡΡ ΡΠΎΡΠΌΠΎΠΆΠ΅Π½ΠΈΡ ΠΌΠΎΠΆΠ΅Ρ ΠΎΡΡΡΠ°ΡΡΡΡ ΠΊΠ°ΠΊ Π±ΡΡΡΡΠ°Ρ ΠΏΡΠ»ΡΡΠ°ΡΠΈΡ ΠΈΠ»ΠΈ Π²ΠΈΠ±ΡΠ°ΡΠΈΡ ΠΏΠ΅Π΄Π°Π»ΠΈ ΡΠΎΡΠΌΠΎΠ·Π°.
- ΠΡΠ΄Π΅Ρ ΡΠ»ΡΡΠ΅Π½ Π½Π΅ΠΊΠΎΡΠΎΡΡΠΉ ΡΡΠΌ, Π½Π°ΠΏΡΠΈΠΌΠ΅Ρ Π·Π²ΡΠΊ ΡΠ΅Π»ΡΠΊΠ° ΠΈΠ»ΠΈ ΡΡΠ΅ΡΠΎΡΠΊΠΈ. ΠΠ΅ΠΊΠΎΡΠΎΡΡΠ΅ ΡΠΈΡΡΠ΅ΠΌΡ ΠΌΠΎΠ³ΡΡ ΠΈΠ·Π΄Π°Π²Π°ΡΡ ΠΆΡΠΆΠΆΠ°ΡΠΈΠΉ ΠΈΠ»ΠΈ Π³ΡΠ΄ΡΡΠΈΠΉ Π·Π²ΡΠΊ.
- ΠΠΎΠΆΠ΅Ρ ΠΏΠΎΠΊΠ°Π·Π°ΡΡΡΡ, ΡΡΠΎ Π²Π°ΡΠ° ΠΌΠ°ΡΠΈΠ½Π° Π·Π°Π½ΠΎΡΠΈΡ, Π½ΠΎ ΡΡΠΎ Π½Π΅ ΡΠ°ΠΊ — ΠΎ ΡΠ΅ΠΌ ΡΠ²ΠΈΠ΄Π΅ΡΠ΅Π»ΡΡΡΠ²ΡΠ΅Ρ ΡΠΎΡ ΡΠ°ΠΊΡ, ΡΡΠΎ Π²Ρ Π²ΡΠ΅ Π΅ΡΠ΅ ΠΌΠΎΠΆΠ΅ΡΠ΅ ΡΠΏΡΠ°Π²Π»ΡΡΡ.
- ΠΠ°ΡΠΈ ΡΠΈΠ½Ρ ΠΌΠΎΠ³ΡΡ ΠΎΡΡΠ°Π²Π»ΡΡΡ ΡΠ»Π΅Π΄Ρ, Π½ΠΎ Π½Π΅ Β«ΠΏΠ»ΠΎΡΠΊΠΈΠ΅Β». ΠΡΠΎ ΠΊΠΎΠ³Π΄Π° Π½Π° ΠΏΡΠΎΡΠ΅ΠΊΡΠΎΡΠ΅ ΡΠΈΠ½Ρ ΠΈΠΌΠ΅Π΅ΡΡΡ ΡΠΎΠ²Π½ΡΠΉ ΡΡΠ°ΡΡΠΎΠΊ, ΠΊΠΎΡΠΎΡΡΠΉ Π½Π°ΡΡΡΠ°Π΅Ρ Π΅Π΅ ΠΎΠΊΡΡΠ³Π»ΠΎΡΡΡ ΠΈ ΡΠΎΠ·Π΄Π°Π΅Ρ ΠΎΡΠ΅Π½Ρ Π½Π΅ΡΠΎΠ²Π½ΡΠΉ Ρ ΠΎΠ΄. ΠΠ°ΠΊ ΠΏΡΠ°Π²ΠΈΠ»ΠΎ, ΡΠΈΠ½Ρ Π½Π΅ΠΎΠ±Ρ ΠΎΠ΄ΠΈΠΌΠΎ Π·Π°ΠΌΠ΅Π½ΡΡΡ ΠΏΡΠΈ ΠΏΠΎΡΠ²Π»Π΅Π½ΠΈΠΈ ΠΏΠ»ΠΎΡΠΊΠΈΡ ΠΏΡΡΠ΅Π½.
ΠΡΠ»ΠΈ Π²Ρ Π½ΠΈΠΊΠΎΠ³Π΄Π° Π½Π΅ Π²ΠΎΠ΄ΠΈΠ»ΠΈ Π°Π²ΡΠΎΠΌΠΎΠ±ΠΈΠ»Ρ Ρ ΠΠΠ‘ ΠΈ Π½Π΅ ΡΡΠ°Π»ΠΊΠΈΠ²Π°Π»ΠΈΡΡ Ρ Π΄Π΅ΠΉΡΡΠ²ΠΈΠ΅ΠΌ Π°Π½ΡΠΈΠ±Π»ΠΎΠΊΠΈΡΠΎΠ²ΠΎΡΠ½ΠΎΠΉ ΡΠΈΡΡΠ΅ΠΌΡ ΡΠΎΡΠΌΠΎΠ·ΠΎΠ², ΠΊΠΎΠ³Π΄Π° ΠΎΠ½ΠΈ Π²ΡΠΏΠΎΠ»Π½ΡΡΡ ΡΠ²ΠΎΡ ΡΠ°Π±ΠΎΡΡ, ΡΡΠΎ ΠΌΠΎΠΆΠ΅Ρ ΡΡΠ°ΡΡ Π½Π°ΡΡΠΎΡΡΠΈΠΌ ΡΡΡΠΏΡΠΈΠ·ΠΎΠΌ. Π₯ΠΎΡΠΎΡΠ°Ρ ΠΈΠ΄Π΅Ρ — Π½Π°ΠΉΡΠΈ Π±Π΅Π·ΠΎΠΏΠ°ΡΠ½ΠΎΠ΅ ΠΌΠ΅ΡΡΠΎ, Π½Π°ΠΏΡΠΈΠΌΠ΅Ρ, ΠΏΡΡΡΡΡ ΠΏΠ°ΡΠΊΠΎΠ²ΠΊΡ, ΡΡΠΎΠ±Ρ ΠΏΠΎΠ·Π½Π°ΠΊΠΎΠΌΠΈΡΡΡΡ Ρ Π²Π°ΡΠ΅ΠΉ ΠΠΠ‘, ΡΡΠΎΠ±Ρ Π²Ρ Π·Π½Π°Π»ΠΈ, ΡΠ΅Π³ΠΎ ΠΎΠΆΠΈΠ΄Π°ΡΡ ΠΏΡΠΈ ΡΠ΅Π·ΠΊΠΎΠΌ ΡΠΎΡΠΌΠΎΠΆΠ΅Π½ΠΈΠΈ.
ΠΠ°ΠΆΠ΅ Ρ Π°Π²ΡΠΎΠΌΠΎΠ±ΠΈΠ»Π΅ΠΌ, ΠΎΠ±ΠΎΡΡΠ΄ΠΎΠ²Π°Π½Π½ΡΠΌ ΠΠΠ‘, Π½Π΅ Π·Π°Π±ΡΠ²Π°ΠΉΡΠ΅ Π²ΠΎΠ΄ΠΈΡΡ ΠΌΠ°ΡΠΈΠ½Ρ Π±Π΅Π·ΠΎΠΏΠ°ΡΠ½ΠΎ ΠΈ ΡΠΎΠ΄Π΅ΡΠΆΠ°ΡΡ Π΅Π΅ Π² Ρ ΠΎΡΠΎΡΠ΅ΠΌ ΡΠΎΡΡΠΎΡΠ½ΠΈΠΈ. ΠΡΠ΅Π³Π΄Π° ΡΠΎΠ±Π»ΡΠ΄Π°ΠΉΡΠ΅ Π±Π΅Π·ΠΎΠΏΠ°ΡΠ½ΡΡ Π΄ΠΈΡΡΠ°Π½ΡΠΈΡ ββΠ΄Π»Ρ ΡΠΎΡΠΌΠΎΠΆΠ΅Π½ΠΈΡ ΠΎΡ ΠΈΠ΄ΡΡΠ΅Π³ΠΎ Π²ΠΏΠ΅ΡΠ΅Π΄ΠΈ Π°Π²ΡΠΎΠΌΠΎΠ±ΠΈΠ»Ρ. ΠΠ΅ ΡΡΠΈΡΠ°ΠΉΡΠ΅ ABS Π·Π°ΡΠΈΡΠ½ΡΠΌ ΠΎΠ΄Π΅ΡΠ»ΠΎΠΌ Π² ΠΏΠ»ΠΎΡ ΡΡ ΠΏΠΎΠ³ΠΎΠ΄Ρ. ΠΡΠ΅Π³Π΄Π° ΡΠ½ΠΈΠΆΠ°ΠΉΡΠ΅ ΡΠΊΠΎΡΠΎΡΡΡ ΠΈ ΠΏΡΠΎΡΠ²Π»ΡΠΉΡΠ΅ ΠΎΡΠΎΠ±ΡΡ ΠΎΡΡΠΎΡΠΎΠΆΠ½ΠΎΡΡΡ. ΠΠΠ‘ Π½Π΅ ΠΎΡΡΠ°Π½ΠΎΠ²ΠΈΡ Π²Π°ΡΡ ΠΌΠ°ΡΠΈΠ½Ρ Π½ΠΈ ΠΊΠΎΠΏΠ΅ΠΉΠΊΠΈ, ΠΈ Π²Ρ Π²ΡΠ΅ ΡΠ°Π²Π½ΠΎ ΠΌΠΎΠΆΠ΅ΡΠ΅ ΠΏΠΎΡΠ΅ΡΡΡΡ ΡΠΏΡΠ°Π²Π»Π΅Π½ΠΈΠ΅ ΠΈΠ·-Π·Π° ΡΡΠ»ΠΎΠ²ΠΈΠΉ Π²ΠΎΠΆΠ΄Π΅Π½ΠΈΡ, Π΄Π΅ΠΉΡΡΠ²ΠΈΠΉ Π΄ΡΡΠ³ΠΈΡ Π²ΠΎΠ΄ΠΈΡΠ΅Π»Π΅ΠΉ, Π° ΡΠ°ΠΊΠΆΠ΅ Π΅ΡΠ»ΠΈ Π²Ρ Π½Π΅ Π·Π½Π°Π΅ΡΠ΅, ΠΊΠ°ΠΊ ΡΠΏΡΠ°Π²Π»ΡΡΡ Π°Π²ΡΠΎΠΌΠΎΠ±ΠΈΠ»Π΅ΠΌ, ΠΊΠΎΠ³Π΄Π° ΡΠ°Π±ΠΎΡΠ°Π΅Ρ ΠΠΠ‘.
ΠΡΠΎΠΌΠ΅ ΡΠΎΠ³ΠΎ, ΠΏΡΠΈ Π½Π°Π»ΠΈΡΠΈΠΈ ΠΠΠ‘ ΡΠ»Π΅Π΄ΡΠ΅Ρ ΡΡΠΈΡΡΠ²Π°ΡΡ ΠΈ Π΄ΡΡΠ³ΠΈΠ΅ ΡΠ°ΠΊΡΠΎΡΡ.Π‘Π»Π΅Π΄ΠΈΡΠ΅ Π·Π° ΡΠ΅ΠΌ, ΡΡΠΎΠ±Ρ ΡΠΈΠ½Ρ Π±ΡΠ»ΠΈ Π½Π°ΠΊΠ°ΡΠ°Π½Ρ Π² ΡΠΎΠΎΡΠ²Π΅ΡΡΡΠ²ΠΈΠΈ Ρ ΡΠ΅Π·ΠΎΠ½ΠΎΠΌ / ΠΏΠΎΠ³ΠΎΠ΄ΠΎΠΉ ΠΈ ΡΠ»Π΅Π΄ΠΈΡΠ΅ Π·Π° ΠΈΠ·Π½ΠΎΡΠΎΠΌ ΠΏΡΠΎΡΠ΅ΠΊΡΠΎΡΠ°. ΠΡΠΎΠ²Π΅ΡΡΠΉΡΠ΅ ΡΠ΅Π½ΡΡΠΎΠ²ΠΊΡ ΠΈ, ΠΊΠΎΠ½Π΅ΡΠ½ΠΎ ΠΆΠ΅, ΠΏΠΎΠ΄Π΄Π΅ΡΠΆΠΈΠ²Π°ΠΉΡΠ΅ ΡΠΎΡΠΌΠΎΠ·Π° Ρ ΠΏΠΎΠΌΠΎΡΡΡ ΡΠ΅Π³ΡΠ»ΡΡΠ½ΡΡ ΠΏΡΠΎΠ²Π΅ΡΠΎΠΊ ΠΈ ΠΎΠ±ΡΠ»ΡΠΆΠΈΠ²Π°Π½ΠΈΡ, ΡΡΠΎΠ±Ρ ΡΠ±Π΅Π΄ΠΈΡΡΡΡ, ΡΡΠΎ ΠΎΠ½ΠΈ Π½Π°Ρ ΠΎΠ΄ΡΡΡΡ Π² ΠΈΠ΄Π΅Π°Π»ΡΠ½ΠΎΠΌ ΡΠ°Π±ΠΎΡΠ΅ΠΌ ΡΠΎΡΡΠΎΡΠ½ΠΈΠΈ. Π’Π°ΠΊΠΈΠ΅ ΠΆΠΈΠ΄ΠΊΠΎΡΡΠΈ, ΠΊΠ°ΠΊ ΡΠΎΡΠΌΠΎΠ·Π½Π°Ρ ΡΠΈΡΡΠ΅ΠΌΠ° ΠΈ ΡΡΠ»Π΅Π²ΠΎΠ΅ ΡΠΏΡΠ°Π²Π»Π΅Π½ΠΈΠ΅, ΡΠ»Π΅Π΄ΡΠ΅Ρ ΠΏΡΠΎΠ²Π΅ΡΡΡΡ ΠΏΡΠΈ ΠΊΠ°ΠΆΠ΄ΠΎΠΉ Π·Π°ΠΌΠ΅Π½Π΅ ΠΌΠ°ΡΠ»Π°.
Π§ΡΠΎ Π½ΡΠΆΠ½ΠΎ ΠΏΠΎΠΌΠ½ΠΈΡΡ ΠΏΡΠΈ Π²ΠΎΠΆΠ΄Π΅Π½ΠΈΠΈ Π°Π²ΡΠΎΠΌΠΎΠ±ΠΈΠ»Ρ Ρ ΠΠΠ‘:
- ΠΠ΅ ΠΊΠ°ΡΠ°ΠΉΡΠ΅ ΡΠΎΡΠΌΠΎΠ·Π°, Π΅ΡΠ»ΠΈ Ρ Π²Π°Ρ Π΅ΡΡΡ ΠΠΠ‘. ΠΡΠ΅ΠΏΠΊΠΎ Π΄Π΅ΡΠΆΠΈΡΠ΅ Π½ΠΎΠ³Ρ Π½Π° ΠΏΠ΅Π΄Π°Π»ΠΈ ΡΠΎΡΠΌΠΎΠ·Π° ΠΈ ΠΏΠΎΡΡΠ°ΡΠ°ΠΉΡΠ΅ΡΡ ΠΏΠΎΠΌΠ½ΠΈΡΡ, ΡΡΠΎ Π²Ρ Π²ΡΠ΅ Π΅ΡΠ΅ ΠΌΠΎΠΆΠ΅ΡΠ΅ ΡΠΏΡΠ°Π²Π»ΡΡΡ (ΠΏΡΠ΅ΠΈΠΌΡΡΠ΅ΡΡΠ²ΠΎ ABS).
- ABS ΠΌΠΎΠΆΠ΅Ρ ΡΠ°ΠΊΡΠΈΡΠ΅ΡΠΊΠΈ ΡΠ²Π΅Π»ΠΈΡΠΈΡΡ ΡΠΎΡΠΌΠΎΠ·Π½ΠΎΠΉ ΠΏΡΡΡ Π½Π° Π½Π΅ΠΊΠΎΡΠΎΡΡΡ ΠΏΠΎΠ²Π΅ΡΡ Π½ΠΎΡΡΡΡ ΠΈΠ»ΠΈ Π² Π½Π΅ΠΊΠΎΡΠΎΡΡΡ ΡΡΠ»ΠΎΠ²ΠΈΡΡ , ΡΠ°ΠΊΠΈΡ ΠΊΠ°ΠΊ ΡΠ½Π΅Π³, Π³ΡΡΠ·Ρ ΠΈΠ»ΠΈ Π³ΡΠ°Π²ΠΈΠΉ. ΠΡΠΎ ΠΏΡΠΎΠΈΡΡ ΠΎΠ΄ΠΈΡ ΠΈΠ·-Π·Π° ΡΡΡΠ΅ΠΊΡΠΎΠ², ΠΊΠΎΡΠΎΡΡΠ΅ ΡΠ½ΠΈΠΊΠ°Π»ΡΠ½Ρ Π΄Π»Ρ ΡΡΠΈΡ ΡΡΠ»ΠΎΠ²ΠΈΠΉ.
- ΠΠ΅ Π΄Π΅ΡΠ³Π°ΠΉΡΠ΅ ΡΡΠ»Π΅Π²ΠΎΠ΅ ΠΊΠΎΠ»Π΅ΡΠΎ ΠΈ Π½Π΅ Π΄Π΅Π»Π°ΠΉΡΠ΅ ΡΠ΅Π·ΠΊΠΈΡ ΠΏΠΎΠ²ΠΎΡΠΎΡΠΎΠ² ΠΏΡΠΈ ΡΠ΅Π·ΠΊΠΎΠΌ ΡΠΎΡΠΌΠΎΠΆΠ΅Π½ΠΈΠΈ Ρ ΠΠΠ‘.
- ΠΡΠ½ΠΎΠ²Π½Π°Ρ ΡΠ΅Π»Ρ ABS — Π½Π΅ ΠΎΡΡΠ°Π½Π°Π²Π»ΠΈΠ²Π°ΡΡ Π°Π²ΡΠΎΠΌΠΎΠ±ΠΈΠ»Ρ Π±ΡΡΡΡΠ΅Π΅, Π° ΠΏΠΎΠ΄Π΄Π΅ΡΠΆΠΈΠ²Π°ΡΡ ΡΡΡΠΎΠΉΡΠΈΠ²ΠΎΡΡΡ Π°Π²ΡΠΎΠΌΠΎΠ±ΠΈΠ»Ρ, ΡΠ΅ΠΌ ΡΠ°ΠΌΡΠΌ ΠΏΠΎΠΌΠΎΠ³Π°Ρ Π²Π°ΠΌ ΡΠΎΡ ΡΠ°Π½ΡΡΡ ΠΊΠΎΠ½ΡΡΠΎΠ»Ρ, ΡΡΠΎΠ±Ρ ΠΈΠ·Π±Π΅ΠΆΠ°ΡΡ Π½Π΅ΠΊΠΎΠ½ΡΡΠΎΠ»ΠΈΡΡΠ΅ΠΌΠΎΠ³ΠΎ Π·Π°Π½ΠΎΡΠ° ΠΈ ΡΡΠΎΠ»ΠΊΠ½ΠΎΠ²Π΅Π½ΠΈΠΉ.
ΠΠΎΡΠ»Π΅ ΡΠ΅Π·ΠΊΠΎΠ³ΠΎ ΡΠΎΡΠΌΠΎΠΆΠ΅Π½ΠΈΡ Π²Π°ΠΌ ΡΠ»Π΅Π΄ΡΠ΅Ρ ΠΏΡΠΎΠ²Π΅ΡΠΈΡΡ ΡΠΎΡΠΌΠΎΠ·Π° ΠΈ ΠΠΠ‘ Π½Π° ΠΏΡΠ΅Π΄ΠΌΠ΅Ρ Π»ΡΠ±ΡΡ ΡΠ΅Π³ΡΠ»ΠΈΡΠΎΠ²ΠΎΠΊ, ΠΊΠΎΡΠΎΡΡΠ΅ ΠΌΠΎΠ³ΡΡ ΠΏΠΎΡΡΠ΅Π±ΠΎΠ²Π°ΡΡΡΡ (ΡΠΌ. Π ΡΠΊΠΎΠ²ΠΎΠ΄ΡΡΠ²ΠΎ ΠΏΠΎΠ»ΡΠ·ΠΎΠ²Π°ΡΠ΅Π»Ρ). ΠΠ°ΡΠΈ ΡΠΈΠ½Ρ, ΡΡΠ»Π΅Π²ΠΎΠ΅ ΡΠΏΡΠ°Π²Π»Π΅Π½ΠΈΠ΅ ΠΈ ΡΠ΅Π½ΡΡΠΎΠ²ΠΊΠ° ΡΠ°ΠΊΠΆΠ΅ Π΄ΠΎΠ»ΠΆΠ½Ρ Π±ΡΡΡ ΠΏΡΠΎΠ²Π΅ΡΠ΅Π½Ρ, ΠΎΡΠΎΠ±Π΅Π½Π½ΠΎ Π² ΡΠ»ΡΡΠ°Π΅ ΡΠΈΠ»ΡΠ½ΠΎΠ³ΠΎ Π·Π°Π½ΠΎΡΠ° ΠΈΠ»ΠΈ ΡΡΠΎΠ»ΠΊΠ½ΠΎΠ²Π΅Π½ΠΈΡ.
AAMCO Π·Π΄Π΅ΡΡ, ΡΡΠΎΠ±Ρ ΠΏΠΎΠΌΠΎΡΡ Π²Π°ΠΌ ΠΏΠΎΠ½ΡΡΡ ΠΈ ΠΌΠ°ΠΊΡΠΈΠΌΠ°Π»ΡΠ½ΠΎ ΡΡΡΠ΅ΠΊΡΠΈΠ²Π½ΠΎ ΠΈΡΠΏΠΎΠ»ΡΠ·ΠΎΠ²Π°ΡΡ ΡΠΎΠ²ΡΠ΅ΠΌΠ΅Π½Π½ΡΠ΅ ΡΡΠ½ΠΊΡΠΈΠΈ ΠΈ ΡΠΈΡΡΠ΅ΠΌΡ Π±Π΅Π·ΠΎΠΏΠ°ΡΠ½ΠΎΡΡΠΈ Π² Π²Π°ΡΠ΅ΠΌ Π°Π²ΡΠΎΠΌΠΎΠ±ΠΈΠ»Π΅. ΠΠ°Π·Π½Π°ΡΡΡΠ΅ Π²ΡΡΡΠ΅ΡΡ Ρ Π²Π°ΡΠΈΠΌ ΠΌΠ΅ΡΡΠ½ΡΠΌ ΠΎΡΠΈΡΠΎΠΌ AAMCO Π² ΠΠΈΠ½Π½Π΅ΡΠΎΡΠ΅ ΡΠ΅Π³ΠΎΠ΄Π½Ρ.
ΠΡΠ΅Π΄ΡΠΏΡΠ΅ΠΆΠ΄Π°ΡΡΠΈΠ΅ ΠΎΠ³Π½ΠΈ 101 — ΠΡΠΎΠ΄ΠΎΠ»ΠΆΠ΅Π½ΠΈΠ΅: ΠΠΠ‘ ΠΈΠ»ΠΈ ΡΠ²Π΅Ρ Π°Π½ΡΠΈΠ±Π»ΠΎΠΊΠΈΡΠΎΠ²ΠΎΡΠ½ΠΎΠΉ ΡΠΎΡΠΌΠΎΠ·Π½ΠΎΠΉ ΡΠΈΡΡΠ΅ΠΌΡ — ΠΠΎΠ±ΡΠΎ ΠΏΠΎΠΆΠ°Π»ΠΎΠ²Π°ΡΡ Π² Golden Triangle Auto Care
ΠΠΎΠ³Π΄Π° Π²Ρ ΠΏΠΎΠ΄ΡΠΌΠ°Π»ΠΈ, ΡΡΠΎ ΠΌΠΎΠΆΠ½ΠΎ Π±Π΅Π·ΠΎΠΏΠ°ΡΠ½ΠΎ ΠΏΡΡΠ΅ΡΠ΅ΡΡΠ²ΠΎΠ²Π°ΡΡ ΠΏΠΎ Π³ΠΎΡΠΎΠ΄Ρ Ρ ΠΏΡΠΈΠ±ΠΎΡΠ½ΠΎΠΉ ΠΏΠ°Π½Π΅Π»ΡΡ Π±Π΅Π· ΡΠΈΡΡΡΠΈΡ ΡΠΈΠ³Π½Π°Π»ΡΠ½ΡΡ ΠΎΠ³Π½Π΅ΠΉ, ΠΌΡ ΠΏΡΠ΅Π΄Π»Π°Π³Π°Π΅ΠΌ Π²Π°ΠΌ Π΅ΡΠ΅ ΠΎΠ΄ΠΈΠ½, ΠΌΠ΅Π½Π΅Π΅ ΠΎΠ±ΡΡΠΆΠ΄Π°Π΅ΠΌΡΠΉ ΡΠ²Π΅Ρ — ΡΠΈΠ³Π½Π°Π»ΡΠ½ΡΡ Π»Π°ΠΌΠΏΡ ABS! ΠΠ΅ΡΠ²ΠΎΠ΅, ΡΡΠΎ Π²Π°ΠΌ Π½ΡΠΆΠ½ΠΎ Π·Π½Π°ΡΡ, ΡΡΠΎ ΡΠΎ, ΡΡΠΎ Π³ΠΎΡΡΡΠ°Ρ ΡΠΈΠ³Π½Π°Π»ΡΠ½Π°Ρ Π»Π°ΠΌΠΏΠ° ABS ΠΠ ΠΎΠ·Π½Π°ΡΠ°Π΅Ρ, ΡΡΠΎ Π²Π°ΡΠΈ ΡΠΎΡΠΌΠΎΠ·Π° Π²ΡΠΉΠ΄ΡΡ ΠΈΠ· ΡΡΡΠΎΡ Π½Π° ΡΠ»Π΅Π΄ΡΡΡΠ΅ΠΌ ΠΊΡΠ°ΡΠ½ΠΎΠΌ ΡΠ²Π΅ΡΠΎΡΠΎΡΠ΅.
Π ΡΠΎ ΠΆΠ΅ Π²ΡΠ΅ΠΌΡ Π²Ρ Π½Π΅ Ρ ΠΎΡΠΈΡΠ΅ ΠΈΠ³Π½ΠΎΡΠΈΡΠΎΠ²Π°ΡΡ ΡΡΠΎΡ ΡΠ²Π΅Ρ, ΠΈ Π½Π΅ΠΌΠ΅Π΄Π»Π΅Π½Π½ΠΎΠ΅ Π²Π½ΠΈΠΌΠ°Π½ΠΈΠ΅ Π½Π΅ΠΎΠ±Ρ ΠΎΠ΄ΠΈΠΌΠΎ.
ΠΠ°ΠΊ Π²Ρ, Π²ΠΎΠ·ΠΌΠΎΠΆΠ½ΠΎ, Π·Π½Π°Π΅ΡΠ΅, Π²Π°ΡΠ° ΠΠΠ‘ — ΡΡΠΎ, ΠΏΠΎ ΡΡΡΠΈ, Β«Π½Π°Π΄ΡΡΡΠΎΠΉΠΊΠ°Β» ΠΊ Π²Π°ΡΠ΅ΠΉ ΡΠΎΡΠΌΠΎΠ·Π½ΠΎΠΉ ΡΠΈΡΡΠ΅ΠΌΠ΅ Π² ΡΠ΅Π»ΠΎΠΌ. ΠΠ½ ΠΈΡΠΏΠΎΠ»ΡΠ·ΡΠ΅ΡΡΡ ΡΠΎΠ»ΡΠΊΠΎ Π²ΠΎ Π²ΡΠ΅ΠΌΡ Π²Π½Π΅Π·Π°ΠΏΠ½ΡΡ ΠΏΠ°Π½ΠΈΡΠ΅ΡΠΊΠΈΡ ΠΎΡΡΠ°Π½ΠΎΠ²ΠΎΠΊ ΠΈΠ»ΠΈ Π² ΠΏΡΠ΅Π΄Π΅Π»ΡΠ½ΡΡ ΡΡΠ»ΠΎΠ²ΠΈΡΡ Π΄ΠΎΡΠΎΠΆΠ½ΠΎΠ³ΠΎ Π΄Π²ΠΈΠΆΠ΅Π½ΠΈΡ. ΠΠ°ΠΏΡΠΈΠΌΠ΅Ρ, Π½Π° ΠΌΠΎΠΊΡΠΎΠΉ Π΄ΠΎΡΠΎΠ³Π΅, ΠΊΠΎΠ³Π΄Π° Π²Ρ Π±ΡΡΡΡΠΎ ΡΠΎΡΠΌΠΎΠ·ΠΈΡΠ΅ ΠΈ Π½Π°Ρ ΠΎΠ΄ΠΈΡΠ΅ΡΡ Π½Π° Π³ΡΠ°Π½ΠΈ Π·Π°Π½ΠΎΡΠ°, ΡΡΠ°Π±Π°ΡΡΠ²Π°Π΅Ρ ΡΠΈΡΡΠ΅ΠΌΠ° ABS, ΠΏΡΠ΅Π΄ΠΎΡΠ²ΡΠ°ΡΠ°Ρ Π±Π»ΠΎΠΊΠΈΡΠΎΠ²ΠΊΡ ΠΊΠΎΠ»Π΅Ρ. Π Π΅Π·ΡΠ»ΡΡΠ°Ρ — Π±Π΅Π· Π·Π°Π½ΠΎΡΠ°.
ΠΡΠΎ ΠΎΠ·Π½Π°ΡΠ°Π΅Ρ, ΡΡΠΎ ΠΊΠΎΠ³Π΄Π° Π·Π°Π³ΠΎΡΠ°Π΅ΡΡΡ ΡΠΈΠ³Π½Π°Π»ΡΠ½Π°Ρ Π»Π°ΠΌΠΏΠ° ABS, Π²Π°ΡΠ° ΠΠ‘ΠΠΠΠΠΠ― ΡΠΎΡΠΌΠΎΠ·Π½Π°Ρ ΡΠΈΡΡΠ΅ΠΌΠ° Π²ΡΠ΅ Π΅ΡΠ΅ ΡΠ°Π±ΠΎΡΠ°Π΅Ρ Π½ΠΎΡΠΌΠ°Π»ΡΠ½ΠΎβ¦ Π΅ΡΠ»ΠΈ, ΠΊΠΎΠ½Π΅ΡΠ½ΠΎ, Π½Π΅ Π³ΠΎΡΠΈΡ ΠΈ Π²Π°ΡΠ° ΠΎΡΠ½ΠΎΠ²Π½Π°Ρ ΡΠΈΠ³Π½Π°Π»ΡΠ½Π°Ρ Π»Π°ΠΌΠΏΠ° ΡΠΎΡΠΌΠΎΠ·ΠΎΠ²! Π’Π΅ΠΌ Π½Π΅ ΠΌΠ΅Π½Π΅Π΅, ΡΠ²Π΅ΡΠΎΠ²ΠΎΠΉ ΠΈΠ½Π΄ΠΈΠΊΠ°ΡΠΎΡ ABS ΠΎΠ·Π½Π°ΡΠ°Π΅Ρ, ΡΡΠΎ ΡΠ°ΡΡΡ ΡΠΎΡΠΌΠΎΠ·Π½ΠΎΠΉ ΡΠΈΡΡΠ΅ΠΌΡ Π±ΡΠ»Π° ΠΎΡΠΊΠ»ΡΡΠ΅Π½Π° ΠΈΠ·-Π·Π° ΡΠ°ΠΌΠΎΠ΄ΠΈΠ°Π³Π½ΠΎΡΡΠΈΠΊΠΈ Π½Π΅ΠΈΡΠΏΡΠ°Π²Π½ΠΎΡΡΠΈ, ΠΈ Π²Ρ Ρ ΠΎΡΠΈΡΠ΅ Π΄ΠΎΡΡΠ°Π²ΠΈΡΡ ΡΠ²ΠΎΠΉ Π°Π²ΡΠΎΠΌΠΎΠ±ΠΈΠ»Ρ Π΄Π»Ρ ΠΎΠΏΠ΅ΡΠ°ΡΠΈΠ²Π½ΠΎΠΉ ΠΎΡΠ΅Π½ΠΊΠΈ.
ΠΠ΄Π΅ΡΡ Π΅ΡΡΡ ΠΎΠ΄Π½Π° Π·Π°Π³Π²ΠΎΠ·Π΄ΠΊΠ°, Π² Π·Π°Π²ΠΈΡΠΈΠΌΠΎΡΡΠΈ ΠΎΡ Π²Π°ΡΠ΅Π³ΠΎ Π°Π²ΡΠΎΠΌΠΎΠ±ΠΈΠ»Ρ. Π Π½Π΅ΠΊΠΎΡΠΎΡΡΡ Π°Π²ΡΠΎΠΌΠΎΠ±ΠΈΠ»ΡΡ ΡΠΈΡΡΠ΅ΠΌΠ° ABS ΠΎΡΠ½ΠΎΠ²Π°Π½Π° Π½Π° ΡΠ»Π΅ΠΊΡΡΠΎΠ½Π°ΡΠΎΡΠ΅ ΠΈ Π³ΠΈΠ΄ΡΠΎΠ°ΠΊΠΊΡΠΌΡΠ»ΡΡΠΎΡΠ΅, Π² ΡΠΎ Π²ΡΠ΅ΠΌΡ ΠΊΠ°ΠΊ Π² Π΄ΡΡΠ³ΠΈΡ Π°Π²ΡΠΎΠΌΠΎΠ±ΠΈΠ»ΡΡ ΡΡΠΎ ΠΎΠ±ΡΡΠ½ΡΠΉ ΡΡΠΈΠ»ΠΈΡΠ΅Π»Ρ Π½Π°ΡΠΎΡΠ°, ΠΏΠΎΠ΄Π΄Π΅ΡΠΆΠΈΠ²Π°ΡΡΠΈΠΉ ΡΠΈΡΡΠ΅ΠΌΡ ABS. ΠΡΠ»ΠΈ Π² Π²Π°ΡΠ΅ΠΌ Π°Π²ΡΠΎΠΌΠΎΠ±ΠΈΠ»Π΅ Π΅ΡΡΡ ΠΏΠ΅ΡΠ²ΡΠΉ, Π²ΠΊΠ»ΡΡΠ΅Π½ΠΈΠ΅ ΠΈΠ½Π΄ΠΈΠΊΠ°ΡΠΎΡΠ° ΠΠΠ‘ ΠΠΠΠΠ’ ΡΠ°ΠΊΠΆΠ΅ ΡΠΊΠ°Π·ΡΠ²Π°ΡΡ Π½Π° ΠΏΠΎΡΠ΅ΡΡ ΡΡΠΈΠ»ΠΈΡΠ΅Π»Ρ ΠΌΠΎΡΠ½ΠΎΡΡΠΈ ΠΏΡΠΈ ΡΠΈΠ»ΠΎΠ²ΠΎΠΌ ΡΠΎΡΠΌΠΎΠΆΠ΅Π½ΠΈΠΈ Π°Π²ΡΠΎΠΌΠΎΠ±ΠΈΠ»Ρ. Π ΡΡΠΎΠΉ ΡΠΈΡΡΠ°ΡΠΈΠΈ Π²Π°Ρ Π°Π²ΡΠΎΠΌΠΎΠ±ΠΈΠ»Ρ ΠΏΠΎ-ΠΏΡΠ΅ΠΆΠ½Π΅ΠΌΡ Π±ΡΠ΄Π΅Ρ ΡΠΎΡΠΌΠΎΠ·ΠΈΡΡ, Π½ΠΎ Π½Π΅ Π±ΡΠ΄Π΅Ρ ΠΈΠΌΠ΅ΡΡ ΠΎΠ±ΡΡΠ½ΠΎΠ³ΠΎ ΡΡΠΈΠ»ΠΈΡΠ΅Π»Ρ ΠΌΠΎΡΠ½ΠΎΡΡΠΈ; ΡΠΎ Π΅ΡΡΡ Π²ΠΎΠ΄ΠΈΡΠ΅Π»Ρ Π±ΡΠ΄Π΅Ρ Β«ΡΠ»ΠΎΠΆΠ½Π΅Π΅Β» Π·Π°ΡΠΎΡΠΌΠΎΠ·ΠΈΡΡ ΠΌΠ°ΡΠΈΠ½Ρ.ΠΠ»Ρ ΡΠ΅Ρ , ΠΊΡΠΎ ΠΈΡΠΏΡΡΡΠ²Π°Π΅Ρ Π·Π°ΡΡΡΠ΄Π½Π΅Π½ΠΈΡ ΠΏΡΠΈ ΡΠΎΡΠΌΠΎΠΆΠ΅Π½ΠΈΠΈ Π±Π΅Π· ΡΡΠΈΠ»ΠΈΡΠ΅Π»Ρ ΠΌΠΎΡΠ½ΠΎΡΡΠΈ, ΡΡΠΎ ΠΠΠΠΠ’ ΠΠ«Π’Π¬ Π½Π΅Π±Π΅Π·ΠΎΠΏΠ°ΡΠ½ΠΎΠΉ Π΄ΠΎΡΠΎΠΆΠ½ΠΎΠΉ ΡΠΈΡΡΠ°ΡΠΈΠ΅ΠΉ.
Π₯ΠΎΡΠΎΡΠΎ, ΠΌΡ Π΄Π°Π»ΠΈ Π²Π°ΠΌ Π½Π΅ΡΠΊΠΎΠ»ΡΠΊΠΎ Ρ ΡΠ΄ΡΠΈΡ ΡΡΠ΅Π½Π°ΡΠΈΠ΅Π² … ΠΠ°ΠΊ Π½Π°ΡΡΠ΅Ρ ΠΏΡΠΎΡΡΠΎΠ³ΠΎ!
ΠΠ½ΠΎΠ³Π΄Π° ΠΏΡΠΈΡΠΈΠ½ΠΎΠΉ ΡΠΎΠ³ΠΎ, ΡΡΠΎ Π·Π°Π³ΠΎΡΠ°Π΅ΡΡΡ ΠΈΠ½Π΄ΠΈΠΊΠ°ΡΠΎΡ ABS, ΠΏΡΠΎΡΡΠΎ ΠΏΡΠΎΠ±Π»Π΅ΠΌΠ° Ρ ΠΎΠ΄Π½ΠΈΠΌ ΠΈΠ· Π΄Π°ΡΡΠΈΠΊΠΎΠ² ΡΠΊΠΎΡΠΎΡΡΠΈ Π²ΡΠ°ΡΠ΅Π½ΠΈΡ ΠΊΠΎΠ»Π΅ΡΠ°. ΠΠ±ΡΡΠ½ΠΎ ΡΡΠΎ ΠΏΡΠΎΠΈΡΡ ΠΎΠ΄ΠΈΡ, ΠΊΠΎΠ³Π΄Π° ΡΠ²Π΅Ρ Π·Π°Π³ΠΎΡΠ°Π΅ΡΡΡ, ΠΊΠΎΠ³Π΄Π° Π°Π²ΡΠΎΠΌΠΎΠ±ΠΈΠ»Ρ Π½Π°ΡΠΈΠ½Π°Π΅Ρ Π΄Π²ΠΈΠΆΠ΅Π½ΠΈΠ΅, ΠΈΠ»ΠΈ Π²ΠΎ Π²ΡΠ΅ΠΌΡ ΡΠ°Π±ΠΎΡΡ ABS, ΠΈΠ»ΠΈ ΠΏΠ΅ΡΠ΅ΠΊΠ»ΡΡΠ΅Π½ΠΈΡ ΠΊΠ»Π°ΠΏΠ°Π½Π°, ΡΡΠΎ ΠΏΡΠΎΠΈΡΡ ΠΎΠ΄ΠΈΡ ΠΏΡΠΈ ΠΎΠ±ΡΡΠ½ΡΡ ΠΎΡΡΠ°Π½ΠΎΠ²ΠΊΠ°Ρ Π½Π° ΡΡΡ ΠΎΠΌ Π°ΡΡΠ°Π»ΡΡΠ΅.
ΠΡΠΎΡΠΈΠ΅ ΡΠΈΡΡΠ°ΡΠΈΠΈ Ρ ΠΠΠ‘ ΠΈ ΡΡΠΎΠΏ-ΡΠΈΠ³Π½Π°Π»Π°ΠΌΠΈ:
- ΠΡΠ»ΠΈ Π²ΠΊΠ»ΡΡΠ΅Π½Ρ ΠΈ ΠΠΠ‘, ΠΈ ΠΎΡΠ½ΠΎΠ²Π½ΡΠ΅ ΡΡΠΎΠΏ-ΡΠΈΠ³Π½Π°Π»Ρ ΠΈ ΠΎΡΡΡΡΡΡΠ²ΡΠ΅Ρ Π½ΠΎΡΠΌΠ°Π»ΡΠ½ΡΠΉ ΡΡΠΈΠ»ΠΈΡΠ΅Π»Ρ ΠΌΠΎΡΠ½ΠΎΡΡΠΈ ΠΏΡΠΈ ΡΠΎΡΠΌΠΎΠΆΠ΅Π½ΠΈΠΈ, Π½Π°ΡΠΎΡ ΠΌΠΎΠΆΠ΅Ρ Π½Π΅ ΡΠ°Π±ΠΎΡΠ°ΡΡ Π² ΡΠ΅Ρ ΡΠ»ΡΡΠ°ΡΡ , ΠΊΠΎΠ³Π΄Π° ΠΈΠΌΠ΅Π΅ΡΡΡ Π²ΡΡΡΠΎΠ΅Π½Π½Π°Ρ ΡΠΈΡΡΠ΅ΠΌΠ° ΠΠΠ‘.ΠΠ°ΠΊ ΠΎΠ±ΡΡΠΆΠ΄Π°Π»ΠΎΡΡ Π²ΡΡΠ΅, ΠΎΡΠΎΠ±Π΅Π½Π½ΠΎ Π΄Π»Ρ Π²ΠΎΠ΄ΠΈΡΠ΅Π»Ρ, ΠΊΠΎΡΠΎΡΡΠΉ ΠΈΡΠΏΡΡΡΠ²Π°Π΅Ρ ΡΡΡΠ΄Π½ΠΎΡΡΠΈ Π±Π΅Π· ΠΏΠΎΠΌΠΎΡΠΈ ΡΡΠΈΠ»ΠΈΡΠ΅Π»Ρ ΠΌΠΎΡΠ½ΠΎΡΡΠΈ, ΡΡΠ΅Π±ΡΠ΅ΡΡΡ ΠΎΡΠ΅Π½ΠΊΠ°.
- ΠΡΠ»ΠΈ Π³ΠΎΡΡΡ ΠΎΠ±Π° ΠΈΠ½Π΄ΠΈΠΊΠ°ΡΠΎΡΠ°, Π½ΠΎ ΠΠ ΠΠ‘Π£Π’Π‘Π’ΠΠ£ΠΠ’ ΡΡΠΈΠ»ΠΈΡΠ΅Π»Ρ ΠΌΠΎΡΠ½ΠΎΡΡΠΈ, Π²ΠΎΠ·ΠΌΠΎΠΆΠ½ΠΎ, Π½ΠΈΠ·ΠΊΠΈΠΉ ΡΡΠΎΠ²Π΅Π½Ρ ΡΠΎΡΠΌΠΎΠ·Π½ΠΎΠΉ ΠΆΠΈΠ΄ΠΊΠΎΡΡΠΈ ΠΈΠ»ΠΈ ΠΏΠΎΡΠ΅ΡΡ Π³ΠΈΠ΄ΡΠ°Π²Π»ΠΈΡΠ΅ΡΠΊΠΎΠ³ΠΎ Π΄Π°Π²Π»Π΅Π½ΠΈΡ Π² ΠΎΠ΄Π½ΠΎΠΌ ΠΈΠ· ΡΠΎΡΠΌΠΎΠ·Π½ΡΡ ΠΊΠΎΠ½ΡΡΡΠΎΠ². ΠΠΏΠ΅ΡΠ°ΡΠΈΠ²Π½Π°Ρ ΠΎΡΠ΅Π½ΠΊΠ° ΡΠ½ΠΎΠ²Π° Π²Π°ΠΆΠ½Π°.
- ΠΠΎΡΡΡΠΈΠΉ Π³Π»Π°Π²Π½ΡΠΉ ΡΡΠΎΠΏ-ΡΠΈΠ³Π½Π°Π» — Π±Π΅Π· Π»Π°ΠΌΠΏΡ ΠΠΠ‘ — ΠΊΠΎΡΠΎΡΡΠΉ ΠΎΡΡΠ°Π΅ΡΡΡ Π²ΠΊΠ»ΡΡΠ΅Π½Π½ΡΠΌ ΠΈΠ»ΠΈ Π·Π°Π³ΠΎΡΠ°Π΅ΡΡΡ Π²ΠΎ Π²ΡΠ΅ΠΌΡ Π΄Π²ΠΈΠΆΠ΅Π½ΠΈΡ, ΠΎΠ±ΡΡΠ½ΠΎ ΠΎΠ·Π½Π°ΡΠ°Π΅Ρ, ΡΡΠΎ ΡΡΡΠ΅ΡΡΠ²ΡΠ΅Ρ ΠΎΠ±ΡΡΠ½Π°Ρ ΠΏΡΠΎΠ±Π»Π΅ΠΌΠ° Ρ ΡΠΎΡΠΌΠΎΠ·ΠΎΠΌ, ΡΡΠ΅Π±ΡΡΡΠ°Ρ ΠΎΡΠ΅Π½ΠΊΠΈ.ΠΠ΅ΡΠΎΡΡΠ½ΠΎ, ΡΡΠΎ ΠΎΡΠ½ΠΎΠ²Π½Π°Ρ ΠΏΡΠΎΠ±Π»Π΅ΠΌΠ° Π³ΠΈΠ΄ΡΠ°Π²Π»ΠΈΡΠ΅ΡΠΊΠΎΠΉ ΡΠΈΡΡΠ΅ΠΌΡ ΡΠΎΡΠΌΠΎΠ·ΠΎΠ², ΡΠ°ΠΊΠ°Ρ ΠΊΠ°ΠΊ ΡΡΠ΅ΡΠΊΠ° ΠΈΠ»ΠΈ ΠΏΠΎΡΠ΅ΡΡ Π΄Π°Π²Π»Π΅Π½ΠΈΡ. ΠΠ΅ΠΎΠ±Ρ ΠΎΠ΄ΠΈΠΌΠΎ ΠΏΡΠΎΠ²Π΅ΡΡΠΈ Π½Π΅Π·Π°ΠΌΠ΅Π΄Π»ΠΈΡΠ΅Π»ΡΠ½ΡΡ ΠΎΡΠ΅Π½ΠΊΡ, ΠΏΠΎΡΠΊΠΎΠ»ΡΠΊΡ ΡΡΠΈ ΠΏΡΠΎΠ±Π»Π΅ΠΌΡ ΡΠΎΠ·Π΄Π°ΡΡ ΠΏΡΠΎΠ±Π»Π΅ΠΌΡ Π±Π΅Π·ΠΎΠΏΠ°ΡΠ½ΠΎΡΡΠΈ Π²ΠΎΠΆΠ΄Π΅Π½ΠΈΡ.
ΠΠ°ΠΊΠΎΠ½Π΅Ρ, Π»ΡΠ±ΠΎΠΉ Π·Π°Ρ Π²Π°Ρ ΠΈΠ»ΠΈ ΡΡΠ³Π° Ρ ΡΠΎΡΠΌΠΎΠΆΠ΅Π½ΠΈΠ΅ΠΌ, ΡΠΊΠΎΡΠ΅Π΅ Π²ΡΠ΅Π³ΠΎ, Π½Π΅ ΠΈΠΌΠ΅Π΅Ρ Π½ΠΈΡΠ΅Π³ΠΎ ΠΎΠ±ΡΠ΅Π³ΠΎ Ρ Π²Π°ΡΠ΅ΠΉ ΡΠΈΡΡΠ΅ΠΌΠΎΠΉ ABS. ΠΡΠΈ ΡΠΈΠΌΠΏΡΠΎΠΌΡ ΠΎΡΡΠ°ΠΆΠ°ΡΡ ΠΎΠ±ΡΡΠ½ΡΡ ΠΏΡΠΎΠ±Π»Π΅ΠΌΡ Ρ ΡΠΎΡΠΌΠΎΠ·Π°ΠΌΠΈ, ΠΊΠΎΡΠΎΡΠ°Ρ ΡΡΠ΅Π±ΡΠ΅Ρ ΡΠ²ΠΎΠ΅Π²ΡΠ΅ΠΌΠ΅Π½Π½ΠΎΠΉ ΠΎΡΠ΅Π½ΠΊΠΈ.
.