Конструкция рулевой рейки
РУЛЕВАЯ РЕЙКА: типы, устройство, принцип работы
Рулевая рейка – важный элемент устройства автомобиля. Он обеспечивает синхронный поворот передних колес вслед за поворотом руля водителем. Другими словами – это элемент, который передает угол поворота руля на колеса в нужную сторону. Знать устройство и принцип работы необходимо каждому водителю, так как в случае неисправности в работе этого элемента под угрозу может быть поставлена безопасность водителя и пассажиров.
Типы, схемы и устройства рулевых реек
Основные детали рулевого управления:
- Руль. При помощи этого устройства водитель задает угол поворота автомобиля.
- Вал руля. Он представляет собой стержень, который с одной стороны крепится к рулю, а с другой – к рулевой рейке.
- Непосредственно рулевая рейка. Она представляет собой своего рода узел, к которому крепится шестерня. С ее помощью передается движение руля.
- Рулевые тяги – стержневидные детали, имеющие резьбу.
Они крепятся к рулевым наконечникам и являются одним из последних звеньев, передающих поворот на колеса. - Ну и, собственно, сами наконечники.
В зависимости от того, каким образом поставлен принцип реализации работы рулевой рейки, различают три основных вида такого механизма. Основное их различие в устройстве и принципе действия. У современных автомобилей встречаются следующие виды.
Механическая
По сути механическая рулевая рейка представляет собой простейший механизм, все вариации в котором происходят только благодаря физической силе водителя. Однако ошибочно думать, что при такой реализации водителю будет необходимо прикладывать слишком много физической силы – эту проблему можно решить благодаря переменному передаточному числу. Его особенность в том, что количество зубьев варьируется при переходе от центра к краям. Эта особенность помогает избавиться от слишком больших поворотов на скорости, в то же время физически облегчает поворот руля при медленном движении, или когда автомобиль стоит.
Гидравлическая (ГУР)
Отличие рулевой рейки с гидроусилителем (ГУР) от предыдущей заключается в том, что ГУР облегчает поворот руля. Достигается это следующим образом: в самом гидроусилителе есть масло. Оно, под давлением насоса ГУР, увеличивает усилие во время поворота и облегчает водителю сам физический процесс.
Основное преимущество такого вида механизма не только в том, что водитель меньше устает физически, но и в повышенной безопасности движения. Последняя достигается тем, что ГУР возьмет на себя нагрузку при попадании колеса в яму и руль среагирует на это более плавно. С другой же стороны, ГУР снижает чувствительность автомобиля водителем, что может привести к непредвиденным маневрам. Тем не менее, именно такой вид механизма чаще всего используется в современных автомобилях.
Электрическая (ЭУР)
Устройство электрической рулевой рейки отличается от ГУРа тем, что усилителем в данной системе является электромотор. Он может быть встроенным в колонку руля, располагаться на рулевом валу либо быть совмещенным с самой рейкой.
Данный тип обладает рядом преимуществ, таких как:
- высокий коэффициент полезного действия;
- экономия топлива;
- высокая надежность и безопасность при движении;
- проста обслуживании;
- независимость работы механизма от погодных условий и окружающей среды.
Принцип работы
Рассмотрим принцип работы рулевой рейки с ГУР. При повороте рулевого колеса в какую-либо строноу, усилие, прилагаемое водителем, проходит к шестерне. Сама шестерня состоит из множества зубчиков, которые передают момент поворота непосредственно на рейку руля. Последняя под этим действием перемещается влево или вправо. Также с ней перемещается и тяга, поворачивающая ступицу. На последней и крепится колесо. В результате этого получается синхронный поворот обеих колес автомобиля.
Если рейка дополнительно укомплектована усилителем гидравлическим или электрическим, то естественно сила на рейку будет увеличиваться. Ниже на видео подробно о рулевых рейках с ГУРом.
Преимущества и недостатки
Рейки руля сегодняшних автомобилей чаще всего оснащены усилителями: гидравлическим или электрическим. Но это не лишает их полностью всех «минусов». Но сначала о «плюсах».
Основные преимущества:
- Простая конструкция и малые габариты и вес.
- Простота в обслуживании.

- Хорошая послушность при управлении.
Недостатки:
- Передает удары от неровного дорожного покрытия на руль, хоть устройства с ГУР смягчают эти удары.
- При выработке появляются люфты, создавая стук и шум.
Основные неисправности
После долгой эксплуатации рулевая рейка может работать некорректно. При этом могут возникать следующие признаки неисправности
:- Колесо стучит при поворотном маневре – часто это вызвано износом рулевых наконечников.
- Возникает люфт между рейкой и приводной шестерней.
- Усложняется процесс контроля автомобиля.
- Деформация кожуха (пыльника).
- Поломка зубов.
- Руль вращается произвольно.
Полезные советы
Во избежание полной поломки механизма и сохранении безопасности водителя и пассажиров проводится соответствующая диагностика. В принципе, проверка должна быть пройдена при малейшем изменении в работе, либо после того, как автомобиль преодолеет соответствующий пробег.
Некоторые действия водитель может выполнить самостоятельно. Так, например, можно проверить пыльник и при необходимости очистить или заменить его. Время от времени следует менять сальники, так как он часто подвергается износу в следствие механической нагрузки.
Чаще же всего необходимо подтянуть рейку, чтобы избавиться от неисправностей. Для этого используется регулировочный болт, который подтягивается специальным ключом до необходимого состояния.
Иногда, в случае неисправности лучше обратиться на СТО или в сервисный центр. Ведь знающему человеку лучше известна конструкция автомобиля, а это значит, что он может выполнить свою работу более качественно.
Рулевая рейка – одна из важных частей автомобиля. Несмотря на то, что ее конструкция неизбежно меняется из-за технического прогресса, основной принцип действия пока остается одним и тем же. Автолюбителям настоятельно рекомендуется следить за ее состоянием, так как это не только продлит срок ее службы, но и сделает вождение более безопасным.
устройство и принцип работы, плюсы и минусы
Рулевая рейка – элемент рулевого управления, силовой узел, с помощью которого передние колеса автомобиля синхронно поворачиваются в ту сторону, в которую водитель поворачивает руль. Знать устройство рулевой рейки, а также принцип ее работы полезно каждому автовладельцу, так как от этого устройства зависит безопасность пассажиров и пешеходов.
Принцип работы
Механизм “шестерня-рейка”Рассмотрим принцип работы рулевой рейки. Когда водитель вращает рулевое колесо, усилие с него передается дальше на шестерню, которая заставляет перемещаться рейку. Она передвигается влево или вправо, а вместе с ней перемещаются тяги рулевого привода, которые поворачивают ступицы или поворотные кулаки. Соответственно, на самих ступицах закреплены колеса. В итоге, при повороте водителем руля происходит синхронный поворот передних колес машины.
Реечный рулевой механизм часто оснащается усилителем, который существенно уменьшает усилие при вращении водителем рулевого колеса.
Устройство и основные составляющие
Схема рулевой рейки- рулевое колесо (или руль) – устройство для управления движением автомобилем в заданном направлении;
- рулевой вал – металлический стержень, который имеет шлицы (пазы) для закрепления руля с одной стороны, а с другой – шлицы для крепления самого рулевого вала к рулевой колонке;
- рулевая рейка – силовой узел, который состоит из зубчатой рейки и шестерни. Именно она приводит в движение рейку. Данный узел собран в корпус из легкого сплава и закреплен к кузову машины;
- рулевые тяги – металлические стержни. Каждая тяга с одной стороны имеет резьбу, а с противоположной – шарнирное шаровое устройство, на котором также имеется резьба;
- рулевой наконечник – деталь для вкручивания тяги. Имеет шаровый шарнир и внутреннюю резьбу.
Отметим, что иногда рулевой механизм имеет еще один компонент – демпфер рулевой рейки.
Виды рулевых реек
Существует три основных типа рулевых реек:
- Механическая рулевая рейка. Является простейшим вариантом рулевого механизма. Здесь поворот передних колес осуществляется только за счет физических усилий водителя. Часто для облегчения его труда устанавливается рулевая рейка, имеющая переменное передаточное число. В ней шаг зубьев изменяется от центра к краям. Впервые в истории отечественного авто такая рейка была применена на автомобиле ВАЗ-2110.
- Гидравлическая рулевая рейка. Главное отличие от механической – наличие гидроусилителя (сокращенно ГУР), который существенно облегчает вращение руля. При этом водитель не только меньше устает за рулем, но и получает большую безопасность во время езды.

Рейка с гидроусилителем широко распространена на современных автомашинах. - Электрическая рулевая рейка. Здесь усиление рулевого колеса происходит с помощью электромотора. Отдельно стоит отметить размещение электромотора: он может встраиваться в рулевую колонку, располагаться на рулевом валу или быть объединенным с рейкой. Рейка с электроусилителем руля имеет самый высокий КПД, экономична и более надежна. Подробнее про электроусилитель руля можно почитать по ссылке.
Преимущества и недостатки
Сначала о плюсах реечного рулевого механизма:
- простота и малые габариты конструкции;
- небольшой вес;
- не требуется частое обслуживание;
- хорошая точность управления;
- небольшая цена.
Теперь о минусах:
- передает удары от неровностей на дорожном полотне на рулевое колесо;
- частые неисправности в виде люфтов и стуков в рейке;
- данное механическое устройство ограничено применением в большинстве случаев на лёгких автомашинах с независимой подвеской управляемых колёс.
Рулевая рейка что это такое простыми словами
Рулевая рейка – это механизм, который передает усилия с руля на тяги.
Проще говоря, с помощью этого механизма осуществляется синхронный поворот колес, куда это необходимо. Принцип работы прост, но рекомендуется разобраться в нюансах, чтобы понимать, как производить ремонт. Поэтому стоит изучить взаимосвязь между рулевой рейкой и другими смежными узлами. Эта информация позволит понять, когда возникает проблема с этим узлом или со смежными. При наличии определенных навыков можно осуществить диагностику неполадки самостоятельно. Тем более, сегодня существует много приложений, которые проводят диагностику автомобиля целиком автоматически.
Устройство рулевой рейки
Это несложный механизм, который обладает следующими составляющими:
- Руль, который находится в кабине. Используется, чтобы задать автомобилю направление движения.
- Рулевой вал. Это металлический стержень, который оснащен специальными пазами. Они называются шлицами. С их помощью с одной стороны крепится руль, а с другой производится крепление к рулевой колонке.
- При создании рейки используются шестерня и сама рейка.
При производстве используется специальный легкий сплав повышенной прочности. - Рулевая тяга – это металлические стержни, у которых с одной стороны есть резьба, а с другой шарнир с резьбой.
- Рулевой наконечник оснащен шарниром с резьбой.
Это все составляющие рулевой рейки. Правда, еще в него можно отнести демпфер. Это двухсторонний амортизатор. Его цель заключается в снижении вибрации во время движения. Таким образом, удается снизить негативное воздействие на весь механизм. Не на всех машинах он есть, но на внедорожниках его устанавливают по умолчанию. Это связано с тем, что эти машины часто передвигаются по плохим дорогам.
рулевая рейка с гур
Принцип работы
Сегодня в большинстве случаев используется гидроусилитель руля.
Поэтому стоит рассмотреть, как работает рулевая рейка с ним. Данная информация позволит понять, почему практически не приходится прикладывать усилия, чтобы крутить рулевой колесо во время движения.
Насос гидроусилителя соединяется с двигателем с помощью ремня или специальных шестерней. Он обеспечивает подачу бесперебойную подачу жидкости в распределитель. Последний находится в корпусе рулевой рейки. Его еще могут называть картером.
С помощью золотникового распределителя происходит распределение гидравлической жидкости, которая требуется для осуществления поворота. Торсион позволяет контролировать количество жидкости, которая требуется в конкретно взятом случае. Его интегрируют в разрез рулевого вала.
Похожие статьи
Когда машина стоит или движется по прямой, то рулевая рейка не двигается. Тогда масло находится в специальных емкостях, а не в распределителе. Когда колеса поворачиваются, они сопротивляются изменению направления, так как во время движения на них оказывает воздействие сразу несколько сил. Тогда закручивается торсион, каналы распределителя открываются, а жидкость подается на рулевую рейку. Масло распределяется так, чтобы облегчить ее движение. Чтобы управление автомобилем было безопасным, водитель должен внимательно следить за состоянием рулевой рейки и всех смежных узлов. В частности, если появляются масляные подтеки, требуется обратиться в СТО. Также можно попробовать выполнить ремонт самостоятельно, если есть соответствующие навыки.
рулевая рейка без гур
Виды рулевых реек
Существует три вида рулевых реек, а именно:
- Механическая – это наиболее простой вариант, который не оснащен дополнительными функциями.
Поворот происходит только благодаря усилиям самого водителя. Если установить рейку с переменным передаточным числом, то можно облегчить труд водителя. Данная модель практически не используется, но осталась еще на некоторых старых отечественных машинах. - Гидравлическая считается наиболее популярной. Ее стоимость демократичная, а также необходимо прикладывать минимум усилий для поворота руля. Наличие гидроусилителя снижает физические затраты водителя во время поездки и повышает уровень безопасности на дороге. Дело в том, что при возникновении аварийной ситуации нужно действовать быстр. Когда руль легко крутится, колеса быстрее повернутся в нужную сторону. Это позволит избежать ДТП или снизить негативные последствия.
- Электрическая считается наиболее современной. В работе используется электромотор. Он расположен в рулевой колонке, на рулевом валу или входит в комплектацию самой рейки. Способ интеграции этого усилителя зависит от самого производителя. Электрический усилитель применяют в наиболее современных машинах, что обеспечивает максимальную безопасность на дороге.

Это все существующие модели. Современные рулевые рейки стоят недорого, обладают небольшим весом и не требуют частого технического обслуживания. Точность управления довольно высокая. Поэтому водители могут заменить рулевую рейку в случае необходимости на более совершенную. Только нужно убедиться сначала, что конкретно взятый автомобиль поддерживает ее.
рулевое колесо для автомобиля
Неисправности и признаки
Есть несколько частых проблем, которые возникают у рулевых реек. Стоит рассмотреть их подробнее. Вот какие признаки проблем могут быть:
- утяжеление руля в определенных положениях;
- появление стуков;
- вибрация рулевого колеса;
- протекание жидкости гидроусилителя;
- неполный возврат руля в исходное положение;
- вращение руля не соответствует вращению колес.
Чаще всего все начинается с появления суков. Рекомендуется сразу насторожиться, потому что остальные признаки приведут к более дорогостоящему ремонту.
А теперь стоит рассмотреть основные неисправности, с которыми приходится иметь дело.
- Появление стука возможно из-за повреждения пыльников. Тогда наконечники тяги быстро приходят в негодность, давая о себе знать стуком. Ремонт невозможен, необходимо менять их на новые.
- Внутренний стук часто свидетельствует о наличии проблем с поршневой или с направляющими втулками. Рейку нужно разобрать, чтобы понять, в чем проблема. Рекомендуется обратиться на СТО для этого.
- Стук также свидетельствует о выработке некоторых комплектующих. В этом случае нужно заменить их или весь механизм полностью.
- На гидроусилителе нередко появляется течь. В этом случае требуется заменить сальники. Также стоит разобрать рейку, чтобы обнаружить причину течи. Если нет соответствующих навыков, стоит обратиться к специалистам.
- При использовании электроусилителя руль бывает сложно повернуть. Этого говорит о необходимости замены мотора электроусилителя.
- Когда аналогичная проблема возникает с гидроусилителем, проблема кроется в насосе.

Необходимо отличать проблему в рулевой рейке с проблемами гидроусилителя. Вот какие симптомы бывают у последнего:
- усиление руля полностью отсутствует;
- усиление отсутствует на холостых работах двигателя;
- наличие посторонних шумов при включенном двигателе;
- появление пены в рабочей жидкости.
Таким образом, не всегда нужно сразу разбирать рулевую рейку. В некоторых случаях стоит сначала ознакомиться с состоянием гидроусилителя.
Насос ГУР
Особенности обслуживания
Обслуживать рулевую рейку несложно.
Это неприхотливый элемент. Однако важно периодически следить за его работоспособностью, чтобы не возникло проблем на дороге. При отсутствии должного ухода есть риск, что машина перестанет слушаться на дороге. Вот на что требуется обращать внимание:
- проверять состояние пыльников и своевременно их менять;
- при обнаружении дефекта нужно менять комплектующие;
- не рекомендуется держать руль в вывернутом положении до упора более 5 секунд;
- если рулевое колесо не возвращается в исходное положение, стоит обратиться к специалистам;
- при начале езды необходимо поворачивать руль с минимальной амплитудой, чтобы продлить срок эксплуатации механизма;
- зимой стоит на месте несколько раз покрутить руль на месте, чтобы проверить работоспособность.
Если нет необходимых навыков, то стоит при первых признаках появления проблемы обращаться в сервисный центр. Специалисты выполнят диагностику и скажут, все ли в порядке. Когда потребуется ремонт, они его выполнят в сжатые сроки.
При этом обращение на СТО каждые 5 – 6 месяцев снизит риск появления серьезных проблем. Большинство ремонтных работ будут поверхностными и недорогими.
При выборе нового автомобиля стоит покупать электроусилитель руля. Он обеспечит плавное вращение и легкое управление. Выйдет немного дороже, чем гидравлика. Зато результат окажется лучшим.
Тяга рулевая
Вконтакте
Одноклассники
Устройство рулевой рейки и признаки неисправности
Автор admin На чтение 4 мин. Просмотров 698
Рулевое управление почти у всех моделей современных легковых автомобилей представлено в виде рулевой рейки. Это механический узел, предназначенный для преобразования поворота руля в горизонтальное отклонение передних колес. Изначально устройство рулевой рейки не отличалось особой сложностью. В простейшем варианте это механизм, состоящий из шестерни, расположенной на рулевом валу, сопряженной с ней рейки и рулевых тяг.
Типы и варианты исполнения
В настоящее время существует три разновидности реечных механизмов. Отличие между ними заключается в принципе действия.
Механическая рулевая рейка
Наиболее простой вариант рулевого управления. Поворот колес осуществляется исключительно за счет физической силы водителя. В целях облегчения работы водителя и повышения удобства управления на многих автомобилях применяется рулевая рейка с переменным передаточным числом. Иными словами, шаг зубьев рейки меняется от середины к краям. Такое устройство при небольших углах поворота руля, что характерно для движения на больших скоростях, обеспечивает большое передаточное число, тяжелый и острый руль. Вместе с этим во время маневрирования на парковке, когда рулевое колесо приходится поворачивать «от края до края», делать это легко, благодаря меньшему передаточному числу. Первым отечественным автомобилем, где была применена такая конструкция, стал ВАЗ-2110.
Гидравлическая рулевая рейка
Отличается от механической тем, что механическое воздействие, которое оказывает водитель на руль, усиливается гидроусилителем.
Это позволяет обеспечить одновременно остроту и легкость рулевого управления. Такое устройство чаще всего применяется на современных автомобилях.
ГУР также способствует повышению безопасности вождения, поскольку неровности дороги передаются на руль не так сильно, и в случае, если машина на высокой скорости попадет передним колесом в яму, удар многократно погасится гидроусилителем, и руль не вырвет из рук, как это произойдет на автомобиле с механической рейкой. Однако существует у этой медали и обратная сторона, ведь ухудшение обратной связи ведет к снижению «чувства автомобиля». Компенсировать этот недостаток автопроизводители стараются за счет изменения конструкции подвески, а также путем применения электромотора для привода ГУР (электро-гидроусилитель).
Электрическая рулевая рейка
По принципу действия аналогична гидравлической, только усиление производится электромотором, который либо встроен в рулевую колонку (самый дешевый и более опасный вариант), либо размещается на рулевом валу, либо интегрирован с рейкой (наиболее безопасный вариант, применяется на автомобилях высокого класса).
Вариант с размещением электромотора в рулевой колонке опасен тем, что в случае выхода его из строя автомобиль становится практически неуправляемым, поскольку повернуть руль невозможно. К сожалению, этим порой грешили автомобили Лада Приора первых лет выпуска – ЭУРы на них не отличались высокой надежностью.
Такое устройство имеет немало достоинств:
- более высокий КПД по сравнению с гидроусилителем;
- экономичность (электромотор включается только при повороте руля, тогда как масло в ГУР постоянно циркулирует, на что отнимается некоторая часть мощности мотора;
- независимость от температуры окружающей среды;
- отсутствие необходимости регулярно обслуживать устройство, т.к. не требуется менять и доливать рабочую жидкость;
- более высокая надежность в целом, обусловленная отсутствием шлангов, прокладок и сальников, в которых могла бы появиться течь.
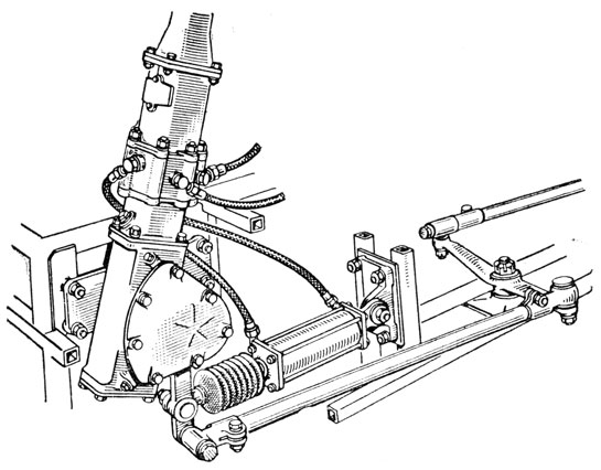
Строение
Конструкция механической рулевой рейки выглядит следующим образом. Внутри картера, имеющего в разрезе вид полого цилиндра, размещен защитный гофро-чехол. На подшипниках в картере установлено приводное зубчатое колесо, к которому пружиной прижимается рулевая рейка. Пружина требуется для устранения зазора в паре «шестерня-рейка». Ход рейки ограничивается с одной стороны ограничительным кольцом, а с другой – втулкой шарнира рулевой тяги. Данная схема рулевой рейки отличается предельной простотой и надежностью.
Признаки неисправности
Исправность рулевого управления – это залог безопасного вождения автомобиля, поэтому необходимо следить за его состоянием. Это не значит, что перед каждой поездкой нужно проводить тщательную проверку, ведь поломка происходит не вдруг. Существуют признаки неисправности рулевой рейки, по которым можно судить о необходимости ремонта.
- Стук, проявляющийся при езде по мелким неровностям, уменьшающийся при повороте руля в крайние положения.
- Отсутствие усилий при вращении руля.
- Усилие на руле исчезает в центральном положении.
- Самопроизвольное вращение рулевого колеса.
- Руль не возвращается или плохо возвращается в центральное положение при выходе машины из поворота.
- Повышенная чувствительность автомобиля (его бросает в сторону при незначительном повороте руля, угол поворота колес не соответствует углу поворота рулевого колеса).
- Постоянное падение уровня жидкости в бачке гидроусилителя, а также ее появление в пыльниках рулевых тяг.
Что еще стоит почитать
Что такое рулевая рейка автомобиля, как выглядит, устройство
Рулевая рейка — это узловой элемент рулевого механизма автомобиля, он же — редуктор усилителя руля. Без этого узла управление автотранспортным средством невозможно. В этом материале рассмотрим виды рулевых реек, их устройства, неисправности и ремонт автомобильных рулевых реек.
Содержание статьи:
- Виды и типы рулевых реек.
- Конструкции рулевых реек.
- Причины и признаки, и как определять неисправности рулевых реек.
- Особенности ремонта.
Виды и типы рулевых реек
По видам и типам автомобильные рулевые рейки классифицируются на:
- Механические.
- Гидравлические.
- Электрические.
На некоторых современные автомобили устанавливаются электрические рулевые рейки. Гидравлические и механические рейки — это классика, большинство машин в мире снабжены этими видами реек.
Конструкции рулевых реек
Так выглядит рулевая рейка Форд Фокус 3 в разбореПринцип действия рулевой рейки не так уж и сложен. Источник силы является сам водитель, он крутит руль, вращение передается рулевой колонке, рулевая колонка через кардан передает вращение рулевой рейке. Рулевая рейка, в свою очередь, передает усилия на поворотные рычаги через тяги и наконечники. Рычаги соединены с колесами посредство цапф.
С механической точки зрения, рулевая рейка — это зубчатая передача (см. фото). На рейке есть специальные зубцы, которые входят в зацепление с шестеренкой, которая жестко установлена на рулевом валу. Водитель, вращая руль через колонку и шестерню двигает рейку влево или вправо, а рейка давит на шарниры и тяги и поворачивает колеса.
Чтобы водителю было легче вращать руль, современные новые автомобили идут с гидроусилителями (ГУР). В случае появления признаков плохой работы усилителя, требуется сделать ремонт насоса гидроусилителя руля своими руками или заменить на новый. или электроусилителями (ЭУР) руля.
Так выглядит электроусилитель руля автомобиля ЛАДА КАЛИНА. Замену рулевой рейки на Калине и стоимость мы уже рассматривали.
Если усилитель руля гидравлического действия, то к нему устанавливается насос, механизм для образования усилия и распределитель. Насос ГУРа вращается ремнем газораспределительного механизма (ГРМ). Насос гидроусилителя всасывает гидромасло из бачка в золотниковый распределитель. Золотниковый распределитель следит за тем, с каким усилием вращают руль и помогает крутить баранку.
В конструкцию рулевой рейки входят следующие детали:- Корпус.
- Рейка.
- Вал рулевой с червяком и подшипником.
- Втулка прижимная, которая выполняет функцию регулировки зазора червячной передачи.
- Гайка регулировочная.
- Втулка опорная левая.
- Втулка опорная правая.
- Кольцо стопорное. Это кольцо только для левой стороны.
- Гайка вала руля.
- Ползунок.
- Втулка ползунка.
- Чехол металлический защитный.
- Пыльник пластиковый.
- Кольцо стопорное гайки вала руля.
- Крестовина рулевого вала.
На рулевом валу размещается торсион, который является основным элементом распределителя. Если никуда не вращать руль, то масло спокойно движется в расширительный бачок, потому что торсион при неподвижном состоянии руля раскручен и вводные каналы распределителя закрыты.
Если начать вращать руль, то, соответственно, торсион начинает закручиваться. При этом через золотник и каналы масло движется в исполнительный механизм из-за чего повышается давление за поршнем или до поршня исполнительного механизма. Созданное при этом давление облегчает поворот руля водителю.
Причины и признаки, и как определять неисправности рулевых реек
Нагрузки на этот ответственный узел конструкции автомобиля зависят от качества дорог. При эксплуатировании авто на плохих дорогах, рулевая рейка и весь рулевой механизм подвергается высоким нагрузкам.
Зная признаки и симптомы поломок рулевой рейки, можно вовремя поменять рулевую рейку:
- Если руль не крутится легко как раньше. Заметно стало тяжелее вращать рулевое колесо.
- Если «бьет» руль, то есть на кочках ощущается биение рулевой колонки.
- Если шум насоса ГУРа стал выше.
- Если появился люфт руля. При большом люфте трудно ездить, приходится постоянно вращать руль даже на ровной дороге, чтобы «ловить» колеса. Поэтому при превышенном разрешенный допустимый люфт руля, необходимо, как можно быстрее, устранить. Это может быть и из-за сильно изношенных автомобильных шин. Для правильного выбора резины на колеса, необходимо уметь расшифровывать индексы скорости и нагрузки шин.
- Если из устройства рулевой рейки выходит масло. При уменьшении масла, становится труднее крутить руль и, также, могут появиться посторонние шумы.
Так как рулевая рейка — это один из самых элементов устройства авто, отвечающий за управление, то при обнаружении таких признаков неполадок, дальнейшее эксплуатирование запрещается до устранения проблемы.
Особенности ремонта
Перед тем как приступать к ремонту рулевой рейки своими руками, надо проверить всю цепочку этого механизма, а это: рулевые тяги, шаровые, подшипники ступиц, цапфы. Такой подход к ремонту позволит устранить поломки, что называется, на корню.
К счастью для автомобильных умельцев, рулевая рейка — это ремонтнопригодное устройство, то есть его можно отремонтировать, а не менять полностью.
По отзывам водителей, чаще всего стуки в районе рулевой рейки появляются из-за износа направляющих втулок.
Не поленитесь и посмотрите толковое видео о работе рулевой рейки и как продлить его срок службы.
Автор публикации
15 Комментарии: 25Публикации: 324Регистрация: 04-03-2016Принцип устройства рулевой рейки и виды реек
Рулевая рейка или реечный рулевой механизм – это устройство, преобразующее вращение вала руля в перемещение тяг вправо или влево в зависимости от команды, поданной водителем. Тяги передают энергию на кулаки передних колес, в результате автомобиль поворачивает в нужную сторону. От исправности рулевого механизма напрямую зависит управляемость автомобиля, поэтому необходимо хорошо разбираться в его устройстве и своевременно устранять любые возникающие неполадки. Устройство рулевой рейки не так сложно изучить, конструкция механизма прошла длинный путь усовершенствования для удобства управления.
Основной принцип устройства рулевой рейки, ее виды
Простейшая конструкция представляет собой шестерню, установленную на рулевой вал, соединенную с ней рулевую рейку и рулевые тяги. Однако конструкция рулевого управления в современных автомобилях различается, она зависит от наличия усилителей. В современных автомобилях устанавливаются следующие варианты.
Устройство механической рулевой рейки
Это наиболее простая конфигурация механизма, в которой руль перемещается только за счет усилий водителя. Основные компоненты такого механизма:
Рулевые тяги и наконечники. Их прикрепляют к выдвижным механизмам, и именно они обеспечивают поворот колеса во время движения.
Зубчатая планка и шестерни. Эти комплектующие отвечают за передачу усилия от руля к рулевым тягам, в результате осуществляется управление колесами.
Картер. Этот элемент представляет собой корпус, в который помещены основные детали, картер на большинстве моделей автомобилей выполнен из алюминия.
Пружины. Они обеспечивают плотное прилегание шестерни к рейке. При нормальном рабочем состоянии пружин нет люфта руля, его появление говорит о неисправности механизма.
Подшипники. Они снижают трение при поворотах и обеспечивают легкие поворотные движения.
Ограничители. Их задача – ограничить ход рейки от правого края до левого.
Устройство рулевой рейки с гидроусилителем
Этот вариант конструкции получил наиболее широкое распространение на современных автомобилях. Воздействие на руль водителем дополняется гидроусилителем, в результате управлять автомобилем намного легче. ГУР также повышает безопасность движения: даже при попадании колесом в глубокую яму и сильном ударе руль не вырывает из рук водителя, поскольку гидравлический механизм частично сглаживает толчки.
Устройство рулевой рейки с гидроусилителем и принцип ее работы имеет следующие особенности. Работа насоса ГУР обеспечивается путем соединения с мотором при помощи ременной передачи или специальных шестерней. Насос подает гидравлическую жидкость в золотниковый распределитель, помещенный в картере рулевой рейки. Он контролирует усилия, которые водитель прикладывает к рулю, и определяет соответствующее количество гидравлической жидкости. В разрез рулевого вала интегрируется торсион, он играет роль дозировочного устройства.
Когда машина стоит на месте или движется по прямой линии, рулевая рейка находится в состоянии покоя, жидкость помещена в резервуар. Как только водитель начинает поворачивать руль, торсион закручивается, открываются каналы распределителя, после чего жидкость передается на рулевую рейку. Она распределяется и обеспечивает удобство поворота под нужным углом.
Устройство рулевой рейки ГУР требует повышенного внимания к состоянию сальников и уплотнительных элементов. Один из ярких признаков неисправности гидроусилителя – появление масляных пятен под автомобилем после стоянки. Если сальники выходят из строя, из-за утечки жидкости ГУР очень скоро перестанет работать, что приведет к резкому ухудшению управляемости автомобиля и опасным ситуациям на дороге.
Устройство рулевой рейки с электроусилителем
Такой механизм работает по принципу, аналогичному рейке с ГУР, однако вместо гидроусилителя здесь используется электродвигатель. Мотор может встраиваться в рулевую колонку, устанавливаться на валу или размещаться непосредственно на рейке – последний вариант считается самым надежным, его устанавливают на автомобилях люкс-класса. Устройство рулевой рейки с электроусилителем имеет несколько преимуществ:
Увеличение КПД в сравнении с ГУР. На усиление поворота руля затрачивается меньшее количество энергии.
Экономичность. Жидкость в ГУР должна циркулировать постоянно, что забирает часть мощности двигателя. Электромотор запускается только в момент поворота, таким образом, механизм является более экономичным решением.
Более простое обслуживание. Не требуется постоянно контролировать уровень гидравлической жидкости, менять и доливать ее.
Более высокая надежность. Такое устройство не требует постоянного контроля исправности сальников и уплотнительных элементов, нет шлангов и прокладок, которые могут привести к появлению течи.
Однако схема с электромотором не получила широкого распространения. Такое устройство обходится достаточно дорого, поэтому дешевле устанавливать на рулевой механизм автомобиля гидроусилитель. Уже долгое время ГУР остается наиболее востребованным и распространенным вариантом для усиления поворота руля и простого управления.
Возможные неисправности рулевой рейки
От исправности рулевого управления напрямую зависит безопасность водителя и пассажиров, а также других участников уличного движения. Уже при первых признаках неполадок необходимо срочно обращаться в автосервис для диагностики рулевой рейки и замены неисправных комплектующих. Во многих случаях ее приходится менять целиком, однако при некоторых неисправностях можно просто провести недорогой ремонт. Распространенные проблемы в работе рулевой рейки:
Повреждение зубчатого механизма или шестерни во внутренней части рейки. Детали, пострадавшие из-за механического износа, обычно можно заменить.
Повреждения корпуса, в результате чего рулевое управление полностью выходит из строя. До его замены эксплуатация автомобиля невозможна.
Нарушение герметичности механизма. В результате внутрь проникает песок и частицы пыли, после этого механизм невозможно использовать.
Повреждения рулевых тяг и наконечников в результате механического износа деталей или сильного удара. Неисправные детали можно заменить, после ремонта машина вновь будет готова к работе.
В нашем автосервисе предлагается квалифицированная диагностика и ремонт рулевой рейки любого типа, мы работаем с автомобилями любых марок и моделей. Воспользуйтесь услугами профессионалов, чтобы в короткие сроки решить проблему и вернуть машину к работе. Вы можете купить новую рулевую рейку или ремкомплекты для самостоятельного ремонта
Услуги нашего автосервиса:
индивидуальная рулевая рейка, индивидуальная рулевая рейка. Поставщики и производители на Alibaba.com
4. После отправки мы будем отслеживать товары для вас один раз каждые два дня, пока вы не получите товары. Q1. Каковы ваши условия упаковки9 A: Обычно мы упаковываем наши товары в нейтральные белые коробки и коричневые картонные коробки. Q5. Можете ли вы производить по образцам9 A: Да, мы можем изготовить по вашим образцам или техническим чертежам.
Q5. Можете ли вы производить по образцам9 A: Да, мы можем изготовить по вашим образцам или техническим чертежам.Q6. Какова ваша политика в отношении образцов9 A: Мы можем предоставить образцы, если детали у нас есть на складе, а покупатели должны оплатить стоимость образца и стоимость курьера. Q7. Проверяете ли вы все свои товары перед доставкой9 A: Да, у нас есть 100% проверка перед доставкой, при необходимости мы можем отправить отчет о проверке перед доставкой.
№2. Торговая марка Kingsteel serles Специализируется на производстве и экспорте всех видов автозапчастей. Когда вы можете доставить после отправки deposit9 в течение одной недели для товаров на складе от 10 до 35 дней для товаров заказа.Если ваш заказ достигнет определенного уровня, мы искренне приглашаем вас посетить нас и оплатить авиабилет туда и обратно.
.Рулевые рейки Quaife Motorsport — точная разработка, им доверяют производители оригинального оборудования
Рулевая рейка Quaife для мотоспорта — это незаменимое и недорогостоящее усовершенствованное решение для многих соревнований, особенно в ралли и ралли-кроссе, где она улучшает управление автомобилем и снижает утомляемость водителя за счет уменьшения усилий рулевого управления. Рулевые рейки Quaife для мотоспорта, изготовленные с высокой точностью из стальных заготовок высочайшего качества, после обработки и термообработки обрабатываются на правильном станке с ЧПУ Galbaini.Затем эта машина с автоматической загрузкой выпрямляет рулевые рейки с точностью до 0,002 дюйма по их длине, чтобы гарантировать высокое качество готовой продукции.
По сравнению с традиционной ручной правкой, которая может вызвать появление микротрещин, процесс Гальбайни снижает напряжение внутри вала и обеспечивает превосходную точность, наделяя быстросъемные рулевые рейки и комплекты шестерен Quaife еще одним качественным преимуществом по сравнению с продуктами конкурентов.
Охватывая Ford, Honda, MG, Mini, Opel, Peugeot, Porsche, Toyota, Vauxhall, Volvo и VW, и это лишь некоторые из них, коллекция рулевых реек Quaife для автоспорта включает сверхмощные узлы Ford Escort Mk1 / Mk2, а также полные центральные рулевые рейки. для одноместных приложений.Они также оснащены системой безопасного разрушения для повышенной защиты от столкновения.
За советом по выбору рулевой рейки для мотоспорта обращайтесь в отдел технических продаж Quaife. В качестве альтернативы, если вам требуются определенные рулевые рейки, которые мы в настоящее время не производим, свяжитесь с нами, чтобы обсудить любые потенциальные предложения новых продуктов.
.Утечка из рулевой рейки с усилителем | Продукты BlueDevil
Сегодня много людей разъезжают по дороге с утечкой в рейке гидроусилителя. Утечки из рулевой рейки с гидроусилителем — одна из тех проблем, которые могут возникнуть у вашего автомобиля, о которых он, вероятно, не скажет вам. Если вы не водите совсем новый автомобиль, маловероятно, что у него есть какие-либо датчики или средства диагностики, которые укажут вам, что с вашей системой рулевого управления что-то не так. Другие системы вашего автомобиля, такие как тормоза и система охлаждения, обычно имеют датчик в резервуаре с жидкостью, который загорается на приборной панели, показывая вам, что система теряет жидкость.Ваша система рулевого управления с гидроусилителем, скорее всего, не имеет какого-либо датчика, поэтому вы узнаете, что ваша система теряет жидкость с трудом.Когда ваша система рулевого управления с гидроусилителем теряет достаточно жидкости для опорожнения бачка для жидкости рулевого управления с гидроусилителем, в насосе рулевого управления с гидроусилителем больше не будет жидкости для создания давления. Из-за отсутствия давления жидкости ваш автомобиль больше не будет помогать рулевому управлению, в результате чего рулевое колесо сразу становится тяжелым и становится трудно поворачивать. Это может быть чрезвычайно опасно в определенных ситуациях, если ваше рулевое управление не реагирует так, как вы ожидали, что может привести к плохой управляемости и несчастным случаям.
Чтобы избежать внезапной потери гидроусилителя рулевого управления, рекомендуется регулярно проверять уровень жидкости в гидроусилителе рулевого управления. Вы можете быстро и легко проверить уровень жидкости в гидроусилителе руля, открыв капот и найдя бачок. Если резервуар непонятен, чтобы вы могли проверить жидкость снаружи, под крышкой будет щуп.
Если вы обнаружите низкий уровень жидкости рулевого управления с гидроусилителем во время плановой проверки, значит, вы обнаружили утечку жидкости рулевого управления с гидроусилителем.В большинстве производимых сегодня автомобилей используется рулевая рейка с усилителем для помощи водителю в управлении. Когда вы поворачиваете рулевое колесо, на нем работает небольшая шестерня, которая сцепляется с рулевой рейкой. Когда ведущая шестерня вращается, она перемещает рейку влево или вправо, чему способствует давление жидкости из вашей системы рулевого управления с усилителем. Когда стойка перемещается, она перемещает ваши рулевые тяги, которые связаны с вашим поворотным кулаком, который вращает передние колеса вашего автомобиля.Самая распространенная утечка из рейки с усилителем — это утечка на конце рулевой рейки, где она соединяется с рулевыми тягами.Этот уплотнитель подвергается воздействию экстремальных погодных условий, поскольку он расположен очень близко к дороге и рядом с вашими колесами, где он подвергается воздействию резких перепадов температуры, дорожной грязи и дорожных химикатов в зимние месяцы. Эти уплотнения закрыты сапогами-гармошками, предназначенными для защиты от элементов, но подвержены такому же износу. Порванный или отсутствующий чехол для гармошки часто может быть причиной протечки уплотнения рулевой рейки с гидроусилителем, поэтому обязательно выполните осмотр чехлов для гармошки на вашем автомобиле.
К сожалению, заменить эти уплотнения в рулевой рейке с усилителем невозможно, поэтому единственный способ получить новое уплотнение — это заменить всю рулевую рейку с усилителем, что может быть очень дорогостоящим.Вместо того, чтобы заменять протекающие уплотнения в стойке, восстановите уже имеющиеся уплотнения, чтобы остановить утечку! Ограничитель утечки усилителя рулевого управления BlueDevil может устранить утечку в вашей рейке и шестерне, сэкономив ваше время и деньги и обеспечив безопасность вашего автомобиля.
Для получения дополнительной информации о утечке на блоке управления усилителем рулевого управления BlueDevil щелкните баннер ниже!
Вы также можете приобрести BlueDevil Power Steering Stop Leak в любом из наших партнерских местных магазинов автозапчастей, например:
- AutoZone
- Advance Автозапчасти
- Bennett Auto Supply
- CarQuest Автозапчасти
- НАПА Автозапчасти
- Автозапчасти O’Reilly
- Пеп Мальчики
- Fast Track
- Бампер к специалистам по автозапчастям бампера
- Дистрибьютор S&E Quick Lube
- DYK Automotive
- Магазины автозапчастей Fisher
- АвтоПлюс Магазины автозапчастей
- Hovis Магазины авто и грузовиков
- Salvo Автозапчасти
- Автосалоны Advantage
- Магазины оригинальных автозапчастей
- Бонд Автозапчасти
- Снабжение флота Tidewater
- Бампер для автозапчастей бампера
- Любые запчасти Автозапчасти
- Бытовые автозапчасти
Фотографии предоставлены:
power_steering_rack_leak.jpg — Pixygirlly — Лицензия Getty Images — Исходная ссылка
rack_and_pinion.jpg — Автор Kadmy — Лицензия Getty Images — Оригинальная ссылка
Реечная конструкция системы рулевого управления, конструкция реечной системы рулевого управления Поставщики и производители на Alibaba.com
Для рулевой рейки с усилителем Mercedes sprinter 901 Рулевой механизм с гидроусилителем рулевой рейки, зубчатая рейка и шестерня рулевого механизма для частей Mercedes sprinter микроавтобус спринтер 901 OEM 9014610401 9014600800 9014602900 9014604300 9014601900 9014610401 Название продукта Для рулевой рейки с гидроусилителем Mercedes sprinter 901 9014600800 OEM 9014610401 9014600800 9014602900 9014604300 9014601900 9014610401 Марка автомобиля Для клиентов Mercedes sprinter 901 Марка WXQP Гарантия в соответствии с WXQP Срок поставки 12 месяцев в соответствии с минимальным сроком поставки 1pQ Срок поставки 12 месяцев MOQ товары на складе в противном случае 15-30 дней Сертификат ISO9001 / ISO14001 / EAC Выставка продуктов С 1997 года, склад 26 800 м 2.Быстрая доставка Срочная доставка в течение одного дня 28000 различных оригинальных качественных запчастей Гарантия качества 12 месяцев Германия SAP ERP и США SYNEX WMS система Уровень квалифицированных сотрудников & gt; 90% Количество внутренних брендовых агентств Запасные части для: Volkswagen Audi Mercedes-Benz БМВ Форд Тойота Ниссан Хонда Мицубиси Субару Мазда Сузуки Исузу Лексус Акура Инфинити Публикация состоится в сентябре 2016 г. Склад продукции Выставка Упаковка и доставка Упаковано в соответствии с требованиями клиентов. .
что ломается в рулевых рейках с ГУР, и как их ремонтируют Устройство и принцип работы рулевой рейки с гидроусилителем
Если вы опытный автомобилист, то наверняка знаете, что такое рулевая рейка и почему она должна быть постоянно в рабочем состоянии. Но если же вы новичок, вам наверняка пригодятся знания об устройстве рулевой рейки. В статье рассмотрим, какие бывают виды этого механизма, как определить поломку и с чем придется столкнуться в данном вопросе.
Реечный рулевой механизм – это правильное название той части автомобиля, которую мы рассматриваем. Хотя простонародное выражение рулевая рейка прижилось уже давно и все понимают о чем идет речь. Этот механизм преобразует вращение вала руля в движения тяг влево-вправо. А они, в свою очередь, передают силу на поворотные кулаки передних колес. Другими словами, рулевая рейка – это переходное звено между водителем, который крутит баранку и колесами, которые поворачиваются. Теперь сами понимаете – насколько важна работоспособность данного устройства.
С другой стороны, рейка – это шток с поршнем, корпус которого является силовым цилиндром ГУРа. В корпусе находится золотник, который распределяет потоки жидкости в первую или вторую полость цилиндра. В зависимости от того, в какую сторону водитель будет крутить руль – будет изменяться и сторона с жидкостью, которая находится там под давлением.
Устройство рулевой рейки зависит и от типа механизма. Механический вид является самым простым и распространенным. Он может устанавливаться как на передне-приводные автомобили, так и на задне-приводные.
При этом непосредственно колеса поворачиваются за счет усилий, которые делает водитель. И чтобы их снизить как можно больше – может использоваться рейка, содержащая переменное придаточное число.
Величина рулевого зазора очень важна для хорошей и правильной работы авто, а этот показатель напрямую зависит от состояния рулевой рейки.
Поэтому рассмотрим устройство механического участка. В таком механическом механизме зубчики рейки меняют свой шаг от центра к краям. Поэтому при езде на большой скорости руль немного утяжеляется и его маневренность падает. А на дороге с небольшой скоростью, к примеру при парковке, руль крутится немного легче (поскольку меньшее придаточное число).
Первая отечественная машина с таким устройством – “ВАЗ-2110”. Большим плюсом водители считали тот момент, что при повороте за счет механической рейки руль автоматически становился в изначально ровное положение. Не нужно было прикладывать усилия для того, чтобы после поворота вернуть рулевое колесо в исходное положение, достаточно было просто его отпустить.
Устройство гидравлической рейки
Как устроена рулевая рейка гидравлического типа? Этот вопрос могут задавать себе водители новых автомобилей, в которые внедрен гидроусилитель. Самое основное отличие от механического вида состоит в том, что здесь присутствует ГУР и он придает легкости управления и его остроты.
Если рассматривать структуру гидравлического механизма с рейкой, то он состоит из:
- Входа.
- Втулки золотника.
- Пылезащитного колпачка.
- Стопорного кольца.
- Сальника золотника.
- Золотника.
- Подшипника.
- Сальника штока.
- Тыльника.
- Штока рейки.
- Стопорного кольца.
- Уплотнителя тыльника.
- Поршня штока.
- Втулки штока.
- Гайки прижима.
- Гайки золотника.
- Пробки золотника.
- Червяка золотника.
- Перепускных трубок.
- Выхода.
Какой бы вариант рулевой рейки не стоял на автомобиле – важно прислушиваться к его работе и выявлять ошибки, которые присутствуют. Это может быть стук, скрип, свист в рулевом механизме. И каждого водителя эти звуки должны насторожить. Даже если она проходят единоразово, в работе что-то нарушено – обратитесь к специалисту или посмотрите на проблему самостоятельно.
Очень часто для устранения неприятных звуков авто достаточно смазать все детали маслом или в механическое устройство добавить жидкость. Это сохранит работоспособность машины еще на многие годы без применения капитального ремонта. Лучше исправить мелкие неполадки сразу, нежели они превратятся в большие проблемы. Ухаживайте за своим авто и оно будет служить вам долго и хорошо!
Видео “Как заменить рулевую рейку”
На записи показана пошаговая инструкция по замене рулевой рейки. Посмотрите это видео и вы с легкостью сможете повторить все действия на своем автомобиле.
В настоящее время сложно себе представить автомобиль не оснащенный усилителем рулевого управления. Усилитель может быть электрическим (), гидравлическим (ГУР) или электрогидравлическим (). Однако гидроусилитель рулевого управления остается наиболее распространенным типом на данный момент. Он устроен таким образом, что даже при его выходе из строя сохранится возможность управления автомобилем. В этой статье мы разберем его основные функции и подробно узнаем, из чего он состоит.
Функции и назначение ГУР
Рулевая рейка с гидроусилителемГидравлический усилитель руля (ГУР) представляет собой элемент рулевого управления, в котором дополнительное усилие при повороте рулевого колеса образуется за счет гидравлического давления.
Для легковых автомобилей главное назначение ГУР – обеспечение комфорта. Управлять транспортным средством, оснащенным гидравлическим усилителем руля, легко и удобно. К тому же водителю не нужно для совершения маневра делать рулем полных пять-шесть оборотов в сторону поворота. Такое положение вещей особенно актуально при парковке и маневрировании на узких участках.
Сохранение управляемости автомобилем и смягчение ударов, передающихся на руль в результате наезда управляемых колес на неровности дороги, — еще она важная функция гидроусилителя.
Требования к гидроусилителю
Для эффективной работы ГУР к нему предъявляют следующие требования:
- надежность системы и бесшумность при работе;
- простота обслуживания и минимальный размер устройства;
- технологичность и экологическая безопасность;
- небольшой поворотный момент на колесе с автоматическим возвратом в нейтральное положение;
- легкость и плавность рулевого управления;
- обеспечение кинематического следящего действия – соответствие между углами поворота управляемых колес и руля;
- обеспечение силового следящего действия – пропорциональность между силами сопротивления повороту управляемых колес и усилием на руле;
- возможность управления автомобилем при выходе системы из строя.
Устройство гидроусилителя руля
Основные компоненты гидроусилителя руля
Гидроусилитель руля устанавливается на любого типа. Для легковых автомобилей наибольшее распространение получил реечный механизм. В этом случае схема ГУР следующая:
- бачок для рабочей жидкости;
- масляный насос;
- золотниковый распределитель;
- гидроцилиндр;
- соединительные шланги.
Бачок ГУР
Бачок гидроусилителя
В бачке или резервуаре для рабочей жидкости установлен фильтрующий элемент и щуп для контроля за уровнем масла. С помощью масла смазываются трущиеся пары механизмов и передается усилие от насоса к гидроцилиндру. Фильтром от грязи и металлической стружки, возникающей в процессе эксплуатации, в бачке служит сетка.
Уровень жидкости внутри бака можно проверить визуально в случае, когда резервуар сделан из полупрозрачного пластика. Если пластик непрозрачный или используется металлический бачок, уровень жидкости проверяется с помощью щупа.
В некоторых автомобилях уровень жидкости можно проверить только после кратковременной работы двигателя либо при вращении рулевого колеса несколько раз в разные стороны во время работы машины на холостом ходу.
На щупах или резервуарах сделаны специальные насечки, как для «холодного» двигателя, так и для «горячего», уже работающего в течение какого-то времени. Также необходимый уровень жидкости можно определить и с помощью отметок «Max» и «Min».
Насос гидроусилителя
Лопастной насос гидроусилителя
Необходим для того, чтобы в системе поддерживалось нужное давление, а также происходила циркуляция масла. Насос устанавливается на блоке цилиндров двигателя и приводится в действие от шкива коленчатого вала при помощи приводного ремня.
Конструктивно насос может быть разных типов. Наиболее распространенными являются лопастные насосы, которые характеризуются высоким КПД и износоустойчивостью. Устройство выполнено в металлическом корпусе с вращающимся внутри него ротором с лопастями.
В процессе вращения лопасти захватывают рабочую жидкость и под давлением подают ее в распределитель и далее в гидроцилиндр.
Привод насоса осуществляется от шкива коленчатого вала, поэтому его производительность и давление зависят от количества оборотов двигателя. Для поддержания необходимого давления в ГУР используется специальный клапан. Давление, которое создает насос в системе, может достигать до 100-150 бар.
В зависимости от типа управления масляные насосы подразделяются на регулируемые и нерегулируемые:
- регулируемые насосы поддерживают постоянное давление за счет изменения производительной части насоса;
- постоянное давление в нерегулируемых насосах поддерживает редукционный клапан.
Редукционный клапан представляет собой пневматический или гидравлический дроссель, действующий автоматически и контролирующий уровень давления масла.
Распределитель ГУР
Схематичное устройство распределителя
Распределитель гидроусилителя устанавливается на рулевом валу или на элементах . Его назначение – направление потоков рабочей жидкости в соответствующую полость гидроцилиндра или обратно в бачок.
Главными элементами распределителя являются торсион, поворотный золотник и вал распределителя. Торсион представляет собой тонкий пружинистый металлический стержень, который закручивается под действием крутящего момента. Золотник и вал распределителя представляют собой две цилиндрические детали с каналами для жидкости, вставленные друг в друга. Золотник связан с шестерней рулевого механизма, а вал распределителя с карданным валом , то есть с рулем. Торсион одним концом закреплен на валу распределителя, другой его конец установлен в поворотный золотник.
Распределитель может быть осевым, при котором золотник перемещается поступательно, и роторным – здесь золотник вращается.
Гидроцилиндр и соединительные шланги
Гидроцилиндр встроен в рейку и состоит из поршня и штока, перемещающего рейку под действием давления жидкости.
Схема циркуляции жидкости в гидроусилителе
Соединительные шланги высокого давления обеспечивают циркуляцию масла между распределителем, гидроцилиндром и насосом. Масло из бачка в насос и из распределителя обратно в бачок поступает по шлангам низкого давления.
Принцип работы гидроусилителя руля
Рассмотрим несколько режимов работы гидроусилителя при повороте колес в любую сторону:
- Автомобиль стоит неподвижно на месте, колеса установлены прямо. В данный момент гидроусилитель не работает и жидкость просто перекачивается насосом по системе (из бачка в распределитель и обратно).
- Водитель начинает вращать рулевое колесо. Крутящий момент от рулевого колеса передается на вал распределителя и далее на торсион, который начинает закручиваться. Поворотный золотник в этот момент не вращается, поскольку ему мешает это сделать сила трения, препятствующая повороту колес. Перемещаясь относительно золотника, вал распределителя открывает канал для поступления жидкости в одну из полостей гидроцилиндра (в зависимости от того, куда повернут руль). Таким образом, вся жидкость под давлением направляется в гидроцилиндр. Жидкость из второй полости гидроцилиндра поступает в сливную магистраль и далее в бачок. Жидкость давит на поршень со штоком, за счет чего перемещается и поворачиваются колеса.
- Водитель прекратил вращение рулевого колеса, но продолжает удерживает его в повернутом положении. Рулевая рейка, перемещаясь, вращает поворотный золотник и выравнивает его относительно вала распределителя. В этот момент распределитель устанавливается в нейтральное положение и жидкость вновь просто циркулирует по системе, не совершая никакой работы, так же как и при прямолинейном положении колес.
- Водитель «выкрутил» руль в крайнее положение и продолжает его удерживать. Данный режим является наиболее тяжелым для гидроусилителя, поскольку распределитель не может вернуться в нейтральное положение, и вся циркуляции жидкости происходит внутри насоса, что сопровождается повышенным шумом его работы. Но стоит отпустить руль, и система придет в норму.
Схема работы гидроусилителя
ГУР устроен таким образом, что при его отказе рулевое управление будет продолжать работу и возможность управлять автомобилем сохранится.
Периодичность замены жидкости в ГУР
Теоретически рабочей жидкостью можно пользоваться в течение всего срока эксплуатации автомобиля, но рекомендуется периодически менять масло.
Сроки замены зависят от интенсивности эксплуатации транспортного средства. При среднегодовом пробеге 10-20 тысяч км, достаточно менять масло раз в два-три года. Если машина эксплуатируется чаще, то и смену жидкости нужно делать чаще.
В результате эксплуатации гидроусилителя повышается температура его элементов. За счет этого греется и масло, что приводит к ухудшению его физических свойств. Если при контроле состояния жидкости замечены посторонние частицы или запах горелого масла — значит, настало время для замены.
09.03.2017
Опытным автомобилистам известно, что собой представляет устройство рулевой рейки и насколько важно поддерживать его в рабочем состоянии. Правильное название этого узла – реечный рулевой механизм, но оно не прижилось в народе. Суть работы механизма достаточно проста – преобразовать поворот руля в движение тяг влево-вправо (для передних колес это горизонтальное отклонение), которые перенаправляют силу к передним колесам посредством поворотных кулаков.
Если говорить простыми словами, то рулевая рейка является промежуточным звеном между человеком, сидящим у руля и поворачиваемыми колесами. Неудивительно, что работоспособность такого механизма должна быть безупречной. Как работает рулевая рейка?
Принцип работы
Указанный механизм с конструкционной точки зрения представляет собой шток с поршнем. Его основание выступает силовым цилиндром ГУРа. В цилиндре есть две полости, которые заполняются жидкостью посредством ее распределения золотником, находящимся в корпусе. С учётом стороны поворота руля (влево или вправо) изменяется и сторона, где находится под давлением жидкость.
На сегодняшний день в автомобилях встречается 3 типа реечных механизмов, отличающихся принципом функционирования:
- механический;
- гидравлический;
- электрический.
Устройство механической рейки
Данный тип характеризуется конструкционной простотой и эффективность. Принцип работы рулевой рейки соответствует описанному выше, а поворот колес обеспечивается за счёт прилагаемой силы со стороны водителя. Для снижения нагрузки на руки производители комплектуют новые модели транспортных средств рейкой с переменным передаточным числом.
Если говорить просто, то шаг между соседними зубьями рейки корректируется от краев к средине. Вследствие этого с повышением скорости движения маневренность падает, а управлять рулем становится сложнее. На минимальных скоростях баранку крутить может даже ребёнок, ввиду минимального передаточного числа. Столь простая конструкция прекрасно себя зарекомендовала в отечественной машине ВАЗ-2110.
Гидравлический рулевой механизм
Главное отличие рейки с гидроусилителем от рассмотренной выше заключается в том, что физические усилия водителя увеличиваются за счёт встроенного гидравлического усилителя. При таком устройстве обеспечивается лёгкость управления транспортным средством и его высокая маневренность, вне зависимости от скорости езды. Подобными механизмами оснащаются практически все современные автомобили.
Высокая безопасность движения обеспечивает ГУР: он гасит мелкие выбоины и неровности на дорожном полотне за счёт гидроусилителя. Руки водителя остаются на руле без каких-либо рывков. Многие собственники таких транспортных средств жалуются на то, что не «чувствуют» своего железного коня.
Частично нивелируют этот недостаток современные подвески в сочетании с электро-гидроусилителем.
Электрический механизм
Принцип работы электрического механизма практически полностью соответствует гидравлическому. Силовым агрегатом при этом выступает электромотор, интегрированный в рулевой вал, рулевую колонку или рейку (считается самым безопасным вариантом). Вариант с электромотором в рулевой колонке не сыскал популярности ввиду невысокой конструктивной надёжности.
Рулевая рейка – это механизм, который передает вращение руля на вращение колес. Самое простое устройство этого механизма – шестерня на рулевом валу, от которой идет тяга рулевой рейки. Но с развитием автомобилестроения были разработаны более сложные механизмы. Сегодня существует три вида рулевых реек: механическая, электрическая и гидравлическая. У них разное устройство и режим работы.
Устройство рулевой рейки
Все виды системы имеют сходное устройство: рейка имеет зубцы, которые двигаются вдоль шестеренки рулевой колонки. Эти зубцы имеют передаточное число, которое подобрано специально для правильной передачи усилия. Некоторые виды содержат дополнительные устройства для облегчения управления авто.
Устройство механической рулевой рейки
Этот вид рейки имеет самое простое устройство. Вращение колес осуществляется только за счет усилия водителя. Она состоит из шестеренок, которые работают по такому же принципу, что и коробка передач.
Система имеет два зубчатых механизма: один соединяется с приводом руля, а второй с колесными тягами. Они имеют определенное передаточное число, которое облегчает задачу водителя. Даже небольшое движение руля способен отклонить колеса от горизонтальной оси. Особенно это удобно при маневрировании в ограниченных пространствах: шофер легко может поворачивать руль до упора и управлять колесами.
Рулевая рейка с гидроусилителем
Практически на всех новых авто в дополнение к стандартной рейке устанавливают ГУР – гидроусилитель руля. Он делает управление автомобилем легким и приятным. Также он помогает гасить ямы и кочки на дороге – они не бьют в руль, что делает вождение безопасным.
ПОСМОТРЕТЬ ВИДЕО
Устройство рулевой рейки с гидроусилителем: он состоит из насоса, в котором перемещается рабочая жидкость. При повороте руля она давит на поршень со штоком, который отвечает за поворот колес. В нейтральном положении руля вся жидкость возвращается в нормальное положение.
Рейка рулевая с гидроусилителем появилась сначала на грузовых автомобилях, которыми было сложно управлять. Но с развитием технического прогресса ее стали устанавливать и на легковых машинах.
Электроусилитель рулевой рейки
Этот вид механизма имеет электромотор для усиления преобразования движения руля в отклонение колес. Он управляется ЭБУ и специальными датчиками.
Существует три способа крепления этой системы: мотор располагается на рейке, мотор встроен в колонку или мотор располагается на валу. Вариант с встроенным мотором в рулевую колонку считается самым опасным: если он выходит из строя, авто становится не управляемым.
На сегодняшний день этот механизм считается самым прогрессивным, так как он имеет самый высокий КПД из всех видов. Он прост в обслуживании: нет необходимости доливать рабочую жидкость, отсутствуют сальники, которые могли бы протекать. Также он экономичен, в то время, как в ГУР постоянно течет жидкость, электрический мотор запускается только при вращении руля.
Схема работы
Понять, что такое рейка в машине не очень сложно. От руля идет рулевая колонка, которая на конце имеет шестрерню с передаточным числом. В распределительном механизме эта шестерня встречается с зубчатым устройством на рейке. В зависимости от типа конструкции дальше располагаются поршни с рабочей жидкостью или электромотор с блоком управления. После этого момент вращения передается на рулевые тяги к колесам.
Это упрощенная схема устройства, которая необходима для понимания принципа работы. На самом деле рулевая рейка состоит из регулирующих элементов: пружины, втулки, ограничители.
Неисправности
Любой агрегат в автомобиле может сломаться. Особенно часто это происходит на больших пробегах. Со временем детали изнашиваются и приходят в негодность. Но могут быть и другие причины поломок в авто.
Причины неисправности
Глобальной причиной, по которой может сломаться этот механизм – это плохое качество дорог. Автолюбители не в силах его улучшить, но они могут внимательнее управлять автомобилем: объезжать ямы и кочки, снижать скорость на плохой дороге, не эксплуатировать городскую машину в условиях бездорожья.
В плохих дорожных условиях может не только испортиться подвеска, но и выйти из строя сальники и пыльники рулевого механизма. А через пробоины в них в механизм можете попасть дорожная пыль. Чаще всего именно она является причиной поломки зубчатого механизма.
Признаки неисправности: диагностика
Диагностика рулевой рейки своими руками предполагает, что водитель должен обращать внимание на малейшие изменения в управлении автомобилем. Признаки неисправности рулевой рейки:
Утяжеление руля в определенных положениях;
Стук в рейке;
Вибрации руля;
Протечка жидкости ГУР;
Неполный возврат руля в исходное положение;
Вращение руля не соответствует вращению колес.
Самый распространенный признак – это стуки в передней части автомобиля. Диагностика рулевой рейки в автосервисе – это самый очевидный выход из положения. Скорее всего, мастер признает ее поломку и предложит заменить.
Но помните, что некоторые поломки можно отремонтировать. Например, если на вашем авто установлен механический тип, мастер может разобрать устройство, найти поломку и устранить ее. Вам нужно лишь найти надежного мастера и сопоставить цену ремонта и стоимость замены рулевой рейки. Ремонтировать рулевую рейку, стоит или нет – решайте самостоятельно, это зависит от типа устройства и его цены.
Основные неисправности
Существует два основных признака исправностей – стуки и протечка жидкости. Они могут говорить о многих поломках, обнаружить которые вам поможет мастер автосервиса. Возможные неисправности рулевой рейки:
Поверхностный стук может возникать из-за повреждения пыльников. Наконечники тяги в этом случае быстро выходят из строя и начинают стучать. В этом случае их просто заменяют на новые.
Внутренние стуки могут говорить о неисправности поршней или направляющих втулок. Для диагностики потребуется разобрать механизм и выявить поломку. Только специалист может определить стук рулевой рейки и его характер.
Также стук можете говорить о выработке деталей на больших пробегах автомобиля. Эту поломку невозможно отремонтировать, следует заменить механизм на новый.
Течь может возникнуть только на устройстве с гидроусилителем. Она говорит о том, что сальники вышли из строя и их необходимо заменить. При возникновении течи рейку следует разобрать и осмотреть все детали. При возникновении вопроса, что делать, если подтекает рулевая рейка, следует купить ремкоплект и отвезти ее в сервис для ремонта.
Если невозможно повернуть руль с ЭУР, это может быть связано с выходом из строя электромотора.
Если тяжело поворачивается руль с ГУР, это можете говорить о неисправности насоса.
Как отличить неисправность рулевой рейки от поломки ГУР
Неисправности в гидроусилителе можно узнать по характерным симптомам:
Пропало усиление руля при любых условиях;
Исчезает усиление только при работе двигателя вхолостую;
Посторонние шумы, когда усилитель работает;
Рабочая жидкость вспенилась.
При наличии этих симптомов обратитесь к специалисту, который понимает принцип работы рулевой рейки с гидроусилителем, для устранения неисправностей.
Помните, что профилактика – это лучший способ предотвращения неисправностей. Для продления жизни этого механизма следует соблюдать простые правила:
Регулярно проверяйте пыльники. Если на них образовалась трещина или дырка, лучше сразу заменить их.
Зимой сначала нужно прогреть двигатель и только потом начинать движение и поворачивать руль. Лучше всего на месте несильно покрутить руль из стороны в сторону, чтобы разогреть масло.
Притормаживайте перед ямами и кочками и старайтесь их объезжать.
Не забывайте менять жидкость гидроусилителя.
Не стоит резко страгиваться с места, особенно если руль выкручен до упора.
Рулевая рейка – это механическое устройство для передачи усилия с рулевого механизма на колеса. Устройство рулевой рейки внешне выглядит сложно, но мало мастеров разбираются во внутренних механизмах и умеют их ремонтировать. Поэтому при возникновении неисправностей следует найти хороший автосервис, чтобы устранить неполадки систем рулевого управления или поменять механизм целиком.
Ремонт рулевых реек – это сложный процесс, с которым не справится начинающий автолюбитель.
Особенности рулевых реек на автомобилях
На всех современных машинах устанавливают усилители, чтобы шоферу было легче управлять автомобилем. К тому же, они обеспечивают безопасность в сложных условиях. Чтобы водитель не терял чувство дороги, производители прибегают к модификациям в подвеске.
Форд
Многие автолюбители жалуются, что на машинах этого производителя часто ломаются рулевые рейки. Это касается практически всех моделей, но особенно много проблем возникает у владельцев Форд Фокус. Некоторые партии этой модели имели бракованные рейки, которые были собраны на старом оборудовании. Они ломались уже на первой тысяче километров.
ПОСМОТРЕТЬ ВИДЕО
Большинство моделей этого производителя имеют гидроусилитель. На некоторых современных версиях установлен ЭУР.
Рено
ПОСМОТРЕТЬ ВИДЕО
Все модели Рено оснащаются гидроусилителем руля. Он не доставляет проблем при регулярном техническом обслуживании. Нужно не забывать менять жидкость ГУР, тогда он прослужит долго. Помните, что нужно использовать только ту жидкость, которую рекомендует производитель, потому что она лучше всего подходит к данным автомобилям.
Тойота
Тойота устанавливает на свои модели гидроусилитель. Он облегчает вождение авто и отвечает за комфортность поездки. На этих авто он работает стабильно и редко ломается.
ПОСМОТРЕТЬ ВИДЕО
Эта марка выпускает автомобили в ценовой категории выше среднего, поэтому современные модели оснащаются более дорогим аналогом – электроусилителем. Но его слабость в том, что он боится сырой погоды. Не стоит проезжать на таких авто по глубоким лужам, чтобы не повредить электронику машины.
Опель
На большинстве моделей этого бренда устанавливается ГУР. С ним обычно не бывает проблем, но некоторые автолюбители жалуются на насосы в Опель Вектра. Он сложно поддается ремонту, поэтому рекомендуется менять его на новый.
ПОСМОТРЕТЬ ВИДЕО
В современных Опель Астра ставят ЭУР. Судя по отзывам автолюбителей, он может отключаться при повороте и плохо работает при влажной погоде. Причина этого может быть в отказавших датчиках или плохих контактах проводов. Обычно при устранении этих неполадок электроусилитель работает стабильно.
Лада Калина: ремонт
Существует два поколения Калины, на обоих установлен электроусилитель. Он представляет собой обычную механическую рейку, которая усиливается электромотором. Он прост в установке, поэтому присутствует во всех комплектациях этой модели. Но минус его в том, что он включается и на маленькой, и на большой скорости.
ПОСМОТРЕТЬ ВИДЕО
К сожалению, ЭУР ломается и на авто с большим пробегом, и на новых машинах. Чаще всего причина кроется в блоке управления. При этом загорается лампочка на приборной панели, а руль перестает поворачиваться. Если это произошло внезапно, необходимо остановиться и отключить питание этого устройства. Тогда вы сможете доехать до сервиса, где вам снимут и поменяют агрегат.
ВАЗ
Под аббревиатурой ВАЗ чаще всего подразумевают классические модели – от «копейки» до «двенадцатой». На них установлена обычная механическая рейка без усилителей. Проблемы с ней могут начаться только из-за механических повреждений пыльников или физического износа деталей.
ПОСМОТРЕТЬ ВИДЕО
Сегодня ВАЗ производит модели с гидро- и электроусилителями. Этого требует развитие техники и запросы покупателей. Их поломки аналогичны поломкам на других авто, чаще всего они появляются на больших пробегах.
Гидроусилитель руля (далее ГУР) в автомобиле – система, предназначенная для уменьшения усилий, прикладываемых к рулевому управлению во время маневра. Первоначально такими системами оснащались сельскохозяйственные и грузовые транспортные средства.
С начала 70-х ГУР начали устанавливать на легковые автомобили. Не последнюю роль в этом сыграл факт, что в качестве водителей все чаще выступали женщины.
Помимо обеспечения комфорта при управлении автомобилем, ГУР позволяет:
- уменьшить диаметр (размеры) рулевого колеса;
- изменить передаточное число системы рулевой вал-рейка, обеспечив большую маневренность во время разворота;
- автоматизировать систему управляемости автомобиля.
Учитывая, что рулевое управление является вторым фактором безопасности движения после тормозной системы, к надежности, информативности, другим параметрам ГУР предъявляются высокие требования. Эксплуатации и обслуживанию этой системы следует уделять особое внимание.
Виды гидроусилителей рулевого управления
Первоначально на легковые транспортные средства устанавливались ГУР, выполненные по схеме, аналогичной усилителям, устанавливаемым на большегрузные авто. Они имеют существенный недостаток: с увеличением скорости автомобиля для осуществления безопасного маневра требуется меньший угол поворота руля и прикладываемое усилие. На большой скорости существенно уменьшается обратная связь дорога-рулевое управление, водитель прекращает «чувствовать» дорогу. В условиях скользкого покрытия автомобиль может потерять управляемость.
Для устранения этой проблемы была разработана рейка с переменным отношением передачи. Такая рейка установлена на ВАЗ 2110. Она на небольших углах поворота руля имеет большое передаточное число. Обычно это соответствует большим скоростям и малым углам разворота, где требуется небольшое усилие. Передаточное число уменьшается к «краям», то есть, на больших углах маневрирования, которые возможны при невысокой скорости. Применение такой конструкции не устранило всех проблем управляемости.
Видео — виды рулевых реек, чем отличаются ГУР и ЭУР:
Производители разработали электрогидроусилитель руля , добавив в стандартную схему электроклапан с электронной системой управления. ЭГУР в максимальной степени сочетает информативность руля и комфортные условия управления.
В некоторых моделях автомобилей насос ГУР вращается приводом электродвигателя. В таких случаях гидроусилитель работает даже при незаведенном двигателе.
В современных автомобилях все чаще устанавливают электроусилители рулевого управления . Их существенный недостаток – полная зависимость от исправности и надежности электроники. В случае отказа какого-либо из электронных узлов, приводов, даже предохранителя, эффективность электроусилителя руля становится нулевой, управляемость резко ухудшается.
Как работает гидроусилитель руля
Базовая схема устройства рулевой рейки с гидроусилителем изображена на рисунке:
Во время работы двигателя внутреннего сгорания вращается привод масляного насоса гидроусилителя руля, кинематически связанного с коленвалом. Если рулевое колесо находится в центральном положении, масло рециркулирует по гидравлической системе без усилий через обратный клапан. Торсион, выполняющий роль следящего механизма, откликается на поворот руля. Оно приводит в действие золотник распределителя. Он сообщает основной нагнетающий канал с правой либо левой полостями силовых цилиндров. Последние помогают поворачивать колеса автомобиля.
В крайних положениях рулевого колеса предохранительные клапана предотвращают излишнее давление в системе, перепуская масло в рециркуляционный канал.
В электрогидроусилителях руля установлен электроклапан, контролируемый электронным блоком управления (ЭБУ). ЭБУ ГУР, руководствуясь показаниями датчиков угла поворота рулевого колеса, скорости автомобиля, коленвала, регулирует закрытие клапана. Тем самым, в зависимости от скорости автомобиля, других показателей регулируется степень усиления ГУР, контролируется информативность рулевого управления.
Признаки неисправности и возможные причины
В процессе эксплуатации автомобиля о неисправной работе гидроусилителя руля свидетельствуют следующие признаки:
1. Отдача рулевого колеса . Обычно происходит при неисправностях насоса ГУР либо слабом натяжении приводного ремня.
2. Большое усилие при повороте руля . Причиной могут являться: низкий уровень жидкости, изношенный насос гидроусилителя, завоздушенность системы.
3. Большие усилия в районе среднего положения руля . Основная причина – механический износ рейки.
4. Увеличенные усилия в одну из сторон . Причина: изношенные сальники.
5. Быстрый поворот руля требует усилий . Возможные причины: завоздушенность, неисправность насоса, малые холостые обороты двигателя.
6. Шум . Причины: низкий уровень жидкости, течь в системе.
7. Вибрация . Часто случается при повреждении покрышек, неисправности тормозной системы. В системе ГУР возможно попадание воздуха в гидравлику.
Основные неисправности рулевых реек с гидроусилетелем, их устранение и ремонт
В процессе эксплуатации система рулевой рейки с гидроусилителем требует постоянного осмотра, обслуживания и ремонта (в случае необходимости). К наиболее распространенным неисправностям системы относятся:
1. Течь
Течь сальников чаще всего вызвана коррозией в случае попадания воды на вал, который по мере появления на нем ржавчины разрушает рабочую поверхность сальника. Такая неисправность возможна при разрушении пыльника, вызванном механическими воздействиями либо естественным износом.
Ремонт заключается в восстановлении целостности вала, удалении следов коррозии (обычно вал шлифуется). После этого устанавливается новый сальник с соответствующими посадочными размерами.
Течь шлангов гидравлики обусловлена высоким давлением в системе (100 атмосфер и более), износом шлангов, особенно в местах соединения резиновых и металлических элементов шлангов высокого давления. Обычно требуется замена шланга, однако есть мастерские, которые производят перепрессовку соединений.
2. Стук
Он может возникнуть по причинам:
- поломки или стирания центрального зуба рейки;
- износа опорной втулки;
- неисправности поджимного сухаря.
Подтяжка рейки в случае износа центрального зуба не дает результата. Люфт, возможно, будет меньше, но так как другие зубья изношены меньше (повышенный износ центрального зуба связан с тем, что руль больше времени находится в среднем положении), руль может не возвращаться из крайних положений из-за зажимания.
Видео — о ресурсе работы рулевой рейки с гидроусилителем:
Опорные втулки усиленно разрушаются при движении на неровном дорожном покрытии. Большинство реечных механизмов иномарок не рассчитаны на российские дороги.
3. Тугой руль
Если руль с усилием крутится только в одну сторону, скорее всего, уплотнительное кольцо в корпусе распределителя пропускает жидкость под давлением. Это может быть результатом попадания грязи или пыли в систему, которая со временем делает проточки. Жидкость не попадает в гидроцилиндр, а уходит напрямую в бачок расширителя. Ремонт можно осуществить путем шлифованием рабочей зоны и замены уплотнительного кольца.
Если руль вращается туго в обе стороны, возможно несколько причин:
- неисправность поршневого тефлонового кольца;
- проточки в двух камерах распределителя;
- изношенная рабочая пара насоса;
- поломка торсиона.
Для диагностики конкретной неисправности требуется разборка механизма и диагностика узлов. В большинстве случаев потребуется помощь специалиста.
Проверка работоспособности насоса ГУР
Для произведения проверки работы насоса гидроусилителя руля требуется наличие специального манометра и переходных колодок. Последовательность проверки:
- устанавливается переходная колодка с манометром в разрыв гидравлической системы выходного шланга насоса;
- запускается двигатель, пару минут работает на холостых оборотах;
- поворачивается рулевое колесо несколько раз вправо-влево для достижения рабочей температуры жидкости ГУР;
- измеряется давление насоса при открытом запорном клапане, которое должно быть не менее 1500 кПа;
- на непродолжительное время (не более пяти секунд!) закрывается запорный клапан;
- при закрытом запорном клапане давление должно быть не менее 6500 кПа.
Рекомендации для того, чтобы гидроусилитель руля и реечный механизм прослужил дольше
Ремонт рулевой рейки и рулевого управления
Ремонт рулевой рейки и рулевого управления
Система рулевого управления наряду с тормозами относится к числу важнейших систем обеспечения безопасности движения. Проблемы с рулевым управлением могут привести к самым печальным последствиям, и крайне важно постоянно держать на контроле состояние этой системы. При этом основные компоненты управления регулярно подвергаются очень серьёзным нагрузкам, вызывающим поломки и неправильное функционирование всего комплекса механизмов. Современные автомобили в большинстве своём оснащены рулевым управлением с ГУР (гидроусилителем руля) либо электроусилителем, и проблемы чаще всего возникают с его основным узлом — рулевой рейкой. Мультибрендовый автосервис JOKER AUTO проводит работы по обслуживанию и ремонту рулевых реек и других компонентов рулевой системы на автомобилях всех моделей и марок отечественного и зарубежного производства.
Специфика конструкции рулевой рейки
Особенность устройства рулевого управления современных моделей автомобилей в том, что собственно рулевая рейка и гидроусилитель (или электроусилитель) интегрированы в единую систему. Сам реечный механизм передаёт усилие от рулевого вала рулевым тягам и далее поворотным кулакам. При этом рейка представляет собой мощный корпус, внутри которого ходит шток с поршнем, то есть является силовым цилиндром ГУР. Насос гидроусилителя, приводимый от двигателя, нагнетает в левую или правую часть цилиндра гидравлическую жидкость. Алгоритм работы и уровень давления зависят от угла поворота и скорости автомобиля. Это существенно облегчает работу рулём, особенно при резких поворотах и перестроениях на высоких скоростях. Электроусилитель также интегрирован в корпус рулевой рейки. Электрический двигатель поворачивает рулевой вал в соответствии с движениями рулевого колеса.
Признаки неисправности рулевой рейки:
-
Подтекание гидравлической жидкости. Если утром или после продолжительной стоянки вы обнаруживаете на асфальте характерные масляные пятна, скорее всего, порваны (износились) сальники вала или возникла проблема с самим валом (износ, коррозия).
-
Стук, гул или другие посторонние звуки при движении. Возможно, изношены шарниры рулевых тяг, сайлент-блоки крепления рейки, порвались пыльники рулевых наконечников. Зачастую эти неисправности выдают себя стуком и неприятными вибрациями на руле только на мелких неровностях и выбоинах — крупные ямы и трамвайные рельсы проезжаете бесшумно.
-
Заметные люфты при повороте даже на небольшие углы. Вероятно, проблемы с шаровым шарниром тяги либо креплением крестовины рейки.
-
Слишком тугой руль, проблемы с возвратом рулевого колеса в нулевое положение. Причин множество: погнут вал или корпус рейки, проблемы с ротором или расходным клапаном гидроусилителя. Если при тугом проворачивании слышен характерный свист — проблема в проскальзывании приводного ремня насоса ГУР.
Как избежать серьёзных повреждений и поломок рулевой рейки
В первую очередь берегите систему управления от резких ударных нагрузок. Подвеска тоже не скажет вам “спасибо” за скоростное преодоление трамвайных путей, но она хотя бы частично рассчитана на смягчение ударов, а рулевое управление — система очень хрупкая. Проезжать боковые ограждения, “лежачих городовых” и другие крупные препятствия стоит на минимальной скорости. Следите за состоянием пыльников, сальников и других уплотнительных и защитных деталей — их износ или повреждение могут привести к более серьёзным проблемам. Контролируйте работу механиков в сервисе: они могут недотягивать крепления пыльников. В систему попадают грязь, пыль, влага, что вызывает разрушение рейки и гидроусилителя. Не допускайте “закусывания” гидроусилителя, не фиксируйте руль в крайних положениях более нескольких секунд. Это приводит к повышенным нагрузкам на реечный механизм и ускоренному износу насоса ГУР, может пробить уплотнители. В холодное время года не нагружайте рулевой механизм резкими поворотами — перед выездом плавно повращайте руль влево-вправо, чтобы гидравлическая жидкость разогрелась и разошлась по системе.
Этапы ремонта рулевой системы:
Демонтаж, разбор и дефектовка рулевой рейки. На этом этапе очищают загрязнённые детали насоса ГУР. Изношенные элементы удаляют (ремкомплект: сальники, втулки, уплотнители, кольца), оценивают износ редукционного клапана, подшипников. Вал проверяют на наличие коррозионных следов.
-
Установка новых сальников, уплотнительных колец, подшипников в случае сильного износа. Корпус распределителя гильзуют, шлифуют либо восстанавливают вал. При капитальном ремонте заменяют поджимные гайки, трубки высокого давления и, при необходимости, рулевые тяги.
-
Стендовые испытания рулевой рейки (под давлением до 160 атмосфер) с компьютерным контролем и моментальной обработкой результатов.
-
Обработка корпуса антикоррозионным составом, монтаж, проверка на автомобиле.
Обработка вала со следами коррозии
Наиболее сложная часть ремонта рулевой рейки. Проводят разными методами. Наиболее простой — снять верхний слой металла толщиной около миллиметра и отшлифовать. Но при этом рабочий диаметр вала уменьшится, и штатный ремкомплект уже не подойдёт. Помимо того, с металла снимается упрочняющий азотированный слой, что уменьшает срок службы и ускоряет износ детали. Другой вариант — нанесение на поверхность вала порошкообразного металлического покрытия, которое затем шлифуют по оригинальным размерам. Это позволяет продлить срок службы вала, избавиться от очагов коррозии, не снижая прочность элемента. Сервис JOKER AUTO имеет всё необходимое оборудование (специальный стенд, склад ремкомплектов и восстановленных реек, оборудование для ремонта электрореек) и обученный персонал для ремонта и замены рулевых реек на любом современном автомобиле. Бесплатно осмотрим подвеску и рулевой механизм, чтобы клиент сразу получил представление о стоимости ремонта. Он в большинстве случаев обходится намного выгоднее, чем замена. В особо тяжёлых случаях предложим установку неоригинальных, но очень качественных и недорогих реек с собственного склада. Гарантия на все работы.
Ремонт рулевой рейки Chevrolet Lanos
Функциональное назначение рулевой рейки Chevrolet Lanos
Разновидности рулевых реек
Характерные неисправности рулевой рейки Chevrolet Lanos
Ресурс и ремонтопригодность рулевых реек Chevrolet Lanos
Особенности ремонта
Важно
- Рулевая рейка является основным механизмом рулевого управления Chevrolet Lanos, обеспечивающим комфортное маневрирование на любой скорости.
- Существует несколько разновидностей рулевых реек, различаемых по типу используемого усилия.
- Выделяется целый ряд признаков, свидетельствующих о неисправности рулевой рейки.
- Ресурс и ремонтопригодность рулевой рейки в целом определяется ее конструкцией, а также характером и местом эксплуатации автомобиля.
- Ремонт рулевых реек Chevrolet Lanos возможен только в условиях автомобильного технического центра.
ФУНКЦИОНАЛЬНОЕ НАЗНАЧЕНИЕ РУЛЕВОЙ РЕЙКИ Chevrolet Lanos
Рулевое управление современных в автомобилях реализовано посредством шестерно-реечной передачи, что обеспечивает комфорт управления транспортным средством, легкость вращения руля и относительную дешевизну конструкции. Простота механизма снижает риск возникновения поломок, при этом ремонт рулевой рейки Chevrolet Lanos не потребует много времени и денег. Независимо от типа рулевой рейки, ее конструкция включает в себя:
- корпус (картер), в который заключен механизм;
- рулевой вал, на котором закреплена ведущая шестерня;
- прижимная пружина, которая устраняет зазор между шестерней и рейкой;
- рейка;
- защитные пыльники;
- ограничительное кольцо;
- втулка шарнира рулевой тяги.
В некоторых моделях автомобилей Chevrolet Lanos ведущая шестерня имеет разные передаточные значения, что существенно облегчает поворот руля на парковке, но сохраняет «чувство дороги» на скорости.
Принцип работы рулевой рейки прост. Вращение руля сообщается посредством рулевого вала на ведущую шестерню, которая сдвигает рейку в необходимую сторону. Смещающаяся рейка подталкивает шарнир рулевой тяги в заданную сторону.
РАЗНОВИДНОСТИ РУЛЕВЫХ РЕЕК
В зависимости от реализованного на автомобиле типа рулевого управления Chevrolet Lanos используются 4 вида рулевых реек:
- Механическая рейка. Само простое устройство, где смещение подвижных частей происходит под воздействием мускульной силы водителя, крутящего рулевое колесо. В современных автомобилях применяется редко. Отремонтировать вышедшую из строя рулевую рейку механического типа считается проще всего, но многие автовладельцы предпочитают менять узел в сборе ввиду невысокой стоимости механизма и работ.
- Гидравлическая рейка. Основное отличие от механической – сообщение усилия на рейку посредством гидравлической силы. В конструкции рейки уже присутствует силовой цилиндр, являющийся элементом гидроусилителя. Обеспечивается легкая управляемость, однако пропадает «обратная связь» с дорогой. Ремонт рулевых реек гидравлического типа считается одним из наиболее трудозатратных, поскольку конструкция сложнее других вариантов.
- Электрическая рейка. Разница с механической рейкой в наличии электроусилителя (ЭУР), который за счет моторчика смещает рулевую рейку в заданную сторону на определенную величину. Помимо «стандартных» элементов присутствует блок управления, электромотор, датчик момента. «Обратная связь» с дорогой сохраняется на уровне механической рейки – ЭБУ отключает электроусилитель на скорости от 40 км/ч. Усилий для поворота руля стоящего или медленно движущегося автомобиля не требуется. Ремонт реек с ЭУР несложен в виду достаточно простой конструкции и отсутствии дополнительных подключений.
- Электро-гидравлическая рейка. Совмещает в себе достоинства электрической и гидравлической реек, то есть сохраняется «чувство руля» ЭУР и легкость ГУР. Конструктивно больше похожа на гидравлическую рейку с дополнительными элементами (датчик момента и другие). Трудоемкость ремонта сопоставима с вариантом обычной гидравлической рейки. Замена рулевой рейки производится только на подходящую. Внесение изменений в конструкцию рулевого управления с целью установки нештатного усилителя не рекомендуются вследствие риска возникновения аварийных ситуаций при повседневной эксплуатации автомобиля.
ХАРАКТЕРНЫЕ НЕИСПРАВНОСТИ РУЛЕВОЙ РЕЙКИ Chevrolet Lanos
В зависимости от типа рейки производится дефектовка неисправности системы рулевого управления Chevrolet Lanos. Характерные для реек любого типа признаки ограничены лишь наличием стуков и скрипов с локализацией в месте монтажа механизма рулевого управления. Также настораживающими будут следующие симптомы:
- вибрация рулевого колеса, связанная с высоким износом рулевого управления;
- рывки и удары по рулю, дифференцируемые с повреждением рулевых наконечников и тяг;
- отсутствие возврата, либо медленный возврат руля Chevrolet Lanos в исходное положение после прохождения поворота, связанный с деформацией рейки;
- утяжеление руля в определенном положении, повторяющееся многократно в случае, если рулевая рейка имеет повреждение привода;
- многократно повторяющиеся стуки и щелчки при вращении рулевого колеса с выключенным двигателем;
- поворот колес не соответствует повороту руля, дифференцируемый с выходом из строя датчика момента ЭУР или ЭГУР;
- «проскальзывания» (холостой ход) руля в определенном положении, связанный с повреждением планетарного механизма или ведущей шестерни рулевой рейки.
Приведенные признаки означают, что необходим осмотр рулевой рейки Chevrolet Lanos и диагностика на специализированном стенде. Это позволит определить поломку в ситуациях, когда система рулевого управления имеет выраженный износ или повреждения, что затрудняет быструю диагностику и выявление неполадок.
РЕСУРС И РЕМОНТОПРИГОДНОСТЬ РУЛЕВЫХ РЕЕК Chevrolet Lanos
Автопроизводители Chevrolet Lanos в большинстве случаев заявляют ресурс механической рулевой рейки, соответствующий эксплуатационному ресурсу всего автомобиля. В машинах, оснащенных ГУР и ЭУР, ресурс заявляется в 100 – 150 тыс. км при условии своевременного прохождения сервисного техобслуживания. Но следует понимать, что профилактические мероприятия увеличивают ресурс узла. Безразличное отношение к автомобилю, напротив, негативно сказывается на общем состоянии узлов и агрегатов.
Например, периодическая очистка рейки от отложений и выработки позволит использовать механизм в течение всего срока эксплуатации автомобиля (порядка 250 тыс. км). Негативно влияет на ресурс рулевой рейки воздействие пыли и климатических показателей. В случае постоянной эксплуатации автомобиля на грунтовых дорогах ресурс рейки Chevrolet Lanos будет сокращаться вследствие негативного воздействия пыли – мелкие частицы легко проникают через пыльник и оседают на подвижных частях механизма.
Сильные морозы могут стать причиной выхода из строя рулевой рейки с ГУР и ЭГУР, поскольку даже качественные сертифицированные синтетические масла становятся на морозе вязкими. Рулевая рейка с ЭУР может выйти из строя в регионах с жарким и влажным климатом вследствие проникновения частичек влаги через пыльник рулевой рейки. Частицы влаги вызовут окислы на электродвигателе и разъемах.
Ввиду ремонтопригодности узла даже возникшие неполадки не считаются поводом к полной замене механизма. Учитывая высокую стоимость рулевого управления с ЭУР или ГУР, более выгодна разборка и дефектовка внутреннего механизма рулевой рейки с целью ремонта. Узел меняется полностью редко. Полная замена нужна в ситуациях, если выявлено:
- повреждение картера рулевой рейки Chevrolet Lanos;
- выраженная деформация реечного механизма, сопровождаемая множественными другими поломками;
- разрушение силового цилиндра Chevrolet Lanos в варианте ГУР или электро-гидроусилителя;
- выработка ресурса рулевой рейки.
ОСОБЕННОСТИ РЕМОНТА
Для большинства рулевых реек Chevrolet Lanos производители выпускают ремкомплекты, в состав которых входят наиболее уязвимые детали – пыльники, сальники, прокладки, тефлоновые кольца, пружины. В автосервисах замена ремкомплекта рулевой рейки считается рядовой процедурой, что обусловлено небольшими трудозатратами. Но без использования специального оборудования и инструментов произвести самостоятельно все ремонтные работы качественно невозможно, независимо от расположения рейки – за двигателем или на подрамнике. Лучший выход из ситуации – отремонтировать вышедшую из строя рулевую рейку в автотехцентре.
Учитывая, что определенные работы требуют дополнительных манипуляций, одним лишь ремкомплектом не удается обойтись. Так, при деформации первичного привода ведущей шестерни потребуется фрезеровка рулевого вала Chevrolet Lanos, выполняемая точно по заданным параметрам. Любой ремонт механизма рулевого управления всегда связан с необходимость проведения дополнительных работ. Вмешательство в рулевую систему обязательно подразумевает дальнейшую регулировку развала – схождения Chevrolet Lanos, что своими силами невозможно сделать для современного автомобиля в принципе.
Проведенный в условиях автотехцентра ремонт рулевого управления Chevrolet Lanos позволит вновь эксплуатировать автомобиль в привычном режиме, без оглядки на возможное возникновение неисправностей, связанных с низким качеством работы. Серьезные автосервисы соблюдают предписанный автопроизводителем технический регламент, что позволяет предоставить гарантию на оказанные услуги.
Устройство электрических рулевых реек. Неисправности
Те, кто постигал азы водительского мастерства за рулем какой-нибудь «копейки» или «Москвича», наверняка до сих пор помнят, как сложно было управляться с рулем этих автомобилей. Но прогресс не стоит на месте, и сегодня редко найдешь модель автомобиля, не оборудованную усилителем рулевого управления, который в значительной степени упрощает руление. Какие виды усилителей бывают, в чем их преимущества и недостатки – об этом пойдет речь в данной статье.
Усилитель усилителю – рознь
Первыми об облегчении управления рулем машины задумались производители грузовиков. Конструкторы разработали специальный гидравлический механизм, который монтировался в систему рулевого управления и упрощал вращение рулевого колеса. Но не только в этом заключалась польза изобретенного агрегата: в ущерб качеству «обратной связи» он помогал поглощать неровности дорожного покрытия (уменьшились вибрации на руле), что, в свою очередь, позволяло продлить срок службы узлов механизма рулевого управления. Кроме того, использование ГУР помогло улучшить безопасность автомобиля при повреждении шин передних колес: гидроусилитель способствует удержанию руля в заданной водителем траектории движения.
Примечательно, что подобный механизм, названный гидравлическими усилителем руля (ГУР), в советском автопроме впервые появился на легковом автомобиле – ГАЗ «Чайка».
ГАЗ 14 Чайка с ГУР
С тех пор прошел не один десяток лет, прежде чем гидроусилителями стали оснащать серийные модели российского производства. Впрочем, легковые автомобили иностранных брендов оборудуются гидроусилителями руля уже давно. По прошествии времени инженеры удостоверились в том, что конструкция гидравлического привода усилителя руля несовершенна и стали искать пути усовершенствования данного агрегата. Эволюционным шагом в этом направлении стало применение не гидравлики, а электрики — конструкторы изобрели электрический усилитель руля (ЭУР), который сегодня устанавливается на различные модели, бюджетные и дорогие, автомобилей. Каковы же особенности конструкции гидро- и электроусилителя руля?
Гидроусилитель руля представляет собой систему из соединительных трубопроводов низкого и высокого давления, в которых циркулирует специальная жидкость, нагнетаемая в систему при помощи насоса. находится в бачке, который соединен с насосом. При повороте руля жидкость под давлением подается в рулевой механизм через распределитель. Жидкость накачивается в гидроцилиндр, где создает давление на поршень, смещает его, тем самым облегчая усилие при повороте рулевого колеса. Когда автомобиль движется по прямой траектории, жидкость из рулевого механизма оттекает в бачок системы ГУР.
ЭУР
Электроусилитель руля представляет собой систему из электродвигателя, электронного блока управления (ЭБУ) и двух датчиков — и угла поворота руля. В отличие от гидроусилителя, ЭУР монтируется непосредственно на рулевой колонке или рулевой рейке, а передача крутящего момента происходит через торсионный вал, который встроен в систему рулевого управления. Если ГУР изменяет усилие на руле при помощи циркулирующей в системе жидкости, то электроусилитель делает это посредством силы тока. Например, при повороте руля усилие передается на рулевой механизм через торсионный вал. Датчик крутящего момента электроусилителя «улавливает» это действие и передает его в блок управления.
Там информация анализируется и ЭБУ определяет, какую именно силу тока нужно направить в электромотор, чтобы облегчить вращение рулевого колеса. Причем, усилие это рассчитывается в зависимости от скорости движения автомобиля и угла поворота руля: если водитель вращает рулем на месте или при парковке на малой скорости, привод ЭУР работает по максимуму, обеспечивая наиболее легкое вращение рулевого колеса. Если же поворот руля происходит на большой скорости, электроусилитель уменьшает силу крутящего момента, отчего управление становится острее.
Что лучше: ГУР или ЭУР?
Свои преимущества и недостатки есть у каждой из указанных систем.
Гидроусилитель рулевого управления является более громоздкой, но в то же время более дешевой в производстве системой, что в конечном итоге сказывается на стоимости автомобиля, оснащенного ГУР. Сегодня гидроусилителями рулевого управления оснащают в основном автомобили бюджетного класса и мощные внедорожники. Впрочем, в случае с внедорожниками использование ГУР поясняется тем, что такая система имеет большую, нежели у электроусилителя, мощность передачи момента на рулевой механизм. В этом заключается главное преимущество ГУР.
Недостатков у данного механизма больше. Во-первых, в автомобиле с гидроусилителем руля нельзя держать рулевое колесо в крайнем положении более пяти секунд, иначе произойдет перегрев масла в системе, что приводит к поломке ГУР. Во-вторых, гидроусилитель нуждается в периодическом обслуживании (раз в один – два года): необходимо менять , следить за уровнем масла в системе, проверять состояние приводов, целостность шлангов и насоса усилителя.
В-третьих, работа насоса гидроусилителя напрямую связана с двигателем, поэтому насос постоянно отбирает у мотора часть мощности, которая при прямолинейном движении, когда ГУР не задействован, расходуется впустую.
В-четвертых, в гидроусилителе нельзя настроить режимы работы механизма в зависимости от условий движения. В-пятых, ГУР обеспечивает хорошую информативность рулевого управления на малых скоростях, но на высоких «обратная связь» в значительной мере ослабевает. Впрочем, этот недостаток конструкторы устраняют за счет применения в механизме рулевого управления дополнительных узлов (рейки с переменным передаточным отношением).
В отличие от гидроусилителя руля, ЭУР является более прогрессивной системой
, имеющей, однако, и свои недостатки. Так как их меньше, чем у ГУР, то сперва скажем о них. Во-первых, это более высокая стоимость, а во-вторых – меньшая, как указывалось выше, мощность электромотора, из-за чего данный тип усилителя в основном устанавливается на легковые автомобили. Впрочем, с каждым годом конструкция ЭУР совершенствуется, что позволяет нивелировать упомянутые недостатки.
К преимуществам ЭУР можно отнести, во-первых, простоту его конструкции, и, как следствие, обслуживания. Электроусилитель не имеет жидкостей, шлангов, насоса, которые нуждаются в периодическом осмотре и обслуживании. Единственное, за чем нужно следить – это за состоянием подшипников качения. Во-вторых, ЭУР компактнее, чем гидроусилитель, не занимает много места, а у некоторых моделей автомобиля устанавливается на рулевой вал в салоне, а не под капотом, что обеспечивает долговечность его эксплуатации (нет перепада температур и влажности, которые приходится испытывать узлам ГУР).
Установленный ЭУР от Приоры на ВАЗ 2109. Фото — Drive2
В-третьих, электроусилитель помогает топливо, так как его мотор, в отличие от насоса гидроусилителя, начинает работать только при повороте руля, к тому же он не отбирает мощность у двигателя. В-четвертых, через ЭБУ можно настроить режимы работы электроусилителя в зависимости от условий, в которых эксплуатируется машины. В-пятых, рулевое колесо с электроусилителем можно сколько угодно держать в крайнем положении. И, наконец, управление автомобилем с ЭУР более острое при езде на больших скоростях, чем у ГУР, и более легко при езде на малых скоростях.
С уважением, Александр Гилев.
Детально разберем устройство электроусилителя руля (ЭУР), как наиболее продвинутого представителя рулевой системы автомобиля. Выясним чем отличается от электроусилителя и раскроем перспективу развития этих рулевых помощников водителя.
Как и «гидрач» (ГУР), ЭУР (электроусилитель) создан для того, чтобы создавать дополнительное усилие на рулевой механизм, тем самым облегчая для водителя процесс управления автомобилем.
О первом типе усилителей уже , напомним лишь, что его главным элементом является гидроцилиндр, на который действует специальная рабочая жидкость, накачиваемая насосом.
Гидроусилители имеют уже достаточно долгую историю, чего не скажешь об электроусилителях, которые появились на арене автопрома сравнительно недавно. Несмотря на это, по мнению экспертов, ЭУРы через пару лет полностью вытеснят из недр легковых машин «гидрачи».
«Неужели они такие классные?» — спросите вы. Давайте разберёмся что к чему.
Устройство электроусилителя руля: где искать и как работает
Устройство электроусилителя руля довольно простое, его центровым элементом выступает электродвигатель, как правило, асинхронного типа. В зависимости от того, где установлен моторчик, различают такие схемы этого узла:
- с расположением на валу рулевого колеса;
- с расположением на рейке рулевого механизма.
Первый вариант характерен для небольших автомобилей, например для малолитражек и прочих компактных легковушек. Им и так не нужно большое усилие на руле, поэтому усилитель имеет компактные размеры и может находиться прямо под баранкой в салоне.
С более массивными авто такой фокус не пройдёт, и у них ЭУР приводит в движение рулевую рейку при помощи дополнительной шестерни или шарико-винтового механизма.
Принцип работы электроусилителя основывается на слаженном взаимодействии трёх компонентов:
- входных датчиков;
- электронного блока управления;
- исполнительного устройства.
Для того чтобы ЭУР работал правильно ему нужно знать как и куда поворачивается руль, какая скорость у машины и в каком режиме функционирует двигатель.
Этой информацией блок управления снабжают соответствующие датчики. В зависимости от полученных данных, он выдаёт команду исполнительному устройству коим и является электромотор ЭУР.
Кстати, с появлением электроусилителей у инженеров просто таки открылось второе дыхание. Так, к примеру, эти устройства позволили внедрить системы автоматической парковки, расширить функционал систем , аварийного управления, удержания полосы движения авто и прочие новомодные интеллектуальные технологии.
Как отличить неисправность рулевой рейки от поломки ГУР
Неисправности в гидроусилителе можно узнать по характерным симптомам:
При наличии этих симптомов обратитесь к специалисту, который понимает принцип работы рулевой рейки с гидроусилителем, для устранения неисправностей.
Помните, что профилактика – это лучший способ предотвращения неисправностей. Для продления жизни этого механизма следует соблюдать простые правила:
- Регулярно проверяйте пыльники. Если на них образовалась трещина или дырка, лучше сразу заменить их.
Зимой сначала нужно прогреть двигатель и только потом начинать движение и поворачивать руль. Лучше всего на месте несильно покрутить руль из стороны в сторону, чтобы разогреть масло.
Притормаживайте перед ямами и кочками и старайтесь их объезжать.
Не забывайте менять жидкость гидроусилителя.
Не стоит резко страгиваться с места, особенно если руль выкручен до упора.
Рулевая рейка – это механическое устройство для передачи усилия с рулевого механизма на колеса. Устройство рулевой рейки внешне выглядит сложно, но мало мастеров разбираются во внутренних механизмах и умеют их ремонтировать. Поэтому при возникновении неисправностей следует найти хороший автосервис, чтобы устранить неполадки систем рулевого управления или поменять механизм целиком.
Ремонт рулевых реек – это сложный процесс, с которым не справится начинающий автолюбитель.
ГУР и ЭУР: кто же лучше?
Время вернуться к основному вопросу, озвученному в начале статьи: гидро- или электроусилитель руля, что лучше? Одним из главных преимуществ ЭУРа является его экономичность: в отличие от ГУР ему ненужно отбирать мощность от двигателя автомобиля (напомним, насос гидроусилителя связан приводом с коленвалом).
В дополнение к этому электроусилитель включается только тогда, когда мы поворачиваем руль, что тоже неплохо для энергосистемы машины.
Также немаловажен малый вес и компактность этих устройств. Ну и, конечно же, интеллектуальный потенциал ЭУР, о котором мы уже вспоминали – на его базе легко создаются автоматические системы управления, ассистирующие устройства, а также другие и перспективные беспилотные решения.
Но так ли плох гидроусилитель? Конечно же, нет. Во-первых, для тяжёлой и грузовой техники создать ЭУР достаточной мощности сложно, поэтому «гидрачи» в этом случае незаменимы. Во-вторых, его ремонт обойдётся дешевле, чем ремонт электроусилителя.
В целом же, как мы видим, электроусилители превосходят по ряду ключевых параметров своих собратьев с гидросистемой, из-за чего тотальный переход легковушек с одно вида усилителей на другой – всего лишь дело времени.
На этом, дорогие наши читатели и подписчики, мы завершаем сегодняшний рассказ.
Изучайте автомобили вместе с нами! До новых встреч!
Современному водителю трудно представить, что еще несколько десятилетий назад транспортные средства не были оборудованы усилителями руля. Данное оборудование начали массово устанавливать на легковые машины только в 1952 году. Сегодня наибольшей популярностью пользуются два типа систем, снижающих управляющее усилие: гидроусилители (ГУР) и электроусилители (ЭУР), однако мало кто знает, чем отличается электроусилитель от гидроусилителя руля.
ГУР и ЭУР выполняют одни и те же задачи, а именно:
- делают процесс управления транспортным средством легким и комфортным,
- снижают силу ударов, которые передаются на рулевое колесо в процессе езды по плохому дорожному покрытию,
- повышают уровень активной безопасности машины.
Как защи тить рулев ую рейку от п оломки
- Не крутите, руль до упора – оставляйте небольшой запас хода.
- Осторожно двигайтесь по плохим дорогам. Попадание колеса в яму на большой скорости может повредить рулевую рейку.
- Если автомобиль оснащён ГУР, следите за жидкостью в нём, а конкретнее за её уровнем и цветом. Также не забывайте вовремя менять жидкость.
- Контролируйте состояние пыльников. Если есть сомнения в их герметичности – сразу меняйте.
Сколько стоит ремонт рулевой рейки?
Стоимость рулевой рейки для ВАЗов
– около 130$ . Для машин зарубежного производства расценки заметно больше: от 200 до 500$ . Такие цены справедливы для рулевых реек без сопутствующих комплектующих: ГУР и тяг с наконечниками. Рулевая рейка в сборе стоит гораздо дороже: для
ВАЗов
от 230$ , а для
иномарок
от 1000$ и больше (в зависимости от класса автомобиля).
Если вы не будете менять рулевую рейку своими силами, а обратитесь в автосервис, то к суммам выше придётся прибавить стоимость работы специалистов.
Как работает ГУР
ГУР – это сложный и хорошо продуманный механизм. Для того чтобы понять принцип его работы, нужно разобраться в следующих вопросах: какие элементы входят в его состав и как они работают.
- Насос, соединенный с бачком для масла. Его задача заключается в создании и поддержании определенного давления в системе.
- Регулятор (распределитель) давления, заставляющий масло поступать в тот или иной отдел силового гидроцилиндра.
- Силовой гидроцилиндр, вращающий шток поршня под действием давления масла.
- Масляные магистрали, по которым непрерывно циркулирует жидкость.
Все время, пока транспортное средство едет по прямой дороге, жидкость гидроусилителя находится в резервуаре, который соединен с насосом. После того как водитель начинает вращать рулевое колесо, насос перекачивает жидкость в гидроцилиндр, который под действием возрастающего давления перемещает поршень, существенно уменьшая величину усилия, необходимого для поворота руля.
Причин ы стука рул ево й рейки
Причинами появления стука в рулевой рейке могут быть:
- Ослабленные крепёжные соединения.
- Износ опорной втулки.
- Образование люфта в подшипниках.
- Износ зубцов рейки.
- Поджимной сухарь соприкасается с корпусом рулевой рейки по причине изнашивания антифрикционной накладки.
Как самостоятельно опре делить причину стука в р улевой рейке?
Можно провести диагностику на СТО или сделать это своими силами. Во втором случае последовательность действий будет следующей:
- Найдите ассистента, который будет вам помогать. Одному осмотреть рейку невозможно;
- Убедитесь, что мотор не работает, поставьте машину на «ручник» и попросите ассистента сесть на место водителя;
- Залезьте под машину и найдите рулевую рейку, затем скажите ассистенту, чтобы он покрутил руль влево-вправо;
- Если рейка с ГУР, оцените состояние шлангов на предмет протечек. Также проверьте уровень жидкости и её прозрачность;
- Проверьте, не повреждены ли пыльники, а также нет ли где-нибудь подтёков смазки;
- Если по итогу выполнения двух предыдущих пунктов нареканий нет, прислушайтесь, откуда исходит стук. Скорее всего, дело в подшипниках или износе зубцов рейки. Рулевую рейку придётся снимать и перебирать, а то и менять целиком;
- Теперь можно переходить к ремонту повреждённого узла своими силами или отправляться в автосервис.
Как работает ЭУР
Для работы электроусилителя необходимо слаженное взаимодействие целого ряда механизмов, функционирующих под контролем ЭБУ и двух измерительных преобразователей (датчиков), фиксирующих углы поворотов и величину крутящего момента двигателя. Во время вращения руля информация о величине крутящего усилия фиксируется и обрабатывается датчиком, который посылает ее на электронный блок управления. В свою очередь ЭБУ, исходя из полученных данных, рассчитывает величину тока, которая будет подаваться на электрический мотор для обеспечения легкого и комфортного вращения рулевого колеса.
Плюсы и минусы электрических и гидравлических рулевых усилителей
Положительные качества ГУР.
Главное достоинство гидравлических усилителей руля – это их относительно невысокая стоимость. Именно благодаря этому фактору данными механизмами чаще всего оснащены недорогие бюджетные машины.
Гидравлические усилители отличаются хорошим запасом мощности. Их целесообразно устанавливать на внедорожные автомобили и на микроавтобусы, т.к. эти устройства способны хорошо выдерживать длительное воздействие высоких внешних нагрузок.
Отрицательные качества ГУР.
Владельцы транспортных средств, на которых установлен гидравлический усилитель, должны помнить, что рулевое колесо не должно оставаться в крайнем правом или крайнем левом положении дольше 4-5 секунд. Превышение данного лимита времени может стать причиной перегрева масла системы с дальнейшим выходом ее из строя.
Специалисты утверждают, что ГУР надо периодически обслуживать. Замена жидкости, циркулирующей в системе, должна производиться регулярно. Также необходимо осуществлять осмотр поверхностей всех составляющих его элементов. Если в процессе их визуального осмотра будут обнаружены трещины или следы протечки жидкости, то необходимо немедленно заменить пришедшую в негодность деталь на новую запчасть.
Гидравлический усилитель рулевого управления во время своей работы обязательно забирает у двигателя некоторый процент мощности.
С возрастанием скорости езды уменьшается скорость отклика ГУР на действия водителя транспортного средства. Объясняется это присутствием дополнительных узлов, замедляющих реакцию устройства на вращение руля.
Положительные качества ЭУР.
Простая и эффективная конструкция электрического усилителя рулевого управления лишена каких-либо дополнительных узлов. Периодическое обслуживание ЭУР не требует временных и материальных затрат т.к. сводится только к проверке работоспособности подшипников качения.
Маленькие габариты — это отличительная особенность электроусилителя. Благодаря скромным размерам его монтаж осуществляется прямо на рулевой вал, а не в подкапотное пространство машины. Такое расположение позволяет избежать негативного влияния погодных факторов на работоспособность ЭУР, тем самым существенно увеличить срок его эксплуатации.
Наличие в автомобиле электроусилителя руля гарантирует существенную экономию топливной смеси. Бензин тратиться меньше потому, что ЭУР включается только во время поворотов руля в отличие от ГУР, который работает непрерывно на протяжении всей поездки. При этом электромеханическая система не отбирает процент мощности у мотора т.к. питается от бортовой сети транспортного средства.
Руль в машине с ЭУР может находиться в крайнем положении неограниченное количество времени.
Во время езды на высоких скоростях автомобиль с электронным усилителем рулевого управления хорошо слушается водителя, поэтому всегда остается маневренным. Одновременно с этим процесс езды становится более безопасным.
Отрицательные качества ЭУР.
Наиболее существенным недостатком электроусилителя считается его высокая цена.
Второй минус состоит в том, что электрический мотор электромеханической системы имеет незначительный запас мощности. По этой причине ЭУР пока не устанавливается на тяжелые транспортные средства, однако производители устройства уверяют, что в самое ближайшее время этот недостаток будет устранен.
Главным преимуществом электрического привода рулевого управления относительно является отсутствие гидравлики, а значит насоса гидроцилиндра, шлангов. Это позволяет уменьшить массу усилителя рулевого управления и объем занимаемый управлением в подкапотном пространстве.
Известно, что ряд факторов приводит к уводу автомобиля от прямолинейного движения, например разное , разная степень износа протектора, боковой ветер, поперечный уклон дороги. Применение электромеханического усилителя позволяет активно поддерживать возврат управляемых колес в среднее положение. Эта функция называется «активной самоустановкой» колес. Благодаря ее действию водитель лучше чувствует среднее положение рулевого управления, она облегчает также вождение автомобиля по прямой при воздействии на него различных .
Если при движении по прямой на автомобиль действует боковой ветер или поперечное усилие, вызываемое уклоном дорожного полотна, усилитель создает постоянный поддерживающий момент, который освобождает водителя от необходимости создавать реактивные усилия на рулевом колесе.
Общее расположение агрегатов рулевого управления с электроусилителем на примере автомобиля Opel Corsa показано на рисунке:
Рис. Общее расположение агрегатов рулевого управления с электроусилителем: 1 – электроусилитель; 2 – карданный вал рулевого управления; 3 – рейка привода рулевого управления
Электроусилитель может приводить вал рулевого управления на рулевой колонке, шестерню привода рейки или непосредственно саму рейку.
Рис. Электроусилитель рулевого управления на примере автомобиля Opel Corsa: 1 – электродвигатель; 2 – червяк; 3 – червячное колесо; 4 – скользящая муфта; 5 – потенциометр; 6 – кожух; 7 – рулевой вал; 8 – разъем датчика момента на рулевом валу; 9 — разъем питания электродвигателя
Разрез электроусилителя рулевого управления с приводом рулевого управления на рулевой колонке показан на рисунке:
Рис. Разрез электроусилителя рулевого управления: 1 – трехфазный синхронный электродвигатель; 2 – якорь; 3 – обмотка статора; 4 – датчик положения якоря; 5 – червячное колесо; 6 – рулевой вал; 7 – червяк
Электроусилитель через червячную передачу связан с валом рулевого управления. В зависимости от полярности напряжения питания электродвигатель вращается в ту или иную сторону, помогая водителю поворачивать колеса. Крутящий момент величиной силы тока, определяемой блоком управления действующим согласно заложенной в него программе и сигналам, поступающим от соответствующих датчиков.
Вал электродвигателя, при подаче на двигатель напряжения помогает поворачивать вал привода рулевого колеса через червяк и червячное колесо. Для поддержания постоянной обратной связи с дорогой входной и выходной валы электроусилителя соединены друг с другом через торсион. Приложение усилия к рулевому управлению как со стороны водителя, так и со стороны дороги приводит к закручиванию торсиона до 3-х градусов и изменению взаимной ориентации входного и выходного валов. Это служит сигналом для включения в работу электроусилителя. В зависимости от угла поворота рулевого колеса и скорости автомобиля электродвигатель подкручивает выходной вал, снижая усилие. Работает электродвигатель и при обратном ходе, он помогает возвращать колеса автомобиля и рулевое колесо в первоначальное положение. Торсион при поворотах всегда остается немного скрученным, гарантируя тем самым на руле то усилие, которое необходимо водителю, чтобы чувствовать дорогу.
Один из датчиков находится на торсионе, соединяющем половинки разрезанного рулевого вала, и следит за его закручиванием. С ростом усилия на руле сильнее закручивается торсион – больший ток идет на электромотор усилителя, что соответственно увеличивает помощь водителю.
Второй датчик следит за скоростью автомобиля. Чем она меньше, тем эффективнее помощь в повороте рулевого управления и наоборот, а после 75 км/ч усилитель вообще выключается чтобы не создавать дополнительного сопротивления, редуктор и электромотор разъединяются.
Третий датчик контролирует частоту вращения коленчатого вала двигателя и следит, чтобы усилитель работал только одновременно с ним. Это делается в целях экономии электроэнергии, потому что электроусилитель может потреблять до 105 А.
Производитель автомобилей Ауди предлагают систему реечного электроусилителя с двумя шестернями.
Рис. Схема реечного электроусилителя с двумя шестернями: 1 – датчик момента на рулевом колесе; 2 – электронный блок управления; 3 – электродвигатель усилителя; 4 – шестерня усилителя; 5 – рейка; 6 – датчик угла поворота рулевого колеса; 7 – торсион вала рулевого управления; 8 – шестерня рулевого механизма
Усилитель действует на рейку рулевого механизма через шестерню 3, которая установлена параллельно с основной шестерней рулевого механизма 2. Шестерня усилителя 3 приводится от электродвигателя 4. Передаваемый на шестерню 2 рулевого механизма крутящий момент измеряется датчиком момента 1. Величина развиваемого усилителем крутящего момента устанавливается электронным блоком управления 5 в зависимости от момента на рулевом колесе, скорости автомобиля, угла поворота колес, скорости поворота рулевого вала и других вводимых в него данных.
Электродвигатель и редуктор размещены в общем алюминиевом корпусе 2. На конце вала двигателя нарезан червяк 3.
Рис. Червячная передача привода шестерни усилителя: 1 – электродвигатель; 2 – корпус; 3 – червяк; 4 – вал привода; 5 – демпфер
Червячная передача служит для привода шестерни усилителя. Между червячным колесом и шестерней установлен демпфер 5, который исключает резкое нарастание усилия на рейке при включении усилителя. Положение (угол поворота) ротора электродвигателя определяется с помощью датчика поворота 6. Этот датчик расположен под возвратным и скользящим кольцами подушки безопасности. Он установлен на рулевой колонке между подрулевыми переключателями и рулевым колесом. Датчик генерирует сигнал, соответствующий углу поворота рулевого колеса.
Основными деталями датчика угла поворота рулевого колеса являются кодирующий диск с двумя кольцами и фотоэлектрические пары, каждая из которых содержит источник света и фотоэлемент. На кодирующем диске предусмотрены два кольца: внешнее кольцо 1 с шестью фотоэлектрическими парами, которое служит для определения абсолютных значений угла поворота рулевого колеса, и внутреннее кольцо 2 – для определения приращений этого угла. Кольцо приращений разделено на 5 сегментов по 72°. Оно используется в сочетании с одной фотоэлектрической парой. В пределах каждого из сегментов кольцо имеет несколько вырезов. Чередование вырезов в пределах одного сегмента не изменяется, а в отдельных сегментах оно отличается. Благодаря этому осуществляется кодирование сегментов.
Рис. Схема датчика угла поворота рулевого колеса: 1 – внешнее кольцо абсолютных значений; 2 – внутреннее кольцо приращений; 3 – фотоэлектрическая пара.
Датчик угла поворота рулевого колеса позволяет отсчитывать его в пределах до 1044°. Отсчет угла производится путем суммирования числа градусов. При переходе через метку, соответствующую 360°, датчик регистрирует завершение поворота на один полный оборот. Конструкцией рулевого механизма предусмотрена возможность поворота рулевого колеса на 2,76 оборота.
На рулевом колесе установлен датчик момента 3.
Рис. Датчик момента на рулевом колесе: 1 – рулевой вал; 2 – магнитное кольцо; 3 – чувствительный элемент датчика; 4 – вал шестерня; 5 – витой кабель; 6 – торсион
Действие этого датчика основано на магниторезистивном эффекте. На рулевом вале 1 установлено магнитное кольцо 2, которое жестко связано с верхней частью торсиона 6. Чувствительный элемент 3 датчика соединен с валом шестерни рулевого механизма 4 и связан таким образом с нижней частью торсиона. Сигнал снимается с датчика через витой кабель 5. Торсион закручивается точно в соответствии с усилиями, прилагаемыми к рулевому валу. При этом магнитное кольцо 2 перемещается относительно чувствительного элемента 3 датчика. В результате действия магниторезистивного эффекта изменяется сопротивление чувствительного элемента, величина которого определяется блоком управления.
Если системой управления обнаружен дефект датчика, она производит «мягкое» отключение усилителя. При этом усилитель не отключается полностью, а переводится на режим управления по резервному сигналу, который образуется в блоке управления из сигналов угла поворота рулевого вала и частоты вращения ротора двигателя усилителя.
По сравнению с гидро усилителем электрический усилитель не имеет насоса, шлангов и какой либо жидкости, за уровнем которой нужно было бы следить. Такой усилитель издает намного меньше шума и занимает на порядок меньше места в подкапотном пространстве. При работе электро усилителя затраты энергии немного ниже, потому что он включается в работу только когда в этом есть надобность. А гидрач постоянно прокачивает жидкость. Собственно за счет меньшего жнергопотребления такой привод рулевого управления позволяет уменьшить расход топлива (в среднем на 200 грамм на сто километров).
Состав усилителя с электрическим приводом:
1 — руль, 2 — рулевая колонка, 3 — карданный вал, 4 — электродвигатель, 5 — механизм руля, 6 — блок управления, 7 — датчик крутящего момента
Особенности рулевых реек на автомобилях
На всех современных машинах устанавливают усилители, чтобы шоферу было легче управлять автомобилем. К тому же, они обеспечивают безопасность в сложных условиях. Чтобы водитель не терял чувство дороги, производители прибегают к модификациям в подвеске.
Форд
Многие автолюбители жалуются, что на машинах этого производителя часто ломаются рулевые рейки. Это касается практически всех моделей, но особенно много проблем возникает у владельцев Форд Фокус. Некоторые партии этой модели имели бракованные рейки, которые были собраны на старом оборудовании. Они ломались уже на первой тысяче километров.
ПОСМОТРЕТЬ ВИДЕО
Большинство моделей этого производителя имеют гидроусилитель. На некоторых современных версиях установлен ЭУР.
Рено
ПОСМОТРЕТЬ ВИДЕО
Все модели Рено оснащаются гидроусилителем руля. Он не доставляет проблем при регулярном техническом обслуживании. Нужно не забывать менять жидкость ГУР, тогда он прослужит долго. Помните, что нужно использовать только ту жидкость, которую рекомендует производитель, потому что она лучше всего подходит к данным автомобилям.
Тойота
Тойота устанавливает на свои модели гидроусилитель. Он облегчает вождение авто и отвечает за комфортность поездки. На этих авто он работает стабильно и редко ломается.
ПОСМОТРЕТЬ ВИДЕО
Эта марка выпускает автомобили в ценовой категории выше среднего, поэтому современные модели оснащаются более дорогим аналогом – электроусилителем. Но его слабость в том, что он боится сырой погоды. Не стоит проезжать на таких авто по глубоким лужам, чтобы не повредить электронику машины.
Опель
На большинстве моделей этого бренда устанавливается ГУР. С ним обычно не бывает проблем, но некоторые автолюбители жалуются на насосы в Опель Вектра. Он сложно поддается ремонту, поэтому рекомендуется менять его на новый.
ПОСМОТРЕТЬ ВИДЕО
В современных Опель Астра ставят ЭУР. Судя по отзывам автолюбителей, он может отключаться при повороте и плохо работает при влажной погоде. Причина этого может быть в отказавших датчиках или плохих контактах проводов. Обычно при устранении этих неполадок электроусилитель работает стабильно.
Лада Калина: ремонт
Существует два поколения Калины, на обоих установлен электроусилитель. Он представляет собой обычную механическую рейку, которая усиливается электромотором. Он прост в установке, поэтому присутствует во всех комплектациях этой модели. Но минус его в том, что он включается и на маленькой, и на большой скорости.
ПОСМОТРЕТЬ ВИДЕО
К сожалению, ЭУР ломается и на авто с большим пробегом, и на новых машинах. Чаще всего причина кроется в блоке управления. При этом загорается лампочка на приборной панели, а руль перестает поворачиваться. Если это произошло внезапно, необходимо остановиться и отключить питание этого устройства. Тогда вы сможете доехать до сервиса, где вам снимут и поменяют агрегат.
ВАЗ
Под аббревиатурой ВАЗ чаще всего подразумевают классические модели – от «копейки» до «двенадцатой». На них установлена обычная механическая рейка без усилителей. Проблемы с ней могут начаться только из-за механических повреждений пыльников или физического износа деталей.
ПОСМОТРЕТЬ ВИДЕО
Сегодня ВАЗ производит модели с гидро- и электроусилителями. Этого требует развитие техники и запросы покупателей. Их поломки аналогичны поломкам на других авто, чаще всего они появляются на больших пробегах.
Все рулевые рейки можно поделить на три типа.
1. Механическая рулевая рейка без усилителя.
Это механизм, где шестерня передает усилие на зубчатую рейку без какой либо помощи. Вертикальный вал с шестерней и горизонтальный вал с зубчатой рейкой закреплены в опорах качения и скольжения. Такие рейки называют механическими или сухими. Еще их ошибочно именуют электрическими или электронными, подразумевая принцип работы всего усилителя (в случае электроусилителя). Применяются такие рейки без дополнительных приводов редко. А в сочетании с электромотором на рулевой колонке — часто. Колонка с усиливающим механизмом помогает водителю крутить механическую рейку. Всё усилие и ударные нагрузки приходятся на зубчатую передачу. Это вызывает быстрый износ зубьев в положении руля «прямо». Не добавляет долговечности и влага, проникшая внутрь. Она вымывает смазку. Начинается работа «насухую», вызывающая быстрый износ. А коррозия металлических частей, приговаривает дорогой механизм за считанные дни.
Популярная тема ремонта — фторопластовые втулки. Обычно к нему склоняются из-за возможности тяп-ляп выточить и инсталировать все это в рейку. Или просто из-за некомпетентности. А ведь если читать не форумы, а специальную справочную литературу, то там черным по белому написано, что он для этого не годен. А если Вы не поняли, что в справочной литературе написано, то в рейку Вам лезть не стоит!
Рассмотрим в картинках устройство и типичный ремонт механической рейки.
Разобрали рейку.
Устанавливаем новые втулки. Материал — полиамид. Точность изготовления втулок доходит до 0,01 мм.
Поджимная втулка (пятак).
Втулка со стороны пассажира. Данная конструкция обеспечивает прилегание к валу без зазора, компенсацию износа и амортизационный подвес в корпусе.
Нижний подшипник меняем на втулку скольжения.
2. Рулевая рейка с гидроусилителем.
Пока еще наиболее распространенный тип рейки. Представляет то же, что и механическая рейка с навешанным на неё гидроцилиндром и гидрораспределителем. Гидроцилиндр двухстороннего действия прост и надежен. Работает до тех пор, пока на горизонтальном валу (он является штоком гидроцилиндра) не появятся следы износа или коррозии (коррозия появляется чаще на неработающей рейке). Управляющий распределитель давления — это очень точный и довольно сложный механизм. Но надежен и долговечен. Выходит из строя по причине износа. Износ распределителя — это следствие износа опорных подшипников и просто старость.
Часто после неудачного ремонта гидрорейки, мастера ругают некачественные сальники. Проводя анализ всех неудачных ремонтов сделали вывод, что во всех случаях виноват человеческий фактор. Официально поставляемые комплектующие сомнения не вызывали. Про китайские изделия не буду, и так все понятно. Правда не всем…(((
Вот как выглядит гидравлическая рейка в разобранном состоянии.
Как мы её ремонтируем. Корпус моем. Горизонтальный вал шлифуем. Сальники и подшипники меняем. Втулки справа и слева меняем.
Шлифуем поверхности под рабочую кромку сальников (фото до и после).
А это рулевой вал с управляющим золотником. Еще его называют распределителем давления. Здесь меняются четыре уплотнительных кольца.
3. Электрические, электронные рулевые рейки.
Это наиболее современный и сложный вид реек. Представляет то же, что и механическая рейка с навешенным на неё наружным или интегрированным электроприводом и датчиком крутящего момента на рулевом вале. Управляется все это с помощью компьютера. Неисправности бывают как механического характера — износ, ржавление, стуки, бряки, так и электрического характера — перегорело, оторвалось.
Рейка с интегрированным электромотором.
Правая часть корпуса — это шаговый электродвигатель (электронноуправляемый шаговый бесколлекторный двигатель постоянного тока) и датчик положения /вращения ротора. В левом верхнем углу — датчик крутящего момента. Посредине — горизонтальный вал с механизмом шариковая винт-гайка.
Двигатель и датчик положения/вращения ротора крупнее.
Из всего вышесказанного можно сделать некоторые выводы. Для ремонта механических реек нужно уметь обращаться с точным мерительным инструментом, работать на токарном, фрезерном станке, знать материаловедение. Для ремонта гидрореек потребуется знание гидропривода, работы усилительных механизмов, множество оправок и специнструмента. Ну а для электрических (электронных) реек нужны знания механика, радиотехника, электронщика, да и очень светлую голову!!! У Вас все это есть?
Нет, конечно можно все сделать нахрапом и на коленке. Можно прочитать на форуме в интернете и пригласить друга на пиво в гараж. Даже может что-то приблизительно получится. Но ведь Вы даже не поймете правильно это получилось или нет, потому что не знаете как точно должно работать. А в общем-то дерзайте, только потом не удивляйтесь, что исправить все это стоит в разы больше, чем банальный (я не говорю, что он дешевый) ремонт!
Рад Вас приветствовать, друзья, на блоге « »
Рулевая рейка применяется в устройстве автомобилей достаточно давно. По опыту эксплуатации она стала наиболее удачным решением в реализации рулевого управления. Конечно, существуют и другие разновидности передач – червячные или схемы на основе винт-шариковой гайки, однако никакого сколь-нибудь значимого распространения они не получили.
Сегодняшняя статья будет посвящена устройству, разновидностям и основным принципам работы реечных рулевых механизмов.
Р азновидности рулевых реек.
Для начала, скажем, что рулевая рейка является механической передающей системой, предназначенной преобразовывать вращение рулевого в разнонаправленные повороты колес.
П о принципу работы и функциональному устройству выделяют три вида рулевых реек:
♦ Механическая. Она обладает наиболее простым устройством. Механическая рулевая рейка предусматривает наличие зубчатого колеса, расположенного в нижней части колонки, которое осуществляет взаимодействие с зубчиками рейки, имеющей в свою очередь непосредственную связь с рулевыми тягами – передающими частями рулевого блока.
♦ Гидравлическая. Современные автомобили, оснащенные гидроусилителем, получают именно эту разновидность рулевых реек. Это способствует максимально удобному и легкому управлению транспортным средством за счет увеличения усилия, прилагаемого ГУР к рулевым тягам. Водитель при этом получает неимоверно легкий, информативный руль.
♦ Электрическая. Принцип работы электрических реек максимально схож с гидравлической разновидностью, однако основные приводящие силы в ней увеличиваются не за счет специальной жидкости, а путем применения небольшого электрического двигателя.
Особенности устройства и работы рулевой рейки определяются непосредственно той моделью автомашины, на которой она установлена. Варьируется даже место установки. Так, рулевая рейка может быть с верхним расположением, подразумевающим её монтаж позади силового агрегата с закреплением непосредственно к кузову, а также с вариантом нижнего расположения, при котором рейка закрепляется на подрамник, кузов или балку снизу.
К онструктивное устройство механических рулевых реек шестеренчатого типа.
Давайте рассмотрим устройство классической механической рейки. Она достаточно простая, не подразумевающая наличия большого количества внутренних частей.
♦ Картер. Основным корпусом механизма выступает алюминиевый картер, имеющий внутреннюю полость, защищенную резиновой гофрой.
♦ Шестеренка. Данный элемент является обыкновенным зубчатым колесом. Он крепится внутри корпуса через специальные подшипники.
♦ Рейка. Упрощенно рейку можно назвать продольной пластиной, наделенной зубцами. Благодаря плотному прижиму, обеспечивающемуся за счет пружины повышенной жесткости, рейка взаимодействует с шестеренкой, путем постоянного беззазорного сцепления.
♦ Ограничители рабочих диапазонов. Для этих целей используются фиксирующие кольца с одного края и шарнирные втулки рулевой тяги с другого.
Такое схематическое устройство рулевой рейки дает возможность иметь малый передаточный коэффициент. Это дает возможность управлять движением колес в любом из направлений без каких-либо заминок и промедлений.
Подобное строение может легко дорабатываться производителями, согласно своим видениям удобства рулевого управления. Например, западногерманская добавила в схему планетарный механизм. Дополнение позволило менять передаточный коэффициент шестеренки в зависимости от выбранного скоростного режима автомобиля.
Р улевая рейка с гидроусилителем.
Рулевые рейки, схема которых , позволяет осуществлять управление транспортным средством с максимальной легкостью.
К ак это происходит?
Основную задачу по передаче усилий водителя в данном случае получает специальная жидкость, заполняющая под высоким давлением основной рабочий канал. В зависимости от направления поворота соответствующие золотники открываются, позволяя маслу попадать в дополнительные каналы, в которых осуществляется давление на непосредственные исполнительные узлы – рулевые тяги.
В случае возвращения руля в первоначальное положение, гидравлическая жидкость возвращается обратно в основной канал. Во время этого работа гидроусилителя будет направлена исключительно на поддержание рабочего режима давления.
И тоги.
В конце статьи, скажем, что рулевая рейка по своему устройству является несложным механизмом, однако его важность весьма высока. Задача водителя – . Любые нарушения герметичности или повреждение других частей необходимо, не затягивая, устранять, чтобы не возникла потребность полной замены узла.
Прогресс не стоит на месте, и на смену червячному рулевому механизму пришёл реечный, который быстро завоевал популярность у всех мировых автопроизводителей. По сравнению со своим предшественником он имеет меньшее количество составных частей, подверженных износу, что положительно сказывается на надёжности. Кроме того, автомобиль с таким рулевым механизмом обладает более острым управлением, а это означает улучшенную безопасность вождения и множество позитивных эмоций у водителя.
Срок службы рулевой рейки (при регулярном техобслуживании) составляет около 100 000 км пробега. Со временем, по мере износа, появятся неисправности, в том числе и самая распространённая – стук в рулевой рейке. Устранение неполадки лучше доверить сервисному центру, а вот определить причину можно самостоятельно. Но прежде чем мы расскажем вам, как провести диагностику своими руками, давайте подробнее рассмотрим строение этого механизма, его разновидности и почему стучит рулевая рейка.
Принцип действия электро усилителя рулевого управления
Как уже было сказано, электрический усилитель работает не всегда, он вступает в работу только при повороте руля водителем. Двигатель усилителя руля выдает крутящий момент который зависит от крутящего момента на рулевом механизме. Этот момент измеряется датчиком крутящего момента, который передает данные в блок управления усилителем.
Так же блок управления рассчитывает необходимую мощность включения двигателя усилителя в зависимости от угла поворота рулевого колеса. Угол поворота измеряется датчиком, который встроен в подрулевой переключатель. На роторе самого двигателя тоже установлен датчик, измеряющий его частоту вращения для получения обратной связи в блок управления. То есть чтобы блок «видел» с нужной ли скоростью крутится мотор электроусилителя, нет ли ошибочно медленного или слишком быстрого вращения.
В отличие от гидроусилителя, который дает примерно одинаковое усилие во всем диапазоне вращения руля, блок управления электрическим усилителем принимает во внимание множество параметров, по которым рассчитывает нужное усилие на электромоторе. Это усилие зависит от величины момента на руле, от скорости автомобиля, от оборотов двигателя, от угла и скорости поворота рулевого колеса.
Усилие от двигателя усилителя передается на рейку через приводную шестерню и червячную передачу. Рейка перемещается при помощи двух усилий: непосредственно от руля, приводимого в движение водителем и от двигателя усилителя, управляемого блоком управления.
Устройство рулевой рейки
Все виды системы имеют сходное устройство: рейка имеет зубцы, которые двигаются вдоль шестеренки рулевой колонки. Эти зубцы имеют передаточное число, которое подобрано специально для правильной передачи усилия. Некоторые виды содержат дополнительные устройства для облегчения управления авто.
Устройство механической рулевой рейки
Этот вид рейки имеет самое простое устройство. Вращение колес осуществляется только за счет усилия водителя. Она состоит из шестеренок, которые работают по такому же принципу, что и коробка передач.
Система имеет два зубчатых механизма: один соединяется с приводом руля, а второй с колесными тягами. Они имеют определенное передаточное число, которое облегчает задачу водителя. Даже небольшое движение руля способен отклонить колеса от горизонтальной оси. Особенно это удобно при маневрировании в ограниченных пространствах: шофер легко может поворачивать руль до упора и управлять колесами.
Рулевая рейка с гидроусилителем
Практически на всех новых авто в дополнение к стандартной рейке устанавливают ГУР – гидроусилитель руля. Он делает управление автомобилем легким и приятным. Также он помогает гасить ямы и кочки на дороге – они не бьют в руль, что делает вождение безопасным.
ПОСМОТРЕТЬ ВИДЕО
Устройство рулевой рейки с гидроусилителем: он состоит из насоса, в котором перемещается рабочая жидкость. При повороте руля она давит на поршень со штоком, который отвечает за поворот колес. В нейтральном положении руля вся жидкость возвращается в нормальное положение.
Рейка рулевая с гидроусилителем появилась сначала на грузовых автомобилях, которыми было сложно управлять. Но с развитием технического прогресса ее стали устанавливать и на легковых машинах.
Электроусилитель рулевой рейки
Этот вид механизма имеет электромотор для усиления преобразования движения руля в отклонение колес. Он управляется ЭБУ и специальными датчиками.
Существует три способа крепления этой системы: мотор располагается на рейке, мотор встроен в колонку или мотор располагается на валу. Вариант с встроенным мотором в рулевую колонку считается самым опасным: если он выходит из строя, авто становится не управляемым.
На сегодняшний день этот механизм считается самым прогрессивным, так как он имеет самый высокий КПД из всех видов. Он прост в обслуживании: нет необходимости доливать рабочую жидкость, отсутствуют сальники, которые могли бы протекать. Также он экономичен, в то время, как в ГУР постоянно течет жидкость, электрический мотор запускается только при вращении руля.
Схема работы
Понять, что такое рейка в машине не очень сложно. От руля идет рулевая колонка, которая на конце имеет шестрерню с передаточным числом. В распределительном механизме эта шестерня встречается с зубчатым устройством на рейке. В зависимости от типа конструкции дальше располагаются поршни с рабочей жидкостью или электромотор с блоком управления. После этого момент вращения передается на рулевые тяги к колесам.
Это упрощенная схема устройства, которая необходима для понимания принципа работы. На самом деле рулевая рейка состоит из регулирующих элементов: пружины, втулки, ограничители.
Режим парковки
Парковка это своеобразный режим движения. В этом режиме скорость машины мала, а колеса обычно поворачиваются на сравнительно большие углы.
Датчик крутящего момента передает информацию о наличии большого крутящего момента на руле. Так же в блок поступают данные об угле поворота руля. И если угол поворота и крутящий момент большие, а скорость автомобиля стремится к нулю, то блок управления определяет это как режим парковки и дает команду на максимальное усиление движения руля. При этом обязательно учитывается частота вращения коленвала.
Таким образом при нулевой скорости и активном рулении на рейку действует максимальное усиление от электродвигателя.
Итог
В итоге мы виде, что электроусилитель руля приходит на замену гидроусилителю. Если сначала электрический усилитель ставили только на малолитражках, то теперь они добрались до внедорожников и спорткаров. Большегрузная техника пока остается на гидроусилителе, но и тут ставят комбинированные варианты из двух усилителей. Да, маломощность мешает полностью вытеснить гидроусилитель, но все его преимущества перевешивают пару недостатков.
Электроусилителем рулевого управления (обиходное название – элетроусилитель руля
) называется конструктивный элемент рулевого управления автомобиля , в котором дополнительное усилие при повороте рулевого колеса создается с помощью электрического привода. В конструкции современного автомобиля электроусилитель рулевого управления постепенно заменяет гидроусилитель руля. К 2020 году каждый второй легковой автомобиль будет оснащен гидроусилителем руля.
Основными преимуществами электроусилителя руля в сравнении с гидроусилителем рулевого управления являются:
- удобство регулирования характеристик рулевого управления;
- высокая информативность рулевого управления;
- высокая надежность в связи с отсутствием гидравлической системы;
- топливная экономичность, обусловленная экономным расходованием энергии (снижение расхода топлива до 0,5 л. на 100 км).
Электроусилитель рулевого управления открыл широкие возможности для создания различных систем активной безопасности: курсовой устойчивости , автоматической парковки , аварийного рулевого управления , помощи движению по полосе .
Различают две основных схемы компоновки электроусилителя рулевого управления:
- усилие электродвигателя передается на вал рулевого колеса;
- усилие электродвигателя передается на рейку рулевого механизма.
Наиболее востребован электроусилитель с приводом на рулевую рейку. Другое его название — электромеханический усилитель рулевого управления
. Известными конструкциями такого усилителя являются усилитель руля с двумя шестернями и усилитель руля с параллельным приводом.
Электромеханический усилитель рулевого управления состоит из электродвигателя, механической передачи и системы управления.
Электроусилитель руля объединен с рулевым механизмом в одном блоке. В конструкции усилителя используется, как правило, асинхронный электродвигатель.
Механическая передача обеспечивает передачу крутящего момента от электродвигателя к рейке рулевого механизма. В электроусилителе с двумя шестернями одна шестерня передает крутящий момент на рейку рулевого механизма от рулевого колеса, другая – от электродвигателя усилителя. Для этого на рейке предусмотрены два участка зубьев, один из которых служит приводом усилителя.
В электроусилителе с параллельным приводом усилие от электродвигателя передается на рейку рулевого механизма с помощью ременной передачи и специального шариковинтового механизма.
Система управления электроусилителем руля включает входные датчики, электронный блок управления и исполнительное устройство.
К входным датчикам относятся датчик угла поворота рулевого колеса и датчик крутящего момента на рулевом колесе . Система управления электроусилителем руля также использует информацию, поступающую от блока управления ABS (датчик скорости автомобиля) и блока управления двигателем (датчик частоты коленчатого вала двигателя).
Электронный блок управления обрабатывает сигналы датчиков. В соответствии с заложенной программой вырабатывается соответствующее управляющее воздействие на исполнительное устройство – электродвигатель усилителя.
Электроусилитель руля обеспечивает работу рулевого управления автомобиля в следующих режимах:
- поворот автомобиля в обычных условиях;
- поворот автомобиля на малой скорости;
- поворот автомобиля на большой скорости;
- активный возврат колес в среднее положение;
- поддержание среднего положения колес.
Поворот автомобиля осуществляется поворотом рулевого колеса. Крутящий момент от рулевого колеса передается через торсион на рулевой механизм. Закрутка торсиона измеряется датчиком крутящего момента, угол поворота рулевого колеса – датчиком угла поворота рулевого колеса. Информация от датчиков, а также информация о скорости автомобиля, частоте вращения коленчатого вала двигателя, передаются в электронный блок управления.
Блок управления рассчитывает необходимую величину крутящего момента электродвигателя усилителя и путем изменения величины силы тока обеспечивает ее на электродвигателе. Крутящий момент от электродвигателя передается на рейку рулевого механизма и далее, через рулевые тяги, на ведущие колеса.
Таким образом, поворот колес автомобиля осуществляется за счет объединения усилий, передаваемых от рулевого колеса и электродвигателя усилителя.
Поворот автомобиля на небольшой скорости обычно производится при парковке. Он характеризуется большими углами поворота рулевого колеса. Электронная система управления обеспечивает в данном случае максимальный крутящий момент электродвигателя, соответствующий значительному усилению рулевого управления (т.н. «легкий руль»
).
При повороте на высокой скорости, напротив электронная система управления обеспечивает наименьший крутящий момент и минимальное усиление рулевого управления (т.н. «тяжелый руль»
).
Система управления может увеличивать реактивное усилие, возникающее при повороте колес. Происходит т.н. активный возврат колес в среднее положение.
При эксплуатации автомобиля нередко возникает потребность в поддержании среднего положения колес (движение при боковом ветре, разном давлении в шинах). В этом случае система управления обеспечивает коррекцию среднего положения управляемых колес.
В программе управления электроусилителя руля предусмотрена компенсация увода переднеприводного автомобиля, вызванного различной длиной приводных валов.
В ряде систем активной безопасности электроусилитель функционирует без участия водителя. В системе курсовой устойчивости он обеспечивает обратное подруливание колес, а в парковочном автопилоте — автоматическую параллельную и перпендикулярную парковку.
Лёгкость управления автомобилем является очень важным фактором в обеспечении безопасности движения. На протяжении всей истории автомобилестроения инженеры работали над этой непростой задачей. И если принцип работы остался неизменным и представляет собой передачу вращательного усилия рулевого колеса на передние колёса автомашины с помощью реечного рулевого механизма, то техника реализации этого принципа существенно изменилась. Последним достижением в этой области является электроусилитель руля.
Если является уже хорошо знакомым устройством и используется производителями автомобилей уже не один десяток лет, то ЭУР относительно молод. Рассмотрим принцип работы электроусилителя руля.
Начнём с устройства ЭУР. Он состоит из электродвигателя, механической шестерёнчатой передачи, датчика поворота руля, датчика крутящего момента руля и блока управления. Также в блок управления поступают данные о скорости движения машины (из системы ABS) и о частоте вращения коленвала (оборотах двигателя). Блок управления на основе всех этих данных рассчитывает необходимую величину и полярность подаваемого на электродвигатель напряжения. Электродвигатель в свою очередь посредством механической шестерёнчатой передачи (сервомеханизма) создает дополнительное усилие, облегчающее управление передними колесами. Это усилие может прикладываться как к рулевому валу, так и непосредственно к рулевой рейке. Конкретное устройство ЭУР также во многом зависит от класса машины.
В автомобилях малого класса, где не требуется прикладывать большие усилия к рулевому колесу, оно имеет небольшие размеры и устанавливается непосредственно на рулевую колонку. При этом, находясь практически в салоне авто, оно защищено от пыли, грязи и влаги, что положительно сказывается на сроке службы этого устройства.
В авто среднего класса используется другое размещение – непосредственно на рулевой рейке, на которую воздействует шестерёнка, создавая дополнительное вспомогательное усилие.
Автомобили класса микроавтобусов и внедорожников из-за своего большого веса нуждаются в значительном дополнительном усилии. Поэтому их устройство несколько иное. В основном этом параллельноосевая конструкция, использующая зубчато-ременную передачу и механизм «винт-гайка на циркулирующих шариках». И, конечно, в случае поломки ЭУР управляемость автомобилем сохранится. Только делать это будет значительно тяжелее.
Движение в городе
В городском режиме постоянно приходится поворачивать руль, совершая повороты и перестроения.
Но усилие на руле в такие моменты не превышает средних значений. Так же в блок управления поступает информация об угле поворота руля и скорости автомобиля, близкой к 50-ти километрам в час, в результате блок определяет необходимость в умеренном усилии на рулевое управление и выдает сохраненные в памяти характеристики усилителя для скорости 50 км/час. Так что в городском цикле действуют усилия среднего диапазона.
Из че го со ст ои т р ул ева я рейка
Простейшая механическая рулевая рейка имеет следующую конструкцию: в картере особой формы смонтирован гофрированный чехол; там же на нескольких подшипниках стоит шестерня вала рулевого управления, приводимая в движение рулём через вал, а к ней с помощью пружины прижата зубчатая рейка (пружина нужна, чтобы между шестернёй и рейкой не было зазора).
В настоящее время наибольшую популярность обрели 3 типа рулевых реек. Их главное отличие друг от друга – это то, как работает сам механизм.
Активный возврат колес в среднее положение
Когда при движении в повороте водитель снижает усилие на руле, торсион раскручивается. Блок управления по показаниям датчиков видит это и рассчитывает скорость возврата колес в среднее положение в зависимости от величины падения крутящего момента на руле, а так же от угла и скорости поворота руля. Это расчетное значение сравнивается с фактическим усилием возврата а результат сравнения служит основанием для определения крутящего момента, нужного для возврата колес в среднее положение.
Обычно при повороте колес в движении возникают реактивные усилия, которые стремятся вернуть колесо в среднее положение. Но из-за сил трения в рулевом механизме и подвеске они не способны самостоятельно вернуть колеса в исходное положение.
Блок управления учитывает все необходимые данные и обеспечивает возврат управляемых колес в среднее положение при помощи двигателя усилителя.
Неисправности
Любой агрегат в автомобиле может сломаться. Особенно часто это происходит на больших пробегах. Со временем детали изнашиваются и приходят в негодность. Но могут быть и другие причины поломок в авто.
Причины неисправности
Глобальной причиной, по которой может сломаться этот механизм – это плохое качество дорог. Автолюбители не в силах его улучшить, но они могут внимательнее управлять автомобилем: объезжать ямы и кочки, снижать скорость на плохой дороге, не эксплуатировать городскую машину в условиях бездорожья.
В плохих дорожных условиях может не только испортиться подвеска, но и выйти из строя сальники и пыльники рулевого механизма. А через пробоины в них в механизм можете попасть дорожная пыль. Чаще всего именно она является причиной поломки зубчатого механизма.
Признаки неисправности: диагностика
Диагностика рулевой рейки своими руками предполагает, что водитель должен обращать внимание на малейшие изменения в управлении автомобилем. Признаки неисправности рулевой рейки:
- Утяжеление руля в определенных положениях;
Стук в рейке;
Вибрации руля;
Протечка жидкости ГУР;
Неполный возврат руля в исходное положение;
Вращение руля не соответствует вращению колес.
Самый распространенный признак – это стуки в передней части автомобиля. Диагностика рулевой рейки в автосервисе – это самый очевидный выход из положения. Скорее всего, мастер признает ее поломку и предложит заменить.
Но помните, что некоторые поломки можно отремонтировать. Например, если на вашем авто установлен механический тип, мастер может разобрать устройство, найти поломку и устранить ее. Вам нужно лишь найти надежного мастера и сопоставить цену ремонта и стоимость замены рулевой рейки. Ремонтировать рулевую рейку, стоит или нет – решайте самостоятельно, это зависит от типа устройства и его цены.
Основные неисправности
Существует два основных признака исправностей – стуки и протечка жидкости. Они могут говорить о многих поломках, обнаружить которые вам поможет мастер автосервиса. Возможные неисправности рулевой рейки:
- Поверхностный стук может возникать из-за повреждения пыльников. Наконечники тяги в этом случае быстро выходят из строя и начинают стучать. В этом случае их просто заменяют на новые.
Внутренние стуки могут говорить о неисправности поршней или направляющих втулок. Для диагностики потребуется разобрать механизм и выявить поломку. Только специалист может определить стук рулевой рейки и его характер.
Также стук можете говорить о выработке деталей на больших пробегах автомобиля. Эту поломку невозможно отремонтировать, следует заменить механизм на новый.
Течь может возникнуть только на устройстве с гидроусилителем. Она говорит о том, что сальники вышли из строя и их необходимо заменить. При возникновении течи рейку следует разобрать и осмотреть все детали. При возникновении вопроса, что делать, если подтекает рулевая рейка, следует купить ремкоплект и отвезти ее в сервис для ремонта.
Если невозможно повернуть руль с ЭУР, это может быть связано с выходом из строя электромотора.
Если тяжело поворачивается руль с ГУР, это можете говорить о неисправности насоса.
Устройство рулевой рейки с гидроусилителем
Привет любитель раскурочить свой автомобиль своими же руками.
В этой статье я попытаюсь понятным языком объяснить устройство рулевой рейки с гидроусилителем, что это такое и для чего это все в автомобиле нужно.
Рулевая рейка — это металлическая планка, соединенная с передними колесами.
На ней расположена шестерня с зубьями, которая находится внутри корпуса.
Шестерня сцеплена с рейкой для обеспечения точного управления.
Оба передних колеса автомобиля соединены с рейкой посредством рулевых тяг.
Рулевое колесо (руль) через рулевой вал соединено с шестерней рулевой рейки.
Таким образом, вращение руля автомобиля сместит рейку в желаемом направлении.
Но основной принцип работы рулевой рейки с гидроусилителем заключается в максимальном облегчении водителю поворачивать руль автомобиля.
ГУР и насос гидроусилителя
Гидроусилитель руля (ГУР) — это система с замкнутым контуром, в которой используется гидравлическая жидкость под давлением, для изменения угла поворота передних колес в зависимости от угла поворота руля.
Компоненты системы: гидравлический насос, клапаны, цилиндр, резервуар и механизм управления (зубчатая рейка или рулевой редуктор).
Рассматривать будем гидроусилитель руля с зубчатой рейкой.
Устройство рулевой рейки с гидроусилителем также включает в себя трубки с гидравлической жидкостью, которые соединяют различные компоненты системы.
Насос гидроусилителя устанавливается на двигателе автомобиля и работает за счет вращения шкива соединенного с коленвалом двигателя.
В статье «Гидроусилитель или электроусилитель», рассмотрен альтернативный усилитель руля, который полностью электронный и устанавливается непосредственно на рулевой рейке.
В роторе насоса гидроусилителя имеются пазы, в которые вставлены лопасти.
Ротор вращается, и жидкость внутри насоса захватывается его лопастями, за счет чего создается давление.
Благодаря давлению жидкость проходит через отверстия распределительного диска, который расположен на корпусе насоса.
Далее жидкость попадает в клапан управления потоком и нагнетательный трубопровод.
Насос – один из основных компонентов системы, так как он создаёт давление, без которого рулевая рейка будет работать, как обычный рулевой механизм.
Работа ГУР
Насос ГУР создаёт давление жидкости, и она поступает по магистрали в направлении рулевой рейки.
Жидкость, поступая с одной из сторон цилиндра рулевой рейки, оказывает давление на поршень, и они вместе с рейкой двигаются в противоположном направлении.
Такое устройство рулевой рейки с гидроусилителем обеспечивает плавное и точное движение передних колес, а главное комфортное управление автомобилем.
Безусловно, каждый автомобиль уникален, но здесь рассмотрен основной принцип работы рулевой рейки с гидроусилителем, характерный для большинства современных автомобилей.
О замене насоса ГУР можете почитать в статье «Как самому заменить гидроусилитель руля».
На этом у меня все, удачи на дороге.
C уважением автор блога: Doctor Shmi
Как ремонтируется W203 рулевая рейка Мерседес: признаки и причины неисправности
Автомобильная рулевая рейка конструктивно представляет собой механизм, который передает усилие с колеса рулевого управления на поворотные тяги колес. Именно при помощи рулевой рейки передние колеса одновременно поворачиваются при повороте руля. В статье рассматривается W203 рулевая рейка, ее конструкция, признаки и причины неисправности, а также как делается диагностика и ремонт.
Конструкция рулевой рейки Mercedes-Benz W203
Конструкция основных составляющих автомобильной рулевой рейки не зависит от модификации и содержит:
- Наконечники, тяги. Это продолжение выдвижных конструкций рейки. Благодаря им передается усилие к колесам.
- Зубчатая планка и шестерни. Они передают усилие к тягам, управляя колесами.
- Корпус (картер). Внутри него размещены основные детали рейки. Чаще всего изготавливается из легкого алюминиевого сплава.
- Пружинная система. Обеспечивает плотность прилегания шестерен к рейке и отсутствие люфта руля.
- Подшипники. Облегчают легкое перемещение и поворот рейки.
- Ограничители. Устанавливают максимум хода рейки.
Признаки неисправности в механизме автомобильной рулевой рейки
Существует ряд признаков, которые помогут вовремя выявить неисправность рейки:
1. Стук в конструкции рейки бывает:
- Поверхностный. Происходит при разрыве пыльника тяги. При этом грязь и пыль попадает внутрь, в результате чего наконечник изнашивается. Постепенно появляется люфт и стук;
- Внутренний является результатом более значительной неисправности в механизме рейки. Без разбора механизма ее определить невозможно.
2. Люфт. Его причиной может быть люфт в шарнирах рулевых тяг, механические повреждения, люфт центрального зуба вала, постепенный износ сайлентблоков крепления к кузову и многое другое.
3. Вибрирующие движения руля во время движения вперед или по немного неровной дороге. Такая вибрация исчезает или ослабевает при выворачивает рулевого колеса в одну из сторон.
4. Руль не возвращается в начальное положение или же туго вращается. Это происходит при согнутом вале или картере.
5. Тугое вращение руля с характерным свистом. Такое происходит при ослаблении ремня привода, изнашивании моторной пары или крайне низком уровне жидкости гидроусилителя руля.
6. Течь. Это свидетельствует о изнашивании резиновых уплотнителей. Такая поломка достаточно частая для автомобилей, оснащенных гидроусилителем руля, поскольку жидкость в ГУР системе постоянно уходит и ее необходимо постоянно доливать.
7. Гул механизма рейки, сложности при вращении рулевого колеса. Это говорит о сбое циркуляции системы ГУР из-за поломки насоса, который не создает необходимого давления.
Для безопасности движения автомобиля исправность механизма рейки крайне важна.
Главные причины поломки и быстрого износа реек Mercedes
Как не странно, главным врагом рулевых реек автомобилей являются дороги. Постепенному износу рейки и появлению стука способствуют пыль и тряска на кочках. Но дело даже не столько в дорожных условиях, а в большей степени от безответственности самих водителей, которые не сбавляют скорость на плохой дороге, оставляют в мороз автомобиль с вывернутыми колесами. В результате рулевые рейки выходят из строя, появляется стук и течь. Несвоевременная смена жидкости в системе ГУР также может стать причиной преждевременного износа гидроусилителя.
Диагностика работы рулевой рейки W203
Рулевая рейка W203 ремонт – это процедура крайне сложная и трудоемкая, она занимает достаточно много времени и стоит соответственно дорого. Однако не стоит отчаиваться, на сегодняшний день в хороших автомастерских профессиональные механики могут произвести качественную диагностику и выявить неисправность без разбора механизма рейки. Это существенно сокращает время на ремонт и, соответственно, цену ремонта. Основными средствами диагностики являются:
- Люфтдетектор. Это прибор, который используется при диагностике причины стука в рулевой рейке и люфта колеса.
- Динамометрический ключ. Прибор, позволяющий сделать замеры размеров деталей и сравнить их с изначальными показателми.
- Стенд, на котором определяют утечки жидкости, а также измеряют давление, создаваемое в системе гидроусилителя руля.
Остальные поломки требуют разбора механизма для осмотра неисправности.
Регулировка рулевой рейки Мерседес
Для каждой модели автомобиля существует собственный алгоритм ремонта механизма рулевого управления. Основными этапами при этом являются:
- Дефектовка механизма управления рулем;
- Компьютерная диагностика износа деталей;
- Замена изношенных или испорченных составляющих механизма;
- Сборка системы рулевого управления, а также установка самой рейки;
- Тестирование системы на стенде;
- Регулировка углов развала-схождения.
Специалисты нашего сервисного центра выполняют не только ремонт рейки W203, но по желанию владельца автомобиля проводят профилактику остальных элементов системы механизма рулевого управления. Это обеспечивает более длительный срок службы системы, а также безопасность движения в дороге.
Как проходит ремонт рулевой рейки Мерседес W203
Прежде, чем приступить непосредственно к ремонту конструкции рейки, специалисты автосервиса производят первичный осмотр всей системы, а также выясняют у клиента признаки неисправности, которые и привели его в сервис. Это помогает выявить не только текущую неисправность, но и обнаружить сопутствующие изношенные детали.
После первичной диагностики проводится восстановление состояния сегментных и реечных валов, производится замена сальников, уплотнителей, а также изготавливаются втулки опор. Кроме того, заменяются опорные втулки, проверяются на износ подвижные механические пары и зубчатые сцепления. По окончании ремонтных работ проводят испытания гидравлической и механической составляющих рулевой рейки на стенде, для подтверждения ее полной исправности. Такая проверка имитирует реальные условия работы, что крайне важно для того, чтобы удостовериться в полной исправности отремонтированного механизма.
Советы автолюбителям по профилактике поломок рулевой рейки
Для того, чтобы предотвратить быстрый износ механизма рулевой рейки, владельцам автомобилей стоит воспользоваться следующими советами:
- следить за состоянием пыльников;
- задерживать руль в крайнем положении не более 5 секунд, поскольку при удержании колеса в крайнем положении, нагрузка на ГРУ, редуктор и рейку очень сильная;
- при езде в морозы не выворачивает руль сразу после долгого простоя. Лучше всего при прогревании двигателя покрутите руль плавно в обе стороны. Это постепенно прогреется масло гидроусилителя.
Многие автовладельцев интересует вопрос: отремонтировать рулевую рейку в случае поломки или установить новую. Ответ на этот вопрос могут дать только в профессиональном автосалоне.
В том случае, если поломка не слишком серьёзна, можно ограничиться ремонтом существующих составляющих рейки и механизма рулевого управления.
В том случае если поломка серьезная, лучше установить новую рулевую рейку. При этом у автовладельцев есть выбор: приобрести систему рулевого управления у официального дилера либо купить не оригинальные запчасти.
Какой бы вариант не выбрал хозяин авто — ремонт или замену рейки, всегда нужно помнить, что система рулевого управления одна из важнейших в автомобиле и от надежности ее напрямую зависит безопасность при движении.
Рулевые стойки с усилителем
Стойки рулевого управления с усилителеминогда называют рулевыми рейками с реечной передачей, поскольку рулевое управление состоит из вала главной рейки с небольшой шестерней. Вал шестерни прикреплен к рулевому колесу транспортного средства с помощью рычажных механизмов, шестерня внутри устройства имеет небольшие зубья, которые входят в зацепление с валом главной рейки.
Преобразует вращение рулевого колеса в боковое движение, которое затем перемещает опорные колеса для управления транспортным средством.Эта система требует меньшего количества соединительных деталей, что приводит к существенной экономии веса, и сегодня она очень популярна у большинства производителей.
Как это работает?
Вал главной рейки в рейке рулевого управления с гидроусилителем имеет поршень, прикрепленный к валу, а на шестерне расположен регулирующий клапан. Когда шестеренчатый клапан поворачивается, он управляет потоком жидкости, подаваемой насосом рулевого управления с гидроусилителем, и направляет жидкость к поршню, прикрепленному к валу главной рейки, после чего жидкость воздействует на поршень, чтобы усилить рулевое управление (т.е.е. гидроусилитель руля).
Стойки рулевого управления с усилителемразработаны каждым производителем автомобилей исключительно хорошо, они очень компактны и должны быть такими, чтобы они могли вписаться в наши современные автомобили, но при всех этих критериях конструкции температура под капотом становится все выше и выше. может вызвать некоторые проблемы. Самая распространенная проблема большинства рулевого управления с гидроусилителем — утечка жидкости из блока. Следующая распространенная проблема — это износ устройства, например люфт, из-за чрезмерного использования рулевого управления или отсутствия технического обслуживания на автомобиле.
Чтобы устранить эти проблемы, необходимо регулярно проверять систему рулевого управления. Ultimate Power Steering рекомендует, чтобы система проверялась вашим механиком при каждом обслуживании. Мы также рекомендуем заменять жидкость гидроусилителя рулевого управления не реже, чем каждые 40000 км или 2 года, это обеспечит правильную работу системы на максимально долгий срок и сэкономит ваши деньги.
Если будет обнаружена протечка рулевой рейки или ее чрезмерный износ, ее необходимо заменить или отремонтировать.Мы рекомендуем вариант восстановления, так как это наиболее рентабельный результат, а также гораздо более благоприятный для окружающей среды. Процесс восстановления менее загрязняет окружающую среду, чем новый блок, потому что мы перерабатываем от 65 до 80% исходного блока рулевого управления.
В Ultimate Power Steering вы можете быть уверены в нас, поскольку вам гарантируют качество и сервис для всех наших продуктов.
Посетите наш интернет-магазин или свяжитесь с нами, чтобы узнать цену сегодня — (07) 3889 7077
Все, что нужно знать о стойках рулевого управления с гидроусилителем
Рулевая рейка является неотъемлемой частью реечного рулевого механизма вашего автомобиля.Этот компонент отвечает за преобразование вращательного движения рулевого колеса в линейное движение, которое поворачивает колеса автомобиля. Это металлический стержень, расположенный параллельно передней оси, который перемещается вместе с рулевым колесом при его повороте. В рулевой рейке с гидроусилителем используется привод от двигателя для подачи гидравлической жидкости под высоким давлением к рулевой рейке при повороте колеса. Это позволяет рулевой рейке легче поворачиваться. Это также означает, что там будут значительные уплотнения, уплотнительные кольца и шланги, в которых будет находиться гидравлическая жидкость.
Если рулевое колесо с гидроусилителем сильно изнашивается, жидкость начнет вытекать. Если гидравлическая жидкость слита, рулевое управление будет тяжелым, трудным и неуправляемым. Если это произойдет, самое время заменить рулевую рейку. Вы же не хотите, чтобы рулевая рейка вышла из строя. Это руководство предоставит вам все, что вам нужно знать о рейке рулевого управления с гидроусилителем и о том, как заменить вышедшие из строя.
Что такое рулевая рейка?Как упоминалось ранее, рулевая рейка является неотъемлемой частью зубчатой рейки любого транспортного средства.Система рулевого управления и подвески — это металлический стержень, расположенный параллельно передней оси, который перемещается влево и вправо при повороте рулевого колеса. Движение рулевой рейки позволяет водителю прицеливаться и маневрировать колесами в желаемом направлении. Часть этого металлического стержня имеет канавки на одной стороне, которая входит в контакт с ведущей шестерней. Этот механизм отвечает за преобразование вращательного движения рулевого колеса в линейное движение, которое поворачивает колеса автомобиля.
Чтобы понять, для чего используется рулевая рейка, очень важно знать, как работает реечный рулевой механизм.Реечное рулевое управление — это механизм, отвечающий за вращение колес автомобиля, когда водитель поворачивает рулевое колесо. Это наиболее распространенный тип рулевого управления, который можно найти на большинстве автомобилей и некоторых небольших внедорожниках. Реечное рулевое управление может работать с усилителем рулевого управления или без него.
Этот рулевой механизм позволяет водителю лучше контролировать направление колес во время поворота. Хотя в нем меньше движущихся частей, чем в более крупных традиционных системах рулевого управления, реечное рулевое управление помогает уменьшить усилия, необходимые для управления автомобилем.Эта шестерня находится на стороне рулевой рейки, в которой прорезаны канавки, которые толкают рейку влево и вправо при повороте рулевого колеса. Конец каждой рулевой рейки имеет поперечную рулевую тягу, которая соединяет ее с шкворнем. Это движение направляет колеса при повороте.
Типы рулевой рейкиПо эксплуатации различают два типа рулевых реек: ручные и рулевые рейки с гидроусилителем. Рулевая рейка с ручным управлением работает аналогично описанной выше.Тем не менее, в рейке рулевого управления с гидроусилителем используется дополнительное устройство на одной стороне стойки с внутренним поршнем с гидравлическим приводом. При повороте рулевого колеса гидравлическая жидкость направляется в левую или правую сторону поршня с помощью поворотного клапана. Это оказывает давление на поршень, что сводит к минимуму усилия, необходимые для перемещения рулевой рейки. Системы рулевого управления с электрическим приводом заменяют рулевую рейку и шестерню с гидроусилителем на двигатель.
Выбор правой рулевой рейкиЕсли отделить рулевую тягу от всей системы рулевого управления и подвески, она может выглядеть как бесполезная металлическая штанга.Но без него вы не сможете маневрировать и поворачивать машину по дорогам.
Итак, если вы чувствуете, что ваше рулевое колесо немного болтается или шины смещены, самое время заменить рулевую рейку. Вот несколько вещей, которые следует помнить при замене рулевой рейки.
Изучение вашей системы рулевого управленияПоскольку ваша рулевая рейка является частью более крупной реечной системы рулевого управления, тип рулевой рейки, которая вам понадобится, будет зависеть от системы рулевого управления вашего автомобиля.В большинстве автомобилей используется стандартная реечная система рулевого управления. Если у вас есть такая система рулевого управления, рулевую рейку легко обнаружить. Это простая и легкая стойка с металлическими зубьями разного размера. В отличие от простой рулевой системы, рулевая рейка с гидроусилителем имеет несколько иную конструкцию и состоит из большего количества деталей.
В середине рейки гидроусилителя вы увидите цилиндр с поршнем. Этот поршень разработан с двумя отверстиями для жидкости, которые направляют жидкость под высоким давлением к одной из его сторон, которые защищены пыльниками рулевой рейки, а гидроусилитель руля обеспечивает мощность, необходимую для управления автомобилем.Поэтому, если на вашем автомобиле установлена система рулевого управления с гидроусилителем, выбор правильной рулевой рейки может быть более утомительным. Помимо проверки качества и пригодности стойки для системы рулевого управления с гидроусилителем, вам также следует проверить отверстия для жидкости и совместимость с жидкостными линиями системы рулевого управления.
Купить всю рулевую рейку в сбореНезависимо от того, есть ли у вас стандартная зубчатая рейка или зубчатая рейка с усилителем, необходимо убедиться, что рулевая рейка оснащена фитингом для внутренних рулевых тяг.Это сделано для того, чтобы все идеально подходило ко всей системе подвески и рулевого управления. Кроме того, это также поможет предотвратить утечку из рейки гидроусилителя рулевого управления или любые утечки.
Еще одно преимущество покупки целой сборки, а не только части, заключается в том, что нет никаких основных изменений, применяемых ко всему механизму. Это избавит вас от хлопот с возвратом старой детали для возврата основной суммы. Поэтому, покупая замену рулевой рейки, не покупайте просто рейку; купите всю сборку для более точной подгонки и увеличения срока службы.
Всегда проверяйте гарантиюКак и любые запасные части, никогда не покупайте без гарантии. Это поможет вам сэкономить время, усилия и деньги, если приобретенная вами деталь не работает должным образом. Стандартная гарантия на рулевую рейку — один год. Что касается пробега, он будет зависеть от типа вашей системы рулевого управления. Если у вас стандартное реечное рулевое управление, на него обычно распространяется гарантия с неограниченным пробегом. Это связано с тем, что у него меньше подвижных частей, и он обычно используется для небольших нагрузок.Если у вас более сложная система, например, система рулевого управления с усилителем, она более подвержена износу. Вот почему у нее нет таких же гарантийных условий, как у стандартной системы. Продавцы и дистрибьюторы обычно покрывают от 15 000 до 18 000 миль.
Каковы симптомы неисправной рулевой рейки?Рулевая рейка — самая важная часть системы рулевого управления. Если он изнашивается или полностью ломается, способность маневрировать и управлять автомобилем будет нарушена.Вот симптомы или предупреждающие знаки того, что ваша рулевая рейка выходит из строя.
Рулевое колесо тяжело поворачиваетсяРеечные системы рулевого управления, которые у нас есть сегодня, поддерживаются рулевой рейкой с гидроусилителем, в которой используется гидравлическое давление, что обеспечивает легкое и быстрое рулевое управление и управление колесами. Когда рулевое колесо поворачивается с трудом, чем обычно, это обычно из-за того, что рулевая рейка или коробка передач нагреваются сильнее, или из-за потери гидравлического давления в гидроусилителе рулевого управления.Как бы то ни было, это проблема, которая никуда не исчезнет, и ее должен как можно скорее осмотреть механик. В некоторых случаях простая добавка жидкости для гидроусилителя руля или небольшая регулировка может решить эту проблему и продлить срок службы рулевого колеса.
Подтекает жидкость рулевого управленияКак упоминалось выше, если рулевое колесо поворачивается с трудом, на это указывает жидкость для рулевого управления с низким усилителем. Поскольку рулевой механизм имеет гидравлический привод, уровень жидкости не снизится, если где-то в системе не будет утечки.Если есть утечка из рейки гидроусилителя, это означает, что имеется неплотно прилегающая, сломанная прокладка или другие механические проблемы, которые необходимо устранить как можно скорее. Если вы не сможете это починить, это приведет к перегреву рулевой рейки или коробки передач, что потенциально может привести к поломке шестерен и других компонентов, что приведет к аварии. Вы можете отличить протекающую жидкость для рулевого управления от другой жидкости по ее запаху, поскольку обычно она пахнет горящим маслом. Обычно он красного или розового цвета и будет капать с задней части мотора.
Громкий шум при рулевом управленииКогда ваша рулевая рейка выходит из строя, это обычно означает, что ей не хватает надлежащей смазки и обслуживания. Избыточное тепло вызывает контакт металла с металлом, создавая громкий скрежет при маневрировании влево или вправо. Шум усиливается, если вы одновременно поворачиваете и наезжаете на кочку, например, когда вы выезжаете на подъездную дорожку.
При запахе горящего маслаОдин из менее распространенных признаков неисправности рулевой рейки — запах горелого масла.Жидкость гидроусилителя рулевого управления пахнет горелым маслом, поэтому, когда коробка передач горячего рулевого управления, будет присутствовать сильный аромат прогоревшего масла. В этом случае немедленно остановите машину, найдите безопасное место для парковки и как можно скорее вызовите механика. Если вы продолжите движение при перегреве рулевого механизма, это может привести к пожару и серьезным повреждениям.
Как заменить рулевую рейку?Если вы испытываете некоторые из следующих симптомов, упомянутых выше, и хотите самостоятельно заменить рулевую рейку, выполните следующие действия:
Вещей, которые вам понадобятся:
- Домкрат
- Подставка под домкрат
- Жидкость гидроусилителя руля
- Набор ключей для тормозной магистрали
- Новая рулевая рейка
- Набор трещоток и головок
- Первый шаг — поднять и закрепить автомобиль с помощью домкрата и опор домкрата.Чтобы работать с рулевой рейкой, вам нужно будет залезть под автомобиль, поэтому убедитесь, что ваш автомобиль надежно закреплен. Перед тем, как приступить к работе с самой стойкой, убедитесь, что ваши колеса прямые и рулевое колесо заблокировано.
- Теперь, , когда у вас есть хороший обзор рулевой рейки, снимите концы рулевых тяг с поворотных кулаков с помощью гаечного ключа.
- После того, как все болты и приспособления были ослаблены, найдите линии рулевого управления с гидроусилителем. Обычно он соединяется со стойкой с помощью гаечных ключей для тормозной магистрали.Эти стропы несут большое давление, поэтому не забудьте сначала сломать их, прежде чем ослаблять.
- Снимите болты с рулевой рейки и снимите ее с колонки. Не забывайте, что перед тем, как отвинтить стойку от рамы, убедитесь, что она правильно поддерживается рукой или запасным комплектом опор.
- Установите вашу новую рулевую рейку. Перед полной установкой стойки убедитесь, что она отцентрирована. Соберите все остальные детали, снятые на шагах 2–4, в обратном порядке.
- Убедитесь, что все болты правильно затянуты и все на месте, прежде чем проверять установку. Если вы хотите знать, «как мне проверить свою рулевую рейку?» после замены разблокируйте рулевое колесо, пока машина еще поднята, и поверните колеса из стороны в сторону десять раз. Помимо проверки правильности установки стойки, ее тестирование также поможет удалить воздух из системы рулевого управления с гидроусилителем.
Сколько стоит замена рулевой рейки в AU (Австралия)? Стоимость замены рулевой рейки зависит от года выпуска, марки и модели вашего автомобиля.
Можно ли водить машину с плохой рулевой рейкой?
Не рекомендуется ездить с неисправной рулевой рейкой, так как это может привести к аварии. Если вы считаете, что рулевая рейка неисправна, немедленно замените ее.
Когда мне следует заменить рулевую рейку?
Если вы испытываете какие-либо симптомы неисправности рулевой рейки, пришло время заменить ее. Вождение с плохой рулевой рейкой может быть опасным.
Что вызывает повреждение рулевой рейки?
Две основные причины повреждения рулевой рейки — это загрязнение жидкости и износ насоса рулевого управления.Достаточно лишь небольшой утечки или загрязненной жидкости, и ваша рейка или насос рулевого управления выйдут из строя. Это приведет к снижению управляемости и вообще не сможет управлять автомобилем.
Machter АвтозапчастиКак бы вы ни планировали замену рулевой рейки с гидроусилителем — самостоятельно или профессионалом, лучше всего использовать рулевую рейку автомобиля от очень уважаемого поставщика. Здесь, в Machter Auto, мы предлагаем ряд рулевых реек и рулевых реек с усилителем, которые идеально подходят для вашего автомобиля.Как один из лучших поставщиков запасных частей для автомобилей в Австралии, вы можете быть уверены, что все автомобильные запчасти Machter являются лучшими на рынке.
Посетите веб-сайт Machter Auto Parts в Интернете, чтобы купить лучшие автомобильные запчасти в Интернете по самой низкой цене. Вы также можете связаться с одним из наших дружелюбных экспертов, которые помогут вам найти лучшие автомобильные запчасти для вашего автомобиля или если вам нужно купить автомобильные запчасти оптом. Позвоните в команду по телефону (02) 7801 4933
Часто задаваемые вопросы о стойке и шестерне
ОБЩИЕ ВОПРОСЫ / ОБЗОР:
Какой тип силовой стойки и шестерен вы предлагаете?
Какие типы ручных реек и шестерен вы предлагаете?
Каковы преимущества перехода от стандартной системы рулевого управления к системе Rack and Pinion?
У вас есть зубчатая рейка для моего… [укажите здесь автомобиль]?
Есть ли у вас рулевые рейки для автомобилей с правым рулем?
Не похоже, что у вас есть стойка, которая соответствует моим потребностям — могу ли я создать свою?
ТЕХНИЧЕСКИЕ / МОНТАЖНЫЕ ВОПРОСЫ:
У вас есть технические спецификации на вашу рейку и шестерни?
Вы продаете сменные пыльники / сильфоны и наконечники рулевых тяг для вашей стойки и шестерен?
Я изменил шасси / подвеску / трансмиссию / высоту привода своего автомобиля, могу ли я по-прежнему использовать одну из ваших систем Rack and Pinion?
Могу ли я использовать существующие выпускные коллекторы с вашими наборами подставок для стойки и шестерни?
Какие еще детали мне понадобятся для завершения установки стойки питания и системы шестерен Flaming River?
Нужно ли мне заправлять рулевую систему и удалять воздух из нее, если я устанавливаю одну из ваших стоек питания?
Какая степень зацепления резьбы мне нужна при соединении концов внешней и внутренней поперечной рулевой тяги?
Q: Какой тип силовой стойки и шестерен вы предлагаете?
A: У нас есть зубчатые рейки и шестерни для самых разных применений в автомобилях.Мы предлагаем ручную рейку и шестерни, силовую рейку и шестерни, а также комплекты для переоборудования рейки и шестерни, которые доступны в силовом или ручном исполнении для многих популярных классических транспортных средств.
Наши силовые стойки и шестерни идеально подходят для модернизации вашего классического автомобиля или грузовика, хот-род, уличного удилища или высокопроизводительного автомобиля до уровня комфорта и надежности современной системы рулевого управления с гидроусилителем. У нас есть силовые стойки, доступные для автомобилей с передней частью в стиле Mustang II, а также универсальная стойка с усилителем переднего рулевого управления и универсальная задняя рулевая рейка и шестерни с регулируемыми креплениями и регулируемым углом шестерни для простоты установки.Мы также предлагаем удлиненную силовую стойку XL для грузовиков и транспортных средств с широкой рамой, а также узкую силовую стойку для автомобилей с уменьшенной шириной колеи.
Наши стандартные силовые стойки обеспечивают ход более 6 дюймов для полного радиуса поворота и изготовлены из всех новых деталей, включая клапан и поршень. Кроме того, наши силовые стойки производятся в США в городе Берия, штат Огайо, и проходят испытания на жидкость и давление и сертифицируются перед тем, как покинуть наш объект.
Примечание: Покупатель несет ответственность за определение пригодности данного продукта Flaming River для предполагаемого использования.Пожалуйста, обратитесь к нашему Заявлению об отказе от гарантии для получения дополнительной информации.
Q: Какие типы ручных реек и шестерен вы предлагаете?
A: В зависимости от автомобиля у нас есть несколько различных вариантов ручной рейки и шестерен. Наше руководство 1971-72 Стойки Pinto, Стойки Mustang II, Стойки Omni Rear Steer Racks, 5.0 Mustang и Ручные Стойки Mustang 2005-2011 — все это идеальный выбор для ручного рулевого управления. Эти ручные рулевые рейки очень отзывчивы, просты в установке, легче и прочнее, чем штатные рейки, и бывают с различными передаточными числами, точками поворота и длиной шестерни.
Q: Каковы преимущества обновления моей стандартной системы рулевого управления до системы Rack and Pinion?
A: Наша рейка и шестерни сделаны из новых деталей и не ремонтируются, поэтому вы избавляетесь от старых и изношенных деталей рулевого управления. Наши рулевые рейки дают вам преимущества современной системы рулевого управления, они более прочные, легкие и более отзывчивые, чем оригинальный рулевой механизм с рециркуляцией шаров.Кроме того, наши зубчатые рейки и шестерни сохраняют полный заводской радиус поворота и обеспечивают больший ход, чем оригинальная система рулевого управления.
Если вы решите установить одну из наших систем крепления стойки и шестерни, приваренные болты крепления подставки должны быть прямо в исходных местах крепления, без модификации шасси, поэтому вы всегда можете вернуться к исходной системе рулевого управления в будущем. Каждый комплект также включает в себя опцию новой регулируемой рулевой колонки, всего монтажного оборудования, соединителей проводов, карданных шарниров и валов, а также насоса рулевого управления с гидроусилителем, шкива и резервуара для наших комплектов питания.
Все наши системы преобразования реек и шестерен производятся в Америке и производятся на нашем производственном предприятии в Берии, штат Огайо. Перед отправкой с нашего предприятия каждая энергосистема проходит испытания на текучесть и давление и сертифицируется.
Q: У вас есть зубчатая рейка и шестерня для моего… [укажите здесь автомобиль]?
A: Наши группы исследований, разработок и инженеров постоянно работают над поиском новых способов оптимизации использования реек и шестерен для различных транспортных средств.В настоящее время у нас есть широкий выбор комплектов для переоборудования стоек и шестерен с болтовым креплением для многих популярных классических транспортных средств, и мы продолжаем разрабатывать и расширять наши приложения для стоек и шестерен на основе запросов клиентов и популярности автомобилей.
У нас есть универсальные передние и задние стойки усилителя рулевого управления и шестерни с регулируемыми креплениями и углами шестерен, которые могут быть установлены на множество различных транспортных средств, требующих некоторой сборки. Мы всегда рекомендуем сотрудничать с надежным производителем или связываться с нами, прежде чем приступить к изготовлению самостоятельно.
Q: Есть ли у вас рулевые рейки для автомобилей с правым рулем?
A: Да, у нас есть силовая стойка с универсальным креплением, которая была разработана для автомобилей с правым рулем, а также пара комплектов для переоборудования стойки и шестерни для автомобилей с правым рулем. В настоящее время мы предлагаем комплект электропривода и ручного правого рулевого управления для Mustang 1965-70 гг., Комплект электропривода с правым рулем для Corvette 1963-82 гг. И комплект электропитания для RHD Tri-5.Мы также готовы сотрудничать с вами, чтобы спроектировать что-нибудь для вашего автомобиля, если вы предоставите нам необходимые размеры и характеристики.
В: Не похоже, что у вас есть стойка, которая соответствует моим потребностям. Могу ли я создать свою?
A: Да, мы предлагаем обширную программу изготовления наших реек и шестерен по индивидуальному заказу. Мы можем изготовить передние или задние рулевые рейки как для рулевого управления с усилителем, так и для ручного рулевого управления.Свяжитесь с представителями нашей службы технической поддержки по телефону 1-800-648-8022 или по электронной почте [адрес электронной почты защищен], и мы позаботимся обо всем остальном!
Бланк заказа на ручную стойку с передним рулевым колесом на заказ
Бланк заказа на ручную стойку с задним управлением по индивидуальному заказу
Свяжитесь с нами для получения информации о специальной силовой стойке и шестернях.
Примечание: Поскольку наши индивидуальные продукты изготавливаются в точном соответствии с техническими требованиями заказчика, все индивидуальные заказы должны быть оплачены полностью авансом, возврату и возврату не подлежат.Ответственность за определение пригодности для своего транспортного средства лежит на заказчике.
Q: Есть ли у вас технические характеристики вашей рейки и шестерен?
A: Да, у нас есть технические спецификации на нашу силовую стойку и шестерни, а также на нашу ручную стойку и шестерни (скоро), которые можно загрузить в формате PDF. Вы можете найти их на каждой отдельной странице продукта для стоек и шестерен, или вы можете найти обзор всех наших силовых стоек и ручных стоек в разделе технической поддержки.
В: Продаете ли вы сменные пыльники / сильфоны и наконечники рулевых тяг для вашей стойки и шестерен?
A: Да, у нас есть полный ассортимент запасных частей для реек и шестерен для наших реек и шестерен, включая концы внутренней и внешней рулевой тяги, втулки и сменный сильфон.
Q: Я изменил шасси / подвеску / трансмиссию / высоту привода своего автомобиля, могу ли я по-прежнему использовать одну из ваших систем Rack and Pinion?
A: Все системы стоек и шестерен Flaming River были спроектированы и испытаны с использованием заводской оригинальной платформы.Любые изменения или модификации оригинального шасси, подвески, трансмиссии или высоты привода транспортного средства могут изменить геометрию рулевого управления и потребовать дополнительной модификации для установки. Если у вас есть какие-либо вопросы относительно настройки вашего автомобиля, позвоните нам по телефону 1-800-648-8022.
Q: Могу ли я использовать существующие выпускные коллекторы с вашими наборами подставок для стоек и шестерен?
A: У нас есть собственные уникальные угловые коллекторы, которые были разработаны для работы с нашими комплектами реек и шестерен — для моделей Small Block Chevys, 1962-67 Small Block Novas и Small Block Ford — они обеспечивают зазор универсального шарнира. что вам необходимо установить одну из наших систем рулевого управления.
В: Какие еще детали мне понадобятся для завершения установки стойки питания и системы шестерен Flaming River?
A: Есть несколько различных деталей, которые могут потребоваться для завершения установки стойки питания и шестерни Flaming River.
Универсальные шарниры: Наша силовая стойка и шестерни требуют универсального шарнира уникальной формы для подключения к силовой стойке.
| Номер детали | Хомут 1 Размер | Хомут 2 Размер | Отделка |
| FR1789P | Стойка питания Flaming River | 3/4 дюйма DD | Атлас |
| FR1789PPL | Стойка питания Flaming River | 3/4 дюйма DD | Полированный |
| FR1789P-2 | Стойка питания Flaming River | 3/4 «-36 | Атлас |
| FR1789P-2PL | Стойка питания Flaming River | 3/4 «-36 | Полированный |
| FR1789P-3 | Стойка питания Flaming River | 1 дюйм DD | Атлас |
| FR1789P-3PL | Стойка питания Flaming River | 1 «DD | Полированный |
| FR1789P-4 | Стойка питания Flaming River | 3/4 « | Атлас |
| FR1789P-4PL | Стойка питания Flaming River | 3/4 дюйма | Полированный |
Комплекты шлангов гидроусилителя рулевого управления: Наши комплекты стойки и шестерни не поставляются со шлангами — мы рекомендуем наш комплект шлангов с оплеткой из нержавеющей стали (деталь № FR1610) для работы с нашей стойкой и шестернями усилителя и нашим удаленным резервуарным насосом.
Жидкость для гидроусилителя рулевого управления: Мы рекомендуем использовать высококачественную жидкость для гидроусилителя рулевого управления. Мы предлагаем нашу собственную синтетическую смесь, предназначенную для работы с нашими стойками рулевого управления с усилителем и коробками рулевого управления с усилителем.
Удаленные резервуары: Мы предлагаем полную линейку удаленных резервуаров для жидкости гидроусилителя руля, переливной охлаждающей жидкости и тормозной жидкости.
Насосы рулевого управления с гидроусилителем: Из-за номинальных значений давления и расхода нашей силовой стойки и шестерен мы настоятельно рекомендуем использовать наши насосы с регулируемым давлением Stage II с низким расходом.Эти насосы предлагаются без шкива, со змеевиком или шкивом с клиновым ремнем.
Q: Нужно ли мне заправлять рулевую систему и удалять воздух из нее, если я устанавливаю одну из ваших стоек питания?
A: Новую или существующую систему рулевого управления с усилителем необходимо продуть и удалить воздух для правильной установки и эксплуатации. Пожалуйста, обратитесь к нашей процедуре удаления воздуха из гидроусилителя руля для получения дополнительной информации.
Кроме того, мы предлагаем нашу собственную синтетическую жидкость для гидроусилителя рулевого управления, предназначенную для работы с нашей силовой стойкой и шестернями.
Q: Сколько резьбового зацепления мне нужно при соединении концов внешней и внутренней рулевой тяги?
A: При установке концов наружных рулевых тяг на концы внутренних рулевых тяг очень важно обеспечить минимальное резьбовое зацепление, в 2,5 раза превышающее диаметр внешнего конца. Например, если ваш внешний конец имеет диаметр резьбы ½ дюйма, вам потребуется минимальное резьбовое зацепление между внутренним и внешним концами в 1 ¼ дюйма.
Любое резьбовое зацепление, меньшее рекомендованного минимального значения в транспортном средстве, небезопасно, и следует избегать эксплуатации транспортного средства.
% PDF-1.6 % 522 0 obj> эндобдж xref 522 95 0000000016 00000 н. 0000005867 00000 н. 0000005949 00000 н. 0000006077 00000 н. 0000006945 00000 н. 0000007074 00000 н. 0000007203 00000 н. 0000007333 00000 п. 0000007539 00000 н. 0000007668 00000 н. 0000008071 00000 н. 0000008437 00000 н. 0000009007 00000 н. 0000009680 00000 н. 0000010330 00000 п. 0000010704 00000 п. 0000011070 00000 п. 0000011640 00000 п. 0000011962 00000 п. 0000012550 00000 п. 0000012854 00000 п. 0000013009 00000 п. 0000013659 00000 п. 0000014033 00000 п. 0000014069 00000 п. 0000017491 00000 п. 0000022212 00000 п. 0000027010 00000 п. 0000031752 00000 п. 0000035888 00000 п. 0000040081 00000 п. 0000044912 00000 п. 0000049038 00000 п. 0000070752 00000 п. 0000073401 00000 п. 0000083642 00000 п. 0000084698 00000 п. 0000084894 00000 н. 0000085073 00000 п. 0000089508 00000 п. 0000089741 00000 п. 0000089810 00000 п. 00000
- 00000 п.
00000
- Поднимите передние колеса автомобиля с помощью домкратов. Убедитесь, что домкрат находится под направляющими рамы за передними колесами. Не забудьте поставить груз позади задних колес, чтобы автомобиль не скатился назад.
- Снимите стяжные болты с помощью большой отвертки, чтобы отделить рулевое соединение между комплектом рейки и шестерни от рулевой колонки.Убедитесь, что колесо или колонка не поворачиваются при отсоединении шарнира.
- Если это система рулевого управления с гидроусилителем, снимите два шланга рулевого управления с усилителем с помощью накидного гаечного ключа. Труба не должна закручиваться вместе с фитингом, но если это произойдет, смочите ее проникающим маслом и встряхните взад и вперед.
- Измерьте и запишите расстояние между контргайкой рулевой тяги и пыльником сильфона с обеих сторон автомобиля. Это пригодится позже при установке рулевых тяг.
- Ослабьте контргайку рулевой тяги с помощью гаечного ключа и снимите шплинт.Вы можете осторожно постучать молотком по бокам поворотного кулака, чтобы освободить шпильку рулевой тяги.
- Выньте старую сборку зубчатой рейки и шестерни и сравните ее с новой, чтобы убедиться, что она подходит. Возможно, вам потребуется перенести стойку из старого блока в новый.
- Закрепите новый блок зубчатой рейки с помощью болтов крепления стойки. Замените старые уплотнительные кольца новыми и снова подсоедините трубопроводы для жидкости. Подсоедините первичный вал к рулевой колонке и затяните болты крепления.
- Верните концы рулевых тяг на точные размеры, которые вы сделали ранее, и затяните контргайки рулевых тяг.
- Зафиксируйте колеса на месте и опустите автомобиль.
- Если в вашем автомобиле есть гидроусилитель рулевого управления, важно научиться удалять воздух из насоса гидроусилителя рулевого управления после слива всей старой жидкости. Обратитесь к руководству по ремонту вашего автомобиля или руководству пользователя, чтобы определить, какая жидкость лучше всего подходит для вашего автомобиля.
00000 н. 00000
00000 н. 0000094063 00000 п. 0000094293 00000 п. 0000094362 00000 п. 0000094644 00000 п. 0000094670 00000 п. 0000095104 00000 п. 0000097856 00000 п. 0000098093 00000 п. 0000098162 00000 п. 0000098415 00000 п. 0000098441 00000 п. 0000098853 00000 п. 0000103174 00000 п. 0000103440 00000 н. 0000103748 00000 н. 0000105927 00000 н. 0000106157 00000 н. 0000106226 00000 п. 0000106435 00000 н. 0000106461 00000 н. 0000106846 00000 н. 0000128585 00000 н. 0000128837 00000 н. 0000129248 00000 н. 0000131844 00000 н. 0000132096 00000 н. 0000132179 00000 н. 0000134511 00000 н. 0000134763 00000 н. 0000138576 00000 н. 0000138826 00000 н. 0000139288 00000 н. 0000144642 00000 н. 0000144894 00000 н. 0000147734 00000 п. 0000147990 00000 н. 0000148078 00000 н. 0000150641 00000 н. 0000150897 00000 н. 0000153574 00000 н. 0000153830 00000 н. 0000154111 00000 н. 0000154363 00000 н. 0000155837 00000 н. 0000157492 00000 н. 0000158966 00000 н. 0000161946 00000 н. 0000163605 00000 н. 0000163718 00000 н. 0000002196 00000 п. трейлер ] >> startxref 0 %% EOF 616 0 obj> поток xYgTYҋPUb («** ET * (* k [uE $ 4PTa5B \ laö ~ ʮ | s $$ ٟ ߜ p 疷Реечные и шестеренные передачи: полное руководство
Реечное рулевое управление — это концепция, о которой мы все слышали, но мало кто из нас понимает.Вы, вероятно, думаете, что это связано с некоторыми передовыми инженерными или физическими концепциями. И ты прав. Но вам не нужна ученая степень, чтобы понять, как это работает.
Это больше касается базовой механики автомобилей, чем сложной физики. Очень вероятно, что в вашем автомобиле реечное рулевое управление. Даже если вы не подозреваете об этом, вы испытываете это каждый раз, когда хотите резко повернуть, и все, что вам нужно сделать, это плавно повернуть рулевое колесо в нужном направлении.
Вот здесь реечное рулевое управление в действии.
Вы когда-нибудь задумывались, как это работает? Концепция, конструкция и механизм?
Это гениальное изобретение. Вот все, что вам нужно знать о реечном рулевом управлении.
Давайте приступим.
Что такое реечное рулевое управление?
Реечное рулевое управление — это механизм, который позволяет колесам автомобиля вращаться, когда водитель поворачивает рулевое колесо. Это наиболее распространенный тип рулевого управления, который можно найти на большинстве автомобилей и некоторых небольших внедорожниках.Реечное рулевое управление может работать с усилителем рулевого управления или без него.
Эта система рулевого управления позволяет водителю лучше контролировать направление колес во время поворота. Хотя у него меньше движущихся частей, чем у более крупных, обычные рулевые системы, реечное рулевое управление помогает уменьшить количество усилий, необходимых для управления автомобилем.
Реечная конструкция рулевого управления
Реечная система рулевого управления состоит из нескольких частей.Рулевое колесо соединено с рулевым валом, прикрепленным к зубчатой передаче. Зубчатая передача состоит из рейки и шестерни со спиральной нарезкой, которые размещены в закрытой металлической трубе.
Шестерня со спиральным разрезом установлена на другом конце рулевого вала и входит в зацепление с горизонтальной рулевой тягой. Горизонтальный стержень имеет зубчатую среднюю часть, называемую рейкой, на которой находится ведущая шестерня. По обе стороны от горизонтального вала расположены рулевые тяги, которые прикрепляются к шаровым шарнирам, которые контролируют поперечное движение передних колес автомобиля.
Как работает реечное рулевое управление
Когда рулевое колесо вращается, ведущая шестерня входит в зацепление с рейкой и помогает валу катиться вместе с ней, перемещая параллельный стержень из стороны в сторону, имитируя действие рулевого колеса.
При повороте рулевого колеса реечная шестерня получает энергию вращательного движения и преобразует ее в энергию линейного движения, позволяя колесам автомобиля плавно поворачиваться из стороны в сторону.
Передаточное отношение рулевого механизма с зубчатой рейкой
Вы когда-нибудь замечали, что передние колеса вашего автомобиля не смотрят в одном направлении, когда вы разворачиваете его? Если бы оба колеса были направлены в одном направлении, это привело бы к неравномерному повороту и потере сцепления шины с дорогой.Каждое колесо имеет собственный радиус шины, по которому оно следует, причем внутреннее колесо делает более крутой поворот, чем внешнее.
Обычно для перехода рулевого колеса от упора к упору, то есть от крайнего левого угла к крайнему правому, требуется около трех-четырех оборотов. Передаточное отношение рулевого управления показывает, на сколько вам нужно повернуть рулевое колесо, чтобы повернуть колеса автомобиля.
Например, если автомобиль должен сделать поворот на 360 градусов, колеса автомобиля должны повернуться примерно на 20 градусов.Передаточное число рулевого колеса будет рассчитано как 360, разделенное на 20, что дает передаточное отношение рулевого управления 18: 1. Если рулевому колесу требуется больше оборотов для достижения желаемого угла, это считается высоким передаточным числом. Низкое передаточное число означает, что рулевое колесо реагирует быстрее или требует меньшего числа оборотов рулевого колеса для полного оборота.
Передаточное отношение рулевого управления также определяется расстоянием между зубьями на рейке. Некоторые автомобили имеют равномерное расстояние между зубьями на всем протяжении, в то время как другие имеют рулевое управление с переменным передаточным числом, при этом зубья очень узкие в середине стойки и более широкие по направлению к концам стержней, которые находятся ближе к колесам.
Спортивные автомобили реагируют быстрее, поскольку в них в основном используются системы рулевого управления с переменным передаточным числом. Таким образом, они обычно имеют более низкие передаточные числа рулевого управления по сравнению с грузовиками и обычными легковыми автомобилями.
Рулевое управление с гидроусилителем и зубчатой рейкой (гидроусилитель рулевого управления)
Автомобиль с системой рулевого управления с гидроусилителем имеет немного другую конструкцию реечной передачи. На одной стороне стойки установлен цилиндр, в центре которого находится поршень с гидравлическим приводом. Поршень соединен с рейкой и имеет два отверстия для жидкости на противоположных сторонах поршня.
В зависимости от направления, в котором движется автомобиль, поворотный клапан направляет гидравлическую жидкость либо к левой, либо к правой стороне поршня. Жидкость оказывает давление на поршень и снижает усилие, необходимое для перемещения рейки.
Общие проблемы рулевого управления с зубчатой рейкой и шестерней
Скрежетание при рулевом управлении
Когда вы начинаете слышать скрежет, исходящий от редуктора рулевого управления, это признак контакта металла с металлом. Когда вы поворачиваетесь влево или вправо, вы можете услышать царапающий или царапающий звук.Это может быть признаком того, что система зубчатой рейки может нуждаться в смазке. Хороший механик сможет это исправить или сообщить, если у вас есть более серьезные проблемы с рулевым механизмом.
Утечка жидкости в гидроусилителе руля
Когда уровень жидкости в гидроусилителе руля начинает снижаться до недостаточного уровня, вы можете заметить, что становится труднее поворачивать рулевое колесо. Быстрое решение — просто проверить уровень жидкости в гидроусилителе руля и долить ее.Жидкость гидроусилителя руля следует проверять регулярно. Если его не проверять слишком долго, это может привести к перегреву рулевой рейки и коробки передач. Это также может серьезно повредить шестерни.
Запах горящего масла, исходящий от коробки передач
Вы когда-нибудь водили машину и вдруг почувствовали запах горящего масла? Первое, что вам следует сделать, это немедленно прекратить водить машину. Жидкость для гидроусилителя руля пахнет горящим маслом, и это может быть признаком перегрева коробки передач.Вождение автомобиля с перегретой коробкой передач может привести к опасному возгоранию.
Жесткое рулевое колесо
Если вы обнаружите, что прилагаете много усилий, чтобы повернуть автомобиль в сторону, это может быть связано с отказом насоса рулевого управления или повреждением стойки. В гидроусилителе рулевого управления может не хватать давления, или шестерня застряла в рейке. Если это начинает происходить с вами, попросите вашего механика осмотреть машину, чтобы убедиться, что вы устранили проблему, которая вызывает резкие повороты.
Замена стойки и шестерни рулевого управления
Если проблема не исчезнет, возможно, придется заменить всю систему. В этом нет ничего страшного. Вот как легко заменить реечное рулевое управление.
Заключительные слова
Теперь вы имеете представление о том, что происходит за кулисами каждый раз, когда вы поворачиваете руль.Реечное рулевое управление — это основная концепция, которая используется во всем мире, чтобы помочь водителям преодолевать крутые повороты. Хотя это не один из самых сложных процессов в автомобилестроении, интересно, чего может достичь такой простой механизм.
Пример использования стойки рулевого управления с электронным усилителем
601-900
Ford F-150 — трудолюбивый автомобиль, на который рассчитывают многие владельцы. ежедневно на работу. Они просто не могут позволить себе оставаться без своего транспорта. на длительный ремонт, особенно на что-то вроде гидроусилителя руля отказ.Но когда с рулевой рейкой на этих моделях возникают проблемы, у владельцев не было выбора, кроме как заменить его на новый дорогой запчасть от дилера.
Рулевая рейка с гидроусилителем на F-150, начиная с 2009 года, не является традиционный узел рулевого управления с гидроусилителем. На самом деле нет жидкость ГУР вообще. Вместо этого он использует встроенный электродвигатель. в рулевой механизм для оказания необходимой помощи при колесо.Комбинируя механические компоненты с электронными управления, эта мехатронная система рулевого управления улучшает общую КПД двигателя, так как он не перекачивает гидравлическую жидкость, даже когда автомобиль движется прямо.
«Мы уже заменили несколько таких стоек на F-150, и нам пришлось получить новые запчасти у дилеров для каждого из них. В системе просто недостаточно ядер, чтобы беспокоиться о попытках найти источник ремонтный блок.«
Дэйв Стрикер, сертифицированный специалист ASE
Godshall’s Auto Service, Hatfield, PA
Рулевое управление с электроусилителем впервые появилось на рынке в 1990-х годах на ряде специальных автомобилей, но F-150 был одним из первых крупногабаритных полноразмерных автомобилей, в которых использовалась эта технология. Неудивительно, что в этой «рабочей лошадке» со временем начали проявляться недостатки первоначальной конструкции.
В случае электрической рулевой рейки влага и мусор могут проходить через уплотнения вала, вызывая выход из строя печатной платы. Мусор, который скапливается на приводном узле, также может привести к чрезмерной нагрузке на приводной двигатель, что приведет к появлению сигнальных ламп, требующих больших усилий. Когда это происходит, система возвращается к ручному рулевому управлению без посторонней помощи, с чем большинство водителей не готовы сталкиваться ежедневно, особенно при буксировке груза.
Восстановленные версии этих вышедших из строя стеллажей с оригинальным оборудованием предлагают более дешевую альтернативу новым запчастям дилерского центра, но нехватка сердечников означает ненадежную поставку отремонтированных стеллажей.
«Мы уже заменили несколько таких стоек на F-150, и нам пришлось покупать новые запчасти для каждой из них», — говорит Дэйв Стрикер, техник в Godshall’s Auto Service в Хатфилде, штат Пенсильвания. «В системе просто недостаточно ядер, чтобы беспокоиться о попытках получить остаточную единицу».
Учитывая высокий спрос и низкое предложение, Dorman решила инвестировать в совершенно новую рулевую рейку в сборе, чтобы обеспечить широкую доступность.
«Выбор новой детали также означал, что мы могли бы внести некоторые технические усовершенствования для устранения известных недостатков в конструкции оригинального оборудования», — сказал Нейт Бейли, менеджер по инновационным продуктам Dorman. «Мы подумали, почему бы не снизить вероятность неудачи в будущем, пока у нас есть такая возможность?»
Инженеры компании Dormanопределили, что основной причиной большинства отказов была вода и мусор, попавшие в сборку стойки и вызывающие электрические проблемы на печатной плате, или скопившийся мусор на приводном двигателе, создающий избыточное сопротивление в системе.
Чтобы решить эти проблемы, мы переработали уплотнения вала, чтобы значительно уменьшить количество мусора и влаги, которые могут попасть в стойку, и разработали более прочную печатную плату с защитным покрытием для предотвращения электрических сбоев.
Модернизированная рулевая рейка Dorman OE FIX с электроусилителем также решает одну проблему, вызывающую сомнения у многих технических специалистов: установка сменной стойки на автомобиль.
Обычно установщик должен отвезти автомобиль в автосалон, чтобы откалибровать сменную стойку или установить ее с помощью дорогостоящего диагностического прибора послепродажного обслуживания.Компания Dorman разработала эксклюзивный программный модуль plug-and-play для новой стойки. Установщик просто вставляет программатор в порт OBD автомобиля и следует инструкциям, чтобы убедиться, что стойка правильно адаптирована к автомобилю. «Этот одношаговый программный модуль будет спасением для большинства технических специалистов», — сказал Дэйв Стрикер из Godshall.
Благодаря усовершенствованной заводской конструкции, большей доступности и дополнительному удобству, исключающему затраты на программирование оригинального оборудования, новые стойки Dorman OE FIX EPS дают мастерским возможность правильно и легко ремонтировать автомобили своих клиентов.
Рулевой механизм с электронным усилителем
601-900
Ford F-150 2014-11
Проблема:
Оригинальная рейка рулевого управления с гидроусилителем выходит из строя, когда монтажная плата и привод в сборе загрязняются влагой и мусором, а замена в дилерских центрах требует дорогостоящего программирования.
Совершенно новая рулевая рейкаDorman с модернизированной конструкцией включает улучшенные уплотнения, предотвращающие загрязнение в будущем, и бесплатный инструмент для программирования.
Реечный гидроусилитель руля
Статья из колонки The Modern Collectible,
Skinned Knuckles Magazine, июль 2014 г.
Орест Лазарович
Реечный усилитель рулевого управления немного отличается от ручного реечного рулевого управления. Часть стойки содержит цилиндр с поршнем посередине. Поршень соединен со стойкой. Есть два порта для жидкости, по одному с каждой стороны поршня.Торсион управляет поворотным клапаном, соединенным с рулевым колесом. Когда рулевое колесо не поворачивается, жидкость гидроусилителя рулевого управления направляется вокруг поворотного клапана в резервуар. Давление одинаковое с обеих сторон поршня. При повороте рулевого колеса торсион поворачивает поворотный клапан. Клапан блокирует порт, ведущий к резервуару, и жидкость теперь течет через отверстие с одной стороны рулевого механизма. В то же время другая сторона цилиндра сбрасывается в резервуар.Под давлением жидкости к одной стороне поршня и отсутствием давления с другой стороны поршень перемещается, который, в свою очередь, перемещает рейку и заставляет колеса вращаться. Когда рулевое колесо отпускается, поворотный клапан возвращается в нейтральное положение, давление выравнивается, и вращение колес прекращается. Насос гидроусилителя рулевого управления обеспечивает достаточный поток при работе двигателя на холостом ходу. В результате насос гидроусилителя рулевого управления перемещает гораздо больше жидкости, чем необходимо, когда двигатель работает на более высоких оборотах. Насос гидроусилителя рулевого управления содержит предохранительный клапан, чтобы давление не становилось слишком высоким на более высоких оборотах двигателя, когда перекачивается такое количество жидкости рулевого управления с гидроусилителем.
Поиск и устранение неисправностей в зубчатой рейке
Отсутствие гидроусилителя рулевого управления в одном или обоих направлениях может быть вызвано изношенным или поврежденным поворотным клапаном. Если корпус поворотного клапана изношен, поворотный клапан будет перемещаться (плавать) из стороны в сторону, вызывая неустойчивое рулевое управление. Стойку придется снять и отремонтировать или заменить. Если рулевое управление все время тяжелое или жесткое, всю систему подвески, включая рейку и насос, необходимо проверить на износ и возможные утечки жидкости.Если рулевое управление мягкое (неплотное) и не чувствительно, или автомобиль блуждает по проезжей части, проблема может быть вызвана неисправными стойками Макферсона, несовпадением шин или неправильной регулировкой углов установки колес. Проверить муфту первичного вала рулевого управления. Замените муфту пончика, если она начинает изнашиваться. Проверьте металлический на предмет ржавчины и / или заедания. Если автомобиль тянет вправо или влево, проверьте центровку автомобиля, нижние шаровые шарниры и концы рулевых тяг на износ. Прежде чем обслуживать насос гидроусилителя рулевого управления и рулевую рейку, устраните проблемы с подвеской.
Болты крепления рулевой рейки должны быть затянуты и затянуты. Проверьте монтажные втулки стойки. Они могут выйти из строя и вызвать шум, проблемы с рулевым управлением и вибрацию. Стук при повороте рулевого колеса для изменения направления колес может быть вызван износом внутренней рулевой тяги. Мягкое рулевое управление может быть вызвано сужением гидравлического шланга, воздухом в системе или неисправным насосом гидроусилителя рулевого управления. Если рулевое колесо не возвращается в нормальное нейтральное положение после поворота, возможно повреждение зубчатой рейки и шестерни.Если рулевое управление становится тяжелым только во время стоянки, проверьте уровень жидкости, рулевую рейку и насос гидроусилителя. Подключите последовательно к линии высокого давления манометр высокого давления и проверьте показания давления. Показания низкого давления указывают на необходимость ремонта или замены насоса гидроусилителя рулевого управления.
Проверьте, нет ли утечек жидкости рулевого управления с гидроусилителем в насосе рулевого управления с гидроусилителем, шлангах / незакрепленных фитингах и рейке в сборе. Шланги рулевого управления с гидроусилителем начинают изнашиваться изнутри, и если они кажутся жесткими, жесткими или пористыми, замените их.Если утечки в линиях, замените линии. Будьте очень осторожны при затяжке фитингов. Корпус стойки изготовлен из алюминия, а фурнитура — из стали. Очень легко удалить резьбу, приложив лишь небольшой дополнительный крутящий момент к фитингу. Если утечка связана с фитингами, проверьте сервисную карту, чтобы увидеть, используются ли уплотнительные кольца или тефлоновые уплотнения, и замените их. Утечки жидкости рулевого управления с гидроусилителем также могут быть вызваны загрязненной жидкостью рулевого управления с гидроусилителем. Загрязненная жидкость имеет темный цвет и может вызвать залипание поворотных клапанов.Продукт утечки упора гидроусилителя руля может высвободить залипшие поворотные клапаны, но в системе все еще есть загрязненная жидкость. Промойте систему и замените жидкость для гидроусилителя руля.
Проверьте герметичность уплотнения шестерни и торцевых уплотнений рейки. Если уплотнение шестерни показывает некоторую просачивание жидкости, а не утечку, и в пыльниках сильфона нет жидкости внутри, вы можете исправить просачивание жидкости, заменив жидкость рулевого управления с гидроусилителем и добавив кондиционер рулевого управления с гидроусилителем в резервуар для жидкости. Со временем уплотнения и уплотнительные кольца сжимаются и затвердевают под воздействием тепла.Кондиционер содержит добавки, которые вернут уплотнениям и уплотнительным кольцам их первоначальный размер и могут предотвратить просачивание. Сожмите пыльники сильфонов, и, если вы чувствуете жидкость гидроусилителя рулевого управления внутри пыльника, втулки и концевые уплотнения изношены. Чтобы заменить эти сальники, если они есть, необходимо снять рулевую рейку. Пыльники сильфонов предназначены для защиты внутренней поперечной рулевой тяги от дорожного мусора. Если они порваны, их необходимо немедленно заменить. Если признаков утечки жидкости нет, проверьте уровень бачка и при необходимости долейте.Проверьте натяжение приводного ремня и отрегулируйте или замените ремень, если на нем есть признаки износа.
Промывка зубчатой рейки и шестерни рулевого механизма
Поднимите передние колеса над землей и установите предохранительные стойки на место. Опорожните резервуар от любой загрязненной жидкости рулевого управления с гидроусилителем. Отсоедините возвратный шланг от резервуара и поместите его в прозрачный пластиковый кувшин. Заглушите выпускной патрубок возвратного шланга в резервуаре. Заполните резервуар жидкостью для гидроусилителя рулевого управления, рекомендованной производителем транспортного средства.Попросите напарника завести автомобиль и поработать на холостом ходу. Пока автомобиль движется, бачок должен быть заполнен. НЕ запускайте резервуар всухую. Медленно поверните рулевое колесо от упора до упора. Когда жидкость, текущая из возвратного шланга, станет чистой, выключите двигатель и снова подсоедините возвратный шланг. Добавьте в бачок бутылку кондиционера с усилителем рулевого управления. Долейте жидкость для гидроусилителя руля до необходимого уровня. Запустите автомобиль и проверьте герметичность. Если насос гидроусилителя руля «скулит» или «рычит», значит, в систему попал воздух.
Чтобы удалить воздух, медленно поверните рулевое колесо от упора до упора не менее десяти раз при выключенном двигателе. Проверьте резервуар и при необходимости долейте свежую жидкость. Запустите двигатель и проверните рулевое колесо от упора до упора примерно 3-4 раза. Отцентрируйте рулевое колесо и проверьте уровень жидкости. Если уровень жидкости не поднялся и пена отсутствует, воздух удален. Если насос гидроусилителя руля по-прежнему шумит, повторите процедуру цикла. Если проблема возвращается через день или два, внимательно осмотрите напорный шланг.Изношенный напорный шланг может позволить воздуху попасть в систему. Заменить напорный шланг. Проверьте давление в шинах и опустите автомобиль. Дорожный тест.
Замена пыльника и рулевых тяг
Пыльники сильфонов необходимо заменить, если они порваны. Они защищают внутреннюю поперечную рулевую тягу и уплотнения от дорожного мусора. Замените их до того, как будут повреждены рейка, уплотнения и внутренняя поперечная рулевая тяга. Замена рейки и шестерни обходится дороже, чем замена пыльника сильфона. Если пыльники не порваны, но в них чувствуется жидкость гидроусилителя рулевого управления, значит, изношены втулки и концевые уплотнения рулевой рейки.Проверьте внутреннюю и внешнюю рулевые тяги на износ, проталкивая передние колеса внутрь и наружу. Если рулевое колесо не движется, необходимо заменить одну или обе рулевые тяги. Проверить внешний люфт рулевой тяги. Если пыльник сильфона перемещается, внутренняя рулевая тяга изношена и подлежит замене. Если это автомобиль с большим пробегом 100 тыс. Или более, и вам необходимо заменить внутренние и внешние рулевые тяги с обеих сторон в дополнение к протекающей рулевой рейке, возможно, будет лучше рассмотреть возможность замены стойки для замены. Чтобы получить кредит, старое ядро должно быть восстановлено.
Если уплотнения рейки сменные и если вы можете приобрести комплект уплотнений, который содержит все уплотнения и уплотнительные кольца, восстановите рулевую рейку. Однако зубчатая рейка с большим пробегом будет иметь значительный износ зубьев ведущей шестерни и зубьев рейки. Также возможно, что опорная поверхность вала зубчатой рейки, которая соприкасается со втулками, изношена или погнута. В таком случае замена уплотнений и подшипников не остановит утечку жидкости. Подшипник на валу шестерни и сам вал шестерни могут быть изношены.Покупать все эти детали по отдельности стоит дорого, и если корпус рейки поврежден, вы не сможете отремонтировать рулевую рейку в сборе, вам обручаются. Сменные стойки бывают двух типов: длинные и короткие. Длинные стойки укомплектованы новыми внутренними рулевыми тягами и наконечниками рулевых тяг, сильфонами и креплениями. Короткие стойки стоят дешевле, но для установки на короткую стойку башмаки сильфонов и стяжные шпильки должны быть в хорошем состоянии. Если этот автомобиль является вторым транспортным средством, используемым для коротких поездок, а двигателю, силовой передаче и кузову осталось много хороших миль, замените стойку.Если он начинает вас забивать до смерти, купите у переработчика рулевое управление, которое вышло из автомобиля с небольшим пробегом. Ресайклеры дают гарантию на детали около 30 дней, но хотите ли вы снова заменить рулевую рейку, если та, которую вы выбрали, была не лучше той, которую вы заменили?
Для замены пыльников поднимите переднюю часть автомобиля на удобную рабочую высоту. Прочтите инструкции по обслуживанию и следуйте им. Снимите передние колеса, чтобы освободить место для работы. Снимите шплинт с внешнего конца рулевой тяги.Ослабьте замочную (зубчатую) гайку. В некоторых автомобилях используются фрикционные гайки. НЕ используйте их повторно. С помощью большого молотка нанесите резкий удар по поворотному кулаку, чтобы отделить внешнюю поперечную рулевую тягу. Ослабьте контргайку, которая прилегает к внешнему концу рулевой тяги. Снимите корончатую гайку и снимите внешнюю поперечную рулевую тягу с поворотного кулака. Подсчитайте количество оборотов, необходимое для снятия конца внешней поперечной рулевой тяги с внутренней поперечной рулевой тяги. Вам нужно это измерение, чтобы найти конец новой рулевой тяги. Отвинтите контргайку. Снимите зажимы наружного и внутреннего сильфона.Внутренний зажим багажника не подлежит повторному использованию. Новый ботинок-сильфон может иметь завязки на молнии. Снимаем порванный пыльник. Осмотрите внутреннюю часть багажника на предмет утечки жидкости. Переместите внутреннюю тягу вверх и вниз, чтобы проверить втулку рейки и уплотнение на износ. Если есть утечка жидкости вокруг конца вала рейки, и вы добавляли жидкость для гидроусилителя руля в резервуар и не смогли обнаружить никаких утечек, утечка происходит во втулке / уплотнении рейки и в чехле сильфона. Проверьте другую сторону на наличие жидкости в чехле сильфона.Если есть и если внутренняя и внешняя рулевые тяги также нуждаются в замене, решите, хотите ли вы продолжить ремонт. Если необходимо заменить как внутреннюю тягу, так и внешние стержни шин, а втулки и уплотнения рейки протекают, подумайте о замене стойки или восстановите оригинальную.
Если на стороне порванного пыльника сильфона утечки жидкости нет, проверьте внутреннюю поперечную рулевую тягу на износ. Если есть люфт или шарнир неровный, необходимо заменить внутреннюю поперечную рулевую тягу. Во многих внутренних рулевых тягах используется стопорный штифт, установочный винт или стопорная пластина для предотвращения расшатывания рулевой тяги.Найдите запорное устройство и ослабьте или снимите его. Если это стопорный штифт, подденьте штифт. Не повредите штифт, чтобы его можно было использовать повторно. Пространство здесь очень ограничено. Обратитесь к руководству по обслуживанию, чтобы узнать, нужен ли специальный инструмент для снятия внутренней поперечной рулевой тяги. Хотя вы можете удалить внутреннюю поперечную рулевую тягу, удерживая стойку гаечным ключом и используя другой гаечный ключ на плоских поверхностях внутренней поперечной рулевой тяги, это намного проще с помощью инструмента для снятия. Посмотрите, есть ли он в вашем клубе или вы можете взять его напрокат. Снимите внутреннюю поперечную рулевую тягу.Заказ необходимых запчастей.
Сравните новые детали со старыми. Прочтите и следуйте инструкциям по установке. Нанесите немного красного Locktite на внутреннюю резьбу рулевой тяги. Смажьте конец внутренней рулевой тяги. Установите внутреннюю поперечную рулевую тягу и стопорное устройство в соответствии с инструкциями. Затяните внутреннюю поперечную рулевую тягу в соответствии со спецификациями. Наденьте внутренний зажим на пыльник сильфона и установите пыльник так, чтобы вентиляционное отверстие было на одной линии с сапунной трубкой. Вставьте пыльник сильфона в монтажные пазы. Затяните внутренний зажим и установите внешний зажим.Навинтите контргайку внешней рулевой тяги на внутреннюю рулевую тягу. Накрутите внешнюю рулевую тягу на внутреннюю рулевую тягу на определенное количество оборотов. Вставьте внешнюю поперечную рулевую тягу в поворотный кулак. Затяните гайку в соответствии со спецификациями, чтобы выровнять шплинт. Вставьте новую шплинт и отогните его до гайки. Затяните контргайку на конце рулевой тяги. Смажьте тягу, если на ней есть пресс-масленка. Установите колеса и опустите автомобиль. Запустите двигатель, проверьте бачок гидроусилителя рулевого управления, долейте его. Дорожный тест.
Снятие рулевой рейки
Установите передние колеса прямо. Если у этого автомобиля есть блокировка рулевого колеса, рулевое колесо будет отцентрировано, а передние колеса должны находиться прямо. Если блокировка рулевого колеса отсутствует, подсчитайте количество оборотов рулевого колеса от упора до упора и поверните назад на 1/2 хода в центральное положение. Закрепите рулевое колесо ремнем безопасности. Передние колеса должны стоять прямо, а рулевое колесо — по центру.Если рулевое колесо не отцентрировано, необходимо отрегулировать рулевые тяги. Открутите гайки крепления передних колес. Отсоедините отрицательный провод аккумуляторной батареи. Используйте аспирационный пистолет или насадку для индейки, чтобы удалить всю жидкость гидроусилителя руля из резервуара. Поднимите переднюю часть машины на удобную рабочую высоту и установите ее на защитные опоры. Снимаем передние колеса.
Ниже приводится общая информация по снятию рулевой рейки с автомобиля, не имеющего удерживающей системы подушки безопасности.На некоторых автомобилях подрамник необходимо опустить, чтобы снять рулевую рейку, в то время как на других рулевая рейка расположена под подрамником. Отсоедините соединения трубопровода рулевого управления с гидроусилителем и слейте жидкость рулевого управления с гидроусилителем в дренажный поддон. Используйте накидной гаечный ключ на фитингах. Закройте стропы и отверстия в стойке. На линиях могут быть латунные уплотнительные кольца или уплотнительные кольца. Открутите стяжной болт на муфте рулевого вала. Снимите шплинт с корончатых гаек на концах рулевой тяги. Снимите гайки.Нанесите резкий удар по поворотному кулаку, и рулевая тяга выскочит или воспользуйтесь разделителем рулевой тяги. Используйте «рассольную» вилку только в том случае, если необходимо заменить рулевую тягу.
При необходимости опустите стабилизатор поперечной устойчивости. Выкрутите болты крепления рейки гидроусилителя рулевого управления, которыми рейка крепится к кузову. Вам нужно будет повернуть стойку, чтобы вытащить ее через одно из отверстий в колесной арке и вытащить ее из автомобиля. Вымойте стойку чистой, чистой. Измерьте общую длину старой стойки и рулевой тяги в сборе.Если концы внутренней и внешней рулевой тяги в хорошем состоянии, снимите их, чтобы их можно было использовать с короткой стойкой. Пометьте их справа и слева, чтобы облегчить повторную сборку. Если вы заказываете короткую стойку, заказывайте новые сапоги с сильфонами и зажимы, независимо от того, насколько хороши старые сапоги с сильфонами. При необходимости закажите короткую или длинную стойку. Закажите новый комплект монтажных втулок, если сомневаетесь в старых. Длинная стойка может поставляться с несобранными башмаками сильфона и стяжными шпильками.
Когда у вас будет новая стойка, сравните ее со старой.Он должен быть одинаковой длины, а порты должны находиться в одном месте. Убедитесь, что монтажные отверстия и вал-шестерня находятся в одном месте. Измерьте расстояние, на которое старая стойка выступает из корпуса в сборе со стороны водителя. Отрегулируйте новую стойку на такое же расстояние, чтобы передние колеса были направлены прямо вперед. Установите внутреннюю и внешнюю рулевые тяги. Измерьте общую длину. Он должен быть таким же, как и в предыдущем измерении. Если это другое, что-то не так. Еще раз проверьте, что вы сделали, прежде чем начинать изменять длину, регулируя концы внешних рулевых тяг.Оставьте внешнюю стяжку-молнию на ботинках сильфона ослабленной, пока внешняя рулевая тяга не войдет в поворотный кулак. Это предотвращает перекручивание чехла сильфона. Перед установкой новой рулевой рейки закрепите возвратный трубопровод в вертикальном положении и пропустите немного свежей жидкости для гидроусилителя рулевого управления через насос резервуара и напорный трубопровод.
Проверьте положение рулевого колеса, если автомобиль не имеет блокировки рулевого управления. Рулевое колесо должно быть в том же положении, в котором оно было до снятия рулевой рейки.Установите новую стойку и сайлентблоки. Повторно подсоедините линии, и, если поставляются новые уплотнительные кольца или латунные уплотнительные кольца, убедитесь, что они установлены правильно и на правильных линиях. Подсоедините соединительную муфту рулевого вала и прикрутите рейку на место. Снова прикрепите внешние рулевые тяги к поворотным кулакам. Используйте новые шплинты. Затяните все болты и гайки в соответствии со спецификациями. Затяните стяжку-молнию внешнего сильфона. Установите передние колеса. Заполните бачок насоса гидроусилителя рулевого управления свежей жидкостью. При выключенном двигателе и включенном ключе поверните рулевое колесо от упора до упора несколько раз.Проверьте резервуар и добавьте жидкости. Запустите двигатель и еще несколько раз поверните рулевое колесо. Остановите двигатель, проверьте жидкость и долейте. Опустите автомобиль на ровную поверхность и проверьте схождение.
Проверка схождения
С помощью напарника измерьте расстояние от центра протектора одного переднего колеса до центра протектора другого переднего колеса с помощью рулетки. Измерьте заднюю и переднюю часть шин примерно на высоте шпинделя. Проверьте спецификации для измерения схождения.Около 1/16 дюйма достаточно. Чтобы установить схождение, ослабьте стопорную гайку, которая прилегает к внешним рулевым тягам. Поверните каждый стержень внутренней шины примерно на 1/2 оборота и затяните стопорную гайку. Оттолкните передний конец пару раз и еще раз проверьте измерение. При необходимости отрегулируйте.
Первоначально напечатано в журнале Skinned Knuckles , авторские права принадлежат SK Publishing / Skinned Knuckles Magazine. Перепечатка любой части запрещена без письменного разрешения SK Publishing, PO Box 6983, Huntington Beach, CA 92615.
Подписка на журнал Skinned Knuckles стоит 28 долларов США за двенадцать ежемесячных выпусков (в США).
