Как проверить стабилизатор напряжения мультиметром? ✮ Newet.ru
Вопрос, как проверить стабилизатор напряжения, является актуальным для многих предприятий, организаций и частных пользователей. Стабилизирующие устройства представляют собой достаточно сложную аппаратуру, от качества работы которой зависит исправность подключенного дорогостоящего оборудования. Поэтому контроль их работоспособности и своевременное выявление неисправностей – необходимое условие для обеспечения бесперебойности технологических процессов и минимизации дополнительных расходов.
Неисправности стабилизаторов
Наиболее важными характеристиками стабилизаторов, которые подлежат контролю, являются номинальное входное и выходное напряжение, ток нагрузки, степень стабилизации, величина пульсации, температура внутренних компонентов. Для полноценной диагностики этих параметров необходимо специальное оборудование. Особенно сложным считается тестирование устройств на симисторных ключах. Оно требует наличия точной схемы и специализированных измерительных приборов, включая осциллограф.
Рассмотрим некоторые распространенные проблемы стабилизаторов:
- В релейных устройствах чаще всего выходят из строя реле, которые отвечают за переключение обмоток трансформатора. Также иногда перегорает катушка.
- Перегревается трансформатор без серьезной нагрузки. Эта проблема возникает из-за межвиткового короткого замыкания или замыкания в переключателях.
- Перегрев сервоприводного стабилизатора. Он может происходить вследствие замыкания соседних витков из-за загрязнения контактных площадок. Чтобы не допустить этого, устройства необходимо периодически разбирать и чистить.
- Перегорание одного из электронных компонентов. Оно может происходить из-за замыканий, перегрузок, чрезмерно высокой температуры.
Как проверить электрический стабилизатор?
Для выявления неисправностей устройства нужно выполнить следующие действия:
- Предварительная проверка. Ее можно провести без специальных приборов. Для этого понадобятся две настольные лампы одинаковой мощности, электроплитка или другой мощный потребитель, удлинитель питания с несколькими розетками.
Подключаем к удлинителю стабилизатор, одну лампочку и электроплитку. Втору лампочку питаем от стабилизатора. Включаем плитку. Если стабилизатор работает правильно, то свет лампы, подключенной к нему не измениться, а свечение лампы, подключенной к удлинителю уменьшится. - Разборка оборудования, тщательное удаление всех загрязнений, очистка контактных площадок до металлического блеска.
- Осмотр стабилизатора, выявление электронных компонентов со следами воздействия высокой температуры. Перегретые резисторы выглядят обуглившимися, на транзисторах могут появляться почернения и трещины. Также нужно обратить внимание на вздувшиеся конденсаторы. Еще одним симптомом перегрева является изменение оттенка текстолитовой платы.
- Прозвон силовых ключей и других компонентов.
Проверка линейного стабилизатора постоянного напряжения с помощью мультиметра
Одним из основных компонентов линейного стабилизатора постоянного напряжения является стабилитрон или диод Зенера.
Выход из строя именно этого элемента является самой распространенной причиной поломки устройств. Прежде чем разобраться, как проверить стабилизатор напряжения мультиметром, нужно разобраться в принципе работы стабилитрона. В рабочем состоянии он пропускает ток строго в одном направлении. При повышении напряжения на входе, величина электротока, проходящего через стабилитрон, резко возрастает. Элемент начинает работать в режиме пробоя, обеспечивая поддержание напряжения на выходе с заданной точностью. Слишком большие токи приводят к перегреву и поломке стабилитрона.
Для проверки компонента подсоединяем плюсовый щуп мультиметра в режиме измерения сопротивления к катодному выводу, а минусовый – к анодному выводу. Прибор должен показать определенное значение сопротивления. После этого меняем щупы местами. Сопротивление должно становиться бесконечным. Такие показания мультиметра указывают на исправность стабилитрона. Если же при обоих измерениях прибор показал бесконечное сопротивление – произошел обрыв элемента.
Проверка по схеме стабилизатора
Описанный выше метод не подходит для двусторонних и прецизионных стабилитронов. Как проверить стабилизатор напряжения в этом случае? Нужно включить проверяемые электронные компоненты в схему и приложить напряжение от источника питания. Для этого понадобиться делитель, который состоит из одного или нескольких резисторов. Резистор должен обеспечивать пробой стабилитрона при подаче напряжения от источника питания.
Порядок проверки:
- Положительный провод от блока питания подключается к первому выводу делителя.
- Катодный вывод стабилитрона подключается ко второму выводу делителя.
- Анодный вывод стабилитрона соединяется с отрицательным контактом источника питания.
- Мультиметр в режиме вольтметра включает в схему. Плюсовый вывод подсоединяется ко второму выводу резистора, а минусовый – к общей шине питания (минусовый вывод блока питания).

- Если на первый вывод делителя подать напряжение равное или превышающее напряжение стабилизации, то на выходе оно не должно превышать это значение. Это говорит об исправном стабилитроне. Если элемент пробит или неправильно подключен, то вольтметр покажет ноль. В случае пробитого стабилитрона показания мультиметра будут превышать величину напряжения стабилизации.
Где выполнить проверку стабилизаторов?
Стабилизаторы представляют собой достаточно сложные устройства. Существует множество разновидностей этих устройств, различающихся принципом действия и конструкцией. Для грамотной диагностики аппаратов чаще всего необходимо специальное оборудование и обширные познания в области электроники. Если вы не знаете, как проверить стабилизатор напряжения, лучше не пытайтесь проводить диагностику самостоятельно, а доверьте эту работу профессионалам.
Как проверить стабилизатор напряжения мультиметром
Время прочтения: 5 мин
Дата публикации: 19-01-2021
Для некоторых жителей Украины стабилизатор напряжения стал неотъемлемым помощником, позволяющим забыть о проблемах, связанных с качеством электроснабжения.
Многие игнорируют данную проблему, считая, что и без стабилизатора все прекрасно работает. Только вот значительный процент неисправностей электрооборудования связан именно с перепадами напряжения в питающей сети.
Иногда, установив стабилизатор, пользователи хотят убедиться, что он действительно работает и, соответственно, защищает. Именно поэтому в интернете можно встретить вопросы по типу “как проверить стабилизатор напряжения мультиметром”. Попробуем разобраться, о чем идет речь и как это сделать.
Стабилизатор или стабилитрон?
Сразу стоит разобраться, что Вы имели в виду под стабилизатором, потому что очень часто так ошибочно называют полупроводниковый компонент — стабилитрон. Стабилитрон — это очень интересная разновидность диодов, которая всегда работает в режиме пробоя, поддерживая на выходе стабильное напряжение при достаточно широком диапазоне входных напряжений. Это прекрасно видно на вольт-амперной характеристике.
Стабилитроны используются для стабилизации постоянного тока в электронных схемах (в том числе в автомобилях для коррекции напряжения генератора и других задач) и, соответственно, никакой речи о защите домашней техники быть не может.
Кратко рассмотрим, как проверить стабилитрон мультиметром, если уж о нем пошла речь. Нужно лишь выставить прибор в режим сопротивления и приложить щупы к аноду и катоду стабилитрона. Если все хорошо, то в одном случае (когда плюсовой щуп приставлен к аноду) сопротивление будет близким к нулю, а в другом — к бесконечности, измеряемое мегаомами. Конечно, обычный прозвон не может гарантировать 100% исправность стабилитрона, как и любого другого диода, но в подавляющем большинстве случаев результат корректен.
Можно и нужно ли проверять стабилизатор мультиметром
Со стабилитроном разобрались, а вот как проверить электрический стабилизатор? Тот самый, который устанавливается дома для защиты бытовой техники и электроники.
Стабилизатор напряжения является устройством комплексным, работающим под управлением микроконтроллера. Наличие в схеме “мозгов” позволяет прибору самостоятельно контролировать свое состояние, сообщив об ошибке и обесточив нагрузку в случае неисправности.
Наиболее часто неисправности возникают в релейных и сервоприводных стабилизаторах, так как в первом случае что-то может случиться с реле, а во втором — с токосъемной щеткой или сервомотором. Максимум, что в этой ситуации может сделать рядовой пользователь с мультиметром в руках — это прозвонить контакты и катушки реле, хотя, по-хорошему, следует сразу же обратиться в сервис за помощью специалистов. Неумелыми действиями можно навредить не только стабилизатору, но и себе. О вмешательстве в схему управления и говорить не стоит.
Точно ли стабилизатор работает?
Другой частой причиной запросов о том, как проверить стабилизатор напряжения мультиметром, является желание пользователя разузнать, действительно ли стабилизатор выполняет свою работу, а не просто пропускает электрический сигнал транзитом.
Для этого сперва проверяется напряжение в розетке, а затем на выходе стабилизатора и — о чудо! — иногда отклонение от 220В на выходе больше, чем до стабилизации. Человек, незнакомый с принципом работы ступенчатого стабилизатора, может подумать, что его просто обманули, однако это не так. Чтобы в этом разобраться, рассмотрим, как работает ступенчатый стабилизатор.Ступенчатый — это, если быть точным, не тип стабилизатора, а принцип регулирования напряжения. Ступенчатыми бывают релейные и электронные стабилизаторы. Чаще всего пользователи, судя по отзывам, стараются выбирать стабилизаторы как раз этих двух типов. Ступенчатый принцип регулирования основан на автотрансформаторе, обмотка которого разделена на ступени. Каждая ступень соответствует определенному количеству витков вторичной обмотки относительно первичной, что, как известно из школьного курса физики, соответствующим образом сказывается на выходном напряжении. Таким образом, мы имеем автотрансформатор, у которого при одинаковом напряжении на входе будет сниматься разное напряжение на каждой из ступеней.
Из сказанного выше очевидно, что регулировка напряжения ступенчатой схемы заключается в том, чтобы скоммутировать выход к одному из выводов автотрансформатора. В релейных стабилизаторах за это отвечают реле, а в электронных — симисторы (симметричные тиристоры).
У каждого стабилизатора есть заявленная точность, которая выражается в процентном отклонении от номинального значения. У самых доступных моделей этот показатель составляет 10%, а у премиальных — менее 1%. Точность зависит от размера шага между ступенями. Шаг будет тем меньше, чем больше у стабилизатора ступеней. Если Ваш стабилизатор рассчитан на точность 10%, то отклонения от 220В не будут превышать 22В. Таким образом, вполне нормальной является ситуация, когда на входе мы имеем, скажем, 215В, а на выходе 205В. Зато когда в сети возникнут опасные колебаний, например 260В, стабилизатор удержит выходное напряжение в пределах своей точности, что в худшем случае составляет 10% (198-242В). Это абсолютно безопасный показатель для сертифицированной в Украине бытовой техники и электроники.
Таким образом, единственный случай, когда проверка стабилизатора напряжения мультиметром имеет смысл — это сверка с показаниями средств индикации (каждый стабилизатор имеет как минимум простую аналоговую индикацию выходного напряжения). В иных случаях стабилизатор сам сообщит Вам, если возникнет неисправность.
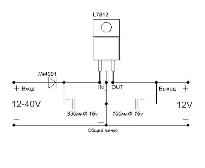
Понадобилось собрать входные стабилизирующие цепи по питанию для устройства на основе микроконтроллера PIC16F628 стабильно работающего при напряжении от 5 вольт. Это не сложно. Взял интегральную микросхему PJ7805 и на её основе в соответствии со схемой из даташита сделал. Подал напряжение и на выходе получил 4,9 вольта. Всего скорей, что этого вполне достаточно, но упрямство, замешанное на педантичности, взяло верх. Достал коробушку с интегральными стабилизаторами и вознамерился перемерить все соответствующего достоинства. А чтобы вдруг не ошибиться даже соответствующую схемку выложил перед собой. Нет тут нужно что-то более существенное, например какой-то пусть и простой но, тем не менее, пробник что ли. Забил в поисковик яндекса и получил то, что видите на фото «Комплекс контроля интегральных стабилизаторов напряжения». Ну, это не для средних радиолюбительских умов. Стало ясно, что велосипед придётся изобретать. Схема испытателя КРЕНСоставленная схема явно уступает верхней картинке, ну тут уж ничего не поделаешь, что можем. Конденсатор С1 устраняет генерацию при скачкообразном включении входного напряжения, С2 служит для защиты от переходных помеховых импульсов. Их ёмкость решил взять 100 мкФ. Вольтаж в соответствии с напряжением проверяемого стабилизатора. На роль корпуса был выбран самодельный вариант оборудованный контактными штырями для соединения с мультиметром (минус в гнездо «сom», плюс в «V»). В качестве соединительного элемента выводов проверяемого компонента со схемой можно приспособить вот такой тройной штыревой контакт. В мою задачу входит проверка трёхвыводных интегральных стабилизаторов рассчитанных на напряжение не более 12 вольт поэтому в схему поставлю два конденсатора 100 мкф х 16 В. Диод согласно схемы. В просверленные точно в соответствии с диаметром штыревых контактов отверстия их и вставляем, с внутренней стороны надеваем на каждый штырь по соответствующей (махонькой) металлической шайбочке, смочив активным флюсом и плотно прижав припаиваем каждую шайбу к соответствующему штырю не допуская соединения пар штырь – шайба между собой. Контактные площадки образованные местом пайки штырей и шайб становятся местом установки компонентов схемы. Получается компактно, также выполняется рекомендация минимального расстояния конденсаторов от выводов проверяемого интегрального стабилизатора. С соединительными проводами всё просто, главное взять их соответствующего цвета (для «+» красный, для «-» чёрный) и никакой путаницы не будет. Подумав, установил кнопку включения нажимного действия, поставлена в разрыв плюсового (красного) провода на входе питания. Всё таки это удобство из разряда необходимых. Тройной штыревой контакт понадобилось «доработать» — немного согнуть, тут так, либо один раз подогнать контакты под выводы компонентов, либо перед каждым соединением ножки стабилизаторов гнуть под контакты. Пробник – приставка к мультиметру готов. Вставляю в соответствующие гнёзда мультиметра штыри пробника, предел измерения выставляю 20 вольт постоянного напряжения, провода подвода электрического тока подсоединяю к лабораторному блоку питания в соответствии с их расплюсовкой, устанавливаю для проверки стабилизатор (попался на 10 вольт), выставляю соответственно на БП напряжение 15 вольт и нажимаю кнопку включения на пробнике. Устройство сработало, на дисплее 9,91 В. Далее в течении минуты разобрался со всеми трёхвыводными стабилизаторами на напряжение до 12 вольт включительно. Несколько, из числа бережно хранимых, оказались негодными. ИтогоДавно понятно, что вот такие простенькие пробники – приставки в радиолюбительском деле так же необходимы, как и весьма серьёзные измерительные приборы, но вот делать их (возиться с их изготовлением) попросту лень, а напрасно, и понимание этого приходит каждый раз когда это простенькое устройство всё же было собрано и оказало неоценимую помощь в творческих начинаниях. Форум Обсудить статью КАК ПРОВЕРИТЬ МИКРОСХЕМУ СТАБИЛИЗАТОР |
Стабилизатор не включается или выбивает автоматы. Основные неисправности и ремонт стабилизаторов
Как и любое сложное электронное устройство, стабилизатор напряжения иногда выходит из строя, сам выключается или выбивает автоматы или по крайней мере не корректно работает, гудит или пищит.
Причин может быть несколько, в зависимости от конкретной ситуации, и это может зависеть от неправильности использования или же зависеть непосредственно от типа и электронной начинки самого аппарата.
Попытки хозяев отремонтировать самому такое сложное устройство могут быть оправданы только в случае поверхностных причин поломки и небольшого понимания в принципе работы устройства.
Но не всегда это приводит к желаемому результату, а зачастую и вовсе может привести к полной поломке платы управления а также силовых ключей, что в итоге повысит стоимость ремонта в разы.
По этому лучше доверить ремонт специалистам, тем более в случае если стабилизатор на гарантии.
Но мы все же рассмотрим основные причины неисправностей, и методы их устранения.
Стабилизатор любого типа — это сложное электронное устройство и зачастую для выявления неисправности будут необходимы измерительные приборы и хотя бы некоторые познания в радиотехнике.
Как правило во всех стабилизаторах напряжения стоит целая система защиты целью которой есть защита силовых элементов от сгорания, защита по превышению мощности, перегреву устройства, а также защита выходного напряжения от аномальных скачков напряжения.
В основном вся защита стабилизатора реализована на плате управления, сложность схемы которой, зависит от типа стабилизатора.
Сложнее всего выявить неисправность в стабилизаторе на симисторных ключах, сложная схема управления требует проверки с помощью осциллографа или в крайнем случае можно применить метод последовательной проверки каждого элемента схемы.
В релейных стабилизаторах напряжения частой причиной поломки является реле которое переключает обмотки трансформатора. При частом нестабильном напряжению в сети реле выполняют множество переключений на протяжение дня, со временем контакты реле подгорают, еще могут залипнуть, а бывает и сама катушка реле перегорает. В таких случаях может появится сообщение об ошибке, стабилизатор может просто выключится, а может быть и куда хуже вплоть до внутреннего замыкания с соответствующими последствиями.
Самым простым в ремонте можно назвать сервоприводный стабилизатор, после снятия крышки устройства можно наглядно рассмотреть его поведение и попытаться выявить причину логическими выводами.
Основные и общие неисправности стабилизатора
Стабилизатор отключается. Скорее всего, в большинстве случаев, отключение защитное и срабатывает при критическом повышение или понижение напряжения. После восстановления подходящего напряжения — питание восстанавливается сразу или через 5 секунд если установлены такие настройки.
Но следует заметить что не все стабилизаторы так «следят» за нижней границей напряжения и часто при снижению напряжения до «нестабилизируемых» нижних границ напряжение падает без отключений. В таких случаях рекомендуется использование в щитке реле напряжения в котором настраивается верхний и нижний границы нужного вам напряжения, при выходе за их пределы — реле отключит нагрузку от сети.
Стабилизатор может также отключится и при превышению нагрузки (перегрузке) в таком случае оно будет сделано ступенчато, а при двукратной перегрузке будет выполнено моментальное отключение стабилизатора.
Кроме того выключится стабилизатор может при сработке термодатчика от перегрева силовых элементов или трансформатора.
Если стабилизатор часто выключается, нужно проверить входное напряжение, при его допустимых значениях — отключить нагрузку и убедится в том что в ней нет замыканий.
Если без нагрузки стабилизатор работает значит нагрузка неисправна, убедится в этом можно, подключив к стабилизатору эквивалентную нагрузку и если стабилизатор будет с ней работать то в первой нагрузке замыкание, если не будет работать с эквивалентной нагрузкой — то стабилизатор стал неисправным. Также о неисправности будет говорить тот факт если на входе напряжение будет в пределах нормы а стабилизатор не будет включатся.
Выбивает автомат при включение стабилизатора. Срабатывает защита которая ясно дает нам понять о коротком замыкание или значительной перегрузке. Впервую очередь нужно попробовать включить стабилизатор без нагрузки, тем самым сузив круг возможных причин. Если автомат выбивает без нагрузки значит стабилизатору потребуется серьезный ремонт. Прежде всего необходимо обратить внимание на мощность стабилизатора и автомат (по номиналу), может быть автомат на слишком малый ток, а стабилизатор во время включения потребляет большой ток. В некоторых (частых) случаях стабилизатор все же можно заставить работать если убрать заземление на сетевой вилке ( подключив стабилизатор с помощью переходника без заземления), но это не выход и скорее всего устройство придется ремонтировать.
Греется трансформатор стабилизатора (без нагрузки) Прежде всего нужно убедится в том что нагрузка выключена, если при этом трансформатор все же продолжает греться то возможно в трансформаторе произошло межвитковое замыкание, или что более вероятней — замыкание где то в переключателях (в зависимости от типа стабилизатора)
Например в релейном стабилизаторе следует обратить внимание на реле, а в симисторном — на силовые ключи. При пробое или замыкание (одного) силового элемента возникнет замыкание на одной из выходных обмоток, шаг напряжения на одной обмотке небольшой но все же достаточный чтоб перегреть трансформатор, а возможно и запустить защиту которая отключит устройство.
Реле можно осмотреть и прозвонить тестером (в выключенном состояние), убедится в отсутствие залипаний.
Симисторные или тиристорные ключи также можно проверить с помощью тестера. Между управляющим электродом и катодом сопротивление должно быть одинаковым при прямом и обратном измерении, а между анодом и катодом – стремиться к бесконечности.
В сервоприводных стабилизаторах, силовых ключей нет, но трансформатор может перегреваться из за забившихся в пространство между витками графитовых опилок, элементов гари и пыли. Такие устройства требуют периодической чистки рабочей контактной части витков трансформатора.
Поломка двигателя сервопривода или некорректная его работа, сюда же можно и причесть и обгорание и износ рабочей щетки что будет сопровождаться чрезмерным искрообразованием.
В сетях с частыми скачками напряжения двигатель сервопривода постоянно работает на износ, такое частое движение быстро вырабатывает определенный ресурс работы реверсного двигателя.
Поломка двигателя часто, за собой влечет также выход из строя выходного каскада управления сервоприводом, силовые транзисторы попросту перегорают.
В некоторых случаях двигатель можно попытаться реанимировать, разобрав и добравшись к его щеткам, очистить их от мелкой пыли и загрязнений. Собрав двигатель снова, произвести смазку редуктора и втулок на его якоре. Такое профилактическое обслуживание может значительно увеличить его ресурс работы, а к тому же уменьшить общий шум от работы сервоприводного стабилизатора.
Выход из строя реле. Часто такая поломка приводит также и к выходу из строя транзисторных ключей соответствующего реле.
В таких случаях и реле и транзистор подлежат замене на новые. В некоторых случаях изношенные контакты реле можно восстановить. Для этого разбирают корпус реле, затем снимают с пружины подвижный контакт. С помощью «нулевочной» наждачной бумаги, с контакта снимаются все нагоревшие частицы, после чего контакты протирают мягкой тряпочкой смоченной в спирте или растворителе.
После восстановления реле, нужно обязательно убедится в исправности управляющих выходных транзисторов (типа SD882 или D882Р).
Помимо описанных выше поломок которые встречаются наиболее часто, часто можно столкнутся и с такими:
Дисплей. Хаотичное отображение на дисплее разных элементов или неполное отображение информации на дисплее может говорить о нарушение контакта между платой и дисплеем. Как правило для соединения там используют «токопроводящую резинку» которая прижимается между платой и стеклом ЖК-дисплея, в процессе постоянного нагрева стабилизатора и повышенной температуры внутри резинка пересыхает а плата может согнутся или незначительно деформироваться что вызовет потерю надежности контакта.
В сегментных дисплеях причины могут быть немножко другие.
В них зачастую причина кроется в плохой пропайке индикаторов и элементов платы. Элементы следует осмотреть на качество пайки, особое внимание уделив кварцевому резонатору и контролеру дисплея. Место соединения платы с дисплеем также осмотреть и при необходимости пропаять шлейф и контакты или очистить «токопроводящую резинку».
Поломка платы управления. Электронная плата управления у любого современного стабилизатора содержит множество радио элементов. Ее ремонт прежде всего, начинается с беглого осмотра всех элементов, их состояния и мест пропайки на плате. Обратить внимание на саму плату, почерневшие дорожки в местах перегрева и едва заметные микротрещины.
Очень часто можно заметить вздувшиеся электролитические конденсаторы. Часто конденсаторы внутри пересыхают и при этом теряют свою электрическую емкость.
Кроме того на плате можно выявить изменения оттенка радиоелементов от сильного перегрева, такие детали нужно выпаивать и проверять с помощью тестера и приборов.
Но как правило визуальный осмотр может только подсказать о масштабах случившейся неисправности, ну а сам ремонт таких плат не ограничивается заменой очевидно испорченных элементов и требует добавочной ревизии разных компонент при помощи особого оборудования. Поэтому, в случае если прозвонка силовых транзисторов и прочих элементов не обнаружила причины неисправности, ремонт платы управления лучше доверить специалистам.
Стабилизатор гудит (шумит). Почти все стабилизаторы в процессе своей работы издают небольшие шумы, одни типы больше, другие меньше. Количество шума от стабилизатора будет напрямую зависеть от стабильности напряжения в сети, чем больше скачков и изменений напряжения происходит — тем больше стабилизатор должен выравнивать напряжение на выходе.
Наиболее шумными считаются сервоприводные стабилизаторы, постоянное включения реверсивного двигателя и его шум при движение графитового ползунка по обмоткам трансформатора приносят небольшой дискомфорт к которому со временем каждый владелец привыкает. Релейные стабилизаторы также издают щелчки при переключение обмоток трансформатора — тоже шум. Более благоприятными в этом плане можно считать симисторные и тиристорные стабилизаторы.
Едва слышное гудение сопровождает все стабилизаторы, источником звука есть сам преобразующий трансформатор и его гудение будет тем больше, чем больше разница входного и выходного напряжения и чем больше нагрузка в это время.
При повышенных шумах и гудению устройство лучше разобрать и осмотреть, возможно потребуется ремонт, а возможно профилактическое восстановление, например восстановление подвижной части электродвигателя сервоприводного стабилизатора.
Стабилизатор пищит. Здесь важно пищит он под нагрузкой или в холостом режиме. Отключаем нагрузку и прислушиваемся, в некоторых типах стабилизаторов (электронного типа) может быть слышен едва ощутимый писк, ето нормально.
Но если стабилизатор пищит (ощутимо) от повышения нагрузки, это может говорить о малом запасе прочности элементов конструкции аппарата, другими словами, если вы не перегружаете стабилизатор то он все же работает на пределе возможностей.
После успешного ремонта стабилизатор напряжения можно проверить с помощью ЛАТРа.
К ЛАТРу подключают проверяемый стабилизатор, а на выход стабилизатора подключают нагрузку в виде лампочки накаливания (примерно 60вт). Дальше изменяя напряжения на ЛАТРе, наблюдают за работой стабилизатора и параметрами напряжения на выходе.
Напоследок дам несколько советов, которые помогут надолго сохранить прибор в рабочем состоянии:
- Следите за тем чтобы стабилизатор не работал долгое время при напряжение меньше 160 вольт. По крайней мере чтобы в такие моменты нагрузка на нем была сведена на минимум.
- При постоянно пониженном напряжение нужно приобретать и использовать специальные стабилизаторы, например у «Ресанта» есть некоторые модели позволяющие работать даже при 90 вольтах в сети.
- Суммарная мощность нагрузки должна быть хотя бы на 10% меньше мощности стабилизатора. При етом стараться одновременно не включать ее всю на длительное время.
- Подключая стабилизатор на весь дом необходимо оборудовать в щитке дополнительное УЗО с токовым номиналом не ниже чем у автомата на стабилизаторе.
- Очень важна правильная установка стабилизатора. Помещение где будет находится стабилизатор должно быть проветриваемым и сухим. Запрещается установка в нишах что будет нарушать воздухообмен и вызывать частый перегрев устройства.
Russian HamRadio — Транзисторные стабилизаторы напряжения с защитой от перегрузки.
, разработка надежного и не слишком сложного (не более трех-четырех транзисторов) стабилизатора, особенно с повышенным током нагрузки, — достаточно серьезная задача, потому что на одно из первых мест выдвигается требование надежной защиты регулирующих транзисторов от перегрузки. При этом желательно, чтобы после устранения причины перегрузки нормальная работа стабилизатора восстановилась автоматически. Стремление выполнить эти требования зачастую приводит к значительному усложнению схемы стабилизатора и заметному уменьшению его КПД. В предлагаемой статье пытаемся найти оптимальное решение.О стабилизаторах напряжения непрерывного действия написано, кажется, все. Тем не менее
Прежде чем искать оптимальное решение, проанализируем нагрузочные характеристики Uых
= f( Iвых ) стабилизаторов напряжения, выполненных по наиболее распространенным схемам. У стабилизатора, описанного в [1], при перегрузке выходное напряжение Uвых быстро снижается до нуля. Однако ток при этом не уменьшается и может быть достаточным, чтобы повредить нагрузку, да и мощность, рассеиваемая регулирующим транзистором, иногда превышает допустимую. В [2] подобный стабилизатор дополнен триггерной защитой. При перегрузке уменьшается не только выходное напряжение, но и ток. Однако защита недостаточно эффективна, так как срабатывает лишь после падения выходного напряжении ниже 1В и при некоторых условиях не устраняет тепловой перегрузки регулирующего транзистора. Чтобы возвратить подобный стабилизатор в рабочий режим, необходимо практически полностью отключить нагрузку, а это не всегда приемлемо, особенно для стабилизатора, служащего составной частью более сложного устройства.Защита стабилизатора, схема которого изображена на рис. 1, срабатывает уже при небольшом уменьшении выходного напряжения, вызванном перегрузкой.
Рис.1.
Номиналы элементов схемы даны для выходного напряжения 12В в двух вариантах: без скобок, если VD1 — Д814Б, и в скобках, если он — КС139Е.
Краткое описание работы подобного стабилизатора имеется в [3]. Его хорошие параметры объясняются тем, что все необходимые сигналы сформированы из стабилизированного выходного напряжения, а оба транзистора (регулирующий VT1 и управляющий VT2) работают в режиме усиления напряжения.
Рис.2.
Экспериментально снятые нагрузочные характеристики этого стабилизатора приведены на рис. 2 (кривые 3 и 4).
При отклонении выходного напряжения от номинала его приращение через стабилитрон VD1 передается на эмиттер транзистора VT2 почти полностью.
Если не учитывать дифференциальное сопротивление стабилитрона,
∆ Uэ » ∆Uвых. Это — сигнал отрицательной ОС. Но в устройстве имеется и положительная.Ее создает часть приращения выходного напряжения, поступающая на базу транзистора через делитель напряжения R2R3:Суммарная обратная связь в режиме стабилизации — отрицательная, сигналом ошибки служит величина, которая по абсолютной величине тем больше, чем меньше R3 по сравнению с R2. Уменьшение этого отношения благоприятно сказывается на коэффициенте стабилизации и выходном сопротивлении стабилизатора. Учитывая, что стабилитрон VD1 следует выбирать на максимально возможное, но меньшее выходного напряжение стабилизации.
Если заменить резистор R3 двумя включенными в прямом направлении и соединенными последовательно диодами (как предложено, например, в [4]), параметры стабилизатора улучшатся, так как место R3 в выражениях для
∆Uб и ∆Uбэ займет малое дифференциальное сопротивление открытых диодов. Однако подобная замена приводит к некоторым проблемам при переходе стабилизатора в защитный режим. На них остановимся ниже, а пока резистор R3 оставим на прежнем месте.В режиме стабилизации падение напряжения на резисторе R1 остается практически неизменным. Ток, протекающий через этот резистор, — сумма тока стабилитрона VD1 и тока эмиттера транзистора VT2, практически равного току базы транзистора VT1.
С уменьшением сопротивления нагрузки последняя составляющая тока, текущего через R1, растет, а первая (ток стабилитрона) — уменьшается вплоть до нулевого значения, после чего приращение выходного напряжения больше не передается на эмиттер транзистора VT2 через стабилитрон.
В результате цепь отрицательной ОС оказывается разорванной, а продолжающая действовать положительная ОС приводит к лавинообразному закрыванию обоих транзисторов и отсечке тока нагрузки. Ток нагрузки, при превышении которого срабатывает защита, можно оценить по формуле
:где h31э — коэффициент передачи тока транзистором VT1. К сожалению, h3i3 имеет большой разброс от экземпляра к экземпляру транзистора, зависит от тока и температуры.
Поэтому резистор R1 зачастую приходится подбирать при налаживании. В стабилизаторе, рассчитанном на большой ток нагрузки, сопротивление резистора R1 невелико. В результате ток через стабилитрон VD1 при снижении тока нагрузки возрастает настолько, что приходится применять стабилитрон повышенной мощности.
Наличие в нагрузочных характеристиках (см. кривые 3 и 4 на рис. 2) сравнительно протяженных переходных участков между рабочим и защитным режимами (заметим, эти участки — самые тяжелые с точки зрения теплового режима транзистора VT1) объясняется в основном тем, что развитию процесса переключения препятствует местная отрицательная ОС через резистор R1. Чем меньше напряжение стабилизации стабилитрона VD1, тем больше при прочих равных условиях номинал резистора R1 и тем более «затянут» переход из рабочего в защитный режим стабилизатора.
Этот, как и ранее сделанный, вывод о целесообразности применения стабилитрона VD1 с возможно большим напряжением стабилизации подтверждается экспериментально. Выходное напряжение стабилизатора по схеме, показанной на рис. 1, со стабилитроном Д814Б (UCT= 9 В), по сравнению с аналогичным стабилитроном КС139Е (UCT = 3,9 В), значительно меньше зависит от нагрузки и он более «круто» переходит в защитный режим при перегрузке.
Рис.3.
Уменьшить и даже полностью устранить переходный участок нагрузочной характеристики стабилизатора удается, добавив в него дополнительный транзистор VT3, как показано на рис. 3.
В рабочем режиме этот транзистор находится в насыщении и практически не оказывает влияния на работу стабилизатора, лишь незначительно ухудшая температурную стабильность выходного напряжения.
Когда в результате перегрузки ток стабилитрона VD1 стремится к нулю, транзистор VT3 переходит в активное состояние, а затем закрывается, создавая условия для быстрого включения защиты. Плавный переходный участок нагрузочной характеристики в этом случае отсутствует (см. кривую 1 на рис. 2).
Диоды VD2 и VD3 в рабочем режиме стабилизируют напряжение на базе транзистора VT2, что способствует улучшению основных параметров стабилизатора. Однако без дополнительного транзистора VT3 это негативно сказывается на защите, так как ослабляет положительную составляющую ОС. Переключение в защитный режим в этом случае очень затянуто и происходит только после снижения напряжения на нагрузке до величины, близкой к поддерживаемой диодами VD2 и VD3 на базе транзистора VT2 (см. кривую 2 на рис. 2).
Рассмотренные стабилизаторы обладают существенным для многих применений недостатком: остаются в защитном состоянии после устранения причины перегрузки, а нередко и при подаче напряжения питания с подключенной нагрузкой не переходят в рабочий режим. Известны различные способы их запуска, например, с помощью дополнительного резистора, установленного параллельно участку коллектор—эмиттер транзистора VT1, или (как предложено в [4]) «подпиткой» базы транзистора VT2. Проблема решается за счет компромисса между надежностью запуска под нагрузкой и величиной тока короткого замыкания, что не всегда приемлемо. Варианты узлов запуска, рассмотренные в [5] и [6], более эффективны, однако усложняют стабилизатор в целом.
Малораспространенный, но интересный способ вывода стабилизатора из защитного режима предложен в [7]. Он заключается в том, что специально предусмотренный генератор импульсов периодически принудительно открывает регулирующий транзистор, переводя стабилизатор на некоторое время в рабочий режим. Если причина перегрузки устранена, по окончании очередного импульса защита не сработает вновь и стабилизатор продолжит нормальную работу. Средняя мощность, рассеиваемая на регулирующем транзисторе при перегрузке, возрастает незначительно.
Рис.4.
На рис. 4 приведена схема одного из возможных вариантов стабилизатора, работающего по такому принципу. Он отличается от описанного в [7] отсутствием отдельного узла — генератора импульсов.
При перегрузке стабилизатор переходит в колебательный режим за счет положительной ОС, замыкающейся через конденсатор С1. Резистор R3 ограничивает ток зарядки конденсатора, a R4 служит нагрузкой генератора при замыкании внешней нагрузки.
В отсутствие перегрузки после подачи напряжения питания стабилизатор запускается благодаря резистору R2. Так как конденсатор С1 зашунтирован соединенными последовательно открытым диодом VD2 и резисторами R3—R5, условия самовозбуждения не выполняются и устройство работает аналогично рассмотренному ранее (см. рис. 1). Во время перехода стабилизатора в защитный режим конденсатор С1 действует как форсирующий, ускоряя развитие процесса.
Рис.5.
Эквивалентная схема стабилизатора в защитном режиме показана на рис. 5. При сопротивлении нагрузки RH, равном нулю, плюсовой вывод конденсатора С1 соединен через резистор R4 с общим проводом (минусом источника входного напряжения).
Напряжение, до которого конденсатор зарядился еще в режиме стабилизации, приложено к базе транзистора VT2 в отрицательной полярности и поддерживает транзистор закрытым.
Конденсатор разряжается током i1, текущим через резисторы R3—R5 и открытый диод VD2. Когда напряжение на базе VT1 превысит — 0,7В, диод VD2 закроется, но перезарядка конденсатора продолжится током i2, протекающим через резистор R2.
По достижении небольшого положительного напряжения на базе транзистора VT2 последний, а вместе с ним и VT1 начнут открываться. За счет положительной ОС через конденсатор С1 оба транзистора откроются полностью и некоторое время останутся в таком состоянии, пока конденсатор не зарядится током i3 почти до напряжения Uвх, после чего транзисторы закроются и цикл повторится.
При указанных на схеме рис. 5 номиналах элементов длительность генерируемых импульсов — единицы миллисекунд, период повторения — 100…200 мс. Амплитуда импульсов выходного тока в защитном режиме приблизительно равна току срабатывания защиты. Среднее значение тока короткого замыкания, измеренное стрелочным миллиамперметром, — примерно 30 мА.
С увеличением сопротивления нагрузки RH наступает момент, когда при открытых транзисторах VT1 и VT2 отрицательная ОС «перевешивает» положительную и генератор вновь превращается в стабилизатор напряжения. Величина RH, при которой происходит смена режимов, зависит в основном от сопротивления резистора R3. При слишком малых его значениях (менее 5 Ом) в нагрузочной характеристике появляется гистерезис, причем при нулевом сопротивлении R3 стабилизация напряжения восстанавливается лишь при сопротивлении нагрузки более 200 Ом. Излишнее увеличение сопротивления резистора R3 приводит к тому, что в нагрузочной характеристике проявляется переходный участок.
Амплитуда импульсов отрицательной полярности на базе транзистора VT2 достигает 10В, что может привести к электрическому пробою участка база—эмиттер этого транзистора. Однако пробой обратим, а ток его ограничен резисторами R1 и R3. Работы генератора он не нарушает. При выборе транзистора VT2 необходимо также учитывать, что напряжение, приложенное к его участку коллектор—база, достигает суммы входного и выходного напряжений стабилизатора.
В действующей аппаратуре выход стабилизатора напряжения обычно зашунтирован конденсатором (С2, показан на рис. 4 штриховой линией). Его емкость не должна превышать 200 мкФ. Ограничение связано с тем, что при перегрузке, не сопровождающейся полным замыканием выхода, этот конденсатор входит в цепь положительной ОС генератора. Практически это выражается в том, что генератор «заводится» только при значительной перегрузке, а в нагрузочной характеристике появляется гистерезис.
Сопротивление резистора R4 должно быть таким, чтобы падение напряжения на нем во время импульса было достаточным для открывания транзистора VT2 (» 1 В) и обеспечивало выполнение условий автогенерации при нулевом сопротивлении нагрузки. К сожалению, в режиме стабилизации этот резистор лишь уменьшает КПД устройства.
Для четкой работы защиты необходимо, чтобы при любом допустимом токе нагрузки минимальное (с учетом пульсаций) входное напряжение стабилизатора оставалось достаточным для его нормального функционирования. При проверке всех рассмотренных выше стабилизаторов с номинальным выходным напряжением 12В источником питания служил мостовой диодный выпрямитель на 14В с конденсатором емкостью 10000 мкФ на выходе. Напряжение пульсаций на выходе выпрямителя, измеренное милливольтметром ВЗ-38, не превышало 0,6 В.
При необходимости импульсный характер защиты можно использовать для индикации состояния стабилизатора, в том числе звуковой. В последнем случае при перегрузке будут слышны щелчки с частотой повторения импульсов.
Рис.6.
На рис. 6 показана схема более сложного стабилизатора с импульсной защитой, в значительной мере лишенного недостатков рассмотренного в первой части статьи (см. рис. 4).
Его выходное напряжение — 12В, выходное сопротивление — 0,08 Ом, коэффициент стабилизации — 250, максимальный рабочий ток — ЗА, порог срабатывания защиты — 3,2А, средний ток нагрузки в защитном режиме — 60 мА.
Наличие усилителя на транзисторе VT2 позволяет при необходимости значительно увеличить рабочий ток, заменив транзистор VT1 более мощным составным. Алгоритм работы защиты этого стабилизатора мало отличается от ранее описанного.
В защитном режиме транзисторы VT2 и VT3 образуют генератор импульсов с частотозадающим конденсатором С1. Конденсатор С2 подавляет высокочастотную паразитную генерацию.
Ухудшающий КПД последовательный резистор в выходной цепи стабилизатора (аналогичный R4, см. рис. 4) отсутствует, нагрузкой генератора служит резистор R1. Назначение диодов VD1, VD2 и транзистора VT4 аналогично элементам VD2, VD3 и VT3 в стабилизаторе по схеме, изображенной на рис. 3.
Номинал ограничительного резистора R4 может находиться в пределах от десятков ом до 51 кОм. Выход стабилизатора допускается зашунтировать конденсатором емкостью до 1000 мкФ, что приводит, однако, к возникновению гистерезиса в нагрузочной характеристике: при пороге срабатывания защиты 3,2А измеренное значение тока возврата в режим стабилизации — 1,9 А.
Для четкого переключения режимов необходимо, чтобы с уменьшением сопротивления нагрузки ток через стабилитрон VD3 прекратился раньше, чем войдет в насыщение транзистор VT2.
Поэтому номинал резистора R1 выбирают таким образом, чтобы перед срабатыванием защиты между коллектором и эмиттером этого транзистора оставалось напряжение не менее 2…3 В. В защитном режиме транзистор VT2 входит в насыщение, в результате амплитуда импульсов тока нагрузки может в 1,2… 1,5 раза превышать ток срабатывания защиты. Следует учитывать, что при значительном уменьшении сопротивления R1 ощутимо возрастает рассеиваемая на транзисторе VT2 мощность.
Наличие конденсатора С1 теоретически способно привести к росту пульсации выходного напряжения стабилизатора. Однако на практике этого наблюдать не приходилось.
Выходное стабилизированное напряжение равно сумме падений напряжения на диодах VD1 и VD2, участке база—эмиттер транзистора VT4 и напряжения стабилизации стабилитрона VD3 за вычетом падения напряжения на участке база—эмиттер транзистора VT3 — приблизительно на 1,4В больше напряжения стабилизации стабилитрона. Ток срабатывания защиты вычисляют по формуле
Благодаря дополнительному усилителю на транзисторе VT2 ток, протекающий через резистор R3, сравнительно невелик, даже при значительных расчетных токах нагрузки.
Это, с одной стороны, улучшает КПД стабилизатора, но с другой — заставляет применять в качестве VD3 стабилитрон, способный работать при малых токах. Минимальный ток стабилизации показанного на схеме (см. рис. 6) стабилитрона КС211Ж — 0,5 мА.
Подобный стабилизатор, кроме своего прямого назначения, может служить ограничителем разрядки аккумуляторной батареи. Для этого выходное напряжение устанавливают таким, чтобы при напряжении батареи меньше допустимого сработала защита, предотвращая дальнейшую разрядку. Номинал резистора R6 в этом случае целесообразно увеличить до 10 кОм. В результате ток, потребляемый устройством в рабочем режиме, уменьшится с 12 до 2,5 мА. Следует иметь в виду, что на грани срабатывания защиты этот ток возрастает приблизительно до 60 мА, но с запуском генератора импульсов среднее значение тока разрядки батареи падает до 4…6 мА.
По рассмотренному принципу импульсной защиты можно строить не только стабилизаторы напряжения, но и самовосстанавливающиеся электронные «предохранители», устанавливаемые между источником питания и нагрузкой. В отличие от плавких вставок, такие предохранители можно использовать многократно, не заботясь о восстановлении после устранения причины срабатывания.
Электронный предохранитель должен выдерживать как кратковременное, так и продолжительное, полное или частичное замыкание нагрузки. Последнее нередко возникает при длинных соединительных проводах, сопротивление которых — заметная часть полезной нагрузки. Этот случай наиболее тяжел для коммутационного элемента предохранителя.
Рис.7.
На рис. 7 приведена схема простого самовосстанавливающегося электронного предохранителя с импульсной защитой. Принцип его работы близок к описанному выше стабилизатору напряжения (см. рис. 4), но до срабатывания защиты транзисторы VT1 и VT2 находятся в состоянии насыщения и выходное напряжение практически равно входному. Если ток нагрузки превысил допустимое значение, транзистор VT1 выходит из насыщения и выходное напряжение начинает уменьшаться.
Его приращение через конденсатор С1 поступает на базу транзистора VT2, закрывая последний, а вместе с ним и VT1. Выходное напряжение уменьшается еще больше, и в результате лавинообразного процесса транзисторы VT1 и VT2 оказываются закрытыми полностью. Через некоторое время, зависящее от постоянной времени цепи R1C1, они откроются вновь, однако, если перегрузка сохранилась, опять закроются. Этот цикл повторяется до устранения перегрузки.
Частота генерируемых импульсов — приблизительно 20 Гц при нагрузке, незначительно превышающей допустимую, и 200 Гц при ее полном замыкании. Скважность импульсов в последнем случае — более 100. При увеличении сопротивления нагрузки до допустимого значения транзистор VT1 войдет в насыщение и генерация импульсов прекратится. Ток срабатывания «предохранителя» можно ориентировочно определить по формуле
Коэффициент 0,25, подобранный экспериментально, учитывает, что в момент перехода транзистора VT1 из насыщения в активный режим его коэффициент передачи тока значительно меньше номинального.
Измеренный ток срабатывания защиты при входном напряжении 12В — 0,35А, амплитуда импульсов тока нагрузки при ее замыкании — 1,3 А.
Гистерезис (разность токов срабатывания защиты и восстановления рабочего режима) не обнаружен. К выходу «предохранителя» при необходимости можно подключить блокировочные конденсаторы суммарной емкостью не более 200 мкФ, что увеличит ток срабатывания приблизительно до 0,5 А.
При необходимости ограничить амплитуду импульсов тока нагрузки в эмиттерную цепь транзистора VT2 следует включить резистор в несколько десятков ом и немного увеличить номинал резистора R3.
При неполном замыкании нагрузки возможен электрический пробой участка база—эмиттер транзистора VT2. На работу генератора это влияет незначительно, да и для транзистора опасности не представляет, так как заряд, накопленный в конденсаторе С1 перед пробоем, сравнительно невелик.
Рис.8.
Недостатки «предохранителя», собранного по рассмотренной схеме (рис. 7), — низкий КПД из-за включенного последовательно в цепь нагрузки резистора R3 и не зависящего от нагрузки тока базы транзистора VT1.
Последнее характерно и для других подобных устройств [8]. Обе причины, снижающие КПД, устранены в более мощном «предохранителе» с максимальным током нагрузки 5А, схема которого показана на рис. 8.
Его КПД превышает 90 % в более чем десятикратном интервале изменения тока нагрузки. Ток, потребляемый в отсутствие нагрузки, — менее 0,5 мА.
Для уменьшения падения напряжения на «предохранителе» в качестве VT4 применен германиевый транзистор. При токе нагрузки меньше допустимого этот транзистор находится на грани насыщения. Это состояние поддерживает петля отрицательной ОС, которую при открытом и насыщенном транзисторе VT2 образуют транзисторы VT1 и VT3. Падение напряжения на участке коллектор—эмиттер транзистора VT4 не превышает 0,5В при токе нагрузки 1 А и 0,6 В — при 5 А.
При токе нагрузки, меньшем тока срабатывания защиты, транзистор VT3 находится в активном режиме и напряжение между его коллектором и эмиттером достаточно для открывания транзистора VT6, что обеспечивает насыщенное состояние транзистора VT2 и в конечном итоге — проводящее состояние ключа VT4. С увеличением тока нагрузки ток базы VT3 под действием отрицательной ОС увеличивается, а напряжение на его коллекторе уменьшается до закрывания транзистора VT6. В этот момент и срабатывает защита. Ток срабатывания можно оценить по формуле
где Рэкв — общее сопротивление соединенных параллельно резисторов R4, R6 и R8.
Коэффициент 0,5, как и в предыдущем случае, — экспериментальный. При замыкании нагрузки амплитуда импульсов выходного тока приблизительно в два раза больше тока срабатывания защиты.
Благодаря действию положительной ОС, замыкающейся через конденсатор С2, транзистор VT6, а с ним и VT2—VT4 полностью закрываются, VT5 — открывается. Транзисторы остаются в указанных состояниях до окончания зарядки конденсатора С2 током, текущим через участок база—эмиттер транзистора VT5 и резисторы R7, R9, R11, R12. Так как из перечисленных резисторов самый большой номинал у R12, он и определяет период повторения генерируемых импульсов — приблизительно 2,5с.
После окончания зарядки конденсатора С2 транзистор VT5 закроется, VT6 и VT2—VT4 откроются. Конденсатор С2 приблизительно за 0,06 с разрядится через транзистор VT6, диод VD1 и резистор R11. При замкнутой нагрузке коллекторный ток транзистора VT4 в это время достигает 8… 10А. Затем цикл повторится. Однако во время первого же после устранения перегрузки импульса транзистор VT3 не войдет в насыщение и «предохранитель» вернется в рабочий режим.
Интересно, что во время импульса транзистор VT6 не открывается полностью. Этому препятствует образованная транзисторами VT2, VT3, VT6 петля отрицательной ОС. При указанном на схеме (рис. 8) номинале резистора R9 (51 кОм) напряжение на коллекторе транзистора VT6 не опускается ниже 0,3Uвх..
Самая неблагоприятная для «предохранителя» нагрузка — мощная лампа накаливания, у которой сопротивление холодной нити в несколько раз меньше, чем разогретой. Проверка, проведенная с автомобильной лампой 12В 32 + 6 Вт, показала, что 0,06 с для разогрева вполне достаточно и «предохранитель» после ее включения надежно входит в рабочий режим. Но для более инерционных ламп длительность и период повторения импульсов возможно придется увеличить, установив конденсатор С2 большего номинала (но не оксидный).
Скважность генерируемых импульсов в результате такой замены останется прежней. Равной 40 она выбрана не случайно. В этом случае, как при максимальном токе нагрузки (5 А), так и при замыкании выхода «предохранителя», на транзисторе VT4 рассеивается приблизительно одинаковая и безопасная для него мощность.
Транзистор ГТ806А можно заменить другим из этой же серии или мощным германиевым, например, П210слюбым буквенным индексом. Если германиевые транзисторы отсутствуют или необходимо работать при повышенной температуре, можно использовать и кремниевые с
h31э>40, например, КТ818 или КТ8101 с любыми буквенными индексами, увеличив номинал резистора R5 до 10 кОм. После такой замены напряжение, измеренное между коллектором и эмиттером транзистора VT4, не превышало 0,8В при токе нагрузки 5А.При изготовлении «предохранителя» транзистор VT4 необходимо установить на теплоотвод, например, алюминиевую пластину размерами 80
x 50 x 5 мм. Теплоотвод площадью 1,5…2 см² нужен и транзистору VT3,Первое включение устройства производите без нагрузки, и прежде всего проверьте напряжение между коллектором и эмиттером транзистора VT4, которое должно быть приблизительно 0,5 В. Затем к выходу через амперметр подключите проволочный переменный резистор сопротивлением 10…20 Ом и мощностью 100 Вт.
Плавно уменьшая его сопротивление, переведите устройство в защитный режим. С помощью осциллографа убедитесь, что переключение режимов происходит без затянутых переходных процессов, а параметры генерируемых импульсов соответствуют указанным выше. Точное значение тока срабатывания защиты можно установить подборкой резисторов R4, R6, R8 (желательно, чтобы их номиналы оставались одинаковыми). При продолжительном замыкании нагрузки температура корпуса транзистора VT4 не должна превышать допустимое для него значение
.А. Москвин
Литература
:1. Клюев Ю. Абашев С. Стабилизатор напряжения. — Радио, 1975, № 2, с. 23.
2. Попович В. Усовершенствование стабилизатора напряжения. — Радио, 1977, № 9, с. 56.
3. Поляков В. Теория: понемногу — обо всем. Стабилизаторы напряжения. — Радио, 2000, № 12, с. 45, 46.
4. Каныгин С. Стабилизатор напряжения с защитой от перегрузок. — Радио, 1980, № 8, с. 45,46.
5. За рубежом. Стабилизатор напряжения с защитой от перегрузки. — Радио, 1984, № 9, с. 56.
6. Козлов В. Стабилизатор напряжения с защитой от короткого замыкания и перегрузки потоку. — Радио, 1998, № 5, с. 52—54.
7. Андреев В. Дополнительная защита стабилизатора от перегрева. — Радио, 2000, № 4, с. 44.
8. Бобров О. Электронный предохранитель. — Радио, 2001, № 3, с. 54.
Электронный стабилизатор напряжения промышленного класса ТМ «ДОНСТАБ»
Электронный стабилизатор напряжения промышленного класса ТМ «ДОНСТАБ»
Стабилизаторы напряжения ДОНСТАБ серийно производятся с 2009 года и за эти годы уверенно завоевали лидирующие позиции в премиальном сегменте. Благодаря использованию европейской элементной базы, качественных автотрансформаторов изготовленных из высокочистой меди, высокой культуры сборки и жестких заводских испытаний – показатель отказоустойчивости наилучший среди оборудования этого класса.
Наибольшим спросом пользуются модели стабилизаторов напряжения с мощностями 7кВт, 9 кВт, 11 кВт и 14 кВт – и как правило применяются для защиты от нестабильного напряжения в бытовом сегменте, а модели от 14 кВт и до 35 кВт – уже имеют стабильный спрос для небольших производственных предприятий и офисных центров. Стоит отметить, что модельный ряд стабилизаторов напряжения ДОНСТАБ не ограничивается указанными мощностями. В арсенале производителя есть модели с малыми мощностями 1.3 кВт, 2.2кВт, 3.5 кВт, 4кВт, 5.5кВт, а также и больших мощностей 50 кВт и 70 кВт.
Стабилизаторы напряжения ДОНСТАБ построены по классической схеме электронного стабилизатора напряжения, в состав которого входит: плата управления, автотрансформатор, силовой блок переключателей построенный на тиристорах. Высокая культура сборки и продуманный дизайн внутреннего расположения элементов в стабилизаторе делают его удобным для проведения технического обслуживания и ремонта. В стабилизаторе напряжения ДОНСТАБ отсутствует такое понятие как «навесной» монтаж и «мелкие доработки» в процессе сборки – что явно говорит о профессиональном подходе к разработке и внедрению заводских стандартов в электротехнике ТМ ДОНСТАБ.
Силовой автотрансформатор собран с использованием проволоки из высокочистой меди с двойным запасом сечения от расчетного тока, что позволяет отказаться от принудительного охлаждения. С таким же подходом выбраны и силовые ключи (тиристоры) для сборки силового модуля. Силовой модуль собран на теплоотводящей площадке, которая также не нуждаются в принудительном охлаждении вентиляторами. Благодаря этому в стабилизаторах напряжения ДОНСТАБ упрощена схема и исключена точка отказа – система принудительного охлаждения. Таким образом, стабилизаторы напряжения ДОНСТАБ являются необслуживаемыми или малообслуживаемыми аппаратами, если они используются в запыленных помещениях. Стоит отметить, что долговечность работы любой техники зависит от множества факторов, одним из которых есть проведение периодического технического обслуживания.
Проведение периодического технического обслуживания стабилизаторов напряжения ДОНСТАБ заключается в следующем:
— ежеквартальное ТО: проверка журнала событий без отключения потребителей от сети, визуальный осмотр
— ежегодное ТО: проверка журнала событий, проверка качества соединительных клемм и усилий зажимов (при обесточенном стабилизаторе), визуальный осмотр подводящих кабелей (оплавленности, следы от грызунов и т.д.), осмотр «внутренностей» стабилизатора напряжения (необходимо снять переднюю крышку) – при необходимости пропылесосить или продуть сжатым воздухом.
Ежеквартальное техническое обслуживание пользователи могу проводить самостоятельно, а вот Ежегодное техническое обслуживание желательно доверить профессионалам. Специалисты компании НТС-ГРУПП (Электрокапризам-НЕТ!) имеют многолетний опыт по техническому обслуживанию и ремонту стабилизаторов напряжения и даже при визуальном осмотре могут оценить общее состояние оборудования. Кроме этого специалисты компании произведут калибровку параметров стабилизатора. НТС-ГРУПП узкопрофильная компания, которая специализируется на построении систем гарантированного электроснабжения ответственных электропотребителей. В cистемах гарантированного питания используются источники бесперебойного питания, бензиновые и дизельные электростанции, стабилизаторы напряжения, VRLA аккумуляторные батареи и инверторные системы и др. сопутствующее оборудование. Сделав заказ в нашей компании Вы получите корпоративный уровень обслуживания и грамотное-взвешенное техническое решение.
Как проверить внешний регулятор напряжения?
Чтобы проверить стабилизатора напряжения вашего автомобиля , вам понадобится мультиметр, который считывает напряжение , проходящее через вашу батарею. Если он у вас есть, прикрепите зажимы мультиметра к аккумуляторной батарее вашего автомобиля. Затем установите мультиметр на напряжение и найдите показание чуть более 12 вольт.
Щелкните, чтобы увидеть полный ответ
Кроме того, как мне узнать, что мой регулятор напряжения неисправен?
Обычно неисправный регулятор напряжения прибора вызывает несколько симптомов, которые могут предупредить водителя о потенциальной проблеме.
- Тусклые или мерцающие индикаторы. Один из первых симптомов неисправности регулятора напряжения — тусклые или мерцающие индикаторы.
- Неточные или ошибочные показания.
- Неисправная комбинация приборов.
Также знайте, что вызывает отказ регулятора напряжения? Обычно они выходят из строя , потому что они не рассчитаны на постоянный ток. Работа двигателя с отключенной аккумуляторной батареей или даже плохой контакт на клеммах аккумуляторной батареи также может привести к их взрыву.Это связано с тем, что цепи зажигания создают всплески около 400 В, которые разряжаются аккумулятором.
Кроме того, что происходит, когда регулятор напряжения выходит из строя?
Признаки неисправности регулятора напряжения в автомобиле включают тусклый или пульсирующий свет или разряженную батарею. Если у вас есть электрическое оборудование, которое не включается, это также может указывать на неисправность регулятора напряжения — регулятор может либо не пропускать мощность, либо пропускать слишком много энергии и повредить другие компоненты.
Может ли регулятор напряжения вызвать проблемы с запуском?
Напряжение переменного тока создает электрический «шум», который может сбивать с толку электронные модули и цифровую связь. Негерметичный диод также может пропускать ток из аккумулятора через генератор, когда автомобиль не находится в движении. Неисправный регулятор напряжения может вызывать также , что вызывает проблемы с зарядкой .
Регуляторы напряжения Golf Cart (установка и тестирование) Все, что нужно знать
На рынке доступны два типа тележек для гольфа: газовые и электрические.
В обоих этих типах и в целом во всех транспортных средствах важно обеспечить равномерное распределение генерируемого напряжения по всей тележке.
За это отвечает регулятор напряжения.
Это простое устройство, но функции, которые оно обеспечивает, напрямую отвечают за общую производительность двигателя и электрических компонентов машины.
Регулятор напряжения помогает ограничивать и регулировать мощность, подаваемую на аккумулятор во время зарядки, без чего аккумулятор в конечном итоге умрет.
В большинстве тележек с электроприводом для питания используется 12-вольтовая батарея.
Напряжение не должно превышать 14,5 вольт при разгоне.
Это идеальный диапазон, при котором аккумулятор может быть правильно заряжен, и он важен для обеспечения длительного срока службы аккумулятора.
Регулятор напряжения играет свою роль в обеспечении того, чтобы напряжение никогда не превышало отметку 14,5.
Все, что находится выше или ниже, указывает на неисправность регулятора напряжения.
Кроме того, регулятор напряжения обеспечивает постоянный поток энергии, который также играет важную роль в поддержании правильной работы электрических функций тележки.
Как работают регуляторы напряжения тележки для гольфаРегулятор напряжения — это главное устройство, которое вам нужно.
Он генерирует фиксированное выходное напряжение, на которое не влияют условия входа или нагрузки.
В регуляторе напряжения используется простая конструкция, в которой используются контуры управления с прямой и отрицательной обратной связью.
Регулятор напряжения также играет важную роль в защите электрических компонентов внутри тележки.
Типы регуляторов напряжения для тележек для гольфаСуществует два основных типа регуляторов напряжения: линейные регуляторы напряжения и импульсные регуляторы напряжения .
Наиболее распространенным регулятором напряжения является линейный.
Его активный проходной элемент имеет переменную проводимость, которая регулирует выходное напряжение.
Когда нагрузка подключена, транзистор отвечает за поддержание постоянного напряжения.
Разница между выходом и входом нивелируется транзистором, а избыток рассеивается в виде тепла.
Чтобы транзистор мог изменять ток, он должен находиться в омической или линейной области.
Преимущество линейного регулятора напряжения состоит в том, что он довольно прост по конструкции и использует очень мало компонентов для выполнения своих функций.
Он также надежен в обеспечении защиты от перегрузки по току и перегрева.
Он прост в использовании и предоставляет широкий спектр функций по невысокой цене.
Импульсный регулятор напряжения — второй тип регулятора на рынке.
Она немного отличается от линейной модели в том смысле, что транзистор остается либо в выключенном, либо во включенном состоянии.
Регулируя время включения регулятора, поддерживается постоянное выходное напряжение.
Импульсные регуляторы напряжения обеспечивают повышенный КПД до 95%.
Поскольку он переключается напрямую из включенного состояния в выключенное, время, в течение которого он остается во включенном состоянии, очень мало, что позволяет экономить много энергии.
Выходное напряжение может быть выше или ниже входного.
Как проверить, неисправен ли регулятор напряженияЕсли регулятор напряжения в тележке неисправен, вы увидите следующие знаки:
- Основные электрические компоненты, такие как приборная панель или освещение, начнут колебаться или тускнеть. Это признак того, что электричество распределяется неравномерно. Это опасно для электрических компонентов тележки и может привести к дальнейшему повреждению, вызывая возгорание или взрыв компонентов.
- Аккумулятор разряжен, хотя электрические компоненты не остались включенными. Это будет означать, что регулятор напряжения недостаточно заряжает батареи.
- Двигатель начнет испытывать проблемы, такие как глохнет или отсутствие постоянного ускорения. Это связано с тем, что регулятор напряжения не может равномерно распределять поток мощности по двигателю.
- Комбинация приборов либо полностью перестает работать, либо выходит из строя из-за неисправного регулятора.
- Показания вольтметра неустойчивые и нестабильные.
Если вы обнаружите вышеупомянутые проблемы в своей тележке для гольфа, рекомендуется проверить регулятор напряжения на наличие неисправностей.
Это довольно простой процесс, не требующий много времени.
Помните, однако, что в зависимости от модели тележки и от того, электрическая она или газовая, значения напряжения могут отличаться.
Проверка регулятора напряжения Как проверить регулятор напряжения в электрической тележкеКак упоминалось выше, регулятор напряжения будет показывать признаки неправильной работы, что приведет к разрядке аккумулятора и повреждению электрических компонентов тележки.
Чтобы этого не произошло, воспользуйтесь инструкцией по проверке регулятора напряжения:
- Установите гольф-кар на ровной ровной поверхности. Переведите трансмиссию в режим парковки и на всякий случай поставьте перед колесами стопоры, чтобы тележка не катилась.
- Найдите предназначенное место для поддомкрачивания в тележке для гольфа и используйте соответствующий комплект для поддомкрачивания, чтобы поднять тележку. В идеале домкрат должен располагаться ниже рамы на задней части гольфмобиля.
- Поднимите сиденья тележки для гольфа, чтобы найти батареи и держать под рукой вольтметр.
- Вольтметр имеет 2 разъема, красный и черный. Красный должен быть подключен к положительной клемме аккумулятора, а черный должен быть подключен к отрицательной клемме.
- Включите вольтметр и установите его на 20 вольт.
- Без нажатия педали переднего хода, если показание вольтметра составляет 12 вольт, это означает, что аккумулятор в хорошем состоянии.
- Далее проверьте напряжение при разгоне. В этом случае оставьте вольтметр подключенным и нажмите педаль переднего хода. Это состояние, при котором двигатель работает, а тележка вырабатывает энергию. В идеале вольтметр должен показывать значение от 14 до 16 вольт, что означает, что с батареей или регулятором напряжения проблем нет. Если показание по-прежнему стабильно и составляет 12 вольт, это означает, что регулятор неисправен и не работает должным образом.
Хотя процесс остается более или менее таким же, есть несколько отличий, о которых вам нужно знать при проверке регулятора в газовой тележке:
- Подключите вольтметр к аккумуляторной батарее, как указано выше, и оставьте двигатель работать.
- Тележку рекомендуется ставить в нейтральное положение с включенным ручным тормозом. Не забудьте поставить стопоры перед колесами на всякий случай.
- После подключения вольтметра проверьте показания. Показание должно быть от 14 до 16 вольт. Если оно ниже отметки 14 вольт, остановите тележку и отсоедините провод над стартер-генератором.
- Подсоедините перемычку к шпильке стартера-генератора и снова проверьте показания. Если показание показывает 15 В постоянного тока или более, регулятор напряжения неисправен.
- Снова следуйте вышеупомянутым инструкциям, чтобы убедиться, что автомобиль находится в безопасном положении и двигатель включен.
- Подключите вольтметр к клеммам аккумулятора и снимите показания. Если значение напряжения выше 15, это явный признак того, что аккумулятор слишком заряжен. Это существенно повредит общему здоровью и сроку службы батареи, поэтому вам необходимо как можно скорее исправить это.
- Теперь вам нужно проверить показания после отпускания педали акселератора. Вольтметр должен показывать 12,5 вольт или около этого значения. Если этого не происходит, значит, неисправен регулятор напряжения.
- Однако, если вольтметр показал показание менее 13,5 В перед тем, как отпустить педаль акселератора, попробуйте заземлить провод. Сделайте это, заземлив желтый провод стартер-генератора на шасси.
- Если показание подскакивает до 17 или 18 вольт, это также признак того, что регулятор напряжения неисправен и его необходимо заменить.
Если у вас возникли проблемы с регулятором напряжения, настоятельно рекомендуется заменить его, чтобы предотвратить дальнейшее повреждение аккумулятора и тележки.
Для этого вам необходимо знать, где он находится.
Обычно регулятор напряжения находится под сиденьями и рядом с аккумулятором.
В тележке EZGO регулятор напряжения находится там же, но в черном пластиковом кожухе.
Щит имеет форму пирамиды и состоит из трех проводов разного цвета.
Цвета красный, зеленый и черный.
Все служат разным целям, поэтому лучше проверить, какой из них куда идет и что делает, прежде чем с ним связываться.
Зеленый провод подключается к стартеру-генератору спереди.
Как установить регулятор напряжения тележки для гольфаЕсли стало очевидно, что тележка демонстрирует признаки неисправности регулятора напряжения, пора ее заменить.
Регулятор напряжения — довольно простой инструмент для поиска, снятия и замены.
Однако, поскольку это очень важная часть для общей производительности гольфмобиля, рекомендуется следовать пошаговым инструкциям, приведенным ниже.
Для вашей безопасности рекомендуется быть надлежащим образом подготовленным для выполнения такой задачи.
Надевайте перчатки и защитные очки, чтобы ваши глаза и руки были закрыты и не подвергались опасности.
Существуют также определенные инструменты, которые потребуются для замены регулятора напряжения.
Потребуется гаечный ключ и соответствующий инструмент для снятия регулятора напряжения в соответствии с моделью.
После того, как вы подготовили подходящие инструменты и оборудование для обеспечения безопасности, выполните следующие действия:
- Сначала найдите регулятор напряжения в своей тележке для гольфа. Обычно он находится рядом с батареей под сиденьем, как упоминалось выше, но расположение регулятора напряжения может меняться в зависимости от модели.
- Обнаружив, найдите аккумулятор.Батарея должна быть полностью отключена, чтобы предотвратить искру или любой другой несчастный случай. Другими словами, во время работы через автомобиль не должен проходить электрический ток.
- С помощью гаечного ключа осторожно ослабьте клеммы аккумулятора. Важно сначала снять отрицательную клемму, которую можно найти, прочитав табличку на аккумуляторе.
- После снятия отрицательной клеммы выполните аналогичную процедуру, чтобы снять положительную клемму, тем самым полностью отключив аккумулятор.
- После отключения аккумулятора можно безопасно снять регулятор напряжения. Его можно удалить либо с помощью специального инструмента, который будет упомянут в руководстве пользователя, либо связавшись с экспертом, чтобы узнать, какой инструмент будет использоваться при открытии регулятора на вашей конкретной модели. Обычно регулятор напряжения подключается с помощью защелок и болтов.
- Осторожно снимите регулятор напряжения и приготовьтесь установить новый.
- Новый регулятор напряжения необходимо будет закрепить с помощью болтов и защелок.Он должен быть плотно и надежно установлен, чтобы не было неисправности.
- После установки нового регулятора напряжения пора проверить, правильно ли он работает. Воспользуйтесь вольтметром и подключите его к клеммам аккумулятора. Показание должно быть 12,6 вольт, при условии отсутствия отжима.
- Затем нажмите педаль ускорения на гольф-мобиле. Это произведет некоторую мощность. В идеале частота вращения должна быть 1000 об / мин. Как только это произойдет, вольтметр должен показывать 13 вольт с 0.5 разница. Если эти показания достигнуты, значит, регулятор напряжения установлен правильно.
- В качестве стандартной процедуры обслуживания на этом этапе рекомендуется проверить уровни жидкости в аккумуляторной батарее. Сухая батарея почти разряжена. Поэтому, если возникнет необходимость, долейте уровень электролита с помощью дистиллированной воды, убедившись, что уровни достигают желаемых отметок.
При установке регулятора напряжения убедитесь, что регулятор размещен на металлической раме.
Использование пластиковой рамки может потенциально повредить регулятор и сам пластик из-за теплоотдачи регулятора.
Использование металлического каркаса обеспечит эффективную и безопасную работу электрических компонентов.
Сохраняйте расстояние 2 дюйма по обе стороны от регулятора напряжения от любых других механических или электрических компонентов, чтобы избежать взаимодействия или каких-либо сбоев.
Также важно убедиться, что внутри и вокруг регулятора напряжения нет механических или вращающихся частей.
Это позволит сохранить безопасное расстояние между проводами и другими частями.
Использование батареи 8 В постоянного тока идеально подходит для тележки и регулятора, поскольку они лучше всего работают с этими характеристиками.
Стандартно необходимо установить две батареи на 8 В.
Пример изменения регулятора напряжения
Распространенные проблемы, связанные с регулятором напряжения, и способы их устраненияУстановка регулятора напряжения, как бы проста это ни звучало, также может стать проблемой.
В большинстве случаев регулятор напряжения перегревается, что снижает производительность.
Каковы возможные причины перегрева регулятора напряжения?
Неправильное соединение контактов в регуляторе напряжения — одна из наиболее частых причин.
Как правило, положительный стабилизатор заземления следует формуле входа, заземления и выхода, а отрицательный — заземления, входа и выхода.
Если в регуляторе нет байпасного конденсатора, который обеспечивает плавное прохождение тока через него, регулятор может перегреться.
Еще одна частая причина — чрезмерное затягивание ремня стартера двигателя.
Если ремень затянут очень плотно и не прогибается, регулятор также может перегреться.
Хотя существуют разные исправления для разных проблем, обычно, когда дело доходит до ремонта регулятора напряжения, следующие шаги являются стандартным решением и могут быть рассмотрены:
- Сначала попробуйте снять заземление зеленого провода от регулятора к стартеру-генератору.Заземление отвечает за создание максимального заряда 18 вольт, что плохо для регулятора и даже аккумулятора.
- Еще можно попробовать снять заземление желтого провода, который подключен к пускателю и отвечает за максимальный ток. Это эффективно повреждает аккумулятор и регулятор напряжения одновременно.
В этой статье освещаются ключевые особенности и преимущества, которые дает правильно работающий стабилизатор напряжения.
Нетрудно понять, что важна равномерная и бесперебойная подача напряжения через любую машину.
С другой стороны, неравномерный, искаженный и беспорядочный поток напряжения не только повреждает электрические компоненты в машине, но и вредит общему состоянию двигателя.
Если двигатель вынужден работать при низком напряжении, он никогда не сможет достичь желаемого уровня производительности и также приведет к внутреннему повреждению двигателя.
Регулятор напряжения также играет решающую роль в поддержании срока службы и здоровья батареи.
Если он неисправен, это напрямую повлияет на аккумулятор, так как последний не будет заряжаться во время работы двигателя.
Это увеличивает нагрузку на аккумулятор и повреждает его, сокращая срок его службы.
Это также быстро разряжает аккумулятор и требует более частой подзарядки.
Таким образом, покупка и установка правильного регулятора напряжения имеет решающее значение для здоровья вашего гольфмобиля.
Проблемы, с которыми сталкивается обычная тележка для гольфа, в основном связаны с неустойчивым потоком напряжения, поэтому правильный регулятор избавит от большинства проблем.
Он прекрасно справляется с задачей обеспечения плавной и безопасной езды.
При выборе стабилизатора напряжения следует учитывать несколько отличных брендов: Bosch и Hitachi, которые производят надежные и высококачественные продукты.
Конечно, они совместимы и с различными моделями гольфмобилей, так что вы обязательно найдете одну для своей тележки.
Всегда рекомендуется приобретать важные электрические компоненты, такие как регуляторы напряжения, у надежных компаний, которые, как известно, производят детали, которые не вызывают проблем.
Если такой компонент работает неправильно, он напрямую влияет на другие основные части двигателя и приборные панели тележки.
Чтобы избежать больших потерь, регулярно проверяйте регулятор напряжения.
Также рекомендуется часто заменять регулятор напряжения, потому что, как упоминалось выше, он рассеивает избыточное тепло и имеет относительно короткий срок службы.
Хотя процесс установки и проверки регулятора напряжения прост, всегда рекомендуется обращаться к профессионалу, который разбирается в тонкостях.
Они позаботятся о том, чтобы он не вышел из строя в ближайшее время и продолжит функционировать должным образом и без сбоев.
Регулярные производственные испытания регуляторов напряжения
% PDF-1.5 % 9 0 объект >>> эндобдж 43 0 объект > поток 11.08.522018-08-02T05: 55: 40.864-04: 003-Heights (TM) Оболочка оптимизации PDF 4.8.25.2 (http://www.pdf-tools.com) Eaton’s Power Systems Division9dd68ccf6e5569358954efb864ceef6edc93eb1044302TD225010EN; R225-80-93 Оболочка для оптимизации PDF-файлов Heights (TM) 4.8.25.2 (http://www.pdf-tools.com) PScript5.dll Версия 5.2.22017-12-21T15: 48: 24.000-06: 002017-12-21T16: 48: 24.000-05: 002017-12- 20T15: 24: 42.000-05: 00application / pdf2018-08-02T05: 58: 00.170-04: 00
тестовый регулятор напряжения | Только для корпусов A Mopar Forum
Это кажется хорошимот отрицательного терминала- синий провод (я думаю, это ign 1) 12,4 vltz.
Нажмите, чтобы развернуть …
Это зеленый провод на генераторе, и он все еще подключен? Это измерение может не иметь большого значения.от отрицательного терминала — зеленый провод (должен быть ign 2), я получаю 4,4 vltz)
Нажмите, чтобы расширять…
ВозможноРег. Напряжения и замечено, что он отсоединился от брандмауэра …………… Возможно ли, что, будучи незаземленным, он мог повредить регулятор напряжения
Щелкните, чтобы развернуть …
Проблемы с генератором переменного тока, связанные с отсутствием заряда, можно разделить на несколько областей …………..
1 …Обрыв или плохое соединение в линии зарядки с аккумулятором, особенно в немодифицированных автомобилях
2 … неисправный генератор
3 … Проблемы в жгуте проводов и соединениях
4 … неисправном регуляторе
==================================
Для начала определите, 1 или 2 является проблемой. Возьмите провод с зажимом, отсоедините зеленый полевой провод от генератора и закрепите клемму генератора, которую вы только что заземлили. С помощью ключа «в рабочем состоянии» проверьте напряжение относительно земли на синем соединении.Не отсоединяйте его, а, наоборот, «прощупывайте» соединение. С областью в приглушенном свете и клавишей «в рабочем состоянии» подсоедините / отсоедините провод зажима. Вы должны увидеть небольшую искру. Запустите двигатель, медленно увеличивайте обороты, наблюдая за вольтметром на батарее.
Если напряжение может возрасти (поддерживать ниже 16 В), то генератор в порядке.
Если нет ………. дважды проверьте это с помощью клавиши в положении «работа» и заземленного зеленого провода, который у вас есть. напряжение аккумулятора на синем полевом проводе.Вы также можете проверить ток возбуждения, подключив измеритель к клемме поля зеленого провода на массу. Опубликуйте марку и модель (или фотографию) вашего мультиметра, если вы не знаете, как это сделать.
Также, если нет, проверьте, что выходной провод к батарее в порядке. При работающем двигателе, как и раньше, и установленном кабеле с зажимом проверьте напряжение аккумуляторной батареи и напряжение на выходной шпильке генератора. Если напряжение на обоих одинаковое и низкое, проводка в порядке. Но если напряжение батареи низкое, а шпилька генератора сильно колеблется, поднимаясь выше 15 В, то выходной провод разомкнут.
Если напряжение ДЕЙСТВИТЕЛЬНО повысилось, теперь ваша проблема в полевой проводке или регуляторе.Вы уже проверили синий провод. При выключенном двигателе и ключе с помощью омметра проверьте отключенный зеленый провод от конца генератора до разъема регулятора. Должна быть хорошая преемственность. Это единственное место, куда идет зеленый провод.
При отсоединенном разъеме регулятора и нажатой клавише «работа» проверьте напряжение на синей клемме разъема. Должно быть «такой же, как у батареи». Осмотрите разъем. Несколько раз выключите регулятор, чтобы очистить клеммы.УБЕДИТЕСЬ, что регулятор заземлен.
Если он не заряжается, замените регулятор.
Как узнать, неисправен ли выпрямитель регулятора
Если вы энтузиаст мотоциклов Harley Davison, вы уже привыкли к симптомам регулятора напряжения Harley. Вы также узнаете о важности регуляторов напряжения и о том, насколько разрушительным может быть плохой регулятор напряжения.
Регуляторы напряжения необходимы для двигателя, и вам следует ознакомиться с их обычными симптомами, чтобы гарантировать плавную работу двигателя.Эта статья освещает и дает ответы на многие вопросы, которые могут у вас возникнуть о регуляторах напряжения Harley.
74505-09 Выпрямитель стабилизатора напряжения для туристических моделей 2009-2015 гг. Electra Road Street Glide King…
Выпрямитель регулятора напряжения ECCPP, пригодный для 06 07 08 Electra Glide Road Glide Road King Street Glide …
Выпрямитель регулятора напряженияподходит для Harley-Davidson CVO Dyna Electra Glide Fatboy Heritage Softail…
74523-94 Выпрямитель регулятора напряжения, совместимый с мотоциклом Harley Davidson Sportster 883 1200 …
Лучший выбор74505-09 Выпрямитель стабилизатора напряжения для туристических моделей 2009-2015 гг. Electra Road Street Glide King…
Хороший выборВыпрямитель регулятора напряжения ECCPP, пригодный для 06 07 08 Electra Glide Road Glide Road King Street Glide…
Не пропустите Выпрямитель регулятора напряженияподходит для Harley-Davidson CVO Dyna Electra Glide Fatboy Heritage Softail…
Также учтите74523-94 Выпрямитель регулятора напряжения, совместимый с мотоциклом Harley Davidson Sportster 883 1200…
Есть несколько полезных советов по регуляторам напряжения и по устранению неисправных или неисправных регуляторов. Прочтите, чтобы расширить свои знания о симптомах регулятора напряжения Harvey и других уместных вопросах.
Что такое регулятор напряжения Harley?
В общих чертах, регулятор напряжения Harley — это электронная функция в автомобиле, называемая регулятором напряжения комбинации приборов, будь то автомобили, велосипеды или мотоциклы.
Регулятор напряжения Harley регулирует напряжение с помощью приборов Harley Davidson, измерителя скорости и кластера, как следует из названия. Водитель может отслеживать скорость велосипеда и срок службы двигателя с помощью визуального дисплея контроллера напряжения.
Однако, как гонщик, вы не сможете получить доступ к важным данным о состоянии мотоцикла и условиях эксплуатации, если регулятор напряжения Harley неисправен или неисправен.
Что именно делает регулятор напряжения?
Одним из наиболее распространенных электронных компонентов являются регуляторы напряжения, поскольку энергия генерирует чистую электроэнергию, которая может разрушить один из этих компонентов. Регуляторы напряжения, в зависимости от их применения, выполняют разные важные функции.
Вот две важные особенности:
- Для контроля или изменения напряжения статора при относительно стабильном напряжении.
- Разрешить правильной работе выпрямителя.
Признаки неисправности регулятора напряжения Harley
01. Отказ питания
Один из самых простых способов заметить неисправный регулятор напряжения Harley — это отсутствие питания кластера. Кластер — важный компонент регулятора напряжения Harley.
Когда питание распределяется по кластеру и не работает, это объясняет, что регулятор напряжения требует внимания специалиста.
Иногда, несмотря на эти кластерные симптомы, мотоциклы Harley могут заводиться, но спидометр имеет высокую тенденцию к отказу во время поездки.
02. Датчик мерцает
Если вы заметили, что ваш регулятор напряжения Harvey тускло светится или индикатор мигает через определенные промежутки времени, это признак неисправности регулятора напряжения.
Подобные ситуации не требуют особых усилий, пожалуйста, свяжитесь со своим техническим специалистом, чтобы исправить это.
03. Неисправность в свете двигателя
Еще один простой способ обнаружить неисправный регулятор напряжения Harley — выключить регулятор напряжения.
Регулятор напряжения помогает запитать мотоцикл; когда вы замечаете сбой в питании, значит, есть неисправность в его состоянии.При слабом освещении считывание показаний индикатора манометра может быть затруднено.
04. Ошибка чтения кластера
Если есть неточность или трудности при считывании показаний регулятора напряжения Harvey, будьте уверены, что в регуляторе есть неисправность.
Когда регулятор напряжения не может считывать показания, трудно определить, когда истечет срок службы двигателя; в отображаемых числах обычно есть неточности.
05. Коричневые фары
В неактивном состоянии аккумуляторная батарея находится под высоким напряжением, что приводит к перегоранию фары, габаритного или заднего фонаря.Это возгорание также может быть результатом высокого напряжения в лампе.
06. Газовый предохранитель из аккумулятора
Поскольку неисправные регуляторы не могут контролировать напряжение, это приводит к перезарядке аккумулятора, в результате чего выделяется газ в атмосферу. Обратите внимание, что выделяемые этой батареей газы легко воспламеняются.
07. Неправильное показание вольтметра —
Если вы замечаете необычные показания вольтметра, это означает, что регулятор напряжения неисправен. Ошибочные показания вольтметра также являются результатом перегрева в цепи.
Как проверить неисправные системы регуляторов напряжения
Если вы заметили какой-либо из симптомов напряжения, упомянутых выше, можно проверить свой регулятор напряжения на неисправность. Напряжение может передаваться от статора к батарее только в том случае, если регулятор работает правильно.
Утечка напряжения в батарее может привести к утечке напряжения в регуляторе, что легче проверить, как описано ниже:
- Мультиметр закрепите контрольную лампу на отрицательной (-) клемме аккумулятора при отключении регулятора, чтобы убедиться в точности показаний напряжения.
- Затем используйте контрольную лампу, чтобы коснуться каждой из клемм регулятора по одному разу. Если вы заметили, что загорается контрольная лампа, регулятор неисправен.
- Если вы заметили какую-либо проблему, обязательно проверьте систему зарядки.
Как проверить неисправность выпрямителя
В большинстве велосипедов регулятор и выпрямитель размещены в одном блоке, но в других старых версиях они устанавливаются отдельно. Вот что вы бы сделали, чтобы проверить свой выпрямитель на наличие неисправности:
- Отсоедините велосипедный провод и переключите мультиметр на функцию диода
- Вставьте положительный вывод в положительный диод
- Также подключите отрицательный провод ко входу статора.
- После описанного выше процесса подключите положительный диод к отрицательному выводу, а затем положительный вывод к входу статора. На этом этапе вы заметите показания счетчика, но это не имеет значения.
- Выполните указанную выше инструкцию в обратном порядке, подключив отрицательный диод к положительному проводу, а отрицательный — к входу статора.
- Установите на велосипеде напряжение 13,5–14,5 вольт, затем подсоедините провода измерителя к батарее. Батарея перезаряжается, если показание выше, и выпрямитель регулятора требует замены.
Почему возникает неисправный регулятор напряжения?
- Проблема с генератором, старый аккумулятор, плохое управление током
Это может быть связано с различными причинами, в том числе с невозможностью выключить лампы, неисправностью генератора или просто ремонтом стареющей батареи.
Это также может быть связано с неправильно отрегулированным электричеством, вызванным слабым регулятором напряжения.
- Внутренние поврежденные материалы
Старение повлияет на регулятор напряжения.Старые версии не могут быть такими здоровыми, как современные. Чем дольше используется регулятор, тем больше вероятность, что проблема будет решена со временем.
Влага также приводит к разрушению электрических компонентов в дополнение к старению. Это сильное нагревание повредит регулятор, если ваш велосипед будет иметь механическую неисправность и будет слишком горячим.
Перегоревший выпрямитель — одна из основных причин неисправности регуляторов напряжения. Для раннего обнаружения этой проблемы необходимы тщательные проверки и регулярное техническое обслуживание.
- Поврежденные внутренние компоненты
Старение повлияет на регулятор напряжения. Старые версии не могут быть такими большими, как современные. Чем дольше используется регулятор, тем больше вероятность, что проблема будет решена со временем.
Влага также приводит к разрушению электрических компонентов в дополнение к старению. Этот сильный жар даже повредит регулятор вашего велосипеда, сделав его слишком горячим.
Мотоциклывибрируют, и вам не нужно беспокоиться об этом.Однако действие регулятора зависит от того, сильно ли вибрирует велосипед из-за какой-то технологической проблемы. Он ослабляет электрические соединения, а неправильный ход соединений причиняет наибольший вред.
- Пропуски зажигания, обратного зажигания и выстрелы
Пропуски зажигания в двигателе, возгорание и другие электрические системы часто приводят к повреждению и даже повреждению регулятора натяжения. Когда возникает проблема, о которой я упоминал выше, регулятор напряжения будет нарушен.
В результате, регулятор не может затянуть цепь зарядки, если напряжение превышает 14,5 В.Это приводит к перегрузке аккумулятора и возникновению многих других проблем в электронике. Плохой регулятор напряжения также серьезно влияет на цепи.
Как исправить неисправный регулятор напряжения
Следующие полезные шаги помогут исправить неисправный регулятор напряжения:
- Прежде чем предлагать решение, выясните главную проблему.
- Обязательно очистите и затяните аккумулятор
- Всегда заряжайте выпрямитель.
- Вы также можете использовать мультиметр, чтобы проверить проблему.
- В случае возникновения гарантийных вопросов верните производителю.
Часто задаваемые вопросы о Harley Bad Voltage Regulator
Какое значение имеют регуляторы напряжения на Harley Davidson?
Когда напряжение батареи становится слишком высоким, регулятор перекрывает напряжение батареи, поскольку он отключает питание на землю и уходит в виде тепла. Вот как устроены тепловые ребра на блоке управления для отвода тепла. Это убьет батарею, если регулятор не будет контролировать напряжение.
Что будет, если выйдет из строя регулятор напряжения?
Контроллер напряжения гарантирует, что правильное количество энергии сохраняется в соответствии с конкретными областями вашего мотоцикла. Если регулятор натяжения сломан, компоненты системы будут работать только нерегулярно или нет.
Может ли моя батарея разрядиться из-за неисправного регулятора напряжения?
Негерметичный диод также будет истощать ток от батареи через генератор, если регулятор напряжения неисправен.Неисправный регулятор напряжения также может вызвать проблемы при зарядке.
Признаки неисправного регулятора напряжения?
Слабые симптомы регулятора напряжения Harley могут включать:
- Входное высокое напряжение.
- Высокое выходное напряжение, редко.
- Нет выходной деформации.
- Темные или мигающие цвета.
- Неустойчивый двигатель работает
- Также на аккумулятор часто попадает вода.
Если вы заметили какой-либо из этих симптомов на регуляторе напряжения, обратитесь к профессиональному специалисту.
Как плохой регулятор напряжения влияет на генератор?
Неисправный регулятор напряжения может остановить зарядку генератора или привести к разрядке.
Как узнать, работает ли мой регулятор напряжения?
Следующие шаги позволяют определить, работает ли регулятор напряжения:
- Купить мультиметр. Это поможет определить напряжение на вашей батарее и покажет, правильно ли работает ваш контроллер.
- Установите мультиметр напряжения. Переключите шкалу ома или мультиметра или нажмите кнопку и установите напряжение. Настройка напряжения выглядит как колебание или представляет собой букву V с над ее линиями.
- Прочтите руководство, если вы не уверены, какая настройка соответствует напряжению. Никогда не считывайте напряжение в омах или амперах, так как ваше устройство может быть повреждено.
- Вставьте зажимы в клемму аккумулятора мультиметра. Аккумулятор находится рядом с двигателем, он похож на пластиковый аккумулятор.Рядом с ними есть два узла с символами + и -. К концам шнуров следует привязать черно-красную веревку зажимом или поводком. Добавьте черный зажим аккумулятора к отрицательному (-), а красный — к положительному (+) полюсу.
- У вас даже может быть пластиковая крышка на клеммах зарядного устройства. Поднимите пластиковую крышку, чтобы увидеть как положительные, так и отрицательные узлы.
- Проверить компьютерные цифры. Если аккумулятор работает нормально, при выключенном велосипеде у вас может быть чуть больше 12 вольт.Если на мультиметре ниже 12 вольт, ваша батарея обычно небольшая и ее необходимо быстро заменить.
- Если мультиметр ничего не показывает, батареи в измерителе разряжены. Это также может указывать на то, что глюкометр неправильно подключен к аккумулятору вашего мотоцикла.
- Убедитесь, что вы припарковали свой велосипед надлежащим образом, чтобы во время тестирования контроллера вы не могли двигаться вперед или назад. В качестве меры предосторожности включите стояночный тормоз. Включите зажигание, чтобы запустить двигатель, или нажмите кнопку зажигания.Посмотрите на свой мультиметр; посмотреть свой мультиметр. Показания должны подняться примерно до 13,8 В на холостом ходу.
- Это означает, что ваш генератор правильно заряжает вашу батарею, если ваш мультиметр показывает 13,8.
- Рев мотор двигателя. Вам понадобится кто-то другой, чтобы переделать мультиметр, чтобы вы могли на него взглянуть.
- Проверить работоспособность мультиметра. Система управления может ограничить выход батареи примерно до 14,5. Обычно это означает, что у вас неисправный регулятор, когда напряжение превышает 14.5. У вас небольшая батарея, и вам придется вскоре заменить ее, если напряжение ниже 13,8 В.
Вердикт
Если у вас есть мотоцикл с неисправным регулятором напряжения, это может быть очень неприятно и нервно.
С другой стороны, все эти симптомы регулирования напряжения Harley во время езды на мотоцикле также должны быть проверены. Ничего не принимайте как нечто само собой разумеющееся. Также важно регулярно обслуживать двигатели.
Покупки или вождения этих устройств тоже недостаточно; о них нужно позаботиться быстро и правильно.Правильная диагностика важна, чтобы увидеть, нужно ли заменить регулятор натяжения или устранить проблемы с электричеством на велосипеде.
Обратите внимание на симптомы регулятора напряжения Harley, описанные в этой статье с их решениями. Не стесняйтесь делиться своим комментарием в разделе комментариев ниже.
Как проверить выпрямитель мотоцикла с помощью цифрового мультиметра — Блог Rick’s Motorsport Electrics и многое другое
Наличие исправного выпрямительного регулятора — один из ключевых элементов поддержания здоровья и надежности мотоцикла.Регулятор выпрямителя преобразует мощность переменного тока в постоянный, позволяя генератору заряжать аккумулятор, и контролирует количество энергии, подаваемой на аккумулятор. Без работающего выпрямителя-регулятора в результате будет слабая, разряженная или перезаряженная батарея. В случае возникновения этих симптомов можно использовать цифровой мультиметр для проверки функции выпрямителя. Этот портативный тестер позволяет проверить напряжение и поможет определить, следует ли заменять выпрямитель.
Примечания
- Мультиметр должен быть установлен на вольт постоянного тока.
- Вам нужен диапазон напряжений 13,2 В постоянного тока и 14,8 Вольт CD. Если вы видите более низкие показания, это означает, что в вашей системе зарядки произошел сбой, и причиной может быть запись / запись. Если он выше, эксплуатация мотоцикла может привести к повреждению аккумулятора, а также любой чувствительной к напряжению электроники в автомобиле.
- Важно проявлять осторожность при проверке напряжения, чтобы избежать поражения электрическим током, и вы должны знать основные требования безопасности при работе с электрическими системами.Если вы не уверены в своих навыках, лучше всего отнести мотоцикл к квалифицированному специалисту.
Если вы считаете, что имеете право продолжить, то следующим шагом будет проверка рабочего напряжения на батарее.
Этапы проверки напряжения батареи
Шаг 1
Настройте мультиметр на измерение постоянного напряжения и подключите положительный и отрицательный выводы к соответствующим клеммам аккумулятора. Ваша батарея должна быть заряжена, что даст вам значение примерно 12.5–12,9 В постоянного тока (точные цифры уточняйте в технических характеристиках вашего аккумулятора).
Шаг 2
Запустите мотоцикл и увеличьте обороты двигателя до 5000 об / мин.
Шаг 3
С помощью мультиметра снова проверьте те же клеммы аккумулятора. Вы должны получить показание от 13,5 до 14,5 вольт, если ваш выпрямитель-регулятор работает правильно.
Если показания выходят за пределы нормального диапазона, пора начать тестирование компонентов системы зарядки.

Подключаем к удлинителю стабилизатор, одну лампочку и электроплитку. Втору лампочку питаем от стабилизатора. Включаем плитку. Если стабилизатор работает правильно, то свет лампы, подключенной к нему не измениться, а свечение лампы, подключенной к удлинителю уменьшится.
В домашней розетке напряжение способно колебаться в интервале 170-240 вольт, а на выходе стабилизирующего прибора оно должно равняться 220 вольтам.
Из уроков физики средней школы известно, что если на входе трансформатора уменьшить напряжение, а на выходе увеличить напряжение, то выходная мощность также значительно снизится. Смотрите статью про стабилизатор для стиральной машины.
Чтобы не сделать ошибки, кладем перед собой схему. Но при проверке микросхемы оказалось, что на выходе всего 4,86 В. Здесь необходим какой-либо пробник, чем и займемся.
Однако энтузиазм закончился уже на первом же компоненте. Этот «ёжик без ручек, без ножек» из соединительных проводов с крокодилами желал жить своей жизнью и воли радиолюбителя подчинялся с большим трудом. Да к тому же проверяемый стабилизатор на выходе показал 4,86 вольта, чем поверг мой оптимизм в уныние.
Для этого шайбы нужно подточить, центральную с обеих сторон, крайние с одной. Отверстия по месту установки нужно именно просверлить, если проколоть шилом образуется внутренняя неровность краёв отверстия и ровно + плотно установить шайбу не выйдет. Штыри, для прочности, также обязательно должны находится на общем твёрдом основании из диэлектрика.
Автор — Babay iz Barnaula.

Также иногда можно использовать приставку к мультиметру, которую можно спаять своими руками из доступных деталей.