Техническое обслуживание масляного насоса двигателя КамАЗ | «Камаз-Ремонт»
21.03.2014При определенной неисправности в двигателе КамАЗ есть возможность самостоятельно предоставить агрегату всё необходимое техническое обслуживание, соответствующее области и детали, в которой возникла поломка или сбой функционирования.
Чтобы разобрать, собрать и проверить масляный насос можно провести ряд соответствующих процедур, который включает в себя следующие шаги, с которыми Вы сможете ознакомиться в настоящий момент.
Разборка масляного насоса
- Для начала нужно произвести слив масла из картера, после чего можно вывернуть болты, которые его крепят, и снять его.
- Открывается доступ к демонтажу всасывающей трубки, включая фланец, кронштейн и чашку. Далее снимается проводящая трубка в клапане, составляющая систему смазывания.
- Специальным съемником осуществляется снятие шестерни масляного насоса.

Для выполнения этой процедуры до упора вворачиваются в шестерню, а основной винт упирается в торец, расположенный на вале. Производя вращения рукоятки, нужно ввертуть винт в траверсу, что позволит снять шестерню полностью. - Теперь выворачиваются болты, которые выполняют крепление для нагнетающей и радиаторной секции, расположенной в масляном насосе – это позволит разобрать его.
- Далее нужно провести процедуру замеров. Замеры снимаются с радиального и торцового зазора секций, выполняющих нагнетающую и радиальную функцию. Помимо этого, также нужно измерить зазоры зацеплений зубьев шестерен, которые располагаются в области нагнетающей секции и радиаторной. Расстояние между ведущим валом и корпусным отверстием, как и между осью и шестерней тоже должно быть измерено. Если возникнет такая необходимость, как разно можно произвести замену изношенных деталей.
Сборка и испытание масляного насоса
- Запрещено использовать отгибные шайбы повторно.
По завершению процесса сборки насоса, проворачивание валика вручную должно происходить плавно, без каких-либо трудностей, упоров, остановок или заеданий. - Испытание насоса производится благодаря использованию моторного масла М10Г2К в температурном режиме около 80° С. В процессе валового вращения, частота которого 2750 мин -1, а разряжение на всасывании составляет около 12,5 кПа, производительность нагнетающей секции должна будет составить как минимум 821/мин.
- Осуществите проверку клапанов насоса на давление в области начала открытия.
Если давление начала открытия клапанов не соответствует общепринятым величинам, то нужно произвести замену пружин клапанов. Такая процедура не отберет много времени и усилий.
Ремонт деталей системы смазки Cummins ISBe, ISLe, ISB, QSB
Замена масляного насоса при ремонте двигателя CUMMINS.
Операции по замене масляного насоса Cummins ISBe, ISLe, ISB, QSB
Отключите аккумуляторные батареи.
Снимите приводной ремень. Снимите гаситель крутильных колебаний/кольцо датчика частоты вращения двигателя.
Снимите крышку передних распределительных шестерён.
Снимите 4 крепежных болта. Извлеките масляный насос из отверстия в блоке цилиндров. Измерьте зазор в зацеплении шестерен.
Если зазор в зацеплении не соответствует норме, обязательно замените масляный насос Камминз 4ISBe 185, 6ISBe 300, QSB 6,7.
Зазор в зацеплении шестерни масляного насоса — 0.
170/0.300 мм.
Очистите масляный насос растворителем. Просушите сжатым воздухом.
После снятия насоса очистите полость в блоке цилиндров растворителем.
Проверьте шестерни масляного насоса на отсутствие сколов, трещин или повышенного износа.
При наличии предположения о возможном прохождении посторонних частиц через масляный насос можно снять заднюю крышку и проверить, нет ли внутренних повреждений.
Масляный насос дизеля Cummins 6 ISBe 300, 6ISBe 210, 4 ISBe 185, ISLe 340, QSB 5,9 поставляется и обслуживается как единый узел.
Замена или ремонт его внутренних деталей не предусмотрены.
Проверьте заднюю крышку на отсутствие царапин или канавок. Если она сильно поцарапана и покрыта вмятинами, обязательно замените масляный насос.
Проверьте корпус насоса и привод геротора на отсутствие повреждений и повышенного износа.
Поврежденный масляный насос подлежит замене. Измерьте радиальный зазор между головками зубьев.
Предельное значение осевого зазора — 0.
178 мм.
Измерьте величину зазора между ведущей и ведомой шестернёй и шайбой насоса двс Cummins ISBe, ISLe, ISB, QSB.
Предельное значение зазора между ведущей/ведомой шестерней героторной передачи и шайбой насоса — 0.127 мм.
Измерьте зазор в зацеплении шестерен. Предельные значения зазора в зацеплении шестерен (насос, бывший в употреблении) — 0.170/0.300 мм.
Смажьте насос чистым моторным маслом 15W-40.
Если не залить в насос масло во время его установки, система смазки будет медленно заполняться при первом запуске двигателя, что приведет к выходу двигателя из строя.
Установите масляный насос. Перед установкой нового масляного насоса убедитесь в правильности его подбора для конкретного двигателя.
Например, масляные насосы для 4 и 6-цилиндровых двигателей Cummins 6 ISBe 210, 6ISBe 285,QSB 4,5, ISLe 375, ISLe 400, ISB 6.7 e4 300 взаимозаменяемы по посадочным местам, но отличаются расходными характеристиками.
Для снижения вероятности повреждения двигателя убедитесь в том, что ось промежуточной шестерни встала в отверстие в блоке цилиндров.
Задняя пластина насоса плотно прилегает к дну отверстия в блоке цилиндров. Если насос установлен правильно, его фланец не будет касаться блока цилиндров.
При установке нового масляного насоса убедитесь в том, что зазор в зацеплении шестерен находится в норме.
Измерьте зазор в зацеплении шестерен. Предельные значения зазора в зацеплении шестерен (новый насос) — 0.300/0.500 и 0.150/0.250 мм.
Установите крышку передних распределительных шестерён.
Установите гаситель крутильных колебаний и кольцо датчика частоты вращения двигателя.
Ремонт масляного фильтра дизеля Камминз 4ISBe 185, 6ISBe 300, QSB 6,7
Снимите масляный фильтр. Отсоедините магистрали системы смазки от головки фильтра.
Обратите внимание на ориентацию и места установки шлангов системы смазки и головки, нанесите соответствующие метки.
Чтобы исключить искрение, отсоединяйте отрицательный (-) кабель аккумуляторной батареи первым, а подсоединяйте его последним.
При сливе масла или замене фильтров не допускайте попадания в трюм масла.
Отверните, но не снимайте контргайки входного и выходного штуцеров на головке масляного фильтра.
Снимите 2 крепежных болта и головку масляного фильтра Cummins 6 ISBe 300, 6ISBe 210, 4 ISBe 185, ISLe 340, QSB 5,9.
Прикрепите на штуцеры головки фильтра этикетки с указанием их типа и ориентации. Снимите фитинги с головки масляного фильтра.
Для исключения возможности создания высокого сопротивления в фильтре после установки и повреждения фильтра обязательно нанесите метки на шланги системы смазки, а также входные и выходные каналы головки масляного фильтра.
Проверьте поверхности под уплотнения головки масляного фильтра и перепускной канал (при наличии).
Замените обжимные и уплотнительные кольца на всех штуцерах. Смажьте уплотнительные кольца чистым моторным маслом.
Установите входные и выходные штуцеры в головки фильтров.
Обязательно проверьте правильность ориентации и глубины установки штуцеров масляного фильтра двс Камминз ISBe, ISLe, ISB, QSB.
Пока не затягивайте контргайки штуцеров. Установите головку фильтра в сборе на кронштейн и затяните болты. Момент затяжки: 18 Нм.
Для исключения возможности создания высокого сопротивления в фильтре после установки и повреждения фильтра обязательно правильность ориентации магистралей системы смазки, а также входных и выходных каналов головки масляного фильтра перед их установкой.
Подключите гибкие шланги масляного фильтра к штуцерам и затяните накидные гайки от руки.
Проверьте наличие и правильность расположения уплотнительных колец.
Затяните контргайки входного и выходного штуцеров на головке масляного фильтра. Момент затяжки: 76 Нм.
При установке гибких шлангов системы смазки Cummins 6 ISBe 210, 6ISBe 285,QSB 4,5, ISLe 375, ISLe 400, ISB 6.7 e4 300 обеспечьте нормальный зазор между ними и электрическими разъемами генератора.
Подключите гибкие шланги масляного фильтра к штуцерам и затяните накидные гайки от руки.
Проверьте наличие и правильность расположения уплотнительных колец.
Затяните фитинги магистралей подачи и отвода масла.
Установите новый масляный фильтр. Подключите аккумуляторную батарею.
Запустите двигатель, проверьте отсутствие утечек и соответствие норме давления масла.
Выключите двигатель и проверьте уровень масла. При необходимости долейте масло.
Редукционный клапан системы смазки Cummins 4ISBe 185, 6ISBe 300, QSB 6,7
Тщательно удалите грязь вокруг пробки регулятора давления для исключения ее попадания в отверстие под плунжер при снятии пробки.
Снимите регулятор давления, гайку, пробку клапана, пружину и плунжер.
Как правило, плунжер можно снять, зацепив его пальцем внутри отверстия и вытянув наружу. Если так его вынуть нельзя, значит, он возможно застрял, и необходимо снять корпус.
Очистите растворителем пружину, плунжер, пробку, шайбу и корпус клапана регулятора давления системы смазки Камминз 6 ISBe 210, 6ISBe 285,QSB 4,5, ISLe 375, ISLe 400, ISB 6.7 e4 300.
Просушите детали сжатым воздухом.
Убедитесь в том, что на плунжере и в отверстии под него нет забоин или царапин.
Наличие гладко отполированных участков на плунжере и в отверстии под него является допустимым.
Убедитесь в том, что плунжер свободно перемещается в отверстии.
Клапан регулятора открывается при усилии пружины, равном 105 Н.
Клапан регулятора закрыт при усилии пружины, равном 142 Н.
Установите новое уплотнительное кольцо на пробку клапана и смажьте детали чистым моторным маслом 15W-40.
Соберите плунжер, пружину и пробку клапана.
Установите регулятор давления Cummins 6 ISBe 300, 6ISBe 210, 4 ISBe 185, ISLe 340, QSB 5,9 в сборе на место и затяните его. Момент затяжки: 80 Нм.
Запустите двигатель и убедитесь в отсутствии утечек.
Как проверить масляный насос КАМАЗ в домашних условиях
Господа мастера а также слесари и слесаренки как то раз в уазбуке про масляные насосы я нашел статейку как человек поменял около и масляных насосов и результат 0, но он добился своево сделав все по мерседесовски но 😕 Мои поиски по месовским букварям не чего не дали.
В другом же случае на экспорементальном движке V8 уаза человек поставил электрический насос видемо топливный. Как же всетаки сделать нормальное давление 😕 Удуши ЖАБУ и залей нормальное масло.
Редукционный двигатель масляного насоса: устройство и ремонт неисправностей
Двигатель г. Давление ХХ прогрев — 4. ХХ прогрев — 4. Масло менял весной.
Как проверить датчик давления масла
V8 человек поставил электрический насос видемо топливный. Беда качества запчастей конечно основная в нашем деле. Но выходов есть : 1. Топливный насос не может выступать в роли масляного, сдохнет. Есть специализированные маслонасосоы. Но это не выход. Нужно долго и тщательно выбирать в магазине родной насос, руководствуясь остутствием люфтов шестеренчатой части.
Желательно разобрать прямо там и посмотреть зеркало пластины, прилегающей к шестерням на предмет гладкости. Если она не сильно корявая, ее можно будет отшлифовать. Так же шлифуются и торцы шестерен, слегка можно и рабочую поверхность клапана, но здесь не усердствовать.
Слегка автоматизировать процесс поможет кусок мелкой шкурки зажатой половинами маслонасоса, а за вал его крутить дрелью.
Смотрите также: Фильтр топливный го нф-270-т pl 270 ямз-6565 536 КАМАЗ евро-2
Тщательный подбор толцины прокладки даст необходимый зазор помоему 0, Конечно масло — отечественные минеральные масла очень сильно разжижаются при длительной езде и давление падает. Используй импортное масло со стабильным качеством.
Маннол, Равенол, ЛиквиМоли, Мотюль. Проверь датчики давления и аварийного сигнализатора, возможно забиты сажей и занижают показания.
Как показывает практика это помогает. С уважением, Captain. Компрессия по всем горшкам 9 плюс-минус 0. Перебрал маслонасос.
ВИДЕО: ДАВЛЕНИЕ МАСЛА. КАМАЗ. КАКОЕ ДОЛЖНО БЫТЬ?
Теперь хоть на холостых лампочка аварийного давления не горит.
Раньше горела. Это все я делал без снятия двигателя с машины. Сейчас на непрогретой машине на холостых давление 2 на прогретой почти 0.
При торможении загорается аварийная лампа. Масло налил полусинтетика 10В Что еще можно сделать с двигателем не снимая его с машины для повышения давления?
Только распредвал поменять. Снять морду, снять радиатор. Разобрать передок двигателя. Вынуть распредвал.
Осмотр и определение дефектов
И поставить новый. Без замены втулок. По идее должно помочь на некоторое время. Во крайней мере до осени. А там сдерну двигатель. У кого какие идеи? Переспрошу в профильном форуме 😀 Итак. У меня тоже так было Преборка двигателя продолжалась целую неделю Настал торжественный момент запуска.
Результат превысил все ожидания: давление на прогретом двигателе, с полусинтетикой на холостых — 0,5 лампочка горит! Для полной уверенности померили механическим датчиком.
1. Общие положения
Что оставалось — напиться с горя. На следующее утро, поразмыслил, что бы это значило.
Версия, что все убегает через распредвал, мне очень не нравилась. Взял книжку от Мерседеса и посмотрел, какие зазоры должны быть в масляном насосе. Оказалось, что помимо зазоров между шестернями 0,2шестернямии и корпусом 0,15главное требование — это осевое перемещение шестеренок допуск 0, Вспомнилось, что в УАЗовких обычно люфт, заметный от руки.
В поисках «нормального насоса» было объехано 5 магазинов и перепробовано штук 20 насосов, так вот — ВСЕ Г Без особого энтузиазма, но очень добросовестно насос был как-то приведен к «мерседесовским стандартам».
Смотрю и не верю — на холостых 2, чуть тронул педальку — 4. Есть еще одна гадость от большого зазора — насос на маленьких и средних оборотах не может засосать масло из подона, если он сам пустой.
Толщина прокладки в насосе и осевой зазор в шестернях — это две большие разницы. Обычно при сборке сначала измеряют выступание шестерен над корпусом, а потом ставят прокладку известной толщины. Обеспечение этого зазора — одна из самых трудных задач в производстве.
Корпус насоса — странная штука. Можно, сколько угодно времени, заниматься подбором деталей, зазоров, втулить отверстия под оси — всё слабо помогает. И Мерседесовские зазоры, здесь не причём, так как есть общие требования по зазорам в автомобильном маслонасосе. Просто качество изготовления у Мерседес и УАЗ — разное, а зазоры — должны быть примерно одни и теже.
Рекомендуем: КАМАЗ с ремонта под новый в Набережных Челнах
Вся «заровыка» — в форме проточек корпуса насоса под шестерню. В том месте, где боковая стенка должна соединятся под прямым углом с «полом» насоса, в 7-и из и случаев — огромная фаска. По ней, масло перетекает из области высокого давления в область низкого, отсюда и потери.
Очень тяжело, среди новых насосов, найти хороший корпус.
Выбирайте из старых, пользуйтесь случаем если там нет фаски. О давлении масла в ДВС. Практика показывает, что если однажды двигатель, был раскручен до.
Гнутый вал, разбивает 1-й; 3-й и 5-й коренные вкладыши, давление падает. Замена вкладышей без проточки валапомогает примерно на 20 тыс. Чтоб пользоваться масляным радиатором без потерь давления на ХХ, надо перед краником радиатора, установить редукционный клапан от Волги.
Рекомендую почитать статьи в разделе двигатель — маслянная система. Если масляный насос доведён до ума то его производительности с лихвой хватает на покрытие утечек по вкладышам КВ и втулкам РВ. А если КВ гнутый, то конечно начинать лучше с него До переборки оного вообще давления не. То есть было, но только пока масло холодное. Пришелец — уверен, Вы, не новичок в ремонте. Если в маслонасосе уверены, меняйте вкладыши коленвала, не снимая двигателя. Это -. Распредвал снимите для оценки состояния, там поймёте — менять или.
Вкладыши распредвала менять, не снимая ДВС — проблематично, да и некто не берётся.
Если, всё это не поможет — лейте масло вязкостью 20W До осени дотяните. Первый вопрос: а насос-то вообще работает? Вроде бы проверить снятый насос не есть проблема.
Летом 20W50, зимой 10W40 и будет тебе счастье, и лампочка не будет гореть на холостых. Народ а ваще как по стандарту какое давление масла должно быть на прогретом и холодном движке? Ходит протеворечивая информация!
Типа если больше 1 на ХХ не давит то движку кранты. А у меня движок перебранный недавно, так давление никогда не было на прогретом больше 2.
Разработка технология восстановления бронзовых втулок масляного насоса КамАЗ
СОДЕРЖАНИЕ
Word, ведомость, спецификация, чертежи (часть чертежей представлена выше), титульный лист.
ВВЕДЕНИЕ
1 АНАЛИЗ ПРОИЗВОДСТВЕННОЙ ДЕЯТЕЛЬНОСТИ ФГУП 487 ЦАРЗ МО РФ
1.1 Общая характеристика завода
1.2 Организация и технология ремонта автомобилей КамАЗ
1.
2.1 Характеристика ремонтного завода
1.2.2 Технология ремонта автомобилей КамАЗ
1.2.3 Организация технического контроля
1.3 Технико-экономические показатели работы Алкинского ЦАРЗ
2 Организация технологии и ремонта автомобильных двигателей в ФГУП 487 ЦАРЗ МО РФ
2.1 Обоснование производственной программы цеха по ремонту двигателей 15 ` 2.2 Выбор режима работы и расчет фондов времени цеха 17 ` 2.3 Расчет основных параметров производственного процесса 18 ` 2.4 Организация ремонта двигателей 18
2.5 Совершенствование технологии и организации ремонта двигателей
2.6 Реконструкция цеха
2.6.1 Реконструкция цеха
2.6.2 Расчёт штата
2.
6.3 Расчет потребности и подбор основного технологического оборудования
2.6.4 Расчет производственных площадей
2.6.5 Общая компоновка цеха
3 РАЗРАБОТКА ТЕХНОЛОГИЧЕСКОГО ПРОЦЕССА ВОССТАНОВЛЕНИЯ БРОНЗОВОЙ ВТУЛКИ ШЕСТЕРЁНЧАТОГО НАСОСА
3.1 Обоснование выбора способа восстановления втулки насоса
3.2 Маршрутная технология восстановления бронзовой втулки
3.3 Расчёт режимов резания при растачивании втулки
3.4 Расчет норм времени на операции
4 РАЗРАБОТКА КОНСТРУКЦИИ ПРИСПОСОБЛЕНИЯ
4.1 Обоснование разработки конструкции
4.2 Принцип работы
4.3 Технологический и конструктивный расчёт
4.3.1 Расчет обеспечения условий сдвига
4.3.2 Расчет рукоятки на прочность
5 БЕЗОПАСНОСТЬ И ЭКОЛОГИЧНОСТЬ ПРОЕКТА
5.1 Обеспечение условий и безопасности труда на производстве
5.
2 Расчет заземляющего устройства
5.3 Мероприятия по охране окружающей среды
5.4 Мероприятия по защите населения и материальных ценностей в чрезвычайных ситуациях
6 БИЗНЕС-ПЛАНИРОВАНИЕ ОРГАНИЗАЦИЯ РЕМОНТА ДВИГАТЕЛЕЙ ГРУЗОВЫХ АВТОМОБИЛЕЙ В ФГУП 487 ЦАРЗ МО РФ
6.1 Направление деятельности и организационная структура
6.2 Анализ проблемы организации ремонта двигателей грузовых автомобилей
6.3 Определение планируемых технико – экономичеческих показателей
ЗАКЛЮЧЕНИЕ
Выдержка из текста дипломной работы
ВВЕДЕНИЕ
Повышение качества ремонта при одновременном снижении его себестоимости – главная проблема ремонтного производства. В структуре себестоимости капитального ремонта машин 60…70% затрат приходится на покупку запасных частей , которые даже в условиях рынка остаются дефицитным при росте цен.
Основной путь снижения себестоимости ремонта машин – сокращение затрат на запасные части. Частично этого можно добиться за счёт бережного и грамотного выполнения разборки машин и дефектации деталей. Однако резерв – восстановление и повторное использование изношенных деталей, так как себестоимость восстановления большинства деталей, как правило, не превышает 20-60% цены новой детали.
Восстановление деталей способом пластического деформирования основано на свойстве металла детали изменять свою форму и размеры без разрушения в результате пластической деформации, развивающейся вследствие приложения внешней нагрузки. Объём металла детали остаётся постоянным, но металл перемещается с её не рабочих участков на участки, подверженные изнашиванию. Деталь деформируют до получения на изношенных участках номинальных размеров с учётом припусков на механическую обработку.
Способность металлов к пластической деформации зависит от их пластических свойств, которые, в свою очередь, зависят от химического состава, структуры, температуры нагрева и скорости деформации.
Чистые металлы имеют наибольшую пластичность, которая снижается с введением в их состав легирующих элементов.
Стальные детали с твёрдостью не более HRC 25…30, а также детали из цветных сплавов могут подвергаться деформированию в холодном состоянии без предварительной термообработки.
Список используемой литературы
1 Астахов П. С., Березников В. В., Молоков Б. М. справочная книга по организации ремонта машин в сельском хозяйстве. М.: Колос, 1971. – 357с.
2 Боголюбов С. К. Инженерная графика: Учебник для средних специальных учебных заведений. – 3-е изд., испр. и доп. – М.: Машиностроение, 2000. – с. 392: ил.
3 Воловик Е. Л. Справочник по восстановлению деталей. – М.: Колос, 1981. – 351с., ил.
4 Восстановление автомобильных деталей: Технология и оборудование: Учеб. для вузов / В. Е. Канарчук, А. Д. Чигринец, О. Л. Голяк, П. М. Шоцкий. – М.: Транспорт, 1995. – 303с.
: ил.
5 Восстановление и упрочнение деталей сельскохозяйственной техники: Учеб. пособие / М. И. Черновол. – К.: УМК ВО, 1989. 256с.
6 Газотермические покрытия из порошковых материалов / Ю. С. Борисов, Ю. А. Харламов, С. Л. Сидоренко, Е. Н. Ардатовская. Под ред. З. П. Чернюка. – К.: Наукова думка, 1987. – 544с.: ил. (Учебники и учеб. пособия для вузов).
7 Гвозденко Л. А., Кузина А.С. Гигиеническая оценка излучения сварочной дуги в условиях современного производства. Гигиена труда и профзаболевания, 1982.
8 Иванов М. Н. Детали машин: Учеб. для студентов вузов / Под ред. В. А. Финогенова. – 6-е изд., перераб. – М.: Высш. шк., 1998. – 383с.: ил.
9 Ильницкая А. В. Вопросы гигиены труда при газопламенных способах обработки металлов. Учебные записки НИИ им. Эрисмана. М.: 1966.
10 Карагодин В. И., Карагодин Д. В. Устройство, техническое обслуживание и ремонт автомобилей КамАЗ. – М.: Транспорт, 1997. – 310с.
11 Карагодин В.
И. Ремонт автомобилей и двигателей: Учеб. для студ. сред. проф. учеб. заведений / В. И. Карагодин, Н. Н. Митрохин. – 2-е изд., стер. – М.: Издательский центр «Академия», 2003. – 496с.
12 Комплекс детонационного напыления «ГРОМ-ЗУМ». Техническое описание и инструкция по эксплуатации. г.Новосибирск 2002г.
13 Курсовое и дипломное проектирование по надежности и ремонту машин / И. С. Серый, А. П. Смелов, В. Е. Черкун. – 4-е изд., перераб. и доп. — М.: Агропромиздат, 1991. — 184 с.: ил. (Учебники и учеб. пособия для высших учебных заведений).
14 Надежность и ремонт машин / В. В. Курчаткин, Н. Ф. Тельнов, К. А. Ачкасов и др.; Под ред. В. В. Курчаткина. – М.: Колос, 2000. – 776с.: ил. (Учебники и учеб. пособия для высших учебных заведений).
15 Поляков Н. Е. Анализ хозяйственной деятельности производственного объединения райсельхозтехника. – изд. 2-е, перераб. и доп. – М.: Колос, 1979. – 224с., ил. (Учебники и учеб. пособия для фак. повышения квалификации).
16 Проектирование и расчет подъемно – транспортирующих машин сельскохозяйственного назначения / М. Н. Ерохин, А. В. Карп, Н. А. Выскребенцев и др.; Под ред. М. Н. Ерохина и А. В. Карпа. – М.: Колос, 1999. – 228с.: ил. (Учебники и учеб. пособия для студентов высш. учеб. заведений).
17 Савицкая Г. В. Анализ хозяйственной деятельности предприятия: 4-е изд., перераб. и доп. – Минск: ООО «Новое знание», 2000. – 688с.
18 Сонин В. И. Газотермическое напыление материалов в машиностроении. М., «Машиностроение», 1973, стр. 152.
19 Справочная книга по технологии ремонта машин в сельском хозяйстве. Матвеев, Пустовалов. М.; «Колос», 1975. 600с. с ил.
20 Стандарт организации СТО 0493582-003-2009. Самостоятельная работа студента. – Уфа: БГАУ. Введен 01.04.2009г. – 32с.
21 Степин П. А. Сопротивление материалов: Учебник для немашиностроительных специальностей вузов. – 7-е изд. – М.: Высш. школа, 1983. — 303с., ил.
22 Технологический процесс № 1530 восстановления методом детонационного напыления.
– 43с.
Масляный насос для двигателя КАМАЗа opex.ru
Array
(
[DATE_ACTIVE_FROM] => 30.07.2019 22:47:00
[~DATE_ACTIVE_FROM] => 30.07.2019 22:47:00
[ID] => 508534218
[~ID] => 508534218
[NAME] => Масляный насос для двигателя КАМАЗа
[~NAME] => Масляный насос для двигателя КАМАЗа
[IBLOCK_ID] => 33
[~IBLOCK_ID] => 33
[IBLOCK_SECTION_ID] =>
[~IBLOCK_SECTION_ID] =>
[DETAIL_TEXT] => Камазы считаются самыми стойкими грузовиками на российских дорогах. Именно им отдают свое предпочтение большинство водителей и транспортных компаний. За время эксплуатации тягачи зарекомендовали себя как надежные перевозчики, работающие «до отказа».
Однако даже самые стойкие машины нуждаются в технической диагностике, плановых осмотрах, техническом обслуживании, сервисных осмотрах. Особенно важность диагностических работ касается двигателя, масляной системы.
Масляный насос
Место расположения данного типа деталей на всех Камазах практически одинаковое.
Первоочередным для всех видов двигателей является момент хорошей качественной смазки компонентов. Она продлевает работоспособность мотора, не давая деталям активно соприкосаться, вызывать сильное трение, нагрев, как следствие, износ. Например, у Камаза модели 740 система смазки представлена следующими составляющими:
- Поддон мотора защищает основной агрегат от пыли, механических повреждений.
- Маслозаборник отвечает за подачу (впрыск) масла внутрь системы.
- Масляный насос перекачивает масло, создавая определенный уровень давления. Если давление становится ниже допустимого, работа насоса прекращается, либо вначале ослабевает, что указывает водителю на неисправность данного узла.
- Фильтры очистки жидкости выполняют функцию «ситечка», освобождая рабочую жидкость от вредных загрязнений, как правило, механического характера, если они каким-либо образом попали внутрь системы.
- Радиатор — центр системы охлаждения мотора.
Без его активной работы двигатель будет постоянно перегреваться, либо перегреется сильно всего один раз, после чего потребуется либо переборка мотора, либо его контрактная замена. - Заливные патрубки — пропускают через себя масло. Нужно наиболее тщательным образом следить за удовлетворительным механическим состоянием патрубков, что легко можно сделать водителю самостоятельно визуально, ведь если патрубки будут трескаться или порвутся, масло вытечет из системы.
- Показатель уровня масла позволяет водителю контролировать самостоятельно показатели рабочей жидкости внутри системы.
- Сапун.
- Датчики измерения нормативных показателей. Самым важным считается масляной датчик. Относясь к фактическим расходникам, он измеряет при помощи маленькой микросхемы уровень, отправляя данные центральному блоку питания, который выдает готовую информацию об уровне на контрольной панели приборов водителя внутри кабины.
- Шланги, патрубки, обходящие системы — находятся не внутри двигателя, а снабжают систему важными смазочными материалами снаружи для лучшего взаимодействия мотора с другими механизмами под капотом.

Насос создает необходимое давление, чтобы рабочая жидкость могла функционировать внутри системы, охватывая все сопутствующие детали. Из-за взаимодействия практически всех деталей между собой (даже опосредованного), под капотом создается момент трения. Даже если трение легко соприкасающихся запчастей не сильное, при высоких нагрузках, в теплое время года (при высокой атмосферной температуре), оно может перерасти в довольно критические показатели. Данный фактор снижает время работы любого мотора, увеличивая износ. Хорошая смазка станет незаменимым «ингредиентом» для работы любого силового агрегата.
Многие автовладельцы Камаза сетуют на неудобное расположение масляного насоса на нижней плоскости блока цилиндров. Такая локация не позволяет просто «подобраться» к механизму для выполнения ремонтных работ. Именно поэтому многие автолюбители предпочитают ремонтировать или заменять его на сервисных центрах, где есть специальное оборудование для разбора системы, слива масла.
Признаки неисправности
Первоочередно следует всегда обращать внимание на показатели приборной панели. Особенно в дороге данные показатели считаются для водителя единственными сигнальными точками. Если давление находится выше или ниже нормы, они обязательно подадут сигнал.
Ориентироваться только на показания датчиков ошибочно. Относясь к системе электронных компонентов транспортного средства, они иногда сбоят. Поэтому всегда стоит прислушиваться к другим возможным проявлениям поломок. Например, если внутри поддона слышится глухой звук, вполне возможно на насосе провернулись вкладыши, либо заела шестеренка. Самый очевидный показатель неисправности — сложность запуска двигателя.
Если разобрать симптомы будущей поломки немного более общими словами, можно выделить следующие пункты причин возникновения неисправностей.
- Низкое давление масла в системе. Большинство механических узлов машин работают под определенным давлением, которое создают насосы, поршни.
Если давление уменьшается, замедляется работа всей системы, и это не означает, что автомобиль просто начинает ездить медленнее, остальные его сопутствующие механизмы начинают «притормаживать». - Давление может также быть чрезмерным. Если во время возникновения первого случая смазка не попадает в достаточном количестве внутрь мотора, при переизбытке давления ее также будет слишком много, двигатель попросту может «захлебнуться».
- Если герметичность под насосом нарушена, возникнет масляная течь. Каким образом смазка может вытекать? В стыковочных механизмах главенствуют муфты и прокладки, выполненные из резины, полимерного пластика, силикона. Со временем они рассыхаются, расслаиваются, трескаются, даже рвутся. Это не значит, что во время эксплуатации уход был ненадлежащим, просто со временем данный тип расходников неминуемо будет изнашиваться.
После обнаружения хотя бы одного признака поломки, стоит как можно скорее проверить грузовик на специальном стенде.
Стенды бывают двух видов: одни позволяют проводить диагностику, не снимая насоса, другие диагностируют только снятые детали. Они измеряют давление внизу, вверху насоса, давление масла при открытии перепускного клапана, общую выработку. После проведения проверки можно рассчитать уровень нынешней работоспособности насоса, целесообразность его дальнейшего использования.
Причины неисправности
При должном уходе, поддержании постоянного смазанного состояния, насосы служат очень долго, весь отведенный срок службы. Однако зачастую грузовые автомобили обслуживаются не по рекомендациям производителя, поэтому насос может выйти из строя по ряду причин.
- В поддоне всегда должно быть масло, иначе механизмы будут перегорать. Если масла нет, возможно насос работает вхолостую.
- Заедание либо поломка шестеренок, после чего механизм теряет работоспособность.
- Если перегреть мотор, масло станет слишком жидким. Насосы могут перекачивать только жидкости определенной вязкости.

- Сильный износ клапанов или подшипников.
- Низкое качество сырья приводит к поломкам всей системы, засорению.
- Слабая затяжка болтов крепления ГБЦ иногда дает проход охлаждающей жидкости к масляной системе. Таким образом, составы перемешиваются, а высокое качество масла играет очень важную роль.
- Масляные фильтры имеют свойство периодически засоряться. Причинами тому служит опять же низкокачественное сырье, примеси, либо низкий уровень защиты от мусора при ремонтных работах.
Чтобы обеспечить поддержание системы в рабочем состоянии как можно дольше, нужно обращать внимание на данные признаки, заливать только оригинальные жидкости, рекомендованные заводом-изготовителем. Каждый состав имеет свою маркировку, соответствующую номенклатуре двигателя.
Самостоятельный ремонт насоса возможен, если общий ресурс еще остается. Можно просто заменить изношенные детали, оставив основную конструкцию без вмешательства. Однако механизм очень сложный, имеет много мелких деталей, поэтому отремонтировать самостоятельно его сможет далеко не каждый.
Порядок действия определяется специальной схемой, приведенной в книге по эксплуатации транспортного средства. Все части узла тщательно проверяются, нет ли сколов, следов износа. Самыми первыми замене подлежат прокладки, регулировочные шайбы. Мягкая прорезиненная структура деталей при высоких температурах резко способна сократить рабочий ресурс. Иногда требуется провести замену либо смазку более серьезных запчастей, например, шестерней или вала. Каждую деталь промывают в ацетоне, тщательно осматривают, насухо вытирают.
Вопреки своей конструкционной простоте в большинстве узлов, масляный насос у Камазов имеет достаточно сложное, «ювелирное» строение. Заменить, либо качественно отремонтировать данный узел самостоятельно способен далеко не каждый водитель, поэтому специалисты рекомендуют обращаться в специализированные сервисные центры, которые имеют, помимо надлежащего опыта, весь ряд аналоговых комплектующих от завода-изготовителя.
[~DETAIL_TEXT] =>Камазы считаются самыми стойкими грузовиками на российских дорогах.
Именно им отдают свое предпочтение большинство водителей и транспортных компаний. За время эксплуатации тягачи зарекомендовали себя как надежные перевозчики, работающие «до отказа».
Однако даже самые стойкие машины нуждаются в технической диагностике, плановых осмотрах, техническом обслуживании, сервисных осмотрах. Особенно важность диагностических работ касается двигателя, масляной системы.
Масляный насос
Место расположения данного типа деталей на всех Камазах практически одинаковое. Первоочередным для всех видов двигателей является момент хорошей качественной смазки компонентов. Она продлевает работоспособность мотора, не давая деталям активно соприкосаться, вызывать сильное трение, нагрев, как следствие, износ. Например, у Камаза модели 740 система смазки представлена следующими составляющими:
- Поддон мотора защищает основной агрегат от пыли, механических повреждений.
- Маслозаборник отвечает за подачу (впрыск) масла внутрь системы.

- Масляный насос перекачивает масло, создавая определенный уровень давления. Если давление становится ниже допустимого, работа насоса прекращается, либо вначале ослабевает, что указывает водителю на неисправность данного узла.
- Фильтры очистки жидкости выполняют функцию «ситечка», освобождая рабочую жидкость от вредных загрязнений, как правило, механического характера, если они каким-либо образом попали внутрь системы.
- Радиатор — центр системы охлаждения мотора. Без его активной работы двигатель будет постоянно перегреваться, либо перегреется сильно всего один раз, после чего потребуется либо переборка мотора, либо его контрактная замена.
- Заливные патрубки — пропускают через себя масло. Нужно наиболее тщательным образом следить за удовлетворительным механическим состоянием патрубков, что легко можно сделать водителю самостоятельно визуально, ведь если патрубки будут трескаться или порвутся, масло вытечет из системы.
- Показатель уровня масла позволяет водителю контролировать самостоятельно показатели рабочей жидкости внутри системы.

- Сапун.
- Датчики измерения нормативных показателей. Самым важным считается масляной датчик. Относясь к фактическим расходникам, он измеряет при помощи маленькой микросхемы уровень, отправляя данные центральному блоку питания, который выдает готовую информацию об уровне на контрольной панели приборов водителя внутри кабины.
- Шланги, патрубки, обходящие системы — находятся не внутри двигателя, а снабжают систему важными смазочными материалами снаружи для лучшего взаимодействия мотора с другими механизмами под капотом.
Насос создает необходимое давление, чтобы рабочая жидкость могла функционировать внутри системы, охватывая все сопутствующие детали. Из-за взаимодействия практически всех деталей между собой (даже опосредованного), под капотом создается момент трения. Даже если трение легко соприкасающихся запчастей не сильное, при высоких нагрузках, в теплое время года (при высокой атмосферной температуре), оно может перерасти в довольно критические показатели.
Данный фактор снижает время работы любого мотора, увеличивая износ. Хорошая смазка станет незаменимым «ингредиентом» для работы любого силового агрегата.
Многие автовладельцы Камаза сетуют на неудобное расположение масляного насоса на нижней плоскости блока цилиндров. Такая локация не позволяет просто «подобраться» к механизму для выполнения ремонтных работ. Именно поэтому многие автолюбители предпочитают ремонтировать или заменять его на сервисных центрах, где есть специальное оборудование для разбора системы, слива масла.
Признаки неисправности
Первоочередно следует всегда обращать внимание на показатели приборной панели. Особенно в дороге данные показатели считаются для водителя единственными сигнальными точками. Если давление находится выше или ниже нормы, они обязательно подадут сигнал.
Ориентироваться только на показания датчиков ошибочно. Относясь к системе электронных компонентов транспортного средства, они иногда сбоят. Поэтому всегда стоит прислушиваться к другим возможным проявлениям поломок.
Например, если внутри поддона слышится глухой звук, вполне возможно на насосе провернулись вкладыши, либо заела шестеренка. Самый очевидный показатель неисправности — сложность запуска двигателя.
Если разобрать симптомы будущей поломки немного более общими словами, можно выделить следующие пункты причин возникновения неисправностей.
- Низкое давление масла в системе. Большинство механических узлов машин работают под определенным давлением, которое создают насосы, поршни. Если давление уменьшается, замедляется работа всей системы, и это не означает, что автомобиль просто начинает ездить медленнее, остальные его сопутствующие механизмы начинают «притормаживать».
- Давление может также быть чрезмерным. Если во время возникновения первого случая смазка не попадает в достаточном количестве внутрь мотора, при переизбытке давления ее также будет слишком много, двигатель попросту может «захлебнуться».
- Если герметичность под насосом нарушена, возникнет масляная течь.
Каким образом смазка может вытекать? В стыковочных механизмах главенствуют муфты и прокладки, выполненные из резины, полимерного пластика, силикона. Со временем они рассыхаются, расслаиваются, трескаются, даже рвутся. Это не значит, что во время эксплуатации уход был ненадлежащим, просто со временем данный тип расходников неминуемо будет изнашиваться.
После обнаружения хотя бы одного признака поломки, стоит как можно скорее проверить грузовик на специальном стенде. Стенды бывают двух видов: одни позволяют проводить диагностику, не снимая насоса, другие диагностируют только снятые детали. Они измеряют давление внизу, вверху насоса, давление масла при открытии перепускного клапана, общую выработку. После проведения проверки можно рассчитать уровень нынешней работоспособности насоса, целесообразность его дальнейшего использования.
Причины неисправности
При должном уходе, поддержании постоянного смазанного состояния, насосы служат очень долго, весь отведенный срок службы.
Однако зачастую грузовые автомобили обслуживаются не по рекомендациям производителя, поэтому насос может выйти из строя по ряду причин.
- В поддоне всегда должно быть масло, иначе механизмы будут перегорать. Если масла нет, возможно насос работает вхолостую.
- Заедание либо поломка шестеренок, после чего механизм теряет работоспособность.
- Если перегреть мотор, масло станет слишком жидким. Насосы могут перекачивать только жидкости определенной вязкости.
- Сильный износ клапанов или подшипников.
- Низкое качество сырья приводит к поломкам всей системы, засорению.
- Слабая затяжка болтов крепления ГБЦ иногда дает проход охлаждающей жидкости к масляной системе. Таким образом, составы перемешиваются, а высокое качество масла играет очень важную роль.
- Масляные фильтры имеют свойство периодически засоряться. Причинами тому служит опять же низкокачественное сырье, примеси, либо низкий уровень защиты от мусора при ремонтных работах.

Чтобы обеспечить поддержание системы в рабочем состоянии как можно дольше, нужно обращать внимание на данные признаки, заливать только оригинальные жидкости, рекомендованные заводом-изготовителем. Каждый состав имеет свою маркировку, соответствующую номенклатуре двигателя.
Самостоятельный ремонт насоса возможен, если общий ресурс еще остается. Можно просто заменить изношенные детали, оставив основную конструкцию без вмешательства. Однако механизм очень сложный, имеет много мелких деталей, поэтому отремонтировать самостоятельно его сможет далеко не каждый. Порядок действия определяется специальной схемой, приведенной в книге по эксплуатации транспортного средства. Все части узла тщательно проверяются, нет ли сколов, следов износа. Самыми первыми замене подлежат прокладки, регулировочные шайбы. Мягкая прорезиненная структура деталей при высоких температурах резко способна сократить рабочий ресурс. Иногда требуется провести замену либо смазку более серьезных запчастей, например, шестерней или вала.
Каждую деталь промывают в ацетоне, тщательно осматривают, насухо вытирают.
Вопреки своей конструкционной простоте в большинстве узлов, масляный насос у Камазов имеет достаточно сложное, «ювелирное» строение. Заменить, либо качественно отремонтировать данный узел самостоятельно способен далеко не каждый водитель, поэтому специалисты рекомендуют обращаться в специализированные сервисные центры, которые имеют, помимо надлежащего опыта, весь ряд аналоговых комплектующих от завода-изготовителя.
[DETAIL_TEXT_TYPE] => html [~DETAIL_TEXT_TYPE] => html [PREVIEW_TEXT] =>Камазы считаются самыми стойкими грузовиками на российских дорогах. Именно им отдают свое предпочтение большинство водителей и транспортных компаний. За время эксплуатации тягачи зарекомендовали себя как надежные перевозчики, работающие «до отказа».
[~PREVIEW_TEXT] =>Камазы считаются самыми стойкими грузовиками на российских дорогах. Именно им отдают свое предпочтение большинство водителей и транспортных компаний.
За время эксплуатации тягачи зарекомендовали себя как надежные перевозчики, работающие «до отказа».
07.2019
[IPROPERTY_VALUES] => Array
(
[SECTION_META_TITLE] => Масляный насос для двигателя КАМАЗа
[SECTION_META_KEYWORDS] => Масляный насос для двигателя КАМАЗа
[SECTION_META_DESCRIPTION] => Масляный насос для двигателя КАМАЗа
[SECTION_PAGE_TITLE] => Масляный насос для двигателя КАМАЗа
[ELEMENT_META_KEYWORDS] => Масляный насос для двигателя КАМАЗа
[ELEMENT_PAGE_TITLE] => Масляный насос для двигателя КАМАЗа
[SECTION_PICTURE_FILE_ALT] => Масляный насос для двигателя КАМАЗа
[SECTION_PICTURE_FILE_TITLE] => Масляный насос для двигателя КАМАЗа
[SECTION_DETAIL_PICTURE_FILE_ALT] => Масляный насос для двигателя КАМАЗа
[SECTION_DETAIL_PICTURE_FILE_TITLE] => Масляный насос для двигателя КАМАЗа
[ELEMENT_PREVIEW_PICTURE_FILE_ALT] => Масляный насос для двигателя КАМАЗа
[ELEMENT_PREVIEW_PICTURE_FILE_TITLE] => Масляный насос для двигателя КАМАЗа
[ELEMENT_DETAIL_PICTURE_FILE_ALT] => Масляный насос для двигателя КАМАЗа
[ELEMENT_DETAIL_PICTURE_FILE_TITLE] => Масляный насос для двигателя КАМАЗа
[ELEMENT_META_TITLE] => Масляный насос для двигателя КАМАЗа — ремонт и диагностика масляных насосов в Техническом центре ОРЕХ в г.
Балашиха Московской области Масляный насос для двигателя КАМАЗа
[ELEMENT_META_DESCRIPTION] => Масляный насос для двигателя КАМАЗа — ремонт и диагностика масляных насосов Техническом центре ОРЕХ в г. Балашиха Московской области. Ремонт большегрузной техники и продажа запчастей для грузовых автомобилей всех марок. Тел. +7 (495) 741-66-107 Масляный насос для двигателя КАМАЗа
) [FIELDS] => Array
(
[DATE_ACTIVE_FROM] => 30.07.2019 22:47:00
) [DISPLAY_PROPERTIES] => Array
(
) [IBLOCK] => Array
(
[ID] => 33
[~ID] => 33
[TIMESTAMP_X] => 29.04.2021 14:36:58
[~TIMESTAMP_X] => 29.04.2021 14:36:58
[IBLOCK_TYPE_ID] => content
[~IBLOCK_TYPE_ID] => content
[LID] => s1
[~LID] => s1
[CODE] => articles
[~CODE] => articles
[API_CODE] =>
[~API_CODE] =>
[NAME] => Статьи
[~NAME] => Статьи
[ACTIVE] => Y
[~ACTIVE] => Y
[SORT] => 500
[~SORT] => 500
[LIST_PAGE_URL] => /press/articles/
[~LIST_PAGE_URL] => /press/articles/
[DETAIL_PAGE_URL] => #SITE_DIR#press/articles/#ELEMENT_CODE#/
[~DETAIL_PAGE_URL] => #SITE_DIR#press/articles/#ELEMENT_CODE#/
[SECTION_PAGE_URL] =>
[~SECTION_PAGE_URL] =>
[CANONICAL_PAGE_URL] =>
[~CANONICAL_PAGE_URL] =>
[PICTURE] =>
[~PICTURE] =>
[DESCRIPTION] =>
[~DESCRIPTION] =>
[DESCRIPTION_TYPE] => text
[~DESCRIPTION_TYPE] => text
[RSS_TTL] => 24
[~RSS_TTL] => 24
[RSS_ACTIVE] => N
[~RSS_ACTIVE] => N
[RSS_FILE_ACTIVE] => N
[~RSS_FILE_ACTIVE] => N
[RSS_FILE_LIMIT] => 10
[~RSS_FILE_LIMIT] => 10
[RSS_FILE_DAYS] => 7
[~RSS_FILE_DAYS] => 7
[RSS_YANDEX_ACTIVE] => N
[~RSS_YANDEX_ACTIVE] => N
[XML_ID] =>
[~XML_ID] =>
[TMP_ID] => bb54a993677d00c7337704f59ed12453
[~TMP_ID] => bb54a993677d00c7337704f59ed12453
[INDEX_ELEMENT] => Y
[~INDEX_ELEMENT] => Y
[INDEX_SECTION] => Y
[~INDEX_SECTION] => Y
[WORKFLOW] => N
[~WORKFLOW] => N
[BIZPROC] => N
[~BIZPROC] => N
[SECTION_CHOOSER] => L
[~SECTION_CHOOSER] => L
[LIST_MODE] =>
[~LIST_MODE] =>
[RIGHTS_MODE] => S
[~RIGHTS_MODE] => S
[SECTION_PROPERTY] => N
[~SECTION_PROPERTY] => N
[PROPERTY_INDEX] => N
[~PROPERTY_INDEX] => N
[VERSION] => 2
[~VERSION] => 2
[LAST_CONV_ELEMENT] => 0
[~LAST_CONV_ELEMENT] => 0
[SOCNET_GROUP_ID] =>
[~SOCNET_GROUP_ID] =>
[EDIT_FILE_BEFORE] =>
[~EDIT_FILE_BEFORE] =>
[EDIT_FILE_AFTER] =>
[~EDIT_FILE_AFTER] =>
[SECTIONS_NAME] => Разделы
[~SECTIONS_NAME] => Разделы
[SECTION_NAME] => Раздел
[~SECTION_NAME] => Раздел
[ELEMENTS_NAME] => Элементы
[~ELEMENTS_NAME] => Элементы
[ELEMENT_NAME] => Элемент
[~ELEMENT_NAME] => Элемент
[REST_ON] => N
[~REST_ON] => N
[EXTERNAL_ID] =>
[~EXTERNAL_ID] =>
[LANG_DIR] => /
[~LANG_DIR] => /
[SERVER_NAME] => www.
opex.ru
[~SERVER_NAME] => www.opex.ru
) [SECTION] => Array
(
[PATH] => Array
(
) ) [SECTION_URL] =>
[META_TAGS] => Array
(
[TITLE] => Масляный насос для двигателя КАМАЗа
[ELEMENT_CHAIN] => Масляный насос для двигателя КАМАЗа
[BROWSER_TITLE] => Масляный насос для двигателя КАМАЗа — ремонт и диагностика масляных насосов в Техническом центре ОРЕХ в г. Балашиха Московской области Масляный насос для двигателя КАМАЗа
[KEYWORDS] => Масляный насос для двигателя КАМАЗа
[DESCRIPTION] => Масляный насос для двигателя КАМАЗа — ремонт и диагностика масляных насосов Техническом центре ОРЕХ в г. Балашиха Московской области. Ремонт большегрузной техники и продажа запчастей для грузовых автомобилей всех марок. Тел. +7 (495) 741-66-107 Масляный насос для двигателя КАМАЗа
) [IMAGES] => Array
(
) [FILES] => Array
(
) [VIDEO] => Array
(
) [LINKS] => Array
(
) [BUTTON] => Array
(
[SHOW_BUTTON] =>
[BUTTON_ACTION] =>
[BUTTON_LINK] =>
[BUTTON_TARGET] =>
[BUTTON_JS_CLASS] =>
[BUTTON_TITLE] =>
) )Камазы считаются самыми стойкими грузовиками на российских дорогах.
Именно им отдают свое предпочтение большинство водителей и транспортных компаний. За время эксплуатации тягачи зарекомендовали себя как надежные перевозчики, работающие «до отказа».
Однако даже самые стойкие машины нуждаются в технической диагностике, плановых осмотрах, техническом обслуживании, сервисных осмотрах. Особенно важность диагностических работ касается двигателя, масляной системы.
Место расположения данного типа деталей на всех Камазах практически одинаковое. Первоочередным для всех видов двигателей является момент хорошей качественной смазки компонентов. Она продлевает работоспособность мотора, не давая деталям активно соприкосаться, вызывать сильное трение, нагрев, как следствие, износ. Например, у Камаза модели 740 система смазки представлена следующими составляющими:
Насос создает необходимое давление, чтобы рабочая жидкость могла функционировать внутри системы, охватывая все сопутствующие детали. Из-за взаимодействия практически всех деталей между собой (даже опосредованного), под капотом создается момент трения.
Даже если трение легко соприкасающихся запчастей не сильное, при высоких нагрузках, в теплое время года (при высокой атмосферной температуре), оно может перерасти в довольно критические показатели. Данный фактор снижает время работы любого мотора, увеличивая износ. Хорошая смазка станет незаменимым «ингредиентом» для работы любого силового агрегата.
Многие автовладельцы Камаза сетуют на неудобное расположение масляного насоса на нижней плоскости блока цилиндров. Такая локация не позволяет просто «подобраться» к механизму для выполнения ремонтных работ. Именно поэтому многие автолюбители предпочитают ремонтировать или заменять его на сервисных центрах, где есть специальное оборудование для разбора системы, слива масла.
Первоочередно следует всегда обращать внимание на показатели приборной панели. Особенно в дороге данные показатели считаются для водителя единственными сигнальными точками. Если давление находится выше или ниже нормы, они обязательно подадут сигнал.
Ориентироваться только на показания датчиков ошибочно.
Относясь к системе электронных компонентов транспортного средства, они иногда сбоят. Поэтому всегда стоит прислушиваться к другим возможным проявлениям поломок. Например, если внутри поддона слышится глухой звук, вполне возможно на насосе провернулись вкладыши, либо заела шестеренка. Самый очевидный показатель неисправности — сложность запуска двигателя.
Если разобрать симптомы будущей поломки немного более общими словами, можно выделить следующие пункты причин возникновения неисправностей.
После обнаружения хотя бы одного признака поломки, стоит как можно скорее проверить грузовик на специальном стенде. Стенды бывают двух видов: одни позволяют проводить диагностику, не снимая насоса, другие диагностируют только снятые детали. Они измеряют давление внизу, вверху насоса, давление масла при открытии перепускного клапана, общую выработку. После проведения проверки можно рассчитать уровень нынешней работоспособности насоса, целесообразность его дальнейшего использования.
При должном уходе, поддержании постоянного смазанного состояния, насосы служат очень долго, весь отведенный срок службы.
Однако зачастую грузовые автомобили обслуживаются не по рекомендациям производителя, поэтому насос может выйти из строя по ряду причин.
Чтобы обеспечить поддержание системы в рабочем состоянии как можно дольше, нужно обращать внимание на данные признаки, заливать только оригинальные жидкости, рекомендованные заводом-изготовителем. Каждый состав имеет свою маркировку, соответствующую номенклатуре двигателя.
Самостоятельный ремонт насоса возможен, если общий ресурс еще остается. Можно просто заменить изношенные детали, оставив основную конструкцию без вмешательства. Однако механизм очень сложный, имеет много мелких деталей, поэтому отремонтировать самостоятельно его сможет далеко не каждый. Порядок действия определяется специальной схемой, приведенной в книге по эксплуатации транспортного средства. Все части узла тщательно проверяются, нет ли сколов, следов износа. Самыми первыми замене подлежат прокладки, регулировочные шайбы. Мягкая прорезиненная структура деталей при высоких температурах резко способна сократить рабочий ресурс.
Иногда требуется провести замену либо смазку более серьезных запчастей, например, шестерней или вала. Каждую деталь промывают в ацетоне, тщательно осматривают, насухо вытирают.
Вопреки своей конструкционной простоте в большинстве узлов, масляный насос у Камазов имеет достаточно сложное, «ювелирное» строение. Заменить, либо качественно отремонтировать данный узел самостоятельно способен далеко не каждый водитель, поэтому специалисты рекомендуют обращаться в специализированные сервисные центры, которые имеют, помимо надлежащего опыта, весь ряд аналоговых комплектующих от завода-изготовителя.
2.1Работа масляного насоса. Система смазки двигателя КамАЗ
Похожие главы из других работ:
Динамический расчет бензинового двигателя
4.2 Расчет масляного насоса
Производительность масляного насоса определим на основании потребного циркуляционного расхода масла…
Динамический расчет бензинового двигателя
4.
3 Расчет масляного радиатораРасчёт масляного радиатора заключается в определении площади охлаждающей поверхности радиатора, необходимой для передачи теплоты, отводимой маслом от двигателя к охлаждающему телу. Количество теплоты…
Проект сельскохозяйственного авторемонтного предприятия на 1500 автомобилей
4.2.1 Выбор масляного насоса
Производительность насоса равна по [17]: , (4.1) где Q — производительность насоса, л/мин; d — диаметр поршня цилиндра, см; ln — ход поршня рабочего цилиндра, определяется при кинематическом расчете проектируемого оборудования…
Проект сельскохозяйственного авторемонтного предприятия на 1500 автомобилей
4.2.2 Расчет привода масляного насоса
Требуемая мощность электродвигателя привода масляного насоса определяется по формуле: ; (4.4) где N — мощность электродвигателя, кВт; Р1 — давление настройки предохранительного клапана, МПа; Q — производительность насоса…
Ремонт масляного насоса
1.1 Назначение масляного насоса, его виды
В самом общем виде система смазывания включает в себя: — картер. Именно в картере расположено вместилище смазочного масла; — масляный фильтр; — систему каналов; — масляный насос; — датчики; — система вентиляции картера…
Ремонт масляного насоса
1.2 Устройство масляного насоса
Рассмотрим шестеренчатые насосы с внешним зацеплением шестерен. Такие насосы состоят из пары шестерен (рисунок 1.1), находящихся в зацеплении и одна из которых является ведущей, а вторая — ведомой. Вращаясь вокруг своих осей, шестерни зубьями…
Ремонт масляного насоса
2.2 Возможные неисправности масляного насоса
масляной насос ремонт автомобиль Итак, зная каким образом, по каким принципам законам и правилам должен функционировать масляный насос, многие могут подумать, что это настолько просто и надежно, что фактически там ничего не ломается…
Ремонт масляного насоса
2.3 Перечень работ в объеме технического обслуживания для масляного насоса
Техническое обслуживание включает следующие виды работ: уборочно-моечные, контрольно-диагностические, крепежные, смазочные, заправочные, регулировочные, электротехническое и другие работы, выполняемые, как правило…
Ремонт масляного насоса
3. Раздел. Ремонт масляного насоса
…
Ремонт масляного насоса
3.3 Сборка масляного насоса
Собирают насос в обратной последовательности. После сборки насоса при проворачивании ведущего валика шестерни должны вращаться плавно и без заеданий. Сборка насоса показана в таблице 3.2[12, С. 98]. Таблица 3…
Система смазки двигателя КамАЗ
2.2 Работа масляного фильтра
Масляные фильтры. Качество масла в двигателе не остается постоянным, так как масло засоряется мелкой металлической пылью, появляющейся в результате износа деталей, частицами нагара…
Система смазки двигателя КамАЗ
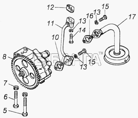
3.2 Схема масляного насоса
1—корпус радиаторной секции;2—ведущая шестерня радиаторной секции; 3—проставка;4— ведущая шестерня нагнетающей секции 5—корпус нагнетающей секции; 6—ведомая шестерня привода насоса;7—шпонка;8—валик ведущих шестерен; 9—ведомая шестерня…
Система смазки двигателя КамАЗ
3.4 Схема центробежного масляного фильтра
1—корпус; 2—колпак ротора; 3— ротор; 4—колпак фильтра; 5- -гайка крепления колпака ротора; 6—упорный шарикоподшипник…
Технология ремонта масляного насоса
1. Назначение и условия работы масляного насоса
Для циркуляции смазки под давлением на дизеле установлен шестеренчатый масляный насос. Чугунный корпус насоса имеет два патрубка с фланцами. К одному из них масло подводится из поддизельной рамы, а по другому оно нагнетается в масляную систему…
Технология ремонта масляного насоса
6. Особенности сборки, проверки и испытания масляного насоса
Перед сборкой надо проверить по клеймам спаренность корпуса насоса и плит подшипников, шевронных и синхронных шестерен. Трущиеся поверхности и подшипники смазать чистым дизельным маслом. Кроме того…
Насос камаз
ТНВД – это Топливный Насос Высокого Давления. Ставиться он на дизельные двигатели и предназначен для подачи топлива в топливную систему под высоким давлением, для наилучшего сгорания его в цилиндрах.
Блок: 1/7 | Кол-во символов: 203
Источник: https://miniteh.com/articles/Informaciya/TNVD-Kamaz-ustroistvo-princip-raboty-i-remont
Неисправности масляного насоса КАМАЗ.
Стук в области поддона картера двигателя камаз может означать, что скорее всего стучит это один или два шатуна с провернутыми вкладышами. Происходит это чаще всего когда двигатель работает под нагрузкой и на высоких оборотах. Рассмотрим причины по которым может застучать шатун на двигателе камаз. Во-первых это выход из строя масляного насоса двигателя, который уже отходил свой ресурс и не был во время отремонтирован. Происходит это так — если вы разбирали когда нибудь масляный насос камаза, ямз или подобной техники — в общем масляный насос двигателя камаз состоит из двух секций, задняя, малая секция качает масло в масляный радиатор, на охлаждение, она нас сейчас не интересует.
Нам нужна передняя основная, которая как раз и подает масло в систему смазки камазовского мотора. Внутри основной секции насоса есть две шестерни, которые как раз качают масло. Одна из этих шестерен ведомая, другая — ведущая, из-за нее чаще всего и происходят все беды камазовских моторов. Ведущая шестеня закреплена и посажена на шпонку на валике, приводимом в движение шестерней, которая сцеплена с другой шестерней на коленвале. В общем обороты и давление масла, создаваемое насосом напрямую зависит от оборотов коленвала двигателя.
Из всего выше описаного общего устройства камазовского масляного насоса нам пока что нужна только шпонка ведущей шестерни. Часто насос выходит из строя потому что долгие годы эта самая шпонка стачивается, и в один прекрасный день её срезает. В результате потеря сцепления с валом и остановка шестерен — остановка подачи масла в двигателе. В большинстве случаев водитель замечает отсутствие давления масла уже после того, как услышит стук в двигателе. В этом случае иногда масляный насос можно отремонтировать, если не разбиты вал и шестерня, заменить шпонку, проверить на стенде и в путь. Шпонку можно сделать из стержня негодного камазовского клапана, распилить и обточить на наждаке, чтобы придать нужную форму.
- Износ лопастей качающих шестерен — проверить на стенде.
- Залипание, западание, износ пружин редукционных клапанов масляного насоса — проверять на стенде.
- Попадание солярки в масло — приведёт к нехорошему концу.
- Износ шатунных и коренных вкладышей ведет к потере давления масла за счет утечки через увеличенный зазор между вкладышами и шейками коленвала. Потеря давления в системе смазки пагубно отразится на всех деталях нуждающихся в обильной смазке.
- Масляное голодание на шатунных шейках — при работе на сухую, вкладыши, трущиеся о шейку коленвала раскаляются до температуры плавления металла и привариваются к шейке коленвала, после чего срезаются замки вкладышей и они проворачиваются в шатуне — это и вызывает стук в двигателе, также двигатель может заклинить. Как минимум замена стучавших шатунов и ремонт коленвала, повезет, если коленвал не согнется и на нем не образуются трещины.
- Масляное голодание коренных вкладышей — проворачивается пара коренных вкладышей, перекрывается подача масла к шатунным шейкам после чего, с ними происходит то, о чем написано немного выше. Провернутые коренные шейки могут устроить кап ремонт двигателя с заменой блока цилиндров.
- Некачественное дешевое моторное масло, чаще всего заливаемое экономистами тоже может стать причиной преждевременного ремонта застучавшего двигателя.
Блок: 2/4 | Кол-во символов: 3296
Источник: https://7gear.ru/news/nasos-kamaz.html
Демонтаж помпы с двигателя КамАЗ 740
- cлейте жидкость из системы охлаждения
- освободите шкив помпы от ремней привода
- выверните три болта крепления
- отсоедините водяные трубы
Блок: 2/5 | Кол-во символов: 171
Источник: https://remauto.info/pompa-kamaz/
Ремонт помпы своими руками
Производителями заявлен пробег нового автомобиля КамАЗ (Евро 3) не менее 800 тыс. км. Однако сложные условия эксплуатации, перегрузки и резкие перепады температуры вносят свои коррективы. На практике помпа выдерживает 50–60 тыс. км. При этом предполагается, что регулярно проводится техническое обслуживание. Основными неисправностями водяного насоса 740.63–1307040 считаются:
- сколы и трещины корпуса помпы;
- изгиб или износ рабочего вала;
- износ уплотнительного сальника;
- износ подшипника.
Огромную роль в правильной работе водяной помпы играет качество охлаждающей жидкости (ОЖ). Как известно, тосол рассчитан на 30 тыс. км пробега или 2 года непрерывной эксплуатации. По истечении заявленного срока свойства тосола резко меняются. Особенно сильно это отражается на смазывающих и антикоррозионных свойствах. Постоянно смачиваемая крыльчатка и радиатор покрываются ржавчиной, хлопья которой забивают протоки и трущиеся места. Это приводит к преждевременному износу всей системы охлаждения.
Хорошей новостью для автомобилиста является то, что помпы такого типа доступны в ремонте. Они легко и полностью разбираются, в них нет незаменимых деталей.
Сколы, трещины и другие механические повреждения корпуса (или крыльчатки) ликвидируются при помощи электросварки или двухкомпонентных герметиков (типа эпоксидной смолы). Прогнувшийся валик вращения крыльчатки зачастую можно выровнять прессом или нанесением слоя хрома (с последующей доводкой до нормативных размеров). Не подлежит ремонту лишь уплотнительный сальник, который довольно легко извлечь и заменить.
Клей готовится перемешиванием двух компонентов в рекомендованной производителем пропорции
Диагностика неполадок в системе охлаждения
Пред тем как приступить к ремонту водяного насоса, необходимо убедиться в том, что причина сбоя в работе двигателя кроется именно в нём.
Главный показатель, по которому можно судить о нарушении работы системы охлаждения — это повышение температуры мотора во время эксплуатации. Индикатор температуры показывает температуру двигателя выше 100 оС.
Расположение индикатора температурного датчика на приборной панели КамАЗ
Причин может быть несколько:
- низкий уровень охлаждающей жидкости, утечка ОЖ;
- нарушение работы термостата;
- нарушение работы радиатора;
- выход из строя водяной помпы.
Факт утечки ОЖ установить легко, взглянув на расширительный бачок — на нём нанесены отметки максимального и минимального количества тосола в системе. Если уровень ниже минимума, значит, где-то образовалась течь, которую нужно найти.
При поломке термостата (а их в КамАЗе 5511 два), как правило, температура жидкости опускается ниже среднего значения. Это происходит из-за того, что постоянно включён большой круг охлаждения. Это тоже вредно для двигателя, но перегрева не происходит. Если термостат заклинило в положении «малого круга», что бывает крайне редко, первым признаком считается полное отключение обогрева в салоне. Охлаждающая жидкость закипает прямо в расширительном бачке.
Радиатор может либо потечь, либо забиться. Большое количество грязи и пыли, налипшее на передней части радиатора нередко приводят к перегреву мотора. После промывания сот ситуация, как правило, нормализуется.
В случае если все вышеозначенные агрегаты работают исправно, но индикатор всё равно показывает повышенную температуру двигателя, стоит заняться обследованием водяного насоса. Опытные автомобилисты применяют несколько простых, но верных тестов:
- Испорченная помпа начинает издавать характерный звук. Тональность меняется с увеличением оборотов, переходя с низкого «воя» на пронзительный «визг».
- Образование подтёков жидкости в районе водяного насоса. Они бывают не всегда явными, жидкость сочится только на высоких оборотах коленвала. Но опытный глаз сразу заметит специфические грязно-бурые следы на поверхности блока цилиндров. Причина — пробой сальника.
- Третий способ определения неисправности — ручная раскачка шкива водяного насоса. Для этого нужно снять приводной ремень (ремни) и попытаться раскачать шкив вверх-вниз. Если наблюдается хоть малейший люфт (0,5–1 мм), значит, налицо износ вала или подшипника. Их надо менять.
В зимнее время косвенным признаком, который может подсказать о выходе из строя насоса, может стать слабый нагрев воздуха в кабине. Замедленная циркуляция ОЖ приводит к тому, что печка не справляется со своей задачей — в салоне холодно.
Одной из причин преждевременного износа подшипника или рабочего вала водяной помпы может стать чрезмерное натяжение приводного ремня. Рекомендуется проверять силу натяжения при помощи динамометра или безмена. После замены или ремонта агрегата необходимо правильно отрегулировать степень натяжения ремней.
Иногда случается так, что помпа работает исправно (не шумит, нет люфта вала и подтёков жидкости), но датчик настойчиво показывает перегрев мотора. В таком случае нужно проверить работоспособность самого датчика температуры. При обнаружении неисправности — заменить.
Какие инструменты нужны для ремонта водяного насоса
Приступая к самостоятельному ремонту, необходимо запастись всеми необходимыми инструментами и материалами. Из инструментов понадобится:
Из материалов нужны:
- тосол для замены (или долива) ОЖ;
Смешивать тосол с водой не рекомендуется, можно добавлять совместимые марки антифриза
- смазка для подшипника;
- чистая ветошь, растворитель;
- термостойкий силиконовый герметик, возможно, эпоксидный клей (по ситуации).
Отличительной чертой термостойкого герметика является красный цвет
Ремкомплект для водяного насоса КамАЗ
Прекрасным подспорьем для ремонта помпы является ремонтный комплект, состоящий из оригинальных запчастей. В состав его входят все необходимые детали:
- рабочий вал насоса;
- подшипник;
- стопорное кольцо;
- уплотнительный сальник в сборе;
- прокладки.
Ремонтный комплект для водяного насоса КамАЗ
Разбирая помпу, никогда не известно наверняка, что в ней повреждено. Стоимость ремкомплекта невелика и составляет около 5–7 долларов. Имея в запасе всё необходимое, ремонт гарантировано становится успешным.
Ремонт водяной помпы Евро2
Перед началом разборки водяной помпы необходимо выполнить два условия:
- заглушить двигатель и дать ему остыть;
- полностью слить всю охлаждающую жидкость в специальную ёмкость.
Нельзя сливать жидкость на землю — это запрещено законом. Синтетические вещества, содержащиеся в тосолах и антифризах, отравляют всё живое на своём пути. Попадая в почву, они практически не разлагаются и, рано или поздно, оказываются в грунтовых водах, делая её непригодной для питья человеку и животным.
Так делать категорически запрещено
Ёмкость системы охлаждения автомобиля КамАЗ составляет 18 литров. Это значит, что ёмкость должна быть достаточно вместительной и чистой. Если тосол не выработал свой ресурс, он может использоваться повторно.
Далее разборка производится в следующем порядке:
- Снимаются приводные ремни. Освобождается шкив.
Ремни снимаются при помощи ослабления натяжителя
- Откручиваются четыре винта крепления помпы к блоку цилиндров.
Помпа крепится четырьмя винтами к блоку цилиндров
- Насос целиком извлекается из двигателя.
- Производится визуальный осмотр агрегата, определяется причина поломки.
- Снимается стопорное кольцо, отсоединяется шкив.
- Отсоединяется подшипник вала.
- Снимается уплотнительный сальник.
- Отсоединяется крыльчатка.
Для удобства демонтажа водяного насоса используются слесарные тиски
- Производится замена всех деталей, используя запчасти ремонтного комплекта.
- Сборка осуществляется в обратном порядке.
Вид двигателя после установки помпы (с левой стороны)
После установки насоса в гнездо блока цилиндров, затягиваются фиксирующие винты. Приводные ремни возвращаются на место.
Натяжение приводного ремня контролируется специальным ключок с динамометром
Во время демонтажа помпы рекомендуется закрыть посадочное место чистой ветошью. Это нужно для того, чтобы в систему охлаждения не попал мусор или старая смазка. После установки помпы необходимо тщательно очистить приводные ремни и шкив от масла — оно разрушительно действуют на материал, из которого ремни изготовлены. Перед установкой новой помпы посадочное место тщательно очищается от масел растворителем. В противном случае герметик на прокладке не будет выполнять свои функции.
Последние действия, завершающие ремонт:
- наполнить систему охлаждающей жидкостью;
- запустить мотор и прогреть его до рабочего состояния;
- протестировать работу системы охлаждения при частоте до 2 тыс. оборотов в минуту;
- заглушить двигатель и при необходимости долить ОЖ до нормального уровня.
Блок: 3/4 | Кол-во символов: 8653
Источник: https://carnovato.ru/remont-pompyi-kamaz-svoimi-rukami-video/
Схема и составные части водяного насоса двигателей КамАЗ 740
Водяной насос (помпа) двигателя КамАЗ 740 крепится на переднюю левую часть блока цилиндров. Для крепления к блоку, в корпусе помпы имеется три отверстия под болты. Ремонт помпы может потребоваться в случае потери ею герметичности и образования течи охлаждающей жидкости, а также если заклинил вал водяного насоса.
схема
1. Шкив 2. Шайба пылеотражательная 3. Стопорное кольцо 4. Подшипники 1160305-А и 1160304-К 5. Шпонка вала 6. Вал водяного насоса 7. Манжета водяного насоса 8. Корпус водяного насоса 9. Сальник 10. Кольцо упорное 11. Кольцо уплотнительное 12. Обойма кольца уплотнительного 13. Крыльчатка 14. Масленка 15. Заглушка насоса
Для демонтажа насоса для произведения ремонтных работ:
- слейте охлаждающую жидкость,
- снимите ремни привода со шкива,
- выверните три болта крепления,
- отсоедините водяные трубы.
Блок: 2/3 | Кол-во символов: 876
Источник: http://razvar.ru/remont-vodyanogo-nasosa-pompy-avtomobilej-kamaz/
Возможные неисправности в работе ТНВД и их ремонт
В топливном насосе двигателя Камаз 740 высокое давление создается за счет очень плотного прилегания поршня в цилиндре плунжерной пары. В случае какого либо нарушения этой плотности в топливной системе падает давление и двигатель вообще может не запуститься или работать не ровно, с перебоями. Длительную и безаварийную работы ТНВД в первую очередь обеспечивает качественное дизельное топливо. Для дизельных моторов это одно из главных условий успешной эксплуатации. Внимательно отнеситесь к выбору АЗС, на которой заправляетесь.
Для того, чтобы двигатель КАМАЗ и ТНВД работали исправно и долго своевременно проводите все необходимые регламентные работы по их техническому обслуживанию, а особое внимание стоит уделить замене топливных фильтров, как грубой, так и тонкой очистки. Старайтесь покупать оригинальные расходные материалы у официальных дилеров или в авторизированных сервисных центрах.
Как и у любого механизма у ТНВД есть свой ресурс, который он в любом случае со временем выработает. Но инженеры Камаза разработали ремонтопригодный агрегат, который можно восстановить, заменив изношенные детали. Но ремонтировать топливный насос высокого давления стоит на специализированных станциях, которые оборудованы стендом проверки топливной системы под давлением. Такое оборудование поможет выявить как явные, так и скрытые неисправности. После проведения ремонта ТНВД должен пройти ряд стендовых испытаний и точную настройку вместе топливными форсунками.
Основные причины выхода ТНВД из строя
- Вода в топливной системе. Причин появления воды в системе может быть несколько: некачественный или изношенный топливный фильтр; большой процент воды в дизельном топливе; нарушение герметичности топливопровода из-за чего образуется конденсат внутри на трубках.
- Механические примеси в топливе. Примеси могут появляться опять же из-за плохих топливных фильтров. Так же рекомендуется периодически проводить очистку топливного бака от образований парафина и т.п. отложений.
- Плохие смазывающие качества дизельного топлива. Причина этого может скрывать в применение не сертифицированных присадок. Не поддавайтесь рекламе и не добавляйте в топливо ничего лишнего, чего не рекомендует производитель.
- Не герметичный топливопровод. В этом случае идет постоянный подсос воздуха в систему, повышающий коэффициент трения в плунжерных парах, что приводит к их быстрому износу.
Самые часто встречающиеся неисправности
- Неравномерная подача топлива. Причина скорее всего кроется в поврежденной плунжерной паре. Так же рекомендуется проверить клапаны топливного насоса, а также работу форсунок.
- Повышенный расход топлива. Причина банальна – повреждения топливопровода.
- Запаздывает впрыск. Проблема может скрываться в регулировочном болте толкателя или в поврежденном кулачковом вале.
Видео, подробно описывающее работу топливной систему двигателя Камаз 740.
Регулировка подачи топлива
Блок: 4/7 | Кол-во символов: 2957
Источник: https://miniteh.com/articles/Informaciya/TNVD-Kamaz-ustroistvo-princip-raboty-i-remont
Видео: замена помпы на КамАЗе
Стоимость новой оригинальной водяной помпы на автомобиль КамАЗ колеблется от 150 до 200 долларов. Цена ремонтного комплекта составляет порядка 6 долларов. Очевидно, что самостоятельная замена обойдётся гораздо дешевле, даже если придётся полностью заменить охлаждающую жидкость в системе.
Блок: 4/4 | Кол-во символов: 317
Источник: https://carnovato.ru/remont-pompyi-kamaz-svoimi-rukami-video/
Как снять ТНВД
- отсоединить тросики ручного управления рычагом остановки двигателя и рычагом управления регулятором,
- снимите тягу управления подачей топлива,
- отсоедините все трубопроводы подвода топлива к насосу, отводящий и дренажный трубопроводы и трубопровод от фильтра тонкой очистки топлива,
- отсоедините трубку для подвода масла к насосу и, масло отводящую трубку,
- выкрутите стяжной болт переднего фланца ведущей полумуфты и два болта ведомой полумуфты (для того, чтобы выкручивать болты было удобно нужно провернуть коленвал через люк картера сцепления),
- отсоедините топливопроводы факельных свечей,
- снимите топливопроводы высокого давления,
- отсоедините трубку, которая подводит воздух к рабочему цилиндру вспомогательного тормоза,
- открутите четыре болта, которые крепят ТНВД,
- снимите собственно сам насос.
Блок: 5/7 | Кол-во символов: 834
Источник: https://miniteh.com/articles/Informaciya/TNVD-Kamaz-ustroistvo-princip-raboty-i-remont
Порядок разборки
- вывернуть винты крепления задней крышки регулятора частоты вращения и снять крышку в сборе с насосом низкого давления;
- снять автоматическую муфту опережения впрыска топлива, используя приспособление И-801.16.000. Сначала отвернуть гайку 2 (рис. а) крепления муфты. Для этого вставить отвертку 4 в паз гайки и, удерживая муфту 1 от вращения, ключом 3 отвернуть гайку. Затем, вворачивая в муфту съемник 5 (рис. б), снять муфту;
Рис.2 – Снятие муфты
- распломбировать и вывернуть винты крепления защитных кожухов секций ТНВД и снять кожуха;
- распломбировать и вывернуть болты крепления верхней крышки регулятора и снять крышку;
- вынуть ось рычага регулятора и снять рычаг регулятора с рычагом муфты грузов, муфтой, пружиной регулятора и рычагом пружины;
- снять стопорное кольцо и державку грузов в сборе;
- вывернуть пробки реек, вынуть втулки реек, затем сами рейки, предварительно расстопорив их;
- отвернуть гайки крепления секций ТНВД, снять стопорные шайбы штуцеров секций и вынуть секции ТНВД и толкатели плунжеров;
- расшплинтовать и отвернуть гайки и, используя съемник И-801.26.000, снять эксцентрик привода насоса низкого давления, ведущую шестерню регулятора и промежуточную шестерню;
- снять второй подшипник с оси промежуточной шестерни;
- выбить шпонки с носка и хвостовика кулачкового вала, снять крышку заднего подшипника, вынуть кулачковый вал в сборе с подшипниками и снять крышку переднего подшипника;
- используя съемник И-801.30.000, снять подшипники с кулачкового вала;
- секции ТНВД и топливоподкачивающий насос низкого давления разобрать в приспособлении И-801.20.000. Для выпрессовки нагнетательного клапана секции ТНВД использовать приспособление И-801.21.000.
Блок: 6/7 | Кол-во символов: 1716
Источник: https://miniteh.com/articles/Informaciya/TNVD-Kamaz-ustroistvo-princip-raboty-i-remont
Сборка и установка ТНВД после ремонта
Сборка ТНВД, как и положено, проводится в обратном порядке. Чтобы установить подшипники на кулачковый вал используется приспособление И-801.27.000. Свободный ход вала должен быть не больше 0,1 мм, делается это путем подбора регулировочных прокладок под крышку переднего подшипника кулачкового вала.
Установка ТНВД:
- проверните коленвал до его положения, которое соответствует началу впрыска топлива в первый цилиндра (фиксатор находится в зацеплении с маховиком), проверьте, чтобы метка I на заднем фланце ведущей полумуфты привода должна быть вверху;
- установите топливный насос на двигатель, совместив при этом метки II на корпусе насоса и муфте опережения впрыска топлива;
- затяните болты крепления насоса;
Рис.3 — Порядок затяжки болтов крепления, топливного насоса высокого давления
- не нарушая взаимного расположения меток, затяните верхний болт ведомой полумуфты привода, переставьте фиксатор в мелкий паз, проверните коленвал на один оборот и затяните второй болт ведомой полумуфты, затяните стяжной болт переднего фланца полумуфты;
- установите крышку люка картера сцепления;
- подсоедините трубопроводы высокого давления, маслоподводящую и маслоотводящую трубки, трубку подвода воздуха к пневмоцилиндру вспомогательного тормоза, трубопроводы низкого давления, тягу управления подачей топлива, тросики ручного управления рычагом останова и рычагом управления регулятором.
После установки ТНВД запустите двигатель и болтом отрегулировать минимальную частоту вращения холостого хода, которая не должна превышать 600 об/мин.
Блок: 7/7 | Кол-во символов: 1590
Источник: https://miniteh.com/articles/Informaciya/TNVD-Kamaz-ustroistvo-princip-raboty-i-remont
Количество использованных доноров: 6
Информация по каждому донору:
- https://7gear.ru/news/nasos-kamaz.html: использовано 1 блоков из 4, кол-во символов 3296 (12%)
- https://miniteh.com/articles/Informaciya/TNVD-Kamaz-ustroistvo-princip-raboty-i-remont: использовано 6 блоков из 7, кол-во символов 7423 (27%)
- http://autoclub.su/remont-pompyi-kamaz-svoimi-rukami-video/: использовано 1 блоков из 3, кол-во символов 6829 (24%)
- https://carnovato.ru/remont-pompyi-kamaz-svoimi-rukami-video/: использовано 2 блоков из 4, кол-во символов 8970 (32%)
- https://remauto.info/pompa-kamaz/: использовано 2 блоков из 5, кол-во символов 569 (2%)
- http://razvar.ru/remont-vodyanogo-nasosa-pompy-avtomobilej-kamaz/: использовано 1 блоков из 3, кол-во символов 876 (3%)
Объем заправки двигателя КамАЗ 740. Объем масла в двигателе камаз
Двигатель КамАЗ-740 по праву может считаться одним из лучших советских и отечественных грузовых двигателей. За историю своего выпуска этот силовой агрегат претерпел множество модификаций и обновлений, но все они легли в основу первого двигателя, который был разработан еще в 1974 году.
Технические характеристики
Для начала стоит ответить вопрос — что такое КАМАЗ? Это большегрузный автомобиль, имеющий достаточно широкий набор вариантов кузова и навесного оборудования.Эти автомобили выпускает Камский автомобильный завод. Технические характеристики двигателя КамАЗ-740 довольно высокие. Основным отечественным конкурентом этого мотора является продукция Ярославского моторного завода, а именно модель ЯМЗ-236/238. Хотя, если посмотреть, то каждый из них занял свою рыночную нишу и придерживается ее. Устройство двигателя КамАЗ-740 даже чем-то похоже на ЯМЗ, но все же прослеживается ряд конструктивных отличий. Итак, для каждого цилиндра мотора Камы идет отдельная головка блока.
В зависимости от года выпуска и поколения двигатели КамАЗ-740 имеют разные экологические нормы: от Евро-0 до Евро-5. Итак, давайте рассмотрим основные технические характеристики силового агрегата 740 и его модификаций.
Двигатели Евро-0 с маркировкой 740.210 и 740.260
Двигатели Евро-2 с маркировкой 740.31-240 и 740.30-260
Двигатели Евро-2 с маркировкой 740.51-320 и 740.50-360
Двигатели Евро- 4 с отметкой 740.70 и модификации
Как показали характеристики двигателя КамАЗ, силовые агрегаты, которые производит Камский моторный завод, достаточно мощные и способны дать грузовику большой мощности для перевозки грузов.
Сервис
Обслуживание 740 достаточно простое. Замену смазочной жидкости нужно производить каждые 15000 км, если опираться на руководство по ремонту и обслуживанию. Но, как показывает практика, для каждой модели двигателя КамАЗ техническое обслуживание происходит в разное время.
Итак, для обычного дизеля действительно ТО проводится каждые 15 000 км, а вот для турбодизеля, начиная с Евро-2, ТО можно проводить через 20 000 км.
При обслуживании двигателя обязательно замена масла и фильтров. Но специалисты рекомендуют также проверить топливную систему и отрегулировать клапаны. Такие операции предотвратят поспешный износ силового агрегата и позволят продлить срок его службы на 100000 км, что очень важно как в денежном выражении, так и при проведении капитальных ремонтов.
Ремонт и неисправности
Как и любой силовой агрегат, двигатель 740 имеет тенденцию выходить из строя. Итак, неисправности двигателя КамАЗ-740 возникают при эксплуатации. Два основных компонента, которые могут выйти из строя, — это водяной насос и топливный насос высокого давления. Также не стоит забывать, что часты поломки впрыска, а точнее загрязнение форсунок.
Поскольку стоимость этих запчастей высока, владельцы КамАЗов являются сторонниками чистки. Итак, чистить форсунки стоит каждые 20-30 тысяч км пробега, так как обычно двигатели работают на некачественном топливе… А где наш народ увидел в нашей стране качественные нефтепродукты ?!
Замена водяного насоса
Конечно, замена водяного насоса на двигателе 740 — это последнее, что нужно делать, и вот тогда он полностью изношен. Часто автомобилисты устанавливают ремкомплекты, в которые входят: вал, подшипник, манжета, уплотнительное кольцо и крыльчатка. В менее редких случаях меняют шкив.
Поэтому в этой части статьи мы рассмотрим процесс ремонта водяного насоса двигателя КамАЗ-740.Перед началом стоит задуматься, из каких элементов состоит эта деталь:
1. Шкив. 2. Пылеотражающая шайба. 3. Стопорное кольцо. 4. Подшипники 1160305-А и 1160304-К. 5. Шпонка вала. 6. Вал водяного насоса. 7. Хомут водяного насоса. 8. Корпус водяного насоса. 9. Сальник. 10. Кольцо стойкое. 11. Кольцо круглого сечения. 12. Обойма уплотнительного кольца. 13. Рабочее колесо. 14. Масленка. 15. Пробка насоса.
Теперь, когда все хорошо видно, можно составить последовательность действий.Для начала стоит собрать инструментарий. Инструкция и действия по замене водяного насоса:
- Сливаем охлаждающую жидкость из системы.
- Осуществляем демонтаж стальных лент.
- Отсоединить трубы подачи и отвода охлаждающей жидкости.
- Откручиваем болты крепления водяного насоса.
- Отогните стопорную шайбу, удерживая вал от проворачивания, и отверните накидную гайку.
- Снимите крыльчатку с помощью съемника.
- Далее вынимаем сальник.
- После этого можно демонтировать шкив, шпонку и пылеотражатель.
- Теперь можно снять узел вала.
- Сборка осуществляется в обратном порядке.
- Отремонтированный водяной насос устанавливается так же, как снимался — на 3 болта крепления.
Очистка форсунок
Если форсунки забиты, их необходимо удалить из системы впрыска. Сама насадка состоит из корпуса и распылителя. Это спрей, который нужно очистить.Делается это с помощью специальной подставки для промывки форсунок капельным и распылительным методами.
Форсунка снимается с топливной рампы, а затем с нее снимается распылитель. Он помещается в специальное отверстие, куда под давлением подается очищающая жидкость. Если правильно выбрать очиститель, он растворит и вымоет все остаточные нефтепродукты, засоряющие деталь.
При длительном использовании распылитель забивается до такой степени, что промывка становится неэффективной и требует замены.Конечно, вы должны понимать, что изделие стоит недешево, поэтому за опрыскивателем следует хорошо ухаживать и вовремя проводить техническое обслуживание.
Капитальный ремонт: основные положения
Капитальный ремонт двигателя КамАЗ-740 — достаточно сложная процедура, требующая знания конструкции, технических норм и специального оборудования для проведения этих работ. Есть инструкции по капитальному ремонту силовых агрегатов, разработанные производителем.
Конечно, не все автосервисы, специализирующиеся на ремонте двигателей внутреннего сгорания, этого придерживаются, но четко и точно прописывают все тонкости и нюансы процесса.
Рассмотрим последовательность действий, направленных на проведение ремонтных работ на двигателе КамАЗ-740:
- Для запуска неисправного двигателя в разобранном виде для выявления дефектов.
- Следующий шаг — устранение неполадок. Сюда входит проведение диагностических работ на коленчатом валу, головках цилиндров, которые ставятся по одной на каждый цилиндр, а также на распредвале, водяных и масляных насосах. Отдельно следует отметить, что при проведении капитального ремонта и восстановительных работ на двигателе восстановительные работы являются обязательными.топливный насос высокого давления подачи топлива.
- Следующий этап ремонта силового агрегата — расточка блока и коленвала … Стоит отметить, что коленвал КамАЗ — достаточно прочная деталь, так что проточка шейки требуется далеко не всегда. А вот с блоком, как показывает практика, дело обстоит намного хуже. В любом случае баллоны придется растачивать, но это не всегда помогает. Итак, если мотору 20 лет, то, как говорят специалисты, точить нечего, и единственный выход — гильза блока.Конечно, такая процедура увеличивает стоимость ремонта, но дешевле покупки. новый блок цилиндров. Учитывайте ремонтные размеры деталей.
- Неотъемлемым этапом восстановления двигателя является ремонт всех головок, коих у КамАЗа восемь. Так, часто меняют направляющие втулки, которые сначала раскатывают на токарном станке. На клапанах снимается и регулируется фаска, а седла вырезаются.
- Следующим шагом будет полировка кулачков.распредвал … Делается это на токарном станке с помощью специальной пасты и наждачной бумаги.
- Далее идет этап ремонта водяного и масляного насоса. Как показывает практика, специалисты по ремонту двигателей неохотно ремонтируют эти детали, но из-за особой дороговизны, чтобы удержать клиентов. Как уже упоминалось ранее, замене подлежат только определенные части товаров. Итак, крыльчатка, вал в сборе, манжета и подшипники меняются.
- Прежде чем приступить к процедуре прокладки коленвала, необходимо провести процесс балансировки.К коленчатому валу прикрепляют сцепление и вращают, устанавливая специальные грузы. Если не провести эту процедуру, то в процессе эксплуатации вал будет разбалансирован, что приведет к поломке коромысел и шатунов с вкладышами.
- Последним этапом по праву можно считать сборку. Этот процесс довольно долгий, так как занимает почти целый день. Коленчатый вал кладется и идет процесс «перевязки». Это процедура соединения коленчатого вала с поршневой группой и установки вкладышей, как коренных, так и шатунных.Далее идёт масляный насос и помпа. Собраны все мелкие детали. Последними устанавливаются головки блока, клапанные крышки, ТНВД и выхлопная система.
- После сборки двигателя его необходимо обкатать. Это делается только в горячем состоянии. К силовому агрегату подключаются система питания и выхлопная система, после чего его включают, регулируя скорость, и периодически выставляют зазоры клапанного механизма.
После сборки силового агрегата КамАЗ он устанавливается на автомобиль и испытывается на ходу.
Заключение
Двигатель КамАЗ-740 обладает высокими техническими характеристиками, которые известны не только в СНГ, но и во всем мире. Так, силовыми агрегатами Камского завода в 80-е годы оснащались грузовики легендарной немецкой компании DAF. Конечно, это длилось недолго, поскольку DAF разработала свои силовые агрегаты, которые больше подходили для этих грузовых гигантов.
Производство 740 моторов продолжается и по сей день. Компания КАМАЗ выпускает довольно большое количество двигателей, и в 2018 году планируется выпустить новый мотор с маркировкой 740.80-300.
Это силовой агрегат 5-го поколения с экологическими стандартами Euro 5, который будет иметь новую систему впрыска, которая, по мнению разработчиков, революционизирует представление о турбодизелях на грузовиках. Заявленная мощность будет в пределах от 500 до 800 лошадиных сил.
Ремонт и обслуживание двигателей КамАЗ-740 достаточно простое и не требует особых навыков и умений специалистов. В отличие от западных аналогов, двигатель КамАЗ имеет простые конструктивные особенности, упрощающие ремонт, а отсутствие сложной автоматизированной электроники упрощает задачи.
Предприятие по производству автомобилей КАМАЗ (Камский автозавод), основано в 1976 году. Это российское предприятие, основным занятием которого является производство грузовых автомобилей, работающих на дизельном топливе … Кроме автобусов, тракторов, комбайнов, силовых агрегатов. производятся растения и другие компоненты. Силовые установки, используемые на оборудовании, были разработаны конструкторами завода, изначально за основу были взяты лучшие зарубежные аналоги.
Двигатели КАМАЗ за неприхотливость: надежность, долговечность, простота конструкции и достойные характеристики получили высокую оценку потребителей.Сегодня это одна из самых популярных марок грузовиков, эксплуатируемых как в нашем регионе, так и за рубежом.
Толчок в развитии предприятия дал другой завод — ЗИЛ (завод им. Лихачева), до 1956 года называвшийся ЗИС (завод им. Сталина). В 1976 году по распоряжению руководства вся техническая документация на разработку автомобиля ЗИЛ-170, на котором находился завод, была передана КАМАЗу. Итак, началось производство автомобиля КАМАЗ-5320. До 1980 года на ЗИЛе разработано 9 моделей КАМАЗ, обучен заводской коллектив и устранены конструктивные недостатки.
За свою историю было выпущено большое количество силовых агрегатов. Наибольшей популярностью пользовалась серия КАМАЗ 740. Электростанции Существует несколько серий 740, главными их отличиями друг от друга было соответствие тому или иному евростандарту.
Моторы оказались удачными, долгое время другие производители покупали их для установки на свои автомобили. Так, с 1979 по 1992 год выпускали автомобиль ЗИЛ с двигателем КАМАЗ. Это были следующие модификации: ЗИЛ-133Г2 и ЗИЛ-133ВЯ (тягач, самосвал, кран) с силовыми установками КАМАЗ-740; ЗИЛ-Э133ВЯТ (тягач) с агрегатом КАМАЗ-7403.
Основные характеристики силовых установок серии 740
Родоначальником серии двигателей была модель КАМАЗ 740 V8, первые модели этого двигателя имели объем 10852 см 3, а мощность развивалась до 210 лошадиных сил. . Более поздние модели выходили мощностью в пределах 180–360 л.с. Все силовые установки КАМАЗа работают на дизельном топливе, выбор в его пользу не случаен: во-первых, расходуется меньше топлива, во-вторых, лучше смазывается двигатель и его детали, в-третьих, силовая установка имеет большую мощность.
Особенностью работы двигателей КАМАЗ также можно считать такой показатель, как повышенная степень сжатия по сравнению с бензиновыми двигателями внутреннего сгорания. Так, бензиновые силовые установки имеют степень 8-10 единиц, а двигатель КАМАЗ — 17 единиц. К тому же в моторах отсутствуют свечи зажигания, это связано со спецификой дизельного двигателя. Возгорание и возгорание в таких электростанциях происходит из-за высокого давления.
Из-за движения поршня в положение верхней мертвой точки резко уменьшается внутренний объем, происходит скачок повышения давления и температуры.По такому принципу работает дизельный двигатель.
В маркировке своей продукции производитель использует различные обозначения, отвечающие за тип силовой установки:
- V-образные цилиндры мотора расположены в два ряда, угол между которыми меньше 90 °;
- L-цилиндры расположены в два ряда, угол между которыми близок к 90 °;
- R-расположение цилиндров рядное.
Силовая установка КАМАЗ 740
Двигатель КамАЗ 740-й модификации имеет ряд преимуществ и особенностей перед конкурентами:
- Конструкция двигателя такова, что при тех же характеристиках, что и у аналогичных производителей, он намного меньше.Мотор — это некий компромисс между крупными, но маломощными установками, потребляющими достаточно большое количество топлива, и достаточно надежными, и мощными, экономичными, но менее надежными и долговечными.
- Автомобиль получил широкое распространение, благодаря способности работать в условиях низких температур … В частности, у КАМАЗа нет проблем с запуском в холодное время года. Мотор имеет мощный аккумулятор и стартер, а также систему подогрева двигателя.
- Система привода ГРМ, компрессоры, гидроусилитель, насос: работают за счет передачи крутящего момента от двигателя через шестерни с прямыми зубьями.
Силовые установки еврокласса
Родоначальником двигателей КАМАЗ серии 740 можно считать модель Евро 0. Это очень надежный агрегат, обладающий хорошими техническими характеристиками, высокой надежностью и ресурсом. Однако двигатель КАМАЗ не соответствовал классам экологической безопасности, и это было его главным недостатком.
Силовая установка КАМАЗ (Евро 0)
Силовые установки КАМАЗа Евро 2 были более современными и улучшенными по сравнению с предыдущим классом.На тот момент они отвечали всем требованиям к агрегатам с точки зрения экологической безопасности. Всего было 4 модификации двигателей, их характеристики следующие:
Силовая установка КАМАЗ (Евро 2)
| Силовая установка Модель | 740.31-240 | 740.30-260 | 740.51-320 | 740.50-360 |
| Мощность, л.с. | 240 | 260 | 320 | 360 |
| Коленчатый вал, частота вращения | 2200 | |||
| Крутящий момент, Нм | 980 | 1078 | 1020 | 1147 |
| Цилиндры, детали, расположение | 8, V | |||
| Цилиндр, Ø / поршень, ход, мм | 120/120 | 120/130 | ||
| Двигатель, объем, л. | 10,85 | 10,85 | 11,76 | 11,76 |
| Топливная смесь, степень сжатия | 16 | 16,5 | 16,5 | 16,5 |
| Цилиндры рабочие | 1,5,4,2,6,3,7,8 | |||
| Коленчатый вал, вращение | правый | |||
| Двигатель, масса, брутто, кг. | 760 | 885 | 885 | 885 |
| Система смазки, л. | 26 | 28 | 28 | 28 |
| Система охлаждения, л. | 18 | |||
Силовые установки КАМАЗ Евро 3 являлись переходным звеном между Евро 2 и Евро 4. Более современными и популярными двигателями являются агрегаты модификации Евро 4. Технические характеристики двигателей КАМАЗ:
Силовые установки КАМАЗ (Евро 4)
Дополнительно на автомобили КАМАЗ устанавливались силовые установки иностранного производства. По характеристикам они ничем не уступали нашим двигателям, но имели существенный недостаток в цене — были дороже.Агрегаты зарекомендовали себя как надежное, прочное, мощное оборудование, достойное внимания пользователя.
Все двигатели серии 740 имеют одинаковый принцип работы. К особенностям относятся:
- Блок цилиндров — основная часть двигателя, он выполнен по принципу единого блока, все навесное оборудование к нему прикреплено;
- Коленчатый вал расположен по центру установки, имеет значительный сдвиг в нижнюю часть двигателя. Под коленчатым валом находится картер, содержащий масло.Объем масла в двигателе примерно 26 или 28 литров.
- Что касается клапанов — их 16, по два клапана на цилиндр.
Ремонт двигателя КАМАЗ 740 необходимо проводить в специализированных мастерских. Дело в том, что обслуживание дизельных электростанций осложняется особенностями самих моторов и является непростой задачей.
Единственное, что можно сделать своими руками, не нанеся значительного вреда, — это отсутствие специальных инструментов — это замена масла и охлаждающей жидкости.
Охлаждающая жидкость, замена
Система охлаждения — закрытая жидкостная с принудительной циркуляцией. Температурный режим контролируется термостатом и гидравлической муфтой. Сама циркуляция происходит за счет центробежного насоса, процесс следующий: сначала промывается левый ряд цилиндров, затем правый.
Охлаждающая жидкость протекает через гильзы цилиндров и отверстие в головке цилиндров. Нагретый антифриз поступает к термостату и, в зависимости от того, где он его обнаруживает, к водяному насосу или к радиатору.
Согласно регламенту технического регламента охлаждающую жидкость в электростанции необходимо менять, в зависимости от эксплуатации, каждые три или пять лет. Главный показатель непригодности жидкости для дальнейшего использования — ее цвет. Если он имеет грязный оттенок и отличается от исходного цвета, дальнейшее использование не допускается.
Следить за уровнем охлаждающей жидкости в этот момент стоит на силовой установке постоянно, во избежание перегрева мотора. При необходимости доливаем необходимое количество жидкости, например Тосол-А40.При каждом запуске мотора желательно проводить следующие действия:
- На специальном расширительном бачке откройте кран и посмотрите, не вытечала ли жидкость. Если да, то уровень нормальный. Верните кран в исходное состояние и запустите двигатель. Если нет, долейте охлаждающую жидкость, пока она не потечет из крана. Если жидкость не течет, проверьте клапан и систему охлаждения в целом на предмет повреждений.
- При недостатке охлаждающей жидкости или ее отсутствии запускать силовую установку категорически запрещается.Выполнив это действие, вы можете вывести крыльчатку из строя, что повлечет за собой дорогостоящий ремонт.
- При необходимости замены жидкости из-за ее неудовлетворительного состояния: необходимо слить жидкость из нижнего крана радиатора, бойлера, отопителя, из трубы печки кабины. После этого необходимо закрыть все краны и долить систему до нужного уровня.
Масло, замена
Силовая установка оснащена комбинированной системой смазки, масло к трущимся деталям подается разными способами: напылением, самотеком, под давлением.В состав агрегата входят устройства: накопитель, подача, фильтрация, охлаждение масла.
Движение масла начинается из поддона с помощью насоса. Через фильтр попадает в маслоприемник, затем в насос и в нагнетательную секцию. С участка через канал попадает в специальный масляный фильтр, а затем в магистраль. Сначала смазываются головка блока цилиндров и сами цилиндры, затем коленчатый вал, газораспределительный механизм, компрессор и топливный насос.
Избыточная смазка удаляется маслосъемными кольцами в цилиндрах, затем выходит через каналы поршня, смазывая подшипник поршневого пальца. Попадая в силовой термодатчик от магистральной магистрали, при открытом кране, включающем гидравлическую муфту, масло тоже смазывает. Если кран закрыт, масло попадает в центробежный фильтр, а затем в поддон.
Сколько масла в двигателе КАМАЗ, какова частота замены и как правильно провести весь процесс, ответы на все эти вопросы должен знать каждый, кто работает с автомобилями этой марки.
Масло, как и все рабочие жидкости, имеет свою периодичность замены. В документации к каждой силовой установке указано, на каком пробеге необходимо произвести замену.
Для проверки уровня масла в двигателе используется специальный щуп с отметкой. На нормальном уровне масло будет иметь значение «B». При недостаточном количестве требуется долить смазочную жидкость до необходимого значения, иначе во время работы двигатель и его детали будут подвергаться значительному износу и преждевременного выхода из строя не избежать.Излишка масла лучше не допускать, так как это может привести к поломке механизмов с резиновыми уплотнителями.
При необходимости заменить масло:
- Запустить двигатель и прогреть до 80 ° С;
- Выключите мотор и открутите сливную пробку картера;
- Полностью слить масло;
- Обязательно поменяйте фильтры;
- Центробежный масляный фильтр необходимо разобрать и промыть ротор;
- Залейте масло до отметки «B» на щупе;
- Запустить электростанцию и дать ей поработать 10 минут;
- Остановите двигатель, дайте маслу отстояться (10 минут) и долейте необходимое количество до отметки «B».
Недостатки и типичные поломки силовых установок
Ремонт двигателей КАМАЗ не доставит владельцу особых хлопот, если строго соблюдать регламент Технического обслуживания и проводить его в соответствии с рекомендациями паспорта. Итак, необходимо регулярно с установленной периодичностью проводить сервисное обслуживание основных узлов, замену рабочих жидкостей, регулировку тепловых зазоров, замену фильтров.
Если серьезных поломок избежать не удалось, рекомендуется отремонтировать двигатель КАМАЗ лучше квалифицированными специалистами, так как для всех необходимых работ требуется специальное оборудование и стенды.
К основным неисправностям электростанций относятся:
- Электростанция не запускается. В системе подачи топлива может присутствовать воздух. Необходимо выявить причину появления воздуха, привести систему в герметичное состояние и прокачать топливо.
- Двигатель не запускается. Возможно, нарушен угол опережения впрыска топлива. Необходимо отрегулировать угол опережения.
- Двигатель не запускается при минусовой температуре… Попадание воды в топливопроводы или на решетку забора топлива и последующее ее замерзание. Топливные фильтры, баки и трубки необходимо прогреть горячей водой, чтобы растопить застывшую жидкость.
- Неровная работа силового агрегата, мотор сильно вибрирует, холостые обороты не держит, мощность проседает с увеличением оборотов. Возможная причина — засорение форсунок. Для устранения неисправности необходимо промывать форсунки на специальной подставке.
Характеристики КАМАЗ-740
| Производство | КАМАЗ-Дизель |
| Марка двигателя | 740 |
| Годы выпуска | 1975-настоящее время |
| Материал блока цилиндров | чугун |
| Тип двигателя | дизель |
| Конфигурация | V-образная |
| Количество цилиндров | 8 |
| Клапаны на цилиндр | 2 |
| Ход поршня, мм | 120 130 |
| Диаметр цилиндра, мм | 120 |
| Степень сжатия | 16.0 16,8 17,0 |
| Объем двигателя, куб. См | 10850 (Евро-0/1/2) 11760 |
| Мощность двигателя, л.с. / об / мин | 210/2600 220/2600 240/2200 260/2600 260/2200 260/2200 280/1900 290/2200 300/2200 320/2200 360/1900 400/2200 420 / 1900 440/1900 |
| Крутящий момент, Нм / об / мин | 667 / 1600-1800 667 / 1600-1800 834/1400 834 / 1600-1800 932/1400 1079/1300 1177/1300 1216/1400 1177/1400 1275/1400 1569/1200 -1400 1570/1400 1864/1300 2060 / 1250-1350 |
| Экологические стандарты | Евро 0-5 |
| Турбокомпрессор | ТКР 700 ТКР 7Н1К |
| Масса двигателя, кг | 750 (740.10) 842 (740,11) 865 (740,30 / 35) 870 (740,602 / 70) 885 (740,35 / 50/60) |
| Расход топлива, л / 100 км (для КамАЗ-55111) | 36,5 |
| Расход масла,% к расходу топлива, не более | 0,8 (7403) 0,6 (740,10) 0,3 (740,11) 0,2 (740,30 / 35/37/38/50) 0,1 (740,60) 0,06 (740,70) |
| Моторное масло | 5W-30 15W-40 |
| Сколько масла в двигателе, л | 28 |
| Замена масла проведена, км | 16000 |
| Размеры, мм: — длина — ширина — высота | (740.10) 1150 893 1007 |
| Ресурс двигателя, км — по данным завода — по практике | 400 000/800 000/1 000 000 — |
| Тюнинг, л.с. — потенциал — без потери ресурса | — — |
| Установлен двигатель | КамАЗ-4306, 4310, 43101, 43114, 43115, 43118, 43253 КамАЗ-4326, 4350, 43501, 4925 КамАЗ-5297, 5315, 5320, 53212, 53213, 53215, 53228, 53229 КамАЗ-5325, 5350 , 53605, 5410, 54112, 54115, 5415 КамАЗ-5425, 5460, 55102, 5511, 55111 КамАЗ-6350, 63501, 6450, 6460, 65111, 65112«, КамАЗ-6520, 65201, 6522, 65221, 65224, 65225, 6540, 6560 Урал-4320, 5323, ЗИЛ-133 АГМС ГАЗ-5903 ЛиАЗ-5256 НефАЗ-4208, 42111, 5297, 5299, 5633, 6606, АЦ-3,0-40 |
Надежность, проблемы и ремонт КАМАЗ 740
Производство двигателя для грузовых автомобилей Камского автозавода было начато в 1975 году и стал первым двигателем внутреннего сгорания для КамАЗа.Этот двигатель имеет 8-цилиндровый чугунный V-образный блок с развалом 90 °, вылетом 29,5 мм и гильзами из мокрого чугуна … Блок содержит стальной коленчатый вал с ходом поршня 120 мм, диаметр коренных шеек 95 мм. мм, а диаметр шатунов — 80 мм. Шатуны изготовлены из стали (длина 225 мм), поршни — из алюминия (высота 75,7 мм), камера сгорания у них смещена на 5 мм от центра. Диаметр поршневого пальца 45 мм. В турбо-версиях поршни охлаждаются с помощью масляных форсунок, установленных в блоке цилиндров.
Давление масла на КамАЗ 740 составляет 4,0-5,5 кгс / см 2.
Сверху блока устанавливаются отдельные чугунные головки для каждого цилиндра отдельно, каждая ГБЦ имеет по 2 клапана. Диаметр тарелок впускных клапанов 51,6 мм, а выпускных 46,6 мм. Распределительный вал расположен в блоке цилиндров и приводит в действие клапаны с помощью штоков, толкателей и коромысел. Привод распределительного вала — шестерня от коленчатого вала. На базовом моторе Евро-0 характеристики распредвала следующие: фаза 242/256, лифт 14.2 / 13,7 мм.
Регулировка клапана на КамАЗ 740 требуется по необходимости, зазоры клапанов: впускной 0,3 мм, выпускной 0,4 мм. Порядок регулировки клапана: 1-5-4-2-6-3-7-8. №
Для этого на ДВС была установлена помпа ЯЗДА 33 и форсунки 33-03 / 10, в дальнейшем их неоднократно меняли на самые разные модификации (подробнее см. Ниже).
Моторы под Евро-1 отличаются коленчатым валом, поршнями, поршневыми пальцами, поршневыми кольцами, доработанной головкой, турбонаддувом без интеркулера, помпой ЯЗДА 337, 273 форсунками.
Для двигателей под Евро-2 с ходом 120 мм применяется коленчатый вал с другой опорой маховика, поршни от Евро-1, а также воздушный интеркулер.
Есть также двигатели Евро-2 с ходом поршня 130 мм, что дает рабочий объем 11,76 л. Есть поршни высотой 70,7 мм, их гильзы, поршневые пальцы остались старые. Дизели
для Евро-3 созданы на базе Евро-2 и имеют собственные более прочные головки, отличаются коленчатым валом, поршневыми кольцами, 274 форсунками.
Двигатели Камаз Евро-4 отличаются поршнями, поршневыми пальцами, кольцами, головками с системой впрыска Common Rail, наличием катализатора SCR.
Версии без SCR экологически приемлемы для класса 4 (Правила 96-02).
На Камаз 740 Евро-4 стоит ТНВД Bosch SR3.4 с давлением впрыска до 1600 бар. Эти двигатели управляются ЭБУ Bosch EDC7UC31.
Эти двигатели комплектуются двумя турбинами ТКР-700-01 и ТКР-700-02 (их аналоги: CZ K27-145, CZ K27-49, TKR 7C-6).
Для исполнения 7403 применялись турбокомпрессоры ТКР 7Н1К-01 и ТКР 7Н1К-02.
Модификации Камаз-740 и их отличия
1. КАМАЗ-740.10 — атмосферный двигатель стандарта Евро-0 мощностью 210 л.с. при 2600 об / мин, крутящий момент 667 Нм при 1600-1800 об / мин.
Встречается на КамАЗ-4310, 43101, 54112, 5320, 53212, 5410, 54112, 55102, 55511; Урал-4320; ЗИЛ-133; AGMS. Ресурс мотора 400 тыс. Км.
2. КАМАЗ-740.10-20 — та же модель, но 271 форсунка.Мощность чуть выше — 220 л.с.
ДВС — КамАЗ-43101, 5320, 53213, 5410, 54112, 55102, 55111; Урал-4320; ЗИЛ-133. №
3. КАМАЗ-7403.10 — турбодвигатель на базе 740.10, с поршнями на степень сжатия 16 (камера сгорания большего размера), со своими поршневыми пальцами, на другой системе впуска, ТНВД 334, форсунками 271, а также с турбины ТКР 7Н1К. Распределительный вал остается старым. Мотор соответствует нормам Евро-0, а его ресурс составляет 400 тыс. Км.Мощность 260 л.с. при 2600 об / мин, крутящий момент 834 Нм при 1600-1800 об / мин.
Устанавливается на КАМАЗ-43101, 43114, 43115, 43118, 54112, 5320, 53212, 5315, 53229, 5325, 5415, 5425; ГАЗ-5903; ЛиАЗ-5256.
4. КАМАЗ-740.11-240 — турбодизель под Евро-1 с ТНВД ЯЗДА 337-40, форсунки 273-31, степенью сжатия 16,5 и мощностью 240 л.с. при 2200 об / мин, крутящий момент 834 Нм при 1400 об / мин. Ресурс увеличен до 800 тыс. Км. У мотора нет интеркулера.
Этот дизель стоит на КамАЗ-4306, 43114, 43118, 43253, 4326, 43501, 4925, 53215, 54115, 55111; НефАЗ-5297, 5299.№
5. КАМАЗ-740.13-260 — аналог 740.11-240 с форсунками ЯЗДА 337-42 и 273-20, мощность увеличена до 260 л.с.
Автомобили с данным двигателем: КамАЗ-43114, 43118, 53215, 54115, 65111, 65115.
6. КАМАЗ-740.30-260 — модель по стандарту Евро-2. Есть турбины ТКР 700 с интеркулером, помпа ЯЗДА 337-20 и форсунки 273-20. Мощность 260 л.с. при 2200 об / мин, крутящий момент 1079 Нм при 1300 об / мин.
Стенды на КамАЗ-43118, 5350, 65112, 65115, 65116; НефАЗ-5299.
7. КАМАЗ-740.31-240 — аналог 740.30, но мощность снижена до 240 л.с.
Устанавливается на КамАЗ-43114, 43118, 43253, 4326, 4350, 43501, 5297, 53215, 53228, 53229, 53605, 54115, 55111; НефАЗ-5299; ЛиАЗ-5256. №
8. КАМАЗ-740.35-400 — версия с коленчатым валом с ходом поршня 130 мм, что позволило увеличить рабочий объем до 11,76 л, степень сжатия 16,8. Есть турбины ТКР 700 с интеркулером, ТНВД 337-24, форсунки 274-22, ЭБУ ЭЛАРА 50.3763. Мощность равна 400 л.с.при 2200 об / мин, крутящий момент 1570 Нм при 1400 об / мин.
Найден на КамАЗ-6560.
9. КАМАЗ-740.37-400 — тот же 740.35, но есть помпа Bosch PE8P120A920 / 5RV, форсунки AZPI 216-02, блок управления Bosch MS6.1, мощность достигает 400 л.с. при 1900 об / мин момент составляет 1766 Нм при 1300 об / мин.
Это мотор для КамАЗ-5460, 65224, 65225.
10. КАМАЗ-740.38-360 — аналог 740.37, но мощность снижена до 360 л.с. при 1900 об / мин, крутящий момент 1569 Нм при 1200-1400 об / мин.
11. КАМАЗ-740.50-360 — двигатель Евро-2 с насосом ЯЗДА 337-20, форсунками 273-20, с турбинами ТКР-700 и интеркулером. Мощность 360 л.с. при 2200 об / мин, момент 1472 Нм при 1400 об / мин. Заявленный ресурс — 800 тыс. Км. Вы можете найти двигатель внутреннего сгорания на КамАЗ-6350, 63501, 6460, 65115, 6520, 65201, 6522, 65221, 65225; НефАЗ-5299.
12. КАМАЗ-740.51-320 — такая же версия, но мощностью 320 л.с. при 2200 об / мин, крутящий момент 1275 Нм при 1400 об / мин. /
Это мотор для КамАЗ-6520 и 6522.
13.КАМАЗ-740.52-260 — версия мощностью 260 л.с.
14. КАМАЗ-740.53-290 — модель 290 л.с.
15. КАМАЗ-740.55-300 — модификация на 300 л.с. для КамАЗ-43118. №
16. КАМАЗ-740.60-360 — модификация Евро-3 с электронным ТНВД ЯЗДА 337-23, форсунками 274-20, турбокомпрессорами ТКР-700 и ЭБУ ЭЛАРА 50.3763. Мотор стал развивать 360 л.с. при 1900 об / мин, крутящий момент 1570 Нм при 1300 об / мин. Ресурс еще 800 тыс км.
Устанавливается на КамАЗ-6520 и 65201.
17. КАМАЗ-740.61-320 — аналог описанного выше двигателя мощностью 320 л.с.для КамАЗ-6520. Здесь используется насос 337-23.01.
18. КАМАЗ-740.62-280 — турбодизель мощностью 280 л.с. с насосом 337-23.02.
Встретить данный ДВС можно на КамАЗ-5297, 53605, 65111, 65115, 65116, 6540; НефАЗ-4208, 5299.
19. КАМАЗ-740.63-400 — 400-сильный вариант Евро-3 для КамАЗ-6460, 6520 и 65225. Имеются форсунки АЗПИ 216 и электроника Bosch (насос ПЭ8П120А920 / 5РВ, ЭБУ МС 6.1. ).
20. КАМАЗ-740.64-420 — модель Евро-3 на 420 л.с. для КамАЗ-5460 и ЛиАЗ-5256.
21. КАМАЗ-740.65-240 — модификация на 240 л.с. для экологического класса Евро-3. Есть помпа ЯЗДА 337-23.03 / 04, форсунки 274-40 / 41 и блок управления ЭЛАРА 50.3763.
Стоит на КамАЗ-5297 и НефАЗ-5299.
22. КАМАЗ-740.602-360 — модель экологического класса 4 (правила 96-02) с системой впрыска Common Rail. Двигатель внутреннего сгорания показывает 360 л.с., а его ресурс обозначен как 450 тыс. Км.
23. КАМАЗ-740.612-320 — аналог 740.602 на 320 л.с.
24.КАМАЗ-740.622-280 — вариация на 280 л.с. для КамАЗ-65111; НефАЗ-4208, 5633, 6606.
25. КАМАЗ-740.632-400 — модель 400 л.с.
26. КАМАЗ-740.642-420 — топовая модель этой серии, развивающая 420 л.с.
27. КАМАЗ-740.652-260 — версия 260 л.с. для НефАЗ-42111 и АС-3.0-40.
28. КАМАЗ-740.662-300 — 300-сильная модель для НефАЗ-5633 и 6606.
29. КАМАЗ-740.70-280 — аналог 740.602, но имеет катализатор SCR и соответствует нормам Евро-4. Ресурс увеличен до 1 млн км.
30. КАМАЗ-740.71-320 — тот же дизель, но мощность увеличена до 320 л.с.
31. КАМАЗ-740.72-360 — еще более мощная модель — 360 л.с.
32. КАМАЗ-740.73-400 — вариант 400 л.с. для КамАЗ-6460.
33. КАМАЗ-740.74-420 — аналог на 420 л.с.
34. КАМАЗ-740.75-440 — самый мощный из линейки Евро-4 — 440 л.с.
35. КАМАЗ-740.705-300 — версия Евро-5 мощностью 300 л.с.
36. КАМАЗ-740.725-360 — такая же версия 5-го экологического класса мощностью 360 л.с.
37.КАМАЗ-740.735-400 — вариант мощностью 400 л.с.
38. КАМАЗ-7409 — газодизельный двигатель для КАМАЗ-5320.
Неисправности КамАЗ-740
1. Трещины в головках в области сопел. Популярная проблема на двигателях Евро-2, которая случается даже на свежих двигателях (до 100 тыс. Км) из-за особенностей ГБЦ … На головках Евро-3 проблема решена.
2. Износ футеровки. Еще одна проблема с двигателями Евро-3, которые нужно проверять каждые 50-100 тысяч км и при необходимости заменять.Иногда получается даже до 100 тыс. Км.
3. Нагревается. Ищите причины в радиаторе, который время от времени требует чистки, а также в термостатах, гидромуфтах, возможно, проблема в зажигании, в рукавах или головках. Перегрев может привести к трещинам на вкладышах.
4. Дым:
— Белый дым — в баке есть вода или охлаждающая жидкость поступает в цилиндры.
— синий дым — масло поступает в цилиндры.
— черный дым — проблема с топливом, посмотрите как настроена помпа.
5. Стук. Причины нужно искать в форсунках, нерегулируемых клапанах, в зажигании, гильзах, коленвале, возможно проблема в неправильно подобранных поршнях, в поршневых пальцах.
6. Троит. В первую очередь посмотрите на помпу, фильтры, патрубки, патрубки, проверьте свечи, чаще всего здесь хоронят собаку.
Двигатели с Евро-3 имеют масляный насос с пробегом около 150 тыс. Км. Моторы с электроникой Bosch под Евро-2 не любят морозов и плохо заводятся при их наступлении. На двигателях Евро-2 и Евро-3 часто лопается коленчатый вал.ДВС для Евро-3 отличаются повышенным износом гидрораспределителей.
В общем, заливайте хорошее масло, регулярно меняйте, также регулярно обслуживайте машину, старайтесь не перегружать ее, и тогда двигатель будет работать нормально.
Номер двигателя Камаз-740
Обозначение находится на колодке слева по ходу, перед мотором. Для двигателей до 2007 года номер проштампован в районе 4-го цилиндра.
Тюнинг двигателей КамАЗ-740
Поставил турбину
Можно установить турбины на штатный атмосферный 740, переделав его на 7403.Для этого нужно купить две турбины ТКР 7Н1К, заменить поршни на 7403, поставить помпу и форсунки от 7403, а также систему впуска и выпуска … Все готово, достаточно собрать.
Можно поставить турбины на полностью стандартный мотор и все настроить. Будет работать, может, даже долго, но безопаснее конвертировать на 7403.
Двигатель КАМАЗ 740: устройство и ремонт
Грузовые автомобили КАМАЗ начали производство в 1969 году. Для нового поколения грузовиков инженеры создали четырехтактный восьмицилиндровый дизельный двигатель КАМАЗ-740 V8.Этот силовой агрегат имел рабочий объем 10852 см3, а мощность — до 210 лошадиных сил. Затем мощность пришлось расширить со 180 до 360 л.с. Эти грузовики оснащались пневмосцеплением, 5-ступенчатой механической коробкой передач с синхронизаторами.
Устройство дизельного агрегата
Конструкция этих моторов по сравнению с другими работающими на дизельном топливе имеет ряд преимуществ. Агрегат имеет относительно небольшие габариты, а также меньшую массу по сравнению с тем же ЯМЗ 238.
Крутящий момент от двигателя к основным узлам передается через прямозубые цилиндрические шестерни.Таким образом, шестерни представляют собой привод системы фаз газораспределения, насосов и компрессоров, а также гидроусилитель руля.
Этот двигатель (КАМАЗ 740) имеет хороший запуск даже при очень низких температурах окружающей среды. Это стало возможным благодаря мощности аккумуляторной батареи, агрегатов стартера и подогревателя перед запуском.
Технические характеристики двигателя
Модель силовой установки получила название — дизельный КАМАЗ 740. Цилиндры расположены V-образно. Коленчатый вал вращается в правильном направлении. Цилиндры имеют размер 120 мм, глубину 120 мм.Двигатель КАМАЗ 740 рабочим объемом 10,85 л. Имеет высокую степень сжатия 17. Мощность по паспорту в кВт колеблется от 154 до 210. Максимальный крутящий момент 650 кг / м. Минимальный расход топлива 165 л, а максимальный — 178 л. каждый цилиндр имеет один впускной клапан и один выпускной.
Рекомендуем
Как работает сайлентблок задний переднего рычага и сколько он служит?
Сайлентблок задний переднего рычага — один из составных элементов ходовой части автомобиля. Он относится к направляющим элементам подвески вместе с рычагами, выдерживающим колоссальные нагрузки колесами.Однако с этим товаром их много …
Расход масла в двигателе. Шесть причин
Вряд ли можно найти автомобилиста, которого бы не волновал повышенный расход масла. Особенно раздражает, когда это происходит с другим новым мотором. Вот наиболее частые причины, которые приводят к расходу масла в двигателе …
Как работает выхлопная система?
Выхлопная система предназначена для удаления продуктов сгорания из двигателя и вывода их в окружающую среду.Также должно быть обеспечено снижение шумового загрязнения до приемлемых пределов. Как и любые другие сложные устройства, эта система состоит из нескольких …
Рассмотрим двигатель КАМАЗ 740, различные узлы и системы устройства.
Блок
Этот сайт не имеет ничего общего с деталью жилого блока. Предназначен для установки и крепления всех механизмов и основных систем. Блок цилиндров выполнен в виде монолитной литой конструкции. Изделие имеет отверстия и каналы для смазки и охлаждения.
Вверху этого блока находится домкрат под втулкой. Также в корпусе есть каналы и полости для прохождения теплоносителя. Нижняя часть цилиндра также выполняет роль картера двигателя. Вот коленвал. Картер имеет два технологических отверстия для смазки. Внутри узла есть перегородка со специальными ребрами. В этих перегородках и стенках картера сделаны специальные отверстия, которые закрываются крышками. Эти детали служат опорами для коленчатого вала.
Агрегат снабжен опорами для распредвала, здесь же размещены толкатели распредвала.
Кожухи служат направляющими для поршней. Вместе с головным агрегатом они образуют особую полость, в которой происходит сгорание топлива. Корпуса изготовлены из специального чугуна и закалены электричеством.
Верхняя часть плоскости представлена головками блока цилиндров. У каждого своя голова. Эти детали изготовлены из алюминия. Внутри каждой головки имеется рубашка охлаждающей жидкости, которая, в свою очередь, соединена с блоком рубашки. Также каждая головка имеет масляные отверстия, клапаны для впуска и выпуска, специальную прорезь под инжектор.
Устройство и работа систем смазки
Двигатель КАМАЗ 740 оборудован системой смазки комбинированного типа. В зависимости от того, где вы разместили условия, в которых работают фрикционные детали, масло подается разными способами. Систему можно распылять, подавая масло под низким давлением, либо пускать его под действием силы тяжести.
Устройство, которое подает масло под давлением к деталям, более подверженным износу и работающим в особо нагруженных узлах. Этот узел состоит из основных устройств и устройств, содержащих жироулавливающие устройства и устройства подачи и охлаждения масла.
Масло проходит от отстойника к мусороприемнику, проходит через специальный фильтр в виде сетки. Затем он попадает в масляный насос. Из напора по специальному каналу смазка подается в масляный фильтр, а затем по магистрали. Далее по смазочным каналам под давлением проходит смазка ГБЦ и блока цилиндров, а затем к другим узлам, таким как коленчатый вал, газораспределительный механизм, компрессор и топливный насос.
В цилиндрах излишки смазки удаляются с помощью маслосъемного кольца и проходят через канавку поршня.Смазанный таким образом подшипник поршневого пальца в верхней головке.
Из основной магистрали масло подается на датчик температуры и усилия. Если открыть кран, в который входит гидравлическое сцепление, то обработано и сцепление. Если он находится в закрытом положении, жидкость для центробежной очистки фильтров подается в поддон.
Если смазки недостаточно, выходная мощность падает, а детали подвергаются чрезмерному износу, двигатель перегревается, оплавляются подшипники, и поршни могут заклинивать.
Система питания двигателя КАМАЗ 740
На этом наш обзор не заканчивается.Осмотрели двигатель КАМАЗ 740, устройство и систему смазки. Теперь рассмотрим схему питания.
Узлы предназначены для того, чтобы поддерживать топливо в чистоте, а затем распылять его в камеру сгорания в соответствии с режимом работы энергоблока.
Двигатели КАМАЗ-740 оснащены питающим устройством сепарационного типа. Здесь разделены ТНВД и форсунки. Система состоит из резервуаров для хранения дизельного топлива, топливных фильтров, насоса низкого давления, ТНВД и топливопроводов.
Как это работает?
Из топливных баков через насос перекачка топлива происходит на фильтрах. Затем по сети топливопроводов низкого давления дизельное топливо подается на ТНВД. После топливный насос перекачивает дизельное топливо порциями высокого давления исходя из условий работы двигателя через форсунки в цилиндры и камеру сгорания. Инжектор в свою очередь распыляет смесь. Лишнее дизельное топливо снова попадает в бак через перепускной клапан.
Система охлаждения двигателя КАМАЗ 740
Охлаждение представлено в виде замкнутой системы с жидкостным охлаждением и принудительной циркуляцией.
В принципе схема этой системы ничем не отличается от привычной для всех марок автомобилей. Если есть схема двигателя КАМАЗ 740, а там можно посмотреть более подробно.
Охлаждающая жидкость циркулирует с помощью центробежного насоса. Сначала антифриз в полость левого ряда цилиндров, затем через трубку — в правую полость. Затем смесь промывает гильзы цилиндров, а затем через отверстия — полость ГБЦ.
Горячий Охладитель идет к термостату, затем либо к радиатору, либо к водяному насосу.Температуры регулируются термостатами и гидравлическими муфтами.
Главный двигатель
Среди владельцев данного автомобиля основная вина двигателей КАМАЗ 740 — резкое снижение и скачки напряжения, повышенный расход смазочных материалов и топлива. Также распространенной ошибкой является сильный выхлопной дым. Не редкость и падение давления в системе смазки.
Устройство может работать нестабильно на холостом ходу, иногда слышны различные посторонние звуки в разных узлах. В основном неисправности связаны с коленвалом.Возможная утечка охлаждающей жидкости.
Если агрегат был отработан до предела, а большинство — если не прошел надлежащее обслуживание двигателя КАМАЗ 740, ремонт неизбежен. Но после капремонта машина снова может работать в полную силу, а может быть, даже лучше.
Цена
Сегодня это устройство еще можно купить. Двигатель КАМАЗ 740, цена будет в зависимости от комплектации и мощности от 550000 рублей за модель мощностью 240 л.с. до 600 000 рублей за модель мощностью 320 л.с. более дешевый.Рынок моторов с пробегом на данный момент предлагает массу вариантов по более низким ценам.
Итак, мы нашли все особенности двигателя КАМАЗ.
Причины и симптомы низкого давления моторного масла
У вас загорелся индикатор низкого давления масла в двигателе, но что это означает? А что делать, если это случилось во время вождения? Узнайте о причинах потери давления масла и о том, как безопасно решить проблему, если это произойдет с вами.
Признаки низкого давления моторного масла
Контрольная лампа масла
Если давление масла упадет ниже допустимого уровня, датчик может активировать сигнальную лампу масла на приборной панели.Если вы видите, что он загорается, найдите безопасное место для остановки — в идеале — парковку, заправочную станцию или сервисную станцию - и проверьте уровень масла. Если уровень масла в норме, все же рекомендуется отбуксировать его в ремонтную мастерскую. Проблема может быть в неисправном датчике давления масла или у вас может быть более серьезная проблема.
Снижение производительности двигателя
Если вы внезапно теряете мощность, глохнете или сжигаете бензобак быстрее, возможно, у вас ухудшаются характеристики двигателя.Хотя это падение может указывать на несколько автомобильных проблем, распространенной причиной является низкое давление масла в двигателе. Итак, начните с малого и проверьте уровень масла, чтобы увидеть, нужна ли вам простая замена масла и фильтра.
Запах горящего масла
Запах горящего масла может означать, что из вашего автомобиля протекает масло, и это масло может попасть на горячую поверхность компонента в вашем автомобиле. Запах обычно указывает на утечку, которая может привести к снижению давления масла.Если вы чувствуете запах горящего масла во время вождения, найдите заправочную станцию или парковку, где вы можете безопасно остановиться, чтобы проверить уровень масла.
Шум двигателя
Когда у вас заканчивается моторное масло, компоненты вашего двигателя перестают получать смазку, необходимую для правильной работы. Как только это произойдет, вы можете начать слышать лязг, стук, тиканье или скрежет, исходящий от двигателя вашего автомобиля. В этом случае вам нужно, чтобы ваш автомобиль обслуживал профессиональный техник как можно скорее.
Перегрев двигателя
Моторное масло обеспечивает смазку движущихся частей вашего двигателя. Без достаточного давления масла двигатель вашего автомобиля будет работать с пониженной смазкой и повышенным трением, что приведет к большему нагреву. Перегрев двигателя может быть сложной проблемой. Хотя это не всегда означает низкое давление моторного масла, низкое давление моторного масла может привести к перегреву двигателя. А перегрев двигателя означает износ и нагрузку на компоненты двигателя.
Что вызывает падение давления масла?
Низкий уровень моторного масла
Планируя регулярную замену масла, вы в первую очередь можете избежать низкого уровня масла в двигателе. Важно отметить, что автомобили часто могут терять масло из-за ряда проблем, включая ослабленные или протекающие фильтры и изношенные компоненты. Проверяйте уровень масла между заменами масла, чтобы убедиться, что ваш автомобиль не работает с меньшим количеством моторного масла, чем ему необходимо. Не уверены, требуется ли в вашем автомобиле замена масла? Вот шесть признаков того, что он вам нужен сейчас.
Неправильная вязкость масла
Неправильная вязкость масла и, в частности, более низкая вязкость, чем рекомендовано в руководстве по эксплуатации вашего автомобиля, может вызвать срабатывание индикатора низкого давления масла. Масло с более низкой вязкостью может вызвать меньшее сопротивление потоку, что приведет к падению давления масла. Но не дайте себя обмануть: масло с более высокой вязкостью автоматически не становится безопаснее. Если оно выше, чем рекомендовано производителем, это может создать сопротивление потоку, что приведет к плохой смазке двигателя.
Неисправный масляный насос
Проблемы с масляным насосом могут быть результатом нескольких причин, включая загрязнение масла, засорение маслозаборной трубки или неправильную установку. В случае неисправности важно немедленно отремонтировать или заменить насос, поскольку масляный насос играет важную роль в распределении масла по компонентам вашего двигателя. Попросите технического специалиста Tyres Plus проверить, не является ли причина отказа вашего насоса просто возрастом и износом, или есть ли возможное загрязнение, проблемы с уровнем масла или плохое обслуживание масла.
Грязный масляный фильтр
Масляный фильтр отвечает за улавливание потенциально опасного мусора, который никогда не попадает в двигатель. Если не менять регулярно, он может стать слишком засоренным, чтобы выполнять свою работу эффективно. Масляные фильтры также включают клапаны сброса давления, которые в случае засорения фильтра позволяют маслу проходить в обход фильтрующего элемента и свободно течь.
Непосредственно перед тем, как масляный фильтр засорится настолько, чтобы обойти фильтрующую среду, поток масла из масляного фильтра будет уменьшен и может снизить давление моторного масла.Во избежание низкого давления масла в двигателе меняйте масляный фильтр при каждой замене масла. Каждая замена масла в шинах Plus включает замену масляного фильтра.
Что делать, если у вас низкое давление моторного масла
Низкое давление моторного масла может сократить срок службы вашего двигателя. Будьте в курсе проблем с моторным маслом и посетите ближайший к вам Tires Plus для любого необходимого обслуживания и замены масла с полным комплексом услуг уже сегодня!
Ремонт масляного насоса
Масло в основном действует как смазка, которая обеспечивает плавное движение между металлическими частями двигателя, предотвращая их перегрев.На этой странице объясняется значение масляного насоса в обслуживании деталей двигателя.
Масляный насос сжимает масло и отправляет его в различные части двигателя внутреннего сгорания. Обычно он находится в масляном поддоне или сбоку от блока цилиндров. Когда насос работает, масло всасывается из резервуара или поддона и находится под давлением. Затем он передается на вращающиеся подшипники, скользящие поршни и распределительные валы двигателя, а также на другие второстепенные детали двигателя. Сжатое масло образует пленку между поверхностями деталей двигателя, предотвращающую контакт металла с металлом.Масло имеет решающее значение для двигателя, поскольку оно предотвращает трение, возникающее при движении различных частей. Масло также играет роль в охлаждении двигателя и трансмиссии.
Насос может приводиться в движение различными компонентами двигателя, такими как зубчатый ремень или шестерни, которые, в свою очередь, приводятся в действие либо распредвалом, либо коленчатым валом. В систему двигателя входит масляный фильтр, который отфильтровывает мусор, переносимый маслом во время его работы. Обычно в масляную систему также входит датчик для контроля давления масла, протекающего через компоненты двигателя.
Масляный насос при правильном обслуживании может обеспечивать идеальную работу в течение длительного времени. Рекомендуется менять моторное масло, обычно между 3000-4000 миль или в соответствии с рекомендациями производителя.
Проблемы с масляным насосом могут привести к тому, что он создаст давление ниже или выше необходимого давления в масле. В любом случае он не будет смазывать двигатель должным образом. На неисправный масляный насос иногда указывает индикатор низкого давления на приборной панели вашего автомобиля.Однако это также может быть связано с низким уровнем масла в резервуаре из-за протечек в каких-либо деталях. Неисправный масляный насос не обеспечивает достаточного давления, необходимого для защиты компонентов двигателя, что приводит к металлическому контакту между ними. Это приведет к преждевременному износу деталей двигателя. Очевидным признаком неисправного масляного насоса является низкое давление масла на манометре, даже если уровень масла находится на оптимальном уровне. Неисправный масляный насос также вызывает горение индикатора Check Engine. Повышенная температура двигателя, шум гидравлических подъемников, дребезжание клапанного механизма и шум масляного насоса — вот некоторые из других признаков неисправности масляного насоса.
Если вы ищете новый масляный насос с длительным сроком службы, который может устранить проблемы с двигателем, вызванные текущим неисправным насосом, вы можете приобрести его на BuyAutoParts.com. Вы можете просмотреть список масляных насосов, совместимых с вашим автомобилем, выбрав год выпуска, марку и модель. На наши насосы предоставляется лучшая в отрасли гарантия. Они тщательно тестируются на соответствие отраслевым стандартам или превосходят их. После того, как вы разместите свой заказ, он будет доставлен вам вовремя, так как он будет доставлен с одного из наших складов, расположенных недалеко от вашего местоположения.Если у вас возникнут трудности с поиском детали, наша служба поддержки всегда готова помочь вам: позвоните нам по телефону 1-888-907-7225 или оставьте нам письмо по адресу [электронная почта защищена]. Вы можете просмотреть нашу обширную линейку тщательно протестированных Запасные части OEM и запасные части для каждой марки и модели.
Ознакомьтесь с отзывами наших клиентов, чтобы узнать, почему мы являемся самым востребованным онлайн-продавцом автозапчастей на рынке.
Коленвал КамАЗ 740: устройство и размеры, ремонт, замена — общество
Коленчатый вал КамАЗ 740 изготовлен из высококачественной стали, оснащен пятью коренными шейками и четырьмя шатунными аналогами.Детали закалены высокой температурой и предварительной обработкой. Элемент соединительный
Содержимое
Коленчатый вал КамАЗ 740 изготовлен из высококачественной стали, оснащен пятью коренными шейками и четырьмя аналогами шатунов. Эти детали закалены под воздействием высокой температуры и давления. Между собой элементы соединяются специальными щечками и сцепными гантелями.
Характеристики:
Масло подается через специальные отверстия в основных шейках.Для уравновешивания сил инерции и уменьшения вибрации были установлены шесть штампованных противовесов, как и щеки. Также на вал прижимаются два дополнительных противовеса. Запрессованный шарикоподшипник коленвала КамАЗ 740 расположен в расточенном гнезде хвостовика. Угловое размещение деталей относительно коленчатого вала регулируется шпонками.
Равномерное чередование рабочих моментов коленчатого вала КамАЗ 740 обеспечивается расположением шатунных шейек под прямым углом.К каждому элементу подсоединяется пара шатунов: для правого и левого ряда цилиндров.
- Передний противовес.
- Задний аналог.
- Приводная шестерня.
- Элемент шестерни привода ГРМ.
- Ключ.
- Ключ.
- Штырь.
- Джет.
- Разгрузочные щели.
- Прорези маслоснабжения.
- Отверстия маслопровода к шатунным шейкам.
Устройство
Жиклер ввинчивается в полость переднего носика узла.Его калибровочное гнездо подает смазку шлицевого вала редуктора к приводной стороне гидравлической муфты. Коленвал КамАЗ 740 защищен от перемещения по осям парой верхних полуколец и двумя нижними аналогами. Они устанавливаются таким образом, чтобы пазы прилегали к концам вала.
Спереди и сзади на носках блока находится шестерня привода масляного насоса и шестерня ведущего распределительного вала. На заднем конце детали имеется восемь резьбовых соединений для фиксации демпфера крутящего момента.Коленчатый вал уплотнен резиновой манжетой, которая снабжена пыльником, расположенным в картере маховика. Он изготавливается из фторуглерода непосредственно в форме.
Маховик и шейки
Диаметр коренной и шатунной шейки коленвала КамАЗ 740 составляет 95 и 80 миллиметров соответственно. Существует 8 типов реставрационных вставок, которые используются для ремонта без шлифовки. Коренные и шатунные подшипники изготовлены из стальной ленты со свинцово-бронзовым покрытием и оловянным покрытием.Вставки вверху и внизу элемента не взаимозаменяемы. От поперечного и продольного смещения они фиксируются выступами, которые расположены в пазах крышек подшипников и ложа шатунов. Указанные детали имеют соответствующую маркировку (74-05.100-40-58 и 74-05.100-57-51). Демпферы и крышки изготовлены из высокопрочного чугуна. Они скрепляются болтами, которые фиксируются по регламентированной схеме. Маховик фиксируется восемью шпильками из легированной стали и пальцами втулки.Чтобы не повредить узел, под головки болтов ставят шайбы, а на цилиндрической поверхности маховика располагается зубчатый венец.
Демпфер крутящего момента
Коленчатый вал двигателя КамАЗ 740 «снабжен гасителем крутильных колебаний, который крепится восемью болтами на передней носке блока. Деталь включает в себя корпус, закрываемый крышкой. в маховике с запасом хода Герметичность соединений достигается за счет сварных швов на стыках основания и крышки.
Между сердечником и маховиком действует высоковязкий силиконовый компаунд. Жидкость заливается дозировано до фиксации крышки. Регулировка заслонки осуществляется по центрам с помощью шайбы, приваренной к основанию. Выравнивание крутящих моментов происходит за счет торможения демпферной рамы. Эта энергия выделяется в виде теплового потока. Следует отметить, что при ремонте сборки запрещается нарушать целостность корпуса и крышки. Блок с деформациями приходит в негодность для дальнейшего использования.
Шатунно-поршневая группа
Шатун коленчатого вала КамАЗ 740 10 изготовлен из стали методом ковки. Оснащен двутавром, головка вверху — {textend} неразъемная, внизу — {textend} — с прямым соединителем. Окончательная обработка шатуна производится в комплекте с крышкой, которая не является взаимозаменяемой для аналогов. В верхней головке детали находится втулка из сплава бронзы и стали, которая устанавливается прессованием.В нижней части установлены съемные язычки.
Нижняя крышка фиксируется болтами и гайками, запрессованными в шток. Элементы обозначены на случай непредвиденных обстоятельств в виде серийных номеров из трех знаков. Также на крышке выбито клеймо с номером цилиндра. Поршень отлит из алюминиевого сплава и имеет чугунную вставку для верхнего компрессионного кольца. Также головка поршня оснащена центральной вытеснительной камерой сгорания. Элемент смещен в осевом направлении от углублений клапана на пять миллиметров.Боковая часть имеет бочкообразную форму с уменьшением площади отверстий под поршневые пальцы.
Компрессионные и маслосъемные элементы
Поршень комплектуется сальником коленчатого вала КамАЗ 740, а также парой компрессионных колец и одним аналогом маслосъемника. Расстояние от нижнего до нижнего конца верхнего паза 17 мм. Поршневая часть моторов 740/11, 740/13 и 740/14 отличается друг от друга формой колец для колец, поэтому не взаимозаменяема.
Компрессионные элементы усилены, а маслосъемное кольцо {textend} изготовлено из серого чугуна. На «двигателе» 740/11 конфигурация сечения зажимов — односторонняя трапеция. При установке верхний наклонный конец размещается сбоку от днища поршня. Рабочая бочкообразная часть кольца покрыта молибденом. Поверхность второго компрессионного и маслосъемного кольца хромирована.
При установке середина расширителя находится в специальном замке.Маслосъемное кольцо имеет коробчатую форму, на 740/11 оно имеет высоту 5 миллиметров, а на 740/13 и 740/14 — {textend} 4 мм.
Ремонтные размеры коленвала КамАЗ 740
В таблицах ниже указаны размеры, при которых допускается восстановление деталей узла:
Разновидность | Размер главной шейки (мм) | Цилиндр монтажное отверстие (мм) |
RO-1 | 94,7 | 100 |
RO-2 | 94,5 | 002 100209 |
P10 | 95,0 | 100,5 |
P11 | 94,75 | 100,5 |
100,5 | ||
P13 | 94,25 | 100,5 | PO3 | 94,25 | 100 |
Номинальные размеры коленчатого вала КамАЗ 740 для ремонта и замены вкладышей:
9019 Обозначение диаметра Диаметр шейки шатуна (мм) | Диаметр отверстия кривошипа (мм) | |
PO1 | 79,75 | 85,0 |
| 000 79,5 | 85,0 | |
PO3 | 79,25 | 85,0 |
P10 | 802002 85,5 | |
P11 | 79,75 | 85,5 |
P12 9020 0 | 79,5 | 85,5 |
P13 | 79,25 | 85,0 |
Ремкомплект
В комплект для восстановления коленвала КАМАЗ 740 бу входят следующие элементы:
- поршень с кольцами;
- палец и фиксирующие элементы;
- гильза цилиндра;
- уплотнительные детали.
Форсунки охлаждения агрегата смонтированы в картере блока цилиндров и отвечают за своевременную подачу масла из магистрали под давлением 0,8-1,2 кг / см2. Клапан обычно настраивается на это значение. Масло подается внутрь поршней. При сборке двигателя 740-го КамАЗа предусмотрено управление сопловой трубкой по отношению к поршню и гильзам цилиндров, при этом прямой контакт с первым элементом не допускается.
Шатун и поршень соединены с помощью плавающего пальца.По осям движение детали ограничено стопорными кольцами, а сам элемент выполнен из хромоникелевого сплава, диаметр посадочного места составляет {textend} 22 мм. Работа аналога 25 мм не допускается, так как это нарушает баланс силового агрегата.
Восстановление коленвала на примере
Чтобы разобраться в особенностях ремонта рассматриваемого агрегата, рассмотрим один из примеров его ремонта. Коленчатый вал был снят с списанного грузовика, который перевозил комбикорм.После доставки детали были вскрыты, поддон снят, шатун, вкладыши, основная шейка откручены. Оказалось, что прокладки из жестяной банки устанавливались как уплотнители под коромысло. Вкладыши были полностью желтыми и не представляли собой полезных элементов, так как было слишком заметно истощение рабочих гнезд.
Вал решили снять и отправить на шлифовку, при этом на вкладышах наблюдалась деформация в виде царапин. При этом шейки шатуна и вал были в отличном состоянии.Местные аналоги были вывезены на повторный ремонт. Кстати, чистку и промывку коленчатого вала можно эффективно производить следующим образом:
- подключить распылитель к компрессору;
- в емкость залито дизельное топливо;
- чистый картон кладется под коленчатый вал;
- сучок промыть, пока на подстилке не исчезнут грязные пятна и сколы;
- дизельное топливо нагревается до горячего состояния, бензин заливается во второй распылитель.
Опыт показал, что очистка коленчатого вала таким способом очень эффективна и позволяет достичь заводских уровней подачи.
В заключение
Коленчатые валы КАМАЗ 740 проходят классическую закалку воздействием токов высокой частоты. Глубина защищаемого и обрабатываемого слоя составляет около трех миллиметров. Это позволяет получить высокую твердость на всех этапах восстановления узла. Указанный параметр — до 62 HRC. В последнее время производятся азотированные детали.То есть коленчатый вал закаляется термохимическим методом, что позволяет повысить твердость, но уменьшает глубину закаленной детали. Например, после шлифования таким способом возникает проблема с необходимостью повторной обработки, что не всегда актуально в текущих условиях.
.

По завершению процесса сборки насоса, проворачивание валика вручную должно происходить плавно, без каких-либо трудностей, упоров, остановок или заеданий.
Первоочередным для всех видов двигателей является момент хорошей качественной смазки компонентов. Она продлевает работоспособность мотора, не давая деталям активно соприкосаться, вызывать сильное трение, нагрев, как следствие, износ. Например, у Камаза модели 740 система смазки представлена следующими составляющими:
Без его активной работы двигатель будет постоянно перегреваться, либо перегреется сильно всего один раз, после чего потребуется либо переборка мотора, либо его контрактная замена.
Если давление уменьшается, замедляется работа всей системы, и это не означает, что автомобиль просто начинает ездить медленнее, остальные его сопутствующие механизмы начинают «притормаживать».


Каким образом смазка может вытекать? В стыковочных механизмах главенствуют муфты и прокладки, выполненные из резины, полимерного пластика, силикона. Со временем они рассыхаются, расслаиваются, трескаются, даже рвутся. Это не значит, что во время эксплуатации уход был ненадлежащим, просто со временем данный тип расходников неминуемо будет изнашиваться.