Π’ΠΎΠΏΠ»ΠΈΠ²Π½Π°Ρ Π±Π°Π»Π°Π½ΡΠΈΡΠΎΠ²ΠΊΠ°, ΡΠ°ΡΡΡ 3
Π§Π°ΡΡΡ 1Β Π§Π°ΡΡΡ 2
ΠΠ°ΠΆΠ΄ΠΎΠ΅ ΠΠ½Π΅Π½ΠΈΠ΅ ΠΈΠΌΠ΅Π΅Ρ ΠΏΡΠ°Π²ΠΎ Π½Π° ΡΡΡΠ΅ΡΡΠ²ΠΎΠ²Π°Π½ΠΈΠ΅ ΠΈ ΡΠΎΡΡΡΠ΅ΡΡΠ²ΠΎΠ²Π°Π½ΠΈΠ΅ Ρ ΡΠ°ΠΊΠΈΠΌΠΈ ΠΆΠ΅ ΠΠ½Π΅Π½ΠΈΡΠΌΠΈ, ΠΏΠΎΡΠΎΠΌΡ ΡΡΠΎ Π²ΡΠ΅ ΠΎΠ½ΠΈ ΠΎΡΠ½ΠΎΠ²Π°Π½Ρ ΠΊΠ°ΠΊ ΠΈ Π½Π° ΡΠ΅ΠΎΡΠΈΠΈ, ΡΠ°ΠΊ ΠΈ Π½Π° ΠΡΠ°ΠΊΡΠΈΠΊΠ΅ ΠΈ ΠΏΡΠΎΠ²Π΅ΡΡΡΡΡΡ ΠΈ ΠΏΠ΅ΡΠ΅ΠΏΡΠΎΠ²Π΅ΡΡΡΡΡΡΒ ΠΆΠ΅ΡΡΠΊΠΎ ΠΈ ΠΌΠ½ΠΎΠ³ΠΎΠΊΡΠ°ΡΠ½ΠΎβ¦Π Π½Π΅Π»ΡΠ·Ρ ΠΎΠ³ΡΠ»ΡΠ½ΠΎ ΠΎΡΠ²Π΅ΡΠ³Π°ΡΡ ΠΈΠ»ΠΈ Β«ΠΈΠ½ΡΠ΅Π»Π»Π΅ΠΊΡΡΠ°Π»ΡΠ½ΠΎ-Π±ΠΎΠ»Π΅Π·Π½Π΅Π½Π½ΠΎΒ» ΡΠ·Π²ΠΈΡΡ ΠΏΠΎ ΠΏΠΎΠ²ΠΎΠ΄Ρ, Π½Π°ΠΏΡΠΈΠΌΠ΅Ρ, ΡΠ°ΠΊΠΈΡ Π²ΡΡΠΊΠ°Π·ΡΠ²Π°Π½ΠΈΠΉ Π½Π° Π°Π½Π³Π»ΠΎΡΠ·ΡΡΠ½ΡΡ ΠΊΠΎΠ½ΡΠ΅ΡΠ΅Π½ΡΠΈΡΡ , ΡΡΠΎ Π΄Π»Ρ Π΄Π²ΠΈΠ³Π°ΡΠ΅Π»Π΅ΠΉ ΡΠ΅ΡΠΈΠΈ 7MΒ ΡΒ MAF-sensorΠ²Π΅Π»ΠΈΡΠΈΠ½Π° ΡΠΎΠΏΠ»ΠΈΠ²Π½ΠΎΠΉ ΠΊΠΎΡΡΠ΅ΠΊΡΠΈΠΈ (Fuel Trim) ΠΌΠΎΠΆΠ΅Ρ ΡΠΎΡΡΠ°Π²Π»ΡΡΡ ΠΎΡ Β«ΠΌΠΈΠ½ΡΡΒ» 35% Π΄ΠΎ Β«ΠΏΠ»ΡΡΒ» 30% (Π° Π΄Π΅ΠΉΡΡΠ²ΠΈΡΠ΅Π»ΡΠ½ΠΎ, ΠΏΠΎΡΠ΅ΠΌΡ ΡΠ°ΠΊΠΎΠ΅ Π½Π΅ΡΠΎΠ²ΠΏΠ°Π΄Π΅Π½ΠΈΠ΅ Ρ Β«ΠΎΠ±ΡΠ΅ΠΏΡΠΈΠ½ΡΡΡΠΌΒ» Π² Β«ΠΏΠ»ΡΡ-ΠΌΠΈΠ½ΡΡΒ» 20%?).
Π’ΡΡΠ΄Π½ΠΎ ΡΠΊΠ°Π·Π°ΡΡ ΠΊΠ°ΠΊΠΈΠΌ Π½ΠΎΡΠΌΠ°ΠΌ ΡΠΎΠΊΡΠΈΡΠ½ΠΎΡΡΠΈ (EUROΒ ΠΈΠ»ΠΈΒ ULEV) ΡΠ΄ΠΎΠ²Π»Π΅ΡΠ²ΠΎΡΡΡΡ ΠΏΡΠΈΠ²Π΅Π΄Π΅Π½Π½ΡΠ΅ Π΄Π°Π½Π½ΡΠ΅, Π½ΠΎβ¦ΡΡΠΎ ΡΠΊΠ°Π·Π°Π½ΠΎ β ΡΠΎ ΡΠΊΠ°Π·Π°Π½ΠΎ. ΠΠ°Π΄ΠΎ ΠΏΡΠΎΡΡΠΎ Π·Π°ΠΏΠΎΠΌΠ½ΠΈΡΡ ΠΈ ΡΠ΄Π΅Π»Π°ΡΡ Β«Π·Π°ΠΌΠ΅ΡΠΎΡΠΊΡΒ» Π² ΡΠ²ΠΎΠ΅ΠΉ ΠΏΠ°ΠΌΡΡΠΈ.Β
ΠΡΠ΅, ΡΡΠΎ ΠΎΠ±ΡΡΠΆΠ΄Π°Π΅ΡΡΡ β ΠΏΡΠ°ΠΊΡΠΈΡΠ΅ΡΠΊΠΈ Π²ΡΠ΅,- ΡΡΠΎ ΡΠΎΠ»ΡΠΊΠΎ ΠΠΈΡΠ½ΠΎΡΡΠ½Π°ΡΒ Π‘ΡΠ±ΡΠ΅ΠΊΡΠΈΠ²Π½ΠΎΡΡΡΒ ΠΠ½Π΅Π½ΠΈΡ, ΠΏΠΎΡΠΎΠΌΡ ΡΡΠΎ ΠΡΠ½ΠΎΠ²Π½Π°ΡΒ ΠΠ±ΡΠ΅ΠΊΡΠΈΠ²Π½ΠΎΡΡΡΒ Π±ΠΎΠ»ΡΡΠΈΠ½ΡΡΠ²Ρ ΠΈΠ· Π½Π°Ρ ΠΏΠΎΠΊΠ° ΡΡΠΎ Π½Π΅Π΄ΠΎΡΡΡΠΏΠ½Π° ΠΈ Ρ ΡΠ°Π½ΠΈΡΡΡ Π² Β«Π³Π»ΡΠ±ΠΎΠΊΠΈΡ ΡΠΏΠΎΠ½ΡΠΊΠΈΡ ΡΠ΅ΠΉΡΠ°Ρ Π½Π° Π·Π°Π²ΠΎΠ΄Π΅-ΠΏΡΠΎΠΈΠ·Π²ΠΎΠ΄ΠΈΡΠ΅Π»Π΅Β».

ΠΠ»Ρ Β«ΡΠ΅ΠΌΠΎΠ½ΡΠ°Β» Π½Π΅ΠΈΡΠΏΡΠ°Π²Π½ΠΎΡΡΠΈ ΠΏΠΎ Π΄ΠΈΠ°Π³Π½ΠΎΡΡΠΈΡΠ΅ΡΠΊΠΎΠΌΡ ΠΊΠΎΠ΄ΡΒ P0170 Π½Π°ΠΌ Π½Π°Π΄ΠΎ ΠΎΡΡΠ°Π»ΠΊΠΈΠ²Π°ΡΡΡΡ ΠΎΡ ΡΡΠ½ΠΊΡΠΈΠΈ (ΡΠΌ.ΠΡΠΈΠΌΠ΅ΡΠ°Π½ΠΈΠ΅) :
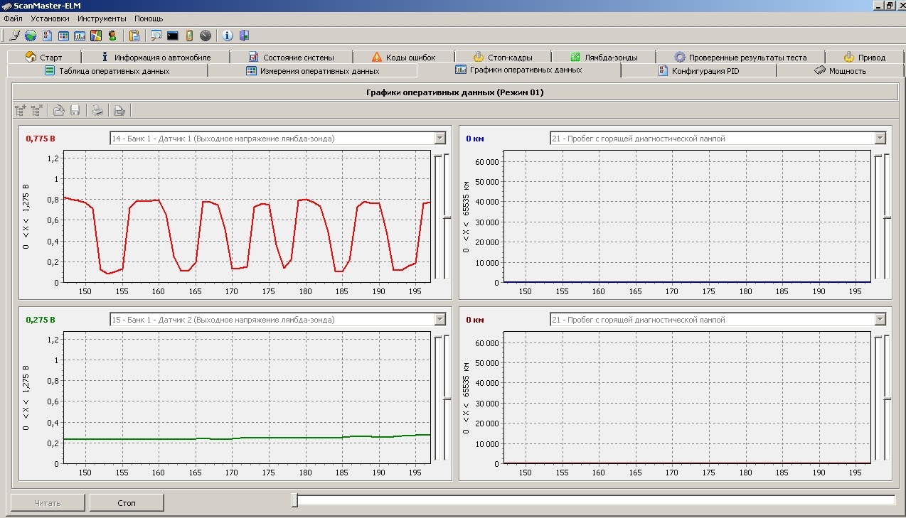
0% Π½Π° Π΄ΠΈΡΠΏΠ»Π΅Π΅ ΡΠΊΠ°Π½Π΅ΡΠ° = ( Π»ΡΠΌΠ±Π΄Π°=1 ) = 14.7:1
,-ΠΊΠΎΡΠΎΡΠ°Ρ Β«Π³ΠΎΠ²ΠΎΡΠΈΡΒ» ΠΎΠ± Β«ΠΈΠ΄Π΅Π°Π»ΡΠ½ΠΎΠΌΒ» ΡΠΎΡΡΠΎΡΠ½ΠΈΠΈ ΡΠΎΠΏΠ»ΠΈΠ²ΠΎ-Π²ΠΎΠ·Π΄ΡΡΠ½ΠΎΠΉ ΡΠΌΠ΅ΡΠΈ.
Π’ΠΎ Π΅ΡΡΡ, ΠΊΠΎΠ³Π΄Π° ΠΌΡ Π²ΠΈΠ΄ΠΈΠΌ Π½Π° Π΄ΠΈΡΠΏΠ»Π΅Π΅ ΡΠΊΠ°Π½Π΅ΡΠ° ΠΏΠΎΠΊΠ°Π·Π°Π½ΠΈΡΒ SHORTΒ ΠΈΠ»ΠΈΒ LONGΒ β ΠΊΠΎΡΡΠ΅ΠΊΡΠΈΡΠΎΠ²ΠΎΠΊ ΡΠ°Π²Π½ΡΠΌ 0%, ΡΠΎ ΡΡΠΎ ΠΎΠ·Π½Π°ΡΠ°Π΅Ρ, ΡΡΠΎ Π² Π΄Π°Π½Π½ΡΠΉ ΠΌΠΎΠΌΠ΅Π½Ρ Π΄Π²ΠΈΠ³Π°ΡΠ΅Π»Ρ ΡΠ°Π±ΠΎΡΠ°Π΅Ρ Π½Π° Β«ΠΈΠ΄Π΅Π°Π»ΡΠ½ΠΎΠΌΒ» ΡΠΎΡΡΠ°Π²Π΅ ΡΠΎΠΏΠ»ΠΈΠ²ΠΎ-Π²ΠΎΠ·Π΄ΡΡΠ½ΠΎΠΉ ΡΠΌΠ΅ΡΠΈ.
Β
ΠΠΎ ΠΏΡΠ΅Π΄ΡΡΠ°Π²ΠΈΠΌ ΡΠ°ΠΊΠΎΠΉ Π²Π°ΡΠΈΠ°Π½Ρ, ΡΡΠΎΒ SHORTΒ β ΠΊΠΎΡΡΠ΅ΠΊΡΠΈΡΠΎΠ²ΠΊΠ° ΡΠ°Π²Π½ΡΠ΅ΡΡΡ, Π½Π°ΠΏΡΠΈΠΌΠ΅Ρ, 15%. Π Β«ΡΡΠΎΠΈΡΒ» Π½Π° ΡΡΠΎΠΌ Β«ΠΏΠΎΡΠΎΠ³Π΅Β» Π½Π΅ΠΈΠ·ΠΌΠ΅Π½Π½ΠΎ. ΠΠ΅ΡΠ²ΠΎΠ΅, Π½Π° ΡΡΠΎ Π½Π°Π΄ΠΎ ΠΎΠ±ΡΠ°ΡΠΈΡΡ Π²Π½ΠΈΠΌΠ°Π½ΠΈΠ΅ ΠΈ ΠΏΡΠΎΠ²Π΅ΡΠΈΡΡ β Π»ΡΠΌΠ±Π΄Π°-Π·ΠΎΠ½Π΄. ΠΠ³ΠΎ ΠΈΡΠΏΡΠ°Π²Π½ΠΎΡΡΡ. ΠΠ³ΠΎ ΡΠ΅Π°Π³ΠΈΡΠΎΠ²Π°Π½ΠΈΠ΅ Π½Π° ΠΈΠ·ΠΌΠ΅Π½Π΅Π½ΠΈΠ΅ ΡΠΈΡΠ»Π° ΠΎΠ±ΠΎΡΠΎΡΠΎΠ² Π΄Π²ΠΈΠ³Π°ΡΠ΅Π»Ρ. Π Π΅ΡΠ»ΠΈ Β«Π»ΡΠΌΠ±Π΄Π°Β» Π²ΠΏΠΎΠ»Π½Π΅ ΠΈΡΠΏΡΠ°Π²Π½Π°Ρ, ΡΠΎ Π΅ΡΡΡ, Β«Π³ΠΎΠ²ΠΎΡΠΈΡ ΡΠ΅ΡΠ΅Π· ΡΠΊΠ°Π½Π΅ΡΒ» ΠΎ ΡΠΎΠΌ, ΡΡΠΎ ΡΠΌΠ΅ΡΡ Β«ΠΎΡΡΠ»Π΅ΠΆΠΈΠ²Π°Π΅ΡΡΡΒ» ΠΏΡΠ°Π²ΠΈΠ»ΡΠ½ΠΎ, ΡΠΎ ΡΡΡ ΡΠΆΠ΅ Π½Π°Π΄ΠΎ ΠΈΡΠΊΠ°ΡΡ ΠΏΡΠΈΡΠΈΠ½Ρ, ΠΊΠΎΡΠΎΡΡΠ΅ ΠΌΠΎΠ³ΡΡ ΡΠΏΠΎΡΠΎΠ±ΡΡΠ²ΠΎΠ²Π°ΡΡ ΠΈΠ·ΠΌΠ΅Π½Π΅Π½ΠΈΡ ΡΠΎΡΡΠ°Π²Π° ΡΠΎΠΏΠ»ΠΈΠ²ΠΎ-Π²ΠΎΠ·Π΄ΡΡΠ½ΠΎΠΉ ΡΠΌΠ΅ΡΠΈ. Π Π½ΠΈΡ
(ΠΎ Π½Π΅ΠΊΠΎΡΠΎΡΡΡ
ΠΏΡΠΈΡΠΈΠ½Π°Ρ
) ΡΠ°ΡΡΠΊΠ°Π·Π°Π½ΠΎ Π² ΠΏΡΠ΅Π΄ΡΠ΄ΡΡΠ΅ΠΉ ΡΡΠ°ΡΡΠ΅ Β«Π’ΠΎΠΏΠ»ΠΈΠ²Π½Π°Ρ ΠΊΠΎΡΡΠ΅ΠΊΡΠΈΡΠΎΠ²ΠΊΠ°-2Β».
Β
ΠΠΎΠ»Π΅Π΅ Π½Π°Π³Π»ΡΠ΄Π½Π΅Π΅ ΠΎΠΏΡΠ΅Π΄Π΅Π»ΠΈΡΡΡΡ Π² ΡΠΎΠΌ, Β«ΠΊΠ°ΠΊ ΠΎΠ½ΠΎ Π²ΡΠ΅ ΡΠ°ΠΌ Π²Π½ΡΡΡΠΈ ΠΊΡΡΡΠΈΡΡΡΒ», ΠΌΠΎΠΆΠ½ΠΎ Π½Π° ΠΏΡΠΈΠ²Π΅Π΄Π΅Π½Π½ΠΎΠΌ ΡΠΈΡΡΠ½ΠΊΠ΅:
Β Β Β Β Β Β Β Β Β Β Β Β Β Β Β Β Β Β Β Β Β Β Β Β Β Β Β Β Β Β Β Β Β Β Β Β Β Β
ΡΠΈΡ.1
Π Π΄Π»Ρ Π±ΠΎΠ»Π΅Π΅ ΠΏΠΎΠ»Π½ΠΎΠ³ΠΎ ΠΏΠΎΠ½ΠΈΠΌΠ°Π½ΠΈΡ ΡΠΎΠ³ΠΎ, ΠΊΠ°ΠΊ ΠΏΡΠΎΠΈΡΡ ΠΎΠ΄ΠΈΡ ΠΊΠΎΡΡΠ΅ΠΊΡΠΈΡΠΎΠ²ΠΊΠ° ΠΈΠ·ΠΌΠ΅Π½Π΅Π½ΠΈΡ ΡΠΎΡΡΠ°Π²Π° ΡΠΎΠΏΠ»ΠΈΠ²ΠΎ-Π²ΠΎΠ·Π΄ΡΡΠ½ΠΎΠΉ ΡΠΌΠ΅ΡΠΈ ΠΏΠΎΠ²ΡΠΎΡΠΈΠΌ ΡΠΎ, ΡΡΠΎ Π±ΡΠ»ΠΎ ΡΠΊΠ°Π·Π°Π½ΠΎ Π² ΠΏΡΠ΅Π΄ΡΠ΄ΡΡΠ΅ΠΉ ΡΡΠ°ΡΡΠ΅ (Β Β ECU ΠΌΠ΅Π½ΡΠ΅Ρ Π΄Π»ΠΈΡΠ΅Π»ΡΠ½ΠΎΡΡΡ Π²ΠΏΡΡΡΠΊΠ° ΡΠΎΠΏΠ»ΠΈΠ²Π° (Π²ΡΠ΅ΠΌΡ ΠΎΡΠΊΡΡΡΠΈΡ ΠΈΠ½ΠΆΠ΅ΠΊΡΠΎΡΠΎΠ²) ΠΏΠ»Π°Π²Π½ΠΎ,ΠΏΠΎ 0.01ms), Π½ΠΎ ΡΠΎΠ»ΡΠΊΠΎ Π² Π³ΡΠ°ΡΠΈΡΠ΅ΡΠΊΠΎΠΌ Π²ΠΈΠ΄Π΅:
ΡΠΈΡ.2
Π ΠΠ°ΠΌΡΡΠΈΒ ECUΒ Π΅ΡΠ΅ Π½Π° Π·Π°Π²ΠΎΠ΄Π΅ ΠΈΠ·Π³ΠΎΡΠΎΠ²ΠΈΡΠ΅Π»Π΅ Π²Π²Π΅Π΄Π΅Π½Π° Π²ΠΎΠ·ΠΌΠΎΠΆΠ½ΠΎΡΡΡ ΠΊΠΎΡΡΠ΅ΠΊΡΠΈΡΠΎΠ²ΠΊΠΈ ΡΠΎΡΡΠ°Π²Π° ΡΠΎΠΏΠ»ΠΈΠ²ΠΎ-Π²ΠΎΠ·Π΄ΡΡΠ½ΠΎΠΉ ΡΠΌΠ΅ΡΠΈ. ΠΠΎΠ³Π΄Π°Β ECUΒ ΠΏΠΎΠ»ΡΡΠ°Π΅Ρ ΠΎΡ Π»ΡΠΌΠ±Π΄Π°-Π·ΠΎΠ½Π΄Π° ΠΈΠ½ΡΠΎΡΠΌΠ°ΡΠΈΡ ΠΎ ΡΠΎΠΌ, ΡΡΠΎ Π’ΠΠ‘ Π² Π΄Π°Π½Π½ΡΠΉ ΠΌΠΎΠΌΠ΅Π½Ρ Β«ΠΎΠ±ΠΎΠ³Π°ΡΠ΅Π½Π°Β» (ΠΎΠ±Π΅Π΄Π½Π΅Π½Π°), ΡΠΎΒ ECUΒ Π½Π°ΡΠΈΠ½Π°Π΅Ρ ΡΠ²Π΅Π»ΠΈΡΠΈΠ²Π°ΡΡ (ΡΠΌΠ΅Π½ΡΡΠ°ΡΡ) Π²ΡΠ΅ΠΌΡ ΠΎΡΠΊΡΡΡΠΈΡ ΡΠΎΡΡΡΠ½ΠΎΠΊ Β«ΠΏΠΎΡΠ°Π³ΠΎΠ²ΠΎΒ», ΡΠΎ Π΅ΡΡΡ, ΠΊΠ°ΠΆΠ΄ΡΠΉ Β«ΡΠ°Π³Β» ΡΠΎΡΡΠ°Π²Π»ΡΠ΅Ρ Π²ΡΠ΅Π³ΠΎ 0.01Β ms. ΠΡΠΎΠΈΡΡ
ΠΎΠ΄ΠΈΡ Β«Π²ΡΠ±ΠΎΡΠΊΠ°Β» Π½ΡΠΆΠ½ΠΎΠ³ΠΎ Π½Π° Π΄Π°Π½Π½ΡΠΉ ΠΌΠΎΠΌΠ΅Π½Ρ ΠΊΠΎΠ»ΠΈΡΠ΅ΡΡΠ²Π° ΡΡΠ΅Π΅ΠΊ (Π½Π° ΡΠΈΡΡΠ½ΠΊΠ΅ Π²Π²Π΅ΡΡ
Ρ) ΠΈ Β«ΠΏΠΎΠ΄ΠΊΠ»ΡΡΠ΅Π½ΠΈΠ΅ ΠΈΡ
ΠΊ ΡΠ°Π±ΠΎΡΠ΅Β» ΠΏΠΎ ΡΠ²Π΅Π»ΠΈΡΠ΅Π½ΠΈΡ (ΡΠΌΠ΅Π½ΡΡΠ΅Π½ΠΈΡ) Π²ΡΠ΅ΠΌΠ΅Π½ΠΈ Π²ΠΏΡΡΡΠΊΠ° ΡΠΎΠΏΠ»ΠΈΠ²Π°.
Π Π΄Π΅Π»Π°ΡΡ ΠΎΠΊΠΎΠ½ΡΠ°ΡΠ΅Π»ΡΠ½ΡΠΉ ΠΈ Π±Π΅ΡΠΏΠΎΠ²ΠΎΡΠΎΡΠ½ΡΠΉ Π²ΡΠ²ΠΎΠ΄ ΠΎ ΡΠΎΠΌ, ΡΡΠΎ, Π½Π°ΠΏΡΠΈΠΌΠ΅Ρ,Β LONG-ΠΊΠΎΡΡΠ΅ΠΊΡΠΈΡ ΠΈΠ·ΠΌΠ΅Π½ΡΠ΅ΡΡΡ Β«ΠΌΠ΅Π΄Π»Π΅Π½Π½ΠΎΒ» ΠΈΠ»ΠΈ Β«Π±ΡΡΡΡΠΎΒ» — Π½Π΅Π»ΡΠ·Ρ, ΠΏΠΎΡΠΎΠΌΡ ΡΡΠΎ Β«ΡΠΎΡΡΠ°Π²Π»ΡΡΡΠΈΡ
Β» ΡΡΠΎΠ³ΠΎ Π΅ΡΠ»ΠΈ Π½Π΅ Β«Π²Π΅Π»ΠΈΠΊΠΎΠ΅ ΠΌΠ½ΠΎΠΆΠ΅ΡΡΠ²ΠΎΒ», ΡΠΎ ΠΌΠ½ΠΎΠ³ΠΎβ¦
ΠΠΎΠΆΠ½ΠΎ Π½Π°Π³Π»ΡΠ΄Π½ΠΎ ΠΏΠΎΡΠΌΠΎΡΡΠ΅ΡΡ Β«ΡΠ΅ΠΌΠΎΠ½ΡΒ» ΠΊΠΎΠ΄Π° Π½Π΅ΠΈΡΠΏΡΠ°Π²Π½ΠΎΡΡΠΈΒ P0170 Π½Π°Β V-ΠΎΠ±ΡΠ°Π·Π½ΠΎΠΉ Β«ΡΠ΅ΡΡΠ΅ΡкС» MPIΒ — 6G72, 2001,:
Β Β Β Β Β Β Β Β Β Β Β Β Β Β
Β Β Β Β Β Β Β Β Β Β Β Β Β Β Β Β Β Β Β Β Β Β Β Β Β Β Β Β ΡΠΎΡΠΎ 1Β Β Β Β Β Β Β Β Β Β Β Β Β Β Β Β Β Β Β Β Β Β Β Β Β Β Β Β Β Β Β Β Β Β Β Β Β Β Β Β ΡΠΎΡΠΎ 2Β Β Β Β Β Β Β Β Β Β Β Β Β Β Β Β Β Β Β Β Β Β Β Β Β Β Β Β Β Β Β Β Β Β Β Β Β Β Β Β Β Β Β Β Β Β Β Β Β Β ΡΠΎΡΠΎ 3
ΠΠ΅ΡΠ²ΠΎΠ½Π°ΡΠ°Π»ΡΠ½ΡΠ΅ ΠΏΠΎΠΊΠ°Π·Π°Π½ΠΈΡ ΡΠΎΠΏΠ»ΠΈΠ²Π½ΠΎΠΉ ΠΊΠΎΡΡΠ΅ΠΊΡΠΈΠΈ ΠΏΡΠΈΠ²Π΅Π΄Π΅Π½Ρ Π½Π° ΡΠΎΡΠΎ 1
Β
ΠΠ° ΡΠΎΡΠΎ 2 ΡΠΆΠ΅ ΠΏΠΎΠΊΠ°Π·Π°Π½Ρ ΠΎΠΊΠΎΠ½ΡΠ°ΡΠ΅Π»ΡΠ½ΡΠ΅ ΡΠ΅Π·ΡΠ»ΡΡΠ°ΡΡ, Π΄ΠΎΠ±ΠΈΡΡΡΡ ΠΊΠΎΡΠΎΡΡΡ
ΡΡΠ°Π»ΠΎ Π²ΠΎΠ·ΠΌΠΎΠΆΠ½ΡΠΌ ΠΏΠΎΡΠ»Π΅ ΠΏΡΠΈΠΌΠ΅Π½Π΅Π½ΠΈΡ Β«Winnβs combusterΒ» (ΡΠΎΡΠΎ3).
ΠΠΎΠ»ΡΡΠ΅Π½Π½ΡΠ΅ Π½Π° Π΄ΠΈΡΠΏΠ»Π΅Π΅ ΡΠΊΠ°Π½Π΅ΡΠ° ΡΠ΅Π·ΡΠ»ΡΡΠ°ΡΡ Π²ΡΠ΅Π³Π΄Π° ΡΡΠΎΠΈΡ Β«ΠΏΡΠΎΠ²Π΅ΡΠΈΡΡ Π²ΡΠ΅ΠΌΠ΅Π½Π΅ΠΌΒ», ΡΠΎ Π΅ΡΡΡ, Β«Π΄Π°ΡΡ ΠΏΠΎΠΊΠ°ΡΠ°ΡΡΡΡΒ» ΠΠ»ΠΈΠ΅Π½ΡΡ ΠΊΠ°ΠΊΠΎΠ΅-ΡΠΎ Π²ΡΠ΅ΠΌΡ, Π° ΠΏΠΎΡΠΎΠΌ ΡΠ½ΠΎΠ²Π° Β«ΡΠ½ΡΡΡΒ»Β ΠΏΠΎΠΊΠ°Π·Π°Π½ΠΈΡ ΠΈ ΡΡΠ°Π²Π½ΠΈΡΡ. Π ΠΏΠΎΡΠΎΠΌ ΠΈΠ»ΠΈ ΡΠ½ΠΎΠ²Π° ΠΡΠΌΠ°ΡΡ ΠΈΠ»ΠΈ ΠΏΠΎΠ»ΡΡΠΈΡΡ ΡΠ΅ΡΡΠ½ΠΎ Π·Π°ΡΠ°Π±ΠΎΡΠ°Π½Π½ΡΠ΅ Π΄Π΅Π½ΡΠ³ΠΈ.
Β
ΠΠ°ΠΊ Π²ΠΈΠ΄Π½ΠΎ ΠΈΠ· ΡΠΎΡΠΎ, Π²Π΅Π»ΠΈΡΠΈΠ½Π° ΡΠΎΠΏΠ»ΠΈΠ²Π½ΠΎΠΉ ΠΊΠΎΡΡΠ΅ΠΊΡΠΈΠΈ Ρ β6.2% ΡΠ½ΠΈΠ·ΠΈΠ»Π°ΡΡ Π΄ΠΎ Β«ΠΏΡΠ°ΠΊΡΠΈΡΠ΅ΡΠΊΠΈ ΠΈΠ΄Π΅Π°Π»ΡΠ½ΡΡ
Β» -0.8% (ΠΏΠΎΠ·ΠΈΡΠΈΠΈ 81 ΠΈ 82).
ΠΡΠΈΠΌΠ΅ΡΠ°Π½ΠΈΠ΅:Β Β«Π€Π£ΠΠΠ¦ΠΠ―,-ΠΈ,ΠΆ.1.Β Π―Π²Π»Π΅Π½ΠΈΠ΅,Β Π·Π°Π²ΠΈΡΡΡΠ΅Π΅Β ΠΎΡ Π΄ΡΡΠ³ΠΎΠ³ΠΎ ΠΈΒ ΠΈΠ·ΠΌΠ΅Π½ΡΡΡΠ΅Π΅ΡΡΒ ΠΏΠΎ ΠΌΠ΅ΡΠ΅ ΠΈΠ·ΠΌΠ΅Π½Π΅Π½ΠΈΡΒ ΡΡΠΎΠ³ΠΎ Π΄ΡΡΠ³ΠΎΠ³ΠΎ ΡΠ²Π»Π΅Π½ΠΈΡ (ΡΠΏΠ΅Ρ). 2. Π ΠΌΠ°ΡΠ΅ΠΌΠ°ΡΠΈΠΊΠ΅:ΠΏΠ΅ΡΠ΅ΠΌΠ΅Π½Π½Π°Ρ Π²Π΅Π»ΠΈΡΠΈΠ½Π°,Β ΠΌΠ΅Π½ΡΡΡΠ°ΡΡΡΒ Π² Π·Π°Π²ΠΈΡΠΈΠΌΠΎΡΡΠΈ ΠΎΡΒ ΠΈΠ·ΠΌΠ΅Π½Π΅Π½ΠΈΡΒ Π΄ΡΡΠ³ΠΎΠΉ Π²Π΅Π»ΠΈΡΠΈΠ½Ρ (Π°ΡΠ³ΡΠΌΠ΅Π½ΡΠ°)Β».
Π‘.Π.ΠΠΠΠΠΠ, Π‘Π»ΠΎΠ²Π°ΡΡ ΡΡΡΡΠΊΠΎΠ³ΠΎ ΡΠ·ΡΠΊΠ°
Π§Π°ΡΡΡ 1 Π§Π°ΡΡΡ 2
ΠΡΡΠΈΡΠ°ΡΠ΅Π»ΡΠ½Π°Ρ ΠΌΡΠ»ΡΡΠΈΠΏΠ»ΠΈΠΊΠ°ΡΠΈΠ²Π½Π°Ρ ΠΊΠΎΡΡΠ΅ΠΊΡΠΈΡ | BMW Club
ΠΠ΅Π½Ρ Π΄ΠΎΠ±ΡΡΠΉ, ΡΠ²Π°ΠΆΠ°Π΅ΠΌΡΠ΅ Π³ΡΡΡ!ΠΠΌΠ΅Π΅ΡΡΡ Ρ ΠΌΠ΅Π½Ρ Π΅39 Ρ m54b30, 2001Π³.
Π²., Π½Π΅ΠΌΠΊΠ°.ΠΠΎ ΠΌΠΎΡΠΎΡΡ: ΠΊΠ°ΡΡΡΠΊΠΈ Π½ΠΎΠ²ΡΠ΅ Π±ΠΎΡ, Π·Π°ΠΌΠ΅Π½Π΅Π½ ΠΏΠΎΡΠ»Π΅ ΡΠΌΠ΅ΡΡΠΈ Π΄Π°ΡΡΠΈΠΊ ΠΏΠΎΠ»ΠΎΠΆΠ΅Π½ΠΈΡ Ρ/Π²Π°Π»Π° ΠΏΠΎ Π²ΡΠΏΡΡΠΊΡ, ΡΠΎΡΡΡΠ½ΠΊΠΈ ΠΏΡΠΎΠΌΡΡΡ Ρ/Π·, Π»ΡΡΡ ΠΎΠ΄ΠΈΠ½Π°ΠΊΠΎΠ²ΠΎ (ΡΠΎΡΠ½Π΅Π΅ Π»ΠΈΠ»ΠΈ 8 ΡΡΡ ΠΊΠΌ Π½Π°Π·Π°Π΄, Π° Π΄ΠΎ ΠΏΡΠΎΠΌΡΠ²ΠΊΠΈ 4 ΠΈΠ· 6 Π½Π΅Π΄ΠΎΠ»ΠΈΠ²Π°Π»ΠΈ), ΡΠΈΠ»ΡΡΡ ΡΠΎΠΏΠ»ΠΈΠ²Π½ΡΠΉ Π·Π°ΠΌΠ΅Π½Π΅Π½ Π½Π° Mahle 10 ΡΡΡ ΠΊΠΌ Π½Π°Π·Π°Π΄, Π΄Π°Π²Π»Π΅Π½ΠΈΠ΅ Π² ΡΠ°ΠΌΠΏΠ΅ ΠΏΡΠΎΠ²Π΅ΡΡΠ» Π²ΠΎΡ ΡΠΎΠ»ΡΠΊΠΎ ΡΡΠΎ, Π³Π΄Π΅-ΡΠΎ 3.6 Π΄Π΅ΡΠΆΠΈΡΡΡ ΠΏΠΎΠ΄ Π½Π°Π³ΡΡΠ·ΠΊΠΎΠΉ, Π½Π° Π²Π°Π½ΠΎΡΠ°Ρ ΠΌΠ΅Π½ΡΠ» ΠΊΠΎΠ»Π΅ΡΠΊΠΈ (ΠΈ ΠΏΠ»Π°ΡΡΠΈΠΊ ΠΈ ΠΌΠ΅ΡΠ°Π»Π»), ΠΊΠ°ΡΡ ΠΏΡΠΈΡΡΡΡΡΠ²ΡΡΡ. ΠΠΈΠ΄ΡΠΎΠΊΠΎΠΌΠΏΠ΅Π½ΡΠ°ΡΠΎΡΡ Π½ΠΎΠ²ΡΠ΅, Π½Π° ΡΠ΅ΠΉΠΊΠ°Ρ Π²ΡΠΏΡΡΠΊΠ½ΠΎΠ³ΠΎ Ρ/Π²Π°Π»Π° ΠΏΡΠΈΡΡΡΡΡΠ²ΠΎΠ²Π°Π»ΠΈ ΠΏΡΠΎΡΠΎΡΠΊΠΈ. Π½Π΅ ΡΠ°ΡΠ°Π»ΡΠ½ΠΎ, Π½ΠΎ ΡΠ΅ΠΌ Π½Π΅ ΠΌΠ΅Π½Π΅Π΅.
ΠΡΠΌΠ±Π΄Ρ Π²ΡΠ΅ 4 Π½ΠΎΠ²ΡΠ΅, Π±ΠΎΡ.
ΠΠ΅ ΡΠ°ΠΊ Π΄Π°Π²Π½ΠΎ ΡΡΠΎ-ΡΠΎ Π½Π΅ Π½ΡΠ°Π²ΠΈΠ»Π°ΡΡ ΡΡΠ³Π° Π½Π° Π½ΠΈΠ·Π°Ρ
, Π·Π°Π»Π΅Π· Π² ΠΈΠ½ΠΏΡ — ΠΌΡΠ»ΡΡΠΈΠΏΠ»ΠΈΠΊΠ°ΡΠΈΠ²Π½Π°Ρ ΠΊΠΎΡΡΠ΅ΠΊΡΠΈΡ Π±ΡΠ»Π° -7%. ΠΡ Π΄ΡΠΌΠ°Ρ, ΡΠ°ΡΡ
ΠΎΠ΄ΠΎΠΌΠ΅Ρ ΠΏΡΠΈΠ΅Ρ
Π°Π». Π‘ΠΊΠΈΠ½ΡΠ» Ρ Π½Π΅Π³ΠΎ ΡΠΈΡΠΊΡ — Π±ΡΠΌΠ΅Ρ ΠΏΠΎΠ²Π°Π»ΠΈΠ», ΡΡΠ³Π° Π½Π° Π½ΠΈΠ·Π°Ρ
ΠΏΠ°ΡΠΎΠ²ΠΎΠ·Π½Π°Ρ.
ΠΡΠΏΠΈΠ» Π½ΠΎΠ²ΡΠΉ ΡΠ°ΡΡ
ΠΎΠ΄ΠΎΠΌΠ΅Ρ VDO, ΠΏΠΎΡΡΠ°Π²ΠΈΠ», ΡΠΊΠΈΠ½ΡΠ» ΠΊΠΎΡΡΠ΅ΠΊΡΠΈΠΈ — ΡΠ½Π°ΡΠ°Π»Π° Π²ΡΠΎΠ΄Π΅ ΡΠΎΡ
ΡΠ°Π½ΠΈΠ»Π°ΡΡ ΡΡΠ³Π°, Π° ΡΠ΅ΠΉΡΠ°Ρ ΡΠΎΠ±ΡΡΠ²Π΅Π½Π½ΠΎ Π²ΡΠ΅ Π²Π΅ΡΠ½ΡΠ»ΠΎΡΡ Π½Π° ΠΊΡΡΠ³ΠΈ ΡΠ²ΠΎΡ. ΠΠΎΡΡΠ΅ΠΊΡΠΈΡ ΠΌΡΠ»ΡΡΠΈΠΏΠ»ΠΈΠΊΠ°ΡΠΈΠ²Π½Π°Ρ -6-7%.
ΠΠ°ΠΊ Ρ ΠΏΠΎΠ½ΠΈΠΌΠ°Ρ, ΡΡΠΎ Π½Π°Ρ
ΠΎΠ΄ΠΎΠ΄ΠΈΡΡΡ Π½Π° Π³ΡΠ°Π½ΠΈ Π±ΠΎΠ±ΡΠ° ΠΈ Π·Π»Π°. Π’.Π΅ ΠΎΡΠΈΡΠΈΠ°Π»ΡΠ½ΠΎ Π³ΡΠ°Π½ΠΈΡΠ° Π²ΡΠΎΠ΄Π΅ ΠΊΠ°ΠΊ -8%.
Π‘ΠΊΠΈΠ½ΡΠ» ΠΊΠΎΡΡΠ΅ΠΊΡΠΈΠΈ, ΠΏΡΠΎΠ΅Ρ
Π°Π» 50 ΠΊΠΌ ΠΏΠΎ Π³ΠΎΡΠΎΠ΄Ρ — ΠΎΠΏΡΡΡΠΈΠ»Π°ΡΡ Π°Π΄Π°ΠΏΡΠ°ΡΠΈΡ Π΄ΠΎ -5%.
Π Π°ΡΡ ΠΎΠ΄ ΠΏΠΎ Π³ΠΎΡΠΎΠ΄Ρ 16-17 Π»ΠΈΡΡΠΎΠ² ΠΏΡΠΈ ΠΏΠ»ΠΎΡΠ½ΠΎΠΌ Π΄Π²ΠΈΠΆΠ΅Π½ΠΈΠΈ, ΠΏΠΎ ΡΡΠ°ΡΡΠ΅ Π½ΠΈΠΆΠ΅ 9.5 Π½Π΅ ΠΎΠΏΡΡΠΊΠ°Π΅ΡΡΡ. ΠΠ°ΡΠΈΠ½Π° Π½Π° ΠΠΠΠ.
ΠΠΎΠΌΠΏΡΠ΅ΡΡΠΈΡ ΠΈΠ·ΠΌΠ΅ΡΡΠ»ΠΈ ΡΡΡ 7 Π½Π°Π·Π°Π΄ — Π±ΡΠ»ΠΎ ΡΠΎΠ²Π½ΠΎ ΠΏΠΎ Π²ΡΠ΅ΠΌ Π³ΠΎΡΡΠΊΠ°ΠΌ.
Π Π°Π²Π½ΠΎΠΌΠ΅ΡΠ½ΠΎΡΡΡ ΡΠ°Π±ΠΎΡΡ ΠΏΠΎ ΠΈΠ½ΠΏΠ΅ Π²ΠΈΠ΄Π½Π° Π½Π° Π²ΠΈΠ΄Π΅ΠΎ.
Π‘ΠΎΠ±ΡΡΠ²Π΅Π½Π½ΠΎ, Π²ΠΎΠΏΡΠΎΡ. ΠΠ·-Π·Π° ΡΠ΅Π³ΠΎ Π΅ΡΠ΅ ΠΌΠΎΠΆΠ΅Ρ ΡΡ ΠΎΠ΄ΠΈΡΡ ΠΌΡΠ»ΡΡΠΈΠΏΠ»ΠΈΠΊΠ°ΡΠΈΠ²Π½Π°Ρ Π°Π΄Π°ΠΏΡΠ°ΡΠΈΡ Π² ΠΌΠΈΠ½ΡΡ ΠΈ ΡΡ ΡΠ΄ΡΠ°ΡΡΡΡ ΡΡΠ³Π° Π½Π° Π½ΠΈΠ·Π°Ρ ? ΠΠΎΠΆΠ΅Ρ Π»ΠΈ ΡΡΠΎ ΠΏΡΠΎΠΈΡΡ ΠΎΠ΄ΠΈΡΡ, Π΅ΡΠ»ΠΈ ΠΏΡΠΈ Π·Π°ΠΌΠ΅Π½Π΅ Π³ΠΈΠ΄ΡΠΈΠΊΠΎΠ² ΠΌΠ½Π΅ Π½Π°ΠΊΠΎΡΡΡΠΈΠ»ΠΈ Ρ ΡΠ°Π·Π°ΠΌΠΈ? Π²ΡΡΡΠ°Π²Π»ΡΠ»ΠΈ ΠΈΡ ΠΏΠΎ ΡΠ°Π±Π»ΠΎΠ½Ρ, Π½ΠΎ Π²ΠΎΠ·Π΄ΡΡ Π½Π΅ ΠΏΠΎΠ΄Π°Π²Π°Π»ΠΈ (ΡΠΊΠ°Π·Π°Π»ΠΈ Π½Π΅ Π½Π°Π΄ΠΎ).
Π‘ΠΏΠ°ΡΠΈΠ±ΠΎ!
ΠΠΈΠ΄Π΅ΠΎ:
ΡΠ°Π²Π½ΠΎΠΌΠ΅ΡΠΎΡΡΡ ΡΠ°Π±ΠΎΡΡ http://www.youtube.com/watch?v=4X6RDF6nagw
Π»ΡΠΌΠ±Π΄Ρ: http://www.youtube.com/watch?v=9TQK8CrStuQ
Π²Π°Π½ΠΎΡΡ: http://www.youtube.com/watch?v=pl2iBG9JIlA
Π°Π½Π°Π»ΠΎΠ³ΠΎΠ²ΡΠ΅ Π·Π½Π°ΡΠ΅Π½ΠΈΡ: http://www.
ΡΠΎΠΏΠ»ΠΈΠ²Π½ΡΠ΅ Π°Π΄Π°ΠΏΡΠ°ΡΠΈΠΈ: http://www.youtube.com/watch?v=c-uc0dvYzsY
Β
ΠΠΎΡΡΠ΅ΠΊΡΠΈΡ ΠΏΠΎΠ΄Π°ΡΠΈ ΡΠΎΠΏΠ»ΠΈΠ²Π°. ΠΠ°ΡΠ°ΠΌΠ΅ΡΡΡ. ΠΠ½Π°Π»ΠΈΠ·.
ΠΠΎΡΡΠ΅ΠΊΡΠΈΡ ΠΏΠΎΠ΄Π°ΡΠΈ ΡΠΎΠΏΠ»ΠΈΠ²Π°. ΠΠ°ΡΠ°ΠΌΠ΅ΡΡΡ. ΠΠ½Π°Π»ΠΈΠ·.ΠΠΎΡΡΠ΅ΠΊΡΠΈΡ ΠΏΠΎΠ΄Π°ΡΠΈ ΡΠΎΠΏΠ»ΠΈΠ²Π°. ΠΠ°ΡΠ°ΠΌΠ΅ΡΡΡ. ΠΠ½Π°Π»ΠΈΠ·.
ΠΠ°ΡΠ°ΠΌΠ΅ΡΡΡ : ΠΠΎΡΡΠ΅ΠΊΡΠΈΡ ΡΠΎΠΏΠ»ΠΈΠ²ΠΎΠΏΠΎΠ΄Π°ΡΠΈ — ΠΎΠΏΠΈΡΠ°Π½ΠΈΠ΅.
ΠΠ°ΡΠ° ΠΆΠΈΠ·Π½Ρ ΠΏΡΠΎΡΠ΅ΠΊΠ°Π΅Ρ ΠΏΠΎΠ΄ Π²ΠΎΠ·Π΄Π΅ΠΉΡΡΠ²ΠΈΠ΅ΠΌ ΠΈ Π² Π·Π°Π²ΠΈΡΠΈΠΌΠΎΡΡΠΈ ΠΎΡ ΡΡΠ»ΠΎΠ²ΠΈΠΉ ΠΎΠΊΡΡΠΆΠ°ΡΡΠ΅ΠΉ ΡΡΠ΅Π΄Ρ. ΠΠ°Π²Π»Π΅Π½ΠΈΠ΅ Π²ΠΎΠ·Π΄ΡΡ
Π° ΠΈ ΠΊΠΎΠ½ΡΠ΅Π½ΡΡΠ°ΡΠΈΡ ΠΊΠΈΡΠ»ΠΎΡΠΎΠ΄Π°, ΡΠΌΠ΅Π½Π° Π΄Π½Ρ ΠΈ Π½ΠΎΡΠΈ Π² ΠΏΡΠΈΠΌΠ΅Π½Π΅Π½ΠΈΠΈ ΠΊ ΠΊΠΎΠ»Π΅Π±Π°Π½ΠΈΡΠΌ ΡΡΡΠΎΡΠ½ΠΎΠΉ ΡΠ΅ΠΌΠΏΠ΅ΡΠ°ΡΡΡΡ, ΠΆΠ°ΡΠ°, Π΄ΠΎΠΆΠ΄Ρ ΠΈ Π³Π΅ΠΎΠ³ΡΠ°ΡΠΈΡΠ΅ΡΠΊΠΎΠ΅ ΡΠ°ΡΠΏΠΎΠ»ΠΎΠΆΠ΅Π½ΠΈΠ΅ ΠΊΠ°ΠΊ Π²Π»ΠΈΡΠ½ΠΈΠ΅ Π½Π° Π²Π»Π°ΠΆΠ½ΠΎΡΡΡ Π²ΠΎΠ·Π΄ΡΡ
Π° … ΠΠΊΡΡΠΆΠ°ΡΡΠ°Ρ Π°ΡΠΌΠΎΡΡΠ΅ΡΠ° ΠΈ ΠΎΡΠ½ΠΎΠ²Π½ΡΠ΅ Π·Π°ΠΊΠΎΠ½Ρ ΠΏΡΠΈΡΠΎΠ΄Ρ Π²Π»ΠΈΡΡΡ Π½Π΅ ΡΠΎΠ»ΡΠΊΠΎ Π½Π° Π²ΡΠ΅ ΠΆΠΈΠ²ΠΎΠ΅ Π½Π° Π·Π΅ΠΌΠ»Π΅, Π½ΠΎ ΠΈ Π½Π° ΡΠ°Π±ΠΎΡΠΎΡΠΏΠΎΡΠΎΠ±Π½ΠΎΡΡΡ ΠΌΠ΅Ρ
Π°Π½ΠΈΡΠ΅ΡΠΊΠΈΡ
ΡΠΈΡΡΠ΅ΠΌ, Π² ΡΠΎΠΌ ΡΠΈΡΠ»Π΅ ΠΈ Π°Π²ΡΠΎΠΌΠΎΠ±ΠΈΠ»Π΅ΠΉ. Π Π±ΠΎΠ»ΡΡΠΈΠ½ΡΡΠ²Π΅ ΡΠ»ΡΡΠ°Π΅Π² Π½ΠΈΠΊΡΠΎ Π½Π΅ ΡΠΏΠΎΡΠΎΠ±Π΅Π½ Π²Π»ΠΈΡΡΡ Π½Π° ΠΏΡΠΎΡΠ²Π»Π΅Π½ΠΈΡ ΠΎΠΊΡΡΠΆΠ°ΡΡΠ΅ΠΉ ΡΡΠ΅Π΄Ρ … ΠΠ΄Π½Π°ΠΊΠΎ, ΡΡΡΠ΅ΡΡΠ²ΡΠ΅Ρ Π²ΠΎΠ·ΠΌΠΎΠΆΠ½ΠΎΡΡΡ ΠΏΠΎΠ΄ΠΊΠΎΡΡΠ΅ΠΊΡΠΈΡΠΎΠ²Π°ΡΡ Π΄Π΅ΠΉΡΡΠ²ΠΈΡ ΠΌΠ΅Ρ
Π°Π½ΠΈΠ·ΠΌΠΎΠ², Π°Π΄Π°ΠΏΡΠΈΡΠΎΠ²Π°Π² ΠΈΡ
ΠΊ Π²ΠΎΠ·Π΄Π΅ΠΉΡΡΠ²ΠΈΡ ΠΎΠΊΡΡΠΆΠ°ΡΡΠ΅ΠΉ ΡΡΠ΅Π΄Ρ … ΠΠ΄Π½Π° ΠΈΠ· ΡΠ°ΠΊΠΈΡ
ΠΏΡΠΎΡΡΡΡ
Π²ΠΎΠ·ΠΌΠΎΠΆΠ½ΠΎΡΡΠ΅ΠΉ — ΡΡΠΎ ΠΊΠΎΡΡΠ΅ΠΊΡΠΈΡ ΠΏΠΎΠ΄Π°ΡΠΈ ΡΠΎΠΏΠ»ΠΈΠ²Π° Π² Π΄Π²ΠΈΠ³Π°ΡΠ΅Π»Ρ .
Parameter : Fuel Correction — ΠΏΡΠΈΡΠΈΠ½Ρ Π½Π΅ΠΈΡΠΏΡΠ°Π²Π½ΠΎΡΡΠΈ.
— ΠΠ°ΡΠΎΡΠ΅Π½ΠΈΠ΅ Π²ΠΎΠ·Π΄ΡΡΠ½ΡΡ
/ ΡΠΎΠΏΠ»ΠΈΠ²Π½ΡΡ
ΡΠΈΠ»ΡΡΡΠΎΠ² …
— Π£ΡΠ΅ΡΠΊΠΈ / ΠΏΠΎΠ΄ΡΠΎΡΡ Π²ΠΎΠ·Π΄ΡΡ
Π° …
— Π£ΡΠ΅ΡΠΊΠΈ / Π½Π΅Π΄ΠΎΡΡΠ°ΡΠΊΠΈ ΡΠΎΠΏΠ»ΠΈΠ²Π° …
— ΠΠ΅Ρ
Π°Π½ΠΈΡΠ΅ΡΠΊΠΈΠ΅ ΠΏΡΠΎΠ±Π»Π΅ΠΌΡ Π²ΠΎΠ·Π΄ΡΡΠ½ΠΎ / ΡΠΎΠΏΠ»ΠΈΠ²Π½ΡΡ
ΡΠ΅Π³ΡΠ»ΡΡΠΎΡΠΎΠ² …
— ΠΠ΅ΠΈΡΠΏΡΠ°Π²Π½ΠΎΡΡΠΈ ΡΠ»Π΅ΠΊΡΡΠΎΠΏΡΠΎΠ²ΠΎΠ΄ΠΊΠΈ / Π΄Π°ΡΡΠΈΠΊΠΎΠ² / ΡΠ»Π΅ΠΊΡΡΠΎΠΊΠ»Π°ΠΏΠ°Π½ΠΎΠ² …
— ΠΠ΅Ρ
Π°Π½ΠΈΡΠ΅ΡΠΊΠΈΠ΅ ΠΏΡΠΎΠ±Π»Π΅ΠΌΡ Π΄Π²ΠΈΠ³Π°ΡΠ΅Π»Ρ …
ΠΠΈΠ°Π³Π½ΠΎΡΡΠΈΠΊΠ°, ΡΠ΅ΡΡΠΈΡΠΎΠ²Π°Π½ΠΈΠ΅.
— ΠΠ½ΠΈΠΌΠ°Π½ΠΈΠ΅! ΠΡΠΈ Π²ΡΠΏΠΎΠ»Π½Π΅Π½ΠΈΠΈ Π½Π΅ΠΊΠΎΡΠΎΡΡΡ
ΠΈΠ· ΡΡΠΈΡ
ΡΠ΅ΡΡΠΎΠ² ΡΠΎΠ·Π΄Π°Π΅ΡΡΡ ΡΠ³ΡΠΎΠ·Π° ΠΏΠΎΠΆΠ°ΡΠ°! Π‘ΡΡΠΎΠ³ΠΎ ΡΠΎΠ±Π»ΡΠ΄Π°ΡΡ ΠΏΡΠ°Π²ΠΈΠ»Π° ΠΏΠΎΠΆΠ°ΡΠ½ΠΎΠΉ Π±Π΅Π·ΠΎΠΏΠ°ΡΠ½ΠΎΡΡΠΈ!
— Π’Π΅ΡΡΡ …
— ΡΠΎΡΡΠ°Π²Π° Π³Π°Π·ΠΎΠ² ΠΈ ΡΠ΅ΠΊΡΡΠ΅Π³ΠΎ Π·Π½Π°ΡΠ΅Π½ΠΈΡ Ξ» …
— ΠΈΡΠΏΡΠ°Π²Π½ΠΎΡΡΠΈ Π΄Π°ΡΡΠΈΠΊΠΎΠ² ΠΊΠΈΡΠ»ΠΎΡΠΎΠ΄Π° …
— ΡΠ΅Π»Π΅Π²Π°Π½ΡΠ½ΠΎΡΡΠΈ ΠΏΠΎΠΊΠ°Π·Π°Π½ΠΈΠΉ Π΄Π°ΡΡΠΈΠΊΠΎΠ² ΡΠΈΡΡΠ΅ΠΌΡ ΡΠΏΡΠ°Π²Π»Π΅Π½ΠΈΡ …
— ΡΠ΅Π°ΠΊΡΠΈΠΈ ΡΠΈΡΡΠ΅ΠΌΡ Π½Π° ΠΏΡΠΈΠ½ΡΠ΄ΠΈΡΠ΅Π»ΡΠ½ΠΎΠ΅ ΠΏΠ΅ΡΠ΅ΠΎΠ±ΠΎΠ³Π°ΡΠ΅Π½ΠΈΠ΅ ΡΠ°ΡΠΏΡΠ»Π΅Π½ΠΈΠ΅ΠΌ Π³Π°Π·Π° / Π±Π΅Π½Π·ΠΈΠ½Π° …
— ΡΡΠ΅ΡΠ΅ΠΊ ΡΠΈΡΡΠ΅ΠΌΡ Π²ΠΏΡΡΠΊΠ° Π²ΠΎΠ·Π΄ΡΡ
Π° ΡΠ°ΡΠΏΡΠ»Π΅Π½ΠΈΠ΅ΠΌ Π³Π°Π·Π° / Π±Π΅Π½Π·ΠΈΠ½Π° …
— ΡΡΠ΅ΡΠ΅ΠΊ ΡΠΈΡΡΠ΅ΠΌΡ Π²Π΅Π½ΡΠΈΠ»ΡΡΠΈΠΈ ΠΊΠ°ΡΡΠ΅ΡΠ½ΡΡ
Π³Π°Π·ΠΎΠ² ΡΠ°ΡΠΏΡΠ»Π΅Π½ΠΈΠ΅ΠΌ Π³Π°Π·Π° / Π±Π΅Π½Π·ΠΈΠ½Π° …
..ΠΠΎΠΏΠΎΠ»Π½ΠΈΡΠ΅Π»ΡΠ½Π°Ρ ΠΈΠ½ΡΠΎΡΠΌΠ°ΡΠΈΡ.
Π₯Π₯ — ΠΎΠ±ΠΎΡΠΎΡΡ, Ρ
ΠΎΠ»ΠΎΡΡΠΎΠΉ Ρ
ΠΎΠ΄ …
Π§Π — ΠΎΠ±ΠΎΡΠΎΡΡ, ΡΠ°ΡΡΠΈΡΠ½Π°Ρ Π½Π°Π³ΡΡΠ·ΠΊΠ°, ΠΏΡΠΈΠΌΠ΅ΡΠ½ΠΎ ΡΠ΅ΡΠ΅Π΄ΠΈΠ½Π° ΡΠΊΠ°Π»Ρ ΠΎΡ Π₯Π₯ Π΄ΠΎ ΠΊΡΠ°ΡΠ½ΠΎΠΉ Π·ΠΎΠ½Ρ ΡΠ°Ρ
ΠΎΠΌΠ΅ΡΡΠ° / ΠΎΠ±ΠΎΡΠΎΡΠΎΠ² … ΠΡΠΈ Π΄ΠΈΠ°Π³Π½ΠΎΡΡΠΈΠΊΠ΅ — Π½Π΅ ΡΠ΅ΠΊΠΎΠΌΠ΅Π½Π΄ΡΠ΅ΡΡΡ ΠΏΡΠ΅Π²ΡΡΠ°ΡΡ 2000 ΠΎΠ±./ ΠΌΠΈΠ½. ΠΏΡΠΈ Π§Π — Π²ΠΎ ΠΈΠ·Π±Π΅ΠΆΠ°Π½ΠΈΠ΅ ΡΡΡΠ²Π° ΡΠ°Π±ΠΎΡΡ ΡΠ°ΡΡΠ΅ΡΠΎΠ² ΠΠΠ£ Π² ΠΎΠ±Π»Π°ΡΡΡ Π½Π΅ΠΊΠΎΠ½ΡΡΠΎΠ»Π»ΠΈΡΡΠ΅ΠΌΡΡ
ΡΠ΅ΠΊΡΡΠΈΡ
Π·Π½Π°ΡΠ΅Π½ΠΈΠΉ, Ρ ΠΏΠΎΠ΄ΠΌΠ΅Π½ΠΎΠΉ Π½Π° ΡΠ°ΡΡΠΈ ΠΏΠ°ΡΠ°ΠΌΠ΅ΡΡΠΎΠ² Π½Π° — ΡΠΎΡ
ΡΠ°Π½Π΅Π½Π½ΡΠ΅ (Π·Π°ΠΏΠΎΠΌΠ½Π΅Π½Π½ΡΠ΅ Π² ΠΏΠ°ΠΌΡΡΠΈ ΠΊΠ°Π»ΠΈΠ±ΡΠΎΠ²ΠΎΠΊ Π±Π»ΠΎΠΊΠ° ΡΠΏΡΠ°Π²Π»Π΅Π½ΠΈΡ) …
ΠΊΠΎΡΡ = +20% … | … Ξ» ΠΌΠ΅Π½ΡΡΠ΅ 1 … | … ΡΠΌΠ΅ΡΡ Π±ΠΎΠ³Π°ΡΠ°Ρ :
— ΡΡΠ΅ΡΠΊΠΈ Π½Π° Π²ΡΠΏΡΡΠΊΠ΅ Π΄ΠΎ HO2S …
ΠΊΠΎΡΡ = +20% / -20% … | … Π½Π΅ΡΡΡΠΎΠΉΡΠΈΠ²ΠΎ :
— ΡΡΠ΅ΡΠΊΠΈ Π½Π° Π²ΠΏΡΡΠΊΠ΅ Ρ ΡΠ°ΡΡ
ΠΎΠ΄ΠΎΠΌΠ΅ΡΠΎΠΌ MAP …
ΠΊΠΎΡΡ Π₯Π₯ = +20% … | … ΠΊΠΎΡΡ Π§Π = +20% :
— Π·Π°Π±ΠΈΡΡΠ΅ ΠΈΠ½ΠΆΠ΅ΠΊΡΠΎΡΠ° / ΡΠΎΡΡΡΠ½ΠΊΠΈ …
— ΡΠ΅Π³ΡΠ»ΡΡΠΎΡ Π΄Π°Π²Π»Π΅Π½ΠΈΠ΅ ΡΠΎΠΏΠ»ΠΈΠ²Π° ΠΌΠ΅Π½ΡΡΠ΅ Π½ΠΎΡΠΌΡ …
— Π½ΠΈΠ·ΠΊΠΎΠ΅ Π½Π°ΠΏΡΡΠΆΠ΅Π½ΠΈΠ΅ HO2S ΠΏΡΠΈ Π½Π΅ΠΈΡΠΏΡΠ°Π²Π½ΠΎΡΡΠΈ …
ΠΊΠΎΡΡ Π₯Π₯ = +20% … | … ΠΊΠΎΡΡ Π§Π = 0% :
— ΡΡΠ΅ΡΠΊΠΈ Π½Π° Π²ΠΏΡΡΠΊΠ΅ Ρ ΡΠ°ΡΡ
ΠΎΠ΄ΠΎΠΌΠ΅ΡΠΎΠΌ MAF …
ΠΊΠΎΡΡ Π₯Π₯ = 0% … | … ΠΊΠΎΡΡ Π§Π = +20% :
— Π·Π°Π³ΡΡΠ·Π½Π΅Π½ΠΈΠ΅ / Π½Π΅ΠΈΡΠΏΡΠ°Π²Π½ΠΎΡΡΡ MAF .
..
— ΠΏΠ°Π΄Π΅Π½ΠΈΠ΅ Π΄Π°Π²Π»Π΅Π½ΠΈΡ / ΠΏΡΠΎΠΈΠ·Π²ΠΎΠ΄ΠΈΡΠ΅Π»ΡΠ½ΠΎΡΡΠΈ Π±Π΅Π½Π·ΠΎΠ½Π°ΡΠΎΡΠ° …
ΠΊΠΎΡΡ Π₯Π₯ = -20% … | … ΠΊΠΎΡΡ Π§Π = -20% :
— ΡΡΠ΅ΡΠΊΠΈ ΠΈΠ½ΠΆΠ΅ΠΊΡΠΎΡΠ° / ΡΠΎΡΡΡΠ½ΠΊΠΈ Π² ΡΠΈΠ»ΠΈΠ½Π΄ΡΡ …
— ΡΠ΅Π³ΡΠ»ΡΡΠΎΡ Π΄Π°Π²Π»Π΅Π½ΠΈΠ΅ ΡΠΎΠΏΠ»ΠΈΠ²Π° Π±ΠΎΠ»ΡΡΠ΅ Π½ΠΎΡΠΌΡ …
— Π²ΡΡΠΎΠΊΠΎΠ΅ Π½Π°ΠΏΡΡΠΆΠ΅Π½ΠΈΠ΅ HO2S ΠΏΡΠΈ Π½Π΅ΠΈΡΠΏΡΠ°Π²Π½ΠΎΡΡΠΈ …
ΠΠ»ΠΈΡΠ½ΠΈΠ΅ ΡΠΈΡΡΠ΅ΠΌΡ EVAP Π½Π° ΡΠΎΠΏΠ»ΠΈΠ²Π½ΡΡ ΠΊΠΎΡΡΠ΅ΠΊΡΠΈΡ.
Π‘ΠΈΡΡΠ΅ΠΌΡ Π²Π΅Π½ΡΠΈΠ»ΡΡΠΈΠΈ ΠΏΠ°ΡΠΎΠ² ΡΠΎΠΏΠ»ΠΈΠ²Π° Π²ΠΎΠ·Π΄Π΅ΠΉΡΡΠ²ΡΠ΅Ρ Π½Π° ΠΊΠΎΡΡΠ΅ΠΊΡΠΈΡ ΡΠΎΠΏΠ»ΠΈΠ²ΠΎΠΏΠΎΠ΄Π°ΡΠΈ, Π·Π°ΠΌΠ΅Π½ΡΡ ΡΠ°ΡΡΡ ΡΠΎΠΏΠ»ΠΈΠ²Π° Π² ΠΆΠΈΠ΄ΠΊΠΎΠΉ ΡΠ°Π·Π΅ Π½Π° Π³Π°Π·ΠΎΠΎΠ±ΡΠ°Π·Π½ΡΡ ΡΠΎΡΡΠ°Π²Π»ΡΡΡΡΡ, ΡΠΌΠ΅Π½ΡΡΠ°Ρ Π²ΡΠ΅ΠΌΡ Π΄Π»ΠΈΡΠ΅Π»ΡΠ½ΠΎΡΡΠΈ Π²ΠΏΡΡΡΠΊΠ°.
Π‘ΠΈΡΡΠ΅ΠΌΠ° Π²Π΅Π½ΡΠΈΠ»ΡΡΠΈΠΈ ΠΏΠ°ΡΠΎΠ² ΡΠΎΠΏΠ»ΠΈΠ²Π° ΠΏΡΠ΅Π΄ΠΎΡΠ²ΡΠ°ΡΠ°Π΅Ρ ΠΏΠΎΠΏΠ°Π΄Π°Π½ΠΈΠ΅ ΠΈΡΠΏΠ°ΡΠ΅Π½ΠΈΠΉ Π±Π΅Π½Π·ΠΈΠ½Π° Π² Π°ΡΠΌΠΎΡΡΠ΅ΡΡ.
ΠΠ΅ΠΈΡΠΏΡΠ°Π²Π½ΠΎΡΡΠΈ ΡΠΈΡΡΠ΅ΠΌΡ EVAP / ΠΏΠ°ΡΡ ΡΠΎΠΏΠ»ΠΈΠ²Π° Π²Π»ΠΈΡΡΡ Π½Π° ΠΊΠΎΡΡΠ΅ΠΊΡΠΈΡ ΡΠΎΠΏΠ»ΠΈΠ²ΠΎΠΏΠΎΠ΄Π°ΡΠΈ Π² ΡΠ°ΠΊΠΎΠΉ ΠΆΠ΅ ΠΌΠ΅ΡΠ΅, ΠΊΠ°ΠΊ ΠΈ Π±Π΅Π½Π·ΠΈΠ½.
ΠΠ΅ΠΈΡΠΏΡΠ°Π²Π½ΠΎΡΡΡ EVAP Π² Π²ΠΈΠ΄Π΅ ΠΈΠ·Π±ΡΡΠΎΡΠ½ΠΎΠΉ ΠΏΠΎΠ΄Π°ΡΠΈ ΠΏΠ°ΡΠΎΠ² ΡΠΎΠΏΠ»ΠΈΠ²Π° / ΠΏΠ΅ΡΠ΅ΠΎΠ±ΠΎΠ³Π°ΡΠ΅Π½ΠΈΠ΅.
ΠΠ΅ΠΈΡΠΏΡΠ°Π²Π½ΠΎΡΡΡ EVAP Π² Π²ΠΈΠ΄Π΅ ΠΈΠ·Π±ΡΡΠΎΡΠ½ΠΎΠΉ ΠΏΠΎΠ΄Π°ΡΠΈ Π²ΠΎΠ·Π΄ΡΡ
Π° / ΠΏΠ΅ΡΠ΅ΠΎΠ±Π΅Π΄Π½Π΅Π½ΠΈΠ΅.
ΠΠΎΡΡΡΠΈΡΠΈΠ΅Π½Ρ ΠΊΠΎΡΡΠ΅ΠΊΡΠΈΠΈ / ΡΠ°ΠΌΠΎΠ°Π΄Π°ΠΏΡΠ°ΡΠΈΠΈ.
— Π·Π½Π°ΡΠ΅Π½ΠΈΠ΅ ΡΠ°ΠΌΠΎΠ°Π΄Π°ΠΏΡΠ°ΡΠΈΠΈ (ΡΠ°ΠΌΠΎΡΠ΅Π³ΡΠ»ΠΈΡΠΎΠ²Π°Π½ΠΈΡ ΡΠΈΡΡΠ΅ΠΌΡ) ΠΊΠΎΡΡΠ΅ΠΊΡΠΈΡΡΠ΅Ρ ΡΠ°ΡΡΠ΅Ρ ΡΠΈΠ³Π½Π°Π»ΠΎΠ² ΡΠΏΡΠ°Π²Π»Π΅Π½ΠΈΡ ΠΠΠ£, Π½Π° ΠΎΡΠ½ΠΎΠ²Π΅ Π±Π°Π·ΠΎΠ²ΡΡ
ΠΊΠ°ΡΡ / ΡΠ°Π±Π»ΠΈΡ Π·Π½Π°ΡΠ΅Π½ΠΈΠΉ ΠΊΠΎΠΌΠΏΠΎΠ½Π΅Π½ΡΠΎΠ² (ΡΠ°ΡΡΡΠΈΡΠ°Π½Π½ΡΡ
ΠΏΡΠΎΠΈΠ·Π²ΠΎΠ΄ΠΈΡΠ΅Π»Π΅ΠΌ), ΠΏΡΡΠ΅ΠΌ ΠΏΡΠΈΠ±Π°Π²Π»Π΅Π½ΠΈΡ (Π°Π΄Π΄ΠΈΡΠΈΠ²Π½ΡΠΉ ΠΊΠΎΡΡΡΠΈΡΠΈΠ΅Π½Ρ) ΠΈΠ»ΠΈ ΡΠΌΠ½ΠΎΠΆΠ΅Π½ΠΈΡ (ΠΌΡΠ»ΡΡΠΈΠΏΠ»ΠΈΠΊΠ°ΡΠΈΠ²Π½ΡΠΉ ΠΊΠΎΡΡΡΠΈΡΠΈΠ΅Π½Ρ) — Π΄Π»Ρ Π΅Π³ΠΎ ΠΎΠΏΡΠΈΠΌΠΈΠ·Π°ΡΠΈΠΈ ΠΏΡΠΈ ΠΈΠ·Π½ΠΎΡΠ΅, ΡΠ°ΡΡΠΈΡΠ½ΡΡ
ΠΎΡΠΊΠ»ΠΎΠ½Π΅Π½ΠΈΡΡ
ΡΠΈΠ·ΠΈΡΠ΅ΡΠΊΠΈΡ
ΠΏΠ°ΡΠ°ΠΌΠ΅ΡΡΠΎΠ² ΠΊΠΎΠΌΠΏΠΎΠ½Π΅Π½ΡΠΎΠ² ΠΈΠ»ΠΈ, ΠΊΠ°ΠΊ ΠΎΡΠ²Π΅ΡΠ½Π°Ρ ΡΠ΅Π°ΠΊΡΠΈΡ Π½Π° Π²Π½Π΅ΡΠ½ΠΈΠ΅ Π²ΠΎΠ·Π΄Π΅ΠΉΡΡΠ²ΠΈΡ .
..
— ΠΊΠΎΡΡΡΠΈΡΠΈΠ΅Π½Ρ ΠΏΠΎΠ·Π²ΠΎΠ»ΡΠ΅Ρ Π½Π°Π³Π»ΡΠ΄Π½ΠΎ ΡΠ²ΠΈΠ΄Π΅ΡΡ ΠΏΡΠΎΡΠ΅Π½Ρ ΠΊΠΎΡΡΠ΅ΠΊΡΠΈΠΈ Π±Π°Π·ΠΎΠ²ΠΎΠ³ΠΎ Π·Π½Π°ΡΠ΅Π½ΠΈΡ Π² ΡΡ ΠΈΠ»ΠΈ ΠΈΠ½ΡΡ ΡΡΠΎΡΠΎΠ½Ρ ΠΈ ΡΠΏΡΠΎΡΠ°Π΅Ρ ΠΎΠΏΡΠ΅Π΄Π΅Π»Π΅Π½ΠΈΠ΅ Π½Π΅ΠΈΡΠΏΡΠ°Π²Π½ΠΎΡΡΠΈ …
— ΠΏΡΠΈ ΠΏΡΠ΅Π²ΡΡΠ΅Π½ΠΈΠΈ ΠΏΡΠ΅Π΄Π΅Π»Π° ΠΊΠΎΡΡΠ΅ΠΊΡΠΈΠΈ Π² ΠΏΠ°ΠΌΡΡΡ ΠΠΠ£ Π·Π°Π½ΠΎΡΠΈΡΡΡΡ ΠΊΠΎΠ΄ Π½Π΅ΠΈΡΠΏΡΠ°Π²Π½ΠΎΡΡΠΈ ΠΈ ΠΠΠ£ ΠΌΠΎΠΆΠ΅Ρ ΠΏΠ΅ΡΠ΅ΠΉΡΠΈ Π² Π°Π²Π°ΡΠΈΠΉΠ½ΡΠΉ ΡΠ΅ΠΆΠΈΠΌ ΡΠ°Π±ΠΎΡΡ …
— ΡΠΈΡΡΠ΅ΠΌΠ° Π»ΡΠΌΠ±Π΄Π°-ΡΠ΅Π³ΡΠ»ΠΈΡΠΎΠ²Π°Π½ΠΈΡ, ΠΏΡΠ΅Π΄Π½Π°Π·Π½Π°ΡΠ΅Π½Π° Π΄Π»Ρ ΠΏΠΎΠ»ΡΡΠ΅Π½ΠΈΡ ΡΠ²Π΅Π΄Π΅Π½ΠΈΠΉ ΠΎ ΡΠ΅ΠΊΡΡΠ΅ΠΌ ΠΎΡΠ½ΠΎΡΠ΅Π½ΠΈΠΈ ΡΠΎΡΡΠ°Π²Π° Π²ΠΎΠ·Π΄ΡΡΠ½ΠΎ / ΡΠΎΠΏΠ»ΠΈΠ²Π½ΠΎΠΉ ΡΠΌΠ΅ΡΠΈ, ΠΏΠΎ ΡΠΈΠ³Π½Π°Π»Ρ Π΄Π°ΡΡΠΈΠΊΠ° ΠΊΠΎΠ»ΠΈΡΠ΅ΡΡΠ²Π° ΠΎΡΡΠ°ΡΠΎΡΠ½ΠΎΠ³ΠΎ ΠΊΠΈΡΠ»ΠΎΡΠΎΠ΄Π° Π² ΡΠΎΡΡΠ°Π²Π΅ Π²ΡΡ
Π»ΠΎΠΏΠ½ΡΡ
Π³Π°Π·ΠΎΠ², ΡΠ°ΡΡΠ΅ΡΠ΅ ΠΈ ΡΠΎΡ
ΡΠ°Π½Π΅Π½ΠΈΠΈ Π² ΠΏΠ°ΠΌΡΡΠΈ ΠΠΠ£ ΠΊΠΎΡΡΡΠΈΡΠΈΠ΅Π½ΡΠ° ΠΊΠΎΡΡΠ΅ΠΊΡΠΈΠΈ … ΠΠΎΡΡΠ΅ΠΊΡΠΈΡΡΡΡΠΈΠΉ ΠΏΠΎΠΊΠ°Π·Π°ΡΠ΅Π»Ρ Π½Π΅ΠΎΠ±Ρ
ΠΎΠ΄ΠΈΠΌ, ΡΡΠΎΠ±Ρ ΠΎΡΠ½ΠΎΡΠ΅Π½ΠΈΠ΅ Π²ΠΎΠ·Π΄ΡΡΠ½ΠΎ / ΡΠΎΠΏΠ»ΠΈΠ²Π½ΠΎΠΉ ΡΠΌΠ΅ΡΠΈ ΠΏΠΎΠ΄Π΄Π΅ΡΠΆΠΈΠ²Π°Π»ΠΎΡΡ ΠΌΠ°ΠΊΡΠΈΠΌΠ°Π»ΡΠ½ΠΎ Π±Π»ΠΈΠ·ΠΊΠΎ ΠΊ Ξ» = 1 (Π΄Π»Ρ ΠΏΠΎΠ»ΡΡΠ΅Π½ΠΈΡ ΠΌΠ°ΠΊΡΠΈΠΌΠ°Π»ΡΠ½ΠΎΠΉ ΠΌΠΎΡΠ½ΠΎΡΡΠΈ, ΡΠΊΠΎΠ½ΠΎΠΌΠΈΡΠ½ΠΎΡΡΠΈ ΠΈ ΡΠ½ΠΈΠΆΠ΅Π½ΠΈΡ ΡΠΎΠΊΡΠΈΡΠ½ΠΎΡΡΠΈ ΠΏΡΠΈ Π²ΡΠ΅Ρ
ΡΠ΅ΠΆΠΈΠΌΠ°Ρ
ΡΠ°Π±ΠΎΡΡ Π΄Π²ΠΈΠ³Π°ΡΠ΅Π»Ρ) … ΠΠ·ΠΌΠ΅Π½Π΅Π½ΠΈΡ Π²Π½ΡΡΡΠΈ ΠΏΠΎΠ΄ΡΠΈΡΡΠ΅ΠΌ ΠΠΠ£ Π±Π°Π·ΠΎΠ²ΠΎΠ³ΠΎ Π²ΡΠ΅ΠΌΠ΅Π½ΠΈ Π²ΠΏΡΡΡΠΊΠ° ΡΠΎΠΏΠ»ΠΈΠ²Π° Π²ΡΡΠΈΡΠ»ΡΠ΅ΡΡΡ Π½Π° ΠΎΡΠ½ΠΎΠ²Π΅ Π²ΡΡΠ°Π±ΠΎΡΠ°Π½Π½ΠΎΠ³ΠΎ ΠΊΠΎΡΡΡΠΈΡΠΈΠ΅Π½ΡΠ° ΠΊΠΎΡΡΠ΅ΠΊΡΠΈΠΈ ΠΎΡΠ½ΠΎΡΠ΅Π½ΠΈΡ ΡΠ΅ΠΊΡΡΠ΅ΠΉ ΡΠΌΠ΅ΡΠΈ.
— ΡΠ°ΠΌΠΎΠ°Π΄Π°ΠΏΡΠ°ΡΠΈΡ ΡΡΠΎ Π·Π½Π°ΡΠ΅Π½ΠΈΠ΅ ΠΊΠΎΡΡΠ΅ΠΊΡΠΈΡΠΎΠ²ΠΊΠΈ, ΡΠΎΡ
ΡΠ°Π½Π΅Π½Π½ΠΎΠ΅ Π² ΠΏΠ°ΠΌΡΡΠΈ ΠΠΠ£ Π½Π° ΠΎΡΠ½ΠΎΠ²Π΅ ΠΈΠ·ΡΡΠ΅Π½Π½ΡΡ
ΡΡΠ»ΠΎΠ²ΠΈΠΉ ΡΠΎΡΡΠΎΡΠ½ΠΈΡ Π²ΠΎΠ·Π΄ΡΡΠ½ΠΎ / ΡΠΎΠΏΠ»ΠΈΠ²Π½ΠΎΠΉ ΡΠΌΠ΅ΡΠΈ (Π½Π° ΠΎΡΠ½ΠΎΠ²Π΅ Π±Π°Π·ΠΎΠ²ΡΡ
Π²Π΅Π»ΠΈΡΠΈΠ½ Π΄Π»Ρ ΠΆΠ΅Π»Π°Π΅ΠΌΠΎΠΉ Ξ» = 1, ΡΠΌΡΡΠ» ΡΠ°ΠΌΠΎΠ°Π΄Π°ΠΏΡΠ°ΡΠΈΠΈ ΠΈΠΌΠ΅Π΅Ρ ΡΠ°Π·Π»ΠΈΡΠ½ΡΠ΅ Π½Π°Π·Π²Π°Π½ΠΈΡ ΡΠ°Π·Π½ΡΡ
ΡΠΈΡΠΌ ΠΏΡΠΎΠΈΠ·Π²ΠΎΠ΄ΠΈΡΠ΅Π»Π΅ΠΉ Π°Π²ΡΠΎΠΌΠΎΠ±ΠΈΠ»Π΅ΠΉ ΠΈ Π±Π»ΠΎΠΊΠΎΠ² ΡΠΏΡΠ°Π²Π»Π΅Π½ΠΈΡ.
Self-adaptation — ΡΠ°ΠΌΠΎΠ°Π΄Π°ΠΏΡΠ°ΡΠΈΡ, ΡΠ°ΠΌΠΎΠΎΠ±ΡΡΠ΅Π½ΠΈΠ΅, ΡΠΏΠΎΡΠΎΠ±Π½ΠΎΡΡΡ ΡΠ»Π΅ΠΊΡΡΠΎΠ½Π½ΠΎΠΉ ΡΠΈΡΡΠ΅ΠΌΡ ΠΏΠΎΠ΄ΡΡΡΠ°ΠΈΠ²Π°ΡΡΡΡ ΠΏΠΎΠ΄ ΡΡΠ»ΠΎΠ²ΠΈΡ ΡΠ΅ΠΊΡΡΠ΅ΠΉ ΡΠ°Π±ΠΎΡΡ Π² ΡΠΎΠΎΡΠ²Π΅ΡΡΡΠ²ΠΈΠΈ Ρ Π·Π°Π»ΠΎΠΆΠ΅Π½Π½ΡΠΌΠΈ Ρ Π°ΡΠ°ΠΊΡΠ΅ΡΠΈΡΡΠΈΠΊΠ°ΠΌΠΈ ΠΎΠΏΡΠΈΠΌΠ°Π»ΡΠ½ΠΎΠΉ ΡΠ°Π±ΠΎΡΡ Π² ΡΡΠΈΡ ΡΡΠ»ΠΎΠ²ΠΈΡΡ .
Additive — Π°Π΄Π΄ΠΈΡΠΈΠ²Π½ΡΠΉ ΠΊΠΎΡΡΡΠΈΡΠΈΠ΅Π½Ρ ΠΊΠΎΡΡΠ΅ΠΊΡΠΈΠΈ, Π·Π°ΡΡΠ΅Π½Π½ΠΎΠ΅ Π·Π½Π°ΡΠ΅Π½ΠΈΠ΅ ΠΊΠΎΡΡΡΠΈΡΠΈΠ΅Π½ΡΠ° ΠΊΠΎΡΡΠ΅ΠΊΡΠΈΠΈ Lambda Π½Π° Ρ ΠΎΠ»ΠΎΡΡΠΎΠΌ Ρ ΠΎΠ΄Ρ.
Multiplicative — ΠΌΡΠ»ΡΡΠΈΠΏΠ»ΠΈΠΊΠ°ΡΠΈΠ²Π½ΡΠΉ ΠΊΠΎΡΡΡΠΈΡΠΈΠ΅Π½Ρ ΠΊΠΎΡΡΠ΅ΠΊΡΠΈΠΈ ΠΏΡΠΈ ΡΠ°ΡΡΠΈΡΠ½ΠΎΠΉ ΠΈΠ»ΠΈ ΠΏΠΎΠ»Π½ΠΎΠΉ Π½Π°Π³ΡΡΠ·ΠΊΠ΅ Π½Π° Π΄Π²ΠΈΠ³Π°ΡΠ΅Π»Ρ. ΠΠ°ΡΡΠ΅Π½Π½ΠΎΠ΅ Π·Π½Π°ΡΠ΅Π½ΠΈΠ΅ ΠΊΠΎΡΡΡΠΈΡΠΈΠ΅Π½ΡΠ° ΠΊΠΎΡΡΠ΅ΠΊΡΠΈΠΈ Lambda ΠΏΡΠΈ ΡΠ°ΡΡΠΈΡΠ½ΠΎΠΉ Π½Π°Π³ΡΡΠ·ΠΊΠ΅ (ΠΏΡΠΈ Π΄Π²ΠΈΠΆΠ΅Π½ΠΈΠΈ Ρ ΡΠ°ΡΡΠΈΡΠ½ΠΎ-ΠΎΡΠΊΡΡΡΠΎΠΉ Π΄ΡΠΎΡΡΠ΅Π»ΡΠ½ΠΎΠΉ Π·Π°ΡΠ»ΠΎΠ½ΠΊΠΎΠΉ).
Π‘ΠΈΡΡΠ΅ΠΌΠ° Π°Π΄Π°ΠΏΡΠΈΠ²Π½ΠΎΠΉ ΠΊΠΎΡΡΠ΅ΠΊΡΠΈΠΈ ΡΡΠ½ΠΊΡΠΈΠΉ.
Adaptive system — ΠΠ΄Π°ΠΏΡΠΈΠ²Π½Π°Ρ ΡΠΈΡΡΠ΅ΠΌΠ° :
— Π‘ΠΈΡΡΠ΅ΠΌΠ° ΡΠΏΡΠ°Π²Π»Π΅Π½ΠΈΡ Π΄Π²ΠΈΠ³Π°ΡΠ΅Π»Π΅ΠΌ, ΡΠΏΠΎΡΠΎΠ±Π½Π°Ρ ΠΊ ΠΎΠ±ΡΡΠ΅Π½ΠΈΡ ΠΈΠ»ΠΈ ΠΏΠ΅ΡΠ΅ΠΎΠ±ΡΡΠ΅Π½ΠΈΡ Π½Π°ΠΈΠ»ΡΡΡΠΈΡ
Π½Π°ΡΡΡΠΎΠ΅ΠΊ Π΄Π»Ρ ΠΊΠ°ΠΆΠ΄ΠΎΠ³ΠΎ ΠΏΡΠΈΠΌΠ΅Π½Π΅Π½ΠΈΡ, ΡΡΠΈΡΠ°Π΅ΡΡΡ Π°Π΄Π°ΠΏΡΠΈΠ²Π½ΠΎΠΉ.
— ΠΠ΄Π°ΠΏΡΠΈΠ²Π½ΠΎΠ΅ ΡΠ΅Π³ΡΠ»ΠΈΡΠΎΠ²Π°Π½ΠΈΠ΅ — ΡΡΠΎ ΡΡΠ½ΠΊΡΠΈΡ ΠΠΠ£, ΠΏΠΎΠ΄ΡΠΈΡΡΠ΅ΠΌΠ° ΠΈΠ»ΠΈ ΡΠΎΡΡΠΎΡΠ½ΠΈΠ΅ Π΄Π°ΡΡΠΈΠΊΠ°, ΠΈΠ·ΠΌΠ΅Π½ΡΡΡΠ΅Π³ΠΎ Ρ
Π°ΡΠ°ΠΊΡΠ΅ΡΠΈΡΡΠΈΠΊΠΈ ΠΎΡ Π²Π½Π΅ΡΠ½ΠΈΡ
ΠΈΠ»ΠΈ Π²ΡΠ΅ΠΌΠ΅Π½Π½ΡΡ
Π²ΠΎΠ·Π΄Π΅ΠΉΡΡΠ²ΠΈΠΉ, ΠΊΠΎΡΠΎΡΡΠ΅ ΡΡΠ΅Π±ΡΠ΅ΡΡΡ ΠΊΠΎΡΡΠ΅ΠΊΡΠΈΡΠΎΠ²Π°ΡΡ.
— ΠΠ±ΡΡΠ½ΠΎ ΡΡΠΎ ΠΏΡΠΎΠΈΡΡ
ΠΎΠ΄ΠΈΡ Π½Π° Ρ
ΠΎΠ»ΠΎΡΡΠΎΠΌ Ρ
ΠΎΠ΄Ρ ΠΈ ΡΠΈΡΡΠ΅ΠΌΠ° ΠΏΡΠΈΡΠΏΠΎΡΠ°Π±Π»ΠΈΠ²Π°Π΅ΡΡΡ ΠΊ Ρ
ΠΎΠ»ΠΎΡΡΠΎΠΌΡ Ρ
ΠΎΠ΄Ρ Π² Π½Π°ΠΈΠ»ΡΡΡΠΈΡ
ΠΎΠ±ΠΎΡΠΎΡΠ°Ρ
Π΄Π»Ρ ΠΊΠ°ΠΆΠ΄ΠΎΠ³ΠΎ ΠΈΠ½Π΄ΠΈΠ²ΠΈΠ΄ΡΠ°Π»ΡΠ½ΠΎΠ³ΠΎ ΡΠ»ΡΡΠ°Ρ.
— ΠΠΎΠ»ΡΡΠΈΠ½ΡΡΠ²ΠΎ Π°Π΄Π°ΠΏΡΠΈΠ²Π½ΡΡ
ΡΠΈΡΡΠ΅ΠΌ ΡΠ΅ΡΡΡΡ ΡΠ²ΠΎΠΈ Π½Π°ΡΡΡΠΎΠΉΠΊΠΈ ΠΏΡΠΈ ΠΎΡΠΊΠ»ΡΡΠ΅Π½ΠΈΠΈ Π°ΠΊΠΊΡΠΌΡΠ»ΡΡΠΎΡΠ°.
— ΠΡΠΈ ΠΏΠΎΠ΄ΠΊΠ»ΡΡΠ΅Π½ΠΈΠΈ Π°ΠΊΠΊΡΠΌΡΠ»ΡΡΠΎΡΠ° ΠΈ ΠΏΠ΅ΡΠ΅Π·Π°ΠΏΡΡΠΊΠ° Π΄Π²ΠΈΠ³Π°ΡΠ΅Π»Ρ ΡΠΈΡΡΠ΅ΠΌΠ΅ ΠΏΠΎΡΡΠ΅Π±ΡΠ΅ΡΡΡ ΠΏΡΠΎΠΉΡΠΈ ΡΠ΅ΡΠ΅Π· ΠΏΠ΅ΡΠ΅ΠΎΠ±ΡΡΠ΅Π½ΠΈΠ΅ Ρ
Π°ΡΠ°ΠΊΡΠ΅ΡΠΈΡΡΠΈΠΊ.
— ΠΠ±ΡΡΠ½ΠΎ ΡΡΠΎ ΠΏΡΠΎΠΈΡΡ
ΠΎΠ΄ΠΈΡ Π΄ΠΎΠ²ΠΎΠ»ΡΠ½ΠΎ Π±ΡΡΡΡΠΎ, Ρ
ΠΎΡΡ ΠΊΠ°ΡΠ΅ΡΡΠ²ΠΎ Ρ
ΠΎΠ»ΠΎΡΡΠΎΠ³ΠΎ Ρ
ΠΎΠ΄Π° ΠΌΠΎΠΆΠ΅Ρ Π±ΡΡΡ ΠΏΠ»ΠΎΡ
ΠΈΠΌ Π΄ΠΎ ΡΡΠΏΠ΅ΡΠ½ΠΎΠ³ΠΎ Π·Π°Π²Π΅ΡΡΠ΅Π½ΠΈΡ ΠΏΡΠΎΡΠ΅ΡΡΠ° Π°Π΄Π°ΠΏΡΠ°ΡΠΈΠΈ.
— ΠΠ΅ Π½Π° Π²ΡΠ΅ ΡΠΈΡΡΠ΅ΠΌΡ Π²ΠΎΠ·Π΄Π΅ΠΉΡΡΠ²ΡΠ΅Ρ ΠΎΡΠΊΠ»ΡΡΠ΅Π½ΠΈΠ΅ Π°ΠΊΠΊΡΠΌΡΠ»ΡΡΠΎΡΠ°, Π² Π½Π΅ΠΊΠΎΡΠΎΡΡΡ
ΡΠΈΡΡΠ΅ΠΌΠ°Ρ
ΠΈΡΠΏΠΎΠ»ΡΠ·ΡΠ΅ΡΡΡ ΡΠ½Π΅ΡΠ³ΠΎΠ½Π΅Π·Π°Π²ΠΈΡΠΈΠΌΠ°Ρ ΠΏΠ°ΠΌΡΡΡ Π΄Π»Ρ ΡΠΎΡ
ΡΠ°Π½Π΅Π½ΠΈΡ Π°Π΄Π°ΠΏΡΠΈΠ²Π½ΡΡ
Π½Π°ΡΡΡΠΎΠ΅ΠΊ.
— ΠΠ΄Π°ΠΏΡΠΈΠ²Π½ΡΠ΅ ΡΡΠ½ΠΊΡΠΈΠΈ Π² Π±Π»ΠΎΠΊΠ°Ρ
ΡΠΏΡΠ°Π²Π»Π΅Π½ΠΈΡ ΠΈΡΠΏΠΎΠ»ΡΠ·ΡΡΡΡΡ Π½Π΅ ΡΠΎΠ»ΡΠΊΠΎ Π΄Π»Ρ ΠΊΠΎΡΡΠ΅ΠΊΡΠΈΠΈ ΡΠΎΠΏΠ»ΠΈΠ²ΠΎΠΏΠΎΠ΄Π°ΡΠΈ …
ΠΠ΄Π°ΠΏΡΠΈΠ²Π½Π°Ρ ΡΡΠ½ΠΊΡΠΈΡ. ΠΠΠ£ Π°Π΄Π°ΠΏΡΠΈΡΡΠ΅ΡΡΡ ΠΊ ΠΈΠ·ΠΌΠ΅Π½Π΅Π½ΠΈΡ ΡΠ°Π±ΠΎΡΠΈΡ
Ρ
Π°ΡΠ°ΠΊΡΠ΅ΡΠΈΡΡΠΈΠΊ Π΄Π²ΠΈΠ³Π°ΡΠ΅Π»Ρ ΠΈ ΠΏΠΎΡΡΠΎΡΠ½Π½ΠΎ ΠΊΠΎΠ½ΡΡΠΎΠ»ΠΈΡΡΠ΅Ρ Π΄Π°Π½Π½ΡΠ΅ ΠΎΡ ΡΠ°Π·Π»ΠΈΡΠ½ΡΡ
Π΄Π°ΡΡΠΈΠΊΠΎΠ². ΠΠΎΠ³Π΄Π° Π΄Π²ΠΈΠ³Π°ΡΠ΅Π»Ρ ΠΈΠ»ΠΈ Π΅Π³ΠΎ ΠΊΠΎΠΌΠΏΠΎΠ½Π΅Π½ΡΡ ΠΈΠ·Π½Π°ΡΠΈΠ²Π°ΡΡΡΡ, ΠΠΠ£ ΡΠ΅Π°Π³ΠΈΡΡΠ΅Ρ Π½Π° Π²ΠΎΠ·Π½ΠΈΠΊΡΠΈΠ΅ ΠΏΠΎΡΠ»Π΅Π΄ΡΡΠ²ΠΈΡ ΠΏΡΠΈΠ½ΠΈΠΌΠ°Ρ ΠΈΠ·ΠΌΠ΅Π½Π΅Π½Π½ΡΠ΅ Π·Π½Π°ΡΠ΅Π½ΠΈΡ, ΠΊΠ°ΠΊ ΠΊΠΎΡΡΠ΅ΠΊΡΠΈΡ ΠΊ Π±Π°Π·ΠΎΠ²ΠΎΠΉ ΠΊΠ°ΡΡΠ΅. ΠΠΎΠ³Π΄Π° ΠΎΠ΄ΠΈΠ½ ΠΈΠ»ΠΈ Π±ΠΎΠ»Π΅Π΅ ΠΊΠΎΠΌΠΏΠΎΠ½Π΅Π½ΡΠΎΠ² ΡΠΈΡΡΠ΅ΠΌΡ Π±ΡΠ»ΠΈ Π·Π°ΠΌΠ΅Π½Π΅Π½Ρ, ΠΠΠ£ Π΄ΠΎΠ»ΠΆΠ΅Π½ Π±ΡΡΡ Π·Π°Π½ΠΎΠ²ΠΎ ΠΊΠ°Π»ΠΈΠ±ΡΠΎΠ²Π°Π½ Π΄Π»Ρ ΡΠΎΠ³ΠΎ, ΡΡΠΎΠ±Ρ ΠΠΠ£ ΡΠΌΠΎΠ³ Π·Π°ΡΡΠΈΡΡ Π½ΠΎΠ²ΡΠ΅ Π·Π½Π°ΡΠ΅Π½ΠΈΡ.
ΠΠ±ΠΌΠ°Π½ΡΠΈΠ²ΠΎΡΡΡ Π°Π΄Π°ΠΏΡΠΈΠ²Π½ΠΎΠΉ ΡΡΠ½ΠΊΡΠΈΠΈ. ΠΠΏΠ°ΡΠ½ΠΎΡΡΡ Π°Π΄Π°ΠΏΡΠΈΠ²Π½ΠΎΠΉ ΡΡΠ½ΠΊΡΠΈΠΈ Π² ΡΠΎΠΌ, ΡΡΠΎ ΠΈΠ½ΠΎΠ³Π΄Π° ΠΎΡΠΈΠ±ΠΎΡΠ½ΡΠΉ ΡΠΈΠ³Π½Π°Π» ΠΌΠΎΠΆΠ΅Ρ Π±ΡΡΡ ΠΏΡΠΈΠ½ΡΡ Π·Π° Π²Π΅ΡΠ½ΡΠΉ ΡΠΈΠ³Π½Π°Π» ΠΈ ΡΡΠΎ ΠΌΠΎΠΆΠ΅Ρ ΡΠΎΠ·Π΄Π°ΡΡ ΠΏΡΠΎΠ±Π»Π΅ΠΌΡ ΡΠΏΡΠ°Π²Π»Π΅Π½ΠΈΡ ΡΠΈΡΡΠ΅ΠΌΠΎΠΉ. ΠΡΠ»ΠΈ ΠΎΡΠΈΠ±ΠΎΡΠ½ΡΠΉ ΡΠΈΠ³Π½Π°Π» ΠΎΡΡΠ°Π΅ΡΡΡ Π² ΠΏΡΠ΅Π΄Π΅Π»Π°Ρ ΠΏΠ°ΡΠ°ΠΌΠ΅ΡΡΠΎΠ² ΡΠΈΡΡΠ΅ΠΌΡ — ΠΊΠΎΠ΄ Π½Π΅ΠΈΡΠΏΡΠ°Π²Π½ΠΎΡΡΠΈ Π½Π΅ Π±ΡΠ΄Π΅Ρ ΡΠ³Π΅Π½Π΅ΡΠΈΡΠΎΠ²Π°Π½. ΠΠΎΠ΄ΠΎΠ·ΡΠ΅Π²Π°Π΅ΠΌΡΠ΅ Π΄Π°ΡΡΠΈΠΊΠΈ Π΄ΠΎΠ»ΠΆΠ½Ρ Π±ΡΡΡ ΠΏΡΠΎΠ²Π΅ΡΠ΅Π½Ρ Π½Π° ΡΠ°Π±ΠΎΡΠΎΡΠΏΠΎΡΠΎΠ±Π½ΠΎΡΡΡ Π² ΠΏΡΠ΅Π΄Π΅Π»Π°Ρ ΠΈΡ ΡΠΎΠ±ΡΡΠ²Π΅Π½Π½ΡΡ ΠΊΠΎΠ½ΡΡΠΎΠ»ΡΠ½ΡΡ ΠΏΠ°ΡΠ°ΠΌΠ΅ΡΡΠΎΠ². ΠΡΠ±ΡΠ΅ ΠΎΠ±Π½Π°ΡΡΠΆΠ΅Π½Π½ΡΠ΅ Π½Π΅ΠΈΡΠΏΡΠ°Π²Π½ΠΎΡΡΠΈ Π΄ΠΎΠ»ΠΆΠ½Ρ Π±ΡΡΡ ΠΈΡΠΏΡΠ°Π²Π»Π΅Π½Ρ ΠΈ ΠΠΠ£ Π΄ΠΎΠ»ΠΆΠ΅Π½ Π±ΡΡΡ ΠΎΡΠΊΠ°Π»ΠΈΠ±ΡΠΎΠ²Π°Π½ Π·Π°Π½ΠΎΠ²ΠΎ. ΠΠ΅ΠΊΠΎΡΠΎΡΡΠ΅ ΠΠΠ£ ΠΎΠ±ΠΌΠ°Π½ΡΠ²Π°ΡΡΡΡ Π½Π°ΡΡΠΎΠ»ΡΠΊΠΎ, ΡΡΠΎ Π²ΡΡΠΈΡΠ»ΡΡΡ Π½Π΅ΡΡΡΠ΅ΡΡΠ²ΡΡΡΠΈΠ΅ Π·Π½Π°ΡΠ΅Π½ΠΈΡ Π°Π΄Π°ΠΏΡΠ°ΡΠΈΠΈ. ΠΡΠΎ Π²ΡΠ·ΡΠ²Π°Π΅Ρ ΠΏΡΠΎΠ±Π»Π΅ΠΌΡ ΡΠΏΡΠ°Π²Π»ΡΠ΅ΠΌΠΎΡΡΠΈ ΡΠΈΡΡΠ΅ΠΌΡ ΠΈ ΡΠ°ΠΌΠΎΠ΄ΠΈΠ°Π³Π½ΠΎΡΡΠΈΠΊΠ° Π²ΡΠ΄Π°Π΅Ρ ΡΠΎΠΎΠ±ΡΠ΅Π½ΠΈΠ΅ Π½Π΅ΠΈΡΠΏΡΠ°Π²Π½ΠΎΡΡΠΈ Π½Π΅ ΠΎΠ±Π½Π°ΡΡΠΆΠ΅Π½Ρ. ΠΠ΅ΡΠ΅ΠΊΠ°Π»ΠΈΠ±ΡΠΎΠ²Π°Π½ΠΈΠ΅ ECU ΠΊΠ°ΠΊ ΠΎΠΏΠΈΡΠ°Π½ΠΎ Π²ΡΡΠ΅ Π΅ΡΡΡ ΡΡΠ΅Π΄ΡΡΠ²ΠΎ Π»Π΅ΡΠ΅Π½ΠΈΡ ΠΏΡΠΎΠ±Π»Π΅ΠΌΡ, ΡΠ°ΠΊ ΠΊΠ°ΠΊ Π½ΠΎΠ²Π°Ρ ΠΊΠ°Π»ΠΈΠ±ΡΠΎΠ²ΠΊΠ° ΠΏΠΎΠ²ΡΠΎΡΠ½ΠΎ ΡΡΡΠ°Π½ΠΎΠ²ΠΈΡ Π±Π°Π·ΠΎΠ²ΡΠ΅ Π·Π½Π°ΡΠ΅Π½ΠΈΡ ΠΠΠ£.
Β© ΠΈΠ½ΡΠ΅ΡΠ½Π΅Ρ … Π΄ΠΈΠ°Π³Π½ΠΎΡΡΠΈΠΊΠ° Π»Π΅Π³ΠΊΠΎΠ²ΡΡ Π°Π²ΡΠΎΠΌΠΎΠ±ΠΈΠ»Π΅ΠΉ ΠΈ Π³ΡΡΠ·ΠΎΠ²ΠΈΠΊΠΎΠ² … Π½Π°ΡΠΎΠ΄Π½ΠΎΠ΅ ΠΏΠΎΡΠΎΠ±ΠΈΠ΅ …
Β© internet … car & truck diagnostics … people’s allowance .
..
Π΄Π΅ΠΊΠ°Π±ΡΡ, 2017 …
iSMi, ΠΎΠ±Π·ΠΎΡ : System … | … Parts … | … OBD … | … Value …
ΠΠΎΠΏΡΠ»ΡΡΠ½ΠΎΠ΅ : …
… | … ΠΠ°ΠΉΡΠΈ … | … Π Π°Π΄ΠΈΠΎ … | … Π’ΡΠ½ΠΈΠ½Π³ … | … Π’ΠΎΡΡΠ΅Π½Ρ … | … ΠΠΎΠΌΠΏΡΡΡΠ΅Ρ … | … Π§ΠΈΡΠ°ΡΡ … | … ΠΠΎΠ³ΠΎΠ΄Π° … | … ΠΠ΄Π΅Ρ … | … ΠΡΠΎΠ³ΡΠ°ΠΌΠΌΡ … | …
TechStop-Ekb.ru : ΠΏΠΎΠ·Π½Π°Π²Π°ΡΠ΅Π»ΡΠ½ΡΠ΅ ΡΠ°Π·Π²Π»Π΅ΡΠ΅Π½ΠΈΡ, ΡΠ΅Ρ Π½ΠΈΠΊΠ°, ΡΠ΅Ρ Π½ΠΎΠ»ΠΎΠ³ΠΈΠΈ … ΠΠ° ΡΠ°ΠΉΡΠ΅, Π΄Π»Ρ ΡΠ°Π±ΠΎΡΡ ΠΈ ΡΠΎΠΎΡΠ²Π΅ΡΡΡΠ²ΠΈΡ ΡΠΏΠ΅ΡΠΈΡΠΈΠΊΠ°ΡΠΈΡΠΌ — ΠΈΡΠΏΠΎΠ»ΡΠ·ΡΡΡΡΡ … ΠΡΠΎΡΠΎΠΊΠΎΠ» HTTPS ΡΠΈΡΡΠΎΠ²Π°Π½ΠΈΡ Π΄Π»Ρ Π±Π΅Π·ΠΎΠΏΠ°ΡΠ½ΠΎΠ³ΠΎ ΡΠΎΠ΅Π΄ΠΈΠ½Π΅Π½ΠΈΡ Ρ ΡΠ΅ΡΠ²Π΅ΡΠΎΠΌ ΠΈ Π·Π°ΡΠΈΡΡ ΠΏΠΎΠ»ΡΠ·ΠΎΠ²Π°ΡΠ΅Π»ΡΡΠΊΠΈΡ Π΄Π°Π½Π½ΡΡ … ΠΠ½ΡΠΈΠ²ΠΈΡΡΡ DrWeb Π΄Π»Ρ ΠΏΡΠ΅Π²Π΅Π½ΡΠΈΠ²Π½ΠΎΠΉ Π·Π°ΡΠΈΡΡ ΠΏΠΎΠ»ΡΠ·ΠΎΠ²Π°ΡΠ΅Π»Π΅ΠΉ ΠΎΡ ΠΈΠ½ΡΠ΅ΡΠ½Π΅Ρ ΡΠ³ΡΠΎΠ· ΠΈ Π²ΠΈΡΡΡΠΎΠ² … Π Π΅ΡΡΡΡ Π²Ρ ΠΎΠ΄ΠΈΡ Π² ΡΠ΅ΠΉΡΠΈΠ½Π³ΠΈ Π Π°ΠΌΠ±Π»Π΅Ρ Π’ΠΎΠΏ 100 (ΠΏΠΎΠ·Π½Π°Π²Π°ΡΠ΅Π»ΡΠ½ΠΎ-ΡΠ°Π·Π²Π»Π΅ΠΊΠ°ΡΠ΅Π»ΡΠ½ΡΠ΅ ΡΠ°ΠΉΡΡ) ΠΈ Mail Top 100 (Π°Π²ΡΠΎ ΠΌΠΎΡΠΎ ΠΈΠ½ΡΠΎΡΠΌΠ°ΡΠΈΡ) …
Π’Π΅Ρ Π‘ΡΠΎΠΏ ΠΠΊΠ± RU (Π Π€) ΠΎΡΠΈΡΠΈΠ°Π»ΡΠ½ΡΠΉ ΡΠ°ΠΉΡ, ΠΏΠΎΠΏΡΠ»ΡΡΠ½ΡΠ΅ ΡΠ΅ΠΌΡ, ΠΏΠΎΠ³ΠΎΠ΄Π°, Π½ΠΎΠ²ΠΎΡΡΠΈ, ΠΎΠ±Π·ΠΎΡΡ Ρ ΠΊΠ°ΡΡΠΈΠ½ΠΊΠ°ΠΌΠΈ, Π±Π΅ΡΠΏΠ»Π°ΡΠ½ΠΎ, Π°ΠΊΡΡΠ°Π»ΡΠ½ΠΎ, Π±Π΅Π· ΡΠ΅Π³ΠΈΡΡΡΠ°ΡΠΈΠΈ … Π‘ΠΌΠΎΡΡΠ΅ΡΡ ΡΡΡΠΎΠΌ, Π΄Π½Π΅ΠΌ, Π²Π΅ΡΠ΅ΡΠΎΠΌ ΠΈ Π½ΠΎΡΡΡ — ΠΊΡΡΠ³Π»ΠΎΡΡΡΠΎΡΠ½ΠΎ ΠΎΠ½Π»Π°ΠΉΠ½ …
ΠΠ΅Π½Ρ ΡΠ°Π·Π΄Π΅Π»Π°, Π½ΠΎΠ²ΠΎΡΡΠΈ ΠΈ Π½ΠΎΠ²ΡΠ΅ ΡΡΡΠ°Π½ΠΈΡΡ.
… | … Π’Π΅Ρ Π‘ΡΠΎΠΏ ΠΠΊΠ± … | … ΠΠ»Π°Π²Π½ΠΎΠ΅ ΠΌΠ΅Π½Ρ … | … ΠΡΡΡΡΡΠΉ ΠΏΠΎΠΈΡΠΊ … | …
Β© techstop-ekb.ru, 2016++, 2020.
ΠΠΎΠ»Π³ΠΎΡΡΠΎΡΠ½Π°Ρ ΡΠΎΠΏΠ»ΠΈΠ²Π½Π°Ρ ΠΊΠΎΡΡΠ΅ΠΊΡΠΈΡ Π² ΠΌΠΈΠ½ΡΡΠ΅ ΠΏΡΠΈΡΠΈΠ½Ρ
ΠΠ°ΡΠ°ΠΌΠ΅ΡΡΡ : Fuel Correction / ΠΠΎΡΡΠ΅ΠΊΡΠΈΡ ΡΠΎΠΏΠ»ΠΈΠ²ΠΎΠΏΠΎΠ΄Π°ΡΠΈ, ΠΎΠΏΠΈΡΠ°Π½ΠΈΠ΅.
ΠΠ°ΡΠ° ΠΆΠΈΠ·Π½Ρ ΠΏΡΠΎΡΠ΅ΠΊΠ°Π΅Ρ ΠΏΠΎΠ΄ Π²ΠΎΠ·Π΄Π΅ΠΉΡΡΠ²ΠΈΠ΅ΠΌ ΠΈ Π² Π·Π°Π²ΠΈΡΠΈΠΌΠΎΡΡΠΈ ΠΎΡ ΡΡΠ»ΠΎΠ²ΠΈΠΉ ΠΎΠΊΡΡΠΆΠ°ΡΡΠ΅ΠΉ ΡΡΠ΅Π΄Ρ. ΠΠ°Π²Π»Π΅Π½ΠΈΠ΅ Π²ΠΎΠ·Π΄ΡΡ
Π° ΠΈ ΠΊΠΎΠ½ΡΠ΅Π½ΡΡΠ°ΡΠΈΡ ΠΊΠΈΡΠ»ΠΎΡΠΎΠ΄Π°, ΡΠΌΠ΅Π½Π° Π΄Π½Ρ ΠΈ Π½ΠΎΡΠΈ Π² ΠΏΡΠΈΠΌΠ΅Π½Π΅Π½ΠΈΠΈ ΠΊ ΠΊΠΎΠ»Π΅Π±Π°Π½ΠΈΡΠΌ ΡΡΡΠΎΡΠ½ΠΎΠΉ ΡΠ΅ΠΌΠΏΠ΅ΡΠ°ΡΡΡΡ, ΠΆΠ°ΡΠ°, Π΄ΠΎΠΆΠ΄Ρ ΠΈ Π³Π΅ΠΎΠ³ΡΠ°ΡΠΈΡΠ΅ΡΠΊΠΎΠ΅ ΡΠ°ΡΠΏΠΎΠ»ΠΎΠΆΠ΅Π½ΠΈΠ΅ ΠΊΠ°ΠΊ Π²Π»ΠΈΡΠ½ΠΈΠ΅ Π½Π° Π²Π»Π°ΠΆΠ½ΠΎΡΡΡ Π²ΠΎΠ·Π΄ΡΡ
Π° . ΠΠΊΡΡΠΆΠ°ΡΡΠ°Ρ Π°ΡΠΌΠΎΡΡΠ΅ΡΠ° ΠΈ ΠΎΡΠ½ΠΎΠ²Π½ΡΠ΅ Π·Π°ΠΊΠΎΠ½Ρ ΠΏΡΠΈΡΠΎΠ΄Ρ Π²Π»ΠΈΡΡΡ Π½Π΅ ΡΠΎΠ»ΡΠΊΠΎ Π½Π° Π²ΡΠ΅ ΠΆΠΈΠ²ΠΎΠ΅ Π½Π° Π·Π΅ΠΌΠ»Π΅, Π½ΠΎ ΠΈ Π½Π° ΡΠ°Π±ΠΎΡΠΎΡΠΏΠΎΡΠΎΠ±Π½ΠΎΡΡΡ ΠΌΠ΅Ρ
Π°Π½ΠΈΡΠ΅ΡΠΊΠΈΡ
ΡΠΈΡΡΠ΅ΠΌ, Π² ΡΠΎΠΌ ΡΠΈΡΠ»Π΅ ΠΈ Π°Π²ΡΠΎΠΌΠΎΠ±ΠΈΠ»Π΅ΠΉ. Π Π±ΠΎΠ»ΡΡΠΈΠ½ΡΡΠ²Π΅ ΡΠ»ΡΡΠ°Π΅Π² Π½ΠΈΠΊΡΠΎ Π½Π΅ ΡΠΏΠΎΡΠΎΠ±Π΅Π½ Π²Π»ΠΈΡΡΡ Π½Π° ΠΏΡΠΎΡΠ²Π»Π΅Π½ΠΈΡ ΠΎΠΊΡΡΠΆΠ°ΡΡΠ΅ΠΉ ΡΡΠ΅Π΄Ρ . ΠΠ΄Π½Π°ΠΊΠΎ, ΡΡΡΠ΅ΡΡΠ²ΡΠ΅Ρ Π²ΠΎΠ·ΠΌΠΎΠΆΠ½ΠΎΡΡΡ ΠΏΠΎΠ΄ΠΊΠΎΡΡΠ΅ΠΊΡΠΈΡΠΎΠ²Π°ΡΡ Π΄Π΅ΠΉΡΡΠ²ΠΈΡ ΠΌΠ΅Ρ
Π°Π½ΠΈΠ·ΠΌΠΎΠ², Π°Π΄Π°ΠΏΡΠΈΡΠΎΠ²Π°Π² ΠΈΡ
ΠΊ Π²ΠΎΠ·Π΄Π΅ΠΉΡΡΠ²ΠΈΡ ΠΎΠΊΡΡΠΆΠ°ΡΡΠ΅ΠΉ ΡΡΠ΅Π΄Ρ . ΠΠ΄Π½Π° ΠΈΠ· ΡΠ°ΠΊΠΈΡ
ΠΏΡΠΎΡΡΡΡ
Π²ΠΎΠ·ΠΌΠΎΠΆΠ½ΠΎΡΡΠ΅ΠΉ β ΡΡΠΎ ΠΊΠΎΡΡΠ΅ΠΊΡΠΈΡ ΠΏΠΎΠ΄Π°ΡΠΈ ΡΠΎΠΏΠ»ΠΈΠ²Π° Π² Π΄Π²ΠΈΠ³Π°ΡΠ΅Π»Ρ .
ΠΠ°ΡΠ°ΠΌΠ΅ΡΡΡ : Fuel Correction / ΠΠΎΡΡΠ΅ΠΊΡΠΈΡ ΡΠΎΠΏΠ»ΠΈΠ²ΠΎΠΏΠΎΠ΄Π°ΡΠΈ, ΠΏΡΠΈΡΠΈΠ½Ρ Π½Π΅ΠΈΡΠΏΡΠ°Π²Π½ΠΎΡΡΠΈ.
β ΠΠ°ΡΠΎΡΠ΅Π½ΠΈΠ΅ Π²ΠΎΠ·Π΄ΡΡΠ½ΡΡ
/ ΡΠΎΠΏΠ»ΠΈΠ²Π½ΡΡ
ΡΠΈΠ»ΡΡΡΠΎΠ²
β Π£ΡΠ΅ΡΠΊΠΈ / ΠΏΠΎΠ΄ΡΠΎΡΡ Π²ΠΎΠ·Π΄ΡΡ
Π°
β Π£ΡΠ΅ΡΠΊΠΈ / Π½Π΅Π΄ΠΎΡΡΠ°ΡΠΊΠΈ ΡΠΎΠΏΠ»ΠΈΠ²Π°
β ΠΠ΅Ρ
Π°Π½ΠΈΡΠ΅ΡΠΊΠΈΠ΅ ΠΏΡΠΎΠ±Π»Π΅ΠΌΡ Π²ΠΎΠ·Π΄ΡΡΠ½ΠΎ / ΡΠΎΠΏΠ»ΠΈΠ²Π½ΡΡ
ΡΠ΅Π³ΡΠ»ΡΡΠΎΡΠΎΠ²
β ΠΠ΅ΠΈΡΠΏΡΠ°Π²Π½ΠΎΡΡΠΈ ΡΠ»Π΅ΠΊΡΡΠΎΠΏΡΠΎΠ²ΠΎΠ΄ΠΊΠΈ / Π΄Π°ΡΡΠΈΠΊΠΎΠ² / ΡΠ»Π΅ΠΊΡΡΠΎΠΊΠ»Π°ΠΏΠ°Π½ΠΎΠ²
β ΠΠ΅Ρ
Π°Π½ΠΈΡΠ΅ΡΠΊΠΈΠ΅ ΠΏΡΠΎΠ±Π»Π΅ΠΌΡ Π΄Π²ΠΈΠ³Π°ΡΠ΅Π»Ρ
ΠΠ°ΡΠ°ΠΌΠ΅ΡΡΡ : Fuel Correction / ΠΠΎΡΡΠ΅ΠΊΡΠΈΡ ΡΠΎΠΏΠ»ΠΈΠ²ΠΎΠΏΠΎΠ΄Π°ΡΠΈ, Π΄ΠΈΠ°Π³Π½ΠΎΡΡΠΈΠΊΠ°, ΡΠ΅ΡΡΠΈΡΠΎΠ²Π°Π½ΠΈΠ΅.
β ΠΠ½ΠΈΠΌΠ°Π½ΠΈΠ΅! ΠΡΠΈ Π²ΡΠΏΠΎΠ»Π½Π΅Π½ΠΈΠΈ Π½Π΅ΠΊΠΎΡΠΎΡΡΡ
ΠΈΠ· ΡΡΠΈΡ
ΡΠ΅ΡΡΠΎΠ² ΡΠΎΠ·Π΄Π°Π΅ΡΡΡ ΡΠ³ΡΠΎΠ·Π° ΠΏΠΎΠΆΠ°ΡΠ°! Π‘ΡΡΠΎΠ³ΠΎ ΡΠΎΠ±Π»ΡΠ΄Π°ΡΡ ΠΏΡΠ°Π²ΠΈΠ»Π° ΠΏΠΎΠΆΠ°ΡΠ½ΠΎΠΉ Π±Π΅Π·ΠΎΠΏΠ°ΡΠ½ΠΎΡΡΠΈ!
β Π’Π΅ΡΡ ΡΠΎΡΡΠ°Π²Π° Π³Π°Π·ΠΎΠ² ΠΈ ΡΠ΅ΠΊΡΡΠ΅Π³ΠΎ Π·Π½Π°ΡΠ΅Π½ΠΈΡ Ξ»
β Π’Π΅ΡΡ ΠΈΡΠΏΡΠ°Π²Π½ΠΎΡΡΠΈ Π΄Π°ΡΡΠΈΠΊΠΎΠ² ΠΊΠΈΡΠ»ΠΎΡΠΎΠ΄Π°
β Π’Π΅ΡΡ ΡΠ΅Π»Π΅Π²Π°Π½ΡΠ½ΠΎΡΡΠΈ ΠΏΠΎΠΊΠ°Π·Π°Π½ΠΈΠΉ Π΄Π°ΡΡΠΈΠΊΠΎΠ² ΡΠΈΡΡΠ΅ΠΌΡ ΡΠΏΡΠ°Π²Π»Π΅Π½ΠΈΡ
β Π’Π΅ΡΡ ΡΠ΅Π°ΠΊΡΠΈΠΈ ΡΠΈΡΡΠ΅ΠΌΡ Π½Π° ΠΏΡΠΈΠ½ΡΠ΄ΠΈΡΠ΅Π»ΡΠ½ΠΎΠ΅ ΠΏΠ΅ΡΠ΅ΠΎΠ±ΠΎΠ³Π°ΡΠ΅Π½ΠΈΠ΅ ΡΠ°ΡΠΏΡΠ»Π΅Π½ΠΈΠ΅ΠΌ Π³Π°Π·Π° / Π±Π΅Π½Π·ΠΈΠ½Π°
β Π’Π΅ΡΡ ΡΡΠ΅ΡΠ΅ΠΊ ΡΠΈΡΡΠ΅ΠΌΡ Π²ΠΏΡΡΠΊΠ° Π²ΠΎΠ·Π΄ΡΡ
Π° ΡΠ°ΡΠΏΡΠ»Π΅Π½ΠΈΠ΅ΠΌ Π³Π°Π·Π° / Π±Π΅Π½Π·ΠΈΠ½Π°
β Π’Π΅ΡΡ ΡΡΠ΅ΡΠ΅ΠΊ ΡΠΈΡΡΠ΅ΠΌΡ Π²Π΅Π½ΡΠΈΠ»ΡΡΠΈΠΈ ΠΊΠ°ΡΡΠ΅ΡΠ½ΡΡ
Π³Π°Π·ΠΎΠ² ΡΠ°ΡΠΏΡΠ»Π΅Π½ΠΈΠ΅ΠΌ Π³Π°Π·Π° / Π±Π΅Π½Π·ΠΈΠ½Π°
β Π’Π΅ΡΡ ΠΌΠ΅Ρ
Π°Π½ΠΈΠΊΠΈ Π΄Π²ΠΈΠ³Π°ΡΠ΅Π»Ρ ΡΡΠ΅Π΄ΡΡΠ²Π°ΠΌΠΈ ΠΌΠΎΡΠΎΡ-ΡΠ΅ΡΡΠ΅ΡΠ°
ΠΠ°ΡΠ°ΠΌΠ΅ΡΡΡ : Fuel Correction / ΠΠΎΡΡΠ΅ΠΊΡΠΈΡ ΡΠΎΠΏΠ»ΠΈΠ²ΠΎΠΏΠΎΠ΄Π°ΡΠΈ, Π΄ΠΎΠΏΠΎΠ»Π½ΠΈΡΠ΅Π»ΡΠ½Π°Ρ ΠΈΠ½ΡΠΎΡΠΌΠ°ΡΠΈΡ.
Π₯Π₯ β ΠΎΠ±ΠΎΡΠΎΡΡ, Ρ
ΠΎΠ»ΠΎΡΡΠΎΠΉ Ρ
ΠΎΠ΄ .
Π§Π β ΠΎΠ±ΠΎΡΠΎΡΡ, ΡΠ°ΡΡΠΈΡΠ½Π°Ρ Π½Π°Π³ΡΡΠ·ΠΊΠ°, ΠΏΡΠΈΠΌΠ΅ΡΠ½ΠΎ ΡΠ΅ΡΠ΅Π΄ΠΈΠ½Π° ΡΠΊΠ°Π»Ρ ΠΎΡ Π₯Π₯ Π΄ΠΎ ΠΊΡΠ°ΡΠ½ΠΎΠΉ Π·ΠΎΠ½Ρ ΡΠ°Ρ
ΠΎΠΌΠ΅ΡΡΠ° / ΠΎΠ±ΠΎΡΠΎΡΠΎΠ² .
Β© internet / service manual / car & truck diagnostics peopleβs allowance
ΠΡΠΌΠ°Ρ Π·Π΄Π΅ΡΡ Π½Π°Π΄ΠΎ Π½Π°ΡΠ°ΡΡ ΡΠ°Π·Π³ΠΎΠ²ΠΎΡ ΠΎ ΠΊΠ°ΡΠ΅ΡΡΠ²Π΅ ΡΠΌΠ΅ΡΠΈ, ΠΊΠ°ΠΊΠ°Ρ ΠΎΠ½Π° Π΄ΠΎΠ»ΠΆΠ½Π° Π±ΡΡΡ, ΡΡΠΎ Π΅Ρ ΡΠ΅Π³ΡΠ»ΠΈΡΡΠ΅Ρ, Π½Ρ ΠΈ ΠΊΡΠΎ Π²ΡΠ΅ ΠΆΠ΅ ΠΎΡΡΠ»Π΅ΠΆΠΈΠ²Π°Π΅Ρ ΠΈ Π·Π°ΠΆΠΈΠ³Π°Π΅Ρ Π½Π°ΠΌ Π½Π΅ΠΈΡΠΏΡΠ°Π²Π½ΠΎΡΡΡ, Π² ΡΡΠΆΠ΅Π»ΡΡ ΡΠ»ΡΡΠ°ΡΡ Π΄Π°ΠΆΠ΅ Π½Π΅ Π΄Π°Π΅Ρ Π΅Ρ Π°ΡΡ Π² ΡΠ²ΡΠ·ΠΈ Ρ ΠΏΠΎΡΠ΅ΡΠ΅ΠΉ ΠΌΠΎΡΠ½ΠΎΡΡΠΈ ΠΠΠ‘.
ΠΡΠ°Π²ΠΈΠ»ΡΠ½Π°Ρ ΡΠΎΠΏΠ»ΠΈΠ²ΠΎ Π²ΠΎΠ·Π΄ΡΡΠ½Π°Ρ ΡΠΌΠ΅ΡΡ Π΄ΠΎΠ»ΠΆΠ½Π° ΠΈΠΌΠ΅ΡΡ ΡΠΎΠΎΡΠ½ΠΎΡΠ΅Π½ΠΈΠ΅ 14,7 : 1, ΠΏΡΠΈ Π΄Π°Π½Π½ΠΎΠΌ ΡΠΎΡΡΠ°Π²Π΅ ΡΠΎΠΏΠ»ΠΈΠ²Π½ΠΎΠΉ ΡΠΌΠ΅ΡΠΈ Π΄ΠΎΠ»Π³ΠΎΡΡΠΎΡΠ½Π°Ρ ΠΊΠΎΡΡΠ΅ΠΊΡΠΈΡ ΡΠΎΠΏΠ»ΠΈΠ²Π° ΡΠΎΡΡΠ°Π²ΠΈΡ 0%, ΡΡΠΎ ΠΈΠ΄Π΅Π°Π»ΡΠ½ΠΎΠ΅ ΡΠΎΡΡΠΎΡΠ½ΠΈΠ΅ Π΄Π²ΠΈΠ³Π°ΡΠ΅Π»Ρ. ΠΠ»Ρ Π½ΠΎΡΠΌΠ°Π»ΡΠ½ΠΎΠΉ ΡΠ°Π±ΠΎΡΡ Π΄Π²ΠΈΠ³Π°ΡΠ΅Π»Ρ Π²ΠΏΠΎΠ»Π½Π΅ ΡΡΡΡΠΎΠΈΡ ΠΈ ΠΏΠ°ΡΠ°ΠΌΠ΅ΡΡ Π² 5-8%, ΠΊΠ°ΠΊ Π² ΡΡΠΎΡΠΎΠ½Ρ ΠΎΠ±ΠΎΠ³Π°ΡΠ΅Π½ΠΈΡ ΡΠ°ΠΊ ΠΈ Π² ΡΡΠΎΡΠΎΠ½Ρ ΠΎΠ±Π΅Π΄Π½Π΅Π½ΠΈΡ ΡΠΌΠ΅ΡΠΈ. ΠΡΡΠ΅ ΡΡΠΎ ΡΠΆΠ΅ Π½Π΅ΠΈΡΠΏΡΠ°Π²Π½ΠΎΡΡΡ ΡΡΠ΅Π±ΡΡΡΠ°Ρ ΠΊ ΡΠ΅Π±Π΅ Π²Π½ΠΈΠΌΠ°Π½ΠΈΡ ΠΈ Π΄Π΅ΠΉΡΡΠ²ΠΈΠΉ, ΠΏΡΠΈΡΠ΅ΠΌ ΠΏΡΠ΅Π΄Π΅Π» ΡΠ΅Π³ΡΠ»ΠΈΡΠΎΠ²Π°Π½ΠΈΡ ΡΠΎΠΏΠ»ΠΈΠ²Π½ΠΎΠΉ ΡΠΈΡΡΠ΅ΠΌΡ Π±Π»ΠΎΠΊΠΎΠΌ ΡΠΏΡΠ°Π²Π»Π΅Π½ΠΈΡ Π΄Π²ΠΈΠ³Π°ΡΠ΅Π»Π΅ΠΌ Ρ ΠΊΠ°ΠΆΠ΄ΠΎΠ³ΠΎ ΠΏΡΠΎΠΈΠ·Π²ΠΎΠ΄ΠΈΡΠ΅Π»Ρ ΠΌΠΎΠΆΠ΅Ρ ΡΠ°Π·Π½ΠΈΡΡΡ, ΡΠ°ΠΊ ΠΆΠ΅ Π½Π°ΠΏΡΠΈΠΌΠ΅Ρ Π·Π°Π²ΠΈΡΠΈΡ ΠΈ ΠΎΡ ΡΠΈΠΏΠ° ΠΠΠ‘. Π ΠΏΡΠΈΠΌΠ΅Ρ ΠΏΡΠΈΠ²Π΅Π΄Ρ ΠΏΡΠΎΠ³ΡΠ°ΠΌΠΌΠ½ΠΎΠ΅ ΠΎΠ±Π΅ΡΠΏΠ΅ΡΠ΅Π½ΠΈΠ΅ Π±Π»ΠΎΠΊΠΎΠ² GM: ΠΊΠΎΡΡΠ΅ΠΊΡΠΈΡΠΎΠ²ΠΊΠ° ΠΏΠΎ ΡΠΎΠΏΠ»ΠΈΠ²Ρ ΠΌΠΎΠΆΠ΅Ρ ΡΠΎΡΡΠ°Π²Π»ΡΡΡ Π΄ΠΎ ΠΏΠ»ΡΡ-ΠΌΠΈΠ½ΡΡ 20%.
ΠΡΠΎ ΡΠΎΡ Π΄ΠΈΠ°ΠΏΠ°Π·ΠΎΠ½, Π² ΡΠ°ΠΌΠΊΠ°Ρ
ΠΊΠΎΡΠΎΡΠΎΠ³ΠΎ ΠΊΠΎΠΌΠΏΡΡΡΠ΅Ρ ΠΌΠΎΠΆΠ΅Ρ Π²Π°ΡΠΈΡΠΎΠ²Π°ΡΡ ΠΊΠΎΠ»ΠΈΡΠ΅ΡΡΠ²ΠΎ ΠΏΠΎΡΡΡΠΏΠ°ΡΡΠ΅Π³ΠΎ ΡΠΎΠΏΠ»ΠΈΠ²Π° ΡΠ΅ΡΠ΅Π· ΡΠΎΡΡΡΠ½ΠΊΠΈ Π² ΠΊΠ°ΠΌΠ΅ΡΡ ΡΠ³ΠΎΡΠ°Π½ΠΈΡ, Π° Π΄Π»Ρ Π΄Π²ΠΈΠ³Π°ΡΠ΅Π»Π΅ΠΉ Ρ Π½Π΅ΠΏΠΎΡΡΠ΅Π΄ΡΡΠ²Π΅Π½Π½ΡΠΌ Π²ΠΏΡΡΡΠΊΠΎΠΌ Π² ΠΊΠ°ΠΌΠ΅ΡΡ ΡΠ³ΠΎΡΠ°Π½ΠΈΡ ΡΡΠΈ ΡΠ°ΠΌΠΊΠΈ ΡΠΌΠ΅Π½ΡΡΠ΅Π½Ρ Π΄ΠΎ ΠΏΠ»ΡΡ-ΠΌΠΈΠ½ΡΡ 12.5%.
ΠΠ°ΠΊ ΡΠΎΠ»ΡΠΊΠΎ Π²Π΅Π»ΠΈΡΠΈΠ½Π° ΡΠΎΠΏΠ»ΠΈΠ²Π½ΠΎΠΉ ΠΊΠΎΡΡΠ΅ΠΊΡΠΈΡΠΎΠ²ΠΊΠΈ Π½Π°ΡΠΈΠ½Π°Π΅Ρ ΠΏΡΠ΅Π²ΡΡΠ°ΡΡ 12.5%, Π±Π»ΠΎΠΊ Β«ΠΏΠΎΠ½ΠΈΠΌΠ°Π΅ΡΒ», ΡΡΠΎ Β«ΡΠ°ΠΊ Π΄Π°Π»ΡΡΠ΅ ΠΆΠΈΡΡ Π½Π΅Π»ΡΠ·ΡΒ» ΠΈ Β«ΠΏΠ΅ΡΠ΅ΡΡΠ°Π΅Ρ Π±ΠΎΡΠΎΡΡΡΡΒ» β Π·Π°ΠΆΠΈΠ³Π°Π΅Ρ Π½Π° ΠΏΠ°Π½Π΅Π»ΠΈ ΠΏΡΠΈΠ±ΠΎΡΠΎΠ² CHECK DTC P017*.
ΠΠ°ΠΊ ΠΊΡΠΎ ΠΆΠ΅ ΠΎΡΡΠ»Π΅ΠΆΠΈΠ²Π°Π΅Ρ Π½Π°ΡΡ Π½Π΅ΠΈΡΠΏΡΠ°Π²Π½ΠΎΡΡΡ, ΠΊΡΠΎ ΡΡΠΎΡ Π³ΡΡΡ ΠΊΠΎΡΠΎΡΡΠΉ Π·Π½Π°Π΅Ρ, ΡΡΠΎ ΠΏΡΠΎΠΈΡΡ
ΠΎΠ΄ΠΈΡ Ρ Π½Π°Ρ Π² ΠΊΠ°ΠΌΠ΅ΡΠ΅ ΡΠ³ΠΎΡΠ°Π½ΠΈΡ? Π ΠΊΠΎΠ½ΡΡΠΎΠ»Π΅ΡΠΎΠΌ ΡΡΡ Π²ΡΡΡΡΠΏΠ°Π΅Ρ Π»ΡΠΌΠ±Π΄Π° Π·ΠΎΠ½Π΄, Π½Π°Ρ Π΄Π°ΡΡΠΈΠΊ ΠΊΠΈΡΠ»ΠΎΡΠΎΠ΄Π° Π½Π°Ρ
ΠΎΠ΄ΡΡΠΈΠΉΡΡ Π΄ΠΎ ΠΊΠ°ΡΠ°Π»ΠΈΠ·Π°ΡΠΎΡΠ° ΠΏΠΎΡΡΠΎΡΠ½Π½ΠΎ ΡΠ΅Π³ΡΠ»ΠΈΡΡΠ΅Ρ ΡΠΎΠΏΠ»ΠΈΠ²ΠΎ ΠΏΠΎΠ΄Π°ΡΡ ΠΏΡΠΈ ΠΏΠΎΠΌΠΎΡΠΈ Π²Π½Π΅ΡΠ΅Π½Π½ΠΎΠΉ Π² Π±Π»ΠΎΠΊ ΡΠΏΡΠ°Π²Π»Π΅Π½ΠΈΡ (ECM) ΠΏΡΠΎΠ³ΡΠ°ΠΌΠΌΡ.
ΠΠΎΠ³Π΄Π° ΠΆΠ΅ ΡΡΠΈΡΠ°ΡΡ Π½Π°Ρ Π°Π²ΡΠΎΠΌΠΎΠ±ΠΈΠ»Ρ Π½Π΅ΠΈΡΠΏΡΠ°Π²Π½ΡΠΌ, ΠΊΠΎΠ³Π΄Π° ΠΊΠΎΡΡΠ΅ΠΊΡΠΈΡΠΎΠ²ΠΊΠ° Π²ΡΡΠΎΡΠ»Π° Π²ΡΡΠ΅ 10% ΠΈΠ»ΠΈ ΡΠΎΠ»ΡΠΊΠΎ ΠΏΠΎΡΠ»Π΅ ΡΠΎΠ³ΠΎ ΠΊΠ°ΠΊ Π·Π°Π³ΠΎΡΠ΅Π»ΡΡ ΡΠ΅ΠΊ? Π’ΡΡ ΠΎΠ±ΡΡΡΠ½Π΅Π½ΠΈΠ΅ ΠΏΡΠΎΡΡΠΎΠ΅ ΡΠ΅ΠΊ Π·Π°Π³ΠΎΡΠΈΡΡΡ ΠΊΠΎΠ³Π΄Π° Ρ ΠΊΠΎΡΡΠ΅ΠΊΡΠΈΠΈ ΠΊΠΎΠ½ΡΠΈΡΡΡ ΠΏΡΠ΅Π΄Π΅Π», Π° Π·Π°Π³ΠΎΡΠ°Π΅ΡΡΡ ΠΎΠ½, Π½Π΅ ΠΏΠΎΡΠΎΠΌΡ ΡΡΠΎ Π±Π»ΠΎΠΊ ΡΠΏΡΠ°Π²Π»Π΅Π½ΠΈΡ Ρ
ΠΎΡΠ΅Ρ ΡΠΏΠ°ΡΡΠΈ Π²Π°Ρ ΠΠΠ‘ Π° ΡΠΎΠ»ΡΠΊΠΎ ΠΈΠ· ΡΠΊΠΎΠ»ΠΎΠ³ΠΈΡΠ΅ΡΠΊΠΈΡ
ΡΠΎΠΎΠ±ΡΠ°ΠΆΠ΅Π½ΠΈΠΉ, Π²Ρ Π±Π°ΡΠ΅Π½ΡΠΊΠ° Π·Π°Π³ΡΡΠ·Π½ΡΠ΅ΡΠ΅ ΡΠΊΠΎΠ»ΠΎΠ³ΠΈΡΠ΅ΡΠΊΡΡ ΡΡΠ΅Π΄Ρ.
ΠΠΎΡΡΠΎΠΌΡ Π΄Π΅ΠΉΡΡΠ²ΠΈΡ ΠΏΠΎ ΡΡΡΡΠ°Π½Π΅Π½ΠΈΡ Π½Π΅ΠΈΡΠΏΡΠ°Π²Π½ΠΎΡΡΠΈ ΠΌΠΎΠΆΠ½ΠΎ Π½Π°ΡΠΈΠ½Π°ΡΡ Π΄ΠΎ ΠΏΠΎΡΠ²Π»Π΅Π½ΠΈΡ CHECK, Π΅ΡΠ»ΠΈ Π²Π°ΡΠΈ ΠΊΠΎΡΡΠ΅ΠΊΡΠΈΠΈ ΡΠ±Π΅ΠΆΠ°Π»ΠΈ Π·Π° 8% -ΠΏΡΠΈΡΡΡΠΏΠ°ΠΉΡΠ΅. ΠΠΎΡΡΠΈ Π²ΠΎ Π²ΡΠ΅Ρ
ΡΠ»ΡΡΠ°ΡΡ
ΠΌΠΎΠΆΠ½ΠΎ Π΄ΠΎΠ±ΠΈΡΡΡΡ ΠΈΠ΄Π΅Π°Π»ΡΠ½ΠΎΠ³ΠΎ ΡΠ΅Π·ΡΠ»ΡΡΠ°ΡΠ° ΠΏΠ»ΡΡ-ΠΌΠΈΠ½ΡΡ 1-2%
ΠΠΎΡΠ° ΠΏΡΠΈΡΡΡΠΏΠ°ΡΡ ΠΊ ΡΠ΅ΠΌΠΎΠ½ΡΠ°ΠΌ. ΠΠΎ ΠΏΠ΅ΡΠ²ΡΡ Π½Π΅ΠΎΠ±Ρ ΠΎΠ΄ΠΈΠΌΠΎ ΠΎΠ±ΡΠ°ΡΠΈΡΡ Π²Π½ΠΈΠΌΠ°Π½ΠΈΠ΅ Π½Π° ΡΠΎΠΏΡΡΡΡΠ²ΡΡΡΠΈΠ΅ ΠΎΡΠΈΠ±ΠΊΠΈ, Π΅ΡΠ»ΠΈ ΡΡΠΎ Π½Π°ΠΏΡΠΈΠΌΠ΅Ρ: ΠΊΠ»Π°ΠΏΠ°Π½ ΡΠ΅Π³ΡΠ»ΠΈΡΠΎΠ²ΠΊΠΈ ΡΠ°Π·, Π½Π΅Π²Π΅ΡΠ½ΠΎΠ΅ ΡΠΎΠΎΡΠ½ΠΎΡΠ΅Π½ΠΈΠ΅ Π²Π°Π»ΠΎΠ², ΠΏΡΠΎΠΏΡΡΠΊΠΈ Π·Π°ΠΆΠΈΠ³Π°Π½ΠΈΡ, Π»ΡΠΌΠ±Π΄Π° Π·ΠΎΠ½Π΄Ρ (Π½Π° ΡΠΎΡ ΠΊΠΎΡΠΎΡΡΠΉ ΠΏΠΎΡΠ»Π΅ ΠΊΠ°ΡΠ°Π»ΠΈΠ·Π°ΡΠΎΡΠ° ΠΌΠΎΠΆΠ½ΠΎ Π½Π΅ ΠΎΠ±ΡΠ°ΡΠ°ΡΡ Π²Π½ΠΈΠΌΠ°Π½ΠΈΡ ΠΎΠ½ ΠΎΡΡΠ»Π΅ΠΆΠΈΠ²Π°Π΅Ρ ΡΠΎΠ»ΡΠΊΠΎ ΡΠ°Π±ΠΎΡΡ ΠΊΠ°ΡΠ°Π»ΠΈΠ·Π°ΡΠΎΡΠ°, Π½ΠΎ Π½Π°Π΄ΠΎ Π±ΡΡΡ ΡΠ²Π΅ΡΠ΅Π½Π½ΡΠΌ, ΡΡΠΎ ΠΏΡΠΎΠΏΡΡΠΊΠ°Π½ΠΈΠ΅ Π²ΡΡ Π»ΠΎΠΏΠ° ΠΊΠ°ΡΠ°Π»ΠΈΡΠΈΡΠ΅ΡΠΊΠΈΠΉ Π½Π΅ΠΉΡΡΠ°Π»ΠΈΠ·Π°ΡΠΎΡ Π½Π΅ Π·Π°ΡΡΡΠ΄Π½Π΅Π½ΠΎ), Π½Π΅ΠΊΠΎΡΡΠ΅ΠΊΡΠ½ΡΠ΅ ΠΏΠΎΠΊΠ°Π·Π°Π½ΠΈΡ Π΄Π°ΡΡΠΈΠΊΠ° ΡΠ΅ΠΌΠΏΠ΅ΡΠ°ΡΡΡΡ ΠΎΡ Π»Π°ΠΆΠ΄Π°ΡΡΠ΅ΠΉ ΠΆΠΈΠ΄ΠΊΠΎΡΡΠΈ ΠΈ ΠΏΡ. β ΡΡΡΡΠ°Π½ΡΠ΅ΠΌ ΡΠΏΠ΅ΡΠ²Π° ΠΈΡ .
ΠΡΠΈ LONG-ΠΊΠΎΡΡΠ΅ΠΊΡΠΈΠΈ Π² ΠΏΠ»ΡΡ ΠΏΡΠΎΠ²Π΅ΡΡΠ΅ΠΌ:
β ΠΏΠΎΡΡΡΠΏΠ»Π΅Π½ΠΈΠ΅ Β«Π΄ΠΎΠΏΠΎΠ»Π½ΠΈΡΠ΅Π»ΡΠ½ΠΎΠ³ΠΎΒ» Π²ΠΎΠ·Π΄ΡΡ
Π° Π΄ΠΎ ΠΊΠ°ΠΌΠ΅Ρ ΡΠ³ΠΎΡΠ°Π½ΠΈΡ (Π½Π΅ΠΏΠ»ΠΎΡΠ½ΡΠ΅ ΡΠΎΠ΅Π΄ΠΈΠ½Π΅Π½ΠΈΡ, ΡΠ°Π·ΡΡΠ²Ρ), ΡΠ°ΠΊ Π½Π°Π·ΡΠ²Π°Π΅ΠΌΡΠ΅ ΠΏΠΎΠ΄ΡΠΎΡΡ Π²ΠΎΠ·Π΄ΡΡ
Π°, ΠΏΠΎΡΠΊ Π½Π΅ΠΎΠ±Ρ
ΠΎΠ΄ΠΈΠΌΠΎ Π²Π΅ΡΡΠΈ ΠΎΡ ΠΠΠ Π Π΄ΠΎ ΠΠΠ¦ Π²ΠΊΠ»ΡΡΠ°Ρ ΡΡΡΠ±ΠΈΠ½Ρ ΠΈ ΠΈΠ½ΡΠ΅ΡΠΊΡΠ»Π»Π΅Ρ, Π°Π²ΡΠΎΠΌΠΎΠ±ΠΈΠ»ΠΈ Π±Π΅Π· ΠΠΠ Π β ΠΎΡ Π΄Π°ΡΡΠΈΠΊΠ° ΡΠ΅ΠΌΠΏΠ΅ΡΠ°ΡΡΡΡ Π²ΠΏΡΡΠΊΠ°Π΅ΠΌΠΎΠ³ΠΎ Π²ΠΎΠ·Π΄ΡΡ
Π° (ΠΈΠ»ΠΈ Π΄ΡΠΎΡΡΠ΅Π»ΡΠ½ΠΎΠΉ Π·Π°ΡΠ»ΠΎΠ½ΠΊΠΈ, ΡΡΠΎ ΡΠ°Π½ΡΡΠ΅ ΡΡΠΎΠΈΡ) Π΄ΠΎ ΠΠΠ¦.
β ΡΠ°Π±ΠΎΡΠ° ΡΠΎΠΏΠ»ΠΈΠ²Π½ΠΎΠ³ΠΎ Π½Π°ΡΠΎΡΠ°, Π΄ΡΡΠ³ΠΈΠ΅ ΠΏΡΠΈΡΠΈΠ½Ρ Π½Π΅Π΄ΠΎΡΡΠ°ΡΠΎΡΠ½ΠΎΠ³ΠΎ Π΄Π°Π²Π»Π΅Π½ΠΈΡ ΡΠΎΠΏΠ»ΠΈΠ²Π° (ΡΠΈΠ»ΡΡΡ, ΡΠ΅Π³ΡΠ»ΡΡΠΎΡ Π΄Π°Π²Π»Π΅Π½ΠΈΡ)
β ΠΏΡΠΎΠΏΡΡΠΊΠ½Π°Ρ ΡΠΏΠΎΡΠΎΠ±Π½ΠΎΡΡΡ ΡΠΎΠΏΠ»ΠΈΠ²Π½ΡΡ
ΡΠΎΡΡΡΠ½ΠΎΠΊ, Π² ΡΠΊΡΠ°Π½Π΅ Π΄Π°Π½Π½ΡΡ
ΡΠΌΠΎΡΡΠΈΠΌ Π²ΡΠ΅ΠΌΡ ΡΠ°Π±ΠΎΡΡ ΠΈΠ½ΠΆΠ΅ΠΊΡΠΎΡΠ°
β Π²ΡΡ
ΠΎΠ΄ ΠΈΠ· ΡΡΡΠΎΡ ΡΠΈΡΡΠ΅ΠΌΡ EGR, Π² ΡΠ΅Π·ΡΠ»ΡΡΠ°ΡΠ΅ ΡΠ΅Π³ΠΎ Π² ΠΊΠ°ΠΌΠ΅ΡΡ ΡΠ³ΠΎΡΠ°Π½ΠΈΡ ΠΏΠΎΡΡΡΠΏΠ°Π΅Ρ Π½Π΅ΠΊΠΎΡΡΠ΅ΠΊΡΠ½Π°Ρ Π΄ΠΎΠΏΠΎΠ»Π½ΠΈΡΠ΅Π»ΡΠ½Π°Ρ ΠΏΠΎΡΡΠΈΡ Π²ΠΎΠ·Π΄ΡΡ
Π°/ΡΠΎΠΏΠ»ΠΈΠ²Π°
β Π½Π΅ΠΊΠΎΡΡΠ΅ΠΊΡΠ½ΡΠ΅ ΠΏΠΎΠΊΠ°Π·Π°Π½ΠΈΡ MAF(MAP) β sensor Β«ΡΡΠ°ΡΠ΅Π½ΠΈΠ΅Β» ΡΠ΅Π½ΡΠΎΡΠ°, Π² ΡΠ΅Π·ΡΠ»ΡΡΠ°ΡΠ΅ ΡΠ΅Π³ΠΎ ΠΏΡΠΎΠΈΡΡ
ΠΎΠ΄ΠΈΡ Π½Π΅ΠΏΡΠ°Π²ΠΈΠ»ΡΠ½ΠΎΠ΅ ΠΈΠ·ΠΌΠ΅ΡΠ΅Π½ΠΈΠ΅ ΠΏΡΠΎΡΠ΅Π΄ΡΠ΅Π³ΠΎ Π²ΠΎΠ·Π΄ΡΡ
Π° Π·Π° Π΅Π΄ΠΈΠ½ΠΈΡΡ Π²ΡΠ΅ΠΌΠ΅Π½ΠΈ, Π²ΡΡ
ΠΎΠ΄ ΡΠ΅Π½ΡΠΎΡΠ° ΠΈΠ· ΡΡΡΠΎΡ.
ΠΡΠΈ LONG-ΠΊΠΎΡΡΠ΅ΠΊΡΠΈΠΈ Π² ΠΌΠΈΠ½ΡΡ:
β Β«ΠΏΠΎΠ΄ΡΠΎΡΒ» Π²ΠΎΠ·Π΄ΡΡ
Π° ΠΠ Π΄Π°ΡΡΠΈΠΊΠ° ΠΊΠΈΡΠ»ΠΎΡΠΎΠ΄Π° (Π»ΡΠΌΠ±Π΄Π° Π·ΠΎΠ½Π΄Π°), Π² ΡΠ΅Π·ΡΠ»ΡΡΠ°ΡΠ΅ ΡΠ΅Π³ΠΎ Π2-sensor Π½Π°ΡΠΈΠ½Π°Π΅Ρ Β«Π½Π΅ΠΏΡΠ°Π²ΠΈΠ»ΡΠ½ΠΎ ΠΎΠΏΡΠ΅Π΄Π΅Π»ΡΡΡΒ» Π½Π°Π»ΠΈΡΠΈΠ΅ Β«ΡΠ²ΠΎΠ±ΠΎΠ΄Π½ΠΎΠ³ΠΎ ΠΊΠΈΡΠ»ΠΎΡΠΎΠ΄Π°Β» Π² ΠΎΡΡΠ°Π±ΠΎΡΠ°Π²ΡΠΈΡ
Π³Π°Π·Π°Ρ
. ΠΠ΄Π΅ ΡΠ΅ΡΠ΅Ρ Π²ΡΠΏΡΡΠΊ ΠΎΠΏΡΠ΅Π΄Π΅Π»ΠΈΡΡ Π»Π΅Π³ΠΊΠΎ, ΠΎΠΏΠΈΡΡΠ²Π°ΡΡ Π½Π΅ Π±ΡΠ΄Ρ.
β Π·Π°ΡΠΎΡΠ΅Π½ΠΈΠ΅ Π²ΠΎΠ·Π΄ΡΡΠ½ΠΎΠ³ΠΎ ΡΠΈΠ»ΡΡΡΠ°. ΠΠΎΠΌΠΈΠΌΠΎ ΡΠΎΠ³ΠΎ ΡΡΠΎ Π²ΠΎΠ·Π΄ΡΡ
Π° ΡΠ΅ΡΠ΅Π· Π½Π΅Π³ΠΎ ΠΏΡΠΎΡ
ΠΎΠ΄ΠΈΡ ΠΌΠ°Π»ΠΎ, ΡΠ²Π΅Π»ΠΈΡΠΈΠ²Π°Π΅ΡΡΡ ΡΠ°Π·ΡΡΠΆΠ΅Π½ΠΈΠ΅ Π²ΠΎ Π²ΠΏΡΡΠΊΠ½ΠΎΠΌ ΠΊΠΎΠ»Π»Π΅ΠΊΡΠΎΡΠ΅ Π²Π΅Π΄Π΅Ρ ΠΊ Π½Π΅ΠΏΡΠ°Π²ΠΈΠ»ΡΠ½ΠΎΠΉ ΡΠ°Π±ΠΎΡΠ΅ ΡΠΈΡΡΠ΅ΠΌ Π²Π΅Π½ΡΠΈΠ»ΡΡΠΈΡ Π±Π°ΠΊΠ° ΠΈ ΠΊΠ°ΡΡΠ΅ΡΠ½ΡΡ
Π³Π°Π·ΠΎΠ², Π²ΠΎΠ·ΠΌΠΎΠΆΠ½ΠΎ Π·Π°ΠΊΠΈΠ΄ΡΠ²Π°Π½ΠΈΠ΅ ΠΌΠ°ΡΠ»ΠΎΠΌ Π²ΠΏΡΡΠΊΠ°.
β ΠΎΠΏΡΡΡ ΠΆΠ΅, Π½Π΅ΠΊΠΎΡΡΠ΅ΠΊΡΠ½ΡΠ΅ ΠΏΠΎΠΊΠ°Π·Π°Π½ΠΈΡ MAF(MAP) β sensor β
β Π΄Π°Π²Π»Π΅Π½ΠΈΠ΅ ΡΠΎΠΏΠ»ΠΈΠ²Π° ΠΏΡΠ΅Π²ΡΡΠ°Π΅Ρ Π΄ΠΎΠΏΡΡΡΠΈΠΌΠΎΠ΅ Π·Π½Π°ΡΠ΅Π½ΠΈΠ΅, ΠΏΡΠΎΠ²Π΅ΡΡΠ΅ΠΌ ΡΠ΅Π³ΡΠ»ΡΡΠΎΡ ΠΈ Π΅Π³ΠΎ ΡΠΏΡΠ°Π²Π»Π΅Π½ΠΈΠ΅
β ΡΠΎΠΏΠ»ΠΈΠ²Π½ΡΠ΅ ΡΠΎΡΡΡΠ½ΠΊΠΈ Β«Π·Π°ΠΌΠΎΡΠΎΠΆΠ΅Π½Π½ΠΎΡΡΠΈΒ» ΡΡΠ°Π±Π°ΡΡΠ²Π°Π½ΠΈΡ, ΠΈΠ»ΠΈ ΠΏΡΠΎΠΏΡΡΠΊΠ°Π½ΠΈΠ΅ ΡΠΎΠΏΠ»ΠΈΠ²Π° Π² Π·Π°ΠΊΡΡΡΠΎΠΌ ΠΏΠΎΠ»ΠΎΠΆΠ΅Π½ΠΈΠΈ. Π‘ΠΎΠΏΡΡΡΠ²ΡΡΡΠ΅ ΠΌΠΎΠΆΠ΅Ρ ΠΏΡΠΎΡΠ²Π»ΡΡΡΡΡ ΠΏΠ»ΠΎΡ
ΠΎΠΉ Π·Π°ΠΏΡΡΠΊ ΠΏΠΎ ΡΡΡΠ°ΠΌ (ΡΠΈΡ
Π°Π½ΠΈΠ΅, Π΄ΠΎΠ»Π³Π°Ρ ΠΏΡΠΎΠΊΡΡΡΠΊΠ° ΡΡΠ°ΡΡΠ΅ΡΠΎΠΌ), ΡΡΡΡΠ΅ ΡΠ²Π΅ΡΠΈ.
ΠΡ ΠΈ + ΠΊΠΎ Π²ΡΠ΅ΠΌ ΠΌΠΎΠΆΠ½ΠΎ ΠΎΡΠ½Π΅ΡΡΠΈ β ΠΌΠ΅Ρ Π°Π½ΠΈΡΠ΅ΡΠΊΠΈΠ΅ ΠΈ ΠΎΡΡΠ°Π»ΡΠ½ΡΠ΅ ΠΏΡΠΈΡΠΈΠ½Ρ ( Π²ΠΎΡΠΏΠ»Π°ΠΌΠ΅Π½Π΅Π½ΠΈΠ΅ ΠΈ ΡΠ³ΠΎΡΠ°Π½ΠΈΠ΅ ΡΠΎΠΏΠ»ΠΈΠ²ΠΎ-Π²ΠΎΠ·Π΄ΡΡΠ½ΠΎΠΉ ΡΠΌΠ΅ΡΠΈ ΡΡΠ°Π½ΠΎΠ²ΠΈΡΡΡ Π½Π΅ΠΊΠΎΡΡΠ΅ΠΊΡΠ½ΡΠΌ Π² ΡΠ΅Π·ΡΠ»ΡΡΠ°ΡΠ΅ Π½Π΅ΠΏΡΠ°Π²ΠΈΠ»ΡΠ½ΠΎΠ³ΠΎ Π·Π°Π·ΠΎΡΠ° Π² ΠΊΠ»Π°ΠΏΠ°Π½Π°Ρ , Β«ΡΠ»Π°Π±ΠΎΠΉΒ» ΠΈΡΠΊΡΡ, Β«ΠΏΠΎΡΡΠ°ΡΠ΅Π²ΡΠ΅ΠΉΒ» ΡΠ²Π΅ΡΠΈ Π·Π°ΠΆΠΈΠ³Π°Π½ΠΈΡ. ΠΡΡ ΠΎΠ΄ ΠΈΠ· ΡΡΡΠΎΡ ΠΈΠ»ΠΈ Π½Π΅ΡΡΠ°Π±ΠΈΠ»ΡΠ½Π°Ρ (Π½Π΅ΠΏΡΠ°Π²ΠΈΠ»ΡΠ½Π°Ρ) ΡΠ°Π±ΠΎΡΠ° ΡΠΈΡΡΠ΅ΠΌΡ VVT-i, Π΄ΡΠΎΡΡΠ΅Π»ΡΠ½ΠΎΠΉ Π·Π°ΡΠ»ΠΎΠ½ΠΊΠΈ, ΠΊΠ»Π°ΠΏΠ°Π½Π° EGR, ΠΈΠ·ΠΌΠ΅Π½ΡΠ΅ΠΌΠ°Ρ Π³Π΅ΠΎΠΌΠ΅ΡΡΠΈΡ Π²ΠΏΡΡΠΊΠ½ΠΎΠ³ΠΎ ΠΊΠΎΠ»Π»Π΅ΠΊΡΠΎΡΠ°, Π²ΡΠ΅ ΠΏΠΎΡΠ»Π΅Π΄Π½ΠΈΠ΅ ΡΠΎΠΏΡΠΎΠ²ΠΎΠΆΠ΄Π°ΡΡΡΡ ΠΎΠ±ΡΡΠ½ΠΎ ΡΠΎΠΏΡΡΡΡΠ²ΡΡΡΠΈΠΌΠΈ ΠΎΡΠΈΠ±ΠΊΠ°ΠΌΠΈ, Ρ Π½ΠΈΡ ΠΈ Π½Π°ΡΠΈΠ½Π°ΠΉΡΠ΅ ΡΠ΅ΠΌΠΎΠ½Ρ.
ΠΠ°ΠΊ ΠΡΠΏΠΎΠ»Π½ΡΡΡ ΡΠ΅ΠΌΠΎΠ½ΡΡ ΠΏΠΎ ΡΡΡΡΠ°Π½Π΅Π½ΠΈΡ: Ρ Π½Π΅ΠΊΠΎΡΠΎΡΡΡ
ΠΏΡΠ½ΠΊΡΠΎΠ² Ρ ΡΠΊΠ°Π·Π°Π» ΠΊΠ°ΠΊΠΈΠ΅ Π΄Π΅ΠΉΡΡΠ²ΠΈΡ Π½Π΅ΠΎΠ±Ρ
ΠΎΠ΄ΠΈΠΌΠΎ ΠΏΡΠΎΠ²Π΅ΡΡΠΈ, ΠΎΡΡΠ°Π»ΠΈΡΡ Π½Π΅ΡΠ°ΡΠΊΡΡΡΡΠΌΠΈ ΠΏΠΎΠ΄ΡΠΎΡ Π²ΠΎΠ·Π΄ΡΡ
Π° Π²ΠΎ Π²ΠΏΡΡΠΊ, ΠΈ Π²ΡΡ
ΠΎΠ΄ ΠΈΠ· ΡΡΡΠΎΡ MAF ΠΈΠ»ΠΈ MAP.
Π Π°Π±ΠΎΡΡ ΠΎΠ±ΠΎΠΈΡ
Π΄Π°ΡΡΠΈΠΊΠΎΠ² ΠΌΠΎΠΆΠ½ΠΎ ΠΏΡΠΎΠ²Π΅ΡΠΈΡΡ, ΠΊΠ°ΠΊ ΠΏΡΠΈ ΠΏΠΎΠΌΠΎΡΠΈ Π΄ΠΈΠ°Π³Π½ΠΎΡΡΠΈΠΊΠΈ ΡΡΠ°Π²Π½ΠΈΠ² Π΄Π°Π½Π½ΡΠ΅ Π½Π° Ρ
ΠΎΠ»ΠΎΡΡΠΎΠΌ Ρ
ΠΎΠ΄Ρ Ρ Π΄Π°Π½Π½ΡΠΌΠΈ Π² ΠΏΡΠΎΠ³ΡΠ°ΠΌΠΌΠ΅ ΠΏΠΎ ΡΠ΅ΠΌΠΎΠ½ΡΡ ΠΏΡΠΎΠΈΠ·Π²ΠΎΠ΄ΠΈΡΠ΅Π»Ρ, ΠΈΠ»ΠΈ ΠΏΡΠΈ ΠΏΠΎΠΌΠΎΡΠΈ Π²ΠΎΠ»ΡΡΠΌΠ΅ΡΡΠ° Π½Π° ΠΏΡΠΎΡΡΠΎΡΠ°Ρ
ΡΠ΅ΡΠΈ Π»Π΅Π³ΠΊΠΎ Π½Π°ΠΉΡΠΈ Π΄Π°Π½Π½ΡΠ΅ ΡΠ°Π±ΠΎΡΠ΅Π³ΠΎ Π΄Π°ΡΡΠΈΠΊΠ° Π½Π° Π²ΡΠ΅ ΠΌΠΎΠ΄Π΅Π»ΠΈ, Π½Ρ ΠΈ ΠΏΡΠΎΠ²Π΅ΡΠΈΡΡ Π΄Π°ΡΡΠΈΠΊ ΡΠ΅ΠΌΠΏΠ΅ΡΠ°ΡΡΡΡ ΡΠ°Π±ΠΎΡΠ°ΡΡΠΈΠΌ Π² ΠΏΠ°ΡΠ΅ Ρ ΡΡΠΈΠΌΠΈ Π΄Π°ΡΡΠΈΠΊΠ°ΠΌΠΈ, ΡΠ°Π±Π»ΠΈΡ Π² ΡΠ΅ΡΠΈ ΡΠ°ΠΊ ΠΆΠ΅ Π½Π°Π²Π°Π»ΠΎΠΌ.
ΠΡ ΠΏΡΠΎ ΠΏΠΎΠ΄ΡΠΎΡ Π²ΠΎΠ·Π΄ΡΡ
Π° Π½Π°ΠΏΠΈΡΡ ΠΏΠΎΠ΄ΡΠΎΠ±Π½ΠΎ, ΠΊΠ°ΠΊ Π½Π°ΠΉΡΠΈ, Ρ.ΠΊ. ΠΏΡΠΎΡΠ΅Π΄ΡΡΠ° ΠΏΠΎΠΈΡΠΊΠ° Ρ Π²ΡΠ΅Ρ
ΠΏΡΠΎΠΈΠ·Π²ΠΎΠ΄ΠΈΡΠ΅Π»Π΅ΠΉ ΠΎΠ΄ΠΈΠ½Π°ΠΊΠΎΠ²Π°Ρ.
ΠΡΠΊΠ°ΡΡ Π½Π° ΡΠ»ΡΡ
ΠΏΡΠ°ΠΊΡΠΈΡΠ΅ΡΠΊΠΈ Π±Π΅ΡΠΏΠΎΠ»Π΅Π·Π½ΠΎ, ΡΠ΅ΠΌ Π±ΠΎΠ»Π΅Π΅ Π½Π° ΡΠΎΠ²ΡΠ΅ΠΌΠ΅Π½Π½ΡΡ
Π°Π²ΡΠΎ ΡΠ»Π°Π½Π³ΠΎΠ² ΠΈ ΠΏΠ°ΡΡΡΠ±ΠΊΠΎΠ² ΠΏΠΎΠ΄ΠΊΠ»ΡΡΠ΅Π½Π½ΡΡ
ΠΊ Π²ΠΏΡΡΠΊΠ½ΠΎΠΌΡ ΠΊΠΎΠ»Π»Π΅ΠΊΡΠΎΡΡ Π½Π°Π²Π°Π»ΠΎΠΌ. ΠΠΎΠΈΡΠΊ ΠΏΡΠΎΡΠ΅ Π²ΡΠ΅Π³ΠΎ ΠΏΡΠΎΠΈΠ·Π²ΠΎΠ΄ΠΈΡΡ ΠΏΡΠΎΠΌΡΡΠ»Π΅Π½Π½ΡΠΌ ΠΈΠ»ΠΈ Π°Π²ΡΠΎΠΌΠΎΠ±ΠΈΠ»ΡΠ½ΡΠΌ Π΄ΡΠΌΠΎ-Π³Π΅Π½Π΅ΡΠ°ΡΠΎΡΠΎΠΌ,
ΠΡΠ΅Π½Ρ ΠΏΡΠΎΡΡΠΎ, ΠΏΡΠΈΡΠΎΠ΅Π΄ΠΈΠ½ΡΠ΅ΠΌ Π½Π° Π»ΡΠ±ΠΎΠΉ ΡΡΡΡΠ΅Ρ Π²ΠΏΡΡΠΊΠ½ΠΎΠ³ΠΎ ΠΊΠΎΠ»Π»Π΅ΠΊΡΠΎΡΠ°, Π½Π° Π²ΠΏΡΡΠΊ ΡΠ½ΡΠ² ΠΏΠ°ΡΡΡΠ±ΠΎΠΊ Ρ Π²ΠΎΠ·Π΄ΡΡΠ½ΠΎΠ³ΠΎ ΡΠΈΠ»ΡΡΡΠ° ΡΡΠ°Π²ΠΈΠΌ Π·Π°Π³Π»ΡΡΠΊΡ (ΠΌΠΎΠΆΠ½ΠΎ ΠΈΡΠΏΠΎΠ»ΡΠ·ΠΎΠ²Π°ΡΡ Π½Π΅ΡΠΊΠΎΠ»ΡΠΊΠΎ ΡΠ΅Π»Π»ΠΎΡΠ°Π½ΠΎΠ²ΡΡ
ΠΏΠ°ΠΊΠ΅ΡΠ° Π½Π°ΡΡΠ½ΡΠ² ΠΈΡ
Π½Π° ΠΏΠ°ΡΡΡΠ±ΠΎΠΊ ΠΈ Ρ Ρ
ΠΎΠΌΡΡΠΎΠΌ ΠΎΠ±ΡΠ°ΡΠ½ΠΎ ΠΎΠ΄Π΅ΡΡ Π½Π° ΠΊΠΎΡΠΏΡΡ ΡΠΈΠ»ΡΡΡΠ°), Π΄ΡΠ΅ΠΌ ΠΎΡΠ²Π΅ΡΡΡΠΈΠ΅ ΠΎΠ±ΡΠ·Π°ΡΠ΅Π»ΡΠ½ΠΎ ΡΠ΅Π±Ρ ΠΏΡΠΎΡΠ²ΠΈΡ, Π΅ΡΠ»ΠΈ ΠΎΠ½ΠΎ ΠΎΡΠ΅Π½Ρ ΠΌΠ°Π»Π΅Π½ΡΠΊΠΎΠ΅, Π½Π°ΠΏΠΎΠ»Π½ΡΠ΅ΠΌ ΠΊΠΎΠ»Π»Π΅ΠΊΡΠΎΡ Π΄ΡΠΌΠΎΠΌ Π΄Π°Π»Π΅Π΅ ΡΠ½ΠΈΠΌΠ°Π΅ΠΌ ΡΡΡΡΠΎΠΈΡΡΠ²ΠΎ ΠΈ Π΄Π°Π²ΠΈΠΌ ΡΠΆΠ°ΡΡΠΌ Π²ΠΎ Π΄ΡΡ
ΠΎΠΌ 2 Π±Π°Ρ Π±ΡΠ΄Π΅Ρ Π΄ΠΎΡΡΠ°ΡΠΎΡΠ½ΠΎ.
ΠΡΠΈ ΠΎΡΡΡΡΡΡΠ²ΠΈΠΈ Π΄ΡΠΌΠΎ-Π³Π΅Π½Π΅ΡΠ°ΡΠΎΡΠ° ΠΌΠΎΠ΄Π½ΠΎ Π΅Π³ΠΎ ΠΈΠ·Π³ΠΎΡΠΎΠ²ΠΈΡΡ, Π² ΡΠ΅ΡΠΈ ΡΠΌΠ΅Π»ΡΡΠ΅Π² ΠΌΠ½ΠΎΠ³ΠΎ β ΡΠ»Π΅ΠΊΡΡΠΎΠ½Π½Π°Ρ ΡΠΈΠ³Π°ΡΠ΅ΡΠ° ΠΈ ΠΏΡ. ΠΡΠΈΠ·Π½Π°ΡΡΡ Ρ ΠΌΠ΅Π½Ρ Π½Π° ΡΠ°Π±ΠΎΡΠ΅ ΡΠΎΠΆΠ΅ ΡΠ°ΠΌΠΎΠ΄Π΅Π»ΡΠ½ΡΠΉ, ΡΠ΄Π΅Π»Π°Π» ΡΠ°ΠΌ, Π° ΡΠ°Π±ΠΎΡΠ°Ρ Ρ Π½Π° ΠΎΡ. Π΄ΠΈΠ»Π΅ΡΠ΅ β ΡΠΌΠ΅ΡΠ½ΠΎ)).
ΠΡΠΈ ΠΎΡΡΡΡΡΠ²ΠΈΠΈ Π΄ΡΠΌΠΎ-Π³Π΅Π½Π΅ΡΠ°ΡΠΎΡΠ°, Π½Π°ΠΌ ΠΏΠΎΠ½Π°Π΄ΠΎΠ±ΠΈΡΡΡ ΡΠ°ΡΠΏΡΠ»ΠΈΡΠ΅Π»Ρ ΠΈ Π½Π΅ΠΌΠ½ΠΎΠ³ΠΎ Π±Π΅Π½Π·ΠΈΠ½Π°. Π― Π½Π° ΡΠ°Π±ΠΎΡΠ΅ ΠΈΡΠΏΠΎΠ»ΡΠ·ΡΡ ΠΎΡΠΈΡΡΠΈΡΠ΅Π»Ρ ΡΠΎΡΠΌΠΎΠ·ΠΎΠ² ΡΠ°ΠΊ Π½Π°Π·ΡΠ²Π°Π΅ΠΌΡΠΉ ΠΡΡΠΉΠΊ ΠΊΠ»ΠΈΠ½Π΅Ρ β ΠΎΠ½ Π±ΠΎΠ»Π΅Π΅ Π»Π΅ΡΡΡΠΈΠΉ, Π½Π΅ ΠΎΡΡΠ°Π²Π»ΡΠ΅Ρ ΡΠ»Π΅Π΄ΠΎΠ² ΠΈ Π·Π°ΠΏΠ°Ρ
Π°, Π³ΠΎΡΠΈΡ Π·Π»Π΅Π΅.
ΠΠ° Π·Π°Π²Π΅Π΄Π΅Π½Π½ΠΎΠΉ ΠΌΠ°ΡΠΈΠ½Π΅ Π°ΠΊΠΊΡΡΠ°ΡΠ½ΠΎ ΠΏΠΎΠ»ΠΈΠ²Π°Π΅ΠΌ Π²ΠΏΡΡΠΊΠ½ΠΎΠΉ ΠΊΠΎΠΎΠ»Π΅ΠΊΡΠΎΡ ΠΈΠ· ΡΠΏΡΠ΅Ρ, ΠΏΡΠΎΡ
ΠΎΠ΄ΠΈΠΌ Π²ΡΠ΅ ΠΏΡΠΈΠ»Π΅Π³Π°ΡΡΠΈΠ΅ ΡΠ»Π°Π½Π³ΠΈ, ΠΊΠΎΠ³Π΄Π° Π½Π°ΡΠ° ΡΠΌΠ΅ΡΡ ΠΏΡΠΎΠΈΠ΄Π΅Ρ Π²ΠΎΠ·Π»Π΅ ΠΎΡΠ²Π΅ΡΡΡΠΈΡ ΠΎΠ±ΠΎΡΠΎΡΡ Π΄Π²ΠΈΠ³Π°ΡΠ΅Π»Ρ ΡΠ°ΠΌΠΎΠΏΡΠΎΠΈΠ·Π²ΠΎΠ»ΡΠ½ΠΎ Π²ΠΎΠ·ΡΠ°ΡΡΡΡ, Π³Π΄Π΅ ΡΡΠΎ ΠΏΡΠΎΠΈΡΡ
ΠΎΠ΄ΠΈΡ ΡΠ°ΠΌ ΠΈ ΠΎΡΠ²Π΅ΡΡΡΠΈΠ΅, ΡΠ΅ΠΌ Π΄Π°Π»ΡΡΠ΅ ΠΎΡ Π³Π±Ρ ΡΠ΅ΠΌ Π΄ΠΎΠ»ΡΡΠ΅ Π±ΡΠ΄Π΅Ρ ΠΏΠ°ΡΠ·Π° ΠΏΠ΅ΡΠ΅Π΄ ΠΏΠΎΠ΄Π½ΡΡΠΈΠ΅ΠΌ ΠΎΠ±ΠΎΡΠΎΡΠΎΠ², Π½Π°ΠΏΡΠΈΠΌΠ΅Ρ Π΅ΡΠ»ΠΈ ΠΏΡΠΎΠ±ΠΈΡ ΠΈΠ½ΡΠ΅ΡΠΊΡΠ»Π»Π΅Ρ ΠΈ ΠΏΠΎΠ»ΠΈΠ²Π°ΡΡ Π² Π΅Π³ΠΎ ΡΠ°ΠΉΠΎΠ½Π΅ Π·Π°Π΄Π΅ΡΠΆΠΊΠ° ΠΏΡΠΈΠΌΠ΅ΡΠ½ΠΎ 2-4 ΡΠ΅ΠΊΡΠ½Π΄Ρ. ΠΠΏΡΡΡ ΠΆΠ΅ Π΅ΡΠ»ΠΈ ΠΎΡΠ²Π΅ΡΡΡΠΈΠ΅ ΠΎΡΠ΅Π½Ρ ΠΌΠ°Π»ΠΎ ΠΌΠΎΠΆΠ½ΠΎ ΡΡΠΈΠ»ΠΈΡΡ ΡΡΡΠ΅ΠΊΡ Π²ΡΠ°ΡΡΠ²Π°Π½ΠΈΡ ΠΏΠΎΠΏΡΠΎΡΠΈΠ² ΠΊΠΎΠ³ΠΎ Π½ΠΈΠ±ΡΠ΄Ρ ΠΏΠΎΠ΄Π΅ΡΠΆΠ°ΡΡ ΠΎΠ±ΠΎΡΠΎΡΡ ΠΠΠ‘ ΠΏΠΎΠ²ΡΡΠ΅, Π΄Π΅ΡΠΆΠ°ΡΡ ΠΈΡ
ΡΠΎΠ²Π½ΠΎ ΠΏΠ΅Π΄Π°Π»ΡΡ Π°ΠΊΡΠ΅Π»Π΅ΡΠ°ΡΠΎΡΠ°. Π’Π°ΠΊ Π½Π°ΠΏΡΠΈΠΌΠ΅Ρ Π½Π° Π΄Π½ΡΡ
Ρ ΠΈΡΠΊΠ°Π» ΠΏΠΎΠ΄ΡΠΎΡ Π²ΠΎΠ·Π΄ΡΡ
Π° Π½Π° HUMMER2 Π½Π΅ ΠΏΡΠΈΠΌΠ΅Π½ΡΡ Π΄ΡΠΌΠΎ-Π³Π΅Π½Π΅ΡΠ°ΡΠΎΡ, ΠΌΠ°ΡΠΈΠ½Π° ΠΏΠΎΡΠ»Π΅ ΡΡΡΠ°Π½ΠΎΠ²ΠΊΠΈ Π³Π°Π·ΠΎΠ²ΠΎΠ³ΠΎ ΠΎΠ±ΠΎΡΡΠ΄ΠΎΠ²Π°Π½ΠΈΡ Π² ΡΠ°ΡΠ°Ρ ΡΠ΅ΡΠ²ΠΈΡΠ΅ Π²ΠΈΠ΄ΠΈΠΌΠΎ, ΠΏΠΎΡΡΠΈ ΡΡΠ°Π·Ρ ΠΏΠΎΡΠ»Π΅ ΠΈΠ½ΡΡΠ°Π»ΡΡΠΈΠΈ ΡΡΠ°Π»Π° Ρ
Π°Π½Π΄ΡΠΈΡΡ, Π² ΠΊΠΎΠ»Π»Π΅ΠΊΡΠΎΡ Π²Π½Π΅Π΄ΡΡΠ»ΠΈ ΡΠΎΡΡΡΠ½ΠΊΠΈ Π²ΡΡΠ°Π²Π»Π΅Π½Ρ ΡΠ±ΠΎΠ³ΠΎ Π½Π° ΠΊΠ»Π΅ΠΉ, Π½ΠΎ Π³Π΅ΡΠΌΠ΅ΡΠΈΡΠ½ΠΎ.
ΠΠ°ΡΠ΅Π», ΠΎΠ±ΠΎΡΠΎΡΡ ΠΌΠΎΠΌΠ΅Π½ΡΠ°Π»ΡΠ½ΠΎ ΠΏΠΎΠ΄ΡΠΊΠ°ΠΊΠΈΠ²Π°Π»ΠΈ ΠΊΠΎΠ³Π΄Π° ΠΏΡΠΎΡ ΠΎΠ΄ΠΈΠ» ΡΠΏΡΠ΅Π΅ΠΌ Π²Π΄ΠΎΠ»Ρ ΠΏΡΠΈΠ»Π΅Π³Π°Π½ΠΈΡ ΠΊΠΎΠ»Π»Π΅ΠΊΡΠΎΡΠ° ΠΊ ΠΎΠ΄Π½ΠΎΠΉ ΠΈΠ· ΠΠΠ¦, ΠΌΠ½ΠΎΡ Π±ΡΠ»ΠΈ Π·Π°ΠΊΠ°Π·Π°Π½Ρ Π½ΠΎΠ²ΡΠ΅ ΠΏΡΠΎΠΊΠ»Π°Π΄ΠΊΠΈ, ΡΠ»ΠΈ 2 Π½Π΅Π΄Π΅Π»ΠΈ, Π½ΠΎ ΠΏΠΎΡΠ»Π΅ ΡΠ°Π·Π±ΠΎΡΠ° ΠΎΠΊΠ°Π·Π°Π»ΠΎΡΡ ΡΡΠΎ Π΄Π΅Π»ΠΎ Π½Π΅ Π² ΠΏΡΠΎΠΊΠ»Π°Π΄ΠΊΠ°Ρ .
4. Π£ΠΏΡΠ°Π²Π»Π΅Π½ΠΈΠ΅ ΡΠΎΡΡΠ°Π²ΠΎΠΌ ΡΠΎΠΏΠ»ΠΈΠ²ΠΎΠ²ΠΎΠ·Π΄ΡΡΠ½ΠΎΠΉ ΡΠΌΠ΅ΡΠΈ (ΠΊΠΎΡΡΠ΅ΠΊΡΠΈΡ ΠΏΠΎ ΡΠΈΠ³Π½Π°Π»Ρ ΠΎΠ±ΡΠ°ΡΠ½ΠΎΠΉ ΡΠ²ΡΠ·ΠΈ) — Π‘ΠΈΡΡΠ΅ΠΌΠ° ΡΠΏΡΠ°Π²Π»Π΅Π½ΠΈΡ Π²ΠΏΡΡΡΠΊΠΎΠΌ ΡΠΎΠΏΠ»ΠΈΠ²Π° (ΡΠΈΡΡΠ΅ΠΌΠ° EFI) — ΠΠΈΠ°Π³Π½ΠΎΡΡΠΈΠΊΠ° — ΠΠ°ΡΠ°Π»ΠΎΠ³ ΡΡΠ°ΡΠ΅ΠΉ
- ΠΡΡΠ°Π±ΠΎΡΠ°Π²ΡΠΈΠ΅ Π³Π°Π·Ρ Π±Π΅Π½Π·ΠΈΠ½ΠΎΠ²ΠΎΠ³ΠΎ Π΄Π²ΠΈΠ³Π°ΡΠ΅Π»Ρ ΡΠΎΡΡΠΎΡΡ ΠΈΠ· ΡΠ΅ΡΡΡΠ΅Ρ
ΠΎΡΠ½ΠΎΠ²Π½ΡΡ
ΡΠ»Π΅ΠΌΠ΅Π½ΡΠΎΠ²: ΡΠ³Π»Π΅Π²ΠΎΠ΄ΠΎΡΠΎΠ΄ΠΎΠ² (HC), ΡΠ³Π°ΡΠ½ΠΎΠ³ΠΎ Π³Π°Π·Π° (CO), ΡΠ³Π»Π΅ΠΊΠΈΡΠ»ΠΎΠ³ΠΎ Π³Π°Π·Π° (CO2) ΠΈ ΠΎΠΊΡΠΈΠ΄ΠΎΠ² Π°Π·ΠΎΡΠ° (Nox).
- Π’ΡΠ΅Ρ
ΠΊΠΎΠΌΠΏΠΎΠ½Π΅Π½ΡΠ½ΡΠΉ ΠΊΠ°ΡΠ°Π»ΠΈΡΠΈΡΠ΅ΡΠΊΠΈΠΉ Π½Π΅ΠΉΡΡΠ°Π»ΠΈΠ·Π°ΡΠΎΡ ΠΎΠΊΠΈΡΠ»ΡΠ΅Ρ HC, CO ΠΈ Nox ΠΈ ΠΏΡΠ΅ΠΎΠ±ΡΠ°Π·ΡΠ΅Ρ ΠΈΡ
Π² h3O, CO2 ΠΈ N2. ΠΠ»Ρ ΡΡΡΠ΅ΠΊΡΠΈΠ²Π½ΠΎΠΉ ΡΠ°Π±ΠΎΡΡ ΠΊΠ°ΡΠ°Π»ΠΈΡΠΈΡΠ΅ΡΠΊΠΎΠ³ΠΎ
Π½Π΅ΠΉΡΡΠ°Π»ΠΈΠ·Π°ΡΠΎΡΠ° ΡΠΎΡΡΠ°Π² Π’ΠΠ‘ Π΄ΠΎΠ»ΠΆΠ΅Π½ ΠΏΠΎΠ΄Π΄Π΅ΡΠΆΠΈΠ²Π°ΡΡΡΡ Π½Π° ΡΡΠ΅Ρ ΠΈΠΎΠΌΠ΅ΡΡΠΈΡΠ΅ΡΠΊΠΎΠΌ ΡΡΠΎΠ²Π½Π΅*.
- ΠΠ° ΡΡΠΎ ΠΎΡΠ²Π΅ΡΠ°Π΅Ρ ΡΡΠ½ΠΊΡΠΈΡ ΡΠΏΡΠ°Π²Π»Π΅Π½ΠΈΡ ΡΠΎΡΡΠ°Π²ΠΎΠΌ Π’ΠΠ‘.
ΡΠΎΠΏΠ»ΠΈΠ²ΠΎ = 14,7:1
- Π€ΡΠ½ΠΊΡΠΈΡ ΡΠΏΡΠ°Π²Π»Π΅Π½ΠΈΡ ΡΠΎΡΡΠ°Π²ΠΎΠΌ Π’ΠΠ‘, ΠΊΠΎΡΠΎΡΠ°Ρ ΠΎΡΠ΅Π½ΠΈΠ²Π°Π΅Ρ ΡΠΎΠΎΡΠ½ΠΎΡΠ΅Π½ΠΈΠ΅ Π²ΠΎΠ·Π΄ΡΡ
-ΡΠΎΠΏΠ»ΠΈΠ²ΠΎ ΠΈ ΠΊΠΎΡΡΠ΅ΠΊΡΠΈΡΡΠ΅Ρ ΠΏΡΠΎΠ΄ΠΎΠ»ΠΆΠΈΡΠ΅Π»ΡΠ½ΠΎΡΡΡ Π²ΠΏΡΡΡΠΊΠ° ΡΠΎΠΏΠ»ΠΈΠ²Π°, ΠΏΠΎΠ²ΡΡΠ°Π΅Ρ ΡΡΡΠ΅ΠΊΡΠΈΠ²Π½ΠΎΡΡΡ Π΄ΠΈΠ°Π³Π½ΠΎΡΡΠΈΠΊΠΈ Π½Π΅ΠΈΡΠΏΡΠ°Π²Π½ΠΎΡΡΠ΅ΠΉ Π΄Π²ΠΈΠ³Π°ΡΠ΅Π»Ρ.
[1] Π‘ΠΏΠΎΡΠΎΠ± ΡΠΏΡΠ°Π²Π»Π΅Π½ΠΈΡ
- Π‘ΠΎΡΡΠ°Π² Π’ΠΠ‘ ΠΏΠΎΠ΄Π΄Π΅ΡΠΆΠΈΠ²Π°Π΅ΡΡΡ Π½Π° ΡΡΠ΅Ρ
ΠΈΠΎΠΌΠ΅ΡΡΠΈΡΠ΅ΡΠΊΠΎΠΌ ΡΡΠΎΠ²Π½Π΅ Π±Π»Π°Π³ΠΎΠ΄Π°ΡΡ ΡΠΈΠ³Π½Π°Π»Ρ ΠΎΠ±ΡΠ°ΡΠ½ΠΎΠΉ ΡΠ²ΡΠ·ΠΈ ΠΎ ΡΠΎΡΡΠ°Π²Π΅ Π’ΠΠ‘ ΠΈ Π·Π°Π½Π΅ΡΠ΅Π½Π½ΠΎΠΌΡ ΠΏΠ°ΠΌΡΡΡ Π·Π½Π°ΡΠ΅Π½ΠΈΡ ΡΠΎΡΡΠ°Π²Π° Π’ΠΠ‘.
ΡΠΎΠΏΠ»ΠΈΠ²Π°)
- ΠΠ½Π°ΡΠ΅Π½ΠΈΠ΅ ΡΠΈΠ³Π½Π°Π»Π° ΠΎΠ±ΡΠ°ΡΠ½ΠΎΠΉ ΡΠ²ΡΠ·ΠΈ ΠΎ ΡΠΎΡΡΠ°Π²Π΅ Π’ΠΠ‘ ΠΎΡ Π΄Π°ΡΡΠΈΠΊΠ° ΡΠΎΡΡΠ°Π²Π° ΡΠΎΠΏΠ»ΠΈΠ²ΠΎΠ²ΠΎΠ·Π΄ΡΡΠ½ΠΎΠΉ ΡΠΌΠ΅ΡΠΈ ΠΈΠ»ΠΈ ΠΊΠΈΡΠ»ΠΎΡΠΎΠ΄Π½ΠΎΠ³ΠΎ Π΄Π°ΡΡΠΈΠΊΠ° ΡΠΊΠ°Π·ΡΠ²Π°Π΅Ρ Π½Π° Π½Π΅ΠΎΠ±Ρ
ΠΎΠ΄ΠΈΠΌΠΎΡΡΡ ΡΠ²Π΅Π»ΠΈΡΠ΅Π½ΠΈΡ ΠΈΠ»ΠΈ ΡΠΌΠ΅Π½ΡΡΠ΅Π½ΠΈΡ ΠΏΡΠΎΠ΄ΠΎΠ»ΠΆΠΈΡΠ΅Π»ΡΠ½ΠΎΡΡΠΈ Π²ΠΏΡΡΡΠΊΠ° Π΄Π»Ρ ΠΏΠΎΠ΄Π΄Π΅ΡΠΆΠ°Π½ΠΈΡ ΡΡΠ΅Ρ
ΠΈΠΎΠΌΠ΅ΡΡΠΈΡΠ΅ΡΠΊΠΎΠ³ΠΎ ΡΠΎΡΡΠ°Π²Π° Π’ΠΠ‘.
- ΠΡΠ»ΠΈ Π² ΡΠΈΡΡΠ΅ΠΌΠ΅ Π²ΠΏΡΡΡΠΊΠ° ΡΠΎΠΏΠ»ΠΈΠ²Π° ΠΈΡΠΏΠΎΠ»ΡΠ·ΡΠ΅ΡΡΡ ΠΊΠΈΡΠ»ΠΎΡΠΎΠ΄Π½ΡΠΉ Π΄Π°ΡΡΠΈΠΊ, ΡΠΎΡΡΠ°Π² Π’ΠΠ‘ ΠΊΠΎΡΡΠ΅ΠΊΡΠΈΡΡΠ΅ΡΡΡ ΡΠ²Π΅Π»ΠΈΡΠ΅Π½ΠΈΠ΅ΠΌ ΠΈΠ»ΠΈ ΡΠΌΠ΅Π½ΡΡΠ΅Π½ΠΈΠ΅ΠΌ ΠΏΡΠΎΠ΄ΠΎΠ»ΠΆΠΈΡΠ΅Π»ΡΠ½ΠΎΡΡΠΈ Π²ΠΏΡΡΡΠΊΠ° ΡΠΎΠΏΠ»ΠΈΠ²Π°. ΠΡΠ»ΠΈ ΡΠΈΡΡΠ΅ΠΌΠ° Π²ΠΊΠ»ΡΡΠ°Π΅Ρ Π² ΡΠ΅Π±Ρ Π΄Π°ΡΡΠΈΠΊ ΡΠΎΡΡΠ°Π²Π° Π’ΠΠ‘, ΠΎΠ½ ΠΊΠΎΡΡΠ΅ΠΊΡΠΈΡΡΠ΅ΡΡΡ ΠΏΡΠΈ ΠΎΠΏΡΠ΅Π΄Π΅Π»Π΅Π½ΠΈΠΈ ΡΠ°Π·Π½ΠΈΡΡ ΠΌΠ΅ΠΆΠ΄Ρ ΡΠ°ΠΊΡΠΈΡΠ΅ΡΠΊΠΈΠΌ ΡΠΎΡΡΠ°Π²ΠΎΠΌ ΠΈ ΡΡΠ΅Ρ
ΠΈΠΎΠΌΠ΅ΡΡΠΈΡΠ΅ΡΠΊΠΈΠΌ.
- ΠΠ±ΡΡΠ½ΠΎ Π·Π½Π°ΡΠ΅Π½ΠΈΠ΅ ΡΠΈΠ³Π½Π°Π»Π° ΠΎΠ±ΡΠ°ΡΠ½ΠΎΠΉ ΡΠ²ΡΠ·ΠΈ ΠΎ ΡΠΎΡΡΠ°Π²Π΅ Π’ΠΠ‘ Π²ΡΠ²ΠΎΠ΄ΠΈΡΡΡ Π² Π΄ΠΈΠ°ΠΏΠ°Π·ΠΎΠ½Π΅ Β±20%.
Π ΡΡΠΎΠΌ ΠΆΠ΅ Π΄ΠΈΠ°ΠΏΠ°Π·ΠΎΠ½Π΅ ΠΎΡΡΡΠ΅ΡΡΠ²Π»ΡΠ΅ΡΡΡ ΡΠΏΡΠ°Π²Π»Π΅Π½ΠΈΠ΅ ΡΠΎΡΡΠ°Π²ΠΎΠΌ Π’ΠΠ‘.
- ΠΠ½Π°ΡΠ΅Π½ΠΈΡ ΡΠΈΠ³Π½Π°Π»Π° ΠΎΠ±ΡΠ°ΡΠ½ΠΎΠΉ ΡΠ²ΡΠ·ΠΈ ΠΎ ΡΠΎΡΡΠ°Π²Π΅ Π’ΠΠ‘ ΠΌΠΎΠΆΠ½ΠΎ ΡΡΠΈΡΠ°ΡΡ Ρ ΠΏΠΎΠΌΠΎΡΡΡ Π΄ΠΈΠ°Π³Π½ΠΎΡΡΠΈΡΠ΅ΡΠΊΠΎΠ³ΠΎ ΠΏΡΠΈΠ±ΠΎΡΠ°. (= Short FT (ΠΊΡΠ°ΡΠΊΠΎΡΡΠΎΡΠ½Π°Ρ ΠΊΠΎΡΡΠ΅ΠΊΡΠΈΡ ΠΏΠΎΠ΄Π°ΡΠΈ ΡΠΎΠΏΠ»ΠΈΠ²Π°))
Β Β Β Β Β Β Β Β Β Β Β Β Β Β Β Β Β Β Β Β Β Β Β Β Β Β Β Β Β Β Β Β Β Β Β Β Β Β Β Β Β Β Β Β Β Β Β Β Β Β Β Β Β Β
Π£ΠΏΡΠ°Π²Π»Π΅Π½ΠΈΠ΅ ΡΠΎΡΡΠ°Π²ΠΎΠΌ Π’ΠΠ‘ ΠΏΠΎ ΡΠΈΠ³Π½Π°Π»Ρ ΠΎΠ±ΡΠ°ΡΠ½ΠΎΠΉ ΡΠ²ΡΠ·ΠΈ Π΄Π°ΡΡΠΈΠΊΠ° ΡΠΎΡΡΠ°Π²Π° Π’ΠΠ‘
<2> Π£ΠΏΡΠ°Π²Π»Π΅Π½ΠΈΠ΅ ΡΠΎΡΡΠ°Π²ΠΎΠΌ Π’ΠΠ‘ ΠΏΠΎ Π·Π°Π½Π΅ΡΠ΅Π½Π½ΠΎΠΌΡ Π² ΠΏΠ°ΠΌΡΡΡ Π·Π½Π°ΡΠ΅Π½ΠΈΡ (Π΄Π»ΠΈΡΠ΅Π»ΡΠ½Π°Ρ
ΠΊΠΎΡΡΠ΅ΠΊΡΠΈΡ ΠΏΠΎΠ΄Π°ΡΠΈ ΡΠΎΠΏΠ»ΠΈΠ²Π°)
- Π‘ΠΎΡΡΠ°Π²ΠΎΠΌ Π’ΠΠ‘ ΠΌΠΎΠΆΠ½ΠΎ ΡΠΏΡΠ°Π²Π»ΡΡΡ ΠΏΠΎ ΡΠΈΠ³Π½Π°Π»Ρ ΠΎΠ±ΡΠ°ΡΠ½ΠΎΠΉ ΡΠ²ΡΠ·ΠΈ (ΡΠΌ. ΠΏΡΠ½ΠΊΡ <1>), ΠΎΠ΄Π½Π°ΠΊΠΎ ΠΏΠΎΠ΄Π΄Π΅ΡΠΆΠ°Π½ΠΈΠ΅ ΡΠΎΡΡΠ°Π²Π° Π’ΠΠ‘ Π½Π° ΡΡΠ΅Ρ
ΠΈΠΎΠΌΠ΅ΡΡΠΈΡΠ΅ΡΠΊΠΎΠΌ ΡΡΠΎΠ²Π½Π΅ ΠΏΠΎΠ΄ΠΎΠ±Π½ΡΠΌ ΠΎΠ±ΡΠ°Π·ΠΎΠΌ Π½Π΅ ΡΠΏΠΎΡΠΎΠ±Π½ΠΎ
ΠΏΠΎΡΠΏΠ΅Π²Π°ΡΡ Π·Π° Π±ΡΡΡΡΠΎ ΠΌΠ΅Π½ΡΡΡΠΈΠΌΠΈΡΡ ΡΠ΅ΠΆΠΈΠΌΠ°ΠΌΠΈ ΡΠ°Π±ΠΎΡΡ Π΄Π²ΠΈΠ³Π°ΡΠ΅Π»Ρ.
- Π ΠΏΡΠΎΡΠ΅ΡΡΠ΅ ΡΠΊΡΠΏΠ»ΡΠ°ΡΠ°ΡΠΈΠΈ Π°Π²ΡΠΎΠΌΠΎΠ±ΠΈΠ»Ρ ΡΠΎΠΊΡΠ°ΡΠ°Π΅ΡΡΡ ΡΠΊΠΎΡΠΎΡΡΡ ΠΏΠΎΠ΄Π°ΡΠΈ ΡΠΎΠΏΠ»ΠΈΠ²Π° ΡΠΎΡΡΡΠ½ΠΊΠ°ΠΌΠΈ, Π² ΡΠ΅Π·ΡΠ»ΡΡΠ°ΡΠ΅ ΡΠ΅Π³ΠΎ Π·Π½Π°ΡΠ΅Π½ΠΈΡ ΠΊΡΠ°ΡΠΊΠΎΡΡΠΎΡΠ½ΠΎΠΉ ΠΊΠΎΡΡΠ΅ΠΊΡΠΈΠΈ ΠΏΠΎΠ΄Π°ΡΠΈ ΡΠΎΠΏΠ»ΠΈΠ²Π° ΠΏΡΠΈ ΠΌΠ°Π»ΠΎΠΉ ΠΈ Π±ΠΎΠ»ΡΡΠΎΠΉ Π½Π°Π³ΡΡΠ·ΠΊΠ°Ρ
Π΄Π²ΠΈΠ³Π°ΡΠ΅Π»Ρ Π·Π½Π°ΡΠΈΡΠ΅Π»ΡΠ½ΠΎ ΠΎΡΠ»ΠΈΡΠ°ΡΡΡΡ.
ΠΡΠΎ ΡΡΠ»ΠΎΠΆΠ½ΡΠ΅Ρ ΠΏΠΎΠ΄Π΄Π΅ΡΠΆΠ°Π½ΠΈΠ΅ ΡΠΎΡΡΠ°Π²Π° Π’ΠΠ‘ Π½Π° ΡΡΠ΅Ρ
ΠΈΠΎΠΌΠ΅ΡΡΠΈΡΠ΅ΡΠΊΠΎΠΌ ΡΡΠΎΠ²Π½Π΅.
- ΠΠΎΡΡΠΎΠΌΡ ΠΈ ΠΏΡΠ΅Π΄ΡΡΠΌΠΎΡΡΠ΅Π½ΠΎ ΡΠΏΡΠ°Π²Π»Π΅Π½ΠΈΠ΅ ΡΠΎΡΡΠ°Π²ΠΎΠΌ Π’ΠΠ‘ ΠΏΠΎ Π·Π°Π½Π΅ΡΠ΅Π½Π½ΠΎΠΌΡ Π² ΠΏΠ°ΠΌΡΡΡ Π·Π½Π°ΡΠ΅Π½ΠΈΡ.ΠΠ³ΠΎ ΡΡΡΡ Π·Π°ΠΊΠ»ΡΡΠ°Π΅ΡΡΡ Π² ΡΠ»Π΅Π΄ΡΡΡΠ΅ΠΌ: Π·Π½Π°ΡΠ΅Π½ΠΈΡ ΠΊΠΎΡΡΠ΅ΠΊΡΠΈΠΈ ΡΠΎΡΡΠ°Π²Π° Π’ΠΠ‘ ΠΏΠΎ ΡΠΈΠ³Π½Π°Π»Ρ ΠΎΠ±ΡΠ°ΡΠ½ΠΎΠΉ ΡΠ²ΡΠ·ΠΈ ΠΏΡΠΈ ΡΠ°Π·Π»ΠΈΡΠ½ΡΡ
Π½Π°Π³ΡΡΠ·ΠΊΠ°Ρ
Π΄Π²ΠΈΠ³Π°ΡΠ΅Π»Ρ Π·Π°Π½ΠΎΡΡΡΡΡ Π² ΠΏΠ°ΠΌΡΡΡ Π±Π»ΠΎΠΊΠ° ΡΠΏΡΠ°Π²Π»Π΅Π½ΠΈΡ, ΠΏΠΎΡΠ»Π΅ ΡΠ΅Π³ΠΎ ΡΡΠ°Π½ΠΎΠ²ΡΡΡΡ ΡΠ°ΡΡΡΡ ΠΏΡΠΎΠ΄ΠΎΠ»ΠΆΠΈΡΠ΅Π»ΡΠ½ΠΎΡΡΠΈ Π²ΠΏΡΡΡΠΊΠ° ΡΠΎΠΏΠ»ΠΈΠ²Π°.
(ΠΠΏΡΠ΅Π΄Π΅Π»Π΅Π½Π½ΠΎΠΉ Π½Π°Π³ΡΡΠ·ΠΊΠ΅ Π΄Π²ΠΈΠ³Π°ΡΠ΅Π»Ρ ΠΌΠΎΠ³ΡΡ ΡΠΎΠΎΡΠ²Π΅ΡΡΡΠ²ΠΎΠ²Π°ΡΡ Π½Π΅ΡΠΊΠΎΠ»ΡΠΊΠΎ Π·Π°Π½Π΅ΡΠ΅Π½Π½ΡΡ Π²
ΠΏΠ°ΠΌΡΡΡ Π·Π½Π°ΡΠ΅Π½ΠΈΠΉ).
- ΠΠΎΠΌΠ΅Π½Ρ Π·Π°Π½Π΅ΡΠ΅Π½ΠΈΡ Π² ΠΏΠ°ΠΌΡΡΡ Π·Π½Π°ΡΠ΅Π½ΠΈΡ Π·Π°Π²ΠΈΡΠΈΡ ΠΎΡ Π΄Π²ΠΈΠ³Π°ΡΠ΅Π»Ρ, ΠΎΠ΄Π½Π°ΠΊΠΎ ΠΎΠ±ΡΡΠ½ΠΎ ΡΡΠΎ ΠΏΡΠΎΠΈΡΡ
ΠΎΠ΄ΠΈΡ ΠΏΡΠΈ ΡΠ»Π΅Π΄ΡΡΡΠΈΡ
ΡΡΠ»ΠΎΠ²ΠΈΡΡ
.
- ΠΡΠ»ΠΈ Π² ΡΠ΅Π·ΡΠ»ΡΡΠ°ΡΠ΅ Π²Π½Π΅Π·Π°ΠΏΠ½ΠΎΠΉ Π½Π΅ΠΈΡΠΏΡΠ°Π²Π½ΠΎΡΡΠΈ ΠΈ ΠΏΡ. Π·Π½Π°ΡΠ΅Π½ΠΈΠ΅ ΠΊΡΠ°ΡΠΊΠΎΡΡΠΎΡΠ½ΠΎΠΉ ΠΊΠΎΡΡΠ΅ΠΊΡΠΈΠΈ ΠΏΠΎΠ΄Π°ΡΠΈ ΡΠΎΠΏΠ»ΠΈΠ²Π° (Short FT) Π΄ΠΎΡΡΠΈΠ³Π°Π΅Ρ ΡΡΠΎΠ²Π½Ρ +20% ΠΈΠ»ΠΈ -20% ΠΈ Π½Π°Ρ
ΠΎΠ΄ΠΈΡΡΡ Π½Π° Π½Π΅ΠΌ, ΠΎΠ½ΠΎ Π½Π΅ Π·Π°Π½ΠΎΡΠΈΡΡΡ Π² ΠΏΠ°ΠΌΡΡΡ. ΠΡΠΎ ΠΏΡΠΈΠ²ΠΎΠ΄ΠΈΡ ΠΊ Π½Π΅ΡΠΎΠΎΡΠ²Π΅ΡΡΡΠ²ΠΈΡ ΡΠ°ΠΊΡΠΈΡΠ΅ΡΠΊΠΎΠ³ΠΎ ΠΈ ΡΡΠ΅Ρ
ΠΈΠΎΠΌΠ΅ΡΡΠΈΡΠ΅ΡΠΊΠΎΠ³ΠΎ ΡΠΎΡΡΠ°Π²Π° Π’ΠΠ‘.
- ΠΠ°Π½ΠΎΡΠΈΠΌΡΠ΅ Π² ΠΏΠ°ΠΌΡΡΡ Π·Π½Π°ΡΠ΅Π½ΠΈΡ ΠΈΠΌΠ΅ΡΡ Π΄ΠΈΠ°ΠΏΠ°Π·ΠΎΠ½ Β±40%.

- ΠΠ°Π½Π΅ΡΠ΅Π½Π½ΡΠ΅ Π² ΠΏΠ°ΠΌΡΡΡ Π·Π½Π°ΡΠ΅Π½ΠΈΡ ΡΠΎΡΡΠ°Π²Π° Π’ΠΠ‘ ΠΌΠΎΠΆΠ½ΠΎ ΡΡΠΈΡΠ°ΡΡ Ρ ΠΏΠΎΠΌΠΎΡΡΡ Π΄ΠΈΠ°Π³Π½ΠΎΡΡΠΈΡΠ΅ΡΠΊΠΎΠ³ΠΎ ΠΏΡΠΈΠ±ΠΎΡΠ° II. (= Long FT (Π΄Π»ΠΈΡΠ΅Π»ΡΠ½Π°Ρ ΠΊΠΎΡΡΠ΅ΠΊΡΠΈΡ ΠΏΠΎΠ΄Π°ΡΠΈ ΡΠΎΠΏΠ»ΠΈΠ²Π°))
ΠΠΎΡΡΠ΅ΠΊΡΠΈΡ ΡΠΎΡΡΠ°Π²Π° Π’ΠΠ‘ ΠΏΠΎ Π·Π°Π½Π΅ΡΠ΅Π½Π½ΠΎΠΌΡ Π² ΠΏΠ°ΠΌΡΡΡ Π·Π½Π°ΡΠ΅Π½ΠΈΡ (Ρ ΠΎΠ»ΠΎΡΡΠΎΠΉ Ρ ΠΎΠ΄)
<3> Π Π°ΡΡΠ΅Ρ ΠΊΠΎΠ»ΠΈΡΠ΅ΡΡΠ²Π° Π²ΠΏΡΡΡΠΊΠΈΠ²Π°Π΅ΠΌΠΎΠ³ΠΎ ΡΠΎΠΏΠ»ΠΈΠ²Π°
- ΠΠ»Ρ ΡΠ°ΡΡΠ΅ΡΠ° ΠΊΠΎΠ»ΠΈΡΠ΅ΡΡΠ²Π° Π²ΠΏΡΡΡΠΊΠΈΠ²Π°Π΅ΠΌΠΎΠ³ΠΎ ΡΠΎΠΏΠ»ΠΈΠ²Π°, ΡΠΎΠΎΡΠ²Π΅ΡΡΡΠ²ΡΡΡΠ΅Π³ΠΎ ΡΡΠ΅Ρ ΠΈΠΎΠΌΠ΅ΡΡΠΈΡΠ΅ΡΠΊΠΎΠΌΡ ΡΠΎΡΡΠ°Π²Ρ Π’ΠΠ‘, ΠΈΡΠΏΠΎΠ»ΡΠ·ΡΠ΅ΡΡΡ ΡΠ»Π΅Π΄ΡΡΡΠ°Ρ ΡΠΎΡΠΌΡΠ»Π° ΡΠΎ Π·Π½Π°ΡΠ΅Π½ΠΈΡΠΌΠΈ ΠΊΡΠ°ΡΠΊΠΎΡΡΠΎΡΠ½ΠΎΠΉ ΠΈ Π΄Π»ΠΈΡΠ΅Π»ΡΠ½ΠΎΠΉ ΠΊΠΎΡΡΠ΅ΠΊΡΠΈΠΈ ΠΏΠΎΠ΄Π°ΡΠΈ ΡΠΎΠΏΠ»ΠΈΠ²Π°.
Β ΠΠΎΠ»ΠΈΡΠ΅ΡΡΠ²ΠΎ Π²ΠΏΡΡΡΠΊΠΈΠ²Π°Π΅ΠΌΠΎΠ³ΠΎ ΡΠΎΠΏΠ»ΠΈΠ²Π°
= Π±Π°Π·ΠΎΠ²ΠΎΠ΅ ΠΊΠΎΠ»ΠΈΡΠ΅ΡΡΠ²ΠΎ Π²ΠΏΡΡΡΠΊΠΈΠ²Π°Π΅ΠΌΠΎΠ³ΠΎ ΡΠΎΠΏΠ»ΠΈΠ²Π°*1 x ΠΊΠΎΡΡΡΠΈΡΠΈΠ΅Π½ΡΡ ΠΊΠΎΡΡΠ΅ΠΊΡΠΈΠΈ*2 x
(100 + Π΄Π»ΠΈΡΠ΅Π»ΡΠ½Π°Ρ ΠΊΠΎΡΡΠ΅ΠΊΡΠΈΡ ΠΏΠΎΠ΄Π°ΡΠΈ ΡΠΎΠΏΠ»ΠΈΠ²Π° +
Β ΠΊΡΠ°ΡΠΊΠΎΡΡΠΎΡΠ½Π°Ρ ΠΊΠΎΡΡΠ΅ΠΊΡΠΈΡ ΠΏΠΎΠ΄Π°ΡΠΈ ΡΠΎΠΏΠ»ΠΈΠ²Π° Β Β Β — Β ΠΊΠΎΡΡΠ΅ΠΊΡΠΈΡ ΠΏΠΎ ΠΎΠ±ΡΠ΅ΠΌΡ Π²ΠΎΠ·Π΄ΡΡ
Π° Π΄Π»Ρ Β Β Β Β Β Β Β 100Β Β Β Β Β Β Β Β Β Β Β Β Β Β Β Β Β Β Β Β Β Β Β Β Β Β Β Β Β Β Β Β Β Β Β Β Β Β Β Β Β Β Β Β Β Β Β Β Β Β Β Β Β Β Β Β Β Β Β Β Β Β Β Β Β Β Β Β Β Β Β Β Β Β Β Β Β Β Β Β Β ΠΏΡΠΎΠ΄ΡΠ²ΠΊΠΈ ΡΠ³ΠΎΠ»ΡΠ½ΠΎΠ³ΠΎ Π°Π΄ΡΠΎΡΠ±Π΅ΡΠ°
*1: ΠΡΠΎΠ΄ΠΎΠ»ΠΆΠΈΡΠ΅Π»ΡΠ½ΠΎΡΡΡ Π²ΠΏΡΡΡΠΊΠ° ΡΠΎΠΏΠ»ΠΈΠ²Π° ΡΠ°ΡΡΡΠΈΡΡΠ²Π°Π΅ΡΡΡ Π½Π° ΠΎΡΠ½ΠΎΠ²Π°Π½ΠΈΠΈ ΡΠ°ΡΡΠΎΡΡ Π²ΡΠ°ΡΠ΅Π½ΠΈΡ
ΠΊΠΎΠ»Π΅Π½ΡΠ°ΡΠΎΠ³ΠΎ Π²Π°Π»Π° Π΄Π²ΠΈΠ³Π°ΡΠ΅Π»Ρ ΠΈ Π½Π°Π³ΡΡΠ·ΠΊΠΈ Π΄Π²ΠΈΠ³Π°ΡΠ΅Π»Ρ (Π΄Π°Π²Π»Π΅Π½ΠΈΠ΅ Π²ΠΎ Π²ΠΏΡΡΠΊΠ½ΠΎΠΌ ΠΊΠΎΠ»Π»Π΅ΠΊΡΠΎΡΠ΅ ΠΈ ΡΠ°ΡΡ
ΠΎΠ΄
Π²ΠΎΠ·Π΄ΡΡ
Π°).
*2: ΠΠΎΡΡΠ΅ΠΊΡΠΈΡ ΠΏΠΎΠ΄Π°ΡΠΈ ΡΠΎΠΏΠ»ΠΈΠ²Π° Π·Π°Π²ΠΈΡΠΈΡ ΠΎΡ ΡΠ΅ΠΆΠΈΠΌΠ° ΡΠ°Π±ΠΎΡΡ Π΄Π²ΠΈΠ³Π°ΡΠ΅Π»Ρ (ΡΠ΅ΠΌΠΏΠ΅ΡΠ°ΡΡΡΠ° ΠΎΡ
Π»Π°ΠΆΠ΄Π°ΡΡΠ΅ΠΉ
ΠΆΠΈΠ΄ΠΊΠΎΡΡΠΈ, ΡΠ΅ΠΌΠΏΠ΅ΡΠ°ΡΡΡΠ° Π²ΠΎΠ·Π΄ΡΡ
Π° Π½Π° Π²ΠΏΡΡΠΊΠ΅ ΠΈ ΠΏΡ.).
ΠΠΠ― Π‘ΠΠ ΠΠΠΠ ΠΡΠΈΠΌΠ΅Ρ ΠΊΠΎΡΡΠ΅ΠΊΡΠΈΠΈ ΡΠΎΡΡΠ°Π²Π° Π’ΠΠ‘
- ΠΡΠ°ΡΠΊΠΎΡΡΠΎΡΠ½Π°Ρ ΠΊΠΎΡΡΠ΅ΠΊΡΠΈΡ ΠΏΠΎΠ΄Π°ΡΠΈ ΡΠΎΠΏΠ»ΠΈΠ²Π°: +10%
- ΠΠ»ΠΈΡΠ΅Π»ΡΠ½Π°Ρ ΠΊΠΎΡΡΠ΅ΠΊΡΠΈΡ ΠΏΠΎΠ΄Π°ΡΠΈ ΡΠΎΠΏΠ»ΠΈΠ²Π°: +35%
Π’ΠΎΠ½ΠΊΠ°Ρ ΠΏΠΎΠ΄ΡΡΡΠΎΠΉΠΊΠ°Β β ΠΆΡΡΠ½Π°Π» ΠΠ°Β ΡΡΠ»Π΅ΠΌ
ΠΠ°Π·Π°Π»ΠΎΡΡΒ Π±Ρ, Π΄Π»ΡΒ ΠΏΡΠ°Π²ΠΈΠ»ΡΠ½ΠΎΠΉ ΡΠ°Π±ΠΎΡΡ Π²ΠΏΡΡΡΠΊΠΎΠ²ΠΎΠ³ΠΎ Π΄Π²ΠΈΠ³Π°ΡΠ΅Π»Ρ Π΄ΠΎΡΡΠ°ΡΠΎΡΠ½ΠΎ ΠΎΠ±ΡΡΠ½ΠΎΠ³ΠΎ Π»ΡΠΌΠ±Π΄Π°-ΡΠ΅Π³ΡΠ»ΠΈΡΠΎΠ²Π°Π½ΠΈΡ, ΠΎΒ ΠΊΠΎΡΠΎΡΠΎΠΌ ΠΌΡΒ Π½Π΅Β ΡΠ°Π· Π³ΠΎΠ²ΠΎΡΠΈΠ»ΠΈ,Β ΡΠΎ Π΅ΡΡΡ ΠΈΠ·ΠΌΠ΅Π½Π΅Π½ΠΈΡ ΡΠΎΡΡΠ°Π²Π° ΡΠ°Π±ΠΎΡΠ΅ΠΉ ΡΠΌΠ΅ΡΠΈ Π²Β ΡΠΈΠ»ΠΈΠ½Π΄ΡΠ°Ρ
ΠΏΠΎΒ ΡΠΈΠ³Π½Π°Π»Ρ Π΄Π°ΡΡΠΈΠΊΠ° ΠΎΡΡΠ°ΡΠΎΡΠ½ΠΎΠ³ΠΎ ΠΊΠΈΡΠ»ΠΎΡΠΎΠ΄Π° Π²Β ΠΎΡΡΠ°Π±ΠΎΡΠ°Π²ΡΠΈΡ
Π³Π°Π·Π°Ρ
. ΠΠΎΒ Π²Β ΡΠ΅Π°Π»ΡΠ½ΠΎΡΡΠΈ ΡΡΠΎΠ³ΠΎ ΠΌΠ°Π»ΠΎΒ β Π²Β ΡΠΈΠ»Ρ ΡΠ°Π·Π»ΠΈΡΠ½ΡΡ
ΠΏΡΠΈΡΠΈΠ½ ΠΏΠΎΡΡΠ΅ΠΏΠ΅Π½Π½ΠΎ ΠΌΠ΅Π½ΡΡΡΡΡ ΠΈΒ Ρ
Π°ΡΠ°ΠΊΡΠ΅ΡΠΈΡΡΠΈΠΊΠΈ Π΄Π°ΡΡΠΈΠΊΠΎΠ², ΠΈΒ ΡΠΎΡΡΠΎΡΠ½ΠΈΠ΅ Π΄Π²ΠΈΠ³Π°ΡΠ΅Π»Ρ, ΠΏΠΎΡΠΎΠΉ Π½Π΅ΡΡΠ°Π±ΠΈΠ»ΡΠ½Ρ ΠΈΒ ΠΏΠΎΠΊΠ°Π·Π°ΡΠ΅Π»ΠΈ ΡΠΎΠΏΠ»ΠΈΠ²Π°. Π§ΡΠΎΠ±Ρ ΠΈΠ·Π±Π°Π²ΠΈΡΡ ΠΎΡΒ Π½Π΅ΠΎΠ±Ρ
ΠΎΠ΄ΠΈΠΌΠΎΡΡΠΈ ΡΠ°ΡΡΡΡ
ΠΏΠΎΠ΄ΡΠ΅Π³ΡΠ»ΠΈΡΠΎΠ²ΠΎΠΊ, Π»ΠΎΠ³ΠΈΡΠ½ΠΎ ΡΠ΅ΡΠΈΠ»ΠΈ, ΡΡΠΎ ΡΠ»Π΅ΠΊΡΡΠΎΠ½Π½ΡΠΉ Π±Π»ΠΎΠΊ ΡΠΏΡΠ°Π²Π»Π΅Π½ΠΈΡ Π΄ΠΎΠ»ΠΆΠ΅Π½ ΡΠ°ΠΌ ΠΏΡΠΈΡΠΏΠΎΡΠ°Π±Π»ΠΈΠ²Π°ΡΡΡΡ ΠΊΒ ΠΏΠΎΠ΄ΠΎΠ±Π½ΡΠΌ ΠΏΠ΅ΡΠ΅ΠΌΠ΅Π½Π°ΠΌ.
ΠΡΠΎ Π½Π°Π·Π²Π°Π»ΠΈ Β«ΡΠ°ΠΌΠΎΠΎΠ±ΡΡΠ΅Π½ΠΈΠ΅ΠΌΒ» ΡΠΈΡΡΠ΅ΠΌΡ.
ΠΡΠΎΠΌΠ΅ ΡΠ΅ΠΊΡΡΠ΅Π³ΠΎ ΠΊΠΎΡΡΡΠΈΡΠΈΠ΅Π½ΡΠ° ΠΊΠΎΡΡΠ΅ΠΊΡΠΈΠΈ Π, Π½ΡΠ½Π΅ ΠΏΡΠΈΠΌΠ΅Π½ΡΡΡΡΡ ΠΊΠ°ΠΊ ΠΌΠΈΠ½ΠΈΠΌΡΠΌ Π΅ΡΠ΅ Π΄Π²Π°. ΠΡΠΎ Π°Π΄Π΄ΠΈΡΠΈΠ²Π½Π°Ρ ΠΈΒ ΠΌΡΠ»ΡΡΠΈΠΏΠ»ΠΈΠΊΠ°ΡΠΈΠ²Π½Π°Ρ ΡΠΎΡΡΠ°Π²Π»ΡΡΡΠΈΠ΅ ΠΊΠΎΡΡΠ΅ΠΊΡΠΈΠΈ ΡΠ°ΠΌΠΎΠΎΠ±ΡΡΠ΅Π½ΠΈΡ.
ΠΡΠΎΠΈΠ·Π²ΠΎΠ΄ΠΈΡΠ΅Π»ΠΈ Π°Π²ΡΠΎΠΌΠΎΠ±ΠΈΠ»Π΅ΠΉ ΠΈΒ Π΄ΠΈΠ°Π³Π½ΠΎΡΡΠΈΡΠ΅ΡΠΊΠΎΠ³ΠΎ ΠΎΠ±ΠΎΡΡΠ΄ΠΎΠ²Π°Π½ΠΈΡ ΡΠ°Π·Π»ΠΈΡΠ½ΡΡ ΠΌΠ°ΡΠΎΠΊ Π΄ΠΎΒ ΡΠΈΡ ΠΏΠΎΡ Π½Π΅ Π΄ΠΎΠ³ΠΎΠ²ΠΎΡΠΈΠ»ΠΈΡΡ ΠΎΒ Π΅Π΄ΠΈΠ½ΡΡ ΠΎΠ±ΠΎΠ·Π½Π°ΡΠ΅Π½ΠΈΡΡ ΠΏΠ°ΡΠ°ΠΌΠ΅ΡΡΠΎΠ²Β β ΠΊΠ°ΠΆΠ΄ΡΠΉ ΠΏΡΠΈΠ΄ΡΠΌΡΠ²Π°Π΅Ρ ΡΠΎΠΊΡΠ°ΡΠ΅Π½ΠΈΡ ΠΏΠΎΒ ΡΠ²ΠΎΠ΅ΠΌΡ Π²ΠΊΡΡΡ. ΠΡΒ ΠΎΠ±ΠΎΠ·Π½Π°ΡΠΈΠΌ Π°Π΄Π΄ΠΈΡΠΈΠ²Π½ΡΡ ΡΠΎΡΡΠ°Π²Π»ΡΡΡΡΡ ΠΊΠΎΡΡΠ΅ΠΊΡΠΈΠΈ ΡΠ°ΠΌΠΎΠΎΠ±ΡΡΠ΅Π½ΠΈΡ ΠΠ°Π΄, Π°Β ΠΌΡΠ»ΡΡΠΈΠΏΠ»ΠΈΠΊΠ°ΡΠΈΠ²Π½ΡΡ ΠΠΌ. ΠΠ΅ΡΠ²Π°Ρ ΠΎΡΠ²Π΅ΡΠ°Π΅Ρ Π·Π°Β ΡΠ°Π±ΠΎΡΡ Π΄Π²ΠΈΠ³Π°ΡΠ΅Π»Ρ ΠΏΡΠΈ ΠΌΠΈΠ½ΠΈΠΌΠ°Π»ΡΠ½ΡΡ ΠΎΠ±ΠΎΡΠΎΡΠ°Ρ Ρ ΠΎΠ»ΠΎΡΡΠΎΠ³ΠΎ Ρ ΠΎΠ΄Π°, Π²ΡΠΎΡΠ°ΡΒ β ΠΏΡΠΈ ΡΠ°ΡΡΠΈΡΠ½ΡΡ Π½Π°Π³ΡΡΠ·ΠΊΠ°Ρ .
ΠΠ°Π΄ ΠΏΡΠΈΠ½ΡΡΠΎ ΠΎΠ±ΠΎΠ·Π½Π°ΡΠ°ΡΡ Π²Β ΠΏΡΠΎΡΠ΅Π½ΡΠ°Ρ
. ΠΠ±ΡΡΠ½ΡΠ΅ ΠΏΡΠ΅Π΄Π΅Π»Ρ Π΅Π³ΠΎ ΠΈΠ·ΠΌΠ΅Π½Π΅Π½ΠΈΡΒ β ΠΎΡΒ β10Β Π΄ΠΎ +10%. ΠΠΌΒ β ΠΏΠΎΠΊΠ°Π·Π°ΡΠ΅Π»Ρ Π±Π΅Π·ΡΠ°Π·ΠΌΠ΅ΡΠ½ΡΠΉ, ΠΊΠ°ΠΊ ΠΈΒ ΡΠΆΠ΅ ΠΈΠ·Π²Π΅ΡΡΠ½ΡΠΉ ΠΊΠΎΡΡΡΠΈΡΠΈΠ΅Π½Ρ ΠΊΠΎΡΡΠ΅ΠΊΡΠΈΠΈ Π²ΡΠ΅ΠΌΠ΅Π½ΠΈ Π²ΠΏΡΡΡΠΊΠ° Π.Β ΠΠ·ΠΌΠ΅Π½ΡΠ΅ΡΡΡ ΠΠΌΒ ΠΎΡΒ 0,75Β Π΄ΠΎ 1,25. ΠΡΠ΅Π΄Π΅Π»ΡΠ½ΡΠ΅ Π·Π½Π°ΡΠ΅Π½ΠΈΡ Π»ΡΠ±ΠΎΠ³ΠΎ ΠΈΠ·Β ΡΡΠΈΡ
ΠΊΠΎΡΡΡΠΈΡΠΈΠ΅Π½ΡΠΎΠ² ΡΠ²ΠΈΠ΄Π΅ΡΠ΅Π»ΡΡΡΠ²ΡΡΡ ΠΎΒ Π·Π½Π°ΡΠΈΡΠ΅Π»ΡΠ½ΠΎΠΌ ΠΎΡΠΊΠ»ΠΎΠ½Π΅Π½ΠΈΠΈ ΡΠΎΡΡΠ°Π²Π° ΡΠΌΠ΅ΡΠΈ ΠΎΡΒ ΡΡΠ΅Ρ
ΠΈΠΎΠΌΠ΅ΡΡΠΈΠΈ. ΠΡΠ»ΠΈ ΠΠΌΒ ΡΡΠ°Π½Π΅Ρ ΠΌΠ΅Π½ΡΡΠ΅ 0,78Β ΠΈΠ»ΠΈ Π±ΠΎΠ»ΡΡΠ΅ 1,22, ΡΠΈΡΡΠ΅ΠΌΠ° ΡΠ°ΠΌΠΎΠ΄ΠΈΠ°Π³Π½ΠΎΡΡΠΈΠΊΠΈ Π²ΠΊΠ»ΡΡΠΈΡ Π²Β ΠΊΠΎΠΌΠ±ΠΈΠ½Π°ΡΠΈΠΈ ΠΏΡΠΈΠ±ΠΎΡΠΎΠ² ΠΊΠΎΠ½ΡΡΠΎΠ»ΡΠ½ΡΡ Π»Π°ΠΌΠΏΡ Β«ΠΏΡΠΎΠ²Π΅ΡΡ Π΄Π²ΠΈΠ³Π°ΡΠ΅Π»ΡΒ».
ΠΡΠΎΡ ΠΆΠ΅Β ΡΠΈΠ³Π½Π°Π» Π±ΡΠ΄Π΅Ρ ΠΏΠΎΠ΄Π°Π½, Π΅ΡΠ»ΠΈ ΠΠ°Π΄ ΠΏΠ΅ΡΠ΅Π²Π°Π»ΠΈΡ Π·Π°Β 8-ΠΏΡΠΎΡΠ΅Π½ΡΠ½ΡΠΉ Π±Π°ΡΡΠ΅ΡΒ β ΠΊΠ°ΠΊ Π²Β ΠΏΠΎΠ»ΠΎΠΆΠΈΡΠ΅Π»ΡΠ½ΡΡ, ΡΠ°ΠΊ ΠΈΒ ΠΎΡΡΠΈΡΠ°ΡΠ΅Π»ΡΠ½ΡΡ ΡΡΠΎΡΠΎΠ½Ρ. ΠΠΎΠ½ΡΡΠΎΠ»Π»Π΅Ρ Π·Π°ΡΠΈΠΊΡΠΈΡΡΠ΅Ρ ΠΊΠΎΠ΄Ρ Π½Π΅ΠΈΡΠΏΡΠ°Π²Π½ΠΎΡΡΠ΅ΠΉ Π Π171Β ΠΈ Π Π172Β β ΡΠΌΠ΅ΡΡ ΡΠ»ΠΈΡΠΊΠΎΠΌ Π±Π΅Π΄Π½Π°Ρ Π»ΠΈΠ±ΠΎ Π±ΠΎΠ³Π°ΡΠ°Ρ. (ΠΡΠΎΡΠΎΠΉ ΡΠΈΠΌΠ²ΠΎΠ» ΠΒ Π²Β ΠΎΠ±ΠΎΠ·Π½Π°ΡΠ΅Π½ΠΈΠΈ ΠΊΠΎΠ΄Π° Π³ΠΎΠ²ΠΎΡΠΈΡ ΠΎΒ ΡΠΎΠΌ, ΡΡΠΎ ΡΡΠΎ ΠΎΠ±ΡΠΈΠΉ ΠΊΠΎΠ΄ ΡΠΎΠ³Π»Π°ΡΠ½ΠΎ ΠΏΡΠΎΡΠΎΠΊΠΎΠ»Ρ OBDΒ β ΠΈΒ ΡΠ°ΡΡΠΈΡΡΠΎΠ²ΡΠ²Π°Π΅ΡΡΡ ΠΎΠ΄ΠΈΠ½Π°ΠΊΠΎΠ²ΠΎ Π΄Π»ΡΒ Π»ΡΠ±ΠΎΠ³ΠΎ Π°Π²ΡΠΎΠΌΠΎΠ±ΠΈΠ»Ρ).
ΠΠ°ΡΠ΅ΠΌ ΠΆΠ΅Β Π½ΡΠΆΠ½Ρ Π΄Π²Π° Π΄ΠΎΠΏΠΎΠ»Π½ΠΈΡΠ΅Π»ΡΠ½ΡΡ ΠΊΠΎΡΡΡΠΈΡΠΈΠ΅Π½ΡΠ°? ΠΠ°ΠΏΠΎΠΌΠ½ΠΈΠΌ: ΡΠ΅ΠΊΡΡΠΈΠΉ ΠΊΠΎΡΡΡΠΈΡΠΈΠ΅Π½Ρ ΠΊΠΎΡΡΠ΅ΠΊΡΠΈΠΈ ΠΒ Π±ΡΡΡΡΠΎ ΡΠ΅Π°Π³ΠΈΡΡΠ΅Ρ Π½Π°Β ΠΏΠΎΡΡΠΎΡΠ½Π½ΠΎ ΠΏΡΠΎΠΈΡΡ ΠΎΠ΄ΡΡΠΈΠ΅ ΠΊΠΎΠ»Π΅Π±Π°Π½ΠΈΡ ΡΠΎΡΡΠ°Π²Π° ΡΠΌΠ΅ΡΠΈΒ β Π½ΠΎΒ ΡΡΠΈΠΌ Π΅Π³ΠΎ ΡΠΎΠ»Ρ ΠΈΒ ΠΈΡΡΠ΅ΡΠΏΡΠ²Π°Π΅ΡΡΡ. ΠΒ Π²ΠΎΡ ΠΊΠΎΡΡΡΠΈΡΠΈΠ΅Π½ΡΡ ΠΠ°Π΄ ΠΈΒ ΠΠΌΒ ΡΡΠΈΡΡΠ²Π°ΡΡ Π²Π»ΠΈΡΠ½ΠΈΠ΅ Π΄ΠΎΠ»Π³ΠΎΠ²ΡΠ΅ΠΌΠ΅Π½Π½ΡΡ , ΠΌΠ΅Π΄Π»Π΅Π½Π½ΠΎ ΠΌΠ΅Π½ΡΡΡΠΈΡ ΡΡ ΡΠ°ΠΊΡΠΎΡΠΎΠ², Π²ΠΎΠ·Π½ΠΈΠΊΡΠΈΡ Π²Β ΡΠ΅Π·ΡΠ»ΡΡΠ°ΡΠ΅ ΡΠ°Π±ΠΎΡΡ Π΄Π²ΠΈΠ³Π°ΡΠ΅Π»Ρ,Β β Π½Π°ΠΏΡΠΈΠΌΠ΅Ρ, ΠΏΠΎΡΡΠ΅ΠΏΠ΅Π½Π½ΡΡ ΠΏΠΎΡΠ΅ΡΡ ΠΈΠΌΒ ΠΊΠΎΠΌΠΏΡΠ΅ΡΡΠΈΠΈ ΠΈΠ·-Π·Π° ΠΈΠ·Π½ΠΎΡΠ°, Π·Π°Π³ΡΡΠ·Π½Π΅Π½ΠΈΠ΅ ΡΠΈΠ»ΡΡΡΠΎΠ², ΡΡΠ²ΡΡΠ²ΠΈΡΠ΅Π»ΡΠ½ΠΎΠ³ΠΎ ΡΠ»Π΅ΠΌΠ΅Π½ΡΠ° ΠΠΠ Π ΠΈΒ Ρ.Π΄.
Π Π°ΡΡΠΌΠΎΡΡΠΈΠΌ ΠΈΠ·ΠΌΠ΅Π½Π΅Π½ΠΈΡ ΠΊΠΎΡΡΡΠΈΡΠΈΠ΅Π½ΡΠΎΠ² Π½Π°Β ΠΏΡΠΈΠΌΠ΅ΡΠ΅. ΠΠΎΠΊΠ° Π΄Π²ΠΈΠ³Π°ΡΠ΅Π»Ρ Ρ
ΠΎΠ»ΠΎΠ΄Π½ΡΠΉ ΠΈΒ Π»ΡΠΌΠ±Π΄Π°-ΡΠ΅Π³ΡΠ»ΠΈΡΠΎΠ²Π°Π½ΠΈΡ Π½Π΅Ρ, ΡΠ΅ΠΊΡΡΠΈΠΉ ΠΊΠΎΡΡΡΠΈΡΠΈΠ΅Π½Ρ ΠΊΠΎΡΡΠ΅ΠΊΡΠΈΠΈ ΠΒ =Β 1.Β Π Π΅ΠΆΠΈΠΌ Π°Π΄Π°ΠΏΡΠ°ΡΠΈΠΈ Π΅ΡΠ΅ Π½Π΅Β ΡΠ°Π±ΠΎΡΠ°Π΅Ρ. Π§ΡΠΎΠ±Ρ ΠΎΠ½Β Π²ΠΊΠ»ΡΡΠΈΠ»ΡΡ, Π΄ΠΎΠ»ΠΆΠ½Ρ Π±ΡΡΡ Π²ΡΠΏΠΎΠ»Π½Π΅Π½Ρ ΡΠ»Π΅Π΄ΡΡΡΠΈΠ΅ ΡΡΠ»ΠΎΠ²ΠΈΡ: Π΄Π²ΠΈΠ³Π°ΡΠ΅Π»Ρ ΠΏΡΠΎΠ³ΡΠ΅Ρ Π²ΡΡΠ΅ +85Β°Π‘, ΠΏΡΠΎΡΠ°Π±ΠΎΡΠ°Π» ΡΒ ΠΌΠΎΠΌΠ΅Π½ΡΠ° ΠΏΡΡΠΊΠ° 10Β ΠΌΠΈΠ½ΡΡ, Π΅ΡΡΡ Π»ΡΠΌΠ±Π΄Π°-ΡΠ΅Π³ΡΠ»ΠΈΡΠΎΠ²Π°Π½ΠΈΠ΅, ΠΊΠΎΡΡΡΠΈΡΠΈΠ΅Π½Ρ ΠΒ ΠΌΠ΅Π½ΡΠ΅ΡΡΡ Π²Β ΠΏΠΎΠ»ΠΎΠΆΠ΅Π½Π½ΡΡ
ΡΠ·ΠΊΠΈΡ
ΠΏΡΠ΅Π΄Π΅Π»Π°Ρ
,Β ΡΠΎ Π΅ΡΡΡ 0,98β1,02.
ΠΡΠ»ΠΈ Π΄Π²ΠΈΠ³Π°ΡΠ΅Π»Ρ ΡΠ°Π±ΠΎΡΠ°Π΅Ρ ΡΒ ΡΠ°ΡΡΠΈΡΠ½ΠΎΠΉ Π½Π°Π³ΡΡΠ·ΠΊΠΎΠΉ, Π²Β Π΄Π΅Π»ΠΎ Π²ΡΡΡΠΏΠ°Π΅Ρ ΠΊΠΎΡΡΡΠΈΡΠΈΠ΅Π½Ρ ΠΌΡΠ»ΡΡΠΈΠΏΠ»ΠΈΠΊΠ°ΡΠΈΠ²Π½ΠΎΠΉ ΠΊΠΎΡΡΠ΅ΠΊΡΠΈΠΈ ΠΠΌ. ΠΠ»ΠΎΠΊ ΡΠΏΡΠ°Π²Π»Π΅Π½ΠΈΡ Π²Β ΠΊΠ°ΠΊΠΎΠΉ-ΡΠΎ ΠΌΠΎΠΌΠ΅Π½Ρ Π²ΡΠ΅ΠΌΠ΅Π½ΠΈ t1Β Π½Π°ΡΠΈΠ½Π°Π΅Ρ ΠΏΠ»Π°Π²Π½ΠΎ ΡΠ²Π΅Π»ΠΈΡΠΈΠ²Π°ΡΡ ΠΏΠ°ΡΠ°ΠΌΠ΅ΡΡ Π°Π΄Π°ΠΏΡΠ°ΡΠΈΠΈ ΠΠΌ. ΠΠΎΠΏΡΡΡΠΈΠΌ, ΠΎΠ½Β ΡΠ²Π΅Π»ΠΈΡΠΈΠ»ΡΡ Π΄ΠΎΒ 1,01. Π‘ΠΌΠ΅ΡΡ ΡΡΠ°Π»Π° Π±ΠΎΠ³Π°ΡΠ΅ Π½Π°Β 1%. Π‘ΠΎΠΎΡΠ²Π΅ΡΡΡΠ²Π΅Π½Π½ΠΎ, ΠΏΠ°ΡΠ°ΠΌΠ΅ΡΡ ΡΠ΅ΠΊΡΡΠ΅ΠΉ ΠΊΠΎΡΡΠ΅ΠΊΡΠΈΠΈ Π²ΠΏΡΡΡΠΊΠ° ΠΒ ΡΠ΅Π°Π³ΠΈΡΡΠ΅Ρ Π½Π°Β ΡΡΠΎ ΠΈΒ ΠΏΠ΅ΡΠ΅Ρ
ΠΎΠ΄ΠΈΡ Π²Β Π΄ΠΈΠ°ΠΏΠ°Π·ΠΎΠ½ 1,12β1,16Β ΠΏΡΠΈ ΡΡΠ΅Π΄Π½Π΅ΠΌ Π·Π½Π°ΡΠ΅Π½ΠΈΠΈ 1,14. ΠΠΎΒ ΠΒ Π΅ΡΠ΅ ΠΎΡΠ΅Π½Ρ Π΄Π°Π»Π΅ΠΊ ΠΎΡΒ Π΅Π΄ΠΈΠ½ΠΈΡΡ, ΠΏΠΎΡΡΠΎΠΌΡ Π±Π»ΠΎΠΊ ΠΏΡΠΎΠ΄ΠΎΠ»ΠΆΠ°Π΅Ρ ΡΠ²Π΅Π»ΠΈΡΠΈΠ²Π°ΡΡ ΠΠΌ. ΠΡΠΎ Π±ΡΠ΄Π΅Ρ ΠΏΡΠΎΠ΄ΠΎΠ»ΠΆΠ°ΡΡΡΡ, ΠΏΠΎΠΊΠ° ΡΠΌΠ΅ΡΡ Π½Π΅Β Π²Π΅ΡΠ½Π΅ΡΡΡ ΠΊΒ ΡΡΠ΅Ρ
ΠΈΠΎΠΌΠ΅ΡΡΠΈΠΈ,Β ΡΠΎ Π΅ΡΡΡ ΠΒ =Β 1,0. ΠΒ ΡΡΠΎΠΌΡ ΠΌΠΎΠΌΠ΅Π½ΡΡ ΠΠΌΒ =Β 1,15. ΠΒ ΠΈΡΠΎΠ³Π΅ Π±Π»ΠΎΠΊ ΡΠΏΡΠ°Π²Π»Π΅Π½ΠΈΡ Β«Π½Π°ΡΡΠΈΠ»ΡΡΒ» ΡΠ°Π±ΠΎΡΠ°ΡΡ ΡΒ ΡΡΠ΅ΡΠΎΠΌ ΠΎΡΠΊΠ»ΠΎΠ½Π΅Π½ΠΈΠΉ Π²Β ΠΠΠ Π, ΠΏΠΎΠ³ΡΠ΅ΡΠ½ΠΎΡΡΡ ΠΊΠΎΡΠΎΡΠΎΠ³ΠΎ ΡΡΡΠ΅Π½Π° Π²Β ΡΠ΅Π·ΡΠ»ΡΡΠ°ΡΠ°Ρ
Π°Π΄Π°ΠΏΡΠ°ΡΠΈΠΈ, Π°Β ΠΊΠΎΡΡΡΠΈΡΠΈΠ΅Π½Ρ ΠΒ ΠΊΠΎΡΡΠ΅ΠΊΡΠΈΠΈ Π²ΡΠ΅ΠΌΠ΅Π½ΠΈ Π²ΠΏΡΡΡΠΊΠ°, ΠΊΠ°ΠΊ ΠΈΒ ΠΏΠΎΠ»ΠΎΠΆΠ΅Π½ΠΎ, Π²Π½ΠΎΠ²Ρ ΠΊΠΎΠ»Π΅Π±Π»Π΅ΡΡΡ Π²Β ΠΏΡΠ΅Π΄Π΅Π»Π°Ρ
0,98β1,02Β β ΠΈΒ Π³ΠΎΡΠΎΠ² ΡΠΊΠΎΠΌΠΏΠ΅Π½ΡΠΈΡΠΎΠ²Π°ΡΡ Π²Π½Π΅Π·Π°ΠΏΠ½ΠΎΠ΅ ΠΎΠ±ΠΎΠ³Π°ΡΠ΅Π½ΠΈΠ΅ Π»ΠΈΠ±ΠΎ ΠΎΠ±Π΅Π΄Π½Π΅Π½ΠΈΠ΅ ΡΠΌΠ΅ΡΠΈ Π½Π°Β 25%. ΠΠΎΡΡΡΠΈΡΠΈΠ΅Π½Ρ ΠΠΌ, Π²Β ΠΎΡΠ»ΠΈΡΠΈΠ΅ ΠΎΡΒ Π, Π·Π°ΠΏΠΈΡΡΠ²Π°Π΅ΡΡΡ Π²Β ΡΠ½Π΅ΡΠ³ΠΎΠ·Π°Π²ΠΈΡΠΈΠΌΡΡ ΠΏΠ°ΠΌΡΡΡ ΠΊΠΎΠ½ΡΡΠΎΠ»Π»Π΅ΡΠ° ΠΈΒ Ρ
ΡΠ°Π½ΠΈΡΡΡ ΡΠ°ΠΌ Π΄Π°ΠΆΠ΅ ΠΏΡΠΈ Π²ΡΠΊΠ»ΡΡΠ΅Π½Π½ΠΎΠΌ Π·Π°ΠΆΠΈΠ³Π°Π½ΠΈΠΈ.
ΠΡΠΈ ΠΏΠΎΡΠ»Π΅Π΄ΡΡΡΠΈΡ
ΠΏΡΡΠΊΠ°Ρ
, Π²ΠΊΠ»ΡΡΠ°Ρ Ρ
ΠΎΠ»ΠΎΠ΄Π½ΡΠ΅, Π±Π΅Π· Π»ΡΠΌΠ±Π΄Π°-ΡΠ΅Π³ΡΠ»ΠΈΡΠΎΠ²Π°Π½ΠΈΡ, ΠΊΠΎΠ½ΡΡΠΎΠ»Π»Π΅Ρ Π±ΡΠ΄Π΅Ρ ΡΡΠΈΡΡΠ²Π°ΡΡ ΠΏΠΎΠ³ΡΠ΅ΡΠ½ΠΎΡΡΡ ΠΠΠ Π.
ΠΠ΄Π΄ΠΈΡΠΈΠ²Π½Π°Ρ ΡΠΎΡΡΠ°Π²Π»ΡΡΡΠ°Ρ ΠΊΠΎΡΡΠ΅ΠΊΡΠΈΠΈ ΡΠ°ΠΌΠΎΠΎΠ±ΡΡΠ΅Π½ΠΈΡ ΠΠ°Π΄ ΡΠΎΠΆΠ΅ ΠΎΡΡΠ»Π΅ΠΆΠΈΠ²Π°Π΅Ρ ΠΈΠ·ΠΌΠ΅Π½Π΅Π½ΠΈΡ ΠΊΠΎΡΡΡΠΈΡΠΈΠ΅Π½ΡΠ° ΠΒ β Π½ΠΎΒ Π»ΠΈΡΡ ΠΏΡΠΈ ΠΌΠΈΠ½ΠΈΠΌΠ°Π»ΡΠ½ΡΡ
ΠΎΠ±ΠΎΡΠΎΡΠ°Ρ
Ρ
ΠΎΠ»ΠΎΡΡΠΎΠ³ΠΎ Ρ
ΠΎΠ΄Π°. ΠΠ΅Β ΡΠ°Π·ΠΌΠ΅ΡΠ½ΠΎΡΡΡΒ β ΠΏΡΠΎΡΠ΅Π½ΡΡ. ΠΠ·ΠΌΠ΅Π½Π΅Π½ΠΈΠ΅ ΡΠΎΡΡΠ°Π²Π° ΡΠΌΠ΅ΡΠΈ, ΠΎΠΏΡΠ΅Π΄Π΅Π»ΡΠ΅ΠΌΠΎΠ΅ ΠΊΠΎΡΡΡΠΈΡΠΈΠ΅Π½ΡΠΎΠΌ ΠΠ°Π΄, ΠΌΠΎΠΆΠ½ΠΎ ΡΠ°ΡΡΡΠΈΡΠ°ΡΡ ΠΏΠΎΒ ΡΠΎΡΠΌΡΠ»Π΅, ΠΊΠΎΡΠΎΡΡΡ ΠΌΡΒ ΠΏΡΠ΅Π΄ΡΡΠ°Π²ΠΈΠΌ Π²Β ΡΠΏΡΠΎΡΠ΅Π½Π½ΠΎΠΌ Π²ΠΈΠ΄Π΅, ΡΠ°ΠΊ ΠΊΠ°ΠΊ Π½Π°Β ΡΠΎΡΡΠ°Π²Π΅ ΡΠΌΠ΅ΡΠΈ ΡΠΊΠ°Π·ΡΠ²Π°ΡΡΡΡ ΠΈΒ Π΄ΡΡΠ³ΠΈΠ΅ ΠΏΠ°ΡΠ°ΠΌΠ΅ΡΡΡ, ΠΊΠΎΡΠΎΡΡΠ΅ Π·Π΄Π΅ΡΡ Π½Π΅ ΡΠ°ΡΡΠΌΠ°ΡΡΠΈΠ²Π°ΡΡΡΡ. ΠΡΠ°ΠΊ, ΡΠΎΡΡΠ°Π² ΡΠΌΠ΅ΡΠΈ ΠΌΠ΅Π½ΡΠ΅ΡΡΡ Π½Π°Β Π²Π΅Π»ΠΈΡΠΈΠ½Ρ: ΠΠ°Π΄.100/Π½Π°Π³ΡΡΠ·ΠΊΠ°. ΠΒ ΠΏΠ°ΡΠ°ΠΌΠ΅ΡΡΠ΅ Π½Π°Π³ΡΡΠ·ΠΊΠΈ ΠΌΡΒ Π³ΠΎΠ²ΠΎΡΠΈΠ»ΠΈ Π²Β ΠΏΡΠΎΡΠ»ΠΎΠΌ ΠΌΠ°ΡΠ΅ΡΠΈΠ°Π»Π΅Β β Π΄Π»ΡΒ ΠΈΡΠΏΡΠ°Π²Π½ΠΎΠ³ΠΎ ΠΏΡΠΎΠ³ΡΠ΅ΡΠΎΠ³ΠΎ Π΄Π²ΠΈΠ³Π°ΡΠ΅Π»Ρ Π½Π°Β Ρ
ΠΎΠ»ΠΎΡΡΠΎΠΌ Ρ
ΠΎΠ΄Ρ ΠΎΠ½Β Π±Π»ΠΈΠ·ΠΎΠΊ ΠΊΒ 20%. ΠΠΎΠΏΡΡΡΠΈΠΌ, ΠΠ°Π΄ =Β 2%Β β Π²Β ΡΡΠΎΠΌ ΡΠ»ΡΡΠ°Π΅ ΡΠΎΡΡΠ°Π² ΡΠΌΠ΅ΡΠΈ ΡΠΎΠΎΡΠ²Π΅ΡΡΡΠ²ΡΠ΅Ρ 10-ΠΏΡΠΎΡΠ΅Π½ΡΠ½ΠΎΠΌΡ ΠΎΠ±ΠΎΠ³Π°ΡΠ΅Π½ΠΈΡ. ΠΒ Π΅ΡΠ»ΠΈ ΠΠ°Π΄ =Β β5%,Β ΡΠΎ ΡΠΌΠ΅ΡΡ ΠΎΠ±Π΅Π΄Π½ΠΈΡΡΡ Π½Π°Β 25%. ΠΒ Π΅ΡΠ»ΠΈ Π΄Π²ΠΈΠ³Π°ΡΠ΅Π»Ρ Π½Π΅Β ΠΎΠ±ΠΊΠ°ΡΠ°Π½? ΠΠ°ΡΠ°ΠΌΠ΅ΡΡ Π½Π°Π³ΡΡΠ·ΠΊΠΈ Π±ΠΎΠ»ΡΡΠ΅, ΠΎΠΊΠΎΠ»ΠΎ 25%. ΠΒ ΡΡΠΎΠΌ ΡΠ»ΡΡΠ°Π΅ ΠΏΡΠΈ ΠΠ°Π΄ =Β 2%Β ΠΏΡΠΎΠΈΠ·ΠΎΠΉΠ΄Π΅Ρ ΠΎΠ±ΠΎΠ³Π°ΡΠ΅Π½ΠΈΠ΅ ΡΠΌΠ΅ΡΠΈ Π½Π°Β 8%. ΠΠ°ΠΊ ΡΠ°Π±ΠΎΡΠ°Π΅Ρ ΡΡΠ° ΡΠΎΡΠΌΠ° Π°Π΄Π°ΠΏΡΠ°ΡΠΈΠΈ, ΡΠ°ΡΡΠΌΠΎΡΡΠΈΠΌ Π½Π°Β ΠΏΡΠΈΠΌΠ΅ΡΠ΅.
ΠΠΎΠΏΡΡΡΠΈΠΌ, Π²ΠΎΒ Π²ΠΏΡΡΠΊΠ½ΠΎΠΉ ΠΊΠΎΠ»Π»Π΅ΠΊΡΠΎΡ ΠΏΠΎΠ΄ΡΠ°ΡΡΠ²Π°Π»ΡΡ Π²ΠΎΠ·Π΄ΡΡ , ΠΎΠ±Π΅Π΄Π½ΡΡ ΡΠΌΠ΅ΡΡ Π½Π°Β 10%. Π‘Π½Π°ΡΠ°Π»Π° ΡΡΠΎ ΠΊΠΎΠΌΠΏΠ΅Π½ΡΠΈΡΠΎΠ²Π°Π» ΡΠ΅ΠΊΡΡΠΈΠΉ ΠΊΠΎΡΡΡΠΈΡΠΈΠ΅Π½Ρ ΠΊΠΎΡΡΠ΅ΠΊΡΠΈΠΈ Π²ΡΠ΅ΠΌΠ΅Π½ΠΈ Π²ΠΏΡΡΡΠΊΠ° ΠΒ β ΠΎΠ½Β ΡΠ²Π΅Π»ΠΈΡΠΈΠ»ΡΡ Π΄ΠΎΒ 1,1Β ΠΈ ΡΡΠΈΠΌ ΠΏΡΠΈΠ²Π΅Π» ΡΠΌΠ΅ΡΡ ΠΊΒ ΡΡΠ΅Ρ ΠΈΠΎΠΌΠ΅ΡΡΠΈΠΈ. ΠΠΎΒ ΠΏΠΎΡΠ»Π΅ Π²ΠΊΠ»ΡΡΠ΅Π½ΠΈΡ Π°Π΄Π°ΠΏΡΠ°ΡΠΈΠΈ ΠΏΠΎΠ»ΡΡΠ°Π΅ΠΌ: ΠΠ°Π΄ =Β 2%, Π°Β ΠΊΠΎΡΡΡΠΈΡΠΈΠ΅Π½Ρ ΠΒ =Β 1,0.
ΠΡΠΈ ΠΏΠΎΠ²ΡΠΎΡΠ½ΡΡ ΠΏΡΡΠΊΠ°Ρ Π±Π»ΠΎΠΊ ΡΠΏΡΠ°Π²Π»Π΅Π½ΠΈΡ ΡΡΠΈΡΡΠ²Π°Π΅Ρ ΡΠ°Π½Π΅Π΅ ΠΏΠΎΠ΄ΠΊΠΎΡΡΠ΅ΠΊΡΠΈΡΠΎΠ²Π°Π½Π½ΠΎΠ΅ Π·Π½Π°ΡΠ΅Π½ΠΈΠ΅ ΠΠ°Π΄Β β ΠΈΒ Π΄Π°ΠΆΠ΅ Π½Π°Β ΡΠ΅ΠΆΠΈΠΌΠ΅ ΠΏΡΠΎΠ³ΡΠ΅Π²Π°, ΠΊΠΎΠ³Π΄Π° Π»ΡΠΌΠ±Π΄Π°-ΡΠ΅Π³ΡΠ»ΠΈΡΠΎΠ²Π°Π½ΠΈΡ Π½Π΅Ρ, ΡΡΠΎ ΠΎΠ±Π΅ΡΠΏΠ΅ΡΠΈΠ²Π°Π΅Ρ ΡΡΡΠΎΠΉΡΠΈΠ²ΡΡ ΡΠ°Π±ΠΎΡΡ Π΄Π²ΠΈΠ³Π°ΡΠ΅Π»Ρ.
…ΠΠΎ Π²ΠΎΡ ΠΏΠΎΠ΄ΡΠΎΡ ΡΡΡΡΠ°Π½ΠΈΠ»ΠΈ. Π‘ΠΌΠ΅ΡΡ ΡΡΠ°Π»Π° Π±ΠΎΠ³Π°ΡΠΎΠΉ. ΠΠ°Β ΡΡΠΎ ΡΡΠ°Π·Ρ ΠΎΡΡΠ΅Π°Π³ΠΈΡΡΠ΅Ρ ΠΊΠΎΡΡΡΠΈΡΠΈΠ΅Π½Ρ ΠΊΠΎΡΡΠ΅ΠΊΡΠΈΠΈ Π²ΡΠ΅ΠΌΠ΅Π½ΠΈ Π²ΠΏΡΡΡΠΊΠ° ΠΒ β ΠΎΠ½Β ΡΠ½ΠΈΠ·ΠΈΡΡΡ Π΄ΠΎΒ 0,9. Π’ΠΎΠΏΠ»ΠΈΠ²ΠΎΠΏΠΎΠ΄Π°ΡΠ° ΡΠ½ΠΈΠ·ΠΈΠ»Π°ΡΡ Π½Π°Β 10%, ΡΠΌΠ΅ΡΡ Π²Π΅ΡΠ½ΡΠ»Π°ΡΡ ΠΊΒ ΡΡΠ΅Ρ ΠΈΠΎΠΌΠ΅ΡΡΠΈΠΈ. ΠΠΎΡΠ»Π΅ Π²ΠΊΠ»ΡΡΠ΅Π½ΠΈΡ Π°Π΄Π°ΠΏΡΠ°ΡΠΈΠΈ ΠΠ°Π΄ Π½Π°ΡΠ½Π΅Ρ ΡΠΌΠ΅Π½ΡΡΠ°ΡΡΡΡ, ΠΏΠΎΠΊΠ° ΠΊΠΎΡΡΠ΅ΠΊΡΠΈΡ Π²ΡΠ΅ΠΌΠ΅Π½ΠΈ Π²ΠΏΡΡΡΠΊΠ° Π½Π΅Β Π²Π΅ΡΠ½Π΅ΡΡΡ ΠΊΒ Π²Π΅Π»ΠΈΡΠΈΠ½Π΅ ΠΒ =Β 1,0.
ΠΡΠΌΠ΅ΡΠΈΠΌ Π²Β Π·Π°ΠΊΠ»ΡΡΠ΅Π½ΠΈΠ΅: ΡΡΠΎΠ±Ρ ΠΊΠΎΡΡΡΠΈΡΠΈΠ΅Π½ΡΡ ΠΠΌ, ΠΠ°Π΄ ΠΈΒ Π²ΡΠ΅ΠΌΡ Π²ΠΏΡΡΡΠΊΠ° ΠΏΠΎΡΠ»Π΅ ΡΡΡΡΠ°Π½Π΅Π½ΠΈΡ Π½Π΅ΠΈΡΠΏΡΠ°Π²Π½ΠΎΡΡΠΈ Π²Π΅ΡΠ½ΡΠ»ΠΈΡΡ ΠΊΒ Π½ΠΎΠΌΠΈΠ½Π°Π»ΡΠ½ΡΠΌ Π·Π½Π°ΡΠ΅Π½ΠΈΡΠΌ, Π΄ΠΎΠ»Π³ΠΎ ΠΆΠ΄Π°ΡΡ Π½Π΅ Π½Π°Π΄ΠΎ. ΠΠΎΡΡΠ°ΡΠΎΡΠ½ΠΎ Π²ΠΎΡΠΏΠΎΠ»ΡΠ·ΠΎΠ²Π°ΡΡΡΡ ΡΡΠ½ΠΊΡΠΈΠ΅ΠΉ Π΄ΠΈΠ°Π³Π½ΠΎΡΡΠΈΡΠ΅ΡΠΊΠΎΠ³ΠΎ ΠΏΡΠΈΠ±ΠΎΡΠ° Β«ΡΠ±ΡΠΎΡ Π°Π΄Π°ΠΏΡΠ°ΡΠΈΠΉΒ» ΠΈΠ»ΠΈ ΠΎΡΠΊΠ»ΡΡΠΈΡΡ Π°ΠΊΠΊΡΠΌΡΠ»ΡΡΠΎΡ.
ΠΠΎΠΏΡΡΡΠΈΠΌ, ΡΡΠΎ ΠΠ°Π΄ =Β 0, ΠΒ =Β 1,0. ΠΡΠΎ ΠΈΡ Β Π½Π΅ΠΉΡΡΠ°Π»ΡΠ½ΡΠ΅ Π·Π½Π°ΡΠ΅Π½ΠΈΡ. ΠΠΎΒ Π²ΠΎΡ ΠΠΠ Π, Π½Π°ΠΏΡΠΈΠΌΠ΅Ρ, ΡΠΎΡΡΠ°ΡΠΈΠ»ΡΡΒ β ΠΈΒ ΡΠΌΠ΅ΡΡ ΡΡΠ°Π»Π° Π½Π°Β 15% Π±Π΅Π΄Π½Π΅ΠΉ. ΠΠ»ΠΎΠΊ ΡΠΏΡΠ°Π²Π»Π΅Π½ΠΈΡ Π½Π°ΡΠ½Π΅Ρ ΠΏΡΠΈΠ²ΠΎΠ΄ΠΈΡΡ Π΅Π΅Β ΠΊΒ ΡΡΠ΅Ρ ΠΈΠΎΠΌΠ΅ΡΡΠΈΠΈ ΠΈΒ ΡΠ²Π΅Π»ΠΈΡΠΈΡ ΠΏΠΎΠ΄Π°ΡΡ ΡΠΎΠΏΠ»ΠΈΠ²Π° Π½Π°Β 15%. ΠΒ ΡΡΠΎΠΌ ΡΠ»ΡΡΠ°Π΅ ΠΊΠΎΡΡΡΠΈΡΠΈΠ΅Π½Ρ ΠΒ Π±ΡΠ΄Π΅Ρ ΠΊΠΎΠ»Π΅Π±Π°ΡΡΡΡ Π²Β ΠΏΡΠ΅Π΄Π΅Π»Π°Ρ 1,13β1,17Β (ΡΡΠ΅Π΄Π½Π΅Π΅ Π·Π½Π°ΡΠ΅Π½ΠΈΠ΅ 1,15). ΠΠΎΡ ΡΡΡ ΠΈΒ Π²ΠΊΠ»ΡΡΠ°Π΅ΡΡΡ ΠΏΡΠΎΡΠ΅ΡΡ Π°Π΄Π°ΠΏΡΠ°ΡΠΈΠΈ: ΠΏΠ°ΡΠ°ΠΌΠ΅ΡΡ Β«Π±Π°Π·ΠΎΠ²Π°Ρ Π°Π΄Π°ΠΏΡΠ°ΡΠΈΡ ΡΠΌΠ΅ΡΠΈΒ» ΠΏΡΠΈΠ½ΠΈΠΌΠ°Π΅Ρ Π·Π½Π°ΡΠ΅Π½ΠΈΠ΅ Β«ΠΠΒ». ΠΠ°Π΄Π°ΡΠ° Π°Π΄Π°ΠΏΡΠ°ΡΠΈΠΈΒ β ΠΊΠΎΠΌΠΏΠ΅Π½ΡΠΈΡΠΎΠ²Π°ΡΡ ΠΎΡΠΈΠ±ΠΊΠΈ ΡΠΎΠΏΠ»ΠΈΠ²ΠΎΠ΄ΠΎΠ·ΠΈΡΠΎΠ²Π°Π½ΠΈΡ ΠΈΒ Π²Π΅ΡΠ½ΡΡΡ ΠΊΒ Π½ΠΎΠΌΠΈΠ½Π°Π»ΡΠ½ΠΎΠΌΡ Π·Π½Π°ΡΠ΅Π½ΠΈΡ 1,0 ΠΊΠΎΡΡΡΠΈΡΠΈΠ΅Π½Ρ Π.
Π’ΠΎΠΏΠ»ΠΈΠ²Π½Π°Ρ ΠΎΡΠ΄Π΅Π»ΠΊΠ°?
ΠΠΎΠ΄ΡΡΡΠΎΠΉΠΊΠ° ΡΠΎΠΏΠ»ΠΈΠ²Π° — ΡΡΠΎ ΡΠ΅Π³ΡΠ»ΠΈΡΠΎΠ²ΠΊΠ°, ΠΊΠΎΡΠΎΡΡΡ ΠΊΠΎΠΌΠΏΡΡΡΠ΅Ρ Π΄Π²ΠΈΠ³Π°ΡΠ΅Π»Ρ (PCM) ΠΏΡΠΎΠΈΠ·Π²ΠΎΠ΄ΠΈΡ Π² ΡΠΎΠΏΠ»ΠΈΠ²Π½ΠΎΠΉ ΡΠΌΠ΅ΡΠΈ Π΄Π»Ρ ΠΏΠΎΠ΄Π΄Π΅ΡΠΆΠ°Π½ΠΈΡ ΡΠ±Π°Π»Π°Π½ΡΠΈΡΠΎΠ²Π°Π½Π½ΠΎΠ³ΠΎ ΡΠΎΠΎΡΠ½ΠΎΡΠ΅Π½ΠΈΡ Π²ΠΎΠ·Π΄ΡΡ / ΡΠΎΠΏΠ»ΠΈΠ²ΠΎ. ΠΠΎΡΡΠ΅ΠΊΡΠΈΡ ΡΠΎΠΏΠ»ΠΈΠ²Π° ΠΎΠ±ΡΡΠ½ΠΎ ΠΎΡΠΎΠ±ΡΠ°ΠΆΠ°Π΅ΡΡΡ Π½Π° Π΄ΠΈΠ°Π³Π½ΠΎΡΡΠΈΡΠ΅ΡΠΊΠΎΠΌ ΠΏΡΠΈΠ±ΠΎΡΠ΅ Π² Π²ΠΈΠ΄Π΅ ΠΏΠΎΠΊΠ°Π·Π°Π½ΠΈΠΉ Π² ΠΏΡΠΎΡΠ΅Π½ΡΠ°Ρ .
ΠΠ»Ρ ΠΌΠΈΠ½ΠΈΠΌΠ°Π»ΡΠ½ΡΡ
Π²ΡΠ±ΡΠΎΡΠΎΠ² ΠΊΠΎΠΌΠΏΡΡΡΠ΅Ρ Π΄Π²ΠΈΠ³Π°ΡΠ΅Π»Ρ ΠΏΡΡΠ°Π΅ΡΡΡ ΠΏΠΎΠ΄Π΄Π΅ΡΠΆΠΈΠ²Π°ΡΡ Π±Π°Π»Π°Π½Ρ ΡΠΎΠΏΠ»ΠΈΠ²Π½ΠΎΠΉ ΡΠΌΠ΅ΡΠΈ Π² ΠΏΡΠ΅Π΄Π΅Π»Π°Ρ
14,7: 1 (14,7 ΡΠ°ΡΡΠ΅ΠΉ Π²ΠΎΠ·Π΄ΡΡ
Π° Π½Π° ΠΎΠ΄Π½Ρ ΡΠ°ΡΡΡ ΡΠΎΠΏΠ»ΠΈΠ²Π°).
ΠΡΠ»ΠΈ ΡΠΎΠΎΡΠ½ΠΎΡΠ΅Π½ΠΈΠ΅ Π²ΠΎΠ·Π΄ΡΡ
/ ΡΠΎΠΏΠ»ΠΈΠ²ΠΎ ΠΌΠ΅Π½ΡΡΠ΅ 14,7: 1 (ΡΠΊΠ°ΠΆΠ΅ΠΌ, 12: 1), ΡΠΎΠΏΠ»ΠΈΠ²Π½Π°Ρ ΡΠΌΠ΅ΡΡ ΠΠΠΠΠ’Π. ΠΠΎΠ³Π°ΡΠ°Ρ ΡΠΎΠΏΠ»ΠΈΠ²Π½Π°Ρ ΡΠΌΠ΅ΡΡ ΠΌΠΎΠΆΠ΅Ρ ΠΏΡΠΎΠΈΠ·Π²ΠΎΠ΄ΠΈΡΡ Π±ΠΎΠ»ΡΡΠ΅ ΠΌΠΎΡΠ½ΠΎΡΡΠΈ (Π΄ΠΎ ΠΎΠΏΡΠ΅Π΄Π΅Π»Π΅Π½Π½ΠΎΠ³ΠΎ ΠΏΡΠ΅Π΄Π΅Π»Π°), Π½ΠΎ ΠΎΠ½Π° ΡΠ°ΠΊΠΆΠ΅ ΡΠ²Π΅Π»ΠΈΡΠΈΠ²Π°Π΅Ρ ΡΠ°ΡΡ
ΠΎΠ΄ ΡΠΎΠΏΠ»ΠΈΠ²Π° ΠΈ Π²ΡΠ±ΡΠΎΡΡ.Π Π½Π°ΠΎΠ±ΠΎΡΠΎΡ, Π΅ΡΠ»ΠΈ ΡΠΎΠΏΠ»ΠΈΠ²Π½Π°Ρ ΡΠΌΠ΅ΡΡ Π±ΠΎΠ»ΡΡΠ΅ 14,7 ΠΊ ΠΎΠ΄Π½ΠΎΠΌΡ (ΡΠΊΠ°ΠΆΠ΅ΠΌ, 16 ΠΊ ΠΎΠ΄Π½ΠΎΠΌΡ), ΠΎΠ½Π° ΠΠΠΠΠΠΠΠ―. ΠΠ΅Π΄Π½Π°Ρ ΡΠΎΠΏΠ»ΠΈΠ²Π½Π°Ρ ΡΠΌΠ΅ΡΡ ΡΠ½ΠΈΠΆΠ°Π΅Ρ ΡΠ°ΡΡ
ΠΎΠ΄ ΡΠΎΠΏΠ»ΠΈΠ²Π°, Π½ΠΎ ΡΠ°ΠΊΠΆΠ΅ ΠΌΠΎΠΆΠ΅Ρ ΡΠ²Π΅Π»ΠΈΡΠΈΡΡ Π²ΡΠ±ΡΠΎΡΡ, Π΅ΡΠ»ΠΈ ΡΠΎΠΏΠ»ΠΈΠ²Π½ΠΎ-Π²ΠΎΠ·Π΄ΡΡΠ½Π°Ρ ΡΠΌΠ΅ΡΡ Π½Π°ΡΡΠΎΠ»ΡΠΊΠΎ Π±Π΅Π΄Π½Π°Ρ, ΡΡΠΎ Π½Π΅ ΠΌΠΎΠΆΠ΅Ρ Π²ΠΎΡΠΏΠ»Π°ΠΌΠ΅Π½ΠΈΡΡΡΡ ΠΈ Π²ΡΠ·ΡΠ²Π°Π΅Ρ ΠΏΡΠΎΠΏΡΡΠΊΠΈ Π·Π°ΠΆΠΈΠ³Π°Π½ΠΈΡ.
ΠΠΎΠΌΠΏΡΡΡΠ΅Ρ Π΄Π²ΠΈΠ³Π°ΡΠ΅Π»Ρ ΠΊΠΎΠ½ΡΡΠΎΠ»ΠΈΡΡΠ΅Ρ ΡΠΎΠΎΡΠ½ΠΎΡΠ΅Π½ΠΈΠ΅ Π²ΠΎΠ·Π΄ΡΡ
/ ΡΠΎΠΏΠ»ΠΈΠ²ΠΎ Ρ ΠΏΠΎΠΌΠΎΡΡΡ Π΄Π°ΡΡΠΈΠΊΠ° (ΠΎΠ²) ΠΊΠΈΡΠ»ΠΎΡΠΎΠ΄Π° Π² Π²ΡΠΏΡΡΠΊΠ½ΠΎΠΌ ΠΊΠΎΠ»Π»Π΅ΠΊΡΠΎΡΠ΅ (Π°Ρ
). ΠΠΈΡΠ»ΠΎΡΠΎΠ΄Π½ΡΠΉ Π΄Π°ΡΡΠΈΠΊ — ΡΡΠΎ, ΠΏΠΎ ΡΡΡΠΈ, ΠΈΠ½Π΄ΠΈΠΊΠ°ΡΠΎΡ RICH ΠΈΠ»ΠΈ LEAN. ΠΠΎΠ³Π΄Π° Π΄Π²ΠΈΠ³Π°ΡΠ΅Π»Ρ ΡΠ°Π±ΠΎΡΠ°Π΅Ρ Π½Π° ΠΎΠ±Π΅Π΄Π½Π΅Π½Π½ΠΎΠΉ ΡΠΌΠ΅ΡΠΈ (ΡΠ»ΠΈΡΠΊΠΎΠΌ ΠΌΠ½ΠΎΠ³ΠΎ Π²ΠΎΠ·Π΄ΡΡ
Π° ΠΈ Π½Π΅Π΄ΠΎΡΡΠ°ΡΠΎΡΠ½ΠΎ ΡΠΎΠΏΠ»ΠΈΠ²Π°), Π΄Π°ΡΡΠΈΠΊ O2 Π²ΡΠ΄Π°Π΅Ρ ΡΠΈΠ³Π½Π°Π» Π½ΠΈΠ·ΠΊΠΎΠ³ΠΎ Π½Π°ΠΏΡΡΠΆΠ΅Π½ΠΈΡ, ΠΊΠΎΡΠΎΡΡΠΉ ΡΠΎΠΎΠ±ΡΠ°Π΅Ρ ΠΊΠΎΠΌΠΏΡΡΡΠ΅ΡΡ Π΄Π²ΠΈΠ³Π°ΡΠ΅Π»Ρ, ΡΡΠΎ Π½Π΅ΠΎΠ±Ρ
ΠΎΠ΄ΠΈΠΌΠΎ Π±ΠΎΠ»ΡΡΠ΅ ΡΠΎΠΏΠ»ΠΈΠ²Π°.ΠΠΎΠ³Π΄Π° Π΄Π²ΠΈΠ³Π°ΡΠ΅Π»Ρ ΡΠ°Π±ΠΎΡΠ°Π΅Ρ Π½Π° Π±ΠΎΠ³Π°ΡΠΎΠΉ ΡΠΌΠ΅ΡΠΈ (ΡΠ»ΠΈΡΠΊΠΎΠΌ ΠΌΠ½ΠΎΠ³ΠΎ ΡΠΎΠΏΠ»ΠΈΠ²Π° ΠΈ Π½Π΅Π΄ΠΎΡΡΠ°ΡΠΎΡΠ½ΠΎ Π²ΠΎΠ·Π΄ΡΡ
Π°), Π΄Π°ΡΡΠΈΠΊ O2 Π²ΡΠ΄Π°Π΅Ρ ΡΠΈΠ³Π½Π°Π» Π±ΠΎΠ»Π΅Π΅ Π²ΡΡΠΎΠΊΠΎΠ³ΠΎ Π½Π°ΠΏΡΡΠΆΠ΅Π½ΠΈΡ, ΠΊΠΎΡΠΎΡΡΠΉ ΡΠΎΠΎΠ±ΡΠ°Π΅Ρ ΠΊΠΎΠΌΠΏΡΡΡΠ΅ΡΡ Π΄Π²ΠΈΠ³Π°ΡΠ΅Π»Ρ, ΡΡΠΎ Π΄Π²ΠΈΠ³Π°ΡΠ΅Π»Ρ ΠΏΠΎΠ»ΡΡΠ°Π΅Ρ ΡΠ»ΠΈΡΠΊΠΎΠΌ ΠΌΠ½ΠΎΠ³ΠΎ ΡΠΎΠΏΠ»ΠΈΠ²Π°, ΠΈ ΡΠΎΠΊΡΠ°ΡΠ°Π΅Ρ ΠΏΠΎΠ΄Π°ΡΡ ΡΠΎΠΏΠ»ΠΈΠ²Π°.
ΠΠ° ΡΡΠ°Π½ΡΠΏΠΎΡΡΠ½ΡΡ
ΡΡΠ΅Π΄ΡΡΠ²Π°Ρ
, ΠΊΠΎΡΠΎΡΡΠ΅ ΠΈΠΌΠ΅ΡΡ Π΄Π°ΡΡΠΈΠΊ Π²ΠΎΠ·Π΄ΡΡ
Π° / ΡΠΎΠΏΠ»ΠΈΠ²Π° Ρ ΡΠΈΡΠΎΠΊΠΈΠΌ ΡΠΎΠΎΡΠ½ΠΎΡΠ΅Π½ΠΈΠ΅ΠΌ ΡΡΠΎΡΠΎΠ½ (WRAF) ΠΈΠ»ΠΈ Π΄Π°ΡΡΠΈΠΊ A / F, Π΄Π°ΡΡΠΈΠΊ ΡΠΎΠΎΠ±ΡΠ°Π΅Ρ ΠΊΠΎΠΌΠΏΡΡΡΠ΅ΡΡ ΡΠΎΡΠ½ΡΠΉ Π΄Π°ΡΡΠΈΠΊ ΡΠΎΠΏΠ»ΠΈΠ²Π° Π² Π²ΠΎΠ·Π΄ΡΡ
Π΅, ΡΡΠΎΠ±Ρ ΠΊΠΎΠΌΠΏΡΡΡΠ΅Ρ ΠΌΠΎΠ³ ΡΠ²Π΅Π»ΠΈΡΠΈΠ²Π°ΡΡ ΠΈΠ»ΠΈ ΡΠΌΠ΅Π½ΡΡΠ°ΡΡ ΠΏΠΎΠ΄Π°ΡΡ ΡΠΎΠΏΠ»ΠΈΠ²Π° ΠΏΠΎ ΠΌΠ΅ΡΠ΅ Π½Π΅ΠΎΠ±Ρ
ΠΎΠ΄ΠΈΠΌΠΎΡΡΠΈ.
ΠΠ»Ρ ΡΠΎΡΠ½ΡΡ Π·Π½Π°ΡΠ΅Π½ΠΈΠΉ ΠΊΠΎΡΡΠ΅ΠΊΡΠΈΡΠΎΠ²ΠΊΠΈ ΡΠΎΠΏΠ»ΠΈΠ²Π° ΡΡΠ΅Π±ΡΠ΅ΡΡΡ ΡΠΎΡΠ½ΡΠΉ ΡΠΈΠ³Π½Π°Π» ΠΎΠ±ΡΠ°ΡΠ½ΠΎΠΉ ΡΠ²ΡΠ·ΠΈ ΠΎΡ ΠΊΠΈΡΠ»ΠΎΡΠΎΠ΄Π½ΠΎΠ³ΠΎ Π΄Π°ΡΡΠΈΠΊΠ°, Π² ΠΏΡΠΎΡΠΈΠ²Π½ΠΎΠΌ ΡΠ»ΡΡΠ°Π΅ ΠΊΠΎΠΌΠΏΡΡΡΠ΅Ρ Π΄Π²ΠΈΠ³Π°ΡΠ΅Π»Ρ Π½Π΅ ΡΠΌΠΎΠΆΠ΅Ρ ΠΎΠΏΡΠ΅Π΄Π΅Π»ΠΈΡΡ, ΡΠ²Π»ΡΠ΅ΡΡΡ Π»ΠΈ ΡΠΎΠΏΠ»ΠΈΠ²Π½Π°Ρ ΡΠΌΠ΅ΡΡ Π±ΠΎΠ³Π°ΡΠΎΠΉ ΠΈΠ»ΠΈ Π±Π΅Π΄Π½ΠΎΠΉ.
ΠΡΠΈ ΠΏΠ΅ΡΠ²ΠΎΠΌ Π·Π°ΠΏΡΡΠΊΠ΅ Ρ
ΠΎΠ»ΠΎΠ΄Π½ΠΎΠ³ΠΎ Π΄Π²ΠΈΠ³Π°ΡΠ΅Π»Ρ Π½Π°Π³ΡΠ΅Π²Π°ΡΠ΅Π»ΡΠΌ Π²Π½ΡΡΡΠΈ ΠΊΠΈΡΠ»ΠΎΡΠΎΠ΄Π½ΡΡ
Π΄Π°ΡΡΠΈΠΊΠΎΠ² ΠΌΠΎΠΆΠ΅Ρ ΠΏΠΎΡΡΠ΅Π±ΠΎΠ²Π°ΡΡΡΡ ΠΎΡ 10 Π΄ΠΎ 30 ΡΠ΅ΠΊΡΠ½Π΄ ΠΈΠ»ΠΈ Π±ΠΎΠ»ΡΡΠ΅, ΡΡΠΎΠ±Ρ Π½Π°Π³ΡΠ΅ΡΡ Π΄Π°ΡΡΠΈΠΊΠΈ Π΄ΠΎ ΡΠ°Π±ΠΎΡΠ΅ΠΉ ΡΠ΅ΠΌΠΏΠ΅ΡΠ°ΡΡΡΡ. ΠΠΎ ΡΠ΅Ρ
ΠΏΠΎΡ, ΠΏΠΎΠΊΠ° ΡΡΠ° ΡΠΎΡΠΊΠ° Π½Π΅ Π±ΡΠ΄Π΅Ρ Π΄ΠΎΡΡΠΈΠ³Π½ΡΡΠ° ΠΈ ΡΠΈΡΡΠ΅ΠΌΠ° ΡΠΏΡΠ°Π²Π»Π΅Π½ΠΈΡ Ρ ΠΎΠ±ΡΠ°ΡΠ½ΠΎΠΉ ΡΠ²ΡΠ·ΡΡ ΠΏΠΎ ΡΠΎΠΏΠ»ΠΈΠ²Ρ Π½Π΅ ΠΏΠ΅ΡΠ΅ΠΉΠ΄Π΅Ρ Π² Β«Π·Π°ΠΌΠΊΠ½ΡΡΡΠΉ ΠΊΠΎΠ½ΡΡΡΒ», ΡΠΎΠΏΠ»ΠΈΠ²Π½Π°Ρ ΡΠΌΠ΅ΡΡ ΡΠΈΠΊΡΠΈΡΡΠ΅ΡΡΡ Π½Π° ΠΏΡΠ΅Π΄Π²Π°ΡΠΈΡΠ΅Π»ΡΠ½ΠΎ ΠΎΠΏΡΠ΅Π΄Π΅Π»Π΅Π½Π½ΠΎΠΌ Π·Π½Π°ΡΠ΅Π½ΠΈΠΈ, ΠΏΠΎΡΡΠΎΠΌΡ ΡΠ΅Π³ΡΠ»ΠΈΡΠΎΠ²ΠΊΠ° ΡΠΎΠΏΠ»ΠΈΠ²Π½ΠΎΠΉ ΠΊΠΎΡΡΠ΅ΠΊΡΠΈΠΈ Π½Π΅ ΠΏΡΠΎΠΈΠ·Π²ΠΎΠ΄ΠΈΡΡΡ. ΠΠΎ ΠΊΠ°ΠΊ ΡΠΎΠ»ΡΠΊΠΎ ΠΊΠΈΡΠ»ΠΎΡΠΎΠ΄Π½ΡΠ΅ Π΄Π°ΡΡΠΈΠΊΠΈ Π½Π°Π³ΡΠ΅Π²Π°ΡΡΡΡ ΠΈ ΡΠ΅ΠΌΠΏΠ΅ΡΠ°ΡΡΡΠ° ΠΎΡ
Π»Π°ΠΆΠ΄Π°ΡΡΠ΅ΠΉ ΠΆΠΈΠ΄ΠΊΠΎΡΡΠΈ ΡΡΠ°Π½ΠΎΠ²ΠΈΡΡΡ Π΄ΠΎΡΡΠ°ΡΠΎΡΠ½ΠΎ Π²ΡΡΠΎΠΊΠΎΠΉ, ΡΡΠΎΠ±Ρ ΠΊΠΎΠΌΠΏΡΡΡΠ΅Ρ ΠΏΠ΅ΡΠ΅ΡΠ΅Π» Π² Π·Π°ΠΌΠΊΠ½ΡΡΡΠΉ ΡΠΈΠΊΠ», ΠΊΠΎΠΌΠΏΡΡΡΠ΅Ρ Π½Π°ΡΠΈΠ½Π°Π΅Ρ Π³Π΅Π½Π΅ΡΠΈΡΠΎΠ²Π°ΡΡ Π·Π½Π°ΡΠ΅Π½ΠΈΡ ΠΊΠΎΡΡΠ΅ΠΊΡΠΈΡΠΎΠ²ΠΊΠΈ ΡΠΎΠΏΠ»ΠΈΠ²Π° ΠΈ Π²Π½ΠΎΡΠΈΡΡ ΠΊΠΎΡΡΠ΅ΠΊΡΠΈΡΠΎΠ²ΠΊΠΈ Π² ΡΠΎΠΏΠ»ΠΈΠ²Π½ΡΡ ΡΠΌΠ΅ΡΡ.
ΠΠΎΠ³Π΄Π° Π΄Π²ΠΈΠ³Π°ΡΠ΅Π»Ρ Π²ΡΠΊΠ»ΡΡΠ΅Π½, Π·Π½Π°ΡΠ΅Π½ΠΈΡ ΠΊΠΎΡΡΠ΅ΠΊΡΠΈΠΈ ΡΠΎΠΏΠ»ΠΈΠ²Π° ΡΠΎΡ ΡΠ°Π½ΡΡΡΡΡ Π² ΠΏΠ°ΠΌΡΡΠΈ ΠΊΠΎΠΌΠΏΡΡΡΠ΅ΡΠ°, ΠΏΠΎΡΡΠΎΠΌΡ Π² ΡΠ»Π΅Π΄ΡΡΡΠΈΠΉ ΡΠ°Π·, ΠΊΠΎΠ³Π΄Π° Π°Π²ΡΠΎΠΌΠΎΠ±ΠΈΠ»Ρ Π±ΡΠ΄Π΅Ρ Π΄Π²ΠΈΠ³Π°ΡΡΡΡ, ΠΎΠ½ ΡΠΌΠΎΠΆΠ΅Ρ ΠΏΡΠΎΠ΄ΠΎΠ»ΠΆΠΈΡΡ Ρ ΡΠΎΠ³ΠΎ ΠΌΠ΅ΡΡΠ°, Π³Π΄Π΅ ΠΎΡΡΠ°Π½ΠΎΠ²ΠΈΠ»ΡΡ. Π‘ΡΠΈΡΠ°Π½ΠΈΠ΅ ΠΏΠ°ΠΌΡΡΠΈ ΠΊΠΎΠΌΠΏΡΡΡΠ΅ΡΠ° Ρ ΠΏΠΎΠΌΠΎΡΡΡ Π΄ΠΈΠ°Π³Π½ΠΎΡΡΠΈΡΠ΅ΡΠΊΠΎΠ³ΠΎ ΠΏΡΠΈΠ±ΠΎΡΠ° ΠΈΠ»ΠΈ ΠΏΡΡΠ΅ΠΌ ΠΎΡΠΊΠ»ΡΡΠ΅Π½ΠΈΡ Π°ΠΊΠΊΡΠΌΡΠ»ΡΡΠΎΡΠ° ΠΈΠ»ΠΈ ΠΈΡΡΠΎΡΠ½ΠΈΠΊΠ° ΠΏΠΈΡΠ°Π½ΠΈΡ PCM Π΄Π»Ρ ΠΎΡΠΈΡΡΠΊΠΈ ΠΊΠΎΠ΄ΠΎΠ² ΡΠ°ΠΊΠΆΠ΅ ΡΡΠΈΡΠ°Π΅Ρ Π·Π½Π°ΡΠ΅Π½ΠΈΡ ΠΊΠΎΡΡΠ΅ΠΊΡΠΈΡΠΎΠ²ΠΊΠΈ ΡΠΎΠΏΠ»ΠΈΠ²Π°, ΡΡΠΎ ΠΎΠ·Π½Π°ΡΠ°Π΅Ρ, ΡΡΠΎ ΠΊΠΎΠΌΠΏΡΡΡΠ΅Ρ Π΄ΠΎΠ»ΠΆΠ΅Π½ Π½Π°ΡΠ°ΡΡ Π·Π°Π½ΠΎΠ²ΠΎ ΡΡΠΈΡΡ ΠΊΠΎΡΡΠ΅ΠΊΡΠΈΡΠΎΠ²ΠΊΠΈ ΡΠΎΠΏΠ»ΠΈΠ²Π° ΠΏΡΠΈ ΡΠ»Π΅Π΄ΡΡΡΠ΅ΠΌ Π·Π°ΠΏΡΡΠΊΠ΅ Π΄Π²ΠΈΠ³Π°ΡΠ΅Π»Ρ.
ΠΠ°ΠΊ ΡΡΠΈΡΠ°ΡΡ ΡΠΎΠΏΠ»ΠΈΠ²Π½ΡΠΉ ΠΎΡΡΠ΅ΠΊ
ΠΠ½Π°ΡΠ΅Π½ΠΈΠ΅ ΠΊΠΎΡΡΠ΅ΠΊΡΠΈΡΠΎΠ²ΠΊΠΈ ΡΠΎΠΏΠ»ΠΈΠ²ΠΎΠΏΠΎΠ΄Π°ΡΠΈ ΡΡΠΈΡΡΠ²Π°Π΅ΡΡΡ ΠΏΡΠΈ ΠΏΠΎΠ΄ΠΊΠ»ΡΡΠ΅Π½ΠΈΠΈ Π΄ΠΈΠ°Π³Π½ΠΎΡΡΠΈΡΠ΅ΡΠΊΠΎΠ³ΠΎ ΠΏΡΠΈΠ±ΠΎΡΠ° ΠΊ Π΄ΠΈΠ°Π³Π½ΠΎΡΡΠΈΡΠ΅ΡΠΊΠΎΠΌΡ ΡΠ°Π·ΡΠ΅ΠΌΡ OBD II, ΡΠ°ΡΠΏΠΎΠ»ΠΎΠΆΠ΅Π½Π½ΠΎΠΌΡ ΠΏΠΎΠ΄ ΠΏΡΠΈΠ±ΠΎΡΠ½ΠΎΠΉ ΠΏΠ°Π½Π΅Π»ΡΡ (ΡΠΎ ΡΡΠΎΡΠΎΠ½Ρ Π²ΠΎΠ΄ΠΈΡΠ΅Π»Ρ ΡΡΠ΄ΠΎΠΌ Ρ ΡΡΠ»Π΅Π²ΠΎΠΉ ΠΊΠΎΠ»ΠΎΠ½ΠΊΠΎΠΉ).ΠΠΎΠ³Π΄Π° ΠΊΠ»ΡΡ Π²ΠΊΠ»ΡΡΠ΅Π½, Π΄ΠΈΠ°Π³Π½ΠΎΡΡΠΈΡΠ΅ΡΠΊΠΈΠΉ ΠΏΡΠΈΠ±ΠΎΡ ΠΈΠ½ΠΈΡΠΈΠ°Π»ΠΈΠ·ΠΈΡΡΠ΅ΡΡΡ ΠΈ Π½Π°ΡΠΈΠ½Π°Π΅Ρ ΡΠ²ΡΠ·ΡΠ²Π°ΡΡΡΡ Ρ Π±ΠΎΡΡΠΎΠ²ΡΠΌ ΠΊΠΎΠΌΠΏΡΡΡΠ΅ΡΠΎΠΌ Π°Π²ΡΠΎΠΌΠΎΠ±ΠΈΠ»Ρ. Π Π·Π°Π²ΠΈΡΠΈΠΌΠΎΡΡΠΈ ΠΎΡ ΠΈΠ½ΡΡΡΡΠΌΠ΅Π½ΡΠ° ΠΈ ΡΡΠ°Π½ΡΠΏΠΎΡΡΠ½ΠΎΠ³ΠΎ ΡΡΠ΅Π΄ΡΡΠ²Π° ΠΌΠΎΠΆΠ΅Ρ ΠΏΠΎΡΡΠ΅Π±ΠΎΠ²Π°ΡΡΡΡ Π²Π²Π΅ΡΡΠΈ Π³ΠΎΠ΄ Π°Π²ΡΠΎΠΌΠΎΠ±ΠΈΠ»Ρ, ΠΌΠ°ΡΠΊΡ, ΠΌΠΎΠ΄Π΅Π»Ρ ΠΈ VIN-ΠΊΠΎΠ΄ Π΄Π²ΠΈΠ³Π°ΡΠ΅Π»Ρ, ΠΏΡΠ΅ΠΆΠ΄Π΅ ΡΠ΅ΠΌ Π΄ΠΈΠ°Π³Π½ΠΎΡΡΠΈΡΠ΅ΡΠΊΠΈΠΉ ΠΏΡΠΈΠ±ΠΎΡ ΡΠΌΠΎΠΆΠ΅Ρ ΡΡΠΈΡΡΠ²Π°ΡΡ Π΄Π°Π½Π½ΡΠ΅.
ΠΠ²ΠΈΠ³Π°ΡΠ΅Π»Ρ Π΄ΠΎΠ»ΠΆΠ΅Π½ Π±ΡΡΡ Π·Π°ΠΏΡΡΠ΅Π½ ΠΈ ΡΠ°Π±ΠΎΡΠ°ΡΡ, ΡΡΠΎΠ±Ρ ΠΏΡΠΎΡΠΈΡΠ°ΡΡ ΠΈΠ½ΡΠΎΡΠΌΠ°ΡΠΈΡ ΠΎ ΠΊΠΎΡΡΠ΅ΠΊΡΠΈΡΠΎΠ²ΠΊΠ΅ ΡΠΎΠΏΠ»ΠΈΠ²Π°. Π Π·Π°Π²ΠΈΡΠΈΠΌΠΎΡΡΠΈ ΠΎΡ Π΄ΠΈΠ°Π³Π½ΠΎΡΡΠΈΡΠ΅ΡΠΊΠΎΠ³ΠΎ ΠΏΡΠΈΠ±ΠΎΡΠ° ΠΈ ΡΠΎΠ³ΠΎ, ΠΊΠ°ΠΊ Π½Π°ΡΡΡΠΎΠ΅Π½Ρ Π΅Π³ΠΎ ΠΏΡΠ½ΠΊΡΡ ΠΌΠ΅Π½Ρ, Π²Ρ Π²ΡΠ±ΠΈΡΠ°Π΅ΡΠ΅ Π²Π°ΡΠΈΠ°Π½Ρ, ΠΊΠΎΡΠΎΡΡΠΉ ΠΏΠΎΠ·Π²ΠΎΠ»ΡΠ΅Ρ Π²Π°ΠΌ ΡΡΠΈΡΡΠ²Π°ΡΡ Π΄Π°Π½Π½ΡΠ΅ ΡΠΈΡΡΠ΅ΠΌΡ Π² ΡΠ΅Π°Π»ΡΠ½ΠΎΠΌ Π²ΡΠ΅ΠΌΠ΅Π½ΠΈ.ΠΡΠΎ ΠΎΡΠΎΠ±ΡΠ°Π·ΠΈΡ Π΄Π»ΠΈΠ½Π½ΡΠΉ ΡΠΏΠΈΡΠΎΠΊ Π²ΡΡ ΠΎΠ΄ΠΎΠ² Π΄Π°ΡΡΠΈΠΊΠΎΠ² ΠΈ Π΄ΡΡΠ³ΠΈΡ ΠΏΠΎΠΊΠ°Π·Π°Π½ΠΈΠΉ, Π½Π°Π·ΡΠ²Π°Π΅ΠΌΡΡ PID (ΠΈΠ΄Π΅Π½ΡΠΈΡΠΈΠΊΠ°ΡΠΎΡΡ ΠΏΠ°ΡΠ°ΠΌΠ΅ΡΡΠΎΠ²). Π ΡΡΠΎΠΌ ΡΠΏΠΈΡΠΊΠ΅ Π±ΡΠ΄ΡΡ Π΄Π²Π° Π·Π½Π°ΡΠ΅Π½ΠΈΡ ΠΊΠΎΡΡΠ΅ΠΊΡΠΈΠΈ ΡΠΎΠΏΠ»ΠΈΠ²Π° Π΄Π»Ρ ΡΡΠ΄Π½ΡΡ ΡΠ΅ΡΡΡΠ΅Ρ - ΠΈ ΡΠ΅ΡΡΠΈΡΠΈΠ»ΠΈΠ½Π΄ΡΠΎΠ²ΡΡ Π΄Π²ΠΈΠ³Π°ΡΠ΅Π»Π΅ΠΉ ΠΈ ΡΠ΅ΡΡΡΠ΅ Π·Π½Π°ΡΠ΅Π½ΠΈΡ ΠΊΠΎΡΡΠ΅ΠΊΡΠΈΠΈ ΡΠΎΠΏΠ»ΠΈΠ²Π° Π΄Π»Ρ Π΄Π²ΠΈΠ³Π°ΡΠ΅Π»Π΅ΠΉ V6 ΠΈ V8 (ΠΏΠΎ ΠΎΠ΄Π½ΠΎΠΉ ΠΏΠ°ΡΠ΅ Π΄Π»Ρ ΠΊΠ°ΠΆΠ΄ΠΎΠ³ΠΎ ΡΡΠ΄Π° ΡΠΈΠ»ΠΈΠ½Π΄ΡΠΎΠ²).
ΠΠΎΠΊΠ°Π·Π°Π½Ρ Π΄Π²Π° ΡΠΈΠΏΠ° Π·Π½Π°ΡΠ΅Π½ΠΈΠΉ ΠΊΠΎΡΡΠ΅ΠΊΡΠΈΠΈ ΠΏΠΎΠ΄Π°ΡΠΈ ΡΠΎΠΏΠ»ΠΈΠ²Π°:
ΠΡΠ°ΡΠΊΠΎΠ²ΡΠ΅ΠΌΠ΅Π½Π½Π°Ρ ΡΠ΅Π³ΡΠ»ΠΈΡΠΎΠ²ΠΊΠ° ΠΏΠΎΠ΄Π°ΡΠΈ ΡΠΎΠΏΠ»ΠΈΠ²Π° (STFT) — ΡΡΠΎ ΡΠΎ, ΡΡΠΎ ΠΊΠΎΠΌΠΏΡΡΡΠ΅Ρ Π΄Π²ΠΈΠ³Π°ΡΠ΅Π»Ρ Π΄Π΅Π»Π°Π΅Ρ Ρ ΡΠΎΠΏΠ»ΠΈΠ²Π½ΠΎΠΉ ΡΠΌΠ΅ΡΡΡ ΠΏΡΡΠΌΠΎ ΡΠ΅ΠΉΡΠ°Ρ.
ΠΡΠΎ Π·Π½Π°ΡΠ΅Π½ΠΈΠ΅ Π±ΡΡΡΡΠΎ ΠΌΠ΅Π½ΡΠ΅ΡΡΡ ΠΈ ΠΌΠΎΠΆΠ΅Ρ Π½Π΅ΠΌΠ½ΠΎΠ³ΠΎ ΠΊΠΎΠ»Π΅Π±Π°ΡΡΡΡ Π² Π·Π°Π²ΠΈΡΠΈΠΌΠΎΡΡΠΈ ΠΎΡ Π½Π°Π³ΡΡΠ·ΠΊΠΈ Π΄Π²ΠΈΠ³Π°ΡΠ΅Π»Ρ, ΡΠΊΠΎΡΠΎΡΡΠΈ, ΡΠ΅ΠΌΠΏΠ΅ΡΠ°ΡΡΡΡ ΠΈ Π΄ΡΡΠ³ΠΈΡ
ΡΡΠ»ΠΎΠ²ΠΈΠΉ ΡΠΊΡΠΏΠ»ΡΠ°ΡΠ°ΡΠΈΠΈ).
ΠΠ½Π°ΡΠ΅Π½ΠΈΡ ΠΎΠ±ΡΡΠ½ΠΎ Π²Π°ΡΡΠΈΡΡΡΡΡΡ ΠΎΡ ΠΎΡΡΠΈΡΠ°ΡΠ΅Π»ΡΠ½ΡΡ
10 ΠΏΡΠΎΡΠ΅Π½ΡΠΎΠ² Π΄ΠΎ ΠΏΠΎΠ»ΠΎΠΆΠΈΡΠ΅Π»ΡΠ½ΡΡ
10 ΠΏΡΠΎΡΠ΅Π½ΡΠΎΠ², Ρ
ΠΎΡΡ ΠΏΠΎΠΊΠ°Π·Π°Π½ΠΈΡ ΠΌΠΎΠ³ΡΡ ΡΠ²Π΅Π»ΠΈΡΠΈΠ²Π°ΡΡΡΡ Π½Π° 25 ΠΏΡΠΎΡΠ΅Π½ΡΠΎΠ² ΠΈ Π±ΠΎΠ»Π΅Π΅ Π² Π»ΡΠ±ΠΎΠΌ Π½Π°ΠΏΡΠ°Π²Π»Π΅Π½ΠΈΠΈ.
ΠΠΎΠ»Π³ΠΎΡΡΠΎΡΠ½Π°Ρ ΠΊΠΎΡΡΠ΅ΠΊΡΠΈΡΠΎΠ²ΠΊΠ° ΡΠΎΠΏΠ»ΠΈΠ²ΠΎΠΏΠΎΠ΄Π°ΡΠΈ (LTFT) — ΡΡΠΎ Π΄ΠΎΠ»Π³ΠΎΡΡΠΎΡΠ½ΠΎΠ΅ ΡΡΠ΅Π΄Π½Π΅Π΅ Π·Π½Π°ΡΠ΅Π½ΠΈΠ΅ ΡΠΎΠ³ΠΎ, ΡΡΠΎ ΠΊΠΎΠΌΠΏΡΡΡΠ΅Ρ Π΄Π²ΠΈΠ³Π°ΡΠ΅Π»Ρ Π΄Π΅Π»Π°Π» Π΄Π»Ρ Π±Π°Π»Π°Π½ΡΠΈΡΠΎΠ²ΠΊΠΈ ΡΠΎΠΏΠ»ΠΈΠ²Π½ΠΎΠΉ ΡΠΌΠ΅ΡΠΈ Π² ΡΠ΅ΡΠ΅Π½ΠΈΠ΅ Π·Π°Π΄Π°Π½Π½ΠΎΠ³ΠΎ ΠΈΠ½ΡΠ΅ΡΠ²Π°Π»Π° Π²ΡΠ΅ΠΌΠ΅Π½ΠΈ.
ΠΡΠΎ Π·Π½Π°ΡΠ΅Π½ΠΈΠ΅ ΡΠ²Π»ΡΠ΅ΡΡΡ Π±ΠΎΠ»Π΅Π΅ ΡΠΎΡΠ½ΡΠΌ ΠΈΠ½Π΄ΠΈΠΊΠ°ΡΠΎΡΠΎΠΌ ΠΊΠΎΡΡΠ΅ΠΊΡΠΈΡΠΎΠ²ΠΊΠΈ ΡΠΎΠΏΠ»ΠΈΠ²Π½ΠΎΠΉ ΡΠΌΠ΅ΡΠΈ Π΄Π»Ρ ΠΊΠΎΠΌΠΏΠ΅Π½ΡΠ°ΡΠΈΠΈ ΠΈΠ·ΠΌΠ΅Π½Π΅Π½ΠΈΠΉ Π² ΡΠΎΠΎΡΠ½ΠΎΡΠ΅Π½ΠΈΠΈ Π²ΠΎΠ·Π΄ΡΡ
/ ΡΠΎΠΏΠ»ΠΈΠ²ΠΎ, ΠΊΠΎΡΠΎΡΡΠ΅ ΠΏΡΠΎΠΈΡΡ
ΠΎΠ΄ΡΡ Π²Π½ΡΡΡΠΈ Π΄Π²ΠΈΠ³Π°ΡΠ΅Π»Ρ.
STFT B1 — Π±Π»ΠΎΠΊ ΡΠΈΠ»ΠΈΠ½Π΄ΡΠΎΠ² Π΄Π²ΠΈΠ³Π°ΡΠ΅Π»Ρ ΠΊΡΠ°ΡΠΊΠΎΡΡΠΎΡΠ½ΠΎΠΉ ΠΊΠΎΡΡΠ΅ΠΊΡΠΈΠΈ ΡΠΎΠΏΠ»ΠΈΠ²ΠΎΠΏΠΎΠ΄Π°ΡΠΈ 1
STFT B2 — Π±Π»ΠΎΠΊ ΡΠΈΠ»ΠΈΠ½Π΄ΡΠΎΠ² Π΄Π²ΠΈΠ³Π°ΡΠ΅Π»Ρ ΠΊΡΠ°ΡΠΊΠΎΡΡΠΎΡΠ½ΠΎΠΉ ΠΊΠΎΡΡΠ΅ΠΊΡΠΈΠΈ ΡΠΎΠΏΠ»ΠΈΠ²ΠΎΠΏΠΎΠ΄Π°ΡΠΈ 2
LTFT B1 — Π±Π»ΠΎΠΊ ΡΠΈΠ»ΠΈΠ½Π΄ΡΠΎΠ² Π΄Π²ΠΈΠ³Π°ΡΠ΅Π»Ρ Π΄ΠΎΠ»Π³ΠΎΡΡΠΎΡΠ½ΠΎΠΉ ΠΊΠΎΡΡΠ΅ΠΊΡΠΈΠΈ ΡΠΎΠΏΠ»ΠΈΠ²ΠΎΠΏΠΎΠ΄Π°ΡΠΈ 1
LTFT B2 — Π΄ΠΎΠ»Π³ΠΎΡΡΠΎΡΠ½ΡΠΉ Π’ΠΎΠΏΠ»ΠΈΠ²Π½Π°Ρ ΠΎΡΠ΄Π΅Π»ΠΊΠ° ΡΠΈΠ»ΠΈΠ½Π΄ΡΠΎΠ² Π΄Π²ΠΈΠ³Π°ΡΠ΅Π»Ρ, ΡΡΠ΄ 2
ΠΠ°ΠΊ ΡΠ·Π½Π°ΡΡ, ΠΊΠ°ΠΊΠΎΠΉ ΡΡΠ΄ ΡΠΈΠ»ΠΈΠ½Π΄ΡΠΎΠ² 1 ΠΈΠ»ΠΈ 2 Π½Π° Π΄Π²ΠΈΠ³Π°ΡΠ΅Π»Π΅ V6 ΠΈΠ»ΠΈ V8? ΠΠ°Π½ΠΊ 1 Π±ΡΠ΄Π΅Ρ Π±Π»ΠΎΠΊΠΎΠΌ ΡΠΈΠ»ΠΈΠ½Π΄ΡΠΎΠ², ΠΊΠΎΡΠΎΡΡΠΉ ΠΈΠΌΠ΅Π΅Ρ ΡΠΈΠ»ΠΈΠ½Π΄Ρ Π½ΠΎΠΌΠ΅Ρ ΠΎΠ΄ΠΈΠ½ Π² ΠΏΠΎΡΡΠ΄ΠΊΠ΅ Π·Π°ΠΆΠΈΠ³Π°Π½ΠΈΡ Π΄Π²ΠΈΠ³Π°ΡΠ΅Π»Ρ. ΠΠ»Ρ ΠΏΠΎΠ»ΡΡΠ΅Π½ΠΈΡ Π΄ΠΎΠΏΠΎΠ»Π½ΠΈΡΠ΅Π»ΡΠ½ΠΎΠΉ ΠΈΠ½ΡΠΎΡΠΌΠ°ΡΠΈΠΈ ΠΎ ΠΏΡΠΈΠΊΠ°Π·Π°Ρ ΠΎΠ± ΡΠ²ΠΎΠ»ΡΠ½Π΅Π½ΠΈΠΈ ΡΠΌ. Π‘Π»Π΅Π΄ΡΡΡΠ΅Π΅:
ΠΡΠΈΠΊΠ°Π·Ρ ΠΎΠ± ΡΠ²ΠΎΠ»ΡΠ½Π΅Π½ΠΈΠΈ (Chevy)
ΠΡΠΈΠΊΠ°Π·Ρ ΠΎΠ± ΡΠ²ΠΎΠ»ΡΠ½Π΅Π½ΠΈΠΈ (Chrysler)
ΠΡΠΈΠΊΠ°Π·Ρ ΠΎΠ± ΡΠ²ΠΎΠ»ΡΠ½Π΅Π½ΠΈΠΈ (Ford)
Π§ΡΠΎ ΠΎΠ·Π½Π°ΡΠ°ΡΡ Π·Π½Π°ΡΠ΅Π½ΠΈΡ ΠΊΠΎΡΡΠ΅ΠΊΡΠΈΡΠΎΠ²ΠΊΠΈ ΡΠΎΠΏΠ»ΠΈΠ²ΠΎΠΏΠΎΠ΄Π°ΡΠΈ
ΠΠΠΠΠΠΠ’ΠΠΠ¬ΠΠ«Π Π·Π½Π°ΡΠ΅Π½ΠΈΡ ΠΊΠΎΡΡΠ΅ΠΊΡΠΈΡΠΎΠ²ΠΊΠΈ ΡΠΎΠΏΠ»ΠΈΠ²Π° ΠΎΠ·Π½Π°ΡΠ°ΡΡ, ΡΡΠΎ ΠΊΠΎΠΌΠΏΡΡΡΠ΅Ρ Π΄Π²ΠΈΠ³Π°ΡΠ΅Π»Ρ Π΄ΠΎΠ±Π°Π²Π»ΡΠ΅Ρ ΡΠΎΠΏΠ»ΠΈΠ²ΠΎ (ΡΠ²Π΅Π»ΠΈΡΠΈΠ²Π°Ρ ΡΠΈΡΠΈΠ½Ρ ΠΈΠΌΠΏΡΠ»ΡΡΠ° ΠΈΠ»ΠΈ Π²ΡΠ΅ΠΌΡ Π²ΠΊΠ»ΡΡΠ΅Π½ΠΈΡ ΡΠΎΠΏΠ»ΠΈΠ²Π½ΡΡ
ΡΠΎΡΡΡΠ½ΠΎΠΊ), ΡΡΠΎΠ±Ρ Π΄ΠΎΠ±Π°Π²ΠΈΡΡ Π±ΠΎΠ»ΡΡΠ΅ ΡΠΎΠΏΠ»ΠΈΠ²Π° Π² Π΄Π²ΠΈΠ³Π°ΡΠ΅Π»Ρ.
ΠΡΡΠ³ΠΈΠΌΠΈ ΡΠ»ΠΎΠ²Π°ΠΌΠΈ, ΠΎΠ½ ΠΏΡΡΠ°Π΅ΡΡΡ ΠΠΠΠΠΠΠ’Π¬ ΡΠΎΠΏΠ»ΠΈΠ²Π½ΡΡ ΡΠΌΠ΅ΡΡ, ΠΏΠΎΡΠΎΠΌΡ ΡΡΠΎ ΡΡΠΈΡΠ°Π΅Ρ, ΡΡΠΎ ΡΠΎΠΏΠ»ΠΈΠ²Π½ΠΎ-Π²ΠΎΠ·Π΄ΡΡΠ½Π°Ρ ΡΠΌΠ΅ΡΡ Π΄Π²ΠΈΠ³Π°ΡΠ΅Π»Ρ ΡΠ°Π±ΠΎΡΠ°Π΅Ρ ΡΠ»ΠΈΡΠΊΠΎΠΌ Π±Π΅Π΄Π½ΠΎΠΉ.
ΠΠ’Π ΠΠ¦ΠΠ’ΠΠΠ¬ΠΠ«Π (-) Π·Π½Π°ΡΠ΅Π½ΠΈΡ ΠΊΠΎΡΡΠ΅ΠΊΡΠΈΠΈ ΡΠΎΠΏΠ»ΠΈΠ²Π° ΠΎΠ·Π½Π°ΡΠ°ΡΡ, ΡΡΠΎ ΠΊΠΎΠΌΠΏΡΡΡΠ΅Ρ Π΄Π²ΠΈΠ³Π°ΡΠ΅Π»Ρ Π²ΡΡΠΈΡΠ°Π΅Ρ ΡΠΎΠΏΠ»ΠΈΠ²ΠΎ (ΡΠΌΠ΅Π½ΡΡΠ°Ρ ΡΠΈΡΠΈΠ½Ρ ΠΈΠΌΠΏΡΠ»ΡΡΠ° ΠΈΠ»ΠΈ Π²ΡΠ΅ΠΌΡ Π²ΠΊΠ»ΡΡΠ΅Π½ΠΈΡ ΡΠΎΠΏΠ»ΠΈΠ²Π½ΡΡ ΡΠΎΡΡΡΠ½ΠΎΠΊ), ΡΡΠΎΠ±Ρ ΡΠΌΠ΅Π½ΡΡΠΈΡΡ ΠΊΠΎΠ»ΠΈΡΠ΅ΡΡΠ²ΠΎ ΡΠΎΠΏΠ»ΠΈΠ²Π°, Π²ΠΏΡΡΡΠΊΠΈΠ²Π°Π΅ΠΌΠΎΠ³ΠΎ Π² Π΄Π²ΠΈΠ³Π°ΡΠ΅Π»Ρ. ΠΡΠΎ Π΄Π΅Π»Π°Π΅ΡΡΡ Π΄Π»Ρ ΠΠΠΠΠΠΠΠΠΠ― ΡΠΎΠΏΠ»ΠΈΠ²Π½ΠΎΠΉ ΡΠΌΠ΅ΡΠΈ, ΡΡΠΎΠ±Ρ ΠΊΠΎΠΌΠΏΠ΅Π½ΡΠΈΡΠΎΠ²Π°ΡΡ ΡΠΎ, ΡΡΠΎ ΠΎΠ½Π° Π²ΠΎΡΠΏΡΠΈΠ½ΠΈΠΌΠ°Π΅Ρ ΠΊΠ°ΠΊ Π±ΠΎΠ³Π°ΡΡΠ΅ ΡΡΠ»ΠΎΠ²ΠΈΡ ΡΠ°Π±ΠΎΡΡ.
ΠΠΎΠΌΠ½ΠΈΡΠ΅, Π²ΡΠ΅ ΡΡΠΎ ΠΎΡΠ½ΠΎΠ²Π°Π½ΠΎ Π½Π° ΡΠΎΠΌ, ΡΡΠΎ ΠΊΠΈΡΠ»ΠΎΡΠΎΠ΄Π½ΡΠ΅ Π΄Π°ΡΡΠΈΠΊΠΈ ΡΠΎΠΎΠ±ΡΠ°ΡΡ ΠΊΠΎΠΌΠΏΡΡΡΠ΅ΡΡ Π΄Π²ΠΈΠ³Π°ΡΠ΅Π»Ρ.ΠΡΠ»ΠΈ Π΄Π°ΡΡΠΈΠΊΠΈ O2 ΠΏΠΎΠΊΠ°Π·ΡΠ²Π°ΡΡ LEAN, ΠΊΠΎΠΌΠΏΡΡΡΠ΅Ρ Π΄ΠΎΠ±Π°Π²Π»ΡΠ΅Ρ ΡΠΎΠΏΠ»ΠΈΠ²ΠΎ ΠΈ Π³Π΅Π½Π΅ΡΠΈΡΡΠ΅Ρ ΠΠΠΠΠΠΠ’ΠΠΠ¬ΠΠΠ Π·Π½Π°ΡΠ΅Π½ΠΈΠ΅ ΠΊΠΎΡΡΠ΅ΠΊΡΠΈΡΠΎΠ²ΠΊΠΈ ΡΠΎΠΏΠ»ΠΈΠ²Π°. ΠΡΠ»ΠΈ Π΄Π°ΡΡΠΈΠΊΠΈ O2 ΠΏΠΎΠΊΠ°Π·ΡΠ²Π°ΡΡ RICH, ΠΊΠΎΠΌΠΏΡΡΡΠ΅Ρ ΠΊΠΎΠΌΠΏΠ΅Π½ΡΠΈΡΡΠ΅Ρ ΡΡΠΎ ΠΏΡΡΠ΅ΠΌ Π²ΡΡΠΈΡΠ°Π½ΠΈΡ ΡΠΎΠΏΠ»ΠΈΠ²Π° ΠΈ Π³Π΅Π½Π΅ΡΠΈΡΡΠ΅Ρ ΠΠ’Π ΠΠ¦ΠΠ’ΠΠΠ¬ΠΠΠ Π·Π½Π°ΡΠ΅Π½ΠΈΠ΅ ΠΊΠΎΡΡΠ΅ΠΊΡΠΈΡΠΎΠ²ΠΊΠΈ ΡΠΎΠΏΠ»ΠΈΠ²Π°.
Π‘ΡΠΈΡΡΠ²Π°Ρ Π·Π½Π°ΡΠ΅Π½ΠΈΡ ΠΊΠΎΡΡΠ΅ΠΊΡΠΈΠΈ ΡΠΎΠΏΠ»ΠΈΠ²Π° STFT ΠΈ LTFT Π½Π° Π΄ΠΈΠ°Π³Π½ΠΎΡΡΠΈΡΠ΅ΡΠΊΠΎΠΌ ΠΏΡΠΈΠ±ΠΎΡΠ΅ ΠΏΡΠΈ ΡΠ°Π±ΠΎΡΠ°ΡΡΠ΅ΠΌ Π΄Π²ΠΈΠ³Π°ΡΠ΅Π»Π΅, Π²Ρ ΠΌΠΎΠΆΠ΅ΡΠ΅ ΠΎΠΏΡΠ΅Π΄Π΅Π»ΠΈΡΡ, ΡΠ²Π»ΡΠ΅ΡΡΡ Π»ΠΈ Π²ΠΎΠ·Π΄ΡΡΠ½ΠΎ-ΡΠΎΠΏΠ»ΠΈΠ²Π½Π°Ρ ΡΠΌΠ΅ΡΡ Π±ΠΎΠ³Π°ΡΠΎΠΉ (ΠΎΡΡΠΈΡΠ°ΡΠ΅Π»ΡΠ½ΡΠ΅ ΠΏΡΠΎΡΠ΅Π½ΡΠ½ΡΠ΅ Π΄ΠΎΠ»ΠΈ ΠΊΠΎΡΡΠ΅ΠΊΡΠΈΠΈ ΡΠΎΠΏΠ»ΠΈΠ²Π°) ΠΈΠ»ΠΈ Π±Π΅Π΄Π½ΠΎΠΉ (ΠΏΠΎΠ»ΠΎΠΆΠΈΡΠ΅Π»ΡΠ½ΡΠ΅ ΠΏΡΠΎΡΠ΅Π½ΡΠ½ΡΠ΅ Π΄ΠΎΠ»ΠΈ ΠΊΠΎΡΡΠ΅ΠΊΡΠΈΠΈ ΡΠΎΠΏΠ»ΠΈΠ²Π°).
ΠΠ°ΠΊΠΈΠ΅ Π·Π½Π°ΡΠ΅Π½ΠΈΡ ΠΊΠΎΡΡΠ΅ΠΊΡΠΈΠΈ ΡΠΎΠΏΠ»ΠΈΠ²Π° Π΄ΠΎΠ»ΠΆΠ½Ρ Π±ΡΡΡ
Π ΠΈΠ΄Π΅Π°Π»Π΅, STFT ΠΈ LTFT Π΄ΠΎΠ»ΠΆΠ½Ρ Π½Π°Ρ ΠΎΠ΄ΠΈΡΡΡΡ Π² ΠΏΡΠ΅Π΄Π΅Π»Π°Ρ Π½Π΅ΡΠΊΠΎΠ»ΡΠΊΠΈΡ ΠΏΡΠΎΡΠ΅Π½ΡΠ½ΡΡ ΠΏΡΠ½ΠΊΡΠΎΠ² ΠΎΡ Π½ΡΠ»Ρ, ΠΊΠΎΠ³Π΄Π° Π΄Π²ΠΈΠ³Π°ΡΠ΅Π»Ρ ΡΠ°Π±ΠΎΡΠ°Π΅Ρ Π½Π° Ρ ΠΎΠ»ΠΎΡΡΠΎΠΌ Ρ ΠΎΠ΄Ρ ΠΈΠ»ΠΈ ΠΏΠΎΠ΄Π΄Π΅ΡΠΆΠΈΠ²Π°Π΅Ρ ΠΏΠΎΡΡΠΎΡΠ½Π½ΡΠ΅ ΠΎΠ±ΠΎΡΠΎΡΡ.ΠΠΎΠΌΠ½ΠΈΡΠ΅, ΡΡΠΎ STFT ΠΌΠΎΠΆΠ΅Ρ Π΄ΠΎΠ²ΠΎΠ»ΡΠ½ΠΎ ΡΠΈΠ»ΡΠ½ΠΎ ΠΏΠΎΠ΄ΠΏΡΡΠ³ΠΈΠ²Π°ΡΡ, ΠΊΠΎΠ³Π΄Π° Π²Ρ Π²Π½Π΅Π·Π°ΠΏΠ½ΠΎ ΠΎΡΠΊΡΡΠ²Π°Π΅ΡΠ΅ Π΄ΡΠΎΡΡΠ΅Π»ΡΠ½ΡΡ Π·Π°ΡΠ»ΠΎΠ½ΠΊΡ ΠΈΠ»ΠΈ ΡΠ½ΠΈΠΆΠ°Π΅ΡΠ΅ ΡΠΊΠΎΡΠΎΡΡΡ. ΠΠΎ LTFT ΠΌΠΎΠΆΠ΅Ρ ΡΠΊΠ°Π·Π°ΡΡ Π²Π°ΠΌ, ΡΠ²Π»ΡΠ΅ΡΡΡ Π»ΠΈ Π² ΡΡΠ΅Π΄Π½Π΅ΠΌ ΡΠΎΠΏΠ»ΠΈΠ²ΠΎ / ΡΠΌΠ΅ΡΡ Π±ΠΎΠ³Π°ΡΠΎΠΉ ΠΈΠ»ΠΈ Π±Π΅Π΄Π½ΠΎΠΉ.
Π₯ΠΎΡΠΎΡΠΈΠ΅ Π·Π½Π°ΡΠ΅Π½ΠΈΡ LTFT Π΄ΠΎΠ»ΠΆΠ½Ρ Π±ΡΡΡ ΠΊΠ°ΠΊ ΠΌΠΎΠΆΠ½ΠΎ Π±Π»ΠΈΠΆΠ΅ ΠΊ Π½ΡΠ»Ρ, Ρ ΠΎΡΡ ΠΎΠ½ΠΈ ΠΌΠΎΠ³ΡΡ Π²Π°ΡΡΠΈΡΠΎΠ²Π°ΡΡΡΡ ΠΎΡ 5 Π΄ΠΎ 8 ΠΏΡΠΎΡΠ΅Π½ΡΠΎΠ² Π² Π·Π°Π²ΠΈΡΠΈΠΌΠΎΡΡΠΈ ΠΎΡ ΡΠΎΡΡΠΎΡΠ½ΠΈΡ Π΄Π²ΠΈΠ³Π°ΡΠ΅Π»Ρ. ΠΡΠ»ΠΈ LTFT ΠΏΠΎΠ²ΡΡΠ°Π΅ΡΡΡ ΠΏΡΠΈΠΌΠ΅ΡΠ½ΠΎ Π½Π° 10 ΠΏΡΠΎΡΠ΅Π½ΡΠΎΠ² ΠΈΠ»ΠΈ Π²ΡΡΠ΅, ΡΡΠΎ ΠΎΠ±ΡΡΠ½ΠΎ ΡΠΊΠ°Π·ΡΠ²Π°Π΅Ρ Π½Π° ΠΏΡΠΎΠ±Π»Π΅ΠΌΡ, ΠΊΠΎΡΠΎΡΡΡ Π½Π΅ΠΎΠ±Ρ ΠΎΠ΄ΠΈΠΌΠΎ Π΄ΠΈΠ°Π³Π½ΠΎΡΡΠΈΡΠΎΠ²Π°ΡΡ.
ΠΠ½Π°ΡΠ΅Π½ΠΈΡ LTFT, ΠΊΠΎΡΠΎΡΡΠ΅ ΡΠ²Π΅Π»ΠΈΡΠΈΠ²Π°ΡΡΡΡ ΠΏΡΠΈΠΌΠ΅ΡΠ½ΠΎ Π½Π° 20β25 ΠΏΡΠΎΡΠ΅Π½ΡΠΎΠ², ΠΎΠ±ΡΡΠ½ΠΎ ΡΡΡΠ°Π½Π°Π²Π»ΠΈΠ²Π°ΡΡ ΠΊΠΎΠ΄ Π±Π΅ΡΠ΅ΠΆΠ»ΠΈΠ²ΠΎΠ³ΠΎ ΠΏΡΠΎΠΈΠ·Π²ΠΎΠ΄ΡΡΠ²Π° P0171 ΠΈΠ»ΠΈ P0174.
ΠΠ½Π°ΡΠ΅Π½ΠΈΡ LTFT, ΠΊΠΎΡΠΎΡΡΠ΅ ΠΎΠΏΡΡΠΊΠ°ΡΡΡΡ Π΄ΠΎ ΠΎΡΡΠΈΡΠ°ΡΠ΅Π»ΡΠ½ΡΡ
ΠΎΡ 20 Π΄ΠΎ 25, ΠΎΠ±ΡΡΠ½ΠΎ ΡΡΡΠ°Π½Π°Π²Π»ΠΈΠ²Π°ΡΡ ΡΠ°ΡΡΠΈΡΠ΅Π½Π½ΡΠΉ ΠΊΠΎΠ΄ P0172 ΠΈΠ»ΠΈ P0175.
ΠΡΠΎΡ ΠΈΠ½ΡΡΡΡΠΌΠ΅Π½Ρ ΡΠΊΠ°Π½ΠΈΡΠΎΠ²Π°Π½ΠΈΡ ΠΎΡΠΎΠ±ΡΠ°ΠΆΠ°Π΅Ρ Π·Π½Π°ΡΠ΅Π½ΠΈΠ΅ STFT, ΡΠ°Π²Π½ΠΎΠ΅ 25 ΠΏΡΠΎΡΠ΅Π½ΡΠ°ΠΌ. ΠΠ±ΡΡΠ½ΠΎ ΡΡΠΎ ΡΠΊΠ°Π·ΡΠ²Π°Π΅Ρ Π½Π° ΠΏΡΠΎΠ±Π»Π΅ΠΌΡ,
, Π½ΠΎ Π² Π² ΡΡΠΎΠΌ ΡΠ»ΡΡΠ°Π΅ Π΄Π²ΠΈΠ³Π°ΡΠ΅Π»Ρ Π½Π΅ ΡΠ°Π±ΠΎΡΠ°Π΅Ρ (ΠΎΠ±ΠΎΡΠΎΡΡ Π΄Π²ΠΈΠ³Π°ΡΠ΅Π»Ρ ΡΠ°Π²Π½Ρ Π½ΡΠ»Ρ). ΠΠ°ΠΊ ΡΠΎΠ»ΡΠΊΠΎ Π΄Π²ΠΈΠ³Π°ΡΠ΅Π»Ρ Π·Π°ΠΏΡΡΡΠΈΡΡΡ
ΠΈ ΠΏΠ΅ΡΠ΅Ρ ΠΎΠ΄ΠΈΡ Π² Π·Π°ΠΌΠΊΠ½ΡΡΡΠΉ ΠΊΠΎΠ½ΡΡΡ, Π½Π°ΡΠ½ΡΡ ΠΈΠ·ΠΌΠ΅Π½ΡΡΡΡΡ ΠΏΠΎΠΊΠ°Π·Π°Π½ΠΈΡ ΠΊΠΎΡΡΠ΅ΠΊΡΠΈΠΈ ΡΠΎΠΏΠ»ΠΈΠ²Π°.
ΠΠ°ΠΊ ΠΏΡΠΎΠ±Π»Π΅ΠΌΡ Ρ ΡΠΎΠΏΠ»ΠΈΠ²ΠΎΠΌ, Π·Π°ΠΆΠΈΠ³Π°Π½ΠΈΠ΅ΠΌ ΠΈ Π΄Π²ΠΈΠ³Π°ΡΠ΅Π»Π΅ΠΌ Π²Π»ΠΈΡΡΡ Π½Π° ΡΠ΅Π³ΡΠ»ΠΈΡΠΎΠ²ΠΊΡ ΡΠΎΠΏΠ»ΠΈΠ²Π½ΠΎΠΉ ΡΠΈΡΡΠ΅ΠΌΡ
ΠΠ΅Π΄Π½ΡΠ΅ ΡΠΎΠΏΠ»ΠΈΠ²Π½ΡΠ΅ ΡΠΌΠ΅ΡΠΈ — Π±ΠΎΠ»Π΅Π΅ ΡΠ°ΡΠΏΡΠΎΡΡΡΠ°Π½Π΅Π½Π½Π°Ρ ΠΏΡΠΎΠ±Π»Π΅ΠΌΠ°, ΡΠ΅ΠΌ Π±ΠΎΠ³Π°ΡΡΠ΅ ΡΠΎΠΏΠ»ΠΈΠ²Π½ΡΠ΅ ΡΠΌΠ΅ΡΠΈ, Ρ
ΠΎΡΡ ΠΈ ΡΠΎ, ΠΈ Π΄ΡΡΠ³ΠΎΠ΅ ΠΌΠΎΠΆΠ΅Ρ ΡΠ»ΡΡΠΈΡΡΡΡ Π² Π·Π°Π²ΠΈΡΠΈΠΌΠΎΡΡΠΈ ΠΎΡ ΠΏΡΠΈΡΠΈΠ½Ρ.
ΠΠ»Ρ ΠΎΠ±Π΅Π΄Π½Π΅Π½Π½ΡΡ
ΡΠΎΠΏΠ»ΠΈΠ²Π½ΡΡ
ΡΠΌΠ΅ΡΠ΅ΠΉ Π½Π° Π΄ΠΈΠ°Π³Π½ΠΎΡΡΠΈΡΠ΅ΡΠΊΠΎΠΌ ΠΏΡΠΈΠ±ΠΎΡΠ΅ Π±ΡΠ΄ΡΡ Π³Π΅Π½Π΅ΡΠΈΡΠΎΠ²Π°ΡΡΡΡ ΠΠΠΠΠΠΠ’ΠΠΠ¬ΠΠ«Π ΠΏΠΎΠΊΠ°Π·Π°Π½ΠΈΡ ΠΊΠΎΡΡΠ΅ΠΊΡΠΈΠΈ ΡΠΎΠΏΠ»ΠΈΠ²Π° Π²ΡΡΠ΅, ΡΠ΅ΠΌ ΠΎΠ±ΡΡΠ½ΠΎ.
ΠΠΠΠΠ’Π«Π ΡΠΎΠΏΠ»ΠΈΠ²Π½ΡΠ΅ ΡΠΌΠ΅ΡΠΈ Π±ΡΠ΄ΡΡ Π³Π΅Π½Π΅ΡΠΈΡΠΎΠ²Π°ΡΡ ΠΠ’Π ΠΠ¦ΠΠ’ΠΠΠ¬ΠΠ«Π Π·Π½Π°ΡΠ΅Π½ΠΈΡ ΠΊΠΎΡΡΠ΅ΠΊΡΠΈΠΈ ΠΏΠΎΠ΄Π°ΡΠΈ ΡΠΎΠΏΠ»ΠΈΠ²Π°.
ΠΠΎΠ·ΠΌΠΎΠΆΠ½ΡΠ΅ ΠΏΡΠΈΡΠΈΠ½Ρ ΠΎΠ±Π΅Π΄Π½Π΅Π½Π½ΡΡ ΡΠΎΠΏΠ»ΠΈΠ²Π½ΡΡ ΡΠΌΠ΅ΡΠ΅ΠΉ:
Π£ΡΠ΅ΡΠΊΠ° Π²ΠΎΠ·Π΄ΡΡ
Π° ΠΈΠ»ΠΈ Π²Π°ΠΊΡΡΠΌΠ° Π²ΠΎ Π²ΠΏΡΡΠΊΠ½ΠΎΠΌ ΠΊΠΎΠ»Π»Π΅ΠΊΡΠΎΡΠ΅, ΡΡΠ΄ΠΎΠΌ Ρ ΠΊΠΎΡΠΏΡΡΠΎΠΌ Π΄ΡΠΎΡΡΠ΅Π»ΡΠ½ΠΎΠΉ Π·Π°ΡΠ»ΠΎΠ½ΠΊΠΈ ΠΈΠ»ΠΈ Π½Π° ΡΠΎΠ΅Π΄ΠΈΠ½Π΅Π½ΠΈΡΡ
Π²Π°ΠΊΡΡΠΌΠ½ΠΎΠ³ΠΎ ΡΠ»Π°Π½Π³Π°.
Π‘Π»Π°Π±ΡΠΉ ΡΠΎΠΏΠ»ΠΈΠ²Π½ΡΠΉ Π½Π°ΡΠΎΡ, ΠΊΠΎΡΠΎΡΡΠΉ Π½Π΅ ΡΠΎΠ·Π΄Π°Π΅Ρ Π΄ΠΎΡΡΠ°ΡΠΎΡΠ½ΠΎΠ³ΠΎ Π΄Π°Π²Π»Π΅Π½ΠΈΡ ΠΈΠ»ΠΈ ΠΎΠ±ΡΠ΅ΠΌΠ°
ΠΠ³ΡΠ°Π½ΠΈΡΠ΅Π½ΠΈΡ ΡΠΎΠΏΠ»ΠΈΠ²ΠΎΠΏΡΠΎΠ²ΠΎΠ΄Π° (Π½Π°ΠΏΡΠΈΠΌΠ΅Ρ, Π·Π°ΡΠ΅ΠΌΠ»Π΅Π½Π½ΡΠΉ ΡΠ»Π°Π½Π³ ΠΈΠ»ΠΈ Π·Π°Π±ΠΈΡΡΠΉ ΡΠΈΠ»ΡΡΡ)
Π‘Π»Π°Π±ΡΠΉ ΡΠ΅Π³ΡΠ»ΡΡΠΎΡ Π΄Π°Π²Π»Π΅Π½ΠΈΡ ΡΠΎΠΏΠ»ΠΈΠ²Π°, ΠΊΠΎΡΠΎΡΡΠΉ Π½Π΅ ΠΏΠΎΠ΄Π΄Π΅ΡΠΆΠΈΠ²Π°Π΅Ρ Π°Π΄Π΅ΠΊΠ²Π°ΡΠ½ΠΎΠ΅ Π΄Π°Π²Π»Π΅Π½ΠΈΠ΅ ΡΠΎΠΏΠ»ΠΈΠ²Π°
Π£ΡΠ΅ΡΠΊΠΈ Π²ΠΎΠ·Π΄ΡΡ Π° Π² Π²ΠΎΠ΄ΠΎΠΏΡΠΎΠ²ΠΎΠ΄Π΅ PCV
ΠΠ°ΡΡΠΈΠΊ Π·Π°Π³ΡΡΠ·Π½Π΅Π½Π½ΠΎΠ³ΠΎ ΠΌΠ°ΡΡΠΎΠ²ΠΎΠ³ΠΎ ΡΠ°ΡΡ ΠΎΠ΄Π° Π²ΠΎΠ·Π΄ΡΡ Π° (MAF), Π½Π΅ ΡΡΠΈΡΡΠ²Π°ΡΡΠΈΠΉ ΡΠ°ΡΡ ΠΎΠ΄ Π²ΠΎΠ·Π΄ΡΡ Π° Π² Π΄Π²ΠΈΠ³Π°ΡΠ΅Π»Ρ
ΠΡΡΠ·Π½ΡΠ΅ ΠΈΠ»ΠΈ ΠΌΠ΅ΡΡΠ²ΡΠ΅ ΡΠΎΠΏΠ»ΠΈΠ²Π½ΡΠ΅ ΡΠΎΡΡΡΠ½ΠΊΠΈ
ΠΡΠΎΠΏΡΡΠΊΠΈ Π·Π°ΠΆΠΈΠ³Π°Π½ΠΈΡ (Π·Π°Π³ΡΡΠ·Π½Π΅Π½Π½Π°Ρ ΡΠ²Π΅ΡΠ° Π·Π°ΠΆΠΈΠ³Π°Π½ΠΈΡ, ΡΠ»Π°Π±Π°Ρ ΠΊΠ°ΡΡΡΠΊΠ° Π·Π°ΠΆΠΈΠ³Π°Π½ΠΈΡ ΠΈΠ»ΠΈ ΠΏΠ»ΠΎΡ ΠΎΠΉ ΠΏΡΠΎΠ²ΠΎΠ΄ ΡΠ²Π΅ΡΠΈ, ΠΊΠΎΡΠΎΡΡΠΉ Π²ΡΠ·ΡΠ²Π°Π΅Ρ ΠΏΡΠΎΠΏΡΡΠΊΠΈ Π·Π°ΠΆΠΈΠ³Π°Π½ΠΈΡ, ΠΏΠΎΠ·Π²ΠΎΠ»ΡΠ΅Ρ Π½Π΅ΡΠ³ΠΎΡΠ΅Π²ΡΠ΅ΠΌΡ ΠΊΠΈΡΠ»ΠΎΡΠΎΠ΄Ρ ΠΏΡΠΎΠΉΡΠΈ Π² Π²ΡΡ Π»ΠΎΠΏΠ½ΡΡ ΡΡΡΠ±Ρ ΠΈ ΠΎΠ±ΠΌΠ°Π½ΡΡΡ Π΄Π°ΡΡΠΈΠΊΠΈ O2)
Π£ΡΠ΅ΡΠΊΠΈ ΠΊΠΎΠΌΠΏΡΠ΅ΡΡΠΈΠΈ (ΠΏΠ»ΠΎΡ ΠΎΠΉ Π²ΡΠΏΡΡΠΊΠ½ΠΎΠΉ ΠΊΠ»Π°ΠΏΠ°Π½, ΠΊΠΎΡΠΎΡΡΠΉ ΠΏΡΠΎΠΏΡΡΠΊΠ°Π΅Ρ Π½Π΅ΡΠ³ΠΎΡΠ΅Π²ΡΠΈΠΉ ΠΊΠΈΡΠ»ΠΎΡΠΎΠ΄ Π² Π²ΡΡ Π»ΠΎΠΏ ΠΈ Π²Π²ΠΎΠ΄ΠΈΡ Π² Π·Π°Π±Π»ΡΠΆΠ΄Π΅Π½ΠΈΠ΅ Π΄Π°ΡΡΠΈΠΊΠΈ O2)
Π’ΡΠ΅ΡΠΈΠ½Π° Π² Π²ΡΠΏΡΡΠΊΠ½ΠΎΠΌ ΠΊΠΎΠ»Π»Π΅ΠΊΡΠΎΡΠ΅ ΠΈΠ»ΠΈ ΡΡΠ΅ΡΠΊΠ° ΡΠ΅ΡΠ΅Π· ΠΏΡΠΎΠΊΠ»Π°Π΄ΠΊΡ (ΠΏΠΎΠ·Π²ΠΎΠ»ΡΠ΅Ρ Π½Π΅ΡΠ³ΠΎΡΠ΅Π²ΡΠ΅ΠΌΡ Π²ΠΎΠ·Π΄ΡΡ Ρ ΠΏΠΎΠΏΠ°Π΄Π°ΡΡ Π² Π²ΡΡ Π»ΠΎΠΏ ΠΈ Π²Π²ΠΎΠ΄ΠΈΡΡ Π² Π·Π°Π±Π»ΡΠΆΠ΄Π΅Π½ΠΈΠ΅ Π΄Π°ΡΡΠΈΠΊΠΈ O2)
ΠΠ΅ΠΈΡΠΏΡΠ°Π²Π½ΡΠΉ Π΄Π°ΡΡΠΈΠΊ O2 (ΡΠΈΠ³Π½Π°Π» Π·Π°ΠΊΠΎΡΠΎΡΠ΅Π½ Π½Π° ΠΌΠ°ΡΡΡ, ΠΏΠΎΡΡΠΎΠΌΡ Π΄Π°ΡΡΠΈΠΊ ΠΏΠΎΡΡΠΎΡΠ½Π½ΠΎ ΠΏΠΎΠΊΠ°Π·ΡΠ²Π°Π΅Ρ Π±Π΅Π΄Π½ΡΡ ΡΠΌΠ΅ΡΡ)
ΠΠΎΠ·ΠΌΠΎΠΆΠ½ΡΠ΅ ΠΏΡΠΈΡΠΈΠ½Ρ ΡΠΎΠΏΠ»ΠΈΠ²Π½ΡΡ ΡΠΌΠ΅ΡΠ΅ΠΉ RICH Π²ΠΊΠ»ΡΡΠ°ΡΡ:
ΠΠ΅Π³Π΅ΡΠΌΠ΅ΡΠΈΡΠ½Π°Ρ ΡΠΎΠΏΠ»ΠΈΠ²Π½Π°Ρ ΡΠΎΡΡΡΠ½ΠΊΠ°
Π§ΡΠ΅Π·ΠΌΠ΅ΡΠ½ΠΎΠ΅ Π΄Π°Π²Π»Π΅Π½ΠΈΠ΅ ΡΠΎΠΏΠ»ΠΈΠ²Π° ΠΈΠ·-Π·Π° Π½Π΅ΠΈΡΠΏΡΠ°Π²Π½ΠΎΠ³ΠΎ ΡΠ΅Π³ΡΠ»ΡΡΠΎΡΠ° Π΄Π°Π²Π»Π΅Π½ΠΈΡ ΡΠΎΠΏΠ»ΠΈΠ²Π° ΠΈΠ»ΠΈ ΡΡΠΆΠ΅Π½ΠΈΡ ΠΎΠ±ΡΠ°ΡΠ½ΠΎΠ³ΠΎ ΡΠΎΠΏΠ»ΠΈΠ²ΠΎΠΏΡΠΎΠ²ΠΎΠ΄Π°
Π‘ΠΈΠ»ΡΠ½ΠΎ Π·Π°Π³ΡΡΠ·Π½Π΅Π½Π½ΡΠΉ Π²ΠΎΠ·Π΄ΡΡΠ½ΡΠΉ ΡΠΈΠ»ΡΡΡ ΠΈΠ»ΠΈ ΠΎΠ³ΡΠ°Π½ΠΈΡΠ΅Π½ΠΈΡ Π² ΡΠΈΡΡΠ΅ΠΌΠ΅ Π·Π°Π±ΠΎΡΠ° Π²ΠΎΠ·Π΄ΡΡ Π°
ΠΠ³ΡΠ°Π½ΠΈΡΠ΅Π½ΠΈΡ ΠΏΠΎ Π²ΡΠΏΡΡΠΊΡ (Π·Π°ΡΠΎΡΠ΅Π½Π½ΡΠΉ ΠΏΡΠ΅ΠΎΠ±ΡΠ°Π·ΠΎΠ²Π°ΡΠ΅Π»Ρ, ΡΠ°Π·Π΄Π°Π²Π»Π΅Π½Π½Π°Ρ Π²ΡΡ Π»ΠΎΠΏΠ½Π°Ρ ΡΡΡΠ±Π° ΠΈΠ»ΠΈ Π·Π°Π±ΠΈΡ Π³Π»ΡΡΠΈΡΠ΅Π»Ρ)
ΠΠ΅ΠΈΡΠΏΡΠ°Π²Π½ΡΠΉ Π΄Π°ΡΡΠΈΠΊ O2 (Π²ΡΡ ΠΎΠ΄ Π·Π°ΠΊΠΎΡΠΎΡΠ΅Π½ Π½Π° Π½Π°ΠΏΡΡΠΆΠ΅Π½ΠΈΠ΅, ΠΏΠΎΡΡΠΎΠΌΡ ΠΎΠ½ ΠΏΠΎΡΡΠΎΡΠ½Π½ΠΎ ΠΏΠΎΠΊΠ°Π·ΡΠ²Π°Π΅Ρ ΠΠΠΠΠ’Π«Π)
ΠΡΠΏΠΎΠ»ΡΠ·ΠΎΠ²Π°Π½ΠΈΠ΅ ΠΊΠΎΡΡΠ΅ΠΊΡΠΈΡΠΎΠ²ΠΊΠΈ ΡΠΎΠΏΠ»ΠΈΠ²ΠΎΠΏΠΎΠ΄Π°ΡΠΈ Π΄Π»Ρ Π΄ΠΈΠ°Π³Π½ΠΎΡΡΠΈΠΊΠΈ ΠΏΡΠΎΠ±Π»Π΅ΠΌ
ΠΡΠΏΠΎΠ»ΡΠ·ΡΠΉΡΠ΅ ΠΎΠ±ΡΠ΅Π·ΠΊΡ ΡΠΎΠΏΠ»ΠΈΠ²Π° Π΄Π»Ρ Π΄ΠΈΠ°Π³Π½ΠΎΡΡΠΈΠΊΠΈ ΡΡΠ΅ΡΠ΅ΠΊ Π²Π°ΠΊΡΡΠΌΠ° ΠΈ ΠΏΠΎΠ΄Π°ΡΠΈ ΡΠΎΠΏΠ»ΠΈΠ²Π°.
ΠΡΠΈ ΡΠ°Π±ΠΎΡΠ΅ Π΄Π²ΠΈΠ³Π°ΡΠ΅Π»Ρ Π½Π° Ρ
ΠΎΠ»ΠΎΡΡΠΎΠΌ Ρ
ΠΎΠ΄Ρ ΠΏΠΎΡΠΌΠΎΡΡΠΈΡΠ΅ Π½Π° Π·Π½Π°ΡΠ΅Π½ΠΈΡ ΠΊΡΠ°ΡΠΊΠΎΡΡΠΎΡΠ½ΠΎΠΉ ΠΊΠΎΡΡΠ΅ΠΊΡΠΈΡΠΎΠ²ΠΊΠΈ ΡΠΎΠΏΠ»ΠΈΠ²ΠΎΠΏΠΎΠ΄Π°ΡΠΈ (STFT) ΠΈ Π΄ΠΎΠ»Π³ΠΎΡΡΠΎΡΠ½ΠΎΠΉ ΠΊΠΎΡΡΠ΅ΠΊΡΠΈΡΠΎΠ²ΠΊΠΈ ΡΠΎΠΏΠ»ΠΈΠ²ΠΎΠΏΠΎΠ΄Π°ΡΠΈ (LTFT). ΠΠΎΡΠΌΠ°Π»ΡΠ½ΡΠΉ Π΄ΠΈΠ°ΠΏΠ°Π·ΠΎΠ½ ΠΌΠΎΠΆΠ΅Ρ ΡΠΎΡΡΠ°Π²Π»ΡΡΡ ΠΏΠ»ΡΡ ΠΈΠ»ΠΈ ΠΌΠΈΠ½ΡΡ 8, Π½ΠΎ Π»ΡΡΡΠ΅ Π²ΡΠ΅Π³ΠΎ ΠΏΡΠΈΠ±Π»ΠΈΠΆΠ΅Π½ΠΈΠ΅ ΠΊ Π½ΡΠ»Ρ. ΠΡΠ»ΠΈ ΡΠΈΡΠ»Π° +10 ΠΈΠ»ΠΈ Π²ΡΡΠ΅ Π΄Π»Ρ STFT ΠΈ LTFT, Π²Π°Ρ Π΄Π²ΠΈΠ³Π°ΡΠ΅Π»Ρ ΡΠ°Π±ΠΎΡΠ°Π΅Ρ Π² ΡΠ΅ΠΆΠΈΠΌΠ΅ LEAN. Π Π°Π·Π²Π΅ΡΠ½ΠΈΡΠ΅ Π΄Π²ΠΈΠ³Π°ΡΠ΅Π»Ρ Π΄ΠΎ 1500β2000 ΠΎΠ± / ΠΌΠΈΠ½ ΠΈ ΡΠ΄Π΅ΡΠΆΠΈΠ²Π°ΠΉΡΠ΅ Π΅Π³ΠΎ ΠΏΡΠΈΠΌΠ΅ΡΠ½ΠΎ ΠΏΠΎΠ»ΠΌΠΈΠ½ΡΡΡ. ΠΡΠ»ΠΈ Π·Π½Π°ΡΠ΅Π½ΠΈΡ ΡΠΎΠΏΠ»ΠΈΠ²Π½ΠΎΠΉ ΠΊΠΎΡΡΠ΅ΠΊΡΠΈΠΈ ΡΠ½ΠΎΠ²Π° ΡΠ½ΠΈΠ·ΡΡΡΡ Π΄ΠΎ Π±ΠΎΠ»Π΅Π΅ Π½ΠΎΡΠΌΠ°Π»ΡΠ½ΠΎΠ³ΠΎ Π·Π½Π°ΡΠ΅Π½ΠΈΡ, ΡΡΠΎ ΠΏΠΎΠ΄ΡΠ²Π΅ΡΠΆΠ΄Π°Π΅Ρ, ΡΡΠΎ Π² Π΄Π²ΠΈΠ³Π°ΡΠ΅Π»Π΅ Π΅ΡΡΡ ΡΡΠ΅ΡΠΊΠ° Π²Π°ΠΊΡΡΠΌΠ° Π½Π° Ρ
ΠΎΠ»ΠΎΡΡΠΎΠΌ Ρ
ΠΎΠ΄Ρ. ΠΡΠΎ ΡΠ²ΡΠ·Π°Π½ΠΎ Ρ ΡΠ΅ΠΌ, ΡΡΠΎ ΡΡΠ΅ΡΠΊΠΈ Π²Π°ΠΊΡΡΠΌΠ° ΠΎΠΊΠ°Π·ΡΠ²Π°ΡΡ ΠΌΠ΅Π½ΡΡΠ΅Π΅ Π²Π»ΠΈΡΠ½ΠΈΠ΅ Π½Π° ΡΠΎΠΏΠ»ΠΈΠ²Π½ΡΡ ΡΠΌΠ΅ΡΡ ΠΏΡΠΈ ΡΠ²Π΅Π»ΠΈΡΠ΅Π½ΠΈΠΈ ΡΠ°ΡΡΠΎΡΡ Π²ΡΠ°ΡΠ΅Π½ΠΈΡ Π΄Π²ΠΈΠ³Π°ΡΠ΅Π»Ρ ΠΈ Π½Π°Π³ΡΡΠ·ΠΊΠΈ.
ΠΡΠ»ΠΈ ΠΏΠΎΠΊΠ°Π·Π°Π½ΠΈΡ ΠΊΠΎΡΡΠ΅ΠΊΡΠΈΡΠΎΠ²ΠΊΠΈ ΡΠΎΠΏΠ»ΠΈΠ²ΠΎΠΏΠΎΠ΄Π°ΡΠΈ Π½Π΅ ΡΠΈΠ»ΡΠ½ΠΎ ΠΌΠ΅Π½ΡΡΡΡΡ, Π±Π΅Π΄Π½ΠΎΠ΅ ΡΠΎΠΏΠ»ΠΈΠ²ΠΎ ΡΠΊΠΎΡΠ΅Π΅ ΡΠ²ΡΠ·Π°Π½ΠΎ Ρ ΠΏΡΠΎΠ±Π»Π΅ΠΌΠΎΠΉ ΠΏΠΎΠ΄Π°ΡΠΈ ΡΠΎΠΏΠ»ΠΈΠ²Π° (ΡΠ»Π°Π±ΡΠΉ ΡΠΎΠΏΠ»ΠΈΠ²Π½ΡΠΉ Π½Π°ΡΠΎΡ, Π·Π°ΡΠΎΡΠ΅Π½ΠΈΠ΅ ΡΠΎΠΏΠ»ΠΈΠ²Π½ΠΎΠ³ΠΎ ΡΠΈΠ»ΡΡΡΠ°, Π³ΡΡΠ·Π½ΡΠ΅ ΡΠΎΠΏΠ»ΠΈΠ²Π½ΡΠ΅ ΡΠΎΡΡΡΠ½ΠΊΠΈ ΠΈΠ»ΠΈ Π½Π΅Π³Π΅ΡΠΌΠ΅ΡΠΈΡΠ½ΡΠΉ ΡΠ΅Π³ΡΠ»ΡΡΠΎΡ Π΄Π°Π²Π»Π΅Π½ΠΈΡ ΡΠΎΠΏΠ»ΠΈΠ²Π°), ΡΠ΅ΠΌ ΠΈΠ·-Π·Π° ΡΡΠ΅ΡΠΊΠΈ Π²Π°ΠΊΡΡΠΌΠ°.
ΠΠΎΠΊΠ°Π·Π°Π½ΠΈΡ ΠΊΠΎΡΡΠ΅ΠΊΡΠΈΡΠΎΠ²ΠΊΠΈ ΡΠΎΠΏΠ»ΠΈΠ²ΠΎΠΏΠΎΠ΄Π°ΡΠΈ LTFT, ΠΊΠΎΡΠΎΡΡΠ΅ ΠΈΠΌΠ΅ΡΡ ΡΠ΅Π½Π΄Π΅Π½ΡΠΈΡ ΠΊ ΡΠ²Π΅Π»ΠΈΡΠ΅Π½ΠΈΡ, ΡΠ°ΠΊΠΆΠ΅ ΠΌΠΎΠ³ΡΡ Π±ΡΡΡ ΡΠ΅Π·ΡΠ»ΡΡΠ°ΡΠΎΠΌ Π½Π΅Π±ΠΎΠ»ΡΡΠΎΠ³ΠΎ ΠΏΡΠΎΠΏΡΡΠΊΠ° Π·Π°ΠΆΠΈΠ³Π°Π½ΠΈΡ, ΠΊΠΎΡΠΎΡΡΠΉ Π΅ΡΠ΅ Π½Π΅ Π΄ΠΎΡΡΠ°ΡΠΎΡΠ½ΠΎ ΠΏΠ»ΠΎΡ
, ΡΡΠΎΠ±Ρ ΡΡΡΠ°Π½ΠΎΠ²ΠΈΡΡ ΠΊΠΎΠ΄ ΠΏΡΠΎΠΏΡΡΠΊΠ° Π·Π°ΠΆΠΈΠ³Π°Π½ΠΈΡ, Π½ΠΎ Π΄ΠΎΡΡΠ°ΡΠΎΡΠ½ΠΎ ΠΏΠ»ΠΎΡ
, ΡΡΠΎΠ±Ρ Π²ΡΠ·Π²Π°ΡΡ ΡΠ½ΠΈΠΆΠ΅Π½ΠΈΠ΅ ΡΠΊΠΎΠ½ΠΎΠΌΠΈΠΈ ΡΠΎΠΏΠ»ΠΈΠ²Π°.
ΠΡΠΈΡΠΈΠ½ΠΎΠΉ ΠΌΠΎΠΆΠ΅Ρ Π±ΡΡΡ ΠΎΠ΄Π½Π° ΠΈΠ»ΠΈ Π½Π΅ΡΠΊΠΎΠ»ΡΠΊΠΎ Π·Π°Π³ΡΡΠ·Π½Π΅Π½Π½ΡΡ
ΡΠ²Π΅ΡΠ΅ΠΉ Π·Π°ΠΆΠΈΠ³Π°Π½ΠΈΡ, ΠΊΠΎΡΠΎΡΡΠ΅ ΠΈΠ½ΠΎΠ³Π΄Π° Π΄Π°ΡΡ ΠΏΡΠΎΠΏΡΡΠΊΠΈ Π·Π°ΠΆΠΈΠ³Π°Π½ΠΈΡ, ΠΈΠ»ΠΈ ΡΠ»Π°Π±Π°Ρ ΠΊΠ°ΡΡΡΠΊΠ° Π·Π°ΠΆΠΈΠ³Π°Π½ΠΈΡ ΠΈΠ»ΠΈ ΠΏΠ»ΠΎΡ
ΠΎΠΉ ΠΏΡΠΎΠ²ΠΎΠ΄ ΡΠ²Π΅ΡΠΈ, ΠΈΠ·-Π·Π° ΠΊΠΎΡΠΎΡΠΎΠ³ΠΎ ΠΈΠ½ΠΎΠ³Π΄Π° ΡΠ»ΡΡΠ°ΡΡΡΡ ΠΏΡΠΎΠΏΡΡΠΊΠΈ Π·Π°ΠΆΠΈΠ³Π°Π½ΠΈΡ.ΠΠ»Ρ ΠΏΠΎΠ»ΡΡΠ΅Π½ΠΈΡ Π΄ΠΎΠΏΠΎΠ»Π½ΠΈΡΠ΅Π»ΡΠ½ΠΎΠΉ ΠΈΠ½ΡΠΎΡΠΌΠ°ΡΠΈΠΈ ΠΎ Π΄ΠΈΠ°Π³Π½ΠΎΡΡΠΈΠΊΠ΅ ΠΏΡΠΎΠΏΡΡΠΊΠΎΠ² Π·Π°ΠΆΠΈΠ³Π°Π½ΠΈΡ ΡΠ΅Π»ΠΊΠ½ΠΈΡΠ΅ Π·Π΄Π΅ΡΡ.
ΠΡ ΠΌΠΎΠΆΠ΅ΡΠ΅ ΠΈΡΠΏΠΎΠ»ΡΠ·ΠΎΠ²Π°ΡΡ ΡΠΎΠΏΠ»ΠΈΠ²Π½ΡΡ ΠΊΠΎΡΡΠ΅ΠΊΡΠΈΡΠΎΠ²ΠΊΡ Π΄Π»Ρ ΠΎΠΏΡΠ΅Π΄Π΅Π»Π΅Π½ΠΈΡ Π³ΡΡΠ·Π½ΡΡ
ΡΠΎΠΏΠ»ΠΈΠ²Π½ΡΡ
ΡΠΎΡΡΡΠ½ΠΎΠΊ. ΠΡΠ»ΠΈ ΠΏΠΎΠΊΠ°Π·Π°Π½ΠΈΡ ΠΊΠΎΡΡΠ΅ΠΊΡΠΈΡΠΎΠ²ΠΊΠΈ ΡΠΎΠΏΠ»ΠΈΠ²ΠΎΠΏΠΎΠ΄Π°ΡΠΈ LTFT ΠΈΠΌΠ΅ΡΡ ΡΠ΅Π½Π΄Π΅Π½ΡΠΈΡ ΠΊ ΡΠ²Π΅Π»ΠΈΡΠ΅Π½ΠΈΡ (ΠΠΠΠΠΠΠ’ΠΠΠ¬ΠΠ), ΡΡΠΎ ΠΎΠ·Π½Π°ΡΠ°Π΅Ρ, ΡΡΠΎ ΡΠΈΡΡΠ΅ΠΌΠ° ΡΠΏΡΠ°Π²Π»Π΅Π½ΠΈΡ Ρ ΠΎΠ±ΡΠ°ΡΠ½ΠΎΠΉ ΡΠ²ΡΠ·ΡΡ ΠΏΠΎ ΡΠΎΠΏΠ»ΠΈΠ²Ρ ΠΊΠΎΠΌΠΏΠ΅Π½ΡΠΈΡΡΠ΅Ρ Π²ΠΎΠ·Π΄ΡΡΠ½ΠΎ-ΡΠΎΠΏΠ»ΠΈΠ²Π½ΡΡ ΡΠΌΠ΅ΡΡ, ΠΊΠΎΡΠΎΡΠ°Ρ ΡΠΎ Π²ΡΠ΅ΠΌΠ΅Π½Π΅ΠΌ ΡΡΠ°Π½ΠΎΠ²ΠΈΡΡΡ Π²ΡΠ΅ Π±Π΅Π΄Π½Π΅Π΅. ΠΠ°ΠΈΠ±ΠΎΠ»Π΅Π΅ Π²Π΅ΡΠΎΡΡΠ½Π°Ρ ΠΏΡΠΈΡΠΈΠ½Π° — Π³ΡΡΠ·Π½ΡΠ΅ ΡΠΎΠΏΠ»ΠΈΠ²Π½ΡΠ΅ ΡΠΎΡΡΡΠ½ΠΊΠΈ. ΠΠΎΠ΄Π°ΡΠ° ΡΠΎΠΏΠ»ΠΈΠ²Π° ΠΌΠΎΠΆΠ΅Ρ Π±ΡΡΡ ΠΎΠ³ΡΠ°Π½ΠΈΡΠ΅Π½Π° ΡΠΊΠΎΠΏΠ»Π΅Π½ΠΈΠ΅ΠΌ ΠΎΡΠ»ΠΎΠΆΠ΅Π½ΠΈΠΉ Π»Π°ΠΊΠ° Π²Π½ΡΡΡΠΈ ΡΠΎΡΡΡΠ½ΠΎΠΊ. ΠΡΠΏΡΠ°Π²Π»Π΅Π½ΠΈΠ΅ Π·Π΄Π΅ΡΡ — ΠΎΡΠΈΡΡΠΈΡΡ ΡΠΎΡΡΡΠ½ΠΊΠΈ.ΠΡΠ»ΠΈ ΠΏΠΎΡΠ»Π΅ ΠΎΡΠΈΡΡΠΊΠΈ ΡΠΎΡΡΡΠ½ΠΎΠΊ Π·Π½Π°ΡΠ΅Π½ΠΈΡ ΡΠ΅Π³ΡΠ»ΠΈΡΠΎΠ²ΠΊΠΈ ΠΏΠΎΠ΄Π°ΡΠΈ ΡΠΎΠΏΠ»ΠΈΠ²Π° Π²ΠΎΠ·Π²ΡΠ°ΡΠ°ΡΡΡΡ ΠΊ Π½ΠΎΡΠΌΠ΅, ΡΡΠΎ ΠΎΠ·Π½Π°ΡΠ°Π΅Ρ, ΡΡΠΎ ΠΏΡΠΎΠ±Π»Π΅ΠΌΠ° ΡΠ΅ΡΠ΅Π½Π°. ΠΡΠ»ΠΈ Π·Π½Π°ΡΠ΅Π½ΠΈΡ ΠΊΠΎΡΡΠ΅ΠΊΡΠΈΡΠΎΠ²ΠΊΠΈ ΠΏΠΎΠ΄Π°ΡΠΈ ΡΠΎΠΏΠ»ΠΈΠ²Π° Π½Π΅ ΠΌΠ΅Π½ΡΡΡΡΡ ΠΏΠΎΡΠ»Π΅ ΠΎΡΠΈΡΡΠΊΠΈ ΡΠΎΡΡΡΠ½ΠΎΠΊ, Π±Π΅Π΄Π½ΠΎΠ΅ ΡΠΎΠΏΠ»ΠΈΠ²ΠΎ ΠΌΠΎΠΆΠ΅Ρ Π±ΡΡΡ ΡΠ²ΡΠ·Π°Π½ΠΎ Ρ Π½ΠΈΠ·ΠΊΠΈΠΌ Π΄Π°Π²Π»Π΅Π½ΠΈΠ΅ΠΌ ΡΠΎΠΏΠ»ΠΈΠ²Π° ΠΈΠ»ΠΈ ΡΡΠ΅ΡΠΊΠ°ΠΌΠΈ Π²ΠΎΠ·Π΄ΡΡ
Π° / Π²Π°ΠΊΡΡΠΌΠ°.
ΠΡ ΠΌΠΎΠΆΠ΅ΡΠ΅ ΠΈΡΠΏΠΎΠ»ΡΠ·ΠΎΠ²Π°ΡΡ ΠΏΠΎΠΊΠ°Π·Π°Π½ΠΈΡ ΠΊΠΎΡΡΠ΅ΠΊΡΠΈΠΈ ΡΠΎΠΏΠ»ΠΈΠ²Π°, ΡΡΠΎΠ±Ρ ΠΏΡΠΎΠ²Π΅ΡΠΈΡΡ ΡΠ΅Π°ΠΊΡΠΈΡ ΠΊΠΈΡΠ»ΠΎΡΠΎΠ΄Π½ΡΡ Π΄Π°ΡΡΠΈΠΊΠΎΠ² ΠΈ ΠΊΠΎΠΌΠΏΡΡΡΠ΅ΡΠ° Π΄Π²ΠΈΠ³Π°ΡΠ΅Π»Ρ Π½Π° ΠΈΠ·ΠΌΠ΅Π½Π΅Π½ΠΈΡ, ΠΊΠΎΡΠΎΡΡΠ΅ Π²Ρ Π²Π½ΠΎΡΠΈΡΠ΅ Π² ΡΠΎΠΏΠ»ΠΈΠ²Π½ΡΡ ΡΠΌΠ΅ΡΡ. ΠΠΎΠΊΠ° Π΄Π²ΠΈΠ³Π°ΡΠ΅Π»Ρ ΡΠ°Π±ΠΎΡΠ°Π΅Ρ Π½Π° Ρ ΠΎΠ»ΠΎΡΡΠΎΠΌ Ρ ΠΎΠ΄Ρ, Π²ΡΠ΅ΠΌΠ΅Π½Π½ΠΎ ΠΎΡΡΠΎΠ΅Π΄ΠΈΠ½ΠΈΡΠ΅ Π²Π°ΠΊΡΡΠΌΠ½ΡΠΉ ΡΠ»Π°Π½Π³. ΠΡ Π΄ΠΎΠ»ΠΆΠ½Ρ ΡΠ²ΠΈΠ΄Π΅ΡΡ, ΠΊΠ°ΠΊ ΠΏΠΎΠΊΠ°Π·Π°Π½ΠΈΡ ΠΊΠΎΡΡΠ΅ΠΊΡΠΈΡΠΎΠ²ΠΊΠΈ ΡΠΎΠΏΠ»ΠΈΠ²ΠΎΠΏΠΎΠ΄Π°ΡΠΈ STFT ΡΡΠ°Π·Ρ ΠΆΠ΅ ΠΏΠΎΠ΄ΡΠΊΠΎΡΠ°Ρ ΠΈ ΡΡΠ°Π½ΡΡ ΠΠΠΠΠΠΠ’ΠΠΠ¬ΠΠ«ΠΠ, Π° LTFT Π΄ΠΎΠ»ΠΆΠ΅Π½ Π½Π°ΡΠ°ΡΡ ΠΏΠΎΠ»Π·Π°ΡΡ Π² ΠΎΡΠ²Π΅Ρ Π½Π° ΠΈΡΠΊΡΡΡΡΠ²Π΅Π½Π½ΠΎ ΠΎΠ±Π΅Π΄Π½Π΅Π½Π½ΡΡ ΡΠΎΠΏΠ»ΠΈΠ²Π½ΡΡ ΡΠΌΠ΅ΡΡ, ΠΊΠΎΡΠΎΡΡΡ Π²Ρ ΡΠΎΠ»ΡΠΊΠΎ ΡΡΠΎ ΡΠΎΠ·Π΄Π°Π»ΠΈ, ΠΎΡΡΠΎΠ΅Π΄ΠΈΠ½ΠΈΠ² Π²Π°ΠΊΡΡΠΌΠ½ΡΠΉ ΡΠ»Π°Π½Π³.
Π§ΡΠΎΠ±Ρ ΠΏΡΠΎΠ²Π΅ΡΠΈΡΡ Π½Π°ΡΡΡΠ΅Π½Π½ΡΠΉ ΠΎΡΠΊΠ»ΠΈΠΊ, Π²Ρ ΠΌΠΎΠΆΠ΅ΡΠ΅ ΠΏΠΎΠ΄Π°ΡΡ Π½Π΅ΠΌΠ½ΠΎΠ³ΠΎ ΠΏΠ°ΡΠΎΠ² ΠΏΡΠΎΠΏΠ°Π½Π° ΠΈΠ· Π½Π΅Π±ΠΎΠ»ΡΡΠΎΠ³ΠΎ ΠΏΡΠΎΠΏΠ°Π½ΠΎΠ²ΠΎΠ³ΠΎ Π±Π°Π»Π»ΠΎΠ½Π° Π² ΠΊΠΎΡΠΏΡΡ Π΄ΡΠΎΡΡΠ΅Π»ΡΠ½ΠΎΠΉ Π·Π°ΡΠ»ΠΎΠ½ΠΊΠΈ ΠΈΠ»ΠΈ Π² ΡΠΎΠ΅Π΄ΠΈΠ½Π΅Π½ΠΈΠ΅ Π²Π°ΠΊΡΡΠΌΠ½ΠΎΠ³ΠΎ ΡΠ»Π°Π½Π³Π° Π½Π° Π²ΠΏΡΡΠΊΠ½ΠΎΠΌ ΠΊΠΎΠ»Π»Π΅ΠΊΡΠΎΡΠ΅. ΠΠ° ΡΡΠΎΡ ΡΠ°Π· Π²Ρ Π΄ΠΎΠ»ΠΆΠ½Ρ ΡΠ²ΠΈΠ΄Π΅ΡΡ ΠΏΠ°Π΄Π΅Π½ΠΈΠ΅ ΠΏΠΎΠΊΠ°Π·Π°Π½ΠΈΠΉ ΠΊΠΎΡΡΠ΅ΠΊΡΠΈΠΈ ΡΠΎΠΏΠ»ΠΈΠ²Π°, ΠΏΡΠΈ ΡΡΠΎΠΌ STFT ΡΡΠ°Π½Π΅Ρ ΠΠ’Π ΠΠ¦ΠΠ’ΠΠΠ¬ΠΠ«Π, Π° LTFT Π±ΡΠ΄Π΅Ρ ΠΏΠΎΡΡΠ΅ΠΏΠ΅Π½Π½ΠΎ ΡΠ½ΠΈΠΆΠ°ΡΡΡΡ Π² ΠΎΡΠ²Π΅Ρ Π½Π° Π±ΠΎΠ³Π°ΡΡΡ ΡΠΎΠΏΠ»ΠΈΠ²Π½ΡΡ ΡΠΌΠ΅ΡΡ.
ΠΡΡΡΡΡΡΠ²ΠΈΠ΅ ΠΈΠ·ΠΌΠ΅Π½Π΅Π½ΠΈΠΉ Π² ΠΏΠΎΠΊΠ°Π·Π°Π½ΠΈΡΡ
ΠΊΠΎΡΡΠ΅ΠΊΡΠΈΡΠΎΠ²ΠΊΠΈ ΡΠΎΠΏΠ»ΠΈΠ²ΠΎΠΏΠΎΠ΄Π°ΡΠΈ ΠΏΡΠΈ ΡΠΎΠ·Π΄Π°Π½ΠΈΠΈ ΠΈΡΠΊΡΡΡΡΠ²Π΅Π½Π½ΠΎ ΠΎΠ±Π΅Π΄Π½Π΅Π½Π½ΠΎΠΉ ΠΈΠ»ΠΈ Π±ΠΎΠ³Π°ΡΠΎΠΉ ΡΠΎΠΏΠ»ΠΈΠ²Π½ΠΎΠΉ ΡΠΌΠ΅ΡΠΈ ΡΠΊΠ°Π·ΡΠ²Π°Π»ΠΎ Π±Ρ Π½Π° ΡΠΎ, ΡΡΠΎ ΠΊΠΎΠΌΠΏΡΡΡΠ΅Ρ Π΄Π²ΠΈΠ³Π°ΡΠ΅Π»Ρ ΠΠ ΡΠ°Π±ΠΎΡΠ°Π΅Ρ Π² Π·Π°ΠΌΠΊΠ½ΡΡΠΎΠΌ ΠΊΠΎΠ½ΡΡΡΠ΅ ΠΈΠ»ΠΈ ΡΡΠΎ ΠΊΠΈΡΠ»ΠΎΡΠΎΠ΄Π½ΡΠΉ Π΄Π°ΡΡΠΈΠΊ (ΠΈ) Π½Π΅ ΡΠ΅Π°Π³ΠΈΡΡΠ΅Ρ Π½Π° ΠΈΠ·ΠΌΠ΅Π½Π΅Π½ΠΈΡ Π² ΡΠΎΠΏΠ»ΠΈΠ²Π½ΠΎΠΉ ΡΠΌΠ΅ΡΠΈ.
Π©Π΅Π»ΠΊΠ½ΠΈΡΠ΅ Π·Π΄Π΅ΡΡ, ΡΡΠΎΠ±Ρ Π·Π°Π³ΡΡΠ·ΠΈΡΡ ΠΈΠ»ΠΈ ΡΠ°ΡΠΏΠ΅ΡΠ°ΡΠ°ΡΡ ΡΡΡ ΡΡΠ°ΡΡΡ.
ΠΡΡΠ³ΠΈΠ΅ ΡΡΠ°ΡΡΠΈ ΠΎ ΡΠΎΠΏΠ»ΠΈΠ²Π½ΡΡ ΡΠΈΡΡΠ΅ΠΌΠ°Ρ :
Π‘ΠΎΠΎΡΠ½ΠΎΡΠ΅Π½ΠΈΠ΅ Π²ΠΎΠ·Π΄ΡΡ / ΡΠΎΠΏΠ»ΠΈΠ²ΠΎΠ£ΡΠ°Π²Π½ΠΎΠ²Π΅ΡΠΈΠ²Π°Π½ΠΈΠ΅ ΡΠΎΠΏΠ»ΠΈΠ²Π° ΠΎΡ Wells Manufacturing (ΡΠ°ΠΉΠ» PDF).
Ford P0171 ΠΈ P0174 ΠΠΎΠ΄Ρ ΠΎΠ±Π΅Π΄Π½Π΅Π½Π½ΠΎΠΉ ΡΠΌΠ΅ΡΠΈ
ΠΠ°ΠΊ Π²ΠΏΡΡΡΠΊ ΡΠΎΠΏΠ»ΠΈΠ²Π° Π²Π»ΠΈΡΠ΅Ρ Π½Π° Π²ΡΠ±ΡΠΎΡΡ
ΠΠ°ΠΈΠ±ΠΎΠ»Π΅Π΅ ΡΠ°ΡΠΏΡΠΎΡΡΡΠ°Π½Π΅Π½Π½ΡΠ΅ ΠΊΠΎΠ΄Ρ Π½Π΅ΠΈΡΠΏΡΠ°Π²Π½ΠΎΡΡΠ΅ΠΉ (ΠΈ ΠΈΡ ΠΏΡΠΈΡΠΈΠ½Ρ)
ΠΠ°ΡΡΠΈΠΊΠΈ ΠΌΠ°ΡΡΠΎΠ²ΠΎΠ³ΠΎ ΡΠ°ΡΡ ΠΎΠ΄Π° Π²ΠΎΠ·Π΄ΡΡ Π°
ΠΠ°ΡΡΠΈΠΊΠΈ ΠΊΠΈΡΠ»ΠΎΡΠΎΠ΄Π°ΠΠ°ΡΡΠΈΠΊΠΈ ΡΠΎΠΏΠ»ΠΈΠ²Π° Ρ ΡΠΈΡΠΎΠΊΠΈΠΌ ΡΠΎΠΎΡΠ½ΠΎΡΠ΅Π½ΠΈΠ΅ΠΌ ΡΡΠΎΡΠΎΠ½ (WRAF) 2 ΠΠΎΠ΄ΡΠΎΠ±Π½Π΅Π΅
ΠΡΠΎΠ²Π΅ΡΡΡΠ΅ ΠΈΠ½Π΄ΠΈΠΊΠ°ΡΠΎΡΡ Π΄Π²ΠΈΠ³Π°ΡΠ΅Π»Ρ ΠΈ Π΄ΠΈΠ°Π³Π½ΠΎΡΡΠΈΠΊΡ ΠΊΠΎΠ΄ΠΎΠ² Π½Π΅ΠΈΡΠΏΡΠ°Π²Π½ΠΎΡΡΠ΅ΠΉΠΠΈΠ°Π³Π½ΠΎΡΡΠΈΠΊΠ° Ρ ΠΏΠΎΠΌΠΎΡΡΡ Π΄ΠΈΠ°Π³Π½ΠΎΡΡΠΈΡΠ΅ΡΠΊΠΎΠ³ΠΎ ΠΏΡΠΈΠ±ΠΎΡΠ°
Π Π°ΡΡΠΈΡΡΠΎΠ²ΠΊΠ° Π±ΠΎΡΡΠΎΠ²ΠΎΠΉ Π΄ΠΈΠ°Π³Π½ΠΎΡΡΠΈΠΊΠΈ
ΠΠΠΠ« ΠΠΠΠ‘ΠΠ ΠΠΠΠΠ‘Π’ΠΠ Π‘ΠΏΡΠ°Π²ΠΊΠ°
Π‘ΠΎΠ²Π΅ΡΡ ΠΏΠΎ Π΄ΠΈΠ°Π³Π½ΠΎΡΡΠΈΠΊΠ΅ OBD II
ΠΠΎΠΌΠΎΡΡ Ρ DTC P0300 ΠΠΎΠ΄Ρ ΡΠ»ΡΡΠ°ΠΉΠ½ΡΡ ΠΏΡΠΎΠΏΡΡΠΊΠΎΠ² Π·Π°ΠΆΠΈΠ³Π°Π½ΠΈΡ
Π£ΡΡΡΠ°Π½Π΅Π½ΠΈΠ΅ Π½Π΅ΠΈΡΠΏΡΠ°Π²Π½ΠΎΡΡΠ΅ΠΉ ΡΠΎΠΏΠ»ΠΈΠ²Π½ΡΡ ΡΠΎΡΡΡΠ½ΠΎΠΊ ΠΈ Π½Π΅ΠΈΡΠΏΡΠ°Π²Π½ΠΎΡΡΠ΅ΠΉ ΡΠ»Π΅ΠΊΡΡΠΎΠ½Π½ΡΡ ΡΠΎΡΡΡΠ½ΠΎΠΊ
ΠΠΈΠ°Π³Π½ΠΎΡΡΠΈΠΊΠ° Π½Π°ΡΠΎΡΠ°
Π©Π΅Π»ΠΊΠ½ΠΈΡΠ΅ Π·Π΄Π΅ΡΡ, ΡΡΠΎΠ±Ρ ΡΠ²ΠΈΠ΄Π΅ΡΡ Π±ΠΎΠ»ΡΡΠ΅ ΡΠ΅Ρ Π½ΠΈΡΠ΅ΡΠΊΠΈΡ ΡΡΠ°ΡΠ΅ΠΉ ΠΏΠΎ Π°Π²ΡΠΎΠΌΠΎΠ±ΠΈΠ»Π΅ΡΡΡΠΎΠ΅Π½ΠΈΡ
| ΠΡΡΠΈΡΠ°ΡΠ΅Π»ΡΠ½Π°Ρ ΡΠ΅Π³ΡΠ»ΠΈΡΠΎΠ²ΠΊΠ° ΡΡΠΎΠ²Π½Ρ ΡΠΎΠΏΠ»ΠΈΠ²Π° ΠΎΡ Dbkk: 16:14 03 ΠΌΠ°ΡΡΠ° , 2017 |
Π₯ΠΎΡΠΎΡΠΎ Π΄Π½ΠΈ Π³ΡΡΡ, ΠΏΠΎΠΆΠ°Π»ΡΠΉΡΡΠ°, ΠΊΠ°ΠΊΠΎΠ²Ρ ΠΏΡΠΈΡΠΈΠ½Ρ ΠΎΡΡΠΈΡΠ°ΡΠ΅Π»ΡΠ½ΠΎΠΉ ΠΊΠΎΡΡΠ΅ΠΊΡΠΈΡΠΎΠ²ΠΊΠΈ ΡΠΎΠΏΠ»ΠΈΠ²ΠΎΠΏΠΎΠ΄Π°ΡΠΈ? Π ΠΊΡΠ°ΡΠΊΠΎΡΡΠΎΡΠ½ΠΎΠΉ ΠΈ Π΄ΠΎΠ»Π³ΠΎΡΡΠΎΡΠ½ΠΎΠΉ ΠΏΠ΅ΡΡΠΏΠ΅ΠΊΡΠΈΠ²Π΅, ΠΈΠ· ΠΌΠΎΠ΅Π³ΠΎ Π½Π΅Π±ΠΎΠ»ΡΡΠΎΠ³ΠΎ ΠΎΠ½Π»Π°ΠΉΠ½-ΠΈΡΡΠ»Π΅Π΄ΠΎΠ²Π°Π½ΠΈΡ, ΠΎΠ·Π½Π°ΡΠ°Π΅Ρ, ΡΡΠΎ Π΄Π²ΠΈΠ³Π°ΡΠ΅Π»Ρ ΡΠ°Π±ΠΎΡΠ°Π΅Ρ Π½Π° Π½Π°ΡΡΡΠ΅Π½Π½ΠΎΠΉ ΡΠΌΠ΅ΡΠΈ, ΡΡΠΎ ΠΎΠ·Π½Π°ΡΠ°Π΅Ρ Π±ΠΎΠ»Π΅Π΅ Π²ΡΡΠΎΠΊΠΈΠΉ ΡΠ°ΡΡ
ΠΎΠ΄ ΡΠΎΠΏΠ»ΠΈΠ²Π°, Π°Π²ΡΠΎΠΌΠΎΠ±ΠΈΠ»Ρ — Honda Accord 2006 i4, Π΅Π΄ΠΈΠ½ΡΡΠ²Π΅Π½Π½ΡΠΉ ΠΊΠΎΠ΄ MIL Π½Π° ΠΊΠ°ΡΠ°Π»ΠΈΠ·Π°ΡΠΎΡΠ΅ P0420 |
| Re: ΠΡΡΠΈΡΠ°ΡΠ΅Π»ΡΠ½Π°Ρ ΡΠ΅Π³ΡΠ»ΠΈΡΠΎΠ²ΠΊΠ° ΡΡΠΎΠ²Π½Ρ ΡΠΎΠΏΠ»ΠΈΠ²Π° ΠΏΠΎ nurey (ΠΌ): 4:39 pm 03 ΠΌΠ°ΡΡΠ° , 2017 |
ΠΠ°ΠΊΠΎΠ΅ Π·Π½Π°ΡΠ΅Π½ΠΈΠ΅ ΠΊΠΎΡΡΠ΅ΠΊΡΠΈΡΠΎΠ²ΠΊΠΈ ΡΠΎΠΏΠ»ΠΈΠ²Π° ΠΠ½Π°ΡΠ΅Π½ΠΈΠ΅ ΠΊΠΎΡΡΠ΅ΠΊΡΠΈΡΠΎΠ²ΠΊΠΈ ΡΠΎΠΏΠ»ΠΈΠ²Π° ΡΠΎΠΏΠ»ΠΈΠ²Π° POSIT ΠΠ½Π°ΡΠ΅Π½ΠΈΡ ΠΎΠ·Π½Π°ΡΠ°ΡΡ, ΡΡΠΎ ΠΊΠΎΠΌΠΏΡΡΡΠ΅Ρ Π΄Π²ΠΈΠ³Π°ΡΠ΅Π»Ρ Π΄ΠΎΠ±Π°Π²Π»ΡΠ΅Ρ ΡΠΎΠΏΠ»ΠΈΠ²ΠΎ (ΡΠ²Π΅Π»ΠΈΡΠΈΠ²Π°Ρ ΡΠΈΡΠΈΠ½Ρ ΠΈΠΌΠΏΡΠ»ΡΡΠ° ΠΈΠ»ΠΈ Π²ΡΠ΅ΠΌΡ Π²ΠΊΠ»ΡΡΠ΅Π½ΠΈΡ ΡΠΎΠΏΠ»ΠΈΠ²Π½ΡΡ
ΡΠΎΡΡΡΠ½ΠΎΠΊ), ΡΡΠΎΠ±Ρ Π΄ΠΎΠ±Π°Π²ΠΈΡΡ Π±ΠΎΠ»ΡΡΠ΅ ΡΠΎΠΏΠ»ΠΈΠ²Π° Π² Π΄Π²ΠΈΠ³Π°ΡΠ΅Π»Ρ. ΠΡΡΠ³ΠΈΠΌΠΈ ΡΠ»ΠΎΠ²Π°ΠΌΠΈ, ΠΎΠ½ ΠΏΡΡΠ°Π΅ΡΡΡ ΠΠΠΠΠΠΠ’Π¬ ΡΠΎΠΏΠ»ΠΈΠ²Π½ΡΡ ΡΠΌΠ΅ΡΡ, ΠΏΠΎΡΠΎΠΌΡ ΡΡΠΎ ΡΡΠΈΡΠ°Π΅Ρ, ΡΡΠΎ ΡΠΎΠΏΠ»ΠΈΠ²Π½ΠΎ-Π²ΠΎΠ·Π΄ΡΡΠ½Π°Ρ ΡΠΌΠ΅ΡΡ Π΄Π²ΠΈΠ³Π°ΡΠ΅Π»Ρ ΡΠ°Π±ΠΎΡΠ°Π΅Ρ ΡΠ»ΠΈΡΠΊΠΎΠΌ Π±Π΅Π΄Π½ΠΎΠΉ. ΠΠ’Π ΠΠ¦ΠΠ’ΠΠΠ¬ΠΠ (-) Π·Π½Π°ΡΠ΅Π½ΠΈΡ ΠΊΠΎΡΡΠ΅ΠΊΡΠΈΠΈ ΡΠΎΠΏΠ»ΠΈΠ²Π° ΠΎΠ·Π½Π°ΡΠ°ΡΡ, ΡΡΠΎ ΠΊΠΎΠΌΠΏΡΡΡΠ΅Ρ Π΄Π²ΠΈΠ³Π°ΡΠ΅Π»Ρ Π²ΡΡΠΈΡΠ°Π΅Ρ ΡΠΎΠΏΠ»ΠΈΠ²ΠΎ (ΡΠΌΠ΅Π½ΡΡΠ°Ρ ΡΠΈΡΠΈΠ½Ρ ΠΈΠΌΠΏΡΠ»ΡΡΠ° ΠΈΠ»ΠΈ Π²ΡΠ΅ΠΌΡ Π²ΠΊΠ»ΡΡΠ΅Π½ΠΈΡ ΡΠΎΠΏΠ»ΠΈΠ²Π½ΡΡ ΡΠΎΡΡΡΠ½ΠΎΠΊ), ΡΡΠΎΠ±Ρ ΡΠΌΠ΅Π½ΡΡΠΈΡΡ ΠΊΠΎΠ»ΠΈΡΠ΅ΡΡΠ²ΠΎ ΡΠΎΠΏΠ»ΠΈΠ²Π°, Π²ΠΏΡΡΡΠΊΠΈΠ²Π°Π΅ΠΌΠΎΠ³ΠΎ Π² Π΄Π²ΠΈΠ³Π°ΡΠ΅Π»Ρ. ΠΡΠΎ Π΄Π΅Π»Π°Π΅ΡΡΡ Π΄Π»Ρ ΠΠΠΠΠΠΠΠΠΠ― ΡΠΎΠΏΠ»ΠΈΠ²Π½ΠΎΠΉ ΡΠΌΠ΅ΡΠΈ, ΡΡΠΎΠ±Ρ ΠΊΠΎΠΌΠΏΠ΅Π½ΡΠΈΡΠΎΠ²Π°ΡΡ ΡΠΎ, ΡΡΠΎ ΠΎΠ½Π° Π²ΠΎΡΠΏΡΠΈΠ½ΠΈΠΌΠ°Π΅Ρ ΠΊΠ°ΠΊ Π±ΠΎΠ³Π°ΡΡΠ΅ ΡΡΠ»ΠΎΠ²ΠΈΡ ΡΠ°Π±ΠΎΡΡ. ΠΠΎΠΌΠ½ΠΈΡΠ΅, Π²ΡΠ΅ ΡΡΠΎ ΠΎΡΠ½ΠΎΠ²Π°Π½ΠΎ Π½Π° ΡΠΎΠΌ, ΡΡΠΎ ΠΊΠΈΡΠ»ΠΎΡΠΎΠ΄Π½ΡΠ΅ Π΄Π°ΡΡΠΈΠΊΠΈ ΡΠΎΠΎΠ±ΡΠ°ΡΡ ΠΊΠΎΠΌΠΏΡΡΡΠ΅ΡΡ Π΄Π²ΠΈΠ³Π°ΡΠ΅Π»Ρ.ΠΡΠ»ΠΈ Π΄Π°ΡΡΠΈΠΊΠΈ O2 ΠΏΠΎΠΊΠ°Π·ΡΠ²Π°ΡΡ LEAN, ΠΊΠΎΠΌΠΏΡΡΡΠ΅Ρ Π΄ΠΎΠ±Π°Π²Π»ΡΠ΅Ρ ΡΠΎΠΏΠ»ΠΈΠ²ΠΎ ΠΈ Π³Π΅Π½Π΅ΡΠΈΡΡΠ΅Ρ ΠΠΠΠΠΠΠ’ΠΠΠ¬ΠΠΠ Π·Π½Π°ΡΠ΅Π½ΠΈΠ΅ ΠΊΠΎΡΡΠ΅ΠΊΡΠΈΡΠΎΠ²ΠΊΠΈ ΡΠΎΠΏΠ»ΠΈΠ²Π°. ΠΡΠ»ΠΈ Π΄Π°ΡΡΠΈΠΊΠΈ O2 ΠΏΠΎΠΊΠ°Π·ΡΠ²Π°ΡΡ RICH, ΠΊΠΎΠΌΠΏΡΡΡΠ΅Ρ ΠΊΠΎΠΌΠΏΠ΅Π½ΡΠΈΡΡΠ΅Ρ ΡΡΠΎ ΠΏΡΡΠ΅ΠΌ Π²ΡΡΠΈΡΠ°Π½ΠΈΡ ΡΠΎΠΏΠ»ΠΈΠ²Π° ΠΈ Π³Π΅Π½Π΅ΡΠΈΡΡΠ΅Ρ ΠΠ’Π ΠΠ¦ΠΠ’ΠΠΠ¬ΠΠΠ Π·Π½Π°ΡΠ΅Π½ΠΈΠ΅ ΠΊΠΎΡΡΠ΅ΠΊΡΠΈΡΠΎΠ²ΠΊΠΈ ΡΠΎΠΏΠ»ΠΈΠ²Π°. Π‘ΡΠΈΡΡΠ²Π°Ρ Π·Π½Π°ΡΠ΅Π½ΠΈΡ ΠΊΠΎΡΡΠ΅ΠΊΡΠΈΡΠΎΠ²ΠΊΠΈ ΡΠΎΠΏΠ»ΠΈΠ²ΠΎΠΏΠΎΠ΄Π°ΡΠΈ STFT ΠΈ LTFT Π½Π° Π΄ΠΈΠ°Π³Π½ΠΎΡΡΠΈΡΠ΅ΡΠΊΠΎΠΌ ΠΏΡΠΈΠ±ΠΎΡΠ΅ ΠΏΡΠΈ ΡΠ°Π±ΠΎΡΠ°ΡΡΠ΅ΠΌ Π΄Π²ΠΈΠ³Π°ΡΠ΅Π»Π΅, Π²Ρ ΠΌΠΎΠΆΠ΅ΡΠ΅ ΠΎΠΏΡΠ΅Π΄Π΅Π»ΠΈΡΡ, ΡΠ²Π»ΡΠ΅ΡΡΡ Π»ΠΈ Π²ΠΎΠ·Π΄ΡΡΠ½ΠΎ-ΡΠΎΠΏΠ»ΠΈΠ²Π½Π°Ρ ΡΠΌΠ΅ΡΡ Π±ΠΎΠ³Π°ΡΠΎΠΉ (ΠΎΡΡΠΈΡΠ°ΡΠ΅Π»ΡΠ½ΡΠ΅ ΠΏΡΠΎΡΠ΅Π½ΡΡ ΡΠ΅Π³ΡΠ»ΠΈΡΠΎΠ²ΠΊΠΈ ΠΏΠΎΠ΄Π°ΡΠΈ ΡΠΎΠΏΠ»ΠΈΠ²Π°) ΠΈΠ»ΠΈ Π±Π΅Π΄Π½ΠΎΠΉ (ΠΏΠΎΠ»ΠΎΠΆΠΈΡΠ΅Π»ΡΠ½ΡΠ΅ ΠΏΡΠΎΡΠ΅Π½ΡΡ ΡΠ΅Π³ΡΠ»ΠΈΡΠΎΠ²ΠΊΠΈ ΠΏΠΎΠ΄Π°ΡΠΈ ΡΠΎΠΏΠ»ΠΈΠ²Π°). ΠΠ°ΠΊΠΈΠΌΠΈ Π΄ΠΎΠ»ΠΆΠ½Ρ Π±ΡΡΡ Π·Π½Π°ΡΠ΅Π½ΠΈΡ ΠΊΠΎΡΡΠ΅ΠΊΡΠΈΡΠΎΠ²ΠΊΠΈ ΡΠΎΠΏΠ»ΠΈΠ²ΠΎΠΏΠΎΠ΄Π°ΡΠΈ Π ΠΈΠ΄Π΅Π°Π»Π΅ STFT ΠΈ LTFT Π΄ΠΎΠ»ΠΆΠ½Ρ Π½Π°Ρ ΠΎΠ΄ΠΈΡΡΡΡ Π² ΠΏΡΠ΅Π΄Π΅Π»Π°Ρ Π½Π΅ΡΠΊΠΎΠ»ΡΠΊΠΈΡ ΠΏΡΠΎΡΠ΅Π½ΡΠ½ΡΡ ΠΏΡΠ½ΠΊΡΠΎΠ² ΠΎΡ Π½ΡΠ»Ρ, ΠΊΠΎΠ³Π΄Π° Π΄Π²ΠΈΠ³Π°ΡΠ΅Π»Ρ ΡΠ°Π±ΠΎΡΠ°Π΅Ρ Π½Π° Ρ ΠΎΠ»ΠΎΡΡΠΎΠΌ Ρ ΠΎΠ΄Ρ ΠΈΠ»ΠΈ ΠΏΠΎΠ΄Π΄Π΅ΡΠΆΠΈΠ²Π°Π΅Ρ ΡΡΠ°Π±ΠΈΠ»ΡΠ½ΡΠ΅ ΠΎΠ±ΠΎΡΠΎΡΡ.ΠΠΎΠΌΠ½ΠΈΡΠ΅, ΡΡΠΎ STFT ΠΌΠΎΠΆΠ΅Ρ Π΄ΠΎΠ²ΠΎΠ»ΡΠ½ΠΎ ΡΠΈΠ»ΡΠ½ΠΎ ΠΏΠΎΠ΄ΠΏΡΡΠ³ΠΈΠ²Π°ΡΡ, ΠΊΠΎΠ³Π΄Π° Π²Ρ Π²Π½Π΅Π·Π°ΠΏΠ½ΠΎ ΠΎΡΠΊΡΡΠ²Π°Π΅ΡΠ΅ Π΄ΡΠΎΡΡΠ΅Π»ΡΠ½ΡΡ Π·Π°ΡΠ»ΠΎΠ½ΠΊΡ ΠΈΠ»ΠΈ ΡΠ½ΠΈΠΆΠ°Π΅ΡΠ΅ ΡΠΊΠΎΡΠΎΡΡΡ. ΠΠΎ LTFT ΠΌΠΎΠΆΠ΅Ρ ΡΠΊΠ°Π·Π°ΡΡ Π²Π°ΠΌ, ΡΠ²Π»ΡΠ΅ΡΡΡ Π»ΠΈ Π² ΡΡΠ΅Π΄Π½Π΅ΠΌ ΡΠΎΠΏΠ»ΠΈΠ²ΠΎ / ΡΠΌΠ΅ΡΡ Π±ΠΎΠ³Π°ΡΠΎΠΉ ΠΈΠ»ΠΈ Π±Π΅Π΄Π½ΠΎΠΉ. Π₯ΠΎΡΠΎΡΠΈΠ΅ Π·Π½Π°ΡΠ΅Π½ΠΈΡ LTFT Π΄ΠΎΠ»ΠΆΠ½Ρ Π±ΡΡΡ ΠΊΠ°ΠΊ ΠΌΠΎΠΆΠ½ΠΎ Π±Π»ΠΈΠΆΠ΅ ΠΊ Π½ΡΠ»Ρ, Ρ ΠΎΡΡ ΠΎΠ½ΠΈ ΠΌΠΎΠ³ΡΡ Π²Π°ΡΡΠΈΡΠΎΠ²Π°ΡΡΡΡ ΠΎΡ 5 Π΄ΠΎ 8 ΠΏΡΠΎΡΠ΅Π½ΡΠΎΠ² Π² Π·Π°Π²ΠΈΡΠΈΠΌΠΎΡΡΠΈ ΠΎΡ ΡΠΎΡΡΠΎΡΠ½ΠΈΡ Π΄Π²ΠΈΠ³Π°ΡΠ΅Π»Ρ. ΠΡΠ»ΠΈ LTFT ΡΠ²Π΅Π»ΠΈΡΠΈΠ²Π°Π΅ΡΡΡ ΠΏΡΠΈΠΌΠ΅ΡΠ½ΠΎ Π½Π° 10 ΠΏΡΠΎΡΠ΅Π½ΡΠΎΠ² ΠΈΠ»ΠΈ Π²ΡΡΠ΅, ΡΡΠΎ ΠΎΠ±ΡΡΠ½ΠΎ ΡΠΊΠ°Π·ΡΠ²Π°Π΅Ρ Π½Π° ΠΏΡΠΎΠ±Π»Π΅ΠΌΡ, ΠΊΠΎΡΠΎΡΡΡ Π½Π΅ΠΎΠ±Ρ ΠΎΠ΄ΠΈΠΌΠΎ Π΄ΠΈΠ°Π³Π½ΠΎΡΡΠΈΡΠΎΠ²Π°ΡΡ. 2 ΠΎΡΠΌΠ΅ΡΠΊΠΈ Β«ΠΡΠ°Π²ΠΈΡΡΡΒ» |
| Re: ΠΡΡΠΈΡΠ°ΡΠ΅Π»ΡΠ½Π°Ρ ΠΊΠΎΡΡΠ΅ΠΊΡΠΈΡΠΎΠ²ΠΊΠ° ΡΡΠΎΠ²Π½Ρ ΡΠΎΠΏΠ»ΠΈΠ²Π° Π½ΠΈΠΊΠ΅ΠΌ: 16:52 Π ΠΌΠ°ΡΡΠ΅ 03 , 2017 |
Dbkk : Π― Π²ΠΎΠΎΠ±ΡΠ΅ Π½Π΅ Π±Π΅ΡΠΏΠΎΠΊΠΎΡΡΡ ΠΎ FAR, ΡΠ°ΠΊ ΠΊΠ°ΠΊ ΡΡΠΎ ΠΏΡΠΈΠ²Π΅Π΄Π΅Ρ ΠΊ ΡΠ΅Π΄ΠΈΠ½Π΅ ΠΈΠ»ΠΈ ΠΏΠΎΡΠ΅ΡΠ΅ Π²ΠΎΠ»ΠΎΡ. ![]() Π₯ΠΎΡΠΎΡΠΈΠΉ ΡΠ°ΡΡ ΠΎΠ΄ ΡΠΎΠΏΠ»ΠΈΠ²Π°, Ρ ΠΎΡΠΎΡΠΈΠ΅ ΡΠ²Π΅ΡΠΈ ΠΈ Ρ. Π. ΠΠ΅Π· CEL, ΠΈ Ρ Π΄ΠΎΠ²ΠΎΠ»Π΅Π½ ΠΊΠ΅ΠΌΠΏΠ΅ΡΠΎΠΌ. 1 ΠΡΠ°Π²ΠΈΡΡΡ |
| Re: ΠΡΡΠΈΡΠ°ΡΠ΅Π»ΡΠ½Π°Ρ ΡΠ΅Π³ΡΠ»ΠΈΡΠΎΠ²ΠΊΠ° ΡΠ°ΡΡ ΠΎΠ΄Π° ΡΠΎΠΏΠ»ΠΈΠ²Π° ΠΎΡ AutoElectNG: 17:16 03 ΠΌΠ°ΡΡΠ° , 2017 |
Dbkk : Π― ΡΠΊΠΎΡΠΎ ΠΎΡΠ²Π΅ΡΡ Π½Π° Π²Π°Ρ Π²ΠΎΠΏΡΠΎΡ. ΠΡΠΎ ΠΏΡΠΎΠ±Π»Π΅ΠΌΠ° OBD II. Π― Π΄ΡΠΌΠ°Ρ, Π½Π΅ΠΏΡΠ°Π²ΠΈΠ»ΡΠ½ΠΎ Π½Π°Π·ΡΠ²Π°ΡΡ ΡΡΠΎΡ ΠΊΠΎΠ΄ MIL ΠΏΡΠΎΡΡΠΎ. OBD II ΡΡΠΈΡΠ°Π΅Ρ ΠΏΡΠΎΠ±Π»Π΅ΠΌΡ Π²ΡΠ±ΡΠΎΡΠΎΠ² Π±ΠΎΠ»Π΅Π΅ Π²Π°ΠΆΠ½ΡΠΌΠΈ, ΡΠ΅ΠΌ Π²ΠΎΠΏΡΠΎΡΡ ΡΠΏΡΠ°Π²Π»ΡΠ΅ΠΌΠΎΡΡΠΈ. ΠΠ°ΡΠ°Π»ΠΈΡΠΈΡΠ΅ΡΠΊΠΈΠΉ Π½Π΅ΠΉΡΡΠ°Π»ΠΈΠ·Π°ΡΠΎΡ — ΠΎΡΠ½ΠΎΠ²Π½Π°Ρ ΡΠ°ΡΡΡ ΡΠΈΡΡΠ΅ΠΌΡ ΠΊΠΎΠ½ΡΡΠΎΠ»Ρ Π²ΡΠ±ΡΠΎΡΠΎΠ² Π²Π°ΡΠ΅Π³ΠΎ Π°Π²ΡΠΎΠΌΠΎΠ±ΠΈΠ»Ρ. ΠΠΆΠΈΠ΄Π°ΠΉΡΠ΅ ΠΏΠΎΠ΄ΡΠΎΠ±Π½ΠΎΠ³ΠΎ ΠΎΠ±ΡΡΡΠ½Π΅Π½ΠΈΡ ΠΏΡΠΎΠ±Π»Π΅ΠΌ ΠΏΠΎΠ·ΠΆΠ΅. Π§ΡΠΎΠ±Ρ ΠΏΠΎΠΌΠΎΡΡ ΠΌΠ½Π΅ ΡΠΏΡΠ°Π²ΠΈΡΡΡΡ Ρ ΠΏΡΠΎΠ±Π»Π΅ΠΌΠ°ΠΌΠΈ, ΠΏΠΎΡΠΊΠΎΠ»ΡΠΊΡ ΠΎΠ½ΠΈ Π²Π»ΠΈΡΡΡ Π½Π° Π²Π°Ρ Π°Π²ΡΠΎΠΌΠΎΠ±ΠΈΠ»Ρ Π² ΡΠ°ΡΡΠ½ΠΎΡΡΠΈ, Π° Π½Π΅ ΡΠΎΠ»ΡΠΊΠΎ Π½Π° ΡΡΠΎΡ ΠΊΠΎΠ΄ Π² ΡΠ΅Π»ΠΎΠΌ ΠΡ ΠΊΡΠΏΠΈΠ»ΠΈ ΡΡΠΎΡ Π°Π²ΡΠΎΠΌΠΎΠ±ΠΈΠ»Ρ ΡΠΎΠ²Π΅ΡΡΠ΅Π½Π½ΠΎ Π½ΠΎΠ²ΡΠΌ ΠΈΠ»ΠΈ ΠΎΠ½ Π½ΠΎΠ²ΡΠΉ Π΄Π»Ρ Π²Π°Ρ? ΠΡΠ»ΠΈ Ρ ΠΌΠ΅Π½Ρ Π±ΡΠ΄Π΅Ρ ΡΡΠ° ΠΈΠ½ΡΠΎΡΠΌΠ°ΡΠΈΡ, Ρ ΠΏΠ΅ΡΡΠΎΠ½Π°Π»ΠΈΠ·ΠΈΡΡΡ ΠΎΡΠ²Π΅Ρ. Π― Π²ΠΈΠΆΡ, Ρ Π²Π°Ρ Π΅ΡΡΡ ΡΠΎΠ±ΡΡΠ²Π΅Π½Π½ΡΠΉ ΡΠΊΠ°Π½Π΅Ρ OBD II! ΠΡΠΎ Π±ΠΎΠ»ΡΡΠΎΠΉ ΠΏΠ»ΡΡ !! Π ΠΏΠΎΠ΄ΠΏΠΈΡΠΈΡΠ΅ΡΡ Π½Π° ΡΡΡ ΡΠ΅ΠΌΡ https://www.nairaland.com/3661728/on-board-diagnostics-obd-ii-questions ——— ΠΠΎΡ ΠΊΠ°ΠΊΠ°Ρ Π΄ΠΎΠΏΠΎΠ»Π½ΠΈΡΠ΅Π»ΡΠ½Π°Ρ ΠΈΠ½ΡΠΎΡΠΌΠ°ΡΠΈΡ, ΠΊΠΎΡΠΎΡΡΡ ΠΌΠ½Π΅ Π½ΡΠΆΠ½ΠΎ Π·Π½Π°ΡΡ: ΠΠ°ΠΊΠΎΠ² ΡΠ΅ΠΊΡΡΠΈΠΉ ΡΡΠ°ΡΡΡ MIL ΠΡ ΠΊΠΎΠ³Π΄Π°-Π½ΠΈΠ±ΡΠ΄Ρ ΡΡΠΈΡΠ°Π»ΠΈ ΠΊΠΎΠ΄ Π½Π΅ΠΈΡΠΏΡΠ°Π²Π½ΠΎΡΡΠΈ? ΠΠ½ Π²Π΅ΡΠ½ΡΠ»ΡΡ ΠΏΠΎΡΠ»Π΅ ΡΡΠΎΠ³ΠΎ? Π’ΡΠ΅Π±ΡΠ΅ΠΌΡΠ΅ Π΄Π°Π½Π½ΡΠ΅ ΡΡΠΎΠΏ-ΠΊΠ°Π΄ΡΠ° Π²ΠΊΠ»ΡΡΠ°ΡΡ: ΠΡΠΎΠ±ΡΠ°ΠΆΠ΅Π½ΠΈΠ΅ ΡΠ΅ΠΊΡΡΠΈΡ
ΠΏΠ°ΡΠ°ΠΌΠ΅ΡΡΠΎΠ² Π’ΡΠ΅Π±ΡΠ΅ΠΌΠ°Ρ ΠΈΠ½ΡΠΎΡΠΌΠ°ΡΠΈΡ Π²ΠΊΠ»ΡΡΠ°Π΅Ρ: Π‘ΠΎΡΡΠΎΡΠ½ΠΈΠ΅ ΡΠΎΠΏΠ»ΠΈΠ²Π½ΠΎΠΉ ΡΠΈΡΡΠ΅ΠΌΡ (ΡΠ°Π·ΠΎΠΌΠΊΠ½ΡΡΡΠΉ ΠΈΠ»ΠΈ Π·Π°ΠΌΠΊΠ½ΡΡΡΠΉ ΠΊΠΎΠ½ΡΡΡ) ΠΡ Π½Π΅ ΠΌΠΎΠΆΠ΅ΠΌ ΠΏΡΠΎΡΡΠΎ ΡΠ°ΡΡΠΌΠ°ΡΡΠΈΠ²Π°ΡΡ ΡΠΎΠΏΠ»ΠΈΠ²Π½ΡΠ΅ ΠΊΠΎΡΡΠ΅ΠΊΡΠΈΡΠΎΠ²ΠΊΠΈ ΠΈΠ·ΠΎΠ»ΠΈΡΠΎΠ²Π°Π½Π½ΠΎ, ΠΏΠΎΡΠΎΠΌΡ ΡΡΠΎ ΡΡΠΎ Π½Π΅ ΡΠΎ, ΡΡΠΎ Π΄Π΅Π»Π°Π΅Ρ ECU, ΠΎΠ½ ΡΠΌΠΎΡΡΠΈΡ Π½Π° Π½Π΅ΡΠΊΠΎΠ»ΡΠΊΠΎ ΠΈΡΡΠΎΡΠ½ΠΈΠΊΠΎΠ² Π΄Π°Π½Π½ΡΡ ΠΈ Π·Π°ΡΠ΅ΠΌ ΠΈΡΠΏΠΎΠ»ΡΠ·ΡΠ΅Ρ ΠΈΡ Π΄Π»Ρ ΡΠ΅ΡΠ΅Π½ΠΈΡ ΡΠΎΠ³ΠΎ ΠΈΠ»ΠΈ ΠΈΠ½ΠΎΠ³ΠΎ ΠΏΡΡΠΈ, ΡΡΠΎΠ±Ρ ΠΏΡΠ°Π²ΠΈΠ»ΡΠ½ΠΎ ΡΠ΅ΡΠΈΡΡ ΠΏΡΠΎΠ±Π»Π΅ΠΌΡ, ΠΌΡ Π΄ΠΎΠ»ΠΆΠ½Ρ Π΄ΡΠΌΠ°ΡΡ ΡΠ°ΠΊ, ΠΊΠ°ΠΊ Π΄ΡΠΌΠ°Π΅Ρ ΡΠΈΡΡΠ΅ΠΌΠ° OBD II, ΠΊΠ°ΠΊ Π±Ρ Π·Π°Π³Π»ΡΠ΄ΡΠ²Π°ΡΡ Π² Π΅Π΅ ΡΠ°Π·ΡΠΌ! |
| Re: ΠΡΡΠΈΡΠ°ΡΠ΅Π»ΡΠ½Π°Ρ ΡΠ΅Π³ΡΠ»ΠΈΡΠΎΠ²ΠΊΠ° ΡΠΎΠΏΠ»ΠΈΠ²Π° ΠΎΡ Dbkk: 7:54 pm 03 ΠΌΠ°ΡΡΠ° , 2017 |
1 |
| Re: ΠΡΡΠΈΡΠ°ΡΠ΅Π»ΡΠ½Π°Ρ ΠΊΠΎΡΡΠ΅ΠΊΡΠΈΡΠΎΠ²ΠΊΠ° ΡΠΎΠΏΠ»ΠΈΠ²Π° ΠΎΡ Dbk54: 900 03 ΠΌΠ°ΡΡΠ° , 2017 |
EgunMogaji : Π₯Π°Ρ Π°Ρ Π°Ρ Π° ΠΏΡΠ°Π²Π΄Π°, ΠΌΠ°ΡΠΈΠ½Π° Π΅Π·Π΄ΠΈΡ Π½ΠΎΡΠΌΠ°Π»ΡΠ½ΠΎ Π¨Π°, Π½ΠΈΠΊΠ°ΠΊΠΈΡ ΠΏΡΠΎΠ±Π»Π΅ΠΌ .. ΠΡΠΎΡΡΠΎ ΠΈΠ³ΡΠ°Π» ΡΠΎ ΡΠ²ΠΎΠΈΠΌ Bluetooth (ΠΈΠ³ΡΡΡΠ΅ΡΠ½ΡΠΌ) ΡΠΊΠ°Π½Π΅ΡΠΎΠΌ, ΠΊΠΎΠ³Π΄Π° Ρ Π·Π°ΠΌΠ΅ΡΠΈΠ» ΠΎΠ±ΡΠ΅Π·ΠΊΠΈ ΡΠΎΠΏΠ»ΠΈΠ²Π°, ΡΠ΅ΡΠΈΠ» ΡΠ·Π½Π°ΡΡ ΠΎΠ± ΡΡΠΎΠΌ Π±ΠΎΠ»ΡΡΠ΅ |
| Re: Negative Fuel ΠΠ±ΡΠ΅Π·ΠΊΠ° ΠΏΠΎ Dbkk: 20:05 03 ΠΌΠ°ΡΡΠ° , 2017 |
AutoElectNG : ΠΡ ΠΊΡΠΏΠΈΠ»ΠΈ ΡΡΠΎΡ Π°Π²ΡΠΎΠΌΠΎΠ±ΠΈΠ»Ρ ΡΠΎΠ²Π΅ΡΡΠ΅Π½Π½ΠΎ Π½ΠΎΠ²ΡΠΌ ΠΈΠ»ΠΈ ΠΎΠ½ Π½ΠΎΠ²ΡΠΉ Π΄Π»Ρ Π²Π°Ρ? ΠΡΠΏΠΈΠ» ΠΠ°ΠΉΡ Π± / Ρ ΠΠ°ΠΊΠΎΠΉ ΠΏΡΠΎΠ±Π΅Π³? ΠΡΠΈΠΌΠ΅ΡΠ½ΠΎ 141k ΠΠ°ΠΊ Π΄Π°Π²Π½ΠΎ Ρ Π²Π°Ρ Π²ΠΎΠ·Π½ΠΈΠΊΠ»Π° ΡΡΠ° ΠΏΡΠΎΠ±Π»Π΅ΠΌΠ°? Π― Π½Π΅ Π·Π½Π°Ρ, ΠΎΠ±ΡΡΠ½ΠΎ Ρ Π½Π΅ ΠΏΡΠΎΠ²Π΅ΡΡΡ ΡΠΎΠΏΠ»ΠΈΠ²Π½ΡΡ ΠΊΠΎΡΡΠ΅ΠΊΡΠΈΡ ΠΡΠΎΠ²ΠΎΠ΄ΠΈΠ»ΡΡ Π»ΠΈ ΠΊΠ°ΠΊΠΎΠΉ-Π»ΠΈΠ±ΠΎ ΡΠ΅ΠΌΠΎΠ½Ρ Π΄ΠΎ ΠΏΠΎΡΠ²Π»Π΅Π½ΠΈΡ ΡΡΠΎΠΉ ΠΏΡΠΎΠ±Π»Π΅ΠΌΡ? ΠΠΈ Ρ, Π½ΠΈ Π±Π°Π·Π° ΠΈΡΡΠΎΡΠΈΠΈ ΡΠ΅Ρ Π½ΠΈΡΠ΅ΡΠΊΠΎΠ³ΠΎ ΠΎΠ±ΡΠ»ΡΠΆΠΈΠ²Π°Π½ΠΈΡ Π½Π° naija used ΠΠ»ΠΈ ΠΊΠΎΠ½ΡΡΠΎΠ»ΡΠ½Π°Ρ Π»Π°ΠΌΠΏΠ° Π½Π΅ΠΈΡΠΏΡΠ°Π²Π½Π°, Π½ΠΎ ΠΏΡΠΎΠ±Π»Π΅ΠΌ / ΠΆΠ°Π»ΠΎΠ± Π½Π° ΡΠΏΡΠ°Π²Π»ΡΠ΅ΠΌΠΎΡΡΡ Π½Π΅Ρ? ΠΠ΅Ρ ΠΏΡΠΎΠ±Π»Π΅ΠΌ Ρ ΡΠΏΡΠ°Π²Π»ΡΠ΅ΠΌΠΎΡΡΡΡ ΠΠΎΠ³Ρ Ρ ΠΏΠΎΠ»ΡΡΠΈΡΡ Π΄Π°Π½Π½ΡΠ΅ ΠΎ ΡΡΠΎΠΏ-ΠΊΠ°Π΄ΡΠ΅? |
| Re: ΠΡΡΠΈΡΠ°ΡΠ΅Π»ΡΠ½Π°Ρ ΠΊΠΎΡΡΠ΅ΠΊΡΠΈΡΠΎΠ²ΠΊΠ° ΡΠ°ΡΡ ΠΎΠ΄Π° ΡΠΎΠΏΠ»ΠΈΠ²Π° ΠΌΡΡΠΎΠΌ 2013: 20:38 03 ΠΌΠ°ΡΡΠ° , 2017 |
ΠΡΠ»ΠΈ ΠΌΠΎΠΆΠ½ΠΎ, ΡΠ°ΠΊΡΠΈΡΠ΅ΡΠΊΠΈΠ΅ Π·Π½Π°ΡΠ΅Π½ΠΈΡ Π±ΡΠ»ΠΈ ΠΏΠΎΠ»ΡΡΠ΅Π½Ρ, ΠΊΠΎΠ³Π΄Π° ΡΠ²ΠΎΡ ΠΌΠ°ΡΠΈΠ½Π° Π΄Π²ΠΈΠ³Π°Π»Π°ΡΡ? |
| Re: ΠΡΡΠΈΡΠ°ΡΠ΅Π»ΡΠ½Π°Ρ ΡΠ΅Π³ΡΠ»ΠΈΡΠΎΠ²ΠΊΠ° ΡΠΎΠΏΠ»ΠΈΠ²Π° ΠΎΡ honmusa (m): 20:47 03 ΠΌΠ°ΡΡΠ° , 2017 |
Dbkk :ΠΠΏΠΎΠ»Π½Π΅ Π½ΠΎΡΠΌΠ°Π»ΡΠ½ΠΎ, Π΅ΡΠ»ΠΈ Ρ Π²Π°Ρ ΠΎΠ΄Π½ΠΎΠ·Π½Π°ΡΠ½Π°Ρ ΠΎΡΡΠΈΡΠ°ΡΠ΅Π»ΡΠ½Π°Ρ ΡΠΎΠΏΠ»ΠΈΠ²Π½Π°Ρ Π±Π°Π»Π°Π½ΡΠΈΡΠΎΠ²ΠΊΠ°, Π²ΠΎΠ·Π΄ΡΡΠ½ΠΎ-ΡΠΎΠΏΠ»ΠΈΠ²Π½Π°Ρ ΡΠΌΠ΅ΡΡ ΡΡΠ°Π½ΡΠΌΠΈΡΡΠΈΠΈ Π²Π°ΡΠ΅Π³ΠΎ Π°Π²ΡΠΎΠΌΠΎΠ±ΠΈΠ»Ρ Π²ΠΏΠΎΠ»Π½Π΅ Π½ΠΎΡΠΌΠ°Π»ΡΠ½Π°Ρ. ΠΡΠΎΠ±Π»Π΅ΠΌΠ° Π² ΡΠΎΠΌ, Π΅ΡΠ»ΠΈ ΠΎΠ΄Π½ΠΎΠ·Π½Π°ΡΠ½Π°Ρ ΡΠΈΡΡΠ° ΠΏΡΠ΅Π²ΡΠ°ΡΠ°Π΅ΡΡΡ Π² Π΄Π²ΡΠ·Π½Π°ΡΠ½ΡΡ ΠΏΡΠΈ ΠΏΠΎΠ»ΠΎΠΆΠΈΡΠ΅Π»ΡΠ½ΠΎΠΉ (Ρ
ΡΠ΄ΠΎΠΉ) ΠΈΠ»ΠΈ (Π±ΠΎΠ³Π°ΡΠΎΠΉ) ΡΡΠΎΡΠΎΠ½Π΅. |
| Re: ΠΡΡΠΈΡΠ°ΡΠ΅Π»ΡΠ½Π°Ρ ΡΠ΅Π³ΡΠ»ΠΈΡΠΎΠ²ΠΊΠ° ΡΡΠΎΠ²Π½Ρ ΡΠΎΠΏΠ»ΠΈΠ²Π° ΠΎΡ AutoElectNG: 9:16 pm 03 ΠΌΠ°ΡΡΠ° , 2017 |
Dbkk : ΠΡΠΎΡΠΌΠΎΡΡΠ΅Π½ΠΎ. Π§ΡΠΎΠ±Ρ Π±ΡΡΡ ΡΠ²Π΅ΡΠ΅Π½Π½ΡΠΌ, ΡΡΠΎ ΠΌΡ Π°Π±ΡΠΎΠ»ΡΡΠ½ΠΎ Π½Π° ΠΎΠ΄Π½ΠΎΠΉ ΡΡΡΠ°Π½ΠΈΡΠ΅, ΠΏΡΠΎΡΡΠΈΡΠ΅ ΠΌΠΎΠΉ ΠΏΠΎΡΠ»Π΅Π΄Π½ΠΈΠΉ ΠΏΠΎΡΡ Π½Π° ΡΡΠΎΠΉ ΡΡΡΠ°Π½ΠΈΡΠ΅ https://www. Π― Π²Π΅ΡΠ½ΡΡΡ Ρ ΠΏΠΎΠ΄ΡΠΎΠ±Π½ΡΠΌ ΠΎΡΠ²Π΅ΡΠΎΠΌ Π½Π° ΠΎΡΠ½ΠΎΠ²Π΅ ΠΏΡΠ΅Π΄ΠΎΡΡΠ°Π²Π»Π΅Π½Π½ΡΡ Π²Π°ΠΌΠΈ Π΄Π°Π½Π½ΡΡ . |
| Re: ΠΡΡΠΈΡΠ°ΡΠ΅Π»ΡΠ½Π°Ρ ΠΊΠΎΡΡΠ΅ΠΊΡΠΈΡΠΎΠ²ΠΊΠ° ΡΠΎΠΏΠ»ΠΈΠ²ΠΎΠΏΠΎΠ΄Π°ΡΠΈ ΠΎΡ Dbkk: 10:17 pm 03 ΠΌΠ°ΡΡΠ° , 2017 |
honmusa : Π― Π²ΠΈΠ΄Π΅Π» ΡΡΠΎ Π½Π°ΡΡΠΎΠ»ΡΠΊΠΎ Π²ΡΡΠΎΠΊΠΎ, Π½Π°ΡΠΊΠΎΠ»ΡΠΊΠΎ ΠΎΡΡΠΈΡΠ°ΡΠ΅Π»ΡΠ½ΠΎ 13 |
| Re: ΠΡΡΠΈΡΠ°ΡΠ΅Π»ΡΠ½Π°Ρ ΡΠ΅Π³ΡΠ»ΠΈΡΠΎΠ²ΠΊΠ° ΡΠΎΠΏΠ»ΠΈΠ²Π° ΠΎΡ Dbkk: 22:27 03 ΠΌΠ°ΡΡΠ° , 2017 |
ΠΌΡΡ 2013 : ΠΠ΅ΡΠ²ΡΠ΅ ΡΠΊΡΠΈΠ½ΡΠΎΡΡ Π±ΡΠ»ΠΈ Π½Π° Ρ ΠΎΠ»ΠΎΡΡΠΎΠΌ Ρ ΠΎΠ΄Ρ . . ΠΠΎ Π΄Π°ΠΆΠ΅ Π½Π° Π΄Π²ΠΈΠΆΠ΅Π½ΠΈΠΈ.. ΠΠ½Π°ΡΠ΅Π½ΠΈΡ ΠΊΠΎΠ»Π΅Π±Π»ΡΡΡΡ, Π½ΠΎ Π² ΠΎΡΠ½ΠΎΠ²Π½ΠΎΠΌ Π² ΠΎΡΡΠΈΡΠ°ΡΠ΅Π»ΡΠ½ΡΡ ΡΡΠΎΡΠΎΠ½Ρ. Π²ΠΈΠ΄Π΅Π» ΡΡΠΎ ΠΊΠ°ΠΊ ΠΎΡΡΠΈΡΠ°ΡΠ΅Π»ΡΠ½ΠΎΠ΅ 13 Π’ΠΈΠΏΠΈΡΠ½Π°Ρ ΠΏΡΠΎΠ±Π»Π΅ΠΌΠ° Π₯ΠΎΠ½Π΄Ρ !!! ΠΡΠ»ΠΈ Π²Ρ ΠΌΠΎΠΆΠ΅ΡΠ΅ Π΄ΠΎΠ±ΡΠ°ΡΡΡΡ Π΄ΠΎ ΠΌΠ΅Π½Ρ Π² ΠΌΠ°ΡΡΠ΅ΡΡΠΊΠΎΠΉ ΠΏΠΎ ne |
Π§ΡΠΎ ΡΠ°ΠΊΠΎΠ΅ ΡΠΎΠΏΠ»ΠΈΠ²Π½ΡΠ΅ ΡΠΎΠΊΡΠ°ΡΠ΅Π½ΠΈΡ?
Π‘ΡΠ°ΡΡΡ ΠΎΡΠΠ΅ΠΉΠ»Π° Π’ΠΎΠ°Π»ΡΡΠΎΠ½Π°
Π‘Π΅ΡΡΠΈΡΠΈΡΠΈΡΠΎΠ²Π°Π½Π½ΡΠΉ ΡΠ΅Ρ Π½ΠΈΠΊ ASE
ΠΠ° ΡΠΎΡΡΠΌΠ°Ρ ΡΠ°ΡΡΠΎ Π·Π°Π΄Π°ΡΡ Π²ΠΎΠΏΡΠΎΡΡ ΠΎ ΡΠΎΠΏΠ»ΠΈΠ²Π½ΡΡ ΠΏΠ»Π°Π½ΠΊΠ°Ρ , ΠΈ Ρ Π΄Π°ΠΆΠ΅ ΠΏΠΎΠ»ΡΡΠΈΠ» Π½Π΅ΡΠΊΠΎΠ»ΡΠΊΠΎ ΠΏΠΈΡΠ΅ΠΌ Ρ ΠΏΡΠΎΡΡΠ±Π°ΠΌΠΈ ΠΎ ΡΠ°Π·ΡΡΡΠ½Π΅Π½ΠΈΡΡ .ΠΠ΅ΠΊΠΎΡΠΎΡΡΠ΅, Π²ΠΎΠ·ΠΌΠΎΠΆΠ½ΠΎ, Π·Π°ΠΌΠ΅ΡΠΈΠ»ΠΈ PIDS (ΠΏΠ°ΡΠ°ΠΌΠ΅ΡΡΡ ID) ΡΠΎΠΏΠ»ΠΈΠ²Π½ΠΎΠΉ ΠΊΠΎΡΡΠ΅ΠΊΡΠΈΠΈ Π² ΠΏΠΎΡΠΎΠΊΠ΅ Π΄Π°Π½Π½ΡΡ ΡΠ²ΠΎΠ΅Π³ΠΎ Π΄ΠΈΠ°Π³Π½ΠΎΡΡΠΈΡΠ΅ΡΠΊΠΎΠ³ΠΎ ΠΏΡΠΈΠ±ΠΎΡΠ° ΠΈ Π·Π°Π΄Π°Π»ΠΈΡΡ Π²ΠΎΠΏΡΠΎΡΠΎΠΌ, Π΄Π»Ρ ΡΠ΅Π³ΠΎ ΠΎΠ½ΠΈ Π½ΡΠΆΠ½Ρ. ΠΡΠ°ΠΊ, , ΡΡΠΎ ΡΠ°ΠΊΠΎΠ΅ ΡΠΎΠΏΠ»ΠΈΠ²Π½ΡΠ΅ ΠΏΠ»Π°Π½ΠΊΠΈ ΠΈ ΡΡΠΎ ΠΎΠ½ΠΈ Π΄Π΅Π»Π°ΡΡ? ΠΠ°Π΄Π΅ΡΡΡ, ΠΌΡ ΡΠΌΠΎΠΆΠ΅ΠΌ ΡΡΡΡΠ°Π½ΠΈΡΡ Π»ΡΠ±ΡΡ ΠΏΡΡΠ°Π½ΠΈΡΡ. ΠΡΠ°Π²ΠΈΠ»ΡΠ½ΠΎΠ΅ ΠΏΠΎΠ½ΠΈΠΌΠ°Π½ΠΈΠ΅ ΡΠΎΠΏΠ»ΠΈΠ²Π½ΡΡ ΠΊΠΎΡΡΠ΅ΠΊΡΠΈΡΠΎΠ²ΠΎΠΊ ΠΌΠΎΠΆΠ΅Ρ ΠΏΡΠΈΠ²Π΅ΡΡΠΈ ΠΊ Π±ΠΎΠ»Π΅Π΅ Π±ΡΡΡΡΠΎΠΉ Π΄ΠΈΠ°Π³Π½ΠΎΡΡΠΈΠΊΠ΅ ΠΈ ΠΏΡΠ΅Π΄ΡΠΏΡΠ΅Π΄ΠΈΡΡ Π²Π°Ρ ΠΎ Π±ΡΠ΄ΡΡΠΈΡ ΠΏΡΠΎΠ±Π»Π΅ΠΌΠ°Ρ Ρ Π²Π°ΡΠΈΠΌ Π°Π²ΡΠΎΠΌΠΎΠ±ΠΈΠ»Π΅ΠΌ.
ΠΠΎ ΡΡΡΠΈ, ΠΊΠΎΡΡΠ΅ΠΊΡΠΈΡΠΎΠ²ΠΊΠ° ΡΠΎΠΏΠ»ΠΈΠ²Π° — ΡΡΠΎ ΠΏΡΠΎΡΠ΅Π½ΡΠ½ΠΎΠ΅ ΠΈΠ·ΠΌΠ΅Π½Π΅Π½ΠΈΠ΅ ΡΠΎΠΏΠ»ΠΈΠ²Π° Π²ΠΎ Π²ΡΠ΅ΠΌΠ΅Π½ΠΈ.
Π§ΡΠΎΠ±Ρ Π΄Π²ΠΈΠ³Π°ΡΠ΅Π»Ρ ΡΠ°Π±ΠΎΡΠ°Π» Π΄ΠΎΠ»ΠΆΠ½ΡΠΌ ΠΎΠ±ΡΠ°Π·ΠΎΠΌ, ΡΠΎΠΎΡΠ½ΠΎΡΠ΅Π½ΠΈΠ΅ Π²ΠΎΠ·Π΄ΡΡ
: ΡΠΎΠΏΠ»ΠΈΠ²ΠΎ Π΄ΠΎΠ»ΠΆΠ½ΠΎ ΠΎΡΡΠ°Π²Π°ΡΡΡΡ Π² ΠΏΡΠ΅Π΄Π΅Π»Π°Ρ
Π½Π΅Π±ΠΎΠ»ΡΡΠΎΠ³ΠΎ ΠΎΠΊΠ½Π° 14.7: 1. ΠΠ½ Π΄ΠΎΠ»ΠΆΠ΅Π½ ΠΎΡΡΠ°Π²Π°ΡΡΡΡ Π² ΡΡΠΎΠΉ Π·ΠΎΠ½Π΅ Π²ΠΎ Π²ΡΠ΅Ρ
ΡΠ°Π·Π»ΠΈΡΠ½ΡΡ
ΡΡΠ»ΠΎΠ²ΠΈΡΡ
, Ρ ΠΊΠΎΡΠΎΡΡΠΌΠΈ Π΄Π²ΠΈΠ³Π°ΡΠ΅Π»Ρ ΡΡΠ°Π»ΠΊΠΈΠ²Π°Π΅ΡΡΡ ΠΊΠ°ΠΆΠ΄ΡΠΉ Π΄Π΅Π½Ρ: Ρ
ΠΎΠ»ΠΎΠ΄Π½ΡΠΉ Π·Π°ΠΏΡΡΠΊ, ΡΠ°Π±ΠΎΡΠ° Π½Π° Ρ
ΠΎΠ»ΠΎΡΡΠΎΠΌ Ρ
ΠΎΠ΄Ρ Π² ΡΡΠ»ΠΎΠ²ΠΈΡΡ
ΠΈΠ½ΡΠ΅Π½ΡΠΈΠ²Π½ΠΎΠ³ΠΎ Π΄Π²ΠΈΠΆΠ΅Π½ΠΈΡ, Π΄Π²ΠΈΠΆΠ΅Π½ΠΈΠ΅ ΠΏΠΎ ΡΠΎΡΡΠ΅ ΠΈ Ρ. Π. Π’Π°ΠΊΠΈΠΌ ΠΎΠ±ΡΠ°Π·ΠΎΠΌ, ΠΊΠΎΠΌΠΏΡΡΡΠ΅Ρ Π΄Π²ΠΈΠ³Π°ΡΠ΅Π»Ρ ΠΏΡΡΠ°Π΅ΡΡΡ ΠΏΠΎΠ΄Π΄Π΅ΡΠΆΠΈΠ²Π°ΡΡ ΠΏΡΠ°Π²ΠΈΠ»ΡΠ½ΠΎΠ΅ ΡΠΎΠΎΡΠ½ΠΎΡΠ΅Π½ΠΈΠ΅ Π²ΠΎΠ·Π΄ΡΡ
: ΡΠΎΠΏΠ»ΠΈΠ²ΠΎ. ΠΏΡΡΠ΅ΠΌ ΡΠΎΡΠ½ΠΎΠΉ Π½Π°ΡΡΡΠΎΠΉΠΊΠΈ ΠΊΠΎΠ»ΠΈΡΠ΅ΡΡΠ²Π° ΡΠΎΠΏΠ»ΠΈΠ²Π°, ΠΏΠΎΡΡΡΠΏΠ°ΡΡΠ΅Π³ΠΎ Π² Π΄Π²ΠΈΠ³Π°ΡΠ΅Π»Ρ. ΠΠΎΠ³Π΄Π° ΠΎΠ½ Π΄ΠΎΠ±Π°Π²Π»ΡΠ΅Ρ ΠΈΠ»ΠΈ Π·Π°Π±ΠΈΡΠ°Π΅Ρ ΡΠΎΠΏΠ»ΠΈΠ²ΠΎ, ΠΊΠΈΡΠ»ΠΎΡΠΎΠ΄Π½ΡΠ΅ Π΄Π°ΡΡΠΈΠΊΠΈ ΠΊΠΎΠ½ΡΡΠΎΠ»ΠΈΡΡΡΡ ΠΊΠΎΠ»ΠΈΡΠ΅ΡΡΠ²ΠΎ ΠΊΠΈΡΠ»ΠΎΡΠΎΠ΄Π° Π² Π²ΡΡ
Π»ΠΎΠΏΠ½ΡΡ
Π³Π°Π·Π°Ρ
ΠΈ ΡΠ΅Π°Π³ΠΈΡΡΡΡ, ΡΠΎΠΎΠ±ΡΠ°Ρ ΠΎΠ± ΡΡΠΎΠΌ ΠΊΠΎΠΌΠΏΡΡΡΠ΅ΡΡ. ΠΠ°ΡΡΠΈΠΊΠΈ ΠΊΠΈΡΠ»ΠΎΡΠΎΠ΄Π° ΠΌΠΎΠΆΠ½ΠΎ ΡΡΠ°Π²Π½ΠΈΡΡ Ρ Β«Π³Π»Π°Π·Π°ΠΌΠΈΒ» ΠΊΠΎΠΌΠΏΡΡΡΠ΅ΡΠ°, ΠΊΠΎΡΠΎΡΡΠ΅ ΡΠ»Π΅Π΄ΡΡ Π·Π° ΡΠΌΠ΅ΡΡΡ ΠΊΠΈΡΠ»ΠΎΡΠΎΠ΄Π° Π² Π²ΡΡ
Π»ΠΎΠΏΠ΅.ΠΠΎΠΌΠΏΡΡΡΠ΅Ρ ΠΏΠΎΡΡΠΎΡΠ½Π½ΠΎ ΠΊΠΎΠ½ΡΡΠΎΠ»ΠΈΡΡΠ΅Ρ ΡΡΠΎΡ Π²Ρ
ΠΎΠ΄Π½ΠΎΠΉ ΡΠΈΠ³Π½Π°Π» ΠΎΡ ΠΏΠΎΠ΄ΠΎΠ³ΡΠ΅Π²Π°Π΅ΠΌΡΡ
ΠΊΠΈΡΠ»ΠΎΡΠΎΠ΄Π½ΡΡ
Π΄Π°ΡΡΠΈΠΊΠΎΠ² Π² Π·Π°ΠΌΠΊΠ½ΡΡΠΎΠΌ ΠΊΠΎΠ½ΡΡΡΠ΅. ΠΡΠ»ΠΈ Π΄Π°ΡΡΠΈΠΊΠΈ o2 ΡΠΎΠΎΠ±ΡΠ°ΡΡ ΠΊΠΎΠΌΠΏΡΡΡΠ΅ΡΡ Π΄Π²ΠΈΠ³Π°ΡΠ΅Π»Ρ, ΡΡΠΎ Π²ΡΡ
Π»ΠΎΠΏΠ½Π°Ρ ΡΠΌΠ΅ΡΡ ΠΎΠ±Π΅Π΄Π½Π΅Π½Π°, ΠΊΠΎΠΌΠΏΡΡΡΠ΅Ρ Π΄ΠΎΠ±Π°Π²Π»ΡΠ΅Ρ ΡΠΎΠΏΠ»ΠΈΠ²ΠΎ, ΡΠ΄Π»ΠΈΠ½ΡΡ ΠΈΠΌΠΏΡΠ»ΡΡ ΡΠΎΡΡΡΠ½ΠΊΠΈ, ΠΈΠ»ΠΈ Β«Π²ΠΎΠ²ΡΠ΅ΠΌΡΒ», Π΄Π»Ρ ΠΊΠΎΠΌΠΏΠ΅Π½ΡΠ°ΡΠΈΠΈ.
Π Π½Π°ΠΎΠ±ΠΎΡΠΎΡ, Π΅ΡΠ»ΠΈ Π΄Π°ΡΡΠΈΠΊΠΈ o2 ΡΠΎΠΎΠ±ΡΠ°ΡΡ ΠΊΠΎΠΌΠΏΡΡΡΠ΅ΡΡ, ΡΡΠΎ Π²ΡΡ
Π»ΠΎΠΏ Π±ΠΎΠ³Π°Ρ, ΠΊΠΎΠΌΠΏΡΡΡΠ΅Ρ ΡΠΊΠΎΡΠ°ΡΠΈΠ²Π°Π΅Ρ ΠΈΠΌΠΏΡΠ»ΡΡ ΡΠΎΡΡΡΠ½ΠΊΠΈ, Π΄ΠΎΠ±Π°Π²Π»ΡΡ ΠΌΠ΅Π½ΡΡΠ΅ ΡΠΎΠΏΠ»ΠΈΠ²Π° Π΄Π»Ρ ΠΊΠΎΠΌΠΏΠ΅Π½ΡΠ°ΡΠΈΠΈ, ΡΡΠΎΠ±Ρ ΡΠ½ΠΈΠ·ΠΈΡΡ Π±ΠΎΠ³Π°ΡΠΎΠ΅ ΡΠΎΡΡΠΎΡΠ½ΠΈΠ΅.
ΠΡΠΎ ΠΈΠ·ΠΌΠ΅Π½Π΅Π½ΠΈΠ΅ Π΄ΠΎΠ±Π°Π²Π»ΡΠ΅ΠΌΠΎΠ³ΠΎ ΠΈΠ»ΠΈ ΠΎΡΠ²ΠΎΠ΄ΠΈΠΌΠΎΠ³ΠΎ ΡΠΎΠΏΠ»ΠΈΠ²Π° Π½Π°Π·ΡΠ²Π°Π΅ΡΡΡ ΠΊΠΎΡΡΠ΅ΠΊΡΠΈΡΠΎΠ²ΠΊΠΎΠΉ ΡΠΎΠΏΠ»ΠΈΠ²Π°.ΠΠ° ΡΠ°ΠΌΠΎΠΌ Π΄Π΅Π»Π΅ ΠΊΠΈΡΠ»ΠΎΡΠΎΠ΄Π½ΡΠ΅ Π΄Π°ΡΡΠΈΠΊΠΈ — ΡΡΠΎ ΡΠΎ, ΡΡΠΎ ΡΠΏΡΠ°Π²Π»ΡΠ΅Ρ ΠΏΠΎΠΊΠ°Π·Π°Π½ΠΈΡΠΌΠΈ ΡΠΎΠΏΠ»ΠΈΠ²Π½ΠΎΠΉ ΠΊΠΎΡΡΠ΅ΠΊΡΠΈΠΈ. ΠΠ·ΠΌΠ΅Π½Π΅Π½ΠΈΡ Π½Π°ΠΏΡΡΠΆΠ΅Π½ΠΈΡ Π΄Π°ΡΡΠΈΠΊΠ° o2 Π²ΡΠ·ΡΠ²Π°ΡΡ ΠΏΡΡΠΌΠΎΠ΅ ΠΈΠ·ΠΌΠ΅Π½Π΅Π½ΠΈΠ΅ ΡΠΎΠΏΠ»ΠΈΠ²Π°. ΠΡΠ°ΡΠΊΠΎΠ²ΡΠ΅ΠΌΠ΅Π½Π½Π°Ρ ΠΊΠΎΡΡΠ΅ΠΊΡΠΈΡΠΎΠ²ΠΊΠ° ΠΏΠΎΠ΄Π°ΡΠΈ ΡΠΎΠΏΠ»ΠΈΠ²Π° (STFT) ΠΎΡΠ½ΠΎΡΠΈΡΡΡ ΠΊ Π½Π΅ΠΌΠ΅Π΄Π»Π΅Π½Π½ΡΠΌ ΠΈΠ·ΠΌΠ΅Π½Π΅Π½ΠΈΡΠΌ ΡΠΎΠΏΠ»ΠΈΠ²Π°, ΠΏΡΠΎΠΈΡΡ ΠΎΠ΄ΡΡΠΈΠΌ Π½Π΅ΡΠΊΠΎΠ»ΡΠΊΠΎ ΡΠ°Π· Π² ΡΠ΅ΠΊΡΠ½Π΄Ρ. ΠΠΎΠ»Π³ΠΎΡΡΠΎΡΠ½ΡΠ΅ ΠΊΠΎΡΡΠ΅ΠΊΡΠΈΡΠΎΠ²ΠΊΠΈ ΡΠΎΠΏΠ»ΠΈΠ²Π° (LTFT) ΡΠΏΡΠ°Π²Π»ΡΡΡΡΡ ΠΊΡΠ°ΡΠΊΠΎΡΡΠΎΡΠ½ΡΠΌΠΈ ΠΊΠΎΡΡΠ΅ΠΊΡΠΈΡΠΎΠ²ΠΊΠ°ΠΌΠΈ ΠΏΠΎΠ΄Π°ΡΠΈ ΡΠΎΠΏΠ»ΠΈΠ²Π°. LTFT ΠΎΡΠ½ΠΎΡΠΈΡΡΡ ΠΊ ΠΈΠ·ΠΌΠ΅Π½Π΅Π½ΠΈΡΠΌ Π² STFT, Π½ΠΎ ΡΡΡΠ΅Π΄Π½Π΅Π½Π½ΡΠΌ Π·Π° Π±ΠΎΠ»Π΅Π΅ Π΄Π»ΠΈΡΠ΅Π»ΡΠ½ΡΠΉ ΠΏΠ΅ΡΠΈΠΎΠ΄ Π²ΡΠ΅ΠΌΠ΅Π½ΠΈ. ΠΡΡΠΈΡΠ°ΡΠ΅Π»ΡΠ½ΡΠΉ ΠΏΡΠΎΡΠ΅Π½Ρ ΠΊΠΎΡΡΠ΅ΠΊΡΠΈΡΠΎΠ²ΠΊΠΈ ΡΠΎΠΏΠ»ΠΈΠ²Π° ΡΠΊΠ°Π·ΡΠ²Π°Π΅Ρ Π½Π° ΡΠΎ, ΡΡΠΎ ΡΠΎΠΏΠ»ΠΈΠ²ΠΎ Π·Π°Π±ΠΈΡΠ°Π΅ΡΡΡ, Π° ΠΏΠΎΠ»ΠΎΠΆΠΈΡΠ΅Π»ΡΠ½ΡΠΉ ΠΏΡΠΎΡΠ΅Π½Ρ ΡΠΊΠ°Π·ΡΠ²Π°Π΅Ρ Π½Π° Π΄ΠΎΠ±Π°Π²Π»Π΅Π½ΠΈΠ΅ ΡΠΎΠΏΠ»ΠΈΠ²Π°.
ΠΠΎΠ΄ΡΠΌΠ°ΠΉΡΠ΅ ΠΎΠ± ΡΡΠΎΠΌ ΡΠ°ΠΊ: Π²Ρ Π΅Π΄Π΅ΡΠ΅ Ρ ΠΏΠ»ΡΠΆΠ° Π½Π° ΡΡΠΎΠ²Π½Π΅ ΠΌΠΎΡΡ Π² Π³ΠΎΡΡ.ΠΠ° ΠΊΡΠ°ΡΠΊΠΎΡΡΠΎΡΠ½ΠΎΠΉ ΠΎΡΠ½ΠΎΠ²Π΅ Π²Ρ ΠΌΠΎΠΆΠ΅ΡΠ΅ ΠΏΠΎΠ΄Π½ΡΡΡΡΡ Π½Π° ΠΈ ΡΠΏΡΡΡΠΈΡΡΡΡ Π½Π° Π½Π° Π½Π΅ΡΠΊΠΎΠ»ΡΠΊΠΎ ΡΠΎΡΠ΅Π½ ΡΡΡΠΎΠ² Π·Π° ΡΠ°Π·, ΠΏΠΎΠ΄Π½ΠΈΠΌΠ°ΡΡΡ ΠΏΠΎ Π³ΠΎΡΠΈΡΡΠΎΠΉ ΠΌΠ΅ΡΡΠ½ΠΎΡΡΠΈ.
ΠΠΎ Π² Π΄ΠΎΠ»Π³ΠΎΡΡΠΎΡΠ½ΠΎΠΉ ΠΏΠ΅ΡΡΠΏΠ΅ΠΊΡΠΈΠ²Π΅ Π²Ρ Π½Π° ΡΠ°ΠΌΠΎΠΌ Π΄Π΅Π»Π΅ ΠΏΠΎΡΡΠ΅ΠΏΠ΅Π½Π½ΠΎ ΠΏΠΎΠ΄Π½ΠΈΠΌΠ°Π΅ΡΠ΅ΡΡ Ρ Π½Π΅Π±ΠΎΠ»ΡΡΠΎΠΉ Π²ΡΡΠΎΡΡ Π½Π° Π½Π΅ΡΠΊΠΎΠ»ΡΠΊΠΎ ΡΡΡΡΡ ΡΡΡΠΎΠ² Π΄ΠΎ Π±ΠΎΠ»ΡΡΠΎΠΉ. Π’ΠΎ ΠΆΠ΅ ΡΠ°ΠΌΠΎΠ΅ ΠΈ Ρ ΠΊΡΠ°ΡΠΊΠΎΡΡΠΎΡΠ½ΡΠΌΠΈ ΠΈ Π΄ΠΎΠ»Π³ΠΎΡΡΠΎΡΠ½ΡΠΌΠΈ ΡΠΎΠΊΡΠ°ΡΠ΅Π½ΠΈΡΠΌΠΈ ΡΠΎΠΏΠ»ΠΈΠ²Π°. STFT — ΡΡΠΎ Π½Π΅ΠΌΠ΅Π΄Π»Π΅Π½Π½ΡΠ΅ Π²Π·Π»Π΅ΡΡ ΠΈ ΠΏΠ°Π΄Π΅Π½ΠΈΡ ΡΠΎΠΏΠ»ΠΈΠ²Π°, Π° LTFT — ΡΡΠΎ ΡΠΎ, ΡΡΠΎ ΠΏΡΠΎΠΈΡΡ
ΠΎΠ΄ΠΈΡ Π² ΡΠ΅ΡΠ΅Π½ΠΈΠ΅ Π±ΠΎΠ»Π΅Π΅ Π΄Π»ΠΈΡΠ΅Π»ΡΠ½ΠΎΠ³ΠΎ ΠΏΠ΅ΡΠΈΠΎΠ΄Π°.
ΠΠΎΡΠΌΠ°Π»ΡΠ½ΠΎΠ΅ ΠΏΠΎΠΊΠ°Π·Π°Π½ΠΈΠ΅ STFT Π΄Π»Ρ ΠΎΠ±ΡΡΠ½ΠΎ ΠΊΠΎΠ»Π΅Π±Π»Π΅ΡΡΡ ΠΌΠ΅ΠΆΠ΄Ρ ΠΎΡΡΠΈΡΠ°ΡΠ΅Π»ΡΠ½ΡΠΌΠΈ ΠΈ ΠΏΠΎΠ»ΠΎΠΆΠΈΡΠ΅Π»ΡΠ½ΡΠΌΠΈ ΠΎΠ΄Π½ΠΎΠ·Π½Π°ΡΠ½ΡΠΌΠΈ ΡΠΈΡΠ»Π°ΠΌΠΈ 2-3 ΡΠ°Π·Π° Π² ΡΠ΅ΠΊΡΠ½Π΄Ρ.ΠΠ±ΡΡΠ½ΠΎ ΠΎΠ½ΠΈ ΠΎΡΡΠ°ΡΡΡΡ ΠΎΠΊΠΎΠ»ΠΎ ΠΏΠΎΠ»ΠΎΠΆΠΈΡΠ΅Π»ΡΠ½ΡΡ ΠΈΠ»ΠΈ ΠΎΡΡΠΈΡΠ°ΡΠ΅Π»ΡΠ½ΡΡ 5%, Π½ΠΎ ΠΈΠ½ΠΎΠ³Π΄Π° ΠΎΠ½ΠΈ ΠΌΠΎΠ³ΡΡ ΠΏΠΎΠ²ΡΡΠ°ΡΡΡΡ Π΄ΠΎ 8 ΠΈΠ»ΠΈ 9% Π² Π·Π°Π²ΠΈΡΠΈΠΌΠΎΡΡΠΈ ΠΎΡ ΡΡΡΠ΅ΠΊΡΠΈΠ²Π½ΠΎΡΡΠΈ Π΄Π²ΠΈΠ³Π°ΡΠ΅Π»Ρ, Π²ΠΎΠ·ΡΠ°ΡΡΠ° ΠΊΠΎΠΌΠΏΠΎΠ½Π΅Π½ΡΠΎΠ² ΠΈ Π΄ΡΡΠ³ΠΈΡ ΡΠ°ΠΊΡΠΎΡΠΎΠ². ΠΠΎΡΠΌΠ°Π»ΡΠ½ΠΎΠ΅ ΠΏΠΎΠΊΠ°Π·Π°Π½ΠΈΠ΅ Π΄ΠΎΠ»Π³ΠΎΡΡΠΎΡΠ½ΠΎΠΉ ΠΊΠΎΡΡΠ΅ΠΊΡΠΈΡΠΎΠ²ΠΊΠΈ ΡΠΎΠΏΠ»ΠΈΠ²ΠΎΠΏΠΎΠ΄Π°ΡΠΈ ΠΎΡΡΠ°Π½Π΅ΡΡΡ ΠΏΡΠ΅ΠΆΠ½ΠΈΠΌ, Π΄Π°Π²Π°Ρ Π΄ΠΎΠ»Π³ΠΎΡΡΠΎΡΠ½ΠΎΠ΅ ΡΡΠ΅Π΄Π½Π΅Π΅ Π·Π½Π°ΡΠ΅Π½ΠΈΠ΅ Π΄ΠΎΠ±Π°Π²Π»Π΅Π½Π½ΠΎΠ³ΠΎ ΡΠΎΠΏΠ»ΠΈΠ²Π°. Π Π½ΠΎΡΠΌΠ°Π»ΡΠ½ΡΡ ΡΡΠ»ΠΎΠ²ΠΈΡΡ ΠΎΠ½ ΡΠΎΠΆΠ΅ Π΄ΠΎΠ»ΠΆΠ΅Π½ Π±ΡΡΡ Π±Π»ΠΈΠ·ΠΊΠΈΠΌ ΠΊ Π½ΡΠ»Ρ, ΠΏΠΎΠ»ΠΎΠΆΠΈΡΠ΅Π»ΡΠ½ΡΠΌ ΠΈΠ»ΠΈ ΠΎΡΡΠΈΡΠ°ΡΠ΅Π»ΡΠ½ΡΠΌ ΠΎΠ΄Π½ΠΎΠ·Π½Π°ΡΠ½ΡΠΌ ΡΠΈΡΠ»ΠΎΠΌ. ΠΠ½ Π±ΡΠ΄Π΅Ρ ΠΊΠΎΠ»Π΅Π±Π°ΡΡΡΡ Π½Π°ΠΌΠ½ΠΎΠ³ΠΎ ΠΌΠ΅Π΄Π»Π΅Π½Π½Π΅Π΅, Π²ΠΎΠ·ΠΌΠΎΠΆΠ½ΠΎ, ΡΡΠ°ΡΠΈΡΠ½ΡΠΉ.
ΠΠΎΡΠΌΠ°Π»ΡΠ½ΠΎΠ΅ ΠΏΠΎΠΊΠ°Π·Π°Π½ΠΈΠ΅ STFT
ΠΡΠ»ΠΈ Π²Ρ ΠΈΡΠΏΡΡΡΠ²Π°Π΅ΡΠ΅ ΠΊΠΎΡΡΠ΅ΠΊΡΠΈΡΠΎΠ²ΠΊΠΈ ΡΠΎΠΏΠ»ΠΈΠ²Π° ST ΠΈΠ»ΠΈ LT, ΠΊΠΎΡΠΎΡΡΠ΅ Π²ΡΡΠ°ΠΆΠ°ΡΡΡΡ Π΄Π²ΡΠ·Π½Π°ΡΠ½ΡΠΌΠΈ ΠΏΠΎΠ»ΠΎΠΆΠΈΡΠ΅Π»ΡΠ½ΡΠΌΠΈ ΠΈΠ»ΠΈ ΠΎΡΡΠΈΡΠ°ΡΠ΅Π»ΡΠ½ΡΠΌΠΈ ΡΠΈΡΡΠ°ΠΌΠΈ, ΡΡΠΎ ΠΌΠΎΠΆΠ΅Ρ ΡΠΊΠ°Π·ΡΠ²Π°ΡΡ Π½Π° Π½Π΅Π½ΠΎΡΠΌΠ°Π»ΡΠ½ΠΎΠ΅ Π΄ΠΎΠ±Π°Π²Π»Π΅Π½ΠΈΠ΅ ΠΈΠ»ΠΈ ΡΠΌΠ΅Π½ΡΡΠ΅Π½ΠΈΠ΅ ΠΊΠΎΠ»ΠΈΡΠ΅ΡΡΠ²Π° ΡΠΎΠΏΠ»ΠΈΠ²Π°.
ΠΡΠΎ ΠΌΠΎΠΆΠ΅Ρ Π±ΡΡΡ ΠΈΠ·-Π·Π° Π½Π΅Π³Π΅ΡΠΌΠ΅ΡΠΈΡΠ½ΡΡ
ΡΠΎΠΏΠ»ΠΈΠ²Π½ΡΡ
ΡΠΎΡΡΡΠ½ΠΎΠΊ, Π½Π΅ΠΈΠ·ΠΌΠ΅ΡΠ΅Π½Π½ΠΎΠΉ ΡΡΠ΅ΡΠΊΠΈ Π²ΠΎΠ·Π΄ΡΡ
Π° ΠΈΠ»ΠΈ ΡΠ΅Π³ΠΎ-ΡΠΎ ΠΏΠΎΠ΄ΠΎΠ±Π½ΠΎΠ³ΠΎ. ΠΠ°ΠΏΡΠΈΠΌΠ΅Ρ, Π΅ΡΠ»ΠΈ Π΄Π°ΡΡΠΈΠΊΠΈ o2 ΠΏΠΎΠΊΠ°Π·ΡΠ²Π°ΡΡ Π±Π΅Π΄Π½ΡΡ ΡΠΌΠ΅ΡΡ, ΡΠΊΠ°ΠΆΠ΅ΠΌ, ΠΈΠ·-Π·Π° ΡΡΠ΅ΡΠΊΠΈ Π²Π°ΠΊΡΡΠΌΠ°, ΠΊΠΎΠΌΠΏΡΡΡΠ΅Ρ Π΄Π²ΠΈΠ³Π°ΡΠ΅Π»Ρ ΠΊΠΎΠΌΠΏΠ΅Π½ΡΠΈΡΡΠ΅Ρ ΡΡΠΎ ΠΏΡΡΠ΅ΠΌ Π΄ΠΎΠ±Π°Π²Π»Π΅Π½ΠΈΡ ΡΠΎΠΏΠ»ΠΈΠ²Π°.
Lean STFT Reading
STFT Π½Π΅ΠΌΠ΅Π΄Π»Π΅Π½Π½ΠΎ Π½Π°ΡΠ½Π΅Ρ Π½Π°Π±ΠΈΡΠ°ΡΡ Π²ΡΡΠΎΡΡ, ΠΎΡΡΠ°ΠΆΠ°Ρ Π΄ΠΎΠ±Π°Π²Π»Π΅Π½ΠΈΠ΅ ΡΠΎΠΏΠ»ΠΈΠ²Π° ΠΊΠΎΠΌΠΏΡΡΡΠ΅ΡΠΎΠΌ. ΠΠΎΠΊΠ° ΠΊΠΎΠΌΠΏΡΡΡΠ΅Ρ Π΄ΠΎΠ»ΠΈΠ²Π°Π΅Ρ ΡΠΎΠΏΠ»ΠΈΠ²ΠΎ, ΠΎΠ½ Π²ΡΠ΅ Π΅ΡΠ΅ Π½Π°Π±Π»ΡΠ΄Π°Π΅Ρ Π·Π° Π΄Π°ΡΡΠΈΠΊΠ°ΠΌΠΈ o2 Π΄ΠΎ ΡΠ΅Ρ
ΠΏΠΎΡ, ΠΏΠΎΠΊΠ° Π΄Π°ΡΡΠΈΠΊΠΈ o2 Π½Π΅ ΠΏΠΎΠΊΠ°ΠΆΡΡ, ΡΡΠΎ Π±Π΅Π΄Π½Π°Ρ ΡΠΌΠ΅ΡΡ Π±ΠΎΠ»ΡΡΠ΅ Π½Π΅ ΡΡΡΠ΅ΡΡΠ²ΡΠ΅Ρ ΠΈ Π½Π΅ ΡΠΎΠ±Π»ΡΠ΄Π°Π΅ΡΡΡ Π½Π°Π΄Π»Π΅ΠΆΠ°ΡΠ΅Π΅ ΡΠΎΠΎΡΠ½ΠΎΡΠ΅Π½ΠΈΠ΅ Π²ΠΎΠ·Π΄ΡΡ
: ΡΠΎΠΏΠ»ΠΈΠ²ΠΎ.ΠΠΎΠΌΠΏΡΡΡΠ΅Ρ Π±ΡΠ΄Π΅Ρ ΠΏΠΎΠ΄Π΄Π΅ΡΠΆΠΈΠ²Π°ΡΡ ΡΡΠΎ ΠΏΠΎΠ²ΡΡΠ΅Π½Π½ΠΎΠ΅ ΠΊΠΎΠ»ΠΈΡΠ΅ΡΡΠ²ΠΎ ΡΠΎΠΏΠ»ΠΈΠ²Π° Π΄ΠΎ ΡΠ΅Ρ
ΠΏΠΎΡ, ΠΏΠΎΠΊΠ° ΡΡΠ΅ΡΠΊΠ° Π½Π΅ Π±ΡΠ΄Π΅Ρ ΡΡΡΡΠ°Π½Π΅Π½Π°. ΠΠΈΠ°Π³Π½ΠΎΡΡΠΈΡΠ΅ΡΠΊΠΈΠΉ ΠΏΡΠΈΠ±ΠΎΡ ΠΏΠΎΠΊΠ°ΠΆΠ΅Ρ ΠΏΠΎΠΊΠ°Π·Π°Π½ΠΈΡ STFT Π² Π²ΠΈΠ΄Π΅ ΠΏΠΎΠ»ΠΎΠΆΠΈΡΠ΅Π»ΡΠ½ΡΡ
Π΄Π²ΡΠ·Π½Π°ΡΠ½ΡΡ
ΡΠΈΡΡ, ΡΡΠΎ ΡΠΊΠ°Π·ΡΠ²Π°Π΅Ρ Π½Π° ΡΠΎ, ΡΡΠΎ ΠΊΠΎΠΌΠΏΡΡΡΠ΅Ρ Π΄ΠΎΠ±Π°Π²ΠΈΠ» ΡΠ»ΠΈΡΠΊΠΎΠΌ ΠΌΠ½ΠΎΠ³ΠΎ ΡΠΎΠΏΠ»ΠΈΠ²Π° Π΄Π»Ρ Π½ΠΎΡΠΌΠ°Π»ΡΠ½ΠΎΠΉ ΡΠ°Π±ΠΎΡΡ. Π§Π΅ΡΠ΅Π· Π½Π΅ΠΊΠΎΡΠΎΡΠΎΠ΅ Π²ΡΠ΅ΠΌΡ LTFT ΡΠ°ΠΊΠΆΠ΅ ΠΎΡΡΠ°Π·ΠΈΡ ΡΡΠΎΡ ΠΎΡΠ½ΠΎΡΠΈΡΠ΅Π»ΡΠ½ΡΠΉ ΠΏΡΠΈΡΠΎΡΡ ΡΠΎΠΏΠ»ΠΈΠ²Π°. Π’Π΅ΠΏΠ΅ΡΡ, Π΅ΡΠ»ΠΈ ΡΡΠ΅ΡΠΊΠ° Π²Π°ΠΊΡΡΠΌΠ° Π΄ΠΎΡΡΠ°ΡΠΎΡΠ½ΠΎ Π²Π΅Π»ΠΈΠΊΠ°, ΠΊΠΎΠΌΠΏΡΡΡΠ΅Ρ Π½Π΅ ΡΠΌΠΎΠΆΠ΅Ρ Π΄ΠΎΠ±Π°Π²ΠΈΡΡ Π΄ΠΎΡΡΠ°ΡΠΎΡΠ½ΠΎ ΡΠΎΠΏΠ»ΠΈΠ²Π° Π΄Π»Ρ Π΄ΠΎΡΡΠΈΠΆΠ΅Π½ΠΈΡ Π½Π°Π΄Π»Π΅ΠΆΠ°ΡΠ΅Π³ΠΎ ΡΠΎΠΎΡΠ½ΠΎΡΠ΅Π½ΠΈΡ Π²ΠΎΠ·Π΄ΡΡ
: ΡΠΎΠΏΠ»ΠΈΠ²ΠΎ.
ΠΠ½ Π±ΡΠ΄Π΅Ρ Π΄ΠΎΠ±Π°Π²Π»ΡΡΡ ΡΠΎΠΏΠ»ΠΈΠ²ΠΎ, ΠΏΠΎΠΊΠ° STFT Π½Π΅ Π΄ΠΎΡΡΠΈΠ³Π½Π΅Ρ ΠΌΠ°ΠΊΡΠΈΠΌΠ°Π»ΡΠ½ΠΎΠΉ ΠΊΠ°Π»ΠΈΠ±ΡΠΎΠ²ΠΊΠΈ, ΠΎΠ±ΡΡΠ½ΠΎ 25%.ΠΠ°ΡΠ΅ΠΌ Π² ΠΊΠΎΠΌΠΏΡΡΡΠ΅Ρ ΡΡΡΠ°Π½Π°Π²Π»ΠΈΠ²Π°Π΅ΡΡΡ ΠΊΠΎΠ΄, ΡΠΊΠ°Π·ΡΠ²Π°ΡΡΠΈΠΉ, ΡΡΠΎ Π΄Π²ΠΈΠ³Π°ΡΠ΅Π»Ρ ΡΠ°Π±ΠΎΡΠ°Π΅Ρ Π½Π° ΠΎΠ±Π΅Π΄Π½Π΅Π½Π½ΠΎΠΉ ΡΠΌΠ΅ΡΠΈ (P0171 ΠΈΠ»ΠΈ P0174) ΠΈ STFT Π΄ΠΎΡΡΠΈΠ³Π»ΠΈ ΠΌΠ°ΠΊΡΠΈΠΌΡΠΌΠ°. ΠΠ±ΡΠ°ΡΠ½ΠΎΠ΅ Π±ΡΠ»ΠΎ Π±Ρ Π²Π΅ΡΠ½ΠΎ, Π΅ΡΠ»ΠΈ Π±Ρ Π΄Π²ΠΈΠ³Π°ΡΠ΅Π»Ρ ΡΠ°Π±ΠΎΡΠ°Π» Π½Π° Π±ΠΎΠ³Π°ΡΠΎΠΉ ΡΠΌΠ΅ΡΠΈ ΠΈΠ·-Π·Π° ΡΡΠ΅ΡΠΊΠΈ ΡΠΎΠΏΠ»ΠΈΠ²Π° (P0172, P0175).
Rich STFT ΡΡΠ΅Π½ΠΈΠ΅
ΠΠΌΠ΅ΠΉΡΠ΅ Π² Π²ΠΈΠ΄Ρ, ΡΡΠΎ Π² Π½Π΅ΠΊΠΎΡΠΎΡΡΡ
ΡΠ»ΡΡΠ°ΡΡ
ΠΊΠΎΠΌΠΏΡΡΡΠ΅Ρ Π½Π΅ Π·Π½Π°Π΅Ρ, ΠΏΡΠ°Π²ΠΈΠ»ΡΠ½ΠΎ Π»ΠΈ ΡΠΈΡΠ°Π΅Ρ Π΄Π°ΡΡΠΈΠΊ o2. ΠΠ°ΠΏΡΠΈΠΌΠ΅Ρ, Π΅ΡΠ»ΠΈ Π΄Π°ΡΡΠΈΠΊ o2 Π·Π°Π΅Π΄Π°Π΅Ρ Π±ΠΎΠ³Π°ΡΡΠΌ, ΠΊΠΎΠΌΠΏΡΡΡΠ΅Ρ ΠΏΡΠ΅Π΄ΠΏΠΎΠ»ΠΎΠΆΠΈΡ, ΡΡΠΎ ΠΎΠ½ ΡΡΠΈΡΡΠ²Π°Π΅Ρ ΠΏΡΠ°Π²ΠΈΠ»ΡΠ½ΠΎ, ΠΈ Π½Π°ΡΠ½Π΅Ρ Π·Π°Π±ΠΈΡΠ°ΡΡ ΡΠΎΠΏΠ»ΠΈΠ²ΠΎ Π΄Π»Ρ ΠΊΠΎΠΌΠΏΠ΅Π½ΡΠ°ΡΠΈΠΈ.ΠΡΠΎ Π½Π°Π·ΡΠ²Π°Π΅ΡΡΡ ΡΡΠ»ΠΎΠ²ΠΈΠ΅ΠΌ Β«Π»ΠΎΠΆΠ½ΠΎΠ³ΠΎ ΠΎΠ±ΠΎΠ³Π°ΡΠ΅Π½ΠΈΡΒ». ΠΠΎΠΌΠΏΡΡΡΠ΅Ρ Π½Π°ΠΊΠ»ΠΎΠ½ΡΠ΅Ρ Π΄Π²ΠΈΠ³Π°ΡΠ΅Π»Ρ ΠΈ ΡΡΡΠ°Π½Π°Π²Π»ΠΈΠ²Π°Π΅Ρ Π²ΠΎΠ·ΠΌΠΎΠΆΠ½ΡΠ΅ Π·Π½Π°ΡΠ΅Π½ΠΈΡ P0172, P0175. ΠΠΎΠ΄Ρ ΡΠΊΠ°Π·ΡΠ²Π°ΡΡ Π½Π° ΡΠΎ, ΡΡΠΎ Π΄Π²ΠΈΠ³Π°ΡΠ΅Π»Ρ ΡΠ°Π±ΠΎΡΠ°Π» Π½Π° Π±ΠΎΠ³Π°ΡΠΎΠΉ ΡΠΌΠ΅ΡΠΈ, Π½ΠΎ ΠΠΠΠ‘Π’ΠΠΠ’ΠΠΠ¬ΠΠ ΡΠ°Π±ΠΎΡΠ°Π΅Ρ Π½Π° ΠΎΠ±Π΅Π΄Π½Π΅Π½Π½ΠΎΠΉ ΡΠΌΠ΅ΡΠΈ. ΠΡΠ»ΠΈ Π²Ρ ΠΈΡΠΏΠΎΠ»ΡΠ·ΡΠ΅ΡΠ΅ ΡΠΎΠ»ΡΠΊΠΎ Π»ΠΎΠΆΠ½ΡΠ΅ ΠΊΠΎΠ΄Ρ ΠΎΠ±ΠΎΠ³Π°ΡΠ΅Π½ΠΈΡ Π΄Π»Ρ Π΄ΠΈΠ°Π³Π½ΠΎΡΡΠΈΠΊΠΈ ΠΈ Π½Π΅ Π½Π°Π±Π»ΡΠ΄Π°Π΅ΡΠ΅ Π·Π° Π²ΡΠ΅ΠΌΠΈ Π΄Π°Π½Π½ΡΠΌΠΈ Π΄Π°ΡΡΠΈΠΊΠ° ΡΠΎΠΏΠ»ΠΈΠ²Π½ΠΎΠΉ ΠΊΠΎΡΡΠ΅ΠΊΡΠΈΠΈ ΠΈ o2, Π²Ρ ΠΌΠΎΠΆΠ΅ΡΠ΅ ΡΠ΄Π΅Π»Π°ΡΡ Π»ΠΎΠΆΠ½ΡΠΉ Π΄ΠΈΠ°Π³Π½ΠΎΠ·.
ΠΡΠΎΠΌΠ΅ ΡΠΎΠ³ΠΎ, ΠΊΠ°ΠΆΠ΄ΡΠΉ Π±Π°Π½ΠΊ ΠΈΠΌΠ΅Π΅Ρ ΡΠ²ΠΎΠ΅ ΡΠΎΠ±ΡΡΠ²Π΅Π½Π½ΠΎΠ΅ Π·Π½Π°ΡΠ΅Π½ΠΈΠ΅ ΠΊΠΎΡΡΠ΅ΠΊΡΠΈΠΈ ΡΠΎΠΏΠ»ΠΈΠ²Π°. ΠΡΠ»ΠΈ Π²Π°Ρ Π΄Π²ΠΈΠ³Π°ΡΠ΅Π»Ρ 4-ΡΠΈΠ»ΠΈΠ½Π΄ΡΠΎΠ²ΡΠΉ, ΡΠΎ ΠΎΠ½ ΠΈΠΌΠ΅Π΅Ρ ΡΠΎΠ»ΡΠΊΠΎ ΠΎΠ΄ΠΈΠ½ ΡΡΠ΄, Π±Π°Π½ΠΊ 1. ΠΠ° Π΄Π²ΠΈΠ³Π°ΡΠ΅Π»Π΅ V-ΠΎΠ±ΡΠ°Π·Π½ΠΎΠ³ΠΎ ΡΠΈΠΏΠ° Π²Ρ ΠΌΠΎΠΆΠ΅ΡΠ΅ ΠΎΠΏΡΠ΅Π΄Π΅Π»ΠΈΡΡ, ΠΊΠ°ΠΊΠΎΠΉ ΡΡΠ΄ ΡΠ°Π±ΠΎΡΠ°Π΅Ρ Π½Π° ΠΎΠ±Π΅Π΄Π½Π΅Π½Π½ΠΎΠΉ ΠΈΠ»ΠΈ ΠΎΠ±Π΅Π΄Π½Π΅Π½Π½ΠΎΠΉ ΡΠΌΠ΅ΡΠΈ, Π½Π°Π±Π»ΡΠ΄Π°Ρ Π·Π° ΡΠ°ΡΡ ΠΎΠ΄ΠΎΠΌ ΡΠΎΠΏΠ»ΠΈΠ²Π° Π² ΡΡΠΎΠΌ ΡΡΠ΄Ρ.ΠΡΠ»ΠΈ ΠΎΠ΄ΠΈΠ½ Π±Π°Π½ΠΊ ΡΠ°Π±ΠΎΡΠ°Π΅Ρ Π½ΠΎΡΠΌΠ°Π»ΡΠ½ΠΎ, Π° Π΄ΡΡΠ³ΠΎΠΉ — Π½Π΅Ρ, Π²Ρ ΠΌΠΎΠΆΠ΅ΡΠ΅ ΡΡΠ·ΠΈΡΡ ΡΠ°Π·Π²ΠΈΠ²Π°ΡΡΡΡΡΡ ΠΏΡΠΎΠ±Π»Π΅ΠΌΡ Π΄ΠΎ ΠΎΠ΄Π½ΠΎΠΉ ΠΈΠ»ΠΈ Π΄ΡΡΠ³ΠΎΠΉ ΡΡΠΎΡΠΎΠ½Ρ Π΄Π²ΠΈΠ³Π°ΡΠ΅Π»Ρ.
ΠΡΠΏΠΎΠ»ΡΠ·ΡΡ ΡΠ²ΠΎΠΈ Π½ΠΎΠ²ΡΠ΅ Π·Π½Π°Π½ΠΈΡ ΠΎ ΡΠΎΠΏΠ»ΠΈΠ²Π½ΡΡ Π±Π°Π»Π°Π½ΡΠΈΡΠΎΠ²ΠΊΠ°Ρ , Π²Ρ ΠΌΠΎΠΆΠ΅ΡΠ΅ ΠΈΠ·Π±Π°Π²ΠΈΡΡΡΡ ΠΎΡ Π΄ΠΎΠ³Π°Π΄ΠΎΠΊ ΠΏΡΠΈ ΠΈΠ½ΡΠ΅ΡΠΏΡΠ΅ΡΠ°ΡΠΈΠΈ ΡΠΎΡΡΠΎΡΠ½ΠΈΡ Π²Π°ΡΠ΅ΠΉ ΡΠΎΠΏΠ»ΠΈΠ²Π½ΠΎΠΉ ΡΠΈΡΡΠ΅ΠΌΡ ΠΈ, Π²ΠΎΠ·ΠΌΠΎΠΆΠ½ΠΎ, ΡΡΠΊΠΎΠ½ΠΎΠΌΠΈΡΡ Ρ ΡΡΡΠ΄ΠΎΠΌ Π·Π°ΡΠ°Π±ΠΎΡΠ°Π½Π½ΡΠ΅ Π΄Π΅Π½ΡΠ³ΠΈ.
ΠΠ ΠΠΠΠ§ΠΠΠΠ: ΠΡΠ° ΠΈΠ½ΡΠΎΡΠΌΠ°ΡΠΈΡ ΠΏΡΠ΅Π΄ΡΡΠ°Π²Π»Π΅Π½Π° ββΡΠΎΠ»ΡΠΊΠΎ Π² ΠΈΠ½ΡΠΎΡΠΌΠ°ΡΠΈΠΎΠ½Π½ΡΡ ΡΠ΅Π»ΡΡ . ΠΡΠΎ Π½Π΅ ΡΠ²Π»ΡΠ΅ΡΡΡ ΡΠΎΠ²Π΅ΡΠΎΠΌ ΠΏΠΎ ΡΠ΅ΠΌΠΎΠ½ΡΡ, ΠΈ ΠΌΡ Π½Π΅ Π½Π΅ΡΠ΅ΠΌ ΠΎΡΠ²Π΅ΡΡΡΠ²Π΅Π½Π½ΠΎΡΡΠΈ Π·Π° ΠΊΠ°ΠΊΠΈΠ΅-Π»ΠΈΠ±ΠΎ Π΄Π΅ΠΉΡΡΠ²ΠΈΡ. Π±Π΅ΡΠ΅ΡΡ Π½Π° ΡΠ΅Π±Ρ Π»ΡΠ±ΡΡ ΡΠ΅Ρ Π½ΠΈΠΊΡ. ΠΡΡ ΠΈΠ½ΡΠΎΡΠΌΠ°ΡΠΈΡ Π½Π° ΡΡΠΎΠΌ ΡΠ°ΠΉΡΠ΅ Π·Π°ΡΠΈΡΠ΅Π½Π° Π°Π²ΡΠΎΡΡΠΊΠΈΠΌ ΠΏΡΠ°Π²ΠΎΠΌ.
Π’ΠΎΠΏΠ»ΠΈΠ²Π½Π°Ρ ΠΎΡΠ΄Π΅Π»ΠΊΠ°: ΠΊΠ°ΠΊ ΡΡΠΎ ΡΠ°Π±ΠΎΡΠ°Π΅Ρ ΠΈ ΠΊΠ°ΠΊ Π·Π°ΡΡΠ°Π²ΠΈΡΡ ΡΠ°Π±ΠΎΡΠ°ΡΡ Π½Π° Π²Π°Ρ | 2015-02-11
ΠΠ°ΠΊ ΠΠΎΡΠ΄ΠΎΠ½ ΠΏΡΠΎΡΠ°Π±ΠΎΡΠ°Π» Π² Π°Π²ΡΠΎΠΌΠΎΠ±ΠΈΠ»ΡΠ½ΠΎΠΉ ΠΏΡΠΎΠΌΡΡΠ»Π΅Π½Π½ΠΎΡΡΠΈ 40 Π»Π΅Ρ ΡΠ΅Ρ
Π½ΠΈΠΊΠΎΠΌ ΠΏΠΎ ΠΎΠ±ΡΠ»ΡΠΆΠΈΠ²Π°Π½ΠΈΡ, Π»Π°Π±ΠΎΡΠ°Π½ΡΠΎΠΌ, ΠΈΠ½ΡΡΡΡΠΊΡΠΎΡΠΎΠΌ ΠΈ ΡΠ΅Ρ
Π½ΠΈΡΠ΅ΡΠΊΠΈΠΌ ΠΏΠΈΡΠ°ΡΠ΅Π»Π΅ΠΌ.
ΠΠ³ΠΎ ΠΊΠ°ΡΡΠ΅ΡΠ° ΠΏΠΈΡΠ°ΡΠ΅Π»Ρ Π½Π°ΡΠ°Π»Π°ΡΡ Ρ Π½Π°ΠΏΠΈΡΠ°Π½ΠΈΡ ΡΠ΅ΡΠ²ΠΈΡΠ½ΡΡ
ΡΡΠΊΠΎΠ²ΠΎΠ΄ΡΡΠ² Π² Chilton Book Co. Π Π½Π°ΡΡΠΎΡΡΠ΅Π΅ Π²ΡΠ΅ΠΌΡ ΠΎΠ½ ΠΈΠΌΠ΅Π΅Ρ ΡΠ΅ΡΡΠΈΡΠΈΠΊΠ°ΡΡ ASE Master Technician ΠΈ L1, Π° ΡΠ°ΠΊΠΆΠ΅ ΡΡΠ°ΡΡΠ²ΠΎΠ²Π°Π» Π² ΡΠ΅ΠΌΠΈΠ½Π°ΡΠ°Ρ
ΠΏΠΎ Π½Π°ΠΏΠΈΡΠ°Π½ΠΈΡ ΡΠ΅ΡΡΠΎΠ² ASE.
ΠΡΠΈ Π΄ΠΈΠ°Π³Π½ΠΎΡΡΠΈΠΊΠ΅ ΠΏΡΠΎΠ±Π»Π΅ΠΌΡ Ρ ΠΎΡΠ²Π΅ΡΠ΅Π½ΠΈΠ΅ΠΌ Π΄Π²ΠΈΠ³Π°ΡΠ΅Π»Ρ ΠΈΠ»ΠΈ ΡΠΏΡΠ°Π²Π»ΡΠ΅ΠΌΠΎΡΡΡΡ Π²Ρ ΠΌΠΎΠΆΠ΅ΡΠ΅ ΠΌΠ½ΠΎΠ³ΠΎΠΌΡ Π½Π°ΡΡΠΈΡΡΡΡ, ΠΏΡΠΎΡΠΌΠ°ΡΡΠΈΠ²Π°Ρ Π΄Π°Π½Π½ΡΠ΅ ΠΊΠΎΡΡΠ΅ΠΊΡΠΈΡΠΎΠ²ΠΊΠΈ ΡΠΎΠΏΠ»ΠΈΠ²ΠΎΠΏΠΎΠ΄Π°ΡΠΈ Π½Π° Π΄ΠΈΠ°Π³Π½ΠΎΡΡΠΈΡΠ΅ΡΠΊΠΎΠΌ ΠΏΡΠΈΠ±ΠΎΡΠ΅.ΠΠ° ΡΠ΅Π³ΡΠ»ΠΈΡΠΎΠ²ΠΊΡ ΡΠ°ΡΡ ΠΎΠ΄Π° ΡΠΎΠΏΠ»ΠΈΠ²Π° ΠΌΠΎΠΆΠ΅Ρ ΠΏΠΎΠ²Π»ΠΈΡΡΡ ΠΏΡΠ°ΠΊΡΠΈΡΠ΅ΡΠΊΠΈ Π²ΡΠ΅, ΡΡΠΎ Π½Π°Ρ ΠΎΠ΄ΠΈΡΡΡ ΠΌΠ΅ΠΆΠ΄Ρ Π²ΠΎΠ·Π΄ΡΡΠ½ΡΠΌ ΡΠΈΠ»ΡΡΡΠΎΠΌ ΠΈ Π³Π»ΡΡΠΈΡΠ΅Π»Π΅ΠΌ, Π²ΠΊΠ»ΡΡΠ°Ρ Π΄Π°ΡΡΠΈΠΊΠΈ, ΡΠΎΡΡΡΠ½ΠΊΠΈ, Π·Π°ΠΆΠΈΠ³Π°Π½ΠΈΠ΅, ΡΠΈΡΡΠ΅ΠΌΡ ΡΠ΅ΡΠΈΡΠΊΡΠ»ΡΡΠΈΠΈ ΠΎΡΡΠ°Π±ΠΎΡΠ°Π²ΡΠΈΡ Π³Π°Π·ΠΎΠ², ΠΌΠ΅Ρ Π°Π½ΠΈΡΠ΅ΡΠΊΠΎΠ΅ ΡΠΎΡΡΠΎΡΠ½ΠΈΠ΅ Π΄Π²ΠΈΠ³Π°ΡΠ΅Π»Ρ ΠΈ Π΄Π°ΠΆΠ΅ ΡΠΈΡΡΠ΅ΠΌΡ Π²Π΅Π½ΡΠΈΠ»ΡΡΠΈΠΈ ΠΊΠ°ΡΡΠ΅ΡΠ°. Π‘Π°ΠΌΠΈ ΠΏΠΎ ΡΠ΅Π±Π΅ ΡΠΈΡΡΡ ΠΊΠΎΡΡΠ΅ΠΊΡΠΈΡΠΎΠ²ΠΊΠΈ ΡΡΠΎΠ²Π½Ρ ΡΠΎΠΏΠ»ΠΈΠ²Π° Π½Π΅ ΠΎΠ±Π΅ΡΠΏΠ΅ΡΠΈΠ²Π°ΡΡ ΠΏΠΎΠ»Π½ΠΎΠΉ Π΄ΠΈΠ°Π³Π½ΠΎΡΡΠΈΠΊΠΈ, Π½ΠΎ Π΅ΡΠ»ΠΈ Π²Ρ Π·Π½Π°Π΅ΡΠ΅, ΡΡΠΎ ΠΈΡΠΊΠ°ΡΡ, ΡΡΠΈ ΡΠΈΡΡΡ ΠΌΠΎΠ³ΡΡ Π½Π°ΠΏΡΠ°Π²ΠΈΡΡ Π²Π°Ρ Π² ΠΏΡΠ°Π²ΠΈΠ»ΡΠ½ΠΎΠΌ Π½Π°ΠΏΡΠ°Π²Π»Π΅Π½ΠΈΠΈ.
Global OBD-II ΠΎΡΡΠ΅Ρ ΠΎ ΡΠΎΠΏΠ»ΠΈΠ²Π½ΠΎΠΉ ΠΊΠΎΡΡΠ΅ΠΊΡΠΈΠΈ Π±ΡΠ» ΡΡΠ°Π½Π΄Π°ΡΡΠΈΠ·ΠΈΡΠΎΠ²Π°Π½ Π΄Π»Ρ Π²ΡΠ΅Ρ
ΠΏΡΠΎΠΈΠ·Π²ΠΎΠ΄ΠΈΡΠ΅Π»Π΅ΠΉ Π² 2005 Π³ΠΎΠ΄Ρ ΠΈ Π±ΠΎΠ»Π΅Π΅ ΠΏΠΎΠ·Π΄Π½ΠΈΡ
ΠΌΠΎΠ΄Π΅Π»ΡΡ
, ΠΎΠ±ΠΎΡΡΠ΄ΠΎΠ²Π°Π½Π½ΡΡ
ΡΠΈΡΡΠ΅ΠΌΠΎΠΉ ΡΠΏΡΠ°Π²Π»Π΅Π½ΠΈΡ ΡΠΈΠ½ΠΎΠΉ CAN.
ΠΡΠΎ ΡΠΎ, Π½Π° ΡΠ΅ΠΌ ΠΌΡ ΡΠΎΡΡΠ΅Π΄ΠΎΡΠΎΡΠΈΠΌΡΡ Π·Π΄Π΅ΡΡ, Π½ΠΎ ΠΎΠ΄Π½ΠΈ ΠΈ ΡΠ΅ ΠΆΠ΅ ΠΎΡΠ½ΠΎΠ²Π½ΡΠ΅ ΠΏΡΠΈΠ½ΡΠΈΠΏΡ ΠΏΡΠΈΠΌΠ΅Π½ΠΈΠΌΡ ΠΊΠΎ Π²ΡΠ΅ΠΌ ΠΌΠΎΠ΄Π΅Π»ΡΠ½ΡΠΌ Π³ΠΎΠ΄Π°ΠΌ.
Π§ΡΠΎ ΡΠ°ΠΊΠΎΠ΅ ΠΊΠΎΡΡΠ΅ΠΊΡΠΈΡΠΎΠ²ΠΊΠ° ΡΠΎΠΏΠ»ΠΈΠ²Π°?
ΠΠΎΠ»ΠΈΡΠ΅ΡΡΠ²ΠΎ ΡΠΎΠΏΠ»ΠΈΠ²Π°, Π½Π΅ΠΎΠ±Ρ
ΠΎΠ΄ΠΈΠΌΠΎΠ΅ Π΄Π»Ρ ΠΏΡΠ°Π²ΠΈΠ»ΡΠ½ΠΎΠΉ ΡΠ°Π±ΠΎΡΡ Π΄Π²ΠΈΠ³Π°ΡΠ΅Π»Ρ, Π·Π°Π²ΠΈΡΠΈΡ ΠΎΡ ΠΊΠΎΠ»ΠΈΡΠ΅ΡΡΠ²Π° Π²ΠΎΠ·Π΄ΡΡ
Π°, ΠΏΠΎΡΡΡΠΏΠ°ΡΡΠ΅Π³ΠΎ Π² ΠΊΠ°ΠΌΠ΅ΡΡ ΡΠ³ΠΎΡΠ°Π½ΠΈΡ. ΠΠΎΡΠΊΠΎΠ»ΡΠΊΡ Π²ΠΎΠ΄ΠΈΡΠ΅Π»Ρ ΡΠΏΡΠ°Π²Π»ΡΠ΅Ρ ΠΏΠΎΡΠΎΠΊΠΎΠΌ Π²ΠΎΠ·Π΄ΡΡ
Π° (Π½Π°Π³ΡΡΠ·ΠΊΠΎΠΉ) Ρ ΠΏΠΎΠΌΠΎΡΡΡ ΠΏΠ΅Π΄Π°Π»ΠΈ Π°ΠΊΡΠ΅Π»Π΅ΡΠ°ΡΠΎΡΠ°, ΠΌΠΎΠ΄ΡΠ»Ρ ΡΠΏΡΠ°Π²Π»Π΅Π½ΠΈΡ ΡΡΠ°Π½ΡΠΌΠΈΡΡΠΈΠ΅ΠΉ (PCM) ΠΌΠΎΠΆΠ΅Ρ ΡΠΏΡΠ°Π²Π»ΡΡΡ ΡΠΎΠ»ΡΠΊΠΎ ΡΠΎΠΏΠ»ΠΈΠ²ΠΎΠΌ. ΠΠ½ ΠΈΡΠΏΠΎΠ»ΡΠ·ΡΠ΅Ρ Π΄Π°ΡΡΠΈΠΊΠΈ Π΄Π»Ρ ΠΈΠ·ΠΌΠ΅ΡΠ΅Π½ΠΈΡ ΠΈΠ»ΠΈ ΡΠ°ΡΡΠ΅ΡΠ° ΡΠ°ΡΡ
ΠΎΠ΄Π° Π²ΠΎΠ·Π΄ΡΡ
Π°, ΠΏΡΠΎΡΠΌΠ°ΡΡΠΈΠ²Π°Π΅Ρ ΠΊΠ°ΡΡΡ ΡΠΎΠΎΡΠ½ΠΎΡΠ΅Π½ΠΈΡ Π²ΠΎΠ·Π΄ΡΡ
/ ΡΠΎΠΏΠ»ΠΈΠ²ΠΎ Π² ΡΠ²ΠΎΠ΅ΠΉ ΠΏΠΎΡΡΠΎΡΠ½Π½ΠΎΠΉ ΠΏΠ°ΠΌΡΡΠΈ, Π° Π·Π°ΡΠ΅ΠΌ Π²ΡΠ±ΠΈΡΠ°Π΅Ρ ΠΏΡΠ°Π²ΠΈΠ»ΡΠ½ΡΡ ΡΠΈΡΠΈΠ½Ρ ΠΈΠΌΠΏΡΠ»ΡΡΠ° ΡΠΎΡΡΡΠ½ΠΊΠΈ, ΡΠΎΠΎΡΠ²Π΅ΡΡΡΠ²ΡΡΡΡΡ ΡΡΠΎΠΌΡ ΠΏΠΎΡΠΎΠΊΡ Π²ΠΎΠ·Π΄ΡΡ
Π°.ΠΡΠΎΡ ΠΏΡΠ΅Π΄Π²Π°ΡΠΈΡΠ΅Π»ΡΠ½ΠΎ Π·Π°ΠΏΡΠΎΠ³ΡΠ°ΠΌΠΌΠΈΡΠΎΠ²Π°Π½Π½ΡΠΉ ΠΈΠΌΠΏΡΠ»ΡΡ ΡΠΎΡΡΡΠ½ΠΊΠΈ Π±ΡΠ΄Π΅Ρ ΠΎΠ±Π΅ΡΠΏΠ΅ΡΠΈΠ²Π°ΡΡ ΡΠΎΠ²Π½ΠΎ ΠΎΠ΄ΠΈΠ½ Π³ΡΠ°ΠΌΠΌ ΡΠΎΠΏΠ»ΠΈΠ²Π° Π½Π° ΠΊΠ°ΠΆΠ΄ΡΠ΅ 14,64 Π³ΡΠ°ΠΌΠΌΠ° Π²ΠΎΠ·Π΄ΡΡ
Π° (ΡΡΠ΅Ρ
ΠΈΠΎΠΌΠ΅ΡΡΠΈΡΠ΅ΡΠΊΠΎΠ΅ ΡΠΎΠΎΡΠ½ΠΎΡΠ΅Π½ΠΈΠ΅ Π²ΠΎΠ·Π΄ΡΡ
/ ΡΠΎΠΏΠ»ΠΈΠ²ΠΎ), Π½ΠΎ PCM ΠΏΠΎΡΡΠΈ Π²ΡΠ΅Π³Π΄Π° ΡΠ΅Π³ΡΠ»ΠΈΡΡΠ΅Ρ ΡΠΈΡΠΈΠ½Ρ ΠΈΠΌΠΏΡΠ»ΡΡΠ° ΡΠΎΡΡΡΠ½ΠΊΠΈ, ΡΡΠΎΠ±Ρ ΠΎΠ±Π΅ΡΠΏΠ΅ΡΠΈΡΡ Π±ΠΎΠ»ΡΡΠ΅ ΠΈΠ»ΠΈ ΠΌΠ΅Π½ΡΡΠ΅ ΡΠΎΠΏΠ»ΠΈΠ²Π°, ΡΠ΅ΠΌ ΡΠΊΠ°Π·Π°Π½ΠΎ Π½Π° ΠΊΠ°ΡΡΠ΅.
ΠΡΠ° ΡΠ΅Π³ΡΠ»ΠΈΡΠΎΠ²ΠΊΠ° Π½Π°Π·ΡΠ²Π°Π΅ΡΡΡ Β«ΡΠΎΠΏΠ»ΠΈΠ²Π½ΠΎΠΉ ΠΊΠΎΡΡΠ΅ΠΊΡΠΈΡΠΎΠ²ΠΊΠΎΠΉΒ».
Π‘ΡΡΠ΅ΡΡΠ²ΡΠ΅Ρ Π΄Π²Π° ΡΠΈΠΏΠ° ΡΠΎΠΏΠ»ΠΈΠ²Π½ΠΎΠΉ ΠΊΠΎΡΡΠ΅ΠΊΡΠΈΠΈ, Π΄ΠΎΠ»Π³ΠΎΡΡΠΎΡΠ½Π°Ρ ΠΈ ΠΊΡΠ°ΡΠΊΠΎΡΡΠΎΡΠ½Π°Ρ, ΠΈ ΡΠΈΡΠ»Π° ΠΎΡΠΎΠ±ΡΠ°ΠΆΠ°ΡΡΡΡ Π½Π° Π΄ΠΈΠ°Π³Π½ΠΎΡΡΠΈΡΠ΅ΡΠΊΠΎΠΌ ΠΏΡΠΈΠ±ΠΎΡΠ΅ ΠΊΠ°ΠΊ ΠΏΡΠΎΡΠ΅Π½Ρ ΡΠΎΠΏΠ»ΠΈΠ²Π°, Π΄ΠΎΠ±Π°Π²Π»Π΅Π½Π½ΠΎΠ³ΠΎ ΠΊ ΠΏΡΠ΅Π΄Π²Π°ΡΠΈΡΠ΅Π»ΡΠ½ΠΎ Π·Π°ΠΏΡΠΎΠ³ΡΠ°ΠΌΠΌΠΈΡΠΎΠ²Π°Π½Π½ΠΎΠΌΡ ΠΊΠΎΠ»ΠΈΡΠ΅ΡΡΠ²Ρ ΡΠΎΠΏΠ»ΠΈΠ²Π° ΠΈΠ»ΠΈ Π²ΡΡΡΠ΅Π½Π½ΠΎΠ³ΠΎ ΠΈΠ· Π½Π΅Π³ΠΎ.
Volkswagen Π½Π°Π·ΡΠ²Π°Π΅Ρ ΠΊΠΎΡΡΠ΅ΠΊΡΠΈΡΠΎΠ²ΠΊΡ ΡΠ°ΡΡ
ΠΎΠ΄Π° ΡΠΎΠΏΠ»ΠΈΠ²Π° Β«Π°Π΄Π°ΠΏΡΠ°ΡΠΈΠ΅ΠΉ Π΄Π°ΡΡΠΈΠΊΠ° ΠΊΠΈΡΠ»ΠΎΡΠΎΠ΄Π°Β», Π° Ford ΠΊΠ»Π°ΡΡΠΈΡΠΈΡΠΈΡΡΠ΅Ρ ΠΊΠΎΡΡΠ΅ΠΊΡΠΈΡΠΎΠ²ΠΊΡ ΡΠ°ΡΡ
ΠΎΠ΄Π° ΡΠΎΠΏΠ»ΠΈΠ²Π° ΠΊΠ°ΠΊ Β«Π½Π΅ΠΏΡΠ΅ΡΡΠ²Π½ΡΠΉ ΠΌΠΎΠ½ΠΈΡΠΎΡΒ», ΠΊΠΎΡΠΎΡΡΠΉ Π·Π°ΠΏΡΡΠΊΠ°Π΅ΡΡΡ, ΠΊΠΎΠ³Π΄Π° ΡΠΈΡΡΠ΅ΠΌΠ° ΡΠΏΡΠ°Π²Π»Π΅Π½ΠΈΡ ΠΏΠΎΠ΄Π°ΡΠ΅ΠΉ ΡΠΎΠΏΠ»ΠΈΠ²Π° Π½Π°Ρ
ΠΎΠ΄ΠΈΡΡΡ Π² ΡΠ΅ΠΆΠΈΠΌΠ΅ Π·Π°ΠΌΠΊΠ½ΡΡΠΎΠ³ΠΎ ΠΊΠΎΠ½ΡΡΡΠ°.ΠΡΠΎ ΠΏΠΎΠΊΠ°Π·ΡΠ²Π°Π΅Ρ Π½Π°ΠΌ, ΡΡΠΎ ΠΊΠΎΡΡΠ΅ΠΊΡΠΈΡΠΎΠ²ΠΊΠ° ΡΠΎΠΏΠ»ΠΈΠ²Π° — ΡΡΠΎ ΠΏΠΎΡΡΠΎΡΠ½Π½ΡΠΉ ΡΠ°ΡΡΠ΅Ρ, ΠΎΡΠ½ΠΎΠ²Π°Π½Π½ΡΠΉ Π½Π° Π΄Π°Π½Π½ΡΡ
, ΡΠΎΠΎΠ±ΡΠ°Π΅ΠΌΡΡ
Π΄Π°ΡΡΠΈΠΊΠΎΠΌ ΠΊΠΈΡΠ»ΠΎΡΠΎΠ΄Π°. ΠΠ·Π±ΡΡΠΎΡΠ½ΡΠΉ ΠΊΠΈΡΠ»ΠΎΡΠΎΠ΄ Π² Π²ΡΡ
Π»ΠΎΠΏΠ΅ ΡΠΊΠ°Π·ΡΠ²Π°Π΅Ρ Π½Π° Π±Π΅Π΄Π½ΡΡ ΡΠΎΠΏΠ»ΠΈΠ²Π½ΠΎ-Π²ΠΎΠ·Π΄ΡΡΠ½ΡΡ ΡΠΌΠ΅ΡΡ, ΠΏΠΎΡΡΠΎΠΌΡ PCM ΡΠ²Π΅Π»ΠΈΡΠΈΠ²Π°Π΅Ρ ΡΠΈΡΠΈΠ½Ρ ΠΈΠΌΠΏΡΠ»ΡΡΠ° ΡΠΎΡΡΡΠ½ΠΊΠΈ, ΡΡΠΎΠ±Ρ Π΄ΠΎΠ±Π°Π²ΠΈΡΡ Π±ΠΎΠ»ΡΡΠ΅ ΡΠΎΠΏΠ»ΠΈΠ²Π° (ΠΏΠΎΠ»ΠΎΠΆΠΈΡΠ΅Π»ΡΠ½Π°Ρ ΠΊΠΎΡΡΠ΅ΠΊΡΠΈΡΠΎΠ²ΠΊΠ° ΠΏΠΎΠ΄Π°ΡΠΈ ΡΠΎΠΏΠ»ΠΈΠ²Π°). Π‘Π»ΠΈΡΠΊΠΎΠΌ ΠΌΠ°Π»ΠΎ ΠΊΠΈΡΠ»ΠΎΡΠΎΠ΄Π° Π² Π²ΡΡ
Π»ΠΎΠΏΠ΅ ΡΠΊΠ°Π·ΡΠ²Π°Π΅Ρ Π½Π° Π±ΠΎΠ³Π°ΡΡΡ ΡΠΌΠ΅ΡΡ, Π² ΡΠ΅Π·ΡΠ»ΡΡΠ°ΡΠ΅ ΡΠ΅Π³ΠΎ PCM ΡΠΌΠ΅Π½ΡΡΠ°Π΅Ρ ΡΠΈΡΠΈΠ½Ρ ΠΈΠΌΠΏΡΠ»ΡΡΠ° ΡΠΎΡΡΡΠ½ΠΊΠΈ (ΠΎΡΡΠΈΡΠ°ΡΠ΅Π»ΡΠ½Π°Ρ ΠΊΠΎΡΡΠ΅ΠΊΡΠΈΡΠΎΠ²ΠΊΠ° ΠΏΠΎΠ΄Π°ΡΠΈ ΡΠΎΠΏΠ»ΠΈΠ²Π°).
Π€ΠΎΡΠΌΡΠ»Π° Π΄Π»Ρ ΡΠ°ΡΡΠ΅ΡΠ° ΠΊΠΎΡΡΠ΅ΠΊΡΠΈΡΠΎΠ²ΠΊΠΈ ΡΠΎΠΏΠ»ΠΈΠ²ΠΎΠΏΠΎΠ΄Π°ΡΠΈ:
ΠΠ°ΡΡΠ° ΡΠΎΠΏΠ»ΠΈΠ²Π° = ΠΠ°ΡΡΠ° Π²ΠΎΠ·Π΄ΡΡ Π° x (ΠΊΡΠ°ΡΠΊΠΎΠ²ΡΠ΅ΠΌΠ΅Π½Π½Π°Ρ ΠΊΠΎΡΡΠ΅ΠΊΡΠΈΡΠΎΠ²ΠΊΠ° ΠΏΠΎΠ΄Π°ΡΠΈ ΡΠΎΠΏΠ»ΠΈΠ²Π° x Π΄ΠΎΠ»Π³ΠΎΡΡΠΎΡΠ½Π°Ρ ΠΊΠΎΡΡΠ΅ΠΊΡΠΈΡΠΎΠ²ΠΊΠ° ΠΏΠΎΠ΄Π°ΡΠΈ ΡΠΎΠΏΠ»ΠΈΠ²Π°), Π΄Π΅Π»Π΅Π½Π½Π°Ρ Π½Π° (ΠΊΠΎΡΡΡΠΈΡΠΈΠ΅Π½Ρ ΡΠΊΠ²ΠΈΠ²Π°Π»Π΅Π½ΡΠ½ΠΎΡΡΠΈ x 14.64)
ΠΠΎΠ½ΠΈΠΌΠ°Π½ΠΈΠ΅ ΡΡΠΈΡ ΡΠ΅ΡΠΌΠΈΠ½ΠΎΠ² ΠΈ ΠΈΡ Π²Π·Π°ΠΈΠΌΠΎΡΠ²ΡΠ·ΠΈ ΠΏΠΎΠΌΠΎΠΆΠ΅Ρ Π²Π°ΠΌ ΠΏΠΎΠ½ΡΡΡ, ΠΊΠ°ΠΊ ΠΈΡΠΏΠΎΠ»ΡΠ·ΠΎΠ²Π°ΡΡ Π΄Π°Π½Π½ΡΠ΅ ΠΊΠΎΡΡΠ΅ΠΊΡΠΈΡΠΎΠ²ΠΊΠΈ ΡΠΎΠΏΠ»ΠΈΠ²ΠΎΠΏΠΎΠ΄Π°ΡΠΈ, ΠΎΡΠΎΠ±ΡΠ°ΠΆΠ°Π΅ΠΌΡΠ΅ Π½Π° Π΄ΠΈΠ°Π³Π½ΠΎΡΡΠΈΡΠ΅ΡΠΊΠΎΠΌ ΠΏΡΠΈΠ±ΠΎΡΠ΅.
ΠΠΎΡΡΡΠΈΡΠΈΠ΅Π½Ρ ΡΠΊΠ²ΠΈΠ²Π°Π»Π΅Π½ΡΠ½ΠΎΡΡΠΈ
ΠΡΠΎ ΠΆΠ΅Π»Π°Π΅ΠΌΠΎΠ΅ ΡΠΎΠΎΡΠ½ΠΎΡΠ΅Π½ΠΈΠ΅ Π²ΠΎΠ·Π΄ΡΡ / ΡΠΎΠΏΠ»ΠΈΠ²ΠΎ, ΠΊΠΎΠΌΠ°Π½Π΄Π°, Π²ΡΠ΄Π°Π²Π°Π΅ΠΌΠ°Ρ PCM. ΠΠΎΠ»ΡΡΠ΅ 1,0 — ΡΡΠΎ ΠΊΠΎΠΌΠ°Π½Π΄Π° Π΄Π»Ρ Π±ΠΎΠ³Π°ΡΠΎΠ³ΠΎ ΡΠΎΠΎΡΠ½ΠΎΡΠ΅Π½ΠΈΡ Π²ΠΎΠ·Π΄ΡΡ / ΡΠΎΠΏΠ»ΠΈΠ²ΠΎ, Π° ΠΌΠ΅Π½ΡΡΠ΅ 1,0 — Π΄Π»Ρ Π±Π΅Π΄Π½ΠΎΠΉ ΡΠΌΠ΅ΡΠΈ.
Π ΡΡΡΠ°Π½ΠΎΠ²ΠΈΠ²ΡΠ΅ΠΌΡΡ ΡΠ΅ΠΆΠΈΠΌΠ΅ ΡΡΠ° ΠΊΠΎΠΌΠ°Π½Π΄Π° ΠΏΠΎΡΡΠΎΡΠ½Π½ΠΎ ΠΏΠΎΠ²ΡΡΠ°Π΅ΡΡΡ ΠΈ ΠΏΠΎΠ½ΠΈΠΆΠ°Π΅ΡΡΡ Π΄Π»Ρ ΡΠ΅ΡΠ΅Π΄ΠΎΠ²Π°Π½ΠΈΡ Π±ΠΎΠ³Π°ΡΠΎΠΉ ΠΈ Π±Π΅Π΄Π½ΠΎΠΉ ΡΠΌΠ΅ΡΠΈ Π΄Π»Ρ ΠΏΡΠ°Π²ΠΈΠ»ΡΠ½ΠΎΠΉ ΡΠ°Π±ΠΎΡΡ ΠΊΠ°ΡΠ°Π»ΠΈΠ·Π°ΡΠΎΡΠ°.ΠΠ½ΠΎΠ³ΠΈΠ΅ ΡΠΊΠ°Π½ΠΈΡΡΡΡΠΈΠ΅ ΠΏΡΠΈΠ±ΠΎΡΡ ΠΎΡΠΎΠ±ΡΠ°ΠΆΠ°ΡΡ ΡΡΠΎ ΡΠΈΡΠ»ΠΎ Π² Π²ΠΈΠ΄Π΅ Π³ΡΠ°ΡΠΈΠΊΠ° Π² Global OBD-II.
ΠΡΠ°ΡΠΊΠΎΠ²ΡΠ΅ΠΌΠ΅Π½Π½Π°Ρ ΠΊΠΎΡΡΠ΅ΠΊΡΠΈΡΠΎΠ²ΠΊΠ° ΡΠΎΠΏΠ»ΠΈΠ²ΠΎΠΏΠΎΠ΄Π°ΡΠΈ (STFT)
ΠΠΎ Π²ΡΠ΅ΠΌΡ Π½ΠΎΡΠΌΠ°Π»ΡΠ½ΠΎΠΉ ΡΠ°Π±ΠΎΡΡ Ρ ΠΎΠ±ΡΠ°ΡΠ½ΠΎΠΉ ΡΠ²ΡΠ·ΡΡ PCM ΠΈΡΠΏΠΎΠ»ΡΠ·ΡΠ΅Ρ ΡΠ°ΡΡΠ΅ΡΡ ΠΊΡΠ°ΡΠΊΠΎΡΡΠΎΡΠ½ΠΎΠΉ ΠΊΠΎΡΡΠ΅ΠΊΡΠΈΡΠΎΠ²ΠΊΠΈ ΡΠΎΠΏΠ»ΠΈΠ²Π° (STFT), ΡΡΠΎΠ±Ρ ΠΏΠΎΡΡΠΎΡΠ½Π½ΠΎ ΠΎΠΏΡΠ΅Π΄Π΅Π»ΡΡΡ ΡΠΎΠΎΡΠ½ΠΎΡΠ΅Π½ΠΈΠ΅ Π²ΠΎΠ·Π΄ΡΡ
/ ΡΠΎΠΏΠ»ΠΈΠ²ΠΎ ΡΠ»Π΅Π³ΠΊΠ° ΠΎΠ±ΠΎΠ³Π°ΡΠ΅Π½Π½ΡΠΌ, Π° Π·Π°ΡΠ΅ΠΌ ΡΠ»Π΅Π³ΠΊΠ° ΠΎΠ±Π΅Π΄Π½Π΅Π½Π½ΡΠΌ.
ΠΡΠΎ Π½Π΅ΠΎΠ±Ρ
ΠΎΠ΄ΠΈΠΌΠΎ Π΄Π»Ρ ΡΠΎΠ³ΠΎ, ΡΡΠΎΠ±Ρ ΠΊΠ°ΡΠ°Π»ΠΈΡΠΈΡΠ΅ΡΠΊΠΈΠΉ Π½Π΅ΠΉΡΡΠ°Π»ΠΈΠ·Π°ΡΠΎΡ Π²ΡΠΏΠΎΠ»Π½ΡΠ» ΡΠ²ΠΎΡ ΡΠ°Π±ΠΎΡΡ ΠΏΡΠ°Π²ΠΈΠ»ΡΠ½ΠΎ, ΠΈ ΡΡΠ΅Π΄Π½Π΅Π΅ Π·Π½Π°ΡΠ΅Π½ΠΈΠ΅ ΠΊΠΎΠ»Π΅Π±Π°Π½ΠΈΠΉ Π±ΠΎΠ³Π°ΡΠΎΠΉ / ΠΎΠ±Π΅Π΄Π½Π΅Π½Π½ΠΎΠΉ ΡΠΌΠ΅ΡΠΈ Π±ΡΠ΄Π΅Ρ Π² ΠΏΡΠ΅Π΄Π΅Π»Π°Ρ
ΠΈΠ»ΠΈ ΠΎΠΊΠΎΠ»ΠΎ ΡΠ΅ΡΠ΅Π΄ΠΈΠ½Ρ Π΄ΠΈΠ°ΠΏΠ°Π·ΠΎΠ½Π° ΡΠΈΠ³Π½Π°Π»Π° Π΄Π°ΡΡΠΈΠΊΠ° ΠΊΠΈΡΠ»ΠΎΡΠΎΠ΄Π°. ΠΡ ΠΌΠΎΠΆΠ΅ΡΠ΅ ΡΠ²ΠΈΠ΄Π΅ΡΡ ΡΡΠΎ, ΠΎΡΠΎΠ±ΡΠ°Π·ΠΈΠ² Π³ΡΠ°ΡΠΈΠΊΠΈ ΠΎΡΠ½ΠΎΡΠ΅Π½ΠΈΡ ΡΠΊΠ²ΠΈΠ²Π°Π»Π΅Π½ΡΠ½ΠΎΡΡΠΈ, ΠΊΠΈΡΠ»ΠΎΡΠΎΠ΄Π½ΠΎΠ³ΠΎ Π΄Π°ΡΡΠΈΠΊΠ° ΠΈ STFT Π½Π° Π΄ΠΈΠ°Π³Π½ΠΎΡΡΠΈΡΠ΅ΡΠΊΠΎΠΌ ΠΏΡΠΈΠ±ΠΎΡΠ΅.
Π ΡΠ΅ΠΆΠΈΠΌΠ΅ ΠΎΠΆΠΈΠ΄Π°Π½ΠΈΡ Π³ΡΠ°ΡΠΈΠΊΠΈ Π±ΡΠ΄ΡΡ Π·Π΅ΡΠΊΠ°Π»ΡΠ½ΠΎ ΠΎΡΡΠ°ΠΆΠ°ΡΡ ΠΈΠ»ΠΈ Β«ΠΏΡΠ΅ΡΠ»Π΅Π΄ΠΎΠ²Π°ΡΡΒ» Π΄ΡΡΠ³ Π΄ΡΡΠ³Π°: ΠΎΠ½ΠΈ Π½Π΅ Π±ΡΠ΄ΡΡ ΠΈΠΌΠ΅ΡΡ ΠΎΠ΄ΠΈΠ½Π°ΠΊΠΎΠ²ΡΡ ΡΠΎΡΠΌΡ, Π½ΠΎ ΠΏΠΎ ΠΌΠ΅ΡΠ΅ ΡΠΎΠ³ΠΎ, ΠΊΠ°ΠΊ ΠΎΠ΄ΠΈΠ½ ΠΏΠΎΠ΄Π½ΠΈΠΌΠ°Π΅ΡΡΡ, Π΄ΡΡΠ³ΠΈΠ΅ Π±ΡΠ΄ΡΡ ΡΠ»Π΅Π΄ΠΎΠ²Π°ΡΡ ΠΈΠ»ΠΈ ΠΏΠ°Π΄Π°ΡΡ.
ΠΠΎΠ»Π³ΠΎΠ²ΡΠ΅ΠΌΠ΅Π½Π½Π°Ρ ΠΊΠΎΡΡΠ΅ΠΊΡΠΈΡΠΎΠ²ΠΊΠ° ΡΠΎΠΏΠ»ΠΈΠ²ΠΎΠΏΠΎΠ΄Π°ΡΠΈ (LTFT)
ΠΠΎ ΠΌΠ΅ΡΠ΅ ΡΠΎΠ³ΠΎ, ΠΊΠ°ΠΊ Π΄Π²ΠΈΠ³Π°ΡΠ΅Π»Ρ ΠΈΠ·Π½Π°ΡΠΈΠ²Π°Π΅ΡΡΡ, Π° ΡΠΈΠ»ΠΈΠ½Π΄ΡΡ ΠΏΠ΅ΡΠ΅ΡΡΠ°ΡΡ ΡΠ°Π²Π½ΠΎΠΌΠ΅ΡΠ½ΠΎ ΡΠΏΠ»ΠΎΡΠ½ΡΡΡΡΡ, ΠΊΡΠ°ΡΠΊΠΎΠ²ΡΠ΅ΠΌΠ΅Π½Π½Π°Ρ ΠΊΠΎΡΡΠ΅ΠΊΡΠΈΡΠΎΠ²ΠΊΠ° ΠΏΠΎΠ΄Π°ΡΠΈ ΡΠΎΠΏΠ»ΠΈΠ²Π° Π² Π±ΠΎΠ»ΡΡΠΈΠ½ΡΡΠ²Π΅ ΡΠ»ΡΡΠ°Π΅Π² ΠΌΠΎΠΆΠ΅Ρ ΠΈΠΌΠ΅ΡΡ ΡΠ΅Π½Π΄Π΅Π½ΡΠΈΡ ΠΊ ΠΏΠΎΠ²ΡΡΠ΅Π½ΠΈΡ ΠΈΠ»ΠΈ ΡΠ½ΠΈΠΆΠ΅Π½ΠΈΡ. PCM ΠΈΠΌΠ΅Π΅Ρ Π²ΠΎΠ·ΠΌΠΎΠΆΠ½ΠΎΡΡΡ ΠΈΠ·ΡΡΠ°ΡΡ ΡΡΡ ΡΠ΅Π½Π΄Π΅Π½ΡΠΈΡ ΠΈ ΡΠΎΡ
ΡΠ°Π½ΡΡΡ Π΅Π΅ Π² ΠΏΠ°ΠΌΡΡΠΈ, ΠΈ ΠΎΠ½ Π±ΡΠ΄Π΅Ρ ΠΈΡΠΏΠΎΠ»ΡΠ·ΠΎΠ²Π°ΡΡ ΡΡΠΎ ΡΠΈΡΠ»ΠΎ ΠΏΡΠΈ ΡΠ°ΡΡΠ΅ΡΠ΅ ΠΊΠΎΡΡΠ΅ΠΊΡΠΈΠΈ ΡΠ°ΡΡ
ΠΎΠ΄Π° ΡΠΎΠΏΠ»ΠΈΠ²Π°, ΡΡΠΎΠ±Ρ ΠΊΠΎΠΌΠΏΠ΅Π½ΡΠΈΡΠΎΠ²Π°ΡΡ ΠΈΠ·ΠΌΠ΅Π½Π΅Π½ΠΈΡ, Π²ΡΠ·ΡΠ²Π°ΡΡΠΈΠ΅ ΡΠ΅Π½Π΄Π΅Π½ΡΠΈΡ.
ΠΡΠΎ Π΄ΠΎΠ»Π³ΠΎΡΡΠΎΡΠ½Π°Ρ ΠΊΠΎΡΡΠ΅ΠΊΡΠΈΡΠΎΠ²ΠΊΠ° ΡΠΎΠΏΠ»ΠΈΠ²Π° (LTFT). ΠΠΎΡΠΊΠΎΠ»ΡΠΊΡ ΠΊΠΎΡΡΠ΅ΠΊΡΠΈΡΠΎΠ²ΠΊΠ° ΡΠΎΠΏΠ»ΠΈΠ²ΠΎΠΏΠΎΠ΄Π°ΡΠΈ — ΡΡΠΎ ΠΏΠΎΡΡΠΎΡΠ½Π½ΡΠΉ ΡΠ°ΡΡΠ΅Ρ, ΡΠΎΡ
ΡΠ°Π½Π΅Π½ΠΈΠ΅ ΠΎΠ΄Π½ΠΎΠ³ΠΎ ΠΊΠΎΡΡΡΠΈΡΠΈΠ΅Π½ΡΠ° Π² ΡΠ°ΡΡΠ΅ΡΠ°Ρ
ΠΏΠΎΡΡΠΎΡΠ½Π½ΡΠΌ ΠΏΠΎΠ·Π²ΠΎΠ»ΡΠ΅Ρ Π²Π΅ΡΠ½ΡΡΡ STFT Π² Π΅Π³ΠΎ Π½ΠΎΡΠΌΠ°Π»ΡΠ½ΡΠΉ Π΄ΠΈΠ°ΠΏΠ°Π·ΠΎΠ½, ΠΎΠ±Π΅ΡΠΏΠ΅ΡΠΈΠ²Π°Ρ Π±ΠΎΠ»Π΅Π΅ Π±ΡΡΡΡΡΡ ΠΈ ΡΠΎΡΠ½ΡΡ ΡΠ΅Π°ΠΊΡΠΈΡ Π½Π° Π±ΠΎΠ»ΡΡΠΈΠ΅ ΠΈΠ·ΠΌΠ΅Π½Π΅Π½ΠΈΡ Π² ΡΠ°Π±ΠΎΡΠΈΡ
ΡΡΠ»ΠΎΠ²ΠΈΡΡ
, ΡΠ°ΠΊΠΈΡ
ΠΊΠ°ΠΊ ΡΡΠΊΠΎΡΠ΅Π½ΠΈΠ΅.
ΠΠ°ΠΊ ΠΏΡΠ°Π²ΠΈΠ»ΠΎ, Π΄Π»Ρ ΠΈΠ·ΠΌΠ΅Π½Π΅Π½ΠΈΡ LTFT ΡΡΠ΅Π±ΡΠ΅ΡΡΡ ΠΎΡ ΠΏΡΡΠΈ Π΄ΠΎ 20 ΡΠ΅ΠΊΡΠ½Π΄, ΠΈ ΠΏΠΎΡΠΊΠΎΠ»ΡΠΊΡ ΠΎΠ½ΠΎ ΡΠΎΡ ΡΠ°Π½ΡΠ΅ΡΡΡ Π² ΠΏΠ°ΠΌΡΡΠΈ ΠΏΡΠΈ Π²ΡΠΊΠ»ΡΡΠ΅Π½ΠΈΠΈ Π΄Π²ΠΈΠ³Π°ΡΠ΅Π»Ρ, ΡΠΎ ΠΆΠ΅ Π·Π½Π°ΡΠ΅Π½ΠΈΠ΅ LTFT ΠΈΡΠΏΠΎΠ»ΡΠ·ΡΠ΅ΡΡΡ Π² ΡΠ»Π΅Π΄ΡΡΡΠΈΠΉ ΡΠ°Π·, ΠΊΠΎΠ³Π΄Π° ΡΠΈΡΡΠ΅ΠΌΠ° ΠΏΠ΅ΡΠ΅Ρ ΠΎΠ΄ΠΈΡ Π² ΡΠ΅ΠΆΠΈΠΌ Π·Π°ΠΌΠΊΠ½ΡΡΠΎΠ³ΠΎ ΡΠΈΠΊΠ»Π°.
ΠΡΠΈ ΡΡΠΈ ΠΏΠ΅ΡΠ΅ΠΌΠ΅Π½Π½ΡΠ΅ Π² ΡΠ°ΡΡΠ΅ΡΠ΅ ΡΠΎΠΏΠ»ΠΈΠ²Π° — STFT, LTFT ΠΈ ΠΊΠΎΡΡΡΠΈΡΠΈΠ΅Π½Ρ ΡΠΊΠ²ΠΈΠ²Π°Π»Π΅Π½ΡΠ½ΠΎΡΡΠΈ — Π²ΡΠ΅ Π³Π΅Π½Π΅ΡΠΈΡΡΡΡΡΡ PCM. ΠΠ΄ΠΈΠ½ΡΡΠ²Π΅Π½Π½Π°Ρ Π΄ΡΡΠ³Π°Ρ ΠΏΠ΅ΡΠ΅ΠΌΠ΅Π½Π½Π°Ρ, ΠΌΠ°ΡΡΠ° Π²ΠΎΠ·Π΄ΡΡ Π°, ΠΈΠ·ΠΌΠ΅ΡΡΠ΅ΡΡΡ Π΄Π°ΡΡΠΈΠΊΠΎΠΌ.
Π§ΡΠΎΠ±Ρ ΠΏΠΎΠ½ΡΡΡ, ΠΊΠ°ΠΊ ΠΏΠ΅ΡΠ΅ΠΌΠ΅Π½Π½ΡΠ΅ Π²Π»ΠΈΡΡΡ Π½Π° ΠΊΠΎΡΡΠ΅ΠΊΡΠΈΡΠΎΠ²ΠΊΡ ΠΏΠΎΠ΄Π°ΡΠΈ ΡΠΎΠΏΠ»ΠΈΠ²Π°, ΠΏΡΠΈΠΌΠΈΡΠ΅ Π²ΠΎ Π²Π½ΠΈΠΌΠ°Π½ΠΈΠ΅ ΡΠ»Π΅Π΄ΡΡΡΠ΅Π΅: ΠΊΠΎΠ³Π΄Π° ΡΠΈΡΡΠ΅ΠΌΠ° Π½Π°Ρ
ΠΎΠ΄ΠΈΡΡΡ Π² ΡΠ°Π·ΠΎΠΌΠΊΠ½ΡΡΠΎΠΌ ΠΊΠΎΠ½ΡΡΡΠ΅, ΠΊΠΎΡΡΠ΅ΠΊΡΠΈΡΠΎΠ²ΠΊΠ° ΠΏΠΎΠ΄Π°ΡΠΈ ΡΠΎΠΏΠ»ΠΈΠ²Π° ΠΎΡΡΡΡΡΡΠ²ΡΠ΅Ρ, ΠΏΠΎΡΠΎΠΌΡ ΡΡΠΎ PCM ΡΠ΄Π΅ΡΠΆΠΈΠ²Π°Π΅Ρ ΡΡΠΈ ΠΊΠΎΠ½ΡΡΠΎΠ»ΠΈΡΡΠ΅ΠΌΡΡ
ΠΏΠ΅ΡΠ΅ΠΌΠ΅Π½Π½ΡΡ
Π½Π° ΡΡΠΎΠ²Π½Π΅ 1,0.
ΠΠ΄ΠΈΠ½ΡΡΠ²Π΅Π½Π½Π°Ρ ΠΏΠ΅ΡΠ΅ΠΌΠ΅Π½Π½Π°Ρ, ΠΊΠΎΡΠΎΡΠ°Ρ Π²Π»ΠΈΡΠ΅Ρ Π½Π° ΠΏΠΎΡΡΠ΅Π±Π½ΠΎΡΡΡ Π² ΡΠΎΠΏΠ»ΠΈΠ²Π΅, — ΡΡΠΎ ΡΠ°ΡΡ
ΠΎΠ΄ Π²ΠΎΠ·Π΄ΡΡ
Π°, ΠΈ ΡΠ°ΡΡΠ΅Ρ Π²ΡΠ³Π»ΡΠ΄ΠΈΡ ΡΠ°ΠΊ:
ΠΠ°ΡΡΠ° ΡΠΎΠΏΠ»ΠΈΠ²Π° = ΠΠ°ΡΡΠ° Π²ΠΎΠ·Π΄ΡΡ Π° x (1 x 1), Π΄Π΅Π»Π΅Π½Π½Π°Ρ Π½Π° (1 x 14.64)
ΠΠ΅ΠΊΠΎΡΠΎΡΡΠ΅ Π΄ΡΠΌΠ°ΡΡ, ΡΡΠΎ LTFT — ΡΡΠΎ Π³ΡΡΠ±Π°Ρ Π½Π°ΡΡΡΠΎΠΉΠΊΠ°, Π° STFT — ΡΠΎΡΠ½Π°Ρ Π½Π°ΡΡΡΠΎΠΉΠΊΠ°. ΠΠΎΠ»Π΅Π΅ ΡΠ΅Ρ Π½ΠΈΡΠ΅ΡΠΊΠΎΠ΅ ΠΎΠΏΡΠ΅Π΄Π΅Π»Π΅Π½ΠΈΠ΅ Π±ΡΠ»ΠΎ Π±Ρ Π°Π΄Π΄ΠΈΡΠΈΠ²Π½ΡΠΌ ΠΈ ΠΌΡΠ»ΡΡΠΈΠΏΠ»ΠΈΠΊΠ°ΡΠΈΠ²Π½ΡΠΌ. Π Π°ΡΡΠ΅Ρ Π°Π΄Π΄ΠΈΡΠΈΠ²Π½ΠΎΠΉ ΠΊΠΎΡΡΠ΅ΠΊΡΠΈΠΈ ΡΠΎΠΏΠ»ΠΈΠ²Π° (STFT) Π½Π΅ ΡΠΈΠ»ΡΠ½ΠΎ Π·Π°Π²ΠΈΡΠΈΡ ΠΎΡ ΡΠ°ΡΡΠΎΡΡ Π²ΡΠ°ΡΠ΅Π½ΠΈΡ Π΄Π²ΠΈΠ³Π°ΡΠ΅Π»Ρ ΠΈΠ»ΠΈ Π½Π°Π³ΡΡΠ·ΠΊΠΈ. ΠΠ°ΠΏΡΠΈΠΌΠ΅Ρ, ΡΡΠ΅ΡΠΊΠ° Π²Π°ΠΊΡΡΠΌΠ° ΠΏΡΠΈΠ²Π΅Π΄Π΅Ρ ΠΊ Π΄ΠΎΠΏΠΎΠ»Π½ΠΈΡΠ΅Π»ΡΠ½ΠΎΠΌΡ ΡΠ°ΡΡΠ΅ΡΡ, ΠΏΠΎΡΠΊΠΎΠ»ΡΠΊΡ Π²Π»ΠΈΡΠ½ΠΈΠ΅ ΡΡΠΎΠΉ ΡΡΠ΅ΡΠΊΠΈ ΠΎΡΠ΅Π½Ρ ΠΌΠ°Π»ΠΎ ΡΠ²Π΅Π»ΠΈΡΠΈΠ²Π°Π΅ΡΡΡ Ρ ΡΠ²Π΅Π»ΠΈΡΠ΅Π½ΠΈΠ΅ΠΌ ΡΠ°ΡΡΠΎΡΡ Π²ΡΠ°ΡΠ΅Π½ΠΈΡ Π΄Π²ΠΈΠ³Π°ΡΠ΅Π»Ρ. Π Π°ΡΡΠ΅Ρ ΠΌΡΠ»ΡΡΠΈΠΏΠ»ΠΈΠΊΠ°ΡΠΈΠ²Π½ΠΎΠΉ ΠΊΠΎΡΡΠ΅ΠΊΡΠΈΡΠΎΠ²ΠΊΠΈ ΡΠΎΠΏΠ»ΠΈΠ²ΠΎΠΏΠΎΠ΄Π°ΡΠΈ (LTFT) ΡΠ²Π΅Π»ΠΈΡΠΈΠ²Π°Π΅ΡΡΡ ΠΏΡΠΈ ΡΠ²Π΅Π»ΠΈΡΠ΅Π½ΠΈΠΈ ΡΠ°ΡΡΠΎΡΡ Π²ΡΠ°ΡΠ΅Π½ΠΈΡ Π΄Π²ΠΈΠ³Π°ΡΠ΅Π»Ρ ΠΈΠ»ΠΈ Π½Π°Π³ΡΡΠ·ΠΊΠΈ, ΠΏΠΎΡΠΊΠΎΠ»ΡΠΊΡ, Π½Π°ΠΏΡΠΈΠΌΠ΅Ρ, ΡΡΡΠ΅ΠΊΡ ΡΠ°ΡΡΠΈΡΠ½ΠΎ Π·Π°Π±ΠΈΡΠΎΠΉ ΡΠΎΡΡΡΠ½ΠΊΠΈ ΡΠ²Π΅Π»ΠΈΡΠΈΠ²Π°Π΅ΡΡΡ ΠΏΡΠΈ ΡΠ²Π΅Π»ΠΈΡΠ΅Π½ΠΈΠΈ ΡΠΊΠΎΡΠΎΡΡΠΈ ΠΈ Π½Π°Π³ΡΡΠ·ΠΊΠΈ.
[PAGEBREAK]
Π§ΡΠΎ Π½ΠΎΡΠΌΠ°Π»ΡΠ½ΠΎ, Π° ΡΡΠΎ Π½Π΅Ρ?
ΠΡΠΈ ΠΏΡΠΎΡΠΌΠΎΡΡΠ΅ ΠΊΠΎΡΡΠ΅ΠΊΡΠΈΡΠΎΠ²ΠΊΠΈ ΡΠΎΠΏΠ»ΠΈΠ²ΠΎΠΏΠΎΠ΄Π°ΡΠΈ Π½Π° Π΄ΠΈΠ°Π³Π½ΠΎΡΡΠΈΡΠ΅ΡΠΊΠΎΠΌ ΠΏΡΠΈΠ±ΠΎΡΠ΅ Π΅Π΅ ΡΠ»Π΅Π΄ΡΠ΅Ρ ΠΏΡΠΎΠ²Π΅ΡΡΡΡ Π½Π΅ ΠΌΠ΅Π½Π΅Π΅ 30 ΡΠ΅ΠΊΡΠ½Π΄ ΠΏΡΠΈ ΡΡΠ΅Ρ
ΡΠ°Π·Π»ΠΈΡΠ½ΡΡ
ΠΎΠ±ΠΎΡΠΎΡΠ°Ρ
Π΄Π²ΠΈΠ³Π°ΡΠ΅Π»Ρ: Ρ
ΠΎΠ»ΠΎΡΡΠΎΠΌ Ρ
ΠΎΠ΄Ρ, 1500 ΠΎΠ± / ΠΌΠΈΠ½ ΠΈ 2500 ΠΎΠ± / ΠΌΠΈΠ½.
ΠΡΠ»ΠΈ Π²Ρ ΡΠ΄Π΅Π»Π°Π΅ΡΠ΅ Π·Π°ΠΏΠΈΡΡ Ρ ΠΏΠΎΠΌΠΎΡΡΡ Π΄ΠΈΠ°Π³Π½ΠΎΡΡΠΈΡΠ΅ΡΠΊΠΎΠ³ΠΎ ΠΏΡΠΈΠ±ΠΎΡΠ° Π²ΠΎ Π²ΡΠ΅ΠΌΡ Π²ΠΎΠΆΠ΄Π΅Π½ΠΈΡ Π°Π²ΡΠΎΠΌΠΎΠ±ΠΈΠ»Ρ, Π²Ρ ΡΠΌΠΎΠΆΠ΅ΡΠ΅ ΡΠ²ΠΈΠ΄Π΅ΡΡ, ΠΊΠ°ΠΊ ΡΠΎΠΏΠ»ΠΈΠ²Π½ΡΠ΅ Π±Π°Π»Π°Π½ΡΠΈΡΠΎΠ²ΠΊΠΈ ΠΌΠ΅Π½ΡΡΡΡΡ ΠΏΡΠΈ ΠΈΠ·ΠΌΠ΅Π½Π΅Π½ΠΈΠΈ Π½Π°Π³ΡΡΠ·ΠΊΠΈ.
ΠΠΎΠ³Π΄Π° Π²ΡΠ΅ ΡΡΠ°Π±ΠΈΠ»ΡΠ½ΠΎ ΠΈ ΡΠ°Π±ΠΎΡΠ°Π΅Ρ ΠΏΡΠ°Π²ΠΈΠ»ΡΠ½ΠΎ, Π·Π½Π°ΡΠ΅Π½ΠΈΡ ΠΊΠΎΡΡΠ΅ΠΊΡΠΈΡΠΎΠ²ΠΊΠΈ ΡΠΎΠΏΠ»ΠΈΠ²Π° Π½Π΅ Π΄ΠΎΠ»ΠΆΠ½Ρ ΠΏΡΠ΅Π²ΡΡΠ°ΡΡ 10%, Π° ΠΎΠ±ΡΠ°Ρ ΠΊΠΎΡΡΠ΅ΠΊΡΠΈΡΠΎΠ²ΠΊΠ° ΡΠΎΠΏΠ»ΠΈΠ²Π° Π΄ΠΎΠ»ΠΆΠ½Π° Π±ΡΡΡ Π½Π΅ Π±ΠΎΠ»Π΅Π΅ 10% ΠΏΡΠΈ ΡΠ»ΠΎΠΆΠ΅Π½ΠΈΠΈ ΡΠΈΡΠ΅Π».ΠΠ°ΠΏΡΠΈΠΌΠ΅Ρ, Π΅ΡΠ»ΠΈ LTFT ΡΠΎΡΡΠ°Π²Π»ΡΠ΅Ρ 4%, Π° STFT — 4%, ΠΎΠ±ΡΠ°Ρ ΡΡΠΌΠΌΠ° ΡΠΎΡΡΠ°Π²Π»ΡΠ΅Ρ 8%: ΡΡΠΎ ΠΏΡΠΈΠ΅ΠΌΠ»Π΅ΠΌΠΎ.
ΠΡΠ»ΠΈ LTFT ΡΠΎΡΡΠ°Π²Π»ΡΠ΅Ρ 12%, Π° STFT — ΠΎΡΡΠΈΡΠ°ΡΠ΅Π»ΡΠ½ΠΎΠ΅ Π·Π½Π°ΡΠ΅Π½ΠΈΠ΅ 6%, ΠΎΠ±ΡΠ°Ρ ΠΊΠΎΡΡΠ΅ΠΊΡΠΈΡΠΎΠ²ΠΊΠ° ΠΏΠΎΠ΄Π°ΡΠΈ ΡΠΎΠΏΠ»ΠΈΠ²Π° ΡΠΎΡΡΠ°Π²Π»ΡΠ΅Ρ 6%. ΠΡΠΎ ΠΏΠΎΠΊΠ°Π·ΡΠ²Π°Π΅Ρ, ΡΡΠΎ PCM ΠΎΠ±Π»Π°Π΄Π°Π΅Ρ Π΄ΠΎΡΡΠ°ΡΠΎΡΠ½ΡΠΌ ΠΊΠΎΠ½ΡΡΠΎΠ»Π΅ΠΌ, ΡΡΠΎΠ±Ρ ΠΊΠ°ΡΠ°Π»ΠΈΠ·Π°ΡΠΎΡ ΡΠ°Π±ΠΎΡΠ°Π» ΠΏΡΠ°Π²ΠΈΠ»ΡΠ½ΠΎ, Π½ΠΎ Π²ΡΡΠΎΠΊΠΎΠ΅ Π·Π½Π°ΡΠ΅Π½ΠΈΠ΅ LTFT ΠΏΠΎΠΊΠ°Π·ΡΠ²Π°Π΅Ρ, ΡΡΠΎ ΠΎΠ½ ΡΡΠΎ-ΡΠΎ ΠΊΠΎΠΌΠΏΠ΅Π½ΡΠΈΡΡΠ΅Ρ. ΠΠ° Π±ΠΎΠ»Π΅Π΅ ΡΡΠ°ΡΡΡ Π΄Π²ΠΈΠ³Π°ΡΠ΅Π»ΡΡ LTFT ΠΎΠ±ΡΡΠ½ΠΎ Π½Π΅ΠΌΠ½ΠΎΠ³ΠΎ Π²ΡΡΠ΅, ΡΠ°ΠΊ ΠΊΠ°ΠΊ PCM ΠΊΠΎΠΌΠΏΠ΅Π½ΡΠΈΡΡΠ΅Ρ Π½ΠΎΡΠΌΠ°Π»ΡΠ½ΡΠΉ ΠΈΠ·Π½ΠΎΡ.
ΠΡΠ»ΠΈ ΠΊΠΎΡΡΠ΅ΠΊΡΠΈΡΠΎΠ²ΠΊΠ° ΡΠΎΠΏΠ»ΠΈΠ²ΠΎΠΏΠΎΠ΄Π°ΡΠΈ Π·Π½Π°ΡΠΈΡΠ΅Π»ΡΠ½ΠΎ Π±ΠΎΠ»ΡΡΠ΅ 10% ΠΏΠΎΠ»ΠΎΠΆΠΈΡΠ΅Π»ΡΠ½ΠΎΠ³ΠΎ ΠΈΠ»ΠΈ ΠΎΡΡΠΈΡΠ°ΡΠ΅Π»ΡΠ½ΠΎΠ³ΠΎ Π·Π½Π°ΡΠ΅Π½ΠΈΡ, PCM ΠΊΠΎΠΌΠΏΠ΅Π½ΡΠΈΡΡΠ΅Ρ Π±ΠΎΠ»ΡΡΠ΅, ΡΠ΅ΠΌ ΠΏΡΠΎΡΡΠΎ Π½ΠΎΡΠΌΠ°Π»ΡΠ½ΡΠΉ ΠΈΠ·Π½ΠΎΡ.ΠΡΠ΄Ρ ΡΠΎ ΡΡΠ°ΡΡΠΉ Π΄Π²ΠΈΠ³Π°ΡΠ΅Π»Ρ Ρ ΠΏΡΠΎΡΡΡΠΌ Π΄Π°ΡΡΠΈΠΊΠΎΠΌ ΠΊΠΈΡΠ»ΠΎΡΠΎΠ΄Π° ΠΈΠ»ΠΈ Π±ΠΎΠ»Π΅Π΅ Π½ΠΎΠ²Π°Ρ ΠΌΠΎΠ΄Π΅Π»Ρ Ρ ΡΠΈΡΠΎΠΊΠΎΠΏΠΎΠ»ΠΎΡΠ½ΡΠΌ Π΄Π°ΡΡΠΈΠΊΠΎΠΌ ΡΠΎΠΎΡΠ½ΠΎΡΠ΅Π½ΠΈΡ Π²ΠΎΠ·Π΄ΡΡ
/ ΡΠΎΠΏΠ»ΠΈΠ²ΠΎ, LTFT Π±ΡΠ΄Π΅Ρ ΠΏΡΠΎΠ΄ΠΎΠ»ΠΆΠ°ΡΡ ΠΏΠ΅ΡΠ΅ΠΊΠ»ΡΡΠ°ΡΡΡΡ ΠΏΠΎ ΠΌΠ΅ΡΠ΅ Π½Π΅ΠΎΠ±Ρ
ΠΎΠ΄ΠΈΠΌΠΎΡΡΠΈ, ΡΡΠΎΠ±Ρ ΠΏΠΎΠ΄Π΄Π΅ΡΠΆΠΈΠ²Π°ΡΡ ΠΊΠΎΠ»Π΅Π±Π°Π½ΠΈΡ STFT Π² ΠΏΡΠ°Π²ΠΈΠ»ΡΠ½ΠΎΠΌ Π΄ΠΈΠ°ΠΏΠ°Π·ΠΎΠ½Π΅.
LTFT ΠΌΠΎΠΆΠ΅Ρ ΡΠΌΠ΅ΡΡΠΈΡΡΡΡ Π½Π° ΡΠ΄ΠΈΠ²Π»Π΅Π½ΠΈΠ΅ Π΄Π°Π»Π΅ΠΊΠΎ, Π½ΠΎ ΠΊΠΎΠ³Π΄Π° ΠΎΠ½ Π΄ΠΎΡΡΠΈΠ³Π½Π΅Ρ ΠΏΠ»ΡΡ-ΠΌΠΈΠ½ΡΡ 25%, Π·Π°Π³ΠΎΡΠΈΡΡΡ ΠΈΠ½Π΄ΠΈΠΊΠ°ΡΠΎΡ MIL ΠΈ Π±ΡΠ΄Π΅Ρ ΡΡΡΠ°Π½ΠΎΠ²Π»Π΅Π½ ΠΊΠΎΠ΄. ΠΠΎΠ΄Ρ Π½Π΅ΠΈΡΠΏΡΠ°Π²Π½ΠΎΡΡΠ΅ΠΉ, Ρ Π°ΡΠ°ΠΊΡΠ΅ΡΠ½ΡΠ΅ Π΄Π»Ρ ΠΊΠΎΡΡΠ΅ΠΊΡΠΈΡΠΎΠ²ΠΊΠΈ ΡΠΎΠΏΠ»ΠΈΠ²ΠΎΠΏΠΎΠ΄Π°ΡΠΈ:
- P0170: ΠΠ°Π»Π°Π½ΡΠΈΡΠΎΠ²ΠΊΠ° ΡΠΎΠΏΠ»ΠΈΠ²Π°, ΡΡΠ΄ 1
- P0171: Π‘ΠΈΡΡΠ΅ΠΌΠ° ΡΠ»ΠΈΡΠΊΠΎΠΌ Π±Π΅Π΄Π½Π°Ρ (Π±Π°Π½ΠΊ 1)
- P0172: ΡΠ»ΠΈΡΠΊΠΎΠΌ Π±ΠΎΠ³Π°ΡΠ°Ρ ΡΠΈΡΡΠ΅ΠΌΠ° (Π±Π°Π½ΠΊ 1)
- P0173: ΠΠ°Π»Π°Π½ΡΠΈΡΠΎΠ²ΠΊΠ° ΡΠΎΠΏΠ»ΠΈΠ²Π°, ΡΡΠ΄ 2
- P0174: Π‘ΠΈΡΡΠ΅ΠΌΠ° ΡΠ»ΠΈΡΠΊΠΎΠΌ Π±Π΅Π΄Π½Π°Ρ (Π±Π°Π½ΠΊ 2)
- P0175: ΡΠ»ΠΈΡΠΊΠΎΠΌ Π±ΠΎΠ³Π°ΡΠ°Ρ ΡΠΈΡΡΠ΅ΠΌΠ° (Π±Π°Π½ΠΊ 2)
Π ΡΠΎΠΌΡ Π²ΡΠ΅ΠΌΠ΅Π½ΠΈ, ΠΊΠΎΠ³Π΄Π° LTFT Π΄ΠΎΡΡΠΈΠ³Π½Π΅Ρ 25%, ΠΏΠΎΡΠ²ΡΡΡΡ ΠΈ Π΄ΡΡΠ³ΠΈΠ΅ ΠΊΠΎΠ΄Ρ.
ΠΠΎ Π΅ΡΠ»ΠΈ LTFT Π½ΠΈΠΆΠ΅ ΡΡΠΎΠ³ΠΎ ΠΏΡΠ΅Π΄Π΅Π»Π° Ρ Π΄ΡΡΠ³ΠΈΠΌΠΈ ΠΊΠΎΠ΄Π°ΠΌΠΈ ΠΈΠ»ΠΈ Π±Π΅Π· Π½ΠΈΡ , Π²Ρ Π²ΡΠ΅ ΡΠ°Π²Π½ΠΎ ΠΌΠΎΠΆΠ΅ΡΠ΅ ΠΏΠΎΠ»ΡΡΠΈΡΡ ΠΌΠ½ΠΎΠ³ΠΎ ΠΈΠ½ΡΠΎΡΠΌΠ°ΡΠΈΠΈ ΠΎΡ ΡΠΊΠ°Π½ΠΈΡΡΡΡΠ΅Π³ΠΎ ΠΏΡΠΈΠ±ΠΎΡΠ°, ΠΏΡΠ΅ΠΆΠ΄Π΅ ΡΠ΅ΠΌ ΠΏΠΎΠ΄ΠΊΠ»ΡΡΠ°ΡΡ Π΄ΠΎΠΏΠΎΠ»Π½ΠΈΡΠ΅Π»ΡΠ½ΠΎΠ΅ ΠΈΡΠΏΡΡΠ°ΡΠ΅Π»ΡΠ½ΠΎΠ΅ ΠΎΠ±ΠΎΡΡΠ΄ΠΎΠ²Π°Π½ΠΈΠ΅ Π΄Π»Ρ ΠΏΠΎΠ΄ΡΠ²Π΅ΡΠΆΠ΄Π΅Π½ΠΈΡ Π²Π°ΡΠ΅Π³ΠΎ Π΄ΠΈΠ°Π³Π½ΠΎΠ·Π°.
ΠΠΎΡΠ΅ΠΌΡ ΡΠΈΡΡΡ ΠΊΠΎΡΡΠ΅ΠΊΡΠΈΡΠΎΠ²ΠΊΠΈ ΡΠΎΠΏΠ»ΠΈΠ²Π° Π²ΡΡΠΎΠΊΠΈΠ΅?
ΠΡΠ»ΠΈ LTFT ΠΈΠ»ΠΈ ΠΏΠΎΠ»Π½Π°Ρ ΠΊΠΎΡΡΠ΅ΠΊΡΠΈΡΠΎΠ²ΠΊΠ° ΠΏΠΎΠ΄Π°ΡΠΈ ΡΠΎΠΏΠ»ΠΈΠ²Π° Π±ΠΎΠ»ΡΡΠ΅ ΠΏΠ»ΡΡ 10%, PCM ΡΡΠΈΡΠ°Π΅Ρ, ΡΡΠΎ ΡΠΎΠΎΡΠ½ΠΎΡΠ΅Π½ΠΈΠ΅ Π²ΠΎΠ·Π΄ΡΡ
/ ΡΠΎΠΏΠ»ΠΈΠ²ΠΎ ΡΠ»ΠΈΡΠΊΠΎΠΌ Π±Π΅Π΄Π½ΠΎΠ΅, ΠΈ Π΄ΠΎΠ±Π°Π²Π»ΡΠ΅Ρ ΡΠΎΠΏΠ»ΠΈΠ²ΠΎ, ΡΡΠΎΠ±Ρ ΡΡΡΠ°Π½ΠΎΠ²ΠΈΡΡ ΠΊΠΎΠ½ΡΡΠΎΠ»Ρ STFT Π² ΠΏΡΠ°Π²ΠΈΠ»ΡΠ½ΡΠΉ Π΄ΠΈΠ°ΠΏΠ°Π·ΠΎΠ½.
ΠΡΠΎ Π΄Π°Π΅Ρ ΡΡΠΈ Π²ΠΎΠ·ΠΌΠΎΠΆΠ½ΠΎΡΡΠΈ:
- ΠΠ΅ΠΈΠ·ΠΌΠ΅ΡΠ΅Π½Π½ΡΠΉ Π²ΠΎΠ·Π΄ΡΡ ΠΏΠΎΡΡΡΠΏΠ°Π΅Ρ Π² ΠΊΠ°ΠΌΠ΅ΡΡ ΡΠ³ΠΎΡΠ°Π½ΠΈΡ.
- ΠΠ΅Π½ΡΡΠ΅ Π·Π°Π΄Π°Π½Π½ΠΎΠ³ΠΎ ΠΊΠΎΠ»ΠΈΡΠ΅ΡΡΠ²Π° ΡΠΎΠΏΠ»ΠΈΠ²Π° Π΄ΠΎΡΡΠΈΠ³Π°Π΅Ρ ΠΊΠ°ΠΌΠ΅Ρ ΡΠ³ΠΎΡΠ°Π½ΠΈΡ.
- ΠΠ΄ΠΈΠ½ ΠΈΠ»ΠΈ Π½Π΅ΡΠΊΠΎΠ»ΡΠΊΠΎ Π΄Π°ΡΡΠΈΠΊΠΎΠ² ΡΠΎΠΎΠ±ΡΠ°ΡΡ Π½Π΅Π²Π΅ΡΠ½ΠΎ.
ΠΠΎΠ³Π΄Π° Π²Ρ Π΄ΡΠΌΠ°Π΅ΡΠ΅ ΠΎ ΡΠΎΠΌ, ΡΡΠΎ ΠΌΠΎΠΆΠ΅Ρ Π²ΡΠ·Π²Π°ΡΡ ΠΊΠ°ΠΆΠ΄ΠΎΠ΅ ΠΈΠ· ΡΡΠΈΡ ΡΠΎΡΡΠΎΡΠ½ΠΈΠΉ, ΠΏΠ΅ΡΠ²ΠΎΠ΅, ΡΡΠΎ Π½ΡΠΆΠ½ΠΎ ΡΡΠΈΡΡΠ²Π°ΡΡ, — ΡΡΠΎ ΡΠΎ, ΠΊΠ°ΠΊ PCM ΠΎΠΏΡΠ΅Π΄Π΅Π»ΡΠ΅Ρ Π²ΠΎΠ·Π΄ΡΡΠ½ΡΠΉ ΠΏΠΎΡΠΎΠΊ. ΠΡΠ»ΠΈ Π² Π΄Π²ΠΈΠ³Π°ΡΠ΅Π»Π΅ ΠΈΡΠΏΠΎΠ»ΡΠ·ΡΠ΅ΡΡΡ Π΄Π°ΡΡΠΈΠΊ ΠΌΠ°ΡΡΠΎΠ²ΠΎΠ³ΠΎ ΡΠ°ΡΡ ΠΎΠ΄Π° Π²ΠΎΠ·Π΄ΡΡ Π° (MAF), Π²ΡΡΠΎΠΊΠΈΠ΅ ΠΊΠΎΡΡΠ΅ΠΊΡΠΈΡΠΎΠ²ΠΊΠΈ ΠΏΠΎΠ΄Π°ΡΠΈ ΡΠΎΠΏΠ»ΠΈΠ²Π° Π½Π° Ρ ΠΎΠ»ΠΎΡΡΠΎΠΌ Ρ ΠΎΠ΄Ρ ΡΠ²Π»ΡΡΡΡΡ ΠΊΠ»Π°ΡΡΠΈΡΠ΅ΡΠΊΠΈΠΌ ΠΏΡΠΈΠ·Π½Π°ΠΊΠΎΠΌ ΡΡΠ΅ΡΠΊΠΈ Π²Π°ΠΊΡΡΠΌΠ°, ΠΎΡΠΎΠ±Π΅Π½Π½ΠΎ Π΅ΡΠ»ΠΈ LTFT ΡΠΌΠ΅Π½ΡΡΠ°Π΅ΡΡΡ ΠΏΡΠΈ Π±ΠΎΠ»Π΅Π΅ Π²ΡΡΠΎΠΊΠΈΡ ΠΎΠ±ΠΎΡΠΎΡΠ°Ρ Π΄Π²ΠΈΠ³Π°ΡΠ΅Π»Ρ.
ΠΠΎΡΠΊΠΎΠ»ΡΠΊΡ ΠΊΠΎΠ»ΠΈΡΠ΅ΡΡΠ²ΠΎ Π²ΠΎΠ·Π΄ΡΡ
Π°, ΠΏΡΠΎΡ
ΠΎΠ΄ΡΡΠ΅Π³ΠΎ ΡΠ΅ΡΠ΅Π· Π²Π°ΠΊΡΡΠΌΠ½ΡΡ ΡΡΠ΅ΡΠΊΡ, Π½Π΅ ΡΠ²Π΅Π»ΠΈΡΠΈΠ²Π°Π΅ΡΡΡ, ΡΡΠ΅ΡΠΊΠ° ΠΌΠ΅Π½ΡΡΠ΅ Π²Π»ΠΈΡΠ΅Ρ Π½Π° ΡΠΎΠΎΡΠ½ΠΎΡΠ΅Π½ΠΈΠ΅ Π²ΠΎΠ·Π΄ΡΡ
/ ΡΠΎΠΏΠ»ΠΈΠ²ΠΎ ΠΏΡΠΈ Π±ΠΎΠ»Π΅Π΅ Π²ΡΡΠΎΠΊΠΈΡ
ΡΠΊΠΎΡΠΎΡΡΡΡ
ΠΈ Π½Π°Π³ΡΡΠ·ΠΊΠ°Ρ
, ΠΏΠΎΡΡΠΎΠΌΡ LTFT Π±ΡΠ΄Π΅Ρ ΡΠ½ΠΈΠΆΠ°ΡΡΡΡ ΠΏΡΠΈ ΡΠ²Π΅Π»ΠΈΡΠ΅Π½ΠΈΠΈ ΡΠ°ΡΡΠΎΡΡ Π²ΡΠ°ΡΠ΅Π½ΠΈΡ Π΄Π²ΠΈΠ³Π°ΡΠ΅Π»Ρ.ΠΠΎΠ³Π΄Π° Π²Ρ ΠΈΡΠ΅ΡΠ΅ ΡΡΠ΅ΡΠΊΠΈ Π²Π°ΠΊΡΡΠΌΠ°, Π½Π΅ Π·Π°Π±ΡΠ²Π°ΠΉΡΠ΅ ΠΎ ΡΠ°Π·Π»ΠΈΡΠ½ΡΡ
Β«ΠΎΡΠΊΠ°Π»ΠΈΠ±ΡΠΎΠ²Π°Π½Π½ΡΡ
ΡΡΠ΅ΡΠΊΠ°Ρ
Π²Π°ΠΊΡΡΠΌΠ°Β», ΡΠ°ΠΊΠΈΡ
ΠΊΠ°ΠΊ Π²Π΅Π½ΡΠΈΠ»ΡΡΠΈΡ ΠΊΠ°ΡΡΠ΅ΡΠ°, ΠΏΡΠΎΠ΄ΡΠ²ΠΎΡΠ½ΡΠΉ ΠΊΠ»Π°ΠΏΠ°Π½ EVAP ΠΈ, Π΅ΡΠ»ΠΈ ΠΎΠ½ΠΈ Π΅ΡΡΡ, ΡΠΎΡΡΡΠ½ΠΊΠΈ Ρ Π²ΠΎΠ·Π΄ΡΡΠ½ΡΠΌΠΈ ΠΊΠΎΠΆΡΡ
Π°ΠΌΠΈ.
ΠΡΡΠ·Π½ΡΠΉ ΠΈΠ»ΠΈ Π½Π΅ΠΈΡΠΏΡΠ°Π²Π½ΡΠΉ Π΄Π°ΡΡΠΈΠΊ ΠΌΠ°ΡΡΠΎΠ²ΠΎΠ³ΠΎ ΡΠ°ΡΡ ΠΎΠ΄Π° Π²ΠΎΠ·Π΄ΡΡ Π° ΡΠ°ΠΊΠΆΠ΅ ΠΌΠΎΠΆΠ΅Ρ Π²ΡΠ·Π²Π°ΡΡ ΠΏΠΎΠ»ΠΎΠΆΠΈΡΠ΅Π»ΡΠ½ΡΠ΅ Π·Π½Π°ΡΠ΅Π½ΠΈΡ ΠΊΠΎΡΡΠ΅ΠΊΡΠΈΡΠΎΠ²ΠΊΠΈ ΡΠ°ΡΡ ΠΎΠ΄Π° ΡΠΎΠΏΠ»ΠΈΠ²Π°, ΠΏΠΎΡΠΊΠΎΠ»ΡΠΊΡ ΠΎΠ½ Β«Π·Π°Π½ΠΈΠΆΠ°Π΅ΡΒ» ΡΠ°ΡΡ ΠΎΠ΄ Π²ΠΎΠ·Π΄ΡΡ Π°, ΡΡΠΎ ΠΏΡΠΈΠ²ΠΎΠ΄ΠΈΡ ΠΊ ΠΎΠ±Π΅Π΄Π½Π΅Π½ΠΈΡ Π±Π°Π·ΠΎΠ²ΠΎΠ³ΠΎ ΡΠ°ΡΡΠ΅ΡΠ° ΡΠ°ΡΡ ΠΎΠ΄Π° Π²ΠΎΠ·Π΄ΡΡ Π° / ΡΠΎΠΏΠ»ΠΈΠ²Π°.
Π Π΄Π²ΠΈΠ³Π°ΡΠ΅Π»ΡΡ , ΠΊΠΎΡΠΎΡΡΠ΅ ΠΈΡΠΏΠΎΠ»ΡΠ·ΡΡΡ Π΄Π°ΡΡΠΈΠΊ Π°Π±ΡΠΎΠ»ΡΡΠ½ΠΎΠ³ΠΎ Π΄Π°Π²Π»Π΅Π½ΠΈΡ Π² ΠΊΠΎΠ»Π»Π΅ΠΊΡΠΎΡΠ΅ (MAP) Π΄Π»Ρ ΠΎΠΏΡΠ΅Π΄Π΅Π»Π΅Π½ΠΈΡ ΡΠ°ΡΡ ΠΎΠ΄Π° Π²ΠΎΠ·Π΄ΡΡ Π°, ΡΡΠ΅ΡΠΊΠ° Π²Π°ΠΊΡΡΠΌΠ° Π½Π΅ Π²Π»ΠΈΡΠ΅Ρ Π½Π° ΡΠ΅Π³ΡΠ»ΠΈΡΠΎΠ²ΠΊΡ ΡΠΎΠΏΠ»ΠΈΠ²Π°, ΠΏΠΎΡΠΎΠΌΡ ΡΡΠΎ Π΄ΠΎΠΏΠΎΠ»Π½ΠΈΡΠ΅Π»ΡΠ½ΡΠΉ Π²ΠΎΠ·Π΄ΡΡ (Π΄Π°Π²Π»Π΅Π½ΠΈΠ΅) Π² ΠΊΠΎΠ»Π»Π΅ΠΊΡΠΎΡΠ΅ Π²ΡΠ΅ Π΅ΡΠ΅ ΠΈΠ·ΠΌΠ΅ΡΡΠ΅ΡΡΡ Π΄Π°ΡΡΠΈΠΊΠΎΠΌ MAP.
ΠΠΈΠ·ΠΊΠ°Ρ ΠΏΠΎΠ΄Π°ΡΠ° ΡΠΎΠΏΠ»ΠΈΠ²Π° ΠΏΡΠΈΠ²Π΅Π΄Π΅Ρ ΠΊ ΡΠ²Π΅Π»ΠΈΡΠ΅Π½ΠΈΡ LTFT, ΠΏΠΎΡΠΊΠΎΠ»ΡΠΊΡ PCM ΠΏΡΡΠ°Π΅ΡΡΡ ΠΊΠΎΠΌΠΏΠ΅Π½ΡΠΈΡΠΎΠ²Π°ΡΡ Π΄ΠΎΠΏΠΎΠ»Π½ΠΈΡΠ΅Π»ΡΠ½ΡΠΉ ΠΊΠΈΡΠ»ΠΎΡΠΎΠ΄ Π² ΠΏΠΎΡΠΎΠΊΠ΅ Π²ΡΡ
Π»ΠΎΠΏΠ½ΡΡ
Π³Π°Π·ΠΎΠ². ΠΠΎΠΌΠ½ΠΈΡΠ΅, ΡΡΠΎ PCM Π½Π΅ ΠΈΠ·ΠΌΠ΅ΡΡΠ΅Ρ ΡΠ°ΡΡ
ΠΎΠ΄ ΡΠΎΠΏΠ»ΠΈΠ²Π°; ΠΎΠ½ Π·Π½Π°Π΅Ρ ΡΠΎΠ»ΡΠΊΠΎ ΡΠΈΡΠΈΠ½Ρ ΠΈΠΌΠΏΡΠ»ΡΡΠ° ΡΠΎΡΡΡΠ½ΠΊΠΈ ΠΈ ΠΏΡΠ΅Π΄ΠΏΠΎΠ»Π°Π³Π°Π΅Ρ, ΡΡΠΎ ΠΏΠΎΠ΄Π°ΡΠ° ΡΠΎΠΏΠ»ΠΈΠ²Π° ΠΎΡΡΡΠ΅ΡΡΠ²Π»ΡΠ΅ΡΡΡ Π² ΡΠΎΠΎΡΠ²Π΅ΡΡΡΠ²ΠΈΠΈ Ρ ΠΊΠΎΠΌΠ°Π½Π΄ΠΎΠΉ. ΠΠ΅Π½ΡΠ΅ΡΡΡ Π»ΠΈ ΡΠΎΠΎΡΠ½ΠΎΡΠ΅Π½ΠΈΠ΅ ΡΠΊΠ²ΠΈΠ²Π°Π»Π΅Π½ΡΠ½ΠΎΡΡΠΈ? ΠΡΠ»ΠΈ Π²Ρ Π΄ΠΎΠ±Π°Π²Π»ΡΠ΅ΡΠ΅ ΠΏΡΠΎΠΏΠ°Π½ ΠΈ Π²ΠΈΠ΄ΠΈΡΠ΅, ΡΡΠΎ Π·Π½Π°ΡΠ΅Π½ΠΈΡ LTFT ΠΈ ΠΊΠΎΡΡΡΠΈΡΠΈΠ΅Π½ΡΠ° ΡΠΊΠ²ΠΈΠ²Π°Π»Π΅Π½ΡΠ½ΠΎΡΡΠΈ ΡΠ½ΠΈΠΆΠ°ΡΡΡΡ, Π²Π΅ΡΠΎΡΡΠ½ΠΎ, Π²ΠΎΠ·Π½ΠΈΠΊΠ»Π° ΠΏΡΠΎΠ±Π»Π΅ΠΌΠ° Ρ Π΄ΠΎΡΡΠ°Π²ΠΊΠΎΠΉ ΡΠΎΠΏΠ»ΠΈΠ²Π°.
ΠΡΠ»ΠΈ ΠΈΠ·ΠΌΠ΅Π½Π΅Π½ΠΈΠΉ Π½Π΅Ρ, Π²ΠΎΠ·ΠΌΠΎΠΆΠ½ΠΎ, Π΄Π°ΡΡΠΈΠΊ ΠΊΠΈΡΠ»ΠΎΡΠΎΠ΄Π° Π½Π΅ΠΈΡΠΏΡΠ°Π²Π΅Π½ ΠΈΠ»ΠΈ Π·Π°ΠΌΠΊΠ½ΡΡ Π½Π° ΠΌΠ°ΡΡΡ. ΠΠ΅ Π·Π°Π±ΡΠ²Π°ΠΉΡΠ΅ ΠΏΡΠΎΠ²Π΅ΡΡΡΡ ΡΡΠΎ ΠΏΡΠΈ ΡΠ°Π·Π½ΡΡ
ΡΠΊΠΎΡΠΎΡΡΡΡ
ΠΈ Π½Π°Π³ΡΡΠ·ΠΊΠ°Ρ
, ΠΏΠΎΡΠΎΠΌΡ ΡΡΠΎ ΠΏΡΠΎΠ±Π»Π΅ΠΌΡ Ρ ΠΏΠΎΠ΄Π°ΡΠ΅ΠΉ ΡΠΎΠΏΠ»ΠΈΠ²Π° ΡΠ°ΡΡΠΎ Π½Π΅ ΠΏΡΠΎΡΠ²Π»ΡΡΡΡΡ Π½Π° Ρ
ΠΎΠ»ΠΎΡΡΠΎΠΌ Ρ
ΠΎΠ΄Ρ.
ΠΡΠ»ΠΈ Π΄Π²ΠΈΠ³Π°ΡΠ΅Π»Ρ ΠΈΠΌΠ΅Π΅Ρ Π΄Π²Π° ΡΡΠ΄Π° ΡΠΈΠ»ΠΈΠ½Π΄ΡΠΎΠ² (Π΄Π°ΠΆΠ΅ Π½Π΅ΠΊΠΎΡΠΎΡΡΠ΅ ΡΠ΅ΡΡΡΠ΅Ρ ΡΠΈΠ»ΠΈΠ½Π΄ΡΠΎΠ²ΡΠ΅ Π΄Π²ΠΈΠ³Π°ΡΠ΅Π»ΠΈ ΡΠ°Π·Π΄Π΅Π»Π΅Π½Ρ Π½Π° Π΄Π²Π° ΡΡΠ΄Π°), ΡΡΠ°Π²Π½ΠΈΡΠ΅ ΠΏΠΎΠΊΠ°Π·Π°Π½ΠΈΡ, ΡΡΠΎΠ±Ρ ΡΠ²ΠΈΠ΄Π΅ΡΡ, Π·Π°ΡΡΠ°Π³ΠΈΠ²Π°Π΅Ρ Π»ΠΈ ΠΏΡΠΎΠ±Π»Π΅ΠΌΠ° ΠΎΠ±Π° ΡΡΠ΄Π°.
PCM ΠΏΡΠΎΠ²Π΅ΡΡΠ΅Ρ Π²ΡΠ΅ ΠΊΠΈΡΠ»ΠΎΡΠΎΠ΄Π½ΡΠ΅ Π΄Π°ΡΡΠΈΠΊΠΈ Π² ΡΠΈΡΡΠ΅ΠΌΠ΅ ΠΏΡΠΈ ΡΠ°ΡΡΠ΅ΡΠ΅ ΠΊΠΎΡΡΠ΅ΠΊΡΠΈΡΠΎΠ²ΠΊΠΈ ΡΠ°ΡΡ ΠΎΠ΄Π° ΡΠΎΠΏΠ»ΠΈΠ²Π°. ΠΠ±ΡΡΠ½ΠΎ Π½Π°ΠΏΡΡΠΆΠ΅Π½ΠΈΠ΅ Π·Π°Π΄Π½Π΅Π³ΠΎ Π΄Π°ΡΡΠΈΠΊΠ° (ΠΏΠΎΡΠ»Π΅ ΠΊΠ°ΡΠ°Π»ΠΈΠ·Π°ΡΠΎΡΠ°) Π±ΡΠ΄Π΅Ρ Π΄ΠΎΠ²ΠΎΠ»ΡΠ½ΠΎ ΡΡΠ°Π±ΠΈΠ»ΡΠ½ΡΠΌ ΠΎΠΊΠΎΠ»ΠΎ ΡΠ΅ΡΠ΅Π΄ΠΈΠ½Ρ ΡΠ²ΠΎΠ΅Π³ΠΎ Π΄ΠΈΠ°ΠΏΠ°Π·ΠΎΠ½Π°, Π½ΠΎ LTFT, Π²Π΅ΡΠΎΡΡΠ½ΠΎ, ΡΠ²Π΅Π»ΠΈΡΠΈΡΡΡ, Π΅ΡΠ»ΠΈ ΠΏΠΎΠΊΠ°Π·Π°Π½ΠΈΠ΅ Π΄Π°ΡΡΠΈΠΊΠ° Π½ΠΈΠ·ΠΊΠΎΠ΅ (ΠΏΠΎΠΌΠ½ΠΈΡΠ΅, ΡΡΠΎ Π½ΠΈΠ·ΠΊΠΎΠ΅ — ΠΎΠ±Π΅Π΄Π½Π΅Π½Π½ΠΎΠ΅).
ΠΠΎΠ΄ ΠΊΠ°ΡΠ°Π»ΠΈΠ·Π°ΡΠΎΡΠ° Π²Π»ΠΈΡΠ΅Ρ ΠΊΠ°ΠΊ Π½Π° ΠΊΡΠ°ΡΠΊΠΎΡΡΠΎΡΠ½ΡΡ, ΡΠ°ΠΊ ΠΈ Π½Π° Π΄ΠΎΠ»Π³ΠΎΡΡΠΎΡΠ½ΡΡ ΠΊΠΎΡΡΠ΅ΠΊΡΠΈΡΠΎΠ²ΠΊΡ ΠΏΠΎΠ΄Π°ΡΠΈ ΡΠΎΠΏΠ»ΠΈΠ²Π°.Π£ΡΠ΅ΡΠΊΠ° Π²ΡΡ Π»ΠΎΠΏΠ½ΡΡ Π³Π°Π·ΠΎΠ² ΠΏΠΎΡΠ»Π΅ ΠΊΠ°ΡΠ°Π»ΠΈΠ·Π°ΡΠΎΡΠ°, Π²Π΅ΡΠΎΡΡΠ½ΠΎ, ΠΏΠΎΠ²Π»ΠΈΡΠ΅Ρ ΡΠΎΠ»ΡΠΊΠΎ Π½Π° Π·Π°Π΄Π½ΠΈΠΉ ΠΊΠΈΡΠ»ΠΎΡΠΎΠ΄Π½ΡΠΉ Π΄Π°ΡΡΠΈΠΊ.
[PAGEBREAK]
ΠΠΎΡΠ΅ΠΌΡ ΡΠΈΡΡΡ Π½ΠΈΠ·ΠΊΠΈΠ΅?
ΠΡΠ»ΠΈ LTFT ΠΈΠ»ΠΈ ΠΏΠΎΠ»Π½Π°Ρ ΠΊΠΎΡΡΠ΅ΠΊΡΠΈΡΠΎΠ²ΠΊΠ° ΠΏΠΎΠ΄Π°ΡΠΈ ΡΠΎΠΏΠ»ΠΈΠ²Π° Π±ΠΎΠ»Π΅Π΅ ΡΠ΅ΠΌ Π½Π° 10% ΠΎΡΡΠΈΡΠ°ΡΠ΅Π»ΡΠ½Π°, PCM ΡΡΠΈΡΠ°Π΅Ρ, ΡΡΠΎ ΡΠΎΠΎΡΠ½ΠΎΡΠ΅Π½ΠΈΠ΅ Π²ΠΎΠ·Π΄ΡΡ
/ ΡΠΎΠΏΠ»ΠΈΠ²ΠΎ ΡΠ»ΠΈΡΠΊΠΎΠΌ Π±ΠΎΠ³Π°ΡΠΎΠ΅, ΠΏΠΎΡΡΠΎΠΌΡ ΠΎΠ½ ΡΠ½ΠΈΠΆΠ°Π΅Ρ ΡΠ°ΡΡΠ΅Ρ ΡΠΌΠ΅ΡΠΈ, ΡΡΠΎΠ±Ρ Π²Π΅ΡΠ½ΡΡΡ ΡΠΏΡΠ°Π²Π»Π΅Π½ΠΈΠ΅ STFT Π² ΠΏΡΠ°Π²ΠΈΠ»ΡΠ½ΡΠΉ Π΄ΠΈΠ°ΠΏΠ°Π·ΠΎΠ½.
ΠΡΠΎ Π΄Π°Π΅Ρ ΡΡΠΈ Π²ΠΎΠ·ΠΌΠΎΠΆΠ½ΠΎΡΡΠΈ:
- ΠΠ΅Π΄ΠΎΡΡΠ°ΡΠΎΡΠ½ΠΎ Π²ΠΎΠ·Π΄ΡΡ Π° Π² ΠΊΠ°ΠΌΠ΅ΡΡ ΡΠ³ΠΎΡΠ°Π½ΠΈΡ.
- Π ΠΊΠ°ΠΌΠ΅ΡΡ ΡΠ³ΠΎΡΠ°Π½ΠΈΡ ΠΏΠΎΡΡΡΠΏΠ°Π΅Ρ Π±ΠΎΠ»ΡΡΠ΅ ΡΠΎΠΏΠ»ΠΈΠ²Π°, ΡΠ΅ΠΌ Π·Π°Π΄Π°Π½ΠΎ.
- ΠΠ΄ΠΈΠ½ ΠΈΠ»ΠΈ Π½Π΅ΡΠΊΠΎΠ»ΡΠΊΠΎ Π΄Π°ΡΡΠΈΠΊΠΎΠ² ΡΠΎΠΎΠ±ΡΠ°ΡΡ Π½Π΅Π²Π΅ΡΠ½ΠΎ.
ΠΠ΄Π½Π° Π²Π΅ΡΡ, ΠΊΠΎΡΠΎΡΠ°Ρ ΠΎΠ³ΡΠ°Π½ΠΈΡΠΈΠ²Π°Π΅Ρ ΠΏΠΎΡΠΎΠΊ Π²ΠΎΠ·Π΄ΡΡ Π° Π² ΡΠΈΠ»ΠΈΠ½Π΄ΡΡ, — ΡΡΠΎ ΠΏΠΎΠ²ΡΠ΅ΠΆΠ΄Π΅Π½Π½ΡΠΉ ΠΊΠ°ΡΠ°Π»ΠΈΡΠΈΡΠ΅ΡΠΊΠΈΠΉ Π½Π΅ΠΉΡΡΠ°Π»ΠΈΠ·Π°ΡΠΎΡ, ΠΊΠΎΡΠΎΡΡΠΉ Π²ΡΠ·ΡΠ²Π°Π΅Ρ Π²ΡΡΠΎΠΊΠΎΠ΅ ΠΏΡΠΎΡΠΈΠ²ΠΎΠ΄Π°Π²Π»Π΅Π½ΠΈΠ΅ Π²ΡΡ Π»ΠΎΠΏΠ½ΡΡ Π³Π°Π·ΠΎΠ². ΠΠ° Ρ ΠΎΠ»ΠΎΡΡΠΎΠΌ Ρ ΠΎΠ΄Ρ ΡΡΠΎ ΠΌΠΎΠΆΠ΅Ρ ΠΏΡΠΈΠ²Π΅ΡΡΠΈ ΠΊ ΡΠΎΠΊΡΠ°ΡΠ΅Π½ΠΈΡ ΡΠ°ΡΡ ΠΎΠ΄Π° ΡΠΎΠΏΠ»ΠΈΠ²Π° Π² ΠΏΡΠΎΡΠΈΠ²ΠΎΠΏΠΎΠ»ΠΎΠΆΠ½ΡΡ Π½Π°ΠΏΡΠ°Π²Π»Π΅Π½ΠΈΡΡ , ΡΠΎΠ·Π΄Π°Π²Π°Ρ ΠΏΠΎΠ»ΠΎΠΆΠΈΡΠ΅Π»ΡΠ½ΡΠΉ STFT ΠΈ ΠΎΡΡΠΈΡΠ°ΡΠ΅Π»ΡΠ½ΡΠΉ LTFT. ΠΡ ΠΌΠΎΠΆΠ΅ΡΠ΅ ΡΠ²ΠΈΠ΄Π΅ΡΡ ΠΏΡΠΈΠ·Π½Π°ΠΊΠΈ Π²ΡΡΠΎΠΊΠΎΠ³ΠΎ ΠΏΡΠΎΡΠΈΠ²ΠΎΠ΄Π°Π²Π»Π΅Π½ΠΈΡ Π²ΡΡ Π»ΠΎΠΏΠ½ΡΡ Π³Π°Π·ΠΎΠ² Π½Π° Π΄ΠΈΠ°Π³Π½ΠΎΡΡΠΈΡΠ΅ΡΠΊΠΎΠΌ ΠΏΡΠΈΠ±ΠΎΡΠ΅; ΡΠ°ΡΡΠ΅ΡΠ½Π°Ρ Π½Π°Π³ΡΡΠ·ΠΊΠ° Π±ΡΠ΄Π΅Ρ Π½ΠΈΠ·ΠΊΠΎΠΉ ΠΏΡΠΈ ΠΏΠΎΠ»Π½ΠΎΡΡΡΡ ΠΎΡΠΊΡΡΡΠΎΠΉ Π΄ΡΠΎΡΡΠ΅Π»ΡΠ½ΠΎΠΉ Π·Π°ΡΠ»ΠΎΠ½ΠΊΠ΅ (WOT), Π° ΠΊΠΎΡΡΠ΅ΠΊΡΠΈΡΠΎΠ²ΠΊΠ° ΡΠ°ΡΡ ΠΎΠ΄Π° ΡΠΎΠΏΠ»ΠΈΠ²Π° Π±ΡΠ΄Π΅Ρ ΠΈΠΌΠ΅ΡΡ ΠΎΡΡΠΈΡΠ°ΡΠ΅Π»ΡΠ½ΡΡ ΡΠ΅Π½Π΄Π΅Π½ΡΠΈΡ ΠΏΡΠΈ ΡΠ²Π΅Π»ΠΈΡΠ΅Π½ΠΈΠΈ ΡΠΊΠΎΡΠΎΡΡΠΈ Π΄Π²ΠΈΠ³Π°ΡΠ΅Π»Ρ.
Π‘Π°ΠΌΡΠΉ ΠΎΡΠ΅Π²ΠΈΠ΄Π½ΡΠΉ ΠΈΡΡΠΎΡΠ½ΠΈΠΊ ΠΈΠ·Π±ΡΡΠΎΡΠ½ΠΎΠ³ΠΎ ΡΠΎΠΏΠ»ΠΈΠ²Π° — Π½Π΅Π³Π΅ΡΠΌΠ΅ΡΠΈΡΠ½Π°Ρ ΡΠΎΡΡΡΠ½ΠΊΠ°, ΠΎΡΠΎΠ±Π΅Π½Π½ΠΎ Π½Π° Ρ
ΠΎΠ»ΠΎΡΡΠΎΠΌ Ρ
ΠΎΠ΄Ρ. Π ΡΡΠΎΠΌ ΡΠ»ΡΡΠ°Π΅ STFT Π±ΡΠ΄Π΅Ρ Π½ΠΈΠ·ΠΊΠΈΠΌ, Π½ΠΎ Π±ΡΠ΄Π΅Ρ ΡΠ²Π΅Π»ΠΈΡΠΈΠ²Π°ΡΡΡΡ Ρ ΡΠ²Π΅Π»ΠΈΡΠ΅Π½ΠΈΠ΅ΠΌ ΡΠ°ΡΡΠΎΡΡ Π²ΡΠ°ΡΠ΅Π½ΠΈΡ Π΄Π²ΠΈΠ³Π°ΡΠ΅Π»Ρ, ΠΏΠΎΡΠΊΠΎΠ»ΡΠΊΡ Π΄ΠΎΠΏΠΎΠ»Π½ΠΈΡΠ΅Π»ΡΠ½ΠΎΠ΅ ΡΠΎΠΏΠ»ΠΈΠ²ΠΎ ΠΏΡΠ΅Π΄ΡΡΠ°Π²Π»ΡΠ΅Ρ ΠΌΠ΅Π½ΡΡΡΡ ΡΠ°ΡΡΡ ΠΎΠ±ΡΠ΅ΠΉ ΠΏΠΎΡΡΠ΅Π±Π½ΠΎΡΡΠΈ Π² ΡΠΎΠΏΠ»ΠΈΠ²Π΅.
Π§ΡΠ΅Π·ΠΌΠ΅ΡΠ½ΠΎΠ΅ ΠΊΠΎΠ»ΠΈΡΠ΅ΡΡΠ²ΠΎ ΠΏΠ°ΡΠΎΠ² ΠΊΠ°ΡΡΠ΅ΡΠ° ΠΈΠ»ΠΈ Π·Π°Π»ΠΈΡΡΠΉ Π°Π΄ΡΠΎΡΠ±Π΅Π½Ρ Π‘Π£ΠΠ ΡΠ°ΠΊΠΆΠ΅ ΠΌΠΎΠ³ΡΡ ΠΈΠΌΠΈΡΠΈΡΠΎΠ²Π°ΡΡ ΠΈΠ·Π±ΡΡΠΎΠΊ ΡΠΎΠΏΠ»ΠΈΠ²Π°, ΠΎΡΠΎΠ±Π΅Π½Π½ΠΎ Π½Π° Ρ
ΠΎΠ»ΠΎΡΡΠΎΠΌ Ρ
ΠΎΠ΄Ρ. ΠΡΠ»ΠΈ ΠΌΠ°ΡΠ»ΠΎ Π½Π΅ ΠΌΠ΅Π½ΡΠ»ΠΈ Π² ΡΠ΅ΡΠ΅Π½ΠΈΠ΅ Π΄Π»ΠΈΡΠ΅Π»ΡΠ½ΠΎΠ³ΠΎ Π²ΡΠ΅ΠΌΠ΅Π½ΠΈ, ΠΎΡΠΎΠ±Π΅Π½Π½ΠΎ Π² ΡΡΠ°ΡΠΎΠΌ Π΄Π²ΠΈΠ³Π°ΡΠ΅Π»Π΅ Ρ Π½Π΅Π±ΠΎΠ»ΡΡΠΈΠΌ ΠΏΡΠΎΡΡΠ²ΠΎΠΌ ΡΠΎΠΏΠ»ΠΈΠ²Π°, ΡΠΎΠΏΠ»ΠΈΠ²ΠΎ Π² ΠΌΠ°ΡΠ»Π΅ ΠΌΠΎΠΆΠ΅Ρ ΠΏΡΠΈΠ²Π΅ΡΡΠΈ ΠΊ ΠΎΡΡΠΈΡΠ°ΡΠ΅Π»ΡΠ½ΠΎΠΌΡ Π·Π½Π°ΡΠ΅Π½ΠΈΡ ΠΎΠ±ΡΠ΅ΠΉ ΠΊΠΎΡΡΠ΅ΠΊΡΠΈΡΠΎΠ²ΠΊΠΈ ΡΠΎΠΏΠ»ΠΈΠ²ΠΎΠΏΠΎΠ΄Π°ΡΠΈ. Π§Π°ΡΡΠΎ ΠΏΡΠΎΡΡΠ°Ρ Π·Π°ΠΌΠ΅Π½Π° ΠΌΠ°ΡΠ»Π° Π΄Π΅ΠΌΠΎΠ½ΡΡΡΠΈΡΡΠ΅Ρ ΡΡΠΎ ΡΠΎΡΡΠΎΡΠ½ΠΈΠ΅, Π²ΠΎΠ·Π²ΡΠ°ΡΠ°Ρ Π·Π½Π°ΡΠ΅Π½ΠΈΡ ΠΊΠΎΡΡΠ΅ΠΊΡΠΈΡΠΎΠ²ΠΊΠΈ ΡΠΎΠΏΠ»ΠΈΠ²Π° Π² Π½ΠΎΡΠΌΡ.
Π ΡΠΈΡΡΠ΅ΠΌΠ΅ ΡΠΊΠΎΡΠΎΡΡΠΈ / ΠΏΠ»ΠΎΡΠ½ΠΎΡΡΠΈ PCM ΠΏΠΎΠ΄ΡΡΠ°Π²Π»ΡΠ΅Ρ ΠΏΡΠ΅Π΄Π²Π°ΡΠΈΡΠ΅Π»ΡΠ½ΠΎ Π·Π°ΠΏΡΠΎΠ³ΡΠ°ΠΌΠΌΠΈΡΠΎΠ²Π°Π½Π½ΠΎΠ΅ Π·Π½Π°ΡΠ΅Π½ΠΈΠ΅ Π½Π΅ΠΈΡΠΏΡΠ°Π²Π½ΠΎΠ³ΠΎ Π±Π°ΡΠΎΠΌΠ΅ΡΡΠΈΡΠ΅ΡΠΊΠΎΠ³ΠΎ Π΄Π°ΡΡΠΈΠΊΠ°. ΠΡΠ»ΠΈ Π°Π²ΡΠΎΠΌΠΎΠ±ΠΈΠ»Ρ Π½Π°Ρ ΠΎΠ΄ΠΈΡΡΡ Π½Π° Π²ΡΡΠΎΡΠ΅ Π±ΠΎΠ»Π΅Π΅ Π½Π΅ΡΠΊΠΎΠ»ΡΠΊΠΈΡ ΡΠΎΡΠ΅Π½ ΡΡΡΠΎΠ² Π½Π°Π΄ ΡΡΠΎΠ²Π½Π΅ΠΌ ΠΌΠΎΡΡ, ΡΡΠΎ Π±ΡΠ΄Π΅Ρ ΠΎΡΠΎΠ±ΡΠ°ΠΆΠ°ΡΡΡΡ ΠΊΠ°ΠΊ ΠΎΡΡΠΈΡΠ°ΡΠ΅Π»ΡΠ½ΡΠ΅ Π·Π½Π°ΡΠ΅Π½ΠΈΡ LTFT.
ΠΠΎΠ΄ΡΠ²Π΅ΡΠΆΠ΄Π΅Π½ΠΈΠ΅ ΡΠ΅ΠΌΠΎΠ½ΡΠ°
ΠΡΡΡ Π΄Π²Π° ΡΠΏΠΎΡΠΎΠ±Π° ΠΈΡΠΏΠΎΠ»ΡΠ·ΠΎΠ²Π°ΡΡ ΠΊΠΎΡΡΠ΅ΠΊΡΠΈΡΠΎΠ²ΠΊΡ ΡΠΎΠΏΠ»ΠΈΠ²ΠΎΠΏΠΎΠ΄Π°ΡΠΈ Π΄Π»Ρ ΠΏΠΎΠ΄ΡΠ²Π΅ΡΠΆΠ΄Π΅Π½ΠΈΡ ΡΠ΅ΠΌΠΎΠ½ΡΠ°. ΠΠ΅ΡΠ²ΡΠΉ — ΡΠ±Π΅Π΄ΠΈΡΡΡΡ, ΡΡΠΎ ΠΎΠ±ΡΠΈΠΉ ΡΠ°ΡΡ
ΠΎΠ΄ ΡΠΎΠΏΠ»ΠΈΠ²Π° Π½Π΅ ΠΏΡΠ΅Π²ΡΡΠ°Π΅Ρ 10%, Π° Π·Π°ΡΠ΅ΠΌ ΠΏΡΠΎΠΉΡΠΈ ΡΠ΅ΡΡ-Π΄ΡΠ°ΠΉΠ². ΠΠΎΠ»Π³ΠΎΡΡΠΎΡΠ½Π°Ρ ΠΊΠΎΡΡΠ΅ΠΊΡΠΈΡΠΎΠ²ΠΊΠ° ΠΏΠΎΠ΄Π°ΡΠΈ ΡΠΎΠΏΠ»ΠΈΠ²Π° Π΄ΠΎΠ»ΠΆΠ½Π° ΠΏΠΎΡΡΠΈ Π½Π΅ΠΌΠ΅Π΄Π»Π΅Π½Π½ΠΎ Π½Π°ΡΠ°ΡΡ Π²ΠΎΠ·Π²ΡΠ°ΡΠ°ΡΡΡΡ ΠΊ Π½ΠΎΡΠΌΠ΅.
ΠΡΠΎ ΠΌΠΎΠΆΠ΅Ρ Π·Π°Π½ΡΡΡ Π½Π΅ΡΠΊΠΎΠ»ΡΠΊΠΎ ΠΌΠΈΠ»Ρ ΠΈ / ΠΈΠ»ΠΈ Ρ ΠΎΠ»ΠΎΠ΄Π½ΡΠΉ Π·Π°ΠΏΡΡΠΊ, Π½ΠΎ ΡΡΠΎ Ρ ΠΎΡΠΎΡΠΈΠΉ ΡΠΏΠΎΡΠΎΠ± ΡΠ²ΠΈΠ΄Π΅ΡΡ, ΠΊΠ°ΠΊ PCM Π²ΡΡΡΠΈΡ Β«Π½ΠΎΠ²ΡΠ΅ Π½ΠΎΡΠΌΠ°Π»ΡΠ½ΡΠ΅ ΡΡΠ»ΠΎΠ²ΠΈΡΒ».
ΠΠΎΠ»Π΅Π΅ Π±ΡΡΡΡΡΠΉ ΡΠΏΠΎΡΠΎΠ± — ΠΎΡΠΈΡΡΠΈΡΡ ΠΊΠΎΠ΄Ρ ΠΈ, Π²ΠΌΠ΅ΡΡΠ΅ Ρ Π½ΠΈΠΌΠΈ, Π°Π΄Π°ΠΏΡΠΈΠ²Π½ΡΡ ΠΏΠ°ΠΌΡΡΡ PCM. ΠΠΎΠ³Π΄Π° Π²Ρ Π·Π°ΠΏΡΡΠΊΠ°Π΅ΡΠ΅ Π΄Π²ΠΈΠ³Π°ΡΠ΅Π»Ρ Ρ Π½ΡΠ»Π΅Π²ΠΎΠΉ ΠΊΠΎΡΡΠ΅ΠΊΡΠΈΡΠΎΠ²ΠΊΠΎΠΉ ΡΠΎΠΏΠ»ΠΈΠ²Π°, ΡΠ»Π΅Π΄ΠΈΡΠ΅ Π·Π° ΠΊΡΠ°ΡΠΊΠΎΠ²ΡΠ΅ΠΌΠ΅Π½Π½ΠΎΠΉ ΠΊΠΎΡΡΠ΅ΠΊΡΠΈΡΠΎΠ²ΠΊΠΎΠΉ ΠΏΠΎΠ΄Π°ΡΠΈ ΡΠΎΠΏΠ»ΠΈΠ²Π°.
ΠΠΎΠ³Π΄Π° ΡΠΈΡΡΠ΅ΠΌΠ° ΠΏΠ΅ΡΠ΅Ρ ΠΎΠ΄ΠΈΡ Π² Π·Π°ΠΌΠΊΠ½ΡΡΡΠΉ ΡΠΈΠΊΠ», STFT Π΄ΠΎΠ»ΠΆΠ΅Π½ ΠΎΡΡΠ°Π²Π°ΡΡΡΡ Π² ΠΏΡΠ΅Π΄Π΅Π»Π°Ρ 10%, Π° ΠΏΠΎ ΠΌΠ΅ΡΠ΅ ΠΏΡΠΎΠ³ΡΠ΅Π²Π° Π΄Π²ΠΈΠ³Π°ΡΠ΅Π»Ρ ΠΎΠ±ΡΠ°Ρ ΠΊΠΎΡΡΠ΅ΠΊΡΠΈΡΠΎΠ²ΠΊΠ° ΠΏΠΎΠ΄Π°ΡΠΈ ΡΠΎΠΏΠ»ΠΈΠ²Π° Π±ΡΠ΄Π΅Ρ ΠΎΡΡΠ°Π²Π°ΡΡΡΡ Π² ΠΏΡΠ΅Π΄Π΅Π»Π°Ρ 10% ΠΏΡΠΈ Π²ΡΠ΅Ρ ΡΠΊΠΎΡΠΎΡΡΡΡ ΠΈ Π½Π°Π³ΡΡΠ·ΠΊΠ°Ρ . ΠΡΠ»ΠΈ STFT Π±ΡΡΡΡΠΎ Π½Π°ΡΠΈΠ½Π°Π΅Ρ ΠΏΡΠ΅Π²ΡΠ°ΡΠ°ΡΡΡΡ Π² Π΄Π²ΡΠ·Π½Π°ΡΠ½ΡΠ΅ ΡΠΈΡΠ»Π°, Π·Π½Π°ΡΠΈΡ, ΡΡΠΎ-ΡΠΎ Π½Π΅ ΡΠ°ΠΊ.
Π§ΡΠΎΠ±Ρ ΡΠ·Π½Π°ΡΡ Π±ΠΎΠ»ΡΡΠ΅ ΠΎ ΡΠΎΠΌ, ΠΊΠ°ΠΊ ΡΠ°Π·Π»ΠΈΡΠ½ΡΠ΅ ΠΏΡΠΎΠ±Π»Π΅ΠΌΡ ΠΈ ΡΡΠ»ΠΎΠ²ΠΈΡ Π²Π»ΠΈΡΡΡ Π½Π° ΠΊΠΎΡΡΠ΅ΠΊΡΠΈΡΠΎΠ²ΠΊΡ ΡΠΎΠΏΠ»ΠΈΠ²ΠΎΠΏΠΎΠ΄Π°ΡΠΈ, ΠΏΠΎΠ΄ΠΊΠ»ΡΡΠΈΡΠ΅ Π΄ΠΈΠ°Π³Π½ΠΎΡΡΠΈΡΠ΅ΡΠΊΠΈΠΉ ΠΏΡΠΈΠ±ΠΎΡ ΠΊ Π·Π°Π²Π΅Π΄ΠΎΠΌΠΎ ΠΈΡΠΏΡΠ°Π²Π½ΠΎΠΌΡ ΡΡΠ°Π½ΡΠΏΠΎΡΡΠ½ΠΎΠΌΡ ΡΡΠ΅Π΄ΡΡΠ²Ρ ΠΈ ΡΠΎΠ·Π΄Π°ΠΉΡΠ΅ Π½Π΅ΠΊΠΎΡΠΎΡΡΠ΅ ΠΏΡΠΎΠ±Π»Π΅ΠΌΡ: ΡΠΎΠ·Π΄Π°ΠΉΡΠ΅ ΡΡΠ΅ΡΠΊΡ Π²Π°ΠΊΡΡΠΌΠ°, ΠΎΡΠΊΠ»ΡΡΠΈΡΠ΅ ΠΈΠ½ΠΆΠ΅ΠΊΡΠΎΡ, ΠΎΡΡΠΎΠ΅Π΄ΠΈΠ½ΠΈΡΠ΅ Π΄Π°ΡΡΠΈΠΊ, Π΄ΠΎΠ±Π°Π²ΡΡΠ΅ ΠΏΡΠΎΠΏΠ°Π½: ΠΏΠΎΡΠΌΠΎΡΡΠΈΡΠ΅, ΠΊΠ°ΠΊ PCM ΠΊΠΎΠΌΠΏΠ΅Π½ΡΠΈΡΡΠ΅Ρ Π·Π°ΠΌΠ΅Π½ΡΡΡΠΈΠΌΠΈ Π·Π½Π°ΡΠ΅Π½ΠΈΡΠΌΠΈ ΠΈ ΠΊΠΎΡΡΠ΅ΠΊΡΠΈΡΠΎΠ²ΠΊΠ°ΠΌΠΈ ΡΠΎΠΏΠ»ΠΈΠ²ΠΎΠΏΠΎΠ΄Π°ΡΠΈ.
ΠΠ±ΡΠ°ΡΠΈΡΠ΅ Π²Π½ΠΈΠΌΠ°Π½ΠΈΠ΅ Π½Π° ΡΠ°Π·Π½ΡΠ΅ ΡΠ΅Π°ΠΊΡΠΈΠΈ Π² ΡΠΈΡΡΠ΅ΠΌΠ°Ρ
MAF ΠΈ ΡΠΈΡΡΠ΅ΠΌΠ°Ρ
MAP.
ΠΠ±ΡΠ°ΡΠΈΡΠ΅ Π²Π½ΠΈΠΌΠ°Π½ΠΈΠ΅ Π½Π° ΡΠΎ, ΡΡΠΎ Π½Π° ΠΌΠ½ΠΎΠ³ΠΎΡΡΠ΄Π½ΡΡ Π΄Π²ΠΈΠ³Π°ΡΠ΅Π»ΡΡ ΠΏΡΠΎΠ±Π»Π΅ΠΌΡ Π½Π° ΠΎΠ΄Π½ΠΎΠΌ ΡΡΠ΄Ρ ΠΌΠΎΠ³ΡΡ ΠΏΠΎΠ²Π»ΠΈΡΡΡ Π½Π° ΡΠ΅Π³ΡΠ»ΠΈΡΠΎΠ²ΠΊΡ ΡΠ°ΡΡ ΠΎΠ΄Π° ΡΠΎΠΏΠ»ΠΈΠ²Π° Π½Π° Π΄ΡΡΠ³ΠΎΠΌ.
ΠΠ°ΠΊ ΠΈ Π²ΡΠ΅ ΠΎΡΡΠ°Π»ΡΠ½ΠΎΠ΅ Π² Π΄ΠΈΠ°Π³Π½ΠΎΡΡΠΈΠΊΠ΅, Π½Π΅Ρ Π½ΠΈΡΠ΅Π³ΠΎ Π»ΡΡΡΠ΅, ΡΠ΅ΠΌ Π½Π΅ΠΏΠΎΡΡΠ΅Π΄ΡΡΠ²Π΅Π½Π½ΡΠΉ ΠΎΠΏΡΡ ΡΠ°Π±ΠΎΡΡ Ρ Π·Π°Π²Π΅Π΄ΠΎΠΌΠΎ ΠΏΠ»ΠΎΡ ΠΈΠΌΠΈ ΠΈ Π·Π°Π²Π΅Π΄ΠΎΠΌΠΎ ΠΈΡΠΏΡΠ°Π²Π½ΡΠΌΠΈ Π°Π²ΡΠΎΠΌΠΎΠ±ΠΈΠ»ΡΠΌΠΈ.
ΠΠΎΠ³Π΄Π° Π²Ρ ΠΏΠΎΡΡΠ²ΡΡΠ²ΡΠ΅ΡΠ΅, ΠΊΠ°ΠΊ Π΄ΠΎΠ»ΠΆΠ½Π° Π²ΡΠ³Π»ΡΠ΄Π΅ΡΡ ΡΠΎΠΏΠ»ΠΈΠ²Π½Π°Ρ ΠΊΠΎΡΡΠ΅ΠΊΡΠΈΡΠΎΠ²ΠΊΠ° Π² ΠΎΠΏΡΠ΅Π΄Π΅Π»Π΅Π½Π½ΡΡ ΡΡΠ»ΠΎΠ²ΠΈΡΡ , ΠΎΠ½Π° ΡΡΠ°Π½Π΅Ρ ΠΎΠ΄Π½ΠΈΠΌ ΠΈΠ· ΡΠ°ΠΌΡΡ Π±ΡΡΡΡΡΡ ΠΈ ΠΏΠΎΠ»Π΅Π·Π½ΡΡ Π΄ΠΈΠ°Π³Π½ΠΎΡΡΠΈΡΠ΅ΡΠΊΠΈΡ ΠΈΠ½ΡΡΡΡΠΌΠ΅Π½ΡΠΎΠ² Π² Π²Π°ΡΠ΅ΠΌ ΡΡΠΈΠΊΠ΅ Π΄Π»Ρ ΠΈΠ½ΡΡΡΡΠΌΠ΅Π½ΡΠΎΠ².
ΠΡΠΈΠΌΠ΅ΡΠ°Π½ΠΈΠ΅ Π°Π²ΡΠΎΡΠ°: Π‘ΠΏΠ°ΡΠΈΠ±ΠΎ ΠΊΠΎΠΌΠΏΠ°Π½ΠΈΠΈ Snap-on Diagnostics Π·Π° ΠΏΠΎΠΌΠΎΡΡ Π² ΠΏΠΎΠ΄Π³ΠΎΡΠΎΠ²ΠΊΠ΅ ΡΡΠΎΠΉ ΡΡΠ°ΡΡΠΈ. β
ΠΠ½ΡΡΡΠ΅Π½Π½Π΅Π΅ ΡΠΎΡΡΠΎΡΠ½ΠΈΠ΅ Π΄Π²ΠΈΠ³Π°ΡΠ΅Π»Ρ ΠΏΠΎ ΡΡΠ°Π²Π½Π΅Π½ΠΈΡ Ρ Π’ΠΎΠΏΠ»ΠΈΠ²Π½Π°Ρ ΠΎΡΠ΄Π΅Π»ΠΊΠ°
ΠΡΠΈ Π΄ΠΈΠ°Π³Π½ΠΎΡΡΠΈΠΊΠ΅ ΠΊΠΎΠ΄ΠΎΠ² Π½Π΅ΠΈΡΠΏΡΠ°Π²Π½ΠΎΡΡΠ΅ΠΉ Π΄Π»Ρ Π±ΠΎΠ³Π°ΡΠΎΠΉ ΠΈΠ»ΠΈ Π±Π΅Π΄Π½ΠΎΠΉ ΡΠΌΠ΅ΡΠΈ ΠΌΡ Π²ΡΠ΅Π³Π΄Π° Π½Π°ΡΠΈΠ½Π°Π΅ΠΌ Ρ ΠΏΡΠΎΠ²Π΅ΡΠΊΠΈ ΡΠΎΠΏΠ»ΠΈΠ²Π½ΡΡ
ΠΊΠΎΡΡΠ΅ΠΊΡΠΈΡΠΎΠ²ΠΎΠΊ. Π£ΡΠΎΠ²Π½ΠΈ ΡΠΎΠΏΠ»ΠΈΠ²Π° ΠΏΠΎΠΊΠ°Π·ΡΠ²Π°ΡΡ, ΡΡΠΎ ΠΊΠΎΠΌΠΏΡΡΡΠ΅Ρ ΠΏΡΡΠ°Π΅ΡΡΡ ΡΠ΄Π΅Π»Π°ΡΡ, ΡΡΠΎΠ±Ρ ΠΈΡΠΏΡΠ°Π²ΠΈΡΡ ΠΏΡΠΎΠ±Π»Π΅ΠΌΡ.
Π ΡΠΎΠΆΠ°Π»Π΅Π½ΠΈΡ, ΠΊΠΎΠ³Π΄Π° ΠΌΡ ΠΈΠΌΠ΅Π΅ΠΌ Π±ΠΎΠ³Π°ΡΡΡ ΠΈΠ»ΠΈ ΠΎΠ±Π΅Π΄Π½Π΅Π½Π½ΡΡ ΡΠΌΠ΅ΡΡ, ΠΌΡ ΠΎΠ±ΡΡΠ½ΠΎ Π² ΠΏΠ΅ΡΠ²ΡΡ ΠΎΡΠ΅ΡΠ΅Π΄Ρ ΠΈΡΠ΅ΠΌ Π²Π½Π΅ΡΠ½ΠΈΠ΅ ΠΏΡΠΎΠ±Π»Π΅ΠΌΡ Ρ Π΄Π²ΠΈΠ³Π°ΡΠ΅Π»Π΅ΠΌ. ΠΠ΄Π½Π°ΠΊΠΎ ΡΠΎΡΡΠΎΡΠ½ΠΈΠ΅ Π²Π½ΡΡΡΠ΅Π½Π½Π΅Π³ΠΎ ΡΠΈΠ»ΠΈΠ½Π΄ΡΠ° Π½Π΅ ΠΌΠ΅Π½Π΅Π΅ Π²Π°ΠΆΠ½ΠΎ. Π§Π°ΡΡΠΎ ΠΌΡ Π΄Π°ΠΆΠ΅ Π²ΠΎΠΎΠ±ΡΠ΅ Π½Π΅ ΠΏΡΠΎΠ²Π΅ΡΡΠ΅ΠΌ ΡΠΎΡΡΠΎΡΠ½ΠΈΠ΅ Π²Π½ΡΡΡΠ΅Π½Π½Π΅Π³ΠΎ ΡΠΈΠ»ΠΈΠ½Π΄ΡΠ°.
ΠΠ°Π²Π°ΠΉΡΠ΅ ΠΏΠΎΡΠΌΠΎΡΡΠΈΠΌ ΠΏΡΠ°Π²Π΄Π΅ Π² Π³Π»Π°Π·Π°, Π½ΠΎΠ²ΡΠ΅ ΠΊΠΎΠ½ΡΡΡΡΠΊΡΠΈΠΈ Π΄Π²ΠΈΠ³Π°ΡΠ΅Π»Ρ Π·Π½Π°ΡΠΈΡΠ΅Π»ΡΠ½ΠΎ ΡΡΠ»ΠΎΠΆΠ½ΠΈΠ»ΠΈ Π²ΡΠΏΠΎΠ»Π½Π΅Π½ΠΈΠ΅ ΠΏΡΠΎΡΡΡΡ ΠΈΡΠΏΡΡΠ°Π½ΠΈΠΉ Π½Π° ΡΠΆΠ°ΡΠΈΠ΅. ΠΠΎ ΡΠΎΡΡΠΎΡΠ½ΠΈΠ΅ Π²Π½ΡΡΡΠ΅Π½Π½Π΅Π³ΠΎ ΡΠΈΠ»ΠΈΠ½Π΄ΡΠ° Π²ΡΠ΅ Π΅ΡΠ΅ ΡΡΠ΅Π±ΡΠ΅Ρ ΠΏΡΠΎΠ²Π΅ΡΠΊΠΈ. Π‘ΡΡΠ΅ΡΡΠ²ΡΠ΅Ρ Π½Π΅ΡΠΊΠΎΠ»ΡΠΊΠΎ ΠΌΠΈΠ½ΠΈΠΌΠ°Π»ΡΠ½ΠΎ ΠΈΠ½Π²Π°Π·ΠΈΠ²Π½ΡΡ ΡΠ΅ΡΡΠΎΠ², ΠΏΠΎΠ·Π²ΠΎΠ»ΡΡΡΠΈΡ ΠΏΡΠΎΠ²Π΅ΡΠΈΡΡ Π²ΠΊΠ»Π°Π΄ ΠΊΠ°ΠΆΠ΄ΠΎΠ³ΠΎ ΡΠΈΠ»ΠΈΠ½Π΄ΡΠ° Π² ΠΎΠ±ΡΡΡ ΡΠ°Π±ΠΎΡΡ Π΄Π²ΠΈΠ³Π°ΡΠ΅Π»Ρ.ΠΠ΄Π½Π°ΠΊΠΎ ΠΎΠ½ΠΈ Π΄Π΅ΠΉΡΡΠ²ΠΈΡΠ΅Π»ΡΠ½ΠΎ Π½Π΅ ΠΌΠΎΠ³ΡΡ ΠΏΡΡΠΌΠΎ ΠΏΠΎΠΊΠ°Π·Π°ΡΡ, ΡΡΠΎ Π²ΡΠ·ΡΠ²Π°Π΅Ρ ΠΊΠΎΡΡΠ΅ΠΊΡΠΈΡΠΎΠ²ΠΊΡ ΠΊΠΎΡΡΠ΅ΠΊΡΠΈΡΠΎΠ²ΠΊΠΈ ΡΠΎΠΏΠ»ΠΈΠ²ΠΎΠΏΠΎΠ΄Π°ΡΠΈ.
ΠΡΠΏΠΎΠ»ΡΠ·ΠΎΠ²Π°Π½ΠΈΠ΅ Π΄Π°ΡΡΠΈΠΊΠ° ΠΈΠΌΠΏΡΠ»ΡΡΠΎΠ², ΠΏΠΎΠ΄ΠΊΠ»ΡΡΠ΅Π½Π½ΠΎΠ³ΠΎ ΠΊ Π²ΡΡ Π»ΠΎΠΏΠ½ΠΎΠΉ ΡΡΡΠ±Π΅ ΠΈΠ»ΠΈ Π²ΠΏΡΡΠΊΠ½ΠΎΠΌΡ ΠΊΠΎΠ»Π»Π΅ΠΊΡΠΎΡΡ, ΠΌΠΎΠΆΠ΅Ρ ΠΏΠΎΠΊΠ°Π·Π°ΡΡ, ΡΡΠΎ ΠΏΡΠΎΠΈΡΡ ΠΎΠ΄ΠΈΡ Π²Π½ΡΡΡΠΈ ΡΠΈΠ»ΠΈΠ½Π΄ΡΠΎΠ². ΠΡΠΎ ΠΎΡΠΎΠ±Π΅Π½Π½ΠΎ Π²Π΅ΡΠ½ΠΎ Π΄Π»Ρ ΡΠ°Π±ΠΎΡΡ ΠΊΠ»Π°ΠΏΠ°Π½Π°. ΠΠ°Π²Π°ΠΉΡΠ΅ ΠΏΠΎΠ΄ΡΠΌΠ°Π΅ΠΌ Π½Π°Π΄ ΡΡΠΈΠΌ: ΠΌΠΎΠΆΠ΅Ρ Π»ΠΈ Π½Π΅Π³Π΅ΡΠΌΠ΅ΡΠΈΡΠ½ΡΠΉ ΠΊΠ»Π°ΠΏΠ°Π½ ΠΏΠΎΠ²Π»ΠΈΡΡΡ Π½Π° ΡΠΎΠΏΠ»ΠΈΠ²Π½ΡΠ΅ ΠΏΠ»Π°Π½ΠΊΠΈ? ΠΡΠ²Π΅Ρ: Π΄Π°, ΠΌΠΎΠΆΠ΅Ρ.
Π‘ΡΡΠ΅ΡΡΠ²ΡΠ΅Ρ ΡΠ΅ΡΡΡΠ΅ ΠΏΡΠΎΡΡΡΡ
ΠΌΠΈΠ½ΠΈΠΌΠ°Π»ΡΠ½ΠΎ ΠΈΠ½Π²Π°Π·ΠΈΠ²Π½ΡΡ
ΡΠ΅ΡΡΠ° Ρ ΠΈΡΠΏΠΎΠ»ΡΠ·ΠΎΠ²Π°Π½ΠΈΠ΅ΠΌ Π΄Π°ΡΡΠΈΠΊΠ° ΠΈΠΌΠΏΡΠ»ΡΡΠΎΠ², ΠΊΠΎΡΠΎΡΡΠ΅ ΠΌΠΎΠΆΠ½ΠΎ Π²ΡΠΏΠΎΠ»Π½ΠΈΡΡ Π΄Π»Ρ ΠΏΡΠΎΠ²Π΅ΡΠΊΠΈ Π²Π½ΡΡΡΠ΅Π½Π½Π΅Π³ΠΎ ΡΠΎΡΡΠΎΡΠ½ΠΈΡ Π΄Π²ΠΈΠ³Π°ΡΠ΅Π»Ρ.
ΠΡ
:
- ΠΡΠΏΡΡΠ°Π½ΠΈΠ΅ ΠΈΠΌΠΏΡΠ»ΡΡΠ° Π²ΡΠΏΡΡΠΊΠ° ΠΏΡΠΈ ΠΏΡΠΎΠ²ΠΎΡΠ°ΡΠΈΠ²Π°Π½ΠΈΠΈ Π΄Π²ΠΈΠ³Π°ΡΠ΅Π»Ρ ΠΏΡΠΈ ΠΎΡΠΊΡΡΡΠΈΠΈ Π΄ΡΠΎΡΡΠ΅Π»ΡΠ½ΠΎΠΉ Π·Π°ΡΠ»ΠΎΠ½ΠΊΠΈ. ΠΡΠΈΠΌΠ΅Ρ ΠΈΡΠΏΡΡΠ°Π½ΠΈΡ Π²ΡΡ Π»ΠΎΠΏΠ½ΡΡ Π³Π°Π·ΠΎΠ² ΠΏΠΎΠ΄ Π²ΡΡΠΎΠΊΠΈΠΌ Π΄Π°Π²Π»Π΅Π½ΠΈΠ΅ΠΌ ΠΏΠΎΠΊΠ°Π·Π°Π½ Π½Π° ΡΠΈΡ. 1 Π½Π° ΡΡΡ. 32.
- ΠΡΠΏΡΡΠ°Π½ΠΈΠ΅ ΠΈΠΌΠΏΡΠ»ΡΡΠ° Π²ΡΡ Π»ΠΎΠΏΠ° ΠΏΡΠΈ Π·Π°ΠΊΡΡΡΠΈΠΈ Π΄ΡΠΎΡΡΠ΅Π»ΡΠ½ΠΎΠΉ Π·Π°ΡΠ»ΠΎΠ½ΠΊΠΈ. ΠΡΠΈΠΌΠ΅Ρ ΠΈΡΠΏΡΡΠ°Π½ΠΈΡ Π²ΡΡ Π»ΠΎΠΏΠ½ΡΡ Π³Π°Π·ΠΎΠ² Π½ΠΈΠ·ΠΊΠΎΠ³ΠΎ Π΄Π°Π²Π»Π΅Π½ΠΈΡ ΠΏΠΎΠΊΠ°Π·Π°Π½ Π½Π° ΡΠΈΡ. 2.
- ΠΡΠΎΠ²Π΅ΡΠΊΠ° Π²Π°ΠΊΡΡΠΌΠ° Π²ΠΎ Π²ΠΏΡΡΠΊΠ½ΠΎΠΌ ΠΊΠΎΠ»Π»Π΅ΠΊΡΠΎΡΠ΅ ΠΏΡΠΈ Π·Π°ΠΊΡΡΡΠΎΠΌ Π΄ΡΠΎΡΡΠ΅Π»Π΅. ΠΡΠΈΠΌΠ΅Ρ ΠΈΡΠΏΡΡΠ°Π½ΠΈΡ Π²ΡΠ°ΡΡΠ²Π°Π½ΠΈΡ Π² Π²ΡΡΠΎΠΊΠΎΠΌ Π²Π°ΠΊΡΡΠΌΠ΅ ΠΏΠΎΠΊΠ°Π·Π°Π½ Π½Π° ΡΠΈΡ. 3 Π½Π° ΡΡΡ. 34.
- ΠΡΠΎΠ²Π΅ΡΠΊΠ° Π²Π°ΠΊΡΡΠΌΠ° Π²ΠΎ Π²ΠΏΡΡΠΊΠ½ΠΎΠΌ ΠΊΠΎΠ»Π»Π΅ΠΊΡΠΎΡΠ΅ ΠΏΡΠΈ ΠΎΡΠΊΡΡΡΠΈΠΈ Π΄ΡΠΎΡΡΠ΅Π»ΡΠ½ΠΎΠΉ Π·Π°ΡΠ»ΠΎΠ½ΠΊΠΈ. ΠΡΠΈΠΌΠ΅Ρ ΠΈΡΠΏΡΡΠ°Π½ΠΈΡ Π²ΡΠ°ΡΡΠ²Π°Π½ΠΈΡ ΠΏΡΠΈ Π½ΠΈΠ·ΠΊΠΎΠΌ Π²Π°ΠΊΡΡΠΌΠ΅ ΠΏΠΎΠΊΠ°Π·Π°Π½ Π½Π° ΡΠΈΡ.4.
ΠΡΠΈ ΠΈΡΠΏΡΡΠ°Π½ΠΈΡ Π΄ΠΎΠ»ΠΆΠ½Ρ Π±ΡΡΡ ΡΠΈΠ½Ρ
ΡΠΎΠ½ΠΈΠ·ΠΈΡΠΎΠ²Π°Π½Ρ Ρ ΠΈΡΠΊΡΠΎΠΉ ΡΠΈΠ»ΠΈΠ½Π΄ΡΠ° 1 ΠΈΠ»ΠΈ ΡΠΎΡΡΡΠ½ΠΊΠΎΠΉ. ΠΡΠΎ ΠΏΠΎΠ·Π²ΠΎΠ»ΡΠ΅Ρ Π½Π°ΠΌ ΠΈΠ΄Π΅Π½ΡΠΈΡΠΈΡΠΈΡΠΎΠ²Π°ΡΡ ΡΠΈΠ»ΠΈΠ½Π΄Ρ Ρ ΠΏΡΠΎΠ±Π»Π΅ΠΌΠΎΠΉ. ΠΡΠΈ ΡΠΈΠ½Ρ
ΡΠΎΠ½ΠΈΠ·Π°ΡΠΈΠΈ ΠΈΡΠΊΡΡ ΡΠ±Π΅Π΄ΠΈΡΠ΅ΡΡ, ΡΡΠΎ Π²Ρ ΠΈΡΠΏΠΎΠ»ΡΠ·ΡΠ΅ΡΠ΅ ΠΏΡΠ°Π²ΠΈΠ»ΡΠ½ΠΎΠ΅ ΡΠΌΠ΅ΡΠ΅Π½ΠΈΠ΅ ΠΏΠΎΡΡΠ΄ΠΊΠ° Π·Π°ΠΆΠΈΠ³Π°Π½ΠΈΡ. ΠΠ΄Π½Π°ΠΊΠΎ ΠΏΡΠΈ ΡΠΈΠ½Ρ
ΡΠΎΠ½ΠΈΠ·Π°ΡΠΈΠΈ Ρ ΡΠΎΡΡΡΠ½ΠΊΠΎΠΉ ΡΡ
Π΅ΠΌΠ° Π²ΡΠΏΡΡΠΊΠ° ΠΎΡΡΠ°Π±ΠΎΡΠ°Π²ΡΠΈΡ
Π³Π°Π·ΠΎΠ² ΡΠΈΠ»ΠΈΠ½Π΄ΡΠ° 1 Π±ΡΠ΄Π΅Ρ ΡΠΎΠΎΡΠ²Π΅ΡΡΡΠ²ΠΎΠ²Π°ΡΡ ΡΠΎΡΡΡΠ½ΠΊΠ΅ ΡΠΈΠ»ΠΈΠ½Π΄ΡΠ° 1.
Π€ΠΎΡΡΡΠ½ΠΊΠΈ ΠΎΠ±ΡΡΠ½ΠΎ ΡΡΠ°Π±Π°ΡΡΠ²Π°ΡΡ Π²ΠΎ Π²ΡΠ΅ΠΌΡ ΡΠ°ΠΊΡΠ° Π²ΡΠΏΡΡΠΊΠ° ΡΠΈΠ»ΠΈΠ½Π΄ΡΠ°, Ρ
ΠΎΡΡ ΠΏΡΡΠΌΠΎΠΉ Π²ΠΏΡΡΡΠΊ Π·Π°ΠΏΡΡΠΊΠ°Π΅ΡΡΡ Π² Π΄ΡΡΠ³ΠΎΠΉ ΠΌΠΎΠΌΠ΅Π½Ρ Π²ΡΠ΅ΠΌΠ΅Π½ΠΈ. Π‘ΠΈΠ½Ρ
ΡΠΎΠ½ΠΈΠ·Π°ΡΠΈΡ Π²ΡΠ΅ Π΅ΡΠ΅ ΠΌΠΎΠΆΠ΅Ρ Π±ΡΡΡ ΠΈΡΠΏΠΎΠ»ΡΠ·ΠΎΠ²Π°Π½Π° ΠΏΠΎΡΠ»Π΅ ΠΏΡΠΎΠ²Π΅ΡΠΊΠΈ ΡΠΎΡΠΊΠΈ ΡΡΠ°Π±Π°ΡΡΠ²Π°Π½ΠΈΡ.
ΠΡΠ΅ΠΆΠ΄Π΅ ΡΠ΅ΠΌ ΠΌΡ ΠΏΡΠΎΠ΄ΠΎΠ»ΠΆΠΈΠΌ ΡΠ΅ΡΡΠΈΡΠΎΠ²Π°Π½ΠΈΠ΅, ΠΌΡ Π΄ΠΎΠ»ΠΆΠ½Ρ ΡΠ±Π΅Π΄ΠΈΡΡΡΡ, ΡΡΠΎ ΠΊΠΈΡΠ»ΠΎΡΠΎΠ΄Π½ΡΠ΅ Π΄Π°ΡΡΠΈΠΊΠΈ ΡΠ°Π±ΠΎΡΠ°ΡΡ ΠΏΡΠ°Π²ΠΈΠ»ΡΠ½ΠΎ. ΠΠ΅ΠΈΡΠΏΡΠ°Π²Π½ΡΠΉ Π΄Π°ΡΡΠΈΠΊ O2 ΠΌΠΎΠΆΠ΅Ρ ΠΏΡΠΈΠ²Π΅ΡΡΠΈ ΠΊ Π½Π΅ΠΏΡΠ°Π²ΠΈΠ»ΡΠ½ΡΠΌ Π²ΡΠ²ΠΎΠ΄Π°ΠΌ ΠΊΠΎΡΡΠ΅ΠΊΡΠΈΡΠΎΠ²ΠΊΠΈ ΡΠΎΠΏΠ»ΠΈΠ²Π°.
ΠΠ°ΠΆΠ΄ΡΠΉ ΠΈΠ· ΡΡΠΈΡ ΡΠ΅ΡΡΠΎΠ² ΠΌΠΎΠΆΠ΅Ρ ΠΏΡΠΎΠ²Π΅ΡΠΈΡΡ ΠΈ ΠΏΠΎΠ΄ΡΠ²Π΅ΡΠ΄ΠΈΡΡ ΡΠΎΡΡΠΎΡΠ½ΠΈΠ΅ ΠΊΠ»Π°ΠΏΠ°Π½ΠΎΠ², Π° ΡΠ°ΠΊΠΆΠ΅ Π΄ΡΡΠ³ΠΈΠ΅ ΠΏΡΠΎΠ±Π»Π΅ΠΌΡ Ρ ΡΠΈΠ»ΠΈΠ½Π΄ΡΠ°ΠΌΠΈ. ΠΠ°Π²Π°ΠΉΡΠ΅ Π²ΠΎΠ·ΡΠΌΠ΅ΠΌ ΠΊΠ°ΠΆΠ΄ΡΠΉ ΡΠ΅ΡΡ ΠΈ ΡΠ²ΡΠΆΠ΅ΠΌ Π΅Π³ΠΎ Ρ ΠΊΠΎΡΡΠ΅ΠΊΡΠΈΡΠΎΠ²ΠΊΠ°ΠΌΠΈ ΡΠΎΠΏΠ»ΠΈΠ²ΠΎΠΏΠΎΠ΄Π°ΡΠΈ. ΠΠΌΠ΅ΠΉΡΠ΅ Π² Π²ΠΈΠ΄Ρ, ΡΡΠΎ ΡΠΎΠΏΠ»ΠΈΠ²Π½ΡΠ΅ ΠΏΠ»Π°Π½ΠΊΠΈ ΡΠ΅Π³ΡΠ»ΠΈΡΡΡΡΡΡ ΠΏΡΠΈ ΡΠ°Π±ΠΎΡΠ°ΡΡΠ΅ΠΌ Π΄Π²ΠΈΠ³Π°ΡΠ΅Π»Π΅. ΠΡΠΎΠ²Π΅ΡΠΊΠ° ΠΏΡΠΎΠ²ΠΎΡΠ°ΡΠΈΠ²Π°Π½ΠΈΠ΅ΠΌ ΠΏΠΎΠΊΠ°Π·ΡΠ²Π°Π΅Ρ ΡΠΎΠ»ΡΠΊΠΎ Π²ΠΎΠ·ΠΌΠΎΠΆΠ½ΡΠ΅ ΠΏΡΠΈΡΠΈΠ½Ρ ΠΊΠΎΡΡΠ΅ΠΊΡΠΈΡΠΎΠ²ΠΊΠΈ ΡΠΎΠΏΠ»ΠΈΠ²Π½ΠΎΠΉ ΠΊΠΎΡΡΠ΅ΠΊΡΠΈΠΈ.
ΠΠ°ΡΠ½Π΅ΠΌ Ρ ΠΈΡΠΏΡΡΠ°Π½ΠΈΡ Π²ΡΡ Π»ΠΎΠΏΠ½ΠΎΠΉ ΡΡΡΠ±Ρ Ρ ΠΏΡΠΎΠ²ΠΎΡΠ°ΡΠΈΠ²Π°Π½ΠΈΠ΅ΠΌ. ΠΡΠΎΡ ΡΠ΅ΡΡ ΠΏΠΎΠ·Π²ΠΎΠ»ΡΠ΅Ρ Π½Π°ΠΌ ΡΠ²ΠΈΠ΄Π΅ΡΡ ΡΠΏΠΎΡΠΎΠ±Π½ΠΎΡΡΡ Π²ΡΠΏΡΡΠΊΠ½ΠΎΠ³ΠΎ ΠΊΠ»Π°ΠΏΠ°Π½Π° ΡΠΏΡΠ°Π²Π»ΡΡΡ Π΄Π°Π²Π»Π΅Π½ΠΈΠ΅ΠΌ. ΠΡΠ»ΠΈ Π²ΡΠΏΡΡΠΊΠ½ΠΎΠΉ ΠΊΠ»Π°ΠΏΠ°Π½ ΠΎΠ΄Π½ΠΎΠ³ΠΎ ΡΠΈΠ»ΠΈΠ½Π΄ΡΠ° Π½Π΅ Π·Π°ΠΊΡΡΠ²Π°Π΅ΡΡΡ, ΠΊΠ°ΠΊ ΡΡΠΎ ΠΏΠΎΠ²Π»ΠΈΡΠ΅Ρ Π½Π° ΡΠΎΠΏΠ»ΠΈΠ²Π½ΡΠ΅ ΠΏΠ»Π°Π½ΠΊΠΈ? ΠΡΠ΄Π΅Ρ Π»ΠΈ Ρ Π²Π°Ρ ΠΏΠΎΠ»ΠΎΠΆΠΈΡΠ΅Π»ΡΠ½Π°Ρ ΠΈΠ»ΠΈ ΠΎΡΡΠΈΡΠ°ΡΠ΅Π»ΡΠ½Π°Ρ ΠΊΠΎΡΡΠ΅ΠΊΡΠΈΡΠΎΠ²ΠΊΠ° ΡΠΎΠΏΠ»ΠΈΠ²Π°? ΠΡΠΎΠΌΠ΅ ΡΠΎΠ³ΠΎ, Π±ΡΠ΄Π΅Ρ Π»ΠΈ Π·Π°ΡΡΠΎΠ½ΡΡΠ° ΠΊΠ°ΠΊ Π΄ΠΎΠ»Π³ΠΎΡΡΠΎΡΠ½Π°Ρ, ΡΠ°ΠΊ ΠΈ ΠΊΡΠ°ΡΠΊΠΎΡΡΠΎΡΠ½Π°Ρ ΡΡΠ΅Π·ΠΊΠ° ΡΠΎΠΏΠ»ΠΈΠ²Π°?
ΠΠΎ-ΠΏΠ΅ΡΠ²ΡΡ
, ΡΡΠ΅ΡΠΊΠ° Π²ΡΠΏΡΡΠΊΠ½ΠΎΠ³ΠΎ ΠΊΠ»Π°ΠΏΠ°Π½Π° ΠΎΠ±ΡΡΠ½ΠΎ Π½Π°ΡΠΈΠ½Π°Π΅ΡΡΡ ΠΊΠ°ΠΊ ΠΏΡΠ΅ΡΡΠ²ΠΈΡΡΠ°Ρ ΠΏΡΠΎΠ±Π»Π΅ΠΌΠ°, ΠΊΠΎΡΠΎΡΠ°Ρ ΠΌΠΎΠΆΠ΅Ρ Π±ΡΡΡ Π½Π΅Π·Π°ΠΌΠ΅ΡΠ½Π° Π΄Π»Ρ Π²ΠΎΠ΄ΠΈΡΠ΅Π»Ρ ΠΈΠ»ΠΈ ΡΡΡΠ°Π½ΠΎΠ²ΠΈΠ²ΡΠ΅Π³ΠΎ ΠΊΠΎΠ΄.
ΠΠ΄Π½Π°ΠΊΠΎ Π΄Π°ΡΡΠΈΠΊ O2 ΠΊΠΎΠ½ΡΡΠΎΠ»ΠΈΡΡΠ΅Ρ ΠΊΠΎΠ»ΠΈΡΠ΅ΡΡΠ²ΠΎ Π½Π΅ΡΠ³ΠΎΡΠ΅Π²ΡΠ΅Π³ΠΎ Π²ΠΎΠ·Π΄ΡΡ
Π° Π² Π²ΡΠΏΡΡΠΊΠ½ΠΎΠΌ ΠΊΠΎΠ»Π»Π΅ΠΊΡΠΎΡΠ΅.ΠΠ°ΠΊ ΡΠΎΠ»ΡΠΊΠΎ Π²ΠΎΠ·Π½ΠΈΠΊΠ°Π΅Ρ ΠΏΡΠΎΠ±Π»Π΅ΠΌΠ°, Π΄Π°ΡΡΠΈΠΊ O2 ΠΎΠΏΡΠ΅Π΄Π΅Π»ΡΠ΅Ρ ΠΈΠ·ΠΌΠ΅Π½Π΅Π½ΠΈΠ΅. ΠΠΎΠΌΠΏΡΡΡΠ΅Ρ ΠΌΠ³Π½ΠΎΠ²Π΅Π½Π½ΠΎ Π²Π½ΠΎΡΠΈΡ ΠΊΠΎΡΡΠ΅ΠΊΡΠΈΡΠΎΠ²ΠΊΠΈ Π² ΠΊΡΠ°ΡΠΊΠΎΠ²ΡΠ΅ΠΌΠ΅Π½Π½ΡΡ ΠΊΠΎΡΡΠ΅ΠΊΡΠΈΡΠΎΠ²ΠΊΡ ΠΏΠΎΠ΄Π°ΡΠΈ ΡΠΎΠΏΠ»ΠΈΠ²Π°, ΠΊΠΎΡΠΎΡΠ°Ρ Π² ΡΡΠΎΠΌ ΡΠ»ΡΡΠ°Π΅ ΡΠ½Π°ΡΠ°Π»Π° ΠΏΠΎΠΊΠ°ΠΆΠ΅Ρ ΠΎΡΡΠΈΡΠ°ΡΠ΅Π»ΡΠ½ΡΡ ΠΊΠΎΡΡΠ΅ΠΊΡΠΈΡΠΎΠ²ΠΊΡ. ΠΠΎ ΡΠΎΠΏΠ»ΠΈΠ²Π½ΡΠ΅ ΠΊΠΎΡΡΠ΅ΠΊΡΠΈΡΠΎΠ²ΠΊΠΈ ΠΌΠΎΠ³ΡΡ ΠΏΠΎΠΊΠ°Π·ΡΠ²Π°ΡΡ ΠΏΠΎΠ»ΠΎΠΆΠΈΡΠ΅Π»ΡΠ½ΡΠΉ ΡΠ΅Π·ΡΠ»ΡΡΠ°Ρ, Π΅ΡΠ»ΠΈ Π² Π²ΡΠΏΡΡΠΊΠ½ΠΎΠΉ ΠΊΠΎΠ»Π»Π΅ΠΊΡΠΎΡ ΠΏΠΎΠΏΠ°Π΄Π°Π΅Ρ Π΄ΠΎΡΡΠ°ΡΠΎΡΠ½ΠΎ Π½Π΅ΡΠ³ΠΎΡΠ΅Π²ΡΠ΅Π³ΠΎ Π²ΠΎΠ·Π΄ΡΡ
Π° / ΡΠΎΠΏΠ»ΠΈΠ²Π°.
Π ΠΈΡ. 5 Π½Π° ΡΡΡ. 36 ΠΏΠΎΠΊΠ°Π·ΡΠ²Π°Π΅Ρ, ΡΡΠΎ ΠΊΠΎΠ³Π΄Π° Π²ΡΠΏΡΡΠΊΠ½ΠΎΠΉ ΠΊΠ»Π°ΠΏΠ°Π½ Kia Rio Π½Π΅ Π³Π΅ΡΠΌΠ΅ΡΠΈΠ·ΠΈΡΠΎΠ²Π°Π»ΡΡ, ΡΠ³ΠΎΡΠ΅Π²ΡΠΈΠ΅ ΡΠΆΠ°ΡΡΠ΅ Π³Π°Π·Ρ ΠΏΡΠΎΡΠ°ΡΠΈΠ²Π°Π»ΠΈΡΡ Π² Π²ΡΠΏΡΡΠΊΠ½ΠΎΠΉ ΠΊΠΎΠ»Π»Π΅ΠΊΡΠΎΡ, ΡΠΎΠ·Π΄Π°Π²Π°Ρ ΠΊΡΠ°ΡΠΊΠΎΠ²ΡΠ΅ΠΌΠ΅Π½Π½ΠΎΠ΅ ΠΈΠ·Π±ΡΡΠΎΡΠ½ΠΎΠ΅ Π΄Π°Π²Π»Π΅Π½ΠΈΠ΅. Π£ΡΠ΅ΡΠΊΠ° Π½Π΅Π±ΠΎΠ»ΡΡΠΎΠ³ΠΎ ΡΠΈΠ»ΠΈΠ½Π΄ΡΠ° ΠΎΠ±ΡΡΠ½ΠΎ ΠΏΡΠΎΡΠ²Π»ΡΠ΅ΡΡΡ Π²ΠΎΠΊΡΡΠ³ ΠΈΠΌΠΏΡΠ»ΡΡΠ° Π²ΡΡ
Π»ΠΎΠΏΠ° ΠΊΠΎΠ½ΠΊΡΠ΅ΡΠ½ΠΎΠ³ΠΎ ΡΠΈΠ»ΠΈΠ½Π΄ΡΠ°.ΠΠΎΠ³Π΄Π° ΠΊΠ»Π°ΠΏΠ°Π½ ΠΈΠ·Π½Π°ΡΠ°Π»ΡΠ½ΠΎ Π·Π°ΠΊΡΡΠ²Π°Π΅ΡΡΡ, ΡΠ°ΠΊΡΠΈΡΠ΅ΡΠΊΠΎΠ΅ ΡΠΏΠ»ΠΎΡΠ½Π΅Π½ΠΈΠ΅ ΠΌΠΎΠΆΠ΅Ρ ΠΏΡΠΎΠΈΠ·ΠΎΠΉΡΠΈ Π½Π΅ ΡΡΠ°Π·Ρ. ΠΡΠΈ Π²ΠΎΠ·Π½ΠΈΠΊΠ½ΠΎΠ²Π΅Π½ΠΈΠΈ ΡΡΠ΅ΡΠΊΠΈ ΡΠ°ΡΡΡ ΠΈΠ·Π±ΡΡΠΎΡΠ½ΠΎΠ³ΠΎ Π΄Π°Π²Π»Π΅Π½ΠΈΡ ΠΌΠΎΠΆΠ΅Ρ ΠΏΠ΅ΡΠ΅ΠΉΡΠΈ Π² Π΄ΡΡΠ³ΠΈΠ΅ ΡΠΈΠ»ΠΈΠ½Π΄ΡΡ, Π²ΡΠΏΡΡΠΊΠ½ΡΠ΅ ΠΊΠ»Π°ΠΏΠ°Π½Ρ ΠΊΠΎΡΠΎΡΡΡ
ΠΎΡΠΊΡΡΡΡ. Π ΠΎΠΏΡΠ΅Π΄Π΅Π»Π΅Π½Π½ΡΠΉ ΠΌΠΎΠΌΠ΅Π½Ρ Π²ΡΠ΅ΠΌΠ΅Π½ΠΈ ΠΎΠ±Π° ΠΊΠ»Π°ΠΏΠ°Π½Π° ΡΠΈΠ»ΠΈΠ½Π΄ΡΠ° ΠΎΡΠΊΡΡΡΡ.
ΠΡΠΎ ΠΏΠΎΠ·Π²ΠΎΠ»ΡΠ΅Ρ Π²ΡΡ
Π»ΠΎΠΏΠ½ΡΠΌ Π³Π°Π·Π°ΠΌ Π²ΠΎΠ·Π²ΡΠ°ΡΠ°ΡΡΡΡ Π²ΠΎ Π²ΠΏΡΡΠΊΠ½ΠΎΠΉ ΠΊΠΎΠ»Π»Π΅ΠΊΡΠΎΡ. ΠΡΠΎΠ²Π΅Π΄Π΅Π½ΠΈΠ΅ Π²Π°ΠΊΡΡΠΌΠ½ΠΎΠ³ΠΎ ΡΠ΅ΡΡΠ° ΠΏΡΠΎΠ²ΠΎΡΠ°ΡΠΈΠ²Π°Π½ΠΈΡ Π²ΠΏΡΡΠΊΠ½ΠΎΠ³ΠΎ ΠΊΠΎΠ»Π»Π΅ΠΊΡΠΎΡΠ° ΠΌΠΎΠΆΠ΅Ρ ΠΏΠΎΠΊΠ°Π·Π°ΡΡ, ΠΊΠ°ΠΊ Π΄Π°Π²Π»Π΅Π½ΠΈΠ΅ Π²ΡΡ
Π»ΠΎΠΏΠ½ΡΡ
Π³Π°Π·ΠΎΠ² Π²ΠΎΠ·Π²ΡΠ°ΡΠ°Π΅ΡΡΡ Π²ΠΎ Π²ΠΏΡΡΠΊΠ½ΠΎΠΉ ΠΊΠΎΠ»Π»Π΅ΠΊΡΠΎΡ ΡΠ΅ΡΠ΅Π· ΠΊΠΎΠ½ΠΊΡΠ΅ΡΠ½ΡΠΉ ΡΠΈΠ»ΠΈΠ½Π΄Ρ.
ΠΠΌΠΏΡΠ»ΡΡ Π΄Π°Π²Π»Π΅Π½ΠΈΡ Π½Π° Π²ΠΏΡΡΠΊΠ΅ Π² ΡΡΠΎΠΌ ΡΠΈΠ»ΠΈΠ½Π΄ΡΠ΅ Π±ΡΠ΄Π΅Ρ Π½Π΅ΠΌΠ½ΠΎΠ³ΠΎ Π²ΡΡΠ΅ (ΠΏΠΎΠ»ΠΎΠΆΠΈΡΠ΅Π»ΡΠ½ΠΎΠ΅ Π΄Π°Π²Π»Π΅Π½ΠΈΠ΅), ΡΠ΅ΠΌ Π² ΠΎΡΡΠ°Π»ΡΠ½ΡΡ
. ΠΡΡ
Π»ΠΎΠΏΠ½ΡΠ΅ Π³Π°Π·Ρ ΡΠ΅ΠΏΠ΅ΡΡ Π²ΡΡΠ΅ΡΠ½ΡΡΡ Π²ΠΎΠ·Π΄ΡΡ
Π²ΠΎ Π²ΠΏΡΡΠΊΠ½ΠΎΠΌ ΠΊΠΎΠ»Π»Π΅ΠΊΡΠΎΡΠ΅. ΠΠΎΡΠ»Π΅ ΠΏΠΎΠ²ΡΠΎΡΠ½ΠΎΠ³ΠΎ ΡΠΆΠΈΠ³Π°Π½ΠΈΡ ΡΡΠΈΡ
Π³Π°Π·ΠΎΠ² ΠΊΠΎΠ»ΠΈΡΠ΅ΡΡΠ²ΠΎ ΠΎΡΡΠ°Π²ΡΠ΅Π³ΠΎΡΡ Π²ΠΎΠ·Π΄ΡΡ
Π°, ΠΏΠΎΠΏΠ°Π΄Π°ΡΡΠ΅Π³ΠΎ Π² Π²ΡΡ
Π»ΠΎΠΏ, ΡΡΠ°Π½ΠΎΠ²ΠΈΡΡΡ ΠΌΠΈΠ½ΠΈΠΌΠ°Π»ΡΠ½ΡΠΌ. ΠΠ°ΡΡΠΈΠΊ O2 ΡΡΠΈΡΠ°Π΅Ρ ΡΡΠΎ Π±ΠΎΠ³Π°ΡΡΠΌ. ΠΠΎΠΌΠΏΡΡΡΠ΅Ρ, Π² ΡΠ²ΠΎΡ ΠΎΡΠ΅ΡΠ΅Π΄Ρ, Π²ΡΠΏΠΎΠ»Π½ΡΠ΅Ρ ΠΎΡΡΠΈΡΠ°ΡΠ΅Π»ΡΠ½ΡΡ ΡΠ΅Π³ΡΠ»ΠΈΡΠΎΠ²ΠΊΡ Π΄ΠΈΡΡΠ΅ΡΠ΅Π½ΡΠ°. ΠΠ΅Π±ΠΎΠ»ΡΡΠ°Ρ ΠΏΠ΅ΡΠΈΠΎΠ΄ΠΈΡΠ΅ΡΠΊΠ°Ρ ΡΡΠ΅ΡΠΊΠ° Π±ΡΠ΄Π΅Ρ Π²ΠΈΠ΄Π½Π° ΡΠΎΠ»ΡΠΊΠΎ ΠΏΡΠΈ ΠΊΡΠ°ΡΠΊΠΎΡΡΠΎΡΠ½ΠΎΠΉ ΠΊΠΎΡΡΠ΅ΠΊΡΠΈΡΠΎΠ²ΠΊΠ΅ ΡΠΎΠΏΠ»ΠΈΠ²Π°. ΠΠΎ ΠΌΠ΅ΡΠ΅ ΡΠ²Π΅Π»ΠΈΡΠ΅Π½ΠΈΡ ΡΡΠ΅ΡΠΊΠΈ Π²ΡΠΏΡΡΠΊΠ½ΠΎΠ³ΠΎ ΠΊΠ»Π°ΠΏΠ°Π½Π° ΠΊΡΠ°ΡΠΊΠΎΠ²ΡΠ΅ΠΌΠ΅Π½Π½ΡΠ΅ ΠΊΠΎΡΡΠ΅ΠΊΡΠΈΡΠΎΠ²ΠΊΠΈ ΠΏΠΎΠ΄Π°ΡΠΈ ΡΠΎΠΏΠ»ΠΈΠ²Π° ΠΏΡΠΈΠ²ΠΎΠ΄ΡΡΡΡ Π² Π΄ΠΎΡΡΠ°ΡΠΎΡΠ½ΠΎ ΠΎΡΡΠΈΡΠ°ΡΠ΅Π»ΡΠ½ΠΎΠ΅ Π·Π½Π°ΡΠ΅Π½ΠΈΠ΅, ΡΡΠΎΠ±Ρ Π·Π°ΡΡΠ°Π²ΠΈΡΡ Π΄ΠΎΠ»Π³ΠΎΡΡΠΎΡΠ½ΡΠ΅ ΠΊΠΎΡΡΠ΅ΠΊΡΠΈΡΠΎΠ²ΠΊΠΈ ΠΏΠΎΠ΄Π°ΡΠΈ ΡΠΎΠΏΠ»ΠΈΠ²Π° ΡΠ°ΠΊΠΆΠ΅ ΡΡΠ°ΡΡ ΠΎΡΡΠΈΡΠ°ΡΠ΅Π»ΡΠ½ΡΠΌΠΈ.ΠΠΎΠΌΠ½ΠΈΡΠ΅, ΡΡΠΎ Π΄Π°ΠΆΠ΅ ΠΏΡΠΈ Π½Π΅Π±ΠΎΠ»ΡΡΠΎΠΉ ΡΡΠ΅ΡΠΊΠ΅ ΡΠΈΠ»ΠΈΠ½Π΄Ρ Π²ΡΠ΅ ΡΠ°Π²Π½ΠΎ ΠΌΠΎΠΆΠ΅Ρ Π²ΠΎΡΠΏΠ»Π°ΠΌΠ΅Π½ΠΈΡΡΡΡ.
ΠΡΠΈΠΌΠ΅ΡΠΎΠΌ ΡΡΠΎΠ³ΠΎ ΡΠ²Π»ΡΠ΅ΡΡΡ Π΄Π²ΠΈΠ³Π°ΡΠ΅Π»Ρ, ΠΊΠΎΡΠΎΡΡΠΉ ΠΏΡΠΎΠΏΡΡΠΊΠ°Π΅Ρ Π·Π°ΠΆΠΈΠ³Π°Π½ΠΈΠ΅ ΡΠΎΠ»ΡΠΊΠΎ Π½Π° Ρ
ΠΎΠ»ΠΎΡΡΠΎΠΌ Ρ
ΠΎΠ΄Ρ.
Π ΡΠ»ΡΡΠ°Π΅ Π±ΠΎΠ»ΡΡΠΎΠΉ ΡΡΠ΅ΡΠΊΠΈ Π²ΡΠΏΡΡΠΊΠ½ΠΎΠ³ΠΎ ΠΊΠ»Π°ΠΏΠ°Π½Π°, ΠΊΠ°ΠΊ ΠΏΠΎΠΊΠ°Π·Π°Π½ΠΎ Π½Π° Π ΠΈΡ. 6 Π½Π° ΡΡΡ. 36, Π±ΠΎΠ»ΡΡΠΎΠ΅ ΠΊΠΎΠ»ΠΈΡΠ΅ΡΡΠ²ΠΎ Π½Π΅ΡΠ³ΠΎΡΠ΅Π²ΡΠ΅Π³ΠΎ Π΄Π°Π²Π»Π΅Π½ΠΈΡ Π²ΡΠ±ΡΠ°ΡΡΠ²Π°Π΅ΡΡΡ Π²ΠΎ Π²ΡΠ΅ΠΌΡ ΡΠ°ΠΊΡΠ° ΡΠΆΠ°ΡΠΈΡ / ΡΠ²Π΅Π»ΠΈΡΠ΅Π½ΠΈΡ ΠΌΠΎΡΠ½ΠΎΡΡΠΈ. ΠΡΠΎ ΠΏΡΠΈΠ²ΠΎΠ΄ΠΈΡ ΠΊ ΠΏΠΎΡΠ²Π»Π΅Π½ΠΈΡ ΠΈΠ·Π±ΡΡΠΎΡΠ½ΠΎΠ³ΠΎ Π΄Π°Π²Π»Π΅Π½ΠΈΡ Π² Π²ΡΡ Π»ΠΎΠΏΠ½ΠΎΠΌ ΠΈΠΌΠΏΡΠ»ΡΡΠ΅ ΡΠΎΠΏΡΡΡΡΠ²ΡΡΡΠ΅Π³ΠΎ ΡΠΈΠ»ΠΈΠ½Π΄ΡΠ°. ΠΠΎΠ»ΡΡΠ°Ρ ΠΏΠΎΡΠ΅ΡΡ Π΄Π°Π²Π»Π΅Π½ΠΈΡ ΡΠ°ΠΊΠΆΠ΅ ΠΌΠΎΠΆΠ΅Ρ ΠΏΡΠΈΠ²Π΅ΡΡΠΈ ΠΊ ΠΏΡΠΎΠΏΡΡΠΊΡ Π·Π°ΠΆΠΈΠ³Π°Π½ΠΈΡ Π² ΡΠΈΠ»ΠΈΠ½Π΄ΡΠ΅. ΠΠΎΠ»ΠΈΡΠ΅ΡΡΠ²ΠΎ Π½Π΅ΡΠ³ΠΎΡΠ΅Π²ΡΠ΅Π³ΠΎ Π²ΠΎΠ·Π΄ΡΡ Π° / ΡΠΎΠΏΠ»ΠΈΠ²Π°, ΠΏΡΠΎΠΊΠ°ΡΠΈΠ²Π°Π΅ΠΌΠΎΠ³ΠΎ ΡΠ΅ΡΠ΅Π· ΡΠΎΠΏΠ»ΠΈΠ²Π½ΡΠ΅ Π±Π°Π»Π°Π½ΡΠΈΡΠΎΠ²ΠΊΠΈ, ΡΡΠ°Π½ΠΎΠ²ΠΈΡΡΡ ΠΏΠΎΠ»ΠΎΠΆΠΈΡΠ΅Π»ΡΠ½ΡΠΌ.ΠΠΎΠ³Π΄Π° Π²ΡΠΏΡΡΠΊΠ½ΠΎΠΉ ΠΊΠ»Π°ΠΏΠ°Π½ ΡΠ΅Π°Π»ΡΠ½ΠΎ ΠΏΡΠΎΡΠ΅ΠΊΠ°ΡΡΠ΅Π³ΠΎ ΡΠΈΠ»ΠΈΠ½Π΄ΡΠ° ΠΎΡΠΊΡΡΠ²Π°Π΅ΡΡΡ, ΠΏΡΠ»ΡΡ Π±ΡΠ΄Π΅Ρ ΠΌΠ΅Π½ΡΡΠ΅ ΠΎΠ±ΡΡΠ½ΠΎΠ³ΠΎ.
ΠΡΠΏΡΡΠ°Π½ΠΈΠ΅ ΠΈΠΌΠΏΡΠ»ΡΡΠ° Π²ΡΡ Π»ΠΎΠΏΠ° ΠΏΡΠΈ ΠΎΡΠΊΡΡΡΠΈΠΈ Π΄ΡΠΎΡΡΠ΅Π»ΡΠ½ΠΎΠΉ Π·Π°ΡΠ»ΠΎΠ½ΠΊΠΈ ΡΠΎΠ·Π΄Π°Π΅Ρ ΠΈΠΌΠΏΡΠ»ΡΡ Π²ΡΡΠΎΠΊΠΎΠ³ΠΎ Π΄Π°Π²Π»Π΅Π½ΠΈΡ Π² Π²ΡΠΏΡΡΠΊΠ½ΠΎΠΌ ΠΊΠΎΠ»Π»Π΅ΠΊΡΠΎΡΠ΅, ΡΡΠΎ ΠΎΠ±Π»Π΅Π³ΡΠ°Π΅Ρ ΠΎΠ±Π½Π°ΡΡΠΆΠ΅Π½ΠΈΠ΅ ΠΏΡΠΎΡΠ΅ΠΊΠ°ΡΡΠ΅Π³ΠΎ Π²ΡΠΏΡΡΠΊΠ½ΠΎΠ³ΠΎ ΠΊΠ»Π°ΠΏΠ°Π½Π°. ΠΠΎΡΠ»Π΅ ΡΠΎΠ³ΠΎ, ΠΊΠ°ΠΊ ΡΠΈΠ»ΠΈΠ½Π΄Ρ ΠΈ ΠΊΠ»Π°ΠΏΠ°Π½Ρ ΠΈΠ΄Π΅Π½ΡΠΈΡΠΈΡΠΈΡΠΎΠ²Π°Π½Ρ, Π²ΡΠΏΠΎΠ»Π½ΡΠ΅ΡΡΡ ΠΈΡΠΏΡΡΠ°Π½ΠΈΠ΅ ΠΈΠΌΠΏΡΠ»ΡΡΠΎΠΌ Π²ΡΡ Π»ΠΎΠΏΠ° ΠΏΡΠΈ Π·Π°ΠΊΡΡΡΠΈΠΈ Π΄ΡΠΎΡΡΠ΅Π»ΡΠ½ΠΎΠΉ Π·Π°ΡΠ»ΠΎΠ½ΠΊΠΈ.
ΠΡΠΎΡ ΡΠ΅ΡΡ ΡΠΎΠ·Π΄Π°Π΅Ρ ΠΈΠΌΠΏΡΠ»ΡΡ Π½ΠΈΠ·ΠΊΠΎΠ³ΠΎ Π΄Π°Π²Π»Π΅Π½ΠΈΡ Π² Π²ΡΠΏΡΡΠΊΠ½ΠΎΠΌ ΠΊΠΎΠ»Π»Π΅ΠΊΡΠΎΡΠ΅.
Π¨Π°Π±Π»ΠΎΠ½ ΠΈΠΌΠΏΡΠ»ΡΡΠΎΠ² ΠΊΠ»Π°ΠΏΠ°Π½Π° ΠΌΠ΅Π½ΡΡΠ΅ ΠΈ Π±ΠΎΠ»Π΅Π΅ Π΄Π΅ΡΠ°Π»ΠΈΠ·ΠΈΡΠΎΠ²Π°Π½.ΠΡΠΏΡΡΠ°Π½ΠΈΠ΅ Π²ΡΡΠΎΠΊΠΈΠΌ Π΄Π°Π²Π»Π΅Π½ΠΈΠ΅ΠΌ ΡΠ°ΠΊΠΆΠ΅ ΠΌΠΎΠΆΠ΅Ρ Π·Π°ΡΡΠ°Π²ΠΈΡΡ ΠΊΠ»Π°ΠΏΠ°Π½ Π·Π°ΠΊΡΡΠ²Π°ΡΡΡΡ ΠΈ Π³Π΅ΡΠΌΠ΅ΡΠΈΠ·ΠΈΡΠΎΠ²Π°ΡΡ, ΡΠ°ΠΊ ΡΡΠΎ ΡΡΠΎΡ ΡΠΈΡΡΠ½ΠΎΠΊ ΠΌΠΎΠΆΠ΅Ρ ΠΏΡΠΎΡΠ²Π»ΡΡΡΡΡ ΠΏΠ΅ΡΠΈΠΎΠ΄ΠΈΡΠ΅ΡΠΊΠΈ. ΠΡΠΏΡΡΠ°Π½ΠΈΠ΅ ΠΏΡΠΈ Π½ΠΈΠ·ΠΊΠΎΠΌ Π΄Π°Π²Π»Π΅Π½ΠΈΠΈ ΠΏΠΎΠ·Π²ΠΎΠ»ΡΠ΅Ρ ΠΏΠΎΡΡΠΎΡΠ½Π½ΠΎ Π²ΠΈΠ΄Π΅ΡΡ ΡΡΠ΅ΡΠΊΡ. ΠΡΠ»ΠΈ ΡΡΠ΅ΡΠΊΠ° ΠΏΡΠ΅Π΄ΡΡΠ°Π²Π»ΡΠ΅Ρ ΡΠΎΠ±ΠΎΠΉ Π±ΠΎΠ»ΡΡΠΎΠΉ Π²ΡΠ±ΡΠΎΡ, ΡΠΎ ΠΈΡΠΏΡΡΠ°Π½ΠΈΠ΅ ΠΏΡΠΈ Π½ΠΈΠ·ΠΊΠΎΠΌ Π΄Π°Π²Π»Π΅Π½ΠΈΠΈ Π²ΡΠ΅ ΡΠ°Π²Π½ΠΎ ΠΏΠΎΠΊΠ°ΠΆΠ΅Ρ ΡΡΠ΅ΡΠΊΡ Π² ΡΠΎΠΏΡΡΡΡΠ²ΡΡΡΠ΅ΠΌ ΠΈΠΌΠΏΡΠ»ΡΡΠ΅ Π²ΡΡ
Π»ΠΎΠΏΠ° ΡΠΈΠ»ΠΈΠ½Π΄ΡΠ°.
Π’Π΅ΠΏΠ΅ΡΡ Π΄Π°Π²Π°ΠΉΡΠ΅ ΠΏΠΎΡΠΌΠΎΡΡΠΈΠΌ Π½Π° ΠΈΡΠΏΡΡΠ°Π½ΠΈΠ΅ Π²Π°ΠΊΡΡΠΌΠ° ΠΏΡΠΈ ΠΏΡΠΎΠ²ΠΎΡΠ°ΡΠΈΠ²Π°Π½ΠΈΠΈ ΠΊΠΎΠ»Π΅Π½ΡΠ°ΡΠΎΠ³ΠΎ Π²Π°Π»Π° Π²ΠΎ Π²ΠΏΡΡΠΊΠ½ΠΎΠΌ ΠΊΠΎΠ»Π»Π΅ΠΊΡΠΎΡΠ΅, ΠΊΠΎΡΠΎΡΠΎΠ΅ ΠΏΡΠΎΠ²Π΅ΡΡΠ΅Ρ ΡΠ΅Π»ΠΎΡΡΠ½ΠΎΡΡΡ Π²ΠΏΡΡΠΊΠ½ΡΡ
ΠΊΠ»Π°ΠΏΠ°Π½ΠΎΠ². ΠΠΏΡΡΡ ΠΆΠ΅, Π΅ΡΠ»ΠΈ Π²ΠΏΡΡΠΊΠ½ΠΎΠΉ ΠΊΠ»Π°ΠΏΠ°Π½ ΠΎΠ΄Π½ΠΎΠ³ΠΎ ΡΠΈΠ»ΠΈΠ½Π΄ΡΠ° Π½Π΅ Π³Π΅ΡΠΌΠ΅ΡΠΈΠ·ΠΈΡΡΠ΅ΡΡΡ, ΠΊΠ°ΠΊ ΡΡΠΎ ΠΏΠΎΠ²Π»ΠΈΡΠ΅Ρ Π½Π° ΡΠΎΠΏΠ»ΠΈΠ²Π½ΡΠ΅ ΠΏΠ»Π°Π½ΠΊΠΈ? Π’Π°ΠΊ ΠΆΠ΅, ΠΊΠ°ΠΊ ΠΏΡΠΎΠ±Π»Π΅ΠΌΠ° Ρ Π²ΡΠΏΡΡΠΊΠ½ΡΠΌ ΠΊΠ»Π°ΠΏΠ°Π½ΠΎΠΌ, Π²ΠΏΡΡΠΊΠ½ΠΎΠΉ ΠΊΠ»Π°ΠΏΠ°Π½ ΠΎΠ±ΡΡΠ½ΠΎ Π·Π°ΠΏΡΡΠΊΠ°Π΅ΡΡΡ ΠΊΠ°ΠΊ ΠΏΡΠ΅ΡΡΠ²ΠΈΡΡΠ°Ρ ΠΏΡΠΎΠ±Π»Π΅ΠΌΠ°, ΠΊΠΎΡΠΎΡΠ°Ρ ΠΌΠΎΠΆΠ΅Ρ Π±ΡΡΡ Π½Π΅Π·Π°ΠΌΠ΅ΡΠ½ΠΎΠΉ ΠΈΠ»ΠΈ ΡΡΡΠ°Π½ΠΎΠ²ΠΈΡΡ ΠΊΠΎΠ΄Ρ.ΠΠΎ Π½Π° ΡΡΠΎΡ ΡΠ°Π· Π΄Π°ΡΡΠΈΠΊ O2 ΠΎΠ±Π½Π°ΡΡΠΆΠΈΡ ΠΎΠ±Π΅Π΄Π½Π΅Π½Π½ΡΡ ΡΠΌΠ΅ΡΡ. ΠΠΎΠΌΠΏΡΡΡΠ΅Ρ ΠΏΡΠΎΠΈΠ·Π²Π΅Π΄Π΅Ρ ΠΏΠΎΠ»ΠΎΠΆΠΈΡΠ΅Π»ΡΠ½ΡΡ ΠΊΠΎΡΡΠ΅ΠΊΡΠΈΡΠΎΠ²ΠΊΡ ΡΠ°ΡΡ
ΠΎΠ΄Π° ΡΠΎΠΏΠ»ΠΈΠ²Π°. ΠΡΠ°ΡΠΊΠΎΠ²ΡΠ΅ΠΌΠ΅Π½Π½Π°Ρ ΠΊΠΎΡΡΠ΅ΠΊΡΠΈΡΠΎΠ²ΠΊΠ° ΠΏΠΎΠ΄Π°ΡΠΈ ΡΠΎΠΏΠ»ΠΈΠ²Π° ΡΠ½Π°ΡΠ°Π»Π° Π±ΡΠ΄Π΅Ρ Π½Π΅ΠΌΠ΅Π΄Π»Π΅Π½Π½ΠΎ ΡΠΊΠΎΡΡΠ΅ΠΊΡΠΈΡΠΎΠ²Π°Π½Π°.
ΠΡΠ»ΠΈ ΡΡΠ΅ΡΠΊΠ° Π΄ΠΎΡΡΠ°ΡΠΎΡΠ½ΠΎ Π²Π΅Π»ΠΈΠΊΠ°, ΡΡΠΎ ΡΠ°ΠΊΠΆΠ΅ ΠΏΠΎΠ²Π»ΠΈΡΠ΅Ρ Π½Π° Π΄ΠΎΠ»Π³ΠΎΡΡΠΎΡΠ½ΡΡ ΡΠ΅Π³ΡΠ»ΠΈΡΠΎΠ²ΠΊΡ ΡΠΎΠΏΠ»ΠΈΠ²ΠΎΠΏΠΎΠ΄Π°ΡΠΈ.
ΠΠ°ΠΊ Π½Π΅Π³Π΅ΡΠΌΠ΅ΡΠΈΡΠ½ΡΠΉ Π²ΠΏΡΡΠΊΠ½ΠΎΠΉ ΠΊΠ»Π°ΠΏΠ°Π½ ΡΠΎΠ·Π΄Π°Π΅Ρ ΠΏΠΎΠ»ΠΎΠΆΠΈΡΠ΅Π»ΡΠ½ΡΡ ΡΠ΅Π³ΡΠ»ΠΈΡΠΎΠ²ΠΊΡ ΡΠΎΠΏΠ»ΠΈΠ²Π½ΠΎΠΉ ΠΊΠΎΡΡΠ΅ΠΊΡΠΈΠΈ? ΠΠ°ΠΊ ΠΏΠΎΠΊΠ°Π·Π°Π½ΠΎ Π½Π° ΡΠΈΡ. 7 Π½Π° ΡΡΡ. 37, ΠΊΠΎΠ³Π΄Π° Π²ΠΏΡΡΠΊΠ½ΠΎΠΉ ΠΊΠ»Π°ΠΏΠ°Π½ Π½Π΅ Π³Π΅ΡΠΌΠ΅ΡΠΈΡΠ΅Π½, ΡΠΆΠ°ΡΠΈΠ΅ ΠΈ ΡΠ°Π±ΠΎΡΠΈΠΉ Ρ ΠΎΠ΄ Π·Π°ΡΡΠ°Π²Π»ΡΡΡ Π²ΠΎΠ·Π²ΡΠ°ΡΠ°ΡΡΡΡ Π²ΠΎ Π²ΠΏΡΡΠΊΠ½ΠΎΠΉ ΠΊΠΎΠ»Π»Π΅ΠΊΡΠΎΡ. ΠΠ΄ΠΈΠ½ ΠΈΠ»ΠΈ Π½Π΅ΡΠΊΠΎΠ»ΡΠΊΠΎ Π΄ΡΡΠ³ΠΈΡ ΡΠΈΠ»ΠΈΠ½Π΄ΡΠΎΠ² Π±ΡΠ΄ΡΡ ΠΏΠΎΠ»ΡΡΠ°ΡΡ ΡΡΠΎ Π΄Π°Π²Π»Π΅Π½ΠΈΠ΅, ΡΠΎΠ·Π΄Π°Π²Π°Ρ ΡΡΡΠ±ΠΎ-ΡΡΡΠ΅ΠΊΡ Π½Π° Π²ΠΏΡΡΠΊΠ΅ ΠΈ Π½Π° Π΄ΡΡΠ³ΠΈΡ ΡΠΈΠ»ΠΈΠ½Π΄ΡΠ°Ρ .Π ΡΠΈΠ»ΠΈΠ½Π΄ΡΡ ΠΏΠΎΡΡΡΠΏΠ°Π΅Ρ Π½Π°ΠΌΠ½ΠΎΠ³ΠΎ Π±ΠΎΠ»ΡΡΠ΅ Π²ΠΎΠ·Π΄ΡΡ Π°, ΡΠ΅ΠΌ ΡΠ°ΡΡΡΠΈΡΠ°Π» ΠΊΠΎΠΌΠΏΡΡΡΠ΅Ρ Π΄Π»Ρ ΡΠ°Π±ΠΎΡΡ. ΠΠΎΠ±Π°Π²Π»Π΅Π½Π½ΡΠΉ Π²ΠΎΠ·Π΄ΡΡ , ΠΏΠΎΡΡΡΠΏΠ°ΡΡΠΈΠΉ Π² ΡΠΈΠ»ΠΈΠ½Π΄Ρ, Π·Π°ΡΡΠ°Π²Π»ΡΠ΅Ρ Π΄Π°ΡΡΠΈΠΊ O2 ΠΎΠΏΡΠ΅Π΄Π΅Π»ΡΡΡ ΠΎΠ±Π΅Π΄Π½Π΅Π½Π½ΡΡ ΡΠΌΠ΅ΡΡ.
ΠΡΠΏΡΡΠ°Π½ΠΈΠ΅ Π²ΠΏΡΡΠΊΠ½ΠΎΠ³ΠΎ ΠΊΠΎΠ»Π»Π΅ΠΊΡΠΎΡΠ° Ρ Π·Π°ΠΊΡΡΡΠΎΠΉ Π΄ΡΠΎΡΡΠ΅Π»ΡΠ½ΠΎΠΉ Π·Π°ΡΠ»ΠΎΠ½ΠΊΠΎΠΉ ΠΌΠΎΠΆΠ΅Ρ ΠΏΠΎΠΊΠ°Π·Π°ΡΡ, ΠΊΠ°ΠΊΠΎΠΉ ΡΠΈΠ»ΠΈΠ½Π΄Ρ ΠΏΡΠΎΡΠ΅ΠΊΠ°Π΅Ρ, Π° ΠΊΠ°ΠΊΠΈΠ΅ — ΠΏΠΎΠ²ΡΠ΅ΠΆΠ΄Π΅Π½Ρ. ΠΠΌΠΏΡΠ»ΡΡ Π΄Π°Π²Π»Π΅Π½ΠΈΡ Π±ΡΠ΄Π΅Ρ Π½Π°ΡΠ°ΡΡΠ°ΡΡ Π²ΠΎ Π²ΡΠ΅ΠΌΡ ΡΠ°ΠΊΡΠΎΠ² Π²ΠΏΡΡΠΊΠ° ΡΠ»Π΅Π΄ΡΡΡΠ΅Π³ΠΎ ΡΠΈΠ»ΠΈΠ½Π΄ΡΠ°. ΠΡΠΎΠ²Π΅ΡΠΊΠ° Π²ΠΏΡΡΠΊΠ½ΠΎΠ³ΠΎ ΠΊΠΎΠ»Π»Π΅ΠΊΡΠΎΡΠ° Ρ ΠΎΡΠΊΡΡΡΠΈΠ΅ΠΌ Π΄ΡΠΎΡΡΠ΅Π»ΡΠ½ΠΎΠΉ Π·Π°ΡΠ»ΠΎΠ½ΠΊΠΈ ΠΏΠΎΠΊΠ°ΠΆΠ΅Ρ ΡΠΎΠ»ΡΠΊΠΎ Π½Π΅Π³Π΅ΡΠΌΠ΅ΡΠΈΡΠ½ΡΠΉ ΠΊΠ»Π°ΠΏΠ°Π½. Π ΡΡΠΎΡ ΠΌΠΎΠΌΠ΅Π½Ρ ΠΊΠ»Π°ΠΏΠ°Π½Ρ Π΄ΡΡΠ³ΠΎΠ³ΠΎ ΡΠΈΠ»ΠΈΠ½Π΄ΡΠ° ΠΏΠΎΠΊΠ°ΠΆΡΡ Π½ΠΎΡΠΌΠ°Π»ΡΠ½ΡΠΉ ΠΈΠΌΠΏΡΠ»ΡΡ.
ΠΡΠ²Π°ΡΡ ΠΊΡΠ°ΠΉΠ½ΠΈΠ΅ ΡΠ»ΡΡΠ°ΠΈ, ΠΊΠΎΠ³Π΄Π° ΠΊΡΠΈΠ²ΡΠ΅ Π²ΡΡ Π»ΠΎΠΏΠ° ΠΈΠ»ΠΈ Π²ΠΏΡΡΠΊΠ° ΠΌΠΎΠ³ΡΡ ΡΠ±ΠΈΠ²Π°ΡΡ Ρ ΡΠΎΠ»ΠΊΡ. ΠΡΠΈΠΌΠ΅Ρ ΠΏΠΎΠΊΠ°Π·Π°Π½ Π½Π° ΡΠΈΡ. 8. ΠΠ° ΡΡΠΎΠΌ ΡΡΠ°ΠΏΠ΅ ΡΡΠ΅Π±ΡΠ΅ΡΡΡ Π΄ΠΎΠΏΠΎΠ»Π½ΠΈΡΠ΅Π»ΡΠ½ΠΎΠ΅ ΡΠ΅ΡΡΠΈΡΠΎΠ²Π°Π½ΠΈΠ΅, ΡΡΠΎΠ±Ρ ΠΎΠΏΡΠ΅Π΄Π΅Π»ΠΈΡΡ ΡΠΈΠ»ΠΈΠ½Π΄Ρ Ρ ΠΏΡΠΎΠ±Π»Π΅ΠΌΠΎΠΉ.
Π ΠΌΠ°Π³Π°Π·ΠΈΠ½ Π·Π°ΡΠ»Π° ΡΡΠ°ΡΠ°Ρ Chevy Nova ΡΠΎ ΡΠ»ΠΎΠΌΠ°Π½Π½ΠΎΠΉ ΠΏΡΡΠΆΠΈΠ½ΠΎΠΉ Π²ΡΠΏΡΡΠΊΠ½ΠΎΠ³ΠΎ ΠΊΠ»Π°ΠΏΠ°Π½Π°. ΠΠΎΠ³Π΄Π° Π±ΡΠ» ΠΏΡΠΎΠ²Π΅Π΄Π΅Π½ ΠΈΠΌΠΏΡΠ»ΡΡΠ½ΡΠΉ ΡΠ΅ΡΡ Π²ΡΠΏΡΡΠΊΠ½ΠΎΠ³ΠΎ ΠΊΠ»Π°ΠΏΠ°Π½Π° ΠΏΡΠΈ Π·Π°ΠΊΡΡΡΠΈΠΈ Π΄ΡΠΎΡΡΠ΅Π»ΡΠ½ΠΎΠΉ Π·Π°ΡΠ»ΠΎΠ½ΠΊΠΈ (ΡΠΈΡ. 9, ΡΡΡ. 38), ΡΠΈΠ»ΠΈΠ½Π΄Ρ ΡΠΎ ΡΠ»ΠΎΠΌΠ°Π½Π½ΠΎΠΉ ΠΏΡΡΠΆΠΈΠ½ΠΎΠΉ Π²ΡΠΏΡΡΠΊΠ½ΠΎΠ³ΠΎ ΠΊΠ»Π°ΠΏΠ°Π½Π° Π±ΡΠ» Π΄Π²Π°ΠΆΠ΄Ρ ΠΏΠΎΠΊΠ°Π·Π°Π½ Π½Π° ΡΠ°Π±Π»ΠΎΠ½Π΅. ΠΠ΄Π΅ΡΡ ΠΏΡΠΎΠΈΡΡ ΠΎΠ΄ΠΈΡ ΡΠΎ, ΡΡΠΎ ΠΈΠΌΠΏΡΠ»ΡΡ Π½Π΅ΠΈΡΠΏΡΠ°Π²Π½ΠΎΠ³ΠΎ ΡΠΈΠ»ΠΈΠ½Π΄ΡΠ° ΠΏΠΎΡΠ²Π»ΡΠ΅ΡΡΡ Π² ΠΈΠΌΠΏΡΠ»ΡΡΠ΅ Π΅Π³ΠΎ Π²ΡΡ Π»ΠΎΠΏΠ°, Π° ΡΠ°ΠΊΠΆΠ΅ Π² ΠΈΠΌΠΏΡΠ»ΡΡΠ΅ ΡΠΎΠΏΡΡΡΡΠ²ΡΡΡΠ΅Π³ΠΎ ΡΠΈΠ»ΠΈΠ½Π΄ΡΠ°.ΠΠ»Π°ΠΏΠ°Π½ Π²ΡΠ΅ Π²ΡΠ΅ΠΌΡ ΠΎΡΡΠ°Π΅ΡΡΡ ΠΏΡΠΈΠΎΡΠΊΡΡΡΡΠΌ. ΠΡ ΠΌΠΎΠ³Π»ΠΈ ΠΏΠΎΠ΄ΡΠΌΠ°ΡΡ, ΡΡΠΎ ΡΡΠΎ Π²ΡΠ·Π²Π°Π½ΠΎ Π΄Π²ΡΠΌΡ ΠΌΠ΅ΡΡΠ²ΡΠΌΠΈ ΡΠΈΠ»ΠΈΠ½Π΄ΡΠ°ΠΌΠΈ Π²ΠΌΠ΅ΡΡΠΎ ΠΎΠ΄Π½ΠΎΠ³ΠΎ.
Π‘ΠΈΠ½Ρ ΡΠΎΠ½ΠΈΠ·Π°ΡΠΈΡ ΡΠΈΠ»ΠΈΠ½Π΄ΡΠ° 1 ΡΡΠ·ΠΈΡ ΠΏΡΠΎΠ±Π»Π΅ΠΌΡ Π΄ΠΎ Π΄Π²ΡΡ ΡΠΈΠ»ΠΈΠ½Π΄ΡΠΎΠ² — ΡΠΈΠ»ΠΈΠ½Π΄ΡΠ° Ρ Π½Π΅ΠΈΡΠΏΡΠ°Π²Π½ΡΠΌ ΠΊΠ»Π°ΠΏΠ°Π½ΠΎΠΌ ΠΈ Π΅Π³ΠΎ ΡΠΎΠΏΡΡΡΡΠ²ΡΡΡΠ΅Π³ΠΎ ΡΠΈΠ»ΠΈΠ½Π΄ΡΠ°. ΠΠΌΠΏΡΠ»ΡΡΠ½ΠΎΠ΅ Π΄Π°Π²Π»Π΅Π½ΠΈΠ΅ Π½Π΅ΠΈΡΠΏΡΠ°Π²Π½ΠΎΠ³ΠΎ ΡΠΈΠ»ΠΈΠ½Π΄ΡΠ° ΠΏΡΠ΅Π²ΡΡΠ°Π΅Ρ Π΄Π°Π²Π»Π΅Π½ΠΈΠ΅ Π² Π΄ΠΎΠΏΠΎΠ»Π½ΠΈΡΠ΅Π»ΡΠ½ΠΎΠΌ ΡΠΈΠ»ΠΈΠ½Π΄ΡΠ΅. ΠΡΠΏΠΎΠ»Π½Π΅Π½ΠΈΠ΅ ΡΠ΅ΡΡΠ° ΠΎΡΠ½ΠΎΡΠΈΡΠ΅Π»ΡΠ½ΠΎΠΉ ΠΊΠΎΠΌΠΏΡΠ΅ΡΡΠΈΠΈ ΠΏΡΠΈ ΠΏΡΠΎΠ²ΠΎΡΠ°ΡΠΈΠ²Π°Π½ΠΈΠΈ ΠΊΠΎΠ»Π΅Π½ΡΠ°ΡΠΎΠ³ΠΎ Π²Π°Π»Π° ΠΏΠΎΠ·Π²ΠΎΠ»ΠΈΡ ΠΏΡΠ°Π²ΠΈΠ»ΡΠ½ΠΎ ΠΎΠΏΡΠ΅Π΄Π΅Π»ΠΈΡΡ ΡΠ°ΠΊΡΠΈΡΠ΅ΡΠΊΠΎΠ΅ ΠΌΠ΅ΡΡΠΎΠΏΠΎΠ»ΠΎΠΆΠ΅Π½ΠΈΠ΅ ΠΌΠ΅ΡΡΠ²ΠΎΠ³ΠΎ ΡΠΈΠ»ΠΈΠ½Π΄ΡΠ°. ΠΡΠΎΠ²Π΅ΡΠΊΠ° Π²ΠΏΡΡΠΊΠ° Ρ Π·Π°ΠΊΡΡΡΡΠΌ Π΄ΡΠΎΡΡΠ΅Π»Π΅ΠΌ ΡΠ°ΠΊΠΆΠ΅ ΠΌΠΎΠΆΠ΅Ρ ΠΏΠΎΠΌΠΎΡΡ ΠΎΠΏΡΠ΅Π΄Π΅Π»ΠΈΡΡ ΠΏΡΠ°Π²ΠΈΠ»ΡΠ½ΡΠΉ ΡΠΈΠ»ΠΈΠ½Π΄Ρ (ΡΠΈΡ.10).
Π’ΠΎΠΏΠ»ΠΈΠ²Π½ΡΠ΅ ΠΏΠ»Π°Π½ΠΊΠΈ Π΄Π»Ρ ΡΠ»ΠΎΠΌΠ°Π½Π½ΠΎΠΉ ΠΏΡΡΠΆΠΈΠ½Ρ ΠΊΠ»Π°ΠΏΠ°Π½Π° Π±ΡΠ»ΠΈ Π±Ρ ΡΡΠ΅Π·Π²ΡΡΠ°ΠΉΠ½ΠΎ ΠΏΠΎΠ»Π΅Π·Π½Ρ ΠΊΠ°ΠΊ ΠΏΡΠΈ ΠΊΡΠ°ΡΠΊΠΎΡΡΠΎΡΠ½ΠΎΠΉ, ΡΠ°ΠΊ ΠΈ ΠΏΡΠΈ Π΄ΠΎΠ»Π³ΠΎΡΡΠΎΡΠ½ΠΎΠΉ ΡΠ΅Π³ΡΠ»ΠΈΡΠΎΠ²ΠΊΠ΅. ΠΠΎΠ½Π΅ΡΠ½ΠΎ, ΡΡΠΎ Π±ΡΠ΄Π΅Ρ Π·Π°Π²ΠΈΡΠ΅ΡΡ ΠΎΡ ΡΠ΅ΡΡΠ΅Π·Π½ΠΎΡΡΠΈ ΡΡΠ΅ΡΠΊΠΈ. ΠΡΠ»ΠΈ Π±Ρ ΡΠΈΠ»ΠΈΠ½Π΄Ρ ΠΈΠΌΠ΅Π» ΡΠ°ΠΊΠΎΠ΅ ΠΆΠ΅ ΡΠΎΡΡΠΎΡΠ½ΠΈΠ΅ Π½Π° Π²ΠΏΡΡΠΊΠ½ΠΎΠΌ ΠΊΠ»Π°ΠΏΠ°Π½Π΅, ΡΠΎ ΠΊΠΎΡΡΠ΅ΠΊΡΠΈΡΠΎΠ²ΠΊΠ° ΡΠΎΠΏΠ»ΠΈΠ²Π° ΠΌΠΎΠ³Π»Π° Π±ΡΡΡ ΠΎΡΡΠΈΡΠ°ΡΠ΅Π»ΡΠ½ΠΎΠΉ. ΠΡΠΎ ΡΠ²ΡΠ·Π°Π½ΠΎ Ρ ΡΠ΅ΠΌ, ΡΡΠΎ Π²ΠΎΠ·Π΄ΡΡΠ½ΠΎ-ΡΠΎΠΏΠ»ΠΈΠ²Π½Π°Ρ ΡΠΌΠ΅ΡΡ Π²ΠΎΠ·Π²ΡΠ°ΡΠ°Π΅ΡΡΡ Π²ΠΎ Π²ΠΏΡΡΠΊΠ½ΠΎΠΉ ΠΊΠΎΠ»Π»Π΅ΠΊΡΠΎΡ ΠΏΡΠΈ Π·Π°ΠΆΠΈΠ³Π°Π½ΠΈΠΈ. ΠΠ΄Π΅Π½ΡΠΈΡΠΈΠΊΠ°ΡΠΈΡ ΡΠΈΠ»ΠΈΠ½Π΄ΡΠ° Π·Π΄Π΅ΡΡ ΡΠΎΠΆΠ΅ Π±ΡΠ΄Π΅Ρ ΠΏΡΠΎΠ±Π»Π΅ΠΌΠΎΠΉ. ΠΠΏΡΡΡ ΠΆΠ΅, ΠΏΡΠΈ Π²ΡΠΏΠΎΠ»Π½Π΅Π½ΠΈΠΈ Π·Π΄Π΅ΡΡ ΡΠ΅ΡΡΠ° ΠΎΡΠ½ΠΎΡΠΈΡΠ΅Π»ΡΠ½ΠΎΠΉ ΠΊΠΎΠΌΠΏΡΠ΅ΡΡΠΈΠΈ ΠΏΡΠΈ ΠΏΡΠΎΠ²ΠΎΡΠ°ΡΠΈΠ²Π°Π½ΠΈΠΈ Π±ΡΠ΄Π΅Ρ ΠΎΡΠΎΠ±ΡΠ°ΠΆΠ°ΡΡΡΡ ΠΏΡΠ°Π²ΠΈΠ»ΡΠ½ΡΠΉ ΡΠΈΠ»ΠΈΠ½Π΄Ρ.
ΠΠ°ΡΡΠΈΠΊ ΠΏΡΠ»ΡΡΠ° ΡΠ°ΠΊΠΆΠ΅ ΠΌΠΎΠΆΠ½ΠΎ ΠΈΡΠΏΠΎΠ»ΡΠ·ΠΎΠ²Π°ΡΡ Π΄Π»Ρ ΠΏΡΠΎΠ²Π΅ΡΠΊΠΈ Π²ΠΏΡΡΠΊΠ½ΠΎΠ³ΠΎ ΠΈΠ»ΠΈ Π²ΡΠΏΡΡΠΊΠ½ΠΎΠ³ΠΎ ΠΊΠ»Π°ΠΏΠ°Π½Π° ΡΠ°Π±ΠΎΡΠ°ΡΡΠ΅Π³ΠΎ Π΄Π²ΠΈΠ³Π°ΡΠ΅Π»Ρ. ΠΡΠΎΠ±Π»Π΅ΠΌΡ Ρ ΠΊΠ»Π°ΠΏΠ°Π½Π°ΠΌΠΈ Π²ΡΠ΅ ΡΠ°Π²Π½ΠΎ ΠΎΡΠΎΠ±ΡΠ°ΠΆΠ°Π»ΠΈΡΡ Π±Ρ. ΠΠ΄Π½Π°ΠΊΠΎ Π²ΠΎΡΠΏΠ»Π°ΠΌΠ΅Π½Π΅Π½ΠΈΠ΅ ΡΠΎΠΏΠ»ΠΈΠ²Π½ΠΎ-Π²ΠΎΠ·Π΄ΡΡΠ½ΠΎΠΉ ΡΠΌΠ΅ΡΠΈ ΡΠ°ΠΊΠΆΠ΅ ΠΌΠΎΠΆΠ΅Ρ ΠΏΠΎΠ²Π»ΠΈΡΡΡ Π½Π° ΠΊΠ°ΡΡΠΈΠ½Ρ. ΠΡΠ΅ ΡΡΠΎ Π½ΡΠΆΠ½ΠΎ ΡΡΠΈΡΡΠ²Π°ΡΡ ΠΏΡΠΈ ΠΎΡΠ΅Π½ΠΊΠ΅ Π·Π°ΠΏΠΈΡΠ°Π½Π½ΠΎΠ³ΠΎ ΠΏΠ°ΡΡΠ΅ΡΠ½Π°. ΠΡ Π΄ΠΎΠ»ΠΆΠ½Ρ ΠΏΠΎΠΌΠ½ΠΈΡΡ, ΡΡΠΎ ΡΠΎΡΡΠΎΡΠ½ΠΈΠ΅ ΡΠΈΠ»ΠΈΠ½Π΄ΡΠ° — ΡΡΠΎ ΡΠΎΠ»ΡΠΊΠΎ ΠΎΠ΄ΠΈΠ½ ΠΈΠ· ΡΠ°ΠΊΡΠΎΡΠΎΠ², Π²Π»ΠΈΡΡΡΠΈΡ Π½Π° ΠΊΠΎΡΡΠ΅ΠΊΡΠΈΡ ΡΠΎΠΏΠ»ΠΈΠ²Π½ΠΎΠΉ ΠΊΠΎΡΡΠ΅ΠΊΡΠΈΠΈ.
ΠΡΠΈΠΌΠ΅ΡΠΎΠΌ ΡΡΠΎΠ³ΠΎ ΡΠ²Π»ΡΠ΅ΡΡΡ Ford Ranger ’99, ΠΊΠΎΡΠΎΡΡΠΉ ΠΏΠΎΡΡΠ°Π²Π»ΡΠ»ΡΡ Ρ Π²ΠΊΠ»ΡΡΠ΅Π½Π½ΠΎΠΉ ΠΊΠΎΠ½ΡΡΠΎΠ»ΡΠ½ΠΎΠΉ Π»Π°ΠΌΠΏΠΎΠΉ.ΠΠΎΠ»ΡΡΠ΅Π½Π½ΡΠΉ ΠΊΠΎΠ΄ Π±ΡΠ» P0301 (ΠΏΡΠΎΠΏΡΡΠΊ Π·Π°ΠΆΠΈΠ³Π°Π½ΠΈΡ Π² ΡΠΈΠ»ΠΈΠ½Π΄ΡΠ΅ 1). ΠΡΠ΅ ΡΠ΅Π·ΡΠ»ΡΡΠ°ΡΡ ΡΠ΅ΡΡΠ° ΠΏΡΠΎΠ²ΠΎΡΠ°ΡΠΈΠ²Π°Π½ΠΈΡ Π²ΡΠ³Π»ΡΠ΄Π΅Π»ΠΈ Ρ ΠΎΡΠΎΡΠΎ. Π’Π΅ΠΌ Π½Π΅ ΠΌΠ΅Π½Π΅Π΅, ΡΠ΅ΠΊΡΡΠΈΠΉ Π²Π°ΠΊΡΡΠΌΠ½ΡΠΉ ΡΠ΅ΡΡ Π½Π° Π²ΠΏΡΡΠΊΠ΅ Π²ΡΡΠ²ΠΈΠ» ΠΏΡΠΎΠ±Π»Π΅ΠΌΡ Ρ Π²ΠΏΡΡΠΊΠ½ΡΠΌ ΠΊΠΎΠ»Π»Π΅ΠΊΡΠΎΡΠΎΠΌ. Π‘Ρ Π΅ΠΌΠ° Π²ΠΏΡΡΠΊΠ½ΡΡ ΠΈΠΌΠΏΡΠ»ΡΡΠΎΠ² ΡΠΈΠ»ΠΈΠ½Π΄ΡΠ° 1 ΠΏΠΎΠΊΠ°Π·Π°Π»Π° Π±ΠΎΠ»ΡΡΡΡ ΡΡΡΠ±ΡΠ»Π΅Π½ΡΠ½ΠΎΡΡΡ ΠΈ ΠΎΡΠ»ΠΈΡΠ°Π»Π°ΡΡ ΠΎΡ Π΄ΡΡΠ³ΠΈΡ ΡΠΈΠ»ΠΈΠ½Π΄ΡΠΎΠ² (ΡΠΈΡ. 11 Π½ΠΈΠΆΠ΅). ΠΡΠΎΠΌΠ΅ ΡΠΎΠ³ΠΎ, Π΄ΠΈΠ°Π³ΡΠ°ΠΌΠΌΠ° ΠΈΡΠΊΡΡ ΡΠΈΠ»ΠΈΠ½Π΄ΡΠ° 1 ΠΏΠΎΠΊΠ°Π·Π°Π»Π° ΠΎΠ±Π΅Π΄Π½Π΅Π½Π½ΡΠΉ ΠΏΡΠΎΠΏΡΡΠΊ Π·Π°ΠΆΠΈΠ³Π°Π½ΠΈΡ. ΠΠΎΡΡΠ΅ΠΊΡΠΈΡ ΠΏΠΎΠ΄Π°ΡΠΈ ΡΠΎΠΏΠ»ΠΈΠ²Π°, Π·Π°ΠΏΠΈΡΠ°Π½Π½Π°Ρ Π² ΡΡΠΎΠΏ-ΠΊΠ°Π΄ΡΠ΅, Π±ΡΠ»Π° ΡΠ»Π΅Π΄ΡΡΡΠ΅ΠΉ: Π΄Π°ΡΡΠΈΠΊ 1, Π΄Π°ΡΡΠΈΠΊ 1, Π΄Π»ΠΈΠ½Π½Π°Ρ ΠΊΠΎΡΡΠ΅ΠΊΡΠΈΡΠΎΠ²ΠΊΠ° ΡΠΎΠΏΠ»ΠΈΠ²Π°, 12% ΠΈ Π΄Π°ΡΡΠΈΠΊ 1, Π΄Π°ΡΡΠΈΠΊ 1, ΠΊΠΎΡΠΎΡΠΊΠ°Ρ ΠΊΠΎΡΡΠ΅ΠΊΡΠΈΡΠΎΠ²ΠΊΠ° ΡΠΎΠΏΠ»ΠΈΠ²Π°, 3%. Π Π°ΡΠΏΡΠ»Π΅Π½ΠΈΠ΅ Π²ΠΏΡΡΠΊΠ½ΠΎΠ³ΠΎ ΠΎΡΠΈΡΡΠΈΡΠ΅Π»Ρ Π²ΠΎΠΊΡΡΠ³ ΠΊΠΎΠ»Π»Π΅ΠΊΡΠΎΡΠ° ΡΠΈΠ»ΠΈΠ½Π΄ΡΠ° 1 ΠΏΡΠΈΠ²Π΅Π»ΠΎ ΠΊ ΠΌΠ³Π½ΠΎΠ²Π΅Π½Π½ΠΎΠΌΡ ΠΈΡΡΠ΅Π·Π½ΠΎΠ²Π΅Π½ΠΈΡ ΠΏΡΠΎΠΏΡΡΠΊΠΎΠ² Π·Π°ΠΆΠΈΠ³Π°Π½ΠΈΡ.Π ΡΠΎΠΆΠ°Π»Π΅Π½ΠΈΡ, Π·Π°ΠΊΠ°Π·ΡΠΈΠΊ ΠΎΡΠΊΠ°Π·Π°Π»ΡΡ ΠΎΡ Π΄Π°Π»ΡΠ½Π΅ΠΉΡΠ΅Π³ΠΎ ΠΎΠ±ΡΠ»ΡΠΆΠΈΠ²Π°Π½ΠΈΡ ΠΈΠ·-Π·Π° Π²ΠΎΠ·ΡΠ°ΡΡΠ° ΠΈ ΠΏΡΠΎΠ±Π΅Π³Π° Π°Π²ΡΠΎΠΌΠΎΠ±ΠΈΠ»Ρ.
ΠΠ°ΠΊ Π²ΠΈΠ΄ΠΈΡΠ΅, ΡΡΡΠ΅ΡΡΠ²ΡΠ΅Ρ ΠΏΡΡΠΌΠ°Ρ Π·Π°Π²ΠΈΡΠΈΠΌΠΎΡΡΡ ΠΌΠ΅ΠΆΠ΄Ρ ΡΠΎΡΡΠΎΡΠ½ΠΈΠ΅ΠΌ ΡΠΈΠ»ΠΈΠ½Π΄ΡΠ° ΠΈ ΠΊΠΎΡΡΠ΅ΠΊΡΠΈΡΠΎΠ²ΠΊΠΎΠΉ ΡΡΠΎΠ²Π½Ρ ΡΠΎΠΏΠ»ΠΈΠ²Π°. ΠΡΠ»ΠΈ ΠΊΠΎΠΌΠΏΡΡΡΠ΅Ρ Π²ΡΠΏΠΎΠ»Π½ΡΠ΅Ρ ΠΊΠΎΡΡΠ΅ΠΊΡΠΈΡΠΎΠ²ΠΊΡ ΠΊΠΎΡΡΠ΅ΠΊΡΠΈΡΠΎΠ²ΠΊΠΈ ΡΠΎΠΏΠ»ΠΈΠ²ΠΎΠΏΠΎΠ΄Π°ΡΠΈ, ΡΠΎ Π²Π°ΠΌ ΠΎΠΏΡΠ΅Π΄Π΅Π»Π΅Π½Π½ΠΎ Π½ΡΠΆΠ½ΠΎ ΠΏΡΠΎΠ²Π΅ΡΠΈΡΡ ΡΠΎΡΡΠΎΡΠ½ΠΈΠ΅ ΡΠΈΠ»ΠΈΠ½Π΄ΡΠ°. ΠΡΠΈ ΡΠ΅ΡΡΡ ΠΌΠΎΠΆΠ½ΠΎ Π²ΡΠΏΠΎΠ»Π½ΠΈΡΡ ΠΎΡΠ΅Π½Ρ Π±ΡΡΡΡΠΎ, ΠΈ Π²Ρ ΡΡΠΊΠΎΠ½ΠΎΠΌΠΈΡΠ΅ ΠΌΠ½ΠΎΠ³ΠΎ Π²ΡΠ΅ΠΌΠ΅Π½ΠΈ ΠΈ Π½Π΅ΡΠ²ΠΎΠ², ΠΏΡΠΎΠ²Π΅ΡΠΈΠ² ΡΠ½Π°ΡΠ°Π»Π° ΡΠΎΡΡΠΎΡΠ½ΠΈΠ΅ ΡΠΈΠ»ΠΈΠ½Π΄ΡΠ°. ΠΠΎΠΌΠ½ΠΈΡΠ΅, Π΄Π²ΠΈΠ³Π°ΡΠ΅Π»Ρ ΠΌΠΎΠΆΠ΅Ρ ΠΈΠΌΠ΅ΡΡ Π²Π½ΡΡΡΠ΅Π½Π½ΡΡ ΠΈ Π²Π½Π΅ΡΠ½ΡΡ ΡΡΠ΅ΡΠΊΡ.
Π‘ΠΊΠ°ΡΠ°ΡΡ PDF
ΠΠ°Π½Π½ΡΠ΅ ΠΊΠΎΡΡΠ΅ΠΊΡΠΈΡΠΎΠ²ΠΊΠΈ ΡΠΎΠΏΠ»ΠΈΠ²ΠΎΠΏΠΎΠ΄Π°ΡΠΈ: ΠΌΠΎΡΠ½ΡΠΉ Π΄ΠΈΠ°Π³Π½ΠΎΡΡΠΈΡΠ΅ΡΠΊΠΈΠΉ ΠΈΠ½ΡΡΡΡΠΌΠ΅Π½Ρ
ΠΠ΅ΠΊΠΎΡΠΎΡΡΠ΅ Π²Π΅ΡΠΈ Π½ΠΈΠΊΠΎΠ³Π΄Π° Π½Π΅ ΠΌΠ΅Π½ΡΡΡΡΡ. ΠΠ»Ρ ΡΠ΅Ρ , ΠΊΡΠΎ Π»ΡΠ±ΠΈΡ Π΄ΡΠΌΠ°ΡΡ ΠΎ Π·Π½Π°ΠΌΠ΅Π½Π°ΡΠ΅Π»ΡΠ½ΡΡ Π³ΠΎΠ΄ΠΎΠ²ΡΠΈΠ½Π°Ρ , ΡΠ΅ΠΉΡΠ°Ρ 2016 Π³ΠΎΠ΄, ΠΈ ΠΏΠΎΡΡΠΎΠΌΡ Π²Π½Π΅Π΄ΡΠ΅Π½ΠΈΡ OBD II ΠΈΡΠΏΠΎΠ»Π½ΠΈΠ»ΠΎΡΡ 20 Π»Π΅Ρ. ΠΡΠ»ΠΎ Π½Π°ΠΏΠΈΡΠ°Π½ΠΎ ΠΌΠ½ΠΎΠ³ΠΎ ΡΡΠ°ΡΠ΅ΠΉ ΠΎ Π²ΠΎΠ·ΠΌΠΎΠΆΠ½ΠΎΡΡΠΈ ΠΈΡΠΏΠΎΠ»ΡΠ·ΠΎΠ²Π°Π½ΠΈΡ Π½Π΅Π΄ΠΎΡΠΎΠ³ΠΎΠ³ΠΎ ΡΠ½ΠΈΠ²Π΅ΡΡΠ°Π»ΡΠ½ΠΎΠ³ΠΎ ΡΠΊΠ°Π½ΠΈΡΡΡΡΠ΅Π³ΠΎ ΠΏΡΠΈΠ±ΠΎΡΠ° OBD II Π² ΠΊΠ°ΡΠ΅ΡΡΠ²Π΅ ΠΎΡΠΏΡΠ°Π²Π½ΠΎΠΉ ΡΠΎΡΠΊΠΈ Π΄ΠΈΠ°Π³Π½ΠΎΡΡΠΈΠΊΠΈ, Π½ΠΎ Ρ ΠΏΠΎΡΠ°ΠΆΠ΅Π½ ΡΠ΅ΠΌ, ΠΊΠ°ΠΊ ΠΌΠ°Π»ΠΎ ΡΠ΅Ρ Π½ΠΈΡΠ΅ΡΠΊΠΈΡ ΡΠΏΠ΅ΡΠΈΠ°Π»ΠΈΡΡΠΎΠ² ΠΏΡΠΈΠ½ΠΈΠΌΠ°ΡΡ ΡΡΡ ΠΊΠΎΠ½ΡΠ΅ΠΏΡΠΈΡ.
Π 2014 ΠΈ 2015 Π³ΠΎΠ΄Π°Ρ Π ΠΎΠ±Π΅ΡΡ ΠΠΎΡ ΡΠΏΠΎΠ½ΡΠΈΡΠΎΠ²Π°Π» ΠΌΠΎΠ±ΠΈΠ»ΡΠ½ΡΠ΅ ΡΡΠ΅Π±Π½ΡΠ΅ Π°Π²ΡΠΎΠΌΠΎΠ±ΠΈΠ»ΠΈ Ρ ΡΠ΅Π»ΡΡ ΠΎΠ±ΡΡΠ΅Π½ΠΈΡ ΡΠ΅Ρ Π½ΠΈΡΠ΅ΡΠΊΠΈΡ ΡΠΏΠ΅ΡΠΈΠ°Π»ΠΈΡΡΠΎΠ² Π½ΠΎΠ²ΡΠΌ ΡΠ΅Ρ Π½ΠΎΠ»ΠΎΠ³ΠΈΡΠΌ ΠΈ ΠΏΡΠΎΠ²Π΅ΡΠΊΠΈ ΠΈΡ Π·Π½Π°Π½ΠΈΠΉ Π² Π²ΠΈΡΡΡΠ°Π»ΡΠ½ΠΎΠΌ Π³Π°ΡΠ°ΠΆΠ΅ Ρ ΠΏΠΎΠ»Π½ΡΠΌ ΠΏΠΎΠ³ΡΡΠΆΠ΅Π½ΠΈΠ΅ΠΌ Π² 3D. Π’Π΅Ρ Π½ΠΈΡΠ΅ΡΠΊΠΈΠΌ ΡΠΏΠ΅ΡΠΈΠ°Π»ΠΈΡΡΠ°ΠΌ Π±ΡΠ»ΠΈ ΠΏΡΠ΅Π΄ΡΡΠ°Π²Π»Π΅Π½Ρ ΠΎΠ±ΡΠΈΠ΅ ΠΏΡΠΎΠ±Π»Π΅ΠΌΡ Π²ΠΎΠΆΠ΄Π΅Π½ΠΈΡ, ΠΈ ΠΎΠ½ΠΈ ΠΏΠΎΠ»ΡΡΠΈΠ»ΠΈ Π²ΠΎΠ·ΠΌΠΎΠΆΠ½ΠΎΡΡΡ ΡΠΎΡΠ΅Π²Π½ΠΎΠ²Π°ΡΡΡΡ Ρ Π΄ΡΡΠ³ΠΈΠΌΠΈ ΡΠ΅Ρ Π½ΠΈΠΊΠ°ΠΌΠΈ. ΠΠ΅ΡΠ²ΠΎΠ½Π°ΡΠ°Π»ΡΠ½ΡΠ΅ Π΄ΠΈΠ°Π³Π½ΠΎΡΡΠΈΡΠ΅ΡΠΊΠΈΠ΅ Π΄Π°Π½Π½ΡΠ΅, ΠΏΡΠ΅Π΄ΡΡΠ°Π²Π»Π΅Π½Π½ΡΠ΅ Π΄Π»Ρ ΠΏΡΠΈΠ½ΡΡΠΈΡ ΡΠ΅ΡΠ΅Π½ΠΈΡ, Π±ΡΠ»ΠΈ Π·Π°ΠΏΠΈΡΠ°Π½Ρ Ρ ΠΏΠΎΠΌΠΎΡΡΡ ΡΠ½ΠΈΠ²Π΅ΡΡΠ°Π»ΡΠ½ΠΎΠ³ΠΎ Π΄ΠΈΠ°Π³Π½ΠΎΡΡΠΈΡΠ΅ΡΠΊΠΎΠ³ΠΎ ΠΏΡΠΈΠ±ΠΎΡΠ° OBD II ΠΈ ΠΎΡΠ½ΠΎΠ²Π°Π½Ρ Π½Π° Π½Π°Π΄Π΅ΠΆΠ½ΠΎΠΌ Π΄ΠΈΠ°Π³Π½ΠΎΡΡΠΈΡΠ΅ΡΠΊΠΎΠΌ ΠΏΠΎΠ΄Ρ ΠΎΠ΄Π΅: ΠΏΡΠΎΠ²Π΅ΡΠΊΠ° ΠΆΠ°Π»ΠΎΠ±Ρ ΠΊΠ»ΠΈΠ΅Π½ΡΠ°, ΠΏΠΎΠ»ΡΡΠ΅Π½ΠΈΠ΅ ΠΊΠΎΠ΄ΠΎΠ² Π½Π΅ΠΈΡΠΏΡΠ°Π²Π½ΠΎΡΡΠ΅ΠΉ, Π·Π°ΠΏΠΈΡΡ ΠΈΠ½ΡΠΎΡΠΌΠ°ΡΠΈΠΈ (Π²ΠΊΠ»ΡΡΠ°Ρ Π΄Π°Π½Π½ΡΠ΅ ΠΎ ΡΡΠΎΠΏ-ΠΊΠ°Π΄ΡΠ΅), ΠΈΡΡΠ»Π΅Π΄ΠΎΠ²Π°Π½ΠΈΠ΅ Π½Π΅ΠΈΡΠΏΡΠ°Π²Π½ΠΎΡΡΠΈ, ΡΡΡΡΠ°Π½Π΅Π½ΠΈΠ΅ Π½Π΅ΠΈΡΠΏΡΠ°Π²Π½ΠΎΡΡΠ΅ΠΉ. Π²ΠΈΠ·ΡΠ°Π»ΡΠ½ΡΠΉ ΠΎΡΠΌΠΎΡΡ ΠΈ, Π½Π°ΠΊΠΎΠ½Π΅Ρ, ΠΎΠΏΡΠ΅Π΄Π΅Π»Π΅Π½ΠΈΠ΅ Π±Π°Π·ΠΎΠ²ΡΡ Π΄Π°Π½Π½ΡΡ ΠΏΠΎ ΡΠΎΠΏΠ»ΠΈΠ²Π½ΠΎΠΉ ΠΊΠΎΡΡΠ΅ΠΊΡΠΈΡΠΎΠ²ΠΊΠ΅, ΡΡΠΎΠ±Ρ ΠΏΠΎΠΌΠΎΡΡ Π² ΠΏΡΠΎΡΠ΅ΡΡΠ΅ ΠΏΡΠΈΠ½ΡΡΠΈΡ ΡΠ΅ΡΠ΅Π½ΠΈΡ.
ΠΠΏΡΠ΅Π΄Π΅Π»Π΅Π½ΠΈΠ΅ Π±Π°Π·ΠΎΠ²ΠΎΠ³ΠΎ ΡΡΠΎΠ²Π½Ρ Π΄Π°Π½Π½ΡΡ ΠΊΠΎΡΡΠ΅ΠΊΡΠΈΡΠΎΠ²ΠΊΠΈ ΡΠΎΠΏΠ»ΠΈΠ²Π° — ΡΡΠΎ ΠΏΡΠΎΡΡΠΎΠΉ ΡΠ΅ΡΡΡΠ΅Ρ ΡΡΠ°ΠΏΠ½ΡΠΉ Π΄ΠΈΠ°Π³Π½ΠΎΡΡΠΈΡΠ΅ΡΠΊΠΈΠΉ ΠΏΡΠΎΡΠ΅ΡΡ: 1. ΠΠΎΠ΄ΠΊΠ»ΡΡΠΈΡΠ΅ ΡΠ½ΠΈΠ²Π΅ΡΡΠ°Π»ΡΠ½ΡΠΉ Π΄ΠΈΠ°Π³Π½ΠΎΡΡΠΈΡΠ΅ΡΠΊΠΈΠΉ ΠΏΡΠΈΠ±ΠΎΡ OBD II, ΠΆΠ΅Π»Π°ΡΠ΅Π»ΡΠ½ΠΎ Ρ Π²ΠΎΠ·ΠΌΠΎΠΆΠ½ΠΎΡΡΡΡ Π·Π°ΠΏΠΈΡΠΈ. 2. ΠΡΡΠ»Π΅ΠΆΠΈΠ²Π°ΠΉΡΠ΅ ΠΈ Π·Π°ΠΏΠΈΡΡΠ²Π°ΠΉΡΠ΅ Π·Π½Π°ΡΠ΅Π½ΠΈΡ ΠΊΠΎΡΡΠ΅ΠΊΡΠΈΠΈ ΠΏΠΎΠ΄Π°ΡΠΈ ΡΠΎΠΏΠ»ΠΈΠ²Π° Π²
.ΡΠ΅ΡΡΡΠ΅ ΠΎΠ±ΡΠΈΡ ΡΠ°Π±ΠΎΡΠΈΡ Π΄ΠΈΠ°ΠΏΠ°Π·ΠΎΠ½Π°: ΡΠΊΠΎΡΠΎΡΡΡ Ρ ΠΎΠ»ΠΎΡΡΠΎΠ³ΠΎ Ρ ΠΎΠ΄Π°, Π»Π΅Π³ΠΊΠ°Ρ Π½Π°Π³ΡΡΠ·ΠΊΠ° (ΠΎΡ 20 Π΄ΠΎ 30 ΠΌΠΈΠ»Ρ Π² ΡΠ°Ρ), ΡΠΌΠ΅ΡΠ΅Π½Π½Π°Ρ Π½Π°Π³ΡΡΠ·ΠΊΠ° (ΠΎΡ 40 Π΄ΠΎ 50 ΠΌΠΈΠ»Ρ Π² ΡΠ°Ρ) ΠΈ Π±ΠΎΠ»ΡΡΠ°Ρ Π½Π°Π³ΡΡΠ·ΠΊΠ° (ΠΎΡ 60 Π΄ΠΎ 70 ΠΌΠΈΠ»Ρ Π² ΡΠ°Ρ). 3. ΠΡΠΎΠ°Π½Π°Π»ΠΈΠ·ΠΈΡΠΎΠ²Π°ΡΡ ΡΠΎΠ±ΡΠ°Π½Π½ΡΠ΅ Π΄Π°Π½Π½ΡΠ΅. 4. ΠΡΠΏΠΎΠ»ΡΠ·ΡΠΉΡΠ΅ ΠΈΠ½ΡΠΎΡΠΌΠ°ΡΠΈΡ Π΄Π»Ρ Π½Π°ΡΠ΅Π»ΠΈΠ²Π°Π½ΠΈΡ Π½Π° ΡΠ»Π΅Π΄ΡΡΡΠΈΠ΅ ΡΠ°Π³ΠΈ Π΄ΠΈΠ°Π³Π½ΠΎΡΡΠΈΠΊΠΈ.
ΠΠ° ΡΠΈΡ. 1 Π²ΡΡΠ΅ ΠΏΠΎΠΊΠ°Π·Π°Π½Ρ Π΄Π°Π½Π½ΡΠ΅ ΠΊΠΎΡΡΠ΅ΠΊΡΠΈΡΠΎΠ²ΠΊΠΈ ΡΠ°ΡΡ ΠΎΠ΄Π° ΡΠΎΠΏΠ»ΠΈΠ²Π°, ΡΠΎΠ±ΡΠ°Π½Π½ΡΠ΅ Π½Π° Π°Π²ΡΠΎΠΌΠΎΠ±ΠΈΠ»Π΅ Ρ Π²ΠΊΠ»ΡΡΠ΅Π½Π½ΡΠΌ ΠΈΠ½Π΄ΠΈΠΊΠ°ΡΠΎΡΠΎΠΌ Check Engine ΠΈ ΠΊΠΎΠ΄Π°ΠΌΠΈ Π½Π΅ΠΈΡΠΏΡΠ°Π²Π½ΠΎΡΡΠΈ P0171 (ΡΠΊΠΎΠ½ΠΎΠΌΠΈΡ ΡΠΈΡΡΠ΅ΠΌΡ Π±Π°Π½ΠΊΠ° 1) ΠΈ P0174 (ΡΠΊΠΎΠ½ΠΎΠΌΠΈΡ ΡΠΈΡΡΠ΅ΠΌΡ Π±Π°Π½ΠΊΠ° 2).Π’ΠΈΠΏΠΈΡΠ½ΡΠΌΠΈ ΠΏΡΠ΅Π΄Π»ΠΎΠΆΠ΅Π½ΠΈΡΠΌΠΈ ΠΏΠΎ ΡΠ΅ΡΠ²ΠΈΡΠ½ΠΎΠΉ ΠΈΠ½ΡΠΎΡΠΌΠ°ΡΠΈΠΈ Π΄Π»Ρ ΡΡΠΈΡ ΠΊΠΎΠ΄ΠΎΠ² ΠΌΠΎΠ³ΡΡ Π±ΡΡΡ Π·Π°ΡΠΎΡΠ΅Π½Π½ΡΠΉ ΠΈΠ»ΠΈ Π³ΡΡΠ·Π½ΡΠΉ ΡΠΎΠΏΠ»ΠΈΠ²Π½ΡΠΉ ΡΠΈΠ»ΡΡΡ, ΠΏΠΎΠ²ΡΠ΅ΠΆΠ΄Π΅Π½Π½ΡΠΉ ΠΈΠ»ΠΈ ΠΈΠ·Π½ΠΎΡΠ΅Π½Π½ΡΠΉ ΡΠΎΠΏΠ»ΠΈΠ²Π½ΡΠΉ Π½Π°ΡΠΎΡ, ΠΏΡΠΎΡΠ΅ΠΊΠ°ΡΡΠΈΠ΅ ΠΈΠ»ΠΈ Π·Π°Π³ΡΡΠ·Π½Π΅Π½Π½ΡΠ΅ ΡΠΎΠΏΠ»ΠΈΠ²Π½ΡΠ΅ ΡΠΎΡΡΡΠ½ΠΊΠΈ, Π½ΠΈΠ·ΠΊΠΎΠ΅ Π΄Π°Π²Π»Π΅Π½ΠΈΠ΅ ΡΠΎΠΏΠ»ΠΈΠ²Π°, ΡΡΠ΅ΡΠΊΠ° ΡΠΎΠ»Π΅Π½ΠΎΠΈΠ΄Π° ΠΏΡΠΎΠ΄ΡΠ²ΠΊΠΈ ΠΈΡΠΏΠ°ΡΠΈΡΠ΅Π»Ρ, ΠΏΡΠΎΠ±Π»Π΅ΠΌΡ Ρ ΡΠΈΡΡΠ΅ΠΌΠΎΠΉ ΡΠ΅ΡΠΈΡΠΊΡΠ»ΡΡΠΈΠΈ Π²ΡΡ Π»ΠΎΠΏΠ½ΡΡ Π³Π°Π·ΠΎΠ², ΡΡΠ΅ΡΠΊΠΈ Π²Π°ΠΊΡΡΠΌΠ°, ΠΏΡΠΎΠ±Π»Π΅ΠΌΡ Ρ PCV, ΠΏΠΎΠ²ΡΠ΅ΠΆΠ΄Π΅Π½ΠΈΠ΅ ΠΈΠ»ΠΈ Π·Π°Π³ΡΡΠ·Π½Π΅Π½Π½Π°Ρ ΠΌΠ°ΡΡΠ° Π΄Π°ΡΡΠΈΠΊ ΡΠ°ΡΡ ΠΎΠ΄Π° Π²ΠΎΠ·Π΄ΡΡ Π° (MAF) ΠΈ Ρ. Π΄.
ΠΠ° Π ΠΈΡ. 2 Π½Π° ΡΡΡ. 24 ΠΏΠΎΠΊΠ°Π·Π°Π½Π° ΡΠΈΠΏΠΎΠ²Π°Ρ ΡΡ Π΅ΠΌΠ° ΡΠΈΡΡΠ΅ΠΌΡ ΠΏΡΡΠΌΠΎΠ³ΠΎ Π²ΠΏΡΡΡΠΊΠ° Π±Π΅Π½Π·ΠΈΠ½Π° (GDI) Ρ ΠΎΠ±ΡΠΈΠΌΠΈ Π΄Π°ΡΡΠΈΠΊΠ°ΠΌΠΈ ΠΈ ΠΈΡΠΏΠΎΠ»Π½ΠΈΡΠ΅Π»ΡΠ½ΡΠΌΠΈ ΠΌΠ΅Ρ Π°Π½ΠΈΠ·ΠΌΠ°ΠΌΠΈ ΡΠΏΡΠ°Π²Π»Π΅Π½ΠΈΡ Π΄Π²ΠΈΠ³Π°ΡΠ΅Π»Π΅ΠΌ. ΠΠ±ΡΠ°ΡΠΈΡΠ΅ Π²Π½ΠΈΠΌΠ°Π½ΠΈΠ΅, ΡΡΠΎ Ρ ΡΠ°ΡΡΠΌΠ°ΡΡΠΈΠ²Π°Π΅ΠΌΠΎΠ³ΠΎ ΡΡΠ°Π½ΡΠΏΠΎΡΡΠ½ΠΎΠ³ΠΎ ΡΡΠ΅Π΄ΡΡΠ²Π° Π΅ΡΡΡ Π΄Π²Π° ΡΡΠ΄Π°, ΡΡΠΎ ΠΎΠ·Π½Π°ΡΠ°Π΅Ρ Π½Π°Π»ΠΈΡΠΈΠ΅ Π½Π΅ΡΠΊΠΎΠ»ΡΠΊΠΈΡ Π΄Π°ΡΡΠΈΠΊΠΎΠ² ΠΊΠΈΡΠ»ΠΎΡΠΎΠ΄Π° Π²ΡΡΠ΅ ΠΏΠΎ ΠΏΠΎΡΠΎΠΊΡ.
Π’Π΅ΠΏΠ΅ΡΡ Π²Π°ΠΌ, ΠΊΠ°ΠΊ ΠΈ ΡΠ΅Ρ Π½ΠΈΡΠ΅ΡΠΊΠΈΠΌ ΡΠΏΠ΅ΡΠΈΠ°Π»ΠΈΡΡΠ°ΠΌ ΠΌΠΎΠ±ΠΈΠ»ΡΠ½ΠΎΠ³ΠΎ ΡΡΠ΅Π±Π½ΠΎΠ³ΠΎ Π°Π²ΡΠΎΠΌΠΎΠ±ΠΈΠ»Ρ, Π½ΡΠΆΠ½ΠΎ ΠΏΡΠΈΠ½ΡΡΡ ΡΠ΅ΡΠ΅Π½ΠΈΠ΅. ΠΠ° ΠΎΡΠ½ΠΎΠ²Π΅ ΠΊΠΎΠ΄ΠΎΠ² Π½Π΅ΠΈΡΠΏΡΠ°Π²Π½ΠΎΡΡΠ΅ΠΉ ΠΈ ΠΈΠ½ΡΠΎΡΠΌΠ°ΡΠΈΠΈ ΠΈΠ· ΡΠ΅ΡΡΡΠ΅Ρ ΡΡΡΠΏΠ΅Π½ΡΠ°ΡΠΎΠΉ ββΠ·Π°ΠΏΠΈΡΠΈ ΠΊΠΎΡΡΠ΅ΠΊΡΠΈΡΠΎΠ²ΠΊΠΈ ΡΠΎΠΏΠ»ΠΈΠ²ΠΎΠΏΠΎΠ΄Π°ΡΠΈ, ΠΊΠ°ΠΊΠΎΠΉ ΠΊΠΎΠΌΠΏΠΎΠ½Π΅Π½Ρ ΠΈΠ»ΠΈ ΡΠΈΡΡΠ΅ΠΌΡ Π²Ρ Π±Ρ ΠΏΡΠΎΡΠ΅ΡΡΠΈΡΠΎΠ²Π°Π»ΠΈ Π½Π° ΡΠΈΡ. 2? Π Π²ΠΈΡΡΡΠ°Π»ΡΠ½ΠΎΠΌ 3D-Π³Π°ΡΠ°ΠΆΠ΅ ΠΌΡ ΡΡΠ·ΠΈΠ»ΠΈ ΡΡΠΎ ΡΠΈΡΠ»ΠΎ Π΄ΠΎ Π²ΠΎΡΡΠΌΠΈ: ΡΠΎΠ»Π΅Π½ΠΎΠΈΠ΄ ΠΏΡΠΎΠ΄ΡΠ²ΠΊΠΈ, Π½Π°ΡΠΎΡ Π²ΡΡΠΎΠΊΠΎΠ³ΠΎ Π΄Π°Π²Π»Π΅Π½ΠΈΡ GDI, Π½Π°ΡΠΎΡ Π½ΠΈΠ·ΠΊΠΎΠ³ΠΎ Π΄Π°Π²Π»Π΅Π½ΠΈΡ Π² ΡΠΎΠΏΠ»ΠΈΠ²Π½ΠΎΠΌ Π±Π°ΠΊΠ΅, ΠΈΠ½ΠΆΠ΅ΠΊΡΠΎΡ GDI, ΠΊΠ°ΡΡΡΠΊΠΈ Π·Π°ΠΆΠΈΠ³Π°Π½ΠΈΡ, ΡΡΠ΅ΡΠΊΠΈ Π½Π° Π²ΠΏΡΡΠΊΠ΅, Π΄Π°ΡΡΠΈΠΊ ΠΌΠ°ΡΡΠΎΠ²ΠΎΠ³ΠΎ ΡΠ°ΡΡ ΠΎΠ΄Π° Π²ΠΎΠ·Π΄ΡΡ Π° ΠΈ Π΄Π°ΡΡΠΈΠΊΠΈ ΠΊΠΈΡΠ»ΠΎΡΠΎΠ΄Π° Π½Π° Π²Ρ ΠΎΠ΄Π΅.
Π’Π°ΠΊ ΡΡΠΎ Π²Ρ ΡΠ΅ΡΠΈΠ»ΠΈ? ΠΡΠ»ΠΈ Π±Ρ Π²Ρ ΡΠΊΠ°Π·Π°Π»ΠΈ, ΡΡΠΎ Π΄Π°Π²Π°ΠΉΡΠ΅ ΠΏΡΠΎΠ²Π΅ΡΠΈΠΌ Π·ΠΎΠ½Ρ Π²ΡΠ°ΡΡΠ²Π°Π½ΠΈΡ Π½Π° ΡΡΠ΅ΡΠΊΠΈ Ρ ΠΏΠΎΠΌΠΎΡΡΡ Π΄ΡΠΌΠΎΠ²ΠΎΠΉ ΠΌΠ°ΡΠΈΠ½Ρ, Π²Ρ Π±ΡΠ»ΠΈ Π±Ρ Π² Π±ΠΎΠ»ΡΡΠΈΠ½ΡΡΠ²Π΅ ΡΠ΅Ρ Π½ΠΈΠΊΠΎΠ², ΡΡΠ°ΡΡΠ²ΠΎΠ²Π°Π²ΡΠΈΡ Π² ΠΈΡΠΏΡΡΠ°Π½ΠΈΠΈ Boschβ¦ ΠΈ Π½ΠΈΠΊΠ°ΠΊΠΈΡ ΡΡΠ΅ΡΠ΅ΠΊ Π½Π΅ Π±ΡΠ»ΠΎ Π±Ρ ΠΎΠ±Π½Π°ΡΡΠΆΠ΅Π½ΠΎ.ΠΡΠΊΡΠ΄Π° Π½Π°ΠΌ ΡΡΠΎ Π·Π½Π°ΡΡ? ΠΠ΅Π· Π²Π΅Π΄ΠΎΠΌΠ° ΡΡΠ°ΡΡΠ½ΠΈΠΊΠΎΠ² ΠΌΡ ΠΎΡΡΠ»Π΅ΠΆΠΈΠ²Π°Π»ΠΈ ΡΠ΅ΡΠ΅Π½ΠΈΡ, ΠΊΠΎΡΠΎΡΡΠ΅ ΠΎΠ½ΠΈ ΠΏΡΠΈΠ½ΠΈΠΌΠ°Π»ΠΈ Π² Π²ΠΈΡΡΡΠ°Π»ΡΠ½ΠΎΠΌ Π³Π°ΡΠ°ΠΆΠ΅, Ρ ΡΠ΅Π»ΡΡ ΠΏΠΎΠ½ΡΡΡ, ΠΊΠ°ΠΊ ΡΠ΅Ρ Π½ΠΈΡΠ΅ΡΠΊΠΈΠ΅ ΡΠΏΠ΅ΡΠΈΠ°Π»ΠΈΡΡΡ ΡΠ΅ΡΠ°ΡΡ ΠΏΡΠΎΠ±Π»Π΅ΠΌΡ Ρ ΡΠΏΡΠ°Π²Π»ΡΠ΅ΠΌΠΎΡΡΡΡ.
ΠΠΎΡ Π²ΠΎΠΏΡΠΎΡ Π½Π° ΠΌΠΈΠ»Π»ΠΈΠΎΠ½ Π΄ΠΎΠ»Π»Π°ΡΠΎΠ²: ΡΡΠΎ ΠΏΠΎΠ±ΡΠ΄ΠΈΠ»ΠΎ Π²Π°Ρ ΠΏΡΠΎΠ²Π΅ΡΠΈΡΡ ΡΡΠ΅ΡΠΊΠΈ Π½Π° Π²Ρ ΠΎΠ΄Π΅? ΠΡΠ²Π΅Ρ Π±ΠΎΠ»ΡΡΠΈΠ½ΡΡΠ²Π° ΡΠ΅Ρ Π½ΠΈΡΠ΅ΡΠΊΠΈΡ ΡΠΏΠ΅ΡΠΈΠ°Π»ΠΈΡΡΠΎΠ² Π±ΡΠ» ΠΏΡΠΎΡΡ: ΡΡΠΎ ΠΎΠ±ΡΡΠ½Π°Ρ ΠΏΡΠΎΠ±Π»Π΅ΠΌΠ°, ΠΈ ΠΎΠ½ΠΈ Ρ ΠΎΡΠ΅Π»ΠΈ ΡΠ½Π°ΡΠ°Π»Π° Π΅Π΅ ΡΡΡΡΠ°Π½ΠΈΡΡ. ΠΡΠΎ Π½Π΅ Π±ΡΠ»ΠΎ Π±Ρ ΡΠΆΠ°ΡΠ½ΡΠΌ ΠΎΡΠ²Π΅ΡΠΎΠΌ, Π½ΠΎ Π΄Π°Π½Π½ΡΠ΅ ΠΎ ΡΠΎΠΏΠ»ΠΈΠ²Π½ΠΎΠΉ Π±Π°Π»Π°Π½ΡΠΈΡΠΎΠ²ΠΊΠ΅ Π½Π΅ ΠΏΠΎΠ΄ΡΠ²Π΅ΡΠ΄ΠΈΠ»ΠΈ ΡΡΠΎΡ Π²ΡΠ±ΠΎΡ.
ΠΠ΅ΡΠ½Π΅ΠΌΡΡ ΠΊ ΡΠΈΡ.1 ΠΈ ΠΏΠΎΡΡΠ°ΡΡΡΠ΅ Π½Π΅ΠΊΠΎΡΠΎΡΠΎΠ΅ Π²ΡΠ΅ΠΌΡ, ΡΡΠΎΠ±Ρ ΠΏΠΎΠ½ΡΡΡ Π΄Π°Π½Π½ΡΠ΅ ΠΎ ΠΊΠΎΡΡΠ΅ΠΊΡΠΈΡΠΎΠ²ΠΊΠ΅ ΡΠ°ΡΡ ΠΎΠ΄Π° ΡΠΎΠΏΠ»ΠΈΠ²Π°, ΠΊΠΎΡΠΎΡΡΠ΅ ΠΌΡ ΡΠΎΠ±ΡΠ°Π»ΠΈ Π²ΠΎ Π²ΡΠ΅ΠΌΡ Π΄ΠΎΡΠΎΠΆΠ½ΡΡ ΠΈΡΠΏΡΡΠ°Π½ΠΈΠΉ. Π ΡΡΠΎΠΌ ΠΏΡΠΈΠΌΠ΅ΡΠ΅ Π΄Π°Π½Π½ΡΠ΅ ΠΊΠΎΡΡΠ΅ΠΊΡΠΈΡΠΎΠ²ΠΊΠΈ ΡΠΎΠΏΠ»ΠΈΠ²Π° Π½Π΅ ΡΠΎΠΎΡΠ²Π΅ΡΡΡΠ²ΠΎΠ²Π°Π»ΠΈ ΠΎΠ±ΠΎΠΈΠΌ Π±Π°Π½ΠΊΠ°ΠΌ ΠΈ ΠΊΠ°ΠΆΠ΄ΠΎΠΌΡ ΡΠ°Π±ΠΎΡΠ΅ΠΌΡ Π΄ΠΈΠ°ΠΏΠ°Π·ΠΎΠ½Ρ — Ρ ΠΎΠ»ΠΎΡΡΠΎΠΌΡ Ρ ΠΎΠ΄Ρ, ΠΌΠ°Π»ΠΎΠΉ Π½Π°Π³ΡΡΠ·ΠΊΠ΅, ΡΠΌΠ΅ΡΠ΅Π½Π½ΠΎΠΉ Π½Π°Π³ΡΡΠ·ΠΊΠ΅ ΠΈ Π±ΠΎΠ»ΡΡΠΎΠΉ Π½Π°Π³ΡΡΠ·ΠΊΠ΅ — ΡΡΠΎ ΠΎΠ·Π½Π°ΡΠ°Π΅Ρ, ΡΡΠΎ ΡΠΎΡΡΠΎΡΠ½ΠΈΠ΅ ΠΎΠ±Π΅Π΄Π½Π΅Π½Π½ΠΎΠΉ ΡΠΌΠ΅ΡΠΈ ΠΏΡΠΈΡΡΡΡΡΠ²ΠΎΠ²Π°Π»ΠΎ Π²ΠΎ Π²ΡΠ΅Ρ ΡΡΠ»ΠΎΠ²ΠΈΡΡ Π΄Π²ΠΈΠΆΠ΅Π½ΠΈΡ.
Π§ΡΠΎ Π²Ρ ΡΠ΅ΠΉΡΠ°Ρ Π΄ΡΠΌΠ°Π΅ΡΠ΅ ΠΎΠ± ΡΡΠ΅ΡΠΊΠ΅ Π²ΡΠ°ΡΡΠ²Π°Π΅ΠΌΠΎΠ³ΠΎ Π²ΠΎΠ·Π΄ΡΡ Π°? ΠΠ° ΡΠΈΡ. 3 Π½Π° ΡΡΡ. 26 ΠΏΠΎΠΊΠ°Π·Π°Π½Ρ Π·Π½Π°ΡΠ΅Π½ΠΈΡ, ΠΊΠΎΡΠΎΡΡΠ΅ Π²Ρ, Π²Π΅ΡΠΎΡΡΠ½ΠΎ, ΡΠ²ΠΈΠ΄ΠΈΡΠ΅ Π½Π° Π°Π²ΡΠΎΠΌΠΎΠ±ΠΈΠ»Π΅ Ρ Π½Π΅Π³Π΅ΡΠΌΠ΅ΡΠΈΡΠ½ΡΠΌΠΈ Π²ΠΎΠ·Π΄ΡΡ ΠΎΠ·Π°Π±ΠΎΡΠ½ΠΈΠΊΠ°ΠΌΠΈ. ΠΠ½Π°ΡΠ΅Π½ΠΈΡ ΠΊΠΎΡΡΠ΅ΠΊΡΠΈΡΠΎΠ²ΠΊΠΈ ΡΠΎΠΏΠ»ΠΈΠ²Π° Π±ΡΠ΄ΡΡ Π²ΡΡΠΎΠΊΠΈΠΌΠΈ Π½Π° Ρ ΠΎΠ»ΠΎΡΡΠΎΠΌ Ρ ΠΎΠ΄Ρ ΠΈ Π±ΡΠ΄ΡΡ ΠΎΡΠΈΡΠ°ΡΡΡΡ Π² Π±ΠΎΠ»Π΅Π΅ Π²ΡΡΠΎΠΊΠΈΡ ΡΠ°Π±ΠΎΡΠΈΡ Π΄ΠΈΠ°ΠΏΠ°Π·ΠΎΠ½Π°Ρ .ΠΠ° ΡΡΠ°Π½ΡΠΏΠΎΡΡΠ½ΡΡ ΡΡΠ΅Π΄ΡΡΠ²Π°Ρ , ΠΎΠ±ΠΎΡΡΠ΄ΠΎΠ²Π°Π½Π½ΡΡ Π΄Π°ΡΡΠΈΠΊΠ°ΠΌΠΈ ΠΌΠ°ΡΡΠΎΠ²ΠΎΠ³ΠΎ ΡΠ°ΡΡ ΠΎΠ΄Π° Π²ΠΎΠ·Π΄ΡΡ Π°, ΠΌΠΎΠΆΠ½ΠΎ ΡΠ²ΠΈΠ΄Π΅ΡΡ ΡΠ»Π΅Π³ΠΊΠ° Π·Π°Π²ΡΡΠ΅Π½Π½ΡΠ΅ Π·Π½Π°ΡΠ΅Π½ΠΈΡ ΠΊΠΎΡΡΠ΅ΠΊΡΠΈΡΠΎΠ²ΠΊΠΈ ΡΠΎΠΏΠ»ΠΈΠ²ΠΎΠΏΠΎΠ΄Π°ΡΠΈ Π² Π±ΠΎΠ»Π΅Π΅ Π²ΡΡΠΎΠΊΠΈΡ Π΄ΠΈΠ°ΠΏΠ°Π·ΠΎΠ½Π°Ρ , Π½ΠΎ ΡΡΠΎ ΠΌΠΎΠΆΠ΅Ρ Π±ΡΡΡ ΡΠ²ΡΠ·Π°Π½ΠΎ Ρ ΠΏΠΎΡΡΡΠΏΠ»Π΅Π½ΠΈΠ΅ΠΌ Π½Π΅ΠΈΠ·ΠΌΠ΅ΡΠ΅Π½Π½ΠΎΠ³ΠΎ ΠΈΠ»ΠΈ Π»ΠΎΠΆΠ½ΠΎΠ³ΠΎ Π²ΠΎΠ·Π΄ΡΡ Π°. Π ΠΏΡΠΈΠΌΠ΅ΡΠ΅ Π½Π° ΡΠΈΡ. 3 Π·Π½Π°ΡΠ΅Π½ΠΈΡ ΠΊΠΎΡΡΠ΅ΠΊΡΠΈΡΠΎΠ²ΠΊΠΈ ΡΠΎΠΏΠ»ΠΈΠ²Π° Π½Π΅Π΄ΠΎΡΡΠ°ΡΠΎΡΠ½ΠΎ Π²ΡΡΠΎΠΊΠΈ Π΄Π»Ρ ΡΡΡΠ°Π½ΠΎΠ²ΠΊΠΈ P0171 ΠΈ / ΠΈΠ»ΠΈ P0174.
Π’Π΅ΠΏΠ΅ΡΡ Π²Π΅ΡΠ½Π΅ΠΌΡΡ ΠΊ ΡΠΈΡ. 2 ΠΈ ΠΏΠ΅ΡΠ΅ΠΎΡΠΌΡΡΠ»ΠΈΠΌ ΡΠ»Π΅Π΄ΡΡΡΠΈΠ΅ ΡΡΠ°ΠΏΡ Π΄ΠΈΠ°Π³Π½ΠΎΡΡΠΈΠΊΠΈ. ΠΠ°ΠΊΠΎΠΉ ΠΈΠ· Π²ΠΎΡΡΠΌΠΈ ΠΏΠ΅ΡΠ΅ΡΠΈΡΠ»Π΅Π½Π½ΡΡ ΠΊΠΎΠΌΠΏΠΎΠ½Π΅Π½ΡΠΎΠ² ΠΌΠΎΠΆΠ΅Ρ ΠΏΠΎΠ²Π»ΠΈΡΡΡ Π½Π° Π·Π½Π°ΡΠ΅Π½ΠΈΡ ΠΊΠΎΡΡΠ΅ΠΊΡΠΈΡΠΎΠ²ΠΊΠΈ ΡΠΎΠΏΠ»ΠΈΠ²Π° Π²ΠΎ Π²ΡΠ΅Ρ ΡΠ°Π±ΠΎΡΠΈΡ Π΄ΠΈΠ°ΠΏΠ°Π·ΠΎΠ½Π°Ρ ? ΠΡΠ»ΠΈ Π²Ρ ΠΎΡΠ²Π΅ΡΠΈΠ»ΠΈ Π½Π° Π΄Π°ΡΡΠΈΠΊ ΠΌΠ°ΡΡΠΎΠ²ΠΎΠ³ΠΎ ΡΠ°ΡΡ ΠΎΠ΄Π° Π²ΠΎΠ·Π΄ΡΡ Π°, ΡΠΎΠΏΠ»ΠΈΠ²Π½ΡΠΉ Π½Π°ΡΠΎΡ Π½ΠΈΠ·ΠΊΠΎΠ³ΠΎ Π΄Π°Π²Π»Π΅Π½ΠΈΡ ΠΈ, Π²ΠΎΠ·ΠΌΠΎΠΆΠ½ΠΎ, Π½Π°ΡΠΎΡ Π²ΡΡΠΎΠΊΠΎΠ³ΠΎ Π΄Π°Π²Π»Π΅Π½ΠΈΡ GDI, Π²Ρ Π½Π° ΠΏΡΠ°Π²ΠΈΠ»ΡΠ½ΠΎΠΌ ΠΏΡΡΠΈ.
ΠΡΠΎΡΠ΅ΠΊΠ°ΡΡΠΈΠ΅ ΠΈΠ»ΠΈ Π·Π°Π³ΡΡΠ·Π½Π΅Π½Π½ΡΠ΅ ΡΠΎΠΏΠ»ΠΈΠ²Π½ΡΠ΅ ΡΠΎΡΡΡΠ½ΠΊΠΈ Π±ΡΠ»ΠΈ ΡΠΊΠ°Π·Π°Π½Ρ Π² ΠΊΠ°ΡΠ΅ΡΡΠ²Π΅ Π²ΠΎΠ·ΠΌΠΎΠΆΠ½ΡΡ ΠΏΡΠΈΡΠΈΠ½ ΡΡΠΈΡ ΠΊΠΎΠ΄ΠΎΠ² Π½Π΅ΠΈΡΠΏΡΠ°Π²Π½ΠΎΡΡΠΈ, Π½ΠΎ ΠΏΡΠΎΡΠ΅ΠΊΠ°ΡΡΠΈΠ΅ ΡΠΎΠΏΠ»ΠΈΠ²Π½ΡΠ΅ ΡΠΎΡΡΡΠ½ΠΊΠΈ ΡΠΎΠ·Π΄Π°Π²Π°Π»ΠΈ Π±ΠΎΠ»Π΅Π΅ Π±ΠΎΠ³Π°ΡΡΡ, ΡΠ΅ΠΌ ΠΎΠ±ΡΡΠ½ΠΎ, Π²ΠΎΠ·Π΄ΡΡΠ½ΠΎ-ΡΠΎΠΏΠ»ΠΈΠ²Π½ΡΡ ΡΠΌΠ΅ΡΡ. ΠΠ½Π°ΡΠ΅Π½ΠΈΡ ΠΊΠΎΡΡΠ΅ΠΊΡΠΈΡΠΎΠ²ΠΊΠΈ ΡΠΎΠΏΠ»ΠΈΠ²Π° Π±ΡΠ΄ΡΡ ΠΎΡΡΠΈΡΠ°ΡΠ΅Π»ΡΠ½ΡΠΌΠΈ, ΠΈ Ρ Π½Π°Ρ, Π²Π΅ΡΠΎΡΡΠ½ΠΎ, Π±ΡΠ΄Π΅Ρ P0172 / P0175 (Bank 1 ΠΈ 2 Rich). ΠΠ°ΡΠΎΡΠ΅Π½Π½ΡΠ΅ ΠΈΠ»ΠΈ Π·Π°Π³ΡΡΠ·Π½Π΅Π½Π½ΡΠ΅ ΡΠΎΡΡΡΠ½ΠΊΠΈ ΡΠ»Π΅Π΄ΡΠ΅Ρ ΠΏΡΠΎΠ²Π΅ΡΡΡΡ, Π½ΠΎ ΡΠΎΠ»ΡΠΊΠΎ ΠΏΠΎΡΠ»Π΅ Π΄ΠΈΠ°Π³Π½ΠΎΡΡΠΈΠΊΠΈ ΠΊΠΎΠΌΠΏΠΎΠ½Π΅Π½ΡΠΎΠ², ΠΏΠ΅ΡΠ΅ΡΠΈΡΠ»Π΅Π½Π½ΡΡ Π² ΠΏΡΠ΅Π΄ΡΠ΄ΡΡΠ΅ΠΌ Π°Π±Π·Π°ΡΠ΅.
ΠΠΎΠΆΠ½ΠΎ ΡΡΠ·ΠΈΡΡ ΠΊΡΡΠ³ Π²ΠΎΠΏΡΠΎΡΠΎΠ², ΠΊΠΎΡΠΎΡΡΠΉ Π΄ΠΎΠ»ΠΆΠ΅Π½ Π±ΡΡΡ ΠΏΡΠΎΡΠ΅ΡΡΠΈΡΠΎΠ²Π°Π½ ΡΠ»Π΅Π΄ΡΡΡΠΈΠΌ, ΡΠ½ΠΎΠ²Π° ΠΏΠΎΡΠΌΠΎΡΡΠ΅Π² Π½Π° Π΄Π°Π½Π½ΡΠ΅ ΠΊΠΎΡΡΠ΅ΠΊΡΠΈΡΠΎΠ²ΠΊΠΈ ΡΠ°ΡΡ ΠΎΠ΄Π° ΡΠΎΠΏΠ»ΠΈΠ²Π°, Π½ΠΎ Π΄Π»Ρ ΡΡΠΎΠ³ΠΎ ΡΡΠ΅Π±ΡΠ΅ΡΡΡ Π½Π΅ΠΊΠΎΡΠΎΡΠΎΠ΅ ΠΏΠΎΠ½ΠΈΠΌΠ°Π½ΠΈΠ΅ ΡΡΠ΅Ρ Π²ΠΎΠ·ΠΌΠΎΠΆΠ½ΡΡ ΠΊΠΎΠΌΠΏΠΎΠ½Π΅Π½ΡΠΎΠ².ΠΠ°ΡΠ½Π΅ΠΌ Ρ ΡΠΎΠΏΠ»ΠΈΠ²Π½ΠΎΠ³ΠΎ Π½Π°ΡΠΎΡΠ° Π½ΠΈΠ·ΠΊΠΎΠ³ΠΎ Π΄Π°Π²Π»Π΅Π½ΠΈΡ. Π‘ΠΏΠΈΡΠΎΠΊ Π²ΠΎΠ·ΠΌΠΎΠΆΠ½ΡΡ ΠΏΡΠΈΡΠΈΠ½, ΠΏΡΠΈΠ²Π΅Π΄Π΅Π½Π½ΡΠΉ Π²ΡΡΠ΅, ΠΏΡΠ΅Π΄ΠΏΠΎΠ»Π°Π³Π°Π΅Ρ, ΡΡΠΎ Π·Π°ΡΠΎΡΠ΅Π½Π½ΡΠΉ ΡΠΎΠΏΠ»ΠΈΠ²Π½ΡΠΉ ΡΠΈΠ»ΡΡΡ, ΠΈΠ·Π½ΠΎΡΠ΅Π½Π½ΡΠΉ ΡΠΎΠΏΠ»ΠΈΠ²Π½ΡΠΉ Π½Π°ΡΠΎΡ ΠΈΠ»ΠΈ Π½ΠΈΠ·ΠΊΠΎΠ΅ Π΄Π°Π²Π»Π΅Π½ΠΈΠ΅ ΡΠΎΠΏΠ»ΠΈΠ²Π° ΠΌΠΎΠ³ΡΡ ΡΠΎΠ·Π΄Π°Π²Π°ΡΡ P0171 ΠΈ / ΠΈΠ»ΠΈ P0174. ΠΡΠ»ΠΈ ΠΊΠ°ΠΊΠΎΠ΅-Π»ΠΈΠ±ΠΎ ΠΈΠ· ΡΡΠΈΡ ΡΠΎΠ±ΡΡΠΈΠΉ ΠΏΡΠΎΠΈΠ·ΠΎΠΉΠ΄Π΅Ρ, Π½Π°ΠΈΠ±ΠΎΠ»Π΅Π΅ Π²Π΅ΡΠΎΡΡΠ½ΡΠΌ ΡΠ΅Π·ΡΠ»ΡΡΠ°ΡΠΎΠΌ Π±ΡΠ΄Π΅Ρ Π½Π΅Π΄ΠΎΡΡΠ°ΡΠΎΡΠ½ΡΠΉ ΠΎΠ±ΡΠ΅ΠΌ ΡΠΎΠΏΠ»ΠΈΠ²Π° Π΄Π»Ρ Π½Π°ΡΠΎΡΠ° Π²ΡΡΠΎΠΊΠΎΠ³ΠΎ Π΄Π°Π²Π»Π΅Π½ΠΈΡ GDI.
Π Π΅Π·ΡΠ»ΡΡΠ°ΡΠΎΠΌ Π½Π΅Π΄ΠΎΡΡΠ°ΡΠΎΡΠ½ΠΎΠΉ ΠΏΠΎΠ΄Π°ΡΠΈ ΡΠΎΠΏΠ»ΠΈΠ²Π° Π² Π½Π°ΡΠΎΡ Π²ΡΡΠΎΠΊΠΎΠ³ΠΎ Π΄Π°Π²Π»Π΅Π½ΠΈΡ GDI Π±ΡΠ΄Π΅Ρ ΡΠΎ, ΡΡΠΎ ΠΌΠΎΠ΄ΡΠ»Ρ ΡΠΏΡΠ°Π²Π»Π΅Π½ΠΈΡ ΡΡΠ°Π½ΡΠΌΠΈΡΡΠΈΠ΅ΠΉ (PCM) ΡΡΡΠ°Π½ΠΎΠ²ΠΈΡ ΡΠ΅Π»Π΅Π²ΠΎΠ΅ Π΄Π°Π²Π»Π΅Π½ΠΈΠ΅, ΠΊΠΎΡΠΎΡΠΎΠ΅ Π΄ΠΎΠ»ΠΆΠ½ΠΎ ΠΏΠΎΠ΄Π΄Π΅ΡΠΆΠΈΠ²Π°ΡΡΡΡ Π² ΡΠΎΠΏΠ»ΠΈΠ²Π½ΠΎΠΉ ΡΠ°ΠΌΠΏΠ΅ Π²ΡΡΠΎΠΊΠΎΠ³ΠΎ Π΄Π°Π²Π»Π΅Π½ΠΈΡ, ΠΊΠΎΡΠΎΡΠΎΠ΅ ΡΠ΅Π³ΡΠ»ΠΈΡΡΠ΅ΡΡΡ Π΄Π»Ρ ΡΠ°Π·Π»ΠΈΡΠ½ΡΡ ΡΡΠ»ΠΎΠ²ΠΈΠΉ ΡΠΊΡΠΏΠ»ΡΠ°ΡΠ°ΡΠΈΠΈ. .ΠΠ°ΡΡΠΈΠΊ Π΄Π°Π²Π»Π΅Π½ΠΈΡ ΡΠΎΠΏΠ»ΠΈΠ²Π° (FPS) ΠΏΠ΅ΡΠ΅Π΄Π°Π΅Ρ ΡΠ°ΠΊΡΠΈΡΠ΅ΡΠΊΠΈΠ΅ Π΄Π°Π½Π½ΡΠ΅ ΠΎ Π΄Π°Π²Π»Π΅Π½ΠΈΠΈ Π² ΡΠ°ΠΌΠΏΠ΅ ΠΎΠ±ΡΠ°ΡΠ½ΠΎ Π² PCM. Π Π΄ΠΈΠ°ΠΏΠ°Π·ΠΎΠ½Π°Ρ Ρ ΠΎΠ»ΠΎΡΡΠΎΠ³ΠΎ Ρ ΠΎΠ΄Π° ΠΈ ΠΌΠ°Π»ΡΡ Π½Π°Π³ΡΡΠ·ΠΎΠΊ Π½Π°ΡΠΎΡ Π½ΠΈΠ·ΠΊΠΎΠ³ΠΎ Π΄Π°Π²Π»Π΅Π½ΠΈΡ ΡΡΠ΅Π±ΡΠ΅Ρ ΠΌΠ΅Π½ΡΡΠ΅Π³ΠΎ ΠΎΠ±ΡΠ΅ΠΌΠ° Π΄Π»Ρ ΠΏΠΎΠ΄Π΄Π΅ΡΠΆΠ°Π½ΠΈΡ ΠΆΠ΅Π»Π°Π΅ΠΌΠΎΠ³ΠΎ Π΄Π°Π²Π»Π΅Π½ΠΈΡ Π² ΡΠ°ΠΌΠΏΠ΅. ΠΠΎΠ²ΡΡΠ΅Π½Π½Π°Ρ Π½Π°Π³ΡΡΠ·ΠΊΠ° Π½Π° Π°Π²ΡΠΎΠΌΠΎΠ±ΠΈΠ»Ρ ΡΡΠ΅Π±ΡΠ΅Ρ Π±ΠΎΠ»ΡΡΠ΅Π³ΠΎ Π΄Π°Π²Π»Π΅Π½ΠΈΡ Π² ΡΠ°ΠΌΠΏΠ΅ ΠΈ Π±ΠΎΠ»ΡΡΠ΅Π³ΠΎ ΠΎΠ±ΡΠ΅ΠΌΠ° ΠΎΡ ΡΠΎΠΏΠ»ΠΈΠ²Π½ΠΎΠ³ΠΎ Π½Π°ΡΠΎΡΠ° Π½ΠΈΠ·ΠΊΠΎΠ³ΠΎ Π΄Π°Π²Π»Π΅Π½ΠΈΡ.
ΠΡΠ»ΠΈ Π²Π°ΠΌ ΠΈΠ½ΡΠ΅ΡΠ΅ΡΠ½ΠΎ, ΠΊ ΡΠ΅ΠΌΡ ΡΡΠΎ ΠΎΠ±ΡΡΠΆΠ΄Π΅Π½ΠΈΠ΅, Π΅ΡΡΡ Π΅ΡΠ΅ ΠΎΠ΄ΠΈΠ½ Π²ΠΎΠΏΡΠΎΡ, Π½Π°Π΄ ΠΊΠΎΡΠΎΡΡΠΌ Π²Ρ Π΄ΠΎΠ»ΠΆΠ½Ρ Π·Π°Π΄ΡΠΌΠ°ΡΡΡΡ: Π΅ΡΠ»ΠΈ PCM ΠΎΠΏΡΠ΅Π΄Π΅Π»ΡΠ΅Ρ, ΡΡΠΎ ΠΆΠ΅Π»Π°Π΅ΠΌΠΎΠ΅ Π΄Π°Π²Π»Π΅Π½ΠΈΠ΅ Π½Π΅ ΡΠΎΠΎΡΠ²Π΅ΡΡΡΠ²ΡΠ΅Ρ ΡΠΏΠ΅ΡΠΈΡΠΈΠΊΠ°ΡΠΈΠΈ, ΠΊΠ°ΠΊΠΎΠΉ ΠΊΠΎΠ΄ Π½Π΅ΠΈΡΠΏΡΠ°Π²Π½ΠΎΡΡΠΈ Π±ΡΠ΄Π΅Ρ ΡΡΡΠ°Π½ΠΎΠ²Π»Π΅Π½? ΠΠ° Π°Π²ΡΠΎΠΌΠΎΠ±ΠΈΠ»Π΅ GDI Π½Π°ΠΈΠ±ΠΎΠ»Π΅Π΅ Π²Π΅ΡΠΎΡΡΠ½ΡΠΌ ΠΊΠΎΠ΄ΠΎΠΌ Π½Π΅ΠΈΡΠΏΡΠ°Π²Π½ΠΎΡΡΠΈ Π±ΡΠ΄Π΅Ρ P0087 (ΡΠ»ΠΈΡΠΊΠΎΠΌ Π½ΠΈΠ·ΠΊΠΎΠ΅ Π΄Π°Π²Π»Π΅Π½ΠΈΠ΅ Π² ΡΠΎΠΏΠ»ΠΈΠ²Π½ΠΎΠΉ ΡΠ°ΠΌΠΏΠ΅), Π° Π½Π΅ P0171 / P0174.ΠΠΎΠΏΠΎΠ»Π½ΠΈΡΠ΅Π»ΡΠ½ΡΡ ΠΈΠ½ΡΠΎΡΠΌΠ°ΡΠΈΡ ΠΎ GDI ΠΌΠΎΠΆΠ½ΠΎ Π½Π°ΠΉΡΠΈ Π² ΡΠ°Π·Π΄Π΅Π»Π΅ Β«Π‘ΠΎΠ²Π΅ΡΡ ΠΏΠΎ ΠΎΠ±ΡΠ»ΡΠΆΠΈΠ²Π°Π½ΠΈΡ Π΄Π²ΠΈΠ³Π°ΡΠ΅Π»Π΅ΠΉ GDIΒ» Π² Π²ΡΠΏΡΡΠΊΠ΅ ΠΆΡΡΠ½Π°Π»Π° Motor Π·Π° Π΄Π΅ΠΊΠ°Π±ΡΡ 2015 Π³.
ΠΡ ΡΠΎΠ»ΡΠΊΠΎ ΡΡΠΎ ΠΎΠ±ΡΡΠ΄ΠΈΠ»ΠΈ ΠΏΡΠΈΠΌΠ΅Ρ GDI, Π½ΠΎ Π±ΡΠ΄ΡΡ Π»ΠΈ ΡΠ΅Π·ΡΠ»ΡΡΠ°ΡΡ ΠΎΡΠ»ΠΈΡΠ°ΡΡΡΡ Π΄Π»Ρ Π°Π²ΡΠΎΠΌΠΎΠ±ΠΈΠ»Ρ Ρ Π²ΠΏΡΡΡΠΊΠΎΠΌ ΡΠΎΠΏΠ»ΠΈΠ²Π°? ΠΡΠ²Π΅Ρ ΠΏΠΎΠ»ΠΎΠΆΠΈΡΠ΅Π»ΡΠ½ΡΠΉ. ΠΠ±ΡΡΠΆΠ΄Π΅Π½ΠΈΠ΅ ΠΎΠ±ΡΠ΅ΠΌΠ° ΡΠΎΠΏΠ»ΠΈΠ²Π½ΠΎΠ³ΠΎ Π½Π°ΡΠΎΡΠ° Π½ΠΈΠ·ΠΊΠΎΠ³ΠΎ Π΄Π°Π²Π»Π΅Π½ΠΈΡ Π² ΠΎΡΠ½ΠΎΠ²Π½ΠΎΠΌ ΡΠ°ΠΊΠΎΠ΅ ΠΆΠ΅ — Ρ ΠΎΠ»ΠΎΡΡΠΎΠΉ Ρ ΠΎΠ΄ ΡΡΠ΅Π±ΡΠ΅Ρ ΠΌΠ΅Π½ΡΡΠ΅Π³ΠΎ ΠΎΠ±ΡΠ΅ΠΌΠ° Π΄Π»Ρ ΡΠΎΠΏΠ»ΠΈΠ²Π½ΡΡ ΡΠΎΡΡΡΠ½ΠΎΠΊ, Π° Π±ΠΎΠ»Π΅Π΅ Π²ΡΡΠΎΠΊΠΈΠ΅ Π½Π°Π³ΡΡΠ·ΠΊΠΈ ΡΡΠ΅Π±ΡΡΡ Π±ΠΎΠ»ΡΡΠ΅Π³ΠΎ ΠΎΠ±ΡΠ΅ΠΌΠ°. Π Π·Π°Π²ΠΈΡΠΈΠΌΠΎΡΡΠΈ ΠΎΡ ΡΠΎΡΡΠΎΡΠ½ΠΈΡ ΡΠΎΠΏΠ»ΠΈΠ²Π½ΠΎΠ³ΠΎ Π½Π°ΡΠΎΡΠ° Π½ΠΈΠ·ΠΊΠΎΠ³ΠΎ Π΄Π°Π²Π»Π΅Π½ΠΈΡ, Π·Π½Π°ΡΠ΅Π½ΠΈΡ ΠΊΠΎΡΡΠ΅ΠΊΡΠΈΠΈ ΠΏΠΎΠ΄Π°ΡΠΈ ΡΠΎΠΏΠ»ΠΈΠ²Π° ΠΌΠΎΠ³ΡΡ Π»ΠΈΡΡ Π½Π΅ΠΌΠ½ΠΎΠ³ΠΎ ΡΠ²Π΅Π»ΠΈΡΠΈΠ²Π°ΡΡΡΡ Π½Π° Ρ ΠΎΠ»ΠΎΡΡΠΎΠΌ Ρ ΠΎΠ΄Ρ, Π½ΠΎ ΡΡ ΡΠ΄ΡΠ°ΡΡΡΡ ΠΏΡΠΈ Π±ΠΎΠ»ΡΡΠ΅ΠΉ Π½Π°Π³ΡΡΠ·ΠΊΠ΅.ΠΡΠ»ΠΈ ΡΠΎΠΏΠ»ΠΈΠ²Π½ΡΠΉ Π½Π°ΡΠΎΡ Π½Π°Ρ ΠΎΠ΄ΠΈΡΡΡ Π² Π΄Π΅ΠΉΡΡΠ²ΠΈΡΠ΅Π»ΡΠ½ΠΎ ΠΏΠ»ΠΎΡ ΠΎΠΌ ΡΠΎΡΡΠΎΡΠ½ΠΈΠΈ, Π·Π½Π°ΡΠ΅Π½ΠΈΡ ΠΊΠΎΡΡΠ΅ΠΊΡΠΈΠΈ ΠΏΠΎΠ΄Π°ΡΠΈ ΡΠΎΠΏΠ»ΠΈΠ²Π° Π±ΡΠ΄ΡΡ Π΄ΠΎΡΡΠ°ΡΠΎΡΠ½ΠΎ Π²ΡΡΠΎΠΊΠΈΠΌΠΈ, ΡΡΠΎΠ±Ρ ΡΡΡΠ°Π½ΠΎΠ²ΠΈΡΡ ΠΊΠΎΠ΄ Π½Π΅ΠΈΡΠΏΡΠ°Π²Π½ΠΎΡΡΠΈ, ΠΈ Π½Π΅ Π±ΡΠ΄ΡΡ ΡΠ°Π±ΠΎΡΠ°ΡΡ ΠΎΡΠ΅Π½Ρ Ρ ΠΎΡΠΎΡΠΎ.
ΠΡΠ΅ ΡΠ°Π·, Π΄Π°Π½Π½ΡΠ΅ ΠΊΠΎΡΡΠ΅ΠΊΡΠΈΡΠΎΠ²ΠΊΠΈ ΡΠΎΠΏΠ»ΠΈΠ²ΠΎΠΏΠΎΠ΄Π°ΡΠΈ Π½Π° ΡΠΈΡ. 1 ΠΏΠΎΠΊΠ°Π·ΡΠ²Π°ΡΡ Π·Π½Π°ΡΠΈΡΠ΅Π»ΡΠ½ΡΡ ΠΊΠΎΡΡΠ΅ΠΊΡΠΈΡΠΎΠ²ΠΊΡ Π²ΠΎ Π²ΡΠ΅Ρ ΡΠ°Π±ΠΎΡΠΈΡ Π΄ΠΈΠ°ΠΏΠ°Π·ΠΎΠ½Π°Ρ , ΡΡΠΎ ΠΎΡΡΠ°Π²Π»ΡΠ΅Ρ Π½Π°ΠΌ Π΄Π°ΡΡΠΈΠΊ ΠΌΠ°ΡΡΠΎΠ²ΠΎΠ³ΠΎ ΡΠ°ΡΡ ΠΎΠ΄Π° Π²ΠΎΠ·Π΄ΡΡ Π°. ΠΠ°ΡΡΠΈΠΊ ΠΌΠ°ΡΡΠΎΠ²ΠΎΠ³ΠΎ ΡΠ°ΡΡ ΠΎΠ΄Π° Π²ΠΎΠ·Π΄ΡΡ Π° ΡΠΎΠΎΠ±ΡΠ°Π΅Ρ ΠΎΠ± ΠΎΠ±ΡΠ΅ΠΌΠ΅ Π²ΠΎΠ·Π΄ΡΡ Π°, ΠΏΠΎΡΡΡΠΏΠ°ΡΡΠ΅Π³ΠΎ Π² Π΄Π²ΠΈΠ³Π°ΡΠ΅Π»Ρ, ΠΊΠΎΡΠΎΡΡΠΉ ΠΈΡΠΏΠΎΠ»ΡΠ·ΡΠ΅ΡΡΡ ΠΊΠΎΠΌΠΏΡΡΡΠ΅ΡΠΎΠΌ PCM Π΄Π»Ρ ΠΎΠΏΡΠ΅Π΄Π΅Π»Π΅Π½ΠΈΡ ΠΏΡΠ°Π²ΠΈΠ»ΡΠ½ΠΎΠΉ ΡΠΈΡΠΈΠ½Ρ ΠΈΠΌΠΏΡΠ»ΡΡΠ° ΡΠΎΡΡΡΠ½ΠΊΠΈ. Π ΡΡΠΎΠΌ ΠΏΡΠΈΠΌΠ΅ΡΠ΅ PCM Π½Π΅ΠΎΠ±Ρ ΠΎΠ΄ΠΈΠΌΠΎ ΡΠ²Π΅Π»ΠΈΡΠΈΡΡ ΡΠΈΡΠΈΠ½Ρ ΠΈΠΌΠΏΡΠ»ΡΡΠ° ΡΠΎΡΡΡΠ½ΠΊΠΈ, ΡΡΠΎΠ±Ρ Π΄ΠΎΡΡΠΈΡΡ ΠΏΡΠ°Π²ΠΈΠ»ΡΠ½ΠΎΠ³ΠΎ ΡΠΎΠΎΡΠ½ΠΎΡΠ΅Π½ΠΈΡ Π²ΠΎΠ·Π΄ΡΡ / ΡΠΎΠΏΠ»ΠΈΠ²ΠΎ.
ΠΠ°ΠΊ ΠΌΡ ΠΏΡΠΎΠ²Π΅ΡΡΠ΅ΠΌ Π΄Π°ΡΡΠΈΠΊ ΠΌΠ°ΡΡΠΎΠ²ΠΎΠ³ΠΎ ΡΠ°ΡΡ ΠΎΠ΄Π° Π²ΠΎΠ·Π΄ΡΡ Π°? ΠΠΏΡΡΡ ΠΆΠ΅, ΡΡΠ°Π½Π΄Π°ΡΡΠ½ΡΠΉ Π΄ΠΈΠ°Π³Π½ΠΎΡΡΠΈΡΠ΅ΡΠΊΠΈΠΉ ΠΏΡΠΈΠ±ΠΎΡ OBD II ΠΏΡΠ΅Π΄ΠΎΡΡΠ°Π²ΠΈΡ Π½Π°ΠΌ Π½Π΅ΠΎΠ±Ρ ΠΎΠ΄ΠΈΠΌΡΠ΅ Π΄Π°Π½Π½ΡΠ΅. ΠΠ° ΡΠΈΡ. 4 Π½Π° ΡΡΡ. 28 ΠΏΠΎΠΊΠ°Π·Π°Π½Ρ Π΄Π°Π½Π½ΡΠ΅ Π΄Π°ΡΡΠΈΠΊΠ° ΠΌΠ°ΡΡΠΎΠ²ΠΎΠ³ΠΎ ΡΠ°ΡΡ ΠΎΠ΄Π° Π²ΠΎΠ·Π΄ΡΡ Π° (ΠΌΠ°ΡΡΠΎΠ²ΠΎΠ³ΠΎ ΡΠ°ΡΡ ΠΎΠ΄Π° Π²ΠΎΠ·Π΄ΡΡ Π°) ΠΏΡΠΈ 2,0 Π³ / Ρ (Π³ / Ρ) Π½Π° Ρ ΠΎΠ»ΠΎΡΡΠΎΠΌ Ρ ΠΎΠ΄Ρ, ΡΠΎ ΡΠΏΠ΅ΡΠΈΡΠΈΠΊΠ°ΡΠΈΠ΅ΠΉ ΠΎΡ 2,00 Π΄ΠΎ 5,00 Π³ / Ρ Π½Π° Ρ ΠΎΠ»ΠΎΡΡΠΎΠΌ Ρ ΠΎΠ΄Ρ. ΠΡΠ° ΡΠΏΠ΅ΡΠΈΡΠΈΠΊΠ°ΡΠΈΡ Π±ΡΠ»Π° Π²Π·ΡΡΠ° Π½Π΅ΠΏΠΎΡΡΠ΅Π΄ΡΡΠ²Π΅Π½Π½ΠΎ ΠΈΠ· ΡΠ΅Π°Π»ΡΠ½ΠΎΠΉ ΡΠ»ΡΠΆΠ΅Π±Π½ΠΎΠΉ ΠΈΠ½ΡΠΎΡΠΌΠ°ΡΠΈΠΈ. Π ΡΠΎΠΆΠ°Π»Π΅Π½ΠΈΡ, ΡΠΏΠ΅ΡΠΈΡΠΈΠΊΠ°ΡΠΈΠΈ, ΠΏΡΠ΅Π΄ΡΡΠ°Π²Π»Π΅Π½Π½ΡΠ΅ Π² ΡΠ»ΡΠΆΠ΅Π±Π½ΠΎΠΉ ΠΈΠ½ΡΠΎΡΠΌΠ°ΡΠΈΠΈ, Π½Π΅ Π²ΡΠ΅Π³Π΄Π° ΡΠΎΡΠ½Ρ, ΠΈ Π±ΡΠ²Π°ΡΡ ΡΠ»ΡΡΠ°ΠΈ, ΠΊΠΎΠ³Π΄Π° Π²Π°ΠΌ Π½Π΅ΠΎΠ±Ρ ΠΎΠ΄ΠΈΠΌΠΎ ΠΈΡΠΏΠΎΠ»ΡΠ·ΠΎΠ²Π°ΡΡ Π°Π»ΡΡΠ΅ΡΠ½Π°ΡΠΈΠ²Π½ΡΠ΅ ΠΌΠ΅ΡΠΎΠ΄Ρ Π΄Π»Ρ Π±ΠΎΠ»ΡΡΠ΅ΠΉ ΡΠΎΡΠ½ΠΎΡΡΠΈ. Π£ ΡΡΠ°Π½ΡΠΏΠΎΡΡΠ½ΠΎΠ³ΠΎ ΡΡΠ΅Π΄ΡΡΠ²Π° Π² ΡΡΠ΅Ρ ΠΌΠ΅ΡΠ½ΠΎΠΌ Π²ΠΈΡΡΡΠ°Π»ΡΠ½ΠΎΠΌ Π³Π°ΡΠ°ΠΆΠ΅ Π±ΡΠ»ΠΎ 2.ΠΠ²ΠΈΠ³Π°ΡΠ΅Π»Ρ Ρ 5-Π»ΠΈΡΡΠΎΠ²ΡΠΌ Π΄Π²ΠΈΠ³Π°ΡΠ΅Π»Π΅ΠΌ GDI, ΡΡΠΎ ΠΎΠ·Π½Π°ΡΠ°Π΅Ρ, ΡΡΠΎ Π±ΠΎΠ»Π΅Π΅ ΡΠΎΡΠ½Π°Ρ ΡΠ΅Π»Ρ Π΄ΠΎΠ»ΠΆΠ½Π° ΡΠΎΡΡΠ°Π²Π»ΡΡΡ 2,5 Π³ / Ρ Π½Π° Ρ ΠΎΠ»ΠΎΡΡΠΎΠΌ Ρ ΠΎΠ΄Ρ. Π ΡΡΠΎΠΌ ΠΏΡΠΈΠΌΠ΅ΡΠ΅ Π΄Π°ΡΡΠΈΠΊ ΠΌΠ°ΡΡΠΎΠ²ΠΎΠ³ΠΎ ΡΠ°ΡΡ ΠΎΠ΄Π° Π²ΠΎΠ·Π΄ΡΡ Π° Π·Π°Π½ΠΈΠΆΠ°Π΅Ρ ΡΠ°ΡΡ ΠΎΠ΄ Π²ΠΎΠ·Π΄ΡΡ Π° ΠΏΡΠΈΠΌΠ΅ΡΠ½ΠΎ Π½Π° 20% ΠΈ ΡΠ²Π»ΡΠ΅ΡΡΡ ΠΏΡΠΈΡΠΈΠ½ΠΎΠΉ ΠΏΠΎΠ»ΠΎΠΆΠΈΡΠ΅Π»ΡΠ½ΡΡ Π·Π½Π°ΡΠ΅Π½ΠΈΠΉ ΠΊΠΎΡΡΠ΅ΠΊΡΠΈΠΈ ΠΏΠΎΠ΄Π°ΡΠΈ ΡΠΎΠΏΠ»ΠΈΠ²Π° Π½Π° Ρ ΠΎΠ»ΠΎΡΡΠΎΠΌ Ρ ΠΎΠ΄Ρ.
Π§ΡΠΎΠ±Ρ ΠΏΡΠΎΠ²Π΅ΡΠΈΡΡ ΡΠ°ΡΡ ΠΎΠ΄ Π²ΠΎΠ·Π΄ΡΡ Π° Π²ΠΎ Π²ΡΠ΅Ρ ΡΠ°Π±ΠΎΡΠΈΡ Π΄ΠΈΠ°ΠΏΠ°Π·ΠΎΠ½Π°Ρ , Π²Π°ΠΌ Π½Π΅ΠΎΠ±Ρ ΠΎΠ΄ΠΈΠΌΠΎ Π·Π°ΠΏΠΈΡΠ°ΡΡ Π΄Π°Π½Π½ΡΠ΅ Π΄Π°ΡΡΠΈΠΊΠ° ΠΌΠ°ΡΡΠΎΠ²ΠΎΠ³ΠΎ ΡΠ°ΡΡ ΠΎΠ΄Π° Π²ΠΎΠ·Π΄ΡΡ Π° Π²ΠΎ Π²ΡΠ΅Ρ ΡΠ°Π±ΠΎΡΠΈΡ Π΄ΠΈΠ°ΠΏΠ°Π·ΠΎΠ½Π°Ρ , Π²ΠΊΠ»ΡΡΠ°Ρ ΡΡΠΊΠΎΡΠ΅Π½ΠΈΠ΅ ΠΏΡΠΈ ΠΏΠΎΠ»Π½ΠΎΡΡΡΡ ΠΎΡΠΊΡΡΡΠΎΠΉ Π΄ΡΠΎΡΡΠ΅Π»ΡΠ½ΠΎΠΉ Π·Π°ΡΠ»ΠΎΠ½ΠΊΠ΅ (WOT), Π° Π·Π°ΡΠ΅ΠΌ ΡΡΠ°Π²Π½ΠΈΡΡ Π΄Π°Π½Π½ΡΠ΅ Ρ Π΄ΠΈΠ°Π³ΡΠ°ΠΌΠΌΠΎΠΉ ΠΎΠ±ΡΠ΅ΠΌΠ½ΠΎΠΉ ΡΡΡΠ΅ΠΊΡΠΈΠ²Π½ΠΎΡΡΠΈ (VE) ΠΈΠ»ΠΈ ΠΊΠ°Π»ΡΠΊΡΠ»ΡΡΠΎΡ, ΠΊΠΎΡΠΎΡΡΠΉ ΠΌΠΎΠΆΠ½ΠΎ Π½Π°ΠΉΡΠΈ Π²ΠΎ ΠΌΠ½ΠΎΠ³ΠΈΡ ΠΌΠ΅ΡΡΠ°Ρ Π² ΠΠ½ΡΠ΅ΡΠ½Π΅ΡΠ΅.
Π Π½Π°ΡΠ΅ΠΌ ΠΏΡΠΈΠΌΠ΅ΡΠ΅ Π°Π²ΡΠΎΠΌΠΎΠ±ΠΈΠ»Ρ Π΄Π°ΡΡΠΈΠΊ ΠΌΠ°ΡΡΠΎΠ²ΠΎΠ³ΠΎ ΡΠ°ΡΡ ΠΎΠ΄Π° Π²ΠΎΠ·Π΄ΡΡ Π° Π±ΡΠ» Π·Π°Π³ΡΡΠ·Π½Π΅Π½ ΠΈ Π·Π°Π½ΠΈΠΆΠ°Π» ΡΠ°ΡΡ ΠΎΠ΄ Π²ΠΎΠ·Π΄ΡΡ Π° Π²ΠΎ Π²ΡΠ΅Ρ ΡΠ°Π±ΠΎΡΠΈΡ Π΄ΠΈΠ°ΠΏΠ°Π·ΠΎΠ½Π°Ρ , ΡΡΠΎ ΠΏΡΠΈΠ²Π΅Π»ΠΎ ΠΊ ΡΡΡΠ°Π½ΠΎΠ²ΠΊΠ΅ ΠΊΠΎΠ΄ΠΎΠ² P0171 / P0174. ΠΠ°ΡΡΠΈΠΊ ΠΌΠ°ΡΡΠΎΠ²ΠΎΠ³ΠΎ ΡΠ°ΡΡ ΠΎΠ΄Π° Π²ΠΎΠ·Π΄ΡΡ Π° Π±ΡΠ» ΡΠΊΠ°Π·Π°Π½ ΠΊΠ°ΠΊ Π²ΠΎΠ·ΠΌΠΎΠΆΠ½Π°Ρ ΠΏΡΠΈΡΠΈΠ½Π°, Π½ΠΎ Π΄Π»Ρ ΡΠΎΠ³ΠΎ, ΡΡΠΎΠ±Ρ ΠΏΡΠΎΠΈΠ·Π²Π΅ΡΡΠΈ ΡΡΡΠ΅ΠΊΡΠΈΠ²Π½ΡΠΉ ΡΠ΅ΠΌΠΎΠ½Ρ, Π²Π°ΠΆΠ½ΠΎ ΠΏΠΎΠ½ΠΈΠΌΠ°ΡΡ, ΠΊΠ°ΠΊ Π΄Π°Π½Π½ΡΠ΅ ΠΊΠΎΡΡΠ΅ΠΊΡΠΈΡΠΎΠ²ΠΊΠΈ ΡΠ°ΡΡ ΠΎΠ΄Π° ΡΠΎΠΏΠ»ΠΈΠ²Π° ΠΌΠΎΠ³ΡΡ ΠΏΠΎΠΌΠΎΡΡ Π²Π°ΠΌ ΡΠΊΠ°Π·Π°ΡΡ ΠΏΡΠ°Π²ΠΈΠ»ΡΠ½ΠΎΠ΅ Π½Π°ΠΏΡΠ°Π²Π»Π΅Π½ΠΈΠ΅.
ΠΡΠΏΠΎΠ»ΡΠ·ΠΎΠ²Π°Π½ΠΈΠ΅ ΠΊΠΎΡΡΠ΅ΠΊΡΠΈΡΠΎΠ²ΠΊΠΈ ΡΠΎΠΏΠ»ΠΈΠ²ΠΎΠΏΠΎΠ΄Π°ΡΠΈ Π΄Π»Ρ Π΄ΠΈΠ°Π³Π½ΠΎΡΡΠΈΠΊΠΈ ΡΡΠ°Π½ΡΠΏΠΎΡΡΠ½ΡΡ ΡΡΠ΅Π΄ΡΡΠ² ΡΡΠ΅Π±ΡΠ΅Ρ ΠΏΡΠ°ΠΊΡΠΈΠΊΠΈ, Π½ΠΎ Π²Π°ΠΌ ΡΠ°ΠΊΠΆΠ΅ Π½Π΅ΠΎΠ±Ρ ΠΎΠ΄ΠΈΠΌΠΎ ΠΏΠΎΠ½ΠΈΠΌΠ°ΡΡ, ΠΊΠ°ΠΊ ΠΊΠ°ΠΆΠ΄ΡΠΉ ΠΊΠΎΠΌΠΏΠΎΠ½Π΅Π½Ρ Π²Π»ΠΈΡΠ΅Ρ Π½Π° ΠΊΠΎΡΡΠ΅ΠΊΡΠΈΡΠΎΠ²ΠΊΡ ΠΏΠΎΠ΄Π°ΡΠΈ ΡΠΎΠΏΠ»ΠΈΠ²Π° Π²ΠΎ Π²ΡΠ΅ΠΌΡ ΡΠ°Π±ΠΎΡΡ. ΠΠ°ΠΏΡΠΈΠΌΠ΅Ρ, Π΄Π°Π²Π°ΠΉΡΠ΅ ΠΏΠΎΡΠΌΠΎΡΡΠΈΠΌ Π½Π° ΡΠΎΠ»Π΅Π½ΠΎΠΈΠ΄ ΠΏΡΠΎΠ΄ΡΠ²ΠΊΠΈ Π½Π° ΡΠΈΡ.1. Π Π½ΠΎΡΠΌΠ°Π»ΡΠ½ΠΎΠΌ ΡΠ΅ΠΆΠΈΠΌΠ΅ ΡΠ°Π±ΠΎΡΡ ΡΠΎΠ»Π΅Π½ΠΎΠΈΠ΄ ΠΏΡΠΎΠ΄ΡΠ²ΠΊΠΈ ΠΏΠΎΠ»ΡΡΠ°Π΅Ρ ΠΊΠΎΠΌΠ°Π½Π΄Ρ Π½Π° Π·Π°ΠΊΡΡΡΠΈΠ΅, Π° PCM Π΄Π°Π΅Ρ ΠΊΠΎΠΌΠ°Π½Π΄Ρ Π½Π° ΠΎΡΠΊΡΡΡΠΈΠ΅ Π΄Π»Ρ ΡΠ΄Π°Π»Π΅Π½ΠΈΡ ΠΏΠ°ΡΠΎΠ² ΡΠΎΠΏΠ»ΠΈΠ²Π° ΠΈΠ· ΡΠ³ΠΎΠ»ΡΠ½ΠΎΠ³ΠΎ Π±Π°Π»Π»ΠΎΠ½Π°. ΠΠ° Ρ ΠΎΠ»ΠΎΡΡΠΎΠΌ Ρ ΠΎΠ΄Ρ ΡΠ°Π·ΡΠ΅ΠΆΠ΅Π½ΠΈΠ΅ Π²ΠΎ Π²ΠΏΡΡΠΊΠ½ΠΎΠΌ ΠΊΠΎΠ»Π»Π΅ΠΊΡΠΎΡΠ΅ ΠΏΡΠΈΡΡΡΡΡΠ²ΡΠ΅Ρ Π½Π° ΡΡΠΎΡΠΎΠ½Π΅ ΡΠΎΠ»Π΅Π½ΠΎΠΈΠ΄Π° Π΄Π²ΠΈΠ³Π°ΡΠ΅Π»Ρ, Π° Π½Π° ΡΡΠΎΡΠΎΠ½Π΅ ΠΏΠ°ΡΠΎΠ² Π³Π°Π·Π° Π΄ΠΎΠ»ΠΆΠ½ΠΎ Π±ΡΡΡ Π΄Π°Π²Π»Π΅Π½ΠΈΠ΅, Π±Π»ΠΈΠ·ΠΊΠΎΠ΅ ΠΊ Π°ΡΠΌΠΎΡΡΠ΅ΡΠ½ΠΎΠΌΡ. Π Π·Π°Π²ΠΈΡΠΈΠΌΠΎΡΡΠΈ ΠΎΡ Π½Π΅Π΄Π°Π²Π½ΠΈΡ Π΄ΠΎΠ·Π°ΠΏΡΠ°Π²ΠΎΠΊ, ΡΠ΅ΠΌΠΏΠ΅ΡΠ°ΡΡΡΡ ΠΎΠΊΡΡΠΆΠ°ΡΡΠ΅ΠΉ ΡΡΠ΅Π΄Ρ ΠΈ Π½Π΅ΠΊΠΎΡΠΎΡΡΡ Π΄ΡΡΠ³ΠΈΡ ΠΏΠ΅ΡΠ΅ΠΌΠ΅Π½Π½ΡΡ , ΠΊΠ°Π½ΠΈΡΡΡΠ° Ρ Π΄ΡΠ΅Π²Π΅ΡΠ½ΡΠΌ ΡΠ³Π»Π΅ΠΌ ΠΌΠΎΠΆΠ΅Ρ Π±ΡΡΡ ΠΏΠΎΠ»Π½ΠΎΠΉ ΠΈΠ»ΠΈ Π² Π½Π΅ΠΉ ΠΌΠΎΠΆΠ΅Ρ Ρ ΡΠ°Π½ΠΈΡΡΡΡ Π»ΠΈΡΡ Π½Π΅Π±ΠΎΠ»ΡΡΠΎΠ΅ ΠΊΠΎΠ»ΠΈΡΠ΅ΡΡΠ²ΠΎ ΠΏΠ°ΡΠΎΠ² Π³Π°Π·Π°. ΠΡΠ»ΠΈ ΡΠΎΠ»Π΅Π½ΠΎΠΈΠ΄ ΠΏΡΠΎΠ΄ΡΠ²ΠΊΠΈ Π·Π°ΡΡΡΡΠ» Π² ΠΎΡΠΊΡΡΡΠΎΠΌ ΠΏΠΎΠ»ΠΎΠΆΠ΅Π½ΠΈΠΈ, Π² ΠΊΠ°ΠΊΠΎΠΌ ΡΠ°Π±ΠΎΡΠ΅ΠΌ Π΄ΠΈΠ°ΠΏΠ°Π·ΠΎΠ½Π΅ ΡΠ΅Π³ΡΠ»ΠΈΡΠΎΠ²ΠΊΠ° ΠΏΠΎΠ΄Π°ΡΠΈ ΡΠΎΠΏΠ»ΠΈΠ²Π° ΠΈΠΌΠ΅Π»Π° Π±Ρ Π±ΠΎΠ»ΡΡΠΈΠΉ ΡΡΡΠ΅ΠΊΡ? ΠΡΠ»ΠΈ Π²Ρ ΠΎΡΠ²Π΅ΡΠΈΠ»ΠΈ Π½Π° Ρ ΠΎΠ»ΠΎΡΡΠΎΠΌ Ρ ΠΎΠ΄Ρ, Π²Ρ ΠΎΠΊΠ°Π·Π°Π»ΠΈΡΡ Π² Π²ΡΠΈΠ³ΡΡΡΠ΅.ΠΠΌΠ΅ΠΉΡΠ΅ Π² Π²ΠΈΠ΄Ρ, ΡΡΠΎ ΡΠΎΠΏΠ»ΠΈΠ²Π½ΡΠ΅ ΠΊΠΎΡΡΠ΅ΠΊΡΠΈΡΠΎΠ²ΠΊΠΈ ΠΌΠΎΠ³ΡΡ Π±ΡΡΡ ΠΏΠΎΠ»ΠΎΠΆΠΈΡΠ΅Π»ΡΠ½ΡΠΌΠΈ ΠΈΠ»ΠΈ ΠΎΡΡΠΈΡΠ°ΡΠ΅Π»ΡΠ½ΡΠΌΠΈ, Π² Π·Π°Π²ΠΈΡΠΈΠΌΠΎΡΡΠΈ ΠΎΡ ΠΏΠ°ΡΠΎΠ² ΡΠΎΠΏΠ»ΠΈΠ²Π°, ΠΏΡΠΈΡΡΡΡΡΠ²ΡΡΡΠΈΡ Π² ΡΠ³ΠΎΠ»ΡΠ½ΠΎΠΌ Π±Π°Π»Π»ΠΎΠ½Π΅.
ΠΠ° ΡΠΈΡ. 5 Π½ΠΈΠΆΠ΅ ΠΏΠΎΠΊΠ°Π·Π°Π½ΠΎ ΠΈΠ·ΠΌΠ΅Π½Π΅Π½ΠΈΠ΅ ΡΠΎΠΏΠ»ΠΈΠ²Π½ΠΎΠΉ ΠΊΠΎΡΡΠ΅ΠΊΡΠΈΠΈ Π½Π° Ρ ΠΎΠ»ΠΎΡΡΠΎΠΌ Ρ ΠΎΠ΄Ρ ΠΏΡΠΈ ΠΏΠΎΠ΄Π°ΡΠ΅ ΠΊΠΎΠΌΠ°Π½Π΄Ρ Π½Π° ΠΎΡΠΊΡΡΡΠΈΠ΅ ΡΠΎΠ»Π΅Π½ΠΎΠΈΠ΄Π° ΠΏΡΠΎΠ΄ΡΠ²ΠΊΠΈ (ΡΠΈΠ½ΡΡ ΠΊΡΠΈΠ²Π°Ρ). ΠΡΠΈΠΌΠ΅ΡΠ½ΠΎ ΡΠ΅ΡΠ΅Π· 13,65 ΡΠ΅ΠΊΡΠ½Π΄Ρ ΠΊΡΠ°ΡΠΊΠΎΠ²ΡΠ΅ΠΌΠ΅Π½Π½Π°Ρ ΠΊΠΎΡΡΠ΅ΠΊΡΠΈΡΠΎΠ²ΠΊΠ° ΡΠΎΠΏΠ»ΠΈΠ²ΠΎΠΏΠΎΠ΄Π°ΡΠΈ (STFT, Π·Π΅Π»Π΅Π½Π°Ρ ΠΊΡΠΈΠ²Π°Ρ) Π½Π°ΡΠΈΠ½Π°Π΅Ρ ΡΡΠ°Π½ΠΎΠ²ΠΈΡΡΡΡ ΠΎΡΡΠΈΡΠ°ΡΠ΅Π»ΡΠ½ΠΎΠΉ ΠΈ Π±ΡΡΡΡΠΎ Π΄ΠΎΡΡΠΈΠ³Π°Π΅Ρ -30%, ΡΡΠΎ ΡΠΊΠ°Π·ΡΠ²Π°Π΅Ρ Π½Π° ΡΠΎ, ΡΡΠΎ ΠΊΠ°Π½ΠΈΡΡΡΠ° Ρ Π΄ΡΠ΅Π²Π΅ΡΠ½ΡΠΌ ΡΠ³Π»Π΅ΠΌ ΠΎΠ±ΠΎΠ³Π°ΡΠ΅Π½Π°. ΠΡΠΈΠΌΠ΅ΡΠ½ΠΎ ΡΠ΅ΡΠ΅Π· 40 ΡΠ΅ΠΊΡΠ½Π΄ — ΠΈΠ»ΠΈ Π½Π΅Π·Π°Π΄ΠΎΠ»Π³ΠΎ Π΄ΠΎ 54,6 ΡΠ΅ΠΊΡΠ½Π΄Ρ — STFT Π½Π°ΡΠΈΠ½Π°Π΅Ρ Π΄Π²ΠΈΠ³Π°ΡΡΡΡ Π² ΠΏΠΎΠ»ΠΎΠΆΠΈΡΠ΅Π»ΡΠ½ΠΎΠΌ Π½Π°ΠΏΡΠ°Π²Π»Π΅Π½ΠΈΠΈ, ΠΈ Π² ΡΠ΅ΡΠ΅Π½ΠΈΠ΅ ΠΏΡΠΈΠΌΠ΅ΡΠ½ΠΎ 14 ΡΠ΅ΠΊΡΠ½Π΄ ΠΏΠ°ΡΡ ΡΠΎΠΏΠ»ΠΈΠ²Π° Π½Π΅ ΡΠ΄Π°Π»ΡΡΡΡΡ ΠΈΠ· ΠΊΠ°Π½ΠΈΡΡΡΡ Ρ Π΄ΡΠ΅Π²Π΅ΡΠ½ΡΠΌ ΡΠ³Π»Π΅ΠΌ.ΠΠΎ ΡΡΡΠΈ, Ρ Π½Π°Ρ Π±ΠΎΠ»ΡΡΠ°Ρ ΡΡΠ΅ΡΠΊΠ° Π²Π°ΠΊΡΡΠΌΠ°. ΠΠ°ΠΊ ΡΠΎΠ»ΡΠΊΠΎ Π½Π° ΡΠΎΠ»Π΅Π½ΠΎΠΈΠ΄ ΠΏΡΠΎΠ΄ΡΠ²ΠΊΠΈ ΠΏΠΎΡΡΡΠΏΠ°Π΅Ρ ΠΊΠΎΠΌΠ°Π½Π΄Π° Π½Π° Π·Π°ΠΊΡΡΡΠΈΠ΅, STFT Π²ΠΎΠ·Π²ΡΠ°ΡΠ°Π΅ΡΡΡ ΠΊ Π½ΡΠ»Ρ.
ΠΠ»ΡΡΠ΅Π²ΠΎΠΉ ΠΌΠΎΠΌΠ΅Π½Ρ Π·Π°ΠΊΠ»ΡΡΠ°Π΅ΡΡΡ Π² ΡΠ»Π΅Π΄ΡΡΡΠ΅ΠΌ: Π΅ΡΠ»ΠΈ Π²Π°ΡΠ° ΡΠ΅ΡΡΡΠ΅Ρ ΡΡΡΠΏΠ΅Π½ΡΠ°ΡΠ°Ρ Π·Π°ΠΏΠΈΡΡ ΠΊΠΎΡΡΠ΅ΠΊΡΠΈΡΠΎΠ²ΠΊΠΈ ΡΠΎΠΏΠ»ΠΈΠ²ΠΎΠΏΠΎΠ΄Π°ΡΠΈ ΠΏΠΎΠΊΠ°Π·ΡΠ²Π°Π΅Ρ ΠΏΡΠΎΠ±Π»Π΅ΠΌΡ Π² ΠΎΡΠ½ΠΎΠ²Π½ΠΎΠΌ Π½Π° Ρ ΠΎΠ»ΠΎΡΡΠΎΠΌ Ρ ΠΎΠ΄Ρ, ΡΠΎΠ»Π΅Π½ΠΎΠΈΠ΄ ΠΏΡΠΎΠ΄ΡΠ²ΠΊΠΈ ΠΌΠΎΠΆΠ΅Ρ Π·Π°ΠΊΠ»ΠΈΠ½ΠΈΠ²Π°ΡΡ Π² ΠΎΡΠΊΡΡΡΠΎΠΌ ΡΠΎΡΡΠΎΡΠ½ΠΈΠΈ, ΠΈ Π·Π½Π°ΡΠ΅Π½ΠΈΡ STFT ΠΌΠΎΠ³ΡΡ Π±ΡΡΡ ΠΏΠΎΠ»ΠΎΠΆΠΈΡΠ΅Π»ΡΠ½ΡΠΌΠΈ ΠΈΠ»ΠΈ ΠΎΡΡΠΈΡΠ°ΡΠ΅Π»ΡΠ½ΡΠΌΠΈ. Π‘ΠΎΠ»Π΅Π½ΠΎΠΈΠ΄ ΠΏΡΠΎΠ΄ΡΠ²ΠΊΠΈ Π±ΡΠ΄Π΅Ρ ΠΈΠΌΠ΅ΡΡ ΠΌΠ΅Π½ΡΡΠ΅Π΅ Π²Π»ΠΈΡΠ½ΠΈΠ΅ ΠΏΡΠΈ Π±ΠΎΠ»Π΅Π΅ Π²ΡΡΠΎΠΊΠΈΡ Π΄ΠΈΠ°ΠΏΠ°Π·ΠΎΠ½Π°Ρ Π½Π°Π³ΡΡΠ·ΠΊΠΈ.
Π ΡΡΠΎΠΌ ΠΎΠ±ΡΡΠΆΠ΄Π΅Π½ΠΈΠΈ Π±ΡΠ΄ΡΡ ΠΏΠΎΠ»Π΅Π·Π½Ρ Π΄Π²Π΅ Π΄ΠΎΠΏΠΎΠ»Π½ΠΈΡΠ΅Π»ΡΠ½ΡΠ΅ ΡΠ°ΡΡΠΈ ΠΈΠ½ΡΠΎΡΠΌΠ°ΡΠΈΠΈ. ΠΠΎ-ΠΏΠ΅ΡΠ²ΡΡ , Π½Π΅ Π²ΡΠ΅ Π°Π²ΡΠΎΠΌΠΎΠ±ΠΈΠ»ΠΈ ΡΠ°Π±ΠΎΡΠ°ΡΡ ΠΎΠ΄ΠΈΠ½Π°ΠΊΠΎΠ²ΠΎ.ΠΠ°ΠΏΡΠΈΠΌΠ΅Ρ, Π½Π° Π½Π΅ΠΊΠΎΡΠΎΡΡΡ ΡΡΠ°Π½ΡΠΏΠΎΡΡΠ½ΡΡ ΡΡΠ΅Π΄ΡΡΠ²Π°Ρ , ΠΊΠ°ΠΊ ΡΠΎΠ»ΡΠΊΠΎ STFT Π΄ΠΎΡΡΠΈΠ³Π½Π΅Ρ ΠΎΠΏΡΠ΅Π΄Π΅Π»Π΅Π½Π½ΠΎΠ³ΠΎ ΠΏΡΠ΅Π΄Π΅Π»Π°, Π½Π°ΡΠ½Π΅ΡΡΡ ΠΊΠΎΡΡΠ΅ΠΊΡΠΈΡΠΎΠ²ΠΊΠ° Π΄ΠΎΠ»Π³ΠΎΡΡΠΎΡΠ½ΠΎΠΉ ΡΠΎΠΏΠ»ΠΈΠ²Π½ΠΎΠΉ ΠΊΠΎΡΡΠ΅ΠΊΡΠΈΠΈ (LTFT), Π° Π·Π°ΡΠ΅ΠΌ STFT Π²Π΅ΡΠ½Π΅ΡΡΡ ΠΏΠΎΡΡΠΈ ΠΊ Π½ΡΠ»Π΅Π²ΠΎΠΉ ΡΠΎΡΠΊΠ΅. Π Π½Π΅ΠΊΠΎΡΠΎΡΡΡ ΠΏΡΠΈΠ»ΠΎΠΆΠ΅Π½ΠΈΡΡ Π΄Π»Ρ ΡΡΠ°Π½ΡΠΏΠΎΡΡΠ½ΡΡ ΡΡΠ΅Π΄ΡΡΠ² LTFT ΠΏΠΎΡΡΠ΅Π±ΡΠ΅ΡΡΡ Π΄ΠΎΠ²ΠΎΠ»ΡΠ½ΠΎ ΠΌΠ½ΠΎΠ³ΠΎ Π²ΡΠ΅ΠΌΠ΅Π½ΠΈ, ΡΡΠΎΠ±Ρ ΠΈΠ·ΠΌΠ΅Π½ΠΈΡΡ ΡΠΈΡΡΠ°ΡΠΈΡ. Π‘Π½ΠΈΠΌΠΎΠΊ ΡΠΊΡΠ°Π½Π° Π½Π° ΡΠΈΡ. 6 Π²ΡΡΠ΅ ΡΠ΄Π΅Π»Π°Π½ Π½Π° Dodge Charger ΠΏΠΎΡΠ»Π΅Π΄Π½Π΅ΠΉ ΠΌΠΎΠ΄Π΅Π»ΠΈ, Π³Π΄Π΅ ΠΌΡ ΡΠΎΠ·Π΄Π°Π»ΠΈ Π±ΠΎΠ»ΡΡΡΡ ΡΡΠ΅ΡΠΊΡ Π²Π°ΠΊΡΡΠΌΠ°. STFT (ΠΊΡΠ°ΡΠ½ΡΠ΅ ΠΈ Π·Π΅Π»Π΅Π½ΡΠ΅ ΠΊΡΠΈΠ²ΡΠ΅) ΠΏΠΎΠΊΠ°Π·ΡΠ²Π°Π΅Ρ ΡΠΎΠ²Π½ΡΠ΅ Π»ΠΈΠ½ΠΈΠΈ Π½Π° ΡΡΠΎΠ²Π½Π΅ + 32,8% ΠΈ, Π² ΠΊΠΎΠ½Π΅ΡΠ½ΠΎΠΌ ΠΈΡΠΎΠ³Π΅, ΡΠ΅ΡΠ΅Π· ΡΠ΅ΡΡΡΠ΅ ΠΌΠΈΠ½ΡΡΡ STFT Π²ΠΎΠ·Π²ΡΠ°ΡΠ°Π΅ΡΡΡ ΠΊ Π½ΡΠ»Ρ. LTFT Π²ΠΎΠΎΠ±ΡΠ΅ Π½Π΅ Π΄Π²ΠΈΠ³Π°Π»ΡΡ, ΡΡΠΎ ΠΌΠΎΠΆΠ΅Ρ ΠΏΠΎΠΊΠ°Π·Π°ΡΡΡΡ ΠΏΡΠΎΠ±Π»Π΅ΠΌΠΎΠΉ, Π½ΠΎ ΡΡΠΎ ΡΡΠ°Π½ΡΠΏΠΎΡΡΠ½ΠΎΠ΅ ΡΡΠ΅Π΄ΡΡΠ²ΠΎ ΠΎΠ±ΡΡΠ½ΠΎ ΡΠ°Π±ΠΎΡΠ°Π΅Ρ ΠΈΠΌΠ΅Π½Π½ΠΎ ΡΠ°ΠΊ.
ΠΡΠΎΡΠ°Ρ ΠΏΠΎΠ»Π΅Π·Π½Π°Ρ ΠΈΠ½ΡΠΎΡΠΌΠ°ΡΠΈΡ Π·Π°ΠΊΠ»ΡΡΠ°Π΅ΡΡΡ Π² ΡΠΎΠΌ, ΡΡΠΎ ΠΌΠ½ΠΎΠ³ΠΈΠ΅ Π΅Π²ΡΠΎΠΏΠ΅ΠΉΡΠΊΠΈΠ΅ Π°Π²ΡΠΎΠΌΠΎΠ±ΠΈΠ»ΡΠ½ΡΠ΅ ΠΏΡΠΈΠ»ΠΎΠΆΠ΅Π½ΠΈΡ ΠΈΡΠΏΠΎΠ»ΡΠ·ΡΡΡ Π΄ΡΡΠ³ΡΡ ΡΡΡΠ°ΡΠ΅Π³ΠΈΡ ΡΠ΅Π³ΡΠ»ΠΈΡΠΎΠ²ΠΊΠΈ ΡΠΎΠΏΠ»ΠΈΠ²Π½ΠΎΠΉ ΠΊΠΎΡΡΠ΅ΠΊΡΠΈΠΈ. Π’Π΅ΡΠΌΠΈΠ½Ρ Π΄ΠΎΠ±Π°Π²ΠΎΡΠ½ΡΠΉ ΠΈ ΠΌΡΠ»ΡΡΠΈΠΏΠ»ΠΈΠΊΠ°ΡΠΈΠ²Π½ΡΠΉ ΠΎΠ±ΡΡΠ½ΠΎ ΠΈΡΠΏΠΎΠ»ΡΠ·ΡΡΡΡΡ Ρ ΡΠ°ΡΡΠΈΡΠ΅Π½Π½ΡΠΌΠΈ ΠΈΠ½ΡΡΡΡΠΌΠ΅Π½ΡΠ°ΠΌΠΈ ΡΠΊΠ°Π½ΠΈΡΠΎΠ²Π°Π½ΠΈΡ. ΠΡΠΈΡΠ°Π΄ΠΊΠ° ΠΏΠΎΠΊΠ°Π·ΡΠ²Π°Π΅Ρ Π·Π½Π°ΡΠ΅Π½ΠΈΡ ΠΊΠΎΡΡΠ΅ΠΊΡΠΈΠΈ ΠΏΠΎΠ΄Π°ΡΠΈ ΡΠΎΠΏΠ»ΠΈΠ²Π° Π½Π° Ρ ΠΎΠ»ΠΎΡΡΠΎΠΌ Ρ ΠΎΠ΄Ρ ΠΈΠ»ΠΈ ΡΡΠ°Π·Ρ Π½Π° Ρ ΠΎΠ»ΠΎΡΡΠΎΠΌ Ρ ΠΎΠ΄Ρ; ΠΡΠ»ΡΡΠΈΠΏΠ»ΠΈΠΊΠ°ΡΠΈΠ²Π½ΡΠΉ ΠΏΠΎΠΊΠ°Π·ΡΠ²Π°Π΅Ρ ΡΠ΅Π³ΡΠ»ΠΈΡΠΎΠ²ΠΊΡ ΡΠΎΠΏΠ»ΠΈΠ²Π½ΠΎΠΉ ΠΊΠΎΡΡΠ΅ΠΊΡΠΈΡΠΎΠ²ΠΊΠΈ ΠΏΡΠΈ Π±ΠΎΠ»Π΅Π΅ Π²ΡΡΠΎΠΊΠΈΡ ΠΎΠ±ΠΎΡΠΎΡΠ°Ρ ΠΈ ββΠ΄ΠΈΠ°ΠΏΠ°Π·ΠΎΠ½Π°Ρ ΡΠΊΠΎΡΠΎΡΡΠΈ Π°Π²ΡΠΎΠΌΠΎΠ±ΠΈΠ»Ρ. ΠΡΠΈ ΠΌΠΎΠ½ΠΈΡΠΎΡΠΈΠ½Π³Π΅ ΠΏΠ°ΡΠ°ΠΌΠ΅ΡΡΠΎΠ² ΠΎΠ±ΡΠΈΡ Π΄Π°Π½Π½ΡΡ OBD ββII Π²Ρ Π·Π°ΠΌΠ΅ΡΠΈΡΠ΅, ΡΡΠΎ STFT ΠΈ LTFT Π±ΡΠ΄ΡΡ ΡΠ΅Π°Π³ΠΈΡΠΎΠ²Π°ΡΡ Π½Π΅Π·Π°Π²ΠΈΡΠΈΠΌΠΎ Π² ΡΠ°Π·Π»ΠΈΡΠ½ΡΡ ΡΠ°Π±ΠΎΡΠΈΡ Π΄ΠΈΠ°ΠΏΠ°Π·ΠΎΠ½Π°Ρ , ΡΠ°ΡΡΠΌΠΎΡΡΠ΅Π½Π½ΡΡ Π·Π΄Π΅ΡΡ.
Π Π½Π°ΡΡΠΎΡΡΠ΅ΠΌΡ Π²ΡΠ΅ΠΌΠ΅Π½ΠΈ Π²Ρ Π΄ΠΎΠ»ΠΆΠ½Ρ ΡΠ²ΠΈΠ΄Π΅ΡΡ ΠΏΡΠ΅ΠΈΠΌΡΡΠ΅ΡΡΠ²Π° ΠΌΠΎΠ½ΠΈΡΠΎΡΠΈΠ½Π³Π° Π·Π½Π°ΡΠ΅Π½ΠΈΠΉ ΠΊΠΎΡΡΠ΅ΠΊΡΠΈΡΠΎΠ²ΠΊΠΈ ΡΠΎΠΏΠ»ΠΈΠ²Π° ΠΈ Π½Π°ΡΠ°ΡΡ ΠΏΡΠΎΡΠ΅ΡΡ ΠΈΡΠΏΠΎΠ»ΡΠ·ΠΎΠ²Π°Π½ΠΈΡ ΡΠ΅ΡΡΡΠ΅Ρ
ΡΡΡΠΏΠ΅Π½ΡΠ°ΡΠΎΠΉ ββΠΏΡΠΎΡΠ΅Π΄ΡΡΡ ΠΊΠΎΡΡΠ΅ΠΊΡΠΈΡΠΎΠ²ΠΊΠΈ ΡΠΎΠΏΠ»ΠΈΠ²Π°. ΠΠ΄ΠΈΠ½ ΠΈΠ· Π»ΡΡΡΠΈΡ
ΡΠΏΠΎΡΠΎΠ±ΠΎΠ² ΠΎΠ±ΡΡΠΈΡΡΡΡ — ΡΡΠΎ ΠΈΡΠΏΠΎΠ»ΡΠ·ΠΎΠ²Π°ΡΡ Π·Π°Π²Π΅Π΄ΠΎΠΌΠΎ ΠΈΡΠΏΡΠ°Π²Π½ΡΠ΅ Π°Π²ΡΠΎΠΌΠΎΠ±ΠΈΠ»ΠΈ, Π° Π·Π°ΡΠ΅ΠΌ ΠΏΠΎΡΠΌΠΎΡΡΠ΅ΡΡ, ΡΡΠΎ ΠΏΡΠΎΠΈΡΡ
ΠΎΠ΄ΠΈΡ, ΠΊΠΎΠ³Π΄Π° Π²Ρ Π³Π΅Π½Π΅ΡΠΈΡΡΠ΅ΡΠ΅ Π½Π΅ΡΠΊΠΎΠ»ΡΠΊΠΎ Π½Π΅ΠΈΡΠΏΡΠ°Π²Π½ΠΎΡΡΠ΅ΠΉ ΠΈ ΠΎΡΡΠ»Π΅ΠΆΠΈΠ²Π°Π΅ΡΠ΅ ΡΠ΅Π°ΠΊΡΠΈΡ. ΠΠ°ΠΏΡΠΈΠΌΠ΅Ρ,
mple, ΡΠ½ΠΈΠΌΠΈΡΠ΅ ΡΠ»Π°Π½Π³ Ρ ΡΠΎΠ»Π΅Π½ΠΎΠΈΠ΄Π° ΠΏΡΠΎΠ΄ΡΠ²ΠΊΠΈ ΠΈ ΠΏΠΎΡΠΌΠΎΡΡΠΈΡΠ΅, ΡΡΠΎ ΠΏΡΠΎΠΈΡΡ
ΠΎΠ΄ΠΈΡ Π² ΡΠ°Π·Π»ΠΈΡΠ½ΡΡ
ΡΠ°Π±ΠΎΡΠΈΡ
Π΄ΠΈΠ°ΠΏΠ°Π·ΠΎΠ½Π°Ρ
. Π― ΡΠ°ΠΊΠΆΠ΅ ΡΠ΅ΠΊΠΎΠΌΠ΅Π½Π΄ΡΡ Π²Π°ΠΌ Π²Π·Π³Π»ΡΠ½ΡΡΡ Π½Π° ΠΊΠΎΠΌΠΏΠΎΠ½Π΅Π½ΡΡ, ΠΏΠ΅ΡΠ΅ΡΠΈΡΠ»Π΅Π½Π½ΡΠ΅ Π½Π° ΡΠΈΡ. 2, ΠΈ Π½Π°ΠΉΡΠΈ Π²ΡΠ΅ΠΌΡ, ΡΡΠΎΠ±Ρ ΠΏΠΎΠ½ΡΡΡ, ΠΊΠ°ΠΊ ΡΠ΅Π³ΡΠ»ΠΈΡΠΎΠ²ΠΊΠ° ΠΏΠΎΠ΄Π°ΡΠΈ ΡΠΎΠΏΠ»ΠΈΠ²Π° Π±ΡΠ΄Π΅Ρ Π·Π°ΡΡΠΎΠ½ΡΡΠ°, Π΅ΡΠ»ΠΈ ΠΊΠ°ΠΊΠΎΠΉ-Π»ΠΈΠ±ΠΎ ΠΈΠ· ΡΡΠΈΡ
ΠΊΠΎΠΌΠΏΠΎΠ½Π΅Π½ΡΠΎΠ² Π±ΡΠ΄Π΅Ρ ΡΠ°Π±ΠΎΡΠ°ΡΡ Π½Π΅ΠΏΡΠ°Π²ΠΈΠ»ΡΠ½ΠΎ.

ΠΡΡΠ³ΠΈΠΌΠΈ ΡΠ»ΠΎΠ²Π°ΠΌΠΈ, ΠΎΠ½ ΠΏΡΡΠ°Π΅ΡΡΡ ΠΠΠΠΠΠΠ’Π¬ ΡΠΎΠΏΠ»ΠΈΠ²Π½ΡΡ ΡΠΌΠ΅ΡΡ, ΠΏΠΎΡΠΎΠΌΡ ΡΡΠΎ ΡΡΠΈΡΠ°Π΅Ρ, ΡΡΠΎ ΡΠΎΠΏΠ»ΠΈΠ²Π½ΠΎ-Π²ΠΎΠ·Π΄ΡΡΠ½Π°Ρ ΡΠΌΠ΅ΡΡ Π΄Π²ΠΈΠ³Π°ΡΠ΅Π»Ρ ΡΠ°Π±ΠΎΡΠ°Π΅Ρ ΡΠ»ΠΈΡΠΊΠΎΠΌ Π±Π΅Π΄Π½ΠΎΠΉ. 


Π£ Π²Π°Ρ Π½Π΅Ρ ΠΆΠ°Π»ΠΎΠ± Π½Π° ΡΠΏΡΠ°Π²Π»ΡΠ΅ΠΌΠΎΡΡΡ Π²ΠΌΠ΅ΡΡΠ΅ Ρ MIL? 

ΠΡΠΎΠ±Π»Π΅ΠΌΠ° Π² ΡΠΎΠΌ, Π΅ΡΠ»ΠΈ ΠΎΠ΄Π½ΠΎΠ·Π½Π°ΡΠ½Π°Ρ ΡΠΈΡΡΠ° ΠΏΡΠ΅Π²ΡΠ°ΡΠ°Π΅ΡΡΡ Π² Π΄Π²ΡΠ·Π½Π°ΡΠ½ΡΡ ΠΏΡΠΈ ΠΏΠΎΠ»ΠΎΠΆΠΈΡΠ΅Π»ΡΠ½ΠΎΠΉ (Ρ
ΡΠ΄ΠΎΠΉ) ΠΈΠ»ΠΈ (Π±ΠΎΠ³Π°ΡΠΎΠΉ) ΡΡΠΎΡΠΎΠ½Π΅.
nairaland.com/3661728/on-board-diagnostics-obd-ii-questions
. ΠΠΎ Π΄Π°ΠΆΠ΅ Π½Π° Π΄Π²ΠΈΠΆΠ΅Π½ΠΈΠΈ.. ΠΠ½Π°ΡΠ΅Π½ΠΈΡ ΠΊΠΎΠ»Π΅Π±Π»ΡΡΡΡ, Π½ΠΎ Π² ΠΎΡΠ½ΠΎΠ²Π½ΠΎΠΌ Π² ΠΎΡΡΠΈΡΠ°ΡΠ΅Π»ΡΠ½ΡΡ ΡΡΠΎΡΠΎΠ½Ρ. Π²ΠΈΠ΄Π΅Π» ΡΡΠΎ ΠΊΠ°ΠΊ ΠΎΡΡΠΈΡΠ°ΡΠ΅Π»ΡΠ½ΠΎΠ΅ 13 Π’ΠΈΠΏΠΈΡΠ½Π°Ρ ΠΏΡΠΎΠ±Π»Π΅ΠΌΠ° Π₯ΠΎΠ½Π΄Ρ !!! ΠΡΠ»ΠΈ Π²Ρ ΠΌΠΎΠΆΠ΅ΡΠ΅ Π΄ΠΎΠ±ΡΠ°ΡΡΡΡ Π΄ΠΎ ΠΌΠ΅Π½Ρ Π² ΠΌΠ°ΡΡΠ΅ΡΡΠΊΠΎΠΉ ΠΏΠΎ ne