Датчика положения распредвала: неисправности и как поменять
Современные двигатели имеют довольно сложное устройство и управляются электронным блоком управления на основе сигналов датчиков. Каждый сенсор отслеживает определенные параметры, характеризующие работу мотора в текущий момент времени, и передает информацию в ЭБУ. В данной статье рассмотрим один из важнейших элементов системы управления двигателем – датчик положения распределительного вала (ДПРВ).
Содержание статьи
Где находится датчик положения распредвала
На большинстве машин ДПРВ находится в районе головки блока цилиндров. Чтобы найти его, необходимо ориентироваться на положение распределительного вала. Он может находиться с левой или правой части двигателя. Место расположения датчика распредвала варьируется в зависимости от марки и модели. Обычно его можно найти возле верхней части местоположения ремня или в защищенных частях проводки, расположенной в передней части двигателя.
Ниже приводим несколько примеров расположения ДПРВ на разных машинах.
ДПРВ на Опель Астра
ДПРВ на ВАЗ 2114
ДПРВ на VW Polo
Принцип работы датчика положения распредвала
Датчик положения распредвала На ДФ подаётся напряжение, возбуждающее магнитное поле катушкой датчика. Задающая метка, попадая в это поле, создаёт скачкообразное его изменение, которое воспринимает датчик и преобразует в электрический импульс, посылаемый в электронный блок управления (“мозги”) двигателя. Функционирование датчика распредвала основано на эффекте Холла. Устройства подобного типа называются датчиками Холла и широко применяются в современной технике – бензопилы, косы и т.д.
Отсутствие подвижных деталей делает их в несколько раз надёжнее, чем, допустим, применение контактных систем зажигания.
На современных дизельных моторах таких меток (реперов) несколько, для регистрации угла (фазы) на каждом цилиндре. Это позволяет точнее сформировать сигнал, открывающий форсунки. Дизельные топливные системы Common Rail предусматривают точное управление процессом сгорания топливной смеси, для чего топливо может впрыскиваться форсункой несколько раз во время одной вспышки. Это, в свою очередь, требует точности определения фазы. Именно для этого и нужен датчик распредвала. Кроме того, на двигателях с гидравлической подстройкой фаз сигналы ДПРВ, обработанные ЭБУ, позволяют изменять подачу масла в гидромуфты за счёт изменения напряжения, подающегося на управляющие соленоиды (например, на двигателях BMW).
Диагностика
К признакам неисправности относятся следующие симптомы:
- увеличенный расход топлива;
- проблемы с запуском;
- нестабильная работа мотора.
Диагностику и определение того, что нужна замена датчика распредвала, можно осуществить своими руками. Лампа диагностики автомобиля – это первый и самый простой способ узнать, что с Вашим автомобилем что-то не так. В случае загорания иконки «Check engine» на приборной панели, необходимо произвести компьютерную диагностику. Считать коды ошибок можно в специальная инструкции по эксплуатации, которая прилагается к каждому автомобилю.
Характерные симптомы неполадки
Практика показывает, что неисправность датчика положения распределительного вала не ведет к отказу мотора и обездвиживанию транспортного средства. Двигатель продолжает работать с некоторыми отклонениями, мешающими нормальной эксплуатации авто. Симптомы выхода из строя ДПРВ довольно туманны и похожи на неполадки других измерительных элементов:
- Нестабильная работа мотора на холостых оборотах и в процессе движения.

- Вместо динамичного разгона после нажатия педали газа наблюдается серия мелких рывков и вялый набор скорости.
- Мощность силового агрегата снижается. Эффект становится заметен при увеличении нагрузки – на подъеме, резком ускорении, во время буксирования прицепа.
- Индикатор Check Engine на приборной панели загорается не всегда. Но многие водители отмечают, что при неисправном измерителе табло вспыхивает после увеличения оборотов коленчатого вала до 3000 об/мин и более.
- Расход горючего закономерно увеличивается.
Если измерительный элемент неисправен, блок управления готовит и подает в цилиндры обогащенную топливовоздушную смесь. Отсюда возникает увеличение расхода бензина и нестабильная работа на холостом ходу. Рывки и падение мощности обусловлены несвоевременной подачей искры – контроллер «не видит» окончания такта сжатия в цилиндре и не может четко определить угол опережения зажигания.
На различных моделях автомобилей отмечаются дополнительные признаки неисправности датчика распредвала:
- мотор неожиданно глохнет в процессе движения, при этом заводится без проблем;
- холодный пуск двигателя становится затрудненным;
- на машинах, оборудованных роботизированной коробкой передач, возникают сложности с автоматическим переключением скоростей;
- двигатель «троит» – слышны пропуски циклов зажигания, иногда наблюдаются хлопки в выпускном коллекторе;
- на некоторых авто случается отказ силовой установки из-за отсутствия искрообразования.

Справка. Срок эксплуатации элемента довольно продолжительный. На автомобилях отечественного производства ресурс достигает 80–100 тыс. км, импортного – 150 тыс. км. При поиске причин неисправности вы можете ориентироваться на указанные периоды.
Езда с поломанным измерителем ДПРВ допустима в течение короткого периода. Рывки, обогащенная топливная смесь и ошибки электроники ускоряют износ свечей зажигания и деталей двигателя. После обнаружения перечисленных симптомов машину стоит отправить на диагностику либо отыскать источник проблемы самостоятельно.
ДАТЧИК ПОЛОЖЕНИЯ РАСПРЕДЕЛИТЕЛЬНОГО ВАЛА – КАК ПРОВЕРЯТЬ?
Каждый водитель должен знать, как проверить датчик распредвала. В случае обнаружения проблем в работе двигателя, при проведении диагностики нужно проверить в первую очередь сам ДПРВ. Осуществить подобную диагностику лучше всего тестером (мультиметром). Проверка проходит поэтапно:
- для начала нужно убедиться в том, что в электрической цепи имеется напряжение.

Сделать это можно следующим образом: при включенном зажигании проверяем напряжение на проводках, подходящих к разъему. В случае не обнаружения нужно обратить внимание в первую очередь на проводки, вся проблема может быть именно в них. - проверяем заземление (наличие отрицательного заряда) с корпусом ДВС;
- далее подключаем провода вольтметра к сигнальному проводу разъема и корпусом для получения «-». При проворачивании стартером изменения в напряжении будут происходить с заметным изменением на вольтметре в пределах 0-5 В. В случае отсутствия изменений показаний, нужно заменить датчик распредвала.
Как убедиться в работоспособности ДПРВ?
Простейший способ проверить датчик распредвала – подключить к диагностическому разъему машины автомобильный сканер или компьютер с установленной программой, соответствующей марке авто. Если элемент неисправен, то после запуска двигателя устройство покажет следующие коды ошибок:
- P0340 – отсутствует сигнал определителя положения распредвала;
- P0341 – фазы газораспределения не совпадают с тактами сжатия/впуска цилиндропоршневой группы;
- P0342 – в электрической цепи ДПРВ слишком низкий уровень сигнала;
- P0343 – уровень сигнала от измерителя превышает норму;
- P0339 – от датчика поступает прерывистый сигнал.

Поскольку подавляющее большинство автолюбителей не имеет в своем распоряжении сканеров и ноутбуков с программным обеспечением, практикуется более доступный способ – проверка цифровым мультиметром. Диагностика производится в 3 этапа:
- Визуальный осмотр проводки и прозвонка цепи на предмет обрыва.
- Измерение исходящего тока на управляющем контакте ДПРВ.
- Проверка работоспособности методом приближения к металлическому предмету.
На первом этапе необходимо убедиться в целостности проводки и надежном контакте соединительной колодки. Внимательно осмотрите подводящие кабели на предмет изломов, трещин и оплавления изоляции. Прозвонка токонесущих жил и поиск обрыва выполняется тем же мультиметром. Не забудьте почистить контакты разъема от окисления.
Проверив электропроводку, переходите к диагностике самого датчика распределительного вала. Вместо штатных зажимов типа «крокодил» на тестере нужно использовать провода с иглами, чтобы не пришлось мудрить с подключением к соединительной колодке.
Диагностические работы ведутся в следующем порядке:
- Откройте крышку капота и отыщите на головке цилиндров ДПРВ. Обычно элемент ставится на торце двигателя или боковой стенке ГБЦ рядом с ним.
- Пользуясь электрической схемой автомобиля или данными по конкретной модели датчика, определите расположение двух контактов питания и третьего провода, идущего к контроллеру.
- Включите зажигание и замерьте напряжение между массой машины и управляющим контактом элемента (на автомобилях ВАЗ это средний провод, обозначенный буквой «С»). Нормальные показания мультиметра – не менее 90% от напряжения питания, то есть, 12 * 0,9 = 10,8 В.
- Если полученные значения ниже нормы, датчик неисправен и подлежит замене. В противном случае выполняйте третий этап проверки.
Для окончательной диагностики деталь придется снять с двигателя. Как правило, элемент вставлен в отверстие на головке цилиндров и прикручен одним болтом. Открутите его, извлеките ДПРВ и вытрите от моторного масла.
Колодку с проводами не отсоединяйте.
Подключив мультиметр к среднему контакту и массе авто, вновь включите зажигание. Поднесите близко к торцевой части элемента стальной предмет (например, рожковый ключ), отслеживая показания дисплея. Работоспособный датчик должен отреагировать на приближение металла падением напряжения до значений 0,2–0,4 В.
Если проверка датчика распредвала железным предметом не изменила показаний тестера, ДПРВ однозначно следует поменять. Приобретая новую деталь, учитывайте один момент: даже оригинальные запчасти могут продаваться без тонкого уплотнительного кольца. Придется найти и купить его отдельно либо использовать старый уплотнитель при условии, что материал не потрескался и не «задубел».
Как поменять датчик
Очень часто владельцы автомобилей при выявлении поломки датчика распредвала сомневаются в своих возможностях и доверяют ТС работникам автосервиса. Но ведь замена датчика распредвала – миссия выполнимая, даже для новичков.
Накидные ключи и хорошая отвертка – это все необходимые инструменты для замены.
Прежде чем начать процедуру замены, нужно убрать защитный кожух ГРМ. Помните, что при выполнении «операции» по замене ДПРВ нужно быть предельно аккуратным. Если какая-то деталь свалится внутрь «организма» автомобиля, дополнительной работы не избежать.
Регулятор детонации и датчик фаз ВАЗ 2114 8 клапанов и 2115: признаки неисправности, как проверить
Двигатели автомобилей ВАЗ 2114 оснащаются множеством устройств и контроллеров, предназначенных для обеспечения правильной работы агрегата. От их слаженной работы зависит работоспособность мотора и основных систем «Четырки». Где находится и как заменить датчик фаз ВАЗ 2114 8 клапанов (ДФ), а также датчик детонации (ДД)? Подробная инструкция представлена ниже.
Описание датчика фаз
Для начала давайте рассмотрим место установки, назначение, а также конструктивные особенности ДФ.
Место расположения, назначение и устройство
В автомобилях ВАЗ 2114 и 2115 датчик фаз представляет собой устройство, использующееся для получения информации о работе силового агрегата и дальнейшей передачи этих данных на блок управления. По конструкции в устройство этого контроллера входит чувствительный элемент и преобразователь сигнала. Преобразовательный механизм состоит из операционного усилителя, специальной мостовой схемы, а также выходного каскада.
Внутри устройства находится чувствительный элемент, принцип действия которого основан на эффекте Холла. Основное назначение чувствительной составляющей заключается в подаче сигнала в определенный момент, в который рядом с платой будет располагаться магнитопроводящий элемент.
Где находится ДФ в «Четырках»? Место расположения устройства может отличаться в зависимости от вариации двигателя:
- в моторах на 8 клапанов ДФ располагается непосредственно на ГБЦ;
- в 16-клапанных моторах ДФ можно найти со стороны ведущего распределительного вала, неподалеку от генераторного узла.

Возможные неполадки и варианты их устранения
По каким признакам можно определить неисправность контроллера:
- в автомобиле увеличился расход топлива;
- в работе системы самодиагностики авто произошли неполадки;
- динамика транспортного средства в целом снизилась;
- на приборной панели появились новые ошибки — 0343, 0340, иногда ошибок нет, но есть индикатор Check Engine (появляется в случае полного выхода из строя девайса).
Инструкция по диагностике и замене ДД
Как произвести проверку обрыва и работоспособности ДФ мультиметром?
Процедура диагностики отличается в зависимости от модификации силового агрегата, для проверки ДФ на 8-клапанном моторе сделайте следующее:
- Сначала на вы
Как устроен и как работает датчик положения распределительного вала (датчик фаз)
Чаще всего в современных автомобилях устанавливается датчик положения распредвала, работающий на основе эффекта Холла. Основа датчика фаз – постоянный магнит, создающий магнитное поле.
Когда репер (металлический зуб, который располагается на задающем диске распредвала или зубчатом колесе распредвала) замыкает магнитный зазор при своем движении, магнитное поле изменяет свое напряжение. Это изменение фиксируется полупроводником, который также находится в датчике фаз. ЭБУ получает сигналы с датчика, считывает положение поршня первого цилиндра в ВМТ, а затем в соответствии с порядком работы цилиндров в двигателе обеспечивает впрыск и зажигание в каждом из них.
Схема устройства датчика фаз (датчика положения распредвала)
Кроме того, на некоторых автомобилях устанавливается датчик положения распредвала, в основе которого лежит фотоэлемент. Оптический датчик считывает сигнал после того, как репер перекрывает свет, излучаемый источником.
В зависимости от марки и модели автомобиля датчик фаз может быть установлен в разных местах. Единственное условие, необходимое для работы ДПРВ, – непосредственная близость к распредвалу. Так, например, в большинстве японских автомобилей датчик положения распределительного вала находится в нижней части «лобовины» мотора рядом со шкивами.
Кроме того, датчик фаз может быть установлен в верхней части «лобовины» вблизи распредвала.
Функционально датчик положения распределительного вала связан с датчиком положения коленчатого вала. Если один из датчиков вдруг выходит из строя или по какой-то причине не может передавать сигнал на ЭБУ, контроллер считывает информацию со второго.
Потенциометр СО
Представляет собой переменный резистор, с помощью которого можно подавать на ЭБУ управляющее напряжение от нуля до опорного напряжения датчиков. ЭБУ использует этот сигнал для регулировки (обеднения или обогащения) смеси на холостом ходу. Потенциометр СО устанавливался на автомобили без нейтрализатора, затем был “упразднен», так как регулировка СО стала программной (с помощью диагностического оборудования).
Потенциометр используется для регулировки состава топливно-воздушной смеси с целью получения нормированного уровня концентрации окиси углерода (СО) в отработанных газах на холостом ходу.
СО-потенциометр подобен винту качества смеси в карбюраторе. Регулировка содержания СО с помощью СО-потенциометра выполняется только на станции технического обслуживания при обязательном контроле состава смеси при помощи газоанализатора.
12.Система рециркуляции отработавших газов
Система рециркуляции отработавших газов (EGR – Exhaust Gas Recirculation) предназначена для снижения в отработавших газах оксидов азота за счет возврата части газов во впускной коллектор.
Оксиды азота образуются в двигателе под действием высокой температуры. Чем выше температура в камерах сгорания, тем больше образуется оксидов азота. Возврат части отработавших газов во впускной коллектор позволяет снизить температуру сгорания топливно-воздушной смеси, и, тем самым, уменьшить образование оксидов азота. При этом соотношение компонентов в топливно-воздушной смеси остается неизменным, а мощностные характеристики двигателя изменяются незначительно.
Система рециркуляции отработавших газов применяется как на дизельных, так и на бензиновых двигателях.
На бензиновых двигателях внутреннего сгорания, оборудованных турбонаддувом, система рециркуляции отработавших газов не применяется.
В зависимости от стандарта токсичности отработавших газов, на дизельных двигателях внутреннего сгорания применяются различные схемы системы рециркуляции отработавших газов: высокого давления, низкого давления и комбинированная система рециркуляции.
Система рециркуляции отработавших газов высокого давления применяется на дизельных двигателях, отвечающих требованиям Евро 4 (содержание оксида азота в отработавших газах не более 0,25 г/км). Система обеспечивает отвод части отработавших газов непосредственно из выпускного коллектора перед турбокомпрессором и подачу в канал перед впускным коллектором.
Конструктивно система объединяет клапан рециркуляции и патрубки отвода отработавших газов. Клапан рециркуляции осуществляет перепускание отработавших газов из выпускной системы во впускной коллектор. Клапан имеет пневматический или электрический привод.
Работа пневматического клапана основана на разряжении, возникающем во впускном коллекторе (бензиновые двигатели) или создаваемым вакуумным насосом (дизельные двигатели). Величину разряжения, подающегося на клапан рециркуляции, регулирует управляющий клапан, представляющий собой электромагнитный клапан.
Интенсивность рециркуляции отработавших газов зависит от разницы давлений в впускной и выпускной системах. Величина давления в впускной системе регулируется с помощью дроссельной заслонки. При закрытии дроссельной заслонки уменьшается давление на впуске и соответственно повышается интенсивность рециркуляции. Вместе с тем с ростом объема рециркуляции уменьшается поток отработавших газов, проходящих через турбину компрессора, что снижает давление наддува.
Система рециркуляции отработавших газов не работает на холостом ходу, при холодном двигателе, а также при полностью открытой дроссельной заслонке.
Рециркуляция отработавших газов производится под контролем системы управления двигателем.
По сигналу блока управления перемещается дроссельная заслонка и срабатывает клапан рециркуляции. Положение дроссельной заслонки контролируется потенциометрическим датчиком.
На отдельных двигателях в системе рециркуляции отработавших газов применяется охлаждение отработавших газов, которое дополнительно снижает температуру сгорания и, тем самым, уменьшает образование оксидов азота. Охлаждение производится путем прохождения охлаждающей жидкости через специальный радиатор, включенный в систему охлаждения двигателя. Для защиты от перегрева в систему охлаждения включен и корпус клапана рециркуляции.
На дизельных двигателях, отвечающих нормам Евро 5 (содержание оксида азота в отработавших газах не более 0,18 г/км) применяется система рециркуляции отработавших газов низкого давления. В такой системе отработавшие газы отводятся после сажевого фильтра, охлаждаются в радиаторе системы рециркуляции, проходят через клапан (заслонку) рециркуляции и подаются в впускную систему непосредственно перед турбокомпрессором.
Система низкого давления обеспечивает меньшую температуру отработавших газов, отсутствие частиц сажи и, в конечном счете, меньшее содержание оксидов азота в выхлопе. Помимо этого все отработавшие газы проходят через турбину компрессора, поэтому давление наддува не снижается.
Регулирование интенсивности рециркуляции отработавших газов осуществляет система управления двигателем с помощью дроссельной заслонки, заслонки рециркуляции и выпускной заслонки. Заслонки имеют электрический привод. Величина открытия каждой из заслонок фиксируется потенциометрическими датчиками. Степень открытия заслонок определяется на основании заложенной в блок управления цифровой модели, учитывающей наполнение цилиндров, давление наддува и интенсивность рециркуляции отработавших газов.
На дизельных двигателях, отвечающих требованиям перспективного стандарта Евро 6 (содержание оксида азота в отработавших газах не более 0,08 г/км) применяется комбинированная система рециркуляции отработавших газов.
Система имеет две отдельные магистрали рециркуляции отработавших газов – высокого и низкого давления.
Рециркуляция отработавших осуществляется аналогично рециркуляции на двигателях Евро 5. Кроме того в определенных режимах работы двигателя происходит дополнительная подача отработавших газов из магистрали высокого давления, что еще больше уменьшает содержание оксидов азота. Магистраль высокого давления не имеет охладителя отработавших газов.
Ты датчик фаз видишь? Нет? И я нет… А он есть!
Howk
Ты датчик фаз видишь? Нет? И я нет… А он есть!
Ссылки близкие к теме
http://chiptuner.ru/faq.php?id=8
http://chiptuner.ru/content/pub_13/
http://forum.chiptuner.ru/showthread.php?t=48292
http://forum.chiptuner.ru/showthread.php?t=30211
Ссылка на мозги бош
http://www.
diamag-osc.com/forum/download/file.php?id=11741
Предистория
Мсье знают толк в извращениях. Дано, пыжо 206 1.1 вроде как максимальная комплектация (с таким то мотором), 99 год. Ошибка датчика фаз (ДПРВ по нашему). По забугорному камшафт сенсор (СМР). Диагност обнюхал двигатель и выпал в осадок — нету датчика и все тут. Посмотрел по базам, точно нету, но есть провод от катушки зажигания. Эрго, катушка зажигания в роли датчика положения распредвала. Вроде такая же фигня и на отдельных моторах 1.4-1.6. Поставили старую, ошибка исчезла. Если бьет ошибку, мотор переходит с фазированного на попарно параллельный, чуток больше жрет, может тупить на высоких оборотах (за 90 кмч). Ну и чек горит. В катушке которая в виде этакого полена или краба между крышкой башки и дросселем есть платка, которая ловит и усиливает нечто. Платка чуток меньше спичечной коробки, на ней пару деталей, пару смд резисторов и пару смд транзисторов и все.
вопрос — как эта штука работает,
что в конце концов усиливается:
оценка времени накопления (заряда катушки)? вряд ли но хз, это французы
оценка ВВ импульса (амплитуды) наведенного вв проводами на датчике?
деталек на плате мало, вряд ли нечто заковыристое, есть предположение
что этот датчик просто муляж а определяется по ДПКВ и отключению форсы.
..
кто у нас из ребят с образованием, unnejm22, RTDS
если есть возможность откомментируйте
жутко интересно, гуглится слабо.
французским не владею.
ДАТЧИК ФАЗ
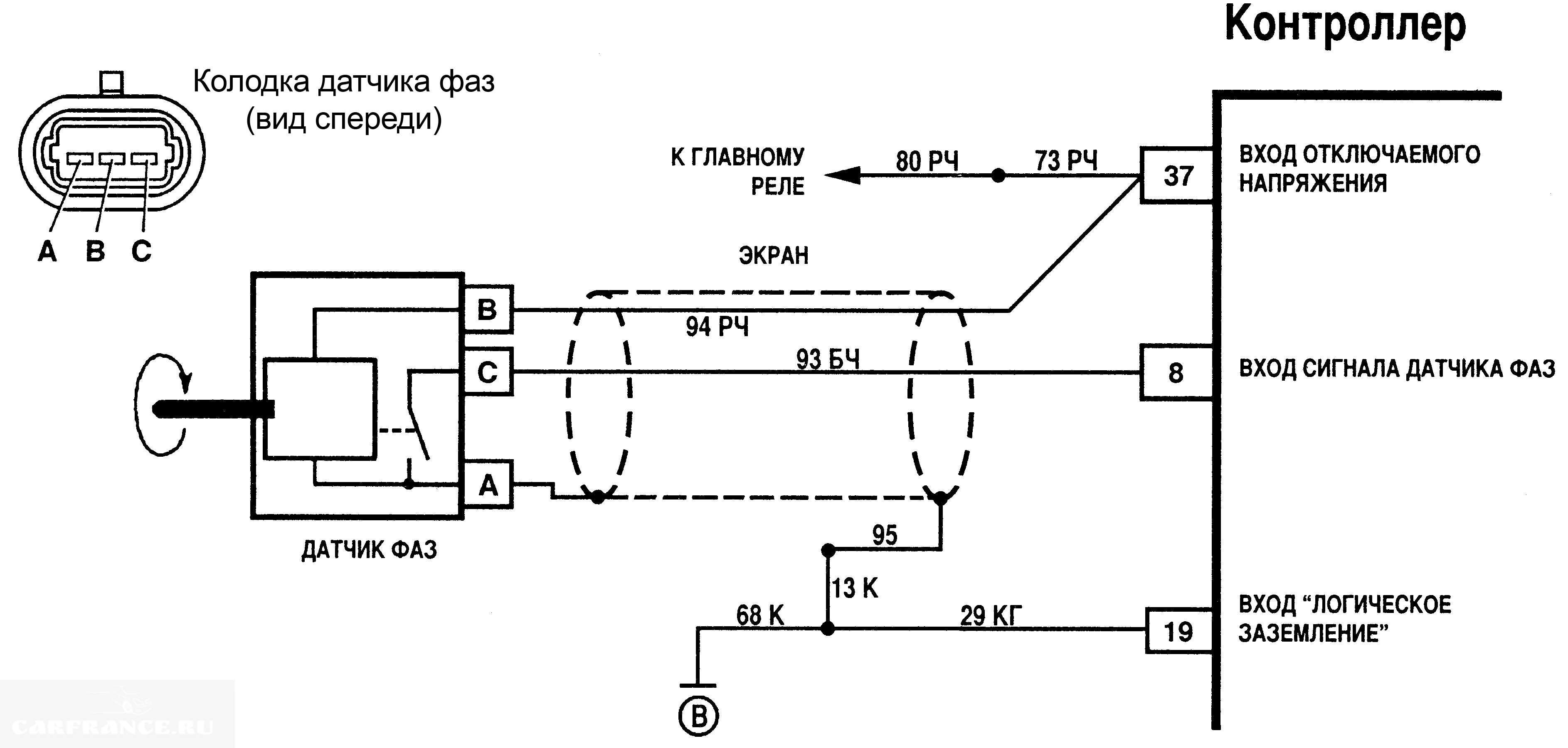
Датчик фаз (ДФ) раньше применяется только на 16-ти клапанном двигателе 2112 и 8-кл. двигателе 2111 с нормами токсичности Евро-3, в которых установлена система последовательного распределённого впрыска топлива (фазированного впрыска). Датчик фаз устанавливается в верхней части головки блока цилиндров за шкивом впускного распредвала. На шкиве распредвала расположен задающий диск с прорезью. Прохождение прорези через зону действия датчика фаз соответствует открытию впускного клапана первого цилиндра. Контроллер посылает на датчик фаз опорное напряжение 12В. Напряжение на выходе датчика фаз циклически меняется от значения близкого к 0 (при прохождении прорези задающего диска через датчик) до напряжения АКБ (при прохождении через датчик кромки диска), датчик фаз выдает на контроллер импульсный сигнал синхронизирующий впрыск топлива с открытием впускных клапанов.
Неведома зверюшка — дефия
DEPHIA («Détection de Phase Intégrée à l’Allumage» — Phase Detection Integrated into the Ignition) To control the injectors separately, the ECU must ascertain the position of cylinder N?1. To do this, the DEPHIA strategy is used which is based on acquiring a signal from the ignition coil. The signal used is a logic signal which is called PHASE and is defined from the voltages of the outputs of the ignition coil common to cylinders 1 and 4. During ignition, one of the two cylinders is in the compression phase and the other is therefore in the exhaust phase. The pressures in the combustion chambers are therefore different. The voltage required to create the arc between the spark plug electrodes is thus much higher for the cylinder in compression.
OPERATING PRINCIPLE — BOSCH ME7.4.4/M7.4.4 AND EOBD
Cylinder 4 in the compression phase and cylinder 1 in the exhaust phase. From the instant t0 when the ignition control is caused by the ECU, the secondary voltages VHT4 and VHT1 increase simultaneously but with opposite signs.
Voltage
VPH remains close to 0 V until the spark plug of cylinder 1 conducts; the voltage at the terminals of this spark plug drops suddenly and voltage VPH takes a non zero value with the sign of voltage VHT4. Voltage VPH continues to increase for as long
as voltage VHT4 rises up to the ionisation instant tion of spark plug 4. After the arc has been set up, voltage VPH oscillates and is damped. Cylinder 1 in the compression phase and cylinder 4 in the exhaust phase When cylinder 1 is in the compression phase, voltage VPH takes the sign of VHT1 between t0 and tion. The sign of VPH therefore shows which cylinder is in the compression phase. Depending on voltage VPH, the ECU defines a logic state called PHASE: a logic state of «1» if voltage VPH is negative, therefore cylinder 1 is in the compression phase, a logic state of «0» if voltage VPH is positive, therefore cylinder 4 is in the compression phase.
—
Компьютеру требуется знать положение кривошипно-шатунного механизма, в каком цилиндре заканчивается такт впуска, чтобы синхронизировать последовательное управление инжекторами.
Для этого компьютер использует:
— датчик частоты вращения двигателя (дпкв) позволяет определять положение верней мертвой точки двух поршней, когда в одном заканчивается процесс выпуска — начинается процесс впуска, в другом заканчивается процесс сжатия — начинается процесс сгорания/расширения.
— датчика фазы цилиндра, чтобы определить, в каком из двух цилиндров заканчивается фаза впуска. В зависимости от установленного оборудования, существуют два варианта системы зажигания: система DEPHIA или присутствие датчика фазы цилиндра.
DEPHIA (Detection de Phase Integree a l’Allumage) определение фазы, интегрированное в зажигание основана на приеме сигнала, поступающего из катушек зажигания. Используется логический сигнал, который называется ‘PHASE’ (ФАЗА). Он генерируется на основе напряжений на выходах одной катушки зажигания, общей для цилиндров 1 и 4. В этот момент в одном из этих двух цилиндров происходит сжатие, в другом выпуск. Однако давления в камерах сгорания различны.
Поэтому для цилиндра, в котором происходит сжатие, напряжение, необходимое для создания электрической искры между электродами свечи, получается намного больше, чем в другом.
—
История починок из интернета
Модуль зажигания един на 4 цилиндра, в модуле находится встроенный датчик фаз (снимает сигнал с импульса четвертого цилиндра и делает примерно так, как мы снимаем осциллограммы прищепками для ВВ части или стробоскопом). Так как это система DIS, то в такте сжатия амплитуда сигнала выше, чем на такте выпуска. Вот по этому принципу он определяет номер 4 цилиндра и включает фазированный впрыск. Так вот, модуль сгорел.
И так как модули часто летят и дорого стоят, то установил катушку DIS от Ваз. Так как в этой катушке нет датчика фаз, то блок бьет ошибку и переходит на попарно-параллельный впрыск. Если на бензине ехать можно, то на ГБО сразу проблема, авто нормально не работает и настроить его не могут, а еще датчик не видит разницы между 4м и первым цилиндрами.
Разницу амплитуды в сигналах он может отличить только первую катушку от второй.
То есть если амплитуда при работе 1-4 цилиндр скажем 16 вольт, то при работе 2-3 цилиндр скажем в два раза меньше. Получается что сигнал он снимает с первички катушки, которая отвечает за 1-4 цилиндры. При разном пробивном напряжении датчик не видит разницу в сигналах, как если бы мы например подключили датчик на один провод DIS и увидели бы разную амплитуду. Избавился от родной катушки зажигания, это проблема пежо. Глючить сразу начала, были пропуски воспламенения. Решил не покупать новую, заменить на ситроеновскую, но внешнюю, но проблема в том, что в неё интегрирован датчик фазы.
Он представляет собой усилитель разряда с высоковольтного вывода 4 цилиндра, когда в нём идёт такт сжатия, амплитуда сигнала больше, чем когда такт выпуска (система DIS, две катушки зажигания в едином модуле, как у калины на 8 клапанов). Так определяется положение распредвала и осуществляется фазированный впрыск топлива.
Удалось датчик извлечь из старой катушки, без датчика блок переходит в аварийный режим и возникает ошибка 0341.
Если снимать сигнал осциллографом на проводе к ЭБУ, то чередуются короткие импульсы с разными амплитудами. Большая амплитуда — такт сжатия в 4 цилиндре (ближе к грм, 4 цилиндр от маховика). На высоковольтном проводе 4 цилиндра закреплена изолентой антенна датчика фаз в виде тонкого провода. Сам усилитель датчика помещён в термоусадочную трубку и закреплён за катушкой. Необходимо удлинить провода первичной цепи катушки.
Высоковольтные провода с инжекторной девятки, у которых сопротивление не ниже 3кОм, иначе угробите двигатель, будет раннее зажигание, так как будет слишком раннее зажигание, в момент появления тока в катушке, а не во время прерывания через катушку.
При покупке подбирайте мультиметром между концами проводов. Датчик извлекается из старой катушки зажигания. Он находится, если смотреть на катушку сверху в 10мм от разъёма, смёщен относительно симметрии катушки около 10мм.
Если катушка залита прозрачной массой, его видно. Катушку надо аккуратно распилить и извлечь его. Далее его подключение. Выход на ECU экранированным проводом. Экран соединяется с экраном на проводе у разъёма, провод в черной изоляции. Её нужно подрезать и подпаяться к экрану. Антенна в виде куска тонкого провода длиной 3см накладывается на высоковольтный провод 4 цилиндра. Сам провод до усилителя как можно короче.
Как же вычисляется фаза впрыска?
Судя по всему, датчик отслеживает рост тока во вторичных обмотках катушки зажигания, в процессе накопления энергии, в индуктивности, ток отстает по фазе от напряжения. Что мы и видим по пологому фронту импульса. Затем ключ закрывается, рост тока в катушке прекращается, идет разряд в свече зажигания. В цилиндре, в котором происходит фаза сжатия, пробивное напряжение выше, чем в цилиндре, котором фаза выпуска, и имеет противоположную полярность, что влияет на амплитуду и полярность. Датчик отслеживает полярность и амплитуду импульсов в катушке, на основе чего ЭБУ определяет положение 1-го цилиндра (импульс в фазе сжатия).
Вряд ли отслеживает по напряжению пробоя в момент сжатия. При низкой компрессии холостая искра будет как рабочая.
Аналог, блок, чтобы определить точку отсчета, кратковременно отключает одну из форсунок. Алгоритм тот же, что и определении пропусков зажигания. Достаточно первый оборот дать парный прыск, а потом эксперимент и контролер сразу узнает какой цилиндр толкнул колено, иногда после пуска секунд через 5 дёрнется мотор, как пропуск, и дальше работает, иногда два пропуска делает.
Контроллер имеет 4 переменные, в которых отражена угловая скорость коленвала в фазовом окне, для всех 4 цилиндров. Система работает в ПП (попарно праллельном) режиме. Запрещая подавать топливо форсунке первого цилиндра на такт, система проверяет, какая из четырёх переменных стала отличаться от остальных.
Найдя что изменилась ячейка номер 3, присваивает ей признак 1 цилиндра. И продолжает работать уже в фазированном режиме по порядку 4-2-1-3. Наподобие работает Абитовская система ваз. ДВС устроен так, что порядок работы цилиндров в процессе работы двигателя измениться не может, за первым идёт третий, за третьим четвёртый, потом второй.
Системе достаточно определить любой из четырёх. Потом работа по шаблону. Если система знает где первый цилиндр, остальные цилиндры идут по порядку. Чего непонятного? ДПКВ это лишь датчик, которым система видит что коленвал повернулся на 6 градусов. Как пришёл импульс, значит повернулся ещё на 6. Потом ещё на 6, и так далее. Вычисляется период прихода импульсов.
Получается 10 «тиков», внутренних тактов. Система понимает, что следующий импульс через 10 тиков, приходит через 10, нормально, 6 градусов. Не приходит через 10, а через 20 тиков, выставляется ошибка 335, пропущеный зуб. Приходит через 30 тиков, ошибка 335 не выставляется (выбитый зуб) а система понимает, что пропущено 2 зуба, синхронизация. Начинаем отсчёт. Каждому зубу соответствует 10 тиков, это среднее значение. Всё это для примера!
При определённом угле поворота коленвала тиков между зубами должно получиться меньше чем обычно, это в цилиндре рвануло и коленвал получил ускорение. Если количество тиков между зубами не уменьшилось а увеличилось или не изменилось, то топливо не воспламенилось, увеличивается счётчик пропусков воспламенения.
Для группы цилиндров 1-4 и 2-3 имеется 4 банка, где хранятся сведения о количестве тиков. Пока впрыск попарно паралельный, банки обезличены. Система запрещает 1 импульс впрыска на первую форусунку, изменился один из банков. Ему присваивается индекс первого цилиндра, остальные 3-4-2, после первого. Так система определяет фазирование впрыска. Вся эта потеха пипец быстро, мы лишь наблюдаем результат в виде ошибок или данных о неравномерности вращения.
Видел такое на рено и вольво, фазированный впрыск работает без датчика фаз. Сначала впрыскивают три форсунки, затем ещё одна, затем блок подаёт искру. И сразу фазированный впрыск. Как он это делает понятия не имею. Есть две реализации фазированного впрыска в цилиндр на ХХ — на фазе впуска (при открытии впускного клапана) и на фазе выпуска (на закрытый впускной клапан), для уменьшения выбросов на ХХ на Е2 и выше используется впрыск на закрытый впускной клапан (фаза выпуска). Думал, это чисто французкое изобретение. Однако, это BOSH!
На чиптюнере народ предлагал взять катушку от реле, с помощью пары компонентов подогнать сигнал под то что идет с датчика родной катушки валео а саму катушку от реле прилепить на корпусе модуля у катушки зажигания первого цилиндра.
Будет ли это работать хз, таких опытов никто не делал.
Коммерческая жилка…
Пежотов на которых стоит или вернее у которых не стоит))) такая шняга много это и 206 и 307 с моторами 1.4 1.6, катушек дохнет много, взять охапку дохлых катушек на разборке, вытравить, выдреммеллить, выжечь паяльником пару платок, благо там всего три пять деталей — определить тип и номиналы. Нарисовать в лайауте платку, заказать китайцам серию платок, штук пару сотен (тысяч))). Помочь хозяевам львят покупать не модуль валео за 200 долларов, а катушку от калины за 20, плюс маленькую платку за десять. Платка потрет ошибку 0341 и фазирует львенка. Львят на руси зоопарк, профит в карман, хоуку тоже сникерс за идею стартапа))) Алекс вроде в такси собирался, ну вот и бизнес план шоб туда не попасть)
пс
«заставь меня сожрать лягушку —
свой сенсор суну я в катушку»)))
phase sensor — определение — English
Примеры предложений с «фазовым датчиком», память переводов
патент-wipoPhased сенсорная система с несколькими параллельными концентраторами пленочные транзисторы, содержащие тиениловые олигомеры, и их использование в качестве датчиков газовой фазы.
Эти фазовые датчики бывают различных конфигураций и очень чувствительны к деформациям.Патенты-wipoChip пьезоэлектрический резонатор и датчик жидкой фазыпатенты-wipoСчетчик мощности с датчиком тока и фазыпатенты-кварцевый генератор wipoChip и датчик жидкой фазы Датчик фазирования замкнутой системы регулирования фаз газораспределения двигателя внутреннего сгорания. WikiMatrix Измерение ионного тока используется для замены обычного датчика фазы кулачка, датчика детонации и функции измерения пропусков зажигания.WikiMatrix Поскольку фазовый датчик требует того же света, поступающего на датчик изображения, раньше это было возможно только с SLR-конструкцией. Обычное сканирование После десятилетия в основном чистых исследований сенсорных сетей мы вступаем в новую фазу: сети датчиков и Интернет соединяются .patents-wipoПредоставляется датчик линейного положения, в котором используются обмотки датчика квадратурной фазы, обмотка возбуждения и резонатор. patents-wipoECU соответственно передает четыре сигнала изменения на электромагнитный клапан (13) на основе датчика фазы кулачка (15), когда двигатель работает.
Показаны страницы 1. Найдено 811 предложения с фразой phase sensor.Найдено за 15 мс.Накопители переводов создаются человеком, но выравниваются с помощью компьютера, что может вызвать ошибки. Найдено за 1 мс.Накопители переводов создаются человеком, но выравниваются с помощью компьютера, что может вызвать ошибки. Они поступают из многих источников и не проверяются. Имейте в виду.
Определение, функции, эффекты алкоголя и расстройства
Во время сна мозг проходит пять различных стадий. Одна из таких стадий — сон с быстрым движением глаз (REM). Во время этой фазы глаза быстро движутся в разных направлениях.Другие четыре фазы называются медленным (NREM) сном.
Люди входят в фазу быстрого сна в течение первых 90 минут после засыпания, и, поскольку цикл сна повторяется в течение ночи, фаза быстрого сна происходит несколько раз за ночь. На его долю приходится примерно 20-25 процентов цикла сна взрослого человека и более 50 процентов цикла сна младенца.
Большинство сновидений происходит во время быстрого сна, и считается, что он играет роль в обучении, памяти и настроении.
Краткие сведения о быстром сне
- Во время быстрого сна наш мозг почти так же активен, как и в бодрствующем состоянии.
- В этой фазе сна дыхание может стать частым и нерегулярным.
- Быстрый сон помогает консолидировать воспоминания.
- Употребление алкоголя перед сном сокращает продолжительность быстрого сна.
- Люди с расстройством поведения во сне в фазе быстрого сна исполняют свои мечты.
Цикл сна начинается с не-REM-сна перед переходом в стадию REM-сна.
Первая фаза быстрого сна обычно длится 10 минут, и каждая фаза постепенно увеличивается.
Заключительная фаза быстрого сна может длиться до часа.
Во время быстрого сна тело и мозг претерпевают несколько изменений, в том числе:
- Быстрое движение глаз.
- Быстрое и нерегулярное дыхание.
- Повышенная частота сердечных сокращений (почти до уровня бодрствования).
- Изменение температуры тела.
- Повышенное артериальное давление.

- Мозговая активность аналогична той, что наблюдается в бодрствовании.
- Повышенное потребление кислорода мозгом.
- Сексуальное возбуждение как у мужчин, так и у женщин.
- Подергивание лица и конечностей.
У большинства людей состояние временного паралича возникает, когда мозг сигнализирует спинному мозгу прекратить движение рук и ног. Это отсутствие мышечной активности известно как атония, и оно может быть защитным механизмом для предотвращения травм, которые могут быть вызваны разыгрыванием наших снов.
Быстрый сон часто ассоциируется с очень яркими сновидениями из-за увеличения мозговой активности.Поскольку мышцы обездвижены, а мозг очень активен, эту стадию сна иногда называют парадоксальным сном.
Если вам интересно узнать больше доказательной информации об увлекательном мире сна, посетите наш специализированный центр.
Перед тем, как войти в фазу быстрого сна, организм проходит каждую из стадий медленного сна.
Каждый этап NREM длится 5-15 минут.
Стадия 1 медленного сна — человек на этой стадии находится между бодрствованием и сном или находится в состоянии очень легкого сна.
Стадия 2 медленного сна — эта стадия характеризуется немного более глубоким сном. Снижается температура тела и замедляется пульс.
Стадии 3 и 4 медленного сна — состояние глубокого восстанавливающего сна, известное как медленноволновый сон или дельта-сон. Мышцы расслабляются, приток крови к мышцам увеличивается, а тело восстанавливает и наращивает ткани. Выделяются гормоны и восполняются запасы энергии.
С возрастом люди, как правило, получают меньше медленного сна.Люди моложе 30 лет обычно спят 2 часа в сутки, в то время как пожилые люди могут спать всего 30 минут.
Считается, что быстрый сон улучшает обучение, память и настроение. Также считается, что он способствует развитию мозга у младенцев. Недостаток быстрого сна может иметь неблагоприятные последствия для физического и эмоционального здоровья.
Обучение и память
Исследования показывают, что, когда люди не могут войти в фазу быстрого сна, они с трудом запоминают, чему их учили, прежде чем заснуть.
Одно исследование на крысах показало, что всего 4 дня депривации быстрого сна влияют на пролиферацию клеток в той части мозга, которая способствует долговременной памяти.
Вероятно, что сочетание быстрого и медленного сна важно для обучения и памяти.
Развитие центральной нервной системы (ЦНС)
Быстрый сон может быть особенно важным для развития мозга младенцев. Некоторые исследования показывают, что эта стадия сна отвечает за нервную стимуляцию, необходимую для развития зрелых нейронных связей.
Эти данные могут помочь объяснить, почему младенцам требуется более высокий уровень быстрого сна каждую ночь, при этом количество минут быстрого сна уменьшается с возрастом.
Последствия отсутствия быстрого сна
Недостаток быстрого сна был связан с:
Снижением навыков совладания — исследования показывают, что животные, лишенные быстрого сна, демонстрируют нарушения в механизмах совладания и защитных реакциях в угрожающих ситуациях .
Мигрень — Недостаток быстрого сна связан с мигренью.
Избыточный вес — исследование Университета Питтсбурга показало, что короткое время сна и уменьшение фазы быстрого сна связаны с избыточным весом у детей и подростков.
Хотя употребление алкоголя может помочь некоторым людям быстрее заснуть, исследования показывают, что он уменьшает фазу быстрого сна.
Чем больше алкоголя употребляется перед сном, тем больше влияет на быстрый сон.
Обзор 27 исследований, посвященных алкоголю и сну, за 2013 год показал, что общее количество ночного быстрого сна снижалось при умеренном и высоком потреблении алкоголя, хотя четкой тенденции не наблюдалось при низком уровне потребления алкоголя.
Начало первого периода быстрого сна, который обычно наступает через 90 минут после засыпания, «значительно задерживалось при всех дозах».
Алкоголь влияет на сон и другими способами. Он способствует апноэ во сне и храпу, вызывает учащение посещений туалета и нарушает циркадный ритм организма — внутренние часы, которые регулируют время сна и бодрствования.
Некоторые люди страдают расстройством поведения во время быстрого сна (RBD), состоянием, при котором паралич мышц, обычно возникающий во время быстрого сна, не возникает.Это заставляет человека разыгрывать яркие сны. Например, они могут пинаться, кричать или размахивать руками.
Начало расстройства быстрого сна, как правило, постепенное, со временем симптомы ухудшаются.
RBD возникает из-за нарушения работы нервных путей в головном мозге. К факторам риска его развития относятся:
- Мужчина.
- Быть старше 50 лет.
- Принимать определенные лекарства, в том числе некоторые виды антидепрессантов.
- Отказ от наркотиков или алкоголя.
- Наличие нейродегенеративного расстройства, такого как болезнь Паркинсона или деменция с тельцами Леви.
- Нарколепсия — нарушение сна, характеризующееся чрезмерной дневной сонливостью и галлюцинациями.
Лечение расстройства поведения во сне в фазе быстрого сна включает в себя прием лекарств и внесение изменений в среду сна, чтобы повысить безопасность человека с этим заболеванием и его спящего партнера.
Есть несколько способов улучшить как быстрый, так и медленный сон, чтобы извлечь пользу из хорошего ночного сна.Следующие советы могут помочь улучшить быстрый сон:
Установите режим сна
Соблюдение одного и того же режима сна каждую ночь подготавливает тело и разум ко сну. Регулярный распорядок дня перед сном может помочь продлить время сна, потенциально увеличивая количество фаз быстрого сна.
Уменьшить время пробуждения в ночное время
Громкие звуки, высокая температура и яркий свет могут нарушить сон. Для оптимальных условий сна выключите мобильные телефоны и другие источники шума и удалите источники света из спальни.Поддерживайте температуру от 60 до 67 градусов по Фаренгейту.
Высыпайтесь
Здоровому взрослому человеку требуется 7-9 часов сна в сутки. Меньшее количество сна сокращает количество фаз быстрого сна.
Обратитесь к медицинским показаниям
Определенные медицинские условия, такие как апноэ во сне, могут повлиять на качество сна и повлиять на быстрый сон.
Избегайте употребления алкоголя перед сном
Поскольку умеренный или высокий уровень потребления алкоголя перед сном может уменьшить количество испытываемых фаз быстрого сна, а любое количество задержек с переходом в первую фазу быстрого сна, рекомендуется избегать употребления алкоголя в часы перед сном. .
Новый нанодатчик «электронный нос» разрабатывается для обеспечения безопасности пищевых продуктов и здоровья
Матрица нано-датчиков была разработана Носанг Мён. Предоставлено: UC Riverside.Датчик «электронного носа», разработанный профессором инженерии в Риверсайде из Калифорнийского университета и коммерциализированный компанией Innovation Economy Crowd (ieCrowd), будет доработан для обнаружения смертельных патогенов, включая токсичные пестициды, в глобальной цепочке поставок продуктов питания недавно подписали соглашение о разработке и распространении продукта.
Nano Engineered Applications, Inc.
(NEA), компания ieCrowd, подписала многолетнее, многоэтапное соглашение с сотрудником, имя которого не может быть разглашено из-за соглашения о конфиденциальности. Сотрудник работает напрямую с членами команды ieCrowd и Носангом Меном, профессором инженерного колледжа Калифорнийского университета в Риверсайд Борнс, который очень доволен прогрессом.
«Я работал над этой технологией почти десять лет», — сказал Мён.«Приятно видеть в этом коммерческий интерес».
Это первое подобное соглашение, подписанное NEA в отношении исследования сенсора «электронного носа» Мёнга, которое включает в себя массив нано-сенсоров, способных обнаруживать небольшие количества вредных веществ, переносимых по воздуху. Он использует функционализированные углеродные нанотрубки, которые в 100 000 раз тоньше человеческого волоса, для обнаружения переносимых по воздуху токсинов до уровня частиц на миллиард.
Используя платформу коммерциализации ieCrowd, NEA разрабатывает ряд продуктов и приложений для различных отраслей, включая промышленные объекты (обнаружение утечек газа, выбросы горения), национальную безопасность (системы предупреждения о биотерроризме) и вооруженные силы (обнаружение химического оружия).
агентов).Это новое сотрудничество станет первым случаем, когда датчик будет адаптирован для измерения безопасности пищевых продуктов и активности.
«В случае успеха это сотрудничество откроет новую эру прозрачности и эффективности для измерения уровня пестицидов и других химикатов в растениях, которые мы используем для пищевых продуктов и лекарств», — сказал Стивен Ф. Эбботт, президент NEA. «Наша работа также сделает эту технологию доступной для широкого круга приложений, которые важны для ряда новых и существующих отраслей во всем мире.«
В рамках уникального партнерства с UCR ieCrowd в настоящее время инкубирует и ускоряет работу двух компаний, принадлежащих профессорам, включая NEA, на основе исследований, проведенных в кампусе UCR.
«Работа, проводимая NEA и профессором Меном, представляет собой огромный потенциал прочного и тесного партнерства между ieCrowd и UCR. Это соглашение подчеркивает миссию ieCrowd по превращению инноваций в реальные продукты с потенциалом глобального воздействия», — сказал Эбботт.
«Мы рады так тесно сотрудничать с университетом по ряду направлений, чтобы получить социальную и экономическую выгоду от некоторых великих мировых исследований и инновационной работы, выполняемой в UCR — точно так же, как мы делаем с большой работой, проделанной Профессор Мён из NEA, — продолжил он.
Это соглашение призывает к разработке продуктов и испытательной платформы, способной обнаруживать определенные летучие органические соединения, выделяемые растениями при нагревании до определенных температур.
Соглашение состоит из двух этапов: во-первых, определение эффективности датчиков NEA в отношении этих летучих органических соединений; и, во-вторых, если первый этап будет успешным, разработка портативных устройств для обнаружения летучих органических соединений.
Инженеры разработали прототип «электронного носа»
Предоставлено Калифорнийский университет — Риверсайд
Ссылка :
Новый нано-сенсор «электронный нос» разрабатывается для обеспечения безопасности пищевых продуктов и здоровья (13 июня 2013 г.






