Принципиальная электрическая схема управления электродвигателем
В паспорт крана включены также чертежи крана с указанием основных размеров, кинематические схемы всех механизмов, схема запасовки канатов, принципиальная электрическая схема управления электродвигателями крана, включая цепи сигнализации и освещения, а также указания по выполнению защитного заземления. [c.231]Паспорт крана прилагается к крану заводом-изготовителем. В паспорте указывается разрешение на изготовление крана, выданное управлением Госгортехнадзора, наименование крана, его заводской номер, тип крана, назначение, исполнение, дата изготовления, название завода-изготовителя. В паспорте приводится полная характеристика крана, чертеж общего вида крана с указанием основных размеров, кинематические схемы всех механизмов, схемы запасовки канатов, принципиальная электрическая схема управления электродвигателями крана, включая цепи сигнализации и освещения, а также указания по выполнению защитного заземления.
Принципиальная электрическая схема управления электродвигателем [c.86]
| Рис. 67. Принципиальная электрическая схема управления электродвигателем с помощью магнитного пускателя и кнопочной станции |
При проектировании электропривода очень существенным является выбор принципиальных схем управления электродвигателями.
В последующем изложении приводятся примеры наиболее распространённых схем электрического привода подъёмно-транспортных машин.
[c.854]Принципиальная электрическая схема силовой цепи и цепи освещения приведена на рис. 120, а цепи управления на рис. 121. Всеми электродвигателями крана управляют с. помощью комплектного магнитного контроллера. В приводе грузовой лебедки применена схема с тормозной машиной с непрерывным регулированием тока возбуждения. Тормоз стреловой лебедки, управляемый электрогидравлическим толкателем, может работать в основном рабочем режиме и в режиме притормаживания, обеспечивая малую скорость подъема и опускания стрелы. Тормозом управляют либо кнопкой Кн1 в кабине управления, которую нажимает машинист, либо автоматически при подходе стрелы к крайнему верхнему положению, когда срабатывает конечный выключатель В4, установленный в ограничителе-указателе вылета.
Рис. 42. Принципиальная электрическая схема привода крана К-67 а — самовозбуждения генератора и его подключение к двигателям, б — пульта управления переменного тока (220 В), в —питания электродвигателей / — блок кремниевых выпрямителей, 2 — ротор генератора, 3 —основная обмотка статора генератора, 4 — компаундирующие трансформаторы стабилизатора, 5 — компаундирующие сопротивления стабилизатора, 6 — кнопка возбуждения генератора, 7 и 8 — контактные кольца токосъемника, 9 — штепсельное гнездо для подключения к генератору внешней нагрузки, /О — штепсельная вилка для подключения крана к внешнему источнику питания, // — переключатель, 12, 14 и 15 — автоматические выключатели, I3, 16 и 29 — пускатели, /7 — кнопка аварийного контакта. 8 н /9— сопротивления в цепи ротора, 20 — кулачковый контроллер, 21 — магнитный пускатель, 22 — универсальный переключатель, 23—25 — двигатели гидротолкателей тормозов грузовой лебедки, механизма поворота и стреловой лебедки, 26 — трансформатор питания электродвигателя грузовой лебедки в режиме динамического торможения, 27 — кремниевый выпрямитель, 25 — кнопка включения схемы динамического торможения. 30 — реле блокировки от снижения тока.
|

Принципиальная электрическая схема опорной кран-балки типа НК с управлением из кабины (фиг. 65) состоит из двух схем реверсивного (кнопочного) управления двигателями грузоподъемного механизма и механизма передвижения электротали, схемы контроллерного управления двигателем меха изма передвижения кран-балки и подключенных к ним конечных выключателей и тормозных электромагнитов. Конечные выключатели КВ включаются в цепь управления последовательно с катушкой магнитного пускателя и кнопкой включения. Тормозные электромагниты ТЭ включаются в силовую цепь параллельно обмотке статора электродвигателя. В силовую цепь отдельно на каждый электродвигатель и на всю схему кран-балки включаются плавкие предохранители. [c.80]
Принципиальная электрическая схема кран- балки типа НК управлением с пола (фиг.
Электрические схемы управления электроприводами грузовой лебедки, механизма поворота и привода грузовой тележки принципиально одинаковы и выполнены на контроллерах НТ-51 с сопротивлениями, соответствующими каждому из электродвигателей.
Принципиальная электрическая схема крана изображена на рис. IX-8, на ней приняты следующие условные обозначения Ш, 2М, ITM, 2ТМ — электродвигатели и тормозные электромагниты механизма передвижения крана В, Н — контакторы управления механизма передвижения ШП — предохранители электродвигателей механизма передвижения ЗМ, 4М, ЗТМ, 4ТМ — электродвигатели и тормозные электромагниты первой пары грузовых крюков 1В, 1Н — контакторы управления электродвигателями 2ПП, ЗПП — предохранители 5М, 6М, 5ТМ, 6ТМ — электродвигатели и тормозные электромагниты второй пары грузовых крюков 2В, 2Н — контакторы 7М, 8М, 7ТМ, STM — электродвигатели и тормозные электромагниты механизма передвижения тележки 38, ЗН, 4ПП — контакторы и предохранители механизма тележки А — автоматический выключатель
[c.
546]
Принципиальная электрическая схема. Электрооборудование станка обеспечивает наладочный и автоматический режимы работы станка и необходимые блокировки и связи. Принципиальная схема состоит из двух частей — силовой (включения электродвигателей), управления и сигнализации (рис. 4.36 и 4.37). [c.178]
На принципиальной электрической схеме показывают цепи главного тока, или главные цепи (силовые цепи электродвигателя), и цепи вспомогательного тока (цепи управления). [c.250]
Принципиальная схема электрооборудования лебедки для перетяжки пакетов с таблицей замыкания контроллера приведена на рис. 165. Электрическая цепь лебедки питается от магистральной линии через автоматический выключатель Л5з. Кулачковый контроллер НП-101 предназначен для управления электродвигателем типа ДП-31 лебедки, т. е. для пуска, остановки, изменения направления и скорости вращения вала двигателя включением или отключением сопротивлений в цепи электродвигателя.
На рис. 24, в приведена одна из принципиальных схем импульсного управления током ротора асинхронного двигателя с контактными кольцами. Для приводов повторно-кратковременного режима работы, например кранов, большие возможности дает импульсный метод управления. Трехфазный ток ротора двигателя выпрямляется диодами Д, собранными по мостовой схеме, в постоянный ток, в цепи которого находится управляемый резистор Гу. Процессы ускорения и замедления регулируют попеременным замыканием накоротко и введением резистора Гу путем открывания и закрывания тиристора Т. Изменяя относительную продолжительность шунтирования тиристором Т резистора гу, с помощью обратной связи по электрической мощности ротора задают желаемый момент ускорения электродвигателя. Если применить обратную связь по частоте, то можно регулировать частоту вращения. Импульсный метод применяют также для управления процессом электрического торможения противовключением.
На рис. 28 представлена принципиальная схема размерной обратной связи в копировальных системах. Щупы 1 находятся в контакте с копиром 2. Перемещение щупов через связи управления / и II (механическим или электрическим способом) вызывает соответствующее перемещение датчика 3 и каретки 5, на которой смонтирован режущий инструмент. При неравенстве размеров копира и обрабатываемой детали 4, возникающем под влиянием износа режущего инструмента, а также тепловых и силовых деформаций технологической системы, замыкается контакт датчика, и по линии обратной связи реверсивному электродвигателю 6 подается импульс на корректировку (поднастройку) системы. [c.84]
Принципиальная электросхема станка показана на рис. 75. Электрооборудование станка включает восемь электродвигателей переменного и два постоянного тока, обеспечивающих получение необходимых перемещений рабочих элементов, заполнение ванны рабочей жидкостью, прокачку рабочей жидкости через электрод-инструмент, привод машинного генератора, контрольно-измерительные приборы для установки электрического режима, коммутирующую, защитную и сигнальную аппаратуру и аппаратуру управления.
Показанная на рис. 151 принципиальная схема электрического управления составлена с соблюдением указанных выше основных условий и служит примером для разработки подавляющего большинства станков и линий автоматического действия, работающих по циклу транспорт — обработка — транспорт. Пуск непрерывно работающих электродвигателей машины (т. е. не прерывающих работы во время цикла) производится от индивидуальных пусковых кнопок 1КУ. При большом количестве электродвигателей (больше четырех), снабженных отдельными пускателями, и при небольшой суммарной мощности (50—100 кет) включать их можно одновременно от одной кнопки и промежуточного реле РПУ. Величина суммарной мощности электродвигателей определяется допустимой величиной падения напряжения в питающей сети во время совместного пуска этих электродвигателей.
Работающие электродвигатели выключаются одной общей кнопкой Стоп 2КУ, выполняющей часто роль аварийной кнопки. Отдельные кнопки .Стот для каждого электродвигателя применяются только по индивидуальным требованиям. Рассмотрим схему электрического управления автоматической работой, наладкой и сигнализацией.
[c.179]
На рис. 8.9 показана принципиальная электрическая схема управления, представляющая собой релейный регулятор, в состав которого входит индуктивный датчик БВ-884, электронный усилитель УЭУ-209, электродвигатель постоянного тока с независимым возбуждением и мощностью 12 Вт, схема питания электродвигателя и программное устройство. Сопротивление / 22 служит для балансировки моста. Ограничение угла поворота резца осуществляется конечными выключателями ВК1 и ВК2, отключающие электродвигатель в крайних положениях резца и включающие сигнальные лампы, предупреждающие о неполадках в системе.
Принципиальная электрическая схема механизмов представлена на рис. 3.92. На клеммы 1—2 штепсельного разъема выведены концы обмотки возбуждения электродвигателя, последовательно с которой включен конденсатор. Обмотка управления электродвигателем выведена на клеммы 3—4. Параллельно с обмоткой управления включена обмотка электромагнлта ЭМ тормоза механизма. Все цепи микровыключателей выведены независимо на клеммы 5—12 и 19—26. Причем на клеммы 5, 6, 9, 10, 19, 20, 23, 24 выведены нормально закрытые контакты. На клеммы 13—15 и 16—18 выведены цепи датчиков обратной связи и дистанционного указателя положения.
[c. 196]
На принципиальных электрических схемах тепловозов изображают все электрические машины, аппараты, приборы, зажимы, провода электрических соединений и др. в соответствии с общепринятыми по ЕСКД (ГОСТ 2.702—75). При этом полагают, что дизель не работает. Положения контактов реле и контакторов показаны в обесточенном состоянии. Выключатели изображают в выключенном положении, за исключением тех, для которых нормальным является включенное положение (выключатели реле заземления и управления переходами, замыкающие контакты конечных выключателей блокировок дверей аппаратных камер, валоповоротного устройства и др.). Переключатели электродвигателей показаны в таком положении, когда все двигатели работают. Все переключатели автоматического и ручного управления системами тепловоза изображены в положении автоматического управления. [c.208]
Исходные данные. Характеристика основного и вспомогательного оборудования котельной. Принципиальные технологические схемы котлоагрегатов, тепловая, газомазутоснабжения, топливоподачи твердого топлива, системы шлакозолоудаления, водоподготовки.
Перечень контролируемых и регулируемых параметров по технологическим схемам. Схемы управления электродвигателями, включая электродвигатели задвижек, управляемых со щитов или пультов автоматизации. Электрическая схема аварийной сигнализации. Перечень дистан-
[c.47]
На рис. 2 представлена принципиальная электрическая схема системы автоматического управления поперечной подачей врезного желобо-шлифовалвного автомата. Сигнал напряжения с выхода программирующего устройства подается на вход тиристорного преобразователя мощности, который управляет двигателем постоянного тока ДП типа ЭП-110/245 с мощностью на валу 0,245 квт и номинальным числом оборотов в минуту 3600. С помощью механизма поперечной подачи, состоящего из редуктора и ходовой пары винт—гайка , вращательное движение вала электродвигателя преобразуется в поступательное перемещение суппорта поперечной подачи со скоростью Ус, которая и является регулирующим воздействием на технологический процесс шлифования.
[c.103]
Принципиальная электрическая схема обычно составляется раздельно для силоных цепей и цепей управления, защиты, рабочего и ремонтного освещения. В силовую цепь принципиальной электрической схемы включаются статоры и роторы электродвигателей, катушки тормозных электромагнитов, вводные ящики, автоматические выключатели, катущки максимальных реле и глав. ые контакты контакторов. В цепи управления, защиты и освещения включаются катущки контакторов и реле, кнопки управления, блокировочные контакты контакторов, концевые выключатели, приборы освещения, нагревательные приборы, приборы звуковой и световой сигнализации. [c.182]
Принципиальная электрическая схема крана приведена на рис. П-ЗЗ, где приняты следующие условные обозначрния, М —электродвигатель поворота с независимым возбуждением ДЯЛ1 — обмотка дополнительных полюсов ШОМ — щунтовая обмотка возбуждения КТП1 — КТ 16 — кольцевые токоприемники, С —ящик сопротивлений К — кулачковый командоаппарат поворота ШТ — тормозной шунтовой электромагнит поворота Л — контактор постоянного тока (линейный) К, /2/С —кнопки управления У — магнитоэлектрический вольтметр ДС—добавочное сопротивление к вольтметру Г — генератор постоянного тока ДПГ — обмотка дополнительных полюсов генератора СОТ — сериесная обмотка генератора Г ШОГ — шунтовая обмотка генератора Г МР —реле максимального тока, 50 А СВ —сопротивление возбуждения К » —кулачковый командоаппарат подъема СР , СР , СР — разрядные сопротивления 1РВ— 5РВ — реле времени, 220 В Л»—блокировочный контактор постоянного тока МР » — максимальное реле постоянного тока 1Т — контактор постоянного тока /С» — силовое сопротивление, 0,3 Ом
[c.
99]
Принципиальная электрическая схема крана приведена на рис. П-67, где приняты следующие условные обозначения ГС — синхронный генератор ЕСС5-91-4М101 СУ — стабилизирующее устройство генератора РУ—реостат установки напряжения МТ1, МТ2, МТС — электрогидравлические тормоза приводов главного подъема, вспомогательного подъема и стрелы ТВ — тормозной электромагнит тормоза поворота КК — командоконтроллер двигателя передвижения К1Г, К2Г, КВ —контроллеры управления электродвигателями главного подъема, вспомогательного подъема, вращения ЭМ — электромагнитная муфта механизма передвижения 1ТП, 2ТП — трансформаторы понижающие для освещения крана и селеновых выпрямителей ВС — выпрямитель селеновый для питания муфты и цепи динамического торможения Л —линейный контактор П1, П2, [c.162]
На рис. 15.18 представлена принципиальная электрическая схема токарного станка 16К20, по которой производится управление четырьмя электродвигателями главного привода М/, быстрых перемещений М2, электронасоса М3 и гидростанции М4 (при наличии гидросуппорта).
[c.169]
На рис. 160 приведена принципиальная пусковая схема автомата с непрерывной автоматической работой. Электрическая цепь управления подсоедипена к питающему напряжению точками 1 и 6. Пуск электродвигателя Д осуществляется нажатием кнопки 2КУ, при этом включается реле автоматической работы РАР через цепь 1—3—6. Одна пара нормально открытых контактов Р этого реле ставит его катушку на самопитание, шунтируя кнопку 2КУ, а другая пара таких же контактов включает магнитный пускатель П через цепь 1—2—3—5—6. Пускатель также становится на самопитание, замыкая своими контактами точки схемы 4—5. Силовые контакты пускателя П через предохранитель и входной пакетный выключатель ВВ включают электродвигатель Д. Автомат включен. Во время работы автомата управляемый переключатель ПУ один раз за каждый цикл автомата разрывает цепь в точках 3—4, однако это не приводит к остановке автома-284 [c.284]
На фиг.
40 представлена примерная принципиальная схема устройства автомата и всей системы автоматического управления за исключением электрической контрольной системы. Пять распределительных клапанов золотникового типа монтируются на стальном литом коллекторе с тремя каналами через средний создаётся давление, через крайние — присходит сток жидкости. Клапаны переключаются кулачковыми дисками, расположенными в должном порядке на валу, находящемся в верхней части автомата. Вал 1 имеет прерывистое вращение, совершая один оборот за десять толчков. Он получает вращение от электродвигателя через специальный однооборотный механизм.
[c.423]Электрическая схема газ 31105 с двигателем 406 инжектор
Схема автомобиля — Волга 31105
В этом разделе вы найдете электросхемы оборудования на ГАЗ (Волга) — 31105 от 2004 г.в. и младше. ГАЗ-31105 относится к среднему классу и имеет привод на задние колеса. Авто предназначено для эксплуатации на дорогах с усовершенствованным покрытием в различных климатических условиях при температуре окружающей среды от –45 до +40 °С.
Кузов автомобиля цельнометаллический, несущей конструкции. На автомобиль устанавливают продольно четырехцилиндровый бензиновый двигатель ЗМЗ-40621 с системой впрыска топлива (по заказу может быть установлен карбюраторный двигатель ЗМЗ-402) и пятиступенчатой коробкой передач. Передняя подвеска независимая пружинная, задняя — на продольных рессорах. Тормозная система двухконтурная с дисковыми тормозами на передних колесах и барабанными — на задних. На все автомобили устанавливают радиальные бескамерные шины. На рулевой колонке установлено противоугонное устройство, встроенное в выключатель (замок) зажигания. В зависимости от комплектации на автомобили могут быть установлены: рулевое управление с гидроусилителем, передние сиденья с электрообогревом, омыватель ветрового стекла с электрообогреваемыми жиклерами, наружные зеркала заднего вида с электроприводом и электрообогревом, противотуманные фары.
Электросхема оборудования на Волгу-31105 с двигателем ЗМЗ-402
Схема электрооборудования на ГАЗ-31105 с двигателями ЗМЗ-4062, ЗМЗ-40621
Схема комплексной микропроцессорной системы управления двигателями ЗМЗ-4062, ЗМЗ-40621
Условные обозначения к схемам ГАЗ 31105
А9 – Модуль погружного насоса (ЗМЗ- 40621)81 – Датчик указателя давления масла82 – Датчик сигнализатора аварийного падения давления масла87 – Датчик указателя температуры охлаждающей жидкости88 – Датчик сигнализатора перегрева охлаждающей жидкостиВ12 – Датчик указателя уровня топливаВ20 – Датчик включения электровентилятораВ46 – Датчик спидометраВ64 – Датчик температуры воздуха во впускном трубопроводе (ЗМЗ-4062)867 – Датчик аварийного падения уровня тормозной жидкости868 – Датчик-распределитель зажигания (ЗМЗ-402)В70 – Датчик температуры охлаждающей жидкости системы управления двигателем (ЗМЗ-4062)874 – Датчик частоты вращения и синхронизации (ЗМЗ-4062)875 – Датчик расхода воздуха (ЗМЗ-4062)876 – Датчик положения воздушной дроссельной заслонки (ЗМЗ-4062)В83 – Антиобледенитель891 – Датчик фазы (ЗМЗ-4062)892 – Датчик детонации (ЗМЗ-4062)893 – Датчик сигнализатора прикрытия воздушной заслонки карбюратора (ЗМЗ- 402)В95 – Датчик давленияD4 – Блок управления ЭПХХ (ЗМЗ-402)D7 – Блок АБСD23 – Блок управления двигателем (ЗМЗ-4062)D29 – Блок управления замками дверейЕ1 – Фара головного света леваяЕ2 – Фара головного света праваяЕЗ – Фара противотуманная леваяЕ4 – Фара противотуманная праваяЕ7 – Указатель поворота передний левыйЕ8 – Указатель поворота передний правыйЕ9 – Повторитель указателя поворота левыйЕЮ – Повторитель указателя поворота правыйЕ16 – ПлафонЕ27 – Фонарь задний левыйЕ28 – Фонарь задний правыйЕЗО, Е72 – Фонари освещения номерного знакаЕ31 – Фонарь противотуманный заднийЕ35 – Фонарь подкапотныйЕ59 – ПрикуривательЕ61 – Фонарь багажникаЕ64 – Фонарь таксиЕ66 – Фонарь медицинского знака (ГАЗ- 310231)Е67 – Фара-искатель (ГАЗ-310231)Е68, Е69 – Плафоны салона (ГАЗ-310231)Е70 – Плафон двери задка (ГАЗ-310221)Е71 – Плафон освещения вещевого ящикаЕ80 – Дополнительный сигнал торможенияЕ81, Е82 – Фонари задние в крышке багажникаF1- F4 – Свечи зажиганияF30 – Предохранитель 10А кондиционераF36 – Предохранитель 25А в цепи фароочистителяF41 – Блок предохранителей левыйF42 – Блок предохранителей правыйF43 – Блок предохранителей в моторном отсекеG1 – ГенераторG2 – Аккумуляторная батарея1Н.Н2 – Сигнал звуковойН7 – Сигнализатор аварийного падения давления маслаН8 – Сигнализатор перегрева охлаждающей жидкостиН16 – Сигнализатор правого поворотаН17 – Сигнализатор левого поворотаН19 – Сигнализатор минимального резерва топлива в бакеН20 – Сигнализатор дальнего света фарН30 – Сигнализатор включения стояночного тормозаН54 – Сигнализатор разряда аккумуляторной батареи Н56 – Сигнализатор аварийного падения уровня тормозной жидкостиН62, Н63 – Лампы габаритного света передниеН64, Н65 – Лампы головного светаН66 — Н69 – Лампы освещения приборовН70, Н71 – Лампы заднего противотуманного светаН72, Н73 – Лампы света заднего ходаН74, Н75 – Лампы сигнала торможенияН76, Н77 – Лампы заднего габаритного светаН78, Н79 – Лампы задних указателей поворотаН80 – Сигнализатор габаритного светаН81 – Сигнализатор-дублёрН91 – Сигнализатор системы управления двигателем (ЗМЗ-4062)Н92 – Сигнализатор прикрытия воздушной заслонки карбюратора (ЗМЗ-402)Н97 – Сигнализатор обогрева сиденийН98, Н99 – Лампы ближнего светаН100, Н101 – Лампа дальнего светаН102, Н103 – Лампа указателя поворота передняяК1 – Реле стартераКЗ – Реле стеклоочистителяК6 – Реле режимов кондиционераК7 – Реле звукового сигналаК9 – Реле электробензонасоса (ЗМЗ-4062)К12 – Прерыватель указателей поворотаК13 – Прерыватель сигнализатора стояночного тормозаК18 – Реле дальнего светаК19 – Реле ближнего светаК20 – Реле противотуманных фарК30 – Реле фароочистителя (ГАЗ-3102)К36 – Реле электровентилятораК40 – Реле фарК42 – Реле обогрева заднего стеклаК46 – Реле системы управления двигателем (ЗМЗ-4062)К52 – Реле проверки сигнализаторов комбинации приборовК54 – Реле обогрева сиденийК56 – Реле кондиционераК57 – Реле муфты компрессораК71 – Реле задних противотуманных фонарейК72 – Реле системы ЭПХХ (ЗМЗ-402)M1 – СтартерМ2 – Электродвигатель вентилятора отопителяМ3 – Электровентилятор системы охлаждения (ЗМЗ-4062)М4 – Электродвигатель стеклоочистителяМ5 – Электронасос стеклоомывателяМ6 – Электробензонасос (ЗМЗ-4062)М15 – Электродвигатель фароочистителя (ГАЗ-3102)М19 – Электродвигатель антенныМ20 – Электродвигатель заднего отопителя (ГАЗ-310231)М24 – Зеркало заднего вида правоеМ25 – Зеркало заднего вида левоеМ26, М29 – Электродвигатель стеклоподъёмникаМЗЗ – Электровентилятор климатической установкиМ38, М39 – Электропривод корректора фарМ40 – Электровентилятор конденсатора кондиционераМ50-М53 – Моторедуктор запора дверейР1 – СпидометрР2 – Комбинация приборовРЗ – ТахометрР5 – Указатель напряженияР6 – Указатель температуры охлаждающей жидкостиР7 – Указатель давления маслаР8 – Указатель уровня топливаR1-R4 – Помехоподавительные резисторы (ЗМЗ-402)R12 – Резистор добавочный электродвигателя вентилятора отопителяR13 – Резистор добавочный электродвигателя вентилятора заднего отопителя (ГАЗ-310231)R14 – Нагревательный элемент заднего стеклаR17, R18 – Элементы обогрева сиденьяR25, R26 – Электрообогревные жиклеры стеклоомывателяR28 – Резистор кондиционераS1 – Выключатель зажиганияS5 – Выключатель аварийной сигнализацииS6 – Переключатель вентилятора отопителяS9 – Переключатель указателей поворотаS12 – Переключатель стеклоочистителяS15 – Выключатель нагревательных элементов зеркал заднего видаS18 – Выключатель заднего противотуманного светаS19 – Выключатель противотуманных фарS29 – Выключатель света заднего ходаS30 – Выключатель сигнала торможенияS36 – Выключатель звукового сигналаS39 – Центральный переключатель светаS50 – Переключатель управления зеркалS52 – Выключатель сигнализатора стояночного тормозаS54 – Выключатель проверки сигнализаторов комбинации приборовS61 – Переключатель обогрева заднего стеклаS63 – Переключатель антенныS70, S71 – Выключатели плафона дверныеS72 – Выключатель системы ЭПХХ (ЗМЗ-402)S73 – Выключатель вентилятора заднего отопителя (ГАЗ-310231)S75 – Выключатель фары-искателя (ГАЗ-310231)S76 – Выключатель плафонов салона (ГАЗ-310231)S77 – Выключатель плафона вещевого ящикаS81-S84 – Выключатель стеклоподъёмниковS91, S92 – Выключатели обогрева сиденьяS109 – Выключатель обогрева жиклеров стеклоомывателяS116 – Переключатель электрокорректора фарS117 – Переключатель электровентилятора климатической установкиS118 – Выключатель кондиционераS131 – Выключатель сигнализатора прикрытия воздушной заслонки карбюратора (ЗМЗ-402)Т1,Т4 – Катушки зажиганияU2 – МагнитолаVI – Регулятор напряжения (ЗМЗ-402)V2 – Коммутатор транзисторный (ЗМЗ-402)XI – Штепсельная розетка (ГАЗ-310231)Х51 – Разъём диагностики (ЗМЗ-4062)Х52 – СоединительY3 – Электромагнитный клапан ЭПХХ (ЗМЗ-402)Y19-Y22 – Форсунки (ЗМЗ-4062)Y23 – Регулятор холостого хода (ЗМЗ-4062)
Y27 – Муфта компрессора кондиционера
Электросхема ГАЗ-31105(801) дв. ЗМЗ 406 салон рестайл. (с мая 2007 г.) — ГАЗ 24, 2.4 л., 1986 года на DRIVE2
Потратив много времени на поиск данных вещей, решил закинуть всё в одно место.Может кому также пригодится.Огромное спасибо всем, кто хоть как-то озвучил эту тему:
www.drive2.ru/b/1786234/
www.drive2.ru/l/8185725/Если кого-то забыл, извините.Ссылки для скачивания:
cloud.mail.ru/public/92c0…%D1%8F%202007%D0%B3.).jpg
cloud.mail.ru/public/dnxY…%D1%85%D0%B5%D0%BC%D0%B0/И расширеная спецификация (обозначения) к электросхеме ГАЗ-31105 рестайл (с мая 2007г.)А9 – Модуль погружного насоса (ЗМЗ- 40621)B1 – Датчик указателя давления маслаB2 – Датчик сигнализатора аварийного падения давления маслаB7 – Датчик указателя температуры охлаждающей жидкостиB8 –Датчик сигнализатора перегрева двигателя (Датчик сигнализатора перегрева охлаждающей жидкости)В12 – Датчик указателя уровня топливаВ20 – Датчик включения электровентилятораВ46 – Датчик спидометраВ64 – Датчик температуры воздуха во впускном трубопроводе (ЗМЗ-4062)В67 (867) – Датчик уровня тормозной жидкости (Датчик аварийного падения уровня тормозной жидкости)868 – Датчик-распределитель зажигания (ЗМЗ-402)В70 – Датчик температуры охлаждающей жидкости системы управления двигателем(ЗМЗ-4062)874 – Датчик частоты вращения и синхронизации (ЗМЗ-4062)875 – Датчик расхода воздуха (ЗМЗ-4062)876 – Датчик положения воздушной дроссельной заслонки (ЗМЗ-4062)В83 – АнтиобледенительВ84- Датчик температуры в салонеВ85- Датчик внешней температуры воздуха891 – Датчик фазы (ЗМЗ-4062)892 – Датчик детонации (ЗМЗ-4062)893 – Датчик сигнализатора прикрытия воздушной заслонки карбюратора (ЗМЗ- 402)В95 – Датчик давленияD4 – Блок управления ЭПХХ (ЗМЗ-402)D7 – Блок АБСD21- Блок управления климатической установки(климатконтроля)D23 – Блок управления двигателем (ЗМЗ-4062)D29 – Блок управления замками дверейD30- Блок регулировки скорости вентилятораD31- Блок управления электростеклоподъёмниками
Е1 – Фара головного света леваяЕ2 – Фара головного света праваяЕЗ – Фара противотуманная леваяЕ4 – Фара противотуманная праваяЕ7 – Указатель поворота передний левыйЕ8 – Указатель поворота передний правыйЕ9 – Повторитель указателя поворота левыйЕЮ – Повторитель указателя поворота правыйЕ16 – Плафон центральныйЕ17, Е18- Плафон индивидуального освещенияЕ27 – Фонарь задний левыйЕ28 – Фонарь задний правыйЕЗО, Е72 – Фонари освещения номерного знакаЕ31 – Фонарь противотуманный заднийЕ35 – Фонарь подкапотныйЕ59 – ПрикуривательЕ61 – Фонарь багажникаЕ64 – Фонарь таксиЕ66 – Фонарь медицинского знака (ГАЗ- 310231)Е67 – Фара-искатель (ГАЗ-310231)Е68, Е69 – Плафоны салона (ГАЗ-310231)Е70 – Плафон двери задка (ГАЗ-310221)Е71 – Плафон освещения вещевого ящикаЕ80 – Дополнительный сигнал торможенияЕ81, Е82 – Фонари задние в крышке багажникаF1- F4 – Свечи зажиганияF30 – Предохранитель 20А кондиционераF36 – Предохранитель 25А в цепи фароочистителяF41 – Блок предохранителей верхнийF42 – Блок предохранителей нижнийF43 – Блок предохранителей в моторном отсекеG1 – ГенераторG2 – Аккумуляторная батарея1Н.Н2 – Сигнал звуковойН7 – Сигнализатор аварийного падения давления маслаН8 – Сигнализатор перегрева охлаждающей жидкостиН16 – Сигнализатор правого поворотаН17 – Сигнализатор левого поворотаН19 – Сигнализатор минимального резерва топлива в бакеН20 – Сигнализатор дальнего света фарН30 – Сигнализатор включения стояночного тормозаН54 – Сигнализатор разряда аккумуляторной батареиН56 – Сигнализатор аварийного падения уровня тормозной жидкостиН62, Н63 – Лампы габаритного света передниеН64, Н65 – Лампы головного светаН66 — Н69 – Лампы освещения приборов (подсветка)Н70, Н71 – Лампа противотуманная задняяН72, Н73 – Лампы света заднего ходаН74, Н75 – Лампы сигнала торможенияН76, Н77 – Лампы заднего габаритного светаН78, Н79 – Лампы задних указателей поворотаН80 – Сигнализатор габаритного светаН81 – Сигнализатор-дублёрН91 – Сигнализатор системы управления двигателем (ЗМЗ-4062)Н92 – Сигнализатор прикрытия воздушной заслонки карбюратора (ЗМЗ-402)Н97 – Сигнализатор обогрева сиденийН98, Н99 – Лампы ближнего светаН100, Н101 – Лампа дальнего светаН102, Н103 – Лампа указателя поворота передняяН114-Н119 – Акустические динамики (6шт)К1 – Реле стартераКЗ – Реле стеклоочистителяК6 – Реле режимов кондиционераК7 – Реле звукового сигналаК9 – Реле электро-бензонасоса (ЗМЗ-4062)К12 – Прерыватель указателей поворотаК13 – Прерыватель сигнализатора стояночного тормозаК18 – Реле дальнего светаК19 – Реле ближнего светаК20 – Реле противотуманных фарК30 – Реле фароочистителя (ГАЗ-3102)К36 – Реле электровентилятораК40 – Реле фарК42 – Реле обогрева заднего стекла(2 шт.)К46 – Реле системы впрыскаК52 – Реле проверки сигнализаторов комбинации приборовК54 – Реле обогрева сиденийК56 – Реле вентилятора кондиционераК57 – Реле муфты компрессораК71 – Реле задних противотуманных фонарейК72 – Реле системы ЭПХХ (ЗМЗ-402)M1 – СтартерМ2 – Электродвигатель вентилятора отопителяМ3 – Электровентилятор системы охлаждения (ЗМЗ-4062)М4 – Электродвигатель стеклоочистителяМ5 – Электронасос стеклоомывателяМ6 – Электробензонасос (ЗМЗ-4062)М15 – Электродвигатель фароочистителя (ГАЗ-3102)М19 – Электродвигатель антенныМ20 – Электродвигатель заднего отопителя(ГАЗ-310231)М24 – Зеркало заднего вида правоеМ25 – Зеркало заднего вида левоеМ26, М29 – Электродвигатель стеклоподъёмникаМЗЗ – Электровентилятор климатической установкиМ34- Моторедуктор заслонки рециркуляцииМ35- Моторедуктор заслонки «Стекло-Грудь»М36- Моторедуктор заслонки «Тепло-Холодно»М38, М39 – Электропривод корректора фарМ40 – Электровентилятор конденсатора кондиционераМ42 — Моторедуктор заслонки «Стекло-Ноги»М43 – Кран отопителяМ50-М53 – Моторедуктор запора дверейМ54 – Мотредуктор привода замка багажникаР1 – СпидометрР2 – Комбинация приборовРЗ – ТахометрР5 – Указатель напряженияР6 – Указатель температуры охлаждающей жидкостиР7 – Указатель давления маслаР8 – Указатель уровня топливаP20- ЧасыR1-R4 – Помехоподавительные резисторы (ЗМЗ-402)R12 – Резистор добавочный электродвигателя вентилятора отопителяR13 – Резистор добавочный электродвигателя вентилятора заднего отопителя (ГАЗ-310231)R14 – Нагревательный элемент заднего стеклаR17, R18 – Элементы обогрева сиденьяR25, R26 – Электрообогревные жиклеры стеклоомывателяR28 – Резистор кондиционераR29- Регулятор освещённости приборовS1 – Выключатель зажиганияS5 – Выключатель аварийной сигнализацииS6 – Переключатель вентилятора отопителяS8- Переключатель фар головного света, противотуманных фар и фонарейS9 – Переключатель указателей поворотаS12 – Переключатель стеклоочистителяS15 – Выключатель нагревательных элементов зеркал заднего видаS18 – Выключатель заднего противотуманного светаS19 – Выключатель противотуманных фарS29 – Выключатель света заднего ходаS30 – Выключатель сигнала торможенияS36 – Выключатель звукового сигналаS39 – Центральный переключатель света (ЦПС)S50 – Переключатель управления зеркалS52 – Выключатель сигнализатора стояночного тормозаS54 – Выключатель проверки сигнализаторов комбинации приборовS61 – Переключатель обогрева заднего стеклаS62, S76 – Выключатель центрального плафона двернойS63 – Переключатель антенныS70, S71 – Выключатель индивидуального плафона двернойS72 – Выключатель системы ЭПХХ (ЗМЗ-402)S73 – Выключатель вентилятора заднего отопителя (ГАЗ-310231)S75 – Выключатель фары-искателя (ГАЗ-310231)S77 – Выключатель плафона вещевого ящикаS80- Переключатель стеклоподъёмника левой передней двериS81- Переключатель стеклоподъёмника правой передней двериS82 — Переключатель стеклоподъёмника левой задней двериS83 – Переключатель стеклоподъёмника правой задней двериS84 — Переключатель стеклоподъёмника правой передней двери водительскийS85 – Переключатель стеклоподъёмника правой задней двери водительскийS86 – Переключатель стеклоподъёмника левой задней двери водительскийS87 – Переключатель стеклоподъёмника левой задней двери водительскийS91, S92 – Выключатели обогрева сиденьяS109 – Выключатель обогрева жиклеров стеклоомывателяS116 – Регулятор электрокорректора фарS117 – Переключатель электровентилятора климатической установкиS118 – Выключатель кондиционераS131 – Выключатель сигнализатора прикрытия воздушной заслонки карбюратора (ЗМЗ-402)Т1,Т4 – Катушки зажиганияU2 – МагнитолаVI – Регулятор напряжения (ЗМЗ-402)V2 – Коммутатор транзисторный (ЗМЗ-402)VD9- светодиод бокового указателя поворота левыйVD10- светодиод бокового указателя поворота правыйXI – Штепсельная розетка (ГАЗ-310231)Х51 – Разъём диагностики (ЗМЗ-4062)Х52 – СоединительW1- АнтеннаY3 – Электромагнитный клапан ЭПХХ (ЗМЗ-402)Y19-Y22 – Форсунки (ЗМЗ-4062)Y23 – Регулятор холостого хода (ЗМЗ-4062)
Y27 – Муфта компрессора кондиционера
Неисправности двигателя ЗМЗ 406 установленного на ГАЗ 31105
Автомобиль ГАЗ 31105 выпускался Горьковским автомобильным заводом и оснащался силовым агрегатом ЗМЗ. НА Волгах 105-й серии устанавливались моторы ЗМЗ 406 производства Заволжского моторного завода.
Технические характеристики двигателя
Волга 31105 имела двигатель ЗМЗ 406 инжектор, который пришёл на смену карбюраторной версии силового агрегата. Как показала практика, движок имеет высокие технические параметры и относительно дешёвый в обслуживании.
Особенности ЗМЗ 406 таковы, что в отличие от карбюраторного предшественника, новый силовой агрегат получил улучшенную систему впрыска топлива. Система охлаждения, также, получила некоторые изменения. Были разработанные новые электрические схемы, которые почти полностью контролировали работу силового агрегата. Немного изменилась выхлопная система, где глушитель стал больше.
Рассмотрим основные технические характеристики силового агрегата ЗМЗ 406:
| Описание | Параметр |
| Тип | Рядный |
| Топливная система | На бензине |
| Система впрыска | Инжектор |
| Объем | 2,3 литра (2280 см. куб) |
| Мощность | 100-110 лошадиных сил |
| Количество цилиндров | 4 |
| Количество клапанов | 16 |
| Диаметр цилиндра | 92 мм |
| Расход топлива ГАЗ 31105 | 11 литров на 100 км |
| Система охлаждения | Жидкостное, принудительное |
| Порядок работы цилиндров | 1-3-4-2 |
Основные неисправности
Поскольку, новый силовой агрегат был выполнен на базе старого 406-го, то проблемы и ремонт остались прежними. Так, к основным неисправностям, которые встречаются у ДВС 406, относятся: частые поломки системы охлаждения, связанные с плохим исполнением термостата, троение, плавают обороты и плохой пуск.
Рекомендуется, ГАЗ 31105 с двигателем ЗМЗ 406 ремонт выполнять в условиях автосервиса, поскольку не всегда можно определить поломку. Это связано с неисправностью, когда заводится и глохнет ЗМЗ 406. В этом случае, проблема может скрываться в свечах зажигания или электронном блоке управления двигателем.
Если неисправность носит механический характер, то её легко устранить самостоятельно, а вот если проблема в ЭБУ или датчиках, то придётся совершить поездку в автосервис.
Схема электрооборудования
Схема электрооборудования автомобиля и двигателя ЗМЗ 406 достаточно простая, особенно, когда имеется полная расшифровка всех обозначений. Рассмотрим, схему электросистемы, а также расшифровку основных технических обозначений:
Условные обозначения к электросхемам ГАЗ 31105 с двигателем 406
- А9 — Модуль погружного насоса (ЗМЗ- 40621)
- 81 — Датчик указателя давления масла
- 82 — Датчик сигнализатора аварийного падения давления масла
- 87 — Датчик указателя температуры охлаждающей жидкости
- 88 — Датчик сигнализатора перегрева охлаждающей жидкости
- В12 — Датчик указателя уровня топлива
- В20 — Датчик включения электровентилятора
- В46 — Датчик спидометра
- В64 — Датчик температуры воздуха во впускном трубопроводе (ЗМЗ-4062)
- 867 — Датчик аварийного падения уровня тормозной жидкости
- 868 — Датчик-распределитель зажигания (ЗМЗ-402)
- В70 — Датчик температуры охлаждающей жидкости системы управления двигателем
(ЗМЗ-4062)
- 874 — Датчик частоты вращения и синхронизации (ЗМЗ-4062)
- 875 — Датчик расхода воздуха (ЗМЗ-4062)
- 876 — Датчик положения воздушной дроссельной заслонки (ЗМЗ-4062)
- В83 — Антиобледенитель
- 891 — Датчик фазы (ЗМЗ-4062)
- 892 — Датчик детонации (ЗМЗ-4062)
- 893 — Датчик сигнализатора прикрытия воздушной заслонки карбюратора (ЗМЗ- 402)
- В95 — Датчик давления
- D4 — Блок управления ЭПХХ (ЗМЗ-402)
- D7 — Блок АБС
- D23 — Блок управления двигателем (ЗМЗ-4062)
- D29 — Блок управления замками дверей
- Е1 — Фара головного света левая
- Е2 — Фара головного света правая
- ЕЗ — Фара противотуманная левая
- Е4 — Фара противотуманная правая
- Е7 — Указатель поворота передний левый
- Е8 — Указатель поворота передний правый
- Е9 — Повторитель указателя поворота левый
- ЕЮ — Повторитель указателя поворота правый
- Е16 — Плафон
- Е27 — Фонарь задний левый
- Е28 — Фонарь задний правый
- ЕЗО, Е72 — Фонари освещения номерного знака
- Е31 — Фонарь противотуманный задний
- Е35 — Фонарь подкапотный
- Е59 — Прикуриватель
- Е61 — Фонарь багажника
- Е64 — Фонарь такси
- Е66 — Фонарь медицинского знака (ГАЗ- 310231)
- Е67 — Фара-искатель (ГАЗ-310231)
- Е68, Е69 — Плафоны салона (ГАЗ-310231)
- Е70 — Плафон двери задка (ГАЗ-310221)
- Е71 — Плафон освещения вещевого ящика
- Е80 — Дополнительный сигнал торможения
- Е81, Е82 — Фонари задние в крышке багажника
- F1- F4 — Свечи зажигания
- F30 — Предохранитель 10А кондиционера
- F36 — Предохранитель 25А в цепи фароочистителя
- F41 — Блок предохранителей левый
- F42 — Блок предохранителей правый
- F43 — Блок предохранителей в моторном отсеке
- G1 — Генератор
- G2 — Аккумуляторная батарея
- 1Н.Н2 — Сигнал звуковой
- Н7 — Сигнализатор аварийного падения давления масла
- Н8 — Сигнализатор перегрева охлаждающей жидкости
- Н16 — Сигнализатор правого поворота
- Н17 — Сигнализатор левого поворота
- Н19 — Сигнализатор минимального резерва топлива в баке
- Н20 — Сигнализатор дальнего света фар
- Н30 — Сигнализатор включения стояночного тормоза
- Н54 — Сигнализатор разряда аккумуляторной батареи
- Н56 — Сигнализатор аварийного падения уровня тормозной жидкости
- Н62, Н63 — Лампы габаритного света передние
- Н64, Н65 — Лампы головного света
- Н66 — Н69 — Лампы освещения приборов
- Н70, Н71 — Лампы заднего противотуманного света
- Н72, Н73 — Лампы света заднего хода
- Н74, Н75 — Лампы сигнала торможения
- Н76, Н77 — Лампы заднего габаритного света
- Н78, Н79 — Лампы задних указателей поворота
- Н80 — Сигнализатор габаритного света
- Н81 — Сигнализатор-дублёр
- Н91 — Сигнализатор системы управления двигателем (ЗМЗ-4062)
- Н92 — Сигнализатор прикрытия воздушной заслонки карбюратора (ЗМЗ-402)
- Н97 — Сигнализатор обогрева сидений
- Н98, Н99 — Лампы ближнего света
- Н100, Н101 — Лампа дальнего света
- Н102, Н103 — Лампа указателя поворота передняя
- К1 — Реле стартера
- КЗ — Реле стеклоочистителя
- К6 — Реле режимов кондиционера
- К7 — Реле звукового сигнала
- К9 — Реле электробензонасоса (ЗМЗ-4062)
- К12 — Прерыватель указателей поворота
- К13 — Прерыватель сигнализатора стояночного тормоза
- К18 — Реле дальнего света
- К19 — Реле ближнего света
- К20 — Реле противотуманных фар
- К30 — Реле фароочистителя (ГАЗ-3102)
- К36 — Реле электровентилятора
- К40 — Реле фар
- К42 — Реле обогрева заднего стекла
- К46 — Реле системы управления двигателем
(ЗМЗ-4062)
- К52 — Реле проверки сигнализаторов комбинации приборов
- К54 — Реле обогрева сидений
- К56 — Реле кондиционера
- К57 — Реле муфты компрессора
- К71 — Реле задних противотуманных фонарей
- К72 — Реле системы ЭПХХ (ЗМЗ-402)
- M1 — Стартер
- М2 — Электродвигатель вентилятора отопителя
- М3 — Электровентилятор системы охлаждения (ЗМЗ-4062)
- М4 — Электродвигатель стеклоочистителя
- М5 — Электронасос стеклоомывателя
- М6 — Электробензонасос (ЗМЗ-4062)
- М15 — Электродвигатель фароочистителя (ГАЗ-3102)
- М19 — Электродвигатель антенны
- М20 — Электродвигатель заднего отопителя
(ГАЗ-310231)
- М24 — Зеркало заднего вида правое
- М25 — Зеркало заднего вида левое
- М26, М29 — Электродвигатель стеклоподъёмника
- МЗЗ — Электровентилятор климатической установки
- М38, М39 — Электропривод корректора фар
- М40 — Электровентилятор конденсатора кондиционера
- М50-М53 — Моторедуктор запора дверей
- Р1 — Спидометр
- Р2 — Комбинация приборов
- РЗ — Тахометр
- Р5 — Указатель напряжения
- Р6 — Указатель температуры охлаждающей жидкости
- Р7 — Указатель давления масла
- Р8 — Указатель уровня топлива
- R1-R4 — Помехоподавительные резисторы (ЗМЗ-402)
- R12 — Резистор добавочный электродвигателя вентилятора отопителя
- R13 — Резистор добавочный электродвигателя вентилятора заднего отопителя (ГАЗ-310231)
- R14 — Нагревательный элемент заднего стекла
- R17, R18 — Элементы обогрева сиденья
- R25, R26 — Электрообогревные жиклеры стеклоомывателя
- R28 — Резистор кондиционера
- S1 — Выключатель зажигания
- S5 — Выключатель аварийной сигнализации
- S6 — Переключатель вентилятора отопителя
- S9 — Переключатель указателей поворота
- S12 — Переключатель стеклоочистителя
- S15 — Выключатель нагревательных элементов зеркал заднего вида
- S18 — Выключатель заднего противотуманного света
- S19 — Выключатель противотуманных фар
- S29 — Выключатель света заднего хода
- S30 — Выключатель сигнала торможения
- S36 — Выключатель звукового сигнала
- S39 — Центральный переключатель света
- S50 — Переключатель управления зеркал
- S52 — Выключатель сигнализатора стояночного тормоза
- S54 — Выключатель проверки сигнализаторов комбинации приборов
- S61 — Переключатель обогрева заднего стекла
- S63 — Переключатель антенны
- S70, S71 — Выключатели плафона дверные
- S72 — Выключатель системы ЭПХХ (ЗМЗ-402)
- S73 — Выключатель вентилятора заднего отопителя (ГАЗ-310231)
- S75 — Выключатель фары-искателя (ГАЗ-310231)
- S76 — Выключатель плафонов салона (ГАЗ-310231)
- S77 — Выключатель плафона вещевого ящика
- S81-S84 — Выключатель стеклоподъёмников
- S91, S92 — Выключатели обогрева сиденья
- S109 — Выключатель обогрева жиклеров стеклоомывателя
- S116 — Переключатель электрокорректора фар
- S117 — Переключатель электровентилятора климатической установки
- S118 — Выключатель кондиционера
- S131 — Выключатель сигнализатора прикрытия воздушной заслонки карбюратора (ЗМЗ-402)
- Т1,Т4 — Катушки зажигания
- U2 — Магнитола
- VI — Регулятор напряжения (ЗМЗ-402)
- V2 — Коммутатор транзисторный (ЗМЗ-402)
- XI — Штепсельная розетка (ГАЗ-310231)
- Х51 — Разъём диагностики (ЗМЗ-4062)
- Х52 — Соединитель
- Y3 — Электромагнитный клапан ЭПХХ (ЗМЗ-402)
- Y19-Y22 — Форсунки (ЗМЗ-4062)
- Y23 — Регулятор холостого хода (ЗМЗ-4062)
- Y27 — Муфта компрессора кондиционера
Коды ошибок
Когда стала понятна схема электрооборудования автомобиля, можно рассмотреть ошибки электронного блока управления двигателем, которые помогут точно распознать неисправность, а также своевременно устранить их.
Обозначение кодов неисправностей
- 1 Р0016 Временная несогласованность (фазовый сдвиг) распредвала и коленчатого вала
- 2 Р0031 Короткое замыкание цепи нагревателя датчика кислорода
- 3 Р0032 Обрыв цепи нагревателя датчика кислорода
- 4 Р0068 Ошибка датчика положения дроссельной заслонки (рассогласование с датчиком абсолютного давления)
- 5 Р2074 Ошибка датчика абсолютного давления (рассогласование с датчиком положения дроссельной заслонки)
- 6 Р0071 Ошибка датчика температуры окружающей среды (рассогласование с другими датчиками)
- 7 Р0072 Короткое замыкание цепи датчика окружающей температуры
- 8 Р0073 Обрыв цепи датчика окружающей температуры
- 9 Р0107 Короткое замыкание цепи датчика давления
- 10 Р0108 Обрыв цепи датчика давления
- 11 Р0111 Ошибка датчика температуры воздуха на впуске
- 12 Р0112 Короткое замыкание цепи датчика температуры воздуха на впуске
- 13 Р0113 Обрыв цепи датчика температуры воздуха
- 14 Р0116 Рабочие характеристики датчика температуры охлаждающей жидкости не в норме
- 15 Р0117 Короткое замыкание цепи датчика температуры охлаждающей жидкости
- 16 Р0118 Обрыв цепи датчика температуры охлаждающей жидкости
- 17 Р0122 Короткое замыкание цепи датчика положения дросселя
- 18 Р0123 Обрыв цепи датчика положения дросселя
- 19 Р0125 Недостаточная температура охлаждения для обратной связи контроля топлива
- 20 Р0128 Неисправность термостата
- 21 Р0129 Неправильное показание датчика абсолютного давления при отключении зажигания
- 22 Р0131 Короткое замыкание цепи датчика кислорода
- 23 Р0132 Обрыв цепи датчика кислорода
- 24 Р0133 Медленный отклик датчика кислорода на изменение состава смеси
- 25 Р0135 Рабочие характеристики нагревателя датчика кислорода не в норме
- 26 U0155 Нет сообщений по шине данных
- 27 Р0171 Бедная топливная смесь (отсутствует обратная связь по датчику кислорода)
- 28 Р0172 Богатая топливная смесь (отсутствует обратная связь по датчику кислорода)
- 29 Р0201 Обрыв цепи форсунки № 1
- 30 Р0202 Обрыв цепи форсунки № 2
- 31 Р0203 Обрыв цепи форсунки № 3
- 32 Р0204 Обрыв цепи форсунки № 4
- 33 Р0300 Пропуски рабочего процесса по всем цилиндрам
- 34 Р0301 Пропуски рабочего хода цилиндра № 1
- 35 Р0302 Пропуски рабочего хода цилиндра № 2
- 36 Р0303 Пропуски рабочего хода цилиндра № 3
- 37 Р0304 Пропуски рабочего хода цилиндра № 4
- 38 Р0315 Неправильный сигнал с датчика коленчатого вала
- 39 Р0325 Цепь датчика детонации
- 40 Р0335 Обрыв цепи датчика положения коленчатого вала
- 41 Р0339 Пропуски импульсов сигнала датчика положения коленчатого вала
- 42 Р0340 Обрыв цепи датчика положения распредвала
- 43 Р0344 Пропуски импульсов сигнала с датчика положения распредвала и коленчатого вала
- 44 Р0443 Обрыв цепи клапана продувки адсорбера
- 45 Р0480 Обрыв цепи реле управления вентилятором
- 46 Р0501 Рабочие характеристики сигнала датчика скорости автомобиля в норме
- 47 Р0506 Обороты холостого хода выше заданных
- 48 Р0507 Обороты холостого хода ниже заданных
- 49 Р0508 Обрыв цепи регулятора холостого хода
- 50 Р0509 Короткое замыкание цепи регулятора холостого
- 51 Р0516 Обрыв цепи датчика температуры батареи
- 52 Р0517 Низкий уровень сигнала датчика температуры батареи
- 53 Р0532 Низкий уровень сигнала датчика давления кондиционера
- 54 Р0533 Обрыв цепи датчика давления кондиционера
- 55 Р0562 Низкое напряжение батареи
- 56 Р0563 Высокое напряжение батареи
- 57 Р0600 Неисправности внутренних цепей БУ
- 58 Р0601 Ошибка контрольной суммы внутренней памяти
- 59 Р0622 Неисправность цепи обмотки возбуждения генератора
- 60 Р0627 Обрыв цепи реле топливного насоса
- 61 Р0630 VIN не запрограммирован в БУ
- 62 Р0632 Одометр не запрограммирован в БУ
- 63 Р0645 Обрыв цепи реле муфты компрессора
- 64 Р0685 Обрыв цепи главного реле
- 65 Р0688 Обрыв цепи контактов главного реле
- 66 Р1115 Рассогласованность датчиков температуры
- 67 Р1603 Внутренняя ошибка БУ передачи двухпортовой ОЗУ
- 68 Р1604 Внутренняя ошибка БУ записи / чтения двухпортовой ОЗУ
- 69 Р1607 Неправильно считает в «-»
- 70 Р2610 Неправильно считает в «+»
- 71 Р1696 Ошибка БУ запрета записи в ППЗУ
- 72 Р1697 Ошибка БУ незаконченного программирования
- 73 Р2096 Сигнал бедной смеси топлива
- 74 Р2097 Сигнал богатой смеси топлива
- 75 Р2302 Недостаточная ионизация вторичной цепи катушки зажигания № 1
- 76 Р2305 Недостаточная ионизация вторичной цепи катушки зажигания № 2
- 77 Р2503 Низкий уровень выхода системы зарядки
Вывод
Двигатель ЗМЗ 406, который устанавливался на ГАЗ 31105, показал себя, как надёжный силовой агрегат, который легко ремонтируется. Диагностику неисправностей можно провести при помощи электронного блока управления двигателем, а также расшифровки кодов ошибок. Это поможет быстро и эффективно найти неисправный элемент силового агрегата.
Эволюция и модернизация автомобилей ГАЗ-3110: особенности электросхемы
Каждый автовладелец должен разбираться в электросхеме своего автомобиля. Эти знания помогут при необходимости выполнить ремонт проводки и найти неисправность. Несмотря на то, что автомобили отечественного производства не комплектуются таким количеством приборов и устройств, как импортные авто, их схемы также достаточно сложные. Что представляет собой электросхема ГАЗ-3110, какие неисправности для нее характерны и что нужно знать о профилактике — читайте в этой статье.
Схема ГАЗ 3110Схема электрооборудования ГАЗ включает в себя такие подсистемы:
- систему запуска мотора;
- зажигания, в которую входят распределитель, свечи, катушка и т.д.;
- внешнее освещение авто, в том числе противотуманная оптика, световая сигнализация и поворотники;
- приборная панель;
- освещение салона, а также все устройства, установленные в нем;
- система обогрева — печка;
- стеклоочистительный узел;
- устройство корректировки освещения фар;
- система управления двигателем на микропроцессоре;
- монтажный блок предохранительных устройств.
Фотогалерея «Схемы подключения подсистем»
1. Схема аварийки и поворотников ГАЗ 2. Схема освещения и оборудования в салоне 3. Схема системы стеклоочисткиВозможные неисправности проводки
Какие неисправности в работе проводки ГАЗ 31105 с двигателем Крайслер, ГАЗ 31029 или любой другой модели могут произойти:
- Отсутствие контакта. Такая неисправность может быть связана с обрывом электропроводки, окислением выходов либо их подгоранием. Если контакт окислился, то его нужно очистить, если оборвался провод, то он подлежит восстановлению, если причина кроется в подгорании, то для начала нужно устранить проблему перенапряжения. Вполне возможно, что разъем просто вышел из гнезда, такое часто бывает при плохой фиксации штекера и постоянной ездой по неровным дорогам.
- Разряд АКБ. Такая проблема чаще всего происходит в холодное время года — на морозе батареи больше всего подвержены разряду. Если это случилось в теплое время года, то нужно проверить заряд АКБ, уровень и плотность электролита, а также корпус на предмет повреждений.
- Обрыв цепи. Неисправность такого плана диагностируется путем поиска поврежденного участка вручную или с помощью тестера. Обрыв необходимо ликвидировать путем замены провода, а замененный провод следует также обмотать изолентой — это позволит создать дополнительный слой изоляции. При укладке проводов проследите за тем, чтобы они не подвергались воздействию движущихся механизмов, иначе это приведет к очередному пробою изоляции и обрыву.
- Перегорание предохранительного элемента. Такая проблема наиболее актуальна для машин, в бортовой сети которых есть скачки напряжения. Если скачки напряжения ощутимые, то предохранитель попросту не сможет выдержать нагрузку, что приведет к его выходу из строя.
Профилактика проводки
Что нужно знать о профилактике электросети:
- Не допускается использование самодельных предохранителей монеток, кусков проволоки и т.д. Такая проблема может привести к короткому замыканию, в более тяжелых случаях она может спровоцировать возгорание.
- Помните о том, что автомобильный аккумулятор нуждается в периодическом ТО. Как минимум раз в год нужно подзаряжать батарею, также следует производить диагностику плотности рабочей жидкости в банках и ее уровня. Если вы заметили, что электролита в банках мало, то нужно восполнить его уровень.
- Если вы самостоятельно устанавливаете противоугонную систему, видеорегистратор и прочие устройства, то проследите за тем, чтобы подключение проводов было качественным и надежным.
- Если обнаружились неполадки в работе электрооборудования, то их необходимо решать как можно быстрее. При необходимости обратитесь к электрику.
Видео «Способ коммутатора в автомобиле ГАЗ»
Простой и эффективный способ диагностики коммутатора в автомобиле ГАЗ описан на видео ниже (автор — канал altevaa TV).
Была ли эта статья полезна?Статья была полезнаПожалуйста, поделитесь информацией с друзьями Подключение электродвигателя – основные составляющие узла
Стандартная схема подключения двигателя предполагает использование пяти составляющих, обеспечивающих правильную и безопасную работу оборудования.
- Вводный автомат – элемент, через который выполняется подключение всех видов оборудования для питания, контроля и управления электрическими агрегатами.
- Магнитный пускатель – коммутационный аппарат, задача которого – включение/отключение питания на стадии рабочего и аварийного режима.
- Тепловое реле – подключение электрического двигателя без этого элемента крайне не рекомендуется. Реле обеспечивает защиту двигателя. Активируется при перегрузках, а также таких негативных явлениях, как обрыв фазы, повреждения механического плана и т.д.
- Реле контроля фаз – контролирует уровень напряжения, симметрии и очередность фаз в трехфазной сети. Если реле фиксирует нарушенную работу какого-либо из объектов контроля, поступает сигнал на отключение/разрыв цепи. Этот элемент играет большую роль не только с позиции подключения двигателя, но и любого другого оборудования, которое предусматривает частую смену местоположения и критично «относится» к правильности подключения фаз.
- Кнопки управления – подключение электродвигателя без применения кнопок в последующем вызывает ряд проблемных моментов. Кнопки позволяют удобно реализовать основное ручное управление работой привода.
В остальном подключение двигателя зависит от типа последнего. Так, некоторые агрегаты могут быть непосредственно подсоединены к источнику питания, а для нормального функционирования других не обойтись без соединения нескольких клемм по определенной схеме.
Если у вас есть на руках электродвигатель, как подключить его – подскажет прилагающаяся схема-инструкция с общими рекомендациями. Схема подключения во многом определяется планируемыми условиями использования привода. К примеру, подключение по типу «звезда» гарантирует плавность хода, однако это преимущество омрачается потерей мощности по сравнению с подключением по типу «треугольник» (схема выше).
Последняя схема позволяет задействовать всю мощность, указанную в паспортных данных электрического двигателя. Однако если вы решили подключить электродвигатель по схеме «треугольник», то нужно быть готовым к большим пусковым токам.
Подключение электрического двигателя имеет общие рекомендации только в том случае, если агрегат не подвергался переделкам и его штатная маркировка не изменялась.
звезда, треугольник, трехфазная сеть 380В, однофазная сеть 220В
Практически ежедневно мы сталкиваемся с одним и тем же вопросом от наших клиентов: «как подключить электродвигатель к сети питания?»
Самый простой и надежный способ – обратиться к нормальному электрику и не экономить на этом, т.к. зачастую, пытаясь сэкономить, приглашают «дядю Васю», или других отзывчивых «специалистов», которые рядом, но на самом деле слабо понимают, что происходит.
В лучшем случае, эти «профи» звонят и спрашивают – правильно ли я подключаю. Тут ещё есть шанс не спалить двигатель. Сразу становится понятна квалификация «электрика», когда задают такие вопросы, от которых можно просто впасть в ступор (так как именно этому и учат электриков).
Например:
— зачем шесть контактов в двигателе?
— а почему контактов всего три?
— что такое «звезда» и «треугольник»?
— а почему, когда я подключаю трехфазный насос и ставлю поплавковый выключатель, который рвёт одну фазу, двигатель не останавливается?
— а как измерить ток в обмотках?
— что такое пускатель?
и т.п.
Если ваш электрик задаёт такие вопросы, то нужно его отправить туда, откуда он пришёл. Иначе всё закончится сгоревшим электродвигателем, потерей денег, времени, дорогостоящим ремонтом. Давайте попробуем разобраться в схемах подключения электродвигателя к электропитанию.
Для начала нужно понимать, что существуют несколько популярных типов сетей переменного тока:
1. Однофазная сеть 220 В,
2. Трехфазная сеть 220 В (обычно используется на кораблях),
3. Трехфазная сеть 220В/380В,
4. Трехфазная сеть 380В/660В.
Есть ещё на напряжение 6000В и некоторые другие редкие, но их рассматривать не будем.
В трёхфазной сети обычно есть 4 провода (3 фазы и ноль). Может быть ещё отдельный провод «земля». Но бывают и без нулевого провода.
Как определить напряжение в вашей сети?
Очень просто. Для этого нужно измерить напряжение между фазами и между нулём и фазой.
В сетях 220/380 В напряжение между фазами (U1, U2 и U3) будет равно 380 В, а напряжение между нолём и фазой (U4, U5 и U6) будет равно 220 В.
В сетях 380/660В напряжение между любыми фазами (U1, U2 и U3) будет равно 660В, а напряжение между нулем и фазой (U4, U5 и U6) будет равно 380 В.
Возможные схемы подключения обмоток электродвигателей
Асинхронные электродвигатели имеют три обмотки, каждая из которых имеет начало и конец и соответствует своей фазе. Системы обозначения обмоток могут быть разными. В современных электродвигателях принята система обозначения обмоток U, V и W, а их выводы обозначают цифрой 1 начало обмотки и цифрой 2 – её конец, то есть обмотка U имеет два вывода: U1 и U2, обмотка V – V1 и V2, а обмотка W – W1 и W2.
Однако до сих пор ещё в эксплуатации находятся старые асинхронные двигатели, сделанные во времена СССР и имеющие старую советскую систему маркировки. В них начала обмоток обозначаются C1, C2, C3, а концы — C4, C5, C6. Значит, первая обмотка имеет выводы C1 и C4, вторая — C2 и C5, а третья — C3 и C6.
Обмотки трёхфазных электродвигателей можно подключать по двум различным схемам: звездой (Y) или треугольником (Δ).
Подключение электродвигателя по схеме звезда
Название схемы подключения обусловлено тем, что при соединении обмоток по данной схеме (см. рисунок справа), визуально это напоминает трёхлучевую звезду.
Как видно из схемы подключения электродвигателя, все три обмотки своим одним концом соединены вместе. При таком подключении (сеть 220/380 В), к каждой обмотке отдельно подходит напряжение 220 В, а к двум обмоткам, соединённым последовательно, – напряжение 380 В.
Основным преимуществом подключения электродвигателя по схеме звезда являются небольшие пусковые токи, так как напряжение питания 380 В (межфазное) потребляют сразу 2 обмотки, в отличие от схемы «треугольник». Но при таком подключении мощность питаемого электродвигателя ограничена (главным образом из экономических соображений): обычно по звезде включают относительно слабые электродвигатели.
Подключение электродвигателя по схеме треугольник
Название этой схемы также идёт от графического изображения (см. правый рисунок):
Как видно из схемы подключения электродвигателя – «треугольник», обмотки подключаются последовательно друг к другу: конец первой обмотки соединяется с началом второй и так далее.
То есть к каждой обмотке будет приложено напряжение 380 В (при использовании сети 220/380 В). В этом случае по обмоткам течёт больший ток, по треугольнику обычно включают двигатели большей мощности, чем при соединении по звезде (от 7,5 кВт и выше).
Подключение электродвигателя к трёхфазной сети на 380 В
Последовательность действий такова:
1. Для начала выясняем, на какое напряжение рассчитана наша сеть.
2. Далее смотрим на табличку, которая есть на электродвигателе, она может выглядеть так (звезда Y /треугольник Δ):
Двигатель для однофазной сети 220В
(~ 1, 220В)
Двигатель для трехфазной сети
220В/380В (220/380, Δ / Y)
Двигатель для трехфазной сети 380В
(~ 3, Y, 380В)
Двигатель для трехфазной сети
(380В / 660В (Δ / Y, 380В / 660В)
3. После идентификации параметров сети и параметров электрического подключения электродвигателя (звезда Y /треугольник Δ), переходим к физическому электрическому подключению электродвигателя.
4. Чтобы включить трёхфазный электродвигатель, нужно одновременно подать напряжение на все 3 фазы.
Достаточно частая причина выхода из строя электродвигателя – работа на двух фазах. Это может произойти из-за неисправного пускателя, или при перекосе фаз (когда напряжение в одной из фаз сильно меньше, чем в двух других).
Есть 2 способа подключения электродвигателя:
— использование автоматического выключателя или автомата защиты электродвигателя
Эти устройства при включении подают напряжение сразу на все 3 фазы. Мы рекомендуем ставить именно автомат защиты электродвигателя серии MS, так как его можно настроить в точности на рабочий ток электродвигателя, и он будет чутко отслеживать его повышение в случае перегрузки. Это устройство в момент пуска даёт возможность некоторое время работать на повышенном (пусковом) токе, не отключая двигатель.
Обычный же автомат защиты требуется ставить с превышением номинального тока электродвигателя, с учётом пускового тока (в 2-3 раза выше номинала).
Такой автомат может отключить двигатель только в случае КЗ или его заклинивания, что часто не обеспечивает нужной защиты.
— использование пускателя
Пускатель представляет собой электромеханический контактор, который замыкает каждую фазу с соответствующей обмоткой электродвигателя.
Привод механизма контактора осуществляется с помощью электромагнита (соленоида).
Устройство электромагнитного пускателя:
Магнитный пускатель устроен достаточно просто и состоит из следующих частей:
(1) Катушка электромагнита
(2) Пружина
(3) Подвижная рама с контактами (4) для подключения питания сети (или обмоток)
(5) Контакты неподвижные для подключения обмоток электродвигателя (сети питания).
При подаче питания на катушку, рама (3) с контактами (4) опускается и замыкает свои контакты на соответствующие неподвижные контакты (5).
Типовая схема подключения электродвигателя с использованием пускателя:
При выборе пускателя следует обращать внимание на напряжение питания катушки магнитного пускателя и покупать его в соответствии с возможностью подключения к конкретной сети (например, если у вас есть только 3 провода и сеть на 380 В, то катушку нужно брать на 380 В, если у вас сеть 220/380 В, то катушка может быть и на 220 В).
5. Проконтролировать, в правильную ли сторону крутится вал.
Если требуется изменить направление вращения вала электродвигателя, то нужно просто поменять местами любые 2 фазы. Это особенно важно при запитывании центробежных электронасосов, имеющих строго определённое направление вращения рабочего колеса
Как подключить поплавковый выключатель к трёхфазному насосу
Из всего вышеописанного становится понятно, что для управления трёхфазным электродвигателем насоса в автоматическом режиме с использованием поплавкового выключателя НЕЛЬЗЯ просто разрывать одну фазу, как это делается с монофазными двигателями в однофазной сети.
Самый простой способ – использовать для автоматизации магнитный пускатель.
В этом случае достаточно поплавковый выключатель встроить последовательно в цепь питания катушки пускателя. При замыкании цепи поплавком будет замыкаться цепь катушки пускателя, и включаться электродвигатель, при размыкании – будет отключаться питание электродвигателя.
Подключение электродвигателя к однофазной сети 220 В
Обычно для подключения к однофазной сети 220В используются специальные двигатели, предназначенные для подключения именно к такой сети, и вопросов с их питанием не возникает, т.к. для этого просто требуется вставить вилку (большинство бытовых насосов оснащены стандартной вилкой Шуко) в розетку
Иногда требуется подключение трехфазного электродвигателя к сети 220 В (если, например, нет возможности провести трехфазную сеть).
Максимально возможная мощность электродвигателя, который можно включить в однофазную сеть 220 В, составляет 2,2 кВт.
Самый простой способ – подключить электродвигатель через частотный преобразователь, рассчитанный на питание от сети 220 В.
Следует помнить, что частотный преобразователь на 220 В, выдает на выходе 3 фазы по 220 В. То есть подключить к нему можно только электродвигатель, который имеет напряжение питания на 220 В трёхфазной сети (обычно это двигатели с шестью контактами в распаячной коробке, обмотки которых можно подключить как по звезде, так и по треугольнику). В данном случае требуется подключение обмоток по треугольнику.
Возможно ещё более простое подключение трехфазного электродвигателя в сеть 220 В с использованием конденсатора, но такое подключение приведёт к потере мощности электродвигателя приблизительно на 30%. Третья обмотка запитывается через конденсатор от любой другой.
Данный тип подключения мы рассматривать не будем, так как нормально с насосами такой способ не работает (либо при старте двигатель не запускается, либо электродвигатель перегревается из-за снижения мощности).
Использование частотного преобразователя
В настоящее время достаточно активно все стали применять частотные преобразователи для управления частотой вращения (оборотами) электродвигателя.
Это позволяет не только экономить электроэнергию (например, при использовании частотного регулирования насосов для подачи воды), но и управлять подачей насосов объёмного типа, превращая их в дозировочные (любые насосы объёмного принципа действия).
Но очень часто при использовании частотных преобразователей не обращают внимания на некоторые нюансы их применения:
— регулировка частоты, без доработки электродвигателя, возможна в пределах регулировки частоты +/- 30% от рабочей (50 Гц),
— при увеличении частоты вращения более 65 Гц требуется замена подшипников на усиленные (сейчас с помощью ЧП возможно поднять частоту тока до 400 Гц, обычные подшипники просто разваливаются на таких скоростях),
— при уменьшении частоты вращения встроенный вентилятор электродвигателя начинает работать неэффективно, что приводит к перегреву обмоток.
Из-за того, что не обращают внимания при проектировании установок на такие «мелочи», очень часто электродвигатели выходят из строя.
Для работы на низкой частоте ОБЯЗАТЕЛЬНО требуется установка дополнительного вентилятора принудительного охлаждения электродвигателя.
Вместо крышки вентилятора устанавливается вентилятор принудительного охлаждения (см. фото). В этом случае, даже при снижении оборотов вала основного двигателя,
дополнительный вентилятор обеспечит надёжное охлаждение электродвигателя.
Мы имеем большой опыт модернизации электродвигателей для работы на низкой частоте.
На фото можно видеть винтовые насосы с дополнительными вентиляторами на электродвигателях.
Данные насосы используются в качестве дозирующих насосов на пищевом производстве.
Надеемся, что данная статья поможет вам правильно подключить электродвигатель к сети самостоятельно (ну или хотя бы понять, что перед вами не электрик, а «специалист широкого профиля»).
Технический директор
ООО «Насосы Ампика»
Моисеев Юрий.
| Руководство по эксплуатации МАЗ-281, 365 |
| Руководство по эксплуатации автомобилей 642290 РЭ (Автомобили: 642205, 642208, 6422А5, 6422А8, 630303, 630305, 630308, 6303А3, 6303А5, 6303А8, 651705, 6517А5, 543203, 543205, 543208, 5432А3, 5432А5, 5432А8, 533603, 533605, 533608, 5336А3, 5336А5, 5336А8, 551605, 551608, 5516А5, 5516А8) |
| Руководство по эксплуатации автомобилей 555100 РЭ (Автомобили: 555102, 5551А2, 5551А3, 555142, 555145, 555147, 533702, 5337А2, 5337А3, 533742, 533745, 533747, 543302, 5433А2, 543403) |
| Руководство по эксплуатации автомобилей 631705 РЭ (Автомобили: 631705, 631708, 642505, 642508, 531605) |
| Руководство по эксплуатации автомобилей 643008 РЭ (Автомобили: 643009, 6430A9, 643008, 6430A8, 643005, 6430A5, 6430A4, 631208, 6312A8, 544009, 5440A9, 544008, 5440A8, 544005, 5440A5, 544004, 5440A4, 544003, 5440A3, 534005, 5340A5, 544004, 5440A4, 544003, 5440A3) |
| Руководство по эксплуатации автомобилей 437040 РЭ (Автомобили: 437040, 437041, 437043, 437141, 437143) |
| Руководство по эксплуатации автомобилей 437030 РЭ (Автомобили: 437030, 437130) |
| Руководство по эксплуатации автомобилей 4371C0 РЭ (Автомобили: 4371C0) |
| Руководство по эксплуатации автомобилей 650108 РЭ (Автомобили: 650105, 650108, 6501A5, 6501A8, 6501A9) |
| Руководство по эксплуатации автомобилей 651608 РЭ (Автомобили: 651608, 6516A8, 6516A9, 6516B9,651669, 6516V8) |
| Руководство по эксплуатации автомобилей 457041 РЭ (Автомобили: 457041, 457043) |
| Руководство по эксплуатации автомобилей 438041 РЭ (Автомобили: 438041, 438043) |
| Руководство по эксплуатации автомобилей 4371P2 РЭ (Автомобили: 4371P2) |
| Руководство по эксплуатации автомобилей 4371W1 РЭ (Автомобили: 4371W1, 4371W2) |
| Руководство по эксплуатации прицепов-самосвалов 857100 РЭ (прицепы-самосвалы: 856100, 856101, 856102, 857100, 857101) |
| Дополнение к руководству по эксплуатации прицепа-самосвала МАЗ-856102-4014 |
| Сервисная книжка 643008-3902004 СК_рус |
| Руководство по эксплуатации автомобилей 4371N2-3902002_часть1 |
| Руководство по эксплуатации автомобилей 4371N2-3902002_часть2 (АВТОМОБИЛИ МАЗ 4371P2, 4381P2, 4571P2, 4581P2, 4371N2, 4381N2, 4571N2, 4581N2) |
| Руководство по эксплуатации автомобилей 5440E9-3902002_РЭ часть1 |
| Руководство по эксплуатации автомобилей 5440E9-3902002_РЭ часть2 (АВТОМОБИЛИ МАЗ 534019, 5340E9, 544018, 544019, 5440E9, 631018, 631019, 6310E9, 643018, 643019, 631218, 631219, 650118, 650119, 6501E9, 6513E8, 651618, 6516E8, 5340M4, 6312M4, 5550M4) |
| Руководство по эксплуатации автомобилей 5440С9-3902002_РЭ часть1 |
| Руководство по эксплуатации автомобилей 5440С9-3902002_РЭ часть2 (АВТОМОБИЛИ МАЗ 5340B2, 5340B3, 5340B5, 5340B7, 5340B9, 5440B3, 5440B5, 5440B7, 5440B9, 5550B2, 5550B3, 5550B5, 6312B3, 6312B5, 6312B7, 6312B9, 6430B7, 6430B9, 6501B5, 6501B7, 6501B9, 6516B9, 5340h3, 5340h4, 5340H5, 5340H9, 6312h4, 6312H5, 6312H9, 6501H5, 6501H9, 6516H9, 5340C2, 5340С3, 5340C5, 5440C5, 5440C9, 5550C3, 5550C5, 6312C3, 6312C5, 6430C9, 6501C5, 6501C9, 6516C9) |
| Руководство по эксплуатации автомобилей 5550N5-3902002_РЭ часть1 |
| Руководство по эксплуатации автомобилей 5550N5-3902002_РЭ часть2 (АВТОМОБИЛИ МАЗ 5550N5) |
| Руководство по эксплуатации автомобилей 534026-3902002_РЭ часть1 |
| Руководство по эксплуатации автомобилей 534026-3902002_РЭ часть2 (АВТОМОБИЛИ МАЗ 534025, 534026, 544028, 544029, 555025, 631226, 643028, 643029, 650126, 650128, 650129, 5550S5, 6312S6, 6501S6) |
| Руководство по эксплуатации микроавтобуса МАЗ 281, грузового автомобиля МАЗ 365 (Автомобили: МАЗ 281, 365) |
| Руководство по эксплуатации грузового автомобиля МАЗ 365 |
| Руководство по эксплуатации МАЗ 5440М9 (541М95), МАЗ-6512М7 (651М71), МАЗ-6516М9 (751М96) |
| Руководство по эксплуатации МАЗ 63022J |
| Дополнение к руководству по эксплуатации МАЗ-65012J |
| Руководство по эксплуатации МАЗ 65012К |
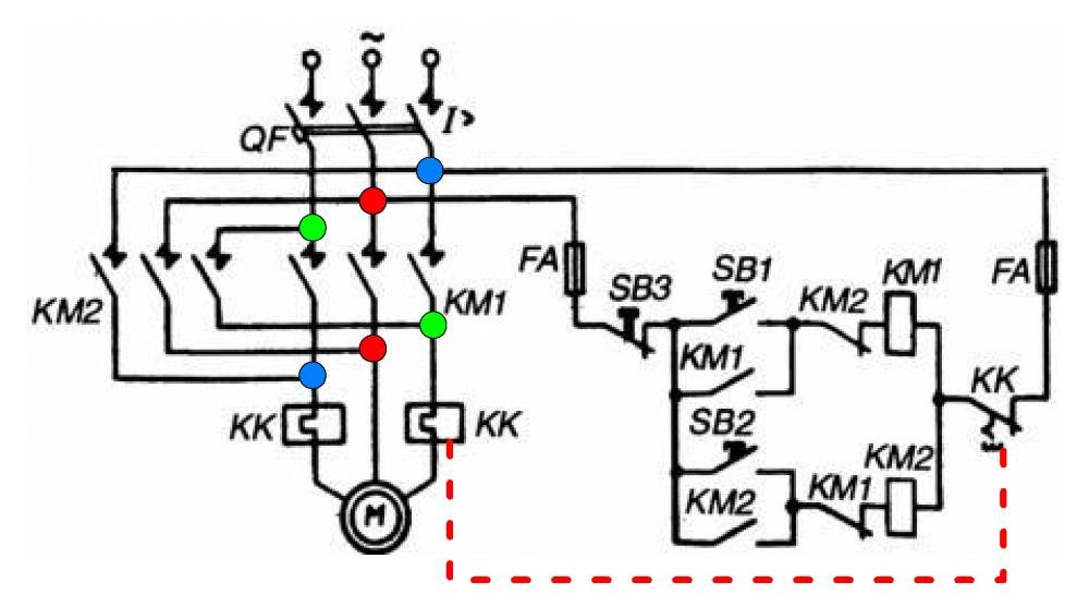
Электрические схемы управления двигателем при помощи электромагнитных пускателей
Нереверсивный пуск асинхронного двигателя с короткозамкнутым ротором
Схема приведена на рисунке 1. Для работы сети необходимо включить рубильник (Q). При нажатии кнопки «пуск» (SB1) катушка контактора (KM) получает питание и замыкает главные контакты в силовой цепи, тем самым происходит подключение двигателя к сети. Одновременно замыкается блок-контакт (KM) цепи управления, которые шунтирует кнопку пуск (SB1).
Для защиты двигателя от перегрузок и от потери фазы применяют тепловые реле (KK1, KK2), которые включаются непосредственно в силовую цепь двигателя.
Если температура обмотки двигателя превысит допустимые значения, то сработает тепловое реле и разомкнет свои контакты в цепи управления (KK1, KK2), тем самым обесточит катушку контактора (KM) и двигатель остановиться.
Для отключения необходимо нажать кнопку «стоп» (SB2).
Для защиты двигателя от токов короткого замыкания служат плавкие предохранители (FU).
Реверсивный пуск асинхронного двигателя с короткозамкнутым ротором
Такая схема запуска приведена на рис. 2.
Пуск двигателя начинается с включения рубильника (Q). При нажатии кнопки «вперед» (SB1) образуется цепь тока, катушки контактора (KM1). Замыкаются силовые контакты (KM) и шунтирующий блок-контакт, а контакт (KM1) в цепи контактора (KM2) размыкается.
При нажатии кнопки «назад» (SB3) контактор (KM1) разомкнется и двигатель остановится. Контакт (KM1) в цепи катушки (KM2) замыкается, следовательно, образуется цепь включения контактора (KM2), который замыкает свои силовые контакты. Двигатель резко тормозит и по достижении скольжения равного единице (S=1) останавливается и ротор начинает вращаться в обратную сторону, то есть происходит реверс двигателя. Размыкающие контакты (KM1, KM2), которые введены в цепь разноименных катушек контакторов, выполняют защиту от одновременного включения обоих контакторов, то есть осуществляют блокировку.
Для зажиты двигателя от токов короткого замыкания установлены плавкие предохранители (FU), для защиты от перегрузок – тепловое реле (KK1, KK2).
Если статья хоть немного помогла, поставьте, пожалуйста, лайк:
…или подпишитесь на новости:
| КОНТАКТ | Описание | Состояние | Входной/выходной сигнал | Результат проверки | |
| Тип | УРОВЕНЬ | ||||
| 1 | Двигатель ETC (-) | Холостой ход | Импульс | Выс.: напряжение АКБ | 13,4 В |
| Низкий уровень: макс. 1,0 В | 0 В | ||||
| 2 | Двигатель ETC (-) | Холостой ход | Импульс | Выс.: напряжение АКБ | 13,3 В |
| Низкий уровень: макс. 1,0 В | 0 В | ||||
| 3 | Заземление питания | Холостой ход | Напряжение пост. тока | Не более 50 мВ | |
| 4 | Заземление питания | Холостой ход | Напряжение пост. тока | Не более 50 мВ | |
| 5 | Подача батарейного питания после главного реле | ЗАЖИГАНИЕ ВЫКЛЮЧЕНО | Напряжение пост. тока | Не более 1,0 В | 3,1 мВ |
| ЗАЖИГАНИЕ ВКЛЮЧЕНО | Напряжение аккумуляторной батареи | 12,1 В | |||
| 6 | Подача батарейного питания после главного реле | ЗАЖИГАНИЕ ВЫКЛЮЧЕНО | Напряжение пост. тока | Не более 1,0 В | 3,1 мВ |
| ЗАЖИГАНИЕ ВКЛЮЧЕНО | Напряжение аккумуляторной батареи | 12,1 В | |||
| 7 | Управляющий выход обогревателя кислородного датчика (датчик 1) | Двигатель работает | Импульс | Высокий уровень: напряжение АКБ | 14,2 В |
| Низкий: не более 1,0 В | 220 мВ | ||||
| 8 | Управляющий выход форсунки (цилиндр 2) | Холостой ход | Импульс | Высокий уровень: напряжение АКБ | 13,6В |
| Низкий: не более 1,0 В | 336 мВ | ||||
| Vпик: макс. 80 В | 69,7 В | ||||
| 9 | Управляющий выход форсунки (цилиндр 1) | Холостой ход | Импульс | Высокий уровень: напряжение АКБ | 13,6В |
| Низкий: не более 1,0 В | 336 мВ | ||||
| Vпик: макс. 80 В | 69,7 В | ||||
| 10 | Выходной сигнал оборотов двигателя | ||||
| 11 | — | ||||
| 12 | Вход сигнала с выключателя пуска двигателя | ||||
| 13 | Входной сигнал электрической нагрузки (обогреватель ветрового стекла) | ||||
| 14 | Вход сигнала переключателя «Вкл.» кондиционера | Переключатель кондиционера находится в положении «Выключено» | Постоянный ток | Не более 0,5 В | 200мВ |
| Переключатель кондиционера находится в положении «Включено» | Напряжение аккумуляторной батареи | 12,6В | |||
| 15 | Входной сигнал нагрузки генератора (частота) | Холостой ход | Импульс | Высокий уровень: напряжение АКБ | 13,2 В |
| Низкий уровень: макс. 1,5 В | 1,34 В | ||||
| 16 | — | ||||
| 17 | Вход сигнала датчика положения распределительного вала (CMPS) | Холостой ход | Импульс | Высокий уровень: напряжение АКБ | 13,72 В |
| Низкий: не более 0,5 В | 200мВ | ||||
| 18 | Подача напряжения АКБ после включения зажигания | ЗАЖИГАНИЕ ВЫКЛЮЧЕНО | Постоянный ток | Не более 1,0 В | 200мВ |
| ЗАЖИГАНИЕ ВКЛЮЧЕНО | Напряжение аккумуляторной батареи | 12,9В | |||
| 19 | Питание датчика (3,3 В) | ЗАЖИГАНИЕ ВЫКЛЮЧЕНО | Напряжение пост. тока | Не более 0,5 В | 5 мВ |
| ЗАЖИГАНИЕ ВКЛЮЧЕНО | 3,3 ± 0,1 В | 3,02 В | |||
| 20 | Питание датчика (+5 В) | ЗАЖИГАНИЕ ВЫКЛЮЧЕНО | Постоянный ток | Не более 0,5 В | 3,6 мВ |
| ЗАЖИГАНИЕ ВКЛЮЧЕНО | 4,8 ~ 5,2 В | 5,02В | |||
| 21 | Питание датчика (3,3 В) | ЗАЖИГАНИЕ ВЫКЛЮЧЕНО | Напряжение пост. тока | Не более 0,5 В | 0 мВ |
| ЗАЖИГАНИЕ ВКЛЮЧЕНО | 3,3 ± 0,1 В | 3,02 В | |||
| 22 | Вход сигнала датчика температуры поступающего воздуха (IATS) | Холостой ход | Аналоговый | 0 ~ 5 В | 2,55 В |
| 23 | Вход сигнала коллекторного датчика абсолютного давления (MAPS) | Холостой ход | Аналоговый | 0,8 ~ 1,6 В | 1,37 В |
| 24 | Вход сигнала 1 датчика положения дроссельной заслонки (TPS) | Дроссельная заслонка закрыта | Аналоговый | 0,3 ~ 0,9В | 0,65 В |
| Дроссельная заслонка полностью открыта | 1,5 ~ 3,0В | 1,63 В | |||
| 25 | Вход сигнала с датчика давления в кондиционере (APT) | КОНДИЦИОНЕР ВКЛЮЧЕН | Аналоговый | Не более 4,8 В | 1,88 В |
| 26 | Заземление датчика | Холостой ход | Постоянный ток | Не более 50 мВ | 12 мВ |
| 27 | Управляющий выход катушки зажигания (цилиндр 3) | Холостой ход | Импульс | 1-е напряжение: 300 ~ 400 В | 372 В |
| Напряжение включения: макс. 2,0 В | 1,1 В | ||||
| 28 | Управляющий выход катушки зажигания (цилиндр 1) | Холостой ход | Импульс | 1-е напряжение: 300 ~ 400 В | 372 В |
| Напряжение включения: макс. 2,0 В | 1,1 В | ||||
| 29 | Управляющий выход электромагнитного клапана управления продувкой | Активен | Импульс | Высокий уровень: напряжение АКБ | 14,2 В |
| Неактивное состояние | Низкий: не более 1,0 В | 120 мВ | |||
| 30 | Подача батарейного питания после главного реле | ЗАЖИГАНИЕ ВЫКЛЮЧЕНО | Напряжение пост. тока | Не более 1,0 В | 3,1 мВ |
| ЗАЖИГАНИЕ ВКЛЮЧЕНО | Напряжение аккумуляторной батареи | 12,1 В | |||
| 31 | Выход управления [НИЗКИЙ] реле охлаждающего вентилятора | Реле ВЫКЛЮЧЕНО | Постоянный ток | Напряжение аккумуляторной батареи | 14,12В |
| Реле ВКЛЮЧЕНО | Не более 1,0 В | 61,6 мВ | |||
| 32 | Генератор (COM) | ||||
| 33 | Вход сигнала переключателя сцепления | ||||
| 34 | Вход сигнала с выключателя 1 тормоза | Тормозная система включена | Напряжение пост. тока | Напряжение аккумуляторной батареи | |
| Тормозная система выключена | Не более 0,5 В | ||||
| 35 | — | ||||
| 36 | Сигнал управления на реле фар (ближний свет) | ||||
| 37 | Входной сигнал датчика давления в системе кондиционера | Переключатель кондиционера находится в положении «Выключено» | Постоянный ток | Не более 0,5 В | 200мВ |
| Переключатель кондиционера находится в положении «Включено» | Напряжение аккумуляторной батареи | 12,6В | |||
| 38 | Вход сигнала с выключателя 2 тормоза | Педаль нажата | Напряжение пост. тока | Не более 0,5 В | |
| В норме | Напряжение аккумуляторной батареи | ||||
| 39 | Вход сигнала скорости автомобиля | Двигатель работает | Импульс | Высокий уровень: мин. 4,5 В | 5 В |
| Низкий уровень: макс. 0,5 В | 0 В | ||||
| 40 | Заземление датчика | Холостой ход | Постоянный ток | Не более 50 мВ | |
| 41 | Заземление датчика | Холостой ход | Напряжение пост. тока | Не более 50 мВ | 30 мВ |
| 42 | Питание датчика (+5 В) | ЗАЖИГАНИЕ ВЫКЛЮЧЕНО | Напряжение пост. тока | Не более 0,5 В | |
| ЗАЖИГАНИЕ ВКЛЮЧЕНО | 5 ± 0,1 В | ||||
| 43 | Питание датчика (3,3 В) | ЗАЖИГАНИЕ ВЫКЛЮЧЕНО | Напряжение пост. тока | Не более 0,5 В | 5 мВ |
| ЗАЖИГАНИЕ ВКЛЮЧЕНО | 3,3 ± 0,1 В | 3,02 В | |||
| 44 | Вход сигнала датчика температуры охлаждающей жидкости двигателя (ECTS) | Холостой ход | Аналоговый | 0,5 ~ 4,5В | 1,43 В |
| 45 | — | ||||
| 46 | — | ||||
| 47 | Выход сигнала переключателя гидроусилителя | ||||
| 48 | — | ||||
| 49 | Управляющий выход катушки зажигания (цилиндр 2) | Холостой ход | Импульс | 1-е напряжение: 300 ~ 400 В | 372 В |
| Напряжение включения: макс. 2,0 В | 1,1 В | ||||
| 50 | Управляющий выход катушки зажигания (цилиндр 4) | Холостой ход | Импульс | 1-е напряжение: 300 ~ 400 В | 372 В |
| Напряжение включения: макс. 2,0 В | 1,1 В | ||||
| 51 | Управляющий выход форсунки (цилиндр 3) | Холостой ход | Импульс | Высокий уровень: напряжение АКБ | 13,6В |
| Низкий: не более 1,0 В | 336 мВ | ||||
| Vпик: макс. 80 В | 69,7 В | ||||
| 52 | Управляющий выход пускового реле | ||||
| 53 | Выход управления [ВЫСОКИЙ] реле охлаждающего вентилятора | ||||
| 54 | Выход управления лампы иммобилайзера | Лампа ВЫКЛЮЧЕНА | Напряжение пост. тока | Выс.: напряжение АКБ | 13,2 В |
| Лампа ВКЛЮЧЕНА | Низкий уровень: макс. 2,0 В | 40 мВ | |||
| 55 | — | ||||
| 56 | Вход сигнала датчика положения коленчатого вала (CKPS) | Холостой ход | Vпик-пик: не менее 1,0 В | 6,48 В | |
| 57 | CAN-‘HIGH’ | Рецессивный бит | Импульс | 2,0 ~ 3,0 В | 2,58 В |
| Доминантный бит | 2,75 ~ 4,5 В | 3,54 В | |||
| 58 | Вход сигнала связи LIN | ||||
| 59 | — | ||||
| 60 | Входной сигнал датчика частоты вращения колеса (В) | ||||
| 61 | — | ||||
| 62 | — | ||||
| 63 | Заземление датчика | Холостой ход | Постоянный ток | Не более 50 мВ | 16,8 мВ |
| 64 | — | ||||
| 65 | Заземление датчика | Холостой ход | Напряжение пост. тока | Не более 50 мВ | 30 мВ |
| 66 | Управляющий выход обогревателя кислородного датчика (датчик 2) | Двигатель работает | Импульс | Выс.: напряжение АКБ | 14В |
| Низкий уровень: макс. 1,0 В | 0,31В | ||||
| 67 | Вход сигнала датчика положения педали газа (APS) №1 | Дроссельная заслонка закрыта | Аналоговый | 0,2 ~ 0,7 В | 0,5 В |
| Дроссельная заслонка полностью открыта | 1,2 ~ 2,4 В | 2,1 В | |||
| 68 | — | ||||
| 69 | Вход сигнала датчика положения педали газа (APS) №2 | Дроссельная заслонка закрыта | Аналоговый | 0,2 ~ 0,7 В | 0,5 В |
| Дроссельная заслонка полностью открыта | 1,2 ~ 2,4 В | 2,1 В | |||
| 70 | Заземление датчика | Холостой ход | Напряжение пост. тока | Не более 50 мВ | 8 мВ |
| 71 | Управляющий выход обогревателя кислородного датчика (датчик 2) | Двигатель работает | Импульс | Выс.: напряжение АКБ | 14В |
| Низкий уровень: макс. 1,0 В | 0,31В | ||||
| 72 | — | ||||
| 73 | Выход управления контрольной лампы неисправности (MIL) | Лампа ВЫКЛЮЧЕНА | Напряжение пост. тока | Напряжение аккумуляторной батареи | 13,8 В |
| Лампа ВКЛЮЧЕНА | Не более 1,0 В | 54 мВ | |||
| 74 | Управляющий выход форсунки (цилиндр 4) | Холостой ход | Импульс | Высокий уровень: напряжение АКБ | 13,6В |
| Низкий: не более 1,0 В | 336 мВ | ||||
| Vпик: макс. 80 В | 69,7 В | ||||
| 75 | Управляющий сигнал на реле топливного насоса (автомобили с иммобилайзером/электронными ключом) | Реле ВЫКЛЮЧЕНО | Напряжение пост. тока | Напряжение аккумуляторной батареи | 12,8 В |
| Реле ВКЛЮЧЕНО | Не более 1,0 В | 40 мВ | |||
| Пиковое напряжение: макс. 70 В | 47,3 В | ||||
| Сопротивление: 680 Ом | 680 Ом | ||||
| Управляющий сигнал на реле компрессора кондиционера (автомобили без иммобилайзера/электронного ключа) | КОНДИЦИОНЕР ВЫКЛЮЧЕН | Напряжение пост. тока | Напряжение аккумуляторной батареи | 14,3 В | |
| КОНДИЦИОНЕР ВКЛЮЧЕН | Не более 1,0 В | 102 мВ | |||
| 76 | Управляющий сигнал на реле топливного насоса (автомобили без иммобилайзера/электронного ключа) | Реле ВЫКЛЮЧЕНО | Напряжение пост. тока | Напряжение аккумуляторной батареи | 12,8 В |
| Реле ВКЛЮЧЕНО | Не более 1,0 В | 40 мВ | |||
| Пиковое напряжение: макс. 70 В | 47,3 В | ||||
| Сопротивление: 680 Ом | 680 Ом | ||||
| Управляющий сигнал на реле компрессора кондиционера (автомобили с иммобилайзером/электронным ключом) | КОНДИЦИОНЕР ВЫКЛЮЧЕН | Напряжение пост. тока | Напряжение аккумуляторной батареи | 14,3 В | |
| КОНДИЦИОНЕР ВКЛЮЧЕН | Не более 1,0 В | 102 мВ | |||
| 77 | Заземление питания | ||||
| 78 | Заземление датчика | Холостой ход | Напряжение пост. тока | Не более 50 мВ | 11 мВ |
| 79 | CAN-‘LOW’ | Рецессивный бит | Импульс | 2,0 ~ 3,0 В | 2,64 В |
| Доминантный бит | 0,5 ~ 2,25 В | 1,52 В | |||
| 80 | Канал связи иммобилайзера | После ВКЛЮЧЕНИЯ ЗАЖИГАНИЯ | Импульс | Высокий уровень: мин. 8,5 В | 11,8 В |
| Обмен данными | Низкий уровень: макс. 3,5 В | 1,0 В | |||
| 81 | — | ||||
| 82 | Входной сигнал датчика частоты вращения колеса (А) | ||||
| 83 | Заземление датчика | Холостой ход | Напряжение пост. тока | Не более 50 мВ | 7 мВ |
| 84 | — | ||||
| 85 | Заземление датчика | Холостой ход | Напряжение пост. тока | Не более 50 мВ | 6 мВ |
| 86 | Заземление датчика | Холостой ход | Напряжение пост. тока | Не более 50 мВ | 10 мВ |
| 87 | Вход сигнала кислородного датчика с подогревом (датчик 1) | Холостой ход | Напряжение пост. тока | Богатая смесь: 0,6 ~ 1,0 В | 740 мВ |
| Бедная смесь: макс. 0,4 В | 70 мВ | ||||
| 88 | Вход сигнала 2 датчика положения дроссельной заслонки (TPS) | Дроссельная заслонка закрыта | Аналоговый | 4,2 ~ 5,0 В | 4,52 В |
| Дроссельная заслонка полностью открыта | 3,3 ~ 3,8 В | 3,68 В | |||
| 89 | Входной сигнал переключателя вентилятора | ||||
| 90 | — | ||||
| 91 | Вход сигнала датчика детонации (KS) | Детонация | Непостоянная частота | 0,3 ~ 0,3 В | В норме |
| В норме | 0 В | ||||
| 92 | Управляющий выход клапана контроля масла CVVT | Холостой ход | Импульс | Выс.: напряжение АКБ | 15,0 В |
| Низкий уровень: макс. 1,0 В | 120 мВ | ||||
| Пиковое напряжение: макс. 70 В | 15,0 В | ||||
| 93,0 | — | ||||
| 94 | — | ||||
Маркировка проводов электродвигателя и соединения Для конкретных подключений двигателей Leeson перейдите на их веб-сайт и введите номер каталога Leeson в поле «Обзор», вы найдете данные подключения, размеры, данные паспортной таблички и т. Д. Www.leeson.com Однофазные соединения: (трехфазные — см. Ниже)
Двойное напряжение: (только основная обмотка)
Двойное напряжение: (основная и вспомогательная обмотки)
Маркировка однофазных клемм по цвету: (Стандарты NEMA) Трехфазные соединения: Деталь Начало намотки:
9 выводов Номенклатура NEMA
12 выводов Номенклатура NEMA и IEC
Трехфазные односкоростные двигатели Номенклатура Nema — 6 выводов: Одно напряжение — внешнее соединение WYE
Одиночное напряжение — внешнее соединение треугольником Соединения одиночного напряжения WYE-треугольник
Соединения двойного напряжения WYE-треугольник
Номенклатура NEMA — 9 выводов:
Двойное напряжение, соединение по треугольнику
Номенклатура NEMA — 12 выводов:
Двойное напряжение
Номенклатура IEC — 6 и 12 выводов:
Соединения WYE-треугольник с двойным напряжением
Двойное напряжение, соединение по схеме «звезда», запуск
Номенклатура NEMA — 6 выводов:
Соединение с регулируемым крутящим моментом (низкоскоростное HP составляет 1/4 высокоскоростного HP)
Подключение постоянной мощности (л.с. одинаковы на обеих скоростях)
Номенклатура IEC — 6 выводов:
Соединение с регулируемым крутящим моментом
|
Общие сведения о электрических чертежах
Голы
1.Распознавайте символы, часто используемые на схемах двигателей и управления.
2. Прочтите и постройте лестничные диаграммы.
3. Прочтите электрические схемы, однолинейные и блок-схемы.
4. Ознакомьтесь с клеммными соединениями для различных типов. моторов.
5. Прочтите информацию, содержащуюся на паспортных табличках двигателя.
6. Ознакомьтесь с терминологией, используемой в цепях двигателей.
7. Ознакомьтесь с принципами работы ручных и магнитных пускателей двигателей.
При работе с двигателями используются разные типы электрических чертежей. и их схемы управления. Чтобы облегчить создание и чтение электрические чертежи, используются определенные стандартные символы.
Для чтения чертежей электродвигателя необходимо знать как значение символов и как работает оборудование.
Этот раздел поможет вам понять использование символов в электрических рисунки. В разделе также объясняется моторная терминология и поясняется это с практическим применением.
ЧАСТЬ 1 Символы — сокращения — лестничные диаграммы
Обозначения двигателя
Цепь управления двигателем может быть определена как средство подачи питания к и отключение питания от двигателя. Символы, используемые для обозначения различные компоненты системы управления двигателем можно рассматривать как тип технической стенографии.
Использование этих символов способствует упрощению схемотехнических схем. и легче читать и понимать.
В системах управления двигателями символы и соответствующие линии показывают, как цепи соединены друг с другом. К сожалению, не все электрические и электронные символы стандартизированы. Вы найдете немного разные символы, используемые разными производителями. Также символы иногда выглядят ничего похожего на настоящую вещь, поэтому вам нужно узнать, что означают символы. FGR. 1 показаны некоторые типичные символы, используемые в принципиальных схемах двигателей.
Сокращения терминов для двигателей
Аббревиатура — это сокращенная форма слова или фазы.Заглавные буквы используются для большинства сокращений. Ниже приводится список некоторых сокращения, обычно используемые в принципиальных схемах двигателей.
AC переменный ток ARM якорь AUTO автоматический выключатель BKR COM общий Реле управления CR Трансформатор тока CT DC постоянный ток DB динамическое торможение Поле FLD FWD вперед GRD заземление Мощность в лошадиных силах L1, L2, L3 Соединения линий электропередачи Концевой выключатель LS MAN ручной двигатель MTR Пускатель двигателя M NEG отрицательный NC нормально замкнут NO нормально разомкнутый OL реле перегрузки PH фаза PL контрольная лампа POS положительная мощность PWR PRI первичная кнопка PB
REC выпрямитель REV обратный RH реостат SSW предохранительный выключатель SEC вторичный 1PH однофазный соленоид SOL SW-переключатель T1, T2, T3 клеммные соединения двигателя 3-фазный трехфазный трансформатор с выдержкой времени TD
Лестничные схемы двигателей
Чертежи управления двигателем содержат информацию о работе схемы, устройства расположение оборудования и инструкции по подключению.Символы, используемые для представления переключатели состоят из узловых точек (мест, где друг друга), контактные полосы и конкретный символ, который идентифицирует это конкретный тип переключателя, как показано в FGR. 2.
Хотя устройство управления может иметь более одного набора контактов, только Используемые в схеме контакты представлены на контрольных чертежах.
Для установки, обслуживания и ремонта используются различные схемы и чертежи управления. и устранение неисправностей в системах управления двигателем.К ним относятся лестничные диаграммы, электрические схемы, линейные схемы и блок-схемы. «Лестничная диаграмма» (считается некоторыми в виде схематической диаграммы) фокусируется на электрическом функционировании цепи, а не физическое расположение устройства. Например, два кнопки остановки могут физически находиться на противоположных концах длинного конвейера, но электрически рядом на лестничной диаграмме.
Лестничные диаграммы, например, показанная в FGR. 3, нарисованы двумя вертикальные линии и любое количество горизонтальных линий.Вертикальные линии (называемые рельсами) подключаются к источнику питания и обозначаются как линия 1 (L1) и линия 2 (L2). Горизонтальные линии (называемые ступенями) соединяются через L1 и L2 и содержат схему управления.
Лестничные диаграммы предназначены для чтения, как книгу, начиная с вверху слева и читать слева направо и сверху вниз.
Поскольку лестничные диаграммы легче читать, они часто используются при трассировке. через работу цепи.Большинство программируемых логических контроллеров (ПЛК) используют концепцию лестничных диаграмм в качестве основы для своего программирования. язык.
FGR. 1 Символы управления двигателем.
FGR. 2 Переключите компоненты символа.
FGR. 3 Типовая лестничная диаграмма.
FGR. 4 Электропроводка двигателя и цепи управления.
Большинство лестничных диаграмм иллюстрируют только однофазную цепь управления. подключен к L1 и L2, а не к трехфазной цепи питания мотор.FGR. 4 показана схема подключения силовой цепи и цепи управления.
На схемах, включающих проводку силовых цепей и цепей управления, вы можете увидеть как тяжелые, так и легкие проводники. Жирные линии используются для силовая цепь с более высоким током и более светлые линии для более слаботочной цепь управления.
Показаны проводники, которые пересекаются друг с другом, но не имеют электрического контакта. пересекающимися линиями без точки.
Проводники, которые входят в контакт, обозначены точкой на стыке.В большинстве случаев управляющее напряжение получается непосредственно от источника питания. цепи или от понижающего управляющего трансформатора, подключенного к источнику питания схема.
Использование трансформатора позволяет снизить напряжение (120 В переменного тока) для управления цепи при питании цепи питания трехфазного двигателя с повышенным напряжение (480 В переменного тока) для более эффективной работы двигателя.
Лестничная диаграмма дает необходимую информацию для упрощения следования последовательность работы схемы.
Это отличный помощник в поиске и устранении неисправностей, поскольку он наглядно показывает, эффект, который открытие или закрытие различных контактов оказывает на других устройствах в схема. Все переключатели и релейные контакты классифицируются как обычные. открытый (NO) или нормально закрытый (NC). Позиции, изображенные на диаграммах, электрические характеристики каждого устройства, которые будут обнаружены при его куплен и не подключен ни в какую цепь. Это иногда называют как «готовое» или обесточенное состояние.Это важно чтобы понять это, потому что он также может представлять положение обесточивания в цепи. Обесточенное положение относится к положению компонента. когда цепь обесточена или в цепи нет напряжения. Эта точка отсчета часто используется в качестве отправной точки в анализе. работы схемы.
FGR. 5 Идентификация катушек и связанных контактов.
Обычный метод, используемый для идентификации катушки реле и задействованных контактов им — поместить букву или буквы в круг, представляющий катушка (FGR.5). Каждый контакт, которым управляет эта катушка, будет иметь буква катушки или буквы, написанные рядом с символом контакта.
Иногда при наличии нескольких контактов, управляемых одной катушкой, число добавляется к письму для обозначения контактного номера. Хотя там являются стандартными значениями этих букв, большинство диаграмм содержат список ключей показать, что означают буквы; обычно они взяты из названия устройства.
Нагрузка — это компонент цепи, имеющий сопротивление и потребляющий электрическую энергию. питание подается от L1 к L2.Катушки управления, соленоиды, звуковые сигналы и пилот огни являются примерами нагрузок. Должно быть включено хотя бы одно загрузочное устройство. на каждой ступеньке лестничной диаграммы. Без загрузочного устройства управление устройства будут переключать разомкнутую цепь на короткое замыкание между L1 и L2. Контакты от устройств управления, таких как переключатели, кнопки, и реле считаются не имеющими сопротивления в замкнутом состоянии. Связь контактов параллельно с нагрузкой также может привести к короткому замыканию когда контакт замыкается.Ток в цепи будет минимальным. сопротивление через замкнутый контакт, замыкая нагрузку под напряжением.
Обычно нагрузки размещаются в правой части лестничной диаграммы рядом с к L2 и контактам с левой стороны рядом с L1. Одно исключение из этого правилом является размещение нормально замкнутых контактов, контролируемых устройство защиты двигателя от перегрузки. Эти контакты нарисованы справа сторона катушки стартера двигателя, как показано на FGR.6. Когда две и более загрузки должны быть запитаны одновременно, они должны быть подключены в параллельно. Это гарантирует, что полное линейное напряжение от L1 и L2 будет появляются при каждой загрузке. Если нагрузки подключены последовательно, ни получит все сетевое напряжение, необходимое для правильной работы. Отзывать что при последовательном соединении нагрузок приложенное напряжение делится между каждая из нагрузок. При параллельном подключении нагрузок напряжение на каждая нагрузка одинакова и равна приложенному напряжению.
Управляющие устройства, такие как переключатели, кнопки, концевые выключатели и давление переключатели управляют нагрузками. Обычно подключаются устройства, запускающие нагрузку. параллельно, а устройства, останавливающие нагрузку, подключаются последовательно. Для Например, несколько пусковых кнопок управляют одним и тем же пускателем двигателя. катушка будет подключена параллельно, а несколько кнопок останова будут подключены последовательно (FGR.7). Все устройства управления идентифицированы с соответствующей номенклатурой устройства (например,г., стоп, старт). Точно так же все нагрузки должны иметь аббревиатуры для обозначения тип нагрузки (например, M для катушки стартера). Часто дополнительный числовой суффикс используется для различения нескольких устройств одного типа. Для Например, цепь управления с двумя пускателями двигателя может идентифицировать катушки как M1 (контакты 1-M1, 2-M1 и т. д.) и M2 (контакты 1-M2, 2-M2 и т. д.).
FGR. 6 Нагрузки размещены справа, а контакты слева.
FGR. 7 Стопорные устройства подключаются последовательно, а пусковые устройства подключаются параллельно.
FGR. 8 Лестничная диаграмма с подробным описанием номеров ступеней.
По мере увеличения сложности схемы управления ее лестничная диаграмма увеличивается в размере, что затрудняет чтение и поиск контактов контролируются какой катушкой. «Нумерация звеньев» используется для помощи в чтении и понимании больших лестничных диаграмм. Каждая ступенька обозначена лестничная диаграмма (ступеньки 1, 2, 3 и т. д.).), начиная с верхней ступеньки и чтение вниз. Ступеньку можно определить как полный путь от L1 до L2, содержащий нагрузку. FGR. 8 иллюстрирует маркировку каждой ступени в линейная диаграмма с тремя отдельными ступенями:
• Путь для ступени 1 завершается нажатием кнопки реверса, цикл кнопка запуска, концевой выключатель 1LS и катушка 1CR.
• Путь для ступени 2 завершается кнопкой реверса, реле контакт 1CR-1, концевой выключатель 1LS и катушка 1CR.Обратите внимание, что ступень 1 и ступень 2 идентифицируются как две отдельные ступени, даже если они контролируют одну и ту же ступеньку. нагрузка. Причина в том, что либо кнопка запуска цикла, либо контакт реле 1CR-1 завершает путь от L1 до L2.
• Путь для ступени 3 завершается через контакт реле 1CR-2 к и соленоид SOL A.
«Числовые перекрестные ссылки» используются вместе с нумерация звеньев для нахождения вспомогательных контактов, управляемых катушками в цепь управления.Иногда вспомогательные контакты не находятся в непосредственной близости на лестничной диаграмме к катушке, контролирующей их работу. Чтобы найти эти контакты, номера звеньев указаны справа от L2 в скобках. на звене катушки, контролирующей их работу.
В примере, показанном в FGR. 9:
• Контакты катушки 1CR появляются в двух разных местах в линии. диаграмма.
• Цифры в скобках справа от линейной диаграммы обозначают расположение линии и тип контактов, контролируемых катушкой.
• Цифры в скобках для нормально разомкнутых контактов имеют без специальной маркировки.
• Номера, используемые для нормально замкнутых контактов, обозначаются подчеркиванием. или завышение числа, чтобы отличить их от нормально разомкнутых контактов.
• В этой схеме катушка управляющего реле 1CR управляет двумя наборами контактов: 1CR-1 и 1CR-2. Это показано цифровым кодом 2, 3.
Для правильного подключите проводники цепи управления к их компонентам в цепи.Метод, используемый для идентификации проводов, зависит от производителя. FGR. 10 иллюстрирует один метод, в котором каждая общая точка в цепи присвоен справочный номер:
• Нумерация начинается со всех проводов, подключенных к стороне L1 блок питания обозначен номером 1.
• Продолжение в верхнем левом углу диаграммы со звеном 1, новым номером назначается последовательно для каждого провода, пересекающего компонент.
• Электрически общие провода обозначены одинаковыми номерами.
• После обозначения первого провода, напрямую подключенного к L2 (в в этом случае 5) все остальные провода, напрямую подключенные к L2, будут помечены. с таким же номером.
• Количество компонентов в первой строке лестничной диаграммы определяет номер провода для проводников, напрямую подключенных к L2.
FGR. 9 Числовая система перекрестных ссылок.
FGR. 10 Нумерация проводов.
FGR. 11 Альтернативная идентификация проводки с документацией.
FGR. 12 Представление механических функций.
FGR. 13 Заземление управляющего трансформатора: (а) управляющий трансформатор
правильно заземлен на сторону L2 цепи; (б) управляющий трансформатор
неправильно заземлен на стороне L1 цепи.
FGR. 11 иллюстрирует альтернативный метод присвоения номеров проводов.При использовании этого метода все провода, напрямую подключенные к L1, обозначаются 1, а все подключенные к L2 обозначены 2. После всех проводов с 1 и 2 отмечены, остальные номера присваиваются в последовательном порядке начиная с верхнего левого угла диаграммы.
Преимущество этого метода в том, что все провода подключаются напрямую. до L2 всегда обозначаются как 2. Лестничные диаграммы могут также содержать серию описаний, расположенных справа от L2, которые используются для документирования функция схемы, управляемая устройством вывода.
Пунктирная линия обычно указывает на механическое соединение. Не делают ошибка чтения ломаной линии как части электрической цепи. В FGR. 12 вертикальные пунктирные линии на кнопках прямого и обратного хода указывают на то, что их нормально замкнутые и нормально разомкнутые контакты механически связаны. Таким образом, нажатие на кнопку откроет один набор контактов. и закройте другой. Пунктирная линия между катушками F и R указывает что они механически взаимосвязаны.Следовательно, катушки F и R не могут одновременное закрытие контактов благодаря механическому блокирующему действию устройства.
Когда управляющий трансформатор должен иметь одну из вторичных линий заземлен, заземление должно быть выполнено так, чтобы случайное заземление в цепи управления не запустит двигатель или не сделает кнопку остановки или управление не работает. FGR. 13a иллюстрирует вторичный элемент управления. трансформатор должным образом заземлен на сторону L2 цепи.Когда цепь исправна, вся цепь слева от катушки M является Незаземленная цепь (это «горячая» нога). Путь неисправности к земле в незаземленной цепи вызовет короткое замыкание, вызывая предохранитель управляющего трансформатора разомкнут. FGR. 13b показывает ту же схему неправильно заземлен на L1. В этом случае короткое замыкание на массу на слева от катушки M возбудит катушку, неожиданно запустив двигатель. Предохранитель не сработает, чтобы размыкать цепь и нажимать стопор, но тонна не обесточила бы катушку М.Повреждение оборудования и травмы персонала было бы очень вероятно. Понятно, что выходные устройства должны быть подключены напрямую к заземленной стороне цепи.
ЧАСТЬ 1 ВИКТОРИНА
1. Определите, что означает термин «цепь управления двигателем».
2. Почему символы используются для обозначения компонентов на электрических схемах?
3. Электрическая цепь содержит три контрольных лампы. Что приемлемо можно ли использовать символ для обозначения каждого источника света?
4.Опишите базовую структуру принципиальной электрической схемы.
5. Линии используются для обозначения электрических проводов на схемах.
а. Чем провода, по которым проходит большой ток, отличаются от проводов, нести слабый ток?
г. Как провода, которые пересекаются, но не соединяются электрически, дифференцируются из тех, которые подключаются электрически?
6. Контакты кнопочного переключателя размыкаются при нажатии кнопки. К какому типу кнопок это относится? Почему?
7.Катушка реле с маркировкой TR содержит три контакта.
Какую допустимую кодировку можно использовать для идентификации каждого из контактов?
8. Ступенька на лестничной диаграмме требует наличия двух нагрузок, каждая из которых рассчитана на полное линейное напряжение, запитывается, когда переключатель замкнут. Какая связь нагрузок необходимо использовать? Почему?
9. Одним из требований для конкретного двигателя является наличие шести давлений выключатели должны быть замкнуты до того, как двигатель будет запущен.Какие связи переключателей надо использовать?
10. Маркировка проводов на нескольких проводах электрического панели проверяются и обнаруживают, что имеют тот же номер. Что это значит?
11. Пунктирная линия, обозначающая механическую функцию электрического диаграмма ошибочно принята за проводник и подключена как таковая. Какие два типа проблем, к которым это могло привести?
ЧАСТЬ 2 Электромонтажные схемы — однолинейная блок-схема
Схемы подключения
FGR.14 Типовая электрическая схема пускателя двигателя.
Этот материал и связанные с ним авторские права являются собственностью и используются с разрешения Schneider Electric.
Электрические схемы используются для демонстрации двухточечной проводки между компонентами. электрической системы, а иногда и их физического отношения друг к другу. Они могут включать идентификационные номера проводов, присвоенные проводникам в лестничная диаграмма и / или цветовое кодирование. Катушки, контакты, двигатели и как показано в фактическом положении, которое можно было бы найти на установке.Эти схемы полезны при подключении систем, потому что соединения могут делаться именно так, как показано на схеме. Схема подключения дает необходимая информация для фактического подключения устройства или группы устройств или для физического отслеживания проводов при поиске и устранении неисправностей. Тем не мение, По такому рисунку сложно определить работу схемы.
FGR. 15 Прокладка проводов в кабелях и коробах.
FGR.16 Электромонтаж с внутренними подключениями магнитного пускателя
опущено.
Электрические схемы представлены для большинства электрических устройств. FGR. 14 иллюстрирует типовая электрическая схема, предусмотренная для пускателя двигателя. На диаграмме показано, как можно точнее, фактическое расположение всех составных частей устройства. Открытые клеммы (отмечены открытым кружком) и стрелки представляют собой соединения, сделанные пользователем. Обратите внимание, что жирные линии обозначают цепь питания, а более тонкими линиями показана схема управления.
Прокладка проводов в кабелях и трубопроводах, как показано в FGR. 15, является важной частью электрической схемы. Схема расположения кабелепровода указывает начало и конец электропроводки и показаны приблизительные путь, пройденный любым каналом при переходе от одной точки к другой. Интегрированный с рисунком такого рода — это кабелепровод и спецификация кабеля, которые сводит в таблицу каждый канал по количеству, размеру, функциям и услугам, а также включает количество и размер проводов, проложенных в кабелепроводе.
На электрических схемах показаны подробности реальных подключений. Редко они попытаться показать полную информацию о монтажной плате или оборудовании. В схема подключения FGR. 15, приведенный к более простому виду, показан на FGR. 16 без внутренних соединений магнитного пускателя. Провода заключенные в кабелепровод C1, являются частью силовой цепи и рассчитаны на текущее требование двигателя. Провода, заключенные в кабелепровод C2, являются частью цепи управления нижнего напряжения и рассчитаны на текущие требования управляющего трансформатора.
FGR. 17 Комбинированная разводка и лестничная диаграмма.
FGR. 18 Однолинейная схема моторной установки.
FGR. 19 Однолинейная схема системы распределения электроэнергии.
Электрические схемы часто используются вместе с лестничными диаграммами для упростить понимание процесса управления. Примером этого является проиллюстрировано в FGR. 17. На схеме подключения показаны питание и управление. схемы.
Включена отдельная лестничная диаграмма цепи управления, чтобы более четкое понимание его работы. Следуя лестничной диаграмме видно, что контрольная лампа подключена так, что она будет гореть всякий раз, когда стартер находится под напряжением.
Силовая цепь для ясности опущена, так как ее можно проследить. легко на монтажной схеме (жирные линии).
Однолинейные схемы
Однолинейная диаграмма (также называемая однострочной) использует символы вместе с одна линия, чтобы показать все основные компоненты электрической цепи.Некоторые производители оборудования для управления двигателем используют однолинейный рисунок, например тот, что показан в FGR. 18, как дорожная карта в изучении моторного контроля инсталляции. Установка сведена к максимально простой форме, тем не менее, он по-прежнему показывает основные требования и оборудование в цепи.
Энергетические системы — это чрезвычайно сложные электрические сети, которые могут географически распространяться на очень большие территории. По большей части они также трехфазные сети — каждая силовая цепь состоит из трех проводов и все устройства, такие как генераторы, трансформаторы, выключатели и разъединители и т.п.установлен во всех трех фазах. Эти системы могут быть настолько сложными, что полная стандартная схема, показывающая все соединения, непрактична. В этом случае использование однолинейной схемы — это краткий способ сообщение базовой компоновки компонента энергосистемы. FGR. 19 показана однолинейная схема малой системы распределения электроэнергии. Эти типы диаграмм также называют схемами «стояка мощности».
Блок-схемы
Блок-схема представляет основные функциональные части сложных электрических / электронных системы блоками, а не символами.Отдельные компоненты и провода не показаны. Вместо этого каждый блок представляет электрические цепи, которые выполнять определенные функции в системе. Функции, которые выполняют схемы написаны в каждом блоке.
Стрелки, соединяющие блоки, указывают общее направление тока пути.
FGR. 20 показана блок-схема частотно-регулируемого электродвигателя переменного тока. Частотно-регулируемый привод регулирует скорость двигателя переменного тока, изменяя частота, подаваемая на двигатель.Привод также регулирует выходную мощность. напряжение пропорционально выходной частоте, чтобы обеспечить относительно постоянное соотношение (вольт на герц; В / Гц) напряжения к частоте, если требуется характеристиками двигателя переменного тока для создания соответствующего крутящего момента. В Функция каждого блока резюмируется следующим образом:
• На выпрямительный блок подается трехфазное питание частотой 60 Гц.
• Блок выпрямителя — это схема, которая преобразует или выпрямляет трехфазную Переменное напряжение в постоянное.
• Блок инвертора — это схема, которая инвертирует или преобразует вход постоянного тока напряжение обратно в напряжение переменного тока.
Инвертор состоит из электронных переключателей, которые переключают напряжение постоянного тока. включение и выключение для получения регулируемой выходной мощности переменного тока с желаемой частотой и напряжение.
FGR. 20 Блок-схема частотно-регулируемого привода переменного тока.
ЧАСТЬ 2 ВИКТОРИНА
1. Каково основное назначение электрической схемы?
2.Помимо цифр, какой еще метод можно использовать для идентификации провода на схеме подключения?
3. Какую роль может играть электрическая схема в поиске неисправностей двигателя? схема управления?
4. Перечислите фрагменты информации, которые, скорее всего, можно найти в канале. и перечень кабелей для установки двигателя.
5. Объясните цель использования электрической схемы двигателя вместе с с лестничной схемой цепи управления.
6. Каково основное назначение однолинейной схемы?
7. Каково основное назначение блок-схемы?
8. Объясните функцию выпрямительного и инверторного блоков переменной частоты. Привод переменного тока.
ЧАСТЬ 3 Клеммные соединения двигателя
Классификация двигателей
Электродвигатели были важным элементом нашей промышленной и коммерческая экономика более века.
Большинство используемых сегодня промышленных машин приводится в действие электродвигателями. Отрасли перестанут функционировать без должным образом спроектированных, установленных, и обслуживаемые системы управления двигателем. В целом моторы классифицируются в зависимости от типа используемой мощности (переменного или постоянного тока) и принципа действия двигателя операции. «Генеалогическое древо» моторных типов довольно обширно, как показано вверху следующей страницы:
В США Институт инженеров по электротехнике и радиоэлектронике (IEEE) устанавливает стандарты моторного тестирования и методологий тестирования, пока Национальная ассоциация производителей электрооборудования (NEMA) готовит стандарты характеристик двигателя и классификации.
Дополнительно должны быть установлены двигатели в соответствии со Статьей 430. Национального электротехнического кодекса (NEC).
Подключение двигателя постоянного тока
В промышленных приложениях используются двигатели постоянного тока, потому что соотношение скорость-крутящий момент можно легко варьировать. Двигатели постоянного тока имеют регулируемую скорость. плавно спускаемся до нуля, сразу после чего разгон в обратном направление. В аварийных ситуациях двигатели постоянного тока могут подавать более пяти раз. номинальный крутящий момент без остановки.Динамическое торможение (энергия, генерируемая двигателем постоянного тока подается на резисторную сетку) или рекуперативное торможение (двигатель постоянного тока энергия возвращается в источник питания двигателя постоянного тока) может быть получено с двигателями постоянного тока в приложениях, требующих быстрой остановки, что устраняет необходимость в или уменьшение размеров механического тормоза.
FGR. 21 показаны символы, используемые для обозначения основных частей прямого составной двигатель постоянного тока.
FGR. 21 Детали составного двигателя постоянного тока.
Вращающаяся часть двигателя называется якорем; стационарный часть двигателя называется статором, который содержит серию обмотка возбуждения и шунтирующая обмотка возбуждения. В машинах постоянного тока A1 и A2 всегда указывают выводы якоря, S1 и S2 указывают последовательные выводы возбуждения, а Fl и F2 обозначают выводы шунтирующего поля.
Это вид возбуждения поля, обеспечиваемый полем, который отличает один тип двигателя постоянного тока от другого; конструкция арматуры не имеет отношения к моторной классификации.Есть три основных типа двигателей постоянного тока, классифицируемых по способу возбуждения поля как следует:
• В шунтирующем двигателе постоянного тока (FGR. 22) используется шунт со сравнительно высоким сопротивлением. обмотка возбуждения, состоящая из множества витков тонкой проволоки, соединенных параллельно (шунт) с арматурой.
• В последовательном двигателе постоянного тока (FGR. 23) используется последовательное поле с очень низким сопротивлением. обмотка, состоящая из очень небольшого количества витков толстого провода, соединенных последовательно с арматурой.
• Составной двигатель постоянного тока (FGR. 24) использует комбинацию шунтирующего поля (многие витков тонкой проволоки) параллельно якорю, а последовательное поле (несколько витков толстой проволоки) последовательно с якорем.
FGR. 22 Стандартные шунтирующие соединения двигателя постоянного тока для вращения против часовой стрелки и
вращение по часовой стрелке.
FGR. 23 Стандартные соединения двигателя постоянного тока для вращения против часовой стрелки и
вращение по часовой стрелке.
FGR.24 стандартных соединения постоянного (кумулятивного) двигателя для счетчика часов
мудрое и правое вращение. Для дифференциального соединения, обратное
S1 и S2.
Все соединения, показанные на рисунках 22, 23 и 24, выполнены против часовой стрелки. и вращение по часовой стрелке, обращенное к концу, противоположному приводу (конец коллектора). Одна из целей нанесения маркировки на клеммы двигателей в соответствии с к стандарту, чтобы помочь в установлении соединений, когда предсказуемое вращение направление обязательно.Это может быть тот случай, когда неправильное вращение может привести к небезопасной эксплуатации или повреждению. Маркировка клемм обычно используется пометить только те клеммы, к которым необходимо выполнить подключение извне схемы.
Направление вращения двигателя постоянного тока зависит от направления магнитное поле и направление тока в якоре. Если либо направление поля или направление тока, протекающего через якорь реверсируется, двигатель вращается в обратном направлении.Тем не мение, если оба этих фактора поменять местами одновременно, двигатель будет продолжайте вращаться в том же направлении.
Подключение двигателя переменного тока
Асинхронный двигатель переменного тока является доминирующей технологией двигателей, используемых сегодня, что составляет более 90 процентов установленной мощности двигателей. Индукция двигатели доступны в однофазной (1?) и трехфазной (3?) конфигурациях, размерами от долей лошадиных сил до десятков тысяч Лошадиные силы.Они могут работать с фиксированной скоростью — обычно 900, 1200, 1800, или 3600 об / мин — или быть оснащенным регулируемым приводом.
Наиболее часто используемые двигатели переменного тока имеют конфигурацию с короткозамкнутым ротором. (FGR.25), названный так из-за вставленной в него алюминиевой или медной беличьей клетки. внутри железных пластин ротора. Нет физического электрического подключение к беличьей клетке. Ток в роторе индуцируется вращающееся магнитное поле статора.
Роторные модели, в которых витки проволоки вращают обмотки ротора, являются так же доступно. Это дорого, но обеспечивает больший контроль над двигателем. эксплуатационные характеристики, поэтому их чаще всего используют для особого крутящего момента приложений для ускорения и для приложений с регулируемой скоростью.
FGR. 25 Трехфазный асинхронный двигатель переменного тока с короткозамкнутым ротором.
FGR. 26 Асинхронный двигатель с расщепленной фазой переменного тока.
FGR.27 Соединения статора двухфазного двигателя с двойным напряжением.
ПОДКЛЮЧЕНИЯ ДЛЯ ОДНОФАЗНЫХ ДВИГАТЕЛЕЙ
Большинство однофазных асинхронных двигателей переменного тока сконструированы в дробном исполнении. мощности для источников питания от 120 до 240 В, 60 Гц. Хотя там это несколько типов однофазных двигателей, они в основном идентичны кроме средств запуска. «Двухфазный двигатель» наиболее широко используется для приложений со средним запуском (FGR.26). Операция сплит-двигателя кратко описывается следующим образом:
• Двигатель имеет пусковую и основную или рабочую обмотки, которые находятся под напряжением. при запуске мотора.
• Пусковая обмотка создает разность фаз для запуска двигателя. и отключается центробежным переключателем при приближении к рабочей скорости. Когда двигатель достигает примерно 75 процентов своей номинальной скорости при полной нагрузке, пусковая обмотка отключена от цепи.
• Мощность двигателя с расщепленной фазой составляет примерно ½ лошадиных сил. Популярные приложения включают вентиляторы, нагнетатели, бытовую технику, такую как стиральные машины и сушилки, и инструменты, такие как небольшие пилы или сверлильные станки, к которым нагрузка прилагается после двигатель набрал свою рабочую скорость.
• Двигатель можно реверсировать, переставив провода к пусковой обмотке. или основной обмотки, но не к обеим. Обычно отраслевой стандарт поменять местами провода пусковой обмотки
В двухфазном двигателе с двойным напряжением (FGR.27) ходовая обмотка разделен на две части и может быть подключен для работы от 120-вольтной или источник 240 В. Две обмотки подключаются последовательно при работе. от источника 240 В и параллельно для работы на 120 В.
Пусковая обмотка подключена к линиям питания низкого напряжения. и по одной линии до середины ходовых обмоток для высокого напряжения. Это гарантирует, что все обмотки получат 120 В, на которые они рассчитаны. работать в.Чтобы изменить направление вращения разветвителя с двумя напряжениями фазного двигателя, поменяйте местами два провода пусковой обмотки.
Двигатели с двойным напряжением подключаются для получения желаемого напряжения следующим образом: схема подключения на паспортной табличке.
Номинальная мощность двухфазного двигателя с двумя напряжениями составляет 120/240 В. С любого типа двигателя с двойным напряжением, более высокое напряжение является предпочтительным, когда возможен выбор между напряжениями. Мотор использует столько же мощности и производит такое же количество лошадиных сил при работе от питание 120 В или 240 В.Однако, поскольку напряжение увеличивается вдвое с 120 В до 240 В ток уменьшается вдвое. Работа двигателя на этом пониженном уровень тока позволяет использовать проводники цепи меньшего диаметра и снижает потери мощности в линии.
FGR. 28 Двигатель с постоянным разделением конденсаторов.
Во многих однофазных двигателях конденсатор используется последовательно с одним из статоров. обмотки для оптимизации разности фаз между пусковой и рабочей обмотками для запуска.Результат — более высокий пусковой крутящий момент, чем при расщепленной фазе. мотор может производить. Есть три типа конденсаторных двигателей: конденсаторные. пуск, при котором фаза конденсатора находится в цепи только при пуске; постоянно разделенный конденсатор, в котором конденсаторные фазы в цепи как для запуска, так и для работы; и двухзначный конденсатор, в котором есть — разные значения емкости для запуска и работы. Перманентный раскол конденсаторный двигатель, изображенный на FGR.28, постоянно использует конденсатор соединены последовательно с одной из обмоток статора. Эта конструкция ниже по стоимости, чем двигатели с конденсаторным запуском, которые включают переключение конденсаторов системы. Установки включают компрессоры, насосы, станки, воздушные кондиционеры, конвейеры, воздуходувки, вентиляторы и другие труднодоступные для запуска приложения.
ПОДКЛЮЧЕНИЯ ТРЕХФАЗНЫХ ДВИГАТЕЛЕЙ
Трехфазный асинхронный двигатель переменного тока является наиболее распространенным двигателем, используемым в коммерческих и промышленное применение.
Однофазные двигатели большей мощности обычно не используются, потому что они неэффективны по сравнению с трехфазными двигателями. Кроме того, однофазные двигатели не запускаются самостоятельно на своих рабочих обмотках, в отличие от трехфазных моторы.
Двигатели переменного тока большой мощности обычно бывают трехфазными.
Все трехфазные двигатели имеют внутреннюю конструкцию с рядом отдельных намотанные катушки. Независимо от количества отдельных катушек, индивидуальные катушки всегда будут подключены вместе (последовательно или параллельно) для получения трех отдельные обмотки, которые называются фазой A, фазой B и фазой С.Все трехфазные двигатели подключены таким образом, чтобы фазы были подключены друг к другу. конфигурация звезды (Y) или треугольника (?), как показано на FGR. 29.
ПОДКЛЮЧЕНИЯ ДВУХНАПРЯЖНЫХ ДВИГАТЕЛЕЙ
FGR. 29 Трехфазные соединения двигателя звездой и треугольником.
Обычной практикой является производство трехфазных двигателей, которые могут быть подключены работать на разных уровнях напряжения.
Наиболее распространенное номинальное напряжение для трехфазных двигателей — 208/230/460. В.Всегда проверяйте характеристики двигателя или паспортную табличку на предмет надлежащего напряжения. номинал и схема подключения для способа подключения к источнику напряжения.
FGR. 30 иллюстрирует типичную идентификацию терминала и подключение таблица для девятипроводного трехфазного двигателя с двойным напряжением, соединенным звездой. Один конец каждой фазы внутренне постоянно подключен к другим фазам.
Каждая фазная катушка (A, B, C) разделена на две равные части и соединена последовательно для работы с высоким напряжением или параллельно для работы с низким напряжением операция.Согласно номенклатуре NEMA, эти отведения имеют маркировку от T1 до Т9. Высоковольтные и низковольтные соединения приведены в прилагаемых таблица соединений и клеммная колодка двигателя. Тот же принцип серии Применяется (высоковольтное) и параллельное (низковольтное) подключение катушек для трехфазных двигателей с двойным напряжением, соединенных звездой-треугольником. В любом случае обратитесь к электросхеме, поставляемой с двигателем, чтобы убедиться в правильности подключения. для желаемого уровня напряжения.
Cont. к части 2 >>
Ec_Motor_Wiring_Supplemental REV 008
% PDF-1.6 % 1 0 объект > / OCGs [10 0 R] >> / Страницы 3 0 R / Тип / Каталог >> эндобдж 2 0 obj > поток 2021-03-23T16: 31: 18-05: 00Adobe Illustrator 25.2 (Windows) 2021-03-23T16: 31: 18-05: 002021-03-23T16: 31: 18-05: 00
do-18: CSECA4F
: 54/03: CSECA4F
: 54 / 18T
% PDF-1.3
%
8006 0 объект
>
эндобдж
xref
8006 221
0000000016 00000 н.
0000004776 00000 н.
0000006428 00000 н.
0000006627 00000 н.
0000006714 00000 н.
0000006838 00000 н.
0000006929 00000 н.
0000007067 00000 н.
0000007139 00000 н.
0000007329 00000 н.
0000007392 00000 н.
0000007586 00000 п.
0000007649 00000 н.
0000007748 00000 н.
0000007844 00000 н.
0000007907 00000 н.
0000008014 00000 н.
0000008120 00000 н.
0000008183 00000 п.
0000008246 00000 н.
0000008375 00000 н.
0000008438 00000 п.
0000008501 00000 п.
0000008628 00000 н.
0000008691 00000 п.
0000008790 00000 н.
0000008889 00000 н.
0000009002 00000 н.
0000009065 00000 н.
0000009128 00000 н.
0000009252 00000 н.
0000009358 00000 п.
0000009421 00000 н.
0000009484 00000 н.
0000009623 00000 н.
0000009757 00000 н.
0000009820 00000 н.
0000009883 00000 п.
0000010026 00000 п.
0000010089 00000 п.
0000010152 00000 п.
0000010292 00000 п.
0000010355 00000 п.
0000010485 00000 п.
0000010547 00000 п.
0000010704 00000 п.
0000010766 00000 п.
0000010873 00000 п.
0000010935 00000 п.
0000011024 00000 п.
0000011086 00000 п.
0000011197 00000 п.
0000011259 00000 п.
0000011319 00000 п.
0000011377 00000 п.
0000012034 00000 п.
0000012432 00000 п.
0000012454 00000 п.
0000012602 00000 п.
0000012624 00000 п.
0000012774 00000 п.
0000012796 00000 п.
0000012947 00000 п.
0000012969 00000 п.
0000013120 00000 н.
0000013142 00000 п.
0000013292 00000 п.
0000013314 00000 п.
0000013465 00000 п.
0000013487 00000 п.
0000013638 00000 п.
0000013681 00000 п.
0000013703 00000 п.
0000013854 00000 п.
0000013876 00000 п.
0000014025 00000 п.
0000014047 00000 п.
0000014196 00000 п.
0000014218 00000 п.
0000014370 00000 п.
0000014392 00000 п.
0000014540 00000 п.
0000014562 00000 п.
0000014714 00000 п.
0000014736 00000 п.
0000014888 00000 п.
0000014910 00000 п.
0000015058 00000 п.
0000015080 00000 п.
0000015230 00000 п.
0000015252 00000 п.
0000015402 00000 п.
0000015424 00000 п.
0000015575 00000 п.
0000015597 00000 п.
0000015749 00000 п.
0000015771 00000 п.
0000015922 00000 п.
0000015944 00000 п.
0000016096 00000 п.
0000016118 00000 п.
0000016268 00000 п.
0000016290 00000 н.
0000016442 00000 п.
0000016464 00000 п.
0000016616 00000 п.
0000016638 00000 п.
0000016789 00000 п.
0000016811 00000 п.
0000016963 00000 п.
0000016985 00000 п.
0000017137 00000 п.
0000017159 00000 п.
0000017311 00000 п.
0000017333 00000 п.
0000017485 00000 п.
0000017507 00000 п.
0000017658 00000 п.
0000017680 00000 п.
0000017832 00000 п.
0000017854 00000 п.
0000018006 00000 п.
0000018028 00000 п.
0000018180 00000 п.
0000018202 00000 п.
0000018351 00000 п.
0000018373 00000 п.
0000018521 00000 п.
0000018543 00000 п.
0000018694 00000 п.
0000018716 00000 п.
0000018867 00000 п.
0000018889 00000 п.
0000019040 00000 п.
0000019062 00000 н.
0000019213 00000 п.
0000019235 00000 п.
0000019383 00000 п.
0000019405 00000 п.
0000019501 00000 п.
0000019526 00000 п.
0000061358 00000 п.
0000061383 00000 п.
0000102235 00000 п.
0000102260 00000 н.
0000150462 00000 н.
0000150487 00000 н.
0000198812 00000 н.
0000198837 00000 н.
0000228247 00000 н.
0000228272 00000 н.
0000244619 00000 н.
0000244644 00000 н.
0000265927 00000 н.
0000265952 00000 п.
00002 00000 н.
00002
00000 н.
0000315500 00000 н.
0000315525 00000 н.
0000341181 00000 п.
0000341206 00000 н.
0000363758 00000 н.
0000363783 00000 н.
0000385255 00000 н.
0000385280 00000 н.
0000405717 00000 н.
0000405742 00000 н.
0000426279 00000 н.
0000426304 00000 н.
0000448980 00000 н.
0000449005 00000 н.
0000470202 00000 н.
0000470227 00000 н.
00004 00000 н.
00004 00000 н.
0000512253 00000 н.
0000512278 00000 н.
0000534361 00000 п.
0000534386 00000 п.
0000549427 00000 н.
0000549451 00000 п.
0000558925 00000 н.
0000558950 00000 н.
0000571206 00000 н.
0000571231 00000 н.
0000596022 00000 н.
0000596047 00000 н.
0000620929 00000 н.
0000620954 00000 н.
0000644652 00000 н.
0000644677 00000 н.
0000667583 00000 н.
0000667608 00000 н.
0000689070 00000 н.
0000689095 00000 н.
0000710423 00000 н.
0000710448 00000 н.
0000732681 00000 н.
0000732706 00000 н.
0000754324 00000 н.
0000754349 00000 н.
0000779183 00000 п.
0000779208 00000 н.
0000804355 00000 н.
0000804380 00000 н.
0000827500 00000 н.
0000827525 00000 н.
0000845645 00000 н.
0000845670 00000 н.
0000898873 00000 н.
0000898898 00000 н.
0000943964 00000 н.
0000943989 00000 н.
0000995371 00000 н.
0000995396 00000 н.
0001042235 00000 п.
0001042260 00000 п.
0001094804 00000 п.
0001094829 00000 п.
0000004879 00000 н.
0000006404 00000 н.
трейлер
]
>>
startxref
0
%% EOF
8007 0 объект
>
эндобдж
8225 0 объект
>
транслировать
H Lgǟ ++] [€ R) zuY $ 6 [# h & Ș +
v, а
tҲECnlta, fd.˒ = w
Переход от схемы к схеме подключения для целей подключения — базовое управление двигателем
Заполненная электрическая схема может помочь с физическим монтажом проводов. Чтобы помочь в разработке монтажной схемы, полезно начать с принципиальной схемы и системы нумерации .
Схема подключения и схематический чертежРассмотрим рисунок выше. Он включает трехпроводную принципиальную схему, а также эквивалентные компоненты управления и силовую цепь .В этом примере нет управляющего трансформатора, поэтому мы будем получать управляющую мощность непосредственно от линии. Схема управления Питание берется со стороны нагрузки устройств максимального тока и со стороны линии силовых контактов.
После того, как схематическая диаграмма будет правильно пронумерована, каждое устройство будет иметь два идентифицирующих его номера: один провод со стороны линии и один со стороны нагрузки. Например, в трехпроводной схеме кнопка останова имеет провода 1 и 2, в то время как кнопка запуска и удерживающий контакт получают номера проводов 2 и 3 (отсюда термин « 2-3 контакта »).
Схема и электрические схемы с номерамиПосле того, как все устройства были правильно пронумерованы, мы просто играем, соединяя точки. Каждая точка с одним и тем же номером — , электрически общая , и ее необходимо соединить вместе. Используйте прямые линии и подключайте провода только к точкам подключения оборудования.
Принципиальные и электрические схемы — в комплекте.Убедитесь, что все соединения выполняются в точках подключения или «от клеммы к клемме». На практике мы обычно подключаем не более двух проводов к одной точке и никогда не выполняем «стыковку в открытом воздухе».”
На приведенном выше рисунке показаны все сильные стороны, которыми обладают электрические схемы и принципиальные схемы: схемы легко читаются и используются для логического поиска неисправностей в цепи, а схемы электрических соединений показывают, как оборудование физически соединено друг с другом.
Show & Tell: асинхронные двигатели переменного тока
Двигатели переменного тока просты в управлении, надежны и экономичны для общего применения. По этим причинам они являются наиболее популярным типом электродвигателей в различных отраслях промышленности.В этом посте мы кратко представим асинхронные двигатели и продемонстрируем, как ими управлять.
Немного истории
Термин «индукция» в асинхронных двигателях (также известных как асинхронные двигатели) относится к электромагнитной индукции, которая является основной теорией работы асинхронных двигателей. Я объясню это в следующем разделе. Согласно Википедии, с изобретением асинхронного двигателя переменного тока связано несколько имен. В 1824 году французский физик Франсуа Араго открыл вращающиеся магнитные поля и ввел термин «Вращения Араго» (или «Диск Араго»).В 1831 году Майкл Фарадей смог объяснить эффекты, представив теорию электромагнитной индукции. В 1879 году Уолтер Бейли продемонстрировал первый примитивный асинхронный двигатель, включив и выключив его вручную. Первые трехфазные асинхронные двигатели без коммутатора переменного тока были независимо изобретены Галилео Феррарисом в 1885 году и Николой Тесла в 1887 году. Оба опубликовали статьи в 1888 году, чтобы объяснить эти технологии. Тесла подал заявку на патенты в США в 1887 году и получил некоторые из этих патентов в 1888 году.Джордж Вестингауз, который в то время разрабатывал систему переменного тока, лицензировал патенты Tesla в 1888 году и приобрел в США вариант патента на концепцию асинхронного двигателя Ferraris для дальнейшего развития технологии. General Electric (GE) начала разработку трехфазных асинхронных двигателей в 1891 году. К 1896 году General Electric и Westinghouse подписали соглашение о перекрестном лицензировании на конструкцию ротора со стержневой обмоткой, позже названного ротором с короткозамкнутым ротором. Та же концепция используется и сегодня.
| Асинхронные двигатели идеальны для приложений, требующих непрерывной работы в одном направлении , таких как конвейеры, миксеры и вращающиеся знаки. Они рассчитаны на длительный режим работы и обычно служат долгое время из-за своей простой конструкции. |
Конструкция и теория эксплуатации
| На этом изображении показана структура асинхронного двигателя переменного тока, который является основным типом двигателей переменного тока с постоянными разделенными конденсаторами.Вращающийся элемент, ротор, поддерживается в корпусе двигателя двумя шарикоподшипниками для длительного срока службы. Статор расположен вокруг ротора с тонким воздушным зазором. Выходной вал соединен с ротором. Подводящие провода подключаются к обмоткам статора. Фланцевый кронштейн запрессован в корпус двигателя для обеспечения качества. |
Поскольку переменный ток подается на медные обмотки статора, вокруг ротора создается вращающееся магнитное поле со скоростью колебаний переменного тока.Согласно правилу левой руки Флеминга, движущееся магнитное поле индуцирует ток на алюминиевых стержнях (проводнике) в стальном роторе, который генерирует свои собственные противоположные магнитные поля (закон Ленца). Магнитные поля от ротора затем взаимодействуют с вращающимся магнитным полем от статора, и ротор начинает вращаться.
Теорию работы асинхронного двигателя переменного тока можно объяснить с помощью диска Arago , который представляет собой наблюдаемое явление, включающее правило правой руки Флеминга и правило левой руки Флеминга. Хотите узнать больше о теории работы двигателей переменного тока? |
Однофазные асинхронные двигатели
Однофазные асинхронные двигатели предлагаются с разным напряжением и частотой для разных регионов мира. Для США однофазные двигатели обычно предлагаются на 110/115 вольт или 220/230 вольт, которые легко доступны. 60 Гц — типичная частота источника питания.
Вот действующие схемы подключения этих стандартных 3-проводных двигателей. К вашему сведению, направление вращения двигателя указано, если смотреть со стороны выходного вала двигателя.
Хотя принцип работы должен быть одинаковым для всех однофазных двигателей переменного тока с постоянным разделенным конденсатором, представленных на рынке, цвета выводных проводов могут быть разными для разных производителей.
Для стандартного 3-проводного двигателя цвета выводных проводов обычно белый, красный и черный. Черный всегда связан с нейтралью (N). И белый, и черный подключены к 2 клеммам специального конденсатора.Когда ток (L) подключен к черному или красному через клемму конденсатора, двигатель начнет вращаться в заданном направлении. Для двигателей с клеммной коробкой принцип работы такой же. Однако клеммы обозначены Z2, U2 и U1.
Подключение конденсатора
Для однофазных двигателей конденсатор важен для запуска. Без пускового момента, обеспечиваемого конденсатором, вам пришлось бы помогать запускать двигатель, вручную вращая вал.Это как старые пропеллеры старинного самолета. Убедитесь, что вы не забыли правильно подключить конденсатор. Это был очень распространенный случай устранения неполадок, когда я работал инженером службы поддержки.
Вот пример подключения 4-контактного конденсатора и однофазного двигателя.
| Количество выводов на конденсаторе вас не смущает. На схеме внутренней проводки ниже показано, что две ближайшие клеммы имеют внутреннее соединение. В электрическом отношении это то же самое, что и у традиционных конденсаторов с двумя выводами, которые имеют только по одному выводу с каждой стороны. |
Мы также сняли видео, чтобы продемонстрировать правильный способ подключения этих двигателей, включая автоматические выключатели, переключатели и конденсатор.
Трехфазные асинхронные двигатели
Трехфазные асинхронные двигатели обычно предлагаются в США на 220/230 В и 50/60 Гц. В некоторых случаях предлагается 460 вольт. Трехфазные двигатели могут работать либо с постоянной скоростью, либо с инвертором / частотно-регулируемым приводом для приложений с регулируемой скоростью.
Вот действующие схемы подключения этих стандартных 3-проводных двигателей. К вашему сведению, направление вращения двигателя указано, если смотреть со стороны выходного вала двигателя.
Для 3-проводного трехфазного двигателя у нас такие же цвета проводов. Три фазы от источника питания обозначены L1 (R), L2 (S) и L3 (T). Подключите красный к L1 (R), белый к L2 (S) и черный к L3 (T). Для двигателей с клеммной коробкой клеммы имеют маркировку U, V и W.Теория работы такая же. Чтобы переключить направление вращения, переключите любое из 2 соединений между R, S и T.
При перегрузке или блокировке вала рекомендуется использовать либо электромагнитный переключатель, либо электронную тепловую функцию инвертора, чтобы предотвратить перегорание двигателя.
Вы, наверное, заметили, что на схеме подключения отсутствует конденсатор . Для однофазных двигателей требуется конденсатор для создания многофазного источника питания. Для трехфазных двигателей конденсатор не требуется.Мы также сняли видео, чтобы продемонстрировать правильную проводку.
| И последнее, но не менее важное. Не забудьте электрически заземлить двигатели с помощью специальной клеммы защитного заземления (PE), чтобы избежать удара или травм со стороны персонала. |
Это все, что нужно для подключения однофазных и трехфазных асинхронных двигателей. Следите за новостями, и я расскажу о подключении других типов двигателей переменного тока, таких как реверсивные двигатели и двигатели с электромагнитным тормозом.
Не забудьте подписаться!
Еще немного истории … Вот видео, в котором кратко объясняется история развития двигателей переменного тока Oriental Motor с 1966 года, когда серия K считалась фактическим стандартом для всех двигателей переменного тока, до появления серий KII и KIIS. |
M.G.M. »Электрические схемы
6 Вт: 6 проводов / 9 Вт: 9 проводов
№ | Тип тормоза | Тормозной штуцер | Подключение двигателя | Схема | Номинальное напряжение двигателя | Номинальное напряжение тормоза |
1 | AC — 3 фазы (только BA (X)) | Δ / Y (6 Вт) | Δ / Y (6 Вт) | Схема | 265V / 460V / 60Hz, 330V / 575V / 60Hz, 220V / 380V / 60Hz,… | 265V / 460V / 60Hz, 330V / 575V / 60Hz, 220V / 380V / 60Hz,… |
2 | ГГ / Г (9 недель) | Схема | 230 В / 460 В / 60 Гц,… | 230 В / 460 В / 60 Гц,… | ||
3 | Однофазный выпрямленный постоянный ток (BA (X) и BM (X)) | Выпрямитель | Δ / Y (6 Вт) | Схема | 265V / 460V / 60Hz, 330V / 575V / 60Hz, 220V / 380V / 60Hz,… | 1 ~ 110 В, 1 ~ 230 В,… |
4 | ГГ / Г (9 недель) | Схема | 230 В / 460 В / 60 Гц,… | 1 ~ 110 В, 1 ~ 230 В,… | ||
5 | 24 В постоянного тока (BA (X) и BM (X)) | Напряжение постоянного тока | Δ / Y (6 Вт) | Схема | 265V / 460V / 60Hz, 330V / 575V / 60Hz, 220V / 380V / 60Hz,… | 24 В постоянного тока |
6 | ГГ / Г (9 недель) | Схема | 230 В / 460 В / 60 Гц,… | 24 В постоянного тока |
6 Вт: 6 проводов / 9 Вт: 9 проводов
№ | Подключение двигателя | Схема | Номинальное напряжение двигателя |
7 | Δ / Y (6 Вт) | Схема | 265V / 460V / 60Hz, 330V / 575V / 60Hz, 220V / 380V / 60Hz,… |
8 | ГГ / Г (9 недель) | Схема | 230 В / 460 В / 60 Гц,… |
Если у вас есть вопросы, обращайтесь к М.

8 н /9— сопротивления в цепи ротора, 20 — кулачковый контроллер, 21 — магнитный пускатель, 22 — универсальный переключатель, 23—25 — двигатели гидротолкателей тормозов грузовой лебедки, механизма поворота и стреловой лебедки, 26 — трансформатор питания электродвигателя грузовой лебедки в режиме динамического торможения, 27 — кремниевый выпрямитель, 25 — кнопка включения схемы динамического торможения. 30 — реле блокировки от снижения тока.