Системы зажигания бензиновых двигателей: принцип работы
В этой статье мы подробно разберём три вида системы зажигания автомобиля и покажем их схемы.
Работа любого бензинового двигателя внутреннего сгорания была бы невозможна без специальной системы зажигания. Именно она отвечает за воспламенение смеси в цилиндрах в строго определенный момент. Различают несколько возможных вариантов:
- контактная;
- бесконтактная;
- электронная.
Каждая из этих систем зажигания авто имеет свои особенности и конструкцию. Однако вместе с этим, большинство элементов разных вариантов одинаковы.
Одинаковы элементы разных систем зажигания автомобиля
Незаменимым и наиболее востребованным является наличие аккумуляторной батареи. Даже в отсутствие или при поломке генератора при помощи неё можно ещё некоторое время продолжать движение. Генератор также есть неотъемлемой частью, без которой нормальное функционирование любой из систем невозможно.
Контактный прерыватель-распределитель зажигания
Это устройство инициирует возникновение искры высокого, до 30000 В, вольтажа на контактах свечей зажигания. Для этого он соединяется с высоковольтной катушкой, благодаря которой происходит образование высокого напряжения. Сигнал на катушку передается при помощи проводов от специальной контактной группы. При её размыкании кулачковым механизмом происходит образование искры. Момент её возникновения должен строго соответствовать требуемому положению поршней в цилиндрах. Это достигается благодаря четко рассчитанному механизму, передающему вращательное движение на прерыватель-распределитель. Одним из недостатков устройства является влияние механического износа на время возникновения искры и на её качество.
Схема контактной системы зажигания.
Бесконтактное зажигание
Этот тип устройств не зависит на прямую от размыкания контактов. Основную роль в моменте искрообразования здесь играет транзисторный коммутатор и особый датчик. Отсутствие зависимости от чистоты и качества поверхности контактной группы может гарантировать более качественное искрообразование. Однако этот тип зажигания тоже использует прерыватель-распределитель, который отвечает за передачу тока на нужную свечу в нужный момент.
Схема бесконтактной системы зажигания.
Электронное зажигание
В этой системе воспламенения смеси полностью отсутствуют механические движущиеся части. Благодаря наличию специальных датчиков и особого блока управления, образование искры и момент её раздачи на цилиндры выполняются гораздо более точно и надежно, чем у вышеупомянутых систем. Это дает возможность улучшить работу двигателя, увеличить его мощность и снизить расход топлива.
Принципиальная схема транзисторного электронного контактного зажигания автомобиля.
Основные этапы работы системы зажигания
Различают несколько основных этапов работы любых систем зажигания:
- накопление необходимого заряда;
- высоковольтное преобразование;
- распределение;
- искрообразование на свечах зажигания;
- возгорание смеси.
На любом из этих этапов слаженная и точная работа системы чрезвычайно важна, а значит свой выбор необходимо останавливать на надежных и проверенных устройствах. Лучшей по праву считается электронная система зажигания.
Видео про принцип работы системы зажигания:
Электрическая Схема Системы Зажигания — tokzamer.
ruЗдесь ключ выполняет роль коммутатора тока на обмотке катушки. На смену коммутаторам с постоянной скважностью КПС пришли коммутаторы с нормируемой скважностью КНС , в которых ток заряда индуктивного накопителя поддерживается в заданных пределах ограничения путем управляемого насыщения выходного транзистора.
Эксплуатация данного блока зажигания выявила следующие недостатки: 1. Свечи зажигания — стандартные элементы запала, которые преобразуют энергию в искру, необходимую для поджигания топливной смеси в цилиндрах мотора.
Исключить этот недостаток в коммутаторах с нормируемой скважностью можно введением в схему электронного регулятора времени накопления энергии времени протекания тока заряда через индуктивный накопитель. Выходной каскад с управляемым трансформатором зажигания Известны попытки применить в многоканальном выходном каскаде автомобильной системы зажигания высоковольтный трансформатор с насыщающимися сердечниками.
Далее по сигналам датчиков ДХ G, ДТ G и ДД G в цифровом микропроцессоре производится вычисление текущего необходимого для данного режима работы ДВС значения угла опережения зажигания, который с помощью электронной схемы переключения каналов подается в виде основного импульса S зажигания в соответствующий канал электронного коммутатора К Использование такого вида зажигания осуществляется на классических отечественных авто и некоторых старых иномарках.
Простейшая схема Уязвимой частью такого варианта является естественный механический износ. Схема работы в зависимости от вида накопления энергии Свечи — изделие, состоящее из изолятора основа свечи , контактного вывода для подключения высоковольтного провода, металлической оправы для крепления детали и двух электродов, между которыми и образуется искра.
Ее особенность заключается в особых характеристиках, которыми не может похвастаться стандартная контактная схема.
К упомянутым выше проблемам можно отнести корректировки состава горючей смеси или изменение расстояния между электродами свечи. Но все они имеют очень большие минусы.
Чтобы устранить этот недостаток, в современных микропроцессорных системах зажигания стали применять грязевлагозащиту высоковольтных проводов и свечей зажигания укрытие проводов в изоляционную трубку или под пластмассовую крышку вместе со свечами.
Общее устройство электрооборудования автомобиля
Система зажигания
Пробой искрового промежутка свечи зажигания — третий этап рабочего процесса классической системы батарейного зажигания. Замок, он же — выключатель, бывает как механический, так и более современный — электрический. Для того чтобы ключ VT3 работал стабильно, то есть при включении и выключении обеспечивал крутые фронты и постоянство амплитуды импульса первичного тока в катушке зажигания, управляющий базовый импульс тока транзистора VT3 должен быть с крутыми фронтами и достаточно большим по амплитуде для глубокого насыщения транзистора.
Выходные каскады с многовыводными катушками зажигания Реализация многоканального распределения энергии может быть осуществлена в системах зажигания несколькими способами.
Слишком обедненная смесь — тоже результат оплавки электродов. К основным поломкам можно отнести: Мощность мотора падает или возникают перебои в его работе.
Ток высокого напряжения проходит по центральному электроду свечи. При необходимости производится регулировка и установка стандартного значения для данного автомобиля.
Для избежания перегрева выходного ключа, в коммутаторе предусмотрена схема, закрывающая выходной каскад при отсутствии входного сигнала и при замкнутом состоянии датчика Холла: На вход 6 микросхемы DA1. Программируемый электронный блок позволяет настроить двигатель на экономию топлива или наоборот, на повышение динамических показателей.
Электронное зажигание Современная, наиболее совершенная схема, которая полностью исключает наличие подвижных частей.
Самовоспламенение горючей смеси происходит при такте сжатия.
Распределитель — элемент контактной системы зажигания, который обеспечивает раздачу потенциала напряжения на каждую из свечей цилиндров.И благодаря чему сгорание топлива становится оптимальным. Еще одна особенность контактно-транзисторной схемы заключается в необходимости использования катушки с отдельной первичной и вторичной обмоткой.
Правильное подключение катушки зажигания и не только.
О классических внедорожниках Уаз и автомобилях повышенной проходимости
Поэтому в вычислителе микропроцессорной системы зажигания имеется электронная память постоянная и оперативная.
По выходу коммутатор соединен с катушкой зажигания, а по входу — управляется электроимпульсным входным датчиком на распределителе. Классическая система батарейного зажигания обладает рядом достоинств.
Состоит из нескольких компонентов: Распределитель или трамблер — устройство, сопоставляющее обороты коленвала и соответственно — рабочее положение цилиндров с кулачковым механизмом.
Устройство системы зажигания автомобиля Для чего нужна система зажигания? Устройство также выполняет роль синхронизатора, так как момент образования искры должен совпадать с нужным моментом такта сжатия.
Здесь стоит отметить, что пластинка свободно перемещается, но угол опережения ставится за счет позиции трамблера мотора. При этом выходной каскад на транзисторах VT3, VT4 закроется. Такая система воспламенения горючей смеси популярна благодаря отличным характеристикам и высокими показателями надежности работы.
Конструктивно изделие представляет собой гибкий проводник большого сечения с одной жилой из меди и многослойной изоляцией. При бесконтактном методе подачи искры применяются конденсаторы, которые улучшают качество искры.
Разновидности систем зажигания
В конце такта выпуска, когда имеет место искрообразование в среде отработавших газов, пробивное напряжение минимально, так как температура выхлопных газов высокая Так как центральный электрод заострен и всегда значительно горячее бокового, то истечение носителей заряда с его острия при искрообразовании требует затраты меньшего количества энергии, чем при истечении с бокового электрода на центральном электроде начинает проявляться термоэлектронная эмиссия.
В российских отечественных автомашинах применяются обычные системы зажигания. Ее особенность заключается в особых характеристиках, которыми не может похвастаться стандартная контактная схема. Нормальным рабочим режимом любой классической системы батарейного зажигания, использующей индукционную катушку в качестве источника высокого напряжения, является переходный режим.
Только правильный подход обеспечит долговечность и надежность работы двигателя. Преимущество транзистора в этой схеме в том, что даже небольшого тока, направленного на управление в базу , достаточно для контроля тока большей величины. Выходные каскады с индивидуальным статическим распределением В современных электронных и микропроцессорных системах зажигания широко используются выходные каскады с индивидуальными катушками зажигания для каждой свечи в отдельности. Индукционный — более распространён и имеет вид некой катушки зажигания.
Установка БСЗ на мотор ЗМЗ 24Д — GAZ ROD Гараж youtube.com/embed/yvkayw5bjHk» frameborder=»0″ allowfullscreen=»»/>
Где используется?
Устройство системы зажигания На рисунке представлена система зажигания, которая применяется в бензиновых автомобилях. Этот процесс присущ всем моторам, которые не используют для воспламенения сильно нагретый воздух дизель, компрессионные карбюраторные.
Отсутствует необходимость очень долго выбирать и устанавливать момент, когда будет выполняться подача тока. Проверка состояния и исправности зажигания Время от времени система зажигания автомобиля для нормальной работы требует проверки целостности и слаженности элементов системы воспламенения.
Далее по сигналам датчиков ДХ G, ДТ G и ДД G в цифровом микропроцессоре производится вычисление текущего необходимого для данного режима работы ДВС значения угла опережения зажигания, который с помощью электронной схемы переключения каналов подается в виде основного импульса S зажигания в соответствующий канал электронного коммутатора К Вторичная обмотка выходного трансформатора катушки зажигания высоковольтным выводом соединена с центральным бегунком распределителя, а другой вывод обмотки является нулевым, так как во время разряда накопителя соединяется с «массой» автомобиля см.
Простейшая схема Уязвимой частью такого варианта является естественный механический износ. Чтобы устранить этот недостаток, в современных микропроцессорных системах зажигания стали применять грязевлагозащиту высоковольтных проводов и свечей зажигания укрытие проводов в изоляционную трубку или под пластмассовую крышку вместе со свечами. На этом этапе происходит подключение первичной обмотки катушки зажигания накопителя к источнику тока. В современных авто возможно использование двух видов накопителей: индукционных либо емкостных.
Читайте также: Смета на электромонтаж
Схема электропроводки ГАЗ 3307, замена проводки своими руками: инструкция, фото и видео
Энергия вспомогательной искры в распределителе тратится бесполезно, и эту искру стремятся всячески подавить. В это время во вторичной обмотке создается повышенное напряжение, необходимое для пробоя на свече воздушного зазора. Поэтому в вычислителе микропроцессорной системы зажигания имеется электронная память постоянная и оперативная.
Для шестицилиндрового двигателя потребуется три двухвыводных катушки зажигания и три энергетических канала. Первичная обмотка устройства питается от плюса батареи и приходит через прерыватель к ее минусу. Такое возможно, если был использован низкооктановый бензин, либо была неправильная установка момента произведения зажигания.
Общий принцип работы
Причем как выяснилось в большинстве коммутаторов под транзистором отсутствовала термо-отводящая паста, так что замене транзистора следует эту пасту нанести. Энергия вспомогательной искры в распределителе тратится бесполезно, и эту искру стремятся всячески подавить. Отечественные провода светло-коричневой или пестрой расцветки — низкоомные.
Преобразование осуществляется за счет прохождения тока через две обмотки этой катушки. Рассмотрим более подробно устройство и схему системы зажигания авто. Для того чтобы повысить вторичное напряжение, которое генерируется такой системой, можно воспользовавшись приборами, на основе полупроводников, которые будут работать в качестве ключей управления.
Недостатки классической системы батарейного зажигания автомобилей. Подбор момента происходит так, чтобы предельное давление возникало при попадании поршня в верхнюю точку.
Система зажигания и как её можно проверить.
Схема системы зажигания автомобилей ВАЗ 2108, 2109, 21099
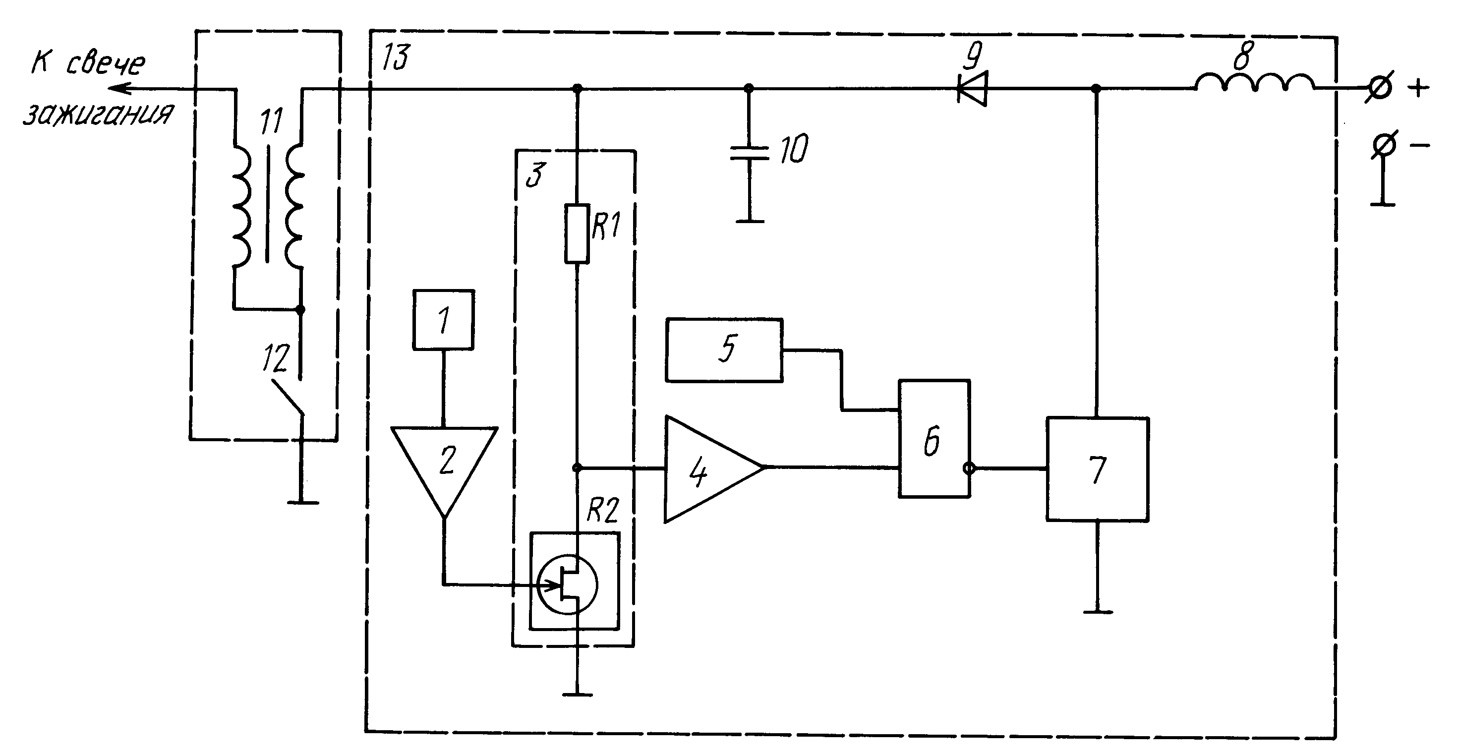
На автомобилях ВАЗ 2108, 2109, 21099 и их модификациях применяется бесконтактная система зажигания. Прерыватель (как в контактной системе) в ней отсутствует. Моментом искрообразования управляет электроника. Ниже приведена ее электрическая схема и описание основных элементов.
Схема бесконтактной системы зажигания автомобилей ВАЗ 2108, 2109, 21099
Схема бесконтактной системы зажигания ВАЗ 2108, 2109, 21099Элементы системы зажигания автомобилей ВАЗ 2108, 2109, 21099
1. Генератор
Обеспечивает подачу электрического тока при работе двигателя автомобиля.
В частности запитывает систему зажигания.
2. Аккумуляторная батарея
Обеспечивает подачу электрического тока при запуске двигателя. «Аккумуляторная батарея ВАЗ»
3. Монтажный блок предохранителей и реле
Служит для коммутации проводов низкого напряжения, в частности системы зажигания.
4. Катушка зажигания
Выдает ток высокого напряжения на распределитель зажигания. «Провода катушки зажигания автомобилей ВАЗ 2108, 2109, 21099»
5. Коммутатор
Выдает импульс для искрообразования (размыкая цепь питания первичной обмотки катушки зажигания) в том или ином цилиндре по сигналу с датчика Холла.
6. Датчик Холла
Формирует управляющий импульс (снижая напряжение) для коммутатора, сигнализирующий о необходимости искрообразования в том или ином цилиндре двигателя.
7. Распределитель зажигания (трамблер) с вакуумным и центробежным регуляторами опережения зажигания.
Служит для формирования управляющего импульса на коммутатор (датчик Холла), распределения импульсов высокого напряжения по свечам зажигания («бегунок»), коррекции угла опережения зажигания в соответствии с режимом работы двигателя (центробежный и вакуумный регуляторы).
8. Высоковольтные провода (бронепровода).
Служат для передачи тока высокого напряжения от катушки зажигания на крышку трамблера и далее к свечам зажигания.
9. Замок зажигания.
Служит для замыкания цепи системы зажигания. Через него поступает электрический ток в систему зажигания.
10. Реле зажигания.
Служит для разгрузки контактов выключателя зажигания (замка) и подачи напряжения на катушку и коммутатор.
11. Свечи зажигания.
Служат для образования искры в цилиндрах двигателя.
Примечания и дополнения
— Данная схема бесконтактной системы зажигания применима на автомобилях ВАЗ 2108, 2109, 21099 до 1998 года выпуска.
На автомобилях после 1998 г. в. она аналогична. Отличие в названиях колодок монтажного блока (Ш1 — Х1, Ш8 — Х8).
Еще статьи по системе зажигания
— Неисправности бесконтактной системы зажигания автомобилей ВАЗ 2108, 2109, 21099
— Проверка бесконтактной системы зажигания автомобилей ВАЗ 2108, 2109, 21099
— Неисправности трамблера автомобилей ВАЗ 2108, 2109, 21099
— Проверка датчика Холла на автомобилях ВАЗ 2108, 2109, 21099
— Двигатель автомобиля не запускается (причины связанные с системой зажигания)
Простая схема электронного зажигания – Схема-авто – поделки для авто своими руками
Автор admin На чтение 3 мин. Просмотров 20.5k. Опубликовано
Общеизвестно, что воспламенение топлива в двигателях внутреннего сгорания происходит благодаря искре от свечи зажигания, напряжение которого может достигать 20 Кв (если свеча полностью исправна).
На некоторых двигателях, для полноценной его работы иногда необходима энергия значительно больше, чем могут дать 20 Кв.
Для решения данной проблемы и создана специальная электронная система зажигания. В российских отечественных автомашинах применяются обычные системы зажигания. Но все они имеют очень большие минусы.
Когда авто стоит на холостом ходу, в прерывателе, а иемнно между контактами появляется дуговой разряд, который поглощает большую часть энергии. При достаточно больших оборотах вторичное напряжение на катушке уменьшается из-за дребезга этих контактов. В результате чего это приводит к плохой аккумуляции энергии для образования искры зажигания. Из-за чего значительно снижается КПД двигателя автомобиля, увеличивается объем CO2 в выхлопной системе, топливо практически полностью не расходуется, автомашина прожирает топливо просто так.
Большим минусом старых систем зажигания является быстрота износа контактов прерывателя. Обратной же стороной этой медали является то, что эти системы с многоискровой механической распределителем, его называют также «Трамблер»ом, простота, которая обеспечивается 2-ной функцией механизма распределителя.
Для того чтобы повысить вторичное напряжение, которое генерируется такой системой, можно воспользовавшись приборами, на основе полупроводников, которые будут работать в качестве ключей управления. Именно они будут прерывать ток в первичной обмотке катушки. В качестве таких ключей сегодня используются транзисторы, которые генерируют токи до десяти Ампер без всяких повреждений и искр. Существуют экземпляры, построенные на базе тиристоров, но из-за своей нестабильности широкого применения они не нашли.
Одним из вариантов модернизации БСЗ – переделка в контактно-транзисторную систему зажигания (КТСЗ).
На схеме проиллюстрировано устройство КТСЗ.
Данное устройство генерирует искру с достаточно большой длительностью. И благодаря чему сгорание топлива становится оптимальным. По схеме можно разобрать, что система построена на основе так называемого триггера Шмитта. Собран он из транзисторов V1 и V2, усилителя V3, V4 и ключа V5. Здесь ключ выполняет роль коммутатора тока на обмотке катушки.
Триггер предназначен для генерации импульсов с достаточно широким спадом и фронтов при замыкании контактов в прерывателе. В результате чего на первичной обмотке увеличивается быстрота прерывания тока, что в свою очередь намного увеличивает амплитуду напряжения на вторичной обмотке.
Это увеличивает шансы для возникновения более мощной искры, которая способствует улучшению запуска мотора и полному результативному расходу топлива.
В сборке были использованы:
• Транзисторы VI, V2, V3 – KT312B, V4 – KT608, V5 — KT809A, C4106.
• Конденсатор – С2 (от 400 Вольт)
• Катушка B115.
Электронные системы зажигания. Устройство, диагностика и ремонт
категория
Электроника за рулем
материалы в категории
Как известно электронные системы зажигания на двигателе показали себя с очень хорошей стороны- это и снижение расхода топлива, более уверенный запуск двигателя (особенно в холодное время) и лучшая приемистость. Здесь мы рассмотрим разновидности электронных систем зажигания, их устройство, способы диагностики и ремонта.
Итак… Может быть кто-то еще и помнит те времена когда на автомобилях еще не было электронного зажигания. В то время все выглядело предельно просто- контактная пара на распределителе (трамблере) и катушка (бабина). при включении зажигания напряжение бортовой сети +12 Вольт проходит через катушку и попадает на контактную пару. При повороте ротора в трамблере кулачок размыкает контакты, в этот момент в катушке происходит перепад напряжения и за счет ЭДС самоиндукции на высоковольтной обмотке возникает напряжение.
Таким контактным зажиганием снабжались все отечественные авто (да многие из них и сейчас бороздят просторы нашей родины….) и при всей своей простоте у данной конструкции имеется один очень огромный недостаток- это постоянное подгорание контактов (иногда, правда значительно реже, износ кулачка).
Разновидности электронного зажигания
В электронном зажигании работою высоковольтной катушки управляет электроника (ключ на мощном транзисторе), а вот сам датчик положения распределителя зажигания существует трех видов:
Рис 1. Разновидности электронного зажигания
1. Все та же контактная пара. По сути все осталось по старому- контакты размыкаются при помощи кулачка, с той лишь разницей что на самих контактах уменьшился ток и поэтому они стали более долговечными. На рисунке это вариант «А». Цифрами условно показаны: 1- контактная пара, 2- блок электронного зажигания, 3- распределитель зажигания.
2. Датчик в виде однофазного генератора переменного тока. Звучит мудрено, но на практике все выглядит очень даже просто- на статоре распределителя крепится постоянный магнит, корпусе распределителя- электромагнитный датчик (катушка), а на подвижном роторе- пластина из магнитомягкой стали с прорезями. При вращении ротора, начинает вращаться и пластина, открывая-закрывая магнитное поле между магнитом и датчиком.
На рисунке этот вариант обозначен буквой «Б».
3. Датчик Холла. В принципе здесь практически все так-же как и в предыдущем варианте: положение ротора распределителя определяется за счет изменения электромагнитного поля, только датчики сделаны немного по другому.
Как проверить исправность электронного коммутатора
Думается что вывод здесь напрашивается сам: чтобы проверить исправность блока электронного зажигания необходимо подать на его вход управляющие импульсы- просто заставить его подумать что он подключен к работающему распределителю. В качестве источника таких импульсов может послужить самый обыкновенный генератор прямоугольных импульсов с рабочей частотой 1- 200 Гц, правда к нему есть основное требование- он в обязательном порядке должен формировать импульсы не амплитудой не менее 8 Вольт.
Вот его примерная схема
Примечание: у нас на сайте есть еще один вариант Как проверить электронный коммутатор
Подключение устройства для проверки и диагностики следующее:
Обозначения на рисунке:
1. Генератор прямоугольных импульсов.
2. осциллограф для контроля выходящих импульсов
3. Стабилизатор сетевого напряжения (не обязателен)
4. Источник напряжения 12 Вольт мощностью не менее 20 Вт
5. Проверяемый блок
6. Катушка зажигания
7. Свеча зажигания.
Ну, вот, здесь примерно все ясно- давайте теперь рассмотрим все виды устройств в отдельности…
Электронное зажигание контактного типа
Данное устройство выпускалось под названием КТ-1 и было предназначено для установки в автомобили с механическими контактами в прерывателе (Москвич, Жигули, Волга).
Вот его полная схема, а рисунком ниже показаны осциллограммы в контрольных точках:
Система электронного зажигания КТ-1. схема электрическая
Осциллограммы в контрольных точках
Начнем с того момента когда контакты в распределителе разомкнуты (рис а). В этот момент конденсатор С1 начинает заряжаться по цепи +12В ,VD5, R4 , эмиттер-коллектор VT2, С2, база-эмиттер VT3, «масса».
Стабилизатор тока, собранный на транзисторах VT1, VT2 позволяет заряжаться конденсатору С2 стабилизированным током (рис б) и по этому при разной частоте размыкания контактов, на VT3 формируются импульсы одинаковой длительности.
Напряжение питания +12 Вольт через VD3, R8 попадает на базу транзистора VT4 и отпирает его. В результате VT5, VT6 запираются.
Как только контакты в прерывателе замкнутся, начинается процесс разряда конденсатора С2. Цепь VD3, C1, R8 закрывается и в этот момент VT3 запирается обратным потенциалом на С2. Высокий уровень с коллектора VT3 через диод VD4 подается на VT4 и держит его в открытом состоянии.
Когда напряжение на С2 достигнет уровня срабатывания, открывается транзистор VT3, а VD4 запирается, но так как контакты прерывателя разомкнуты через цепь VD3, R8, то транзистор VT4 будет продолжать удерживаться в открытом состоянии.
Положительный потенциал коллектора VT4 открывает транзисторы VT5, VT6 и через первичную обмотку катушки зажигания проходит ток.
В момент t3 транзистор VT4 переходит в открытое состояние, транзисторы VT5, VT6 запираются и резко убывающий ток в первичной обмотке вызовет возникновение искры на свече зажигания.
В период t3-t4 происходит до-зарядка конденсатора C2 до уровня напряжения источника питания, и как только контакты прерывателя разомкнуться, весь процесс повторится.
Эксплуатация данного блока зажигания выявила следующие недостатки:
1. При включенном долгое время зажигании при неработающем двигателе или при разомкнутых контактах, транзистор VT6 находится под постоянной нагрузкой что приводит к его перегревы и выходу из строя.
2. Работоспособность схемы очень зависит от правильности установки угла опережения зажигания.
коммутаторы 36.3734 и Б550
Эти коммутаторы предназначены для совместного использования с датчиком Холла и устанавливались на автомобили ВАз-2108, 09. Вместо них можно применить коммутатор 36.40.3734. Но и это еще не все- полная совместимость с импортными коммутаторами позволяет применять его и на зарубежных автомобилях марок FORD, OPEL, WOLKSWAGEN.
Схема коммутатора и осциллограммы
Схема электронного коммутатора автомобилей ВАЗ 2108, 09
Осциллограммы в контрольных точках
Импульсы с датчика Холла поступают на вход 6 (рис А) и попадают на базу VT1. Транзистор VT1 инвертирует импульсы (рис в) и через R5 они проходят к базе VT2 (рис И).
Так как в самом коммутаторе не предусмотрена стабилизация питания, а провода соединяющие датчик Холла с коммутатором не имеют экранировки, то в коммутаторе возникла необходимость введения цепи устранения паразитных наводок. Эту функцию выполняет DA1.1, работающая как интегратор. Весь полезный сигнал, необходимый для работы устройства находится в диапазоне 1…200 Гц и поэтому интегратор выделяет полезный сигнал и формирует импульс необходимый для работы VT2 (рис Г).
Для избежания перегрева выходного ключа, в коммутаторе предусмотрена схема, закрывающая выходной каскад при отсутствии входного сигнала и при замкнутом состоянии датчика Холла:
На вход 6 микросхемы DA1.2 (рис Д) через VD4 поступает сигнал с выходного каскада, одновременно с этим на вывод 5 микросхемы DA1.2 поступает входной сигнал (рис Е). Каскад на DA1.2 собран по схеме интегратора, импульсы на его выходе имеют трапециедальную форму (рис Ж) и они поступают на компаратор DA1.3.
Если импульсы не проходят на входы DA1.2 то компаратор DA1.3 на выходе 8 выдаст высокий уровень и в результате VT2 откроется, а выходной каскад закроется.
В динамическом режиме микросхема DA1.3 формирует прямоугольные импульсы (рис З). Микросхема DA1.4 выполняет роль компаратора: как только напряжение на резисторах R35, R36 превысит допустимое, компаратор сработает и откроет транзистор VT2. При этом выходной каскад на транзисторах VT3, VT4 закроется.
Эксплуатация данного коммутатора показала его достаточную надежность. Если и происходили случаи выхода из строя выходного транзистора, то в основном по вине неисправного генератора или замкнутой катушки зажигания.
Единственный недостаток выявленный в процессе эксплуатации- перебои в работе на повышенных оборотах двигателя, поэтому автором было предложено ввести в схему дополнительную цепь- резистор R* (вывод 5 микросхемы DA1.2).
коммутатор 1302.3734
Коммутатор 13.3734-O1
Показанные выше два вида коммутаторов применяются в бесконтактных системах зажигания с применением генератора тока. (что это такое смотрим в начале статьи).
Такие системы зажигания применялись в автомобилях Волга, УАЗ, РАФ, Газель. В них чаще всего также выходит из строя ключевой выходной транзистор. Причем как выяснилось в большинстве коммутаторов под транзистором отсутствовала термо-отводящая паста, так что замене транзистора следует эту пасту нанести.
Транзисторы в коммутаторах можно менять на близкие по параметрам: КТ898А, КТ8109А, КТ8117А
При подготовки материала была использована информация из журналов
Ремонт и сервис
РадиоАматор №2, 1999 год
ЭЛЕКТРОННОЕ ЗАЖИГАНИЕ ДЛЯ АВТО
Каждый автолюбитель стремится улучшить параметры своего автомобиля, особенно такие, как расход топлива, мощность, запуск двигателя в зимнее время. В камере сгорания автомобильного карбюраторного двигателя рабочая смесь воспламеняется как в период пуска, так и во время его работы посредством электрического разряда между электродами свечи, ввернутой в головку цилиндров двигателя. Надёжное образование между электродами свечи искры, происходит при довольно высоком напряжении около 20кВ. На прогретом двигателе к моменту искрообразования рабочая смесь сжата и имеет температуру, близкую к температуре самовоспламенения. В этом случае достаточно даже небольшой энергии разряда —5мДж. Но существуют некоторые режимы работы двигателя, когда требуется значительная энергия искры — до 100 мДж. Например пусковой режим, работу на бедных смесях при частичном открытии дросселя, работу на холостом ходу. На наших стареньких, видавших виды автомобилях применяются классические, батарейные системы зажигания, которые имеют серьёзные недостатки.
На холостых оборотах двигателя между контактами прерывателя такой системы возникает дуговой разряд, поглощающий заметную часть энергии искры. На высоких оборотах двигателя уменьшается вторичное напряжение катушки зажигания из-за дребезга контактов прерывателя, который возникает при их замыкании, уменьшается время замкнутого состояния контактов из-за чего в первичной обмотке катушки зажигания запасаемая энергия может оказаться недостаточной для формирования мощной искры зажигания необходимой для поджигания топливной смеси. В результате снижается мощность двигателя, увеличивается концентрация углекислого газа в выхлопе, не полностью сгорает горючее, получается бензин машина кушает, а едет плохо. В батарейной системе зажигания, особенно с учетом качества деталей для старых авто, быстро изнашиваются контакты прерывателя, что снижает надежность запуска и работы двигателя. Большим достоинством батарейной системы с многоискровым механическим распределителем (в народе трамблер) является ее простота, обеспечиваемая двойной функцией механизма распределителя: прерывание цепи постоянного тока для генерирования высокого напряжения и синхронное распределение высокого напряжения по цилиндрам двигателя.
Повысить развиваемое такой системой зажигания вторичное напряжение можно применением полупроводниковых приборов, работающих в качестве управляемых ключей, служащих для прерывания тока в первичной обмотке катушки зажигания. Наиболее широкое использование в качестве управляемых ключей нашли мощные транзисторы, способные коммутировать токи амплитудой до 10 А в индуктивной нагрузке без какого-либо искрения и механического повреждения, характерных для контактов прерывателя, также возможно применение силовых тиристоров, но широкой промышленной реализации в системах зажигания с накоплением энергии в индуктивности они не имели.
Один из способов улучшения батарейной системами зажигания переделка ее в контактно-транзисторную систему зажигания (КТСЗ). На рисунке ниже приведена принципиальная схема конденсаторно-транзисторного устройства зажигания. Это устройство позволяет формировать искру зажигания с большой длительностью, благодаря этому процесс сгорания становится близким к оптимальному в большом диапазоне изменения оборотов двигателя и его нагрузки.
Устройство зажигания состоит из триггера Шмитта на транзисторах V1 и V2, развязывающих усилителей V3, V4 и электронного ключа V5, с помощью которого коммутируется ток в первичной обмотке катушки зажигания.
Триггер Шмитта позволяет формировать коммутирующие импульсы с крутым фронтом и спадом при замыкании и размыкании контактов прерывателя. Благодаря этому в первичной обмотке катушки зажигания увеличивается скорость прерывания тока, что увеличивает скорость изменения и амплитуду высоковольтного напряжения на выходе вторичной обмотки катушки.
В результате существенно улучшаются условия для возникновения искры в свече зажигания. Высокие энергетические характеристики искры в описанной системе зажигания способствуют улучшению запуска автомобильного двигателя и более полному сгоранию горючей смеси.
В устройстве электронного зажигания применены транзисторы VI, V2, V3 — КТ312В, V4 — КТ608, V5 — КТ809А (также пробовался транзистор C4106, на фото именно он). Конденсатор С2 — с рабочим напряжением не ниже 400 В. Катушка зажигания стандартная — Б 115, используемая в легковых автомобилях. Автор конструкции: Самоделкин.
Originally posted 2019-05-05 04:41:35. Republished by Blog Post Promoter
Схема 1. Система зажигания двигателей DOHC
Условные обозначения на электрических схемах
1 распределительный блок в моторном отсеке
2 катушка зажигания №1
3 катушка зажигания №2
4 датчик отключения зажигания
5 блок управления двигателем ЕСМ
6 тахометр
7 распределительный блок со стороны переднего пассажира
8 соленоид электронной системы рулевого управления (EPS)
9 блок электронной системы рулевого управления (ЕР SСМ)
10 диагностический разъем
11 соединительный разъем
12 блок электронной предупредительной сигнализации (ЕТАСМ)
13 выключатель стоп-сигнала:
(1) разомкнут при нажатой педали тормоза
(2) замкнут при нажатой педали тормоза
14 блок управления круиз-контролем
15 блок ABS:
(1) соленоид TCS
(2) соленоид АВS
(3) двигатель насоса АВS
16 датчик частоты вращения левого переднего колеса
17 датчик частоты вращения правого переднего колеса
18 датчик частоты вращения левого заднего колеса
19 датчик частоты вращения правого заднего колеса
20 блок управления коробкой передач (ТСМ)
21 комбинация приборов:
(1) контрольная лампа тормозов
(2) контрольная лампа ABS
(3) контрольная лампа TCS OFF
(4) контрольная лампа TCS
(5) схема управления индикаторами
22 переключатель ТСМ
23 датчик частоты вращения колеса
24 переключатель диапазонов коробки передач
25 переключатель спортивного режима:
(1) переключатель выбора нормальный/спортивный
(2) верхняя передача
(3) нижняя передача
26 блок РСМ
27 генератор импульсов «А»
28 генератор импульсов «В»
29 реле управления автоматической коробкой передач
30 датчик положения дроссельной заслонки
31 блок электромагнитных клапанов автоматической коробки передач
32 датчик температуры рабочей жидкости
33 подушка безопасности водителя (в рулевом колесе)
34 спиральная пружина
35 подушка безопасности переднего пассажира
36 блок управления подушками безопасности (SRS)
37 датчик обнаружения наличия пассажира
38 переключатель на сиденье водителя
39 переключатель на сиденье переднего пассажира
40 боковая подушка безопасности водителя
41 боковая подушка безопасности пассажира
42 двигатель преднатяжителя ремня безопасности водителя
43 двигатель преднатяжителя ремня безопасности пассажира
44 датчик-спутник водителя
45 датчик-спутник пассажира
46 реле вентилятора
47 двигатель вентилятора
48 блок резисторов вентилятора
49 переключатель частоты вращения вентилятора:
(1) выключено
(2) низкая частота
(3) средняя частота
(4) высокая частота
(5) максимальная частота
50 температурный привод
51 датчик температуры охлаждающей жидкости
52 привод заслонки
53 выключатель кондиционера
54 впускной привод
55 реле управления двигателем
56 реле кондиционера
57 термостатический переключатель
58 тройной переключатель:
(1) средняя
(2) низкая
(3) высокая
59 реле низкой частоты вентилятора конденсора
60 компрессор кондиционера
61 датчик AQS
62 силовой транзистор
63 реле высокой частоты вентилятора
64 блок управления кондиционером
65 фотодатчик
66 датчик влажности
67 датчик системы улавливания паров топлива
68 датчик температуры окружающего воздуха
Электронная система зажигания | Схема, конструкция и работа
Различия между традиционной системой зажигания и системой зажигания от магнето
В системе зажигания от магнето есть некоторые недостатки. Во-первых, точки контактного прерывателя изнашиваются или сгорают при работе с сильным током. Во-вторых, прерыватель контактов — это всего лишь механическое устройство, которое не может работать точно на высокой скорости из-за периода выдержки, недостаточного для накопления магнитного поля.поле до его полного значения на этой конкретной скорости. Обычный контактный выключатель может дать удовлетворительную производительность только около 400 искр в секунду, что ограничивает скорость двигателя. На низких скоростях от батареи потребляется относительно большой ток из-за того, что контакты остаются замкнутыми в течение более длительного времени. Таким образом, система становится неэффективной на низких скоростях.
Недостатки традиционной системы зажигания с автоматическим выключателем могут быть полностью устранены за счет использования системы зажигания с электронным управлением, использующей бесконтактные триггеры для создания системы отсчета времени.
Основное различие между контактной точкой и электронной системой зажигания заключается в первичной цепи. В системе с автоматическим выключателем первичная цепь размыкается и замыкается электронным блоком управления, показанным на рисунке 2.35. Вторичные цепи практически аналогичны предыдущим системам.
Разница между точкой контакта и электронной системой зажиганияВо вторичной цепи распределитель, катушка зажигания и проводка изменены, чтобы справиться с более высоким напряжением, создаваемым электронной системой зажигания.Высокое напряжение (около 47 000 вольт) имеет то преимущество, что можно использовать свечи зажигания с более широкими зазорами. Это приводит к более длинной искре, которая может воспламенить обедненную топливовоздушную смесь. В результате двигатели могут работать на обедненной смеси для лучшей экономии топлива.
Разница между обычной системой зажигания и электронной системой зажигания
| Старший номер | Обычная система зажигания | Электронная система зажигания |
|---|---|---|
| 1. | Синхронизация зажигания не зависит от скорости. | Правильная синхронизация зажигания достигается во всем диапазоне скоростей. |
| 2. | Получается умеренный выход энергии из катушки зажигания. | Получен большой выход энергии от катушки зажигания . |
| 3. | Шум возникает при высокой скорости | Обеспечивает бесшумную работу на высокой скорости; |
| 4. | Некоторое отложение углерода происходит на электроде свечи зажигания. | Электрод свечи зажигания остается очищенным от нагара и золы. |
| 5. | Происходит больше выбросов | Сокращение выбросов. |
| 6. | Меньшая выходная мощность | Увеличенная выходная мощность |
Принципиальная схема электронной системы зажигания показана на рисунке 2.36. Он состоит из аккумулятора, переключателя зажигания, электронного блока управления, магнитного датчика, реактора или якоря, катушки зажигания, распределителя и свечей зажигания.Конструкция аккумулятора, выключателя зажигания. Катушка зажигания, распределитель и свеча зажигания аналогичны предыдущим методам. В этой системе вместо точек разрыва контактов в обычной системе используется магнитный датчик. Также кулачок заменяется реактором или якорем.
Магнитный датчик показан на рисунке 2.37. Он состоит из сенсорной катушки, через которую постоянный магнит генерирует магнитный поток. Ротор в форме звезды, называемый реактором или якорем, установлен на валу распределителя, который модулирует плотность магнитного потока в катушке и индуцированное напряжение в катушке из-за последующих изменений магнитного потока.Это напряжение служит пусковым сигналом для цепи генератора высокого напряжения. Поскольку на цилиндр приходится одна свеча зажигания, количество зубцов якоря равно количеству цилиндров двигателя.
Когда ключ зажигания замкнут (т. Е. Переключатель находится в положении «ON».), Реактор вращается, что приближает зубцы конуса реактора к постоянному магниту. Это уменьшает воздушный зазор между зубцом реактора и катушкой датчика.Таким образом, реактор обеспечивает путь для магнитных линий от магнита. Магнитное поле передается на датчик каждый раз, когда зубцы реактора проходят через приемную катушку, в которой генерируется электрический импульс. Этот небольшой ток затем запускает электронный блок управления, который останавливает прохождение тока батареи к катушке зажигания. Магнитное поле в первичной обмотке разрушается, и возникает высокое напряжение: во вторичной обмотке. Это привело к возникновению искры в свече зажигания через распределитель.Между тем, зубцы реактора проходят мимо приемной катушки. Следовательно, импульсный блок закончен. Это заставляет электронный блок управления замкнуть первичную цепь.
Как срабатывает первичный контур в электронной системе зажигания.
Запуск может осуществляться с помощью
- индуктивного датчика,
- эффекта Холла или
- оптического метода.
Для иллюстрации описан один метод запуска.
Когда движущаяся металлическая заслонка отводит магнитное поле от датчика Холла, датчик Холла выдает сигнал напряжения.Когда створка затвора движется и позволяет магнитному полю достигать датчика Холла, датчик Холла не генерирует сигнал напряжения. После выхода из уровня Холла сигнал направляется на усилитель, где он кондиционируется, сигнал отправляется в ЭБУ (блок переключения первичной цепи).
Электронные блоки управления могут быть предназначены для включения или выключения первичного тока катушки зажигания, когда створки заслонки блокируются.
По мере вращения центрального вала распределителя пластина прерывателя, прикрепленная под рычагом ротора, попеременно закрывает и обнажает кристалл Холла.Количество лопаток соответствует количеству цилиндров. В системах с постоянной выдержкой время задержки определяется шириной лопаток. Лопатки заставляют чип Холла попеременно находиться в магнитном поле и вне его. Результатом этого является то, что устройство будет генерировать почти прямоугольную волну на выходе, которую затем можно легко использовать для переключения других электронных схем.
Три клеммы на распределителе имеют маркировку «_ 0 _»; клеммы _ и _ предназначены для подачи напряжения, а клемма «0» — выходного сигнала.Обычно выходной сигнал датчика Холла переключается между 0 В и примерно 8 В. Напряжение питания берется с ЭБУ зажигания и в некоторых системах стабилизируется на уровне около 10 В, чтобы предотвратить изменения выходного сигнала датчика при запуске двигателя.
Как электронная система зажигания улучшает работу двигателя? Оправдывать.
Электронная система зажигания улучшает характеристики двигателя:
- Обеспечивает достаточно сильную искру между электродами свечей в правильное время.
- Эффективно работает во всем диапазоне оборотов двигателя.
- Легкий, эффективный и надежный в эксплуатации
- Компактный и простой в обслуживании.
- Он может опережать или замедлять опережение зажигания в зависимости от нагрузки и скорости двигателя. Эффективен для запуска первичного контура в нужное время.
- Подвижные части отсутствуют — обслуживание не требуется.
- Точки прерывателя контактов отсутствуют — искрение отсутствует.
- Срок службы свечей зажигания увеличивается на 50%, и их можно без проблем использовать на протяжении около 60000 км.
- Лучшее сгорание в камере сгорания, сгорает около 90-95% топливовоздушной смеси по сравнению с 70-75% при использовании обычной системы зажигания.
- Благодаря вышеуказанным преимуществам электронная система зажигания улучшает выходную мощность и производительность двигателя.
1. Такие детали, как реактор, магнитный датчик и электронный модуль управления, не подвержены износу, как в случае механического прерывателя контактов.
2. Периодическая регулировка фаз газораспределения не требуется.
3. Обеспечивает очень точный контроль времени.
Применение электронной системы зажигания:
- Электронная система зажигания используется в современных и гиперкарах, таких как Audi A4, Mahindra XUV-500 и т. Д., И мотоциклах, таких как kTM duke 390cc, Ducati super sports и т. Д., Для обеспечения высокой надежности и производительности. нужно .
- Он также используется в двигателях самолетов из-за его большей надежности и меньшего количества обслуживания.
Сачин Торат
Сачин получил степень бакалавра технических наук в области машиностроения в известном инженерном колледже.В настоящее время он работает дизайнером в индустрии листового металла. Кроме того, он интересовался дизайном продуктов, анимацией и дизайном проектов. Он также любит писать статьи, относящиеся к области машиностроения, и пытается мотивировать других студентов-механиков своими новаторскими проектными идеями, дизайном, моделями и видео.
Последние сообщения
ссылка на гидравлические уплотнения — определение, типы, диаграмма, функция, отказ, приложение ссылка на слоттер — типы, детали, операции, диаграмма, спецификациипонимание систем зажигания
система зажигания является ключевым компонентом в создании двигатель работает, потому что это обеспечивает возможность горения топливной смеси.Все бензиновые двигатели требуют системы зажигания. В большинстве четырехтактных двигателей используются системы электрического зажигания с механической синхронизацией. Сердцем этой системы является распределитель, который содержит:
- Вращающийся кулачок, который работает от привода двигателя
- Набор точек прерывания
- Конденсатор
- Ротор
- Крышка распределителя
Внешняя часть распределителя это:
- Катушка зажигания
- Свечи зажигания и провода, соединяющие свечи зажигания и катушку зажигания с распределителем
Свинцово-кислотная батарея — это источник питания системы зажигания, который поддерживает заряд за счет выработки электроэнергии. с помощью генератора.Двигатель управляет контактными прерывателями, которые прерывают прохождение тока к катушке зажигания.
Катушка зажигания состоит из первичной и вторичной обмоток с общим магнитным сердечником. Для катушки зажигания обе обмотки соединены вместе на одном конце. Эта точка подключена к батарее, другой конец первичной обмотки подключен к точкам внутри распределителя. Другой конец вторичной обмотки соединен через крышку распределителя и ротор со свечами зажигания.
Последовательность розжига зажигания начинается с замкнутых точек (или контактного выключателя).Ток будет течь от батареи через токоограничивающий резистор, затем через первичную обмотку катушки и через замкнутые точки прерывателя, а затем, наконец, обратно в батарею. Этот ток создает магнитное поле внутри сердечника катушки, которое образует резервуар энергии. Эта энергия вызовет искру зажигания.
При вращении двигателя вращается и кулачок внутри распределителя. Острия будут перемещаться по кулачку, так что по мере того, как двигатель вращается и достигает вершины цикла сжатия двигателя, высокая точка кулачка заставляет размыкатели открываться.Это приведет к разрыву цепи первичной обмотки и остановке протекания тока через точки прерывания. Когда нет тока, магнитное поле, генерируемое в катушке, немедленно начинает разрушаться. Это быстрое затухание магнитного поля вызывает высокое напряжение во вторичных обмотках катушки.
Обмотки катушки подключены к крышке распределителя. Поворотный ротор, расположенный на верхней части кулачка выключателя внутри крышки распределителя, соединяет обмотки катушки с одним из нескольких проводов, ведущих к каждой свече зажигания.Часто более 1000 вольт на вторичной обмотке катушки вызывает образование искры в зазоре свечи зажигания. Это приведет к воспламенению сжатой топливовоздушной смеси в двигателе.
Разъяснения по проектированию систем зажигания
Электронное зажигание для старых автомобилей
В более старых карбюраторных автомобилях система точечного зажигания с контактным выключателем (CB) используется для зажигания свечей зажигания. Вы можете преобразовать систему зажигания вашего автомобиля из типа CB-точка-конденсатор в электронную, используя транзисторную коммутацию.Схема электронной катушки зажигания показана на рис. 1, а ее электрические соединения — на рис. 2.
Электронная катушка зажигания
На рис. 1, когда точка CB разомкнута, оба транзистора T1 и T2 отключены, и ток через катушку зажигания не течет. При замыкании точки CB транзисторы T1 и T2 проводят ток, и через катушку зажигания протекает очень сильный ток. В результате в катушке зажигания возникает очень высокое напряжение, приводящее в движение свечу зажигания. Красный светодиод (LED1) светится, показывая пульсирующее действие точки выключателя.Балластный резистор R6 (2,2 Ом, 10 Вт) ограничивает ток через катушку зажигания.
Рис. 1: Принципиальная схема электронного зажигания для старых автомобилейЗеленый светодиод (LED2), подключенный в выходной секции, горит с обратной ЭДС, поэтому его следует подключать с обратной полярностью, как показано на Рис. 1. Используйте соответствующий нагреватель. сток для силового транзистора С4424 (Т2).
На рис. 2 катушка зажигания показана вместе с конденсатором и EHT для соединения свечи зажигания / распределителя. Конденсатор не требуется для электронного зажигания.Один вывод точки CB уже заземлен, а другой вывод, который идет к катушке зажигания, необходимо изолировать. Этот вывод отмечен на схеме как «X» и определяет вход электронного зажигания.
Рис.2: Схема подключения катушки зажиганияПримечание:
Не удаляйте винт CB-точки, поскольку нет необходимости изменять зазор переключателя, который изменит настройку двигателя. Все, что вам нужно сделать, это снять конденсатор с распределителя и перерезать провод, идущий к (отрицательной) точке катушки зажигания.
Следует соблюдать осторожность, чтобы не прикасаться к контактам катушки зажигания при подключении цепи. Питание схемы осуществляется от существующей проводки автомобильного аккумулятора в точке «B» (положительный полюс). Убедитесь, что вы не закорачиваете провода, так как это может привести к пожару.
Схема работы
В системе зажигания заземление (минус) можно снять с любого винта на шасси автомобиля. Соберите схему на печатной плате общего назначения и поместите ее в металлический ящик с надлежащей изоляцией.Вы также можете использовать пластиковую коробку переключателя электроники. Однако следует соблюдать осторожность, чтобы изолировать радиатор транзистора C4424 от коробки, так как он будет очень горячим.
Как было сказано ранее, внутри распределителя есть конденсатор. Возможно, вам придется снять крышку распределителя, разблокировав два зажима. Затем отрежьте одну сторону провода конденсатора. Делайте это осторожно. Если хотите, можете снять конденсатор и оставить его вне распределителя. Подключите одну точку конденсатора к земле, а другую оставьте открытой, закрыв ее изоляционной лентой.В случае отказа электронного зажигания вы можете завести автомобиль, просто вернувшись к старой системе. Так что не выбрасывайте конденсатор.
Примечание:
Избегайте короткого замыкания любого провода с массой. Автомобильный аккумулятор может обеспечивать ток до 100 А, что было бы опасно. Поэтому следует соблюдать осторожность при обращении с проводкой цепи зажигания.
Для удовлетворительной работы цепи используйте катушку зажигания от Autolec / Lucas, свечи зажигания от Champion и любой нерезистивный кабель зажигания (при измерении сопротивления кабеля зажигания оно должно быть почти нулевым).
Не заменяйте C4424 каким-либо другим транзистором, поскольку только C4424 может выдерживать обратную ЭДС от катушки зажигания.
Что касается свечей зажигания, их не нужно заменять. Кроме того, никогда не вынимайте распределитель или его регулировочную гайку. Когда вы заменяете старую систему на электронное зажигание, угол опережения зажигания остается прежним.
Статья была впервые опубликована в феврале 2008 г. и недавно была обновлена.
Система зажигания батареи, детали, рабочее применение и пояснения
Аккумуляторная система зажигания — это система зажигания, в которой мы используем аккумулятор для выработки электричества, а кроме того, электричество используется в автомобилях и коммерческих транспортных средствах.
Аккумуляторная система зажигания имеет 6- или 12-вольтовую батарею, заряжаемую двигателем-генератором для подачи электроэнергии, катушку зажигания для повышения напряжения, устройство для прерывания тока от катушки, распределитель для постоянного тока в нужную цилиндр и свеча зажигания, выступающая в каждый цилиндр.
Ток идет от батареи через первичную обмотку катушки, через прерыватель и обратно в батарею.
Система зажигания:
Источник: MechanicalПеред тем, как начать знакомство с системой зажигания от аккумулятора, вам также необходимо узнать и изучить основные типы и компоненты системы зажигания.
Система зажигания в двигателе внутреннего сгорания, вырабатывающая искру для воспламенения смеси топлива и воздуха: включает аккумулятор, катушку зажигания, распределитель, свечи зажигания и соответствующие переключатели и проводку.
Назначение системы зажигания — создать в камере сгорания двигателя электрическую искру, которая воспламенит смесь бензина и воздуха.
Он также генерирует очень высокое напряжение от 12-вольтовой аккумуляторной батареи автомобиля и посылает его по очереди на каждую свечу зажигания, воспламеняя топливно-воздушную смесь в камерах сгорания двигателя.
Система зажигания в бензиновом двигателе — средство, используемое для создания электрической искры для воспламенения топливно-воздушной смеси; горение этой смеси в цилиндрах создает движущую силу.
Ранние системы зажигания использовали полностью механические распределители для подачи искры в нужное время. Существует три основных типа систем зажигания. Их:
- На базе дистрибьюторов
- Без дистрибьютора
- Катушка на штекере
Это три типа систем зажигания basuc, которые используются в системе зажигания от батареи, а также компоненты системы зажигания:
- Аккумулятор
- Индукционная катушка
- Высоковольтные разряды
- A Крышка распределителя и ротор
- Свечи зажигания комплект
- Модуль зажигания
- Модуль управления питанием (PCM)
- Датчик коленвала и распределительного вала
- Датчик детонации
Это компоненты системы зажигания.
Аккумуляторная система зажигания:
Компоненты системы зажигания аккумуляторной батареи:
- Замок зажигания
- Аккумулятор
- Катушка зажигания
- Резистор балластный
- Контактный выключатель
- Дистрибьютор
- Конденсатор
- Свеча зажигания
Замок зажигания:
Выключатель зажигания также известен как выключатель стартера или пусковой выключатель, который управляет системой автомобиля, которая активирует основные электрические системы автомобиля, включая «аксессуары».
Этот переключатель используется для включения или выключения системы зажигания. Батарея подключается к первичной обмотке катушки зажигания с помощью переключателя зажигания и балластного резистора.
Батарея:
Аккумулятор — это устройство, которое обеспечивает электрическую энергию для зажигания. Аккумулятор заряжается динамо-машиной с приводом от двигателя.
Используется два типа батарей. Их:
- Свинцово-кислотный аккумулятор
- Щелочная батарея.
Катушка зажигания:
Катушка зажигания — это основной корпус системы зажигания батареи.Катушка зажигания предназначена для повышения напряжения аккумулятора (6 или 12 В) до высокого напряжения, достаточного для образования искры на свече зажигания.
Балластный резистор:
Он включен последовательно с первичной обмоткой для регулирования тока в первичной обмотке. Балластный резистор сделан из железа.
Контактный выключатель:
Контактный выключатель регулируется кулачком, и когда выключатель разомкнут, ток течет через конденсатор и заряжает его.
Дистрибьютор:
Используется в многоцилиндровом двигателе для регулирования искры в каждой свече зажигания в правильной последовательности.
Есть два типа дистрибьюторов.
- Угольная щетка тип
- Тип зазора
Конденсатор:
Это простой электрический конденсатор, в котором две металлические пластины разделены изоляционным материалом на определенном расстоянии.
Свеча зажигания:
Он генерирует искры для воспламенения топливовоздушной смеси в камере сгорания.Каждая свеча зажигания подключена к распределителю системы зажигания.
Преимущества системы зажигания батареи:
Здесь упоминаются и объясняются преимущества системы зажигания батареи. Их:
- Обслуживание системы зажигания батареи меньше, поскольку подвижные части отсутствуют.
- Точки размыкателя контактов отсутствуют в системе зажигания батареи, поэтому искривление отсутствует.
- Срок службы свечей зажигания в системе зажигания батареи увеличивается на 50%, и они также могут использоваться на протяжении 6000 км без каких-либо проблем.
- Система зажигания от аккумулятора имеет большую мощность, а также более высокую топливную экономичность, которая работает дольше.
Недостатки аккумуляторной системы зажигания:
Здесь упоминаются и объясняются недостатки системы зажигания батареи. Их:
- Изгиб в системе зажигания батареи, точечная коррозия точки прерывателя контакта приведет ко многим проблемам в работе системы.
- После нескольких запусков в системе и пробега на несколько тысяч километров время становится неточным, что приводит к плохому запуску.
- После запуска двигателя на очень высоких оборотах производительность снижается из-за инерционных эффектов движущихся частей в системе зажигания аккумуляторной батареи.
Рабочее приложение системы зажигания батареи:
Здесь упоминается рабочее приложение системы зажигания батареи и принцип его работы:
- Сначала включается ключ зажигания, и ток течет от аккумулятора через первичный ток, балластный регистр, а также контактный выключатель.
- Текущий ток индуцирует магнитное поле, прямо пропорциональное ему.
- При размыкании контактного выключателя ток падает, что приводит к индукции высокого напряжения во вторичной обмотке.
- Ток высокого напряжения, генерируемый во вторичной обмотке, передается на распределитель по кабелю с высоким напряжением.
- Распределитель состоит из ротора, который вращается внутри крышки распределителя и размыкает точку размыкания контактов. Это заставляет ток высокого напряжения течь к свече зажигания.
- Искра генерируется в цилиндре двигателя током при достижении свечи зажигания, что способствует сгоранию топлива и воздуха.
Так работает система зажигания батареи. Система Battey Ignition — очень важная часть и компонент автомобиля.
Он использует энергию коллапсирующего магнитного поля. Конденсатор используется для создания напряжения, намного превышающего напряжение батареи.
Все, что нужно знать о системе зажигания
В широком спектре автомобильных применений система зажигания играет жизненно важную роль, поскольку она генерирует искру.Он нагревает электрод до высокой температуры, так что топливно-воздушная смесь может воспламениться во всех двигателях внутреннего сгорания с искровым зажиганием. другие автомобили, включая стационарные и передвижные, также разработаны с системой, которая может включать газовые и масляные котлы, ракетные двигатели и т. д. Это причина, по которой существуют различные типы систем зажигания.
Однако бензиновый двигатель внутреннего сгорания с искровым зажиганием является наиболее зависимым от системы как автомобиля, так и мотоцикла.Сегодня мы рассмотрим определение, функции, области применения, компоненты, схему, типы и работу системы зажигания в двигателях внутреннего сгорания. Мы также рассмотрим преимущества и недостатки различных типов систем зажигания.
Подробнее: Что нужно знать о шатуне
Определение системы зажигания
Система зажигания — это система, используемая в некоторых типах двигателей внутреннего сгорания, часто в бензиновых двигателях, для воспламенения топливно-воздушной смеси.Это зажигание выполняется специально для того, чтобы осуществить взрыв в камере сгорания. Иными словами, искра, возникающая в системе зажигания (свече зажигания), вызывает горение топливно-воздушной смеси.
Как упоминалось ранее, система зажигания используется в двигателях внутреннего сгорания с искровым зажиганием, хотя она также используется в некоторых других механических приложениях. Но он довольно популярен для бензиновых двигателей. Что ж, процесс отличается в дизельных двигателях с воспламенением от сжатия, поскольку топливно-воздушная смесь воспламеняется теплотой сжатия, что приводит к удалению свечи зажигания.Это еще одна тема обсуждения, которую вы можете проверить ниже.
Подробнее: Детали двигателя внутреннего сгорания
Функция системы зажигания
Ниже приводится функция системы зажигания в двигателях внутреннего сгорания с искровым зажиганием:
· Основная функция системы зажигания — своевременное создание электрической искры в камере сгорания двигателя, чтобы смесь бензина и воздуха могла воспламениться.
· На свечу зажигания подается 30 000 вольт.
· Искра высокого напряжения подается на каждую свечу зажигания в правильной последовательности.
· Время зажигания зависит от нагрузки, скорости и других условий.
· Искра рассчитана таким образом, чтобы она могла возникнуть, когда поршень приближается к верхней мертвой точке.
Подробнее: Все, что нужно знать об автомобильном поршне
Применение системы зажигания
Ниже приведены варианты применения различных типов систем зажигания в автомобильном двигателе:
· Применяется в двухколесных транспортных средствах (двигатели SI.
· Так же, как батарея используется для выработки энергии в системе зажигания батареи, магнето используется для выработки электроэнергии.
· Наконец, система зажигания широко используется в тракторах, подвесных моторах, стиральных машинах, судовых двигателях, силовых агрегатах и двигателях, работающих на природном газе.
Разница между приводным ремнем и ремнем ГРМ
Типы систем зажигания
Ниже приведены три основных типа систем зажигания, используемых в двигателях внутреннего сгорания с искровым зажиганием:
Магнито системы зажигания:
В магнито-типах системы зажигания.магнето служит основным компонентом, используемым для создания энергии высокого напряжения. Это высокое напряжение затем используется для выработки электроэнергии, которая в дальнейшем используется для работы транспортных средств. Система представляет собой комбинацию распределителя и генератора, построенных как одно целое. Это отличает его от обычного распределителя, который создает искровую энергию без внешнего напряжения.
Электронная система зажигания:
Электронные системы зажигания полностью управляются электроникой и питаются от батареи, в отличие от предыдущей, в которой используется магнето.Имеет отрицательные и положительные клеммы; отрицательная клемма заземлена, а положительная подключена к замку зажигания. Итак, при включенном выключателе питание на электронный модуль зажигания подается по проводам. Затем мощность передается на катушку зажигания с двумя обмотками; первичная обмотка и вторичная обмотка. Эти обмотки изолированы, и первичная обмотка толще вторичной. Между обмотками находится стержень, создающий магнитное поле. Наконец,
Аккумулятор системы зажигания:
Аккумуляторные батареи систем зажигания широко используются в автомобилях для получения искры с помощью свечи зажигания с помощью аккумулятора.Он часто встречается в четырехколесных транспортных средствах, но теперь используется в двухколесных транспортных средствах, которые получают ток от 6-вольтовой или 12-вольтовой батареи в катушке зажигания. Читайте полную статью ниже!
Подробнее: Общие сведения об автомобильном клапанном агрегате
Детали системы зажигания
Ниже представлены компоненты различных типов системы зажигания и их функции:
Магнито система зажигания
Компоненты системы зажигания от магнето включают магнето, распределитель, конденсатор, кулачок, контактный выключатель и переключатель зажигания.Их функция была объяснена в полной статье.
Аккумулятор системы зажигания
Компоненты аккумуляторной батареи системы зажигания, выключателя зажигания, катушки зажигания, балластного резистора. Его компоненты также содержат прерыватель контактов, распределитель, конденсатор и свечу зажигания. Ознакомьтесь с полной статьей, чтобы узнать об их функциях. Наконец,
Электронная система зажигания
Компоненты электронной системы зажигания также включают аккумулятор, распределитель, конденсатор, модуль управления зажиганием, якорь, катушку зажигания и свечу зажигания.
Подробнее: Общие сведения о системе автоматической коробки передач
Схема различных систем зажигания:
Принцип работы
Работа системы зажигания менее сложна и понятна. Очевидно, что из приведенного выше объяснения вышеуказанных разделов вы теперь знакомы с функциональными частями и работой системы. Большинство типов систем зажигания работают от батарей, но лишь немногие из них могут сами генерировать электроэнергию.Однако с помощью видео ниже вы узнаете, как работают различные типы систем зажигания.
Видео о работе системы зажигания:
Подробнее: Что нужно знать о масляном поддоне / картере двигателя
Достоинства и недостатки системы зажигания
Преимущества:
Ниже приведены преимущества системы зажигания:
· Системы зажигания от магнето требуют меньшего обслуживания, они менее дороги, занимают меньше места и не требуют батареи.Он имеет высокую эффективность работы за счет высокоинтенсивной искры и менее подвержен ошибкам, так как батарея не используется
· Другим преимуществом систем зажигания является то, что выбор электронных типов состоит из меньшего количества деталей и также требует низких эксплуатационных расходов. Его эффективность также хороша, и он производит меньше выбросов. Еще одно преимущество электронной системы зажигания состоит в том, что она увеличивает топливную экономичность. Наконец,
· Преимущество аккумуляторных систем зажигания в том, что они обладают хорошей силой искры.Он также обеспечивает высокую концентрацию искры даже при низких оборотах двигателя или при первом запуске. Она также требует меньшего обслуживания, как и другие типы систем зажигания.
Подробнее: Общие сведения о системе охлаждения двигателей внутреннего сгорания
Недостатки:
Несмотря на большие достоинства системы зажигания. некоторые ограничения все еще имеют место. К недостаткам системы зажигания можно отнести:
· Недостатком магнитных систем зажигания является низкое качество искры при первом запуске на малой скорости.Пропуски зажигания могут также произойти из-за утечки, а стоимость системы высока.
· Недостатком электронных систем зажигания является то, что стоимость системы чрезвычайно высока и может занимать много места, поскольку для питания системы необходимо использовать батарею.
· В батарее к недостаткам можно отнести периодическое обслуживание только батареи, больше места занято и эффективность снижается с уменьшением интенсивности искры.
Подробнее: Сведения об аккумуляторах, используемых в автомобилях
В заключение отметим, что система зажигания популярна в автомобильных устройствах, чтобы помочь свече зажигания воспламенить топливно-воздушную смесь.Что ж, в этой статье мы много рассказали о системе. мы раскрываем определение, функции, компоненты и различные типы систем зажигания. Мы также рассмотрели его работу, а также преимущества и недостатки различных типов систем зажигания.
Надеюсь, вам понравилось чтение. Если да, то прокомментируйте понравившуюся часть статьи, и вы можете проверить некоторые другие интересные сообщения здесь, на StudentLesson . Спасибо!
Понимание систем зажигания точки прерывания — Журнал газовых двигателей
Гэри Гриннелл | 1 октября 2002 г.
1/4
Рисунок 1: Точки зажигания должны быть правильно выстроены, когда они закрыты.Если они не закрываются (слева) или не выровнены (в центре), система не будет работать.
2/4
Рисунок 2: Испытательное сопротивление катушки с мультиметром, установленным на Ом. Проверить заземление аккумуляторной батареи с помощью мультиметра, установленного на вольт постоянного тока.
3/4
Рисунок 3: Проверка на короткое замыкание в точках с мультиметром, установленным на непрерывность. Проверка выключателя зажигания с помощью мультиметра, установленного на вольт постоянного тока. Измеритель должен показывать от 12 до 13 вольт.
4/4
Рисунок 4
❮ ❯Системы зажигания с точкой прерывания использовались до появления электронных систем зажигания на миллионах двигателей.От двигателей ромовиков 1930-х годов до всех этих джипов времен Второй мировой войны — все они имели системы зажигания с точкой прерывания. Простые в устранении и ремонте, они, как и все остальное, бесконечно сложны, если вы не понимаете основ их работы.
Основные сведения о точке прерывания
Цепь системы зажигания прерывателя запускается и заканчивается аккумулятором. Когда двигатель работает, аккумулятор постоянно заряжается генератором переменного тока или, в старых системах, генератором.Ток течет от положительного полюса аккумуляторной батареи к замку зажигания и катушке зажигания. Катушка зажигания на самом деле представляет собой трансформатор, который увеличивает 12-вольтовый ток батареи примерно до 25000 вольт. В двигателях со средней и высокой степенью сжатия такое напряжение необходимо для надежной дуги в зазоре свечи зажигания и создания достаточного количества огня для воспламенения топливно-воздушной смеси в цилиндре.
Катушка имеет две цепи; первичная обмотка, которая проходит от положительного вывода катушки к отрицательному выводу катушки; и вторичная цепь, которая идет от положительной клеммы на катушке к проводу зажигания в центре крышки распределителя.Отрицательный провод в первичной цепи проходит от катушки к основанию распределителя и к точкам прерывания внутри. Это может показаться немного запутанным, но это имеет смысл, если вы понимаете, что точки действуют, открывая и замыкая цепь заземления.
Точки прерывателя размыкаются и закрываются при вращении вала распределителя. Одна половина набора точек зафиксирована, другая половина вращается, и на подвижной половине набора точек имеется натяжной блок. Вал распределителя имеет выступы, контактирующие с трущимся блоком.Эти выступы действуют как кулачки, открывая точки, тем самым разрывая электрическое соединение между точками. Острия имеют пружинный зажим, который удерживает точки в закрытом состоянии, и эта пружина заставляет подвижную точку снова входить в контакт с неподвижной точкой, установленной на распределительной пластине, когда кулачок выходит из контакта. Если это неясно, снимите крышку распределителя с двигателя, оборудованного точкой прерывателя, и проверните двигатель вручную, наблюдая за движением деталей. Взаимодействие станет очевидным.
Пружинный зажим электрически изолирован от корпуса распределителя, так что первичная цепь заземляется только при замкнутых точках. Когда точки соприкасаются друг с другом, электричество проходит от аккумулятора через катушку и к блоку двигателя, который заземлен на отрицательную клемму аккумулятора. Ток, протекающий через обмотки катушки зажигания, создает мощное электрическое поле, которое возникает при разделении точек. Электричество, которое больше не может заземляться через точки, устремляется через вторичную цепь к проводу катушки к верхней части крышки распределителя, где оно передается на ротор распределителя.
Ротор прикреплен к верхней части вала распределителя и вращается вокруг внутренней части распределителя, его контакт дает каждому столбу на окружности крышки распределителя разряд электричества, когда он проходит мимо. К стойкам прикреплены провода, которые ведут к свечам зажигания, воспламеняющим топливно-воздушную смесь в цилиндре.
Искра должна быть синхронизирована так, чтобы она выделяла газ в правой части поршневого цикла, обычно, когда поршень находится рядом с верхней частью цилиндра.На большинстве двигателей установка угла опережения зажигания осуществляется ослаблением прижимного болта распределителя и вращением распределителя для увеличения или уменьшения угла опережения зажигания. Старые гаражные жокеи устанавливали время на слух, поворачивая распределитель до тех пор, пока двигатель не зазвучал «правильно». Большинство механиков используют индикатор времени, который принимает сигнал от провода свечи зажигания и испускает импульс света каждый раз, когда через провод свечи зажигания проходит электричество. Свет направлен на один из шкивов в передней части двигателя, и распределитель поворачивается до тех пор, пока выемка на шкиве не совпадет с меткой на кожухе шкива.
Устранение неполадок
Знание того, как работает система точек прерывания, поможет вам отремонтировать ее, когда она выйдет из строя. Если ваш двигатель не работает, и вы подозреваете, что система зажигания работает, первое, что нужно сделать, это осмотреть все, что явно не так, например, ослабленные или обрываемые провода.
Сильно надавите на чехлы на концах проводов свечей зажигания, чтобы убедиться, что они надежно закреплены. Взгляните на точки; если они выглядят корродированными, замените их.Проверьте зазор между точками (пространство, образовавшееся, когда точки максимально открыты) с помощью щупа, получив надлежащую спецификацию зазора из руководства по ремонту. Типичная настройка составляет от 0,015 до 0,020 дюйма. Используйте головку и прерыватель, чтобы повернуть двигатель так, чтобы острия находились в самом широком зазоре. Калибр типа проволоки или щупа должен просто скользить между точками, не раздвигая их.
Если это не решит проблему, попробуйте отследить всю цепь, начиная с батареи.Проверить аккумулятор с помощью вольтметра и ареометра. Вы хотите, чтобы батарея показывала не менее 12,6 вольт, если у вас есть система на 12 вольт. Если аккумулятор необходимо перезарядить, обязательно используйте зарядное устройство с постоянным током — зарядное устройство, рассчитанное не более чем на 2 ампера. Зарядные устройства с высоким усилителем могут испортить аккумулятор при частом использовании, чему мне пришлось усвоить на собственном горьком опыте.
Еще раз проверьте аккумулятор с помощью ареометра.
Обязательно надевайте брызгозащитные очки. Каждая ячейка должна читаться почти так же, как другие.Если вы получаете совершенно разные показания в одной ячейке, возможно, у вас плохой аккумулятор.
С помощью вольтметра снимите показания на концах кабелей аккумуляторной батареи. Напряжение должно быть таким же, как на самом аккумуляторе. В противном случае очистите концы кабелей и попробуйте еще раз. Если у вас все еще наблюдается падение напряжения на концах кабелей, выбросьте их и купите новые. Пока вы это делаете, попробуйте пошевелить кабелями, надежно прикрепив щупы вольтметра. Если вы видите низкие или несуществующие показания, значит, кабель корродирован изнутри.
Предполагая, что у вас хороший аккумулятор, который полностью заряжен, хорошие кабели аккумулятора и чистые, плотные соединения, вы можете начать тестирование других частей схемы. Поместите положительный щуп измерительного прибора на положительную клемму аккумуляторной батареи, а отрицательный щуп на чистую часть блока цилиндров. Это проверяет заземление между отрицательной клеммой аккумуляторной батареи и блоком. Если показания вольтметра ниже, чем у батареи, необходимо очистить и / или подтянуть заземляющее соединение.
Вы можете пройти по всей цепи, проверяя напряжение на каждом проводе и компоненте.Если вы обнаружите значительное падение напряжения, остановитесь, чтобы проверить плохое соединение или провод. Некоторые двигатели имеют внешний резистор рядом с катушкой зажигания. Это повлияет на показания напряжения, которые вы получите в зависимости от силы резистора.
Проверить резистор можно омметром. Получите сопротивление резистора из руководства к вашему двигателю (на некоторых резисторах может быть указано их номинальное сопротивление). Катушку можно проверить таким же образом.
С помощью вольтметра проверьте, нет ли замыкания на массу между аккумулятором и точками.Заблокируйте открытые точки с помощью небольшого куска дерева и поместите один щуп на соответствующую клемму аккумулятора, а другой щуп на саму точку. Просто убедитесь, что у вас ровная полярность. С открытыми заблокированными точками одна будет положительной, а другая отрицательной. Если измеритель не показывает напряжение, когда датчик находится на «пружинном зажиме», возможно, у вас плохая изолирующая шайба на распределителе, которая пропускает электричество на землю через блок перед переходом к точкам. Проверьте целостность цепи между блоком и отрицательной клеммой катушки, чтобы подтвердить эту теорию.Проверьте целостность цепи между блоком и неподвижной точкой, прикрепленной к распределительной пластине.
Проверните двигатель, пока точки не закроются. Используйте мультиметр, чтобы проверить хорошее соединение между точками. Небольшой промежуток, когда точки должны быть закрыты, помешает вашей машине работать.
Если у вас нет тестового прибора, вы можете использовать тестовую лампу с автономным питанием, чтобы сделать то же самое. Всегда используйте контрольную лампу при отключенном аккумуляторе. Когда цепь замкнута, свет будет светиться.Если у вас есть неисправность в цепи, например обрыв провода, свет не загорится.
Пуск от аккумуляторной батареи, кабели проходят по цепи, проверяя каждый провод и соединение. Заблокируйте открытые точки и поместите каждый датчик в одну из точек. Если индикатор горит, значит, проблема обнаружена. Внимательно посмотрите, чтобы найти оголенный участок изоляции или недостающую резиновую шайбу на проводе распределителя.
Когда точки соприкасаются, а щупы на каждой точке, свет должен сиять для вас.Если свет не горит, они на самом деле не касаются друг друга или они настолько корродированы, что не проводят электричество. Вы можете спилить их или, еще лучше, заменить. Рекомендуется одновременно заменить точечный конденсатор. Конденсатор обычно находится внутри распределителя, но иногда присоединяется к внешнему корпусу. Он имеет единственный провод, который подключается к точкам подключения отрицательного провода от катушки зажигания.
Если вам все еще не повезло, попробуйте проверить сопротивление проводов свечей зажигания.Я знаю, что многие из нас ненавидят руководства, но хорошо иметь спецификации для вашего железяка, чтобы вы могли это проверить. Любые провода свечей зажигания с потрескавшейся изоляцией следует заменить.
Используйте мультиметр для проверки свечей зажигания. Между верхней частью вилки и электродом должна быть непрерывность. Между резьбой винта и электродом не должно быть непрерывности. Вставьте конец свечи в чехол на конце провода зажигания и проверьте целостность цепи между электродом и концом провода свечи.Это исключит плохой провод вилки или плохое соединение между вилкой и проводом.
Если вы прошли через все это и по-прежнему не видите искры, обратите внимание на колпачок и ротор. Обычно это первые детали, которые заменяются при повреждении системы зажигания. Если они выглядят старыми или поврежденными, я заменю их.
Пройдя через все это, вы должны хорошо понимать, как работает ваша система зажигания точки прерывания, и как действовать, когда у вас возникают проблемы, связанные с зажиганием.Понимание того, как работает система, является ключевым моментом, и если вы не торопитесь и отследите систему, вы всегда найдете способ заставить ее работать.
Свяжитесь с энтузиастом двигателей Гэри Гриннеллом по адресу: 9 Laurel Park, Northampton, MA 01060-1196.
СТАТЬИ ПО ТЕМЕ
Обратите внимание на этот 25-сильный двигатель на попутном газе, замеченный в 2020 году Ассоциацией паровых и газовых двигателей Северо-Западного Миссури.
Узнайте об истории создания уникальных двигателей Abenaque с водяным охлаждением.
Оцените этот уникальный двигатель Ajax / Either около 1905 года с откидным верхом и узнайте о его увлекательной истории.
Что такое система зажигания от магнето? — Запчасти и работа
Что такое магнитная система?
Магнето — это электрический генератор, который использует постоянные магниты для создания периодических импульсов переменного тока. Магнето были также адаптированы для создания импульсов высокого напряжения в системах зажигания некоторых двигателей внутреннего сгорания с бензиновым двигателем, чтобы обеспечить питание свечей зажигания.
Что такое система зажигания от магнето?Система зажигания от магнето или магнето высокого напряжения — это магнето, которое обеспечивает ток для системы зажигания двигателя с искровым зажиганием, такого как бензиновый двигатель. Он выдает импульсы высокого напряжения для свечей зажигания. Старый термин «напряжение» означает напряжение.
Использование зажигания от магнето сегодня в основном ограничено двигателями, для которых нет другого источника питания, например, газонокосилками и бензопилами. Он также широко используется в авиационных поршневых двигателях, хотя обычно имеется электропитание.
В этом случае предполагается, что самодостаточная работа магнита обеспечивает повышенную надежность. Теоретически магнит должен продолжать работать, пока вращается двигатель.
Детали системы зажигания магнетоЭто основные части систем зажигания магнето:
- Сердечник трансформатора
- Контактный выключатель
- Кулачок
- Конденсатор
- Выключатель зажигания
- Распределитель зажигания 1. Сердечник трансформатора
- Эта система используется для производства электроэнергии (аккумуляторная система использует батарею) и для работы транспортных средств.
- В настоящее время в основном используется в двухколесных транспортных средствах.
- Вращающийся магнит генерирует высокое напряжение.
- Он также используется в различных местах, таких как автобусы, силовые агрегаты, судовые двигатели, тракторы, подвесные двигатели, стиральные машины и двигатели, работающие на природном газе.
- Эта система зажигания от магнето требует меньшего обслуживания по сравнению с системой зажигания от батареи.
- Это более полезно, потому что не использует батарею.
- Занимает меньше места.
- Магнит создает цепь
- Аккумулятор не требуется, поэтому нет проблем с разрядом аккумулятора
- Эффективность повышается за счет искр высокой интенсивности.
- Проблемы с запуском из-за низких оборотов при запуске двигателя.
- Это дороже аккумуляторной системы зажигания.
- Существует вероятность пропусков зажигания из-за утечки из-за колебаний напряжения в проводке.
Основной частью системы магнитного зажигания является сердечник трансформатора, который состоит из двух типов обмоток.
Одна — первичная обмотка, другая — вторичная. Первичная обмотка также называется обмоткой низкого напряжения, а вторичная обмотка — обмоткой высокого напряжения.
Один конец первичной обмотки заземлен, а другой конец подключен к соединению, контактному выключателю и конденсатору.
2.
Контактный выключательКонтактный выключатель регулируется кулачком, и когда выключатель разомкнут, ток проходит через конденсатор и заряжает его. Обычно он используется для включения и отключения первичной цепи. Поворотный рычаг (звено) имеет пятку, прикрепленную посередине, которая разрушает точку контакта из-за действия кулачка.
3.
КулачокОдин конец вала соединен с кулачком, а другой конец соединен с магнитом, который имеет два полюса, северный и южный.
4.
КонденсаторОсновная задача конденсатора — хранить зарядное устройство. Используемый здесь конденсатор представляет собой простой электрический конденсатор. Один конец соединен с первичной обмоткой, а другой конец заземлен и обычно используется для накопления заряда, идущего от первичной обмотки.
5.
Выключатель зажиганияРаботает для выключения и включения транспортных средств, и он установлен параллельно конденсатору, потому что это помогает избежать повреждения чрезмерным воздухом.
6.
РаспределительРаспределитель предназначен для распределения импульсов зажигания на отдельные свечи зажигания в правильной последовательности относительно порядка зажигания. Он состоит из ротора посередине и металлического электрода на периферии.
Эти металлические электроды напрямую соединены со свечами зажигания и также известны как жгут проводов зажигания. Когда ротор вращается, он передает ток высокого напряжения на провод зажигания, который затем переносит эти токи высокого напряжения на свечи зажигания.
7.
Свеча зажиганияСвеча зажигания — последний компонент системы зажигания магнето. Он состоит из 2-х электродов, один из которых прикреплен к токоведущим проводам высокого напряжения, а другой заземлен.
Разность потенциалов между этими электродами ионизирует зазор между ними, и, таким образом, возникает искра, воспламеняющая горючую смесь.
Система зажигания от магнето Схема Схема системы зажигания от магнето Как работает система зажигания от магнето ?Магнито — это автономный генератор высокого напряжения, обеспечивающий зажигание двигателя через свечи зажигания.В момент размыкания точек контакта быстрый магнитный поток генерирует высокое напряжение во вторичной катушке, которое зажигает свечу зажигания и запускает двигатель
Магнито используется в системах зажигания от магнето. Когда двигатель запускается, он помогает магниту вращаться, генерируя энергию в виде высокого напряжения. Затем один конец магнита заземляется через контактный выключатель, и конденсатор зажигания подключается к нему параллельно.
Контактный выключатель управляется кулачком.Когда переключатель разомкнут, ток проходит через конденсатор и заряжает его.
Теперь конденсатор действует как зарядное устройство, ток в первичной обмотке снижается, что снижает общее магнитное поле, генерируемое в системе.
Увеличивает напряжение на конденсаторе. Это повышенное высокое напряжение в конденсаторе действует как ЭДС и, таким образом, создает искру на правой свече зажигания через распределитель.
А в фазе запуска скорость двигателя низкая, и поэтому напряжение, создаваемое магнето, низкое.
Однако с увеличением скорости двигателя увеличивается и напряжение, создаваемое магнето, что также увеличивает ток.
Применение системы зажигания от магнетоСистемы зажигания от магнето, используемые в:
Преимущества систем зажигания от магнето:
Хотя есть и недостатки:
Часто задаваемые вопросы.
Что такое система зажигания от магнето?Система зажигания от магнето или магнето высокого напряжения — это магнето, которое обеспечивает ток для системы зажигания двигателя с искровым зажиганием, такого как бензиновый двигатель. Он выдает импульсы высокого напряжения для свечей зажигания. Старый термин «напряжение» означает напряжение.
Как работает система зажигания от магнето?Магнито — это автономный генератор высокого напряжения, обеспечивающий зажигание двигателя через свечи зажигания.Магнит, а значит, и магнито, вращается в непосредственной близости от катушки с проволокой. Когда магнит вращается (или вращается магнитный ротор), он генерирует сильную магнитную силу, которая «сдерживается» первичной катушкой.
Что такое система зажигания от магнето маховика?Внешняя катушка зажигания используется для повышения напряжения, чтобы вызвать искру на свече зажигания. Маховик с двумя сильными магнитами используется для создания магнитного поля вокруг якоря.
