Π‘Ρ Π΅ΠΌΠ° Π·Π°ΠΌΠΊΠ° Π·Π°ΠΆΠΈΠ³Π°Π½ΠΈΡ ΠΠΠ 2109 (ΠΊΠ°ΡΠ±ΡΡΠ°ΡΠΎΡ, ΠΈΠ½ΠΆΠ΅ΠΊΡΠΎΡ): ΡΠΎΡΠΎ
ΠΠ»Π°Π²Π½Π°Ρ Β» ΠΠΠ 2109
Π ΡΠ±ΡΠΈΠΊΠ°: ΠΠΠ 2109
Π§ΡΠΎΠ±Ρ Π·Π°Π²Π΅ΡΡΠΈ Π°Π²ΡΠΎΠΌΠΎΠ±ΠΈΠ»Ρ ΠΈ ΠΏΡΠΈΠ²Π΅ΡΡΠΈ Π΅Π³ΠΎ Π² Π΄Π²ΠΈΠΆΠ΅Π½ΠΈΠ΅, ΠΏΠ΅ΡΠ²ΠΎΠ΅ ΡΡΠΎ ΠΌΡ Π΄ΠΎΠ»ΠΆΠ½Ρ ΡΠ΄Π΅Π»Π°ΡΡ β ΡΠ°Π·ΠΌΠ΅ΡΡΠΈΡΡ ΠΊΠ»ΡΡ Π² Π·Π°ΠΌΠΊΠ΅ Π·Π°ΠΆΠΈΠ³Π°Π½ΠΈΡ, ΡΠ΅ΠΌ ΡΠ°ΠΌΡΠΌ Π·Π°ΠΏΡΡΡΠΈΠ² Π΄Π²ΠΈΠ³Π°ΡΠ΅Π»Ρ. Π’Π°ΠΊΠΆΠ΅ Ρ ΠΏΠΎΠΌΠΎΡΡΡ ΡΡΠΎΠ³ΠΎ ΡΡΡΡΠΎΠΉΡΡΠ²Π° ΠΌΠΎΠΆΠ΅ΠΌ Π·Π°Π²Π΅ΡΡΠ°ΡΡ ΡΠ°Π±ΠΎΡΡ Π΄Π²ΠΈΠ³Π°ΡΠ΅Π»Ρ ΠΈ ΡΠΏΡΠ°Π²Π»ΡΡΡ ΡΠ΅ΠΆΠΈΠΌΠ°ΠΌΠΈ ΡΠ»Π΅ΠΊΡΡΠΎΠ½ΠΈΠΊΠΈ.
ΠΠ°ΠΌΠΎΠΊ Π·Π°ΠΆΠΈΠ³Π°Π½ΠΈΡ β ΠΏΡΡΠΊΠΎΠ²ΠΎΠΉ ΠΌΠ΅Ρ Π°Π½ΠΈΠ·ΠΌ ΡΠ»Π΅ΠΊΡΡΠΎΠΎΠ±ΠΎΡΡΠ΄ΠΎΠ²Π°Π½ΠΈΡ, ΠΊΠΎΡΠΎΡΡΠΉ ΠΏΠΎΠ΄Π°Π΅Ρ Π½Π°ΠΏΡΡΠΆΠ΅Π½ΠΈΠ΅ Π² ΡΠ»Π΅ΠΊΡΡΠΈΡΠ΅ΡΠΊΡΡ ΡΠ΅ΠΏΡ. Π‘ΡΠ°ΡΡΠ΅Ρ ΠΏΡΠΎΠΊΡΡΡΠΈΠ²Π°Π΅Ρ Π΄Π²ΠΈΠ³Π°ΡΠ΅Π»Ρ Π·Π° ΠΌΠ°Ρ ΠΎΠ²ΠΈΠΊ, Π±ΠΎΠ»ΡΡΠΎΠΉ Π΄ΠΈΡΠΊ Ρ Π·ΡΠ±ΡΡΠΌΠΈ, ΡΠ°ΡΠΏΠΎΠ»Π°Π³Π°ΡΡΠΈΠΉΡΡ ΠΌΠ΅ΠΆΠ΄Ρ ΡΡΠ΅ΠΏΠ»Π΅Π½ΠΈΠ΅ΠΌ ΠΈ Π΄Π²ΠΈΠ³Π°ΡΠ΅Π»Π΅ΠΌ. ΠΠΎ Π²ΡΠ΅ΠΌΡ ΠΏΡΡΠΊΠ° Π·ΡΠ±ΡΡ ΡΡΠ°ΡΡΠ΅ΡΠ° ΠΈ ΠΌΠ°Ρ ΠΎΠ²ΠΈΠΊΠ° ΠΏΡΠΈΠ²ΠΎΠ΄ΡΡΡΡ Π² ΠΏΠΎΠ»ΠΎΠΆΠ΅Π½ΠΈΠ΅ Π·Π°ΡΠ΅ΠΏΠ»Π΅Π½ΠΈΡ. Π ΡΡΠΎ Π²ΡΠ΅ΠΌΡ Π΄Π²ΠΈΠ³Π°ΡΠ΅Π»Ρ Π²ΡΠ°ΡΠ°Π΅ΡΡΡ ΠΏΠΎ ΡΠΈΠ³Π½Π°Π»Ρ ΡΠΏΡΠ°Π²Π»Π΅Π½ΠΈΡ ΠΈΠ· ΡΡΠΎΠ³ΠΎ Π·Π°ΠΌΠΊΠ° Ρ ΠΏΠΎΠΌΠΎΡΡΡ ΠΌΠΎΡΠ½ΠΎΡΡΠΈ Π°ΠΊΠΊΡΠΌΡΠ»ΡΡΠΎΡΠ°.
Π§ΠΈΡΠ°ΠΉΡΠ΅ ΡΠ°ΠΊΠΆΠ΅:ΠΠ°ΠΊΠΎΠ²ΠΎ ΡΡΡΡΠΎΠΉΡΡΠ²ΠΎ ΠΏΠ΅ΡΠΊΠΈ ΠΠΠ-2109 Ρ Π½ΠΈΠ·ΠΊΠΎΠΉ ΠΈ Π²ΡΡΠΎΠΊΠΎΠΉ ΠΏΠ°Π½Π΅Π»ΡΡ
ΠΠ°ΠΌΠΎΠΊ Π·Π°ΠΆΠΈΠ³Π°Π½ΠΈΡ Π²ΠΎ Π²ΡΠ΅ΠΌΡ ΡΠ°Π±ΠΎΡΡ ΠΏΠΎΠ΄Π°Π΅Ρ ΡΠΎΠΊ ΠΎΡ Π°ΠΊΠΊΡΠΌΡΠ»ΡΡΠΎΡΠ° ΠΊ ΡΡΠ³ΠΎΠ²ΠΎΠΌΡ ΡΠ΅Π»Π΅ ΡΡΠ°ΡΡΠ΅ΡΠ°. ΠΡΠΎ Π²Π°ΠΆΠ½Π°Ρ ΡΠ°ΡΡΡ, Π±Π΅Π· ΠΊΠΎΡΠΎΡΠΎΠΉ ΠΌΠ°ΡΠΈΠ½Π° Π½Π΅ Π±ΡΠ΄Π΅Ρ Π²ΡΠΏΠΎΠ»Π½ΡΡΡ ΡΠ²ΠΎΠ΅ ΠΏΡΠ΅Π΄Π½Π°Π·Π½Π°ΡΠ΅Π½ΠΈΠ΅.
ΠΡΠΎΠΌΠ΅ ΠΊΠΎΠ½ΡΡΠΎΠ»Ρ ΠΏΠΈΡΠ°Π½ΠΈΡ, Π·Π°ΠΌΠΎΠΊ Π·Π°ΠΆΠΈΠ³Π°Π½ΠΈΡ ΠΏΡΠ΅Π΄ΡΠΏΡΠ΅ΠΆΠ΄Π°Π΅Ρ ΡΠ°Π·ΡΡΠ΄ΠΊΡ Π°ΠΊΠΊΡΠΌΡΠ»ΡΡΠΎΡΠ° Π² ΡΠΏΠΎΠΊΠΎΠΉΠ½ΠΎΠΌ ΡΠΎΡΡΠΎΡΠ½ΠΈΠΈ. ΠΡΡΠΊ Π΄Π²ΠΈΠ³Π°ΡΠ΅Π»Ρ ΠΏΡΠΎΠΈΡΡ
ΠΎΠ΄ΠΈΡ ΠΈΠ· ΡΡΠ°ΡΡΠ΅ΡΠ° ΠΎΡ ΠΏΠΎΠ²ΠΎΡΠΎΡΠ° ΠΊΠ»ΡΡΠ°.
Π‘Ρ Π΅ΠΌΠ° Π·Π°ΠΌΠΊΠ° Π·Π°ΠΆΠΈΠ³Π°Π½ΠΈΡ
Π ΡΠ΅Π»ΠΎΠΌ ΡΡ Π΅ΠΌΠ° Π·Π°ΠΌΠΊΠ° Π΄Π»Ρ Π·Π°ΠΆΠΈΠ³Π°Π½ΠΈΡ ΠΠΠ-2109 ΠΏΡΠ΅Π΄ΡΡΠ°Π²Π»Π΅Π½Π° ΠΌΠ΅Ρ Π°Π½ΠΈΡΠ΅ΡΠΊΠΎΠΉ ΠΈ ΡΠ»Π΅ΠΊΡΡΠΈΡΠ΅ΡΠΊΠΎΠΉ ΡΠ°ΡΡΡΠΌΠΈ. ΠΠ΅Ρ Π°Π½ΠΈΠΊΠ° ΡΠ΅Π³ΡΠ»ΠΈΡΡΠ΅Ρ Π±Π»ΠΎΠΊΠΈΡΠΎΠ²ΠΊΡ ΠΏΠ΅ΡΠ΅Π΄Π½ΠΈΡ ΠΊΠΎΠ»Π΅Ρ, Π΅ΡΠ»ΠΈ ΠΊΠ»ΡΡ Π½Π΅ Π²ΡΡΠ°Π²Π»Π΅Π½ Π² Π·Π°ΠΌΠΎΠΊ, ΡΠΎ ΠΎΠ½ΠΈ Π·Π°Π±Π»ΠΎΠΊΠΈΡΠΎΠ²Π°Π½Ρ. ΠΠ»Π΅ΠΊΡΡΠΈΡΠ΅ΡΠΊΠ°Ρ ΡΠ°ΡΡΡ β ΠΏΠΎΠ΄Π°ΡΠ° Π½Π°ΠΏΡΡΠΆΠ΅Π½ΠΈΡ, Π·Π°Π²ΠΈΡΡΡΠ°Ρ ΠΎΡ ΠΏΠΎΠ»ΠΎΠΆΠ΅Π½ΠΈΡ ΠΊΠ»ΡΡΠ°, Π½Π° ΡΡΠ΅Π±ΡΠ΅ΠΌΡΠ΅ ΡΡΠ°ΡΡΠΊΠΈ ΡΠ»Π΅ΠΊΡΡΠΈΡΠ΅ΡΠΊΠΎΠΉ ΡΠ΅ΠΏΠΈ. Π Π°ΡΠΏΠΎΠ»ΠΎΠΆΠ΅Π½ ΠΎΠ½ Π² ΠΏΡΠΈΠ±ΠΎΡΠ½ΠΎΠΉ ΠΏΠ°Π½Π΅Π»ΠΈ Π² ΡΠ΅ΠΏΠΈ ΠΏΠΎΠ΄ΠΊΠ»ΡΡΠ΅Π½ΠΈΡ ΠΏΡΠΎΠ²ΠΎΠ΄ΠΎΠ². Π ΡΡΠ°ΡΡΡ ΠΌΠΎΠ΄Π΅Π»ΡΡ ΠΏΡΠΈΠΌΠ΅Π½ΡΠ»Π°ΡΡ Π½ΠΈΠ·ΠΊΠ°Ρ ΠΏΠ°Π½Π΅Π»Ρ, Π² Π±ΠΎΠ»Π΅Π΅ Π½ΠΎΠ²ΡΡ β Π²ΡΡΠΎΠΊΠ°Ρ ΠΏΠ°Π½Π΅Π»Ρ.
ΠΠΈΠ΄Ρ Π·Π°ΠΌΠΊΠ°
Π Π°ΡΡΠΌΠΎΡΡΠΈΠΌ Π±ΠΎΠ»Π΅Π΅ Π΄Π΅ΡΠ°Π»ΡΠ½ΠΎ, ΠΊΠ°ΠΊΠΈΠ΅ Π±ΡΠ²Π°ΡΡ Π·Π°ΠΌΠΊΠΈ Π·Π°ΠΆΠΈΠ³Π°Π½ΠΈΡ. ΠΠ° Π°Π²ΡΠΎΠΌΠΎΠ±ΠΈΠ»Π΅ ΠΠΠ-2109 Π²ΡΡΡΠ΅ΡΠ°ΡΡΡΡ Π·Π°ΠΌΠΊΠΈ ΡΠ»Π΅Π΄ΡΡΡΠΈΡ Π²ΠΈΠ΄ΠΎΠ²:
- ΠΠΎΠ²ΠΎΠ³ΠΎ ΠΎΠ±ΡΠ°Π·ΡΠ°. ΠΠ°ΠΌΠΎΠΊ ΠΏΡΠ΅Π΄ΡΡΠΌΠ°ΡΡΠΈΠ²Π°Π΅Ρ ΡΡΠΈ ΠΏΠΎΠ·ΠΈΡΠΈΠΈ ΠΈ ΠΊΠΎΡΠΎΡΠΊΠΈΠΉ ΠΊΠ»ΡΡ.
- Π‘ΡΠ°ΡΠΎΠ³ΠΎ ΠΎΠ±ΡΠ°Π·ΡΠ°. ΠΠ°ΠΌΠΎΠΊ ΠΏΡΠ΅Π΄ΠΏΠΎΠ»Π°Π³Π°Π΅Ρ ΡΠ΅ΡΡΡΠ΅ ΠΏΠΎΠ·ΠΈΡΠΈΠΈ, Π΄Π»ΠΈΠ½Π½ΡΠΉ ΠΊΠ»ΡΡ ΠΈ ΡΠ΅Π»Π΅ Π·Π°ΠΆΠΈΠ³Π°Π½ΠΈΡ, ΡΠ΅ΡΠ²Π΅ΡΡΠ°Ρ ΠΏΠΎΠ·ΠΈΡΠΈΡ β Π΄Π»Ρ ΡΡΠΎΡΠ½ΠΎΡΠ½ΠΎΠ³ΠΎ ΡΠ²Π΅ΡΠ°.
Β
ΠΠ·Π²Π»Π΅ΡΠ΅Π½ΠΈΠ΅ ΠΊΠ»ΡΡΠ° ΠΏΡΠΎΡ
ΠΎΠ΄ΠΈΡ Π² ΠΎΠ΄Π½ΠΎΠΌ ΠΏΠΎΠ»ΠΎΠΆΠ΅Π½ΠΈΠΈ Π²ΡΠΊΠ»ΡΡΠ΅Π½Π½ΠΎΠΉ ΡΠΈΡΡΠ΅ΠΌΡ.
Π ΠΏΠ΅ΡΠ²ΠΎΠΉ ΠΏΠΎΠ·ΠΈΡΠΈΠΈ Π²ΠΊΠ»ΡΡΠ°Π΅ΡΡΡ ΡΠ°Π΄ΠΈΠΎ. ΠΠΎ Π²ΡΠΎΡΠΎΠΉ ΡΠ°Π±ΠΎΡΠ΅ΠΉ ΠΏΠΎΠ·ΠΈΡΠΈΠΈ Π·Π°ΠΏΡΡΠΊΠ°ΡΡΡΡ Π²ΡΠ΅ ΡΠ»Π΅ΠΊΡΡΠΈΡΠ΅ΡΠΊΠΈΠ΅ ΠΏΠΎΡΡΠ΅Π±ΠΈΡΠ΅Π»ΠΈ. Π ΡΡΠ°ΡΡΠΎΠ²ΠΎΠΌ ΡΠ°ΡΠΏΠΎΠ»ΠΎΠΆΠ΅Π½ΠΈΠΈ Π²ΠΊΠ»ΡΡΠ΅Π½ ΠΎΠ΄ΠΈΠ½ ΡΡΠ°ΡΡΠ΅Ρ, Π° ΠΏΠΈΡΠ°Π½ΠΈΠ΅ ΡΠΈΡΡΠ΅ΠΌΡ, ΠΏΠΎΡΡΠ΅Π±Π»ΡΡΡΡΡ ΠΌΠΎΡΠ½ΠΎΡΡΡ, ΠΎΡΠΊΠ»ΡΡΠ΅Π½ΠΎ. ΠΠΎΠ³Π΄Π° Π΄Π²ΠΈΠ³Π°ΡΠ΅Π»Ρ Π² ΡΠ°Π±ΠΎΡΠ΅, ΠΊΠ»ΡΡ Π²ΠΎΠ·Π²ΡΠ°ΡΠ°Π΅ΡΡΡ Π²ΠΎ Π²ΡΠΎΡΡΡ ΠΏΠΎΠ·ΠΈΡΠΈΡ. Π ΡΠΎΡΡΠΎΡΠ½ΠΈΠΈ ΠΏΠΎΠΊΠΎΡ Π±Π΅Π· ΠΊΠ»ΡΡΠ° Π² Π·Π°ΠΌΠΊΠ΅, Π² Π½ΡΠ»Π΅Π²ΠΎΠΉ ΠΏΠΎΠ·ΠΈΡΠΈΠΈ, ΠΏΡΠΎΠ΄ΠΎΠ»ΠΆΠ°ΡΡ ΡΠ°Π±ΠΎΡΡ ΠΌΠΎΠ³ΡΡ ΡΠΎΠ»ΡΠΊΠΎ ΠΏΡΠΈΠ±ΠΎΡΡ ΠΎΡΠ²Π΅ΡΠ΅Π½ΠΈΡ ΠΈ Π°Π²Π°ΡΠΈΠΉΠ½Π°Ρ ΡΠΈΠ³Π½Π°Π»ΠΈΠ·Π°ΡΠΈΡ.
Π’Π°ΠΊΠΈΠΌ ΠΎΠ±ΡΠ°Π·ΠΎΠΌ, ΠΈΠ·ΡΡΠΈΠ² ΡΡ Π΅ΠΌΡ Π·Π°ΠΌΠΊΠ° Π·Π°ΠΆΠΈΠ³Π°Π½ΠΈΡ Π΄Π»Ρ ΠΠΠ-2109, ΡΠ»Π΅Π΄ΡΠ΅Ρ ΠΎΡΠΌΠ΅ΡΠΈΡΡ, ΡΡΠΎ Π·Π°ΠΌΠΎΠΊ ΡΠΎΡΡΠΎΠΈΡ ΠΈΠ· ΠΌΠ΅Ρ Π°Π½ΠΈΠΊΠΈ ΠΈ ΡΠ»Π΅ΠΊΡΡΠΈΠΊΠΈ, Π³Π΄Π΅ ΡΠ°ΡΠΏΠΎΠ»ΠΎΠΆΠ΅Π½Ρ ΠΊΠΎΠ½ΡΠ°ΠΊΡΠ½ΡΠ΅ ΠΏΡΠΎΠ²ΠΎΠ΄Π°, ΠΎΡΡΡΠ΅ΡΡΠ²Π»ΡΡΡΠΈΠ΅ ΠΏΠΎΠ΄Π°ΡΡ ΡΠΎΠΊΠ° ΠΈ Π·Π°ΠΏΡΡΠΊΠ°ΡΡΠΈΠ΅ ΡΠ°ΠΊΠΈΠΌ ΠΎΠ±ΡΠ°Π·ΠΎΠΌ Π°Π²ΡΠΎΠΌΠΎΠ±ΠΈΠ»Ρ.
Β
Β
ΠΠΎΠ½ΡΠ°Π²ΠΈΠ»Π°ΡΡ ΡΡΠ°ΡΡΡ? ΠΠΎΠ΄Π΅Π»ΠΈΡΡΡΡ Ρ Π΄ΡΡΠ·ΡΡΠΌΠΈ:
ΠΠ°ΠΌΠΎΠΊ Π·Π°ΠΆΠΈΠ³Π°Π½ΠΈΡ ΠΠ°Π· 2109
ΠΠ»Π°Π²Π½Π°Ρ β’ ΠΠ°Π· β’ 2109 β’ ΠΠ»Π΅ΠΊΡΡΠΈΠΊΠ°
ΠΠ°ΠΌΠΎΠΊ Π·Π°ΠΆΠΈΠ³Π°Π½ΠΈΡ ΠΠ°Π· 2109 ΠΏΡΠ΅Π΄Π½Π°Π·Π½Π°ΡΠ΅Π½ Π΄Π»Ρ Π·Π°ΠΏΡΡΠΊΠ° Π΄Π²ΠΈΠ³Π°ΡΠ΅Π»Ρ Π°Π²ΡΠΎΠΌΠΎΠ±ΠΈΠ»Ρ.
Π ΡΡΠ°ΡΡΠ΅ ΠΌΡ ΡΠ°ΡΡΠΌΠΎΡΡΠΈΠΌ Π·Π°ΠΌΠ΅Π½Ρ Π·Π°ΠΌΠΊΠ° Π·Π°ΠΆΠΈΠ³Π°Π½ΠΈΡ ΠΈ ΡΡ
Π΅ΠΌΡ Π΅Π³ΠΎ ΠΏΠΎΠ΄ΠΊΠ»ΡΡΠ΅Π½ΠΈΡ (ΡΠ°ΡΠΏΠΈΠ½ΠΎΠ²ΠΊΡ).
ΠΠ°ΠΊ ΠΏΠΎΠΌΠ΅Π½ΡΡΡ Π·Π°ΠΌΠΎΠΊ Π·Π°ΠΆΠΈΠ³Π°Π½ΠΈΡ Π½Π° ΠΠ°Π· 2109
ΠΡΠ²Π΅ΡΠ½ΠΈΡΠ΅ ΡΠ΅ΡΡΡ Π²ΠΈΠ½ΡΠΎΠ² ΠΊΡΠ΅ΠΏΠ»Π΅Π½ΠΈΡ Π½ΠΈΠΆΠ½Π΅Π³ΠΎ ΠΊΠΎΠΆΡΡ Π° ΡΡΠ»Π΅Π²ΠΎΠΉ ΠΊΠΎΠ»ΠΎΠ½ΠΊΠΈ.
Π‘Π½ΠΈΠΌΠΈΡΠ΅ Π½ΠΈΠΆΠ½ΠΈΠΉ ΠΊΠΎΠΆΡΡ ΡΡΠ»Π΅Π²ΠΎΠΉ ΠΊΠΎΠ»ΠΎΠ½ΠΊΠΈ ΠΈ ΠΎΠ±Π»ΠΈΡΠΎΠ²ΠΊΡ Π·Π°ΠΌΠΊΠ° Π·Π°ΠΆΠΈΠ³Π°Π½ΠΈΡ.
Π‘Π½ΠΈΠΌΠΈΡΠ΅ Π²Π΅ΡΡ Π½ΠΈΠΉ ΠΊΠΎΠΆΡΡ ΡΡΠ»Π΅Π²ΠΎΠΉ ΠΊΠΎΠ»ΠΎΠ½ΠΊΠΈ.
ΠΡΡΠΎΠ΅Π΄ΠΈΠ½ΠΈΡΠ΅ ΠΊΠΎΠ»ΠΎΠ΄ΠΊΡ Ρ ΠΏΡΠΎΠ²ΠΎΠ΄Π°ΠΌΠΈ Π²ΡΠΊΠ»ΡΡΠ°ΡΠ΅Π»Ρ Π·Π°ΠΆΠΈΠ³Π°Π½ΠΈΡ ΠΎΡ ΠΆΠ³ΡΡΠ° ΠΏΡΠΎΠ²ΠΎΠ΄ΠΎΠ².
ΠΡΡΠΎΠ΅Π΄ΠΈΠ½ΠΈΡΠ΅ ΠΊΠΎΠ»ΠΎΠ΄ΠΊΡ Ρ ΠΏΡΠΎΠ²ΠΎΠ΄Π°ΠΌΠΈ Π²ΡΠΊΠ»ΡΡΠ°ΡΠ΅Π»Ρ Π·Π°ΠΆΠΈΠ³Π°Π½ΠΈΡ ΠΎΡ ΡΠ΅Π»Π΅ Π·Π°ΠΆΠΈΠ³Π°Π½ΠΈΡ.
ΠΡΡΠ°Π²ΡΡΠ΅ ΠΊΠ»ΡΡ Π² Π²ΡΠΊΠ»ΡΡΠ°ΡΠ΅Π»Ρ Π·Π°ΠΆΠΈΠ³Π°Π½ΠΈΡ ΠΈ ΠΏΠΎΠ²Π΅ΡΠ½ΠΈΡΠ΅ Π΅Π³ΠΎ Π² ΠΏΠΎΠ»ΠΎΠΆΠ΅Π½ΠΈΠ΅ β0β, ΡΡΠΎΠ±Ρ Π²ΡΠΊΠ»ΡΡΠΈΡΡ ΠΏΡΠΎΡΠΈΠ²ΠΎΡΠ³ΠΎΠ½Π½ΠΎΠ΅ ΡΡΡΡΠΎΠΉΡΡΠ²ΠΎ. ΠΡΠ²Π΅ΡΠ½ΠΈΡΠ΅ ΡΠ΅ΡΡΡΠ΅ Π±ΠΎΠ»ΡΠ° ΠΊΡΠ΅ΠΏΠ»Π΅Π½ΠΈΡ (Π΄Π²Π° Π±ΠΎΠ»ΡΠ° ΡΠ°ΡΠΏΠΎΠ»ΠΎΠΆΠ΅Π½Ρ ΡΠ²Π΅ΡΡ Ρ ΠΊΠΎΠ»ΠΎΠ½ΠΊΠΈ). Π‘Π½ΠΈΠΌΠΈΡΠ΅ ΡΠΊΠΎΠ±Ρ ΠΈ Π²ΡΠΊΠ»ΡΡΠ°ΡΠ΅Π»Ρ Π·Π°ΠΆΠΈΠ³Π°Π½ΠΈΡ.
Π‘Π±ΠΎΡΠΊΠ° ΠΈ ΡΡΡΠ°Π½ΠΎΠ²ΠΊΠ° Π·Π°ΠΌΠΊΠ° Π·Π°ΠΆΠΈΠ³Π°Π½ΠΈΡ ΠΠ°Π· 2109 ΠΏΡΠΎΠΈΠ·Π²ΠΎΠ΄ΠΈΡΡΡ Π² ΠΎΠ±ΡΠ°ΡΠ½ΠΎΠΉ ΠΏΠΎΡΠ»Π΅Π΄ΠΎΠ²Π°ΡΠ΅Π»ΡΠ½ΠΎΡΡΠΈ.
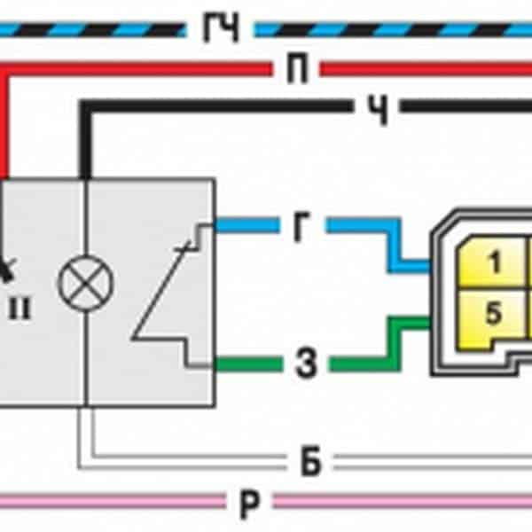
ΠΠ°ΠΌΠΎΠΊ Π·Π°ΠΆΠΈΠ³Π°Π½ΠΈΡ ΠΠ°Π· 2109 ΡΡ Π΅ΠΌΠ° ΠΏΡΠΎΠ²ΠΎΠ΄ΠΎΠ²
ΠΠ°Π· 2109 Π·Π°ΠΌΠΎΠΊ Π·Π°ΠΆΠΈΠ³Π°Π½ΠΈΡ ΡΡ
Π΅ΠΌΠ°Β ΡΠΎΠ΅Π΄ΠΈΠ½Π΅Π½ΠΈΠΉ ΠΈ ΠΊΠΎΠΌΠΌΡΡΠ°ΡΠΈΠΈ Π²ΡΠΊΠ»ΡΡΠ°ΡΠ΅Π»Ρ Π·Π°ΠΆΠΈΠ³Π°Π½ΠΈΡ 1 β ΡΠ΅Π»Π΅ Π·Π°ΠΆΠΈΠ³Π°Π½ΠΈΡ, 2 β ΡΡΠ΅ΠΊΠ΅ΡΠ½ΡΠΉ ΡΠ°Π·ΡΠ΅ΠΌ Π²ΡΠΊΠ»ΡΡΠ°ΡΠ΅Π»Ρ Π·Π°ΠΆΠΈΠ³Π°Π½ΠΈΡ, 3 β Π²ΡΠΊΠ»ΡΡΠ°ΡΠ΅Π»Ρ Π·Π°ΠΆΠΈΠ³Π°Π½ΠΈΡ ΠΠ°Π· 2109.
Π£ΡΡΡΠΎΠΉΡΡΠ²ΠΎ Π·Π°ΠΌΠΊΠ° Π·Π°ΠΆΠΈΠ³Π°Π½ΠΈΡ ΠΠ°Π· 2109
ΠΠΎΠ»ΠΎΠΆΠ΅Π½ΠΈΠ΅ ΠΊΠ»ΡΡΠ° | ΠΠΎΠ½ΡΠ°ΠΊΡΡ ΠΏΠΎΠ΄ Π½Π°ΠΏΡΡΠΆΠ΅Π½ΠΈΠ΅ΠΌ | ΠΠΊΠ»ΡΡΠ°Π΅ΠΌΡΠ΅ ΡΠ΅ΠΏΠΈ |
| β0ββΠ²ΡΠΊΠ»ΡΡΠ΅Π½ΠΎ | 30 ΠΈ 30/1 | β |
| βIββΠ·Π°ΠΆΠΈΠ³Π°Π½ΠΈΠ΅ | 30βINT | ΠΠ°ΡΡΠΆΠ½ΠΎΠ΅ ΠΎΡΠ²Π΅ΡΠ΅Π½ΠΈΠ΅. ΠΡΠ²Π΅ΡΠ΅Π½ΠΈΠ΅ ΠΏΡΠΈΠ±ΠΎΡΠΎΠ². Π‘ΠΈΠ³Π½Π°Π»ΠΈΠ·Π°ΡΠΈΡ Π΄Π°Π»ΡΠ½ΠΈΠΌ ΡΠ²Π΅ΡΠΎΠΌ ΡΠ°Ρ |
30/1β15/1 | ΠΠ±ΠΌΠΎΡΠΊΠ° Π²ΠΎΠ·Π±ΡΠΆΠ΄Π΅Π½ΠΈΡ Π³Π΅Π½Π΅ΡΠ°ΡΠΎΡΠ°. Π‘ΠΈΡΡΠ΅ΠΌΠ° Π·Π°ΠΆΠΈΠ³Π°Π½ΠΈΡ. ΠΡΠΈΡΡΠΈΡΠ΅Π»Ρ Π²Π΅ΡΡΠΎΠ²ΠΎΠ³ΠΎ ΡΡΠ΅ΠΊΠ»Π°. ΠΠ»ΠΎΠΊ ΡΠΏΡΠ°Π²Π»Π΅Π½ΠΈΡ ΡΠ»Π΅ΠΊΡΡΠΎΠΌΠ°Π³Π½ΠΈΡΠ½ΡΠΌ ΠΊΠ»Π°ΠΏΠ°Π½ΠΎΠΌ Ρ ΠΎΠ»ΠΎΡΡΠΎΠ³ΠΎ Ρ ΠΎΠ΄Π° ΠΊΠ°ΡΠ±ΡΡΠ°ΡΠΎΡΠ°. Π£ΠΊΠ°Π·Π°ΡΠ΅Π»ΠΈ ΠΏΠΎΠ²ΠΎΡΠΎΡΠ°. Π‘Π²Π΅Ρ Π·Π°Π΄Π½Π΅Π³ΠΎ Ρ ΠΎΠ΄Π°. ΠΠΎΠ½ΡΡΠΎΠ»ΡΠ½ΡΠ΅ ΠΏΡΠΈΠ±ΠΎΡΡ | |
30/1β15/2 | ΠΠ»ΠΈΠΆΠ½ΠΈΠΉ ΠΈ Π΄Π°Π»ΡΠ½ΠΈΠΉ ΡΠ²Π΅Ρ ΡΠ°Ρ. ΠΡΠΎΡΠΈΠ²ΠΎΡΡΠΌΠ°Π½Π½ΡΠΉ ΡΠ²Π΅Ρ. Π€Π°ΡΠΎΠΎΡΠΈΡΡΠΈΡΠ΅Π»ΠΈ. ΠΡΠΈΡΡΠΈΡΠ΅Π»Ρ Π·Π°Π΄Π½Π΅Π³ΠΎ ΡΡΠ΅ΠΊΠ»Π°. ΠΠ±ΠΎΠ³ΡΠ΅Π² Π·Π°Π΄Π½Π΅Π³ΠΎ ΡΡΠ΅ΠΊΠ»Π°. ΠΠΌΡΠ²Π°ΡΠ΅Π»Ρ. ΠΠ΅Π½ΡΠΈΠ»ΡΡΠΎΡ ΠΎΡΠΎΠΏΠΈΡΠ΅Π»Ρ. ΠΠ΅Π½ΡΠΈΠ»ΡΡΠΎΡ ΡΠΈΡΡΠ΅ΠΌΡ ΠΎΡ
Π»Π°ΠΆΠ΄Π΅Π½ΠΈΡ Π΄Π²ΠΈΠ³Π°ΡΠ΅Π»Ρ | |
| βIIββΡΡΠ°ΡΡΠ΅Ρ | 30βINT | Π‘ΠΌ. ΠΏΠΎΠ»ΠΎΠΆΠ΅Π½ΠΈΠ΅ I |
30/1β15/1 | Π‘ΠΌ. ΠΏΠΎΠ»ΠΎΠΆΠ΅Π½ΠΈΠ΅ I | |
| 30β50 | Π‘ΡΠ°ΡΡΠ΅Ρ | |
| βIIIββΡΡΠΎΡΠ½ΠΊΠ° | 30βINT | Π‘ΠΌ. ΠΏΠΎΠ»ΠΎΠΆΠ΅Π½ΠΈΠ΅ I |
30/1βP | Π‘ΡΠΎΡΠ½ΠΎΡΠ½ΡΠΉ ΡΠ²Π΅Ρ |
Π£ΡΡΡΠΎΠΉΡΡΠ²ΠΎ ΡΠ½ΡΡΠΈΠ΅ ΠΈ ΡΡΡΠ°Π½ΠΎΠ²ΠΊΠ° Π·Π°ΠΌΠΊΠ° Π·Π°ΠΆΠΈΠ³Π°Π½ΠΈΡ, Π° ΡΠ°ΠΊ ΠΆΠ΅ ΡΡ Π΅ΠΌΠ° ΠΏΠΎΠ΄ΠΊΠ»ΡΡΠ΅Π½ΠΈΡ ΠΊΠΎΠ½ΡΠ°ΠΊΡΠ½ΠΎΠΉ Π³ΡΡΠΏΠΏΡ Π·Π°ΠΌΠΊΠ° Π·Π°ΠΆΠΈΠ³Π°Π½ΠΈΡ ΠΠ°Π· 2109 Π½Π΅ Π·Π°Π²ΠΈΡΠΈΡ ΠΎΡ ΡΠΈΠΏΠ° ΠΏΠ°Π½Π΅Π»ΠΈ ΠΏΡΠΈΠ±ΠΎΡΠΎΠ², ΡΡΠΎ Π²ΡΡΠΎΠΊΠ°Ρ, ΡΡΠΎ Π½ΠΈΠ·ΠΊΠ°Ρ, Π·Π°ΠΌΠΊΠΈ Π·Π°ΠΆΠΈΠ³Π°Π½ΠΈΡ ΠΎΠ΄ΠΈΠ½Π°ΠΊΠΎΠ²ΡΠ΅.
ΠΠΎΠ²ΡΠΉ ΠΊΠΎΠΌΠΌΠ΅Π½ΡΠ°ΡΠΈΠΉ
ΠΠΈΠ΄Π΅ΠΎΡΠ΅ΠΌΠΎΠ½Ρ
Β© 2014-2015 ΠΡΠ΅ ΠΏΡΠ°Π²Π° Π·Π°ΡΠΈΡΠ΅Π½Ρ.
ΠΠ΅Π·Π°ΠΊΠΎΠ½Π½ΠΎΠ΅ ΠΊΠΎΠΏΠΈΡΠΎΠ²Π°Π½ΠΈΠ΅ Π·Π°ΠΏΡΠ΅ΡΠ΅Π½ΠΎ.
Π£ΡΡΡΠΎΠΉΡΡΠ²ΠΎ Π±Π»ΠΎΠΊΠΈΡΠΎΠ²ΠΊΠΈ Π·Π°ΠΆΠΈΠ³Π°Π½ΠΈΡ — AvtoTachki
ΠΡΠΊΠ»ΡΡΠ°ΡΠ΅Π»Ρ Π·Π°ΠΆΠΈΠ³Π°Π½ΠΈΡ ΠΈΠ»ΠΈ Π²ΡΠΊΠ»ΡΡΠ°ΡΠ΅Π»Ρ Π·Π°ΠΆΠΈΠ³Π°Π½ΠΈΡ ΡΠ²Π»ΡΠ΅ΡΡΡ ΠΎΡΠ½ΠΎΠ²Π½ΡΠΌ ΠΊΠΎΠΌΠΌΡΡΠ°ΡΠΈΠΎΠ½Π½ΡΠΌ ΡΠ»Π΅ΠΌΠ΅Π½ΡΠΎΠΌ, ΠΊΠΎΡΠΎΡΡΠΉ ΡΠΏΡΠ°Π²Π»ΡΠ΅Ρ ΠΏΠΎΠ΄Π°ΡΠ΅ΠΉ ΠΏΠΈΡΠ°Π½ΠΈΡ Π² ΡΠ»Π΅ΠΊΡΡΠΈΡΠ΅ΡΠΊΠΈΠ΅ ΡΠΈΡΡΠ΅ΠΌΡ, Π° ΡΠ°ΠΊΠΆΠ΅ ΠΏΡΠ΅Π΄ΠΎΡΠ²ΡΠ°ΡΠ°Π΅Ρ ΡΠ°Π·ΡΡΠ΄ΠΊΡ Π°ΠΊΠΊΡΠΌΡΠ»ΡΡΠΎΡΠ½ΠΎΠΉ Π±Π°ΡΠ°ΡΠ΅ΠΈ ΠΏΡΠΈ ΡΡΠΎΡΠ½ΠΊΠ΅ Π°Π²ΡΠΎΠΌΠΎΠ±ΠΈΠ»Ρ ΠΈ Π² ΡΠΎΡΡΠΎΡΠ½ΠΈΠΈ ΠΏΠΎΠΊΠΎΡ.
ΠΠΎΠ½ΡΡΡΡΠΊΡΠΈΡ Π·Π°ΠΌΠΊΠ° Π·Π°ΠΆΠΈΠ³Π°Π½ΠΈΡ
ΠΠ°ΠΌΠΎΠΊ Π·Π°ΠΆΠΈΠ³Π°Π½ΠΈΡ ΡΠΎΡΡΠΎΠΈΡ ΠΈΠ· Π΄Π²ΡΡ ΡΠ°ΡΡΠ΅ΠΉ:
- ΠΌΠ΅Ρ Π°Π½ΠΈΡΠ΅ΡΠΊΠΈΠΉ — Π·Π°ΠΌΠΎΠΊ ΡΠΈΠ»ΠΈΠ½Π΄ΡΠΈΡΠ΅ΡΠΊΠΈΠΉ (Π»ΠΈΡΠΈΠ½ΠΊΠ°), ΡΠΎΡΡΠΎΠΈΡ ΠΈΠ· ΡΠΈΠ»ΠΈΠ½Π΄ΡΠ°, Π² Π½Π΅Π³ΠΎ Π²ΡΡΠ°Π²Π»ΡΠ΅ΡΡΡ ΠΊΠ»ΡΡ Π·Π°ΠΆΠΈΠ³Π°Π½ΠΈΡ.
- ΠΠ»Π΅ΠΊΡΡΠΈΠΊΠ° — ΠΊΠΎΠ½ΡΠ°ΠΊΡΠ½ΡΠΉ ΡΠ·Π΅Π», ΡΠΎΡΡΠΎΠΈΡ ΠΈΠ· Π³ΡΡΠΏΠΏΡ ΠΊΠΎΠ½ΡΠ°ΠΊΡΠΎΠ², ΠΊΠΎΡΠΎΡΠ°Ρ Π·Π°ΠΌΡΠΊΠ°Π΅ΡΡΡ ΠΏΠΎ ΠΎΠΏΡΠ΅Π΄Π΅Π»Π΅Π½Π½ΠΎΠΌΡ Π°Π»Π³ΠΎΡΠΈΡΠΌΡ ΠΏΡΠΈ ΠΏΠΎΠ²ΠΎΡΠΎΡΠ΅ ΠΊΠ»ΡΡΠ°.
Π ΠΊΠ»ΡΡ Π·Π°ΠΆΠΈΠ³Π°Π½ΠΈΡ ΠΎΠ±ΡΡΠ½ΠΎ ΡΡΡΠ°Π½Π°Π²Π»ΠΈΠ²Π°Π΅ΡΡΡ ΡΠΈΠ»ΠΈΠ½Π΄ΡΠΎΠ²ΡΠΉ Π·Π°ΠΌΠΎΠΊ, ΠΊΠΎΡΠΎΡΡΠΉ ΠΎΠ΄Π½ΠΎΠ²ΡΠ΅ΠΌΠ΅Π½Π½ΠΎ ΡΠΏΡΠ°Π²Π»ΡΠ΅ΡΡΡ Ρ Π½Π΅ΡΠΊΠΎΠ»ΡΠΊΠΈΠΌΠΈ Π·Π°Π΄Π°ΡΠ°ΠΌΠΈ, ΡΠ°ΠΊΠΈΠΌΠΈ ΠΊΠ°ΠΊ: ΠΏΠΎΠ²ΠΎΡΠΎΡ ΠΊΠΎΠ½ΡΠ°ΠΊΡΠ½ΠΎΠ³ΠΎ ΡΠ·Π»Π° ΠΈ Π±Π»ΠΎΠΊΠΈΡΠΎΠ²ΠΊΠ° ΡΡΠ»Ρ. ΠΠ»Ρ Π±Π»ΠΎΠΊΠΈΡΠΎΠ²ΠΊΠΈ ΠΈΡΠΏΠΎΠ»ΡΠ·ΡΠ΅ΡΡΡ ΡΠΏΠ΅ΡΠΈΠ°Π»ΡΠ½ΡΠΉ Π·Π°ΠΏΠΈΡΠ°ΡΡΠΈΠΉ ΡΡΠ΅ΡΠΆΠ΅Π½Ρ, ΠΊΠΎΡΠΎΡΡΠΉ ΠΏΡΠΈ ΠΏΠΎΠ²ΠΎΡΠΎΡΠ΅ ΠΊΠ»ΡΡΠ° Π²ΡΠ΄Π²ΠΈΠ³Π°Π΅ΡΡΡ ΠΈΠ· ΠΊΠΎΡΠΏΡΡΠ° Π·Π°ΠΌΠΊΠ° ΠΈ ΠΏΠΎΠΏΠ°Π΄Π°Π΅Ρ Π² ΡΠΏΠ΅ΡΠΈΠ°Π»ΡΠ½ΡΠΉ ΠΏΠ°Π· Π² ΡΡΠ»Π΅Π²ΠΎΠΉ ΠΊΠΎΠ»ΠΎΠ½ΠΊΠ΅.
Π‘Π°ΠΌΠΎ ΡΡΡΡΠΎΠΉΡΡΠ²ΠΎ Π·Π°ΠΌΠΊΠ° Π·Π°ΠΆΠΈΠ³Π°Π½ΠΈΡ ΠΈΠΌΠ΅Π΅Ρ ΠΏΡΠΎΡΡΡΡ ΠΊΠΎΠ½ΡΡΡΡΠΊΡΠΈΡ, ΡΠ΅ΠΏΠ΅ΡΡ ΠΏΠΎΠΏΡΠΎΠ±ΡΠ΅ΠΌ ΡΠ°Π·ΠΎΠ±ΡΠ°ΡΡ Π²ΡΠ΅ Π΅Π³ΠΎ ΡΠΎΡΡΠ°Π²Π»ΡΡΡΠΈΠ΅. ΠΠ»Ρ Π±ΠΎΠ»Π΅Π΅ Π½Π°Π³Π»ΡΠ΄Π½ΠΎΠ³ΠΎ ΠΏΡΠΈΠΌΠ΅ΡΠ° ΡΠ°ΡΡΠΌΠΎΡΡΠΈΠΌ, ΠΊΠ°ΠΊ ΡΠ°Π±ΠΎΡΠ°Π΅Ρ Π·Π°ΠΌΠΎΠΊ Π·Π°ΠΆΠΈΠ³Π°Π½ΠΈΡ:
ΠΠ΅ΡΠ°Π»ΠΈ Π²ΡΠΊΠ»ΡΡΠ°ΡΠ΅Π»Ρ Π·Π°ΠΆΠΈΠ³Π°Π½ΠΈΡ
- a) ΡΠΈΠΏ KZ813;
- Π±) ΡΠΈΠΏ 2108-3704005-40;
- Π‘ΠΊΠΎΠ±Π°.
- ΠΠΎΡΠΏΡΡ.
- ΠΠΎΠ½ΡΠ°ΠΊΡΠ½Π°Ρ ΡΠ°ΡΡΡ.
- ΠΠ±Π»ΠΈΡΠΎΠ²ΠΊΠ°.
- ΠΠ°ΠΌΠΎΠΊ.
- Π — ΠΎΡΠ²Π΅ΡΡΡΠΈΠ΅ Π΄Π»Ρ ΡΠΈΠΊΡΠΈΡΡΡΡΠ΅Π³ΠΎ ΡΡΠΈΡΡΠ°.
- B — ΡΠΈΠΊΡΠΈΡΡΡΡΠΈΠΉ ΡΡΠΈΡΡ.
ΠΠΈΡΠΈΠ½ΠΊΠ° ΡΠΎΠ΅Π΄ΠΈΠ½Π΅Π½Π° Ρ ΠΏΡΠΎΠ²ΠΎΠ»ΠΎΠΊΠΎΠΉ ΠΈ ΡΡΡΠ°Π½ΠΎΠ²Π»Π΅Π½Π° ββΠ²Π½ΡΡΡΠΈ ΡΠΈΡΠΎΠΊΠΎΠΉ ΡΠΈΠ»ΠΈΠ½Π΄ΡΠΈΡΠ΅ΡΠΊΠΎΠΉ ΠΏΡΡΠΆΠΈΠ½Ρ, ΠΎΠ΄Π½ΠΈΠΌ ΠΊΡΠ°Π΅ΠΌ ΠΏΡΠΈΠΊΡΠ΅ΠΏΠ»Π΅Π½Π½ΠΎΠΉ ΠΊ ΡΠ°ΠΌΠΎΠΉ Π»ΠΈΡΠΈΠ½ΠΊΠ΅, Π° Π΄ΡΡΠ³ΠΈΠΌ ΠΊ ΠΊΠΎΡΠΏΡΡΡ Π·Π°ΠΌΠΊΠ°. Π‘ ΠΏΠΎΠΌΠΎΡΡΡ ΠΏΡΡΠΆΠΈΠ½Ρ Π·Π°ΠΌΠΎΠΊ ΠΌΠΎΠΆΠ΅Ρ Π°Π²ΡΠΎΠΌΠ°ΡΠΈΡΠ΅ΡΠΊΠΈ Π²ΠΎΠ·Π²ΡΠ°ΡΠ°ΡΡΡΡ Π² ΠΈΡΡ ΠΎΠ΄Π½ΠΎΠ΅ ΠΏΠΎΠ»ΠΎΠΆΠ΅Π½ΠΈΠ΅ ΠΏΠΎΡΠ»Π΅ Π²ΠΊΠ»ΡΡΠ΅Π½ΠΈΡ Π·Π°ΠΆΠΈΠ³Π°Π½ΠΈΡ ΠΈΠ»ΠΈ ΠΏΠΎΡΠ»Π΅ Π½Π΅ΡΠ΄Π°ΡΠ½ΠΎΠΉ ΠΏΠΎΠΏΡΡΠΊΠΈ Π·Π°ΠΏΡΡΠΊΠ° ΡΠΈΠ»ΠΎΠ²ΠΎΠ³ΠΎ Π°Π³ΡΠ΅Π³Π°ΡΠ°.
ΠΠΎΠ²ΠΎΠ΄ΠΎΠΊ Π·Π°ΠΌΠΊΠ° ΠΌΠΎΠΆΠ΅Ρ Π½Π΅ ΡΠΎΠ»ΡΠΊΠΎ Π²ΡΠ°ΡΠ°ΡΡ Π΄ΠΈΡΠΊ ΠΊΠΎΠ½ΡΠ°ΠΊΡΠ½ΠΎΠ³ΠΎ ΡΠ·Π»Π°, Π½ΠΎ ΠΈ ΡΠΈΠΊΡΠΈΡΠΎΠ²Π°ΡΡ Π·Π°ΠΌΠΎΠΊ Π² ΠΏΡΠ°Π²ΠΈΠ»ΡΠ½ΠΎΠΌ ΠΏΠΎΠ»ΠΎΠΆΠ΅Π½ΠΈΠΈ. Π‘ΠΏΠ΅ΡΠΈΠ°Π»ΡΠ½ΠΎ Π΄Π»Ρ ΡΡΠΎΠ³ΠΎ ΠΏΠΎΠ²ΠΎΠ΄ΠΎΠΊ Π²ΡΠΏΠΎΠ»Π½Π΅Π½ Π² Π²ΠΈΠ΄Π΅ ΡΠΈΡΠΎΠΊΠΎΠ³ΠΎ ΡΠΈΠ»ΠΈΠ½Π΄ΡΠ°, Π² ΠΊΠΎΡΠΎΡΠΎΠΌ ΡΠ°Π΄ΠΈΠ°Π»ΡΠ½ΠΎ ΠΏΡΠΎΡ
ΠΎΠ΄ΠΈΡ ΠΊΠ°Π½Π°Π».
ΠΠΎ ΠΎΠ±Π΅ΠΈΠΌ ΡΡΠΎΡΠΎΠ½Π°ΠΌ ΠΊΠ°Π½Π°Π»Π° ΡΠ°ΡΠΏΠΎΠ»ΠΎΠΆΠ΅Π½Ρ ΡΠ°ΡΠΈΠΊΠΈ, ΠΌΠ΅ΠΆΠ΄Ρ Π½ΠΈΠΌΠΈ Π½Π°Ρ
ΠΎΠ΄ΠΈΡΡΡ ΠΏΡΡΠΆΠΈΠ½Π°, Ρ ΠΏΠΎΠΌΠΎΡΡΡ ΠΊΠΎΡΠΎΡΠΎΠΉ ΡΠ°ΡΠΈΠΊΠΈ Π²Ρ
ΠΎΠ΄ΡΡ Π² ΠΎΡΠ²Π΅ΡΡΡΠΈΡ ΠΈΠ·Π½ΡΡΡΠΈ Π½Π° ΠΊΠΎΡΠΏΡΡΠ΅ Π·Π°ΠΌΠΊΠ°, ΠΎΠ±Π΅ΡΠΏΠ΅ΡΠΈΠ²Π°Ρ ΡΠ°ΠΊΠΈΠΌ ΠΎΠ±ΡΠ°Π·ΠΎΠΌ ΠΈΡ
ΡΠΈΠΊΡΠ°ΡΠΈΡ.
Π’Π°ΠΊ Π²ΡΠ³Π»ΡΠ΄ΠΈΡ ΠΊΠΎΠ½ΡΠ°ΠΊΡΠ½Π°Ρ Π³ΡΡΠΏΠΏΠ° Π·Π°ΠΌΠΊΠ° Π·Π°ΠΆΠΈΠ³Π°Π½ΠΈΡ
ΠΠΎΠ½ΡΠ°ΠΊΡΠ½ΡΠΉ ΡΠ·Π΅Π» ΡΠΎΡΡΠΎΠΈΡ ΠΈΠ· Π΄Π²ΡΡ ΠΎΡΠ½ΠΎΠ²Π½ΡΡ ΡΠ°ΡΡΠ΅ΠΉ , ΡΠ°ΠΊΠΈΡ ΠΊΠ°ΠΊ: ΠΏΡΠΈΠ²ΠΎΠ΄Π½ΠΎΠΉ ΠΊΠΎΠ½ΡΠ°ΠΊΡΠ½ΡΠΉ Π΄ΠΈΡΠΊ ΠΈ Π½Π΅ΠΏΠΎΠ΄Π²ΠΈΠΆΠ½ΡΠΉ Π±Π»ΠΎΠΊ Ρ Π²ΠΈΠ΄ΠΈΠΌΡΠΌΠΈ ΠΊΠΎΠ½ΡΠ°ΠΊΡΠ°ΠΌΠΈ. ΠΠ° ΡΠ°ΠΌΠΎΠΌ Π΄ΠΈΡΠΊΠ΅ ΡΡΡΠ°Π½ΠΎΠ²Π»Π΅Π½Ρ ΠΏΠ»Π°ΡΡΠΈΠ½Ρ, ΠΈΠΌΠ΅Π½Π½ΠΎ ΡΠ΅ΡΠ΅Π· Π½ΠΈΡ ΠΏΡΠΎΡ ΠΎΠ΄ΠΈΡ ΡΠΎΠΊ ΠΏΠΎΡΠ»Π΅ ΠΏΠΎΠ²ΠΎΡΠΎΡΠ° ΠΊΠ»ΡΡΠ° Π² Π·Π°ΠΆΠΈΠ³Π°Π½ΠΈΠΈ. Π ΠΎΡΠ½ΠΎΠ²Π½ΠΎΠΌ Π½Π° Π±Π»ΠΎΠΊΠ΅ ΡΠ°Π·ΠΌΠ΅ΡΠ°ΡΡ Π΄ΠΎ 6 ΠΈ Π±ΠΎΠ»Π΅Π΅ ΠΊΠΎΠ½ΡΠ°ΠΊΡΠΎΠ², ΠΈΡ Π²ΡΠ²ΠΎΠ΄Ρ ΠΎΠ±ΡΡΠ½ΠΎ ΡΠ°ΡΠΏΠΎΠ»Π°Π³Π°ΡΡ Ρ ΠΎΠ±ΡΠ°ΡΠ½ΠΎΠΉ ΡΡΠΎΡΠΎΠ½Ρ. ΠΠ° ΡΠ΅Π³ΠΎΠ΄Π½ΡΡΠ½ΠΈΠΉ Π΄Π΅Π½Ρ Π² ΡΠΎΠ²ΡΠ΅ΠΌΠ΅Π½Π½ΡΡ Π·Π°ΠΌΠΊΠ°Ρ ΠΈΡΠΏΠΎΠ»ΡΠ·ΡΡΡΡΡ ΠΊΠΎΠ½ΡΠ°ΠΊΡΡ Π² Π²ΠΈΠ΄Π΅ ΠΏΠ»Π°ΡΡΠΈΠ½ Ρ Π΅Π΄ΠΈΠ½ΡΠΌ ΡΠ°Π·ΡΠ΅ΠΌΠΎΠΌ.
ΠΊΠΎΠ½ΡΠ°ΠΊΡΠ½Π°Ρ Π³ΡΡΠΏΠΏΠ° , Π² ΠΎΡΠ½ΠΎΠ²Π½ΠΎΠΌ ΠΎΡΠ²Π΅ΡΠ°Π΅Ρ Π·Π° Π·Π°ΠΏΡΡΠΊ ΡΡΠ°ΡΡΠ΅ΡΠ°, ΡΠΈΡΡΠ΅ΠΌΡ Π·Π°ΠΆΠΈΠ³Π°Π½ΠΈΡ, ΠΠΠΠΈΠ, ΠΎΠ½ ΡΠ°ΡΠΏΠΎΠ»ΠΎΠΆΠ΅Π½ Π³Π»ΡΠ±ΠΎΠΊΠΎ Π² ΠΊΠΎΡΠΏΡΡΠ΅ Π·Π°ΠΌΠΊΠ°. ΠΡΠΎΠ²Π΅ΡΠΈΡΡ Π΅Π³ΠΎ ΡΠ°Π±ΠΎΡΠΎΡΠΏΠΎΡΠΎΠ±Π½ΠΎΡΡΡ ΠΌΠΎΠΆΠ½ΠΎ Ρ ΠΏΠΎΠΌΠΎΡΡΡ ΡΠΏΠ΅ΡΠΈΠ°Π»ΡΠ½ΠΎΠΉ ΠΊΠΎΠ½ΡΡΠΎΠ»ΡΠ½ΠΎΠΉ Π»Π°ΠΌΠΏΡ. ΠΠΎ ΠΏΡΠ΅Π΄Π²Π°ΡΠΈΡΠ΅Π»ΡΠ½ΠΎ ΠΏΠ΅ΡΠ΅Π΄ ΡΡΠΈΠΌ ΡΠΏΠ΅ΡΠΈΠ°Π»ΠΈΡΡΡ ΡΠ΅ΠΊΠΎΠΌΠ΅Π½Π΄ΡΡΡ ΠΏΡΠΎΠ²Π΅ΡΠΈΡΡ Π½Π° Π½Π°Π»ΠΈΡΠΈΠ΅ ΠΏΠΎΠ²ΡΠ΅ΠΆΠ΄Π΅Π½ΠΈΠΉ ΡΡΠΎΡΡ, ΠΈΠ΄ΡΡΠΈΠ΅ ΠΊ Π·Π°ΠΌΠΊΡ, Π΅ΡΠ»ΠΈ ΡΠ°ΠΊΠΎΠ²ΡΠ΅ Π±ΡΠ΄ΡΡ ΠΎΠ±Π½Π°ΡΡΠΆΠ΅Π½Ρ, ΡΠΎ ΠΌΠ΅ΡΡΠ° ΠΏΠΎΠ²ΡΠ΅ΠΆΠ΄Π΅Π½ΠΈΠΉ Π½ΡΠΆΠ½ΠΎ Π±ΡΠ΄Π΅Ρ Π·Π°ΠΈΠ·ΠΎΠ»ΠΈΡΠΎΠ²Π°ΡΡ ΠΈΠ·ΠΎΠ»Π΅Π½ΡΠΎΠΉ.
ΠΠ»Π΅ΠΊΡΡΠΈΡΠ΅ΡΠΊΠ°Ρ ΡΠ΅ΠΏΡ Π·Π°ΠΌΠΊΠ° Π·Π°ΠΆΠΈΠ³Π°Π½ΠΈΡ ΠΠΠ 2109
ΠΠ°ΠΊ ΡΠ°Π±ΠΎΡΠ°Π΅Ρ Π·Π°ΠΌΠΎΠΊ Π·Π°ΠΆΠΈΠ³Π°Π½ΠΈΡ?
ΠΠ°ΠΆΠ½ΡΠΌ ΠΌΠ΅Ρ Π°Π½ΠΈΠ·ΠΌΠΎΠΌ Π² Π°Π²ΡΠΎΠΌΠΎΠ±ΠΈΠ»Π΅ ΡΠ²Π»ΡΠ΅ΡΡΡ Π·Π°ΠΌΠΎΠΊ Π·Π°ΠΆΠΈΠ³Π°Π½ΠΈΡ, ΠΏΡΠΈΠ½ΡΠΈΠΏ ΡΠ°Π±ΠΎΡΡ ΠΊΠΎΡΠΎΡΠΎΠ³ΠΎ Π±ΡΠ΄Π΅Ρ ΡΠ°ΡΡΠΌΠΎΡΡΠ΅Π½ Π΄Π°Π»Π΅Π΅ Π² ΡΡΠ°ΡΡΠ΅.
ΠΡΠΈΠ½ΡΠΈΠΏ ΡΠ°Π±ΠΎΡΡ Π·Π°ΠΌΠΊΠ° Π·Π°ΠΆΠΈΠ³Π°Π½ΠΈΡ
Π‘ΠΈΡΡΠ΅ΠΌΠ° Π·Π°ΠΌΠΊΠ° Π΄ΠΎΠ²ΠΎΠ»ΡΠ½ΠΎ ΠΏΡΠΎΡΡΠ°, ΠΏΠΎΡΡΠΎΠΌΡ ΡΠ΅ΠΉΡΠ°Ρ ΠΌΡ ΡΠ°ΡΡΠΌΠΎΡΡΠΈΠΌ ΠΎΡΠ½ΠΎΠ²Π½ΡΠ΅ Π·Π°Π΄Π°ΡΠΈ, Ρ ΠΊΠΎΡΠΎΡΡΠΌΠΈ ΠΎΠ½ ΠΌΠΎΠΆΠ΅Ρ ΡΠΏΡΠ°Π²ΠΈΡΡΡΡ:
- ΠΠΎΠ·ΠΌΠΎΠΆΠ½ΠΎΡΡΡ ΠΏΠΎΠ΄ΠΊΠ»ΡΡΠ°ΡΡ ΠΈ ΠΎΡΠΊΠ»ΡΡΠ°ΡΡ ΡΠ»Π΅ΠΊΡΡΠΎΡΠΈΡΡΠ΅ΠΌΡ ΠΏΠΈΡΠ°Π½ΠΈΠ΅ Π°Π²ΡΠΎΠΌΠΎΠ±ΠΈΠ»Ρ ΠΊ Π°ΠΊΠΊΡΠΌΡΠ»ΡΡΠΎΡΡ, Π² ΡΠ²ΠΎΡ ΠΎΡΠ΅ΡΠ΅Π΄Ρ, ΠΏΠΎΡΠ»Π΅ Π·Π°ΠΏΡΡΠΊΠ° ΠΠΠ‘ ΠΏΠΎΠ΄ΠΊΠ»ΡΡΠΈΡΡ ΠΊ Π³Π΅Π½Π΅ΡΠ°ΡΠΎΡΡ.
- ΠΠΎΠ·ΠΌΠΎΠΆΠ½ΠΎΡΡΡ ΠΏΠΎΠ΄ΠΊΠ»ΡΡΠΈΡΡ ΠΈ ΠΎΡΠΊΠ»ΡΡΠΈΡΡ ΡΠΈΡΡΠ΅ΠΌΡ Π·Π°ΠΆΠΈΠ³Π°Π½ΠΈΡ Π΄Π²ΠΈΠ³Π°ΡΠ΅Π»Ρ ΠΎΡ ΠΈΡΡΠΎΡΠ½ΠΈΠΊΠ° ΠΏΠΈΡΠ°Π½ΠΈΡ.
- ΠΡΠΈ Π·Π°ΠΏΡΡΠΊΠ΅ Π΄Π²ΠΈΠ³Π°ΡΠ΅Π»Ρ Π²Π½ΡΡΡΠ΅Π½Π½Π΅Π³ΠΎ ΡΠ³ΠΎΡΠ°Π½ΠΈΡ ΠΊΠ»ΡΡ Π·Π°ΠΆΠΈΠ³Π°Π½ΠΈΡ ΠΌΠΎΠΆΠ΅Ρ ΠΊΡΠ°ΡΠΊΠΎΠ²ΡΠ΅ΠΌΠ΅Π½Π½ΠΎ Π²ΠΊΠ»ΡΡΠ°ΡΡ ΡΡΠ°ΡΡΠ΅Ρ.
- ΠΠ±Π΅ΡΠΏΠ΅ΡΠΈΠ²Π°Π΅Ρ ΡΠ°Π±ΠΎΡΡ ΡΠ°ΠΊΠΈΡ ΡΡΡΡΠΎΠΉΡΡΠ² Ρ Π²ΡΠΊΠ»ΡΡΠ΅Π½Π½ΡΠΌ Π΄Π²ΠΈΠ³Π°ΡΠ΅Π»Π΅ΠΌ ΡΠΈΠΏΠ°: ΡΠ°Π΄ΠΈΠΎ ΠΈ ΡΠΈΠ³Π½Π°Π»ΠΈΠ·Π°ΡΠΈΡ.
- ΠΠ΅ΠΊΠΎΡΠΎΡΡΠ΅ ΡΡΠ½ΠΊΡΠΈΠΈ Π·Π°ΠΌΠΊΠ° Π·Π°ΠΆΠΈΠ³Π°Π½ΠΈΡ ΠΌΠΎΠΆΠ½ΠΎ ΠΈΡΠΏΠΎΠ»ΡΠ·ΠΎΠ²Π°ΡΡ ΠΊΠ°ΠΊ ΠΏΡΠΎΡΠΈΠ²ΠΎΡΠ³ΠΎΠ½Π½ΠΎΠ΅ ΡΡΠ΅Π΄ΡΡΠ²ΠΎ , Π½Π°ΠΏΡΠΈΠΌΠ΅Ρ, Π²ΠΎΠ·ΠΌΠΎΠΆΠ½ΠΎΡΡΡ ΠΏΠΎΡΡΠ°Π²ΠΈΡΡ Π·Π°ΠΌΠΎΠΊ Π½Π° ΡΡΠ»Ρ, ΠΊΠΎΠ³Π΄Π° ΠΠΠ‘ Π½Π°Ρ
ΠΎΠ΄ΠΈΡΡΡ Π² ΡΠΏΠΎΠΊΠΎΠΉΠ½ΠΎΠΌ ΡΠΎΡΡΠΎΡΠ½ΠΈΠΈ.

ΠΠ°ΠΌΠΊΠΈ Π·Π°ΠΆΠΈΠ³Π°Π½ΠΈΡ ΠΌΠΎΠ³ΡΡ ΠΈΠΌΠ΅ΡΡ ΠΎΡ Π΄Π²ΡΡ Π΄ΠΎ ΡΠ΅ΡΡΡΠ΅Ρ ΠΏΠΎΠ»ΠΎΠΆΠ΅Π½ΠΈΠΉ ΠΏΠ΅ΡΠ΅ΠΊΠ»ΡΡΠ΅Π½ΠΈΡ. Π Π·Π°Π²ΠΈΡΠΈΠΌΠΎΡΡΠΈ ΠΎΡ ΠΏΠΎΠ»ΠΎΠΆΠ΅Π½ΠΈΡ ΠΊΠ»ΡΡΠ° Π·Π°ΠΆΠΈΠ³Π°Π½ΠΈΡ Π² Π°Π²ΡΠΎΠΌΠΎΠ±ΠΈΠ»Π΅ ΠΌΠΎΠΆΠ½ΠΎ ΠΎΠΏΡΠ΅Π΄Π΅Π»ΠΈΡΡ, ΠΊΠ°ΠΊΠΈΠ΅ ΡΠΈΡΡΠ΅ΠΌΡ ΠΏΠΈΡΠ°Π½ΠΈΡ ΡΠ°Π±ΠΎΡΠ°ΡΡ Π² ΡΠΎΡ ΠΈΠ»ΠΈ ΠΈΠ½ΠΎΠΉ ΠΌΠΎΠΌΠ΅Π½Ρ Π²ΡΠ΅ΠΌΠ΅Π½ΠΈ. ΠΠ»ΡΡ Π² ΠΌΠ°ΡΠΈΠ½Π΅ ΠΌΠΎΠΆΠ½ΠΎ Π²ΡΡΠ°ΡΠΈΡΡ ΡΠΎΠ»ΡΠΊΠΎ Π² ΠΎΠ΄Π½ΠΎΠΌ ΠΏΠΎΠ»ΠΎΠΆΠ΅Π½ΠΈΠΈ, ΠΊΠΎΠ³Π΄Π° Π²ΡΠ΅ ΠΏΠΎΡΡΠ΅Π±ΠΈΡΠ΅Π»ΠΈ ΡΠ»Π΅ΠΊΡΡΠΎΡΠ½Π΅ΡΠ³ΠΈΠΈ Π½Π°Ρ ΠΎΠ΄ΡΡΡΡ Π² Π²ΡΠΊΠ»ΡΡΠ΅Π½Π½ΠΎΠΌ ΡΠΎΡΡΠΎΡΠ½ΠΈΠΈ. Π΄Π»Ρ ΡΠΎΠ³ΠΎ, ΡΡΠΎΠ±Ρ ΠΈΠΌΠ΅ΡΡ Π±ΠΎΠ»Π΅Π΅ Π΄Π΅ΡΠ°Π»ΡΠ½ΠΎΠ΅ ΠΏΡΠ΅Π΄ΡΡΠ°Π²Π»Π΅Π½ΠΈΠ΅ ΠΎ ΡΠ°Π±ΠΎΡΠ΅ Π·Π°ΠΌΠΊΠ° Π·Π°ΠΆΠΈΠ³Π°Π½ΠΈΡ, Π½Π΅ΠΎΠ±Ρ ΠΎΠ΄ΠΈΠΌΠΎ ΠΎΠ·Π½Π°ΠΊΠΎΠΌΠΈΡΡΡΡ Ρ Π΅Π³ΠΎ ΡΡ Π΅ΠΌΠΎΠΉ:
Π‘Ρ Π΅ΠΌΠ° ΡΠ°Π±ΠΎΡΡ Π·Π°ΠΌΠΊΠ° Π·Π°ΠΆΠΈΠ³Π°Π½ΠΈΡ
Π ΠΊΠ°ΠΊΠΈΡ ΠΏΠΎΠ»ΠΎΠΆΠ΅Π½ΠΈΡΡ ΠΌΠΎΠΆΠ΅Ρ ΡΠ°Π±ΠΎΡΠ°ΡΡ Π·Π°ΠΌΠΎΠΊ Π·Π°ΠΆΠΈΠ³Π°Π½ΠΈΡ?
- «ΠΡΠΊΠ»ΡΡΠ΅Π½ΠΎ» . Π Π°Π²ΡΠΎΠΌΠΎΠ±ΠΈΠ»ΡΡ ΠΎΡΠ΅ΡΠ΅ΡΡΠ²Π΅Π½Π½ΠΎΠ³ΠΎ ΠΏΡΠΎΠΈΠ·Π²ΠΎΠ΄ΠΈΡΠ΅Π»Ρ ΡΡΠΎ ΠΏΠΎΠ»ΠΎΠΆΠ΅Π½ΠΈΠ΅ ΠΎΡΠΎΠ±ΡΠ°ΠΆΠ°Π΅ΡΡΡ ΠΊΠ°ΠΊ «0», Π½ΠΎ Π½Π° Π½Π΅ΠΊΠΎΡΠΎΡΡΡ ΡΡΠ°ΡΡΡ ΠΌΠΎΠ΄Π΅Π»ΡΡ ΠΏΠΎΠ»ΠΎΠΆΠ΅Π½ΠΈΠ΅ ΠΈΠΌΠ΅Π»ΠΎ Π·Π½Π°ΡΠ΅Π½ΠΈΠ΅ «I». Π‘Π΅Π³ΠΎΠ΄Π½Ρ Π² ΡΠ»ΡΡΡΠ΅Π½Π½ΡΡ Π°Π²ΡΠΎΠΌΠΎΠ±ΠΈΠ»ΡΡ ΡΡΠ° ΠΎΡΠΌΠ΅ΡΠΊΠ° Π²ΠΎΠΎΠ±ΡΠ΅ Π½Π΅ ΠΎΡΠΎΠ±ΡΠ°ΠΆΠ°Π΅ΡΡΡ Π½Π° Π·Π°ΠΌΠΊΠ΅.
- «ΠΠΠ» ΠΈΠ»ΠΈ «ΠΠ°ΠΆΠΈΠ³Π°Π½ΠΈΠ΅» — Π½Π° Π°Π²ΡΠΎΠΌΠΎΠ±ΠΈΠ»ΡΡ
ΠΎΡΠ΅ΡΠ΅ΡΡΠ²Π΅Π½Π½ΠΎΠ³ΠΎ ΠΏΡΠΎΠΈΠ·Π²ΠΎΠ΄ΡΡΠ²Π° ΠΈΠΌΠ΅ΡΡΡΡ ΡΠ°ΠΊΠΈΠ΅ ΠΎΠ±ΠΎΠ·Π½Π°ΡΠ΅Π½ΠΈΡ: «I» ΠΈ «II», Π² Π±ΠΎΠ»Π΅Π΅ Π½ΠΎΠ²ΡΡ
ΠΌΠΎΠ΄ΠΈΡΠΈΠΊΠ°ΡΠΈΡΡ
ΡΡΠΎ «ΠΠΠ» ΠΈΠ»ΠΈ «3».

- «Π‘ΡΠ°ΡΡΠ΅Ρ» — Π΄Π»Ρ ΠΎΡΠ΅ΡΠ΅ΡΡΠ²Π΅Π½Π½ΡΡ Π°Π²ΡΠΎΠΌΠΎΠ±ΠΈΠ»Π΅ΠΉ «II» ΠΈΠ»ΠΈ «III», Π΄Π»Ρ Π½ΠΎΠ²ΡΡ Π°Π²ΡΠΎΠΌΠΎΠ±ΠΈΠ»Π΅ΠΉ — «Π‘Π’ΠΠ Π’» ΠΈΠ»ΠΈ «4».
- «ΠΠ°ΠΌΠΎΠΊ» ΠΈΠ»ΠΈ «ΠΠ°ΡΠΊΠΎΠ²ΠΊΠ°» — ΡΡΠ°ΡΡΠ΅ Π°Π²ΡΠΎΠΌΠΎΠ±ΠΈΠ»ΠΈ ΠΈΠΌΠ΅ΡΡ ΠΌΠ°ΡΠΊΠΈΡΠΎΠ²ΠΊΡ «III» ΠΈΠ»ΠΈ «IV», ΠΈΠ½ΠΎΠΌΠ°ΡΠΊΠΈ «LOCK» ΠΈΠ»ΠΈ «0».
- «ΠΠΎΠΏΠΎΠ»Π½ΠΈΡΠ΅Π»ΡΠ½ΠΎΠ΅ ΠΎΠ±ΠΎΡΡΠ΄ΠΎΠ²Π°Π½ΠΈΠ΅» — ΠΎΡΠ΅ΡΠ΅ΡΡΠ²Π΅Π½Π½ΡΠ΅ Π·Π°ΠΌΠΊΠΈ ΡΠ°ΠΊΠΎΠΉ ΠΏΠΎΠ·ΠΈΡΠΈΠΈ Π½Π΅ ΠΈΠΌΠ΅ΡΡ, ΠΈΠ½ΠΎΡΡΡΠ°Π½Π½ΡΠ΅ Π²Π΅ΡΡΠΈΠΈ Π°Π²ΡΠΎΠΌΠΎΠ±ΠΈΠ»Ρ ΠΎΠ±ΠΎΠ·Π½Π°ΡΠ°ΡΡΡΡ: «ΠΡΡ» ΠΈΠ»ΠΈ «2».
Π‘Ρ Π΅ΠΌΠ° ΠΏΠΎΠ»ΠΎΠΆΠ΅Π½ΠΈΡ Π²ΡΠΊΠ»ΡΡΠ°ΡΠ΅Π»Ρ Π·Π°ΠΆΠΈΠ³Π°Π½ΠΈΡ
ΠΠΎΠ³Π΄Π° ΠΊΠ»ΡΡ Π²ΡΡΠ°Π²Π»ΡΠ΅ΡΡΡ Π² Π·Π°ΠΌΠΎΠΊ ΠΈ ΠΏΠΎΠ²ΠΎΡΠ°ΡΠΈΠ²Π°Π΅ΡΡΡ ΠΏΠΎ ΡΠ°ΡΠΎΠ²ΠΎΠΉ ΡΡΡΠ΅Π»ΠΊΠ΅, ΡΠΎ Π΅ΡΡΡ ΠΏΠ΅ΡΠ΅Ρ
ΠΎΠ΄ΠΈΡ ΠΈΠ· ΠΏΠΎΠ»ΠΎΠΆΠ΅Π½ΠΈΡ Β«ΠΠ°ΠΌΠΎΠΊΒ» Π² ΠΏΠΎΠ»ΠΎΠΆΠ΅Π½ΠΈΠ΅ Β«ΠΠΠΒ», ΡΠΎ Π²ΠΊΠ»ΡΡΠ°ΡΡΡΡ Π²ΡΠ΅ ΠΎΡΠ½ΠΎΠ²Π½ΡΠ΅ ΡΠ»Π΅ΠΊΡΡΠΈΡΠ΅ΡΠΊΠΈΠ΅ ΡΠ΅ΠΏΠΈ Π°Π²ΡΠΎΠΌΠΎΠ±ΠΈΠ»Ρ, ΡΠ°ΠΊΠΈΠ΅ ΠΊΠ°ΠΊ: ΠΎΡΠ²Π΅ΡΠ΅Π½ΠΈΠ΅, ΡΡΠ΅ΠΊΠ»ΠΎΠΎΡΠΈΡΡΠΈΡΠ΅Π»Ρ, ΠΎΠ±ΠΎΠ³ΡΠ΅Π²Π°ΡΠ΅Π»Ρ ΠΈ Π΄ΡΡΠ³ΠΈΠ΅. ΠΠ½ΠΎΠΌΠ°ΡΠΊΠΈ ΡΡΡΡΠΎΠ΅Π½Ρ Π½Π΅ΠΌΠ½ΠΎΠ³ΠΎ ΠΈΠ½Π°ΡΠ΅, Ρ Π½ΠΈΡ
ΡΡΠ°Π·Ρ Β«ΠΠΎΠΏΠ°Β» ΡΡΠΎΠΈΡ ΠΏΠ΅ΡΠ΅Π΄ ΠΏΠΎΠ»ΠΎΠΆΠ΅Π½ΠΈΠ΅ΠΌ Β«ΠΠΠΒ», ΠΏΠΎΡΡΠΎΠΌΡ Π΄ΠΎΠΏΠΎΠ»Π½ΠΈΡΠ΅Π»ΡΠ½ΠΎ Π·Π°Π²ΠΎΠ΄ΠΈΡΡΡ Π΅ΡΠ΅ ΠΈ ΠΌΠ°Π³Π½ΠΈΡΠΎΠ»Π°, ΠΏΡΠΈΠΊΡΡΠΈΠ²Π°ΡΠ΅Π»Ρ ΠΈ ΡΠ²Π΅Ρ ΡΠ°Π»ΠΎΠ½Π°. ΠΡΠ»ΠΈ ΠΊΠ»ΡΡ ΠΏΠΎΠ²Π΅ΡΠ½ΡΡΡ Π΅ΡΠ΅ ΠΈ ΠΏΠΎ ΡΠ°ΡΠΎΠ²ΠΎΠΉ ΡΡΡΠ΅Π»ΠΊΠ΅, Π·Π°ΠΌΠΎΠΊ ΠΏΠ΅ΡΠ΅ΠΉΠ΄Π΅Ρ Π² ΠΏΠΎΠ»ΠΎΠΆΠ΅Π½ΠΈΠ΅ Β«Π‘ΡΠ°ΡΡΠ΅ΡΒ», Π² ΡΡΠΎΡ ΠΌΠΎΠΌΠ΅Π½Ρ Π΄ΠΎΠ»ΠΆΠ½ΠΎ ΡΠΎΠ΅Π΄ΠΈΠ½ΠΈΡΡΡΡ ΡΠ΅Π»Π΅ ΠΈ Π·Π°ΠΏΡΡΡΠΈΡΡ ΠΠΠ‘.
ΠΡΠΎ ΠΏΠΎΠ»ΠΎΠΆΠ΅Π½ΠΈΠ΅ Π½Π΅ ΠΌΠΎΠΆΠ΅Ρ Π±ΡΡΡ Π·Π°ΡΠΈΠΊΡΠΈΡΠΎΠ²Π°Π½ΠΎ, ΠΏΠΎΡΠΊΠΎΠ»ΡΠΊΡ ΡΠ°ΠΌ ΠΊΠ»ΡΡ Π½Π°Ρ
ΠΎΠ΄ΠΈΡΡΡ Ρ Π²ΠΎΠ΄ΠΈΡΠ΅Π»Ρ. ΠΠΎΡΠ»Π΅ ΡΡΠΏΠ΅ΡΠ½ΠΎΠ³ΠΎ Π·Π°ΠΏΡΡΠΊΠ° Π΄Π²ΠΈΠ³Π°ΡΠ΅Π»Ρ ΠΊΠ»ΡΡ Π²ΠΎΠ·Π²ΡΠ°ΡΠ°Π΅ΡΡΡ Π² ΠΈΡΡ
ΠΎΠ΄Π½ΠΎΠ΅ ΠΏΠΎΠ»ΠΎΠΆΠ΅Π½ΠΈΠ΅ Β«ΠΠ°ΠΆΠΈΠ³Π°Π½ΠΈΠ΅Β» — Β«ΠΠΠΒ» ΠΈ ΡΠΆΠ΅ Π² ΡΡΠΎΠΌ ΡΠΎΡΡΠΎΡΠ½ΠΈΠΈ ΠΊΠ»ΡΡ ΡΠΈΠΊΡΠΈΡΡΠ΅ΡΡΡ Π² ΠΎΠ΄Π½ΠΎΠΌ ΠΏΠΎΠ»ΠΎΠΆΠ΅Π½ΠΈΠΈ Π΄ΠΎ ΠΏΠΎΠ»Π½ΠΎΠΉ ΠΎΡΡΠ°Π½ΠΎΠ²ΠΊΠΈ Π΄Π²ΠΈΠ³Π°ΡΠ΅Π»Ρ. ΠΡΠ»ΠΈ Π½ΡΠΆΠ½ΠΎ Π·Π°Π³Π»ΡΡΠΈΡΡ Π΄Π²ΠΈΠ³Π°ΡΠ΅Π»Ρ, ΡΠΎ Π² ΡΡΠΎΠΌ ΡΠ»ΡΡΠ°Π΅ ΠΊΠ»ΡΡ ΠΏΡΠΎΡΡΠΎ ΠΏΠ΅ΡΠ΅Π²ΠΎΠ΄ΠΈΡΡΡ Π² ΠΏΠΎΠ»ΠΎΠΆΠ΅Π½ΠΈΠ΅ Β«ΠΡΠΊΠ»Β», ΠΏΠΎΡΠ»Π΅ ΡΠ΅Π³ΠΎ ΠΎΡΠΊΠ»ΡΡΠ°ΡΡΡΡ Π²ΡΠ΅ ΡΠΈΠ»ΠΎΠ²ΡΠ΅ ΡΠ΅ΠΏΠΈ ΠΈ Π΄Π²ΠΈΠ³Π°ΡΠ΅Π»Ρ Π²Π½ΡΡΡΠ΅Π½Π½Π΅Π³ΠΎ ΡΠ³ΠΎΡΠ°Π½ΠΈΡ ΠΎΡΡΠ°Π½Π°Π²Π»ΠΈΠ²Π°Π΅ΡΡΡ.
Π‘Ρ Π΅ΠΌΠ° ΠΊΠ»ΡΡΠ° Π² Π·Π°ΠΌΠΊΠ΅ Π·Π°ΠΆΠΈΠ³Π°Π½ΠΈΡ
Π Π°Π²ΡΠΎΠΌΠΎΠ±ΠΈΠ»ΡΡ
Ρ Π΄ΠΈΠ·Π΅Π»ΡΠ½ΡΠΌΠΈ Π΄Π²ΠΈΠ³Π°ΡΠ΅Π»ΡΠΌΠΈ Π²ΠΊΠ»ΡΡΠ°Π΅ΡΡΡ ΠΊΠ»Π°ΠΏΠ°Π½ Ρ ΠΎΡΡΠ΅ΡΠΊΠΎΠΉ ΠΏΠΎΠ΄Π°ΡΠΈ ΡΠΎΠΏΠ»ΠΈΠ²Π° ΠΈ Π·Π°ΡΠ»ΠΎΠ½ΠΊΠ° ΠΏΠ΅ΡΠ΅ΠΊΡΡΠ²Π°ΡΡΠ°Ρ ΠΏΠΎΠ΄Π°ΡΡ Π²ΠΎΠ·Π΄ΡΡ
Π°, Π² ΡΠ΅Π·ΡΠ»ΡΡΠ°ΡΠ΅ Π²ΡΠ΅Ρ
ΡΡΠΈΡ
Π΄Π΅ΠΉΡΡΠ²ΠΈΠΉ ΡΠ»Π΅ΠΊΡΡΠΎΠ½Π½ΡΠΉ Π±Π»ΠΎΠΊ ΡΠΏΡΠ°Π²Π»Π΅Π½ΠΈΡ ΠΠΠ‘ ΠΏΡΠ΅ΠΊΡΠ°ΡΠ°Π΅Ρ ΡΠ²ΠΎΡ ΡΠ°Π±ΠΎΡΡ. ΠΠΎΠ³Π΄Π° Π΄Π²ΠΈΠ³Π°ΡΠ΅Π»Ρ Π²Π½ΡΡΡΠ΅Π½Π½Π΅Π³ΠΎ ΡΠ³ΠΎΡΠ°Π½ΠΈΡ ΡΠΆΠ΅ ΠΏΠΎΠ»Π½ΠΎΡΡΡΡ ΠΎΡΡΠ°Π½ΠΎΠ²Π»Π΅Π½, ΠΊΠ»ΡΡ ΠΌΠΎΠΆΠ½ΠΎ ΠΏΠ΅ΡΠ΅Π²Π΅ΡΡΠΈ Π² ΠΏΠΎΠ»ΠΎΠΆΠ΅Π½ΠΈΠ΅ Β«ΠΠ»ΠΎΠΊΠΈΡΠΎΠ²ΠΊΠ°Β» β Β«ΠΠΠΠΠΠ ΠΠΠΠΒ», ΠΏΠΎΡΠ»Π΅ ΡΠ΅Π³ΠΎ ΡΡΠ»Π΅Π²ΠΎΠ΅ ΠΊΠΎΠ»Π΅ΡΠΎ ΡΡΠ°Π½ΠΎΠ²ΠΈΡΡΡ Π½Π΅ΠΏΠΎΠ΄Π²ΠΈΠΆΠ½ΡΠΌ. Π£ ΠΈΠ½ΠΎΠΌΠ°ΡΠΎΠΊ Π² ΠΏΠΎΠ»ΠΎΠΆΠ΅Π½ΠΈΠΈ Β«LOCKΒ» ΠΎΡΠΊΠ»ΡΡΠ°ΡΡΡΡ Π²ΡΠ΅ ΡΠ»Π΅ΠΊΡΡΠΈΡΠ΅ΡΠΊΠΈΠ΅ ΡΠ΅ΠΏΠΈ ΠΈ Π±Π»ΠΎΠΊΠΈΡΡΠ΅ΡΡΡ ΡΡΠ»Ρ, Π°Π²ΡΠΎΠΌΠΎΠ±ΠΈΠ»ΠΈ Ρ Π°Π²ΡΠΎΠΌΠ°ΡΠΈΡΠ΅ΡΠΊΠΎΠΉ ΠΊΠΎΡΠΎΠ±ΠΊΠΎΠΉ ΠΏΠ΅ΡΠ΅Π΄Π°Ρ ΡΠ°ΠΊΠΆΠ΅ Π΄ΠΎΠΏΠΎΠ»Π½ΠΈΡΠ΅Π»ΡΠ½ΠΎ Π±Π»ΠΎΠΊΠΈΡΡΡΡ ΡΠ΅Π»Π΅ΠΊΡΠΎΡ, ΠΊΠΎΡΠΎΡΡΠΉ Π½Π°Ρ
ΠΎΠ΄ΠΈΡΡΡ Π² ΠΏΠΎΠ»ΠΎΠΆΠ΅Π½ΠΈΠΈ Β«PΒ».
Π‘Ρ Π΅ΠΌΠ° ΠΏΠΎΠ΄ΠΊΠ»ΡΡΠ΅Π½ΠΈΡ Π·Π°ΠΌΠΊΠ° Π·Π°ΠΆΠΈΠ³Π°Π½ΠΈΡ ΠΠΠ 2101
ΠΠ°ΠΊ ΠΏΡΠ°Π²ΠΈΠ»ΡΠ½ΠΎ ΠΏΠΎΠ΄ΠΊΠ»ΡΡΠΈΡΡ Π·Π°ΠΌΠΎΠΊ Π·Π°ΠΆΠΈΠ³Π°Π½ΠΈΡ
ΠΡΠ»ΠΈ ΠΏΡΠΎΠ²ΠΎΠ΄Π° ΡΠΎΠ±ΡΠ°ΡΡ Π² ΠΎΠ΄Π½Ρ ΠΌΠΈΠΊΡΠΎΡΡ Π΅ΠΌΡ, ΡΠΎ ΠΏΠΎΠ΄ΠΊΠ»ΡΡΠΈΡΡ Π·Π°ΠΌΠΎΠΊ Π½Π΅ ΡΠΎΡΡΠ°Π²ΠΈΡ ΡΡΡΠ΄Π°, Π½ΡΠΆΠ½ΠΎ ΡΠΎΠ»ΡΠΊΠΎ ΡΡΡΠ°Π½ΠΎΠ²ΠΈΡΡ Π΅Π³ΠΎ Π½Π° ΠΊΠΎΠ½ΡΠ°ΠΊΡΡ.
ΠΡΠ»ΠΈ ΠΏΡΠΎΠ²ΠΎΠ΄Π° ΠΏΠΎΠ΄ΠΊΠ»ΡΡΠ΅Π½Ρ ΠΎΡΠ΄Π΅Π»ΡΠ½ΠΎ, ΡΠΎ Π½ΡΠΆΠ½ΠΎ ΠΎΠ±ΡΠ°ΡΠΈΡΡ Π²Π½ΠΈΠΌΠ°Π½ΠΈΠ΅ Π½Π° ΡΡ Π΅ΠΌΡ:
- ΠΊΠ»Π΅ΠΌΠΌΠ° 50 — ΠΊΡΠ°ΡΠ½ΡΠΉ ΠΏΡΠΎΠ²ΠΎΠ΄, Ρ ΠΏΠΎΠΌΠΎΡΡΡ Π½Π΅Π³ΠΎ ΡΠ°Π±ΠΎΡΠ°Π΅Ρ ΡΡΠ°ΡΡΠ΅Ρ;
- ΠΊΠ»Π΅ΠΌΠΌΠ° 15 — ΡΠΈΠ½ΡΡ Ρ ΡΠ΅ΡΠ½ΠΎΠΉ ΠΏΠΎΠ»ΠΎΡΠΎΠΉ, ΠΎΡΠ²Π΅ΡΠ°ΡΡΠ°Ρ Π·Π° ΠΎΠ±ΠΎΠ³ΡΠ΅Π² ΡΠ°Π»ΠΎΠ½Π°, Π·Π°ΠΆΠΈΠ³Π°Π½ΠΈΠ΅ ΠΈ Π΄ΡΡΠ³ΠΈΠ΅ ΡΡΡΡΠΎΠΉΡΡΠ²Π°;
- ΠΊΠ»Π΅ΠΌΠΌΠ° 30 — ΡΠΎΠ·ΠΎΠ²ΡΠΉ ΠΏΡΠΎΠ²ΠΎΠ΄;
- ΠΊΠ»Π΅ΠΌΠΌΠ° 30/1 — ΠΊΠΎΡΠΈΡΠ½Π΅Π²ΡΠΉ ΠΏΡΠΎΠ²ΠΎΠ΄;
- INT β ΡΠ΅ΡΠ½ΡΠΉ ΠΏΡΠΎΠ²ΠΎΠ΄, ΠΎΡΠ²Π΅ΡΠ°ΡΡΠΈΠΉ Π·Π° Π³Π°Π±Π°ΡΠΈΡΡ ΠΈ ΡΠ°ΡΡ.
Π‘Ρ Π΅ΠΌΠ° ΠΏΠΎΠ΄ΠΊΠ»ΡΡΠ΅Π½ΠΈΡ
ΠΡΠ»ΠΈ ΠΏΡΠΎΠ²ΠΎΠ΄ΠΊΠ° ΠΏΠΎΠ΄ΠΊΠ»ΡΡΠ΅Π½Π°, ΡΠΎ Π½ΡΠΆΠ½ΠΎ Π²ΡΠ΅ ΡΠΎΠ±ΡΠ°ΡΡ ΠΈ ΠΏΠΎΠ΄ΠΊΠ»ΡΡΠΈΡΡ ΠΊ ΠΊΠ»Π΅ΠΌΠΌΠ΅ Π°ΠΊΠΊΡΠΌΡΠ»ΡΡΠΎΡΠ° ΠΈ ΠΏΡΠΎΠ²Π΅ΡΠΈΡΡ ΡΠ°Π±ΠΎΡΡ. ΠΠ»Ρ Π½Π°ΡΠ°Π»Π° Π½ΡΠΆΠ½ΠΎ ΠΏΡΠΎΠ²Π΅ΡΠΈΡΡ, Π²ΡΠ΅ Π»ΠΈ ΡΠ»Π΅ΠΊΡΡΠΎΠΏΡΠΈΠ±ΠΎΡΡ ΠΏΠΈΡΠ°ΡΡΡΡ ΠΎΡ Π·Π°ΠΌΠΊΠ°, Π²Π΅Π΄Ρ ΡΠ°ΠΌ ΡΡΠ°ΡΡΠ΅Ρ ΡΠΆΠ΅ ΠΈΡΠΏΡΠ°Π²Π΅Π½. Π ΡΠ°ΠΊΠΎΠΌ ΡΠ»ΡΡΠ°Π΅ ΠΏΡΠΈ ΠΎΠ±Π½Π°ΡΡΠΆΠ΅Π½ΠΈΠΈ ΠΏΠΎΠ²ΡΠ΅ΠΆΠ΄Π΅Π½ΠΈΠΉ , ΡΠ°ΠΊ ΠΆΠ΅ Π½ΡΠΆΠ½ΠΎ ΠΏΡΠΎΠ²Π΅ΡΡΡΠ΅ ΠΏΡΠ°Π²ΠΈΠ»ΡΠ½ΠΎΡΡΡ ΠΏΡΠΎΠ²ΠΎΠ΄ΠΊΠΈ , Π²Π΅Π΄Ρ ΠΎΡ ΡΡΠΎΠ³ΠΎ Π±ΡΠ΄Π΅Ρ Π·Π°Π²ΠΈΡΠ΅ΡΡ ΡΠ°Π±ΠΎΡΠ° Π²ΡΠ΅Ρ
ΡΡΡΡΠΎΠΉΡΡΠ² Π² Π°Π²ΡΠΎΠΌΠΎΠ±ΠΈΠ»Π΅ ΠΏΠΎΡΠ»Π΅ ΠΏΠΎΠ²ΠΎΡΠΎΡΠ° ΠΊΠ»ΡΡΠ°.
ΠΠΈΠΆΠ΅ ΠΏΡΠΈΠ²Π΅Π΄Π΅Π½Π° ΡΡ
Π΅ΠΌΠ° ΠΏΠΎΠ΄ΠΊΠ»ΡΡΠ΅Π½ΠΈΡ Π·Π°ΠΌΠΊΠ° Π·Π°ΠΆΠΈΠ³Π°Π½ΠΈΡ.
ΠΠ° ΡΠ΅Π³ΠΎΠ΄Π½ΡΡΠ½ΠΈΠΉ Π΄Π΅Π½Ρ ΠΈΠ·Π²Π΅ΡΡΠ½ΠΎ Π΄Π²Π° ΡΠΈΠΏΠ° ΡΠΈΡΡΠ΅ΠΌ Π·Π°ΠΆΠΈΠ³Π°Π½ΠΈΡ. :
- ΠΠΊΠΊΡΠΌΡΠ»ΡΡΠΎΡ , ΠΎΠ±ΡΡΠ½ΠΎ Ρ Π°Π²ΡΠΎΠ½ΠΎΠΌΠ½ΡΠΌ ΠΈΡΡΠΎΡΠ½ΠΈΠΊΠΎΠΌ ΠΏΠΈΡΠ°Π½ΠΈΡ, ΠΌΠΎΠΆΠ΅Ρ ΠΈΡΠΏΠΎΠ»ΡΠ·ΠΎΠ²Π°ΡΡΡΡ Π΄Π»Ρ Π²ΠΊΠ»ΡΡΠ΅Π½ΠΈΡ ΡΠ»Π΅ΠΊΡΡΠΎΠΏΡΠΈΠ±ΠΎΡΠΎΠ² Π±Π΅Π· Π·Π°ΠΏΡΡΠΊΠ° Π΄Π²ΠΈΠ³Π°ΡΠ΅Π»Ρ Π²Π½ΡΡΡΠ΅Π½Π½Π΅Π³ΠΎ ΡΠ³ΠΎΡΠ°Π½ΠΈΡ.
- ΠΠ΅Π½Π΅ΡΠ°ΡΠΎΡ , ΠΏΠΎΠ»ΡΠ·ΠΎΠ²Π°ΡΡΡΡ ΡΠ»Π΅ΠΊΡΡΠΎΠΏΡΠΈΠ±ΠΎΡΠ°ΠΌΠΈ ΠΌΠΎΠΆΠ½ΠΎ ΡΠΎΠ»ΡΠΊΠΎ ΠΏΠΎΡΠ»Π΅ Π·Π°ΠΏΡΡΠΊΠ° Π΄Π²ΠΈΠ³Π°ΡΠ΅Π»Ρ Π²Π½ΡΡΡΠ΅Π½Π½Π΅Π³ΠΎ ΡΠ³ΠΎΡΠ°Π½ΠΈΡ, ΡΠΎ Π΅ΡΡΡ ΠΏΠΎΡΠ»Π΅ Π·Π°ΠΏΡΡΠΊΠ° ΡΠ»Π΅ΠΊΡΡΠΈΡΠ΅ΡΠΊΠΎΠ³ΠΎ ΡΠΎΠΊΠ°.
ΠΠΎΠ³Π΄Π° Π°Π²ΡΠΎΠΌΠΎΠ±ΠΈΠ»Ρ Π½Π°Ρ ΠΎΠ΄ΠΈΡΡΡ Π½Π° Π°ΠΊΠΊΡΠΌΡΠ»ΡΡΠΎΡΠ½ΠΎΠΌ Π·Π°ΠΆΠΈΠ³Π°Π½ΠΈΠΈ, Π²Ρ ΠΌΠΎΠΆΠ΅ΡΠ΅ Π²ΠΊΠ»ΡΡΠ°ΡΡ ΡΠ°ΡΡ, Π²Π½ΡΡΡΠ΅Π½Π½Π΅Π΅ ΠΎΡΠ²Π΅ΡΠ΅Π½ΠΈΠ΅ ΠΈ ΠΏΠΎΠ»ΡΠ·ΠΎΠ²Π°ΡΡΡΡ Π²ΡΠ΅ΠΌΠΈ ΡΠ»Π΅ΠΊΡΡΠΎΠΏΡΠΈΠ±ΠΎΡΠ°ΠΌΠΈ.
ΠΠ°ΠΊ ΡΠ°Π±ΠΎΡΠ°Π΅Ρ ΠΊΠΎΠ½ΡΠ°ΠΊΡΠ½Π°Ρ Π³ΡΡΠΏΠΏΠ°?
ΠΠΎΠ½ΡΠ°ΠΊΡΠ½Π°Ρ Π³ΡΡΠΏΠΏΠ° Π² Π°Π²ΡΠΎΠΌΠΎΠ±ΠΈΠ»Π΅ ΠΏΡΠ΅Π΄Π½Π°Π·Π½Π°ΡΠ΅Π½Π° Π΄Π»Ρ ΡΠΎΠ΅Π΄ΠΈΠ½Π΅Π½ΠΈΡ Π²ΡΠ΅Ρ ΡΠ»Π΅ΠΊΡΡΠΈΡΠ΅ΡΠΊΠΈΡ ΡΠ΅ΠΏΠ΅ΠΉ Π°Π²ΡΠΎΠΌΠΎΠ±ΠΈΠ»Ρ ΠΈ ΠΈΡ Π³ΡΡΠΏΠΏΠΈΡΠΎΠ²ΠΊΠΈ.
Π§ΡΠΎ ΡΠ°ΠΊΠΎΠ΅ ΠΊΠΎΠ½ΡΠ°ΠΊΡΠ½Π°Ρ Π³ΡΡΠΏΠΏΠ°? ΠΠΎΠ½ΡΠ°ΠΊΡΠ½Π°Ρ Π³ΡΡΠΏΠΏΠ° Π·Π°ΠΌΠΊΠ° Π·Π°ΠΆΠΈΠ³Π°Π½ΠΈΡ ΡΠ²Π»ΡΠ΅ΡΡΡ Π±Π°Π·ΠΎΠ²ΡΠΌ ΡΠ·Π»ΠΎΠΌ, ΠΎΠ±Π΅ΡΠΏΠ΅ΡΠΈΠ²Π°ΡΡΠΈΠΌ ΠΏΠΎΠ΄Π°ΡΡ Π½Π°ΠΏΡΡΠΆΠ΅Π½ΠΈΡ ΠΎΡ ΠΈΡΡΠΎΡΠ½ΠΈΠΊΠΎΠ² ΠΏΠΈΡΠ°Π½ΠΈΡ ΠΊ ΠΏΠΎΡΡΠ΅Π±ΠΈΡΠ΅Π»ΡΠΌ ΠΏΡΡΠ΅ΠΌ Π·Π°ΠΌΡΠΊΠ°Π½ΠΈΡ Π² Π½ΡΠΆΠ½ΠΎΠΌ ΠΏΠΎΡΡΠ΄ΠΊΠ΅ Π½Π΅ΠΎΠ±Ρ
ΠΎΠ΄ΠΈΠΌΡΡ
ΠΊΠΎΠ½ΡΠ°ΠΊΡΠΎΠ².
ΠΠΎΠ³Π΄Π° Π²ΠΎΠ΄ΠΈΡΠ΅Π»Ρ ΠΏΠΎΠ²ΠΎΡΠ°ΡΠΈΠ²Π°Π΅Ρ ΠΊΠ»ΡΡ Π·Π°ΠΆΠΈΠ³Π°Π½ΠΈΡ, ΡΠ»Π΅ΠΊΡΡΠΈΡΠ΅ΡΠΊΠ°Ρ ΡΠ΅ΠΏΡ Π·Π°ΠΌΡΠΊΠ°Π΅ΡΡΡ ΠΎΡ Β«ΠΌΠΈΠ½ΡΡΠΎΠ²ΠΎΠΉΒ» ΠΊΠ»Π΅ΠΌΠΌΡ, ΡΠ°ΡΠΏΠΎΠ»ΠΎΠΆΠ΅Π½Π½ΠΎΠΉ Π½Π° Π°ΠΊΠΊΡΠΌΡΠ»ΡΡΠΎΡΠ½ΠΎΠΉ Π±Π°ΡΠ°ΡΠ΅Π΅, Π΄ΠΎ ΠΈΠ½Π΄ΡΠΊΡΠΈΠΎΠ½Π½ΠΎΠΉ ΠΊΠ°ΡΡΡΠΊΠΈ Π·Π°ΠΆΠΈΠ³Π°Π½ΠΈΡ. ΠΠ»Π΅ΠΊΡΡΠΈΡΠ΅ΡΠΊΠΈΠΉ ΡΠΎΠΊ ΠΎΡ ΠΏΡΠΎΠ²ΠΎΠ΄Π½ΠΎΠΉ ΡΠΈΡΡΠ΅ΠΌΡ ΠΏΠΎΡΡΡΠΏΠ°Π΅Ρ Π½Π° Π·Π°ΠΌΠΎΠΊ Π·Π°ΠΆΠΈΠ³Π°Π½ΠΈΡ, ΠΏΡΠΎΡ ΠΎΠ΄ΠΈΡ ΡΠ΅ΡΠ΅Π· ΠΊΠΎΠ½ΡΠ°ΠΊΡΡ Π½Π° Π½Π΅ΠΌ, ΠΏΠΎΡΠ»Π΅ ΡΠ΅Π³ΠΎ ΠΏΠΎΡΡΡΠΏΠ°Π΅Ρ Π½Π° ΠΈΠ½Π΄ΡΠΊΡΠΈΠΎΠ½Π½ΡΡ ΠΊΠ°ΡΡΡΠΊΡ ΠΈ Π²ΠΎΠ·Π²ΡΠ°ΡΠ°Π΅ΡΡΡ Π½Π° ΠΏΠ»ΡΡΠΎΠ²ΡΡ ΠΊΠ»Π΅ΠΌΠΌΡ. ΠΠ°ΡΡΡΠΊΠ° ΠΎΠ±Π΅ΡΠΏΠ΅ΡΠΈΠ²Π°Π΅Ρ Π²ΡΡΠΎΠΊΠΎΠ΅ Π½Π°ΠΏΡΡΠΆΠ΅Π½ΠΈΠ΅ ΡΠ²Π΅ΡΠΈ Π·Π°ΠΆΠΈΠ³Π°Π½ΠΈΡ, ΡΠ΅ΡΠ΅Π· ΠΊΠΎΡΠΎΡΡΡ ΠΏΠΎΠ΄Π°Π΅ΡΡΡ ΡΠΎΠΊ, Π·Π°ΡΠ΅ΠΌ ΠΊΠ»ΡΡ Π·Π°ΠΌΡΠΊΠ°Π΅Ρ ΠΊΠΎΠ½ΡΠ°ΠΊΡΡ ΡΠ΅ΠΏΠΈ Π·Π°ΠΆΠΈΠ³Π°Π½ΠΈΡ, ΠΏΠΎΡΠ»Π΅ ΡΠ΅Π³ΠΎ Π·Π°ΠΏΡΡΠΊΠ°Π΅ΡΡΡ ΠΠΠ‘. ΠΠΎΡΠ»Π΅ ΡΠΎΠ³ΠΎ, ΠΊΠ°ΠΊ ΠΊΠΎΠ½ΡΠ°ΠΊΡΡ ΡΠΎΠΌΠΊΠ½ΡΠ»ΠΈΡΡ Π΄ΡΡΠ³ Ρ Π΄ΡΡΠ³ΠΎΠΌ Ρ ΠΏΠΎΠΌΠΎΡΡΡ ΠΊΠΎΠ½ΡΠ°ΠΊΡΠ½ΠΎΠΉ Π³ΡΡΠΏΠΏΡ, ΠΊΠ»ΡΡ Π² Π·Π°ΠΌΠΊΠ΅ Π½Π΅ΠΎΠ±Ρ ΠΎΠ΄ΠΈΠΌΠΎ ΠΏΠΎΠ²Π΅ΡΠ½ΡΡΡ Π½Π° Π½Π΅ΡΠΊΠΎΠ»ΡΠΊΠΎ ΠΏΠΎΠ·ΠΈΡΠΈΠΉ. ΠΠΎΡΠ»Π΅ ΡΡΠΎΠ³ΠΎ Π² ΠΏΠΎΠ»ΠΎΠΆΠ΅Π½ΠΈΠΈ Π, ΠΊΠΎΠ³Π΄Π° ΡΠ΅ΠΏΡ ΠΎΡ ΠΈΡΡΠΎΡΠ½ΠΈΠΊΠ° ΠΏΠΈΡΠ°Π½ΠΈΡ ΡΠ°ΡΠΏΡΠ΅Π΄Π΅Π»ΠΈΡ Π½Π°ΠΏΡΡΠΆΠ΅Π½ΠΈΠ΅, Π·Π°ΠΏΡΡΡΡΡΡΡ Π²ΡΠ΅ ΡΠ»Π΅ΠΊΡΡΠΎΠΏΡΠΈΠ±ΠΎΡΡ.
Π’Π°ΠΊ ΡΠ°Π±ΠΎΡΠ°Π΅Ρ ΠΊΠΎΠ½ΡΠ°ΠΊΡΠ½Π°Ρ Π³ΡΡΠΏΠΏΠ° Π·Π°ΠΌΠΊΠ° Π·Π°ΠΆΠΈΠ³Π°Π½ΠΈΡ.
Π§ΡΠΎ ΠΌΠΎΠΆΠ΅Ρ ΡΠ»ΡΡΠΈΡΡΡΡ Ρ Π·Π°ΠΌΠΊΠΎΠΌ Π·Π°ΠΆΠΈΠ³Π°Π½ΠΈΡ
Π§Π°ΡΠ΅ ΠΌΠΎΠΆΠ΅Ρ ΡΠ»ΠΎΠΌΠ°ΡΡΡΡ ΡΠ°ΠΌ Π·Π°ΠΌΠΎΠΊ Π·Π°ΠΆΠΈΠ³Π°Π½ΠΈΡ, ΠΊΠΎΠ½ΡΠ°ΠΊΡΠ½Π°Ρ Π³ΡΡΠΏΠΏΠ° ΠΈΠ»ΠΈ ΠΌΠ΅Ρ Π°Π½ΠΈΠ·ΠΌ Π·Π°ΠΌΠΊΠ° … ΠΠ°ΠΆΠ΄Π°Ρ ΠΏΠΎΠ»ΠΎΠΌΠΊΠ° ΠΈΠΌΠ΅Π΅Ρ ΡΠ²ΠΎΠΈ ΠΎΡΠ»ΠΈΡΠΈΡ:
- ΠΡΠ»ΠΈ ΠΏΡΠΈ Π²ΡΡΠ°Π²Π»Π΅Π½ΠΈΠΈ ΠΊΠ»ΡΡΠ° Π² Π·Π°ΠΌΠΎΠΊ larva, Π²Ρ Π·Π°ΠΌΠ΅ΡΠ°Π΅ΡΠ΅ ΠΊΠ°ΠΊΠΈΠ΅-ΡΠΎ Π·Π°ΡΡΡΠ΄Π½Π΅Π½ΠΈΡ ΠΏΡΠΈ Π²Ρ
ΠΎΠ΄Π΅ , Π»ΠΈΠ±ΠΎ ΡΠ΅ΡΠ΄Π΅ΡΠ½ΠΈΠΊ Π½Π΅Π΄ΠΎΡΡΠ°ΡΠΎΡΠ½ΠΎ Ρ
ΠΎΡΠΎΡΠΎ Π²ΡΠ°ΡΠ°Π΅ΡΡΡ, ΡΠΎ ΡΠ»Π΅Π΄ΡΠ΅Ρ ΡΠ΄Π΅Π»Π°ΡΡ Π²ΡΠ²ΠΎΠ΄, ΡΡΠΎ Π·Π°ΠΌΠΎΠΊ ΡΡΠ°Π» Π½Π΅ΠΈΡΠΏΡΠ°Π²Π½ΡΠΌ .

- ΠΡΠ»ΠΈ Π½Π΅ ΡΠ΄Π°Π΅ΡΡΡ ΡΠ°Π·Π±Π»ΠΎΠΊΠΈΡΠΎΠ²Π°ΡΡ ΡΡΠ»Π΅Π²ΠΎΠΉ Π²Π°Π» Π² ΠΏΠ΅ΡΠ²ΠΎΠΌ ΠΏΠΎΠ»ΠΎΠΆΠ΅Π½ΠΈΠΈ, — ΠΏΠΎΠ»ΠΎΠΌΠΊΠ° Π² ΠΌΠ΅Ρ Π°Π½ΠΈΠ·ΠΌΠ΅ Π±Π»ΠΎΠΊΠΈΡΠΎΠ²ΠΊΠΈ .
- ΠΡΠ»ΠΈ Π² Π·Π°ΠΌΠΊΠ΅ ΠΏΡΠΎΠ±Π»Π΅ΠΌ Π½Π΅Ρ, Π½ΠΎ ΠΏΡΠΈ ΡΡΠΎΠΌ Π·Π°ΠΆΠΈΠ³Π°Π½ΠΈΠ΅ Π½Π΅ Π²ΠΊΠ»ΡΡΠ°Π΅ΡΡΡ ΠΈΠ»ΠΈ Π½Π°ΠΎΠ±ΠΎΡΠΎΡ Π²ΠΊΠ»ΡΡΠ°Π΅ΡΡΡ, Π½ΠΎ Π½Π΅ ΡΠ°Π±ΠΎΡΠ°Π΅Ρ ΡΡΠ°ΡΡΠ΅Ρ, Π·Π½Π°ΡΠΈΡ ΠΏΠΎΠ»ΠΎΠΌΠΊΡ Π½Π°Π΄ΠΎ ΠΈΡΠΊΠ°ΡΡ Π² ΠΊΠΎΠ½ΡΠ°ΠΊΡΠ½Π°Ρ Π³ΡΡΠΏΠΏΠ° .
- ΠΡΠ»ΠΈ Π»ΠΈΡΠΈΠ½ΠΊΠ° Π²ΡΡΠ»Π° ΠΈΠ· ΡΡΡΠΎΡ , ΡΠΎ Π½Π΅ΠΎΠ±Ρ ΠΎΠ΄ΠΈΠΌΠ° ΠΏΠΎΠ»Π½Π°Ρ Π·Π°ΠΌΠ΅Π½Π° Π·Π°ΠΌΠΊΠ° , Π΅ΡΠ»ΠΈ ΡΠ»ΠΎΠΌΠ°Π»ΡΡ ΠΊΠΎΠ½ΡΠ°ΠΊΡΠ½ΡΠΉ ΡΠ·Π΅Π», ΡΠΎ Π΅Π³ΠΎ ΠΌΠΎΠΆΠ½ΠΎ Π·Π°ΠΌΠ΅Π½ΠΈΡΡ Π±Π΅Π· Π»ΠΈΡΠΈΠ½ΠΊΠΈ. Π₯ΠΎΡΡ ΡΠ΅Π³ΠΎΠ΄Π½Ρ Π³ΠΎΡΠ°Π·Π΄ΠΎ Π»ΡΡΡΠ΅ ΠΈ Π½Π°ΠΌΠ½ΠΎΠ³ΠΎ Π΄Π΅ΡΠ΅Π²Π»Π΅ ΠΏΠΎΠ»Π½ΠΎΡΡΡΡ Π·Π°ΠΌΠ΅Π½ΠΈΡΡ, ΡΠ΅ΠΌ ΡΠ΅ΠΌΠΎΠ½ΡΠΈΡΠΎΠ²Π°ΡΡ ΡΡΠ°ΡΡΠΉ Π·Π°ΠΌΠΎΠΊ Π·Π°ΠΆΠΈΠ³Π°Π½ΠΈΡ.
Π ΡΠ΅Π·ΡΠ»ΡΡΠ°ΡΠ΅ Π²ΡΠ΅Π³ΠΎ Π²ΡΡΠ΅ΡΠΊΠ°Π·Π°Π½Π½ΠΎΠ³ΠΎ Ρ
ΠΎΡΠ΅ΡΡΡ ΡΠΊΠ°Π·Π°ΡΡ, ΡΡΠΎ Π·Π°ΠΌΠΎΠΊ Π·Π°ΠΆΠΈΠ³Π°Π½ΠΈΡ — ΠΎΠ΄Π½Π° ΠΈΠ· ΡΠ°ΠΌΡΡ
Π½Π°Π΄Π΅ΠΆΠ½ΡΡ
Π΄Π΅ΡΠ°Π»Π΅ΠΉ Π² Π°Π²ΡΠΎΠΌΠΎΠ±ΠΈΠ»Π΅, Π½ΠΎ ΠΈ Π΅ΠΌΡ ΡΠ²ΠΎΠΉΡΡΠ²Π΅Π½Π½ΠΎ Π»ΠΎΠΌΠ°ΡΡΡΡ. ΠΠ°ΠΈΠ±ΠΎΠ»Π΅Π΅ ΡΠ°ΡΠΏΡΠΎΡΡΡΠ°Π½Π΅Π½Π½ΡΠ΅ ΠΏΠΎΠ»ΠΎΠΌΠΊΠΈ, ΠΊΠΎΡΠΎΡΡΠ΅ ΠΌΠΎΠΆΠ½ΠΎ ΠΎΠ±Π½Π°ΡΡΠΆΠΈΡΡ, ΡΡΠΎ Π·Π°Π»ΠΈΠΏΠ°Π½ΠΈΠ΅ Π»ΠΈΡΠΈΠ½ΠΊΠΈ ΠΈΠ»ΠΈ Π΅Π΅ ΠΎΠ±ΡΠΈΠΉ ΠΈΠ·Π½ΠΎΡ, ΠΊΠΎΡΡΠΎΠ·ΠΈΡ ΠΊΠΎΠ½ΡΠ°ΠΊΡΠΎΠ² ΠΈΠ»ΠΈ ΠΌΠ΅Ρ
Π°Π½ΠΈΡΠ΅ΡΠΊΠΈΠ΅ ΠΏΠΎΠ²ΡΠ΅ΠΆΠ΄Π΅Π½ΠΈΡ Π² ΠΊΠΎΠ½ΡΠ°ΠΊΡΠ½ΠΎΠΌ ΡΠ·Π»Π΅. ΠΠ»Ρ Π²ΡΠ΅Ρ
ΡΡΠΈ Π΄Π΅ΡΠ°Π»ΠΈ Π½ΡΠΆΠ΄Π°ΡΡΡΡ Π² Π±Π΅ΡΠ΅ΠΆΠ½ΠΎΠΌ ΡΡ
ΠΎΠ΄Π΅ ΠΈ ΡΠ²ΠΎΠ΅Π²ΡΠ΅ΠΌΠ΅Π½Π½ΠΎΠΉ Π΄ΠΈΠ°Π³Π½ΠΎΡΡΠΈΠΊΠ΅ Π²ΠΎ ΠΈΠ·Π±Π΅ΠΆΠ°Π½ΠΈΠ΅ ΡΠ΅ΡΡΠ΅Π·Π½ΡΡ
Π½Π΅ΠΈΡΠΏΡΠ°Π²Π½ΠΎΡΡΠ΅ΠΉ.
Π Π΅ΡΠ»ΠΈ Π²Π°ΠΌ Π½Π΅ ΡΠ΄Π°Π»ΠΎΡΡ Β«ΠΎΠ±Ρ
ΠΈΡΡΠΈΡΡ ΡΡΠ΄ΡΠ±ΡΒ», ΡΠΎ Π΄Π»Ρ ΡΠΎΠ³ΠΎ, ΡΡΠΎΠ±Ρ ΡΠ°ΠΌΠΎΡΡΠΎΡΡΠ΅Π»ΡΠ½ΠΎ ΡΠΏΡΠ°Π²ΠΈΡΡΡΡ Ρ Π΅Π³ΠΎ ΡΠ΅ΠΌΠΎΠ½ΡΠΎΠΌ, Π½Π΅ΠΎΠ±Ρ
ΠΎΠ΄ΠΈΠΌΠΎ ΠΎΠ±ΡΠ·Π°ΡΠ΅Π»ΡΠ½ΠΎ Π·Π½Π°ΡΡ ΡΡΡΡΠΎΠΉΡΡΠ²ΠΎ Π·Π°ΠΌΠΊΠ° Π·Π°ΠΆΠΈΠ³Π°Π½ΠΈΡ ΠΈ ΠΏΡΠΈΠ½ΡΠΈΠΏ Π΅Π³ΠΎ ΡΠ°Π±ΠΎΡΡ.
ΠΠ»Π°Π²Π½Π°Ρ Β» ΠΠ»ΠΎΠ³ Β» ΠΠΊΡΠΏΠ»ΡΠ°ΡΠ°ΡΠΈΡ ΠΌΠ°ΡΠΈΠ½Ρ Β» Π£ΡΡΡΠΎΠΉΡΡΠ²ΠΎ Π±Π»ΠΎΠΊΠΈΡΠΎΠ²ΠΊΠΈ Π·Π°ΠΆΠΈΠ³Π°Π½ΠΈΡ
ΠΡΠΈΡΠΈΠ½Π° Π½Π° ΠΠΠ 2109 Π½Π΅ Π²ΠΊΠ»ΡΡΠ°Π΅ΡΡΡ Π·Π°ΠΆΠΈΠ³Π°Π½ΠΈΠ΅. ΠΠΎΠ³Π΄Π° Π³Π΅Π½Π΅ΡΠ°ΡΠΎΡ Π½Π΅ ΠΏΡΠΎΠΈΠ·Π²ΠΎΠ΄ΠΈΡ ΡΠ½Π΅ΡΠ³ΠΈΡ
01.11.2020 ΠΠ΅ΠΈΡΠΏΡΠ°Π²Π½ΠΎΡΡΠΈ Π·Π°ΠΌΠΊΠ° Π·Π°ΠΆΠΈΠ³Π°Π½ΠΈΡ ΠΠΠ 2109 Π²ΡΡΡΠ΅ΡΠ°ΡΡΡΡ Π΄ΠΎΠ²ΠΎΠ»ΡΠ½ΠΎ ΡΠ°ΡΡΠΎ. ΠΡΠΎΡ ΡΠ»Π΅ΠΌΠ΅Π½Ρ ΡΠΎΡΡΠΎΠΈΡ ΠΈΠ· Π΄Π²ΡΡ
ΡΠ°ΡΡΠ΅ΠΉ: ΠΌΠ΅Ρ
Π°Π½ΠΈΡΠ΅ΡΠΊΠΎΠΉ ΠΈ ΡΠ»Π΅ΠΊΡΡΠΈΡΠ΅ΡΠΊΠΎΠΉ.
Π§ΡΠΎ ΡΠ°ΠΊΠΎΠ΅
ΠΠ°ΡΠ½Π΅ΠΌ ΡΠΎ ΡΡΡΠΎΠ΅Π½ΠΈΡ Π·Π°ΠΌΠΊΠ°.
Π£Π·Π½Π°Π΅ΠΌ, ΠΊΠ°ΠΊ ΠΎΠ½ Π²ΡΠ³Π»ΡΠ΄ΠΈΡ, ΠΈΠ· ΡΠ΅Π³ΠΎ ΡΠΎΡΡΠΎΠΈΡ, ΠΊΠ°ΠΊΠΎΠ² Π΅Π³ΠΎ ΠΏΡΠΈΠ½ΡΠΈΠΏ Π΄Π΅ΠΉΡΡΠ²ΠΈΡ ΠΈ ΡΠ°ΠΊ Π΄Π°Π»Π΅Π΅:
- ΠΠ°ΠΊ Π±ΡΠ»ΠΎ ΡΠΊΠ°Π·Π°Π½ΠΎ, ΡΡΠΎ ΠΎΡΠ΅Π½Ρ Π²Π°ΠΆΠ½ΡΠΉ ΡΠ»Π΅ΠΌΠ΅Π½Ρ Π°Π²ΡΠΎΠΌΠΎΠ±ΠΈΠ»Ρ ΠΠΠ 2109, Π²Π΅Π΄Ρ Ρ Π½ΠΈΠΌ ΡΠ²ΡΠ·Π°Π½ΠΎ ΠΏΡΠ°ΠΊΡΠΈΡΠ΅ΡΠΊΠΈ Π²ΡΠ΅ ΠΈΠΌΠ΅ΡΡΠ΅Π΅ΡΡ ΠΎΠ±ΠΎΡΡΠ΄ΠΎΠ²Π°Π½ΠΈΠ΅.

ΠΡΠΈΠΌΠ΅ΡΠ°Π½ΠΈΠ΅. Π₯ΠΎΡΡ Π΅ΡΡΡ ΠΊΠΎΠΌΠΏΠΎΠ½Π΅Π½ΡΡ, ΠΊΠΎΡΠΎΡΡΠ΅ ΠΎΡ Π±Π»ΠΎΠΊΠΈΡΠΎΠ²ΠΊΠΈ Π½ΠΈΠΊΠ°ΠΊ Π½Π΅ Π·Π°Π²ΠΈΡΡΡ. ΠΠΎΡ ΠΎΠ½ΠΈ: ΠΏΠΎΠ΄ΡΠ²Π΅ΡΠΊΠ° Π½ΠΎΠΌΠ΅ΡΠ½ΠΎΠ³ΠΎ Π·Π½Π°ΠΊΠ°, ΡΡΠΎΠΏ-ΡΠΈΠ³Π½Π°Π»Ρ, Π³Π°Π±Π°ΡΠΈΡΡ, Π°Π²Π°ΡΠΈΠΉΠΊΠ°, ΠΏΠΎΠ΄ΡΠ²Π΅ΡΠΊΠ° ΡΠ°Π»ΠΎΠ½Π° ΠΈ ΠΏΠΎΠ΄ΡΠ²Π΅ΡΠΊΠ° Π½Π° ΠΏΡΠΈΠ±ΠΎΡΠ½ΠΎΠΉ ΠΏΠ°Π½Π΅Π»ΠΈ.
- ΠΠ°ΠΌΠΊΠΈ Π·Π°ΠΆΠΈΠ³Π°Π½ΠΈΡ ΡΠ°Π·Π½ΡΠ΅: Π½ΠΎΠ²ΠΎΠ³ΠΎ ΠΈΠ»ΠΈ ΡΡΠ°ΡΠΎΠ³ΠΎ ΠΎΠ±ΡΠ°Π·ΡΠ°. ΠΠ΅ΡΠ²Π°Ρ Π²Π΅ΡΡΠΈΡ Π±Π΅Π· ΡΠ΅Π»Π΅ ΠΈΠΌΠ΅Π΅Ρ ΡΡΠΈ ΠΏΠΎΠ»ΠΎΠΆΠ΅Π½ΠΈΡ ΠΈ ΠΊΠΎΡΠΎΡΠΊΠΈΠΉ ΠΊΠ»ΡΡ, Π²ΡΠΎΡΠ°Ρ Ρ ΡΠ΅Π»Π΅ ΠΈΠΌΠ΅Π΅Ρ ΡΠ΅ΡΡΡΠ΅ ΠΏΠΎΠ»ΠΎΠΆΠ΅Π½ΠΈΡ ΠΈ Π΄Π»ΠΈΠ½Π½ΡΠΉ ΠΊΠ»ΡΡ.
Π‘Ρ Π΅ΠΌΠ°
ΠΠΈΠΆΠ΅ ΠΏΡΠΈΠ²Π΅Π΄Π΅Π½Π° ΡΠΈΠΏΠΎΠ²Π°Ρ ΡΡ Π΅ΠΌΠ° Π·Π°ΠΌΠΊΠ° Π·Π°ΠΆΠΈΠ³Π°Π½ΠΈΡ Π½Π° «Π΄Π΅Π²ΡΡΠΊΠ΅».
Π’ΠΈΠΏΠΈΡΠ½ΡΠ΅ Π½Π΅ΠΈΡΠΏΡΠ°Π²Π½ΠΎΡΡΠΈ
ΠΠ°ΠΌΠΎΠΊ ΠΎΡΠ½ΠΎΡΠΈΡΡΡ ΠΊ ΡΠΈΡΡΠ΅ΠΌΠ΅ Π·Π°ΠΆΠΈΠ³Π°Π½ΠΈΡ Π°Π²ΡΠΎΠΌΠΎΠ±ΠΈΠ»Ρ. Π‘ΡΠ°Π·Ρ ΠΎΡΠΌΠ΅ΡΠΈΠΌ, ΡΡΠΎ Π΅ΡΠ»ΠΈ ΠΏΡΠΎΠ±Π»Π΅ΠΌΡ Π½Π°Π±Π»ΡΠ΄Π°ΡΡΡΡ, ΡΠΎ ΡΡΡΡΠ°Π½ΠΈΡΡ ΠΈΡ ΠΌΠΎΠΆΠ½ΠΎ ΡΠ°ΠΌΠΎΡΡΠΎΡΡΠ΅Π»ΡΠ½ΠΎ, Π²Π΅Π΄Ρ, ΠΊΠ°ΠΊ ΠΏΡΠ°Π²ΠΈΠ»ΠΎ, Π½Π° Β«Π΄Π΅Π²ΡΡΠΊΡΒ» ΡΡΡΠ°Π½Π°Π²Π»ΠΈΠ²Π°Π΅ΡΡΡ ΡΡΡΠ°ΡΠ΅Π²ΡΠ°Ρ ΡΠΈΡΡΠ΅ΠΌΠ° Π·Π°ΠΆΠΈΠ³Π°Π½ΠΈΡ, Π½Π΅ ΡΡΠ΅Π±ΡΡΡΠ°Ρ Π΄ΠΈΠ°Π³Π½ΠΎΡΡΠΈΠΊΠΈ ΠΈ ΡΠ΅ΠΌΠΎΠ½ΡΠ° Π½Π° Π‘Π’Π.
ΠΠ°ΠΊ ΡΠ±Π΅Π΄ΠΈΡΡΡΡ Π² Π½Π°Π»ΠΈΡΠΈΠΈ ΠΏΡΠΎΠ±Π»Π΅ΠΌΡ
ΠΠΈΠΆΠ΅ ΡΠΎΠ²Π΅Ρ, ΠΊΠ°ΠΊ ΡΠ±Π΅Π΄ΠΈΡΡΡΡ, ΡΡΠΎ Π·Π°ΠΌΠΎΠΊ Π·Π°ΠΆΠΈΠ³Π°Π½ΠΈΡ Π΄Π΅ΠΉΡΡΠ²ΠΈΡΠ΅Π»ΡΠ½ΠΎ Π½Π΅ ΡΠ°Π±ΠΎΡΠ°Π΅Ρ:
- ΠΡΡΠ°Π²Π»ΡΠ΅ΠΌ ΠΊΠ»ΡΡ Π·Π°ΠΆΠΈΠ³Π°Π½ΠΈΡ ΠΈ ΠΏΠΎΠ²ΠΎΡΠ°ΡΠΈΠ²Π°Π΅ΠΌ Π΅Π³ΠΎ Π² ΠΎΠΏΡΠ΅Π΄Π΅Π»Π΅Π½Π½ΠΎΠ΅ ΠΏΠΎΠ»ΠΎΠΆΠ΅Π½ΠΈΠ΅.
Π ΡΠ΅ΠΏΠΈ Π΄ΠΎΠ»ΠΆΠ½ΠΎ Π±ΡΡΡ ΠΊΠΎΡΠΎΡΠΊΠΎΠ΅ Π·Π°ΠΌΡΠΊΠ°Π½ΠΈΠ΅. Π‘ΠΌΠΎΡΡΠΈΠΌ Π½Π° ΡΡ
Π΅ΠΌΡ: Π΅ΡΠ»ΠΈ ΠΊΠ»ΡΡ Π² ΠΏΠΎΠ»ΠΎΠΆΠ΅Π½ΠΈΠΈ Β«1Β», ΡΠ°Π±ΠΎΡΠ°Π΅Ρ Π»ΠΈ Π²Π½Π΅ΡΠ½Π΅Π΅ ΠΎΡΠ²Π΅ΡΠ΅Π½ΠΈΠ΅ ΠΈΠ»ΠΈ ΠΏΡΠΈΠ±ΠΎΡΡ ΡΠΏΡΠ°Π²Π»Π΅Π½ΠΈΡ; - Π Π΅ΠΊΠΎΠΌΠ΅Π½Π΄ΡΠ΅ΡΡΡ ΠΏΡΠΎΠ²Π΅ΡΠΈΡΡ Π²ΡΠ΅ ΠΏΠΎΠ»ΠΎΠΆΠ΅Π½ΠΈΡ Π·Π°ΠΌΠΊΠ°. ΠΡΠ»ΠΈ Π½Π°Π±Π»ΡΠ΄Π°ΡΡΡΡ ΠΎΡΠΊΠ»ΠΎΠ½Π΅Π½ΠΈΡ ΠΎΡ Π½ΠΎΡΠΌΡ, ΠΏΡΠΎΠ±Π»Π΅ΠΌΠ° Ρ Π·Π°ΠΌΠΊΠΎΠΌ;
- ΠΡΠΎΠ²Π΅ΡΠΈΡΡ ΡΠ°Π±ΠΎΡΠΎΡΠΏΠΎΡΠΎΠ±Π½ΠΎΡΡΡ Π·Π°ΠΌΠΊΠ° Π·Π°ΠΆΠΈΠ³Π°Π½ΠΈΡ ΠΌΠΎΠΆΠ½ΠΎ ΡΠ»Π΅Π΄ΡΡΡΠΈΠΌ ΠΎΠ±ΡΠ°Π·ΠΎΠΌ: ΠΏΠΎΠ²Π΅ΡΠ½ΡΡΡ ΡΡΠ»Ρ, ΠΊΠΎΡΠΎΡΡΠΉ Π½Π΅ Π΄ΠΎΠ»ΠΆΠ΅Π½ Π±Π»ΠΎΠΊΠΈΡΠΎΠ²Π°ΡΡΡΡ. ΠΠ»ΠΎΠΊΠΈΡΠΎΠ²ΠΊΠ° Π½Π° ΠΈΡΠΏΡΠ°Π²Π½ΠΎΠΌ ΡΡΠ»Π΅ Π΄ΠΎΠ»ΠΆΠ½Π° ΡΡΠ°Π±Π°ΡΡΠ²Π°ΡΡ ΡΠΎΠ»ΡΠΊΠΎ ΠΏΡΠΈ ΠΏΠΎΠ²ΡΠΎΡΠ½ΠΎΠΌ ΠΏΠΎΠ²ΠΎΡΠΎΡΠ΅ ΠΊΠ»ΡΡΠ° ΠΈΠ· ΠΏΠΎΠ»ΠΎΠΆΠ΅Π½ΠΈΡ Β«1Β» Π² ΠΏΠΎΠ»ΠΎΠΆΠ΅Π½ΠΈΠ΅ Β«2Β»;
- ΠΠΎΡΡΠΎΠ²Π΅ΡΠ½ΠΎ ΠΏΡΠΎΠ²Π΅ΡΠΈΡΡ ΡΠ°Π±ΠΎΡΠ°Π΅Ρ Π»ΠΈ Π·Π°ΠΌΠΎΠΊ ΠΌΠΎΠΆΠ½ΠΎ ΡΠ°ΠΊ: Π±Π΅ΡΠ΅ΠΌ ΠΎΠ±ΡΡΠ½ΡΡ ΠΏΠ΅ΡΠ΅Π½ΠΎΡΠ½ΡΡ Π»Π°ΠΌΠΏΡ ΠΈ ΠΏΠΎΠ΄ΠΊΠ»ΡΡΠ°Π΅ΠΌ Π΅Π΅ ΠΎΠ΄Π½ΠΈΠΌ ΠΊΠΎΠ½ΡΠΎΠΌ ΠΊ ΠΌΠ°ΡΡΠ΅, Π΄ΡΡΠ³ΠΈΠΌ ΠΊ Π·Π°ΠΌΠΊΡ. ΠΠΊΠ»ΡΡΠ°Π΅ΠΌ Π·Π°ΠΆΠΈΠ³Π°Π½ΠΈΠ΅ — Π΅ΡΠ»ΠΈ Π»Π°ΠΌΠΏΠΎΡΠΊΠ° Π³ΠΎΡΠΈΡ Π½ΠΎΡΠΌΠ°Π»ΡΠ½ΠΎ, Π·Π½Π°ΡΠΈΡ Π·Π°ΠΌΠΎΠΊ Π² ΠΏΠΎΡΡΠ΄ΠΊΠ΅. ΠΡΠ»ΠΈ Π»Π°ΠΌΠΏΠΎΡΠΊΠ° Π³ΠΎΡΠΈΡ ΡΠ»Π°Π±ΠΎ ΠΈΠ»ΠΈ Π²ΠΎΠΎΠ±ΡΠ΅ Π½Π΅ Π³ΠΎΡΠΈΡ, Π·Π°ΠΌΠΎΠΊ Π½Π΅ΠΈΡΠΏΡΠ°Π²Π΅Π½.
Π Π°ΡΠΏΡΠΎΡΡΡΠ°Π½Π΅Π½Π½ΡΠ΅ Π½Π΅ΠΈΡΠΏΡΠ°Π²Π½ΠΎΡΡΠΈ
Π‘ΡΠ΅Π΄ΠΈ Π½ΠΈΡ Π½Π° ΠΏΠ΅ΡΠ²ΠΎΠΌ ΠΌΠ΅ΡΡΠ΅ ΡΡΠΎΡΡ ΡΠ»Π΅Π΄ΡΡΡΠΈΠ΅:
- ΠΠ°ΠΊΠ»ΠΈΠ½ΠΈΠ» Π·Π°ΠΌΠΎΠΊ. ΠΡΠΎ Π½Π°Π±Π»ΡΠ΄Π°Π΅ΡΡΡ Π΄Π°ΠΆΠ΅ Π² Β«Π΄Π΅Π²ΡΡΠΊΠ°Ρ
Β», ΠΊΠΎΠ³Π΄Π° ΡΡΡΠ°Π½Π°Π²Π»ΠΈΠ²Π°Π΅ΡΡΡ Π½ΠΎΠ²ΡΠΉ Π·Π°ΠΌΠΎΠΊ.
ΠΡΠΈΡΠΈΠ½Π° — Π·Π°Π²ΠΎΠ΄ΡΠΊΠΎΠΉ Π±ΡΠ°ΠΊ ΠΈΠ»ΠΈ ΡΠΎ, ΡΡΠΎ ΠΏΡΠΈΠ²Π΅Π΄Π΅Π½ΠΎ Π½ΠΈΠΆΠ΅.
ΠΡΠΈΠΌΠ΅ΡΠ°Π½ΠΈΠ΅. ΠΠ°ΠΌΠΎΠΊ ΠΌΠΎΠΆΠ΅Ρ Π·Π°ΠΊΠ»ΠΈΠ½ΠΈΡΡ ΠΈ ΠΈΠ·-Π·Π° ΠΏΡΠΎΠ±Π»Π΅ΠΌ ΡΠΎ Π²Π·Π°ΠΈΠΌΠΎΠ΄Π΅ΠΉΡΡΠ²ΠΈΠ΅ΠΌ ΡΠΎ ΡΡΠ°ΡΡΠ΅ΡΠΎΠΌ. Π ΡΡΠΎΠΌ ΡΠ»ΡΡΠ°Π΅ Π½ΡΠΆΠ½ΠΎ ΠΏΠΎΠ»ΠΎΠΆΠΈΡΡ Π²Π½ΡΡΡΡ Π·Π°ΠΌΠΊΠ° Π½Π΅ΠΌΠ½ΠΎΠ³ΠΎ ΡΠΈΠ»ΠΈΠΊΠΎΠ½ΠΎΠ²ΠΎΠΉ ΡΠΌΠ°Π·ΠΊΠΈ ΠΈ Π΄Π΅Π»Π°ΡΡ ΡΡΠΎ ΠΊΠ°ΠΆΠ΄ΡΠΉ ΡΠ°Π·, ΠΊΠΎΠ³Π΄Π° Π·Π°ΠΌΠΎΠΊ Π·Π°Π΅Π΄Π°Π΅Ρ.
- ΠΠ°ΠΌΠΎΠΊ ΡΠΎ Π²ΡΠ΅ΠΌΠ΅Π½Π΅ΠΌ ΠΌΠΎΠΆΠ΅Ρ ΠΈΠ·Π½Π°ΡΠΈΠ²Π°ΡΡΡΡ, ΡΡΠΎ ΠΏΡΠΈΠ²Π΅Π΄Π΅Ρ ΠΊ Π΅Π³ΠΎ ΠΏΠ»ΠΎΡ ΠΎΠΉ ΡΠ°Π±ΠΎΡΠ΅;
- ΠΠ°ΠΌΠΎΠΊ Π·Π°ΠΆΠΈΠ³Π°Π½ΠΈΡ Π»Π΅Π³ΠΊΠΎ ΠΏΡΠΈΡ ΠΎΠ΄ΠΈΡ Π² Π½Π΅Π³ΠΎΠ΄Π½ΠΎΡΡΡ ΠΏΡΠΈ Π½Π΅ΡΠ΄Π°ΡΠ½ΠΎΠΉ ΠΏΠΎΠΏΡΡΠΊΠ΅ ΡΠ³ΠΎΠ½Π° Π°Π²ΡΠΎΠΌΠΎΠ±ΠΈΠ»Ρ, Π° ΡΠ°ΠΊΠΆΠ΅ ΠΏΡΠΈ Π»ΡΠ±ΠΎΠΌ Π½Π΅ΠΎΡΡΠΎΡΠΎΠΆΠ½ΠΎΠΌ ΠΎΠ±ΡΠ°ΡΠ΅Π½ΠΈΠΈ.
Π Π΅ΠΌΠΎΠ½Ρ ΠΈ Π·Π°ΠΌΠ΅Π½Π°
ΠΠ°ΠΊ ΠΏΡΠ°Π²ΠΈΠ»ΠΎ, Π·Π°ΠΌΠΎΠΊ ΠΌΠΎΠΆΠ½ΠΎ ΠΏΠΎΡΠΈΠ½ΠΈΡΡ. ΠΡΠ»ΠΈ ΡΡΠΎ Π½Π΅ ΠΏΠΎΠ»ΡΡΠΈΡΡΡ, ΠΏΡΠΈΠ΄Π΅ΡΡΡ ΠΏΠΎΠ»Π½ΠΎΡΡΡΡ Π·Π°ΠΌΠ΅Π½ΠΈΡΡ (ΡΠΌ. ).
Π Π΅ΠΌΠΎΠ½Ρ Π·Π°ΠΌΠΊΠ° Π² Π±ΠΎΠ»ΡΡΠΈΠ½ΡΡΠ²Π΅ ΡΠ»ΡΡΠ°Π΅Π² ΡΠ²ΠΎΠ΄ΠΈΡΡΡ ΠΊ Π·Π°ΠΌΠ΅Π½Π΅ Π»ΠΈΡΠΈΠ½ΠΊΠΈ ΠΈΠ»ΠΈ ΠΊΠΎΠ½ΡΠ°ΠΊΡΠ½ΠΎΠΉ Π³ΡΡΠΏΠΏΡ. ΠΡΠ»ΠΈ ΠΏΠΎΡΠ»Π΅ ΡΡΠΎΠ³ΠΎ ΠΏΡΠΎΠ±Π»Π΅ΠΌΠ° Π½Π΅ ΡΡΡΡΠ°Π½Π΅Π½Π° ΠΈΠ»ΠΈ Π΅ΡΡΡ Π²ΠΎΠ·ΠΌΠΎΠΆΠ½ΠΎΡΡΡ ΠΏΠΎΠΌΠ΅Π½ΡΡΡ Π²Π΅ΡΡ Π·Π°ΠΌΠΎΠΊ, ΡΠΎ Π»ΡΡΡΠ΅ ΡΠ΄Π΅Π»Π°ΡΡ ΠΏΠΎΡΠ»Π΅Π΄Π½Π΅Π΅.
ΠΠΈΡΠΈΠ½ΠΊΠ° ΠΈ Π΅Π΅ Π·Π°ΠΌΠ΅Π½Π°
ΠΡΠ°ΠΊ, Π΄Π΅Π»Π°Π΅ΠΌ ΡΠ»Π΅Π΄ΡΡΡΠ΅Π΅:
- Π‘Π½ΠΈΠΌΠ°Π΅ΠΌ ΠΊΠΎΠΆΡΡ
ΠΈ ΠΎΡΠΊΡΡΡΠΈΠ²Π°Π΅ΠΌ Π±ΠΎΠ»ΡΡ ΠΊΡΠ΅ΠΏΠ»Π΅Π½ΠΈΡ, ΡΡΡΠ³ΠΈΠ²Π°ΡΡΠΈΠ΅ Ρ
ΠΎΠΌΡΡ Π·Π°ΠΌΠΊΠ° Π·Π°ΠΆΠΈΠ³Π°Π½ΠΈΡ.

ΠΡΠΈΠΌΠ΅ΡΠ°Π½ΠΈΠ΅. ΠΠΎΠ»ΡΡ ΠΈΠΌΠ΅ΡΡ ΡΡΠ΅Π·Π°Π½Π½ΡΠ΅ Π³ΠΎΠ»ΠΎΠ²ΠΊΠΈ, ΠΈ ΡΠΎΠ³Π΄Π° Π²Π°ΠΌ ΠΏΡΠΈΠ΄Π΅ΡΡΡ ΠΈΡΠΏΠΎΠ»ΡΠ·ΠΎΠ²Π°ΡΡ ΠΌΠΎΠ»ΠΎΡΠΎΠΊ ΠΈ Π·ΡΠ±ΠΈΠ»ΠΎ. ΠΠΎΠ»ΡΡ ΡΠ½Π°ΡΠ°Π»Π° ΠΎΡΠ»Π°Π±Π»ΡΡΡΡΡ ΡΠ΄Π°ΡΠ°ΠΌΠΈ ΡΡΠ°ΠΌΠ΅ΡΠΊΠΈ, Π° Π·Π°ΡΠ΅ΠΌ Π²ΡΠΊΡΡΡΠΈΠ²Π°ΡΡΡΡ ΠΏΠ°ΡΡΠ°ΡΠΈΠΆΠ°ΠΌΠΈ.
- Π Π°Π·ΡΠ΅Π΄ΠΈΠ½ΡΠ΅ΠΌ Π΄Π²Π΅ ΡΠ°ΡΡΠΈ Ρ ΠΎΠΌΡΡΠ°, ΡΡΠΎΠ±Ρ ΠΎΠ½ΠΈ ΡΠ°ΡΡΠ΅ΠΏΠΈΠ»ΠΈΡΡ;
- ΠΠΈΡΠΈΠ½ΠΊΠ° ΠΌΠΎΠΆΠ΅Ρ Π±ΡΡΡ Π·Π°ΠΌΠ΅Π½Π΅Π½Π° ΡΠΆΠ΅ Π½Π° ΡΡΠΎΠΌ ΡΡΠ°ΠΏΠ΅ ΠΎΠΏΠ΅ΡΠ°ΡΠΈΠΈ;
- ΠΡΠ½ΠΈΠΌΠ°Π΅ΠΌ Π±ΠΎΠΊΠΎΠ²ΠΎΠΉ ΡΡΠΈΡΡ, ΡΠ΄Π΅ΡΠΆΠΈΠ²Π°ΡΡΠΈΠΉ Π»ΠΈΡΠΈΠ½ΠΊΡ Π² Π·Π°ΠΌΠΊΠ΅.
ΠΠΎΠ½ΡΡΠ»ΡΡΠ°ΡΠΈΠΈ. ΠΠΈΡΠΈΠ½ΠΊΠ° Π»Π΅Π³ΠΊΠΎ Π΄Π΅ΠΌΠΎΠ½ΡΠΈΡΡΠ΅ΡΡΡ ΡΠΎΠ½ΠΊΠΎΠΉ ΠΎΡΠ²Π΅ΡΡΠΊΠΎΠΉ, Π½Π°ΠΏΡΠΈΠΌΠ΅Ρ, ΠΎΡ ΡΠ°ΡΠΎΠ². ΠΡΠΈ ΡΡΠΎΠΌ Π½Π°Π΄ΠΎ ΠΏΠΎΡΡΡΡΠ°ΡΡ ΠΏΠΎ Π·Π°ΠΌΠΊΡ ΠΌΠΎΠ»ΠΎΡΠΊΠΎΠΌ.
- ΠΡΠ»ΠΈ Π²ΡΡΠ°ΡΠΈΡΡ Π»ΠΈΡΠΈΠ½ΠΊΡ ΠΏΠΎΡΠ»Π΅ ΡΠ΄Π°Π»Π΅Π½ΠΈΡ Π±ΠΎΠΊΠΎΠ²ΠΎΠ³ΠΎ ΡΡΠΈΡΡΠ° Π½Π΅ ΠΏΠΎΠ»ΡΡΠ°Π΅ΡΡΡ, ΠΌΠΎΠΆΠ½ΠΎ ΠΏΠΎΠΏΡΠΎΠ±ΠΎΠ²Π°ΡΡ Π²ΡΡΠ²Π΅ΡΠ»ΠΈΡΡ Π»ΠΈΡΠΈΠ½ΠΊΡ ΡΠΎΠ½ΠΊΠΈΠΌ ΡΠ²Π΅ΡΠ»ΠΎΠΌ;
- ΠΡΠ»ΠΈ ΡΠ½ΠΎΠ²Π° Π½Π΅ ΡΠ΄Π°Π»ΠΎΡΡ ΡΠ½ΡΡΡ Π»ΠΈΡΠΈΠ½ΠΊΡ, ΡΠΎ ΡΠ΅ΠΊΠΎΠΌΠ΅Π½Π΄ΡΠ΅ΡΡΡ ΠΎΠΊΠΎΠ½ΡΠ°ΡΠ΅Π»ΡΠ½ΠΎ ΡΠ½ΡΡΡ Π·Π°ΠΌΠΎΠΊ;
- Π‘Π½ΠΈΠΌΠΈΡΠ΅ Π·Π°Π³Π»ΡΡΠΊΠΈ ΠΏΡΠΎΠ²ΠΎΠ΄ΠΎΠ².
ΠΡΠΈΠΌΠ΅ΡΠ°Π½ΠΈΠ΅. ΠΠ΄ΠΈΠ½ ΠΈΠ· ΡΠ°Π·ΡΠ΅ΠΌΠΎΠ² (ΡΠΎΡ, ΡΡΠΎ Ρ Π±ΠΎΠ»ΡΡΠΈΠΌ ΡΠ°Π·ΡΠ΅ΠΌΠΎΠΌ) Π½Π°Ρ ΠΎΠ΄ΠΈΡΡΡ ΠΏΠΎΠ΄ ΠΏΡΠΈΠ±ΠΎΡΠ½ΠΎΠΉ ΠΏΠ°Π½Π΅Π»ΡΡ. Π§ΡΠΎΠ±Ρ Π΅Π³ΠΎ ΡΠ½ΡΡΡ, Π½ΡΠΆΠ½ΠΎ ΠΏΡΠΎΡΡΠ½ΡΡΡ ΡΡΠΊΡ ΠΏΠΎΠ΄ ΠΏΠ°Π½Π΅Π»Ρ.
- ΠΡΠ»ΠΈ Π·Π°ΠΌΠΎΠΊ Π·Π°ΠΆΠΈΠ³Π°Π½ΠΈΡ Ρ ΡΠ΅Π»Π΅, ΡΠΎ Π΅Π³ΠΎ Π²ΡΠ½ΠΈΠΌΠ°Π΅ΠΌ ΠΈΠ·-ΠΏΠΎΠ΄ ΠΏΠ°Π½Π΅Π»ΠΈ;
- ΠΡΡΠΎΠ΅Π΄ΠΈΠ½ΠΈΡΠ΅ ΡΠ°Π·ΡΠ΅ΠΌ;
- ΠΡΠΎΠ²ΠΎΠ΄ Π·Π°Π·Π΅ΠΌΠ»Π΅Π½ΠΈΡ ΡΠ°ΠΊΠΆΠ΅ ΡΠ½ΠΈΠΌΠ°Π΅ΠΌ;
- Π‘Π½ΠΈΠΌΠ°Π΅ΠΌ ΠΊΡΡΡΠΊΡ, Π½Π°ΠΆΠ°Π² Π½Π° Π·Π°ΡΠ΅Π»ΠΊΡ, Π° Π·Π°ΡΠ΅ΠΌ Π½Π° ΠΊΠΎΠ½ΡΠ°ΠΊΡΠ½ΡΡ Π³ΡΡΠΏΠΏΡ;
- Π’Π΅ΠΏΠ΅ΡΡ ΡΠ΄Π°Π»ΠΈΡΡ Π»ΠΈΡΠΈΠ½ΠΊΡ Π±ΡΠ΄Π΅Ρ Π½Π°ΠΌΠ½ΠΎΠ³ΠΎ ΠΏΡΠΎΡΠ΅;
- ΠΠ΅Π½ΡΠ΅ΠΌ Π½Π° Π½ΠΎΠ²ΡΠΉ;
- ΠΡ ΠΏΡΠΎΠ²Π΅ΡΡΠ΅ΠΌ ΡΠ°Π±ΠΎΡΡ Π½Π° ΠΌΠ΅ΡΡΠ΅, ΠΏΡΠ΅ΠΆΠ΄Π΅ ΡΠ΅ΠΌ ΡΠΎΠ±ΡΠ°ΡΡ Π²ΡΠ΅ ΠΎΠ±ΡΠ°ΡΠ½ΠΎ. ΠΠΎΠ²ΠΎΡΠ°ΡΠΈΠ²Π°Π΅ΠΌ ΠΊΠ»ΡΡ Π²Π½ΡΡΡΠΈ Π·Π°ΠΌΠΊΠ° β Π²ΡΠ΅ ΠΎΠΏΠΈΡΠ°Π½Π½ΡΠ΅ Π²ΡΡΠ΅ ΠΏΡΠΎΡΠ΅ΡΡΡ Π΄ΠΎΠ»ΠΆΠ½Ρ ΡΠ°Π±ΠΎΡΠ°ΡΡ.
ΠΡΠΈΠΌΠ΅ΡΠ°Π½ΠΈΠ΅. ΠΠ΅ Π·Π°Π±ΡΠ΄ΡΡΠ΅ ΠΏΡΠΎΠ²Π΅ΡΠΈΡΡ ΡΠ°Π±ΠΎΡΡ Π±Π»ΠΎΠΊΠΈΡΠΎΠ²ΠΊΠΈ ΡΡΠ»Ρ. ΠΡΠ»ΠΈ ΡΡΠ»Π΅Π²ΠΎΠΉ Π²Π°Π» Π½Π΅ Π±Π»ΠΎΠΊΠΈΡΡΠ΅ΡΡΡ ΠΏΡΠΈ ΠΏΠΎΠ»Π½ΠΎΠΌ ΠΏΠΎΠ²ΠΎΡΠΎΡΠ΅ ΡΡΠ»Ρ, ΡΠ΅Π³ΡΠ»ΠΈΡΡΠ΅ΠΌ ΠΏΡΠ°Π²ΠΈΠ»ΡΠ½ΠΎΠ΅ ΡΠ°ΡΠΏΠΎΠ»ΠΎΠΆΠ΅Π½ΠΈΠ΅ Π·Π°ΠΌΠΊΠ° Π½Π° ΠΊΠΎΠ»ΠΎΠ½ΠΊΠ΅.
- ΠΠΎΡΠ»Π΅ ΡΡΠ°ΡΠ΅Π»ΡΠ½ΠΎΠΉ ΠΏΡΠΎΠ²Π΅ΡΠΊΠΈ, ΡΠ±Π΅Π΄ΠΈΠ²ΡΠΈΡΡ, ΡΡΠΎ Π²ΡΠ΅ ΡΠ°Π±ΠΎΡΠ°Π΅Ρ ΠΏΡΠ°Π²ΠΈΠ»ΡΠ½ΠΎ, Π·Π°ΡΡΠ³ΠΈΠ²Π°Π΅ΠΌ Π±ΠΎΠ»ΡΡ Π΄ΠΎ ΠΎΡΡΡΠ²Π° Π³ΠΎΠ»ΠΎΠ²ΠΎΠΊ. ΠΠ΅Π»Π°ΡΠ΅Π»ΡΠ½ΠΎ ΠΈΡΠΏΠΎΠ»ΡΠ·ΠΎΠ²Π°ΡΡ ΠΊΠ»ΡΡ Π½Π° Β«10Β».
ΠΊΠΎΠ½ΡΠ°ΠΊΡΠ½Π°Ρ Π³ΡΡΠΏΠΏΠ°
ΠΡΠ»ΠΈ Π½Π΅ΠΈΡΠΏΡΠ°Π²Π½ΠΎΡΡΡ Π·Π°ΠΌΠΊΠ° ΠΊΡΠΎΠ΅ΡΡΡ ΠΈΠΌΠ΅Π½Π½ΠΎ Π² ΡΡΠΎΠΌ, Ρ ΡΠΎΡΠΊΠΈ Π·ΡΠ΅Π½ΠΈΡ Π΄Π΅Π½Π΅ΠΆΠ½ΡΡ
Π·Π°ΡΡΠ°Ρ, ΡΠ°ΠΌΠΎΠΌ Π²ΡΠ³ΠΎΠ΄Π½ΠΎΠΌ.
ΠΠ΅ΠΉΡΡΠ²ΠΈΡ ΡΠ²ΠΎΠ΄ΡΡΡΡ ΠΊ ΡΠ½ΡΡΠΈΡ Π±Π»ΠΎΠΊΠΈΡΠΎΠ²ΠΊΠΈ (ΠΊΠ°ΠΊ ΡΡΠΎ ΡΠ΄Π΅Π»Π°ΡΡ Π½Π°ΠΏΠΈΡΠ°Π½ΠΎ Π²ΡΡΠ΅).
ΠΠΎΡ Π½Π΅ΡΠΊΠΎΠ»ΡΠΊΠΎ ΡΠ΅ΠΊΠΎΠΌΠ΅Π½Π΄Π°ΡΠΈΠΉ, ΠΊΠΎΡΠΎΡΡΠΌ Π½ΡΠΆΠ½ΠΎ ΡΠ»Π΅Π΄ΠΎΠ²Π°ΡΡ:
- ΠΠ΅ΡΠ΅Π΄ ΠΎΡΡΠΎΠ΅Π΄ΠΈΠ½Π΅Π½ΠΈΠ΅ΠΌ ΠΊΠΎΠ½ΡΠ°ΠΊΡΠΎΠ² Π½Π΅ΠΎΠ±Ρ ΠΎΠ΄ΠΈΠΌΠΎ ΠΏΡΠΎΠ½ΡΠΌΠ΅ΡΠΎΠ²Π°ΡΡ ΠΈΡ Π²ΠΎ ΠΈΠ·Π±Π΅ΠΆΠ°Π½ΠΈΠ΅ ΠΏΡΡΠ°Π½ΠΈΡΡ;
- ΠΠ΅ΠΊΠΎΡΠΎΡΡΠ΅ ΠΌΠΎΠ΄Π΅Π»ΠΈ Π·Π°ΠΌΠΊΠΎΠ² Π² ΠΊΠΎΠ½ΡΡΡΡΠΊΡΠΈΠΈ ΠΊΠΎΠ½ΡΠ°ΠΊΡΠ½ΠΎΠΉ Π³ΡΡΠΏΠΏΡ ΠΈΠΌΠ΅ΡΡ ΡΡΠΎΠΏΠΎΡΠ½ΠΎΠ΅ ΠΊΠΎΠ»ΡΡΠΎ, ΠΊΠΎΡΠΎΡΠΎΠ΅ Π½Π΅ΠΎΠ±Ρ ΠΎΠ΄ΠΈΠΌΠΎ ΠΏΡΠ΅Π΄Π²Π°ΡΠΈΡΠ΅Π»ΡΠ½ΠΎ ΡΠ½ΡΡΡ. ΠΡΠΎΡΠ΅ Π²ΡΠ΅Π³ΠΎ ΡΡΠΎ ΡΠ΄Π΅Π»Π°ΡΡ ΡΠΈΠ»ΠΎΠΌ.
ΠΠ΅ΠΈΡΠΏΡΠ°Π²Π½ΠΎΡΡΠΈ Π·Π°ΠΌΠΊΠ° Π·Π°ΠΆΠΈΠ³Π°Π½ΠΈΡ Π½Π° ΠΠΠ 2109 ΡΠ°ΠΊΠΈΠΌ ΠΎΠ±ΡΠ°Π·ΠΎΠΌ ΠΌΠΎΠΆΠ½ΠΎ ΡΡΡΡΠ°Π½ΠΈΡΡ ΡΠ²ΠΎΠΈΠΌΠΈ ΡΡΠΊΠ°ΠΌΠΈ. Π ΠΏΡΠΎΡΠ΅ΡΡΠ΅ ΡΠ°Π±ΠΎΡΡ Π±ΡΠ΄Π΅Ρ ΠΎΡΠ΅Π½Ρ ΠΏΠΎΠ»Π΅Π·Π½ΠΎ ΠΈΠ·ΡΡΠΈΡΡ ΡΠ°Π·Π»ΠΈΡΠ½ΡΠ΅ ΡΠΎΡΠΎΠΌΠ°ΡΠ΅ΡΠΈΠ°Π»Ρ ΠΈ ΡΡ
Π΅ΠΌΡ, ΠΏΠΎΡΠΌΠΎΡΡΠ΅ΡΡ ΡΠ΅ΠΌΠ°ΡΠΈΡΠ΅ΡΠΊΠΈΠΉ Π²ΠΈΠ΄Π΅ΠΎΠΎΠ±Π·ΠΎΡ.
Π‘ΡΠΎΠΈΠΌΠΎΡΡΡ ΡΠ΅ΠΌΠΎΠ½ΡΠ° ΠΈΠ»ΠΈ Π·Π°ΠΌΠ΅Π½Ρ Π·Π°ΠΌΠΊΠ° Π±ΡΠ΄Π΅Ρ ΠΌΠΈΠ½ΠΈΠΌΠ°Π»ΡΠ½ΠΎΠΉ, ΡΠ°ΠΊ ΠΊΠ°ΠΊ Π²ΡΠ΅ ΡΠ°Π±ΠΎΡΡ, ΠΏΡΠ΅Π΄ΡΡΠ°Π²Π»Π΅Π½Π½ΡΠ΅ Π² Π½Π°ΡΠ΅ΠΉ ΠΈΠ½ΡΡΡΡΠΊΡΠΈΠΈ, Π²ΡΠΏΠΎΠ»Π½ΡΡΡΡΡ ΡΠ°ΠΌΠΎΡΡΠΎΡΡΠ΅Π»ΡΠ½ΠΎ.
Π ΠΈΡΠΏΡΠ°Π²Π½ΠΎΠΌ Π·Π°ΠΌΠΊΠ΅ Π·Π°ΠΆΠΈΠ³Π°Π½ΠΈΡ Π°Π²ΡΠΎΠΌΠΎΠ±ΠΈΠ»Π΅ΠΉ ΠΠΠ 2108, 2109, 21099 ΠΏΡΠΈ ΠΏΠΎΠ²ΠΎΡΠΎΡΠ΅ ΠΊΠ»ΡΡΠ° Π΄ΠΎΠ»ΠΆΠ½Ρ Π±ΡΡΡ Π·Π°ΠΌΠΊΠ½ΡΡΡ ΠΎΠΏΡΠ΅Π΄Π΅Π»Π΅Π½Π½ΡΠ΅ ΡΠ»Π΅ΠΊΡΡΠΈΡΠ΅ΡΠΊΠΈΠ΅ ΡΠ΅ΠΏΠΈ. ΠΡΠ»ΠΈ ΡΡΠΎΠ³ΠΎ Π½Π΅ ΠΏΡΠΎΠΈΠ·ΠΎΠΉΠ΄Π΅Ρ, ΡΠΎ Π½Π΅ Π±ΡΠ΄ΡΡ ΡΠ°Π±ΠΎΡΠ°ΡΡ ΠΊΠ°ΠΊ ΠΌΠΈΠ½ΠΈΠΌΡΠΌ ΠΎΡΠ΄Π΅Π»ΡΠ½ΡΠ΅ ΠΏΠΎΡΡΠ΅Π±ΠΈΡΠ΅Π»ΠΈ, ΠΊΠ°ΠΊ ΠΌΠ°ΠΊΡΠΈΠΌΡΠΌ ΠΌΠ°ΡΠΈΠ½Π° Π½Π΅ Π·Π°Π²Π΅Π΄Π΅ΡΡΡ.
ΠΡΠΈ ΡΡΡΡΠ°Π½Π΅Π½ΠΈΠΈ Π½Π΅ΠΈΡΠΏΡΠ°Π²Π½ΠΎΡΡΠ΅ΠΉ Π² ΡΠ»Π΅ΠΊΡΡΠΈΡΠ΅ΡΠΊΠΈΡ
ΡΠ΅ΠΏΡΡ
Π°Π²ΡΠΎΠΌΠΎΠ±ΠΈΠ»Π΅ΠΉ ΠΠΠ 2108, 2109, 21099 Π½Π΅ Π·Π°Π±ΡΠ΄ΡΡΠ΅ ΠΏΡΠΎΠ²Π΅ΡΠΈΡΡ.
ΠΠ΅ΠΎΠ±Ρ ΠΎΠ΄ΠΈΠΌΡΠ΅ ΠΈΠ½ΡΡΡΡΠΌΠ΅Π½ΡΡ
— ΡΠ΅ΡΡΠ΅Ρ
(ΠΌΡΠ»ΡΡΠΈΠΌΠ΅ΡΡ ΠΈΠ»ΠΈ Π°Π½Π°Π»ΠΎΠ³ΠΈΡΠ½ΡΠΉ ΠΏΡΠΈΠ±ΠΎΡ Π² ΡΠ΅ΠΆΠΈΠΌΠ΅ ΠΎΠΌΠΌΠ΅ΡΡΠ°).ΠΡΠ»ΠΈ ΡΠ΅ΡΡΠ΅ΡΠ° Π½Π΅Ρ, ΠΌΠΎΠΆΠ½ΠΎ ΠΈΡΠΏΠΎΠ»ΡΠ·ΠΎΠ²Π°ΡΡ ΠΊΠΎΠ½ΡΡΠΎΠ»ΡΠ½ΡΡ Π»Π°ΠΌΠΏΡ (Π»Π°ΠΌΠΏΠ° Π½Π° 12 Π Ρ ΠΏΡΠΈΠΏΠ°ΡΠ½Π½ΡΠΌΠΈ ΠΏΡΠΎΠ²ΠΎΠ΄Π°ΠΌΠΈ).
ΠΠΎΠ΄Π³ΠΎΡΠΎΠ²ΠΈΡΠ΅Π»ΡΠ½ΡΠ΅ ΡΠ°Π±ΠΎΡΡ
— ΠΏΠ»Π΅Π½ΠΊΠ° Π½ΠΈΠΆΠ½Π΅ΠΉ ΡΠ°ΡΡΠΈ ΠΏΠ»Π°ΡΡΠΈΠΊΠΎΠ²ΠΎΠ³ΠΎ ΠΊΠΎΠΆΡΡ Π° ΡΡΠ»Π΅Π²ΠΎΠΉ ΠΊΠΎΠ»ΠΎΠ½ΠΊΠΈ, Π΄Π»Ρ ΠΎΠ±Π»Π΅Π³ΡΠ΅Π½ΠΈΡ Π΄ΠΎΡΡΡΠΏΠ° ΠΊ ΡΠ°Π·ΡΠ΅ΠΌΠ½ΠΎΠΉ ΠΊΠΎΠ»ΠΎΠ΄ΠΊΠ΅ Π·Π°ΠΌΠΊΠ° Π·Π°ΠΆΠΈΠ³Π°Π½ΠΈΡ.
ΠΡΠΎΠ²Π΅ΡΠΊΠ° Π·Π°ΠΌΠΊΠ° Π·Π°ΠΆΠΈΠ³Π°Π½ΠΈΡ Π°Π²ΡΠΎΠΌΠΎΠ±ΠΈΠ»Π΅ΠΉ ΠΠΠ 2108, 2109, 21099
— Π½Π°Ρ ΠΎΠ΄ΠΈΠΌ ΠΈ ΠΎΡΡΠΎΠ΅Π΄ΠΈΠ½ΡΠ΅ΠΌ ΡΠΎΠ΅Π΄ΠΈΠ½ΠΈΡΠ΅Π»ΡΠ½ΡΡ ΠΊΠΎΠ»ΠΎΠ΄ΠΊΡ Π·Π°ΠΌΠΊΠ° Π·Π°ΠΆΠΈΠ³Π°Π½ΠΈΡ ΠΏΠΎΠ΄ ΠΏΠ°Π½Π΅Π»ΡΡ ΠΏΡΠΈΠ±ΠΎΡΠΎΠ²;
— Π½Π° ΡΠ°ΡΡΠΈ ΠΊΠΎΠ»ΠΎΠ΄ΠΊΠΈ ΠΆΠ³ΡΡΠ° ΠΏΡΠΎΠ²ΠΎΠ΄ΠΎΠ², Π²Π΅Π΄ΡΡΠ΅ΠΉ ΠΊ Π·Π°ΠΌΠΊΡ Π·Π°ΠΆΠΈΠ³Π°Π½ΠΈΡ, ΠΏΡΠΎΠ²Π΅ΡΡΠ΅ΠΌ ΠΈΡΠΏΡΠ°Π²Π½ΠΎΡΡΡ Π·Π°ΠΌΡΠΊΠ°Π½ΠΈΡ Π΅Π³ΠΎ ΠΊΠΎΠ½ΡΠ°ΠΊΡΠΎΠ² Π² ΠΎΠΏΡΠ΅Π΄Π΅Π»Π΅Π½Π½ΠΎΠΉ ΠΏΠΎΡΠ»Π΅Π΄ΠΎΠ²Π°ΡΠ΅Π»ΡΠ½ΠΎΡΡΠΈ.
ΠΠΎΠ²ΠΎΡΠ°ΡΠΈΠ²Π°Π΅ΠΌ ΠΊΠ»ΡΡ Π² Π·Π°ΠΌΠΊΠ΅ Π·Π°ΠΆΠΈΠ³Π°Π½ΠΈΡ Π² Π΄ΠΎΡΡΡΠΏΠ½ΡΠ΅ 3 ΠΏΠΎΠ»ΠΎΠΆΠ΅Π½ΠΈΡ. ΠΡΠΏΠΎΠ»ΡΠ·ΡΠ΅ΠΌ ΡΠ΅ΡΡΠ΅Ρ Π² ΡΠ΅ΠΆΠΈΠΌΠ΅ ΠΎΠΌΠΌΠ΅ΡΡΠ°, ΠΏΡΠΈΠΆΠΈΠΌΠ°Π΅ΠΌ Π΅Π³ΠΎ Π²ΡΠ²ΠΎΠ΄Ρ ΠΊ Π·Π°ΠΌΠΊΠ½ΡΡΡΠΌ ΠΊΠΎΠ½ΡΠ°ΠΊΡΠ°ΠΌ Π·Π°ΠΌΠΊΠ° ΠΈΠ»ΠΈ ΠΏΠΎΠ΄Π°Π΅ΠΌ ΠΏΠ»ΡΡ ΠΎΡ Π°ΠΊΠΊΡΠΌΡΠ»ΡΡΠΎΡΠ° ΡΠ΅ΡΠ΅Π· ΠΊΠΎΠ½ΡΡΠΎΠ»ΡΠ½ΡΡ Π»Π°ΠΌΠΏΡ Π½Π° ΠΎΠ΄ΠΈΠ½ ΡΠ΅ΡΡΠΎΠ²ΡΠΉ Π²ΡΠ²ΠΎΠ΄, ΠΌΠΈΠ½ΡΡ ΠΎΡ Π°ΠΊΠΊΡΠΌΡΠ»ΡΡΠΎΡΠ° Π½Π° Π΄ΡΡΠ³ΠΎΠΉ.
ΠΠΎΡΠ»Π΅Π΄ΠΎΠ²Π°ΡΠ΅Π»ΡΠ½ΠΎΡΡΡ Π·Π°ΠΌΡΠΊΠ°Π½ΠΈΡ ΠΊΠΎΠ½ΡΠ°ΠΊΡΠΎΠ² Π² Π·Π°ΠΌΠΊΠ΅ Π·Π°ΠΆΠΈΠ³Π°Π½ΠΈΡ ΠΠΠ 2108, 2109, 21099
1. ΠΠΎΠ»ΠΎΠΆΠ΅Π½ΠΈΠ΅ ΠΊΠ»ΡΡΠ° Π² Π·Π°ΠΌΠΊΠ΅ Π·Π°ΠΆΠΈΠ³Π°Π½ΠΈΡ 0 (Π²ΡΠΊΠ».).
ΠΠΎΠ½ΡΠ°ΠΊΡΡ ΠΏΠΎΠ΄ Π½Π°ΠΏΡΡΠΆΠ΅Π½ΠΈΠ΅ΠΌ 30 ΠΈ 30/1
ΠΡΠ²ΠΎΠ΄Ρ Π² ΠΊΠΎΠ»ΠΎΠ΄ΠΊΠ΅ ΠΊΠΎΡΠΈΡΠ½Π΅Π²ΠΎΠ³ΠΎ ΠΈ ΡΠΎΠ·ΠΎΠ²ΠΎΠ³ΠΎ ΠΏΡΠΎΠ²ΠΎΠ΄ΠΎΠ².
2. ΠΠΎΠ»ΠΎΠΆΠ΅Π½ΠΈΠ΅ ΠΊΠ»ΡΡΠ° Π² Π·Π°ΠΌΠΊΠ΅ Π·Π°ΠΆΠΈΠ³Π°Π½ΠΈΡ β 1 (Π·Π°ΠΆΠΈΠ³Π°Π½ΠΈΠ΅).
ΠΠΈΠ²ΡΠ΅ ΠΊΠΎΠ½ΡΠ°ΠΊΡΡ — 30 ΠΈ ΠΠΠ’ (Π½Π°ΡΡΠΆΠ½ΠΎΠ΅ ΠΎΡΠ²Π΅ΡΠ΅Π½ΠΈΠ΅, ΠΏΠΎΠ΄ΡΠ²Π΅ΡΠΊΠ° ΠΏΡΠΈΠ±ΠΎΡΠΎΠ², ΡΠΈΠ³Π½Π°Π»ΠΈΠ·Π°ΡΠΈΡ Π΄Π°Π»ΡΠ½Π΅Π³ΠΎ ΡΠ²Π΅ΡΠ°), 30/1 ΠΈ 15/1 (ΠΎΠ±ΠΌΠΎΡΠΊΠ° Π²ΠΎΠ·Π±ΡΠΆΠ΄Π΅Π½ΠΈΡ Π³Π΅Π½Π΅ΡΠ°ΡΠΎΡΠ°, ΡΠΈΡΡΠ΅ΠΌΠ° Π·Π°ΠΆΠΈΠ³Π°Π½ΠΈΡ, ΡΡΠ΅ΠΊΠ»ΠΎΠΎΡΠΈΡΡΠΈΡΠ΅Π»Ρ, Π±Π»ΠΎΠΊ ΡΠΏΡΠ°Π²Π»Π΅Π½ΠΈΡ ΡΠ»Π΅ΠΊΡΡΠΎΠΌΠ°Π³Π½ΠΈΡΠ½ΡΠΌ ΠΊΠ»Π°ΠΏΠ°Π½ΠΎΠΌ ΠΊΠ°ΡΠ±ΡΡΠ°ΡΠΎΡΠ°, ΡΠΊΠ°Π·Π°ΡΠ΅Π»ΠΈ ΠΏΠΎΠ²ΠΎΡΠΎΡΠΎΠ², ΡΠ²Π΅Ρ Π·Π°Π΄Π½Π΅Π³ΠΎ Ρ
ΠΎΠ΄Π°, ΠΏΡΠΈΠ±ΠΎΡΡ ΡΠΏΡΠ°Π²Π»Π΅Π½ΠΈΡ), 30-15/2 (Π±Π»ΠΈΠΆΠ½ΠΈΠΉ ΠΈ Π΄Π°Π»ΡΠ½ΠΈΠΉ ΡΠ²Π΅Ρ ΡΠ°Ρ, ΠΏΡΠΎΡΠΈΠ²ΠΎΡΡΠΌΠ°Π½Π½ΡΠ΅ ΡΠ°ΡΡ, ΠΎΡΠΈΡΡΠΈΡΠ΅Π»ΠΈ ΡΠ°Ρ, ΠΎΡΠΈΡΡΠΈΡΠ΅Π»Ρ Π·Π°Π΄Π½Π΅Π³ΠΎ ΡΡΠ΅ΠΊΠ»Π°, ΠΎΠ±ΠΎΠ³ΡΠ΅Π² Π·Π°Π΄Π½Π΅Π³ΠΎ ΡΡΠ΅ΠΊΠ»Π°, ΠΎΠΌΡΠ²Π°ΡΠ΅Π»Ρ, Π²Π΅Π½ΡΠΈΠ»ΡΡΠΎΡ ΠΎΡΠΎΠΏΠΈΡΠ΅Π»Ρ, Π²Π΅Π½ΡΠΈΠ»ΡΡΠΎΡ ΠΎΡ
Π»Π°ΠΆΠ΄Π΅Π½ΠΈΡ).
ΠΡΠ²ΠΎΠ΄Ρ Π² Π±Π»ΠΎΠΊΠ΅ ΡΠ΅ΡΠ½ΡΠΉ ΠΈ ΡΠΎΠ·ΠΎΠ²ΡΠΉ, ΠΊΠΎΡΠΈΡΠ½Π΅Π²ΡΠΉ ΠΈ Π±Π΅Π»ΡΠΉ, ΠΊΠΎΡΠΈΡΠ½Π΅Π²ΡΠΉ ΠΈ ΡΠΈΠ½ΠΈΠΉ ΠΏΡΠΎΠ²ΠΎΠ΄Π°.
3. ΠΠΎΠ»ΠΎΠΆΠ΅Π½ΠΈΠ΅ ΠΊΠ»ΡΡΠ° Π² Π·Π°ΠΌΠΊΠ΅ Π·Π°ΠΆΠΈΠ³Π°Π½ΠΈΡ — 2 (ΡΡΠ°ΡΡΠ΅Ρ).
ΠΠΎΠ½ΡΠ°ΠΊΡΡ ΠΏΠΎΠ΄ Π½Π°ΠΏΡΡΠΆΠ΅Π½ΠΈΠ΅ΠΌ — 30 ΠΈ 50, 30/1 ΠΈ 15/1, 30 ΠΈ INT (ΡΡΠ°ΡΡΠ΅Ρ).
Π ΠΎΠ·ΠΎΠ²ΡΠΉ ΠΈ ΠΊΡΠ°ΡΠ½ΡΠΉ.
3. ΠΠΎΠ»ΠΎΠΆΠ΅Π½ΠΈΠ΅ ΠΊΠ»ΡΡΠ° Π² Π·Π°ΠΌΠΊΠ΅ Π·Π°ΠΆΠΈΠ³Π°Π½ΠΈΡ 3 (ΠΏΠ°ΡΠΊΠΎΠ²ΠΎΡΠ½ΠΎΠ΅).
ΠΠΎΠ½ΡΠ°ΠΊΡΡ ΠΏΠΎΠ΄ Π½Π°ΠΏΡΡΠΆΠ΅Π½ΠΈΠ΅ΠΌ — 30 ΠΈ INT, 30 ΠΈ 1-P (Π²ΡΠ΅ ΡΠ»Π΅ΠΊΡΡΠΈΡΠ΅ΡΠΊΠΈΠ΅ ΡΠ΅ΠΏΠΈ ΡΠΊΠ°Π·Π°Π½Ρ Π² ΠΏ.2). ΠΠΎΠ½ΡΠ°ΠΊΡ Β«Π Β» Π΄ΠΎ 1988 Π³ΠΎΠ΄Π° ΠΈΡΠΏΠΎΠ»ΡΠ·ΠΎΠ²Π°Π»ΡΡ Π΄Π»Ρ Π²ΠΊΠ»ΡΡΠ΅Π½ΠΈΡ Π³Π°Π±Π°ΡΠΈΡΠ½ΡΡ
ΠΎΠ³Π½Π΅ΠΉ.
ΠΡΠ²ΠΎΠ΄Ρ Π² ΠΊΠΎΠ»ΠΎΠ΄ΠΊΠ΅ ΡΠ΅ΡΠ½ΠΎΠ³ΠΎ ΠΈ ΡΠΎΠ·ΠΎΠ²ΠΎΠ³ΠΎ ΠΏΡΠΎΠ²ΠΎΠ΄ΠΎΠ² ΠΎΡ Π·Π°ΠΌΠΊΠ° Π·Π°ΠΆΠΈΠ³Π°Π½ΠΈΡ.
ΠΠ° ΠΠΠ 2109 ΡΠΎ Π²ΡΠ΅ΠΌΠ΅Π½Π΅ΠΌ Π²ΠΎΠ·Π½ΠΈΠΊΠ°ΡΡ Π½Π΅ΠΈΡΠΏΡΠ°Π²Π½ΠΎΡΡΠΈ ΡΠ»Π΅ΠΊΡΡΠΈΠΊΠΈ. Π‘ ΡΡΠΈΠΌΠΈ ΠΏΡΠΎΠ±Π»Π΅ΠΌΠ°ΠΌΠΈ Π΄ΠΎΠ»ΠΆΠ΅Π½ ΡΠΏΡΠ°Π²ΠΈΡΡΡΡ ΠΎΠΏΡΡΠ½ΡΠΉ Π°Π²ΡΠΎΠΌΠΎΠ±ΠΈΠ»ΠΈΡΡ.
ΠΠ΅Π»Π°ΡΠ΅Π»ΡΠ½ΠΎ, ΡΡΠΎΠ±Ρ ΠΎΠ½ ΡΠ°ΠΌΠΎΡΡΠΎΡΡΠ΅Π»ΡΠ½ΠΎ ΡΡΡΡΠ°Π½ΡΠ» Π½Π΅ΠΈΡΠΏΡΠ°Π²Π½ΠΎΡΡΠΈ Π½Π° ΠΠΠ 21093Ρ, ΠΏΡΠΎΠ²Π΅ΡΡΠ» ΡΠ»Π΅ΠΊΡΡΠΎΠΎΠ±ΠΎΡΡΠ΄ΠΎΠ²Π°Π½ΠΈΠ΅ ΠΈ Π΄Π΅Π»Π°Π» ΡΠΎΠΎΡΠ²Π΅ΡΡΡΠ²ΡΡΡΠΈΠ΅ Π²ΡΠ²ΠΎΠ΄Ρ. Π ΡΡΠΎΠΉ ΡΡΠ°ΡΡΠ΅ ΠΌΡ ΠΏΠΎΡΡΠ°ΡΠ°Π΅ΠΌΡΡ ΠΏΠΎΠΌΠΎΡΡ Π½Π°ΡΠΈΠ½Π°ΡΡΠ΅ΠΌΡ Π²ΠΎΠ΄ΠΈΡΠ΅Π»Ρ ΠΈ ΠΎΠ·Π½Π°ΠΊΠΎΠΌΠΈΡΡ Π΅Π³ΠΎ ΡΠΎ Π²ΡΠ΅ΠΌΠΈ ΠΎΡΠ½ΠΎΠ²Π½ΡΠΌΠΈ ΡΠ»Π΅ΠΊΡΡΠΈΡΠ΅ΡΠΊΠΈΠΌΠΈ ΡΠ»Π΅ΠΌΠ΅Π½ΡΠ°ΠΌΠΈ ΠΈ ΠΈΡ
Π½Π΅ΠΈΡΠΏΡΠ°Π²Π½ΠΎΡΡΡΠΌΠΈ.
ΠΎΠ±ΡΠ°Ρ ΠΈΠ½ΡΠΎΡΠΌΠ°ΡΠΈΡ
ΠΠ°ΡΠ½Π΅ΠΌ Ρ ΠΎΠ±ΡΠ΅ΠΉ ΠΈΠ½ΡΠΎΡΠΌΠ°ΡΠΈΠΈ.
Π‘Π»Π΅Π΄ΡΠ΅Ρ Π·Π½Π°ΡΡ, ΡΡΠΎ Π½Π° Π°Π²ΡΠΎΠΌΠΎΠ±ΠΈΠ»Π΅ ΠΠΠ 2109 ΠΈΠΌΠ΅Π΅ΡΡΡ Π΄Π²Π° ΠΈΡΡΠΎΡΠ½ΠΈΠΊΠ° ΠΏΠΈΡΠ°Π½ΠΈΡ β Π°ΠΊΠΊΡΠΌΡΠ»ΡΡΠΎΡ ΠΈ Π³Π΅Π½Π΅ΡΠ°ΡΠΎΡ. ΠΠΊΠΊΡΠΌΡΠ»ΡΡΠΎΡΠ½Π°Ρ Π±Π°ΡΠ°ΡΠ΅Ρ ΠΏΡΠ΅Π΄Π½Π°Π·Π½Π°ΡΠ΅Π½Π° Π΄Π»Ρ ΠΏΠΎΠ΄Π°ΡΠΈ ΡΠΎΠΊΠ° ΠΏΡΠΈ Π·Π°ΠΏΡΡΠΊΠ΅ ΡΠΈΠ»ΠΎΠ²ΠΎΠ³ΠΎ Π°Π³ΡΠ΅Π³Π°ΡΠ° Π°Π²ΡΠΎΠΌΠΎΠ±ΠΈΠ»Ρ, Π° ΡΠ°ΠΊΠΆΠ΅ Π΄Π»Ρ ΠΏΠΈΡΠ°Π½ΠΈΡ ΡΡΠ°ΡΡΠ΅ΡΠ° ΠΈ Π΄ΡΡΠ³ΠΈΡ
ΠΏΠΎΡΡΠ΅Π±ΠΈΡΠ΅Π»Π΅ΠΉ Π½Π°ΠΏΡΡΠΆΠ΅Π½ΠΈΠ΅ΠΌ 12 Π ΠΏΡΠΈ Π½Π΅ΡΠ°Π±ΠΎΡΠ°ΡΡΠ΅ΠΌ Π΄Π²ΠΈΠ³Π°ΡΠ΅Π»Π΅.
ΠΡΠΈ Π·Π°ΠΏΡΡΠΊΠ΅ ΠΌΠΎΡΠΎΡΠ° Π²ΡΡ «ΠΈΠ½ΠΈΡΠΈΠ°ΡΠΈΠ²Π°» ΠΏΠ΅ΡΠ΅Ρ
ΠΎΠ΄ΠΈΡ ΠΊ Π³Π΅Π½Π΅ΡΠ°ΡΠΎΡΡ. Π’Π΅ΠΏΠ΅ΡΡ ΡΡΠΎΡ ΡΠ»Π΅ΠΌΠ΅Π½Ρ ΠΎΠ±Π΅ΡΠΏΠ΅ΡΠΈΠ²Π°Π΅Ρ ΡΠΎΠΊΠΎΠΌ Π²ΡΠ΅Ρ
ΠΏΠΎΡΡΠ΅Π±ΠΈΡΠ΅Π»Π΅ΠΉ, Π΄Π°ΠΆΠ΅ ΡΠΈΡΡΠ΅ΠΌΡ Π·Π°ΠΆΠΈΠ³Π°Π½ΠΈΡ ΠΈ Π°ΠΊΠΊΡΠΌΡΠ»ΡΡΠΎΡ.
ΠΠΎΠ³Π΄Π° Π³Π΅Π½Π΅ΡΠ°ΡΠΎΡ Π½Π΅ ΠΏΡΠΎΠΈΠ·Π²ΠΎΠ΄ΠΈΡ ΡΠ½Π΅ΡΠ³ΠΈΡ
ΠΡΠΈΠΌΠ΅ΡΠ°Π½ΠΈΠ΅. ΠΠ°ΠΆΠ΄ΡΠΉ Π²ΠΎΠ΄ΠΈΡΠ΅Π»Ρ Π΄ΠΎΠ»ΠΆΠ΅Π½ Π·Π½Π°ΡΡ, ΡΡΠΎ Π΅ΡΠ»ΠΈ Π½Π° ΠΏΠ°Π½Π΅Π»ΠΈ ΠΏΡΠΈΠ±ΠΎΡΠΎΠ² Π³ΠΎΡΠΈΡ ΠΊΡΠ°ΡΠ½Π°Ρ Π»Π°ΠΌΠΏΠΎΡΠΊΠ° Π·Π°ΡΡΠ΄ΠΊΠΈ, ΡΠΎ Π³Π΅Π½Π΅ΡΠ°ΡΠΎΡ Π½Π΅ ΠΏΠΎΠ»ΡΡΠ°Π΅Ρ Π·Π°ΡΡΠ΄ Π² Π±ΠΎΡΡΠΎΠ²ΠΎΠΉ ΡΠ΅ΡΠΈ, ΡΠΎ Π΅ΡΡΡ Π·Π°ΠΏΠ°ΡΠ΅Π½Π½Π°Ρ ΡΠ½Π΅ΡΠ³ΠΈΡ Π°ΠΊΠΊΡΠΌΡΠ»ΡΡΠΎΡΠ° ΡΠ°ΡΡ ΠΎΠ΄ΡΠ΅ΡΡΡ. ΠΠΎΠ½ΡΡΠ½ΠΎ, ΡΡΠΎ Π·Π°ΠΏΠ°Ρ ΠΎΠ³ΡΠ°Π½ΠΈΡΠ΅Π½ ΠΈ Π·Π°Π²ΠΈΡΠΈΡ ΠΎΡ ΡΠ°Π·ΠΌΠ΅ΡΠ° Π°ΠΊΠΊΡΠΌΡΠ»ΡΡΠΎΡΠ°, Π΅Π³ΠΎ Π΅ΠΌΠΊΠΎΡΡΠΈ. ΠΠΎΠ½Π΅ΡΠ½ΠΎ, Π² ΡΡΠΎΠΌ ΡΠ»ΡΡΠ°Π΅ ΠΌΠΎΠΆΠ½ΠΎ Π΄ΠΎΠ΅Ρ Π°ΡΡ Π΄ΠΎ Π΄ΠΎΠΌΠ° Π±Π΅Π· Π³Π΅Π½Π΅ΡΠ°ΡΠΎΡΠ°, Π½ΠΎ Π·Π°Π³Π»ΡΡΠΈΡΡ ΠΌΠ°ΡΠΈΠ½Ρ ΡΠΆΠ΅ Π½Π΅Π»ΡΠ·Ρ ΠΈ ΠΏΡΠΈΠ΄Π΅ΡΡΡ Π΅Ρ Π°ΡΡ Π±Π΅Π· ΠΎΡΡΠ°Π½ΠΎΠ²ΠΎΠΊ.
ΠΠ°ΠΊΠ°Π·-Π½Π°ΡΡΠ΄
ΠΡΠ°ΠΊ:
- Π ΠΏΠ΅ΡΠ²ΡΡ ΠΎΡΠ΅ΡΠ΅Π΄Ρ Π½ΡΠΆΠ½ΠΎ ΠΏΡΠΎΠ²Π΅ΡΠΈΡΡ, Π΅ΡΡΡ Π»ΠΈ ΠΎΠ½ Π½Π° ΠΌΠ΅ΡΡΠ΅.
ΠΡΠ²Π°Π΅Ρ, Π»ΠΎΠΌΠ°Π΅ΡΡΡ. - ΠΡΠ»ΠΈ ΡΠ΅ΠΌΠ΅Π½Ρ Π½Π° ΠΌΠ΅ΡΡΠ΅, Π² ΡΠ΅Π»ΠΎΡΡΠΈ ΠΈ ΡΠΎΡ ΡΠ°Π½Π½ΠΎΡΡΠΈ, ΡΠ΅ΠΊΠΎΠΌΠ΅Π½Π΄ΡΠ΅ΡΡΡ ΠΏΡΠΎΠ²Π΅ΡΠΈΡΡ Π΅Π³ΠΎ Π½Π°ΡΡΠΆΠ΅Π½ΠΈΠ΅. ΠΠ»Ρ ΡΡΠΎΠ³ΠΎ Π½Π°Π΄Π°Π²ΠΈΡΠ΅ Π±ΠΎΠ»ΡΡΠΈΠΌ ΠΏΠ°Π»ΡΡΠ΅ΠΌ ΡΠ²Π΅ΡΡ Ρ ΠΈ ΠΎΠ±ΡΠ°ΡΠΈΡΠ΅ Π²Π½ΠΈΠΌΠ°Π½ΠΈΠ΅, ΠΊΠ°ΠΊ Π·Π°Π³ΠΈΠ±Π°Π΅ΡΡΡ ΡΠ΅ΠΌΠ΅Π½Ρ. 10-15 ΠΌΠΌ ΡΡΠΎ Π½ΠΎΡΠΌΠ°.
- ΠΠΎΠΎΡΡΠΆΠ°Π΅ΠΌΡΡ ΡΠΎΠΎΡΠ²Π΅ΡΡΡΠ²ΡΡΡΠΈΠΌ ΠΊΠ»ΡΡΠΎΠΌ ΠΈ ΠΎΡΠΊΡΡΡΠΈΠ²Π°Π΅ΠΌ Π³Π°ΠΉΠΊΡ ΠΊΡΠ΅ΠΏΠ»Π΅Π½ΠΈΡ Π³Π΅Π½Π΅ΡΠ°ΡΠΎΡΠ° ΠΊ ΠΊΡΠ·ΠΎΠ²Ρ. ΠΠ°ΡΠ΅ΠΌ Π²ΡΡΠ°Π²Π»ΡΠ΅ΠΌ ΠΊΡΠ΅ΠΏΠ»Π΅Π½ΠΈΠ΅ ΠΌΠ΅ΠΆΠ΄Ρ Π³Π΅Π½Π΅ΡΠ°ΡΠΎΡΠΎΠΌ ΠΈ Π±Π»ΠΎΠΊΠΎΠΌ Π΄Π²ΠΈΠ³Π°ΡΠ΅Π»Ρ. Π ΡΡΠ°ΠΆΠ½ΡΠΌ ΠΌΠ΅ΡΠΎΠ΄ΠΎΠΌ ΠΎΡΠΎΠ΄Π²ΠΈΠ³Π°Π΅ΠΌ Π³Π΅Π½Π΅ΡΠ°ΡΠΎΡ Π² ΡΡΠΎΡΠΎΠ½Ρ ΠΈ Π·Π°ΡΡΠ³ΠΈΠ²Π°Π΅ΠΌ Π³Π°ΠΉΠΊΡ ΠΊΡΠ΅ΠΏΠ»Π΅Π½ΠΈΡ.
- ΠΠ΅ΠΎΠ±Ρ ΠΎΠ΄ΠΈΠΌΠΎ ΠΏΡΠΎΠ²Π΅ΡΠΈΡΡ, Π½Π΅ ΠΏΠ΅ΡΠ΅Π³ΠΎΡΠ΅Π» Π»ΠΈ ΡΠΎΠΎΡΠ²Π΅ΡΡΡΠ²ΡΡΡΠΈΠΉ ΠΏΡΠ΅Π΄ΠΎΡ ΡΠ°Π½ΠΈΡΠ΅Π»Ρ. ΠΡΠ»ΠΈ Π΄Π°, ΡΠΎ ΠΌΠ΅Π½ΡΠ΅ΠΌ Π΅Π³ΠΎ Π½Π° Π½ΠΎΠ²ΡΠΉ (ΠΎ ΠΏΡΠ΅Π΄ΠΎΡ ΡΠ°Π½ΠΈΡΠ΅Π»ΡΡ ΠΏΠΎΠ΄ΡΠΎΠ±Π½Π΅Π΅ Π½ΠΈΠΆΠ΅).
- ΠΠ°ΠΏΡΡΡΠΈΠΌ Π±Π»ΠΎΠΊ ΠΏΠΈΡΠ°Π½ΠΈΡ ΠΈ ΠΏΡΠΎΠ²Π΅ΡΠΈΠΌ, Π½Π΅ ΠΏΠΎΠ³Π°ΡΠ»Π° Π»ΠΈ Π»Π°ΠΌΠΏΠΎΡΠΊΠ° Π·Π°ΡΡΠ΄ΠΊΠΈ Π°ΠΊΠΊΡΠΌΡΠ»ΡΡΠΎΡΠ°. ΠΡΠ»ΠΈ ΠΏΠΎΠ³Π°ΡΠ½Π΅Ρ, Π·Π½Π°ΡΠΈΡ Π²ΡΠ΅ ΡΠ΄Π΅Π»Π°Π½ΠΎ ΠΏΡΠ°Π²ΠΈΠ»ΡΠ½ΠΎ.
- ΠΡΠ»ΠΈ Π½Π΅ Π³Π°ΡΠ½Π΅Ρ, ΡΠΎ Π½ΡΠΆΠ½ΠΎ ΠΏΡΠΎΠ²Π΅ΡΠΈΡΡ ΠΊΠ°Π±Π΅Π»Ρ, ΠΊΠΎΡΠΎΡΡΠΉ ΡΡΠ½Π΅ΡΡΡ ΠΎΡ Π³Π΅Π½Π΅ΡΠ°ΡΠΎΡΠ° ΠΊ Π°ΠΊΠΊΡΠΌΡΠ»ΡΡΠΎΡΡ (ΠΏΠ»ΡΡ). ΠΡΠΎΠ±Π»Π΅ΠΌΡ ΠΌΠΎΠ³ΡΡ Π±ΡΡΡ Π² Π½Π΅ΠΌ.
ΠΡΠΈΠΌΠ΅ΡΠ°Π½ΠΈΠ΅. ΠΡ Π°ΠΊΠΊΡΠΌΡΠ»ΡΡΠΎΡΠ° ΠΈΠ΄ΡΡ Π΄Π²Π° ΠΏΡΠΎΠ²ΠΎΠ΄Π°: ΡΠΎΠ»ΡΡΡΠΉ ΡΠΎΠ΅Π΄ΠΈΠ½ΡΠ΅Ρ Π°ΠΊΠΊΡΠΌΡΠ»ΡΡΠΎΡ ΡΠΎ ΡΡΠ°ΡΡΠ΅ΡΠΎΠΌ, Π° ΡΠΎΠ½ΠΊΠΈΠΉ β ΡΠΎΡ, ΠΊΠΎΡΠΎΡΡΠΉ Π½Π°ΠΌ Π½ΡΠΆΠ΅Π½.
- ΠΡΠΎΠ²Π΅ΡΡΠ΅ΠΌ ΡΠ΅Π»ΠΎΡΡΠ½ΠΎΡΡΡ ΡΡΠΎΠ³ΠΎ ΠΏΡΠΎΠ²ΠΎΠ΄Π°. ΠΠΎΠΆΠ΅Ρ Π±ΡΡΡ, ΠΎΠ½ ΡΠ»ΠΎΠΌΠ°Π½ ΠΈΠ»ΠΈ ΡΡΠΎ-ΡΠΎ Π² ΡΡΠΎΠΌ ΡΠΎΠ΄Π΅.
- Π’Π°ΠΊΠΆΠ΅ Π½Π΅ΠΎΠ±Ρ ΠΎΠ΄ΠΈΠΌΠΎ ΡΡΠ°ΡΠ΅Π»ΡΠ½ΠΎ ΠΏΡΠΎΠ²Π΅ΡΠΈΡΡ ΠΊΠΎΠ½ΡΠ°ΠΊΡΡ, ΠΊΠΎΡΠΎΡΡΠ΅ ΡΠΎ Π²ΡΠ΅ΠΌΠ΅Π½Π΅ΠΌ ΠΌΠΎΠ³Π»ΠΈ ΠΎΠΊΠΈΡΠ»ΠΈΡΡΡΡ.
- ΠΡΠ΅ ΡΡΠΈ Π½Π΅ΠΈΡΠΏΡΠ°Π²Π½ΠΎΡΡΠΈ, Π΅ΡΠ»ΠΈ ΠΎΠ½ΠΈ Π±ΡΠ»ΠΈ ΠΎΠ±Π½Π°ΡΡΠΆΠ΅Π½Ρ, ΠΈΡΠΏΡΠ°Π²Π»Π΅Π½Ρ. ΠΠ°Π²ΠΎΠ΄ΠΈΠΌ Π΄Π²ΠΈΠ³Π°ΡΠ΅Π»Ρ ΠΈ ΡΠΌΠΎΡΡΠΈΠΌ, ΠΏΠΎΡΠ²ΠΈΠ»Π°ΡΡ Π»ΠΈ Π·Π°ΡΡΠ΄ΠΊΠ°.
- ΠΡΠ»ΠΈ Π΄Π°, ΡΠΎ ΡΠ΄Π°ΡΠ½ΠΎΠΉ ΠΏΠΎΠ΅Π·Π΄ΠΊΠΈ!
ΠΡΠ»ΠΈ ΠΎΠΏΡΡΡ Π½Π΅Ρ Π·Π°ΡΡΠ΄ΠΊΠΈ, ΡΠΎ Π½ΡΠΆΠ½ΠΎ ΠΏΡΠΎΠ²Π΅ΡΠΈΡΡ ΡΠ°ΠΌ Π³Π΅Π½Π΅ΡΠ°ΡΠΎΡ (ΡΠΌ. ). ΠΠ»Ρ ΡΡΠΎΠ³ΠΎ Π»ΡΡΡΠ΅ ΠΎΠ±ΡΠ°ΡΠΈΡΡΡΡ ΠΊ ΡΠΏΠ΅ΡΠΈΠ°Π»ΠΈΡΡΠ°ΠΌ ΠΈΠ»ΠΈ ΡΠ΄Π΅Π»Π°ΡΡ Π²ΡΠ΅ ΠΏΠΎ ΡΠΎΠ²Π΅ΡΠ°ΠΌ, ΠΊΠΎΡΠΎΡΡΠ΅ ΠΌΠΎΠΆΠ½ΠΎ Π½Π°ΠΉΡΠΈ Π½Π° Π½Π°ΡΠ΅ΠΌ ΠΏΠΎΡΡΠ°Π»Π΅.
ΠΠΎΠ½ΡΡΠ»ΡΡΠ°ΡΠΈΠΈ. ΠΠ°ΠΊ ΡΠΆΠ΅ ΡΠΏΠΎΠΌΠΈΠ½Π°Π»ΠΎΡΡ, Ρ ΠΏΠΎΠ²ΡΠ΅ΠΆΠ΄Π΅Π½Π½ΡΠΌ Π³Π΅Π½Π΅ΡΠ°ΡΠΎΡΠΎΠΌ ΠΌΠΎΠΆΠ½ΠΎ Π΄ΠΎΠ΅Ρ Π°ΡΡ Π΄ΠΎ ΡΠ΅ΡΠ²ΠΈΡΠ° ΠΈΠ»ΠΈ ΡΠΎΠ±ΡΡΠ²Π΅Π½Π½ΠΎΠ³ΠΎ Π³Π°ΡΠ°ΠΆΠ°. ΠΠ»Ρ ΠΌΠΈΠ½ΠΈΠΌΠΈΠ·Π°ΡΠΈΠΈ ΠΏΠΎΡΡΠ΅Π±Π»Π΅Π½ΠΈΡ ΡΠΎΠΊΠ° Π°ΠΊΠΊΡΠΌΡΠ»ΡΡΠΎΡΠ½ΠΎΠΉ Π±Π°ΡΠ°ΡΠ΅ΠΈ Π½Π΅ΠΎΠ±Ρ ΠΎΠ΄ΠΈΠΌΠΎ Π² ΡΡΠΎΡ ΠΌΠΎΠΌΠ΅Π½Ρ ΠΎΡΠΊΠ»ΡΡΠΈΡΡ Π²ΡΠ΅ ΡΡΡΡΠΎΠΉΡΡΠ²Π°, ΡΠ°ΠΊΠΈΠ΅ ΠΊΠ°ΠΊ Π°Π²ΡΠΎΠΌΠ°Π³Π½ΠΈΡΠΎΠ»Π°, Π΄ΠΎΠΏΠΎΠ»Π½ΠΈΡΠ΅Π»ΡΠ½ΠΎΠ΅ ΠΎΡΠ²Π΅ΡΠ΅Π½ΠΈΠ΅, Π²Π΅Π½ΡΠΈΠ»ΡΡΠΎΡ, ΠΊΠΎΠ½Π΄ΠΈΡΠΈΠΎΠ½Π΅Ρ, ΠΎΠ±ΠΎΠ³ΡΠ΅Π²Π°ΡΠ΅Π»Ρ ΠΈ Ρ. Π΄.
ΠΡΠΎΠ²Π΅ΡΠΊΠ° ΡΠ΅Π³ΡΠ»ΡΡΠΎΡΠ°
ΠΡΠ»ΠΈ Π°Π²ΡΠΎΠΌΠΎΠ±ΠΈΠ»ΠΈΡΡ ΠΎΠΏΡΡΠ½ΡΠΉ, ΡΠΎ Π΅ΠΌΡ ΠΌΠΎΠΆΠ½ΠΎ ΠΏΠΎΡΠΎΠ²Π΅ΡΠΎΠ²Π°ΡΡ ΠΏΡΠΎΠ²Π΅ΡΠΈΡΡ ΡΠ΅Π³ΡΠ»ΡΡΠΎΡ Π½Π°ΠΏΡΡΠΆΠ΅Π½ΠΈΡ Π³Π΅Π½Π΅ΡΠ°ΡΠΎΡΠ°.
ΠΡΠΎΡ ΠΊΠΎΠΌΠΏΠΎΠ½Π΅Π½Ρ Π½Π΅ΠΎΠ±Ρ
ΠΎΠ΄ΠΈΠΌ Π΄Π»Ρ ΡΠΎΠ³ΠΎ, ΡΡΠΎΠ±Ρ ΠΏΠΎΠ΄Π΄Π΅ΡΠΆΠΈΠ²Π°ΡΡ Π½Π°ΠΏΡΡΠΆΠ΅Π½ΠΈΠ΅ Π³Π΅Π½Π΅ΡΠ°ΡΠΎΡΠ° Π² Π·Π°Π΄Π°Π½Π½ΡΡ
ΠΏΡΠ΅Π΄Π΅Π»Π°Ρ
Π΄Π°ΠΆΠ΅ ΠΏΡΠΈ ΠΈΠ·ΠΌΠ΅Π½Π΅Π½ΠΈΠΈ ΡΠΊΠΎΡΠΎΡΡΠΈ ΠΈ Π½Π°Π³ΡΡΠ·ΠΊΠΈ. ΠΠ΅ ΠΈΡΠΊΠ»ΡΡΠ΅Π½ΠΎ, ΡΡΠΎ ΡΡΠΎ Β«ΡΡΠ°Π±ΠΎΡΠ°Π»ΠΎΒ» ΠΈ Π³Π΅Π½Π΅ΡΠ°ΡΠΎΡ Π½Π΅ ΡΠ°Π±ΠΎΡΠ°Π΅Ρ Π΄ΠΎΠ»ΠΆΠ½ΡΠΌ ΠΎΠ±ΡΠ°Π·ΠΎΠΌ.
ΠΠ° ΠΌΠ°ΡΠΈΠ½Π΅:
- ΠΠΎΠΎΡΡΠΆΠ°Π΅ΠΌΡΡ Π²ΠΎΠ»ΡΡΠΌΠ΅ΡΡΠΎΠΌ, Π½Π°Π΄Π΅Π»Π΅Π½Π½ΡΠΌ ΡΠΊΠ°Π»ΠΎΠΉ Π΄ΠΎ 15-30 Π.
- ΠΠ°ΠΌΠ΅ΡΡΠ΅ΠΌ Π½Π°ΠΏΡΡΠΆΠ΅Π½ΠΈΠ΅ ΠΎΠ±ΡΠ·Π°ΡΠ΅Π»ΡΠ½ΠΎ ΠΏΠΎΡΠ»Π΅ Π½Π΅ΠΊΠΎΡΠΎΡΠΎΠΉ ΡΠ°Π±ΠΎΡΡ Π΄Π²ΠΈΠ³Π°ΡΠ΅Π»Ρ Π½Π° ΡΡΠ΅Π΄Π½ΠΈΡ ΠΎΠ±ΠΎΡΠΎΡΠ°Ρ .
- ΠΠ°ΠΌΠ΅ΡΡΠ΅ΠΌ Π½Π°ΠΏΡΡΠΆΠ΅Π½ΠΈΠ΅ ΠΏΡΠΈ Π²ΠΊΠ»ΡΡΠ΅Π½Π½ΡΡ ΡΠ°ΡΠ°Ρ , Π² ΠΌΠ΅ΡΡΠ΅ ΠΌΠ΅ΠΆΠ΄Ρ ΡΠΎΠΎΡΠ²Π΅ΡΡΡΠ²ΡΡΡΠ΅ΠΉ ΠΊΠ»Π΅ΠΌΠΌΠΎΠΉ ΠΈ ΠΌΠ°ΡΡΠΎΠΉ Π³Π΅Π½Π΅ΡΠ°ΡΠΎΡΠ°. ΠΠΎΡΠΌΠ° ΡΡΠΈΠ½Π°Π΄ΡΠ°ΡΡ/ΡΠ΅ΡΡΡΠ½Π°Π΄ΡΠ°ΡΡ Π.
- Π ΠΏΡΠΎΡΠΈΠ²Π½ΠΎΠΌ ΡΠ»ΡΡΠ°Π΅, Π΅ΡΠ»ΠΈ Π·Π½Π°ΡΠ΅Π½ΠΈΠ΅ Π½ΠΈΠΆΠ΅ ΠΈΠ»ΠΈ Π²ΡΡΠ΅, ΠΏΠΎΡΡΠ΅Π±ΡΠ΅ΡΡΡ Π·Π°ΠΌΠ΅Π½Π° ΡΠ΅Π³ΡΠ»ΡΡΠΎΡΠ°.
ΠΡΠΎΠ²Π΅ΡΠΊΠ° Π΄Π΅ΠΌΠΎΠ½ΡΠΈΡΠΎΠ²Π°Π½Π½ΠΎΠ³ΠΎ ΡΠ΅Π³ΡΠ»ΡΡΠΎΡΠ°:
- ΠΠ΅ΠΌΠΎΠ½ΡΠΈΡΡΠ΅ΠΌ ΡΠ΅Π³ΡΠ»ΡΡΠΎΡ.
- ΠΡΠΎΠ²Π΅ΡΡΠ΅ΠΌ ΠΏΠΎ ΡΡ Π΅ΠΌΠ΅.
ΠΡΠΈΠΌΠ΅ΡΠ°Π½ΠΈΠ΅. ΠΡΠ»ΠΈ ΡΠ΅Π³ΡΠ»ΡΡΠΎΡ Π½Π° Π²Π°Π· 2109Π±ΡΠ» Π²ΡΠΏΡΡΠ΅Π½ Π΄ΠΎ 1996 Π³ΠΎΠ΄Π°, ΡΠΎ Π»ΡΡΡΠ΅ ΠΏΡΠΎΠ²Π΅ΡΠΈΡΡ Π΅Π³ΠΎ Π² ΡΠ±ΠΎΡΠ΅ ΡΠΎ ΡΠ΅ΡΠΊΠΎΠ΄Π΅ΡΠΆΠ°ΡΠ΅Π»Π΅ΠΌ. ΠΡΠΎ ΠΏΠΎΠ·Π²ΠΎΠ»ΠΈΡ ΡΡΠ°Π·Ρ ΠΎΠ±Π½Π°ΡΡΠΆΠΈΡΡ ΠΎΠ±ΡΡΠ²Ρ ΡΠ΅ΡΠΎΡΠ½ΡΡ Π²ΡΠ²ΠΎΠ΄ΠΎΠ² ΠΈ ΠΏΠ»ΠΎΡ ΠΎΠΉ ΠΊΠΎΠ½ΡΠ°ΠΊΡ ΠΌΠ΅ΠΆΠ΄Ρ ΠΊΠΎΠ½ΡΠ°ΠΌΠΈ ΡΠ΅Π³ΡΠ»ΡΡΠΎΡΠ°.
- ΠΠΊΠ»ΡΡΠ°Π΅ΠΌ ΠΊΠΎΠ½ΡΡΠΎΠ»ΡΠ½ΡΡ Π»Π°ΠΌΠΏΡ ΠΌΠ΅ΠΆΠ΄Ρ ΡΠ΅ΡΠΊΠ°ΠΌΠΈ.
- ΠΠΎΠ΄Π°Π΅ΠΌ ΡΠΎΠΊ Π½Π° ΠΊΠ»Π΅ΠΌΠΌΡ Π‘ ΠΈ Π ΠΈ ΠΊΠΎΡΠΏΡΡ ΡΠ΅Π³ΡΠ»ΡΡΠΎΡΠ°, Π½Π°ΠΏΡΡΠΆΠ΅Π½ΠΈΠ΅ΠΌ 12 Π.
- ΠΠΎΡΠΎΠΌ ΠΏΠΎΠ΄Π½ΠΈΠΌΠ°Π΅ΠΌ ΡΠΎΠΊ, Π½Π°ΠΏΡΡΠΆΠ΅Π½ΠΈΠ΅ ΡΠΆΠ΅ 15 Π.
- ΠΡΠΈ Π½Π΅ΠΈΡΠΏΡΠ°Π²Π½ΠΎΡΡΠΈ ΡΠ΅Π³ΡΠ»ΡΡΠΎΡΠ° Π»Π°ΠΌΠΏΠ° Π½Π΅ Π΄ΠΎΠ»ΠΆΠ½Π° Π³ΠΎΡΠ΅ΡΡ ΠΏΡΠΈ 15 Π ΠΈ Π³ΠΎΡΠ΅ΡΡ ΠΏΡΠΈ 12 Π.
- ΠΡΠ»ΠΈ Π³ΠΎΡΠΈΡ Π² ΠΎΠ±ΠΎΠΈΡ ΡΠ»ΡΡΠ°ΡΡ , ΡΠΎ ΡΠ΅Π³ΡΠ»ΡΡΠΎΡ Π½Π΅ΠΈΡΠΏΡΠ°Π²Π΅Π½ ΠΈ ΠΌΠΎΠΆΠ½ΠΎ Π΄Π°ΠΆΠ΅ ΡΠΎΡΠ½ΠΎ ΠΎΠΏΡΠ΅Π΄Π΅Π»ΠΈΡΡ, ΡΡΠΎ Π² Π½Π΅ΠΌ ΠΏΠΎΠ»ΠΎΠΌΠΊΠ°.
- ΠΡΠ»ΠΈ Π»Π°ΠΌΠΏΠ° Π½Π΅ Π·Π°Π³ΠΎΡΠ°Π΅ΡΡΡ Π² ΠΎΠ±ΠΎΠΈΡ ΡΠ»ΡΡΠ°ΡΡ , Π² ΡΠ΅Π³ΡΠ»ΡΡΠΎΡΠ΅ Π΅ΡΡΡ ΠΎΠ±ΡΡΠ².
ΠΠ²ΡΠΎΠΌΠ°ΡΠΈΡΠ΅ΡΠΊΠΈΠ΅ Π²ΡΠΊΠ»ΡΡΠ°ΡΠ΅Π»ΠΈ
ΠΡΠ΅Π΄ΠΎΡ
ΡΠ°Π½ΠΈΡΠ΅Π»ΠΈ ΡΠ²Π»ΡΡΡΡΡ ΠΎΠ΄Π½ΠΎΠ²ΡΠ΅ΠΌΠ΅Π½Π½ΠΎ ΠΈ Π·Π°ΡΠΈΡΠ½ΠΈΠΊΠ°ΠΌΠΈ, ΠΈ ΡΠ°Π·Π²Π΅Π΄ΡΠΈΠΊΠ°ΠΌΠΈ. ΠΠΌΠ΅Π½Π½ΠΎ ΠΎΠ½ΠΈ ΡΠΈΠ³Π½Π°Π»ΠΈΠ·ΠΈΡΡΡΡ ΠΎΠ± ΠΎΠΏΠ°ΡΠ½ΠΎΡΡΠΈ ΠΊΠΎΡΠΎΡΠΊΠΎΠ³ΠΎ Π·Π°ΠΌΡΠΊΠ°Π½ΠΈΡ ΠΈΠ»ΠΈ Π΄ΡΡΠ³ΠΈΡ
ΠΏΡΠΎΠ±Π»Π΅ΠΌΠ°Ρ
Ρ ΡΠ»Π΅ΠΊΡΡΠΈΠΊΠΎΠΉ, Π΅ΡΠ»ΠΈ ΠΏΠ΅ΡΠ΅Π³ΠΎΡΠ°ΡΡ Π²ΠΎ Π²ΡΠΎΡΠΎΠΉ ΡΠ°Π·.
Π ΠΏΡΠΎΠ±Π»Π΅ΠΌΡ Ρ ΡΠ»Π΅ΠΊΡΡΠΈΠΊΠΎΠΉ Π½Π΅Π»ΡΠ·Ρ ΠΎΡΠΊΠ»Π°Π΄ΡΠ²Π°ΡΡ Π² Π΄ΠΎΠ»Π³ΠΈΠΉ ΡΡΠΈΠΊ, Π²Π΅Π΄Ρ ΡΡΠΎ Π³ΡΠΎΠ·ΠΈΡ Π²ΠΎΠ·Π³ΠΎΡΠ°Π½ΠΈΠ΅ΠΌ Π²ΡΠ΅ΠΉ ΡΠ»Π΅ΠΊΡΡΠΎΠΏΡΠΎΠ²ΠΎΠ΄ΠΊΠΈ ΠΈ ΠΏΠΎΠΆΠ°ΡΠΎΠΌ.
ΠΡΠΈΠΌΠ΅ΡΠ°Π½ΠΈΠ΅. ΠΠΎΠΌΠ½ΠΈΡΠ΅, ΡΡΠΎ ΠΊΠ°ΡΠ΅Π³ΠΎΡΠΈΡΠ΅ΡΠΊΠΈ Π·Π°ΠΏΡΠ΅ΡΠ°Π΅ΡΡΡ Π·Π°ΠΌΠ΅Π½ΡΡΡ ΠΏΠΎΠ²ΡΠ΅ΠΆΠ΄Π΅Π½Π½ΡΠΉ ΠΏΡΠ΅Π΄ΠΎΡ ΡΠ°Π½ΠΈΡΠ΅Π»Ρ Π½Π° Π½ΠΎΠ²ΡΠΉ Ρ Π±ΠΎΠ»Π΅Π΅ Π²ΡΡΠΎΠΊΠΈΠΌ Π½ΠΎΠΌΠΈΠ½Π°Π»ΠΎΠΌ.
Π‘ΠΎΠ²Π΅Ρ. ΠΠ»Ρ ΠΎΠ±Π»Π΅Π³ΡΠ΅Π½ΠΈΡ ΠΏΠΎΠΈΡΠΊΠ° ΠΈ ΡΡΡΡΠ°Π½Π΅Π½ΠΈΡ Π½Π΅ΠΈΡΠΏΡΠ°Π²Π½ΠΎΡΡΠ΅ΠΉ ΡΠ΅ΠΊΠΎΠΌΠ΅Π½Π΄ΡΠ΅ΡΡΡ ΠΈΡΠΏΠΎΠ»ΡΠ·ΠΎΠ²Π°ΡΡ ΠΏΡΠΈΠ²Π΅Π΄Π΅Π½Π½ΡΡ Π½ΠΈΠΆΠ΅ ΡΡ Π΅ΠΌΡ.
Π‘ΡΠΎΠΈΡ ΠΎΡΠΌΠ΅ΡΠΈΡΡ, ΡΡΠΎ Π½Π° ΠΠΠ 2109 ΠΌΠΎΠ³ΡΡ Π±ΡΡΡ ΡΡΡΠ°Π½ΠΎΠ²Π»Π΅Π½Ρ ΡΠ°Π·Π½ΡΠ΅ Π±Π»ΠΎΠΊΠΈ: ΡΡΠ°ΡΡΠ΅ ΠΈ Π½ΠΎΠ²ΡΠ΅. ΠΡΠ»ΠΈΡΠΈΡΠ΅Π»ΡΠ½ΠΎΠΉ ΡΠ΅ΡΡΠΎΠΉ Π½ΠΎΠ²ΠΈΠ½ΠΊΠΈ ΡΠ²Π»ΡΠ΅ΡΡΡ ΡΠΎ, ΡΡΠΎ Π² Π½Π΅ΠΉ ΠΈΡΠΏΠΎΠ»ΡΠ·ΡΡΡΡΡ ΡΠΎΠ²Π΅ΡΡΠ΅Π½Π½ΠΎ Π½ΠΎΠ²ΡΠ΅ ΠΏΡΠ΅Π΄ΠΎΡ
ΡΠ°Π½ΠΈΡΠ΅Π»ΠΈ.
ΠΠΌΠ΅ΡΡΠΎ ΡΠΈΠ»ΠΈΠ½Π΄ΡΠΈΡΠ΅ΡΠΊΠΎΠ³ΠΎ Π²Π·ΡΡΠ²Π°ΡΠ΅Π»Ρ (ΠΊΠ°ΠΊ Π½Π° ΡΡΠ°ΡΠΎΠΌ Π±Π»ΠΎΠΊΠ΅) Π·Π΄Π΅ΡΡ ΠΈΡΠΏΠΎΠ»ΡΠ·ΡΡΡΡΡ Π½ΠΎΠΆΠ΅Π²ΡΠ΅. ΠΡΠΎΠΌΠ΅ ΡΠΎΠ³ΠΎ, Π² ΡΠ°ΠΊΠΎΠΌ Π±Π»ΠΎΠΊΠ΅ ΡΠ°ΠΊΠΆΠ΅ ΠΈΡΠΏΠΎΠ»ΡΠ·ΡΡΡΡΡ Π½ΠΎΠ²ΡΠ΅ ΠΊΠΎΠΌΠΏΠ°ΠΊΡΠ½ΡΠ΅ ΡΠ΅Π»Π΅.
Π Π°Π·Π±Π΅ΡΠ΅ΠΌ ΡΠ΅ΠΏΠ΅ΡΡ ΡΡ
Π΅ΠΌΡ ΠΏΡΠ΅Π΄ΠΎΡ
ΡΠ°Π½ΠΈΡΠ΅Π»Π΅ΠΉ Π½Π° ΠΠΠ 2109, ΡΠ°ΠΊ ΠΊΠ°ΠΊ ΡΡΠΎ ΠΎΡΠ΅Π½Ρ Π²Π°ΠΆΠ½ΠΎ Π΄Π»Ρ ΡΠ°Π±ΠΎΡΡ Ρ ΡΠ»Π΅ΠΊΡΡΠΈΠΊΠΎΠΉ Π°Π²ΡΠΎΠΌΠΎΠ±ΠΈΠ»Ρ. ΠΡΠ΅Π΄ΠΎΡ
ΡΠ°Π½ΠΈΡΠ΅Π»ΠΈ Π±ΡΠ΄ΡΡ ΠΎΠ±ΠΎΠ·Π½Π°ΡΠ°ΡΡΡΡ Π±ΡΠΊΠ²ΠΎΠΉ Π, Π΅ΡΠ»ΠΈ ΠΌΠΎΠ½ΡΠ°ΠΆΠ½ΡΠΉ Π±Π»ΠΎΠΊ ΡΡΠ°ΡΠΎΠ³ΠΎ ΠΎΠ±ΡΠ°Π·ΡΠ°, ΠΈ Π±ΡΠΊΠ²ΠΎΠΉ Π, Π΅ΡΠ»ΠΈ Π½ΠΎΠ²ΡΠΉ.
ΠΡΠ°ΠΊ:
- 1 ΠΈ 2 Π ΠΏΠΎ 8 Π (Π² ΡΡΠ°ΡΠΎΠΌ Π±Π»ΠΎΠΊΠ΅) ΠΈ 8/9 Π ΠΏΠΎ 7,5 Π (Π² Π½ΠΎΠ²ΠΎΠΌ Π±Π»ΠΎΠΊΠ΅) ΠΎΡΠ²Π΅ΡΠ°ΡΡ Π·Π° ΠΏΡΠΎΡΠΈΠ²ΠΎΡΡΠΌΠ°Π½Π½ΡΠ΅ ΡΠ°ΡΡ.
- Π β3 Ρ 8Π ΠΈ Π 1 Ρ 10Π β ΠΎΡΠ²Π΅ΡΠ°ΡΡ Π·Π° ΠΎΡΠΈΡΡΠΈΡΠ΅Π»ΠΈ, ΡΠ΅Π»Π΅ ΠΈ ΠΊΠ»Π°ΠΏΠ°Π½ Π²ΠΊΠ»ΡΡΠ΅Π½ΠΈΡ ΡΠ°Ρ.
- Π 4 Π½Π° 16Π ΠΈ Π 7 Π½Π° 30Π — ΠΎΡΠ²Π΅ΡΠ°ΡΡ Π·Π° ΠΎΡΠΈΡΡΠΈΡΠ΅Π»ΠΈ ΡΠ°Ρ, ΡΠ»Π΅ΠΊΡΡΠΎΠ΄Π²ΠΈΠ³Π°ΡΠ΅Π»Ρ ΠΌΠΎΡΠΎΡΡΠΈΠΊΠ° ΠΏΠ΅ΡΠΊΠΈ, ΠΌΠΎΡΠΎΡΠ΅Π΄ΡΠΊΡΠΎΡ ΠΎΡΠΈΡΡΠΈΡΠ΅Π»Ρ Π·Π°Π΄Π½Π΅Π³ΠΎ ΡΡΠ΅ΠΊΠ»Π°, Π»Π°ΠΌΠΏΠΎΡΠΊΠΈ Π±Π°ΡΠ΄Π°ΡΠΊΠ°, ΠΏΠΎΠ΄ΠΎΠ³ΡΠ΅Π² ΡΡΠ΅ΠΊΠΎΠ» ΠΈ Ρ.
Π΄. - Π 5 Ρ 8Π ΠΈ Π 16 Ρ 15Π — ΠΎΡΠ²Π΅ΡΠ°ΡΡ Π·Π° ΠΏΠΎΠ²ΠΎΡΠΎΡΠ½ΠΈΠΊΠΈ, Π°Π²Π°ΡΠΈΠΉΠ½ΠΎΠ΅ ΡΠ΅Π»Π΅, Π·Π°Π΄Π½ΠΈΠ΅ ΡΠΎΠ½Π°ΡΠΈ, Π·Π° ΡΠΊΠ°Π·Π°ΡΠ΅Π»ΠΈ ΡΠ΅ΠΌΠΏΠ΅ΡΠ°ΡΡΡΡ ΠΎΡ Π»Π°ΠΆΠ΄Π°ΡΡΠ΅ΠΉ ΠΆΠΈΠ΄ΠΊΠΎΡΡΠΈ ΠΈ ΡΠΊΠ°Π·Π°ΡΠ΅Π»ΠΈ ΡΡΠΎΠ²Π½Ρ ΡΠΎΠΏΠ»ΠΈΠ²Π° ΠΈ Ρ.Π΄.
- P6 Ρ 8Π ΠΈ P3 Ρ 10Π — Π·Π°Π΄Π½ΠΈΠ΅ ΡΠΎΠ½Π°ΡΠΈ, ΡΡΠΎΠΏ-ΡΠΈΠ³Π½Π°Π»Ρ ΠΈ Π²Π½ΡΡΡΠ΅Π½Π½Π΅Π΅ ΠΎΡΠ²Π΅ΡΠ΅Π½ΠΈΠ΅.
- P6 ΠΈ P6 s 30A β ΠΎΡΠ²Π΅ΡΠ°Π΅Ρ Π·Π° ΠΏΠ΅ΡΠ΅Π΄Π½ΠΈΠ΅ ΡΠ»Π΅ΠΊΡΡΠΎΡΡΠ΅ΠΊΠ»ΠΎΠΏΠΎΠ΄ΡΠ΅ΠΌΠ½ΠΈΠΊΠΈ.
- Π 7 ΠΈ Π 10 Π½Π° 7,5Π — ΠΎΡΠ²Π΅ΡΠ°ΡΡ Π·Π° ΠΏΠΎΠ΄ΡΠ²Π΅ΡΠΊΡ Π½ΠΎΠΌΠ΅ΡΠ½ΠΎΠ³ΠΎ Π·Π½Π°ΠΊΠ°.
- Π 8 Π½Π° 16Π ΠΈ Π 5 Π½Π° 20Π — ΠΎΡΠ²Π΅ΡΠ°ΡΡ Π·Π° Π·Π²ΡΠΊΠΎΠ²ΠΎΠΉ ΡΠΈΠ³Π½Π°Π» ΠΈ ΡΠ°Π·Π»ΠΈΡΠ½ΡΠ΅ ΡΠ΅Π»Π΅.
- Π 9 Π½Π° 8Π ΠΈ Π 10 Π½Π° 7,5Π — ΠΎΡΠ²Π΅ΡΠ°Π΅Ρ Π·Π° Π»Π΅Π²ΡΠΉ Π³Π°Π±Π°ΡΠΈΡ ΠΈ Π»Π΅Π²ΡΡ Π·Π°Π΄Π½ΡΡ ΡΠ°ΡΡ.
- Π 10 Π½Π° 8Π ΠΈ Π 11 Π½Π° 7,5Π ΠΎΡΠ²Π΅ΡΠ°ΡΡ Π·Π° ΠΏΡΠ°Π²ΡΡ ΡΠ°ΡΡ ΠΈ ΠΏΡΠ°Π²ΡΠΉ Π·Π°Π΄Π½ΠΈΠΉ ΡΠΎΠ½Π°ΡΡ.
- Π 11 Ρ 8Π ΠΈ Π 2 Ρ 10Π — ΠΎΡΠ²Π΅ΡΠ°ΡΡ Π·Π° ΠΏΠΎΠ²ΠΎΡΠΎΡΠ½ΠΈΠΊΠΈ ΠΈ Π°Π²Π°ΡΠΈΠΉΠΊΡ.
- Π 12 Π½Π° 16Π ΠΈ Π 4 Π½Π° 20Π — Π΄Π»Ρ ΠΎΠ±ΠΎΠ³ΡΠ΅Π²Π° Π·Π°Π΄Π½Π΅Π³ΠΎ ΡΡΠ΅ΠΊΠ»Π°, ΠΏΡΠΈΠΊΡΡΠΈΠ²Π°ΡΠ΅Π»Ρ ΠΈ ΡΠΎΠ·Π΅ΡΠΊΠΈ.
- P13 ΠΈ P14 Ρ 8Π ΠΈ P15/P14 Ρ 7,5Π ΠΎΡΠ²Π΅ΡΠ°ΡΡ Π·Π° ΠΎΡΠ²Π΅ΡΠΈΡΠ΅Π»ΠΈ/Π΄Π°Π»ΡΠ½ΠΈΠΉ ΡΠ²Π΅Ρ.
- P15/P16 Ρ 8Π ΠΈ P13/P12 Ρ 7,5Π — ΠΎΡΠ²Π΅ΡΠ°Π΅Ρ Π·Π° ΠΎΡΠ²Π΅ΡΠΈΡΠ΅Π»ΠΈ/Π±Π»ΠΈΠΆΠ½ΠΈΠΉ ΡΠ²Π΅Ρ.
ΠΠ΅ΠΈΡΠΏΡΠ°Π²Π½ΠΎΡΡΠΈ ΡΠ»Π΅ΠΊΡΡΠΈΠΊΠΈ ΠΠΠ 2109 ΠΈ ΠΈΡ ΡΡΡΡΠ°Π½Π΅Π½ΠΈΠ΅
Π Π°ΡΠΏΡΠΎΡΡΡΠ°Π½Π΅Π½Π½Π°Ρ ΠΏΡΠΎΠ±Π»Π΅ΠΌΠ° ΡΠ²ΡΠ·Π°Π½Π½Π°Ρ Ρ ΡΠ»Π΅ΠΊΡΡΠΈΠΊΠΎΠΉ Π½Π° ΠΠΠ 2109 ΡΡΠΎ ΠΊΠΎΠΌΠ±ΠΈΠ½Π°ΡΠΈΡ ΠΏΡΠΈΠ±ΠΎΡΠΎΠ².
ΠΠ½ Π²ΡΡΡΠΎΠ΅Π½ Π² ΠΏΡΠΈΠ±ΠΎΡΠ½ΡΡ ΠΏΠ°Π½Π΅Π»Ρ ΡΠΎ ΡΡΠΎΡΠΎΠ½Ρ Π²ΠΎΠ΄ΠΈΡΠ΅Π»Ρ ΠΈ Π²ΠΊΠ»ΡΡΠ°Π΅Ρ Π² ΡΠ΅Π±Ρ ΡΠΈΡΡΠ΅ΠΌΡ ΠΏΡΠΈΠ±ΠΎΡΠΎΠ², ΡΠ»Π΅Π΄ΡΡΠΈΡ
Π·Π° ΡΠ΅ΠΊΡΡΠΈΠΌ ΡΠΎΡΡΠΎΡΠ½ΠΈΠ΅ΠΌ Π°Π²ΡΠΎΠΌΠΎΠ±ΠΈΠ»Ρ.
ΠΡΠΎ ΠΌΠΎΠ³ΡΡ Π±ΡΡΡ ΡΠ°ΠΊΠΈΠ΅ ΡΡΡΡΠΎΠΉΡΡΠ²Π°, ΠΊΠ°ΠΊ Π΄Π°ΡΡΠΈΠΊ ΡΠ°ΡΡΠΎΡΡ Π²ΡΠ°ΡΠ΅Π½ΠΈΡ Π΄Π²ΠΈΠ³Π°ΡΠ΅Π»Ρ ΠΈΠ»ΠΈ ΠΏΡΠΎΡΡΠΎ ΡΡΠ΄ ΠΊΠΎΠ½ΡΡΠΎΠ»ΡΠ½ΡΡ
Π»Π°ΠΌΠΏΠΎΡΠ΅ΠΊ.
ΠΠ°Π²Π°ΠΉΡΠ΅ ΠΏΠΎΡΠΌΠΎΡΡΠΈΠΌ Π½Π° ΠΎΡΠΈΠ±ΠΊΠΈ.
Π‘ΡΡΠ΅Π»ΠΊΠΈ
- ΠΡΠ»ΠΈ Π½Π΅ ΡΠ°Π±ΠΎΡΠ°Π΅Ρ ΡΠΊΠ°Π·Π°ΡΠ΅Π»Ρ ΡΠ΅ΠΌΠΏΠ΅ΡΠ°ΡΡΡΡ ΠΈ ΡΡΠΎΠ²Π½Ρ ΡΠΎΠΏΠ»ΠΈΠ²Π°, ΡΠΎ ΠΏΡΠΈΡΠΈΠ½ΠΎΠΉ ΠΌΠΎΠΆΠ΅Ρ Π±ΡΡΡ Π»ΠΈΠ±ΠΎ Π½Π΅ΠΈΡΠΏΡΠ°Π²Π½ΠΎΡΡΡ ΡΠ°ΠΌΠΈΡ Π»Π°ΠΌΠΏΠΎΡΠ΅ΠΊ ΠΈΠ»ΠΈ Π΄Π°ΡΡΠΈΠΊΠΎΠ², Π»ΠΈΠ±ΠΎ ΠΎΠ±ΡΡΠ² Π² ΡΠ΅ΠΏΠΈ ΠΏΠΈΡΠ°Π½ΠΈΡ.
- ΠΠ΅ΡΠ΅Π½ΠΈΠ΅: ΠΏΡΠΎΠ·Π²ΠΎΠ½ΠΊΠ° Π²ΡΠ΅ΠΉ ΡΠ΅ΠΏΠΈ ΠΈ ΠΏΡΠΎΠ²Π΅ΡΠΊΠ° ΠΏΡΠ΅Π΄ΠΎΡ ΡΠ°Π½ΠΈΡΠ΅Π»Π΅ΠΉ. ΠΡΠ»ΠΈ Π½Π΅ ΠΏΠΎΠΌΠΎΠΆΠ΅Ρ, ΡΠΎ ΠΏΡΠΎΠ²Π΅ΡΠΈΡΡ ΡΠ°Π±ΠΎΡΠΎΡΠΏΠΎΡΠΎΠ±Π½ΠΎΡΡΡ ΠΏΡΠΈΠ±ΠΎΡΠΎΠ² ΠΈ Π΄Π°ΡΡΠΈΠΊΠΎΠ² Ρ ΠΏΠΎΡΠ»Π΅Π΄ΡΡΡΠ΅ΠΉ ΠΈΡ Π·Π°ΠΌΠ΅Π½ΠΎΠΉ.
Π‘ΡΡΠ΅Π»ΠΊΠ° ΡΠΎΠΏΠ»ΠΈΠ²Π½ΠΎΠ³ΠΎ Π±Π°ΠΊΠ°
- ΠΡΠ²Π°Π΅Ρ ΠΈ ΡΠ°ΠΊ, ΡΡΠΎ Π²Ρ ΡΠΎΠ»ΡΠΊΠΎ ΡΡΠΎ Π·Π°ΠΏΡΠ°Π²ΠΈΠ»ΠΈΡΡ Π½Π° Π·Π°ΠΏΡΠ°Π²ΠΊΠ΅, Π° ΡΡΡΠ΅Π»ΠΊΠ° Π²ΠΎΠ·Π²ΡΠ°ΡΠ°Π΅ΡΡΡ Π½Π° Π²Π΅ΡΡ ΡΠΊΠ°Π»Ρ.
- ΠΡΠΎΠ²Π΅ΡΡΠ΅ΠΌ, Π½Π΅ ΡΠ±ΠΈΠ»ΡΡ Π»ΠΈ ΠΎΠ³ΡΠ°Π½ΠΈΡΠΈΡΠ΅Π»Ρ ΠΏΠΎΠΏΠ»Π°Π²ΠΊΠ°. ΠΡΠ²Π°Π΅Ρ ΠΈ ΡΠ°ΠΊ, ΡΡΠΎ ΠΎΠ½ Π½Π΅ΠΏΡΠ°Π²ΠΈΠ»ΡΠ½ΠΎ ΡΡΡΠ°Π½ΠΎΠ²Π»Π΅Π½ ΠΈΠ»ΠΈ ΠΎΡΡΠ΅Π³ΡΠ»ΠΈΡΠΎΠ²Π°Π½ (ΠΎΠ³ΡΠ°Π½ΠΈΡΠΈΡΠ΅Π»Ρ).
- Π‘Π½ΠΈΠΌΠΈΡΠ΅ Π΄Π°ΡΡΠΈΠΊ ΠΈ Π·Π°Π½ΠΎΠ²ΠΎ ΠΎΡΡΠ΅Π³ΡΠ»ΠΈΡΡΠΉΡΠ΅.
- ΠΡΠ»ΠΈ ΡΡΠ° ΡΠ°ΠΌΠ°Ρ ΡΡΡΠ΅Π»ΠΊΠ° ΠΏΠΎΡΡΠΎΡΠ½Π½ΠΎ ΠΏΡΡΠ³Π°Π΅Ρ ΠΈ Π² ΠΊΠΎΠ½ΡΠ΅ ΠΏΠ°Π΄Π°Π΅Ρ Π΄ΠΎ Π½ΡΠ»Ρ, ΠΏΡΠΎΠ±Π»Π΅ΠΌΠ° Π² ΡΠ»Π°Π±ΠΎΠΌ ΠΊΠΎΠ½ΡΠ°ΠΊΡΠ΅ ΡΠ΅Π·ΠΈΡΡΠΎΡΠ°.
ΠΠ΄Π΅ΡΡ ΠΌΠΎΠΆΠ΅Ρ Π±ΡΡΡ ΠΈ Π΄ΡΡΠ³Π°Ρ ΠΏΡΠΈΡΠΈΠ½Π°: ΠΎΠ±ΡΡΠ² ΡΠ΅Π·ΠΈΡΡΠΎΡΠ°. - ΠΠ΅ΡΠ΅Π½ΠΈΠ΅: Π·Π°ΠΌΠ΅Π½ΠΈΡΡ ΡΠ΅Π³ΡΠ»ΡΡΠΎΡ ΡΡΠΎΠ²Π½Ρ ΡΠΎΠΏΠ»ΠΈΠ²Π° Π½Π° Π½ΠΎΠ²ΡΠΉ.
Π»Π°ΠΌΠΏΠΎΡΠΊΠΈ
- ΠΡΠ΅ ΠΎΠ΄Π½Π° ΠΏΠΎΠΏΡΠ»ΡΡΠ½Π°Ρ Π½Π΅ΠΈΡΠΏΡΠ°Π²Π½ΠΎΡΡΡ, ΡΠ²ΡΠ·Π°Π½Π½Π°Ρ Ρ ΠΏΠΎΡΡΠΎΡΠ½Π½ΡΠΌ Π³ΠΎΡΠ΅Π½ΠΈΠ΅ΠΌ ΡΡΠΎΠΉ Π»Π°ΠΌΠΏΠΎΡΠΊΠΈ. ΠΡΠΈΡΠΈΠ½ΠΎΠΉ ΠΌΠΎΠΆΠ΅Ρ Π±ΡΡΡ Π·Π°ΠΌΡΠΊΠ°Π½ΠΈΠ΅ ΡΠ°ΠΌΠΎΠ³ΠΎ Π΄Π°ΡΡΠΈΠΊΠ° ΠΈΠ»ΠΈ Π΅Π³ΠΎ Π³ΠΈΠ±ΠΊΠΎΠΉ ΡΠΈΠ½Ρ.
- ΠΠ΅ΡΠ΅Π½ΠΈΠ΅: ΡΠ°Π·Π±ΠΈΡΠ°Π΅ΠΌ ΡΠ΅Π³ΡΠ»ΡΡΠΎΡ, Π²ΡΠΏΡΡΠΌΠ»ΡΠ΅ΠΌ ΡΠΈΠ½Ρ ΠΈ ΡΡΡΡΠ°Π½ΡΠ΅ΠΌ ΠΠ.
ΠΠΎΠ½ΡΡΠΎΠ»ΡΠ½ΡΠ΅ Π»Π°ΠΌΠΏΡ
- ΠΡΠ»ΠΈ ΠΊΠΎΠ½ΡΡΠΎΠ»ΡΠ½ΡΠ΅ Π»Π°ΠΌΠΏΡ Π½Π° ΠΏΠ°Π½Π΅Π»ΠΈ ΠΏΡΠΈΠ±ΠΎΡΠΎΠ² Π½Π΅ ΡΠ°Π±ΠΎΡΠ°ΡΡ, ΡΠΎ Π²ΠΎΠ·ΠΌΠΎΠΆΠ½ΠΎ ΠΎΠ½ΠΈ ΠΏΠ΅ΡΠ΅Π³ΠΎΡΠ΅Π»ΠΈ ΠΈΠ»ΠΈ ΠΏΠ»ΠΎΡ ΠΎ ΡΠΈΠ΄ΡΡ Π² ΡΠ²ΠΎΠΈΡ ΠΏΠ°ΡΡΠΎΠ½Π°Ρ .
- ΠΠ΅ΡΠ΅Π½ΠΈΠ΅: Π·Π°ΠΌΠ΅Π½Π° Π»Π°ΠΌΠΏ ΠΈΠ»ΠΈ ΠΏΠ΅ΡΠ΅ΠΆΠ°ΡΠΈΠ΅ ΠΈΡ ΠΊΠΎΠ½ΡΠ°ΠΊΡΠΎΠ².
- ΠΠΎΠ·ΠΌΠΎΠΆΠ½ΠΎ, ΠΊΠΎΠ½ΡΠ°ΠΊΡΡ ΠΎΠΊΠΈΡΠ»ΠΈΠ»ΠΈΡΡ. Π ΡΡΠΎΠΌ ΡΠ»ΡΡΠ°Π΅ Π½Π΅ΠΎΠ±Ρ ΠΎΠ΄ΠΈΠΌΠΎ ΠΈΡ ΡΡΠ°ΡΠ΅Π»ΡΠ½ΠΎ ΠΎΡΠΈΡΡΠΈΡΡ.
ΠΡΠΎΠ±Π»Π΅ΠΌΡ ΡΠΎ ΡΠΏΠΈΠ΄ΠΎΠΌΠ΅ΡΡΠΎΠΌ
- ΠΠ΅ ΠΌΠ΅Π½Π΅Π΅ ΡΠ°ΡΠΏΡΠΎΡΡΡΠ°Π½Π΅Π½Π½Π°Ρ Π½Π΅ΠΈΡΠΏΡΠ°Π²Π½ΠΎΡΡΡ, ΠΏΡΠ΅Π΄ΠΏΠΎΠ»Π°Π³Π°ΡΡΠ°Ρ ΡΠ»Π΅Π΄ΡΡΡΡΡ ΠΎΠΏΠ΅ΡΠ°ΡΠΈΡ: Π·Π°ΠΌΠ΅Π½Π° ΡΡΠΎΡΠ°.
- ΠΠ΅ΡΠ΅Π΄ Π·Π°ΠΌΠ΅Π½ΠΎΠΉ ΡΠ΅ΠΊΠΎΠΌΠ΅Π½Π΄ΡΠ΅ΡΡΡ ΠΏΡΠΎΠ²Π΅ΡΠΈΡΡ ΠΊΠ°ΡΠ΅ΡΡΠ²ΠΎ Π·Π°ΡΡΠΆΠΊΠΈ Π½Π°ΠΊΠΈΠ΄Π½ΡΡ Π³Π°Π΅ΠΊ.
- ΠΡΠ²Π°Π΅Ρ ΠΈ ΡΠ°ΠΊ, ΡΡΠΎ ΠΏΡΠΈ ΡΠ°Π±ΠΎΡΠ΅ ΡΠΏΠΈΠ΄ΠΎΠΌΠ΅ΡΡΠ° ΡΠ»ΡΡΠ½Ρ ΡΡΠΌΡ.
Π ΡΡΠΎΠΌ ΡΠ»ΡΡΠ°Π΅, ΡΠΊΠΎΡΠ΅Π΅ Π²ΡΠ΅Π³ΠΎ, Π΄Π΅ΡΠΎΡΠΌΠΈΡΠΎΠ²Π°Π»ΡΡ Π³ΠΈΠ±ΠΊΠΈΠΉ Π²Π°Π».
ΠΠ° ΡΡΠΎΠΌ ΠΏΡΠΎΠ²Π΅ΡΠΊΡ ΠΈ ΡΡΡΡΠ°Π½Π΅Π½ΠΈΠ΅ Π½Π΅ΠΏΠΎΠ»Π°Π΄ΠΎΠΊ ΡΠ»Π΅ΠΊΡΡΠΈΠΊΠΈ ΠΠΠ 2109 ΠΌΠΎΠΆΠ½ΠΎ ΡΡΠΈΡΠ°ΡΡ Π·Π°ΠΊΠΎΠ½ΡΠ΅Π½Π½ΡΠΌ Π΄Π΅Π»ΠΎΠΌ. ΠΡΠ°ΠΉΠ½Π΅ Π²Π°ΠΆΠ½ΠΎ Π² ΠΏΡΠΎΡΠ΅ΡΡΠ΅ ΡΠ°Π±ΠΎΡΡ ΡΠ²ΠΎΠΈΠΌΠΈ ΡΡΠΊΠ°ΠΌΠΈ Π½Π΅ ΠΈΠ³Π½ΠΎΡΠΈΡΠΎΠ²Π°ΡΡ ΠΈΠ½ΡΡΡΡΠΊΡΠΈΡ ΠΊ ΠΌΠ°ΡΠΈΠ½Π΅.
ΠΡΠΎΠΌΠ΅ ΡΠΎΠ³ΠΎ, Π±ΡΠ΄Π΅Ρ ΠΏΠΎΠ»Π΅Π·Π½ΠΎ ΠΈΠ·ΡΡΠΈΡΡ ΡΠ°Π·Π»ΠΈΡΠ½ΡΠ΅ ΡΠΎΡΠΎ ΠΈ Π²ΠΈΠ΄Π΅ΠΎ ΠΌΠ°ΡΠ΅ΡΠΈΠ°Π»Ρ. ΠΡΠ»ΠΈ Π²Ρ Π½Π°ΡΡΠΈΡΠ΅ΡΡ ΡΡΡΡΠ°Π½ΡΡΡ ΡΠ°ΠΊΠΈΠ΅ Π½Π΅ΠΏΠΎΠ»Π°Π΄ΠΊΠΈ ΡΠ°ΠΌΠΎΡΡΠΎΡΡΠ΅Π»ΡΠ½ΠΎ, ΡΠΎ ΡΠΌΠΎΠΆΠ΅ΡΠ΅ Π·Π½Π°ΡΠΈΡΠ΅Π»ΡΠ½ΠΎ ΡΡΠΊΠΎΠ½ΠΎΠΌΠΈΡΡ ΡΠ΅ΠΌΠ΅ΠΉΠ½ΡΠΉ Π±ΡΠ΄ΠΆΠ΅Ρ, Π²Π΅Π΄Ρ ΡΠ΅Π½Π° Π½Π° ΡΡΠ»ΡΠ³ΠΈ ΡΠ°ΠΊΠΎΠ³ΠΎ ΡΠΎΠ΄Π° ΠΎΡ Π°Π²ΡΠΎΡΠ»Π΅ΠΊΡΡΠΈΠΊΠΎΠ² Π² Π½Π°ΡΠΈ Π΄Π½ΠΈ Π½Π΅ΠΏΠΎΠΌΠ΅ΡΠ½ΠΎ Π²ΡΡΠΎΠΊΠ°.
ΠΠ΅Π³ΠΊΠΎΠ²ΠΎΠΉ Π°Π²ΡΠΎΠΌΠΎΠ±ΠΈΠ»Ρ ΠΠΠ-2109 Π²ΡΠΏΡΡΠΊΠ°Π»ΡΡ Π² Π ΠΎΡΡΠΈΠΈ 19 Π»Π΅Ρ (1987-2006), ΠΊΠ°ΠΊ Ρ ΠΊΠ°ΡΠ±ΡΡΠ°ΡΠΎΡΠΎΠΌ, ΡΠ°ΠΊ ΠΈ Ρ Π²ΠΏΡΡΡΠΊΠΎΠΌ (ΠΠΠ-2111-80 (1.5i 8V), ΠΠΠ-11183-20 ββ(1.6i 8V) ) Π΄Π²ΠΈΠ³Π°ΡΠ΅Π»ΠΈ. ΠΡΠΈΠ·Π½Π°ΠΊΠ°ΠΌΠΈ Π½Π΅ΠΈΡΠΏΡΠ°Π²Π½ΠΎΡΡΠ΅ΠΉ Π² ΡΠΈΡΡΠ΅ΠΌΠ΅ Π·Π°ΠΆΠΈΠ³Π°Π½ΠΈΡ ΠΌΠΎΠ³ΡΡ Π±ΡΡΡ ΠΏΠ΅ΡΠ΅Π±ΠΎΠΈ Π² ΡΠ°Π±ΠΎΡΠ΅ Π΄Π²ΠΈΠ³Π°ΡΠ΅Π»Ρ ΡΠΎΠ»ΡΠΊΠΎ Π½Π° Ρ
ΠΎΠ»ΠΎΡΡΠΎΠΌ Ρ
ΠΎΠ΄Ρ, Π° ΡΠ°ΠΊΠΆΠ΅ Π² Π»ΡΠ±ΠΎΠΌ ΠΈΠ· ΡΠ΅ΠΆΠΈΠΌΠΎΠ² ΡΠ°Π±ΠΎΡΡ Π΄Π²ΠΈΠ³Π°ΡΠ΅Π»Ρ. Π ΡΡΠΎΠΌ ΡΠ»ΡΡΠ°Π΅ ΡΠ΅ΡΡΠ΅ΡΡΡ ΡΠ°ΡΡΡ ΠΌΠΎΡΠ½ΠΎΡΡΠΈ, ΠΈΠ»ΠΈ, ΠΊΠ°ΠΊ Π³ΠΎΠ²ΠΎΡΡΡ Π²ΠΎΠ΄ΠΈΡΠ΅Π»ΠΈ, Β«Π΄Π²ΠΈΠ³Π°ΡΠ΅Π»Ρ Π½Π΅ ΡΡΠ½Π΅ΡΒ». ΠΡΠΈ ΠΏΠΎΠ»Π½ΠΎΠΌ Π²ΡΡ
ΠΎΠ΄Π΅ ΠΈΠ· ΡΡΡΠΎΡ ΡΠΈΡΡΠ΅ΠΌΡ Π·Π°ΠΆΠΈΠ³Π°Π½ΠΈΡ Π·Π°ΠΏΡΡΠΊ Π΄Π²ΠΈΠ³Π°ΡΠ΅Π»Ρ ΡΡΠ°Π½ΠΎΠ²ΠΈΠ»ΡΡ Π½Π΅Π²ΠΎΠ·ΠΌΠΎΠΆΠ½ΡΠΌ.
Π£ΡΡΡΠ°Π½Π΅Π½ΠΈΠ΅ Π½Π΅ΠΈΡΠΏΡΠ°Π²Π½ΠΎΡΡΠΈ Π² ΡΠΈΡΡΠ΅ΠΌΠ΅ Π·Π°ΠΆΠΈΠ³Π°Π½ΠΈΡ ΠΎΠ±ΡΡΠ½ΠΎ Π½Π°ΡΠΈΠ½Π°ΡΡ Ρ ΠΏΡΠΎΠ²Π΅ΡΠΊΠΈ Π½Π°Π»ΠΈΡΠΈΡ ΠΈΡΠΊΡΡ Π½Π° ΡΠ²Π΅ΡΠ°Ρ Π·Π°ΠΆΠΈΠ³Π°Π½ΠΈΡ, ΠΊΠΎΡΠΎΡΠ°Ρ Π΄ΠΎΠ»ΠΆΠ½Π° Π±ΡΡΡ ΠΌΠΎΡΠ½ΠΎΠΉ, Π±Π΅ΡΠΏΠ΅ΡΠ΅Π±ΠΎΠΉΠ½ΠΎΠΉ, Π° Π΅Π΅ ΡΠ²Π΅Ρ ΡΠΈΠ½Π΅-ΠΎΡΠ°Π½ΠΆΠ΅Π²ΡΠΌ. ΠΡΠ»ΠΈ ΠΈΡΠΊΡΡ Π½Π΅Ρ, ΡΠΎ ΠΏΡΠΈΠ΄Π΅ΡΡΡ ΠΏΡΠΎΠ²Π΅ΡΠΈΡΡ ΠΈΡΠΏΡΠ°Π²Π½ΠΎΡΡΡ ΡΠ΅ΠΏΠ΅ΠΉ Π½ΠΈΠ·ΠΊΠΎΠ³ΠΎ ΠΈ Π²ΡΡΠΎΠΊΠΎΠ³ΠΎ Π½Π°ΠΏΡΡΠΆΠ΅Π½ΠΈΡ. ΠΠ° Β«Π΄Π΅Π²ΡΡΠΊΠ΅Β» Ρ ΠΊΠ°ΡΠ±ΡΡΠ°ΡΠΎΡΠ½ΡΠΌ Π΄Π²ΠΈΠ³Π°ΡΠ΅Π»Π΅ΠΌ ΠΏΠΎΠΈΡΠΊ ΠΈΡΠΊΡΡ ΠΌΠΎΠΆΠ½ΠΎ Π½Π°ΡΠΈΠ½Π°ΡΡ Ρ Π²ΡΡΠΎΠΊΠΎΠ²ΠΎΠ»ΡΡΠ½ΠΎΠ³ΠΎ ΠΏΡΠΎΠ²ΠΎΠ΄Π° ΠΊΠ°ΡΡΡΠΊΠΈ Π·Π°ΠΆΠΈΠ³Π°Π½ΠΈΡ, ΠΈΠ΄ΡΡΠ΅Π³ΠΎ Π½Π° ΡΠ΅Π½ΡΡΠ°Π»ΡΠ½ΡΠΉ Π²ΡΠ²ΠΎΠ΄ ΡΡΠ°ΠΌΠ±Π»Π΅ΡΠ°. ΠΡΠ»ΠΈ Π½Π° Π½Π΅ΠΉ Π΅ΡΡΡ Π½Π°ΠΏΡΡΠΆΠ΅Π½ΠΈΠ΅, ΡΠΎ ΡΠ΅ΠΏΡ Π½ΠΈΠ·ΠΊΠΎΠ³ΠΎ Π½Π°ΠΏΡΡΠΆΠ΅Π½ΠΈΡ ΠΈ ΡΠ°ΠΌΠ° ΠΊΠ°ΡΡΡΠΊΠ° Π·Π°ΠΆΠΈΠ³Π°Π½ΠΈΡ ΠΈΡΠΏΡΠ°Π²Π½Ρ. ΠΠ°ΡΠ΅ΠΌ ΠΏΡΠΎΠ²Π΅ΡΠΊΠ΅ ΠΏΠΎΠ΄Π»Π΅ΠΆΠ°Ρ ΠΏΠΎΠ»Π·ΡΠ½ΠΎΠΊ ΠΈ ΠΊΡΡΡΠΊΠ° ΡΠ°ΡΠΏΡΠ΅Π΄Π΅Π»ΠΈΡΠ΅Π»Ρ.
ΠΠΎΠ³ΡΡ Π±ΡΡΡ ΠΏΡΠΎΠ±ΠΈΡΡ Π½Π° ΠΌΠ°ΡΡΡ, ΠΊΡΠΎΠΌΠ΅ ΡΠΎΠ³ΠΎ, Π² Π±Π΅Π³ΡΠ½ΠΊΠ΅ ΠΌΠΎΠΆΠ΅Ρ ΡΠ³ΠΎΡΠ΅ΡΡ ΡΠΎΠΏΡΠΎΡΠΈΠ²Π»Π΅Π½ΠΈΠ΅, Π° Π½Π° ΠΊΠΎΠ½ΡΠ°ΠΊΡΠ°Ρ
ΠΊΡΡΡΠΊΠΈ ΡΡΠ°ΠΌΠ±Π»Π΅ΡΠ° ΠΌΠΎΠΆΠ΅Ρ ΠΏΠΎΡΠ²ΠΈΡΡΡΡ ΠΊΠΎΡΡΠΎΠ·ΠΈΡ. Π’Π°ΠΊΠΆΠ΅ ΠΈΠ·Π½ΠΎΡ ΠΈΠ»ΠΈ Π·Π°Π²ΠΈΡΠ°Π½ΠΈΠ΅ ΡΠ³ΠΎΠ»ΡΠ½ΠΎΠ³ΠΎ ΡΡΠ΅ΡΠΆΠ½Ρ, ΠΏΠΎ ΠΊΠΎΡΠΎΡΠΎΠΌΡ ΠΏΠ΅ΡΠ΅Π΄Π°Π΅ΡΡΡ Π½Π°ΠΏΡΡΠΆΠ΅Π½ΠΈΠ΅ Ρ ΠΏΡΠΎΠ²ΠΎΠ΄Π° ΠΊΠ°ΡΡΡΠΊΠΈ Π·Π°ΠΆΠΈΠ³Π°Π½ΠΈΡ Π½Π° ΡΠΎΠΊΠΎΠΏΡΠΎΠ²ΠΎΠ΄ΡΡΡΡ ΠΏΠ»Π°ΡΡΠΈΠ½Ρ Π±Π΅Π³ΡΠ½ΠΊΠ°, ΠΏΡΠΈΠ²Π΅Π΄Π΅Ρ ΠΊ ΠΏΡΠ΅ΠΊΡΠ°ΡΠ΅Π½ΠΈΡ ΠΏΠΎΠ΄Π°ΡΠΈ Π²ΡΡΠΎΠΊΠΎΠ³ΠΎ Π½Π°ΠΏΡΡΠΆΠ΅Π½ΠΈΡ Π½Π° ΡΠ²Π΅ΡΠΈ Π·Π°ΠΆΠΈΠ³Π°Π½ΠΈΡ. ΠΡΠ»ΠΈ Π½Π°ΠΏΡΡΠΆΠ΅Π½ΠΈΠ΅ Π½Π° Π²ΡΡΠΎΠΊΠΎΠ²ΠΎΠ»ΡΡΠ½ΠΎΠΌ ΠΏΡΠΎΠ²ΠΎΠ΄Π΅, ΠΈΠ΄ΡΡΠ΅ΠΌ ΠΎΡ ΠΊΠ°ΡΡΡΠΊΠΈ Π·Π°ΠΆΠΈΠ³Π°Π½ΠΈΡ ΠΊ ΡΠ°ΡΠΏΡΠ΅Π΄Π΅Π»ΠΈΡΠ΅Π»Ρ, ΠΎΡΡΡΡΡΡΠ²ΡΠ΅Ρ, ΡΠΎ ΠΏΡΠΈΠ΄Π΅ΡΡΡ ΠΏΡΠΎΠ²Π΅ΡΠΈΡΡ ΡΠ°Π±ΠΎΡΡ ΠΊΠΎΠΌΠΌΡΡΠ°ΡΠΎΡΠ° ΠΈ ΡΠ°ΠΌΠΎΠΉ ΠΊΠ°ΡΡΡΠΊΠΈ Π·Π°ΠΆΠΈΠ³Π°Π½ΠΈΡ, Π·Π°ΠΌΠ΅Π½ΠΈΠ² Π΅Π΅ Π·Π°Π²Π΅Π΄ΠΎΠΌΠΎ ΠΈΡΠΏΡΠ°Π²Π½ΡΠΌΠΈ ΠΏΡΠΈΠ±ΠΎΡΠ°ΠΌΠΈ.
ΠΠΎΡΠΊΠΎΠ»ΡΠΊΡ Π½Π° ΠΏΠ°Π½Π΅Π»ΠΈ ΠΏΡΠΈΠ±ΠΎΡΠΎΠ² Β«Π΄Π΅Π²ΡΡΠΊΠΈΒ» Π΅ΡΡΡ Π²ΠΎΠ»ΡΡΠΌΠ΅ΡΡ, ΡΠΎ ΡΠΎΡΡΠΎΡΠ½ΠΈΠ΅ ΠΏΠ΅ΡΠ΅ΠΊΠ»ΡΡΠ°ΡΠ΅Π»Ρ ΠΌΠΎΠΆΠ½ΠΎ ΠΎΠΏΡΠ΅Π΄Π΅Π»ΠΈΡΡ ΠΏΠΎ ΠΏΠ΅ΡΠ΅ΠΌΠ΅ΡΠ΅Π½ΠΈΡ Π΅Π³ΠΎ ΡΡΡΠ΅Π»ΠΊΠΈ Π² ΠΌΠΎΠΌΠ΅Π½Ρ Π²ΠΊΠ»ΡΡΠ΅Π½ΠΈΡ Π·Π°ΠΆΠΈΠ³Π°Π½ΠΈΡ. ΠΡΠ»ΠΈ ΠΎΠ½ Π±Π΅Π· Π·Π°Π΄Π΅ΡΠΆΠ΅ΠΊ ΠΏΠ΅ΡΠ΅ΠΌΠ΅ΡΠ°Π΅ΡΡΡ ΠΈΠ· Π½ΡΠ»Ρ Π² ΠΏΠΎΠ»ΠΎΠΆΠ΅Π½ΠΈΠ΅, ΡΠΎΠΎΡΠ²Π΅ΡΡΡΠ²ΡΡΡΠ΅Π΅ Π½Π°ΠΏΡΡΠΆΠ΅Π½ΠΈΡ Π°ΠΊΠΊΡΠΌΡΠ»ΡΡΠΎΡΠ°, ΡΠΎ ΠΌΠΎΠΆΠ½ΠΎ ΡΠ΄Π΅Π»Π°ΡΡ Π²ΡΠ²ΠΎΠ΄, ΡΡΠΎ Π²ΡΠΊΠ»ΡΡΠ°ΡΠ΅Π»Ρ Π½Π΅ΠΈΡΠΏΡΠ°Π²Π΅Π½. ΠΡΠ»ΠΈ Π·Π°ΠΌΠ΅Π½Π° ΠΏΠ΅ΡΠ΅ΠΊΠ»ΡΡΠ°ΡΠ΅Π»Ρ Π½ΠΈΡΠ΅Π³ΠΎ Π½Π΅ Π΄Π°ΡΡ, ΡΠΎ ΠΏΡΠΈΠ΄Π΅ΡΡΡ ΠΏΡΠΎΠ²Π΅ΡΠΈΡΡ ΡΠ°Π±ΠΎΡΡ Π΄Π°ΡΡΠΈΠΊΠ° Π₯ΠΎΠ»Π»Π°, ΡΠ°ΡΠΏΠΎΠ»ΠΎΠΆΠ΅Π½Π½ΠΎΠ³ΠΎ Π²Π½ΡΡΡΠΈ ΡΡΠ°ΠΌΠ±Π»Π΅ΡΠ°.
ΠΠ±ΡΡΠ² Π²ΡΡΠΎΠΊΠΎΠ²ΠΎΠ»ΡΡΠ½ΠΎΠ³ΠΎ ΠΏΡΠΎΠ²ΠΎΠ΄Π° Π±ΡΠ΄Π΅Ρ Ρ ΠΎΡΠΎΡΠΎ Π²ΠΈΠ΄Π΅Π½ Π² ΡΠ΅ΠΌΠ½ΠΎΠ΅ Π²ΡΠ΅ΠΌΡ ΡΡΡΠΎΠΊ, Π΅ΡΠ»ΠΈ ΠΊΠ°ΠΏΠΎΡ Π°Π²ΡΠΎΠΌΠΎΠ±ΠΈΠ»Ρ ΠΠΠ-2109ΠΎΡΠΊΡΡΠ²Π°Π΅ΡΡΡ ΠΏΡΠΈ ΡΠ°Π±ΠΎΡΠ°ΡΡΠ΅ΠΌ Π΄Π²ΠΈΠ³Π°ΡΠ΅Π»Π΅, ΡΠ°ΠΊ ΠΊΠ°ΠΊ ΠΏΡΠΈ ΠΎΠ±ΡΡΠ²Π΅ ΠΏΡΠΎΠ²ΠΎΠ΄ΠΎΠ² ΠΎΠ½ΠΈ Π½Π°ΡΠΈΠ½Π°ΡΡ ΡΠ²Π΅ΡΠΈΡΡΡΡ.
ΠΠ°ΠΌΠΎΠΊ Π·Π°ΠΆΠΈΠ³Π°Π½ΠΈΡ ΠΠΠ 2108 2109 21099 ΠΌΠΎΠΆΠ΅Ρ Π±ΡΡΡ ΡΡΠ°ΡΡΡ
ΠΈ Π½ΠΎΠ²ΡΡ
ΠΌΠΎΠ΄Π΅Π»Π΅ΠΉ:
— Π‘ΡΠ°ΡΡΠΉ Π½Π° ΡΠ΅ΡΡΡΠ΅ ΠΏΠΎΠ»ΠΎΠΆΠ΅Π½ΠΈΡ, ΡΠ΅Π»Π΅ ΠΈ Π΄Π»ΠΈΠ½Π½ΡΠΉ ΠΊΠ»ΡΡ,
— ΠΠΎΠ²ΡΠΉ Π±Π΅Π· ΡΠ΅Π»Π΅ ΠΈ Ρ ΠΊΠΎΡΠΎΡΠΊΠΈΠΌ ΠΊΠ»ΡΡΠΎΠΌ Π½Π° ΡΡΠΈ ΠΏΠΎΠ»ΠΎΠΆΠ΅Π½ΠΈΡ.
ΠΡΠΊΠ»ΡΡΠ°ΡΠ΅Π»Ρ Π·Π°ΠΆΠΈΠ³Π°Π½ΠΈΡ Π²ΡΠΏΠΎΠ»Π½ΡΠ΅Ρ Π΄Π²Π΅ ΡΡΠ½ΠΊΡΠΈΠΈ:
— ΠΠ»Π΅ΠΊΡΡΠΈΡΠ΅ΡΠΊΠ°Ρ: Π·Π°ΠΌΡΠΊΠ°Π½ΠΈΠ΅ ΠΊΠΎΠ½ΡΠ°ΠΊΡΠΎΠ² Π² Π·Π°Π²ΠΈΡΠΈΠΌΠΎΡΡΠΈ ΠΎΡ ΠΏΠΎΠ»ΠΎΠΆΠ΅Π½ΠΈΡ ΠΊΠ»ΡΡΠ°.
-ΠΠ΅Ρ
Π°Π½ΠΈΡΠ΅ΡΠΊΠΈΠΉ: Π·Π°ΠΌΠΎΠΊ ΡΡΠ»Ρ Π±Π΅Π· ΠΊΠ»ΡΡΠ°.
Π’ΠΎ Π΅ΡΡΡ Π±Π΅Π· ΠΊΠ»ΡΡΠ° Π½Π΅ ΠΏΠΎΠ»ΡΡΠΈΡΡΡ ΠΏΠΎΠ²Π΅ΡΠ½ΡΡΡ ΡΡΠ»Ρ, Π΄Π°ΠΆΠ΅ Π΅ΡΠ»ΠΈ ΠΎΠ±ΠΎΠΉΡΠΈ ΡΠ»Π΅ΠΊΡΡΠΈΡΠ΅ΡΠΊΡΡ ΡΠ°ΡΡΡ Π·Π°ΠΌΠΊΠ° ΠΈ Π·Π°Π²Π΅ΡΡΠΈ ΠΌΠ°ΡΠΈΠ½Ρ. Π§ΡΠΎΠ±Ρ ΠΏΠΎΠ²Π΅ΡΠ½ΡΡΡ ΡΡΠ»Ρ, ΠΏΠΎΡΡΠ΅Π±ΡΠ΅ΡΡΡ ΡΠ°Π·ΠΎΠ±ΡΠ°ΡΡ Π·Π°ΠΌΠΎΠΊ ΠΈ ΡΠ½ΡΡΡ ΠΌΠ΅Ρ
Π°Π½ΠΈΡΠ΅ΡΠΊΠΈΠΉ Π·Π°ΠΌΠΎΠΊ.
ΠΠ΅ΠΈΡΠΏΡΠ°Π²Π½ΠΎΡΡΠΈ ΠΏΠΎ ΡΠ»Π΅ΠΊΡΡΠΈΠΊΠ΅, Π·Π°ΠΌΠΊΠ° Π·Π°ΠΆΠΈΠ³Π°Π½ΠΈΡ ΠΠΠ 2108 2109 21099 Π²ΡΠ΅Π³ΠΎ Π΄Π²Π΅ (ΠΊΠ°ΠΊ ΠΈ Π²ΡΡ ΡΠ»Π΅ΠΊΡΡΠΈΠΊΠ°):
1) ΠΡΡΡΡΡΡΠ²ΠΈΠ΅ ΠΊΠΎΠ½ΡΠ°ΠΊΡΠ° Π² ΠΎΠΏΡΠ΅Π΄Π΅Π»Π΅Π½Π½ΠΎΠΌ ΠΏΠΎΠ»ΠΎΠΆΠ΅Π½ΠΈΠΈ ΠΊΠ»ΡΡΠ°. ΠΡΠΈ ΡΡΠΎΠΌ ΠΌΠ°ΡΠΈΠ½Π° ΠΌΠΎΠΆΠ΅Ρ ΡΠ°Π±ΠΎΡΠ°ΡΡ, Π° ΠΌΠΎΠΆΠ΅Ρ ΠΈ Π½Π΅ ΡΠ°Π±ΠΎΡΠ°ΡΡ ΠΎΡΠ΄Π΅Π»ΡΠ½ΡΡ
ΠΏΠΎΡΡΠ΅Π±ΠΈΡΠ΅Π»Π΅ΠΉ.
2) ΠΠ°Π»ΠΈΡΠΈΠ΅ ΠΊΠΎΠ½ΡΠ°ΠΊΡΠ° ΡΠ°ΠΌ, Π³Π΄Π΅ ΠΎΠ½ Π½Π΅ Π½ΡΠΆΠ΅Π½. ΠΡΠΈ ΡΡΠΎΠΌ Π·Π°ΠΌΠΎΠΊ Π½Π°ΡΠΈΠ½Π°Π΅Ρ ΠΏΠ»Π°Π²ΠΈΡΡΡΡ, Π΄ΡΠΌΠΈΡΡ ΠΈ ΠΈΠ·Π΄Π°Π²Π°ΡΡ Ρ
Π°ΡΠ°ΠΊΡΠ΅ΡΠ½ΡΠΉ Π·Π°ΠΏΠ°Ρ
.
ΠΠ°ΠΌΠ΅Π½Π°
1) Π‘Π½ΠΈΠΌΠΈΡΠ΅ ΠΊΠΎΠΆΡΡ
ΡΡΠ»Π΅Π²ΠΎΠ³ΠΎ ΠΊΠΎΠ»Π΅ΡΠ°. ΠΠ»Ρ ΡΡΠΎΠ³ΠΎ ΠΎΡΠΊΡΡΡΠΈΡΠ΅ Π²ΠΈΠ½ΡΡ, ΡΠΊΡΠ΅ΠΏΠ»ΡΡΡΠΈΠ΅ Π²Π΅ΡΡ
Π½ΡΡ ΠΈ Π½ΠΈΠΆΠ½ΡΡ Π΅Π³ΠΎ ΡΠ°ΡΡΠΈ ΠΌΠ΅ΠΆΠ΄Ρ ΡΠΎΠ±ΠΎΠΉ. Π‘Π½ΡΠ² Π·Π°ΡΠΈΡΡ, ΠΌΡ ΡΡΠ°Π·Ρ ΠΏΠΎΠ»ΡΡΠ°Π΅ΠΌ Π΄ΠΎΡΡΡΠΏ ΠΊ Π·Π°ΠΌΠΊΡ Π·Π°ΠΆΠΈΠ³Π°Π½ΠΈΡ ΠΈ ΠΏΠΎΠ΄ΡΡΠ»Π΅Π²ΡΠΌ ΠΏΠ΅ΡΠ΅ΠΊΠ»ΡΡΠ°ΡΠ΅Π»ΡΠΌ.
2) ΠΡΠΊΡΡΡΠΈΡΡ ΠΏΠ»Π°ΡΡΠΈΠΊΠΎΠ²ΡΡ Π½Π°ΠΊΠ»Π°Π΄ΠΊΡ Π·Π°ΠΌΠΊΠ° Π·Π°ΠΆΠΈΠ³Π°Π½ΠΈΡ Ρ ΠΏΠΎΠΌΠΎΡΡΡ ΠΎΡΠ²Π΅ΡΡΠΊΠΈ. Π‘Π½ΠΈΠΌΠ°Π΅ΠΌ.
3) Π‘Π½ΠΈΠΌΠΈΡΠ΅ ΠΊΠΎΠ½ΡΠ°ΠΊΡΠ½ΡΡ Π³ΡΡΠΏΠΏΡ Π·Π°ΠΌΠΊΠ° Π·Π°ΠΆΠΈΠ³Π°Π½ΠΈΡ.
Π‘ΠΎΠ΅Π΄ΠΈΠ½ΡΠ΅ΡΡΡ Ρ ΠΎΡΡΠ°Π»ΡΠ½ΠΎΠΉ ΠΏΡΠΎΠ²ΠΎΠ΄ΠΊΠΎΠΉ Ρ ΠΏΠΎΠΌΠΎΡΡΡ Π²ΠΈΠ»ΠΊΠΈ.
ΠΡΠ»ΠΈ Π·Π°ΠΌΠ΅Π½Π° ΠΏΡΠΎΠΈΠ·Π²ΠΎΠ΄ΠΈΡΡΡ Ρ Π½ΠΎΠ²ΡΠΌ ΡΠΈΠΏΠΎΠΌ Π·Π°ΠΌΠΊΠ° Π·Π°ΠΆΠΈΠ³Π°Π½ΠΈΡ, ΡΠΎ ΠΏΡΠΈΠ΄Π΅ΡΡΡ Π½Π΅ΠΌΠ½ΠΎΠ³ΠΎ ΠΏΠ΅ΡΠ΅Π΄Π΅Π»ΡΠ²Π°ΡΡ ΠΏΡΠΎΠ²ΠΎΠ΄ΠΊΡ.
ΠΡΠΎΡΡΠΎ ΡΠ°ΠΊ ΠΏΠΎΠ΄ΠΊΠ»ΡΡΠΈΡΡ Π½Π΅ ΠΏΠΎΠ»ΡΡΠΈΡΡΡ, ΡΠ°ΠΊ ΠΊΠ°ΠΊ Ρ Π½ΠΈΡ
ΡΠ°Π·Π½ΡΠ΅ ΡΡ
Π΅ΠΌΡ ΠΏΠΎΠ΄ΠΊΠ»ΡΡΠ΅Π½ΠΈΡ.
4) ΠΠ°ΡΠ΅ΠΌ ΠΎΡΠΊΡΡΡΠΈΡΠ΅ ΠΌΠ΅Ρ
Π°Π½ΠΈΡΠ΅ΡΠΊΡΡ ΡΠ°ΡΡΡ Π·Π°ΠΌΠΊΠ°, ΠΏΡΠΈΠΊΡΠ΅ΠΏΠ»Π΅Π½Π½ΡΡ ΠΊ ΡΡΠ»Ρ.
Π£ΡΡΠ°Π½Π°Π²Π»ΠΈΠ²Π°Π΅ΠΌ Π½ΠΎΠ²ΡΠΉ Π·Π°ΠΌΠΎΠΊ Π² ΠΎΠ±ΡΠ°ΡΠ½ΠΎΠΌ ΠΏΠΎΡΡΠ΄ΠΊΠ΅.
ΠΠΎΠ½ΡΠ°ΠΊΡΠ½Π°Ρ Π³ΡΡΠΏΠΏΠ° Π·Π°ΠΌΠΊΠ° Π·Π°ΠΆΠΈΠ³Π°Π½ΠΈΡ ΠΏΡΠΎΠ΄Π°Π΅ΡΡΡ ΠΎΡΠ΄Π΅Π»ΡΠ½ΠΎ, ΠΊΠΎΡΠΎΡΡΡ ΠΌΠΎΠΆΠ½ΠΎ Π·Π°ΠΌΠ΅Π½ΠΈΡΡ, Π½Π΅ ΡΡΠΎΠ³Π°Ρ Π²Π΅ΡΡ Π·Π°ΠΌΠΎΠΊ.
ΠΡΠΎΠ²Π΅ΡΠΊΠ° ΠΈΡΠΏΡΠ°Π²Π½ΠΎΡΡΠΈ Π·Π°ΠΌΠΊΠ° Π·Π°ΠΆΠΈΠ³Π°Π½ΠΈΡ ΠΠΠ 2108 2109 21099:
ΠΠ»Ρ ΠΏΡΠΎΠ²Π΅ΡΠΊΠΈ ΡΠ°Π±ΠΎΡΠΎΡΠΏΠΎΡΠΎΠ±Π½ΠΎΡΡΠΈ Π·Π°ΠΌΠΊΠ° ΠΏΡΠΈ ΠΏΠΎΠ΄ΠΎΠ·ΡΠ΅Π½ΠΈΡΡ
Π½ΡΠΆΠ½Π° ΡΡ
Π΅ΠΌΠ° Ρ ΡΠΊΠ°Π·Π°Π½ΠΈΠ΅ΠΌ, ΠΊΠ°ΠΊΠΈΠ΅ ΠΊΠΎΠ½ΡΠ°ΠΊΡΡ Π·Π°ΠΌΠΊΠ½ΡΡΡ ΠΌΠ΅ΠΆΠ΄Ρ ΡΠΎΠ±ΠΎΠΉ ΠΏΡΠΈ ΡΠ°Π·Π½ΡΡ
ΠΏΠΎΠ»ΠΎΠΆΠ΅Π½ΠΈΡΡ
ΠΊΠ»ΡΡΠ° Π² Π·Π°ΠΌΠΊΠ΅ Π·Π°ΠΆΠΈΠ³Π°Π½ΠΈΡ.
Π‘Ρ
Π΅ΠΌΠ° ΠΏΡΠ΅Π΄ΡΡΠ°Π²Π»Π΅Π½Π° ββΠ½ΠΈΠΆΠ΅:
ΠΠΎΡΡΠ½Π΅Π½ΠΈΡ ΠΊ ΡΡ
Π΅ΠΌΠ΅ (ΠΏΠΎ ΡΠ²Π΅ΡΠ°ΠΌ ΠΏΡΠΎΠ²ΠΎΠ΄ΠΎΠ² ΠΊΠΎΠ½ΡΠ°ΠΊΡΠ½ΠΎΠΉ Π³ΡΡΠΏΠΏΡ):
ΠΡΠ°ΡΠ½ΡΠΉ Π΄Π»Ρ ΡΡΠ°ΡΡΠ΅ΡΠ°
Π ΠΎΠ·ΠΎΠ²ΡΠΉ — +12Π,
ΠΠΎΡΠΈΡΠ½Π΅Π²ΡΠΉ — +12Π Π΄Π»Ρ Π²ΠΊΠ»ΡΡΠ΅Π½ΠΈΡ Π·Π°ΠΆΠΈΠ³Π°Π½ΠΈΡ ΡΠ΅Π»Π΅,
ΠΠ΅Π»ΡΠΉ β ΡΠ΅Π»Π΅ Π²ΠΊΠ»ΡΡΠ΅Π½ΠΈΡ Π·Π°ΠΆΠΈΠ³Π°Π½ΠΈΡ,
Π§Π΅ΡΠ½ΡΠΉ, ΡΠΈΠ½ΠΈΠΉ β ΠΎΡΡΠ°Π»ΡΠ½ΡΠ΅ ΠΏΠΎΡΡΠ΅Π±ΠΈΡΠ΅Π»ΠΈ.
ΠΠΎΠ»ΠΎΠΆΠ΅Π½ΠΈΠ΅ ΠΊΠ»ΡΡΠ° «0»:
ΠΠΈ ΠΎΠ΄ΠΈΠ½ ΠΏΡΠΎΠ²ΠΎΠ΄ Π² ΠΊΠΎΠ½ΡΠ°ΠΊΡΠ½ΠΎΠΉ Π³ΡΡΠΏΠΏΠ΅ Π½Π΅ Π΄ΠΎΠ»ΠΆΠ΅Π½ ΠΏΡΠΎΠ·Π²Π°Π½ΠΈΠ²Π°ΡΡΡΡ Ρ Π΄ΡΡΠ³ΠΈΠΌΠΈ.

ΠΡΠΎΡΠΈΠ²ΠΎΡΡΠΌΠ°Π½Π½ΡΠΉ ΡΠ²Π΅Ρ. Π€Π°ΡΠΎΠΎΡΠΈΡΡΠΈΡΠ΅Π»ΠΈ. ΠΡΠΈΡΡΠΈΡΠ΅Π»Ρ Π·Π°Π΄Π½Π΅Π³ΠΎ ΡΡΠ΅ΠΊΠ»Π°. ΠΠ±ΠΎΠ³ΡΠ΅Π² Π·Π°Π΄Π½Π΅Π³ΠΎ ΡΡΠ΅ΠΊΠ»Π°. ΠΠΌΡΠ²Π°ΡΠ΅Π»Ρ. ΠΠ΅Π½ΡΠΈΠ»ΡΡΠΎΡ ΠΎΡΠΎΠΏΠΈΡΠ΅Π»Ρ. ΠΠ΅Π½ΡΠΈΠ»ΡΡΠΎΡ ΡΠΈΡΡΠ΅ΠΌΡ ΠΎΡ
Π»Π°ΠΆΠ΄Π΅Π½ΠΈΡ Π΄Π²ΠΈΠ³Π°ΡΠ΅Π»Ρ


Π‘ΠΎΠ²Π΅Ρ. ΠΠ»Ρ ΠΎΠ±Π»Π΅Π³ΡΠ΅Π½ΠΈΡ ΠΏΠΎΠΈΡΠΊΠ° ΠΈ ΡΡΡΡΠ°Π½Π΅Π½ΠΈΡ Π½Π΅ΠΈΡΠΏΡΠ°Π²Π½ΠΎΡΡΠ΅ΠΉ ΡΠ΅ΠΊΠΎΠΌΠ΅Π½Π΄ΡΠ΅ΡΡΡ ΠΈΡΠΏΠΎΠ»ΡΠ·ΠΎΠ²Π°ΡΡ ΠΏΡΠΈΠ²Π΅Π΄Π΅Π½Π½ΡΡ Π½ΠΈΠΆΠ΅ ΡΡ
Π΅ΠΌΡ.